Craftsman 48624223 User Manual LAWN SWEEPER Manuals And Guides L0603464
CRAFTSMAN Lawn Sweeper Manual L0603464 CRAFTSMAN Lawn Sweeper Owner's Manual, CRAFTSMAN Lawn Sweeper installation guides
User Manual: Craftsman 48624223 48624223 CRAFTSMAN LAWN SWEEPER - Manuals and Guides View the owners manual for your CRAFTSMAN LAWN SWEEPER #48624223. Home:Lawn & Garden Parts:Craftsman Parts:Craftsman LAWN SWEEPER Manual
Open the PDF directly: View PDF
.
Page Count: 16

Owner's Manual
®
46" HiGH PERFORMANCE
LAWNSWEEPER
Model No. 486.24223
DO NOT RETURN TO STORE
For Missing Parts or Assembly
Questions Call 1-866-576-8388
\ \ X
CAUTION:
Before using this product, read this
manual and follow all Safety Rules
and Operating Instructions.
,, Safety
,, Assembly
,, Operation
,, Maintenance
,, Parts
Sears, Roebuck and Co., Hoffman Estates, IL 60179 U.S.A.
www.sears.com/craftsman
PRINTED IN U.S.A. FORM NO. 48742 (3/06)

Safety Rules .................................................................... 2
Carton Contents .............................................................. 3
Accessories and Attachments ......................................... 3
Full Size Hardware Chart ................................................ 4
Sweeper Assembly Instructions ...................................... 5
Hopper Assembly Instructions ......................................... 7
Operation ....................................................................... 11
Maintenance Schedule .................................................. 12
Sto rage .......................................................................... 12
Service and Adjustments ............................................... 13
Troubleshooting ............................................................. 13
Repair Parts Illustration ................................................. 14
Repair Parts List ............................................................ 15
Parts Ordering/Service ................................... Back Cover
ONE YEAR FULL WARRANTY
When operated and maintained according to the instructions supplied with it, if this Craftsman Lawnsweeper fails due to a
defect in material or workmanship within one year from the date of purchase, call 1-800-4-MY-HOME® to arrange for free
repair (or replacement if repair proves impossible)
If this product is used for commercial or rental purposes, this warranty applies for only 90 days from the date of purchase.
This warranty gives you specific legal rights, and you may also have other rights which vary from state to state.
Sears, Roebuck and Co., D817WA, Hoffman Estates, IL 60179
Any power equipment can cause injury if operated improperly or if the user does not understand how to operate the equipment.
Exercise caution at all times, when using power equipment.
1. Read the vehicle and sweeper owners manuals and
know how to operate your vehicle and sweeper before
using this sweeper attachment. Always instruct other
users before they operate the sweeper.
2. Do not permit children to operate sweeper.
3. Do not permit anyone to ride on sweeper.
4. Never attach the hopper rope to any part of your body
or clothing! Never hold onto the rope while towing the
sweeper! Attach the rope to the towing vehicle to keep
it away from wheels and rotating parts.
5. Operate the sweeper at reduced speed on rough
terrain, near ditches and on hillsides to prevent loss of
control.
6. Vehicle braking and stability may be affected with
the attachment of this sweeper. Do not fill sweeper
to maximum capacity without checking the capability
of the towing vehicle to safely pull and stop with the
sweeper attached. Stay off of steep slopes,
7. Stop and inspect vehicle and sweeper for damage
after striking an object. Repair any damage before
continuing operation.
8. Keep sweeper away from fire. Excessive heat can
damage the brushes and hopper bag and could cause
the bag and its contents to burn.
9. Before storing the sweeper, always empty the hopper
bag to avoid spontaneous combustion.
10. Follow maintenance and lubrication instructions as
outlined in the maintenance section of this manual.
Look for this symbol to point out important safety precautions. It means -- Attention!!
Become alert!! Your safety is involved.
The model and serial numbers will be found on a decal
attached to the lawnsweeper.
You should record both the serial number and the date of
purchase and keep in a safe place for future reference.
MODEL NUMBER:
SERIAL NUMBER:
DATE OF PURCHASE:
486.24223

Theseaccessorieswereavailablewhentheunitwaspurchased.TheyarealsoavailableatmostSearsretailoutletsand
servicecenters.MostSearsstorescanorderrepairpartsforyouwhenyouprovidethemodelnumbersofyourtractorand
sweeper
!
The Front Mount Dethatcher, Model 486.24219 attaches |
to the lawn sweeper to help loosen and remove dead 1
grass and thatch from the lawn while sweeping.
CARTON CONTENTS (Loose Parts in Carton)
1. Sweeper Housing Assembly
2. Bag Arm Tube (2)
3. Hitch Tube, Left Hand (Marked 39L)
4. Hitch Bracket Assembly
5. Hitch Bracket, Bent
6. Height Adjustment Plate
7. Height Adjustment Handle
8. Hitch Tube, Right Hand (Marked 40R)
9. Rope
10. Hopper Bag
11. Rear Hopper Tube (2)
12. Upper Hopper Tube (2)
13. Lower Hopper Tube (2)
14. Hopper Bag Pivot Rod
15. Hopper Support Strap (2)
16. Bag Frame Strap
12
12
8
\
116
3

SHOWN FULL SiZE
/B
N
i
DJ F _!JG
, /
M
P
/
Q
s
/
NOT SHOWN FULL SiZE
T
/
Iv
w
/
REF.
A
B
C
D
E
F
G
H
I
J
K
L
QTY.
2
2
4
2
3
17
2
1
4
3
2
2
DESCRIPTION
Hex Bolt, 5/16-18 x 3" Lg.
Hex Bolt, 5/16-18 x 2-1/4" Lg.
Hex Bolt, 5/16-18 x 1-3/4" Lg.
Hex Bolt, 5/16-18 x 3/4"
Carriage Bolt, 5/16-18 x 1" Lg.
Nylock Nut, 5/16"
Palnut, 3/8"
Flat Washer, 3/8" Standard
Carriage Bolt, 5/16-18 x 3/4"
Spacer, .38" x .62" x .27"
Hitch Spacer, 3/4"
Clevis Pin, 3/8" x 1/2"
REE QT_
M 4
N 1
O 8
P 2
Q 1
R 2
S 4
T 1
U 1
V 4
W 1
DESCRIPTION
Clevis Pin, 1/4" x 1-1/8"
Hairpin Cotter, 1/8"
Hairpin Cotter, 3/32"
Clevis Pin, 1/4" x 1-3/4"
Cotter Pin, 1/8" x 3/4"
Vinyl Cap
Plastic Plug
Grip
Height Adjustment Pin
Hopper Clamp
Spring

TOOLS REQUIRED FOR ASSEMBLY
(1) Pliers
(1) Hammer
(2) 1/2" Open End or Box End Wrench
(1) 1/2" Socket Wrench (recommended)
STEP 4 = FASTEN HITCH TUBES
• Fasten the hitch tubes together using two hex bolts
(A) and nylock nuts (F). Do not tighten yet. See
figure 2.
10"
STEP 1 - REMOVE PARTS FROM CARTON
• To protect painted parts, lay them on cardboard or a
mat.
Remove the sweeper housing, the loose parts and the
hardware package from the carton. Lay out the parts
and hardware as shown on pages 3 and 4.
STEP 2-ASSEMBLE HITCH TUBES
The hitch tubes are stamped with a "39L" for the
left tube and a "40R" for the right tube. The sweeper
housing is marked with and "L" on the left side and an
"R" on the right side. See figure 1.
Hold the left hitch tube so that the end stamped with
"39L" is beside the left side of the sweeper and the
front end of the tube angles inward. Attach using two
hex bolts (C) and nylock nuts (F). Repeat for the right
hitch tube. Do not tighten yet. See figure 1.
STEP 3- REMOVE PLASTIC TIE
Remove the plastic tie that fastens the height
adjustment tube to the front of the sweeper housing.
See figure 1.
HEX BOLT (A)
NYLOCK NUT(F)
FIGURE 2
STEP 5 - MEASURE TRACTOR HITCH
Use the mark along the side of this page to measure
the height of the tractor hitch. The mark is 10" from
the bottom of the page. If the tractor hitch is less than
10" above the ground, go to STEP 6a. If the tractor
hitch is 10" or more above the ground, go to STEP 6b.
HEX BOLT (C)
1
PLASTIC TiE
TUBE
/MARKED
"39L"
HITCH TUBE (L.H.)
FIGURE 1

STEP 6a - ASSEMBLE HITCH BRACKETS
If the tractor hitch is less than 10" above the ground,
place the bent hitch bracket underneath the hitch
tubes and place the hitch bracket assembly on top of
the hitch tubes. Insert two hex bolts (B) through the
brackets, with the rear hex bolt between the cross
bolts in the hitch tubes. Secure the hex bolts (B) with
two nylock nuts (F). See figure 3. Do not tighten yet.
Assemble the two spacers (K) onto the hitch pin and
secure the pin with the hairpin cotter (N). See figure 3.
HEX BOLTS (B)
" C2 t OKET
SPACERS (K)--------__
BENT HITCH----_ _
BRACKET
FIGURE 3
/
NYLOCK NUTS (F)
%_"_ HAIRPIN COTTER (N)
STEP 6b - ASSEMBLE HITCH BRACKETS
If the tractor hitch is 10" or more above the ground,
place the bent hitch bracket on top of the hitch tubes
and place the hitch bracket assembly underneath
the hitch tubes. Insert two hex bolts (B) through the
brackets, with the rear hex bolt between the cross
bolts in the hitch tubes. Secure the hex bolts (B) with
two nylock nuts (F). See figure 4. Do not tighten yet.
• Assemble the two spacers (K) onto the hitch pin and
secure the pin with the hairpin cotter (N). See figure 4.
HEX BOLTS (B)
HAIRPIN
COTTER(N)
BENT HITCH
BRACKET )_
SPACERS(K
HITCH BRACKET
FIGURE 4
I
NYLOCK NUTS (F)
STEP 7-TIGHTEN BOLTS
Tighten the four bolts in figure 1 that fasten the hitch
tubes to the sweeper housing. Next, tighten the two
bolts in figure 2 that fasten the ends of the hitch tubes
together. Finally, tighten the two bolts in figure 3 or 4
that fasten the hitch brackets to the hitch tubes.
STEP 8 - ATTACH HEIGHT ADJUSTMENT PLATE
Attach the height adjustment plate to the sweeper
housing using three carriage bolts (E), spacers (J)
(placed between plate and housing) and nylock nuts
(F). See figure 5.
Hint: Push the height adjustment tube down out of the way
to allow easier access to holes in sweeper housing.
Hint: Attach the bolts, spacers and nuts to one hole at a
time starting with the top hole to ease assembly.
CARRIAGE HEIGHT
BOLT (E)
SPACER (J)
NUT
HEIGHT
ADJUSTMENT
TUBE
FIGURE 5
STEP 9 - ATTACH HANDLE
Assemble the height adjustment handle to the height
adjust bracket at the front of the sweeper housing.
Use two hex bolts (D) and nylock nuts (F) to the
bracket. See figure 6.
• Assemble the grip (T) onto the end of the height
adjustment handle as shown in figure 6.
HEIGHT
ADJUSTMENT
HANDLE
HEX
FIGURE 6
HEmGHT
NYLOCK ADJUST
NUT (F) BRACKET

STEP 10 - ASSEMBLE HEIGHT ADJUSTMENT
PIN
Place the height adjustment pin (U) into the height
adjust bracket. Assemble a spring (W) and washer (H)
onto the height adjustment pin (U) and then secure
them using a cotter pin (Q). See figure 7.
STEP 12 -ASSEMBLE LOWER TUBES
Fit the ends of the two lower hopper tubes into the
ends of a rear hopper tube. Align the holes in the ends
of the tubes and insert plastic plugs (S). See figure 9.
REAR
HOPPER
TUBE
PLASTIC PLUG (S)
LOWER
TUBE
FIGURE 9
FIGURE 7
STEP 13 - ASSEMBLE TUBES TO BAG
• Unfold the hopper bag, reversing the mesh wind
screen and then lay the bag out flat with the wind
screen on top.
Insert the ends of the assembled upper hopper tubes
down through the stitched sleeves in the sides of the
hopper bag and then slide the tubes back underneath
the wind screen. See figure 10.
STEP 11 - ASSEMBLE UPPER TUBES
Fit the ends of the two upper hopper tubes into the
ends of a rear hopper tube. Align the holes in the ends
of the tubes and insert plastic plugs (S). See figure 8.
REAR
HOPPER
TUBE
UPPER
HOPPER
TUBE FIGURE 10
STITCHED SLEEVE
UPPER
HOPPER
TUBE
HOPPER
BAG
BOTTOM
FIGURE 8
7

Place the assembled lower hopper tubes into the
bottom of the hopper bag and then slide the tubes to
the back of the bag. See figure 11.
Attach the ends of the lower hopper tubes to the
inside of the upper hopper tubes using two clevis pins
(L) inserted from the inside, and two hair cotter pins
(O). See figure 11.
UPPER HOPPER
Assemble the bag frame strap to the holes in the
lower hopper tubes using two clevis pins (M) and hair
cotter pins (O). See figure 13.
BAG FRAME STRAP
LOWER HOPPER TUBE
HAmR COTTER
PIN (O)\
t
CLEVIS PIN (L)
CLEVIS PiN (M
FIGURE 13
FIGURE 11
HOPPER BAG
BOTTOM
STEP 14 - ATTACH BAG BOTTOM
Insert the bag frame strap into the stitched sleeve at
the front edge of the bag bottom. See figure 12.
Fold the bag flaps around the lower hopper tubes and
attach to the bag bottom using the snaps. See figure
14.
BAG FRAME STRAP
STITCHED
SLEEVE
SNAP
FIGURE 14

STEP 15 - ASSEMBLE PIVOT ROD
• Attach the hopper support straps (end with smaller
hole) to the lower hopper tubes using a clevis pin (M)
and hair cotter pin (O) for each strap. See figure 15.
STEP 16 - ATTACH ROPE
• Secure the rope to the center of the upper rear hopper
tube as shown in figure 17.
V
PIN (M)
</
_2_-._. HAIR COTTER
PIN (0) ..........
FIGURE 15
• Slide the end of the hopper bag pivot rod through one
upper hopper tube with hopper mount clamps. Place
the hopper support strap and a bag arm tube onto the
rod. Slide rod through the stitched sleeve at thefront
edge of the wind screen. Place the other bag arm tube
and hopper support strap onto the rod. Slide the end
of the rod through the other upper hopper tube with
hopper mount clamps. See figure 16.
Assemble two palnuts (G) by lightly tapping them onto
the ends of the pivot rod with a hammer. See figure 16.
Assemble a vinyl cap (R) onto each bag arm tube as
shown in figure 16.
HINT: To ease assembly of the palnuts, place the bag on
its side on a solid surface. With the bottom end of the pivot
rod against the surface, tap a palnut onto the top end of
the rod. Repeat for other end of rod.
CAP (R)
PALNUT (G)
/
HOPPER BAG
PIVOT ROD
FIGURE 17
STEP 17 - ATTACH HOPPER BAG
To attach the hopper bag to the sweeper, slide the
ends of the bag arm tubes into the ends of the hitch
tubes and secure with two clevis pins (P) and hairpin
cotters (O). See figure 18.
BAG ARM TUBE
CLEVIS PiN (P)
FIGURE 18
HOPPER SUPPORT STRAP
BAG ARM TUBE
FIGURE 16
9

ATTACHING SWEEPER HITCH TO TRACTOR
Place the tractor and sweeper on a flat level surface.
Set the sweeper height adjustment handle to about the
middle of its adjustment range.
Attach the sweeper hitch to the tractor hitch, arranging
the 3/4" spacers in one of six possible combinations as
shown in GROUP A and GROUP B diagrams below.
IMPORTANT: To obtain the best performance from your
sweeper, arrange the spacers so that the sweeper bag is
approximately level with the ground and approximately 5"
to 7" off the ground as shown in figure 19.
BRUSH HEIGHT ADJUSTED
APPROXIMATELYMID-WAY
APPROXIMATELY LEVEL
(5" TO 7" FROM SURFACE)
FIGURE 19
GROUP "A" = For vehicles with hitches
having 8" to 10" ground clearance.
GROUP "B" -For vehicles with hitches
having 10" to 13" ground clearance.
\
\\ \\
\
\\ \\
\
HITCH BRACKET MOUNTED
ABOVE HITCH TUBES
HITCH BRACKET MOUNTED
BELOW HITCH TUBES
BLACK LINE IS TRACTOR HITCH BLACK LINE IS TRACTOR HITCH
10

KNOW YOUR SWEEPER
WINDSCREEN
HEIGHT
ADJUSTMENT
HANDLE
HOPPER
PIVOT ROD ROPE
BAG ARM
TUBE
HOPPER BAG
Hopper Bag
Hopper Rope
Windscreen
Bag Arm Tubes
Pivot Rod
Height Adjustment Handle
Height Adjustment Pin
Hitch Bracket
Collects grass clippings, leaves and debris.
Permits dumping of hopper bag from driver's seat.
Helps prevent collected material from being blown out of hopper bag.
Connects the hopper bag to the sweeper housing.
Allows hopper bag to tilt forward to dump material.
Adjusts the operating height of the sweeper.
Holds the height adjustment handle in position when locked.
Connects the sweeper to the towing vehicle. Adjusts for various height tractor hitches.
HOW TO USE YOUR SWEEPER
BRUSH HEIGHT ADJUSTMENT
To adjust your sweeper brushes to the best operating
height, pull out on the height adjustment pin and
push down on the height adjustment lever to raise
the brush, or push up on the lever to lower the brush.
See figure above. Best adjustment is when the brush
setting is 1/2" down into the grass. Always mow the
grass to an even height before sweeping.
SWEEPING SPEED
• Try a starting speed of approximately 3 m.p.h. (third
gear on most tractors). Depending on the conditions,
it may be necessary to adjust the sweeping speed in
order to achieve best results.
DUMPING OF SWEEPER
• Your sweeper can be dumped easily without getting
off of the rider or tractor. Simply pull the rope forward
to dump the hopper. Always empty hopper after each
use.
CAUTION: Never attach the hopper rope
to any part of your body or clothing! Never
hold onto the rope while towing the sweeper!
Attach the rope to the towing vehicle to keep
it away from wheels and rotating parts.
11
CAUTION: Keep sweeper away from fire.
Excessive heat can damage the brushes and
hopper bag and could cause the bag and its
contents to burn.

CUSTOMER RESPONSIBILITIES
Read and follow the maintenance schedule and the
procedures listed in the maintenance section.
SC, O0
Fill in dates as you _e_._.4_,,_,@Y
complete regular service. Se!vice Da!es
Check for loose fasteners X ..............
Check for worn or damaged parts X X
Lubricate brush shaft bearings X
Lubricate wheel bearings X
Clean Sweeper X X
Clean/Lubricate chain and sprockets X
SCHEDULED MAINTENANCE
•Clean the sweeper after each use.
•Inspect for worn or damaged parts, such as brushes
and wheels.
•Lubricate the brush shaft bearing twice a year with a
few drops of light weight oil. See figure 20.
HEIGHT ADJUSTMENT SLOT
J
OiL BEARINGS HERE
FLAT WASHER
FIGURE 20
HEX BOLT
COVER
FIGURE 21
CLEAN S
AND
GREASE
HEX
LOCK
NUT
FLAT f!
WASHER
HUB CAPj@
Every two years, remove the wheels and clean the
sprockets, chains and gears found inside the wheel
housing. After cleaning, lubricate with an even coat of
light grease. To remove the wheel, pop off the hub cap
using a screwdriver and remove the lock nut and flat
washer. See figure 21.
CLEANING
•Clean sweeper housing with a soft brush or cloth.
•Clean debris from hopper bag with a brush or broom.
•Remove any material which has wrapped around
brushes or ends of brush shaft.
CAUTION: Before storing the sweeper,
always empty the hopper bag to avoid
spontaneous combustion.
•Clean the sweeper and hopper bag thoroughly to help
prevent rust and mildew.
•To collapse the hopper bag for storage, remove the two
hopper support rods from the rear of the hopper.
•Store in a dry area.
12

BRUSH REPLACEMENT SPROCKET, CHAIN AND PAWL SERVICE
NOTE: Brush replacement should be done one brush at
a time.
Remove the hopper bag from the sweeper.
Loosen the hex bolts and lock nuts on two single
brush retainers which clamp one brush to the double
brush retainers. Do Not loosen or remove the bolts
which fasten the double brush retainers to the brush
shaft. See figure 22.
Slide the brush out of the retainers, noting on which
side of the brush the bristles overlap. See figure 22.
Install new brush, making sure the bristles overlap on
the same side of the brush as before. See figure 22.
BRUSH ROTATION
BRUSH
SHAFT
OVERLAP
BRISTLES
SINGLE
BRUSH
RETAINERS
DOUBLE BRUSH RETAINER
OVERLAP
BRISTLES
FIGURE 22
BRUSH ROTATION
IMPORTANT: Do not remove both wheels at the same
time to avoid mixing of parts. (The R.H. and L.H. ratchet
sprockets are not interchangeable.) Make notes on the
position of washers and snap rings during disassembly.
Remove the dust cover by removing the two rivets
which fasten it to the wheel housing. (It is not
necessary to remove the dust cover if you are only
cleaning and lubricating the chain and sprockets.)
Remove the retaining rings and washers which hold
the sprockets onto the shafts.
Remove the chain and both sprockets, holding them in
position and sliding them off both of the shafts. (Look
for the drive pin, which may fall out of the brush shaft
when the ratchet sprocket is removed.) See figure 23.
To reassemble, insert the drive pin through the hole
at the end of the brush shaft. Make sure the pin slides
back and forth easily in the shaft.
Lightly grease both shafts and the chain, and fill the
ratchet sprocket with grease. Assemble the chain with
both sprockets back onto the shafts.
Lightly grease the axle and then reassemble the wheel.
The brushes should rotate only during forward rotation
of the wheel. If the brushes are driven (rotated) by both
forward and reverse rotation of the wheel, the drive pin
is jamming in the ratchet gear. Disassemble, clean and
lubricate the drive pin and ratchet gear.
FIGURE 23
Wheels skid when sweeping. Brushes set too low.
Brushes are jammed
Wheels are jammed.
13
Adjust height till brushes are 1/2"
down into grass.
Stop sweeper. Remove obstruction.
Remove one wheel at a time to check
for obstruction or damage. Refer to
Service and Adjustments section.

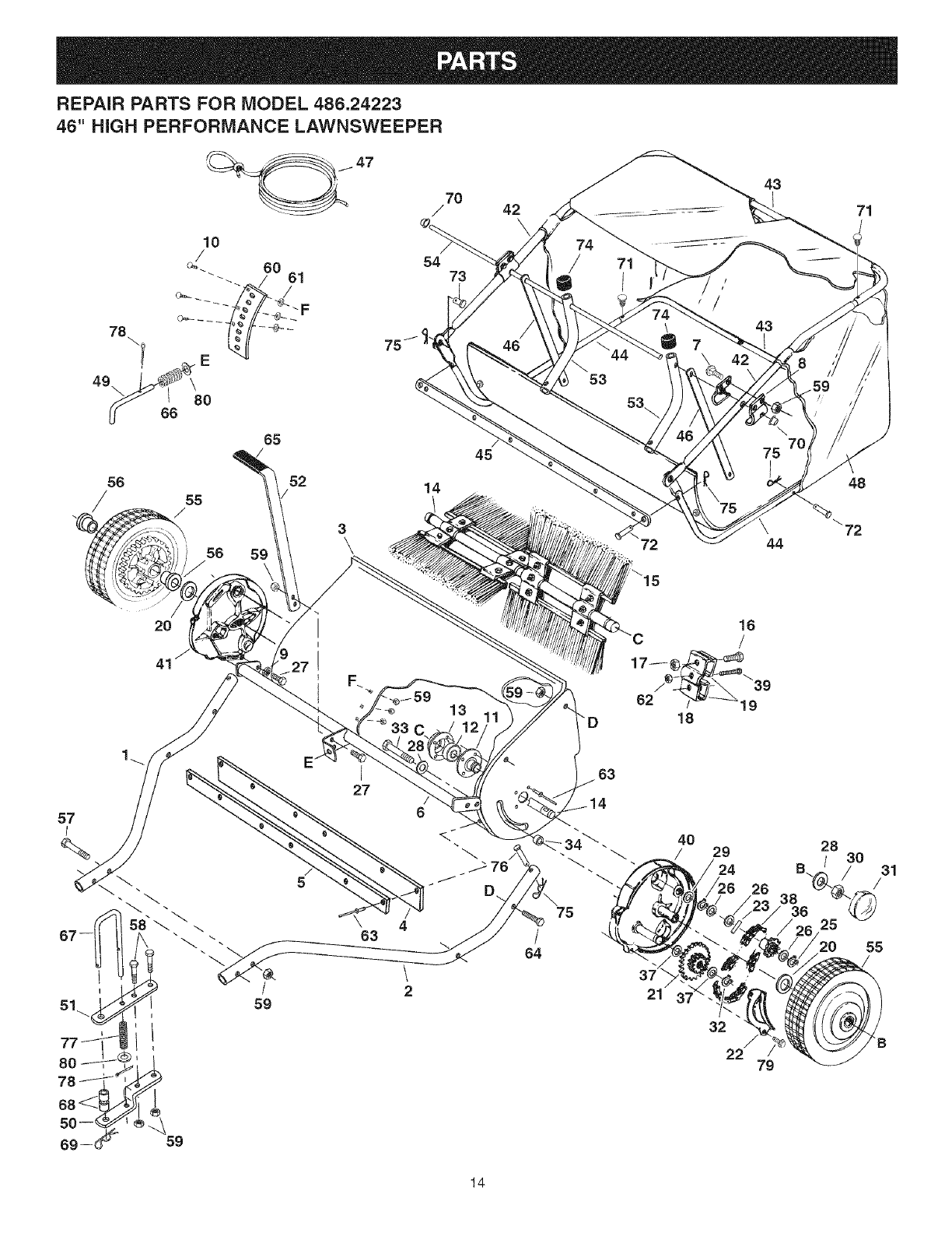
REPAIR PARTS FOR MODEL 486.24223
46" HiGH PERFORMANCE LAWNSWEEPER
70
/42
78
\! E
/
45
43
71
/
56 55
/
56
52
59
3
\
14
44
48
\72
57
/
2O
41 i
.27
/
59
27
63
33
4
\
2
13
6
"D
63
75
/
64
4O
/29
32
22
26
79
28
/30
25
55
14

REPAIR PARTS LIST FOR MODEL 486.24223 - 46" HIGH PERFORMANCE LAWNSWEEPER
REF, PART QTY. DESCRIPTION REF, PART QTY. DESCRIPTION
NO, NO, NO, NO,
1 48540
2 48539
3 64609
4 48382
5 24872
6 64610
7 43080
8 23331
9 43086
10 44326
11 62489
12 44232
13 1629-56
14 25019
15 48562
16 43012
17 47189
18 23580
19 23581
20 44008
21 62490
22 23573
23 47046
24 43655
25 716-0106
26 40001
27 43182
28 141
29 1540-31
30 1038
31 2674-32
32 43894
33 43932
34 23400
35 43890
36 43889
37 44137
38 44542
39 49954
40 62791
41 62792
42 49765
1 Hitch Tube, R.H.
1 Hitch Tube, L.H.
1 Housing Assembly
1 Skirt, 46"
1 Retainer, Skirt
1 Height Adjustment Tube Ass'y.
4 Bolt, Carriage 5/16-18 x 3/4"
4 Clamp, Hopper
4 Lock Washer, 5/16"
3 Bolt, Carriage 5/16-18 x 1"
2 Brush Bushing Ass'y.
2 Ball Bearing
2 Retainer, Dust Cover
1 Brush Shaft
4 Brush, 46"
8 Bolt, Hex 1/4-20 x 3/4" Lg.
8 Nut, Nylock 1/4-20 Thread
4 Retainer, Brush (Double)
8 Retainer, Brush (Single)
2 Washer, Flat 1-1/8" x .78" x .025"
2 Sprocket /Gear
2 Dust Cover
2 Dowel Pin (Drive)
2 Ring, Retaining 3/4"
2 Ring, Retaining 5/8"
14 Washer, Shim 1-1/8" x .594" x .025"
6 Bolt, Hex 5/16-18 x 3/4" Lg.
6 Washer, Flat 1-1/2" x .375" x .062"
4 Washer, Flat .78" x 1.25" x .06"
2 Nut, Nylock 3/8-24 Thread
2 Hub Cap
2 Ring, Retaining 1/2"
2 Bolt, Hex 3/8-24 x 3-1/2" Lg.
2 Bushing, Spacer
1 Sprocket, Ratchet R.H. (not shown)
1 Sprocket, Ratchet L.H.
4 Washer, 1/2" x 1" x .02"
2 Chain, Roller
4 Screw, Socket HD. #10-32 x 1"
1 Housing, Wheel Drive Ass'y. L.H.
1 Housing, Wheel Drive Ass'y. R.H.
2 Tube, Upper Hopper Frame
43
44
45
46
47
48
49
5O
51
52
53
54
55
56
57
58
59
60
61
62
63
64
65
66
67
68
69
70
71
72
73
74
75
76
77
78
79
80
49616
48726
25535
25813
43737
49767
49608
23687
24192
25537
49766
49617
44985
45088
46782
43224
47810
25531
23625
47171
C-9M5732
43084
43943
HA2394
49493
23368
43343
44917
48402
48365
48366
44481
43055
46867
44230
142
49102
43070
48742
2 Tube, Rear Hopper Frame
2 Tube, Lower Hopper Frame
1 Strap, Bag Frame
2 Strap, Bag Support
1 Hopper Rope
1 Hopper Bag
1 Pin, Height Adjustment
1 Bracket, Hitch
1 Bracket, Hitch (Straight)
1 Handle, Height Adjustment
2 Tube, Bag Arm
1 Rod, Hopper Bag Pivot
2 Wheel & Tire Ass'y. (with bearings)
4 Wheel Bearing
2 Bolt, Hex 5/16-18 x 3" Lg.
2 Bolt, Hex 5/16-18 x 2-1/4" Lg.
17 Nut, Nylock 5/16-18 Thread
1 Height Adjustment Plate
3 Spacer, .38" x .62" x .27"
4 Nut, Nylock 10-32
14 Rivet, Pop
4 Bolt, Hex 5/16-18 x 1-3/4" Lg.
1 Grip, Height Adjust
1 Height Adjust Spring
1 Pin, Hitch
2 Tube, Hitch Spacer
1 Hairpin Cotter, 1/8"
2 Palnut, 3/8"
4 Plug, 1/4"
4 Pin, Clevis 1/4" x 1-1/8"
2 Pin, Clevis 3/8" x 1/2"
2 Cap, Vinyl
8 Hairpin Cotter, 3/32" #3
2 Pin, Clevis 1/4" x 1-1/2" Lg.
1 Spring, Hitch Pin
2 Pin, Cotter 1/8" x 3/4" Lg.
4 Screw, #12 x 1/2" Hex Head
2 Washer, 3/8" Flat
1 Owners Manual
15

Your Home
For repair-in your home-of all major brand appliances,
lawn and garden equipment, or heating and cooling systems,
no matter who made it, no matter who sold it!
For the replacement parts, accessories and
owner's manuals that you need to do-it-yourself.
For Sears professional installation of home appliances
and items like garage door openers and water heaters.
1-800-4-MY-HOME ® (1-800-469-4663)
Call anytime, day or night (U.S.A. and Canada)
www.sears.com www.sears.ca
Our Home
For repair of carry-in items like vacuums, lawn equipment,
and electronics, call or go on-line for the location of your nearest
Sears Parts & Repair Center.
1-800-488-1222
Call anytime, day or night (U.S.A. only)
www.sears.com
To purchase a protection agreement (U.S.A.)
or maintenance agreement (Canada) on a product serviced by Sears:
1-800-827-6655 (U.S.A.) 1-800-361-6665 (Canada)
Para pedir servicio de reparaci6n Au Canada pour service en frangais:
a domicilio, y para ordenar piezas: 1-800-LE-FOYER M°
1-888-SU-HOGAR ® (1-800-533-6937)
(1-888-784-6427) www.sears.ca
S /".II's
SM
® Registered Trademark /TIvlTrademark /Service Mark of Sears Brands, LLC
TM SM
® Marca Registrada /Marca de F_brica /Marca de Servicio de Sears Brands, LLC
MC _,4D
Marque de commerce /Marque dCposCe de Sears Brands, LLC ® Sears Brands, LLC