Craftsman 536772321 User Manual EDGER Manuals And Guides L0606143
CRAFTSMAN Edger Manual L0606143 CRAFTSMAN Edger Owner's Manual, CRAFTSMAN Edger installation guides
User Manual: Craftsman 536772321 536772321 CRAFTSMAN EDGER - Manuals and Guides View the owners manual for your CRAFTSMAN EDGER #536772321. Home:Lawn & Garden Parts:Craftsman Parts:Craftsman EDGER Manual
Open the PDF directly: View PDF
.
Page Count: 68

Operator's Manual
Edger
3.5 Horsepower
9 Inch Blade
Model 536.772321
CAUTION: Before using this
product, read this manual and
follow all of its Safety Rules and
Operating Instructions.
CRAFTSMAW
Manual del usario
(pagina 41)
Orilladora
3.5 caballos de fuerza (hp)
de 9 pulgada lamina
Modelo 536.772321
PRECAUClON: Antes de usar este
producto, lea este manual y siga todas
las reglas de seguridad e instrucciones
de operaci6n.
Sears, Roebuck and Co., Hoffman Estates, IL 60179 U.S.A.
MS-3592MA www, sears,com/craftsman

Table of OonteHts
Craftsman Edger Warranty ......... 2
Operator Safety ................... 3
Symbols And Warnings ............ 3
Operator Safety Rules .................... 6
Assembly ......................... 8
Parts Packed Separately In Carton ......... 8
Removal From The Carton ................ 8
How To Raise The Handle ................ 9
Features .......................... 10
Operation ......................... 11
Before Starting The Engine ............... 11
HowTo Start The Engine ................. 13
How To Stop ............................ 14
How To Use The Depth Control Lever ...... 14
How To Operate The Edger ............... 15
Edging Tips ............................. 16
Maintenance ...................... 17
Maintenance Chart ...................... 17
Recommended Maintenance .............. 17
How To Remove The Belt ................. 18
How To Replace The Blade ............... 19
Engine Maintenance ..................... 20
Storage ................................. 23
Troubleshooting .................. 24
Product Specifications ............ 25
Power Ratings ........................... 25
Illustrated Parts List ............... 29
Edger .................................. 29
Engine ................................. 32
Oraftsman Edg÷ Warranty
ONE YEAR FULL WARRANTY ON CRAFTSMAN EDGER
When assembled, operated and maintained according to all supplied instructions, if this
Craftsman Edger fails due to a defect in material or workmanship within one year from the
date of purchase, return it to any Sears store, Sears Parts & Repair Center, or other Crafts-
man outlet in the United States for free repair (or replacement if repair proves impossible).
This warranty does not include Edger spark plugs, blades or belts, which are expendable
parts that can wear out from normal use in less than one year.
This warranty applies for only 90 days if this Edger is ever used for commercial or rental pur-
poses.
This warranty gives you specific rights, and you may also have other rights which vary from
state to state.
Sears, Roebuck and Co., Dept. 817WA, Hoffman Estates, IL 60179

Symbols And Warnings
_, [_ This manual contains safety
information to make you aware of the hazards and
risks associated with edgers, and how to avoid them.
The edger is designed and intended only for lawn
care edging and trimming, and should not be used for
any other purpose. It is important that you read and
understand these instructions, and that anyone who
operates this equipment also read and understand
these instructions.
Z_
The safety alert symbol _ is used to identify safety
information about hazards that can result in personal
injury. A signal word (DANGER, WARNING, or
CAUTION) is used with the alert symbol to indicate the
likelihood and the potential severity of injury. In addition,
a hazard symbol may be used to represent the type of
hazard.
_l, DANGER indicates a hazard which, if not
avoided, will result in death or serious
injury.
_1_ WARNING indicates a hazard which, if not
avoided, could result in death or serious
injury.
Fire
Explosion
_ Kickback
_,_m_,_, Hot Surface ]_
i
Read
Manual
Oil
Fuel
Fuel Shutoff
Toxic Fumes _ On Off
Moving Parts I_kl Choke
_, CAUTION indicates a hazard which, if not
avoided, might result in minor or moderate
injury.
Stop
CAUTION, when used without the alert
symbol, indicates a situation that could result
in damage to the product. Wear Eye
Protection
_IL WARNING
The engine exhaust from this product contains
chemicals known to the State of California to cause
cancer, birth defects, or other reproductive harm.
_,, Throwr _1_
"_ Objects ,,_ Fast

WARNING
When Adding Fuel
•Stop the engine. Let engine cool at least 2
• minutes before removing the gas cap.
Fill fuel tank outdoors or in well-ventilated
area.
Do not overfill fuel tank. Fill tank to
approximately 1-1,2 inches below top of neck
to allow for fuel expansion.
• Keep gasoline away from sparks, open
flames, pilot lights, heat. and other ignition
sources.
* Check fue lines, tank, cap, and fittings
frequently for cracks or leaks. Replace if
necessary.
• If fuel spills, wait until it evaporates before
starting engine.
When Starting Engine
Make sure spark plug, muffler, fuel cap and air
ceaner are in place.
• Do not crank engine with spark plug removed.
• If engine floods, set choke to OPEN!RUN
position, place throttle in FAST and crank until
engine starts.
When Operating Equipment
Do not tip engine or equipment at angle which
causes gasoline to spill.
Do not choke carburetor to stop engine.
Release the engine stop ever to stop the
engine.
When Transporting Equipment
• Transport with fuel tank EMPTY or with fuel
shut-off valve OFF.
When Storing Gasoline Or Equipment With
Fuel In Tank
° Store away from furnaces, stoves, water
heaters or other appliances that have pilot
light or other ignition source because they can
ignite gasoline vapors.
WARNING
, !f there is natural or LP gas leakage in area, d0
• Do not use pressurized starting fluids because
vapors are flammable.
WARNING
, Start and run engine outdoors.
, DO not start 0r run engine in enclosed area,
even if doors or windows are open.
WARNING
;iii _ i
, Befoi'e starting the engine, make sure t° raise
the blade.
* when Starting enginel pull the starter cord
s!owly unti! resistance is !e!t_ then pu!! rapid!Y.
• Remove a!l external equipment!engine loads
before starting
, Direct-couP!e d equipment comPonents such as,
but not limited tO,blades, imPe!!ers; pul!eysl
sprockets, etc.; must be securely attached.

WARNING
-Operate equipment with guards in place.
Keep hands and feet away from rotating parts.
-Tie up long hair and remove jewelry.
Do not wear loose-fitting clothing, dangling
drawstrings or items that could become
caught.
• Before unclogging the blade or making
repairs, stop the engine by releasing the
engine stop lever. Disconnect the wire from
the spark plug.
-Before you adjust the wheels or change the
position of the blade, release the engine stop
lever to stop the engine.
Never leave the unit unattended while the
engine is running.
•Keep bystanders away from machine.
WARNING
Allow mufflerl engine cylinder and fins to C0ol
before touching:
• Remove accumulated debris from muffler area
and Cylindei area.
' Install and maintain in Working Order a spark
arrester before using equ pment on
forest-c0vered, grassic0vered, brush-covered
unimproved land. The state of California
requires this(Section 4442 of the Ca!ifornia
Public Resources Code). Other states may
have similar lawsl Federal laws apply On
federal land.
WARNING
'Disconnect the spark plug wire and keep it
away fr0m the spark p!ug:
' Use only c0_rect t0ols:
Do not tamper with governor sPriagl links or
0thor parts to increase engine spee&
_ Use appr0ved Spark plug tester,
• DO not Check for spark with spark plug
removed.
WARNING
the unit.
,WARNING
Sharpening the blade will cause the blade
to shatter.
• Before doing an adjustment, maintenanc e
or repair, disconnect the spark plug wire
and keep it away from the spark plug:
WARNING
To stoP the engine, release the engine Stop
lever. Do not move the choke control, il
equipped, to CHOKE.

Ope ate Safety BuSes
Before Use
• Read the owner's manual carefully. Be thoroughly
familiar with the controls and the proper use of the
Edger. Know how to stop the Edger and disengage
the controls quickly.
• Do not operate the Edger without wearing
adequate outer garments. Wear footwear that will
improve footing on slippery surfaces. Wear safety
glasses or eye shields to protect your eyes from
thrown objects.
• Keep the area of operation clear of all persons,
particularly small children and pets.
• Thoroughly inspect the area where the Edger is to
be used and remove all foreign objects.
Fuel Safety
• Allow muffler and engine areas to cool before
touching.
• Handle fuel with care; it is highly flammable.
• Use an approved container.
• Turn engine OFF and let engine cool at least 2
minutes before removing the gas cap.
• Check fuel supply before each use. Do not overfill
fuel tank. To allow for fuel expansion, fill fuel tank
to approximately 1-1/2 inches below top of fuel
tank neck.
• Fill fuel tank outdoors with extreme care. Never fill
fuel tank indoors or near appliances with pilot
lights, heaters, or other ignition sources. Replace
fuel tank cap securely and wipe up spilled fuel.
• Never remove the fuel tank cap or add fuel to a
running or hot engine.
• Never store fuel or Edger with fuel in the tank
inside a building where fumes may reach an open
flame (ignition source).
Operating Safety
• Never allow children to operate the Edger. Keep
them away while it is operating. Never allow adults
to operate the Edger without proper instruction.
• Do not operate this machine if you are taking drugs
or other medication which can cause drowsiness or
affect your ability to operate this machine.
• Do not use this machine if you are mentally or
physically unable to operate it safely.
• To protect your eyes from foreign objects that may
be thrown from the Edger, always wear safety
glasses or eye shields during operation or while
performing an adjustment or repair.
• Do not put hands or feet near or under rotating
parts.
• Exercise extreme caution when operating on or
crossing gravel drives, walks, or roads. Stay alert
for hidden hazards or traffic.
• Exercise caution to avoid slipping or falling.
• Never operate the Edger without proper guards,
plates, or other safety protection devices in place.
• Never operate the Edger at high transport speeds
on slippery surfaces. Look behind and use care
when backing.
• Never allow bystanders near the Edger.
• Keep children and pets away while operating.
• Never operate the Edger without good visibility or
light.
• The exhaust fumes are dangerous, containing
CARBON MONOXIDE, an ODORLESS and
DEADLY GAS.
• Do not run the engine indoors.
• Make sure that spark plug, muffler, fuel cap and air
cleaner are in place.
• Do not crank engine with spark plug removed.
• If fuel spills, wait until it evaporates before starting
engine.
• Do not start the engine if there is LP or natural gas
leakage in the area.
• Take all possible precautions when leaving the
Edger unattended. Stop the engine.
• Do not overload the Edger capacity by attempting
to till too deep at too fast a rate.
Safe Storage
• Always refer to the owner's manual instructions for
important details if the Edger is to be stored for an
extended period.
• Never store the Edger with fuel in the fuel tank
inside a building where ignition sources are present
such as water and space heaters, clothes dryers,
and the like. Allow the engine to cool before storing
in any enclosure.
• Keep the Edger in safe working condition. Check
all fasteners at frequent intervals for proper
tightness.
• To reduce fire hazards, keep the machine free of
grass, leaves or other debris build-up. Clean up oil
or fuel spills. Allow the machine to cool before
storing.

Repair /Adjustments Safety
After striking a foreign object, stop the engine.
Remove the wire from the spark plug, and keep the
wire away from the plug to prevent accidental
starting. Thoroughly inspect the Edger for any
damage, and repair the damage before restarting
and operating.
If Edger should start to vibrate abnormally, stop
engine and check immediately for the cause.
Vibration is generally a warning of trouble.
• Stop the engine whenever you leave the operating
position. Also, disconnect the spark plug wire
before unclogging the blade and when making any
repairs, adjustments, or inspections.
• When cleaning, repairing, or inspecting, shut off the
engine and make certain all moving parts have
stopped.
• Never attempt to make any adjustments while the
engine is running.

Parts Packed Separately In Carton 1-ControlRod
1 - Owner's Manual (not shown)
1 - Container Of Oil
2 - Hair Pin
1 - Control Rod 1 - Container of Oil 2 - Hair Pin
WARNING
the unit.
Figure 1 shows the product completely assembled.
References to the right or left side are from the
viewpoint of the operator's position behind the unit,
Removal From The Carton
1
2
3
Remove the bottle of oil and parts bag from the
carton.
Cut down all four corners of the carton.
Remove the packing material positioned around
the front and rear of the unit. Leave the packing
material on the bottom of the unit until the control
rod is assembled. This will keep the front wheel in
a stable position.
Lift the machine out of the carton and place on a
hard level surface.
Figure 1."Product Completely Assembled

How To Raise The Handle
1 Loosen the knobs (A) and raise the upper handle
(B) to the upright position. See Figure 2.
2 Tighten the knobs. Make sure the knobs are to the
outside of the handles as shown in Figure 2.
Figure 2."Handle Assembly
Insert the end of the control rod (C), from RIGHT
to LEFT, through the hole in the front wheel arm
(D). Attach with the hair pin (E) found in the parts
bag. See Figure 3.
DE
!
c i
Figure 3."Lower Control Rod Assembly
4
5
Push down on the handle to tilt the unit back.
Insert the other end of the control rod, from RIGHT
to LEFT, through the hole in the depth control lever
(F) and fasten with the hair pin. See Figure 4.
E
F
Figure 4."Upper Control Rod Assembly
6
7
8
Move the depth control lever forward to the
STARTING and TRANSPORT position.
Remove any packing material from the bottom of
the unit.
Twist the starter rope (G) through the rope guide
(H). See Figure 5.
Figure 5."Starter Rope
_- Assembly Checklist v"
For the best performance and satisfaction from this
quality product, please review the following checklist _"
before you operate the product: _,,
_" All assembly instructions have been completed.
Check carton. Make sure no loose parts remain
in the carton.
All fasteners have been properly tightened.
Add engine oil to the engine. See "Before
Starting Engine" in the Operation Section.
9

Knowyourproduct:Ifyouunderstandtheunitandhowtheunitoperates,youwillgetthebestperformance.As
youreadthismanual,comparetheillustrationstotheunit.Learnthelocationandthefunctionofthecontrols.To
helppreventanaccident,followtheoperatinginstructionsandthesafetyrules.Keepthismanualforfuture
reference.
A EngineStopLever- Mustbeengagedtoallow
theenginetostartandrun,Releasetostop
theengine.
B StarterRopeHandle- Theengineisequipped
withaneasypullrecoilstarter.
C DepthControlLever- Controlsdepthofcut.
D ControlRod
E AirFilter
F FuelTank
G PrimerButton- Injectsfueldirectlyintothe
carburetorforcoldstarts,
H Dipstick
I BladeGuard- Useto preventstonesand
debrisfrombeingthrownattheoperator,
J Blade
K BladeGuide
L QuillAssembly
I_1OilDrainPlug(locatedonbottomofengine)
N EngineModelNumber
O ProductModelNumber
AE
D
G
Bottom View
K
L
10

Before Starting The Engine
CAUTION
This engine was shipped from the factory without
oil. If you start the engine without oil, the engine
will be damaged beyond repair and will not be
covered under warranty.
Eye Protection
Always wear safety glasses. If you wear eye glasses,
put a Wide Vision Safety Mask over your eye glasses.
WARNING
the unit.
Oil Capacity
The engine holds approximately 20 ounces (0.6 liter)
of oil,
Oil Recommendation
Choose a viscosity from the following chart.
SAE 30 40°F and higher (5°C and higher)
is good for all purpose use above 40°F, use below
40°F will cause hard starting.
10W-30 0 to 100°t= (-18 to 38°C)
is better for varying temperature conditions. This
grade of oil improves cold weather starting, but may
increase oil consumption at 80°F (27°C) or higher.
*Check oil level frequently at higher temperatures,
Synthetic 5W-30 -20 to 120°t= (-30 to 40°C)
provides the best protection at all temperatures as
well as improved starting with less oil consumption,
5W-30 40°t= and below (5°C and below)
is recommended for winter use, and works best in
cold conditions,
104F i3206886
14
4
°22
40 C
30
20
10
------, 0
----, -10
,,,,,,,,,,,-20
Z.........30
Check Oil Level
Before you start the engine, check the oil level.
Make sure the engine is level. Remove the dipstick
(A) from the engine oil fill (B).
Make sure that the oil level is at the FULL mark
shown on the dipstick (see Figure 6).
Check oil level daily, or after every eight (8) hours.
Add Oil
1 Make sure the engine is level.
2 Clean the engine oil fill area of debris.
3 Remove the dipstick from the engine oil fill. Wipe
the dipstick with a clean cloth.
4 Install and tighten the dipstick. Remove and check
the oil level.
5 To add oil, pour the oil slowly into the engine oil fill.
6 Fill to the FULL mark shown on the dipstick (see
Figure 6), Pour slowly, Do not overfill,
B
Figure 6."Oil Fill
11

Gasoline Requirements
All gasoline is not the same. If a starting or
performance problem is encountered after new
gasoline has been used, try another service station or
change brands.
This engine is designed to operate on gasoline. The
emission control system for this engine is EM (Engine
Modifications).
Type of gasoline to use
Always use gasoline that meets these requirements:
• Clean, fresh, unleaded gasoline.
• A minimun of 87 octane/87 AKI (91 RON). At
altitudes over 5,000 feet, see "High-altitude use".
• Gasoline with up to 10% ethanol (gasohol) or up
to 15% MTBE (methyl tertiary butyl ether), is
acceptable.
• Use of any gasoline other than those approved
above will void the engine warranty. Some
areas require that fuel pumps be marked if the
gasoline contains alcohols or ethers. If you are not
sure if your gasoline contains alcohol or ethers that
are different than those approved above, then
check with the service station operator.
• Do not modify the engine fuel system or
carburetor to run on alternative fuels.
• Never mix oil with gasoline.
Gasoline Storage
Follow these guidelines when storing gasoline for
longer than 30 days:
• If fuel stabilizer is used, you do not need to drain
gasoline prior to storage.
• If no fuel stabilizer is used, then always remove
gasoline from engine during storage.
Fuel stabilizer
• If you do not want to remove the gasoline, add a
fuel stabilizer to any gasoline left in the fuel tank. A
fuel stabilizer will minimize gum deposits and acids.
If the fuel tank is almost empty, mix the fuel
stabilizer with fresh gasoline in a separate
container and add the mixture to the fuel tank.
Always follow the instructions on the stabilizer
container. Start the engine. Let the engine run for 3
minutes to allow the mixture to reach the
carburetor.
High-altitude use
At higher altitudes (over 5,000 feet), 85 octane /85
AKI (89 RON) gasoline can be used. Operation at
high altitude may require a high-altitude carburetor jet
kit to improve performance and decrease fuel
consumption.
Adding Fuel
1 Stop the engine. Before you remove gas cap (A),
let the engine cool at least 2 minutes.
2 Remove the gas cap. Fill the fuel tank (B) to
approximately 1-1/2 inches below top of neck to
allow for fuel expansion. Be careful, do not overfill.
3 Before starting the engine, replace the gas cap.
B
Figure 7."Gas Cap
WARNING
When Adding Fuel
•Stop the engine. Let engine cool at least 2
minutes before removing the gas cap.
•Fill fuel tank outdoors or in well-ventilated
area
• Do not overfill fuel tank. Fill tank to
approximately 1-1/2 inches below top of neck
to allow for fuel expansion.
• Keep gasoline away from sparks, open
flames, pilot lights, heat. and other ignition
sources.
• Check fuel lines, tank, cap, and fittings
frequently for cracks or leaks. Re place if
necessary.
12

How To Start The Engine
IWARNING
Push the primer button (A) three times. Wait
approximately two seconds between each push.
See Figure 9.
IMPORTANT: Do not use the primer button to
start a warm engine.
_Start andruneng ........
_: Do not staA 0r run engine in enclosed area_
even if doors or windows are open/
CAUTION .............
Thisenginewas shipped fromthe factorywithout
_li, l_YedUasta;t teh;:yg_de :;_°r Uatndi_lheetg: e
covered under warranty.
1 Before starting the engine, make sure to raise the
blade. To raise the blade, move the depth control
lever (D) forward until the blade will not contact the
ground. See Figure 8.
B
\
c\
Figure 8."Operating Controls
A
Figure 9."Primer Button
3 With your left hand, pull back and hold the engine
stop lever (B) in the operating position.
4 To start the engine, hold the starter rope handle
(C) firmly with your right hand.
5 Slowly pull the starter rope handle until resistance
is felt, then pull quickly. DO NOT allow the starter
rope to snap back. Let the rope slowly rewind. If
the engine fails to start after three pulls, push the
primer button two times and again pull the starter
rope handle.
If assistance is needed, see the "Troubleshooting"
Chart,
IWARNING
-Before starting the engine, make sure to raise
the blade.
- When starting engine, pull the starter rope
handle slowlyuntil resistance is felt.then pull
rapidly.
Remove all external equipment!engine loads
before starting engine.
- Direct-coupled equipment con- ponents such
as. but not limited to. blades, impellers, pulleys,
sprockets, etc.. must be securely attached.
13

How To Stop
Emergency Stopping
Release the engine stop lever (A). See Figure 10,
Normal Stopping
Move the depth control lever (B) forward to raise the
blade. Then, release the engine stop lever (A) (see
Figure 10).
WARNING
, To st0P the enginel release the engine stop
lever. Do not move the choke control, if
equipped, to CHOKE. Figure 10."Operating Controls
How To Use The Depth Control Lever
/ARNING
' Keep a safe distance from rotating blade
during operation.
1 Start the engine.
2 To lower the cutting blade (C), pull the depth
control lever (B) back. To raise the cutting blade,
push the depth control lever forward (see
Figure 11).
3 Select the edging depth that you need.
NOTE: For deep edging, first cut at shallow
depths. Then, cut at greater depths until the
desired depth is obtained.
• Operate equipment with guards in place.
• Keep hands and feet away from rotating parts.
• Tie up long hair and remove jewelry.
• Do not wear loose-fitting clothing, dangling
drawstrings or items that could become
caught.
• Never leave the unit unattended while the
engine is running.
• Keep bystanders away from machine.
B
C
Figure 11."Depth Control
14

How To Operate The Edger
The edger is designed to cut a small trench along
sidewalks and driveways or to trim close to trees,
flower beds, lampposts, etc. The main reason for
edging is to enhance the overall appeal of the yard. A
cleanly-edged yard gives a nice, overall finished look.
Always dress properly to protect against flying debris.
Wear substantial shoes, long pants and close-fitting
clothes that are not likely to get caught in the
machinery. Also, make sure to wear safety glasses or
goggles.
WARNING
' Always Wear safety glasses or eye shields while
you assemble, oF
the unit.
To reduce the risk of flying debris, inspect the area
and remove any stones, sticks or other objects that
could be thrown by the edger.
If the lawn has not been edged in a while, it may take
several passes to obtain a nice, clean edge.
NOTE: References to the right or left side of the
edger are from the viewpoint of the operator's
position behind the unit.
1 Before you start the engine, move the depth
control lever (D) forward until the blade (A) will not
contact the ground.
When edging along a concrete driveway or
sidewalk, set the wheels on the concrete and
position the blade along the left side of the
driveway. To keep the blade from hitting the
driveway, make sure to keep the blade guide (B)
aligned with the side of the driveway. See
Figure 12.
3 Start the engine. See "How To Start The Engine",
4 Move the depth control lever back to lower the
blade. Do not try to edge too deep. It may take
several passes to obtain a nice clean edge.
5 Stand behind the edger and firmly hold the handle
(D). See Figure 12. As the blade begins to cut,
slowly move forward.
6 Proceed at a moderate pace until you are
comfortable with the handling of the edger.
c
D
Figure 12: Operation Of Edger
15

Edging Tips
•Edging is best performed when conditions are dry.
If the soil is too wet, dirt becomes packed around
the blade causing premature belt wear and
decreased performance.
If dirt does become packed around the blade, stop
the engine and remove the wire from the spark
plug. Remove the packed dirt and debris from the
blade.
• For deep edging, first cut at shallow depths. Then,
cut at greater depths until the desired depth is
obtained.
• For uniform edging, make sure the blade guide
rides on the surface.
• Before you begin mowing, try first edging around
the lawn. Use the edger along hard edges such as
sidewalks and driveways.
WARNING
•Operate equipment with guards in place.
• Keep hands and feet away from rotating parts.
• Tie up long hair and remove jewelry.
Do not wear loose-fitting clothing, dangling
drawstrings or items that could become
caught.
Before unclogging the blade or making
repairs, stop the engine by releasing the
engine stop lever. Disconnect the wire from
the spark plug.
• Never leave the unit unattended while the
engine is running.
• Keep bystanders away from machine.
16

Maintenanc÷
PROCEDURE
Cooling System, Clean *
Before
Each
Use
First
5to 8
Hours
Every Every
25 50
Hours Hours
Every Before
100 Storage
Hours
* In dusty conditions, clean every 25 hours.
** In dusty conditions or when airborne debris is present, clean more often. Replace air cleaner if it is very dirty.
*** Change oil after first 5to 8 hours of use, then every 50 hours. Change oi! every 25 hours when operating the engine
under heavy load or in high temperatures.
Recommended Maintenance
Regular maintenance will improve the performance
and extend the life of the equipment. See any Sears
or other qualified Service Dealer for service. Use only
original equipment replacement parts, Other parts
may not perform as well, may damage the unit,
and may result in injury, In addition, use of other
parts may void your warranty.
Check the fasteners. Make sure all fasteners are
tight.
Follow the information in the Maintenance section
to keep the unit in good operating condition,
WARNING
" Alway s wear safety glasses 0r eye shie!ds While
you assemble, operate or do maintenance to
the unit.
,WARNING
Before performing adjustments or repairs:
•Disconnect the spark plug wire and keep it
away from the spark plug.
• Use only correct tools.
• Do not tamper with governor spring, links or
other parts to increase engine speed
When testing for spark:
• Use approved spark plug tester.
• Do not check for spark with spark plug
removed.
17

How To Remove The Belt
The belt is made of a special compound. If the belt
becomes worn or breaks, replace the belt with an
original equipment belt.
1 Disconnect the spark plug wire from the spark
plug.
2 Tilt the machine backwards on the handle. Secure
the top of the handle under a bench or against a
wall.
3 Remove the screws (A) from the belt guard (B)
(see Figure 13).
4 Carefully note the twist of the belt (G) around the
engine pulley (F) (see Figure 14 and Figure 15).
Release tension on the belt by pushing the blade
bearing housing (E) back toward the engine to
compress the spring (D) (see Figure 14). Remove
the old belt. Replace with an original equipment
belt.
6 To install a new belt, reverse the above steps.
Make sure to twist the new belt as shown in
Figure 15.
NOTE: If the belt is not installed properly, the
blade will not turn in the proper direction and can
damage the blade or the belt.
c
A
BA
Figure 13: Belt Guard
F E
CD
Figure 14: Belt Removal
Figure 15: Belt Twist
18

How To Replace The Blade
The blade is subject to wear and damage, such as
nicks and dents. This is normal and does not affect its
function.
The blade does not require sharpening. Do not
sharpen the blade.
If both sides of the blade (A) are severely worn or
damaged, replace as follows.
1 Disconnect the spark plug wire from the spark
plug.
2 Remove the blade Iocknut (B) that holds the blade
to the drive shaft.
c
B
A
Figure 16." Blade Removal
NOTE: To remove or tighten the blade Iocknut,
always use the method shown in Figure 16.
First, secure wrench (t3) onto the nut located
behind the blade. Then, to remove or tighten
the blade Iocknut, turn the wrench (D).
3 Remove the blade.
4 Install a new blade and secure with the blade
Iocknut. Tighten the blade Iocknut to a torque of
40-45 foot pounds.
5 Connect the spark plug wire to the spark plug.
WARNING
Neve[ sharpen the blade, always replace.
Sharpening the blade will cause the blade to
, Keep a safe distance from rotating blade
dudng operation,
19

Engine Maintenance
CAUT,ON
AI! the components Used tO build this engine mUst
[amain in place for the proper operation of this
engine.
Emission Control
Maintenance, replacement or repair of the emission
control devices and systems may be performed by
any non-road engine repair establishment or
individual. However, to obtain no charge repairs under
the terms and provisions of the Sears warranty
statement, any service or emission control part repair
or replacement must be performed by a factory
authorized dealer. See the Emission Warranty.
Carburetor Adjustment
Never make unnecessary adjustments to the
carburetor. The carburetor was set at the factory to
operate efficiently under most applications. However,
if adjustments are required, see any Sears or other
qualified service dealer for service.
CAUTION
The manufacturer of the equipment On which this
engin e is installed Specifies top speed at which the
engine wil! be operated, DO NOT EXCEED this
speed.
Spark Plug
Check the spark plug every 1O0 hours. Replace the
spark plug if, upon inspection, the electrode (A) is
burned or worn. Make sure that the spark plug is
clean. Check the gap with a wire gauge (B). If
necessary, reset to 0.030" (0.76 mm). See
(Figure 17).
NOTE: In some areas, local law requires using a
resistor spark plug to suppress ignition signals. If
this engine was originally equipped with a
resistor spark plug, use same type for
replacement.
0.030 "
(0.76 mm)
A
B
Figure 17."Check Spark Plug
2O

How To Change The Oil
Change oil after first 5 to 8 hours of use, then
every 50 hours. Change oil every 25 hours when
operating the engine under heavy load or in high
temperatures.
1 Make sure the engine is level.
2 Disconnect the spark plug wire and keep it away
from the spark plug.
3 With engine off but still warm, remove the oil drain
plug (A) as shown in Figure 18. Drain the oil into
an appropriate receptacle.
8 To add oil, pour the oil slowly into the engine oil fill.
The engine holds approximately 20 ounces (0.6
liter) of oil. For the type of oil to use, see "Oil
Recommendation" in the Operation Section.
9 Before checking the oil level, wait 2 minutes for the
oil to drain out of the oil fill. Then, install the
dipstick and check the oil level. Make sure the oil
is at the FULL mark shown on the dipstick (see
Figure 19). Do not overfill.
10 Connect the spark plug wire to the spark plug.
Figure 18: Oil Drain Plug
4 After draining all the oil, install and tighten the oil
drain plug.
5 Make sure the engine is level.
6 Clean the engine oil fill area of debris.
7 Remove the dipstick (B) from the engine oil fill (C).
Wipe the dipstick with a clean cloth.
Figure 19: Oil Fill
21

How To Service The Air Filter
Replace the air filter every 50 hours; more often in
dusty or dirty conditions,
CAUT,O.
Do not use pressurized air oi solvents to clean the I
fi!ter, Pressurized air can damage the filter and
solvents will dissolve the filter.
1 Disconnect the spark plug wire from the spark
plug.
2 Remove screw (A) as illustrated in Figure 20.
3 Carefully remove the air cleaner to prevent dirt
from falling into carburetor.
4 Take the air cleaner apart and clean all parts. If the
filter (B) is very dirty or damaged, replace it with a
new filter.
NOTE: Wash the filter in liquid detergent and
water, Squeeze dry in a clean cloth. Saturate
the filter in clean engine oil and squeeze in a
clean cloth to remove ALL excess oil.
5 Install the filter and cup in the air cleaner body (C).
6 Install the air cleaner onto the carburetor. Tighten
the screw.
7 Connect the spark plug wire to the spark plug.
AC
WARNING
• Never start or run the engine with the air
cleaner or the filter removed as a fire or
explosion could result. A defective air filter will
cause a loss of engine power. If dirt or dust
enters the engine through the carburetor, the
result will be excessive wear or damage to the
engine. Replace a damaged or clogged air
cleaner immediately.
B\
)
Figure 20." Change Air Filter
22

Storage
Follow these guidelines when storing the edger for
longer than 30 days.
Edger
Completely clean the edger.
Check the edger for worn or damaged parts.
Tighten all loose hardware.
• Apply a small amount of engine oil to all moving
parts, particularly the wheels.
Put the edger in a building that has good
ventilation.
Store the Edger in the operating position with the
wheels down. If the Edger is stored in any other
position, oil from the crankcase will enter the
cylinder and cause a service problem.
Cover the edger with a suitable protective cover
that does not retain moisture. Do not use plastic.
Never cover the edger while the engine and
exhaust areas are still warm as this can cause a
fire.
Engine
If no fuel stabilizer is used, then either drain the
gasoline from the engine or let the engine run until
it is out of gasoline.
If fuel stabilizer is used, you do not need to drain
gasoline prior to storage. See "Fuel Stabilizer"
section.
• While the engine is still warm, change the engine
oil. See "How To Change The Oil" in the
Maintenance section.
Lubricate the piston /cylinder area. This can be
done by first removing the spark plug and pouring
1/2 ounce (15 ml.) of clean engine oil into the spark
plug hole. Then, install the spark plug.
Slowly pull the starter rope. This will turn the
engine's crankshaft and distribute oil slowly through
the engine.
Fuel stabilizer
• If you do not want to remove the gasoline, add a
fuel stabilizer to any gasoline left in the fuel tank. A
fuel stabilizer will minimize gum deposits and acids.
If the fuel tank is almost empty, mix the fuel
stabilizer with fresh gasoline in a separate
container and add the mixture to the fuel tank.
Always follow the instructions on the stabilizer
container. Start the engine. Let the engine run for
10 minutes to allow the mixture to reach the
carburetor.
WARNING
When Storing Gasoline Or Equipment With
Fuel In Tank
• Store away from furnaces, stoves, water
heaters or other appliances that have pilot
ight or other ignition source because they can
ignite gasoline vapors.
• Do not remove gasoline while inside a
building, near a fire. or while you smoke.
Gasoline fumes can cause an explosion or a
fire.
• Never cover the edger while the engine and
exhaust areas are still warm as this may
cause a fire.
23

Debrisinterfereswithblade Cleandebrisfromblade.
Need Assistance?
Call 1-800-4-MY-HOME ® (1-800-469-4663)
24

P odu¢t $pe¢ifications
Product Model No,: 536.772321
Displacement: 9.02 cu. in. (147.8 cc)
Oil Capacity: 20 oz. SAE-30W
Bore 2-9/16 in. (65.09 mm)
Power Ratings
The power ratings for an individual engine model are
initially developed by starting with SAE (Society of
Automotive Engineers) code J1940 (Small Engine
Power & Torque Rating Procedure) (Revision
2002-05). Given both the wide array of products on
which our engines are placed, and the variety of
environmental issues applicable to operating the
equipment, it may be that the engine you have
purchased will not develop the rated horsepower
when used in a piece of power equipment (actual
"on-site" power). This difference is due to a variety of
factors including, but not limited to, the following:
differences in altitude, temperature, barometric
pressure, humidity, fuel, engine lubrication, maximum
governed engine speed, individual engine to engine
variability, design of the particular piece of power
equipment, the manner in which the engine is
operated, engine run-in to reduce friction and clean
out of combustion chambers, adjustments to the
valves and carburetor, and other factors. The power
ratings may also be adjusted based on comparisons
to other similar engines utilized in similar applications,
and will therefore not necessarily match the values
derived using the foregoing codes.
25

The California Air Resources Board (CARB), U.S. EPA and
Sears are pleased to explain the Emissions Control System
Warranty on your small off-road engine (SORE). In California,
new small off-road engines model year 2006 and later must be
designed, built and equipped to meet the State's stringent anti-
smog standards.
Elsewhere in the United States, new non-road, spark-ignition
engines certified for model year 1997 and later must meet simi-
lar standards set forth by the U.S. EPA. Sears must warrant the
emissions control system on your engine for the periods of time
listed below, provided there has been no abuse, neglect or im-
proper maintenance of your small off-road engine.
Your emissions control system includes parts such as the carbu-
retor, air cleaner, ignition system, fuel line, muffler and catalytic
converter. Also included may be connectors and other emissions
related assemblies.
Where a warrantable condition exists, Sears will repair your
small off-road engine at no cost to you including diagnosis, parts
and labor.
Small off-road engines are warranted relative to emissions control parts defects for a period of two years, subject to provisions set
forth below. If any covered part on your engine is defective, the part will be repaired or replaced by Sears.
As the small off-road engine owner, you are responsible for the
performance of the required maintenance listed in your Operatin-
g and Maintenance Instructions. Sears recommends that you
retain all your receipts covering maintenance on your small off-
road engine, but Sears cannot deny warranty solely for the lack
of receipts or for your failure to ensure the performance of al!
scheduled maintenance.
As the small off-road engine owner, you should however be
aware that Sears may deny you warranty coverage if your small
off-road engine or a part has failed due to abuse, neglect, im-
proper maintenance or unapproved modifications.
You are responsible for presenting your small off-road engine to
an Authorized Sears Service Dealer as soon as a problem ex-
ists.
The undisputed warranty repairs should be completed in a rea-
sonable amount of time, not to exceed 30 days.
If you have any questions regarding your warranty rights and
responsibilities, you should contact a Sears Service Representa-
tive at 1-800-469-4663.
The emissions warranty is a defects warranty. Defects are
judged on normal engine performance. The warranty is not re-
lated to an in-use emissions test.
The following are specific provisions relative to your Emissions Control Defects Warranty Coverage. It is in addition to the Sears
engine warranty for non-regulated engines found in the Operating and Maintenance Instructions.
1. Warranted Parts
Coverage under this warranty extends only to the parts
listed below (the emission control systems parts) to the ex-
tent these parts were present on the engine purchased.
a. Fuel Metering System
• Cold start enrichment system
• Carburetor and internal parts
• Fuel Pump
b. Air Induction System
• Air cleaner
• Intake manifold
c. Ignition System
• Spark plug(s)
• Magneto ignition system
d. Catalyst System
• Catalytic converter
• Exhaust manifold
• Air injection system, Pulse valve
e. Miscellaneous Items
• Vacuum, temperature, position, time sensitive valves
and switches
• Connectors and assemblies
2. Length of Coverage
Sears warrants to the initial owner and each subsequent
purchaser that the Warranted Parts shall be free from de-
fects in materials and workmanship which caused the failure
of the Warranted Parts for a period of two years from the
date the engine is delivered to a retail purchaser.
3. No Charge
Repair or replacement of any Warranted Part will be per-
formed at no charge to the owner, including diagnostic labor
26
which leads to the determination that a Warranted Part is
defective, if the diagnostic work is performed at an Autho-
rized Sears Service Dealer. For emissions warranty service
contact your nearest Authorized Sears Service Dealer as
listed in the "Yellow Pages" under "Engines, Gasoline,"
"Gasoline Engines," "Lawn Mowers," or similar category.
4. Claims and Coverage Exclusions
Warranty claims shall be filed in accordance with the provi-
sions of the Sears Engine Warranty Policy. Warranty cover-
age shall be excluded for failures of Warranted Parts which
are not original Sears parts or because of abuse, neglect or
improper maintenance as set forth in the Sears Engine War-
ranty Policy. Sears is not liable to cover failures of Warranted
Parts caused by the use of add-on, non-original, or modified
parts, by the use of add-on, non-original, or modified parts.
5. Maintenance
Any Warranted Part which is not scheduled for replacement
as required maintenance or which is scheduled only for reg-
ular inspection to the effect of "repair or replace as neces-
sary" shall be warranted as to defects for the warranty peri-
od. Any Warranted Part which is scheduled for replacement
as required maintenance shall be warranted as to defects
only for the period of time up to the first scheduled replace-
ment for that part. Any replacement part that is equivalent in
performance and durability may be used in the performance
of any maintenance or repairs. The owner is responsible for
the performance of all required maintenance, as defined in
the Sears Operating and Maintenance Instructions.
6. Consequential Coverage
Coverage hereunder shall extend to the failure of any en-
gine components caused by the failure of any Warranted
Part still under warranty.

Look For Relevant Emission Durability Period and
Air Index Information On¥our Engine Emission Label
Engines that are certified to meet the California Air Resources
Board (CARB) Tier 2 Emission Standards must display informa-
tion regarding the Emissions Durability Period and the Air Index.
Briggs & Stratton makes this information available to the con-
sumer on our emission labels. The engine emission label will in-
dicate certification information.
The Emissions Durability Period describes the number of
hours of actual running time for which the engine is certified to
be emissions compliant, assuming proper maintenance in ac-
cordance with the Operating & Maintenance Instructions. The
following categories are used:
Moderate:
Engine is certified to be emission compliant for 125 hours of ac-
tual engine running time.
Intermediate:
Engine is certified to be emission compliant for 250 hours of ac-
tual engine running time.
Extended:
Engine is certified to be emission compliant for 500 hours of ac-
tual engine running time. For example, a typical walk-behind
lawn mower is used 20 to 25 hours per year. Therefore, the
Emissions Durability Period of an engine with an intermedi-
ate rating would equate to 10 to 12 years.
Certain Briggs & Stratton engines will be certified to meet the
United States Environmental Protection Agency (USEPA)
Phase 2 emission standards. For Phase 2 certified engines, the
Emissions Compliance Period referred to on the Emissions
Compliance label indicates the number of operating hours for
which the engine has been shown to meet Federal emission re-
quirements.
For engines less than 225 cc displacement.
Category C = 125 hours
Category B = 250 hours
Category A = 500 hours
For engines of 225 cc or more displacement.
Category C = 250 hours
Category B = 500 hours
Category A = 1000 hours
27

28

CRAFTSMAN 536.772321 REPAIR PARTS
FRAME ASSEMBLY
12
21
_ 20
22
10
321
100
301 300
313
305
321
317
321
318
310
314
311
316
315
Key
No.
lO
12
20
21
22
1oo
300
3Ol
302
305
31o
Part No.
0025X6
52052
338490
120580
740121E601
339283
51603
412281
32668
331076E601
Description
ENGINE3.5HP09J902-0111-El
Screw
Pulley, V3L
Key, Hi Pro #505
Screw, Set
Frame, Edger
Quill Assembly
Spring
Spring Pin
Belt, V4L
Blade Guard
Key
No.
311
313
314
315
316
317
318
320
321
Part No.
oo2x53
015x88
22265
740297
46023
338582
337792E601
336631
26x245
MS-3592MA
Description
Bolt, Carriage
Nut, 5/16-18
Flat washer
Blade, Edger
Nut, 1/2-20
Deflector, Rubber
Plate, Rubber Flap
Belt Guard
Screw, 10-16x.50
Instruction Manual
29

CRAFTSMAN 536.772321
418
412
411
416
417
420
_) 423
4O5
406
410
427
423
408
407 415
REPAIR PARTS
HANDLE ASSEMBLY
426
425
428
4O2
427
428
4O3
J423
401
30
Key
No,
401
402
408
405
406
407
408
409
410
411
412
415
416
Part No.
711558
015x79
740128E701
740130E701
180081
25644
015x43
740143E701
672510
180024
782585
740142E701
337744
Description
Bolt, 5/16-18x.75
Nut, 5/16-18
Lower Handle
Handle, Depth
Screw
Spring, Compression
Nut, 5/16-18
Brkt, Adj. Quadrant
Rope Guide
Screw, 1/4-20xl .25
Nut, 1/4-20
Upper Handle
Bail, Operator Contro!
Key
No,
417
418
419
420
421
422
423
424
425
426
427
428
Part No.
337775
314276
339489
339229
57796
340162
071372
315288
071495
740144E701
36368
138485
Description
Torsion Spring
Nut, Push On
Cap, Operator Control
Insulator, Oper Control
Screw, #6x.50
Clip, Grounding
Cable Tie
Bolt, 5/16-18x.75
Wing Knob 5/16-18
Rod, Control
Hair Pin
Washer

CRAFTSMAN 536.772321 REPAIR PARTS
WHEEL ASSEMBLY
121
103
108
106
121
103
105
108
lOl
103
104
103
111
114
Key
No, Part No. Description
101 740091 Rod, Axle Front
103 011X16 Ring, Ret E.
104 740126E601 Arm, Front Wheel
105 740095 Rod, Axle R.
106 417098 Flat washer
107 0020x3 Spring Washer
108 339079 Tire & Rim
Key
No,
109
110
111
112
113
114
121
Part No,
180091
120393
015x88
711008
740046
339079
017X91
112
113
Description
Screw
Flat washer
Nut, 5/16-18
Washer, Nylon
Spacer, Sleeve
Tire & Rim
Flat washer
31

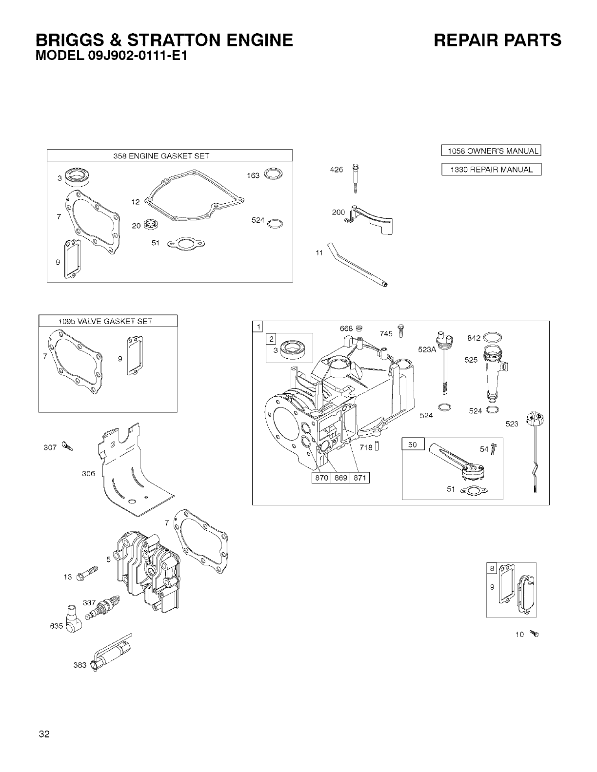
BRIGGS & STRATTON ENGINE
MODEL 09J902-0111-E1 REPAIR PARTS
358 ENGINE GASKET SET
1o3©
12
20@ 824O
81
428_
200_
1058 OWNER'S MANUAL]
[ 1330 REPAIR MANUAL ]
1095 VALVE GASKET SET
307
306
668 @ 745 4_
718_
371I
O
524
842 0
525
524 O
523
13J
835 3y
383
lO _e
32

BRIGGS & STRATTON ENGINE
MODEL 09J902-0111-E1 REPAIR PARTS
REF. PART RER PART
NO. NO. DESCRIPTION NO. NO. DESCRIPTION DESCRIPTION
54 691111699653
399269
299819
5 690386
7 698717
8 791781
9 695890
10 691666
11
12
13
20
50
51
691245
692218
691640
3914838
699644
699649
Cylinder Asembly
Kit-Bushing/Seal
(Magneto Side)
Seal-Oil
(Magneto Side)
Head-Cylinder
Gasket-Cylinder Head
Breather Assembly
Gasket-Breather
Screw
(Breather Assembly)
163 2711398
200 691912
306 690400
307 690345
337 8025928
358 699933
383 898388
426 691107
Screw
(Intake Manifold)
Gasket-Air Cleaner
Blade-Governor
Shield-Cylinder
Screw
(Cylinder Shield)
Plug-Spark
Gasket Set-Engine
Wrench-Spark Plug
Screw
RER
NO.
718
745
842
869
870
871
PART
NO.
690959 Pin-Locating
691146 Screw
(Brake)
891870 SeaI-O Ring
(Dipstick Tube)
899841 Seat-Valve
(Intake)
899642 Seat-Valve
(Exhaust)
899843 Bushing-Valve Guide
(Exhaust Valve)
Tube-Breather
Gasket-Crankcase
Screw
(Cylinder Head)
Seal-Oil
PTO Side)
Manifold-Intake
Gasket-Intake
523 692040
523A 691913
524 691876
525 691320
635 665388
668 692889
(Governor Blade)
Dipstick
Dipstick
Seal-Dipstick Tube
Tube-Dipstick
Boot-Spark Plug
Spacer
1058
1095
1330
Note .....
63709 Bushing-Valve
Guide
(Intake Valve)
275508 Operator's Manual
498526 Gasket Set-Valve
270962 Repair Manual
33

BRIGGS & STRATTON ENGINE
MODEL 09J902-0111-E1 REPAIR PARTS
741 _
718A
2,,[_
12
o@
15 _ 22_
34

BRIGGS & STRATTON ENGINE
MODEL 09J902-0111-E1 REPAIR PARTS
REF. PART REF. PART REE PART
NO. NO. DESCRIPTION NO. NO. DESCRIPTION NO. NO. DESCRIPTION
4 698691 Sump-Engine
12 692218 Gasket-Crankcase
15 691680 Plug-Oil Drain
16 692991 Crankshaft
20 3914838 Seal-Oil
22 692551 Screw
(Crankcase Cover/
Sump)
24 2226988 Key-Flywheel
25 790908 Piston Assembly
(Standard)
Note .....
26
792532 Piston Assembly
(.020" Oversize)
790909 Ring Set
(Standard)
Note .....
792533 Ring Set
(.020" Oversize)
27 691588 Lock-Piston Pin
28 699659 Pin-Piston
(Standard)
29 699655 Rod-Connecting
32 691664 Screw
(Connecting Rod)
33 296676 Valve-Exhaust
34 296677 Valve-intake
35 690520 Spring-Valve
(Intake)
36 690520 Spring-Valve
(Exhaust)
40 692194 Retainer-Valve
43 698690 Slinger-Governor/Oi!
45 691762 Tappet-Valve
46 691998 Camshaft
718A 499047 Pin-Locating
(Crankshaft)
741 691805 Gear-Timing
868 697338 Seal-Valve
35

BRIGGS & STRATTON ENGINE
MODEL 09J902-0111-E1 REPAIR PARTS
365
163
130
6s3 @
393
612 390
724
529
190A (_
957
222
670 (_
188_
534 U535
578_
36

BRIGGS & STRATTON ENGINE
MODEL 09J902-0111-E1 REPAIR PARTS
REF, PART REF. PART REE PART
NO, NO, DESCRIPTION NO, NO. DESCRIPTION NO. NO, DESCRIPTION
24 2226988 Key-Flywheel
90 498811 Carburetor
97 691931 Shaft-Throttle
106 691901 Seat-Inlet
130 691190 Valve-Throttle
163 2711398 Gasket-Air Cleaner
160 494406 Tank-Fue!
186 692196 Screw
(Control Bracket)
190 691697 Screw
(Fuel Tank to Cylinder)
190A 692196 Screw
(Fuel Tank)
201 690347 Link-Air Vane
209 690250 Spring-Governor
(Light Green)
211 691859 Spring-Governed Idle
222 691446 Bracket-Control
333 496914 Armature-Magneto
334 691061 Screw
(Magneto Armature)
365 790029 Screw
(Carburetor)
390 691639 Spring-Choke Dia-
phragm
393 691637 Screen-Carburetor
394 495770 Diaphragm-Carburetor
426 691107 Screw
(Governor Blade)
529 692169 Grommet
534 691417 Screw
(Air Cleaner)
535 698369 Filter-Air Cleaner Foam
536 698472 Cleaner-Air
576 697582 Wire Assembly
612 4960468 Tube-Pick Up
617 2703448 SeaI-O Ring
(Intake Manifold)
633 691321 SeaI-ChokeThrottle
Shaft
(Throttle)
670 691633 Spacer-Fuel Tank
724 697478 Retainer-Seal
851 4938608 Terminal-Spark Plug
913 494409 Seat-Check Valve
957 791129 Cap-Fuel Tank
976 694394 Primer-Carburetor
37

BRIGGS & STRATTON ENGINE
MODEL 09J902-0111-E1 REPAIR PARTS
363
78
37
304
305
332
455
23
78 '_
55
1036 EMISSIONS LABEL ]
[ 1329 REPLACEMENT ENGINE ]
I 48 SHORT BLOCK ]
1211
1210
,_69d_
689 O
456 _
597
66'_
592
300
38

BRIGGS & STRATTON ENGINE
MODEL 09J902-0111-E1 REPAIR PARTS
REF. PART REF. PART RER PART
NO. NO. DESCRIPTION NO. NO. DESCRIPTION NO. NO. DESCRIPTION
23 690843 Flywheel
37 690482 Guard-Flywheel
37A 691209 Guard-Flywheel
48 398213 Short Block
55 692144 Housing-Rewind Starter
58 697318 Rope-Starter
60 691915 Grip-Starter Rope
65 690837 Screw
(Rewind Starter)
73 699850 Screen-Rotating
78 692198 Screw
(Flywheel Guard)
300 3945698 Muffler
304 692536 Housing-Blower
305 692198 Screw
(Blower Housing)
332 690662 Nut
(Flywheel)
363 19069 Puller-Flywheel
455 691236 Cup-Flywheel
456 692299 PawI-Friction Plate
459 2815058 PawI-Ratchet
592 690800 Nut
(Rewind Starter)
597 691696 Screw
(Pawl Friction Plate)
608 499706
1036 791938
1210 499901
1211 499901
13299M9020005
Starter-Rewind
Label-Emissions
Pulley/Spring Assembly
(Pulley)
Pulley/Spring Asembly
(Spring)
Replacement Engine
(Transfer the Blower
Housing, Rewind
Assembly and related
parts from the original
engine to the replace-
ment engine)
39

40

Tab a de Centeside
Garantia de la Bordeadora Craftsman 41
Seguridad del operario ............ 42
Simbolos y advertencias ........... 42
Normas de seguridad del operario ......... 45
Ensamble ......................... 47
Las piezas est&n embaladas en cart6n
pot separado ........................... 47
Instrucciones para desembalar ............ 47
C6mo levantar la manija .................. 48
Caracteristicas .................... 49
Funcionamiento ................... 50
Antes de arrancar el motor ................ 50
C6mo arrancar el motor .................. 52
C6mo apagar el motor .................... 53
C6mo utilizar la palanca de control
de profundidad ......................... 53
C6mo manejar la Bordeadora ............. 54
Consejos de corte ....................... 55
Mantenimiento .................... 56
Cronograma de mantenimiento .......... 56
Mantenimiento recomendado .............. 56
C6mo retirar la correa .................... 57
C6mo reemplazar la cuchilla .............. 58
Mantenimiento del Motor .................. 59
Almacenamiento ......................... 62
Deteccion de Fallas ............... 63
Especificaciones del producto ..... 64
Clasificaci6n de Potencia ................. 64
Ga antia de Bo deado a C aftsman
UN ANO DE GARANTJA TOTAL DE LA BORDEADORA CRAFTSMAN
Si la bordeadora Craftsman se ensambla, maneja y mantiene de acuerdo con todas las
instrucciones suministradas, y esta falla a causa de un defecto en el material o en la
mano de obra dentro del afio de la fecha de compra, Ilevela a cualquier tienda de Sears,
Centro de partes y reparaciones de Sears o cualquier punto de venta de Craftsman en
los Estados Unidos para su reparaci6n (o reemplazo si es imposible repararla) sin cos-
to. Esta garantia no incluye las bujias, las cuchillas o las correas de la bordeadora, que
son partes fungibles que pueden desgastarse con el uso normal en menos de un afio.
Esta garantia se aplicar& Qnicamente pot 90 dias si la Bordeadora se utiliza para fines
comerciales o de alquiler.
Esta garantia le da derechos especificos, yes posible que tenga otros derechos que
varian de un estado a otto.
Sears, Roebuck and Co., Dept. 817WA, Hoffman Estates, IL 60179
41

Simbobs y adve ten¢ias
,_ _[]] Este manual contiene informaci6n de
seguridad para alertarlo sobre los peligros y riesgos
asociados con las bordeadoras, y para indicarle c6mo
evitarlos. La bordeadora estA dise_ada 0nicamente para
recortar y rebordear el c6sped, y no debe ser utilizada para
ningOn otro prop6sito. Es importante que lea y comprenda
estas instrucciones, y que cualquier persona que opere este
equipo tambien Io haga.
El simbolo de aviso de seguridad _ se utiliza para
identificar la informaci6n de seguridad relacionada con los
peligros que pueden ocasionar lesiones personales. Se
ser_aliza con una palabra (PELIGRO, ADVERTENCIA o
PRECAUClON) con el simbolo de aviso para indicar la
probabilidad de una lesi6n y su gravedad potencial. Ademas,
un simbolo de peligro puede ser utilizado para representar e!
tipo de peligro.
PELIGRO indica un peligro que, si no es
evitado, ocasionara la muerte o lesiones
graves.
ADVERTENCIA indica un peligro que, si no
es evitado, podria ocasionar la muerte o
lesiones graves.
PRECAUCION indica un peligro que, si no es
evitado, podria ocasionar lesiones menores o
moderadas.
F
PRECAUCION, cuando aparece sin el
simbolo de aviso, indica una situaci6n que podria
ocasionar dahos en el producto.
_ADVERTENCIA
La descarga de escape que expele este motor por este
producto contiene sustancias quimicas que estAn
identificadas per el Estado de California come
causantes de cancer, defectos de nacimiento u otros
dar_os que pueden ser perjudiciales para la
reproducci6n.
Leer el
Fuego _nanual
Explosi6n _ Aceite
Contragolpe mbustible
Superficie .[_ Cierre de
Caliente Combustible
Gases Toxicos I I t'-_ I On (Encendid0)
Off (Apagad0)
Partes M6viles I"lkl Estrangulaaor
Descarga
EI6ctrica Parar
Use Protecci6n ISlow (Lento)
Para los Ojos
42

ADVERTENCIA
Cuando a_ada combustible
•Apague el motor. Deje que se enfrie por Io menos
2 minutos antes de retirar la tapa del tanq Je de
gasolina.
• Uene el tanque de combustible en exteriores o
en un Area bien ventilada.
• No Ilene demasiado el tanque de combustible.
Llene el tanque aproximadamente 1-1/2 pulgadas
por debajo de la parte superior del cuello para
permitir la expans an del combustible.
• Mantenga la gasolina a distancia de chispas,
llamas abiertas, llamas photo, calory otras
fuentes de ignici6n.
• Compruebe coq frecuencla si existen grietas o
fugas en las mangueras de combustible el
tanque, la tapa yen los accesorios. C_tmbielos si
es necesario.
• Si se derramo combustible, espere hasta que se
haya evaporado antes de darle arranque al motor.
Cuando arranque el motor
• Asegt]rese de que la bujia, el mofle, la tapa de
combustible y el filtro de aire est6n en su lugar.
•No haga girar el motor si retiro la bujia.
• Si el motor se desborda, ajuste el estrangulador en
la posicion OPEN/RUN [ABIERTQj MARCHA),
coloque el acelerador en la posicion FAST
(RAPIDOI y haga girar el motor hasta que
arranque
Cuando opere el equipo
• No incline el motor ni el equipo a un angulo que
pueda ocasionar derrames de gasolina.
• No use el estrangulador para apagar el motor.
Suelte la palanca de parada del motor para
apagarlo.
Cuando transporte el equipo
• Transp6rte]o con el tanque de combustible VACIO
o con /a v_tlvula de paso de combustible en la
posicion OFF (CERRADO).
Cuando almacene gasolina o el equipo con
combustible en el tanque
AImacene a distancia de hornos, estufas,
calentadores de agua u otros aparatos que utilicen
llama piloto u otras fuentes de ignlci6n ya que
estos pueden encender los vapores de la gasolina.
ADVERTENCIA
Si hay una fuga de gas natural o gas propano EP en
el _rea, no arranque el motor.
*No use liquidos de arranque presurizado Ya clue los
vapores son inflamables,
ADVERTENCIA
• Arranque el motor y op6rel0 en exteriores.
No arranque el motor ni Io opere en un Area
cerrada, aun si !as puertas o las ventanas se
encuentran abiertasl
ADVERTENCIA
•Antes de arrancar e! motor asegt_rese de levantar la
Cuohilla.
Cuando arranque el motor, jale lentamente la cuerda
de a[ranque hasta que se sienta [esistencia,
desPU6s j&lela r_pidamente.
•Retire todas las Cargas externas del equipo!motor
antes de arrancar el motor.
LOs c0mponentes de acople directo del equipo tales
como, pe[Q no s61el cuchillasl irnpu!so[es, poieas,
dientes de pi_0nes, etc, se deben sujetar
firmemente.
43

ADVERTENCIA
• Opere e! equip ° con !os protect0res en Su iugar-
• Aleje las manos y los pies de las partes giratorias.
• Rec6jase e ! Cabe!lo Y quites e !as j0yasl
,No use ropa floja, tiras que cuelguen o articulos
que puedan set enganchados,
• Antes de desobstruir o [eParar !a euchi!!a, apague
el mete[ soltando la pa!anca de parada del motor,
Desc0neete e! cab!e de la bujia .
• Antes de ajustar las ruedas o Cambiar la posici6n
de !a Cuchilla, Sueite ia pa!anCa de parada del
mot0r para apagar e! motor.
• Nunca deje ia Unidad sin vigilanoia rnientras el
motor se encuentre e n funci0narnientol
Mantenga a otras personas a distancia:
iiiii! i ADVERTENCIA
Antes de hacer ajustes 0 reParaciones:
•Desc0necte el Cable de ia bujia y al6jelo de eli&
• use Linicamente as herramientas adecuadas.
No manipule los resortes del regulador, los
varillas U ot[as partes para incrementar la
chispa:
• Utilice un probador de bujias aprobado.
• No compruebe la existencia chispa si retir6 la
bujia.
I ADVERTENCIA
*Deje que el mof!e, el ci!indro y !as a!etas del motor
se enfr[en antes d e tocar!0s .
,, Extraiga !os desechos acumutados en el __rea del
mof!e y en e! area de! cilindro:
• !nstale y mantenga en 0rden de funcionamiento un
atrapa-chispas antes de uti!izar el equipo en una
zona con vegetaci6n tupida o en terrenos agrestes
con grama. El Estado de California Io exige
(Secci6n 4442 del C6digo de Recursos PQblicos de
California). Otros estados pueden tene[ !eyes
similares, Las !eyes federales se ap!ican en tie[ras
federates.
ADVERTENCIA
mantenimiento de la unidad.
ADVERTENCIA
Nunca afile ia Cuohilla, reempl_toela. Si afila la
cuchi!!a, se queb[ar_:
• Antes de realizar un ajuste, tareas de
mantenimiento O [eparaci6n, desconecte el
cab!e de la bujia y al6je!o de e!!a,
ADVERTENCIA
• Para apagar el motor, suelte la paJanca de parada
del motor. No mueva el control del estrangu!ado[, Si
el equipo Io tiene, para ESTRANGULAR el motor.
44

IIIHe ma8 de seguddad epe ade
Antes de su uso
• Lea el manual del propietario detenidamente.
Familiaricese completamente con los controles y e! use
correcto de la Bordeadora. Aprenda c6mo detener la
Bordeadora y desconectar los controles rApidamente.
• Siempre que ponga en funcionamiento la Bordeadora
debera utilizar ropa apropiada. Utilice calzado que
mejore la estabilidad en superficies resbaladizas. Utilice
gafas de protecci6n o protectores oculares para proteger
sus ojos de objetos que puedan salir arrojados.
• Mantenga el Area de operaci6n despejada de personas,
especialmente nir_os pequer_os y mascotas.
• Revise completamente el Area donde se utilizara la
Bordeadora y quite todos los objetos extrar_os.
Seguridad del combustible
• Deje que el mofle y el Area del motor se enfrien antes de
tocarlos.
• Manipule el combustible con precauci6n; es muy
inflamable.
• Utilice Onicamente recipientes aprobados.
• APAGUE el motor y deje que se enfrie per Io menos 2
minutes antes de retirar la tapa de la gasolina.
• Verifique el nivel de combustible antes de cada use. No
Ilene demasiado el tanque de combustible. Llene el
tanque hasta aproximadamente 1-1/2 pulgadas per
debajo de la parte superior de! cuello para permitir la
expansi6n del combustible.
• Llene el tanque de combustible al aire libre con extremo
cuidado. Nunca Ilene el tanque en espacios cerrados o
cerca de artefactos que tengan llama piloto, calentadores
u otras fuentes de ignici6n. Vuelva a colocar firmemente
la tapa del tanque de combustible y limpie e! combustible
derramado.
• Nunca retire la tapa del tanque de combustible ni
agregue combustible cuando e! motor est6 caliente o en
marcha.
• Nunca guarde combustible ni la Bordeadora con
combustible en el tanque en un recinto donde haya
alguna llama expuesta que pueda entrar en contacto con
las emanaciones (fuente de ignici6n).
Funcionamiento seguro
• Nunca permita que los nitros manejen la Bordeadora.
Mant6ngalos alejados del Area de recorte. Nunca permita
que manejen la Bordeadora adultos que no esten
familiarizados con las instrucciones de funcionamiento.
• No opere esta maquina siestA tomando alg_n fArmaco u
otra medicaci6n que pueda provocar somnolencia o
afectar su capacidad para manejar la mAquina.
• No use esta maquina si no esta fisica o mentalmente
capacitado para manejarla de forma segura.
• Siempre use gafas de protecci6n o protectores oculares
para proteger sus ojos de objetos extra_os que puedan
salir arrojados durante el funcionamiento de la
Bordeadora o mientras realiza tareas de ajuste o
reparaci6n.
• No coloque las manes o pies cerca o debajo de piezas
giratorias.
• Preste mucha atenci6n cuando maneje la Bordeadora
cerca de la calle o cuando cruce calzadas, calles o
caminos de grava. Este alerta tanto al trAfico come a los
peligros potenciales o imprevistos.
• Tenga cuidado para evitar caidas o resbalones.
• Nunca opere la Bordeadora sin colocar en su lugar los
respectivos resguardos, protecciones u otros dispositivos
diser_ados para su proteccion y seguridad.
• Nunca opere la Bordeadora a alta velocidad en
superficies resbaladizas. Siempre que retroceda, mire
hacia atrAs y hagalo con cuidado.
• Nunca permita que haya personas cerca de la
Bordeadora.
• Mantenga alejados a ni_os y mascotas durante el
funcionamiento de la maquina.
• Nunca opere la Bordeadora sin buena visibilidad o luz.
• Los gases de combusti6n son peligrosos, ya que
contienen MONOXIDO DE CARBONO, UN GAS
INODORO Y MORTAL.
• No ponga en marcha el motor dentro de un Area cerrada.
• AsegOrese de que la bujia, el mofle, la tapa de
combustible y el filtro de aire esten en su lugar.
• No haga girar el motor si retir6 la bujia.
• Si se derram6 combustible, espere hasta que se haya
evaporado antes de darle arranque al motor.
• No arranque el motor si existe una fuga de gas natural o
gas propane LP en el Area.
• Tome todas las precauciones posibles al dejar la
Bordeadora sin vigilancia. Apague el motor.
• No sobrecargue la capacidad de la Bordeadora al tratar
de rebordear a una profundidad o a una ve!ocidad
excesivas.
Almacenamiento seguro
• Consulte siempre las instrucciones del manual del
propietario para obtener informaci6n detallada importante
si debe guardar la Bordeadora por un periodo
prolongado de tiempo.
• Nunca guarde la Bordeadora con combustible en el
tanque dentro de un recinto donde pueda haber fuentes
de ignici6n come calentadores de agua, calentadores
ambientales, secadoras de ropa y otras fuentes
similares. Permita que el motor se enfrie antes de
guardar la unidad en un recinto cerrado.
• Mantenga la Bordeadora en condiciones de
funcionamiento seguras. Revise con regularidad todos
los sujetadores y verifique que est6n debidamente
ajustados.
• Para reducir el peligro de incendio, quite el paste, las
hojas o cualquier resto que se haya acumulado. Limpie
los derrames de aceite o combustible. Permita que la
maquina se enfrie antes de guardarla.
45

Reparaci6n /Ajustes seguros
• Si golpea un objeto extrar_o con la unidad, apague el
motor. Desconecte el cable de la bujia y mantengalo
alejado de 6sta para evitar un arranque accidental del
motor. Inspeccione completamente la Bordeadora para
ver si sufri6 algL_n dar_o. Si ester averiada, reparela antes
de hacerla funcionar nuevamente.
• Si la Bordeadora comienza a vibrar, apague el motor.
Revise la unidad de inmediato para determinar la causa.
Generalmente la vibraci6n suele indicar que hay algL_n
problema.
• Apague el motor siempre que tenga que dejar el equipo.
Desconecte el cable de la bujia antes de limpiar la
cuchilla y antes de realizar cualquier reparaci6n, ajuste o
inspecci6n de la unidad.
• Antes de limpiar, reparar o inspeccionar la unidad,
apague el motor y asegLirese de que todas las partes
m6viles se hayan detenido.
• Nunca intente realizar ajustes o reparaciones mientras el
motor est& en marcha.
46

Las piezas estan embaladas en carton
por separado.
1 - Manual del propietario (no se muestra)
1-Recipiente de aceite
2 - Pin de retenci6n
1 - Varilla de control 1 - Recipiente de aceite
1-Varilla de control
2 - Pin de retencion
ADVERTENCIA
mantenimiento de la unidad.
Figura 1 muestra el producto completamente ensamblado.
Las referencias a derecha o izquierda son desde el punto
de vista del operador, que esta per detrAs de la unidad.
Instrucciones para desembalar
1 Retire la botella de aceite y la bolsa de piezas de la caja.
2 Corte las cuatro esquinas del cart6n.
3 Retire el material de embalaje en torno a la parte
delantera y trasera de la unidad. Deje el embalaje en la
parte inferior de la unidad hasta que la varilla de control
est6 colocada. Esto mantendra a la rueda delantera en
una posici6n estable.
4 Levante la m&quina para sacarla del cart6n y co!6quela
en una superficie dura y nivelada.
Figura 1: Producto completamente armado
47

C6mo levantar la manija
1 Afloje las perillas (A) y levante la manija superior (B) a
su posici6n vertical. Ver Figura 2.
2 Ajuste las perillas. Aseg6rese de que las perillas est6n
colocadas per afuera de la manija come se muestra en
Figura 2.
4
5
Empuje la manija hacia abajo para inclinar la unidad
hacia atr&s.
Introduzca el otro extreme de la varilla de control, de
DERECHA a IZQUIERDA, a trav6s del orificio de
palanca de control de profundidad (F) y ajuste la varilla
con el pin de retenci6n. Ver Figura 4.
Figura 4: Ensamble de la varilla de control superior
Figura 2: Ensamble de la manija
Introduzca el extremo de la varilla de control (C), de
DERECHA a IZQUIERDA, a traves del orificio en el eje
de la rueda delantera (D). Fije la vari!la utilizando el pin
de retenci6n (E) que se encuentra en la bolsa de piezas.
Ver Figura 3.
6 Mueva la palanca de control de profundidad hacia
adelante a la posici6n de STARTING y TRANSPORT
(ARRANQUE y DESPLAZAMIENTO).
7 Retire todo el material de empaque que se encuentre
debajo de la unidad.
8 Gire la cuerda de arranque (G) a trav6s de la guia de
cuerda (H). Ver Figura 5.
Figura 3: Ensamble de la varilla de control inferior
Figura 5: Cuerda de arranque
_- Lista de verificaci6n de ensamble
Para obtener un rendimiento 6ptimo y mayor satisfacci6n de
este producto de calidad, revise esta lista de verificaci6n
antes de hacer funcionar el producto:
_' Todas las instrucciones de ensamble han sido
completadas.
48
_' Revise la caja. Aseg6rese de que no quede ninguna
pieza suelta dentro de la caja.
_' Todos los sujetadores han side ajustados
correctamente.
_' Agreguele aceite al motor. Consulte "Antes de
arrancar el motor" en la secci6n Funcionamiento.

Conozca 8u producto: Si usted conoce la unidad y sabe c6mo funciona, alcanzar& un mejor rendimiento. AI leer este
manual, compare las ilustraciones con la unidad. Descubra la ubicaci6n y funci6n de los controles. Para evitar accidentes,
siga las instrucciones de funcionamiento y las normas de seguridad. Guarde este manual para cualquier consulta.
A Palanca de parada del motor: Debe estar
enganchada para permitir que el motor arranque y
se mantenga en funcionamiento. Su61tela para
apagar el motor.
B Manija de la cuerda de arranque: El motor est,_
equipado con un arranque de retroceso fAcil de
jalar.
C Palanca de control de profundidad: Controla la
profundidad del corte.
D Varilla de control
E Filtro de aire
F Tanque de combustible
G Bot6n cebador: Inyecta combustible directamente al
carburador para arranque en frio.
H Varilla indicadora de nivel de aceite
I Protector de la cuchilla: Evita que las piedras y los
desechos sean arrojados hacia el operario.
J Cuchilla
K Guia de la cuchilla
L Conjunto de eje hueco
I_1 Tap6n de drenaje de aceite (ubicado en la parte
inferior del motor)
N NLimero de Modelo del Motor
O NOmero de Modelo del Producto
D
Vista desde abajo
E
K
L
49

Antes de arrancar el motor
PRECAUCION:
Este motor se despacha de fabrica sin aceite. Si usted
arranca el motor sin aceite, ooasionara dallos
irreparables en el motor y no estaran cubiertos por la
garantia.
Protecci6n para los ojos
Siempre use gafas de protecci6n. Si usted usa anteojos,
p6ngase una mascara de protecci6n encima de 6stos.
ADVERTENCIA
• Siempre Use gafas de protecci6n o protectores
Oculares cuando ensamble, maneje o realice el
mantenimiento de la unidad.
Capacidad de aceite
El motor tiene capacidad para aproximadamente de aceite.
Recomendacione8 de aceite
Seleccione un grado de viscosidad del siguiente cuadro.
SAE 30 40°F y superior (5°C y superior)
es bueno para todo prop6sito. Uselo a m&s de 40°F. El
uso a menos de 40°F dificultara el arranque.
10W-30 0 a 100°t: (-18 a 38°C)
es mejor para condiciones de cambio de temperatura.
Este grado de aceite mejora e! arranque en climas frios,
pero puede incrementar el consumo de aceite a 80°F
(27°C) o mas. -k Verifique con frecuencia el nivel de
aceite a temperaturas mas altas.
Sintetico 5W-30 -20 a 120°F (-30 a 40°C)
brinda la mejor protecci6n a toda temperatura asi como
tambi6n mejora el arranque con menor consumo de
aceite.
5W-30 40°F e inferior (5°C e inferior)
se recomienda para uso en el invierno y funciona mejor
en el frio.
104 F
86
68
32
14
.... 4
40 C
30
20
10
,,_ 0
,,,,,,,,, -10
,,,,,,,,,,,-20
Z.........30
Verifique el nivel de aceite
Antes de arrancar el motor, verifique el nivel de aceite.
AsegL_rese de que el motor est6 nivelado. Retire la varilla
indicadora de nivel de aceite (A) de la boca de llenado
del motor (B).
0 AsegOrese de que el nivel de aceite este en la marca
FULL (LLENO) que figura en la varilla indicadora (vet
Figura 6).
Verifique el nivel de aceite diariamente o despu6s de
cada ocho (8) horas de operaci6n.
Armada aceite
1 AsegQrese de que el motor este nivelado.
2 Limpie los desechos de! Area de Ilenado de aceite de!
motor.
3 Retire la varilla indicadora de nivel de aceite de la boca
de Ilenado del motor. Limpie la varilla indicadora con un
trapo limpio.
4 Coloque y ajuste la vari!la indicadora. Refirela y verifique
el nive! de aceite.
5 Para agregar aceite, vierta lentamente el aceite en el
llenado de aceite de! motor.
6 Llene de aceite hasta la marca FULL (LLENO) que
figura en la varilla indicadora (ver Figura 6). Vierta el
aceite lentamente. No Io Ilene en exceso.
Figura 6: Llenado de Aceite
50

Requisitos de gasolina
No cualquier gasolina es igual. Si detecta un problema de
arranque o de rendimiento luego de usar una gasolina
nueva, pruebe con otra estaci6n de servicio o cambie de
marca.
Este motor est& dise_ado para operar con gasolina. El
sistema de control de emisiones para este motor es EM
(Modificaciones de! Motor).
Tipo de gasolina a utilizar
Siempre use gasolina que cumpla con estos requisitos:
Gasolina limpia, fresca, y sin p!omo.
Un minimo de 87 octanos /87 AKI (91 RON). Para
altitudes superiores a 5.000 pies, consulte a continuaci6n
la secci6n "Uso para altitudes altas".
La gasolina con hasta un 10% de etanol (gasohol) o
hasta un 15% de MTBE (_ter butilico terciario metilico)
es aceptable.
El uso de otras gasolinas que no sean aquellas
aprobadas anteriormente invalidara la garantia del
motor. Algunas areas requieren que se marquen las
bombas de combustible si la gasolina contiene alcoholes
o 6teres. Si no est& seguro de si su gasolina contiene
alcohol o _teres que sean diferentes a los aprobados
anteriormente, consOltelo con el operario de su estaci6n
de servicio.
• No modifique el sistema de combustible o el
carburador de! motor para utilizar combustibles
alternativos.
• Nunca mezcle aceite con gasolina.
Almacenamiento de gasolina
Siga estas pautas para almacenar gasolina durante un
periodo mayor a 30 dias:
• Si utiliza un estabilizador de combustible, no necesita
drenar la gasolina para su almacenamiento.
• Si no utiliza un estabilizador de combustible, siempre
extraiga la gasolina de! motor para su almacenamiento.
Estabilizador de combustible
Si no desea extraer la gasolina, agregue un estabilizador
de combustible a la gasolina que quede en el tanque. El
estabilizador de combustible minimizara los dep6sitos de
resina y los &cidos. Si el tanque est& casi vacio, mezcle
el estabilizador de combustible con gasolina fresca en
otro recipiente y agregue la mezcla al tanque de
combustible. Siga siempre las instrucciones que
aparecen en el envase del estabilizador. Arranque el
motor. Deje el motor en marcha durante 3 minutos para
permitir que la mezcla Ilegue al carburador.
Uso para altitudes altas
Se puede utilizar gasolina de 85 octanos /85 AKI (89 RON)
en altitudes superiores (mas de 5.000 pies). El
funcionamiento en altitud alta puede requerir un kit de
boquerel de carburador para altitudes altas para mejorar el
rendimiento y reducir e! consumo de combustible.
Aprovisionamiento de combustible
1 Apague el motor. Antes de retirar la tapa de gasolina (A),
deje que el motor se enfrie por Io menos 2 minutos.
2 Retire la tapa de gasolina. Llene el tanque de
combustible (B) hasta aproximadamente 1- 1/2 pulgadas
por debajo de la parte superior del cuello para permitir la
expansi6n del combustible. Tenga cuidado de no Ilenar
excesivamente.
3 Antes de arrancar el motor, vuelva a colocar la tapa del
tanque de gasolina.
B
Figura 7: Tapa del tanque de gasolina
ADVERTENCIA
Cuando aSada combustible
• Apague el motor. Deje que se enfrie por Io menos
2 minutos antes de retirar la tapa del tanque de
gasolina.
• Llene el tanque de combustible en extenores o
en un area bien ventilada.
• No llene demasiado el tanque de combustible.
Llene e] tanque aproximadamente 1-1/2 pulgadas
por debajo de a parte superior del cuetlo para
permitir la expansion del combustible
• Mantenga la gasolina a distancia de chispas.
llamas abiertas, llamas piloto, calory otras
fuentes de ignici6n.
• Compruebe con frecuencia si existen gnetas o
fugas en las mangueras de combustible, el
tanque, la tapa yen los accesorios. C&mbielos si
es necesarlo.
51

C6mo arrancar el motor Presione el bot6n cebador (A) tres veces. Espere
aproximadamente dos segundos cada vez que presione
e! bot6n. Ver Figura 9.
IMPORTANTE" No use el boton cebador para
arrancar un motor caliente.
_Arranqu e el motory op_relo en exteri0res_
_ NO arranque el motor ni Io opereenun area
cerrada,aun si las Puertas o las ventanas se
encuentranabiertas.
PRECAUCION: ..........
arranca el motor sin aceite, ocasionara_ da_os ....
irreparables en..............................el motor y no estaran cubiertos por la
garantia.
1 Antes de arrancar el motor, aseg6rese de levantar la
cuchilla. Para levantar la cuchilla, mueva la palanca de
control de profundidad (D) hacia adelante hasta que la
cuchilla no toque el sue!o. Ver Figura 8.
LI
*Aleje la smanos y los pie s de las Partes g!ratQrias_
Antesde arrancar el motor, !evante la cuchil!a para
que no toque el suekz
B
O\\
!
Figura 8: Controles de funcionamiento
Figura 9: Bot6n cebador
Con la mano izquierda, jale hacia atras la palanca de
parada del motor (B) y sost6ngala en la posici6n de
funcionamiento.
4 Para arrancar el motor, sostenga la manija de la cuerda
de arranque (C) firmemente con su mano derecha.
5 Jale lentamente la manija de la cuerda de arranque
hasta que se sienta resistencia, despu6s j&lela
r&pidamente. NO deje que la cuerda de arranque
retroceda bruscamente. Deje que la misma retroceda
lentamente. Si el motor no Iogra arrancar luego de jalar
tres veces, presione el bot6n cebador dos veces y jale
nuevamente la manija de la cuerda de arranque.
6 Si necesita asistencia, consulte el cuadro "Detecci6n de
fallas".
ADVERTENCIA
, Aun_h_lde arrancar el motor, aseg6rese de levantar ,a
o Cuando arranque el rnotor, jale lentamente la manija
_e la cuerd a de arranque hasta que se sienta
resistencia_ despues j_tlela r_tpidamente,
_ Rnettiret°darS/a:[ra;g amSotXrlernas d el eq ui P°!m °t° r
_os componentes de acople directode] equipo tales O
eomo, pero _os61o, cuchillas,impulsores, poleas,
dientes de pit'ones, etc. se deben Sujetar
firmemente.
52

Como apagar el motor
Parada de emergencia
Suelte la palanca de parada de! motor (A). Ver Figura 10.
Parada normal
Mueva la palanca de control de profundidad (B) hacia
adelante para levantar la cuchilla. Luego, suelte la palanca
de parada de! motor (A) (vet Figura 10).
ADVERTENCIA
• Para apagar el motor, suelte la palanca de pa[ada
de! motor. No rnueva e! control del estrangulador, Si
el equipo Io tiene, para ESTRANGULAR el motor. Figura 10: Controles de funcionamiento
Como utilizar la palanca de control de
profundidad
NOTA: Para un corte profundo, primero corte la
superficie. Luego, corte a mayor profundidad hasta
obtener la profundidad deseada.
ADVERTENCIA
• Mantenga una distancia segura cuando la Cuchilla
gire du[ante el funcionamiento de la unidad.
1 Arranque el motor.
2 Para bajar la cuchilla de corte (C), jale la palanca de
control de profundidad (B) hacia atr_ts. Para levantar la
cuchilla de corte, empuje la palanca de control de
profundidad hacia adelante (vet Figura 11).
3 Seleccione la profundidad de corte que necesite.
ADVERTENCIA
• Opere el equipo con los protectores en s_ lugar.
• Aleje las manos y los pies de las 3artes giratorias.
• Recojase el cabello y quitese las joyas.
• No use ropa floja, tiras que cue]guen o articulos
que puedan set enganchados.
• Nunca deje la unidad sin vigilancia mientras e]
motor se encuentre en funcionamiento.
• Mantenga a otras personas a distancia.
C
Figura 11: Control de profundidad
53

Como manejar la Bordeadora
La bordeadora estA dise_ada para cortar pequer_as zanjas
a Io largo de las aceras y los caminos para ingreso de
vehiculos o para recortar alrededor de arboles, macizo de
flores, postes de luz, etc. La raz6n principal del uso de la
bordeadora es mejorar la apariencia general del jardin. Un
jardin cortado de un modo prolijo da un aspecto agradable y
terminado.
Siempre utilice ropa apropiada para protegerse de los
desechos que puedan salir arrojados. Use zapatos s61idos,
pantalones largos y ropa ce_ida que no pueda engancharse
con el equipo. Ademas, asegQrese de usar gafas o anteojos
de protecci6n.
ADVERTENCIA
mantenimiento de la unidad.
Para reducir el riesgo de que haya desechos que puedan
salir disparados, inspeccione el Area y retire cuaiquier
piedra, palo u otro objeto que pueda ser arrojado por la
bordeadora.
Si el c6sped no ha sido cortado por bastante tiempo, puede
Ilevarle varias pasadas dejar el c6sped bonito y prolijo.
NOTA: Las referencias a la derecha o a la izquierda de la
bordeadora son desde el punto de vista de la posici6n
del operario detras de la unidad.
1 Antes de arrancar el motor, mueva la palanca de control
de profundidad (D) hacia adelante hasta que la cuchilla
(A) no toque e! suelo.
Cuando corte a Io largo de aceras o caminos para
ingreso de vehiculos pavimentados, fije las ruedas en el
pavimento y coloque la cuchilla al lado izquierdo del
camino. Para evitar que la cuchilla golpee el camino,
asegL_rese de mantener la guia de la cuchilla (B)
alineada con el borde de! camino. Ver Figura 12.
3 Arranque el motor. Consulte "C6mo arrancar e! motor".
4 Mueva la palanca de control de profundidad hacia atrAs
para bajar la cuchilla. No intente cortar muy profundo.
Puede Ilevarle varias pasadas obtener un corte prolijo.
5 Parese detras de la bordeadora y sostenga la manija
firmemente (D). Ver Figura 12. Cuando la cuchilla
comience a cortar, mu6vase lentamente hacia adelante.
6 Contint_e a un ritmo moderado hasta que adquiera
seguridad en el manejo de la bordeadora.
Figura 12: Funcionamiento de la Bordeadora
54

Consejos de corte
El corte se realiza mejor cuando la superficie se
encuentra seca. Si la tierra est& demasiado h0meda, la
cuchilla se llena de suciedad provocando un desgaste
prematuro de la correa y una reducci6n en e!
rendimiento.
• Si la cuchilla se Ilena de suciedad, apague el motor y
retire el cable de la bujia. Retire la suciedad y los
desechos de la cuchilla.
• Para un corte profundo, primero corte la superficie.
Luego, corte a mayor profundidad hasta obtener la
profundidad deseada.
• Para Iograr un corte uniforme, aseg0rese de que la guia
de la cuchilla pase per la superficie.
• Antes de comenzar a cortar el c6sped, intente primero
bordear con la bordeadora. 0sela en bordes dificiles de
alcanzar como aceras y caminos para ingreso de
vehiculos.
ADVERTENCIA
• Opere el equipo con los protectores en s_ lugar.
*Aleje las manos y los pies de las partes giratorias.
• Recojase el cabello y qu[tese las joyas.
• No use ropa floja, tiras que cuelguen o art[culos
que puedan ser enganchados.
• Antes de desobstruir o reparar la cuchilla, apague
e] motor soltando la palanca de parada del motor.
Desconecte el cable de la bujia.
• Nunea deje la unidad sin vigilancia mientras e]
motor se encuentre en funcionamiento.
•Mantenga a otras personas a distancia.
55

PROCEDIMIENTO
Controle el aceite
Antes Cada Cada Cada Antesdel
de cada meras
5 a 8 25 50 100 almacena-
uso horas horas horas horas miento
* En condiciones de mucho polvo, limpie cada 25 horas.
** Limpie con mayor frecuencia en condiciones de mucho polvo o cuando e! aire contenga muchas particulas. Reemplace el
filtro de aire si est,_ muy sucio.
*** Cambie el aceite despues de las primeras 5 a 8 hora8 de u8o, y luego cada 50 horas. Cambie el aceite cada 25 horas
cuando opere el motor bajo carga pesada o en altas temperaturas ambiente.
Mantenimiento recomendado
El mantenimiento de rutina mejorar& el rendimiento y
aumentar__ la vida [itil del equipo. Para servicio consulte a
un agente autorizado de Sears. Utilice s61o repueeto8
originalee para los equipoe, Es poeible que otroe
repueetoe no funcionen tan bien, dahen la unidad y
hasta pueden ocaeionar lesiones. Adem&s, el uso de
otros repuestos puede anular la validez de su garantia.
• Inspeccione los sujetadores. AsegOrese de que todos
esten bien ajustados.
• Siga las instrucciones de la secci6n Mantenimiento para
mantener la unidad en buenas condiciones.
ADVERTENCIA
mantenimiento de la unidad.
ADVERTENCIA
Antes de hacer ajustes o reparaciones:
•Desconecte el cable de la buj[a y al6jelo de ella.
• Use Linicamente las herramlentas adecuadas.
• No manipule los resortes del regulador, las
vari!las u otras partes para mcrementar la
velocidad del motor.
Cuando compruebe la exietencia de
chiepa:
• Utilice un probador de bujias aprobado.
• No compruebe la existencia chispa si retiro la
bujia.
56

Como retirar la correa
La correa ester hecha de un material especial. Si la correa
se desgasta o se rompe, reemplacela con un repuesto
original.
1 Desconecte el cable de la bujia.
2 Incline la maquina hacia atras utilizando la manija.
Sujete la parte superior de la manija contra la pared o
debajo de un banco.
3 Retire los tornillos (A) del protector de la correa (B) (ver
Figura 13).
4 Oon cuidado, fijese en la vuelta de la correa (G)
alrededor de la polea motriz (F) (ver Figura 14 y
Figura 15).
Afloje la tensi6n de la correa empujando la cubierta del
buje de la cuchilla (E) hacia el motor para comprimir el
resorte (D) (ver Figura 14). Retire la correa vieja.
Reemplacela con un repuesto original.
6 Para instalar una nueva correa, siga los pasos
anteriores en orden inverso. AsegOrese de girar la
nueva correa como se muestra en Figura 15.
NOTA: Si la correa no esta colocada correctamente, la
cuchilla no girara en la direccion correcta y se puede
dar_ar la cuchilla o la correa.
C
A
B A
Figura 13: Protector de la correa
F E
CD
Figura 14: Extracci6n de la correa
[
Figura 15: Giro de la correa
57

C6mo reemplazar la cuchilla
La cuchilla sufre desgastes y dar_os, como hendeduras y
abolladuras. Generalmente 6stas no afectan su
funcionamiento.
La cuchilla no necesita afilarse. No intente afilarla.
Si ambos lados de la cuchilla (A) estan muy desgastados o
da_ados, reemplacela come se indica a continuaci6n.
1 Desconecte e! cable de la bujia.
2 Retire la contratuerca de la cuchilla (B) que sujeta la
cuchi!la al eje de transmisi6n.
c
B
A
Figura 16: ExtracciOn de la cuchilla
3
4
NOTA: Para retirar o ajustar la contratuerca de
la cuchilla, use siempre el metodo que se
muestra en Figura 16. Primero, coloque la Ilave
(C) para sujetar la tuerca ubicada detras de la
cuchilla. Luego, gire la Ilave (D) para retirar o
ajustar la contratuerca de la cuchilla.
Retire la cuchilla.
Coloque una nueva cuchilla y suj6tela con la
contratuerca. Ajuste la contratuerca de la cuchilla a un
torque de 40 a 45 pies-libras.
Conecte e! cable de la bujia a la bujia.
ADVERTENCIA
• Nunca afile la Cuchi!la, [eemp!_.cela. si afila la
cuchilla, se quebraral
Mantenga una distancia segura cuando la cuchi!la
gi[e durant e eI funci0nam!ent o de !a unidad,
58

Mantenimiento del Motor
PRECAUClON:
Tod0s los Componentes Uti!izados para Construir este I
rn0to[ deben manteners e en su !ugar para eI
funci0namient0 c0rrect0 de este motor.
Control de Emisiones
El mantenimiento, cambio o reparaci6n de los dispositivos y
sistemas de control de emisiones pueden ser realizados per
cualquier establecimiento o persona que repare motores
todo terreno. Sin embargo, para obtener reparaciones sin
costo bajo los t6rminos y provisiones de la garantia de
Sears, todo servicio, cambio o reparaci6n de una parte del
sistema de control de emisiones debe ser realizado per un
distribuidor autorizado per la fabrica. Ver la Garantia de
emisiones.
Ajuste del carburador
Nunca realice ajustes innecesarios en el carburador. El
carburador ha side calibrado en la fabrica para funcionar de
manera 6ptima en la mayoria de las condiciones de use. Sin
embargo, si es necesario ajustarlo, para servicio consulte a
un agente autorizado de Sears.
PRECAUCION:
E! fabricante del equipo en el cual se instala el motor
especifica la Vel0cidad rnAxima en la Cual serA operado
e! motor. NO EXCEDA esta velocidad.
Bujia
Revise la bujia cada 100 horas de operaci6n de la unidad.
Reemplace la bujia sial realizar una inspecci6n encuentra
que el electrode (A) esta quemado o gastado. AsegOrese de
que la bujia este limpia. Controle el entrehierro de la bujia
usando un calibrador (B). Si es necesario, vuelva a
establecerlo en 0,030" (0,76 mm). Ver (Figura 17).
NOTA: En algunas areas, las leye8 locales requieren el
uso de una bujia con resistencia para suprimir las
set, ales de encendido. Si este motor vino originalmente
equipado con una bujia con resistencia, utilice el mismo
tipo de bujia cuando la reemplace.
0,030"
(0,76 mm)
A
Figura 17: Revise la bujia
59

C6mo cambiar el aceite
Cambie aceite despues de las primeras 5 a 8 horas de
uso, y iuego cada 50 horas. Cambie aceite cada 25 horas
cuando opere el motor bajo carga pesada o en altas
temperaturas ambiente.
1 Aseg6rese de que el motor este nivelado.
2 Desconecte el cable de la bujia y mant6ngalo alejado de
la misma.
3 Con el motor apagado pero a6n caliente, retire el tap6n
de drenaje de aceite (A) como se muestra en Figura 18.
Drene e! aceite en el recipiente apropiado.
8 Vierta lentamente el aceite en la boca de Ilenado de
aceite del motor. El motor tiene capacidad para
aproximadamente de aceite. Para obtener informaci6n
sobre el tipo de aceite que se debe utilizar, consulte
"Recomendaciones de aceite" en la secci6n
Funcionamiento.
9 Antes de verificar el nivel de aceite, espere 2 minutos
para que el aceite drene de la boca de llenado de aceite.
Luego, coloque la varilla indicadora y verifique el nivel
del aceite. AsegOrese de que aceite est6 en la marca
FULL (LLENO) que aparece en la varilla indicadora (ver
Figura 19). No sobrepase este nivel.
10 Conecte el cable de la bujia a la bujia.
Figura 18: Tapdn de drenaje de aceite
4 Luego de drenar todo e! aceite, coloque y ajuste e! tap6n
de drenaje de aceite.
5 Aseg6rese de que el motor este nivelado.
6 Limpie los desechos de! Area de Ilenado de aceite de!
motor.
7 Retire la varilla indicadora de nivel de aceite (B) de la
boca de Ilenado de aceite del motor (C). Limpie la varilla
indicadora con un trapo limpio.
Figura 19: Llenado de Aceite
6O

Como mantener el filtro de aire
Cambie el filtro de aire cada 50 horas de operaci6n; con
mayor frecuencia en condiciones de mucho polvo o
suciedad.
PRECAUCION:
No use aire a presiOn ni s01ventes para !impiar el fi tr0: EI
ai[e a presi6n puede da_ar el filtro y los solventes
pueden d SOVet
1 Desconecte el cable de la bujia.
2 Retire el tornillo (A) segOn se ilustra en Figura 20.
3 Retire cuidadosamente el filtro de aire para impedir que
entre suciedad en el carburador.
4 Desarme e! filtro de aire y limpie todas las partes. Si el
filtro (B) esta muy sucio o dar_ado, reemp!&celo por un
nuevo filtro.
NOTA: Lave el filtro con detergente liquido y agua.
Eecurra haeta eecarlo con un trapo limpio. Embeba
el filtro en aceite limpio para motor y eect_rralo en un
trapo limpio para extraer TODO el exceeo de aceite.
5 Coloque el filtro y la taza en el cuerpo del filtro de aire
(C).
6 Coloque el filtro de aire en e! carburador. Ajuste e!
tomillo.
7 Conecte e! cable a la bujia.
A
C
B\
ADVERTENCIA
•Nunca arranque o ponga en marcha el motor sin e4
filtro de aire ya que puede provocarse un incendio
o una explosion. Un filtro de aire defectuoso
reducir#t la potencia de! motor. Si entra polvo o
suciedad en el motor a travOs del carburador, el
motor se desgastar_t exceswamente o se dar_ara.
Reemplace el filtro de aire dar_ado u obstruido de
inmediato
Figura 20: Cambie el filtro de aire
61

Almacenamiento
Siga estas pautas para almacenar la bordeadora durante un
periodo mayor a 30 dias.
Bordeadora
• Limpie completamente la bordeadora.
• Verifique que la bordeadora no contenga piezas
gastadas o dar_adas. Ajuste todos los tornillos o piezas
que estOn sueltos.
• Aplique una peque_a cantidad de aceite para motor a
todas las partes mOviles, en especial alas ruedas.
• Guarde la bordeadora en un recinto que tenga buena
ventilaciOn.
• Guarde la bordeadora en posici6n de funcionamiento
con las ruedas apoyadas en el suelo. Si la misma se
almacena en cualquier otra posiciOn, el aceite del carter
entrarA en el cilindro Io cual causaria un problema de
servicio.
• Cubra la bordeadora con una cubierta apropiada que no
retenga humedad. No use plAstico. Nunca cubra la
bordeadora mientras el motor y las Areas de escape
estOn todavia calientes dado que podria provocarse un
incendio.
Motor
• Si no utiliza un estabilizador de combustible, entonces
drene la gasolina del motor o deje el motor en marcha
hasta que se consuma toda la gasolina.
• Si utiliza un estabilizador de combustible, no necesita
drenar la gasolina antes de almacenar la bordeadora.
Consulte la secciOn "Estabilizador de combustible".
• Mientras el motor se encuentre ann caliente, cambie el
aceite del motor. Consulte "COmo cambiar el aceite" en la
secciOn Mantenimiento.
• Lubrique el Area del piston /cilindro. Esto se puede
hacer retirando primero la bujia y vertiendo 1/2 onza (15
ml.) de aceite limpio para motor en e! orificio de la bujia.
Luego, vuelva a colocar la bujia.
• Jale lentamente la cuerda de arranque. Esto girara el
cigQe[_al del motor y distribuira lentamente aceite a todo
el motor.
Estabilizador de combustible
Si no desea extraer la gasolina, agregue un estabilizador
de combustible a la gasolina que quede en el tanque. El
estabilizador de combustible minimizarA los depOsitos de
resina y los acidos. Si el tanque esta casi vacio, mezcle
el estabilizador de combustible con gasolina fresca en
otro recipiente y agregue la mezcla al tanque de
combustible. Siga siempre las instrucciones que
aparecen en el envase del estabilizador. Arranque el
motor. Deje el motor en marcha durante 10 minutos para
permitir que la mezcla Ilegue al carburador.
ADVERTENCIA
Cuando almacene gasolina o el equipo con
combustible en el tanque
• Almacene a distancia de hornos, estufas.
calentadores de agua u otros aparatos que utilicen
llama piloto u otras fuentes de ignicion ya que estos
pueden encender los vapores de la gasolina.
• No extraiga la gasolina cuando la unidad se
encuentre dentro de espacJos cerrados, cerca del
fuego, o mlentras fuma. Los vapores de la gasolina
pueden causar una explosion oun incendio.
• Nunc& cubra la bordeadora mientras el motor y las
Areas de escape esten todavia calientes dado que
podria provocarse un incendio.
62

D÷t÷ccion de Fa_as
&Necesita asistencia?
Llame al 1-800-4-MY-HOME ® (1-800-469-4663)
63

Espe¢ifica¢iones producto
de Modelo del producto: 536.772321
Desplazamiento 9,02 pulgadas cLibicas (147,8 cc)
Interno 2-9/16 pulgadas (65,09 mm)
del Inducido: 0,006-0,010 pulgadas (0,15-0,25 mm)
Clasificacion de Potencia
La clasificaci6n de potencia para un modelo de motor en
particular se elabora inicialmente comenzando con el
c6digo J1940 de SAE (Sociedad de Ingenieros
Automotrices) (Procedimiento de Clasificaci6n de Potencia
& Torque del Motor Pequer_o) (Revisi6n 2002-05). Dada la
amplia gama de productos en los que se usan nuestros
motores, y debido a la variedad de condiciones ambientales
aplicables al operar el equipo, es posible que el motor que
usted haya comprado no desarrolle la potencia nominal
cuando sea usado en un equipo motorizado (potencia real
"en el sitio'). Esta diferencia se debe a una variedad de
factores que incluyen, de forma no exclusiva, Io siguiente:
diferencias en altitud, temperatura, presi6n barom6trica,
humedad, combustible, lubricaci6n del motor, maxima
velocidad regulada del motor, variabilidad de motor a motor,
dise_o del equipo motorizado en particular, la manera en la
cual el motor se opera, la puesta en marcha del motor para
reducir la fricci6n y para limpiar las camaras de combusti6n,
los ajustes alas valvulas y al carburador y otros factores.
Esta clasificaci6n de potencia puede tambien ser ajustada
basandose en comparaciones con otros motores
semejantes utilizados en aplicaciones similares y, por Io
tanto, no coincidiran necesariamente con los valores
derivados usando los c6digos anteriores.
64

La Junta de Recursos Ambientales (CARB), la Agencia de Protecci6n
Ambiental de los Estados Unidos (U.S. EPA) y Sears se complacen en
explicarles la Garantia del Sistema de Control de Emisiones de su mo-
tor pequeflo para todo terreno (SORE). En California, los nuevos me-
totes pequefios para todo terreno, modelo 2006 en adelante, deben set
diseflados, fabricados y equipados para cumplir los rigurosos
estandares anti-contaminaci6n del Estado.
En cualquier otra parte de los Estados Unidos, los nuevos motores de
encendido por chispa para uso fuera de carretera modelo 1997 en ade-
lante deben cumplir estandares similares a los establecidos per la
Agencia de Protecci6n Ambiental de los Estados Unidos (U.S. EPA).
Sears debe garantizar el sistema de control de emisiones en su motor
por los periodos de tiempo listados abajo, teniendo en cuenta que no
haya habido abuse, negligencia o mantenimiento no apropiado de su
motor pequefio para todo terreno.
Su sistema de control de emisiones incluye partes tales come: el carbu-
rador, el filtro de aire, el sistema de encendido, el tube de combustible,
el mofle y el convertidor catalitico. Tambien puede incluir los conectores
y otros conjuntos relacionados con el sistema de control de emisiones.
Siempre que exista una condici6n cubierta pot la garantia, Sears repa-
rarA su motor pequeflo para todo terreno sin ningt_n costo incluyendo el
diagn6stico, las piezas de repuesto y la mane de obra.
Los motores pequeflos para todo terreno est&n cubiertos per la garantfa respecto a los defectos de las partes del sistema de control de emisiones
durante un periodo de dos afios, segt_n las provisiones establecidas abajo. Si alguna de las partes bajo cobertura de su motor se encuentra defec-
tuosa, serA reparada o reemplazada por Sears.
Como propietario de un motor pequeflo para todo terreno, usted es
responsable de que se Ileve a cabo el mantenimiento requerido tal
come se indica en las Instrucciones de Mantenimiento y Funcionamien-
to. Sears le recomienda guardar todos los recibos que cubran el man-
tenimiento de su motor pequefio para todo terreno, pero Sears no
puede negar la garantia 0nicamente por falta de recibos o per no haber
realizado todo el mantenimiento programado.
No obstante, como propietario de un motor pequefio para todo terreno,
usted debe tenet en cuenta que Sears puede negarle la cobertura de la
garantia si su motor pequefio para todo terreno ouna de sus partes ha
fallado debido a abuse, negligencia, mantenimiento incorrecto o modifi-
caciones no aprobadas.
Usted es responsable de presentar su motor pequeflo para todo terreno
a un Agente de Servicio Autorizado de Sears tan pronto se presente el
problema.
Las reparaciones bajo garantia indisputables deben completarse en un
periodo de tiempo razonable que no exceda los 30 dias.
Si usted tiene alguna pregunta relacionada con sus derechos y respon-
sabilidades respecto de la garantia, deber& comunicarse con un Agente
de Servicio de Sears al n0mero: 1-800-469-4663.
La garantia de emisiones es una garantia de defectos. Los defectos
son juzgados en el desempefio normal de un motor. La garantia no
est& relacionada con una prueba de emisiones en uso.
Las siguientes son provisiones especificas relativas a la Oobertura de Garantia de Defectos del Sistema de Control de Emisiones. Es una adici6n a
la garantia del motor Sears para los motores no-regulados encontrada en las Instrucciones de Mantenimiento y Funcionamiento.
2.
8.
Partes cubiertas pot la garantia
La cobertura de esta garantia se extiende Qnicamente a las partes
enumeradas abajo (partes de los sistemas de control de emi-
siones) en la medida que estas partes hayan side presentadas en
el motor comprado.
a. Sistema de medici6n de combustible
• Sistema de enriquecimiento de arranque en frio
• Carburador y partes internas
• Bomba de combustible
b. Sistema de inducci6n de aire
• Filtro de aire
MOltiple de admisi6n
c. Sistema de encendido
• Bujia(s)
• Sistema de encendido con magneto
d. Sistema catalizador
• Convertidor catalitico
• MOltiple de escape
• Sistema de inyecci6n de aire, V&lvula de pulsaci6n
e. Articu!os varios
• Vacio, temperatura, posici6n, v&lvulas sensibles al tiempo y
suiches
Conectores y conjuntos
Duraci6n de la cobertura
Sears garantiza al propietario inicial y a cada comprador subsi-
guiente que las Partes cubiertas por la garantia estar&n libres de
defectos en materiales y mane de obra que puedan ocasionar
fallas de las Partes cubiertas por un periodo de dos aries a partir
de la fecha en que se entrega el motor a un comprador minorista.
Sin costo
La reparaci6n o cambio de cualquier Parte cubierta se Ilevar& a
cabo sin costo alguno para el propietario, incluyendo la labor de
diagn6stico para la determinaci6n de que esa Parte cubierta per la
garantia es defectuosa, si el trabajo de diagn6stico es realizado
por un Agente de Servicio Autorizado de Sears. Para servicio de
garantia de emisiones contacte a su Agente de Servicio Autorizado
de Sears m_ts cercano listado en las "P&ginas Amarillas" bajo "Mo-
tores, Gasolina", "Motores a Gasolina", "M&quinas Cortacesped" o
en una categoria similar.
4. Reclamos y exclusiones de la cobertura
Los reclamos de la garantia se completar_tn de acuerdo con las
provisiones de la P61izade Garantia del Motor Sears. La cobertura
de la garantia excluir_ las fallas de las Partes cubiertas per la ga-
rantia que no sean partes originales Sears o per abuse, negligen-
cia o mantenimiento incorrecto segQn se establece en la P61izade
Garantia del Motor Sears. Sears no se hace responsable de cubrir
fallas de Partes cubiertas ocasionadas per el use de adici6n de
partes, partes no originales o partes modificadas.
5. Mantenimiento
Toda Parte cubierta per la garantia que no este programada para
reemplazo al realizar el mantenimiento requerido o que este pro-
gramada t_nicamente para una inspecci6n de rutina al efecto de
"reparaci6n o cambio si fuese necesario" est& cubierta por la ga-
rantia per defectos en toda su duraci6n. Toda Parte cubierta que
este programada para cambio por el mantenimiento requerido
quedar#, bajo garantia per defectos t_nicamente durante el periodo
de tiempo hasta el primer cambio programado para esa parte. Se
puede utilizar cualquier repuesto que sea equivalente en de-
sempefio y durabilidad al Ilevar a cabo las tareas de mantenimien-
to o reparaci6n. El propietario es responsable de la realizaci6n de
todo el mantenimiento requerido, segt_n se define en las Instruc-
clones de Mantenimiento y Funcionamiento de Sears.
6. Cobertura consecuente
La cobertura aqui establecida se extender& a la falla de cualquiera
de los componentes del motor ocasionada per la falla de cualquier
Parte cubierta que at_n se encuentre bajo garantia.
65

Busque el Periodo de Durabilidad de Emisiones y la Informaci6n
F
del Indice de Aire PerUnentes en su Etiqueta de Emisiones del Motor
Los motores que son certificados porque cumplen con las Nor-
mas de Emisiones Etapa 2 de la Junta de Recursos Ambienta-
les de California (CARB) deben mostrar la informaci6n referen-
te al Periodo de Durabilidad de Emisiones y al indice de Aire.
Briggs & Stratton hace que esta informaci6n est& disponible pa-
ra el consumidor en nuestras etiquetas de emisiones. La etique-
ta de emisiones del motor indicarR la informaci6n de certifica-
ci6n.
El Periodo de Durabilidad de Emisiones describe el n6mero
de horas del tiempo real de operaci6n para el curl e! motor tiene
certificaci6n de conformidad de emisiones, asumiendo un man-
tenimiento apropiado de acuerdo con las Instrucciones de Man-
tenimiento y Operaci6n. Se utilizan las siguientes categorias:
Moderado:
El motor tiene certificaci6n de conformidad de emisiones por
125 horas del tiempo real de operaci6n del motor.
Intermedio:
El motor tiene certificaci6n de conformidad de emisiones por
250 horas del tiempo real de operaci6n del motor.
Extenei6n:
El motor tiene certificaci6n de conformidad de emisiones por
500 horas del tiempo real de operaci6n. Por ejemplo, una ma-
quina cortacesped tipica de arrastrar es usada de 20 a 25 horas
por a_o. Por Io tanto, el PerJodo de Durabilidad de Emisiones
de un motor con una ¢laeificaci6n intermedia deberia igualar-
se de 10 a 12 a_os.
Ciertos motores Briggs & Stratton estarRn certificados por cum-
plir con las normas de emisiones Fase 2 de la Agencia de Pro-
tecci6n Ambiental de los Estados Unidos (USEPA). Para los
motores certificados Fase 2, el Periodo de Conformidad de
Emisiones al cual se refiere la Etiqueta de Conformidad de Emi-
siones indica el nOmero de horas de operaci6n para las cuales
el motor ha demostrado que cumple con los requerimientos Fe-
derales de emisiones.
Para motores con un desplazamiento inferior a 225 cc
Categoria C = 125 horas
Categoria B = 250 horas
Categoria A = 500 horas
Para motores con un desplazamiento de 225 cc o superior
Categoria C = 250 horas
Categoria B = 500 horas
Categoria A = 1000 horas
66

67

_iiiiiiiiiiiiii
Your Home
For repair-in your home-of all major brand appliances,
lawn and garden equipment, or heating and cooling systems,
no matter who made it, no matter who sold it!
For the replacement parts, accessories and
owner's manuals that you need to do-it-yourself.
For Sears professional installation of home appliances
and items like garage door openers and water heaters.
1-800-4-MY-HOME ® (1-800-469-4663)
Call anytime, day or night(U.S.A, and Canada)
¸¸7¸¸7¸¸7¸¸7¸¸7¸¸7¸¸7¸¸¸¸¸¸¸¸¸
iiiiiiiiiiiiiiiiii
iiiiiiiiiiiiiiiiii
iiiiiiiiiiiiiiiiii
iiiiiiiiiiiiiiiiii
iiiiiiiiiiiiiiiiii
iiiiiiiiiiiiiiiiii
iiiiiiiiiiiiiiiiii
iiiiiiiiiiiiiiiiii
iiiiiiiiiiiiiiiiii
iiiiiiiiiiiiiiiiii
iiiiiiiiiiiiiiiiii
iiiiiiiiiiiiiiiiii
iiiiiiiiiiiiiiiiii
iiiiiiiiiiiiiiiiii
iiiiiiiiiiiiiiiiii
iiiiiiiiiiiiiiiiii
iiiiiiiiiiiiiiiiii
iiiiiiiiiiiiiiiiii
iiiiiiiiiiiiiiiiii
iiiiiiiiiiiiiiiiii
iiiiiiiiiiiiiiiiii
iiiiiiiiiiiiiiiiii
iiiiiiiiiiiiiiiiii
iiiiiiiiiiiiiiiiii
iiiiiiiiiiiiiiiiii
iiiiiiiiiiiiiiiiii
www.sears.com www.sears.ca
Our Home
For repair of carry-in items like vacuums, lawn equipment,
and electronics, call or go on-line for the location of your nearest
Sears Parts & Repair Center.
1-800-488-1222
Call anytime, day or night (U.S.A. only)
www.sears.com
Para pedir servicio de reparaci6n
a domicilio, y para ordenar piezas:
1-888-SU-HOGAR ®
(1-888-784-6427)
Au Canada pour service en frangais:
1-800-LE-FOYER Mc
(1-800-533-6937)
www.sears.ca
,SesI/
TM SM
® Registered Trademark /Trademark /Service Mark of Sears Brands, LLC
® Marea Registrada /TMMarea de Fabrica /sM Marca de Servieio de Sears Brands, LLC
Mc Marque de commerce /FAD Marque d6pos_e de Sears Brands, LLC © Sears Brands, LLC