Craftsman 580325601 User Manual AC GENERATOR Manuals And Guides L0522234
CRAFTSMAN Generator Manual L0522234 CRAFTSMAN Generator Owner's Manual, CRAFTSMAN Generator installation guides
User Manual: Craftsman 580325601 580325601 CRAFTSMAN AC GENERATOR - Manuals and Guides View the owners manual for your CRAFTSMAN AC GENERATOR #580325601. Home:Tool Parts:Craftsman Parts:Craftsman AC GENERATOR Manual
Open the PDF directly: View PDF
.
Page Count: 52

Owner's Manual
®
CAUTtON
Before using this product, read this
manual and follow all Safety Rules
and Operating Instructions.
PRECAUCI6N
Antes de utilizar el producto, lea este
manual y siga todas las Reglas de
Seguridad e Instrucciones de Uso.
Sears, Roebuck and Co., Hoffman Estates, _L 60179 U.S.A.
Visit our Craftsman website: www.craftsman.com
o Safety
o Assembly
o Operation
o Maintenance
o Parts
oEspa_oN
Part No. 197127GS Draft 1 (07/29/2005) 0 7

WARRANTY .................................... 2
SAFETY RULES ............................... 3-4
FEATURES AND CONTROLS ...................... 5
ASSEMBLY ................................... 6-7
OPERATION ................................. 8-1 1
SPECIFICATIONS ............................... 12
MAINTENANCE .............................. 13-15
STORAGE ..................................... 16
TROUBLESHOOTING ............................ 17
SCHEMATIC DIAGRAM .......................... 18
WIRING DIAGRAM .............................. 19
REPLACEMENT PARTS ....................... 20-28
NOTES ....................................... 29
EMISSION CONTROL WARRANTY .............. 30-31
ESPAI_OL ................................... 32-51
HOW TO ORDER PARTS ................ BACK PAGE
LIMtTED WARRANTY FOR DELUXE PORTABLE GENERATORS
SEARS warrants to the original purchaser that the alternator and engine for its portable generator will be free
from defects in materials or workmanship for the items and period set forth below from the date of original
purchase. This warranty is not transferable and applies only to portable generators driven by the Sears
warranted engine.
CONSUMER* COMMERCIAL*
Alternator 2 years (2nd year parts only) 1 year
Engine 2 years (2nd year parts only) 1 year
* NOTE: For the purpose of this warranty "Consumer Use" means personal residential household and
emergency use by original purchaser, not to be used as a primary source of power. "Commercial Use" means all
other uses, including rental, construction, commercial, and income producing purposes. Once a generator has
experienced commercial use, it shall thereafter be considered a commercial use generator for the purpose of
this warranty.
During said warranty period, SEARS will, at its option, repair or replace any part which, upon examination by
SEARS, is found to be defective under normal use and service**. Starting batteries are not warranted by
SEARS. All transportation costs under warranty, including return to the factory if necessary, are to be borne by
the purchaser and prepaid by him. This warranty does not cover normal maintenance and service and does not
apply to a generator set, alternator or engine, or parts which have been subjected to improper or unauthorized
installation or alteration, misuse, negligence, accident, overloading, overspeeding, improper maintenance, repair
or storage so as, in SEARS's judgment, to adversely affect its performance and reliability.
** NORMAL WEAR: As with all mechanical devices, engines need periodic parts service and replacement to
perform well. This warranty will not cover repair when normal use has exhausted the life of a part or engine.
THERE IS NO OTHER EXPRESS WARRANTY. SEARS HEREBY DISCLAIMS ANY AND ALL
IMPLIED WARRANTIES, INCLUDING BUT NOT LIMITED TO THOSE OF MERCHANTABILITY
AND FITNESS FOR A PARTICULAR PURPOSE TO THE EXTENT PERMITTED BY LAW. THE
DURATION OF ANY IMPLIED WARRANTIES WHICH CANNOT BE DISCLAIMED IS LIMITED TO
THE TIME PERIOD AS SPECIFIED IN THE EXPRESS WARRANTY. LIABILITY FOR
CONSEQUENTIAL, INCIDENTAL, OR SPECIAL DAMAGES UNDER ANY AND ALL WARRANTIES
IS EXCLUDED.
Some states do not allow limitations on how long an implied warranty lasts, or the exclusion or limitation of
incidental or consequential damages, so the above limitations or exclusions may not apply to you. This warranty
gives you specific legal rights and you may also have other rights, which vary from state to state.
For service, see your nearest SEARS authorized warranty service facility. Warranty service can be performed
only by a SEARS authorized service facility. This warranty will not apply to service at any other facility. At the
time of requesting warranty service, evidence of original purchase date must be presented.
Sears, Roebuck and Co., Dept. DI817 WA, Hoffman Estates, IL 60179 U.S.A
@ Sears Brands, LLC

Thisis the safety alert symbol, it is used to alert you to potential personal inju_' hazards.
Obey all safety messages that foltow this symbol to avoid possible injury or death.
,¢'_ I_ Read this manuat carefully and become
.... familiar with your generator. Know its
applications, its limitations, and any hazards
involved.
The safety alert symbol (,&) is used with a signal
word (DANGER, CAUTION, WARNING), a pictorial
and/or a safety message to alert you to hazards.
DANGER indicates a hazard which, if not avoided, wil/
result in death or serious injury. WARNING indicates a
hazard which, if not avoided, could result in death or
serious injury. CAUTION indicates a hazard which, if
not avoided, might result in minor or moderate injury.
CAUTION, when used without the alert symbol,
indicates a situation that could result in equipment
damage. Follow safety messages to avoid or reduce
the risk of injury or death.
WARNING
The engine exhaust from this product contains
chemicals known to the State of California to cause
cancer, birth defects, or other reproductive harm.
WARNING
• This generator does not meet U. S. Coast Guard
Regulation 33CFR=183and should not be used on
marine applications.
•Failure to use the appropriate U. S. Coast Guard
approved generator could result in death, serious injury
and/or property damage.
Hazard Symbols and Meanings
Electrocution Electrical Shock
Explosion Fire
Toxic Fumes Hot Surface Kickback
WARNING
Operate generator ONLY outdoors.
Keep exhaust gas from entering a confined area through
windows, doors, ventilation intakes or other openings.
DO NOT operate generator inside any building or
enclosure, including the generator compartment of a
recreational vehicle (RV).
WARNING
When using generator for backup power, notify utility
company. Use approved transfer equipment to isolate
generator from electric utility.
Use a ground circuit fault interrupter (GFCi) in any damp
or highly conductive area, such as metal decking or steel
work.
DO NOT touch bare wires or receptacles.
DO NOT use generator with electrical cords which are
worn, frayed, bare or otherwise damaged.
DO NOT operate generator in the rain.
DO NOT handle generator or electrical cords while
standing in water, while barefoot, or while hands or feet
are wet.
DO NOT allow unqualified persons or children to operate
or service generator.
WARNING
When starting engine, pull cord slowly until resistance is
felt and then pul! rapidly to avoid kickback.
NEVER start or stop engine with electrical devices
plugged in and turned on.

WARNING
WHEN ADDING OR DRAINmNG FUEL
Turn generator OFF and let it cool at least 2 minutes
before removing fuel cap. Loosen cap slowly to relieve
pressure in tank.
Fill or drain fuel tank outdoors.
DO NOT overfill tank. Allow space for fuel expansion.
Keep fuel away from sparks, open flames, pilot lights,
heat, and other ignition sources.
DO NOT light a cigarette or smoke.
WHEN STARTING EQUIPMENT
Ensure spark plug, muffler, fuel cap and air cleaner are
in place.
DO NOT crank engine with spark plug removed.
If fuel spills, wait until it evaporates before starting
engine.
WHEN OPERATING EQUIPPv_ENT
Do not tip engine or equipment at angle which causes
fue! to spill.
DO NOT choke carburetor to stop engine.
This generator is not for use in mobile equipment or
marine applications.
WHEN TRANSPORTING OR REPAIRING EQUIPMENT
Transport/repair with fuel tank EMPTY or with fuel shutoff
valve OFF.
Disconnect spark plug wire.
WHEN STORING FUEL OR EQUIPMENT WiTH FUEL IN
TANK
Store away from furnaces, stoves, ,water heaters, clothes
dryers or other appliances that have pilot light or other
ignition source because they can ignite fuel vapors.
WARNING
DO NOT touch hot surfaces.
Allow equipment to cool before touching.
The generator must be at least 5 feet from structures having
combustible walls and/or other combustible materials.
Keep at least 3 feet of clearance on all sides of generator
for adequate cooling, maintenance and servicing.
In the State of California a spark arrester is required by
law (Section 4442 of the California Public Resources
Code). Other states may have similar laws. Federal laws
apply on federal lands. If you equip the muffler with a
spark arrester, it must be maintained in effective working
order.You can order a spark arrester through your
authorized Sears service dealer.
WARNING
WHEN ADJUSTING OR MAKING REPAIRS TO YOUR
GENERATOR
+Disconnect the spark plug wire from the spark plug and
place the wire where it cannot contact spark plug.
WHEN TESTING FOR ENGINE SPARK
Use approved spark plug tester.
DO NOT check for spark with spark plug removed.
CAUTION
DO NOT tamper with governed speed. Generator
supplies correct rated frequency and voltage when
running at governed speed.
DO NOT modify generator in any way.
CAUTION
See "Don't Overload Generator".
Start generator and let engine stabilize before connecting
electrical loads.
Connect electrical loads in OFF position, then turn ON
for operation.
Turn electrical loads OFF and disconnect from generator
before stopping generator.
CAUTION
Use generator only for intended uses.
If you have questions about intended use, ask dealer or
contact Sears.
Operate generator only on level surfaces.
DO NOT expose generator to excessive moisture, dust,
dirt, or corrosive vapors.
DO NOT insert any objects through cooling slots.
If connected devices overheat, turn them off and
disconnect them from generator.
Shut off generator if:
-electrical output is lost;
-equipment sparks, smokes, or emits flames;
-unit vibrates excessively.

KNOW YOUR GENERATOR
Read the owner's manual and safety rules before operating your generator,
Compare the illustrations with your generator to familiarize yourself with the locations of various controls and
adjustments. Save this manual for future reference.
Air Cleaner
Choke Lever
.J
.J Circuit
Breakers (AC)
120/240 VAC,
30A Receptacle
(2) 120 VAC, 20A
Duplex Receptacles
FuelTank
Fuel Valve
Recoil Starter
Rocker Switch
(on engine shroud)
Grounding Fastener Spark Arrester Muffler
120 VomtAC, 20 Amp, Duplex Receptacles -- May
be used to supply electrical power for the operation of
120 Volt AC, 20 Amp, single phase, 60 Hz electrical,
lighting, appliance, tool and motor loads.
120/240 Volt AC, 30 Amp LocHng Receptacle --
May be used to supply electrical power for the
operation of 120 and/or 240 Volt AC, 30 Amp, single
phase, 60 Hz electrical, lighting, appliance, tool and
motor loads.
Air Cleaner -- Protects engine by filtering dust and
debris out of intake air.
Choke Lever -- Used when starting a cold engine.
Circuit Breakers (AC) -- Push to reset circuit
breakers are provided to protect the generator against
electrical overload.
Fuel Tank -- Capacity of five (5) U.S. gallons.
Fuel Valve -- Used to turn fuel on and off to engine.
Grounding Fastener -- If required, please consult a
qualified electrician, electrical inspector, or local
agency having jurisdiction.
Oil Fill -- Add engine oil here.
Recoil Starter -- Used to start the engine.
Rocker Sw{tch -- Set this switch to "On" before using
recoil starter. Set switch to "Off" to switch off engine.
Spark Attester Muffler- Exhaust muffler lowers
engine noise and is equipped with a spark arrester
screen.

YourCraftsmangeneratorrequiressomeassembly
andisreadyfor useonlyafterit hasbeenproperly
servicedwiththerecommendedoilandfuel.
Ifyou haveanyproblemswith theassemMyof
your generator,pleasecallthegeneratorhelpline
at 1-800-222-3136.
IMPORTANT:Anyattemptto runtheenginebeforeit
hasbeenservicedwiththerecommendedoilwillresult
inanenginefailure.
REMOVE GENERATOR FROM
CARTON
1. Set the carton on a rigid flat surface.
2. Remove everything from carton except generator.
3. Open carton completely by cutting each corner
from top to bottom.
4. Leave generator on carton to install wheel kit.
CARTON CONTENTS
Check all contents. If any parts are missing or damaged,
call the generator helpline at 1-800-222-3136.
• The main unit
• Owner's manual
• Engine oil
• 120/240 Volt, 30 Amp locking plug
• Wheel Kit
ASSEMBLING THE WHEEL KIT
NOTE: Wheel kit is not intended for over=the=road use.
You will need the following tools to install these
components:
• 1/2" or 13mm wrench
• Socket wrench with a 1/2" or 13mm socket
• Pliers
Refer to imlustrationshown below and install the wheel
kit as fol!ows:
1. Tip generator so that engine end is up.
2. Slide axle through both mounting brackets.
3. Place a wheel on each side with air valve facing
out.
4. Place a washer on axle and then place an e-ring
in axle groove.
5. Install e-dng with pliers, squeezing from top of e-
ring to bottom of axle.
6. Repeat step 3 through 5 to secure second wheel.
7. Tip generator so that engine side is down.
8. Line up holes in support leg with holes in
generator frame.
9. Attach support leg using two short (M8 x 16mm)
cap screws and two locking hex nuts. Tighten with
a 1/2" or 13mm socket and wrench.
10. On support leg end of generator, slide handle onto
center of top of frame.
11. Attach handle using two long (M8 x 45mm) cap
screws and two locking hex nuts. Tighten with a
1/2" or 13mm socket and wrench.
12. Return generator to normal operating position
(resting on wheels and support leg).
13. Check that tires are inflated to value marked on
tire or within 15 and 40 psi.
Whee_ Kit Assembly View
Cap Screw
\\,
Handle Assembly,
Hex
Support Leg
Hex Nut _
Cap Screw
Axle
Wheel
Flat Washer
/
/
E=Ring

BEFORE STARTING THE
GENERATOR
To operate the generator you will need to first add
engine oil and gasoline, as follows:
Add Engine Oim
NOTE: When adding oil to the engine crankcase, use
only high quality detergent oil rated with API service
classification SF, SG, SH, SJ or higher. DO NOT use
special additives.
1. Choose a viscosity according to the table below:
STARTING TEMPERATURE RANGE ANTICIPATED BEFORE NEXT OIL CHANGE
* The use of multi-viscosity oils (5W-30, 10W-30, etc.)
in temperatures above 40°F (4°C) will result in higher
than normal oil consumption. When using a multi-
viscosity oil, check oil more frequently.
** If using SAE 30 oil in temperatures below 40°F
(4°C), it will result in hard starting and possible engine
bore damage due to inadequate lubrication.
NOTE: Synthetic oil meeting ILSAC GF-2, API
certification mark and API service symbol with "SJ/CF
ENERGY CONSERVING" or higher, is an acceptable
o11at all temperatures. Use of synthetic oil does not
alter required oil change intervals.
2. Place generator on a level surface.
3. Clean area around yellow oil fill cap. Remove oil
fill cap.
4. Slowly fill engine with oil through oil fill opening
until oil level is to the point of overflowing.
5. Install yellow oil fill cap and finger tighten securely.
6. Check engine oil level before starting each time
thereafter. If oil level is below the point of
overflowing, fill to proper level.
NOTE: Check oil often during engine break-in.
Add Fue_
WARNING
WHEN ADDING FUEL
Turn generator OFF and let it coo! at least 2 minutes
before removing fue! cap. Loosen cap slowly to relieve
pressure in tank.
Fill fuel tank outdoors.
DO NOT overfill tank. Allow space for fuel expansion.
Keep fuel away from sparks, open flames, pilot lights,
heat, and other ignition sources.
DO NOT light a cigarette or smoke.
NOTE: This gasoline engine is certified to operate on
gasoline. Exhaust Emission Control System: EM
(Engine Modifications).
1. Use clean, fresh, regular UNLEADED fuel with a
minimum of 85 octane with equipment. DO NOT
use fuel which contains Methanol. DO NOT mix oil
with fuel.
2. Clean area around fuel fill cap, remove cap.
3. Slowly add regular unleaded fuel to fuel tank. Be
careful not to overfill. Allow about 1.5" of tank
space for fuel expansion, as shown here.
Tank
\\\\\\\
4. Install fuel cap and wipe up any spilled fuel.
CAUTmON! Alcohol-blended fuels (called gasohol,
ethanol or methanol) can attract moisture, which leads
to separation and formation of acids during storage.
Acidic gas can damage the fuel system of an engine
while in storage.
To avoid engine problems, the fuel system should be
emptied before storage of 30 days or longer. Drain the
fuel tank, start the engine and let it run until the fuel lines
and carburetor are empty. Use fresh fuel next season.
See "Storage" on page 16 for additional information.
NEVER use engine or carburetor cleaner products in
the fuel tank as permanent damage may occur.

HOW TO USE YOUR GENERATOR
if you have any problems operating your generator,
please call the generator helpline at 1o800o222o3136.
System Ground
The generator has a system ground that connects the
generator frame components to the ground terminals
on the AC output receptacles. The system ground is
connected to the AC neutral wire (the neutral is
bonded to the generator frame).
Spec{amRequirements
There may be Federal or State Occupational Safety
and Health Administration (OSHA) regulations, local
codes, or ordinances that apply to the intended use of
the generator. Please consult a qualified electrician,
electrical inspector, or the local agency having
jurisdiction.
• in some areas, generators are required to be
registered with local utility companies.
• if the generator is used at a construction site, there
may be additional regulations which must be
observed.
Connecting to a BuHding's E_ectrica_
System
Connections for standby power to a building's
electrical system must be made by a qualified
electrician. The connection must isolate the generator
power from utility power, and must comply with all
appJicable laws and electrical codes.
WARNING
When using generator for backup power, notify utility
company. Use approved transfer equipment to isolate
generator from electric utility.
Use a ground circuit fault interrupter (GFCI) in any damp
or highly conductive area, such as metal decking or steel
work.
DO NOT touch bare wires or receptacles.
DO NOT use generator with electrical cords which are
worn, frayed, bare or otherwise damaged.
DO NOT operate generator in the rain.
DO NOT handle generator or electrical cords while
standing in water, while barefoot, or while hands or feet
are wet.
DO NOT allow unqualified persons or children to operate
or service generator.
Generator Location
Generator Clearance
WARNING
Operate generator ONLY outdoors.
Keep exhaust gas from entering a confined area through
windows, doors, ventilation intakes or other openings.
DO NOT operate generator inside any building or
enclosure, including the generator compartment of a
recreational vehicle (RV).
The generator must be at least 5 ft. (152 cm) from
structures having combustible walls and/or other
combustible materials. Leave at least 3 ft. (92 cm) all
around generator including overhead, for adequate
cooling, maintenance and servicing.
Place generator in a well ventilated area, which will
allow for removal of deadly exhaust gas. DO NOT
place generator where exhaust gas could accumulate
and enter inside or be drawn into a potentially
occupied building. Ensure exhaust gas is kept away
from any windows, doors, ventilation intakes or other
openings that can allow exhaust gas to collect in a
confined area. Prevailing winds and air currents
should be taken into consideration when positioning
generator.
Typical Generator Shown
Exhaust Port

TO START THE ENGINE
Disconnect alJ electrical loads from the generator. Use
the foiJowing start instruction steps by numerical order:
1. Make sure unit is on a level surface.
iMPORTANT: FaiJure to start and operate unit on a
leveJ surface wilJ cause the unit not to start or shut
down during operation.
2. Turn the fueJ vaJve to the "On" position.
+t/t_-
3. Place the choke Jever in the "Choke" position.
+
-, Rocker Switch
is shown in the
On position
5+
Set the rocker switch to "On" position.
Grasp the recoil handJe and puJJsJowJy untiJ slight
resistance is felt. Then puJJrapidly to start engine.
WARNING 1
When starting engine, pull cord slowly until resistance is
felt and then pull rapidly to avoid kickback.
NEVER start or stop engine with electrical devices
plugged in and turned on.
iMPORTANT: If engine floods, place choke Jever in
"Run" position and crank untiJ engine starts.
6. Move choke Jever to "Run" position a short
distance at a time over several seconds in warm
weather or minutes in coJd weather. Let engine
run smoothly before each change. Operate with
choke in "Run" position.
NOTE: Jfengine starts after 3 puJJsbut fails to run, or
if unit shuts down during operation, make sure unit is
on a leveJ surface and check for proper oil JeveJin
crankcase. This unit may be equipped with a low oiJ
protection device.
WARNING
DO NOT touch hot surfaces.
Allow equipment to cool before touching.
The generator must be at least 5 feet from structures having
combustible wails and/or other combustible materials.
Keep at least 3 feet of clearance on all sides of generator
for adequate cooling, maintenance and servicing.
In the State of California a spark arrester is required by
law (Section 4442 of the California Public Resources
Code). Other states may have similar laws. Federal laws
apply on federal lands. If you equip the muffler with a
spark arrester, it must be maintained in effective working
order+You can order a spark arrester through your
authorized Sears service dealer.
To Stop the Engine
1. UnpJug aJJeJectricaJ loads from generator paneJ
receptacles. NEVER start or stop engine with
electrical devices plugged in and turned on+
2+ Let engine run at no-load for several minutes to
stabilize internal temperatures of engine and
generator.
ICAUTION
DO NOT stop engine by moving choke lever to "Choke"
position. Backfire, fire or engine damage could occur.
3+ Move rocker switch to "Off' position.
4+ Move fuel vaJve to "Off' position.
Connecting Electrica_ Loads
• DO NOT connect 240 Volt loads to 120 Volt
receptacles.
• DO NOT connect 3-phase Joads to generator.
• DO NOT connect 50 Hz loads to generator.
• Let engine stabilize and warm up for a few minutes
after starting.
• PJug in and turn on desired 120 and/or 240 Volt
AC, singJe phase, 60 Hz eJectricaJ loads.
• DO NOT OVERLOAD THE GENERATOR. See
"Don't OverJoad Generator".
CAUTION
See "Don't Overload Generator".
Start generator and let engine stabilize before connecting
electrical loads.
Connect electrical loads in OFF position, then turn ON
for operation.
Turn electrical loads OFF and disconnect from generator
before stopping generator.

CORD SETS AND RECEPTACLES
CAUTION
• NEVER attempt to power a device requiring more
amperage than generator or receptacle can supply.
• DO NOT overload the generator, See "Don't Overload
Generator".
Use only high quality, well-insulated, extension cords
with the generator's 120 Volt electrical receptacles.
Check the ratings of all extension cords before you
use them. Extension cord sets used should be rated
for 125 Volt AC loads at 20 Amps or greater for most
electrical devices. Some devices, however, may not
require this type of extension cord. Check the owner's
manuals of those devices for the manufacturer's
recommendations.
Keep extension cords as short as possible, preferably
less than 15 feet long, to prevent voltage drop and
possible overheating of wires.
120 Volt AC, 20 Amp Duplex Receptacle
Each receptacle is protected against overload by a
single 20 Amp push-to-reset circuit breaker. Use each
receptacle to operate 120 Volt AC, single phase 60 Hz
electrical loads requiring up to 2,400 watts (2.4 kW) at
20 Amps of current.
11201240 Volt AC, 30 Amp Receptacle
This is a full capacity receptacle; it can supply the
generator's full rated output from this sole outlet. The
outlet is protected by two 20 Amp push-to-reset
circuit breakers.
4-Wire Cord Set
_j_ Y (Hot) X (Hot)
NEMA L14-30 /_ Ground (Green)
A NEMA L14-30 plug is used with this 240 Volt
receptacle. Connect a suitable 4-wire cord set to the
plug and to the desired load. The cord set should be
rated for 250 Volt AC loads at 30 Amps (or greater).
10

DON'T OVERLOAD GENERATOR
Capacity
You must make sure your generator can supply
enough rated (running) and surge (starting) watts for
the items you will power at the same time. Follow
these simple steps:
1. Select the items you will power at the same time.
2. Total the rated (running) watts of these items. This
is the amount of power your generator must
produce to keep your items running. See the table
on the right.
3. Estimate how many surge (starting) watts you will
need. Surge wattage is the short burst of power
needed to start electric motor-driven tools or
appliances such as a circular saw or refrigerator.
Because not all motors start at the same time,
total surge watts can be estimated by adding only
the item(s) with the highest additional surge watts
to the total rated watts from step 2.
Example:
Tool or Appliance
Window Air
Conditioner
Refrigerator
Dee£ Freezer
Television
Light (75 Watts)
Rated
_Runnin _ VVatts
1200
8OO
5OO
5OO
75
3075 Total
Running Watts
Total Rated (Running) Watts
Highest Additional Surge Watts
Total Generator Output Required
Power Management
Additional Surge
1800
1600
5OO
1800 Highest
Surge Watts
= 3075
= 1800
= 4875
To prolong the life of your generator and attached
devices, it is important to take care when adding
electrical loads to your generator. There should be
nothing connected to the generator outlets before
starting it's engine. The correct and safe way to
manage generator power is to sequentially add loads
as follows:
1. With nothing connected to the generator, start the
engine as described in this manual.
2. Plug in and turn on the first load, preferably the
largest load you have.
3. Permit the generator output to stabilize (engine
runs smoothly and attached device operates
properly.
4. Plug in and turn on the next load.
5. Again, permit the generator to stabilize.
6. Repeat steps 4 and 5 for each additional load.
NEVER add more loads than the generator capacity.
Take special care to consider surge loads in generator
capacity, as described above.
Too! or Appliance
Essentials
Light Bulb -75 watt
Deep Freezer
Sump Pump
Refrigerator/Freezer- 18 Cu. Ft.
Water Well Pump -1/3 HP
Heating/Cooling
Window AC -10,000 BTU
Window Fan
Furnace Fan Blower- 1/2 HP
Kitchen
Microwave Oven -1000 Watt
Coffee Maker
Electric Stove -Single Element
Hot Plate
Family Room
DVD/CD Player
VCR
Stereo Receiver
Color Television - 27"
Personal Computer w/17"
monitor
Other
Security System
AM/FM C!ock Radio
Garage Door Opener - 1/2 HP
Electric Water Heater -40
Gallon
D_Y/Job Site
Quartz Haloqen Work Light
Airless Sprayer -1/3 HP
Reci rocatin Saw
Electric Drill -1/2 HP
Circular Saw -7 1/4"
Miter Saw -10"
Table Planer -6"
Table Saw/Radial Arm Saw -
10"
Air Compressor -1-1/2 HP
*Wattages listed are approximate only.
appliance for actual wattage.
Additional
Rated* Surge
(Running) (Starting)
Watts Watts
75
500 500
800 1200
800 1600
1000 2000
1200 1800
300 600
800 1300
1000
1500
1500
2500
100
100
45O
5OO
8OO
180
3OO
480 520
4000
1000
600 1200
960 960
1000 1000
1500 1500
1800 1800
1800 1800
2000 2000
2500 2500
Check tool or
11

ENGINE TECHNICAL INFORMATION
This is a single cylinder, overhead valve(OHV), air
cooled engine, it is a low emissions engine.
in the State of California, Model Series 200000
engines are certified by the California Air Resources
Board to meet emissions standards for 250 hours.
Such certification does not grant the purchaser, owner
or operator of this engine any additional warranties
with respect to the performance or operational life of
this engine. The engine is warranted solely according
to the product and emmisions warranties stated
elsewhere in this manual.
Power Ratings
The power ratings for an individual engine model are
initially developed by starting with SAE (Society of
Automotive Engineers) code J1940 (Small Engine
Power & Torque Rating Procedure) (Revision 2002-
05). Given both the wide array of products on which
our engines are placed, and the variety of
environmental issues applicable to operating the
equipement, it may be that the engine you have
purchased will not develop the rated horsepower when
used in a peice of power equipment (actual "on-site"
power). This difference is due to a variety of factors
including, but not limited to, the following: differences
in altitude, temperature, barometric pressure, humidity,
fuel, engine lubrication, maximum governed engine
speed, individual engine to engine variability, design of
the particular peice of power equipment, the manner in
which the engine is operated, engine run-in to reduce
friction and clean out of combustion chambers,
adjustments to the valves and carburetor, and other
factors. The power ratings may also be adjusted
based on comparisons to other similar engines
utilizedin similar applications, and will thereforenot
necessarily match the values derived using the
foregoing codes.
PRODUCT SPECIFICATIONS
Generator Specifications
Starting Wattage .............. 8600 Watts (8.6 kW)
Wattage ..................... 5600 Watts (5.6 kW)
AC Voltage ........................ 120/240 Volts
AC Current
at 240 Volts ........................ 23,3 Amps
at 120 Volts ........................ 46,6 Amps
Frequency ..................... 60 Hz at 3600 rpm
Phase ............................. Single Phase
Unit Weight ............................. 170 Ibs,
Engine Specifications
Horsepower ...................... 10 at 3600 rpm
Bore ............................ 3,12 in. (79mm)
Stroke .......................... 2.44 in. (62mm)
Displacement ................... 18.64 in. (305 cc)
Spark Plug
Type: .......... Champion RC12YC or Equivalent
Set Gap To: ................ 0.030inch (0.76mm)
Armature Air Gap: .................. 0,008-0,0!2 in.
(0,20-0,30ram)
Valve clearance with valve springs installedand piston I/4 in.
(6 mm) past top dead center (check when engine is cold).
Intake ........................... 0,004-0,006 in.
(0,10-0,15 mm)
Exhaust .......................... 0,004-0,006 in.
(0,10-0,15 mm)
Fuel Capacity ...................... 5 U.S. gallons
Oil Capacity ................ 28 Ounces (.8 Liters)
Oil Type:
Above 40° F ........................ SAE 30
Below 40° F ............ SAE 5W-30 or 10W-30
12

OWNER'S RESPONSIBILITIES
Follow the hourly or calendar intervals, whichever occurs first.
More frequent service is rec uired when operating in adverse conditions noted below.
MABNTENANCE SCHEDULE
FILL tN DATES AS YOU SERVICI= DATES
COMPLETE REGULAR SERVICE SERVICE DATES
Before Every 25 Hours Every 50 Hours Every 100
MAINTENANCE TASK Each Use or Year y or Year y Hours or Yearly
Check oil level X
Clean debris X
Change engine oil X 1
Service air cleaner X 2
Service spark plug X
Service spark arrester X
Clean cooting system X 2
Prepare for storage If unit is to remain idle for longer than 30 days.
Change oit after the first (5) operating hours and every 50 hours or every year, whichever occurs first, thereafter.
Change sooner when operating under dirty or dusty conditions.
2 Clean or reptace more often under dirty or dusty conditions.
GENERAL RECOMMENDATIONS
Regular maintenance will improve the performance
and extend the life of the generator. See any
authorized Sears dealer for service.
The generator's warranty does not cover items that
have been subjected to operator abuse or negligence.
To receive full value from the warranty, the operator
must maintain generator as instructed in this manual.
Some adjustments will need to be made periodically to
properly maintain your generator.
All service and adjustments should be made at least
once each season. Follow the requirements in the
"Maintenance Schedule" chart above.
NOTE: Once a year you should clean or replace the
spark plug and replace the air filter. A new spark plug
and clean air filter assure proper fuel-air mixture and
help your engine run better and last longer.
EMISSION CONTROL
Maintenance, replacement or repair of the emission
control devices and systems may be performed by any
non-road engine repair establishment or individual.
GENERATOR MAINTENANCE
Generator maintenance consists of keeping the unit
clean and dry. Operate and store the unit in a clean dry
environment where it will not be exposed to excessive
dust, dirt, moisture or any corrosive vapors. Cooling air
slots in the generator must not become clogged with
snow, leaves, or any other foreign material.
Check the cleanliness of the generator frequently and
clean when dust, dirt, oil, moisture or other foreign
substances are visible on its exterior surface.
NOTE: DO NOT use a garden hose to clean
generator. Water can enter the engine fuel system and
cause problems. In addition, if water enters the
generator through cooling air slots, some of the water
will be retained in voids and cracks of the rotor and
stator winding insulation. Water and dirt buildup on the
generator internal windings will eventually decrease
the insulation resistance of these windings.
Generator Cleaning
Daily or before use, clean accumulated debris from
generator. Keep linkage, spring and controls clean.
Keep area around and behind muffler free from any
combustible debris.
Generator parts should be kept clean to reduce the
risk of overheating and ignition of accumulated debris.
• Use a damp cloth to wipe exterior surfaces clean.
CAUTION
DO NOT expose generator to excessive moisture, dust,
dirt, or corrosive vapors.
DO NOT insert any objects through cooling slots.
Use a soft bristle brush to loosen caked on dirt, oil,
etc.
Use a vacuum cleaner to pick up loose dirt and debris.
Use low pressure air (not to exceed 25 psi) to blow
away dirt. Inspect cooling air slots and openings on
the generator. These openings must be kept clean
and unobstructed.
13

ENGINE MAINTENANCE
VVARNJNG
WHEN ADJUSTING OR MAKING REPAIRS TO YOUR
GENERATOR
Disconnect the spark plug wire from the spark plug and
place the wire where it cannot contact spark plug.
WHEN TESTING FOR ENGINE SPARK
Use approved spark plug tester.
DO NOT check for spark with spark plug removed,
Checking Oi_ Leve_
Oil level should be checked prior to each use or at
least every 5 hours of operation. Keep oil level
maintained.
Changing Engine OH
Change the oil after the first 5 hours of operation.
Change oH every 50 hours thereafter. If you are using
your generator under extremely dirty or dusty
conditions, or in extremely hot weather, change the oil
more often.
j cAuTmo.
• Used motor oil has been shown to cause skin cancer in
certain laboratory animals,
• Thoroughly wash exposed areas with soap and water,
KEEP OUT OF REACH OF CHILDREN.
DON'T POLLUTE. CONSERVE
RESOURCES. RETURN USED OIL TO
COLLECTION CENTERS.
Change the oil while the engine is still warm from
running, as follows:
1. Clean area around oil drain plug. The oil drain
plug is located at base of engine, opposite
carburetor.
2. Remove oil drain plug and oil fiJJcap and drain oil
completely into a suitable container.
3. Install oil drain plug and tighten securely.
4. FiJJoil sump with recommended oil to the point of
overflowing. See page 7 for oil recommendations.
5. Install oil cap. Tighten cap securely.
6. Wipe up any spilled elk
1
CJean/Rep_ace Spark P_ug
Change the spark plug every 100 hours of operation
or once each year, whichever comes first. This will
help your engine to start easier and run better.
1. Clean area around spark plug.
2. Remove and inspect spark plug.
3. Check electrode gap with wire feeler gauge and
set spark plug gap to 0.030 inch (0.76mm) if
necessary.
4. Replace spark plug if electrodes are pitted, burned
or porcelain is cracked. Use a recommended
replacement plug.
NOTE: You can purchase a new spark plug by calling
1-800-366-PART.
Service Air Cleaner
Your engine will not run properly and may be
damaged if you run it using a dirty air cleaner. Clean
or replace the air cleaner paper filter once every
25 hours of operation or once a year, whichever
comes first. Clean or replace more often if operating
under dusty or dirty conditions.
Service Air FHter
1. Loosen screws and remove air cleaner cover.
Remove paper filter.
Cartridge
Cover
S crew Base
2. Install clean (or new) air cleaner assembly inside
cover. Dispose of old filter properly.
3. Assemble air cleaner cover onto base and tighten
screws.
NOTE: You can purchase new air cleaner elements by
calling 1-800-366-PART.
14

Carburetor
if you think your carburetor needs adjusting, see your
nearest Sears service center. Engine performance
may be affected at altitudes above 3000 feet. For
operation at higher elevations, contact your nearest
Sears service center.
CJean Spark Arrester Screen
The engine exhaust muffler has a spark arrester
screen. Inspect and clean the screen every 100 hours
of operation or once each year, whichever comes first.
WARNING
DO NOT touch hot surfaces.
Allow equipment to cool before touching.
The generator must be at least 5 feet from structures having
combustible walls and/or other combustible materials.
Keep at least 3 feet of clearance on all sides of generator
for adequate cooling, maintenance and servicing.
In the State of California a spark arrester is required by law
(Section 4442 of the California Public Resources Code).
Other states may have similar laws. Federal laws apply on
federal lands. If you equip the muffler with a spark arrester,
it must be maintained in effective working order.
NOTE: You can purchase a new spark arrester screen
by calling 1-800-366-PART.
if you use your generator on any forest-covered, brush-
covered, or grass-covered unimproved land, it must
have a spark arrester. The spark arrester must be
maintained in good condition by the ownerloperator.
Clean and inspect the spark attester as follows:
1. To remove muffler heat shield from muffler, remove
four screws that connect guard to muffler bracket.
_._park Arrester Screen
eat Shield
.
3.
Remove four screws that attach spark attester
screen.
inspect screen and replace if torn, perforated or
othepMse damaged. DO NOT use a defective
screen. If screen is not damaged, clean it with
commercial solvent.
4. Reattach screen and muffler guard.
Air Cooming System
Over time debris may accumulate in cylinder cooling
fins and cannot be observed without partial engine
disassembly. For this reason, we recommend you
have an authorized Sears service dealer clean the
cooling system per recommended intervals (see
"Maintenance Schedule" on page 13). Equally
important is to keep top of engine free from debris.
See "Generator Cleaning".
C[ AN
15

Thegeneratorshouldbestartedatleastonceevery
sevendaysandallowedtorunat least30minutes.If
thiscannotbedoneandyoumuststoretheunitfor
morethan30days,usethefollowinginformationasa
guideto prepareitforstorage.
Long Term Storage _nstructions
it is important to prevent gum deposits from forming in
essential fuel system parts, such as the carburetor,
fuel filter, fuel hose or tank during storage. Also,
experience indicates that alcohol-blended fuels (called
gasohol, ethanol or methanol) can attract moisture,
which leads to separation and formation of acids
during storage. Acidic fuel can damage the fuel
system of an engine while in storage.
To avoid engine problems, the fuel system should be
emptied before storage of 30 days or longer. Follow
these instructions:
WARNING
WHEN STORING FUEL OR EQUIPMENT WITH FUEL IN
TANK
Store away from furnaces, stoves, water heaters, clothes
dryers or other appliances that have pilot light or other
ignition source because they can ignite fuel vapors.
WHEN DRAiNiNG FUEL
Turn generator OFF and let it cool at least 2 minutes
before removing fuel cap. Loosen cap slowly to relieve
pressure in tank.
Drain fuel tank outdoors.
Keep fuel away from sparks, open flames, pilot lights,
heat, and other ignition sources,
DO NOT light a cigarette or smoke.
Protect Fuet System
1. Remove all gasoline from fuel tank to prevent gum
deposits from forming on these parts and causing
possible malfunction of engine.
2. Run engine until engine stops from lack of fuel.
Change OH
While engine is still warm, drain oil from crankcase.
Refill with recommended grade.
OHCylinder Bore
• Remove spark plug and pour about 1 ounce (30ml)
of clean engine oil into the cylinder.
• Install spark plug and crank slowly to distribute oil.
WARNING
NEVER crank enqine with spark plug removed,
Generator
1. Clean generator as outlined in "Generator Cleaning".
2. Check that cooling air slots and openings on
generator are open and unobstructed.
Other Storage Tips
1. DO NOT store fuel from one season to another.
2. Replace fuel can if it starts to rust. Contaminated
fuel will cause engine problems.
3. If possible, store unit indoors and cover it to give
protection from dust and dirt. BE SURE TO
EMPTY FUEL TANK.
4. Cover unit with a suitable protective cover that
does not retain moisture.
WARNING
.
DO NOT place a storage cover over a hot generator.
Let equipment coo! for a sufficient time before placing
the cover on the equipment.
Store generator in clean, dry area.
16

Problem
Engine Bsrunning, but no AC
output is availab{e.
EngBne runs good at no-load but
"bogs down" when loads are
connected.
Cause
One of the circuit breakers is
open.
Poor connection or defective
cord set.
3. Connected device is bad.
.Fault in generator.
Short circuit in a connected
load.
Generator is overloaded.
3. Engine speed is too slow.
4. Shorted generator circuit.
Fuel valve in the "Off" position.
Rocker Switch set to "Off".
Correction
Reset circuit breaker.
Check and repair.
3. Connect another device that is
in good condition.
4. Contact Sears service facility.
Disconnect shorted electrical
load.
See "Don't Overload
Generator".
3. Contact Sears service facility.
4. Contact Sears service facility.
Set fuel valve to the "On"
position.
Set switch to "On".
3. Dirty air cleaner.
4. Out of gasoline.
5. Stale gasoline.
6. Spark plug wire not connected
3. Clean or replace air.
4. Fill fuel tank.
5. Drain fuel tank; fill with fresh
fuel.
6. Connect wire to spark plug.
EngBne will not start; or starts
and runs rough.
to spark plug.
7. Bad spark plug.
8. Water in gasoline.
9. Overchoking.
7. Replace spark plug.
8. Drain fuel tank; fill with flesh
fuel.
9. Open choke fully and crank
engine.
Engine shuts down during
operation.
Engine lacks power.
Engine "hunts" or falters.
10. Low oil level.
11. Excessively rich fuel mixture.
12. Intake valve stuck open or
closed.
13. Engine has lost compression.
Out of gasoline. Fill
Load is too high.
Dirty air filter.
Choke is opened too soon.
Carburetor is running too rich or
too lean.
0. Fill crankcase to proper level.
1. Contact Sears service facility.
2. Contact Sears service facility.
3. Contact Sears service facility.
fuel tank.
See "Don't Overload
Generator".
Replace air filter.
Move choke to halfway position
until engine runs smoothly.
Contact Sears service facility.
17

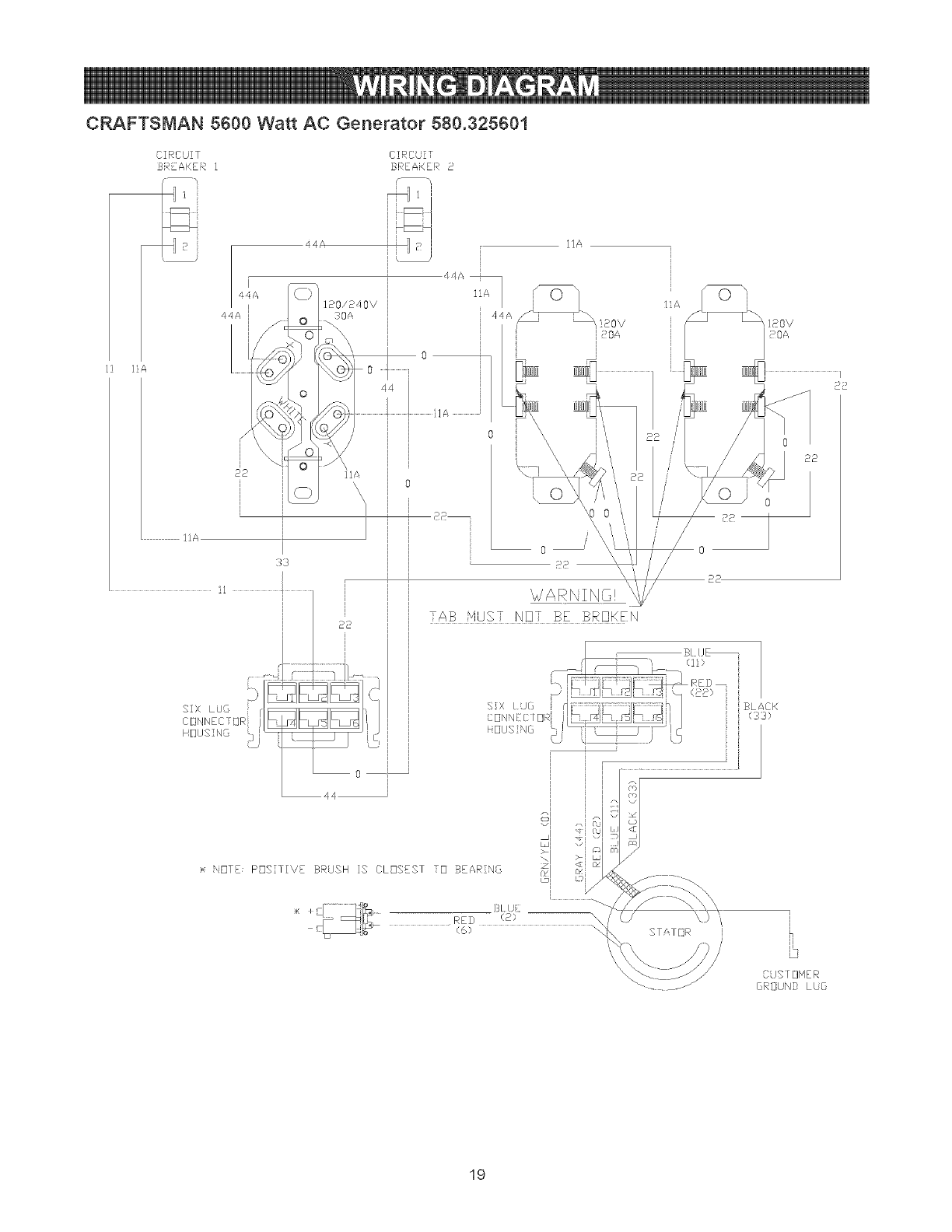
CRAFTSMAN 5600 Watt AC Generator 580.325601
]_I<]D@@
RE I i1@ _
BLUE (o) RED (6)
(!) EXCIFATION
(4)
FIELD
BLUE RED B_ACK
(!1) (22) (33)
GRAY
(44)
BLUE RLD BLACK
(i1) (88) (33)
GRAY
(44)
iPOV/20A
SLUE
(]IA)
i_[ LiE
(]iA)
REJ}
(2!)
ISOV/POA
)
R I } _ /
(22)
@H!EN L_
(0)
RED
(22)
i
BLUE
(1!A)
BlUE
(I!A)
6RAY
(44A)
iRO/Z4OV/3OA
KUE
(iIA)
(22)
18

CRAFTSMAN 5600 Watt AC Generator 580.325601
CIRCUIT CIRCUIT
BREAJ<ER 1 BREAKER 2
l! llA
...........I!A
44A
/
2P
NOTE_ POSITIVE BRUSH IS CLOSEST TO BEARING
_BLUE
RED (2)
(6)
liA
0
?R
0
12OV
8
-\
STATOR
{}US/OHER
GR[]UN LUG
19

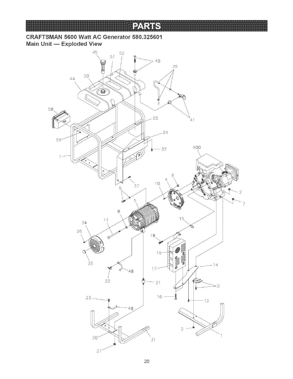
CRAFTSMAN 5600 Watt AC Generator 580.325601
Main Unit m E×ploded View
5O
44
\\\
\
45 52
5I
4O
55
58 \
41
11
54 \
\
26
\\\
25
22
37
6
8\
/
48
6
4 \
lO \ \
!8
16
31
2O

CRAFTSMAN 5600 Watt AC Generator 580.325601
Main Unit m Parts List
item Part #
1 M197628GS
2 197564GS
4 190220GS
5 NSP
6 194151GS
7 67989GS
8 96796GS
10 190274BGS
11 47480GS
12 *
14 189009GS
15 695398
16 *
17 189008GS
18 60706GS
19 83083GS
20 B4986GS
21 194153GS
22 86494GS
23 86292GS
24 192794GS
25 191190GS
26 74908GS
31 196830GS
34 195422GS
35 194397GS
37 192376GS
40 194398GS
41 192980GS
44 193668GS
45 B4363GS
48 195373GS
50 188333GS
51 194799GS
52 189235GS
55 73054GS
58 190355GS
59 189165GS
900 NSP
Description
CRADLE
KIT, Vibration Mount, 45 ° Srv
HOUSING, Engine Adapter
ASSY, Alternator (see page 24)
KIT, Hardware Mount, Aptr.
NUT, M8 Flange Serrated
WASHER, M8 Flat
SBHCS, 3/8-16 x 1.0 Lg.
HHCS, 5/16-24 x 7
PPHMS, M8 -1.25 x 40
BRACKET, Muffler
GASKET, Exhaust
HHCS, M6 1.0 x 12
MUFFLER
SCREW, 5/16 -18 x 3/4"
SCREEN, Spark Arrest
DECAL, Ground, Green
KiT, Mount, Vibration. AIt. Srv
SCREW, Wing M6 -1.0 x 16
SCREW, 10- 16 x 3/4, Self Driller
SHIELD, Heat
CAP
SCREW, M5-0.8 x 10 Taptite
DECAL, Hot Muffler
COVER, Bearing Carrier
KIT, Fuel Hose, Formed, Srv
SCREW, 12-24 x 1/2 THD Forming
KIT, Hardware Fuel Tank
KIT, Valve, Tank, Srv
ASSY, Tank, Fuel (Includes items 41, 50, 51 & 52)
CAP, Fuel Gauge
WIRE, Ground
DECAL, Gas Fill
DECAL, Danger
DECAL, Start instructions
DECAL, Shut-Off, Fuel
ASSY, Control Panel (see page 22)
NUT, Palnut, 3/16"
ENGINE (204412-0147-E 1)
Parts Not illustrated
191646GS
43438GS
AB3061GS
197127GS
197267GS
DECAL, Set
PLUG, 250V, 30A
BOTTLE, Oil, 28 oz
MANUAL, Owners
DECAL, Ratings Label
Optional Accessories Not Shown
0932688GS Cord Wrap Kit
0932785GS Storage Cover
* = items without part numbers are common fasteners, available at local hardware stores.
21

CRAFTSMAN 5600 Watt AC Generator 580.325601
Contro{ Pane{ m Exp{oded View and Parts List
I __
6
\\ \\\
7
6 \
\\\X
\
8
\2
12
10
16
\\\\
17
Rein Part #
1 195112GS
2 188889GS
6 68759GS
7 *
8 84198GS
9 75207GS
10 43437GS
11 *
12 *
13 93857GS
14 188890GS
15 *
16 22694GS
17 *
Description
KIT, Control Panel Lid
CONTROL PANEL, Compact
OUTLET, 120V, 20A, Duplex
NUT, Palnut, Pushnut, 5/32
CAP, Circuit Breaker
BREAKER, Circuit
OUTLET, 120/240V, Locking, 30A
NUT, Palnut, Pushnut, 3/16
SCREW, Phillips, Head 3.5 x 18
BAR, Retaining
COVER, Back, Control Panel
SCREW, Self Tapping, STC 3 x 18
HOUSING, Receptacle
SCREW, Phillips, 3.5 x 14
* = Items without part numbers are common fasteners,
available at local hardware stores.
22

CRAFTSMAN 5600 Watt AC Generator 580.325601
Whee_ Kit m Exploded View and Parts List
/
/
/
/
//"
/
/
/
Item Part # Description
1 189715GS ASSY, Handle
2 B1764GS LEG, Mounting
3 52858GS NUT, Locking Hex M8 = 1.25
4 * HHCS, M8 = 1.25 x 45
5 191267HGS AXLE, 5/8"x22.87"
6 B4966GS WHEEL
7 191265GS E=RING
8 * WASHER, Flat 5/8
9 * HHCS, M8 = 1.25 x 16
Parts Not Illustrated
189718GS GRIP
189716GS CAP, Handle End
* = items without part numbers are common fasteners,
available at local hardware stores.
23

CRAFTSMAN 5600 Watt AC Generator 580.325601
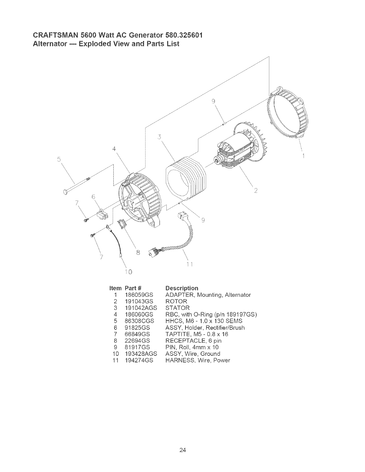
Alternator m E×p[oded View and Parts List
4
\\
\
\/
\
7\\\\
/
/
f
\2
\\
11
Item
1
2
3
4
5
6
7
8
9
10
11
Part #
186059GS
191043GS
191042AGS
186060GS
86308CGS
91825GS
66849GS
22694GS
81917GS
193428AGS
194274GS
Description
ADAPTER, Mounting, Alternator
ROTOR
STATOR
RBC, with OzRing (p/n 189197GS)
HHCS, M6 z 1.0 x 130 SEMS
ASSY, Holder, Rectifier/Brush
TAPT[TE, M5 _ 0.8 x 16
RECEPTACLE, 6 pin
PIN, Roll, 4mm x 10
ASSY, Wire, Ground
HARNESS, Wire, Power
24

ENGINE, 10 HP, Briggs and Stratton, 204412 - Exploded View
718A
12
552 d:_
718
774_ 493
356 799A_
799 _
742
746 _
22
306
15
3O7
24 _
741 146
27 O
1095 VALVE GASKET SET
868
102
883
25

ENGINE, 10 HP, Briggs and Stratton, 204412 - Exploded View
883
0
868
798_:_
1100_
21 CARBURETOR OVERHAUL KIT
137
04_ 127%
_51A_
51
163
633 @
105 [_
914 ®f}
633 _ 633 @ 231
130 (
95
117 ®
369
127 O
lo5
104
137
950
26

ENGINE, 10 HP, Briggs and Stratton, 204412 - Exploded View
347
1862 209
6O4
'%
564A
564"%
977 CARBURETOR GASKET SET
137
633 @ 163%
2_
459
I
1005
/
/
J
@
505
%
334 863
445
1070 _
455 332@
/
/
304
305
27

ENGINE, 10
Item Part#
1 695464
2 495657
3 391086
5 697233
7 694872
11 696796
12 694953
13 690360
15 691686
16 694678
18 694951
19 495657
20 391086
21 281658
22 695174
23 694954
24 222698
25 695457
695458
695459
695460
26 694004
694006
694008
694010
27 690975
28 696581
29 694691
30 694692
32 690976
33 499596
34 697464
35 694865
38 694865
40 690694
42 499586
45 690977
46 697239
51 694874
51A 694875
53 694869
55 695288
58 693389
59 805957
60 715257
65 690837
95 691636
97 696387
98 695408
104 694918
105 696136
108 696209
117 696134
118 696135
121 696146
122 694876
125 695918
127 690727
130 696139
133 694914
135 696142
137 695426
141 696208
146 690979
161 694870
163 692277
185 690958
188 690877
192 690083
209 694867
HP, Briggs and Stratton, 204412 - Parts List
Description Item Part #
Cylinder Assembly 219 693578
Kit-Bushing/Seal (Magneto Side) 220 691724
Seal-Oil (Magneto Side) 222 694866
Head-Cylinder 227 694864
Gasket-Cylinder Head 231 691636
Tube-Breather 286 695186
Gasket-Crankcase 304 697250
Screw (Cylinder Head) 305 690960
Plug-Oil Drain 306 697204
Crankshaft 307 691660
Cover-Crankcase 332 694685
Kit-Bushing/Seal (PTO Side) 333 715231
Seal-Oil (PTO Side) 334 691061
Cap-Oi! Fill 337 491055
Screw (Engine Sump) 347 697854
Flywheel 356 695366
Key-Flywheel 356A 695295
Piston Assembly (Standard) 356B 692603
Piston Assembly (.010" Oversize) 358 695438
Piston Assembly (.020" Oversize) 364 695365
Piston Assembly (.030" Oversize) 369 695422
Ring Set (Standard) 425 694515
Ring Set (,010" Oversize) 445 491588
Ring Set (,020" Oversize) 455 694683
Ring Set 0030" Oversize) 456 692299
Lock-Piston Pin 459 281505
Pin-Piston 493 694861
Rod-Connecting 505 691251
Dipper-Connecting Rod 552 694674
Screw (Connecting Rod) 562 92613
Valve-Exhaust 564 692577
Valve-Intake 564A 692198
Spring-Valve (Intake) 592 690800
Spring-Valve (Exhaust) 597 691696
Retainer-Valve 604 697236
Keeper-Valve 608 695287
Tappet-Valve 615 694676
Camshaft 616 694675
Gasket-Intake 632 695917
Gasket-intake 633 690998
Stud (Carburetor) 635 710901
Housing-Rewind Starter 689 691855
Rope-Starter (Cut to Required Length) 718 690959
Grip-Insert 718A 695178
Grip-Starter Rope 741 691288
Screw (Rewind Starter) 742 692564
Screw (Throttle Valve) 746 694679
Shaft-Throttle 774 695447
Kit-Idle Speed 798 690967
Pin-Float Hinge 799 690297
Valve-Float Needle 799A 695446
Valve-Choke 868 690968
Jet-Main (Standard) 883 695398
Jet-Main (High Altitude) 914 693732
Kit-Carburetor Overhaul 950 695407
Spacer-Carburetor 968 692321
Carburetor 975 696138
Plug-Welch 977 696147
Valve-Throttle 1005 694684
Float-Carburetor 1022 690971
Tube-Fuel Transfer 1023 697691
Gasket-Float Bowl 1026 695177
Kit-Choke Shaft 1029 690972
Key-Timing 1052 694858
Base-Air Cleaner 1052A 696954
Gasket-Air Cleaner 1070 691058
Nut (Air Cleaner Base) 1095 695440
Screw (Control Bracket) 1100 690973
Bal!-Rocker Arm 1210 498144
Spring-Governor 1211 498144
Description
Gear-Governor
Washer (Governor Gear)
Bracket-Control
Lever-Governor Control
Screw (Choke Valve)
Module-Oil Sensor
Housing-Blower
Screw (Blower Housing)
Shield-Cylinder
Screw (Cylinder Shield)
Nut (Flywheel)
Armature-Magneto
Screw (Magneto Armature)
Plug-Spark
Switch-Rocker
Wire-Stop
Wire-Stop
Wire-Stop
Gasket Set-Engine
Termina!-Oil Plug
Spring-Float Bow!
Screw (Air Cleaner Cover)
Filter-Air Cleaner Cartridge
Cup-Flywheel
Plate-Paw! Friction
PawPRatchet
Bracket-Mounting
Nut (Governor Control Lever)
Bushing-Governor Crank
Bolt (Governor Control Lever)
Screw (Control Cover)
Screw (Control Cover)
Nut (Rewind Starter)
Screw (Pawl Friction Plate)
Cover-Contro!
Starter-Rewind
Retainer-Governor Shaft
Crank=Governor
Spring/Link-Mechanical Governor
Seal-Choke/Throttle Shaft
Boot-Spark Plug
Spring-Friction
Pin=Locating
Pin=Locating
Gear-Timing
Retainer-E Ring
Gear-Idler
Screw (Stop Wire)
Screw (Rocker Arm)
Screw (Oil Sensor)
Screw (Oil Sensor)
Seal-Valve
Gasket=Exhaust
Screw (Rocker Cover)
Screw (Float Bowl)
Cover=Air Cleaner
Bowi-F!oat
Gasket Set-Carburetor
Fan-Flywheel
Gasket=Rocker Cover
Cover-Rocker
Rod=Push
Rocker Arm
Sensor=Oil
Sensor-Oil
Screw (Flywheel Fan)
Valve Gasket Set
Pivot-Rocker Arm
Pulley/Spring Assembly (Pulley)
Pulley/Spring Assembly (Spring
28

29

Sears, Roebuckand Co., U.S.A. (Sears), the California Air Resources Board (CARB) and
the United States Environmenta_ Protection Agency (U.S.EPA)
Emission Contro_ System Warranty Statement
(Owner's Defect Warranty Rights and Obligations)
EMiSSiON CONTROL WARRANTY COVERAGE iS
APPLICABLE TO CERTIFIED ENGINES PURCHASED iN
CALIFORNIA iN 1995 AND THEREAFTER WHICH ARE
USED IN CALIFORNIA, AND TO CERTiFiED MODEL
YEAR 1997 AND LATER ENGINES WHICH ARE
PURCHASED AND USED ELSEWHERE IN THE UNITED
STATES (AND AFTER JANUARY 1, 2001 iN CANADA).
California and U.S. EPA Emission Control Warranty
Statement Your Warranty Rights and Obligations
The California Air Resources Board (CARB), U.S.EPA and
Sears are pleased to explain the Emission Control System
Warranty on your model year 2000 and later small off-road
engine (SORE). in California, new small off-road engines
must be designed, built and equipped to meet the State's
stringent anti-smog standards. Elsewhere in the United
States, new non-road, spark-ignition engines certified for
mode] year 1997 and later, must meet similar standards set
forth by the U.S.EPA. Sears must warrant the emission
control system on your engine for the periods of time listed
below, provided there has been no abuse, neglect, or
improper maintenance of your small off-road engine.
Your emission control system may include parts such as the
carburetor or fuel-injection system, the ignition system, and
catalytic converter. Also included may be hoses, belts,
connectors and other emission related assemblies.
Where a warrantable condition exists, Sears will repair your
small off-road engine at no cost to you including diagnosis,
parts and labor.
Sears Emission Controt Defects Warranty Coverage
The 1995 and later small off-road engines are warranted for
two years. If any emission-related part on your engine is
defective, the part will be repaired or replaced by Sears.
Owner's Warranty Responsibilities
As the small off-road engine owner, you are responsible for
the performance of the required maintenance listed in this
owner's manual. Sears recommends that you retain al! your
receipts covering maintenance on your sma]! off-road
engine, but Sears cannot deny warranty solely for the lack of
receipts or for your failure to ensure the performance of al!
scheduled maintenance.
As the small off-road engine owner, you should however be
aware that Sears may deny you warranty coverage if your
small off-road engine or a part has failed due to abuse,
neglect, improper maintenance or unapproved modifications.
You are responsible for presenting your small off-road
engine to an approved Sears Service Center as soon as a
problem exists. The warranty repairs should be completed in
a reasonable amount of time, not to exceed 30 days.
if you have any questions regarding your warranty rights and
responsibilities, you should contact a Sears Service
Representative at 1-800-469-4663.
Sears Emission Controt Defects Warranty Provisions
The following are specific provisions relative to your
Emission Control Defects Warranty Coverage.
1. Warranted Parts
Coverage under this warranty extends only to the parts
listed below (the emission control systems parts) to the
extent these parts were present on the engine purchased.
a. Fuel Metering System
Cold start enrichment system
Carburetor and internal parts
Fue! Pump
b. Air Induction System
Air cleaner
Intake manifold
c. Ignition System
Spark plug(s)
Magneto ignition system
d. Catalyst System
Catalytic converter
Exhaust manifold
Air injection system or pulse valve
e. Miscellaneous Items Used in Above Systems
Vacuum, temperature, position, time sensitive valves
and switches
Connectors and assemblies
2. Length of Coverage
Sears warrants to the initial owner and each subsequent
owner that the Warranted Parts shall be free from
defects in materials and workmanship which caused the
failure of the Warranted Parts for a period of two years
from the date the engine is delivered to a retail
purchaser.
3. No Charge
Repair or replacement of any Warranted Part will be
performed at no charge to the owner, including
diagnostic labor which leads to the determination that a
Warranted Part is defective, if the diagnostic work is
performed at an approved Sears Service Center.
4. Claims and Coverage Excmusions
Warranty claims shaw be flied in accordance with the
provisions of the Sears Warranty Policy. Warranty
coverage shall be excluded for failures of Warranted
Parts which are not origina! Sears parts or because of
abuse, neglect or improper maintenance as set forth in
the Sears Engine Warranty Policy. Sears is not liable to
cover failures of Warranted Parts caused by the use of
add-on, non-original, or modified parts.
5. Maintenance
Any Warranted Part which is not scheduled for
replacement as required maintenance or which is
scheduled only for regular inspection to the effect of
"repair or replace as necessary" shall be warranted as to
defects for the warranty period. Any Warranted Part
which is scheduled for replacement as required
maintenance shall be warranted as to defects only for
the period of time up to the first scheduled replacement
for that part. Any replacement part that is equivalent in
performance and durability may be used in the
performance of any maintenance or repairs. The owner
is responsible for the performance of all required
maintenance, as defined in this owner's manual.
6. Consequential Coverage
Coverage hereunder shall extend to the failure of any
engine components caused by the failure of any
Warranty Part still under warranty.
In the USA and Canada, a 24-hour hotline, 1-800-469-4663, has a menu of pre-recorded messages offering you product
maintenance information.
3O

Emissions Durability Period and Air index
Information On Your Engine Emissions Labe_
Engines that are certified to meet the California Air
Resources Board (CARB) Tier 2 Emission Standards must
display information regarding the Emissions Durability Period
and Air Index. The engine manufacturer makes this
information available to the consumer on emission labels.
The Emissions Durability Period describes the number of
hours of actual running time for which the engine is certified
to be emissions compliant, assuming proper maintenance in
accordance with the Operating & Maintenance Instructions.
The following categories are used:
Moderate: Engine is certified to be emission compliant for
125 hours of actual engine running time.
Intermediate: Engine is certified to be emission compliant
for 250 hours of actual engine running time.
Extended: Engine is certified to be emission compliant for
500 hours of actual engine running time.
For example, a typical walkobehind lawn mower is used
20 to 25 hours per year. Therefore, the Emissions
Durability Period of an engine with an intermediate rating
would equate to 10 to 12 years.
The Air hdex is a calculated number describing the relative
level of emissions for a specific engine family. The lower the
Air Index, the cleaner the engine. This information is
displayed in graphical form on the emisions labe!.
Emissions Compliance Period On Engine
Emissions Compliance Label
After July 1,2000 certain Sears engines will be certified to
meet the United States Environmental Protection Agency
(USEPA) Phase 2 emission standards. For phase 2 certified
engines, the Emissions Compliance Period referred to on
the Emissions Compliance labe! indicates the number of
operating hours for which the engine has been shown to
meet Federal emission requirements. For engines less than
225 cc displacement, Category' C = 125 hours, B = 250
hours and A = 500 hours. For engines of 225 cc or more,
Category C = 250 hours, B = 500 hours and A = 1000 hours.
This engine has an intermediate rating with and Air Index of
3. The EPA Emissions compliance period is Category C.
The diplacement of this engine is 305 cc.
Below is a generic representation of the emission label
typically found on a certified engine.
31

GARANTIA .................................... 32
REGLAS DE SEGURIDAD ..................... 33°34
CARACTERfSTICAS Y CONTROLES ............... 35
ENSAMBLAJE ............................... 36-37
FUNCIONAMIENTO .......................... 38-41
ESPECIFICACIONES DEL PRODUCTO ............. 42
MANTENIMENTO ............................ 43°45
ALMACENAMJENTO ............................ 46
DIAGNOSTICOS DE AVERiAS .................... 47
GARANTiA DE EMISIONES .................... 48°49
NOTAS ..................................... 50o51
PARTES/SERVJCJO ................. ULTJMA P,&,GINA
GARANTIA LIMITADA GENERADORES CRAFTSMAN
SEARS le garantiza al comprador original que el alternador y el motor de su generador portatil estara libre de defectos en
materiales y mano de obra en los componentes y por el periodo de tiempo establecido a continuaci6n a partir de la fecha de
compra original. Esta garanfia no es transferible.
CLBENTE* COMERCIAL*
Alternador 2 ABos(segundo aSo despide s61o) 1 ASo
Motor 2 A_os(segundo a_o despide s61o) 1 A_o
* NOTA: Para prop6sitos de esta garantia e_ t_rmino "Uso deJ Cliente" representa el uso dom_stico residencial y de
emergencia por parte de[ comprador original, sin inc[uir ap[icaciones donde [a unidad sea usada como fuente de
potencia principal E[ t_rmino "Uso Comercia[" representa todos los otros usos, inc[uyendo a[qui[er, construcci6n,
comercial y para prop6sitos Jucrativos. Una vez eJ generador haya tenido uso comercial, _ste ser& considerado
como un generador para uso comercial para los fines de esta garantia.
Durante dicho periodo de garantia, SEARS reparara o reemplazar& a su discrecidn, cualquier parte que haya sido
encontrada defectuosa, en examen previo realizado pot SEARS, bajo uso y servicio normal**. Las baterias de arranque y
los elementos perecederos como bujias y filtros de aire, que se desgastan con el uso normal, no estan garantizados por
SEARS. Todos los costos de transporte bajo garantia, incluyendo e! envio a la fabrica, de ser necesario, seran
responsabilidad del comprador y deberan ser pagados por antJcipado. Esta garantia no cubre el mantenimiento y servicio
normal y no se aplica a generadores, alternadores, motores o partes que hayan sido sujetos a instalaciones o
modificaciones incorrectas o no autorizadas, mal uso, negligencia, accidente, sobrecarga, exceso de velocidad,
mantenimiento, reparaci6n o almacenamiento incorrecto que, a juicio de SEARS, afecte negativamente su funcionamiento y
confiabilidad.
** DESGASTE NORMAL: Como con todos los dispositivos mec&nicos, Jos motores necesitan eJ servicio y
reempJazo peri6dico de Jas partes para funcionar en buenas condiciones. Esta garantia no cubre reparaciones
cuando el uso normaJ haya sobrepasado mavida Qtil de una parte o motor.
NO EXISTEN OTRAS GARANTIAS EXPRESAS. SEARS POR MEDIO DE LA PRESENTE DESCONOCE TODAS LAS
GARANTIAS IMPLICITAS, INCLUYENDO, SIN LIMJTARSE, A AQUELLAS DE COMERCIALIZACION Y ADAPTACION
PARA UN PROPOSITO PARTICULAR AL EXTREMO PERMITIDO POR LA LEY. LA DURACION DE CUALQUIER
GARANTIA IMPLICJTA QUE NO PUEDA SER DESCONOCIDA, ESTA LIMITADA AL PERIODO DE TIEMPO ESPECIFICADO
EN LA GARANTIA EXPRESA. LA RESPONSABILIDAD LEGAL ES EXCLUIDA POR DA[_OS CONSECUENCIALES,
INCIDENTALES O ESPECIALES BAJO CUALQUIERA DE LAS GARANTIAS.
AIgunos estados no permiten limitaciones en la duracion de las garantias implicitas, o la exclusi6n o limitaci6n de da_os
incidentales o consecuenciales, por tanto las limitaciones o exclusiones anteriormente mencionadas podrian no aplicarse
a usted. Esta garantia le otorga derechos legales especificos; usted podria tener otros derechos, los cuales cambian de
estado a estado.
Para servicio, visite su centro de servicio de garantia autorizado SEARS mas cercano. El servicio de garantia puede ser
Ilevado a cabo Onicamente por un centro de servicio autorizado SEARS. Esta garantia no se podra aplicar para servicio en
otros centros de servicio. Evidencia de la fecha de compra original debera ser presentada en el momento de solicitar el
servicio de garantia.
Sears, Roebuck and Co., Department 817WA, Hoffman Estates, JL 60179
32

Este es e[ simbo[o de a[erta de seguridad. Es usado para indicar[e situaciones con pe[igros potencia[es de
lesion para e[ persona[. Siga [as instrucciones de todos los mensajes de seguridad que aparecen despues de
este simbo[o para evitar posib[es [esiones o muerte.
Leaesteman°a,demaoeraco,dadosay
[__l_J;J..... fami[iar[cese con su generador. Conozca sus
usos, sus Hmitaciones y cua[quier peJigro
re[acionado con e[ mismo.
El simbolo de alerta de seguridad (,_) es usado con una
palabra (PELiGRO, ADVERTENCIA, PRECAUCION), un
mensaje por escrito o una ilustraci6n, para alertarlo acerca
de cua[quier situaci6n de peligro que pueda existir.
PEL[GRO indica un riesgo el cual, si no se evita, eausar& la
muerte o una hedda grave. ADVERTENCIA indica un riesgo
el cual, si no se evita, puede causar la muerte o una herida
grave. PRECAUCl6N indica un riesgo, e! cual, si no se
evita, puede causar heridas menores o moderadas.
PRECAUCI6N, cuando se usa sin el simbolo de alerta,
indica una situaci6n que podr[a resultar en el daffo del
equipo. Siga los mensajes de seguddad para evitar o reducir
los riesgos de heridas e inclusive la muerte.
A
E[ escape de[ motor de este producto contiene
elementos quimicos reconocidos en el Estado de
California pot producir c&ncer, defectos de nacimiento
u otros daSos de tipo reproductivo.
ADVERTENC[A
•Este generador no cumple la norma 33CFR-183 del cuerpo de
guardacostas de EE.UU. y no debe utilizarse en aplicaciones
marinas.
• El use de un generador no homologado por cuerpo de guardacostas
de EE.UU. puede provocar tesiones y da_os materiales.
S[mbo[os de Pe[igro y Significados
Electrocutamiento Descarga Electrica
Explosion Fuego
Gases Toxicos Superficie Caliente Retroceso
ADVERTENC[A
Opere et generador SOLAMENTE al aire libre.
AsegQrese de que los gases de escape no puedan entrar por
ventanas, puertas, tomas de aire de ventilaci6n u otras
aberturas en un espacio cerrado en el que puedan acumularse.
NO opere eI generador dentro de un edificio o lugar cerrado,
incluyendo et compartimiento del generador en un vehicuto
recreativo o RV.
ADVERTENC[A
Cuando use un generador como poder de energia auxiliar, notifique
a la compa_ia de utilidades. Use el equipo de transferencia
aprobado para aislar el generador de otra utilidad el6ctrica.
Use un interruptor para ta falla deI circuito de tierra (GFCI) en
cuatquier area bastante hOmeda o que sea aJtamente conductiva,
tales como terrazas de metal o trabajo hecho con acero.
NO toque los alambres pelados o receptaculos.
NO use un generador con cabies electricos que est6n
malgastados, rotes, pelados o da_ados de cualquier forma.
NO opere eI generador bajo ta tluvia.
NO maneje el generador o cables ei6ctricos mientras este parado
en agua, descalzo o cuando tas manos y los pies est6n mojados.
NO permita que personas descalificadas o nWtos operen o
sirvan al generador.
Cuando arranque et motor, tire tentamente del cable hasta
sentir una resistencia y, a continuaci6n, tire rapidamente de 61
para evitar su retroceso.
NUNCA arranque o pare el motor cuando haya aparatos
el6ctricos conectados yen funcionamiento.
33

ADVERTENCIA
CUANDO ANADA COMBUSTIBLE O VACiE EL
DEP6SITO
Apague et generador (posici6n OFF) y d6jelo enfriar al menos por
2 minutos antes de remover ta tapa de ta combustible. Afloje ta
tapa lentamente para dejar que la presi6n salga del tanque.
Uene o vacie el dep6sito de combustible a la intemperie.
NO ttene demasiado el tanque. Permita at menos espacio para
la expansi6n del combustible.
Mantenga la combustible alejada de chispas, llamas abiertas,
pilotos, calory otras fuentes de ignici6n.
NO encienda un cigarritlo o fume.
CUANDO PONGA EN FUNCIONAMIENTO EL EQUIPO
Compruebe que ta bu]ia, et silenciador, ei tap6n del dep6sito de
combustible y el filtro de aire estan instalados.
NO arranque et motor sin la bujia instalada.
Si se ha derramado combustible, espere a que se evapore
antes de arrancar el motor.
CUANDO OPERE EL EQUJPO
NO incline el motor o et equipo, de tat manera que ta
combustible se pueda derramar.
NO estrangute el carburador para parar et motor.
Este generador no es apto para el uso en equipos m6viles ni en
aplicaciones marinas.
CUANDO TRANSPORTE O REiPARE EL EQUIPO
Transporte o repare el equipo con el tanque de combustible vacio, o
con ta valvula para apagar et combustible, apagada (posici6n OFF).
Desconecte el cable de ta bujia.
CUANDO ALMACENE O GUARDE EL EQUIPO CON
COMBUSTIBLE EN EL TANQUE
Almacene atejado de calderas, estufas, calentadores de agua,
secadoras de ropa u otros aparatos etectrodom6sticos que
posean pilotos u otras fuentes de ignici6n, porque eltos pueden
encender los vapores de la combustible.
ADVERTENCIA
NO toque tas superficies calientes.
Permita que ei equipo se enfrie antes de tocarlo.
El generador debe estar situado a un minimo de 152 cm
(5 pies) de toda estructura con muros combustibles y/o otras
materias combustibles.
Mantenga un minimo de 92 cm (3 pies) atrededor de ta carcasa
del generador, para facilitar la ventilaci6n y et mantenimiento del
generador.
En el estado de California es obtigatorio, segOn ta ley, et uso de
apagachispas (Secci6n 4442 det C6digo de Recursos POblicos de
California). Otros estados pueden tener teyes similares. Las leyes
federales se aptican en tierras federates. Si equipa el silenciador
con un apagachispas, este debera ser mantenido en buenas
condiciones de trabajo. Usted puede ordenar et apagachispas a
trav6s de su distribuidor de servicio autorizado Sears.
CUANDO AJUSTE O HAGA REiPARACIONES A SU
GENERADOR
Siempre desconecte et atambre de ta bujia y col6quelo donde
no pueda entrar en contacto con la bujia.
CUANDO PRUEBE LA BUJiA DEL MOTOR
Utitice un comprobador de bujias homotogado.
NO comprueba la chispa sin la buj{a instalada.
PRECAUCtON
No cambie ninguna vetocidad determinada. El generador
suministra una frecuencia y un voltaje calificado cuando
funciona a una velocidad determinada.
No modifique al generador en ninguna forma.
PRECAUCION
Vea "No sobrecargue generador".
Encienda su generador y deje que et motor se estabitice antes
de conectar las cargas et6ctricas.
Conecte ias cargas el_ctricas en ta posici6n de apagado (OFF),
tuego encienda (ON) para su operaci6n.
Apague (OFF) tas cargas el6ctricas y desconectelas del
generador antes de parar el generador.
Use el generador solamente con ta finatidad para el cual fue
diseSado.
Si usted tiene atguna pregunta acerca de las finalidades de uso
det generador, pregOntete a su concesionario o contacte a
Sears.
Opere et generador solamente en superficies nivetadas.
NO exponga at generador a una humedad excesiva, polvo,
suciedad o vapores corrosivos.
NO inserte cualquier objeto a trav6s de tas ranuras de
enfriamiento.
Si los aparatos conectados se sobrecalientan, apaguetos y
descon6ctetos det generador.
Apague el generador si:
-Se pierde la salida el6ctrica;
-El equipo produce chispas, humo o emite llamas;
-La unidad vibra de una manera excesiva.
34

CONOZCA SU GENERADOR
LEA ESTE MANUAL DEL PROPIETARIO Y LAS REGLAS DE SEGURIDAD ANTES DE OPERAR SU GENERADOR.
Compare las ilustraciones con su Generador para familiarizarse con las ubicaciones de los diferentes controles y ajustes.
Conserve este manual para referencias futuras.
Palanca del Cebad_
Depurador
de Aire
Cortacircuitos
Tomacorrientes con
Dispositivo de Seguridad
de 120/240 VAC, 30A
Tomacorrientes Doble
de 120 VAC 20A _.
Tanque de Combustible
Valvula del
Combustible
Culatazo el
Principio
Interruptor
Balancin Tapa del Deposito
del Aceite
Tuerca Mariposa para
Conexion a Tierra
Silenciador
Apagachispas
Cortacircuitos (AC) -- Cada tomacorriente posee un
cortacircuito para proteger el generador contra sobrecargas
electricas. Los cortacircuitos son del tipo "oprimir para
reposicionar".
Culatazo el Principio -- Uso para comenzar motor.
Depurador de Aire -- Filtra e! aire de entrada a medida
que penetra en e! motor.
Interruptor Balancin -- Debera estar en la posici6n 'On"
(En) para darle arranque al motor. Col6quelo en la posici6n
"Off" (Apagado) para detener un motor en funcionamiento.
Palanca del Cebador -- Usada cuando se esta dando
arranque a un motor frio.
Silenciador Apagachispas -- El silenciador disminuye el ruido
del motor y esta equipado con una pantalla apagachispas.
Tanque del Combustible -- El tanque tiene una capacidad
de 5 galones americanos de gasolina sin contenido de plomo.
Tapa del Dep6sito del Aceite = Llene e! motor con aceite aqui.
Tomacorriente Dobles de 120 Voltios AC, 20 Amp --
Pueden ser utilizados para suministrar alimentaci6n e!6ctrica
para el funcionamiento de cargas del motor, herramientas,
aparatos especiales e iluminaci6n el6ctrica de 120 Voltios
AC a 20 Amperios, monofAsica de 60 Hz.
Tomacorriente con Dispositivo de Seguridad de
!20/240 Voltios, 30 Amp -- Puede ser utilizado para
suministrar alimentaci6n electrica para el funcionamiento de
cargas del motor, herramientas, aparatos especiales e
iluminaci6n el6ctrica de 120 y/o 240 Voltios AC a
30 Amperios, monof&sica de 60 Hz.
Tuerca Mariposa de Conexion A Tierra o Si requiri6,
consulte con un electricista cualificado, un inspector
el6ctrico o el organismo competente.
V&lvula del Combustible o Utiliz6 para prender el
combustible y lejos al motor.
35

Su generador requiere de ciertos procedimientos de montaje
y solo estar& Iisto para ser utilizado despues de haberle
suministrado servicio con el combustible y aceite
recomendados.
Si usted tiene problemas con el montaje de su generador,
por favor Ilame a la linea de ayuda para generadores al
1 o800o222o3136.
IMPORTANTE: Cualquier intento de encender el motor
antes de haber co!ocado el aceite recomendado resultara
dafio del motor.
PARA RETIRAR EL GENERADOR
DE LA CAJA
1. Coloque la caja de cart6n en una superficie rigida y
plana.
2. Saque todo e! contenido de la caja de carton, a
excepci6n del generador.
3. Abra completamente la caja de carton cortando cada
una de sus esquinas de arriba abajo.
4. Mantenga el generador sobre el carton para instalar el
juego de ruedas.
CONTENtDO DE LA CAJA
Revise todo e! contenido. Si alguna de las partes no esta
presente o esta dafiada, por favor Ilame a la linea de ayuda
para generadores al 1-800-222-3136.
La unidad principal
Manual del propietario
Aceite para motor
Tapon de fijaci6n
Juego de Ilantas
MONTAJE DEL JUEGO DE RUEDAS
NOTA: Este Juego de Ruedas no ha sido disefiado para ser
usado en la carretera.
Necesitara las siguientes herramientas para instalar estos
componentes:
Llave de 1/2" 613 mm
Llave de cubo de 1/2" 613 mm
Alicates
Consulte la ilustraci6n mostrada e instale el juego de
ruedas como se describe a eontinuaci6n:
1. Dele la vuelta al generador de forma que el motor
quede arriba.
2. Introduzca e! eje a traves de los dos soportes de montaje.
3. Coloque una rueda en cada extremo, con la v&lvula de
aire hacia el exterior.
4. Introduzca una arandela por e! eje y co!oque una anilla
en "e" en la ranura del eje.
5. Para ello, apriete con unos alicates desde la parte
superior de la anilla en "e" hacia la parte inferior del eje.
6. Repita los pasos del 3 al 5 para asegurar la segunda
rueda.
7. Dele la vuelta al generador de forma que el lado del
motor quede abajo.
8. Haga coincidir los orificios de la pata de apoyo con los
del bastidor de! generador.
9. Monte la pata de apoyo con dos tomillos de cabeza
cortos (M8 x 16 mm) y dos tuercas hexagonales.
Apriete con una Ilave de cubo de 1/2" 6 13 mm
10. En el lado de la pata de soporte del generador, introduzca
el asa en e! centro de la parte superior del bastidor.
11. Fije el asa con dos tornillos de cabeza largos (M8 x
45 mm) y dos tuercas hexagonales. Apriete con una
Ilave de cubo de 1/2" 6 13 mm
12. Vuelva a colocar el generador en la posici6n normal de
funcionamiento (apoyado en las ruedas y la pata de
apoyo).
13. Compruebe que las ruedas esten infladas conforme al
valor indicado en el neumatico o entre 15 y 40 psi.
Vista de_ Montaje de_ Juego de Ruedas
Tornillos
Manilla
Pata de
Tuercas _r_
\
Tomillos
Eje
Rueda
Arandela
/
EoRing
36

ANTES DE DARLE ARRANQUE AL
Para operar e! motor, deber& hacer la siguiente:
Agregar Aceite aRMotor
NOTA: Cuando agregue aceite al compartimiento del motor,
utilice Onicamente aceite detergente de alta calidad, designado
con la clasificaci6n API de servicio SF, SG, SH, SJ o superior.
NO use aditivos especiales.
1. Seleccione una viscosidad de acuerdo a la tabla siguiente:
Temperaturas de Uso Esperadas
* El uso de aceites multigrado (5W-30, 10W-30, etc.) en
temperaturas mayores a los 40°F (4°C) ocasionara un
consumo de aceite mayor al normal. Cuando utilice un
aceite multigrado, revise con mayor frecuencia e! nive! de
aceite del motor.
** Si utiliza aceite SAE 30 en temperaturas inferiores a los
40°F (4°C), ocasionar& que el arranque sea mas dificil e
incluso que se desbiele e! motor debido a su inadecuada
lubricaci6n interna.
NOTA: Todo aceite sintetico que cumpla Ins
especificaciones ILSAC GFo2, con marca de certificaci6n
API y con simbolo de servicio API con 'SJ/CF ENERGY
CONSERVING" o superior es un aceite aceptable a todas
las temperaturas. El uso de aceite sintetico no altera los
intervalos de cambio de aceite indicados.
2. Coloque el generador sobre una superficie nivelada.
3. El area limpia alrededor de aceite amarillo Ilena la tapa.
Quite e! aceite Ilena la tapa.
4. Llene lentamente motor con aceite por el aceite !lena
abrir hasta que el nivel de aceite sea al grano de
derramar.
5. Instale aceite amarillo Ilena la tapa y el dedo aprieta
seguramente.
6. Verifique el nivel de aceite de motor antes de comenzar
cada vez despues. Si el nivel de aceite est& debajo del
punto de derramar, Ilena al nivel apropiado.
NOTA: Revise el aceite frecuentemente durante e!
despegue del motor.
Agregue Gaso_ina
ADVERTENCIA
CUANDO A_IADA COMBUSTmBLE
Apague el generador (posici6n OFF) y dejelo enfdar at menos
por 2 minutos antes de remover la tapa de la combustible.
Afloje la tapa lentamente para dejar que la presi6n salga del
tanque.
Llene et dep6sito de combustible a ta intemperie.
NO Ilene demasiado et tanque. Permita al menos espacio para
ta expansi6n det combustible.
Mantenga ta combustible alejada de chispas, llamas abiertas,
pilotos, cator y otras fuentes de ignici6n.
NO encienda un cigarrillo o fume.
NOTA: Este motor esta certificado para funcionar con
gasolina. Sistema de control de emisiones de gases de
escape: EM (Modificaciones del motor).
1. Utilice gasolina normal sin plomo, limpia y nueva con un
minimo de 85 octanos. NO utilice combustible que
contenga metano! ni mezcle aceite con combustible.
2. Limpie el area alrededor de la tapa de Ilenado del
combustible, retire la tapa.
3. Agregue lentamente gasolina regular "SIN PLOMO" a!
tanque de combustible. Use un embudo para evitar que
se derrame. Llene el tanque lentamente hasta
aproximadamente 1.5" por debajo de la parte la cima
del cuello de! tubo de Ilenado.
4. Instale la tapa del tanque de combustible y limpie la
gasolina que se haya derramado.
iPRECAUCION! Los combustibles con mezcla de alcohol
(gasoho!, etanol o metanol) pueden atraer la humedad y
provocar la separaci6n y formaci6n de acidos durante el
almacenamiento. Los gases acidos pueden daSar el circuito
de combustible y el motor durante el almacenamiento.
Para evitar este tipo de problemas, vacie el circuito de
combustible cuando vaya a almacenar la unidad durante
30 dias o mas. Vacie el dep6sito de combustible, arranque e!
motor y dejelo funcionar hasta que los conductos de
combustible y el carburador queden vacios. Utilice combustible
nuevo la pr6xima temporada. Para obtener mas informaci6n a!
respecto, consulte "Almacenamiento" en la pagina 46.
NUNCA utilice productos limpiadores para motores o
carburadores en el dep6sito de combustible, ya que podrian
provocar da_os permanentes.
37

COMO USAR SU GENERADOR
Si tiene problemas operando su generador, por favor Ilame
a la linea de ayuda para generadores a! 1o800o222o3136.
Tierra de_ Sistema
El generador dispone de una conexion a tierra del sistema
que conecta los componentes dei bastidor a los terminales
de tierra de los enchufes hembra de salida de CA. La tierra
del sistema esta conectada al cable de CA neutro que, a su
vez, esta conectado al bastidor del generador.
Requisitos Especiales
Es posible que haya normas u ordenanzas locales y
nacionales en materia de seguridad e higiene en e! traba]o
aplicables al uso del generador. Consulte con un electricista
cualificado, un inspector electrico o el organismo
competente.
En algunas zonas, es obligatorio registrar los
generadores en las compa_ias el6ctricas locales.
S{ el generador se utiliza en una obra, puede set
necesario cumplir normas y requisitos adicionales.
Conexi6n a_ Sistema E_6ctrico de un
Edificio
Las conexiones a efectos de alimentaci6n de reserva al
sistema el6ctrico de un edificio deben ser realizadas por un
electricista cualificado. La conexi6n debe aislar la
alimentaci6n del generador de la alimentaci6n de la red
pOblica y debe cumplir todas las leyes y normas el6ctricas
vigentes.
ADVERTENCJA
Cuando use un generador como poder de energia auxiliar, notifique
a ta compaFfia de utilidades. Use et equipo de transferencia
aprobado para aistar et generador de otra utilidad et6ctrica.
Use un interruptor para la falla del circuito de tierra (GFCi) en
cualquier area bastante hOmeda o que sea altamente conductiva,
tales como terrazas de metat o trabajo hecho con acero.
NO toque los alambres pelados o receptacutos.
NO use un generador con cables et6ctricos que est6n
malgastados, rotos, pelados o da_ados de cuatquier forma.
NO opere et generador bajo la Ituvia.
NO maneje el generador o cables el6ctricos mientras est6 parado
en agua, descatzo o cuando las manos y tos pies est6n mojados.
NO permita que personas descalificadas o niSos operen o
sirvan al generador.
Ubicaci6n de_ Generador
Espacio Libre A[rededor de[ Generador
ADVERTENCJA
Opere et generador SOLAMENTE al aire libre.
AsegOrese de que los gases de escape no puedan entrar por
ventanas, puertas, tomas de aire de ventilaci6n u otras
aberturas en un espacio cerrado en el que puedan acumularse.
NO opere et generador dentro de un edificio o [ugar cerrado,
incluyendo et compartimiento del generador en un vehicuto
recreativo o RV.
El generador debe estar situado a un minimo de 152 cm
(5 pies) de toda estructura con muros combustibles y/o otras
materias combustibles. Mantenga un minimo de 92 cm
(3 pies) alrededor de! generador, incluido la parte superior,
para facilitar la ventilaci6n y el mantenimiento de[ generador.
SitOe el generador en una zona bien ventilada que permita
la eliminaci6n de los gases de escape mortales. No instale
el generador en lugares en los que los gases de escape se
puedan acumular o entrar en un edificio que pueda estar
ocupado. AsegOrese de que los gases de escape no puedan
entrar por ventanas, puertas, tomas de aire de ventilaci6n u
otras aberturas en un espacio cerrado en el que puedan
acumularse. Tenga en cuenta los vientos y las corriente de
aire preponderantes cuando eli]a la ubicaci6n del generador.
38

PARA ENCENDER EL MOTOR
Desconecte todas las cargas electricas del generador. Use
las siguientes instrucciones para encender, paso por paso,
en orden num@ico.
1. AsegOrese de que la unidad esta en una superficie plana.
IMPORTANTE: Si la unidad no se arranca y utiliza en una
superficie plana, se pueden producir problemas de arranque
y de parada durante e! funcionamiento.
2. Gire la valvula del combustible a la posici6n "On".
3. Coloque la palanca de choke en la posici6n "Choke".
4. Coloque e! interruptor balancin a la posicion "On".
Interrupter Balancin
en posicion "On"
5. Agarre la manilla de retroceso y hale lentamente hasta
que puede sentir un poco de resistencia. Luego hare
rapidamente para encender e! motor.
ADVERTENCIA m
Cuando arranque el motor, tire lentamente del cable hasta
sentir una resistencia y, a continuaci6n, tire rapidamente de 6t
para evitar su retroceso.
NUNCA arranque o pare el motor cuando haya aparatos
el6ctricos conectados yen funcionamiento.
IMPORTANTE: Si el motor se desborda, coloque la palanca
estranguladora en la posicion "Run" e intente arrancarlo
hasta conseguido.
6. Mueva la palanca de choke a la posici6n "Run" una
distancia corta a la vez por algunos segundos en un
clima c&lido, o algunos minutos en un clima frio, Deje
que el motor corra suavemente antes de cada cambio.
Opere con e! choke en la posici6n "Run".
NOTA: Si e! motor arranca despues de tirar tres veces del
arrancador pero no sigue funcionando, o si la unidad se
para en funcionamiento, asegOrese de que la unidad esta en
una superficie plana y compruebe que e! nivel de aceite del
cigOeSal es correcto. La unidad puede equiparse con un
dispositivo de proteccion de bajo nivel de aceite.
, ADVERTENCIA
NO toque las superficies catientes.
Permita que el equipo se enfrie antes de tocado.
El generador debe estar situado a un minimo de 152 cm
(5 pies) de toda estructura con muros combustibles y/o otras
materias combustibles.
Mantenga un minimo de 92 cm (3 pies) ahededor de la carcasa
det generador, para facititar ta ventitaci6n y el mantenimiento del
generador.
En et estado de California es obligatodo, segQn la tey, el uso de
apagachispas (Secci6n 4442 del C6digo de Recursos PQbticos de
California). Otros estados pueden tener leyes similares. Las teyes
federates se aplican en tierras federales. Si equipa et silenciador
con un apagachispas, este debera ser mantenido en buenas
condiciones de trabajo. Usted puede ordenar el apagachispas a
traves de su distribuidor de servicio autorizado Sears.
Parado del Motor
1. Desconecte todas las cargas electricas de la unidad.
NUNCA arranque o detenga el motor con dispositivos
electricos conectados a e! y encendidos.
2. Permita que e! motor funcione sin carga durante dos
minutos para estabilizar las temperaturas internas de la
unidad.
NO coloque la patanca estrangutadora en ta posici6n "Choke"
para parar et motor. El motor podria petardear, incendiarse o
daSarse.
3. Mueva e! interruptor del motor a la posici6n 'Off' (Apagado).
4. Gire la valvula a la posici6n "Off" (Apagado).
Conexion de Cargas Electricas
NO conecte cargas de 240 Voltios a tomacorrientes de
120 Voltios.
NO conecte cargas trifasicas al generador.
NO conecte cargas de 50 Hz al generador.
Deje que el motor se estabilice y se caliente pot unos
minutos despues del arranque.
Conecte y encienda las cargas electricas de 120 y/o
240 Voltios AC monofasicas de 60 Hz que desse.
NO SOBRECARGUE EL GENERADOR. Vea "No
Sobrecargue Generador".
PRECAUCtON
Vea "No sobrecargue generador".
Encienda su generador y deje que et motor se estabitice antes
de conectar las cargas et6ctricas.
Conecte las cargas electricas en la posici6n de apagado (OFF),
tuego encienda (ON) para su operaci6n.
Apague (OFF) tas cargas et6ctricas y descon6ctetas del
generador antes de parar el generador.
39

JUEGOS DE CORDONES Y
ENCHUFES CONECTORES
• NUNCA intente suministrar corriente a un dispositivo de
amperaje superior at que puede suministrar el generador o el
enchufe hembra.
• NO sobrecargue et generador. Consutte et apartado "No
Sobrecargue Generador".
Use 0nicamente cordones de extensi6n de alta calidad y
bien aislados con los tomacorrientes electricos dobles de
120 Voltios de! generador.
Revise las capacidades de todos las cordones de extensi6n
antes de usar!os. Los juegos de cordones de extensi6n
utilizados deberan tenet una capacidad de 125 Voltios AC a
20 Amperios o mayor para la mayoria de los dispositivos
electricos. Sin embargo, algunos dispositivos podHan no
requerir este tipo de cord6n de extensi6n. Revise el manual
del propietario de esos dispositivos para ver las
recomendaciones de! fabricante.
Mantenga los cordones de extensi6n Io mas corto posible,
preferiblemente menos de 15 pies de largo para evitar la
caida de voltaje y posible recalentamiento de los alambres.
Tomacorriente Doble de 120 Vo_tios AC
Cada tomacorriente esta protegido contra sobrecargas por
medio de un cortacircuito con dispositivo de reposici6n.
Utilice cada uno de estos tomacorrientes para operar cargas
electricas de 120 Voltios AC, monofasicas de 60 Hz que
requieran hasta 2,400 vatios (2.4 kW) a 20 Amperios de
corriente.
i
Tomacorriente de 120/240 Vo[tios AC,
30 Amperios
Este es un tomacorriente de capacidad total, Io que significa
que usted puede tomar e! vatiaje nominal total de este solo
tomacordente. Este es una tomacorriente tipo NEMA
L14o30. La toma esta protegida por dos cortacircuitos de
30 Amperios con dispositivo de reposicion.
_go de Cable de 4 Alambres
l_0__o_ _ Y (Cargado) _ X (Cargado)
NEMA L14-30 _ Tierra (Verde)
Usted debera usar un enchufe para conector tipo bloqueo
NEMA L14-30 con e! tomacorriente de 240 Voltios. Conecte
un juego de cordones de 4 alambres al enchufe y a las
cargas electricas deseadas. Los juegos de cordones
deberan tener una capacidad de 250 Voltios AC a
30 Amperios.
4O

NO SOBRECARGUE GENERADOR
Capacidad
Usted debe asegurarse que su generador puede proveer el
suficiente vataje calificado (cuando este funcionando) y de
carga (al encender) para los aparatos a los cuales va a
proveer la energia, al mismo tiempo. Siga estos pasos:
1. Seleccione los aparatos que recibir&n la energia, al
mismo tiempo.
2. Totalice los vatios calificados (cuando este
funcionando) de estos aparatos. Esta es la cantidad de
energia que su generador debe producir para mantener
eso aparatos funcionando adecuadamente.
3. Calcule la cantidad de vatios de carga (al encender)
que usted necesitara. El vataje de carga es la cantidad
minima de electricidad, necesaria para encender
herramientas o aparatos con motores electricos, tales
como, sierras circulares o refrigeradores, Debido a que
no todos los motores se encienden al mismo momento,
e! vataje total de carga se puede estimar al affadir
solamente el(los) aparato(s) con e! vataje adicional mas
alto, al total del vataje calificado, obtenido en el paso 2.
Ejemplo:
Herramienta o
Aparato EI6ctrico
Aire Acondicionado
de Ventana
Refriqerador
Congelador
industrial
Tetevisi6n
Luz (75 Vatios)
Vatios Calificados
(cuando este
funeionando)
1200
8OO
5OO
5OO
75
Total = 3075
Vatios para
funcionar
Vatios Adicionates
de Carga (al
encender)
1800
1600
5OO
1800 (Vatios de
Carga mas alto)
Vataje Total Calificado (cuando este funcionando) = 3075
Vataje de Carga Adiciona! mas alto = 1800
Salida Total Requerida de! Generador = 4875
Control de [a Energia
Para prolongar la vida de su generador y los aparatos que
esten conectados al mismo, es muy importante cuidarlo
cuando se le affaden cargas electricas. Nada deberia estar
conectado a los tomacorrientes de! generador antes de que
su motor sea encendido. La forma correcta y mas segura
para controlar la energia del generador, es la de affadir en
secuencias las cargas, como se describe a continuaci6n:
1. Sin tener nada conectado al generador, encienda el
motor de la manera descrita en este manual.
2. Conecte y encienda la primera carga, preferiblemente la
mayor que usted tenga.
3. Permita que la salida del generador se estabilice (el
motor funciona suavemente y el aparato conectado al
mismo trabaja adecuadamente).
4. Conecte y encienda la proxima carga.
5. De nuevo, permita que el generador se estabilice.
6. Repita los pasos 4 y 5 para cada carga adicional que
usted tenga.
NUNCA affada mas cargas sobre la capacidad del
generador. Tome una atenci6n especial en considerar las
cargas de corriente segOn la capacidad del generador, como
se describe arriba.
Herramienta o Aparato Electrico
Esenciales
Bombilta - 75 vatios
Congelador industrial
Bomba de aguas n_ras
Refrigerador /congelador - 18 pies
cObicos
Bomba de agua - 1/3 HP
Ca_efacci6n tenfriamiento
Aire Acond. de ventana - 10.000
BTU
Ventilador de ventana
Calefactor de caldera - 1/2 HP
Cocina
Homo de microondas -1.000
Vatios
Cafetera
Cocina et6ctrica - Elemento sirnple
Calientaplatos
Habitaci6n Familiar
Tocader de DVD/CD
VCR
Receptor estereo
Televisor a color - 27 pulg.
Computadora personal con monitor
de 17 put9.
Otros
Sistema de s_uridad
Radio-Reloj AM/FM
Abridor de garaje - 1/2 HP
Calentador el6ctrico de agua - 40
galones
Taller
Luz de ha_6oeno Dara trabaiar
Rociador sin aire - 1/3 HP
Sierra intercambiabte
Tatadro el@ctrico - 1/2 HP
1
Sierra circular - 7 Z pulp.
Sierra ingtete- 10 pulg.
Mesa de pJanificaci6n - 6 uE_g\
Sierra de mesa /sierra de brazo
radial- 10 pulg.
Compresor de aire - 1-1/2 HP HP =
Caballo de fuerza.
Vatios Vatios
Catificados* Adicionales
(cuando de Carga
est6
funcionand (at
o) encender)
75
500 500
800 1200
800 1600
1000 2000
1200 1800
300 600
800 1300
1000
1500
1500
2500
100
100
45O
5O0
8OO
180
3OO
480 520
4000
1000
600 1200
960 960
1000 1000
1500 1500
1800 1800
1800 1800
2000 2000
2500 2500
*El vataje que aparece en la lista es solamente una cantidad
aproximada. Vefifique la herramienta o aparato electrico
para obtener ei vataje verdadero.
41

INFORMACION Tg:CNICA SOBRE EL
MOTOR
El motor es de uno cilindros, de valvulas en cabeza (OHV),
refrigerado por aire y de baja emisi6n.
En e! Estado de California, los motores de la serie 200000
hart obtenido la certificacion del California Air Resources
Board (Consejo de recursos de aire de California) de
cumplimiento de la normativa sobre emisiones durante
250 horas. Esta certificaci6n no supone para el comprador,
el propietario o el usuario ninguna garanfia adicional en Io
relativo al rendimiento y a la vida Oti! del motor. Las
garantias del motor atafien exclusivamente al producto y a
las emisiones que se declaran en este manual.
Potencia Nominal
Los valores de potencia nominal de un modelo de motor se
establecen en primer lugar con el codigo J1940
(Procedimiento de valoraci6n de potencia y par de
pequet'ios motores, Revision 2002-05) de la SAE (Society of
Automotive Engineers, Sociedad de ingenieros de
automoci6n). Dada la amplia variedad de productos que
utilizan nuestros motores y la multitud de factores
ambientales que pueden afectar a su funcionamiento, el
motor que ha adquiddo puede no Ilegar a desarro!lar su
potencia nominal cuando se utilice con un aparato mecanico
(potencia real "in situ"). Esta diferencia se debe, entre otros,
a los siguientes factores: diferencias de altitud, temperatura,
presi6n barometrica, humedad, combustible, lubricaci6n del
motor, ve!ocidad maxima controlada del motor, variaciones
entre distintos motores del mismo modelo, disefio del equipo
mecanico utilizado, manera de hacer funcionar el motor,
rodaje de! motor para reducir la fricci6n y limpiar las
camaras de combusti6n, ajustes de las valvulas y el
carburador, etc. Los valores de potencia nominal tambien se
puede ajustar en funci6n de las comparaciones con otros
motores similares utilizados en aplicaciones similares, pot Io
que no coincidira necesariamente con los valores que se
obtienen al aplicar los codigos mencionados.
ESPECIFtCACtONES DEL
PRODUCTO
Especificaciones del Generador
Vataje que empieza ............... 8,600 Vatios (8.6 kW)
Vataje .......................... 5,600 vatios (5.6 kW)
Voltaje Nominal AC .................... 120/240 Voltios
Corriente a 240 Voltios .................. 23.3 Amperios
Corriente a 120 Voltios .................. 46.6 Amperios
Frecuencia Nominal .................. 60Hz a 3600 rpm
Fase ................................... Monofasica
Peso que Embarca .......................... 170 Ibs.
Especificaciones del Motor
Cabal!os de Fuerza ..................... 10 a 3600 rpm
Diametro de camisa ............. 79 mm (3,12 pulgadas)
Carrera ....................... 62 mm (2,44 pulgadas)
Desplazamiento ............... 305 cc (18,64 pulgadas)
Bujia
Tipo: ............. Champion RC12YC o equivalente
Calibrar Separacion a: ...... 0.030 pulgadas (0.76mm)
Entrehierro de! inducido: ................. 0,20°0,30 mm
(0,008-0,012
pulgadas)
Holgura de la valvula con mue!les de valvula instalados y
piston de 6 mm (0,25 pulgadas) pasado e! punto muerto
superior (comprobar con el motor en fr[o)
Admisi6n .......... 0,10-0,15 mm (0,004-0,006 pulgadas)
Escape ........... 0,10-0,15 mm (0,004-0,006 pulgadas)
Capacidad de Gasolina ............ 5 galones americanos
Capacidad de Aceite ............... 0.8 litros (28 onzas)
Tipo de Aceite
Sobre 40°F ............................. SAE 30
Debajo 40°F ................. SAE 5W-30 o 10W-30
42

RESPONSIBILADES DEL CUENTE
Siga los intervalos horarios o de cabndario,_ue ocurra primero. Se requiere de servicio con mayor frecuencia cuando
opere la unidad en las condiciones adversas descritas a continuaci6n.
CALENDARIO DE MANTENIMIENTO
ANOTE LAS FECHAS CONFORME INTERVALO DE OPERACI6N POR HORA
CUMPLA CON EL SERVICIO NORMAL FECHAS DE SERVICIO
Antes de Cada 25 Cada 50 Cada 100
TAREA DE MANTENIMJENTO Cada Use Horas o a AFio Horas o a A_o Horas o al AFio
Verificar el nive{ de aceite X
Limpie Eosresiduos X
Cambiar el aceite del motor X t
Servicio aI ffitro de aire X 2
Servicio a la bujia X
Servicio al sistema de la bujia X
Limpie el sistema de refrigeraci6n X 2
Prepar almacenamiento Si la unidad permanecera sin uso por mas de 30 dias.
Cambiar el aceite despu6s de las primeras (5) horas y despu6s cada 50 horas.
Hacer el cambio de aceite con mayor frecuencia cuando trabaje en condiciones de mucha suciedad o polvo.
2 Remptazar m4_sa menudo bajo condiciones de suciedad o polvo.
RECOMENDACtONES GENERALES
El mantenimiento peri6dico mejorara el rendimiento y
prolongara la vida Oti! del generador. Acuda a un distribuidor
autorizado de Sears para reparar la unidad.
La garantia del generador no cubre los elementos que hayan
sido sujetos al abuso o negligencia del operador. Para recibir
e! valor completo de la garanfia, el operador debera
mantener e! generador de la forma descrita en este manual.
Se deberan Ilevar a cabo algunos ajustes peri6dicamente
para mantener correctamente su generador.
Todos los ajustes de la secci6n Servicio y Ajustes de este
manual deberan set hechos por !o menos una vez en cada
estaci6n. Cumpla con los requisitos de la tabla "Programa
de Mantenimiento" descrita anteriormente.
NOTA: Una vez al aBo debera limpiar o reemplazar la bujia
y reemplazar el filtro de aire. Una bujia nueva y un filtro de
aire limpio garantizan una mezcla de combustible=aire
adecuada y ayuda a que su motor funcione mejor y tenga
una vida Otil mas pro!ongada.
CONTROL DE EMtSIONES
Cualquier establecimiento o individuo especializado en la
reparaci6n de motores que no sean de automoci6n puede
encargarse del mantenimiento, la sustitucion y la reparacion
de los dispositivos y sistemas de control de emisiones.
Mantenimiento de[ Generador
El mantenimiento del generador consiste en conservar la
unidad limpia y seca. Opere y almacene la unidad en un
ambiente limpio y seco donde no sera expuesta a! polvo,
suciedad, humedad o vapores corrosivos. Las ranuras del
aire de enfriamiento de! generador no deben estar tapadas
con nieve, hojas, o cualquier otro material extraBos.
Revise frecuentemente la limpieza del generador y limpielo
cuando este con polvo, sucio, con aceite, humedad, o
cuando otras substancias extra,as sean visibies en su
superficie exterior.
NOTA: NO recomendamos el uso de mangueras de jardin para
limpiar el generador. El agua podria introducirse en el sistema
de combustible del motor y causar problemas. Ademas, si el
agua se introduce al generador a traves de las ranuras para aire
de enfriamiento, algo del agua quedara retenida en los espacios
vacios y grietas del aislamiento de! devanado del estator y rotor.
La acumulaci6n de agua y suciedad en los devanados intemos
del generador disminuira eventualmente la resistencia del
aislamiento de estos devanados.
Limpieza del Generador
Limpie a diario, o antes de cada uso, los residuos acumulados
en e! generador. Mantenga limpias las conexiones, los muelles
y los mandos. Limpie todo resto de combustible de la zona
que rodea a! silenciador y de detras del mismo.
Mantenga limpios los componentes del generador para
reducir el riesgo de sobrecalentamiento e ignici6n de los
residuos acumulados.
Utilice un trapo hOmedo para limpiar las superficies
exteriores.
NO exponga at generador a una humedad excesiva, potvo,
suciedad o vapores corrosivos.
NO inserte cualquier objeto a trav6s de tas ranuras de
enfriamiento.
Puede usar un cepillo de cerdas suaves para retirar la
suciedad endurecida, aceite, etc.
Puede usar una maquina aspiradora para eliminar
suciedad y residuos sueltos.
Puede usar aire a baja presi6n (que no exceda los 25 psi)
para eliminar la suciedad. Inspeccione las ranuras para
aire de enfriamiento y la apertura del generador. Estas
aperturas deberan mantenerse limpias y despejadas.
43

MANTENtMIENTO DEL MOTOR
CUANDO AJUSTE O HAGA REPARACIONES A SU
GENERADOR
Siempre desconecte el alambre de la bujia y col6queto donde
no pueda entrar en contacto con la bujia.
CUANDO PRUEBE LA BUJiA DEL MOTOR
Utilice un comprobador de bujfas homologado.
NO comprueba la chispa sin la bujia instalada.
Revision del Nivel de Aceite
El nivel de aceite debera revisarse antes de cada uso o por
Io menos cada 5 horas de operacion. Conserve el nive! de
aceite adecuado,
Cambio de Aceite del Motor y Fi[tro
Cambie el aceite despues de las primeras 5 horas de
operaci6n. Cambie el aceite y el filtro cada 50 horas de ese
momento en adelante. Siesta utilizando su generador bajo
condiciones de extrema suciedad o polvo, o en un clima
demasiado caliente, haga el cambio de aceite mas
frecuentemente,
ii
• El aceite usado del motor ha sido mostrado at cancer de ta piel
de la causa en ciertos animates del laboratodo.
• Completamente lavado expuso areas con el jab6n y el agua.
MANTENGA FUERA DE ALCANCE DE NII_IOS.
NO CONTAMINE. CONSERVE los RECURSOS.
VUELVA ACEITE USADO A la COLECCION
CENTRA,
Cambie el aceite cuando el motor todavia se encuentre
ca[iente despu_s de[ funcionamiento, como se indica a
continuaci6n:
1, Limpie e! area alrededor del tapon para drenaje de
aceite.
2. Retire el tapon de drenaje de aceite y el tapon de
Ilenado del aceite y drene el aceite por completo en un
recipiente adecuado.
3, Cuando haya drenano el aceite completamente, instale
el tapon para drenaje de aceite y aprietelo firmemente.
4, Llene con el aceite recomendado. (Vea "Antes de Porter
en Marcha el Generador" en la pagina 37 para las
recomendaciones de!l aceite).
5, Insta]e e! tap6n de Ilenado del aceite y aseg0relo.
6, Limpie cualquier derrame de aceite.
LimpelReemp_ace _a Bujia
Cambie la bujia cada 100 horas de operacion o una vez al
afio, Io que suceda primero. Esto ayudara a su motor a
arrancar mas facilmente y a funcionar mejor,
1. Limpie el area alrededor de la bujia.
2. Retire y revise la bujia.
3. Revise la separacion del electrodo con un calibrador de
alambre y ajuste la separacion a 0.030 pulgadas
(0.76mm) si es necesario.
4. Reemplace la bujia si los electrodos estan picados,
quemados o si la porcelana esta rota. Utilice una bujia
de repuesto recomendada.
NOTA: Puede adquidr nuevos bujia al n0mero telef6nico
1=800=366=PART.
Proporcione Servicio al Depurador de Aire
Su motor no funcionara correctamente y podria resultar
daF_ado si Io hate funcionar con un depurador de aire sucio.
Limpie o reemplace el filtro de papel del depurador de aire
cada 25 horas de operaci6n o una vez al afio, Io que suceda
primero. Limpielo o reempl&celo mas a menudo si la unidad
funciona bajo condiciones de suciedad o polvo excesivo.
Atienda al FHtro del Aire
1. Afloje los tornillos y quite aire la cubierta mas limpia.
Quite papel e! filtro.
2. Instale limpie (o nuevo) aire la asamblea mas limpia
dentro de la cubierta. Deshagase del filtro viejo
apropiadamente.
Cartucho _
i
Cubierta
Tornillos
Base
44

3. Arme la cubierta m&s limpia aerea en la base y apriete
los tomillos.
NOTA: Si necesita oredenar un filtro de pape! nuevo, por
favor Ilame al IoS00o366opART.
Carburador
Si usted cree que su carburador necesita ajuste, visite su
centro de servicio Sears mas cercano. El funcionamiento del
motor podria resultar afectado a altitudes por encima de
3000 pies. Para operaciones a elevaciones mayores,
pongase en contacto con el centro de servicio Sears mas
cercano.
Limpie [a PantaHa Apagachispas
El silenciador del escape de! motor posee una pantalla
apagachispas. Inspeccione y limpie la pantaJJa cada 100 horas
de operaciSn o una vez al ado, !o que suceda primero.
ADVERTENCJA
NO toque tas superficies calientes.
Permita que et equipo se enfde antes de tocarlo.
Et generador debe estar situado a un minimo de 152 cm
(5 pies) de toda estructura con muros combustibIes y/o otras
materias combustibles.
Mantenga un minimo de 92 cm (3 pies) airededor de ta carcasa
del generador, para facilitar la ventilaci6n y el mantenimiento del
generador.
En el estado de California es obtigatorio, segOn la ley, ei uso de
apagachispas (Secci6n 4442 det C6digo de Recursos PL_blicosde
California). Otros estados pueden tener teyes similares. Las leyes
federales se aptican en tierras federates. Si equipa el silenciador
con un apagachispas, este debera set mantenido en buenas
condiciones de trabajo. Usted puede ordenar eI apagachispas a
trav6s de su distribuidor de servicio autodzado Sears.
NOTA: Usted puede comprar los apagachispas a traves
nuevos Ilamando a! 1o800o366oPART.
El generador tendra que tenet un apagachispas si Io usa en
terrenos no tratados cubiertos de monte, maleza o pasto. El
apagachispas debera ser mantenido en buenas condiciones
por parte de! propietario/operador.
Limpie e inspeccione eJ apagachispas de Ja siguiente
manera:
1. Para retirar la protecci6n del silenciador, retire los
cuatro tornillos que conectan la protecci6n a la mensula
del silenciador.
MALLA DE
ACHISPAS
S_ PANTALLA
T_RNICA
2. Retire los cuatro tornillos que sostienen la pantalla
apagachispas.
3. Inspeccione la panta!la y reemplacela si esta rota,
perforada o dafiada. NO use pantallas defectuosas. Si
la pantalla no esta dal_ada, limpiela con un disolvente
comercial.
4. Vuelva a instalar la pantalla y la protecci6n de!
silenciador.
Sistema de Refrigeraci6n de Aire
Con el tiempo, se pueden acumular residuos en las aletas de
refrigeraci6n del cilindro y pasar inadvertidos mientras no se
desmonte parcialmente el motor. Recomendamos que
encargue la limpieza de! sistema de refrigeraci6n a un
distribuidor autorizado de servicio Sears siguiendo los
intervaJos recomendados (consulte la secci6n "Plan de
mantenimiento" en la pagina 43). Es igualmente importante
que no se acumulen residuos en e! motor. Consulte la
secci6n "Limpieza de! generador".
CL AN
45

GENERALIDADES
El generador debera ser encendido al menos una vez cada
siete dias y debera dejarlo funcionar a! menos durante
30 minutos. Si no puede hacer esto y debe almacenar la
unidad por mas de 30 dias, siga las siguientes instrucciones
para preparar su unidad para almacenamiento.
Atmacenamiento Para Periodos
Prolongados
Es importante evitar que se formen dep6sitos de goma en
las partes esenciales del sistema de combustible, como e!
carburador, filtro de combustible, manguera o tanque de
combustible, durante e! almacenamiento. Tambien, la
experiencia indica que los combustibles con mezclas de
alcoho! (llamados gasoho!, etanol o metanol) pueden atraer
humedad, la cual Ileva a la separacion y formacion de
acidos durante el almacenamiento. El gas acido puede
da_ar el sistema de combustible de un motor durante su
almacenamiento.
Para evitar problemas del motor, el sistema de combustible
debera desocuparse antes de un almacenamiento de
30 dias o mas. Siga estas instrucciones:
ADVERTENCIA
CUANDO ALMACENE O GUARDE EL EQUIPO CON
COMBUSTIBLE EN EL TANQUE
Almacene atejado de calderas, estufas, calentadores de agua,
secadoras de ropa u otros aparatos etectrodom6sticos que
posean pitotos u otras fuentes de igniciOn, porque eltos pueden
encender los vapores de la combustible.
CUANDO VACiE EL DEP6SlTO DE COMBUSTIBLE
Apague el generador (posici6n OFF) y d6jeto enfriar al menos
por 2 minutos antes de remover la tapa de ta combustible.
Afloje la tapa lentamente para dejar que la presi6n salga del
tanque.
Vacie el dep6sito de combustible a ta intemperie.
Mantenga la combustible alejada de chispas, llamas abiertas,
pilotos, calory otras fuentes de ignici6n.
NO encienda un cigarritto o fume.
Proteja el Sistema de CombustiMe
1. Retire toda la gasolina del tanque de combustible para
evitar que se formen depositos de goma en estas
partes y causen posible real funcionamiento de! motor.
2. Haga funcionar e! motor hasta que se detenga por la
falta de combustible.
Cambio de Aceite
Con el motor todavia caliente, drene e! aceite de la caja del
cigQeSal. Vuelva a !lenado con el grado de aceite
recomendado.
Aeeite el Di_metro Interior del CHindro
Quite la bujia y vierta aproximadamente 30 m! (1 onza)
de aceite de motor limpio en el interior de! cilindro.
Co!oque la bujia y arranque lentamente para distribuir e!
aceite.
Je el motor sin la bu ia instalada.
Generador
1. Limpie el generador come esta descrito en la pagina 43
("Limpieza del Generador').
2. Revise que las ranuras para e! aire de enfriamiento y
las aperturas del generador se encuentren abiertas y
despejadas.
Otras Sugerencias Para e_
A_macenamiento
1. NO almacene gasolina de una estacion a otra.
2. Reemplace la caneca de gasolina si comienza a
oxidarse, El 6xido y/o la suciedad en la gasolina le
causara problemas.
3. Si es posible, almacene su unidad en un recinto
encerrado y cObrala para protegerla del polvo y la
suciedad. ASEGURESE DE VACIAR EL TANQUE
DEL COMBUSTIBLE.
4. Cubra su unidad con una cubierta de protecci6n
adecuada que no retenga humedad.
NO coloque una cubierta encima de un generador caliente.
Deje que la unidad se enfrie to suficientemente antes de que le
coloque ta cubierta.
Almacene la unidad en un area limpia y seca.
46

Problemo
El motor est& funcionando pero no
existe salida de A¢ disponsible.
El motor funciona bien sin carga pero
°'funciona real" cuando se Je
contectan cargas.
Causa
1. El interruptor automatico de circuito
est& abierto.
2. Conexi6n real o defectuosa del
juego de cables.
3. El dispositivo conectado est&
da_ado,
4, Avefia en el generador.
1, Corto circuito en una de las cargas
conectadas.
2, El generador esta sobrecarga,
3, Velocidad del motor es muy lenta.
4, Circuito de! generador en corto.
1, Valvula del Combustible en
posici6n "Off".
2, Interruptor Run/Stop poscioando en
Accion
1. Reposicione el interruptor.
2. Revise y repare.
3.
4.
1.
2.
3.
4.
1.
2.
Conecte otro dispositivo que este
buenas condiciones.
Contacte el Departmento de
Servicio Sears.
Desconecte la carga electrica en
corto.
Vea "No Sobrerecarque
Generador'k
Contacte el Departmento de
Servicio Sears.
Contacte el Departmento de
Servicio Sears.
Gire la valvula del combustible a la
posici6n "On",
Coloque de! interruptor en "Run",
EJ motor no se enciende; o se
enciende y funciona real.
"Stop".
3, Depurador de aire sucio,
4, Sin gasolina,
5, Gasolina vie]a,
6, El cable de la bu]ia no esta en
malas la bu]ia.
7, Bujia defectuosa.
8, Agua en la gasolina,
9, Sobrecebado,
10, Mezcla de combustible
excesivamente rica,
3. Limpie o reemplace el depurador
de aire,
4. LI6ne!o con combustible fresco,
5. Drene el tanque de gasolina; 116nelo
con combustible fresco.
6. Conecte el cable a la bujia,
7.
8.
9.
10.
Reemplace la bu]la.
Drene el tanque de gasolina; Ilenelo
con combustible fresco.
Abra por completo el cebador
haga girar e! motor.
Contacte el Departmento de
Servicio Sears.
1 1. Contacte el Departmento de
Servico Sears,
12. Contacte el Departmento de
Servicio Sears.
13. Contacte el Departmento de
Servicio Sears.
E[ motor se apaga en pJeno Llene el tanque de combustible,
funcionamiento.
1. Vea "No Sobrerecarque
Al motor le hace falta potencia, Generador'k
2. Reemplace el filtro de aire,
11,
12,
13,
Sin
1,
2,
1,
2_
La valvula de corte de combustible.
La valvula de entrada esta
atascada esta cerrada,
El motor ha perdido compresi6n.
gasolina.
La carga es muy alta.
Filtro de aire sucio,
El cebador fue abierto muy
rapidamente.
Carburador con mezcla de aire=
combustible muy rica o muy pobre,
EI motor "no funciona
continuamente" o se detiene.
1.
2.
Mueva e! cebador a la posicion
intermedia hasta que el motor
funcione suavemente.
Contacte el Departmento de
Servicio Sears.
47

Sears, Roebuck and Co., U.S.A. (Sears), California Air Resources Board (Consejo de Recursos sobre e[ Aire de
California, CARB, por sus sig[as en ingles) y United States Environmental Protection Agency (Agencia de Protecci6n
Ambienta[ de EE.UU., EPA, pot sus sig[as en ingles).
Dec[araci6n de garantia de[ sistema de control de emisiones
(derechos y obHgaciones de[ propietado para [a garant[a contra defectos)
LA COBERTURA DE LA GARANT[A DE CONTROL DE EMISIONES SE
APLICA A LOS MOTORES CERTIFICADOS ADQURtDOS EN
CALIFORNIA EN 1995 Y POSTERIORMENTE, QUE SE UTILICEN EN
CALFORNtA, Y A MOTORES CERTtFtCADOS MODELO 1997 Y
POSTERIORES QUE SEAN ADQUIRIDOS Y UTILIZADOS EN OTRA
REGION DE ESTADOS UNIDOS (Y A PARTIR DEL 10 DE ENERO DE
2001, EN CANADA).
Deciaraci6n de garant[a sobre el control de emisiones de [a EPA de
EE.UU. y California,
El California Air Resources Board (CARB), la EPA de EE.UU. y Sears se
comp[acen en explicar la Garant[a para el sistema de control de emisiones
para motores pequeffos para exteriores (SORE) modelos ado 2000 y
posteriores. En California, los nuevos motores pequeffos para exteriores se
deben diseffar, construir y equipar para cumplir con las estrictas normas
del estado contra el smog. En otras regiones de Estados Unidos, los
nuevos motores para interiores de ignici6n per chispa certificados para
modelos afro 1997 y postedores deben cumplir con normas similares
establecidas pot [a EPA de EE.UU Sears debe garantizar et sistema de
control de emisiones de su motor para los periodos indicados a
continuaci6n, siempre y cuando no se haya abusado, descuidado o dado
mantenimiento incorrecto al motor pequeSo para extedores.
Su sistema de control de emisiones podra incIuir partes como e[
carburador o el sistema de inyecci6n de combustible, el sistema de
ignici6n y el convertidor catalitico. Tambi6n se pueden inc[uir mangueras,
correas, conectores y otros componentes relacionados con {as emisiones
Cuando exista una condici6n que pueda ser cubierta pot la garantfa,
Sears reparar_ el motor peque_o para exteriores sin costo alguno,
incluyendo el diagndstico, las partes de repuesto y la mano de obra.
Cobertura de [a garant[a de Sears contra defectos en e[ control de
emisiones
Los motores pequeffos para exteriores modelos 1995 y posteriores tienen
una garantfa de dos a_os. Si alguna parte de su motor relacionada con
[as emisiones est& defectuosa, Sears la reparara o sustituir&
ResponsabHidades de[ propietario para [a garant[a
Como propietado del motor peque_o para exteriores, usted es
responsable de rea[izar las actividades de mantenimiento requefidas
que se indican en este manual del propietado. Sears recomienda que
conserve todos los recibos que cubran e[ mantenimiento de su motor
peque_io para extedores, pero Sears no puede negar la garantfa
solamente pot la falta de recibos ni pot su imposibilidad de garantizar la
realizacidn de todas las actividades de mantenimiento programadas.
Como propietario del motor pequeSo para exteriores, usted siempre
debe tener en cuenta que Sears podr& negar la cobertura de la garantfa
si su motor pequeSo para exteriores o una parte de{ mismo presenta
fallas debido a abuso, descuido, mantenimiento incorrecto o
modificaciones no aprobadas
Usted es responsable de presentar su motor pequeffo para extefiores a
un Centro de servicio Sears aprobado tan pronto como se presente el
problem& Las reparaciones bajo garantia deberan conciuirse en un
per[odo razonable, que no exceder& de 30 d[as
Si tiene alguna pregunta con respecto a sus derechos y
responsabilidades para [a garantfa, p6ngase en contacto con un
representante de servicio Sears al 1-800-469-4663.
Disposiciones de [a garant[a de Sears contra defectos en e[ control
de emisiones
Las siguientes son disposiciones espec[ficas relacionadas con }a
cobertura de la garantfa contra defectos en el control de emisiones.
1 Partes garantizadas
La cobertura bajo esta garantla incluye solamente aquellas partes
que se enumeran a continuaci6n 0as partes del sistema de control
de emisiones) en la medida que dichas partes hayan estado
presentes en el motor adquirido.
a Sistema de medici6n de combustible
Sistema de enriquecimiento para arranque en ff[o.
Carburador y partes intemas.
Bomba de combustible.
b Sistema de inducci6n de aire.
Filtro de aire.
Colector de entrada.
c. Sistema de ignici6n.
Bujias.
Sistema de ignicidn pot magneto
d Sistema cataiizador
Convertidor catalftico.
Colector de escape
Sistema de inyecci6n de aire o v_lvula pot impuisos.
e Distintos elementos utilizados en los sistemas anteriores
V_lvulas e interruptores de vacio, temperatura, posici6n y de
detecci6n de tiempo.
Conectores y con juntos.
2. Vigencia de _a cobertura
Sears garantiza al propietario inicial y a cada propietario
subsiguiente que las partes garantizadas estar_n libres de defectos
en material yen mano de obra, que ocasionen falias de las partes
garantizadas durante un periodo de dos afios a partir de la fecha
en que el motor sea entregado at comprador minorista
3. No habr_ cargos
La reparaci6n o reemplazo de cualquier parte garantizada se
realizar_ sin cargo alguno para el propietario, incluyendo la mano de
obra de diagn6stico que derive en [a determinaci6n de que una parte
garantizada esta defectuosa, si la labor de diagn6stico se realiza en
un Centro de sen¢icio Sears aprobado.
4. Reciamos y exciusiones de cobertura
Los reclamos vinculados con la garantia se presentar_n conforme a
[as disposiciones de la P61iza de garantia de Sears. La cobertura de
la garantfa se excluira para aquellas fallas de partes garantizadas
que no sean partes ofiginales de Sears o debido a abuse, descuido
o mantenimiento incorrecto, segOn se estabtece en la Pdliza de
garantfa de motores de Sears. Sears no es responsable pot la
cobertura de fa[las de partes garantizadas ocasionadas pot el uso
de partes adiciona[es, no originales o modificadas.
5. Mantenimiento
Cualquier parte garantizada cuyo reemplazo no est_ programado
como mantenimiento requerido o que est6 programada Onicamente
para inspeccibn frecuente con el fin de "reparar o reemplazar
conforme sea necesario", estar_ garantizada en cuanto a defectos
pot et periodo de la garantfa. Cuaiquier parte garantizada cuyo
reemplazo est# programado como mantenimiento requerido tendr_
so[amente una garantia contra defectos Onicamente pot el perfodo
hasta el primer reemp[azo programado para esa parte. Se podra
utilizar cualquier parte de repuesto que tenga un rendimiento y
durabilidad equivalentes, al realizar cualquier actividad de
mantenimiento o reparacidn El propietario es responsable de
realizar todo el mantenimiento requerido, segOn se define en este
manual del propietario.
6. Cobertura cons[gu[ente
La cobertura bajo la presente se ampliar& a la fa[la de cuaiquier
componente de[ motor provocada por un desperfecto en cualquier
parte garantizada que siga gozando de la cobertura de la garantia.
En EE.UU. y Canad_ contamos con una Hnea de emergencia las 24 horas (1-800-469-4663), que ofrece un men6 de mensajes pregrabados con
informaci6n sobre mantenimiento de productos.
48

Jnformaci6n Sobre emPeriodo de
Durabilidad de masEmisiones y e_ indice
de Aire en _a Etiqueta de Emisiones de_
Motor
Los motores con certificaci6n de cumplimiento de la
normativa sobre emisiones de nivel 2 del California Air
Resources Board (CARB) deben mostrar informaci6n sobre
el periodo de durabilidad de las emisiones y el indice de
aire. El fabricante de! motor ofrece esta informaci6n al
consumidor mediante etiquetas de emisiones.
El Per[odo de DurabHidad de [as Emisiones indica e!
n0mero de horas durante las cuales el motor puede
funcionar cumpliendo las normas sobre emisiones, siempre
que se realicen las operaciones de mantenimiento que se
detallan en las instrucciones de uso y mantenimiento, Se
utilizan las siguientes categorias:
Moderado: El motor esta certificado para cumplir la
normativa sobre emisiones durante 125 horas de
funcionamiento real.
Intermedio: El motor esta certificado para cumplir la
normativa sobre emisiones durante 250 horas de
funcionamiento real.
ProJongado: El motor esta certificado para cumplir la
normativa sobre emisiones durante 500 horas de
funcionamiento real.
Por ejemplo, un cortacesped con operario a pie se suele
utilizar entre 20 y 25 horas al aSo. Por tanto, el Periodo de
DurabiHdad de las Emisiones de un motor con
clasificaci6n intermedia equivaldria a 10-12 afios,
El indice de Aire es un valor calculado que indica el nivel
relativo de emisiones de una gama concreta de motores.
Cuanto menor es el indice de Aire, mas limpio es el motor.
Esta informacion se presenta en forma gr&fica en la etiqueta
de emisiones,
Periodo de Cump_imiento de _a Normativa
de Emisiones en ia Etiqueta de
CumpHmiento de Emisiones dem Motor
Desde el 1 de julio de 2000, algunos motores Sears cuentan
con la certificacion de cumplimiento de la fase 2 de las
normas sobre emisiones de la United States Environmental
Protection Agency (USEPA, Agencia estadounidense de
protecci6n del medioambiente ). En e! caso de los motores
con certificaci6n de fase 2, el periodo de cumplimiento de la
normativa sobre emisiones que figura en la etiqueta de
cumplimiento de emisiones indica el nOmero de horas de
funcionamiento durante las cuales el motor ha demostrado
cumplir los requisitos federales sobre emisiones. Para
motores de menos de 225 cc, Categoria C = 125 horas, B =
250 horas y A = 500 horas, Para motores de 225 cc o mas,
Categoria C = 250 horas, B = 500 horas y A = 1000 horas,
La clasificacion de este motor es intermedia, con un indice
de aire de 3. El periodo de cumplimiento de la normativa
sobre emisiones de la EPA es de categoria C. El motor
tiene una cilindrada de 305 cc.
A continuaci6n se muestra una representaci6n generica de
la etiqueta de emisiones tipica de un motor certificado,
49

50

51

Your Home
For repair-in your home-of alJ major brand appliances,
lawn and garden equipment, or heating and cooling systems,
no matter who made it, no matter who sold it!
For,the replacement parts, accessories and
owner s manuals that you need to do-it-yourself.
For Sears professional installation of home appliances
and items like garage door openers and water heaters.
1-800-4-MY-HOME ® Anytime, day or night
(1o800-469-4663) (U.S.A. and Canada)
www.sears.corn www.sears.ca
our Home
For repair of carry-in items like vacuums, lawn equipment,
and electronics, call or go on-line for the nearest
Sears Parts & Repair Center.
1-800 -488 -1222 Anytime,dayor night(U.S.A.only)
www.sears.com
To purchase a protection agreement (U.S.A.)
or m?intenanc: agreement(Canada)on a pro:uct terviced by Sears:
1 800 827 6{}55 (U.S.A.) 1 800 361 6665 (Canada)
Parapedirservicioder paraci6n AuCanadapoo s rvice f an ais:
a domicilio, y para ordenar piezas: 1.800.LE.FOYERMC
1-888-S UoHOGAR sM (1o800o533-6937)
(1-888W84-6427) www.sears.ca
© Sears Brands, LLC
® Registered Trademark /TMTrademark /SMService Mark of Sears Brands, LLC
® Mama Registrada /TM Mama de Fabrica /SM Marca de Servicio de Sears Brands, LLC
MCMarque de commerce /MDMarque d6posCe de Sears Brands, LLC