Craftsman 580327120 User Manual 2500W GENERATOR ON A 2 WHEEL CART Manuals And Guides L0208250
CRAFTSMAN Generator Manual L0208250 CRAFTSMAN Generator Owner's Manual, CRAFTSMAN Generator installation guides
User Manual: Craftsman 580327120 580327120 CRAFTSMAN 2500W GENERATOR ON A 2 WHEEL CART - Manuals and Guides View the owners manual for your CRAFTSMAN 2500W GENERATOR ON A 2 WHEEL CART #580327120. Home:Tool Parts:Craftsman Parts:Craftsman 2500W GENERATOR ON A 2 WHEEL CART Manual
Open the PDF directly: View PDF
.
Page Count: 40

Owner's Manual
CRAFTSMAN+
2500 Watt
AC Generator
Model No
580.327122
C usGeggraHt°l; line_
HOURS: Mon. - Fri. 8 a.m. to 5 p.m. (CT)
CAUTION:
Before using this product, read this
manual and follow all its Safety Rules
and Operating Instructions
Sears, Roebuck and Co, Hoffman Estates, IL 60179
Visit our Craftsman website: www.sears.com/craftsman
Part No. B2476 Draft 4 (2/27/2001)
• Safety
• Assembly
• Operation
• Maintenance
• Parts
• Espahol

SAFETY RULES .......................... 3
ASSEMBLY ............................. 5
OPERATION ........................... 5-8
SPECIFICATIONS ........................ 9
MAINTENANCE ....................... 9-11
STORAGE ............................. 11
TROUBLESHOOTING .................... 12
SCHEMATIC/WIRING DIAGRAM .......... 14-15
REPLACEMENT PARTS ................ 16-22
EMISSION SYSTEM WARRANTY ......... 24-25
ESPANOL ........................... 26-39
HOW TO ORDER PARTS .......... BACK PAGE
LIMITED WARRANTY FOR PORTABLE GENERATORS
SEARS warrants to the original purchaser that the alternator and engine for its portable generator will be free
from defects in materials or workmanship for the items and period set forth below from the date of original
purchase. This warranty is not transferable.
CONSUMER* COMMERCIAL*
Alternator 1 year 90 Days
Engine 1 year 90 Days
* NOTE: For the purpose of this warranty "Consumer Use" means personal residential household and emergency
use by original purchaser, not to be used as a primary source of power. "Commercial Use" means all other uses,
including rental, construction, commercial, and income producing purposes. Once a generator has experienced
commercial use, it shall thereafter be considered a commercial use generator for the purpose of this warranty.
During said warranty period, SEARS will, at its option, repair or replace any part which, upon examination by
SEARS, is found to be defective under normal use and service**. Starting batteries are not warranted by SEARS.
All transportation costs under warranty, including return to the factory if necessary, are to be borne by the
purchaser and prepaid by him. This warranty does not cover normal maintenance and service and does not apply
to a generator set, alternator or engine, or parts which have been subjected to improper or unauthorized
installation or alteration, misuse, negligence, accident, overloading, over-speeding, improper maintenance, repair
or storage so as, in SEARS's judgment, to adversely affect its performance and reliability.
** NORMAL WEAR: As with all mechanical devices, engines need periodic parts service and replacement to
perform well. This warranty will not cover repair when normal use has exhausted the life of a part or engine.
THERE IS NO OTHER EXPRESS WARRANTY. SEARS HEREBY DISCLAIMS ANY AND ALL IMPLIED
WARRANTIES, INCLUDING BUT NOT LIMITED TO THOSE OF MERCHANTABILITY AND FITNESS
FOR A PARTICULAR PURPOSE TO THE EXTENT PERMITTED BY LAW. THE DURATION OF ANY
IMPLIED WARRANTIES WHICH CANNOT BE DISCLAIMED IS LIMITED TO THE TIME PERIOD AS
SPECIFIED IN THE EXPRESS WARRANTY. LIABILITY FOR CONSEQUENTIAL, INCIDENTAL, OR
SPECIAL DAMAGES UNDER ANY AND ALL WARRANTIES IS EXCLUDED.
Some provinces do not allow limitations on how long an implied warranty lasts, or the exclusion or limitation of
incidental or consequential damages, so the above limitations or exclusions may not apply to you. This warranty
gives you specific legal rights and you may also have other rights, which vary from state to state.
For service, see your nearest SEARS authorized warranty service facility. Warranty service can be performed
only by a SEARS authorized service facility. This warranty will not apply to service at any other facility. At the time
of requesting warranty service, evidence of original purchase date must be presented.
SEARS, ROEBUCK and CO., D/817WA, Hoffman Estates, IL 60179 U.S.A.

The engine exhaust from this product
contains chemicals known to the State of
California to cause cancer, birth defects, or
other reproductive harm.
CAUTION! Before using this product, read this
manual and follow all Safety Rules and
Operating Instructions.
DANGER! You must isolate the generator from
the electric utility by opening the electrical
system's main circuit breaker or main switch if
this unit is used for backup power. Failure to
isolate the generator from the power utility may
result in injury or death to electric utility workers
and damage to the generator. When used as
backup power, the local power utility must be
notified.
DANGER! Generator exhaust gases contain
DEADLY carbon monoxide gas. Carbon
monoxide, if breathed in sufficient
concentrations, will cause unconsciousness or
death. Operate this equipment outdoors where
adequate ventilation is available.
CAUTION! To prevent accidental starting when
setting up, transporting, adjusting or making
repairs to your generator, always disconnect
spark plug wire and place the wire where it
cannot contact the spark plug.
• The unit requires an adequate flow of cooling air
for its continued proper operation. Never operate
the unit inside any room or enclosure where the
free flow of cooling air into and out of the unit might
be obstructed. Allow at least 3 feet of clearance on
all sides of generator or you could damage the unit.
• The generator produces dangerously high voltage
that can cause extremely hazardous electrical
shock. Avoid contact with bare wires, terminals,
etc. Never permit any untrained person to operate
or service the generator.
•Do Not overfill the fuel tank. Always allow room for
fuel expansion. If tank is overfilled, fuel can
overflow onto a hot engine and cause FIRE or an
EXPLOSION.
• Never operate the generator:
in rain; in any enclosed compartment; when
connected electrical devices overheat; if electrical
output is lost; if engine or generator sparks; if flame
or smoke is observed while unit is running; if unit
vibrates excessively.
• Never handle any kind of electrical cord or device
while standing in water, while barefoot or while
hands or feet are wet. Dangerous electrical shock
will result.
• Use a ground fault circuit interrupter in any damp
or highly conductive area (such as metal decking or
steel work).
• Do Not use worn, bare, frayed or otherwise
damaged electrical cord sets with the generator.
Using any defective cord set may result in electrical
shock or damage to property.
• Operate generator only on level surfaces and
where it will not be exposed to excessive moisture,
dirt, dust or corrosive vapors.
• Gasoline is highly FLAMMABLE and its vapors are
EXPLOSIVE. Do Not permit smoking, open flames,
sparks or heat in the vicinity while handling
gasoline. Avoid spilling gasoline on a hot engine.
Comply with all laws regulating storage and
handling of gasoline.
• Never store generator with fuel in tank where
gasoline vapors might reach an open flame or
spark or pilot light (as on a furnace, water heater or
clothes dryer). FIRE or EXPLOSION may result.
• Never add fuel while unit is running.
• Never start or stop the unit with electrical loads
connected to receptacles AND with connected
devices turned ON. Start the engine and let it
stabilize before connecting electrical loads.
Disconnect all electrical loads before shutting down
the generator.
• Do Not insert any object through cooling slots of
the engine-generator.
NOTE: Your generator is equipped with a spark
arrester muffler The spark arrester must be maintained
in effective working order by the owner/operator. In
the State of California, a spark arrester is required by
law (Section 4442 of the California Public Resources
Code). Other states may have similar laws. Federal
laws apply on federal lands.
,_ THIS IS THE SAFETY ALERT SYMBOL. IT IS USED TO ALERT YOU TO POTENTIALPERSONAL INJURY HAZARDS. OBEY ALL SAFETY MESSAGES THAT FOLLOW THIS
SYMBOL TO AVOID POSSIBLE INJURY OR DEATH.

KNOW YOUR GENERATOR
Read the owner's manual and safety rules before operating your generator.
Compare the illustrations with your generator to familiarize yourself with the locations of various controls and
adjustments. Save this manual for future reference.
Spark Arrester Muffler
12 Volt DC,
10 Amp
Rece )tacle
Air Cleaner
Primer
Button
Fuel Tank Filler
6.0 H.P. Engine
Run/Stop
Switch
Recoil
Starter
120 Volt AC, 20 Amp
Receptacles
Grounding Wing Nut
Circuit Breakers
6.0 H.P. Engine -- Provides the energy needed to
generate 2,500 watts of electrical power.
12 Volt DC, 10 Amp Receptacle -- Charges a
12 Volt automotive type battery.
120 Volt AC, 20 Amp Receptacle -- May be used to
supply electrical power for the operation of 120 Volt
AC, 20 Amp, single phase, 60 Hz electrical lighting,
appliance, tool and motor loads.
Air Cleaner -- Filters intake air as it is drawn into the
engine.
Circuit Breakers --Each receptacle socket is
protected against electrical overload with "push to
reset" circuit breakers.
Fuel Tank -- Tank holds 1 U.S. gallon of unleaded
gasoline.
Gounding Wing Nut -- Ground the generator to an
approved earth ground here.
Primer Button --Used when starting a cold engine.
See page 7 for starting instructions.
Recoil Starter --Used for starting the engine.
Run/Stop Switch -- Set switch to "Run" prior to using
recoil starter. Set switch to "Stop" to switch off engine.
Spark Arrester Muffler -- Exhaust muffler lowers
engine noise and is equipped with a spark arrester
screen. Replacement screens are available by calling
1-800-366-PART.
4

TO REMOVE GENERATOR FROM
CARTON
• Slice two corners at end of carton from top to
bottom so the panel can be folded down fiat, then
remove all packing material.
• Remove the generator and contents from the
shipping carton.
CARTON CONTENTS
Check all contents against those listed below:
• Main unit
• Engine oil
• Owner's manual
• Battery charge cables
If any parts are missing or damaged, call the
generator helpline at 1-800-222-3136.
ADJUST GUIDE HANDLE
Your generator is equipped with awheel kit for easy
maneuvering. After you remove the generator from the
carton, adjust the guide handle. Use the following
steps:
• Loosen knobs of the guide handle as shown.
• Raise the guide handle and tighten the knobs to
hold the handle in place.
CORD SETS /CONNECTOR PLUGS
120 Volt Cord Sets
Use only high quality, well-insulated, extension cords
with the generator's 120 Volt electrical receptacles.
Each outlet socket is protected against overload by a
20 Amp push-to-reset circuit breaker. Use each
receptacle to operate 120 Volt AC, single phase,
60 Hz electrical loads requiring up to 2,400 watts
(2.4 kW) of power.
CAUTION! Although each receptacle is rated
for 120 Volts at 20 Amps (2,400 watts or
2.4 kW), the generator is rated for a total of
2,500 watts. Powering loads that exceed the
wattage capacity of the generator can damage it
or cause serious injuries. The total of loads
powered through these receptacles should not
exceed 20 Amps.
Check the ratings of all extension cords before you
use them. Such cords should be rated for 125 Volt AC
loads at 20 Amps (or greater) for most electrical
devices. Some devices, however, may not require this
type of extension cord. Check the owner's manuals of
those devices for their recommendations.
Keep extension cords as short as possible, preferably
less than 15 feet long, to prevent voltage drop and
possible overheating of wires.
HOW TO USE YOUR GENERATOR
If you have any problems operating your generator
after reading the manual, please call the generator
helpline at 1-800-222-3136.
Grounding The Generator
The National Electrical Code requires that the frame
and external electrically conductive parts of this
generator be properly connected to an approved earth
ground. Local electrical codes may also require proper
grounding of the unit. For that purpose, a grounding
wing nut is provided on the generator housing.
X
Grounding f
Wing Nut

Generally,connectingaNo.12AWG(AmericanWire
Gauge)strandedcopperwiretothegroundingwingnut
andtoanearth-drivencopperorbrassgroundingrod
(electrode)providesadequateprotectionagainstelectrical
shock.However,localcodesvarywidely.Consultwitha
localelectricianforgroundingrequirementsinyourarea.
Propergroundingofgeneratorwillhelppreventelectrical
shockintheeventofagroundfaultconditioninthe
generatororinconnectedelectricaldevices.Proper
groundingalsohelpsdissipatestaticelectricity,which
oftenbuildsupinungroundeddevices.
BEFORE STARTING THE
GENERATOR
To operate the engine you will need to do the
following:
Add Engine Oil
NOTE: When adding oil to the engine crankcase in the
future, use only high quality detergent oil rated with
API service classification SF, SG, SH or SH/CD.
Select the oils viscosity grade according to your
colder _ 32°F
5W30 SAE 30
expected operating temperature:
Although multi-viscosity oils (5W30, 10W30, etc.)
improve starting in cold weather, these oils will result
in increased oil consumption. Check your engine oil
level more frequently to avoid possible damage from
running low on oil.
To Add Engine Oil:
• Place the generator on a level surface.
• Remove the oil fill cap/dipstick.
• Wipe dipstick clean, re-insert into oil fill hole and
tighten securely.
• Remove dipstick, if oil is not up to "FULL" mark,
slowly add recommended oil. Do Not fill above the
"FULL" mark on the dipstick. Replace oil fill cap.
• Check the engine oil level before starting each time
thereafter.
• Reinstall the oil fill cap and tighten securely.
Add Gasoline
WARNING! Never fill fuel tank indoors. Never
fill fuel tank when engine is running or hot. Do
Not light a cigarette or smoke when filling the
fuel tank.
,_ CAUTION! Do Not overfill the fuel tank.
Always leave room for expansion.
• Use regular UNLEADED gasoline with the
generator engine. Do Not use premium gasoline.
Do Not mix oil with gasoline.
Clean area around fuel fill cap, remove cap.
Slowly add unleaded regular gasoline to fuel tank.
Be careful not to overfill. Allow about 1/2" of tank
space for fuel expansion, as shown here.
1/2" Air Space Tank
Fuel
• Install fuel cap and wipe up any spilled gasoline.
To Start The Engine
• Unplug all electrical loads from the generator
receptacles before starting the engine. Never start
or stop the engine with electrical devices
connected to the receptacles AND turned on.
• Be sure the spark plug wire is attached to the
spark plug.
*Place the Run/Stop switch in the "RUN" position.
• Push the primer button 2 or 3 times. Wait about
2 seconds between each push. In cold weather
50°F/10°C or below) push 5 times.
Prime
Button
NOTE: Primer may be needed to restart a warm
engine after a short shutdown.
• Grasp starter grip and slowly pull the rope until you
feel some resistance, then pull the cord out with a
rapid full arm stroke. Let rope return slowly. Do
Not let rope "snap back" against engine.
NOTE: If the engine fails to start after 3 pulls, push the
primer button 2 times and pull the starter rope again.
,_ CAUTION! Breathing Hazard! Never run
engine in enclosed poorly ventilated areas.
Engine exhaust contains carbon monoxide, an
odorless and deadly gas.
,_ WARNING! Burn Hazard! Temperature of
muffler and nearby areas may exceed 150°F
(65°C). Avoid these areas.

Connecting Electrical Loads
• Let the engine stabilize and warm up for a few
minutes after starting.
• Do Not connect 240 Volt loads to 120 Volt
receptacles.
• Do Not connect 3-phase loads to the generator.
• Do Not connect 50 Hz loads to the generator.
• Plug in and turn on the desired 120 Volt AC, single
phase, 60 Hertz electrical loads.
DO NOT OVERLOAD THE GENERATOR. Add up
the rated watts (or amps) of all loads to be
connected at one time. This total should not be
greater than the rated wattage/amperage capacity
of the generator. See "Don't Overload the
Generator" on page 8.
Stopping the Engine
• Unplug all electrical loads from the unit. Never start
or stop the engine with electrical devices plugged
in and turned on.
• Let the engine run at no-load for two minutes to
stabilize the units internal temperatures.
• Move the Run/Stop switch to "STOP" position.
Low Oil Shutdown
Sensing Low Oil Level
If the system senses low oil level during operation, the
engine shuts down. As the system shuts down, the
low oil light (contained in the Run/Stop switch) blinks.
However, once the engine has stopped rotating, this
light will go off.
Restarting
If you attempt to restart the engine after such a
shutdown and have not corrected the low oil level, the
engine will not start and the light will blink as you try to
start it. Check the oil and refill the oil in accordance
with the instructions on page 6.
Charging a Battery
_ARNING! Storage batteries emit explosive
gas while charging that remains around a
battery for a long time after it has been charged.
The slightest spark can ignite the gas, causing
an explosion that can shatter the battery and
cause blindness or other injury.
_ARNING! Do Not permit smoking, open
flame, sparks or any other source of heat
around a battery. Do Not use a lighter or other
flame for checking battery fluid levels. Wear
protective goggles, rubber apron and rubber
gloves when working around a battery. Battery
electrolyte fluid is an extremely caustic sulfuric
acid solution that can cause severe burns. Do
Not permit fluid contact with eyes, skin, clothing,
etc. If spill occurs, flush area with clear water
immediately.
Your generator has the capability of recharging a
discharged 12 Volt automotive or utility style storage
battery. Do Not use the unit to charge any 6 Volt
batteries. Do Not use the unit to crank an engine
having a discharged battery.
To recharge 12 Volt batteries, proceed as follows:
• If necessary, clean battery posts or terminals.
• Check fluid level in all battery cells. If necessary,
add ONLY distilled water to cover separators in
battery cells. Do Not use tap water.
• If the battery is equipped with vent caps, make
sure they are installed and are tight.
• Connect battery charge cable connector plug to
panel receptacle identified by the words
"12 VOLT D.C."
• Connect battery charge cable clamp with red
handle to battery post or terminal indicated by
POSITIVE, POS or (+).
12 VOLT D.C.
RECEPTACLE
POS NEG
12 VOLT BATTERY
• Connect battery charge cable clamp with black
handle to battery post or terminal indicated by
NEGATIVE, NEG, or (-).
• Start engine. Let the engine run while battery
recharges.
• When battery has charged, shut down engine (see
"Stopping the Engine").
NOTE: Use an automotive hydrometer to test battery
state of charge and condition. Follow the hydrometer
manufacturer's instructions carefully. Generally, a
battery is considered to be at 100% state of charge
when specific gravity of its fluid (as measured by
hydrometer) is 1.260 or higher.

DON'T OVERLOAD THE
GENERATOR
Overloading a generator in excess of its rated wattage
capacity can result in damage to the generator and to
connected electrical devices. Observe the following, to
prevent overloading the unit:
• Add up the total wattage of all electrical devices to
be connected at one time. This total should NOT
be greater than the generator's wattage capacity.
• The rated wattage of lights can be taken from light
bulbs. The rated wattage of tools, appliances and
motors can usually be found on a data plate or
decal affixed to the device.
• If the appliance, tool or motor does not give
wattage, multiply volts times ampere rating to
determine watts (volts x amps = watts).
• Some electric motors, such as induction types,
require about three times more watts of power for
starting than for running. This surge of power lasts
only a few seconds when starting such motors.
Make sure you allow for this high starting wattage
when selecting electrical devices to connect to your
generator. First, figure the watts needed to start the
largest motor. Add to that figure the running watts
of all other connected loads.
The Wattage Reference Guide provided here may
assist you in determining generator load.
WATTAGE REFERENCE GUIDE
Device ...................... Running Watts
*Air Conditioner (12,000 Btu) .............. 1700
*Air Conditioner (24,000 Btu) .............. 3800
*Air Conditioner (40,000 Btu) .............. 6000
Battery Charger (20 Amp) ................. 500
Belt Sander (3") ........................ 1000
Chain Saw ............................ 1200
Circular Saw (6-1/2") ............... 800 to 1000
*Clothes Dryer (Electric) .................. 5750
*Clothes Dryer (Gas) ..................... 700
*Clothes Washer ....................... 1150
Coffee Maker .......................... 1750
*Compressor (1 liP) ..................... 2000
*Compressor (3/4 liP) ................... 1800
*Compressor (1/2 liP) ................... 1400
Curling Iron ............................ 700
*Freezer ............................... 700
*Dehumidifier ........................... 650
Disc Sander (g") ........................ 1200
Edge Trimmer .......................... 500
Electric Blanket ......................... 400
Electric Nail Gun ....................... 1200
Electric Range (per element) .............. 1500
Electric Skillet .......................... 1250
*Furnace Fan (3/5 liP) .................... 875
*Garage Door Opener ............... 500 to 750
Hair Dryer ............................ 1200
Hand Drill ....................... 250 to 1100
Device ...................... Running Watts
Hedge Trimmer ......................... 450
Impact Wrench .......................... 500
Iron ................................. 1200
*Jet Pump ............................. 800
Lawn Mower ........................... 1200
Light Bulb.............................. 100
Microwave Oven .................. 700 to 1000
*Milk Cooler ........................... 1100
Oil Burner on Furnace .................... 300
Oil Fired Space Heater (140,000 Btu) ......... 400
Oil Fired Space Heater (85,000 Btu) .......... 225
Oil Fired Space Heater (30,000 Btu) .......... 150
*Paint Sprayer, Airless (1/3 liP) ............. 600
Paint Sprayer, Airless (handheld) ............ 150
Radio ............................ 50 to 200
*Refrigerator ............................ 700
Slow Cooker ........................... 200
*Submersible Pump (1-1/2 liP) ............. 2800
*Submersible Pump (1 liP) ................ 2000
*Submersible Pump (1/2 liP) .............. 1500
*Sump Pump ..................... 800 to 1050
*Table Saw (10") ................. 1750 to 2000
Television ........................ 200 to 500
Toaster ........................ 1000 to 1650
Weed Trimmer .......................... 500
* Allow 3 times the listed watts for starting these devices.

MAINTENANCE SCHEDULE
Follow the hourly or calendar intervals, whichever occurs first.
More frequent service is required when operating in adverse conditions noted below.
Maintenance Operation
Check oil level X
Change oil :1:
Clean spark arrester screen
Service air cleaner cartridge
Replace spark plugs
:1: Change oil after first 2 hours of operation then after every 50 hours or every season.
*Change oil every 25 hours when operating under heavy load or in high temperatures.
** Clean more often under dirty or dusty conditions. Replace cleaner parts if very dirty.
20 Hours or 25 Hours or 50 Hours or
Every 5 Hours Every Season Every Season Every Season
100 Hours or
Every Season
X
PRODUCT SPECIFICATIONS
Generator Specifications
Rated RunningWatts ......... 2,500 Watts (2.5kW)
Rated Surge Watts ........... 3,125 Watts (3.1kW)
Rated Voltage ............... 120 Volts AC
Rated Maximum Current
at 120 Volts ................ 20.8 Amperes
Rated Frequency ............ 60 Hz at 3600 rpm
Phase ..................... Single Phase
Engine Specifications
Rated Horsepower ........... 6.0 at 3600 rpm
Displacement ............... 195cc
Spark Plug Type: ............ Champion RN4C or
Equivalent
Set Gap To: ........... 0.030inch (0.76mm)
Gasoline Capacity ............ 1 U.S. gallon
GENERAL RECOMMENDATIONS
The generator warranty does not cover items that
have been subjected to operator abuse or negligence.
To receive full value from the warranty, operator must
maintain generator as instructed in this manual.
Some adjustments will need to be made periodically to
properly maintain your generator.
All adjustments in this section should be made at least
once each season. Follow the requirements in the
"Maintenance Schedule" chart shown above.
NOTE: Once a year you should clean or replace the
spark plug and replace the air filter. A new spark plug
and clean air filter assure proper fuel-air mixture and
help your engine run better and last longer.
GENERATOR MAINTENANCE
Generator maintenance consists of keeping the unit
clean and dry. Operate and store the unit in a clean
dry environment where it will not be exposed to
excessive dust, dirt, moisture or any corrosive vapors.
Cooling air slots in the generator must not become
clogged with snow, leaves,or any other foreign
material.
Check the cleanliness of the generator frequently and
clean when dust, dirt, oil, moisture or other foreign
substances are visible on its exterior surface.
NOTE: Do Not use a garden hose to clean generator.
Water can enter the engine fuel system and cause
problems. In addition, if water enters the generator
through cooling air slots, some of the water will be
retained in voids and cracks of the rotor and stator
winding insulation. Water and dirt buildup on the
generator internal windings will eventually decrease
the insulation resistance of these windings.

To Clean the Generator:
• Use a damp cloth to wipe exterior surfaces clean.
• A soft bristle brush may be used to loosen caked
on dirt, oil, etc.
_AUTION! Never insert any object or tool
through the air cooling slots, even if the engine
is not running.
• A vacuum cleaner may be used to pick up loose
dirt and debris.
Low pressure air (not to exceed 25 psi) may be
used to blow away dirt. Inspect cooling air slots
and openings on the generator. These openings
must be kept clean and unobstructed.
,_ DANGER! When working on the generator
always disconnect spark plug wire from spark
plug and keep it away from spark plug.
ENGINE MAINTENANCE
Checking Oil Level
Oil level should be checked prior to each use or at
least every 5 hours of operation. Keep oil level
maintained.
Changing Engine Oil
Change the oil after the first 2 hours of operation.
Change oil every 50 hours thereafter. If you are using
your generator under extremely dirty or dusty
conditions, or in extremely hot weather, change the oil
more often.
Change the oil while the engine is still warm from
running, as follows:
• Clean area around oil drain plug.
• Remove oil drain plug and drain oil completely into
a suitable container.
• Install oil drain plug and tighten securely.
• Fill oil sump with recommended oil. See page 6 for
oil recommendations.
• Install the oil cap/dipstick. Check oil level. Tighten
cap securely.
• Wipe up any spilled oil.
Clean/Replace Spark Plug
Change the spark plug every 100 hours of operation
or once each year, whichever comes first. This will
help your engine to start easier and run better.
• Clean the area around the spark plug.
• Remove and inspect the spark plug.
• Replace the spark plug if electrodes are pitted or
burned or the porcelain is cracked. For
replacement use Champion RN4C or equivalent.
• Check electrode gap with wire feeler gauge and set
spark plug gap to 0.030 inch (0.76mm) if
necessary.
Service Air Cleaner
Your engine will not run properly and may be
damaged if you run it using a dirty air filter element.
Clean or replace the paper air filter element once
every 100 hours of operation or once each season,
whichever comes first. Clean or replace more often if
operating under dusty or dirty conditions.
To clean or replace paper air filter:
• Remove the wing nut and air cleaner cover and
remove the paper filter.
Base
Paper Filter
_ Cover
Wing Nut
• Clean the inside of the base and cover thoroughly.
• Clean the paper filter by tapping it gently on a solid
surface. If the filter is too dirty, replace it with a new
one. Dispose of the old filter properly.
NOTE: If you need to order a new air filter element,
please call 1-800-366-PART.
Clean Spark Arrester Screen
The engine exhaust muffler has a spark arrester
screen. Inspect and clean the screen every 20 hours
of operation or once each year, whichever comes first.
NOTE: If you use your generator on any forest-
covered, brush-covered or grass-covered unimproved
land, it must have a spark arrester installed. The spark
arrester must be maintained in good condition by the
owner/operator.
10

Cleanandinspectthesparkarresterasfollows:
• Removethescrewthatattachesthesparkarrester
screen.
• Inspectthescreenandreplaceif torn,perforated
orotherwisedamaged.DoNotusea defective
screen.If screenisnotdamaged,cleanitwith
commercialsolvent.
• Reattachthescreen.
Spark
Arrester
Muffler
\
GENERAL
The generator should be started at least once every
seven days and allowed to run at least 30 minutes. If
this cannot be done and you must store the unit for
more than 30 days, use the following information as a
guide to prepare it for storage.
Long Term Storage Instructions
_ARNING! Never store engine with fuel in
tank indoors or in enclosed, poorly ventilated
areas where fumes may reach an open flame,
spark or pilot light as on a furnace, water heater,
clothes dryer or other gas appliance.
It is important to prevent gum deposits from forming in
essential fuel system parts such as the carburetor, fuel
filter, fuel hose or tank during storage. Also,
experience indicates that alcohol-blended fuels (called
gasohol, ethanol or methanol) can attract moisture,
which leads to separation and formation of acids
during storage. Acidic gas can damage the fuel
system of an engine while in storage.
To avoid engine problems, the fuel system should be
emptied before storage of 30 days or longer. Follow
these instructions:
Protect Fuel System
_ARNING! Drain fuel into approved container
outdoors, away from open flame. Be sure
engine is cool. Do Not smoke.
• Remove all gasoline from the fuel tank to prevent
gum deposits from forming on these parts and
causing possible engine malfunction.
• Run engine until engine stops from lack of fuel.
Change Oil
While engine is still warm, drain oil from crankcase.
Refill with recommended grade.
Oil Cylinder Bore
• Remove spark plug and pour about 1 ounce (30ml)
of clean engine oil into the cylinder.
_AUTION! Avoid spray from spark plug hole
when cranking engine slowly.
• Cover spark plug hole with rag. Crank slowly to
distribute oil.
• Install spark plug. Do Not connect spark plug wire.
Generator
• Clean the generator as outlined on page 10 ("To
Clean the Generator").
• Check that cooling air slots and openings on
generator are open and unobstructed.
Other Storage Tips:
•Do Not store gasoline from one season to another.
• Replace your gasoline can if the can starts to rust.
Rust and/or dirt in your gasoline will cause
problems.
• If possible, store your unit indoors and cover it to
give protection from dust and dirt. BE SURE TO
EMPTY THE FUEL TANK.
• Cover your unit with a suitable protective cover that
does not retain moisture.
• Store generator in clean, dry area.
IMPORTANT: Never cover your generator while
engine and exhaust area are warm.
11

Problem Correction
Engine is running, but
no AC output is
available.
Engine runs good at
no-load but "bogs
down" when loads
are connected.
Cause
1. One of the circuit breakers is open.
2. Fault in generator.
3. Poor connection or defective cord set.
4. Connected device is bad.
1. Short circuit in a connected load.
2. Engine speed is too slow.
3. Generator is overloaded.
4. Shorted generator circuit.
1. Run/Stop Switch set to "STOP".
2. Dirty air cleaner.
3. Out of gasoline.
4. Stale gasoline.
5. Spark plug wire not connected to
1. Reset circuit breaker.
2. Contact Sears service facility.
3. Check and repair.
4. Connect another device that is in
good condition.
1. Disconnect shorted electrical load.
2. Contact Sears service facility.
3. See "Don't Overload the
Generator" on page 8.
4. Contact Sears service facility.
1. Set switch to "RUN".
2. Clean or replace air cleaner.
3. Fill fuel tank.
4. Drain gas tank; fill with fresh fuel.
5. Connect wire to spark plug.
Engine will not start;
or starts and runs
rough.
spark plug.
6. Bad spark plug.
7. Water in gasoline.
8. Overprimed or flooded.
9. Low oil level.
10. Excessively rich fuel mixture.
6. Replace spark plug.
7. Drain gas tank; fill with fresh fuel.
8. Wait 5 minutes and re-crank
engine.
9. Fill crankcase to proper level.
10. Contact Sears service facility.
11. Intake valve stuck open or closed.
12. Engine has lost compression.
1. Out of gasoline.
2. Low oil level.
Engine shuts down
when running.
1. Load is too high. 1.
Engine lacks power. 2. Dirty air filter. 2.
Engine "hunts" or Carburetor is running too rich or too lean. Contact Sears service facility.
falters.
11. Contact Sears service facility.
12. Contact Sears service facility.
1. Fill fuel tank.
2. Fill crankcase to proper level.
See "Don't Overload the Generator"
on page 8.
Replace air filter.
12

13

BRIDGE
RECTIFIER
+ FIELD
11 POWER 22
22
120 VAC
20A
BATTERY CHARGER
66 77
15
55
( }
(+}
14

TO SCREW
ON PANEL 22 22
120 VAC
A
1
20A C.B.
NOTE:
*POSITIVE BRUSH CLOSEST TO BEARING
BRUSHES
6
66
15
IOA C.B.
3
55
13
77 55
15

CRAFTSMAN 2500 Watt AC Generator 580.327122
Main Unit mExploded View
900
'\\\,
5O
51
\\\\\ @
3O
10
44
r_
17
13
\\\\\
6O
33
"\\
63
/
/
/
L
64
16

CRAFTSMAN 2500 Watt AC Generator 580.327122
Main Unit mParts List
Item PaN# Qty.
2 B96963 1
3 85652 2
4 14353621 1
5 86292 1
6 75475 2
7 85651 2
9 B4901 4
10 38150 2
11 B2413J 1
12 66365F 1
13 91820 1
14 65791 1
15 24420 1
16 66825B 1
17 B4986 1
19 86308D 4
20 22264 2
21 66849 2
23 68759 1
24 77247 1
25 B2424 1
26 91825 1
27 96796 1
29 51715 2
30 74908 4
31 86494 1
32 84242 2
33 86307 4
34 67022 1
35 67989 6
36 26850 2
Description
BASE, Mounting
MOUNT, Vibration - AIt.
WIRE, Ground
CAPSCREW, Self Driller #10
SCREW, M4- 0.7 x 10 PHM
MOUNT, Vibration Engine
DECAL, 1-800-4-MyHome
WASHER, #8 Flat
ASSEMBLY, Stator
HOUSING, Engine Adapter
ASSEMBLY, Rotor
BEARING, Ball
BOLT, 5/16 - 24 x 6.25 Rotor
CARRIER, Rear Bearing
DECAL, Ground
BOLT, M6 - 1.00 x 85mm
Stator
WASHER, No. 8 Lock
SCREW, M5 - .80 x 16mm
Taptite
RECEPTACLE, 120V AC, 20A
BREAKER, Circuit 20A
PANEL, Receptacle
RECTIFIER, Brush & Bridge
WASHER, Flat
NUT, M4 - 0.7 Hex
SCREW, M5- .80 x 10mm
Taptite
SCREW, M6 - 1.0 x 16 Wing
GROMMET, Rubber
CAPSCREW, 5/16 - 24 x 3/4
Hex
GROMMET, Bearing Carrier
NUT, M8 Flanged Serrated
WASHER, M6 1/4 Shake
Proof
Item PaN # Qty.
38 22769 1
45 93639 1
47 93728 2
48 B2479 1
49 B2415 1
50 97082 2
51 81895 4
52 97178 2
53 97912 2
54 B98956B 1
55 B98956A 1
56 B98955 1
57 87841 2
58 39253 6
59 52858 6
60 22246 2
61 25391 2
62 49808 2
63 91094 2
64 75402 2
65 99368 2
66 96049 1
67 99541 1
68 65795 1
69 66849A 1
70 90418 1
71 77247A 1
72 19153621 1
900 NSP 1
PaNs Notlllustrated
B2476 1
AB3061B 1
65787 1
Description
WASHER, #10 Shake Proof
DECAL, Danger (English)
AXLE, Wheel
DECAL, Logo
DECAL, Control Panel
POSITIONER, Handle
CAP PLUG, 3/4" Square
KNOB, Handle
BOLT, 1/4-20" x 2-1/4"
Carriage
ASSY, Leg & Foot Suppt. Left
ASSY, Leg & Foot Suppt. Rgt
HANDLE
MOUNT, Vibration Leg
SCREW, M8 1.25 x 20 Hx Hd
NUT, M8 1.25 Flange
LOCKWASHER, 5/8"
NUT, 5/8"- 18 Jam
WASHER, M12 Flat
WHEEL, 8" Dia.
PUSH NUT, 1/2" Dia.
PLATE, Anti Scratch & Wear
DECAL, 1-800 #
DECAL, Start Instructions
RECTIFIER, Battery Charge
TAPTITE, M5 - 0.8 x 20
OUTLET, 12VDC
CIRCUIT BREAKER, 10Amp
WIRE, #13
ENGINE, 143.986003
Owner's Manual
20 Oz. Engine Oil
Battery Charge Cables
17

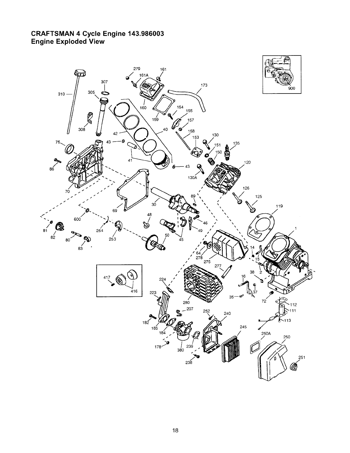
CRAFTSMAN 4 Cycle Engine 143.986003
Engine Exploded View
279
310 --
307
I
3o5
\
161
173
/900
159
130
135
120
/
182
185 /
184 j_
,7,_° /
380
238
250A
/250
#@ 251
18

CRAFTSMAN 4-Cycle Engine 143.986003
Engine Parts List
Item Pa_ # Qty.
1 37126 1
2 26727 2
14 651052 1
16 37162 1
30 34745 1
35 651053 1
37 29216 1
38 37109 1
40 40004 1
40 40005 1
41 36070 1
41 36071 1
42 40006 1
42 40007 1
43 20381 2
45 32875A 1
46 32610A 2
48 35616 2
49 36611 1
50 37040 1
64 651015 1
69 36624 1
70 37159 1
72 27642 1
75 28460 1
80 37160 1
81 30590A 1
82 37161 1
83 35322 1
86 650488 8
89 610961 1
111 611207 1
112 35967 1
113 650950 4
119 36719 1
120 36721 1
125 36471 1
125 36472 1
126 29314C 1
126 29315C 1
130 650912 4
130A 650999 1
135 34645 1
Description
Cylinder
Dowel Pin
Washer
Governor Lever
Crankshaft
Screw, Torx T-2510-32x63/64"
Lock Nut 10-32
Retaining Ring
Piston, Pin & Ring (Std.)
Piston, Pin & Ring (.01" OS)
Piston & Pin Assy. (Std.)
Piston & Pin Assy. (.01" OS)
Ring Set (Std.)
Ring Set (.01" OS)
Piston Pin Ret. Ring
Connecting Rod Assy.
Connecting Rod Bolt
Valve Lifter
Oil Dipper
Camshaft (Incl. 253 & 254)
Screw, 1/4-20 x 1-1/8"
Cylinder Cover Gasket
Cylinder Cover (incl 75-83)
Oil Drain Plug
Oil Seal
Governor Shaft
Washer
Governor Gear Assy.
Governor Spool
Screw, 1/4-20x1-1/4"
Flywheel Key
Low Oil Sensor (incl 112)
Low Oil Sensor Gasket
Screw, Torx T-25, 10-24x5/8"
Cylinder Head Gasket
Cylinder Head
Exhaust Valve (Std) incl 151
Exhaust Valve (1/32" OS)
Intake Valve (Std) incl 151
Intake Valve (1/32" OS)
Screw, 5/16-18x1-1/2"
Screw, 5/16-18x2-41/64"
Resistor Spark Plug (RN4C)
Item
150
151
153
154
155
157
158
159
160
161
161A
173
178
182
184
185
207
223
224
238
239
240
245
250
250A
251
252
253
254
275
277
278
279
280
305
307
308
310
380
416
417
600
900
Part#
37039
31673
36649
650913
35624A
650914
36629
35626
36630A
651008
651012
36675A
650852
650451
26756
36631
36632
650451
36581
28820
27272A
36633A
36046
37073
37074
650886
650821
36701
36702
36722
650988
36674
650852
36893
36877
35499
37079
36878
640135
36085
650983
651013
Qty.
2
2
1
2
2
2
2
1
1
2
2
1
2
2
1
1
1
2
1
2
1
1
1
1
1
1
1
1
1
1
2
1
1
1
1
1
1
1
1
1
1
1
0
Description
Valve Spring
Valve Spring Cap
Push Rod Guide
Rocker Arm Stud
Rocker Arm
Nut, 1/4-28
Push Rod
Rocker Arm Cover Gasket
Rocker Arm Cover
Screw, 1/4-20x31/64"
Stud
Breather Tube
Nut, 1/4-20
Screw, 1/4-20xl
Carb-lntake Pipe Gasket
Intake Pipe
Throttle Link
Screw, 1/4-20xl"
Intake Pipe Gasket
Screw, 10-32xl/2"
Air Cleaner Gasket
Air Cleaner Body
Air Cleaner Filter
Air Cleaner Cover
Air Cleaner Baffle
Wing Nut
Screw, 10-32xl/2"
Compress. Rel. Weight
Compress. Rel. Spring
Muffler
Screw, 1/4-20x2-9/32"
Spacer
Nut & Lock Washer
Heat Shield
Oil Fill Tube
"O" Ring
Fill Tube Clip
Dipstick
Carburetor (incl 184)
Spark Arrester Kit (incl. 417)
Screw, 8-32x3/8"
Washer
Replacement Engine
19

CRAFTSMAN 4-Cycle Engine 143.986003
Exploded View and Parts List
301
I
260
Item
19
20
25
25A
26
60
65
90
92
93
94
96
100
101
103
103A
110
110A
111A
200
209
260
261
261A
262
PaN #
37163
32600
36621
36622
30200
36623A
30200
611205
650815
650816
651016
30845A
34443B
610118
651007
650767
35589
36964
611226
37123
650821
36992
651008
650821
651008
Qty. Description
1 Extension Spring
2 Dog Spring
1 Air Baffle (Left)
1 Air Baffle (Right).
1 Screw, 10-24 x 9/16".
1 Blower Housing Ext.
1 Screw, 10-24 x 9/16"
1 Flywheel
1 Belleville Washer
1 Flywheel Nut
1 Lock Nut, 10-32
1 RPM Adjusting Bolt
1 Solid State Ignition
1 Spark Plug Cover
2 Screw, Torx T-15 10-
24x 15/16"
1 Screw, 8-32x27/64"
1 Ground Wire
1 Ground Wire
1 Rocker On/Off Switch
1 Control Bracket
2 Screw, 10-32xl/2"
1 Blower Housing
1 Screw, 1/4-20x31/64"
2 Screw, 10-32xl/2"
2 Screw, 1/4-20x31/64"
Item PaN #
285 35985B
287 0
290 30705
292 26460
298 650665
300 37002
301 36754
313 34080
325 29443
327 35392
340 37071
341 36644
342 651010
342A 650738
370A 36261
370L 36771
390 590736
400 36720
287
/
0
/
327
Qty. Description
1 Starter Cup
4 Rivet (Purchase Locally)
1 Fuel Line
2 Fuel Line Clamp
2 Screw, 1/4-15x3/4"
1 Fuel Tank (icl 292 & 301)
1 Fuel Cap (Black)
1 Spacer
1 Wire Clip
1 Starter Plug
1 Fuel Tank Bracket
1 Fuel Tank Bracket
2 Screw, 1/4-20x7/8"
1 Screw, 1/4-20x5/8"
1 Lubrication Decal
1 Oil Sensor Decal
1 Rewind Starter
0 Gasket Set (incl. 1 each
26756, 27272A, 39673,
35626, 36581, 36624, 36719)
This is a replacement kit, not
included in purchase.
20

CRAFTSMAN 4-Cycle Engine 143.986003
Carburetor Exploded View and Parts List
17
_E 37
_ 37
25/@
44 f(_
40/_ D
Item
0
1
2
4
5
6
7
16
17
18
20
20A
25
27
28
29
30
31
35
36
37
40
47
48
PaN #
640135
632762
632763
631184
631183
631036
630506
632164
651025
630766
640018
640053
631867
631024
632019
631028
631021
631022
36045A
640019
632547
640015
630748
631027
Qty. Description
1 Carburetor
1 Throt. Shaft/Lever Assy.
1 Throt. Return Spring
1 Dust Seal Washer
1 Dust Seal (Throttle)
1 Throttle Shutter
1 Shutter Screw
1 Fuel Fitting
1 Throt. Crack Screw
1 Tension Spring
1 Idle Restrictor Screw
1 Idle Restrict. Screw Cap
1 Float Bowl
1 Float Shaft
1 Float
1 Float Bowl "O" Ring
1 Inlet Needle, Seat,Clip
1 Spring Clip
1 Primer Button/Ret. Ring
1 Main Nozzle Tube
2 "O" Ring
1 High Speed Bowl Nut
1 Welch Plug, Idle Well
1 Welch Plug Atmos. Vent
21

CRAFTSMAN 4-Cycle Engine 143.986003
Recoil Starter Exploded View and Parts List
/
13
--11
_8
Item
0
1
2
3
4
5
6
7
8
11
12
13
PaN #
590736
590599A
590600
590696
590601
590697
590698
590699
590700
590705
590535
590701
Qty. Description
0 Rewind Starter
1 Spring Pin (Incl. 4)
1 Washer
1 Retainer
1 Washer
1 Brake Spring
2 Starter Dog
2 Dog Spring
1 Pulley/Rewind Spring Assy.
1 Starter Housing Assy.
1 Starter Rope 98"x9/64 dia.
1 Starter Handle
7__=;
_5
__2
D
22

23

CALIFORNIA & US EPA EMISSION
CONTROL WARRANTY STATEMENT
The U.S. Environmental Protection Agency ("EPA"), the
California Air Resources Board ("CARB") and Tecumseh
Products Co. are pleased to explain the Federal and
California Emission Control Systems Warranty on your new
small off-road engine. In California, new model year 2000
and later small off-road engines must be designed, built and
equipped to meet the State's stringent anti-smog standards.
In other states, new model year 1997 and later small off-
road engines must be designed, built and equipped, at the
time of sale, to meet U.S. EPA regulations. Tecumseh
Products Co. will warrant the emission control system on
your small off-road engine for the time periods listed below,
provided there has been no abuse, neglect, unapproved
modification, or improper maintenance of your small off-road
engine.
Your emission control system may include parts such as the
carburetor, ignition system and exhaust system. Also
included may be the compression release system and other
emission-related assemblies.
Where a warrantable condition exists, Tecumseh Products
Co. will repair your small off-road engine at no cost to you
for diagnosis, parts and labor.
Manufacturer's Emission Control System
Warranty Coverage
Emission control systems on model year 2000 and later
California small off-road engines are warranted for two
years as hereinafter noted. In other states, model year 1997
and later small off-road engines are also warranted for two
years. If during such warranty period, any emission-related
part on your engine is defective in materials or
workmanship, the part will be repaired or replaced by
Tecumseh Products Co.
Owner's Warranty Responsibilities
As the small off-road engine owner, you are responsible for
the performance of the required maintenance listed in your
Operating/Maintenance Instructions, but Tecumseh
Products Co. will not deny warranty solely due to the lack of
receipts or for your failure to provided written evidence of
the performance of all scheduled maintenance.
As the small off-road engine owner, you should, however,
be aware that Tecumseh Products Co. may deny you
warranty coverage if your small off-road engine or a part
thereof has failed due to abuse, neglect, improper
maintenance or unapproved modifications.
You are responsible for presenting your small off-road
engine to a Tecumseh Authorized Service Outlet (any
Tecumseh Registered Service Dealer, Tecumseh
Authorized Service Distributor or Tecumseh Central
Warehouse Distributor) as soon as a problem exists. The
warranty repairs should be completed in a reasonable
amount of time, not to exceed 30 days.
Warranty Service can be arranged by contacting either a
Tecumseh Authorized Service Outlet or by contacting
Tecumseh Products Co., c/o Service Manager, Engine and
Transmission Group Service Division, 900 North Street,
Grafton, WI 53024-1499. Telephone 1-262-377-2700, or see
your local telephone yellow pages under "Engines,
Gasoline" for the name, address and telephone number of a
Tecumseh Authorized Service Outlet near you.
Important Note
This warranty statement explains your rights and obligations
under the Emission Control Warranty ("ECS Warranty")
which is provided to you by Tecumseh Products Co.
pursuant to California law. Tecumseh Products Co. also
provides to the original purchasers of new Tecumseh
Products Co. engines the Tecumseh Products Co. Limited
Warranties for New Tecumseh Engine and Electronic
Ignition Modules ("Tecumseh Products Co. Warranty") which
is enclosed with all new Tecumseh Products Co. engines on
a separate sheet. The ECS warranty applies only to the
emission control system of your new engine. To the extent
that there is any conflict in terms between the ECS
Warranty and the Tecumseh Products Co. Warranty, the
ECS Warranty shall apply except in any circumstances in
which the Tecumseh Products Co. Warranty may provide a
longer warranty period. Both the ECS Warranty and the
Tecumseh Products Co. Warranty describe important rights
and obligations with respect to your engine.
Warranty service can only be performed by a Tecumseh
Products Co. Authorized Service Outlet, or by Tecumseh
Products Co. at its factory in Grafton, WI. At the time of
requesting warranty service, evidence must be presented of
the date of sale to the original purchaser. The purchaser
shall pay any charges for making service calls and/or for
transporting the products to and from the place where the
inspection and/or warranty work is performed. The
purchaser shall be responsible for any damage or loss
incurred in connection with the transportation of any engine
or any part(s) there of submitted for inspection and/or
warranty work.
If you have any questions regarding your warranty rights
and responsibilities, you should contact Tecumseh Products
Co. at 1-262-377-2700.
EMISSION CONTROL SYSTEM
WARRANTY
Emission Control System Warranty ("ECS Warranty") for
model year 2000 and later California small off-road engines
(for other states, model year 1997 and later small off-road
engines):
A. Applicability: This warranty shall apply to model year
2000 and later California small off-road engines (for other
states, model year 1997 and later small off-road engines.)
The ECS Warranty Period shall begin on the date the new
engine or equipment is delivered to its original, end-use
purchaser, and shall continue for 24 consecutive months
thereafter.
24

B. General Emissions Warranty Coverage: Tecumseh
Products Co. warrants to the original, end-use purchaser of
the new engine or equipment and to each subsequent
purchaser that each of its small off-road engines is:
1. Designed, built and equipped so as to conform with all
applicable regulations by the Air Resources Board
pursuant to its authority in Chapters 1 and 2, Part 5,
Division 26 of the Health and Safety Code, and
2. Free from defects in materials and workmanship
which, at any time during the ECS Warranty period,
will cause a warranted emissions-related part to fail to
be identical in all materials respects to the part as
described in the engine manufacturer's application for
certification.
C. The ECS Warranty only pertains to emissions-related
parts on your engine, as follows:
1. Any warranted, emissions-related parts which are not
scheduled for replacement as required maintenance in
the Operation/Maintenance Instructions shall be
warranted for the ECS Warranty Period. If any such
part fails during the ECS Warranty Period, it shall be
repaired or replaced by Tecumseh Products Co.
according to Subsection 4 below. Any such part
repaired or replaced under the ECS Warranty shall be
warranted for any remainder of the ECS Warranty
Period.
2. Any warranted, emissions-related part which is
scheduled only for regular inspection as specified in
the Operation/Maintenance Instructions shall be
warranted for the ECS Warranty Period. A statement
in such written instructions to the effect of "repair or
replace as necessary," shall not reduce the ECS
Warranty Period. Any such part repaired or replaced
under the ECS Warranty shall be warranted for the
remainder of the ECS Warranty Period.
3. Any warranted, emissions-related part which is
scheduled for replacement as required maintenance in
the Operation/Maintenance Instructions, shall be
warranted for the period of time prior to the first
scheduled replacement point for that part. If the part
fails prior to the first scheduled replacement, the part
shall be repaired or replaced by Tecumseh Products
Co. according to Subsection 4 below. Any such
emissions-related part repaired or replaced under the
ECS Warranty, shall be warranted for the remainder of
the ECS Warranty period prior to the first scheduled
replacement point for such emissions-related part.
4. Repair or replacement of any warranted, emissions
related part under this ECS Warranty shall be
performed at no charge at a Tecumseh Authorized
Service Outlet.
5. The owner shall not be charged for diagnostic labor
which leads to the determination that a part covered
by the ECS Warranty is in fact defective, provided that
such diagnostic work is performed at a Tecumseh
Authorized Service Outlet.
6. Tecumseh Products Co. shall be liable for damages to
other original engine components or approved
modifications proximately caused by a failure under
warranty of an emission-related part covered by the
ECS warranty.
7. Throughout the ECS Warranty Period, Tecumseh
Products Co. shall maintain a supply of warranted
emission-related parts sufficient to meet the expected
demand for such emission-related parts.
8. Any Tecumseh Products Co. authorized or approved
emission-related replacement part may be used in the
performance of any ECS Warranty maintenance or
repair and will be provided without charge to the
owner. Such use shall not reduce Tecumseh Products
Co. ECS Warranty obligations.
9. Unapproved add-on or modified parts may not be used
to modify or repair a Tecumseh Products Co. engine.
Such use voids this ECS Warranty shall be sufficient
grounds for disallowing an ECS Warranty Claim.
Tecumseh Products Co. shall not be liable hereunder
for failures of any warranted parts of a Tecumseh
Products Co. engine caused by the use of such an
unapproved add-on or modified part.
EMISSION-RELATED PARTS INCLUDE THE
FOLLOWING:
1. Carburetor Assembly and its Internal Components.
a) Fuel filter
b) Carburetor gaskets
c) Intake pipe
2. Air Cleaner Assembly
a) Air Cleaner Element
3. Ignition System, including:
a) Spark plug
b) Ignition module
c) Flywheel assembly
4. Catalytic Muffler (if so equipped)
a) Muffler gasket (if so equipped)
b) Exhaust manifold (if so equipped)
5. Crankcase Breather Assembly and its Components
a) Breather connection tube
25

GARANTIA...........................................................26
REGLASDESEGURIDAD..................................27
MONTAJE............................................................29
FUNCIONAMIENTO........................................29-32
MANTENIMIENTO..........................................33-35
ESPECIFICACIONES...........................................33
ALMACENAMIENTO............................................35
REPARACIONDEAVERIAS...............................36
GARANTIADELSISTEMADECONTROL
DEEMISIONES..............................................38-39
COMOORDENARPARTES........ULTIMAPAGINA
GARANTIA LIMITADA GENERADORES CRAFTSMAN
SEARS le garantiza al comprador original que el alternador y el motor de su generador portatil estara libre de defectos en
materiales y mano de obra en los componentes y por el periodo de tiempo establecido a continuaciSn a partir de la fecha
de compra original. Esta garantia no es transferible.
CLIENTE* COMERClAL*
Alternador 1 aSo 90 Dias
Motor 1 aSo 90 Dias
*NOTA: Para propositos de esta garantia el t_rmino "Uso del Cliente" representa el uso dom_stico residencial y de
emergencia por parte del comprador original, sin incluir aplicaciones donde la unidad sea usada como fuente de
potencia principal. El t_rmino "Uso Comercial" representa todos los otros usos, incluyendo alquiler, construccion,
comercial y para propositos lucrativos. Una vez el generador haya tenido uso comercial, _ste sera considerado
como un generador para uso comercial para los fines de esta garantia.
Durante dicho periodo de garantia, SEARS reparara o reemplazara, a su discreciSn, cualquier parte que haya sido
encontrada defectuosa, en examen previo realizado por SEARS, bajo uso y servicio normal**. Las baterias de arranque y
los elementos perecederos como bujias y filtros de aire, que se desgastan con el uso normal, no estan garantizados por
SEARS. Todos los costos de transporte bajo garantia, incluyendo el envio a la fabrica, de ser necesario, seran
responsabilidad del comprador y deberan ser pagados por anticipado. Esta garantia no cubre el mantenimiento y servicio
normal y no se aplica a generadores, alternadores, motores o pares que hayan sido sujetos a instalaciones o
modificaciones incorrectas o no autorizadas, mal uso, negligencia, accidente, sobrecarga, exceso de velocidad,
mantenimiento, reparaciSn o almacenamiento incorrecto que, a juicio de SEARS, afecte negativamente su funcionamiento y
confiabilidad.
** DESGASTE NORMAL: Como con todos los dispositivos mecanicos, los motores necesitan el servicio y
reemplazo periodico de las partes para funcionar en buenas condiciones. Esta garantia no cubre reparaciones
cuando el uso normal haya sobrepasado la vida (=til de una parte o motor.
NO EXISTEN OTRAS GARANTIAS EXPRESAS. SEARS POR MEDIO DE LA PRESENTE DESCONOCE TODAS LAS
GARANTIAS IMPLICITAS, INCLUYENDO, SIN LIMITARSE, A AQUELLAS DE COMERCIALIZACION Y ADAPTACION
PARA UN PROPOSITO PARTICULAR AL EXTREMO PERMITIDO POR LA LEY. LA DURACION DE CUALQUIER
GARANTIA IMPLICITA QUE NO PUEDA SER DESCONOCIDA, ESTA LIMITADA AL PERIODO DE TIEMPO
ESPECIFICADO EN LA GARANTIA EXPRESA. LA RESPONSABILIDAD LEGAL ES EXCLUIDA POR DANOS
CONSECUENCIALES, INCIDENTALES O ESPECIALES BAJO CUALQUIERA DE LAS GARANTIAS.
Algunos estados no permiten limitaciones en la duraciSn de las garantias implicitas, o la exclusiSn o limitaciSn de daSos
incidentales o consecuenciales, por tanto las limitaciones o exclusiones anteriormente mencionadas podrian no aplicarse
a usted. Esta garantia le otorga derechos legales especificos; usted podria tener otros derechos, los cuales cambian de
estado a estado.
Para servicio, visite su centro de servicio de garantia autorizado SEARS mas cercano. El servicio de garantia puede ser
Ilevado a cabo enicamente por un centro de servicio autorizado SEARS. Esta garantia no se podra aplicar para servicio en
otros centros de servicio. Evidencia de la fecha de compra original debera ser presentada en el momento de solicitar el
servicio de garantia.
SEARS, ROEBUCK AND CO., Department 817WA, Hoffman Estates, IL 60179
26

El escape del motor de este producto contiene
elementos quimicos, los cuales son reconocidos en
el Estado de California por producir cancer, defectos
de nacimiento u otros daSos de tipo reproductivo.
iPRECAUCION! Siempre desconecte el alambre
de la bujia y col6quelo donde no pueda entrar en
contacto con la bujia para evitar el arranque
accidental durante la instalaci6n, transporte, ajuste o
reparaci6n de su generador.
iPELIGRO! Este generador esta diseSado para uso
en exteriores Qnicamente. No use este generador en
el interior de edificaciones o recintos cerrados,
incluyendo el compartimiento para generador de un
vehiculo recreacional (VR). Podrian ocurrir incendios
o explosiones. Las modificaciones realizadas por el
usuario, incluyendo ventilaci6n del escape y/o
ventilaci6n de enfriamiento, no eliminaran el peligro.
Tambi6n, permita que exista al menos dos pies de
distancia alrededor del generador, incluso cuando
est6 operando la unidad en exteriores.
iPRECAUClON! El generador produce un voltaje
bastante alto, el cual puede ocasionar descargas
el6ctricas extremamente peligrosas. Evite el contacto
con terminales, alambres pelados o sin
recubrimiento, etc. Nunca permita que personas no
calificadas operen o proporcionen servicio al
generador.
•El C6digo EI6ctrico Nacional exige que el bastidor y las
partes externas conductoras de electricidad del
generador est6n conectadas adecuadamente a una
conexi6n a tierra fisica. Los c6digos el6ctricos locales
tambi6n pueden exigir la conexi6n a tierra adecuada del
generador. Consulte a un electricista local para los
requisitos de conexi6n a tierra.
• Use un interruptor de circuito de falla a tierra en areas
h6medas o de alta conductividad (como en pisos
metalicos o estructuras de acero).
• No utilice en el generador juegos de cordones el6ctricos
que est6n desgastados, pelados, raidos o daSados de
cualquier manera. El uso de un cord6n defectuoso puede
resultar en descarga el6ctrica o daSo del equipo y/o la
propiedad.
• La gasolina es altamente INFLAMABLE y sus vapores
son EXPLOSIVOS. No permita que fumen, que existan
llamas abiertas, chispas o calor a su alrededor cuando
manipule gasolina. Evite regar gasolina sobre un motor
caliente. Cumpla con todas las leyes que regulan el
almacenamiento y el manejo de gasolina.
• No Ilene el tanque de combustible excesivamente.
Siempre permita que exista espacio para la expansi6n
del combustible. Si el tanque esta demasiado Ileno, el
combustible podria rebosarse y caer sobre el motor
caliente y ocasionar un INCENDIO o una EXPLOSION.
• Nunca almacene el generador con combustible en el
tanque, donde los vapores de la gasolina puedan entrar
en contacto con llamas abiertas, chispas o luces de piloto
(como en hornos, calentadores de agua o secadoras de
ropa). Podrian ocurrir INCENDIOS o EXPLOSIONES.
• Los gases de escape del generador contienen gas de
mon6xido de carbono MORTAL. Este gas peligroso, si se
inhala en concentraciones suficientes, puede ocasionar la
p6rdida de la consciencia o incluso la muerte.
Unicamente opere este equipo al aire libre donde exista
ventilaci6n adecuada.
• El motor-generador requiere de un flujo adecuado de aire
de enfriamiento para que funcione continua y
correctamente. Nunca opere esta unidad dentro de un
sal6n o recinto cerrado donde el flujo libre de aire de
enfriamiento, hacia el interior y la parte externa de la
unidad, pueda ser obstruido. Sin suficiente flujo de aire
de enfriamiento, la unidad se recalienta rapidamente,
daSando el generador o la propiedad alrededor.
• Deje por Io menos 2 pies de distancia alrededor del
generador, incluso cuando la unidad est6 funcionando en
exteriores, de otra forma podria daSar la unidad.
• Nunca arranque o detenga el motor-generador cuando
tenga cargas el6ctricas conectadas a los tomacorrientes
y los dispositivos conectados est6n ENCENDIDOS.
Arranque el motor y permita que se estabilice antes de
conectar las cargas el6ctricas. Desconecte todas las
cargas el6ctricas antes de apagar el generador.
• Nunca opere el generador:
en la Iluvia; en espacios encerrados; si la velocidad del
motor varia; si se recalientan los dispositivos el6ctricos
conectados; si se pierde la salida el6ctrica; si se
presentan chispas en el motor o generador; si se
observan llamas o humo cuando la unidad esta
funcionando; si la unidad vibra demasiado.
NOTA: En el estado de California es obligatorio, seg6n ley,
el uso de apagachispas (Secci6n 4442 del C6digo de
Recursos P6blicos de California). Otros estados pueden
tener leyes similares. Las leyes federales se aplican en
tierras federales.
NOTA: El motor de su generador esta equipado con un
silenciador apagachispas, el apagachispas debera ser
mantenido en buenas condiciones de funcionamiento por
parte del propietario/operador.
Usted puede ordenar apagachispas adicionales (parte
#36085) a trav6s de su Centro de Servicio Sears.
_USQUE ESTE SIMBOLO PARA SENALAR PRECAUCIONES DE SEGURIDAD IMPORTANTES.ESTO SIGNIFICA "iATENCION!!! iESTE ALERTA!!! SU SEGURIDAD ESTA EN PELIGRO."
27

CONOZCA SU GENERADOR
Lea este manual del propietario y las reglas de seguridad antes de operar su generador.
Compare las ilustraciones con su generador para familiarizarse con la ubicaci6n de los diferentes controles y
ajustes. Conserve este manual para referencias futuras.
Tomacorriente de
12 Voltios DC,
10 Am 3erios
Silenciador del Apagachispas
Depurador de
Aire
Perilla del
Cebador
Llenado del Tanque de Combustible
Motor de 6.0 H.P.
/
Interruptor de
Marcha/Parado
Arranque de
Retroceso
Tuerca Mariposa de
Conexion A Tierra
Tomacorrientes de 120
Voltios AC, 20 Amperios Cortacircuitos
Arranque de Retroceso - Usado para arrancar el motor.
Cortacircuitos - Cada tomacorriente posee un cortacircuito
para proteger el generador contra sobrecargas el6ctricas.
Los cortacircuitos son del tipo "oprimir para reposicionar".
Depurador de Aire - Filtra el aire de entrada a medida que
penetra en el motor.
Interruptor de Marcha/Parado - Coloque el interruptor en
la posici6n "Run" (Marcha) antes de usar el arranque de
retroces. Col6quelo en la posici6n "Stop" (Parado) para
detener el motor.
Motor de 6.0 H.P. - Proporciona la potencia necesaria para
generar 2,500 vatios de alimentaci6n el6ctrica.
Perilla del Cebador - Usada cuando se esta dando
arranque a un motor frio.
Silenciador del Apagachispas - El silenciador del escape
disminuye el ruido del motor y esta equipado con una
pantalla apagachispas.
Tanque de Combustible - El tanque tiene una capacidad
de 1 gal6n americano de gasolina sin contenido de plomo.
Tomacorriente de 12 Voltios DC, 10 Amperios - Este
tomacorriente le permite cargar baterias tipo automotriz de
12 Voltios.
Tomacorrientes de 120 Voltios AC, 20 Amperios -
Pueden ser utilizados para suministrar alimentaci6n el6ctrica
para el funcionamiento de cargas del motor y herramientas,
aparatos especiales e iluminaci6n el6ctrica de 120 Voltios a
20 Amperios AC, monofasica de 60 Hz.
Tuerca Mariposa de Conexion A Tierra - Moli6 el
generador a un suelo aprobado de la tierra aqui.
28

PARA RETIRAR EL GENERADOR
DE LA CAJA
•Corte dos esquinas en el extremo de la caja de la parte
superior a la inferior, de manera que pueda doblar el
panel hacia abajo en forma plana, despu6s retire todo el
material de protecci6n.
• Retire el generador y su contenido de la caja de envio.
CONTENIDO DE LA CAJA
Revise todo el contenido comparandolo con la lista a
continuaci6n:
• Unidad Principal
• Aceite del Motor
• Manual del Propietario:
• Cables de Carga de la Bateria
Si cualquier parte falta o esta daSada, Ilame a la Linea de
Ayuda del Generador al 1-81)0-222-3136.
AJUSTE LA MANIJA GUIA
Su generador esta equipado con un juego de ruedas para
un manejo facil. Despu6s de retirar el generador de la caja,
debera ajustar la manija guia. Lleve a cabo los siguientes
pasos.
• Afloje las perillas de la manija guia como se muestra.
• Eleve la manija guia como se muestra y apriete las
perillas para sostener la manija en su lugar.
JUEGOS DE CORDONES Y
ENCHUFES DEL CONECTOR
Juegos De Cordones De 120 Voltios AC
Use Qnicamente cordones de extensi6n de alta calidad y
bien aislados con los tomacorrientes el6ctricos de
120 Voltios del generador.
Cada tomacorriente esta protegido contra sobrecargas por
medio de un cortacircuito de 20 Amperios con dispositivo de
reposici6n. Utilice cada uno de estos tomacorrientes para
operar cargas el6ctricas AC de 120 Voltios, monofasicas de
60 Hz que requieran hasta 2,400 vatios (2.4 kW) de
potencia.
,_ iPRECAUCION! A pesar de que cada
tomacorriente tiene una capacidad de 120 Voltios a
20 Amperios (2,400 Vatios o 2.4 kV), el generador
tiene una capacidad total de 2,500 Vatios. Las cargas
de potencia que excedan la capacidad de vatiaje del
generador pueden causar daSos o lesiones severas.
El total de las cargas que pasan a trav6s de estos
tomacorrientes no debera exceder los 20 Amperios.
Revise las capacidades de todos las cordones de extensi6n
antes de usarlos. Los cordones de extensi6n utilizados
deberan tener una capacidad de 125 Voltios AC a
20 Amperios o mayor para la mayoria de los dispositivos
el6ctricos. Sin embargo, algunos dispositivos podrian no
requerir este tipo de cord6n de extensi6n. Revise el manual
del propietario de esos dispositivos para ver las
recomendaciones del fabricante.
Mantenga el cord6n de extensi6n Io mas corto posible,
preferiblemente menos de 15 pies de largo para evitar la
caida de voltaje y posible recalentamiento de los alambres.
COMO USAR SU GENERADOR
SI TIENE PROBLEMAS operando su generador despu6s de
leer el manual, por favor Ilame a la linea de ayuda para
generadores al 1-800-222-3138.
Conexion a Tierra del Generador
El C6digo EI6ctrico Nacional exige que el bastidor y las
partes externas conductoras de electricidad del generador
se encuentren conectadas adecuadamente a una tierra
fisica aprobada. Los c6digos el6ctricos locales tambi6n
podrian exigir la conexi6n a tierra de la unidad. Para tal
prop6sito, se ha suministrado una tuerca mariposa para
conexi6n a tierra en la base del armaz6n.
TUERCA MARIPOSA °
DE CONEXION A
TIERRA
29

Por Io general, la conexi6n de un alambre de cobre trenzado
No. 12 AWG (American Wire Gauge) a la aleta a tierra y a
una barra de conexi6n a tierra de cobre o bronce (electrodo)
proporciona una protecci6n adecuada contra las descargas
el6ctricas. Sin embargo, los c6digos locales pueden variar
substancialmente. Consulte con un electricista local para
conocer los requisitos de conexi6n a tierra de su Area.
La conexi6n a tierra adecuada del generador ayudara a
evitar las descargas el6ctricas en el caso de que exista una
condici6n de falla a tierra en el generador o en los
dispositivos el6ctricos conectados. La conexi6n a tierra
adecuada tambi6n ayuda a disipar la electricidad estatica, la
cual se acumula frecuentemente en dispositivos no
conectados a tierra.
• Use gasolina regular SIN CONTENIDO DE PLOMO en el
generador. No use gasolina premium. NO mezcle aceite
con gasolina.
• Limpie el area alrededor del Ilenado de gasolina; retire la
tapa.
• Llene lentamente el tanque con gasolina sin contenido de
plomo. Sea cuidadoso de no Ilenar excesivamente. Deje
1/2" de espacio en el tanque para que la expansi6n del
combustible, como se muestra en esta ilustraci6n.
Espacio de
Aire de 1/2" Tanque
Combustible
Antes de Darle Arranque al Generador
Para operar el motor, debera Ilevar a cabo Io siguiente:
Revise o ASada Aceite al Motor
NOTA: Cuando afiada aceite a la caja del cigQefial del
motor, enicamente use aceite detergente de alta calidad con
la clasificaci6n de servicio SF, SG, SH o SH/CD de API, con
un peso de 30 SAE. Seleccione el grado de viscosidad del
aceite de acuerdo con la temperatura de funcionamiento
que espera tener.
Frio 32°F Caliente
9[ • _,
5W30 SAE 30
A pesar de que los aceites de meltiple viscosidad (5W30,
10W30, etc.) mejoran el arranque en clima frio, estos
pueden producir un aumento en el consumo de aceite.
Revise el nivel de aceite de su motor frecuentemente para
evitar el posible dafio del motor debido al funcionamiento del
mismo con un bajo nivel de aceite.
• Coloque el generador sobre una superficie nivelada y
retire la Tapa de Llenado de Aceite y la Varilla de
Medici6n. Limpie la varilla de medici6n, introdQzcala en el
orificio de Ilenado de aceite y apri6tela de manera
segura, retire la Varilla de Medici6n. Si el aceite no esta
en la marca de "FULL" (LLENO), agregue el aceite
recomendado. Vi6rtalo lentamente. No Ilene por encima
de la marca "FULL" (LLENO) de la varilla de medici6n.
En adelante, revise siempre el nivel de aceite del motor
antes de darle arranque.
• Vuelva a instalar la tapa de Ilenado del aceite y apri6tela
de manera segura.
Agregue Gasolina
iADVERTENCIA! NUNCA Ilene el tanque del
combustible en recintos cerrados. NUNCA Ilene el
tanque del combustible cuando el motor est6 en
funcionamiento o caliente. NO encienda cigarrillos o
fume cuando est6 Ilenando el tanque del combustible.
iPRECAUCION! No Ilene excesivamente el tanque
de combustible. Deje suficiente espacio para la
expansi6n del combustible.
• Instale la tapa del combustible y limpie cualquier derrame
de gasolina.
IMPORTANTE: Es importante evitar la formaci6n de
dep6sitos de goma en las partes esenciales del sistema de
combustible como en el carburador, filtro del combustible,
manguera del combustible o tanque, durante su
almacenamiento. Los combustibles mezclados con alcohol
(llamados gasohol, etanol o metanol) pueden atraer la
humedad, la cual produce la separaci6n y formaci6n de
acidos durante el almacenamiento. La gasolina acida puede
dafiar el sistema de combustible de un motor durante su
almacenamiento.
Para Darle Arranque al Motor
• Desconecte todas las cargas el6ctricas de los
tomacorrientes del generador antes de darle arranque al
motor. Nunca arranque o detenga el motor con todos los
dispositivos el6ctricos conectados en los tomacorrientes
del panel y encendidos.
• AsegQrese de que el alambre de la bujia est6 conectado
a la bujia.
• Coloque el interruptor de Marcha/Parado en la posici6n
"RUN" (MARCHA).
• Oprima el Bot6n del Cebador 2 63 veces. Espere mas o
menos 2 segundos entre cada oprimida. En clima frio
(50F/10C o por debajo), oprima el bot6n 5 veces.
Cebador
NOTA: Es posible que necesite usar el cebador para volver
a darle marcha a un motor caliente despu6s de un corto
apagado.
30

• Agarre el mango del arrancador y hale la soga lentamente
hasta que sienta cierta resistencia. Devuelva la cuerda a su
posici6n odginal y despu6s halelo con un movimiento
completo y rapido del brazo. Deje que la soga se devuelva
lentamente. No deje que la soga se "devuelva rapidamente"
contra el arrancador.
NOTA: Si el motor no arranca despu6s de 3 intentos, optima el
bot6n del cebador 2 veces y vuelva a halar la soga del
arrancador.
iPRECAUClON! Nunca ponga en marcha el motor
en recintos cerrados o en Areas con poca ventilaci6n. El
escape del motor contiene mon6xido de carbono, un
gas letal inodoro.
iADVERTENClA! La temperatura del silenciador y las
Areas alrededor puede exceder los 150°F (65°C). Evite
estas Areas.
Conexion de Cargas Elecricas
• Deje que el motor se estabilice y se caliente por unos
minutos despu6s del arranque.
• No conecte cargas de 240 Voltios a los tomacorrientes de
120 Voltios.
• No conecte cargas tdfasicas a los tomacordentes.
• No conecte cargas de 50 Hertzios al generador.
• Enchufe y encienda las cargas el6ctdcas AC de 120 Voltios,
monofasicas de 60 Hertzios deseadas.
NO SOBRECARGUE EL GENERADOR. Sume los vatios
asignados (o amperios) de todas las cargas que se van a
conectar al mismo tiempo. Este total no debe set mayor que la
capacidad del vatiaje/amperaje nominal del generador. Vea "No
Sobrecargue el Generador" en la pagina 32.
Parado del Motor
Desconecte todas las cargas el6ctdcas de los tomacorrientes
del panel del generador. Nunca le de arranque o detenga el
motor con todos los dispositivos el6ctricos conectados y
encendidos.
• Deje que el motor funcione sin cargas por algunos minutos
para estabilizar las temperaturas intemas del motor y el
generador.
• Mueva el interruptor de Marcha/Parado a la posici6n "STOP"
(Parado).
Apagado Por Baja Presion de Aceite
Deteccion de Baja Presion
El motor se apagara si el sistema detecta baja presi6n de aceite
durante el funcionamiento. A medida que el sistema se apaga,
la luz de bajo nivel de aceite comienza a destellar. Sin embargo,
una vez que el motor haya dejado de girar, la luz se APAGARA.
Arranques Sucesivos
Si usted intenta darle arranque al motor despu6s de dicho
apagado y no ha corregido el problema de baja presi6n de
aceite, el motor no arrancara y la luz comenzara a destellar cada
vez que intente darle arranque al motor. Revise el nivel del aceite
y Ilene siguiendo las instrucciones descritas en la pagina 30.
Procedimiento de Carga de la Bateria
,_ iADVERTENClA! Las baterias de acumuladores
producen gas explosivo cuando son cargadas, el cual
permanece alrededor de la bateria por un periodo de
tiempo prolongado despu6s de haber sido cargada. La
chispa mas pequefia podria encender el combustible y
causar una explosi6n que puede destruir la bateria,
causar ceguera y otras lesiones serias.
,_ iADVERTENCIA! No permita que se fume, llamas
abiertas, chispas o cualquier otra fuente de calor
alrededor de la bateria. No utilice un encendedor o
cualquier clase de llama para revisar los niveles del
liquido de la bated& Use anteojos de protecci6n,
delantal de caucho y guantes de caucho cuando trabaje
alrededor de la bateria. El liquido electr61itode la bateda
es una soluci6n de acido sulferico caustico, la cual puede
causar quemaduras severas. No permita que el liquido
entre en contacto con los ojos, piel, ropa, etc. Si ocurren
derrames, limpie inmediatamente el Area con agua
limpia.
Su generador tiene la capacidad de recargar baterias
descargadas de acumuladores tipo servicio o automotriz de
12 Voltios. No utilice la unidad para cargar baterias de 6 Voltios.
No use la unidad para mover motores que tengan la bateria
descargada. Para recargar baterias de 12 Voltios, Ileve a cabo
los siguientes procedimientos:
• Limpie los terminales de la bateria si es necesario.
• Conecte el enchufe conector del cable de carga de la bateria
al tomacorrientes del panel identiflcado con las palabras
"12-VOLTS D.C.".
Conecte el sujetador del cable de carga de la bateria que
tiene la manija roja al terminal o bome de la bateria marcado
con el signo POSlTIVO, POS o (+).
TOMACORRIENTE DE
VOLTIOS DC
-I-
POSITIVO NEGATIVO
12 BATER[A DEL VOLTIO
• Conecte el sujetador del cable de carga de la bateria que
tiene la manija negra al terminal o bome de la bateria
marcado con el signo NEGATIVO, NEG o (-).
• Revise el nivel del liquido en todas las celdas de la bateria.
Si es necesado, afiada agua destilada UNICAMENTE hasta
cubrir los separadores de las celdas de la bateria. No use
agua de grifo.
• Si la bateria esta equipada con tapas de desfogue,
asegQrese de que estan instaladas y apretadas.
31

•Arranque el motor. Deje que el motor funcione mientras la
bateria se recarga.
• Cuando la bateria haya cargado, apague el motor (vea
"Parado del Motor" a continuaci6n).
NOTA: Use un hidr6metro para autom6viles para probar el
estado de carga y condici6n de la bateria. Siga cuidadosamente
las instrucciones del fabricante del hidr6metro. Por Io general,
se considera que una bateria esta en un estado de carga del
100% cuando la gravedad especifica de su liquido (medida por
el hidr6metro) es de 1.260 o mas.
NO SOBRECARGUE EL
GENERADOR
Sobrecargar el generador mas alia de su capacidad de
vatiaje puede ocasionar dafios al mismo y a los dispositivos
el6ctricos conectados. Siga las siguientes instrucciones para
evitar sobrecargar la unidad:
• Sume el vatiaje total de todos los dispositivos el6ctricos
que van a ser conectados al mismo tiempo. Este total NO
debe ser mayor que la capacidad de vatiaje del
generador.
• El vatiaje nominal de las luces puede ser tomado de los
bombillos. El vatiaje nominal de herramientas, aparatos
especiales y motores se puede encontrar, por Io general,
en la calcomania o placa de datos del dispositivo.
• Si el aparato especial, herramienta o motor no suministra
el vatiaje, multiplique los voltios por la clasificaci6n de
amperaje para determinar los vatios
(voltios x amperios = vatios).
• Algunos motores el6ctricos, como los de inducci6n,
requieren aproximadamente tres veces mas vatios de
poder para su arranque que para su funcionamiento.
Esta onda irruptiva de poder dura tan solo unos
segundos durante el arranque de dichos motores.
AsegQrese de tener en cuenta este alto vatiaje de
arranque cuando seleccione los dispositivos el6ctricos
que va a conectar a su generador. Primero, calcule la
cantidad de vatios necesarios para dar arranque al motor
mas grande. Sumele a ese nQmero los vatios de
funcionamiento de todas las otras cargas conectadas.
La Guia de Vatiaje a continuaci6n ha sido suministrada para
ayudarle a determinar cuando elementos puede operar su
generador al mismo tiempo.
GUIA DE REFERENCIA DE VATIAJE
VATIOS DE FUNClONAMIENTO
*Aire Acondicionado (12.000 BTU) .............. 1700
Cargador de Baterias (20 Amperios) ............. 500
Lijadora Automatica de Correa (3") ............. 1000
Sierra de Cadena .......................... 1200
Sierra Circular (6-1/2") .................. 800 a 1000
Cafetera ................................. 1000
*Compresor (1 HP) ......................... 2000
*Compresor (3/4 HP) ........................ 1800
*Compresor (1/2 HP) ........................ 1400
Pinza para cabello ........................... 700
*Congelador ............................... 500
Lijadora de Disco (9") ....................... 1200
Recordadora de Bordes ....................... 500
Pistola EI6ctrica de Puntillas .................. 1200
Cocina EI6ctrica (una hornilla) ................. 1500
Sart6n EI6ctrico ............................ 1250
*Ventilador de Homo (1/3 HP) ................. 1200
Secador de Pelo ........................... 1200
Taladro de Mano (1") ........................ 1100
Taladro de Mano (1/2") ................. 750 a 1000
Taladro de Mano (3/8") ....................... 500
Taladro de Mano (1/4") ....................... 250
Recordadora de Bordes ....................... 450
Llave de Choque ............................ 500
VATIOS DE FUNClONAMIENTO
*Bomba de Chorro ........................... 800
Segadora de C6sped ........................ 1200
Bombillo .................................. 100
Homo Micro-ondas .......................... 700
*Enfriador de Leche ......................... 1100
Quemador de Aceite de Homo ................. 300
Calentador Alimentado
a Petr61eo (140.000 TU) ...................... 400
Calentador Alimentado a Petr61eo (85.000) ........ 225
Calentador Alimentado a Petr61eo (30.000) ........ 150
*Rociador de Pintura, Sin Aire (1/3 HP) ........... 600
Rociador de Pintura, Sin Aire (de mano) .......... 150
Radio ................................ 50 a 200
*Refrigerador ............................... 600
Olla de Cocci6n Lenta ........................ 200
*Bomba Sumergible (1-1/2 HP) ................ 2800
*Bomba Sumergible (1 HP) ................... 2000
*Bomba Sumergible (1/2 HP) .................. 1500
Bomba de Pozo ............................. 600
*Sierra de Caballete (10") ............... 1750 a 2000
Televisi6n ............................ 200 a 500
Corta Maleza ............................... 500
* Permita 3 veces los vatios listados para el arranque de
estos dispositivos.
32

PROGRAMA DE MANTENIMIENTO
Siga los intervalos horarios o de calendario, Io que ocurra primero. Se requiere de servicio con mayor frecuencia cuando
opere la unidad en las condiciones adversas descritas a continuaci6n.
Operacibn de Mantenimiento
Revise el nivel del aceite
Limpie la pantalla del apagachispas
Cambie el aceite ++
Proporcione servicio al cartucho del
depurador de aire
Reemplace la bujias
Cada 5 horas
X
20 horas o 50 horas o 100 horas o
cada estacibn cada estacibn cada estacibn
xx*
X**
X
++ Cambie el aceite despu6s de las primeras 2 horas de operaci6n y despu6s cada 50 horas o cada estaci6n.
* Cambie el aceite cada 25 horas cuando opere la unidad bajo cargas fuertes o en altas temperaturas.
** Limpie mas a menudo bajo condiciones demasiado sucias o polvorientas. Reemplace las partes del depurador si estan
muy sucias.
ESPECIFICACIONES DEL
PRODUCTO
Especificaciones del Generador
Vatios de Potencia Nominal ............. 2,500 ratios (2.5kW)
Vatios de Sobretensi6n
Nominal ............................................ 3,125 vatios (3.1kW)
Voltaje Nominal ................................ 120 Voltios AC
Corriente MAxima a
120 Voltios ....................................... 20.8 Amperios
Frecuencia Nominal ......................... 60 Hz a 3600 rpm
Fase ................................................. Monofasica
Especificaciones del Motor
Caballos de Fuerza .......................... 6 a 3600 rpm
Desplazamiento ............................... 195 cc
Bujia Tipo: ........................................ Champion RN4C o
equivalente
Calibrar Separaci6n a: .............. 0.030 pulgadas
(0.76mm)
Capacidad de Gasolina ................... 1 gal6n americano
Tipo de Aceite
Verano ...................................... SAE 30 (10W-30)
Invierno ..................................... SAE 5W-20 o 5W-30
RECOMENDACIONES GENERALES
La garantia del generador no cubre los elementos que
hayan sido sujetos al abuso o negligencia del operador.
Para recibir el valor completo de la garantia, el operador
debera mantener el generador de la forma descrita en este
manual.
Se deberan Ilevar a cabo algunos ajustes peri6dicamente
para mantener correctamente su generador.
Todos los ajustes de la secci6n Servicio y Ajustes de este
manual deberan ser hechos por Io menos una vez en cada
estaci6n. Cumpla con los requisitos de la tabla "Programa
de Mantenimiento" descrita anteriormente.
NOTA: Una vez al aSo debera limpiar o reemplazar la bujia
y reemplazar el filtro de aire. Una bujia nueva y un filtro de
aire limpio garantizan una mezcla de combustible-aire
adecuada y ayuda a que su motor funcione mejor y tenga
una vida 6til mas prolongada.
MANTENIMIENTO DEL
GENERADOR
El mantenimiento del generador consiste en mantener la
unidad limpia y seca. Opere y almacene la unidad en un
ambiente limpio y seco donde no vaya a estar expuesta a
excesos de polvo, suciedad, humedad o a vapores
corrosivos. Las ranuras para aire de enfriamiento del
generador deben permanecer despejadas, sin acumulaci6n
de nieve, hojas u objetos extraSos.
Revise frecuentemente la limpieza del generador y limpielo
cuando elementos como polvo, suciedad, aceite, humedad o
substancias extraSas sean visibles sobre su superficie
exterior.
NOTA: NO recomendamos el uso de mangueras de jardin
para limpiar el generador. El agua podria introducirse en el
sistema de combustible del motor y causar problemas.
Ademas, si el agua se introduce al generador a trav6s de
las ranuras para aire de enfriamiento, algo del agua quedara
retenida en los espacios vacios y grietas del aislamiento del
devanado del estator y rotor. La acumulaci6n de agua y
suciedad en los devanados internos del generador
disminuira eventualmente la resistencia del aislamiento de
estos devanados.
33

Para Limpiar el Generador:
• Utilice un trapo h6medo para limpiar las superficies
exteriores.
• Puede usar un cepillo de cerdas suaves para retirar la
suciedad endurecida, aceite, etc.
,_ iPRECAUCION! Nunca inserte objetos o
herramientas a trav6s de las ranuras de enfriamiento
de aire, incluso si el motor no esta en
funcionamiento.
Puede usar una maquina aspiradora para eliminar
suciedad y residuos sueltos.
Puede usar aire a baja presi6n (que no exceda los 25
psi) para eliminar la suciedad. Inspeccione las ranuras
para aire de enfriamiento y la apertura del generador.
Estas aperturas deberan mantenerse limpias y
despejadas.
,_ iPELIGRO! Siempre desconecte el alambre de la
bujia y mant6ngalo alejado de la misma cuando
trabaje en el generador.
MANTENIMIENTO DEL MOTOR
Revision del Nivel de Aceite
El nivel de aceite debera revisarse antes de cada uso o por
Io menos cada 5 horas de operaci6n. Conserve el nivel de
aceite adecuado.
Cambio de Aceite del Motor
Cambie el aceite despu6s de las primeras 2 horas de
operaci6n. Cambie el aceite cada 50 horas de ese momento
en adelante. Siesta utilizando su generador bajo
condiciones de extrema suciedad o polvo, o en un clima
demasiado caliente, haga el cambio de aceite mas
frecuentemente.
Cambie el aceite cuando el motor todavia se encuentre
caliente despu6s del funcionamiento, como se indica a
continuaci6n:
• Limpie el Area alrededor de la tapa de Ilenado.
• Retire la tapa de Ilenado y drene el aceite por completo
en un recipiente adecuado.
• Instale el tap6n para drenaje de aceite y apri6telo
firmemente.
• Llene el dep6sito del aceite con el aceite recomendado.
Vea "Antes de Poner en Marcha el Generador" en la
pagina 30 para las recomendaciones del aceite.
• Instale firmemente el tap6n para Ilenado de aceite.
• Limpie cualquier derrame de aceite.
Limpie/Reemplace la Bujia
Cambie la bujia cada 100 horas de operaci6n o una vez al
aSo, Io que suceda primero. Esto ayudara a su motor a
arrancar mas fAcilmente y a funcionar mejor. Reemplacela
con una bujia champion RN4C o una de tipo equivalente.
• Limpie el Area alrededor de la bujia.
• Retire y revise la bujia.
• Reemplace la bujia si los electrodos estan picados,
quemados o si la porcelana esta rota. Para su
reemplazo, 6nicamente utilice Champion RC12YC o una
de tipo equivalente.
• Revise la separaci6n del electrodo con un calibrador de
alambre y ajuste la separaci6n a 0.030 pulgadas
(0.76mm) si es necesario.
Proporcione Servicio al Depurador de Aire
Su motor no funcionara correctamente y podria resultar
daSado si Io hace funcionar con un depurador de aire sucio.
Limpie o reemplace el filtro de papel del depurador de aire
cada 100 horas de operaci6n o una vez al aSo, Io que
suceda primero. Limpielo o reemplacelo mas a menudo si la
unidad funciona bajo condiciones de suciedad o polvo
excesivo.
Para limpiar o reemplazar el filtro de aire de papel:
• Retire la tuerca de mariposa y la cubierta del depurador
de aire, despu6s retire el filtro de papel.
_j -Filtro de Papel
Base
/
_(Cubierta
_Tuerca de
Mariposa
• Limpie minuciosamente la parte interior de la base y la
cubierta.
Limpie el filtro de papel golpeandolo suavemente sobre
una superficie s61ida. Si el filtro esta demasiado sucio,
reemplacelo con uno nuevo. Elimine el filtro viejo
adecuadamente.
NOTA: Si necesita ordenar un filtro de aire nuevo, por favor
Ilame al 1-800-366-PART.
Limpie la Pantalla del Apagachispas
El silenciador de escape del motor posee una pantalla
apagachispas. Inspeccione y limpie la pantalla cada
20 horas de operaci6n o una vez al aSo, Io que suceda
primero.
NOTA: El generador tendra que tener un apagachispas si Io
usa en terrenos no tratados cubiertos de monte, maleza o
pasto. El apagachispas debera ser mantenido en buenas
condiciones por parte del propietario/operador.
34

Limpie e inspeccione el apagachispas de la siguiente
manera:
• Retire el tornillo que sujeta la pantalla del apagachispas.
• Inspeccione la pantalla y reemplacela siesta rota,
perforada o en general daSada. NO use pantallas
defectuosas. Si la pantalla no esta daSada, limpiela con
un disolvente comercial.
• Vuelva a instalar la pantalla.
Silenciador
Apagachispas
GENERALIDADES
El generador debera ser encendido al menos una vez cada
siete dias y debera dejarlo funcionar al menos durante
30 minutos. Si no puede hacer esto y debe almacenar la
unidad por mas de 30 dias, use la siguiente informaci6n
como guia para preparar su unidad para almacenamiento.
Instrucciones de Almacenamiento para
Periodos Prolongados
,_ iADVERTENCIA! NUNCA almacene el motor con
combustible en el tanque en recintos cerrados o en
Areas encerradas con poca ventilaci6n donde los
vapores puedan alcanzar llamas abiertas, chispa o
luz de piloto como en un homo, calentador de agua,
secadora de ropa u otro aparato de gas.
Es importante evitar que se formen dep6sitos de goma en
las partes esenciales del sistema de combustible, como el
carburador, filtro de combustible, manguera o tanque de
combustible, durante el almacenamiento. Tambi6n, la
experiencia indica que los combustibles con mezclas de
alcohol (llamados gasohol, etanol o metanol) pueden atraer
humedad, la cual Ileva a la separaci6n y formaci6n de
acidos durante el almacenamiento. El gas acido puede
daSar el sistema de combustible de un motor durante su
almacenamiento.
Para evitar problemas del motor, el sistema de combustible
debera desocuparse antes de un almacenamiento de
30 dias o mas. Siga estas instrucciones:
Proteja el Sistema de Combustible
,_ iADVERTENCIA! Drene el combustible dentro de
un recipiente adecuado, lejos de llamas abiertas yen
lugares al aire libre. Asegt_rese de que el motor est6
frfo. No fume.
• Retire toda la gasolina del tanque de combustible para
evitar que se formen depSsitos de goma en estas partes
y causen posible mal funcionamiento del motor.
• Haga funcionar el motor hasta que se detenga por la
falta de combustible.
Cambio de Aceite
Con el motor todavia caliente, drene el aceite de la caja del
cigL_eSal. Vuelva a Ilenarla con el grado de aceite
recomendado.
Aceite el Diametro Interior del Cilindro
• Retire la bujia y rocie aproximadamente 1 onza (30 ml)
de aceite para motor limpio dentro del cilindro.
,_ iPRECAUCION! Evite el rociado del orificio de la
bujia cuando est6 girando el motor lentamente.
• Cubra el orificio de la bujia con un trapo. Haga girar el
motor lentamente para distribuir el aceite.
• Instale la bujia. No conecte el alambre de la bujia.
Generador
Limpie el generador como esta descrito en la pagina 34
("Para Limpiar el Generador").
Revise que las ranuras para el aire de enfriamiento y las
aperturas del generador se encuentren abiertas y
despejadas.
Otras Sugerencias para el
Almacenamiento:
• No almacene gasolina de una estaci6n a otra.
• Reemplace la caneca de gasolina si comienza a
oxidarse. El 6xido y/o la suciedad en la gasolina le
causara problemas.
• Si es posible, almacene su unidad en un recinto
encerrado y cQbrala para protegerla del polvo y la
suciedad. ASEGURESE DE VAClAR EL TANQUE DEL
COMBUSTIBLE.
• Cubra su unidad con una cubierta de protecci6n
adecuada que no retenga humedad.
• Almacene el generador en un Area limpia y seca.
IMPORTANTE: Nunca cubra su generador cuando el motor
y el Area del escape est6n calientes.
35

Problema Causa
El motor esta funcionando
pero no existe salida de
AC disponible.
El motor funciona bien sin
cargas pero "funciona
mal" cuando las cargas
son conectadas.
1. Uno de los cotacircuitos esta abierto.
2. Falla en el generador.
3. Mala conexi6n ojuego de cordones
defectuoso.
4. El dispositivo conectado esta en mal
estado.
1. Corto circuito en la carga conectada.
2. La velocidad del motor es muy lenta.
3. El generador esta sobrecargado.
4. Circuito del generador en corto.
1. Interruptor de Marcha/Parado en STOP.
2. Depurador de aire sucio.
3. Sin gasolina.
4. Gasolina vieja.
5. El alambre de la bujia no esta
Solucibn
1. Reajuste el cortacircuito.
2. P6ngase en contacto con la Planta de
Servicio de Sears.
3. Revise y repare.
4. Conecte otro dispositivo que est6 en
buenas condiciones.
1. Desconecte la carga el6ctrica en corto.
2. P6ngase en contacto con la Planta de
Servicio de Sears.
3. Vea"No Sobrecargue el Generador",
pagina 32.
4. P6ngase en contacto con la Planta de
Servicio de Sears.
1. Coloque el interruptor en RUN
(MARCHA).
2. Limpie o reemplace el depurador de
aire.
3. Llene el tanque de combustible.
4. Drene el tanque de gasolina; 116nelo
con combustible fresco.
5. Conecte el alambre a la bujia.
El motor no arranca; o
arranca y funciona mal.
conectado.
6. Bujia en mal estado.
7. Agua en la gasolina.
8. Exceso de cebado.
9. Bajo nivel de aceite.
6. Reemplace la bujia.
7. Drene el tanque de gasolina; 116nelo
con combustible fresco.
8. Espere 5 minutos y haga girar el motor.
9. Llene la caja del cigQefial al nivel
adecuado.
El motor se apaga en
pleno funcionamiento.
AI motor le hace falta
potencia.
El motor "no funciona
continuamente" o se
detiene.
10. Mezcla de combustible excesivamente
rica.
11. Valvula de toma atascada en la posici6n
abierta o cerrada.
12. El motor ha perdido compresi6n.
1. Sin gasolina.
2. Nivel de aceite bajo.
1. La carga es muy alta.
2. Filtro de aire sucio.
Carburador con mezcla de aire-combustible
muy rica o muy pobre.
10. P6ngase en contacto con la Planta de
Servicio de Sears.
11. P6ngase en contacto con la Planta de
Servicio de Sears.
12. P6ngase en contacto con la Planta de
Servicio de Sears.
1. Llene el tanque del combustible.
2. Llene la caja del cigQefial al nivel
correcto.
1. Vea"No Sobrecargue el Generador",
pagina 32.
2. Reemplace el filtro de aire.
P6ngase en contacto con la Planta de
Servicio de Sears.
36

37

DECLARACION DE LA GARANTIA
DEL CONTROL DE EMISIONES
PARA CALIFORNIA Y US EPA
La Agencia de Protecci6n Ambiental de los Estados Unidos
("EPA"), la Junta Directiva de Recursos del Aire de
California ("CARB") y Tecumseh Products Co., estan
complacidos de explicar la Garantia de los Sistemas de
Control de Emisiones Federales yen California de su nuevo
motor para equipo de servicio o c6sped y jardin. En
California, los motores nuevos para equipo de servicio,
c6sped y jardin deberan ser disefiados, construidos y
equipados para cumplir las exigentes normas contra la
contaminaci6n del estado. En otros estados, los motores
fabricados en el afio 1997 y posteriormente deberan ser
disefiados, construidos y equipados, en el momento de
venta, para cumplir las regulaciones de U.S. EPA para
motores pequefios de uso fuera de carreteras. Tecumseh
Products Co. garantizara el sistema de control de emisiones
de su motor para equipo de servicio, c6sped y jardin por el
periodo de tiempo listado a continuaci6n, con tal de que
dicho equipo no haya sido sometido a abuso, abandono,
modificaciones no aprobadas o mantenimiento incorrecto.
Su sistema de control de emisiones puede incluir pares
como el carburador, sistema de encendido y sistema de
escape. Tambi6n puede estar incluido el sistema de
eliminaci6n de compresi6n y otras partes relacionadas con
las emisiones.
Donde exista una condici6n que sea cubierta por la
garantia, Tecumseh Products Co. reparara su motor para
equipo de servicio, c6sped y jardin sin costo alguno para
usted, incluyendo diagn6stico, partes y mano de obra.
Cubrimiento de la Garantia del Sistema de
Control de Emisiones del Fabricante
Los sistemas de control de emisiones de los motores para
equipo de servicio, c6sped y jardin de California modelo
1995 y posteriores estan garantizados por dos afios segt_n
Io establecido mas adelante en este documento. En otros
estados, los motores aSos 1997 y posteriores tambi6n estan
garantizados por dos aSos. Si durante dicho periodo de
garantia, cualquiera de las partes de su motor relacionadas
con las emisiones es defectuosa en material o mano de
obra, Tecumseh Products Co. se encargara de reparar o
reemplazar dicha parte.
Responsabilidades de Garantia del
Propietario
Como propietario de un motor para equipo de servicio,
c6sped y jardin, usted es responsable por el cumplimiento
del mantenimiento exigido descrito en su Manual del
Propietario. Tecumseh Products Co. no negara la garantia
por la sola ausencia de los recibos o porque usted no haya
suministrado evidencia escrita del cumplimiento de todo el
mantenimiento programado.
Como propietario de un motor para equipo de servicio,
c6sped y jardin, usted debe saber que Tecumseh Products
Co. podria negarle cubrimiento de garantia si su equipo de
servicio, c6sped y jardin, o cualquier parte, ha fallado
debido a abuso, negligencia, mantenimiento incorrecto o
modificaciones no aprobadas.
Usted es responsable de presentar su motor para equipo de
servicio, c6sped o jardin a un Centro de Servicio Tecumseh
autorizado (cualquier Proveedor de Servicio Registrado
Tecumseh, Distribuidor de Servicio Autorizado Tecumseh o
Distribuidor de Bodega Central Tecumseh) tan pronto como
el problema aparezca. Las reparaciones de garantia
deberan ser terminadas en un periodo de tiempo razonable
sin exceder 30 dias.
El Servicio de Garantia puede ser establecido poni6ndose
en contacto con un Centro de Servicio Autorizado
Tecumseh, o poni6ndose en contacto con Tecumseh
Products Co., c/o Service Manager, Engine and
Transmission Group Service Division, 900 North Street,
Grafton, WI 53024 - 1499. Tel6fono 1-262-377-2700, o
consulte sus paginas amarillas locales bajo "Motores a
Gasolina" para el nombre, direcci6n y nt_mero telef6nico de
un Centro de Servicio Autorizado Tecumseh cerca a usted.
Nota Importante
Esta declaraci6n de garantia le explica sus derechos y
obligaciones contenidos en la Garantia del Control de
Emisiones ("Garantia ECS"), la cual es proporcionada por
Tecumseh Products Co. segQn las leyes de California.
Tecumseh Products Co. tambi6n proporciona a los
compradores originales de motores nuevos Tecumseh
Products Co., las Garantias Limitadas para M6dulos de
Encendido Electr6nicos y Motores ("Garantia de Tecumseh
Products Co."), la cual se encuentra incluida en una hoja
separada en todos los motores nuevos de Tecumseh
Products Co.. La garantia ECS se aplica Qnicamente al
sistema de control de emisiones de su motor nuevo.
Cuando exista un conflicto de t6rminos entre la Garantia
ECS y la Garantia de Tecumseh Products Co., se aplicara
la garantia ECS excepto en circunstancias en que la
Garantia de Tecumseh Products Co. pueda proporcionar un
periodo de garantia mas prolongado. Tanto la Garantia ECS
como la Garantia de Tecumseh Products Co. describen
derechos y obligaciones importantes con respecto a su
motor.
El servicio de garantia tan solo puede ser Ilevado a cabo
por un Centro de Servicio Autorizado de Tecumseh
Products Co. o por Tecumseh Products Co. en su fabrica de
Grafton, Wisconsin. En el momento de solicitar el servicio
de garantia, debera presentar evidencia de la fecha de
venta al comprador original. El comprador pagara los cargos
por Ilamadas de servicio y/o por transporte de los productos
hacia y desde el lugar donde la inspecci6n y/o el trabajo de
servicio es Ilevado a cabo. El comprador sera responsable
por cualquier dafio o p_rdida ocurrida durante el transporte
de cualquier motor o parte(s) presentada para inspecci6n
y/o trabajo de garantia.
Si tiene preguntas con respectos y responsabilidades de
garantia, debera ponerse en contacto con Tecumseh
Products Co., al 1-262-377-2700.
38

GARANTIA DEL SISTEMA DE
CONTROL DE EMISIONES
Garantia del Sistema de Control de Emisiones ("Garantia ECS")
para motores de equipo de servicio, c6sped y jardin aSos 1995
y posteriores de California (para otros estados, motores
modelos 1997 y posteriores):
A. Aplicabilidad: Esta garantia se aplicar_ a los motores para
equipo de servicio, c6sped y jardin aSos 1995 y posteriores del
estado de California (para otros estados, motores modelos
1997 y posteriores). El periodo de la Garantia ECS comenzar_
en la fecha en que el equipo o motor nuevo es entregado al
comprador final original y continuara por 24 meses
consecutivos a partir de ese momento.
B. Cubrimiento General de la Garantia de Emisiones:
Tecumseh Products Co., garantiza al comprador original final
del equipo o motor nuevo, y a cada comprador subsecuente,
que cada uno de sus motores para equipo de servicio, c6sped y
jardin est,:
1. DiseSado, construido y equipado para cumplir con todas las
leyes aplicables establecidas por la Junta Directiva de
Recursos del Aire de acuerdo a su autoridad en los
Capitulos 1 y 2, Parte 5, Divisi6n 26 del C6digo de Salud y
Seguridad, y
2. Libre de defectos en material y mano de obra que, en
cualquier momento durante el periodo de la Garantia ECS,
causen que una parte garantizada relacionada con las
emisiones no sea id6ntica en material con respecto a la
parte descrita en la aplicaci6n para certificaci6n del
fabricante del motor.
C. La Garantia ECS tan solo hace referencia alas partes de
su motor relacionadas con emisiones de la siguiente manera:
1. Cualquier parte garantizada, relacionada con emisiones,
que no est6 programada para reemplazo segQn la secci6n
de mantenimiento del Manual del Propietario, estar_
garantizada durante el Periodo de la Garantia ECS. Si
cualquiera de dichas pares falla durante el Periodo de la
Garantia ECS, la parte ser_ reparada o reemplazada por
Tecumseh Products Co., de acuerdo a la Subsecci6n 4
descrita mas adelante.
2. Cualquier parte garantizada, relacionada con emisiones,
que est6 programada 6nicamente para inspecci6n regular,
seg6n Io prescrito en el Manual del Propietario, estar_
garantizada durante el Periodo de la Garantia ECS. La
existencia de una afirmaci6n en dichas instrucciones
escritas con respecto a "reparar o reemplazar cuando sea
necesario" no reducir& el Periodo de la Garantia ECS.
Cualquier parte reparada o reemplazada bajo la Garantia
ECS estar& garantizada por el tiempo restante del Periodo
de la Garantia ECS.
3. Cualquier parte garantizada, relacionada con emisiones,
que est6 programada para reemplazo seg6n la secci6n de
mantenimiento del Manual del Propietario, estar_
garantizada por el periodo de tiempo anterior al primer
punto de reemplazo programado para esa parte. Si la parte
falla antes del primer reemplazo programado, la parte ser_
reparada o reemplazada por Tecumseh Products Co., de
acuerdo a la Subsecci6n 4 descrita mas adelante. Cualquier
parte relacionada con emisiones reparada o reemplazada
bajo la Garantia ECS, estar_ garantizada por el tiempo
restante del periodo de la Garantia ECS antes del primer
punto de reemplazo programado para dicha parte relaciona
con las emisiones.
4. La reparaci6n o reemplazo de cualquier parte garantizada
relacionada con las emisiones bajo esta Garantia ECS ser_
Ilevada a cabo sin costo alguno en un Centro de Servicio
Autorizado Tecumseh.
5. AI propietario no se le cobrar& por trabajo diagn6stico que
Ileve a la conclusi6n de que una parte cubierta por la
Garantia ECS es en realidad defectuosa, con tal de que
dicho trabajo diagn6stico sea Ilevado a cabo en un Centro
de Servicio Autorizado Tecumseh.
6. Tecumseh Products Co. ser_ responsable por daSos a otros
componentes del motor original o modificaciones
aprobadas, causados por una falla bajo garantia de una
parte relacionada con las emisiones cubierta por la Garantia
ECS.
7. Durante el periodo de la Garantia ECS, Tecumseh Products
Co. mantendr_ un suministro de partes garantizadas
relacionadas con las emisiones, suficientemente completo
como para satisfacer la demanda esperada para dichas
partes.
8. Cualquier repuesto de Tecumseh Products Co. autorizado o
aprobado, relacionado con las emisiones, puede ser usado
en el cumplimiento de cualquier mantenimiento o reparaci6n
de Garantia ECS y ser_ proporcionado sin cargo alguno
para el propietario. Dicho uso no disminuir& las obligaciones
de Garantia ECS de Tecumseh Products Co..
9. Las partes modificadas o adiciones no aprobadas no podr_n
ser usadas para modificar o reparar un motor de Tecumseh
Products Co.. Dicha pr&ctica cancela esta Garantia ECS y
ser_ motivo suficiente para denegar un Reclamo de
Garantia ECS. Tecumseh Products Co. no ser_
responsable por fallas de pares garantizadas de un motor
de Tecumseh Products Co. causadas por el uso de dichas
partes modificadas o adiciones no aprobadas.
LAS PARTES RELACIONADAS CON LAS
EMISIONES INCLUYEN"
1. Conjunto del carburador y sus componentes internos.
a) Filtro del combustible
b) Empaques del carburador
c) Tubo de toma de admisi6n
2. Conjunto del depurador de aire
a) Elemento del depurador de aire
3. Sistema de encendido, incluye:
a) Bujia
b) M6dulo de encendido
c) Conjunto de la rueda de volante
4. Silenciador catalitico (si est_ presente)
a) Empaque del silenciador (si est_ presente)
b) M61tiple del escape (si est_ presente)
5. Conjunto del respiradero de la caja del cigL_eSaly sus
componentes
a) Tubo de conexi6n del respiradero
39

For in-home major brand repair service:
Call 24 hours a day, 7 days a week
1-800-4-MY-HOM E SM(1-800-469-4663)
Para pedir servicio de reparacibn a domicilio - 1-800-676-5811
In Canada for all your service and parts needs call - 1-800-665-4455
Au Canada por tout le service ou les pi6ces
For the repair or replacement parts you need:
Call 7 am - 7 pm, 7 days a week
1-800-366-PART (1-800-366-7278)
Para ordenar piezas con entrega a domicilio - 1-800-659-7084
For the location of a Sears Parts and Repair Center in your area:
Call 24 hours aday, 7days a week
1-800-488-1222
For information on purchasing a Sears maintenance Agreement
or to inquire about an existing Agreement:
Call 9 am - 5 pm, Monday -Saturday
1-800-827-6655
The ServiceSideofSears_