Craftsman 580328330 User Manual 2400 WATT AC GENERATOR PORTABLE Manuals And Guides L0805060
CRAFTSMAN Generator Manual L0805060 CRAFTSMAN Generator Owner's Manual, CRAFTSMAN Generator installation guides
User Manual: Craftsman 580328330 580328330 CRAFTSMAN 2400 WATT AC GENERATOR PORTABLE - Manuals and Guides View the owners manual for your CRAFTSMAN 2400 WATT AC GENERATOR PORTABLE #580328330. Home:Tool Parts:Craftsman Parts:Craftsman 2400 WATT AC GENERATOR PORTABLE Manual
Open the PDF directly: View PDF
.
Page Count: 28

Sears
MODEL NUMBER
580.328330
CAUTION: READ
INSTRUCTIONS AND
RULES FOR SAFE
OPERATION CAREFULLY
TO PREVENT
ACCIDENTS,,
OPERATING
INSTRUCTIONS
REPAIR PARTS
ACCESSORIES
2400WATT
PORTABLE
AC GENERATOR
®
AC GENERATOR
Record in space provided below the Model No., and Serial
No, of the generator. Model No and Serial No are both
located on the Nameplate
Model No, Serial No
Retain these numbers for future reference.
Sears, Roebuck and Co., Chicago, IL 60684 U.S.A.

FULL ONE YEAR WARRANTY
For one year from the date of purchase, Sears will repair any defect in
material or workmanship in this Generator at no charge.
If the Generator is used for commercial or rental purposes, this warranty
applies for only ninety days from the date of purchase
Warranty service is available by RETURNING TO THE NEAREST SEARS
SERVICE CENTER/DEPARTMENT THROUGHOUT THE UNITED STATES.
This warranty gives you specific legal rights, and you may also have
other rights which vary from state to state.
Sears, Roebuck and Co.
Dept. 698f731A
Chicago, tL 60684
RULES FOR SAFE OPERATION
i. Never permit any unqualified person- especially children- to oper-
ate this equipment. Equipment misuse, carelessness, improper
procedures, or incorrect application may result in personal injury or
damage to equipment and/or property.
2. Never handle any kind of electrical device while standing in water,
while barefoot, or while hands or feet are wet. Dangerous electrical
shock will result.
3. The engine that drives the generator consumes oxygen and gives off
deadly carbon monoxide gas through its exhaust system. This dangerous
gas, when breathed in sufficient concentrations, can cause unconsciou-
sness and even death, this equipment only in well ventilated
areas. Never operate this equipment in any room or enclosed space
where exhaust gases might accumulate and endanger people.
4. This equipment requires an adequate free flow of cooling air for
its operation. Without adequate cooling air flow, overheating and
resultant damage to equipment and/or property will result. Never
operate the generator inside any room or enclosure that might obstruct
the free flow of cooling air into and out of the unit.
5. Engines, engine exhaust mufflers and surrounding areas on this
equipment become extremely hot during operation and remain hot for
several minutes after shutdown. Avoid contact with these areas or
serious burns may result.
6. Gasoline is extremely flammable and its vapors are explosive. Do
not permit smoking, open flame, or sparks in the vicinity while
handling gasoline. Avoid spillage of gasoline on a hot engine. Never
fill the gas tank while the engine is running. Comply with all laws
regulating the storage and handling of gasoline.
'7. Never store this equipment indoors or in enclosed, poorly
ventilated enclosures with fuel in tank where gasoline fumes might
reach an open flame, spark or pilot light (as on a furnace, water
heater, clothes dryer, etc.).
8. In addition to these RULES FOR SAFE OPERATION, other SAFETY RULES
may apply. Practice safety at all times- by staying alert and by
reading the instructions in this Manual carefully.

AC GENERATOR SPECIFICATIONS
Model Number ............................................... 580.328330
Type of Equipment ....................... Revolving Field a-c Generator
Rated Maximum Continuous a-c Power Capacity ...... 2400 watts (2.40 kW)
Rated Maximum Continuous Load Current ................ 20.0 a-c amperes
Generator Circuit Breaker Rating ..................... 20.0 a-c amperes
Rated Voltage ........................................... 120 volts a-c
Phase .................................................... Single Phase
Rated a-c Frequency .............................. 60 hertz at 3600 rpm
NL_ber of Revolving Field Poles ..................................... 2
Driven Speed of Revolving Field ................... 3720 rpm at No-Load
Type of Revolving Field Excitation.. Direct Excited (Bridge Rectifier)
Rated Maximum Battery Charge Output ........ i0 amperes at 12 volts d-c
Battery Charge Circuit Breaker Rating .................. 10 d-c amperes
ENGINE SPECIFICATIONS
Engine Manufacturer .......................................... KAWASAKI
Manufacturer's Model Number .................................... FA-210
Type of Engine .................. Single Cylinder, 4-Stroke, Air Cooled
Rated Horsepower ...................................... 5.0 at 3600 rpm
Fuel Consumption Ratio ................... 0.68 Ib/hp/hr (310 gr/hp/hr)
Displacement .............................. 12.67 Cubic Inches (207 cc)
Compression Ratio ............................................ 6.4 to 1
Cylinder Block Material ......................... High Silicon Aluminum
Ignition System
Type ........................ Flywheel Magneto (with Breaker Points)
Recommended Spark Plug ........................ Resistor Type 14 mm _
NGK ...................................................... BMR-6A
CHAMPION .................................................. RCJ-8
Set Spark Plug Gap to ................ 0.023-0.027 inch (0.6-0.7 mm)
Set Breaker Point Gap to ............... 0.01-0.02 inch (0.3-0.5 mm)
Ignition Timing ........................... Fixed at 23 degrees BTDC
Engine Speed Governor
Type ....................................... Mechanical, Fixed Speed
Governor Setting ............................. 3720 rpm at No-Load _
Air Cleaner ......... Semi-dry Type, washable polyurethane element with
ny!on brush
starter ...................................... Manual, Recoil Rope Type
Engine Crankcase Oil Capacity ................. 1.27 U.S. pint (600 cc)
Recommended Oils ........ Use oil classified "For Service SC, SD or SE"
Primary Recommended Oil ........... SAE 10W-30 Multiple Viscosity _
Acceptable Substitute ................................... SAE 30 Oil
SAE 10W-40 OIL IS NOT RECOMMENDED
Maximum Permissible Inclination for Continuous Operation
without Lubrication Problems ................. 20 degrees any direction
Fuel Tank Capacity ..................... 2.34 U.S. gallons (9.0 liters)
Recommended Fuel
Primary Recommended Fuel .......... UNLEADED Automotive Gasoline _e_
Acceptable Substitute ..... Leaded REGULAR Grade Automotive Gasoline

Canada requires the use of RESISTOR spark plugs, in compliance
with the radio noise limitations (radio frequency interference)
order issued by the Ministry of Communications of the Canadian
Telecommunications Regulations Branch.
At 3720 rpm the generatorts a-c output will be 62 hertz. This
slightly high engine speed setting at no-load helps ensure that
engine speed (and a-c frequency) do not drop excessively when
heavier electrical loads are applied.
Use of a multiple viscosity oil will contribute to easier
starting in cold weather.
Use of UNLEADED gasoline in a 4-cycle engine contributes to in-
creased valve life by reducing lead and and carbon deposits. A
high quality REGULAR grade gasoline may be used, however, UN-
LEADED gasoline is the primary recommended fuel.

SECTION 1- GENERAL INFORMATION
1.1- INTRODUCTION
This OWNER'S _ANUAL has been prepared especially for the purpose of
familiarizing personnel with the handling, operation and servicing of
the applicable equipment. Study the Manual carefully and comply with
all instructions. This will help prevent possible injury or damage to
equipment and!or property, that might be caused by carelessness,
equipment misuse or abuse, improper procedures, or incorrect applica-
tion.
1.2- SAFETY
Prior to handling, operating or servicing this equipment, study the
ROLES FOR SAFE OPERATION at the front of this Manual carefully. All
ROLES must be complied with fully, to help avoid personal injury or
damage to equipment and/or property.
The following definitions apply to DANGER, CAUTION and NOTE blocks
found throuqhout this Manua!:-
DANGER!
Under this heading will be found handling, operating and servicing in-
structions that, if not complied with fully, may result in persona]
injury.
CAUTION!
Under this heading will be found handling, operating and servicing in-
structions that, if not complied with fully, may result in damage to
equipment.
Under this heading will
special emphasis.
NOTE
be found explanatory statements
1.3- EQUIPMENT DESCRIPTION
that require
This equipment is a gasoline engine-driven, revolving field a-c gener-
ator set. The generator may be used to operate 120 volts, single
phase, 60 hertz, a-c electrical devices requiring up to 2400 watts
(2.4 kW) of electrica! power or up to 20.0 a-c amperes of current. A
circuit breaker will open the unit's a-c output circuit if the current
requirements of connected electrical loads exceeds 20.0 a-c amperes.
The generator's revolving field (rotor) is directly attached to and
driven by a 4-cycle, air-cooled, gasoline engine. Engine speed with no
electrical loads connected to the generator is maintained at approxi-
mately 3720 rpm by a mechanical governor. Engine speed and generator
a-c output frequency are directly proportional. Thus, at 3600 rpm a-c
frequency will be 60 hertz; at 3720 rpm a-c frequency is 62 hertz. The
slightly high engine speed setting at no-load helps ensure that engine
speed (and a-c frequency) do not drop excessively under heavier elec-
trical loads.

In addition to its a-c power capability, the generator may be used to
recharge a discharged 12 volts, automotive or utility type storage
battery. When properly connected to the discharged battery, an
operating generator will supply a maximum charge rate of approximately
i0 d-c amperes at 12 volts. The maximum rate of charge will gradually
decrease as the connected battery approaches a i00 percent state of
charge.
1.4- RECEIVING AND HANDLING
Upon receipt, completely remove the generator from its shipping carton
and from any shipping pallet to which it might be attached. Remove all
packing material from around the generator. Inspect the unit carefully
for any damage that might have occured during shipment.
In addition to this OWNERtS MANUAL a BATTERY CHARGE CABLE is shipped
with the generator. To order additional Manuals or Cables, refer to
the REPAIR PARTS section of the Manual.
CAUTION!
DO NOT to crank and start the generator engine until it has
been properly prepared for use, as outlined in Section 2 of this
Manual. Any attempt to crank or start the unit before it has been
properly serviced with the recommended oil will result in an engine

SECTION 2 - OPERATING INSTRUCTIONS
DO AND DON'T CHART
i. DO comply with all SAFETY RULES.
2. DO check oil level before start-
up or at least every 5 hours of op-
eration.
3. DO disconnect electrical loads
from panel before
starting or stopping the engine.
4. DO comply with instructions in
this Manual when charging a battery.
5. DO operate the generator only on
surfaces that are as level as poss-
ible.
i. DON'T operate the unit inside
any enclosure that might obstruct
the free flow of cooling air.
2. DON'T operate the unit inside
any room or enclosure where ex-
haust fumes might accumulate and
result in carbon monoxide poison-
iing.
3. DON'T overload the generator.
The total of all connected loads
should not exceed 2400 watts (2.4
kW), or 20.0 a-c amperes.
4. DON'T touch areas around the
engine exhaust muffler. These
areas are HOT.
5. DON'T handle electrical
equipment while standing in
water, while barefoot, or while
hands or feet are wet.
2.1- PI_PARATION BEFORE USE (Figure 2-1)
a. Check Enqine Oii Level (Figure 2-1):- Check oil level and (if
necessary) fill to proper level with the recommended oil as follows:-
(I) Place the generator on a level surface.
(2) Remove OIL FILL PLUG by turning counterclockwise.
(3) Check oil level. Oil should be at point of overflowing the 0IL
FILL PLUG opening. If necessary, add oil to that level. See
ENGINE SPECIFICATIONS CHART at front of Manual for recommended
oils and crankcase capacity.
(4) When oil is at proper level, install and tighten OIL FILL PLUG.
NOTE
The revolving field rotates on apre-lubricated, sealed
bearing which requires no additional lubrication for the life of the
bearing.
OIL FIL_
PLUG _ _ _ _ .......... :_ ,
\""_ OIL DRAIN
PLUG
Figure 2-1. Engine Oil Fill and Oil Drain Locations

b. Fill Fuel Tank:- Remove Fuel Tank FILLER CAP by turning
counterclockwise. Fill Fuel Tank with clean, fresh gasoline as
recommended in the ENGINE SPECIFICATIONS CHART at front of Manua!.
Install and tighten FILLER CAP.
DANGER!
Gasoline is extremely FLAMMABLE and its vapors are EXPLOSIVE. DO NOT
permit smoking€ open flame or sparks in the vicinity while handling
gasoline. Avoid spillage of gasoline on a hot engine. Comply with all
laws regulating the storage and handling of gasoline. Never store the
generator with fuel in tank where gasoline vapors might reach an open
flame, spark or pilot light (such as on a furnace, water heater,
dryer, etc.)- FIRE or an EXPLOSION might result.
C. 120 Volts Cord Sets:- Use only high quality, well insulated,
grounded cord sets with the generator's 120 volts a-c receptacles.
Wire gauge of cord sets must be large enough to handle the maximum
anticipated current draw of connected electrical loads. Cord sets that
are excessively long or that are rated at too low an amperage will
cause a voltage drop and will overheat. Table 2-1 lists minimum
recommended wire gauges, based on the cord set length and the load
current draw in amperes.
COUNT
(AMPERES}
2-3
4-5
6
8
i0
12
14
16
18
2O
0-50
18AWG ..........
16 AWG
16 AWG
16 AWG
16 AWG
14 AWG
14 AWG
12 AWG
12 AWG
I0 AWG
51-100
18 AWG
16 AWG
16 AWG
14 AWG
14 AWG
14 AWG
12 AWG
12 AWG
10 AWG
8 AWG
....LENGTH OF,,,..CORD SET IN FEET
101-150
18 AWG
16 AWG
14 AWG
12 AWG
12 AWG
12 AWG
l0 AWG
l0 AWG
8 AWG
8 AWG
Table 2-1. Recommended Wire Gauges of 120 Volts Cord Sets
2.2- OPERATING LOCATION
Comply with the following rules pertaining to operating location of
the generator:-
a. Place the generator on a level surface. Maximum tilt of the engine
in any direction must not exceed 20 degrees, or engine lubricating
problems may result.
b. Never operate the generator where it will be exposed to flooding,
excessive moisture, dust, dirt or corrossive vapors.
c. Provide adequate ventilation. Never operate the generator inside
any room or enclosure where exhaust fumes might accumulate and
endanger people.
d. Never run the generator inside any room or enclosure that might ob-
struct the free flow of cooling air. Without adequate cooling air, the
unit will quickly overheat, causing serious operating problems and
possible damage to equipment and/or property.

2.3- DON'T OVERLOAD THE GENERATOR (Table 2-2)
DO NOT exceed the generator's rated WATTAGE and/or AMPERAGE capacity
for continuous operation. Before connecting electrical loads to panel
receptacles, add up the WATTS (or the AMPERES) required to operate
those loads. Rated watts and/or amperage can usually be found on the
nameplate of lights, appliances, motors, etc. The total of all loads
being powered at one time should not exceed 2400 watts or 20.0 a-c
amperes.
NOTE
Some electric motors (such as saws, drills, etc.) require more watts
of power or amperes of current than is stated on their nameplate, when
the motor is being put to hard use. For example, a saw that is used to
cut through extremely difficult material may require 3 to 4 times more
wattage or amperage than is stated on its nameplate.
Some electric motors (such as Universal, Repulsion-Induction,
Capacitor, or Split Phase type) require more amperes of current for
starting than for continuous on-speed operation. Approximate starting
and running current (in amperes) is listed in Table 2-2. To use the
chart, find the TYPE OF MOTOR and its RATED HORSEPOWER on the motor
nameplate. Then, locate the approximate starting and running amperes
in the chart.
MOTOR
HORSEPOWER
RATING
1/6
1/4
1/3
1/2
3/4
1
i-1/2
2
3
5
APPROXIMATE
RUNNING
A_PERES
2.3
3.3
3.8
5.0
7.1
8.3
12.3
16.7
25.0
40.0
APPROXIMATE STARTING AMPERES
............ ,IREPULSION ......
UNIVERSAL I INDUCTION CAPACITOR
.........MOTORS I MOTORS ........._MOTORS
3.3
4.2
5_0
6.3
8.3
10.4
e
5.0
7.1
8.1
10.8
15.8
19.2
26.7
32.5
43.3
62.5
7.1
8.8
ii. 3
15.0
21.7
25.0
35.0
42.5
56.7
81.7
SPLIT
PHASE
MOTORS
I0.0
16.2
16.3
21.7
k
"_ Motors ot nlgner norsepower in tnls c±assltlcatlon are not generali?
used.
Table Approximate Motor Running and Starting Requirements
2.4- STARTING THE ENGINE (Figure 2-2)
a. Disconnect Electrical Loads:- Disconnect or turn OFF all electrical
loads connected to generator receptacles.
CAUTION!
Never start or stop the engine with electrical loads connected and
turned on. The generator will supply its rated voltage and frequency
only at its correct rated operating speed. Some electrical devices may
be damaged by incorrect voltage and/or frequency. In addition, start-
ing the engine with electrical loads applied imposes a heavy load at
lower operating speeds where adequate power is not yet available and
may shorten engine lifeo

b. Close the Choke:- Rotate the CHOKE CONTROL to its FULL CHOKE posi-
tion. Lesser amounts of choking may be required when starting a warm
engine.
c. Set Switch to RUN:- Set the Engine-Run/Stop Switch to its RUN
position.
d. Crank Engine:- Grasp the recoil starter handle with one hand while
holding the generator carrying handle with other hand. Pull the
starter handle out rapidly to overcome compression and prevent
"kickback". Repeat, if necessary, with Choke opened slightly. When
engine starts, open the Choke gradually.
e. Let the engine stabilize and warm up for a few minutes.
f. Check that the AC ON light is illuminated. Then connect and turn ON
the desired electrica! load(s). DO NOT OVERLOAD THE GENERATOR- SEE
PARAGRAPH 2.3.
A. CLOSE THE CHOKE
ENGINE RUN/ SWITCH
B. SET ENGINE SWITCH TO "ON _
START£Ft HANDLE
C. CRANK ENGINE
Figure 2-2. Starting the Engine
2.5- STOPPING THE ENGINE
a. Disconnect (or turn OFF) all electrical loads connected to
generator receptacles.
b. Let the engine run for a minute or two at no-load, to cool.
c. Set the Engine-Run/Stop Switch to STOP position, wait for the
engine to come to a complete stop.
2.6- CHARGING A BATTERY (Figure 2-3)
This equipment has battery charging capability, may be used to
recharge a discharged 12 volts, automotive or utility type storage
battery. Te recharge a 12 volts battery, proceed as follows:-
CAOTION!
DO NOT attempt to recharge any 6 volts battery using the generatorWs
battery charge system. DO NOT attempt to crank an engine having a
discharged battery. Either of the preceding may result in damage to
equipment.
I
i

a. Remove battery vent caps. Check that vent cap holes are not
clogged. If necessary, use a length of fine wire to open holes in
caps. Then, install vent caps onto battery.
DANGER!
Storage batteries give off EXPLOSIWE hydrogen gas while charging. DO
NOT permit smoking, open flames, sparks, or spark producing equipment
in the vicinity while charging a battery. NEVER use a match, lighter,
or any other source of heat to provide lighting while checking battery
fluid level. The danger of explosion is greatly diminished if battery
vent caps are installed while charging.
b. Check electrolyte fluid level in all battery cells, if necessary,
add DISTILLED WATER to bring fluid to the correct level. DO NOT OSE
TAP WATER.
DANGER!
Battery electrolyte fluid is an extremely caustic sulfuric acid
solution that can cause severe burns. DO NOT permit fluid to contact
eyes, skin, clothing, painted surfaces, wiring insulation, etc. If
spillage occurs, flush the affected area with clear water immediately.
c. Insert the 2-prong plug of the Battery Charge Cable (shipped with
unit) into the generator panel receptacle indicated by the words _12
VOLT D.C.".
d. Connect the Battery Charge Cable clamp with RED handle to the
battery post or terminal indicated by a POSITIVE, POS or "+".
e. Connect the Battery Charge Cable clamp with BLACK handle to the
battery post or terminal indicated by a NEGATIVE, NEG or "-".
f. Start the generator engine. The discharged battery will receive a
maximum charge of up to I0 d-c amperes. This maximum charge rate will
reduce as the battery approaches a i00 percent state of charge.
g. When the battery has recharged, shut the generator engine down.
Then, disconnect the Battery Charge cable from the panel receptacle
and from the battery posts or terminals.
t
_ RED
Figure 2-3. Charging a Battery

2.7- DETERMINING BATTERY STATE OF CHARGE AND CONDITION
Use an automotive type BATTERY HYDROMETER to determine battery STATE
OF CHARGE and CONDITION. Follow the hydrometer manufacturer's instruc-
tions carefully.
Batter_rl State of Charge:- Check the specific gravity of electrolyte
fluid in al! battery cells. Write down the reading of each cell as it
is taken, then return the fluid to the cell from which it was
withdrawn. When the specific gravity of the fluid in all cells is
known, calculate the average specific gravity. If the hydrometer does
not have a percentage of charge scale, compare the average reading ob-
tained with the following:-
SPECIFIC GRAVITY PERCENT OF CHARGE
1.260 100%
1.230 75%
1.200 50%
1.170 25%
If necessary, recharge the battery to a 100% STATE OF CHARGE.
EXAMPLE:- Readings obtained are 1.230; 1.220; 1.230; 1.210; 1.225;
1.230. Sum of all readings is 7.345. Divide by 6 to obtain the average
of 1.224. The battery is less than 75% charged.
Determininq Battery Condition:- If the difference in specific gravity
_-etween the highest and lowest reading cell is 0.050 (50 points) or
more, the battery is nearing the end of its useful life and should be
replaced. However, if the specific gravity of the highest reading cell
is less than 1.200, the test for condition is questionable. Recharge
the battery and repeat the test.
EXAMPLE:- Specific gravity readings are 1.230; 1.220; 1.230; 1.210;
1.225; 1.230. Battery condition is good. If readings are 1.250; 1.180;
1.240; 1.240; 1.240; 1.210- battery is worn out.
10

SECTION 3- PERIODIC MAINTENANCE
BEFORE
MAINTENANCE TASK USE
ii. check 0il level X
2. Change Enqine Oil
3. Service Air Cleaner _ _
14, Clean FuelIIIscreen .................
5. Decarbonize Muffler
i71DeC'arb0nize Engine*
8. Reface Valves*
:9. Check Valve
Clearance*
10. Prepare for
Storage
HOU_Y OPERATING INTERVAL
AFTER FIRST EVERY EVERY EVERY
20 HOURS 50 _ i00 _ 200 .....OTHER ......
X X
X
I ....
X
x
X
x
X
X
x
Tasks indicated by a single asterisk (_) should be accomplished by
a qualified engine service technician.
** Prepare unit for storage if it is to remain idle longer than 30
days.
Table 3-1. Periodic Maintenance Chart
3.1- CHECK ENGINE OIL LEVEL
Check engine crankcase oil level prior to each use, or at least every
5 hours of operation. See Paragraph 2.1.
3.2- CHANGE ENGINE OIL (Figure 3-1)
Drain crankcase completely and refill with clean, fresh oil after the
first 20 hours of operation, every i00 operating hours thereafter, as
follows:-
a. Operate engine until thoroughly warmed up, then shut down
______ lllJ
il!/
OIL FILL--J)" _ 11II
--OIL DRAIN
PLUG
Figure 3-1. Engine OIL FILL and OIL DRAIN PLUGS

b. Clean areas around O!L FILL and OIL DRAIN PLUGS, to prevent dirt
from entering engine.
c. Remove OIL FILL PLUG.
d. Remove OIL DRAIN PLUG and drain oil completely into a suitable
container.
e. When al! oil has drained, install OIL DRAIN PLUG. Tighten to !0
foot-pounds (1.4 kg-m).
f. Refill with recommended oi! through the OIL FILL PLUG opening. Pour
slowly. Oil level is correct when oil reaches point of overflowing the
OIL FILL PLUG opening. See ENGINE SPECIFICATIONS CHART at front of
Manual for recommended oils.
g. Install and tighten OIL FILL PLUG.
3.3- SERVICE AIR CLEANER (Figure 3-2, 3-3)
Service the engine air cleaner every 50 hours of operation, more
frequently if operating under extremely dirty or dusty conditions. To
service the air cleaner, proceed as follows:-
COVER
Fire 3-2. Remove End Panel
.................i
Figure 3-3. Air Cleaner Assembly
a. Remove 4 screws that retain END PANEL to cradle, then remove END
PANEL.
b. Unsnap the LATCH, then remove COVER, ELEMENT and PLATE.
c. Wash ELEMENT in kerosene. Squeeze dry.
d. Saturate ELEMENT in clean, fresh engine oil. Squeeze to distribute
oil and to remove excess oil.
e. Wash PLATE in kerosene, dry with a clean, lint-free cloth.
f. Install PLATE.
g. Install ELEMENT with nylon "brushes" facing outward.
h. Engage slot on COVER with tang on air cleaner CASE, install COVER
and retain with LATCH.
12

3.4- CLEAN FUEL SCREEN (F ig u r e 3- 4 )
Remove, clean and inspect FUEL SCREEN every 50 hours of operation.
Remove FUEL TANK CAP, BREATHER, GASKET and FILTER. Clean BREATHER and
FUEL SCREEN in clean gasoline. Replace any damaged or defective
component. Reinstall in reverse order of removal.
BREATHE
....... ----FUEL TANK
CAP
GASKET
FILTE
/
Figure 3-4. Fuel Tank Cap, Breather, Gasket and Filter
3.5- DECARBONIZE MUFFLER (Figure 3-5)
The engine is equipped with a SPARK ARRESTOR type exhaust muffler.
Decarbonize the muffler every 50 hours of operation, as follows:-
NOTE
This equipment, when used on any forest covered, brush covered or
grass covered land requires a SPARK ARRESTOR. The SPARK A_RESTOR must
be maintained in effective working order by the operator. In the State
of California, the preceding is required by law (Section 4442 of the
California Public Resources Code). Other states may have similar laws.
Federal laws apply on federal lands.
a. Remove 4 screws that retain rear PANEL to cradle, then remove the
rear PANEL.
b. Remove SCREWS that retain SPARK ARRESTOR SCREEN and GASKET to
exhaust muffler.
c. Remove SPARK ARRESTOR SCREEN.
d. Inspect GASKET, replace if damaged or defective.
e. Clean SPARK ARRESTOR SCREEN in non-flammable solvent. Replace
SCREEN if torn, perforated, excessively dirty, or otherwise damaged or
defective.
f. Start the generator engine and let run for about 5-10 minutes to
blow out carbon and condensation. Then, shut the engine down and let
it cool.
g. When engine and exhaust muffler are cool, install GASKET and SPARK
ARRESTOR SCREEN. Retain with SCREWS.
13

DANGER!
DO NOT touch a hot muffler or any hot adjacent parts, or serious burns
may result.
e. Inspect GASKET. Replace if torn or otherwise damaged.
f. Install GASKET and PLATE, retain with SCREWS.
SPARK-
ARRESTOR SCREEN
Figure .3-5. Spark Arrestor Screen
3.6- REPLACE SPARK PLUG (Figure 3-6)
Replace spark plug every 200 hours of operation, or if damaged or
defective. Use replacement spark plug as recommended in ENGINE
SPECIFICATIONS CHART at front of Manual. Set gap on new or used spark
plug to 0.023-0.027 inch (0.6-0.7 mm).
a. Remove COVER by prying upward.
b. Use a spark plug socket wrench to remove spark plug.
c. Set gap on spark plug as specified.
d. Install spark plug with gasket. Tighten plug by hand until it is
firmly seated. Then, tighten an additional 3/4 to 1 turn using a
socket wrench.
e. Instal! COVER. __cov£R
S_RK
Figure 3-5. Spark Plug Removal
14

3.7- DECARBONIZE ENGINE, REFACE VALVES, CHECK VALVE CLF/%RANCE
Have the carbon cleaned from the engine combustion area (cylinder
head, valves, piston) every i00 hours of operation. At the same time,
have the valves refaced and adjusted by an engine service technician.
3.8- PREPAP_ UNIT FOR STORAGE
If the unit is to be unused for longer than 30 days, prepare it for
storage as follows:-
a. Operate the engine until it runs out of gas.
b. Let the engine cool.
c. When engine has cooled, remove spark plug (see Paragraph 3.6).
Then, pour about 2 or 3 tablespoons of clean, fresh engine oil into
spark plug opening in engine cylinder head. Crank engine several times
to distribute oil.
d. Install spark plug and spark plug access cover.
e. Slowly pull starter handle out until resistance is felt, indicating
that engine is on its compression stroke. This will close both valves,
to prevent rusting of the cylinder interior.
f. Wipe exterior surface of engine and generator with an oil-soaked
cloth.
g. Cover the generator and store in a clean, dry place.
_5

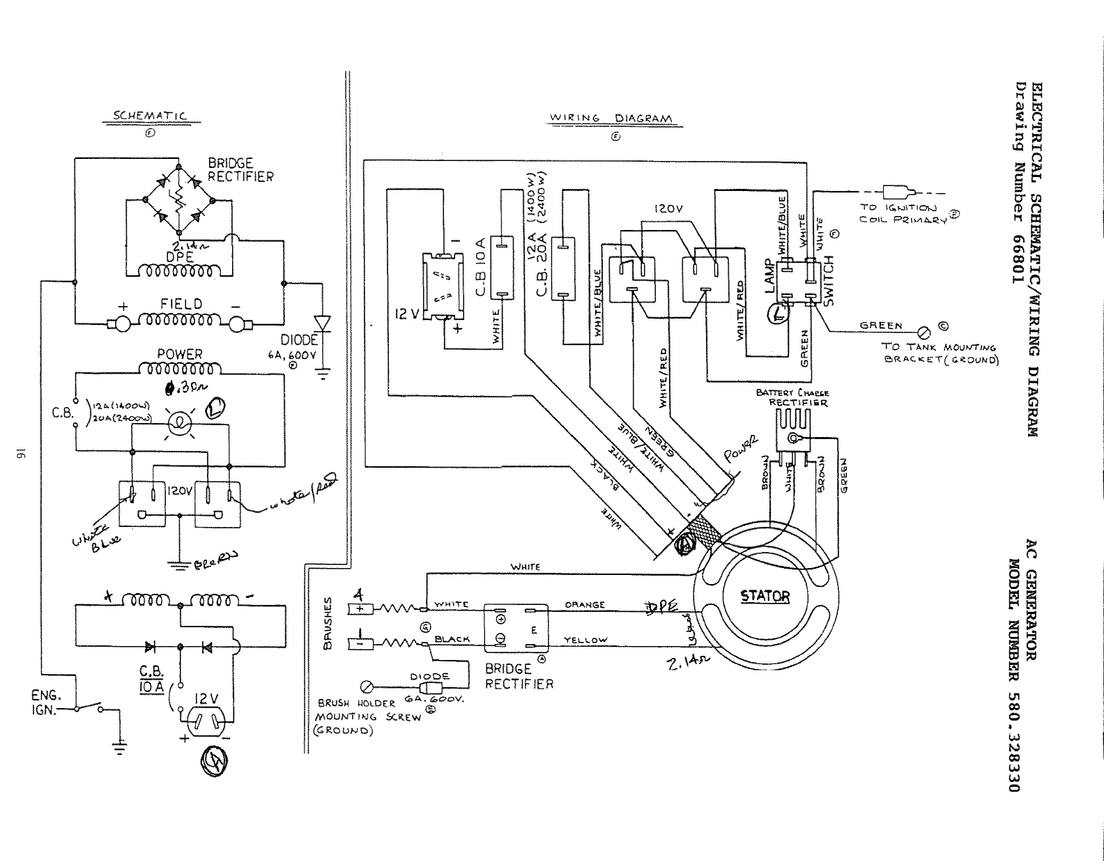
................_ BRIDGE
DIODEI
POWER _A,$ooYL
...... 1
IGN._o--_ +_
@
WI_.ING DfAG RAiv_
\
®
BRIDGE
RECTIFIER
©
T'3;, t G,,_..a_.mi C,'_.3
G_EEN ©
TO TANK. _.OUKt"_IA,fG
F.,,_
0
@
ba

2400 WATT
PORTABLE
AC GENERATOR
®
MODEL NUMBER 580.328330
I7

2t
2O
ASSEMBLE
USING LOCKT!TE
15\
16
17
8
f
J
_ 3_r-ITEMS SUPPLIED WITH ENGINE
-A"
?
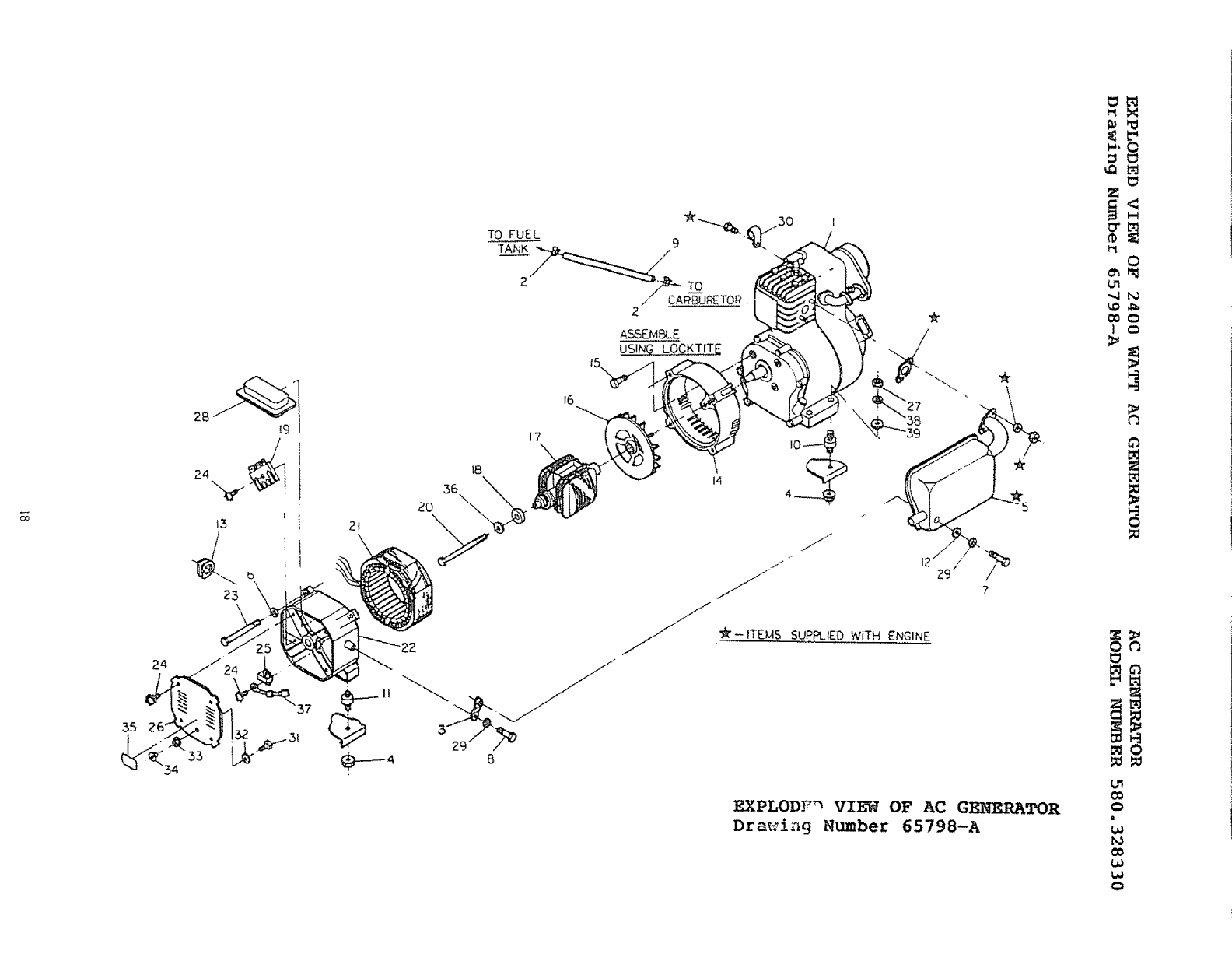
EXPLODFn VIEW OF AC GENERATOR
Dra_ing Nnmber 65798-A
X
u_
H
o
_N
tm
,_ItJ
ffl
0
_n
O
i
w
_u
o

EXPLODED VIEW OF AC GENERATOR
Drawing Numbe[ 65798-A
ITF_/_ PART NUMBER
1 65188
2 66836
3 66462
4 66834
5 66432
6 22097
7 52243
8 51755
9 66837
I0 66443A
ii 66443B
12 49809
13 67022
]4 66365
15 39253
16 66389
17 65785
18 65791
19 65795
20 66448B
21 66454
22 66825
23 66449B
24 66849
25 66386
26 67025
27 45771
28 66850
29 46526
30 66894
31 49815
32 67444
33 52856
34 67435
35 67210
36 67451
37 6'7462
38 22129
39 49810
DESCRIPTION
ENGINE- 5 Horsepower Kawasaki- FA210 (i Req'd)
CLAMP, Fuel Line (2 Req'd)
BRACKET, Muffler Support (I Req'd)
NUT, Flanged Lock- M8-!.25 (4 Req'd)
MUFFLER, Spark Arrest (i Req'd)
WASHER, Lock- M6 (4 Req'd)
CAPSCREW, Hex Head- MI0-1.50 x60mm (I Req'd)
CAPSCREW, Hex Head- M10-1.50 x 16mm (I Req'd)
HOSE, Fuel- 300mm long (I Req'd)
MOUNT, Vibration- Engine (2 Req'd)
MOUNT, Vibration- Generator (2 Req'd)
WASHER, Flat- MI0 (i Req'd)
GROMMET, Lead Outlet (i Req'd)
HOUSING, Engine Adapter (i Req'd)
CAPSCREW, Hex Head- M8-1.25 x20mm (4 Req'd)
FAN, Cooling (i Req'd)
ROTOR ASSEMBLY (! Req'd)
BEARING, Ball (i Req'd)
RECTIFIER, Battery Charge (i Req'd)
BOLT, Rotor- M8-!.25 x 190mm (i Req'd)
STATOR ASSEMBLY (i Req'd)
CARRIER, Rear Bearing (I Req'd)
BOLT, Stator- M6-1.00 x 90mm (4 Req'd)
SCREW (Taptite)- M5-0.80 x 15mm (7 Req'd)
ASSEMBLY, Brush (i Req'd)
COVER, Bearing Carrier (i Req'd)
NUT, Hex- M8-1.25 (2 Req'd)
BOARD, Bridge Rectifier (i Req'd)
WASHER, Lock- MI0 (2 Req'd)
CLAMP, Fuel Line Support (i Req'd)
SCREW, Machine- M5-0.80 (i Req'd)
WASHER, Serrated- M5 (I Req'd)
NUT, Flanged Lock- M5-0.80 (i Req'd)
NUT, Wing- M5-0.80 (i Req'd)
DECAL- Ground (i Req'd)
WASHER, Flat (Special)- M8 (i Req'd)
DIODE ASSEMBLY (i Req'd)
WASHER, Lock- M8 (2 Req'd)
WASHER, Flat- M8 (2 Req'd)
19

41
26 \
4O
28
3(
14
21
29
33
_H
M0
..4¢3
0
lm
o
i
w

EXPLODED VIEW OF CRADLE- 2400 WATT GENERATORS (Sears 580.328330)
Drawing Number 65799-A
ITEM PART NUMBER
1 66394
2 66456
3 66457
4 66453
5 66455
6 66817
7 66818
8 66819
9 66820
i0 66821
ii 66822
12 66828
13 6682'7
14 66450
15 66368
16A 66802A
16B 66802B
16C 66802C
17 64680B
18 66391-B
19 65787
20 65788
21 66392
22 66393
23 66397D
24 66829
25 66823
26 66824
27 66398C
28 67103
29 67459
30 66831
31 66864
32 66838
33 66880
34 66839
35 52749
36 52619
37 67444
38 51716
39 66395-21
40*
41"
42*
++ 66832A
DESCRIPTION
BASE, Engine Cradle (i Req'd)
PANEL- Engine End (i Req'd)
PANEL, Muffler (i Req'd)
PANEL, Generator End (I Req'd)
PANEL, Receptacle and Control (i Req'd)
SWITCH, Engine-Run/Stop (i Req'd)
RECEPTACLE- 120 Volts a-c, 15 Ampere (2 Req'd)
BREAKER, Circuit- 20 a-c Amperes (i Req'd)
BREAKER, Circuit- i0 d-c Amperes (i Req'd)
RECEPTACLE- 12 Volts d-c (I Req'd)
RETAINER, 12 Volts d-c Receptacle (i Req'd)
SCREW, Machine- M3-0.50 x 5mm (2 Req'd)
SCREW, Machine (with Lock Washer)- M5-0.80 x 12mm
(25 Req'd)
COVER, Handle (4 Req'd)
TANK, Fuel- 2.34 U.S. Gallons (i Req'd)
CAP, Fuel Tank (i Req'd)
BREATHER, Fue! Tank (i Req'd)
GASKET, Fuel Tank Cap (i Req'd)
COVER, Spark Plug Access (i Req'd)
INDICATOR, Fuel Level (I Req'd)
CABLE, Battery Charge (i Req'd)
DECAL, Receptacle and Control Panel (i Req'd)
CRADLE, Engine End (i Req'd)
CRADLE, Generator End (I Req'd)
PLATE, Data (i Req'd)
RIVET- 3 mm (2 Req'd)
DECAL, Choke (I Req'd)
DECAL- Hot Caution (i Req'd)
DECAL- Starting Data (i Req'd)
DECAL- Warranty (i Req'd)
SCREW (Crimptite)- (8 Req'd)
RIVET, Black Anodized- 4mm (8 Req'd)
DECAL- U.S.D.A. (i Req'd)
FILTER, Fuel (I Req'd)
SHIELD, Fuel Tank Heat (l Req'd)
NUT, Hex Lock- M5-0.80 (6 Req'd)
SCREW, Machine- M5-0.80 x 12 mm (2 Req'd)
SCREW, Machine- M5-0.80 x 20mm (I Req'd)
WASHER, Serrated- M5 (i Req'd)
NUT, Hex - M5-0.80 (i Req'd)
WIRE, Ground (Green)- (i Req'd)
DECAL- Unleaded Fuel
DECAL- Air Cleaner
DECAL- Lubrication
MANUAL, Owner's (i Req'd)
* These Parts Supplied with Engine
++ NOT SHOWN
21

55--_
57--_b
s6- D
76
64
36
\
78 77
8O
I
79 87
79 88
35
6O
65
82
8!
99
44 59
53
74
i8
i7
2O
103
t05
5O
47
48 52 5i
22 21
46
49
I6
I10
t3 7
23
m
x
i'-
m
<
m
o
-1-t

EXPLODED VIEW OF KAWASAKI 5 HORSEPOWER
ITEM PART NUMBER DESCRIPTION
I 100-65188 HEAD,Cylinder
2 t01.65188 GASKET. Cylinder Head
3 102o65188 BOLT (8 x 56)
4 103-65188 COVE R .ValveC hamber
5 104-65188 GASKET
6 t05-65188 BOLT 16 x t2)
7 106-65188 CLEANER ASSEMBLY Air
8 t07,65188 COVE R, Air Cleaner
9 108.65188 ELEMENT
10 109-65 ] 8B P LATE Air Cleaner
t 1 110,65188 CASE. Air Cleaner
12 11 t_65188 BOLT (6 x 80)
13 112-65188 GASKET
14 ] t 3,65188 TUBE ,Rubber
15 114.65188 PIPE
16 66432 MUFF LE R. E×hau51. (Comptele)
17 116-65188 AR REST E R .SPark
18 116-65188 GASKET
19 117-65188 SCREW
20 118-65188 WASHER
2! t 19-65!88 GASKET
22 120-65188 STUD
23 121-65188 NUT (8 nlrn)
24 122-65188 WASHE R
25 t23-65188 VALVE Intakc _
26 124-65188 VALVE Exhaust
27 125-65188 SPRING.Valve
28 126-65188 SEAT Valve S!::,rir_!l
29 127-65188 TAPPET
30 128.65188 CAM SHA F T
31 129-65188 PISTON (Standard)
130,65188 PISTON 10 25ram OS)
131,65188 PISTON (0 50ram OS}
32 132-65 ! 88 SET. Piston Ring (Slandard)
133-65188 SET Piston Ring{O25mmOS)
134-65188 SET Piston Ring (0 50ram OS)
33 135_65 t 88 Pf N. P ist_m
34 136-65t88 RING Snap
35 137-65188 CR AN K SHAFT
36 138,65188 ROD ASSEMBL Y Connecting
37 ! 39-65188 BOLT Connecting Rod
38 140,65188 WASHER Lock
39 14 1-65188 ARM Splasher
40 142-65t88 CASE ASSEMBLY Connecting
41 143-65188 BEARING plain
42 144,65188 GASKET
43 t45,65188 BOLT (10 x t4}
44 !46-65188 SEAL.Oil
45 147.66188 Pt N.Dowel
46 148-65188 CA R BU R ETO R
47 149,65 _88 i NSU LATOR
48 150-65188 PIPE. Inlet
49 151-65t 88 GAS K E T
50 152-65188 GASK ET
51 153o65!88 NUT 16 ram)
52 154-65188 WASH E R
53 155.65188 STUD
54 66391B GAUGE. Fuel Level
55 66802A CAP Fuel Tank
ENGINE
ITEM
56
57
58
59
60
61
62
63
64
65
66
67
68
69
7O
71
72
73
74
75
76
77
78
79
80
81
82
83
84
85
86
87
88
89
90
91
92
93
94
95
96
97
98
99
100
101
102
t03
104
105
106
!07
108
t09
110
t11
1t2
t13
PART NUMBER
66802C
668028
156-65188
157-65188
!58-65188
159-65t88
160-65188
161-65188
t05,65188
162-65188
163-65188
t64-65!88
153-54188
154-65188
165,65188
!66-65188
167-65188
168_65!88
169-65188
t70-65188
171-65188
172-65188
173.65188
174-65188
t75-65188
176-65t88
177-65188
t78.65188
179-65188
t80.65188
18t-65188
182.65188
183-65188
184-65188
185,65188
t86-65188
187-65188
188.65188
189-65t88
190-65188
191-65t88
192-65188
193.65t88
194-65188
t95-65t88
196-65188
197-65t88
198.65188
t99,65188
200-65188
201-65t88
202-65188
20365188
204,65188
205-65188
206,65188
207-65188
208-65188
DESCRIPTION
GASKET
BREATHER
WIRE.
HOUSING Far_
CASE .Spiral
COVER Cyiinder Head
COVER Cylinder
BOLT 16 x i0)
BOLT (6 x 12_
SCREW (Sx IO}
ARM ,Governor
BOLT 16 x 25)
NUT (6 ram}
WASIHER
ROD .Governor
SPRING Link
SPRING .Governor
BRACKET
ADJUSTER Spring
NUT (6 ram)
BASE. Side
BEARING,Ball (6205)
GASKET
BOLT 16 x 30)
SEAL Oil
GOVERNOR
SLEEVE Governor
TIP.Governor
WASHER
PIN Snap
WASHER
GAUGE,Oil Level
O-RING
FLYWHEEL
COl LIgnilion.
BREAKER ASS'Y Contact
CONDENSER
BREAKER Contact
BRUSH
CLAMP
CLAMP
COVER
RING
BOLT (5 x 201
SCREW (4 x 8)
SCREW (4 x 20}
GROMMET
NUT 114 ram)
KEY
WASHE R
SPARK PLUG'
CAP. Plug
SPRING
STARTER ASSEMBLY Recoil
BOLT 16 x 10}
[DE CA L
DECAL
DECAL
* UseNGK,BMR6A CHAMPION RCJ8 or equivalen! spark plug
23

CARBURETOR
3
2
i0
4
\
12 ....
EXPLODED VIEW OF CARBURETOR
ITEM PART NUMBER
148-65188
]209-65188
2 2t0-65188
3 2t1-65t88
4 212-65188
5 2t3-65t88
6 214-65188
7 225_65188
8 216-65188
9 217-65188
10 218,65!88
DESCRIPTION
CARBURETOR ASSEMBLY
SHAFTChoke
VALVEChoke
SCREW
JET Pilo; {#37 5)
SCREW. Pilol
SPF_fNG
SHAFT Throttte
VALVE _hrott_e
SCREW
SCREW Stop
ITEM
1I
t2
13
14
15
16
I7
18
19
15
PART NUMBER
2t9-65188
220-65t88
221-65188
222-65188
223-65188
224-65188
225-65188
226-65188
227-65188
DESCRIPTION ,.
JET, Main {#77 5)
NOZZLE Main(#5A)
VALVE Needle
FLOAT
PIN,Float
GASKET
CHAMBER Float
BOLT
GASKET
24

RECOIL STARTER
3
, 6
5
9
EXPLODED VIEW OF
ITEM PART NUMBER
RECOIL STARTER
DESCRIPTION
204-65188 STARTER ASSEMBLY, Recoil
] 228-65188 PULLEY
2 229-65188 BOLT
3 230-65188 RETAI N E R
4 231-65188 SPRING
5 232-65188 PAWL ,Recoil
6233-65188 SP R I N G ,Return
7 234-65188 RE E L ,Recoil
8 235-65188 SPRING,Recoil
9 236-65188 ROPE (4 5 x ]550)
] 0 237-65 ! 88 HAND L E ,RecoilS tar ter
] 1 238-65 ] 88 CASE ,Recoil Starter

Sears
MODEL NO. 580.328.330
SERVICE
HOW TO ORDER
REPAIR PARTS
PORTA LE
AC GE ERATO
Now that you have purchased your Alter-
nator, should a need ever exist for repair
parts or service, simply contact any Sears
Service Center and most Sears, Roebuck and
Co. stores. Be sure to provide all pertinent
facts when you call or visit.
The model number of you Alternator will be
listed on the data plate.
WHEN ORDERING REPAIR PARTS,
ALWAYS GIVE THE FOLLOWING INFORMA-
TION:
o PART NUMBER o PART DESCRIPTION
° MODEL NUMBER ° NAME OF ITEM
All parts listed may be ordered from any
Sears Service Center and most Sears stores.
If the parts you need are not stocked locally,
your order will be electronically transmitted
to a Sears Repair Distribution center for
handling.
88-66855-t01 Ptlntod In U S.,/L
Haaual earl: t,lua_bez'66832-& Sears, Roebuck and Co., Chicago, IL 60684 U.S.A_