Craftsman 580329160 User Manual GENERATOR Manuals And Guides L0209046
CRAFTSMAN Generator Manual L0209046 CRAFTSMAN Generator Owner's Manual, CRAFTSMAN Generator installation guides
User Manual: Craftsman 580329160 580329160 CRAFTSMAN GENERATOR - Manuals and Guides View the owners manual for your CRAFTSMAN GENERATOR #580329160. Home:Tool Parts:Craftsman Parts:Craftsman GENERATOR Manual
Open the PDF directly: View PDF
.
Page Count: 48

Owner's Manual
CRRFTSMRN°
AC Generator
Model No.
580.329160
GENERATOR
CUSTOMER
_._ HELPLINE
HOURS: Mon.- Fri. 8 a.m. to 5 p.m. (CT)
CAUTION" Before using this product,
read this manual and follow all Safety
Rules and Operating Instructions.
• Safety
• Assembly
• Operation
• Maintenance
• Parts
•Espahol
SEARS, ROEBUCK and CO., Hoffman Estates, IL 60179 U.S.A.
Visit our Craftsman website: www.sears.com/craftsman
Part No. 187089 Draft 1 (07/16/2001)

WARRANTY ................................... 2
SAFETY RULES ............................... 3
ASSEMBLY ................................... 4
OPERATION ................................ 5-11
MAINTENANCE ............................ 12-15
SPECIFICATIONS ............................. 12
STORAGE ................................... 16
TROUBLESHOOTING .......................... 17
SCHEMATIC DIAGRAM ......................... 18
WIRING DIAGRAM ............................. 19
REPLACEMENT PARTS ...................... 20-27
EMISSION CONTROL WARRANTY ................ 28
ESPANOL ................................. 30-47
HOW TO ORDER PARTS ............... BACK PAGE
LIMITED WARRANTY FOR DELUXE PORTABLE GENERATORS
SEARS warrants to the original purchaser that the alternator and engine for its portable generator will be free
from defects in materials or workmanship for the items and period set forth below from the date of original
purchase. This warranty is not transferable and applies only to portable generators driven by the Sears
warranted engine.
CONSUMER* COMMERCIAL*
Alternator 2 years (2nd year parts only) 1 year
Engine 2 years (2nd year parts only) 1 year
*NOTE: For the purpose of this warranty "Consumer Use" means personal residential household and
emergency use by original purchaser, not to be used as a primary source of power. "Commercial Use" means all
other uses, including rental, construction, commercial, and income producing purposes. Once a generator has
experienced commercial use, it shall thereafter be considered a commercial use generator for the purpose of
this warranty.
During said warranty period, SEARS will, at its option, repair or replace any part which, upon examination by
SEARS, is found to be defective under normal use and service**. Starting batteries are not warranted by
SEARS. All transportation costs under warranty, including return to the factory if necessary, are to be borne by
the purchaser and prepaid by him. This warranty does not cover normal maintenance and service and does not
apply to a generator set, alternator or engine, or parts which have been subjected to improper or unauthorized
installation or alteration, misuse, negligence, accident, overloading, overspeeding, improper maintenance, repair
or storage so as, in SEARS's judgment, to adversely affect its performance and reliability.
** NORMAL WEAR: As with all mechanical devices, engines need periodic parts service and replacement to
perform well. This warranty will not cover repair when normal use has exhausted the life of a part or engine.
THERE IS NO OTHER EXPRESS WARRANTY. SEARS HEREBY DISCLAIMS ANY AND ALL
IMPLIED WARRANTIES, INCLUDING BUT NOT LIMITED TO THOSE OF MERCHANTABILITY
AND FITNESS FOR A PARTICULAR PURPOSE TO THE EXTENT PERMITTED BY LAW. THE
DURATION OF ANY IMPLIED WARRANTIES WHICH CANNOT BE DISCLAIMED IS LIMITED TO
THE TIME PERIOD AS SPECIFIED IN THE EXPRESS WARRANTY. LIABILITY FOR
CONSEQUENTIAL, INCIDENTAL, OR SPECIAL DAMAGES UNDER ANY AND ALL WARRANTIES
IS EXCLUDED.
Some states do not allow limitations on how long an implied warranty lasts, or the exclusion or limitation of
incidental or consequential damages, so the above limitations or exclusions may not apply to you. This warranty
gives you specific legal rights and you may also have other rights, which vary from state to state.
For service, see your nearest SEARS authorized warranty service facility. Warranty service can be performed
only by a SEARS authorized service facility. This warranty will not apply to service at any other facility. At the
time of requesting warranty service, evidence of original purchase date must be presented.
SEARS, ROEBUCK AND CO., Hoffman Estates, IL 60179 U.S.A

The engine exhaust from this product contains
chemicals known to the State of California
to cause cancer, birth defects,
or other reproductive harm.
,_ CAUTION! Before using this product, read this
manual and follow all Safety Rules and
Operating Instructions.
WARNING! You must isolate the generator
from the electric utility by opening the electrical
system's main circuit breaker or main switch if
this unit is used for backup power. Failure to
isolate the generator from the power utility
may result in injury or death to electric utility
workers and damage to the generator due to
a backfeed of electrical energy. When used as
backup power, the local power utility must be
notified.
DANGER! Generator exhaust gases contain
DEADLY carbon monoxide gas. Carbon
monoxide, if breathed in sufficient
concentrations, will cause unconsciousness
or death. Operate this equipment outdoors
where adequate ventilation is available.
CAUTION! To prevent accidental starting when
setting up, transporting, adjusting or making
repairs to your generator, always disconnect
spark plug wire and place the wire where it
cannot contact the spark plug.
• The unit requires an adequate flow of cooling air
for its continued proper operation. Never operate
the unit inside any room or enclosure where the
free flow of cooling air into and out of the unit might
be obstructed. Allow at least 3 feet of clearance on
all sides of generator or you could damage the unit.
• The generator produces dangerously high voltage
that can cause extremely hazardous electrical
shock. Avoid contact with bare wires, terminals,
etc. Never permit any untrained person to operate
or service the generator.
•Do Not overfill the fuel tank. Always allow room for
fuel expansion. If tank is overfilled, fuel can
overflow onto a hot engine and cause FIRE or an
EXPLOSION.
• Never operate the generator:
in rain; in any enclosed compartment; when
connected electrical devices overheat; if electrical
output is lost; if engine or generator sparks; if flame
or smoke is observed while unit is running; if unit
vibrates excessively.
• Never handle any kind of electrical cord or device
while standing in water, while barefoot or while
hands or feet are wet. Dangerous electrical shock
will result.
• Use a ground fault circuit interrupter in any damp
or highly conductive area (such as metal decking or
steel work).
• Do Not use worn, bare, frayed or otherwise
damaged electrical cord sets with the generator.
Using any defective cord set may result in electrical
shock or damage to property.
• Operate generator only on level surfaces and
where it will not be exposed to excessive moisture,
dirt, dust or corrosive vapors.
• Gasoline is highly FLAMMABLE and its vapors are
EXPLOSIVE. Do Not permit smoking, open flames,
sparks or heat in the vicinity while handling
gasoline. Avoid spilling gasoline on a hot engine.
Comply with all laws regulating storage and
handling of gasoline.
• Never store generator with fuel in tank where
gasoline vapors might reach an open flame or
spark or pilot light (as on a furnace, water heater or
clothes dryer). FIRE or EXPLOSION may result.
• Never add fuel while unit is running.
• Never start or stop the unit with electrical loads
connected to receptacles AND with connected
devices turned ON. Start the engine and let it
stabilize before connecting electrical loads.
Disconnect all electrical loads before shutting down
the generator.
• Do Not insert any object through cooling slots of
the engine-generator.
NOTE: Your generator is equipped with a spark
arrester muffler. The spark arrester must be
maintained in effective working order by the owner/
operator. In the State of California, a spark arrester is
required by law (Section 4442 of the California Public
Resources Code). Other states may have similar laws.
Federal laws apply on federal lands.
,_ THIS IS THE SAFETY ALERT SYMBOL. IT IS USED TO ALERT YOU TO POTENTIALPERSONAL INJURY HAZARDS. OBEY ALL SAFETY MESSAGES THAT FOLLOW THIS
SYMBOL TO AVOID POSSIBLE INJURY OR DEATH.

Your generator requires some assembly and is ready
for use only after it has been properly serviced with
the recommended oil and fuel.
If you have any problems with the assembly of
your generator, please call the generator helpline
at 1-800-222-3136.
IMPORTANT: Any attempt to run the engine before it
has been serviced with the recommended oil will result
in an engine failure.
• 2 locking plugs
• Wheel Kit
ASSEMBLING THE WHEEL KIT
The wheel kit is designed to greatly improve the
portability of your generator.
NOTE: Wheel kit is not intended for over-the-road use.
You will need a socket wrench with 1/2" or 13mm
sockets and a needle-nose plier to install this kit.
REMOVE GENERATOR FROM
CARTON
• Set the carton on a rigid flat surface with "up"
arrows pointing upward.
• Carefully open the top flaps of the shipping carton.
• If you plan to operate this unit in cold weather, read
"Cold Weather Operation" on page 9.
• Slice two corners at one end of carton from top to
bottom and lay that side of carton down flat.
• Remove all packing material, carton fillers, etc.
• Remove the generator from the shipping carton.
CARTON CONTENTS
Check all contents. If any parts are missing or
damaged, call the generator helpline at
1-800-222-3136.
• The main unit
• Battery charge cables
• Owner's manual
• Engine oil
Refer to illustration shown below and install the wheel
kit as follows:
• Place the generator on a hard flat surface.
• Stand at the engine end of the generator and
gently tilt the generator forward, high enough to
place wooden blocks beneath the cradle. This will
allow you to add the wheels.
• Slide the axle through the holes in the brackets
provided on the generator cradle.
• Slide one wheel and flat washer on each end of the
axle. Make sure the air inflation valve is outward.
Insert both retaining pins using the needle-nose
plier. Remove the wooden blocks.
• Attach the vibration mounts to the support leg with
30mm capscrews, washers and lock nuts.
• With the wheels on, you can now lift up the handle
end and attach the support leg with 20mm cap
screws and lock nuts.
• Check each fastener to ensure it is secure and the
tires are inflated between 15-40 PSI.
Wheel Kit Assembly View
®
Axle
Wheel
Lock
Nut Washer
Support
Vibration
20mm
Capscrew
_"---_ Lock Nut
-30mm Capscrew
Retaining Pin

KNOW YOUR GENERATOR
Read the owner's manual and safety rules before operating your generator.
Compare the illustrations with your generator to familiarize yourself with the locations of various controls and
adjustments. Save this manual for future reference.
Fuel
Choke Lever
Circuit Breakers
120 Volt AC, 30 Amp
Locking Receptacle
120/240 Volt AC, 30 Amp
Locking Receptacle
12 Volt DC Grounding Idle Control
Receptacle Wing Nut Switch
Air Cleaner
Run/Stop
Switch
Spark Arrester Muffler
120 Volt AC, 20 Amp
Duplex Receptacle
12 Volt DC Receptacle --This receptacle allows you
to recharge a 12 Volt automotive or utility style storage
battery with the battery charge cables provided.
120 Volt AC, 20 Amp, Duplex Receptacle -- May be
used to supply electrical power for the operation of
120 Volt AC, 20 Amp, single phase, 60 Hz electrical
lighting, appliance, tool and motor loads.
120 Volt AC, 30 Amp, Locking Receptacle -- May
be used to supply electrical power for the operation of
120 Volt AC, 30 Amp, single phase, 60 Hz electrical
lighting, appliance, tool and motor loads.
120/240 Volt AC, 30 Amp, Locking Receptacle --
May be used to supply electrical power for the
operation of 120 and/or 240 Volt AC, 30 Amp, single
phase, 60 Hz electrical lighting, appliance, tool and
motor loads.
Air Cleaner -- Filters intake air as it is drawn into the
engine.
Choke Lever-- Used when starting a cold engine.
Circuit Breakers (AC) -- Each receptacle is provided
with a "push to reset" circuit breaker to protect the
generator against electrical overload.
Fuel Tank -- Tank holds 8 U.S. gallons of unleaded
gasoline.
Grounding Wing Nut -- Provides a tie point for
grounding the unit.
Idle Control Switch -- The idle control runs the
engine at normal (high) speeds when there is an
electrical load present and runs the engine at idle
(low) speeds when a load is not present.
Run/Stop Switch -- Must be in "Run" position to start
engine. Set to "Stop" to stop a running engine.
Spark Arrester Muffler -- Muffler lowers engine
noise and is equipped with a spark arrester screen.

RECEPTACLES
120 Volt AC, 20 Amp Duplex Receptacle
Use only high quality, well-insulated, extension cords
with the generator's 120 Volt electrical receptacles.
4-Wire Cord Set
240V -_
Each receptacle is protected against overload by a
single 20 Amp push-to-reset circuit breaker. Use each
receptacle to operate 120 Volt AC, single phase 60 Hz
electrical loads requiring up to 2,400 watts (2.4 kW) at
20 Amps of current.
Check the ratings of all extension cords before you
use them. Extension cord sets used should be rated
for 125 Volt AC loads at 20 Amps or greater for most
electrical devices. Some devices, however, may not
require this type of extension cord. Check the owner's
manuals of those devices for the manufacturer's
recommendations.
Keep extension cords as short as possible, preferably
less than 15 feet long, to prevent voltage drop and
possible overheating of wires.
120/240 Volt AC, 30 Amp Receptacle
This is a full capacity receptacle; it can supply the
generator's full rated output from this sole outlet. The
outlet is protected by two 30 Amp push-to-reset
circuit breakers.
A NEMA L14-30 plug is used with this 240 Volt
receptacle. Connect a suitable 4-wire cord set to the
plug and to the desired load. The cord set should be
rated for 250 Volt AC loads at 30 Amps (or greater).
,_ CAUTION! Although this receptacle is rated for
120/240 Volts at 30 Amps (7,200 watts or
7.2 kW), the generator is rated for a total of
6,500 watts. Powering loads that exceed the
wattage capacity of the generator can damage it
or cause serious injuries. See "Don't Overload
the Generator" on page 11.
120 Volt AC, 30 Amp Receptacle
Use a NEMA L5-30 plug with this receptacle. Connect
a 3-wire cord set rated for 125 Volt AC loads at
30 Amps to the plug.
3-Wire Cord Set
_I Neutral
120V
Hot
/_ Ground
NEMA L5-30 (Green)
Use this receptacle to operate 120 Volt AC, 60 Hz,
single phase loads requiring up to 3,600 watts
(3.6 kW) of power at 30 Amps. The outlet is protected
by a 30 Amp push-to-reset circuit breaker.

12 Volt DC Receptacle
This receptacle allows you to recharge a 12 Volt
automotive or utility style storage battery with the
battery charge cables provided.
This receptacle can not recharge 6 Volt batteries and
can not be used to crank an engine having a
discharged battery. See the sections "Battery Safety"
and "Charging a Battery" on page 10 before
attempting to recharge a battery. This outlet is
protected by a 10 Amp self resetting circuit breaker.
HOW TO USE YOUR GENERATOR
If you have any problems operating your generator,
please call the generator helpline at 1-800-222-3136.
Grounding the Generator
The National Electrical Code requires that the frame
and external electrically conductive parts of this
generator be properly connected to an approved earth
ground. Local electrical codes may also require proper
grounding of the unit. For that purpose, a grounding
wing nut is provided on the base of the cradle.
Grounding wing
Generally, connecting a No. 12 AWG (American Wire
Gauge) stranded copper wire to the grounding wing
nut and to an earth-driven copper or brass grounding
rod (electrode) provides adequate protection against
electrical shock. However, local codes may vary
widely. Consult with a local electrician for grounding
requirements in your area.
Proper grounding of generator will help prevent
electrical shock in the event of a ground fault condition
in the generator or in connected electrical devices.
Proper grounding also helps dissipate static electricity,
which often builds up in ungrounded devices.
CONNECTING ELECTRICAL LOADS
• Do Not connect 240 Volt loads to 120 Volt
receptacles.
• Do Not connect 3-phase loads to the generator.
• Do Not connect 50 Hz loads to the generator.
• Let engine stabilize and warm up for a few minutes
after starting.
• Plug in and turn on the desired 120 and/or 240 Volt
AC, single phase, 60 Hz electrical loads.
• DO NOT OVERLOAD THE GENERATOR. See
"Don't Overload the Generator" on page 11.
BEFORE STARTING THE
GENERATOR
To operate the generator you will need to first add
engine oil and gasoline, as follows:
Add Engine Oil
NOTE: When adding oil to the engine crankcase in
the future, use only high quality detergent oil rated
with API service classification SF or SG SAE 30
weight. Use no special additives.
Select the oil's viscosity grade according to your
expected operating temperature. Do Not use
SAE 10W-40.
• Above 40°F, use SAE 10W-30 or SAE 30.
• Below 40°F, use synthetic 5W-20 or 5W-30.
°F -20 0 20 32 40 60 80 100
-2'0 -i0 6 1'0 4'0
Temperature Range of Expected Use
Although multi-viscosity oils (SW30, 10W30, etc.)
improve starting in cold weather, these multi-viscosity
oils will result in increased oil consumption when used
above 32°F. Check your engine oil level more
frequently to avoid possible damage from running low
on oil.
• Place generator on a level surface.
• Clean area around yellow oil fill cap. Remove the
oil fill cap.
• Slowly fill engine with oil through the oil fill opening
until the oil level is to the point of overflowing.
• Install yellow oil fill cap and finger tighten securely.
• Check engine oil level before starting each time
thereafter. If the oil level is below the point of
overflowing, fill to the proper level.

Add Gasoline
,_ WARNING! Never fill fuel tank indoors. Never
fill fuel tank when engine is running or hot. Allow
unit to cool for two minutes before refueling. Do
Not light a cigarette or smoke when filling the
fuel tank.
,_ WARNING! Do Not overfill the fuel tank.
Always leave room for expansion.
• Use regular UNLEADED gasoline with the
generator engine. Do Not use premium gasoline.
Do Not mix oil with gasoline.
• Clean area around fuel fill cap, remove cap.
• Slowly add unleaded regular gasoline to fuel tank.
Be careful not to overfill. Allow about 1/2" of tank
space for fuel expansion, as shown here.
1/2" Air Space Tank
Fuel
• Install fuel cap and wipe up any spilled gasoline.
IMPORTANT: It is important to prevent gum deposits
from forming in fuel system parts such as the
carburetor, fuel hose or tank during storage. Alcohol-
blended fuels (called gasohol, ethanol or methanol)
can attract moisture, which leads to separation and
formation of acids during storage. Acidic gas can
damage the fuel system of an engine while in storage.
To avoid engine problems, the fuel system should be
emptied before storage of 30 days or longer. See
"Storage" on page 16. Never use engine or carburetor
cleaner products in the fuel tank as permanent
damage may occur.
TO START THE ENGINE
,_ WARNING! Never start or stop engine with
electrical devices plugged into the receptacles
AND devices turned ON.
Disconnect all electrical loads from the generator. Use
the following start instruction steps by numerical order:
1. Make sure the Idle Control switch is in "Off"
position.
r
IDLE OFF
position
2. Turn the fuel valve to the "On" position.
_FUEL TAN_
Fuel Shutoff Valve
3. Set the Run/Stop switch to "Run" position.
4. Place the choke lever in the "Full" choke position.
FULL RUN
//
5B. Grasp the recoil handle and pull slowly until slight
resistance is felt. Then pull rapidly one time only
to start engine.
• If engine starts, proceed to step 7.
• If engine fails to start, proceed to step 6.
6. Move the choke lever to "Half" choke position, and
pull recoil handle twice.
• If engine fails to start, repeat steps 4 thru 6.
7. Move choke lever to "Run" position. If engine
falters, move choke lever to "Half" choke position
until the engine runs smoothly, and then to "Run"
position.
NOTE: If engine starts after 3 pulls, but fails to run for
more than 10 seconds, check for proper oil level in
crankcase. This unit is equipped with a Low Oil
Pressure Shutdown System (see below).
IMPORTANT: Do Not overload the generator. Also,
Do Not overload individual panel receptacles. These
outlets are protected against overload with push-to-
reset-type circuit breakers. If amperage rating of any
circuit breaker is exceeded, that breaker opens and
electrical output to that receptacle is lost. Read "Don't
Overload the Generator" on page 11 carefully.

TO STOP THE ENGINE
• Unplug all electrical loads from generator panel
receptacles. Never start or stop engine with
electrical devices plugged in and turned on.
• Turn "Off" the Idle Control switch.
• Let engine run at no-load for several minutes to
stabilize the internal temperatures of engine and
generator.
• Move Run/Stop switch to "Stop" position.
• Close the fuel valve.
OPERATING AUTOMATIC IDLE
CONTROL
This switch is designed to greatly improve fuel
economy. When this switch is turned "On", the engine
will only run at its normal high governed engine speed
when an electrical load is connected. When electrical
loads are removed, the engine will run at a reduced
speed. With the switch "Off," the engine runs
constantly at the normal high engine speed. Always
have the switch "Off" when starting and stopping
the engine.
LOW OIL PRESSURE SHUTDOWN
SYSTEM
The engine is equipped with a low oil pressure sensor
that shuts down the engine automatically when the oil
pressure drops below 6 psi. If the engine shuts down
by itself and the fuel tank has enough gasoline, check
engine oil level.
Initial Start-up
A delay built in the low oil shutdown system allows oil
pressure to build during starting. The delay allows the
engine to run for about 10 seconds before sensing oil
pressure.
Sensing Low Pressure
If the system senses low oil pressure during operation,
the engine shuts down. As the system shuts down, the
low oil light comes ON. However, once the engine has
stopped rotating, this light will go OFF.
Restarting
If you try to restart the engine within 10 seconds after
it shuts down, the engine may NOT start. The system
needs 5 to 10 seconds to reset.
If you do restart the engine after such a shutdown and
have not corrected the low oil pressure, the engine
runs for about 10 seconds as described above and
then stops.
COLD WEATHER OPERATION
Under certain weather conditions (temperatures below
40°F [4°C] and a high dew point), your generator may
experience icing of the carburetor and/or the
crankcase breather system. In an emergency, use the
original shipping box as a temporary shelter:
• Cut off all flaps and one of the long sides of the
box to expose exhaust side of unit. Cut appropriate
slots to access receptacles of unit.
• Start unit, then place box over it. Ensure a
minimum of two feet clearance between open side
of box and nearest object.
IMPORTANT: Remove shelter when temperature is
above 40°F [4°C].
For a more permanent shelter, build a structure that
will enclose three sides and the top of the generator.
Make sure entire muffler-side of generator is exposed,
with two feet clearance between open side of box and
nearest object. Face exposed end away from wind
and elements.

BATTERY SAFETY
WARNING! Storage batteries give off
explosive hydrogen gas while recharging. An
explosive mixture will remain around the battery
for a long time after it has been charged. The
slightest spark can ignite the hydrogen and
cause an explosion. Such an explosion can
shatter the battery and cause blindness or other
serious injury.
WARNING! Do Not permit smoking, open
flame, sparks or any other source of heat
around a battery. Wear protective goggles,
rubber apron and rubber gloves when working
around a battery. Battery electrolyte fluid is an
extremely caustic sulfuric acid solution that can
cause severe burns. If spill occurs, flush area
with clear water immediately.
CHARGING A BATTERY
Your generator has the capability of recharging a
discharged 12 Volt automotive or utility style storage
battery. Do Not use the unit to charge 6 Volt
batteries. Do Not use the unit to crank an engine
connected to a discharged battery.
To recharge 12 Volt batteries, proceed as follows:
•Check fluid level in all battery cells. If necessary,
add ONLY distilled water to cover separators in
battery cells. Do Not use tap water.
•If the battery is equipped with vent caps, make
sure they are installed and are tight.
• If necessary, clean battery terminals.
• Connect battery charge cable connector plug to
panel receptacle identified by the words
"12-VOLT D.C.".
• Connect battery charge cable clamp with red
handle to the positive (+) battery terminal.
/_ 12 VOLT D.C.
_RECEPTACLE
I12 VOLT BATTERY I
• Connect battery charge cable clamp with black
handle to the negative (-) battery terminal.
• Start engine. Let the engine run while battery
recharges.
• When battery has charged, shut down engine.
NOTE: Use an automotive hydrometer to test battery
state of charge and condition. Follow the hydrometer
manufacturer's instructions carefully. Generally, a
battery is considered to be at 100% state of charge
when specific gravity of its fluid (as measured by
hydrometer) is 1.260 or higher.
10

DON'T OVERLOAD THE
GENERATOR
Overloading a generator in excess of its rated wattage
capacity can result in damage to the generator and to
connected electrical devices. Observe the following, to
prevent overloading the unit:
• Add up the total wattage of all electrical devices to
be connected at one time. This total should NOT
be greater than the generator's wattage capacity.
• The rated wattage of lights can be taken from light
bulbs. The rated wattage of tools, appliances and
motors can usually be found on a data plate or
decal affixed to the device.
• If the appliance, tool or motor does not give
wattage, multiply volts times ampere rating to
determine watts (volts x amps = watts).
• Some electric motors, such as induction types,
require about three times more watts of power for
starting than for running. This surge of power lasts
only a few seconds when starting such motors.
Make sure you allow for this high starting wattage
when selecting electrical devices to connect to your
generator. First, figure the watts needed to start the
largest motor. Add to that figure the running watts
of all other connected loads.
The Wattage Reference Guide is provided to assist
you in determining how many items your generator
can operate at one time.
WATTAGE REFERENCE GUIDE
Recreational/Home Uses
Tool/Appliance ............................ Watts
AM/FM clock radio ............................. 50
Light bulb ................................... 100
Fan ....................................... 200
20" color TV ................................. 400
*Deep freezer ............................... 500
Personal computer and 15" monitor .............. 800
"1/3 hp furnace fan blower ...................... 800
Microwave oven .............................. 800
"18 cu ft refrigerator ........................... 800
Sump pump ................................ 1000
Electric skillet ............................... 1250
*½ hp water well pump ....................... 1400
"12,000 Btu window air conditioner .............. 1400
Space heater ............................... 1800
Electric water heater ......................... 4000
Professional/Contractor Uses
Tool/Appliance ............................ Watts
"1/3 hp airless sprayer ......................... 600
3/8" hammer drill ............................. 600
Variable speed Sawzall® ...................... 960
½" power drill ............................... 1000
Quartz-halogen work light ..................... 1000
Belt sander ................................ 1200
7 ¼" circular saw ............................ 1500
7 ¼" worm drive saw ......................... 1600
"1½ hp air compressor ....................... 1800
"10" power miter saw ......................... 1800
6" bench grinder ............................ 1800
*6" table planer ............................. 1800
"10" table/radial arm saw ...................... 2000
Wire feed welder ............................ 2400
*=allow 3 times listed watts for starting surge
11

OWNER'S RESPONSIBILITIES
Follow the hourly or calendar intervals, whichever occurs first.
More frequent service is required when operating in adverse conditions noted below.
Maintenance Operation
Check oil level
Change oil and oil filters
Clean spark arrester screen
Service air filter pre-filter
Service air filter element
Adjust valve clearance
Replace spark plugs
Retorque head bolts
Every 8 Hours 25 Hours or 50 Hours or 100 Hours or
or Daily Every Season Every Season Every Season
X
Change oil after first 8 hours of operation, then after every 50 hours or every season.
Change oil and oil filter every 25 hours when operating under heavy load or in high temperatures.
Clean more often under dirty or dusty conditions. Replace air cleaner parts if very dirty.
Perform this task only after first 50 hours of operation. Head bolts will not need further retorquing.
PRODUCT SPECIFICATIONS
Generator Specifications
Rated Maximum Power ........ 6500 Watts (6.5 kW)
Surge Power ................ 8125 Watts (8.125 kW)
Rated AC Voltage ............ 120/240 Volts
Rated Maximum AC Current
at 240 Volts .............. 27.1 Amperes
at 120 Volts .............. 54.2 Amperes
Rated DC Voltage ............ 12 Volts
Rated Maximum DC Current .... 10 Amperes
Rated Frequency ............ 60 Hz at 3600 rpm
Phase ..................... Single Phase
Unit Weight ................. 200 Ibs.
Engine Specifications
Rated Horsepower ........... 13 at 3600 rpm
Displacement ............... 360 cc
Spark Plug
Type: ................ Champion RC12YC or
Equivalent
Set Gap To: ........... 0.030inch (0.76mm)
Gasoline Capacity ............ 8 U.S. gallons
Oil Type:
Above 32° F .............. SAE 30 or 10W-30
Below 32° F............... Synthetic 5W-20 or
5W-30
GENERAL RECOMMENDATIONS
The generator's warranty does not cover items that
have been subjected to operator abuse or negligence.
To receive full value from the warranty, the operator
must maintain generator as instructed in this manual.
Some adjustments will need to be made periodically to
properly maintain your generator.
All service and adjustments should be made at least
once each season. Follow the requirements in the
"Maintenance Schedule" chart above.
NOTE: Once a year you should clean or replace the
spark plug and replace the air filter. A new spark plug
and clean air filter assure proper fuel-air mixture and
help your engine run better and last longer.
GENERATOR MAINTENANCE
Generator maintenance consists of keeping the unit
clean and dry. Operate and store the unit in a clean
dry environment where it will not be exposed to
excessive dust, dirt, moisture or any corrosive vapors.
Cooling air slots in the generator must not become
clogged with snow, leaves, or any other foreign
material.
12

Checkthecleanlinessofthegeneratorfrequentlyand
cleanwhendust,dirt,oil,moistureorotherforeign
substancesarevisibleonitsexteriorsurface.
NOTE:DoNotuseagardenhoseto cleangenerator.
Watercanentertheenginefuelsystemandcause
problems.Inaddition,ifwaterentersthegenerator
throughcoolingairslots,someofthewaterwillbe
retainedinvoidsandcracksoftherotorandstator
windinginsulation.Wateranddirtbuilduponthe
generatorinternalwindingswilleventuallydecrease
theinsulationresistanceofthesewindings.
Clean the Generator
_AUTION! Never insert any object or tool
through the air cooling slots, even if the engine
is not running.
• Use a damp cloth to wipe exterior surfaces clean.
• A soft bristle brush may be used to loosen caked
on dirt, oil, etc.
• A vacuum cleaner may be used to pick up loose
dirt and debris.
Low pressure air (not to exceed 25 psi) may be
used to blow away dirt. Inspect cooling air slots
and openings on the generator. These openings
must be kept clean and unobstructed.
ENGINE MAINTENANCE
,_ CAUTION! When working on the generator,
always disconnect spark plug wire from spark
plug and keep it away from spark plug.
Check Oil Level
Oil level should be checked prior to each use or at
least every 8 hours of operation. Keep oil level
maintained.
Change Engine Oil and Oil Filter
Change oil after first 8 hours of operation. Change oil
and oil filter every 50 hours thereafter. If you are using
your generator under extremely dirty or dusty
conditions, or in extremely hot weather, change oil
more often.
Change oil while engine is still warm from running, as
follows:
• Clean area around oil drain plug.
• Remove oil drain plug and oil fill plug and drain oil
completely into a suitable container.
• When oil has completely drained, install oil drain
plug and tighten securely.
• Place a suitable container beneath the oil filter and
turn filter counterclockwise to remove. Discard
according to local regulations.
• Coat gasket of new filter with engine oil. Turn filter
clockwise until gasket contacts tightly with filter
adapter. Then tighten an additional 3/4 turn.
• Fill oil sump with recommended oil (see page 7 for
oil recommendations).
• Install the oil fill plug and tighten securely.
• Wipe up any spilled oil.
Clean/Replace Spark Plug
Change the spark plug every 100 hours of operation
or once each year, whichever comes first. This will
help your engine to start easier and run better.
• Clean area around spark plug.
• Remove and inspect spark plug.
• Check electrode gap with wire feeler gauge and set
spark plug gap to 0.030 inch (0.76mm) if
necessary.
• Replace spark plug if electrodes are pitted, burned
or porcelain is cracked. Use a recommended
replacement plug.
Retorque Head Bolts
After the first 50 hours of operation, you must retorque
the head bolts to 6.9 kg.-m. (44 ft.-Ibs.).
IMPORTANT: If you feel uncomfortable about doing
this procedure or you don't have the proper tools,
please take your generator in to the nearest Sears
service center to have the head bolts retorqued. This
is a very important step to insure the longest life for
your engine.
NOTE: Only perform this adjustment after first
50 hours of operation. The head bolts will need no
further adjustment.
• Torque sequence is as follows: A, B, C, D,
(alternating pattern).
13

Service Air Cleaner
Your engine will not run properly and may be
damaged if you run it using a dirty air cleaner. Clean
or replace the air cleaner paper filter once every
50 hours of operation or once a year, whichever
comes first. Clean or replace more often if operating
under dusty or dirty conditions. Clean foam pre-filter
every 25 hours of operation, or sooner under dusty
conditions.
Clean/Replace Foam Pre-filter
•Remove air cleaner cover, then foam pre-filter.
PAPER
FILTER
FOAM
PRE-FILTER
Clean Spark Arrester Screen
The engine exhaust muffler has a spark arrester
screen. Inspect and clean the screen every 100 hours
of operation or once each year, whichever comes first.
NOTE: If you use your generator on any forest-
covered, brush-covered, or grass-covered unimproved
land, it must have a spark arrester. The spark arrester
must be maintained in good condition by the
owner/operator.
Clean and inspect the spark arrester as follows:
• To remove the muffler guard from the muffler,
remove the four screws that connect the guard to
the muffler bracket.
Spark Arrester
Screen
• Wash pre-filter in soapy water. Squeeze pre-filter
dry in clean cloth (Do Not twist).
• Clean air cleaner cover before installing it.
Clean/Replace Air Filter
• Remove air cleaner cover, remove foam pre-filter
(service if necessary), and remove paper filter.
• Clean paper filter by tapping it gently on a solid
surface. If the filter is too dirty, replace it with a new
one. Dispose of the old filter properly.
• Clean air cleaner cover then insert pre-filter into
cover. Next insert new paper filter into cover to
hold pre-filter in place. Assemble all of them to the
base of the air cleaner.
NOTE: If you need to order a new air filter, please call
1-800-366-PART.
Muffler Heat Shield
• Remove four screws that attach the spark arrester
screen.
• Inspect screen and replace if torn, perforated or
otherwise damaged. Do Not use a defective
screen. If screen is not damaged, clean it with
commercial solvent.
• Reattach the screen and the muffler guard.
14

Adjusting Valve Clearance
After the first 50 hours of operation, you should adjust
the valve clearance in the engine.
IMPORTANT: If you feel uncomfortable about doing
this procedure or you don't have the proper tools,
please take your generator in to the nearest Sears
service center to have the valve clearance adjusted.
This is a very important step to insure the longest life
for your engine.
To adjust valve clearance:
• Make sure the engine is at room temperature.
• Make sure that the spark plug wire is removed from
the spark plug and out of the way.
• Remove the breather tube from the valve cover.
• Remove the four screws holding the valve cover
with a #2 or #3 phillips screwdriver.
• Make sure the piston is at Top Dead Center (TDC)
of its compression stroke (both valves closed). To
get the piston at TDC, pull on the recoil handle
slowly watching the piston through the spark plug
hole. As you pull on the recoil handle, the piston
should move up and down. The piston is at TDC
when it is up as high as it can go.
• Loosen the rocker arm jam nut. Use an 8 mm allen
wrench to turn the pivot ball stud while checking
clearance between the rocker arm and the valve
stem with a feeler gauge. Correct clearance is
0.002-0.004 inch (0.05-0.1 mm).
NOTE: You must hold the rocker arm jam nut in place
as you turn the pivot ball stud.
Allen Wrench Feeler
Gauge
0Loosen
Jam Nut
When valve clearance is correct, hold the pivot ball
stud in place with the allen wrench and tighten the
rocker arm jam nut to 165-183 inch-pounds torque.
After tightening the jam nut, recheck valve
clearance to make sure it did not change.
Tighten Jam Nut to
165 to 183 inch-pounds
(19-21 N-m)
• Reattach the valve cover.
NOTE: Start all four screws before tightening or you
will not be able to get all the screws in place.
NOTE: Make sure the gasket between the valve cover
and cylinder head is in place.
• Reattach the breather tube.
• Reattach the spark plug wire to the spark plug.
15

GENERAL
The generator should be started at least once every
seven days and allowed to run at least 30 minutes. If
this cannot be done and you must store the unit for
more than 30 days, use the following information as a
guide to prepare it for storage.
Long Term Storage Instructions
_ARNING! Never store engine with fuel in
tank indoors or in enclosed, poorly ventilated
areas where fumes may reach an open flame,
spark, or pilot light as on a furnace, water
heater, clothes dryer, or other gas appliance.
It is important to prevent gum deposits from forming in
essential fuel system parts, such as the carburetor,
fuel filter, fuel hose or tank during storage. Also,
experience indicates that alcohol-blended fuels (called
gasohol, ethanol or methanol) can attract moisture,
which leads to separation and formation of acids
during storage. Acidic fuel can damage the fuel
system of an engine while in storage.
To avoid engine problems, the fuel system should be
emptied before storage of 30 days or longer. Follow
these instructions:
Protect Fuel System
_ARNING! Drain fuel into approved container
outdoors, away from open flame. Be sure
engine is cool. Do Not smoke.
• Remove all gasoline from the fuel tank to prevent
gum deposits from forming on these parts and
causing possible malfunction of engine.
• Run engine until engine stops from lack of fuel.
Change Oil
While engine is still warm, drain oil from crankcase.
Refill with recommended grade.
Oil Cylinder Bore
• Remove spark plug and pour about 1/2 ounce
(15ml) of engine oil into the cylinder. Cover spark
plug hole with rag. Pull starter handle slowly to
distribute oil.
• Install spark plug. Do Not connect spark plug wire.
_AUTION! Avoid spray from spark plug hole
when cranking engine slowly.
Generator
• Clean the generator as outlined in "Clean the
Generator" on page 13.
• Check that cooling air slots and openings on
generator are open and unobstructed.
Other Storage Tips:
•Do Not store gasoline from one season to another.
• Replace your gasoline can if it starts to rust.
Contaminated gasoline will cause engine problems.
• If possible, store your unit indoors and cover it to
give protection from dust and dirt. BE SURE TO
EMPTY THE FUEL TANK.
• Cover your unit with a suitable protective cover that
does not retain moisture.
_AUTION! NEVER cover your generator while
engine and exhaust area are warm.
• Store generator in clean, dry area.
16

Problem
Engine is running, but no
AC output is available.
Engine runs good at no-
load but "bogs down"
when loads are
connected.
Engine will not start; or
starts and runs rough.
Engine shuts down
during operation.
Cause
1. One of the circuit breakers is open.
2. Poor connection or defective cord
set.
3. Connected device is bad.
4. Fault in,qenerator.
1. Short circuit in a connected load.
2. Generator is overloaded.
3. Engine speed is too slow.
4. Shorted ,qeneratorcircuit.
1. Run/Stop Switch set to "Stop".
2. Dirty air cleaner.
3. Out of gasoline.
4. Stale gasoline.
5. Spark plug wire not connected to
Correction
1. Reset circuit breaker.
2. Check and repair.
3. Connect another device that is in
good condition.
4. Contact Sears service facility.
1. Disconnect shorted electrical load.
2. See "Don't Overload the
Generator" on page 11.
3. Contact Sears service facility.
4. Contact Sears service facility.
1. Set switch to "Run".
2. Clean or replace air cleaner.
3. Fill fuel tank.
4. Drain fuel tank; fill with fresh fuel.
5. Connect wire to spark plug.
Engine lacks power.
spark plug.
6. Bad spark plug.
7. Water in gasoline.
8. Overchoking.
9. Low oil level.
6. Replace spark plug.
7. Drain fuel tank; fill with fresh fuel.
8. Open choke fully and crank
engine.
9. Fill crankcase to proper level.
Engine "hunts" or falters.
No battery charge DC
output.
10.
11.
12.
1.
2.
1.
Excessively rich fuel mixture. 10.
Intake valve stuck open or closed. 11.
Enqine has lost compression. 12.
Out of gasoline.
Low oil level.
Load is too high.
2. Dirty air filter.
1. Choke is opened too soon.
2. Carburetor is running too rich or too
lean.
1. Battery posts are corroded.
2. Battery fluid level is low.
3. Battery cable is bad.
4. Battery is defective.
5. Receptacle is bad.
Contact Sears service facility.
Contact Sears service facility.
Contact Sears service facility.
1. Fill fuel tank.
2. Fill crankcase to proper level.
1. See "Don't Overload the
Generator" on page 11.
2. Replace air filter.
1. Move choke to halfway position
until engine runs smoothly.
2. Contact Sears service facility.
1. Clean battery posts.
2. Add distilled water to battery.
3. Replace cable.
4. Check battery condition; replace if
defective.
5. Contact Sears service facility.
17

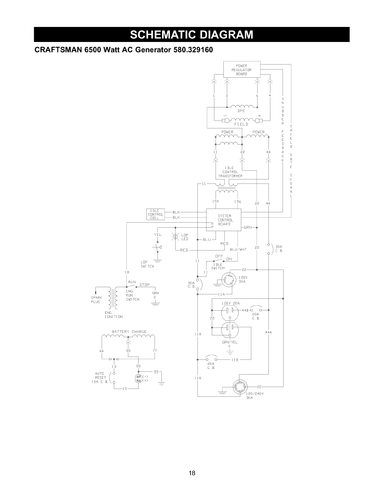
CRAFTSMAN 6500 Watt AC Generator 580.329160
POWER
REGULATOR
BOARD
6 4
FI ELI) R
ii 88 44
155 156 28 44
G
A
T
E
S
I
G
N
A
L
SPARK
PLUG
ENG
IGNITION
18
RUN
RUN
SXITCH
30A
C S
BATTERY CHARGE
6B 55 77
13 55
15
IIA
30A
18

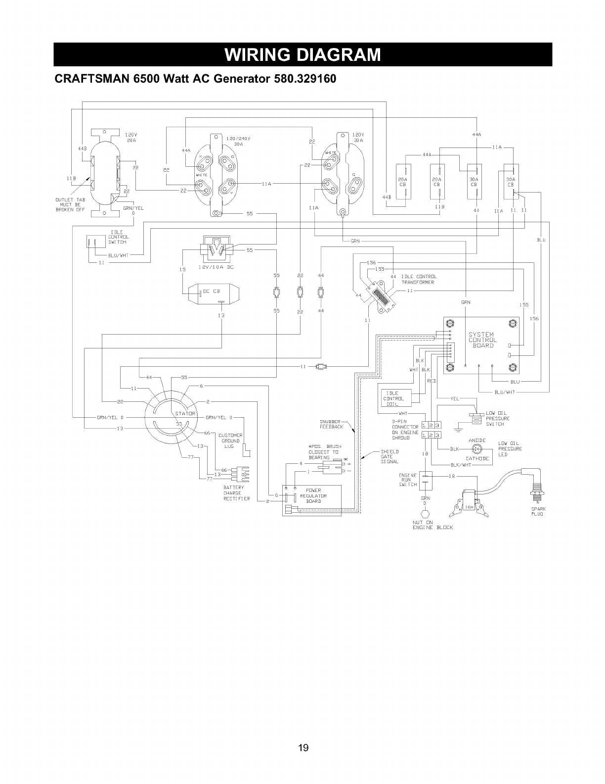
CRAFTSMAN 6500 Watt AC Generator 580.329160
44 IIA ii ii
NUT DN
ENGINE BLICK
19

CRAFTSMAN 6500 Watt AC Generator 580.329160
Main Unit mExploded View
65
68
19
53
>
18
52
I
/66
6,4
62,
/
/
/
60 58 26--f
7O
2O
55
5O
1 35
36
37
42
46
11
/
//
39
_'_7
j13
12
900.
21
<
32
31_
69
29
43
/
24
22
\\\\\
24
1_$
\\\\\
24
2O

CRAFTSMAN 6500 Watt AC Generator 580.329160
Main Unit mParts List
Item Part # Qty. Description
1 B187024 1 CRADLE
2 B92039 1 SHIELD, Heat
3 92982 1 DECAL, Danger
4 92665 1 INSULATION, #2-1/4" Thick
5 B1695 1 TANK, Fuel
6 B4363 1 CAP, with Gauge, Fuel
7 85000 1 CLIP, Insulation
8 93826 1 DECAL, Start Instructions
9 78831B 4 HHMS, M6-1.0 x 60, SEMS
10 83465 4 GROMMET, Tank
11 77395 4 NUT, Flange Lock- M6
12 80270 1 VALVE, Tank
13 78299 1 BUSHING, Tank
14 B2153 6 SCREW, 12-14 x 7/8, Self
Driller
15 48031C 1 CLAMP, 1/2" Hose
16 51731 2 HHCS, M8 - 1.25 x 50
17 B4135 2 PIN, with Lanyard
18 187104 4 WASHER, Nylon
19 49820 2 NUT, M8 Nylok
20 187089 1 MANUAL, Owners
21 86307 4 HHMS, 5/16-24 x 3/4" SEMS
22 92247 1 HOUSING, Engine Adapter
23 B92531 1 SUPPORT, Engine
24 189160 12 NUT, 5/16-18 Serrated Flange
25 22129 2 WASHER, Lock - M8
26 82857 4 MOUNT, Vibration
27 22531 2 HHCS, 5/16-18 x 1-3/4"
28 92609 2 MOUNT, Vibration
29 22142 2 SCREW, 5/16 - 18 x 3/4"
30 A7433 1 MUFFLER
31 B92731 1 SUPPORT, Engine & Muffler
32 90239 1 GASKET, Muffler
33 92679G 1 ASSEMBLY, Rotor
34 65791 1 BEARING
35 96796 1 WASHER, Special Flat- M8
36 25254 1 HHCS, 5/16-24
37 92681A 1 ASSEMBLY, Stator
38 96409 1 DECAL, 1-800
39 40976 2 SCREW, M8 - 1.25 x 20
40 92532 1 BRACKET, Muffler
Item Part # Qty.
41 66476 2
42 187094 1
43 92630B 1
44 B96068 1
45 14353621 1
46 26850 2
47 B4901 1
48 81917 1
49 B4986 1
50 187093 2
51 56893 5
52 84132 1
53 67022 1
54 66825C 1
55 86494 1
56 22769 1
57 66386 1
58 66849 2
59 B4871 1
60 74908 4
61 B4605 2
62 66849A 1
63 65795 1
64 86308B 4
65 22145 4
66 22097 4
68 BB5586 2
69 83083 1
70 AB3061 2
71 86292 1
900 NSP 1
Parts Notlllustrated
65787 1
43438 1
37806 1
Description
CAPSCREW, M6- 1.0x12mm
DECAL, Control Panel
ASSEMBLY, Control Box
SHIELD, Heat
WIRE, Ground
LW, EXT, Shakeproof M6
DECAL, 1-800-4-MyHome
PIN, Roll4mm x 10
DECAL, Ground
DECAL, Heat Shield
CRIMPTITE, 10-24 x 1/2"
ASSEMBLY, Power Regulator
GROMMET, Rubber
CARRIER, Rear Bearing
SCREW, M6-1.0 x 16 Wing
WASHER, Shakeproof Int. #10
ASSEMBLY, Brush Holder
TAPTITE, M5-0.8 x 16
COVER, Bearing Carrier
TAPTITE, M5-0.8 x 10
GRIP
TAPTITE, M5-0.8 x 20
RECTIFIER, Battery Charge
BOLT, Stator M6-1 x 165mm
WASHER, Flat, 5/16 - M8
LOCKWASHER, 1/4"- M6
HANDLE
SCREEN, Spark Arrester
BOTTLE, Oil
HHCS, 10 - 16 x 3/4" Self
Driller
ENGINE
Battery Charge Cables
240 V 30A Plug
120 V 30A Plug
Optional Accessories Not Shown
0932688 1 Cord Wrap Kit
0932785 1 Storage Cover
21

CRAFTSMAN 6500 Watt AC Generator 580.329160
Control Panel mExploded View and Parts List
10 6
10
\
2
21
2O \
19 \
'\\\\\
17
7
<
4
8
8
22
19
'\\\\
23
25
/
/
54
2
3
\\\\\\\ "1
Item
1
2
3
4
5
6
7
8
9
10
11
12
13
14
PaN #
B92070
23897
49226
91526
82538
82881
43181
43182
90418
75207A
75207
23365
68868
43437
Qty. Description
1 PANEL, Control
4 FLAT WASHER, #10 M5
4 LOCK WASHER, M5
4 SCREW, M5-0.8 x 12mm
1 SWITCH, Idle Control
4 LOCK WASHER, 7/16"
4 SCREW, M3 - 0.5 x 10mm
4 LOCK WASHER, M3
1 OUTLET, 12V
2 CIRCUIT BREAKER, 30A
2 CIRCUIT BREAKER, 20A
6 WASHER, #8 Shakeproof
1 OUTLET, 120 Volt, 30 Amp
Locking
1 OUTLET, 120V/240V, 30A
Locking
Item
15
16
17
18
19
20
21
22
23
24
25
26
PaN #
68759
43180
22264
51715
64526
83970
64525
87962
84335
84134
B92069
84028
Qty. Description
1 OUTLET, 120V, 20A Duplex
6 FLAT WASHER, M4
6 LOCK WASHER, #8 M4
6 NUT, M4-0.7 Hex
8 SCREW, #6-32 x 3/8"
1 BOARD, System Control
4 STAND-OFF, 3/4" Hex
1 CIRCUIT BREAKER. 12V,
10A (auto)
1 ASSEMBLY, Wire Harness
1 GROMMET, Rubber Conn.
1 BOX, Control Panel
1 TRANSFORMER, Idle Control
22

CRAFTSMAN 6500 Watt AC Generator 580.329160
Wheel Kit mExploded View and Parts List
5
3
Item
1
2
3
4
5
6
7
8
9
10
11
12
13
14
15
16
PaN #
BB5586
B4966
93693G
87005A
39287
B186927
27007
42909
52858
22247
39253
22145
49820
187104
B4605
B4135
Qty.
2
2
1
2
2
1
2
2
4
2
2
6
2
4
2
2
Description
HANDLE
WHEEL
AXLE
PIN, Retaining
HHCS, M8- 1.25 x 45
LEG, Support
MOUNT, Vibration
CAPSCREW, Hex Hd. M8 - 1.25 x 30
NUT, Lock M8
WASHER, Wheel
CAPSCREW, Hex Hd. - M8 - 1.25 x 20
WASHER, Flat, 5/16-M8
NUT, M8 Nylok
WASHER, Nylon
GRIP
PIN, with Lanyard
23

ENGINE, 13 HP, Generac Power Systems, EHF 00958 - Low Oil Shutdown And
Governor- Exploded View and Parts List
8
7 13
White 14 15
/
9
10
1White
"_ _ _From
-J Control Panel
To Oil Switch
\15
4
16
2O
/
21
9
25
23
32
27
28
31
Item Part # Qty. Description
7 78653 1 Run/Stop Switch
8 85272 1 Led Assembly
9 93104 1 L.O.S. Decal
10 93611 1 Black Sleeving
12 84329 1 3 Pin Male Hsg.
13 92981 1 Wire Asm.
14 22097 2 M6 Lockwasher
15 92079 2 M6 x 30 Taptite
16 84542 1 Ignition Coil
Item Part #
20 72347
21 72734
23 83502
24 83512
25 73100
27 83503
28 73101
29 72735
30 72789
31 83782
32 66311
Qty. Description
1 Sparkplug
1 Governor Lever
1 Adjust Screw
2 M8 x 15 Taptite
1 60Hz Gov. Spring
1 M5 Lock Nut
1 Governor Bracket
1 Governor Rod
1 Anti-Lash Spring
1 Idle Control ASM
1 M8-1.25 Jam Nut
24

ENGINE, 13 HP, Generac Power Systems, EHF 00958 - Oil Filter & Switch, Recoil
Starter and Flywheel - Exploded View and Parts List
5
/
2
78
/
/
/
/
/
6
79
/
/
/
/
Item Part # Qty. Description
286999 1Oil Filter Gasket
3 94683 1 Oil Filter Adapter
4 49821 2 M8 x 30 SHCS
5 60108 1 Oil Press Switch
6 70185 1 Oil Filter
78 82774 1 Woodruff Key
79 77147A 1 Flywheel
80 67198N 1 Conical Washer
81 67890 1 M16 Hex Nut
82 88433 1 Top Wrapper
83 45756 7 M6 x 10 Taptite
84 78609 2 Cover Bolt
85 73104A 1 Air Box Cover
86 92437 1 Blower Housing
87 88434 1 Lower Wrapper
88 66476 4 M6 x 12mm Capscrew
89 96195 1 Recoil Assembly
90 96196 1 Recoil Cup
91 73116C 1 Backplate
92 81668 5 M6 x 10 HHCS
93 83512 1 M8 x 15 Taptite
80
/
/
/
/
/
/
81
91
92
/
/
/
85
\\\\\
/
83
88
89
/
/
/
/
92
/
/
82
84
85
'\
\\\\
86
\\\\ \83
"87
25

ENGINE, 13 HP, Generac Power Systems, EHF 00958 - Carburetor, Air Cleaner -
Exploded View and Parts List
34
/40 33
42
6O
43 45
,34¸
4O
44
41 46
_ 47
38
33
35 51 49
@
37 /
38
45 37
48
5O
Item
31
32
33
34
35
36
37
38
39
40
41
42
Part # Qty. Description
72745 1 Breather Hose
91039 1 Head/Manifold Gasket
40945 2 M6 x 20 SHCS
81647 2 Carb. Bolt
66476 2 M6 x 12 HHCS
91028 1 K Adapter
22097 3 M6 Lock Washer
49813 2 M6 Hex Nut
90970 1 Carb./Airbox Gasket
93873 2 M6 Ribbed Lockwasher
91204 1 Spitback Plate
89228 1 Carb/Manifold Gasket
Item Part #
43 91187A
44 73108A
45 49811
46 59635
47 73111
48 81646
49 83504
50 47411
51 90827
60 30340
61 48031C
62 73104B
Qty. Description
1 Nikki Carb.
1 Air Cleaner Base
4 M6 Flatwasher
1 #8 x 3/8 Plastite
1 Air Filter
1 Pre-Filter
1 Choke Knob
2 M6 x 16 HHCS
1 Brkt. Air Box
12" 1/4" ID Hose
1 Hose Clamp
1 Air Cleaner Cover
26

ENGINE, 13 HP, Generac Power Systems, EHF 00958 - Long Block - Exploded View
and Parts List
1
25 \
52_ 46 14
"%. 5
h
12_
43
Item
1
2
3
4
5
6
7
8
9
10
12
13
14
15
19
20
21
22
23
24
25
26
27
28
29
30
23" 22
56
26 _/
\\\ t
51
42
54 53 /
37
58
29
/
59
41
51 52
54
2O
19
55 21
Part # Qty. Description Item Part #
71978 1 Connecting Rod with Cap and 31 21714
Bolt
71980 1 Piston Pin 32 86516
71977 1 Piston Ring Set 33 86517
76339 1 Piston (410) 34 88396B
71983 2 Piston Pin Retainer 35 83897
78666A 1 Crank Shaft Assembly With 36 77158
Gears (Small Taper) 37 71987
83948 1 Governor Arm 38 72694
78658 1 Governor Arm "R" Pin 39 83907
78659 2 Governor Arm Washer 40 72696
88261C 1 Crankcase H.S. W/Taper 41 78694
Plugs 42 21742
72655 2 Crankshaft Seal 43 83938
83912 1 Gov. Gear Assembly
78645 1 Governor Retainer ("C" Ring) 44 76329
76365 1 Governor Spool 46 86254
83932 1 Camshaft Assembly 47 26925
76701 1 Crankcase Gasket 48 74908
21713A 1 Cylinder Head Gasket 50 86515
78691 1 Oil Pressure Relief Cover 51 78606
83918 1 Press. Relief Spring
76362 1 Press. Relief Ball 52 A1442
76361 1 Thrust Washer
88260B 1 Gear Cover Assy. 53 78672
86514 2 Valve Spring Retainer 54 89673
91308 2 Valve Spring 55 B2104
86025 1 Gerotor Set 21948B
84430 1 Balancer
\\47
7
_47
\\\\\_112
10
Qty. Description
1 Cylinder Head With Valve
Seats & Guides
1 Exhaust Valve
1 Intake Valve
2 Push Rod
2 Tappet
1Oil Pick-Up Assembly
1 Rocker Cover Gasket
2 Pivot Ball Stud
2 Rocker Arm
2 Jam Nut (Rocker Arm)
1 Push Rod Guide Plate
4 M10 x 108 Head Bolt
1 Rocker Cover Breather
Assembly
1 Oil Fill Plug
1O-Ring 17.8 I.D. x 2.4 THK.
2 3/8" NPT Pipe Plug
1 M5-0.8 x 8mm Screw
4 Valve Spring Keeper
4 M6-1 x 12mm PH Screw and
Lockwasher
8 Hex Head flange Bolt M8 1.25
x 42mm
1 Valve Stem Seal
2 Valve Spring Washer
0 Wear Washer
0 All items in Long Block
Assembly
27

Your Warranty Rights and Obligations
The California Air Resources Board ("CARB") and Sears
Roebuck and Co., USA, are pleased to explain the Emission
Control System Warranty on your model year 2000 and later
small off-road engine (engine). In California, new engines
must be designed, built and equipped to meet the State's
stringent anti-smog standards. Sears must warrant the
emission control system on your engine for the periods of
time listed below provided there has been no abuse, neglect,
or improper maintenance of your engine.
Your emission control system includes parts such as the
carburetor and the ignition system.
Where a warrantable condition exists, Sears will repair your
engine at no cost to you. Expenses covered under under
warranty include diagnosis, parts, and labor.
Manufacturer's Warranty Coverage
The model year 2000 and later engines are warranted for
two years. If any emission related part on your engine (as
listed below) is defective, the part will be repaired or
replaced by Sears.
Owner's Warranty Responsibilities
As the engine owner, you are responsible for the
performance of the required maintenance listed in this
owners manual. Sears recommends that you retain all
receipts covering maintenance on your engine, but Sears
cannot deny warranty solely due for the lack of receipts or
for your failure to ensure the performance of all scheduled
maintenance.
As the engine owner, you should be aware that Sears may
deny you warranty coverage if your engine or a part of it has
failed due to abuse, neglect, improper maintenance,
unapproved modifications, or the use of parts not made or
approved by the original equipment manufacturer.
You are responsible for presenting your engine to a Sears
authorized repair center as soon as a problem exists.
Warranty repairs should be completed in a reasonable
amount of time, not to exceed 30 days.
If you have any questions regarding your warranty rights and
responsibilities, you should contact your nearest authorized
service center or call Sears at 1-800-473-7247.
Warranty Commencement Date
The warranty period begins on the date the engine is
delivered.
Length of Coverage
Sears warrants to the initial owner and each subsequent
purchaser that the engine is free from defects in materials
and workmanship which cause the failure of a warranted
part for a period of two years.
WHAT IS COVERED
Repair or Replacement of Parts
•Repair or replacement of any warranted part will be
performed at no charge to the owner at an approved
Sears service center.
If you have any questions regarding your warranty rights
and responsibilities, your should contact your nearest
authorized service center or call Sears at
1-800-473-7247.
Warranty Period
Any warranted part which is not scheduled for replacement
as required maintenance, or which is scheduled only for
regular inspection to the effect of "repair or replace as
necessary" shall be warranted for 2 years. Any warranted
part which is scheduled for replacement as required
maintenance shall be warranted for the period of time up to
the first scheduled replacement point for that part.
Diagnosis
The owner shall not be charged for diagnostic labor which
leads to the determination that the warranted part is
defective if the diagnostic work is performed at an approved
Sears service center.
Consequential Damages
Sears may be liable for damages to other engine
components caused by the failure of a warranted part still
under warranty.
WHAT IS NOT COVERED
All failures caused by abuse, neglect, or improper
maintenance are not covered.
Add-on or Modified Parts
The use of add-on or modified parts can be grounds for
disallowing a warranty claim. Sears is not liable to cover
failures of warranted parts caused by the use of add-on or
modified parts.
How to File a Claim
If you have any questions regarding your warranty rights and
responsibilities, you should contact your nearest authorized
service center or call Sears at 1-800-473-7247.
Where to Get Warranty Service
Warranty services or repairs shall be provided at all Sears
authorized service centers.
Maintenance, Replacement and Repair of
Emission Related Parts
Any Sears approved replacement part used in the
performance of any warranty maintenance or repair on
emission related parts will be provided without charge to the
owner if the part it under warranty.
Emission Control Warranty Parts List
1. Carburetor Assembly
2. Ignition System
a. Spark Plug, covered up to maintenance schedule.
b. Ignition Module
3. Crankcase Breather Tube
4. Exhaust Manifold
28

29

GARANTIA.............................. 30
REGLASDESEGURIDAD.................. 31
ENSAMBLAJE............................ 32
FUNClONAMIENTO..................... 33-39
MANTENIMIENTO...................... 40-43
ESPECIFICACIONESDELPRODUCTO........ 40
ALMACENAMIENTO....................... 44
DIAGNOSTICOSDEAVERiAS............... 45
GARANTiADEEMISIONES............... 46-47
PARTES/SERVICIO............ ULTIMAP,_,GINA
GARANTIA LIMITADA DE GENERADOR PORTATILE CRAFTSMAN
SEARS garantiza al comprador original que el alternador y el motor para su generador portatil estaran libres de defectos en
los materiales o la mano de obra para las piezas y el periodo establecido a partir de la fecha de compra original. Esta
garantia no es transferible y se aplica Qnicamente a los generadores portatiles impulsados por el motor garantizado
GN Seria de Sears.
Consumidor* Comercial*
Alternador 2 ahos 1 aho
Motor 2 ahos 1 aho
*NOTA: Para el prop6sito de esta garantia "Uso de Consumidor" quiere decir uso dom6stico de residencia personal por el
comprador original. "Uso Comerciar' quiere decir todos los otros usos, incluyendo alquiler, construcci6n, comercial y
prop6sitos que producen ganancia. Una vez que un generador ha experimentado uso comercial, de alli en adelente sera
considerado como un generador de uso comercial para los prop6sitos de esta garantia.
Durante dicho periodo de grantia, SEARS reparara o remplazra a su opci6n cualquier pieza la cual, al ser examinada por
SEARS, se encuentre que esta defectiosa bajo uso y servicio normales**. Las baterias de arranque no estan garantizadas
por SEARS. Todos los costos de tranporte bajo la garantia, incluyendo la devoluci6n a la fabrica si fuera necesario, seran
cargados al comprador y prepagados por 61. Esta grantia no incluye el mantenimiento y servicio normal no se aplica a un
conjunto de generador, alternador o motor, o las piezas que han sido sujetas a instalaci6n a alteraci6n inadecuadads o
desautorizadas, abuso, negligencia, accidentes, sobrecarga, velocidad excesiva, mantenimiento, reparciones o
almacenamiento inadecuados, de modo que, en la opini6n de SEARS, afecten adversamente su rendimiento y confiabilidad.
**Degaste Normal: Como con todos los aparatos el6ctricos, los motores necesitan servicio y reemplazo peri6dico para que
den buen rendimiento. Esta garantia no cubrira reparaci6n cuando el uso normal ha agotado la duraci6n de una pieza o de
un motor.
No hay ninguna otra garantia expresada. SEARS por este medio desconoce cualquiera y todas las grantias implicadas,
incluyendo pero no limitandose a aquellas de mercantibildad y adaptaci6n para un proposito particular, en la proporci6n
permitada por la ley. La duraci6n de cualquier garantia implicada la cual no puede ser desconocida se limita al periodo de
teimpo segt_n se especifica en la garantia expresada. La responsabilidad por daSos de consequencia, accidentales o
especiales bajo cualquiera o todas las garantias se excluye. Algunos estados no permiten limitaciones sobre cQanto tiempo
una garantia implicada dura, o la exclusion o limitaci6n de daSos accidentales o de consecuencia, de manera que las
limitaciones o exclusiones mencionadas anteriormente pueden no aplicar para usted. Esta garantia le da derechos legales
especificos y usted tambi6n puede tener otros derechos, los cuales varian de estado a estado.
Para servicio, p6ngase en contaco la instalaci6n de servicio de garantia autorizada mAs cercana de SEARS. El servicio de
garantia puede ser Ilevado a cabo solamente por una instalaci6n de servicio autorizado de SEARS. Esta garantia no se
aplica al servicio dado en ninguna otra instalaci6n. En el momento de solicitar servico de grantia, se debe presentar
evidenca de la fecha de compra original.
SEARS, ROEBUCK AND CO., D/817 WA, Hoffman Estates, IL 60179
30

El escape del motor de este producto contiene |
elementos quimicos, los cuales son reconocidos en el |
Estado de California por producir cancer, defectos de |
nacimiento u otros dahos de tipo reproductivo. I
A PRECAUCION! Lea este manual y siga todas las
Reglas de Seguridad e Instrucciones de Operaci6n
antes de usar este producto.
iADVERTENCIA! Siesta unidad se usa para
energia de refuerzo, usted debe aislar el generador
de cualquier utilidad el6ctrica usando un equipo de
transferencia aprobado. Si no se aisla de la manera
adecuada, puede resultar en un accidente e
inclusive la muerte para los electricistas que
trabajen alli y por Io tanto, daho al generador
debido a la retroalimentaci6n de energia el6ctrica. En
todo momento que la unidad est6 proveyendo
energia de refuerzo, la compaSia el6ctrica de
utilidades debe ser notificada.
iPELIGRO! Los gases provenientes del
generador contienen monoxido de carbono, el
cual puede causar la MUERTE. Si se respira en
concentraciones suficientes, el monoxido de
carbono puede hacer que la persona quede
inconsciente o a_n pierda la vida. Opere este
equipo al aire libre donde haya bastante ventilaci6n.
iPRECAUCION! Siempre desconecte el alambre
de la bujia y col6quelo donde no pueda entrar en
contacto con la bujia, para evitar el arranque
accidental durante la instalaci6n, transporte, ajuste o
reparaci6n de su generador.
•El motor-generador requiere de un flujo adecuado de aire
de enfriamiento para que funcione continua y
correctamente. Nunca opere esta unidad dentro de un
sal6n o recinto cerrado donde el flujo libre de aire de
enfriamiento, hacia el interior y la parte externa de la
unidad, pueda ser obstruido. Sin suficiente flujo de aire
de enfriamiento, la unidad se recalienta rapidamente,
daSando el generador o la propiedad alrededor.
• El generador produce un voltaje muy alto, el cual puede
ocasionar descargas el6ctricas extremamente
peligrosas. Evite el contacto con terminales, alambres
pelados o sin recubrimiento, etc. Nunca permita que
personas no calificadas operen o proporcionen servicio
al generador.
• No Ilene el tanque de combustible excesivamente.
Siempre permita que exista espacio para la expansi6n
del combustible. Si el tanque esta demasiado Ileno, el
combustible podria rebosarse y caer sobre el motor
caliente y ocasionar un INCENDIO o una EXPLOSION.
• Nunca opere el generador:
en la Iluvia; en espacios encerrados; si la velocidad del
motor varia; si se recalientan los dispositivos el6ctricos
conectados; si se pierde la salida el6ctrica; si se
presentan chispas en el motor o generador; si se
observan llamas o humo cuando la unidad esta
funcionando; si la unidad vibra demasiado.
• Nunca manipule dispositivos o cordones el6ctricos
cuando se encuentre parado en agua, descalzo o con
los pies o las manos mojadas.
• Use un interruptor de circuito de falla a tierra en areas
h6medas o de alta conductividad (como en pisos
metalicos o estructuras de acero).
• No utilice en el generador juegos de cordones el6ctricos
que est6n desgastados, pelados, raidos o daSados de
cualquier manera. El uso de un cord6n defectuoso puede
resultar en descarga el6ctrica o daSo del equipo y/o la
propiedad.
• Opere el generador s61o en superficies planas yen
donde no sera expuesto a la humedad excesiva, la
tierra, el polvo ni vapores corrosivos.
• La gasolina es altamente INFLAMABLE y sus vapores
son EXPLOSIVOS. No permita que fumen, que existan
llamas abiertas, chispas o calor a su alrededor cuando
manipule gasolina. Evite regar gasolina sobre un motor
caliente. Cumpla con todas las leyes que regulan el
almacenamiento y el manejo de gasolina.
• Nunca almacene el generador con combustible en el
tanque, donde los vapores de la gasolina puedan entrar
en contacto con llamas abiertas, chispas o luces de piloto
(como en hornos, calentadores de agua o secadoras de
ropa). Podrian ocurrir INCENDIOS o EXPLOSIONES.
• Nunca agregue el combustible mientras la unidad corre.
• Nunca arranque o detenga el motor-generador cuando
tenga cargas el6ctricas conectadas a los tomacorrientes
y los dispositivos conectados est6n ENCENDIDOS.
Arranque el motor y permita que se estabilice antes de
conectar las cargas el6ctricas. Desconecte todas las
cargas el6ctricas antes de apagar el generador.
• No meta objetivo por la refrigeraci6n ranuras del
generador de motor.
NOTA: El motor de su generador esta equipado con un
silenciador apagachispas, el apagachispas debera ser
mantenido en buenas condiciones de funcionamiento por
parte del propietario/operador. En el estado de California es
obligatorio, seg6n ley, el uso de apagachispas (Secci6n
4442 del C6digo de Recursos P6blicos de California). Otros
estados pueden tener leyes similares. Las leyes federales
se aplican en tierras federales.
A USQUE ESTE SIMBOLO PARA SENALAR PRECAUCIONES DE SEGURIDAD
IMPORTANTES. ESTE SIGNIFICA "iATENCION!!! iESTE ALERTA!!! SU SEGURIDAD ESTA
EN PELIGRO."
31

Su generador requiere de ciertos procedimientos de montaje
y solo estara listo para ser utilizado despu6s de haberle
suministrado servicio con el combustible y aceite
recomendados.
Si usted tiene problemas con el montaje de su generador,
por favor Ilame a la linea de ayuda para generadores al
11800-222-3136.
IMPORTANTE: Cualquier intento de encender el motor
antes de haber colocado el aceite recomendado resultara
daSo del motor.
PARA RETIRAR EL GENERADOR
DE LA CAJA
• Coloque la caja sobre una superficie plana y rigida, con
las flechas que dicen "this side up" hacia arriba.
• Abra con cuidado las tapas superiores de la caja de
envio.
• Siesta planeando utilizar esta unidad en clima frio, por
favor lea la secci6n "Operaci6n en Clima Frio" en la
pagina 37.
• Corte de arriba a abajo las esquinas de uno de los lados
de la caja y coloque ese lado de la caja sobre el suelo.
• Retire todo el material de empaque, relleno, etc.
• Saque el generador de la caja de envio.
CONTENIDO DE LA CAJA
Revise todo el contenido. Si alguna de las pares no esta
presente o esta daSada, por favor Ilame a la linea de ayuda
para generadores al 1-800-222-3136.
• La unidad principal
• Cables para cargar la bateria
• Manual del propietario
• Aceite para motor
• 2 tapones de fijaci6n
• Juego de Ilantas
MONTAJE DEL JUEGO DE RUEDAS
El juego de ruedas esta diseSado para mejorar el transporte
del generador.
NOTA: Este Juego de Ruedas no ha sido diseSado para ser
usado en la carretera.
Necesitara una Ilave de cubos con cubos de ½" o 13mm y
unas pinsas de punta para instalar el juego de ruedas.
Consulte la ilustracion mostrada e instale el juego de
ruedas como se describe a continuacion:
• Coloque el generador sobre una superficie plana y dura.
• Parese en el extremo del motor del generador e incline el
generador cuidadosamente hacia adelante, Io suficiente
como para colocar bloques por debajo del armaz6n. Esto
le permitira colocar las ruedas.
• Pase el eje a trav6s de los orificios de las m6nsulas del
armaz6n del generador.
• Coloque las ruedas y las arandelas planas en cada
extremo del eje. Insertar los pasadores de retenci6n con
las pinsas de punta. Remover los bloques madera.
• Instale los montajes antivibratorios a la pata de soporte
utilizando dos tornillos prisioneros M8 x 30mm, arandelas
M8 y tuercas de seguridad M8.
• Con las ruedas instaladas, ahora puede inclinar el
extremo del generador e instalar la pata de soporte
utilizando dos tornillos prisioneros M8 x 20mm y dos
tuercas de seguridad.
• Verifique que todas las piezas est6n apretadas y las
Ilantas est6n infladas con aire entre 15-40 PSI.
Vista del Montaje del Juego de Ruedas
Eje
Rueda
Contratuerca Arandela
Pata de Soporte
Arandela Plana
Prisionero
de 20 mm
Tuerca de
Seguridad, M8
Tornillo Prisionero de 30 mm
Pasado/r de
Reteci6n
32

CONOZCA SU GENERADOR
LEA ESTE MANUAL DEL PROPIETARIO Y LAS REGLAS DE SEGURIDAD ANTES DE OPERAR SU GENERADOR.
Compare las ilustraciones con su Generador para familiarizarse con las ubicaciones de los diferentes controles y ajustes.
Conserve este manual para referencias futuras.
Tanque de Combustible
Palanca del Cebador
Cortacircuitos
Tomacorrientes con
Dispositivo de Seguridad de
120 Voltios AC, 30 Amp
Tomacorrientes con
Dispositivo de Seguridad
de 120/240 Voltios AC,
30 Amp
Tomacorrientes de
12 Voltios DC
Tuerca Mariposa para
Conexi6n a Tierra
Cortacircuitos (AC) -- Cada tomacorriente posee un
cortacircuito para proteger el generador contra sobrecargas
el6ctricas. Los cortacircuitos son del tipo "oprimir para
reposicionar".
Depurador de Aire -- Filtra el aire de entrada a medida
que penetra en el motor.
Interruptor de Marcha/Parado -- Debera estar en la
posici6n "Run" (Marcha) para darle arranque al motor.
Col6quelo en la posici6n "Stop" (Parado) para detener un
motor en funcionamiento.
Interruptor del Control de Marcha en Vacio -- El control
de marcha en vacio hace funcionar el motor a velocidades
normales (altas) cuando existe una carga presente y hace
funcionar el motor a velocidades de marcha en vacio (bajas)
cuando no existen cargas presentes. Esta caracteristica
mejora el ahorro de combustible, prolonga la vida del motor
y disminuye el ruido del motor.
Palanca del Cebador -- Usada cuando se esta dando
arranque a un motor frio.
Silenciador Apagachispas -- El silenciador disminuye el
ruido del motor y esta equipado con una pantalla
apagachispas.
Tanque del Combustible -- El tanque tiene una capacidad
de 8 galones americanos de gasolina sin contenido de plomo.
Depurador de
Aire
Interruptor de
Marcha/Parado
Silenciador
Apagachispas
Tomacorrientes Doble de
Interruptor de 120 Voltios AC, 20 Amp
Control de
Marcha al Vacio
Tomacorriente Dobles de 120 Voltios AC, 20 Amp --
Pueden ser utilizados para suministrar alimentaci6n el6ctrica
para el funcionamiento de cargas del motor, herramientas,
aparatos especiales e iluminaci6n el6ctrica de 120 Voltios
AC a 20 Amperios, monofasica de 60 Hz.
Tomacorriente con Dispositivo de Seguridad de
120 Voltios AC, 30 Amp -- Puede ser utilizado para
suministrar alimentaci6n el6ctrica para el funcionamiento de
cargas del motor, herramientas, aparatos especiales e
iluminaci6n el6ctrica de 120 Voltios AC a 30 Amperios,
monofasica de 60 Hz.
Tomacorriente con Dispositivo de Seguridad de
120/240 Voltios, 30 Amp -- Puede ser utilizado para
suministrar alimentaci6n el6ctrica para el funcionamiento de
cargas del motor, herramientas, aparatos especiales e
iluminaci6n el6ctrica de 120 y/o 240 Voltios AC a
30 Amperios, monofasica de 60 Hz.
Tomacorriente de 12 Voltios DC -- Este tomacorriente le
permite recargar baterias tipo servicio o automotriz de
12 Voltios utilizando los cables para cargar baterias.
Tuerca Mariposa para Conexion a Tierra -- Usado para
apropiado moli6 de la unidad.
33

JUEGOS DE CORDONES Y
ENCHUFES CONECTORES
Tomacorriente Doble de 120 Voltios AC
Use Qnicamente cordones de extensi6n de alta calidad y
bien aislados con los tomacorrientes el6ctricos dobles de
120 Voltios del generador.
Cada tomacorriente esta protegido contra sobrecargas por
medio de un cortacircuito con dispositivo de reposici6n.
Utilice cada uno de estos tomacorrientes para operar cargas
el6ctricas de 120 Voltios AC, monofasicas de 60 Hz que
requieran hasta 2,400 vatios (2.4 kW) a 20 Amperios de
corriente.
Revise las capacidades de todos las cordones de extensi6n
antes de usarlos. Los juegos de cordones de extensi6n
utilizados deberan tener una capacidad de 125 Voltios AC a
20 Amperios o mayor para la mayoria de los dispositivos
el6ctricos. Sin embargo, algunos dispositivos podrian no
requerir este tipo de cord6n de extensi6n. Revise el manual
del propietario de esos dispositivos para ver las
recomendaciones del fabricante.
Mantenga los cordones de extensi6n Io mas corto posible,
preferiblemente menos de 15 pies de largo para evitar la
caida de voltaje y posible recalentamiento de los alambres.
Tomacorriente de 120/240 Voltios AC,
30 Amperios
Este es un tomacorriente de capacidad total, Io que significa
que usted puede tomar el vatiaje nominal total de este solo
tomacorriente. Este es una tomacorriente tipo NEMA
L14-30. La toma esta protegida por dos cortacircuitos de
30 Amperios con dispositivo de reposici6n.
W (Neutro)
X
(Cargado) (Cargado)
Tierra
NEMA L14-30 (Verde)
Usted debera usar un enchufe para conector tipo bloqueo
NEMA L14-30 con el tomacorriente de 240 Voltios. Conecte
un juego de cordones de 4 alambres al enchufe y a las
cargas el6ctricas deseadas. Los juegos de cordones
deberan tener una capacidad de 250 Voltios AC a
30 Amperios.
_ iPRECAUCION! A pesar de que cada
tomacorriente tiene una capacidad de 120/240 Voltios
AC a 30 Amperios (7,200 vatios o 7.2 kV), el
generador tiene una capacidad total de 6,500 vatios.
Las cargas de potencia que excedan la capacidad de
vatiaje del generador pueden causar daSos o
lesiones severas. El total de las cargas con
120 Voltios AC que pasan a trav6s de estos
tomacorrientes no debera exceder los 20 Amperios.
Tomacorriente de 120 Voltios AC,
30 Amperios
Use un enchufe tipo NEMA L5-30 con este tomacorriente.
Conecte un juego de cordones de 3 alambres con una
capacidad de 125 Voltios AC a 30 Amperios al enchufe.
[ Neutro (N)
120V
Cargado (H)
NEMA L5-30 Tierra
(Verde)
Utilice este tomacorriente para operar cargas el6ctricas de
120 Voltios AC, monofasicas de 60 Hz que requieran hasta
3,600 vatios (3.6 kW) a 30 Amperios de corriente. La toma
esta protegida por un cortacircuito de 30 Amperios con
dispositivo de reposici6n.
34

Tomacorriente de 12 Voltios DC
Este tomacorriente le permite recargar una bateria de
almacenamiento tipo servicio o automotriz de 12 Voltios
utilizando los cables suministrados para cargar baterias.
Este tomacorriente no puede recargar baterias de 6 Voltios
y no se puede usar para darle arranque a motores que
tengan la bateria descargada. Vea las secciones "Seguridad
de la Bateria" y "Procedimiento de Carga de la Bateria"
(pagina 38) antes de intentar recargar la bateria.
COMO USAR SU GENERADOR
Si tiene problemas operando su generador, por favor Ilame
a la linea de ayuda para generadores al 1-800-222-3136.
CONEXION ATIERRA DEL GENERADOR
El C6digo Nacional de Electricidad exige que el marco y las
partes exteriores del generador conductoras de electricidad,
est6n conectadas a tierra adecuadamente. Los c6digos
el6ctricos locales tambi6n pueden exigir que la unidad est6
conectada a tierra correctamente. Para tal prop6sito, se ha
instalado una tuerca mariposa para conexi6n a tierra en la
base del bastidor.
oTuercaMariposa
Por Io general, la conexi6n de un alambre de cobre trenzado
No. 12 AWG (American Wire Gauge) a la aleta de conexi6n
a tierra y a una barra de conexi6n a tierra de cobre o bronce
(electrodo) proporciona una protecci6n adecuada contra las
descargas el6ctricas. Sin embargo, los c6digos locales
pueden variar substancialmente. Consulte con un electricista
local para conocer los requisitos de conexi6n a tierra de su
Area.
La conexi6n a tierra adecuada del generador ayudara a
evitar las descargas el6ctricas en el caso de que exista una
condici6n de falla a tierra en el generador o en los
dispositivos el6ctricos conectados. La conexi6n a tierra
adecuada tambi6n ayuda a disipar la electricidad estatica, la
cual se acumula frecuentemente en dispositivos no
conectados a tierra.
CONEXION DE CARGAS
ELECTRICAS
•No conecte cargas de 240 Voltios a tomacorrientes de
120 Voltios.
• No conecte cargas trifasicas al generador.
• No conecte cargas de 50 Hz al generador.
• Deje que el motor se estabilice y se caliente por unos
minutos despu6s del arranque.
• Conecte y encienda las cargas el6ctricas de 120 y/o
240 Voltios AC monofasicas de 60 Hz que desse.
• NO SOBRECARGUE EL GENERADOR. Vea "No
Sobrecargue el Generador" en la pagina 39.
ANTES DE DARLE ARRANQUE AL
GENERADOR
Para operar el motor, debera hacer la siguiente:
Afiada Aceite al Motor
NOTA: Cuando aSada aceite a la caja del cigQeSal del
motor en el futuro, Qnicamente use aceite detergente de alta
calidad con la clasificaci6n de servicio SF o SG de API, con
un peso de 30 SAE. No use aditivos especiales.
Seleccione el grado de viscosidad del aceite de acuerdo con
la temperatura de funcionamiento que espera tener. No use
10W-40.
•Por encima de 40°-F, use SAE 10W-30 o SAE 30.
•Por debajo de 40°-F, use sint6tico 5W-20 o 5W-30.
'F -20 0 20 32 40 60 80 100
'C_ o -2'0 40 6 lb 3'o 40
Temperaturas de Uso Esperadas
A pesar de que los aceites de mQItiple viscosidad (5W30,
10W30, etc.) mejoran el arranque en clima frio, estos
pueden producir un aumento en el consumo de aceite
cuando son usados por encima de 32-°F. Revise el nivel de
aceite de su motor mas frecuentemente para evitar el
posible daSo del motor debido al funcionamiento del mismo
con un bajo nivel de aceite.
• Coloque el generador sobre una superficie nivelada.
• El Area limpia alrededor de aceite amarillo Ilena la tapa.
Quite el aceite Ilena la tap&
• Llene lentamente motor con aceite por el aceite Ilena abrir
hasta que el nivel de aceite sea al grano de derramar.
• Instale aceite amarillo Ilena la tapa y el dedo aprieta
seguramente.
• Verifique el nivel de aceite de motor antes de comenzar
cada vez despu6s. Si el nivel de aceite esta debajo del
punto de derramar, Ilena al nivel apropiado.
35

Agregue Gasolina
iADVERTENCIA! Nunca Ilene el tanque del
combustible en recintos cerrados. Nunca Ilene el
tanque del combustible cuando el motor est6 en
funcionamiento o caliente. No encienda cigarrillos o
fume cuando est6 Ilenando el tanque del
combustible.
_ iADVERTENClA! No Ilene excesivamente el
tanque de combustible. Deje suficiente espacio para
la expansi6n del combustible.
•Use gasolina regular SIN CONTENIDO DE PLOMO en el
generador. No use gasolina premium. No mezcle aceite
con gasolina.
• Limpie el Area alrededor del Ilenado de gasolina; retire la
tapa.
• Llene lentamente el tanque con gasolina sin contenido de
plomo. Sea cuidadoso de no Ilenar excesivamente. Deje
1/2" de espacio en el tanque para que la expansi6n del
combustible, como se muestra en esta ilustraci6n.
Espacio de Aire
de 1/2" Tanque
Combustible
Desconecte todas las cargas el6ctricas del generador. Para
el arranque del motor siga las siguientes instrucciones en
orden num6rico:
1. Verifique si el interruptor de control secundario se
encuentra "Apagado".
r
IDLE
2.
,. J
Encienda la valvula de combustible.
Tanque del
Combustible
3. Coloque el interruptor Run/Stop (Ciclo de marcha/
parada) en la posici6n de marcha "Run".
---k....
• Instale la tapa del combustible y limpie cualquier derrame
de gasolina.
IMPORTANTE: Es importante evitar la formaci6n de
dep6sitos de goma en las partes esenciales del sistema de
combustible como en el carburador, filtro del combustible,
manguera del combustible o tanque, durante su
almacenamiento. Los combustibles mezclados con alcohol
(llamados gasohol, etanol o metanol) pueden atraer la
humedad, la cual produce la separaci6n y formaci6n de
acidos durante el almacenamiento. La gasolina acida puede
dafiar el sistema de combustible de un motor durante su
almacenamiento. Para evitar problemas en el motor, debera
vaciar el sistema de combustible antes de periodos de
almacenamiento de 30 dias o mas. Vea "Almacenamiento"
en la pagina 44. Nunca use productos para limpiar motores
o carburadores en el tanque del combustible; si Io hace
ocurriran dafios permanentes.
PARA ENCENDER EL MOTOR
_PRECAUCION! Nunca arranque o detenga el
motor teniendo dispositivos el6ctricos conectados y
encendidos en los tomacorrientes del panel.
4. Coloque la palanca de choque en la posici6n total
"Full".
MEDIA
//
5B. Hale la manija de retroceso, en forma suave hasta que
sienta resistencia, Luego para arrancar el motor hacer
tracci6n en forma rapida una sola vez.
• Si el motor arranca, continQe con el paso 7.
• Si el motor no arranca, proceda con el paso 6.
6. Mueva la palanca de choque hasta la posici6n "Half"
(media) y accione dos veces la manija de retroceso.
• Si el motor no arranca, repita los pasos desde
4 hasta 6.
36

7. Coloque la palanca de retroceso en la posici6n de
"Run" (marcha). Si el motor vacila, mueva la palanca de
retroceso hasta la posici6n media "Half' hasta que el
motor marche suavemente y luego col6quelo en la
posici6n de marcha "Run".
NOTA: Si el motor arranca despu6s de tres accionamientos,
pero s61o funciona por 10 segundos, revise el nivel de aceite
del motor en la caja del cigQefial (carter).Esta unidad esta
equipada con un Sistema de suspensi6n de aceite con baja
presi6n. (Ver pagina 37).
IMPORTANTE: Enchufe y encienda las cargas el6ctricas de
120 y/o 240 Voltios AC, monofasicas de 60 Hertzios. NO
SOBRECARGUE EL GENERADOR. Sume los vatios
asignados (o Amperios) de todas las cargas que se van a
conectar al mismo tiempo. Este total no debe ser mayor que
la capacidad del vatiaje/amperaje nominal del generador.
Vea No Sobrecargue el Generador en la pagina 39.
PARADO DEL MOTOR
• Desconecte todas las cargas el6ctricas de los tomaco-
rrientes del panel del generador. Nunca de arranque o
detenga el motor con todos los dispositivos el6ctricos
conectados y encendidos.
• Apague (Off) el interruptor de control de marcha en
vacio.
• Deje que el motor funcione sin cargas pot algunos
minutos para estabilizar las temperaturas internas del
motor y el generador.
• Mueva el interruptor de marcha/parado a la posici6n
"Stop" (Parado).
• Cierre la valvula del combustible.
FUNCIONAMIENTO DEL CONTROL
AUTOMATICO DE MARCHA EN
VACIO
Este interruptor ha sido disefiado para mejorar el consumo
de combustible. Cuando 6ste interruptor sea "Activado", el
motor funcionara Qnicamente en su alta velocidad de mando
normal una vez sea conectada una carga el6ctrica. Cuando
la carga el6ctrica es retirada, el motor funcionara a una
velocidad menor. Si el interruptor esta "Desactivado", el
motor funcionara en alta velocidad normal. Siempre tenga
el interruptor en la posicion "Off" (apagado) cuando
arranque y detenga el motor.
SISTEMA DE PARADA POR BAJA
PRESION DEL ACEITE
El motor esta equipiado con un sensor de baja presi6n del
aceite que para automaticamente el motor cuando la presi6n
del aceite cae por debajo de 6 psi. Si el motor para por si
mismo y el tanque de combustible tiene suficiente gasolina,
chequee el nivel de aceite en el motor.
Arranque Inicial
El sistema de parada tiene una demora incorporada para
permitir que la presi6n del aceite aumente durante el
arranque. Esta demora permite que el motor marche durante
unos 10 segundos antes de detectar la presi6n del aceite.
Deteccion de Baja Presion
Si el sistema detecta baja presi6n del aceite durante la
operaci6n, el motor va a parar. Cuando para el sistema, se
ENCIENDE la lamparilla de bajo nivel de aceite. Sin
embargo, esta lamparilla se APGA una vez que el motor
deja de girar. Ver el diagrama esquematico.
Volviendo a Arrancar
Si trata de volver a arrancar el motor dentro de los
10 segundos luego que ha parado, el motor quizas NO
arranque. El sistema necesita entre 5 y 10 segundos para
reponerse.
Si vuelve a arrancar el motor luego de tal parada sin antes
haber corregido la baja presi6n del aceite, el motor va a
funcionar durante unos 10 segundos como se describe
arriba, y luego va a parar.
OPERACION EN CLIMA FRIO
Es posible que se forme hielo en su generador y/o el
sistema de desfogue de la caja del cig_Jefial bajo ciertas
condiciones climaticas (temperaturas por debajo de 40-°F
[4-°C] y un punto de condensaci6n elevado). En caso de
emergencia, utilice la caja de envio original como protecci6n
para el generador:
• Corte las tapas y uno de los lados largos de la caja con
el fin de dejar expuesta la parte de la unidad donde va el
escape.Corte las ranuras correspondientes para tenet
acceso a los tomacorrientes de la unidad.
• Encienda la unidad y despu6s coloque la caja sobre ella.
AsegQrese de que exista un minimo de dos pies de
separaci6n entre la parte abierta de la caja y el objeto
mas cercano.
IMPORTANTE: Retire la protecci6n cuando la temperatura
est6 por encima de los 40-°F [4-°C].
Para tener una protecci6n mas permanente, construya una
estructura que encierre tres lados y la parte superior del
generador. AsegQrese de dejar expuesto toda la parte del
silenciador, con dos pies de separaci6n entre la parte
abierta de la caja y el objeto mas cercano. Coloque el lado
expuesto lejos del viento y los elementos.
37

SEGURIDAD DE LA BATERIA
iADVERTENCIA! Las baterias de acumuladores •
producen gas de hidr6geno explosivo cuando son •
recargadas. Una mezcla explosiva va a permanecer
alrededor de la bateria por un periodo de tiempo
prolongado despu6s de haber sido cargada. La •
chispa mas pequeSa podria encender el gas y causar
una explosiSn. La explosiSn puede destruir la bateria
y causar ceguera y otras lesiones serias.
iADVERTENClA! No permita que se fume, llamas
abiertas, chispas o cualquier otra fuente de calor
alrededor de la bateria. Use anteojos de proteccion,
delantal y guantes de caucho cuando trabaje
alrededor de la bateria. El liquido electrolito de la
bateria es una soluciSn de &cido sulfQrico caustico, la
cual puede causar quemaduras severas. Si ocurren
derrames, limpie inmediatamente el area con agua
limpia.
PROCEDIMIENTO DE CARGA DE LA
BATERIA
Su generador tiene la capacidad de recargar baterias
descargadas de acumuladores tipo servicio o automotriz de
12 Voltios. No utilice la unidad para cargar baterias de 6
Voltios. No use la unidad para mover motores que
tengan la bateria descargada.
Para recargar baterias de 12 Voltios, Ileve a cabo los
siguientes procedimientos:
• Revise el nivel del liquido en todas las celdas de la
bateria. Si es necesario, aSada agua destilada
UNICAMENTE hasta cubrir los separadores de las celdas
de la bateria. No use agua de grifo.
Si la bateria esta equipada con tapas de desfogue,
asegQrese de que estan instaladas y apretadas.
Limpie los terminales de la bateria si es necesario.
Conecte el enchufe conector del cable de carga de la
bateria al tomacorrientes del panel identificado con las
palabras "12 VOLTS D.C." ("12 VOLTIOS D.C.").
Conecte el sujetador del cable de carga de la bateria que
tiene la manija roja al terminal positivo (+) de la bateria.
TOMA ORRIDENTEDE
IBATERIA DE 12 VOLTIOS I
• Conecte el sujetador del cable de carga de la bateria que
tiene la manija negra al terminal negativo (-) de la
bateria.
• Arranque el motor. Deje que el motor funcione mientras
la bateria se recarga.
• Apague el motor cuando la bateria se haya cargado.
NOTA: Use un hidrSmetro para automSviles para probar el
estado de carga y condiciSn de la bated& Siga
cuidadosamente las instrucciones del fabricante del
hidrSmetro. Por Io general, se considera que una bateria
esta en un estado de carga del 100% cuando la gravedad
especifica de su liquido (medido por el hidrSmetro) es de
1.260 o mayor.
38

NO SOBRECARGUE EL
GENERADOR
Sobrecargar el generador mas alia de su capacidad de
vatiaje puede ocasionar daSos al mismo y a los dispositivos
el6ctricos conectados. Siga las siguientes instrucciones para
evitar sobrecargar la unidad:
• Sume el vatiaje total de todos los dispositivos el6ctricos
que van a ser conectados al mismo tiempo. Este total NO
debera ser mayor que la capacidad de vatiaje del
generador.
• El vatiaje nominal de las luces puede ser tomado de los
bombillos. El vatiaje nominal de herramientas, aparatos
especiales y motores se puede encontrar, por Io general,
en la calcomania o placa de datos del dispositivo.
• Si el aparato especial, herramienta o motor no suministra
el vatiaje, multiplique los voltios por la clasificaci6n de
amperaje para determinar los vatios
(voltios x amperios = vatios).
• Algunos motores el6ctricos, como los de inducci6n,
requieren aproximadamente tres veces mas vatios de
poder para su arranque que para su funcionamiento. Esta
onda irruptiva de poder dura tan solo unos segundos
durante el arranque de dichos motores. AsegQrese de
tener en cuenta este alto vatiaje de arranque cuando
seleccione los dispositivos el6ctricos que va a conectar a
su generador. Primero, conozca la cantidad de vatios
necesarios para dar arranque al motor mas grande.
Sumele a ese nQmero los vatios de funcionamiento de
todas las otras cargas conectadas.
La Guia de Vatiaje a continuaci6n ha sido suministrad para
ayudarle a determinar cuantos elementos puede operar su
generador al mismo tiempo.
Guia de Referencia de Vatiaje
Uso Recreativo/Domdstico
Herramienta/Artefacto ........................ Watts
Radio AM/FM con reloj ........................... 50
Bombillo de luz ................................ 100
Ventilador ..................................... 200
Televisor de color, 20". .......................... 400
*Congeladora .................................. 500
Computadora personal ymonitor de 15". ............ 800
*Ventilador de homo de 1/3 hp .................... 800
Homo de microondas ........................... 800
*Refrigeradora de 18 pies cQbicos .................. 800
Bomba de sumidero ............................ 1000
Sart6n el6ctrica ............................... 1250
*Bomba de agua de pozo de 1/2 hp ............... 1400
*Acondicionador de aire tipo ventana, 12.000 Btu..... 1400
Calefactor de ambiente ......................... 1800
Calentador el6ctrico de agua ..................... 4000
Uso de Profesionales/Contratistas
Herramienta/Artefacto ........................ Watts
*Pulverizador no neumatico de 1/3 hp ............... 600
Taladro de percusi6n de 3/8". ..................... 600
Sawzall® de velocidad variable .................... 960
Taladro el6ctrico de 1/2" . ....................... 1000
Lampara de trabajo de cuarzo-hal6geno ............ 1000
Lijadora de correa ............................. 1200
Sierra circular de 7.1/4". ........................ 1500
Sierra a tornillo sin fin de 7.1/4". .................. 1600
*Compresor de aire de 1.1/2 hp ................... 1800
*Sierra el6ctrica tipo inglete de 10". ............... 1800
Amoladora de banco de 6" ...................... 1800
*Cepilladora de mesa de 6". ..................... 1800
*Sierra de brazo radial/de mesa de 10". ............ 2000
Soldadora de alambre .......................... 2400
*para el arranque de este dispositivo, tome en cuenta 3
veces los watts listados
39

RESPONSIBILADES DEL CLIENTE
Siga los intervalos horarios o de calendario, Io que ocurra primero. Se requiere de servicio con mayor frecuencia cuando
opere la unidad en las condiciones adversas descritas a continuaci6n.
Operacion de Mantenimiento
Revise el nivel del aceite
Cambie el aceite v el filtro de aceite$
LimDie la Dantalla del apaaachispas
Suministre servicio al prelimpiador del
depurador de aire
Proporcione servicio al cartucho del
depurador de aire
Aiuste la separaci6n de la valvula
ReemDlace buiias
Vuelva a apretar los pemos de cabeza
Cada 8 horas 25 horas o 50 horas o 100 horas o
o diariamente cada estaci6n cada estaci6n cada estaci6n
x !
.... 1{ !. x* :111111111111111111
X**
xx
i)))))))))))))))))): i))))))))))))))))))) *** i)))))))))))))))))))
$ Cambie el aceite despu6s de las primeras 8 horas de operaci6n y despu6s cada 50 horas o cada
estaci6n.
* Cambie el aceite cada 25 horas cuando opere la unidad bajo cargas fuertes o en altas temperaturas.
** Limpie mas a menudo bajo condiciones demasiado sucias o polvorientas. Reemplace las partes del
Depurador si estan muy sucias.
*** Lleve a cabo esta tarea Qnicamente despu6s de las primeras 50 horas de operaci6n. No tendra
quevolver a apretar los pemos de cabeza.
ESPECIFICACIONES DEL
PRODUCTO
Especificaciones del Generador
Potencia MAxima ................ 6500 vatios (6.5 kW)
Potencia de Sobretensi6n ........ 8125 Vatios (8.125 kW)
Voltaje Nominal AC ................... 120/240 Voltios
Corriente MAxima a 240 Voltios .......... 27.1 Amperios
Corriente MAxima a 120 Voltios .......... 54.2 Amperios
Voltaje Nominal DC ....................... 12 Voltios
Corriente MAxima a 12 Voltios ............. 10 Amperios
Frecuencia Nominal ................. 60Hz a 3600 rpm
Fase ................................. Monofasica
Peso que Embarca ......................... 200 Ibs.
Especificaciones del Motor
Caballos de Fuerza ................... 13 a3600 rpm
Desplazamiento ............................. 360cc
Bujia
Tipo: ............ Champion RC12YC o equivalente
Calibrar Separaci6n a: ......... 0.030 pulgadas (0.76mm)
Capacidad de Gasolina ........... 8 galones americanos
Tipo de Aceite
Above 32-°F ................ SAE 30 o10W-30
Below 32-°F ................ Sint6tico 5W-20 o
5W-30
RECOMENDACIONES GENERALES
La garantia del generador no cubre los elementos que
hayan sido sujetos al abuso o negligencia del operador.
Para recibir el valor completo de la garantia, el operador
debera mantener el generador de la forma descrita en este
manual.
Se deberan Ilevar a cabo algunos ajustes peri6dicamente
para mantener correctamente su generador.
Todos los ajustes de la secci6n Servicio y Ajustes de este
manual deberan ser hechos por Io menos una vez en cada
estaci6n. Cumpla con los requisitos de la tabla "Programa
de Mantenimiento" descrita anteriormente.
NOTA: Una vez al afio debera limpiar o reemplazar la bujia
y reemplazar el filtro de aire. Una bujia nueva y un filtro de
aire limpio garantizan una mezcla de combustible-aire
adecuada y ayuda a que su motor funcione mejor y tenga
una vida Qtil mas prolongada.
4O

MANTENIMIENTO del GENERADOR
El mantenimiento del generador consiste en conservar la
unidad limpia y seca. Opere y almacene la unidad en un
ambiente limpio y seco donde no sera expuesta al polvo,
suciedad, humedad o vapores corrosivos. Las ranuras del
aire de enfriamiento del generador no deben estar tapadas
con nieve, hojas, o cualquier otro material extraSos.
Revise frecuentemente la limpieza del generador y limpielo
cuando est6 con polvo, sucio, con aceite, humedad, o
cuando otras substancias extraSas sean visibles en su
superficie exterior.
NOTA: No recomendamos el uso de mangueras de jardin
para limpiar el generador. El agua podria introducirse en el
sistema de combustible del motor y causar problemas.
Ademas, si el agua se introduce al generador a trav6s de
las ranuras para aire de enfriamiento, algo del agua quedara
retenida en los espacios vacios y grietas del aislamiento del
devanado del estator y rotor. La acumulaci6n de agua y
suciedad en los devanados internos del generador
disminuira eventualmente la resistencia del aislamiento de
estos devanados.
Para Limpiar el Generador
,_ iPRECAUCION! Nunca inserte objetos oherramientas a trav6s de las ranuras de enfriamiento
de aire, incluso si el motor no esta en
funcionamiento.
• Utilice un trapo h6medo para limpiar las superficies
exteriores.
• Puede usar un cepillo de cerdas suaves para retirar la
suciedad endurecida, aceite, etc.
• Puede usar una maquina aspiradora para eliminar
suciedad y residuos sueltos.
• Puede usar aire a baja presi6n (que no exceda los 25
psi) para eliminar la suciedad. Inspeccione las ranuras
para aire de enfriamiento y la apertura del generador.
Estas aperturas deberan mantenerse limpias y
despejadas.
MANTENIMIENTO DEL MOTOR
,_ iPRECAUClON! SIEMPRE desconecte el alambre
de la bujia y mant6ngalo alejado de la misma cuando
trabaje en el generador.
Revision del Nivel de Aceite
El nivel de aceite debera revisarse antes de cada uso o por
Io menos cada 8 horas de operaci6n. Conserve el nivel de
aceite adecuado.
Cambio de Aceite del Motor y Filtro
Cambie el aceite despu6s de las primeras 8 horas de
operaci6n. Cambie el aceite y el filtro cada 50 horas de ese
momento en adelante. Siesta utilizando su generador bajo
condiciones de extrema suciedad o polvo, o en un clima
demasiado caliente, haga el cambio de aceite mas
frecuentemente.
Cambie el aceite cuando el motor todavia se encuentre
caliente despu_s del funcionamiento, come se indica a
continuacion:
• Limpie el Area alrededor del tap6n para drenaje de
aceite.
• Retire el tap6n de drenaje de aceite y el tap6n de Ilenado
del aceite y drene el aceite pot completo en un recipiente
adecuado.
• Cuando haya drenano el aceite completamente, instale el
tap6n para drenaje de aceite y apri6telo firmemente.
• Coloque un recipiente adecuado pot debajo del filtro de
aceite y retire el filtro girandolo en sentido contrario alas
manecillas del reloj. Descartelo cumpliendo con las leyes
locales.
• Cubra con aceite de motor el empaque del filtro nuevo.
Gire el filtro en sentido de las manecillas del reloj hasta
que el empaque se ponga en estrecho contacto con el
adaptador del filtro. Despu6s apriete 3/4 de vuelta mas.
• Llene con el aceite recomendado. (Vea "Antes de Poner
en Marcha el Generador" en la pagina 35 para las
recomendaciones del aceite).
• Instale el tap6n de Ilenado del aceite y aseg6relo.
• Limpie cualquier derrame de aceite.
Limpe/Reemplace la Bujia
Cambie la bujia cada 100 horas de operaci6n o una vez al
aSo, Io que suceda primero. Esto ayudara a su motor a
arrancar mas facilmente y a funcionar mejor. Para su
reemplazo, use bujias champion RC12YC o una de tipo
equivalente.
• Limpie el Area alrededor de la bujia.
• Retire y revise la bujia.
• Revise la separaci6n del electrodo con un calibrador de
alambre y ajuste la separaci6n a 0.030 pulgadas
(0.76mm) si es necesario.
Reemplace la bujia si los electrodos estan picados,
quemados o si la porcelana esta rota. Para su
reemplazo, 6nicamente utilice Champion RC12YC o una
de tipo equivalente.
Vuelva a Apretar los Pernos de Cabeza
Usted debera volver a apretar los pernos de cabeza a
6.9 kg.-m (44 ft.-Ibs.) despu6s de las primeras 50 horas de
operaci6n.
IMPORTANTE: Si no se siente seguro haciendo este
procedimiento, o no tiene las herramientas indicadas, por
favor Ileve su generador al centro de servicio mas cercano
para volver a apretar los pernos de cabeza. Este es un paso
muy importante para garantizar la vida 6til prolongada de su
motor.
41

NOTA: Tan solo Ileve a cabo este ajuste despu6s de las
primeras 50 horas de operaci6n Los pernos de cabeza no
necesitaran ajustes adicionales
• La secuencia de apretamiento es la siguiente: A, B, C, D,
(siguiendo un patr6n alternante)
Proporcione Servicio al Depurador de Aire
Su motor no funcionara correctamente y podria resultar
daSado si Io hace funcionar con un depurador de aire sucio
Limpie o reemplace el filtro de papel del depurador de aire
cada 50 horas de operaci6n o una vez al aSo, Io que suceda
primero Limpielo o reemplacelo mas a menudo si la unidad
funciona bajo condiciones de suciedad o polvo excesivo
Limpie el prefiltro de espuma cada 25 horas de operaci6n o
mas pronto siesta bajo condiciones de suciedad
Para Limpiar o Reemplazar el Prefiltro de Espuma:
• Retire la cubierta del depurador de aire, despu6s el
prefiltro de espuma
FILTRO
DE PAPEL
Para Limpiar o Reemplazar el Filtro del Aire de Papel:
• Retire la cubierta del depurador de aire; despu6s retire el
prefiltro de espuma (dele servicio si es necesario) y retire
del filtro de papel
• Limpie el filtro de papel golpeandolo suavemente sobre
una superficie s61ida Si el filtro esta demasiado sucio,
reemplacelo por uno nuevo Deseche adecuadamente el
filtro viejo
• Limpie la cubierta del depurador de aire, despu6s
introduzca el predepurador en la cubierta Luego
introduzca el filtro nuevo de papel dentro de la cubierta
para sostener el predepurador en su sitio y m6nte todoa
a la base del depurador de aire
NOTA: Si necesita oredenar un filtro de papel nuevo, por
favor Ilame al 1-800-366-PART
Limpie la Pantalla Apagachispas
El silenciador del escape del motor posee una pantalla
apagachispas Inspeccione y limpie la pantalla cada
100 horas de operaci6n o una vez al aSo, Io que suceda
primero
NOTA: El generador tendra que tener un apagachispas si Io
usa en terrenos no tratados cubiertos de monte, maleza o
pasto El apagachispas debera ser mantenido en buenas
condiciones por parte del propietario/operador
Limpie e inspeccione el apagachispas de la siguiente
manera:
• Para retirar la protecci6n del silenciador, retire los cuatro
tornillos que conectan la protecci6n a la m6nsula del
silenciador
MALLA DE
APAGAC HISPAS
PREFILTRO DE
ESPUMA
• Lave el predepurador en agua jabonosa Exprima el
predepurador en un trapo limpio y seco (No retuerza)
• Limpie la cubierta del depurador de aire antes de
instalarla
SILENClADOR PANTALLA
TERMICA
• Retire los cuatro tornillos que sostienen la pantalla
apagachispas
• Inspeccione la pantalla y reemplacela siesta rota,
perforada o daSada No use pantallas defectuosas Si la
pantalla no esta daSada, limpiela con un disolvente
comercial
• Vuelva a instalar la pantalla y la protecci6n del
silenciador
42

Ajuste de la Separacion de las V_lvulas
Despu6s de las primeras 50 horas de funcionamiento
debera ajustar la separaci6n de las valvulas del motor.
IMPORTANTE: Si no se siente seguro haciendo este
procedimiento, o no tiene las herramientas indicadas, pot
favor Ileve su generador al centro de servicio mas cercano
para hacer ajustar la separaci6n de las valvulas. Este es un
paso muy importante para garantizar la vida 6til prolongada
de su motor.
Para ajustar la separacion de las valvulas:
•AsegQrese de que el motor est6 a temperatura ambiente.
• AsegQrese de que el alambre de la bujia haya sido
retirado y est6 alejado de la misma.
• Retire el tubo del respiradero de la cubierta de las
valvulas.
• Retire los cuatros tomillos que sostienen la cubierta de
las valvulas utilizando un destomillador phillips # 2 6 # 3.
• AsegQrese de que el pist6n est6 en el Punto Muerto
Superior (PMS) de su recorrido de compresi6n (ambas
valvulas cerradas). Para Ilevar el pist6n al PMS, hale la
manija de retroceso lentamente observando el pist6n a
trav6s del orificio de la bujia. A medida que hale la
manija de retroceso el pist6n debera moverse hacia
arriba y abajo. El pist6n estara en el PMS cuando se
encuentre en la posici6n mas superior posible.
• Suelte la contratuerca del brazo oscilante utilizando
unallave de 10 mm. Use una Ilave allen de 8 mm para
girar el pasador de bola pivote mientras revisa la
separaci6n entre el brazo oscilante y el vastago de la
valvula utilizando un calibrador de cinta. La separaci6n
correcta es de 0.002-0.004 pulgadas (0.05-0.1 mm).
Calibrador
Llave Allen de Cinta
(_ Suelte la
Contratuerca
NOTA: Usted debe tener la nuez de la mermelada de brazo
de rocker en el lugar como usted gira el semental de pelota
de pivot.
• Cuando la separaci6n de las valvulas sea la correcta,
sostenga en posici6n el pasador de bola pivote con una
Ilave allen y apriete la contratuerca del brazo oscilante a
un torque de 165-183 pulgadas-libras. Despu6s de
apretar la contratuerca, vuelva a revisar la separaci6n de
las valvulas para cerciorarse de que no ha cambiado.
Apriete Nuez de
Mermelada a 65-85
libras de la pulgada
• Vuelva a instalar la cubierta de las valvulas.
NOTA: Comience a enroscar todos los cuatro tomillos antes
de apretar o no sera capaz de colocar todos los tornillos en
su lugar.
NOTA: Aseg6rese de que el empaque entre la cubierta de
las valvulas y la cabeza del cilindro est6 en su lugar.
• Vuelva a instalar el tubo del respiradero.
• Vuelva a conectar el alambre de la bujia.
43

GENERALIDADES
El generador debera ser encendido al menos una vez cada
siete dias y debera dejarlo funcionar al menos durante
30 minutos. Si no puede hacer esto y debe almacenar la
unidad por mas de 30 dias, siga las siguientes instrucciones
para preparar su unidad para almacenamiento.
Almacenamiento Para Periodos
Prolongados
_ iADVERTENCIA! Nunca almacene el motor con
combustible en el tanque en recintos cerrados o en
Areas encerradas con poca ventilaci6n donde los
vapores puedan alcanzar llamas abiertas, chispa o
luz de piloto como en un homo, calentador de agua,
secadora de ropa u otro aparato de gas.
Es importante evitar que se formen dep6sitos de goma en
las partes esenciales del sistema de combustible, como el
carburador, filtro de combustible, manguera o tanque de
combustible, durante el almacenamiento. Tambi6n, la
experiencia indica que los combustibles con mezclas de
alcohol (llamados gasohol, etanol o metanol) pueden atraer
humedad, la cual Ileva a la separaci6n y formaci6n de
acidos durante el almacenamiento. El gas acido puede
daSar el sistema de combustible de un motor durante su
almacenamiento.
Para evitar problemas del motor, el sistema de combustible
debera desocuparse antes de un almacenamiento de
30 dias o mas. Siga estas instrucciones:
Proteja el Sistema de Combustible
_ADVERTENCIA! Drene el combustible dentro de
un recipiente adecuado, lejos de llamas abiertas yen
lugares al aire libre. AsegQrese de que el motor est6
frio. No fume.
• Retire toda la gasolina del tanque de combustible para
evitar que se formen dep6sitos de goma en estas pares
y causen posible mal funcionamiento del motor.
• Haga funcionar el motor hasta que se detenga pot la
falta de combustible.
Cambio de Aceite
Con el motor todavia caliente, drene el aceite de la caja del
cigiJeSal. Vuelva a Ilenarlo con el grado de aceite
recomendado.
Aceite el Di_metro Interior del Cilindro
• Retire la bujia y rocie aproximadamente ½ onza (15 ml)
de aceite para motor dentro del cilindro. Cubra el orificio
de la bujia con un trapo. Haga girar el motor lentamente
para distribuir el aceite.
• Instale la bujia. No conecte el alambre de la bujia.
_PRECAUCION! Evite el rociado del orificio de la
bujia cuando est6 girando el motor lentamente.
Generador
Limpie el generador como esta descrito en la pagina 41
("Para Limpiar el Generador").
Revise que las ranuras para el aire de enfriamiento y las
aperturas del generador se encuentren abiertas y
despejadas.
Otras Sugerencias Para el
Almacenamiento
• No almacene gasolina de una estaci6n a otra.
• Reemplace la caneca de gasolina si comienza a
oxidarse. El 6xido y/o la suciedad en la gasolina le
causara problemas.
• Si es posible, almacene su unidad en un recinto
encerrado y cQbrala para protegerla del polvo y la
suciedad. ASEGURESE DE VACIAR EL TANQUE DEL
COMBUSTIBLE.
•Cubra su unidad con una cubierta de protecci6n
adecuada que no retenga humedad.
_iPRECAUCI6N! Nunca cubra su generador
cuando el motor y el Area del escape est6n calientes.
• Almacene la unidad en un Area limpia y seca.
DIAGRAMA DE ALAMBRADOS y Para Lista de Partes -
yea el manual en Ingl6s.
44

Problemo Accion
1. Reposicioneelinterruptor.
El motor esta
funcionando pero no
existe salida de AC
disponsible.
El motor funciona bien
sin carga pero "funciona
mal" cuando se le
contectan cargas.
El motor no se enciende;
o se enciende y funciona
mal.
El motor se apaga en
pleno funcionamiento.
AI motor le hace falta
potencia.
El motor "no funciona
continuamente" o se
detiene.
Ninguna salida del
entrepaho del control 12
Salida del Voltio DC.
Causa
1. El interruptor automatico de circuito esta
abierto.
2. Conexi6n mal o defectuosa del juego de
cables.
3. El dispositivo conectado esta dafiado.
4. Averia en el generador.
1. Corto circuito en una de las cargas
conectadas.
2. El generador esta sobrecarga.
3. Velocidad del motor es muy lenta.
4. Circuito del generador en corto.
1. Interruptor Run/Stop poscioando en
"Stop".
2. Depurador de aire sucio.
3. Sin gasolina.
4. Gasolina vieja.
5. El cable de la bujia no esta en malas la
bujia.
6. Bujia defectuosa.
7. Agua en la gasolina.
8. Sobrecebado.
9. Mezcla de combustible excesivamente
rica.
10. La valvula de corte de combustible.
11. La valvula de entrada esta atascada esta
cerrada.
12. El motor ha perdido compresi6n.
1. Sin gasolina.
2. Nivel de aceite bajo.
1. La carga es muy alta.
2. Filtro de aire sucio.
1. El cebador fue abierto muv rapidamente.
2. Carburador con mezcla de aire-
combustible muy rica o muy pobre.
1. Los bornes de la bateria estan oxidados.
2. El nivel del liquido de la bateria es bajo.
3. El cable de la bateria esta dafiado.
4. Bateria defectuosa.
5. El tomacorriente esta dafiado.
2. Revise y repare.
3. Conecte otro dispositivo que est6
buenas condiciones.
4. Contacte el Departmento de Servicio
Sears.
1. Desconecte la carga el6ctrica en corto.
2. Vea "No Sobrerecarque el Generador"
en la pagina 39.
3. Contacte el Departmento de Servicio
Sears.
4. Contacte el Departmento de Servicio
Sears.
1. Coloque del interruptor en "Run".
2. Limpie o reemplace el depurador de aire.
3. LI6nelo con combustible fresco.
4. Drene el tanque de gasolina; 116nelocon
combustible fresco.
5. Conecte el cable a la bujia.
6. Reemplace la bujia.
7. Drene el tanque de gasolina; 116nelocon
combustible fresco.
8. Abra por completo el cebador y haga
girar el motor.
9. Contacte el Departmento de Servicio
Sears.
10. Contacte el Departmento de Servico
Sears.
11. Contacte el Departmento de Servicio
Sears.
12. Contacte el Departmento de Servicio
Sears.
1. Llene eltanque de combustible.
2. Llene de caja del cigQefial al nivel
correcto.
1. Vea "No Sobrerecarque el Generador" la
pagina 39.
2. Reemplace el filtro de aire.
1. Mueva el cebador a la posici6n
intermedia hasta que el motor funcione
suavemente.
2. Contacte el Departmento de Servicio
Sears.
1. Limpie los bornes de la bateria.
2. Agregue agua destilada a la bateria.
3. Reemplace el cable.
4. Revise la condici6n de la bateria;
reemplacela si esta defectuosa.
5. P6ngase en contacto con la Planta de
Servicio de Sears.
45

Sus Obligaciones y Derechos de Garantia
La Junta Directiva de Recursos Ambientales de California ("CARB')
ySears Roebuck and Co. USA, tienen el gusto de explicar la
Garantia del Sistema de Control de Emisiones de su motor (motor)
pequeSo aSo 2000 y modelos posteriores. En California, los
motores nuevos deben ser diseSados, fabricados y equipados para
cumplir con los estrictos estandares anti-poluci6n del Estado. Sears
debera garantizar el sistema de control de emisiones de su motor
por los periodos de tiempo enlistados a continuaci6n, con tal de
que no haya habido abuso, negligencia o mantenimiento
inadecuado de su motor.
Su sistema de control de emisiones incluye partes como el
carburador y el sistema de ignici6n.
Donde exista una condici6n que se pueda garantizar, Sears
reparara su motor sin costo alguno para usted. Los gastos
cubiertos bajo la garantia incluyen diagn6stico, partes y mano de
obra.
Cubrimiento de Garantia del Fabricante
Los motores modelo aSo 2000 y posteriores estan garantizados por
dos aSos. Si alguna parte de su motor relacionada con las
emisiones (lista a continuaci6n) es defectuosa, esta sera
remplazada o reparada por Sears.
Responsabilidades de Garantia del
Propietario
Como propietario del motor, usted es responsable de la realizaci6n
del mantenimiento requerido enlistado en este manual del
propietario. Sears le recomienda conservar todos los recibos que
cubran el mantenimiento de su motor. Sin embargo, Sears no
puede negar los derechos de garantia tan solo debido a la falta de
los recibos o por que no se haya asegurado de realizar todo el
mantenimiento programado.
Como propietario del motor, usted debe saber que Sears puede
negar el cubrimiento de la garantia si su motor, o una parte del
mismo, ha fallado debido a abuso, negligencia, mantenimiento
inadecuado, modificaciones no aprobadas, o por el uso de partes
que no hayan sido fabricadas o aprobadas por el fabricante original
del equipo.
Usted es responsable de Ilevar su motor a un centro de reparaci6n
autorizado Sears tan pronto como aparezca el problema. Las
reparaciones de garantia deberan terminarse en un periodo de
tiempo razonable, que no exceda los 30 dias.
Si tiene preguntas acerca de sus responsabilidades y derechos de
garantia, debera ponerse en contacto con su centro de servicio
autorizado mas cercano o Ilamar a Sears al 1-800-473-7247.
Fecha de Inicio de la Garantia
El periodo de la garantia comienza en la fecha de entrega del motor.
Duracion del Cubrimiento
Sears garantiza al propietario inicial y a cada comprador
subsecuente, que el motor est& libre de defectos en materiales y
mano de obra que puedan causar falla de la parte garantizada por
un periodo de dos a_os.
QUE ESTA CUBIERTO
Reparacion o Remplazo de Partes
•La reparaci6n oel remplazo de cualquier parte garantizada se
realizara sin ningQn costo para el propietario en un centro de
servicio aprobado Sears.
Si tiene preguntas acerca de sus responsabilidades y derechos
de garantia, deber& ponerse en contacto con su centro de
servicio autorizado mas cercano o Ilamar a Sears al
1-800-473-7247.
Periodo de Garantia
Cualquier parte garantizada que no haya sido programada para
reemplazo como mantenimiento requerido, o que este programada
6nicamente para inspecci6n bajo la condici6n de "repare o
remplace cuando sea necesario", sera garantizada por 2 aSos.
Cualquier parte garantizada que este programada para reemplazo
seg6n el mantenimiento requerido sera garantizada por el periodo
de tiempo hasta su primer remplazo programado.
Diagnostico
No se le cobrara al propietario los costos del trabajo diagn6stico
que Ileve a la conclusi6n de que la parte garantizada es
defectuosa, si dicho trabajo diagn6stico es hecho en un centro de
servicio Sears aprobado.
DaSos Consecuenciales
Sears puede ser responsable por daSos a otros componentes del
motor causados por la falla de una parte garantizada que a6n esta
bajo garantia.
QUE NO ESTA CUBIERTO
No seran cubiertas las fallas causadas por abuso, negligencia o
mantenimiento inadecuado.
Partes Agregadas o Modificadas
El uso de partes agregadas omodificadas puede ser motivo
suficiente para negar reclamos bajo garantia. Sears no es
responsable de cubrir fallas de partes garantizadas causadas por el
uso de partes agregadas o modificadas.
Como Presentar un Reclamo
Si tiene preguntas acerca de sus responsabilidades y derechos de
garantia, debera ponerse en contacto con su centro de servicio
autorizado mas cercano o Ilamar a Sears al 1-800-473-7247.
Donde se Obtiene el Servicio de Garantia
Las reparaciones o servicios de garantia seran proporcionados en
todos los centros de servicio autorizados Sears.
Mantenimiento, Remplazo y Reparacion
de Partes Relacionadas con Emisiones
Cualquier repuesto aprobado por Sears usado en la realizaci6n de
cualquier mantenimiento o reparaci6n de garantia en partes
relacionadas con las emisiones, sera suministrado sin costo alguno
al propietario si la parte esta bajo garantia.
Lista de Partes en Garantia del Control de
Emisiones
1. Conjunto del carburador
2. Sistema de ignici6n
a. Bujia, cubierta hasta el programa de mantenimiento.
b. M6dulo de ignici6n
3. Tubo del respiradero de la caja del cigQeSal
4. Mt_ltiple de escape
46

47

For in-home major brand repair service:
Call 24 hours a day, 7 days a week
1-800-4-MY-HOM E SM(1-800-469-4663)
Para pedir servicio de reparacibn a domicilio - 1-800-676-5811
In Canada for all your service and parts needs call - 1-800-665-4455
Au Canada por tout le service ou les pi6ces
For the repair or replacement parts you need:
Call 7 am - 7 pm, 7 days a week
1-800-366-PART (1-800-366-7278)
Para ordenar piezas con entrega a domicilio - 1-800-659-7084
For the location of a Sears Parts and Repair Center in your area:
Call 24 hours aday, 7days a week
1-800-488-1222
For information on purchasing a Sears maintenance Agreement
or to inquire about an existing Agreement:
Call 9 am - 5 pm, Monday -Saturday
1-800-827-6655
SEARS
HomeCentraF
The ServiceSideofSears"