Craftsman 580329180 User Manual GENERATOR Manuals And Guides L0209047
CRAFTSMAN Generator Manual L0209047 CRAFTSMAN Generator Owner's Manual, CRAFTSMAN Generator installation guides
User Manual: Craftsman 580329180 580329180 CRAFTSMAN GENERATOR - Manuals and Guides View the owners manual for your CRAFTSMAN GENERATOR #580329180. Home:Tool Parts:Craftsman Parts:Craftsman GENERATOR Manual
Open the PDF directly: View PDF
.
Page Count: 52

Owner's Manual
[CRAFTSHAN+I
120/240 Volt
Electric Start
7500 Watt
AC GENERATOR
Model No 580.329180
CusGemneraHt°lpline_
HOURS: Mon.- Fri. 8 a.m. to 5 p.m. (CT)
CAUTION:
Before using this product, read this
manual and follow all its Safety Rules
and Operating Instructions
Sears, Roebuck and Co, Hoffman Estates, IL 60179
Visit our Craftsman website: www.sears.com/craftsman
• Safety
• Assembly
• Operation
• Maintenance
• Parts
• Espan_l
Part No. 186936 Draft 0 (8/16/2000) Printed in the U.S.A.

Warranty .................................. 2
Safety Rules ............................... 3
Assembly ............................... 4-5
Operation .............................. 6-12
Product Specifications ....................... 13
Maintenance ........................... 13-16
Storage .................................. 17
Troubleshooting ............................ 18
Schematic/Wiring Diagram ................. 20-21
Replacement Parts ...................... 22-29
Emissions Warranty ......................... 30
EspaSol ............................... 31-51
How to Order Parts ................... Back Page
LIMITED WARRANTY FOR DELUXE PORTABLE GENERATORS
SEARS warrants to the original purchaser that the alternator and engine for its portable generator will be free
from defects in materials or workmanship for the items and period set forth below from the date of original
purchase. This warranty is not transferable and applies only to portable generators driven by the GN-Series
Sears warranted engine.
CONSUMER* COMMERCIAL*
Alternator 2 years (2nd year parts only) 1 year
Engine 2 years (2nd year parts only) 1 year
* NOTE: For the purpose of this warranty "Consumer Use" means personal residential household and
emergency use by original purchaser, not to be used as a primary source of power. "Commercial Use" means all
other uses, including rental, construction, commercial, and income producing purposes. Once a generator has
experienced commercial use, it shall thereafter be considered a commercial use generator for the purpose of
this warranty.
During said warranty period, SEARS will, at its option, repair or replace any part which, upon examination by
SEARS, is found to be defective under normal use and service**. Starting batteries are not warranted by
SEARS. All transportation costs under warranty, including return to the factory if necessary, are to be borne by
the purchaser and prepaid by him. This warranty does not cover normal maintenance and service and does not
apply to a generator set, alternator or engine, or parts which have been subjected to improper or unauthorized
installation or alteration, misuse, negligence, accident, overloading, overspeeding, improper maintenance, repair
or storage so as, in SEARS's judgment, to adversely affect its performance and reliability.
** NORMAL WEAR: As with all mechanical devices, engines need periodic parts service and replacement to
perform well. This warranty will not cover repair when normal use has exhausted the life of a part or engine.
THERE IS NO OTHER EXPRESS WARRANTY. SEARS HEREBY DISCLAIMS ANY AND ALL
IMPLIED WARRANTIES, INCLUDING BUT NOT LIMITED TO THOSE OF MERCHANTABILITY AND
FITNESS FOR A PARTICULAR PURPOSE TO THE EXTENT PERMITTED BY LAW. THE DURATION
OF ANY IMPLIED WARRANTIES WHICH CANNOT BE DISCLAIMED IS LIMITED TO THE TIME
PERIOD AS SPECIFIED IN THE EXPRESS WARRANTY. LIABILITY FOR CONSEQUENTIAL,
INCIDENTAL, OR SPECIAL DAMAGES UNDER ANY AND ALL WARRANTIES IS EXCLUDED.
Some states do not allow limitations on how long an implied warranty lasts, or the exclusion or limitation of
incidental or consequential damages, so the above limitations or exclusions may not apply to you. This warranty
gives you specific legal rights and you may also have other rights, which vary from state to state.
For service, see your nearest SEARS authorized warranty service facility. Warranty service can be performed
only by a SEARS authorized service facility. This warranty will not apply to service at any other facility. At the
time of requesting warranty service, evidence of original purchase date must be presented.
Sears, Roebuck and Co., D/817WA, Hoffman Estates, IL 60179

The engine exhaust from this product contains
chemicals known to the State of California
to cause cancer, birth defects,
or other reproductive harm.
,_ CAUTION! Before using this product, read this
manual and follow all Safety Rules and
Operating Instructions.
DANGER! This generator is designed for
outdoor use only. Do Not use this generator
inside any building or enclosure including the
generator compartment of a recreational vehicle
(RV). Fire or an explosion may result. No user
performed modifications, including venting of
exhaust and/or cooling ventilation, will eliminate
the danger. Also, allow at least two feet of
clearance on all sides of the generator while
operating the unit.
CAUTION! Always disconnect spark plug wire
and place the wire where it cannot contact the
spark plug to prevent accidental starting when
setting up, transporting, adjusting or making
repairs to your generator.
• The generator produces dangerously high voltage
that can cause extremely hazardous electrical
shock. Avoid contact with bare wires, terminals,
etc. Never permit any unqualified person to
operate or service the generator.
• Never handle any kind of electrical cord or device
while standing in water, while barefoot or while
hands or feet are wet. Dangerous electrical shock
will result.
• The National Electric Code requires the frame and
external electrically conductive parts of generator
be properly connected to an approved earth
ground. Local electrical codes may also require
proper grounding of the generator. Consult with a
local electrician for grounding requirements in your
area.
• Use a ground fault circuit interrupter in any damp
or highly conductive area (such as metal decking or
steel work).
• Do Not use worn, bare, frayed or otherwise
damaged electrical cord sets with the generator.
• Operate generator only on level surfaces and
where it will not be exposed to excessive moisture,
dirt, dust or corrosive vapors.
• Gasoline is highly FLAMMABLE and its vapors are
EXPLOSIVE. Do Not permit smoking, open flames,
sparks or heat in the vicinity while handling
gasoline. Avoid spilling gasoline on a hot engine.
Comply with all laws regulating storage and
handling of gasoline.
• Never add fuel while unit is running.
• Do Not overfill the fuel tank. Always allow room for
fuel expansion. If tank is overfilled, fuel can
overflow onto a hot engine and cause FIRE or an
EXPLOSION.
• Never store generator with fuel in tank where
gasoline vapors might reach an open flame or
spark or pilot light (as on a furnace, water heater or
clothes dryer). FIRE or EXPLOSION may result.
• Generator exhaust gases contain DEADLY carbon
monoxide gas. This dangerous gas, if breathed in
sufficient concentrations, can cause
unconsciousness or even death. Operate this
equipment only in the open air where adequate
ventilation is available.
• Allow at least 2 feet of clearance on all sides of
generator or you could damage the unit. Never
operate the unit inside any room or enclosure
where the free flow of cooling air into and out of the
unit might be obstructed. Review "Cold Weather
Operation" on page 10.
•Never start or stop the unit with electrical loads
connected to receptacles AND with connected
devices turned ON. Start the engine and let it
stabilize before connecting electrical loads.
Disconnect all electrical loads before shutting down
the generator.
•Do Not insert objects through units cooling slots.
• Never operate generator:
in rain; in any enclosed compartment; when
connected electrical devices overheat; if electrical
output is lost; if engine or generator sparks; if
flames or smoke are observed while unit is running;
if unit vibrates excessively.
NOTE: Your generator is equipped with a spark
arrester muffler. The spark arrester must be
maintained in effective working order by the owner/
operator. In the State of California, a spark arrester is
required by law (Section 4442 of the California Public
Resources Code). Other states may have similar laws.
Federal laws apply on federal lands.
,_ LOOK FOR THIS SYMBOL TO POINT OUT IMPORTANT SAFETY PRECAUTIONS. IT MEANS"ATTENTION!!! BECOME ALERT!!! YOUR SAFETY IS INVOLVED."

Your generator requires some assembly and is ready
for use after it has been properly serviced with the
recommended oil and fuel.
If you have any problems with the assembly of
your generator, please call the generator helpline
at 1-800-222-3136.
IMPORTANT: Any attempt to run the engine before it
has been serviced with the recommended oil will result
in an engine failure.
TO REMOVE GENERATOR FROM
CARTON
• Slice two corners at end of carton from top to
bottom so the panel can be folded down flat.
• Remove all packing material, carton fillers, etc.
• Remove the generator and tranfer switch container
from the shipping carton.
CARTON CONTENTS
• Generator
• Wheel kit
• Locking plug
• Engine oil
• Transfer switch components
• Battery tray components
• Battery charge cable
• Manual
Check all contents. If any parts are missing or
damaged, call the generator helpline at
1-800-222-3136.
INSTALLING TRAY AND BATTERY
NOTE: The generator can be started manually. If you
choose not to use the electric start feature of this
generator, you do not need to install the battery.
You must purchase and install a 12 Volt DC battery
(Sears p/n 28-27145). The battery should be serviced
with electrolyte fluid and fully charged prior to
installation.
• Find the battery tray and fasteners shipped loose in
the carton. Included are: one hold-down bracket,
two 7" J bolts, two lock washers, two flat washers
and two hex nuts.
• Remove the 4 battery tray screws from cradle.
• Position the battery tray and install with supplied
hardware.
Set battery onto tray. Position hold-down bracket.
Retain battery to tray with two J bolts, two lock
washers, two flat washers and two hex nuts, as
shown.
Connect the red battery cable from the engine
starter switch to the positive (+) terminal on the
battery.
RED (+)
wire from J
battery
BLACK (-) wire
from battery
• Connect the black battery cable to the negative (-)
terminal on the battery.
• Connect the other end of the black cable to the
engine as shown.
A ARNING! Do Not connect the black battery
cable to any other location.
• Double check all connections to ensure they are in
the correct locations and secure.
4

ASSEMBLING THE WHEEL KIT
The wheel kit is designed to greatly improve the
portability of your generator.
NOTE: Wheel kit is not intended for over-the-road use.
You will need a socket wrench with 1/2" or 13mm
sockets and a needle-nose plier to install this kit.
Refer to illustration shown below and install the wheel
kit as follows:
•Place the generator on a hard flat surface.
• Stand at the engine end of the generator and
gently tilt the generator forward, high enough to
place wooden blocks beneath the cradle. This will
allow you to add the wheels.
• Slide the axle through the holes in the brackets
provided on the generator cradle.
• Slide one wheel and flat washer on each end of the
axle. Make sure the air inflation valve is outward.
Insert both retaining pins using the needle-nose
plier. Remove the wooden blocks.
• Attach the vibration mounts to the support leg with
30mm capscrews, washers and lock nuts.
• With the wheels on, you can now lift up the handle
end and attach the support leg with 20mm cap
screws and lock nuts.
• Check each fastener to ensure it is secure.
Support
Vibration
Flatwasher
Locknut
_f
__.20mm
Capscrew
30mm Capscrew
Flatwasher
f
/
/
/
Retaining Pin

KNOW YOUR GENERATOR
Read the owner's manual and safety rules before operating your generator.
Compare the illustrations with your generator to familiarize yourself with the locations of various controls and
adjustments. Save this manual for future reference.
Circuit Breakers (AC)
12 Volt DC,
10 Amp Receptacle
Idle Control
Switch
120 Volt AC, 30 Amp
Locking Receptacle
120/240 Volt AC, 30 Amp
Locking Receptacle
Fuel Tank
Choke Lever
Run/Stop
Cleaner
Spark A"_rester Muffler
120 Volt AC, 20 Amp
Duplex Receptacle 120/240 Volt AC,
50 Amp Receptacle Grounding Lug
12 Volt DC, 10 Amp Receptacle --This receptacle
allows you to recharge a 12 Volt DC storage battery
with provided battery charge cables.
120 Volt AC, 20 Amp, Duplex Receptacle --
Supplies electrical power for the operation of 120 Volt
AC, 20 Amp, single phase, 60 Hz electrical lighting,
appliance, tool and motor loads.
120 Volt AC, 30 Amp Locking Receptacle --
Supplies electrical power for the operation of 120 Volt
AC, 30 Amp, single phase, 60 Hz electrical lighting,
appliance, tool and motor loads.
120/240 Volt AC, 30 Amp Locking Receptacle --
Supplies electrical power for the operation of 120
and/or 240 Volt AC, 30 Amp, single phase, 60 Hz
electrical lighting, appliance, tool and motor loads.
120/240 Volt AC, 50 Amp Receptacle -- Supplies
electrical power for the operation of 120/240 Volt AC,
50 Amp, single phase, 60 Hz, welder or motor loads.
Air Cleaner -- Filters intake air as it is drawn into the
engine.
Choke Lever-- Used when starting a cold engine.
Circuit Breakers (AC) -- Each receptacle is provided
with a push-to-reset circuit breaker to protect the
generator against electrical overload.
Fuel Tank -- Tank holds 8 U.S. gallons of fuel.
Grounding Lug -- Ground the generator to an
approved earth ground here. See page 8 for details.
Idle Control Switch -- The idle control runs the
engine at normal (high) speeds when there is an
electrical load present and runs the engine at idle
(low) speeds the rest of the time.
Run/Stop Switch -- Must be in "Run" position to start
engine. Set to "Stop" to stop a running engine.
Spark Arrester Muffler -- Muffler lowers engine
noise and is equipped with a spark arrester screen.

CONNECTOR PLUGS
120 Volt AC, 20 Amp, Duplex Receptacle
This is a 120 Volt outlet protected against overload by
a 20 Amp push-to-reset circuit breaker. Use each
socket to power 120 Volt AC, single phase, 60 Hz
electrical loads requiring up to a combined 2,400 watts
(2.4 kW) or 20 Amps of current. Use only high quality,
well-insulated, 3-wire grounded cord sets rated for
125 Volts at 20 Amps (or greater).
Use this receptacle to operate 120 Volt AC, 60 Hz,
single phase loads requiring up to 3,600 watts
(3.6 kW) of power at 30 Amps. The outlet is protected
by a 30 Amp push-to-reset circuit breaker.
120/240 Volt AC, 30 Amp Receptacle
Use a NEMA L14-30 plug with this receptacle.
Connect a suitable 4-wire grounded cord set to the
plug and to the desired load. The cord set should be
rated for 250 Volts AC at 30 Amps (or greater).
4-Wire Cord Set
120V--_
(Neutral)
Keep extension cords as short as possible, preferably
less than 15 feet long, to prevent voltage drop and
possible overheating of wires.
120 Volt AC, 30 Amp Receptacle
Use a NEMA L5-30 plug with this receptacle. Connect
a 3-wire cord set rated for 125 Volts AC at 30 Amps
(or greater) to the plug.
3-Wire Cord Set
Neutral
120V
Hot
NEMA L5-30 /__ Ground
(Green)
Y(Hot)
NEMA L14-30
X(Hot)
Ground
(Green)
Use this receptacle to operate 120 Volt AC, 60 Hz,
single phase loads requiring up to 3,600 watts
(3.6 kW) of power at 30 Amps or 240 Volt AC, 60 Hz,
single phase loads requiring up to 7,200 watts
(7.2 kW) of power at 30 Amps. The outlet is protected
by a 30 Amp push-to-reset circuit breaker.
12 Volt DC, 10 Amp Receptacle
This receptacle allows you to recharge a 12 Volt
automotive or utility style storage battery with the
battery charge cables provided. This receptacle can
not recharge 6 Volt batteries and can not be used to
crank an engine having a discharged battery. See the
section "Charging a Battery" (page 11) before
attempting to recharge a battery.

120/240 Volt AC, 50 Amp Receptacle
Use a NEMA 14-50 plug with this receptacle. Connect
a 4-wire cord set rated for 250 Volts AC at 50 Amps to
the plug.
Y (Hot)
240 VoltsAC
Frame Ground
||
120 Volts _ 120 Volts
W (Neutral)
X (Hot)
NEMA 14-50
Use this receptacle to operate 120/240 Volt AC, 60 Hz
electrical loads requiring up to 7,500 watts (7.5 kW) of
power.
_AUTION! Although this outlet states it has a
240 Volt 50 Amp rating (up to 12,500 watts), the
generator is only rated for 7,500 watts.
Powering loads that exceed the wattage/
amperage capacity of the generator can
damage it and cause serious injuries.
HOW TO USE YOUR GENERATOR
If you have any problems operating your generator,
please call the generator helpline at 1-800-222-3136.
Grounding The Generator
The National Electrical Code requires that the
frame and external electrically conductive parts of
this generator be properly connected to an
approved earth ground. Local electrical codes may
also require proper grounding of the unit. For that
purpose, a grounding wing nut is provided on the
generator.
Grounding Wing Nut
Generally, connecting a No. 12 AWG (American Wire
Gauge) stranded copper wire to the grounding wing
nut and to an earth-driven copper or brass grounding
rod (electrode) provides adequate protection against
electrical shock. However, local codes may vary
widely. Consult with a local electrician for
grounding requirements in your area.
Proper grounding of the generator will help
prevent electrical shock in the event of a ground
fault condition in the generator or in connected
electrical devices. Proper grounding also helps
dissipate static electricity, which often builds up in
ungrounded devices.
Connecting Electrical Loads
• Do Not connect 240 Volt loads to 120 Volt
receptacles.
• Do Not connect 3-phase loads to the generator.
•Do Not connect 50 Hz loads to the generator.
•Let engine stabilize and warm up for a few minutes
after starting.
•Plug in and turn on the desired 120 or 240 Volt AC,
single phase, 60 Hz electrical loads.
• Add up the rated watts (or amps) of all loads to be
connected at one time. This total should not be
greater than (a) the rated wattage/amperage
capacity of the generator or (b) circuit breaker
rating of the receptacle supplying the power. See
"Don't Overload the Generator" on page 12.

BEFORE STARTING THE
GENERATOR
To operate the generator you will need to first add
engine oil and gasoline, as follows:
Add Engine Oil
NOTE: When adding oil to the engine crankcase in
the future, use only high quality detergent oil rated
with API service classification SF or SG SAE 30
weight. Use no special additives.
Select the oil's viscosity grade according to your
expected operating temperature. Do Not use
SAE 10W-40.
E,,._h"r_ r_E,."kvlv_5,'.[oL_kvlv_:tll
°F -20 020 32 40 60 80 100
°C_ o -2'0 -io 6 i'o 5o 4'0
TemperatureRangeofExpectedUse
•Above 40°F, use SAE 10W-30 or SAE 30.
•Below 40°F, use synthetic 5W-20 or 5W-30.
Although multi-viscosity oils (5W30, 10W30, etc.)
improve starting in cold weather, these multi-viscosity
oils will result in increased oil consumption when used
above 32°F. Check your engine oil level more
frequently to avoid possible damage from running low
on oil.
• Place generator on a level surface.
• Clean area around yellow oil fill cap. Remove the
oil fill cap.
• Slowly fill engine with oil through the oil fill opening
until the oil level is to the point of overflowing.
• Install yellow oil fill cap and finger tighten securely.
• Check engine oil level before starting each time
thereafter. If the oil level is below the point of
overflowing, fill to the proper level.
Add Gasoline
A ARNING! Never fill fuel tank indoors. Never
fill fuel tank when engine is running or hot.
Do Not light a cigarette or smoke when filling
the fuel tank.
ACAUTION! Do Not overfill the fuel tank.
Always leave room for expansion.
• Use regular UNLEADED gasoline with the
generator engine. Do Not use premium gasoline.
Do Not mix oil with gasoline.
• Clean area around fuel fill cap, remove cap.
Slowly add unleaded regular gasoline to fuel tank.
Be careful not to overfill. Allow about 1/2" of tank
space for fuel expansion, as shown here.
1/2" Air Space Tank
Fuel
• Install fuel cap and wipe up any spilled gasoline.
IMPORTANT: It is important to prevent gum deposits
from forming in fuel system parts such as the
carburetor, fuel hose or tank during storage. Alcohol-
blended fuels (called gasohol, ethanol or methanol)
can attract moisture, which leads to separation and
formation of acids during storage. Acidic gas can
damage the fuel system of an engine while in storage.
To avoid engine problems, the fuel system should be
emptied before storage of 30 days or longer. See
"Storage" on page 17. Never use engine or carburetor
cleaner products in the fuel tank as permanent
damage may occur.
TO START THE ENGINE
A ARNING! Never start or stop engine with
electrical devices plugged into the receptacles
AND devices turned ON.
Unplug all electrical loads from units receptacles
before starting the engine.
Make sure the unit is in a level position.
Open the fuel shut-off valve.
FUEL TANK
FuelValve shown in "_--_ II
Open Position Lu
Locate the Idle Control ON/OFF switch on the
control panel and set it to the "OFF" position.
IDLE OFF
position

PlacetheRun/StopSwitchinthe"Run"position.
Move engine Choke lever to "Full" choke position.
"Full" Choke
Position
• For electric starting: Press start switch on
generator cradle. To prolong the life of the starter
components, press the starter button for no more
than 15 seconds, and pause for 30 seconds.
• For manual starting: Grasp the recoil handle and
pull slowly until slight resistanceis felt. Then pull
rapidly one time only to start engine.
• If engine starts, skip the next step. If engine
fails to start, proceed to the next step.
• Move choke lever to "Half" choke position, and pull
recoil twice.
• If engine fails to start, repeat all steps in "To
Start The Engine" beginning on page 9.
• Move choke lever to "Run" position. If engine
falters, move choke lever to "Half" choke position
until the engine runs smoothly and then to "Run"
position.
NOTE: If engine fails to start after 3 pulls (or
15 seconds cranking), check for proper oil level in
crankcase. This unit is equipped with a Low Oil
Shutdown System (see page 11).
STOPPING THE ENGINE
• Unplug all electrical loads from generator panel
receptacles. Never start or stop engine with
electrical devices plugged in and turned on.
• Turn "Off" the Idle Control switch (if On).
• Let engine run at no-load for several minutes to
stabilize the internal temperatures of engine and
generator.
• Move Run/Stop switch to "Stop" position.
• Close fuel valve.
IMPORTANT: Do Not overload the generator. Also,
Do Not overload individual panel receptacles. These
outlets are protected against overload with push-to-
reset-type circuit breakers. If amperage rating of any
circuit breaker is exceeded, that breaker opens and
electrical output to that receptacle is lost. Read "Don't
Overload the Generator" on page 12 carefully.
AUTOMATIC IDLE CONTROL
This feature is designed to greatly improve fuel
economy. When this switch is turned "On," the engine
will only run at its normal fast governed engine speed
when an electrical load is connected. When the load is
removed, the engine will run at a reduced speed. With
the switch "Off," the engine runs at the normal fast
engine speed all the time. Always have the switch
OFF when starting and stopping the engine.
COLD WEATHER OPERATION
Under certain weather conditions (temperatures below
40°F [4°C] and a high dew point), your generator may
experience icing of the carburetor and/or the
crankcase breather system. In an emergency, use the
original shipping box as a temporary shelter:
• Cut off all flaps and one of the long sides of the
box to expose exhaust side of unit. Cut appropriate
slots to access receptacles of unit.
• Start unit, then place box over it. Ensure a
minimum of two feet clearance between open side
of box and nearest object.
IMPORTANT: Remove shelter when temperature is
above 40°F [4°C].
For a more permanent shelter, build a structure that
will enclose three sides and the top of the generator.
Make sure entire muffler-side of generator is exposed,
with two feet clearance between open side of box and
nearest object. Face exposed end away from wind
and elements, as shown.
10

LOW OIL PRESSURE SHUTDOWN
SYSTEM
The engine is equipped with a low oil pressure sensor
that shuts down the engine automatically when the oil
pressure drops below 6 psi. If the engine shuts down
by itself and the fuel tank has enough gasoline, check
engine oil level.
Initial Start-up
A delay built into the low oil shutdown system allows
oil pressure to build during starting. The delay allows
the engine to run for about 10 seconds before sensing
oil pressure.
Sensing Low Pressure
If the system senses low oil pressure during operation,
the engine shuts down.
Restarting
If you try to restart the engine within 10 seconds after
it shuts down, the engine may NOT start. The system
needs 5 to 10 seconds to reset.
If you do restart the engine after such a shutdown and
have not corrected the low oil pressure, the engine
runs for about 10 seconds as described above and
then stops.
CHARGING A BATTERY
DANGER! Storage batteries give off explosive
hydrogen gas while recharging. An explosive
mixture will remain around the battery for a long
time after it has been charged. The slightest
spark can ignite the hydrogen and cause an
explosion. Such an explosion can shatter the
battery and cause blindness or other serious
injury.
DANGER! Do Not permit smoking, open
flame, sparks or any other source of heat
around a battery. Wear protective goggles,
rubber apron and rubber gloves when working
around a battery. Battery electrolyte fluid is an
extremely caustic sulfuric acid solution that can
cause severe burns. If spill occurs, flush area
with clear water immediately.
Your generator has the capability of recharging a
discharged 12 Volt automotive or utility style storage
battery. Do Not use the unit to charge any 6 Volt
batteries. Do Not use the unit to crank an engine
having a discharged battery.
To recharge 12 Volt batteries, proceed as follows:
•Check fluid level in all battery cells. If necessary,
add ONLY distilled water to cover separators in
battery cells. Do Not use tap water.
• If the battery is equipped with vent caps, make
sure they are installed and are tight.
• If necessary, clean battery terminals.
• Connect battery charge cable connector plug to
panel receptacle identified by the words
"12 Volt DC".
• Connect battery charge cable clamp with red
handle to the positive (+) battery terminal.
12 VOLT D.C.
RECEPTACLE
+
POS NEG
12 VOLT BATTERY
• Connect battery charge cable clamp with black
handle to the negative (-) battery terminal.
• Start engine. Let the engine run while battery
recharges.
• When battery has charged, shut down engine.
NOTE: Use an automotive hydrometer to test battery
state of charge and condition. Follow the hydrometer
manufacturer's instructions carefully. Generally, a
battery is considered to be at 100% state of charge
when specific gravity of its fluid (as measured by
hydrometer) is 1.260 or higher.
11

DON'T OVERLOAD THE
GENERATOR
Overloading a generator in excess of its rated wattage
capacity can result in damage to the generator and to
connected electrical devices. Observe the following to
prevent overloading the unit:
• Add up the total wattage of all electrical devices to
be connected at one time. This total should NOT
be greater than the generator's wattage capacity.
• The rated wattage of lights can be taken from light
bulbs. The rated wattage of tools, appliances and
motors can usually be found on a data plate or
decal affixed to the device.
• If the appliance, tool or motor does not give
wattage, multiply volts times ampere rating to
determine watts (volts x amps = watts).
• Some electric motors, such as induction types,
require about three times more watts of power for
starting than for running. This surge of power lasts
only a few seconds when starting such motors.
Make sure you allow for this high starting wattage
when selecting electrical devices to connect to your
generator:
1. Figure the watts needed to start the largest
motor.
2. Add to that figure the running watts of all other
connected loads.
The Wattage Reference Guide below is provided to
assist you in determining how many items your
generator can operate at one time.
NOTE: All figures are approximate. See data plate on
appliance for wattage requirements.
WATTAGE REFENCE GUIDE
Recreational/Home Uses
Tool/Appliance ........................ Watts
AM/FM clock radio ......................... 50
Light bulb ............................... 100
Fan ................................... 200
20" color TV ............................. 400
*Deep freezer ........................... 500
Personal computer and 15" monitor ........... 800
"1/3 hp furnace fan blower .................. 800
Microwave oven .......................... 800
"18 cu ft refrigerator ....................... 800
Sump pump ............................ 1000
Electric skillet ........................... 1250
*½ hp water well pump .................... 1400
"12,000 Btu window air conditioner .......... 1400
Space heater ........................... 1800
Electric water heater ..................... 4000
Professional/Contractor Uses
Tool/Appliance ........................ Watts
"1/3 hp airless sprayer ..................... 600
3/8" hammer drill ......................... 600
Variable speed Sawzall® ................... 960
½" power drill ........................... 1000
Quartz-halogen work light ................. 1000
Belt sander ............................ 1200
7¼" circular saw ........................ 1500
7¼" worm drive saw ..................... 1600
"1½ hp air compressor .................... 1800
"10" power miter saw ..................... 1800
6" bench grinder ........................ 1800
*6" table planer ......................... 1800
"10" table/radial arm saw .................. 2000
Wire feed welder ........................ 2400
*allow 3 times listed watts for starting this device
12

MAINTENANCE SCHEDULE
Follow the hourly or calendar intervals, whichever occurs first. More frequent service is required when
operating in adverse conditions noted below.
Maintenance Operation
Check Oil Level
Service Air Pre-Cleaner
Change Oil And Oil Filters
Clean Spark Arrestor Screen
Adjust Valve Clearance
Retorque Head Bolts
Service Air Cleaner
Replace Spark Plugs
Every 8 Hours
or Daily
X
25 Hours or 50 Hours or 100 Hours or
Every Season Every Season Every Season
x**
×
×
X**
X
Change oil after first 8 hours of operation then after every 50 hours or every season.
*Change oil and oil filter every 25 hours when operating under heavy load or in high temperatures.
** Clean more often under dirty or dusty conditions. Replace air cleaner parts if very dirty.
*** Retorque head bolts only after the first 50 hours. Head bolts will not need further retorquing.
PRODUCT SPECIFICATIONS
Generator Specifications
Rated Maximum Power ....... 7,500 Watts (7.5 kW)
Surge Power ............... 9,375 Watts (9.3 kW)
Rated AC Voltage ........... 120/240 Volts
Rated Maximum AC Load Current
at 240 Volts .............. 31.2 Amperes
at 120 Volts .............. 62.5 Amperes
Rated Frequency ............ 60 Hz at 3600 rpm
Phase .................... Single Phase
Rated DC Voltage ........... 12 Volts
Rated Maximum DC Load Current
at 12 Volts ............... 10.0 Amperes
Engine Specifications
Rated Horsepower ........... 15 at 3600 rpm
Displacement ............... 410 cc
Spark Plug
Type: .................... Champion RC12YC or
Equivalent
Set Gap To:............... 0.030 inch (0.76mm)
Gasoline Capacity ........... 8 U.S. gallons
Oil Type:
Above 32° F .............. SAE 30 or 10W-30
Below 32° F............... Synthetic 5W-20 or
5W-30
GENERAL RECOMMENDATIONS
The generator warranty does not cover items that
have been subjected to operator abuse or negligence.
To receive full value from the warranty, the operator
must maintain the generator as instructed in this
manual.
Some adjustments will need to be made periodically to
properly maintain the generator.
All adjustments in the Service and Adjustments
section of this manual should be made at least once
each season. Follow the requirements in the
"Maintenance Schedule" chart above.
NOTE: Once a year you should clean or replace the
spark plug and replace the air filter. A new spark plug
and clean air filter assure proper fuel-air mixture and
help your engine run better and last longer.
Generator Maintenance
Generator maintenance consists of keeping the unit
clean and dry. Operate and store the unit in a clean
dry environment where it will not be exposed to
excessive dust, dirt, moisture or any corrosive vapors.
Cooling air slots in the generator must not become
clogged with snow, leaves, or any other foreign
material.
Check the cleanliness of the generator frequently and
clean when dust, dirt, oil, moisture or other foreign
substances are visible on its exterior surface.
,_ CAUTION! Never insert any object or tool
through the air cooling slots, even if the engine
is not running.
13

NOTE:DoNotuseagardenhoseto cleangenerator.
Watercanentertheenginefuelsystemandcause
problems.Inaddition,ifwaterentersthegenerator
throughcoolingairslots,somewaterwillberetained
invoidsandcracksoftherotorandstatorwinding
insulation.Wateranddirtbuilduponthegenerator
internalwindingswilleventuallydecreasethe
insulationresistanceofthesewindings.
ToCleantheGenerator:
• Usea dampclothtowipeexteriorsurfacesclean.
• A soft,bristlebrushmaybeusedto loosencaked
ondirt,oil,etc.
• A vacuumcleanermaybeusedto pickuploose
dirtanddebris.
• Lowpressureair(notto exceed25 psi)maybe
usedto blowawaydirt.Inspectcoolingairslots
andopeningsonthegenerator.Theseopenings
mustbekeptcleanandunobstructed.
Engine Maintenance
_ANGER! When working on the generator,
always disconnect negative cable from battery.
Also disconnect spark plug wires from spark
plug and keep wire away from spark plug.
Checking Oil Level
See "BEFORE STARTING THE GENERATOR" on
page 9 for information on checking the oil level. The
oil level should be checked before each use, or at
least every eight hours of operation. Keep the oil
level maintained.
Changing the Oil and Oil Filter
Change the oil and filter after the first eight hours of
operation. Change the oil every 50 hours
thereafter. If you are running this unit under dirty or
dusty conditions, or in extremely hot weather, change
the oil more often.
Use the following instructions to change the oil
while the engine is still warm:
• Clean area around oil drain plug and oil fill cap.
• Remove oil fill cap and oil drain plug. Drain oil
completely into a suitable container.
• When oil has completely drained, install oil drain
plug and tighten securely.
• Place a suitable container beneath the oil filter and
turn filter counterclockwise to remove. Discard
according to local regulations.
• Coat gasket of new filter with fresh clean engine
oil. Turn filter clockwise until gasket contacts tightly
with filter adapter. Then tighten 3/4 turn more.
• Fill engine with recommended oil. (See "BEFORE
STARTING THE Generator" on page 9 for oil
recommendations).
• Install the oil fill cap and tighten securely.
• Wipe up any spilled oil.
Replacing the Spark Plug
Use the recommended spark plug gapped to 0.76 mm
(0.030 in.). Replace the plug every 100 hours of
operation or once each year, whichever comes first.
This will help your engine start easier and run better.
1. Stop the engine and pull the spark plug wire off of
the spark plug.
2. Clean the area around the spark plug and remove
it from the cylinder head.
3. Set the spark plug's gap to 0.76 mm (0.030 in.).
Install the correctly gapped spark plug into the
cylinder head.
Retorque Head Bolts
After the first 50 hours of operation, you must retorque
the head bolts to 6.9 kg.-m. (44 ft.-Ibs.).
IMPORTANT: If you feel uncomfortable about doing
this procedure or you don't have the proper tools,
please take your generator in to the nearest Sears
service center to have the head bolts re-torqued. This
is a very important step to insure the longest life for
your engine.
NOTE: Only perform this adjustment after the first
50 hours of operation. The head bolts will need no
further adjustment.
• Torque sequence is as follows: A, B, C, D,
(alternating pattern).
Ai
14

Service Air Cleaner
Your engine will not run properly and may be
damaged if you run it using a dirty air cleaner. Clean
or replace the air cleaner paper filter once every
50 hours of operation or once a year, whichever
comes first. Clean or replace more often if operating
under dusty conditions. Clean foam precleaner every
25 hours of operation or sooner under dusty
conditions.
To clean or replace foam precleaner:
• Remove air cleaner cover, then foam pre-filter.
Foam
Pre-Filter
Paper
Filter
• Wash precleaner in soapy water. Squeeze pre-filter
dry in clean cloth (Do Not Twist).
• Clean air cleaner cover before installing it.
To clean or replace paper air filter:
• Remove air cleaner cover; then remove foam pre-
filter (service if necessary) and remove paper filter.
• Clean paper filter by tapping it gently on a solid
surface. If the filter is too dirty, replace it with a new
one. Dispose of the old filter properly.
• Clean air cleaner cover then insert precleaner into
cover. Next insert new paper filter into cover to
hold precleaner in place and assemble all of them
to the base of the air cleaner.
NOTE: If you need to order a new air filter, please call
1-800-366-PART.
Clean Spark Plugs
The engine exhaust muffler has a spark arrester
screen. Inspect and clean the screen every
100 hours of operation or once each year, whichever
comes first.
NOTE: If you use your generator on any forest-
covered, brush-covered or grass-covered unimproved
land, it must equipped with a spark arrester. The spark
arrester must be maintained in good condition by the
owner/operator.
Clean and inspect the spark arrester as follows:
• To remove the muffler guard from the muffler,
remove the four screws that connect the guard to
the muffler bracket.
SPARK ARRESTOR
SCREEN
MUFFLER HEAT SHIELD
• Remove four screws that attach the spark arrester
screen.
• Inspect screen and replace if torn, perforated or
otherwise damaged. Do Not use a defective
screen. If screen is not damaged, clean it with
commercial solvent.
• Reattach the screen and the muffler guard.
15

Adjusting Valve Clearance
After the first 50 hours of operation, you should
adjust the valve clearance in the engine.
IMPORTANT: If you feel uncomfortable about doing
this procedure or you don't have the proper tools,
please take your generator in to the nearest Sears
service center to have the valve clearance adjusted.
This is a very important step to insure longest life for
your engine.
To adjust valve clearance:
• Make sure the engine is at room temperature.
• Make sure that the spark plug wire is removed from
the spark plug and out of the way.
• Remove the breather tube from the valve cover.
• Remove the four screws attaching the valve cover
with a #2 or 3 phillips screwdriver.
• Make sure the piston is at Top Dead Center (TDC)
of its compression stroke (both valves closed). To
get the piston at TDC, pull on the recoil handle
slowly while watching the piston through the spark
plug hole. As you pull on the recoil handle, the
piston should move up and down. The piston is at
TDC when it is up as high as it can go.
• Loosen the rocker arm jam nut. Use an 8mm allen
wrench to turn the pivot ball stud while checking
clearance between the rocker arm and the valve
stem with a feeler gauge. Correct clearance is
0.002-0.004 inch (0.05-0.1 mm).
NOTE: You must hold the rocker arm jam nut in place
as you turn the pivot ball stud.
When valve clearance is correct, hold the pivot ball
stud in place with the allen wrench and tighten the
rocker arm jam nut. Tighten the jam nut to
65-85 inch-pounds torque. After tightening the jam
nut, recheck valve clearance to make sure it did
not change.
• Reattach the valve cover.
NOTE: Start all four screws before tightening or you
will not be able to get all the screws in place.
NOTE: Make sure the gasket between the valve cover
and cylinder head is in place.
• Reattach the breather tube.
• Reattach the spark plug wire to the spark plug.
16

GENERAL
The generator should be started at least once
every seven days and allowed to run at least
30 minutes. If this cannot be done and you must store
the unit for more than 30 days, use the following
information as a guide to prepare it for storage.
_ANGER! Never store engine with fuel in tank
indoors or in enclosed, poorly ventilated areas
where fumes may reach an open flame, spark or
pilot light such as on a furnace, water heater,
clothes dryer or other gas appliance.
LONG TERM STORAGE
It is important to prevent gum deposits from forming in
essential fuel system parts such as the carburetor, fuel
hose or tank during storage. Also, experience
indicates that alcohol-blended fuels (called gasohol,
ethanol or methanol) can attract moisture, which leads
to separation and formation of acids during storage.
Acidic gas can damage the fuel system of an engine
while in storage.
To avoid engine problems, the fuel system should be
emptied before storage of 30 days or longer, as
follows:
• Remove all gasoline from the fuel tank.
_ANGER! Drain fuel into approved container
outdoors, away from open flame. Be sure
engine is cool. Do Not smoke.
• Start and run engine until engine stops from lack of
fuel.
• While engine is still warm, drain oil from crankcase.
Refill with recommended grade.
• Disconnect negative cable from battery terminal.
• Remove spark plug and pour about 1/2 ounce
(15 ml) of engine oil into the cylinder. Cover spark
plug hole with rag. Pull recoil starter slowly to
distribute oil.
_AUTION! Avoid spray from spark plug hole
when cranking engine.
• Install and tighten spark plug. Do Not connect
spark plug wire.
• Clean the generator outer surfaces. Check that
cooling air slots and openings on generator are
open and unobstructed.
• Store the unit in a clean, dry place.
OTHER STORAGE TIPS:
•Do Not store gasoline from one season to another.
• Replace the gasoline can if it starts to rust as rust
and/or dirt will cause engine problems.
• If possible, store your unit indoors and cover it to
give protection from dust and dirt. BE SURE TO
EMPTY THE FUEL TANK.
• Cover your unit with a suitable protective cover that
does not retain moisture.
_ANGER! Never cover your generator while
engine and exhaust area are warm.
17

Problem
Engine is running, but no
AC output is available.
Engine runs good but bogs
down when loads are
connected.
Cause
1. Circuit breaker is open.
2. Poor connection or defective
cord set.
3. Connected device is bad.
4. Fault in generator.
1. Short circuit in a connected load.
2. Generator is overloaded.
3. Engine speed is too slow.
4. Shorted generator circuit.
1. Run/Stop switch set to "Stop".
2. Dirty air cleaner.
3. Out of gasoline.
4. Stale gasoline.
5. Spark plug wire not connected to
Solution
1. Reset circuit breaker.
2. Check and repair.
.
4.
1.
2.
3.
4.
Connect another device that is in
good condition.
Contact Sears service facility.
Disconnect shorted electrical load.
See "Don't Overload the
Generator" on page 12.
Contact Sears service facility.
Contact Sears service facility.
1. Set switch to "Run".
2. Clean or replace air cleaner.
3. Fill fuel tank.
4. Drain gas tank and fill with fresh
fuel.
5. Connect wire to spark plug.
Engine will not start; or
starts and runs rough.
spark plug.
6. Bad spark plug.
7. Water in gasoline.
8. Overchoking.
9. Low oil level.
6. Replace spark plug.
7. Drain gas tank; fill with fresh fuel.
8. Put choke lever to "No" choke
position.
9. Fill crankcase to proper level.
Engine shuts down during
operation.
Engine lacks power.
Engine "hunts" or falters.
No Battery Charge DC
output.
10. Excessively rich fuel mixture.
11. Intake valve stuck open or
closed.
12. Engine has lost compression.
1. Out of gasoline.
2. Low oil level.
3. Fault in engine.
1. Load is too high.
2. Dirty air filter.
3. Engine needs to be serviced.
1. Choke is opened too soon.
.Carburetor is running too rich or
too lean.
1. Battery posts are corroded.
2. Battery fluid level is low.
3. Battery cable is bad.
4. Battery is defective.
5. Receptacle is bad.
10. Contact Sears service facility.
11. Contact Sears service facility.
12. Contact Sears service facility.
1. Fill fuel tank.
2. Fill crankcase to proper level.
3. Contact Sears service facility.
1. See "Don't Overload the
Generator" on page 12.
2. Replace air filter.
3. Contact Sears service facility.
1. Move choke to halfway position
until engine runs smoothly.
2. Contact Sears service facility.
1. Clean battery posts.
2. Add distilled water to battery.
3. Replace cable.
4. Check battery condition; replace if
defective.
5. Contact Sears service facility.
18

19

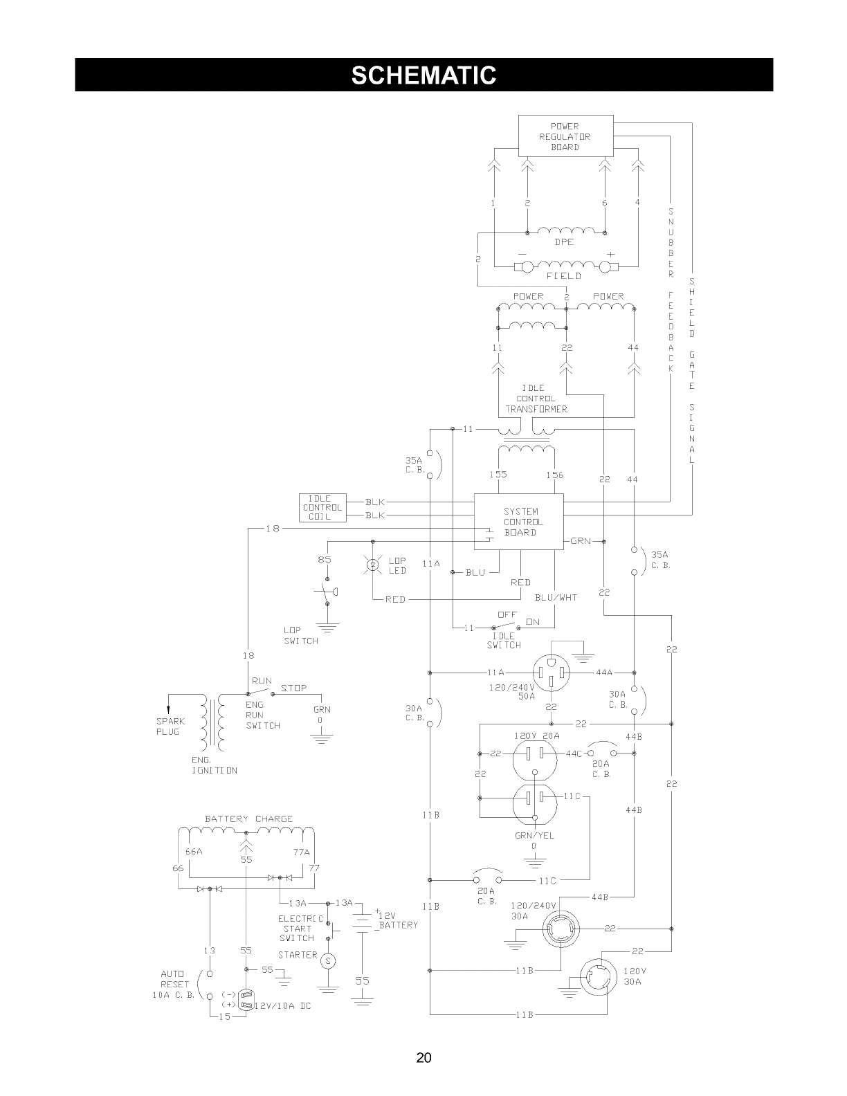
POWER
REGULATOR
BOARD
18
18
3SA
C,S,
85 \ /LOP
LED
RED
LOP
SWITCH
6 4
FIELD
I
POWER S POWER
11 88 44
IDLE
CONTROL
TRANSFORMER
llA
15S 156
SYSTEM
CONTROL
± BOARD
T
SLU _
RED
BLU/WHT
22
2S
44
IDLE
S
N
U
S
S
E
R
6
A
1-
E
35A
C,B,
$2
SPARK:
PLUG
ENG
RUN
SWI TCH
ENG,
I ONI TI ON
SATTERY CHARGE
GRN
0C,B,
lIB
OA _11c
C,B,
lIB
82
RESET
IOA C,B,
8V/l OA DC
llS
2O

BLU !A
11 IIA 4
35A 35A
_ _CS CS
ii
lib l_S IIA
IOA
C.B
AUTO RESET
POWER
REGULATDR
BOARD
15
18V/IOA DC
55 5
I DLE
CONTROL 55
SWI TCH
BLU/WHT
_GATE SIGNAL
GRN
0
NUT ON
ENGINE BLOCK
21

CRAFTSMAN 7500 Watt AC Generator 580.329180
Main Unit -- Exploded View
74
75
71
7O
72
55
73
52
59
DETAIL OF
66
64
/
/
6O
78 \
I
58
77
55
1
56
81
BATTERY NOT
8O
82
DET_LOF
5O
35
36
13
J
7
11 12
J
21
\\\
p
<
33
900
9OO
32
31
43
\
39
40_
41
42
29
25
"44
25
24
14
86
16
/
17 18
\
17
19
8
17
/
18
-----68
TO STARTER
--85
--84
22

CRAFTSMAN 7500 Watt AC Generator 580.329180
Main Unit mParts List
Item Part # Qty. Description
1 B187024 1 CRADLE
2 B92039 1 SHIELD, Heat
3 92982 1 DECAL, Danger
4 92665 1 INSULATION, #2-1/4" Thick
5 B1998 1 TANK, Fuel
6 B4363 1 CAP, with Gauge, Fuel
7 85000 1 CLIP, Insulation
8 93826 1 DECAL, Start Instructions
9 57058 4 HHMS, M6-1.0 x 55
10 83465 4 GROMMET, Tank
11 77395 4 NUT, Flange Lock- M6
12 80270 1 VALVE, Tank
13 78299 1 BUSHING, Tank
14 B2153 9 SCREW, 12-14 x 7/8, Self
Drilling
15 78289 1 BRACKET, Starter Switch
16 22287 2 SCREW, 1/4 - 20 x 3/4
17 22097 2 LOCKWASHER, M6
18 22127 2 NUT, 1/4 - 20 Hex
19 77282 1 SWITCH, Starter
21 86307 4 HHMS, 5/16-24 x 3/4 SEMS
22 92247 1 HOUSING, Engine Adapter
23 B92531 1 SUPPORT, Engine
24 25244 12 NUT, 5/16-18 Jam
25 22129 16 WASHER, Lock- M8
26 82857 4 MOUNT, Vibration
27 22531 2 HHCS, 5/16-18 x 1-3/4"
28 92609 2 MOUNT, Vibration
29 22142 2 SCREW, 5/16 - 18 x 3/4
30 A7433 1 MUFFLER
31 B92731 1 SUPPORT, Engine & Muffler
32 90239 1 GASKET, Muffler
33 B1342G 1 ASSEMBLY, Rotor
34 65791 1 BEARING
35 96796 1 WASHER, Special Flat- M8
36 47481 1 HHCS, 5/16-24 x 10.625
37 B1897G 1 ASSEMBLY, Stator
38 96409 1 DECAL, 1-800
39 40976 2 SCREW, M8 - 1.25 x 20
40 92532 1 BRACKET, Muffler
41 66476 2 CAPSCREW, M6- 1.0 x
12mm
42 186940 1 DECAL, Control Panel
43 B4366B 1 ASSEMBLY, Control Box
44 B96068 1 SHIELD, Heat
45 14353621 1 WIRE, Ground
46 26850 2 LW, EXT, Shakeproof M6
47 B4901 1 DECAL, 1-800-4-MyHome
48 81917 1 PIN, Roll 4mm x 10
Item Part# Qty.
49 B4986 1
50 B1899 2
51 56893 5
52 84132 1
53 67022 1
54 66825C 1
55 86494 1
56 22769 1
57 66386 1
58 66849 2
59 B4871 1
60 74908 4
61 B4605 2
62 66849C 1
63 65795 2
64 66449L 4
65 23762 1
66 22097 4
67 22473 4
68 96113 1
69 83083 1
70 BB5586 2
71 22145 6
72 49820 2
73 187104 4
74 B4135 2
75 51731 2
76 48031C 1
77 B96925 1
78 45771 2
79 15453621 1
80 B96923 1
81 15553621 1
82 58443 4
83 96924 2
84 186936 1
85 187205 1
86 AB3061 2
900 NSP 1
Parts Notlllustrated:
37806 1
43438 1
65787 1
Optional Accessories:
0932688
0932684
Description
DECAL, Ground
DECAL, Heat Shield
CRIMPTITE, 10-24 x 1/2
ASSEMBLY, Power Regulator
GROMMET, Rubber
CARRIER, Rear Bearing
SCREW, M6-1.0 x 16 Wing
WASHER, Shakeproof Int.
#10
ASSEMBLY, Brush Holder
TAPTITE, M5-0.8 x 16
COVER, Bearing Carrier
TAPTITE, M5-0.8 x 10
GRIP
TAPTITE, M5-0.8 x 30
RECTIFIER, Battery Charge
BOLT, Stator M6-1 x 190mm
SHAKEPROOF, Ext. #10
LOCKWASHER, 1/4"- M6
WASHER, M6 Flat
WIRE ASSY., Start
SCREEN, Spark Arrester
HANDLE
WASHER, Flat, 5/16 - M8
NUT, M8 Nylok
WASHER, Nylon
PIN, with Lanyard
HHCS, M8- 1.25 x 50
CLAMP, 1/2" Hose
BRACKET, Battery Hold Down
NUT, M8- 1.25
WIRE, 6 AWG, Red
TRAY, Battery
WIRE, 8 AWG, Black
CRIMPTITE, 1/4 - 20 x 5/8
J-BOLT, Battery Hold Down
MANUAL, Unit
MANUAL, Transfer Switch
BOTTLE, Oil
ENGINE, 15 HP
125V 30A Locking plug
240V 30A Locking plug
Battery charge cable
Cord Wrap Kit
Storage Cover
23

CRAFTSMAN 7500 Watt AC Generator 580.329180
Wheel Kit -- Exploded View and Parts List
/
/
/
,/
/
i0
/
/
/
/
/
/
/
/
4
Item
1
2
3
4
5
6
7
8
9
10
11
12
13
14
15
16
Part # Qty Description
BB5586 2 HANDLE
B4966 2 WHEEL
93693G 1 AXLE
87005 2 PIN, Retaining
51731 2 HHCS, M8- 1.25 x 50
B186927 1 LEG, Support
27007 2 MOUNT, Vibration
42909 2 CAPSCREW, Hex Hd. M8 - 1.25 x 30
52858 4 NUT, Lock M8
22247 2 WASHER, Wheel
39253 2 CAPSCREW, Hex Hd. - M8 - 1.25 x 20
22145 6 WASHER, Flat, 5/16-M8
49820 2 NUT, M8 Nylok
187104 4 WASHER, Nylon
B4605 2 GRIP
B4135 2 PIN, with Lanyard
24

CRAFTSMAN 7500 Watt AC Generator 580.329180
Control Panel mExploded View and Parts List
10
10
2O
19 \
14
\\
12
28 26
27 \
17
21
17
8
J
\\\\ 5
18
19
"\\\\_
7
/<
17
9
24
25
2
\. 3
Item
1
2
3
4
5
6
7
8
9
10
11
12
13
14
15
PaN #
BB4461
23897
49226
91526
82538
82881
B4262
90418
75207N
75207A
75207
23365
68868
43437
68759
Qty.
1
4
4
4
1
6
1
1
2
2
2
10
1
1
Description
PANEL, Control
WASHER, #10 M5 Flat
WASHER, M5 Lock
SCREW, M5-0.8 x 12 mm
SWITCH, Idle Control
WASHER, 7/16" Int. Lock
OUTLET, 50A, 240V
OUTLET, 10A, 12VDC
CIRCUIT BREAKER, 35 Amp
CIRCUIT BREAKER, 30 Amp
CIRCUIT BREAKER, 20 Amp
WASHER, #8 Shakeproof
OUTLET, 30A, 120V Locking
OUTLET, 30A, 120V/240V
Locking
OUTLET, 20A, 120V
Item
16
17
18
19
20
21
22
23
24
25
26
27
28
PaN #
43180
22264
51715
64526
83970
64525
87962
84335
84134
B92069
84028
43181
43182
Qty.
10
10
10
8
1
4
1
1
1
1
1
4
4
Description
WASHER, M4 Flat
WASHER, #8 M4 Lock
NUT, M4 - 0.7 Hex
SCREW, #6-32 x 3/8"
BOARD, System Control
3/4" Hex Standoff
CIRCUIT BREAKER, 10A
(automatic), 12V
ASSEMBLY, Wire Harness
GROMMET, Rubber
Connector
BOX, Control Panel
TRANSFORMER, Idle Control
SCREW, M3- 0.5 x 10 mm
WASHER, M3 Lock
25

Engine, GENERAC Power Systems, Model EHF 00935
Low Oil Shutdown And Governor- Exploded View
8
9
/
10
White\
White
_'_ =,.,, _ _From
J Control Panel
To Oil Switch
13
14 15
/
16
\15
4
25 24
£0
£I
\\\\\\
24
£9
\\\
2_
27
Item
7
8
9
10
12
13
14
15
16
PaN #
78653
85272
93104
93611
84329
92981
22097
92079
84542
Qty. Description
1 Run/Stop Switch
1 Led Assembly
1 L.O.S. Decal
1 Black Sleeving
1 3 Pin Male Hsg.
1 Wire Asm.
2 M6 Lockwasher
2 M6 x 30 Taptite
1 Ignition Coil
Item
20
21
23
24
25
27
28
29
30
PaN #
72347
72734
83502
83512
73100
83503
73101
72735
72789
Qty. Description
1 Spark plug
1 Governor Lever
1 Adjust Screw
2 M8 x 15 Taptite
1 60Hz Gov. Spring
1 M5 Lock Nut
1 Governor Bracket
1 Governor Rod
1 Anti-Lash Spring
26

Engine, GENERAC Power Systems, Model EHF 00935
Low Oil Shutdown And Governor- Exploded View
78
8O
/
82
/
/
/
81
Item
78
79
80
81
Part #
82774
91222C
67198N
67890
Qty. Description
1 Woodruff Key
1 Flywheel w/Ring Gear
1 Conical Washer
1 M20 Hex Nut
95
\\\
85
Item Part # Qty.
82 88433 1
83 45756 7
84 78609 2
85 73104B 1
86 92437 1
87 88434 1
88 66476 4
89 96195 1
90 96196 1
91 73116A 1
92 81668 5
85
91 92
\
\\\
86
85
"87
Description
Top Wrapper
M6 x 10 Taptite
Cover Bolt
Air Box Cover
Blower Housing
Lower Wrapper
M6 x 12mm cap screw
Recoil Assembly
Recoil Cup
Back plate, E. SRT
M6 x 10 HHCS
92
Item
17
22
26
93
Part #
21544
40976
22129
B2160
Qty. Description
1 Starter Motor
2 SHCS M8-1.25 x 20
2 Lock Washer M8
1 Rubber Spacer
Item
2
3
4
5
6
Part #
86999
94683
49821
99236
70185
Qty. Description
1 Oil Filter Gasket
1 Oil Filter Adapter
2 M8 x 30 SHCS
1 Oil Press Switch
1 Oil Filter
27

Engine, GENERAC Power Systems, Model EHF 00935
Carburetor, Air Cleaner, Oil Switch and Oil Blockoff - Exploded View and Parts List
34
32-
36 40
33
40 33 61
60
42 43
39 44
41 46
" 47
45
38
35 51
38
45 37
48
50
Item Part # Qty. Description
31 72745 1Breather Hose
32 91039 1 Head/Manifold Gasket
33 40945 2 M6 x 20 SHCS
34 81647 2 Carb. Bolt
35 66476 2 M6 x 12 HHCS
36 91028 1 K Adapter
37 22097 3 M6 Lock Washer
38 49813 2 M6 Hex Nut
39 90970 1 Carb./Airbox Gasket
40 93873 2 M6 Ribbed Lockwasher
41 91204 1 Spitback Plate
42 89228 1 Carb/Manifold Gasket
Item Part#
43 A4600
44 73108A
45 49811
46 59635
47 73111
48 81646
49 83504
50 47411
51 90827
60 30340
61 48031C
Qty. Description
1 410 Nikki Carb.
1 Air Cleaner Base
4 M6 Flatwasher
1 #8 x 3/8 Plastite
1 Air Filter
1 Precleaner
1 Choke Knob
2 M6 x 16 HHCS
1 Brkt. Air Box
12" 1/4" ID Hose
1 Hose Clamp
28

Engine, GENERAC Power Systems, Model EHF 00935
Long Block - Exploded View and Parts List
25
52_ _-_ 46 14
23
36
, 26 _/
\
22 /50 //
48 27 50
28
42
54 53 <
29
20 r _
Item
1
2
3
4
5
6
7
8
9
10
12
13
14
15
19
20
21
22
23
24
25
26
27
28
29
Part #
71978
71980
21533
96699
71983
78666A
A7628
78658
78659
88261E
72655
A8930
78645
A7811
A7081
76701
21713B
78691
A5771
A5776
76361
A8898B
86514
91308
86025
\\\\\\
\\ \
\,\ 12
I \ \\
41 _ \ \,
51 32 jjjJ 47 10
54
55 21
Qty. Description Item Part# Qty. Description
1 Connecting Rod with Cap and 30 84430 1 Balancer
Bolt 31 21714 1 Cylinder Head With Valve
1 Piston Pin Seats & Guides
1 Piston Ring Set 32 86516 1 Exhaust Valve
1 Piston 33 86517 1 Intake Valve
2 Piston Pin Retainer 34 88396B 2 Push Rod
1 Crank Shaft Assembly With 35 83897 2 Tappet
Gears 36 77158 1 Oil Pick-Up Assembly
1 Governor Arm 37 71987 1 Rocker Cover Gasket
1 Governor Arm "R" Pin 38 72694 2 Pivot Ball Stud
2 Governor Arm Washer 39 83907 2 Rocker Arm
1 Crankcase H.S. W/Taper 40 72696 2 Jam Nut (Rocker Arm)
Plugs 41 78694 1 Push Rod Guide Plate
2 Crankshaft Seal 42 21742 4 M10 x 108 Head Bolt
1 Gov. Gear Assembly 43 83938 1 Rocker Cover Breather
1 Governor Retainer("C" Ring) Assembly
1 Governor Spool 44 76329 1 Oil Fill Plug
1 Camshaft Assembly 46 86254 1 O-ring 17.8 I.D. x 2.4 THK.
1 Crankcase Gasket 47 26925 2 3/8" NPT Pipe Plug
1 Cylinder Head Gasket 48 74908 1 M5-0.8 x 8mm Screw(Thread
1 Oil Pressure Relief Cover Forming)
1 Press. Relief Spring 50 86515 4 Valve Spring Keeper
1 Press. Relief Ball 51 78606 4 M6-1 x 12mm Pan Head
1 Thrust Washer Screw and Lockwasher
1 Gear Cover 52 A1442 8 Hex Head flange Bolt M8 1.25
2 Valve Spring Retainer x 42mm
2 Valve Spring 53 78672 1 Valve Stem Seal
1 Gerotor Set 54 89673 2 Valve Spring Washer
55 A1044A 0 Long Block Assy.(Includes all)
29

Your Warranty Rights and Obligations
The California Air Resources Board ("CARB") and Sears
Roebuck and Co., USA, are pleased to explain the Emission
Control System Warranty on your model year 2000 and later
small off-road engine (engine). In California, new engines
must be designed, built and equipped to meet the State's
stringent anti-smog standards. Sears must warrant the
emission control system on your engine for the periods of
time listed below provided there has been no abuse, neglect,
or improper maintenance of your engine.
Your emission control system includes parts such as the
carburetor and the ignition system.
Where a warrantable condition exists, Sears will repair your
engine at no cost to you. Expenses covered under under
warranty include diagnosis, parts, and labor.
Manufacturer's Warranty Coverage
The model year 2000 and later engines are warranted for
two years. If any emission related part on your engine (as
listed below) is defective, the part will be repaired or
replaced by Sears.
Owner's Warranty Responsibilities
As the engine owner, you are responsible for the
performance of the required maintenance listed in this
owners manual. Sears recommends that you retain all
receipts covering maintenance on your engine, but Sears
cannot deny warranty solely due for the lack of receipts or
for your failure to ensure the performance of all scheduled
maintenance.
As the engine owner, you should be aware that Sears may
deny you warranty coverage if your engine or a part of it has
failed due to abuse, neglect, improper maintenance,
unapproved modifications, or the use of parts not made or
approved by the original equipment manufacturer.
You are responsible for presenting your engine to a Sears
authorized repair center as soon as a problem exists.
Warranty repairs should be completed in a reasonable
amount of time, not to exceed 30 days.
If you have any questions regarding your warranty rights and
responsibilities, you should contact your nearest authorized
service center or call Sears at 1-800-473-7247.
Warranty Commencement Date
The warranty period begins on the date the engine is
delivered.
Length of Coverage
Sears warrants to the initial owner and each subsequent
purchaser that the engine is free from defects in materials
and workmanship which cause the failure of a warranted
part for a period of two years.
WHAT IS COVERED
Repair or Replacement of Parts
• Repair or replacement of any warranted part will be
performed at no charge to the owner at an approved
Sears service center.
• If you have any questions regarding your warranty rights
and responsibilities, your should contact your nearest
authorized service center or call Sears at
1-800-473-7247.
Warranty Period
Any warranted part which is not scheduled for replacement
as required maintenance, or which is scheduled only for
regular inspection to the effect of "repair or replace as
necessary" shall be warranted for 2 years. Any warranted
part which is scheduled for replacement as required
maintenance shall be warranted for the period of time up to
the first scheduled replacement point for that part.
Diagnosis
The owner shall not be charged for diagnostic labor which
leads to the determination that the warranted part is
defective if the diagnostic work is performed at an approved
Sears service center.
Consequential Damages
Sears may be liable for damages to other engine
components caused by the failure of a warranted part still
under warranty.
WHAT IS NOT COVERED
All failures caused by abuse, neglect, or improper
maintenance are not covered.
Add-on or Modified Parts
The use of add-on or modified parts can be grounds for
disallowing a warranty claim. Sears is not liable to cover
failures of warranted parts caused by the use of add-on or
modified parts.
How to File a Claim
If you have any questions regarding your warranty rights and
responsibilities, you should contact your nearest authorized
service center or call Sears at 1-800-473-7247.
Where to Get Warranty Service
Warranty services or repairs shall be provided at all Sears
authorized service centers.
Maintenance, Replacement and Repair of
Emission Related Parts
Any Sears approved replacement part used in the
performance of any warranty maintenance or repair on
emission related parts will be provided without charge to the
owner if the part it under warranty.
Emission Control Warranty Parts List
1. Fuel Metering System:
a. Carburetor assembly
b. Fuel filter
2. Air Induction System:
a. Intake manifold
b. Air cleaner
3. Catalytic Muffler Assembly (if so equipped), including:
a. Muffler gasket
b. Exhaust manifold
4. Ignition System
a. Spark plug
b. Ignition module
5. Crankcase Breather Tube
30

Garantia.................................. 31
ReglasdeSeguridad......................... 32
Montaje................................ 33-34
Operaci6n............................... 35-41
EspecificacionesdelProducto.................. 43
Mantenimiento........................... 43-46
Almacenamiento............................ 47
ReparaciondeAverias ....................... 49
GarantiadeEmisiones....................... 51
ComoOrdenarPartes............... UltimaPagina
GARANTIA LIMITADA PARA GENERADORES PORTATILES DE LUJO
SEARS le garantiza al comprador original que el alternador y el motor de su generador portatil estara libre de defectos en
materiales y mano de obra en los componentes y por el periodo de tiempo establecido a continuaci6n a partir de la fecha de
compra original. Esta garantia no es transferible y Qnicamente se aplica a generadores portatiles accionados por el motor
garantizado Sears Serie GN.
CLIENTE* COMERClAL*
Alternador 2 aSos (2do aSo Qnicamente las partes) 1 aSo
Motor 2 aSos (2do aSo enicamente las partes) 1 aSo
* NOTA: Para prop6sitos de esta garantia el t6rmino "Uso del Cliente" representa el uso dom6stico residencial y de emer-
gencia pot parte del comprador original, sin incluir aplicaciones donde la unidad sea usada como fuente de potencia princi-
pal. El t6rmino "Uso Comerciar' representa todos los otros usos, incluyendo alquiler, construcci6n, comercial y para prop6si-
tos lucrativos. Una vez el generador haya tenido uso comercial, 6ste sera considerado como un generador para uso comer-
cial para los fines de esta garantia.
Durante dicho periodo de garantia, SEARS reparara o reemplazar& a su discreci6n, cualquier parte que haya sido encon-
trada defectuosa, en examen previo realizado pot SEARS, bajo uso y servicio normal**. Las baterias de arranque no estan
garantizadas pot SEARS. Todos los costos de transporte bajo garantia, incluyendo el envio a la fabric& de set necesario,
seran responsabilidad del comprador y deberan ser pagados por anticipado. Esta garantia no cubre el mantenimiento y ser-
vicio normal y no se aplica a juegos de generadores, alternador, motor o pares que hayan sido sujetos a instalaciones o
modificaciones incorrectas o no autorizadas, mal uso, negligencia, accidente, sobrecarga, exceso de velocidad, manten-
imiento, reparaci6n o almacenamiento incorrecto que, a juicio de SEARS, afecte negativamente su funcionamiento y confla-
bilidad.
** DESGASTE NORMAL: Como con todos los dispositivos mecanicos, los motores necesitan el servicio y reemplazo per-
i6dico de las partes para funcionar en buenas condiciones. Esta garantia no cubre reparaciones cuando el uso normal haya
sobrepasado la vida Qtil de una parte o motor.
NO EXISTEN OTRAS GARANTIAS EXPRESAS. SEARS POR MEDIO DE LA PRESENTE DESCONOCE TODAS LAS
GARANTIAS IMPLICITAS, INCLUYENDO, SIN LIMITARSE, A AQUELLAS DE COMERCIALIZACION Y ADAPTACION
PARA UN PROPOSITO PARTICULAR AL EXTREMO PERMITIDO POR LA LEY. LA DURACION DE CUALQUIER
GARANTIA IMPLICITA QUE NO PUEDA SER DESCONOCIDA, ESTA LIMITADA AL PERIODO DE TIEMPO ESPECIFICA-
DO EN LA GARANTIA EXPRESA. LA RESPONSABILIDAD LEGAL ES EXCLUIDA POR DANOS CONSECUENCIALES,
INCIDENTALES O ESPECIALES BAJO CUALQUIERA DE LAS GARANTIAS.
Algunos estados no permiten limitaciones en la duraci6n de las garantias implicitas, o la exclusi6n o limitaci6n de daSos
incidentales o consecuenciales, por tanto las limitaciones o exclusiones anteriormente mencionadas podrian no aplicarse a
usted. Esta garantia le otorga derechos legales especificos; usted podria tener otros derechos, los cuales cambian de esta-
do a estado.
Para servicio, visite su centro de servicio de garantia autorizado SEARS mas cercano. El servicio de garantia puede ser Ile-
vado a cabo Qnicamente por un centro de servicio autorizado SEARS. Esta garantia no se podra aplicar para servicio en
otros centros de servicio. Evidencia de la fecha de compra original debera ser presentada en el momento de solicitar el ser-
vicio de garantia.
Sears, Roebuck and Co., D/817WA, Hoffman Estates, IL 60179
31

iPRECAUCION! Lea este manual y siga todas las
Reglas de Seguridad e Instrucciones de Operaci6n
antes de usar este producto.
iPELIGRO! Este generador esta diseSado para uso
en exteriores enicamente. No use este generador en
el interior de ninguna edificaci6n o recinto cerrado,
incluyendo el compartimiento para generador de un
vehiculo recreacional (VR). Podrian ocurrir incendios
o explosiones. Las modificaciones realizadas por el
usuario, incluyendo ventilaci6n del escape y/o
ventilaci6n de enfriamiento, no eliminaran el peligro.
Tambi6n, permita que exista al menos dos pies de
distancia alrededor del generador, incluso cuando
est6 operando la unidad en exteriores.
iPRECAUClON! Siempre desconecte el alambre
de la bujia y col6quelo donde no pueda entrar en
contacto con la bujia, para evitar el arranque
accidental durante la instalaci6n, transporte, ajuste o
reparaci6n de su generador.
• El generador produce un voltaje muy alto, el cual puede
ocasionar descargas el6ctricas extremamente peligrosas.
Evite el contacto con terminales, alambres pelados o sin
recubrimiento, etc. Nunca permita que personas no
calificadas operen o proporcionen servicio al generador.
• Nunca manipule dispositivos o cordones el6ctricos
cuando se encuentre parado en agua, descalzo o con los
pies o las manos mojadas. Podrian ocurrir descargas
el6ctricas peligrosas.
• El C6digo EI6ctrico Nacional exige que el bastidor y las
partes externas conductoras de electricidad del
generador est6n conectadas adecuadamente a una
conexi6n a tierra fisica. Los c6digos el6ctricos locales
tambi6n pueden exigir la conexi6n a tierra adecuada del
generador. Consulte con un electricista local para los
requisitos de conexi6n a tierra en su area.
• Use un interruptor de circuito de falla a tierra en areas
h6medas o de alta conductividad (como en pisos
metalicos o estructuras de acero).
• No utilice en el generador juegos de cordones el6ctricos
que est6n desgastados, pelados, raidos o daSados de
cualquier manera. El uso de juegos de cordones
el6ctricos defectuosos puede ocasionar descargas
el6ctricas o daSos al equipo y/o a la propiedad.
• Opere el generador 6nicamente en superficies niveladas
y donde no se vaya a exponer a humedad excesiva,
suciedad, polvo o vapores corrosivos.
• La gasolina es altamente INFLAMABLE y sus vapores
son EXPLOSIVOS. No permita que fumen, que existan
llamas abiertas, chispas o calor a su alrededor cuando
manipule gasolina. Evite regar gasolina sobre un motor
caliente. Cumpla con todas las regulaciones que
requieran almacenamiento y manejo de gasolina.
• No Ilene el tanque de combustible excesivamente.
Siempre permita que exista espacio para la expansi6n
del combustible. Si el tanque esta demasiado Ileno, el
combustible podria rebosarse y caer sobre el motor
caliente y ocasionar un INCENDIO o una EXPLOSION.
• Nunca almacene el generador con combustible en el
tanque, donde los vapores de la gasolina puedan entrar
en contacto con llamas abiertas, chispas o luces de piloto
(como en hornos, calentadores de agua o secadoras de
ropa). Podrian ocurrir INCENDIOS o EXPLOSIONES.
• Los gases del escape del generador contienen gas de
mon6xido de carbono MORTAL. Este gas peligroso, si se
inhala en concentraciones suficientes, puede ocasionar
p6rdida de la consciencia o incluso la muerte.
Unicamente opere este equipo al aire libre donde exista
ventilaci6n adecuada.
• Deje por Io menos 2 pies de distancia alrededor del
generador, incluso cuando la unidad est6 funcionando en
exteriores, de otra forma podria daSar la unidad. Nunca
opere la unidad en el interior de habitaciones o recintos
encerrados donde el flujo de aire que entra o sale de la
unidad pueda ser obstruido.
• Nunca arranque o detenga el motor-generador cuando
tenga cargas el6ctricas conectadas a los tomacorrientes
y los dispositivos conectados est6n ENCENDIDOS.
Arranque el motor y permita que se estabilice antes de
conectar las cargas el6ctricas. Desconecte todas las
cargas el6ctricas antes de apagar el generador.
• No introduzca objetos a trav6s de las ranuras de
enfriamiento del motor-generador.
• Nunca opere el generador
en la Iluvia; en compartimiento encerrados; si se
recalientan los dispositivos el6ctricos conectados; si se
pierde la salida el6ctrica; si se presentan chispas en el
motor o generador; si se observan llamas o humo cuando
la unidad esta funcionando; si la unidad vibra
excesivamente.
NOTA: Su generador esta equipado con un silenciador
apagachispas. El apagachispas debera set mantenido en
buenas condiciones de trabajo por parte del
propietario/operador. La ley en el Estado de California exige
el uso del apagachispas (Secci6n 4442 del C6digo de
Recursos Peblicos de California). Otros estados pueden
tener leyes similares. Las leyes federales se aplican en
tierras federales.
,_ BUSQUE ESTE SIMBOLO PARA SENALAR PRECAUCIONES DE SEGURIDAD IMPORTANTES. ESTE SIGNIFICA
"iATENCION!!! iESTE ALERTA!!! SU SEGURIDAD ESTA EN PELIGRO."
32

Su generador requiere de cierto ensamble y estara listo
para ser usado despu6s de haberle dado un servicio
adecuado con el aceite y el combustible recomendados.
Si tiene problemas con el montaje de su generador, por
favor Ilame a la Linea de Ayuda del Generador al
1-800-222-3136.
IMPORTANTE: Cualquier intento de poner en marcha al
motor antes de darle el servicio con el aceite recomendado
resultara en falla del motor.
PARA RETIRAR EL GENERADOR
DE LA CAJA
• Corte dos esquinas en el extremo de la caja de la parte
superior a la inferior, de manera que pueda doblar el
panel hacia abajo en forma plana.
• Retire todo el material de protecci6n, material de relleno,
etc.
• Retire el generador de la caja de envio.
CONTENIDO DE LA CAJA
• Generador
• Transfiera Interruptor
• Juego de Ruedas
• Tapones de Aseguramiento
• Componentes del Soporte de la Bateria
• Cables de Carga de la Bateria
• Manual
Revise todo el contenido. Si alguna parte falta o esta
daSada, Ilame a la Linea de Ayuda del Generador al
1-800-222-3136.
INSTALACION DEL SOPORTE Y
BATERIA
NOTA: Se le puede dar marcha al generador manualmente.
Si decide no utilizar la caracteristica del arranque el6ctrico
de este generador, usted no tendra que instalar la bateria.
Debera comprar e instalar una bateria de 12 Voltios DC
(Sears p/n 28-27145). Debera darle servicio a la bateria
usando el liquido electr61ito indicado y debera estar
completamente cargada antes de la instalaci6n.
• Encuentre los sujetadores y el soporte de la bateria
enviados sueltos en la caja. Debera tener dos pernos en
"J" de 7", dos arandelas de seguridad, dos arandelas
planas y dos tuercas hexagonales.
• Retire los 4 tornillos del soporte de la bateria de la base.
Coloque el soporte de la bateria e instalelo usando los
herrajes suministrados.
Coloque la bateria sobre el soporte.
Sujete la bateria al soporte utilizando dos pernos en "J",
dos arandelas de seguridad, dos arandelas planas y dos
tuercas hexagonales.
• Conecte el cable rojo de la bateria del interruptor de
arranque del motor al terminal positivo (+) de la bateria.
Alambre
ROJO (+) I
de la bateria
Alambre NEGRO
(-) de la bateria
• Conecte el cable negro de la bateria al terminal
negativo (-) de la bateria.
• Conecte el otto extremo del cable negro al motor como
mostrado.
_PRECAUCION! No conecte el cable negro de
bateria a cualquier otra ubicaci6n.
• Revise nuevamente todas las conexiones para
asegurarse de que estan en las ubicaciones adecuadas.
33

MONTAJE DEL JUEGO DE RUEDAS
El juego de ruedas esta diseSado para mejorar el transporte
del generador. Necesitara una Ilave de cubos con cubos de
½" o 13mm y unas pinsas de punta para instalar el juego de
ruedas.
Consulte la ilustracion mostrada e instale el juego de
ruedas como se describe a continuacion:
Coloque el generador sobre una superficie plana y dura.
Parese en el extremo del motor del generador e incline el
generador cuidadosamente hacia adelante, Io suficiente
como para colocar bloques por debajo del armaz6n. Esto
le permitira colocar las ruedas.
• Pase el eje a trav6s de los orificios de las m6nsulas del
armaz6n del generador.
• Coloque las ruedas y las arandelas planas en cada
extremo del eje. Insertar los pasadores de retenci6n con
las pinsas de punta. Remover los bloques madera.
• Instale los montajes antivibratorios a la pata de soporte
utilizando dos tomillos prisioneros M8 x 30mm, arandelas
M8 y tuercas de seguridad M8.
• Con las ruedas instaladas, ahora puede inclinar el
extremo del generador e instalar la pata de soporte
utilizando dos tornillos prisioneros M8 x 20mm y dos
tuercas de seguridad.
PATA de Soporte
MONTAJE
Antivibratorio
ARANDELA para
Mon. Antivibratorio
TUERCA ARANDELA
para Rueda
J
PRISIONERO de //
Cabeza Hex. M8 - /
PASADOR de
__ 1.25 x 20 Retencidn
TUERCA de Seguridad M8
TORNILLO PRISIONERO de Cabeza Hex. M8 - 1.25 x 30
34

CONOZCA SU GENERADOR
Lea este manual del propietario y las reglas de seguridad antes de operar su generador. Compare las ilustraciones con su
generador para familiarizarse con la ubicaci6n de los diferentes controles y ajustes.
Cortacircuitos (AC)
Tanque de Combustible
Tomacorriente de
12 Voltios DC,
10 Amperios
Interruptor de
Control de
Marcha en
Vacio
Tomacorriente de
Seguridad de 120 Voltios
AC, 30 Amperios
Tomacorriente de Seguridad
de 120/240 Voltios AC,
30 Amperios
Tomacorrientes Doble de
120 Voltios, 20 Amperios AC
Aleta de Conexi6n
Tierra
Aleta de Conexion a Tierra -- Conecta a tierra al
generador a trev6s de una conexi6n a tierra aprobada. Vea
la pagina 37 para mas detalles.
Cortacircuitos (AC) -- Cada tomacorriente posee un
cortacircuito para proteger el generador contra sobrecargas
el6ctricas. Los cortacircuitos son del tipo "oprimir para
reposicionar"
Depurador de Aire -- Filtra el aire de entrada a medida
que penetra en el motor.
Interruptor de Control de Marcha en Vacio -- El control
de marcha en vacio hace funcionar el motor a velocidades
normales (altas) cuando existe una carga y hace funcionar
el motor a velocidades de marcha en vacio (bajas) cuando
no existen cargas. Esta caracteristica mejora el ahorro de
combustible, prolonga la vida del motor y disminuye el ruido
del motor.
Interrupter de Marcha/Parado -- Debera estar en la
posici6n "Run" (Marcha) para darle arranque al motor.
Col6quelo en la posici6n "Stop" (Parado) para detener un
motor en funcionamiento.
Palanca del Cebador -- Usada cuando se esta dando
arranque a un motor frio.
Tanque de Combustible -- El tanque tiene una capacidad
de 8 galones americanos de gasolina sin contenido de
plomo.
Palanca del
Cebador
Interruptor de
Marcha/Parado
Depurador de
Aire
Tomacorriente de
a120/240 Voltios AC,
50 Amperios
Tomacorriente Doble de 120 Voltios AC, 20 Amperios --
Cada uno suministra alimentaci6n el6ctrica para el
funcionamiento de cargas del motor y herramientas,
aparatos especiales e iluminaci6n el6ctrica de 120 Voltios a
20 Amperios AC, monofasica de 60 Hz.
Tomacorriente de 12 Voltios DC, 10 Amperios -- Este
tomacorriente le permite recargar una bateria de
almacenamiento de 12 Voltios DC con el cable de carga
para bateria suministrado.
Tomacorriente de 120/240 Voltios, 50 Amperios-
Suministra alimentaci6n el6ctrica para el funcionamiento de
cargas de motor o soldadores de 120/240 Voltios,
monofasica de 60 Hertzios a 50 Amperios.
Tomacorriente de Seguridad de 120 Voltios AC,
30 Amperios -- Suministra alimentaci6n el6ctrica para el
funcionamiento de cargas del motor y herramientas,
aparatos especiales e iluminaci6n el6ctrica de 120 Voltios a
30 Amperios AC, monofasica de 60 Hz.
Tomacorriente de Seguridad de 120/240 Voltios,
30 Amperios -- Suministra alimentaci6n el6ctrica para el
funcionamiento de cargas del motor y herramientas,
aparatos especiales e iluminaci6n el6ctrica de 120 y/o
240 Voltios a 30 Amperios AC, monofasica de 60 Hz.
35

ENCHUFES DEL CONECTOR
Tomacorriente Doble de 120 Voltios AC,
20 Amperios
Esta es una toma de 120 Voltios, que consiste de un par de
tomas protegidas contra sobrecargas a trav6s de un
cortacircuito con dispositivo de reposici6n de 20 Amperios.
Use las tomas para activar cargas el6ctricas de 120 Voltios
Ac, monofasicas de 60 Hz que requieran hasta 2,400 vatios
combinados (2.4 kW) o 20 Amperios de corriente.
Utilice este tomacorriente para operar cargas de 120 Voltios
AC, 60 Hz, monofasicas que requieran hasta 3,600 vatios
(3.6 kW) de potencia a 30 Amperios AC. La toma esta
protegida por un cortacircuito con dispositivo de reposici6n
de 30 Amperios.
Tomacorriente de 120/240 Voltios AC,
30 Amperios
Use un enchufe tipo NEMA L14-30P con este tomacorriente.
Conecte un juego de cordones con conexi6n a tierra de
4 alambres al enchufe y a la carga que desee. El juego de
cordones debera tener una capacidad de 250 Voltios a
30 Amperios (o mayor).
Unicamente use juegos de cordones de 3 cables con
conexi6n a tierra de alta calidad, con buen aislamiento y
capacidad de 125 Voltios a 20 Amperios (o de mayor
capacidad).
Mantenga el cord6n de extensi6n Io mas corto posible,
preferiblemente menos de 15 pies de largo para evitar la
caida de voltaje y posible recalentamiento de los alambres.
Tomacorriente de 120 Voltios AC,
30 Amperios
Use un enchufe tipo NEMA L5-30P con este tomacorriente.
Conecte un juego de cordones de 3 alambres de 125 Voltios
a 30 Amperios AC (o de mayor capacidad) al enchufe.
Neutro (N)
120V
Cargado (H)
N EMA L5-30 /_ Tierra
(Verde)
240V
_-120V11
W (Neutro)
X
(Cargado) (Cargado)
Tierra
N EMA L14-30 (Verde)
Utilice este tomacorriente para operar cargas de 120 Voltios
AC, 60 Hz, monofasicas que requieran hasta 3,600 vatios
(3.6 kW) de potencia a 30 Amperios AC o cargas de 240
Voltios AC, 60 Hz, monofasicas que requieran hasta 7,200
vatios (7.2 kW) de potencia a 30 Amperios AC. La toma esta
protegida por un cortacircuito con dispositivo de reposici6n
de 30 Amperios.
Tomacorriente de 12 Voltios DC,
10 Amperios
Este tomacorriente le permite recargar una bateria de
almacenamiento tipo servicio o automotriz de 12 Voltios
utilizando los cables suministrados para carga de bateria.
Este tomacorriente no puede recargar baterias de 6 Voltios
y no se puede usar para darle arranque a motores que
tenga la bateria descargada. Vea la secci6n "Procedimiento
de Carga de la Bateria" (pagina 40) antes de intentar
recargar la bateria.
36

Tomacorriente de 120/240 Voltios AC,
50 Amperios
Utilice un enchufe NEMA 14-50P con este tomacorriente.
Conecte un juego de cordones de 4 alambres con
capacidad de 250 Voltios a 50 Amperios al enchufe.
_" 240 Voltios AC ._
Y (Vivo)
Conex_
120 Voltios I 120 Voltios
AC _,1q AC
W (Neutro)
X (Vivo)
NEMA 14-50
Utilice este tomacorriente para operar cargas el6ctricas de
120/240 Voltios AC, 60 Hz, que requieran hasta 7,500 vatios
(7.5 kW) a 240 Voltios de potencia.
,_ iPRECAUCION! A pesar de que esta toma tiene
una capacidad de 240 Voltios a 50 Amperios (hasta
12,500 vatios), el generador tan solo tiene una
capacidad de 7,500 vatios. Las cargas de potencia
que excedan la capacidad de vatiaje/amperaje del
generador pueden daSarlo o causar lesiones
severas.
COMO USAR SU GENERADOR
Si tiene problemas operando su generador, por favor Ilame
a la linea de ayuda para generadores al 1-800-222-3136.
Conexion aTierra del Generador
El C6digo EI6ctrico Nacional exige que el bastidor y las
partes externas conductoras de electricidad de este
generador se encuentren conectadas adecuadamente a una
tierra fisica aprobada. Los c6digos el6ctricos locales
tambi6n podrian exigir la conexi6n a tierra de la unidad.
Para tal prop6sito, se ha suministrado una aleta de conexi6n
a tierra en la base del armaz6n.
Aleta de Conexidn a Tierra
Por Io general, la conexi6n de un alambre de cobre
trenzado No. 12 AWG (American Wire Gauge) a la aleta de
conexi6n a tierra y a una barra de conexi6n a tierra de
cobre o bronce (electrodo) proporciona una protecci6n
adecuada contra las descargas el6ctricas. Sin embargo, los
c6digos locales pueden variar substancialmente. Consulte
con un electricista local para conocer los requisitos de
conexi6n a tierra de su Area.
La conexi6n a tierra adecuada del generador ayudara a
evitar las descargas el6ctricas en el caso de que exista una
condici6n de falla a tierra en el generador o en los
dispositivos el6ctricos conectados. La conexi6n a tierra
adecuada tambi6n ayuda a disipar la electricidad estatica, la
cual se acumula frecuentemente en dispositivos no
conectados a tierra.
Conexion de Cargas Eldctricas
No conecte cargas de 240 Voltios a tomacorrientes de
120 Voltios. No conecte cargas trifasicas al generador. No
conecte cargas de 50 Hz al generador.
• Deje que el motor se estabilice y se caliente por unos
minutos despu6s del arranque.
• Enchufe y encienda las cargas el6ctricas AC de 120 o
240 Voltios, monofasicas de 60 Hertzios.
• Sume los vatios asignados (o amperios) de todas las
cargas que se van a conectar al mismo tiempo. Este total
no debe ser mayor que (a) la capacidad del
vatiaje/amperaje nominal del generador o (b) la
capacidad del cortacircuito del tomacorriente que
suministre la alimentaci6n. Vea "No Sobrecargue el
Generador" en la pagina 41.
ANTES DE DARLE ARRANQUE AL
GENERADOR
Para operar el motor, debera Ilevar colocar gasolina y aceite
de motor en el generador:
ASada Aceite al Motor
NOTA: Cuando aSada aceite a la caja del cigQeSal del
motor en el futuro, enicamente use aceite detergente de alta
calidad con la clasiflcaci6n de servicio SF o SG de API, con
un peso de 30 SAE. No use aditivos especiales.
Seleccione el grado de viscosidad del aceite de acuerdo con
la temperatura de funcionamiento que espera tener. No use
10W-40.
_I_ _Ii)
_Ik,'lllll_Jk[oonu,o_kYlV_[I81o'kYlv_IOl
>F -20 020 32 40 60 80 100
'c__0 -2'0 -10 6 1'0 2'0 _0 40
Temperaturas de Uso Esperadas
•Por encima de 40°F, use SAE 10W-30 o SAE 30.
•Por debajo de 40°F, use sint6tico 5W-20 o 5W-30.
37

A pesar de que los aceites de meltiple viscosidad (5W30,
10W30, etc.) mejoran el arranque en clima frio, estos
pueden producir un aumento en el consumo de aceite
cuando son usados pot encima de 32°F. Revise el nivel de
aceite de su motor mas frecuentemente para evitar el
posible daSo del motor debido al funcionamiento del mismo
con un bajo nivel de aceite.
• Coloque el generador sobre una superficie nivelada.
• El Area limpia alrededor de aceite amarillo Ilena la tapa.
Quite el aceite Ilena la tapa.
• Llene lentamente motor con aceite por el aceite Ilena
abrir hasta que el nivel de aceite sea al grano de
derramar.
Instale aceite amarillo Ilena la tapa y el dedo aprieta
seguramente.
Verifique el nivel de aceite de motor antes de comenzar
cada vez despu6s. Si el nivel de aceite esta debajo del
punto de derramar, Ilena al nivel apropiado.
Agregue Gasolina
iADVERTENCIA! Nunca Ilene el tanque del
combustible en recintos cerrados. Nunca Ilene el
tanque del combustible cuando el motor est6 en
funcionamiento o caliente. No encienda cigarrillos o
fume cuando est6 Ilenando el tanque del
combustible.
iPRECAUCION! No Ilene excesivamente el tanque
de combustible. Deje suficiente espacio para la
expansi6n del combustible.
• Use gasolina regular SIN CONTENIDO DE PLOMO en el
generador. No use gasolina premium. No mezcle aceite
con gasolina. La capacidad del tanque de combustible es
de 8 galones americanos.
• Limpie el Area alrededor del Ilenado de gasolina; retire la
tapa.
• Llene lentamente el tanque con gasolina sin contenido de
plomo. Sea cuidadoso de no Ilenar excesivamente. Deje
1/2" de espacio en el tanque para que la expansi6n del
combustible, como se muestra en esta ilustraci6n.
,Espacio de
Aire de 1/2" ,Tanque
Combustible
• Instale la tapa del combustible y limpie cualquier derrame
de gasolina.
IMPORTANTE: Es importante evitar la formaci6n de
dep6sitos de goma en las partes esenciales del sistema de
combustible como en el carburador, filtro del combustible,
manguera del combustible o tanque, durante su
almacenamiento. Los combustibles mezclados con alcohol
(llamados gasohol, etanol o metanol) pueden atraer la
humedad, la cual produce la separaci6n y formaci6n de
acidos durante el almacenamiento. La gasolina acida puede
daSar el sistema de combustible de un motor durante su
almacenamiento. Para evitar problemas en el motor, debera
vaciar el sistema de combustible antes de periodos de
almacenamiento de 30 dias o mas. Vea "Almacenamiento"
en la pagina 47. Nunca use productos para limpiar motores
o carburadores en el tanque del combustible; si Io hace
ocurriran daSos permanentes.
PARA DARLE ARRANQUE AL
MOTOR
,_ iADVERTENClA! Nunca arranque o detenga el
motor teniendo dispositivos el6ctricos conectados y
encendido en los tomacorrientes del panel.
• Desconecte todas las cargas el6ctricas de los
tomacorrientes del generador antes de darle arranque al
motor.
• AsegQrese de que la unidad esta nivelada.
• Abra la valvula del combustible.
__mbustible
Valvula del _f// ]l ....
-7.-_ _tl( /Girela en este sentido a ia
L;OmDUStlDle en posl- "_-4 .____ ........
ci6n "O_erta") _ posici6n OFF ( Cerrada )
Localice interruptor de
encendido/apagado del control de
marcha en vacio y col6quelo en la
posici6n "Off" (Apagado).
Coloque el interruptor de
Marcha/Parado en la posici6n "Run"
(Marcha).
Mueva la PA[-ANCA DE[_ CEBADOR del motor a la
posicidn "Full" Choke ("MAxima Estrangulacidn").
IDLE
_ J
Posici6n de Maxima Estrangulaci6n
38

Para arranque manual: Agarre el mango del arrancador
y halelo lentamente hasta que sienta cierta resistencia.
Despu6s, hale la cuerda con un movimiento rapido del
brazo. Permita que la soga se devuelva lentamente. No
deje que la soga se "devuelva rapidamente" y golpee el
arrancador.
•Para arranque el_ctrico: Oprima el interruptor de
arranque en la base del generador hasta que el motor
comience a girar. Mantenga oprimido el interruptor hasta
que el motor arranque.
• Cuando el motor arranque, mueva la palanca del cebador
a la posici6n "1/2 Choke" ("1/2 Estrangulaci6n") hasta que
el motor funcione suavemente y despu6s a la posici6n
"Run" ("Marcha"). Si el motor intenta apagarse, mueva la
palanca del cebador a la posici6n "1/2 Choke" hasta que
el motor funcione suavemente y despu6s col6quelo en
"Run".
NOTA: Si el motor no arranca despu6s de 3 intentos,
mueva la palanca del cebador a la posici6n "Run" y vuelva a
halar la soga del arrancador.
NOTA: Si el motor se enciende pero no continua
funcionando, mueva la palanca del cebador a la posici6n
"Full" y repita las instrucciones de arranque.
PARADO DEL MOTOR
• Desconecte todas las cargas el6ctricas de los
tomacorrientes del panel del generador. Nunca le de
arranque o detenga el motor teniendo dispositivos
el6ctricos conectados y encendidos.
• Mueva el interruptor de control de marcha en vacio a la
posici6n "Off' siesta activado.
• Deje que el motor funcione sin cargas por algunos
minutos para estabilizar las temperaturas internas del
motor y el generador.
• Mueva el interruptor de Marcha/Parado a la posici6n
"Stop" (Parado).
• Cierre la vMvula del combustible.
CONTROL AUTOMATICO DE
MARCHA EN VAC[O
Este interruptor ha sido diseSado para mejorar el consumo
de combustible. Cuando este interruptor sea "On"
(Activado), el motor funcionara 6nicamente en su alta
velocidad de mando normal una vez la carga el6ctrica sea
conectada. Cuando la carga el6ctrica es retirada, el motor
funcionara a una velocidad reducida. Si el interruptor esta
"Off" (Desactivado), el motor funcionara en alta velocidad
normal. Siempre tenga el interruptor apagado cuando
arranque y detenga el motor.
OPERACION EN CLIMA FRIO
Es posible que se forme hielo en su generador y/o el
sistema de desfogue de la caja del cig(JeSal bajo ciertas
condiciones climaticas (temperaturas por debajo de 40°F
[4°C] y un punto de condensaci6n elevado). En caso de
emergencia, utilice la caja de envio original como protecci6n
para el generador:
Corte las tapas y uno de los lados largos de la caja con
el fin de dejar expuesta la parte de la unidad donde va el
escape.CoRe las ranuras correspondientes para tener
acceso a los tomacorrientes de la unidad.
Encienda la unidad y despu6s coloque la caja sobre ella.
Aseg6rese de que exista un minimo de dos pies de
separaci6n entre la parte abierta de la caja y el objeto
mas cercano.
IMPORTANTE: Retire la protecci6n cuando la temperatura
est6 por encima de los 40°F [4°C].
Para tener una protecci6n mas permanente, construya una
estructura que encierre tres lados y la parte superior del
generador. Aseg6rese de dejar expuesto toda la parte del
silenciador, con dos pies de separaci6n entre la parte
abierta de la caja y el objeto mas cercano. Coloque el lado
expuesto lejos del viento y los elementos.
Vieoto
SISTEMA DE APAGADO POR BAJA
PRESION DE ACEITE
El motor esta equipado con un sensor de baja presi6n de
aceite que apaga el motor automaticamente cuando la
presi6n del aceite cae por debajo de 6 psi. Si el motor se
apaga por si solo y el tanque de combustible tiene suficiente
gasolina, revise el nivel de aceite del motor.
Puesta en Marcha Inicial
Una demora previamente incorporada en el sistema de
apagado por baja presi6n aceite permite que la presi6n del
aceite se acumule durante el arranque. La demora permite
que el motor funcione por aproximadamente 10 segundos
antes de detectar la presi6n del aceite.
Deteccion de Baja Presion
El motor se apagara si el sistema detecta baja presi6n de
aceite durante el funcionamiento.
Arranques Sucesivos
Si usted trata de volver a darle arranque al motor a los
10 segundos de haberse apagado, es posible que el motor
No arranque. El sistema necesita de 5 a 10 segundos para
reajustarse.
Si usted vuelve a darle arranque al motor despu6s de dicho
apagado y no ha corregido el problema de baja presi6n de
aceite, el motor funcionara por aproximadamente
10 segundos, como rue descrito anteriormente, y despu6s
se detendra.
39

PROCEDIMIENTO DE CARGA DE
BATERIAS
iPELIGRO! Las baterias de acumuladores
producen gas de hidrSgeno explosivo cuando son
recargadas. Una mezcla explosiva va a permanecer
alrededor de la bateria por un periodo de tiempo
prolongado despu6s de haber sido cargada. La
chispa mas pequeSa podria encender el hidrSgeno y
causar una explosiSn. La explosiSn puede destruir la
bateria y causar ceguera y otras lesiones serias.
,_ iPELIGRO! No permita que se fume, llamas
abiertas, chispas o cualquier otra fuente de calor
alrededor de la bateria. Use anteojos de protecciSn,
delantal de caucho y guantes de caucho cuando
trabaje alrededor de la bateria. El liquido electrSlito
de la bateria es una soluciSn de acido sulfQrico
caustico, la cual puede causar quemaduras severas.
Si ocurren derrames, limpie inmediatamente el Area
con agua limpia.
Su generador tiene la capacidad de recargar baterias
descargadas de acumuladores tipo servicio o automotriz de
12 Voltios. No utilice la unidad para cargar baterias de
6 Voltios. No use la unidad para mover motores que tengan
la bateria descargada.
Para recargar baterias de 12 Voltios, Ileve a cabo los
siguientes procedimientos:
• Revise el nivel del liquido en todas las celdas de la
bateria. Si es necesario, aSada agua destilada
UNICAMENTE hasta cubrir los separadores de las celdas
de la bateria. No use agua de grifo.
• Si la bateria esta equipada con tapas de desfogue,
asegQrese de que est6n instaladas y apretadas.
• Limpie los terminales de la bateria si es necesario.
• Conecte el enchufe conector del cable de carga de la
bateria al tomacorrientes del panel identificado con las
palabras "12 Volt DC".
• Conecte el sujetador del cable de carga de la bateria que
tiene la manija roja al terminal positivo (+) de la bateria.
._ TOMACORRIENTE DE
_12 VOLTIOS DC
* -I
POS NEG
BATERIA DE 12 VOLTIOS
• Conecte el sujetador del cable de carga de la bateria que
tiene la manija negra al terminal negativo (-) de la
bateria.
• Arranque el motor. Deje que el motor funcione mientras
la bateria se recarga.
• Apague el motor cuando la bateria se haya cargado.
NOTA: Use un hidrSmetro para automSviles para probar el
estado de carga y condiciSn de la bateda. Siga
cuidadosamente las instrucciones del fabricante del
hidrSmetro. Por Io general, se considera que una bateria
esta en un estado de carga del 100% cuando la gravedad
especifica de su Ifquido (medido por el hidrSmetro) es de
1.260 o mas.
40

NO SOBRECARGUE EL
GENERADOR
Sobrecargar el generador mas alia de su capacidad de
vatiaje puede ocasionar daSos al mismo y a los dispositivos
el6ctricos conectados. Siga las siguientes instrucciones para
evitar sobrecargar la unidad:
• Sume el vatiaje total de todos los dispositivos el6ctricos
que van a ser conectados al mismo tiempo. Este total No
debe ser mayor que la capacidad de vatiaje del
generador.
• El vatiaje nominal de las luces puede ser tomado de los
bombillos. El vatiaje nominal de herramientas, aparatos
especiales y motores se puede encontrar, por Io general,
en la calcomania o placa de datos del dispositivo.
• Si el aparato especial, herramienta o motor no suministra
el vatiaje, multiplique los voltios por la clasificaci6n de
amperaje para determinar los vatios
(voltios x amperios = vatios).
GUIA DE REFERENCIA DE VATIAJE
Uso Recreativo/Dom6stico
Herramienta/Artefacto ....................... Watts
Radio AM/FM con reloj .......................... 50
Bombillo de luz............................... 100
Ventilador ................................... 200
Televisor de color, 20". ........................ 400
*Congeladora ................................ 500
Computadora personal ymonitor de 15". ........... 800
*Ventilador de homo de 1/3 hp ................... 800
Homo de microondas .......................... 800
*Refrigeradora de 18 pies c6bicos ................ 800
Bomba de sumidero .......................... 1000
Sart6n el6ctrica ............................. 1250
*Bomba de agua de pozo de 1/2 hp .............. 1400
*Acondicionador de aire tipo ventana, 12.000 Btu .... 1400
Calefactor de ambiente ........................ 1800
Calentador el6ctrico de agua ................... 4000
• Algunos motores el6ctricos, como los de inducci6n,
requieren aproximadamente tres veces mas vatios de
poder para su arranque que para su funcionamiento. Esta
onda irruptiva de poder dura tan solo unos segundos
durante el arranque de dichos motores. Aseg6rese de
tener en cuenta este alto vatiaje de arranque cuando
seleccione los dispositivos el6ctricos que va a conectar a
su generador.
1. Calcule la cantidad de vatios necesarios para dar
arranque al motor mas grande.
2. Sumele a ese n6mero los vatios de funcionamiento de
todas las otras cargas conectadas.
La Guia de Vatiaje a continuaci6n ha sido suministrada para
ayudarle a determinar cuando elementos puede operar su
generador al mismo tiempo.
NOTA: Todas las cifras son aproximadas. Vea la placa de
datos del aparato especial para los requisitos de vatiaje.
Uso de Profesionales/Contratistas
Herramienta/Artefacto ....................... Watts
*Pulverizador no neumatico de 1/3 hp.............. 600
Taladro de percusi6n de 3/8" .................... 600
Sawzall® de velocidad variable .................. 960
Taladro el6ctrico de 1/2". ...................... 1000
Lampara de trabajo de cuarzo-hal6geno ........... 1000
Lijadora de correa ........................... 1200
Sierra circular de 7.1/4" ....................... 1500
Sierra a tornillo sin fin de 7.1/4" ................. 1600
*Compresor de aire de 1.1/2 hp ................. 1800
*Sierra el6ctrica tipo inglete de 10". .............. 1800
Amoladora de banco de 6". .................... 1800
*Cepilladora de mesa de 6" .................... 1800
*Sierra de brazo radial/de mesa de 10". ........... 2000
Soldadora de alambre ........................ 2400
*para el arranque de este dispositivo, tome en cuenta 3 veces los watts
listados
41

42

PROGRAMA DE MANTENIMIENTO
Siga los intervalos horarios o de calendario, Io que ocurra primero. Se requiere de servicio con mayor frecuencia cuando
opere la unidad en las condiciones adversas descritas a continuaci6n.
Operacion de Mantenimiento
Revise el nivel del aceite
Suministre servicio al predepurador
de aire
Cambie el aceite y el filtro del aceite
++
Limpie la pantalla del apagachispas
Ajuste la separaci6n de las valvulas
Vuelva a apretar los pernos de
cabeza
Suministre servicio al depurador de
aire
Reemplace la bujias
Cada 8 horas o
diariamente
X
25 horas o cada
estacion
X**
50 horas o cada 100 horas o cada
estacion estacion
X*
X
X
X _ i!i!i!i!i!i!i!i!i!i!i!i!i!i!i!i!i!i!i!i!i!i!i!i!i!i!i!i!i!i!i!i!i!i!i!i!i!i!i!i!i!i!i!i!i!i!i!i!i!i!i!i!i!i!i!i!i!i!i!i!i!i!i!i!i!i!i!i!i!i!i!i!i!i!i!i!i!i!i!i!i!i!i!i!i!i!i!i!i!i!i!i!i!i!i!i!i!i!i!i!i!i!i!i!i!i!i!i!iiiiii i i!ii! i!
X _
++ Cambie el aceite despu6s de las primeras 8 horas de operaci6n y despu6s cada 50 horas o cada estaci6n.
* Cambie el aceite y el filtro del aceite cada 25 horas cuando opere la unidad bajo cargas fuertes o en altas temperaturas.
** Limpie mas a menudo bajo condiciones demasiado sucias o polvorientas. Reemplace las partes del depurador si estan
muy sucias.
*** Vuelva a apretar los pernos de cabeza despues de las primeras 50 horas de operaci6n. No tendra que volver a apretar
los pernos de cabeza.
ESPECIFICACIONES DEL
PRODUCTO
Especificaciones del Generador
Potencia MAxima .............. 7,500 vatios (7.5 kW)
Potencia de Sobretensi6n ....... 9,375 vatios (9.3 kW)
Voltaje AC Nominal ............ 120/240 Voltios
Corriente de Carga MAxima
a 240 Voltios ............... 31.2 Amperios
a 120 Voltios ............... 62.5 Amperios
Frecuencia Nominal ............ 60Hz a 3600 rpm
Fase ....................... Monofasica
Voltaje DC Nominal ............ 12 Voltios
Corriente de Carga
MAxima a 12 Voltios .......... 10.0 Amperios DC
Especificaciones del Motor
Caballos de Fuerza ............ 15 a3600 rpm
Desplazamiento ............... 410cc
Bujia
Tipo: ..................... Champion RC12YC o
equivalente
Calibrar Separaci6n a: ........ 0.030 pulgadas
(0.76mm)
Capacidad del Tanque de
Gasolina .................... 8 galones americanos
Tipo de Aceite
Above 32o F ................ SAE 30 o10W-30
Below 320 F ................ Sintetico 5W-20 o
5W-30
RECOMENDACIONES GENERALES
La garantia del generador no cubre los elementos que
hayan sido sujetos al abuso o negligencia del operador.
Se deberAn Ilevar a cabo algunos ajustes peri6dicamente
para mantener correctamente su generador.
Todos los ajustes de la secci6n Servicio y Ajustes de este
manual deberan ser hechos por Io menos una vez en cada
estaci6n. Cumpla con los requisitos de la tabla "Programa
de Mantenimiento" descrita anteriormente.
NOTA: Una vez al aSo debera limpiar o reemplazar la bujia
y reemplazar el filtro de aire. Una bujia nueva y un filtro de
aire limpio garantizan una mezcla de combustible-aire
adecuada y ayuda a que su motor funcione mejor y tenga
una vida etil mas prolongada.
MANTENIMIENTO DEL
GENERADOR
El mantenimiento del generador consiste en mantener la
unidad limpia y seca. Opere y almacene la unidad en un
ambiente limpio y seco donde no vaya a estar expuesta a
excesos de polvo, suciedad, humedad o a vapores
corrosivos. Las ranuras para aire de enfriamiento del
generador deben permanecer despejadas, sin acumulaci6n
de nieve, hojas u objetos extraSos.
Revise frecuentemente la limpieza del generador y limpielo
cuando elementos como polvo, suciedad, aceite, humedad o
substancias extraSas sean visibles sobre su superficie
exterior.
_ iPRECAUCION! Nunca inserte objetos o
herramientas a trav_s de las ranuras de enfriamiento
de aire, incluso si el motor no esta en
funcionamiento.
43

NOTA: No recomendamos el uso de mangueras de jardin
para limpiar el generador. El agua podria introducirse en el
sistema de combustible del motor y causar problemas.
Ademas, si el agua se introduce al generador a trav6s de
las ranuras para aire de enfriamiento, algo del agua quedara
retenida en los espacios vacios y grietas del aislamiento del
devanado del estator y rotor. La acumulaci6n de agua y
suciedad en los devanados internos del generador
disminuira eventualmente la resistencia del aislamiento de
estos devanados.
Para Limpiar el Generador:
•Utilice un trapo h6medo para limpiar las superficies
exteriores.
• Puede usar un cepillo de cerdas suaves para retirar la
suciedad endurecida, aceite, etc.
• Puede usar una maquina aspiradora para eliminar
suciedad y residuos sueltos.
• Puede usar aire a baja presi6n (que no exceda los
25 psi) para eliminar la suciedad. Inspeccione las ranuras
para aire de enfriamiento y la apertura del generador.
Estas aberturas deberan mantenerse limpias y
despejadas.
MANTENIMIENTO DEL MOTOR
,_ iPELIGRO! Siempre desconecte el cable negativo
de la bateria cuando trabaje en el generador.
Tambi6n desconecte los alambres de la bujia y
mant6ngalos alejados de la misma cuando trabaje en
el generador.
Revision del Nivel de Aceite
Yea la secci6n "ANTES DE DARLE ARRANQUE AL
GENERADOR" en la pagina 37 para inforci6n en como
revisar el nivel del aceite. El nivel de aceite debera revisarse
antes de cada uso o por Io menos cada ocho horas de
operaci6n. Conserve el nivel de aceite adecuado.
Cambio de Aceite y Filtro del Aceite
Cambie el aceite y el filtro del aceite despu6s de las
primeras ocho horas de operaci6n. Cambie el aceite cada
50 horas de ese momento en adelante. Siesta utilizando su
generador bajo condiciones de extrema suciedad o polvo, o
en un clima demasiado caliente, haga el cambio de aceite
mas frecuentemente.
Siga las siguientes instrucciones para cambiar el aceite
teniendo motor todavia caliente despu_s del
funcionamiento:
• Limpie el Area alrededor del tap6n para drenaje de
aceite.
• Retire el tap6n de drenaje de aceite y tap6n de Ilenado y
drene el aceite por completo en un recipiente adecuado.
• Instale el tap6n para drenaje de aceite y apri6telo
firmemente.
• Coloque un recipiente debajo del filtro de aceite y gire el
filtro en sentido contrario alas manecillas del reloj para
retirarlo. Descartelo siguiendo la leyes locales.
• Recubra el empaque del filtro nuevo con una capa de
aceite de motor. Gire el filtro en el mismo sentido de las
manecillas del reloj hasta que el empaque tenga un
contacto firme con el adaptador del filtro. Despu6s
aprietelo 3/4 de vuelta adicional.
• Llene el recipiente para aceite con el aceite
recomendado. (Vea "ANTES DE DARLE ARRANQUE AL
GENERADOR" en la pagina 37 para las
recomendaciones del aceite).
• Instale firmemente el tap6n para Ilenado de aceite.
• Limpie cualquier derrame de aceite.
Reemplazo de la Bujia
Use bujias Champion RC12YC o equivalentes. La
separaci6n correcta es 0.76 mm (0.030 pulgadas).
Reemplace la bujia cada 100 horas de operaci6n o una vez
al aSo, Io que suceda primero. Esto ayudara a su motor a
arrancar mas facilmente y a funcionar mejor.
1. Detenga el motor y saque el alambre de la bujia.
2. Limpie alrededor de la bujia y saquela de la cabeza del
cilindro.
3. Ajuste la separaci6n de la bujia a 0.76 mm
(0.030 pulgadas). Instale la bujia con la separaci6n
correcta en la cabeza del cilindro.
VUELVA A APRETAR LOS PERNOS
DE CABEZA
Debera volver a apretar los pernos de cabeza a 6.9 kg-m
(50 ft-lbs) despu6s de las primeras 50 horas de operaci6n.
IMPORTANTE: Si no se siente seguro de Ilevar a cabo este
procedimiento o no tiene las herramientas adecuadas, por
favor Ileve su generador al centro de servicio mas cercano
para hacer apretar los pernos de cabeza. Este es un paso
muy importante para asegurar la vida 6til mas prolongada
de su motor.
NOTA: Unicamente Ileve a cabo este ajuste despu6s de las
primeras 50 horas de operaci6n. Los pernos de cabeza no
necesitaran ajuste adicional.
• La secuencia de apretamiento es la siguiente: A, B, C, D,
(en patr6n alternante).
44

PROPORCIONE SERVICIO AL
DEPURADOR DE AIRE
Su motor no funcionara correctamente y podria resultar
daSado si Io hace funcionar con un depurador de aire sucio.
Limpie o reemplace el filtro de papel del depurador de aire
cada 50 horas de operaci6n o una vez al aSo, Io que
suceda primero. Limpielo o reemplacelo mas a menudo si la
unidad funciona bajo condiciones de suciedad o polvo
excesivo. Limpie el predepurador de estuma cada 25 horas
de operaci6n o mas a menudo si la unidad funciona bajo
condiciones muy polvorientas.
Para limpiar o reemplazar el predepurador de espuma:
• Retire la cubierta del depurador de aire, despu6s el pre-
filtro de espuma.
-_ Espume del
oFiltro Pre
t /
i
El Fil_ _
del papel
• Lave el predepurador en agua jabonosa. Emprima el pre-
filtro hasta que est6 seco en un trapo limpio (NO LO
RETUERZA).
• Limpie la cubierta del depurador de aire antes de
instalarla.
Para limpiar o reemplazar el filtro de aire de papel:
• Retire la cubierta del depurador de aire, despu6s retire el
pre-filtro de espuma (proporcione servicio si es
necesario) y retire el filtro de papel.
• Limpie el filtro de papel golpeandolo suavemente sobre
una superficie s61ida. Si el filtro esta demasiado sucio,
reemplacelo con uno nuevo. Elimine el filtro viejo
adecuadamente.
• Limpie la cubierta del depurador de aire, despu6s inserte
el predepurador en la cubierta. A continuaci6n inserte el
filtro de papel nuevo en la cubierta para sostener el
predepurador en su lugar e instale todos los
componentes en la base del depurador de aire.
NOTA: Si necesita ordenar un filtro de aire nuevo, por favor
Ilame al 1-800-366-PART.
LIMPIE LA PANTALLA DEL
APAGACHISPAS
El silenciador de escape del motor posee una pantalla
apagachispas. Inspeccione y limpie la pantalla cada
100 horas de operaci6n o una vez al aSo, Io que suceda
primero.
NOTA: El generador tendra que tener un apagachispas si Io
usa en terrenos no tratados cubiertos de monte, maleza o
pasto. El apagachispas debera ser mantenido en buenas
condiciones por parte del propietario/operador.
Limpie e inspeccione el apagachispas de la siguiente
manera:
• Para retirar la guarda del silenciador del silenciador,
retire los cuatro tornillos que conectan la guarda a la
m6nsula del silenciador.
Chispee Pantalla de
Attester
El silenciador Caliente el
Protector
Retire los cuatro tornillos que estan sujetando la pantalla
del apagachispas.
Inspeccione la pantalla y reemplacela siesta rota,
perforada o en general daSada. No use pantallas
defectuosas. Si la pantalla no esta daSada, limpiela con
un disolvente comercial.
Vuelva a instalar la pantalla y la guarda del silenciador.
45

AJUSTE DE LA SEPARACION DE
LAS VALVU LAS
Despu6s de las primeras 50 horas de operaci6n, debera
ajustar la separaci6n de las valvulas del motor.
IMPORTANTE: Si no se siente seguro de Ilevar a cabo este
procedimiento o no tiene las herramientas indicadas, por
favor Ileve su generador al centro de servicio mas cercano
para solicitar el ajuste de la separaci6n de las valvulas. Este
es un paso muy importante para asegurar la vida 6til mas
prolongada de su motor.
Para ajustar la separacion de las valvulas:
•Aseg6rese de que el motor est6 a temperatura ambiente.
• Aseg6rese de que el alambre de la bujia haya sido
retirado y est6 alejado de la misma.
• Retire el tubo del respiradero de la cubierta de la vMvula.
• Retire los cuatros tornillos que sostienen la cubierta de la
valvula utilizando un destornillador phillips #2 6 3.
• Aseg6rese de que el pist6n se encuentre en el Punto Fijo
Superior (PFS) de su recorrido de compresi6n (ambas
valvulas cerradas). Para Ilevar el pist6n al punto fijo
superior, hale la manija de retroceso lentamente
observando el pist6n a trav6s del orificio de la bujia.
Cuando hale la manija de retroceso el pist6n debera
moverse hacia arriba y abajo. El pist6n se encontrara en
el Punto Fijo Superior cuando Ilegue al punto mas
elevado.
• Suelte la contratuerca del brazo oscilante. Utilice una
Ilave allen de 8 mm para girar el pasador de bola pivote
al mismo tiempo que revisa la separaci6n entre el brazo
oscilante y el vastago de la vMvula con un calibrador. La
separaci6n correcta es 0.002-0.004 pulgadas
(0.050-0.1 mm).
NOTA: DeberA sostener en posici6n la contratuerca del
brazo oscilante a medida que gira el pasador de bola pivote.
• Cuando la separaci6n de las vMvulas sea la correcta,
sostenga en posici6n el pasador de bola pivote con una
Ilave allen y apriete la contratuerca del brazo oscilante
Apriete la contratuerca a un torque de 65-85 pulgadas-
libras Despu6s de apretar la contratuerca, vuelva a
revisar la separaci6n de la valvula para cerciorarse de
que no ha cambiado
Calibrador
Llave Allen
la Contratuerca a
165 pulgadas-libras
Suelte la Contratuerca
• Vuelva a instalar la cubierta de la vMvula.
NOTA: Comience a enroscar todos los cuatro tornillos antes
de apretar o no sera capaz de colocar todos los tornillos en
su lugar.
NOTA: Aseg6rese de que el empaque entre la cubierta de
las vMvulas y la cabeza del cilindro est6 en su lugar.
• Vuelva a instalar el tubo del respiradero.
• Vuelva a conectar el alambre a la bujia.
46

GENERALIDADES
El generador debera ser encendido al menos una vez
cada siete dias y debera dejarlo funcionar al menos
durante 30 minutes. Si no puede hacer esto ydebe
almacenar la unidad por mas de 30 dfas, siga las siguientes
instrucciones para preparar su unidad para almacenamiento. •
,_ iADVERTENCIA! Nunca almacene el motor con
combustible en el tanque en recintos cerrados o en
Areas encerradas con poca ventilaci6n donde los
vapores puedan alcanzar llamas abiertas, chispa o
luz de piloto como en un homo, calentador de agua,
secadora de ropa u otro aparato de gas.
ALMACENAMIENTO PARA
PERIODOS PROLONGADOS
Es importante evitar que se formen dep6sitos de goma en
las partes esenciales del sistema de combustible, como el
carburador, manguera o tanque de combustible, durante el
almacenamiento. Tambi6n, la experiencia indica que los
combustibles con mezclas de alcohol (llamados gasohol,
etanol o metanol) pueden atraer humedad, la cual Ileva a la
separaci6n y formaci6n de acidos durante el
almacenamiento. La gasolina acida puede daSar el sistema
de combustible de un motor durante su almacenamiento.
Para evitar problemas con el motor, el sistema de
combustible debera desocuparse antes de un
almacenamiento de 30 dias o mas de la siguiente manera:
• Retire toda la gasolina del tanque de combustible.
,_ iPELIGRO! Drene el combustible dentro de un
recipiente adecuado, lejos de llamas abiertas yen
lugares al aire libre. Asegerese de que el motor est6
frio. No fume.
Haga funcionar el motor hasta que se detenga por la falta
de combustible.
Con el motor todavia caliente, drene el aceite de la caja
del cigiJeSal. Vuelva a Ilenarlo con el grado de aceite
recomendado.
Retire la bujia y rocie aproximadamente 1/2 onza (15 ml)
de aceite para motor dentro del cilindro. Cubra el orificio
de la bujia con un trapo. Hale de la manija de retroceso
para hacer girar el motor lentamente y distribuir el aceite.
,_ iPRECAUCION! Evite el rociado del orificio de la
bujia cuando est6 girando el motor lentamente.
• Instale y apriete la bujia. No conecte el alambre de la
bujia.
• Limpie las superficie externa del generador. Revise que
las ranuras de aire de enfriamiento y aberturas del
generador est6n abiertas y despejadas.
• Almacene la unidad en un lugar seco y limpio.
OTRAS SUGERENCIAS PARA EL
ALMACENAMIENTO:
•No almacene gasolina de una estaci6n a otra.
• Reemplace la caneca de gasolina si comienza a
oxidarse. El 6xido y/o la suciedad en la gasolina le
causara problemas.
• Si es posible, almacene su unidad en un recinto
encerrado y c0brala para protegerla del polvo y la
suciedad. ASEGURESE DE VAClAR EL TANQUE DEL
COMBUSTIBLE.
• Cubra su unidad con una cubierta de protecci6n
adecuada que no retenga humedad.
,_ iPELIGRO! Nunca cubra su generador cuando el
motor y el Area del escape est6n calientes.
47

48

Problema
El motor esta
funcionando pero no
existe salida de AC
disponible.
El motor funciona bien
sin cargas pero
"funciona mal" cuando
las cargas son
conectadas.
Causa
1. Uno de los cotacircuitos esta abierto.
2. Mala conexi6n ojuego de cordones
defectuoso.
3. El dispositivo conectado esta en mal
estado.
4. Falla en el generador
1. Corto circuito en la carga conectada.
2. El generador esta sobrecargado.
3. La velocidad del motor es muy lenta.
4. Circuito del generador en corto.
1. Interruptor de Marcha/Parado en STOP.
2. Depurador de aire sucio.
3. Sin gasolina.
4. Gasolina vieja.
5. El alambre de la bujia no esta conectado
Solucibn
1. Reajuste el cortacircuito.
2. Revise y repare.
3. Conecte otro dispositivo que est6 en
buenas condiciones.
4. P6ngase en contacto con el Centro de
Servicio de Sears.
1. Desconecte la carga el6ctrica en corto.
2. Vea "No Sobrecargue el Generador" en la
Pagina 41.
3. P6ngase en contacto con el Centro de
Servicio de Sears.
4. P6ngase en contacto con el Centro de
Servicio de Sears.
1. Coloque el interruptor en "Run" (Marcha).
2. Limpie o reemplace el depurador de aire.
3. Llene eltanque de combustible.
4. Drene el tanque de gasolina y 116nelocon
combustible fresco.
5. Conecte el alambre a la bujia.
El motor no arranca; o
arranca y funciona mal.
6.
7.
8.
9.
a la bujia.
Bujia en mal estado.
Agua en la gasolina.
Exceso de cebado.
Bajo nivel de aceite.
6. Reemplace la bujia.
7. Drene el tanque de gasolina; 116nelocon
combustible fresco.
8. Coloque la palanca del cebador en "no
choke".
9. Llene la caja del cigQefial al nivel
adecuado.
El motor se apaga en
pleno funcionamiento
AI motor le hace falta
potencia.
El motor "no funciona
continuamente" o se
detiene.
Sin salida DC para carga
de la bateria.
10.
11.
12.
1.
2.
3.
1.
2.
3.
1.
2.
1.
2.
3.
4.
5.
Mezcla de combustible excesivamente
rica.
Valvula de toma atascada en la posici6n
abierta o cerrada.
El motor ha perdido compresi6n.
Sin gasolina.
Nivel de aceite bajo.
Falla en el motor.
La carga es muy alta.
Filtro de aire sucio.
El motor necesita servicio.
El cebador fue abierto muy rapidamente.
Carburador con mezcla de aire-
combustible muy rica o muy pobre.
Los bornes de la bateria estan oxidados.
El nivel del liquido de la bateria es bajo.
El cable de la bateria esta daSado.
Bateria defectuosa.
El tomacorriente esta dafiado.
10. P6ngase en contacto con el Centro de
Servicio de Sears.
11. P6ngase en contacto con el Centro de
Servicio de Sears.
12. P6ngase en contacto con el Centro de
Servicio de Sears.
1. Llene eltanque del combustible.
2. Llene la caja del cigQefial al nivel
correcto.
3. P6ngase en contacto con el Centro de
Servicio de Sears.
1. Vea "No Sobrecargue el Generador" en la
Pagina 41.
2. Reemplace el filtro de aire.
3. P6ngase en contacto con el Centro de
Servicio de Sears.
1. Mueva el cebador a la posici6n intermedia
hasta que el motor funcione suavemente.
2. P6ngase en contacto con el Centro de
Servicio de Sears.
1. Limpie los bornes de la bateria.
2. Agregue agua destilada a la bateria.
3. Reemplace el cable.
4. Revise la condici6n de la bateria;
reemplacela siesta defectuosa.
5. P6ngase en contacto con el Centro de
Servicio de Sears.
49

50

Sus Obligaciones y Derechos de Garantia
La Junta Directiva de Recursos Ambientales de California ("CARB')
ySears Roebuck and Co. USA, tienen el gusto de explicar la
Garantia del Sistema de Control de Emisiones de su motor (motor)
pequeSo aSo 2000 y modelos posteriores. En California, los
motores nuevos deben ser diseSados, fabricados y equipados para
cumplir con los estrictos estandares anti-poluci6n del Estado. Sears
debera garantizar el sistema de control de emisiones de su motor
por los periodos de tiempo enlistados a continuaci6n, con tal de que
no haya habido abuso, negligencia o mantenimiento inadecuado de
su motor.
Su sistema de control de emisiones incluye partes como el
carburador y el sistema de ignici6n.
Donde exista una condici6n que se pueda garantizar, Sears
reparar& su motor sin costo alguno para usted. Los gastos cubiertos
bajo la garantia incluyen diagn6stico, partes y mano de obra.
Cubrimiento de Garantia del Fabricante
Los motores modelo aSo 2000 y posteriores estan garantizados por
dos aSos. Si alguna parte de su motor relacionada con las
emisiones (lista a continuaci6n) es defectuosa, esta sera
remplazada o reparada por Sears.
Responsabilidades de Garantia del
Propietario
Como propietario del motor, usted es responsable de la realizaci6n
del mantenimiento requerido enlistado en este manual del
propietario. Sears le recomienda conservar todos los recibos que
cubran el mantenimiento de su motor. Sin embargo, Sears no
puede negar los derechos de garantia tan solo debido a la falta de
los recibos opor que no se haya asegurado de realizar todo el
mantenimiento programado.
Como propietario del motor, usted debe saber que Sears puede
negar el cubrimiento de la garantia si su motor, o una parte del
mismo, ha fallado debido a abuso, negligencia, mantenimiento
inadecuado, modificaciones no aprobadas, o por el uso de partes
que no hayan sido fabricadas o aprobadas por el fabricante original
del equipo.
Usted es responsable de Ilevar su motor a un centro de reparaci6n
autorizado Sears tan pronto como aparezca el problema. Las
reparaciones de garantia deberan terminarse en un periodo de
tiempo razonable, que no exceda los 30 dias.
Si tiene preguntas acerca de sus responsabilidades y derechos de
garantia, debera ponerse en contacto con su centro de servicio
autorizado mas cercano o Ilamar a Sears al 1-800-473-7247.
Fecha de Inicio de la Garantia
El periodo de la garantia comienza en la fecha de entrega del
motor.
Duracion del Cubrimiento
Sears garantiza al propietario inicial y a cada comprador
subsecuente, que el motor est& libre de defectos en materiales y
mano de obra que puedan causar falla de la parte garantizada por
un periodo de dos aSos.
QUE ESTA CUBIERTO
Reparacion o Remplazo de Partes
•La reparaci6n o el remplazo de cualquier parte garantizada se
realizara sin ningen costo para el propietario en un centro de
servicio aprobado Sears.
• Si tiene preguntas acerca de sus responsabilidades y derechos
de garantia, debera ponerse en contacto con su centro de
servicio autorizado mas cercano o Ilamar a Sears al
1-800-473-7247.
Periodo de Garantia
Cualquier parte garantizada que no haya sido programada para
reemplazo como mantenimiento requerido, o que este programada
6nicamente para inspecci6n bajo la condici6n de "repare o remplace
cuando sea necesario", sera garantizada por 2 aSos. Cualquier
parte garantizada que este programada para reemplazo seg6n el
mantenimiento requerido sera garantizada por el periodo de tiempo
hasta su primer remplazo programado.
Diagnostico
No se le cobrara al propietario los costos del trabajo diagn6stico
que Ileve a la conclusi6n de que la parte garantizada es defectuosa,
si dicho trabajo diagn6stico es hecho en un centro de servicio Sears
aprobado.
Dafios Consecuenciales
Sears puede ser responsable por daSos a otros componentes del
motor causados por la falla de una parte garantizada que at_n esta
bajo garantia.
QUE NO ESTA CUBIERTO
No seran cubiertas las fallas causadas por abuso, negligencia o
mantenimiento inadecuado.
Partes Agregadas o Modificadas
El uso de partes agregadas o modificadas puede ser motivo
suficiente para negar reclamos bajo garantia. Sears no es
responsable de cubrir fallas de partes garantizadas causadas por el
uso de partes agregadas o modificadas.
Como Presentar un Reclamo
Si tiene preguntas acerca de sus responsabilidades y derechos de
garantia, debera ponerse en contacto con su centro de servicio
autorizado mas cercano o Ilamar a Sears al 1-800-473-7247.
Donde se Obtiene el Servicio de Garantia
Las reparaciones o servicios de garantia seran proporcionados en
todos los centros de servicio autorizados Sears.
Mantenimiento, Remplazo y Reparacion
de Partes Relacionadas con Emisiones
Cualquier repuesto aprobado por Sears usado en la realizaci6n de
cualquier mantenimiento o reparacidn de garantia en partes
relacionadas con las emisiones, sera suministrado sin costo alguno
al propietario si la parte esta bajo garantia.
Lista de Partes en Garantia del Control de
Emisiones
1. Sistema de Medici6n del Combustible:
a. Conjunto del Carburador
b. Filtro del Combustible
2. Sistema de Inducci6n de Aire:
a. Meltiple de admisidn
b. Depurador de aire
3. Conjunto de Silenciador Catalitico (siesta presente),
incluyendo:
a. Empaque del silenciador
b. Meltiple del escape
4. Sistema de encendido
a. Bujia
b. M6dulo de encendido
5. Tubo del Respiradero de la Caja del Cig(JeSal
51

For in-home major brand repair service:
Call 24 hours a day, 7 days a week
1-800-4-MY-HOM E SM(1-800-469-4663)
Para pedir servicio de reparacibn a domicilio - 1-800-676-5811
In Canada for all your service and parts needs call. 1-800-665-4455
Au Canada por tout le service ou les pi6ces
For the repair or replacement parts you need:
Call 7 am - 7 pm, 7 days a week
1-800-366-PART (1-800-366-7278)
Para ordenar piezas con entrega a domicilio - 1-800-659-7084
For the location of a Sears Parts and Repair Center in your area:
Call 24 hours aday, 7days a week
1-800-488-1222
For information on purchasing a Sears maintenance Agreement
or to inquire about an existing Agreement:
Call 9 am - 5 pm, Monday -Saturday
1-800-827-6655
HomeCentraF
The ServiceSideofSears_