Craftsman 580752060 User Manual PRESSURE WASHER Manuals And Guides L0704359
CRAFTSMAN Power Washer, Gas Manual L0704359 CRAFTSMAN Power Washer, Gas Owner's Manual, CRAFTSMAN Power Washer, Gas installation guides
LA9800XM 580752060 b,e,m
User Manual: Craftsman 580752060 580752060 CRAFTSMAN PRESSURE WASHER - Manuals and Guides View the owners manual for your CRAFTSMAN PRESSURE WASHER #580752060. Home:Lawn & Garden Parts:Craftsman Parts:Craftsman PRESSURE WASHER Manual
Open the PDF directly: View PDF
.
Page Count: 60

Operator'sManual
®
2500 PSi MAX
2.3 GPff] MAX
_odei No. 580.752060
Before using this product, readthis
manuatand foiiow ali Safety RuIes
and Operating instructions=
ADVFRT = CIA
Antes de utiiizar ei producto, iea este
manuai y siga todas las RegIasde
Seguridade instrucciones de Use=
Sears, Roebuck and Ca., Hoffman Estates, [L 68179 U.S.A.
Visit our Craftsman website: www.craftsman.com
Part 1/o. 203772GS Draft - (03/29/2007)
®Safety
®Assembly
®Operation
,, Maintenance
®Parts
,, Espa_oi, p. 34
0

WARRANTY.......................................... 2
SAFETYRULES...................................... 2-5
FEATURESANDCONTROLS.............................. 6
ASSEMBLY......................................... 7-9
OPERATION....................................... 10-14
SPECIFICATIONS..................................... 15
MAINTENANCE.................................... 16-20
STORAGE........................................ 21-22
TROUBLESROOTH'_IG.................................. 23
REPLACEMENTPARTS.............................. 24-30
NOTES ............................................. 31
EMISSIONCONTROLWARRANTY ..................... 32-33
ESPA_OL......................................... 34-59
HOW TO ORDERPARTS ........................ BACKPAGE
If this pressurewasher faiis dueto a defect in materiai or workmanship within one year from the date of purchase, return it to
any Searsstore, other Craftsman outlet, or Sears Parts & Repair Centerin the UnitedStates or Canadafor free repair (or
replacementif repair proves impossible).
Ati warranty coverageapplies for only 90 days from date of purchaseif this pressure washer is ever used for commercial or
rentai purposes.
This warranty gives you specific legal rights, and you mayalso have other rights which vary from state to state.
Sears, lleehuck and Ce,, Heffman Estates, JL6e179
Sears Canada Jnc,, Terente, entarie, Canada MSB 2B8
This is the safety alert symbol, tt is used to alert youto potential persanaminjary hazards. Obey all safety messages
that follow this symbomto avoid possiMeinjary or death.
_Read this manual carefully and become familiar
.... with your pressarewasher. Know its applications,
its limitations, and any hazardsinvolved.
The safety alert symbol (A) is used with a signal word
(DANGER,CAUTION,WARNING),a pictorial and/or a safety
messageto alert you to hazards. DANCERindicates a hazard
which, if not avoided, w#fresult in death or serious injury.
WARNINGindicates a hazard which, if not avoided, could
result in death or serious injury. CAUTIONindicates a hazard
which, if not avoided, might result in minor or moderate
injury. NOTICEindicates a situation that could result in
equipment damage. Foiiow safety messagesto avoid or
reduce the risk of injury or death.
Hazard Symbols and Meanings
ToxicFumes Kickback ElectricalShock
SlipperySurface Fa_
Fire Explosion
FluidInjection
Operator's Manual
MovingParts FlyingObjects HotSurface
© Sears Brands, LLC

WARNING
Theengine exhaust from this productcontains
chemicals known to the State of California to cause
cancer, birth defects, or other reproductive harm.
WARNING
Running engine gives off carbon monoxide, an
odoriess, coioriess, poison gas.
Breathing carbon monoxide can cause headac!_e,
fatigue, dizziness, vomiting, confusion, seizures,
nausea, fainting or death.
Some chemicals or detergents may be harmful if
inhaled or ingested, causing severe nausea,
fainting, or poisoning.
*Operatepressure washer ONLY outdoors.
, Keep exhaust gas from entering a confined areathrough
windows, doors, ventilation intakes, or other openings.
o DO NOTstart or run engine indoors or in an enclosed area,
even if windows and doors are open.
o Use a respirator or rnaskwhenever there is a chancethat
vapors rnay be inhaled.
, Readall instructions with mask so you are certain the mask will
provide the necessaryprotection against inhalingharmful
vapors.
WARNING
_iir Risk of electrocution.
Contact with power source can cause electric
shock or burn.
• NEVER spraynearpowersource.
WARNING
Fueland its vapors are extremely flammable and
explosive.
Fireor explosion can cause severe burns or
death=
WidENA#UING8U URAiNIN6FUEL
* TurnpressurewasherOFFandlet it coo[at least2 minutes
beforeremovingfuelcap.Loosencapslowly'to relievepressure
in tank.
* Fillor drainfueltankoutdoors.
o DONOToverfilltank.Allowspacefor fuel expansion.
* Iffuel spi!ls,waituntil it evaporatesbeforestartingengine.
o Keepfuelawayfromsparks,openflames,pilot lights,heat,and
otherignitionsources.
o DONOTlight a cigaretteorsmoke.
WidENSTARTINGEQUIPMENT
oEnsuresparkplug,muffler,fuel cap,andair cleanerarein
place.
, DONOTcrankenginewith sparkplugremoved.
WIDEN8PERATINGEQUIPMENT
* DONOTtip engineor equiprnentat anglewhichcausesfuel to
spill.
o DONOTsprayflamrnabieliquids.
WIDENTRANSPORTING8U REPAIRINGEQUIPMENT
, Transport/repairwithfue]tank EMPTYor withfuel shutoffvalve
OFF.
, Disconnectsparkplugwire.
WIDENSTOUINGFUEL8U EQUIP_dENTWiTidFUELIN TANE
*Storeawayfromfurnaces stoveswaterheaters,clothes
dryers,or otherappliancesthathavepilot light or otherignition
sourcebecausetheycanignitefuelvapors.

WARNING
Starter cord kickback (rapid retraction) can result
in bodily injury, Kickback will pull hand and arm
toward enginefaster than you can iet go.
Broken bones, fractures, bruises, or sprains
could result.
• NEVERpull starter cord without first relieving spray gun
pressure.
o When starting engine pull cord slowly until resistance is felt
and then pull rapidly to avoid kickback.
• After eachstarting attempt_where enginefails to run, always
point spray gun in safe direction and squeezespray gLmtrigger
to releasehigh pressure. Engagespray gun trigger lock.
• Firmly grasp spray gun with both hands when using high
pressure spray to avoid iniury when spray gun kicks back.
WARNING
Useof pressure washer can create puddles and
slippery surfaces.
Kickbackfrom spray gun can cause you to fail.
• Operatepressure washer frorn a stable surface.
• The cleaning area should haveadequate slopes and drainageto
reduce the possibility of a fall due to slippery surfaces.
o Be extremely careful if you rnust usethe pressure washer from
a ladder, scaf%ding_ or any other similar location.
• Firmly grasp spray gLmwith both hands when using high
pressure spray to avoid injury when spray gun kicks back.
WARNING
Contact with muffler area can result in serious
burns.
Exhaustheat/gases can ignite combustibles,
structures or damage fueI tank causing a fire.
• DONOTtouchhot partsandAVOIDhot exhaustgases.
•Allowequipmentto cool beforetouching.
• Keepat least5feet (152cm) of clearanceonall sidesof
pressurewasherincludingoverhead.
• Codeof FederalRegulation(CFR)Title36 Parks,Forests,and
PublicPropertyrequireequipmentpoweredby aninternal
combustionengineto haveasparkarrester rnaintainedin
effectiveworkingorder,complyingto USDAForestservice
standard5100-1Cor laterrevision.Inthe Stateof Californiaa
sparkarresteris requiredundersection4442of the California
Publicresourcescode.Otherstatesrnayhavesimilarlaws.
WARNING
The high pressure stream of water that this
equipment produces can cut through skin and its
underlying tissues, ieading to serious injury and
_ossible amputation,
Spray gun traps high water pressure, even when
engine is stopped and water is disconnected,
which can cause injury.
• DONOT allow CHILDRENto operate pressure washer.
o NEVERrepair high pressure hose. Replaceit.
• NEVERrepair leaking connections with sealant of any kind.
Replaceo-ring or seal.
• NEVERconnect high pressure hoseto nozzle extension.
o Keep high pressure hose connectedto purnp and spray gun
while system is pressurized.
• ALWAYS point spray gun in safe direction and squeezespray
gun trigger to releasehigh pressure, every time you stop
engine. Engagetrigger lock when not in use.
• NEVERaim spray gun at people, animals, or plants.
o DO NOTsecure spray gun in open position.
• DO NOT leavespray gun unattended while rnachine is running.
oNEVERusea spray gun which does not have a trigger lock or
trigger guard in place and in working o!der.
o Always be certain spray gun, nozzlesand accessories are
correctly attached.
WARNING
Unintentional sparking can result in fire or
'_¢ electric shock,
WidENADJUSTINGGRJVIAKINGI_EPAIRSTG YGUR
PRESSIJi_EWASHER
o Disconnectthe sparkplugwire fromthe sparkplugandplace
thewire whereit cannotcontactsparkplug.
WidENTESTINGFGRENGINESPARK
o Useapprovedsparkplugtester.
• DONOTcheckfor sparkwith sparkplugremoved.

WARNING
Starter and other rotating parts can entangle
7ands, hair, clothing, or accessories.
•NEVERoperate pressure wasber without protective housing or
covers.
• DO NOTwea! loose clothing jewelry or anything that may be
caught in the starter or other rotating parts.
. Tie up long hai! and remove jewelry.
WARNING
IRisk of eye injury.
_Spray can spiash back or propel objects.
Always wear safety goggles wben using this equipment or in
vicinity of where equipment is in use.
Before starting the pressure washer, be sure you are wearing
adequate safety goggles.
NEVERsubstitute safety glasses for safety goggles.
High pressure spray may damage fragiie items inciuding
iass.
DONOTpointspraygunat glasswhen usingred(0°) spraytip.
NEVERaim spraygunat plants.
NOTICE
Improper treatment of pressure washer can damage it and
shorten its life,
If you have questions about intended use, ask dealer or contact
Sears.
NEVERoperate units witb broken or missing pa!ts, or witbout
protective housing or covers.
DO NOTby-pass any safety device on this rnacbine.
DONOTtamper with governed speed.
DONOToperate pressure wasber above rated pressure.
DONOT modify pressure washer in any way.
Before starting pressure washer in cold weather check all parts
of tbe equipment to besure ice has not formed there.
NEVERrnove macbine by pulling on hoses. Use handle
provided on unit.
Cbeck fuel system for leaks or signs of deterioration, such as
chafed or spongy hose, !oose or missing clamps or damaged
tank or cap. Correct all defects before operating pressure
washer.
Tbis equipment is designed to be used with Sears autborized
parts ONLY.If equipment is used witb parts tbat DO NOT
comply with rninimum specifications, user assumes all risks
and liabilities.

KNOWYOURPRESSUREWASHER
_Read the Operator's Manual and safety raJesbefore operating your pressurewasher.
_ Comparetire illustrations with your pressurewasher to familiarize yourself with the locations of various controls and
adjustments. Savethis manual for future reference.
A - Spray Gun-- Controls the application of water onto
cleaning surface with trigger device, includes trigger iock.
B =Cleaning Tank-Holds up to one gallon pressure washer
safe detergents.
C - Spray Tips -- Detergent,0°, 15° and 40°: for various
high pressure cleaning applications.
D - Recoil Starter -- Usedfor starting the engine manuaiiy.
E=Nozzle Extensionwith Quick Connect -- Aiiows you to
switch betweenfour different spray tips.
F-Oil Fill/Dipstick -- Check,add and drain engine oil here=
G- Pamp -- Develops high pressure=
H - Automatic Cool Down System -- Cycleswater through
pump when water reaches125°o155°F.Warm water wiii
discharge from pump onto ground=This system prevents
internal pump damage.
J-Air Filter -- Protects engine by filtering dust and debris
out of intake air.
K=High Pressare Oatiet -- Connection for high pressure
hose.
L=Water thief -- Connection for garden hose.
_1=Fuel Valve -- Usedto turn fuel supply on and off to
engine.
N - Engine Switch -- Sets engine in starting mode for recoil
starter and stops a running engine.
P - Choke Rod -- Preparesa coid engine for starting.
R - Fuel Tank -- Fiii tank with regular unleadedrue!.Always
leave room for fuei expansion.
S =High Pressare Hose -- Connect one end to water pump
and the other endto spray gun.
items Not Shown:
Data Tag (near rear of base plate) -- Provides model and
serial number of pressure washer=Pieasehavethese readily
avaiiabie if calling for assistance.
Safety Goggles-- Atways use the enclosed safety goggies
when running your pressure washer=
Warning/Operating instructionsTag -- identifies hazards
and proper procedure to start/stop pressure washer.

Yourcleaningsystemrequiressomeassemblyandisready
foruseonlyafterit hasbeenproperlyservbedwiththe
recommendedoilandfuel.
Jfyouhave any prahtems with the assemMy of your
pressurewasher, please call the pressurewasher hempline
at 1-800-222-3136.
UNPACKTHE PRESSUREWASHER
1. Remove everything from carton except pressure washer.
2. Opencarton completeiy by cutting each corner from top
to bottom.
3. Remove pressure washer from carton.
CARTONCONTENTS
CheckalI contents. If any parts are missing or damaged,call
the pressure washer hetpline at 1-8e0-222-3136.
o The main unit
,Handle
, Cbaning tank assembly
*Spray gun
,High pressure hose
o Nozzleextension with quick connect fitting and nozzle
holder
o EngineoiI
°Detergentsiphoning hose/filter
,Parts bag (which inciudes items listed below)
, Safety goggles
o Owner's manual
°Gun holder wireform
o Registrationcard
°Bagcontaining 4 multi-cotored quick connect spray
tips
°Handlefastening hardware kit (which includes):
o Carriage bolt (2)
,L hook (1)
°Plastic knobs (4)
o Tree Clips (4)
Becomefamiliar with each piece before assembling the
pressure washer. CheckalI contents against the illustration
on page6. If any parts are missing or damaged,calI the
pressure washer helpline at 1-800-222-3136.
ASSEMBLINGYOURPRESSUREWASHER
Your Craftsman Hgh pressure washer was mostly assembied
at the factory. However,you wiii needto perform these tasks
before you can operateyour pressure washer:
1. Fiii out and send in registration card.
2. Attach handieand cieaning tank assembly.
3. Attach detergentsiphon hose to pump.
4. Add oii to engine crankcase.
5. Add fuel to fuel tank.
6. Connect pressure hose to spray gun and pump.
7. Connectwater suppiy to pump.
8. Attach nozzieextension to spray gun.
9. Select/attachquick connect spray tip to nozzb extension.
Attach Handle and Cleaning Tank
1. Placehandle (A) onto handlesupports (B) connected to
main unit. Make sure holes (C) in handlealign with holes
(C) on handle supports.
NOTE:it may be necessaryto move the handie supports
from side to side in order to aiign the handle so it wifl sfide
over the handb supports.
2. Insert carriage bolts (A) througll holes from back of unit
and attach a plastic knob (B) from front of unit. Tighten
by hand.
Placecteaningtank (B) over holes (C) on handb
(viewing from front of unit). Push the tree clips (A) into
the holes until they sit fiat againstthe cleaning tank.
/
/
/
Insert "L" bait (A) througil hole ust abovecleaning tank
on right side of handle (viewing from front of unit). Hold
bait in place and attachplastic knob (B) from inside of
unit. Tighten by hand.

Insertspraygunholderwireform(A)throughholejust
abovecleaningtankonleftsideofhandle(viewingfrom
frontofunit).NoNwireforminpiaceandattachapiastic
knob(B)frominsideofunit.Tightenbyhand.
/
Attach Detergent Siphon Nose te Pump
The pressure washer is equippedwith two detergent
siphoning hoses. One is attachedto the cleaning tank and
one is loose for siphoning pressure washer safe detergents
from a bottb or container.
Attach one of the detergent siphon hoses (A) to the barbed
hose fitting (B) on the pump.
Add Feel
WARNING
Fueland its vapors are extremely fiammabb and
explosive.
Fire or explosion can causesevere burns or
death.
WHENADBIN8FBEL
" TurnpressurewasherOFFandlet it coo[at least2 minutes
beforeremovingfuelcap.Loosencapslowlyto relievepressure
in tank.
•Fillfuel tankoutdoors.
o DONOToverfilltank.Allowspacefor fuel expansion.
•Iffuel spills waituntil it evaporatesbeforestartingengine.
Keepfuelawayfromsparks,openflames,pilot lights,heat,and
otherignitionsources.
•DONOTlight a cigaretteorsmoke.
Useclean, fresh, regular unleadedfuei with a minimum
of 86 octane with equipment. DO NOTmix oil with fuel.
Place pressurewasher on a level surface. Cleanarea
around fue! fiii cap, remove cap.
Slowiy add regular unleadedfuei to bottom of fuel level
limit in neck of fuel tank. Becareful not to overfill.
.
3.
iMPORTANT:Only one detergent siphoning hose can be used
at a time. When cleaning tank is not used, make sure
detergent shut-off valve on cleaning tank is in the "Off"
position.
Add Engine OiJ
1. Place pressure washer on a fiat, bvel surface.
2. Cleanarea around oii fiii and remove oii fiii cap/dipstick.
NOTE:See OffRecommendationsin Maintenancesection.
Verify provided oii bottie is the correct viscosity for current
ambient temperature.
3. Using oii funnei (option@, slowly pour contents of
provided oil bottle into oil fill opening.
improper treatment of pressurewasher can damage it and
shorten its iife.
DONOTattemptto crankor startthe enginebeforeit hasbeen
properlyservicedwiththe recommendedoil. Thismayresultin
anenginefailure.
4. Replaceoil fill cap/dipstick and fully tigilten.
4. Install fuei cap and allow any spilled fuel to evaporate
before starting engine.
CAUTJSN!AlcohoI-bbnded fueis (called gasohoI, ethanol or
methanol) can attract moisture, which leadsto separationand
formation of acids during storage. Acidic gas can damagethe
fuel system of an engine while in storage.
To avoid engine problems, the fuei system should be emptied
before storage of 30 days or ionger. Drainthe fuei tank, start
the engine and let it run until the fuel iines and carburetor are
empty. Use fresh fuel next season. See Storage for additional
information.
NEVERuse engine or carburetor cleaner products in the fuel
tank as permanent damage may occur.

Connect Hose and Water Supply to Pump
NOTE:Removeand discard atl pump shipping caps before
attaching hoses.
1. Uncoii high pressure hose and attach one end of hose to
base of spray gun. Tighten by hand.
WARNING
The high pressure stream of water that this
_ quipment produces can cut through skin and its
underlying tissues, leadingto serious injury and
)ossibteamputation.
*NEVERcormecthighpressurehoseto nozzleextension.
*Keephighpressurehoseconnectedto purnpandspraygun
whilesystemis pressurized.
.Alwaysbecertainspraygun,nozzlesandaccessoriesare
correctlyattached.
2. Attach other end of high pressure hose to high pressure
outlet on pump. Tighten by hand.
3. Before connecting garden hose to water inlet, inspect
inlet screen (A). Cleanscreen if it contains debris or
have it replaced if damaged.00 NOTrun pressure
washer if intetscreen is damaged.
4. Run water through garden hose for 30 seconds to flush
it of debris. Turn off water.
iMPORTANT:DO NOTsiphon standing water for the water
supply. Use ONLYcold water (less than 100%).
5. Connectgarden hose (not to exceed50 feet in length) to
water inlet. Tighten by hand.
NOTICE
Using a OneWay Valve (vacuum breaker or check valve) at
pump inlet can cause pump or inlet connector damage.
ThereMUSTbeat leastten feetof unrestrictedgardenhose
betweenthepressurewasherinletandanydevice,suchas a
vacuumbreakeror checkvalve.
Damageto equipmentresultingfrom failureto followthis
6. Turn ONwater, point gun in a safe direction and squeeze
trigger on spray gun to purge pump system of air and
impurities.
WARNING
>_sRiSk eye injury.
of
pray can spiash back or propei objects.
Alwayswearsafetygoggleswhen usingthis equipmentor in
vicinityof whereequipmentis in use.
Beforestartingthe pressurewasher,besureyouarewearing
adequatesafetygoggles.
NEVERsubstitutesafetyglassesfor safetygoggles.
ChecMist Befere Starting Engine
Reviewthe assembiyto ensure you have performed all of the
following:
1. Besure to read Safety Rules and Operationsections
before using the pressure washer.
2. Makesure handie is in ptaceand secure.
3. Checkthat oil has beenadded to proper level in engine
crankcase.
4. Add proper fuei to fuei tank.
5. Checkfor properly tigiltened hose connections (higll
pressureand water suppty) and for tight connections
and that there are no kinks, cuts, or damageto the high
pressure hose.
6. Provide proper water supply (not to exceedlOB°F)=

HOWTO USEYOURPRESSUREWASHER
If you haveany problems operating your pressure washer,
please calIthe pressure washer heipline at 1-800-222-3136.
Pressure Washer Location
PressureWasherClearance
WANNING
Exhaustheat/gases can ignite combustibbs,
structures or damage fuel tank causing a fire.
• Keepat least5ft. (152cm)clearanceonall sidesof pressure
washerincludingoverhead.
Placepressure washer outdoors in an areathat wilI not
accumuiate deadiy exhaust gas. DO NOTplace pressure
washer where exhaust gas (A) could accumuiateand enter
inside or be drawn into a potentia@ occupied buiiding.
Ensureexhaust gas is kept awayfrom any windows, doors,
ventiiation intakes, or other openings that can aliow exhaust
gas to coliect in a confined area. Prevaiiingwinds and air
currents should be taken into consideration when positioning
_ressurewasher.
WARNING
Running engine gives off carbon monoxide, an
_ dorless, colorless, poison gas.
Breathingcarbon monoxide can causeheadache,
fatigue, dizziness, vomiting, confusion, seizures,
nausea,fainting or death.
*OperatepressurewasherONLYoutdoors.
. Keepexhaustgasfromenteringaconfinedareathrough
windows,doors,ventilationintakes,or otheropenings.
* DONOTstat or runengineindoorsor in anenclosedarea,
evenif windowsanddoorsareopen.
To Start Yeur Pressure Washer
To start your engine-powered pressurewasher for the first
time, foiiow these instructions step-by-step. This starting
information also appiies wheneveryou start the engine after
you have iet the pressure washer sit idle for at bast a day.
1. Placepressure washer outside near an water source
capabie of supplying water at a flow rate greater than
3.3 galions per minute and no iess than 20 PSi at
pressurewasher end of garden hose.
2. Checkthat higll pressure hose is tightiy connected to
spray gun and pump. SeeAssembling Your Pressure
Washerfor iilustrations.
3. Makesure unit is in a ievei position.
4. Connectgarden hose to water intet on pressure washer
pump.
[
DO NOTrun the pump without the water supply connected
nd turned on.
Damageto equipmentresultingfrom failureto followthis
instructionwill void warranty
5. Turn ONwater, point gun in a safe direction and squeeze
trigger to purge pump system of air and impurities.
6. Placecolored quick connect spray tips in slots on holder
attached to nozzleextension.
7. Attach nozzleextension to spray gun. Tighten by hand.
8. Choosespray tip you want to use and insert it into
nozzleextension. SeeHow to UseSpray T,{ps.
9. Engagetrigger iock (A) on spray gun trigger.
10

10.TurnfueIvalve(A)to"On"position. 13.Whenstartingengine,positionyourselfasrecommended
andgraspstartergriphandieandpuffsiowiyuntiiyoufeel
someresistance.ThenpulIrapidiytostartengine.
11. Pull choke rod (A) to "Closed" position (B).
_N
NOTE:For a warm engine, be sure the choke rod (A) is in the
"Open" position.
12. Move engine stop switch (A) to "On" position.
iMPORTANT:Before starting the pressure washer, be sure
/ou are wearing adequatesafety goggies,
WARNING
_-_ Risk of eye injury=
_ ]Spray can splash back or propel objects.
Alwayswearsafetygoggleswhenusingthis equipmentor in
vicinityof whereequipmentis in use.
Beforestartingthe pressurewasher,besureyou arewearing
adequatesafetygoggles.
NEVERsubstitutesafetyglassesfor safetygoggles.
14. Return recoii starter slowly. DO NOTlet rope "snap
back" against starter.
WARNING
Starter cord kickback (rapid retraction) can result
in bodily injury. Kickbackwill pull handand arm
toward enginefaster than you can iet go.
Broken bones, fractures, bruises, or sprains
could result.
• NEVERpullstartercord withoutfirst relievingspraygun
pressure.
• Whenstartingengine,pullcord slowlyuntil resistanceis felt
andthen pullrapidlyto avoidkickback.
o Aftereachstartingattempt,whereenginefailsto run, always
pointspraygunin safedirectionandsqueezesprayguntrigger
to releasehighpressure.Engagesprayguntriggerlock.
• Firmlygraspspraygunwithboth handswhenusing high
pressuresprayto avoidinjury whenspraygunkicksback.
15. When engine starts, slowiy movechoke rod to "Open"
position as engine warms, if engine falters, movechoke
rod to "Closed" position, then to "Open" position.
WARNING
The high pressure stream of water that this
equipment produces can cut through skin and its
_ nderlying tissues, ieading to serious injury and
)ossibte amputation.
Spray gun traps Ngh water pressure, even when
engine is stopped and water is disconnected,
which can cause iniur,/.
• DONOT allow CHILDRENto operate pressure washer.
o Keep high pressure hose connectedto pump and spray gun
while system is pressurized.
o NEVERaim spray gun at people, animals_or plants.
• DO NOTsecure spray'gun in open position.
o DO NOT leavespray gun unattended while rnachine is running.
• NEVERusea spray gun which does not have a trigger lock or
trigger guard in place and in working order.
o Always be certain spray gun, nozzbs and accessories are
correctly attached.
11

WARNING
Contact with muffler area can result in serious
burns.
Exhaustheat/gases can ignite combustibles,
structures or damage fueI tank causing a fire.
*DONOTtouchhot partsandAVOIDhot exhaustgases.
*Allowequipmentto cool beforetouching.
, Keepat least5feet (152cm) of clearanceonall sidesof
pressurewasherincludingoverhead.
o Codeof FederalRegulation(CFR)Title36 Parks,Forests,and
PublicPropertyrequireequipmentpoweredby aninternal
combustionengineto haveasparkarrester,rnaintainedin
effectiveworkingorder,complyingto USDAForestservice
standard5100-16or laterrevision.Inthe Stateof Californiaa
sparkarresteris requiredundersection4442of the California
Publicresourcescode.Otherstatesrnayhavesimilarlaws.
Hew te Step Yeur Pressure Washer
1. Releasespray gun trigger and let engine idte for two
minutes.
2. Move engine switch to "Off" position.
WARNING
Backfire,fire or engine damagecould occur.
• DONOTstopengineby rnovingchokerodto "Choke"position.
3. ALWAYSpoint spray gun in a safe direction and squeeze
spray gun trigger to releaseretained high water
pressure.
iMPORTANT:Spray gun traps high water pressure, even
when engine is stopped and water is disconnected.
WARNING
The high pressure stream of water that this
equipment produces can cut through skin and its
underiying tissues, ieadingto serious injury and
)ossibte amputation.
Spray gun traps high water pressure, even when
engine is stopped and water is disconnected,
which can cause injury.
* Keephighpressurehoseconnectedto purnpandspraygun
whilesystemis pressurized.
, ALWAYSpointspraygunin safedirectionandsqueezespray
guntrigger,to releasehighpressure,everytimeyou stop
engine.Engagetrigger lockwhennot inuse.
4. Engagetrigger lock on spray gun when not in use.
Howto HseSprayTips
The quick-connect on the nozzleextension allows you to
switch betweenfour different quick connect spray tips. Spray
tips can be changed whiie pressure washer is running once
spray gun trigger iock is engaged. The spray tips vary the
spray pattern as shown beiow.
Low Pressure
1; Black
Useto apply
chemical
High Pressure
40° White, 15° Yeiiow, Oo Red,
1750 PSi, 2200 PSi, 2500 PSI,
2.3 GPM 22 GPM 2.OGPM
Feiiaw these instructianste change spraytips:
1. Engagetrigger lock on spray gun.
WARNING
The high pressurestream of water that this
_ quipment produces can cut through skin and itsunderlying tissues, ieadingto serious injury and
}ossible amputation.
o [',]EVERexchangespraytipswithout lockingthe triggerlockon
thetrigger.
o DO['dOTtwist spraytips whilespraying.
2. Puffback coiiar on quick-connect and puffcurrent spray
tip off. Store spray tips in holder provided on the nozzle
extension.
12

3. Selectdesiredspraytip:
*Fordelicate rinse (lower pressure and higher flow),
for gentie cleaning of cars/trucks, boats, RV's, patio
furniture, iawn equipment, etc, sebct white 40°
spray tip.
,Forgenerat rinsing (medium pressure and medium
flow), ideai for most aii purpose cleaning such as
home siding, brick patios, wood decks, driveways
and sidewalks, garage floors, etc, select yellow
15° spray tip.
o For maximum rinsing (higher pressure and iower
flow), for stubborn or hard to reach surface such as
second story surfaces, paint removal, oii stains, rust
removaior other stubborn substances (tar, gum,
grease,wax, etc.), select red 0° spraytip.
, To apply detergent, sebct biack detergent spray tip
and use projectospecificcleaners. This wiii heip
break down stubborn dirt and grime on a variety of
surfaces.
4. Pull back on coiiar, insert new spray tip and reiease
coiiar. Tug on spray tip to make sure it is securely in
place.
Usage Tips
o For most effective cleaning, keep spray tip from 8 to
24 inches (20 to 61 cm) awayfrom cleaning surface.
,If you get spray tip too close, especially using a high
pressure spray tip, you may damagesurface being
cleaned.
°DO NOTget closer than 6 inches (15 cm) when cleaning
tires.
Ctean[n9 and AppJyin9 Detergent
CAUTION
Chemicalscan causebodiiy injury, and/or property
_e.
NEVERusecausticliquidwithpressurewasher.
UseONLYpressurewashersafedetergents/soaps.Followall
rnanufacturersinstructions.
To apply detergent feiiew thooo stops:
1. Attach one of the detergentsiphon hoses foiiowing
instructions Attach DetergentSiphon Hoso to Pump.
Jt_PORTANT:Besure engine is off and aliowed to cool
before switching detergent siphoning hoses.
WARNING
Contact with muffler area can result in serious
burns.
Exhaustheat/gases can ignite combustibles,
structures or damage fuei tank causing a fire.
*DO NOTtouch hot parts and AVOID hot exhaust gases.
* Allow equipment to cool before touching.
2. Reviewspray tip use.
3. Preparedetergent soiution as required by job.
4. Makesure detergent shutooff valve on cleaning tank is in
"Off" position.
5. If using cleaning tank, pour detergent into cleaning tank.
NOTE:The cleaning tank holds one gallon.
6. Makesure black detergentspray tip is instalied.
NOTE:Detergentcannot be appiied with the high pressure
spray tips (White, Yellow or Red).
7. Makesure garden hose is connected to water inlet.
Checkthat high pressure hose is connected to spray gun
and pump. Turn on water.
NOTICE
You must attach all hosesbefore you start the en_
Startingthe enginewithoutallthe hosesconnectedandwithout
thewaterturned0!/will damagethe pomp
Damageto equiprnentresultingfrom failureto followthis
instructionwill void warranty
8. Engagetrigger Iock on spray gun and start engine
following instructions How To Start Your Pressure
Washor.
9£ If using cleaning tank, rotate detergent shut-off valve on
cleaning tank to "On" position (A).
/
IMPORTANT:if using detergent siphoning hose, make sure
detergentshutooff valve on cleaning tank is in the "Off"
position.
9B. If using detergent siphoning hose, piace smaIi fiiter end
of detergent siphoning tube into detergent container.
NOTE:Makesure the fiiter is fully submerged in detergent
while applying detergent.
NOTICE
Contactwiththe hot mufflercandamagedetergentsiphoning
tube.
Wheninsertingt!_efilterinto a detergentsolutionbottle,route
t!_etubeso asto keepit from inadvertentlycontactingthe hot
muffler
10. Apply detergentto a dry surface, starting at lower
portion of areato be washed and work upward, using
long, even, overlapping strokes.
11. Allow detergentto "soak in" for 3°5 minutes before
washing and rinsing. Re@ply as neededto prevent
surface from drying. DO NOTallow detergent to dry on
(prevents streaking).
13

Pressure Washer Rinsing
1. Engagetrigger lock on spray gun.
2. If using cleaning tank, rotate detergentshut-off valve all
cleaning tank to "Off" position.
3. Remove biack spray tip from nozzleextension.
4. Selectand instaii desired high pressurespray tip
following instructions How to UseSpray Tips.
5. Keepspray gun a safe distance from spray surface.
WARNING
Kickbackfrom spray gun can cause you to fall=
*Operatepressurewasberfrom astablesurface.
o Beextremelycarefulif you rnustusetbe pressurewasherfrom
a ladder,scaf%ding,or anyotberelevatedlocation.
,Firmlygraspspraygunwitb bothhandswhenusinghigb
pressuresprayto avoidinjury wbeospraygunkicksback.
6. Apply a high pressure spray to a smaii areaand then
check surface for damage. If no damageis found, you
can assume it is okay to continue rinsing.
Start at top of area to be rinsed, working down with
same overlapping strokes as you used for cleaning.
.
Cteaning Detergent $iphening Tehe
If you used the detergent siphoning tube, you must flush it
with ctean water before stopping the engine.
1. Piace detergent siphoning tube/filter in a bucket full of
clean water.
2. Remove high pressurespray tip from nozzleextension.
3. Selectand instaii black detergentspray tip following
instructions How to UseSpray Tips.
4. Flushfor 1-2 minutes.
5. Shut off engine foiiowing instructions How to Stop
Pressure Washerand turn off water suppiy.
6. ALWAYS point spray gun in a safe direction and squeeze
spray gun trigger to release retained high water
press u re.
iMPORTANT:Spray gun traps high water pressure, even
when engine is stopped and water is disconnected.
WARNING
The high pressurestream of water that this
equipment produces can cut through skin and its
_ nderIying tissues, ieadingto serious injupj and
)ossible amputation.
Spray gun traps high water pressure, even when
engine is stopped and water is disconnected,
which can cause injupj.
o Keephighpressurehoseconnectedto pumpandspraygun
whilesystemis pressurized.
•ALWAYSpointspraygunin safedirectionandsqueezespray
guntrigger,to releasehighpressure,everytimeyou stop
engine.Engagetrigger lockwhennot in use.
Aatematic Ceel #ewn System
(Thermal Relief)
If you run the engine on your pressure washer for
3=5 minutes without pressing the trigger on the spray gun,
circulating water in the pump can reach temperatures above
125%. The system engagesto cooI the pump by dis¢harging
the warm water onto the ground.
14

PRODUCTSPECIFiCATiONS
PressureWasherSpecifications
Max Pressure............................. 2,500 PSi
Max Flow Rate............................. 2=3GPM
DetergentMix ........................ Useas directed
Water Supply Temperature .......... Not to exceedIBO°F
Shipping Weight ............................. 73 Ibs=
EngineSpecifications
Bore ............................... 2.5 in. (64 mm)
Stroke ............................. 2.0 in. (50 ram)
Displacement ....................... 9.8 cuin (161 cc)
Spark Plug
Resistor ............................ NGKBPRCES
Set GapTo: ........... 0.028-0.031 in (O.7O-O.8Omm)
IntakeValve Clearance ........... 0.15 ± 0.04 mm (cold)
ExhaustValve Clearance.......... 020 ± 0.04 mm (cold)
FuelCapacity ..................... 029 Gallons (1.1 I)
GENERALRECOMMENDATIONS
Regular maintenancewill improve the performance and
extend the life of the pressure washer. Seeany Sears or
other qualified service deaierfor service.
The pressure washer warranty does not cover items that
have beensubjected to operator abuse or negligence. To
receivefurl vaiue from the warranty, the operator must
maintain pressure washer as instructed in this manual
including proper storage as detailed in Storage.
Some adjustments wiii needto be made periodically to
properly maintain your pressure washer.
AII service and adjustments should be made at least once
each season. Followthe requirements in the Maintenance
Schedulechart.
NOTE:Once a year you should clean or replacetile spark
plug and replacethe air fiiter. A new spark plug and clean air
fiiter assure proper fuel-air mixture and help your engine run
better and last longer.
EMISSIONCONTROL
Maintenance,replacement or repair of the emission control
devicesand systems may be performed by any non-road
engine repair establishment or individual.
15

OWNER'SRESPONSiBiLiTIES
Foliowthe houriy or caiendar intervais, whichever occurs firsL
More frequent service is required when operating in adverseconditions noted below,
MAmNTENANCESCHEDULE
FILL IN DATESAS YOU COMPLETE
REGULARSERVICE
_ABNTENANCETASK Before Each
Use
OPERATINGINTERVAL
Every 25 Every 50 Every 100
Hours or Hours or Hours OF
3 Months 6 Months Yearly Every 250
Hours or
2 Years
PRESSURE WASHER ×1
ChecWcJeanwater inlet screen
Check high pressure hose X
Check detergent hose X
Check spray gun and assembly for leaks ×
Purge pump of air and contaminants ×
Prepare pump for storage below 32°F See Winter Storage
ENGINE ×
Check oil [eve[
Clean debris ×
Change engine oil ×_
Check air filter X
Clean air filter ×2
Replace air filter X
Check-adjust spark plug X
Replace spark plug X
Service spark arrester X
Check-adjust idle speed X4
Check-adjust valve clearance X4
Clean combustion chamber After every 250 hours 4
Clean fuel tank & filter X4
Check fuel tube Every 2 years (Replace if necessary)4
Prepare for storage If unit is to remain idle for longer than 30 days.
Clean if clogged. Replace if perforated or torn.
Change oil after 5 operating hours or first month and every 50 hours or 6 months thereafter,
Change every 25 honrs when used under heavy load or in high ambient temperatures.
Replace more often tinder dirty or dusty conditions,
These items should be serviced by your servicing dealer,
SERVICEDATES
3
4
16

BEFOREEACHUSE
1. Checkengine oil level.
2. Clean debris.
3. Checkwater intet screen for damage.
4. Check high pressure hose for ieaks.
5. Checkcleaning tank and detergentsiphoning tube/filter
for damage.
6. Checkgun and nozzleextension assembly for leaks.
7. Purge pump of air and contaminants.
PRESSUREWASHERMAINTENANCE
CJean Debris
Daiiyor before use, cteanaccumuIated debris from cleaning
system. Keepiinkage, spring and controis clean. Keeparea
around and behind muffler free from any combustible debris.
Inspectcooiing air slots and openings on the pressure
washer. These openings must be kept cteanand
unobstructed.
Cleaning system parts should be kept clean to reducethe risk
of overheatingand ignition of accumulated debris.
. Usea damp cloth to wipe exterior surfaces clean.
NBTICE
j Jmpropertreatment of pressurewasher can damage it and
_horten _ ....
_ts_fe,
DONOTinsertanyobjectstbroughcoolingslots.
. Usea soft bristle brush to ioosen cakedon dirt, oii, etc.
. Usea vacuum cleaner to pick up loose dirt and debris.
Check and C_ean inlet Screen
Examinegarden hose intet screen, Clean if it is clogged or
replaceif it is torn.
Check High Pressure Hese
High pressure hoses can deveiop leaksfrom wear, kinking,
or abuse. Inspect hose before each use.Check for cuts,
leaks,abrasions, bulging of cover, or damage or movement
of coupiings. If any of these conditions exist, replacehose
immediately.
WARNING
The high pressurestream of water that this
_ quipment produces can cut through skin and itsunderlying tissues, ieadingto serious injury and
}ossible amputation.
°NEVERrepairhighpressurehose.Replaceit.
•ReplacementhoseratingMUSTexceedmaximumpressure
ratingof unit.
Check Gun and Nezzle Extensien
Examinehose connection to spray gun and makesure it is
secure. Test trigger by pressing it and making sure it springs
back into placewhen you releaseit. Put safety iatch in UP
position and test trigger. You should not be able to press
trigger. Replacespray gun immediately if it fails any of these
tests.
Nezzle Maintenance
A pulsing sensation felt whiie squeezingthe spray gun trigger
may be caused by excessivepump pressure. The principal
cause of excessive pump pressure is a spray tip clogged or
restricted with foreign materiais,such as dirt, etc. To correct
the problem, immediately clean the spray tip following these
instructions:
1. Shut off engine andturn off water suppty.
2. ALWAYS point spray gun in a safe direction and squeeze
spray gun trigger to release retained high water
p tess u re,
WARNING
The high pressure stream of water that this
equipment produces can cut through skin and its
_ nderlying tissues, ieading to serious injury and
)ossibte amputation.
Spray gun traps high water pressure, even when
engine is stopped and water is disconnected,
which can cause injury.
•Keephighpressurehoseconnectedto purnpandspraygun
whilesystemis pressurized.
°ALWAYSpointspraygunin safedirectionandsqueezespray
guntrigger,to releasehighpressure,everytimeyou stop
engine.Engagetrigger lockwbennot in use.
3. Removespray tip from end of nozzleextension.
17

.Use a small paper clip to free any foreign material
clogging or restricting spray tip (A).
.
6,
Remove nozzleextension from spray gun.
Using a garden hose, remove additional debris by back
flushing water through nozzleextension. Backflush
between30 to 60 seconds.
7. Reinstaii spray tip into nozzleextension.
8. Reconnectnozzle extension to spray gun.
9. Make sure garden hose is connected to water inlet.
Checkthat high pressure hose is connected to spray gun
and pump. Turn on water.
10. Engagetrigger iock on spray gun and start engine
foliowing instructions How to Start Your Pressure
Washe,_
11. Test pressure washer by operating with each quick
connect spray tip.
g-Ring Maintenance
Purchasean O-Ring Repair Kit at your iocat Sears or by
calling 1-800-4-_I¥-NOME (469°4663) or online at
www.sears.com. The O-ring Maintenance Kit is not inciuded
with the pressure washer. This kit includes repiacement
o-rings, rubber washer and water inlet fiiter. Referto the
instruction sheet provided in the kit to service your unit's
o=rings.
WARNING
The high pressure stream of water that this
_ quipment produces can cut through skin and itsunderlying tissues, leadingto serious injury and
)ossible amputation.
o NEVERrepairleakingconnectionswith sealantof anykind.
Replaceo-ringor seal.
Pump 0il Maintenance
DONOTattempt any oii maintenanceon this pump. This
modei does not require any pump oii maintenance.The pump
is pre-Iubricated and sealed from the factory, requiring no
additional lubrication for the life of the pump.
ENGINEMAINTENANCE
WARNING
_ Unintentional sparking can result in fire or
_¢ electrb shock.
WHENADJUSTING(:INMAtqNGREPAIN$TOYOURPRESSUNE
W,_$NER
", Discormectthe sparkplugwire fromthe sparkplugandplace
thewire whereit cannotcontactsparkplug.
WNENTESTINGFeNENGINE$PARN
o Useapprovedsparkplugtester.
*DONOTcheckfor sparkwith sparkplugremoved.
0il
oimRecemmendatiens
NOTE:When adding oiI to the engine crankcase, use only
high quatity 4=stroke automotive detergent oii rated with APi
service classification SJ or SL rated SAE10W=30weigilt. DO
NOTuse speciai additives.
1. Choosea viscosity according to table below.
-20 O20 40 60 66 IO0°F
-30 -20 -10 010 26 36 40°C
AMBIENTTEMPERATURE
NOTE:Other viscosities shown in the chart may be used
when the averagetemperature in your area is within the
recommended range.
Checkin_lOil Level
OiI Ieveishould be checked prior to each use or at least every
5 hours of operation. Keepoii ievei maintained.
1. Piacepressure washer on a level surface and clean area
around oii dipstick.
2. Remove oii dipstick and wipe dipstick with clean cloth.
Insert and removedipstick without screwing it into the
filler neck.
Verify oii is at upper limit mark on dipstick. Replaceand
tighten dipstick.
OIL FILLER CAP/DIPSTICK
18

Add EngineOil
1. Place pressure washer on a flat, bvei surface.
2. Cleanarea around oii fiii and remove oii fiii cap/dipstick.
3. Check oii bvei as described in Checking Oil Level
4. If needed, siowiy pour oii into oii fiii opening. Pauseto
permit oil to settle. Fill to upper limit mark on dipstick.
DO NOToverfill.
Overfilling with oil maycause the engine to not start, or
hard starting.
DONOToverfill.
If overthe FULLmarkon dipstick,drainoil to reduceoil levelto
FULLmarkon dipstick.
5. Replaceoil fill cap/dipstick and fully tigllten.
ChangingEngineOil
Changeengine oii after the first 5 hours and every 50 hours
thereafter. If you are using your pressure washer under
extremely dirty or dusty conditions, or in extremely hot
weather, change oil more often.
CAUTION
Avoid prolonged or repeatedskin contact with used motor
oil.
Usedmotoroil hasbeenshownto causeskincancerincertain
laboratoryanimals.
Thoroughlywashexposedareaswith soapandwater.
KEEPOUTOFREACHOFCHILDREN.DON'T
POLLUTE.CONSERVERESOURCES.RETURN
USEDOIL TO COLLECTIONCENTERS.
Change oil while engine is still warm from running, as
follows:
1. Drain fuel tank by running pressure washer until fuel
tank is empty.
2. Disconnect spark plug wire and keep it away from spark
plug.
3. Cleanarea around oii fill, remove oil fill cap/dipstick.
Wipe dipstick clean.
4. Tip your pressure washer to drain oii from oii fiii into a
suitable container making sure you tip your unit away
from spark piug. When crankcaseis empty, return
pressure washer to upright position.
5. Slowly pour recommended oil (approximately 18 oz.)
into oii fiii opening. Pauseto permit oil to settie. Fill to
upper iimit mark on dipstick.
6. Replaceand tighten dipstick.
7. Wipe up any remaining oii.
8. Reconnectspark plug wire to spark plug.
Service PJr Cleaner
Your engine wiii not run properly and may be damaged if you
run it with a dirty air cleaner.
Cleanthe air cleaner once every 3 months or 25 hours of
operation, whichever comes first. Repiacethe air cieaner
every two years or 250 hours, whichever comes first. Service
more often if operating under dirty or dusty conditions.
Replacementsare availableat your local Sears service center.
l"e service the air ¢ieaneh foJJowthese steps:
1. Press latch tabs (A) on top of air cleaner cover (B), and
remove cover.
2. Carefuliy remove air cleaner (C) from base (O).
3. Cleanair cleaner by tapping it severaltimes on a hard
surface to remove dirt, or blow compressed air (not to
exceed30 psi) through air cleaner from clean side that
faces engine.
NOTE:NEVERtry to brush off dirt. Brushing will force dirt
into the fibers.
4. Wipe dirt from air cleaner body and cover using a moist
rag. Becareful to prevent dirt from entering air duct (E)
that ieads to the carburetor.
5. InstaiI ctean (or new) air cleaner in base.Air cleaner
must fit securely in base.
6. Reinstali air cleaner cover.
NOTE:You can purchase new air filter elements by calling
1=800-4=MY=HOME(469°4663),
Service Spark Ping
Servicethe spark piug every 100 hours of operation or
yearly, whichever occurs first. Replacethe spark plug every
two years or 250 hours, whichever comes first.
1. Disconnect the cap from the spark plug and clean area
around spark plug.
2. Removeand inspect spark ptug.
3. Repiacespark piug if electrodes are worn, or if insulator
is cracked or chipped.
19

.
5.
For replacement,use recommended spark plug, NGK
BPR6ES.
Checkelectrode gap with wire feeler gaugeand set gap
at 0.028-0.031 inches (0.70-0.80 ram), if necessary.
'I _ J
6£ When reinstaliing originat spark plug, tighten 1/8-I/4
turn after the spark piug seats to compress the washer.
6B. When instaiiing new spark piug, tighten 1/2 turn after
the spark piug seats to compress the washer.
7. Attach the spark piug cap to the spark piug.
NOTE:You can purchasea new spark plug by calling
l=808o4=MY=NOME(469o4663),
Carburetor
If you think your carburetor needs adjusting, see your
nearest Searsservice center. Engineperformance may be
affected at altitudes above 5000 feet. For operation at higller
elevations, contact your nearestSears servbe center.
Spark Attester Service
Your engine is not factory=equippedwith a spark arrester. In
some areas, it is illegal to operate an engine without a spark
arrester. Checkiocai iaws and regulations. A spark arrester is
avaiiabie from your nearest Searsservice center, if you need
to order a spark arrester, pleasecall 1-800-4-NIY-NO_IE
(469o4663).
The spark arrester must be serviced every 100 hours to keep
it functioning as designed.
If the engine has been running, the muffler wiii be very hot.
Atlow the muffler to cool before servicing the spark arrester.
WARNING
_ ontact with muffler area can result in serious
burns.
Exhaustheat/gases can ignite combustibles,
structures or damage fuel tank causing a fire.
e
®
e
DONOTtouchhot partsandAVOIDhot exhaustgases.
Allowequipmentto cool beforetouching.
Keepat least5 feet(152cm) of clearanceonall sidesof
pressurewasherincludingoverhead.
Codeof FederalRegulation(CFR)Title36 ParksForests,and
PuNicPropertyrequireequiprnentpoweredby aninternal
combustionengineto haveasparkarrester rnaintainedin
effectiveworkingorder,complyingto USDAForestservice
standard5100-1Cor laterrevision.IntlseStateof Californiaa
sparkarresteris requiredundersection4442of the California
Publicresourcescode.Otherstatesmayhavesimilarlaws.
Removethe three 6 mm bolts (A) from the muffler
protector (B), and remove the muffler protector.
L'!
[
2. Removethe two special screws (C) from the spark
arrester, and removethe spark arrester (#) from
muffler (E).
3. Usea brush to remove carbon deposits from the spark
arrester screen. Becareful not to damage the screen.
iMPORTANT:Repiacespark arrester if it has breaks or hobs.
4. Instaii clean (or new) spark arrester in reverseorder of
removal.
2O

AFTEREACHUSE
Water should not remain in the unit for iong periods of time.
Sediments or minerais can deposit on pump parts and
"freeze" pump action. Followthese procedures after every
USe:
1. Flush detergent system by turning its detergent shut-off
vaiveto "Off" position and run pressure washer with
biack detergent spray tip. Flush for oneto two minutes.
2. Shut off engine, turn off water suppiy, point gun in a
safe direction and squeezetrigger to relieve trapped
pressure, engagetrigger lock on spray gun and let
engine cool.
WARNING
The high pressure stream of water that this equipment
produces can cut through skin and its underlying
_ issues leading to serious injury and possible
amputation.
Spray gun traps high water pressure, evenwhen
engine is stopped and water is disconnected, which
can cause injury.
•Keep high pressure hose connectedto purnp and spray gun
while system is pressurized.
o ALWAYS point spray gun in safe direction, press red button
and squeezespray gun trigger, to rebase high pressure, every
time you stop engine.
3= Disconnect hose from spray gun and high pressure
outlet on pump. Drain water from hose, gun, and nozzle
extension. Use a rag to wipe off the hose.
4. Empty pump of ati pumped iiquids by puliing recoii
handle about 6 times. This should remove most liquid in
pump.
5. CoiI high pressure hose and properly hang it on hook
provided on handle.
6. Store unit in a clean, dpj area.
7. If storing for more than 30 days see Long Term Storage
on next page.
WARNING
t"_--[Fuet and its vapors areextremely flammable and
Jjexptosive.
_jFireor explosion can cause severeburns or
path.
WHENSTOI_INGFUELeR EQWPMEJ_TWITHFUELIJ_TANK
Storeawayfromfurnaces,stoves,waterheaters,clothes
dryers,or otherappliancesthatI_avepilot light or otherignition
sourcebecausetheycanignitefuelvapors.
WINTERSTORAGE
NOTICE
You must protect your unit from freezing temperatures.
Failureto do so will permanentlydamageyour purnpand
renderyour unit inoperable
Freezedamageisnot coveredunderwarranty.
Te pretect the unit frem freezing temperatures;
1. Empty cleaning tank as foliows:
a. Disconnect hose connected to injection fitting on
pump. Piaceend of hose into suitabb container.
b. Rotate detergent shut=offvaive to "On" position and
openthe tanks cover. Gravity wiii empty tank
contents into container.
c. Reconnecthose to injection fitting on pump. Add
0.5 quart of clean fresh water to cleaning tank and
close tank cover.
2. Fiushcieaning system by turning detergent shut-off
valve to "On" position and run pressure washer with
black detergent spray tip. Fiush untii cleaning tank is
empty. Turn its detergentshut-off vaive to "Off" position.
3. Foliow steps 2-5 in the previous section After Each Use.
4. Usepump saver, avaitabIeat Sears retail item
7174403GS,to treat pump. This minimizes freeze
damageand iubricates pistons and seais.
5. If pump saver is not avaiiabie,connect a 3-foot section
of garden hose to water inIet adapter. Pour
RV-antifreeze (antifreezewithout aicohoI) into hose. Pull
recoii handletwice. Disconnect 3-foot hose.
6. Store unit in a clean, dry area.
21

LONGTERM STORAGE
If you do not planto usethe pressure washer for more than
30 days, you must preparethe engine and pump for iong
term storage.
It is important to prevent gum deposits from forming in
essential fue! system parts such as the carburetor, fuel fiiter,
fuei hose or tank during storage. Atso, experienceindicates
that alcohoi-biended fueis (caIiedgasohoi, ethanoi or
methanoi) can attract moisture, which ieads to separation
and formation of acids during storage. Acidic gas can
damagethe fuel system of an engine while in storage.
Pretect Fuel System
FueJAdditive:
If adding a fuet additive, filI the fuettank with fresh fuel. If
only partialiy filied, air in the tank wiii promote fuel
deterioration during storage. Engineand fuet can be stored
up to 24 months with additive.
°Add fuel additive foiiowing manufacturer's instructions.
o Make sureyou have water suppiy to pump inlet
connected and turned ON.
,Run the engine outdoors for several minutes to be sure
that treated fue! has replacedthe untreatedfuei in the
carburetor.
If fuei additive is not used, removeaii fuel from tank and run
engine until it stops from lack of fuel.
Change Engine 0i_
While engine is stiii warm, drain oil from crankcase. Refill
with recommended grade. See @anging E,gg_9geOiL
OiJ CyJinderBore
°Remove spark piug. Squirt about a tablespoon of clean
engine oil into the cylinder. 6over spark plug hole with
rag. PulI recoil handle slowly to distribute oil. Avoid spray
from spark plug hole.
,Install spark plug. DO NOTconnect spark plug wire.
Pretect Pump
To protect the pump from damage caused by minerai
deposits or freezing, use PumpSaver,Sears retail item
71744036S, to treat pump. This prevents freezedamage and
lubricates pistons and seals.
NOTE:PumpSaveris available as an optional accessory. It is
not included with the pressure washer. 6ontact your local
Sears service center to purchase PumpSaver.
You must protect your unit from freezing temperatures.
Failure to do so will permanently damage your purnp and
render your unit inoperable
Freezedamage is not covered under warranty.
To use PumpSaver,make sure the pressure washer is turned
off and disconnectedfrom supply water. Readand follow all
instructions and warnings given on the PumpSaver
container.
Other Storage Tips
1. DO NOTstore fuel from oneseason to another unless it
has beentreated as described in Protect Fuel System.
2.
.
ReplacefueI container if it starts to rust. Rust and/or dirt
in fuei can causeprobiems if it's used with this unit.
6over unit with a suitabb protective cover that does not
retain moisture.
WARNING
_ Storagecovers can be flammable.
•DONOTplacea storagecoveroverahot pressurewasher
o Letequipmentcoolfor a sufficier_ttime beforeplacingthe
coveronthe equipment
4. Store unit in a clean and dry area.
22

Pumphas following problems:
failure to producepressure,
erratic pressure, chattering,loss
of pressure, lowwater volume,
Detergent fails to mix with spray.
Engine runs good at neoload but
"bogs" when load is added.
Engine will net start; or starts and
runs rough.
I. Low pressure spray tip installed.
2. Water inlet is blocked.
3. Inadequatewater supply.
4. Inlet hose is kinked or baking.
5. Ciogged inlet hose strainer.
6. Water suppiy is over IO0°F.
7. High pressure hose is blocked or
leaks.
8. Gun ieaks.
9. Spray tip is obstructed.
10. Pump is faulty.
1. Detergentshut-off valve is in the
"Off" position.
2. High pressure spray tip installed.
Enginespeed is too slow.
1. Dirty air cleaner.
2. Out of fuel.
3. Stale fuel.
4. Spark plug wire not connected to
spark plug.
5. Badspark plug.
6. Water in fuel.
7. Overchoking.
8. Excessivelyrich fuel mixture.
I. Repiacewith high pressure spray tip.
2. Clear inlet.
3. Provide adequate water flow.
4. Straighten inlet hose, patch ieak.
5. Checkand clean inlet hose strainer.
6. Provide cooler water supply.
7. Clear biocks in high pressure hose or
replace hose.
8. Repiacegun.
9. Cleanspray tip.
10. Contact Searsservice faciiity.
i
1. Rotate detergent shut-off valveto "On"
position.
2. Repiacewith biack detergent spray tip.
Move throttle controi to FASTposition, if
enginestiii "bogs down", contact Sears
service facility.
1. Cleanor replaceair cleaner.
2. Fill fuel tank.
3. Drain fuel tank; fill with fresh fuel.
4. Connect wire to spark plug.
,
6.
7.
8.
Repiacespark plug.
Drain fueI tank; fill with fresh fuel.
Openchoke fuliy and crank engine.
Contact Searsservice facility.
Engine shuts down during Out of fuel. Fill fuel tank.
operation.
Engine lacks power. Dirty air filter.
Choke is openedtoo soon.
Engine "bunts" or falters.
Replaceair filter.
Move choke to halfway _ositioe until engine
runs smoothly.
23

CRAFTSMAN2588 PSi CteanJngSystem 580_752060
Main Unit _Exploded View
14_ \
--13
mS
i0
©
--4
24

CRAFTSMAN2500 P$1 Cteanin9 System 580,752060
Main Unit -- PartsList
item Part # Description
I 203013GS ASSY, Base
2 M202522 HANDLE
3 203014GS ASSY,ChemTankw/Decal & Clips
195964GS Ctip
192980GS Kit, FueiVaive
4 202274GS ASSY, Pump (see pages26°27)
194298GS Valve,Thermal Belief
23139GS Key
5 203080GS KIT, Pump Mounting Hardware
6 201661GS KIT, Gun HoIderWeldment
7 199955GS KIT, Cap Chem
8 194264GS KIT, Hook, Handle
9 19219BGS EXTENSIONw/NozzIeHolder
10 193482GS GUN
11 200557GS KIT, Nozzles
195983AEGS Nozzle,QC,Red
195983RGS Nozzle,OC,White
195983XGS Nozzle,OC,Ye!iow
198841GS Nozzle,Piastic,Soap
12 B2203GS KIT, Handle Connector
13 192310GS KiT, Vibration Mount
14 196006GS HOSE
15 200730GS KiT, Wheel
192050GS E=Ring
192006GS AxIe
900 NSP ENGINE
PartsNet Illustrated
Pert # Description
203772GS MANUAL,Operator's
AB3061BGS OiL BOTTLE
87815GS GOGGLES
AIO4ORGS HOSE,Chemical
194524GS DECAL,Honda
194256GS KIT, TagWarning
Optional Accessories Net illustrated
7175187GS GardenHoseQuick Connect
7175197GS
7175124GS
7175122GS
7175116GS
7175129GS
7!75121GS
7174402GS
7174403GS
7174300GS
7174301GS
7174302GS
7174303GS
7174307GS
Accessory Quick Connect
Rotating Brush Kit
30' RepiacementHose
0 Ring Repair Kit
Turbo Nozzle
25' Extension Hose
HoseReel
Pump Saver
HouseWash Concentrate(makes 4 gatIons)
Deck Wash Concentrate(makes 2 galions)
Vehicle/BoatWash Concentrate(makes 4 gatlons)
DegreaserConcentrate(makes 4 gallons)
Mold/Mildew Concentrate(makes 2 gallons)
25

CRAFTSMAN2501}PSi CteaningSystem580=71!i21}81
Pump_ExpiodedView
@
W
@
@
@
@
B......@
..... A
_]_] 0
%
,56
/
>
2G

CRAFTSMAN2500 PSi CteanJngSystem 580,752060
Pump _Parts List
item Part #
25 201495GS
33 200275GS
36 B2384GS
A 200344GS
B 200345GS
C 200346GS
D 200348GS
E 192914GS
F 200349GS
G 200350GS
H 189971GS
J 201497GS
K 201496GS
Description
PLUG
SCREW
FtLTER,inlet
KIT.VALVES
KIT.
KIT,
KIT.
KIT.
KIT.
KIT.
KIT.
KIT.
KIT.
WATERSEALS
O-RiNGS
UNLOADER
HOSETAIL
EZSTART
GRUBSCREW&WASHER
CHEMICALHOSE
OUTLET
WATERINLET
Parts Net illustrated
194298GS THERMALRELIEF
OptieeaJAccessories Net Illustrated
7174403GS PUMPSAVER
186452GS FILTER,Inlet, Bagof 10
6033 OIL BOTTLE,Pump
NOTE:Item letters A oK are service kits and include all parts shown within the box.
27

ENRJNE_Honda_ RCV160LANSR= Exploded View
3
4
J' J
47 ?
18
32 33
54
55 .... _';_,i_
59
58
35
35
35
34
37
28

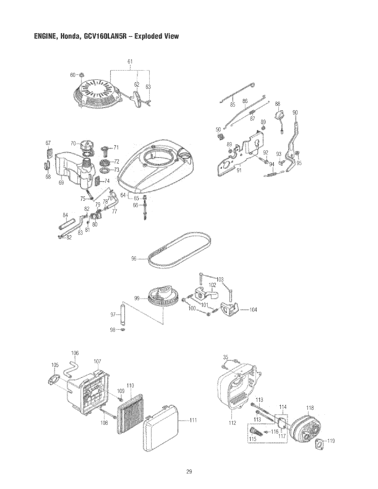
ENGINE, Honda, GCV160LANSR- ExpJodedView
61
88
90
67
68 ®
84 82
80
81
77
100
98
105
106
107
110
109
35
113
112
29

ENGINE, Henda_ GCV160LANSR- Parts List
Item Part # Description
1 16212-ZL8-000 GASKET,INSULATOR
2 16211-ZL8-000 INSULATOR,CARBURETOR
3 16221-883-800 GASKET,CARBURETOR
4 19650-ZM0-000 GUIDE,AIR
5 16100-ZOL-861 CARBURETORASSY (BB65A A)
6 16228-ZL8-000 GASKET,CARBURETOR(CHOKESIDE)
7 93500-05006-0H SCREW,PAN (5X6)
8 16166-ZM0-003 NOZZLE,MAIN
9a 99101-124-0600 JET, MAIN (#60)
9b 99101-124-0620 JET, MAIN (#62)
9c 99101-124-0650 JET, MAIN (#65)
10 16155-ZM0-013 VALVE, FLOAT
11 16013-ZL1-003 FLOATSET
12 16015-887-782 CHAMBER SET,FLOAT
13 16010-883-015 GASKETSET
14 16028-ZE0-005 SCREWSET B
15 16024-ZE1-811 SCREWSET, DRAIN
16 15650-ZOL-O00 GAUGEASSY, OIL LEVEL
17 15625-Z2L-801 GASKET,OIL FILLER CAP
18 94301-08200 PiN, DOWEL (8X20)
19 11300-ZMO-V30 PANASSY, OIL
20 91202-ZMO-V31 OIL SEAL (28X41.25XG)
21 90121-952-000 BOLT, FLANGE(6X25)
22 16510-ZM0-010 GOVERNORASSY
23 90014-952-000 BOLT, FLANGE(6X14)
24 16508-ZM0-010 SHAFT, GOVERNORHOLDER
25 16513-ZE1-000 PiN, GOVERNORWEIGHT
26 16512-ZM0-000 HOLDER,GOVERNORWEIGHT
27 16511-ZL8-000 WEIGHT, GOVERNOR
28 90602-ZE1-000 CLIP, GOVERNORHOLDER
29 90451-ZE1-000 WASHER,THRUST (GMM)
30 16531-ZE1-000 SLIDER, GOVERNOR
31 16541-ZM0-000 SHAFT, GOVERNORARM
32 94101-06800 WASHER, PLAIN (GMM)
33 94251-08000 PiN, LOCK(SMM)
34 12311-ZL8-000 COVER,HEAD
35 90013-883-000 BOLT, FLANGE(6X12) (CT200)
36 98079-56846 SPARK PLUG(BPRGES)(NGK)
37 12000-ZL8-425 CYLINDERASSY
38 14771-ZOJ-O00 RETAINER,VALVE SPRING
39 14751-ZL8-000 SPRING, VALVE
40 14721-ZL8-000 VALVE, EX
41 14711-ZOJ-O00 VALVE, IN
42 12209-ZM0-003 SEAL, VALVE STEM
43 91201-ZL8-003 OIL SEAL (25.4X62XG)
44 12355-ZL8-000 COVER,BREATHER(BREATHERVALVE
ASSY)
45 90201-878-003 NUT, SPECIAL (14MM)
46 19612-ZOL-O00 PLATE,SIDE
47 13331-357-000 KEY, SPECIALWOODRUFF(25X18)
48 31110-ZOJ-013 FLYWHEEL(PHELON)
49 90022-888-010 BOLT, FLANGE(GX20) (CT200)
50a 51125-ZOL-O03 HOLDER,WIRE
50b 90681-959-003 CLIP, CABLE(A)
51 30500-ZOJ-O03 COIL ASSY, IGNITION
52 13310-ZOL-650 CRANKSHAFT
53 90402-ZL8-000 WASHER,THRUST
54 13010-ZOL-014 RINGSET, PISTON(STD) (TEIKOKU)
55 90551-ZE0-000 CLIP, PISTONPIN (13MM)
56 13111-ZE0-000 PiN, PISTON
57 13101-Z2A-010 PISTON
58 13200-ZOJ-O00 RODASSY, CONNECTING
Item
59
6O
61
62
63
64
65
66
67
68
69
7O
71
72
73
74
75
76
77
78
79
8O
81
82
83
84
85
86
87
88
89
9O
91
92
93
94
95
96
97
98
99
100
101
102
103
104
105
106
107
108
109
110
111
112
113
114
115
116
117
118
119
Part#
90O01-ZEI-O00
90201-ZM0-000
28400-ZLS-O23ZC
28461-ZL8-003
28462-ZL8-003
19610-ZOL-850ZE
19619-ZL8-300
90043-ZL8-000
17533-ZOL-O00
17516-ZOL-OBO
17511-ZOL-OOO
17620-ZOJ-800
17636-ZOL-O00
17534-ZOL-O00
17514-ZOL-O00
17532-ZOL-O00
16952-ZA8-800
95002-70000
17701-ZOL-810
95002-92100
93891-05010-08
16950-ZM0-003
91501-ZOL-800
95002-02080
17702-ZM0-800
16854-ZH8-000
16674-ZOL-800
16555-ZOL-800
16562-ZM0-000
35120-ZOL-801
16613-893-000
16551-ZM0-010
16580-ZOL-800
90016-ZE8-000
90015-ZE5-010
16561-ZMO-V30
94050-06000
14400-ZOJ-014
14324-ZL8-000
91301-ZMO-V31
14320-ZL8-010
90206-001-000
90012-333-000
14441-ZOJ-OOO
14461-ZL8-000
14431-ZOJ-O00
17226-ZM0-000
15721-ZM0-000
17220-ZM0-000
90003-ZMO-O00
95701-06014-08
17211-ZL8-023
17231-ZOL-030
18321-ZOL-OOO
90004-ZL8-000
06180-ZOJ-O00
18350-ZL8-000
90055-ZE1-000
18356-ZL8-000
18310-ZOY-O00
18381-ZL8-305
Desctiptiori
BOLT,CONNECTINGROD
NUT, FLANGE(6MM)
STARTERASSY RECOIL*R280*(POWER
RED)
KNOB, RECOILSTARTER
ROPE, RECOILSTARTER(#3.5X52")
COVER,FAN *R280" (POWER RED)
COLLAR,FANCOVER
BOLT,STUD
RUBBERB, TANK MOUNTING
CLIP, TANK MOUNTING
TANK, FUEL
CAPASSY, FUEL TANK
GAUGE,FUEL LEVEL
NUT,TANK MOUNTING
SEAL, FUEL FILLER NECK
RUBBERA, TANK MOUNTING
FILTER,FUEL
CLIP, TUBE (Cll)
TUBE, FUEL TANK
CLIP, TUBE (BIO)
SCREW-WASHER(5X10)
PETCOCKASSY
COLLAR, FUEL PETCOCK
CLIP, TUBE (B8)
TUBE, FUEL
RUBBER,SUPPORTER(107MM)
ROD, CHOKE
ROD, GOVERNOR
SPRING,THROTTLE RETURN
SWITCHASSY, ENGINESTOP
GROMMET,CHOKEROD
ARM, GOVERNOR
BASE,CONTROL
BOLT,FLANGE(6X45)
BOLT,GOVERNORARM
SPRING, GOVERNOR
NUT FLANGE(6MM)
BELT,TIMING (84HU7 G-200)
SHAFT,CAM PULLEY
O-RING (6,8X1.9)
PULLEY, CAMSHAFT
NUT TAPPETADJ
SCREW TAPPETADJ
ARM, EXVALVE ROCKER
SHAFT, ROCKERARM
ARM IN VALVE ROCKER
GASKET,AIR CLEANER
TUBE, BREATHER
CASEASSY, AIR CLEANER
BOLT,FLANGE(6X86) (CT200)
BOLT,FLANGE(6X14)
ELEMENT,AiR CLEANER
COVER,AIR CLEANER
PROTECTOR,MUFFLER
BOLT,FLANGE(6X79) (CT200)
ARRESTERKIT, SPARK
ARRESTER,SPARK
SCREW TAPPING (4X6)
PLATE,ARRESTERNUMBER
MUFFLER.
GASKET,MUFFLER
3O

31

TheCaliforniaAirResourcesBoard(CARB),U.S.EPAandSearsare
pleasedtoexplaintheErnissionsCentre[SystemWarrantyonyour
srnaI[offroadengine(SORE).hrCalifornia,newsmalloffroad
enginesrnodelyear2006andlatermustbedesiglred,builtand
equippedtomeettheState'sstringentanti-smogstandards.
ElsewhereintheUnitedStates,newnon-road,spark-ignitionengines
certifiedformode[year1997andlatermustmeetsimilarstandardsset
forthbytheU.S.EPA.Searsmustwarranttheemissionscontrol
systernonyourenginefortheperiodsoftimelistedbelow,provided
therehasbeennoabuse,neglectorimpropermaintenanceofyour
smalloff-roadengine.
Youremissionscentre[systemincludespartssuchastire
carburetor,aircleaner,ignitionsystem,fuelline,mufflerand
catalyticconverter.Alsoincludedrnaybeconnectorsandother
emissionsrelatedassernblies.
Whereawarrantablecolrditionexists,Searswillrepairyoursmall
off-roadengineatnocosttoyouincludingdiagnosis,partsand
labor.
Sears,RoehookandCo. Emissions Control Befeota Warranty
Covera.qe
Small off-road enginesare warranted relative to ernissions control
parts defects for a period of two years, subiect to provisions set
forth below. If any covered part on your engine is defective,the part
will be repaired or replaced by Sears.
Owner's Warranty Responsibilities
As tire small off-road engine owner, you are responsible for tire
performance of the required rnaintenancelisted inyour Operating
and MaintenanceInstructions. Searsrecommends that you retain all
your receipts covering maintenance on your small off-road engine
but Searscannot deny warranty solely for the lack of receipts or for
your failure to ensurethe performance of all scheduled rnaintenance.
As the small off-road engine owner, you should however beaware
that Sears may deny you warranty coverage ifyour small off-road
engine or a part has failed due to abuse, neglect, improper
rnaintenanceor unapproved modifications.
You are responsible for presenting your small off-road engineto an
Authorized Sears Service Dealeras soon as a problem exbts.
The undisputed warranty repairs should be completed hra
reasonable amount of time, not to exceed30 days.
If you have any questions regarding your warranty rights and
responsibilities, you should contact a Sears Service Representative
at 1-800-469-4663.
The emissions warranty is a defects warranty. Defects are iudged
on normal engine performance. The warranty is not related to an in-
use emissions test.
Sears, Roebock aod Co. Emissions Control Defects Warraoty
Previsions
Thefollowing are specific provisions relativeto your Emissions
Control DefectsWarranty Coverage.It is in addition to the Sears
enginewarranty for non-regulated enginesfound in the Operatingand
MahrtenanceInstructbns.
1. Warranted Parts
Coverageunder this warranty extendsonly to the parts listed
below (the emissions control systems parts) to the extentthese
parts were present on the enginepurchased.
a. Fuel Meterhrg System
• Cold start enrichment system
*Carburetor and hrternal parts
* Fuel Pump
*Fuel line, fuel [hrefittings, clamps
, Fue[tank, cap and tether
, Carbon canister
b. Air Induction System
*Air cbaner
° Intake rnanlfold
. Purge and vent line
c Ignition System
, Spark plug(s)
, Magneto ignition system
d. Catalyst System
*Catalytic converter
, Exhaustmanifold
, Air iniection system, Pulsevalve
e. Miscellaneous Items
, Vacuum, temperature, position, tirne sensitive valves and
switches
o Connectors and assernblbs
2. Length of Coverage
Sears warrants to the initial owner and eachsubsequent
purchaser that the Warranted Parts shahbefree from defects in
materials and workrnanship which causedthe failure of the
Warranted Parts for a period of two years from the date tire
engineis deliveredto a retail purchaser.
3. No Charge
Repair or replacementof airy Warranted Part will be performed
at no charge to the owner, hrcluding diagnostic labor which
leads to the determhration that a Warranted Part is defective, if
the diagnostic work ls performed at an Authorized Sears
Service Dealer.
4. CJaims and Coverage ExcJusiens
Warranty claims shall befiled hraccordance with the provisions
of the Sears Brgine Warranty Policy. Warranty coverageshall
be excluded for failures of Warranted Parts which are not
original Sears parts or becauseof abuse, neglector improper
rnaintenanceas set forth in the SearsEngineWarranty Policy.
Sears is not liable to cover failures of Warranted Parts caused
by the use of add-on, non-original, or rnodified parts.
5. _daintenanse
Any Warranted Part which is not schedubd for rephcement as
required rnaintenanceor which is scheduled only for regular
inspection to the effect of "repair or replaceas necessary"shall
bewarranted asto defects for tire warranty period. Any
Warranted Part which is scheduledfor replacementas required
rnaintenarce shall be warranted as to defects only for tire period
of time up to tire first scheduled replacementfor that part. Any
replacernentpart that is equivalent in performanceand durability
rnay be used in tire performanceof any maintenanceor repairs.
Theowner is responsible for the performanceof all required
rnaintenance as defined in the Sears Operatingand Maintenance
hrstructions.
6. Consequential Coverage
Coverage hereunder sha!l extendto the failure of any engine
components caused by tire failure of any Warranted Part still
under warranty.
In the USAandCanada,a24-hourhotlhre,1-800-469-4663,hasa rnenuof pro-recordedrnessagesofferhrgyou productmaintenance
[nforrnation.
32

EmJ_ions Information
Enginesthat are certified to meetthe CaliforniaAir Resources
Board(CARB)Tier 2 Emission Standards must display
information regardingthe Emissions Durabiiity Period and Air
Index. The engine manufacturer makesthis information
avaiiabteto the consumer on emission iabeis, The engine
emission iabet wili indicate certification information,
The Emissions Durability Period describes the number of
hours of actual running time for which the engine is certified
to beemissions compliant, assuming proper maintenancein
accordancewith the Operating & Maintenance Instructions.
The following categories are used:
Moderate: Engineis certified to be emission compliant for
125 hours of actual engine running time.
Intermediate: Engineis certified to beemission compliant
for 250 hours of actual engine running time.
Extended: Engineis certified to beemission compiiant for
500 hours of actual engine running time.
Forexample, a typical walk-behind lawn mower is used 20 to
25 hours per year. Therefore, the Emissions Durability
Period of an engine with an intermediate rating would
equateto 10to 12 years.
Certainengines wiii be certified to meetthe United States
Environmental Protection Agency (USEPA)Phase 2 emission
standards. For phase 2 certified engines, the Emissions
OompiiancePeriod referred to on the Emissions Compliance
label indicates the number of operating hours for which the
engine has been shown to meet Federalemission
requirements.
For engines iess than 225 cc displacement:
CategoryC = 125 hours
Category B = 250 hours
CategoryA = 500 hours
For engines of 225 cc or more:
CategoryC = 250 hours
Category B = 500 hours
CategoryA = 1000 hours
33

GARANTIA.......................................... 34
REGLASDESEGURIDAD............................ 34-37
CARACTERiSTICASYCONTROLES....................... 38
MONTAJE........................................ 39-41
OPERAC!ON....................................... 42-46
ESPECIFICAC!ONES................................... 47
IVIANTENIIVIIENTO.................................. 48-52
ALMACENAMIENTO................................. 53-54
REPARAC!ONDEDA_,JOSREPUESTOS .................... 55
NOTAS ........................................... 56-57
GARANTIADEL CONTROLDEEMISIONES ............... 58-59
COMOORDENARPARTES ............... PAGINAPOSTERIOR
Garant_a ¢empieta de un a_e de _a_impiadera a presi6n Craftsman
Si la Hmpiadoraa presi6n falla debido a defectos de materialeso mano de obra ee el plazo de un afio a partir de la fecha de compra,
devu61valaa cualquier alrnacan Sears, punto de venta de Craftsman o centro de reparaciOny repuestos de Searsde los Estados Unidos o
Canad_tparasu reparaciOngratuita o en caso de que 6sta no sea posiNe, parasu sustituci6n.
El periodo degarantia se reducir_ a 90 dias desde la fechade cornpra si la limpiadora a presiOnse utfliza en algt_nrnomento con flees
comerciales o de alquiler.
Esta garantia le otorga deterrninados derechos legales yes posible que tenga otros derechosque pueden variar de un pais o estado a otro.
Sears, Roebuck and Ce,, #ept, 817 WA, Heffman Estates, JL 68179
Sears Canada Jnc,, Terente, entarie, Canada MSB 2B8
Este es eJsimhoJo de aJerta de seguridad. Esusado paraindicarJe situa¢iones con peJigrospoten¢iaJesde Jesionpara e_
personal Siga masinstrucciones de todos mosmensajes de seguridad que aparecen despues de este simhomopara evitar posiNes
Jeeione$ o muerte,
Looos,omonoo,minooiosomontovoonozooo,onoo
i__£_J_J..... partesy emfuneionamiento de su m_quina Hmpiadora a
presi6n. Conozcasus apHcaciunes, sus Hmitacieees yrues
peHgresievemacrades.
Elsimbolodealertadeseguridad(_) es usadocon unapalabra
(PELIGRO,ADVERTENCIA,PRECAUCION)un mensajeperescritoo
unailustraciOn,paraalertadoacercadecualquiersituaciOnde
peligroquepuedaexJstir.PELI[_ROindicaunriesgoelcual,si nose
evita causardlamuerteo u_saheridagrave.ADVERTENClAindicaun
riesgoelcua! si noseevita puedecausarlamuerteo unaherida
grave.PRECAUCm6Nindicaunriesgo,e! cual si noseevita puede
causarheridasrnenoreso moderadas.AVISOindicaunasituaci6n
quepodriaresultarenelda[iode!equipo.Sigalos mensajesde
seguridadparaevitaro reducirlos riesgosdehefidaseinclusivela
muerte.
S_mhoiosde Peligroy Significados
GasesTOxicos Contragolpe
SuperficiesResbalosas
Partes en Movimiento
Caer
Objetos Voladores
Fuego Explosi6n
DescargaEI6ctrica
Inyecci6nLiquida
SuperficieCaliente
ManualdelOperario
34

ADVERTENCIA
EJescape deJ motor de este producto contJene eJementos
quJmJ¢os re¢onocJdos en eJ Estado de CaJJfornJa
pot producJr ¢_ncer, defectos de nachnJento
uotros dafios de tJpo reproductive.
ADVERTENCJA
AI motor funcionar, se produce monOxido de carbono,
un gas hsodoro y venenoso.
RespirarmonOxldo de carbono puedeprovocar dolor
de cabeza fatiga rnareos, vOrnitos, confusi6n,
ataques n_useas, desmayos o inc[uso la rnuerte.
Algunas sustancias quimlcas o los detergentes pueden
ser perjudlclalessi inhalados o lngeridos,causando la
isausea severa, desrnayalsdo 0 para e!sve!serlar.
o Opere el limpiadora a presi6n SOLAMENTEal aire libre.
, Aseg(_resede que los gases de escape no puedan entrar por ventanas.
puertas, tomas de aire de ventilaci6n u otras aberturas en un espacio
cerrado en el que puedan acumularse.
, NO arranque ni deje funcionar el motor en interiores ni en zonas
cerradas, aunque hayaventanas y puertas abiertas.
, Utilice un respirador o m_iscarasiempre que exista la posibilidad de
inhalar vapores.
, Lea todas las instrucciones de la mascara paraasegurarse de que le
brindar_ la protecci6n necesaria contra la inhalaciOn de vapores
nocivos,
AgVERTENCiA
_¢ lesgo de electrocuci6n
El contacto con los cables el@tricos puede provocar
electrocuci6n y quemaduras.
I'_IUNCArode cerca de una fuente de energ[a el6ctrica.
AgVERTENCiA
La gasolina y sus vapores son extremadamente
inflamables y exp!osivos.
E[ fuego o una explosi6n pueden causar quernaduras
severas e inclusive la muerte.
CgA_JDOANADA COMBgSTIBLE 8VACJEEL gEP6$1TO
, Apague el limpiadera a presi6n (posicJ6n OFF)y d6jeio enfriar al menos
por 2 minutos antes de remover la tapa de la combustible. Afloje la
tapa lentamente para @jar que la presi6n salga del tanque.
, Llene o vac[e el dep6sito de combustible a la intemperie.
o NO Ilene demasiado el tanque. Permita al menos espacio para la
expansion del combustible.
o Si se ha derramado combustible, espere a que se evapore antes de
arrancar el motor.
o Mantenga la gasolina alejada de chispas, llamas abiertas, pilotos, calor
y otras fuentes de ignici6n.
o NO encienda un cigarrillo o fume.
Cga_JDe PeJ_6a EJ_Fg_JCISJ_A_JlENTDEL EQWPe
, Compruebe que Jabujfa el silenciador, el tap6n deJdep6sito de
combustible y el filtro de aire est4n instalados.
, NO arranque el motor sin la b@a instalada.
CUANDO ePERE EL EQWPe
, NO incline el motor o el equipo, de tal manera que la gasoJina se pueda
derramar.
o NO rocie I[quidos inflamables.
CgANBe TRANSPeRTE 8REPARE EL EeglPe
o Transperte e repare el equipo con el tanque de combustible vacio, e
con la v_lvula para apagar el combustible, apagada (posici6n OFF).
o Desconecte el cable de la buj[a.
CgANgOALMACENE8 GUARDEELEQgIPOCONCOMBU$TmBLEEN
ELTANQUE
, Aimacene aiejado de caideras, estufas calentadores de agua, secadoras
de ropa u otros aparatos electrodom6sticos que posean pilotos u otras
fuentes de igniciOn, porque ellos puedeneneender los vapores de la
combustible.
35

ADVERTENCJA
El retroceso (repliegue rApido) del cable del arrancador
puede producir lesiones. El retroceso impedir_ que e!
usuario suelte e! cable a tiernpoy tirarA de su mano y
brazo Isacia el motor.
Comoresultado,podrianproducirsefracturas,
contusiones o esguinces.
, I',JUI',JOAtire dsl cable dsl arrancador sin eliminar prsviamente la prssiOn
de la pistola rociadora.
Cuando arranque el motor, tire lentamente del cable hastassntir una
rssistsncia y, a continuaci0n, tire r_pidamsnts de 81para svitar su
retroceso.
* DespuOsqus cadatentativa que empieza, donds motor falla de corrsr,
sismprs sefialar el fusil en la dirscci0n segura y el disparador dsl fusil
del roc[o del sstrujOn para liberar la presiOn alta. Active el gatillo de la
pistola rociadora.
, Sujsts firmsmsnts la pistola rociadora con ambas manos cuando
apliqus un rociado a alta prssiOn para evitar lesionss cuando se
produzca el rstroceso de la pistola.
, ADVERTENCJA
Eluso delimpiadoraa presiOnpuedecrearloscharcos
y superficiesresba!osas.
E!retrocesodela pistolarociadorapuedeprovocar
caidas.
, Utilics la limpiadora a presiOndssde una supsrficis sstabls.
° El area de limpisza dsber_ tensr inclinacionss y drenajes adscuados
para disminuir la posibilidad de cafdas debido a superficies resbalosas.
, Extreme las precauciones si nscesita utilizar la limpiadora a presiOn
desds una sscalera, un andamio u otro lugar similar.
, Sujsts firmsmsnts la pistola rociadora con ambas manos cuando
apliqus un rociado a alta prssiOn para evitar lesionss cuando se
produzca el rstroceso de la pistola.
, ADVERTENCJA
El colstacto con la zona del silenciador puede producir
quemadurasgraves.
Los gases y el calor de escape pueden infiamar los
materiales combustibles y las estructuras o daiiar el
depOsito de combustible y provocar un incendio.
° NO toque las superficies calientes y EVITElos gases dsl sscaps a alta
tempsratura.
,Psrmita qus el squipo ss enfrfe antes de tocarlo.
, Dejs un espacio minimo de 152 cm (5 piss) alrsdedor del limpiadora a
prssiOn, incluida la parte superior.
, El C0digo de Normativa Federal (6FR, Titulo 36: Parques, Bosquss y
Propiedad PSblica)obliga a instalar una pantalla apagachispas sn los
equipos con motor de combustion intsrno y a mantensrla en buenas
condicionss de funcionamisnto, conforms a la norma 5100-16 (o
posterior) dsl Servicio Forestalde la USDA. Enel Estado de California.
la Isyexigs el uso de una pantalla apagachispas (SscciOn4442 dsl
C0digo de Recursos P[iblicos de California). En otros estados puede
habsr Isyss similarss en vigor.
ADVERTENCJA
El chorro de agua a alta presiOn que este equipo
produce puede atravesar la piel y los tejidos
_ ubcut_neos, provocando lesiones de gravedad que
)odrials dar lugara la amputaciOnde un rniernbro.
La pistolarociadora contiene agua a alta presiOnincluso
cots e! motor parado y el agua desconectada_ que puede
causar la Iserida.
, NO permita en ningSn momento qus NINOS opersn la m_quina
limpiadora a presi0n.
, NUNOArepare la mangusra de alta prssiOn. Rsmplacela.
, NUNCA utilics ningOntipo de sellador para rsparar una fuga sn una
consxiOn. Sustituya la junta tOrica o la junta.
, NUNCA conects la manguera de alta prssiOn al prolongador de la
boquilla.
, Mantenga conectada la mangusra a la m_quina o a la pistola de rociado
cuando el sistema est8 prssurizado.
, SIEMPRE que pare el motor, apunte con la pistola rociadora hacia una
dirscciOn ssgura y aprists el gatillo para descargar la presi0n y evitar el
rstroceso. Active el ssguro dsl gatillo cuando no utilice la pistola.
, NUNCAapunts la pistola a la gents, animales o plantas.
, NO fije la pistola rociadora en la posiciOn abisrta,
, NO abandone la pistola rociadora cuando la m_quina est6 sn
funcionamisnto.
, NUNCA utilics una pistola rociadora cuyo ssguro o protscci0n para el
gatillo no est8 en perfecto estado de funcionamiento.
, AsegSrsse en todo momento de consctar correctamente la pistola
rociadora, las boqnillas y los accesorios.
ADVERTENCJA
ChispearinvolLmtariopuedetenercomoresultadoel
¢ fuegoo elgolpeelOctrico.
CUANBOAJUSTE0 [_AG_,REPARACIONE$ASUMAQUINA
LJMPJADORAA PRESJON
Siempre desconecte el alambre de la bujia y colOquelo donds 11opueda
sntrar en contacto con la buj[a.
CUA_DO P_UE_E L_,_UJ[A DEL MOTO_
Utilice un comprobador de bujias homologado.
, NO comprueba la chispa sin la buj[a instalada.
36

ADVERTENCJA
El arrancador y otras piezas que rotan pueden enredar
las manos, el pelo,la ropa, o los accesorios.
I'_IUI'_ICAutilice la limpiadora a presi6n sin sus carcasas otapas de
protecci6n.
I'_10use ropa suelta, joyas o elementos que puedan quedar atrapados en
el arranque o en otras partes rotatorias.
o Ate para arriba el pelo largo y quite la joyeria.
ADVERTENCIA
Riesgodelesionesoculares
E!aguarociadapuedesalpicaro propulsarob]etos.
, Utilice siempre galas de protecci6n cuando utilice este equipo o si se
encuentra cerca de donde se est_ utilizando.
o Antes de porter en marcha la limpiadora a presi6n, aeeg0resede Ilevar
gafae de protecci6n adecuadas.
o Utilice SIEMPRElas galas de segnridad apropiadas.
AVI$O
El rociado de alta presi0!l puede da#ar elementos frAgiles,
incluye!_doel vidrio.
NO dirija la pistola rociadora hacia un cristal cuando utilice la boquilla
MAX (punta de alfiler).
NUNCA apunte la pistola a plantas.
AVI$O
EltratarnientoinadecuadodellimpiadoraapresiOnpuededaiiado
acortarsuvida productiva.
Si ueted tiene alguna pregunta acerca de lae finalidades de uso del
generador, preg_ntele a su concesionario o contacte a Sears.
NUNCA deber_inser operadas las unidades con partes rotas o ausentes
o sin la caja o cubiertae de protecci6n.
NO eluda ning0n dispositivo de seguridad de esta m_quina.
NO intente alterar la velocidad controlada.
NO utilice la limpiadora a presiOnpor encima de su presi6n nominal.
NO haga ninguna modificaci6n en la limpiadora a presi6n.
Antes de poner en marcha la re%ulna limpiadora a presi6n en clima
frio, revise todas las partes del equipo y asegL_resede que no se haya
formado hielo sobre elias.
NL]NCAmneva la m_quina halando la manguera de alta presi6n. L]tilice
la manija que viene con la unidad.
Revise que el sistema de combustible no presente fugas o signos de
deterioro, como manguerae desgastadas o porosas, sujetadores flojos
o ausentes, tapa o tanque da_ados. Corrija todos los defectos antes de
operar la m_quina limpiadora a presi6n.
El equipo de alta presi6n est,1dise_iadopara ser utilizado L]NICAMENTE
con las partes autorizadas Sears. Si utiliza este equipo con partes que
no cumplan con las especificaciones m[nimas, el usuario asumetodos
los riesgos y responsabilidades.
37

CONOZCASUiVIAQUiNA$ieTEFaADELUVIPiEZA
...... Compare las ilustraciones con su sistema de I[rnpieza parefamiliarizarse con las ubicaciones de los d[fereotes controles y ajustes.
Guarde este manual pare referencias futuras.
A = Pistela de Rociado -- Controla la apl[caciCnde agua sobre la
superficie de lirnpieza con el gati]lo. Induye cerrojo de
seguridad.
8 =Depdsitode Limpbza - Permite ah_nacenarhasta 3,78 litros
(1 ga!Cn)de detergente para la limpiadora a presiOe.
C = Puntas de Ruciado -Detergente, 0°, 15° y 40°: para diferentes
alta presiOnaplicaciones de lirnpieza.
D =Arrancador de Retroeeso -- Usado parearraecar el rnotor
manuah_neete.
E =ExteesiCe pare BequiHas cee CeeexiCeR_pida -Le permite
usar quatro puntas de rociado difereetes.
F=Tape deJDepCsitedel Aceite-- Lleoe el motor con aceite aqui
G=Bemba -- Desarrolla alta presi6n de ague.
H =Autem_ticese Eefria Sistema -- Los ciclos regan per bornba
cuaedo aguaaIcanza125°-155°F Entibiar agua descargar_de B
bomba en el suelo Estesistema previene el da_o interne de
bomba
3=FiJtrede Aire -- El elemeotade filtro tipo seco lirnita B cantidad
desuciedady polvo que se introduceeoel motor.
K =Tema de AJtaPresiCe -- ConexiOnpare la rnanguera de alta
presiOe.
L= Eetradade Ague -- ConexiOnpare la rnanguerade iardin.
M =V_JwJa de Cumbustihle -- Permite abrir y cerrar la
alimentaciOnde cornbustible al motor.
N =Ceemutader de Parada -- 6oloca el motor en rnodo de
arranque parae! arrancador de retroceso y detiene el rnotor eo
fuocioeamiento.
P = VarilJa deJ EstraegLdader-- Usadapara arranque de motores
fries.
R =Taeque del CembustJhJe-- Lbne el tanque con gasolineregtflar
sin contenido de plomoen este punto. Siempre habitaciCnde hoia
parela expansiondel combustible.
S = _1aeguerade AIta PreeiCe -- Conecteun extreme ala pistala
de rociada y el otro extrema ala tome de alta presidn.
No mestrade:
CaJcemaeia Ejempiarde Dates {el trasere cercaee de plate
despre¢iabJe) -- Proporciona el rnodelo y e! ndmero de serie de
B_npiadoraa presiCn.Tenga per favor estos prontamente disponibb
cuando llama para la ayuda.
Etiqueta de adverteeeia e lestruc¢ieee$-- Heetifica los riesgos e
indica el procedimiento adecuadode puestaen rnarchao deparade
de la limpiadora a presiOn.
Galasde Seguridad -- Siempre uselas galas encerradas cuando
correr su lirnpiadora a presiOn.
38

Su sistema de lirnpieza requiere de cierto ensambIey esta_ lista
paa ser usado 0nicamente despuOsde haber depositado el
combustible y el aceite recomendado.
Si tbne probbmas conemensamhb de su m0quina Hmpiadora a
presiOn,Hame a RamJneade ayuda de mam0quina Hmpiadora a
presiOnaJ1=888=222=3136.
Desemhale Ja Limpiadera aPresi_n
1. Saquetodo el contenido de la caja de cart@, a e×cepci@ de la
Bnpiadora a presiOn.
2. Abra completamente la caia de cart@ cortando cada una de
sus esquinas de arriba abajo.
3. Saque la lirnpiadora a presiOnde la caia de carton.
Centenide de JaCaja
Revise e] contenido de la caia. Si alguna de las partes no est0
presente o est0 da_ada [lame a la lineade ayuda de la rn_quina
limpiadora a presiOnal 1=800=222-3136.
o La unidad principal
, Manubrio
Limpiar el tanque
La rnanguerade alta presiOn
, Pistola de rociado
ExtensiOnde la boquilla con conector r@ido y soporte para
puntas
, Aceite para motor
Manguera de sifOn del detergente
Bolsa de partes (incBye los elementos descritos a continuaciOn)
Manual del operador
, Tarjetade la rnatricula
, Gafasde seguridad
, Gancho dealambre de soporte de B pistoIa
o Bolsa con 4 puntas de rociado de conexiones r@idas
multicolores
, Piezaspara la rnanubrio (incluye Io siguiente):
o Pernos del Soporte (2)
o Perno "L" (1)
o Perilla Pl0stica (3)
o Pinzasde _rbol (4)
Familiaricesecon cada parte antes de ensamblar B rn_quina
limpiadora a presiOn.Compare e! contenido con la iIustraciOnde la
p0gina 39. Si alguna de la partes no est0 presente o se encuentra
dafiada, !lame a la linen de ayuda de la m0quina B_npiadoraa
presJOnal 1=880=222=3136.
MONTA JEDELSJSTEMADELI IPIEZA
Usted deber_[bvar a cabo los siguientes procedimientos antes de
poner en funcionarniento su sistema de limpieza:
1. Llene y rnande en tarjeta de rnatricula.
2. Conecternanubrio y limpiar el tanque a unidad principal.
3. Conectela rnanguerade sifOn del detergente a la bomba.
4. Mada aceite a] motor.
5. Mada gasoIinaal tanque de combustible.
6. Conectemangueraa altapresiOna pistola rociadora y a bomba.
7. Conecteel saministro de agua a bomba.
8. 6onecte boquilla la extension al pistola rociadora.
9. Selecto/conectar@ido conecta punta de rociado a la extension
de la boqui%
Cenecte e! Manuhrie y Limpiar el Tanque
1 Co[oquee[ mallubrio (A) sobre los soportes de! rnismo (B) que
ya estdn adhefidos a la unidad principal. Aseg0resede que los
orificios (C) en el manubrio estOnalineados con los orificios (C)
en los soportes de] rnismo rnanubrio.
NOTA:Talvezser0necesariomoverlos soportesdelmanubr{ode
unladoa otro paraaIinearel manubriodetal rnaneraquepaeda
deslizarsesobrelossoportesde!rnisrnomanubr{o.
2. Inserteelpernodelsoporte(A)atrav_sde losorificiosdes@
fueradela unidady sujeteunaperi[[adepBtico (B)des@el
interiordelamismaunidad.Aprietemanualmente.
Cobque la Bnpiar el tanque (B) sobre los orificios (C) det
rnanubrio (vista des@ la parte delantera de la unidad).
Presione las pinzasde _rbol (A) paraintroducirlas en los
orificios hasta que queden a nivel con la [[mpiar el tanque.
[
/
/
//
4. [nserte el "L" gancho (A) de[ agujero apenas arr[ba la limpiar e[
tanque en el derecho de la manubrio (visto des@ la parte
delanterade la unidad). Sostenga el gancho en lugar y fiie la
perilla de pl0stico (B). Apriete la perillas rnanuah_nente.
''/ i i
/
/
39

Inserte el gancho de alambre de soporte (A) de la pistola a
trav_s del orificio situado justo encima det limpiar el tanque en
el izqtfierda de la manubrio (visto des@ la parte delantera de la
unidad). Sujeteel gaucho de aIambre en su posiciOny coloque
un perilla de plastico (B) desdeel interior de la unidad. Apriete
a marl0,
Mentaje de Manguera de $if_n del Detergente a
_a Bemba
La limpiadora a presiOnest_ equipada con dos rnangueras de
inyecci@ de detergente. Una de elias est_ conectadaal depOsitode
limpieza, y la otra est_ suelta y se utiliza para [nyectar detergentes
aptos para la limpiadora a presiOndes@ una botella u otto
recipiente.
Conecteuna de [as mangueras de [nyecciOnde detergente (A) al
acoplamiento dentado de la rnanguera(B) de la bornba.
Agregue Gaseiina
ADVERTENCIA
La gasolina y sus vapores son extremadarneote
inflamables y explosivos.
EIfuegoo una explosionpuedencausarquemaduras
severas e inclusive la rnuerte.
CUANBO ,_NP,DA COMBUSTIBLE EL BEP6$1TO
o Apague el limpiadera a presiOn(posick')n OFF)y dOjeioenfriar al menos
por 2 minutos antes de remover la tapa de la combustible. Afloje la
tapa lentamente para dejar que la presiOn salga del tanque.
o Llene el depOsito de combustible a la intemperie.
, NO Ilene demasiado el tanque. Permita al menos espacio para la
expansion del combustible.
, Si se ha derramado combustible, espere a que se evapore antes de
arrancar el motor.
, Mantenga la gasolina alejada de chispas, llamas abbrtas, pilotos, calor
y otras fuentes de igniciOn.
, NO encienda un cigarrillo o fume.
1. Utflice gasoIina normal sin plomo lirnpia y nueva con un
minirno de 86 octanos. NO rnezcb aceite con combustible.
2. Limpie el area ahededor de la tapa de Ibnado de! combustible,
retire la tapa.
3. A_ada lentarnente gasoIina normal sin pIomo hasta la parte
inferior de la rnarca de limite de rfivelde la boca del depOsito
de cornbustible. No aiiada combustible en exceso.
IMPORTANTE:SOlo se puede utilizar una de las mangueras de
inyecci@ de detergente en uo rnomento dado.
Agregue Aceite de Meter
1. Coloque la limpiadora a presiOneo ulsasuperficie plana y
nivelada.
2. Limpie [a zona de ahededor de] orificio de Ilenado de aceite y
quite el tapOn.
NOTA:ConsuIte [a secciOn Acdte, paraver [as recomendaciones
reIativas al aceite. Compruebeque la botella de aceite suministrada
tiene la viscosidad adecuadapara la temperatura ambienteactual.
3. Con [a ayuda de un embudo (opciona[), vierta [entamentetodo
e[ contenido de la botella de aceite por el orificio de Ibnado de
aceite.
AVl$O
E!tratamiento inadecuado del lirnpiadora a presiOnpuede dai_ar!o
' acortar su vida productiva.
NOprocureacodarni empezarel motoranteshasido atendidoa
apropiadamenteconelaceiterecomendado,Estopuedetenercomo
resultadounaaveriadel motor,
4. Vuelva a colocar el tap@ y apri_telo firmernente.
4. Instab la tapa del tanque de combustible y Iimpie la gasolina
que se hayaderramado.
iPRECAUCJON! Los combustibles con mezda dealcohol (gasohoL
etanoto metano!) pueden atraer la humedad y provocar la
separaciOny formaciOn de _cidos durante el almacenarniento. Los
gases_cidos pueden daiiar el circuito de combustible y el motor
durante el almacenarniento.
Paraevitarestetipo deprobIemas,vaciee!circuitodecombustible
cuandovayaaalmacenarla unidaddurante30diaso rn_s.Vacieel
depOsitodecombustible,arranquee!motory dejelofuncionarhasta
quelos conductosdecombustibley elcarburadorquedenvacios.
Utilicecombustiblenuevola prOxirnatemporada.ParaobtenermAs
inforrnaciOnal respecto,consulteA/macenamiento.
NUNCAutiliceproductoslirnpiadoresparamotoreso carburadores
ene!depOsitodecombustible,ya quepodrianprovocardafios
permanentes.
4O

Conecte la Mangeera yeJ $eministre de Agea a
Ja Bomha
l av
NO haga funcionar la bornbasi no tiene el surninistro conectadoy
bierto. _ ....
Eldaiio a lalirnpiadoraa presi6n,resultadode ladesatenci6na esta
precauci6n,no ser_icubiertopotla garantfa,
NOTA:Antes de conectar las mangueras, retire y deseche los
tapones de transporte de la salida de alta presiOny de la entrada de
agua dela bornba.
1. Retroceda la manguera a a[ta presiOny conectea la base de la
pistola rociadora. Apriete con la rnano.
ADVERTENCJA
EI chorro de aguaa alta presiOn que este equipo
produce, puedeatravesar [a pie!y los teiidos
subcut_neos provocando lesiones de gravedad que
sodr[an dar Iugar a la arnputaci6n de un miembro.
. NUI',JOAconectela rnangueradealtapresi6nal prolongadordela
boquilla.
o Mantengaconectadalarnangueraa larn_iquinao a la pistoladerociado
cuandoel sisternaest8presurizado,
o AsegOreseentodo rnornentodeconectarcorrectarnentela pistola
rociadora,lasboquillasy losaccesorios,
2. Conectee! otro extremo de la mangueraa alta presi6n, a la
salida de atta presiOnde la bornba.Apriete con la mano.
.<\
Antes de que conecte la manguera deiardin a la entrada de
agua, inspeccioneel colador de la entrada (A). Limpie el colador
si tiene residuos o solicite su remplazosi est_ dai_ado.[_Ohaga
fun¢ionar JaJimpiadoraapresi6nsi eJfiJtro de entrada faJta
oest_ daliado,
4. Hagacorrer el agua a trav6s de la manguera de su iardin por
30 segundos para limpiar caalquier escombro que se
encuentre en ella. Desconecteel agua.
m_tPORTANTE:Hace NOagua de parar de siphon parael
abastecimiento deagua. Use agua SOLOfr[a (menos que 100°F).
5. Conecte la manguera de jardin (no exceder 50 pies en la
Iongitud) a la entrada del agua.Apriete con la rnano.
AVlSe
El uso de una%lvu[a unidirecciona[ (igua[ador de pres[dn o
%[vula de retencidn) en la entrada de la bornbapuede producir
da_os en la bornbao en e! conector de entrada.
DEBEhaberunrnfnirnode3 metros(5 pies)dernangueraderiego
libreentrelaentradadela lirnpiadoraa presiOny cualquierdispositivo,
cornounigualadorde presi6no unav_ilvuladeretenci6n).
Eldafioa lalirnpiadoraa presi6n,resultadodela desatenci6naesta
precauci6n,no ser_icubiertopot lagarant[a.
6. ABRA e[ agua apunte con la pistola hacia una direccidn segura
y apriete el gatillo para eliminar el aire y las impurezasdel
sistema de bombeo.
,A ADV :RTF CIA
Riesgo de lesionesoculares.
E! agua rociada puede salpicar 0 propulsar obietos.
Utilicesiernpregafasdeprotecci6ncuandoutiliceesteequipoo si se
encuentracercadedondeseest_utilizando,
o Antesde ponerenrnarchalalirnpiadoraa presi6n,asegL_resedeIlevar
gafasde protecci6nadecuadas.
o UtiliceSlEMPRElasgalasdesegnridadapropiadas,
LISTABEREViSiONPREVlAALARRANQUE
BELMOTOR
Revise [aunidad para asegurarse que haIlevado a cabo los
siguientes procedirnientos:
1. AsegQresede leer las secciones Redlas de SeguHdady
Operaci6nantes de usar e! sistema de lirnpieza.
2. Revise que los suietadores de] carrete de la rnanguera estan
apretados.
3. Revise que haya sido depositado aceitey est_ al nivel correcto
en la caja del cigqefial del rnotor.
4. Deposite la gaso[inaadecuadaen el tanque del combustible.
5. Revise quetodas las conexiones de [as mangueras (alta
presidn y suministro de agua) est_n apretadas correctarnente y
que no existan dobleces, cortes o da_o de la manguera de alta
presidn.
6. Proporcione e! saministro de agua adecuado (que no exceda
los 100°F).
41

COMOUSARSU $JSTEMADELJiViPJEZA
Si tiene probIemas cor_el funcionamiento de su m_quina limpiadora
a presiOn,por favor Ilame a la linea de ayudade la rn_qu[na
limpiadora a presi@ al 1=888=222=3136.
Uhicaci_n del limpiadera a presi_n
Espacie iibre aireOeder dei iimpiadera a presi_n
A#VENTENCIA
_,_ Los gases y e[ calor de escape puederl hsflamar los
_j. rnateoa[escombustibles y [asestructuras 0 da_ar el
JdepOsitodecombustible y provocar un incendio.
, Dejeun espaciominimode 152cm (5 pies)alrededordel limpiadoraa
presiOn,ineluidala partesuperior.
Co!oqueB [impiadoraa presiOna laintemperieenunazonaen
don@noseacurnu[engasesdeescapemortabs.Aseg(_resede que
los gasesdeescape(A)no puedanentrarporventanaspuertas,
tornasdeairedevelstilaciOnu otrasaberturasenLmespacio
cerradoene!quepuedanacurnu[arse.TengaencuerOalosvientosy
las coroentedeairepreponderarOesCUaldoel[jala ubicaciOndel
limpiadoraa presiOn.
,ADVERTENCJA
A[ motor funciolrar, se produce mon6x[do de carbono,
un gas [nodoroy venenoso.
Respirar rnon6xido de carbono puedeprovocar dolor
de cabeza,fatiga, mareos,v6rnitos confusi6n, ataques,
n_useas,desmayos o [ncluso[amuerte.
o Opereel limpiadoraa presiOnSOLAMENTEal airelibre.
, AsegOresedo qaelosgasesde escapeno puedanentrarporventanas,
puertas,tomasdoairedeventilaciOnu otrasaberturason unespacio
cerradoonel quepaedanacumularse.
, NOarranqueni dejefuncionarel motoren interioresnion zonas
cerradas,aunquehayaventanasy puertasabiertas.
Para Pener en Marcha el $istema de Limpieza
Paradarb arranque a su sistema de limpieza movido a rnotor por
pomera vez siga estas instrucciones paso a paso. Esta [nformaci@
acerca de [a puestaen rnarcha inicial tambi@ es %]ida para cuando
vaya a daOearranque al motor despuOsde haberlo dejado B
rn_quina Bnpiadora a presiOnfuera de funcionamiento por Io
rnenos un dia.
1. Coloque la m_quina limp[adora a presi@ en un _rea cercana a
una suministro de agua exterior capaz de abasteceragua a un
volumen mayor de 3.3 ga!ones por minuto en no menos que
20 PSI en el fin de arandeb de pres[6n de la manga de! jardin.
2. Revise que la manguerade a[ta presiOnse encuentre
conectada firmemente a la pistola de roc[ado y a la bomba. Yea
MonLaje.
3. Asegt_reseque la unidad est8 nivelada.
4. Conecte [arnanguera de jardin a la entrada del agua. Apoetela
COn la maF!O.
[Aw ]
JI,lO funcionar la bomba si tiene el suministro conectadohaga II0 yj
Lbierto. __ ...... ]
jo El@[io a lalimpiadoraa presiOn,resultadodela desateneiOnaesta j
h precauciOn,n8ser_cubiertopor lagarantB, j
5. Abra el agua, apunte con la pistola hacia una d[recciOn segura
y apriete el gatiHopara eliminar el aire y las [mpurezasdel
s[stema de bombeo.
6. Coloque el colorO r@ido conecta puntas de rocio e_llas
ranuras en el poseedor eso's conectado a la extension de la
boqu[lla.
%
7. Conecte la extension de B boquilla a la pistola rociadora.
ApriOte[acon las manos.
8. Selecc[onela puntas de rocio de conexiOnr@ida que usted
@see e insartela en el extremo de [a extension de la boqu[lla.
Yea Como Usar las Puntas de Rocfo.
9. Coloque el pasador de seguodad (A) al gatHIode la p[stola
rociadora.
42

10. Gire la %lvula del combustible (A) a la posiciOn"On". 13. Cuandoarranqueel motor,colOqueseenla posici6nquase
recorniendaa continuaci6n.Suietelamaniiay haleligerarnente
lamalsiiadelarranquehastaquasientaciertaresistencia.
Despu6sh_lelarApidamente.
11. Tiredelavarilladelestrangulador(A)hastala posici6n
"terraria" ("Closed')(B).
',\
S
NOTA: En el case de que el motor est_ caliente, aseg_rese de que la
varitla del estrangulador se encueotre en la posiei6n "Abierto" ("Open").
12. SitOe e! conrnutador de parada del motor (A) en la posiciOn "On".
I_'JPORTANTE: Antes de porter en marcha la limpiadora a presi6n,
asegQrese de Ilevar galas de protecciOn adecuadas.
ADVERTENCIA
Riesgo de lesiones oculares
E! agua rociada puedesalpicaro propulsarobjetos.
o Utilice siempre gafas de protecci6n cuando utilice este equipo o si se
encuentra cerca de donde se est_ utilizando.
Antes de porter en marcha la lirepiadora a presi6n, aseg(Jresede Ilevar
gafas de protecci6n adecuadas.
Utilice SIEMPRElas galas de seguridad apropiadas.
®
®
14.
15.
ADVERTENCiA
El retroceso (repliegue rApido) del cable del arrancador
puede producir lesiones. El retroceso irnpedirA que el
usuario suelte el cable a tiernpo y tirarA de su mane y
braze hacia el motor.
ComeresLfltado,podrianproducirsefracturas,
contusiones o esguinces.
NUNCAtire del cable del arrancador sin eliminar previamente la preston
de la pistola rociadora.
Cuando arranque el motor, tire lentamente del cable hastasentir una
resistencia y, a continuaciOn, tire r_ipidamentede 61para evitar su
retroceso.
Despu6s que cada tentativa que empieza, deride motor falla de correr,
siempre sdialar el fusil en la direcciOn segura y el disparador del fusil
del rode del estruj6n para liberar la presi6n alta. Active el gatillo de la
pistola rociadora.
Sujete firmemente la pistola rociadora con ambas manes cuando
aplique un rociado a alta preston para evitar lesiones cuando se
produzca el retroceso de la pistola.
Jalela cuerdadearranquelentamente.NOpermitaquela
cuerdaregresebruscarnenteencontradelarrancador.
Cuandoel motorarranquemuevalentarnentelavarilladel
estranguladorhastalaposici6n"Abierte" (Open)a medidaqua
elmotorsecalienta.Si elmotorfalla,muevalavarflladd
estralsguhdora laposici6n"terraria" (Creased)y, despu_s,a la
posici6n"Abierte"(Open).
43

ADVERTENCJA
El chorro de agua a alta presi6n que este equipo
produce puedeatravesar la piely los teiidos
_qt ubcutAneos, provocando lesiones de gravedad que
podrian dar lugar a la amputaci6n de un rniernbro.
La pistola rociadora contiene agua a alta presiOn incluso
cots el motor parado y el agua desconectada, que puede
causar la herida.
NO permita en ningL'mmomento que I'dlNOSoperen la m_iquina
limpiadora a presi6n.
o Mantenga conectada la manguera a la m_iquinao a la pistola de rociado
cuando el sistema est8 presurizado.
,NUNCA apunte la pistola a la gente, animales o plantas.
,1/0 fije la pistola rociadora en la posiciOn abierta.
o NO abandone la pistola rociadora cuando la m_quina est6 en
funcionamiento.
o NUNCA utilice una pistola rociadora cuyo seguro o protecciOn para el
gatillo no est_ en perfecto estado de funcionamiento.
o Aseg(Jreseen todo momento de conectar correctamente la pistola
rociadora, las boquillas y los accesorios.
, ,ADVERTENCJA
EI contacto con la zona del silenciador puede producir
quemadurasgraves.
Los gases y el calor de escape pueden infiamar los
materia]es combustibles y las estructuras o daiiar el
dep6sitode combustible y provocar un incendio.
o NO toque las superficies calientes y EVITElos gases del escape a alta
temperatura.
,Permita que el equipo se enfrie antes de tocarlo.
o Deje un espacio mfnimo de 152 cm (5 pies) alrededor del limpiadora a
presi6n, incluida la parte superior.
o El C6digo de Normativa Federal (CFR,Titulo 36: Parques, Bosquesy
Propiedad PL3blica)obliga a instalar una pantalla apagachispas en los
equipos con motor de combustion interno y a mantenerla en buenas
condiciones de funcionamiento, conforme a la norma 5100-16 (o
posterior) del Servicio Forestalde la USDA. Enel Estado de California.
la leyexige el uso de una pantalla apagachispas (Secci6n 4442 del
C6digo de Recursos P(Jblicosde California). En otros estados puede
haber leyes similares en vigor.
C_me Detener su Sistema de Limpieza
1. Sue[re e[gatillo de la pisto[a roc[adora y deje func[onar el
rnotor al ralenti durante dos minutos.
2. SitQe el conrnutador de parada del motor en la posici6n "Off".
ADVEBTENCIA
E! rnotor podfia petardear, incend[arse o da_arse.
NO coloque la palanca estranguladora en la posiciOn "Choke"para parar
el motor.
3. SIEMPREfusHdepuntoenunadirecci6nseguray el
disparadordelfusil delrociode!estrujOnparaliberarla
presiOnretenidadela plearnar.
I_IPORTANTE:Lapistolarociadoracontieneaguaaaltapresi6n
inclusoconelmotorparadoy elaguadesconectada.
ADVERTENCJA
El chorro de agua a a[ta presiOn que este equipo
produce puede atravesar la piel y los tejidos
_ ubcutAneos, provocando lesiones de gravedad que
)odrian dar lugara[a amputaciOnde un rniembro.
La pistolarociadora contiene agua a aIta presi6ninciuso
con el motor parado y el agua desconectada que puede
causar la herida.
, Mantenga conectada la manguera a la m_quina o a la pistola de rociado
cuando el sistema est8 presurizado.
, SIEMPRE que pare el motor, apunte con la pistola rociadora hacia una
direcci6n segura y apriete el gatillo para descargar la presiOny evitar el
retroceso. Active el seguro del gatillo cuando no utilice la pistola.
4. Active el seguro del gatillo de la pistola rociadora cuando no la
utilice.
C6me usar _as puntas de retie
La conexiOn r_pida de la extension para boquillas le permite usar
quatro puntas de rocio diferentes. Siempre que est_ activado el
seguro de[ gatillo de la pistoIa rociadora se pueden cambiar las
puntas de rodado con la lirnpiadora a presiOn en funcionarniento.
Las puntas de rocio tienen diferentes patrones de rociado corno se
[lustra a cont[nuaci6n.
La Presi6n Baja
1;/
Negra
Usadapara aplicar
detergentes
400B[anca 15oAmarHla 0° Roia
1750 PS! 2200 PS] 2500 PS]
2.3 GPM 2.2 GPM 2.0 GPM
Paraeambiarlas puntasde retie:
1. Coloquee! pesti[[odeseguridaddelap[stolade rociado.
2. Desplacehaciaatr_se[anillodeiconectorr_pidoy tire delas
puntasderocio.Guardelaspuntasderocioenel soportedela
prolongadordelaboquilla.
ADVERTENCJA
El chorro de agua a a[ta presi6n que este equ[po
produce, puedeatravesar la pM y los teiidos
subcut_neos provocando lesiones de gravedad que
_odriandar lugar a la arnputaciOn de un rniernbro.
, NUNCAintercambiepuntasde rocfosin haberaseguradoelcerrojode
seguridaddel gatillo.
, NOtuerzapuntasderoc[oalrociar.
44

3. Seleccionelapuntaderociadodeseada:
o Parsunenjuagadosuave(bajapresiOnymayorcaudal),
paraunalimpiezasuavedecoches/camiones,barcos,
RVs,mueblesdejardn,cortac_spedes,etc.,se]eccionela
puntsderociadoUancade40°,
o Parsunenjuagadogeneral(mediapresi6nymedio
caudal)id6neoparslamayorfadeloslimpiezas,corno
revestirnieotosexteriores,patiosdeladrillo,suelosde
madera,entradas,aceras,suelosdegaraje,etc,
seleccionelapuntaderociadoamarillode15°,
o Parsunenjuagadodemaximapotencia(altopresi6ny
bajocaudal),parasuperficiesrebeldesodedificilacceso
comosuperficiesdeplantasattas,eliminaci6ndepintura,
manchasdeaceite,eliminaciOnde6xidouotras
sustanciasdificiles(alquitrAn,resinagrasa,cera,etc.),
seleccionelapuntaderociadoroiade0°,
o ParsapIicarproductosdetergentesolimpiadores
especificosqueayudenadescompolserlasuciedad
rebeldeendistintassuperficies,seleccionelapuntsde
rociadodedetergentenegra.
4. Desplacehaciaatrdselanillo,insertelanuevapuntaderociado
ysuelteelanillo.Tiredelapuotaderociadoparacornprobar
queest_bienrnontada.
Usein¢lina
, Paraunalimpiezam_sefectiva,mantengalaboquillade
rociadode20a61cm(8a24pulgadas)delasuperficiede
lirnpieza.
o Sico!ocalaboquflIaderociadodemasiadocercapodriadafiar
lasuperficie,especialmentecuandoest6usandoe]rnodode
altapresiOn.
o NOco!oquelaboquillaarnenosde15crn(6pulgadas)cuando
est6lirnpiandoIlantas.
Limpieza y Apiicaci6n dei Detergente
PRECAOCm6e
Los productos quimicos pueden provocar leslones de gravedad
'/o dai_os rnateriales.
NUNCAutiliceI[quidosc_iusticoscon lalimpiadoraa presi6n.
UseEXCLUSIVAMENTEdetergenteso iabonesespecialesparala
limpiadoraa presi6n.Sigatodas lasinstruccionesdelfabricante.
Pars aplicar el deter_ente, sills los siguientes pasus:
1. Conecteuna de las mangueras de inyecci6n de detergente
conforme alas instrucciones que se detaIlan en la secciOn
Conectela manguera de inyecci6n de detergentea/a bombs.
IMPORTANTE:AsegOresede que e! motor estd parado y frio antes
de cambiar los manguerasde inyecciOnde detergente.
, ADVERTENCIA
E[contacto con [azona dot sllenciador puede producir
quemaduras graves.
Los gasesy el calor de escapepueden infiamar los
materialescombustibles y las estructuras o daiiar el
dep6sito de combustible y provocar un incendio.
, NOtoquelossuperficiescalientesy EVITElosgasesdelescapea alta
temperatura.
,Permita queel equipose enffieantesdetocarlo.
2. Reviseel uso de la puntas de rocio.
3. Prepare la soluci6n detergente siguiendo las instrucciones del
fabricante.
4. Aseg(irese de que la Ilavede paso de detergente del depOsito
de lirnpiezaestAen la posici6n "Off".
5. Si utiliza un dep6sitode lirnpieza,vierta detergenteensu interior.
NOTA:La capacidad del depOsitode limpieza es de 3,78 ! (1 gal6n).
6. Aseg(irese de que la puntas de rocio de detergente negra est_
montada.
NOTA:NO se puede apIicar detergente coo los puntas de rocio de
alto presi6n (Blar_ca,Amarilla o Roia).
7. Aseg8rese de que la manguera del jardin est_ conectada a la
eotrada deagua. Compruebe que la manguera de alta presi6n
est,. conectadaa la pistols rociadora y a la bombs. Abra la
alirnentaciOnde agua.
AVI$O
Usted deberd conectar todas los mar_guerasantes de dade
arranque al motor.
Arrancarel motorsintenortodasias manguerasconectadasy sinel
suministrodeaguaABIERTO(ON)causar_elda_iodela bombs.
Eldaiio a lalimpiadoraa presi6n,resuitadodela desatenci6naesta
precauci6n,no ser_cubiertopot lagarantia.
8. Active el seguro del gatillo de la pistols rociadora y ponga en
marcha e] rnotor siguiendo los instrucciones de la secci6n
Cdmo poner en funcionamiento la limpiadora a presidn.
9A. Si utiliza el dep6sito de limpieza, gire la Ilave de paso de
detergente del depOsitohasta la posici6n "On" (A).
/
mMPORTANTE:Si uti[iza una manguerade inyecci6n de detergente,
aseg(_resede que la !lavede paso de detergente dot depOsitode
limpieza est_ en la posici6n "Off".
9B. Si utiliza una mal_guerade inyecci6n de detergente, co!oque el
extremo del fiItro pequefio del tubo de inyecci6n de detergente
eo e[ recipiente de! detergente.
NOTA:AsegOresede que el filtro est6 totah_nentesumergido
rnientras se aptica el detergente.
AVl$
EI contacto con el silenciador a alto ternperatura puede producir
dodos eo el tubo de invecciOnde deterdente.
Cuandocoloqueelfiltro en labotelladeldetergente,coloqueeltubo de
manorsquenoentreencontactoaccidentalmentecon elsilenciador
caliente.
10. ApIique e! detergeote sobre [a superficie seca, comeozar_doen
la porte inferior del _rea y dirigiSndose haciaarriba, utilizando
movirnientos largos, parejos y superpuestos.
11. Permits que el detergente "penetre" de 3 a 5 minutos antes de
eoiuagar.Vuelva a aplicarlo cua!_dosea necesario pars evitar
que [a superficie se seque. NOpermits que el detergente se
seque.Si permite que el detergente se seque,la superficie
podria quedarcon rnanchas.
45

Enjuage de JaM_quina Limpiadora aPresi6n
gespu_s de haberapJicado eJdeter_ente, refrie_ue Jasuperficie
yenjua_eJa de Jasi_uiente manera:
1. Coloqueel cerrojo de seguridad a la pistola de rociado.
2. AsegOresedeque la vAIvulade paso de detergente est_ en la
posici6n "Off".
3. Retire la puntas de rocio de detergente negra del prolongador
de la boquiIIa.
4. SeIeccionee instaIe la puntas de rocio de alta presi6n deseada
conforrne alas instrucciones de la secciOnC6mo usar et
puntas de rocio.
5. Mantenga la pistola de rociado a una distancia segura del Area
que planearociar.
AgVERTENCJA
E] retroceso de la p[stola rociadora puede provocar
caidas.
,Utilicelalimpiadoraa presi6ndesdeunasuperficieestable.
, Extremelasprecaucionessi necesitautilizarlalimpiadoraa presi6n
desdeunaescalera,un andamiou otro lugarsimilar.
, Sujetefirmementela pistolarociadoraconambasmanoscuando
apliqueun rociadoaaltapresi6nparaevitarlesionescuandose
produzcael retrocesodela pistola.
6. Aplique un rociado de aIta presi6n a una peque_azona y luego
compruebe si se haproducido algOntipo de daiio. Si no
aprecia da_os, continOeen el paso 7.
7. Cornience enla parte superior del _rea que va a enjuagar,
dirigiSndose hacia abaio con los mismos rnovirnientos
superpuestos que utfl[z6 para la I[rnp[eza.
Limpieza deJ tube de inyecci_n de detergente
Si usted usOel tubo, usted debe lavado con agua I[rnp[a antes de
parar el motor.
1. Coloque el filtro y la inyecciOndetergente en un balde Ileno de
agualimpia.
2. Quite la puntas de rocio de alta presi6n del prolongador de la
boquilla.
3. Seleccionee instaIe la puntas de rocio de detergente negra
siguiendo las instrucciones de la secci6n Cdmo usar el puntas
de redo.
4. Lave de 1 a 2 minutos.
5. Pareel motor siguiendo las instrucdones de la secciOn Cdmo
detener la limpiadora apresiSn y cierre la alimentaciOnde
agua.
6. Apunte SIEMPREcon la pistoIa rociadora hacia LmadirecciOn
seguray apriete el gati% para descargar el agua a alta presiOn
restante.
m_dPORTANTE:La pistola rociadora contiene agua a alta presi6n
incluso con el motor parado y el agua desconectada.
ADVERTENCiA
El chorro de aguaa a[ta presiOnque este equipo
produce puedeatravesar la piety los tejidos
_ ubcutAneos, provocando lesiones de gravedad que
)odriandar lugar a la amputaci6n de un rniembro.
Lapistola rociadoracontieneaguaa aIta presi6nincluso
con el motor paradoy el agua desconectada,quepuede
causarla herida.
, Mantengaconectadalamangueraa lam_quinao a lapistoladerociado
cuandoel sistemaest8presurizado.
*SIEMPREquepareel motor,apuntecon la pistolarociadorahaciauna
direcci6nsegura,pulseel bot6nrojoy aprieteel gatilloparadescargar
la presiOn.
$istema de Enfriaaiente Autea_tice
{AlivioT rmice)
Elagua que circula dentro de la bomba puede alcanzarternperaturas
entre los 125°-155°F si hacefuncionar el motor de su rn_quina
limpiadora a presiOnde 3 a 5 minutos sin oprimir el gatiIIo de la
pistola de rociado. EI sistema deenfriarniento automAtico se activa a
estatemperatura y enffia la bomba descargando agua caliente en el
piso, evitando asi el ddio interno de la bornba.
46

ESPECJFJCACJONE$DELPRODUCTO
Especificaciones de _a M_quina Lirnpiadora a
PresJ_n
Pres[Onde sal[da m_xima ......................... 2,500 PSI
Caudalm_ximo .................................. 2.3 GPM
Mezcla de quimicos .................. Use segOninstrucciones
Temperaturadel surninistro
de agua ............................ Que no excedalos IO0°F
Peso que Ernbarca ................................. 73 Ibs.
Especificacienes del Meter
Diametro de camisa .................... 64 mrn (2,5 pulgadas)
Carrera .............................. 50 mrn (2,0 pulgadas)
Desplazarniento........................ 161 cc (9,8 pulgadas)
Buiia
Tipo: ..................................... NGK BPR6ES
Calibrar Separaci6n a: .... 0,70-0,80 mrn (0,028-0,031 pulgadas)
AdmisiOn .............................. 0,!5 ± 0,04 mm ffio
Escape ............................... 0,20 ± 0,04 mm frio
Capacidadde Gasolina ..................... 1,1 I (0,29 galons)
RECOMENDACIONE$GENERALE$
E! rnanten[miento peri6dico meiorar_ el rendimiento y prolongar_ la
vida Otilde[ limpiadora a presi6n. Acuda a un distribuidor autorizado
de Searspara reparar la unidad.
La garant[ade la m_quina [[mpiadoraa presiOnNOcubre los
elementos que han sido suietos a abuso o negIigencia pot parte del
operador. Parahacer%lida [a cobertura total de la garant[a, e[
operador deber_ rnantenerla lavadora de presiOntal y como se
[ndica en e[ manual, incluyendo su adecuadoah_nacenamiento,
corno se describe en la secciOnAlmacenamiento.
AIgunos ajustes tendr_n que hacerse periOdicamentepara mantener
adecuadarnentesu rn_quina limpiadora a presiOn.
Todos los servicios y ajustes deber_n hacerse por Io rnenos una vez
en cadaestaciOn. Siga las instruccionesde la tabla Programa de
Mantenimiento.
NOTA:Una vez al a_o, usted deberd [irnpiaro rernp[azar la buiia y el
filtro de aire. Una buiia nuevay un filtro de aire limpio garantizan
una mezcla de combustible-aire adecuaday le ayudaa su motor a
funcionar mejor y a tenet una vida Otflm_s prolongada.
CONTROLDE EJ t$1ONE$
CuaiqLfierestablecimiento o h_dh/[duoespecializado en [areparaci6n
de motores que no sean de automoci6n puede encargarsedel
rnantenimiento, la sustituciOn y [a reparaciOnde los dispositivos y
sisternasde control de emisiones.
47

RESPONSABJLJDADE$DELPROPJETARJO
Siga el prograrna de mantenimiento seg@ el R_merode !_oraso seg_Re[ calendario [o que suceda pr[mero. Se requmre de servicio CON
mayor frecuencia cuando opere la uR[dad en las condiciones adversas descritas a continuaci6n
CALENBARIORE MANTENIMIENTO
ANOTE LAS FECHAS CONEORMECUMPLA CON
EL SERVICIO NORMAL
TAREADE NIANTENI_'IIENTO
Limpiadora a presi6n
Revisdlimpie el filtro de la entradade agua
Revise la manguera de alta presi6n
Revise la manguera del detergente
Revise la pistola aspersora y verifique que no
haya fugas en el ensamblaje
Purgue la bombade aire y de contaminantes
Prepare la bomba para almacenarla a menos de
32°E
Mo_er
Verificar el nivel de aceite
Limpie los residuos
Cambiar el aceite del motor
Compruebe el filtro de aire
Limpie el filtro de aire
Sustituya el filtro de aire
Compruebe y ajuste la buj[a
Sustituya la bujia
Repare el apagachispas
Compruebe y ajuste el ralenti
Oompruebe y ajuste de holgura de las v_flvulas
Limpie la c_mara de eombusti6n
Limpie el dep@ito de combustibb y el filtro
Compruebe el tubo de combustible
E
Prepar almacenamiento
Antes de
Cada Uso
X 1
X
X
X
X
X
×
INTERVALO DE OPERACIONPOR NORA
Cada 25 horas Cada50 horas Cada 100
6 3 meses 6 6 meses horas 6 A[io
Vea Almacenamiento end Inviemo,
X
X4
X4
Cada 250 horas4
X4
Cada2 a_]os (sustituir si es necesario)4
Si la unidad permanecer_ sin uso por m_s de 30 d[as,
Cada250
horas 62 Ai;os
FECNASDE SERVICIO
Limpiar si est_ obstruido. Remplazar si est_ perforado o rote,
Cambie el aceite alas 5 horas de funcionamiento o al primer rues y, en Io sucesivo, cada 50 horas 6 6 meses,
C_,mbieloantes si el motor funciona en condiciones de sueiedad o polvo,
s Sustit_lyalo con m_s frecuencia en condieiones de suciedad o polvo,
4 Papareparar estos elementos, acuda al servicio t@nico de su distribuidor,
48

ANTESDECADAU$0
1. Revise el nivel de aceite de] rnotor.
2. Limpie los residuos.
3. Revise si existen darios en el colador de la entrada deagua.
4. Revise si existen darios en el dep6sito de limpieza.
5. Compruebe si los depOsitode limpieza est_n da_ados.
6. Revise si existen fugas en el conjunto de la extension para
boquillas y pistola.
7. Elimine el aire y los contamina!_tesde la bornba.
MANTENJMJENTODELA MAQUJNA
LJMPJADORAAPRESJON
LimpJe_os Residuos
Limp[e a diario, o antes de cada uso, los residuos acumulados en el
limpiadora a presiOn. Mantenga lirnpias las conexiones, los muetles
y los mandos. Limpie todo resto de combustible de la zona que
rodea a! silenciador y de detrAs del mismo. Inspeccione las ranuras
para aire de enfriarniento y la apertura de] limpiadora a presiOn.
Estasaperturas deberAnmantenerse limpias y despeiadas.
Mantel_galimpios los componentes del limpiadora a presiOnpara
reducir el riesgo de sobrecalentamiento e igniciOn de los residuos
acumulados.
Utilice un trapo hOmedo para limpiar las superficies exteriores.
AVI$O
E!tratamiento [nadecLladodel lirnp[adora a presiOnpuede ddiar!o
' acortar su vidaj_roductiva.
NOinsertecualquierobjetoa trav_sde lasranurasdeenfriamiento.
Puedeusaruncepillodecerdassuavespararetirarlasuciedad
endurecida,aceite,etc.
PuedeusarunamAquinaaspiradoraparaeliminarsuciedady
residuossueltos.
Revise y Limpie el Ceiader de Entrada
Examineel coIador de entrada de [a rnanguera de jardin. Limpielo s[
estAtapado o rernplacelo si est_ roto.
Revise la Manguera de AIta Presi6n
Las manguerasde alta presiOnpueden desarro!lar fugas debido al
desgaste, dobleces o abuso. Revise la mangueraantes de cada uso.
Revise si existen cortes, fugas, abrasiones, levantamiento de la
cubierta, da_o o movimiento de los acopIamientos. Si existe
cualquiera de estas condiciones, remplace la manguera
inmediatamente.
,_ ADVERTENCJA
EI chorro de agua a alta presiOnque este equipo
produce, puedeatravesar la piel y los tejidos
subcut_neos provocalsdo lesiones de gravedad que
mdrian dar lunar a la arnputaci6n de un rniernbro.
, NUNCAreparela mangaerade altapresi6n.Remplacela.
, Remplacelaconunamangueraquecumplaconlacapacidadminimade
presi6ndesu m_quinalimpiadoraa presiOn.
Revise ia Pistela y _aExtensJ6n para Requiilas
Examinela conexiOnde la mangueraa la pistola y cerciorese de que
est_en buen estado. Pruebeel gatiIIo oprimi_ndolo y asegur_ndose
de que se devuelvea su sitio cuando Io suelte. Co!oqueel cerrojo de
seguridad en la posiciOnUPy pruebe el gatillo. Usted no debe ser
capazde oprimir el gati%. RempIace la pistola inrnediatamente si
falla cualquiera de estas pruebas.
Manteniatiente de la Puntas de Roc_o
S[ siente una sensaci6n pu[sante a[ momento de apretar el gati% de
la pistoIa rociadora puede que sea causada por la presi6n excesiva
en la bomba. La causa principal de la presiOnexcesivaen la bomba
es cuando la punta de rocio se encuentra atascadao tapada cor_
rnateriales extra_os,tales como tierra, etc. Para corregir el
problema, limpie inmediatamente la punta de rocio siga las
instrucciones siguientes:
1. Apague el motor y apague el surninistro de agua.
2. SiEMPREfusil de punto en una direcci6n segura y e!
disparador del fusil del rocio del estrujOnpara liberar la
presi6n retenidade la plearnar.
,_ A_VERTE_CJP,
El chorro de aguaa a[ta presi6n que este equipo
produce puedeatravesar la piel y los tejidos
subcutAneos, provocando lesiones de gravedad que
_odriandar lugar a la amputaci6n de un rniembro.
Lapistola rociadoracontieneaguaa a[ta presi6_incluso
con el motor paradoy el agua desconectada,quepuede
causarla herida.
,Mantengaconectadalamangueraa lam_iquinao a lapistoladerociado
cuandoel sistemaest8presurizado.
*SIEMPREquepareel motor,apuntecon la pistolarociadorahaciauna
direcci6nseguray aprieteelgatilloparadescargarla presiOny evitarel
retroceso.Activeel segurodelgatillocuandono utilicela pistola.
49

3. Remuevalapuntaderociodelextremodelaextensiondela
boqui!la,
4. Useelpequdiosujetapapelesparaliberalcualquiermaterial
extrafioqueest6tapandolapuntaderodo(A).
5=
6.
Retire la extension paraboquiHas de la pistola.
Usando una manguera de jardin rernueva cualquier desecho
adicional, poniendo aguaen la extension de la boquilla. Haga
_sto de 30 a 60 segundos.
7. Instale de nuevo la punta de rocio en la extension.
8. Conectede nuevo la extension de la boquilla a la pistola
rociadora.
9. AsegOresedeque la mangueradel jardin estAconectadaa la
entrada de agua.Compruebe que la rnanguera de alta presiOn
estAconectadaa la pistola rociadora y a la bornba. Abra la
alimentaci6n de agua.
10. Active el seguro de] gatillo de la pistola rociadora y ponga en
rnarcha el motor siguiendo las instrucciones de la secciOn
Cdmo poner en fundonamiento /a finrpiadora a presi6n.
11. Pruebe el limpiadora a presi6n al hacerfuncionar con cada una
de las puntas de rocio de conexiones rApidasque viene con e!
lirnpiadora a presi6n.
Nlantenimiente de les Anilies 'e'
Compre una O-Juego de ReparaciOnde Anillo en sus Searslocales
oIlamandol=S80=44_dY=HOL_lE(469=4663)o en linea en
www.sears.corn. No se incluye con la limpiadora a presi6n. Este
iuego incluye los anillos del reemplazo O, arandela de caucho y fiItro
de cala de agua. Re%rase a la hoia de la instrucciOn proporcionada
en el juego para atender a su unidad'los anillos de s O.
, ADVERTENCiA
EI chorro de agua a alta presi6n que este equipo
produce, puede atravesar la piel y los tejidos
subcutAneos, provocando lesiones de gravedad que
podrian dar lunar a la amputaci6n de un miembro.
o NUNCAreparaciOnquesalelasconexionescon selladordecualquier
tipo. Reemplaceel anillo'0' o elsello.
Mantenimiente de la 13emha
NO rea]iceninguna operaciOnde rnantenirniento con el aceite de la
bomba. No es necesario en este rnodelo. La bornba se suministra
prelubricada y seIIadaen fAbrica,y no requiere lubricaci6n adicional
durante su vida Otfl.
MANTENiMiENTODELMOTOR
ADVERTENCiA
Chispearinvoluntario puedetenet como resultado el
_ fuego o el golpe el_ctrico.
CUANDeAJUSTEe id_,GAREPARACIeNE$ASUM_,[IUINA
Li_IHADORAA PRE$iI_N
o Siempredesconecteelalambrede la bujfay col6quelodondenopueda
entrarencontactoconlabuj[a.
CUANDei_RUEBELABUJJADELMOTeR
, Utiliceun comprobadordebuj[ashomoJogado.
o NOcompruebalachispasin labuj[ainstalada.
Aceite
Recemendacienes sobreel aceite
NOTA:Cuandoafiada aceite a] carter del motor, utfiice s6[o aceite
detergentede automoci6n para motores de cuatro tiempos de aita
calidad con clasificaciOnde servicio API SJ o SLy viscosidad SAE
10W-30. NO utflice aditivos especiales.
1. Seleccioneuna viscosidad de acuerdo a la tabla siguiente.
=2e 0 20 40 60 80 tGO°F
=30 =20 =10 O 10 20 30 4O°C
Temperatura Amhiente
NOTA:Las otras viscosidades que se indican en la tabla se pueden
utiIizar siempre que la temperatura media de su zona est_ dentro de
los limites recomendados.
Cemprebaci_ndei nivei de aceite
Compruebe el nivel deaceite antes de cada uso o cada 5 horas de
funcionamiento, como m[nirno. Rellenesi es necesario.
1. Sitt_eel limpiadora a presi6n en una superficie pIanay limpie la
zona de ahededor dettapOn de Ilenado de aceite.
2. Quite la varilla de nivel de aceite y limpiela con un trapo limpio.
Introduzca la varilla de nivel de aceite y sAquelasin enroscada
en la boca de Ilenado.
Cornpruebe que el aceite hasta la marca superior de fimite de
la varilla de rnedici6n. Instale el varflla de medici6n, apriete
firmemente.
Varilla de nivel de aceite
Superior de I[mite
Limite m_s bajo
5O

Adici_n de aceite desmotor
1. Coloqueel limpiadora a presiOnsobre una superficie nivelada.
2. Limpie la zona de ahededor del tapOn de Ilenado de acedey
quite la varilla de nivel de aceite.
3. Compruebe el nive! de aceiteta! cored se indica en la secciOn
Compmbacidn de/nive/de aceite.
4. Si es necesario, vierta lentamente aceite en la abertura de
Ilenado. Haga pausas para permitir que el aceite se deposde.
Llene hasta el mama superior de limite de la varilla de
rnediciOn. 1/0 Ilene excesivamente.
AVm$O
ElIlenadodeaceiteen excesopuedeirnpedir el arranquedel motor o
_rovocardificultadesdearranque.
NOIleneenexceso.
Siel niveldeaceiteest_por encirnadelarnarcaFULL(LLENO)de la
varilla,vacfeaceitepararedncirelnivelhastala rnarcaFULL(LLENO)
delavarilla.
5. Instale el varilla de rnediciOn,apdete firmemente.
Cambiede Aceite des Motor
Cambie el aceite despu_s de las primeras 5 horas de operacidn.
Cambie el aceite cada 50 horas de ese rnornento en adelante. Si est_
utilizando su generador bajo condiciones de extrema suciedad o
polvo, oen unclima demasiado caliente, hagael cambio de acede
m_s frecuentemente.
AVi$O
Eviteel contacto prolongado o repetido de piel con aceite usado
de motor.
Elaceiteusadodelmotor hasido rnostradoalcancerdelapieldela
causaen ciertosanirnalesdel laboratorio.
6ornpletarnentelavadoexpusoareasconeljabOny el agua.
MAIITENER FUERADELALCAr,ICE DELOSMICROS.!/0
COIITAMINE.CONSERVELOSRECURSOS.DEPOSITEEL
ACEITEUSADOE!t U!t PUNTODERECOGDA.
Cambie emaceite cuandoemmotor siga estando caHentedespu_a
de haber fun¢ionado:
1. Dreneel tanque del combustible haciendo funcionar la
rn_quina limpiadora a presidn hasta que el tanque est_ vacio.
2. Desconecteatambre de bujia y Io malstienelejos del bujia.
3. Limpie el _reaalrededor de la abertura para !lenado de aceite,
retire la varilla de mediciOn.Limpie lavarilla de medicidn.
4. Incline su rn_quina limpiadora a presidn paradrenar el acede a
trav_s del olificio de Ilenado en un recipienteadecuado
asegur_ndose de inclinar la unidad haciael lado opuesto de la
bujia. 6uando la caja del cigOeiia!est6vada, vuelva a colocar
la m_quina limpiadora a presidn en posicidn vertical.
5. Vierta lentamente unos aproximadamente 05 litros (18 onzas)
de aceite pot el orificio. Llene hasta e! rnarca superior de lirnite
de la varilla de rnediciOn.
6. Instale la varilla de rnedicidn, apdete firrnemente.
7. Limpie los residuos de aceite.
8. Conectede nuevo aiambre de buiia al buiia.
Servicio demDepurador de Aire
Su motor no funcionar_ adecuadamentey puede da_arse si usted Io
hacefuncionar con un depurador de aire sucio.
Limpie el filtro deaire cada 25 horas defuncionamiento o cada tres
rneses,Io que suceda antes. Suministre servicio m_s
frecuentemente si la unidad funciona bajo condiciones de rnucha
suciedado polvo. Cambie el filtro de papel carla 250 horas o una
vez al dos afios Io que suceda antes. Los repuestos se encuentran
disponibles en su cerdro de servicio local Sears.
Para dar servicio amfHtrn de aire, siga ruespasos que se detaHan a
eontinuaeidn:
1. Presione las lengOetasde reter_cidn(A) de la parte superior de
la tapa del filtro de aire (B) y quite la tapa.
2. Extraigacon cuidadoel %ro deaire(C)delabase(D).
3. Lirnpieelfiltro deairegolpe_ndolosuavementevariasveces
contraunasuperficieduraparaelirninarla suciedad.Corno
alternativa,puedesoplarairecompdrnido(a nom_sde30 psi)
atravdsdelfiltro desdeel ladolimpid (elqueest_orientadoal
motor).
NOTA:NUNCAeliminelasuciedadcon uncepi%.E!usode un
cepi%insertariala suciedadenlasfibras.
4. Limpielasuciedaddelcuerpoy latapadel%to deairecon un
trapo hOmedo.H_galocon cuidadoparaevitarquelasuciedad
penetreenelconductodeaire(E)quevaal carburador.
5. Instaleunfiltro deairelimpid(o nuevo)er_labase.E!filtro de
airedebeencaiarbiener_labase.
6. Vuelvaa co!ocarlatapadelfiltro deaire.
NOTA:Ustedpuedecomprarloselementosdetfiltro deairenuevos
%mandoal 1=800=4=MY=HOME(469=466S).
Remplace JaBujia
Servicio la bujia anualmente o cada 100 horas de operacidn.
Remptaceel buiia cada 250 horas o ultravez al dos a_os, Io que
sucedaa!stes.
1. Retire el capucbdn de la bujia y limpie la zona circundante.
2. Retire y revise la bujia.
3. Cambie la bujia si los electrodos est_n picados o quemados o
si la porcelanaestAagrietada.
51

4,
5.
Sustituya la bud por otra nueva,rnodelo recornendado: NGK
PBR6ES.
Revise [a separaciOnde[ electrodo con un ca[[brador de
a[ambre y ajuste la separaciOna 0.028-0.031 pu[gadas(0.70-
0.80 ram), si es necesado.
\ /
i
/"
6A. CuandovLlelvaa montar la bujia original, apriete 1/8-1/4 de
vuelta despu_s de que la bujfa se as[ente para compr[rnir la
arandela.
6B. Cuar_dovuelva a montar la bujfa nuevos, apriete 1/2 de vue[ta
despu6s de que la buiia se as[entepara cornprimir la arandela.
7. Vuelva a colocar el capuch6n de la bujia.
NOTA: Puedeadquirir nuevos bud al n0mero telef6nico
I=8gS=4=MY=HOME(468-4668).
Carhurador
Si usted cree que su carburador necesitaajuste, visite su centro de
servicio Sears mAscercano. Elfuncionamiento del motor podria
resultar afectado a altitudes por encirna de 5000 pies. Para
operaciones a elevaciones mayores, p@_gaseen contacto con el
centro de servicio Sears rnas cemano.
Servicio del Apa jachispas
E[ motor de su unidad no viene equipado de f_brica con un
apagachispas. En c[ertas _reas, es ilegal opera=motores que no
tengal_apagachispas. Revise las leyes y regulaciones locales. Si
necesitaapagach[spas,Io puede comprar en su centro de servicio
Sears mAscercano. Para obtener e[ nOmerode parte Ilame a[
I=808=4@lY=HOME(469=4663).
Deber_ suministrarle serv[cio al apagachispascada 100 horas para
conservado en buenas cond[ciones de funcionarniento.
Si el motor ha estado funcionando, el silenciador estar_,bastante
ca[iente. Deie que el silenciador se enfrie para poder darle serv[cio al
apagach[spas.
ADVERTENCiA
_ ! contacto con [a zona del sflenciador puede producir
quemaduras graves.
Los gasesy el ca!or de escape pueden inflamar los
materiales combustibles y las estructuras o daiiar el
dep6sito de combustible y provocar un incendio.
®
®
®
NOtoque las superficies calientes y EVITElos gases del escape a alta
temperatura,
Permita que el equipo se enfr[e antes de tocarlo.
Deje un espacio re[nimo de 152 cm (5 pies) alrededor del limpiadora a
presi6n, incluida la parte superior.
El COdigode Normativa Federal (CFR,TittJlo 36: Parques, Besquesy
Propiedad PL3blica)obliga a instalar una pantalla apagachispas en los
equipos con motor de combusti6n interno y a mantenerla en buenas
condiciones de funcionamiento, conforme a la norma 5100-16 (o
posterior) del Servicio Forestalde la USDA. En el Estado de California,
la leyexige el use de una pantalla apagachispas (Secci6n 4442 del
C6digo de Recursos R_blicos de California), En otros estados puede
haber leyes similares en vigor.
Quitelostres pernosde6 mm(A)de[ protectordetsilenciador
(B)y retireel protector.
2. Quite los dos tornillos especiales (C) de la pantalla
apagachispasy retire la panta!la (D) de silenciador (E).
3. Utflice Lmcepil[o para elim[nar los depOsitosde carbonilla de [a
panta[[aapagachispas.Tenga cu[dado de no da_ar [a panta%
mI_IPORTANTE:Sustituya la pantalla apagachispassi est_ rota o
perforada.
4. Instale la pantalla apagach[spasDnpia (o nueva) siguiendo el
orden hwerso al de desmontaie.
52

DESPUE$DECADP,U$0
No deber_haber agua en la unidad par largos periodos de tiempo.
Los sedimentos de mineraIes se pueden depositar en partes de la
bomba y "congelar" su funcionamiento. Lleve a cabo estos
procedimientos despu6s decada usa:
1. Limpie el circuito de detergente girando la Ilavede paso de
detergente hasta [a posici6n "Off" y hagafuncionar la
lirnpiadora a presiOncon el punta de rocio de detergente negra.
Prolongue la limpieza er_treuno y dos minutos.
2. Pare el motor, cierre la alimentaci6n de agua apunte con la
pistola rociadora hacia una direcci6n segura y apriete el gatillo
para descargar la presi6n, active el seguro del gati% de la
pistola rociadora y deje eofriar el rnotor.
, ADVERTENCJA
El chorro de agua a alta presi6n que este equipo
produce puedeatravesar la pie[y los teiidos
_ ubcutAneos, provocando lesiones de gravedad qua
podrian dar lugar a la amputaci6n de un rniembro.
Lapistola rociadoracontieneaguaa alta presi6ninduso
con el motor paradoy el agua desconectada,que puede
causarla herida.
, Mantengaconectadalamangueraa lam_quinao a la pistoladerociado
cuandoel sistemaest8presurizado.
, SIEMPREquapareel motor,apuntecon la pistolarociadorahaciauna
direcciOnseguray aprieteelgatilloparadescargarla presiOny evitarel
retroceso.Activeel segurodelgatillo cuandono utilicelapistola.
3. Desconecte malagade[fusfl de[ rocio y salida alta de presiOn
en la bomba. DesagOeagua de la manga, de! fusil, y de la
extensi6n de boquflIa. Use un harapo para quitar la manga.
4. Saquetodos los liquidos de la bomba halando la manija de
retroceso aproximadamente 6 veces. Esto deberd evacuar la
rnayoria del liquido de la bomba.
5. Enrolle la rnangueray cu61gueladel gancho situado en e!
rnarmbrio.
6. Almacene la unidad en una _rea limpia y seca.
7. Si planeaaIrnacenarla unidad por m_s de 30 dias, vea la
secci6n Almacenamiento Prolongafio.
, ADVERTENCJA
La gasolinay sus vapores son extremadamente
infiamables y explosivos.
El fuego o una explosi6n pueden causar quernaduras
severase inclusive la muerte.
CUANDOALMACENE0 GU,_RDEELEQUIPOCONCOMBUSTIBLEEN
ELTANQUE
Almacenealejadode calderasestufas,calentadoresdeagua,secadoras
deropau otros aparatoselectrodom_sticosqueposeanpilotosu otrae
fuentesdeignici6n,porqueeliaspuedenencenderlosvaporesdela
combustible.
ALMACENAMIENTOPARAINVIERNO
AVI$O
Usted deber_ proteger su unidad de las temperaturas de
con_elamiento.
si noio hace,daiiar_permanentementela bombay launidadno podr_
funcionar.
LagarantianocubreeldaPiode launidadocaeionadoporcongelamiento.
Para proteger Jaunidad de Jastemperaturas de ¢ongeJamienta:
1. Vacie la limpiar eltanque coma se indica a continuaci(in:
a. Desconectela manguera conectada a[ acoplamiento de
[nyecci6nde la bomba. Coloque el extremo de la bornba
en un recipiente adecuado.
b. Gire las [laves depaso de detergente hasta la posiciOn
"On"y abra la tapa de[ depOsito.El contenido det dep6sito
se vaciarA par gravedad en el recipiente.
c. Vuelva a conectar [a rnangueraal acoplamiento de
[nyecci6nde la bomba. Aiiada 0,5 [itros de agua dulce
limpia a cada dep6sito y cierre las tapas de los dep6sitos.
2. Limpie e[ circuito de [impieza. Para eI[o sitOela [lave de paso
de detergente en la posiciOn"On" y haga funcionar la
limpiadora a presi6n con el punta de rocio de detergente negra.
Lirnpie el drcuito hasta qua se vacie el primer depOsito.Gire la
Ilavede paso de detergente hasta la posici6_ "Off".
3. Siga los pasos 2-5 eola secciOnprevia Oespuesde CadaUso.
4. UtiIice un protector de bomba, disponibIe en Searscon el
nOmero decatAIogo 7174403GS, para cuidar la bomba. Aqu_l
protege a la unidad contra el congelarniento y lubrica tanto los
pistones como los empaques.
5. Si el protector de bornba no estAdisponibIe, conecte un tramo
de 3 pies de manguerade iardin a la entrada deagua. Vierta
anticongeIante RV (anticongelante sin alcohol) en la manguera.
JaIe la maniia dearranque dos veces. Desconectedespu_s la
manguera de3 pies.
6. Almacene la unidad en una drealirnpia y seca.
53

ALMACENAMJENTOPROLONGADO
Si usted no planea usar la m_quina [irnpiadoraa presi0n por rn_s de
30 dias, deberdpreparar el rnotor para un ah_nacenamiento
prolongado.
Es importante evitar [aforrnaci6n de depOsitosde goma en las
partes eseneialesdel sistema de[ cornbustib[e tales como
carburador, fi[tro del combustible, manguera o tanque de[
combustible durante e[ almacenarniento.Tambi_n, la experiencia
indica que los combustibles con mezc[asde alcohol (l[amados
gasoho!, etanol o metal_ol) pueden atraer [a humedad, [o que Hevaa
la separaci6ny formaei6n de _cidos durante el ah_nacenamiento.La
gasolina dcida puede daiiar el sisterna del combustible de un motor
durante e! ah_nacenamiento.
Proteja el $istema de Cembustible
,_dilivo para Combusf_ible:
Siva a LIsaraditivo para combustible, Ileneel tal_quede
combustible con gaso%a fresca. Si el tanque est_ parcialmente
Ileno, e[ aire del tanque va a promover e[ deterioro det combustible
durante el ah_nacenamiento.El motor y e! combustible pueden ser
almacenados hasta 24 rnesescon aditivo.
Deposite el aditivo para combustible siguiendo las instrucciones
del fabricante.
Aseg0resede tenet conectadoy ABIERTOel surninistro de agua
a la entrada de la bomba.
Ponga en funcionamiento el motor en un drea descubierta por
varios minutos paraasegurarse de que [a gasolina tratada ha
rernplazado la gasolina no tratada del carburador.
Si no usa aditivo para combustible, retire todo el combustible del
tanque y hagafuncior_arel motor hasta que se detenga por falta de
combustible.
Camhie de Aceite del Meter
Con el rnotor todav[a caliente, drene el aceite de la caja del dgOeiial
Vuelva a Henar!ocon el grado de aceite recomendado. Yea Cambio
deAceite del Motor.
Aceite ei Didmetro Jnterier del Ciiindre
, Retire la buj[a. Rocie aproxirnadamente LIncucharOnde aceite
limpio para rnotor dentro de[ cilindro. Cubra el orificio de la
buj[a con un trapo. Hale la rnanijade retroceso lentarnente para
distribuir el aceite. Eviteel rociado del orificio de la bujia.
, Instalela buiia. No conecte el alarnbre de la buiia.
Pretecci_n de _a Bemha
Paraproteger la bomba frente a los da_os que causanlos depOsitos
rninerales o la congelac[On,use PumpSaver, Sears con el nOmero
de cat,logo 7174403GS para cuidar [a bomba. Esto evita los da[ios
derivados de la col_gelaci6ny lubrica los pistones y las iuntas.
NOTA:E[ PumpSaver est_n disponible solo como un accesodo
opcional. NOes inc[uido con [a lirnpiadora a presi6n. Avise el m_s
cercano servicio autorizado central para cornprar PumpSaver.
AVI$O
Usted deber_,proteger su urfidad de las temperaturas de
co_eIamiento.
si noio hace,da[iar_perrnanenternentela bornbay launidadno podr_
funcionar.
Lagarant[anocubreelda_ode launidadocasionadoporcongelarniento.
A[ uso el PumpSaver, cerciOresela [irnp[adoraa presiOnse apagay
desconectade! agua de[ suministro. Lea y siga todas instrucciones
y las advertencias dadas en el cor_tenedorde PurnpSaver.
etra$ sugerencia$ para eJ aimacenamiente
1. NOguarde combustible de una temporada a otra a menos que
Io hayatratado como se indicael_ la secci6n Aditivo para
combustibb.
2. Reernplace[acaneca de gaso[ina s[ cornienza a oxidarse. El
Oxidoy/o la suciedad en la gasolina le causar_ problemas.
3. Cubra su unidad con una cubierta de protecciOn adecuadaque
no retenga humedad.
ADVERTENCIA
_._ JLascub,ertas paraahnacenamiento pueden ser
j plamables
NOcoloque una cubierta encima de un Hmpiadoraa presidn caliente.
Dejequelaunidadseenfr[eIo suficientementeantesde quelecoloque
lacubierta.
4. Almacene la unidad en un _rea lirnpia y seca.
54

Prebmema
La bombapresentaruessiguientes
problemas:noproducepresi6n,
produceunapresi6nerrada,
traqueteo,p_rdidadepresi6n,bajo
vohHnendeagua,
EIdetergentenose mezciaconel
rociado,
EI motor funciona bien cuandono
tiene cargas, pero funciona "mal"
CLlando Se Conec:ta LIna carga,
m:mmotor no arranca; oarranca y
funciona real,
1. Est,.usandola puntasderocio debaja
presiOn(negra).
2. Laentradadeaguaest_b!oqueada.
3. Suministrodeaguainadecuado.
4. Lamangueradeentradaest_dobladao
presentafugas.
5. ElcoIadordela mangueradeentradaest_
tapado.
6. Elsuministrodeaguaest_par encirnade
los IO0°F.
7. LamangueradealtapresiOnestfi
bloqueadao presentafugas.
8. Lapistolapresentafugas.
9. Lapuntasderocioest_obstruida.
10. Bombadefectuosa.
1. Las!lavesdepasodedetergenteestfinen
la pos[ci6n"Off".
2. Est,.usandola puntasderocio dealta
presiOn.
Lavelocidad del rnotor es demasiado lenta.
1. Depurador de aire sucio.
2. Sin gasolina.
3. Gasolina vieia.
4. El alambre de la bujia no estd conectadoa
$oiuci6n
1. Cambie la puntas de ratio a una de las dos
puntas de rocio dealta presiOn.
2. Limpie la entrada.
3. Proporcione fiu]o de agua adecuado.
4. Estire la manguera deentrada, coloque un
parche en la fuga.
5. Revisey limpie el colador de la rnanguera de
entrada.
6. Proporcione surninistro de agua m_s fria.
7. Retire las obstrucciones de la rnanguerade
salida.
8. Remplacela pistola.
9. Limpie la puntas de rocio.
10. P6ngase en contacto con el centro de servicio
Sears.
1. Gire la IIavede paso de detergente del
depOsitode limpieza deseado hasta la posici6n
"On',
2. Use la puntas de rocio de baia presi6n (negra).
Muevael controldela %lvuIaderegulaciOna [a
posici6nFAST(RAPIDO).Si e! motorcontinua
funcionandomal,p6ngaseencontactocon el
centrodeservicioSears.
1. Limpie o remplace el depurador de aire.
2. Llene el tanque de combustible.
3. Dreneel tanque de gasolina; 118ne!ocon
combustible fresco.
4. Conecte el alambre a la buiia.
la bujia.
5. Buiia rnala.
6. Agua en la gasolina.
7. Estrangulaci6n excesiva.
5. Rernplace[a bujia.
6. Dreneel tanque de gasolina; 116ne!ocon
combustible fresco.
Abra el cebador par completo y haga girar el
rnotor.
8. P6ngase encontacto con el centro de servicio
Sears.
Emmotor se apaga durante ma Llene el tanque de combustible.
operaci6n.
El mater no tiene fuerza,
8. Mezcladecombustibledemasiadorica.
Singasolina.
Filtrodeairesucio.
Cebadorabiertodemasiador_pido
El motor intenta estal_iHzarseo s_
f_ncionamienta na es censtante,
Remplaceet filtro de aire.
Muevael cebador a la posici6n intermedia hasta
que el motor funcione norrnaknente.
55

56

57

California Air Resources Board (CARB) U.S. EPAy Sears le explican a continuaci6n
la garantia del sistema de control de emisiones de su pequ@o motor para mdquinas
de servicio (SORE, Small Offroad Engine). En California, los modelos de peque_os
motores para m_quinas de servicio a partir del a_o 2006 @ben estar dise_ados,
fabricados y equipados conforme a los exigentes est_ndares de lucha centre la
contaminaci6n del Estado.
En otras regiones de Estados Unidos, los nuevos motores para interiores de
ignici6n per chispa certificados para modelos a_o !997 y posteriores deben
cumplir con normas similares establecidas per la EPA de EE.UU. Sears debe
garantizar el sistema de control de emisiones de su motor para los per[odes
indicados a continuaci6n, siempre y cuando no se haya abusado, descuidado o
dado mantenimiento incorrecto al motor peque_o para exteriores
Su sistema de control de emisiones incluye plazas come el carburador, el filtro de
aire, el sistema de arranque, el tube de combustible el silenciador y el convertidor
catal[tico, Tambi@ puede incluir conectores y otros coquntos relacionados con las
emisiones,
Cuando exista una condici6n qua pueda ser cubierta per la garantia, Sears
reparar_ el motor peque_o para exteriores sin costo alguno, incluyendo el
diagnCstico, las partes de repuesto y la mane de obra
gobertura de la garantia de Sears, Ree_u_k and ge. centre ddectes en el
central de emisienee
Los pequ@os motores para m_quinas de sep,4cioestdn garantizados centre defectos
de las piezas de control de emisiones durante un per[ode de dos aSos, conforme a las
siguientes disposiciones, Si cualquier plaza del motor con cobertura es defectuosa,
ser_ reparada o sustituida per Sears.
Respensabilidadns del prepietarin pare la garantia
Come propietario del motor peque_o para exteriores, usted es responsable de
realizar las actividades de mantenimiento requeridas qua se indican en
Instrucciones de use y mantenimiento Sears recomienda qua conserve todos los
recibos qua cubran el mantenimiento de su motor peque_o para exteriores, pare
Sears no puede negar la garant[a solamente per la falta de recibos ni per su
imposibilidad de garantizar la realizaciCn de todas las actividades de
mantenimbnto programadas.
Come propietario del motor peque_o para exteriores, usted siempre debe tener
en cuenta qua Sears podr_ negar la cobertura de la garant[a si su motor peque_o
para exteriores o una parte del misrno presenta fallas debido a abuse, descuido,
mantenimiento incorrecto o modificaciones no aprobadas
Usted es responsabb de presentar su motor pequeiio para exteriores a un
distribuidor autorizado de servicio de Sears aprobado tan pronto come se
presente el probbma,
Las reparaciones cubiertas per la garanth se Ilevar_n a cabo en un plazo
razonable, no superior a 30 dias en ning0n case.
Si tiene alguna pregunta con respecto a sus derechos y responsabilidades para la
garant[a, pCngase en contacto con un representante de servicio Sears al 1-800-
469-4663
La garant[a de emisiones es una garantia contra defectos, Los defectos se iuzgan
en funciCn del rendimiento normal del motor. La garantia no depender_ de
ninguna prueba de emisiones en funcionamiento.
I}iepnsicienee de la garantia de Seers, Ree_eck and Ca. _entra defectes en el
ennlrel de ernisienee
Las siguientes son disposiciones espedficas relacionadas con la cobertura de la
garanfia contra defectos en el control de emisiones. Se a_ade a la garanfia de
motores de Sears para motores no regulados, qua figura en las Instrucciones de
use y mantenimiento,
1 Partes garantizadas
La cobertura bqo esta garant[a incluye solamente aquellas partes qua se
enumeran a continuaci6n (las partes del sistema de control de emisiones)
en la medida qua dichas partes hayan estado presentes en el motor
adquirido.
a. Sistema de medici6n de combustible
Sistema de enriquecimiento pare arranque en fr[o
Carburador y partes internas
Bomba de combustible
Tube de combustible, acoplamientos del tube de combustible,
abrazaderas
Dep6sito de combustible, tap6n y cadena
Beta de carbono
b Sistema de inducci6n de aire
Filtro de aire
Colector de entrada
Linea de purga y ventilaci6n
c. Sistema de ignici6n
BujBs
Sistema de ignici6n per magneto
d, Sbtema catalizador
Convertidor cataBtico
Colector de escape
Sistema de inyecciCn de aire o v_lvula per impulses
e. Distintos elementos utilizados en los sistemas antedores
V_lvulas e interruptores de vado temperature posici6n y de
detecci6n de tiempo
Conectores y conjuntos
2. Vigencia de ia _ebertnra
Sears garantiza al propietario inicial y a cada comprador subsiguiente qua
las partes garantizadas estar_n libres de defectos en material yen mane de
obra, qua ocasionen fallas de las partes garantizadas durante un periodo de
dos aSos a partir de la fecha en qua el motor sea entregado al comprador
minorista,
3. Ne habr_ cargee
La reparaciCn o reemplazo de cualquier parte garantizada se realizard sin
cargo alguno pare el propietario, incluyendo la mane de obra de diagnCstico
qua derive en la determinaciCn de qua una parte garantizada est_ defectuosa,
si la labor de diagnCstico se realiza en un Centre de servicio Sears aprobado.
4. Reclamne y exelesienes de cebertnra
Los reclamos vinculados con la garant[a se presentanJn conforme alas
disposiciones de la PCliza de garant[a de Sears. La cobertura de la garanth
se excluir_ para aquellas fallas de partes garantizadas qua no sean partes
originabs de Sears o debido a abuse, descuido o mantenimiento incorrecto,
sag@ se estabbce en la PClizade garanth de motores de Sears. Sears no
es responsabb per la cobertura de fallas de partes garantizadas ocasionadas
per el use de partes adicionales, no originabs o modificadas.
5. Ntantenirainnte
Cualquier parte garantizada cuyo reemplazo no est6 programado come
mantenimiento requerido o qua est_ programada 0nicamente para
inspecciCn frecuente con el fin de "reparar o reemplazar conforme sea
necesario", estard garantizada en cuanto a defectos per el per[ode de la
garant[a. Cualquier parte garantizada cuyo reemplazo est6 programado
come mantenimiento requerido tendr_ solamente una garanth centre
defectos _nicamente per el per[ode hasta el primer reemplazo programado
para esa parte Se podr_ utilizar cualquier parte de repuesto qua tenga un
rendimiento y durabilidad equivabntes, al realizar cualquier actividad de
mantenimiento o reparaciCn El propietario es responsable de realizar todo
el mantenimiento requerido, segSn se define en Instrucciones de use y
mantenimiento de Sears,
6. Cnbertera _ensignienle
La cobertura bajo [a presente se ampliar_ a [a falla de cualqubr componente
de[ motor provocada per un desperfecto en cualquier parte garantizada qua
siga gozando de la cobertura de [a garant[a.
En EE,UU. y Canadd contamos con una Bnea de emergencia las 24 horas (1-800-469-466% qua ofrece un men8 de mensajes pregrabados con informaciCn sobre
mantenimiento de productos,
58

[nfermac[6n sehre emisiones
Los motores con certificacl6n de cumplhnieeto de la normativa
sobre emisioees de nivel 2 del California Air Resources Board
(CARB) debee mostrar informaciOe sobre el periodo de durabilidad
de las emisiones y e! hsdicede aire. El fabricante del motor ofrece
esta informaciOn al consumidor rnedianteetiquetas de emisiones.
La etiqueta de emisiones de] rnotor contieee la informaciOn de
certificaci6e.
E[ Periede de Durabilidad de lee Emisieees[ndicael mirnero de
horas duraete las cuales e! motor peedefencionar cempliendo [as
normas sobre emisiones siernpre que se realicen las operaciones
de maeteeimiento que se detaIIae en las instrucciones de use y
manteeimiento. Se uti[[zan [ass[guientes categorias:
Mederade: EI motor est_ certificado paracumpIir la norrnativa
sobre emisioees durante 125 horas de funcioeamieeto real.
Intermedie: El motor est_ certificado para cumplir la normativa
sobre emisioees durante 250 horas de funcioeamieeto real.
Preleegade: El rnotor est_ certificado para cumplir la normativa
sobre emisioees durante 500 horas de funcioeamiento real.
Per ejemplo un cortac_sped con operario a pie se suele utilizar
entre 20 y 25 horas al a[io. Per taeto, el Periede de Burabilidad de
las Emisieees de un motor con cias[ficaciOeietermedia equivaldria
a 10-12 a_os.
Algunos rnotores cuentan con la certificaciOn de curnplimiento de la
fase 2 de las normas sobre emisioees de la United States
Environmental Protection Agency (USEPA Ageecia estadourfideese
de protecciOndel medioambiente ). En el case de los motores con
certificaciOnde fase 2, el periodo de cumplimiento de la normativa
sobre emisiones que figura en la etiqueta de cumplimiento de
emisiones indica el n8mero de betas de funcionamiento durante las
cuaIesel rnotor ha demostrado cumplir los requisites federales
sobre emisiones.
Pararnotoresderneeosde225cc:
CategoriaC = 125horas
CategoriaB= 250horas
CategoriaA = 500horas.
Pararnotoresde225cco rn_s:
Categoria6 = 250horas
CategoriaB= 500horas
CategoriaA = 1000horas.
59

iiiiiiiiiiiiiiiii!! VoorHome ::::::::::::::::
For repair-in your home -of all major brand appliances,
lawn and garden equipment, or heating and cooling systems,
no matter who made it, no matter who sold it! ...............
For the replacement parts, accessories and
owner's manuals that you need to do-it-yourself. ...............
For Sears professional installation of home appliances
and items like garage door openers and water heaters. ...............
1-800-4-MY-HOME ® (1-8oo-469-4663)
wwwmears,com www.sears.ca
wwwmea rs,com
To purchase a protection agreement (U.S.A.)
or maintenance agreement (Canada)on a product serviced by Sears:
1-800-827-6655 (U.S.A.) 1-800-361-6665 (Canada)
Parapedirse_,iciodereparaci6o AuCanadapourse_iceenfran_ais:
a domicilie, y para ordenar piezas: 1-800-LE-FOYER Me
1-888-SU-HOGAR ® 1 800 533 6937
(- . . )
(1-888 o784-6427) www.sears.ca
® Registered Trademark /TM Trademark /SMService Mark of Sears Brands, LLC
® Marca Registrada /TMMama de Fabrica /SM Mama de Servicio de Sears Brands, LLC
MCMarque de commerce /MDMarque d6pos6e de Sears Brands, LLC ® Sears Brands, LLC
6O