Craftsman 580752580 User Manual PRESSURE WASHER Manuals And Guides L0912352
CRAFTSMAN Power Washer, Gas Manual L0912352 CRAFTSMAN Power Washer, Gas Owner's Manual, CRAFTSMAN Power Washer, Gas installation guides
User Manual: Craftsman 580752580 580752580 CRAFTSMAN PRESSURE WASHER - Manuals and Guides View the owners manual for your CRAFTSMAN PRESSURE WASHER #580752580. Home:Lawn & Garden Parts:Craftsman Parts:Craftsman PRESSURE WASHER Manual
Open the PDF directly: View PDF
.
Page Count: 60

Operator'sIVianual
®
3000 MAX PSI*
2.7 MAXGPiVi
iViodelNo. 580.752580
HOURS: IVlon.- Fri. B a.m. to 5p.m. (CT)
WARNING
Before using this product, readthis
manual and follow all Safety Rules
and Operating instructions.
ADVERTENCIA
Antes de utilizar el producto, lea este
manual y siga todas las Reglasde
Seguridad e Instrucciones de Uso.
,, Safety
,, Assembly
,, Operation
,,iVlaintenance
,, Parts
,, Espafiol, p. 36
* This pressure washer is rated in accordance to the PressureWasher Manufacturers Association
(PWMA) standard PWI01 (Testing and Rating Performance of Pressure Washers).
* Esta limpiadora a presiOnest_ clasificada conforme a la norma PWl01 (comprobaciOn y clasificaciOn de rendimiento de limpiadoras
a presiOn) de la AsociaciOn de fabricantes de bombas a presiOn(Pressure Washer Manufacturers Association, PWMA).
Sears, Roebuckand Co., HoffrnanEstates,IL 60179 U.S.A.
Visit our Craftsman website: www.craftsman.com
Part No. 311159GS Draft - (I 1/02/2009)

WARRANTY .......................................... 2
REPAIRPROTECTIONAGREEMENT........................ 2
SAFETYRULES...................................... 3-5
FEATURESAND CONTROLS.............................. 6
ASSEMBLY........................................ 7-10
OPERATION....................................... 11-15
SPECIFICATIONS..................................... 16
MAINTENANCE.................................... 17-20
STORAGE........................................... 21
TROUBLESHOOTING.................................. 22
REPLACEMENTPARTS.............................. 23-33
EMISSIONCONTROLWARRANTY..................... 34-35
ESPANOL......................................... 36-59
HOW TO ORDERPARTS ........................ BACKPAGE
CRAFTSMANLIMITEDWARRANTY
If this Craftsman product fails due to a defect in material or workmanship within two years from the date of purchase, return it
to any Sears store, Sears Parts & RepairService Center, or other Craftsman outlet in the United Statesfor free repair (or
replacement if repair proves impossible).
This warranty applies for only 90 days from the date of purchase if this product is ever used for commercial or rental
purposes.
This warranty coversONLYdefects in material and workmanship. Sears wiil NOTpay for:
•Expendableitems that can wear out from normal use within the warranty period, such as spray guns, hoses, nozzle
extensions, nozzles,filters and spark plugs.
•Repairsnecessarybecauseof accident, or failure to operate or maintain the product according to all supplied instructions.
•Preventivemaintenance,or repairs necessarydue to improper fuel mixture, contaminated or stalefuel.
This warranty givesyou specific legal rights, and you may also have other rights which vary from state to state.
Sears, Roebuckand Co., HoffrnanEstates,IL 60179
Congratulations on making a smart purchase.
Your new Craftsman® product is designed and manufactured
for years of dependableoperation. But like all products, it
may require repair from time to time. That's when having a
Repair Protection Agreement can saveyou money and
aggravation.
Here's what the Repair Protection Agreement* includes:
*Expert service by our 10,000 professional repair
specialists
,Unlimited service and no charge for parts and labor on
all covered repairs
,Product replacementup to $1500 if your covered
product can't be fixed
,Discount of 10% from regular price of service and related
installed parts not covered by the agreement; also, 10%
off regular price of preventive maintenance check
, Fast help by phone-we caii it Rapid Resolution- phone
support from a Sears representative.Think of us as a
"talking owner's manual".
Onceyou purchasethe Repair Protection Agreement, a
simple phone carl is all it takes for you to schedule service.
You can carl anytimeday or night, or schedule a service
appointment online.
The Repair Protection Agreement is a risk-free purchase. If
you cancelfor any reasonduring the product warranty
period, we will provide a full refund. Or, a prorated refund
anytime after the product warranty period expires. Purchase
your Repair Protection Agreement today!
Some limitations and exclusions apply. Forprices and
additional informationin the U.S.A. call 1-800-827-6655.
*Coverage in Canada varies on some items. For fuji
details, caii Sears Canada at 1-800-361-6665.
Sears Installation Service
For Sears professional installation of home appliances,
garagedoor openers, water heaters,and other major home
items, in the U.S.A.or Canadacall 1-800-4-1VlY-HOIVlE®.
© 2010

ToxicFumes
SlipperySurface
Readthis manual carefully and become familiar
with your pressure washer. Knowits applications,
its limitations, and any hazardsinvolved.
Important Safety Information
Safety Symbols and Meanings
Kickback ElectricalShock
Fall FluidInjection
Fire Explosion Operator'sManual
MovingParts FlyingObjects ChemicalBurn Hot Surface
,_, The safety alert symbol indicates a potential personal
injury hazard.A signal word (DANGER,WARNING,or
CAUTION)is usedwith the alert symbol to designatea degree
or level of hazardseriousness.A safety symbol may be used
to representthe type of hazard.Thesignal word NOTICEis
used to addresspractices not relatedto personal injury.
_i, DANGERindicates a hazardwhich, if not avoided, will
result in death or serious injury.
_i, WARNINGindicates a hazardwhich, if not avoided, could
result in death or serious injury.
_i, CAUTIONindicates a hazardwhich, if not avoided, could
result in minor or moderate injury.
NOTICEaddress practices not related to personal injury.
_i, WARNING The engine exhaust from this product
contains chemicals known to the Stateof California to
cause cancer, birth defects, or other reproductive harm.
_i, WARNING This product contains lead and lead
compounds, known to the State of Californiato cause
birth defects or other reproductive harm. Washyour
hands after handling this product.
_i, WARNING Running engine gives off carbon
monoxide, an odorless, colorless, poison gas.
_ Breathing carbon monoxide headache,
can cause
fatigue, dizziness,vomiting, confusion, seizures,
nausea,fainting or death.
Some chemicals or detergents may be harmful if inhaled
or ingested, causing severenausea,fainting, or
poisoning.
• OperatepressurewasherONLYoutdoors.
• Keepexhaustgasfromenteringa confinedareathrough
windows,doors,ventilationintakes,or otheropenings.
• DONOTstartor run engineindoorsor in anenclosedarea,
evenif windowsanddoorsareopen.
• Usea respiratoror maskwheneverthereis a chancethat
vaporsmaybeinhaled.
• Readall instructionswith masksoyou arecertainthe maskwill
providethe necessaryprotectionagainstinhalingharmful
vapors.
_i, WARNING ChemicalBurn Hazard.
Chemicalscould cause bodily injury, property
damage or death.
• DONOTusecausticliquidwith pressurewasher.
• UseONLYpressurewashersafedetergents/soaps.Followall
manufacturersinstructions.

A. WARNING Starter cord kickback (rapid retraction) can
result in bodily injury. Kickbackwill pull hand and
,_arm toward enginefaster than you can let go.
Broken bones,fractures, bruises, or sprains
could result.
• NEVERpull starter cord without first relieving spray gun
pressure.
• When starting engine, pull cord slowly until resistance isfelt
and then pull rapidly to avoid kickback.
• After each starting attempt, where enginefails to run, always
point spray gun in safe direction, press red button and squeeze
spray gun trigger to releasehigh pressure.
• Firmly grasp spray gun with both hands when using high
pressure spray to avoid injury when spray gun kicks back.
A. WARNING Risk of electrocution.
"_.dh Contactwith power source can causeelectric
shock or burn.
• NEVERspraynearpowersource.
A. WARNING The high pressure stream of water that
this equipment produces can cut through skin
and its underlying tissues, leading to serious
injury and possible amputation.
Spray gun traps high water pressure, even when engine is
stopped and water is disconnected, which can cause
injury.
• DONOTallow CHILDRENto operate pressure washer.
• NEVERrepair high pressure hose. Replaceit.
• NEVERrepair leaking connections with sealant of any kind.
Replaceo-ring or seal.
• NEVERconnect high pressure hose to nozzleextension.
• Keep high pressure hose connected to pump and spray gun
while system is pressurized.
• ALWAYS point spray gun in safedirection, press red button
and squeezespray gun trigger to releasehigh pressure, every
time you stop engine.
• NEVERaim spray gun at people,animals, or plants.
• DO NOTsecure spray gun in open position.
• DO NOTleavespray gun unattendedwhile machine is running.
• NEVERuse a spray gun which does not have a trigger lock or
trigger guard in placeand in working order.
• Always be certain spray gun, nozzlesand accessoriesare
correctly attached.
A. WARNING Fuel and its vapors are extremely
flammable and explosive.
Fire or explosion can cause severe burns
or death.
WHENADDING OR DRAININGFUEL
* Turn pressurewasher OFFand let it cool at least2 minutes
before removing fuel cap. Loosen cap slowly to relieve pressure
in tank.
, Fill or drain fuel tank outdoors.
, DONOT overfill tank. Allow spacefor fuel expansion.
, If fuel spills, wait until it evaporates before starting engine.
, Keepfuel away from sparks, open flames, pilot lights, heat, and
other ignition sources.
, DONOT light a cigarette or smoke.
WHENSTARTINGEQUIPMENT
*Ensurespark plug, muffler, fuel cap,and air cleanerare in place.
*DO NOTcrank enginewith spark plug removed.
WHEN OPERATINGEQUIPMENT
,DONOTtip engine or equipment at angle which causes fuel to
spill.
,DONOT spray flammable liquids.
WHEN TRANSPORTING,MOVING OR REPAIRINGEQUIPMENT
,Transport/move/repair with fuel tank EMPTYor with fuel shutoff
valve OFF.
,DONOTtip engine or equipment at angle which causes fuel to
spill.
,Disconnect spark plug wire.
WHEN STORINGFUELOR EQUIPMENTWITH FUELIN TANK
*Store away from furnaces, stoves, water heaters, clothes
dryers, or other appliancesthat have pilot light or other ignition
source becausethey can ignitefuel vapors.
A. WARNING Contact with muffler area can result in
serious burns.
_ _ Exhaust heat/gases can ignite
combustibles, structures or damage
fuel tank causing a fire.
•DO NOTtouch hot parts and AVOID hot exhaust gases.
•Allow equipment to cool before touching.
•Keep at least5 feet (152 cm) of clearanceon all sides of
pressure washer including overhead.
• It is a violation of California Public Resource Code,Section
4442, to use or operate the engine on any forest-covered,
brush-covered, or grass-covered land unless the exhaust
system is equipped with a spark arrester, as defined in Section
4442, maintained in effective working order. Other states or
federal jurisdictions may have similar laws.
Contact the original equipment manufacturer, retailer, or dealer
to obtain a spark arrester designed for the exhaust system
installed on this engine.
•Replacement parts must bethe same and installed in the same
position as the original parts.

_i, WARNING Use of pressure washer can create
puddles and slippery surfaces.
_' Kickback from spray gun can cause you
to fall.
• Operate pressurewasher from a stable surface.
• The cleaning areashould have adequateslopes and drainageto
reduce the possibility of a fall due to slippery surfaces.
• Be extremely careful if you must usethe pressurewasher from
a ladder, scaffolding, or any other similar location.
• Firmly grasp spray gun with both hands when using high
pressure spray to avoid injury when spray gun kicks back.
A, WARNING Unintentional sparking can result in fire or
_¢ electric shock.
WHENADJUSTINGOR MAKING REPAIRSTO YOURPRESSURE
WASHER
• Disconnect the spark plug wire from the spark plug and place
the wire where it cannot contact spark plug.
WHENTESTINGFORENGINESPARK
•Use approved spark plug tester.
•DONOT checkfor spark with spark plug removed.
A, WARNING Starter and other rotating parts can
entangle hands, hair, clothing, or accessories.
.NEVERoperatepressurewasherwithoutprotectivehousingor
covers.
.DONOTwearlooseclothing,jewelryor anythingthat maybe
caughtin thestarteror otherrotatingparts.
* Tieuplonghairandremovejewelry.
A, WARNING Risk of eye injury.
Spray can splash back or propel objects.
• Always wear indirect vented (chemical splash) safety goggles
marked to comply with ANSI Z87.1 when using or in vicinity of
this equipment.
• NEVERsubstitute safety glasses or dry-condition goggles for
indirect vented safety goggles.
NOTICE High pressure spray may damage fragile items
including glass.
• DONOTpointspraygunat glasswhenusingMAXspraypattern
in selectornozzle.
= NEVERaim spray gun at plants.
NOTICE Improper treatment of pressure washer can
damage it and shorten its life.
•If you have questions about intended use,ask dealer or contact
Sears.
• NEVERoperate units with broken or missing parts, or without
protective housing or covers.
• DO NOTby-pass any safety device on this machine.
• DONOTtamper with governed speed.
• DONOToperate pressure washer above rated pressure.
• DONOTmodify pressure washer in any way.
• Before starting pressure washer in cold weather, check all parts
of the equipment to besure ice has not formed there.
• NEVERmove machine by pulling on hoses. Use handle provided
on unit.
• Check fuel system for leaks or signs of deterioration, such as
chafed or spongy hose, loose or missing clamps, or damaged
tank or cap. Correct all defects before operating pressure washer.
• This equipment is designedto be used with Searsauthorized parts
ONLY.If equipment is used with parts that DONOTcomply with
minimum specifications, user assumes all risks and liabilities.

KNOWYOURPRESSUREWASHER
Readthe Operator's Manual and safetyrules before operating your pressure washer.
Compare the illustrations with your pressure washer to familiarize yourself with the locations of various controls and
adjustments. Save this manual for future reference.
A- AccessoryTray-- Provides convenient storage for accessories,
such as gun, nozzleextension, etc.
B - Hose Wrap and High PressureHose -- Hose wrap provides
easytransport and handling of the high pressure hose. Connect
one end of hose to water pump and the other end to spray gun.
C - Recoil Starter-- Used for starting the engine manually.
D-ProjectPro@ PerfectMWM Siphon -- Mixes concentrate with
pressure washer spray.
E - Oil Fill/Dipstick -- Check,add and drain engine oil here.
F - Bottle Bracket -- Cleaning solution bottle fits in wire form
bracket here. Concentrate bottle not included.
(; - EngineIdentification-- Provides model, type and code of
engine. Pleasehavethese readily available if calling for
assistance.
H- Water Inlet -- Connection for garden hose.
J - Automatic Cool Down System -- Cycles water through pump
when water reaches125°-155°F. Warm water will discharge from
pump onto ground. This system prevents internal pump damage.
K-Pump-- Develops high pressure.
L- DetergentSiphoningTube/Filter-- Useto siphon pressurewasher
safedetergentsintothe low pressurestream.
IVi-EngineRockerSwitch -- Pushthis switch to on position (I or
ON) before using recoil starter. Push switch to off position (0
or OFF) for shutting off engine.
N - Selector Nozzle -- Contains five different spray pattern nozzles
for various applications.
P-Air Filter -- Protects engine by filtering dust and debris out of
intake air.
R - Fuel Tank -- Fill tank with regular unleaded fuel. Always leave
room for fuel expansion.
S- Nozzle Extensionwith QuickConnect -- Allows you to switch
betweenselector nozzleand optional nozzleaccessories.
T - Fold Down Handle-- Handleand accessorytray fold fiat atop
cold engine for space-saving storage.
U- SprayGun-- Controls the application of water onto cleaning
surface with trigger device, includes trigger lock.
items Not Shown:
identificationLabel (near rear of base plate) -- Provides model
and serial number of pressure washer. Pleasehave these readily
available if calling for assistance.
HighPressure Outlet-- Connectionfor high pressurehose.
Warning/Operating instructionsTag -- Identifieshazardsand proper
procedureto start/stop pressurewasher.

Your pressure washer requires some assembly and is ready
for use only after it has been properly serviced with the
recommended oil and fuel.
If you have any problemswith the assemblyof your
pressurewasher, please call the pressurewasher helpline
at 1=800-222-3136.
UNPACKTHEPRESSUREWASHER
1. Removeeverything from carton except pressurewasher.
2. Opencarton completely by cutting each corner from top
to bottom.
6. Connect pressure hose to spray gun and pump.
7. Connectwater supply to pump.
8. Attach nozzleextension to spray gun.
9. Attach quick connect selector nozzleto nozzleextension.
Attach HandleandAccessory Tray
1. Place handle(A) onto handle supports (B) connected to
main unit. Make sure holes (C) in handlealign with holes
(C) on handlesupports.
3. Remove pressure washer from carton.
CARTONCONTENTS
Check all contents. If any parts are missing or damaged,call
the pressure washer helplineat 1-800-222-3136.
•Main Unit
•Handle
•Accessory Tray
•High PressureHose
•Spray Gun
•Nozzle Extensionwith Quick Connect Fitting
•Quick Connect Selector Nozzle
•Oil Bottle
•HoseWrap
•DetergentSiphoning Hose/Filter
•Bottle Bracket Wireform (2)
•PerfectMixTM Siphoning Unit/Hose
•Parts Bag(which includes the following):
•Operator's Manual
•Owner's Registration Card
•HandleFasteningHardwareKit (whichincludes):
•Handle Bolts (2)
•Carriage Bolt (2)
•Rope Guide(1)
•Plastic Knobs for Handle (2)
•Plastic Knob (3)
•Tree Clips (4)
Becomefamiliar with each piece before assembling the
pressure washer, identify all contents with the illustration on
page 6. if any parts are missing or damaged, call the
pressure washer helpline at 1-800-222-3136.
ASSEMBLINGPRESSUREWASHER
Your Craftsman pressure washer will needassembly before
operation:
1. Fill out and send in registration card.
2. Attach handle and accessory tray.
3. Connect detergent siphon hose to pump.
4. Add oil to engine crankcase.
5. Add fuel to fuel tank.
.
NOTICE
hot.
3.
.
insert handle carriage bolts (D) through holes from
inside of unit and attach a plastic knob (E) from outside
of unit. Tighten by hand. By loosening both knobs to the
middle section of the attachment bolt, the upper handle
can fold forward to store fiat atop the cold engine.
DONOTfold the handle down while the engine is
Placeaccessory tray (F) over holes (6) on handle
(viewing from backof unit). Push the tree clips (H) into
the holes until they sit fiat against the accessory tray.
/
insert supplied accessories in spaces provided in
accessorytray. See How to UseAccessory Tray.

.
.
Attach rope guide (A) through handlewith plastic knob
(B). Tighten by hand. Route engine recoil rope through
guide.
Align hose wrap (C) to the back side of accessory tray.
Locate notch with "unlock" icon (B) on hose wrap.
Position notch at top with hose wrap in vertical position.
Clips in the back of accessory tray should slide into the
grooves on the inside surface of hose wrap. Slide hose
wrap on back of accessory tray and rotate 1/8 turn until
"locked" icon (E) is in vertical position. Hosewrap is
easily removed from the accessory tray for wrapping and
unwrapping of the high pressure hose. A clip to secure
the hose on the reel makes it easyto wrap the hose
while it is detachedfrom the accessory tray.
Standard Siphon Tube
Cleartube with filter:
When using the clear siphon tube, dilute
1 part PerfectlViWMExtreme Concentrate
to 16 parts water (4 oz of concentrate
makes 1/2 gallon of mix.)
Attach ProjectPro@PerfectiVIWMSiphon to
Pump
Attach the hose end of the blue PerfectMWMSiphon (J) to
the barbed hose fitting (K) on the pump.
Attach PerfectiVlixTM DetergentSiphon to
ConcentrateBottle
Place PerfectMixTM bottle (not included) in the wire-form
bracket on the handle. Removecap from bottle and insert the
PerfectMixTM Siphon (L). Screwthe siphon unit to the top of
the bottle (IV]).Usethe clip on the cap (L) to snap siphon to
wire form bracket when siphon is not in a concentrate bottle.
®
.Attach bottle brackets (F) to handlewith carriage bolts
(G) and black plastic knobs (H). Tighten by hand.
2-iN-1 Soap System
The pressurewasher is equippedwith two detergent
siphoning hoses.
Project ProPerfectMWMSiphon
Blue tube with blue bottle cap:
When using the blue PerfectMixTM siphon, use
the PerfectMixTM Extreme Concentratestraight
from the bottle.
Add Engine Oil
1. Place pressurewasher on a flat, level surface.
2. Cleanareaaround oil fill and removeyellow oil fill
cap/dipstick.
3. Using oil funnel (optional), slowly pour contents of
provided oil bottle into oil fill opening.
NOTICE Improper treatment of pressure washer can
damage it and shorten its life.
• DONOT attempt to crank or start the engine before it has been
properly serviced with the recommended oil. This may result in an
enginefailure.
4. Replaceoil fill cap/dipstick and fully tighten.

AddFuel
Fuel mustmeet these requirements:
•Clean,fresh, unleaded gasoline.
• A minimum of 87 octane/87 AKI (91 RON). High altitude
use, see High Altitude.
• Gasoline with up to 10% ethanol (gasohol) or up to 15%
MTBE (methyl tertiary butyl ether) is acceptable.
NOTICE Avoid pressure washer damage.
Failureto follow Operator's Manual for fuel
recommendations voids warranty.
• DONOTuseunapprovedgasolinesuchasE85.
• DONOTmixoil in gasoline.
• DONOTmodifyengineto runonalternatefuels.
To protect the fuel system from gum formation, mix in a fuel
stabilizer when adding fuel. SeeStorage.All fuel is not the
same. If you experiencestarting or performance problems
after using fuel, switch to a different fuel provider or change
brands. This engine is certified to operate on gasoline. The
emission control system for this engine is EM (Engine
Modifications).
_i, WARNING Fuel and its vapors are extremely
flammable and explosive.
Fire or explosion can causesevere burns
or death.
WHENADDINGFUEL
•Turnpressure washerOFFand let it cool at least 2 minutes
before removing fuel cap. Loosen cap slowly to relieve pressure
in tank.
• Fill fuel tank outdoors.
• DONOToverfill tank. Allow spacefor fuel expansion.
• If fuel spills, wait until it evaporatesbefore starting engine.
• Keepfuel away from sparks, open flames, pilot lights, heat, and
other ignition sources.
• DONOTlight a cigarette or smoke.
.
2.
Cleanarea around fuel fill cap, remove cap.
Slowly add regular unleadedfuel (A) to fuel tank (B). Be
careful not to overfill. To allow for fuel expansion, do not
fill above the bottom of the fuel tank neck.
N NN NNNNNN NN N
N NN NNNNNN NN
JN N_ NN_NNN NN _-"_
3. Install fuel cap and wait for any spilled fuel to evaporate.
CAUTION! Alcohol-blended fuels (called gasohol, ethanol or
methanol) can attract moisture, which leadsto separation and
formation of acids during storage. Acidic gas can damage the
fuel system of an enginewhile in storage.
To avoid engine problems, the fuel system should be treated
with a fuel preserveror emptied before storage of 30 days or
longer. If adding a fuel preserver, fill the fuel tank with fresh
fuel. If only partially tiffed, air in the tank will promote fuel
deterioration during storage. If fuel preserver is not used,
drain the fuel tank, start the engine and let it run until the fuel
lines and carburetor are empty. Usefresh fuel next season.
SeeStorage for additional information.
NEVERuse engine or carburetor cleaner products in the fuel
tank as permanent damage may occur.
HighAltitude
At altitudes over 5,000 feet (1524 meters), a minimum
85 octane /85 AKi (89 RON)gasoline is acceptable.To
remain emissions compliant, high altitude adjustment is
required. Operationwithout this adjustment wiii cause
decreasedperformance, increasedfuel consumption, and
increasedemissions. Seea qualified Sears dealerfor high
altitude adjustment information. Operation of the engine at
altitudes below 2,500 feet (762 meters) with the high altitude
kit is not recommended.
Fresh Start@ Fuel Cap
The FreshStart@fuel cap (C) is designed to hold a
cartridge (D) which contains fuel preserver. Adding fuel
preserver helps keepfuel fresh and carburetors clean for
easier starting all season long. The Fresh Start@fuel cap, if
equippedwith a cartridge, automatically drips concentrated
fuel preserver into your fuel tank so you don't haveto add it
yourself.
NOTICE FreshStart@fuel preservercartridge is availableas
an optional accessory, retail item 7133386. it is not included
with the pressure washer. Contactthe original equipment
manufacturer, retailer, or dealerto obtain acartridge
designed for the FreshStart@fuel cap installed on this
engine.
Readand follow all instructions and warnings given in the
FreshStart@fuel preserver cartridge package.

ConnectHoseandWater Supply to Pump
NOTICE DO NOTrun the pump without the water supply
connected and turned on.
= Damageto equipmentresultingfrom failureto followthis
instructionwill voidwarranty.
4. Run water through garden hose for 30 seconds to flush
it of debris. Turn off water.
NOTICE DO NOTsiphon standing water for the water
supply. Use ONLYcold water (less than 100°F).
5. Connectgarden hose (not to exceed50 feet in length) to
water inlet. Tighten by hand.
NOTICE Remove and discard the shipping caps from the
pump's high pressure outlet and water inlet before attaching
hoses.
1. Uncoil high pressure hose and attach one end of hose to
base of spray gun. Tighten by hand.
_i, WARNING The high pressure stream of water that
this equipment produces can cut through skin
and its underlying tissues, leading to serious
injury and possible amputation.
• NEVERconnect high pressure hose to nozzleextension.
• Keep high pressure hose connected to pump and spray gun
while system is pressurized.
• Always be certain spray gun, nozzlesand accessoriesare
correctly attached.
2. Attach other end of high pressure hose to high pressure
outlet on pump. Tighten by hand.
.Before connecting garden hose to water inlet, inspect
inlet screen (A). Cleanscreen if it contains debris or have
it replacedif damaged.DO NOTrun pressurewasher if
inlet screenis damaged or missing.
NOTICE Using a OneWay Valve (vacuum breaker or check
valve) at pump inlet can cause pump or inlet connector
damage.
•ThereMUSTbeat leasttenfeetof unrestrictedgardenhose
betweenthe pressurewasherinletandanydevice,suchas a
vacuumbreakeror checkvalve.
• Damageto equipment resulting from failure to follow this
instruction will void warranty.
A, WARNING Risk of eye injury.
Spray can splash back or propel objects.
• Always wear indirect vented (chemical splash) safety goggles
marked to comply with ANSI Z87.1 when using or in vicinity of
this equipment.
• NEVERsubstitute safety glasses or dry-condition goggles for
indirect vented safety goggles.
6. Turn ONthe water, press red button (B) on the gun and
squeezethe trigger to purge the pump system of air and
impurities.
Checklist BeforeStarting Engine
Reviewthe unit to ensure you have performed all of the
following:
1. Besure to read Safety Rules and Operationsections
before using the pressure washer.
2. Makesure handleis in place and secure.
3. Checkthat oil has beenadded to proper level in engine
crankcase.
4. Add proper fuel to fuel tank.
5. Checkfor proper hose connections (high pressure and
water supply) and that there are no kinks, cuts, or
damageto the high pressure hose.
6. Provide proper water supply (not to exceed100%).
10

HOWTO USEYOURPRESSUREWASHER
If you have any problems operating your pressure washer,
please call the pressure washer helpline at 1-800-222-3136.
PressureWasherLocation
PressureWasher Clearance
_k WARNING Exhaust heat/gases can ignite
combustibles, structures or damagefuel tank
causing a fire.
•Keepat least5 ft. (152 cm) clearanceon all sides of pressure
washer including overhead.
Place pressure washer outdoors in an area that will not
accumulate deadly exhaust gas. DO NOTplace pressure
washer where exhaust gas (A) could accumulate and enter
inside or be drawn into a potentially occupied building.
Ensure exhaust gas is kept awayfrom any windows, doors,
ventilation intakes, or other openings that can allow exhaust
gas to collect in aconfined area. Prevailing winds and air
currents should be taken into consideration when positioning
_ressurewasher.
_k WARNING Running enginegives off carbon
monoxide, an odorless, colorless, poisonous gas.
_ Breathing can cause headache,
carbon monoxide
fatigue, dizziness,vomiting, confusion, seizures,
nausea,fainting or death.
•OperatepressurewasherONLYoutdoors.
•Keepexhaustgasfromenteringa confinedareathrough
windows,doors,ventilationintakes,or otheropenings.
•DONOTstartor runengineindoorsor in anenclosedarea,
evenif windowsanddoorsareopen.
To Start Your Pressure Washer
To start your engine-powered pressurewasher for the first
time, follow these instructions step-by-step. This information
also applies wheneveryou start the engine after you have let
the pressure washer sit idle for at leasta day.
1. Place pressurewasher outside nearan water source
capableof supplying water at a flow rate greater than
3.7 gallons per minute and no less than 20 PSi at
pressurewasher end of garden hose.
2. Checkthat high pressure hose is tightly connected to
spray gun and pump. SeeAssembly for illustrations.
3. Makesure unit is in a level position.
4. Connectgarden hose to water inlet on pressurewasher
pump.
NOTICE DO NOTrun the pump without the water supply
connected and turned on.
•Damageto equipmentresultingfromfailureto followthis
instructionwill voidwarranty.
5. Turn ONthe water, press red button on the gun and
squeezethe trigger to purge the pump system of air and
impurities.
6. Attach nozzleextension to spray gun. Tighten by hand.
|l ml I|
.Pull backon collar of nozzleextension, insert selector
nozzleand releasecollar. Tug on selector nozzleto make
sure it is securely in place. See How to UseSelector
Nozzle.
8. Push engine rocker switch (B) to on position (I or ON).
\
11

NOTICE Before starting the pressure washer, be sure you
are wearing safety goggles as described below.
_i, WARNING Risk of eye injury.
Spray can splash backor propel objects.
• Always wear indirect vented (chemical splash) safety goggles
marked to comply with ANSI Z87.1 when using or in vicinity of
this equipment.
• NEVERsubstitute safety glasses or dry-condition goggles for
indirect vented safety goggles.
NOTICE This unit is equipped with a ReadyStart® engine. A
ReadyStart® engine means there is no priming or choking
required.
9. When starting engine, position yourself as
recommended and grasp starter grip handle and pull
slowly until you feel some resistance. Then pull rapidly
to start engine.
_i, WARNING Starter cord kickback (rapid retraction) can
result in bodily injury. Kickback will pull hand and
_,_ arm toward engine faster than you can let go.
Broken bones, fractures, bruises, or sprains
could result.
• NEVERpull starter cord without first relieving spray gun
pressure.
• When starting engine, pull cord slowly until resistance is felt
and then pull rapidly to avoid kickback.
• After each starting attempt, where enginefails to run, always
point spray gun in safe direction, press red button and squeeze
spray gun trigger to releasehigh pressure.
• Firmly grasp spray gun with both hands when using high
pressure spray to avoid injury when spray gun kicks back.
0. Return recoil starter slowly. DONOT let rope "snap
back" against starter.
11. Point spray gun in a safedirection, push the red button
to releasethe trigger lock, and pull the trigger.
_i, WARNING The high pressure stream of water that
this equipment produces can cut through skin
and its underlying tissues, leading to serious
injury and possible amputation.
Spray gun traps high water pressure, even when engine is
stopped and water is disconnected, which can cause
injury.
= DONOTallow CHILDRENto operatepressure washer.
= Keep high pressure hose connected to pump and spray gun
while system is pressurized.
= NEVERaim spray gun at people,animals, or plants.
= DO NOTsecure spray gun in open position.
= DO NOTleavespray gun unattendedwhile machine is running.
= NEVERuse a spray gun which does not have a trigger lock or
trigger guard in place and in working order.
= Always be certain spray gun, nozzlesand accessoriesare
correctly attached.
_i, WARNING Contact with muffler area can result in
serious burns.
_ heat/gases can ignite
Exhaust
combustibles, structures or damage
fuel tank causing a fire.
• DO NOTtouch hot parts and AVOIDhot exhaust gases.
• Allow equipment to cool before touching.
= Keepat least5 feet (152 cm) of clearanceon all sides of
pressure washer including overhead.
= It is a violation of California PuNic ResourceCode, Section
4442, to use or operate the engine on any forest-covered,
brush-covered, or grass-covered land unlessthe exhaust
system is equippedwith a spark arrester,as defined in Section
4442, maintained in effective working order. Otherstates or
federal jurisdictions may havesimilar laws.
Contact the original equipment manufacturer, retailer, or dealer
to obtain a spark arrester designed for the exhaustsystem
installed onthis engine.
= Replacementparts must bethe same and installed in the same
position as the original parts.
Howto Stop YourPressureWasher
1. Release spray gun trigger and let engine idle for two
minutes.
.
3.
Push engine rocker switch to off position (0 or OFF).
ALWAYS point spray gun in a safe direction, push red
button and squeezespray gun trigger to release retained
high water pressure.
_i, WARNING The high pressure stream of water that
this equipment produces can cut through skin
and its underlying tissues, leading to serious
injury and possible amputation.
Spray gun traps high water pressure, even when engine is
stopped and water is disconnected, which can cause
injury.
= Keephighpressurehoseconnectedto pumpandspraygun
whilesystemis pressurized.
• ALWAYSpointspraygunin safedirection,pressredbutton
andsqueezesprayguntriggerto releasehighpressure,every
timeyoustopengine.
12

NOTICE Spray gun traps high water pressure, even when
engine is stopped and water is disconnected.
Howto Use Accessory Tray
The unit is equipped with an accessory tray with places to
store your spray gun and nozzleextension. There is also a
detachablehose wrap at the back of the accessory tray to
hold your high pressure hose.
1. Place nozzleextension and selector nozzlethrough hole
on accessory tray on left side of unit.
i,
\
2. Place spray gun through hole on accessory tray on right
side of unit.
NOTICE You may also use the spray gun holder on the
accessory tray to store your spray gun, nozzleextension and
selector nozzleas shown in Featuresand Controls section.
3. Wrap high pressure hose on hose wrap then attach hose
wrap to back of accessory tray.
4. Hook provided on back of accessory tray for safely
storing safety goggles.
Howto Use Selector Nozzle
The selector nozzleallows you to switch betweenfive
different spray pattern nozzles.Spray patterns can be
changed while pressurewasher is running once spray gun
trigger safety lock is engaged.The spray patterns vary as
shown below.
A, WARNING The high pressure stream of water that
this equipment produces can cut through skin
and its underlying tissues, leadingto serious
injury and possible amputation.
• NEVERchangespraypatternswithoutthetriggerlockedonthe
spraygun.
• DONOTtwist selectornozzlewhilespraying.
Follow these instructionsto changenozzle patterns:
1. Select desired spray pattern:
*MAX - For stubborn or hard to reach surface such
as second story surfaces, paint removal, oil stains,
rust removal or other stubborn substances (tar,
gum, grease,wax, etc.).
GENERAL- For most all purpose cleaning such as
home siding, brick patios, wood decks, driveways
and sidewalks, garagefloors, etc..
DELICATE- For gentle cleaning of cars/trucks,
boats, RV's, patio furniture, lawn equipment, etc..
FLUSH- For quick high flow clean up and long
reach cleaning of second story siding and windows.
SOAP- For general soap applications or to launch
soap to second story siding and windows.
2. Push button on selector nozzle, nozzledial will pop up.
3. Turn dial until desired spray pattern lines up with button
on selector nozzle.
4. Push dial in until it locks into place.
UsageTips
*For most effective cleaning, keep selector nozzlefrom
8 to 24 inches (20 to 61 cm) away from cleaning surface.
If you get selector nozzletoo close, especially using a
high pressure spray pattern nozzle,you may damage
surface being cleaned.
DONOTget closer than 6 inches (15 cm) when cleaning
tires.
13

2-1N-1SoapSystem
_i, WARNING Chemical Burn Hazard.
_-_ Chemicalscould cause bodily injury, property
damage or death.
• DONOTusecausticliquidwithpressurewasher.
• Use ONLY pressurewasher safe detergents/soaps. Follow all
manufacturers instructions.
Cleaning and Applying Detergentwith the
Project Pro® PerfectMW MSiphon
To apply undiluted detergent using the blue
PerfectMixTM siphon, follow these steps:
1. Review use of selector nozzle.
2. Attach PerfectMixTM siphon hose to
pump and PerfectMixTM concentrate
bottle.
NOTICE Contact with the hot muffler can damage detergent
siphoning tube.
• When inserting the siphon into a detergent solution bottle, route
the tube so as to keepit from inadvertently contacting the hot
muffler.
3. Make sure SOAPspray pattern nozzleis selected on
selector nozzle.
NOTICE Detergent cannot be applied with the MAX,
GENERAL,DELICATEor FLUSHspray pattern nozzles.
4. Make sure garden hose is connected to water inlet.
Checkthat high pressure hose is connected to spray gun
and pump. Turn on water.
NOTICE You must attach all hoses before you start the
engine.
• Starting the engine without all the hoses connected and without
the water turned ONwill damagethe pump.
• Damageto equipment resulting from failure to follow this
instruction will void warranty.
5. Start enginefollowing instructions How to Start Your
Pressure Washer.
6. Apply detergent to a dry surface, starting at lower
portion of areato be washedand work upward, using
long, even,overlapping strokes.
7. Allow detergent to "soak in" for 3-5 minutes before
washing and rinsing. Reapplyas neededto prevent
surface from drying. DO NOTallow detergentto dry on
(prevents streaking).
Cleaning and Applying Detergentwith
the Standard Clear Siphon /__
To apply diluted detergent using the
standard clear siphon tube, follow these
steps:
1. Review use of selector nozzle.
2. Attach clear siphon hose to barbedfitting on pump.
3. Mix detergent solution as required by job.
4. Placesmall filter end of clear siphoning tube into
container with diluted solution as described above.
NOTICE DO NOTinsert standard siphon hose in Extreme
Concentrate.Failure to dilute concentratewill causeexcessive
application and consumption of solution.
NOTICE Makesure the filter is fully submerged in fluid
while applying solution.
NOTICE Contact with the hot muffler can damage detergent
siphoning tube.
• When inserting the siphon into a detergent solution bottle, route
the tube so as to keep it from inadvertently contacting the hot
muffler.
5. Makesure SOAPspray pattern nozzleis selected on
selector nozzle.
NOTICE Detergentcannot be applied with the MAX,
GENERAL,DELICATEor FLUSHspray pattern nozzles.
6. Makesure garden hose is connected to water inlet.
Checkthat high pressure hose is connected to spray gun
and pump. Turn on water.
NOTICE You must attach all hoses before you start the
engine.
• Starting the engine without all the hoses connected and without
the water turned ONwill damage the pump.
• Damageto equipment resulting from failure to follow this
instruction will void warranty.
7. Start engine following instructions How to Start Your
Pressure Washer.
8. Apply detergentto a dry surface, starting at lower
portion of areato be washed and work upward, using
long, even, overlapping strokes.
9. Allow detergent to "soakin" for 3-5 minutes before
washing and rinsing. Reapplyas neededto prevent
surface from drying. DO NOTallow detergent to dry on
(prevents streaking).
NOTICE You must flush the detergent siphoning system
after each use by placing the filter into a bucket of clean
water, then run the pressurewasher in low pressure for 1-2
minutes.
14

Pressure WasherRinsing
For Rinsing:
1. Select and change to desired spray pattern nozzleon
selector nozzle. SeeHow To UseSelector Nozzle.
2. Keepspray gun a safedistance from areayou plan to
spray.
_i, WARNING Kickback from spray gun can cause you to
fall.
• Operate pressure washer from a stable surface.
• Be extremely careful if you must use the pressure washer from
a ladder, scaffolding, or any other similar location.
• Firmly grasp spray gun with both hands when using high
pressure spray to avoid injury when spray gun kicks back.
3. Apply a high pressure spray to a small area and then
check surface for damage, if no damage is found, you
can assume it is okay to continue rinsing.
4. Start at top of areato be rinsed, working down with
same overlapping strokes as you used for cleaning.
Cleaning DetergentSiphoningTube
If you used the clear detergent siphoning tube, you must
flush it with clean water before stopping the engine.
1. Place detergent siphoning tube/filter in a bucket full of
clean water.
2. Select and change to SOAPspray pattern nozzleon
selector nozzle. SeeHow To UseSelector Nozzle.
3. Flush for 1-2 minutes.
4. Shut off engine following instructions How to Stop
Pressure Washerand turn off water supply.
5. ALWAYS point spray gun in a safe direction push red
button and squeezespray gun trigger to release retained
high water pressure.
NOTICE Spray gun traps high water pressure, even when
engine is stopped and water is disconnected.
_i, WARNING The high pressure stream of water that
this equipment produces can cut through skin
and its underlying tissues, leading to serious
injury and possible amputation.
Spray gun traps high water pressure, even when engine is
stopped and water is disconnected, which can cause
injury.
• Keephighpressurehoseconnectedto pumpandspraygun
whilesystemis pressurized.
• ALWAYSpointspraygunin safedirection,pressredbutton
andsqueezesprayguntriggerto releasehighpressure,every
timeyoustopengine.
Automatic Cool DownSystem(Thermal Relief)
If you run the engine on your pressure washer for
3-5 minutes without pressing the trigger on the spray gun,
circulating water in the pump can reach temperatures above
125°F. The system engages to cool the pump by discharging
the warm water onto the ground.
15

ENGINETECHNICALiNFORMATiON
This is a single cylinder, overhead valve (OHV), air cooled
engine, it is a low emissions engine.
In the State of California, Model 120000 engines are certified
by the California Air Resources Boardto meet emissions
standards for 125 hours. Such certification does not grant
the purchaser, owner or operator of this engine any
additional warranties with respect to the performance or
operational life of this engine. The engine is warranted solely
according to the product and emissions warranties stated
elsewherein this manual.
Power Ratings
The gross power rating for individual gas engine models is
labeled in accordancewith SAE(Society of Automotive
Engineers) code J1940 (Small Engine Power & Torque
Rating Procedure), and rating performance has been
obtained and corrected in accordancewith SAEJ1995
(Revision 2002-05). Torque values are derived at 3060 RPM;
horsepower values are derived at 3600 RPM. Actual gross
engine power will be lower and is affected by, among other
things, ambient operating conditions and engine-to-engine
variability. Given both the wide array of products on which
engines are placed andthe variety of environmental issues
applicable to operating the equipment, the gas engine wiii not
develop the ratedgross power when used in a given piece of
power equipment (actual "on-site" or net power). This
difference is due to a variety of factors including, but not
limited to, accessories (air cleaner, exhaust, charging,
cooling, carburetor, fuel pump, etc.), application limitations,
ambient operating conditions (temperature, humidity,
altitude), and engine-to-engine variability. Dueto
manufacturing and capacity limitations, Briggs & Stratton
may substitute an engine of higher rated power for this
Series engine.
PRODUCTSPECIFICATIONS
PressureWasherSpecifications
Max Outlet Pressure ...................... 3,000 PSI*
Max Flow Rate............................. 2.7 GPM
Detergent Mix ........................ Use as directed
Water Supply Temperature .......... Not to exceed100%
EngineSpecifications
Bore ................................. 2.69 in. (68mm)
Stroke ............................... 2.04 in. (52mm)
Displacement ........................ 11.58 in. (190cc)
SparkPlug
Type: ...................... Briggs & Stratton 692051
SetGapTo: ...................... 0.020inch (0.50mm)
ArmatureAir Gap: ........... 0.010-0.014in.(0.25-0.36mm)
Valveclearancewith valvesprings installedand piston 1/4 in.
(6 mm) pasttop deadcenter(checkwhen engineis cold).
Intake .................... 0.004-0.008in.(0.10-0.20mm)
Exhaust .................. 0.004-0.008in.(0.10-0.20mm)
FuelCapacity............................... 1.6 Quarts
0il Capacity........................ 20 Ounces(0.6 liter)
NOT/CE For practical operation, the engine load should not
exceed85% of rated power. Enginepower will decrease
3-1/2% for each 1,000 feet (300 meters) above sea level and
1% for each 10° F (5.6° C) above 77° F (25° C). It should
operate satisfactorily at an angle up to 15°.
* This pressure washer is rated in accordanceto the
PressureWasher Manufacturers Association (PWMA)
standard PW101 (Testing and Rating Performance of
PressureWashers).
16

OWNER'SRESPONSiBiLiTiES
Follow the hourly or calendar intervals, whichever occurs
first. More frequent service is required when operating in
adverseconditions noted below.
iiiiiiiiiiiiiiiiiiiiiiii_iiiii_iiiiiiiJii!iiiiiiiiiiiiJiJiiiiiiiiiiiiiJiiJiiiHH_iiiJiiiiiii_iiiii!iii_ii_iii_:_:_iiiiW_iiiiiiiiiiiiiiiiiiiiiiiiiiiiiiiiiiiiiiiiiiiiiiiiiiiiiiiiiiiiiiiiiiiiiiiiiiiiiiiiiiiiiiiiiiiiiiiiiiiiiiiiiiiiiiiiiiiiiiiiiiiiiiiiiiiiiiiiiiiiiiiiiiiiiiiiiiiiiiiiiiiiiiiiiiiiii
• Changeengine oil
• Check/clean water inlet screen'
*Check high pressure hose
*Check detergentsiphoning hoses
,Check spray gun and assembly for leaks
, Cleandebris
, Check engineoil level
f
,Cleanengine air cleaner_
,Changeengine oil_
,inspect muffler and spark arrester
iiiiii J
,Replaceengine air cleaner_
,Replacespark plug
,Cleancooling system_
Clean if clogged. Replace if perforated or torn.
2Service more often under dirty or dusty conditions.
GeneralRecommendations
Regular maintenance will improve the performance and
extendthe life of the pressurewasher. Seeany Sears or
other qualified service dealerfor service.
The pressure washer warranty does not cover items that
have beensubjected to operator abuse or negligence.To
receivefull value from the warranty, the operator must
maintain pressurewasher as instructed in this manual
including proper storage as detailed in Storage.
Some adjustments will needto be made periodically to
properly maintain your pressurewasher.
All service and adjustments should be made at least once
each season.Follow the requirements in the Maintenance
Schedule chart above.
NOTICE Oncea year you should clean or replace the spark
plug and replace the air filter. A new spark plug and clean air
filter assure proper fuel-air mixture and helpyour engine run
better and last longer.
Pump Oil
DO NOTattempt any oil maintenance on this pump. The
pump is pre-iubricated and sealedfrom the factory, requiring
no additional maintenancefor the life of the pump.
EmissionsControl
Maintenance,replacement, or repair of the emissions
controldevices and systemsmay be performed by any non-
road engine repair establishment or individual. However,
to obtain "no charge" emissions control service, the work
must be performed by a factory authorizeddealer. Seethe
Emissions Warranty.
Before EachUse
1. Checkengine oil level.
2. Cleandebris.
3. Checkwater inlet screenfor damage.
4. Checkhigh pressure hose for leaks.
5. Checkgun and nozzleextension assemblyfor leaks.
6. Purge pump of air and contaminants.
PRESSUREWASHERMAINTENANCE
Clean Debris
Daily or before use, clean accumulateddebris from pressure
washer. Keeplinkage, spring and controls clean. Keeparea
around and behind muffler free from any combustible debris.
inspect cooling air slots and openings on the pressure
washer. Theseopenings must be kept clean and
unobstructed.
Pressurewasher parts should be kept clean to reduce the
risk of overheating and ignition of accumulated debris.
•Usea damp cloth to wipe exterior surfaces clean.
NOTICE improper treatment of pressurewasher can
damage it and shorten its life.
•DONOTinsertanyobjectsthroughcoolingslots.
•Usea soft bristle brush to loosen caked on dirt, oil, etc.
•Usea vacuum cleaner to pick up loose dirt and debris.
CheckandClean Inlet Screen
Examinegarden hose inlet screen. Cleanif it is clogged or
replace if it is torn.
CheckHighPressure Hose
High pressure hoses can develop leaksfrom wear, kinking,
or abuse, inspect hose before each use. Checkfor cuts,
leaks, abrasions, bulging of cover, or damage or movement
of couplings. If any of these conditions exist, replace hose
immediately.
_lLWARNING The high pressure stream of water that
this equipment produces can cut through skin
and its underlying tissues, leading to serious
injury and possible amputation.
, NEVERrepairhighpressurehose.Replaceit.
•ReplacementhoseratingMUSTexceedmaximumpressure
ratingof unit.
17

CheckSpray GunandNozzleExtension
Examinehoseconnectionto spraygun and makesure it is
secure.Testtrigger by pressingit and makingsure it springs
backinto placewhenyou releaseit. Do not depressredbutton
andtest trigger.Youshould not beableto presstrigger. Replace
spraygun immediatelyif it fails anyof thesetests.
Selector NozzleMaintenance
A pulsing sensation felt while squeezingthe spray gun trigger
may be causedby excessive pump pressure. The principal
causeof excessive pump pressure is a nozzleclogged or
restricted with foreign materials, such as dirt, etc. To correct
the problem, immediately clean the nozzlesfollowing these
instructions:
1. Shut off engine and turn off water supply.
2. ALWAYSpoint spray gun in a safe direction, press red
button and and squeezespray gun trigger to release
retained high water pressure.
_lLWARNING The high pressure stream of water that
this equipment produces can cut through skin
and its underlying tissues, leadingto serious
injury and possible amputation.
Spray gun traps high water pressure, even when engine is
stopped and water is disconnected, which can cause
injury.
*Keephighpressurehoseconnectedto pumpandspraygun
whilesystemis pressurized.
*ALWAYSpointspraygunin safedirection,pressredbutton
andsqueezesprayguntriggerto releasehighpressure,every
timeyou stopengine.
.
4.
.
6.
Remove selector nozzlefrom end of nozzleextension.
Use a small paper clip to free any foreign material
clogging or restricting each nozzle(A) in the selector
nozzle.
Remove nozzleextension from spray gun.
Using a garden hose, remove additional debris by back
flushing water through nozzleextension. Backflush
between 30 to 60 seconds.
7. Reinstall selector nozzleinto nozzleextension.
8. Reconnect nozzleextension to spray gun.
9. Make sure garden hose is connected to water inlet.
Checkthat high pressure hose is connected to spray gun
and pump. Turn on water.
10. Start enginefollowing instructions How to Start Your
Pressure Washer.
11. Test pressurewasher by operating in each spray pattern.
O-Ring Maintenance
Purchasean O-Ring RepairKit at your local Searsor by calling
1-800-4-1VlY-HOIVlE(469-4663) or online at www.sears.com,it
is not includedwith the pressurewasher.This kit includes
replacemento-rings,rubberwasherandwater inletfilter. Referto
the instructionsheetprovidedin the kit to serviceyour unit's
o-rings.
A. WARNING The high pressure stream of water that
this equipment produces can cut through skin
and its underlying tissues, leading to serious
injury and possible amputation.
*NEVERrepairleakingconnectionswithsealantof any kind.
Replaceo-ringor seal.
ENGINEMAINTENANCE
A. WARNING Unintentional sparking can result in fire or
_¢ electric shock.
WHENADJUSTINGOR MAKING REPAIRSTOYOUR PRESSURE
WASHER
* Disconnect the spark plug wire from the spark plug and place
the wire where it cannot contact spark plug.
WHENTESTINGFORENGINESPARK
*Useapproved spark plug tester.
*DONOT checkfor spark with spark plug removed.
Oil
Oil Recommendations
We recommend the use of Briggs & Stratton Warranty
Certified oils for best performance. Other high-quality
detergent oils are acceptable if classified for serviceSF,SG,
SH,SJ or higher. DO NOTuse special additives.
Outdoor temperatures determine the proper oil viscosity for
the engine. Usethe chart to select the best viscosity for the
outdoor temperature range expected.
oF
104___506886 _coo__
32 .o
14
-4
-22
oc
\ 40
;_30
_°_20
10
_m m 0
--_C °
-20
-30
* Below40°F(4°C)the useof SAE30will resultin hardstarting.
** Above80°F(27°C)the useof 10W30maycauseincreasedoil
consumption.Checkoil levelmorefrequently.
NOTICE Synthetic oil meeting ILSACGF-2,API
certification mark and API service symbol with
"SJ/0F ENERGYCONSERVING"or higher, is an
acceptable oil at all temperatures. Useof synthetic oil
does not alter required oil change intervals.
18

CheckingOilLevel
1. Make sure pressure washer is on a level surface.
2. Remove oil dipstick and wipe dipstick with clean cloth.
Replaceand tighten dipstick. Remove and and check oil
level.
3. Verify oil is at FULL mark (top hole) on dipstick. Replace
and tighten dipstick.
Full
Adding Engine Oil
1. Make sure pressure washer is on a level surface.
2. Check oil level as described in Checking OilLevel
3. If needed,slowly pour oil into oil fill opening to the FULL
mark on dipstick. DONOToverfill.
4. Tip your pressure washer to drain oil from oil fill into a
suitable container making sure you tip your unit away
from spark plug. When crankcaseis empty, return
pressurewasher to upright position.
5. Slowly pour recommended oil (about 20 oz. (0.6 I)) into
oil fill opening. Pauseto permit oil to settle. Fill to Full
mark on dipstick.
6. Wipe dipstick clean each time oil level is checked. DO
NOToverfill.
7. Replaceand tighten dipstick.
8. Wipe up any remaining oil.
9. Reconnectspark plug wire to spark plug.
Service Air Cleaner
Your engine will not run properly and may be damaged if you
run it with a dirty air cleaner. Service more often if operating
under dirty or dusty conditions. Replacementsare available
at your local Sears service center.
To servicethe air cleaner, follow these steps:
1. Loosen fastener (A) and remove air cleaner cover (B).
NOTICE Overfilling with oil may cause the engine to not
start, or hard starting.
•DO NOToverfill.
•If over the FULL mark on dipstick, drain oil to reduce oil level to
FULL mark on dipstick.
4. Replaceand tighten dipstick.
Changing Engine Oil
if you are using your pressurewasher under extremely dirty
or dusty conditions, or in extremely hot weather, change oil
more often.
_lLCAUTION Avoid prolonged or repeatedskin contact
with used motor oil.
•Usedmotoroil hasbeenshownto causeskincancerin certain
laboratoryanimals.
•Thoroughlywashexposedareaswith soapandwater.
KEEPOUTOFREACHOFCHILDREN.DON'T
POLLUTE.CONSERVERESOURCES.RETURN
USEDOIL TO COLLECTIONCENTERS.
Change oil while engine is still warm from running,as
follows:
1. Drain fuel tank by running pressure washer until fuel
tank is empty.
2. Disconnect spark plug wire and keep it away from spark
plug.
3. Cleanarea around oil fill, removeoil fill cap/dipstick.
Wipe dipstick clean.
2. Removeair cleaner (C) from base (D).
3. To loosen debris, gently tap air cleaner on a fiat surface.
If excessivelydirty, replace with a new air cleaner.
4. Install the air cleaner into the base. Makesure air
cleaner fits securely in the base.
5. Install cover and securewith fastener. Make sure
fastener is tight.
NOTICE You can purchasenew air filter elements by calling
1-800-4-1VlY-HOIVlE(469-4663).
ServiceSparkPlug
Changingthe spark plug will help your engine to start easier
and run better.
1. Cleanareaaround spark plug.
2. Removeand inspect spark plug.
3. Replacespark plug if electrodes are pitted, burned or
porcelain is cracked. Usethe recommended replacement
plug. See Specifications.
19

.Checkelectrode gap with wire feeler gaugeand reset
spark plug gap to recommended gap if necessary(see
Specifications).
5. install spark plug and tighten firmly.
NOT/CE You can purchase a new spark plug by calling
1-800-4-iVlY-NOiVlE(469-4663).
inspectiVlufflerand SparkArrestor
inspect the muffler for cracks, corrosion, or other damage.
Removethe spark arrester, if equipped,and inspect for
damageor carbon blockage, if replacementparts are required,
makesure to use only original equipmentreplacementparts.
A, WARNING Contact with muffler area can result in
serious burns.
_ Exhaust heat/gases can ignite
combustibles, structures or damage
fuel tank causing a fire.
• DO NOTtouch hot parts and AVOID hot exhaust gases.
• Allow equipment to cool before touching.
•Keepat least5 feet (152 cm) of clearanceon all sidesof
pressure washer including overhead.
•It is a violation of California Public Resource Code,Section
4442, to use or operatethe engine on anyforest-covered,
brush-covered, or grass-covered land unless the exhaust
system is equipped with a spark arrestor, as defined in Section
4442, maintained in effective working order. Otherstates or
federal jurisdictionsmay havesimilar laws.
Contact the original equipment manufacturer, retailer, or dealer
to obtain a spark arrestor designed for the exhaustsystem
installed on this engine.
•Replacementparts must be the sameand installed in the same
position as the original parts.
Air CoolingSystem
Over time debris may accumulate in cylinder cooling fins and
cannot be observedwithout partial engine disassembly. For
this reason,we recommend you have a qualified Sears
service dealer clean the cooling system per recommended
intervals (see MaintenanceSchedule). Equally important is to
keep top of engine free from debris. See CleanDebris.
Carburetor Adjustment
The carburetor on this engine is low emission. It is equipped
with a non-adjustable idle mixture valve. Top speed has been
set at the factory. If adjustment is required, see an authorized
service dealer.
_IL CAUTION Excessively high operating speeds increase
risk of injury and damage to pressure washer.
Excessively low speeds impose a heavy load.
•DO NOTtamper with governed speed.Pressurewasher
supplies correct ratedfrequency and voltage when running at
governed speed.
•DO NOTmodify pressure washer in any way.
AFTEREACHUSE
Water should not remain in the unit for long periods of time.
Sediments or minerals can deposit on pump parts and
"freeze" pump action. Follow these procedures after every
use:
1. Shut off engine, turn off water supply, point gun in a
safedirection, press red button and squeezetrigger to
relieve trapped pressure and let engine cool.
_ILWARNING The high pressure stream of water that
this equipment produces can cut through skin
and its underlying tissues, leading to serious
injury and possible amputation.
Spray gun traps high water pressure, even when engine is
stopped and water is disconnected, which can cause
injury.
•Keephighpressurehoseconnectedto pumpandspraygun
whilesystemis pressurized.
• ALWAYSpointspraygunin safedirection,pressredbutton
andsqueezesprayguntriggerto releasehighpressure,every
timeyoustopengine.
.
.
.
5.
6.
Disconnect hose from spray gun and high pressure
outlet on pump. Drain water from hose,gun, and spray
tip extension. Usea ragto wipe off the hose.
Empty pump of aii pumped liquids by puffing recoil
handleabout 6 times. This should remove most liquid in
pump.
Coil high pressure hose on hose wrap provided on
accessorytray.
Store unit in a clean, dry area.
If storing for more than 30 days see Long Term Storage
on next page.
_ILWARNING Fueland its vapors are extremely
flammable and explosive.
Fire or explosion can causesevere burns
or death.
WHENSTORINGFUELOREQUIPMENTWITHFUELINTANK
*Storeawayfrom furnaces,stoves,waterheaters,clothes
dryers,or otherappliancesthathavepilot lightor other
ignitionsourcebecausetheycan ignitefuel vapors.
2O

WINTERSTORAGE ChangeOil
NOTICE You must protect your unit from freezing
temperatures.
•Failure to do so will permanently damageyour pump and render
your unit inoperable.
•Freezedamage is not covered under warranty.
To protectthe unit from freezing temperatures:
1. Follow steps 1-4 in the previous section AfterEach Use.
2. Use pump saver, availableat Sears retail item 7174403,
to treat pump. This minimizes freezedamage and
lubricates pistons and seals.
3. If pump saver is not available,connect a 3-foot section
of garden hose to water inlet adapter. Pour
RV-antifreeze (antifreeze without alcohol) into hose. Pull
recoil handletwice. Disconnect 3-foot hose.
4. Store unit in a clean,dry area.
LONGTERIViSTORAGE
If you do not plan to use the pressure washer for more than
30 days, you must preparethe engine and pump for long
term storage.
It is important to prevent gum deposits from forming in
essential fuel system parts such as the carburetor, fuel filter,
fuel hose or tank during storage. Also, experienceindicates
that alcohol-blended fuels (called gasohol, ethanol or
methanol) can attract moisture, which leadsto separation
and formation of acids during storage. Acidic gas can
damage the fuel system of an enginewhile in storage.
Protect Fuel System
Fuel Additive:
Fuel can becomestale when stored over 30 days. Stale fuel
causes acid and gum deposits to form in the fuel system or
on essential carburetor parts. To keep fuel fresh, use Briggs
& Stratton FRESHSTART® fuel stabilizer, available as a
liquid additive or a drip concentrate cartridge.
There is no needto drain gasoline from the engine if a fuel
stabilizer is added according to instructions. Run the engine
for 2 minutes to circulate the stabilizer throughout the fuel
system. The engine andfuel can then be stored up to
24 months.
If gasoline in the engine has not beentreated with a fuel
stabilizer, it must be drained into an approved container. Run
the engine until it stops from lack of fuel. The use of a fuel
stabilizer in the storage container is recommended to
maintain freshness.
While engine is still warm, drain oil from crankcase. Refill
with recommended grade. See ChangingEngine Oil.
Protect Pump
To protect the pump from damage caused by mineral
deposits or freezing, use PumpSaver, item 7174403, to treat
pump. This prevents freeze damageand lubricates pistons
and seals.
NOTICE PumpSaveris available as an optional accessory, it
is not included with the pressure washer. Contactyour local
Searsservice center to purchase PumpSaver.
NOTICE You must protect your unit from freezing
temperatures.
•Failureto do so will permanently damage your pump and render
your unit inoperable.
•Freezedamageis not covered under warranty.
To use PumpSaver, make sure the pressurewasher is turned
off and disconnected from supply water. Readand follow all
instructions and warnings given on the PumpSavercontainer.
.
3.
AWARNING
OtherStorage Tips
1. DO NOTstore fuel from one seasonto another unless it
has been treated as described in Protect Fuel System.
Replacefuel container if it starts to rust. Rust and/or dirt
in fuel can cause problems if it's used with this unit.
Coverunit with a suitable protective cover that does not
retain moisture.
Storage covers can be flammable.
• DO NOTplacea storage cover over a hot pressure washer.
•Let equipment cool for a sufficient time before placing the
cover on the equipment.
4. Store unit in a clean and dry area.
21

Problem
Pump has following probJems:
failure to producepressure,
erratic pressure, chattering,Joss
of pressure, Jowwater volume.
Detergentfails to mix with spray.
EnginewiJlnot start; startsand
runs roughor shutsdown during
operation.
Enginelacks power.
Cause
1. Soap spray pattern nozzleis
selected.
2. Water inlet is blocked.
3. inadequatewater supply.
4. inlet hose is kinked or leaking.
5. Clogged inlet hose strainer.
6. Water supply is over IO0°F.
7. High pressure hose is blocked or
leaks.
8. Gun leaks.
9. Selector nozzleis obstructed.
10. Pump is faulty.
1. Detergentsiphoning tube is not
submerged.
2. Detergentsiphoning tube/filter is
clogged or cracked.
3. High pressure spray pattern nozzle
is selected.
1. Engine rocker switch set to off (0)
position.
2. Dirty air cleaner.
3. Out of fuel.
4. Stale fuel.
5. Spark plug wire not connected to
spark plug.
6. Badspark plug.
7. Water in fuel.
8. Excessivelyrich fuel mixture.
Dirty air filter.
Correction
1. Select high pressurespray pattern nozzle
on selector nozzle.
2. Clear inlet.
3. Provide adequate water flow.
4. Straighten inlet hose, patch leak.
5. Checkand clean inlet hose strainer.
6. Provide cooler water supply.
7. Clear blocks in outlet hose.
8. Replacegun.
9. Cleannozzles in selector nozzle.
10. ContactSears service facility.
1. insert detergent siphoning tube into
detergent.
2. Cleanor replacefilter/detergent
siphoning tube.
3. Selectsoap spray pattern nozzleon
selector nozzle.
1. Set engine rocker switch to on (J)
position.
2. Cleanor replaceair cleaner.
3. Fill fuel tank.
4. Drain fuel tank; fill with fresh fuel.
5. Connectwire to spark plug.
6. Replacesparkplug.
7. Drain fuel tank; fill with fresh fuel.
8. Contact local service facility.
Replaceair filter.
22

CRAFTSMAN3000 PSi PressureWasher580.752580
Main Unit=ExplodedView and Parts List
900
Item
1
2
3
4
5
6
7
8
9
10
11
12
13
14
15
16
17
18
19
20
21
22
23
24
900
Part#
205961GS
205413GS
B204257GS
311147GS
B1797GS
196138GS
206376GS
23139DGS
208673GS
206374GS
206375GS
190593GS
B2384GS
189971GS
205910GS
B2203GS
192131GS
206566GS
204658GS
205964GS
192050GS
200517GS
204684GS
204627GS
200595GS
209093GS
192310GS
75246GS
NSP
\\\\
ii
,/ ,,,_
// /'
/ /
/' /
' c
i3
Description
BASE
AXLE
HANDLE
BILLBOARD
CLIP
HOSE
PUMP
KEY
VALVE-THERMALRELIEF
KIT-WATERINLET
KIT-WATEROUTLET
KIT-CHEMICALINJ
FILTER-GARDENHOSE
KIT-CHEMICALHOSE
KIT-HARDWAREHANDLE
KIT-HARDWAREHANDLE
KIT-HARDWAREPUMPMOUNTING
WIREFORM
HOSE
KIT-WHEEL
E-RING
HUBCAP
WRAP-HOSE
GUN
EXTENSION-QC
NOZZLE-QC
MOUNT-VIBRATION
TAPTITE
ENGINE(121S12-0112-F1)
(see pages24-33)
Parts Not Illustrated
Part #
311159GS
AB3061BGS
189332GS
208813GS
794693
194256GS
OptionalAccessories
7175187
7175197
7175124
7175122
7175116
7175129
7175121
7174402
7174403
7133386
7174404
7174405
7174406
m5
Description
MANUAL-OPERATOR'S
OIL
PLUG-HOLE
DECAL-Shroud
LABEL-Warning
TAG-WARNING
Not Illustrated
GardenHoseQuick Connect
Accessory Quick Connect
Rotating Brush Kit
30' ReplacementHose
0 Ring Repair Kit
Turbo Nozzle
25' Extension Hose
Hose Reel
Pump Saver
CARTRIDGE,FreshStart
Project Pro@PerfectMixTM Multi-
Purpose and Vehicle Cleaner
Project Pro@PerfectMixTM Concrete,
Brick, and Tile Cleaner
Project Pro@PerfectMixTM Mold and
Mildew Cleaner
23

ENGINE,Briogs& $tratton, 121S12- ExplodedView
6O
58 6 592
II
601
957
1059
Y
24

ENGINE,Briogs& $tratton, 121S12- ExplodedView
I
51
623
222
968
445
365
Y
134 _[_
133 _ 104_"'_ _
I17
/163' 627
347
25

ENGINE,Briogs& $tratton, 121S12- ExplodedView
\
356 \ "
/
662
334
333
635
26

ENGINE,Briogs & $tratton, 121812 - ExplodedView
455
1005_i! -
332
23
78_
C>
LZ>
1376
1263
202
2Z

ENGINE,Briogs& $tratton, 121S12- ExplodedView
836_
613
883
28

ENGINE,8riogs& $tratton, 121S12- ExplodedView
883
993
36
40
238
\
51
868
623
29

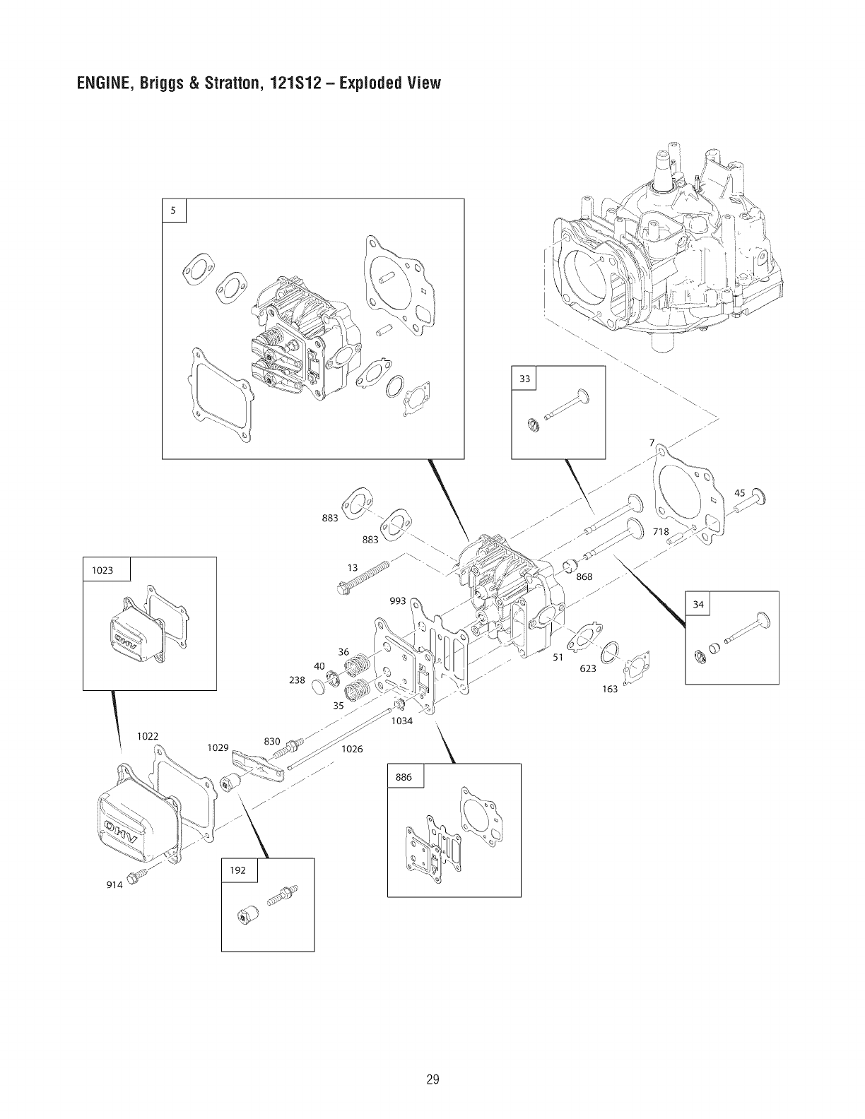
ENGINE,8riogs& $tratton, 121S12- ExplodedView
22_
:i_ o
Y
718Q
616
4o4
615
I
30

ENGINE,8riogs& $tratton, 121S12- ExplodedView
!
31

ENGINE,8riogs& $tratton, 121S12- ExplodedView
1022
358 ENGINE GASKET SET
1430
I
i
i
II
Ii
ii
ii
II
II
u
842
7
>:i!",
(-_" '9'
883
.-sS'<-' 20
S-" 0
_68
623 163
1095 VALVE GASKET SET
%- ,I
883 t',g,/_,'.','
883
9937__ 0
1022_
"_1"/ 0
868 51
623 O
163
121 CARBURETOR OVERHAUL KIT
623
134
104
137 0
276 _
163
32

ENGINE,8riggs&
Item Part #
1 796509
3 299819S
4 498983
5 796471
7 796475
11 796478
12 692232
13 793451
15 691680
16 796469
20 399781S
22 691092
23 796623
24 222698S
25 796639
25 796640
26 796641
26 796642
27 691588
28 298909
29 796470
32 691664
32A 695759
33 499642
34 795443
35 691304
36 691304
37 796536
40 692194
43 796651
45 690977
46 694039
51 796596
58 697316
60 281434S
78 793480
81 691740
104 691242
117 697355
118 494870
121 796612
122 796595
125 796608
133 398187
134 398188
137 796610
163 691894
187 796491
192 796631
202 796657
209 793604
216 796485
222 796482
227 796487
238 691300
276 271716
291 796486
300 796495
304 796692
306 796534
307 793480
332 690662
8tratton, 121812 -Parts List
Description
CylinderAssembly
Seal-Oil
Sump-Engine
Head-Cylinder
Gasket-CylinderHead
Tube-Breather
Gasket-Crankcase
Screw
Plug-OilDrain
Crankshaft
Seal-Oil
Screw
Flywheel
Key-Flywheel
PistonAssembly(Standard)
PistonAssembly(.020" Oversize)
Ring Set (Standard)
Ring Set (.020"Oversize)
Lock-PistonPin
Pin-Piston
Rod-Connecting
Screw
Screw
Valve-Exhaust
Valve-Intake
Spring-Valve
Spring-Valve
Guard-Flywheel
Retainer-Valve
Slinger-Governor/Oil
Tappet-Valve
Camshaft
Gasket-Intake
Rope-Starter
Grip-StarterRope
Screw
Lock-MufflerScrew
Pin-FloatHinge
Jet-Main
Jet-Main
Kit-CarburetorOverhaul
Spacer-Carburetor
Carburetor
Float-Carburetor
Kit-Needle/Seat
Gasket-FloatBowl
Gasket-AirCleaner
Line-Fuel
Adjuster-RockerArm
Link-MechanicalGovernor
Spring-Governor
Link-Choke
Bracket-Control
Lever-GovernorControl
Cap-Valve
Washer-Sealing
Thermostat
Muffler-Exhaust
Housing-Blower
Shield-Cylinder
Screw
Nut
item
333
334
337
347
356
356A
358
365
4O4
445
455
497
5O5
523
524
525
562
592
601
608
613
615
616
623
627
635
662
662A
670
718
741
830
832
836
842
847
868
875
883
886
914
925
957
968
972
975
993
1005
1022
1023
1026
1029
1034
1059
1095
1263
1264
1375
1376
1395
1430
Part#
796500
793454
692051
698338
692602
695630
796661
793458
690272
795066
796615
691044
793515
796503
692296
796502
793514
793481
791850
796497
796496
796674
796488
793628
796702
66538S
796537
793479
793485
690959
795755
796472
796494
793500
691031
796501
795440
796492
793497
796474
794451
796531
796577
796493
796489
796611
796473
796614
796480
796479
796481
691230
691343
793471
796662
697124
793453
796476
794451
690349
796477
Description
Armature-Magneto
Screw
Plug-Spark
Switch-Rocker
Wire-Stop
Wire-Stop
GasketSet-Engine
Screw
Washer
Filter-AirCleanerCartridge
Cup-Flywheel
Screw-StopswitchBracket
Nut
Dipstick
Seal-DipstickTube
Tube-Dipstick
Bolt
Nut
Clamp-Hose
Starter-Rewind
Screw
Retainer-GovernorShaft
Crank-Governor
Seal-ORing
Bracket-Stopswitch
Boot-SparkPlug
Stud
Stud
Spacer-FuelTank
Pin-Locating
Gear-Timing
Stud-RockerArm
Guard-Muffler
Screw
Seal-ORing
Dipstick/TubeAssembly
Seal-Valve
Base-AirCleaner
Gasket-Exhaust
GasketKit-CylinderHeadPlate
Screw
Cover-Linkage
Cap-FuelTank
Cover-AirCleaner
Tank-Fuel
Bowl-Float
Gasket-CylinderHeadPlate
Fan-Flywheel
Gasket-RockerCover
Cover-RockerArm
Rod-Push
Arm-Rocker
Guide-PushRod
Kit-Screw/Washer
GasketSet-Valve
Reed-Breather
Screw
Cover-Breather/Reed
Screw
Screw
Gasket-Breather/Reed
33

California, U.S. EPA,and Sears Emissions
ControlWarrantyStatement
YourWarranty RightsAnd Obligations
The California Air Resources Board, U.S. EPA,and Sears,
Roebuck and Co., U.S.A.(Sears) are pleasedto explain the
emissions control system warranty on your Model Year2008
and later engine/equipment. In California, new small off-road
engines must be designed, built, and equippedto meet the
State's stringent anti-smog standards. Sears must warrant
the emissions control system on your engine/equipment for
the periods of time listed below provided there has been no
abuse, neglect, or impropermaintenance of your small off-
road engine.
Your emissions control system may includeparts such as
the carburetor or fuel injection system, fuel tank, ignition
system, and catalytic converter. Also includedmay be hoses,
belts, connectors, sensors, and other emissions-related
assemblies. Where a warrantable condition exists, Sears will
repair your engine/equipment at no cost to you including
diagnosis, parts, and labor.
Manufacturer'sWarrantyCoverage:
Small off-road engines arewarranted for two years. If any
emissions-related part on your engine/equipment is
defective, the part will be repaired or replaced by Sears.
Owner'sWarrantyResponsibilities:
*As the small engine/equipment owner, you are
responsiblefor the performance of the required
maintenance listedinyour owner's manual. Sears
recommendsthat you retain all receipts covering
maintenance on your engine/equipment, but Sears
cannot deny warranty solely for the lackof receipts or
your failure to ensure the performanceof all scheduled
maintenance.
• As the engine/equipment owner, you should however
be aware that Sears may deny you warranty coverage if
your engine/equipment or a part has failed due to
abuse, neglect, improper maintenance,or unapproved
modifications.
•You are responsiblefor presentingyour
engine/equipment to a Sears distribution center,
servicing dealer, or other equivalent entity, as
applicable, as soon as a problem exists. The warranty
repairs should be completed in a reasonableamount of
time, not to exceed30 days. If you have any questions
regardingyour warranty rights and responsibilities, you
should contact Sears at (800) 469-4663.
Sears EmissionsControl Warranty Provisions
The following arespecific provisions relativeto your
Emissions Control Warranty Coverage. it is in addition to the
Searsengine warranty for non-regulated engines found in
the Operator'sManual.
1. Warranted Emissions Parts
Coverageunder this warranty extends only to the parts
listed below (the emissions control systems parts) to
the extent these parts were present on the engine
purchased.
a. Fuel Metering System
•Cold start enrichment system (soft choke)
•Carburetorand internalparts
•Fuel pump
•Fuel line, fuel line fittings, clamps
•Fueltank, cap and tether
•Carbon canister
b. Air Induction System
•Air cleaner
•intake manifold
•Purge and vent line
c. ignition System
•Spark plug(s)
•Magneto ignition system
d. Catalyst System
•Catalytic converter
•Exhaust manifold
•Air injection system or pulse valve
e. Miscellaneous items Usedin Above Systems
•Vacuum, temperature, position, time sensitive
valves and switches
•Connectorsand assemblies
2. Length of Coverage
For a period of two years from date of original
purchase, Searswarrants to the original purchaser and
each subsequent purchaser that the engine is designed,
built, and equipped so as to conform with all applicable
regulations adopted by the Air ResourcesBoard; that it
is free from defects in material and workmanship that
could causethe failure of a warranted part; and that it is
identical in aii material respects to the enginedescribed
in the manufacturer's application for certification. The
warranty period begins on the date the engine is
originally purchased.
In the USA and Canada,a 24-hour hotline, 1-800-469-4663, has a menu of pro-recorded messages offering you product maintenance
information.
34

Thewarrantyonemissions-relatedpartsisasfollows:
•Any warranted part that is not scheduledfor
replacementas required maintenancein the owner's
manual supplied, is warranted for the warranty period
stated above. If any such part fails during the period of
warranty coverage, the part will be repairedor replaced
by Sears at no charge to the owner. Any such part
repairedor replaced under the warranty will be
warranted for the remaining warranty period.
•Any warranted part that is scheduled only for regular
inspection in the owner's manual supplied, is warranted
for the warranty period stated above. Any such part
repairedor replaced under warranty will be warranted
for the remaining warranty period.
•Any warranted part that is scheduledfor replacementas
requiredmaintenancein the owner's manualsupplied, is
warrantedfor the period of time prior to the first
scheduledreplacementpoint for that part. If the part fails
prior to the first scheduled replacement,the part will be
repairedor replacedby Searsat no charge to the owner.
Any such part repairedor replacedunder warranty will be
warrantedfor the remainderof the period prior to the
first scheduledreplacementpoint for the part.
•Add on or modified parts that are not exempted by the
Air Resources Board may not be used.The use of any
non exempted add on or modified parts by the owner
will be grounds for disallowing a warranty claim. The
manufacturer will not be liable to warrant failures of
warranted parts caused by the use of a non exempted
add on or modified part.
3. ConsequentialCoverage
Coverageshall extend to the failure of any engine
components causedby the failure of any warranted
emissions parts.
4. Claims and CoverageExclusions
Warranty claims shall be filed according to the
provisions of the Sears engine warranty policy.
Warranty coveragedoes not apply to failures of
emissions parts that are not original equipment Sears
parts or to parts that fail due to abuse, neglect, or
improper maintenance as set forth in the Sears engine
warranty policy. Sears is not liable for warranty
coverageof failures of emissions parts caused by the
use of add-on or modified parts.
LookFor ReJevantEmissionsDurability Periodand Air
Index Information OnYour EngineEmissionsLabeJ
Enginesthat are certified to meet the California Air Resources
Board (CARB)Emissions Standard must display information
regarding the Emissions Durability Period and the Air Index.
The engine manufacturer makes this information availableto
the consumer on emissions labels. The engine emissions
labelwill indicate certification information.
The Emissions Durability Perioddescribes the number of
hours of actual running time for which the engine is certified
to be emissions compliant, assuming proper maintenance in
accordance with the Operating & Maintenance Instructions.
The following categories are used:
Moderate: Engine is certified to be emissions compliant for
125 hours of actual engine running time.
Intermediate: Engineis certified to be emissions compliant
for 250 hours of actual engine running time.
Extended: Engineis certified to be emissions compliant for
500 hours of actual engine running time.
For example, a typical walk-behind lawn mower is used 20 to
25 hours per year. Therefore, the Emissions Durability
Period of an enginewith an intermediate rating would
equate to 10 to 12 years.
Small off-road engines are certified to meet the United States
Environmental Protection Agency (USEPA) Phase2
emissions standards. For Phase 2 certified engines,the
Emissions Compliance Period referred to on the Emissions
Compliance label indicatesthe number of operating hours for
which the engine has been shown to meet Federalemissions
requirements.
For engines lessthan 225 cc displacement.
Category C = 125 hours
Category B = 250 hours
CategoryA = 500 hours
For engines of 225 cc or more displacement.
Category C = 250 hours
Category B = 500 hours
CategoryA = 1000 hours
35

GARANTIA .......................................... 36
CONTRATODEPROTECCIONPARAREPARACIONES......... 36
REGLASDESEGURiDAD ............................ 37-39
CARACTERiSTICASY CONTROLES....................... 40
MONTAJE ........................................ 41-44
OPERACION....................................... 45-49
ESPECIFICACIONES................................... 50
MANTENIMIENTO.................................. 51-55
ALMACENAMlENTO................................... 56
REPARACIONDEDAVIesREPUESTOS.................... 57
GARANTIADELCONTROLDEEMISIONES............... 58-59
COMeORDENARPARTES............... PAGINAPOSTERIOR
GARANTJALllVlITADADECRAFTSMAN
Si este producto de Craftsmanfalla debido a defectos de materiales o mane de obra en el glazede dos a_os a partir de la fecha de compra,
devu_lvalo a cualquier aimac_n Sears, centre de reparaci6n y repuestos Sears, u otro punto deventa de Craftsman de los Estados Unidos
para su reparaci6n gratuita o, en case de que _sta no sea posible, para su sustituci6n.
Esta garantiase reducir_ a 90 dias desde la fecha de compra si este producto se utiliza en alg_n memento con fines comerciales o de
alquiler.
Esta garantia SOLOcubredefectos de materiales yde mane de obra. Sears NOpagard:
= Los elementos que pueden desgastarseen condiciones de use normaies dentro dei periodo de garantia, come pistolas rociadoras,
mangueras, prolongadores de boquilla, boquillas, filtros y bujias.
• Reparaciones necesarias debido a accidentes o fallos que se deriven de la incapacidad para operar o mantener el producto de acuerdo
con todas las instrucciones facilitadas.
• Mantenimiento preventive o reparaciones necesariasdebido al use de mezclas de combustible inadecuadas o de combustible
contaminado o pasado.
Esta garantia le otorga determinados derechos legales yes posible que tenga otros derechosque pueden variar de una provincia a otra.
Sears, RoebuckandCo., HoffrnanEstates,IL 60179
Felicidadesper realizar una compra inteligente.
Su nuevo producto Craftsman® est_dise_ado y fabricado para
funcionar de manerafiable durante muchos a_os. Perocome todos
los productos, es posible que requiera reparaci6n ocasionalmente.
Es en esos mementos, tenet un contrato de protecci6n para
reparaciones puede ahorrarle dinero y molestias.
Acontinuaci6nse rnenciena Jeque eJcentrate de pretecci6npara
reparaciones* conternpJa:
*Servicie experte de nuestros 10.000 especiaiistas profesionaies
en reparaci6n.
,Servicie ilimitade ysin ceste en partes y mane de obra en
todas las reparaciones incluidas en la cobertura.
, Cambie del preductoper hasta $1.500 si el producto incluido
en ia cobertura no se puede reparar.
,Un 18% de descuente en el precio normal de servicio yen
partes instaladas relacionadas no inciuidas en la cobertura dei
contrato; asimismo, un 10% de descuento en ei precio normal
de revisiones de mantenimiento preventive.
,Ayudatelef6nica r_pida. Nuestro servicio de Soluci6n r_pida
consiste en apoyo telef6nico per un representante de Sears.
Piense que somos un "manual dei usuario parlante".
Una vez que adquiera ei contrato de protecci6n para reparaciones,
s61otiene que hacer una sencilla Ilamadateief6nica para programar
un servicio. Puede Ilamara cualquier hera dei dia o la noche, o
programar una cita de servicio en linea.
El contrato de protecci6n para reparacioneses una compra segura.
Si io cancela per cualquier motive durante el periodo de garantia del
producto, le reembolsaremos el total de su dinero o una parte
proporcional en cualquier memento posterior al vencimiento del
periodo de garantia del producto. Adquiera hey su contrato de
protecci6n para reparaciones.
Apiican aJgunaslirnitacienes yexciusienes. Para conocerprecies
y obtener inforrnaci6n adicional en EE. UU., JJarneaJ
1-800-827-6655.
*La coberturaen Canaddvaria en deterrninades articules. Para
obtener redes los detaJJes,cernuniquesea Sears Canad_ aJ
1-800-361-6665,
Serviciede instaiaci6ndeSears
Parasolicitar un servicio de instalaci6n per parte de un profesional
de Searspara aparatos dom6sticos, puertas autom_ticas de garajes,
calentadoresde agua y otros articulos dom_sticos importantes en
EE.UU. o Canada,comuniquese al 1-800-4-1ViY-HOIViE®.
36

Leaestemanualminuciosamentey conozcaafondolas
partesyel funcionamientodesum_quinalimpiadoraa
presi6n.Conozcasusaplicaciones,suslirnitacionesylos
peligrosinvolucrados.
Informaci6nimportantede seguridad
SirnboJossobre Jaseguridady significados
GasesT6xicos
SuperficiesResbalosas
SuperficieCaliente
5-
Caer
DescargaEl(ictrica
InyeccidnLiquida
PartesenMovimiento
Fuego
ObjetosVoiadores ManualdelOperafio
Explosi6n QuemaduraQuimica Contragolpe
_lLElsimbolo de alerta de seguridad indica un posible
riesgo parasu integridad fisica. Se utiiiza una paiabrade
se_alizaci6n (PELIGRO,ADVERTENCIAo PRECAUCiON)
junto con el simbolo de alerta paradesignar un grado o
nivel de gravedad de riesgo. Se puede utiiizar un simbolo de
seguridad para representarel tipo de riesgo. La palabrade
se_alizaci6nAVISO se utiiiza para hacer referenciaa una
pr_.cticano relacionadacon una lesi6n fisica.
J_.PELIGROindica un riesgo que,de no evitarse, provocard
la muerte o lesiones de gravedad.
_lLADVERTENCIAindica un riesgo que, de no evitarse,
podrfa provocar la muerte o lesiones de gravedad.
J_.PRECAUCIONindica un riesgo que, de no evitarse,podrfa
provocar lesiones leveso moderadas.
AI/ISO hace referenciaa una pr_.cticano relacionada con una
lesi6n fisica.
_lLADVERTENCIA Elescapedei motor de este producto
contiene eiementos quimicos reconocidos en el Estadode
California por producir c_.ncer,defectos de nacimiento u
otros da_os de tipo reproductivo.
_lLADVERTENCIA Esteproducto contiene plomo y
compuestos de plomo declaradoscausantes de
malformaciones y otros defectos cong6nitos por el Estado
de California. Ldveselas manos despu6s de manipular
esteproducto.
_lL ADVERTENCIA AI motor funcionar, se produce
mon0xido de carbono, un gas inodoro y
venenoso.
Respirar mon0xido de carbono puede provocar
dolor de cabeza, fatiga, mareos, v0mitos, confusion,
ataques, n_.useas, desmayos o inciuso la muerte.
Algunas sustancias quimicas o los detergentes pueden
ser perjudiciaies si inhalados o ingeridos, causando la
n_.usea severa, desmayando o para envenenar.
•Opereel limpiadora a presi6n SOLAMENTEal aire iibre.
•Aseg_resede que los gases deescapeno puedanentrar por
ventanas, puertas, tomas de aire de ventilaci6n u otras
aberfuras en un espacio cerrado en ei que puedanacumularse.
•NOarranque ni dejefuncionar el motor en interiores ni en
zonas cerradas,aunque hayaventanasy puertas abiertas.
•Utilice un respirador o m_scara siempre que exista la
posibiiidad de inhaiar vapores.
•Leatodas las instrucciones de la m_scara paraasegurarsede
que le brindar_ la protecci6n necesafia contra la inhalaci6nde
vapores nocivos.
_lLADVERTENCIA Riesgode eiectrocuci0n.
_.l|h Elcontacto con los cablesel6ctricos puede
provocar electrocuci0n y quemaduras.
•NUNCArodecercadeunafuentedeenergiael_ctfica.
_lLADVERTENCIA Peligro de quemadura quimica.
_ Los productos quimicos podrianprovocarlesiones,
da_os materialesdegravedado la muerte.
e
e
NO useliquido c_ustico con la limpiadora a presi6n.
Use EXCLUSIVAMENTEdetergenteso jabonesespeciaies para
la limpiadora a presi6n. Sigatodas las instrucciones del
fabricante.
37

AADVERTENCIA El retroceso (repliegue r_.pido) del
cable del arrancador puede producir lesiones. El
,_ retroceso impedir_, que el usuario suelte ei cable a
tiempo y tirar_ de su mano y brazo hacia el motor.
Como resultado, podrian producirse fracturas,
contusiones 0 esguinces.
•NUNCAtire dei cable dei arrancador sin eiiminar previamentela
presi6n de la pistola rociadora.
•Cuandoarranque el motor, tire ientamente dei cable hasta
sentir una resistenciay, a continuaci6n, tire r_pidamente de_i
para evitar su retroceso.
•Despu_s decada intento de arranque, cuando ei motor no
consiga arrancar, apunte con la pistola rociadora hacia una
direcci6n segura, pulse el bot6n rojo y apriete ei gatillo para
descargar la presi6n.
•Sujete firmemente la pistola rociadora con ambas manos
cuando aplique un rociado a alta presi6n paraevitar lesiones
cuando se produzca el retroceso de la pistola.
A ADVERTENCIA El contacto con la zona dei silenciador
puede producir quemaduras graves.
,_:_,,_ _ Los gases y ei calor de escape pueden
inflamar los matefiales combustibles y
las estructuras 0 da_ar el dep6sito de combustible y
provocar un incendio.
•NOtoque ias superficies calientes y evite losgases dei escapea
altatemperatura.
•Permita que el equipo se enffie antes de tocaflo.
•Deje un espacio minimo de 1.5 m (5 pies) airededor del
limpiadora a presi6n, incluida la parte superior.
• Utilizar el motor en un terreno boscoso, con malezao cubierto
de hierba constituye una infracci6n al C6digo de recursos
p_blicos de California,a menos que el sistema de escapeest_
equipado con una pantalla apagachispas,deacuerdo a la
definici6n de la Secci6n4442, que se mantenga en buenas
condiciones de funcionamiento. En otros estados o
jurisdicciones federales puede haber leyes similares en vigor.
P6ngase encontacto con el fabricante, el vendedor o el
distribuidor del equipo original paraobtener una pantalla
apagachispasdise_ada parael sistema de escapeinstaladoen
este motor.
•Las piezasde recambio debenser las mismas que las piezas
originales y estar instaladasen la misma posici6n.
AADVERTENCIA El arrancador y otras piezas que rotan
pueden enredar las manos, el pelo, la ropa, o losaccesorios.
•NUNCAutiiice la limpiadora a presi6n sin sus carcasaso tapas
de protecci6n.
•NO useropa suelta, joyaso elementos que puedan quedar
atrapados en el arranque o en otras partes rotatorias.
•Ate paraarriba ei pelo largo y quite la joyefia.
A AI:IVERTENCIALa gasolina y sus vapores son
extremadamenteinfiamables y
_ explosivos.
Elfuego o una explosi6n pueden causar
quemaduras severase inclusive la muerte.
CUANDOANADACOMBUSTIBLE0 VACiEELDEPOSITO
• Apague el limpiadora a presi6n (posici6n OFF)y d_jelo enfriar al
menos por 2 minutos antes de remover la tapa de la
combustible. Afioje la tapa lentamente paradejar que la presi6n
salga del tanque.
• Llene o vacie el dep6sito de combustible a la intemperie.
• NO Ilenedemasiado eltanque. Permita al menos espacio para
la expansi6n del combustible.
•Si se ha derramado combustible, esperea que se evaporeantes
de arrancarel motor.
•Mantenga la gasolina alejada dechispas, llamasabiertas,
pilotos, calory otras fuentes de ignici6n.
• NOencienda un cigarrillo o fume.
CUANDOPONGAEN FUNCIONAMIENTOELEQUIPO
• Compruebe que la bujia, el silenciador, el tap6n del dep6sito de
combustible y el fiitro deaire est_n instaiados.
•NOarranque el motor sin la bujia instaiada.
CUANDOOPEREELEQUIPO
•NO incline ei motor o ei equipo, detai maneraque la gasolina
se puedaderramar.
• NO rode liquidos inflamabies.
AL TRANSPORTAR,MOVER0 REPARAREQUIPO
• Transporte, mover o repare ei equipo con ei tanque de
combustible vacio, o con lav_lvula paraapagarei combustible,
apagada(posici6n OFF).
•NO incline ei motor o ei equipo, detai maneraque la gasolina
se puedaderramar.
•Desconecteei cable de la bujia.
CUANDOALIVlACENE0GUARDEELEQUIPOCONCOMBUSTIBLE
EN ELTANQUE
•Almacenealejado de calderas, estufas, calentadores deagua,
secadorasde ropa u otros aparatos eiectrodom_sticos que
posean pilotos u otras fuentes de ignici6n, porque ellos pueden
encender los vapores de la combustible.
A AI:IVERTENCIA El uso de limpiadora a presi6n puede
,_ _._ crearresbalosas.lOscharcos y superficies
El retroceso de la pistola rociadora
puede provocar caidas.
•Utilice la limpiadora a presi6n desdeuna superficie estable.
•El_rea de limpieza deber_ tener inclinaciones y drenajes
adecuadospara disminuir la posibilidad de caidasdebido a
superficies resbalosas.
•Extremelas precaucionessi necesita utilizar la limpiadora a
presi6n desdeuna escalera, un andamio u otro lugar similar.
•Sujete firmemente ia pistola rociadora con ambas manos
cuando aplique un rociado a alta presi6n paraevitar lesiones
cuando se produzca ei retroceso de la pistola.
38

A. ABVERTENCIA El chorro de agua a alta presi6n que
este equipo produce, puede atravesar ia piei y
los tejidos subcut_.neos, provocando iesiones de
gravedad que podrian dar lugar a la amputaci6n
de un miembro.
La pistoia rociadora contiene agua a alta presi6n incluso con
ei motor parado y el agua desconectada, que puede causar
la herida.
•NO permita en ning0n momento que NI_IOSoperen la m_quina
limpiadoraa presi6n.
•NUNCAreparela manguerade alta presi6n. Remplacela.
•NUNCAutilice ning0n tipo de seNadorpara reparar unafuga en
una conexi6n. Sustituya la junta t6rica o la junta.
•NUNCAconecte la manguerade alta presi6n al prolongador de
la boquiNa.
•Mantenga conectadaia mangueraa la m_quina o a la pistola de
rociado cuando ei sistema est_ presurizado.
•SIEMPREque pareel motor, apunte con la pistola rociadora
hacia una direcci6n segura, pulse el bot6n rojo y apriete el
gatiNoparadescargar la presi6n.
•NUNCAapunte la pistola a la genre, animaies o plantas.
•NOfije la pistola rociadora en la posici6n abierta.
•NOabandone la pistola rociadora cuando la m_quina est_ en
funcionamiento.
•NUNCAutilice una pistola rociadora cuyo seguro o protecci6n
para el gatiNono est_ en perfecto estadode funcionamiento.
•Aseg0rese entodo momento de conectar correctamente la
pistola rociadora, lasboquiNasy los accesorios.
A. ADVERTENCIA Chispear involuntario puede tener
"_=h, como resultado el fuego o el golpe
el6ctrico.
CUANDOAJUSTEO HAGAREPARACIONESA SU MAQUINA
LIMPIADORAA PRESI6N
• Siempre desconecte el alambre de la bujia y col6quelo donde
no pueda entrar en contacto con la bujia.
CUANDOPRUEBELABUJJADELMOTOR
•UtiNceun comprobador de bujbs homologado.
•NOcomprueba la chispa sin la bujia instalada.
A. ADVERTENCIA Riesgode lesionesoculares.
El agua rociada puede salpicar o propulsar
objetos.
• CuandoutiNceeste equipo o est_ cerca de 61,siempre use gafas
de seguridad con ventiiaci6n indirecta (contra salpicaduras de
productos quimicos) marcadaspara cumplir con ANSi Z87.1.
• NUNCAse ponga gafas de seguridad ni gafas para entornos
secos como sustituto de las gafas de seguridad con ventilaci6n
indirecta.
AVISO El rociado de alta presi6n puede da_ar elementos
fr_.giles, incluyendo ei vidrio.
*NOdirija la pistola rociadora hacia cristaies cuando use ei patr6n
de rociado MAX (m_imo) en el boquiNade selector.
*NUNCAapunte la pistola a plantas.
AVISO El tratamiento inadecuado del limpiadora a presi6n
puede daSarlo y acortar su vida productiva.
• Si ustedtiene alguna pregunta acercade ias finalidades de uso dei
generador, preg0nteiea su concesionario o contacte a Sears.
• NUNCAdeber_n ser operadas las unidades con partes rotas o
ausentes, o sin la caja o cubiertas de protecci6n.
• NOeiuda ning0n dispositivo de seguridad de esta m_quina.
• NOintente alterar la veiocidad controlada.
• NOutilice la limpiadora a presi6n por encima de su presi6n
nominal.
•NOhaga ninguna modificaci6n en la Nmpiadoraa presi6n.
•Antes de poner en marcha la m_quina Nmpiadoraa presi6n en
cNmafrio, revise todas las partesdel equipo y aseg0rese de que
no se hayaformado hieio sobre eNas.
•NUNCAmuevala m_quina halando ia manguera dealta presi6n.
UtiNcela manija que viene con la unidad.
•Reviseque el sistema de combustible no presentefugas o signos
dedeterioro, como manguerasdesgastadaso porosas,
sujetadoresflojos o ausentes,tapa o tanque da_ados.Corrija
todos los defectosantes de operar la m_quina Nmpiadoraa
presi6n.
•Elequipo dealta presi6n est6,dise_ado paraser utiNzado
UNICAMENTEcon las partes autorizadasSears.Si utiliza este
equipo con partes que no cumplan con las especificaciones
minimas, ei usuario asume todos los riesgos y responsabilidades.
39

CONOZCASU iViAQUINALIIViPIADORAAPRESI6N
Leael ManualdelOperafioy lasreglas desegufidadantesdeponerenmarchasulimpiadoraapresi6n.
Compare las ilustraciones con su limpiadora a presi6n para familiarizarse con las ubicaciones de los diferentes controles y ajustes.
Guarde este manual para referencias futuras.
\
A - Bandeja de accesorios - Permite almacenar cOmodamente los
accesorios de serie.
B - Abrazadera para manguera ymanguera de alta presi6n- La
abrazadera para manguera facilita el transporte y el manejo de la
manguera de alta presiOn. Oonecteun extremo de la manguera a la
bomba de agua y el otro a la pistola rociadora.
C- Arrancador de retroceso -- Usado para arrancar el motor manualmente.
ID-Mangaera de inyecci6nProject Pro@ PerfectMix TM -Mezclael
concentrado con el rociado de la limpiadora a presiOn.
E - Tapa del dep6sito del aceite -- Lleneel motor con aceite aqui.
F- Soporte para bolella - La botella de soluciOnlimpiadora se adaptaa la
forma del soporte de alambre. Botellacon concentrado no incluida.
G-Identificaci6n de motor -- Proporciona el modelo, tipo y el cOdigode
motor. Tenga por favor estos prontamente disponible cu_ndo Ilamar para
la ayuda.
H - Eatradade agua -- ConexiOnparala manguerade jardin.
J - Autom_tico se enfria sistema -- Los ciclos regan por bomba cuando
agua alcanza125°-155°F. Entibiar agua descargarAde la bomba en el
suelo. Este sistema previene el da_o interno de bomba.
K - Bomba -- Desarrolla alta presiOn de agua.
L-Tubo/filtro de inyecci6n de detergente - Permite inyectar detergentes
para limpiadora a presiOn en el circuito de baja presiOn.
M- Interrupter bascalante del motor-- Deber_ estar en la posiciOn de en (I
oON) para darle arranque al motor. ColOqueloen la posiciOnde lejos (0
oOFF)para detener un motor en funcionamiento.
H-Boqailla de selector -- Contiene cinco boquillas con patrones de
rociado diferentes para diversas aplicaciones.
P Filtrode aire -- Elelemento de filtro tipo seco limita la cantidadde
suciedady polvo que se introduce en el motor.
R - Tanqaedel combustible -- Llene el tanque con gasolina regular sin
contenido de plomo en este punto. Siempre habitaciOnde hojapara la
expansion del combustible.
S- Extensi6nde la boquilla con conectorr;_pido- Le permite cambiar entre
el boquilla de selector y los accesorios opcionales para boquilla.
T - Asa piegable -- Elasa y la bandeja de accesorios se pliegan sobre el
motor cuando est_ frio para reducir el espacio necesario para el
almacenamiento.
U-Pistoiade rociado-- Controla la aplicaciOnde agua sobre la superficie de
limpieza con el gatillo. Incluye cerrojo de seguridad.
No mostrado:
Etiqaetade identificaci6n(el trasero cercano de plato despreciable) --
Proporciona el modelo y el nOmerode serie de limpiadora a presiOn.Tenga
por favor estos prontamente disponible cu_ndo Ilamar para la ayuda.
Toma de alia presi6a -- ConexiOnpara la manguera de alta presiOn.
Etiquela de advertencia einstrucciones-- Identifica los riesgos e indica el
procedimiento adecuadode puesta en marcha o de parada de la limpiadora a
presiOn.
4O

Sulimpiadoraapresi6nrequieredeciertoensambleyestar_lista
paraserusado_nicamentedespu_sdehaberdepositadoel
combustibleyelaceiterecomendado.
Sitieneproblemasconel ensambiedesum_quinalimpiadoraa
presi6n,llameala lineadeayudade la m_quinalimpiadoraa
presi6nal 1-800-222-3136=
Desembalela limpiadoraa presi6n
1. Saquetodo el contenido de la caja de cart6n, a excepci6n de la
limpiadora a presi6n.
2. Abra completamente la caja de cart6n cortando cada una de
sus esquinas de arfiba abajo.
3. Saque la fimpiadora a presi6n de la caja de cart6n.
Contenido de la caja
Revise el contenido de la caja. Si alguna de las partes no est_
presente o est_ da_ada,Ilame a la linea de ayuda de la m_quina
limpiadora a presi6n al 1-800-222-3136.
• La unidad principal
• Manubrio
• Bandeja deaccesofios
• La mangueradealta presi6n
• Pistola de rociado
• Extensi6n de la boquilla con conector r_pido
= Boquilla de selector de conexi6n rApida
• Aceite para motor
• Abrazaderade la manguera
• Soportes para botellas (2)
• Manguera de sif6n del detergente
• Manguera de sif6n del detergente de ProjectPro® PerfectMixTM
• Bolsa de partes (incluye los elementos descritos a continuaci6n)
• Manual del operador
• Tarjetade la matricula
• Piezaspara la manubrio (incluye Io siguiente):
• Pernos para manubrio (2)
• Perilla Pl_stica para manubrio (2)
• Guiade la cuerda (1)
• Pernos de cabeza redonda (2)
• Perilla Pl_stica (3)
• Pinzasde Arbol (4)
Familiaricesecon cada parte antes de ensamblar la mAquina
limpiadora a presi6n. Compareel contenido con la ilustraci6n de la
pAgina40. Si alguna de la partes no est_ presenteo se encuentra
da_ada,Ilame a la linea deayuda de la m_quina limpiadora a
presi6n al 1-800-222-3136.
iViONTAJEDELLllViPIADORAA PRESION
Usted deberA Ilevar a cabo los siguientes procedimientos antes de
poner enfuncionamiento su fimpiadora a presi6n:
1. Llene y mande en tarjeta de matricula.
2. Conecte manubrio y bandeja de accesorios.
3. Conecte la manguerade sif6n del detergente a la bomba.
4. A_adaaceite al motor.
6. Conecte mangueraa alta presi6n a pistola rociadoray a bomba.
7. Conecte el suministro de agua a bomba.
8. Conecte boquilla la extensi6n al pistola rociadora.
9. Selecto/conecta r_pido conecta boquilla a la extensi6n de la
boquilla.
Conecteel manubrio y bandejade accesorios
1. Coloque el manubfio (A) a lado de los soportes del mismo (B)
que ya estAnadheridos a la unidad principal. Aseg_rese de que
los orificios (C) en el manubrio est_n alineados con los orificios
(C) en los soportes del mismo manubrio.
2. Inserte los pernos de cabeza redonda (D) del asa en los
orificios desde el interior de la unidady coloque un pomo de
pl_stico (E) desde la parte exterior.Apfiete a mano. Si se aflojan
los dos pomos de la parte intermediadel perno de sujeci6n, el
asa superior se puede plegar sobre el motor cuando est_ffio.
AVISO [/O pliegue el asa si el motor estAcaliente.
3. Coloque la bandeja deaccesories (F) sobre los orificios (G) del
manubfio (vista desde la parte dentr_s de la unidad). Presione
las pinzas de _rbol (H) paraintroducir las en los orificios hasta
.
que queden a nivel con la bandeja de accesofios.
/
Inserte los accesofios suministrados en los espacios
correspondientes en la bandeja de accesorios. Consulte CSmo
Usar la BandejadeAccesorios.
5. A_adagasolina al tanque de combustible.
41

5. Fije la guia de la cuerda (A) al asa con el pomo de pl_stico
negro (B). Apriete a mane. Pasela cuerda del arrancador per el
fijador.
.Alinee la o las abrazaderasde la manguera(O) con la parte
trasera de la bandejade accesofios. Alinee lasmuescasy
coloque la abrazaderade la manguera sobre el soporte de la
parte trasera de la bandeja deaccesofios. Los pasadoresde la
parte trasera de la bandeja deaccesofios deben penetrar en las
ranuras de la superficie interior de la abrazaderade la manguera
(D). Gire un octavo devuelta parafijar la posici6n (E).
7. Fije los soportes para botellas (F) al asa con pernos de cabeza
redonda (G) y pomos de plAstico negro (H). Apfiete a mane.
Sistema de inyecci6n"2 en 1"
La limpiadoraa presi6n estAequipada con dos mangueras de
inyecci6n de detergente.
Sistema de inyecci6n Project Pro@ PedectMW M
Tube azul con tap6n de botella azul:
Cuandohaga use del sistema de inyecci6n
PerfectMixTM azul, utilice el concentrado directamente
de la botella. (Un cuarto de botella de concentrado
Perfect MixTM permite preparar 16 litros de soluci6n
jabonosa.)
Tubede inyecci6nest_ndartransparente
Tubetransparenteconfiltro:
__ uandoutiliceeltubedeinyecci6ntransparente,
diluya1 partedeconcentradoper16partesde
agua.(120ml deconcentradoest_ndarpermiten
obtener1,90litrosdemezcla.)
Conecteel sistema de inyecci6nProject Pro@
PerfectiVlixTM ala bomba
Conecteel extreme de la manguera del sistema de inyecci6n Project
Pro® PerfectMixTM (J) al acoplamiento dentado de la manguera (K)
de la bomba.
Conecteel sistema de inyecci6nde detergente
PerfectMixTM ala botella de concentrado
Coloquela botella de Project Pro® PerfectMixTM (no incluida) en el
soporte de alambre del asa. Quite el tap6n de la botella e inserte el
sistema de inyecci6n Project Pro® PerfectMixTM (L). Enrosque la
unidad de inyecci6n a la parte superior de la botella (M). Utilice el
clip del tap6n (L) para encajar el sistema de inyecci6n en el soporte
dealambre cuando no est(ien una botella de concentrado.
Agregueaceite de motor
1. Coloque la limpiadora a presi6n en una superficie plana y
nivelada.
2. Limpie la zona de alrededor del orificio de llenadode aceite y
quite el tap6n amarillo.
3. Con la ayuda de un embudo (opcional), vierta lentamentetodo
el contenido de la botella de aceite per el orificio de llenadode
aceite.
AVISO El tratamiento inadecuado del limpiadora a presiOn
puede da_arlo y acortar su vida productiva.
• NOprocure acodar ni empezarel motor antes ha side atendido a
apropiadamentecon el aceite recomendado.Esto puedetener
come resultado una averia del motor.
4. Vuelva a colocar el tap6n y apri(itelo firmemente.
42

Aoreoueoasolina
El combustibledebe reunir los siguientes requisites:
• Gasolina sin plomo limpia y nueva.
• Un minimo de 87 octanes/87 AKI (91 RON). Para use a gran
altitud, consulte Gran altitud.
• El motor admite gasolinacon hastaun 10% de etanol (gasohol)o
hasta un 15% de MTBE(_ter metil terbutilico).
AVI$O Evite el da_o dei iimpiadora a presiOn.
El fracaso para seguir Manual de Operario para ei
combustible reccomendations garanfia de vacios.
• NO utilice gasolina no autorizada; per ejemplo, E85.
• NO mezcleaceite con gasolina.
• NO modifique el motor para hacerlofuncionar con otros
combustibles.
Paraevitar laformaci6n de carbonilla en el circuito de combustible,
siempre que a_ada combustible, m_zclelo con un estabilizador.
Consulte Almacenambnto. NOtodos los combustibles son iguales.
Si detecta problemas de arranque o de rendimiento despu_s de
utilizar un combustible, pruebea cambiar de proveedor o de marca.
Este motor est_certificado parafuncionar con gasolina. Su sistema
de control de emisiones es EM (Modificaciones del motor).
_k ADVERTENCIA La gasolina y sus vapores son
extremadamente inflamables y
fexplosivos.
El fuego o una explosi6n pueden causar
quemaduras severas e inclusive la muerte.
CUANDO ANADA COMBUSTIBLE EL DEPOSITO
• Apague el limpiadora a presi6n (posici6n OFF)y d6jelo enfriar al
menos per 2 minutes antes de remover la tapa de la
combustible. Afioje la tapa lentamente paradejar que la presi6n
salga del tanque.
• Llene el dep6sito de combustible a la intemperie.
• NO Ilenedemasiadoel tanque. Permita al menos espacio para
la expansi6n del combustible.
= Si se haderramado combustible, esperea que se evaporeantes
de arrancarel motor.
• Mantenga la gasolina alejada dechispas, llamas abiertas,
pilotos, calory otras fuentes de ignici6n.
• NOencienda un cigarrillo o fume.
.
2.
Limpie el _reaalrededor de latapa de llenadodel combustible,
retire la tapa.
A_ada lentamente gasolina sin plomo (A) al dep6sito de
combustible (B). NOa_ada combustible en exceso. Para
permitir la expansi6n del combustible, no Ilene per encima de la
boca del tanque de combustible.
-._ _ f -,_- J_"_.,,*'_f _,.,_'r -,_,._,_-_*N,_"_-_r _ Jr _ '
3. Instale la tapa del tanque de combustible y la espera para
algOn combustible rociado para evaporar.
iPRECAUCION! Los combustibles con mezcla dealcohol (gasohol,
etanol o metanol) pueden atraer ia humedad y provocar la
separaci6ny formaci6n de _cidos durante ei almacenamiento. Los
gases_cidos pueden daSarei circuito de combustible y el motor
durante el almacenamiento.
Paraevitar este tipo de problemas, vacie el circuito de combustible
cuando vaya a almacenar la unidad durante 30 dias o m_s. Vacie el
dep6sito de combustible, arranque el motor y d_jelo funcionar hasta
que los conductos de combustible y el carburador queden vacios.
Utilice combustible nuevo la pr6xima temporada. Paraobtener m_s
informaci6n al respecto, consulte Almacenambnto.
NUNCAutilice productos limpiadores para motores o carburadores
enel dep6sito de combustible, ya que podrian provocar da_os
permanentes.
(;ran altitud
Enaltitudes superiores a 1.524 metros (5.000 pies), se deber_
utilizar gasolina con un minimo de 85 octanes /85 AKI (89 RON).
Paraseguir cumpliendo la normativa sobre emisiones, es necesario
ajustar la unidad para su use a gran altitud. De no realizarseeste
ajuste, el rendimiento se reducir_ y el consume de combustible y
las emisiones aumentar_n. Para obtener m_s informaci6n sobre el
ajuste para gran altitud, consulte con un distribuidor cualificado de
Sears.No se recomienda utilizar el motor a altitudes inferiores a
762 metros (2.500 pies) con el juego de gran altitud.
Tap6n de combustibleFresh Start@
Eltap6n de combustible Fresh Start® (C) est_ diseSado para
albergar un cartucho (D) con aditivo paracombustible. Laadici6n
de un aditivo para combustible ayuda a mantener el combustible en
buen estadoy los carburadores limpios parafacilitar el arranque
durantetoda la temporada. El tap6n de combustible FreshStart®, si
est_equipado con un cartucho, suministra autom_ticamente el
aditivo de combustible concentrado en el tanque de combustible, de
forma que usted no tenga que agregarlo.
AVISO El cartucho de aditivo para combustible Fresh Start® est_
disponible come un accesorio opcionai, n0mero de cat6Jogo
7174403. No est_ incluido en la limpiadora a presi6n. P6ngase en
contacto con el fabricante del equipo original, el vendedor o el
distribuidor para obtener un cartucho diseSado para ei tap6n de
combustible FreshStart® instalado en este motor.
Leay siga todas las instrucciones y advertencias del paquete del
cartucho de aditivo para combustible Fresh Start®.
43

Conectela manouera y el suministrode aouaa
la bomba
AIflSO NO hagafuncionar la bomba si no tiene el
suministro conectado y abierto.
• Elda_oa la limpiadoraa presidn,resultadodeladesatencidna
estaprecaucidn,noser_cubiertoporlagarantb.
AVISO Antes de conectar las mangueras, retire y deseche los
tapones de transporte de la salida dealta presi6n y de la entrada de
aguade b bomba.
1. Retroceda la manguera a alta presidn y conectea la base de la
pistola rocbdora. Apriete con la mano.
_lLADVERTENCIA Elchorro de agua a alta presiOnque
este equipo produce, puede atravesar la piel y
los tejidos subcut_.neos,provocando lesionesde
gravedad que podrian dar lugar a la amputaciOn
de un miembro.
• NUNCAconectelamangueradealtapresi6nal prolongadorde
la boquilla.
• Mantengaconectadala mangueraa lam_quinao a lapistolade
rociadocuandoelsistemaest(ipresurizado.
• Aseg_reseentodo momentodeconectarcorrectamentelapis-
tola rociadora,lasboquillasy losaccesorios.
2. Conecte el otro extremo de la mangueraa alta presi6n, a la
salida de alta presidn de la bomba. Apriete con la mano.
3. Antesde que conecte b manguera de jardina b entrada de
agua, inspeccione el cobdor de la entrada (A). Umpie el colador
si tbne residuos o solicite su rempbzo si estfi da_ado. NO haga
fuflcionar la limpiadora a presi6nsi el flltro de entrada falta
o est_ dafiado.
4. Hagacorrer el agua a trav_s de la manguera de su jardin por
30 segundos para limpiar cualquier escombro que se
encuentre en ella. Desconecteel agua.
Alfl$O Hace NO aguade parar de siphon para el abastecimiento de
agua. Useagua SOLOfrb (menos que 100°F).
AV/SO El uso de una v_.lvulaunidireccional (igualador de
presiOno v_.lvulade retenciOn)en la entrada de la bomba
puedeproducir da_os en la bomba o en el conector de
entrada.
• DEBEhaberunminimode3 metros(10pies)demanguerade
riegolibreentrelaentradadelalimpiadoraa presidny cualquier
dispositivo,comounigualadordepresidno unav_lvulade
retencidn).
• Elda_oa lalimpiadoraa presidn,resultadodeladesatencidna
estaprecaucidn,noser_cubiertopor lagarantb.
5. Conecte la manguera de jardin (no exceder 50 pies en la
Iongitud) a la entrada del agua.Apriete con la mano.
_lLADVERTENOIA Riesgode lesiones ocubres.
El agua rociada puede salpicar o propulsar
objetos.
• Cuandoutilice este equipo o est_ cerca de _1,siempre use gafas
de seguridad con ventilaci6n indirecta (contra salpicaduras de
productos quimicos) marcadaspara cumplir con ANSI Z87.1.
• NUNCAse ponga gafas de seguridad ni gafas paraentornos
secos como sustituto de bs gafas de seguridad con ventibci6n
indirect&
6. ABRA el agua,apunte con la pistola hacia una direcci6n segura
presione el seguro (bot6n rojo) (B) y apriete el gatillo para
eiiminar el aire y las impurezasdel sistema de bombeo.
Listade revisionprevia ai arranque del motor
Revise la unidad paraasegurarse que ha Ibvado a cabo los
siguientes procedimientos:
1. Aseg_rese de leer las secciones Reglasde Seguridady
OperaciSnantes de usar el limpiadora a presi6n.
2. Revise que los sujetadores del carrete de la manguera est(in
apretados.
3. Revise que haya sido depositado aceite y est_ al nivel correcto
en la caja del cig_Je_aldel motor.
4. Deposite la gasolina adecuadaen ei tanque del combustible.
5. Revise quetodas las conexiones de las mangueras (alta
presi6n y suministro de agua) est_n apretadas correctamente y
que no existan dobleces, cortes o da_o de la manguera de alta
presi6n.
6. Proporcione el suministro de agua adecuado(que no exceda
los 100°F).
44

COMOUSARSU LIMPIADORAA PRESI6N Para poneren rnarchael lirnpiadoraa presi6n
Si tiene problemas con el funcionamiento de su m_quina Nmpiadora
a presi6n, por favor Namea la Nneade ayuda de la m_quina
Nmpiadoraa presi6n al 1-800-222-3136,
Ubicaci6ndel lirnpiadoraa presi6n
Espaciolibre alrededordel limpiadoraa presi6fl
IL ADVERTENCIA Los gasesy el caior de escape
pueden inflamar los materiales combustibles y
las estructuras 0 da_ar el dep6sito de
combustible y provocar un incendio.
• Dejeunespaciominimode1.5 m (5 pies)airededordel
Nmpiadoraa presi6n,incluidalapartesuperior.
Coloque ia Nmpiadoraa presi6n a la intemperie en una zona en
donde no se acumulen gases de escape mortales. AsegOresede que
los gases de escape (A) no puedan entrar por ventanas, puertas,
tomas de aire de ventilaci6n u otras aberturas en un espacio
cerrado en el que puedan acumuiarse. Tenga en cuenta los vientos y
las corriente de aire preponderantes cuando eNjala ubicaci6n del
Nmpiadoraa presi6n.
IL ADVERTENCIA AI motor funcionar, se produce
mon6xido de carbono, un gas inodoro y
venenoso.
Respirar mon6xido de carbono puede provocar
dolor de cabeza,fatiga, mareos, v6mitos, confusi6n,
ataques, n_.useas,desmayos o incluso la muerte.
• Opereel Nmpiadoraapresi6nSOLAMENTEalaireNbre.
• AsegOresedequelos gasesdeescapeno puedanentrarpor
ventanas,puertas,tomasdeairedeventilaci6nuotras
aberturasen unespaciocerradoeneiquepuedanacumularse.
• NOarranqueni dejefuncionarel motoreninterioresni en
zonascerradas,aunquehayaventanasy puertasabiertas.
Paradarle arranque a su iimpiadora a presi6n movido a motor por
primera vez, siga estas instrucciones paso a paso. Esta informaci6n
acerca de la puestaen marcha inicial tambi_n es v_lida para cuando
vaya a darle arranque ai motor despu_s de haberlo dejado la
m_quina limpiadora a presi6n fuera de funcionamiento por Io
menos un dia.
1. Coloque la m_quina Nmpiadoraa presi6n en un _rea cercanaa
una suministro deagua exterior capaz deabastecer aguaa un
volumen mayor de3.7 gaiones por minuto en no menos que
20 PSi en el fin de arandelade presi6n de la manga dei jardin.
2. Revise que la manguera de alta presi6n se encuentre
conectadafirmemente a la pistola de rociado y a la bomba. Vea
Montaje.
3. AsegOreseque la unidad est_ nivelada.
4. Conecte la manguera de jardin a la entrada dei agua. Aprietela
con la mano.
AV/SO NO hagafuncionar la bomba si no tiene el
suministro conectado y abierto.
•Elda_oa laNmpiadoraa presi6n,resultadodeiadesatenci6na
estaprecauci6n,noser_cubiertopor lagarantfa.
5. Abra ei agua,apunte con la pistoia hacia una direcci6n segura
presione el seguro (bot6n rojo) y apriete el gatiNopara eNminar
eiaire y las impurezas del sistema de bombeo.
6. Conecte la extensi6n de la boquiNaa la pistola rociadora.
Apri_tela con las manos.
7.
.
Tire haciaatr_s el aniNodel prolongador de la boquiNa,inserte
el boquiNadeselector y Nbereei aniNo.Tire del boquilla de
selector para comprobar que est_ bien montado. Consulte
C6mo usar el boquilla de selector.
SitOeel interruptor basculante del motor (B) en la posici6n de
en (I OON).
\
45

AV/SO Antesdearrancarlalimpiadoraapresi6n,aseg_resede
ponersegafasdeseguridadcomose describea continuaci6n.
A. ADVERTENCIA Riesgode lesionesoculares.
El agua rociada puede salpicar o propulsar
objetos.
• Cuandoutilice este equipo o est_ cerca de 6i, siempre use gafas
de seguridad con ventiiaci6n indirecta (contra salpicaduras de
productos quimicos) marcadaspara cumplir con ANSI Z87.1.
• NUNCAse ponga gafas de seguridad ni gafas para entornos
secos como sustituto de las gafas de seguridad con ventilaci6n
indirecta.
AV/SO Esta unidad est_ equipada con un motor ReadyStart®. Los
motores ReadyStart® no requieren cebado ni estrangulamiento.
9. Cuandoarranque el motor, col6quese en ia posici6n que se
recomienda a continuaci6n. Sujete la manija y hale ligeramente
la manija del arranque hasta que sienta cierta resistencia.
Despu_s h_iela r_pidamente.
10. Jaie la cuerda de arranque lentamente.NO permita que la cuerda
regrese bruscamenteen contra del arrancador.
A. ADVERTENCIA Ei retroceso (repliegue r_.pido) dei
cable del arrancador puede producir lesiones. El
,_ retroceso impedir_, que el usuario suelte ei cable a
tiempo y tirar_ de su mano y brazo hacia el motor.
Como resultado, podrian producirse fracturas,
contusiones o esguinces.
• NUNCAtire dei cable dei arrancador sin eiiminar previamentela
presi6n de la pistola rociadora.
• Cuando arranque el motor, tire ientamente dei cable hasta
sentir una resistenciay, a continuaci6n, tire r_pidamente de_i
para evitar su retroceso.
• Despu_s decada intento de arranque, cuando ei motor no
consiga arrancar, apunte con la pistola rociadora hacia una
direcci6n segura, pulse el bot6n rojo y apriete ei gatillo para
descargar la presi6n.
• Sujete firmemente la pistola rociadora con ambas manos
cuando aplique un rociado a alta presi6n paraevitar lesiones
cuando se produzca el retroceso de la pistola.
11. Apunte con la pistola rociadora hacia una direcci6n segura,
pulse el bot6n rojo para liberar la cerradura del disparador, y
apriete el gatillo.
A. ADVERTENCIA Elchorro de agua a alta presi6n que
este equipo produce, puedeatravesar ia piei y
los tejidos subcut_.neos,provocando iesionesde
gravedad que podrian dar lugar a la amputaci6n
de un miembro.
Lapistoiarociadoracontieneaguaaalta presi6n inclusocon
el motor paradoy el aguadesconectada,quepuedecausar
la herida.
• NOpermitaen ning_nmomentoqueNII_IOSoperenla m_quina
limpiadoraa presi6n.
• Mantengaconectadala mangueraa iam_quinao a lapistolade
rociadocuandoelsistemaest_presurizado.
• NUNCAapuntelapistolaala genre,animaleso plantas.
• NOfije la pistolarociadoraenlaposici6nabierta.
• NOabandonelapistolarociadoracuandolam_quinaest_en
funcionamiento.
• NUNCAutilice una pistola rociadora cuyo seguro o protecci6n
para ei gatillo no est_ en perfecto estadode funcionamiento.
• Aseg_reseen todo momento de conectar correctamente la
pistola rociadora, las boquillas y losaccesorios.
A. ADVERTENCIA El contacto con la zona dei silenciador
puede producir quemaduras graves.
_ _ gasesy escape pueden
Los ei caior de
infiamar los materiales combustibles y
las estructuras 0 da_ar el dep6sito de combustible y
provocar un incendio.
• NO toque ias superficies calientes y evite los gases del escape a
aitatemperatura.
,Permita que el equipo se enfrie antes de tocarlo.
• Deje un espacio minimo de 1.5 m (5 pies) airededor del
limpiadoraa presi6n, incluida ia parte superior.
• Utilizar ei motor en un terreno boscoso, con malezao cubierto
de hierba constituye una infracci6n al C6digo de recursos
p_blicos de California,a menos que ei sistema de escapeest_
equipado con una pantallaapagachispas, deacuerdo a la
definici6n de la Secci6n 4442, que se mantenga en buenas
condiciones de funcionamiento. En otros estados o
jurisdicciones federales puede haber leyes similares en vigor.
P6ngaseen contacto con el fabricante, el vendedor o el
distribuidor del equipo original para obtener una pantalla
apagachispasdise_ada para ei sistema de escape instaiado en
este motor.
• Las piezasde recambio deben ser las mismas que las piezas
originales y estar instaiadasen la misma posici6n.
C6rnodetener su limpiadora a presi6n
f. Suelte el gatillo de la pistola rociadora y deje funcionar el
motor al ralenti durante dos minutos.
2. Sit_e el interruptor En/Apagado(On/Off) del motor en la
posici6n "Off (Apagado).
3. SIEMPREfusil de punto en una direcci6n segura, presione el
seguro (bot6n rojo) y el disparador del fusil del rocio del
estruj6n para liberar la presi6n retenida de la pleamar.
,4V150 La pistola rociadora contieneagua a alta presi6n incluso con
el motor paradoy el aguadesconectada.
46

_i, ADVERTENCIA Elchorro de agua a alta presiGnque
este equipo produce, puede atravesar ia piei y
los tejidos subcut_.neos,provocando iesionesde
gravedad que podrian dar lugar a la amputaciGn
de un miembro.
La pistoiarociadoracontieneaguaaalta presiGninclusocon
ei motor paradoy elaguadesconectada,quepuedecausar
la herida.
• Mantengaconectadala mangueraa iam_quinao a lapistolade
rociadocuandoeisistemaest_presurizado.
• SIEMPREquepareel motor,apunteconlapistolarociadora
haciaunadirecciGnsegura,presioneei seguro(botGnrojo)y
aprieteei gatilloparadescargarlapresiGny evitareiretroceso.
C6mousarla bandeja de accesorios
La unidadest_ equipadacon una bandejadeaccesorios con
compartimentos para guardar la pistoia rociadora y el prolongador de
la boquilb. La partetrasera de la bandejatambi_n incluye una
abrazaderade la mangueradesmontableparasujetar la manguerade
alta presiGn.
1. Coloque ei prolongador de la punta de rociado en ei pasador
de la partetrasera de la bandejade accesorios.
............... \ \,
\
2. Coloque la pistola rociadora en el orificio situado a la derecha
de la bandejade accesorios.
/IV/SO Tambi_n puede usar el soporte de la pistoia rociadora en la
bandeja de accesorios paraaimacenar la pistola rociadora, el
prolongador de la boquilla y la boquilla con selector, como se
muestra en la secciGnCaracterfsticasy mandos.
3. Sujete la manguera de alta presiGncon la abrazaderade la
mangueray fije la abrazaderaa la parte trasera de la bandeja
de accesorios.
4. La parte trasera de la bandeja de accesorios dispone de un
gancho paracolocar correctamente la m_scara de seguridad.
C6mousarel boquilla de seieclor
El boquilla de selector le permite cambiar entre cinco boquillas con
patrones de rociado diferentes. Siempre que est_ activado el pestillo
deseguridad del gatillo de la pistola rociadora, se pueden cambiar
los patrones de rociado con la limpiadora a presiGnen
funcionamiento. Los patrones de rocbdo varbn tal como se
muestra a continuaciGn.
_i, ADVERTENCIA Elchorro de agua a aita presiGnque
este equipo produce, puedeatravesar ia piei y
los tejidos subcut_.neos,provocando iesionesde
gravedad que podrian dar lugar a la amputaciGn
de un miembro.
• NUNCAcambielos patronesderociadosinactivareisegurodei
gatillodelapistolarociadora.
• NOgireei boquilladeselectormientrasrealizael rociado.
Para cambiar los patronesde rociado, siga estas inslrucciones:
1. Seleccione el patrGnde rocbdo deseado:
• MAX - Para superficies dificiles de iimpiar o de alcanzar,
como las que se encuentranen segundos pisos; o bien,
paraquitar pintura, manchasde aceite, 6xido u otras
sustancias resistentes (alquitr_n, caucho,grasa, cera, etc.).
• GENERAL- Para la mayoria de lastareas de limpiezaen
recubrimientos laterales, patios con piso detabique, pisos
de madera, caminos y andadores, piso de garajes, entre
otros.
•DELICATE- Parauna limpieza suave de carros/camiones,
bores,vehiculos recreativos (RV), muebles de jardin,
equipo de jardinerb, etc..
• FLUSH- Parauna limpieza r_pida de alto flujo y largo
alcance para recubrimientos y ventanas en segundos
pisos.
• SOAP- Paraaplicar jabGno propulsarlo hacia
recubrimientos y ventanas en segundos pisos.
2. Oprima el botGnen la boquilla con selector y el disco de la
boquilla se botar&
3. Gire el disco hasta que el patrdn de rociado deseado quede
alineado con el botdn en la boquilla con selector.
4. Oprima el disco hasta que encaje en su lugar.
47

Uso inclina
• Paraobtener un resultado 6ptimo, mantenga el boquilla de
selector a una distanciade entre 20 y 61 cm (8 a 24 pulgadas)
de la superficie que se limpia.
• Siio aproxima demasiado, especialmentecon una boquilla de
patr6n de rociado de alta presi6n, podria daSarla superficie.
• NOcoloque la boquilla a menos de 15 cm (6 pulgadas) cuando
est_ limpiando Ilantas.
Sistema de inyecci6n"2 en 1"
_i, ADVERTENCiA Peligro de quemadura quimica.
i_ Los productos quimicos podrianprovocarlesiones,
dafios materialesde gravedado la muerte.
e
e
NO useliquido c_ustico con la limpiadora a presi6n.
Use EXCLUSIVAMENTEdetergenteso jabones especiaiespara
la limpiadoraa presi6n. Sigatodas lasinstrucciones dei
fabricante.
Limpiezayaplicaci6ndedetergenteconel
sistemade inyecci6nProjectPro®
PerfectlViWM
Siga estos pasos para aplicar detergente sin
diluir con ei sistema de inyecci6n azul
PerfectMWM:
1. Revise el uso dei boquilla de selector.
2. Conecte la manguerade inyecci6n
PerfectMixTM a ia bomba y a la botella de
concentrado PerfectMixTM.
ii
AVISO Ei contacto con el silenciador a aita temperatura
puede producir dafios en el tubo de inyecci6n de detergente.
• Cuando coloque el filtro en la botella dei detergente,coloque el
tubo de manera que no entre encontacto accidentaimentecon el
silenciador caliente.
3. Aseg_resede que la boquilla del patr6n de rociado para SOAP
(jab6n) est_ seleccionadaen el boquilla de selector.
AVISO No se puedeaplicar detergente con las boquiflas de los
patrones de rociado MAX (m_imo), GENERAL(general), DELICATE
(deficado) o de FLUSH(limpieza).
4. Aseg_resede que la mangueradel jardin est_ conectadaa la
entrada de agua. Compruebe que la manguera de alta presi6n
est_ conectadaa la pistola rociadora y a la bomba. Abra la
alimentaci6n deagua.
AVISO Usted deber_, conectar todas las mangueras antes
de darle arranque al motor.
• Arrancar el motor sin tener todas las manguerasconectadasy sin
el suministro de agua ABIERTO(ON) causar_ el da_o de la
bomba.
• El da_o a la limpiadora a presi6n, resultado de la desatenci6na
esta precauci6n, no ser_ cubierto por la garantia.
5. Marcha el motor siguiendo las instrucciones de la secci6n
C6mo poner en funcionamiento la limpiadora a presi6n.
6. Aplique ei detergente sobre la superficie seca, comenzando en
la parte inferior dei _,reay dirigi_ndose haciaarriba, utilizando
movimientos largos, parejos y superpuestos.
7. Permita que el detergente "penetre"de 3 a 5 minutos antes de
enjuagar. Vuelva a aplicado cuando sea necesario para evitar
que la superficie se seque. NOpermita que el detergente se
seque. Si permite que el detergente se seque, la superficie
podria quedar con manchas.
Limpieza yaplicaci6n de detergente conel
sistema de inyecci6n estdndar
transparente
Siga estos pasos para
diluido con el tubo de
transparente:
1. Revise el uso del
aplicar detergente
inyecci6n est_ndar
boquilla de selector.
2. Conecte la manguera de inyecci6n transparente a la bomba.
3. Prepare una soluci6n de detergente adecuada paraei trabajo.
4. Introduzca el extremo dei filtro peque_odel tubo de inyecci6n
transparente en el contenedor de la soluci6n diluida, como se
hadescrito anteriormente.
AVISO Aseg_rese deque el filtro est_ totalmente sumergido en
liquido mientras se aplica la soluci6n.
AI/I$O Ei contacto con el silenciador a aita temperatura
puede producir da_os en el tubo de inyecci6n de detergente.
• Cuandocoloque ei filtro en ia botella dei detergente, coloque el
tubo de maneraque no entre en contacto accidentalmente con ei
silenciador caliente.
5. Aseg_rese de que la boquilla del patr6n de rociado para SOAP
(jab6n) est_ seleccionadaen el boquilla de selector.
AVI$O No se puede aplicar detergente con las boquillas de los
patrones de rociado MAX (m_ximo), GENERAL(general), DELICATE
(deiicado) o de FLUSH(limpieza).
6. Aseg_rese de que la manguera del jardin est_ conectada a la
entrada de agua. Compruebe que la manguerade aita presi6n
est_ conectada a la pistola rociadora y a la bomba. Abra la
aiimentaci6n de agua.
AVISO Usted deber_, conectar todas las mangueras antes
de darle arranque al motor.
• Arrancar el motor sin tenor todas las mangueras conectadasy sin
el suministro de agua ABIERTO(ON) causar_el da_o de la
bomba.
• Elda_o a la limpiadora a presi6n, resultado de ia desatenci6na
esta precauci6n, no ser_ cubierto por la garantia.
7. Arranque el motor conforme alas instrucciones de Puestaen
funcionambnto de la limpbdora a presi(_n.
8. Aplique el detergente sobre la superficie seca, comenzando en
la parte inferior del _,reay dirigi_ndose haciaarriba, utilizando
movimientos largos, parejos y superpuestos.
9. Permita que el detergente "penetre"de 3 a 5 minutos antes de
enjuagar. Vuelva a aplicado cuando sea necesario para evitar
que la superficie se seque. NOpermita que el detergente se
seque. Si permite que el detergente se seque, la superficie
podria quedar con manchas.
AVISO Usted deber_ lavar el sistema de inyecci6n de quimicos
despu_s decada uso colocando el filtro en un balde de agua limpia
y haciendo funcionar la m_quina limpiadora a presi6n de 1 a 2
minutos en el modo de baja presi6n.
48

Enjuagede la mziquinalimpiadoraa presi6n
Despu_sde haber aplicado el detergente, refriegue Jasuperficie
y efljuageJade Jasiguiente manera:
1. En el boquilla de selector, seleccione la boquilla del patr6n de
rociado deseada.Consulte C6mo usar el boquilla de selector.
2. Mantenga la pistola de rociado a una distancia segura del _rea
que planearociar.
Ak.ADVERTENCIA El retroceso de la pistola rociadora
puedeprovocarcaidas.
•Utilice la limpiadora a presi6n desde una superficie estable.
•Extremelas precaucionessi necesita utilizar la limpiadora a
presi6n desdeuna escalera, un andamio u otro lugar similar.
•Sujete firmemente la pistola rociadora con ambas manos
cuando aplique un rociado a alta presi6n paraevitar lesiones
cuando se produzca el retroceso de la pistola.
3. Aplique un rociado de alta presi6n a una peque_azona y luego
compruebe si se ha producido alg_n tipo de da_o. Si no
aprecia da_os, continue en el paso 4.
4. Comienceen la parte superior del _rea que va a enjuagar,
dirigi_ndose hacia abajo con los mismos movimientos
superpuestos que utiliz6 para la limpieza.
Limpiezadel tubode inyecci6nde detergente
Si us6 el tubo, debe lavarlo con agua limpia antes de parar el motor.
1. Coloque el filtro y la inyecci6n de detergente en un balde Ileno
deagua limpia.
2. En el boquilla de selector, seleccionela boquilla del patr6n de
rociado parajab6n. Consulte C6mo usar el boquilla de selector.
3. Lavede 1 a 2 minutos.
4. Pareel motor siguiendo las instrucciones de la secci6n C6mo
detener su limpiadora a presi6n y cierre la entrada de agua.
5. SiEMPREapunte la pistola rociador hacia una direcci6n
segura, oprima ei bot6n rojo y apriete el gatillo de la pistola
rociadora para liberar la presi6n.
AV/SO La pistola rociadora contiene agua a alta presi6n incluso
cuando el motor est_ apagado y el tubo de agua est_ desconectado.
A. ADVERTENCIA El chorro de agua a aita presi6n que
este equipo produce, puede atravesar ia piei y
los tejidos subcut_.neos, provocando iesiones de
gravedad que podrian dar lugar a la amputaci6n
de un miembro.
La pistola rociadora contiene agua a alta presi6n incluso con
ei motor parado y el agua desconectada, que puede causar
la herida.
•Mantenga conectadala mangueraa ia m_quina o a la pistola de
rociado cuando el sistema est_ presurizado.
•SiEMPREque pareel motor, apunte con la pistola rociadora
hacia una direcci6n segura, presione ei seguro (bot6n rojo) y
apriete el gatillo para descargar la presi6n y evitar el retroceso.
Sistema de enfriamiento autom_tico
(alivio t6rrnico)
Elagua que circula dentro de la bomba puedeaicanzartemperaturas
entre los 125°-155°F si hace funcionar el motor de su m_quina
limpiadora a presi6n de 3 a 5 minutos sin oprimir el gatillo de la
pistola de rociado. El sistema de enfriamiento autom_tico se activa a
estatemperatura y enfria la bomba descargando agua caliente en el
piso, evitando asi el da_o interno de la bomba.
49

INFORMACIONTECNICASOBREEL
MOTOR
El motor es de uno cilindros, devAIvulasen cabeza (OHV),
refrigerado por aire y de baja emisi6n.
En el Estado de California, los motores de la serie 120000 han
obtenido la certificaci6n del California Air Resources Board (Consejo
de recursos de aire de California) de cumplimiento de la normativa
sobre emisiones durante 125 horas. Esta certificaci6n no supone
para el comprador, el propietafio o el usuafio ninguna garantia
adicional en Io relativo al rendimiento y a la vida _til del motor. Las
garantias del motor ata_en exclusivamente al producto y alas
emisiones que se declaran en este manual.
Potencianominal
El valor de potencia bruta de cada modelo de motor de gasolina se
indica en la etiqueta conforme a los requisitos del c6digo J1940
(Procedimiento de valoraci6n de potencia y par de peque_os
motores) de la SAE (Society of Automotive Engineers,Sociedad de
ingenieros de automoci6n). Los valores nominales se han obtenido
y corregido conforme al c6digo SAEJ1995 (Revisi6n 2002-05). Los
valores de par se obtienen a 3060 rpm, y los valores de potencia, a
3600 rpm. La potencia bruta real del motor ser_ inferior y
dependerA,entre otros factores, de las condiciones ambientales de
uso y de las vafiaciones entre distintos motores del mismo modelo.
Dada la amplia vafiedad de productos que utilizan nuestros motores
y la multitud de factores ambientales que puedenafectar a su
funcionamiento, es posible que el motor de gasolina no desarrolle
toda su potencia bruta nominal en determinados equipos (potencia
"en la aplicaci6n" o neta real). Estadiferencia se debe, entre otros, a
los siguientes factores: accesofios (filtro de aire, escape,carga,
refrigeraci6n, carburador, bomba de combustible, etc.), limitaciones
de la aplicaci6n, condiciones ambientales de uso (temperatura,
humedad, altitud) y variaciones entre distintos motores de un
mismo modelo. Briggs & Stratton podr_ sustituir el motor de esta
serie por otro de mayor potencia nominal en caso de limitaciones
de fabricaci6n o capacidad.
ESPECIFICACIONESDELPRODUCTO
Espe.cificacionesde la mziquina limpiadoraa
preseon
Presi6n de saiida m_xima ........................ 3,000 PSI*
Caudalm_ximo .................................. 2.7 GPM
Mezcla de quimicos .................. Use seg0n instrucciones
Temperatura del suministro
deagua ............................ Que no excedalos 100°F
Especificacionesdel motor
DiAmetrode camisa ................... 68 mm (2,69 pulgadas)
Carrera ............................. 52 mm (2,04 pulgadas)
Desplazamiento ...................... 190 cc (11,57 pulgadas)
Bujia
Tipo: ........................... Briggs & Stratton 692051
Caiibrar Separaci6na: ............. 0.020 pulgadas (0.50 mm)
Entrehierro del inducido: ....................... 0,25-0,36 mm
(0,010-0,014
pulgadas)
Holgura de la v_ivula con mueiles de v_lvula instalados y pist6n de
6 mm (0,25 pulgadas) pasado el punto muerto superior (comprobar
con el motor en frio)
Admisi6n ............... 0,10-0,20 mm (0,004-0,008 pulgadas)
Escape ................. 0,10-0,20 mm (0,004-0,008 pulgadas)
Capacidadde Gasolina .......................... 1.6 Cuartos
CapacidaddeAceite ...................... 0.6 litros (20 onzas)
At/ISO Paraque el rendimiento sea6ptimo, la carga del motor no
debesuperar el 85% de su potencia nominal. La potencia del motor
se reducir_ un 3,5% por cada300 metros (1.000 pies) de altitud y
un 1% por cada 5,6 °C (10 °F) a partir de 25 °C (77 °C). FuncionarA
satisfactoriamente en un Angulo de hasta 15°.
* Estalimpiadora a presi6n est_ clasificada conforme a la norma
PW101 (comprobaci6n y clasificaci6n de rendimiento de
limpiadoras a presi6n) de la Asociaci6n de fabricantes de bombas
a presi6n (Pressure Washer Manufacturers Association, PWMA).
5O

RECOIViENDACIONESGENERALES
Plande rnantenirniento
Siga los intervalosde horas o de calendario, los que sucedan antes.
Si opera en condiciones adversas (se_aladasm_s abajo) es
necesado un mantenimiento m_sfrecuente.
• Cambieel aceitedel motor
•Revise/limpie el filtro de la entrada de agua'
•Revise la manguera de alta presiOn
•Revise la mangueras del detergente
•Revise la pistola aspersoray verifique que no haya
fugas en el ensamblaje
•Limpie los residuos
•Compruebeel nivel de aceite
•Mantenimiento del filtro de aire2
•Cambieel aceitedel motor2
•Inspeccione el silenciador y la pantalla apagachispas
•Mantenimiento del filtro de aire2
•Servicio a la bujia
•Limpie el sistema de refrigeraciOn_
Limpiar si est_ obstruido. Remplazar si est_ perforado o roto.
2 Servicio m_s a menudo bajo condiciones de suciedad o polvo.
Recornendacionesoenerales
El mantenimiento peri6dico mejorar_ el rendimiento y prolongar_ la
vida _til del limpiadora a presidn. Si necesita asistencia, consulte
con un distribuidor de Sears o con otro distribuidor cualificado.
La garantiade la m_quina limpiadoraa presi6n NOcubre los
elementosque han sido sujetos a abuso o negligenciapor partedel
operador.Parahacerv_lidala cobertura total de la garantia,el
operadordeber_mantenerla lavadorade presi6ntal y como se indica
enel manual, incluyendosu adecuadoalmacenamiento,como se
describeen lasecci6nAlmacenambnto en el Inviemo y
Almacenambnto prolongado.
Alf!$O Una vez al a_o, usted deber_ limpiar o remplazar la bujia y
el filtro de aire. Una bujia nueva y un filtro de aire limpio garantizan
una mezcla de combustible-aire adecuaday le ayuda a su motor a
funcionar mejor y a tener una vida _til m_s prolongada.
Bomba de aceite
NOrealice ninguna operaci6n de mantenimiento con el aceite de la
bomba. La bomba se suministra preiubricada y sellada en f_brica, y
no requiere lubricaci6n adicional durante su vida _til.
Control de ernisiones
Cualquier establecimiento o individuo especializado en la
reparaci6nde rnotoresque no sean de autornoci6n puede
encargarse dei rnantenirniento,ia sustituci6ny la reparaci6n de
los dispositivos y sistemasde control de emisiones,No obstante,
parareaiizar la revisi6n gratuita de control de emisiones, deber_
acudir a un distribuidor autorizado por el fabricante. V_ase Garantfa
de emisiones.
Antes de carlauso
1. Revise el nivel de aceite del motor.
2. Limpie los residuos.
3. Revise si existen da_os en el colador de la entrada de agua.
4. Revise si existen da_os en el mangueras del detergente.
5. Revise si existen fugas en el conjunto de la extensi6n para
boquillas y pistola.
6. Elimine el aire y los contaminantes de la bomba.
51

iVlANTENliVllENTODELAiViAQUINA
LllViPIADORAA PRESION
Limpie losresiduos
Limpie a diario, o antes de cada uso, los residuos acumulados en el
limpiadora a presi6n. Mantenga limpias las conexiones, los muelles
y los mandos. Limpie todo resto de combustible de b zona que
rodea al silenciador y de detr_s del mismo. Inspeccionelas ranuras
para aire de enfriamiento y la apertura del limpiadora a presi6n.
Estasaperturas deber_n mantenersefimpias y despejadas.
Mantenga limpios los componentes del limpiadora a presi6n para
reducir el riesgo de sobrecabntamiento e ignici6n de los residuos
acumulados.
• Utilice un trapo h_medo para limpiar las superficies exteriores.
AI/I$O El tratamiento inadecuadodel limpiadora a presiOn
puede da_arloy acortar su vida productiva.
• NOinsertecualquierobjetoatrav_sdebs ranurasdeenfriamiento.
• Puede usar un cepillo decerdas suaves para retirar la suciedad
endurecida, aceite, etc.
• Puede usar una m_quina aspiradora para efiminar sucbdad y
residuos sueltos.
Revise y iimpie ei coladorde entrada
Examineel colador de entrada de la manguerade jardin. Limpielo si
est_ tapado o rempbcelo si est_ roto.
Revise ia manguerade aita presi6n
Las manguerasdealta presi6n puedendesarrollarfugas debido al
desgaste,dobleceso abuso. Reviseb mangueraantes de cadauso.
Revisesi existen cortes,fugas, abrasiones,levantamientode la
cubierta, da_o o movimiento de los acoplamientos.Si existecualquiera
de estascondiciones,rempbce b manguerainmedbtamente.
_i, ADVERTENCIA Elchorro de agua a alta presi6n que
este equipo produce, puede atravesar ia piei y
los tejidos subcut_.neos,provocando iesionesde
gravedad que podrian dar lugar a la amputaci6n
de un miembro.
• NUNCArepareia mangueradealtapresi6n.Rempbceb.
• Rempbceiacon unamangueraquecumpb conlacapacidad
minimadepresi6ndesu limpiadoraa presi6n.
Revise ia pistolay ia extensi6n para boquiiias
Examine la conexi6n de la manguera con la pistola rociadora y
aseg_resede que es correcta. Pruebe el gatillo apretando el bot6n
rojo paraasegurarse de que ei gatillo vuelve a su posici6n original
cuando se suelta. No debe ser posible apretar el gatillo sin apretar el
bot6n rojo. Cambie inmediatamente la pistola rociadora si bib
cualquiera de estas pruebas.
iVlantenimiento dei boquillade selector
Si la presi6n de la bomba es excesiva, puede notar una sensaci6n
de pulsaci6n al apretar el gatillo de la pistola rociadora. La causa
m_s probable del exceso de presi6n es la obstrucci6n de b boquifla
debido a la suciedad u otro material extra_o. Paraeliminar el
problema, limpie inmedbtamente las boquillas de acuerdo con las
siguientes instrucciones:
1. Apague el motor y apague el suministro de agua.
2. SIEMPREque pare el motor, apunte con la pistola rociadora
hacia una direcci6n segura, presione el seguro (bot6n rojo) y
apriete el gatillo paradescargar la presi6n y evitar el retroceso.
_i, ADVERTENCIA Elchorro de agua a alta presi6n que
este equipo produce, puedeatravesar ia piei y
los tejidos subcut_.neos,provocando iesionesde
gravedad que podrian dar lugar a la amputaci6n
de un miembro.
Lapistolarociadoracontieneaguaaalta presi6n inclusocon
el motor paradoy el aguadesconectada,quepuedecausar
la herida.
= Mantengaconectadala mangueraa iam_quinao a lapistolade
rociadocuandoelsistemaest_presurizado.
= SiEMPREquepareel motor,apuntecon lapistolarociadora
haciaunadirecci6nsegura,presioneei seguro(bot6nrojo)y
aprieteelgatilloparadescargarlapresi6ny evitarelretroceso.
3. Extraigael boquilla deselector del extremo del prolongador de
la boquilla.
4. Utiliceun peque_oclip parapapei paraeliminar ei material
extra_o que obstruye cadaboquilla (A) en el boquilb de selector.
5. Retire la extensidn para boquilbs de la pistola.
6. Usando una manguera de jardin, remueva cualqubr desecho
adicional, poniendo agua en la extensidn de la boquilla. Haga
6sto de 30 a 60 segundos.
7. Vuelva a montar el boquilla de selector en ei prolongador de la
boquilla.
8. Conectede nuevolaextensi6nde la boquillaa lapistob rociadora.
9. Aseg_rese de que la manguera del jardin est_ conectada a la
entradade agua. Compruebe que la manguerade aita presi6n
est,,conectada a la pistola rociadora y a la bomba. Abra la
alimentaci6n de agua.
10. Pongaen marcha el motor siguiendo las instrucciones de ia
secci6n CSmoponer en funcionamiento la limpiadora a presiSn.
11. Compruebe ia limpiadora a presi6n utiliz_ndola con cada
patr6n de rociado.
iVlantenimiento de losanillos 'o'
Compre una O-Juego de Reparaci6n de Aniiio en sus Sears locales
o Ilamando1-808-4-MY-HOME(469-4663) o en lineaen
www.sears.com. No se incluye con la arandela de la presi6n. Este
juego incluye los anillos del reemplazoO, arandela de caucho y filtro
decab de agua. Refi_rasea la hoja de la instrucci6n proporcionada
enel juego para atender a su unidad'los anillos de s O.
_i, ADVERTENCIA El chorro de agua a aita presi6n que
este equipo produce, puede atravesar ia piei y
los tejidos subcut_.neos, provocando iesiones de
gravedad que podrian dar lugar a la amputaci6n
de un miembro.
• NUNCAutilice ning_n tipo de sellador para reparar unafuga en
una conexi6n. Sustituya la junta t6rica o la junta.
52

MANTENIMIENTODELMOTOR
_i, ADVERTENCIA Chispear involuntario puede tener
"_dh como resultado el fuego o el golpe
el6ctrico.
CUANDO AJUSTE 0 HAGA REPARACIONES A SU MAQUINA
UMPIADORA A PRESION
•Siempre desconecteel alambre de la bujia y col6queIo donde
no pueda entrar en contacto con la bujia.
CUANDO PRUEBE LA BUJiA DEL MOTOR
•Utiiice un comprobador de bujbs homologado.
•NOcomprueba la chispa sin la bujia instalada.
Aceite
Recomendaciones sobre el aceite
Paraobtener el mejor rendimiento, recomendamos utiiizar aceites
certificados con garantb Briggs & Stratton. Tambi6n se pueden
utilizar otros aceites detergentes de alta calidad con clasificaci6n de
servicio SF, SG, SH, SJ o superior. NOutilice aditivos especiales.
Lastemperaturas exteriores determinan la viscosidad adecuada del
aceite para el motor. Utilice el cuadro paraseleccionar la mejor
viscosidad para el intervalo de temperatura exterior previsto.
oF
104 _ _ __
86
6850_eOmCUm_
32 0
14
"4
-22
oC
__' 20304010
-- -- 0
----__---10 -20
-30
* Por debajo de 4 °C (40 °F), el uso deaceite SAE30 provocar_
dificultades dearranque.
** Por encima de 27 °C (80 °F) el uso de aceite 10W30 puede
aumentar el consumo de aceite. Compruebe el nivel de aceite
con mayor frecuencia.
OVI$O Todo aceite sint_tico que cumpla las
especificaciones ILSACGF-2,con marcade certificaci6n API
y con simbolo de servicioAPI (se muestraa la izquierda)
con "SJ/OFENERGYCONSERVING"o superior es un aceite
aceptablea todas las temperaturas. El uso de aceitesint_tico
no altera los intervalosde cambio de aceite indicados.
Comprobaci6n dei nivel de aceite
Compruebeel nivel de aceite antes de cada uso o cada 8 horas de
funcionamiento, como minimo. Reiienesi es necesario.
1. Coloque ei limpiadoraa presi6n sobre una superficie niveiada.
2. Retire la varilla de medici6n y limpiela varilia de medici6n.
Instaleei varilla de medici6n, apriete firmemente. Quite y
verifique nivei dei aceite.
3. Compruebe que el aceite hasta la marca "Full" de lavariiia de
medici6n. Instaleei varilla de medici6n, apriete firmemente.
LLENO
Adici6n de aceite del motor
1. Coloque el limpiadora a presi6n sobre una superficie nivelada.
2. Compruebe ei nivel de aceite tal como se indica en la secci6n
ComprobaciSndel nivel de aceite.
3. Si es necesario,vierta lentamente aceite por el orificio de
Ilenado hasta la marca "Full" de la varilla de medici6n. NO Ilene
excesivamente.
AV/SO ElIlenadode aceiteen excesopuedeimpedir el
arranquedelmotor o provocardificultadesde arranque.
•NOlleneen exceso.
•Si el nivel de aceiteest_ por encima de la marca FULL(LLENO) de
la variiia, vacie aceite para reducir el nivei hasta la marca FULL
(LLENO)de la varilla.
4. Instale el varilla de medici6n, apriete firmemente.
Cambio de Aceite del Motor
Si est_ utiiizando su generador bajo condiciones de extrema
suciedad o poivo, o en un clima demasiado caliente, haga ei cambio
deaceite m_s frecuentemente.
_i, PRECAUCION Evite el contacto prolongado o repetido
de piel con aceite usado de motor.
•Elaceite usado del motor ha sido mostrado al cancer de la piei
de ia causa en ciertos animalesdel laboratorio.
•Completamente lavadoexpuso _reas con el jab6n y el agua.
MANTENERFUERADELALCANCEDELOS NII_IOS.NO
CONTAMINE.CONSERVELOSRECURSOS.DEPOSITEEL
ACEITEUSADOEN UN PUNTODERECOGIDA.
53

Cambie el aceite cuandoeJmotor siga estafldo caJiefltedespuHs
de haberfuncionado:
1. Drene eltanque del combustible haciendofuncionar la
mAquina limpiadora a presi6n hasta que el tanque est_ vacio.
2. Desconectealambre de bujb y Io mantiene lejos del bujb.
3. Limpie el Areaalrededor de b abertura para Ibnado deaceite,
retire la varilla de medici6n. Limpie la varilla de medici6n.
4. Incline su mAquina limpiadora a presi6n para drenar el aceite a
trav_s del orificio de Ibnado en un recipiente adecuado
asegurAndosede inclinar la unidad hacia el lado opuesto de la
bujb. Cuando la caja del cig_Je_alest_ vacb, vuelvaa colocar
la mAquina limpiadora a presi6n en posici6n vertical.
5. Vierta lentamente unos 0,6 litros (20 onzas) de aceite por el
orificio. Deposite el aceite recomendado hasta la marca "Fuji"
de b varilb de medici6n.
.Limpie la varilla de medici6n cada vez nivel del aceite se
verifica. NOa_ada aceite en exceso.
7. Instale la varilla de medici6n, apriete firmemente.
8. Limpie los residuos de aceite.
9. Conecte de nuevo alambre de bujb al bujb.
Serviciodel depuradorde aire
Su motor no funcionarA adecuadamentey puede da_arse si usted Io
hacefuncionar con un depurador de aire sucio. Suministre servicio
mAsfrecuentemente si la unidad funciona bajo condiciones de
mucha suciedad o pobo. Los repuestos se encuentran disponibbs
en su centro de servicio local Sears.
Para dar servicioal filtro de aire, siga los pasosque se detallan a
continuaciHn:
1. Afioje el pasador (A) y quite la tapa del filtro de aire (B).
2. Quite el filtro de aire (C) de b base (D).
3. Golpeteeel filtro de aire contra una superficb plana para
desprender los residuos. Si el filtro de aire estAexcesivamente
sucio, cAmbielopor otro nuevo.
4. Instale el filtro de aire en la base.Aseg_rese de que el filtro de
aire encaje bien en la base.
5. Instale la tapa y fijeb con el pasador.Aseg_rese de que el
pasador est_ firmemente apretado.
AI/ISO Usted puede comprar los elementos del filtro de aire
nuevos Ilamando al 1-800-4-MY-HOME(469-4663).
Rernpiacela bujia
Cambie la bujia ayudarA a su motor a arrancar mAsfAcilmente y
funcionar mejor.
1. Limpie el Areaalrededor de la bujb y retirela.
2. Retire y revise la bujb.
3. Cambie la bujb si los electrodos estAn picados o quemados o
si la porcelanaestAagrietada. Utilice la bujb de repuesto
recomendada.Consulte Especificaciones.
4. Compruebe b separaci6ndel ebctrodo con un calibrador de
alambre y ajuste el espacio de la bujb a la medida
recomendadasi fuera necesario (v_aseEspecificaciones).
/,
5. Instale la bujb y aprieteb firmemente.
AVISO Puedeadquirir nuevos bujb al n_mero tebf6nico
1-800-4-1ViY-HOIViE(469-4663).
Inspeccione el siienciadory la pantalia
apagachispas
Inspeccione que el silencbdor no presentefisuras, corrosi6n u
otros da_os. Desmonte la pantalb apagachispas, si cuenta con una,
y verifique que no presente da_os ni obstrucci6n por carb6n. En
casode que se necesiten piezasde recambio, aseg_rese de usar
sobmente piezasde recambio originales parael equipo.
All/SO Paraobtener el n_mero de parte Ilame al 1-800-4-MY-
HOME(469-4663).
A. ADVERTENCIA El contacto con la zona del silenciador
puede producir quemaduras graves.
--_,_,_,,_ _ Los gases y el calor de escape pueden
-- inflamar los materiales combustibles y
las estructuras 0 da_ar el depOsito de combustible y
provocar un incendio.
• NO toque las superficies calientes y evite los gases del escape a
altatemperatura.
• Permita que el equipo se enfrie antes detocarlo.
•Deje un espacio minimo de 1.5 m (5 pies) alrededor del
limpiadora a presi6n, incluida la parte superior.
• Utilizar el motor en un terreno boscoso, con malezao cubierto
de hierba constituye una infracci6n al C6digo de recursos
p_blicos de California,a menos que el sistema de escapeest_
equipado con una pantalb apagachispas, de acuerdo a b
definici6n de b Secci6n 4442, que se mantenga en buenas
condiciones de funcionamiento. En otros estados o
jurisdicciones federales puede haber byes simibres envigor.
P6ngaseen contacto con el fabricante, el vendedor o el
distribuidor del equipo original para obtener una pantalla
apagachispasdise_ada para el sistema de escape instalado en
este motor.
*Las piezasde recambio deben ser bs mismas que bs piezas
originales y estar instaladasen la misma posici6n.
54

$isterna de refrioeraci6nde aire
Con eltiempo, se pueden acumular residuos en las aletas de
refrigeraci6n del cilindro y pasar inadvertidos mientras no se
desmonte parcialmente el motor. Recomendamos que encargue la
limpieza del sistema de refrigeraci6n a un distribuidor autorizado de
servicio Searssiguiendo los intervalos recomendados (consulte la
secci6n Calendario de Mantenimiento). Es igualmente importante
que no se acumulen residuos en el motor. Consulte la secci6n
Limpb los Residuos.
Ajuste del carburador
El carburador de este motor es de baja emisi6n. Est_equipado con
una v_lvula de mezclade ralenti no ajustable y, en algunos casos,
con ralenti regulado. Los niveles de ralenti regulado y velocidad
m_xima se ajustan en la f_brica. Si es necesario modificarlos,
acudaa un distribuidor autorizado de Briggs & Stratton.
A. PRECAUCiON Las velocidades de operaci6n en
exceso,aumentan los riesgos de heridas y da_os al
limpiadora a presi6n.
Las velocidades bajanen exceso,imponen una carga muy
pesada.
• NOcambieningunavelocidaddeterminada.ElNmpiadoraa
presi6nsuministraunafrecuenciay unvoltajecaiificadocuando
funcionaa unaveiocidaddeterminada.
• NOmodifiquealNmpiadoraa presi6nenningunaform&
DESPUESDECADAUSO
No deberb,haber agua en la unidad por largos periodos de tiempo.
Los sedimentos de minerales se pueden depositar en partes de la
bombay "congelar" su funcionamiento. Lleve a cabo estos
procedimientos despu_s de cada uso:
1. Pare el motor, cierre ia alimentaci6n de agua, apunte con la
pistola rociadora hacia una direcci6n segura, pulse ei bot6n
rojo y apriete el gatiNopara descargar la presi6n. Deje enfriar
ei motor.
A. ABVERTENCIA Elchorro de agua a aita presi6n que
este equipo produce, puedeatravesar ia piei y
los tejidos subcut_.neos,provocando iesionesde
gravedad que podrian dar lugar a la amputaci6n
de un miembro.
Lapistolarociadoracontieneaguaaalta presi6n inclusocon
el motor paradoy el aguadesconectada,quepuedecausar
la herida.
• Mantengaconectadala mangueraa iam_quinao a lapistolade
rociadocuandoelsistemaest_presurizado.
• SiEMPREquepareel motor,apuntecon lapistolarociadora
haciaunadirecci6nsegura,presioneei seguro(bot6nrojo)y
aprieteelgatiNoparadescargarlapresi6ny evitarelretroceso.
2. Desconecte manga delfusil del rocio y salida alta de presi6n
en la bomba. DesagOeagua de la manga, del fusil, y de la
extensi6n de boquiNa.Use un harapo para quitar la manga.
3. Saquetodos los Nquidosde la bomba halando la manija de
retroceso aproximadamente 6 veces. Esto deber_evacuar la
mayoria del iiquido de la bomba.
4. EnroNela mangueray cu_iguela dei gancho situado en el
bandeja de accesorios.
5. AImacene la unidad en una _rea Nmpiay seca.
6. Si planeaalmacenar la unidad por m_s de 30 dias, vea ia
secci6n Almacenamiento Prolongado en pr6xima p_gina.
A. ABVERTENCIA La gasolina y sus vapores son
extremadamenteinfiamables y
_ explosivos.
Elfuego o una explosi6n pueden causar
quemaduras severase inclusive la muerte.
CUANDOALMACENE0GUARDEELEQUIPOCONCOMBUSTIBLE
ENELTANQUE
• Almacenealejadodecalderas,estufas,calentadoresdeagua,
secadorasderopau otrosaparatoselectrodom_sticosque
poseanpNotosu otrasfuentesdeignici6n,porqueenospueden
encenderlosvaporesdela combustible.
55

ALIViACEHAIVllENTOPARAIHVIERHO Cambiode aceite
AI/ISO Usted deber_, proteger su unidad de las
temperaturas de congelamiento.
• Si no Io hace, da_ar_ permanentementela bombay la unidad no
podr_ funcionar.
•La garantia no cubre el da_o de la unidad ocasionado por
congelamiento.
Para proteger la unidad de las temperaturas de congelamiento:
1. Siga los pasos 1-4 en la secci6n previa Despues de CadaUso.
2. Utilice un protector de bomba, disponible en Searscon el
n_mero de cat,logo 7174403 paracuidar la bomba. Aqu_l
protege a la unidad contra el congelamiento y lubrica tanto los
pistones como los empaques.
3. Si el protector de bomba no est_ disponibie, conecte untramo
de 3 pies de manguera de jardin a la entrada de agua.Vierta
anticongelante RV (anticongelante sin alcohol) en la manguera.
Jale la manija de arranque dos veces. Desconecte despu_s la
manguera de 3 pies.
4. AImacenela unidad en una _rea limpia y seca.
Con el motor todavia caliente, drene el aceite de la caja del cig_Je_al.
Vuelva a Ilenarlo con ei grado de aceite recomendado.Vea Cambio
deAceite del Motor en la secci6n Mantenimiento del Motor.
Protecci6n de la bomba
Paraproteger la bomba frente a los da_os que causan los dep6sitos
minerales o la congelaci6n, use PumpSaver, n_mero de cat,logo
7174403, para cuidar la bomba. Esto evita los da_os derivados de la
congelaci6n y lubrica los pistones y las juntas.
AI/I$O El PumpSaver est_n disponible s61ocomo un accesorio
opcional. NO es incluido con la arandela de la presi6n. Avise el m_s
cercano servicio autorizado central para comprar PumpSaver.
AV/SO Usted deber_ proteger su unidad de las
temperaturas de congelamiento.
*Si no Io hace, da_ar_ permanentementela bombay la unidad no
podr_ funcionar.
*Lagarantia no cubre el da_o de la unidad ocasionado por
congelamiento.
ALMACENAMIENTOPROLONGABO
Si usted no planea usar la m6,quinalimpiadora a presi6n por m_s de
30 dias, deber_preparar el motor para un almacenamiento
prolongado.
Es importante evitar la formaci6n de dep6sitos de goma en las
partes esenciales del sistema del combustible tales como
carburador, filtro del combustible, manguera o tanque del
combustible durante el almacenamiento.Tambi_n, la experiencia
indica que los combustibles con mezclasde alcohol (llamados
gasohol, etanol o metanol) pueden atraer la humedad, Io que Ileva a
la separaci6n y formaci6n de _cidos durante el almacenamiento. La
gasolina _cida puede da_ar el sistema del combustible de un motor
durante el almacenamiento.
Proteja el sisiemade combustible
Aditivopara combustible:
El combustible puede estar pasado30 dias despu_s de su
almacenamiento. El combustible pasado provoca la formaci6n de
residuos _cidos y de carbonilla en el circuito de combustible y en
los componentes b_sicos dei carburador. Paramantener ei
combustible en buen estado, utilice el estabilizador de combustible
FRESHSTART® de Briggs & Stratton en cualquiera de sus
variantes: liquido o cartucho concentrado con goteo.
AI uso el PumpSaver,cerci6rese la arandelade la presi6n se apagay
desconectadel agua del suministro. Leay siga todas instrucciones y
lasadvertencias dadasen el contenedor de PumpSaver.
Otras sugerenciaspara el almacenarniento
1. NOguarde combustible de una temporada a otra a menos que
Io hayatratado como se indica en la secci6n Aditivo para
combustible.
2. Reemplacela canecade gasolina si comienza a oxidarse. El
6xido y/o la suciedad en la gasolina le causar_ problemas.
3. Cubra su unidad con una cubierta de protecci6n adecuadaque
no retenga humedad.
e
e
_i, AI:IVERTENCIALas cubiertas para almacenamiento
_ pueden ser inflamables.
NOcoloqueunacubiertaencimadeunlimpiadoraa presidn
caiiente.
Deje que la unidad se enfrie Io suficientementeantes de que le
coloque la cubierta.
4. Almacene la unidad en un _rea limpia y seca.
Si se a_ade un estabilizador de combustible conforme alas
instrucciones, no ser_ necesario vaciar el motor de combustible.
Hagafuncionar el motor durante dos minutos paraque ei
estabiiizador circule por todo el circuito de combustible. El motor y
el combustible se pueden aimacenar hasta 24 meses.
Si no se ha a_adido un estabilizador de combustible a la gasolina,
deber_vaciar completamente el motor utiiizando un contenedor
homologado. Deje funcionar ei motor hasta que se agote ei
combustible. Se recomienda utilizar un estabilizador de combustible
en ei contenedor de almacenamiento para mantener la gasolina en
buen estado.
56

Problema Soluci6n
Labombapresentalos
siguientesproblemas:no
producepresi6noproduceuna
presi6nerrada,traqueteo,
p_rdidade presi6n,bajo
volumende agua.
EI detergentenosemezcJacon
el rociado.
El motornoarranca,arrancay
funcioflamaJo apagaduranteJa
operaci6n.
EJmotornotiene fuerza.
Cagsa
1. La boquilla del patr6n de rociado para SOAP
(jab6n) est_ seieccionada.
2. La entrada deagua est_ bloqueada.
3. Suministro de agua inadecuado.
4. La manguera de entrada est_ doblada o
presentafugas.
5. El colador de la manguera de la entrada de
aguaest_ tapado.
6. El suministro de agua est_ por encima de
los 100°F.
7. La manguera de alta presi6n est_ bloqueada
o presentafugas.
8. La pistola presentafugas.
9. El boquilla de selector est_ obstruido.
10. Bomba defectuosa.
f. EItubo de succi6n de detergente no est_
sumergido.
2. Elfiltro de quimicos est_tapado.
3. La boquilla dei patr6n de rociado de aita
presi6n est_ seleccionada.
1. Interruptor basculante del motor en la
posici6n de lejos (O o OFF).
2. Depurador de aire sucio.
3. Sin gasolina.
4. Gasolinavieja.
5. Elalambre de la bujia no est_ conectado a la
bujia.
6. Bujia mala.
7. Agua en la gasolina.
8. Mezcla de combustible demasiado rica.
Filtro de aire sucio.
1. En el boquilla de selector, seleccione la boquilla
del patr6n de rociado de alta presi6n.
2. Limpie la entrada.
3. Proporcione fiujo deagua adecuado.
4. Estire la manguera deentrada, coloque un
parche en la fuga.
5. Revisey limpie ei colador de la manguera de
entrada.
6. Proporcione suministro de agua m_sfria.
7. Retire las obstrucciones de la manguerade
salida.
8. Remplacela pistola.
9. Limpie las boquiilas en el boquilla de selector.
10. P6ngase en contacto con el centro de servicio
Sears.
1. Coloque el tubo de succi6n de detergente en el
detergente.
2. Limpie o remplace ei filtro/tubo de succi6n de
detergente.
3. En el boquilla de selector, seleccione la boquilla
del patr6n de rociado para SOAP(jab6n).
1. Coloque dei interruptor basculantedei motor en
la posici6n de en (I o ON).
2. Limpie o remplace ei depurador de aire.
3. Liene eltanque de combustible.
4. Drene ei tanque de gasolina; II_nelo con
combustible fresco.
5. Conecte el aiambre a la bujia.
6. Remplacela bujia.
7. Drene el tanque de gasolina; II(inelo con
combustible fresco.
.P6ngase en contacto con el centro deservicio
Sears.
Remplaceel filtro de aire.
57

Garantiade controlde ernisionesde California,
U.S. EPAy Sears
Berechosy obliga¢iones de la garantia
CaliforniaAir ResourcesBoard, U.S. EPAy Sears, Roebuck
and Co. U.S.A.(Sears) le expiican a continuaci6n ia garanfia
dei sistema de control de emisiones de su motor/equipo
modeio 2008 y posteriores. EnCalifornia, los nuevos
motores peque_os para m_.quinasde servicio debenestar
dise_ados, fabricados y equipados conforme a los exigentes
est_.ndaresde lucha contra ia contaminaci6n del Estado.
Sears garantiza el sistema de control de emisiones de su
motor/equipo durante los periodos que se indican a
continuaci6n, siempre que no haya habido use indebido,
negligencia o mantenimiento indebido del motor peque_o
para m_.quinasde servicio.
Su sistemade control de emisiones puedeincluir componentes
come el carburadoroei sistemade inyecci6n decombustible,
el tanque decombustible, ei sistemade arranquey el
convertidor cataiitico.Tambi6npuedeinciuir mangueras,
correas, conectores,detectoresy otros conjuntos relacionados
con ias emisiones.Si se cumpien las condicionesde ia
garantia,Searsreparar_,el motor/equipo sin coste alguno,
incluido el diagn6stico,los componentesy la manede obra.
Cobertura de la garantia del fabricante:
Los motores peque_os param_quinas de servicio tienen dos
a_os de garantia. Si aig_n componente del motor!equipo
relacionado con las emisiones estuviera defectuoso, Sears Io
reparar_,o sustituir_..
Disposicionesde la garantia contradefectos deJ sistema
de control de emisiones de Sears
A continuaci6n se detaiian las disposiciones concretas
reiativas a la Cobertura de ia garantia contra defectos dei
sistema de control de emisiones. Se a_adena la garantia de
motores de Sears para motores no regulados, que figura en
el Manual del Operario.
1. Piezasgarantizadas
La presente garantia cubre Onicamentelas piezas que
se enumeran a continuaci6n (piezas del sistema de
control de emisiones) siempre que tales piezas
estuvieran presentes en el motor adquirido.
a. Sistema de regulaci6n de combustible
•Sistema de enriquecimiento para arranqueen trio
(estrangulador electr6nico)
•Carburador y piezasinternas
•Bomba de combustible
•Conducto de combustible, acoplamientos del
conducto de combustible, abrazaderas
•Dep6sito de combustible, tap6n y cadena
•Bote de carbono
b. Sistema de inducci6n de aire
•Filtro de aire
•Colector de admisi6n
• Linea de purga y ventilaci6n
c. Sistema de encendido
Responsabilidades de la garantfa del propietario:
* Comepropietariodel motor/equipo peque_o,ustedes
responsabiede Ilevara cabotodas las operacionesde
mantenimientoque se enumeranenel manualdei
propietario.Sears recomiendaconservartodas las
facturas reiativasai mantenimientodei motor/equipo, pero
Searsno puededenegarla garantiabas_.ndose
Onicamenteen ia faitade facturaso en laimposibilidad
per parte del propietariode asegurarla correcta
realizaci6nde todas lasoperacionesde mantenimiento.
.Comepropietariodel motor/equipo,debeser consciente
deque Searspuededenegarla coberturade lagarantiasi
el motor/equipoo uno de sus componentesfaiia debido a
un use indebidoo negiigente,un mantenimiento
inadecuadoo modificacionesno autorizadas.
• Usted es responsablede presentar su motor/equipo a
un centre de distribuci6n de Sears,distribuidor
autorizadode servicio u otra entidad equivaiente, segOn
corresponda, en ei memento en que surja un probiema.
Las reparacionescubiertas per la garanfia se ilevar_.na
cabo en un plazo razonable,no superior a 30 dias en
ningOncase. En case de preguntas sobre los derechos
y responsabiiidades relatives a la garanfia, p6ngase en
contacto con Sears Namandoai (800) 469-4663.
.
•Bujia(s)
• Sistema de encendido magn6tico
d. Sistema catalizador
• Convertidor catalitico
• Colector de escape
•Sistema de inyecciOnde aire o v_.lvulade impulse
e. Elementos diversos utiNzadosen los sistemas
anteriores
•V_.lvuiasy conmutadores de aspiraci6n,
temperatura, posici6n y temporizados
•Conectoresy unidades
Duraci6n de la cobertura
Duranteun periodode dos a_os desdelafechade compra
original,Searsgarantizaal propietariooriginaly a todo
propietarioposteriorque ei motor est,.dise_ado,fabricado
y equipadoconformea la normativavigenteadoptadaper
elAir ResourcesBoard;que no tienedefectosde
materialesni de mane deobra queprovoquenel fallo de
un componentecubierto;y quees id6nticoen todos los
aspectosmateriaiesai motor descrito en laaplicaci6nde
certificaci6ndelfabricante.Elperiodode garantia
comienzaen lafechade adquisici6noriginaldel motor.
En EE.UU.y Canad_contamoscon una Ifneade emergencialas 24 horas (1-800-469-4663), queofrece un men0de mensajespregrabadoscon informaci6n sobre
mantenimientode productos.
58

Lagaranfiadeloscomponentesrelacionadosconlas
emisioneseslasiguiente:
•Los failos de todo componente cubierto por ia garanfia
que no se debasustituir como parte dei plan de
mantenimiento obligatorio detaliado en ei manual del
propietario entregado quedar_.ncubiertos por la
garantia durante el periodo de la garantia especificado
anteriormente. Si aiguno de estos componentes faiia
durante ei periodo de cobertura de ia garantia, deber_.
ser reparado o sustituido pot Sears sin cargo aiguno
para el propietario. Los componentes que se repareno
sustituyan en virtud de la garanfia estar_.ncubiertos por
la garanfia durante el periodo de garantia restante.
•Los fallos de todo componente cubierto por ia garanfia
que s61ose deba inspeccionar peri6dicamente seg_n el
manual del propietario entregado quedar_.ncubiertos
por ia garantia durante ei periodo de ia garantia
especificadoanteriormente. Los componentes que se
repareno sustituyan en virtud de la garantia estar_.n
cubiertos por la garanfia durante el periodo de garanfia
restante.
•Los failos de todo componente cubierto por la garanfia
que se deba sustituir como parte del plan de
mantenimiento obligatorio detailado en el manual del
propietario entregado quedar_.ncubiertos por la
garantia hastael momento en que se indique que es
necesario hacer ia primera sustituci6n. Si el
componente falla antes de la fecha de la primera
sustituci6n, ser_.reparadoo sustituido por Searssin
cargo alguno parael propietario. Los componentes que
se repareno sustituyan en virtud de ia garantia estar_n
cubiertos por la garantia durante el periodo de garanfia
hasta Ilegar a la fecha de la primera sustituci6n.
•No se podr_.nutilizar componentes complementarios o
modificados no exentos por ei Air ResourcesBoard. Ei
uso de componentes complementarios o modificados
no exentos por parte dei propietario dar_.lugar a la
anuiaci6n de la garantia. El fabricante no ser_.
responsablede los falios de componentes cubiertos por
la garanfia que se debanai uso de un componente
complementafio o modificado no exento.
3. Cobertura de da_os derivados
Lacobertura se ampiiar_,a los fallos de cualquier
componente del motor derivados del fallo de cualquier
componente reiacionado con el sistema de emisiones
cubierto por la garantia.
4. Solicitudes y exclusiones de cobertura
Las solicitudes de garanfia se cumplimentar_.ncon
arreglo alas disposiciones de ia politica de garantia de
motores Sears. La cobertura no aplica a los fallos de
componentes reiacionadoscon el sistema de emisiones
cubiertos por la garantia que no sean originales de
Searsni a los fallos debidos a uso indebido, negligencia
o mantenimiento inadecuado,conforme alas
disposiciones de la politica de garanfia de motores
Sears.Sears no ser_.responsablede la cobertura de la
garantia de fallos de componentes relacionadoscon el
sistema de emisiones cubiertos por ia garanfia
provocados por el uso de componentes
complementarios o modificados.
Consulte la informaci6nsobreel periodode durabilidad de
las emisiones yel indice de aire en la etiqueta de
emisiones del motor
Motores peque_os para m_.quinasde servicio con
certificaciOnde cumplimiento de la normativa sobre
emisiones del CaliforniaAir ResourcesBoard (CARB)deben
mostrar informaciOnsobre el periodo de durabilidad de las
emisiones y el indice de aire. El fabricante del motor ofrece
esta informaciOnal consumidor medianteetiquetas de
emisiones. La etiqueta de emisiones del motor contiene la
informaciOn de certificaciOn.
Ei Periodo de Durabilidadde las Emisiones indica el
n_mero de horas durante las cualesel motor puede
funcionar cumpliendo las normas sobre emisiones, siempre
que se reaiicen las operacionesde mantenimiento que se
detallan en ias instrucciones de uso y mantenimiento. Se
utilizan las siguientes categorias:
IVlederado:El motor est,. certificado para cumplir la
normativa sobre emisiones durante 125 horas de
funcionamiento real.
Intermedio: El motor est,. certificado para cumplir la
normativa sobre emisiones durante 250 horas de
funcionamiento real.
Prolongado: Ei motor est,. certificado para cumplir la
normativa sobre emisiones durante 500 horas de
funcionamiento real.
Por ejempio, un cortac6sped con operario a pie se suele
utilizar entre 20 y 25 horas al a_o. Por tanto, el Periede de
Durabilidadde las Emisiones de un motor con clasificaci6n
intermedia equivaldria a 10-12 a_os.
Los motores cuentan con ia certificaci6n de cumpiimiento de
la fase 2 de ias normativas sobre emisiones de la United
States Environmental Protection Agency (USEPA,Agencia
estadounidensede protecci6n del medioambiente). En el
caso de los motores con certificaci6n de fase 2, el periodo de
cumplimiento de ia normativa sobre emisiones que figura en
la etiqueta de cumplimiento de emisiones indica el nOmero
de horas de funcionamiento durante las cuales el motor ha
demostrado cumplir los requisitos federales sobre emisiones.
Paramotores de menos de 225 cc:
CategoriaC = 125 horas
CategoriaB = 250 horas
CategoriaA = 500 horas.
Paramotores de 225 cc o m_.s:
CategoriaC = 250 horas
CategoriaB = 500 horas
CategoriaA = 1000 horas.
59

Your Home
For expert troubleshooting and home solutions advice:
www.managemyhome.com
For repair - in your home - of all major brand appliances,
lawn and garden equipment, or heating and cooling systems,
no matter who made it, no matter who sold it!
For the replacement parts, accessories and
owner's manuals that you need to do-it-yourself.
For Sears professional installation of home appliances
and items like garage door openers and water heaters.
1-800-4-MY-HOME ®(1-800-469-4663)
Call anytime, day or night (U.S.A. and Canada)
www.sears.com www.sears.ca
Our Home
For repair of carry-in items like vacuums, lawn equipment,
and electronics, call anytime for the location of your nearest
Sears Parts & Repair Service Center
1-800-488-1222 (U.S.A.) 1-800-469-4663 (Canada)
www.sears.com www.sears.ca
To purchase a protection agreement on a product serviced by Sears:
1-800-827-6655 (U.S.A.)
Para pedir servicio de reparaci6n
a domicilio, y para ordenar piezas:
1-888-SU-HOGAR ®
(1-888-784-6427)
1-800-361-6665 (Canada)
Au Canada pour service en fran(_ais:
1-800-LE-FOYER Mc
(1-800-533-6937)
www.sears.ca
TM
® Registered Trademark /Trademark /SMService Mark of Sears Brands, LLC
® Marca Registrada /TMMarca de Fabrica /SM Marca de Servicio de Sears Brands, LLC
MCMarque de commerce /MDMarque d6pos6e de Sears Brands, LLC © Sears Brands, LLC