Craftsman 580752610 User Manual PRESSURE WASHER Manuals And Guides L0903423
CRAFTSMAN Power Washer, Gas Manual L0903423 CRAFTSMAN Power Washer, Gas Owner's Manual, CRAFTSMAN Power Washer, Gas installation guides
User Manual: Craftsman 580752610 580752610 CRAFTSMAN PRESSURE WASHER - Manuals and Guides View the owners manual for your CRAFTSMAN PRESSURE WASHER #580752610. Home:Lawn & Garden Parts:Craftsman Parts:Craftsman PRESSURE WASHER Manual
Open the PDF directly: View PDF
.
Page Count: 56

Operator'sManual
®
2600 PSI MAX
2.3 GPMMAX
PRESSUREWASHER
Model No. 580.752610
HOURS: IVlon.- Fri. 8 a.m. to 5 p.m. (CT)
WARNING
Before using this product, readthis
manual and follow all Safety Rules
and Operating Instructions.
ADVERTENCIA
Antes de utilizar el producto, lea este
manual y siga todas las Reglasde
Seguridad e Instrucciones de Uso.
• Safety
•Assembly
•Operation
•Maintenance
•Parts
•Espafiol,p. 32
This pressure washer is rated in accordance to the Pressure Washer Manufacturers Association
(PWMA) standard PW101 (Testing and Rating Performance of Pressure Washers).
Esta iimpiadora a presi6n est_ ciasificada conforme a la norma PW101 (comprobaci6n y ciasificaci6n de rendimiento de limpiadoras
a presi6n) de la Asociaci6n de fabricantes de bombas a presi6n (Pressure Washer Manufacturers Association, PWMA).
Sears, Roebuck and Co., Hoffman Estates, IL 60179 U.S.A.
Visit our Craftsmanwebsite: www.craftsman.com
Part No. 208939GS Draft A (03/04/2009)

WARRANTY.......................................... 2
REPAIRPROTECTIONAGREEMENT........................ 2
SAFETYRULES...................................... 3-5
FEATURESANDCONTROLS.............................. 6
ASSEMBLY........................................ 7-10
OPERATION....................................... 11-15
SPECIFICATIONS..................................... 16
MAINTENANCE.................................... 17-21
STORAGE........................................ 22-23
TROUBLESHOOTING.................................. 24
REPLACEMENTPARTS.............................. 25-28
NOTES............................................. 29
EMISSIONCONTROLWARRANTY..................... 30-31
ESPAKIOL......................................... 32-55
HOWTOORDERPARTS........................ BACKPAGE
CRAFTSMANFULLWARRANTY
If this Craftsman product fails due to a defect in material or workmanship within two years from the date of purchase, return it
to any Sears store, Sears Parts & RepairService Center, or other Craftsman outlet in the United Statesfor free repair (or
replacement if repair proves impossible).
This warranty applies for only 90 days from the date of purchase if this product is ever used for commercial or rental
purposes.
Thiswarranty coversONLYdefects in material andworkmanship.Searswill NOTpay for:
• Expendableitems that can wear out from normal use within the warranty period, such as spray guns, hoses, nozzle
extensions, nozzles,filters and spark plugs.
• Repairsnecessarybecauseof accident, or failure to operate or maintain the product according to all supplied instructions.
• Preventivemaintenance,or repairs necessarydue to improper fuel mixture, contaminated or stalefuel.
This warranty givesyou specific legal rights, and you may also have other rights which vary from state to state.
Sears, Roebuck and Co., Hoffman Estates, IL 60179
Congratulations on making a smart purchase.
Your new Craftsman® product is designed and manufactured
for years of dependableoperation. But like all products, it
may require repair from time to time. That's when having a
Repair Protection Agreement can saveyou money and
aggravation.
Here'swhat the RepairProtection Agreement* includes:
•Expertservice by our 10,000 professional repair
specialists
•Unlimited serviceand no chargefor parts and labor on
all covered repairs
• Product replacement up to $1500 if your covered
product can't be fixed
•Discountof 10% from regular price of service and related
installed parts not covered by the agreement;also, 10%
off regular price of preventive maintenance check
•Fast help by phone-we call it Rapid Resolution- phone
support from a Sears representative.Think of us as a
"talking owner's manual".
@2009
Onceyou purchasethe Repair Protection Agreement, a
simple phone call is all it takes for you to schedule service.
You can call anytime day or night, or schedule a service
appointment online.
The Repair Protection Agreement is a risk-free purchase. If
you cancelfor any reasonduring the product warranty
period, we will provide a full refund. Or, a prorated refund
anytime after the product warranty period expires. Purchase
your Repair Protection Agreement today!
Some limitations and exclusionsapply. For pricesand
additional informationin the U.S.A. call 1-800-827-6655.
* Coveragein Canadavaries onsome items. Forfull
details, call Sears Canadaat 1-800-361-6665.
Sears Installation Service
For Sears professional installation of home appliances,
garagedoor openers, water heaters,and other major home
items, in the U.S.A.or Canadacall 1-800-4-MY-HOME®.

Readthis manual carefully and becomefamiliar
with your pressurewasher. Knowits applications,
its limitations, and any hazardsinvolved.
Important Safety Information
Safety Symbolsand Meanings
ToxicFumes Kickback
2%
SlipperySurface Fall
ElectricalShock
FluidInjection
Fire Explosion Operator'sManual
MovingParts Flying Objects Hot Surface
,A The safety alert symbol indicates a potential personal
injury hazard.A signal word (DANGER,WARNING,or
CAUTION)is usedwith the alert symbol to designatea degree
or level of hazardseriousness. A safety symbol may be used
to representthe type of hazard.Thesignal word NOTICEis
used to addresspractices not relatedto personalinjury.
A, DANGERindicates a hazardwhich, if not avoided, will
result in death or serious injury.
A, WARNINGindicates a hazardwhich, if not avoided, could
result in death or serious injury.
A, CAUTIONindicates a hazardwhich, if not avoided, could
result in minor or moderate injury.
NOTICEaddress pratices not related to personal injury.
A, WARNING The engine exhaust from this product
contains chemicals known to the Stateof California to
cause cancer, birth defects, or other reproductive harm.
A, WARNING This product contains lead and lead
compounds, known to the State of Californiato cause
birth defects or other reproductive harm. Washyour
hands after handling this product.
A, WARNING Running engine gives off carbon
monoxide, an odorless, colorless, poison gas.
_ Breathing carbon monoxide headache,
can cause
fatigue, dizziness,vomiting, confusion, seizures,
nausea,fainting or death.
Some chemicals or detergentsmay be harmful if inhaled
or ingested, causing severenausea,fainting, or
poisoning.
•OperatepressurewasherONLYoutdoors.
• Keepexhaustgasfromenteringa confinedareathrough
windows,doors,ventilationintakes,or otheropenings.
• DONOTstartor run engineindoorsor in anenclosedarea,
evenif windowsanddoorsareopen.
• Usea respiratoror maskwheneverthereis a chancethat
vaporsmaybeinhaled.
• Readall instructionswith masksoyou arecertainthe maskwill
providethe necessaryprotectionagainstinhalingharmful
vapors.

_k WARNING Starter cord kickback (rapid retraction) can
result in bodily injury. Kickbackwill pull hand and
,_arm toward enginefaster than you can let go.
Broken bones,fractures, bruises, or sprains
could result.
• NEVERpull starter cord without first relieving spray gun
pressure.
• When starting engine, pull cord slowly until resistance is felt
and then pull rapidly to avoid kickback.
• After each starting attempt, where enginefails to run, always
point spray gun in safe direction, press red button and squeeze
spray gun trigger to releasehigh pressure.
• Firmly grasp spray gun with both hands when using high
pressure spray to avoid injury when spray gun kicks back.
A, WARNING Risk of electrocution.
"_,dh Contactwith power source can causeelectric
shock or burn.
• NEVERspraynearpowersource.
_k WARNING The high pressure stream of water that
this equipment produces can cut through skin
and its underlying tissues, leading to serious
injury and possible amputation.
Spray gun traps high water pressure, even when engine is
stopped and water is disconnected, which can cause
injury.
• DONOT allow CHILDRENto operate pressure washer.
• NEVERrepair high pressure hose. Replaceit.
• NEVERrepair leaking connections with sealant of any kind.
Replaceo-ring or seal.
• NEVERconnect high pressure hose to nozzleextension.
• Keep high pressure hose connected to pump and spray gun
while system is pressurized.
• ALWAYS point spray gun in safedirection, press red button
and squeezespray gun trigger to releasehigh pressure, every
time you stop engine.
• NEVERaim spray gun at people,animals, or plants.
• DO NOTsecure spray gun in open position.
• DO NOTleavespray gun unattendedwhile machine is running.
• NEVERuse a spray gun which does not have a trigger lock or
trigger guard in placeand in working order.
• Always be certain spray gun, nozzlesand accessoriesare
correctly attached.
_k WARNING Fuel and its vapors are extremely
flammable and explosive.
Fire or explosion can cause severe burns
or death.
WHENADDING OR DRAININGFUEL
• Turn pressurewasher OFFand let it cool at least 2 minutes
before removing fuel cap. Loosen capslowly to relieve pressure
in tank.
• Fill or drain fuel tank outdoors.
• DONOT overfill tank. Allow spacefor fuel expansion.
• If fuel spills, wait until it evaporates before starting engine.
• Keepfuel away from sparks, open flames, pilot lights, heat, and
other ignition sources.
• DO NOTlight a cigarette or smoke.
WHENSTARTINGEQUIPMENT
• Ensurespark plug, muffler, fuel cap,and air cleanerare in place.
• DO NOTcrank enginewith spark plug removed.
WHEN OPERATINGEQUIPMENT
• DO NOTtip engine or equipment at angle which causes fuel to
spill.
• DO NOTspray flammable liquids.
WHENTRANSPORTINGOR REPAIRINGEQUIPMENT
• Transport/repair with fuel tank EMPTYor with fuel shutoff valve
OFF.
• Disconnect spark plug wire.
WHEN STORINGFUEL OR EQUIPMENTWITH FUELIN TANK
• Store away from furnaces, stoves, water heaters, clothes
dryers, or other appliancesthat have pilot light or other ignition
source becausethey can ignitefuel vapors.
_k WARNING Contact with muffler area can result in
serious burns.
_ _ Exhaust heat/gases can ignite
combustibles, structures or damage
fuel tank causing a fire.
• DO NOTtouch hot parts and AVOIDhot exhaust gases.
• Allow equipment to cool before touching.
• Keep at least 5 feet (152 cm) of clearanceon all sides of
pressure washer including overhead.
• It is a violation of California Public Resource Code,Section
4442, to use or operate the engine on any forest-covered,
brush-covered, or grass-covered land unless the exhaust
system is equipped with a spark arrester, as defined in Section
4442, maintained in effective working order. Other states or
federal jurisdictions may have similar laws.
Contact the original equipment manufacturer, retailer, or dealer
to obtain a spark arrester designed for the exhaust system
installed on this engine.
• Replacement parts must be the same and installed in the same
position as the original parts.

_i, WARNING Use of pressure washer can create
puddles and slippery surfaces.
,_ Kickback from spray gun can cause you
to fall.
• Operate pressurewasher from a stable surface.
• The cleaning areashould have adequateslopes and drainageto
reduce the possibility of a fall due to slippery surfaces.
• Be extremely careful if you must usethe pressurewasher from
a ladder, scaffolding, or any other similar location.
• Firmly grasp spray gun with both hands when using high
pressure spray to avoid injury when spray gun kicks back.
_i, WARNING Unintentional sparking can result in fire or
_¢ electric shock.
WHENADJUSTINGOR MAKINGREPAIRSTO YOURPRESSURE
WASHER
• Disconnect the spark plug wire from the spark plug and place
the wire where it cannot contact spark plug.
WHENTESTINGFORENGINESPARK
• Use approved spark plug tester.
• DO NOTcheckfor spark with spark plug removed.
_i, WARNING Starter and other rotating parts can
entangle hands, hair, clothing, or accessories.
• NEVERoperate pressure washer without protective housing or
covers.
• DO NOTwear looseclothing, jewelry or anything that may be
caught in the starter or other rotating parts.
• Tie up long hair and remove jewelry.
A WARNING Risk of eye injury.
Spray can splash back or propel objects.
• Always wear indirect vented (chemical splash) safety goggles
marked to comply with ANSI Z87.1 when using or in vicinity of
this equipment.
• NEVERsubstitute safety glasses or dry-condition goggles for
indirect vented safety goggles.
NOTICE High pressure spray may damage fragile items
including glass.
• DONOTpointspraygunat glasswhenusingred(0°) spraytip.
• NEVERaimspraygunat plants.
NOTICE Improper treatment of pressure washer can
damage it and shorten its life.
• If you have questions about intended use,ask dealer or contact
Sears.
• NEVERoperate units with broken or missing parts, or without
protective housing or covers.
• DO NOTby-pass any safety device on this machine.
• DONOT tamper with governed speed.
• DONOT operate pressure washer above rated pressure.
• DONOT modify pressure washer in any way.
• Before starting pressure washer in cold weather, check all parts
of the equipment to besure ice has not formed there.
• NEVERmove machine by pulling on hoses. Use handle provided
on unit.
• Check fuel system for leaks or signs of deterioration, such as
chafed or spongy hose, loose or missing clamps, or damaged
tank or cap. Correct all defects before operating pressure washer.
• This equipment is designedto be used with Searsauthorized parts
ONLY.If equipment is used with parts that DONOTcomply with
minimum specifications, user assumesall risks and liabilities.

KNOWYOURPRESSUREWASHER
Readthe Operator'sManual andsafetyrules before operatingyour pressure washer.
Comparethe illustrations with your pressurewasher to familiarize yourself with the locations of various controls and
adjustments. Savethis manual for future reference.
A- SprayGun-- Controls the application of water onto cleaning
surface with trigger device. Includes trigger lock.
B - SprayTips- Detergent, 0°, 15° and 40°: for various high
pressure cleaning applications.
C- Accessory Tray -- Provides convenient storage for accessories
such as gun, spray tips, etc.
D - ProjectPro@ PerfectMWM Siphon -- Mixes concentrate with
pressure washer spray.
E - BottleBracket-- Cleaning solution bottle fits inwire form
bracket here. Concentrate bottle not included.
F - Oil Fill/Dipstick -- Check, add and drain engine oil here.
G - AutomaticCoolDownSystem-- Cycleswater through pump
when water reaches 125°-155°F. Warm water will discharge from
pump onto ground. This system prevents internalpump damage.
H - Pump-- Develops high pressure.
J - DetergentSiphoningTube/Filter-- Useto siphon pressurewasher
safedetergentsintothe low pressurestream.
K- High PressureOutlet-- Connectionfor high pressurehose.
L - Water Inlet -- Connection for garden hose.
M-Air Filter -- Protects engine by filtering dust and debris out of
intake air.
H- Recoil Starter -- Used for starting the engine manually.
P - Fuel Tank-- Filltank with regular unleaded fuel. Always leave
room for fuel expansion.
R - Fold Down Handle-- Handle and accessory tray fold flat atop
cold engine for space-saving storage.
S - Spray Tip Extensionwith QuickConnect-- Allows you to
switch betweenfour different spray tips.
T - Hose Wrap and High PressureHose-- Hose wrap provides
easytransport and handling of the high pressure hose. Connect
one end of hoseto water pump and the other end to spray gun.
Items Not Shown:
Fuel Valve-- Usedto turn fuel supply on and off to engine.
EngineSwitch-- Sets engine instarting mode for recoil starter and
stops a running engine.
ChokeRod -- Prepares a cold enginefor starting.
IdentificationLabel (near rear of base plate) -- Provides model
and serial number of pressure washer. Pleasehave these readily
available if calling for assistance.
Warning/OperatingInstructionsTag-- Identifieshazardsand proper
procedureto start/stop pressurewasher.

Your pressure washer requires some assembly and is ready
for use only after it has been properly serviced with the
recommended oil and fuel.
If you have any problems with the assemblyof your
pressurewasher, please call the pressurewasher helpline
at 1-800-222-3136.
UNPACKTHE PRESSUREWASHER
1. Remove everything from carton except pressurewasher.
2. Opencarton completely by cutting each corner from top
to bottom.
3. Remove pressure washer from carton.
CARTONCONTENTS
Check all contents. If any parts are missing or damaged,call
the pressure washer helplineat 1-800-222-3136.
• Main Unit
• Handle
• Accessory Tray
• High PressureHose
• Spray Gun
• Spray Tip Extension with Quick Connect Fitting
• Oil Bottle
• HoseWrap
• DetergentSiphoning Hose/Filter
• Bottle Bracket Wireform
• PerfectMixTM Siphoning Unit/Hose
• Parts Bag(which includes the following):
• Operator's Manual
• Owner's Registration Card
• Bag containing 4 multi-colored Spray Tips
• HandleFasteningHardwareKit (whichincludes):
• Handle Bolts (2)
• Carriage Bolt (1)
• Plastic Knobs for Handle (2)
• Plastic Knob (1)
• Tree Clips (4)
Becomefamiliar with each piece before assembling the
pressure washer Identify all contents with the illustration on
page 6 If any parts are missing or damaged, call the
pressure washer helpline at 1-800-222-3136.
ASSEMBLINGPRESSUREWASHER
Your Craftsman pressure washer will needassembly before
operation:
1 Fill out and send in registration card
2 Attach handle and accessory tray
3 Connect detergent siphon hose to pump
4 Add oil to engine crankcase
5 Add fuel to fuel tank
6 Connect pressure hose to spray gun and pump
7 Connectwater supply to pump
8 Attach spray tip extension to spray gun
9 Select/attach quick connect spray tip to spray tip
extension
Attach Handle and Accessory Tray
1 Place handle(A) onto handle supports (B) connected to
main unit Make sure holes (6) in handlealign with holes
(6) on handlesupports
,
,
,
Insert handle carriage bolts (D) through holes from
inside of unit and attach a plastic knob (E) from outside
of unit Tighten by hand By loosening both knobs to the
middle section of the attachment bolt, the upper handle
can fold forward to store flat atop the cold engine Note:
DO NOTfold the handle down while the engine is hot
Placeaccessory tray (F) over holes (6) on handle
(viewing from backof unit) Push the tree clips (H) into
the holes until they sit flat against the accessory tray
f
/
Insert multi-colored Quick Connect spray tips and other
supplied accessories in spaces provided in accessory
tray SeeHow to UseAccessory Tray

.
.
Align hose wrap (A) to the back side of accessory tray.
Locate notch with "unlock" icon (B) on hose wrap.
Position notch at top with hose wrap in vertical position.
Clips in the back of accessory tray should slide into the
grooves on the inside surface of hose wrap. Slide hose
wrap on back of accessory tray and rotate 1/8 turn until
"locked" icon (6) is in vertical position. Hosewrap is
easily removed from the accessory tray for wrapping and
unwrapping of the high pressure hose. A clip to secure
the hose on the reel makes it easyto wrap the hose
while it is detachedfrom the accessory tray.
Attach bottle bracket (D) to handlewith carriage bolt (E)
and black plastic knob (F). Tighten by hand.
2-1N-1 Soap System
The pressure washer is equipped with two detergent
siphoning hoses.
Project Pro PerfectMixTM Siphon
Bluetube with blue bottle cap:
,._, When using the blue PerfectMixTMsiphon, use
the PerfectMixTMExtreme Concentratestraight
from the bottle.
StandardSiphonTube
Cleartube with filter:
When using the clear siphon tube, dilute
1 part PerfectMixTMExtreme Concentrate
to 16 parts water (4 oz of concentrate
makes 1/2 gallon of mix.)
Attach Project Pro@ PerfectMix TM Siphon to
Pump
Attach the hose end of the blue PerfectMWMSiphon (G) to
the barbed hose fitting (H) on the pump.
Attach PerfectMix TM Detergent Siphon to
Concentrate Bottle
Place PerfectMixTMbottle (not included) in the wire-form
bracket on the handle. Removecap from bottle and insert the
PerfectMixTMSiphon (6). Screw the siphon unit to the top of
the bottle (J). Usethe clip on the cap (14)to snap siphon to
wire form bracket when siphon is not in a concentrate bottle.

Add Engine Oil
1. Place pressure washer on a flat, level surface.
2. Cleanarea around oil fill and remove yellow oil fill
cap/dipstick.
3. Using oil funnel (optional), slowly pour contents of
provided oil bottle into oil fill opening.
NOTICE Improper treatment of pressure washer can
damage it and shorten its life.
• DO NOTattempt to crank or start the engine before it has been
properly servicedwith the recommended oil. This may result in an
enginefailure.
4. Replaceoil fill cap/dipstick and fully tighten.
Add Fuel
_i, WARNING Fuel and its vapors are extremely
flammable and explosive.
_j_ ire or explosion can causesevere burns
or death.
WHENADDINGFUEL
• Turn pressure washer OFFand let it cool at least2 minutes
before removing fuel cap. Loosen capslowly to relieve pressure
in tank.
• Fill fuel tank outdoors.
• DONOT overfill tank. Allow spacefor fuel expansion.
• If fuel spills, wait until it evaporatesbefore starting engine.
• Keepfuel away from sparks, open flames, pilot lights, heat, and
other ignition sources.
• DONOT light a cigarette or smoke.
1. Useclean, fresh, regular unleadedfuel with a minimum
of 86 octane with equipment. DO NOTmix oil with fuel.
2. Place pressurewasher on a level surface. Cleanarea
around fuel fill cap, remove cap.
3. Slowly add regular unleadedfuel to bottom of fuel level
limit in neck of fuel tank. Becareful not to overfill.
,
MAXIMUM FUEL LEVEL
Install fuel cap and allow any spilled fuel to evaporate
before starting engine.
CAUTION!Alcohol-blended fuels (called gasohol, ethanol or
methanol) can attract moisture, which leadsto separation and
formation of acids during storage. Acidic gas can damage the
fuel system of an enginewhile in storage.
To avoid engine problems, the fuel system should be emptied
before storage of 30 days or longer. Drain the fuel tank, start
the engineand let it run until the fuel lines and carburetor are
empty. Usefresh fuel next season. See Storage for additional
information.
NEVERuse engine or carburetor cleaner products in the fuel
tank as permanent damage may occur.

Connect Hose and Water Supply to Pump
NOTICE DO NOTrun the pump without the water supply
connected and turned on.
• Damageto equipmentresultingfrom failureto followthis
instructionwill voidwarranty.
4. Run water through garden hose for 30 seconds to flush
it of debris. Turn off water.
IMPORTANT:DONOTsiphon standing water for the water
supply. Use ONLYcold water (less than 100°F).
5. Connectgarden hose (not to exceed50 feet in length) to
water inlet. Tighten by hand.
NOTE:Remove and discard the shipping caps from the
pump's high pressure outlet and water inlet before attaching
hoses.
1. Uncoil high pressure hose and attach one end of hose to
base of spray gun. Tighten by hand.
_i, WARNING The high pressure stream of water that
this equipment produces can cut through skin
and its underlying tissues, leading to serious
injury and possible amputation.
• NEVERconnect high pressure hose to nozzleextension.
• Keep high pressure hose connected to pump and spray gun
while system is pressurized.
• Always becertain spray gun, nozzlesand accessoriesare
correctly attached.
2. Attach other end of high pressure hose to high pressure
outlet on pump. Tighten by hand.
.Before connecting garden hose to water inlet, inspect
inlet screen (A). Cleanscreen if it contains debris or have
it replacedif damaged.DO NOTrun pressure washerif
inlet screenis damagedor missing.
NOTICE Using a OneWay Valve (vacuum breaker or check
valve) at pump inlet can cause pump or inlet connector
damage.
• ThereMUSTbeat leasttenfeetof unrestrictedgardenhose
betweenthe pressurewasherinletandanydevice,suchas a
vacuumbreakeror checkvalve.
• Damageto equipment resulting from failure to follow this
instruction will void warranty.
_i, WARNING Risk of eye injury.
Spray can splash back or propel objects.
• Always wear indirect vented (chemical splash) safety goggles
marked to comply with ANSI Z87.1 when using or in vicinity of
this equipment.
• NEVERsubstitute safety glasses or dry-condition goggles for
indirect vented safety goggles.
6. Turn ONthe water, press red button (B) on the gun and
squeezethe trigger to purge the pump system of air and
impurities.
Checklist Before Starting Engine
Reviewthe unit to ensure you have performed all of the
following:
1. Besure to read Safety Rules and Operationsections
before using the pressure washer.
2. Makesure handleis in place and secure.
3. Checkthat oil has beenadded to proper level in engine
crankcase.
4. Add proper fuel to fuel tank.
5. Checkfor proper hose connections (high pressure and
water supply) and that there are no kinks, cuts, or
damageto the high pressure hose.
6. Provide proper water supply (not to exceed100°F).
10

HOWTO USEYOURPRESSUREWASHER
If you have any problems operating your pressure washer,
please call the pressure washer helpline at 1-800-222-3136.
Pressure Washer Location
PressureWasherClearance
_i, WARNING Exhaust heat/gases can ignite
combustibles, structures or damagefuel tank
causing a fire.
•Keepat least5 ft. (152 cm) clearanceon all sides of pressure
washer including overhead.
Place pressure washer outdoors in an area that will not
accumulate deadly exhaust gas. DO NOTplace pressure
washer where exhaust gas (A) could accumulate and enter
inside or be drawn into a potentially occupied building.
Ensure exhaust gas is kept awayfrom any windows, doors,
ventilation intakes, or other openings that can allow exhaust
gas to collect in aconfined area. Prevailing winds and air
currents should be taken into consideration when positioning
_ressurewasher.
_i, WARNING Running enginegives off carbon
monoxide, an odorless, colorless, poisonous gas.
_ Breathing can cause headache,
carbon monoxide
fatigue, dizziness,vomiting, confusion, seizures,
nausea,fainting or death.
• OperatepressurewasherONLYoutdoors.
• Keepexhaustgasfromenteringa confinedareathrough
windows,doors,ventilationintakes,or otheropenings.
• DONOTstartor runengineindoorsor in anenclosedarea,
evenif windowsanddoorsareopen.
To Start Your Pressure Washer
To start your engine-powered pressurewasher for the first
time, follow these instructions step-by-step. This information
also applies wheneveryou start the engine after you have let
the pressure washer sit idle for at leasta day.
1. Place pressurewasher outside nearan water source
capableof supplying water at a flow rate greater than
3.3 gallons per minute and no less than 20 PSI at
pressurewasher end of garden hose.
2. Checkthat high pressure hose is tightly connected to
spray gun and pump. SeeAssemblyfor illustrations.
3. Makesure unit is in a level position.
4. Connectgarden hose to water inlet on pressurewasher
pump.
NOTICE DO NOTrun the pump without the water supply
connected and turned on.
• Damageto equipmentresultingfromfailureto followthis
instructionwill voidwarranty.
,
,
Turn ONthe water, press red button on the gun and
squeezethe trigger to purge the pump system of air and
impurities.
Attach spray tip extension to spray gun. Tighten by
hand.
,Choosespray tip you want to use and insert it into spray
tip extension. See How to Use Spray Tips.
8. Turn fuel valve (B) to "On" position.
OFF
ON
11

9. Pull choke rod (A) to "Closed" position.
Closed
NOTE:For a warm engine, be sure the choke rod (A) is in the
"Open" position.
10. Move engine stop switch (B) to "On" position.
IMPORTANT:Beforestarting the pressure washer, be sure
'ou are wearing safety goggles as described below.
A. WARNING Risk of eye injury.
Spray can splash backor propel objects.
•Always wear indirect vented (chemical splash) safety goggles
marked to comply with ANSI Z87.1 when using or in vicinity of
this equipment.
• NEVERsubstitute safety glasses or dry-condition goggles for
indirect vented safety goggles.
1. When starting engine, position yourself as
recommended and grasp starter grip handle and pull
slowly until you feel some resistance. Then pull rapidly
to start engine.
A, WARNING Starter cord kickback (rapid retraction) can
result in bodily injury. Kickback will pull hand and
_,__ arm toward engine faster than you can let go.
v- Broken bones, fractures, bruises, or sprains
could result.
• NEVERpull starter cord without first relieving spray gun
pressure.
• When starting engine, pull cord slowly until resistance is felt
and then pull rapidly to avoid kickback.
• After each starting attempt, where enginefails to run, always
point spray gun in safedirection, press red button and squeeze
spray gun trigger to releasehigh pressure.
• Firmly grasp spray gun with both hands when using high
pressure spray to avoid injury when spray gun kicks back.
2. Return recoil starter slowly. DO NOT let rope "snap
back" against starter.
13. When engine starts, slowly move choke rod to "Open"
position as engine warms. If engine falters, move choke
rod to "Closed" position, then to "Open" position.
A, WARNING The high pressure stream of water that
this equipment produces can cut through skin
and its underlying tissues, leading to serious
injury and possible amputation.
Spray gun traps high water pressure, even when engine is
stopped and water is disconnected, which can cause
injury.
• DONOT allow CHILDRENto operatepressure washer.
• Keep high pressure hose connected to pump and spray gun
while system is pressurized.
• NEVERaim spray gun at people,animals, or plants.
• DO NOTsecure spray gun in open position.
• DO NOTleavespray gun unattendedwhile machine is running.
• NEVERuse a spray gun which does not have a trigger lock or
trigger guard in place and in working order.
• Always be certain spray gun, nozzlesand accessoriesare
correctly attached.
A, WARNING Contact with muffler area can result in
serious burns.
._ heat/gases can ignite
Exhaust
combustibles, structures or damage
fuel tank causing a fire.
• DO NOTtouch hot parts and AVOIDhot exhaust gases.
• Allow equipment to cool before touching.
• Keep at least 5 feet (152 cm) of clearanceon all sides of
pressure washer including overhead.
• It isa violation of California Public ResourceCode, Section
4442, to use or operate the engine on any forest-covered,
brush-covered, or grass-covered land unlessthe exhaust
system is equippedwith a spark arrester,as defined in Section
4442, maintained in effective working order. Otherstates or
federal jurisdictions may havesimilar laws.
Contact the original equipment manufacturer, retailer, or dealer
to obtain a spark arrester designed for the exhaustsystem
installed onthis engine.
• Replacementparts must bethe same and installed in the same
position as the original parts.
12

How to Stop Your Pressure Washer
1. Releasespray gun trigger and let engine idle for two
minutes.
2. Move engine stop switch to "Off" position.
3. ALWAYS point spray gun in a safe direction, push red
button and squeezespray gun trigger to releaseretained
high water pressure.
IMPORTANT:Spray gun traps high water pressure, even
when engine is stopped and water is disconnected.
A. WARNING The high pressure stream of water that
this equipment produces can cut through skin
and its underlying tissues, leadingto serious
injury and possible amputation.
Spray gun traps high water pressure, even when engine is
stopped and water is disconnected, which can cause
injury.
• Keephighpressurehoseconnectedto pumpandspraygun
whilesystemis pressurized.
• ALWAYSpointspraygunin safedirection,pressredbutton
andsqueezesprayguntriggerto releasehighpressure,every
timeyou stopengine.
How to Use Accessory Tray
The unit is equipped with an accessory tray with places to
store your spray gun, spray tip extension and quick connect
spray tips. There is also a detachable hose wrap at the back
of the accessory tray to hold your high pressure hose.
1. Place spray tip extension in clip on back of accessory
tray.
2. Place spray gun through hole on accessory tray on right
side of unit.
3. Insert multi-colored spray tips in spaces provided in
accessory tray.
4. Wrap high pressure hose on hose wrap then attach hose
wrap to back of accessory tray.
5. Hook provided on back of accessory tray for safely
storing safety goggles.
How to Use Spray Tips
The quick-connect on the spray tip extension allows you to
switch between four different quick connect spray tips. The
spray tips vary the spray pattern as shown below.
Low Pressure
Black
Use to apply
chemical
m i
r_
40° White
2600 PSI
2.3 GPM
High Pressure
15° Yellow 0° Red
2600 PSI 2600 PSI
2.3 GPM 2.3 GPM
Follow these instructionsto changespraytips:
1. Pull back collar on quick-connect and pull current spray
tip off. Store spray tips in holder provided on the
accessory tray.
A. WARNING The high pressure stream of water that
this equipment produces can cut through skin
and its underlying tissues, leading to serious
injury and possible amputation.
• NEVERexchangespraytipswithoutthetriggerlockedonthe
spraygun.
• DONOTtwist spraytips whilespraying.
.Select desired spray tip:
•For delicate rinse (lower pressure and higher flow),
for gentle cleaning of cars/trucks, boats, RV's, patio
furniture, lawn equipment, etc., select white 40°
spray tip.
• For generalrinsing (medium pressure and medium
flow), ideal for most all purpose cleaning such as
home siding, brick patios, wood decks, driveways
and sidewalks, garagefloors, etc., select yellow
15° spray tip.
• For maximum rinsing (higher pressure and lower
flow), for stubborn or hard to reach surface such as
second story surfaces, paint removal, oil stains, rust
removal or other stubborn substances (tar, gum,
grease,wax, etc.), select red 0° spray tip.
• To apply detergent, applies project specific cleaners
to help break down stubborn dirt and grime on a
variety of surfaces, select black detergentspray tip.
13

3. Pull backon collar,insert new spraytip and releasecollar.
Tug on spraytip to makesure it is securelyin place.
UsageTips
• For most effective cleaning, keep spray tip from 8 to
24 inches (20 to 61 cm) awayfrom cleaning surface.
• If you get spray tip too close, especially using a high
pressure spray tip, you may damage surface being
cleaned.
• DONOTget closer than 6 inches (15 cm) when cleaning
tires.
2-1N-1 Soap System
A. CAUTION Chemicalscan cause bodily injury, and/or
property damage.
•NEVERusecausticliquidwith pressurewasher.
• UseONLYpressurewashersafedetergents/soaps.Followall
manufacturersinstructions.
CleaningandApplyingDetergentwith the
Project Pro@PerfectMixTM Siphon
To apply undiluted detergent using the blue
PerfectMixTM siphon, follow these steps:
1. Review use of spray tips.
2. Attach PerfectMixTM siphon hose to
pump and PerfectMixTM concentrate
bottle.
//
//
NOTICE Contactwith the hot muffler can damage detergent
siphoning tube.
• Wheninsertingthe siphonintoa detergentsolutionbottle,route
thetubeso asto keepit from inadvertentlycontactingthe hot
muffler.
3. Make sure black detergent spray tip is installed.
NOTE:Detergent cannot be applied with the high pressure
spray tips (White, Yellow or Red).
4. Make sure garden hose is connected to water inlet.
Checkthat high pressure hose is connected to spray gun
and pump. Turn on water.
NOTICE You must attach all hoses before you start the
engine.
• Startingthe enginewithoutallthe hosesconnectedandwithout
thewaterturnedONwill damagethe pump.
• Damageto equipmentresultingfromfailureto followthis
instructionwill voidwarranty.
5. Start enginefollowing instructions How to Start Your
Pressure Washer.
6. Apply detergent to a dry surface, starting at lower
portion of areato be washedand work upward, using
long, even,overlapping strokes.
7. Allow detergent to "soak in" for 3-5 minutes before
washing and rinsing. Reapplyas neededto prevent
surface from drying. DO NOTallow detergentto dry on
(prevents streaking).
Cleaningand ApplyingDetergentwith
the StandardClear Siphon
To apply diluted detergent using the
standard clear siphon tube, follow these
steps:
1. Review use of spray tips.
2.
3.
Attach clear siphon hose to barbedfitting on pump.
Mix detergent solution as required by job.
4. Placesmall filter end of clear siphoning tube into
container with diluted solution as described above.
NOTE:DONOT insert standard siphon hose in Extreme
Concentrate.Failure to dilute concentratewill causeexcessive
application and consumption of solution.
NOTE:Makesure the filter is fully submerged in fluid while
applying solution.
NOTICE Contactwith the hot muffler can damage detergent
siphoning tube.
• Wheninsertingthe siphoninto adetergentsolutionbottle,route
the tubeso asto keepit from inadvertentlycontactingthe hot
muffler.
5. Makesure black detergentspray tip is installed.
NOTE:Detergentcannot be applied with the high pressure
spray tips (White, Yellow or Red).
6. Makesure garden hose is connected to water inlet.
Checkthat high pressure hose is connected to spray gun
and pump. Turn on water.
NOTICE You must attach all hoses before you start the
engine.
• Startingtheenginewithoutall the hosesconnectedandwithout
the waterturnedONwill damagethe pump.
• Damageto equipmentresultingfrom failureto followthis
instructionwill void warranty.
7. Start engine following instructions How to Start Your
Pressure Washer.
8. Apply detergentto a dry surface, starting at lower
portion of areato be washed and work upward, using
long, even, overlapping strokes.
9. Allow detergent to "soakin" for 3-5 minutes before
washing and rinsing. Reapplyas neededto prevent
surface from drying. DO NOTallow detergent to dry on
(prevents streaking).
IMPORTANT:You must flush the detergent siphoning system
after each use by placing the filter into a bucket of clean
water, then run the pressurewasher in low pressure for 1-2
minutes.
14

Pressure Washer Rinsing
For Rinsing:
1. Remove black detergent spray tip from spray tip
extension.
2. Selectand install desired high pressurespray tip
following instructions How to UseSpray Tips.
3. Keepspray gun a safedistance from areayou plan to
spray.
A. WARNING Kickback from spray gun can cause you to
fall.
• Operate pressure washer from a stable surface.
• Be extremely careful if you must usethe pressure washer from
a ladder, scaffolding, or any other similar location.
• Firmly grasp spray gun with both handswhen using high
pressure spray to avoid injury when spray gun kicks back.
4. Apply a high pressure spray to a small area and then
check surface for damage. If no damage is found, you
can assume it is okay to continue rinsing.
5. Start at top of areato be rinsed, working down with
same overlapping strokes as you used for cleaning.
Cleaning Detergent Siphoning Tube
If you used the clear detergent siphoning tube, you must
flush it with clean water before stopping the engine.
1. Place detergent siphoning tube/filter in a bucket full of
clean water.
.
3.
Remove high pressure spray tip from spray tip
extension.
Selectand install blackdetergent spray tip following
instructions How to UseSpray Tips.
4. Flush for 1-2 minutes.
5. Shut off engine following instructions How to Stop
Pressure Washerand turn off water supply.
6. ALWAYS point spray gun in a safe direction push red
button and squeezespray gun trigger to release retained
high water pressure.
IMPORTANT:Spray gun traps high water pressure, even
when engine is stopped and water is disconnected.
A, WARNING The high pressure stream of water that
this equipment produces can cut through skin
and its underlying tissues, leading to serious
injury and possible amputation.
Spray gun traps high water pressure, even when engine is
stopped and water is disconnected, which can cause
injury.
• Keephighpressurehoseconnectedto pumpandspraygun
whilesystemis pressurized.
• ALWAYSpointspraygunin safedirection,pressredbutton
andsqueezesprayguntriggerto releasehighpressure,every
timeyoustopengine.
Automatic Cool Down System (Thermal Relief)
If you run the engine on your pressure washer for
3-5 minutes without pressing the trigger on the spray gun,
circulating water in the pump can reach temperatures above
125°F. The system engages to cool the pump by discharging
the warm water ontothe ground.
15

Pressure Washer Specifications
Max Outlet Pressure ....................... 2,600 PSI
Max Flow Rate............................. 2.3 GPM
Detergent Mix ........................ Useas directed
Water Supply Temperature .......... Not to exceedIO0°F
Engine Specifications
Bore ............................... 2.5 in. (64 mm)
Stroke ............................. 2.0 in. (50 mm)
Displacement ....................... 9.8 cuin (161 cc)
Spark Plug
Resistor ............................ NGK BPR6ES
Set GapTo: ........... 0.028-0.031 in (0.70-0.80 mm)
Intake Valve Clearance ........... 0.15 _+0.04 mm (cold)
Exhaust Valve Clearance.......... 0.20 _+0.04 mm (cold)
Fuel Capacity ..................... 0.29 Gallons (1.1 I)
This pressurewasher is rated in accordanceto the Pressure
Washer Manufacturers Association (PWMA) standard PWl01
(Testing and Rating Performance of PressureWashers).
16

OWNER'SRESPONSIBILITIES
Follow the hourly or calendar intervals, whichever occurs
first. More frequent service is required when operating in
adverseconditions noted below.
• Changeengine oil
• Check/clean water inlet screen'
• Check high pressure hose
• Checkdetergent siphoning hose
• Checkspray gun and assembly for leaks
• Cleandebris
• Checkengine oil level
_i _ _ i!iii,iiiiiiiiiiiiiiiiiiiiiiiiiiiiiiiiiiiiiiiiiiiiiiiiiiiiiiiill
• Clean engine air cleaner 2
• Change engine oil2
• Check/adjust spark plug
• Inspect muffler and spark arrester
• Check/adjust idle speed 3
• Check/adjust valve clearance 3
• Clean fuel tank & filte_
• Clean combustion chamber _
• Replace engine air cleaner
• Replacespark plug
• Checkfuel tube3(Replaceif necessary)
' Clean if clogged. Replace if perforated or torn.
2Service more often under dirty or dusty conditions,
3These items should be serviced by your servicing dealer.
General Recommendations
Regular maintenancewill improve the performance and
extend the life of the pressure washer. Seeany Sears or
other qualified service dealer for service.
The pressurewasher warranty does not cover items that
have beensubjected to operator abuse or negligence. To
receivefull value from the warranty, the operator must
maintain pressure washer as instructed in this manual
including proper storage as detailed in Storage.
Some adjustments will needto be made periodically to
properly maintain your pressure washer.
All service and adjustments should be made at least once
each season. Follow the requirements in the Maintenance
Schedulechart above.
NOTE:Once a year you should clean or replacethe spark
plug and replacethe air filter. A new spark plug and clean air
filter assure proper fuel-air mixture and help your engine run
better and last longer.
Pump Oil
DONOTattempt any oil maintenanceon this pump. The
pump is pre-lubricated and sealed from the factory, requiring
no additional maintenance for the life of the pump.
Emissions Control
Maintenance,replacement, or repair of the emissions
controldevicesand systemsmay be performedby any non-
road enginerepair establishmentor individual. However,
to obtain "no charge" emissions control service, the work
must be performed by a factory authorizeddealer. Seethe
Emissions Warranty.
BeforeEach Use
1. Checkengine oil level.
2. Cleandebris.
3. Checkwater inlet screenfor damage.
4. Checkhigh pressure hose for leaks.
5. Checkgun and spray tip extension assemblyfor leaks.
6. Purge pump of air and contaminants.
17

PRESSUREWASHERMAINTENANCE
Clean Debris
Daily or before use, clean accumulated debris from pressure
washer. Keeplinkage, spring and controls clean. Keeparea
around and behind muffler free from any combustible debris.
Inspect cooling air slots and openings on the pressure
washer. These openings must be kept clean and
unobstructed.
Pressurewasher parts should be kept clean to reduce the
risk of overheating and ignition of accumulated debris.
• Usea damp cloth to wipe exterior surfaces clean.
NOTICE Improper treatment of pressurewasher can
damage it and shorten its life.
• DONOTinsertany objectsthroughcoolingslots.
• Usea soft bristle brush to loosen cakedon dirt, oil, etc.
• Usea vacuum cleaner to pick up loose dirt and debris.
Check and Clean Inlet Screen
Examinegarden hose inlet screen. Cleanif it is clogged or
replace if it is torn.
Check High Pressure Hose
High pressure hosescan develop leaks from wear, kinking,
or abuse. Inspect hose before each use. Checkfor cuts,
leaks, abrasions, bulging of cover, or damageor movement
of couplings. If any of these conditions exist, replace hose
immediately.
A, WARNING The high pressure stream of water that
this equipment produces can cut through skin
and its underlying tissues, leadingto serious
injury and possible amputation.
• NEVERrepairhighpressurehose.Replaceit.
• ReplacementhoseratingMUSTexceedmaximumpressure
ratingof unit.
Check Gun and Spray Tip Extension
Examinehoseconnectionto spraygun and makesure it is
secure.Testtrigger by pressingit and makingsure it springs
backinto placewhenyou releaseit. Do not depressredbutton
andtest trigger.Youshould not beableto presstrigger. Replace
spraygun immediatelyif it fails anyof thesetests.
Spray Tip Maintenance
A pulsing sensation felt while squeezingthe spray gun trigger
may be causedby excessive pump pressure. The principal
causeof excessive pump pressure is a spray tip clogged or
restricted with foreign materials, such as dirt, etc. To correct
the problem, immediately clean the spray tip following these
instructions:
1. Shut off engine and turn off water supply.
2. ALWAYSpoint spray gun in a safe direction, press red
button and and squeezespray gun trigger to release
retained high water pressure.
A, WARNING The high pressure stream of water that
this equipment produces can cut through skin
and its underlying tissues, leading to serious
injury and possible amputation.
Spray gun traps high water pressure, even when engine is
stopped and water is disconnected, which can cause
injury.
• Keephighpressurehoseconnectedto pumpandspraygun
whilesystemis pressurized.
• ALWAYSpointspraygunin safedirection,pressredbutton
andsqueezesprayguntriggerto releasehighpressure,every
timeyoustopengine.
3. Removespray tip from end of spray tip extension.
4. Usea small paperclip to free any foreign material
clogging or restricting spray tip (A).
5. Removespray tip extension from spray gun.
6. Usinga garden hose, removeadditional debris by back
flushing water through spray tip extension. Back flush
between 30 to 60 seconds.
/
7. Reinstallspray tip into spray tip extension.
8. Reconnect spray tip extension to spray gun.
9. Makesure garden hose is connected to water inlet.
Checkthat high pressure hose is connected to spray gun
and pump. Turn on water.
10. Start engine followinginstructions Howto Start Your
Pressure Washer.
11. Test pressure washer by operating with each quick
connect spray tip.
O-Ring Maintenance
Purchasean O-Ring RepairKit at your local Searsor by calling
1-8OO-4-MY-HOME(469-4663) or online at www.sears.com.It
is not includedwith the pressurewasher.This kit includes
replacemento-rings,rubberwasherandwater inletfilter. Referto
the instructionsheetprovidedin the kit to serviceyour unit's
o-rings.
A, WARNING The high pressure stream of water that
this equipment produces can cut through skin
and its underlying tissues, leading to serious
injury and possible amputation.
• NEVERrepairleakingconnectionswithsealantof any kind.
Replaceo-ringor seal.
18

ENGINEMAINTENANCE
_i, WARNING Unintentional sparking can result in fire or
_¢ electric shock.
WHENADJUSTINGORMAKINGREPAIRSTOYOURPRESSURE
WASHER
• Disconnectthe sparkplugwirefromthe sparkplugandplace
the wirewhereit cannotcontactsparkplug.
WHENTESTINGFORENGINESPARK
• Useapprovedsparkplugtester.
• DONOTcheckfor sparkwith sparkplugremoved.
Oil
Oil Recommendations
NOTE:When adding oil to the engine crankcase, use only
high quality 4-stroke automotive detergent oil rated with API
service classification SJ or SL rated SAE10W-30 weight. DO
NOTuse special additives.
1. Choosea viscosity according to table below.
m
IOV ,-3(]
-20 0 20 40 60 80 100°F
l IIIl l I I
-30 -20 -10 0 10 20 30 40°0
AMBIENT TEMPERATURE
NOTE:Other viscosities shown in the chart may be used
when the averagetemperature in your area is within the
recommended range.
CheckingOil Level
Oil level should be checked prior to each use or at least every
8 hours of operation. Keepoil level maintained.
1. Place pressure washer on a level surface and clean area
around oil dipstick.
2. Remove oil dipstick and wipe dipstick with clean cloth.
Insert and remove dipstick without screwing it into the
filler neck.
3. Verify oil is at upper limit mark on dipstick. Replaceand
tighten dipstick.
OIL FILLER CAP/DIPSTICK
UPPER
_ _9t.===LIMIT
_LOWER
LIMIT
Add EngineOil
1. Place pressurewasher on a flat, level surface.
2. Cleanareaaround oil fill and remove oil fill cap/dipstick.
3. Checkoil level as described in Checking Oil Level
4. If needed,slowly pour oil into oil fill opening. Pauseto
permit oil to settle. Fill to upper limit mark on dipstick.
DO NOToverfill.
NOTICE Overfilling with oil may cause the engine to not
start, or hard starting.
• DONOToverfill.
• If over the FULL mark on dipstick, drain oil to reduce oil level to
FULL mark on dipstick.
5. Replaceoil fill cap/dipstick and fully tighten.
ChangingEngineOil
If you are using your pressure washer under extremely dirty
or dusty conditions, or in extremely hot weather, change oil
more often.
_i, CAUTION Avoid prolonged or repeatedskin contact
with used motor oil.
• Usedmotoroil hasbeenshownto causeskincancerin certain
laboratoryanimals.
• Thoroughlywashexposedareaswith soapandwater.
KEEPOUTOFREACHOF CHILDREN.DON'T
POLLUTE.CONSERVERESOURCES.RETURN
USEDOIL TO COLLECTIONCENTERS.
Changeoil while engine is still warm from running,as
follows:
1. Drain fuel tank by running pressurewasher until fuel
tank is empty.
2. Disconnect spark plug wire and keep it awayfrom spark
plug.
3. Cleanareaaround oil fill, remove oil fill cap/dipstick.
Wipe dipstick clean.
4. Tip your pressure washer toward the oil fill neckto drain
oil into a suitable container. When crankcase is empty,
return pressure washer to upright position.
5. Slowly pour recommended oil (approximately 18 oz.)
into oil fill opening. Pauseto permit oil to settle. Fill to
upper limit mark on dipstick.
6. Replaceand tighten dipstick.
7. Wipe up any remaining oil.
8. Reconnectspark plug wire to spark plug.
19

Service Air Cleaner
Your enginewill not run properly and may be damaged if you
run it with a dirty air cleaner.Service more often if operating
under dirty or dusty conditions. Replacementsare available
at your local Sears service center.
Toservice the air cleaner, follow these steps:
1. Press latch tabs (A) on top of air cleaner cover (B), and
remove cover.
i
2. Carefully removeair cleaner (C) from base (D).
3. Cleanair cleaner by tapping it severaltimes on a hard
surface to removedirt, or blow compressed air (not to
exceed30 psi) through air cleaner from clean side that
faces engine.
NOTE:NEVERtry to brush off dirt. Brushing will force dirt
into the fibers.
4. Wipe dirt from air cleaner body and cover using a moist
rag. Be careful to prevent dirt from entering air duct (E)
that leads to the carburetor.
5. Install clean (or new) air cleaner in base. Air cleaner
must fit securely in base.
6. Reinstall air cleaner cover.
NOTE:You can purchase new air filter elements by calling
1-800-4-1VlY-NOIVlE(469-4663).
Service Spark Plug
Changing the spark plug will helpyour engine to start easier
and run better.
1. Disconnect the cap from the spark plug and clean area
around spark plug.
2. Remove and inspect spark plug.
3. Replacespark plug if electrodes are worn, or if insulator
is cracked or chipped.
4. For replacement,use recommended spark plug, NGK
BPR6ES.
5. Checkelectrode gap with wire feeler gauge and set gap
at 0.028-0.031 inches 0.70-0.80 mm), if necessary.
6A. When reinstalling original spark plug, tighten 1/8-1/4
turn after the spark plug seats to compress the washer.
6B. When installing new spark plug, tighten 1/2 turn after
the spark plug seats to compress the washer.
7. Attach the spark plug cap to the spark plug.
NOTE:You can purchasea new spark plug by calling
1-800-4-1VlY-NOIVlE(469-4663).
Carburetor
If you think your carburetor needs adjusting, see your
nearestSears service center. Engineperformance may be
affected at altitudes above 5000 feet. For operation at higher
elevations,contact your nearestSears service center.
Inspect Muffler and Spark Arrester
Inspectthe muffler for cracks, corrosion, or other damage.
Removethe spark arrester, if equipped, and inspect for
damageor carbon blockage.If replacementparts are required,
makesure to use only original equipementreplacementparts.
A, WARNING Contact with muffler area can result in
serious burns.
_ Exhaust heat/gases can ignite
combustibles, structures or damage
fuel tank causing a fire.
• DO NOTtouch hot parts and AVOIDhot exhaust gases.
• Allow equipment to cool before touching.
• Keep at least 5 feet (152 cm) of clearanceon all sides of
pressure washer including overhead.
• It isa violation of California Public ResourceCode, Section
4442, to use or operate the engine on any forest-covered,
brush-covered, or grass-covered land unlessthe exhaust
system is equippedwith a spark arrester,as defined in Section
4442, maintained in effective working order. Otherstates or
federal jurisdictions may havesimilar laws.
Contact the original equipment manufacturer, retailer, or dealer
to obtain a spark arrester designed for the exhaustsystem
installed onthis engine.
• Replacementparts must bethe same and installed in the same
position as the original parts.
2O

Cleanandinspectthesparkarresterasfollows:
1. Remove the three 6 mm bolts (A) from the muffler
protector (B), and removethe muffler protector.
2. Remove the two special screws (C) from the spark
arrester, and removethe spark arrester (D) from
muffler (E).
3. Use a brush to remove carbon deposits from the spark
arrester screen. Becareful not to damagethe screen.
IMPORTANT:Replacespark arrester if it has breaks or holes.
4. Install clean (or new) spark arrester in reverseorder of
removal.
AFTEREACHUSE
Water should not remain in the unit for long periods of time.
Sediments or minerals can deposit on pump parts and
"freeze" pump action. Follow these procedures after every
use:
1. Shut off engine, turn off water supply, point gun in a
safedirection, press red button and squeezetrigger to
relieve trapped pressure and let engine cool.
_i, WARNING The high pressure stream of water that
this equipment produces can cut through skin
and its underlying tissues, leading to serious
injury and possible amputation.
Spray gun traps high water pressure, even when engine is
stopped and water is disconnected, which can cause
injury.
• Keephighpressurehoseconnectedto pumpandspraygun
whilesystemis pressurized.
• ALWAYSpointspraygunin safedirection,pressredbutton
andsqueezesprayguntriggerto releasehighpressure,every
timeyoustopengine.
2. Disconnect hose from spray gun and high pressure
outlet on pump. Drain water from hose,gun, and spray
tip extension. Usea ragto wipe off the hose.
3. Empty pump of all pumped liquids by pulling recoil
handleabout 6 times. This should remove most liquid in
pump.
4. Coil high pressure hose on hose wrap provided on
accessorytray.
5. Store unit in a clean, dry area.
6. If storing for more than 30 days see Long Term Storage
on next page.
_i, WARNING Fueland its vapors are extremely
flammable and explosive.
Fire or explosion can causesevere burns
or death.
WHENSTORINGFUELOREQUIPMENTWITHFUELINTANK
• Storeawayfrom furnaces,stoves,waterheaters,clothes
dryers,or otherappliancesthathavepilot light or other
ignitionsourcebecausetheycan ignitefuel vapors.
21

WINTERSTORAGE
NOTICE You must protect your unit from freezing
temperatures.
• Failureto do so will permanentlydamageyour pumpandrender
your unit inoperable.
• Freezedamageis not coveredunderwarranty.
DrainingFuel Tank and Carburetor:
If fuel additive is not used, remove all fuel from tank and
carburetor.
• Place an approved fuel container below carburetor and
use a funnel to avoid spilling fuel.
• Remove carburetor drain bolt (A), then move fuel valve
lever to "On" position.
To protect the unit from freezing temperatures:
1. Follow steps 1-4 in the previous section AfterEach Use.
2. Use pump saver, availableat Sears retail item 7174403,
to treat pump. This minimizes freezedamage and
lubricates pistons and seals.
3. If pump saver is not available,connect a 3-foot section
of garden hose to water inlet adapter. Pour
RV-antifreeze (antifreeze without alcohol) into hose. Pull
recoil handletwice. Disconnect 3-foot hose.
4. Store unit in a clean,dry area.
LONGTERM STORAGE
If you do not plan to use the pressure washer for more than
30 days, you must preparethe engine and pump for long
term storage.
It is important to prevent gum deposits from forming in
essential fuel system parts such as the carburetor, fuel filter,
fuel hose or tank during storage. Also, experienceindicates
that alcohol-blended fuels (called gasohol, ethanol or
methanol) can attract moisture, which leadsto separation
and formation of acids during storage. Acidic gas can
damage the fuel system of an enginewhile in storage.
Protect Fuel System
Fuel Additive:
If adding a fuel additive, fill the fuel tank with fresh fuel. If
only partially filled, air in the tank will promote fuel
deterioration during storage.
• Add fuel additive following manufacturer's instructions.
• Make sure you have water supply to pump inlet
connected and turned ON.
• Run the engine outdoors for several minutes to be sure
that treated fuel has replaced the untreatedfuel in the
carburetor.
If fuel additive is not used, remove all fuel from tank and run
engine until it stops from lack of fuel.
• After all fuel has drained into container, reinstall drain
bolt. Tighten both securely.
ChanoeEnoineOil
While engine is still warm, drain oil from crankcase. Refill
with recommended grade. See ChangingEngine OiL
Oil Cylinder Bore
• Remove spark plug. Squirt about a tablespoon of clean
engine oil into the cylinder. Coverspark plug hole with
rag. Pull recoil handle slowly to distribute oil. Avoid spray
from spark plug hole.
• Install spark plug. DONOTconnect spark plug wire.
22

Protect Pump
To protect the pump from damage caused by mineral
deposits or freezing, use PumpSaver,item 7174403, to treat
pump. This prevents freezedamage and lubricates pistons
and seals.
NOTE:PumpSaveris available as an optional accessory. It is
not included with the pressure washer. Contactyour local
Sears service center to purchase PumpSaver.
NOTICE You must protect your unit from freezing
temperatures.
•Failure to do so will permanently damageyour pump and render
your unit inoperable.
• Freezedamage is not covered under warranty.
To use PumpSaver,make sure the pressure washer is turned
off and disconnected from supply water. Read and follow all
instructions and warnings given on the PumpSavercontainer.
.
3.
A. WARNING
Other Storage Tips
1. DO NOTstore fuel from one seasonto another unless it
has been treated as described in Protect Fuel System.
Replacefuel container if it starts to rust. Rust and/or dirt
in fuel can cause problems if it's used with this unit.
Coverunit with a suitable protective cover that does not
retain moisture.
Storage covers can be flammable.
• DO NOTplacea storage cover over a hot pressure washer.
• Let equipment cool for a sufficient time before placing the
cover on the equipment.
4. Store unit in a clean and dry area.
23

Problem Cause
Pumphas following problems:failure
to producepressure, erratic pressure,
chattering,loss of pressure, low water
volume.
1. Low pressure spray tip installed.
2. Water inlet is blocked.
3. Inadequatewater supply.
4. Inlet hose is kinked or leaking.
5. Clogged inlet hose strainer.
6. Water supply is over IO0°F.
7. High pressure hose is blocked or
Detergentfails to mix with spray.
leaks.
8. Gunleaks.
9. Spray tip is obstructed.
Correction
1. Replacespray tip with high pressure
spray tip.
2. Clear inlet.
3. Provide adequatewater flow.
4. Straighten inlet hose, patch leak.
5. Checkand clean inlet hose strainer.
6. Provide cooler water supply.
7. Clear blocks in outlet hose.
10.
1.
2.
3.
1.
2.
8. Replacegun.
9. Cleanspray tip.
Enginewill not start; or startsand runs
Pump is faulty. 10.
Detergentsiphoning tube is not
submerged.
Detergentsiphoning tube/filter is
clogged or cracked.
High pressure spray tip installed.
Fuelvalve is in "Off" position.
Enginestop switch in "Off" position.
3. Low oil level.
4. Dirty air cleaner.
5. Out of fuel.
6. Stale fuel.
ContactSears service facility.
1. Insert detergent siphoning tube into
detergent.
2. Cleanor replacefilter/detergent
siphoning tube.
3. Replacespray tip with low pressure
spray tip.
1. Turn fuel valveto "On" position.
2. Placeengine stop switch in "On"
position.
7. Spark plug wire not connected to
spark plug.
8. Badspark plug.
9. Water in fuel.
O. Overchoking.
1. Excessivelyrich fuel mixture.
2. Intake valve stuck open or closed.
rough.
3. Fill crankcaseto proper level.
4. Cleanor replaceair cleaner.
5. Fill fuel tank.
6. Drain fuel tank; fill with fresh fuel.
Engineshutsdownduringoperation.
Enginelacks power.
Engine"hunts" or falters.
3. Enginehas lost compression.
Out of fuel.
7. Connectwire to spark plug.
8. Replacespark plug.
9. Drain fuel tank; fill with fresh fuel.
10. Openchoke fully and crank engine.
11. ContactSears service facility.
12. ContactSears service facility.
Dirty air filter.
Chokeis openedtoo soon.
13. ContactSears service facility.
Fill fuel tank.
Replaceair filter.
Move choke to halfway position until
engine runs smoothly.
24

CRAFTSMAN2600 PSI Pressure Washer 580.752610
Main Unit -- Exploded View and Parts List
--3
15
;3
@
4
16
13
/
11
--5
Item
1
2
3
4
5
6
7
8
9
10
11
12
13
14
15
16
17
18
19
20
21
22
Part #
205909GS
M204257GS
209115GS
195964GS
196006GS
202274GS
23139GS
208673GS
201496GS
201497GS
192914GS
B2384GS
189971GS
205910GS
B2203GS
203080GS
206566GS
204658GS
208797GS
192050GS
205411GS
204684GS
204627GS
200595GS
208041GS
198841GS
195983AJGS
195983AKGS
195983AMGS
Description
BASE,w/Vib Mounts
HANDLE
KIT, Billboard w/Clips & Decals
Clips, Tree
HOSE
PUMP, Complete
Key
Valve,Thermal Relief
Kit, Water Inlet
Kit, Water Outlet
Kit, HoseTail
Filter, Inlet
Kit, Chemical Hose
KIT, Handle
KIT, Handle
KIT, Pump Mounting Hardware
WIREFORM
HOSE,Chemical
KIT, Wheel
E-Ring
Axle
WRAP, Hose
GUN
EXTENSION,QC
KIT, Spray Tips
Nozzle,Soap
Nozzle,QC,Red
Nozzle,QC,Yellow
Nozzle,QC,White
Item Part #
23 192310GS
900 NSP
Parts Not Illustrated
Part #
208939GS
AB3061BGS
189332GS
194256GS
Optional Accessories
7175187
7175197
7175124
7175122
7175116
7175129
7175121
7174402
7174403
7174404
7174405
7174406
Description
KIT, Vibration Mount
ENGINE(GCV160LAN5R)(see pages
26-28)
Description
MANUAL,Operator's
OIL BOTTLE
CAP,Plug
KIT, Tag/Warning,Srv
Not Illustrated
GardenHoseQuick Connect
Accessory Quick Connect
Rotating Brush Kit
30' ReplacementHose
0 Ring Repair Kit
Turbo Nozzle
25' Extension Hose
HoseReel
Pump Saver
Project Pro@ PerfectMixTM Multi-
Purpose and Vehicle Cleaner
Project Pro@ PerfectMixTM Concrete,
Brick, andTile Cleaner
Project Pro@ PerfectMixTM Mold and
Mildew Cleaner
25

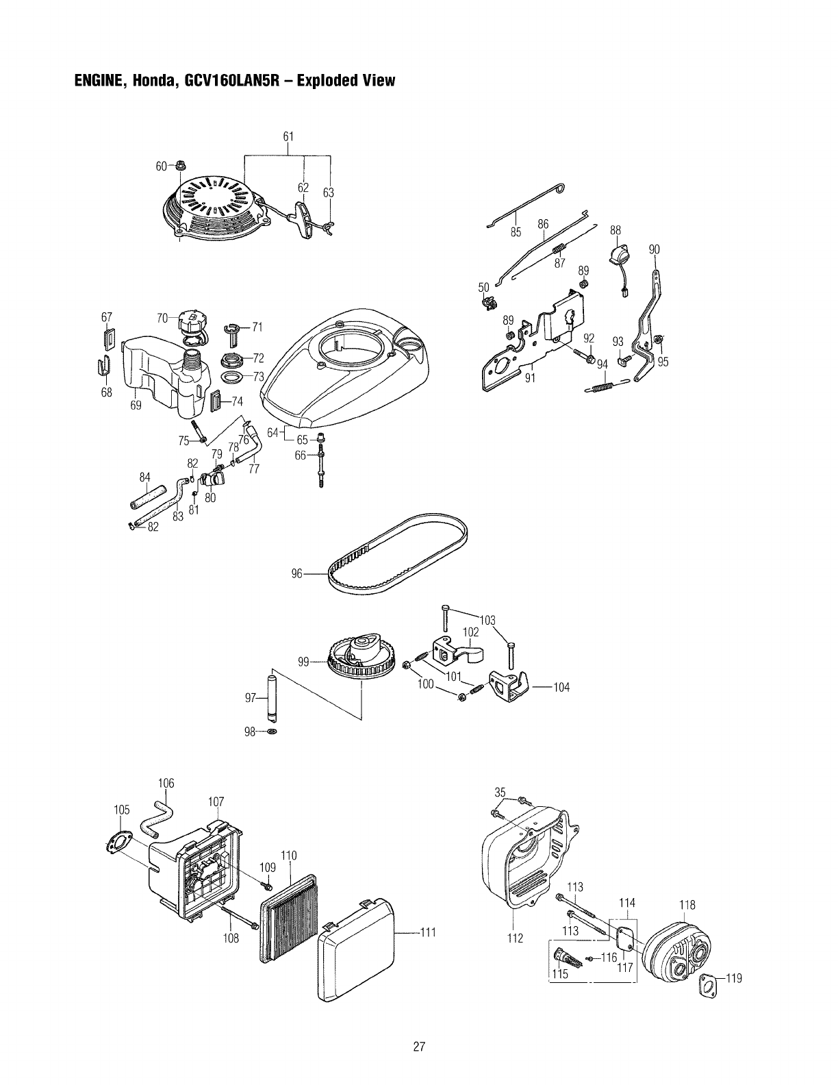
ENGINE, Honda, GCV160LAN5R- Exploded View
6
j_
45_ _46
47_
49_
35
35 35
35
34
21
41
33
!23
37
26

ENGINE, Honda, GCV160LAN5R- Exploded View
67
68
69
82
84
81
82
77
80
61
II
62 63
9O
--104
98--_,
105
106
107
108
110
35
,1% "_-11611_(__119
27

ENGINE, Honda, GCV160LAN5R- Parts List
Item Part # Description
1 16212-ZL8-000 GASKET,INSULATOR
2 16211-ZL8-000 INSULATOR, CARBURETOR
3 16221-883-800 GASKET,CARBURETOR
4 19650-ZM0-000 GUIDE,AIR
5 16100-ZOL-861 CARBURETORASSY (BB65A A)
6 16228-ZL8-000 GASKET,CARBURETOR(CHOKESIDE)
7 93500-05006-0H SCREW,PAN (5X6)
8 16166-ZM0-003 NOZZLE,MAIN
9a 99101-124-0600 JET, MAIN (#60)
9b 99101-124-0620 JET, MAIN (#62)
9c 99101-124-0650 JET, MAIN (#65)
10 16155-ZM0-013 VALVE, FLOAT
11 16013-ZL1-003 FLOATSET
12 16015-887-782 CHAMBER SET,FLOAT
13 16010-883-015 GASKETSET
14 16028-ZE0-005 SCREW SET B
15 16024-ZE1-811 SCREW SET, DRAIN
16 15650-ZOL-O00 GAUGEASSY, OIL LEVEL
17 15625-Z2L-801 GASKET,OIL FILLER CAP
18 94301-08200 PIN, DOWEL (8X20)
19 11300-ZMO-V30 PAN ASSY, OIL
20 91202-ZMO-V31 OIL SEAL (28X41.25X6)
21 90121-952-000 BOLT, FLANGE(6X25)
22 16510-ZM0-010 GOVERNORASSY
23 90014-952-000 BOLT, FLANGE(6X14)
24 16508-ZM0-010 SHAFT, GOVERNORHOLDER
25 16513-ZE1-000 PiN, GOVERNORWEIGHT
26 16512-ZM0-000 HOLDER,GOVERNORWEIGHT
27 16511-ZL8-000 WEIGHT, GOVERNOR
28 90602-ZE1-000 CLIP, GOVERNORHOLDER
29 90451-ZE1-000 WASHER, THRUST(6MM)
30 16531-ZE1-000 SLIDER, GOVERNOR
31 16541-ZM0-000 SHAFT, GOVERNORARM
32 94101-06800 WASHER, PLAIN (6MM)
33 94251-08000 PIN, LOCK(8MM)
34 12311-ZL8-000 COVER,HEAD
35 90013-883-000 BOLT, FLANGE(6X12) (CT200)
36 98079-56846 SPARK PLUG (BPR6ES)(NGK)
37 12000-ZL8-425 CYLINDERASSY
38 14771-ZOJ-O00 RETAINER,VALVE SPRING
39 14751-ZL8-000 SPRING, VALVE
40 14721-ZL8-000 VALVE, EX
41 14711-ZOJ-O00 VALVE, IN
42 12209-ZM0-003 SEAL, VALVE STEM
43 91201-ZL8-003 OIL SEAL (25.4X62X6)
44 12355-ZL8-000 COVER,BREATHER(BREATHERVALVE
ASSY)
45 90201-878-003 NUT, SPECIAL(14MM)
46 19612-ZOL-O00 PLATE,SIDE
47 13331-357-000 KEY, SPECIALWOODRUFF(25X18)
48 31110-ZOJ-013 FLYWHEEL(PHELON)
49 90022-888-010 BOLT, FLANGE(6X20) (CT200)
50a 51125-ZOL-O03 HOLDER,WIRE
50b 90681-959-003 CLIP, CABLE(A)
51 30500-ZOJ-O03 COIL ASSY, IGNITION
52 13310-ZOL-650 CRANKSHAFT
53 90402-ZL8-000 WASHER, THRUST
54 13010-ZOL-014 RING SET, PISTON (STD) (TEIKOKU)
55 90551-ZE0-000 CLIP, PISTON PIN (13MM)
56 13111-ZE0-000 PIN, PISTON
57 13101-Z2A-010 PISTON
58 13200-ZOJ-O00 ROD ASSY, CONNECTING
Item Part # Description
59 90001-ZE1-000 BOLT,CONNECTINGROD
60 90201-ZM0-000 NUT, FLANGE(6MM)
61 28400-ZL8-O23ZC STARTERASSY, RECOIL*R280*(POWER
RED)
62 28461-ZL8-003 KNOB, RECOILSTARTER
63 28462-ZL8-003 ROPE,RECOIL STARTER(#3.5X52")
64 19610-ZOL-850ZE COVER,FAN*R280" (POWER RED)
65 19619-ZL8-300 COLLAR,FAN COVER
66 90043-ZL8-000 BOLT,STUD
67 17533-ZOL-O00 RUBBERB, TANK MOUNTING
68 17516-ZOL-O00 CLIP, TANK MOUNTING
69 17511-ZOL-O00 TANK, FUEL
70 17620-ZOJ-800 CAPASSY, FUEL TANK
71 17636-ZOL-O00 GAUGE,FUEL LEVEL
72 17534-ZOL-O00 NUT,TANK MOUNTING
73 17514-ZOL-O00 SEAL, FUELFILLER NECK
74 17532-ZOL-O00 RUBBERA, TANK MOUNTING
75 16952-ZA8-800 FILTER, FUEL
76 95002-70000 CLIP, TUBE (Cll)
77 17701-ZOL-810 TUBE, FUELTANK
78 95002-02100 CLIP, TUBE (BIO)
79 93891-05010-08 SCREW-WASHER(5X10)
80 16950-ZM0-003 PETCOCKASSY
81 91501-ZOL-800 COLLAR, FUEL PETCOCK
82 95002-02080 CLIP, TUBE (B8)
83 17702-ZM0-800 TUBE, FUEL
84 16854-ZH8-000 RUBBER,SUPPORTER(107MM)
85 16674-ZOL-800 ROD, CHOKE
86 16555-ZOL-800 ROD, GOVERNOR
87 16562-ZM0-000 SPRING,THROTTLE RETURN
88 35120-ZOL-801 SWITCHASSY, ENGINESTOP
89 16613-893-000 GROMMET,CHOKEROD
90 16551-ZM0-010 ARM, GOVERNOR
91 16580-ZOL-800 BASE,CONTROL
92 90016-ZE8-000 BOLT,FLANGE(6X45)
93 90015-ZE5-010 BOLT,GOVERNORARM
94 16561-ZMO-V30 SPRING, GOVERNOR
95 94050-06000 NUT, FLANGE(6MM)
96 14400-ZOJ-014 BELT,TIMING (84HU7 G-200)
97 14324-ZL8-000 SHAFT,CAM PULLEY
98 91301-ZMO-V31 O-RING(6.8X1.9)
99 14320-ZL8-010 PULLEY, CAMSHAFT
100 90206-001-000 NUT,TAPPETADJ
101 90012-333-000 SCREW,TAPPETADJ
102 14441-ZOJ-O00 ARM, EXVALVE ROCKER
103 14461-ZL8-000 SHAFT, ROCKERARM
104 14431-ZOJ-O00 ARM, IN VALVE ROCKER
105 17228-ZM0-000 GASKET,AIR CLEANER
106 15721-ZM0-000 TUBE, BREATHER
107 17220-ZM0-000 CASEASSY, AIR CLEANER
108 90003-ZMO-O00 BOLT,FLANGE(6X86) (CT200)
109 95701-06014-08 BOLT,FLANGE(6X14)
110 17211-ZL8-023 ELEMENT,AIR CLEANER
111 17231-ZOL-030 COVER,AIR CLEANER
112 18321-ZOL-O00 PROTECTOR,MUFFLER
113 90004-ZL8-000 BOLT,FLANGE(6X79) (CT200)
114 06180-ZOJ-O00 ARRESTERKIT, SPARK
115 18350-ZL8-000 ARRESTER,SPARK
116 90055-ZE1-000 SCREW,TAPPING (4X6)
117 18356-ZL8-000 PLATE,ARRESTERNUMBER
118 18310-ZOY-O00 MUFFLER.
119 18381-ZL8-305 GASKET,MUFFLER
28

29

California, U.S. EPA, and Sears Emissions
Control Warranty Statement
YourWarranty RightsAnd Obligations
The California Air Resources Board, U.S. EPA,and Sears,
Roebuck and Co., U.S.A.(Sears) are pleasedto explain the
emissions control system warranty on your Model Year2008
and later engine/equipment. In California, new small off-road
engines must be designed, built, and equippedto meet the
State's stringent anti-smog standards. Sears must warrant
the emissions control system on your engine/equipment for
the periods of time listed below provided there has been no
abuse, neglect, or improper maintenance of your small off-
road engine.
Your emissions control system may include parts such as
the carburetor or fuel injection system, fuel tank, ignition
system, and catalytic converter. Also included may be hoses,
belts, connectors, sensors, and other emissions-related
assemblies. Where a warrantable condition exists, Sears will
repair your engine/equipment at no cost to you including
diagnosis, parts, and labor.
Manufacturer'sWarrantyCoverage:
Small off-road engines arewarranted for two years. If any
emissions-related part on your engine/equipment is
defective, the part will be repaired or replaced by Sears.
Owner's WarrantyResponsibilities:
•As the small engine/equipment owner, you are
responsiblefor the performance of the required
maintenance listed in your owner's manual. Sears
recommendsthat you retain all receipts covering
maintenance on your engine/equipment, but Sears
cannot deny warranty solely for the lack of receipts or
your failure to ensure the performance of all scheduled
maintenance.
• As the engine/equipment owner, you should however
be aware that Sears may deny you warranty coverage if
your engine/equipment or a part has failed due to
abuse, neglect, improper maintenance,or unapproved
modifications.
• You are responsiblefor presentingyour
engine/equipment to a Sears distribution center,
servicing dealer, or other equivalent entity, as
applicable, as soon as a problem exists. The warranty
repairs should be completed in a reasonableamount of
time, not to exceed30 days. If you have any questions
regardingyour warranty rights and responsibilities, you
should contact Sears at (800) 469-4663.
Sears EmissionsControlWarrantyProvisions
The following arespecific provisions relativeto your
Emissions Control Warranty Coverage. It is in addition to the
Searsengine warranty for non-regulated engines found in
the Operator'sManual.
1. Warranted Emissions Parts
Coverageunder this warranty extends only to the parts
listed below (the emissions control systems parts) to
the extent these parts were present on the engine
purchased.
a. Fuel Metering System
• Coldstart enrichment system (soft choke)
• Carburetorand internal parts
• Fuel pump
• Fuel line, fuel line fittings, clamps
• Fueltank, cap and tether
• Carbon canister
b. Air Induction System
• Air cleaner
• Intake manifold
• Purge and vent line
c. Ignition System
• Spark plug(s)
• Magneto ignition system
d. Catalyst System
• Catalytic converter
• Exhaust manifold
• Air injection system or pulse valve
e. Miscellaneous Items Usedin Above Systems
• Vacuum, temperature, position, time sensitive
valves and switches
• Connectorsand assemblies
2. Length of Coverage
For a period of two years from date of original
purchase, Sears warrants to the original purchaser and
each subsequent purchaser that the engine is designed,
built, and equipped so as to conform with all applicable
regulations adopted by the Air ResourcesBoard; that it
is free from defects in material and workmanship that
could causethe failure of a warranted part; and that it is
identical in all material respects to the enginedescribed
in the manufacturer's application for certification. The
warranty period begins on the date the engine is
originally purchased.
In the USA and Canada,a 24-hour hotline, 1-800-469-4663, has a menu of pre-recorded messages offering you product maintenance
information.
3O

Thewarrantyonemissions-relatedpartsisasfollows:
• Anywarrantedpartthatisnotscheduledfor
replacementasrequiredmaintenanceintheowner's
manualsupplied,iswarrantedforthewarrantyperiod
statedabove.Ifanysuchpartfailsduringtheperiodof
warrantycoverage,thepartwillberepairedorreplaced
bySearsatnochargetotheowner.Anysuchpart
repairedorreplacedunderthewarrantywillbe
warrantedfortheremainingwarrantyperiod.
• Anywarrantedpartthatisscheduledonlyforregular
inspectionintheowner'smanualsupplied,iswarranted
forthewarrantyperiodstatedabove.Anysuchpart
repairedorreplacedunderwarrantywillbewarranted
fortheremainingwarrantyperiod.
• Anywarrantedpartthatisscheduledforreplacementas
requiredmaintenanceintheowner'smanualsupplied,is
warrantedfortheperiodoftimepriortothefirst
scheduledreplacementpointforthatpart.Ifthepartfails
priortothefirstscheduledreplacement,thepartwillbe
repairedorreplacedbySearsatnochargetotheowner.
Anysuchpartrepairedorreplacedunderwarrantywillbe
warrantedfortheremainderoftheperiodpriortothe
firstscheduledreplacementpointforthepart.
• Addonormodifiedpartsthatarenotexemptedbythe
AirResourcesBoardmaynotbeused.Theuseofany
nonexemptedaddonormodifiedpartsbytheowner
willbegroundsfordisallowingawarrantyclaim.The
manufacturerwillnotbeliabletowarrantfailuresof
warrantedpartscausedbytheuseofanonexempted
addonormodifiedpart.
3. ConsequentialCoverage
Coverageshallextendtothefailureofanyengine
componentscausedbythefailureofanywarranted
emissionsparts.
4. ClaimsandCoverageExclusions
Warrantyclaimsshallbefiledaccordingtothe
provisionsoftheSearsenginewarrantypolicy.
Warrantycoveragedoesnotapplytofailuresof
emissionspartsthatarenotoriginalequipmentSears
partsorto partsthatfailduetoabuse,neglect,or
impropermaintenanceassetforthintheSearsengine
warrantypolicy.Searsisnotliableforwarranty
coverageoffailuresofemissionspartscausedbythe
useofadd-onormodifiedparts.
LookFor Relevant EmissionsDurability Period andAir
Index InformationOnYour EngineEmissionsLabel
Enginesthat are certified to meet the California Air Resources
Board (CARD)Emissions Standard must display information
regarding the Emissions Durability Period and the Air Index.
The engine manufacturer makes this information availableto
the consumer on emissions labels. The engine emissions
labelwill indicate certification information.
The EmissionsDurability Perioddescribes the number of
hours of actual running time for which the engine is certified
to be emissions compliant, assuming proper maintenance in
accordance with the Operating & Maintenance Instructions.
The following categories are used:
Moderate:Engine is certified to be emissions compliant for
125 hours of actual engine running time.
Intermediate: Engineis certified to be emissions compliant
for 250 hours of actual engine running time.
Extended:Engineis certified to be emissions compliant for
500 hours of actual engine running time.
For example, a typical walk-behind lawn mower is used 20 to
25 hours per year. Therefore, the Emissions Durability
Period of an enginewith an intermediate rating would
equate to 10 to 12 years.
Small off-road engines are certified to meet the United States
Environmental Protection Agency (USEPA) Phase2
emissions standards. For Phase 2 certified engines,the
Emissions Compliance Period referred to on the Emissions
Compliance label indicates the number of operating hours for
which the engine has been shown to meet Federalemissions
requirements.
For engines lessthan 225 cc displacement.
Category C = 125 hours
Category B = 250 hours
CategoryA = 500 hours
For engines of 225 cc or more displacement.
Category C = 250 hours
Category B = 500 hours
CategoryA = 1000 hours
31

GARANTIA .......................................... 32
CONTRATODEPROTECCIONPARA REPARACIONES......... 32
REGLASDESEGURIDAD ............................ 33-35
CARACTERiSTICASY CONTROLES....................... 36
MONTAJE ........................................ 37-40
OPERACION....................................... 41-45
ESPECIFICACIONES................................... 46
MANTENIMIENTO .................................. 47-51
ALMACENAMlENTO ................................... 52
REPARACIONDEDANES REPUESTOS .................... 53
GARANTIADEL CONTROLDEEMISIONES ............... 54-55
COMe ORDENARPARTES ............... PAGINAPOSTERIOR
GARANT|ACOMPLETADECRAFTSMAN
Si este producto de Craftsman falla debido a defectos de materiales o mane deobra en el plazode dos a_os a partir de la fecha de compra,
devu_lvalo a cualquier almac_n Sears, centre de reparaci6n y repuestos Sears, u otro punto deventa de Craftsman de los EstadosUnidos
para su reparaci6n gratuita o, en case de que _sta no sea posible, para su sustituci6n.
Esta garantiase reducir_ a 90 dias desde la fecha de compra si este producto se utiliza en algt_n memento con fines comerciales o de
alquiler.
Estagarantia SOLOcubredefectos de materiales y de manode obra.Sears NOpagar_:
•Los elementos que pueden desgastarseen condiciones de use normales dentro del periodo de garantia, come pistolas rociadoras,
mangueras, prolongadores de boquilla, boquillas, filtros y bujias.
• Reparaciones necesarias debido a accidentes o fallos que se deriven de la incapacidad para operar o mantener el producto de acuerdo
con todas las instrucciones facilitadas.
• Mantenimiento preventive o reparaciones necesariasdebido al use de mezclas de combustible inadecuadas o de combustible
contaminado o pasado.
Esta garantia le otorga determinados derechos legales yes posible que tenga otros derechosque pueden variar de una provincia a otra.
Sears, Roebuck and Co., Hoffman Estates, IL 60179
Felicidadesper realizar una compra inteligente.
Su nuevo producto Craftsman® est_dise_ado y fabricado para
funcionar de manerafiable durante muchos a_os. Perocome todos
los productos, es posible que requiera reparaci6n ocasionalmente.
Es en esos mementos, tener un contrato de protecci6n para
reparaciones puede ahorrarle dinero y molestias.
Acontinuaci6n se menciona Io que el contrato de protecci6n
para reparaciones* contempla:
•Servicie experto de nuestros 10.000 especialistas profesionales
en reparaci6n.
•Servicie ilimitade y sin ceste en partes y mane de obra en
todas las reparaciones incluidas en la cobertura
• Cambie del preducte per hasta $1500 si el producto incluido
en la cobertura no se puede reparar.
• Un 10% de descuente en el precio normal de servicio y en
partes instaladas relacionadas no incluidas en la cobertura del
contrato; asimismo, un 10% de descuento en el precio normal
de revisiones de mantenimiento preventive.
•Ayudatelef6nica r_pida. Nuestro servicio de Soluci6n r_pida
consiste en apoyo telef6nico por un representante de Sears.
Piense que somos un "manual del usuario parlante".
Una vez que adquiera el contrato de protecci6n para reparaciones,
s61otiene que hacer una sencilla Ilamada telef6nica para programar
un servicio. Puede Ilamar a cualquier hera del dia o la noche, o
programar una cita de servicio en linea.
El contrato de protecci6n para reparacioneses una compra segura.
Si Io cancela per cualquier motive durante el periodo de garantia del
producto, le reembolsaremos el total de su dinero o una parte
proporcional en cualquier memento posterior al vencimiento del
periodo de garantia del producto. Adquiera boy su contrato de
protecci6n para reparaciones.
Aplicanalgunas limitaciones y exclusiones. Para conocerprecios
y obtener informaci6nadicional en EE. UU., Ilame al
1-800-827-6655.
* Lacoberturaen Canaddvariaendeterminadosarticulos.Para
obtenertodoslosdetalles,comuniquesea SearsCanaddal
1-800-361-6665.
Servicio de instalaci6n de Sears
Parasolicitar un servicio de instalaci6n per parte de unprofesional
de Searspara aparatos dom_sticos, puertas autom_ticas de garajes,
calentadoresde agua y otros articulos dom_sticos importantes en
EE.UU. o Canada,comuniquese al 1-800-4-MY-HOME®.
32

Leaestemanualminuciosamentey conozcaa fondolas
partesyel funcionamientodesum_quinalimpiadoraa
presi6n.Conozcasusaplicaciones,suslimitacionesy los
peligrosinvolucrados.
Informaci6n importante de seguridad
Simbolossobre la seguridady significados
GasesTOxicos Contragolpe DescargaEI6ctrica
z5-
SuperficiesResbalosas Caer InTecci6nLiquida
PartesenMovimiento Objetos Voladores Superficie Oaliente
Fuego Explosi6n Manual del Operario
A. Elsfmbolo de alerta de seguridad indica un posible
riesgo parasu integridad fisica. Se utiliza una palabra,de
se_alizaci6n (PELIGRO,ADVERTENCIAo PRECAUCION)
junto con el sfmbolo de alerta paradesignar un grado o
nivel de gravedad de riesgo. Se puede utilizar un sfmbolo de
seguridad para representarel tipo de riesgo. La palabrade
se_alizaci6nAVISO se utiliza para hacer referenciaa una
practica no relacionadacon una lesi6n fisica.
• , PELIGROindica un riesgo que, de no evitarse, provocard
la muerte o lesiones de gravedad.
• , ADVERTENCIAindica un riesgo que, de no evitarse,
podrfa provocar la muerte o lesiones de gravedad.
• , PRECAUCIONindica un riesgo que, de no evitarse,podrfa
provocar lesiones leveso moderadas.
AVISOhace referenciaa una practica no relacionada con una
lesi6n fisica.
A, ADVERTENCIA Elescapedel motor de este producto
contiene elementos qufmicos reconocidos en el Estadode
California por producir cancer, defectos de nacimiento u
otros da_os de tipo reproductivo.
A. ADVERTENCIA Esteproducto contiene plomo y
compuestos de plomo declaradoscausantes de
malformaciones y otros defectos cong6nitos por el Estado
de California. Ldveselas manos despugs de manipular
esteproduct&
_i, ADVERTENCIAAI motor funcionar, se produce
mon6xido de carbono, un gas inodoro y
venenoso.
Respirar mon6xido de carbono puede provocar
dolor de cabeza,fatiga, mareos, v6mitos, confusi6n,
ataques, nauseas,desmayos o incluso la muerte.
Algunas sustancias qufmicas o los detergentes pueden
ser perjudiciales si inhalados o ingeridos, causandola
nausea severa,desmayando o para envenenar.
• Opereel limpiadoraa presi6nSOLAMENTEalairelibre.
• Aseg0resedequelos gasesdeescapeno puedanentrarpor
ventanas,puertas,tomasdeairedeventilaci6nuotras
aberturasenunespaciocerradoenelquepuedanacumularse.
• NOarranqueni dejefuncionarelmotoreninterioresnien
zonascerradas,aunquehayaventanasy puertasabiertas.
• Utiliceun respiradoro m_scarasiemprequeexistala
posibilidaddeinhalarvapores.
• Leatodaslasinstruccionesdelam_.scaraparaasegurarsede
quele brindar_laprotecci6nnecesariacontrala inhalaci6nde
vaporesnocivos.
_i, ADVERTENCIA Riesgode electrocuci6n.
"_.lih Elcontacto con los cablesel6ctricos puede
provocar electrocuci6n y quemaduras.
• NUNCArociecercadeunafuentedeenergiael6ctrica.
33

A, ADVERTENCIA El retroceso (repliegue r_.pido) del
cable del arrancador puede producir lesiones. El
,_ retroceso impedir_, que el usuario suelte el cable a
tiempo y tirar_, de su mano y brazo hacia el motor.
Como resultado, podrian producirse fracturas,
contusiones o esguinces.
• NUNCAtire del cable del arrancador sin eliminar previamentela
presiCn de la pistola rociadora.
• Cuando arranque el motor, tire lentamente del cable hasta
sentir una resistenciay, a continuaciCn,tire r_pidamente de61
para evitar su retroceso.
• Despu_s decada intento dearranque, cuando el motor no
consiga arrancar, apunte con la pistola rociadora hacia una
direcciCn segura, pulse el botCnrojo y apriete el gatillo para
descargar la presiCn.
• Sujete firmemente la pistola rociadora con ambas manos
cuando aplique un rociado a alta presiCn paraevitar lesiones
cuando se produzca el retroceso de la pistola.
A, ADVERTENCIA El contacto con la zona del silenciador
puede producir quemaduras graves.
,_:_,,_ _ Los gases y el calor de escape pueden
inflamar los materiales combustibles y
las estructuras 0 da_ar el depCsito de combustible y
provocar un incendio.
• NOtoque las superficies calientes y evite los gases del escapea
altatemperatura.
• Permita que el equipo se enfrie antes detocarlo.
• Deje un espacio minimo de 1.5 m (5 pies) alrededor del
limpiadora a presiCn, incluida la parte superior.
• Utilizar el motor en un terreno boscoso, con malezao cubierto
de hierba constituye una infracciCnal CCdigode recursos
p_blicos de California,a menos que el sistema de escape est_
equipado con una pantalla apagachispas,deacuerdo a la
definiciCnde la SecciCn4442, que se mantenga en buenas
condiciones de funcionamiento. En otros estados o
jurisdicciones federales puede haber leyes similares envigor.
PCngaseencontacto con el fabricante, el vendedor o el
distribuidor del equipo original paraobtener una pantalla
apagachispasdise_ada parael sistema de escape instaladoen
este motor.
• Las piezasde recambio debenser las mismas que las piezas
originales y estar instaladasen la misma posiciCn.
A, ADVERTENCIA El arrancador y otras piezas que rotan
pueden enredar las manos, el pelo, la ropa, o losaccesorios.
• NUNCAutilice la limpiadora a presiCn sin sus carcasaso tapas
de protecciCn.
• NO use ropa suelta, joyas o elementos que puedan quedar
atrapados en el arranque o en otras partes rotatorias.
• Ate paraarriba el pelo largo y quite la joyeria.
A. ADVERTENCIA La gasolina y sus vapores son
extremadamenteinflamables y
_ explosivos.
Elfuego ouna explosiCn pueden causar
quemaduras severase inclusive la muerte.
CUANDOANADACOMBUSTIBLE0 VACIEELDEPOSITO
• Apague el limpiadora a presiCn (posiciCnOFF)y dCjelo enfriar al
menos por 2 minutos antes de remover la tapa de la
combustible. Afloje la tapa lentamente paradejar que la presiCn
salga del tanque.
• Llene o vacie el depCsito de combustible a la intemperie.
• NO Ilenedemasiado eltanque. Permita al menos espacio para
la expansiCndel combustible.
• Si se ha derramado combustible, esperea que se evapore antes
de arrancarel motor.
• Mantenga la gasolina alejada dechispas, llamasabiertas,
pilotos, calor y otras fuentes de igniciCn.
• NOencienda un cigarrillo o fume.
CUANDOPONGAEN FUNCIONAMIENTOELEQUIPO
• Compruebe que la bujia, el silenciador, el tapCn del depCsito de
combustible y el filtro de aire est_n instalados.
• NOarranque el motor sin la bujia instalada.
CUANDOOPEREELEQUIPO
• NO incline el motor o el equipo, detal maneraque la gasolina
se puedaderramar.
• NO rocie liquidos inflamables.
CUANDOTRANSPORTE0 REPAREELEQUIPO
• Transporte o repareel equipo con el tanque de combustible
vacio, o con la v_lvula para apagarel combustible, apagada
(posiciCn OFF).
• Desconecteel cable de la bujia.
CUANDOALMACENE0 GUARDEELEQUIPOCONCOMBUSTIBLE
EN ELTANQUE
• Almacenealejado de calderas, estufas, calentadores deagua,
secadorasde ropa u otros aparatos electrodom_sticos que
posean pilotos u otras fuentes de igniciCn,porque ellos pueden
encender los vapores de la combustible.
A, ADVERTENCIA El uso de limpiadora a presiCn puede
._ _ crearresbalosas.lOscharcos y superficies
El retroceso de la pistola rociadora
puede provocar caidas.
• Utilice la limpiadora a presiCndesde una superficie estable.
• El_rea de limpieza deber_tener inclinaciones y drenajes
adecuadospara disminuir la posibilidad de caidasdebido a
superficies resbalosas.
• Extreme las precaucionessi necesitautilizar la limpiadora a
presiCn desde una escalera, un andamio u otro lugar similar.
• Sujete firmemente la pistola rociadora con ambas manos
cuando aplique un rociado a alta presiCn paraevitar lesiones
cuando se produzca el retroceso de la pistola.
34

_i, ADVERTENCIA El chorro de agua a alta presi6n que
este equipo produce, puede atravesar la piel y
los tejidos subcut_.neos, provocando lesiones de
gravedad que podrian dar lugar a la amputaci6n
de un miembro.
La pistola rociadora contiene agua a alta presi6n incluso con
el motor parado y el agua desconectada, que puede causar
la herida.
• NO permita en ningOn momento que NINOS operen la m_quina
limpiadora a presi6n.
• NUNCAreparela manguerade alta presi6n. Remplacela.
• NUNCAutilice ningOntipo de sellador para reparar unafuga en
una conexi6n. Sustituya la junta t6rica o la junta.
• NUNCAconecte la manguerade alta presi6n al prolongador de
la boquilla.
• Mantenga conectadala mangueraa la m_quina o a la pistola de
rociado cuando el sistema est6 presurizado.
• SIEMPREque pareel motor, apunte con la pistola rociadora
hacia una direccidn segura, pulse el bot6n rojo y apriete el
gatillo paradescargar la presi6n.
• NUNCAapunte la pistola a la gente, animales o plantas.
• NOfije la pistola rociadora en la posici6n abierta.
• NOabandone la pistola rociadora cuando la m_quina est6 en
funcionamiento.
• NUNCAutilice una pistola rociadora cuyo seguro o protecci6n
para el gatillo no est6 en perfecto estadode funcionamiento.
• AsegOreseentodo momento de conectar correctamente la
pistola rociadora, las boquillas y los accesorios.
_i, ADVERTENCIA Chispear involuntario puede tener
"_lh como resultado el fuego o el golpe
el6ctrico.
CUANDOAJUSTE0 HAGAREPARACIONESA SU MAQUINA
LIMPIADORAA PRESION
• Siempre desconecteel alambre de la bujia y col6quelo donde
no pueda entrar en contacto con la bujia.
CUANDOPRUEBELABUJiADELMOTOR
• Utilice un comprobador de bujias homologado.
• NOcomprueba la chispa sin la bujia instalada.
_i, ADVERTENCIA Riesgode lesionesoculares.
El agua rociada puede salpicar o propulsar
objetos.
• Cuandoutilice este equipo o est6 cerca de 61,siempre use gafas
de seguridad con ventilaci6n indirecta (contra salpicadurasde
productos quimicos) marcadaspara cumplir con ANSI Z87.1.
• NUNCAse ponga gafas de seguridad ni gafas para entornos
secos como sustituto de las gafas de seguridad con ventilaci6n
indirect&
AVISO El rociado de alta presi6n puede da_ar elementos
fr_.giles, incluyendo el vidrio.
• NOdirija la pistola rociadora hacia un cristal cuando utilice la
punta de rocio de roja de 0°.
• NUNCAapunte la pistola a plantas.
AVISO El tratamiento inadecuado del limpiadora a presi6n
puede da_arlo y acortar su vida productiva.
• Si usted tiene alguna pregunta acercade las finalidades de uso del
generador, preg0ntelea su concesionario o contacte a Sears.
• NUNCAdeber_,nser operadas las unidades con partes rotas o
ausentes, o sin la caja o cubiertas de protecci6n.
• NOeluda ning0n dispositivo de seguridad de esta m_quina.
• NOintente alterar la velocidad controlada.
• NOutilicela limpiadoraa presi6nporencimadesu presi6n
nominal.
• NOhaga ninguna modificaci6n en la limpiadora a presi6n.
• Antes de poner en marcha la m_quina limpiadora a presi6n en
clima frio, revise todas las partesdel equipo y asegOresede que
no se hayaformado hielo sobre elias.
• NUNCAmuevala m_quina halando la manguera de alta presi6n.
Utilice la manija que viene con la unidad.
• Reviseque el sistema de combustible no presentefugas o signos
dedeterioro, como manguerasdesgastadaso porosas,
sujetadoresflojos o ausentes,tapa o tanque da_ados. Corrija
todos los defectosantes de operar la mAquina limpiadora a
presi6n.
• Elequipo dealta presi6n estAdise_ado paraser utilizado
UNICAMENTEcon las partes autorizadasSears.Si utiliza este
equipo con partes que no cumplan con las especificaciones
minimas, el usuario asume todos los riesgos y responsabilidades.
35

CONOZCASU MAQUINALIMPIADORAA PRESION
Leael Manual del Operario y las reglas de seguridadantes de poner en marcha su limpiadora a presi6n.
Compare las ilustraciones con su limpiadora a presi6n parafamiliarizarse con las ubicaciones de los diferentes controles y ajustes.
Guarde este manual para referencias futuras.
A- Pistola deRociado-- Controialaapiicaci6ndeaguasobrela
superficiedelimpiezaconel gatil]o.Incluyecerrojodeseguridad.
B- Puntas de Rociado- Detergente,0°, 15°y 40°: paradiferentesaita
presi6naplicacionesde]impieza.
C-BandejadeAccesorios- Permitealmacenarc6modamentelos
accesoriosdeserie.
D- Manguerade inyecci6n Project Pro® PerfectMixTM -Mezclael
concentradoconel rociadodela limpiadoraa presi6n.
E-SoporteparaBotella- La botelladesoluci6nlimpiadoraseadaptaa
la forma delsoporte dealambre.Botellaconconcentradono incluida.
F- Tapa del Dep6sitodel Aceite-- Lleneel motor con aceiteaqui.
G-Autom_ticose EnfriaSistema-- Losciclos reganpor bomba
cuandoaguaalcanza125°-155°F.Entibiaraguadescargar_de]a
bombaenel sue]o. Estesistema previeneel da_ointerno de bomba.
H-Bomba-- Desarrollaaltapresi6n deagua.
J - Tubo/filtrode inyecci6n de detergente- Permiteinyectar
detergentesparalimpiadoraa presi6nenel circuito debajapresi6n.
K- Toma de Alia Presi6n-- Conexi6nparala mangueradealta
presi6n.
L- Entradade Agua-- Conexi6nparala manguerade jardin.
M-FillrodeAire -- Elelementodefiltro tipo secolimita la cantidadde
suciedady polvoquese introduceen el motor.
N-Arrancador de Retroceso-- Usadoparaarrancarel motor
manuaimente.
P- Tanque del Combustible-- Lleneel tanque con gasolina regular sin
contenido de plomo en este punto. Siempre habitaci6n de hoja para la
expansi6n del combustible.
R - Asa plegable -- El asa y ]a bandeja de accesorios se pliegan sobre
el motor cuando est_ fr{o para reducir el espacio necesario para el
almacena-miento.
S- Extensi6npara BoquillasconConexi6nRdpida-- Lepermite usar
quatro puntasde rociadodiferentes.
T- Abrazaderaparamangueraymanguerade alta presi6n- La
abrazaderaparamanguerafacilita el transporte y el manejode la
mangueradealtapresi6n. Conecteun extremode la mangueraa la
bomba deaguay el otro a la pistola rociadora.
No mostrado:
Vdlvulade Combustible-- Permiteabrir y cerrar la alimentaci6nde
combustiblea] motor.
Conmutadorde Parada-- Colocael motor en modode arranquepara
el arrancadorde retrocesoy detieneel motor enfuncionamiento.
Varilla del Estrangulador-- Usadaparaarranquedemotoresfrios.
Etiquetade Identificaci6n(el traserocercano deplatodespreciable)
-- Proporcionael modeloy el n_merode seriede limpiadoraa presi6n.
Tengapor favor estos prontamentedisponiblecu_ndoIlamarparala
ayuda.
Etiquetade Advertenciae Instrucciones-- Identificalosriesgose indica
el procedimientoadecuadode puestaen marchao de paradadela
limpiadoraa presi6n.
36

Sulimpiadoraapresi6nrequieredeciertoensambleyestar_lista
paraserusadot_nicamentedespu6sdehaberdepositadoel
combustibleyelaceiterecomendado.
Sitieneproblemasconel ensambledesum_quinalimpiadoraa
presi6n,Ilamea la Iineadeayudade la m_quinalimpiadoraa
presi6nal 1-800-222-3136.
Desembalela Limpiadoraa Presi6n
1. Saquetodo el contenido de la caja de cart6n, a excepci6n de la
limpiadora a presi6n.
2. Abra completamente la caja de cart6n cortando cada una de
sus esquinas de arriba abajo.
3. Saque la limpiadora a presi6n de la caja de cart6n.
Contenidode la Caja
Revise el contenido de la caja. Si alguna de las partes no est_
presente o est_ da_ada,Ilame a la linea de ayuda de la m_quina
limpiadora a presi6n al 1-800-222-3136.
• La unidad principal
• Manubrio
• Bandeja deaccesorios
• La manguera de alta presi6n
• Pistola de rociado
• Extensi6n de la boquilla con conector r_pido
• Aceite para motor
• Abrazaderade la manguera
• Soportes para botellas
• Manguera de sif6n del detergente
• Manguera de sif6n del detergente de ProjectPro® PerfectMixTM
• Bolsa de partes (incluye los elementos descritos a continuaci6n)
• Manual del operador
• Tarjetade la matricula
• Bolsa con 4 puntas de rociado de conexiones r_pidas
multicolores
• Piezaspara la manubrio (incluye Io siguiente):
• Pernos para manubrio (2)
• Perilla Pl_stica para manubrio (2)
• Pernos de cabeza redonda (1)
• Perilla Pl_stica (1)
• Pinzasde _rbol (4)
Familiaricesecon cada parte antes de ensamblar la m_quina
limpiadora a presi6n. Compareel contenido con la ilustraci6n de la
p_gina 36. Si alguna de la partes no est_ presenteo se encuentra
da_ada,Ilame a la linea de ayuda de la m_quina limpiadora a
presi6n al 1-800-222-3136.
MONTAJEDELLIMPIADORAA PRESION
Usted deber_ Ilevar a cabo los siguientes procedimientos antes de
poner enfuncionamiento su limpiadora a presi6n:
1. Llene y mande en tarjeta de matricula.
2. Conecte manubrio y bandeja de accesorios.
3. Conecte la manguerade sif6n del detergente a la bomba.
4. A_adaaceite al motor.
5. A_adagasolina al tanque de combustible.
6. Conecte mangueraa alta presi6n a pistola rociadoray a bomba.
7. Conecte el suministro de agua a bomba.
8. Conecte boquilla la extensi6n al pistola rociadora.
9. Selecto/conecta r_pido conecta punta de rociado a la extensi6n
de la boquilla.
Conecte el Manubrio y Bandeja de Accesorios
1. Coloque el manubrio (A) a lado de los soportes del mismo (B)
que ya est_n adheridos a la unidad principal. Asegt_resede que
los orificios (C) en el manubrio est_n alineados con los orificios
(C) en los soportes del mismo manubrio.
,
,
Inserte los pernos de cabeza redonda (D) del asaen los
orificios desde el interior de la unidady coloque un pomo de
pl_stico (E) desdela parte exterior.Apriete a mano. Si se aflojan
los dos pomos de la parte intermedia del perno desujeci6n, el
asa superior se puede plegar sobre el motor cuando est_frio.
NOTA:NOpliegue el asasi el motor est_caliente.
Coloque la bandeja de accesories (F) sobre los orificios (G) del
manubrio (vista desde la parte dentr_s de la unidad). Presione
las pinzas de _rbol (H) paraintroducir las en los orificios hasta
que queden a nivel con la bandeja de accesorios.
,Inserte las boquillas de colores y el resto de los accesorios en
los espacios correspondientes de la bandejade accesorios.
Consulte C6mo Usar la Bandeja deAccesorios.
37

5,
,
Alinee la o las abrazaderasde la manguera(A) con la parte
trasera de la bandejade accesorios. Alinee las muescas y
coloque la abrazaderade la manguera sobre el soporte de la
parte trasera de la bandeja deaccesorios. Los pasadoresde la
parte trasera de la bandeja deaccesorios deben penetrar en las
ranuras de la superficie interior de la abrazaderade la manguera
(B). Gireun octavo de vuelta parafijar la posici6n (O).
Fije los soportes para botellas (D) al asa con pernos de cabeza
redonda (E) y pomos de pl_stico negro (F). Apriete a mano.
Sistema de inyecciGn "2 en 1"
La limpiadora a presi6n est_ equipadacon dos mangueras de
inyecci6n de detergente.
Sistema de inyecci6n Project Pro PerfectMixTM
Tubo azul con tap6n de botella azul:
Cuando hagauso del sistema de inyecci6n
PerfectMixTM azul, utilice el concentrado directamente
de la botella. (Un cuarto de botella de concentrado
Perfect MixTM permite preparar 16 litros de soluci6n
jabonosa.)
Tubo de inyecci6n estdndartransparente
Tubo transparente con filtro:
Cuandoutilice eltubo de inyecci6n
transparente,diluya 1 partede concentradopor
16 partesdeagua.(120 ml deconcentrado
est_ndarpermitenobtener 1,90 litros de
mezcla.)
Conecteel sistemade inyecciGnProject Pro@
PerfectMixa la bomba
Conecteel extremo de la manguera del sistema de inyecci6n Project
Pro@ PerfectMix (G) al acoplamiento dentado de la manguera (H)
de la bomba.
Conecte el sistema de inyecciGn de detergente
PerfectMix TM a la botella de concentrado
Coloque la botella de Project Pro@ PerfectMixTM (no incluida) en el
soporte de alambre del asa. Quite el tap6n de la botella e inserte el
sistema de inyecci6n Project Pro@ PerfectMix (G). Enrosque la
unidad de inyecci6n a la parte superior de la botella (J). Utilice el
clip del tap6n (K) paraencajar el sistema de inyecci6n en el soporte
de alambre cuando no est_en una botella de concentrado.
38

Agregue Aceite de Motor
1. Coloque la limpiadora a presiCnen una superficie plana y
nivelada.
2. Limpie la zona de alrededor del orificio de Ilenado de aceite y
quite el tapCn amarillo.
3. Con la ayuda de un embudo (opcional), vierta lentamente todo
el contenido de la botella de aceite por el orificio de Ilenado de
aceite.
AV/SO El tratamiento inadecuado del limpiadora a presiCn
puede daSarlo y acortar su vida productiva.
• NO procure acodar ni empezarel motor antes hasido atendido a
apropiadamentecon el aceite recomendado. Esto puedetener
como resultado una averia del motor.
4. Vuelva a colocar el tapCn y apriCtelofirmemente.
Agregue Gasolina
_i, ADVERTENCIA La gasolina y sus vapores son
extremadamente inflamables y
,j_ explosivos.
Elfuego o una explosiCn puedencausar
quemaduras severase inclusive la rnuerte.
CUANDOANADACOMBUSTIBLEELDEPOSITO
• Apague el limpiadora a presiCn (posiciCnOFF)y dCjeloenfriar al
menos por 2 minutos antes de remover la tapa de la
combustible. Afloje la tapa lentamente paradejar que la presi6n
salga del tanque.
• Llene el dep6sito de combustible a la intemperie.
• NO Ilenedemasiadoel tanque. Permita al menos espacio para
la expansi6n del combustible.
• Si se ha derramado combustible, esperea que se evapore antes
de arrancarel motor.
• Mantenga la gasolina alejada dechispas, llamas abiertas,
pilotos, calor y otras fuentes de igniciCn.
• NOencienda un cigarrillo o fume.
1. Utilice gasolina normal sin plomo, limpia y nueva con un
minimo de 86 octanos. NO mezcleaceite con combustible.
,
3.
.
Limpie el _.reaalrededor de la tapa de Ilenado del combustible,
retire latapa.
A_ada lentamente gasolina normal sin plomo hasta la parte
inferior de la marca de limite de nivel de la boca del depCsito
decombustible. No a_ada combustible en exceso.
MAXIMUM FUEL LEVEL
Instale la tapa del tanque de combustible y limpie la gasolina
que se haya derramado.
iPRECAUCI6N! Los combustibles con mezcla de alcohol (gasohol,
etanol o metanol) pueden atraer la humedad y provocar la
separaci6ny formaci6n de_cidos durante el almacenamiento. Los
gases_cidos pueden da_ar el circuito de combustible y el motor
durante el almacenamiento.
Paraevitar estetipo de problemas, vacie el circuito de combustible
cuando vaya a almacenar la unidaddurante 30 dias o m_s.Vacie el
dep6sito de combustible, arranque el motor y d_jelo funcionar hasta
que los conductos de combustible y el carburador queden vacios.
Utilice combustible nuevo la pr6xima temporada. Paraobtener m_s
informaci6n al respecto, consulte Almacenamiento.
NUNCAutilice productos limpiadores para motores o carburadores
enel dep6sito de combustible, ya que podrian provocar da_os
permanentes.
39

Conecte la Manguera y el Suministro de Agua a
la Bomba
AVISO NO hagafuncionar la bomba si no tiene el
suministro conectado y abierto.
•Elda5oa la limpiadoraa presi6n,resultadodeladesatenci6na
estaprecauci6n,noser&cubiertoporlagarantia.
NOTA:Antes de conectar las mangueras, retire y deseche los
tapones de transporte de la salida dealta presi6n y de la entrada de
aguade la bomba.
1. Retroceda la manguera a alta presi6n y conectea la base de la
pistola rociadora. Apriete con la mano.
_k ADVERTENCIA El chorro de agua a alta presi6n que
este equipo produce, puede atravesar la piel y
los tejidos subcut_neos, provocando lesiones de
gravedad que podrfan dar lugar a la amputaci6n
de un miembro.
• NUNCAconecte la manguerade alta presi6n al prolongador de
la boquilla.
• Mantenga conectadala mangueraa la m_quina o a la pistola de
rociado cuando el sistema est_ presurizado.
• Aseg0rese entodo momento de conectar correctamente la pis-
tola rociadora, las boquillas y los accesorios.
2. Conecte el otro extremo de la mangueraa alta presi6n, a la
salida de alta presi6n de la bomba. Apriete con la mano.
3. Antes de que conecte la manguera de jardin a la entradade
agua, inspeccioneel colador de la entrada (A). Limpie el colador
si tiene residuos o solicite su remplazosi est_daSado. NOhaga
funcionarla limpiadora a presi6nsi el filtro de entradafalta
o est_ dafiado.
4. Hagacorrer el agua a trav_s de la manguera de su jardin por
30 segundos para limpiar cualquier escombro que se
encuentre en ella. Desconecteel agua.
IMPORTANTE:HaceNOagua de parar de siphon parael
abastecimiento deagua. Use agua SOLOfria (menos que 100°F).
AVlSO El uso de una v_.lvulaunidireccional (igualador de
presi6n o v_.lvulade retenci6n) en la entrada de la bomba
puedeproducir da_os en la bomba o en el conector de
entrada.
• DEBEhaberunminimode3 metros(10pies)demanguerade
riegolibreentrelaentradadelalimpiadoraa presi6ny cualquier
dispositivo,comounigualadordepresi6no unav_lvulade
retenci6n).
• Elda_oa lalimpiadoraa presi6n,resultadodeladesatenci6na
estaprecauci6n,noser_cubiertopor lagarantia.
5. Conecte la manguera de jardin (no exceder 50 pies en la
Iongitud) a la entrada del agua.Apriete con la mano.
_k ADVERTENCIA Riesgode lesiones oculares.
El agua rociada puede salpicar o propulsar
objetos.
• Cuandoutilice este equipo o est_ cerca de _1,siempre use gafas
de seguridad con ventilaci6n indirecta (contra salpicadurasde
productos quimicos) marcadaspara cumplir con ANSI Z87.1.
• NUNCAse ponga gafas de seguridad ni gafas paraentornos
secos como sustituto de las gafas de seguridad con ventilaci6n
indirecta.
6. ABRA el agua,apunte con la pistola hacia una direcci6n segura
presione el seguro (bot6n rojo) (B) y apriete el gatillo para
eliminar el aire y las impurezasdel sistema de bombeo.
Lista de Revision Previa al Arranque del Motor
Revise la unidad paraasegurarse que ha Ilevadoa cabo los
siguientes procedimientos:
1. Aseg0rese de leer las secciones Reglasde Seguridady
OperaciSnantes de usar el limpiadora a presi6n.
2. Revise que los sujetadores del carrete de la manguera est_n
apretados.
3. Revise que haya sido depositado aceite y est_ al nivel correcto
en la caja del cig0eSal del motor.
4. Deposite la gasolina adecuadaen el tanque del combustible.
5. Revise quetodas las conexiones de las mangueras (alta
presi6n y suministro deagua) est_n apretadas correctamente y
que no existan dobleces, cortes o daSo de la manguera de alta
presi6n.
6. Proporcione el suministro de agua adecuado(que no exceda
los IO0°F).
4O

COMOUSARSU LIMPIADORAA PRESION
Si tiene problemas con el funcionamiento de su m_quina limpiadora
a presi6n, por favor Ilame a la linea de ayudade la m_quina
limpiadora a presi6n al 1-800-222-3136.
UbicaciGn del limpiadora a presiGn
Espaciolibre alrededor del limpiadora a presi6n
_i, ADVERTENCIA Los gasesy el calor de escape
pueden inflamar los materiales combustibles y
las estructuras 0 da_ar el dep6sito de
combustible y provocar un incendio.
• Dejeunespaciominimode1.5 m (5 pies)alrededordel
limpiadoraa presi6n,incluidalapartesuperior.
Coloque la limpiadora a presi6n a la intemperie en una zona en
donde no se acumulen gases de escape mortales. Aseg0resede que
los gases de escape (A) no puedan entrar por ventanas, puertas,
tomas de aire de ventilaci6n u otras aberturas en un espacio
cerrado en el que puedan acumularse. Tenga en cuenta los vientos y
las corriente de aire preponderantes cuando elija la ubicaci6n del
limpiadora a presi6n.
_i, ADVERTENCIA AI motor funcionar, se produce
mon6xido de carbono, un gas inodoro y
venenoso.
Respirar mon6xido de carbono puede provocar
dolor de cabeza,fatiga, mareos, v6mitos, confusi6n,
ataques, n_.useas,desmayos o incluso la muerte.
• Opereel limpiadoraapresi6nSOLAMENTEalairelibre.
• Aseg0resedequelos gasesdeescapeno puedanentrarpor
ventanas,puertas,tomasdeairedeventilaci6nuotras
aberturasen unespaciocerradoenelquepuedanacumularse.
• NOarranqueni dejefuncionarel motoreninterioresni en
zonascerradas,aunquehayaventanasy puertasabiertas.
A
Para poneren marchael limpiadoraa presi6n
Paradarle arranque a su limpiadoraa presi6n movido a motor por
primera vez, siga estas instrucciones paso a paso. Esta informaci6n
acerca de la puestaen marcha inicial tambi_n es v_lida para cuando
vaya a darle arranque al motor despu_s de haberlo dejado la
m_quina limpiadora a presi6n fuera de funcionamiento por Io
menos un dia.
1. Coloque la m_quina limpiadora a presi6n en un _rea cercanaa
una suministro deagua exterior capaz deabastecer agua a un
volumen mayor de3.3 galones por minuto en no menos que
20 PSI en el fin de arandelade presi6n de la manga del jardin.
2. Revise que la manguera dealta presi6n se encuentre
conectadafirmemente a la pistola de rociado y a la bomba. Vea
Montaje.
3. Aseg0rese que la unidad est_ nivelada.
4. Conecte la manguera de jardin a la entrada del agua. Aprietela
con la mano.
AVISO NO hagafuncionar la bomba si no tiene el
suministro conectado y abierto.
• Elda_oa lalimpiadoraa presi6n,resultadodeladesatenci6na
estaprecauci6n,noser_cubiertopor lagarantia.
5. Abra el agua,apunte con la pistola hacia una direcci6n segura
presione el seguro (bot6n rojo) y apriete el gatillo para eliminar
el aire y las impurezas del sistema de bombeo.
6. Conecte la extensi6n de la boquilla a la pistola rociadora.
Apri_tela con las manos.
7,
,
Seleccione la puntas de rocio de conexi6n r_pida que usted
deseee ins_rtela en el extremo de la extensi6n de la boquilla.
Vea Como Usar /asPuntas de Rocfo.
Gire la v_lvula del combustible (B) a la posici6n "On".
OFF
ON
41

,Tire de la varilla del estrangulador (A) hasta la posici6n
"Cerrado" ("Closed").
Closed
NOTA:En el casode que el motor est6caliente,asegt_resede que la
varilladel estranguladorse encuentre en la posici6n "Abierto" ("Open").
10. Sitt]e el conmutador de paradadelmotor (B) en la posici6n "On".
IMPORTANTE:Antes de arrancar la limpiadora a presi6n, asegt_rese
de ponerse gafas de seguridad como se describe a continuaci6n.
_i, ADVERTENCIA Riesgode lesionesoculares.
El agua rociada puede salpicar o propulsar
objetos.
• Cuandoutilice este equipo o est6 cerca de 61,siempre use gafas
de seguridad con ventilaci6n indirecta (contra salpicadurasde
productos quimicos) marcadaspara cumplir con ANSI Z87.1.
• NUNCAse ponga gafas de seguridad ni gafas para entornos
secos como sustituto de las gafas de seguridad con ventilaci6n
indirect&
11. Cuandoarranque el motor, col6quese en la posici6n que se
recomienda a continuaci6n. Sujete la manija y hale ligeramente
la manija del arranque hasta que sienta cierta resistencia.
Despu6s h_lela r_pidamente.
_i, ADVERTENClA El retroceso (repliegue r_.pido) del
cable del arrancador puede producir lesiones. El
,_ retroceso impedir_, que el usuario suelte el cable a
tiempo y tirar_, de su mano y brazo hacia el motor.
Como resultado, podrian producirse fracturas,
contusiones o esguinces.
• NUNCAtire del cable del arrancador sin eliminar previamentela
presi6n de la pistola rociadora.
• Cuando arranque el motor, tire lentamente del cable hasta
sentir una resistenciay, a continuaci6n, tire r_pidamentede 61
para evitar su retroceso.
• Despu6sde cadaintento dearranque, cuando el motor no
consiga arrancar, apunte con la pistola rociadora haciauna
direcci6n segura, pulse el bot6n rojo y apriete el gatillo para
descargar la presi6n.
• Sujete firmemente la pistola rociadora con ambas manos
cuando aplique un rociado a alta presi6n paraevitar lesiones
cuando se produzca el retroceso de la pistola.
12.
13.
Jale la cuerda dearranque lentamente.NOpermita que la cuerda
regresebruscamenteen contra del arrancador.
Cuando el motor arranque, mueva lentamente la varilla del
estrangulador hasta la posici6n "Abierto" (Open) a medida que
el motor se calienta. Si el motor falla, muevala varilla del
estrangulador a la posici6n "Cerrado" (Closed) y, despu6s, a la
posici6n "Abierto" (Open).
_i, ADVERTENClA El chorro de agua a alta presi6n que
este equipo produce, puede atravesar la piel y
los tejidos subcut_.neos, provocando lesiones de
gravedad que podrian dar lugar a la amputaci6n
de un miembro.
La pistola rociadora contiene agua a alta presi6n incluso con
el motor parado y el agua desconectada, que puede causar
la herida.
• NO permita en ningt_nmomento que NINOSoperenla m_quina
limpiadora a presi6n.
• Mantenga conectadala mangueraa la m_quina o a la pistola de
rociado cuando el sistema est6 presurizado.
• NUNCAapunte la pistola a la gente,animales o plantas.
• NOfije la pistola rociadora en la posici6n abierta.
• NOabandone la pistola rociadora cuando la m_quina est6 en
funcionamiento.
• NUNCAutilice una pistola rociadora cuyo seguro o protecci6n
para el gatillo no est6 en perfecto estadode funcionamiento.
• Asegt_reseentodo momento de conectar correctamente la
pistola rociadora, las boquillas y los accesorios.
42

_i, ADVERTENCIA El contacto con la zona del silenciador
puede producir quemaduras graves.
_,_,,,_,_,__ LOSgases y el calor de escape pueden
inflamar los materiales combustibles y
las estructuras 0 da_ar el dep6sito de combustible y
provocar un incendio.
• NOtoque las superficies calientes y evite los gases del escapea
altatemperatura.
• Permita que el equipo se enfrie antes detocarlo.
• Deje un espacio minimo de 1.5 m (5 pies) alrededor del
limpiadora a presi6n, incluida la parte superior.
• Utilizar el motor en un terreno boscoso, con malezao cubierto
de hierba constituye una infracci6n al C6digo de recursos
pt_blicosde California,a menos que el sistema de escape est_
equipado con una pantalla apagachispas,deacuerdo a la
definici6n de la Secci6n4442, que se mantenga en buenas
condiciones de funcionamiento. En otros estados o
jurisdicciones federales puede haber leyes similares envigor.
P6ngase encontacto con el fabricante, el vendedor o el
distribuidor del equipo original paraobtener una pantalla
apagachispasdise_ada parael sistema de escape instaladoen
este motor.
• Las piezasde recambio debenser las mismas que las piezas
originales y estar instaladasen la misma posici6n.
C6modetenersu
1. Suelte elgatillo de
.
3.
limpiadoraa presi6n
la pistola rociadora y dejefuncionar el
motor al ralenti durante dos minutos.
Sitt_eel conmutador de paradadel motor en la posici6n "Off".
SIEMPREfusil de punto en una direcci6n segura, presione el
seguro (bot6n rojo) y el disparador del fusil del rocio del
estruj6n para liberar la presi6n retenida de la pleamar.
IMPORTANTE:La pistola rociadora contiene agua a alta presi6n
incluso con el motor paradoy el agua desconectada.
_i, ADVERTENCIA Elchorro de agua a alta presi6n que
este equipo produce, puede atravesar la piel y
los tejidos subcut_.neos,provocando lesionesde
gravedad que podrian dar lugar a la amputaci6n
de un miembro.
La pistolarociadoracontieneaguaaalta presi6n inclusocon
el motor paradoy elaguadesconectada,quepuedecausar
la herida.
• Mantengaconectadala mangueraa lam_quinao a lapistolade
rociadocuandoelsistemaest_presurizado.
• SIEMPREquepareel motor,apunteconlapistolarociadora
haciaunadirecci6nsegura,presioneel seguro(bot6nrojo)y
aprieteel gatilloparadescargarlapresi6ny evitarelretroceso.
C6mo usar la bandeja de accesorios
La unidad dispone de una bandejade accesorios con
compartimentos paraguardar la pistola rociadora, el prolongador de
la punta de rociado y las puntas de rociado de conexi6n r_pida. La
parte trasera de la bandejatambi_n incluye unaabrazadera de la
manguera desmontable para sujetar la manguera dealta presi6n.
1. Coloque el prolongador de la punta de rociado en el pasador
de la partetrasera de la bandejade accesorios.
2. Coloque la pistola rociadora en el orificio situado a la derecha
de la bandejade accesorios.
3. Inserte las puntas de rociado de colores en los espacios
correspondientes de la bandejade accesorios.
4. Sujete la manguerade alta presi6n con la abrazaderade la
mangueray fije la abrazaderaa la partetrasera de la bandeja
deaccesorios.
5. La partetrasera de la bandejade accesorios dispone de un
gancho para colocar correctamente la m_scara de seguridad.
C6mo usar las puntas de rocio
Laconexi6n r_pida de la extensi6n paraboquillas le permite usar
quatro puntas de rocio diferentes. Siempre que est_ activado el
seguro del gatillo de la pistola rociadora, se pueden cambiar las
puntas de rociado con la limpiadora a presi6n en funcionamiento.
Las puntas de rocio tienen diferentes patrones de rociado como se
ilustra a continuaci6n.
La Presi6n Baja
Negra
Usadaparaaplicar
detergentes
400 Blanca
2600 PSI
2.3 GPM
La Presi6n Alta
15oAmarilla 0° Roja
2600 PSI 2600 PSI
2.3 GPM 2.3 GPM
Para cambiar las puntasde rocio:
1. Desplacehacia atr_s el anillo del conector r_pido y tire de las
puntas de rocio. Guarde las puntas de rocio en el bandeja de
accesorios.
_i, ADVERTENCIA Elchorro de agua a alta presi6n que
este equipo produce, puedeatravesar la piel y
los tejidos subcut_.neos,provocando lesionesde
gravedad que podrian dar lugar a la amputaci6n
de un miembro.
• NUNCAintercambiepuntasderociosin haberaseguradoel
cerrojodeseguridaddelgatillo.
• NOtuerzapuntasderocioal rociar.
43

2. Seleccione la punta de rociado deseada:
•Para un enjuagado suave (baja presi6n y mayor caudal),
para una limpieza suave de coches/camiones, barcos,
RVs, muebles dejardin, cortac@spedes,etc., seleccione la
punta de rociado blanca de 40°.
• Para un enjuagado general (media presi6n y medio
caudal), id6neo para la mayoria de las limpiezas, como
revestimientos exteriores, patios de ladrillo, suelos de
madera, entradas, aceras, suelos de garaje, etc.,
seleccione la punta de rociado amarilla de 15°.
• Para un enjuagado de m_xima potencia (alta presi6n y
bajo caudal), para superficies rebeldes o de dificil acceso,
como superficies de plantasaltas, eliminaci6n de pintura,
manchas deaceite, eliminaci6n de 6xido u otras
sustancias dificiles (alquitr_n, resina, grasa, cera, etc.),
seleccione la punta de rociado roja de 0°.
• Paraaplicar productos detergentes o limpiadores
especificos que ayuden a descomponer la suciedad
rebelde en distintas superficies, seleccione la punta de
rociado de detergente negra.
3. Desplace haciaatr_s el anillo, inserte la nueva punta de rociado
y suelte el anillo. Tire de la punta de rociado para comprobar
que estA bien montada.
Usoinclina
• Parauna limpieza m_.sefectiva, mantenga la boquilla de rociado
de 20 a 61 cm (8 a 24 pulgadas) de la superficie de limpieza.
• Si coloca la boquilla de rociado demasiado cerca podria dafiar
la superficie, especialmente cuando est6 usando el modo de
alta presi6n.
• NOcoloque la boquilla a menos de 15 cm (6 pulgadas) cuando
est6 limpiando Ilantas.
Sistema de inyecci6n "2 en 1"
_i, PRECAUCION Los productos quimicos pueden
provocar lesiones de gravedady/o da_os materiales.
• NUNCAutiliceliquidosc_usticoscon lalimpiadoraa presi6n.
• UseEXCLUSIVAMENTEdetergenteso jabonesespecialespara
la limpiadoraa presi6n.Sigatodaslasinstruccionesdel
fabricante.
Limpieza y aplicaci6n de detergentecon el sistema de inyecci6n
Project Pro® PerfectlVlixTM
Siga estos pasos para aplicar detergente sin
diluir con el sistema de inyecci6n azul
PerfectMixZM: !I
1. Revise el uso de la puntas de rocio.
2. Conecte la manguerade inyecci6n
PerfectMixTM a la bombay a la botella de
concentrado PerfectMixTM.
AVISO El contacto con el silenciador a alta temperatura
puede producir da_os en el tubo de inyecci6n de detergente.
• Cuandocoloqueelfiltro enla botelladeldetergente,coloqueel
tubodemaneraquenoentreencontactoaccidentalmenteconel
silenciadorcaliente.
3. Aseg0rese de que la puntas de rocio de detergente negra estA
montada.
HOTA:NO se puede aplicar detergente con las puntas de rocio de
alta presi6n (Blanca,Amarilla o Roja).
4. Aseg_rese de que la manguera del jardin estA conectadaa la
entradade agua. Compruebe que la manguerade alta presi6n
est_conectada a la pistola rociadora y a la bomba. Abra la
alimentaci6n de agua.
AVISO Usted deber_t conectar todas las mangueras antes
de darle arranque al motor.
• Arrancar el motor sin tener todas las mangueras conectadasy sin
el suministro de agua ABIERTO(ON) causar_el dafio de la
bomba.
• Elda_o a la limpiadora a presi6n, resultado de la desatenci6na
esta precauci6n, no ser_ cubierto por la garantia.
5. Marcha el motor siguiendo las instrucciones de la secci6n
CSmoponer en funcionamiento la limpiadora a presiSn.
6. Aplique el detergente sobre la superficie seca, comenzando en
la parte inferior del _rea y dirigi6ndose hacia arriba, utilizando
movimientos largos, parejos y superpuestos.
7. Permita que el detergente "penetre"de 3 a 5 minutos antes de
enjuagar.Vuelva a aplicarlo cuando sea necesario para evitar
que la superficie se seque. NOpermita que el detergentese
seque.Si permite que el detergente se seque, la superficie
podria quedar con manchas.
Limpiezay aplicaci6n
est_ndartransparente
Sigaestos pasos paraaplicar detergente
diluido con el tubo de inyecci6nestAndar
transparente:
1. Revise el uso de la puntas de rocio.
2. Conecte la manguera de inyecci6n
transparente a la bomb&
de detergenteconel sistemade inyecci6n
,
4.
Prepare una soluci6n de detergente adecuada parael trabajo.
Introduzca el extremo del filtro peque_odel tubo de inyecci6n
transparente en el contenedor de la soluci6n diluida, como se
hadescrito anteriormente.
NOTA:AsegL_resede que el filtro est_ totalmente sumergido en
liquido mientras se aplica la soluci6n.
AVISO Elcontacto con el silenciador a alta temperatura
puedeproducir da_os en el tubo de inyecci6n de detergente.
• Cuandocoloqueelfiltro enlabotelladeldetergente,coloqueel
tubo demaneraquenoentreencontactoaccidentalmenteconel
silenciadorcaliente.
5. Asegt_resede que la puntas de rocio de detergente negra est_
montada.
NOTA:NO se puede aplicar detergente con las puntas de rocio de
alta presi6n (Blanca,Amarilla o Roja).
6. Aseg_rese de que la manguera del jardin est_ conectada a la
entradade agua. Compruebe que la manguerade alta presi6n
est_conectada a la pistola rociadora y a la bomba. Abra la
alimentaci6n de agua.
44

AVI$O Usted deber_tconectar todas las manguerasantes
de darle arranque al motor.
• Arrancarelmotorsintenertodaslas manguerasconectadasy sin
elsuministrodeaguaABIERTO(ON)causar_elda_odela
bomba.
• El da_o a la limpiadora a presi6n, resultado de la desatenci6na
esta precauci6n, no ser_ cubierto por la garantia.
7. Arranque el motor conforme a las instrucciones de Puestaen
funcionamiento de la limpiadora a presiSn.
8. Aplique el detergente sobre la superficie seca, comenzando en
la parte inferior del _reay dirigi6ndose haciaarriba, utilizando
movimientos largos, parejos y superpuestos.
9. Permita que el detergente "penetre"de 3 a 5 minutos antes de
enjuagar. Vuelva a aplicarlo cuando seanecesario paraevitar
que la superficie se seque. NO permita que el detergente se
seque. Si permite que el detergente se seque, la superficie
podria quedar con manchas.
IMPORTANTE:Usted deber_lavar el sistema de inyecci6n de
quimicos despu_s de cada uso colocando el filtro en un balde de
agua limpia y haciendo funcionar la m_quina limpiadora a presi6n
de 1 a 2 minutos en el modo de baja presi6n.
Enjuagede la M iquinaLimpiadoraa Presi6n
Despu_sde haberaplicado el detergente, refriegue la superficie
y enjuagela de la siguiente manera:
1. Retire la puntas de rocio de detergente negra del prolongador
de la boquilla.
2. Seleccione e instale la puntas de rocio de alta presi6n deseada
conforme alas instrucciones de la secci6n CSmousar el
puntas de rocio.
3. Mantenga la pistola de rociado a una distancia segura del _rea
que planearociar.
_i, ADVERTENCIA El retroceso de la pistola rociadora
puede provocar caidas.
• Utilice la limpiadora a presi6n desdeuna superficie estable.
• Extreme las precaucionessi necesitautilizar la limpiadora a
presi6n desdeuna escalera, un andamio u otro lugar similar.
• Sujete firmemente la pistola rociadora con ambas manos
cuando aplique un rociado a alta presi6n paraevitar lesiones
cuando se produzca el retroceso de la pistola.
4. Aplique un rociado de alta presi6n a una peque_azona y luego
compruebe si se haproducido algt_ntipo de da_o. Si no
aprecia da_os, contint]e en el paso 5.
5. Comienceen la parte superior del _rea que va a enjuagar,
dirigi_ndose hacia abajo con los mismos movimientos
superpuestos que utiliz6 para la limpieza.
Limpieza del tubo de inyecci6n de detergente
Si us6 el tubo, debe lavarlo con agua limpia antes de parar el motor.
1. Coloque el filtro y la inyecci6n de detergente en un balde Ileno
deagua limpia.
2. Quite la puntas de rocio de alta presi6n del prolongador de la
boquilla.
3. Seleccione e instale la puntas de rocio de detergente negra
siguiendo las instrucciones de la secci6n CSmo Usarelpuntas
de rocio.
,
5.
Lavede 1 a 2 minutos.
Pareel motor siguiendo las instrucciones de la secci6n CSmo
detener su limpiadora a presiSny cierre la entrada de agua.
6. SIEMPREapunte la pistola rociador hacia una direcci6n
segura, oprima el bot6n rojo y apriete el gatillo de la pistola
rociadora para liberar la presi6n.
IIVlPORTANTE:La pistola rociadora contiene agua a alta presi6n
incluso cuando el motor est_apagadoy eltubo de agua est_
desconectado.
_i, ADVERTENCIA Elchorro de agua a alta presi6n que
este equipo produce, puedeatravesar la piel y
los tejidos subcut_.neos,provocando lesionesde
gravedad que podrian dar lugar a la amputaci6n
de un miembro.
Lapistolarociadoracontieneaguaaalta presi6n inclusocon
el motor paradoy el aguadesconectada,quepuedecausar
la herida.
• Mantengaconectadala mangueraa lam_quinao a lapistolade
rociadocuandoelsistemaest_presurizado.
• SIEMPREquepareel motor,apuntecon lapistolarociadora
haciaunadirecci6nsegura,presioneel seguro(bot6nrojo)y
aprieteelgatilloparadescargarlapresi6ny evitarelretroceso.
Sistema de Enfriamiento Autom_tico
(AlivioT6rmico)
Elagua que circula dentro de la bomba puedealcanzartemperaturas
entre los 125°-155°F si hace funcionar el motor de su m_quina
limpiadora a presi6n de 3 a 5 minutos sin oprimir el gatillo de la
pistola de rociado. El sistema de enfriamiento autom_tico se activa a
estatemperatura y enfria la bomba descargando agua caliente en el
piso, evitando asi el da_o interno de la bomba.
45

ESPECIFICACIONESDELPRODUCTO
Especificaciones de la M_quina Limpiadora a
Presi6n
Presi6n de salida m_ima ......................... 2,600 PSI
Caudalm_imo .................................. 2.3 GPM
Mezcla de quimicos .................. Use segt_ninstrucciones
Temperatura del suministro
de agua ............................ Que no excedalos 100°F
Especificaciones del Motor
Di_metro de camisa .................... 64 mm (2,5 pulgadas)
Carrera .............................. 50 mm (2,0 pulgadas)
Desplazamiento ........................ 161 cc (9,8 pulgadas)
Bujia
Tipo: ..................................... NGK BPR6ES
Calibrar Separaci6n a: .... 0,70-0,80 mm (0,028-0,031 pulgadas)
Admisi6n .............................. 0,15 + 0,04 mm frio
Escape ............................... 0,20 + 0,04 mm frio
Capacidadde Gasolina ..................... 1,1 I (0,29 galons)
Esta limpiadora a presi6n est_ clasificada conforme a la norma
PW101 (comprobaci6n y clasificaci6n de rendimiento de
limpiadoras a presi6n) de laAsociaci6n defabricantes de bombas a
presi6n (Pressure Washer Manufacturers Association, PWMA).
46

RECOMENDACIONESGENERALES
Plan de mantenimiento
Siga los intervalos de horas o de calendario, los que sucedan
antes. Si opera en condiciones adversas (se_aladasm_.s
abajo) es necesario un mantenimiento m_.s frecuente.
• Cambie el aceite del motor
• Revise/limpie el filtro de la entrada de agua'
• Revise la manguera de alta presi6n
• Revise la manguera del detergente
• Revise la pistola aspersora y verifique que no haya
fugas en el ensamblaje
• Limpie los residuos
•Compruebeel nivel de aceite
• Limpie el filtro de aire2
• Cambieel aceitedel motor2
• Compruebe y ajuste la bujfa
• Inspeccione el silenciador y la pantalla apagachispas
• Compruebe y ajuste el ralentP
• Compruebe y ajuste de holgura de las v_.lvulas3
• Limpie el dep6sito de combustible y el filtro _
• Limpie la c_.marade combusti6n_
• Sustituya el filtro de aire
• Sustituya la bujfa
• Compruebeel tubo de combustible_(sustituir si es
necesario)
Limpiar si est_ obstruido. Remplazar si est_ perforado o roto.
2 Servicio m_s a menudo bajo condiciones de suciedad o polvo.
Para reparar estos elementos, acuda al servicio t6cnico de su distribuidor.
Recomendaciones generales
El mantenimiento peri6dico mejorar_ el rendimiento y prolongar_ la
vida Otildel limpiadora a presi6n. Si necesitaasistencia, consulte
con un distribuidor de Searso con otro distribuidor cualificado.
La garantiade la m_quina limpiadora a presi6n NOcubre los
elementosque han sido sujetos a abusoo negligenciapor partedel
operador.Parahacerv_lidala coberturatotal de la garantia,el
operadordeber_mantener la lavadorade presi6ntal y como se indica
enel manual, incluyendosu adecuadoalmacenamiento,como se
describeen lasecci6nAlmacenamientoen el Invierno y
Almacenamientoprolongado.
NOTA:Una vez al a_o, usted deber_limpiar o remplazar la bujia y el
filtro deaire. Una bujia nuevay un filtro de aire limpio garantizan
una mezcla de combustible-aire adecuaday le ayuda a su motor a
funcionar mejor y a tener una vida Otil m_s prolongada.
Bomba de Aceite
NOrealice ninguna operaci6n de mantenimiento con el aceite de la
bomba. La bomba se suministra prelubricada y sellada en f_brica, y
no requiere lubricaci6n adicional durante su vida Otil.
Control de Emisiones
Cualquierestablecimientoo individuoespecializadoen la
reparaci6ndemotoresquenoseande automoci6npuede
encargarsedelmantenimiento,la sustituci6ny la reparaci6nde
losdispositivosy sistemasde controldeemisiones.Noobstante,
pararealizarlarevisi6ngratuitadecontroldeemisiones,deber_
acudira undistribuidorautorizadoporelfabricante.Wase Garantfa
deemisiones.
Antesde CadaUso
1. Revise el nivel de aceite del motor.
2. Limpie los residuos.
3. Revise si existen da_os en el colador de la entrada de agua.
4. Revise si existen da_os en el manguera del detergente.
5. Revise si existen fugas en el conjunto de la extensi6n para
boquillas y pistola.
6. Elimine el aire y los contaminantes de la bomba.
47

MANTENIMIENTODELA MAQUINA
LIMPIADORAA PRESION
Limpie los Residuos
Limpie a diario, o antes de cada uso, los residuos acumulados en el
limpiadora a presi6n. Mantenga limpias las conexiones, los muelles
y los mandos. Limpie todo resto de combustible de la zona que
rodea al silenciador y de detr_s del mismo. Inspeccione las ranuras
para aire de enfriamiento y la apertura del limpiadora a presi6n.
Estasaperturas deber_n mantenerselimpias y despejadas.
Mantenga limpios los componentes del limpiadora a presi6n para
reducir el riesgo de sobrecalentamiento e ignici6n de los residuos
acumulados.
• Utilice un trapo hOmedo para limpiar las superficies exteriores.
AV/SO El tratamiento inadecuadodel limpiadora a presi6n
puede da_arloy acortar su vida productiva.
• NOinsertecualquierobjetoatrav_sdelasranurasdeenfriamiento.
• Puede usar un cepillo de cerdas suaves para retirar la suciedad
endurecida, aceite, etc.
• Puede usar una m_quina aspiradora para eliminar suciedad y
residuos sueltos.
Revise y Limpie el Colador de Entrada
Examineel colador de entrada de la manguerade jardin. Limpielo si
est_ tapado o remplacelo si est_ roto.
Revise la Manguera de Alta Presi6n
Las manguerasdealta presi6n puedendesarrollar fugas debido al
desgaste,dobleceso abuso. Revisela mangueraantes de cadauso.
Revisesi existen cortes,fugas, abrasiones,levantamientode la
cubierta, da_oo movimiento de los acoplamientos.Si existecualquiera
de estascondiciones,remplacela manguerainmediatamente.
_i, ADVERTENCIA Elchorro de agua a alta presi6n que
este equipo produce, puede atravesar la piel y
los tejidos subcut_.neos,provocando lesionesde
gravedad que podrfan dar lugar a la amputaci6n
de un miembro.
• NUNCAreparela mangueradealtapresi6n.Remplacela.
• Remplacelacon unamangueraquecumplaconlacapacidad
minimadepresi6ndesu limpiadoraa presi6n.
Revise la Pistola y la Extensi6n para Boquillas
Examinezle branchement du boyau au pistolet _ pulv_risation et
assurez-vous que le branchement est solide. Faites I'essai de la
d_tente en appuyant sur le bouton rouge et en vous assurant que la
d_tente revient _ sa position initiale Iorsque vous la relgchez.Vous
ne devriez pas_tre en mesure d'actionner la d_tente sans avoir
appuy_ sur le bouton rouge. Remplacezle pistolet _ pulv_risation
imm_diatement s'il _choue un de ces essais.
Mantenimiento de la Puntas de Rocio
Si siente una sensaci6n pulsante al momento de apretar el gatillo de
la pistola rociadora, puedeque seacausada por la presi6n excesiva
en la bomba. La causa principal de la presi6n excesivaen la bomba
es cuando la punta de rocio se encuentra atascada o tapada con
materiales extra_os, tales como tierra, etc. Paracorregir el
problema, limpie inmediatamente la punta de rocio siga las
instrucciones siguientes:
1. Apague el motor y apague el suministro de agua.
2. SIEMPREque pare el motor, apunte con la pistola rociadora
hacia una direcci6n segura, presione el seguro (bot6n rojo) y
apriete el gatillo paradescargar la presi6n y evitar el retroceso.
_i, ADVERTENCIA Elchorro de agua a alta presi6n que
este equipo produce, puedeatravesar la piel y
los tejidos subcut_.neos,provocando lesionesde
gravedad que podrfan dar lugar a la amputaci6n
de un miembro.
Lapistolarociadoracontieneaguaaalta presi6n inclusocon
el motor paradoy el aguadesconectada,quepuedecausar
la herida.
• Mantengaconectadala mangueraa lam_quinao a lapistolade
rociadocuandoelsistemaest_presurizado.
• SIEMPREquepareel motor,apuntecon lapistolarociadora
haciaunadirecci6nsegura,presioneel seguro(bot6nrojo)y
aprieteelgatilloparadescargarlapresi6ny evitarelretroceso.
3. Remuevala punta de rocio del extremo de la extensi6n de la
boquilla.
4. Use el peque_o sujeta papelespara liberar cualquier material
extra_o que est_tapando la punta de rocio (A).
5. Retire la extensidn para boquillas de la pistola.
6. Usando una manguerade jardin, remueva cualquier desecho
adicional, poniendo agua en la extensi6n de la boquilla. Haga
_sto de 30 a 60 segundos.
7. Instale de nuevo la punta de rocio en la extensi6n.
8. Conecte de nuevo la extensi6n de la boquilla a la pistola
rociadora.
9. Aseg0rese de que la manguera del jardin est_ conectada a la
entradade agua. Compruebe que la manguerade alta presi6n
est_conectada a la pistola rociadora y a la bomba. Abra la
alimentaci6n de agua.
10. Pongaen marcha el motor siguiendo las instrucciones de la
secci6n C6moponer en funcionamiento la limpiadora a presi6n.
11. Pruebeel limpiadora a presi6n al hacerfuncionar con cada una
de las puntas de rocio de conexiones r_pidas que viene con el
limpiadora a presi6n.
Mantenimiento de los Anillos '0'
Compre una O-Juego de Reparaci6nde Anillo en sus Sears locales
o Ilamando1-8OO-4-MY-HOIVIE(469-4663) o en lineaen
www.sears.com. No se incluye con la arandela de la presi6n. Este
juego incluye los anillos del reemplazoO, arandela de caucho y filtro
decala de agua. Refi_rasea la hoja de la instrucci6n proporcionada
enel juego para atender a su unidad'los anillos de s O.
_i, ADVERTENCIA Elchorro de agua a alta presi6n que
este equipo produce, puedeatravesar la piel y
los tejidos subcut_.neos,provocando lesionesde
gravedad que podrfan dar lugar a la amputaci6n
de un miembro.
• NUNCAutilicening0ntipo deselladorpararepararunafugaen
unaconexi6n.Sustituyalajuntat6ricao lajunta.
48

MANTENIMIENTODELMOTOR
_i, ADVERTENCIA Chispearinvoluntario puedetener
"_d=. como resultado el fuego o el golpe
el6ctrico.
CUANDOAJUSTE0 HAGAREPARACIONESA SUMAQUINA
LIMPIADORAA PRESION
•Siempredesconecteelalambredelabujiay col6quelodonde
nopuedaentrarencontactocon labujia.
CUANDOPRUEBELABUJIADELMOTOR
• Utilice un comprobador de bujias homologado.
• NOcomprueba la chispa sin la bujia instalada.
Aceite
Recomendacionessobreel aceite
NOTA:Cuando a_adaaceite al c_rter del motor, utilice s61oaceite
detergente de automoci6n para motores de cuatro tiempos de alta
calidad con clasificaci6n de servicio API SJ o SLy viscosidad SAE
10W-30. NO utilice aditivos especiales.
1. Seleccione una viscosidad de acuerdo a la tabla siguiente.
IIl_
IIow.-3o
-20 0 20 40 60 80 100°F
I ! ! 1 i 1 I !
-30 -20 -10 0 10 20 30 40°C
Temperatura Ambiente
NOTA: Lasotras viscosidades que se indican en la tabla se pueden
utilizar siempre que latemperatura media de su zona est6 dentro de
los limites recomendados.
Comprobaci6ndel nivel de aceite
Compruebeel nivel de aceite antes de cada uso o cada 5 horas de
funcionamiento, como minimo. Rellenesi es necesario.
1. Sitt_eel limpiadora a presi6n en una superficie plana y limpie la
zona de alrededor del tap6n de Ilenadode aceite.
2. Quite la varilla de nivel de aceitey limpiela con un trapo limpio.
Introduzca la varilla de nivel de aceite y s_quela sin enroscarla
en la boca de Ilenado.
.Compruebeque el aceite hasta la marca superior de limite de
la varilla de medici6n. Instale el varilla de medici6n, apriete
firmemente.
Varilla de nivel de aceite
/
Superior de limite
Limite m_s bajo
Adici6n de aceite del motor
1. Coloque el limpiadora a presi6n sobre una superficie nivelada.
2. Limpie la zona de alrededor del tap6n de Ilenadode aceite y
quite la varilla de nivel de aceite.
3. Compruebe el nivel de aceite tal como se indicaen la secci6n
ComprobaciSndel nivel de aceite.
4. Si es necesario, vierta lentamente aceite en la abertura de
Ilenado. Haga pausas para permitir que el aceite se deposite.
Llene hasta el marca superior de limite de la varilla de
medici6n. NO Ileneexcesivamente.
AVISO ElIlenadode aceiteen excesopuedeimpedir el
arranquedelmotor o provocardificultadesde arranque.
• NOIleneen exceso.
• Si el nivel de aceiteest_ por encima de la marca FULL(LLENO) de
la varilla, vacie aceite para reducir el nivel hasta la marca FULL
(LLENO)de la varilla.
5. Instale el varilla de medici6n, apriete firmemente.
Cambiode Aceite del Motor
Si est_ utilizando su generador bajo condiciones de extrema
suciedad o polvo, o en un clima demasiado caliente, hagael cambio
deaceite m_s frecuentemente.
_i, PRECAUCION Evite el contacto prolongado o repetido
de piel con aceite usado de motor.
• Elaceite usadodel motor ha sido mostrado al cancer de la piel
de la causa en ciertos animalesdel laboratorio.
• Completamente lavadoexpuso _reascon el jab6n y el agua.
MANTENERFUERADELALCANCEDELOS NINOS.NO
CONTAMINE.CONSERVELOSRECURSOS.DEPOSITEEL
ACEITEUSADOEN UN PUNTODERECOGIDA.
Cambie el aceite cuando el motor siga estandocaliente despu_s
de haberfuncionado:
1. Drene el tanque del combustible haciendo funcionar la
m_quina limpiadora a presi6n hasta que el tanque est_vacio.
2. Desconectealambre de bujia y Io mantiene lejos del bujia.
3. Limpie el _.reaalrededor de la abertura para Ilenadode aceite,
retire la varilla de medici6n. Limpie la varilla de medici6n.
4. Incline su m_quina limpiadora a presi6n para drenar el aceite a
trav_s del orificio de Ilenadoen un recipiente adecuado
asegur_ndose de inclinar la unidad hacia el lado opuesto de la
bujia. Cuando la caja del cig_Je_alest_vacia, vuelva a colocar
la m_quina limpiadora a presi6n en posici6n vertical.
5. Vierta lentamente unos aproximadamente 0,5 litros (18 onzas)
deaceite por el orificio. Llene hasta el marca superior de limite
de la varilla de medici6n.
6. Instale la varilla de medici6n, apriete firmemente.
7. Limpie los residuos de aceite.
8. Conecte de nuevo alambre de bujia al bujia.
49

Servicio del Depurador de Aire
Su motor no funcionar_ adecuadamentey puede da_arsesi usted Io
hacefuncionar con un depurador de aire sucio. Suministre servicio
m_s frecuentemente si la unidad funciona bajo condiciones de
mucha suciedad o polvo. Los repuestos se encuentran disponibles
en su centro de servicio local Sears.
Para dar servicioal filtro de aire, siga los pasosque se detallan a
continuaci6n:
1. Presione las leng_Jetasde retenci6n (A) de la parte superior de
la tapa del filtro de aire (B) y quite la tapa.
2. Extraiga con cuidado el filtro de aire (O) de la base (D).
3. Limpie el filtro de aire golpe_ndolo suavemente varias veces
contra una superficie dura para eliminar la suciedad. Como
alternativa, puedesoplar aire comprimido (a no m_s de 30 psi)
a trav_s del filtro desde el lado limpio (el que est_ orientado al
motor).
NOTA: NUNCAelimine la suciedad con un cepillo. El uso de un
cepillo insertaria la suciedad en las fibras.
4. Limpie la suciedad del cuerpo y la tapa del filtro de aire con un
trapo ht_medo.H_galo con cuidado paraevitar que la suciedad
penetre en el conducto de aire (E) que va al carburador.
5. Instale un filtro de aire limpio (o nuevo) en la base. Elfiltro de
aire debe encajar bien en la base.
6. Vuelva a colocar la tapa del filtro de aire.
NOTA: Usted puedecomprar los elementos del filtro de aire nuevos
Ilamando al 1-800-4-MY-HOME(469-4663).
Remplace la Bujia
Cambie la bujia ayudar_ a su motor a arrancar m_s f_cilmente y
funcionar mejor.
1. Retire el capuch6n de la bujia y limpie la zona circundante.
2. Retire y revise la bujia.
3. Cambie la bujia si los electrodos est_n picados o quemados o
si la porcelana est_ agrietada.
4. Sustituya la bujia por otra nueva,modelo recomendado: NGK
PBR6ES.
5, Revise la separaci6n del electrodo con un calibrador de
alambre y ajuste la separaci6n a 0.028-0.031 pulgadas (0.70-
0.80 mm), si es necesario.
6A.
.\
Cuando vuelva a montar la bujia original, apriete 1/8-1/4 de
vuelta despu_s de que la bujia se asiente paracomprimir la
arandela.
6B. Cuando vuelva a montar la bujia nuevos,apriete 1/2 de vuelta
despu_s deque la bujia se asiente para comprimir la arandela.
7. Vuelva a colocar el capuch6n de la bujia.
NOTA:Puedeadquirir nuevos bujiaal nt_merotelef6nico
1-800-4-1VIY-HOME(469-4663).
Carburador
Si usted cree que su carburador necesita ajuste, visite su centro de
servicio Sears m_s cercano.El funcionamiento del motor podria
resultar afectado a altitudes por encima de 5000 pies. Para
operaciones a elevacionesmayores, p6ngase encontacto con el
centro deservicio Sears m_s cercano.
Inspeccione el silenciador y la pantalla
apagachispas
Inspeccione que el silenciador no presentefisuras, corrosi6n u
otros da_os. Desmonte la pantallaapagachispas, si cuenta con una,
y verifique que no presente da_os ni obstrucci6n por carb6n. En
casode que se necesiten piezasde recambio, asegt_resede usar
solamente piezasde recambio originales parael equipo.
NOTA:Para obtener el nt_merode parte Ilame al 1-800-4-MY-HOME
(469-4663).
A, ADVERTENCIA El contacto con la zona del silenciador
puede producir quemaduras graves.
_._,_,,_ _ Los gases y el calor de escape pueden
inflamar los materiales combustibles y
las estructuras o da_ar el dep6sito de combustible y
provocar un incendio.
• NO toque las superficies calientes y evitelos gases del escape a
altatemperatura.
• Permita que el equipo se enfrie antes de tocarlo.
• Deje un espacio minimo de 1.5 m (5 pies) alrededor del
limpiadora a presi6n, incluida la parte superior.
• Utilizar el motor en un terreno boscoso, con malezao cubierto
de hierba constituye una infracci6n al C6digo de recursos
pt_blicosde California,a menos que el sistema de escape est_
equipado con una pantallaapagachispas, de acuerdo a la
definici6n de la Secci6n 4442, que se mantenga en buenas
condiciones de funcionamiento. En otros estados o
jurisdicciones federales puede haber leyes similares envigor.
P6ngaseen contacto con el fabricante, el vendedor o el
distribuidor del equipo original para obtener una pantalla
apagachispasdise_ada para el sistema de escape instalado en
este motor.
• Las piezasde recambio deben ser las mismas que las piezas
originales y estar instaladasen la misma posici6n.
5O

Limpiee inspeccioneel apagachispasde la siguiente manera:
1. Quite los tres pernos de 6 mm (A) del protector del silenciador
(B) y retire el protector.
2. Quite los dos tornillos especiales (C) de la pantalla
apagachispasy retire la pantalla (D) de silenciador (E).
3. Utilice un cepillo paraeliminar los dep6sitos de carbonilla de la
pantalla apagachispas.Tenga cuidado de no da_ar la pantalla.
IIVIPORTANTE:Sustituya la pantallaapagachispas si est_ rota o
perforada.
4. Instale la pantallaapagachispas limpia (o nueva) siguiendo el
orden inverso al de desmontaje.
DESPUESDE CADAUSO
No deber_ haber agua en la unidad por largos periodos de tiempo.
Los sedimentos de minerales se pueden depositar en partes de la
bombay "congelar" su funcionamiento. Lleve a cabo estos
procedimientos despu_s de cada uso:
1. Pareel motor, cierre laalimentaci6nde agua,apuntecon la
pistola rociadora haciauna direcci6nsegura, pulseel bot6n rojo y
aprieteel gatillo paradescargarla presi6n. Dejeenfriar el motor.
_i, ADVERTENCIA El chorro de agua a alta presi6n que
este equipo produce, puede atravesar la piel y
los tejidos subcut_.neos, provocando lesiones de
gravedad que podrian dar lugar a la amputaci6n
de un miembro.
La pistola rociadora contiene agua a alta presi6n incluso con
el motor parado y el agua desconectada, que puede causar
la herida.
• Mantenga conectadala mangueraa la m_quina o a la pistola de
rociado cuando el sistema est_ presurizado.
• SIEMPREque pareel motor, apunte con la pistola rociadora
hacia una direcci6n segura, presioneel seguro (bot6n rojo) y
apriete el gatillo para descargar la presi6n y evitar el retroceso.
Desconectemanga del fusil del rocio y salida alta de presi6n
en la bomba. Desag0eagua de la manga, del fusil, y de la
extensi6n de boquilla. Use un harapo para quitar la manga.
Saquetodos los liquidos de la bomba halando la manijade
retroceso aproximadamente 6 veces. Esto deber_ evacuar la
mayoria del liquido de la bomba.
Enrolle la manguera y cu_lguela del gancho situado en el
bandejade accesorios.
Almacene la unidad en una _rea limpia y seca.
Si planeaalmacenar la unidad por m_s de 30 dias, vea la
secci6n Almacenamiento Prolongado en pr6xima p_gina.
,
,
,
5.
6.
_i, ADVERTENCIA La gasolina y sus vapores son
extremadamente inflamables y
_ explosivos.
El fuego o una explosi6n pueden causar
quemaduras severas e inclusive la muerte.
CUANDOALIVIACENE0 GUARDEELEQUIPOCONCOMBUSTIBLE
EN ELTANQUE
• Almacenealejado de calderas, estufas, calentadores deagua,
secadorasde ropa u otros aparatos electrodom_sticos que
posean pilotos u otras fuentes de ignici6n, porque ellos pueden
encender los vapores de la combustible.
ALMACENAMIENTOPARAINVIERNO
,41/150 Usted deber_, proteger su unidad de las
temperaturas de congelamiento.
• Si no Io hace, da_ar_permanentementela bomba y la unidad no
podr_ funcionar.
• La garantia no cubre el da_o de la unidad ocasionado por
congelamiento.
Para proteger la unidad de lastemperaturas de congelamiento:
1. Siga los pasos 1-4 en la secci6n previa Despues de CadaUso.
2. Utilice un protector de bomba, disponible en Searscon el
n0mero de cat,logo 7174403 paracuidar la bomba. Aqu_l
protege a la unidad contra el congelamiento y lubrica tanto los
pistones como los empaques.
3. Si el protector de bomba no est_ disponible, conecte un tramo
de3 pies de manguerade jardin a la entrada de agua.Vierta
anticongelante RV (anticongelante sin alcohol) en la manguera.
Jale la manija dearranque dos veces. Desconectedespu_s la
manguera de3 pies.
4. Almacene la unidad en una _rea limpia y seca.
ALMACENAMIENTOPROLONGADO
Si usted no planeausar la m_.quina limpiadora a presi6n por m_s de
30 dias, deber_ preparar el motor para un almacenamiento
prolongado.
Es importante evitar la formaci6n de dep6sitos de goma en las
partes esenciales del sistema del combustible tales como
carburador, filtro del combustible, manguerao tanque del
combustible durante el almacenamiento. Tambi6n, la experiencia
indica que los combustibles con mezclas de alcohol (llamados
gasohol, etanol o metanol) pueden atraer la humedad, Io que Ileva a
la separaci6n y formaci6n de _cidos durante el almacenamiento. La
gasolina_cida puededa_ar el sistema del combustible de un motor
durante el almacenamiento.
51

Proteja el Sistema de Combustible
Aditivo para Combustible:
Siva a usar aditivo paracombustible, Ilene eltanque de
combustible con gasolina fresca. Si el tanque est_ parcialmente
Ileno, el aire del tanque va a promover el deterioro del combustible
durante el almacenamiento. El motor y el combustible pueden ser
almacenados hasta 24 meses con aditivo.
• Deposite el aditivo para combustible siguiendo las instrucciones
del fabricante.
• Asegt_resedetener conectado y ABIERTOel suministro de agua
a la entrada de la bomba.
• Ponga en funcionamiento el motor en un _rea descubierta por
varios minutos paraasegurarse de que la gasolinatratada ha
remplazado la gasolina no tratada del carburador.
Si no usa aditivo para combustible, retire todo el combustible del
tanque y hagafuncionar el motor hasta que se detenga por falta de
combustible.
Vaciado del dep6sito de combustibley del carburador:
Si no utiliza aditivos para el combustible, vacie todo el combustible
del dep6sito y el carburador.
• Coloque un recipiente homologado bajo el carburador y utilice
un embudo para no derramar el combustible.
• Quite el tornillo de vaciado del carburador (A) y sitt_ela palanca
de la v_lvula de combustible en la posici6n "On".
Una vez vaciado todo el combustible, vuelva a montar eltornillo
de vaciado y apri_telos bien.
Cambio de aceite
Con el motor todavia caliente, drene el aceite de la caja del cig_Jefial.
Vuelva a Ilenarlo con el grado de aceite recomendado.Vea Cambio
deAceite del Motor en la secci6n Mantenimiento del Motor.
Aceite el Di imetroInterior del Cilindro
• Retire la bujia. Rocie aproximadamente un cuchar6n de aceite
limpio para motor dentro del cilindro. Cubra el orificio de la
bujia con un trapo. Halela manija de retroceso lentamente para
distribuir el aceite. Eviteel rociado del orificio de la bujia.
• Instale la bujia. No conecte el alambre de la bujia.
Protecci6nde la Bomba
Paraproteger la bomba frente a los dafios que causan los dep6sitos
minerales o la congelaci6n, use PumpSaver, nt_merode cat,logo
7174403, para cuidar la bomba. Esto evita los da_os derivados de la
congelaci6n y lubrica los pistones y las juntas.
NOTA:El PumpSaver est_n disponible s61ocomo un accesorio
opcional. NO es incluido con la arandela de la presi6n. Avise el m_s
cercano servicio autorizado central para comprar PumpSaver.
AVISO Usted deber_, proteger su unidad de las
temperaturas de congelamiento.
• Si no Io hace, da_ar_permanentementela bombay la unidad no
podr_ funcionar.
• La garantia no cubre el da_o de la unidad ocasionado por
congelamiento.
AI uso el PumpSaver,cerci6resela arandelade la presi6n se apagay
desconectadel agua del suministro. Leay siga todas instrucciones y
lasadvertencias dadasen el contenedor de PumpSaver.
Otras sugerencias para el almacenamiento
1. NOguarde combustible de una temporada a otra a menos que
Io hayatratado como se indica en la secci6n Proteja el Sistema
de Combustible.
2. Reemplacela caneca de gasolina si comienza a oxidarse. El
6xido y/o la suciedad en la gasolina le causar_ problemas.
3. Cubra su unidad con una cubierta de protecci6n adecuadaque
no retenga humedad.
A, ADVERTENCIA Las cubiertas para almacenamiento
_ pueden ser inflamables.
NOcoloqueunacubiertaencimadeunlimpiadoraa presidn
caliente.
Deje que la unidad se enfrie Io suficientementeantes de que le
coloque la cubierta.
4. Almacene la unidad en un _rea limpia y seca.
52

Problema Soluci6n
La bombapresenta los
siguientes problemas:no
produce presi6n o produceuna
presi6n errada, traqueteo,
p_rdidade presi6n, bajo
volumen de agua.
El detergentenosemezclacon
el rociado.
Elmotornoarranca;o arrancay
funcionamal.
El motor se apaga durante la
operaci6n.
El motor no tiene fuerza.
El motor intenta estabilizarse o
su funcionamientono es
constante.
Causa
1. Est,. usando la boquilla de baja presi6n
(negra).
2. La entrada deagua est&bloqueada.
3. Suministro de agua inadecuado.
4. La manguera de entrada estAdoblada o
presentafugas.
5. El colador de la manguera de la entrada de
aguaestAtapado.
6. El suministro de agua estApor encima de
los 100°F.
7. La manguera de alta presi6n estAbloqueada
1. Cambie la boquilla a una de las tres boquillas de
alta presi6n.
2. Limpie la entrada.
3. Proporcione flujo deagua adecuado.
4. Estire la manguera deentrada, coloque un
parche en la fuga.
5. Revisey limpie el colador de la manguera de
entrada.
6. Proporcione suministro de agua m_sfria.
7. Retire las obstrucciones de la manguerade
o presentafugas.
8. La pistola presentafugas.
9. La boquilla est&obstruida.
10. Bomba defectuosa.
salida.
8. Remplacela pistola.
9. Limpie la boquilla.
10. P6ngase en contacto con el centro deservicio
Sears.
1. EItubo de succi6n de detergente no est_
sumergido.
2. Elfiltro de quimicos est_tapado.
3. Est_ usando la boquilla dealta presi6n.
1. V_lvula del combustible en posici6n "Off".
2. Conmutador de paradadel motor poscioando
en "Off".
3. Bajo nivel de aceite.
4. Depurador deaire sucio.
5. Sin gasolina.
6. Gasolinavieja.
7. Elalambre de la bujia no est_ conectado a la
bujia.
8. Bujia mala.
9. Agua en la gasolina.
10. Estrangulaci6n excesivao inundado.
11. Mezcla de combustible demasiado rica.
12. V_lvula de entradatrabada en la posici6n
abierta o cerrada.
13. El motor ha perdido compresi6n.
Sin gasolina.
Filtro de aire sucio.
Cebador abierto demasiado r_pido.
1. Coloque el tubo de succi6n de detergente en el
detergente.
2. Limpie o remplace el filtro/tubo de succi6n de
detergente.
3. Use la boquilla de baja presi6n (negra).
1. Girela v_lvula del combustible a la posici6n "On".
2. Coloque del conmutador de paradadel motor en
"On".
3. Llene la caja del cig_Je_alhasta el nivel correcto.
4. Limpie o remplace el depurador de aire.
5. Llene eltanque de combustible.
6. Drene el tanque de gasolina; II_nelo con
combustible fresco.
7. Conecte el alambre a la bujia.
8. Remplacela bujia.
9. Drene el tanque de gasolina; II_nelo con
combustible fresco.
10. Abra el cebador por completo y haga girar el
motor.
11. P6ngase en contacto con el centro deservicio
Sears.
12. P6ngase en contacto con el centro deservicio
Sears.
13. P6ngase en contacto con el centro deservicio
Sears.
Llene el tanque de combustible.
Remplaceel filtro deaire.
Mueva el cebador a la posici6n intermedia hasta que
el motor funcione normalmente.
53

Garantiade controlde emisionesde California,
U.S. EPAy Sears
Derechosy obligacionesde la garantia
CaliforniaAir ResourcesBoard, U.S. EPAy Sears, Roebuck
and Co. U.S.A.(Sears) le explican a continuaci6n la garantfa
del sistema de control de emisiones de su motor/equipo
modelo 2008 y posteriores. EnCalifornia, los nuevos
motores peque_os para m_.quinasde servicio debenestar
dise_ados, fabricados y equipados conforme a los exigentes
est_.ndaresde lucha contra la contaminaci6n del Estado.
Sears garantiza el sistema de control de emisiones de su
motor/equipo durante los perfodos que se indican a
continuaci6n, siempre que no haya habido uso indebido,
negligencia o mantenimiento indebido del motor peque_o
para m_.quinasde servicio.
Su sistemade control de emisiones puedeincluir componentes
como el carburadoro el sistemade inyecci6n decombustible,
el tanque decombustible, el sistemade arranquey el
convertidor catalitico.Tambi6npuedeincluir mangueras,
correas, conectores,detectoresy otros conjuntos relacionados
con las emisiones.Si se cumplen las condicionesde la
garantfa,Searsreparar_,el motor/equipo sin coste alguno,
incluido el diagn6stico,los componentesy la mano de obra.
Coberturade la garantia del fabricante:
Los motores peque_os param_.quinasde servicio tienen dos
a_os de garantfa. Si alg_n componente del motor/equipo
relacionado con las emisiones estuviera defectuoso, Sears Io
reparar_,o sustituir_..
Disposicionesde la garantia contradefectosdel sistema
de controlde emisionesde Sears
A continuaci6n se detallan las disposiciones concretas
relativas a la Cobertura de la garantfacontra defectos del
sistema de control de emisiones. Se a_adena la garantfade
motores de Sears para motores no regulados, que figura en
el Manual del Operario.
1. Piezasgarantizadas
La presente garantfacubre _nicamente las piezas que
se enumeran a continuaci6n (piezas del sistema de
control de emisiones) siempre que tales piezas
estuvieran presentes en el motor adquirido.
a. Sistema de regulaci6n de combustible
•Sistema de enriquecimiento para arranqueen frfo
(estrangulador electr6nico)
• Carburador y piezasinternas
• Bomba de combustible
• Conducto de combustible, acoplamientos del
conducto de combustible, abrazaderas
• Dep6sito de combustible, tap6n y cadena
• Bote de carbono
b. Sistema de inducci6n de aire
• Filtro de aire
• Colector de admisi6n
• Lfnea de purga y ventilaci6n
c. Sistema de encendido
Responsabilidadesde la garantia del propietario:
• Comopropietariodel motor/equipo peque_o,ustedes
responsablede Ilevara cabotodas las operacionesde
mantenimientoque se enumeranenel manualdel
propietario.Sears recomiendaconservartodas las
facturas relativasal mantenimientodel motor/equipo, pero
Searsno puededenegarla garantfabas_.ndose
_nicamenteen la faltade facturaso en laimposibilidad
por parte del propietariode asegurarla correcta
realizaci6nde todas las operacionesde mantenimiento.
• Comopropietariodel motor/equipo,debeser consciente
deque Searspuededenegarla coberturade lagarantiasi
el motor/equipoo uno de sus componentesfalla debido a
un uso indebidoo negligente,un mantenimiento
inadecuadoo modificacionesno autorizadas.
• Usted es responsablede presentar su motor/equipo a
un centro de distribuci6n de Sears,distribuidor
autorizadode servicio u otra entidad equivalente, segOn
corresponda, en el momento en que surja un problema.
Las reparacionescubiertas por la garantfase Ilevar_.na
cabo en un plazo razonable,no superior a 30 dfasen
ning_n caso. En caso de preguntas sobre los derechos
y responsabilidades relativos a la garantfa, p6ngase en
contacto con Sears Ilamandoal (800) 469-4663.
.
• Bujfa(s)
• Sistema de encendido magn6tico
d. Sistema catalizador
• Convertidor catalitico
• Colector de escape
• Sistemade inyecci6n de aire o v_.lvulade impulso
e. Elementos diversos utilizados en los sistemas
anteriores
• V_.lvulasy conmutadores de aspiraci6n,
temperatura, posici6n y temporizados
• Conectoresy unidades
Duraci6n de la cobertura
Duranteun periodode dos a_os desdelafechade compra
original,Searsgarantizaal propietariooriginaly a todo
propietarioposteriorque el motor est,.dise_ado,fabricado
y equipadoconformea la normativavigenteadoptadapor
elAir ResourcesBoard;que no tienedefectosde
materialesni de mano deobra queprovoquenel fallo de
un componentecubierto;y quees id6nticoen todos los
aspectosmaterialesal motor descrito en laaplicaci6nde
certificaci6ndelfabricante.Elperiodode garantfa
comienzaen lafechade adquisici6noriginaldel motor.
En EE.UU.y Canad_contamoscon una Ifneade emergencialas 24 horas (1-800-469-4663), queofrece un men0de mensajespregrabadoscon informaci6n sobre
mantenimientode productos.
54

Lagarantfadeloscomponentesrelacionadosconlas
emisioneseslasiguiente:
• Losfallosdetodocomponentecubiertoporlagarantfa
quenosedebasustituircomopartedelplande
mantenimientoobligatoriodetalladoenelmanualdel
propietarioentregadoquedar_.ncubiertosporla
garantfaduranteelperfododelagarantfaespecificado
anteriormente.Sialgunodeestoscomponentesfalla
duranteelperfododecoberturadelagarantfa,deber_.
serreparadoosustituidoporSearssincargoalguno
paraelpropietario.Loscomponentesqueserepareno
sustituyanenvirtuddelagarantfaestar_.ncubiertospor
lagarantfaduranteelperfododegarantfarestante.
• Losfallosdetodocomponentecubiertoporlagarantfa
ques61osedebainspeccionarperi6dicamentesegt_nel
manualdelpropietarioentregadoquedar_.ncubiertos
porlagarantfaduranteelperfododelagarantfa
especificadoanteriormente.Loscomponentesquese
reparenosustituyanenvirtuddelagarantfaestar_n
cubiertosporlagarantfaduranteelperfododegarantfa
restante.
• Losfallosdetodocomponentecubiertoporlagarantfa
quesedebasustituircomopartedelplande
mantenimientoobligatoriodetalladoenelmanualdel
propietarioentregadoquedar_.ncubiertosporla
garantfahastaelmomentoenqueseindiquequees
necesariohacerlaprimerasustituci6n.Siel
componentefallaantesdelafechadelaprimera
sustituci6n,ser_.reparadoosustituidoporSearssin
cargoalgunoparaelpropietario.Loscomponentesque
sereparenosustituyanenvirtuddelagarantfaestar_n
cubiertosporlagarantfaduranteelperfododegarantfa
hastaIlegaralafechadelaprimerasustituci6n.
• Nosepodr_.nutilizarcomponentescomplementarioso
modificadosnoexentosporelAirResourcesBoard.El
usodecomponentescomplementarioso modificados
noexentosporpartedelpropietariodar_.lugarala
anulaci6ndelagarantfa.Elfabricantenoser_.
responsabledelosfallosdecomponentescubiertospor
lagarantfaquesedebanalusodeuncomponente
complementarioomodificadonoexento.
3. Coberturadeda_osderivados
Lacoberturaseampliar_,alosfallosdecualquier
componentedelmotorderivadosdelfallodecualquier
componenterelacionadoconelsistemadeemisiones
cubiertoporlagarantfa.
4. Solicitudesy exclusionesdecobertura
Lassolicitudesdegarantfasecumplimentar_.ncon
arregloalasdisposicionesdelapoliticadegarantfade
motoresSears.Lacoberturanoaplicaalosfallosde
componentesrelacionadosconelsistemadeemisiones
cubiertosporlagarantfaquenoseanoriginalesde
Searsnialosfallosdebidosausoindebido,negligencia
omantenimientoinadecuado,conformealas
disposicionesdelapoliticadegarantfademotores
Sears.Searsnoser_.responsabledelacoberturadela
garantfadefallosdecomponentesrelacionadosconel
sistemadeemisionescubiertosporlagarantfa
provocadosporelusodecomponentes
complementariosomodificados.
Consultela informaci6nsobreel periodo de durabilidadde
las emisionesy el indice de aire en la etiqueta de
emisionesdel motor
Motores peque_os para m_.quinasde servicio con
certificaci6n de cumplimiento de la normativa sobre
emisiones del CaliforniaAir ResourcesBoard (CARB)deben
mostrar informaci6n sobre el perfodo de durabilidad de las
emisiones y el fndice de aire. El fabricante del motor ofrece
esta informaci6n al consumidor medianteetiquetas de
emisiones. La etiqueta de emisiones del motor contiene la
informaci6n de certificaci6n.
El Periodode Durabilidadde las Emisionesindica el
nt_merode horas durante las cualesel motor puede
funcionar cumpliendo las normas sobre emisiones, siempre
que se realicen las operacionesde mantenimiento que se
detallan en las instrucciones de uso y mantenimiento. Se
utilizan las siguientes categorfas:
IVloderado:El motor est,. certificado para cumplir la
normativa sobre emisiones durante 125 horas de
funcionamiento real.
Intermedio: El motor est,. certificado para cumplir la
normativa sobre emisiones durante 250 horas de
funcionamiento real.
Prolongado:El motor est,. certificado para cumplir la
normativa sobre emisiones durante 500 horas de
funcionamiento real.
Por ejemplo, un cortac6sped con operario a pie se suele
utilizar entre 20 y 25 horas al a_o. Por tanto, el Periodode
Durabilidadde las Emisionesde un motor con clasificaci6n
intermedia equivaldria a 10-12 a_os.
Los motores cuentan con la certificaci6n de cumplimiento de
la fase 2 de las normativas sobre emisiones de la United
States Environmental Protection Agency (USEPA,Agencia
estadounidensede protecci6n del medioambiente). En el
caso de los motores con certificaci6n de fase 2, el perfodo de
cumplimiento de la normativa sobre emisiones que figura en
la etiqueta de cumplimiento de emisiones indica el nt_mero
de horas de funcionamiento durante las cuales el motor ha
demostrado cumplir los requisitos federales sobre emisiones.
Paramotores de menos de 225 cc:
CategorfaC = 125 horas
CategorfaB = 250 horas
CategorfaA = 500 horas.
Paramotores de 225 cc o m_.s:
CategorfaC = 250 horas
CategorfaB = 500 horas
CategorfaA = 1000 horas.
55

Your Home
For expert troubleshooting and home solutions advice:
www.managemyhome.com
For repair - in your home - of all major brand appliances,
lawn and garden equipment, or heating and cooling systems,
no matter who made it, no matter who sold it!
For the replacement parts, accessories and
owner's manuals that you need to do-it-yourself.
For Sears professional installation of home appliances
and items like garage door openers and water heaters.
1-800-4-MY-HOME ®(1-800-469-4663)
Call anytime, day or night (U.S.A. and Canada)
www.sears.com www.sears.ca
Our Home
For repair of carry-in items like vacuums, lawn equipment,
and electronics, call anytime for the location of your nearest
Sears Parts & Repair Service Center
1-800-488-1222 (U.S.A.) 1-800-469-4663 (Canada)
www.sears.com www.sears.ca
To purchase a protection agreement on a product serviced by Sears:
1-800-827-6655 (U.S.A.)
Para pedir servicio de reparaci6n
a domicilio, y para ordenar piezas:
1-888-SU-HOGAR ®
(1-888-784-6427)
1-800-361-6665 (Canada)
Au Canada pour service en fran(_ais:
1-800-LE-FOYER Mc
(1-800-533-6937)
www.sears.ca
TM
® Registered Trademark /Trademark /SMService Mark of Sears Brands, LLC
® Marca Registrada /TMMarca de Fabrica /SM Marca de Servicio de Sears Brands, LLC
MCMarque de commerce /MDMarque d6pos6e de Sears Brands, LLC © Sears Brands, LLC