Craftsman 917254722 User Manual 18 HP TRACTOR Manuals And Guides L0904455
CRAFTSMAN Lawn, Tractor Manual L0904455 CRAFTSMAN Lawn, Tractor Owner's Manual, CRAFTSMAN Lawn, Tractor installation guides
User Manual: Craftsman 917254722 917254722 CRAFTSMAN 18 HP TRACTOR - Manuals and Guides View the owners manual for your CRAFTSMAN 18 HP TRACTOR #917254722. Home:Lawn & Garden Parts:Craftsman Parts:Craftsman 18 HP TRACTOR Manual
Open the PDF directly: View PDF
.
Page Count: 52

OWNERS
MANUAL
MODEL NO.
917.254722
Caution:
Read and Follow
All Safety Rules
and Instructions
Before Operating
This ,,Equipment
_,fJ
ERRFTSMRN
YT 18HP TWIN CYLINDER
5"MOWER
YARD TRACTOR
•Assembly
•Operation
• Maintenance
•Repair and Adjustment
•Repair Parts
Sears, Roebuck and Co., Chicago, tL 60684 U.S.A.

SAFETY RULES
2
3
4
5
6
7
Know the controls and how to stop quickly. READ THIS 23. Use care when pulling loads or using heavy equipment.
OPERA TOR'S MANUAL and instructions furnished with a. Use only approved drawbar hitch points,
attachments, b. Limit loads to those you can safely control.
Do eot altow c_ildren to operate the machine_D_, ,.net allow,_,_ ...... c Do not turn sharply Use care when backinn
adu _s to operate f£ wlthodt f_[oper._nstru_tl_;; _,_l_';_i::_:'._''_-'.t ,_. -:, - .d, Use counterwesght or wheel weights when suggest
n h..... : ' "=; i ,..... ' .....? ........, , .........
o Ot cat:ry,passeogers. O,# not€n@ whet_:_ld'_e_ and:.j- :: ..... " _n the owner's manual.
othe_ are_a:r,eSn_:_fi: _:i_ ,_i _ ...._ _i'_£"[_!_'_ :i_,_;;:: _iil_t[ 2_,::Watch out for traffic when crossing or near roadways.
Always wear"2ub_tantiaf<_o_8_ebr, Do no£_:_a;=i_S's'e'7ii:_''........ 2 _J.' When using any attachments, never direct discharge of
ring clothing that could get caught in moving parts, material toward bystanders nor allow anyone near the
Keep your eyes and mind on your tractor, mower and the
area being cut. Do not let other interests distract you,
Do not attempt to operate your tractor or mower when
not _n the drivers seat,
Always get on or off your tractor from the operator's left
hand side.
8. Clear the work area of objects (wire, rocks, etc.) which
might be picked up and thrown.
9. Disengage atl attachment clutches before attempting to
start the engine.
I O. Disengage power to attachments and stop the engine
before leaving the operator's position.
1t. Disengage power to mower, stop the engine and discon-
nect spark plug wire(s) from spark plug(s) before clean-
rag, making an adjustment or repair. Be careful to avoid
touching hot muffler or engine components.
72.Dtsengage power to attachments when transporting or not
in use.
t 3. Take all possible precautions when leaving the vehicle um
attended. Disengage the power4ake-off, lower the at-
tachments, shift into neutral, set the parking brake, stop
the engine and remove the key.
74. Do not stop or start suddenly when going, uphill or
downhill, Mow up and down the face of slopes (not
greater than t 5 o); never across the face. Refer to page 51.
75. Reduce speed on slopes and make turns gradually to pre-
vent tipping or loss of control. Exercise extreme caution
when changing direction on slopes.
16. While going up or down slopes, place Gear Shift Control
Lever in 1st gear position to negotiate the slope without
stopping.
17. Never mow in wet or slippery grass, when traction is un-
sure or at a speed which could cause a skid.
78. Stay alert for holes in the terrain and other hidden hazards.
Keep away from drop-oils.
79. Do not drive too close to creeks, ditches and public
highways.
2 O, Exercise special care when mowing around fixed objects
in order to Prevent the blades from striking them. Never
deliberately run tractor or mower into or over any foreign
objects.
21. Never shift gears until tractor comes to a stop.
22. Never place hands or feet under the mower, in discharge
chute or near any, moving parts while tractor or mower
are running. Always keep clear of discharge chute.
vehicle while in operation.
26, Handle gasoline with care -it is highly, flammable.
a. Use approved gasoline containers ,
b. Never remove the fuel cap of the fuel tank or add
gasoline to a running or hot engine or an engine that
has not been allowed to cool for several minutes after
running. Never fill tank indoors, always clean up spill-
ed gasoline.
c. Open doors if the engine is run in the garage -exhaust
fumes are dangerous. Do not run the engine indoors,
27. Keep the vehicle and attachments in good operating con-
dition, and keep safety devices in place and working.
2 B Keep all nuts, bolts and screws tight to be sure the equip.
rnent is in safe working condition,
2 g Never store the equipment with gasoline in the tank in-
side a building where furnes may reach an open flame or
spark, Allow the engine to cool before storing in any
enclosure,
30 To reduce fire hazard, keep the engine free of grass, leaves
or excessive grease. Do not clean product while engine
Js running.
3_. Except for adjustments; DO NOT operate Engine if air
efeaner or cover d_rectlF over carburetor air intake is
removed. Removal of such part could create a fire hazard.
32. Do not operate without a muffler or tamper with exhaust
system. Damaged mufflers or spark arrestors could create
a fire hazard. Inspect' periodicafly and replace if necessary.
33. The vehicle and attachments should be stopped and in-.
spected for damage after striking a foreign object and the
damage should be repaired before restarting and operati,,
the equipment.
34. Do not change the engine governor settings or overspeed
the engine; severe damage or injury may result.
35. When using the vehicle with mower, proceed as follows;
a. Mow only in daylight or in good artificial light,
b Shut the engine off when unclogging chute.
c. Check the blade mounting bolts for proper tightness
at frequent intervals.
36. Do not operate the mower without the deflector shield in
place.
37. Disengage power to mower before backing up. Do not
mow in reverse unless absolutely, necessary and then on-
ly after careful observation of the entire area behind the
mower,
38. Under normal usage the grass catcher bag mater/at is sub-
ject to deterioration and wear. It should be checked fre_
quentty for bag replacement. Replacement bags should
be checked to ensure compliance with the original
manufacturer's recommendations or specifications.
LOOK FOR THiS SYMBOL TO POINT OUT IMPORTANT
SAFETY PRECAUTIONS. IT MEANS - ATTENTION! BECOME
ALERT! YOUR SAFETY IS iNVOLVED,
CAUTION: LOOK FOR THiS WORD TO POINT OUT IMPORTANT EQUIP-
MENT PRECAUT!ONS.
This unit is equipped with an internal combustion engine and should not be used on or near any unimproved forest
covered, brush covered or grass covered land unless the engine's exhaust system is equipped with a spark afros"
meeting applicable !oca/ or state laws (if any). If a spark arrestor is used, it should be maintained in effective work
order by the operator,
In the State of CafifornJa the above is required by law (Section 4442 of the California Public Resources Code),
Other states may have similar laws. Federal taws appty on federal lands. Refer to Repair Parts Section page 34.

CONGRA TUt.A TfONS on your purchase of aSears teHP
Yard Tractor. tt has been designed, engineered and
,manufactured to give you the best possible dependability
and performance.
ohou/d you experience any problem you cannot easily
remedy, ptease contact your nearest Sears Service
Department. We have competent, weft-trained techni-
cians and the proper tools to service or repair this unit.
MAINTENANCE A GREEMENT
A Sears Maintenance Agreement is available on this
product, See the nearest Sears store or Service Center
for details,
SERIAL
NUMBER
DATE OF
PUR_CHASE
THE SERIAL NUMBER WILL BE FOUND ON THE
MODEL PLATE UNDER THE SEAT,
YOU SHOULD RECORD THESE NUMBERS AND
KEEP FOR FUTURE REFERENCE,
CUSTOMER RESPONSIBIMTIES
Read and retain this manual Study and observe the safety rules. Always use care when using your tractor. Always
keep your tractor and mower clean, Follow a regular schedule in maintaining, caring for, and using your tractor. A
we//cared for tractor wi/! run better and last longer.
A TTA CHMEN TS
This unit can use many attachments now available at your Sears store. It can use a tifler, but cannot use other attachments
that engage the ground like a ptow, harrow, or cultivator. See page 50 for a list of available attachments.
LIMITED TWO YEAR WARRANTY
ON ELECTRIC START RIDING EQUIPMENT
For two years from date of purchase, when this riding equ;pment is maintained, lubricated, and tuned up
according to the operating and maintenance instruction in the owner's manual, Sears will repair free of charge
any defect in material or workmanship in this electric start riding equipment.
This warranty excludes blade!s), blade adapterfs), spark pfug(s), aft cleaner and belt(s), which are expen-
dable and become worn during normal use.
This warranty does not cover:
Tire replacement or repair caused by punctures from outside objects (such as nails, thorns, stumps,
or glass); and
repairs necessary' because of operator abuse or negligence, including the failure to mmntain the
equipment according to instructions contained in the owner's manual; and
riding equipment used for commercial or rental purposes.
FULL 90-DAY WARRANTY ON BATTERY
For 90 days from the date of purchase, if any battery incfuded with this riding equipment proves defective
in material or workmanship and our testing determines the battery will not hold a charge, Sears wilt replace
the battery at no charge.
WARRANTY SERVICE IS A VAtLABLE BY CONTACTING THE NEAREST SEARS SERVICE CENTER/DEPART-
MENT IN THE UNITED STATES. This warranty applies only while this product is in use in the United States,
This warranty gives you specific legal rights, and you may also have other rights which may vary from state
to state.
SEARS, ROEBUCK AND CO., Di731CR-W SEARS TOWER, CHICAGO, ILL. 60684

iNDEX
A
Adjustments:
Brake !7
Carburetor 22
Mower Drive Belt I1
Mo wet
Front-To-Rear 23
Side- To-Side 23
Throttle Control Cable 2t
Air Cieaner
Cleaning t8
Paper Cartridge I8
Air Intake Screen, Engine 19
Assembly 5-1 l
Attachments ....................... 50
B
Battery;
Charging
Cleaning
Installation
Levels
Prepara tion
Starting with Weak Battery
Storage
Terminals
Belt:
Motion Drive Replacement
Mower Drive Adjustment
Mower Drive, Removal
Blade:
Sharpening
Reptaeement
Brake Adjustment
C
Carburetor Adjustment
Controls, Tractor
Cutting Level, Mower
E
Engine:
Air Screen
Oil Change
Oil Level
Oil Type
Starting
Storage
Fuel:
Type
Storage
Fuse
Hood Removal
H
Lubrication:
Chart
Tractor Pivot Points
M
Maintenance
2! Air Filter
18 Air Cleaner Paper Cartridge
8 Air Intake Screen, Engine
18 Battery
7 Blade Sharpening
2! Brake Adjustment
25 Engine Oil
t8 Lubrication Chart
Spark Plugs
22 Tire Care
11 Mower.
10 Adjustment, Front-to-Rear
Adjustment, Side.to_Side
I7 Blade Sharpening
24 Blade Replacement
17 Cutting Level
Installation
Operation
22 Removal
12 Muffler
23 Spark Arrester
0
Oil
Cold Weather Conditions
I9 Engine
18 Storage
I6 Operation
16 Operating Your Mower
t3 Operating Your Tractor
25 Starting the Engine
t3
25
22
23
2O
19
16-20
18
t8
!9
18
17
17
16
20
19
17
23
23
17
24
1I
10
14
23
19
2
16
16
25
12-15
t4
14
13
Stopping Your Tractor 13
Tractor Operation on Hills I5
Options
Attachments ................... 50
Spark Arrester ................... 2
Parts Bag 5,6
Repair and Adjustments 20_24
Blade 24
Carburetor 22
Fuse 22
Hood Removal 23
Motion Drive Bett Replacement 22
Mower Adjustment, Front-to.Rear 23
Mower Adjustment, Side.to.Side 23
Mower Removal 23
S
Safety Rules 2
Seat
Service Record 2,
Slope Guide Sheet 51
Spark Plugs 19
Speed Control Chart t4
Starting the Engine 13
Steering Wheel 8
Stopping the Tractor 13
Storage 25
T
Throttle Control Cable Adjustment 2t
Tires 17
Trouble Shooting Chart 26
W
Warranty 3
Wiring (Schematic) 29
4

KNOW YOUR TRACTOR ASSEMBL Y
READ THIS OWNER'S MANUAL BEFORE OPERA TING YOUR YARD TRACTOR. If you understand
e machine and its operation, you will achieve efficient and peak performance. While reading the
manual, compare the illustrations with your Yard Tractor to familiarize yourself with the location
of various controls and adjustments. Study the operating instructions and safety precautions
thoroughly to insure proper functioning of your Yard Tractor and to prevent injury to yourself and
others. Be sure to pay strict attention to all notes and cautions; they are included for your safety.
Save this manual for future reference.
Unpacking Instructions
1. Take items out of carton; the box contains the
items she wn bole w.
2. Cut down four corners of the carton with a ud/ity
knife and fold down sides.
3. Remove Mower Deck from skid.
4. Disengage Parking Brake
5. Carefully guide the tractor backwards off the skid.
The operation of any tractor can result in
foreign objects thrown into t,he eyes, which
can result in severe eye damage. Always
wear safety glasses or eye shields before
starting your tractor and while mowing. We
recommend Wide Wsion Safety Mask worn
over spectacles or standard safety glasses,
available at Sears Retail or Catalog Stores.
d.
)
_. Best
b. steering wheel
d. battery acid
e. owner's manual
f. parts bag
Parts Bag Contents Not Shown Full Size,'
(2) Battery Carriage Bolts -1/4 -20 x 7 _t/2
Terminal Guard
15 °Slope Instruction Sheet (2) Keys
(6) Battery Caps
Steering Wheel Insert

ASSEMBL Y
A SSEMBL Y
LOCA TION
BA TTER Y
BA TTER Y
TERMINAL S
SEAT
PARTS BAG CONTENTS SHOWN FULL SiZE
(2) Wing Nut -1/4 -20
(2) Hex Bolt, 1/4- 20x 3/4
©
(2) Lockwasher I/4
(2) Washer 9/32 x 5/8 x 16 Ga. Q
(2) Hex Nut, !/4 -20
(!) Hex Bolt, 1/2- 13x 1 ©
(1) Lockwasher, 1/2
fl) Washer, 17/32x 1-3/16x 12 Ga.
(1) Shoulder Bolt
6

To assemble and adjust your tractor you will aeed:
(2J 7/16" wrenches
(1) 9/t6" wrench
(1) 1/2" wrench
(1) 3/4" wrench
(1) 3/4" socket
Tire Pressure Gauge
Screwdriver
Utility Knife
Ratchet Wrench
CUT AWAY VIEW
ASSEMBL Y
-- VENT CAP
cz:::::cy_
NOTE: RIGHT HAND (R,H.) AND LEFT HAND (LH.) ARE
DETERMINED FROM OPERATOR'S POSITION WHILE
SEATED ON THE TRACTOR.
WEAR EYE AND FACE SHIELD.
WASH HANDS OR CLOTHING IM-
MEDIATELY IF ACCIDENTALLY IN
CONTACT WITH BATTERY ACID.
DO NOT SMOKE; FUMES FROM
CHARGED BATTERY AC1D ARE
EXPLOSIVE,
READ THE INSTRUCTIONS INCLUD*
ED WITH THE BATTERY VENT
CAPS IN THE BAG OF PARTS. AL-
WAYS WEAR GLOVES, CLOTHING
AND GOGGLES TO PROTECT YOUR
HANDS, SKiN AND EYES.
1. Prepare Battery
a. Fill and charge battery (before installing). NOTE:
SEE DETAILED INSTRUCTIONS PACKAGED
W!TH BA TTER Y VENT CAPS IN BAG OF PARTS.
b, Fit! each ceil with battery acid, Add the acid um
til it reaches the bottom of the vent wells (Fig,
1), NOTE: DO NOT OVERFILL, OVERFILLING
WILL RESULT tN DAMAGE TO TRACTOR.
C,
d,
Allow battery to stand and settle for at least thir-
ty minutes. If the level of acid falls below the
point described in step (b), add more acid until
the correct level is reached, NOTE: UNEVEN
FILLING OF CELLS WILL AFFECT THE BATTERY
CAPACITY AND LIFE. install the battery caps to
cover the vent wells, Wash the top of the bat-
tery witl_ water to remove any acid, then wipe
dry.
Check battery case for leakage to make sure that
no damage has occurred in handling,
SHOUL
BOLT
S_AT PAR
,
BATTERY
TUBE
BATTERY
CELL
FIGURE I
FIGURE 2
Install Seat
a, Place seat on seat pan. Screw hex head machine
screw, tockwasher and flat washer into seat (Fig.
2). Screw shoulder bolt into seat (Fig. 2). Machine
screw, shoulder bolt and washers found in bag of
parts (shown full size on page 6).
b. Tighten shoulder bolt using a 1/2" wrench. NOTE:
THE SHOULDER BOL T WILL BE LOOSE IN THE
SEAT PAN SLOT.
e.
f_
tt is recommended that the battery be charged before
use. Use a 12 volt battery charger. Charge battery at a
rate of 6 amperes for 1 hour. NOTE: OBSERVE ALL
SAFETY PRECAUTIONS REQUIRED FOR BA 77ER Y
CHARGING. Check the acid level after the battery is
charged. If the acid has fallen below the correct level,
add water.
Neutralize excess battery acid for disposal by
adding it to four inches of water in a five
gaflon plastic container. Stir with a wooden or
plastic paddle while adding baking soda until
the addition of more soda causes no more
foaming.
C,
d,
Place seat in operating position. Sit on the seat
and press c/utch/brake pedal a// the way down.
If operating position is not comfortable, adjust
seat.
To adjust, raise seat. Loosen adjustment boil
(Fig, 2) and slide seat to a comfortable oper-
ating position. Tigh ten adjustment bolt securely
using a 3/4 "" wrench.

ASSEMBL Y
"STEERING WHEEL CAP
HEX LOCK NUT
_f 2- 1i,'D,A, WASHER
-_STEERING WHEEL iNSERT
FIGURE 3
HOOD
3. Insta# S{eering Wheel
4.
NOTE: POSITION FRONT WHEEL FORWARD,
a. Use a 3/4" wrench to remove lock nut, and
2- 1/4'" diameter washer (shown full size below)
from steering column (Fig, 3).
b Position steering wheet over steering wheel
insert,
cSecure steering wheel to steering column using
2-1/4"' diameter washer and lock nut (Fig. 3),
Torque to 50 ft -Ibs.
d. Snap steering wheel cap in place on steering
wheel. Steering wheel cap found in bag of parts,
Check Tires
Reduce tire pressure to 14 PSi in front tires and 12
PSI in rear tires, (Tires were overinflated for ship-
ping purposes):
5. install Battery
DO NOT SHORT BATTERY TERMINALS
BEFORE INSTALLING BATTERY, REMOVE
METAL BRACLETS, WRISTWATCH BANDS,
RINGS, ETC.
FIGURE 4
BATTERY
COMPARTMENT
GRILL
a. Lift hood from rear sides (Fig, 4).
b. Lift out air intake duct.
c. Make sure drain tube (Fig. 5) is fastened to drain
hole in battery tray and battery tray is position-
ed in hole of battery support,
d, Place battery in plastic tray (battery terminals to
front of tractor) (Fig, 5),
POSITIVE TERMINAL MUST BE CONNEC-]
TED FIRST TO PREVENT SPARKS FRO_¢
ACCIDENTAL GROUNDING. j
8

e. Connect RED battery cable to posit/re (+)
battery terminal with hex bolt, flat washer,
/ockwasher and hex nut (shown full size below)
found in bag of parts (Fig. 5). Tighten securely.
f. Connect BLACK ground cable to negadve (-)
battery terminal with remaining hex bolt, flat
washer, /ockwasher and hex nut (shown futt
size below) found in bag of parts (Fig. 5).
Tighten securely.
NOTE: IF YOU HAVE A WEAK BATTERY, SEE "START-
tNG YOUR TRACTOR WITH A WEAK BATTERY"
(PAGE 2! ).
g. Using the dotted hole on one side of the
battery support (Fig. 6) insert one battery bolt
into frame slot (head of bo/t down). Fasten the
battery bolt to the termina/ guard using wing
nuts.
(Bolts, nuts and terminal guard found in bag
of parts).
h. Assemble the remaining bolt to other side of
battery support and fasten terminal guard to it
with remaining wing nut (shown furl size below).
Tighten wing nuts securely by hand (Fig. 6).
ASSEMBL Y
NUT
OCKWASHER
WASHER
WASHER
BATTERY
TERMINAL
,_ HEX
/BOLTS
BLACK
(NEGATIVE)
CABLE
DRAIN
TRAY
FIGURE 5
L Replace air intake duct (Fig. 4). Make sure
bottom lip of duct sits between battery and lip
of battery tray.
j. Remove plastic from tractor hood and close.
NOTE
1
: USE TERMINAL ACCESS DOORS (FIG. 6) FOR:
• INSPECTION FOR SECURE CONNECTIONS
(TIGHTEN HARDWARE)
2. INSPECTION FOR CORROSION
3. TESTING BATTERY
4. JUMPING (IF REQUIRED)
5. CHARGING (IF REQUIRED)
KEEP TERMINAL ACCESS DOORS CLOSED
WHEN NOT iN USE.
DO NOT START ENGINE UNTIL MOWER
SUSPENSION BRACKET HAS BEEN RE-
LEASED, SEE MOWER AND DRIVE BELT
INSTALLATION, PAGE 10.
BATTERY
BOLT
i
SLOTTED
HOLE
k\
ERMtNAL
ACCE_
DOOR
TERMINAL
GUARD
TERMINAL
ACCE_ DOOR
BATTERY BOLT
BATTERY
SUPPORT
FIGURE ,5

ASSEMBL Y6. Mower tnsta#ation
Your 44_'mower installs without the use of tools.
CLUTCH
ROD
'\ \
SUSPENS{ON \
ARM t
.__.J J_ _\
TRUNNION
J
/
/
/
/
/i
R E T A'it',_ E R
SPRING
RETAINER SPRING
CLUTCH LEVER \
--_" RETAINER SPRING
/ /
./
/ /
/
/
/
PARALLEL
/ LINK
LIFT
BRACKET DISCHARGE
GUARD
a. Raise lift lever (Fig. 9) to its highest position.
b. Turn height adjustment knob counterclockwise
(.f"..) to fewest position tFig. 9).
c. Slide mower under tractor, discharge guard to
R.H. side.
d.
e
g,
install ,"ear hinge pin through ;-newer hft brackets
spring.
Instal! clutch rod in clutch lever iF,g. 7!. Secure
with :etainef spring.
Move lift ,'ever forward tO lower Suspens..on
8F,'_S .
Slide trunnion.s through _ear L,ft bracket l_o_es
and secure w/t!b retainer spring,'Fig. 71.
FIGURE 7 h. Roll belt over engine pulley. Make sure t_elt ls
reside belt guides IF_g. 81. See belt drive sche
rnat_c decal on mower housing.
ENGIN_ PULLEY /
.' Use lift lever to ra;se i71ower.
i Turn ,,height ady'ust?,',ent knob u_oekw;se i.--_i to
the m_ddle of ds travel.
FIGURE 8
ATTACHMENT CLUTCH LEVER
"ENGAGED" POS1T!ON --.-...
ATTACHMENT CLUTCH LEVER
"DISENGAGED" POSiTiON
b /
#/
/
HEIGHT ADJUSTMENT KNOB
/
\
L}FT "'HIGHEST "
LEVER POSITION
/
LIFT LEVER
"LOWEST" POSITION
/
2
//
/'/
/-/ /
//
//
//
7. Mower Drive Belt Removal
REPLACE ONLY WITH BELTS SPECIFIED IN THIS
MANUAL.
a. Place attachment clutch lever in 'disengaged"
position !_ig. 9}.
b. Turn height adj_stment i_nob counterclockwise
_r",i to lowest position.
c. Move attachment lift lever !Fig. 9) forward to
lower mower to its lowest positiof'!.
d. Roll belt off engine pulley {Fig. 8i.
eUse t,2' wrench to loosen two nuts on .q H.
belt guard. Pui/ belt off pulley (Fig. 10t.
f. Use 9_t6" wrench to loosen nut on L.H. id!e,
pulley. Puft belt off pulley (Fig. 10).
g. Slide bett from under spring.
h. To replace mower drive belt. reverse above pro
cedure. Make sure drive belt iS inside mower
drive pulley belt guides (Fig. 8).
NOTE: BELT GUIDE TO BELT CLEARANCE SHOULD E'
MAINTAINED AT 5/32" to t/4".
FIGURE 910

,Mower Drive Be# Adjustment
Your tractor has been manufactured with the
ability to re-adjust the mower drive belt to
provide you with longer belt !ire.
If the attachment clutch lever (Fig, 9) travels
3-1/2" up the slot in the dash before sp.ring tension
resistance is evident, adjustment _s necessary.
NOTE: CHECK FOR PROPER SPRING TENSION
WITH ENGINE OFF AND LIFT LEVER IN HIGHEST
POSITION.
a. Lower or remove the mower deck for easier
access,
SPRING
b, Using (2)7/16"wrenches, remove the two
washers from the rock shaft assembly (Fig. t 1).
c. Move extension spring from lower end of slot
to upper end in rock shaft assembly and install
the two washers (Fig. 11).
d, Tighten bolt and nut to secure the washers,
NOTE: WHEN INSTALLING A NEW BELT, EXTEN-
SiON SPRING MUST BE RETURNED TO THE LOWER
END OF THE SLOT ON ROCK SHAFT ASSEMBLY,
9, Replace Mower Blade Drive Belt
a, Remove mower from tractor (page 23),
b, Remove mower drive belt (page 10),
c, Puff belt towards rear of mower at tensioning
pulley. Place a block between tension brackets
and spring brackets. Ro/! belt off tensioning
pulley (Fig, 12),
d, Rofl belt offal/otherpu/leys.
e. Use priers to remove brake spring (Fig. 13).
f, Remove cotter pin from brake rod (Fig, 11),
g, Puff bett out from under brake rod of mower.
h. To instal/ belt, reverse above procedure. Make
sure belt is engaged in at/ pulleys.
L Replace brake springs, brake rod and retainer
spring, Tighten two nuts on belt guard and nut
on L,H. id/er pu//ey (Fig. !0),
FIGURE 10
EXTENSION2PR1NG
BRAKE ROO_
LOWER HOLE
{ORIGINAL
POSITION)
COTTER
ROCK SHAFT
eLY
BRACKET
"J-j/_--_k OC KN UT
FIGURE 1 1
)WER BLADE BELT
BLOCK
10, Check the Cutting Level
The blade housing was set at the factory to cut
level After mowing a short distance, look at the
area that was cut, /f the Made housing cuts
uneven; see the instructions on "Side-to Side and
Front-to-Rear Mower Adjustment" (page 23),
11. Final Assembly
a, Make sure aft fasteners are tight.
b. Read and follow the operation instructions
(page 12). Know the /ocadon and purpose of
all controls.
c, Check off and gasofine (page 13) before starting
the tractor,
TENSION
BRACKET
SPRING
BRACKET l
TENSIONING
"_- PULLEY FIGURE 12
//
BRAKE SPRING

OPERA T?ON
KNOW YOUR TRACTOR
READ THiS OWNER'S MANUAL BEFORE OPERATING YOUR YARD TRACTOR. tf you understand the machine and"
operation, you wil! achieve efficient and peak performance. While reading the manual, compare the illustrations with
your Yard Tractor to familiarize yourself with the location of various controls and adjustments. Study the operating
instructions and safety precautions thoroughly to insure proper functioning of your Yard Tractor and to prevent injury
to yourself and others. Be sure to pay strict attention to all notes and cautions; they are included for your safety. Save
this manual for future reference.
Ammeter
Light Switch___
Throttle con
Choke // ©
Ignition
Attachment
Lift Lever
Clutch/Brake
Pedal
Height
Adjustment
Knob ----"
Gear Shift Lever " _ _J
AMMETER: Each time you start your tractor_ check your
ammeter. The needle should move towards the (÷)
charging mark indicating the battery is being charged as
you operate the tractor, The headlights will not show a
discharge on the ammeter because they are not con-
nected to the battery (they have their own electrical
source).
A TTA CHMENT CLUTCH LEVER: Push te vet up to engage
mower. There wif! be an engine hesitation as the clutch
engages.
ATTACHMENT LIFT LEVER: Use the attachment lift lever
to raise and lower the attachment mounted to your trac-
tor. Move the lift level" forward to lower attachment.
CLUTCH!BRAKE PEDAL: The pedal has 2 functions: a
clutch and abrake. To engage the brake push the pedal
completely down,
HEDGHT ADJUSTMENT KNOB: Use the height adjust-
ment knob to adjust the mower height. With the attach-
ment lift lever in the "'up'" position, turn knob clockwise
(/_) to raise cutting height and counterclock wise (f-",)
to lower cutting heLght. Lower Attachment lift lever.
Attachrnent Clutch
Lever
GEARSH?FT: Press the ctutch/brake pedal down firmly
and move gear shift lever to desired speed.
?GNfT?ON: Place key in ignition and turn to the right to
start.
LIGHT SW?TCH: Turns on and off the headlights.
PARKING BRAKE: To set the parking brake, push the
ctutch/brake pedal completely forward. Place the park-
ing brake lever in "'Engaged" position and release
pressure from pedal. Clutch/brake pedal will remain in
brake position. To release, push pedal in.
THROTTLE CONTROL: Use the throttle control to in-
crease or decrease the speed of the engine.
CHOKE: To start acold engine, pull choke out to engage.
I2

1. Stopping Your Tractor
CAUTION: DO NOT CHOKE CARBURETOR TO STOP
THE ENGINE
OTE: REMOVE KEY WHEN LEAVING TRACTOR TO
,REVENT UNAUTHORIZED USE.
OPERA TION
AIR INTAKE
DUCT
a. Push clutch/brake pedal into full "'BRAKE"
position.
b. Move gear shift lever to "NEUTRAL" position.
c. Place parking brake in "ENGAGED" position and
release pressure from clutch/brake. Pedal should
remain in "BRAKE" position. NOTE: MAKE SURE
PARKING BRAKE WILL HOLD TRACTOR
SECURE,
d. Place attachment clutch lever in "'DISENGAGED"
position.
e. Move throttle control to "S" (stow) position.
f. Turn ignition key to "OFF" position. Never use
choke to stop engine.
2, Starting The Engine
LEARN TO START, STOP AND REVERSEYOUR TRACTOR IN A LARGE, OPEN AREA,
1
THIS TRACTOR IS EQUIPPED WITH IN-
TERLOCK SWITCHES TO PREVENT STAR-
TING OF THE TRACTOR ENGINE WHILE
THE MOWER BLADE CLUTCH LEVER mSIN
THE "ENGAGED" POSITION AND/OR THE
FOOT PEDAL IS NOT FULLY DEPRESSED.
IMMEDIATELY REPLACE SWITCHES THAT
ARE rIOT IN PROPER WORKING ORDER,
DO NOT ATTEMPT TO DEFEAT THE PUR-
POSE OF THESE SWITCHES,
a. This engine has been shipped filled with sum-
mer weight oi/. For cold weather operation,
see chart on page 16. Check engine oil level
with tractor on level ground. Remove and
wipe dipstick (Fig, 14) clean, screw it in tight
for a few seconds, remove and read oi/level,
/f necessary, add off until "FULL " mark is
reached.
b. Fifl fuel tank. Use fresh, clean, regular UN-
LEADED automotive gasoline, (Use of leaded
gasoline wi// increase carbon and lead oxide
deposits and reduce valve life). Capacity is
3-1/2 gallons.
CAUTION:
EXPERIENCE INDICATES THAT ALCOHOL.BLENDED
FUELS (CALLED GASOHOL OR USING ETHANOL
OR METHANOL) CAN ATTRACT MOISTURE WHICH
LEADS TO SEPARATION AND FORMATION OF AC_
_DS DURING STORAGE. ACIDIC GAS CAN DAMAGE
THE FUEL SYSTEM OF AN ENGINE WHILE EN
STORAGE.
TO AVOID ENGINE PROBLEMS, THE FUEL SYSTEM
SHOULD BE EMPTIED BEFORE STORAGE FOR 30
DAYS OR LONGER, DRA_N THE GAS TANK, START
THE ENGINE AND LET IT RUN UNTIL THE FUEL
LINES AND CARBURETOR ARE EMPTY, USE
FRESH FUEL NEXT SEASON, SEE STORAGE IN-
STRUCTIONS FOR ADDITIONAL iNFORMATiON.
NEVER USE ENGINE OR CARBURETOR CLEANER
PRODUCTS IN THE FUEL TANK OR PERMANENT
DAMAGE MAY OCCUR,
©
FIGURE 14
SEAT
i ADJUSTMENT
it i!i
FIGURE t 5
13
FtLL TO 8OTTOM OF GAS TANK FILLER
NECK. DO NOT OVERFILL. WIPE OFF ANY
SPILLED OIL OR FUEL, DO NOT STORE,
SPILL OR USE GASOLINE NEAR AN OPEN
FLAME,
c
d_
e,
f,
g
h
Place attachment clutch lever in "'disengaged"
position (Fig, 17).
Push clutch/brake pedal fully into brake position,
Place gear shift lever in "'NEUTRAL "' positon (Fig.
17).
Pull choke out (Fig. 17).
Move throttle control to middle position (Fig. t 7).
Turn ignition key clockwise (/_) to "START'"
position and release key as soon as engine starts.
NOTE: DO NOT RUN STARTER CONTINUOUSLY
FOR MORE THAN FIFTEEN SECONDS PER
MINUTE. If engine does not start after several at-
tempts, move throtde control to "F" (fast)
position, wait a few minutes and try again.
NOTE: tF YOU HAVE A WEAK BATTERY, SEE "START-
ING YOUR TRACTOR WITH A WEAK BATTERY"
(PAGE 21 ).
i. After engine is warm, push choke in. The first
time you start the engine, it wilt take extra crank-
ing time to move fuel from tank to _he engine,

OPERA TION
j,
NOTE: ALLOW ENGINE TO WARM UP FOR A
FEW MINUTES BEFORE ENGAGING CLUTCH OF
TRACTOR OR ATTACHMENT.
When restarting awarm engine, move throttle
control midway between "S" (slow) and
"'F" (fast) positions. Choke may not have
ro be used.
IMPORTANT: BEFORE DR_VING THE TRACTOR,
INSTALL MOWER OR REMOVE
MOWER PARALLEL LINK,
FUNCTION
Normat
Mowing
Heavy
Mowing
SNOW
Blade
Snow Bbower
or Tiller
Transport
GEARSHIFT
2or3
1or2
t,2or3
!
THROTTLE
3,4or5
_J_L.
SLOW FAS]
FIGURE 16
READ THE "RULES FOR SAFE OPERA-TION" CAREFULLY BEFORE OPERATING
YOUR MOWER.
THE MOWER MUST BE ADJUSTED PROPERLY FROM
FRONT TO REAR AND LEVELED FROM SIDE TO SIDE
BEFORE OPERATING. THIS tS NECESSARY FOR LEVEL
AND EFFICIENT MOWING. REFER TO PAGE 23.
CAUTION: DO NOT ADD ADDITIONAL WEIGHT TO
THE TRACTOR OTHER THAN THE OP-
TIONAL WHEEL WEIGHTS° EXCESSIVE
WEIGHT MAY OVERLOAD AND DAMAGE
THE TRANSMISSION.
14
3. Operaft#_g Your "fr_ctor and f!_e_er
NOTE: THIS TRACTOR IS EQUIPPED WiTH AN
OPERATOR PRESENCE SENSING SWITCH, ANY AT_
TEMPT BY THE OPERATOR TO LEAVE THE SEAT WITH
THE ENGINE RUNNING AND THE ATTACHMENT
CLUTCH ENGAGED WILL SHUT OFF THE ENGINE,
CAUTBON
TO AVOID INJURY
1, Read owner's manual.
2. Know the locadon and function of all controls,
3, Keep guards, safety shields and switches in place
and working.
4. Remove objects that can be thrown by blades.
5, Do not mow when children and others are around.
6. Never carry children or passengers,
7, Always look behind machine before backing.
8, Do not mow where machine can tip or slip,
9. If machine stops going uphill, stop blade and back
slowly down,
Be sure blades and engine have stopped before ptac-
ing hands or feet near the blades,
Remove key when leaving machine,
10.
1!.
MAKE SURE PARKING BRAKE WILL HOLD
TRACTOR SECURE.
NEVER PLACE YOUR HANDS OR FEET iN
OR UNDER ANY POWERED ATTACHMENT
OR NEAR ANY MOVING PART WHILE
TRACTOR OR ANY POWERED ATTACH-
MENT IS RUNNING.
NOTE: ALWAYS OPERATE ENGINE AT FULL THROTTLE
WHEN MOWING TO ASSURE BETTER MOWING PER-
FORMANCE AND PROPER DISCHARGE OF CUT MA-
TERIAL, REGULATE GROUND SPEED BY SELECTING A
LOW ENOUGH GEAR (TABLE 1) TO GIVE THE MOWER
CUTTING PERFORMANCE PLUS QUALITY OF CUT
DESIRED
DO NOT OPERATE THE MOWER WITH-
OUT EITHER THE ENTIRE GRASS
CATCHER, ON MOWERS SO
OR THE DEFLECTOR
SHIELD IN PLACE.
a, Select desired height of cut position using height
adjustment knob (Fig, 17),
b, Raise rift lever and place attachment clutch lever
in disengaged position.
c. Push clutch/brake pedal down firmly (Fig, 16).
d, Start engine (page t3).
e. With engine running and warm place throttle con-
trol midway between "'S'" (slow) and "'F'" (fast)
position,
f.Engage mower with the attachment clutch lever.
NOTE: "ENGAGE" OR "DISENGAGE" MOWER
BLADE CLUTCH LEVER SLOWLY.
g. Move gear shift lever to des#ed gear,
h, Lower mower into cutting position using attach_
ment lift lever.
i. Release ctutch/brake pedal to start movement
(Fig, 16),
j. Move throttle control to "'F'" (Fast) postion.
NOTE: SELECT A GROUND SPEED THAT WILL SUiT
THE TERRAIN, QUALITY OF CUT AND ATTACHMENT
BEING USED (TABLE 1)o

CAUTION: NEVER RUN THE ENGINE WITHOUT AIR-
INTAKE DUCT INSTALLED (FIG, 4). MAKE
SURE BOTTOM LIP OF AIR INTAKE DUCT
SITS BETWEEN BATTERY AND LIP OF
BATTERY TRAY.
4, Mowing Tips
NOTE: TIRE CHAINS CANNOT BE USED WiTH THE
MOWER HOUSING ATTACHED.
BEFORE OPERATING YOUR MOWER.
REFER TO PAGE 2.
a. Use the runner on the R.H. side as a guide; the blade
cuts approximately an inch outside the runner (Fig.
t8).
b. Drive so that clippings are discharged onto the area
that has been cut. Have the cut area to the right of
the machine. This wit/ result in a more even distri-
bution of clippings and more uniform cutting.
'THROTTLE
CONTROL
HEIGHT
ADJUSTMENT
KNOB
\
OPERA TtON
c . When mowing large areas (Fig. 79), start by turning
to the right so that the chppings w/// discharge away
from shrubs, fences driveways, etc. After one or
two rounds, mow in the opposite direction making
!eft hand turns until finished.
d. If grass is extremely taft, it should be mowed twice.
The first time cut relatively high; the second time
to the desired height.
e. The left hand side of mower should be used for
trimming.
r, Do not mow tall, dry grass over 6 inches tall. It is a fire
hazard
5. Operating The Tractor On Hills
DO NOT DRJVE UP OR DOWN HILLS WITH ]
_ SLOPES GREATER THAN !5':' AND DO l
NOT DRIVE ACROSS ANY SLOPE, REFER
TO PAGE 5!.
a. Move gear shift lever to '" 1ST'" gear before starting
up or down hills.
b. A VOID STOPPING OR SHIFTING ON HILLS.
c, tf slowing is necessary, move throttle control lever
to slower position.
LEAVE ENOUGH ROOM WHEN STOP-
PiNG AND STARTING TO ALLOW SLIGHT
TRACTOR ROLL DOWNHILL AS CLUTCH/
BRAKE PEDAL MOVES THROUGH CLUTCH
POSITION.
d. tf stopping is absolutely necessary push ctutch/brake
pedal quickly to brake position and engage parking
brake.
,. To restart tractor movement, make sure tractor is in
the lowest speed range (" 1ST'" Gear) and that you
have allowed room to roll stighdy downhill. Depress
ctutch/brake full. Disengaged parking brake and
rMease cJutch/brake pedal SLOWLY to start tractor
movemen:t. 15
f
GEAR SHIFT
CONTROL LEVER
FIGURE 17
f. Make all turns gradually.
FIGURE t9
6. Flip-Up Discharge Guard
Your mower has a flip-up discharge guard (Fig. 18,! for
door or gate clearance when held in raised position.
MAKE SURE ATTACHMENT CLUTCH LEVER
IS _N "DISENGAGED" POS1T_ON AND lBLADES HAVE STOPPED BEFORE RAIS{NG
DISCHARGE GUARD {DEFLECTOR}. NEVER
OPERATE MOWER W_THOUT D_SCHARGE i
GUARD _N OPERATING POS_T_ON. I

MAINTENANCE
\\
FIGURE 20
With Every Mowing
1. Make sure a// nuts on bolts are tight and cotter
pins and retainer springs are secure.
2. Observe a// safety precautions.
3. Keep tractor we//lubricated (refer to page 20).
First 2 Hours (Two Mowings)
!. Change Engine Oil
Changing off after the first two hours (or two mow-
ings) will help eliminate break-in residue which might
be damaging to your engine.
NOTE: BE CAREFUL NOT TO ALLOW DIRT TO ENTER
THE ENGINE WHEN CHANGING OIL.
a. Drain oil with engine warm,
b Loosen oil drain wing nut (Fig, 20) and remove
dipstick.
c Catch oil ma suitable container.
d Tighten off drain wing nut.
e Refill engine oil (See below). Refill capacity is
1-1/2 quarts. NOTE: DO NOT OVERFILL.
f Replace dipstick.
To keep your tractor running better,
longer, perform necessary service using
the foflowing maintenance schedule:
BEFORE MAKING ANY INSPECTION,
JUSTMENT OR REPAIR:
t.
2.
3.
AD_
PUSH TRACTOR CLUTCH/BRAKE PEDAL
COMPLETELY INTO BRAKE .POSITION,
MOVE GEAR SHIFT LEVERTO "NEU-
TRAL" POSITION,
PLACE PARKING BRAKE IN "ENGAGED
POSITION, REMOVE FOOT FROM
PEDAL,
4,
5.
PLACE ATTACHMENT CLUTCH LEVER
tN 'DISENGAGED' POSITION,
TURN IGNITION KEY TO "'OFF" POSI-
TION.
6_
7,
8,
MAKE ABSOLUTELY SURE THE BLADES
AND ALL MOVING PARTS HAVE COM-
PLETELY STOPPED,
REMOVE THE IGNITION KEY,
DISCONNECT THE SPARK PLUG WIRES
FROM THE SPARK PLUGS AND KEEP
AWAY FROM THE SPARK PLUGS TO
PREVENT INJURY FROM ACCIDENTAL
STARTING. BE CAREFUL TOO AVOID
TOUCHING HOT ENGINE OR MUFFLER
COMPONENTS.
Recommended SAE Viscosity Grades
Determine temperature range expected before next oil
change. All oil must meet A. P. t. service classification SD,
SE or SF.
_20 o 0 _32 ° 60 ° 80 °100 °
.... I .... i ' _ ''
Capacity is 1-1/2 quarts. NOTE: DO NOT OVERFILL.
Dipstick assembly must be securely tightened into tube
at all times when engine is operating.
CAUTION: TO AVOID DAMAGE TO THE STARTING
SYSTEM, USE SAE 5W30 OIL WHEN THE
TEM PERATURE FALLS BELOW 32°.
Every 5 Hours (Five Mowings)
t. Check Engine Oil Level
i _ DO NOT CHECK ENGINE OiL LEVEL 1
WiTH ENGINE RUNNING.
Several minutes after stopping engine, check engine c
level with tractor on level ground. Wipe dipstick (Fig. 21)
clean, screw it down tight for a few seconds, remove
and read oil tevef. If necessary, add oil until "'FULL", mark
is reached, (See chart above), NOTE: DO NOT OVERFILL.
t6

Every 25 Hours (Twice a Mowing Season)
7. Brake Adjustment
This tractor is equipped with an adjustable brake
system mounted on the right side of the transaxle
(Fig. 22),
IF TRACTOR REQUIRES MORE THAN
SiX FEET STOPPING DISTANCE IN
HIGHEST GEAR, THEN BRAKE MUST
BE ADJUSTED,
tNTENANCE
2,
a. Depress clutch/brake pedal and engage parking
brake,
b. Measure distance between brake operating arm
and nut "'A" on brake rod.
c . If distance is other than 1- !/2", loosen jam nut
(Fig. 22) and turn nut "A'" until distance becomes
1-1/2". Retighten jam nut against Nut "A",
Road test tractor for proper stopping distance as
stated above. Readjust if necessary,
Tire Care
Maintain tire pressure in front at I4 PSI and rear tires
at 12 PS!.
Blade Sharpening
For best results mower blades must be kept sharp. The
blades can be sharpened with a few strokes of a file or
on a grinding wheel. We suggest they be sharpened
after every 25 hours of mowing. Do not attempt to
sharpen while on mower. If you mow in sandy soil
check the blades after each two mowings. The sand
wears the blades away rapidly,
DISC
\\
ENGINE OIL
DIPSTICK
AND FiLL TUBE
FIGURE 2 t
{WITH PARKING
BRAKE ENGAGED}
a.
b_
When grinding, care should be taken to maintain
blade balance and the blade should be checked
for proper balance before remstaflation on mower.
Unbalanced or bent blade will cause excessive
vibration when running, and eventual damage to
mower or engine. Replace bent or damaged
blades.
To check blade balance, drive a nail into a beam
or watt. Leave about one inch of the straight nail
exposed. Place center hole of clean blade over the
head of the nail (Fig. 23). NOTE: CENTER HOLE
OF BLADE ON NAIL. IF BLADE iS PROPERLY
BALANCED, BLADE SHOULD REMAIN IN POSI-
TION SHOWN IN FIG. 23. IF EITHER END OF THE
BLADE MOVES DOWNWARD, BLADE tS NOT
BALANCED. SHARPEN THE HEAVY END UNTIL
BLADE tS BALANCED.
I
L
FIGURE 22
i
E
CENTER
FIGURE 23
17

INTENANCE
CUT AWAY VIEW
_m
FIGURE 24
b VENT CAP
BATTERY
TUBE
BATTERY
CELL
_,_ KNOB
Every 50 Hours {Once aMowing Season)
(Operating in dusty conditions may require more frequent
servicing,)
1. Check Battery
a. Battery acid level in each battery cell
should be even with bottoms of tubes in cells (Fig.
24), Add ONLY distilled water if necessary,
NOTE: DO NOT OVERFILL,
b. Keep battery and terminals clean.
c. Keep battery bolts tight.
d. Keep vent caps tight and small vent holes in caps
open,
e. Recharge at 6 amperes for t hour if necessary,
2. Clean Battery and Terminals
Corrosion and dirt on the battery and terminals cause the
battery to "leak" power,
LEAD-ACID BATTERIES GENERATE EX-
PLOSIVE GASES. KEEP SPARKS, FLAME
AND SMOKING MATERIALS AWAY FROM
BATTERIES. ALWAYS SHIELD YOUR EYES
AROUND BATTERIES.
PAPER
CARTR1DG[ -..,.
FIGURE 25
\
t t
II
GREASE BOTH
_ WHEE
O
OIL SPINDLES
FBGURE 26
CARTRIDGE
PLATE
FOAM
PRE CLEANER
\
BODY
a,
b.
d
e
f.
g,
Remove terminal guard.
Disconnect BLACK battery cable then RED bat-
tery cable and remove battery from tractor.
Wash battery with four tablespoons of baking
soda to one gallon of water. NOTE: BE CAREFUL
NOT TO GET THE SODA SOLUTION INTO TH
CELLS,
Rinse the battery with plain water, dry and
reinstall on tractor.
Clean terminals and battery cable ends with wife
brush until bright.
Replace battery cables, connecting RED battery
cable to positive terminal first, then BLACK bat-
tery cable to negative terminal. Coat terminal con-
nections with Vasofine,
Replace terminal guard.
3. Change Engine Oil
The best time to change engine oil is at ":he end of
aday's operation when all dirt and foreign materials
are suspended in the hot oil. See chart, page !6,
(OPERATING IN DUSTY CONDITIONS MAY REQUIRE
MORE FREQUENT SERVICING)
4. Clean Air Cleaner Foam Pre-Cfeaner (Fig. 25)
a, Remove Knob and cover,
b. Remove foam pre-cleaner element by sliding it
off of the paper cartridge.
c, Wash foam pre-cleaner in liquid detergent and
water,
d. Wrap foam pre-cleaner in cloth and squeeze
dry,
e. Lightly coat foam pre-cfeaner with engine o
(Do not saturate). Squeeze in rag or towel to
remove excess oil.
f. Install foam pre-cleaner over paper cartridge.
Reassemble cover and screw down tight,
18

5. Lubricato Steering And Front Wheels
There is a grease fitting on each front wheel Use
a grease gun to give each grease fitting two shots
of extreme press ure lubricating grease Amdex No. 1
or equivalent [available through your Sears Service
Center). Use 30 weight oil to lubricate front spind-
les (Fig. 26).
6. Oil Pivot Points
Place several drops of SAE 30 oil at points where
parts move against each o ther, especially:
a. Front wheel spindles.
b. Hood hinges.
c. Foot peda/ shaft (both ends).
d. Lift shaft (both ends).
SEE L UBRtCA T/ON CHART, PAGE 20.
7, Clean Air Screen
Air screen (Fig. 25) must allow free-flow of air
to prevent engine damage from overheating. Clean
with a wire brush, compressed air or water pressure
to remove dirt, chaff, stubborn dried gum and
fibers.
INTENANCE
Every 100 Hours
DISCONNECT SPARK PLUG WIRES TO
PREVENT ACCtDENTAL STARTING BE-
FORE MAKING ANY INSPECTION, ADJUST_
MENT OR REPAIR (EXCEPT CARBURE-
TOR). BE CAREFUL TO AVOID TOUCHING
HOT ENGINE OR MUFFLER COMPONENTS,
!, Replace Spark Plugs
Replace spark plugs at the beginning of each mow,,
ing season or every 100 hours, whichever comes
first, Gap should be set at 0.030 inch (Fig 28L
2. Replace Air Cleaner Paper Cartridge
Refer to page 18.
ALWAYS WEAR SAFETY GLASSES WHEN
USING COMPRESSED AIR.
DO NOT TOUCH HOT MUFFLER, CYLIN-
DER OR FINS AS CONTACT MAY CAUSE
BURNS,
8, Check Muffler
inspect and replace corroded muffler as it could
create a fire hazard and/or damage.
9. Clean Engine Cooling Fins
Remove any dust, dirt or off from engine cooling
fins to prevent engine damage from overheating,
Air guide covers must be removed (F_g. 27).
Remove eight 7/16" bolts and six 5/!6" bolts to
remove side and top covers. See hood removal
page 23.
DO NOT TOUCH HOT MUFFLER, CYLiN-
DER OR FINS AS CONTACT MAY CAUSE
BURNS.
MUFFLER
F_GURE 27
t9
3. Replace in-Line Fuel Filter
If fuel filter is clogged, obstructing fuel flow to
carburetor, replacement is required.
a. With engine cool, remove filter and plug fuel
line sections as removed from both ends of fuel
filter fFig, 29),
b, Place new fuel filter in positron in fuel line.
7
BE SURE THERE ARE NO FUEL LINE|
LEAKS AND THAT FUEL LINE IS IN
PROPER POSITION 1N HOSE CLAMPS,
.030"FEELER
GAUGE
PLUG
FIGURE 28
\
;_VGURZ:29

INTENANCE Lubrication Chart
SPINDLE
_ WHEEL BEARINGS
_. SAE MOTOR OIL
_ EXTREME PRESSURE
LUBRICATING GREASE
_, TO ENGINE OIL SPEC'S.
REFER
(UNDER INITIAL PREPARATION
IN OWNERS MANUAL)
REPAIR & ADJUSTMENT
NEGATIVE
(BLACK CABLEt
TERMINAL
iRY
POSITIVE
_REDCABLE!
TERMINAL
FIGURE 30
20
_WHEEL BEARINGS (2"t
'NE_
CLUTCH PIVOT(_
BOTH ENDS LIFT SHAFT _
FOR ANY ADJUSTMENTS, INSPECTION
OR MAINTENANCE:
1,
2.
3.
4.
5.
6,
7,
8.
PUSH TRACTOR CLUTCH/BRAKE PEDAL
COMPLETELY INTO BRAKE POSITFON,
MOVE GEAR SHIFT LEVER TO "NEUTRAL"
POSITION.
PLACE PARKING BRAKE IN '*ENGAGED PO-
SIT.ION. REMOVE FOOT FROM PEDAL.
PLACE ATTACHMENT CLUTCH LEVER IN
'DISENGAGED' POSITION,
TURN IGNITION KEY TO "OFF" POSITION.
MAKE ABSOLUTELY SURE THE BLADES
AND ALL MOVING PARTS HAVE COM-
PLETELY STOPPED,
REMOVE THE _GNITION KEY.
DISCONNECT THE SPARK PLUG WIRES
FROM THE SPARK PLUGS AND KEEP AWAY
FROM THE SPARK PLUGS TO PREVENT IN-
JURY FROM ACCIDENTAL STARTING, BE
CAREFUL TOO AVOID TOUCHING HOT EN
GtNE OR MUFFLER COMPONENTS.

FIGURE 3 !
SPARK
PLUG
CARBURET(
FIGURE 32
REPAIR & ADJUSTMENT
1, Starting your Tractor With aWeak Battery
iDLE SPEED
SCREW
MIXTURE
VALVE
GOVERNOR CONTROL
LEVER
If your battery is too weak to start the engine, it should
be recharged. If "jumper cables'" are used for emergen-
cy starting, follow this procedure:
NOTE: YOUR TRACTOR IS EQUIPPED WITH A 12 VOLT
NEGATIVE GROUNDED SYSTEM. THE OTHER VEHICLE
MUST ALSO BE A 12 VOLT NEGATIVE GROUNDED
SYSTEM,
LEAD-ACID BATTERIES GENERATE EX-
PLOSIVE GASES. KEEP SPARKS, FLAME
AND SMOKING MATERIALS AWAY
FROM BATTERIES. ALWAYS WEAR
EYE PROTECTION WHEN AROUND
BATTERIES.
SPARK
PLUG
a_
b,
C,
d,
Connect each end of the RED cable to the
POSITIVE (+) terminals of each battery _taking
care not to short against chassis) (Fig, 30).
Connect one end of the BLACK cable to the
NEGATIVE ( -) terminals of fully charged battery.
Connect the other end of the cable to the L.H. side
panel bolt (Fig. 16), NOTE: KEEP AWAY FROM
GAS TANK AND BATTERY,
Disconnect cables in reverse order:
1, L.H, Side Panel Bott (Fig 16),
2, Negative terminals of fully charged battery.
3. Positive terminals.
DO NOT USE YOUR TRACTOR BAT- I
TERY TO START OTHER VEHICLES. _
J
CARBURETOR 2, Throttle Control Cable Adjustment
/Vever attempt to change maximum engine speed,
This is preset at the factory (3600 z 100 RPM)
and should on/f/be changed by a qualified service
technician who has the necessary equipment,
a. Remove hood (page 23).
b. Loosen casing clamp screw until throtde came
is free to move.
c, Move throttle control (on the dashboard) to
"FA ST'" position,
d. Put! throttle came tight (until swivel below
carburetor is against side of quarter circle).
Retighten casing clamp screw.
_ REFER TO "STARTING THE ENGINE,"
PAGE 13.
21

REPAIR &ADJUSTMENT
3, Carbureter Adjustment
NOTE: ADJUST THROTTLE CONTROL CABLE
BEFORE MAKING ANY ADJUSTMENT TO CAR-
BURETOR. AIR CLEANER MUST BE ASSEMBLED TO
CARBURETOR WHEN RUNNING ENGINE.
TRANSAXLE
PULLEY
BELT
GUIDE \
Minor carburetor adjustments may be required to
compensate for differences in fuel, temperature
or altitude. Adjust the carburetor fuel mixture
as fotlo ws:
a. Gently turn idle mixture valve clockwise
(_ ) (Fig. 32) until it just doses and then
counterclockwise ( _) 1-1/2 turns.
CAUTION: Valve may be damaged if turned
in too far.
b, Start engine and allow to warm for five
minutes. Make final adjustments with engine
running and choke pushed in.
c. Move throttle control lever (on dashboard) to
"'SL 0 W'" position,
d. Hold governor control lever against idte speed
screw, and adjust idle speed screw to obtain
!200 to 1400 RPM (Fig. 31),
e. While still holding the governor control lever
against idle speed screw, turn idle mixture
valve slowly clockwise f_) f/can mixture)
until speed just starts to slow.
f. Turn idle mixture valve back to the midpoint
between rich and lean.
g. Adjust the idle speed screw to obtain 900 to
1200 RPM. Release governor control lever.
h. Move throttle control (on the dashboard) to
"'FAST. "" /f engine hesitates or dies, turn idle
mixture valve approximately 1/8 rum counter-
clockwise (_'_-) until engine will accelerate
as throttle control is moved from "'SLOW'"
to "'FAST. ""
RETAINER BELT GUIDE
SPRING BRACKET
R.H. SIDE
CLUTCH
PULLEY
ENGINE
PULLEY
RETAINER
SPRING
FIGURE 33
DRIVE BELT
SCHEMATIC
L.H. SIDE
4. Motion Drive Belt Replacement
The tractor drl've belt may be rept!aced without
tools. Park the tractor on l_v_, area. Engage
parking brake,
NOTE: BELT _NSTALLATION DECAL UNDER LEFT
FOOTREST.
a, Remove mower (page 23),
b, Remove two retainer springs from belt guide
bracket betow transaxle pufley. Remove
bracket (Fig, 33).
c, Swing belt guides away from be/t, toward rear
of tractor (Fig, 33).
d. Roll belt over top of transaxle pulley,
e. Rot/ belt over engine pulley and off idler
(Fig. 34),
f. Release parking brake. Pull belt as far as
possible over top of clutch pulley.
g. Reset parking brake. Pull belt over top of
clutch pulley (Fig. 34).
h. PuP belt out through shift gate to remove
from tractor (Fig. 35).
Install belt by reversing above procedure.
NOTE: REPLACE ONLY WITH BELT LISTED tN
MANUAL,
BELT GUIDE
\
-F_EAR
VIEWED FROM BOTTOM OF TRACTOR
FIGURE 34
BELT _"k_
5, Fuse Replacement
Replace with 30 amp automotive-type plug-in fuse.
Fuses can be purchased at all Sears Service Centers
and most retail stores. Locatbn of fuse is directly 22
behind dash.

SCREW
FIGURE 36
WIRE
CONNECTION
FIGURE 37
RETAINER
SPRING
t CLUTCH ROD
RETAINER
SPRING
REPAIR & ADJUSTMENT
6. Hood Removal
a.Lift hood, Disconnect headlight wiring connection
(Fig, 37).
b. Unscrew one screw at rear of each side panel (Fig.
36),
c, Pivot hood and side panel forward and lift off trac-
tor (Fig. 37).
d. To replace, reverse the above procedure.
7, Mower Removal
a, Remove mower belt per instructions under
"Mower Drive Belt Removal'" through step fd,t.
b, Remove retainer spring from clutch rod; pu//
clutch rod out of clutch bracket (Fig, 38)
c, Puff retainer springs out of rear suspension
trunnions. Remove rear suspension trunnions
from l/it brackets (Fig, 38).
d, Pull retainer spring out of rear hinge pin.
Remove rear hinge pin,
e, Pull retainer spring out of front hinge pin,
Remove front hinge pin (Fig, 38/.
f. Use /fit lever to raise suspension arrr, s, Slide
mower out from under tractor,
NOTE: IF AN ATTACHMENT OTHER THAN THE MOWER
DECK IS TO BE MOUNTED ON THE TRACTOR, THE L.H.
AND R.H, SUSPENSION ARMS {FIG. 38t SHOULD BE
REMOVED FROM TRACTOR.
,Level Mower Housing
Adjust the mower while tractor is parked on feve/
ground or driveway. Make sure tire pressures are 14
PSi in front tires and 12 PSI in rear tires. If tires are
over or under inflated, you will not properly adjust
your mower,
_, R,H.
\ SUSPENSION
RETAINER
SPRINGS
MOWER
PARALLEL
LINK
Side-to-Side Mower Adjustment
a. Depress rift lever plunger and use/fit lever to
raise mower to maximum cutting height,
b. Measure height from bottom of cur/to ground
level at front of mower. Distance "A "" should
be the same (Fig. 39).
c. If distance "'A "" needs to be changed, snap out
access hole cover on L.H, side above footrest.
Use 11/16" wrench on nuts "B" and "'C'" at
side-to-side adjustment trunnion (Fig, 40).
d. To raise left side of mower, loosen nut "B'"
and tighten nut "'C':
e. To lower left side of mower, loosen nut "'C'"
and tighten nut "'B':
NOTE: ONE ROTATION OF ADJUSTMENT NUTS
tS EQUIVALENT TO APPROXIMATELY 3/16"
HEIGHT CHANGE.
f. Be sure all nuts are securely tightened.
Front-To-Rear Mower Adjustment
a. To obtain the best cutting results, your mower
housing should be adjusted so the front and rear
flange distance "D'" (Fig. 41) is 1/2" lower in
front when the mower is positioned in the highest
cutting position° NOTE: MEASURE DISTANCE
"D" FROM GROUND LEVEL TO BOTTOM OF
CURL ON RIGHT REAR FLANGE AND COMPARE
TO D_STANCE "D" AT R!GHT FRONT FLANGE.
_eURE 38 23

REPAIR & A DJUS TMEN TS
b. To raise rear of mower, loosen nut "E" on borh
rear suspension arms, Screw both nuts "F" up
an EQUAL NUMBER OF TURNS (Fig. 42),
c. When distance "'D" is !/2"" /ower at front than
rear, tighten nuts "E"
d, To lower rear of mower, loosen nut "F" on
both rear suspension arms an EQUAL NUM-
BER OF TURNS (Fig, 42),
e, When distance "D" is 1/2"" lower at front than
rear, retighten nuts "E':
NOTE: WHEN ADJUSTING REAR SUSPENSION TRUN-
NIONS, ALWAYS ADJUST BOTH EQUALLY SO MOWER
WILL STAY LEVEL.
.Blade Replacement
Raise mower to highest position to permit access to
blades or remove mower,
a, Remove bolt, fockwasher and washer (Fig. 43)
(turn counterclockwise)(_'_ ).
b. Remove and discard old blade.
c, Clean top and bottom of mower housing,
d, Place new blade between flanges, (Install with
sharp edge down), and secure with washer, lock-
washer and bolt previously removed.
ALWAYS USE GRADE 5 HEAT TREATED
BOLTS TO ATTACH BLADES. CHECK
BOLTS tN BLADES OCCASIONALLY TO
MAKE SURE BOLTS ARE TIGHT. TORQUE
BOLTS 30 - 35 FT- LBS.
FIGURE 40
/
FLANGE
\BOTTOM
OF CURL
D
GROUND_"T
LEVEL FIGURE 41
A GRADE 5 HEAT TREATED BOLT
CAN BE IDENTIFIED BY THREE
UNES ON THE BOLT HEAD AS
SHOWN AT LEFT.
L_FT LEVER_
PLUNGER _/
[.EVER
BOTTOM __
OF CURL , i _ ._
GROUND
LEVEL
FIGURE 39
iBOTTOM
OF CURL
)
24
BLADE ___
L_KWAS.E.------"-'.@ _ "-,._
.,×,o_,. s---_
FtGURE 43

REPA
10. Rear Wheel Replacement
Coat axle with grease to prevent corrosion or rust
accumulation and eventual seizing of wheel hub
to axle shaft.
WHEN REPLACING WHEELS ON THE
TRACTOR THEY MUST BE MOUNTED
WITH THE LONG HUB SIDE TOWARD THE
CENTER OF THE TRACTOR. INCORRECT
INSTALLATION COULD AFFECT LATERAL
STABILITY. (SEE FIG. 46),
! 1. Tire Care
a. Maintain tire pressure of 14 PSI in front tires
and !2 PSI in rear dres.
b. Keep tires free of gasofine, oi/or insect con-
tro/ chemicals which can harm rubber.
c. Avoid stumps, stones, deep ruts and other
hazards that may cause tire damage.
(t. Removing front wheel for tire repair (Fig. 44):
--- Block up front axle securely.
---Remove hub cap, k/ip ring and washer to
allow wheel remova/.
---Repair tire and reassemble. Replace washer
and snap k/ip ring securely in axle groove.
Replace hub cap.
e. Removing rear wheel for tire repair (Fig. 45):
--. Block up rear axle securely.
---Remove hub cap, E-ring and washer to allow
wheel removal
--- Repair tire and reassemble. While maintaining
key position, replace washer and snap E-ring
securely in axle groove. Replace hub cap.
&ADJUSTMENT
,C. Cylinders
i. Remove spark plugs.
2. Pour one ounce of oil through spark plug holes
into cylinders.
3. Turn ignition key to "START" position for a
few seconds to distribute oil
4. Replace with new spark plugs.
D, Battery
1. Prior to storage, clean terminals and top of
battery'.
2. After a period of time in storage, battery may
require recharging.
E. General Cleaning
Clean engine, battery, seat, finish, etc. of a//
foreign matter,
F. Store in a Clean Dr}! Area
©
HUB CAP WASHER
FIGURE 44
WHEN MOUNTING TIRES, UNLESS BEADS
ARE SEATED, OVER INFLATION CAN
CAUSE AN EXPLOSION.
I2. Storage
Remove mower from tractor for winter storage.
When mower is to be stored for a period of time,
clean it thoroughly, remove all dirt, grease, leaves,
etc. Give blades and underside of housing a good
coat of grease or rust preventative. Store in a
clean dry area.
A. Fuel System
IT tS IMPORTANT TO PREVENT GUM DEPOSITS FROM
FORMING IN ESSENTIAL FUEL SYSTEM PARTS SUCH AS
THE CARBURETOR, FUEL FILTER, FUEL HOSE. OR TANK
DURING STORAGE. ALSO. EXPERIENCE INDICATES THAT
ALCOHOL BLENDED FUELS _CALLED GASOHOL)OR USING
ETHANOL OR METHANOL CAN ATTRACT MOISTURE WHICH
LEADS TO SEPARATION AND FORMA TION OF ACIDS DURING
STORAGE. ACIDIC GAS CAN DAMAGE THE FUEL SYSTEM
OF AN ENGINE WHILE IN STORAGE,TO AVOID ENGINE
PROBLEMS, THE FUEL SYSTEM SHOULD BE EMPTIED BE-
FORE STORAGE FOR 30 DAYS OR LONGER,
B. Eng#_ Oil
Drain (with engine warm) and replace with clean
engine eiL (See chaR, page t6),
E-RING
\
LONG HUB
/
HUBCAP
FIGURE 45
"-__.-._ FIGURE 46
25

TROUBLESHOOTING
WILL NOT START
WiLL NOT TURN OVER
ENGINE CLICKS BUT WON'T START
HARD TO START
PROBLEM CAUSE /REMEDY (SEE INDEX) 1
ENGmNE MISSES OR LACKS POWER
ENGINE OVERHEATS
NO LIGHTS
WON'T CHARGE
OPERATOR PRESENCE SYSTEM WILL NOT SHUT
DOWN ENGINE WHEN OPERATOR LEAVES SEAT
NOTE: This tractor is equipped with an operator presence
sensing system, Any attempt by the operator to leave the seat
with the engine running and the attachment clutch engaged
wil! shut down the engine,
Fi// Tank with Gasoline. Check Fuel Line and Carburetor
(clean if necessary), Replace Fuel Filter, Use Fresh Fuel
Recharge or replace Battery
Check Wiring
Replace Spark Plug(s) and adjust gap
Drain and replace o//for proper temperature
Push Ctutch/Brake Pedal into brake position
Charge or replace Battery
Move Attachment Clutch Lever to "'D/SENGAGED" position
Replace Ignition Switch
Replace Interlock Switch(es)
Replace Solenoid or Starter
Replace Spark P/ugfs)
Replace Fuse
Cheek a// Wire Connections and "'Ground'" Points
Rea ttach Tiller A ttachmen t Wire Loop
Clean Battery Terminals
Replace Starter or Solenoid
Charge or Replace Battery
Check Wire Connections and "Ground'" Points
Place Throttle Control in "'FA S T'" position and run
starter several times to clear out gas
Remove Air Filter and clean
Replace Spark P/ug(M and adjust gap
Recharqe or replace Battery
Check the Wiring
Drain Fuel Tank and Carburetor. Use Fresh Fuel.
Replace Fuel Filter
Make necessary adjustments to Carburetor
Major Engine Overhaul
Shift to a lower gear or reduce load
Drain Gas Tank and Carburetor. Use Fresh Fuel
Remove and clean Air Cleaner
Make necessary carburetor adjustments
Clean Air Screen
Add or change oil
Replace Spark Plug(s) and adjust gap
Replace Fuel Filter
Major Engine Overhaul
Shift to/owergear or reduce load
Clean Air Screen
Add or change oil
Clean Engine Cooling Fins
Remove and clean Muffler or replace
Remove and clean Air Filter
Use fresh fuel and adjust Carburetor
Check Fuse, Switch and Wire Connections, Replace
Head/ight Bulbs
Replace Switch
Check Fuse for fault and replace
Replace Battery
Replace Diode Assembly
Replace Alternator
Engage Attachment Clutch
Check all Wire Connections
Check Seat Switch
26

TROUBLESHOOTING
UNSATISFACTORY MOWER PERFORMANCE
UNEVEN DISTRIBUTION OF CLIPPINGS
MOWER BLADES W_LL NOT ROTATE
EXCESSIVE MOWER V_BRATgON
WiND ROWING STR_PPING OR DROPPING
OF GRASS CLIPPINGS
UNEVEN CUT OR SCALPING
SERVICE RECORD
Filf in dates as you complete .requiar_ serwce
Blades
Brake Adjustment
Check Battery
Change Engine Oil
Check Engine Oil Levet
CIean Air Filter
Check Muffler
Clean Air Screen and Engine Cooling Fins
t'.........................
Clean Front Gritf
Lubricate Tractor
Replace Spark Plugs
Reptace Air Filter Cartridge
F,RSY! VERY
2 _ 5
HOURS HOURS
,,! .........
.............. ......
X
×
Move Throttle Control to "FAST_
Check air pressure in Tires
Check front-toorear and side-to_side Mower adjustment
Use a slower ground speed
Replace Mower Blades
Reinstall Mower Blades with Top of Blade up
Clean underside of Mower Deck
Readjust Mower Drive Belt
Correct Clutch Mechanisrn Interference
tnsta/l new Mower Drive Belt
Reinstall Mo wet Drive Belt
Ad/ust Mower Drive Belt
Replace frozen Mandrel
Replace frozen Idler Pulley
Replace bent or unbalanced Blades
Replace Mandrel Straighten Deck or replace
Set Throttle for maximum engine speed
Let .grass dry out
Clean underside of Mower Deck
Readjust Mower front.to-rear and side-to-side
Replace Blades
Readjust Mower front-to-rear and side-to_side
Replace Blades
Replace bent Mandrel(s)
i
[
SERWCE
SCHEDULE
EVERY
25
i HOURS
l,
[X
X
.................
Tires
Fuei Filter
t i ......
Sears, Roebuck and Co. reserves the right to make any changes in design or
improvements without imposing any obligation to instal/the same upon its
terms heretofore manufactured. 27
RECORD
EVERY i EVERY i EVERY_'
50 100 1 200
HOURS HOURSI HOURS
[
I
m
* t ..............
i
× i
i, J
! × !
/
1
1×
!.........
× i
i × i
............. ]
X
x
×
X _
X
i
!
,,_,. i
]
l
f _
,, 1
....... i
.... i
L

28

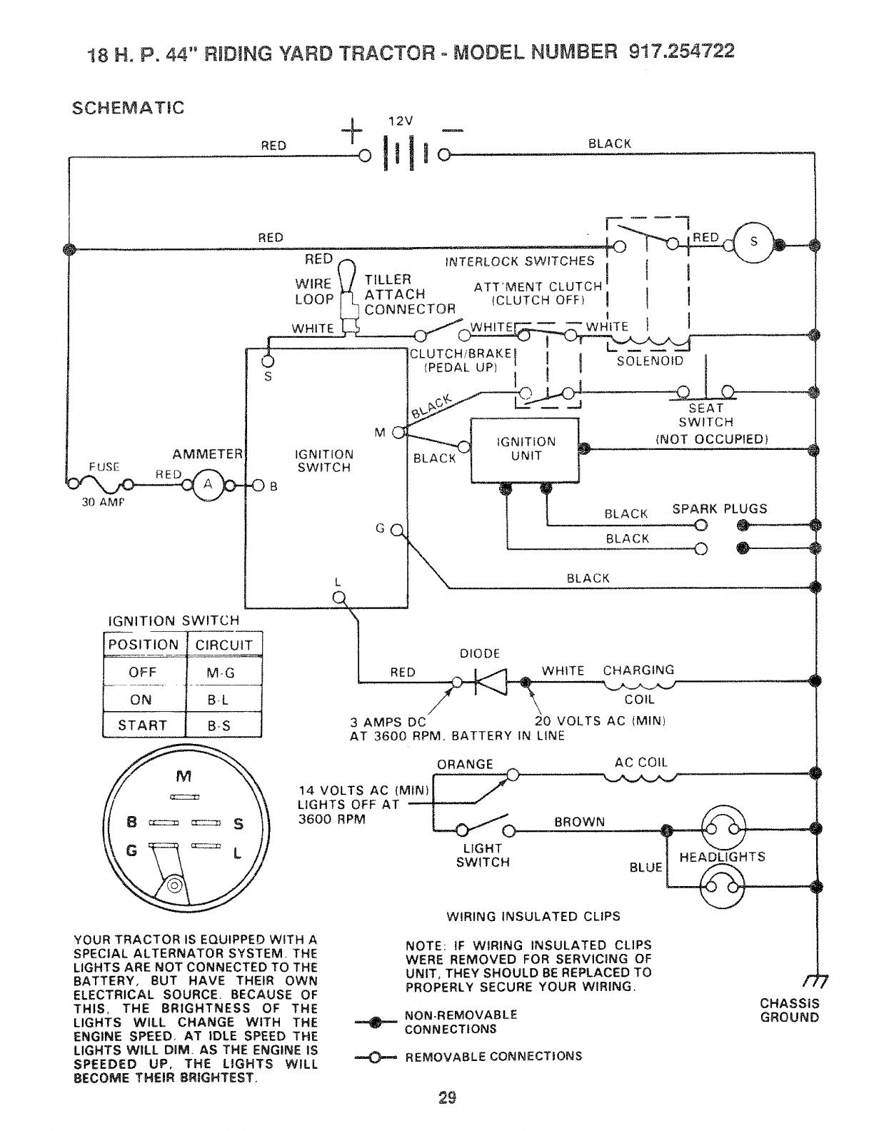
18 H. P. 44" RIDING YARD TRACTOR -MODEL NUMBER 917.254722
SCHEMATIC
RED + 12V
30 AMP
AMMETER
iGNITION SWITCH
70-S,TTON
OFF
ON
RED
RED
WIRE
LOOP
WHITE
f l
.',TE I
START
CIRCUIT
M-G
B-L
B-S
IGNITION
SWITCH
MC;
GQ
L
c_
DIODE
RED _ WHITE CHARGING
....... ___.../_._/_._,__j
CO_L
3 AMPS DC 20 VOLTS AC (MIN)
AT 3600 RPM, BATTERY IN LINE
YOUR TRACTOR IS EQUIPPED WITH A
SPECIAL ALTERNATOR SYSTEM. THE
LIGHTS ARE NOT CONNECTED TO THE
BATTERY, BUT HAVE THEIR OWN
ELECTRICAL SOURCE, BECAUSE OF
THIS, THE BRIGHTNESS OF THE
LIGHTS WILL CHANGE WITH THE
ENGINE SPEED_ AT IDLE SPEED THE
LIGHTS WILL DiM. AS THE ENGINE IS
SPEEDED UP, THE LIGHTS WILL
BECOME THEIR BRIGHTEST.
ORANGE
14VOLTSAC (MIN) I /
LIGHTS OFF AT
3600 RPM _}_/O
LIGHT
SWITCH
BROWN
AC COiL ...................... q
WIRING INSULATED CLIPS
NOTE: IF WIRING INSULATED CLIPS
WERE REMOVED FOR SERVICING OF
UNIT, THEY SHOULD BE REPLACED TO
PROPERLY SECURE YOUR WIRING.
NON-REMOVABLE
CONNECTIONS
REMOVABLE CONNECTIONS
/
CHASSIS
GROUND
29

o
REPAIR PARTS
ELECTR iCAL
18 H. P. 44" RIDING YARD TRACTOR - MODEL NUMBER 917.254722
3
18
45
r
15
/
24
7
19
33
36
38

REPAIR PARTS
ELECTRICAL
18 H. P. 44" RIDING YARD TRACTOR - r,AODEL NUMBER 917.254722
KEY
NO,
1
2
3
4
5
6
7
8
9
I0
!2
13
14
15
16
17
18
19
20
21
22
23
24
PART DESCRIPTION KEY PART
NO. NO. NO,
109310X Molded Key 25 STD522507
110859)( Harness, Light Socket 26 STD551025
4152J Bulb - Light 27 STD551 t25
STD365402 Switch _Ignition 28 STD541025
109553X Switch, Interlock - Attachment Clutch 29 STD541625
109788X Ignition, Nut 3t t02476X
110712X Switch -Light 32 72240460
.!09081X Solenoid 33 I2t433X
10090400 Washer- Lock 1/4 34 74641008
STD541225 *Nut - Jam 1/4 -20
11050400 Washer- Lock - Ext. Tooth 1/4
73510400 Nut, Keps 1/4 -20 36 t0250IX
719J Cover- Terminal 37 73951000
121434X Harness -Ignition 38 235R
4799J Cable. Battery 39 STD522505
4206J CaMe _ Battery 40 73680400
4207J Cable -Ground 41 100541K
t09787X Bezel- Ignition 42 109596X
I2 I537X Battery 43 4 t 7t R
121305X Seat -Plunger 44 I21264X
1044452( Switch .. Interlock- Clutch 45 t2165tX
17021008 Screw-Hex Tap_ I0-24 x t/2 --- 101539)(
108824X Fuse -30 Amp _-- 124450X
DESCRIPTION
*Bolt - Hex I/4 - 20x 3/4
*Washer 9_2 x 5/8 x 16 Ga.
*Washer- Lock !/4
_Nut - Hex !/4 -20
*Nut - Wing 1/4 -20
Guard.. Terminal
Bolt. Rd, Hd. Sq. Nk, 1/4 -20 x 7-t/2
Ammeter
Screw- Slotted Pan Head
910 - 32x 1/2
Wire Loop
Nut - Keps 910 - 32
Clip- Insulation
*Bolt. Hex !/4 -20 x I/2
Nut -Crown/ock t/4 -20
Tube
C/am_ _Hose
Clip. Insulated
Caps, Battery
Decal, Sears
Sheet -Instruction, Tractor 15 ° Slope
Owner's Manual
S TA NDA RD HA RDWA RE--PURCHA SE L OCA L L Y
A
_10
B
@12
_ 13
C
._40
E
_37

REPAIR PARTS
t8 H. P. 44" RIDnNG YARD TRACTOR ° MODEL NUMBER 917.254722
CHASSIS AND ENCLOSURES
91
95
98 \8O
10 !9
i
94
72
38 73 7_
44
47 43
42
68
48
C
32

REPAIR PARTS
18 H. P. 44" RiDiNG YARD TRACTOR - rvIODEL NUMBER 917.254722
CHASSIS AND ENCLOSURES
KEY PART DESCRIPTION KEY PART DESCRIPTION
NO, NO. NO, NO,
! I20039X Seat
2 121247)( Pan -Seat
3 105513X Bracket. Pivot - Seat
4 t05529X Bolt., Shou/der 5/16 - 18
5 1210932( Cap - Spring
6 73680500 Nut- Lock 5/16_ 18
7 73680600 Nut _Lock 3/8- 16
8 12t642X36I Fender
9 106202X Reflector. Rear
10 t05801X Decal
1t17490612 Screw, Flex Washer Thd. Rol!
3/8-16 x 3/4
12 19131312 Washer 13/32 x 13/16 x I2 Ga.
I3 STD523707 *Bolt, Hex, 3/8-16 x 3/4
14 105551X Strap - Fender
I5 19171912 Washer 17/32x 13/16x 12 Ga,
16 STD551150 *Wasl?er. Lock !/2
t7 t08885X Guard- Muffler
I8 t21246X Bracket, Switch -Seat
t9 121067x Compression -Spring R.H.
20 13553 tX Nut, Push
2t 105509X Bracket- Fender
23 t06020X Tank - Fuel
24 t21221X Cap- Fuel
25 6999R Clamp -Hose
26 5277J Line - Fuel
27 106082X Pad. Spacer
28 I21277X Chassis Assembly
29 121306X Dra wbar
30 105523X Panel. Dash - L,H.
31 121794X Cover, Access
32 tI0828X Panel. Dash oR.H.
33 t05525X Bracket. Support- Dash
35 105465){ Footrest -L.H.
36 105464X Footrest. R,H,
37 STD533707 *Bolt, Cart'. 3/8-16x 3/4
38 t05466X Pad, Footrest
39 1 t0923X Br_ket. Clutch _Mower
40 3645J Bushing
41 105566X Decal. 5Speed- 44"
42 275 t R Clip _Insulated
4 3 It0436X Grommet
4 4 105839X Receptacle
4 5 105838X Retainer
4 6 10575 IX Stud -l/4 Turn
4 7 105867X Shield -Heat
48 109015X Bracket. Pivot. L.H,
49 !090!6X Bracket -Pivot - R.H.
A B C
'_4 11
U V
_74 _ 96
@!2 _97
50 106013X0t8 Hood
52 73680400 Nut -Crowntock t/4-20
54 t08067X Par -Nut
5 5 t05528X Grill
56105806X Decal -Grill
5 7 105568X Decal - Stripe
5 8 12 I248X Bushing, Snap
5 9 t21249X Spacer, Split
60 121250X Spring, Compression
6 1 t 08403X Panel -Side -R.H.
62 I08470X Panel Side .L,H,
63 106091X Hinge -R.H,
64 t06090X Hinge -L.H.
66 706003X Lens .R.H.
67106004X Lens -L.H.
68 110897X Bezel. Headfigh t
70 108512X Bracket -Pivot -R.H,
72 108513X Bracket -Pivot _L.H.
72 4900J Decal, Clutch/Brake
73 109199X Decal. Drive Be!t
74 STD523710 *Bolt- Hex 3/8-16 x 1
75 8710J Stem -Tank, Fuel
76 110350X Strap Assembly. Grill
77 STD522505 Bolt - Hex !/4 . 20 _1/2
78 235R Clip. Insulated
79 11050600 Washer, Lock, Ext, Tooth 3/8
80 106813X Decal. Stripe, Side Panel, L,H.
81 106814X Decal •Stripe, Side Panel, R,H,
82 106974X Decal. Caudon
83 t 7490612 BoJt, Hex Washer T.hread Ro/t/ny
3/8.16 x 3/4
84 19131616 Washer 13/32 x Ix 16 Ga,
85 19131614 Washer -t3/32 x Ix t4 Ga
87 106909X Screw. Special
88 1069102( Screw- Spec/a/
89 I08402X U.Clip
90 121251X Strip, Foam
91 721704 !0 Bolt, Cart. l/4 - 20 x t- 1/4
92 74780816 Bolt 1/2.13x l
93 121144X Shoulder Bolt
94 5320R Clip. Insulated
95 73900400 Nut, Hex 1/4- 20
96 74641008 Screw - S/td, Pan Head #I0 -24 x I/4
97 73951000 Nut, Keps #10- 24
98 4171R Clip, Insulated
,, 13
U
G_2
_7
H J
U 87
_,88 _7
_se
33
*STANDARD HARDWARE-PURCHASE LOCAL L Y
KL N P 0 T S
52 3
@ 12 7@84
,8_79
®7

REPAIR PARTS
t8 H. P, 44" RIDING YARD TRACTOR ,. MODEL NUMBER
DRI_VE
312
9! 7.254722
32
32
85

REPAIR PARTS
18 H° P. 44" RIDING YARD TRACTOR = MODEL NUMBER
DRIVE
917.254722
KEY PART DESCRIPTION KEY PART DESCRIPTION
NO. NO. NO, NO,
l
2
3
4
6
6
8
9
10
I1
12
!3
16
17
18
!9
2O
21
22
23
24
15
26
27
28
29
30
31
32
33
34
35
36
37
38
39
40
4!
42
43
44
45
46
47
48
49
106t92X
12000028
STD580025
t23183X
105953X
13280336
Pulley, Transax/e [Driven)
Ring, Retainer
Key, Woodruff No. 0
Yransaxle, 5 Speed. Foote Model
No, 4360-!3 (seepages42 and43
for parts breakdown)
Duct, Air intake
Nipple Pipe
122291X Engine, Bn_ids & Stratton Model
/Vo.422707 T/pe fro. 1511-01
108373X Mu frier
t00229L Tube Ass'i. Exhaust
STD522507 *Bolt, He>:, 1/4.20x 3/4
STD551 I25 *Washe,_o Lock., 1/4
8545J Gasket
13200300 E!bow std. 90 °
t20301X V-Belt, Drive
275 t R Clip
t06933X Knob
121728X Rod, Shifter
105701X ;$gsher. Shaft Plate
19151216 Washer, 15/32x 3/4 x t6 Ga.
STD561210 *Pin, Cotter, I/8x t
17490612 Screw- Hex Wadder Hd_ Thdo Roiling
3/8-16 x 3/4
105730X Keeper, Beit, Engine
STD5237t0 _Bolt, Hex, 3/8-t6 x 1
19131312 Washer, 13/32 x 13/!6 x 12 Ga.
73680600 Nut, Lock, 3/8-16
8883R Cover, Pedal
109037X Shaft. Foot Pedal
STD5718!0 "Pin, Roll, 3/18x t
121749X _asher, 25,,C_2x 1-1/4 x 16 Oa.
106918X Arm. Brake
STD580025 *Key, Woodruff No, 9
I2144IX Guide, Belt, Lower, Eng. Pulley L.H,
121440)4 Guide, Belt, Lower. Eng, Pu//ev R.H.
104777X Guide, Belt
109070)( Keeper, Belt
4470J Spacer
48.59J idler. Ftat
STD523727 *Bolt, Hex 3/'8o 16 x 2-3/4
105731X Pulley, Engine
10040700 Washec Lock, 7/!6
74770720 Be/t, Hex, 7/t6-20 x 1-1/4
!0833tX Keeper, Belt, L.H.
4921H Retainer, Spring
I06296X Strap, Locater
106190X C/amp
19091210 Washer 9/22 x 3/4 x t0 Ga.
A B C D E
@ oI 52 @
®s2 ®
F G
51 STD523107 *Bolt, Hex 5/t6-18 x 3/4
52 72680500 Nut, Lock, 5/16_18
53 2TD523727 "Bolt. Hex, 3/8-t6 ,_ 2-3/4
54 121520X Strap, Torque
55 I09J67X Bracket, Transaxle
56" 106157)4 Plate, Strap. Torque
57 76020412 Pin, Cotter, l/8 x 3/4
58 I05844X Rod. Brake, Park
59 110437X Rod, Brake
60 I24236X Cap
G! 106888X Spring, Rod, Brake
62 STD551037 *Washer I3/32 ,< 13"t6 xt6 Ga,
83 121748X Washer26./22, t.5/8× 16 Ga,
64 STD54t237 *Hut, Hex, Jam 3/8-Z_
65 105724X Bracket, Clutch
66 $7"D633707 *Bolt. Car,,, 3,i8-76 ." 3,"_I
67 106298X Pulley. Idler
68 105707)( Be#crank Assembly flncL Key No, 9tj
69 I06499X Retainer, Belt
70 STD5237t5 "Bolt, Hex. 3/8.16 × 1-1,.2
7! 1108 t2)( Washer, Hardened
72 r,20ooo39 Kt/_ Ring
73 105709X Spring, Re_z_rn. Clutch
74 I05710X Link, Clu_ch
76 121468X Cor,_trot, Throttle
77 17720408 Screw, Hex Thd. Cut. 1.4.20x I2
78 59192 Cap. Valve
79 65139 Stem, 'Calve
80 124632X Wre, Rear 20_tO. OO x 10 ,{_, 7-,,.i:'_:
81 I06108X361 Rim 8 "
82 109502X Spacer, Split
84 12000001 E. Ring
85 1047S7)4 Cap, Hub, Rear
86 STD580t05 *Key, Square, 3/t6 x 2
87 108332X Keeper, Belt, R.H,
88 17490624 8o/t, Hex Washer Thd. Ro//iz_g
3/8-I6x 1.t/2
89 17490512 Screw, Hex #4/bsher Thd, Re!ling
5/16.18 x 3/4
90 STD523707 _Bolt, Hex 3/8_16 x 3/4
91 105706"X Bearing
92 71040412 Bolt, He_ 1/4.28 x 3/4
93 19132012 Washer t3/32 x 1-1/4 x 12 Ga.
94 106919)( Plate, Rod, Shift
95 105700X Spring, Torsion
97 7152J Tube fNot furnished with tractor)
98 110422X Spring, Brake Return
99 674A380 Spark Arrestor K_t
100 74760516 *Bolt,Hex,5i16-18X1
t01 19111212 Washer.11i32X3i4X12Ga.
*S TA NDA RD HA RDWA R E--PURCHASE L OCA L L Y
H J K L M N
88@ 28 89 ©
90 U 26
@ 28 @ 27
2a
'_26
@ 93
28
35

REPAIR PARTS
18 Ho P. 44" R_DING YARD TRACTOR - MODEL NUMBER
STEERING ASSEMBLY ,_..,,,-- !
917.254722
7
38
9
5O
36

REPAIR PARTS
18 H. P. 44" RIDING YARD TRACTOR - MODEL NUMBER
STEERING ASSEMBLY
917.254722
KEY PART DESCRiPTiON KEY PART
NO. NO. NO. NO.
1 105810X Decal - Cap, Steering Wheel
2 1O0 710L Insert, Steering Wheel 42
3 73940800 "Nut, Top Lack 1/2-20UHF 43
4 1O0 712K Washer 45
5 1O0 713N Wheel, Steering 46
6100711L *Adapter -Steering Wheel 47
7I06015X Sleeve, Steering
8 t20028X Dash 48
9 120002X01 ! Dash P/ate 49
I0 1098!6X Nyfiner, Snapqn 50
1! 17490608 Screw, Hex Washer Thd. Rolling 51
3/8-16x !/2 52
12 I21748X Washer 25/.32 x !-5/8 x t6 Ga. 53
t3 108705X Shaft, Steering 54
14 2882J Pin, Drive 55
!5 71208 Bushing 56
t6 I09432X Bracket, Steering 57
17 108685X Gear, Pinion 58
t8 17490612 Screw, Hex Washer Thd. Rolling 59
3/8-16 x 3/4 60
t9 108683X Rod, Steering 61
20 12000029 Klip R/n 9 82
27 6266H Bearing, Thrust 63
22 t08684X Gear, Sector 64
93 t06126X Key, Woodruff 65
.4 105518X Dash, Lower 66
25 74180512 Screw, Crown Truss Hd. 67
5/!6-18 x 3/4 68
26 73680500 Nut, Lock 5/16-18 69
27 108263X021 Saddle ._ 70
28 73680600 Nut, Lock 3/8- t6 7 I
29 STD523t20 *Bolt, Hex 5/'16-18x 2 72
30 t2t236X Spacer 73
3t 10600tX Support Plate, Battery 74
32 S TD523707 *Bo It, Hex 3/8_ 16 x 3/4 75
36 121525X Control, Choke 76
37 STD551037 *Washer 13/32 x 13/16 x 16 Ga. 77
38 71050600 Washer, Lock, Int./Ext. Tood_ 3/8 78
39 72! 10608 Bolt, Carriage 79
40 105669X Axle, Front 80
41 t05663X Support, Saddle, Rear 8 !
82
83
84
A B C D E F
26
G
7s
e2
DESCRIPTION
74761060
105664X
110438X
73901000
17490508
105656>(
105654X
12t 749X
121321X
STD551131
STD54 l I31
3366R
105727X
STD55l 137
STD541137
1554J
17431008
!04757X
2751R
STD54t037
I21232X
59192
65139
278H
9040H
t 06732X361
106222X
101930X
! 08456X
59904
72110622
121235)(
19131416
74580
STD512507
19091216
7351O4OO
19272O16
19251816
t 7490624
5320R
19111216
Bolt, Hex 5/8 _t I x 3-3/4
Support, Saddle, Front
Spacer Bearing, Front Axle
Nut, Lock, Flange 5/8- t 1
Screw, Hex Washer Thd, Rolling
5/t6- t8 x 1/2
Spindle, L,H.
Spindle, R. H,
Washer 25/32 x t_t/4 x 16 Ga.
Rod, Tie
_Washer, Lock 5/Z6
_Nut, Hex 5/16-24
Bearing
Link, Drag
*Washer_ Lock 3/8
*Nut, Hex 3/8.24
Bushing, Steering
Screw, Hex No. 10.16x t/2
Cap, Hub, Front
Clip, Fuel Line
*Nu t, Hex 3/8- t6
Spindle, Cap
Cap, Valve
Stem, Valve
Fitting, Grease
Bearing
Rim, 6"' Front
Tire, Front
Washer, Hardened
Decal, Instructions, Operating
Tube, Tire, Front
Bolt, Carriage Hex 3/8-16 x 2-3/4
Spacer
Washer 13/32 x 7/8 x 16 Ga.
Spacer
*Screw, Pan Head 1/4-20 x 3/4
Washer 13/32 x 3/4 x t6 Ga.
Nut, Keps 1/4 NC
Washer 27/32 x _t/4 x_6 Ga
Washer
Bolt, Hex Washer Thd. Roll,
3/8. t6x 1.1/2
Clip, Insulated
Washer 11/32 x 3/4 x 16 Ga,
"STANDARD HARDWARD-.PURCHASE LOCALL Y
H
@ se
e2
Jt'( L Z
,_38 _P78
@2B 79
37

REPAIR PARTS
!8 H. P. 44" RIDING YARD TRACTOR °MODEL NUMBER
LiFT ADJUSTMENT
917.254722
t
!
A
11
/
.6
L,,./E12
32
34 35
39 51
38
3O
\
38
49
48
54
21
33

REPAIR PARTS
t8 H, Pc 44" R!DING YARD TRACTOR - MODEL NUMBER 917.254722
IFT ADJUSTMENT
KEY PART DESCRIPTION KEY PART DESCRIPTION
NO. NO. NO. NO.
l106933X Knob 28 1108IOX Trunnion, Stop Depth
2 110924X Lever, Mower Clutch 29 19151216 Washer 15/32 x 3/4 _16 Ga.
3 106,498X Bracket, Pivot 30 9135R Retainer Clip
4 73710700 Nut, Jam 7/I6-20 UNF 31 4939M Retainer Spring
5STD523707 *Bolt, Flex 3/8- t6 x 3/4 32 ! 10447X Trunnion, Lift
610645tX Bolt, Shoulder 33 4921H Retainer Spring
7 108387X Rod, Clutch, Primary ,24 19171516 Washer 17/32 x 5/16 x I6 Ga.
8 76020412 Pin, Cotter 1/8 x 3/4 35 t t0448X t.ink, Lift Adjust
9 !06308X Trunnion, Lift Lower 36 110029X Link, Lift
t0 109728}( Bet/crank 37 STD533707 *Bolt, Carriage 3/8- 16 x 3/4
tl t08236X Bracket, Switch 38 STD541237 "Nut .Jam 3,8 -t6
t2 106444X Bracket, Bellcrank 39 105864X Bracket, Suspension
t3 12000037 /<lip Ring 40 12 I599X A re, Suspensior_, L.H.
14 t00734K Knob, Depth Adjustment 4! 105848X Bolt, Shoulder 3/'8.16
t5 1 t0807X Nut, Special 42 121598X Arm, Suspension, R.H.
!6 110729X Rod, Adjust, Lift 43 STD541050 *Nuc He× Fin. 1/2. 13
I7 2876H Spring 44 58606 Spring
18 19131016 Washer 13/32x 3/8x 16 Ga 45 76020308 Pin, Cotter 3/32 x I/2
19 17021008 Screw, Hex Hd, Tap. No. t0-24 x I/2 46 19131410 Washer t3/32 x 7/'8 x 10 Ga.
20 121000X Shaft, Lift 47 73980600 Nut, Lock 3/8-16
21 I21002X Lever, Lift (incl. Key No. 22) 48 12000022 E-Ring
22 121006X Rod, Lever 49 19292016 Washer 29/32 x l t 4 x 16 Ga
23 !22364X Plunger, Lever 50 73360700 Nut 7/IB-20UNF
" ' I094 !3X Grip, Handle 51 I2 I252X Upstop, Mo wet
STD5237t5 "Bott, 3/8-tB x 1-1/2 52 72140608 Bolt, Carriaje 3/8.16 x t
26 STD55t 137 *Washer, Lock 3/8 53 73680600 Nut. Lock 3.8 - l 6
27 t !0739X Washer, Spring 3/8 54 122365X Button Plunger
*STAiVDARD HARDWARE-PURCHASE LOCALL Y
A B C D E F
25 52
_I_26 @53 @27 _ 53
47
39
t_ ........

REPAIR PARTS
_OWER18 H. P. 44" RIDING YARD TRACTOR
"MODEL NUMBER 917.254722
/
76
56
_A
2
J3
4
At8 C
29
4O
69
70 80
72
;'1
F
81 63
64
GH j
{0 77 _ 46
@95
@,3 @,3
_94 ®7 @ 4_

REPAIR PARTS
18 H. P° 44" R D NG "YARD TRACTOR., MODEL NUMBER
MOWER 917.254722
,4.EY PART DESCRIPT_ON KEY PART
NO. NO. N O, NO,
1I21423X Housing, Mower 50 10295lX
2!05662X Link - Parallel 5 1 STD55103t
3 492 tH Retainer -Spring 5 2 S TD523112
4 t05744X Pin, Front Hinge 5 3 108394X
5 t 058 72X Stop -Link °ParaJlel 5 4 S TD560907
6STD523708 "Bolt _ Hex 3/8 -16 x 3/4 55 1t0384X
7 73680600 Nut -Lock 3/8 -16 5 6 t08393X
8 t09835X Pin, Rear Hinge 5 776020616
9t065t2X Bracket -Lift oR.H. 58 8418J
t 0 10651 !X Bracket -Lift oL.H. 59 72140505
1 1 STD533t07 *Bolt -. Carriage 5/16- I8 x 3/4 60 102924X
1 2 73680500 Nut *Lock 5/! 6 - t 8 6 I 74760580
1 3 19131614 Washer !3/32 x 1 x 14 Ga. 62 I09785X
I4 102932X Idler - Fiat 6 3 106734X
I 5 t06526X Arm _Idler -Deck 6 4 I06735X
1 6 74 t 10632 Screw -Fiat Hd. 3/8 -t6 x 2 6 5 I09743X
17 STD5237!2 *Bolt- Hex 3/8- 16x I-l/4 66 19111016
I 8 1065 t3X Washer -Wear 6 7 1 !0452X
t 9 106902X Spacer 6 8 STD533707
20 72110505 Bolt -Carriage 5/16.18 x 5/8 69 STD623715
2 I t02403X Pulley - Idler 7 0 t06635X
2 2 121424X Arm - Idler 7 ISTD551 !37
2 3 121426X Guide - Belt 72 19132012
73 17490612
2 5 106530X Spring
26 19t!1216 Washer !1/32x 3/4 x 16Ga. 74
271685H Nut - Lock 5/16 -!8 75
29 109278X Bracket _Suspension -Rear -R.H 76
3 0 108235X Rod -Clutch 77
3 I ;08359X Bracket . Suspension - Rear -L.H. 79
3 2 I2 t622X Mandrel . Secondary 80
33 106529X Guide -Belt 8i
34 677,445 t Pulley -Idler 82
3 5 ! 06223X Decal 84
3 6 t06523X Bar ,Support .idler 85
3 7 106522X Brace -Idler -Deck 86
38 121236X Spacer 87
40 STD523730 *Bolt - Hex 3/8- 16x 3 88
4 I STD5337t0 *Bolt -Carriage 3/8 _ 16 × ! 89
4 2 121704X_ Mandrel -Primary 90
43 7631J Runner - L.H. 9t
4 4 1062 t 4X Guard 92
4 5 121427X Spring -Extension 93
46 121827X Bolt _Shoulder 94
4 7 73930600 Nut -Centerlock 3/8 -16 95
48 19131207 Washer !7,/32 x t-3/16 x !2 Ga. 96
4 9 106606X Arm -Brake
N 0 P Q R S
_ 59 6t _! 73 '75 [: 11 ! I 82
_' UU
_ 27 Li _ 12
L
c__) 51
@ 86
OBs
M
_51
Lm'j27
7644J
72140612
106085X
72140616
72140614
105304X
DESCRIPT!ON
Brake -Block
"Washer 1t/32x tl/16x 16 Ga.
*Bolt .. Hex 5/76 o18 x 1-!/4
Rod -Brake
"Pin ,. Cotter 3/'32 x 3/4
Shaft -Rock
Support _Shaft - Rock
Pin -Cotter 3/t6 x 1
Runner -R.H.
Bolt - Carriage 5/76 -18 x 5/8
Guard - Belt -R.H.
Bolt- Hex 5/16- 18 x 5
Shield -Deflector
Spring
Rod -Hinge
Bracket -Deflector
Washer 1t/32x 5/8 x 16 d;a.
Nut .. Push
*Bolt- Carriage 3/8 - 16 x 3/4
*Bolt- Hex 3/8-24 x I _1/2 Gr. 5
Blade
*Washer -Lock 3/8
Washer 13/32 x 1.1/4 x 12 Ga.
Screw - Hex Was,Ser _hd. Roiling
.2/8- t6 x 3/4
Spring - Extenslbn
Bolt -Carriage 3/8 - I_7 x t-I/2
V.Bett
Bolt -Carriage 31/8 -!6 x 2
Bolt- Carriage 3/8- t6 x t-3/'4
'_eca/ - Sa;/ety Star?,Jard -N(_t Serwced
Cap - Sleeve
STD523710 *8o11 -Hex 3/8 -t6 x l
STD541437 *Nut, Hex 3/8 -16
STD54!031 *Nut, Hex 5/t6- 18
STD551131 *Lockwasher 5,/t8
t2!343X Decal- Danger, Warning
19131614 Washer 13/32 x I x !4 Ga.
74760412 Boil, Hex t/4 _20 x 3/4
19091616 Washer9/32 x t x t6 Ga.
73680400 Nut, Lock 1/4 -20
121316X Puffy, Idler
t21352)( Keeper, Belt
t9131316 Washer 13/32 x 13/t6 x 16 Ga.
19131410 Washer 13/32 x 7/8 x 10 Ga.
12t825X 44" Replacement Mower Deck
*STANDARD HARDWARE-PURCHASE LOCALLY
T U V
20 11
4"_ _51
_2 _12
@13
Z
9O
(:_ 9o
41

REPAIR PARTS
/
/
/
8
42
/
/
/
/"-.
/
66 /
,/
7O

REPAIR PARTS
18 H. P. 44" RIDING YARD TRACTOR - MODEL NUMBER 917.254722
TRANSAXLE FOOTE .. MODEL NUMBER 4360-13
PART DESCRiPTiON KEY PART DESCRIPTION
NO. NO. NO.
1 t24643X
2 2274J
3 68003
4 105904X
5 105905X
6 124637X
7 t 08727X
8 120951 X
9 120993X
10 2267J
t I 3412_J
1t 2233J
1! 2232J
11 2231J
11 2230J
11 2229J
11 2228J
11 2227J
11 2226J
11 105906X
12 6725J
t3 120415X
14 2257J
15 106846X
16 106095X
17 105909X
18 105910X
19 t05911X
20 1059! 2X
21 I05913X
22 120468X
23 2242J
24 ! 24638X
25 2244,1
26 105916X
27 ! 20470X
28 110070X
29 109253X
30 109254X
31 !08980X
32 120406X
33 108455X
34 t 05923X
35 105925X
36 2232J
37 t 08978X
38 108981X
39 124639X
40 3422J
4I t05928X
42 106605X
43 108983X
_3 105930X
,3 105931 X
43 105932X
43 34I 7,.I
Housing, Upper
Screw, Tapping, 1/4-20 X .734 Lg.
Bali, Detent
Spring, Detent
Screw, Set
Ass'y., Shifter
V-Ring
Puck, Friction
Washer, Plain, .343 X .81 X .059
Ring, Retaining
Washer, Plain, .632 X 1.00 X .010
Washer, P_ain,
Washer, Plain,
Washer, Plain,
Washer, Plain,
Washer, Plain,
Washer, Plain,
Washer, P!ain,
Washer, Plain,
Washer, Plain,
O-Ring
Washer, Plain,
.632 X !.00 X .020
.632 X !.00 X .026
.632 X 1.00 X .031
.632 X 1.00 X _036
.632 X 1.00 X .04t
.632 X t .00 X .046
.632 X 1.00 X .050
.632 X 1.00 X .060
.632 X 1.00 X .082
.632 X 1.38 X .046
Key, Woodruff, #9
Ass'y., Kit, Input Shaft
Pinion, Bevel, 14T.
Ring, Retaining
Chain, 24 Pitches
Bearing, Ftange
Gear, Spur, 14T.
Collar, Clutch
Key, Clutch
Key, Woodruff, #3
Shaft, Intermediate
Key, Woodruff, #61
Ring, Retaining
Sprocket, 18T.
Spacer
Gear, Spur, 40T.
Gear, Spur, 35T.
Gear, Spur, 25T.
Gear, Spur, 22T.
Gear, Spur, t9T.
Spacer, t.133 X 1.50 X .375
Washer, Plain, .640 X 1.37 X .061
Washer, Plain, .632 X 1.00 X .026
Spacer, .630 X 1.00 X*.169
Ass'y, Gear, Comb., 12T. & 35T
Shaft, Idler
Washer, Plain, .63I X 1.00 X .015
Sprocket, 9T.
t Gear, Bevel, 42T.
Washer, Plain, .758 X 1.12 X .010
Washer, Plain, .758 X 1.12 X .0t5
Washer, Plain, .758 X 1.t2 X .020
Washer, Plain, .758 X 1.12 X .025
Washer, Plain, .758 X t .25 X.020
43 106097X Washer, Plain, .758 X 1.25 X .025
43 2264.J Washer, Plain, .758 X 1.25 X ,031
43 106098X Washer, Plain, .758 X 1.25 X .035
43 226_J Washer, Plain, .758 X 1.25 X .040
43 t06586X Washer, Plain, .758 X 1.25 X .045
43 t 06587X Washer, Plain, .758 X 1.25 X .050
44 124640X Shaft, Drive
45 106596X Screw, Tapping, 5/16-18 X t.44 Lg.
46 I06151X Gear, Spur, t5T.
47 106589X Gear, Spur, 25T.
48 t20408X Gear, Spur, 28T.
49 I05937X Gear, Spur, 31T.
50 t05936X Spacer, .781 X t .00 X .375
51 2226J Washer, Plain, .632 X 1.00 X .060
52 2272J Seal, Felt
53 2263J Washer, Plain, .758 X 1.25 X .062
54 120474X Axle, L.H.
55 I20409X Gear, Miter, 15T.
56 105941X Ring, Retaining
57 110071X Gear, Spur, 32T.
58 120952X Shaft, Cross
59 106592X Gear, Miter, 15T.
60 ! 20475X Axle, R.H.
61 120476X Housing, Lower
62 120961X Puck, Friction
63 7294J Disc, Brake
64 108989X Spacer
65 120953X Jaw, Brake
66 120954X Pin, Dowel
67 120955X Screw, Tapping, 5116-18 X 2.25
68 108992X Lever, Actuating
69 t08996X Washer, Plain, .321 X 1.00 X .055
70 I20956X Bracket, Anti-Rotation
7I 73810500 Nut, Lock, 5/t6-24
72 120416X Grease
43

REPARR PARTS
18 H. P. 44" RIDING YARD TRACTOR - MODEL NUMBER 917.254722
ENGINE BRIGGS AND STRATTON - MODEL NUMBER 422707
TYPE NUMBER 1511-01
CYLINDER,CRANKSHAFT AND ENGINE BASE GROUP
54
L
56
41
44
21

REPAIR PARTS
18 H. P. 44" RRDING YARD TRACTOR -MODEL NUMBER 917.254722
ENGINE BRIGGS AND STRATTON - MODEL NUMBER 422707
TYPE NUMBER 1511-01
CYLINDER,CRANKSHAFT AND ENGINE BASE GROUP
KEY PART DESCRIPTION KEY PART DESCRiPTiON
NO. NO. NO. NO.
I 90576
4 27803
592791
6222892
7 93722
8 93394
9 222912
t0 93777
1! 93158
12 491247
13 90887
14 270981
15 212455
16 261463
t7 21094O
18 212462
19 93211
21 93686
22 92290
23 393415
260924
_5 394959
25 394960
25 394961
25 394962
26 394955
26 394956
26 394957
26 394958
27 299691
27 391286
28 394348
29 222773
30 394306
31 92909
32 220863
36 271868
37 271142
37 271188
37 271189
Nut -Hex 8 - 32 38
*Gasket - Valve Cover 39
Washer* Lock, Shakeproof 40
Cover _Breather Cylinder No, 2 41
Terminal- Spade 42
Screw- Sem 43
Baffle _Air 44
Screw. Flex Head (Back Plate to 45
Cylinder) 46
Screw- Sem 47
Housing - B/o wet 48
Screw- Crankcase Cover Mtg. Sere 49
NOTE: USES 92228 LOCKWASHER 50
*Gasket -Crankcase 5 t
Cover Plate -Crankcase 52
+Seat =Intake Valve (Standard) 53
+Seat -Exhaust Valve (Standard) 54
Head. Cylinder No, 2
Screw- Cylinder Head(2 -2t/32" Long) 55
5"6
Screw- Hex Head (10- 32x 5/8) 57
Washer- Lock (No. t0 x 1/16 x 3/64) 58
Oil Slinger Assembly 59
Lock. Piston Pin 60
Ring Set -PZston (Standard) 61
RhTg Set -Piston (,010"" O,S,) 62
Ring Set_ Piston (,020"" O,S.) 63
Ring Set - Piston (,030" O,S.) 64
Piston Assembly (Standard) 65
(inc. Key No& 24 & 25)
Piston Assembly (,010"" O,S.)
Piston Assembly (,020"" O.S.) 66
Piston Assembly (.030"" O,S.)
Pin Assembly, Piston (Standard)
(Inc, Key No. 24)
Pin Assembly -Piston (.005" O,S.) 67
Gear, Governor 68
Washer. Thrust 69
Rod Assembly -Connecting
(Inc. Key Nos. 31 & 32) 70
NOTE: FOR CONNECTING ROD 72
WtTH .020" UNDERSIZE CRANKP/N 73
BORE, ORDER NO. 397158 74
Screw. Connecting Rod 75
Washer 76
Seat- Oit 77
Ptug - Off Drain 78
Base Assembly - Crankcase 79
*Gasket- @finder Head No. 2 80
*Gasket- Crankcase Cover (1/64" thick)
*Gasket- Crankcase Cover (.005"" thick)
*Gasket- Crankcase Cover (,009"" thick)
81
82
83
84
85
222698
93585
94296
49 I287
261560
262332
491530
223882
394501
271 I57
93469
212337
222875
280224
271 !70
394020
394394
390419
261528
231445
393606
26828
292260
93630
221596
65906
261368
394028
261961
49_730
230318
394539
66538
280225
394358
2 I2461
271867
491304
399265
391086
391115
299146
93053
393370
93496
223890
221535
Key- Flywheel
Screw- Hex Hd, Sere
Retainer- E, Ring
Foam Seal -Governor Shaft
Upper Bushing -Governor
Lower Bushing, Governor
Crank - Governor
Washer- Governor Crank (tnside)
Gasket Set
Seal - Filler Tube
Screw- Hex Head
Gear- Cam
Clamp - Oil Filler
Tube - 0it Filler
Seal. 0i1 Filler Cap
Cap and Dipstick -Oil Filler
Dipstick and Tube Assembly (Inc, Key
Nos. 4 7, 48, 50, 5 t, 52 &53)
Valve. Exhaust
Valve -/ntake
Gear- Timing
Seal Assembly and Retainer
Spring -Exhaust Valve
Rotocoi/. Exhaust Valve
Retainer- Exhaust Valve Rotoco/t
Retainer. Intake Valve
Spring- intake Valve
Tappet. Valve
Crankshaft
NOTE," ORDER NO, 94196 FOR
TiMiNG GEAR RETAINING DEVICE
+Guide- Exhaust Valve
NOTE:231218 GUIDE INTAKE
(BRASS)
Cylinder Assembly (inc, Key No, 68)
Connector. Impulse Pump
Plug- Spark (Resistor)Champion RJ. 12
or equivalent
Elbow- Spark Plug
Tube Breather
Filter- Fuel ftn Fuel Line to Tank)
Head- Cylinder No. 1
*Gasket- Cylinder
Back Plate Assembly
+Bearing- @/inder
Seal. Off
Wire- Ground
Line- Fuel (28"'cut to required length)
(Inc. Key No, 81)
Clamp - Fuel Line
Breather Assembly No. 1
Screw- Hex Head
Bracket- Choke Cable
Clamp -Casing
*INCL UDED IN GASKET SET 394501
+SPECIAL TOOLS REQUIRED TO INSTALL
45

REPAIR PARTS
!8 H, P. 44" RIDING YARD TRACTOR = MODEL NUMBER 9t7.254722
ENGINE BRIGGS AND STRATTON - MODEL NUMBER 422707
TYPE NUMBER 1511-01
AIR CLEANER - CARBURETOR GROUP _1
76 3
34
of
S 57 50 49
55 56
54 53
58 Gasket Set !
71 Pump Repat_ Ki_
72 Carburetor Overhaut Kit
41 41
_9
6O
,_27
66
67
46

REPAIR PARTS
t8 H. P° 44" RIDmNG YARD TRACTOR o ODEL NUMBER 917.254722
ENGINE BRmGGS AND STRATTON ° MODEL NUMBER 422707
TYPE NUMBER 151t-0t
AiR CLEANER - CARBURETOR GROUP
KEY PART DESCRiPTiON KEY PART DESCRIPTION
NO. NO. NO. NO.
1
2
3
4
5
6
7
8
9
10
1t
I2
t4
15
I6
17
18
19
_0
2t
22
23
24
25
26
27
28
29
30
31
32
33
34
35
36
37
212706 Knob -Air Cleaner 38 26 !586
94289 Nut -Flex 39 49 !282
223579 Covet -Air Cleaner 40 393815
271271 Element- Air Cleaner
224039 Mounting Strap Assernb/y oAir 4 t 93053
94166
398826
49 t535
399535
271411
93499
223534
392673
271607
298514
94152
491543
231209
221939
27 t4 t2
93897
93971
280818
270884
93208
93970
26 t587
280319
213290
93949
262351
49 t297
92278
222289
261563
93853
Cleaner 42 397882
Screw- Hex Head 43 280474
Body -Air Cleaner 44 491538
Carburetor Assembly (inc. Key Nos. 45 392672
9, I0, !1, 12, 13, 14, 15, 16, 17, !8, 46 271013
!9, 20, 42, 43, 44, 45, 46, 47, 48, 49, 47 26157
50,51,52,53,54,55,56,57,62&63) 48 91920
Body Assembly -Upper Carburetor 49 270988
Gasket- Air Cleaner 50 261358
Screw- Throttle and Choke 51 221377
Valve- Choke 52 261395
Shaft and Lever- Choke 53 223688
+ Gasket - Carburetor Body 54 93829
Float. Carburetor 55 271025
Screw- Flex Head Sere (10- 32 x 3/4) 56 270989
Body- Lower Carburetor (Inc. Key 57 280197
Nos, 11, !9, 20, 45 & 46) 58 394501
Bushing- Throttle Shaft 59 394019
Valve- Throttle 60 223472
+*Gasket- Carburetor and Intake Elbow 61 223714
Screw- Sere 62 230896
Screw- Hex Head 63 394681
Crank. Belt 64 271013
*Gasket *Intake Manifold Mounting 65 231338
Screw- Intake Manifold Mounting 66 490207
Screw- Hex Head 67 262375
Link- Throttle 71 393397
Spacer- Carburetor 72 491539
Manifold Assembly - Intake 73 94298
Scre w- Sern 74 223882
Spring- Governor 75 262337
Lever Assembly- Governor (Inc. Key 76 94297
Nos. 34, 35 & 37)
Nut -Hex (t0- 24)
Washer
Spring -Governor tdle
Bott •Governor Lever
Link -Governor
Plate Assembly -Governor Control
Impulse Line and Clamp Assembty
(inc. Key No. 41)
Clamp. Fuet Line
Pfug and Seal, Solenoid
O-Ring Seal
÷ Valve Assembly -Carburetor tdte
Shaft and Lever- Throttle
+Washer - Choke Shaft
Spring. Throttle Adjustment
Screw_ Machine Fill. Hd. (8 - 32 x 5/8)
x Diaphragm
x Sp ring
x Cap - Spring
x Sp ring -Pump
Cover- Diaphragm
Screw- Diaphragm, Damping
x Gasket - Carburetor Pump
x Diaphragm. Damping
Body -Pump
Gasket Set
Cartridge - Air Cleaner
Plug. Welch
Cartridge Plate - Air Cleaner
+Pin _Float Hinge
+ Valve -Fuel inlet
Washer
°Jet - Needte Valve (Fixed)
Crank. Bet/
Link
Repair/<it - Pump
Overhaul Kit -Carburetor
Nut _Square
Washer
Spring- Compression
Screw- Pan Head
*/NCL UDED IN GA SKET SET 394501
+INCLUDED IN CARBURETOR OVERHAUL KIT
491539
x/NCLUDED IN CARBURETOR OVERHAUL K/T
491539 AND PUMP REPAIR KIT 393397
°HtGH ALTITUDE -- JET NEEDLE
VALVE -- PART NO. 231333
47

REPAIR PARTS
18 H. P. 44 '° RIDING YARD TRACTOR °MODEL NUMBER 917.254722
ENGINE BRIGGS AND STRATTON .. MODEL NUMBER 4227'07
TYPE NUMBER 1511-01
ALTERNATOR AND STARTER MOTOR GROUP
....,18
,_-s _
3
5
3!
36
28
48

REPAIR PARTS
18 H. P. 44" RIDING YARD TRACTOR - MODEL NUMBER 917.254722
ENGINE BRIGGS AND STRATTON - MODEL NUMBER 422707
TYPE NUMBER 1511-01
ALTERNATOR AND STARTER MOTOR GROUP
KEY PART DESCRIPTION KEY PART DESCRDPTION
NO, NO. NO. NO,
t94326 Screw- Sere 21 222848
2 222673 Screen, Flush Rotating 24 394808
3 230674 Nut -Flex
4 222511 Washer -Spring 25 395537
5 223726 Retainer_ Fan
6 491 t80 Flywheel and Ring Gear Assembly. 26 395538
Magneto 27 393825
8 393456 Diode and Connector Assembly 28 94003
9 39347,# Stator- Alternator fDua/Circuit) 29 390837
(tnc, Key No. 8) 30 394860
10 93621 Screw- Sere 31 90366
11 391362 Gear -Flywheel Ring (Includes 32 91162
Mounting Parts) 33 280104
t2 19203 Puffer ° Flywheel (Optional Accessory) 34 398003
13 394891 Armature Group (Inc. Key Nos° 15, 35 94288
!6 & 38) 36 49042 I
14 93381 Screw- A rma ture Mounting Sern
15 221798 Terminal- Ignition Cable 37 490467
t6 394970 Trigger Coil Assembly Magnatron
Ignition 38 394988
17 93163 Screw. Sem 39 280815
!8 222849 Cover - Air Guide 40 93535
19 222847 Shield- Cylinder
20 222846 Shield- Cylinder
Cover _Air Guide
Motor* Starting ftnc. Key Nos, 25, 26_
27, 28, 29, 30, 33_ 34, 35, 36 & 37)
Commutator End Cap Assembly Starter
(Inc. Key No. 26)
Brush Set
Housing Assembly
Thru Bott
Armature Assembly (Motor)
Drive End Cap Assembly -Starter
Lock washer
Screw. Hex Head (5/t6-18x t-t_'2)
Gear -Starter
Clutch Assembly -Starter
Roll Pin
Pinion Spring Kit (Inc.
Key Nos, 33 & 35)
Starter Drive Group (Inc, Key
Nos, 33, 34, 35 & 36)
Armature Assembly
Fan - Flywheel
Screw- Sere
49

Sears offersa wide varietyof attachmentsthatfityour tractor.Manyof thesearelistedbelowwithbrief explanationsof how theycan helpyou.This
;istwas currentat the time of publication:however,it maychangein futureyears-- moreattachmentsmay be added,changes(includingchanges
in the stocknumber)maybe madein theseattachments,or somemaynolongerbe available.
Most of theseattachmentsdo not requireadditionalhitchesor conversionkits (thosethatdoare indicated)andare designedfor easyattachingar
detaching.You mayordertheseattachmentsat mostSearsretailstores,cataIogsalesoffices,andthroughthe catalog.
LAWNSWEEPERSlet you collectgrassclippingsandleaves.
7!-24030
71-24032
71-24033 High-Performance
71-24038
LAWNVACSfor powerfulcollectionsof heavygrassclippingsand
71-2455 3HP
71-2452 3HP
CARTSmakehaulingeasy.
30-in. 9.0 cu. ft.
32-in. 10.0cu. fL
32 in. 1t.5 cu. ft.
38-in. 12.5cu. ft.
leaves.Wandattachmentto pick updebrisin hard-to-reachplaces.
8 bu. 71-2647! chute
12bu. 71-26471chute
71-24353 4 cu.ft. 400lb. Dumpcart
71-24354 10cu.ft. 1,000lb. Haulingcart
71-24355 10cu.ft. 1,000Ib. Dumpcart
71-24356 14cu.ft. 1,250lb. Dumpcart
ROLLERfor smootherlawn surface.36-inchwide,!8 inchdiameterwater-tightdrumholdsup to 390 Ib.of weight.Roundededges preventharmto
turf. Adjustablescraperautomaticallycleansdrum.Stock number71-24084.
SPREADERISEEDERSmakeseeding,fertilizing,andweed killingeasy.Broadcastspreadersare also usefulfor granularde-icersandsand.
71-24194 Droptype,36 inch. 12in. semi-pneumaticwheels. 100lb. capcitysteelhopper.
7!-24394 Broadcastsover a 5 to 8 foot swath. 70 Ib. capacitysteel hopper. Noncorrosivespreadingspinner, nylon gear box,
stainIesssteelshaft.
71-24395 Broadcasts8 to t0 foot swath.!60 lb. capacity.No-rustpolypropylenehopperandimpeller.Vinylhoppercover.
CORINGAERATORIakes smatiplugsout of soil to allow moistureandnutrientsto reachgrassroots.36-inchswath.24 hardenedsteelcoringtit.
t50 tb. capacityweighttray. Stocknumber71-2535t
AERATORpromotesdeep root growth for a heaIthylawn.Tapered2.5" steel spikesmountedon 10-in.diameterdiscs puncture holesin soil at
closeintervalsto let moisturesoakit. Steelweighttrayfor increasedpenetration.Stocknumber71-2435.
DETHATCHER}oosensand flipsthatchandmattedleavesto lawnsurfacefor easypickup. Twentyspring tineteeth. Useful to preparebareareas
for reseeding.40 inchrear mount, Stock number71-243t3:38 inchfrontmount,Stocknumber71-24301
SPRAYERSuse 12-voltDO electricmotorthat connectsto the tractorbatteryor other t2-voIt source. Includesboomsfor automaticsprayingwhen
pulling,and hand held wand for spot spraying.Wand has adjustablespraypattern. For applying herbicides,insecticides,fungicides,and liquid
fertitizers.
71-2458 50 psimaximumpressurewith I2 footwand length.Spraysupto 25 feetwithwand.
7I-24398 25 psi maximumpressurewith 10footwand length.Spraysup to 18feetwithwand.
SNOWBLADEfor snowremovalonly. 14inch high,42 inch_de bladeclears38 inchpathwhen angledleft or right.Raises,lowerswith sidelever.
Adjustableskids:replaceable,reversiblescraperbar. (Usewi_htire chains,wheelweights,or reardr,_wbarweight).Stocknumber 71-24407.
SNOWTHROWERhas 40-inch swath.Drum-typeauger handlespowderyand wet/heavy snow. Mountseasilywith simpie pin arangement.Dis-
chargechuteadjuststo 2!0 degreearc from tractorseal 6-inchdiameterspoutdischargessnow 10to 50 ft. Liftcontrolledat tractorseat.(Usewith
tirechains,wheelweights,or reardrawbarweight).StockNo. 7t-24072.
TIRE CHAINSareheavyduty; closelyspacedextra-largecross linksgivesmoothride,outstandingtraction.StockNo.7I..24952.
WHEELWEIGHTSfor rearwheelsprovideneededtractionfor snowremora!or dozingheavymaterials.In Fairs.Stock No.71-24435(33lb. each)
TRACTORCAB has heavy dutyvinyl fabdcover tubularsteel frame,ABSplastic top;clear pIasticwindshieldoffers360 degree visability.Hinged
metal framedoors with catch. Keepsoperator warmand dry. Removevinyl and w_ndshieidfor use as sun protector in summer. Stock No. 7!-
24172.
Optionaiaccessoriesfor tractor cab: tinted/temperedsolid safetyglass windshiedwith handoperatedwiper (Stock No. 71-26168);12-vottamber
cautionlight for mountingon cab top (Stock iio. 71-26t69).
TRACTORCOVERprotectstractor from_,,,eather_Madeof Evolution3 fabdc(water-repellent,extremelybreathab_,light weight, soft,non-abrasiw
pliableinall temperatures,durable,stain-tear-punctureresistant,will not shrinkor stretch).StockNo.71-24691.
T_LLERcul#vatesand prepares_il in oneoperation,U_s PTO fromtraclor, t2 counter-rotatingbladesbreak groundwith up,r-cut action,then
deflectsandretitlsit for a soft, aeratedsoil.Chain-Drivetransmission.Tills 21-inchpath,6-inchesdeep. (LJ_ chainsand wheel weights).Stock ['40.
7I °25246

SUGGESTED GUIDE FOR SiGHTiNG SLOPE5 FOR SAFE OPERATION
SIGHT AND HOLD THIS LEVEL
SKY LINE OR TREE
Operale your Tractor up and down the tace *_t _Iop¢_ (no[
greate_ than 15°}: never across lh,,_ {,_ (: t _ rM5k t I_tj [ _ _ S _ I _ ({ ( _ L _
ally _o l)_ewmt t_pping o_ loss o{ cout_u_. _xe_{lst_ _t×[[_m,t,

OWNERS
MANUAL
MODEL NO.
917.254722
HOW TO ORDER
REPAIR PARTS
YT 18HP TW/N CYLINDER
5 SPEED-44" MOWER
YARD TRA C TO R
The Model Number will be found on the Model Plate located
under the seat. Always provide the Model Number when
requesting service or repair parts for your Yard Tractor.
Att parts listed herein may be ordered from any Sears Service
C_nter/Departments and most Sears Stores.
WHEN ORDERING REPAIR PARTS, ALWA YS GIVE THE FOLLOW-
ING fNFORMA TtON:
• THE PART NUMBER
• THE PART DESCRIPTION
• THE MODEL NUMBER
• THE NAME OF MERCHANDISE
Your Sears merchandise has added value when you consider Sears
has service units nationwide staffed with Seats trained technicians
having the parts, tools and the equipment to insure that we meet
our pledge to you,"We Service What We Sell",
Sears, Roebuck and Co. Chicago, IL 60684 U.S.A. 124450X1E 9.18.89
Printed in U.S.A.