Craftsman 917255540 User Manual MOWER Manuals And Guides L0804436
CRAFTSMAN Lawn, Tractor Manual L0804436 CRAFTSMAN Lawn, Tractor Owner's Manual, CRAFTSMAN Lawn, Tractor installation guides
User Manual: Craftsman 917255540 917255540 CRAFTSMAN MOWER - Manuals and Guides View the owners manual for your CRAFTSMAN MOWER #917255540. Home:Lawn & Garden Parts:Craftsman Parts:Craftsman MOWER Manual
Open the PDF directly: View PDF .
Page Count: 52

OWNER'S
MANUAL
MODEL NO.
917.255540
Caution:
Read and follow
all Safety Rules
and Instructions
Before Operating
This Equipment
14.0 HP TWIN CYLINDER
ELECTRIC START
38" MOWER
6 SPEED TRANSAXLE
LAWN TRACTOR
°Assembly
•Operation
.Maintenance
.Service and Adjustment
, Repair Parts
Sears, Roebuck and Co., Chicago, IL 60684 U.S.A.

SAFETY RULES
CAUTION: ALWAYS DISCONNECTSPARK PLUGWIRE AND PLACEWIRE WHERE ITCANNOT CONTACTSPARK
PLUG TO PREVENT ACCIDENTAL STARTING WHEN SETTING-UP, TRANSPORTING, ADJUSTING OR MAKING
REPAIRS. iMPORTANT
SAFE3'YSTANDARDS REQUIRE OPERATOR PRESENCE CONTROLSTO MINIMIZETHE RISKOF INJURY, YOU R UNIT IS EQUIPPEDWITH SUCH
CONTROLS_ DO NOT ATTEMPT TO DEFEAT THE FUNCTION OF THE OPERATOR PRESENCE CONTROLS UNDER ANY CIRCUMSTANCES.
"rRAINING:
•Know the controls and how to stop quickly. Read this owner's
manual and instructions furnished with attachments.
•Do not allow children to operate the machine Do not allow
adults to operate it without proper instruction.,
.Do not carry passengers. Do not mow when children and
others are around.
. Do not attempt to operate your vehicie or mower when not in
the driver's seat.
Always get on or off your vehicle from the operator's left hand
side.
•The vehicIe and attachments should be stopped and in-
spected for damage after striking a foreign object, and the
damage should be repaired before restarting and operating
_the.equipment.
PREPARATION:
Always wear substantial footwear. Do not wear loose fitting
clothing that could get caught in moving parts.
Clear the work area of objects (wire, rocks, etc) which might
be picked up and thrown.
• Disengage all attachment clutches before attempting to start
the engine
Handle gasoline with care - it is highly flamrnable
Use approved gasoline containers
Never remove the fuel cap of the fuel tank or add gasoline
to a running or hot engine or an engine that has not been
allowed to cool for several minutes after running. Never
fill tank indoors. Always clean up spitled gasotine.
Open doors if the engine is run in the garage -exhaust
fumes are dangerous. Do not run the engine indoors
•Do not operate the mower without the entire grass catcher,
on mowers so equipped, or the deflector shield in place_
OPERATION:
Keep your eyes and mind on your vehicle, mower, and the
area being cut° Do not let other interests distract you.
,Disengage power to attachments and stop the engine before
leaving the operator's position.
Disengage power to mower, stop the engine, and disconnect
spark piug wire(s) from spark plug(s) before cleaning, making
an adjustment, or repair. Be careful to avoid touching hot
muffler or engine components.
• Disengage power to attachments when transporting or not in
use,
•Take all possible precautions when leaving the vehicle unat-
tended. Disengage the power take-off, lower the attach-
ments, shift into neutral, set the parking brake, stop the
engine, and remove the key_
, Do not stop or start suddenly when going uphill or downhill.
Mow up and down the face of stopes (not greater than 15°),
never across the face.
*Reduce speed on slopes and make turns gradually to prevent
tipping or loss of control. Exercise extreme caution when
changing direction on slopes_
*While going up or down slopes, place gearshift control lever
in 1st gear position to negotiate the slope without stopping.
•Never mow in wet or slippery grass, when traction is unsure,
or at a speed which could cause a skid.
°Stay alert for holes in the terrain and other hidden hazards.
Keep away from drop-offs.
•Do not drive too close to creeks, ditches, and public high-
ways.
o Exercise special care when mowing around fixed objects in
order to prevent the blades from striking them. Never delib-
erately run vehicle or mower into or over any foreign objects.
°Never shift gears until vehicle comes to a stop_
•Never place hands or feet under the mower, in discharge
chute, or near any moving parts while vehicle or mower =s
running. Always keep clear of discharge chute_
•Use care when pulling leads or using heavy equipment.
Use only approved drawbar hitch points.
L_mlt loads to those you can safely control
Do not turn sharply. Use care when backing_
Use counterweight or wheel weights when suggested in
owner's manual
•Watch out for traffic when crossing or near roadways.
• When using any attachments, never direct discharge of
material toward bystanders nor allow anyone near the ve-
hicle while in operation.
Except for adjustments, do not operate engine if air cleaner
or cover directly over carburetor air intake is removed.
Removal of such part could create a fire hazard_
• Do not change the engine governor settings or overspeed
the engine; severe damage or injury may result.
•When using the vehicle with mower, proceed as follows:
Mow only in daylight or in good artificial light.
Shut the engine off when unclogging chute.
Check the blade mounting bolts for proper tightness at
frequent intervals
•Disengage power to mower before backing up.. Do not mow
in reverse unless absolutely necessary and then only after
careful observation of the entire area behind the mower.
MAINTENANCE AND STORAGE
•Keep the vehicle and attachments in good operating condi-
tion, and keep safety devices in place and working.
° Keep all nuts, bolts, and screws tight to be sure the equip_
ment is in safe working condition,.
• Never store the equipment with gasoline in the tank inside a
building where fumes may reach an open flame or spark.
Allow the engine to coot before storing in any enclosure.
To reduce fire hazard, keep the engine free of grass, leaves,
or excessive grease. Do net dean product while engine is
running
• DO not operate without a muffler, or tamper with exhaust
system. Damaged mufflers or spark arresters could create a
fire hazard. Inspect periodically and replace if necessary.
•Under normal usage the grass catcher bag material is
subject to deterioration and wear. It should be checked
frequently for bag replacement. Replacement bags should
be checked,to ensure compliance with the original
manufacturer s recommendations or specifications.
_ i,,,i.................. ill,,llll,lll,ll,l,,,i,illlll i ,,ll,lllll illllllll i,l,lll,l,lll I
LOOK FOR THIS SYMBOL TO POINT OUT IMPORTANT SAFETY PRECAUTIONS=
! _ IT MEANS- ATTENTION!][ BECOME ALERTIH YOUR SAFETY IS INVOLVED.
m _lllll i i IIIHIIll illlllllll Ill Illll Illllllllll

CONGRATULATIONS on your purchase of a Sears
Tractor_ It has been designed, engineered and manu-
factured to give you the best possible dependability and
performance.
Should you experience any problem you cannot easily
remedy, please contact }/our nearest Sears Service
Center/Department. We nave competent, wel!-trained
technicians and the proper tools to service or repair this
unit.
Please read and retain this manual. The instructions will
enable you to assemble and maintain your unit properly.
Atways observe the "SAFETY RULES"..
MODEL
NUMBER 917_255540
SERIAL
NUMBER
DATE OF PURCHASE
THE MODELAND SERIALNUMBERS WILL BE FOUND
ON A PLATE UNDER THE SEAT.
YOU SHOULD RECORD BOTH SERIAL NUMBERAN£
DATE OF PURCHASE AND KEEP IN A SAFE PLACE
FOR FUTURE REFERENCE,
MAINTENANCE AGREEMENT
A Sears Maintenance Agreement is available on this prod-
uct. Contact your nearest Sears store for details.
CUSTOMER RESPONSIBILITIES
, Read and observe the safety rules.
• Follow a regular schedule in maintaining, caring for and
using your uniL
• Follow the instructions under "Maintenance" and
"Storage" sections of this owner's manual°
PRODUCT SPECIFICATIONS
HORSEPOWER: t4 0
GASOLINE CAPACITY: 2 GALLONS
UNLEADED REGULAR
OIL (3.0 PINTS w/o filter) SAE 30 (or 10W_30)
(3..5PINTS w/filter) WINTER: SAE 5W-30
SPARK PLUG (GAP.030 INn): CHAMPION RJ49LM
STD361458
VALVE CLEARANCE: INTAKE _004- °006IN.
EXHAUST .004 - °006 IN,
GROUND SPEED: FORWARD
1st 1.01 MPH
2nd 2.07 MPH
3rd 3oll MPH
4th 3.96 MPH
5th 5.07 MPH
6th 5,10 MPH
REVERSE: 1.35 MPH
TIRE PRESSURE: FRONT: 14 PSi
REAR: 10 PSt
CHARGING SYSTEM: 16 AMPS @3600 RPM
BLADE BOLT TORQUE: 30-35 FT, LBS.
WARNING: This unit is equipped with an internal combus-
tion engine and should not be used on or near any unim-
proved forest-covered brush-covered or grass-covered
tend unless the engine's exhaust system is equipped with
a spark arrester meeting applicable local or state laws (if
any) lfa spark arrester is used, it should be maintained in
effective working order by the operator.
tn the state of California the above is required by !aw
[Section 4442 of the California Public Resources Code)
Other states may have similar laws. Federal laws apply on
federal lands A spark arrester for the muffler is available
through your nearest Sears Authorized Service Center
(See REPAIR PARTS section of this manual)..
LIMITED TWO YEAR WARRANTY ON ELECTRIC START RIDING EQUIPMENT
For two years from date of purchase, when this riding equipment is maintained, lubricated, and tuned up according to the
operating and maintenance instructions in the owner's manual, Sears will repair free of charge any defect in material or
workmanship.
This Warranty does not cover:
, Tire replacement or repair caused by puncturesfrom outside objects (suchas nails, thorns, stumps, or glass)°
Expendable items which becomeworn during normal use, such as blades,spark plug, air cleaners and belts.
Repairs necessary because of operator abuse or negligence, including bent crankshafts and the failure to maintain the
equipment according to the instructions contained in the owner's manual.
Riding equipment used for commercial or rental purposes°
FULL 90 DAY WARRANTY ON BATTERY
For 90 days from date of purchase, if any battery included with this riding equipment proves defective in material or workmanship
and our testing determines the battery will not hold a charge, Sears will replace the battery at no charger
WARRANTY SERVICE IS AVAILABLE BY CONTACTING ]'HE NEAREST SEARS SERVICE CENTER/DEPARTMENT IN THE
UNITED STATES, THIS WARRANTY APPLIES ONLY WHILE THIS PRODUCT tS IN USE IN THE UNITED STATES.
This Warranty gives you specific legalrights, and you may also have other rights which vary from state to state.
SEARS, ROEBUCK AND CO., D/731CR-W SEARS TOWER, CHICAGO, IL 60684
3

TABLE OF CONTENTS
.;AFETY RULES ........................... 2
JRODUCT SPECIFICATIONS ................. 3
;USTOMER RESPONSIBILITIES ............... 3
_"ABLE OF CONTENTS ...................... 4
NDEX .................................... 4
!VARRANTY .............................. 5
ASSEMBLY ............................ 7-9
OPERATION ......................... _.10-13
MAINTENANCE ........................ 14-17
SERVICE AND ADJUSTMENTS ............ 18-24
STORAGE .............................. 25
TROUBLESHOOTING ................... 26-27
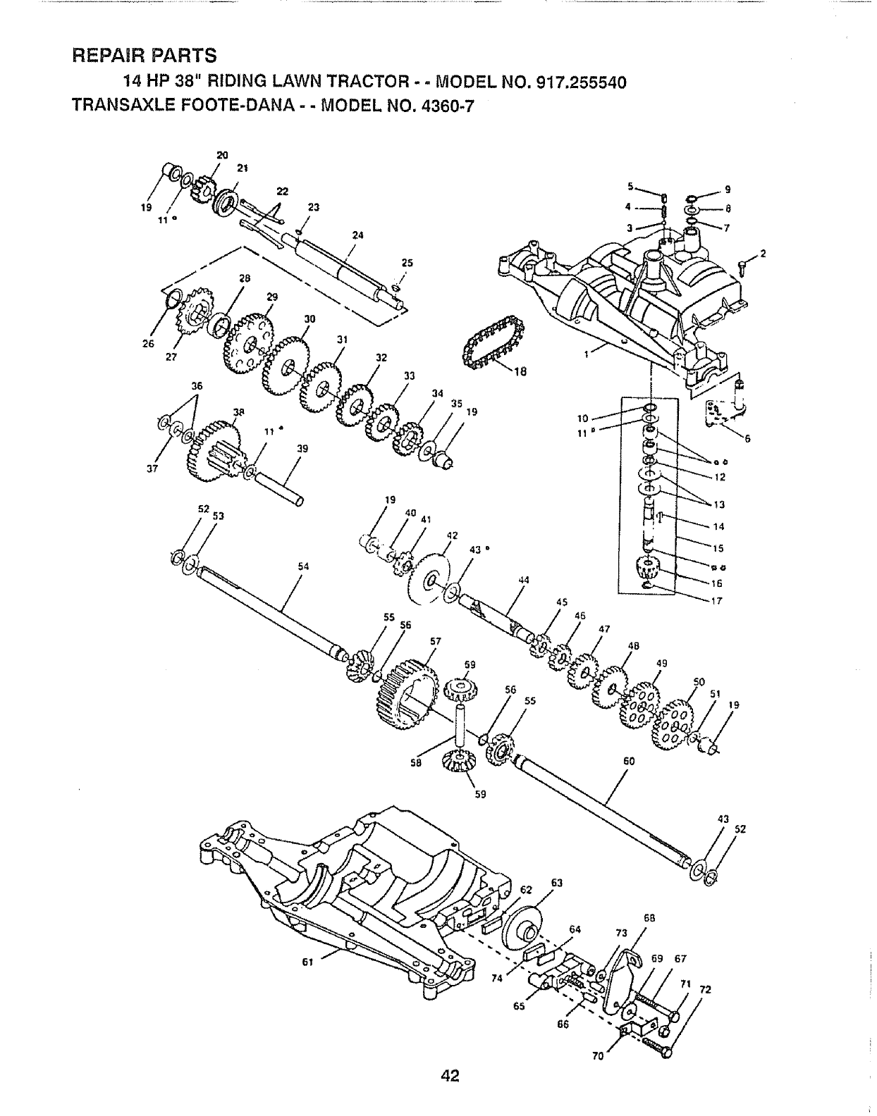
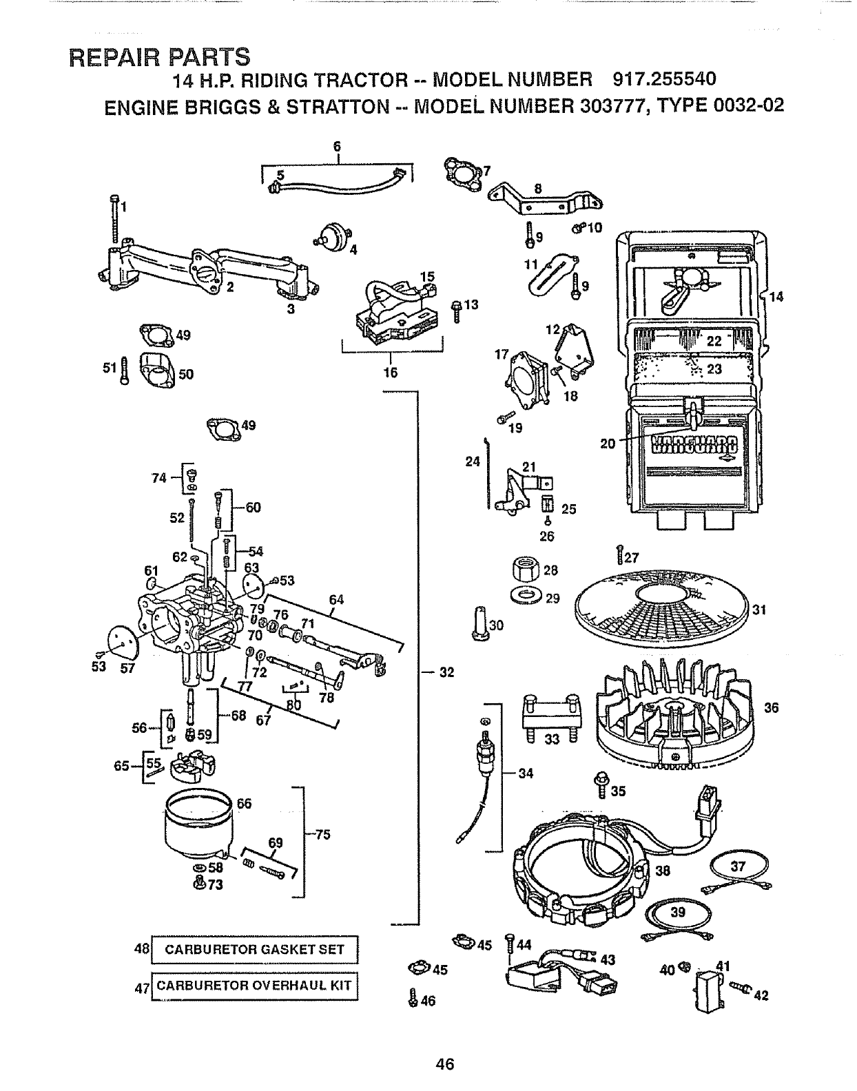
REPAIR PARTS ........................ 30-50
iNDEX A
Adjustments
Brake ..................... 21
Carburetor ................ 24
Choke ....................... 23
Mower
Front-To-Back ........... 19
Side-To-Side ................. 18
Throttle Control Cable ........ 23
Air Filter, Engine ............... 17
Air Screen, Engine ............... 16
Assembly ................... 7-9
B
Battery
Charging ...................... 8
Cteaning ................... 16
Installation ................. 9
Levels ................. 8, 15
Preparation .................. 8
Starting with Weak Battery ..... 22
Storage .................... 25
Terminals ................. 16
Belt
Motion Drive
Removaf/Replacement ..... 21
Mower Blade Drive
Removal/Replacement ..... 20
Blade
Replacement ............... 15
Sharpening ................. t5
Brake Adjustment .............. 21
C
Carburetor, Adjustment ........ 24
Choke, Adjustment ........... 23
Controls, Tractor 10
Cutting Level, Mower. ....... 11
E
Engine
Adjustments
Carburetor ................ 24
Choke ................. 23
Throttte Control Cable ...... 23
Air Filter ................... 17
Air Screen .................. 16
Cooling Fins ............... 16
Oil Change ................. 16
OIl Level ................ t2, 16
Oil Type .................... 16
Preparation ............... 12
Starting ..................... 13
Storage .................... 25
F
Filter
Air Cleaner ................ 17
Fuel ..................... 17
Oil ...................... 17
Fuel
Storage .................... 25
Type ..................... 13
Fuse ...................... 22
H
Headlights ................... 22
Hood Removal/installation ....... 23
L
Leveling Mower Deck ...... 18-19
Lubrication, Chart ............... t4
M
Maintenance ............. 14-t7
Air Filter .................. t 7
Foam Pre-Cleaner ......... 17
Air Screen Engine ........... 16
Battery ................. 15
Blade .................... 15
Cooling Fins, Engine ......... 16
Engine Oi! .................. 16
Fuel Filter 17
Lubrication Chart ............ t4
Schedule ................ 14
Spark Plugs ................. 17
Tire Care ............. 8, t5, 22
Transaxle .................. 21
Mower
Adjustment
Front-Tc--Back ............ 19
Side-To-Side ............ 18
Blade Replacement ......... 15
Blade Sharpening ............. 15
Cutting Level ............... 11
Installation ................ 18
Operation .................. 12
Removal ................... 18
Mowing Tips ................. 13
Muffler ........................ 17
Spark Arrester . ............. 3
4
O
OilCold Weather Conditions ... 13, 16
Engine .................... 16
Filter ...................... 17
Operating Mower .............. 12
Operation ............... 10-13
R
Repair Parts .............. 30-50
P
Parking Brake ............. 1O,11
Parts Bag ................... 6
Product Specifications ........... 3
S
Safty Rules .................... 2
Seat .......................... 8
Service and Adjustments ....... t8-24
Carburetor. ................. 24
Choke ....................... 23
Fuse ...................... 22
Hood Removal/Installation ..... 23
Mower Adjustment
Front-To-Back ........... t9
Side-To-Side .............. i8
Motion Drive Belt
Removal/Replacement .... 21
Mower Blade Drive Belt
Removal/Replacement .... 20
Mower Removal ............. t8
Throttle Control Cable ......... 23
Tire Care .............. 8, 15, 22
Slope Guide Sheet ........... 5t
Spark Plugs .................. 17
Specifications .................. 3
Starting the Engine ............ 13
Steering Wheel ............ 7, 21
Stopping the Tractor ........... 11
Storage .................... 25
T
Throttle Control Cable, Adjustment 23
Tires .................. 8, 15, 22
Transaxle, Maintenance ........ 21
Trouble Shooting ......... 26--27

..... • ............ i,,u,H, n. i i
ACCESSORIES AND ATTACHMENTS
ill u=,l, ml =lu=,,,,ill.. i u n. =u ,llnl. unu =,m, ii, ................... . = = H,Ju=
These accessories and attachments were available when the unit was purchased. They are also available at most Sears retait ou'lets,
catalog and service centers Most Sears stores can order these items for you when you provide the model number of your tractor
ENGINE
SPARK PLUG MUFFLER
I AIR FILTER GAS CAN
ENGINE QIL STABfLtZER
MAINTENANCE
BLADES BELTS
PERFORMANCE
Sears offers a wide variety of attachments that fit your vehicle_ Many of these are listed below with brief expfanations of how they
can help you This list was current at the time of publication; however, it may change in future years - more attachments may be added,
changes may be made in these attachments, or some may no longer be available or fit your model, Contact your nearest Sears
store for the accessories and attachments that are available for your unit.
Most of these attachments do not require additiona! hitches or conversion kits (those that do are indicated) and are designed for easy
attaching and detaching.
PERMANEX BAGGER lets you collect grass clippings and
leaves for ahealthier, neater looking lawn Two Permanex
containers hold 30-gallon pfastic bags
LAWN SWEEPERS let you collect grass cllppings and leaves
LAWN VACS for powerful collections of heavy grass clippings
and leaves. Wand attachment to pick up debris in hard4o-reach
places
CARTS make hauling easy Variety of sizes available
ROLLER for smoother lawn surface. 36-inch wide, 18 inch
diameterwater4ightdrumholdsupto3901bs ofweight Rounded
edges prevent harm to turf Adjustable scraper automatically
cleans drum
SPREADER/SEEDERS make seeding, fertilizing, and weed kill-
ing easy. Broadcast spreaders are also useful for granular de-
icers and sand.
CORING AERATOR takes small plugs out of soil to aliow mois-
ture and nutrients to reach grass root& 36-inch swath 24
hardened steel coring tips 150 Ib capacity weight tray.
AERATOR promotes deep root growth for a healthy lawn, Ta-
pered 25" steef spikes mounted on 104n diameter discs punc-
ture holes in soil at close intervals to let moisture soak in Steel
weight tray for increased penetration.
DETHATCHER Ioosens soil and flips thatch and matted leaves to
lawn surface for easy pick up. Twenty spring line teeth Useful
to prepare bare areas for seeding. Available for front or rear
mounting
SPRAYERS use t2-voit DC electric motor that connects to the
tractor battery or other 12wolt source Includes booms for
automatic spraying when pulling, and hand hetd wand for spot
spraying Wand has adjustable spray pattern, For applying
herbicides, insecticides, fungicides, and liquid fertilizers,
SNOW BLADE for snow removal only, 14-inch high, 42-inch
wide blade clears 38 inch path when angled left or right Raises,
lowers with side leverr Adjustable skids; replaceable, reversible
scraper bar (Use with tire chains, wheel weights, or rear drawbar
weight )
SNOWTHR OWER has 40-inch swath Drum-type auger handles
powdery and wet/heavy snow. Mounts easily with simple pin
arrangement Discharge chute adjusts from tractor seat 6-inch
diameter spout discharges snow 10 to 50 feet Lift controlled at
tractor seat, (Use with chains, wheel weights, or rear drawbar
weight)
TIRE CHAINS are heavy duty; closely spaced extra-large cross
links give smooth ride, outstanding traction_
WHEEL WEIGHTS for rear wheels provide needed traction for
snow removal or dozing heavy materials, in pairs (30 Ibs, each )
TRACTOR CAB has heavy duty vinyl fabric over tubular steel
frame, ABS plastic top; clear plastic windshieEd offers 350 degree
visibility Hinged metal doors with catch. Keeps operator warm
and dry Remove vinyl and windshields for use as sun protector
in summer
Optional accessories for tractor cab: tinted/tempered solid safety
glass windshield with hand operated wiper; 12-volt amber caution
iight for mounting on cab top
TRACTOR COVER protects tractor from weather Made of
Evolution 3 fabric (water-repellent, extremely breathable, iight
weight, soft, non-abrasive, pliable in all temperatures, durable,
stain/tear/puncture resistant, wi!l not shrink or stretch)
5

m .,.i, iiiiiii,,HI"U.......................I' "111' IIlI"' I' '
CONTENTS OF HARDWARE PACK
Parts Bag contents shown full size
(1) Shoulder Bolt 5116-18
(1) Knob
(1) Washer 17/32 x 1-3/16 x 12 Gao
(2) Hex Bolts 1/4 - 20 x 3/4
(¢ @
(2) Hex Nuts 1/4 - 20
(2) Washers 9/32 x 5/8 x 16 Ga
(2) Lockwashers 1/4
miii1,111111iiiii i ii u
(2) Wing Nuts 1/4 - 20
Parts packed separately in carton
Seat
Steering Wheel
I
Parts Bag
Q
Battery acid
Battery
Owner's Manual
Parts bag contents not shown full size
(2) Keys Steering
Wheel
Insert
(2) Battery Carriage Bolts 1/4-20 x 7-1/2
Z
15° Slope Sheet
iiiii iii
Terminal Guard
IJ
......BatieryC.ps '
and Instructions
6

TOOLS REQUIRED FOR ASSEMBLY
A socket wrench set will make assembly easier. Standard
wrench sizes are listed.
(2) 7/16" wrenches (1) Tire Pressure Gauge
(1) 9/16" wrench (1) Screwdriver
(1) 1/2" wrench (t) Utility Knife
When right or left hand is mentioned in this manuat, it means
when you are in the operating position (seated behind the
steering wheel)_
TO REMOVE UNIT FROM CARTON
UNPACK CARTON
•Remove all loose parts from carton (See page 6).
. Cut, from top to bottom, all four corners of carton and lay
panels flat+
ATTACH STEERING WHEEL (See FIG, 1)
• Remove hex nut and large flat washer from steering shaft.
. Position front wheels of the tractor so they are pointing
straight forward.
•Position steering wheel so cross bars are horizontal (left
to right) and slide onto adapter+
• Secure steering wheel to steering shaft with hex nut and
large flat washer previously removed, Tighten securely
° Snap insert into center of steering wheel
o Remove protective plastic from tractor hood,.
BEFORE ROLLING UNIT OFF SKID
(See FIG, 2)
IMPORTANT: CHECK FOR AND REMOVE ANY STA-
PLES iN SKID THAT MAY PUNCTURE
TIRES WHERE UNIT IS TO ROLL OFF
SKID,
- Raise attachment lift lever to its highest position.
- Release parking brake by depressing clutch!brake pedal.
. Place gearshift lever in "NEUTRAL" position°
.Roll unit backwards off skid.
STEERING
HEX NUT
11]
FIG. 1
CLUTCH/BRAKE LIFT LEVER
PE
GEARSHIFT
LEVER
FIG. 2

ill ii i ii illl
ASSEMBLY
illl illllllllll illllll illlll i
HOW TO SET UP YOUR TRACTOR
PREPARE BATTERY (See FIG. 3)
................... i
CAUTION: Wear eye and face shield.
Wash hands or clothing immediately if ac-
cidentally in contact with battery acid.
Do not smoke. Fumes from charged battery
acid are explosive.
Read the instructions included with the
battery vent caps in the bag of parts. Al-
ways wear gloves, clothing and goggles to
protect your hands, skin and eyes,
illlllllllU i i
Your unit has a battery charging system which is sufficient
for normal use. However, periodic charging of the battery
with an automotive charger will extend its life
*See instructions packed with vent caps in parts bag°
, Fill battery with acid° Fill each cetl until it reaches the bot-
tom of the vent wells. Do not over fill.
, Allow battery to stand and settle for at least thirty minutes.
After standing, check the level of acid. If below the vent
wells, add more acid until the correct level is reached_
While battery is standing (after adding acid) and later, while
battery is being charged, continue with assembly of unit.
,To maximize the life of your battery, it is necessary that
the battery be charged before use. Use a 12 volt battery
charger_ Charge battery at a rate of 6 amperes for 1 houri
Observe all safety precautions required for' battery charg-
ing. Failure to charge battery can result in a shortened
battery life.
oCheckthe acid level after the battery is charged. If the acid
has fallen below the correct level, add distilled or iron free
water.
o Install the vent caps to cover the vent wells. Wash the top
of the battery with water to remove any acid, then wipe
dry°
°Check battery case for Ieakage to make sure that no dam-
age has occurred in handling.
oDispose of excess battery acid° Neutralize acid for dis-
posal by adding it to four inches of water in a five gallon
plastic container (I 1 cm water in a 19 litre container). Stir
with a wooden or plastic paddle while adding baking soda
until the addition of more soda causes no more foaming°
o Follow instructions on how to install battery.
CUT AWAY VIEW
I.............L----.J _ _}"_---_ VENT CAP
VENT WELL
BATTERY
CELL ACID
LEVEL
INSTALL SEAT (See FIG. 4)
Adjust seat before tightening adjustment knob.
°Remove cardboard packing on seat pan.
, Place seat on pan and assemble shoulder bolt.
•Assemble adjustment knob and flat washer loosely. Do
not tighten.
°Tighten shoulder bolt securely,
•Lower seat into operating position and sit on seat_
°Slide seat until a comfortable position is reached which al-
lows you to press clutch/brake pedal all the way down.
•Get off seat without moving its adjusted position,
• Raise seat and tighten adjustment knob securely.
SEAT
PAN
SHOULDER
BOLT
ADJUSTMENT
KNOB
FLAT
WASHER
FIG. 4
CHECK TIRE PRESSURE
The tires on your unit were overinflated at the factory for
shipping pu_poses_ Correct tire pressure is important for
best cutting performance.
•Reduce tire pressure to PSI shown in"PRODUCTSPECI-
FICATIONS" on page 3 of this manual.
CHECK DECK LEVELNESS
For best cutting results mower housing should be properly
eveled. See "TO LEVEL MOWER HOUSING" in the Serv-
ice and Adjustments section of this manual°
CHECK FOR PROPER POSITION OF ALL
BELTS
See the figures that are shown for replacing motion, mower
drive, and mower blade drive belts in the Service and Adjust-
ments section of this manual. Verify that the belts are routed
cotrectly_
FIG. 3
8

,11,1 iii 11,.111 , ................................................. i, ,
ASS BLY
,i,i,,iii i ,,II,H , ,,i,, i ,, , iii ........................... ii iiii
CHECK BRAKE SYSTEM
After you learn how to operate your tractor, check to see that
the brake is properly adjusted. See"TO ADJUST BRAKE" in
the Service and Adjustments section of this manual.
INSTALL BATTERY (See FIGS. 5 & 6)
CAUTION: Do not short battery terminals.
Before installing battery, remove metal
Abracelets, wristwatch bands, rings, etc.
Positive terminal must be connected first
to prevent sparking from accidental
grounding.
=,====,1=.... , , HH' H
•Raise hood
° Lift out air intake duct
• Make sure drain tube is fastened to drain hole in battery
tray and battery tray is positioned in hole of battery sup-
port
, Place battery in plastic tray, battery terminals to front of
tractor
o First connect RED battery cable to positive (+) battery ter-
minal with hex bolt, flat washer, Iockwasher and hex nut
as shown Tighten securely
, Connect BLACK grounding cable to negative (-) battery
terminal with remaining hex bolt, flat washer, Iockwasher
and hex nuL Tighten securely
• Slide the two battery bolts through terminal guard and
start wing nuts onto threads
• Position terminal guard over battery as shown, lower bolts
into key holes and slide square shafts of bolts into slots of
key holes
° Tighten wing nuts by hand making sure battery bolts re-
main in slots of key holes in battery support.
• Replace air intake duct Make sure bottom lip of air duct
sits between battery and lip of batterie tray
• Be sure terminal access doors are closed
Use terminal access doors for:
• Inspection for secure connections (to tighten hardware)
• Inspection for corrosion
• Testing battery
• Jumping (if required)
° Periodic charging
.." %,
NEGATIVI
_BALACK)
BLE
POSITIVE
(RED)
CABLE
FLAT
WASHER
HEX
BOLT
FIG. 5
WING NUT
TERMINAL
GUARD
ACCESS
DOOR
AIR DUCT
BATTERY
BOLT
BATTERY
KEY BATTERY TRAY
HOLE DRAIN TUBE BOTTOM OF LIP
FIG. 6
#'CHECKLIST
BEFORE YOU OPERATE AND ENJOY YOUR NEW
TRACTOR, WE WISH TO ASSURE THAT YOU RECEIVE
THE BESTPERFORMANCEAND SATISFACTION FROM
THIS QUALITY PRODUCT
PLEASE REVIEW THE FOLLOWING CHECKLIST:
/All assembly instructions have been completed.
¢" No remaining loose parts in carton.
/Battery is properly prepared and charged. (Minimum 1
hour at 6 amps)..
v" Seat is adjusted comfortably and tightened securely.
7All tires are properly inflated. (For shipping purposes, the
tires were overinflated at the factory°)
¢" Be sure mower deck is properly leveled side-to-side/
front-to-rear for best cutting results (Tires must be prop-
erly inflated for leveling.)
¢" Check mower and drive belts. Be sure they are routed
properly around pulleys and inside all belt keeper&
¢" Check wiring. See that all connections are still secure and
wires are properly clamped,
WHILE LEARNING HOW TO USE YOUR TRACTOR, PAY
EXTRA ATTENTION TO THE FOLLOWING IMPORTANT
ITEMS:
,/Engine oil is at proper level.
€" Fuel tank is filled with fresh, clean, regular unleaded gaso-
lineo
¢ Become familiar with all controls-their location and func-
tion_ Operate them before you start the engine.
¢" Be sure brake system is in safe operating condition.

i i illl illlllillllllll UllUiiiiiUllllllU i u ill i ilillllllllliiillllllllllll!l
OPERATION
-. :::: _::]_l_U ] LI _L ILl i ijjl
KNOW YOUR TRACTOR
READ THIS OWNER'S MANUAL AND SAFETY RULES BEFORE OPERATING YOUR TRACTOR.
Compare the illustrationswith your Tractor to familiarize yourseff with the locations of various controls and adjustments, Save
this manual for future reference,
ATTACHMENT CLUTCH LEVER
LIGHT LIFT LEVER PLUNGER
CHOKE
CONTROL
ATTACHMENT LIFT LEVER
PARKING BRAKE LEVER
CLUTCH/
BRAKE PEDAL
HEIGHT ADJUSTMENT
KNOB
GEARSHIFT LEVER
IGNITION SWITCH
FIG, 7
A'RrACHMENT CLUTCH LEVER- Used to engage mower'
blades or other attachments mounted to your tractor,
ATTACHMENT LIFT LEVER - Used to raise and lower the
attachment mounted to your tractor,
CLUTCH!BRAKE PEDAL- Used for declutching and brak-
ing the tractor,
HEIGHT ADJUSTMENT KNOB- Used to adjust the mower
height.
LIGHT SWITCH -Turns the headlights on and off,
GEARSHIFT LEVER - Selects the speed and direction of
the tractor,
THROTTLE CONTROL- Used to control engine speed,
IGNITION - Used to start and stop the engine_
PARKING BRAKE LEVER- Locks clutch/brake pedal into
the brake position,,
CHOKE CONTROL- Used when starting a cold engine.
10

i....i..lll.i illl- i.. i........ i........ i iil.l.il.i
OPEF ATmON
........... i.i, i.ll=l.=l=.
The operation of any tractor can result tn foreign objects thrown into the eyes, which can resu!t
In severe eye damage, Always wear safety glasses or eye shlelos while operating your tractor or
before performing any adjustments or repairs° We recommend wide vision safety mask for over
the spectacles or standard safety glasses.
HOW TO USE YOUR TRACTOR
TO SET PARKING BRAKE (See FIG. 8)
•Depress clutch/brake pedal into full"BRAKE" position and
hold_
oPlace parking brake lever in "ENGAGED" positionand re-
lease pressure from clutch/brake pedal. Pedal should re-
main in "BRAKE" position. Make sure parking brake will
hold vehicle secure_
STOPPING (See FIG. 8)
MOWER BLADES -
.Move attachment clutch lever to "DISENGAGED" posi-
tion,
GROUND DRIVE-
.Depress clutch/brake pedal into full "BRAKE" position
.Move gearshift lever to "NEUTRAL" position,
ENGINE -
.Move throttle control to "SLOW" position.
o Turn ignition key to "OFF" position and remove key, Al-
ways remove key when leaving vehicle to prevent un-
authorized use.
•Never use choke to stop engine.
TO USE CHOKE CONTROL (See FIG. 8)
Use choke control whenever you are starting a cold engine,
Do not use to start a warm engine.
•To engage choke control, pull knob out, Slowly push knob
in to disengage.
TO USE THROTTLE CONTROL (See FIG. 8)
Always operate engine at full throttle.
•Operating engine at less than full throttle reduces the bat-
tery charging rate and the engine cooling air flow.
•Fuli throttle offers the best mower performance.
TO MOVE FORWARD AND BACKWARD (See
FIG. 8)
The direction and speed of movement is controlled by the
gearshift lever.
, Start unit with clutch!brake pedal depressed and the
gearshift lever in "NEUTRAL" position.
° Move gearshift lever to desired position,
• Slowly release clutch/brake pedal to start movement
IMPORTANT: BRING TRACTOR TO A COMPLETE
STOP BEFORE SHIFTING OR CHANG*
ING GEARS_
"DISENGAGED"
ATTACHMENT POSITION
CLUTCH
SWITCH GEAR
"ENGAGED" SHIFT
POSITION LEVER
IGNITION
THROTTLE
CHOKE
"DISENGAGED"
POSITION
"BRAKE" CLUTCH/BRAKE
POSITION PEDAL "DRIVE"
POSITION
HEIGHT
ADJUSTMENT
KNOB
FIG. 8
TO ADJUST MOWER CUTTING HEIGHT (See
FIG. 8)
The cutting height is controlled by turning the height adjust_
merit knob in desired direction.
•Turn knob clockwise to raise cutting height
•Turn knob counterclockwise to fower cutting height,
The cutting height range is approximately 1-1/4" to 3-3/4",
The heights are measured from the ground to the blade tip
with the engine not running, These heights are approximate
and may vary depending upon soil conditions, height of
grass and types of grass being mowed,
•The average Iawn should be cut approximately 2-1/2"
during the cool season and over 3" during hot months. For
healthier and better looking lawns, mow often and after
moderate growth.
• For best cutting performance, grass over 6" in height
should be mowed twice Make the first cut relatively high;
the second to desired height°
11

OPERATIO
TO OPERATE MOWER (See FIG. 8 & 9)
Your unit is equipped with an operator presence sensing
switch. Any attempt by the operator to leave the seat with
the engine running and the attachment clutch engaged will
shut off the engine.
• Select desired height of cut, using height adjustment
knob
•Lower attachment lift lever.
°Engage mower by slowly moving attachment clutch lever
to "ENGAGED" position.
•TO STOP MOWER - Move attachment clutch Iever to
"DISENGAGED" position_
° Raise attachment lift lever_
i1,1,,,,,, i,,
CAUTION: Do not operate the mower wlth-_
_k out either the entire grass catcher, on mow-_
ors so equipped, or the discharge guard lnl
p!ace- ,.........
R,H_RUNNER
DISCHARGE
GUARD
FIG. 9
TO OPERATE ON HILLS
,,,,,,,,,,,,,,,,,,,,,,, ,
J CAUTION: Do not drive up or down htllsJ
with slopes greater than 15°and do not|
drive across any slope.
•Choose the slowest speed before starting up or down
hills.
•Avoid stopping or changing speeds on hills.
•If slowing is necessary, move throttle control lever to
slower position.
•If stopping is absolutely necessary, push clutch/brake
pedal quickly to brake position and engage parking brake,
oMove gearshift lever to "NEUTRAL" position.
=To restart movement, release parking brake and move
gearshift lever to 1st gear. Be sure youhave allowed room
for' unit to roll slightly as you restart movement,
°Slowly release parking brake and clutch/brake pedal.
° Make all turns slowly.
TO TRANSPORT
. Raise attachment lift control to highest position.
o When pushing o! towing your unit, be sure gearshift lever
is in NEUTRAL' position.
= Do not push or tow unit at more than 5 MPH.
BEFORE STARTING THE ENGINE
CHECK ENGINE OIL LEVEL (See FIG. 10)
,The engine in your unit has been shipped, from the fac_
tory, already filled with summer weight oi!.
° Check engine oil with unit on level ground.
•Remove oil fill dipstick and wipe clean replace and screw
cap t ght, wait for a few seconds, remove and read oil
level if necessary, add oil until "FULL" mark on dipstick is
reached. Do not overfill
,Forcold weather oper'ationyou should change oi! for eas-
ier starting (See "OI L VISCOSITY CHART" in the Mainte-
nance section of this manual).
•To change engine oil, see the Maintenance section in this
manual.
AIR INTAKE DUCT_ OIL FILLER CAP
AND DIPSTICK
FIG. 10
12

i,, ii ,, ,11,,,,i i, iii
OPERATmO
i, ,ii ................... i,iiiii,,,MI,III,H
ADD GASOLINE
• Fill fuel tank, Use fresh, clean, regular unleaded gasoline
(Use of leaded gasoline will increase carbon and lead ox-
ide deposits and reduce valve life)
IMPORTANT: WHEN OPERATINGINTEMPERATURES
BELOW 32°F (0°C), USE FRESH CLEAN
WINTER GRADE GASOLINE TO HELP
INSURE GOOD COLD WEATHER
START! NG.
WARNING'. Experience indicates that alcohol blended fuels
(called gasohol or using ethanol or methanol) can attract
moisture which leads to separation and formation of acids
during storage. Acidic gas can damage the fuel system of an
engine while in storage. To avoid engine problems, the fuel
system should be emptied before storage of 30 days or
longer. Drain the gas tank, start the engine and let it run until
the fuel lines and carburetor are empty Use fresh fuel next
season, See Storage section of this manual for additional
information, Never use engine or carburetor cleaner prod-
ucts in the fuel tank or permanent damage may occur
I
CAUTION: Fill to bottom of gas tank ftllerl
neck° Do not overfill Wipe off any spilled R
oil or fuel. Do not store, spill or use gaso-_
line near an 0pen flame, , ..... !
TO START ENGINE (See FIG. 8)
When starting engine for the first time or if engine has run out
of fuel, it wilt take extra cranking time to move fuel from the
tank to the engine.
• Depress the clutch/brake pedal and setthe parking brake
• Place gearshift lever in "NEUTRAL" position
- Move attachment clutch to"DISENGAGED" position
. Pull choke control out to "CHOKE" position for cold en-
gine start. For warm engine start do not use choke con-
trol.
• Move throttle control to midway between "FAST" and
"SLOW" positions.
.Turn ignition key clockwise to "START" position and re-
lease key as soon as engine starts. Do not run starter
continuously for more than fifteen seconds per minute. If
engine does not start after several attempts, move throt-
tle control to "FAST" position, wait a few minutes and try
again
. When engine starts, slowly push choke control in
o Move throttle control to "FAST" position.
• Allow engine to warm up for a few minutes before engag-
ing clutch/brake pedal or attachment clutch switch.
NOTE: If at a high altitude (above 3000 feet) or in cold tem-
peratures (below 32°F or 0°C), the carburetor fuel mixture
may need to be adjusted for best engine performance. See
"TO ADJUST CARBURETOR" in the Service and Adjust-
ments section of this manual.
i ii1,111,i,
I_) AUTION: Before driving the tractor, In- I
stall mower or remove front mower sus- I
pension bracket and suspension arms,
.........................:................................ ,..... i
MOWING TIPS
o Tire chains cannot be used when the mower housing is at-
tached to unit
• Mower should be properly leveled for best mowing per-
formance. See "TO LEVEL MOWER HOUSING" in the
Service and Adjustments section of this manual
• Use the runner on the right hand side of mower as a guide.
The blade cuts approximately an inch outside the runner
(See FIG. 9).
• The left hand side of mower should be used for trimming
=Drive so that clippings are discharged onto the area that
has been cut Have the cut area to the right of the ma-
chine. This will result in a more even distribution of clip-
pings and more uniform cutting.
= When mowing large areas, start by turning to the right so
that clippings will discharge away from shrubs, fences,
driveways, etc After one ortwo rounds, mow in the oppo-
site direction making left hand turns until finished (See
FIG 11).
FIG. 11
° If grass is extremely tall, it should be mowed twice to re_
duce load and possible fire hazard from dried clippings,
Make first cut relatively high, the second to the desired
height.
•Do not mow grass when it is wet. Wet grass will plug mow-
er and leave undesirable clumps. AlIow grass to dry be-
fore mowing
•Always operate engine at full throttle when mowing to as-
sure better mowing performance and proper discharge of
material Regulate ground speed by selecting a tow
enough speed to give the mower cutting performance as
well as the quality of cut desired.
oWhen operating attachments, select a ground speed that
will suit the terrain and give best performance of the at-
tachment being used
13

NTE CE
MAINTENANCE SCHEDULE
FILLINDATES
AS YOUCOMPLETE
......REGULARSERVICE .... L
Check Brake Operation
TCheckTire Pressure
ACheckfor LooseFasteners
CSharpen/ReplaceMowerBlades
TLubricatePivotPoints
BatteryLevel/Recharge
Check
C!ear_BatteryandTerminals
Check EngineOilLevel
ChangeEngineOil
CleanAir Filter/FoamPro+cleaner
NEOr+anAt;Screen
G Inspect Muffler/Spark Arrestor .....
1 Change Engine Oil Fitter
N Clean Engine Cooling Fins
E Reptace Spark Plug
Replace Air Filter Paper Cartridge
ReplaceFuelFilter
r
___-_J_ €/Y'/_'4.-_/"S ERVICE DATES
+v',
J
I_+,=
v'
1,,Change more often when operating under a heavy load ot in h{ghambient temperatures
2+Service more often when operellng In dirty or dusty conditions
3+Replace blades more often when mewing In sandy sot{
GENERAL RECOMMENDATIONS LUBRICATION,CHART
The warranty oft this unit does not cover items that have
been subjected to operator' abuse or negligence° To receive
full value from the warranty, operator must maintain unit as
instructed in this manual.
Some adjustments will need to be made periodically to prop-
erly maintain your unit.
All adjustments in the Service and Adjustments section of
this manual should be checked at least once each season=
•Once a year you should replace the spark plug, clean or
replace air _ter, and check blades and belts for wear. A
new spark plug and clean air filter assure proper air-fuel
mixture and help your engine run better and last longer.
BEFORE EACH USE
•Check engine oil level
•Check brake operation+
• Check tire pressure.
• Check for loose fasteners.
LUBRICATION
Keep unit well lubricated (See "LUBRICATION CHART")
**SPINDLE
BEARING
__ WHEEL
BEARING**
PIVOT
* BOTH ENDS OF
SHIFTER SHAFT
*SAE 30 or 10W30 MOTOR OIL API - SF!CC
** EXTREME PRESSURE LUBRICATING GREASE
*_ REFER TO ENGINE MAINTENANCE SECTION
IMPORTANT: Do not oilor grease thepivotpointswhichhave special
nylon beatings,Viscous lubricantswileattract dust and dirt that wi{i
shortenthe life of the self-lubricatingbearings,Ifyoufeel they must be
lubricated, use on+ya dry, powderedgraphite type lubricant sparingly,
14

i, nlUUUl nl ,Ul,,nlnnlll
MAINTENANCE
................. i i n,,,,,,,i,u,nl,
TRACTOR
Always observe safety rules when performing any mainte-
nance
TIRES
• Maintain proper air pressure in all tires (See "PRODUCT
SPECIFICATIONS" on page 3 of this manual),
• Keep tires free of gasoline, oil, or insect control chemicals
which can harm rubber,
• Avoid stumps, stones, deep ruts, sharp objects and other
hazards that may cause tire damage
BLADE CARE
For best results mower blades must be kept sharF The
blades can be sharpened with a file or on a grinding wheel.
We suggest they be sharpened or replaced after every 25
hours of mowing, Check blades more often if mowing _n
sandy conditions,
• Do not attempt to sharpen blades while they are on the
mower,
° Replace bent or damaged blades,
BLADE REMOVAL (See FIG. 12)
. Raise mower to highest position to allow access to
blades,
. Remove hex bolt, lockwasher and flat washer securing
blade
. Install new or resharpened blade with trailing edge up to-
wards deck as shown,
° Reassemble hex bolt, Iockwasher and fiat washer inexact
order as shown,
• Tighten bolt securely (30-35 Ft, Lbs,)
IMPORTANT: BLADE BOLT IS GRADE 5 HEAT
TREATED,
BLADE
MANDREL
ASSEMBLY
WASHER__
LOCKWASHER
QHEX BOLT
(GRADE5)
A GRADE 5 HEAT TREATED BOLT
CAN BE IDENTIFIED BYTHREE LINES
ON THE BOLT HEAD AS SHOWN AT
LEFT
TO SHARPEN BLADE (See FIG. 13)
Care should be taken to keep the blade balanced, An unbal-
anced blade will cause excessive vibration and eventual
damage to mower and engine,
• The blade can be sharpened with a file or on a grinding
wheel, Do not attempt to sharpen while on the mower
• To check blade balance, drive a nail into a beam or wall
Leave about one inch of the straight nait exposed, Place
center hole of blade over the head of the nail, tf blade is
balanced, it should remain in a horizontal position If
either end of the blade moves downward, sharpen the
heavy end until the blade is balanced,
II
BLAD_
}
Oj¸ o_
FIG. 13
BATTERY (See FIG. 14)
Your unit has a battery charging system which is sufficient
for normal use_ However, periodic charging of the battery
with an automotive charger will extend its life
,Acid solution level in each battery cell should be even with
bottoms of vent wells Add only distilled or iron-free water
if necessary, Do not overfill,
CUT AWAY VIEW
F]'_'_ VENT CAP
_------r_ _ r'x"'''"'_ _BATTERY
I H _ R ,[/J _ R P'_ "_ R I-.-,-" BATTERY
CELL
FIG. 14
•Keep battery and terminals clean
• Keep battery bolts tight,
• Keep vent caps tight and small vent holes in caps open.
• Recharge at 6 amperes for 1 hour,
FIG. 12
1R

HH'HHIH'I'H '"'11' I
IVIAINT CE
TO CLEAN BATTERY AND TERMINALS -
Corrosion and dirt on the battery and terminals can cause
the battery to "leak" power.
*Remove terminal guard.
* Disconnect BLACK battery cable first then RED battery
cable and remove battery from tractor.
°Wash battery with solution of four tablespoons of baking
soda to one galfon of water. Be careful not to get the soda
solution into the ceils.
, Rinse the battery with plain water and dry
° Clean terminals and battery cable ends with wire brush
until bright
° Coat terminals with grease or petroleum jelly.
, Reinstall battery (See "INSTALL BATTERY" in the As-
sembly section of this manual).
ENGINE
LUBRICATION
Change the oil after the first two hours of operation arid
every 50 hour s thereafter or at least once a year if the tractor
is not used for 50 hours in one year.
Check the crankcase oil leve_ before starting the engine and
after each five (5) hours of continuous use. Add SAE 30W
motor oil or equivalent Tighten oil fill cap/dipstick securely
each time you check the oil level, SAE 5W-30 motor oil may
be used to make starting easier in areas where temperature
is consistently 32° F (0°C) or lower.
TO CHANGE ENGINE OIL (See FIGS. 15 and 16)
Determine temperature range expected before oil change.
All oil must meet API service classification SD, SE or SF.
• Be sure vehicle is on level surface.
,Oil will drain more freely when warm.
,Catch oil in a suitable container.
•Remove oil fill dipstick. Be careful riot to allow dirt to enter
the engine when changing oil.
,Remove drain plug.
AIR SCREEN
ENGINE OIL DIPST|CF
OIL DRAIN PLUG
°After oil has drained completely, replace oil drain plug arid
tighten securely.
• Refill engine with oil through oil fill dipstick tube. Pour
slowly. Do riot overfill. For approximate capacity see
"PRODUCT SPECIFICATIONS" on page 3 of this man-
uaL
-Use gauge on oil fitt dipstick for checking level. Be sure
dipstick cap is tightened securely for accurate reading
Keep oil at "FULL" line on dipstick.
RECOMMENDED SAE VISCOSITY GRADES
°F -20° 0°32° 60° 80°100°
°C -29° -18° 0° 16° 27°38°
FIG= 16
CLEAN AIR SCREEN (See FIG. 15)
Air screen must be kept free of dirt and chaff to prevent en-
gine damage from overheating, Clean with a brush or com-
pressed air to remove dirt, stubborn dried gum fibers,
CLEAN ENGINE COOLING FINS (See FIG, 17)
Remove any dust, dirt or oil from engine cooling fins to pre-
vent damage from overheating. Air guide covers must be re-
moved, Remove side panels and hood (See "TO REMOVE
HOOD AND GRILL ASSEMBLY" in Service and Adjust=
ments section of this manuat
CLEAN THESE
AREAS OF DIRT
AND DEBRIS
FIG. 17
FIG. 15
16

AIR FILTER FOAM PRE-CLEANER (See
FIG, 18)
Your engine will not run properly and may be damaged by
using a dirty air filter_ Clean the foam pre-cleaner element
after every 25 hours of operation, more often if tractor is
used in very dusty, dirty conditions.
•Unscrew knob and open cover.
•Remove cartridge and foam pre-cleaner.
NOTE: Do not attempt to clean or oil the paper cartridge.
Replace paper cartridge once a year or after every 100
hours of operation, more often if used in very dusty or dirty
conditions,
• Wash foam pre-cleaner in liquid detergent and water,
•Wrap foam pre-cleaner in cloth and squeeze dry,
•Lightly coat foam pre-cleaner with clean engine oil,
Squeeze in towel to remove excess oil_ Do not saturate,
•Install foam pre-cleaner in cover,
•tnstal_ cartridge in cover with tabs on cartridge in slots on
cover, Use new cartridge if old one is dirty or wet
•Close cover and tighten knob securely,
CAR_DGE
FOAM 'X
PRE-CLEANER \
TABS
KNOB COVER
FIG. 18
MUFFLER
Inspect and replace corroded muffler and spark arrester (if
equipped) as it could create a fire hazard and/or damage.
SPARK PLUGS
Replace spark plugs at the beginning of each mowing sea-
son or after every 100 hours of use, whichever comes first.
Spark plug type and gap setting is shown in "PRODUCT
SPECIFICATIONS" on page 3 of this manual.
ENGINE OIL FILTER (See FIG. 19)
Replace the engine oil fi_ter every season or every other oil
change if the tractor is used more than 100 hours in one
year.
o Unscrew old filter byturning counterclockwise Use a suit-
able container to catch oil.
*Apply a thin coating of new engine oil to rubber gasket on
replacement oil filter.
oInstall replacement oil filter on filter adapter. Turn oil filter
clockwise until rubber gasket contacts filter adapter, then
tighten filter an additional 1/2 to 3/4 turn
,Fill crankcase with new oil ( See "TO CHANGE ENGINE
OIL"). For approximate capacity see "PRODUCT SPECI-
FICATIONS" on page 3 of this manual
* Start engine and check for oil leaks. Correct any leaks be-
fore placing engine into full operation
OIL FILTER
_,= '_
FIG. 19
IN-LINE FUEL FILTER (See FIG. 20)
Fuel filter should be replaced once each season. If fuel filter
becomes clogged, obstructing fuel flow to carburetor, re-
placement is required
oWith engine coot, remove filter and plug fuel line sections
* Place new fuel filter in position in fuel line with arrow point-
ing towards carburetor
,Be sure there are no fueI line leaks and clamps are prop-
erly positioned.
, immediately wipe up any spilled gasoline
i
FIG. 20
CLEANING
*Clean engine, battery, seat, finish, etc. of all foreign mat-
ter.
o Keep finished surfaces and wheels free of all gasoline, oil,
etc.
,Protect painted surfaces with automotive type wax.
We do not recommend using a garden hose to clean your
unit unless the electrical system, muffler, air filter and carbu-
retor are covered to keep water out Water in engine can re-
sult in a shortened engine fife.
17

• Depress clutch/brake pedal fully and set parking brake=
• Place gearshift lever in "NEUTRAL" position.
• Place attachment clutch in "DISENGAGED" position.
• Turn ignition key "OFF" and remove key.
• Make sure the blades and all moving parts have completely stopped.
• Disconnect spark plug wire from spark plug and place wire where it cannot come in contact with
plug.
H, = =, I,l=,N,H I, H H I ll= HIH,H,=H,== =
TRACTOR
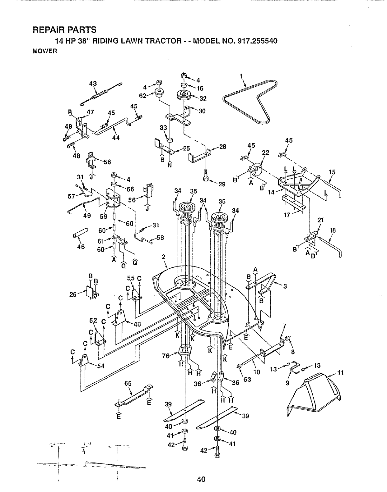
TO REMOVE MOWER (See Fig. 21)
Mower will be easier to remove from the right side of unit.
•Remove mower blade drive belt from engine pulley
only (See "TO REPLACE MOWER BLADE DRIVE
BELT" through step removing belt from electric clutch
pulley)_
. Remove retainer spring from clutch rod; pult clutch rod
out of clutch iever
, Pull retainer springs out of rear suspension trunnions
Remove rear suspension trunnions from lift brackets.
. Putl retaine_ springs from front hinge pins
•Remove hinge pins attaching parallel link to mower
and front axle.
• Raise lift lever to raise suspension arms Slide mower
out from under tractor_
IMPORTANT: IFAN ATTACHMENT OTHERTHAN THE
MOWER tS TO BE MOUNTED TOTHE
TRACTOR, THE R,H. AND L.H. SUS_
PENSION ARMS MUST BE REMOVED
FROM TRACTOR
TO INSTALL MOWER (See Fig. 21)
• Raise attachment lift lever to its highest position.
• Turn height adjustment knob to lowest setting.
• Slide mower under tractor with discharge guard to right
side of tractor.
• Install parallel link to front axle and mower with hinge
pins Secure hinge pins with retainer springs
° Lower attachment lift lever to lower suspension arms
Slide trunnions through lift bracket holes and secure
with retainer springs.
• Roll belt over electric clutch pulley Make sure belt is
inside all pulley grooves and inside belt guides
•Raise attachment lift lever to raise mower
• Turn height adjustment knob to desired setting.
TO LEVEL MOWER HOUSING
Adjust the mower while tractor is parked on level ground or
driveway. Make sure tires are properly inflated (See
"PRODUCT SPECIFICATIONS" on page 3). If tires are
over or under inflated, you will not properly adjust your
mower.
CLUTCH
TRUNNIOI
CLUTCH I
LEVER_ RETAINER
SPRINGS
CLUTCH
ROD
SIDE-TO-SIDE ADJUSTMENT (See Figs. 22 and 23) -
• Raise attachment lift lever to its highest position.
• Measure height from bottom of deck curl to ground
level at front corners of mower° Distance "A" should be
the sarne.
• If distance "A" needs to be changed, snap out access
hole cover on left side of tractor above footrest
• To raise left side of mower, loosen nut "B" and tighten
nut "C"_
• To lower left side of mower, loosen nut "C" and tighten
nut "B".
,When distance "A" is equal, securely tighten nuts "B"
and "C"_
•Replace access hole cover.
LIFT
BRACKET
RETAINER ENGINE
SPRING PULLEY
FIG. 21
PINS
18

SERVDCE AN ADJUSTMENTS
i,%,1 ,IIH, i i1,1,, ii ,i H,,IINIIH
BOTTOM BOTTOM
OF CURL OF CURL
GROUNDLINE
FIG. 22
FRONT-TO-BACKADJUSTMENT (See Figs 24 and 25) -
To obtain the best cutting results, the mower housing
should be adjusted so the front is approximately 1/2 to 3/4"
(1.3 cm to 1,9 cm) lower than the rear when the mower is
in its highest position.
Check adjustment on right side of tractor° Measure dis-
tance "D" at front and rear flanges of mower housing as
shown.
•To raise rear of mower, loosen nut "E" on both rear
suspension arms,, Screw both nuts "F" on both rear
suspension arms an equal number of turns,
•When distance "D" is 3/4" to 7/8" higher at rear than
front, retighten nuts "E".
•Recheck side-to_side adjustment,
IMPORTANT: WHEN ADJUSTING REAR SUSPEN-
SION TRUNNIONS, ALWAYS ADJUST
BOTH EQUALLY SO MOWER WILL
STAY LEVEL SIDE-TO-SIDE
NUT"B" _1
ETOSIDE
_"_ ADJUSTMENT
TRUNNION
FIG. 23
REAR SUSPENSION ARM
BOTTOM
OF CURL
DT-
REAR SUSPENSION TRUNNION
)
GROUND _" D
LINE
FIG, 24
REAR
SUSPENSION
TRUNNION
NUT "F"
LIFTBRACKET
REAR
SUSPENSION
ARM
FIG. 25
19

i i i i .......................................................................
SERVICE AN ADJUSTMENTS
TO ADJUST MOWER BLADE DRIVE BELT
(See Fig. 26)
Your tractor' has been manufactured with the ability to
readjust the mower blade drive belt to provide you with
longer belt life.
With engine off and the lift lever in the highest position,
move attachment clutch lever slowly forward. If the lever
moves significantly forward in the slot before resistance
is felt, adj"ustment is necessary.
•Lower the mower deck for easier access.
• Remove the bolt, nut and D-shaped washers from
rock shaft assembly.
• Move extension spring from lower to upper end of
slot in rock shaft assembly and install bolt, nut and
the D-shaped washers (flat side of washers down)°
,Tighten bolt and nut to secure the D-shaped wash-
ers (flat side down as shown)
NOTE: When installing a new belt, be sure spring is in
lower end of slot,
TO REPLACE MOWER BLADE DRIVE BELT
(See Figs. 26 and 27)
The mower blade drive belt may be replaced without
tools Park the tractor on level surface, Engage parking
brake, For assistance, there is a bett installation guide
decat on the mower housing°
BELT REMOVAL -
• Ptace attachment clutch in "DISENGAGED" position.
• Move attachment lift lever forward to lower mower to
its lowest position_
• Roll belt off engine pulley_
• Pull belt off both mandrel puIleys,
•Spring belt guide away from idler putley and pull belt
off idter pulley,
• Slide belt from under extension spring,
IDLER BELT BELT ENGINE PULLEY
GUIDE
L,H°
MANDREL
IDLER
EXTENSION
R,Ho
MANDREL
ROCKSHAFT
SPRING
BRAKE
ROD
NUT
FIG. 26
BELT INSTALLATION -
•Slide belt under extension spring=
•Place belt around back side and in groove of both
mandrel pulleys,
• Spring idler belt guide down and place belt around
rear side of idler pulley
° Roll belt over engine pulley,
° Make sure belt is in all pulley grooves and inside all
belt guides.
BELT
GUIDES
L
ENGINE
PULLEY
FIG. 27
2O

SERVICE AND
....... 11 =l, nmuinllll
TO ADJUST BRAKE (SEE FIG. 28)
Your unit is equipped with an adjustable brake system
which is mounted on the right side of the transaxle.
if unit requires more than 6 feet stopping distance at high
speed in highest gear, then brake must be adjusted.
• Depress clutch/brake pedal and engage parking brake.
. Measure distance between brake operating arm and
nut "A" on brake rod.
• If distance is other than 1-t/2", disengage parking
brake, loosen jam nut and turn nut "A" until distance
becomes 1-1/2". Retighten jam nut against nut "A"o
o Engage parking brake and recheck distance°
• Road test unit for proper stopping distance as stated
above. Readjust if necessary. If stepping distance is
still greater than 6 feet (18 metres) in highest gear,
further maintenance is necessary. Contact your nearest
Authorized Service Center.
ADJUSTMENTS
TRANSAXLE SHIFTER LINKAGE AND AD-
JUSTMENT (See FIGS. 30 and 31)
The transaxle should be in neutral when the gearshift lever
is in the neutral (lock gate) position. The adjustment is
preset at the factory; however, if adjustment is needed,
proceed as follows_
WITH PARKING BRAKE "ENGAGED"
JAM NUT
OPERATING
FIG_28
TO REPLACE MOTION DRIVE BELT (See FIG.
29)
Park the tractor on Ievel surface Engage parking brake,
For ease of service there is a belt installation guide decal on
bottom side of left footrest.
• Remove mower (See "TO REMOVE MOWER" in this
section of this manual)
• Remove belt from stationary idler and clutching idler.
• Remove belt from engine pultey_
• Roll belt over top of transmission pulley.
• Install new beft by reversing above procedure.
IMPORTANT: REPLACE ONLY WITH BELT LISTED IN
THIS MANUAL.
IDLER
.Make sure transaxte is in neutral, Loosen two Iocknuts
on tie rod.
• Turn center rod until gearshift lever falls into neutral
lock gate on fender consoled
• Turn center rod until gearshift lever fails into neutra!
lock gate on fender console,
•Tighten locknuts securely.
;HIFT LEVER
;K GATE
FIG, 30
LOCKNLr[S
ROD
TIE
TRANSAXLE
TRANSAXLE
PULLEY CLUTCHINC
IDLER
ENGINE
PULLEY
FIG. 31
TO ADJUST STEERING WHEEL ALIGNMENT
If steering wheel crossbars are not horizontal (left to right)
when wheels are positioned straight forward, remove
steering wheel and reassemble per instructions in the
Assembly section of this manual.
FRONT WHEEL TOE-IN/CAMBER
The front wheel toe-in and camber are not adjustable on
your unit, If damage has occured to affect the front wheel
toe-in or camber, contact your nearest Authorized Service
Center
FIG_ 29 21

J,J
SERVICE AN ADJUSTMENTS
::::::::::::::::::::::::i=, i H,i ii =l,,= ,=lNi ,Hi ll=lN= H= l liH
TO REMOVE CABLES, REVERSE ORDER -
•BLACK cable first from left side of chassis and fully
charged battery.
o RED cable last from both batteries.
TO REMOVE WHEEL FOR REPAIRS (See
Fig. 32)
•Block up axle securely.
*Remove hub cap, retaining ring and washers to allow
wheel removal (rear wheel contains a square key - Do
not Iose)_
°Repair tire and reassemble°
•On rear wheels only: align grooves in rear wheel hub
and axle. Insert square key_
Replace washers and snap retaining ring securely in
axle groove°
. Replace hub cap.
WASHERS
RETAINING
RING
HUB CAP
!
SQUARE KEY
(REAR WHEEL ONLY)
FIG. 32
TO START ENGINE WITH A WEAK BATTERY
(See Figs, 33 & 34)
CAUTION: Lead-acid batteries gener-
ate explosive gases. Keep s parks, flame
and smoking materials away from bat-
teries. Always wear eye protection
when around batteries.
If your battery is too weak to start the engine, it should be
recharged, If "jumper cables" are used for emergency
starting, follow this procedure:
IMPORTANT: YOUR UNIT tS EQUIPPED WITH A 12
VOLT NEGATIVE GROUNDED SYSTEM.
THE OTHER VEHICLE MUST ALSO BE
A 12 VOLT NEGATIVE GROUNDED
SYSTEM. DO NOT USE YOUR TRAC*
TOR BATTERY TO START OTHER VE-
HICLES,
TO ATTACH JUMPER CABLES -
• Connect each end of the RED cable to the POSITIVE
(+) terminal of each battery, taking care not to short
against chassis.
• Connect one end of the BLACK cable to the NEGA-
TIVE (-) terminal of fully charged battery.
•Connect the other end of the BLACK cable to a panel
bolt on the left side of the chassis, away from fuel tank
and battery, 22
"POSITIVE" "NEGATIVE"
(+) (-)
FIG. 33
"_ PANEL
BOLT
FIG. 34
TO REPLACE FUSE (See Fig. 35)
Replace with 30 amp automotive*type ptug-in fuse° The
fuse holder' is located under' the dash, directly behind the
engine,
FUSE
HOLDER
FIG 35
TO REPLACE HEADLIGHT BULB
•Raise hood.
•Pull bu[b holder out of the hole in the backside of the
gritl.
•Replace bulb in holder and push bulb holder securely
back into the hole in the backside Of the grill
•CIose hood.

................... ii iii iiiiii
SERVICE AN
TO REMOVE HOOD AND GRILL ASSEMBLY
(See Figs. 36 and 37)
• Raise hood.
• Unsnap headlight wire connector.
• Carefully remove wing nuts from rear of side panels°
• Stand at front of tractor. Grasp hood and side panels,
tilt forward and lift off unit.
To reinstall, reverse above procedure.
ii
ADJUSTMENTS
FIG, 36
ENGINE
TO ADJUST THROTTLE CONTROL CABLE
(See Fig. 38)
The throttle control has been preset at the factory and
adjustment shoutd not be necessary. Check adjustment as
described below before loosening cable. If adjustment is
necessary, proceed as follows:
• With engine not running, move throttle control lever to
"FAST" position_
• Check that swivel is against stop. If it is not, loosen
cable clamp screw and pull cable back until swivel is
against stop. Tighten cable clamp screw securely
CLAMP SCREW SWIVEL K, l/
/ / "_-1\\
THROTTLE __/__ _ _k\\
CABLE ,..".,_.
GOVERNED IDLE _ _._-,.,,r_
SPRING '_'_"-
(RED OR WHITE)
FIG. 38
TO ADJUST CHOKE CONTROL (See Fig. 39)
The choke control has been preset at the factory and
adjustment should not be necessary. Check ad ustment as
described below before loosening cable_ If adjustment s
necessary, proceed as follows:
o With engine not running, move choke control (located
on dash panel) to full "CHOKE" position
• Loosen knob and remove cover assembly from air
cleaner.
• Choke should be closed. If it is not, loosen casing
clamp screw and move choke cable until choke is
completely closed. Tighten casing damp screw se-
curely.
• Replace air cieaner cover assembly and tighten knob.
LE /JCHOKEI
F1G. 37 FIG. 39
23

,,,,,, i,i i i i,iii ii
SERVICE AN
II iiiiiiiiiii iii i iii i ii ii ...............
TO ADJUST CARBURETOR (See Fig. 40)
The carburetor has been preset at the factory and adjust-
ment should not be necessary. However, minor adjust-
rnent may be required to compensate for differences in fuel,
temperature, altitude or load. If the carburetor does need
adjustment, proceed as follows:
In general, turning the mixture screw In (clockwise) de-
creases the supply of fuel to the engine giving a leaner fuel/
air mixture. Turning the mixture screw out (counterclock-
wise) increases the supply of fuel to the engine giving a
richer fuel!air mixture.
IMPORTANT: DAMAGE TO THE NEEDLES AND THE
SEATS IN CARBURETOR MAY RESULT
IF SCREW IS TURNED IN TOO TIGHTo
ADJUSTMENTS
HHH,H=, H=
ACCELERATION TEST-
" Move throttle control lever from "SLOW" to "FAST"
position. If engine hesitates or dies, turn idle mixture
screw out (counterclockwise) 1/8 turn. Repeat test
and continue to adjust, ifnecessary, until engine accel-
erates smoothly.
High speed stop is factory adjusted. Do not adjust o.
damage may result.
IMPORTANT:
PRELIMINARY SETTING -
•Be sure you have a clean air filter, and the throttle
control cable and choke are adjusted properly (see
above).
•With enpine off turn idle mixture screw In (clockw se)
dosing it finger tight and then turn out (counterclock-
wise) !-1/4 to 1-1/2 turns_
FINAL SETTING -
• Start engine and allow to warm for five minutes_ Make
final adjustments with engine running and shift! motion
control lever in "NEUTRAL" position.
•With throttle control lever in "SLOW" position, hold
throttle lever against idle speed screw and adjust idle
speed screw to obtain 1300 to 1500 RPMo
• While still holdin_ throttle lever against idle speed
screw, turn idle mixture screw In (clockwise) until en-
gine begins to die and then turn out (counterclockwise)
until engine runs rough° Turn screw to a point midway
between those two positions.
•Continue to hold throttle neveragainst idle speed screw
and adjust idle speed screw to obtain 1200 RPM, if the
governed idle spring is red org00 RPM, if the governed
id e sp_ing is white. Release throttle lever.
NEVER TAMPER WITH THE ENGINE
GOVERNOR, WHICH IS FACTORY SET
FOR PROPER ENGINE SPEED. OVER-
SPEEDING THE ENGINE ABOVE THE
FACTORY HIGH SPEED SETTING CAN
BE DANGEROUS° IF YOU THINK THE
ENGINE_GOVERNED HIGH SPEED
NEEDS ADJUSTING, CONTACT YOUR
NEAREST AUTHORIZED SERVICE
CENTER, WHICH HAS PROPER
EQUIPMENT AND EXPERIENCE TO
MAKE ANY NECESSARY ADJUST-
MENTS.
TH ROTTLE IDLE SPEED
LEVER SCREW
IDLE
SCREW
FIG= 40
24

ii illll ill i,i, LJLI
STORAGE
Immediately prepare your tractor for storage at the end of
the season or if the unit will not be used for 30 days or more.
CAUTION: Never store the tractor with
gasoline in the tank inside a building
where fumes may reach an open flame
or spark. Allow the engine to cool
before storing in any enclosure.
TRACTOR
Remove mower from tractor for winter storage. When
mower is to be stored for a period of time, clean it thor-
oughly, remove all dirt, grease, leaves, etc,, Give blades
and underside of housing a good coat of grease or rust
preventative. Store in a clean, dry area.
• Clean entire tractor (See "CLEANING" in the Mainte-
nance section of this manual).
• Inspect and replace belts, if necessary (See belt re-
placement instructions inthe Service and Adjustments
section of this manual),
. Lubricate as shown in the Maintenance section of this
manual.
• Be sure that all nuts, bolts and screws are securely
fastened. Inspect moving parts for damage, breakage
and wear. Replace if necessary.
• Touch up all rusted or chipped paint surfaces; sand
lightly before painting.
BATTERY
. Fully charge the battery for storage.
*After a period of time in storage, battery may require
recharging,
• To help prevent corrosion and power leakage during
long periods of storage, battery cables should be
disconnected and battery cleaned thoroughly (see "TO
CLEAN BATTERY AND TERMINALS in the Mainte-
nance sectioin of this manual)_
• After cleaning, leave cables disconnected and place
cables where they cannot come in contact with battery
terminals.
•Be sure battery drain tube is securely attached to drain
in battery tray,
ENGINE
FUEL SYSTEM
IMPORTANT: 1T IS IMPORTANT TO PREVENT GUM
DEPOSITS FROM FORMING IN ESSEN-
TIAL FUEL SYSTEM PARTS SUCH AS
CARBURETOR, FUEL FILTER, FUEL
HOSE, OR TANK DURING STORAGE,
ALSO, EXPERIENCE INDICATES THAT
ALCOHOL BLENDED FUELS (CALLED
GASOHOL OR USING ETHANOL OR
METHANOL) CAN ATTRACT MOISTU RE
WHICH LEADS TO SEPARATION AND
FORMATION OF ACIDS DURING
STORAGE° ACIDIC GAS CAN DAMAGE
THE FUEL SYSTEM OF AN ENGINE
WHILE IN STORAGE,,
• Drain the fuel tank_
Start the engine and let it run until the fuel lines and
carburetor are empty°
•Never use engine or carburetor cteaner products in the
fuel tank or permanent damage may occur,
• Use fresh fuel next season,.
NOTE: Fuel stabilizer is an acceptable alternative in
minimizing the formation of fuel gum deposits during stor-
age, Add stabilizer to gasoline in fuel tank or storage
container. Always follow the mix ratio found on stabilizer
container. Run engine at least 10 minutes after adding
stabilizer to allow the stabilizer to reach the carburetor. Do
not drain the gas tank and carburetor if using fuel stabilizer.
ENGINE OIL
Drain oil (with engine warm) and replace with clean engine
oil. (See "ENGINE" in the Maintenance section of this
manual).
CYLINDERS
•Remove spark plug(s).
• Pour one ounce of oil through spark plug hole(s) into
cylinder(s).
• Turn ignition key to START position for a few seconds
to distribute oilo
• Replace with new spark plug(s),
OTHER
• Do not store gasoline from one season to another.
• Replace your gasoline can if your can starts to rust,
Rust and/or dirt in your gasoline will cause problems.
• If possible, store your unit indoors and cover it to give
protection from dust and dirL
• Cover your unit with a suitable protective cover that
does not retain moisture° Do not use plastic. Plastic
cannot breath which allows condensation to form and
will cause your unit to rust,
IMPORTANT: NEVER COVER TRACTOR WHILE EN-
GINE AND EXHAUSTAREAS ARE STILL
WARM.
25

_111illll i i ill,ii ill i,,,ll Ill U
TROUBLESHOOTING POINTS
,,, ,,,,i,i l i, Ull iu ul.................. ,,11
PROBLEM CAUSE CORRECTION
WIll not start
Hard to start
IH"Ill Ul I
Engine wltt not turn over
,,,,uu,,ii
Engine cltcks but will not
start
Loss of power
ii J,ii,i m,l,,iu,
Excessive vibration
1. Outof fuel.
2, Engine not"CHOKED" properiyo
3, Engine flooded,
4_ Bad spark plug,,
5_ Dirty air filter,
6 Dirty fuel filter.
7_ Water tn fuel.
8. Loose or damaged wiring.
9. Carburetor out of adjustment
10, Engine valves out of adjustment,
1, Fill fuel tank
2. Sea TO START ENGINE In Operation section.
3. Walt several minutes before attempting to start.
4,, Replace spark plug.
5. Clean/replace air filter.
6_ Replace fuel filter.
7. Drain fuel tank and carburetor, refllt tank with fresh
gasoline and replace fuel filter.
8 Check aU wiring,
9, Contact Sears Service Department`
10. Contact Sears Service Department.
t, Dirty air filter°
2_ Bad spark plug.
3o Weak or dead battery.
4. Dirtyfuel filter.
5. Stale or dirty fuel.
6, Loose or damaged wiring
7. Carburetor out of adjustment.
8. Engine vaives out af adjustment
1. Clutch/brake pedal not depressed,
2, Attachment clutch Is engaged.
:3. Spark ptug wire ts disconnected.
4. Weak or dead battery.
5, Blown fuse°
6. Corroded battery termlnals_
7. Loose or damaged wiring.
8. Faulty Ignition switch,
9, Faulty solenoid or starter.
10 Faulty operator presence switch(as),
,,,, H,H, I ,I,,I I IHHI
1. Weak or dead battery.
2. Corrodedbattery terminals,
3. Looseordamagedwlrtng_
4. Faultysolenoid or starter.
1. Cuttingtoo much grass/too fast,
2Throttle In'CHOKE" position.
3Build-up of grass, leaves and trash under mower
4o Dirty air filter.
5. Low oillevel./dlrtyoil
6_ Faulty sparkplug.
7_ Dirtyfuel flltero
8. Stale or dirtyfuel
9. Water In fueL.
10, Spark plug wire loose,
11, Dirty engine air screen]tins.
12. Dirty/clogged muffler.
t3. Loose or damaged wiring.
t4. Carburetor out of adjustment.
15. Engine valves out of adjustment
,,,,i ii i i ,,,i,i,i IHH
1. Worn, bent or loose blade.
2o Bent b|ade m_dreL
3. Loose/damaged part(s)_
I. Clean]replace air filter.
2. Replace spark plug.
3. Recharge or replace battery.
4_ Replace fuel fllter_
5, Drain fuet tank and reflI_ with fresh gasoline.
6. Check aU wldng.
7o Contact Sears Service Department,
8. Contact Bears Service Department,
1, Depress clutch/brake pedal
2_ Disengage attachment clutch°
3. Connect wire to spark plug,
4_ Recharge or replace battery.
5. Replace fuse
6. Clean battery termlnais_
7. Check all wiring,
8_ Check/replace Ignition switch.
9 Check/replace solenoid or starter.
10. Contact Sears Service Department,
,,,,J,Ni II,H,,H HII
1. Recharge or replace battery,,
2. CIean battery termthais.
3. Check all wiring.
4, Check!replace solenoid or starter.
t, Set In "Higher Cut" position]reduce speed.
2. Adjust throttle control.
3. Clean underside of mower housing.
4. Clean]replace air filler.
5,, Check oil level/change oil
6. Clean and regap or change spark plug.
7. Replace fuel filtero
8. Drain fuel tank and refill with fresh gasoIine.
9, Drain fuel tank and carburetor, refilI tank with fresh
gasoIIne and replace fuel fitter_
10. Connect and tighten spark piug wire.
11o Clean engine air screen]fins.
12. Clear,replace muffler.
13. Check all wiring.
14. Contact Sears Service Department.
15. Contact Sears Service Department,
Ul, i
1. Replace blade. Tighten btade bait,
2. Replace blade mandrel
3Tighten loose part(s). Replace damaged parts.
26

i,l,lllll i ,1111 ,llll,i i i ,i,1,11 i i illll,lll,lllll illllllllll ii i ii iiit,llll i Ill
TROUBLESHOOTING POINTS
PROBLEM
Engine continues to run
when operator leave8 seat
with attachment clutch
engaged
Poor cut - uneven
Mower blades will not
rotate
=1, iiii!ll
Poor grass discharge
ii Jll,,i ii illlllllll ii
Headlight(s) not working
(lf so equipped)
t,lll i II LIIIIIllllI I
Battery will not charge
CAUSE
1_ Fautty operatoFsaiety presence control system
1o Worn, bent or loose blade.
2. Mower deck not level,
CORRECTION
............... Lll illl
1, Check widng, switches and connections, If net
corrected, contact Sears Service Department
1 Replace blade. Tighten blade bolt.
2. Level mower deck.
3. Buildup of grass, leaves, and trash under mower.
4o Bent blade mandrel
1o Obstruction in clutch mechanism.
2, Mower drive bait out of adjustmenL
3. Worn/damaged mower drive bert.
4, Frozen idEerpulley.
5, Frozen blade mandrel,
1. Engine speed too slow.
24 Travel speed too fast
3, Wet grass,
4, Mower deck not leVeL
5,. Low/uneven tire air pressure,
6. Worn, bent or loose blade.
7, Buildup of grass, leaves and trash under mower.
8. Mower drive belt worn or out of adjustment
3, Clean underside of mower housing.
4, Replace blade mandrel
!, Remove obstruction
2, Adjust mower drive belt.
3. Replace mower drive belt,
4. Replace idler pulley
5. Replace btade mandrel
1, Place throttle control in "FAST" posttion_
2. Shift to slower speed,
3. Allow grass to dry before mowing.
4. Lever mower deck.
5_ Check tires for proper air pressure°
,64 Replace/sharpen blade. Tighten blade bo_t,
7. Clean underside of mower housing.
8 Replace[adjust mower drive belt
9, Blades Improperly lnstafled,,
10, Improper blades used
i.,,J lu,,,, ml
1, Switch is "OFF",
2r Bulb(s) burned OUL
3. Faulty light switch,
4_ Loose or damaged wiring_
5o Blown fuse
i.11 ........
1, Bad battery celi(s).
2_ Poor cable connections,
3, Faulty regurator (if so equipped),
9, Reinslall blades sharp edge down,,
O_ Replace with blades listed in this manual
1. Turn switch =ON".
2. Replace bufb(s).
3, Check/replace light switch.
4. Check wiring and connections.
5. Replace fuse,
.....,HI i,i iiii I,,HH II
1_ Replace battery,
2. Check/dean a!l connections
3, Replace regulator,
_7


SCHEMATIC
14 HP RIDING LAWN TRACTOR -- MODEL NUMBER 917.255540
RED
RED
WHITE
_SWlTCH t__
RED \
IGNITION SWITCH
POSITION CIRCUIT
i:
OFF M + G
ON B+ L
START B + S + L
BATTERY
RED
FUSE 30 AMP = _ I
...... t ...... I I _ I
I _ WHITE
! i : i -b:
-w--J I I I _...... J
1 _ J CLUTCHIBRAKE
__ __ (PEDALUP) BLACK
, ATPMENTCLUTCH
(CLUTCHOFF)
ORANGE
TILLER
ATTACH-
MENT
CONN,
BLACK
I I
STARTER
I ......... I
I I
_ BLACK
i I
SEAT SWITCH
(NOT OCCUPIED) t_ r-_
_c, y-! .....I_GNIT_IO.._____JT------O
_ 16 AMP O_
REGULATOR
-4
SPARK O-----_
PLUGS _-----_
[ ALTERNAT_
o uE
_ C)_ _(_l_ AFTER FIRE
SOLENOID
BROWN _CK
J...... _ I _ I HEAD
HEADLIGHT
SWITCH L_ LIGHTS
(OFF)
WIRING INSULATED CLIPS
NOTE: IF WIRING INSULATED
CLIPS WERE REMOVED FOR
SERVICING OF UNIT, THEY
SHOULD BE REPLACED TO
PROPERLY SECURE YOUR WIRING
NON-REMOVABLE
CONNECTIONS
REMOVABLE
CONNECTIONS
-7
29

REPAIR PARTS
14 HP RIDING LAWN TRACTOR - - MODEL NUMBER 917.255540
ELECTRICAL
17
2O
42
28
46 32 18
15
I
I
I
t
47
/
/
/
/
1
30

REPAIR PARTS
14 HP RIDING LAWN TRACTOR - - MODEL NUMBER 917.255540
ELECTRICAL
KEY PART DESCRIPTION
NO. NO,
! 109310)(
2 110859X
3 4152J
4 102972X
5109553X
6124211X
7 110712X
8 109081X
9 10090400
10 73350400
11 74780408
12 11050400
13 73510400
14 719J
15 127873X
16 2751R
17 4206J
t8 4207J
19 109787X
20 121537X
21 121305X
22 104445X
23 17021008
24 108824X
25 74760412
Molded, Key
Harness, Light Socket
Bulb, Light
Switch, Ignition
Switch, Interlock, Attachment, Clutch
Ignition, Nut
Switch, Light
Solenoid
Washer, Lock 1/4
Nut, Jam 1/4-20
Bolt, Hex, Fin 1/4-20x 1/2
Washer, Lock, External Tooth 1/4
Nut, Keps 1/4-20
Cover, Terminal
Harness, Ignition
Clip, Fuel Line
Cable, Battery
Cable, Ground
Bezel, Ignition
Battery (Includes Battery Acid)
Switch, Seat
Switch, Interlock, Clutch
Screw, Hex, Tap #10-24 x 1/2
Fuse,
Bolt, Hex 1/4-20 x 3/4
KEY PART
NO. NO.
DESCRIPTION
26 19091016
27 10040400
28 73220400
29 123198X
30 11050600
3t 102476X
32 72240460
33 74641008
34 73951000
36 102501X
38 235R
39 74780408
40 73680400
41 100541K
42 109596X
43 4171R
44 121264X
46 7603J
47 123620X
-- 101539X
-- 120960X
Washer 9/32 x 5/8 x 16 Gauge
Washer, Lock 1/4
Nut. Hex 1/4-20
Nut, Wing 1/4-20
Washer, Lock, External Tooth 3/4"
Guard, Terminal
Bolt, Carriage 1/4-20 x 7-1/2
Screw, Stotted Pan Head #10-32 x 1/2
Nut, Keps #t0-32x 1/2
Wire, Loop
Clip, Insulation
Bolt, Hex 1/4-20 x 1/2
Nut, Crowntock 1/4-20
Tube
Clamp, Hose
Clip, Insulated
Caps, Battery
Tray, Battery
Cover, Key Switch
Sheet, Instruction, Tractor 15° Slope
Decal, Battery
127877Owners Manual
*STANDARD HARDWARE - PURCHASE LOCALLY
NOTE: All component dimensions given in U.S. inches.
1inch = 25.4 mm
A B
(_12
13
C D E
_34 _ 40

REPAIR PARTS
14 HP 38" RIDING LAWN TRACTOR - -MODEL NO. 917.255540
CHASSIS
9S,
92
100
sO
G
F
62
23
1
21
98
\
47
66
28
27
39
33
36
61
32 38

REPAIR PARTS
14 HP 38" RIDING LAWN TRACTOR - -MODEL NO. 917.255540
CHASSIS
KEY PART KEY PART
NO. NO. DESCRIPTION NO, NOv
1127438X Seat 62 108410X
3 !26656X Bracket, Pivot, Seat 63 106091X
4 105529X Bolt, Shoulder 5/16-18 64 t06090X
5 120068X Knob, Adjustment 65 106909X
6 73680500 Nut, Lock 5/!6-18 66 t06003X
7 73680600 Nut, Lock 3/8-16 67 106004X
8 !26599X459 Fender 68 110897X
9 106202X Reflector, Rear 69 127018X
11 17490612 Screw, HexWasherThdo Rotl 70 108512X
3/8-16 X3/4 71 108513X
12 74760612 Washer 13/32 x 13/16 x 12 Gauge 74 7476061
13 STD523707 Bolt, Hex 3/8-!6 x3/4 75 STD551037
14 7192J Tie, Cable 76 110350X
16 120579X Nut, Pat 77 11050600
17 124238X Cap, Spring 81 17490612
19 124181X Spring, Compression
20 19131614 Washer 13/32 x 1 x 14 Gauge 82 123933X394
21 109873X Bracket, Fender 83 9151R
23 127813 Tank, Fuel 84 17490608
24 123549X Cap, Fuel
25 123487X Clamp, Hose 85 5320R
26 5277J Line, Fuel 89 19171912
27 106082X Pad, Spacer 90 !24294X
28 127213X Assembly, Chassis 91 121251X
29 12t306X Drawbar 92 121246X
30 124118X Panel, Dash, LoH. 93 121249X
31 121794X Cover, Access 94 72170410
32 I10828X Panel, Dash, R.H. 95 t21250X
33 I05525X Bracket, Support, Dash 96 t21248X
35 I05465X459 Footrest, LoHo 97 t23976X
36 105464X459 Footrest, R.H. 98 126564X
37 72140606 Bolt, Carriage 3/8-16x3/4 100 127271
38 I05466X Pad, Footrest 101 74760408
39 110923X Bracket, Clutch, Mower 102 106092X
43 110436X Grommet, Split -- 128490
44 !05839X Receptacle -- 128491
45 105838X Retainer - _ 128314
46 123650X Stud 1/4 Turn -- 127520
47 105867X Shield, Heat -- 108428X
48 109015X Bracket, Pivot, L,H., - _ 105806X
49 109016X Bracket, Pivot, RH. -- 105807X
50 106013X459 Hood -* 4900J
51 2751R Clip -- 109199X
52 108402X U-Clip -- 106813X
53 106910X Washer - _ 106814X
54 108067X Nut, Pal -- 106974X
55 105528X Grill * _ 125962X
58 17490608 Screw, Hex, Wsh, Thd. Roll
3/8-16 x 1/2
59 127530 Strap, Tank
60 120529X Washer, Nylon ,44 x .75 x .032
6t 108403X Panel, Side, R.H.
DESCRIPTION
Panel, Side, L.H_
Hinge, R.H.
Hinge, L.H.
Screw, Special
Lens, R.H.
Lens, L.H_
Bezel, Headlight
Bolt, Shoulder
Bracket, Pivot, RoH.
Bracket, Pivot, L.H.
Bolt, Hex 3/8-16 x 1
Washer 13/32 x 13/16 x 16 Gauge
Strap Assembly, Grill
Washer, Lock, External Tooth 3/8
Bolt, Hex Washer Thd. Roll
3/8-16 x t
Pointer, Height Indicator
Grommet
Screw, Hex Washer Thd. Roll
3/8 x 16 x 1/2
Clip, insulated
Washer 17/32 x 1-3/16 x 12 Gauge
Pan, Seat
Strip, Foam
Bracket, Switch Mount
Spacer, Split
Bolt, Carriage 1/4-20 x 1-1/4
Spring, Compression
Bushing, Snap
Nut, Hex, Flange, Large
Strip, Foam
Console,
Bolt, Hex, Fin 1/4-20 UNC x 1/2
Support, Heat Shield
Decal, Hood, R.rH.
Decal, Hood, L.H.
Decal (Fender)
Decal, USA
Decal, Speed,
Decal (Grill)
Decal, Stripe (Grill)
Decal, Clutch/Brake
Decal, Drive Belt
Decal, Stripe, Side Panel, LH
Decal, Stripe, Side Panel, R.H.
Decal, Caution
Decal, HP (Side Panel)
* STANDARD HARDWARE - PURCHASE LOCALLY
NOTE: All component dimensions given in U.S. inches.
1 inch = 25A mm
A B C D E F GH J K L M N
33
R S
54 _69 _ 74
_77
O,
TZ

REPAIR PARTS
DRIVE
55
86
/
14 HP 38" RIDING LAWN TRACTOR - -MODEL NO. 917.255540
G
76
98 D
54
_5 6
oo
15
"10
j
7O
36 _,_ | 32 I '_.-71
,_43
1--OPTIONAL EQUIPMENT _I
!SPARK ARRESTER KIT I
34

REPAIR PARTS
14 HP 38" RIDING LAWN TRACTOR - - MODEL NO. 917.255540
DRIVE
KEY PART KEY PART
NO, NOo DESCRIPTION NQ NO,
1 123666X Pulley, Transaxle (Driven) 59 110437X
2 12000028 Ring, Retainer 60 124236X
3 73800600 Nut, Hex, Lock W,&_/sh Insert 3/8-16 61 106888X
4 120898X Transaxle, 6 Speed, Dana Model No. 62 19131316
4360-7 63 121748X
5 105953X Duct, Air Intake 64 73350600
6 13200300 Elbow, STD. 90° 3/8-18 65 STD561210
7 13280336 Nipple, Pipe 67 123766X
8 12781t Engine, 14HP, Vanguard, Bdggs & 68 t23789X
Stratton Model No. 303777, Type No.. 69 123205X
0032-03 70 74760624
9 122440X Muffler 71 110812X
10 122434X Tube, Manifold, L H. 72 12000039
11 122435X Tube, Manifold, R.H 73 105709X
14 17190408 Screw, HexWsh.Thd Cut. 1/4_20 74 105710)(
15 122981X Shield, Heat 76 124559X
t6 127272X Bushing, Rod, Steering 77 17720410
17 125907X V-Belt, Drive 78 59192
18 2751R Clip 79 65139
24 17490612 Screw, Hex Washer Hd Thd Roll. 80 106268X
3/8-16 x 3/4 81 106108X311
25 121218X Keeper, Belt, Engine 82 109502X
26 74760612 Bolt, Hex 3/8-16x 3/4 83 121749X
27 19131312 Washer 13/32 x 13/16 x 12 Gauge 84 12000001
28 73680600 Nut, Lock 3/8-I6 85 104757X
29 8883R Cover, Pedal 86 123583X
30 122424X Shaft, Foot Pedal 87 t27274X
31 STD571810 Pin, Roll 3/16 x 1 88 17490624
32 STD551062 Washer 21/32 x 1 x 16 Gauge
33 120183X Bearing, Nylon 89 17490512
34 122439X Bracket, Muffler Mounting
35 121440X Guide, Belt, Lower, Engine Pulley, L.H. 90 74760616
36 121441X Guide, BeLt,Lower, Engine Pulley, R.H. 91 105706X
37 104777X Guide, Beft Retainer, Chassis 93 19132012
38 109070X Keeper, Belt 97 7152J
39 4470J Spacer 98 1t0422X
40 123674X Idler, Flat 99 121851X
41 74760644 Bolt, Hex 3/8-16x2-3/4 100 101326L
42 105731X Putley, Engine 10t 11050600
43 10040700 Washer, Lock 7/16 102 17030808
44 71130720 Belt, Hex 7/t6-20 x 1-1/4 103 71040412
45 127275X Keeper, Belt, LH 104 STD551025
46 106933X Knob 105 123794X
47 123781X Rod, Shifter 106 73530400
49 19091216 Washer9/32x3i4x10 107 126591X
50 19131614 Washer 13/32 x 1 x 14 Gauge 108 12000003
51 105701X Washer, Shift Rate 109 t27273X
52 19171216 Washer 17/32 x 3/4 x 16 Gauge 110 123782X
53 STD523727 Bolt, Hex 3/8-16 x 2_3/4 111 123793X
54 121520X Strap, Torque - - 125917X
55 109167X Bracket, Transaxle -- 125918X
56 123223X Duct, Extension -* 127781X
57 76020412 Pin, Cotter 1/8 x 3/4
58 125637X Rod, Brake, Park
DESCRIPTION
Rod, Brake
Cap
Spring, Rod, Brake
Washer 13/32 x t3t16 x 16 Gauge
Washer 25/32 x 1-5/8 x 16 Gauge
Nut, Hex, Jam 3/8-16
Pin, Cotter 1/8x 1
Pulley, Idler
Arm, idler
Retainer, Belt
Bolt, Hex 3/8-16 x 1-1/2
Washer, Hardened
Ring, Klip
Spring, Return, Clutch
Link, Clutch
Control, Throttle
Screw, Hex Thd Cut 1/4-20 x 5/8
Cap, Valve
Stem, Valve
Tire, Rear
Rim,
Spacer, Split
Washer 25/32 x 1-1/4 x 16 Gauge
E-Ring
Cap, Hub, Rear
Key, Square 25 x 1845/1865
Keeper, Belt, RH.
Bolt, Hex Washer Thd Roll
3/846 x 1-1/2
Screw, Hex Washer Thd Roll.
5/16-18 x 3/4
Bolt, Hex 3/8-16 x 1
Bearing
Washer 13/32 x 1-1/4 x 12 Gauge
Tube
Spring, Brake Return
Spark Arrester Kit
Deflector, Muffler
Washer, Lock, Tooth 3/8
Screw, Hex, Spidedock #8 x 1/2
Bolt, Hex 1/4_28 x 3/4
Washer 9/32 x 3/4 x 16 Gauge
Shift, Arm
Nut 1/4-28
Washer 2t/32 x 1-1/4 x 16 Gauge
Ring, Klip
Shaft Assembly, Shifter
Spring, Torsion
Rod, Tie
Decal, Engine
Decal, Engine, B & S
Decai, Airduct, V-Twin, Engine
* STANDARD HARDWARE - PURCHASE LOCALLY
NOTE: A!l component dimensions given in U.S inches
1 inch = 25 4 mm
AB D E G H J K L M N O P Q
oo 90 88 89 14 102
_28 (_ 93 @ 101_ 5
35

REPAIR PARTS
14 HP 38" RIDING LAWN TRACTOR - - MODEL NO. 917.255540
STEERING AND FRONT AXLE
65
5O
2O
36

REPAIR PARTS
14 HP 38" RIDING LAWN TRACTOR - -MODEL NO. 917.255540
STEERING AND FRONT AXLE
KEY PART KEY PART
NO. NOt DESCRIPTION NO. NO. DESCRIPTION
2 126805X insert, Steering Wheel 46
3 73940800 Nut, Top Lock 1/2-20 UNF 48
4 100712K Washer 49
5 100713N Wheel, Steering 50
6 100711L Adapter, Steering Wheet 5I
7 106015X Sleeve, Steering 52
8 120028X Dash 53
9 127536X011 Dash Plate 54
10 109816X Nytiner, Snap-tn 55
11 !7490608 Screw, Hex Washer Thd_ Roll. 56
3/8-16 x 1/2 57
12 121749X Washer 25/32 x 1-1/4 x 16 Gauge 58
13 128755 Shaft, Steering 59
16 124036X Bracket, Steering 60
17 124037X Gear, Pinion 61
18 19212010 Washer 21/32 x 1-1/4 x 10 Gauge 62
19 124033X Shaft, Pitman 64
20 12000029 Ring, Ktip 65
21 6266H Bearing, Thrust 66
22 124034X Gear, Sector 67
24 105518X Dash, Lower 68
25 74180512 Screw, Crown Truss Hdo 69
5/16-18 x 3/4 70
26 73680500 Locknut 6/16-18 72
27 127543X011 Saddle 73
28 73680600 Locknut 3/8-16 74
29 STD523120 *Bolt, Hex 5/16-18x2 75
30 t21236X Spacer 76
31 128231 Support Plate, Battery 77
32 STD523707 *Bolt, Hex 3/8-16 x 3/4 78
33 57079 Washer 79
34 124035X Support, Shaft 80
35 126684X Washer 5/8 x 1/4 x 16 Gauge 81
36 126540 Control, Choke 83
37 17490612 Screw, HexWsh. Thd. RolL 84
3/8-t6 x 3/4 85
38 11050600 Washer, Lock, lntJExternal Tooth - -
3/8 --
39 72110608 Bolt, Carriage
40 1J_669X Axle, Front 1o'_o7_
42 74761060 Bolt, Hex 5/8-!1 x 3-3/4
45 110438X Spacer, Bearing, Front Axte
73901000
105656X
t05654X
121748X
105715X
19131416
STD561210
3366R
124032X
STD551137
STD541137
1554J
17431008
104757X
275tR
STD541037
59192
65139
278H
9040H
106732X31!
106222X
Locknut, Flange 5/8-tl
Spindle, LH..
Spindle, R.H.
Washer 25/32 x 1-5/8 x 16 Gauge
Rod, Tie
Washer 13/32 x 7/8 x 16 Gauge
*Pin, Cotter 1/8x3/4
Bearing
Link, Drag
*Washer, Lock 3/8
* Nut, Hex 3/8-24
Bushing, Steering
Screw, Hex #10-16x 1/2
Cap, Hub, Front
Clip, Fuel Line
*Nut, Hex 3/8-16
Cap, Valve
Stem, Valve
Fitting, Grease
Bearing
Rim,
Tire, Front
STD551125 *Washer, Lock 1/4
59904
72110622
121235X
19131416
71070410
STD5t2507
19091216
73510400
19272016
124460X
5320R
120754X
121232X
128315
108456X
Tube, Tire, Front
Bolt, Carriage, Hex 3/8-16 x 2-3/4
Spacer
Washer 13/32 x 7/8 x 16 Gauge
Screw, Hex, Socket, 1/4 x 20 x 5/8
* Screw, Pan Head 1/4-20 x 3/4
Washer 13/32 x 3/4 x 16 Gauge
Nut, Keps 1/4 NC
Washer 27/32 x 1-t/4 x 16 Gauge
Bracket, Air Duct Locator
Clip, Insulated
Bushing
Cap, Spindle
Decal, Cap, Steering Wheel
Decal (Dash)
*STANDARD HARDWARE - PURCHASE LOCALLY
NOTE: Alt component dimensions given in U.S_ inches.
1 inch = 25.4 mm
B
Q26
Q26
D F G H
73 (_56
028 ®62
_ 75
(D56
@ 82
M J K L
78
38 _79
37

REPAIR PARTS
14 HP 38" RIDING LAWN TRACTOR - -MODEL NO. 917.255540
LIFT"ADJUSTMENT
1
i
14
217
I3'
52
J
E
11 49
48
35
18
36 /
33
2
40
O
2
38

REPAIR PARTS
14 HP 38" RIDING LAWN TRACTOR - -MODEL NO. 917.255540
LIFT ADJUSTMENT
KEY PART KEY PART
NO. NO, DESCRIPTION NO, NQ DESCRIPTION
1 106933X Knob 30 9t35R
2 125916X Lever, Mower, Clutch 31 4939M
3 125914X Bracket, Pivot 32 110447X
4 73680600 Nut, Lock 3/8-16 33 4921H
5 STD523707 *Bolt, Hex 3/8-16x3/4 34 19171516
6 106451X Bolt, Shoutder 35 110448X
7 108387X Rod, Clutch, Primary 36 110029X
8 76020412 Pin, Cotter 1/8 x 3/4 38 STD541237
9 106308X Trunnion, Lift, Lower 40 121599X
10 109728X Beltcrank 41 105848X
11 108236X Bracket, Switch 42 121598X
12 106444X Bracket, BeHcrank 43 S'1"D541050
13 1200037 Ring, Klip 44 58606
14 100734K Knob, Height Adjustment 45 76020308
15 110807X Nut, Special 46 19131410
16 110729X Rod, Adjust, Lift 47 73980600
17 2876H Spring 48 12000022
18 STD551037 *Washer 13/32 x 5/8 x 16 Gauge 49 19292016
19 17021008 Screw, Hex Hd Tap. 50 73360700
20 124516X Shaft, Lift 51 122365X
21 121002X Lever, Lift (Inc. Key No. 22) 52 73710700
22 121006X Rod, Lever 53 123934X
23 122364X Plunger, Lever 54 19112410
24 125631X Grip, Handle 55 STD551131
25 STD523715 *Bolt 3/8-t6x 1-1/2 56 74780516
26 123935X Plug, Hole
27 110739X Washer, Spring 3/8
28 1108t0X Trunnion, Stop Depth
29 19151216 Washer 15/32 x 3/4 x 16 Gauge
Retainer, Spring
Retainer, Sp.ring
Trunnion, Dft
Retainer, Spring
Washer 17/32 x 5/16 x 16 Gauge
Link, Lift, Adjust
Link, Lift
*Nut, Jam 3/8_16
Arm, Suspension, L.H
Bolt, Shoulder 3/8-16
Arm, Suspension 3/846
*Nut, Hex, Fin 1/2-13
Spring
Pin, Cotter 3/32 x 1/2
Washer 13/32 x 7/8 x 10 Gauge
Nut, Lock 3/8-!6
E-Ring
Washer 29/32 x 1-1/4 x 16 Gauge
Nut, Hex, Jam 7/16 x 20
Button, Plunger
Nut, Crownlock, Jam 7/16 x 20
Scale, Height Indicator
Washer 11/32 x 1-1/2 x 10 Gauge
*Washer, Lock Hvy. Hetical Spring
Bolt, Hex, Fin 5/16-18 x 1
*STANDARD HARDWARE -PURCHASE LOCALLY
NOTE: All component dimensions given in U.S. inches.
1 inch = 2&4 mm
A B D E
_5 _25_41_ 19
47
39

REPAIR PARTS
14 HP 38" RIDING LAWN TRACTOR - - MODEL NO. 917.255540
MOWER
•_"25_ 28
29
34 35
i34 35
1\
22
A
45
15
21
18
iA
3
7
K8
36
_39

REPAIR PARTS
14 HP 38" RIDING LAWN TRACTOR - - MODEL NO. 917.255540
MOWER
KEY PART KEY PART
NO NO. DESCRIPTION NO. NO. DESCRIPTION
1 106085X V-Belt 41 STD551137
2 !21259X Housing 42 STD632715
3 8417J Runner, RH. 43 I08250X
4 73680600 Locknut 3/8-16 44 !08235X
5 19111216 Washer 11/32 x 3/4 x16 Gauge 45 4921H
6 72140505 Bolt, Carriage 5/16-18 x 5/8 46 6404J
7105896X Bracket, Deflector 47 124066X
8 110452X Nut, Push 48 76020616
9 106734X Spring, Deflector 49 t08247X
10 106735X Rod, Hinge 50 STD533707
11 106736X Deflector, Shield 52 108243X
13 105304X Cap 53 108241X
14 105662X Link, Parallel 54 105857X
15 105744X Pin, Hinge, Front 55 108673X
16 STD551037 *Washer t3/32 x 13/16x 16 56 106578X
Gauge 57 106463X
17 105872X Stop, Link 58 108249X
18 109835X Pin, Hinge, Rear 59 106456X
19 STD523707 *Bolt 3/8-16 x 3/4 60 100672K
20 73680500 Locknut 5/16-18 61 100673L
21 109598X Bracket, Lift, Roll° 62 106513X
22 109597X Bracket, Lift, LH- 63 19111016
23 STD533107 *Bolt, Carriage 5/16-t8 x 3/4 64 74760688
25 109503X Support, Arm 65 7631J
26 109504X Stop, Deck, Front 66 19131614
28 126756X Guide, Belt 67 72140610
29 STD523720 *Bolt 3/8._16x 2 69 122314X
30 127163X Arm, idler 73 74760412
31 76020308 Pin, Cotter 74 109893X
32 123688 Pulley, Idler 75 73680400
33 106902X Spacer, Retainer 76 110445X
34 102669X Keeper, Belt 77 72110506
35 121676X Mandrel Assembly -. !22215X
36 100668L Plate, Support, Mandrel -- t05814X
37 17490614 Screw, Hex Washer Hd. 3/8-16 x -- 121343X
3/4
38 17490620 Screw, Hex Washer Hd. 3/8-16 x
1-1/4
39 121263X Blade, 38"
40 19132012 Washer 13/32 x 1-1/4 x 12
Gauge
J
@4
*Washer, Lock 3/8
*Bolt, Hex 3/8_24 x 1-1/2 Grade 5
Spring, Extension
Rod, Clutch, Mower
Spring, Retainer
Spacer 1/2 x 9/16
Rock, Shaft, Assembly
Pin, Cotter 3/16 x 1
Rod, Brake, Primary
Bolt, Carriage 3/8-16 x 3/4
Bracket, Pivot, RH
Bracket, Pivot, LH.
Bracket, Suspension, Rear, R,H
Bracket, Suspension, Rear, L.H.
Brake Assembly
Rod, Brake, Secondary, LH.
Rod, Brake, Secondary, R.H.
Bracket, Brake, Pivot
Spacer, Brake
Bracket, Support
Washer, Wear
Washer 11/32 x 5/8 x 16 Gauge
Bolt 3/8-16 x 5-1/4
Runner, L.H.
Washer 13/32 x 1 x 14 Gauge
Bolt, Carriage 3/8-16 x 1-1/4
Spacer, Split
Bolt, Hex 1/4-20 x 3/4
Washer, Special
Nut t/4-20
Plate, Support, L H., Mandrel
Bolt, Carriage 5/16-18 x 16 Gauge
Mower Assembly Complete
Decal (Mower, Housing)
Decal, Warning (Mower, Housing)
*STANDARD HARDWARE - PURCHASE LOCALLY
NOTE: All component dimensions given in U.S inches.
1 inch = 25.4 mm
M N P Q
7_74
_74 @20
75 4
41

REPAIR PARTS
14 HP 38" RIDING LAWN TRACTOR - . MODEL NO, 917,255540
TRANSAXLE FOOTE-DANA - - MODEL NO. 4360.7
59 49
50
56 51
55 18
58 60
43 52

REPAIR PARTS
14 HP 38" RIDING LAWN TRACTOR -- MODEL NO. 917.255540
TRANSAXLE FOOTE-DANA - - MODEL NO. 4360-7
KEY PART KEY PART
NO. NO. DESCRIPTION NO. NO, DESCRIPTION
39 120471X
1 't20458X Housing,. Upper 40 120472X
2 2274J Screw, Tapping, Lg. t/4-20x.734 41 105928X
3 68003 Ball, Detent 42 t10084X
4 105904X Spring, Detent 43 !08983X
5 105905X Screw, Set 43 105930X
6 120460X Assembly, Shifter 43 105931X
7 120461X O-Ring 43 105932X
8 120462X *Washer, Plain .505 x 942 x .006 43 3417J
8 120463X *Washer, Plain .505 x .942 x .010 43 106097X
8 120464X *Washer, Plain 505 x .942 x ,015 43 2264J
8 120465X *Washer, Plain .505 x 942 x.020 43 106098X
8 120466X *Washer, Plain .505 x.942 x.026 43 2265J
8 83818 *Washer, Plain .505 x.942x.030 43 106586X
8 120467X *Washer, Plain .505 x .942 x .040 43 106587X
9 2286J Ring, Retaining 43 106588X
10 2267J Ring, Retaining 43 2263J
11 3413J *Washer, Plain .632 x 1.00 x .010 44 120473X
11 2233J *Washer, Plain .632 x 1.00 x 020 45 105933X
11 2232J *Washer, Plain .632 x 1.00 x .026 46 106151X
11 2231J *Washer, Plain .632 x 100 x.031 47 120407X
!1 2230J *Washer, Plain .632 x 1.00 x.036 48 t06589X
11 2229J *Washer, Plain .632 x !.00 x .041 49 120408X
11 2228J *Washer, Plain .632 x 1.00 x .046 50 t05937X
tl 2227J * Washer, Plain .632 x 1.00 x ..050 51 2226J
II 2226J *Washer, Plain ,632 x 1.00 x .060 52 2272J
11 105906X *Washer, Plain .632 x 1.00 x .082 53 2263J
12 6725J O-Ring 54 120474X
13 1204t5X Washer, Plain .632 x 1.38 x 046 55 1t0081X
14 2257J Key, Woodruff #9 56 105941X
I5 110077X Assembty, Kit, Input Shaft 57 110071X
16 110078X Pinion, Bevel, 14 Teeth 58 120952X
17 105909X Ring, Retaining 59 110082X
18 105910X Chain, 24 Pitches 60 120475X
19 105911X Bearing, Flange 6t 120476X
20 108976X Gear, Spur, 14 Teeth 62 120961X
21 1059t3X Collar, Clutch 63 7294J
22 t20468X Key, Clutch 64 108989X
23 2242J Key, Woodruff 65 120953X
24 120469X Shaft, Intermediate 66 120954X
25 2244J .Key, Woodruff #61 67 120955X
26 105916X Ring, Retaining 68 108992X
27 120470X Sprocket, 18 Teeth 69 108996X
28 110070X Spacer 70 120956X
29 108977X Gear, Spur, 37Teeth 71 73810500
30 109254X Gear, Spur, 35 Teeth 72 106596X
31 120405X Gear, Spur, 30Teeth 73 120993X
32 108980X Gear, Spur, 25 Teeth 74 120951X
33 120406X Gear, Spur, 22 Teeth 75 120416X
34 108455X Gear, Spur, 19Teeth
35 105925X Washer, Plain .640 x 1.37 x .061
36 2232J Washer, Plain .632 x 1.00 x .026
37 108978X Spacer .630 x IO0 x ,169
38 110079X Assembly, Gear, Combination **Order Key Number 15.
12 Teeth and 35 Teeth
Shaft, tdIer
Spacer .635 x875 x .755
Sprocket, 9 Teeth
Gear, Bevel, 42 Teeth
*Washer, Plain .758 x 112 x OI0
*Washer, Plain .758 x 1.12 x 0t5
*Washer, Plain .758 x 1.12 x .020
* Washer, Plain 758 x ! 12 x .025
* Washer, Plain .758 x '125 x 020
*Washer, Plain .758 x 1.25 x O26
*Washer, Plain .758 x 1.25 x .03t
*Washer, Plain .758 x 1.25 x .035
* Washer, Plain .758 x t.25 x .040
*Washer, Plain .758 x 1.25 x .045
*Washer, Plain .758 x 1.25 x 050
* Washer, Plain .758 x 1.25 x .055
*Washer, Plain .758 x 125 x .062
Shaft, Drive
Gear, Spur, 12 Teeth
Gear, Spur, 15 Teeth
Gear, Spur, 20 Teeth
Gear, Spur, 25 Teeth
Gear, Spur, 28 Teeth
Gear, Spur, 31 Teeth
Washer, Plain 632 x 100 x 060
Seal, Felt
Washer, Plain .758 x 1.25 x .062
Axle, L.H,
Gear, Miter, 15 Teeth
Ring, Retaining
Gear, Spur, 32 Teeth
Shaft, Cross
Gear, Miter, !5 Teeth
Axle, RH.
Housing, Lower
Puck, Friction
Disc, Brake
Spacer
Jaw, Brake
Pin, Dowel
Screw, Tapping, Lg. 5/16-18 x 225
Lever, Actuating
Washer, Plain .321 x 100 x 055
Bracket, Anti-Rotation
Locknut 5/16-24
Screw, Tapping, Lg 5/16-18 x 144
Washer, Plain 343 x .81 x .059
Puck, Friction
Grease
*Use in various combinations to maintain proper
clearances
NOTE: All component dimensions given in U S inches
1inch=254mm
43

REPAnR PARTS
14 H.P.RIDING TRACTOR --MODEL NUMBER 917.255540
ENGINE BRIGGS & STRATTON --MODEL NUMBER 303777, TYPE 0032-02
73
72 70
71
78 17
-63
56
57
9
13
T
12
15_ 14
18
37
44

REPAIR PARTS
14 H.P. RIDING TRACTOR -- MODEL NUMBER 917.255540
ENGINE BRIGGS & STRATTON -- MODEL NUMBER 303777, TYPE 0032-02
KEY PART DESCRIPTION KEY PART
NO. NO, NO. NO,
1 807511 Cylinder Assembly 49 805417
2 805107 Bearing-Cylinder 50 805054
3 805101 Seal-Oil 51 805412
4 805025 Screw-Sem 52 805413
5 807610 Bracket-Governor Controi 53 807596
6 805453 Spring-Governed Idle 54 807621
7 805381 Bott 55 805099
8 805462 Spring_Governor 56 807620
9 805465 Spring-Governor Link 57 807619
10 805018 Washer 58 807622
11 805383 Nut-Hex 59 805395
12 807528 Lever Assembly-Governor 60 805194
13 805480 Link-Governor 61 805313
14 491055 Resistor Spark Plug (Champion 62 807542
RJ12 or equivalent) 63 807588
t5 805529 Elbow-Spark Plug 64 805484
16 807510 Head Cylinder- (Cyl. #2) 65 805482
17 805Ill *+ Gasket.Cylinder Head 66 805362
18 805083 Liner-Exhaust Port 67 805483
19 805097 Screw-Cylinder Head 68 807553
20 805090 Valveqntake 69 805379
21 805089 Valve-Exhaust 70 805100
22 805354 Tappet-Valve
23 805094 Seal_Valve Guide
24 805078 Spring-Valve
25 805092 Retainer-Valve Spring 71 805019
26 805161 Retainer-Valve 72 805420
27 805352 Rod-Push 73 805028
28 805341 Support-Rocker Arm 74 805086
29 807623 Screw-ValveAdjustment (Includes: 75 805084
Jam Nut) 76 805085
30 807557 Arm-Rocker 77 807508
31 805342 Shaft-Rocker Arm 78 805103
32 805343 Stud-RockerArm 78A 805102
33 492932 Filter-Oil 79 805016
34 805449 Washer, Lock 80 805! 97
35 805073 Stud-Oil Filter Adapter 81 805011
36 805030 Screw-Sem 82 805317
37 805250 *Gasket-Oil Filter Adapter 83 807611
38 805292 Adapter-Oil Filter 84 805012
39 805059 Plug-Pipe 85 807516
40 807644 Oi! Pump Assembly 86 807638
41 805058 O-Ring (Oil Pump) 87 805193
42 805312 Screen-Oil
43 805057 Screw-Sem
44 805017 Screw-Crankcase Cover
45 805049 SeaI-Oi_
46 805416 Washer-Governor Shaft
47 805048 Plug-Oil Drain
48 805198 O.Ring (Crankcase) Cover
45
DESCRIPTION
Pin-Cotter
Seal-Governor Shaft
Bushing-Governor Shaft
Bushing-Governor Shaft
Fork-Governor
Pin Assyo Piston (Standard)
Lock-Piston Pin
Ring Set-Piston (Standard)
Piston Assembly (Standard)
Rod Assembly-Connecting
Screw-Connecting Rod
Screw
Slider-Governor
Gear-Cam
*Crankshaft
Washer-Breather Screw
Seal-Breather Screw
Tube-Breather
Seal-Breather Screw
*Breather Assembly
Gasket, Breather
*Cover-Valve
Note: *807665 Cover-Valve Used
on Cylinder #1 on Fue! Pump
Applications
+ Nut-Nylock
+ Washer-Valve Cover
*Valve-Cover Gasket
Seat_Exhaust Valve
Guide-Valve
Seat-Intake Valve
Head-Cylinder (CyL #1 )
Dowel-Crankcase
Dowel-Cylinder Head
Key-Flywheel
Baffle-Breather
Seal-Filler Tube
Screw-Mounting
Tube-Oil Filler
O-Ring
Dipstick
Cover Assembly-Crankcase
+ Washer-Cylinder Head
*Included in Gasket Set - Part No. 807640
+Included in Valve Overhaul Kit - Part No. 807668
Note: All component dimensions given
in U,S inches, 1inch = 25.4mm
A RESISTOR SPARK PLUG MUST BE USED IN
ORDER TO COMPLY WiTH
RADIC _NTERFERENCE
REGL_,.ATIONS

REPAIR PARTS
14 H.P. RIDING TRACTOR -- MODEL NUMBER 917.255540
ENGINE BRIGGS & STRATTON -- MODEL NUMBER 303777, TYPE 0032-02
1
I
51_ _50 16
,21
_:_73
u
,_4s
47LCARBURETOR OVERHAUL KIT ]_,46
18
38
31
14
36
46

REPARR PARTS
14 H.P.RIDING TRACTOR --MODEL NUMBER 917.255540
ENGINE BRIGGS & STRATTON -- MODEL NUMBER 303777, TYPE 0032-02
KEY PART DESCRIPTION KEY PART
NO. NO. NO. NO.
1 805006 Screw-Sem 42 805169
2 805409 Manifold Assembly-Intake 43 394890
3 805023 *Gasketqntake Manifold 44 805448
4 394358 *Filter-Fuel 45 805024
5 93053 Clamp-Hose 46 805158
6 393815 Hose-Fuel (Cut to Required Length) 47
7 805003 *Gasket_Air Cleaner 48
8 807576 Bracket-Air Cleaner 49 805149
9 805405 Screw-Air Cleaner Base 50 805329
10 805406 Screw-Sem 51 805360
11 805370 Deflector-Breather (AC,) 52 805565
t2 807685 Bracket-Fuel Pump 53 805561
13 805407 Screw-Mounting 54 807705
14 807564 Base-Air Cleaner 55 805586
15 221798 Terminal-Ignition Cable 56 807706
16 490586 Armature-Magneto 57 805562
17 491922 Pump-Fuel
18 805025 Screw-Sem 59
19 805407 Screw-Mounting 60 807707
20 807565 Screw-Air Cleaner Mtg. 61 805570
21 807609 Bracket-Choke Control 62 805571
22 805113 Filter-Air Cleaner 63 805522
23 805267 Pre-Filter 64 807709
24 805439 Link-Choke 65 807710
25 221535 Clamp-Casing 66
26 805169 Screw-Hex Head 67 807711
27 805447 Screw-Sem 68 807712
28 805021 Nut-Hex 69 807713
29 805007 Washer-Spring 70 805576
30 805402 Spacer 71 805574
31 280829 Screen-Rotating 72 805580
32 807639 Carburetor Assembly 73 805592
33 19203 Puller-Flywheel 74 807714
34 807646 Solenoid 75 807715
35 805407 Screw-Mounting 76 805575
36 807531 Flywheel & Ring Gear 77 805581
37 807594 Wire-Ground (CyL #1 ) 78 805578
38 393295 Stator-Alternator 79 805577
39 807593 Wire-Ground (CyL #2) 80 807717
40 805498 Nut-Nylock
4I 807527 Terminal-Ground
DESCRIPTION
Screw-Hex Head
Regulator-Alternator
Screw-Regulator Mtg,
* Gasket-Exhaust Manifold
Screw-Sem
Carburetor Overhaul Kit
Carburetor Gasket Set
*Gasket-Carburetor Mtg
Spacer-Carburetor
Screw-Sere
** Nozzle-Carburetor
Screw-Valve Mtg
Screw-Throttle Adj.
** Pin-Float Hinge
** Valve-Fuel Inlet
Valve-Choke Gasket-Sealing (Sold
in kit only)
**Jet-Main (Sold in kit and ref 147)
Valve Assy, Carb Idle
** Plug-Welch
** Plug-Welch
Valve-Throttle
Shaft-Throttle
Float Assy.-Carb,
** Gasket Float Bowl (Sold in kit only)
Shaft-Choke
** Nozzle
Drain-Carb Bowl
** Collar_Throttle
** Collar-Throttle
** Collar-Choke
Screw-Bowl Mtg.
Plug and Seal Carbo
Bowl Assy. Float
** Seal-Throttle Shaft
** Seal-Choke Shaft
Retainer-Choke Shaft
Retainer-Throttle Shaft
Bali-Choke Locator
*Included in Gasket Set-Part Noo 807640
**Included in Carburetor Overhaul Kit Part No, 807708
47

REPAIR PARTS
14 H.P. RIDING TRACTOR -- MODEL NUMBER 917.255540
ENGINE BRIGGS & STRATTON -- MODEL NUMBER 303777, TYPE 0032-02
1
I
2
0
11
t
13
14
1
1
10
_15
_'t8
(_17
KEY PART
NO. NO,
1 807640
2 805112
3 805028
4 805111
5 805024
6 805149
7 805023
8 805379
9 805250
DESCRIPTION
Gasket Set
*Gasket-Crankcase Cover
*+ Gasket,Valve Cover
*+ Gasket-Cylinder Head
* Gasket-Exhaust Manifotd
*Gasket-Carburetor Mtg,
* Gasket-Intake Manifold
* Gasket-Breather
*Gasket-Oil Filter Adapter
KEY PART
NO. NO.
DESCRIPTION
10 805003
11 807688
12 8O5483
13 805482
14 8O7668
15 805019
16 8O542O
17 805193
*Gasket-Air CIeaner
Breather Gasket Set
Seal-Breather Screw
Seal-Breather Screw
Overhaul Kit-Valve
+ Nut-Nylock
+ Washer-Valve Cover
+Washer-Cylinder Head
*included in Gasket Set - part Nor 807640
+included in Valve Overhaul Kit -Part No 807668
48

REPAIR PARTS
14 H.P. RIDING TRACTOR -- MODEL NUMBER 917.255540
ENGINE BRIGGS & STRATTON -- MODEL NUMBER 303777, TYPE 0032-02
3
KEY PART
NO. NO.
1 805009
2805369
3 805406
4 807662
5805025
6 805363
DESCRIPTION
Screw-Sere
Cover-Carburetor
Screw_Sem
Housing-Blower
Screw-Sem
Tube-Air Inlet
KEY PART
NOo NO.
7807657
8 807663
9 807660
10 805260
11 8O5505
12 807656
DESCRIPTION
Cover-Air Guide (Cyl, #2)
Back Plate Assembly
Valley Cover-Air Guide
Screw-Sem
Shield-Starter
Cover-Air Guide (Cyl, #1 )
49

REPANR PARTS
14 H.P. RIDING TRACTOR -- MODEL NUMBER 917.255540
ENGINE BRIGGS & STRATTON -- MODEL NUMBER 303777, TYPE 0032-02
1
f
i
i
12
I
13
I
11
10
8IJ
7
KEY PART
NO. NOo
1 399169
2 49O316
3 8O5247
4 94169
5 399172
6 49O311
7 49O31O
DESCRIPTION KEY PART
NO. NO.
Motor-Starting 8 490309
Brush Spring Set 9 94288
Screw-Starter Mtg. 10 398003
Bolt 11 280104
Housing Assembly 12 490467
Brush Assembly 13 490421
CapAssembly-Cornmutator End 14 394857
DESCRIPTION
Armature Assembly
Roll Pin
Clutch Assembly
Gear
Retainer Kit
Drive Assembly
Cap Assembly-Commutator End
50

SUGGESTED GUIDE FOR SiGHTiNG SLOPES FOR SAFE OPERATION
O1
SIGHTING
GUIDE
ONLY RIDE UP AND DOWN HILL,
NOT ACROSS HILL
SIGHT AN.LDHOLD THIS LEVEL WITH
SKY LINE;_)R TREE.
/
15° MAX.

OWNERIS
nVIANUAL
MODEL NO.
C9!7°255540
HOW TO ORDER
REPAIR PARTS
14,0 HP TWHN
ELECTREC START
38" MOWER
6 SPEED TRANSAXLE
LAWN TRACTOR
@
CYUNDER
Each tractor has its own model number,. Each engine has its own model
number.
The Model Number' for your tractor will be found on the modet plate lo-
cated under the seat
The model number for your engine will be found on the blower housing of
the engine,
All paTts listed herein may be ordered flom any Sears Service Centre
and most Retail Stores
WHEN ORDERING REPAIR PARTS, ALWAYS GIVE THE FOLLOW-
ING INFORMATION;
. PRODUCT- LAWN TRACTOR
° MODEL NUMBER- 917.285840
• ENGINE MODEL NUMBER -303777, TYPE NUMBER 0032-03
• PART NUMBER
, PART DESCRIPTION
Your Sears merchandise has added value when you consider Sears has
service units nationwide staffed with Sears trained technicians,_ profes-
sional technicians specifically trained to insure that we meet our pledge
to you, we service what we sell.
i i ill H irl irmliH_r , ilUll, l.l_.
Sears, Roebuck and Co, Chicago, IL 60684 U.S.A.
127877 01o0&91 PRINTED IN U_SA