Craftsman 917258470 User Manual TRACTOR Manuals And Guides L0903305
CRAFTSMAN Lawn, Tractor Manual L0903305 CRAFTSMAN Lawn, Tractor Owner's Manual, CRAFTSMAN Lawn, Tractor installation guides
User Manual: Craftsman 917258470 917258470 CRAFTSMAN TRACTOR - Manuals and Guides View the owners manual for your CRAFTSMAN TRACTOR #917258470. Home:Lawn & Garden Parts:Craftsman Parts:Craftsman TRACTOR Manual
Open the PDF directly: View PDF
.
Page Count: 59

MODEL NUMBER 917.258470
* Assembly
Operation
. Customer Responsibilities
. Service and Adjustments
®Repair Parts
CAUTION: Read and follow all safety rules and instructions before operating this equipment.
FOR CONSUMER ASSISTANCE HOT LINE, CALL THIS TOLL FREE NUMBER: 1-800-659,5917

SAFETY RULES
Safe Operation Practices for Ride-On Mowers
iMPORTANT: THIS CUTTING MACHINE IS CAPABLE OF AMPUTATING HANDS AND FEET AND THROWING OBJECTS,
FAILURE TO OBSERVE THE FOLLOWING SAFETY INSTRUCTIONS COULD RESULT iN SERIOUS INJURY OR DEATH.
L GENERAL OPERATION
,, Read, understand, and foilow all instructions in the manuai
and on the machine before starting.
o Only allow responsible adults, who are familiar with the
instructions, to operate the machine.
,_ Clear the area of objects such as rocks, toys, wire, etc,,
which could be picked up and thrown by the btade.
• Be sure the area is clear of other people before mowing. Stop
machine if anyone enters the area.
,, Never carry passengers.
o Do not mow in reverse unless absolutely necessary, Always
look down and behind before and while backing.
• Be aware of the mower discharge direction and do not point
it at anyone. Do not operate the mower without either the
entire grass catcher or the guard in place.
o Slow down before turning.
,, Never leave a running machine unattended. A}ways turn off
blades, set parking brake, stop engine, and remove keys
before dismounting.
Turn off blades when not mowing.
o Stop engine before removing grass catcher or unclogging
chute.
o Mow only in daylight or good artificial light.
,, Do not operate the machine while under the influence of
alcohol or drugs.
,, Watch for traffic when operating near or crossing roadways.
o Use extra care when loading or unloading the machine into
a trailer or truck.
IL SLOPE OPERATION
Slopes are a major factor related to loss-of-control and
tipover accidents, which can result in severe injury or death.
All slopes require extra caution. If you cannot back up the
slope or if you feel uneasy on it, do not mow it.
DO:
o Mow up and down slopes, not across.
,, Remove obstacles such as rocks, tree limbs, etc.
o Watch for holes, ruts, or bumps. Uneven terrain could
overturn the machine. Tall grass can hide obstacles.
Use slow speed. Choose a low gear so that you will not have
to stop or shift while on the slope.
Foltow the manufacturer's recommendations for wheel
weights or counterweights to improve stability.
o Use extra care with grass catchers or other attachments.
These can change the stability of the machine.
Keep a!! movement on the slopes slowand gradual Do not
make sudden changes in speed or direction.
o Avoid starting or stopping on a slope. If tires lose traction,
disengage the blades and proceed slowIy straight down the
slope.
DO NOT:
•Donot turn on slopes unless necessary, and then, turn slowly
and gradually downhill, if possible.
•Do not mow near drop-offs, ditches, or embankments_ The
mower could suddenly turn over if a wheel is over the edge
of a cfiff or ditch, or if an edge caves in.
oDo not mow on wet grass, Reduced traction cou!d cause
sliding.
Donor try to stabilize the machine by putting your foot on the
ground,
oDo not use grass catcher on steep stopes.
2
Ill. CHILDREN
Tragic accidents can occur if the operator is not alert to the
presence of children. Children are often attracted to the
machine and the mowing activity. Never assume that
children wilt remain where you last saw them.
Keep children out of the mowing area and under the watchful
care of another responsible adult.
,, Be alert and turn machine off if children enter the area.
,, Before and when backing, look behind and down for small
children.
Never carry children. They may falt off and be seriously
injured or interfere with safe machine operation.
o Never allow children to operate the machine.
• Use extra care when approaching blind corners, shrubs,
trees, or other objects that may obscure vision.
RV. SERVICE
• Use extra care in handling gasoline and other fuels. They are
flammable and vapors are explosive.
Use only an approved container.
Never remove gas cap or add fuel with the engine
running. Allow engine to cool before refueling. Do not
smoke.
Never refuel the machine indoors.
Never store the machine or fuel container inside where
there is an open flame, such as a water heater.
,, Never run a machine inside a closed area.
,, Keep nuts and bolts, especially blade attachment bolts, tight
and keep equipment in good condition.
Never tamper with safety devices. Check their proper
operation reguIarly.
• Keep machine free of grass, leaves, or other debris build-up.
Clean oil or fuel spillage. Allow machine to cool before
storing.
Stop and inspect the equipment if you strike an object.
Repair, if necessary, before restarting.
Never make adjustments or repairs with the engine running.
Grass catcher components are subject to wear, damage, and
deterioration, which could expose moving parts or allow
objects to be thrown. Frequently check components and
replace with manufacturer's recommended parts, when nec-
essary.
Mower blades are sharp and can cut. Wrap the blade(s) or
wear gloves, and use extra caution when servicing them.
• Check brake operation frequently. Adjust and service as
required.
Look for this symbol to point out im_ I
portant safety precautions. [t means
CAUT,O.!!!SECOMEALERT!: ¥OURt
SAFETY iS INVOLVE DL_.,._....=..._ J
CAUTION: Always disconnect spark plug
wireandplacewirewhereitcannotcontact
spark plug in order to prevent accideutal
starting when setting up, transporting,
adjusting or making repairs.
WARNING
The engine exhaust from this product con*
tains chemicals known to the State of Catifor_
nia to cause cancer, birth defects, or other
reproductive harm.

CONGRATULATBONS on your purchase of a Sears
Tractor. it has been designed, engineered and manufac-
tured to give you the best possible dependability and
performance.
Should you experience any problem you cannot easily
remedy, please contact your nearest Sears Authorized
Service Center/Department. We have competent, well-
trained technicians and the proper tools to service or repair
this tractor.
Please read and retain this manual. The instructions will
enable you to assemble and maintain your unit properly.
Always observe the *'SAFETY RULES".
MODEL
NUMBER 9t7.258470
SERIAL
NUMBER
DATEOF PURCHASE
THE MODEL AN D,SERIAL NUMBERS WILL BE FOUND
ON A PLATE UNDER THE SEAT,
YOU SHOULD RECORD BOTH SERIAL NUMBER AND
DATE OF PURCHASE AND KEEP IN A SAFE PLACE
FOR FUTURE REFERENCE.
MAmNTENANCE AGREEMENT
A Sears Maintenance Agreement is available on this prod-
uct. Contact your nearest Sears store for details.
CUSTOMER RESPONSIBJLITmES
o Read and observe the safety rules.
Follow a regular schedule in maintaining, caring for and
using your tractor.
o Folfow the instructions under "Customer Responsibili-
ties" and "Storage" sections of this owner's manuaI.
WARNmNG: This tractor is equipped with an internai
combustion engine and should not be used on or near any
unimproved forest-covered, brush-covered or grass-cov-
ered land unless the engine's exhaust system is equipped
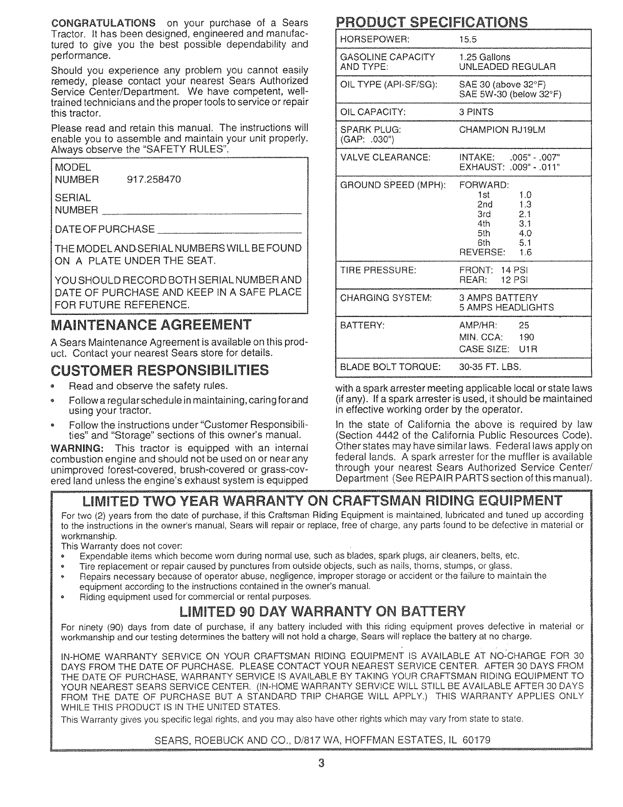
PRODUCT SPECIFICATIONS
HORSEPOWER: I5.5
GASOLINE CAPACITY t.25 Gallons
AND TYPE: UNLEADED REGULAR
OIL TYPE (API°SFiSG): SAE 30 (above 32°F)
SAE 5W-30 (below 32°F)
OIL CAPACITY: 3 PINTS
SPARK PLUG: CHAMPION RJ19LM
(GAP: .030")
VALVE CLEARANCE: INTAKE: .005" - .007"
EXHAUST: .009" - .011'*
GROUND SPEED (MPH): FORWARD:
1st 1.0
2nd 1.3
3rd 2,t
4th 3. t
5th 4.0
6th 5.1
REVERSE: t,6
TIRE PRESSURE: FRONT: 14PSI
REAR: 12 PSI
CHARGING SYSTEM: 3 AMPS BATTERY
5 AMPS HEADLIGHTS
BATTERY: AMPiHR: 25
MIN. CCA: 190
CASE SIZE; U1R
BLADE BOLT TORQUE: 30-35 FT. LBS.
with a spark arrester meeting applicable local or state laws
(if any). If a spark arrester is used, it should be maintained
in effective working order by the operator,
tn the state of California the above is required by taw
(Section 4442 of the California Public Resources Code).
Other states may have similar laws. Federal laws apply on
federal lands. A spark arrester for the muffler is ava{lable
through your nearest Sears Authorized Service Center/
Department (See REPAIR PARTS section of this manual).
LtM TED TWO YEAR WARRANTY ON CRAFTSMAN RID NG EQUmPMENT
For two (2) years from the date of purchase, if this Craftsman Riding Equipment is maintained, lubricated and tuned up according
to the instructions in the owner's manual, Sears will repair or replace, free of charge, any parts found to be defective in material or
workmanship.
This Warranty does not cover:
Expendable items which become worn during normal use, such as blades, spark plugs, air cleaners, belts, etc.
Tire replacement or repair caused by punctures from outside objects, such as nails, thorns, stumps, or glass.
• Repairs necessary because of operator abuse, negligence, improper storage or accident or the failure to maintain the
equipment according to the instructions contained in the owner's manual.
o Riding equipment used for commercial or rental purposes,
UMBTED 90 DAY WARRANTY ON BATTERY
For ninety (90) days from date of purchase, if any battery included with this riding equipment proves defective in material or
workmanship and our testing determines Ihe battery will not hold a charge, Sears will replace the battery at no charge.
IN-HOME WARRANTY SERVICE ON YOUR CRAFTSMAN RIDING EQUIPMENT tS AVAILABLE AT NO-CHARGE FOR 30
DAYS FROM THE DATE OF PURCHASE. PLEASE CONTACT YOUR NEAREST SERVICE CENTER. AFTER 30 DAYS FROM
THE DATE OF PURCHASE, WARRANTY SERVICE tS AVAILABLE BY TAKING YOUR CRAFTSMAN RIDING EQUIPMENT TO
YOUR NEAREST SEARS SERVICE CENTER. (IN-HOME WARRANTY SERVICE WiLL STILL BE AVAILABLE AFTER 30 DAYS
FROM THE DATE OF PURCHASE BUT A STANDARD TRIP CHARGE WILL APPLY,) THIS WARRANTY APPLIES ONLY
WHILE THIS PRODUCT IS IN THE UNITED STATES.
This Warranty gives you specific legal rights, and you may also have other rights which may vary from state to state,
SEARS, ROEBUCK AND CO., D/817 WA, HOFFMAN ESTATES, IL 60179
3

TABLE OF CONTENTS
SAFETY RULES ............................................................ 2
PRODUCT SPECIFICATIONS ...................................... 3
CUSTOMER RESPONSmBILIT_ES ..................... 3, 17-20
WARRANTY .................................................................. 3
TRACTOR ACCESSORIES .......................................... 5
ASSEMBLY .............................................................. 7-10
OPERATION ........................................................... 11-14
MAINTENANCE SCHEDULE ...................................... 17
SERVICE AND ADJUSTMENTS ............................ 21-26
STORAGE ................................................................... 27
TROUBLESHOOT3NG ............................................ 28-29
REPAIR PARTS - TRACTOR ................................. 32-47
REPAIR PARTS -ENGINE .................................... 48-55
PARTS ORDERING/SERViCE ................ BACK COVER
mNDEX
A
Accessories ........................................... 5
Adjustments:
Brake ............................................ 23
Carburetor .................................... 26
Mower
Front-To-Back ......................... 22
Side-To-Side ........................... 22
Throttle Control Cable .................. 26
Air Filter, Engine ............................. I9-20
Air Screen, Engine .............................. 20
Assembly .......................................... 7-!0
B
Battery:
Charging ........................................ 8
Cleaning ....................................... I8
lnstaliation ...................................... 8
Levels ........................................ 9,18
Preparation .................................... 8
Starting with Weak Battery .......... 24
Storage ........................................ 27
Terminals ..................................... 18
Belt:
Motion Drive
Removal/Replacement ........... 23
Mower Belt(s)
Removal/Replacement ........... 23
Blade:
Sharpening .................................. 18
Replacement ................................ 18
Brake Adjustment ................................ 23
C
Carburetor Adjustment ........................ 26
Controls, Tractor ................................. 12
Customer Responsibilities ............. 17-20
Engine:
Air Filter .................................... 19
Air Screen ................................ 20
Cooling Fins ............................. 20
Engine Oil ........................... 14,19
Fuel Filter ................................. 20
Spark Plug(s) ........................... 20
Tractor:
Battery ...................................... t 8
Blade ........................................ 18
Lubrication Chart ..................... 17
Maintenance Schedule ............ 17
Tire Care ....................... !0,18, 24
Transaxle ................................. 19
Cutting Height, Mower ........................ t3
E
Electrical:
Interlocks and Relays .................. 25
Schematic .................................... 31
Wiring Diagram ............................ 32
Engine:
Air Filter ................................... 19-20
Air Screen .................................... 20
Cooling Fins ................................. 20
Oil Change ................................... 19
Oil Level ....................................... 14
Oil Type .................................. t4, ! 9
Preparation .................................. t 3
Repair Parts ............................ 32-49
Starting ......................................... 15
Storage ........................................ 27
F
Filter:
Air Filter ........................................ t 9
Fuei .............................................. 20
Fuel:
Type ............................................. 15
Storage ........................................ 27
Fuse .................................................... 25
H
Hood Removali]nstalfation .................. 25
L
Leveling Mower Deck .......................... 22
Lubrication:
Chart ............................................ 17
Engine .......................................... 19
M
Maintenance Schedule ....................... 22
Mower:
Adjustment, Front-to-Back ........... 22
Adiustment, Sideqo-Side ............. 22
BIade Replacement ..................... 18
Blade Sharpening ........................ 18
Cutting Height .............................. !3
Installation .................................... 21
Operation ..................................... 14
Removal ....................................... 2t
Mowing Tips ........................................ 15
Muffler ................................................. 20
Spark Arrester ........................... 3,42
O
Oil:
Cold Weather Conditions ........ 15,19
Engine .......................................... 19
Storage ........................................ 27
Operation ....................................... 10-14
Operating Mower ................................ 13
Options:
Accessories .................................... 5
Spark Arrester ................................ 3
P
Parking Brake ................................ 12,13
Parts Bag .............................................. 6
Parts, Replacement/Repair ............ 32-49
Product Specifications .......................... 3
R
Repair Parts ................................... 32-49
S
Safety Rules .......................................... 2
Seat ....................................................... 8
Service and Adjustments ............... 21-26
Carburetor .................................... 26
Fuse ............................................. 25
Hood Removal/Installation ........... 25
Motion Drive Belt
Removal/Replacement ........... 23
Mower Belt(s)
Removal/Replacement ........... 23
Mower Adjustment
Front-to-Back .......................... 22
Side-to-Side ............................ 22
Mower RemovalitnstaHation ......... 21
Tire Care ............................ 10,I8,24
Slope Guide Sheet .............................. 57
Spark Ptug(s) ...................................... 20
Specifications ........................................ 3
Starting the Engine ........................ 14-15
Steering Wheel ............................... 7, 24
Stopping the Tractor ........................... 13
Storage ................................................ 27
T ,
Throttle Control Cable Adjustment ...... 26
Tires ........................................ 10, 18, 24
Trouble Shooting Chart .................. 28_29
Transaxle ............................................ 19
4
W
Warranty ................................................ 3
Wiring Diagram ................................... 32
Wiring Schematic ................................ 31

ACCESSORIES AN ATTACH NTS
These accessories and attachments were avaHaMe through most Sears retail outlets and service centers when the tractor was purchased.
Most Sears stores can order these items for you when you provide the model number of your tractor.
ENGBNE
SPARK PLUG GAS CAN ENGINE OIL FUEL STABiLiZER AIR FILTER
%
MAINTENANCE
BLADES BELTS
PERFORMANCE
Sears offers a wide variety of attachments that fit your tractor. Many of these are listed below with brief explanations of how they can help
you. This list was current at the time of publication; however, it may change in future years - more attachments may be added, changes
may be made in these attachments, or some may no longer be available or fit your model. Contact your nearest Sears store for the
accessories and attachments that are available for your tractor.
Most of these attachments do not require additional hitches or conversion kits (those that do are indicated) and are designed for easy
attaching and detaching.
AERATOR promotes deep root growth for a healthy lawn. Ta-
pered 2.5-inch steel spikes mounted on 10-inch diameter discs
puncture holes in soil at close intervals to let moisture soak in.
Steel weight tray for increased penetration.
BAGGER lets you collect grass clippings and leaves for a
healthier, neater Iooking lawn. Two Permanex containers hold
30-gallon plastic bags.
BUMPER protects front end of tractor from damage.
CARTS make hauling easy. Variety of sizes available, plus
accessories such as side panel kits, tool caddy, cart cover,
protective mat and dolly.
CORING AERATOR takes small plugs out of soil to allow mois-
ture and nutrients to reach grass roots. 36-inch swath. 24
hardened steel coring tips. 150 lb. capacity weight tray.
EASY OIL DRAIN VALVE makes oil changes easier, faster.
FRONT NOSE ROLLER canters infront of mower deck to reduce
chances of "scalping" on uneven terrain.
GANG HITCH lets you tow 2 or 3 pull-behind attachments at once,
such as sweepers, dethatchers, aerators (not for use with rollers,
carts or other heavy attachments).
GAUGE WHEELS on both sides of the mower deck reduce
chances of "scalping" on uneven terrain. For mower decks not so
equipped.
MULCH RAKE/DETHATCHER loosens soil and flips thatch and
matted leaves to fawn surface for easy pickup. Twenty spring tine
teeth. Useful to prepare bare areas for seeding. Available forfront
or rear mounting. HIGH PERFORMANCE REEL-ACTION
SPRING TINE DETHATCHER covers 36-inch wide path and
tosses thatch into large hopper. Mounts behind tractor.
MULCHING CLOSE-OUT PLATE KIT, once installed, lets you
mulch, discharge or bag clippings (bagger optional) without
changing blades. For models not equipped as 3-in*1 Convertible
mowers. See "MOWER" in the Repair Parts section of this
manual.
RAMP TOPS AND FEET let you toad and unload tractor from a
pickup truck. Use with 2 x 8 or 2 x10 _umber.
ROLLER for smoother lawn surface. 36-inch wide, !8-inch
diameter water-tight drum holds up to 390 Ibs. of weight. Rounded
edges prevent harm to turf. Adjustabie scraper automatically
cleans drum.
SNOW BLADE for snow removal only, 14-inch high, 48-inch wide
blade clears 42-inch path when angled left or right. Raises, lowers
with side lever. Adjustable skids; replaceable, reversible scraper
bar. (Use with tire chains and wheel weights and/or rear drawbar
weight.)
SNOWTHROWER has 40-inch swath. Drum-type auger handles
powdery and wet/heavy snow. Mounts easily with simple pin
arrangement. Discharge chute adjusts from tractor seat. 6-inch
diameter spout discharges snow I0 to 50 feet. Lift controlfed at
tractor seat. (Use with chains and wheel weights and/or rear
drawbar weight.)
SPRAYERS use 12-volt DC electric motor that connects to the
tractor battery or other 12-volt source. Includes booms for
automatic spraying and hand held wand for spot spraying. Wand
has adjustable spray pattern. For appyng herbicides, insecti-
cides, fungicides and liquid fertilizers.
SPREADERISEEDERS make seeding, fertilizing, and weed ki!l_
ing easy. Broadcast spreaders are also usefui for granular de-
icers and sand.
SWEEPERS let you collect grass clippings and leaves.
TILLER has 5 hp engine and 36-inch swath to prepare seed beds,
cultivate and compost garden residue. Ti_ler has its own built-in
liftand depth control system and does NOT require a sleeve hitch.
Fits any lawn, yard or garden tractor. Simply hook up to the tractor
drawbar and go! Optional accessories convert unit for
dethatching, aerating, hilling...without tools.
TIRE CHAINS are heavy duty; closely spaced extraqarge cross
links give smooth ride, outstanding traction.
TRACTOR CAB has heavy duty vinyl fabric over tubular steel
frame, ABS plastic top; dear plastic windshieId offers 360 degree
visibility. Hinged metal doors with catch. Keeps operator warm
and dry, Remove vinyl sides and windshields for use as sun
protector in summer. Optiona_ accessories include: tinted/
tempered solid safety glass windshield with hand operated wiper;
12-volt amber caution light for mounting on cab top.
VACS for powerful collection of heavy grass clippings and leaves.
Optional wand attachment to pick up debris in hard-to-reach
places. VAC/CHIPPER includes a chipper-shredder,
WEIGHT BRACKET for drawbar for snow removal applications.
Uses (1) 55 lb. weight.
WHEEL WEIGHTS for rear wheels provide needed traction for
snow removal or dozing heavy materials.
5

CONTENTS OF HARDWARE PACK
©
Parts Bag contents shown futi size
\ (2) Sheet
Metal
Screws
#I0-16 x 1/2
(I) Large Fiat Washer
(1) Locknut 3/8_24
(1) Shoulder Bolt 5/16-t 8 (1) Hex Bolt 1/2-13 x 1
(t) Lock Washer 1/2
(1) Washer 17/32
x 1_3/16 x 12 Gauge
(2) Lock Washers #10
(2) Washers 3/16 x 3/4 x 16 Gauge
(2) Weld Nuts #t0
(2) Screws #10 x 5/8
(2) Hex Bolts 1/4-20 x 3/4
(2) Washers 9/32 x 5/8 x !6 Gauge
@
(2) Hex Nuts 1/4-20
(2) Lock Washers 1/4
Parts packed separateWy in carton
Seat
Mulcher
Plate
Steering
Wheel
Video
Cassette
Parts bag contents not shown full size
J \ Steering
"_ _ Wheel
'_----_ \/Insert
Steering Wheel :j ..............
Adapter
_ teering
Bushing (2) Keys
(2) Latch Hook
Assemblys
Slope Sheet
6

ASSE BLY
Your new tractor has been assembled at the factory with exception of those parts left unassembled for shipping purposes.
To ensure safe and proper operation of your tractor alt parts and hardware you assemble must be tightened securely. Use
the correct tools as necessary to insure proper tightness,
TOOLS REQUmRED FOR ASSEMBLY
A socket wrench set will make assembly easier, Standard
wrench sizes are listed.
(1) 5/16" wrench
(2) 7/16" wrenches
(1) 1/2" wrench
(t) 9/16" wrench
(t) 3/4" wrench
Tire pressure gauge
Utility knife
(1) phillips screwdriver
When right or left hand is mentioned in this manual, it
means when you are in the operating position (seated
behind the steering wheel).
TO REMOVE TRACTOR FROM CARTON
UNPACK CARTON
o Remove aI! accessible loose parts and parts cartons
from carton (See page 6).
oCut, from top to bottom, along lines on all four corners
of carton, and lay panels fiat.
o Check for any additional loose parts or cartons and
remove.
BEFORE ROLLING TRACTOR OFF SKID
ATTACH STEERING WHEEL (See Fig, !)
,Slide the steering bushing over the steering shaft.
o Raise steering shaft forward until screw holes in dash
line up with steering bushing. Install two (2) sheet
metal screws and tighten securely.
o Position steering boot over steering shaft.
o Place tabs of steering boot over tab slots in dash and
push down to secure.
, Slide steering wheel adapter onto upper steering shaft.
Position front wheels of the tractor so they are pointing
straight forward.
o Position steering wheel so cross bars are horizontal
(left to right) and slide onto adapter.
,, Assemble large flat washer and 3/8-24 locknut and
tighten securely.
o Snap steering wheel insert into center of steering
wheel.
o Remove protective plastic from tractor hood and grill.
IMPORTANT:CHECK FOR AND REMOVE ANY STAPLES
IN SKID THAT MAY PUNCTURE TIRES WHERE TRACTOR
IS TO ROLL OFF SKID.
STEERING WHEEL INSERT
STEERING SHAFT
(SNIPPING POSITION)
3/8-24 LOCKNUT
; ,,Ci LARGE FLAT WASHER
...........t......................... STEERING WHEEL
SHEET
METAL
SCREW
TAB SLOT
FiG. t
TO ROLL TRACTOR OFF SKaD (See Opera-
tion section for _ocation and function of con°
trows)
oPress lift lever plunger and raise attachment lift lever to
its highest position.
Release parking brake by depressing clutch/brake
pedal.
o Place gearshift lever in neutral (N) position.
oRoll tractor backwards off skid.
o Remove banding holding discharge guard up against
tractor.
7

ASSEMBLY
HOW TO SET UP YOUR TRACTOR
CONNECT BATTERY (See Figs. 2 and 3)
CAUTION: Do not short battery termi-
nals. Before connecting battery, red
_ ove metal bracelets, wristwatch
bands, rings, etc.
Positive termina_ must be connected
first to prevent sparking from acciden-
tal grounding.
Remove cardboard packing from seat pan and lift seat
pan to raised position.
o Open battery box door.
Remove terminal protective caps and discard.
o If this batter,/is put into service after month and year
indicated on label (label located between terminals)
charge batter/for minimum of one hour at 6-t0 amps.
First connect RED battery cable to positive (+) terminal
with hex bolt, flat washer, lock washer and hex nut as
shown. Tighten securely.
o Connect BLACK grounding cable to negative (-) termi-
nal with remaining hex bolt, flat washer, lock washer
and hex nut. Tighten securely.
o CIose battery box door.
Open battery box door for:
Inspection for secure connections (to tighten hard-
ware).
- Inspection for corrosion.
• Testing battery.
Jumping (if required).
° Periodic charging.
DISCARD TERMINAL PROTECTIVE
CAPS
HEX
NUT
LOCK
WASHER
FLAT
WASHER
/
F_G, 2
BOLT
NEGATIVE
(BLACK} CABLE
POSITIVE
(RED) CABLE
SEAT
PAN
BOX DOOR
FIG. 3
aNSTALL SEAT (See Fig° 4)
Adjust seat before tightening adjustment bolt.
o Remove cardboard packing on seat pan.
o Place seat on seat pan and assemble shoulder bolt.
• Assemble adjustment bolt, lock washer and fiat washer
loosely. Do not tighten.
o Tighten shoulder bolt securely.
Lower seat into operating position and sit on seat.
o Slide seat until a comfortable position is reached which
allows you to press clutch/brake pedal all the way
down.
Get off seat without moving its adjusted position,
°Raise seat and tighten adjustment bolt securely.
SEAT PAN
SHOULDER X\
BOLT
SEAT \
ADJUSTMENT
BOLT
FLAT WASHER
LOCK WASHER
F_G. 4
8

ASSE LY
iNSTALL MULCHER PLATE
(See Figs, 5 and 6)
o Install two latch hooks to mulcher plate using screw,
washer, tock washer, and weld nut as shown.
NOTE: Pre-assemble weld nut to latch hook by inserting
weld nut from the top with hook pointing down.
o Tighten hardware securely.
- Raise and hold deflector shield in upright position.
o Place front of mulcher plate over front of mower deck
opening and slide into place, as shown.
o Hook front latch into hole on front of mower deck.
® Hook rear tatch into hole on back of mower deck.
_,A, guard from mower, Raise and hotd
_ guard when attaching rnulcher plate
_ and a_ow it to rest on plate while in
Joperation.
TO CONVERT TO BAGGING OR
DISCHARGING
Simply remove mulcher ptate and store in a safe place.
Your mower is now ready for discharging or installation of
optional grass catcher accessory.
NOTE: tt is not necessary to change blades, The mulcher
blades are designed for discharging and bagging also,
WELD.
NUT
LATCH
HOOK
WASHER
MULCHER
PLATE
WELD NUT
FROM THE TOP\,_,
HOOK POINTS
DOWN
LOCK
WASHER
SCREW
HOOK
LOCK
WASHER
DEFLECTOR
SHIELD
FIG. 5
WELD
NUT
FIG. 6
LATCH
HOOKS
9

ASSEM LY
CHECK TRRE PRESSURE
The tires on your tractor were overinflated at the factory for
shipping purposes. Correct tire pressure is important for
best cutting performance.
Reduce tire pressure to PSI shown in "PRODUCT
SPECIFICATIONS" on page 3 of this manual.
CHECK DECK LEVELNESS
For best cutting results, mower housing should be properIy
leveled, See "TO LEVEL MOWER HOUSING" in the
Service and Adjustments section of this manual.
CHECK FOR PROPER POSITION OF ALL
BELTS
See the figures that are shown for replacing motion and
mower blade drive belts in the Service and Adjustments
section of this manual. Verify that the belts are routed
correctly.
CHECK BRAKE SYSTEM
After you learn how to operate your tractor, check to see
that the brake is properly adjusted. See "TO ADJUST
BRAKE" in the Service and Adjustments section of this
manual.
,/ CHECKMST
BEFORE YOU OPERATE AND ENJOY YOUR NEW
TRACTOR, WE W!SH TO ASSURE THAT YOU RECEIVE
THE BEST PERFORMANCE AND SATfSFA C TION FROM
THIS QUALITY PRODUCT.
PLEASE REVIEW THE FOLLOWING CHECKLIST:
,/ All assembly instructions have been completed.
v" No remaining loose parts in carton,
v" Battery is properly prepared and charged. (Minimum
1 hour at 6 amps).
¢ Seat is adjusted comfortably and tightened securely.
v" All tires are properIy inflated. (For shipping purposes,
the tires were overinflated at the factory).
¢" Be sure mower deck is properly leveled side-to-side/
front-to-rear for best cutting results. (Tires must be
properly inflated for leveling).
,/ Check mower and drive belts. Be sure they are muted
properly around pulleys and inside all belt keepers.
,/ Check wiring. See that all connections are still secure
and wires are properly clamped,
WHILE LEARNING HOW TO USE YOUR TRACTOR, PAY
EXTRA ATTENTION TO THE FOLL 0 WING IMPORTANT
ITEMS:
V Engine oil is at proper level.
v" Fuel tank is filled with fresh, clean, regular unleaded
gasoline.
¢" Become familiar with all controls - their location and
function. Operate them before you start the engine.
v" Be sure brake system is in safe operating condition.
I0

OPERATION
These symbols may appear on your tractor or in literature supptied with the product, Learn and understand their meaning,
BATTERY CAUTION OR REVERSE FORWARD FAST SLOW
WARNING
ENGINE ON ENGINE OFF OIL PRESSURE CLUTCH LIGHTS ON LIGHTS OFF
FUEL CHOKE MOWER HEIGHT DIFFERENTIAL PARKING BRAKE UNLOCKED
LOCK LOCKED
MOWER LIFT
REVERSE NEUTRAL
ATTACHMENT
CLUTCH ENGAGED
HIGH LOW PARKING BRAKE
ATTACHMENT
CLUTCH DISENGAGED
IGNITION
DANGER, KEEP HANDS AND FEET AWAY HYDROSTATIC FREE WHEEL
(Hydro Models only)
1!

OPERATmO
KNOW YOUR TRACTOR
READ THIS OWNER'S MANUAL AND SAFETY RULES BEFORE OPERATING YOUR TRACTOR
Compare the illustrations with your tractor to famifiarize yourself with the locations of various controls and adjustments. Save
this manual for future reference.
THROTTLE/
CHOKE
CONTROL
CLUTCH/
BRAKE
PEDAL
AMMETER ATTACHMENT
XCLUTCH LEVER
\
IGNITION
SWITCH LIGHT
SWITCH
LIFT LEVER
PLUNGER
ATTACHMENT
LIFT LEVER
Oo
MOWER DECK
HEIGHT ADJUSTMENT
GEARSHIFT
LEVER
FIG, 7
Our tractors conform to the safety standards of the American National Standards Institute.
ATTACHMENT CLUTCH LEVER: Used to engage the
mower blades, or other attachments mounted to your
tractor.
LIGHT SWITCH: Turns the headlights on and off.
THROTTLE/CHOKE CONTROL: Used for starting and
controlling engine speed.
CLUTCH/BRAKE PEDAL: Used fordeclutching and brak-
ing the tractor and starting the engine.
PARKING BRAKE: Locks clutch/brake pedal into the
brake position.
GEARSHIFT LEVER: Selects the speed and direction of
tractor.
ATTACHMENT LIFlr LEVER: Used to raise, lower, and
adjust the mower deck or other attachments mounted to
your tractor.
LiFT LEVER PLUNGER: Used to release attachment lift
lever when changing its position.
iGNiTION SWITCH: Used for starting and stopping the
engine.
AtVIMETER: Indicates batter,i charging (+) or discharging
(-).
12

OPERATIO
operation of any tractor can result in foreign objects thrown into the eyes, which
_ ,,_sEs _ can result in severe eye damage. Always wear safety glasses or eye shields whiie
_operating your tractor or performing any adjustments or repairs. We recommend a wide
[ __etymaskoverthespectac,esorstandardsafetyg,asses.
HOW TO USE YOUR TRACTOR
TO SET PARKING BRAKE (See Fig. 8)
Your tractor is equipped with an operator presence sensing
switch. When engine is running, any attempt by the
operator to leave the seat without first setting the parking
brake will shut off the engine.
-Depress clutch/brake pedal into full "BRAKE" position
and hold.
, Place parking brake lever in "ENGAGED" position and
release pressure from clutch/brake pedal. Pedal should
remain in "BRAKE" position. Make sure parking brake
will hold tractor secure.
ATTACHMENT CLUTCH LEVER
"ENGAGED" POSITION
IGNITION
KEY
CONTROLLEVER
PARKING
BRAKE
"ENGAGED"
POSIT$ON
GEAR-
LEVER
"BRAKE"
POSITION
CLUTCHtBRAKEPEDAL
"DRIVE"POSIT|ON
PARKING BRAKE
"DISENGAGED"POSITION
FIG. 8
STOPPaNG (See Fig, 8)
MOWER BLADES -
• Move attachment clutch lever to "DISENGAGED" po -
sition.
GROUND DRIVE -
o Depress clutch/brake pedal into full "BRAKE" position.
o Move gearshift lever to neutral (N) position.
ENGINE -
o Move throttle control to slow (_) position.
NOTE: Failure to move throttle control to slew (_)
position and allowing engine to idle before stopping may
cause engine to "backfire".
o Turn ignition key to "OFF" position and remove key.
Always remove key when leaving tractor to prevent
unauthorized use.
o Never use choke to stop engine.
NOTE: Under certain conditions when tractor is standing
idle with the engine running, hot engine exhaust gases may
cause "browning" of grass. To eliminate this possibility,
always stop engine when stopping tractor on grass areas.
CAUTION: Always stop tractor com-
pletely, as described above, before leav-
ing the operator's position; to empty
grass catcher, etc.
TO USE THROTTLE CONTROL (See Fig. 8)
Always operate engine at full throttle.
- Operating engine at less than full throttle reduces the
batten./charging rate.
° Full throttle offers the best bagging and mower perfor-
mance.
TO MOVE FORWARD AND BACKWARD
(See Fig. 8)
The direction and speed of movement is controlled by the
gearshift lever.
, Start tractor with clutch/brake pedal depressed and
gearshift lever in neutral (N) position.
Move gearshift lever to desired position.
• Slowly release clutch/brake pedal to start movement.
IMPORTANT" BRING TRACTOR TO A COMPLETE STOP
BEFORE SHIFTING OR CHANGING GEARS. FAILURE
TO DO SO WILL SHORTEN THE USEFUL LIFE OF YOUR
TRANSAXLE.
TO ADJUST MOWER CUTTING HEIGHT
(See Fig. 8)
The position of the attachment lift lever determines the
cutting height,
o Grasp lift lever.
o Press plunger with thumb and move lever to desired
position.
Thecutting height range is approximately lqi2to 4". The
heights are measured from the ground to the blade tip with
the engine not running. These heights are approximate
and may vary depending upon soil conditions, height of
grass and types of grass being mowed.
The average lawn should be cut to approximately 2-1/2
inches during the cool season arid to over 3 inches
during hot months. For healthier and better looking
Iawns, mow often and after moderate growth.
• For best cutting performance, grass over 6 inches in
height should be mowed twice. Make the first cut
relatively high; the second to desired height.
!3

OPERATION
TO OPERATE MOWER (See Fig. 9)
Your tractor is equipped with an operator presence sens-
ing switch. Any attempt by the operator to leave the seat
with the engine running and the attachment clutch engaged
wiII shut off the engine.
o Select desired height of cut.
Start mower blades by engaging attachment clutch
control.
o TO STOP MOWER BLADES - disengage attachment
clutch control.
iON: Do not operate the mower
ut either the entire grass catcher,
owers so equipped, or the dis-
ATTACHMENT CLUTCH LEVER
"DISENGAGED"POSITION
"ENGAGED"
POSITION
ATTACHMENT
LIFT LEVER
HiGH POSITION
DISCHARGE
GUARD
....... , , ,,, , ,,,, ,, ,,_
F_G. 9
TO OPERATE ON HILLS
CAUTION: Do not drive up or down
hills with slopes greater than 15° and
do not drive across any stope.
o Choose the slowest speed before starting up or down
hills.
o Avoid stopping or changing speed on hills.
o If slowing is necessary, move throttle control lever to
slower position.
o If stopping is absolutely necessary, push clutch/brake
pedal quickly, to brake position and engage parking
brake.
• Move gearshift lever to 1st gear. Be sure you have
allowed room for tractor to roll slightly as you restart
movement.
oTo restart movement, slowly release parking brake and
cIutchfbrake pedal.
Make all turns slowly.
TO TRANSPORT
® Raise attachment lift to highest position with attach-
ment lift controt.
When pushing or towing your tractor, be sure gearshift
lever is in neutral (N) position.
o Do not push or tow tractor at more than five (5) MPH.
NOTE: To protect hood from damage when transporting
your tractor on a truck or a trailer, be sure hood is closed
and secured to tractor. Use an appropriate means of tying
hood to tractor (rope, cord, etc.).
BEFORE STARTnNG THE ENGINE
CHECK ENGRNE OIL LEVEL (See Fig. t4)
- The engine in your tractor has been shipped, from the
factory, already filled with summer weight oil.
oCheck engine oil with tractor on level ground.
o Remove oil fill cap/dipstick and wipe clean, reinsert the
dipstick and screw cap tight, wait for a few seconds,
remove and read oil level, tf necessary, add oil untit
"FULL" mark on dipstick is reached. Do not overfill.
o For cold weather operation you should change oil for
easier starting (See "OIL VISCOSITY CHART" in the
Customer Responsibilities section of this manual),
o To change engine oil, see the Customer Responsibili-
ties section in this manual.
14

OP ATIO
ADD GASOLtNE
o Fill fuel tank. Use fresh, clean, regular unleaded
gasoline with a minimum of 87 octane. (Use of leaded
gasoline will increase carbon and lead oxide deposits
and reduce valve life), Do not mix oil with gasoline.
Purchase fuel in quantities that can be used within 30
days to assure fuel freshness.
IMPORTANT: WHEN OPERATING IN TEMPERATURES
BELOW 32°F(0°C), USE FRESH, CLEAN WINTER GRADE
GASOLINE TO HELP INSURE GOOD COLD WEATHER
STARTING.
WARNING: Experience indicates that alcohol blended
fuels (called gasohol or using ethanol or methanol) can
attract moisture which leads to separation and formation of
acids during storage. Acidic gas can damage the fuel
system of an engine while in storage. To avoid engine
problems, the fuel system should be emptied before stor-
age of 30 days or longer. Drain the gas tank, start the
engine and tet it run until the fuel lines and carburetor are
empty. Use fresh fuel next season. See Storage Instruc-
tions for additional information. Never use engine or
carburetor cleaner products in the fuel tank or permanent
damage may occur.
CAUTION: Fill to bottom of gas tank
filler neck. Do not overfill. Wipe off any
spilled oil or fuel. Do not store, spill or
use gasoline near an open flame.
TO START ENGINE (See Fig. 8)
When starting the engine for the first time or if the engine
has run out of fuel, it wilLtake extra cranking time to move
fuel from the tank to the engine.
Depress clutch/brake pedal and set parking brake.
o Place gear shift lever in neutral (N) position.
,, Move attachment clutch to "DISENGAGED" position.
• Move throttle control to choke (lXl) position.
Note: Before starting, read the warm and cold starting
procedures below.
Insert key into ignition and turn keyclockwise to "START"
position and release key as soon as engine starts. Do
not run starter continuously for more than fifteen sec-
onds per minute, ff the engine does not start after
severaI attempts, move throttle control to fast (,99)
position, wait a few minutes and try again, tfengine still
does not start, move the throttle control back to the
choke (ix.I) position and retry.
WARM WEATHER STARTING (50° F and above)
When engine starts, move the throttle controt to the fast
(_) position.
o The attachments and ground drive can now be used. If
the engine does not accept the load, restart the engine
and allow it to warm up for one minute using the choke
as described above.
COLD WEATHER STARTING ( 50° F and below)
o When engine starts, allow engine to run with the throttle
control in the choke (IX) position until the engine runs
roughly, then move throttle control to fast (,_) pos tion.
This may require an engine warm-up period from
several seconds to several minutes, depending on the
temperature,
o The attachments can also be used during the engine
warm-up period.
NOTE: If at a high altitude (above 3000 feet) or in cold
temperatures (below 32 F) the carburetor fuel mixture may
need to be adjusted for best engine performance. See "TO
ADJUST CARBURETOR" in the Service and Adjustments
section of this manual.
MOWING TiPS
o Tire chains cannot be used when the mower housing is
attached to tractor.
o Mower should be properly leveled for best mowing
performance, See "TO LEVEL MOWER HOUSING" in
the Service and Adjustments section of this manual.
-The left hand side of mower should be used for trim-
ming.
Drive so that clippings are discharged onto the area
that has been cut. Have the cut area to the right of the
machine. This wilt result in a more even distribution of
clippings and more uniform cutting.
•When mowing large areas, start by turning to the right
so that clippings will discharge away from shrubs,
fences, driveways, etc. After one or two rounds, mow
in the opposite direction making left hand turns until
finished (See Fig. 10).
o If grass is extremely tall, it should be mowed twice to
reduce load and possible fire hazard from dried clip-
pings. Make first cut relatively high; the second to the
desired height.
Do not mow grass when it is wet. Wet grass wiII plug
mower and leave undesirable clumps, Allow grass to
dry before mowing.
• Always operate engine at full throttle when mowing to
assure better mowing performance and proper dis-
charge of material. Regulate ground speed by select-
ing a low enough gear to give the mower cutting
performance as well as the quality of cut desired.
o When operating attachments, select a ground speed
that will suit the terrain and give best performance of
the attachment being used.
F_Got 0
15

OPE ATmO
MULCHING MOWING TIPS
IMPORTANT: FOR BEST PERFORMANCE, KEEP
MOWER HOUSING FREE OF BUILT-UP GRASS AND
TRASH. CLEAN AFTER EACH USE.
• The special mulching blade will recut the grass clip-
pings many times and reduce them in size so that as
they fall onto the lawn they will disperse into the grass
and not be noticed. Also, the mulched grass will
biodegrade quickly to provide nutrients for the lawn,
Always mulch with your highest engine (blade) speed
as this will provide the best recutting action of the
blades.
,, Avoid cutting your lawn when it is wet. Wet grass tends
to form clumps and interferes with the mulching action.
The best time to mow your lawn is the early afternoon.
At this time the grass has dried and the newly cut area
will not be exposed to the direct sun.
For best results, adjust the mower cutting height so that
the mower cuts off only the top one-third of the grass
blades (See Fig. t 1 ). For extremely heavy mulching,
reduce your width of cut on each pass and mow slowly.
Certain types of grass and grass conditions may re-
quire that an area be mulched a second time to
completely hide the clippings. When doing a second
cut, mow across or perpendicular to the first cut path.
,, Change your cutting pattern from week to week. Mow
north to south one week the n change to east to west the
next week. This wil! help prevent matting and graining
of the lawn.
MAX 113
FIG. 11
16

CUSTOME ESPO LITIES
MAINTENANCE SCHEDULE
FILL tN DATES
AS YOU COMPLETE
REGULAR SERVICE
Check Brake Operation =:_ ....... t@#': : l 1
Check Tire Pressure _
Check for Loose Fasteners _ _#'7
SERVICE DATES
i 11111
T
R Sharpen/RePlace Mower Blades _,_
0_ Lub rioa!!ior} iOhar_ ............. . . _" .... _ ......
T
0 i/ V'
R J
Check,Engine,Oil Level V #_......
Change Engine Oil _ _t,2,3 _'
E Clean Air Filter _#'2
NClean Air Screer_ _2 ...........................
GInspect Muffler/Spark Arrester
Replace Oil Filter {If equipped) .......... I _,2
N Clean Engine Cooling F;n'S.................................. _4_2
EReplace Spark Plug ............................................. ...... _ , _ , . , ' , , , "--
Check Battery Level/Recharge
Clean Battery and Terminals
Check Transaxle Cooling
Adjust Blade Belt(s) Tension
Adjust Motion Drive Belt(s) Tension
Replace Air Filter Paper Cartridge
Replace Fuel Filter
1 - Change more often when operating under a heavy loador in high ambient temperatures.
2 - Service more often when operating indir[y or dusty conditions.
3 - if equipped with oit filter, change oil every50 hours.
4 - Replace blades more often when mowing in sandy soil.
qi
5 - tf equipped with adjustable system.
6 _Nol required if equipped with maintenanceqreebattery,
7 - Tightenfront axle pivot bolt to 35 It,-ibs. maximum,
Do not overtighten,
GENERAL RECOMMENDATIONS
The warranty on this tractor does not cover items that have
been subjected to operator abuse or negligence. To
receive full value from the warranty, operator must maintain
tractor as instructed in this manual.
Some adjustments will need to be made periodically to
properly maintain your tractor.
All adjustments in the Service and Adjustments section of
this manual should be checked at least once each season.
Once a year you should replace the spark plug, clean
or replace air filter, and check blades and belts for
wear. A new spark plug and clean air filter assure
proper air-fuel mixture and help your engine run better
and last longer.
BEFORE EACH USE
o Check engine oil level.
,, Check brake operation.
o Check tire pressure.
• Check for loose fasteners.
17
LUBRICATION CHART
IMPORTANT: DO NOT OIL OR GREASE THE PIVOT POINTS
WHICH HAVE SPECIAL NYLON BEARINGS, VISCOUS LUBRI-
CANTS WILL ATTRACT DUST AND DIRT THAT WILL SHORTEN
THE LIFE OF THE SELF-LUBRICATING BEARINGS. IF YOU
FEEL THEY MUST BE LUBRICATED, USE ONLY A DRY, POW-
DERED GRAPHITE TYPE LUBRICANT SPARINGLY,

CUSTO ES
TRACTOR
Always observe safety rules when performing any mainte-
nance.
PONS LINES
TO SHARPEN BLADE (See Fig. 13)
Care should be taken to keep the blade balanced. An
unbalanced blade wilt cause excessive vibration and even-
tual damage to mower and engine.
BRAKE OPERATION
If tractor requires more than six (6) feet stopping distance
at high speed in highest gear, then brake must be adjusted.
(See "TO ADJUST BRAKE" in the Service and Adjust-
ments section of this manual).
TRRES
o Maintain proper air pressure in all tires (See "PROD-
UCT SPECIFICATIONS" on page 3 of this manual).
• Keep tires free of gasoline, oil, or insect control chemi-
,, The blade can be sharpened with a file or on a grinding
wheel. Do not attempt to sharpen while on the mower.
o To check blade balance, you will need a 5/8" diameter
steel bolt, pin, or a cone balancer. (When using a cone
balancer, follow the instructions supplied with bal-
ance r).
o Slide blade on to an unthreaded portion of the steel bolt
or pin and hofd the bolt or pin parallel with the ground.
If blade is balanced, it should remain in a horizontal
position, tf either end of the blade moves downward,
sharpen the heavy end until the blade is balanced.
NOTE: Do not use a nail for balancing blade. The lobes of
the center hole may appear to be centered, but are not.
cals which can harm rubber.
Avoid stumps, stones, deep ruts, sharp objects and
other hazards that may cause tire damage.
BLADE CARE
For best results mower blades must be kept sharp. Re-
place bent or damaged blades.
BLADE REMOVAL {See Fig. 12)
o Raise mower to highest position to allow access to
blades.
o Remove hex bolt, lock washer and flat washer secur-
ing blade.
• Install new or resharpened blade with trailing edge up
towards deck as shown.
Reassemble hex bolt, lock washer and flat washer in
exact order as shown.
o Tighten bolt securely (30-35 Ft. Lbs. torque).
IMPORTANT: BLADE BOLT IS GRADE8HEATTREATED.
NOTE: We do not recommend sharpening blade - but if
_oudo, be sure the blade is baIanced.
BLADE
\MANDREL
ASSEMBLY
!TRAILING
EDGE UP
FLAT
LOCK WASHER __
_'_ HEX BOLT (GRADE 8)*
*A GRADE 8 HEAT TREATED BOLT CAN BE
IDENTIFIED BY SIX LINES ON THE BOLT HEAD.
CENTER HOLE /
518" BOLT
OR PIN
BLADE
FiG, 13
BATTERY
Your tractor has a batter,/charging system which is suffi-
cient for normal use. However, periodic charging of the
battery with an automotive charger will extend its life.
Keep batter,! and terminals clean.
o Keep battery bolts tight.
o Keep small vent holes open.
o Recharge at 6-t0 amperes for 1 hour.
TO CLEAN BATTERY AND TERMINALS
Corrosion and dirt on the battery and terminals can cause
the batter,7 to "leak" power.
o Open battery box door,
Disconnect BLACK battery cable first then RED bat-
tery cable and remove battery from tractor.
Rinse the battery with plain water and dry.
o Clean terminals and battery cable ends with wire brush
until bright.
o Coat terminals with grease or petroleum jelly.
o Reinstall battery (See "CONNECT BATTERY" in the
Assembly section of this manual).
FIG. 12
t8

CUSTO ESPON
V-BELTS
Check V-belts for deterioration and wear after 100 hours of
operation and replace if necessary. The belts are not
adjustable. Reptace belts if they begin to slip from wear.
TRANSAXLE COOLING
Keep transaxte free from build-up of dirt and chaff which
can restrict cooling.
ENGINE
ILl
OiL FILL
CAPIDtPSTICK
OIL DRAIN
PLUG
LUBRICATION
Only use high quality detergent oil rated with API service
classification SF orSG. Select the oil's SAE viscosity grade
according to your expected operating temperature.
NOTE: Although multi-viscosity oils (5W30, 10W30 etc.)
improve starting in cold weather, these multi-viscosity oils
will result in increased oil consumption when used above
32°F. Check your engine oil level more frequently to avoid
_ossible engine damage from running low on oil.
SAE VISCOSITY GRADES
°F -20 _ 0* 30 _ 32 _ 40* 60 _ 80 _ 100 °
°c -_o -2;o ._;o 6o 1oo _0o ;oo 40°
TEMPERATURE RANGE ANTICIPATED BEFORE NEXT OiL CHANGE
Change the oil after the first two hours of operation and
every 25 hours thereafter or at least once a year if the
tractor is not used for 25 hours in one year.
Check the crankcase oil level before starting the engine
and after each eight (8) hours of operation. Tighten oit fill
capldipstick securely each time you check the oil level.
TO CHANGE ENGINE OIL (See Fig. t4)
Determine temperature range expected before oi! change.
All oil must meet API service classification SF or SG,
o
@
g
a
o
Be sure tractor is on level surface.
Oil wilt drain more freely when warm.
Catch oil in a suitable container.
Remove oil fill cap/dipstick. Be careful not to allow dirt
to enter the engine when changing oi!.
Remove drain plug.
After oil has drained completely, replace oil drain plug
and tighten securely.
Refill engine with oil through oil fill dipstick tube. Pour
slowly. Do not overfill. For approximate capacity see
"PRODUCT SPECIFICATIONS" on page 3 of this
manual.
Use gauge on oil fill cap/dipstick for checking level. Be
sure dipstick cap is tightened securely for accurate
reading. Keep oi! at "FULL" line on dipstick.
FiG. 14
AiR FILTER (See Fig. 15)
Your engine wit! not run property using a dirty air fitter.
Clean the foam pre-cleaner after every 25 hours of opera-
tion or every season. Service paper cartridge every 100
hours of operation or every season, whichever occurs first.
Service air cleaner more often under dusty conditions.
• Remove knob(s) and cover.
TO SERVICE PRE-CLEANER
• Slide foam pre-cteaner off cartridge.
•Wash it in liquid detergent and water.
, Squeeze it dry in a clean cloth.
•Saturate it in engine oil. Wrap it in clean, absorbent
cloth and squeeze to remove excess oil.
,, If very dirty or damaged, replace pre-cleaner.
,, Reinstall pre-cteaner over cartridge.
•Reinstall cover and secure with knob(s).
TO SERVtCE CARTRIDGE
•Remove cartridge nut.
• Carefully remove cartridge to prevent debris from
entering carburetor. Clean base carefully to prevent
debris from entering carburetor.
Clean cartridge bytapping gently on flat surface. Ifvery
dirty or damaged, replace cartridge.
• Reinstall cartridge, nut, precteaner, cover and secure
with knob(s).
IMPORTANT: PETROLEUM SOLVENTS, SUCH AS
KEROSENE, ARE NOT TO BE USED TO CLEAN THE
CARTRIDGE. THEY MAY CAUSE DETERIORATION OF
THE CARTRIDGE. DO NOT OIL CARTRIDGE. DO NOT
USE PRESSURIZED AIR TO CLEAN OR DRY
CARTRIDGE.
KNOB
COVER
CARTRIDGE
NUT
FOAM
PRE-CLEANER °
BASE
PAPER
CARTRIDGE
19 FiG. 15

CUSTO SPONSI LES
CLEAN AiR SCREEN (See Fig. 16)
Air screen must be kept free of dirt and chaff to prevent
engine damage from overheating. Clean with a wire brush
or compressed air to remove dirt and stubborn dried gum
fibers.
ENGaNE COOLING FaNS (See Fig. 16)
Remove any dust, dirt or oil from engine cooling fins to
prevent engine damage from overheating.
• Remove screws from blower housing and lift housing
and dipstick tube assembly off engine.
• Cover oil fill opening to prevent entry of dirt.
•Use compressed air or stiff bristle brush to thoroughly
clean engine cooling fins.
-To reassemble, reverse above procedure.
SCREWS BLOWER HOUSING SCREWS
OIL FILL
TUBE
ASSEMBLY
ENGINE COOLING FINS
SPARK
PLUG
FiG. 16
_N-LINE FUEL FALTER (See Fig. 17)
The fuel filter should be replaced once each season, Iffuel
filter becomes clogged, obstructing fuel flow to carburetor,
replacement is required.
• With engine cool, remove filter and plug fuel line
sections.
=Place new fuel filter in position in fuel line with arrow
pointing towards carburetor.
• Be sure there are no fuel line leaks and clamps are
properly positioned.
', Immediately wipe up any spilled gasoline.
CLAMP
_CLAMP
FUEL
FILTER
FiG. 17
CLEANtNG
• Clean engine, battery, seat, finish, etc. of all foreign
matter.
° Keep finished surfaces and wheels free of all gasoline,
oil, etc.
,, Protect painted surfaces with automotive type wax.
We do not recommend using a garden hose to clean your
tractor unless the electrical system, muffler, air filter and
carburetor are covered to keep water out. Water in engine
can result in a shortened engine life.
MUFFLER
Inspect and replace corroded muffler and spark arrester (if
equipped) as it could create a fire hazard and/or damage.
SPARK PLUGS
Replace spark plugs at the beginning of each mowing
season or after every 100 hours of operation, whichever
occurs first. Spark plug type and gap setting are shown in
"PRODUCT SPECIFICATIONS" on page 3 of this manual.
2O

SERVICE AND ADJUSTMENTS
CAUTION: BEFORE PERFORMING ANY SERVICE OR ADJUSTMENTS:
•Depress clutch/brake pedal fully and set parking brake,
•Place gearshift lever in neutral (N) position.
•Place attachment clutch in "DISENGAGED" position,
Turn ignition key "OFF" and remove key.
•Make sure the blades and all moving parts have completely stopped.
• Disconnect spark plug wire from spark plug and place wire where it cannot come in contact with
plug,
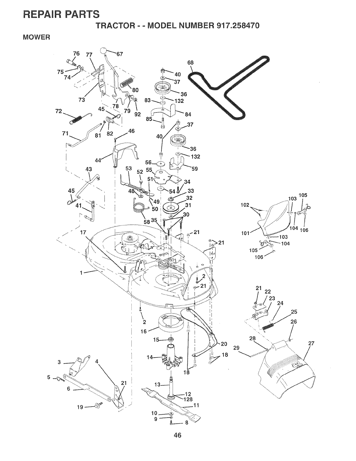
TO REMOVE MOWER (See Fig. 18)
Mower will be easierto remove from the right side of tractor.
,Place attachment clutch in "DISENGAGED" position.
-Move attachment lift lever forward to lower mower to its
lowest position.
, Roll belt off engine pulley.
• Disconnect clutch rod from clutch lever by removing
retainer spring.
•Disconnect anti-sway bar from chassis bracket by
removing retainer spring.
•Disconnect suspension arms from rear deck brackets
by removing retainer springs.
- Disconnect front links from deck by removing retainer
springs,
Raise lift lever to raise suspension arms. Slide mower
out from under tractor.
IMPORTANT: IF AN ATTACHMENT OTHER THAN THE
MOWER tS TO BE MOUNTED TO THE TRACTOR,
REMOVE THE FRONT LINKS.
TO iNSTALL MOWER (See Fig. 18)
•Raise attachment lift lever to its highest position.
•Slide mower under tractor with discharge guard to right
side of tractor.
• Lower lift lever to its lowest position.
,Install mower in reverse order of removal instructions,
CLUTCH LEVER
RETAINER
SUSPENSION ENGINE
ARMS PULLEY
RETAINER
SPRING
ANTI-SWAY BAR /
RETAINER
SPRINGS
(BOTH SIDES)
FiG. 18
21

SERVICE AN ADJUSTMENTS
TO LEVEL MOWER HOUSING
Adjust the mower while tractor is parked on level ground or
driveway. Make sure tires are properly inflated (See
"PRODUCT SPEClFICATIONS"on page 3 of this manual).
Iftires are over or underinflated, you will not properly adjust
your mower,
SIDE-TO-SIDE ADJUSTMENT (See Figs. 19 and 20)
Raise mower to its highest position.
• At the midpoint of both sides of mower, measure height
from bottom edge of mower to ground. Distance "A" on
both sides of mower should be the same or within 1/4"
of each other.
If adjustment is necessary, make adjustment on one
side of mower only.
To raise one side of mower, tighten lift link adjustment
nut on that side.
To lower one side of mower, loosen lift link adjustment
nut on that side.
o
NOTE: Each full turn of adjustment nut will change mower
height about t/8".
Recheck measurements after adjusting.
BOTTOM EDGE BOTTOM EDGE
OF MOWER TO OF MOWER TO
GROUND GROUND
A
GROUND LINE
FIG, 19
LIFT LINK
ADJUSTMENT NUT
SUSPENSION
ARM
FIG. 20
FRONT-TO-BACK ADJUSTMENT (See Figs. 21 and 22)
IMPORTANT: DECK MUST BE LEVEL SIDE-TO-SIDE. IF
THE FOLLOWING FRONT-TO-BACK ADJUSTMENT lS
NECESSARY, BE SURE TO ADJUST BOTH FRONT LINKS
EQUALLY SO MOWER WiLL STAY LEVEL SIDE-TO-
SIDE.
To obtain the best cutting results, the mower housing
should be adjusted so that the front is approximately 1/4" to
3/4" lower than the rear when the mower is in its highest
position.
Check adjustment on right side of tractor. Measure dis-
tance "D" directly in front and behind the mandrel at bottom
edge of mower housing as shown.
Before making any necessary adjustments, check that
both front links are equal in length. Both links shouId
be approximately 10-3/8",
- If links are not equal in length, adjust one link to same
length as other link.
• To lower front of mower loosen nut "E" on both front
links an equal number of turns.
When distance "D" is I/4" to 3/4" lower at front than
rear, tighten nuts "F" against trunnion on both front
links.
To raise front of mower, loosen nut"F" from trunnion on
both front links. Tighten nut "E" on both front links an
equal number of turns.
• When distance "D" is 1/4" to 3/4" lower at front than
rear, tighten nut "F" against trunnion on both front links.
Recheck side-to-side adjustment.
22
FIG. 21
BOTH FRONT LINKS MUST BE EQUAL tN LENGTH
P j
NUT "E"
NUT "F
FRONT LINKS TRUNNION
FiG. 22

SERVICE AND ADJUSTMENTS
TO REPLACE MOWER BLADE DRIVE BELT
(See Fig. 23)
The mower bfade drive belt may be replaced without tools,
Park the tractor on level surface. Engage parking brake.
BELT REMOVAL-
,, Remove mower from tractor (See "TO REMOVE
MOWER" in this section of this manual).
, Work belt off both mandrel pulleys and idler pulleys.
,, Pull belt away from mower.
BELT INSTALLATION -
,, Install new belt in reverse order of removal.
• Make sure belt is in all pulley grooves and inside all belt
guides.
o Install mower in reverse order of removal instructions.
WiTH PARKING BRAKE"ENGAGED"
\NUT "A"
JAIVl NUT
OPERATING
ARM
MANDREL IDLER
PULLEY PULLEYS
MANDREL
PULLEY
FIG. 23
TO ADJUST BRAKE (See Fig. 24}
Your tractor is equipped with an adjustable brake system
which is mounted on the right side of the transaxle.
if tractor requires more than six (6) feet stopping distance
at high speed in highest gear, then brake must be adjusted,
" Depress clutch/brake pedal and engage parking brake.
• Measure distance between brake operating arm and
nut "A" on brake rod.
If distance is other than 1-I/2", loosen jam nut and turn
nut "A" until distance becomes 1-1/2". Retighten jam
nut against nut "A".
Road test tractor for proper stopping distance as stated
above. Readjust if necessary. If stopping distance is
still greater than six (6) feet in highest gear, further
maintenance is necessary. Contact your nearest au-
thorized service center/department.
FiG. 24
TO REPLACE MOTION DRIVE BELT
(See Fig. 25)
Park the tractor on teveI surface. Engage parking brake.
For assistance, there is a belt installation guide decal on
bottom side of left footrest.
,Remove mower (See "TO REMOVE MOWER" in this
section of this manual.)
•Remove upper belt keeper.
,, Remove belt from stationary idler and clutching idler.
, Pull belt slack toward rear of tractor. Remove belt
upwards from transaxle pulley by deflecting belt keep-
ers.
o Pull belt toward front of tractor and remove downwards
from around engine pulley.
• Install new belt by reversing above procedure.
liVIPORTANT: MAKE SURE UPPER BELT KEEPER IS
POSITIONED PROPERLY BETWEEN LOCATQR TABS.
PULLEY
IDLER
TABS
BELT
KEEPER
IDLER
PULLEY
23 FIG. 25

SERVICE AND ADJUSTIVl TS
TRANSA×LE SHIFTER LINKAGE AND AD-
JUSTMENT (See Figs. 26 and 27)
The transaxte should be inneutral when the gear shift lever
is in the neutrai (N) (lock gate) position. The adjustment is
preset at the factory; however, if adjustment is needed,
proceed as follows:
• Make sure transaxIe is in neutral (N).
,Loosen two locknuts on tie rod.
o Turn center rod until gearshift lever falls into neutral
lock gate on fender console.
o Tighten tocknuts securely.
GEARSHIFT LEVER
ITRAL
LOCKGATE
FIG. 26
TS
CENTER ROD
TIE ROD
TRANSAXLE
FIG. 27
TO ADJUST STEERING WHEEL ALIGNMENT
If steering wheel crossbars are not horizontal (left to right)
when wheels are positioned straight forwa rd, remove steer-
ing wheel and reassemble per instructions in the Assembly
section of this manual.
FRONT WHEEL TOE-IN/CAMBER
The front wheel toe-in and camber are not adjustable on
your tractor. If damage has occurred to affect the front
wheel toe-in or camber, contact your nearest authorized
service center/department.
TO REMOVE WHEEL FOR REPAIRS
(See Fig. 28)
, Block up axte securely.
• Remove axle cover, retaining ring and washers to allow
wheel removal (rear wheel contains a square key - Do
not lose).
oRepair tire and reassemble.
- On rear wheels only: align grooves in rear wheel hub
and axle. Insert square key.
• Replace washers and snap retaining ring securely in
axle groove.
Replace axle cover.
WASHERS
RETAINING
RING
I
'_ SQUARE KEY
(REAR WHEEL ONLY)
FIG. 28
24
TO START ENGINE WITH A WEAK BATTERY
See Fig. 29)
CAUTION: Lead-acid batteries gener-
ateexplosive gases. Keepsparks, flame
and smoking materials away from bat-
teries. Always wear eye protection
when around batteries.
If your battery is too weak to start the engine, it should be
recharged. If "jumper cables" are used for emergency
starting, follow this procedure:
iMPORTANT: YOUR TRACTOR IS EQUIPPED WITH A 12
VOLT NEGATIVE GROUNDED SYSTEM. THE OTHER
VEHICLE MUST ALSO BE A 12 VOLT NEGATIVE
GROUNDED SYSTEM. DO NOT USE YOUR TRACTOR
BATTERY TO START OTHER VEHICLES.
TO A't-f-ACH JUMPER CABLES -
Connect each end of the RED cable to the POSITIVE
(+) terminal of each battery, taking care not to short
against chassis.
, Connect one end of the BLACK cable to the NEGA-
TIVE (-) terminal of fully charged battery.
o Connect the other end of the BLACK cable to good
CHASSIS GROUND, away from fuel tank and battery.
TO REMOVE CABLES, REVERSE ORDER
o BLACK cable first from chassis and then from the fully
charged battery,
o RED cable last from both batteries.

SERVICE AN ADJUSTMENTS
POSITIVE TERMINAL NEGATIVE TERMINAL
CABLES
;HARGED
BATTERY
POSITIVE TERMINAL NEGATIVE TERMINAL
FWGo29
TO REPLACE HEADLIGHT BULB
=Raise hood.
, Pull bulb holder out of the hole in the backside of the
grill.
• Replace bulb in holder and push bulb holder securely
back into the hole in the backside of the grill.
, Close hood.
TO REMOVE HOOD AND GRILL ASSEMBLY
(See Fig. 30)
', Raise hood,
• Unsnap headlight wire connector.
= Stand in front of tractor. Grasp hood at sides, tilt toward
engine and lift off of tractor.
,, To replace, reverse above procedures.
HOOD
HEADLIGHT
WIRE
CONNECTOR
F|G. 30
INTERLOCKS AND RELAYS
Loose or damaged wiring may cause your tractor to run
poorty, stop running, or prevent it from starting,
, Check wiring. See electrical wiring diagram in the
Repair Parts section of this manual.
TO REPLACE FUSE
Replace with 30 amp automotive-type plug-in fuse, The
fuse holder is located behind the dash.
25

SERVICE AND ADJUSTMENTS
ENGINE
TO ADJUST THROTTLE CONTROL CABLE
(See Fig. 31 )
The throttle control has been preset at the factory and
adjustment should not be necessary. Check adjustment as
described below before loosening cable. If adjustment is
necessary, proceed as follows:
oWith engine not running, move throttle control lever
from siow (,_,) to choke (IXt) position. Slowly move
lever from choke (I\l) to fast (,1_) position.
•Check that holes "A" in governor control Iever and hole
in governor plate line-up, tf holes 'W' are not aligned,
loosen clamp screw and move throttle cable until holes
are aligned. Tighten clamp screw securely.
GOVERNOR GOVERNOR
CONTROL LEVER CONTROL PLATE
1
\
O
O
HOLES "A" CLAMP
SCREW THROTTLE
CABLE
FiG. 31
TO ADJUST CARBURETOR (See Fig, 32)
The carburetor has been preset at the factory and adjust-
ment should not be necessary. However, minor adjust-
ment may be required to compensate for differences in fuel,
temperature, altitude or load. If the carburetor does need
adjustment, proceed as follows:
In general, turning idle mixture vatve in (clockwise) de-
creases the supply of fuel to the engine giving a Ieaner fuel/
air mixture. Turning the idle mixture valve out (counter-
clockwise) increases the supply of fuel to the engine giving
a richer fuel/air mixture.
IMPORTANT: DAMAGE TO THE NEEDLE VALVE AND
THE SEAT IN CARBURETOR MAY RESULT IF SCREW IS
TURNED IN TOO TIGHT,
PRELIMINARY SETTING -
" Air cleaner assembly must be assembled to the carbu-
retor when making carburetor adjustments.
, Be sure the throttle control cable is adjusted properly
(see above).
o With engine off turn idle mixture valve in (clockwise)
closing it finger tight and then turn out (counterclock-
wise) t full turn.
FINAL SETTING -
,, Start engine and allow to warm for five minutes. Make
final adjustments with engine running and shift/motion
control lever in neutral (N) position.
,, Move throttle control lever to slow (,_) position. With
finger, rotate and hold throttle lever against idle speed
screw. Turn idle speed screw to attain 1750 RPM.
, While still holding throttle lever against idle speed
screw, turn idle mixture valve in (clockwise) until en-
gine begins to die and then turn out (counterclockwise)
until engine runs rough. Turn valve to a point midway
between those two positions. Release throttle lever.
ACCELERATION TEST -
- Move throttle control lever from slow (,,_) to fast (@)
position. If engine hesitates or dies, turn idle mixture
valve out (counterclockwise) 1/8 turn. Repeat test and
continue to adjust, if necessary, until engine acceler-
ates smoothly.
High speed stop is factory adjusted. Do not adjust -
damage may result.
iMPORTANT: NEVER TAMPER WITH THE ENGINE
GOVERNOR, WHICH IS FACTORY SET FOR PROPER
ENGINE SPEED. OVERSPEEDtNGTHE ENGINE ABOVE
THE FACTORY HIGH SPEED SETTING CAN BE
DANGEROUS. IF YOU THINKTHE ENGINE-GOVERNED
HIGH SPEED NEEDS ADJUSTING, CONTACT YOUR
NEAREST AUTHORIZED SERVICE CENTER/
DEPARTMENT, WHICH HAS PROPER EQUIPMENT AND
EXPERIENCE TO MAKE ANY NECESSARY
ADJUSTMENTS.
THROTTLE IDLE SPEED
LEVER SCREW
IDLE MIXTURE
VALVE
FroG.32
26

STORAGE
Immediately prepare your tractor for storage at the end of
the season or if the tractor wilt not be used for 30 days or
more.
CAUTION: Never store the tractor with
gasoline in the tank inside a building
where fumes may reach an open flame
or spark, Allow the engine to cool
before storing in any enclosure.
TRACTOR
Remove mower from tractor for winter storage. When
mower is to be stored for a 'period of time, ctean it thor-
oughly, remove all dirt, grease, leaves, etc. Store in a
clean, dry area.
,, Clean entire tractor (See "CLEAN ING" in the Customer
Responsibilities section of this manual).
• Inspect and replace belts, if necessary (See belt re-
placement instructions in the Service and Adjustments
section of this manual).
o Lubricate as shown in the Customer Responsibilities
section of this manual.
,, Be sure that all nuts, bolts and screws are securely
fastened. Inspect moving parts for damage, breakage
and wear. Replace if necessary.
• Touch up all rusted or chipped paint surfaces; sand
lightly before painting.
BATTERY
° Fully charge the battery for storage.
• After a period of time in storage, battery may require
recharging.
® To help prevent corrosion and power leakage during
long periods of storage, battery cables should be
disconnected and battery cleaned thoroughly (see "TO
CLEAN BATTERY AND TERMINALS" in the Cus-
tomer Responsibilities section of this manual).
After cleaning, leave cables disconnected and place
cables where they cannot come in contact with batter,,7
terminals.
, Be sure battery drain tube is securely attached.
o If battery is removed from tractor for storage, do not
store battery directly on concrete or damp surfaces.
ENGINE
FUEL SYSTEM
iMPORTANT: IT IS IMPORTANT TO PREVENT GUM
DEPOSITS FROM FORMING IN ESSENTIAL FUEL
SYSTEM PARTS SUCH AS CARBURETOR, FUEL FILTER,
FUEL HOSE, OR TANK DURING STORAGE. ALSO,
EXPERIENCE INDICATES THAT ALCOHOL BLENDED
FUELS (CALLED GASOHOL OR USING ETHANOL OR
METHANOL) CAN ATTRACT MOISTURE WHICH LEADS
TO SEPARATION AND FORMATION OF ACIDS DURING
STORAGE. ACIDIC GAS CAN DAMAGE THE FUEL
SYSTEM OF AN ENGINE WHILE IN STORAGE.
, Drain the fuel tank.
Start the engine and let it run until the fuel lines and
carburetor are empty.
• Never use engine or carburetor cleaner products in the
fuel tank or permanent damage may occur.
,, Use fresh fuel next season.
NOTE: Fuel stabilizer is an acceptable alternative in
minimizing the formation of fuel gum deposits during stor-
age. Add stabilizer to gasoline in fuel tank or storage
container. Always follow the mix ratio found on stabilizer
container. Run engine at least 10 minutes after adding
stabilizer to allow the stabifizer to reach the carburetor. Do
not drain the gas tank and carburetor if using fuel stabilizer.
ENGINE OIL
Drain oil (with engine warm) and replace with clean engine
oil. (See "ENGINE" in the Customer Responsibilities
section of this manual).
CYLINDERS
- Remove spark plug(s).
, Pour one ounce of oi! through spark plug hole(s) into
cylinder(s).
, Turn ignition key to "START" position fora few seconds
to distribute oil.
, Replace with new spark plug(s).
OTHER
Do not store gasoline from one season to another,
-Replace your gasoline can if your can starts to rust.
Rust and/or dirt in your gasoline will cause problems.
• If possible, store your tractor indoors and cover it to
give protection from dust and dirt.
• Cover your tractor with a suitable protective cover that
does not retain moisture. Do not use plastic. Plastic
cannot breathe which allows condensation to form and
wit! cause your tractor to rust.
IMPORTANT: NEVER COVER TRACTOR WHILE ENGINE
AND EXHAUST AREAS ARE STILL WARM.
27

COTING POINTS
PROBLEM
Will not start
Hard to start
Engine will not turn over
Engine clicks but will not
start
Loss of power
Excessive vibration
CAUSE CORRECTION
I. Out of fuel
2, Engine not "CHOKED" properly,
3, Engine flooded.
4. Bad spark ptug.
5. Dirtyair filter.
6. Dirty fuel filter.
7, Water in fuel.
8. Loose or damaged wiring.
9. Carburetor out of adjustment.
10. Engine vatves out of adjustment.
1. Fill fuel tank.
2. See "TO START ENGINE" in Operation section.
3. Wait several minutes before attempting to start.
4. Replace sparkplug.
5. Clean/replace air filter.
6. Replace fuel filter.
7. Drain fue! tank and carburetor, refill tank with fresh
gasoline and repiace fuel filter.
8. Check all wiring.
9. See "To Adjust Carburetor" in Service Adjustments
section.
10. Contact an authorized service center!department.
t. Dirty air filter.
2. Bad spark plug.
3. Weak or dead battery.
4. Dirty fuel filter.
5. Stale or dirty fuel.
6. Loose or damaged wiring.
7. Carburetor out of adjustment.
8. Engine valves out of adjustment.
1. Clean/replace air filter.
2. Replace spark plug.
3. Recharge or replace battery.
4. Replace fuet filter.
5. Drain fuel tank and refill with fresh gasoline.
6. Check al! wiring.
7. See "To Adjust Carburetor" in Service Adjustments
section.
8. Contact an authorized service center/department.
1. Cfutchibrake pedal not depressed.
2. Attachment clutch is engaged.
3. Weak or dead battery.
4. Blown fuse.
5. Corroded batteryterminats.
6. Looseor damaged wiring.
7. Faulty ignition switch.
8. Faulty solenoid or starter.
9. Faulty operator presence switch(es).
1. Weak or dead battery.
2. Corroded battery terminals.
3. Loose or damaged wiring.
4. Faulty solenoid or starter.
1. Cutting too much grass/too fast.
2. Throttle in "CHOKE" position.
3. Build-up of grass, leaves and trash under mower.
4. Dirtyair filter.
5. Low oil level/dirty oil.
6. Faulty spark plug.
7. Dirty fuel filter.
8. Stale or dirty fuel.
9. Water in fuei.
10. Spark plug wire loose.
!1. Dirty engine air screen/fins.
t2. Dirty/clogged muffler.
13. Loose or damaged wiring.
14. Carburetor out of adjustment.
15. Engine valves out of adjustment.
I. Worn. bent or loose btade.
2. Bent blade mandrel.
3. Loose/damaged part(s).
1. Depress clutch/brake pedal.
2. Disengage attachment clutch.
3. Rechargeor replace battery.
4. Replace fuse.
5. Clean battery terminals.
6. Check all wiring.
7. ChecWreplaceignition switch.
8. ChecWreptace solenoid or starter.
9. Contact an authorized service center/department.
t. Recharge or replace battery.
2. Clean battery terminals.
3. Check all wiring.
4. Check/replace solenoid or starter.
1. Set in "Higher Cut" position/reduce speed.
2. Adiust throttle control.
3. Clean underside of mower housing.
4. Clean/replace air filter.
5. Check oil level/change oif.
6. Ctean and regap or change spark plug.
7. Replace fuel filter.
8. Drain fuel tank and refill with fresh gasoline.
9. Drain fuel tank and carburetor, refill tank with fresh
gasoline and replace fuet filter.
t0. Connect and tighten spark plug wire.
tl. Clean engine air screen/fins.
12. Clean/replace muffler.
13. Check all wiring.
14. See "To Adjust Carburetor" in Service Adjustments
section.
15. Contact an authorized service center/department.
t. Replace blade. Tighten bIade bolt.
2. Replace blade mandrel.
3. Tighten loose part(s). Replace damaged parts.
28

TROUBLESHOOTING OINTS
PROBLEM
Engine continues to run
when operator leaves seat
with attachment clutch
engaged
Poor cut *uneven
CAUSE
1. Faulty operator-safety presence controt system,
I. Worn, bent or Ioose blade.
2, Mower deck not level,
CORRECTION
1. Check wiring, switches and connections, if not
corrected, contact an authorized service center/
department.
1. Replace blade. Tighten blade bolt.
2. Level mower deck.
Mower blades will not
rotate
Poor grass discharge
Headlight(s) not working
(if so equipped)
Battery will not charge
Engine "backfires"
when turning engine
"OFF"
3. Buildup of grass, leaves, and trash under mower.
4. Bent blade mandrel.
5. Clogged mower deck vent holes from buildup of
grass, leaves, and trash around mandrels.
1. Obstruction in clutch mechanism.
2. Worn/damaged mower drive belt.
3. Frozen idler pulley.
4. Frozen blade mandrel.
1. Engine speed too slow.
2. Travel speed too fast.
3. Wet grass.
4. Mower deck not levei.
5. Low/uneven tire air pressure.
6. Worn. bent or loose blade.
7. Buildup of grass, leaves and trash under mower.
8. Mower drive belt worn.
9. Blades improperly installed.
10. Improper blades used.
tl. Clogged mower deck vent holes from buildup of
grass, leaves, and trash around mandrels.
I. Switch is "OFF".
2. Bulb(s) burned out.
3. Faulty light switch.
4. Loose or damaged wiring.
5. Blown fuse.
I. Bad batterycel!(s).
2. Poor cable connections.
3. Faulty regulator (if so equipped).
4. Fault,;/alternator.
Engine throttle control not set at "SLOW"
position for 30 seconds before stopping engine.
3. Clean underside of mower housing.
4. Replace blade mandrel.
5. Clean around mandrels to open vent holes.
1. Remove obstruction.
2. Replace mower drive bett.
3. Rep{ace idler pulley.
4. Reptace blade mandrel.
1. Place throttle control in "FAST" position.
2. Shift to slower speed.
3. Allow grass to dry before mowing.
4. Level mower deck.
5. Check tires for proper air pressure.
6. Replace/sharpen blade. Tighten blade bolt.
7. Clean underside of mower housing.
8. Replace mower drive belt.
9. Reinstall blades sharp edge down.
10. Replace with blades listed in this manual.
11. Clean around mandrels to open vent holes.
1. Turn switch "ON".
2. Replace bulb(s).
3. ChecWreplace light switch.
4. CheckwLring and connections.
5. Replace fuse.
1. Replace battery.
2. Check/clean atl connections.
3. Replace regulator.
4. Replace alternator.
1. Move thrott{e control to "SLOW" position and altow
to idte for 30 seconds before stopping engine.
29

SERVICE NOTES
3O

TRACTOR - - MODEL NUMBER 917.258470
SCHEMATIC
÷ill °
oliio B oK
BATTERY
AMMETER
(OPTIONAL)
RED
WHITE ,_©, ©l SOLENOID
(PEDAL UP) WHITE
f l
_ I. BLACK
", AHOUR _ [" (CLUTCH OFI=}'''' ]
--_ METERb_
R7
L_
IGNITION
SWITCH
IGNITION SWITCH
POSITION
OFF
RUN/LIGHT
RUN
START
J
F
(OPTIONAL)
BLACK
CIRCUIT "MAKE"
G + M + L NONE
B+L A+Y
B + L NONE
B + L + S NONE
BLACK (_ IGNITION- ....... f UNIT
t FUEL[
NE_ 3 AMP DC @ 3600 RPM
........ J
FUEL SHUT-OFF
SOLENOID [
ORANGE
NOTE
YOUR TRACTOR IS
EQUIPPED WITH A SPECIAL
ALTERNATOR SYSTEM.
THE LIGHTS ARE NOT
SEAT SWITCH
(NOT OCCUPIED)
i ,,.d'j _ 1
GROUNDING
CONNECTOR P
• SPARK ql_
_(2 PLUG
GAP _D------_ _
PLUGS ON
TWIN CYL. ENGINES)
28 VOLTS AC MIN. @ 3600 RPM
(CHARGING SYSTEM DISCONNECTED)
/
BLUE
LIGHTING SYSTEM OUTPUT DIODE _ALTERNATOR
5 AMP AC @ 3600 RPM _ ÷ k
-,,_, I j
x 14 VOLTS AC MIN, @ 3600 RPM (LIGHTS OF_)
CONNECTED TO THE
BAKERY, BUT HAVE THEIR
OWN ELECTRICAL SOURCE.
BECAUSE OF THIS, THE
BRIGHTNESS OF THE LIGHTS
WILL CHANGE WITH ENGINE
SPEED. AT IDLE THE LIGHTS
WILL DIM. AS THE ENGINE tS
SPEEDED UP, THE LIGHTS
WILL BECOME THEIR BRIGHTEST.
BROWN
HEADLIGHTS
O ©
NON-REMOVABLE REMOVABLE
CONNECTIONS CONNECTIONS /_
WIRING INSULATED CLIPS
NOTE: IF WIRING INSULATED
CLIPS WERE REMOVED FOR
SERVICING OF UNIT, THEY
SHOULD BE REPLACED TO
PROPERLY SECURE YOUR WIRING.
31

REPAIR PARTS
ELECTRICAL TRACTOR o- MODEL NUMBER 917.258470
42
41
19
3332
15\
26
\
\\
\
\
\
\
\
/
1
!
!
!
/
\\
32

REPAIR PARTS
ELECTRICAL
TRACTOR - - MODEL NUMBER 917.258470
KEY PART
NO. NO. DESCRIPTION
1 146139
2 74760412
3 STD551025
4 STD551125
6 STD541025
7 109238X
8 156417
9 109596X
15 147688
16 153664
19 STD551125
20 7335040O
21 136850
22 4152J
24 4799J
25 146147
26 108824X
28 4207J
29 121305X
30 140301
31 124211X
32 141226
33 1093t0X
40 156442
41 71110408
42 131563
43 145673
44 73640400
45 I21433X
7O 140422
Battery 12 VOLT 25 AMP
Bolt Hex Hd 1/4-20unc x 3/4
Washer 9/32 x 5/8 x 16 Ga
Washer Lock Hvy Helical 1/4
Nut Fin Hex 1/4-20 Unc
Tube Plastic 12"
Case Battery
Clamp Hose Olive
Fastener Snap-in
Switch, Interlock Push-In
Washer Lock 1/4
Nut Jam Hex 1/4-20 Unc
Harness Asm Light W/4152j
Bulb Light #1156
Cable Battery 6 Ga 11" red
Cable Battery 6 Ga wi16 wire red
Fuse 30 AMP Auto Green
Cable Ground 6 Ga 12" black
Switch Plunger Nc Gray
Switch Ign 4 Pos
Nut Ignition
Cover Sw Key Blk 1 25 Text SLT
Key lgn Molded Craftsman
Harness lgn Man CI Am Hm 97
Bo_t Btk. Fin Hex 1/4-20 Uric x 1/2
Cover Terminal Red
Solenoid
Nut Keps Blk Hex t/4_20 Unc
Ammeter Rectangular 6 Amp
Harness Engine B&S 14 OHV
NOTE: All component dimensions give in U.S, inches
1 inch = 25.4 mm
33

REPAIR PARTS
TRACTOR --MODEL NUMBER 917.258470
CHASSIS AND ENCLOSURES
3O
\24
21 22
17
!5 24 5
26
3t
14
33 10
11
25
26
18
19
140
3
38_-,. 34
39 26
29
34

REPAIR PARTS
TRACTOR = o MODEL NUMBER 917.258470
CHASSIS AND ENCLOSURES
KEY PART
NO. NO. DESCRiPTiON
1 155051
2 140356
3 17490612
4 STD551025
5 155272
6 155923
7 126842X
8 155138
9 156275X010
10 STD533710
tl 155927
t3 155934X0t0
14 17490608
15 74180512
16 STD54143t
17 154988X574
18 126938X
19 17521312
21 122933X
22 124479X
24 STD523710
25 19131312
26 STD54t437
27 17030814
28 140137
29 124029X
30 140001X574
3t 136619
33 145244X574
34 145243X574
35 STD533707
38 139886
39 139887
100 105037X
140 150556
-- 5479J
Chassis Weldment
Drawbar Stretch
Screw Thdrot 3/8-16 .x 3/4 Ty-tt
Washer 13/32 x 3/4 x 16 Ga.
Bumper Hood/Dash
Saddle LT Flat Fender Shift
Shield Ht Hood KohliDia Engine
Clip Retainer Slide On
Dash Silkscreened l-Pc M. WiAmm
Bolt Carriage 3/8-16 x t
Panel Pnt Dash Lh
Panel Slkscr Dash Rh Weldment
Screw Thdro! 3/8-16 x 1/2 Ty-tt
Screw Mach Trhd 5/t6-18uncx3i4
Nut Keps 5/16-18 Unc
Hood Asm Pnt Weld MS-574
Bumper Hood
Screw Sftd Hex Hd wiPf Washer
Rivet Ratchet Nylon
Washer Nylon Btk 28 x 75 x 19
Bolt Fin Hex 3/8-16unc x 1
Washer 13/32 x 13/32 x 12 Ga
Nut Lock 3/8-16 Unc
Screw Lock Spider #8 x 7/8
Grille Black Ms-428
Lens Headlight Bar Clear
Fender Pnt
Bracket Pnt Fender
Footrest Pnt Lh LtiYtiGt 574
Footrest Pnt Rh Lt/Yt/Gt 574
Bolt Rdhd Sht Sqnk 3/8-16 X3/4
Bracket, Asm. Pivot, L.H., Mower Rear
Bracket, Asm. Pivot, R.H., Mower Rear
Strip Foam 18"
Bracket, Chassis Front 7 Ga.
Plug Button BIk 359 Dia
NOTE: All component dimensions given in U.S. inches
1 inch = 25,4 mm
35

REPAIR PARTS
DRIVE
TRACTOR -- MODEL NUMBER 917.258470
57
84
87 18 1t3
19
58
56
172
51
18 38 _,=
/
35 / t 37
36 341
26 27
36
7O 1!6
48
118
53

REPAIR PARTS
DRIVE
TRACTOR --MODEL NUMBER 917.258470
KEY
NO.
2
3
4
5
6
8
t0
11
13
14
t5
t8
!9
2t
22
24
25
26
27
28
29
30
31
32
34
35
36
37
38
39
40
41
42
47
48
49
5O
51
PART
NO.
146682
123666X
12000028
121520X
17490512
141003
76020416
10570IX
74550412
STD551125
74490544
74780616
STD54 ! 437
106933X
130804
STD541237
106888X
STD551037
STD561210
145204
124236X
130807
127275X
STD523107
155071
120183X
STD551062
STD57! 810
123674X
STD523727
4470J
154777
19131312
127783
154604
123205X
STD523715
STD541437
KEY PART
DESCRiPTiON NO. NO. DESCRIPTmON
Transaxle, (See Breakdown) 52 STD541431
Peerless, Model 930-055A 53 105710X
Spring, Extension, Brake 55 105709X
Pulley, Transaxle 56 STD523712
Ring, Retainer 57 130801
Strap, Torque 58 !27274X
Screw, Thd., Roll. 5/16-18 x 3/4 59 140312
Rod, Shift 61 17490612
Pin, Cotter 62 8883R
Washer, Shift Plate 63 140186
Bolt 1/4-28 UNF Grade 8 W/Patch 64 71170764
Washer 65 STD551t43
Bolt Hex Rghd 5/t6 - 18 Gr. 5 66 154778
Bolt Fin Hex 3/8-16unc x 1 Gr. 5 70 134683
Nut Lock Hex W/ins 3/8-16 UNC 72 19132012
Knob 74 t37057
Rod, Brake 75 t21749X
Nut 76 STD581075
Spring, Brake Rod 77 123583X
Washer 78 121748X
Pin 79 2228M
Rod, Parking Brake 80 131486
Cap, Parking Brake, Red 81 136932
Bracket, Transaxle 82 123782X
Keeper, Belt, L.H, 83 19171216
Bott 84 123793X
Shaft Assembly, Foot Pedal 85 150360
Bearing, Nylon 86 71208
Washer 87 19212016
Roll Pin 88 12000008
Pulley, Idler, Flat 89 139964
Bolt 90 124346X
Spacer, Split .395 x.59 96 4497H
Keeper, Belt, Idler 112 19091210
Washer 13/32 x 13/16 x !2 Gauge t!3 127285X
Pulley, Idler, V-Groove, Plastic 1t6 72t10610
Beltcrank Assembly 118 154774
Retainer, Belt I2t 154419
Bolt
Nut
Nut, Crownlock 5/16-18 UNC
Link, Clutch
Spring, Clutch Return
Bolt, Fin Hex 3/8-16 x 1-1/4
V-Belt, Ground Drive
Keeper, Belt, R.H.
Keeper, Belt, Center Span
Screw, Thd., Roll. 3/8-16 x 3t4
Cover, Pedal
Pulley, Engine
Bolt, Hex 7/16-20 x 4 Gr, 5
Washer
Keeper, Belt, Engine
Guide, Mower Drive Belt, R.H.
Washer 13/32 x 1-1/4 x 12 Gauge
Spacer, Axle
Washer 25/32 x t-1/4 x 16 Gauge
E-Ring
Key, Square 2.0 x .1845/.1865
Washer 25/32 x 1-5/8 x 16 Gauge
Key Woodruff #9 3/16 x 3/4
Arm, Shift
Shaft Assembly
Spring, Torsion
Washer 17/32 x 3/4 x 16 Gauge
Tie Rod
Nut, Lock Center t/4 - 28 FNTHD
Bushing, Pivot
Washer
E-Ring
Console, Shift, 6 Speed, N/Ignition
Nut, Self-Threading, Washer Hd 1/4
Retainer Spring
Washer 9/32 x 3/4 x 10 Ga.
Strap Torque LH
Bott Rdhd Sq Neck 3/8-16 x 1.25
Spacer Bellcrank
Nyliner Clutching STL
NOTE: All component dimensions given in U.S. inches
I inch = 25.4 mm
37

REPAIR PARTS
STEERING ASSEMBLy TRACTOR . . MODEL NUMBER 917.258470
( ,
_40
//l i
i
62
68
38

REPAIR PARTS
STEERING ASSEMBLY
TRACTOR - - MODEL NUMBER 917.258470
KEY PART
NO. NO. DESCRIPTION
1 139768
2 154427
3 154422
4 154423
5 6266H
6 121748X
7 19272016
8 12000029
9 3366R
10 156438
11 STD551137
13 154779
15 73901000
17 156545
18 57079
19 124035X
20 126684X
21 STD551125
22 71100410
23 127501
25 154406
26 t26847X
27 136874
28 19131416
29 17490612
30 STD561210
32 130465
36 155099
37 152927
38 139769
39 19133808
40 STD54!537
41 t04820X
42 124417X
43 t21749X
46 I21232X
47 6855M
62 156593
65 154780
66 154404
67 74781044
68 154429
Wheel Steering Std Black
Axle Asm Stamped Drooped Stl
Spindle Asm Lh
Spindle Asm Rh
Bearing Race Thrust Harden
Washer 25/32 x 1 5/8 x 16 Ga
Washer 27/32 x 1 1/4 x 16 Ga
Ring Klip #t5304-75
Bearing Col Strg Blk
Link Drag Extended Stamped
Washer Lock Hvy Hlcl Spr 3/8
Bearing Axle STLT/GT
Locknut Flange 5/8-11 Unc
Shaft Asm Strg 5/8 x 15 19 Lt
Washer Thrust 515 x 750 x 033
Support Shaft
Washer Shim 1/4 x 5/8 x 062
Washer Lock Hvy Helical t/4
Screw Cap SCKT HD Phos. and Oil
Shaft Asm Pittman
Bracket Steering
Bushing Rod Tie Bfk Lt
Gear Sector
Washer 13/32 x 7/8 x 16ga
Screw Thdrol 3/8-16x3/4 Ty-tt
Pin Cotter 1/8 x 3/4 Cad
Rod Tie Wire Form 19 75 Mech
Bushing Strg 5/8 ld Dash
Screw TT #10-32 5 3/8 Flange
Insert Cap Strg Wheel Std Blk
Washer 13/32 x 2-3/8 x 8 Ga
Nut Lock Center 3i8-24unf
Adaptor Wheel Strg 640/635id
Boot Shaft Steering
Washer 25/32 x 1 1/4x 16 Ga
Cap Spindle Fr Top Blk
Fitting Grease
Kit Steering Assembly
Spacer Axle
Bearing Arm Pittman
Bolt Fin Hex 5/8-11 unc x 2-3/4
Brace Axle
NOTE: All component dimensions given in U.S. inches
1 inch = 25.4 mm
39

REPAIR PARTS
SEAT ASSEMBLY
TRACTOR --MODEI NUMBER 917.258470
23
5
/
25
k
6
21
KEY
NO.
1
2
3
4
5
6
7
8
9
t0
I2
I3
PART
NO.
140122
t 40551
STD5237t0
19131610
145006
STD541437
t24181X
i7490616
19131614
155925
t 21246X
121248X
DESCRiPTiON
Seat 3350 BIWblk Craftsman
Bracket Pnt Pivot Seat (blk)
Bolt Fin Hex 3/8_16unc X 1
Washer 13/32 X 3/4 X 10 Ga
CIip Push In Hinged
Nut Hex Lock w/Ins 3/8-16 Unc
Spring Seat Cprsn 2 250 Blk Zi
Screw Thdrol 3/8-16 X 1 Ty-tt
Washer 13/32 X 1 X 14 Ga
Pan Pnt Seat (blk)
Bracket Pnt Mounting Switch
Bushing Snap Blk Nyl 50 Id
KEY PART
NO. NO. DESCRIPTmON
14 72050411
15 134300
16 12!250X
17 123976X
2t 153236
22 STD541431
23 74780814
24 19171912
25 1270t8X
26 STD551150
NOTE:
Bolt Rdhd Sht Nk t/4-20xl-3/8
Spacer Split 28 X 96 Zinc
Spring Cprsn 1 27 Blk Pnt
Nut Lock I/4 Lge F:lgGr 5 Zinc
Bolt Shoulder 5/16-18 Unc-2A
Nut Hex Lock w/Ins 5/16-18
Bolt Fin Hex t/2-13 X 7/8 Gr 5
Washer 17/32 X 1_3/16 X 12 Ga
Bolt Shoulder 5/I6-18 X 62
Washer Lock Hvy Hlcl Spr 1/2
All component dimensions given in U.S. inches.
1 inch = 25.4 mm
4O

REPAIR PARTS
DECALS
9
17
14
TRACTOR - -MODEL NUMBER 917.258470
8 6 3 7 7 4 8 14 16
21 5 11
13
10
15 18
KEY
NO. PART
NO.
1 156834
3 150676
4 150677
5 150680
6 133644
7 151799
8 150685
9 128314
I0 149516
11 156439
12 4900J
13 146046
DESCRIPTION
Decal, Lnstruction Operat Eng
Decal, Hood Slope Rh Craftsman
Decal, Hood Slope Lh Craftsman
Decal, Grille Craftsman Sip LT Dov
Decal, Maint Customer Sears Dora
Decal, Panel Side
Decal, Insert Hood
Decal, Fender Craftsman White
Decal, Btry DngdPsn Eng
Decal, Fender Danger Sears EiS
Decal, Clutch/brake Eng
Decal, V-belt Dr Sch Tractor
KEY PART
NO. NO.
14
15
16
17
18
21
150678
136832
140837
150333
156787
131265
138311
145245
145247
156841
156842
DESCRIPTION
Decal, Chassis 42" 6sp
DecaL, Mower Drive Schematic
Decal, Saddle Brake Parking
Decal, Cap Cnsmr Help Line Srs.
Decal, Mower EZ3 Mulching Sears
Decal, Lightbox
Decal, Lift Handle
Pad, Footrest Rbr Sq Craftsman 95
Fastner Pop In Footrest
Manual, Owner's (Engfish)
Manual, Owner's (Spanish)
WHEELS & TIRES
2 _ 5,8
4,t0
7
KEY
NO. PART
NO. DESCRIPTION
11
1
2
3
4
5
6
7
8
9
10
1t
59192
65139
106222X
59904
t06732X427
278H
9040H
I06108X427
106268X
7152J
104757X
144334
NOTE:
Cap Value Tire
Stem Value
Tire F Ts 15 X 6 0 - 6 Service
Tube Inner Front #35060
Rim Asm 6"front White Service
Fitting Grease
Bearing Flange
Rim Asm 8"rear White Service
Tire R Ts 18x9 5-8 Service
Tube Rear 9 5 X 8 Service
Cap Axle BIk 1 50 X 1 00
SeaLant, Tire (10 oz. tube)
All component dimensions given in U.S. inches.
! inch = 25.4 mm
41

REPAIR pARTS
ENGINE
TRACTOR . =MODEL NUMBER 917.258470
3
37
33
29
OPTIONAL EQUIPMENT
spark Attester
42

REPAIR PARTS
ENGINE
TRACTOR - - MODEL NUMBER 917.258470
KEY PART
NO. NO. DESCRiPTiON
1 132759
2 17720410
3
4 137352
t3 272293
t4 13280324
15 13200300
t6 STD551237
23 156123
29 137180
31 I09202X
32 I23549X
33 123487X
35 17490512
37 137040
38
40 124028X
44 17490412
46 19091416
62 STD551131
72 71070512
78 17490620
81 128861
NOTE:
Control Throt Rh Btk Pdi 15 10
Screw Hex Thd Cut t/4-20x5/8 T
Engine (See Breakdown) B&S Model
28N707-0173-01
Muffler Exhaust B&S Lt
Gasket 1 313 Id Tin Plated
Nipple Pipe 3/8 Npt X 3"
E_bow Std 90 Degree 3/8-I8 Npt
Washer Lock Ext Tooth 3/8
Shield Browning
Arrestor Spark
Tank Fuel t 25 Fr
Cap Asm Fuel Wisym Vented
Clamp Hose Blk
Screw, Thdrot 5/16-18 x 3/4 Tyt
Line Fuel 20"
Plug Oil Drain (Order From Engine
Manufacturer)
Bushing Snap Nyi Blk Fuel Line
Screw Hexwsh Thdrol I/4-20x3/4
Washer 9/32 X 7/8 X 16ga
Washer Lock Hvy Hlcl Spr 5/16
Screw Hexhd Cap 5/16-18x3/4
Screw Thdrol 3/8-16xl-1/4 Tytt
Nut Flange 1/4-20 Starter Nut
All component dimensions given in U.S. inches
1 inch = 25,4 mm
43

REPAIR PARTS
LIFT
TRACTOR .- - MODEL NUMBER 917.258470
13
4
12
19
\
13
L32
i3_j
32
5
13
2
3
\
44

REPAIR PARTS
LiFT
TRACTOR ..- MODEL NUMBER 917.258470
KEY PART
NO. NO. DESCRiPTiON
1 136973 Rod Asm. Lever
2 122507X Shaft Asm. Lift
3 105767X Pin Groove
4 12000002 E Ring #5133_62
5 19211621 Washer 21/32x 1 x 21 Ga,
6 120t83X Bearing Nylong
7 12563tX Grip Handle Fluted
8 122365X Button Plunger Read
10 122512X Spring Cprsn
1t 139865 Link Asm Lift L.H.
12 t39866 Link Asm Lift R.H.
13 STD624008 Retainer Spring
15 127218 Link Front
16 73350800 Nut Jam Hex 1/2-13 Unc
17 130171 Trunnion Blk Zinc
18 73800800 Nut Lock W_'sh 1/2-t3 Unc
19 139868 Arm Suspension Mower
20 STD624008 Retainer Spring
31 140302 Bearing, Pvt. Lift. Spherical
32 73540600 Nut Crownlock 3/8-24
NOTE: All component dimensions given in U.S, inches
t inch = 25,4 mm
45

REPAIR
MOWER
PARTS
TRACTOR ._- MODEL NUMBER 9!7.258470
76 77
102
103
*"'_ i04
105 ..,._,
106 --
105
106
\
19---47!
21
\2
29
21 22
, _ 23 24
27
46

REPAIR
MOWER
PARTS
TRACTOR = = MODEL NUMBER 9!7.258470
KEY
NO.
1
2
3
4
5
6
8
9
10
1I
12
13
14
15
16
17
18
19
20
21
22
23
24
25
26
27
28
29
3o
3I
32
33
34
35
36
37
40
4t
43
44
45
46
48
PART
NO.
144393
STD533107
138017
138440
STD624008
130832
850857
STD551137
140296
134149
129895
137645
128774
110485X
140329
72110610
72140505
132827
136888
STD541431
134753
131267
105304X
123713X
110452X
130968
19111016
131491
138776
129963
153535
137266
STD533717
133835
131494
STD551037
STD54!437
133551
140083
140088
STD624003
137729
133944
KEY PART
DESCRmPTION NO, NO, DESCRiPTiON
Mower Housing 49 155066
Bolt 50 131340
Bracket Assembly,Sway Bar, Front 51 STD541410
Bracket Assembly, Sway Bar 52 139888
Retainer Spring 53 131845X900
Arm, Suspension, Rear 54 133943
Bolt, Hex 3/8-24 x 1.25 Grade 8 55 155046
Washer, Lock 56 122052X
Washer, Hardened 58 140086
Blade, Mulching 59 141043
Bearing, Ball 67 149846
Shaft Assembly, Mandrel, Vented 68 144200
(Includes Key Number 6) 71 142427
Housing, Mandrel, Vented 72 131870
Bearing, Ball, Mandrel 73 127847
Stripper, Vented Mower Deck 74 121748X
Bolt, Carriage 3/8-16 x 2-1/4 75 12000029
Bolt, Carriage 5/16q8 x 5/8 76 128903
Bolt, Shoulder 77 127845
Baffle, Vortex 78 1548!0
Nut, Crownlock 5/16-18 UNC 79 127498
Stiffener Bracket 80 15370!
Bracket, Deflector 81 73350600
Cap, Sleeve 82 t42028
Spring, Torsion, Deflector 83 120958X
Nut, Push 84 156084
Shield, Deflector 85 72140618
Washer 11/32 x 5/8 x 16 Gauge 92 STD541437
Rod, Hinge 101 136420
Screw Thdrol Hex Head Zinc Mwr t02 71161010
Washer, Spacer t03 19061216
Pulley, Mandrel t04 10071000
Nut, Toplock, Flanged 105 130758
Bolt I06 2029J
Fastner, Christmas Tree t28 153390
Pulley, Idler, Flat t32 19132203
Washer 13!32x13i16x16Ga. -- t30794
Nut, Crowntock 3/8-16 UNC
Rod, Pivot, with Nibs - - 14541!
Rod, Clutch, Secondary, with Nibs
Guard, Mandrel, L.H.
Retainer
Screw, Thd. Roll !/4-20 x 5/8
Washer, Hardened
Roller Assembly, Cam Follower
Bolt, Shoulder #10-24 Grade 5
Locknut
Bolt, Shoulder 5/16-18 UNC
Arm Assembly, Pad, Brake
Washer, Hardened
Arm, Idler
Spacer, Retainer
Spring, Torsion Brakes 42"
Guard, Tuv Idler (94)
Knob Custom Oval
V-Belt
Rod, Clutch, Primary, with Nibs
Spring, Return
Arm, Clutch, Secondary
Washer 25/32 x 1-5/8 x 16 Gauge
Ring, Klip
Bolt, Shoulder 3/8-t6 UNC x 1.44
Keeper, Spring
Arm, Clutch, Primary
Bushing, Large, Brass
Spring, Mower Clutch
Nut, Hex Jam 3/8-16 UNC
Trunnion Adj. 94
Washer Sintered
Keeper Belt Idler
Bolt Carriage 3/8-t6 x 2-1/4
Locknut, Hex W/Wsh 3/8-16 UNC
Cover Mulching 42" Black
Screw Truss Head Phil 10-24 x 5/8
Washer #10
Washer Lock #10
Latch Asm Bagger
Nut Weld
Washer Felt
Washer 13/32 x 1-3/8 x 3 Ga.
Mandrel Assembty (Includes Key
Numbers 8-10, !2-15, 31 and 32)
Mower Deck, Complete (Std deck -
order separately mufcher plate
components key nos. t01-106)
NOTE: All component dimensions given in U.S. inches
t inch = 25.4 mm.
47

REPAIR PARTS
TRACTOR = - MODEL NUMBER 917.258470
PEERLESS TRANSAXLE - MODEL NUMBER 930-055A
3t
77
576
31 83
23
#,
35 18
!4 29
70
4
t50
/
13 2
15
26
36
/' 3744
39 r- ,.
79
11
69
51
56 57
58
52
59
53 30 54 65 34
33
13
4t
45
31
48
42A
48

REPAIR PARTS
TRACTOR - o MODEL NUMBER 917.258470
PEERLESS TRANSAXLE - MODEL NUMBER 930-055A
REF PART REF PART
NO. NO. DESCR)PTmON NO. NO. DESCRUPTION
1 772108A Cover, Transaxie 43 792075
2 780086 Bearing, Needle 44 790025
3 770102A Case, Transaxle 45 786066
4 776260 Shaft, Counter 46 786086
5 7762t9B Shaft and Pinion Assembly, Output 47 774690
6 778139 Gear. Output 48 774691
7 778136 Gear, Spur, 15 Teeth 49 778215
8 792t36A Key, Shift 50 778125
8A 792047 Key, Woodruff 51 778124A
9 784352 Collar, Shifter 52 778123A
t0 784355 Rod and Fork Assembly, Shift 53 778122A
11 778229 Gear, Bevel, 42 Teeth 54 778273
12 778113A Bevel Pinion, input 56 778230
13 778221 Gear, Bevel 57 778151
14 778068 Gear, Bevel Pinion 58 778126A
15 778260 Gear, Ring 59 778t27A
17 786139 Pin, Drive 60 778128A
18 786102 Spacer, Neutral 61 778163
20 792077 Ball, Steel 5/16" diameter 65 780109
21 792078 Set Screw 3/8-16 x 3/8 66 776135
22 792079 Spring 67 776315A
23 788061 Ring. Seal 68 786116A
25 792073 Screw, Flanged Hex Head, Thread 69 780051
Forming 1/4-20 x 1-1/4 70 786118
26 792125 Ring, Retainer 71 788069
(4 Required, Package of 2) 72 792165
27 792035 Ring, Retainer 72A 788091
28 788040 Ring, Retainer 76 780090
29 780072 Washer, Thrust 77 788078A
30 780108 Washer, Thrust
31 780001 Washer 79 792144
32 792001 "O" Ring 81 786081
33 788095 Seal, Square Cut
34 780105A Bushing, Flanged 82 786082
35 780118A Bushing, Flanged 83 786123
36 790003 Disk, Brake 90 788067B
37 790007 Plate, Brake Pad 103 792166
38 799021 Pad, Brake 104 792167
39 786026 Pin, Dowel 150 510334
40 792076A Washer, Fiat 900 794603
41 790079 Lever, Brake
42 792073 Screw, Flanged Hex Head, Thread
Forming 1/4-20 x 1-1/4
42A 792085A Screw !/4-20 x 2-1t4
Locknut 5/16-24
Holder, Brake Pad
Spacer
Bracket, Brake Lever
Axle 11-5/16" tong
Axle 16-1/2" long
Gear Spur, 37 Teeth, Steel (1.,)
Gear
Gear
Gear
Gear
Gear
Gear
Gear
Gear
Gear
Gear
Spur, 35 Teeth (2_.)
Spur, 30 Teeth (3_)
Spur, 25 Teeth (4o,)
Spur, 22 Teeth (5,._)
Spur, 19 Teeth, Steel (6_)
Spur, 12 Teeth (1.,)
Spur, 15 Teeth (2_.)
Spur, 20 Teeth (3,.)
Spur, 25 Teeth (4_)
Spur, 28 Teeth (5Q
Gear Spur, 31 Teeth (6Q
Washer. Thrust
Shaft, Input
Shaft, Brake, 4 Keyed
Plug
Washer, Thrust
Spacer
Seat. Square Cut
Plug. Threaded 9/16-18
"O" Ring
Washer, Thrust
Ring, Retaining, Inverted
(Package of 2)
Spring, Brake
Chain, Roller
(Number 41 Chain, 24 Links)
Sprocket, 9 Teeth (Reverse)
Sprocket, 18 Teeth (Reverse)
Grease, Bentonite, 32 Ounce Bottle
Screw t/4-20 x 2
Locknut !/4-20
Gasket Eliminator (Loctite #515)
Replacement Transaxle
NOTE: All component dimensions given in U.S. inches
1 inch = 25.4 mm
49

REPAIR PARTS
TRACTOR --MODEL NUMBER 917.258470
BRIGGS & STRATTON ENGINE - MODEL NUMBER 28N707, TYPE NUMBER 0t73-0t
ss2
9
718
238
337
f_5e2 _r REQUIRES SPECIALTOOLS
TO INSTALL, SEE REPAIR
iNSTRUCTION MANUAL.
t 029
I034 45
5O
7
52
305
_I022

REPAIR PARTS
TRACTOR ° o MODEL NUMBER 917.258470
BRIGGS & STRATTON ENGINE - MODEL NUMBER 28N707, TYPE NUMBER 0173-01
127 138
O Q 106 987 95 1!7
0
105 147
_4 s34B
@ ®
104
142
121 CARBURETOR OVERHAUL KIT 1033 VALVE OVERHAUL KiT
52
"A" REQUIRES SPECIALTOOLS
TO INSTALL, SEE REPAIR
iNSTRUCTiON MANUAL.
51

REPAIR PARTS
TRACTOR - ° MODEL NUMBER 917.258470
BRRGGS & STRATTON ENGINE - MODEL NUMBER 28N707, TYPE NUMBER 0173-01
523
284A
_524
3 20 634A 842 524 868 868A
537
9
358 GASKET SET
137
138
977 CARBURETOR GASKET SET
171 _ 535
445
37
468
729
52

REPAIR PARTS
TRACTOR = - MODEL NUMBER 917.258470
BRIGGS & STRATTON ENGmNE - MODEL NUMBER 28N707, TYPE NUMBER 017'3-01
°___o_
_482 877
309
801
1090
311
803
544
53

REPAIR PARTS
TRACTOR ..- MODEL NUMBER 917.258470
BRIGGS & STRATTON ENGINE - MODEL NUMBER 28N707, TYPE NUMBER 0173-0t
KEY PART KEY PART
NO. NO. DESCRIPTION NO. NO. DESCRiPTiON
1 496412
2 399265
3 391086
5 495858
7 272614
8 495735
9 27803
10 94621
11 281246
12 271916
271997
271996
13 94728
15 94239
16 495162
94196
18 494238
20 291675
22 94624
23 492326
24
25
26
27
28
29
32
32A
33
34
35
37
40
45
46
51
52
53
75
78
222698
495860
495977
495978
495979
495854
495852
495851
495855
260924
299691
391286
494504
495490
94695
94648
495856
495857
262811
224502
224641
262411
496884
272465
272569
94637
224061
94832
Cylinder Assembly 95
Bearing, Cylinder 98
* Sea!, Oil 104
Head, Cylinder 105
*** Gasket, Cylinder Head 106
Breather Assembly 108
* Gasket, Valve Cover 117
Screw, Sems 118
Tube, Breather 121
* Gasket, Crankcase Cover, .0t5" 123
* Gasket, Crankcase Cover, .005" t25
* Gasket, Crankcase Cover, .009" t27
Screw, Cylinder Head 130
Plug, Oil Drain 131
Crankshaft 133
Timing Gear Key 137
Base, Engine 138
* Seal, Oil 141
Screw, Sems, Base Mounting 142
Flywheel and Ring Gear Assembly, 147
Magneto 164
Key, Flywheel 166
Piston Assembly, Standard Size 171
Piston Assembly, .010" Oversize 187
Piston Assembly, .020" Oversize 188
Piston Assembly, .030" Oversize 192
Ring Set, Piston, Standard Size 20I
Ring Set, Piston, .010" Oversize 209
Ring Set, Piston, .020" Oversize 2!6
Ring Set, Piston, .030" Oversize 219
Lock, Piston Pin 222
Pin Assy., Piston, Standard Size 224
Pin Assy., Piston, .005" Oversize 225
Rod Assembly, Connecting 227
Rod Assembly, Connecting, 230
.020" Undersize Crankpin Bore 232
Screw, Hex Washer Head, 1-57/64 238
Screw, Hex Washer Head, 1-5/8 " 240
Valve, Exhaust 265
Valve, Intake 284
Spring, Valve
Guard, Flywheel
Retainer, Valve Spring
Tappet, Valve
Gear, Cam
.... Gasket, Carburetor (Carburetor to ***
Elbow) (Also Included in Gasket
Set, Part Number 495993)
*** Gasket, Carburetor ....
(Elbow to Cylinder)
Stud, Carburetor Mounting
Washer, Spring
Screw, Pan Head
94098
495800
231789
231855
231854
224540
231858
495932
498116
94616
498051
224539
494379
494381
281165
281164
495931
231859
497472
214047
94555
281051
393815
94627
492160
262767
260695
262766
490815
495611
94729
495157
493935
94742
262785
262836
394358
221535
94704
** Screw, Throttle
Screw, Idle Speed
** Pin, Float Hinge
** Valve Float
** Seat, Inlet Valve
Valve, Choke
** Jet, Needle Valve
Valve, Needle
Carburetor Overhaul Kit
Screw, Elbow Mounting
Carburetor Assembly
** Plug, Welch (Sold in Kit Only)
Valve, Throttle
Shaft and Lever, Throttle
Float, Carburetor
.... Gasket, Float Bowl
.... Washer, Bowl
Shaft and Lever, Choke
** Nozzle, Carburetor
** Pilot, Jet
Elbow, Carburetor
Stud, Rocker Arm
Nut, Air Cleaner Mounting
Line, Fuel (11" Long, Cut to Suit)
Screw, Sems
Screw Assembly, Rocker Arm
Link, Governor
Spring, Governor
Link, Choke
Gear, Governor
Plate, Governor Control
Screw, Sems, Air Cleaner
Crank, Governor
Lever Assembly, Governor
Washer, Governor Crank
Spring, Governor Link
Cap, Valve
Filter, Fuel (ln Fuel Line)
Clamp, Casing
Screw, Hex Head
* Included in Gasket Set (495993)
** Included in Carburetor Kit (497535)
Included in both Gasket Set (495993) and
Valve Overhaul Kit (495992)
Included inGasket Set (495993i, Carburetor Kit
(497535) and Carburetor Gasket Set (494385)
NOTE: All component dimensions given in U.S. inches
1 inch = 25.4 mm
54

REPAtR PARTS
TRACTOR .. -MODEL NUMBER 9!7.258470
BRIGGS & STRATTON ENGBNE - MODEL NUMBER 28N707, TYPE NUMBER 0173-01
KEY PART KEY PART
NO. NO. DESCRiPTiON NO. NO. DESCRIPTION
284A 94073 Screw, Hex Head 729A 225170 Retainer, Wire
294 810068 Screw, Set 74t 262932 Gear, Timing
304 496280 Housing, Blower 757 213998 Link, Counterweight
305 94786 Screw, Hex, Head, 758 399891 Counterweight Assembly
Blower Housing Mounting 759 298909 Pin, Counterweight
306 225020 Shield, Cylinder 761 94593 Screw, Counterweight
307 94386 Screw, Cylinder Shield 783 280104 Gear, Starter
309 497595 Motor, Starter 801 394856 Cap, Drive
310 497602 Bolt, Thru 802 497605 Cap, End
31t 497608 Brush Set 803 497604 Housing, Starter
333 495859 Armature, Magneto 842 270920 * Seal, Oil Filler Cap
334 93381 Screw, Sems, Armature Mounting 847 496415 Fill Group, OiJ
337 491055 Plug, Spark 851 224110 Terminal, Ignition Cable
346 93705 Screw, Hex Head 868 494435 *** Seal Assembly, Valve
356 497708 Wire Assembly 868A 272610 *** Gasket, Valve
358 495993 Gasket Set 871 262835 Bushing, Guide (Intake & Exhaust)
363 19203 Puller, Flywheel 872 281361 Cover, Air Cleaner
383 89838 Wrench, Spark Plug 875 495862 Body, Air Cleaner
423 94073 Screw, Sems 877 393456 Diode and Connector Assembty
445 493909 Cartridge, Air Cleaner 947 497157 Solenoid
455 222561 Cup, Screen Mounting 965 94010 Nut, Hex
467 493903 Knob, Air Cleaner 975 495933 Bowl Assembly, Carburetor
468 494439 Screen, Flush Rotating 977 494385 Carburetor Gasket Set
474 393474 Stator, Alternator 987 281166 ** Seal, Throttle Shaft
482 93621 Screw, Sems 1005 281400 Fan, Flywheel
510 497606 Drive, Starter 1006 224413 Retainer, Fan
523 495230 Cap and Dipstick, Oil Filter 1019 496758 Label Kit
524 68838 * Seal, Filler Tube 1022 272475 *** Gasket, Cover
525 4961t3 Tube, Oil Filler 1023 224552 Cover, Rocker Arm
535 272403 Element, Filter 1026 494432 Rod, Push, Intake
537 281 t06 * O-Ring, Air Cleaner 495t36 Rod, Push, Exhaust
544 497603 Armature, Starter t029 224554 Arm, Rocker
552 231597 Bushing, Governor Crank 1033 495992 Valve Overhaul Kit
562 92613 Bolt, Carriage 1034 495248 Guide Assembly, Push Rod
592 231082 Nut, Hex 1044 94673 Screw, Hex Head
601 93053 Clamp, Fuel Pipe 1054 270723 Tie, Cable
6!t 493496 Elbow, Fuel Pipe 1058 272623 Manual, Owner's
6t4 93306 Pin, Cotter 1090 497607 Retainer, Brush
618 262803 Spring, Choke Return
634 281168 ** Seal, Choke Shaft RPM Settings: Low: 1650-1850, High: 3200-3400
634A 491323 * Seal, Governor
634B 281167 ** Washer, Throttle Shaft * Included in Gasket Set (495993)
635 280872 Boot, Spark Plug
646 224546 Brace, Air Cleaner ** Included in Carburetor Kit (497535)
657 93496 Screw, Sems
663 94620 Screw, Self-Tapping *** tnctuded in both Gasket Set (495993) and
668 280848 Spacer Valve Overhaul Kit (495992)
718 230192 Pin, Dowel
726 392134 Gear, Ring .... Included in Gasket Set (495993i, Carburetor Kit
(Includes Mounting Hardware) (497535) and Carburetor Gasket Set (494385)
727 490324 Cover, Starter
728 94627 Screw, Hex Head NOTE: All component dimensions given in U.S. inches
729 281390 Clip, Wire 1 inch = 25.4 mm
55

SERVICE NOTES
56

SE CE NOTES
57

SE CE NOTES
58

SUGGESTED GUIDE FOR SiGHTiNG SLOPES FOR SAFE OPERATION
SIGHTING
GUIDE
ONLY RIDE UP AND DOWN HILL,
NOT ACROSS HILL
SIGHT AND HOLD THiS LEVEL WiTH
SKY LINE OR TREE.
!1
^o.o,o,oyoo,T,.c,o,op_oddowo,,of._oo_.iopo._.o,I
,_A, greater than 15°), never across the face. Make turns gradu-
_ _ ally to prevent tipping or loss of control. Exercise extreme j