Craftsman 917258572 User Manual TRACTOR Manuals And Guides L0709063
CRAFTSMAN Lawn, Tractor Manual L0709063 CRAFTSMAN Lawn, Tractor Owner's Manual, CRAFTSMAN Lawn, Tractor installation guides
User Manual: Craftsman 917258572 917258572 CRAFTSMAN TRACTOR - Manuals and Guides View the owners manual for your CRAFTSMAN TRACTOR #917258572. Home:Lawn & Garden Parts:Craftsman Parts:Craftsman TRACTOR Manual
Open the PDF directly: View PDF
.
Page Count: 54

SE/ NRS
CRAFTS
MODEL NUMBER 917.258572 OWNER'S MANUAL
®
oAssembly
Operation
Customer Responsibilities
Service and Adjustments
Repair Parts
CAUTION: Read and follow all safety rules and instructions before operating this equipment.
FOR CONSUMER ASSISTANCE HOT LINE, CALL THIS TOLL FREE NUMBER: 1-800-659-5917
E__
1

SAFETY RULES
Safe Operation Practices for Ride=On Mowers
IMPORTANT: THIS CUTTING MACHINE IS CAPABLE OF AMPUTATING HANDS AND FEET AND THROWING OBJECTS.
FAILURE TO OBSERVE THE FOLLOWING SAFETY INSTRUCTIONS COULD RESULT IN SERIOUS INJURY OR DEATH.
LGENERAL OPERATION
,, Read, understand, and follow all instructions in the manual
and on the machine before starting.
,, Only allow responsible adults, who are familiar with the
instructions, to operate the machine.
,, Clear the area of objects such as rocks, toys, wire, etc.,
which could be picked up and thrown by the blade.
• Be surethe area is clear of other people before mowing. Stop
machine if anyone enters the area.
,, Never carry passengers.
,, Do not mow in reverse unless absolutely necessary. Always
look down and behind before and while backing.
,, Be aware of the mower discharge direction and do not point
it at anyone. Do not operate the mower without either the
entire grass catcher or the guard in place.
,, Slow down before turning.
,, Never leave a running machine unattended. Always turn off
b]ades, set parking brake, stop engine, and remove keys
before dismounting.
• Turn off blades when not mowing.
• Stop engine before removing grass catcher or unclogging
chute.
• Mow on_y in daylight or good artificial light.
,, Do not operate the machine while under the influence of
alcohol or drugs.
• Watch for traffic when operating near or crossing roadways.
• Use extra care when loading or unloading the machine into
a trailer or truck.
II. SLOPE OPERATION
Slopes are a major factor related to less-of-control and
tipover accidents, which can result in severe injury or
death. All slopes require extra caution. If you cannot back
up the slope or if you feel uneasy on it, do not mow it.
DO:
• Mow up and down slopes, not across.
. Remove obstacles such as rocks, tree limbs, etc.
• Watch for ho[es, ruts, or bumps. Uneven terrain could
overturn the machine. Tal! grass can hide obstacles.
• Use slow speed. Choose a low gear so that you will not have
to stop or shift while on the slope.
• Follow the manufacturer's recommendations for wheel
weights or counterweights to improve stab{lity.
• Use extra care with grass catchers or other attachments.
These can change the stability of the machine.
. Keep all movement on the slopes slew and gradual Do not
make sudden changes in speed or direction.
• Avoid starting or stopping on a slope. If tires lose traction,
disengage the blades and proceed slowly straight down the
slope.
DO NOT:
* Donot turn on slopes unless necessary, and then, turn slowly
and gradually downhill, if possible.
* Do not mow near drop-offs, ditches, or embankments. The
mower could suddenly turn over if a wheel is over the edge
of a cliff or ditch, or if an edge caves in.
,Do net mow on wet grass. Reduced traction could cause
sliding.
*Do not try tOstabilize the machine by putting your foot on the
ground.
,Do net use grass catcher on steep stopes.
Ill. CHILDREN
Tragic accidents can occur if the operator is not alert to the
presence of children. Children are often attracted to the
machine and the mowing activity. Never assume that
children will remain where you last saw them.
• Keep children out of the mowing area and under the watchful
care of another responsible adult.
•Be alert and turn machine off if children enter the area.
,, Before and when backing, look behind and down for small
children.
,Never carry children. They may fail off and be seriously
injured or interfere with safe machine operation.
•Never allow children to operate the machine.
•Use extra care when approaching blind corners, shrubs,
trees, or other objects that may obscure vision.
IV. SERVICE
• Useextra care in handling gasoline and other rue s. They are
flammable and vapors are explosive.
Use only an approved container.
Never remove gas cap or add fuel with the engine
running. Allow engine to coo! before refueling. Do not
smoke.
Never refuel the machine indoors.
Never store the machine or fue! container inside where
there is an open flame, such as a water heater.
• Never run a machine inside a closed area.
,Keep nuts and bolts, especially blade attachment bolts, tight
and keep equipment in good condition.
• Never tamper with safety devices. Check their proper
operation regularly.
•Keep machine free of grass, Ieaves, or other debris build-up.
Clean oil or fuel spillage. Allow machine to cool before
storing.
• Stop and inspect the equipment if you strike an object.
Repair, if necessary, before restarting.
•Never make adjustments or repairs with the engine running.
•Grass catcher components are subject to wear, damage, and
deterioration, which could expose moving parts or allow
objects to be thrown. Frequently check components and
replace with manufacturer's recommended parts, when nec-
essary.
• Mower blades are sharp and can cut. Wrap the blade(s) or
wear gloves, and use extra caution when servicing them.
• Check brake operation frequently. Adjust and service as
required.
='-"_ Lookfor this symbol to point out important
safety precautions. . It means
CAUT!ONf!! BECOME ALERT!f! YOUR
ACAUTION: Always disconnect spark plug
wire and place wire where it cannot contact
spark plug in order to prevent accidental
starting when setting up, transporting,
adjusting or making repairs.
AWARNING A
The engine exhaust from this product contains
chemicals known to the State of California to
cause cancer, birth defects, or other reproduc-
tive harm.

CONGRATULATgONS on your purchase of a Sears
Tractor. It has been designed, engineered and manufac-
tured to give you the best possible dependability and
performance.
Should you experience any problem you cannot easily
remedy, please contact your nearest Sears Authorized
Service Center!Department Department. We have com-
petent, well-trained technicians and the proper tools to
service or repair this tractor.
Please read and retain this manual. The instructions will
enable you to assemble and maintain your tractor properly.
Always observe the "SAFETY RULES".
MODEL
NUMBER 917.258572
SERIAL
NUMBER
DATEOF PURCHASE
THE MODELAND SERIAL NUMBERS WILL BE FOUND
ON A PLATE UNDER THE SEAT.
YOU SHOULD RECORD BOTH SERIAL NUMBER AND
DATE OF PURCHASE AND KEEP IN A SAFE PLACE
FOR FUTURE REFERENCE.
MABNTENANCE AGREEMENT
A Sears Maintenance Agreement is available on this prod-
uct. Contact your nearest Sears store for details.
PRODUCT SPECIF|CATIONS
HORSEPOWER: 19.0
GASOLINE CAPACITY 3.5 GALLONS
AND TYPE: UNLEADED REGULAR
OIL TYPE (API-SF/SG/SH): SAE 30 (above 32°F)
SAE 5W-30 (below 32°F)
-_ CAPACITY: 3.0 PINTS
SPARK PLUG: CHAMPION RJtgLM
(GAP: ,030")
VALVE CLEARANCE: INTAKE: .004"- .006"
EXHAUST: ,007" - .009"
GROUND SPEED (MPH): FORWARD: 0 - 5.5
REVERSE: 0-2.4
TIRE PRESSURE: FRONT: 14 PSI
REAR: 10 PSI
CHARGING SYSTEM: 3AMPS BATTERY
5 AMPS HEADLIGHTS
BATTERY: AMPiHR: 30
MIN. CCA: 240
CASE SIZE: U1R
BLADE BOLT TORQUE: 30-35 FT. LBS.
CUSTO[VlER RESPONSaBILITmES
Read and observe the safety rules.
•Fol!owaregularscheduleinmaihtaining, caringforand
using your tractor.
Follow the instructions under"Customer ResponsibilF
ties" and "Storage" sections of this owner's manual.
WARNING: This tractor is equipped with an internal
combustion engine and should not be used on or near any
unimproved forest-covered, brush-covered or grass-cov-
ered land unless the engine's exhaust system is equipped
with a spark arrester meeting applicable loca! or state laws
(if any). If a spark arrester is used, it should be maintained
in effective working order by the operator.
In the state of California the above is required by law
(Section 4442 of the California Public Resources Code).
Other states may have similar laws. Federaf laws apply on
federal iands. A spark arrester for the muffler is available
through your nearest Sears Authorized Service Center/
Department (See REPAIR PARTS section of this manual).
LI ' TED TWO YEAR WARRANTY ON CRAFTSMAN R#D NG EQUIPMENT
For two (2) years from the date of purchase, if this Craftsman Riding Equipment is maintained, lubricated and tuned up according
to the instructions in the owner's manual, Sears will repair or replace, free of charge, any parts found to be defective in material or
workmanship.
This Warranty does not cover:.
• Expendable items which become worn during normal use, such as blades, spark plugs, air cleaners, belts, etc.
Tire replacement or repair caused by punctures from outside objects, such as nails, thorns, stumps, or giass.
, Repairs necessary because of operator abuse, negligence, improper storage or accident or the failure to maintain the
equipment according to the instructions contained in the owner's manual.
Riding equipment used for commercial or rental purposes.
LIMITED 90 DAY WARRANTY ON BATTERY
For ninety (90) days from date of purchase, if any battery included with this riding equipment proves defective in material or
workmanship and our testir_g determines the battery will not hold a charge, Sears will replace the battery at no charge.
IN-HOME WARRANTY SERVICE ON YOUR CRAFTSMAN RIDING EQUIPMENT IS AVAILABLE AT NO-CHARGE FOR 30
DAYS FROM THE DATE OF PURCHASE. PLEASE CONTACT YOUR NEAREST SERVICE CENTER. AFTER 30 DAYS FROM
THE DATE OF PURCHASE, WARRANTY SERVICE IS AVAILABLE BY TAKING YOUR CRAFTSMAN RIDING EQUIPMENT TO
YOUR NEAREST SEARS SERVICE CENTER. (IN-HOME WARRANTY SERVICE WILL STILL BE AVAILABLE AFTER 30 DAYS
FROM THE DATE OF PURCHASE BUT A STANDARD TRIP CHARGE WILL APPLY.) THIS WARRANTY APPLIES ONLY
WHILE THIS PRODUCT IS IN THE UNITED STATES.
This Warranty gives you specific legal rights, and you may a[so have other rights which may vary from state to state.
SEARS, ROEBUCK AND CO., D/8!7 WA, HOFFMAN ESTATES, IL 60179

TABLE OF CONTENTS
SAFETY RULES ............................................................ 2
PRODUCT SPECIFICATIONS ...................................... 3
CUSTOMER RESPONSIBILITIES ..................... 3, 17-19
WARRANTY .................................................................. 3
TABLE OF CONTENTS .............................. :_........ :........ 4
INDEX ............................................................................ 4
TRACTOR ACCESSORIES .......................................... 5
ASSEMBLY ................................................................ 7-9
OPERATION ........................................................... 11-14
MAINTENANCE SCHEDULE ...................................... 16
SERVICE AND ADJUSTMENTS ............................ 20-26
STORAGE ................................................................... 2?'
TROUBLESHOOTING ............................................ 28-29
REPAIR PARTS - TRACTOR ................................. 31-48
REPAIR PARTS - ENGINE .................................... 49-55
PARTS ORDERING/SERVICE .................. BACK PAGE
NDEX
A
Accessories ........................ :................... 5
Adjustments:
Brake ........................................... 22
Carburetor ................................... 25
Mower:
Front-To-Back ........................ 21
Side-To-Side .......................... 21
Throttle Control Cable ................. 25
Air Filter, Engine ........... _..................... 18
Air Screen, Engine ............................. 18
Assembly ............................................ 7-9
8
Battery:
Charging ..................................... 17
Cleaning ...................................... 17
Starting with Weak Battery ......... 24
Storage ....................................... 27
Terminals .................................... 17
Betts:
Motion Drive
Removal/Replacement .......... 22
Mower Blade Ddve
Removal/Replacement .......... 22
Blade:
Sharpening ................................. 17
Replacement ............................... 17
Brake Adjustment ............................... 22
C
Carburetor Adjustment ....................... 25
Controts, Tractor ................................ 12
Customer Responsibilities ......... 3,17-19
Engine:
Air Filter ................................... 18
Air Screen, Engine .................. 18
Battery ..................................... 17
Cooling Fins, Engine ............... 19
Engine Oil ............................... 18
Fuel Filter ................................ 19
Spark Plugs ............................ 19
Tractor:
Blades ..................................... 17
Lubrication Chaff .................... 16
Maintenance Schedule ........... 16
Tire Care ......................... 8,17,23
Cutting Height, Mower ....................... 12
E
Electrical:
interlocks and Relays ................. 24
Schematic ................................... 30
Wiring Diagram ........................... 31
Engine:
Air Filter ....................................... 18
Air Screen ................................... 18
Cooling Fins, Engine ................... 19
Oil Change .................................. 18
Oil Lever ................................. 13,18
Oil Type ....................................... 18
Preparation ................................. 13
Repair Parts ........................... 49-55
Starting ........................................ 13
Storage ....................................... 27
F
Filters:
Air ................................................ 18
Fuel ............ ................................. 1g
Fuel: _.
Type ............................................ 13
' Storage ....................................... 27
Fuse ................................................... 24
G
Gauge Wheels ..................................... 8
H
Hood Removal!InstaJJation ................. 24
L
Leveling Mower Deck ......................... 21
Lubrication Chart ................................ 16
M
Maintenance Schedule ...................... 16
Mower:
Adjustment, Front-to-Back .......... 21
Adjustment, Side-to-Side ............ 21
Blade Sharpening ....................... 17
Blade Replacement .................... 17
Cutting Height ............................. 12
Installation ................................... 20
Operation ............................... 11-14
Removal ...................................... 20
Mowing Tips ....................................... 14
Muffler ................................................ 19
Spark Arrester .......................... 3,41
Mulcher Plate ....................................... 9
O
Oil:
Cold Weather Conditions ....... t3,18
Engine ......................................... 18
Storage ....................................... 27
Operation ...................................... 11-14
Operating Mower .......................... 12-13
Options:
Accessories ................................... 5
Spark Arrester .......................... 3,41
P
Parking Brake ............................... 11-12
Parts Bag ............................................. 6
Parts, Replacement!Repair ........... 31-48
Product Specifications ........................... 3
R
Repair Parts .................................. 31-48
S
Safety Rules ......................................... 2
Seat ...................................................... 8
Service and Adjustments .............. 20-26
Brake ........................................... 22
Carburetor ................................... 25
Fuse ............................................ 24
Hood Removaltlnstallation .......... 24
Motion Drive Belt
Removal/Replacement .......... 22
Mower Blade Drive Belt
Removal!Replacement .......... 22
Mower Ad)ustment:
Front-to-Back ......................... 21
Side-to-Side ........................... 2_
Mower Installation ....................... 20
Mower Removal .......................... 20
Tire Care ............................. 8,17,23
Slope Guide Sheet ............................. 56
Spark Plugs ........................................ lg
Specifications ....................................... 3
Starting the Engine ....................... 13-14
Steering Wheel ............................... 7,23
Stopping the Tractor .......................... 12
Storage ............................................... 27
T
Throttle Control Cable Adjustment ..... 25
Tires ........................................... 8,17,23
Trouble Shooting Chart .................. 28-29
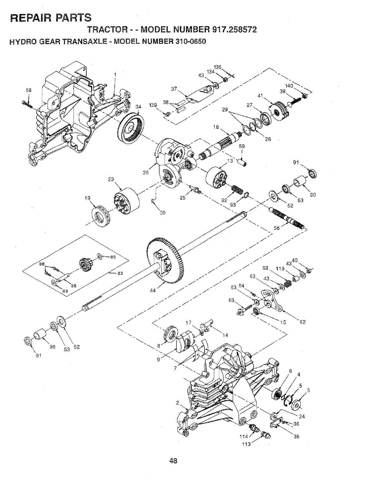
Transaxle Repair Parts ................. 47-48
W
Warranty ............................................... 3
Widng Diagram .................................. 31
Wiring Schematic ............................... 30
4

J=
ACCESSORI ATTACH
These accessories and attachments were available through most Sears retail outlets and service centers when the tractor was purchased.
Most Sears stores can order these items for you when you provide the model number of your tractor.
ENGINE
SPARK PLUG GAS CAN ENGINE OIL FUEL STABILIZER
MAINTENANCE
AIR FILTER E_LADES BELTS
PERFORMANCE
Sears offers a wide variety of attachments that fit your tractor. Many of these are listed below with brief explanations of how they can help
you. This list was current atthe time of publication; however, it may change in future years - more attachments may be added, changes
may be made in these attachments, or some may no longer be available or fit your model. Contact your nearest Sears store for the
accessories and attachments that are available for you_" tractor.
Most of these attachments do not require additional hitches or conversion kits (those lhat do are indicated) and are designed for easy
attaching and detaching.
AERATOR promotes deep root growth for a healthy lawn. Ta-
pered 2.5-inch steel spikes mounted on 10-inch diameter discs
puncture holes in soil at close intervals to tel moisture soak in.
Steel weight tray for increased penetration.
BAGGER tets you collect grass clippings and leaves for a
healthier, neater looking lawn. Two Permanex containers hold
30-gallon plastic bags.
BUMPER protects fiont end of tractor from damage.
CARTS make hauling easy. Variety of sizes available, plus
accessories such as side panel kits, tool caddy, cad cover,
protective mat and dolly.
CORING AERATOR takes small plugs out of soil to allow mois-
ture and nutrients to reach grass roots. 36-inch swath. 24
hardened steel coring tips. !50 lb. capacity weight tray.
EASY OIL DRAIN VALVE makes oil changes easier, faster.
FRONT NOSE ROLLER canters in front of mower deck to reduce
chances of "scalping" on uneven terrain.
GANG HITCH iets you tow 2 or 3 pull-behind attachments at once,
such as sweepers, dethatchers, aerators (not for use with rollers,
carts or other heavy attachments).
GAUGE WHEELS on both sides of the mower deck reduce
chances of "scalping" on uneven terrain. For mower decks not so
equipped.
MULCH RAKF=JDETHATCHER loosens soil and flips thatch and
matted leaves to lawn sudace for easy pickup. Twenty spring tine
teeth. Usefulto prepare bare areas for seeding. Availablefor front
or rear mounting. HiGH PERFORIVlANCE REEL-ACTION
SPRING T_NE DETHATCHER covers 36-inch wide path and
tosses thatch into large hopper. Mounts behind tractor.
MULCHING CLOSE-OUT PLATE KiT, once installed, lets you
mulch, discharge or bag clippings (bagger optional) without
changing blades. For models not equipped as 3-in-1 Convertible
mowers. See "MOWER" in the Repair Parts section of this
manual.
RAMP TOPS AND FEET let you load and unload tractor from a
pickup truck. Use with 2 x 8 or 2 x 10 lumber.
ROLLER for smoother lawn surface. 36-inch wide, 18-inch
diameter water-tight drum holds upto 390 Ibs. of weight. Rounded
edges prevent harm to turf. Adjustable scraper automatically
cleans drum.
SNOW BLADE forsnow removal on!y. 14-inch high, 48-inch wide
blade clears 42-inch path when angled left or fight. Raises, lowers
with side lever. Adjustable skids; replaceable, reversible scraper
bar. (Use with tire chains and wheel weights and/or rear drawbar
weight.)
SNOWTHROWER has 40-inch swath. Drum-type auger handles
powdery and wet/heavy snow. Mounts easily with simple pin
arrangement. Discharge chute adjusts from tractor seat. 6-inch
diameter spout discharges snow 10 to 50 feet. Lift controlled at
tractor seat. (Use with chains and wheel weights and/or rear
drawbar weight.)
SPRAYERS use 12-volt DC electric motor that connects to the
tractor battery or other 12-volt source. Includes booms for
automatic spraying and hand held wand for spot spraying. Wand
has adjustable spray pattern. For applying herbicides, insecti-
cides, fungicides and liquid fertilizers.
SPREADERiSEEDERS make seeding, fertilizing, and weed kill-
ing easy. Broadcast spreaders are also useful for granular de-
icers and sand.
SWEEPERS let you collect grass clippings and leaves.
T_LLER has 5 hp engine and 36-inch swath to prepare seed beds,
cultivate and compost garden residue. Tiller has its own built-in
lift and depth contro! system and does NOT require a sleeve hitch.
Fits any lawn, yard or garden tractor. Simpiy hook up to the tractor
drawbar and go! OptionaJ accessories convert unit for
dethatching, aerating, hilling...without tools.
TIRE CHAINS are heavy duty; closeiy spaced extra-large cross
links give smooth ride, outstanding traction.
TRACTOR CAB has heavy duty vinyl fabric over tubular steel
frame, ABS plastic top; clear plastic windshield offers 360 degree
visibility. Hinged metal doors with catch. Keeps operator warm
and dry. Remove vinyl sides and windshields for use as sun
protector in summer. Optional accessories include: tinted/
tempered solid safety glass windshield with hand operated wiper;
12-volt amber caution light for mounting on cab top.
VACS for powerful collection of heavy grass clippings and leaves.
Optional wand attachment to pick up debris in hard-to-reach
pieces. VAC/CHIPPER includes a chipper-shredder.
WEIGHT BRACKET for drawbar for Snow removal applications.
Uses (1) 55 lb, weight.
WHEEL WEIGHTS for rear wheels provide needed traction for
snow removal or dozing heavy materials.
5

CONTENTS OF
Parts Bag contents shown full size
(1) Hex Bolt
, 3/8-16 x 1
(1) Large Flat Washer (!) Lockwasher 3/8
[1) HexBolt 5/16-18x 1-1/4 (1)kocknut 5/16-18
(1) Shoulder (1) FJex Bolt
Bolt 5/16-18 1/2-13 x 1
(1) Washer
17/32 x
1-3/16.x 12
Gauge (!) LockWasher 1/2
(2) Lock (2) Screws _h_
#10 x 5/8
#10
O'(5216Washersx3/4 (2) Weld
x 16Gauge Nuts #10
(2) Hex Bolts 1/4-20 x 3/4 @
(2) Hex Nuts 1/4-20
(2) Washers 9/32 x 5/8 x 16 Gauge
_I2 Lock Washers 1/4
HARDWARE PACK
s
=
Parts packed separately in carton
Seat
Video
Cassette
Steering
Wheel Mulcher
Plate
Steering
Boot
Manual Pa_s Bag
Parts bag contents not shown ful! size
/F_, (2) Washers 3/8
k_.._J x 7/8 x 14 Gauge
(2) ShoulderBolts _--'_ (2) Gauge
fWheels
Steering Wheel
Adapter
(2) Center-
lock Nuts
Assemblys
-(2) Keys
_ Steering
J Wheel
Insert
Slope Sheet
I teering
Extension
Shaft

ASSEMBLY
Your new tractor has been assembled at the factory with exception of those parts left unassembied for shipping purposes.
To ensure safe and proper operation of your tractor all parts and hardware you assemble must be tightened securely. Use
the correct tools as necessary to insure proper tightness,
TOOLS REQUIRED FOR ASSEMBLY
A socket wrench set will make assembly easier. Standard
wrench sizes are listed.
(1) 3/4" Socket w!drive rachet
(2) 7/16" wrenches Phillips Screwdriver
(1) 1/2" wrench Tire pressure gauge
(1) 9/16" wrench Utility knife
When right or teft hand is mentioned in this manual, it
means when you are in the operating position (seated
behind the steering wheel).
TO REMOVE TRACTOR FROM CARTON
UNPACK CARTON
-Remove alt accessible loose parts and parts cartons
from carton (See page 6).
+ Cut, from top to bottom, along iines on all four corners
of carton, and lay panels flat.
= Check for any additional loose parts or cartons and
remove.
BEFORE ROLLING TRACTOR OFF SKID
ATTACH STEERING WHEEL (See Fig. 1)
ASSEMBLE EXTENSION SHAFT AND BOOT
- Slide extension shaft onto lower steering shaft. Align
mounting holes in extension and lower shafts and
install 5/16 hex bolt and Iocknut. Tighten sScurely.
_MPORTANT: TIGHTEN BOLT AND NUT SECURELY TO
18-22 FT. LBS TORQUE.
" Place tabs of steering boot over tab slots in dash and
push down to secure.
INSTALL STEERING WHEEL
+ Position front wheels of the tractor so they are pointing
straight forward.
+ Slide steering wheel adapter onto steering shaft: exten-
sion.
+ Position steering wheel so cross bars are horizontal
(left to right) and slide inside boot and onto adapter.
•Assemble large flat washer, 3/8 lock washer, 3/8 hex
bo!t and tighten securely.
+ Snap steering wheel insert into center of steering
wheel.
, Remove protective materials from tractor hood and
grill.
IMPORTANT: CHECKFORANDREMOVEANYSTAPLES
IN SKID THAT MAY PUNCTURE TIRES WHERETRACTOR
IS TO ROLL OFF SKID.
TO ROLL TRACTOR OFF SKID (See Opera-
tion section for location and function of con=
trois)
+ Press lift lever ptunger and raise attachment lift lever to
its highest position.
• Re!ease parking brake by depressing clutch/brake
pedal,
STEERING i......... }.
WHEEL STEERING
BOOT
FIG. 1
,Place freewheel controi in freewheeling position to
disengage transmission (See "TO TRANSPORT" in
the Operation section of this manual).
, Roll tractor backwards off skid.
• Remove banding holding discharge guard up against
tractor.
HOW TO SET UP YOUR TRACTOR
CONNECT BATTERY (See Fig. 2)
A CAUTION: Do not s.hort battery termi-
nals by allowing a wrench or any other
object to contact both terminals at the
same time. Before connecting battery,
remove metal bracelets, wristwatch
bands, rings, etc,
Positive terminal must be connected
first to prevent sparking from acciden-
tal grounding.
° Lift hood to raised position.
+ Open terminal access doors, remove terminal protec-
tive caps and discard.
• if this battery is put into service after month and year
indicated on label (label located between terminals)
charge battery for minimum of one hour at 6-10 amps.
, First connect RED battery cable to positive (+) battery
terminal with hex bolt, flat washer, lock washer and hex
nut as shown. Tighten securely.

o
ASSEMBLY
Use terminal access doors for:
• Inspection for secure connections (to tighten hard-
Connect BLACK grounding cable to negative (-) battery
terminal with remaining hex bolt, flat washer, lock
washer and hex nut. Tighten securely.
Close terminal access doo?s.
CHECK TIRE PRESSURE
The tires on your tractor were overinflated at the factory for
shipping purposes. Correct tire pressure is important for
best cutting performance.
- Reduce tire pressure to PSI shown in "PRODUCT
SPECIFICATIONS" on page 3 of this manual.
ware).
•Inspection for corrosion.
= Testing battery.
, Jumping (if required).
, Periodic charging.
HEX NUT
DISCARD TERMINAL X
PROTECTIVE CAPS
LOCK
WASHER FLAT
WASHER
POSITIVE
(RED)
CABLE
NEGATtVE
(BLACK)
CABLE
F_G. 2
CHECK DECK LEVELNESS
For best cutting results, mower housing should be properly
leveled. See 'q'O LEVEL MOWER HOUSING" in the
Service and Adjustments section of this manual.
CHECK FOR PROPER POSITION OF ALL
BELTS
See the figures that are shown for replacing motion and
mower blade drive belts in the Service and Adjustments
section of this manual. Verify that the belts are routed
correctly.
CHECK BRAKE SYSTEM
After you learn how to operate your tractor, check to see
that the brake is properly adjusted. See "TO ADJUST
BRAKE" in the Service and Adjustments section of this
manual.
ASSEMBLE GAUGE WHEELS. TO MOWER
DECK (See F{g. 4)
The gauge wheels are designed to keep the mower deck in
proper position when operating mower. Be sure they are
properlY adjusted to ensure optimum mower performance.
INSTALL SEAT (See Fig. 3)
Adjust seat before tightening adjustment bolt.
• Remove cardboard packing on seat pan.
, Place seat on seat pan and assembte shoulder bolt.
- Assemble adjustment bolt, lock washer and flat washer
toosely. Do not tighten.
Tighten shoulder bolt securely.
• Lower seat into operating position and sit on seat.
,Slide seat until a comfortable position is reached which
allows you to press clutch/brake pedal all the way
down.
• Get off seat without moving its adjusted position.
, Raise seat and tighten adjustment bolt securely.
SEA__
s.O.LOE=---- \\\
LARO= LATWASBE=
FIG. 3
Assemble gauge wheels with tractor on a flat level
surface.
* Adjust mower to desired cutting height (See 'q*o AD-
JUST MOWER CUTTING HEIGHT" in the Operation
section of this manual).
With mower in desired height of cut position, gauge
wheels shouid be assembled so they are slightly off the
ground. Install gauge wheel in appropriate hole with
shoulder bolt, 3/8 washer, and 3/8-16 Iocknut and
tighten securely.
Repeat for opposite side installng gauge wheel in
same adjustment hole.

LY
iNSTALL MULCHER PLATE
(See Figs. 5& 6)
Install two latch hooks to mulcher plate using screw,
washer, lock washer, and weld nut as shown.
NOTE: Pre-assemble weld nut to latch hook by inserting
weld nut from the top with hook pointing down.
• Tighten hardware securely.
• Raise and hold deflector shield in upright position.
Place front of mulcher plate over front of mower deck
opening and slide into place, as shown.
-Hook front latch into hole on front of mower deck.
Hook rear latch into hole on back of mower deck.
CAUTION: Do not remove discharge
guard from mower. Raise and hold
guard when attaching mvlcher plate
end allow it to rest en plate while in
operation.
TO CONV_RT TO BAGGING OR
DISCHARGING
Simply remove mulcher plate and store in a safeplace.
Your mower is now ready for discharging or installation of
optional grass catcher accessory.
NOTE: It is not necessary to change bfades. The mulcher
blades are designed for discharging and bagging also.
HOOK POINTS DOWN
WELD NUT FROM TH_ _/
WELD WASHER
LATCH
WASHER
MULCHER
PLATE
LOCK
WASHER
WASHER
HOOK
WELD
NUT
FIG. 5
DEFLECTOR
SHIELO_
/J
\\
LATCH
HOOKS
FtG. 6
V"CHECKLIST
BEFORE YOU OPERATE AND ENJOY YOUR NEW
TRACTOR, WE WISH TO ASSURE THAT YOU RECEIVE
THE BEST PERFORMANCE AND SA TfSFA CTION FROM
THIS QUALITY PRODUCT.
PLEASE REVIEW THE FOLLOWING CHECKLIST:
,/ All assembly instructions have been completed.
v" No remajning loose parts in carton.
¢" Batten,'is properly prepared and charged. (Minimum
1 hour at 6 amps).
,/ Seat is adjusted comfortably and tightened securely.
v" All tires are properly inflated. (For shipping purposes,
the tires were overinfiated at the facton/).
v' Be sure mower deck is properly teveied side-to-side!
front-to-rear for best cutting results. (Tires must be
properly inflated for leveling).
v" Check mower and drive belts. Be sure they are routed
properly around pulleys and inside all belt keepers.
V" Check wiring. See that all connections are stil! secure
and wires are pr_operly clamped.
J' Before driving tractor, be sure freewheel Control is in
drive position.
WHILE LEARNING HOWTO USE YOUR TRACTOR, PAY
EXTRA ATTENTION TO THE FOLLOWING IMPORTANT
ITEMS:
_" Engine oil is at proper level.
,/ Fuel tank is filled with fresh, clean, regular unleaded
gasoline.
€" Become familiar with all controls - their location and
function. Operate them before you start the engine.
V Be sure brake system is in safe operating condition.
/It is important to purge the transmission before operat-
ing your tractor for the first time. Follow proper starting
and transmission purging instructions (See "TO START
ENGINE" and "PURGE TRANSMISSION" in the Op-
eration section of this manual).
9

OPERATIO
These symbols may appear on your tractor or in literature supplied with the product. Learn and understand their meaning.
BATTERY CAUTION OR REVERSE
WARNING
ENGINE ON ENGINE OFF OIL PRESSURE
FORWARD
CLUTCH
FAST SLOW
LIGHTS ON LIGHTS OFF
FUEL CHOKE MOWER HEIGHT DIFFERENTIAL
LOCK
PARKING BRAKE UNLOCKED
LOCKED
MOWER LIFT
REVERSE NEUTRAL
ATTACHMENT
CLUTCH ENGAGED
L •
HIGH LOW
ATT/\CHMENT
CLUTCH DISENGAGED
PARKING BRAKE
IGNITION
DANGER, KEEP HANDS AND FEET AWAY
HYDROSTATIC FREE WHEEL
(Hydro Models only)
10

OPERATION
KNOW YOUR TRACTOR
READ THiS OWNER'S MANUAL AND SAFETY RULES BEFORE OPERATING YOUR TRACTOR
Compare the illustrations with your tractor to familiarize you rself with the Jocationsof various controls and adjustments. Save
this manuaJ for future reference.
LIGHT
IGNITION SWITCH
CHOKE AMMETER SWITCH POSiTiON
CLUTCH
BRAKE
PEDAL
UFTLEVER
PLUNGER
ATTACHMENT
CLUTCHLEVER
FREEWHEEL
CONTROL
APPROX.
SPEED
3 MPH
2MPH
1MPH
PARKING BRAKE
MOTION
CONTROL
LEVER
FiG. 7
Our tractors conform to the safety standards of the American National Standards Institute.
ATTACHMENT CLUTCH LEVER: Used to engage the
mower blades, or other attachments mounted to your
tractor.
LIGHT SWBTCH: Turns the headlights on and off.
THROTTLE CONTROL: Used to control engine speed.
CLUTCH/BRAKE PEDAL: Used for declutching and brak-
ing the tractor and starting the engine,
PARKING BRAKE: Locks clutch/brake pedal into the
brake position.
FREEWHEEL CONTROL: Disengages transmission for
pushing or slowly towing the tractor with the engine off.
CHOKE CONTROL: Used when starting a cold engine.
MOTION CONTROL LEVER: Selects the speed and direc-
tion of the tractor.
ATTACHMENT LIFT LEVER: Used to raise and lower the
mower deck or other attachments mounted to your tractor.
LiFT LEVER PLUNGER: Used to release attachment lift
lever when changing its position.
IGNITION SWITCH: Used for starting and stopping the
engine.
HEIGHT ADJUSTMENT KNOB: Used to adjust thd:mower
cutting height.
AMMETER: Indicates battery charging (+) or discharging
(-).
11

OPERATIC
FThe operation of any tractor can in foreign objects thrown into the eyes, which can result
result
'_'_ in severe eye damage. Always wear safety glasses or eye shields while operating your tractor
_ or performing any adjustments or repairs. We recommend awide vision safety mask over the
lllillm spectacles or standard safety glasses.
HOW TO USE YOUR TRACTOR TO USE THRO'I-rLE CONTROL (See Fig, 8)
Always operate engine at full throttle.
*Operating engine at less than full throttle reduces the
batter7charging rate.
= Full throttle offers the best bagging and mower perfor-
mance.
TO SET PARKING BRAKE (See Fig. 8)
Your tractor is equipped with an operator presence sensing
switch. When engine is running, any attempt by the
operator to leave the seat without first setting the parking
brake will shut off the engine.
o Depress clutch/brake pedal into full "BRAKE" position
and hold.
= Place parking brake lever in "ENGAGED" position and
release pressure from clutch/brake pedal. Pedalshould
remain in "BRAKE" position. Make sure parking brake
will hold tractor secure.
CHOKE "ATTACHMENT CLUTCH LEVER
CONTROL "ENGAGED" POSiTiON
"HROTTLE "DISENGAGED"
_'( POSITION
"BRAKE" PARKING 8RAKE
POSiTiON "ENGAGED"
POSITION
MOTION
LEVER
, "DISENGAGED"
POSmON
CLUTCH/BRAKE
PEDAL "DRIVE" HEIGHT ADJUSTMENT
POSITION KNOB ,
F_G. 8
STOPPING (See Fig= 8)
MOWER BLADES -
= Move attachment clutch lever to "D_SENGAGED" po-
sition.
GROUND DRIVE -
• Depress clutch/brake pedal into full "BRAKE" position.
• Move motion control lever to neutral (N) position.
IMPORTANT: THE MOTION CONTROL LEVER DOES
NOT RETURN TO NEUTRAL (N) POSITION WHEN THE
CLUTCH/BRAKE PEDAL IS DEPRESSED.
ENGINE -
• Move throttle control to slow (,,_) position.
NOTE: Failure to move throttle control to slow (,_,)
position and allowing engine to idle before stopping may
cause engine to "backfire".
• Turn ignition key to "OFF" position and remove key.
Always remove key when leaving tractor to prevent
unauthorized use.
•Never use choke to stop engine.
NOTE: Under certain conditions when tractor is standing
idle withthe engine running, hot engine exhaust gases may
cause "browning" of grass. To eliminate this possibility,
always stop engine when stopping tractor on grass areas.
j_ CAUTfON: Always stop tractor com-
A, _ _ above, before ieav- I
_r's position; to empty I
grass catcher, etc. .... I
TO USE CHOKE CONTROL (See Fig. 8)
Use choke control whenever you are starting a cold engine.
Do not use to start a warm engine.
o Te engage choke control, pul! knob out. Slowly push
knob in to disengage.
TO MOVE FORWARD AND BACKWARD (See
Fig. 8)
The direction and speed of movement is controlled by the
motion control lever.
Start tractor with motion control lever in neutral (N)
position.
• Reiease parking brake and clutch/brake pedal.
Slowly move motion control lever to desired position.
TO ADJUST MOWER CUTTING HEIGHT
(See Fig. 8)
The cutting height is controlled by turning the height adjust-
ment knob in desired direction.
,Turn knob clockwise (f"_) to raise cutting height.
• Turn knob counterclockwise (P'-_) to lower cutting
height.
The cutting height range is approximately 1-1/2" to 4". The
heights are measured from the ground to the blade tip with
the engine not running. These heights are approximate
and may vary depending upon soil conditions, height of
grass and types of grass being mowed.
-The average lawn should be cut to approximately 2-1/2
inches during the cool season and to over 3 inches
during hot months. For healthier and better looking
lawns, mow often and after moderate growth.
= For best cutting performance, grass over 6 inches in
height should be mowed twice. Make the first cut
relatively high; the second to desired height.
TO OPERATE MOWER (See Fig. 9)
Your tractor is equipped with an operator presence sensing
switch. Any attempt by the operator to leave the seat with
the engine running and the attachment clutch engaged will
shut off the engine.
•Select desired height of cut.
• Lower mower with attachment lift control.
•Start mower blades by engaging attachment clutch
control.
•TO STOP MOWER BLADES - disengage attachment
clutch control.
12

OP : ATION
_._ chaCAUTION:Do not operate the mower
without either the entire grass catcher,
on mowers so equipped, or the dis-
rge guard in place.
NOTE: To protect hood from damage when transporting
your tractoron a truckor atrailer, be sure hood is closed and
secu red to tractor. Use an appropriate means of tying hood
to tractor (rope, cord, etc.).
ATTACHMENT CLUTCH
LEVER "DISENGAGED"
•POSITION \
HEIGHT ___:'::_.
ADJUSTNENT /_::_ /_
KNOB ,[ ///
"ENGAGED"
POSITION ATTACHMENT
LIFT LEVER
NIGH POSiTiON
,,,',';
/7
GUARD
FIG. 9
TO OPERATE ON H_LLS
FiG. 10
BEFORE STARTING THE ENGINE
CHECK ENGINE OIL LEVEL (See Fig. 15)
The engine in your tractor has been shipped, from the
factory, already filled with summer weight oil.
Check engine oil with tractor on level ground.
Remove oil fill cap/dipstick and wipe Clean, reinsert the
dipstick and screw cap tight, wait for a few seconds,
remove and read oil level. If necessary, add oil until
"FULU' mark on dipstick is reached. Do not ovedill.
For cold weather operation you should change oil for
easier starting (See "OIL VISCOSITY CHART _in the
Customer Responsibilities section of this manual).
=To change engine oit, see the Customer Responsibili-
ties section in this manual.
,, Choose the slowest speed before starting up or down
hills.
Avoid stopping or changing speed on hills.
If slowing is necessan/, move throttle control lever to
slower position.
If stopping is absolutely necessary, push clutch/brake
pedal quickly to brake position and engage parking
brake.
,, Move motion control lever to neutral (N) position.
IMPORTANT: THE MOTION CONTROL LEVER DOES
NOT RETURN TO NEUTRAL (N) POSITION WHEN THE
CLUTCH!BRAKE PEDAL IS DEPRESSED.
® To restart movement, slowly release parking brake and
clutch/brake pedal.
,, Slowly move motion control lever to slowest setting.
Make all turns slowly.
TO TRANSPORT (See Fig. 10)
When pushing or towing your tractor, be sure to disengage
transmission by placing freewheel control in freewheeling
position. Free wheel control is located at the rear drawbar
of tractor.
• Raise attachment lift to highest position with attach-
ment lift control.
Pull freewheel control knob out and hold in position by
inserting retainer spring into forward hole of control rod.
Do not push or tow tractor at more than two (2) MPH.
To reengage transmission, reverse above procedure.
13
ADD GASOLINE
o Fill fuel tank. Use fresh, clean, regular unleaded
gasoline with a minimum of 87 octane. (Use of leaded
gasoline will increase carbon and lead oxide deposits
and reduce valve life). Do not mix oil with gasoline.
Purchase fuel in quantities that can be used within 30
days to assure fue! freshness.
iMPORTANT: WHEN OPERATING IN TEMPERATURES
BELOW 32°F(0°C), USE FRESH, CLEAN WINTER GRADE
GASOLINE TO HELP INSURE GOOD COLD WEATHER
STARTING.
WARNING: Experience indicates that alcohol blended
fuels (called gasohol or using ethanol or methanol) can
attract moisture which leads to separation and formation of
acids during storage. Acidic gas can damage the fuel
system of an engine while in storage. To avoid engine
problems, the fue! system should be emptied before stor-
age of 30 days or longer. Drain the gas tank, start the
engine and let it run until the fue! lines and carburetor are
empty. Use fresh fuel next season. See Storage Instruc-
tions for additional information. Never use engine or
carburetor cleaner products in the fuel tank or permanent
damage may occur.
CAUTION: Fill to bottom of gas tank
fiver neck. Do not overfill Wipe off any
spilled oil or fuel. Do not store, spill or
use gasoline near an open flame.

OPERATION
TO START ENGINE (See Fig. 9)
When starting the engine for the first time or if the engine
has run out of fuel, it will take extra cranking time to move
fuel from the tank to the engine.
Be sure freewheel control is in the transmission en-
gaged position.
,Sit on seat in operating position, depress clutch/brake
pedal and set parking brake.
°Place motion control lever in neutral (N) position.
Move attachment clutch to "DISENGAGED" position.
-Move throttle controt to fast (,_) position
Pull choke control out for a cold engine start attempt.
For a warm engine start attempt the choke control may
not be needed.
Note: Before starting, read the warm and cold starting
procedures below.
,Insert key into ignition and turn key clockwise to"START"
position and release key as soon as engine starts. Do
not run starter continuously for more than fi_een sec-
onds per minute. If the engine does not start after
several attempts, push choke control in, wait a few
minutes and try again. If engine still does not start, putt
the choke control out and retry.
WARM WEATHER STARTING (50° F and above)
•When engine starts, slowly push choke control in until
the engine begins to run smoothly. If the engine starts
to run roughly, pull the choke control out slightly for a
few seconds and then continue to push the cont._ol in
slowly.
° The attachments and ground drive can now be used. If
the engine does not accept the load, restart the engine
and allow itto warm up for one minute using the choke
as described above.
COLD WEATI4ER STARTING (50° Fand below)
•When engine starts, s!ow!y push choke control in until
the engine begins to run smoothly. Continue to push
the choke control in small steps allowing the engine to
accept small changes in speed and load, until the
choke control is fully in. If the engine starts to run
roughly, pull the choke control out slightly for a few
seconds and then continue to push the control in
slowly. This may require an engine warm-up period
from several seconds to several minutes, depending
on the temperature.
HYDROSTATIC TRANSMISSION WARM UP
, Before driving the unit in cold weather, the transmis-
sion should be warmed up as follows:
• Be sure the tractor is on level ground.
-Place the motion control lever in neutral.
Release the parking brake and let the clutch/brake
slowly return to operating position.
° Allow one minute for transmission to warm up.
This can be done during the engine warm up
period.
• The attachments can be used du ring the engine warm-
up period after the transmission has been warmed up
and may requirethe choke control be pulled out slightly.
NOTE: If at a high altitude (above 3000 feet) or in cold
temperatures (below 32 F)the carburetor fuel mixture may
need to be adjusted for best engine performance. See 'qO
ADJUST CARBURETOR" in the Service and Adjustments
section of this manual.
PURGETRANSMISSION
L& CAUTION: Never engage or disengage I
freewheel lever while the engine is run-
ning.
To ensure proper operation and performance, it is recom-
mended that the transmission be purged before operating
tractor for the first time. This procedure will remove any
trapped air inside the transmission which may have devel-
oped during shipping of your tractor.
IMPORTANT: SHOULD YOURTRANSMISSION REQUIRE
REMOVAL FOR SERVICE OR REPLACEMENT, IT
SHOULD BE PURGED AFTER REINSTALLATION
BEFORE OPERATING THE TRACTOR.
. Place tractor safely on level surface with engine off and
parking brake set.
,Disengage transmission by placing freewheel control
in freewheeling position (See "TO TRANSPORT" in
this section of manual).
Sitting in the tractor seat, start engine. After the engine
is running, move throttle control to slow (_) position.
With motion control lever in neutral (N) position, slowly
disengage clutch/brake pedal.
, Move motion control lever to full forward position and
hold for five (5) seconds. Move lever to full reverse
position and hold for five (5) seconds. Repeat this
procedure three (3) times.
NOTE: During this procedure there will be no movement of
drivewheels. The air is being removed from hydraulic drive
system.
* Move motion control lever to neutral (N) position. Shut-
off engine and set parking brake.
, Engage transmission by placing freewheel control in
driving position (See 'TO TRANSPORT" in this section
of manual).
,Sitting in the tractor seat, start engine. After the engine
is running, move throttle control to half (1/2) speed.
With motion control lever in neutral (N) position, slowly
disengage clutch/brake pedal.
,, Slowly move motion control lever forward, after the
tractor moves approximately five (5) feet, slowly move
motion control lever to reverse position. After the
tractor moves approximately five (5) feet return the
motion control lever to the neutral (N) position. Repeat
this procedure with the motion control lever three (3)
times.
,Your tractor is now purged and now ready for normal
operation.
14

MOWING TiPS
=n
OPERATION
- Tire chains cannot be used when the mower housing is
attached to tractor.
•Mower should be properly leveled for best mowing
performance. See "TO LEVEL MOWER HOUSING" in
the Service and Adjustments section of this manual.
-The left hand side of mower should be used for trim-
ming.
,, Drive so that clippings are discharged onto the area
that has been cut. Have the cut area to the right of the
tractor. This will 4"esult in a more even distribution of
clippings and more uniform cutting.
,, When mowing large areas, start by turning to the right
so that clippings will discharge away from shrubs,
fences, driveways, etc. After one or two rounds, mow
in the opposite direction making left hand turns until
finished (See Fig. 1! ).
If grass is extremely tail, it should be mowed twice to
reduce load and possible fire hazard from dried clip-
pings. Make first cut relatively high; the second to the
desired height.
= Do not mow grass when it is wet. Wet grass will plug
mower and leave undesirable clumps. Allow grass to
dry before mowing.
Always operate engine at full throttle when mowing to
assure better mowing performance and proper dis-
charge of material. Regulate ground speed by select-
ing a low enough gear to give the mower cutting
performance as well as the quality of cut desired.
,, When operating attachments, select a ground speed
that will suit the terrain and give best performance of
the attachment being used.
.... 1t
f
u
MULCHING MOWING TIPS
IMPORTANT: FOR BEST PERFORMANCE, KEEP
MOWER HOUSING FREE OF BUILT-UP GRASS AND
TRASH. CLEAN AFTER EACH USE.
• The special mulching blade will recut the grass clip-
pings many times and reduce them in size so that as
they fall onto the lawn they will disperse into the grass
and not be noticed. Also, the mulched grass will
biodegrade quickly to provide nutrients for the lawn.
Always mutch with your highest engine (blade) speed
as this will provide the best recurring action of the
blades.
Avoidcuttingyourlawnwhenitisweto Wet grass tends
to form clumps and interferes with the mulching action.
The best time tO mow your lawn is the early afternoon.
At this time the grass has dried and the newly' cut area
will not be exposed to the direct sun.
For best results, adjust the mower cutting height so that
the mower cuts off only the top one-third of the grass
blades (See Fig. 12). For extremely heavy mulching,
reduce your width of cut and mow slowly.
• Certain types of grass and grass conditions may re-
quire that an area be mulched a second time to
completely hide the clippings. When doing a second
cut, mow across or perpendicular to the first cut path.
, Change your cutting pattern from week to week. Mow
north to south one week then change to east to west the
next week. This will help prevent matting and graining
of the lawn.
RG. 12
FIG. 1t
15

l
CUSTO R PeN ES
MAINTENANCE SCHEDULE
FILL IN DATES
AS YOU COMPLETE
REGULAR SERVICE
R
A
C
T
0
R
E
N
G
I
i Check Brake Operation
Check Tire Pressure
Check for Loose Fasteners
Sharpen!Replace Mower Blades
Lubrication Chart
Check Battery Level/Recharge
Clean Battery and Terminals
Check Transaxle Cooling
Adjust Blade Be!t(s) Tension
Adjust Motion Drive Belt(s) Tension
Check Engine Oil Level
Change Engine Oi.I
Clean Air Filter
Clean Air Screen
Inspect Muffler/Spark Arrester
Replace Oil Filter (if equipped)
Clean Engine Cooling Fins
Replace Spark Plug
Replace Air Filter Paper Cartridge
iW.
_v'
v"
' IV, i
]
,I !
I
1
v'
v, lv, i
/ i--[. i
! J f
I ! ! ,2e /
I i , Iv'l I
I-Change more ottan when operating under a hea_5_load or in high ambient temperatures.
2 - Service more often when operating in dirty or d_sty ce_diflans.
3-I| equipped with oil fitter, change oil every 50 hours,
4 - Replace blades more often when mowing in sandy soil,
3_SERVICE DATES
i
i
__ i ! _
IL_
I_2__2_
5 - If equipped with adjustabie system.
6 - Not required if equippedwith maintenance-free baftery.
7 _Tighten front axle pivot bolt to 35 ft.-Iba, maximum,
DOnot oveltlghten.
GENERAL RECOIVIMENDAT]ONS
The warranty on this tractor does not cover items that have
been subjected to operator abuse or negligence. To
receive full value from the warranty, operator must maintain
tractor as instructed in this manual.
Some adjustments wil! need to be made periodically to
properly maintain your tractor.
All adjustments in the Service and Adjustments section of
this manuai should be checked at least once each season.
Once,a year you should replace the spark plug, clean
or replace air filter, and check blades and belts for
wear. A new spark plug and clean air filter assure
proper air-fuel mixture and help your engine run better
and last longer.
BEFORE EACH USE
, Check engine oil level.
• Check brake operation.
= Check tire pressure.
= Check for loose fasteners.
LUBRICAT!ON CHART
SP,NDLE ZERK ---qF'----------_ ['-'_SPINDLE ZERK(_
ENGINE (_
CCLUTCH
PIVOT(S)
16
(_) SAE 30 OR lOW30 MOTOR OIL
(_D GENERAL PURPOSE GREASE
REFER TO CUSTOMER RESPONSIBILITIES "ENGINE" SECTION
IMPORTANT: DO NOT OIL OR GREASE THE PIVOT POINTS
WHICH HAVE SPECIAL NYLON BEARINGS. VISCOUS LUBRI-
CANTS WILL ATTRACT DUST AND DIRT THAT WILL SHORTEN
THE LIFE OF THE SELF-LUBRICATING BEARINGS, IF YOU
FEEL THEY MUST BE LUBRICATED, USE ONLY A DRY, POW-
DERED GRAPHITE TYPE LUBRICANT SPARINGLY.

CUSTOM RESPO ILiTiES
TRACTOR
Always observe safety rules when performing any mainte-
nance.
BRAKE OPERATION
If tractor requires more than six (6) feet stopping distance
at high speed in highest gear, then brake must be adjusted.
(See "TO ADJUST BRAKE" in the Service and Adjust-
ments section of this manual).
TIRES
, Maintain proper air pressure in all tires (See "PROD-
UCT SPECIFICATIONS" on page 3 of this manual).
,, Keep tires free of gasoline, oil, or insect control chemi-
cals which can harm rubber.
,, Aveid stumps, stones, deep ruts, sharp objects and
other hazards that may cause tire damage.
NOTE: To seal tire punctures and prevent flat tires due to
slow leaks, tire sealant may be purchased from your Iocai
parts dealer. Tire sealant also prevents tire dry rot and
corrosion.
BLADE CARE
For best results mower blades must be kept sharp. Re-
place bent or damaged blades.
BLADE RE#OVAL (See Fig. 13)
•Raise mower to highest position to allow access to
blades.
• Remove hex bolt, Iockwasher and flat washer securing
blade.
, _nstall new or resharpened blade with trailing edge up
towards deck as shown.
Reassemble hex bolt, lock washer and flat washer in
exact order as shown.
Tighten bolt securely (30-35 Ft. Lbs. torque).
I_'_PORTANT: BLADE BOLT IS GRADE 8 HEAT TREATED.
NOTE: We do not recommend sharpening blade- but if you
do, be sure the blade is bs.lanced.
TO SHARPEN BLADE (See Fig. 14)
Care should be taken to keep the biade balanced. An
unbalanced blade will cause excessive vibration and even-
tual damage to mower and engine.
The blade can be sharpened with a file or on a grinding
wheel. Do not attempt to sharpen while on the mower.
,, To check blade balance, you wil! need a 5/8" diameter
steel bolt, pin, or a cone balancer. (When using acone
balaneer, follow the instructions supplied with baF
ancer).
® Slide blade on to an unthreaded portion of the steel bolt
or pin and hold the bolt or pin parallel with the ground.
if blade is balanced, it should remain in a horizontal
position. If either end of the blade moves downward,
sharpen the heavy end until the blade is balanced.
NOTE: Do not use a nail for balancing blade. The lobes of
the center hole may appear to be centered, but are not.
CENTERHOLE //
/
BLADE
FtG. 14
BATTERY
Your tractor has a battery charging system which is suffi-
cient for normal use. However, periodic charging of the
battery with an automotive charger will extend its life.
,, Keep battery and terminals clean.
o Keep battery bolts tight.
,, Keep small vent holes open.
Recharge at 6-10 amperes for 1 hour.
TO CLEAN BATTERY AND TERMINALS
Corrosion and dirt on the battery and terminals can cause
the battery to "leak" power.
• Remove terminal guard.
• Disconnect BLACK battery cable first then RED
battery cable and remove battery from tractor.
• Rinse the battery with plain water and dry.
• C}ean terminals and battery cable ends with wire
brush until bright.
•Coat terminals with grease or petroleum jelly.
= Reinstall battery (See "CONNECT BATTERY" in the
Assembly section of this manual).
PIG, !3
17

CUSTOMER RESPONSIBILITIES
V-BELTS
Check V-belts for deterioration and wear after 100 hours of
operation and replace if necessary. The belts are not
adjustable. Replace belts if they begin to slip from wear.
TRANSAXLE COOLING
The fan and cooling fins of transmission should be kept
clean to assure proper cooling.
Do not attempt to clean fan or transmission while engine is
running or while the transmission is hot.
Inspect cooling fan to be su re fan blades are intact and
clean.
Inspect cooling fins for dirt, grass clippings and other
materials. To prevent damage to seals, do not use
compressed air or high pressure sprayer to clean
cooling fins.
TRANSAXLE PUMP FLUID
The transaxle was sealed at the factory and fluid mainte-
nance is not required for the life of the transaxle. Should the
transaxle ever leak or require servicing, contact your near-
est authorized service center/department.
ENGINE
LUBRICA'NON
Only use high quality detergent oil rated ,_,ithAP] service
classification SF, SG, or SH. Select the oil's SAE viscosity
grade according to your expected operating temperature.
_20o 0o 30 _ 32 ° 40 ° 60 °80 °100 °
.3oo_2oo __oo 0o 10° 2o° 3oo 40°
RANGE ANTfCIPATED BEFORE NEXT OIL CHANGE
NOTE: Although multi-viscosity oils (5W30, 10W30 etc.)
improve starting in cold weather, these multi-viscosity oils
will result in increased oil consumption when used above
32°F. Check your engine oil level more frequently to avoid
possible engine damage from running low on oil
Change the oil after every 25 hours of operation or at least
once ayear if the tractor is not used for 25 hours in one year;
Check the crankcase oil level before starting the engine
and after each eight (8) hours of operation. Tighten oil fill
cap/dipstick securely each time you check the oil level.
TO CHANGE ENGINE OIL (See Fig. 15)
Determine temperature range expected before oil change,
All oil must meet AP! service classification SF, SG or SH.
• Be sure tractor is on level surface.
• Oil will drain more freely when warm.
, Catch oil in a suitable container.
•Remove oil fill cap/dipstick. Be careful not to allow dirt
to enter the engine when changing oil.
• Remove drain plug.
o
w
After oil has drained completery, replace oil drain plug
and tighten securely.
Refill engine with oil through oil fill dipstick tube. Pour
slowly. [30 not overfill. For approximate capacity see
"PRODUCT SPECIFICATIONS" on page 3 of this
manual.
•Use gauge on oil fill cap/dipstick for checking level. Be
sure dipstick cap is tightened securely for accurate
reading. Keep oil at "FULL" line on dipstick.
OIL
DRAIN
PLUG
AIR SCREEN
18
OIL FILL
CAP/DIPSTSICK
CLEAN AiR SCREEN (See Fig. 15)
Air screen musl be kept free of dirt and chaff to prevent
engine damage from overheating. Clean with a wire brush
or compressed air to remove dirt and stubborn dried gum
fibers.
AHR FILTER (See Fig. 16)
Your engine will not run properly using a dirty air filter.
Clean the foam pre-cleaner after every 25 hours of opera-
tion or every season. Service paper cartridge every 100
hours of operation or every season, whichever occurs first.
Service air cleaner more often under dusty conditions.
o Remove knob(s) and cover,
TO SERVICE PRE-CLEANER
- Slide foam pre-cleaner off cartridge.
• Wash it in liquid detergent and water.
Squeeze it dry in a clean cloth.
Saturate it in engine oil. Wrap it in clean, absorbent
cloth and squeeze to remove excess oil.
If very dirty or damaged, replace pre-cleaner.
Reinstall pre-cleaner over cartridge.
Reinstall cover and secure with knob(s).
TO SERVICE CARTRIDGE
• Remove wing nuts and cartridge plate.
Carefully remove cartridge to prevent debris from en-
tering carburetor.
• Clean cartridge bytapping gently on flat surface. Ifvery
dirty or damaged, replace cartridge.
• Reinstall cartridge plate, wing nuts, precleaner, cover
and secure with knob(s).
IMPORTANT: PETROLEUM SOLVENTS, SUCH AS
KEROSENE, ARE NOT TO BE USED TO CLEAN THE
CARTRIDGE. THEY MAY CAUSE DETERIORATION OF
THE CARTRIDGE. DO NOT OIL CARTRIDGE. DO NOT
USE PRESSURIZED AIR TO CLEAN OR DRY
CARTRIDGE.

CUSTOMER R
KNOB
FOAM
F_G. 16
PLATE
ENGINE COOLING F{NS (See Fig. 17)
Remove any dust, dirt or oiJ from engine cooling fins to
prevent engine damage from overheating. Air guide covers
must be removed. Remove side panels and hood (See 'qO
REMOVE HOOD AND GRILL ASSEMBLY" in the Service
and Adjustments section of this manual).
TOP AiR
GUIDE COVER _.
P ;IBILITIES
MUFFLER
Inspect and replace corroded muffler and spark arrester (if
equipped) as it could create a fire hazard and/or damage.
SPARK PLUGS
Replace spark plugs at the beginning of each mowing
season or after every 100 hours of operation, whichever
occurs first. Spark plug type and gap setting are shown in
"PRODUCT SPECIFICATIONS" on page 3 of this manual
iN-LINE FUEL FBLTER (See Fig. 18)
Thefue{ filter should be replaced once each season. Iffuel
filter becomes clogged, obstructing fue] flow to carburetor,
replacement is required.
With engine cool, remove filter and plug fuel Jine
sections.
, Place new fue! filter in position in fuel line with arrow
pointing towards carburetor.
Be sure there are no fuel line leaks and clamps are
properly positioned.
•Immediately wipe up any spilled gasoline.
CLAMP
ENGINE
COOLING FiNS
/
AiR GUIDE COVER (BOTH S_DES)
FIG. 18
CLEANING
• Clean engine, battery, seat, finish, etc. of all foreign
matte r.
, Keep finished surfaces and whee!s free of al! gasoline,
oil, etc.
Protect painted surfaces with automotive type wax.
We do not recommend using a garden hose to clean your
tractor unless the electrical system, muffler, air filter and
carburetor are covered to keep water out. Water in engine
can result in a shortened engine life,
FiG. 17
19

SERVICE AND ADJUSTMENTS
CAUTION" BEFORE PERFORMING ANY SERVICE OR ADJUSTMENTS:
°Depress clutch!brake pedal fully and set parking brake.
*Place motion control lever in neutral (N) position.
*Place attachment clutch in "DISENGAGED" position.
=Turn ignition key "OFF" and remove key.
- Make sure the blades and all moving parts have completely stopped.
, Disconnect spark plug wire from spark plug and place wire where it cannot come in contact
with plug.
TRACTOR
TO REMOVE MOWER (See Fig. 20)
Mover will be easier to i'emove from the right side of tractor.
-Place attachment clutch in "DISENGAGED" position.
o Move attachment lift lever forward to lower mower to its
lowest position.
° Roll belt off engine pulley.
, Disconnect clutch rod from clutch lever by removing
retainer spring.
- Disconnect anti-sway bar from chassis bracket by
removing retainer spring.
- Disconnect suspension arms Irom rear deck brackets
by removing retainer springs.
Disconnect front links from deck by removing retainer
springs.
= Raise lift lever to raise suspension arms. Slide mower
out from under tractor.
IMPORTANT: IF AN ATTACHMENT OTHER THAN THE
MOWER IS TO BE MOUNTED TO THE TRACTOR,
REMOVE THE FRONT LINKS.
TO INSTALL MOWER (See Fig, 20)
,Raise attachment lift !ever to its highest position.
,Slide mower under tractor with discharge guard to right
side of tractor.
Lower lift lever to its lowest position.
,, Install mower in reverse order of removal instructions.
CLUTCH LEVER
RETAINER
SPRING
ENGINE
SUSPENSION FRONT
LINK
RETAINER
3OTH
SIDES}
RETAINER
SPRING
ANTI-SWAY BAR RETAINER
SPRINGS
(BOTH SIDES)
FIGo 20
20

SERVICE ADJUSTMENTS
- n
TO LEVEL MOWER HOUSING
Adjust the mower while tractor is parked on level ground or
driveway. Make sure tires are properly inflated (See
"PRODUCT SPECIFICATIONS" on page 3 of this manual).
If tires are over or underinflated, you will not properly adjust
your mower.
SIDE-TO-SIDE ADJUSTMENT (See Figs. 21 and 22)
• Raise mower to its highest position.
,, At the midpoint of both sides of mower, measure height
from bottom edge of mower to ground. Distance"A" on
both sides of mower shou!d be the same or within 1/4"
of each other.
- If adjustment is necessary, make adjustment on one
side of mower only.
- To raise one side of mower, tighten lift link adjustment
nut on that side.
To lower one side of mower, loosen lift link adjustment
nut on that side.
No'rE: Each full turn of adjustment nut wilt change mower
height about 1/8".
,Recheck measurements after adjusting.
BOTTOM EDGE BOTTOM EDGE
OF MOWER TO OF MOWER TO
GROUND GROUND
GROUND LINE A
FIG. 21
_\ USPENS;ON
ARM
\
LIFT LINK
ADJUSTMENT NUT
FIG. 22
FRONT-TO-BACK ADJUSTMENT (See Figs. 23 and 24)
_MPORTANT: DECK MUST BE LEVEL SIDE-TO-SIDE. IF
THE FOLLOWING FRONT-TO-BACK ADJUSTMENT IS
NECESSARY, BE SURE TO ADJUST BOTH FRONT LINKS
EQUALLY SO MOWER WILL STAY LEVEL SiDE-TO-
SIDE.
To obtain the best cutting results, the mower Rousing
sr_ou!dbe adjusted so that the front is approximatePy !/8" to
1/2" lower than the rear when the mower is in its highest
position.
Check adjustment on right side of tractor. Measure dis-
tance"D" directly in front and behind the mandrel at bottom
edge of mower housing as shown.
- Before making any necessary adjustments, check that
both front links areequal in length. Both links should be
approximately 10-3/8".
- If links are not equal in length, adjust one link to same
Jength as other link.
,, To lower front of mower loosen nut "E" on both front
links an equal number of turns.
Wr_en distance "D" is !/8" to 1/2" lower at front than
rear, tighten nuts "F" against trunnion on both front
iinks.
= To raise front of mower, loosen nut"F" from trunnion on
both front links. Tighten nut "E" on bDth front links an
equal number of turns.
= When distance "D" is 1/8" to 1t2" lower at front than
rear, tighten nut "F" against trunnion on both front links.
, Recheck side-to-side adjustment.
F_G, 23
BOTH FRONT LINKS MUST BE EQUAL IN LSNGTH
NUT "F"
FRONT LINKS TRUNNION
NUT"E"
21 FiG, 24

NO IMAGE
PAG ES 22-25

SERVICE A ADJUSTMENTS
TO ADJUST CARBURETOR (See Figs. 34 &
35)
The carburetor has been preset at the factory andadjust-
ment should not be necessary. However, minor adjust-
ment may be required to compensate for differences in fue!,
temperature, altitude or load. If the carburetor does need
adjustment, proceed as follows:
In general, turning the mixture screw in (clockwise) de-
creases the supply of fuel to the engine giving a leaner fuel/
air mixture. Turning the mixture screw out (counterclock-
wise) increases the supply of fuel to the engine giving a
richer fuel/air mixture.
BMPORTANT: DAMAGE TO THE NEEDLES AND THE
SEATS IN CARBURETOR MAY RESULT iF SCREW IS
TURNED IN TOO TIGHT.
PRELIMINARY SETTING -
• Be sure you have a clean air filter, and the throttle
control cable and choke are adjusted properly (see
above).
With engine off turn idle mixture screw in (clockwise)
closing it finger tight and then turn out (counterclock-
wise) 1-1/4 to 1-1/2 turns.
FINAL SETTING -
Start engine and allow to warm for five minutes. Make
final adjustments with engine running and shift/motion
control lever in neutral (N) position.
• With throttle control lever in slow (,_) position, hold
throttle lever against idle speed screw and adjust idle
speed screw to obtain 1200 to 1400 RPM.
While still holding throttle lever against idle speed
screw, turn idle mixture screw in (cleSkwise) until
engine begins to die and then turn out (counterclock-
wise) until engine runs rough. Turn screw to a point
midway between those two positions.
- Continue to hold throttle iever against idle speed screw
and adjust idle speed screw to obtain 900 to 1200
RPM. Release throttle lever.
ACCELERATION TEST -
Move throttle control lever from slow (_.) to fast (4_)
position. If engine hesitates or dies, turn idle mixture
screw out (counterclockwise) I/8 turn. Repeat test
and continue to adjust, if necessaFy, until engine accel-
erates smoothly.
High speed step is factory adjusted. Do not adjust -
damage may result.
IMPORTANT: NEVER TAMPER WITH THE ENGINE
GOVERNOR, WHICH IS FACTORY SET FOR PROPER
ENGINE SPEED. OVERSPEEDING THE ENGINE ABOVE
THE FACTORY HIGH SPEED SETTING CAN BE
DANGEROUS. IF YOUTHINKTHEENGINE-GOVERNED
HIGH SPEED NEEDS ADJUSTING, CONTACT YOUR
NEAREST AUTHORIZED SERVICE CENTER/
DEPARTMENT, WHICH HAS PROPER EQUIPMENTAND
EXPERIENCE TO MAKE ANY NECESSARY
ADJUSTMENTS.
IDLE SPEED
SCREW
IDLE MIXTURE
SCREW
THROTTLE
LEVER
FIG. 34
THROTTLE
LEVER
FIGo 35
, 26

STORAGE
Immediately prepare your tractor for storage at the end of
the season or if the tractor will not be used for 30 days or
more.
CAUTION: Never store the tractor with
gasoline in the tank inside a building
where fumes may reach an open flame
or spark, Allow the engine to cool
before storing in any enclosure,
TRACTOR
Remove mower from tractor for winter storage. When
mower is to be stored for a period of time, clean it thor-
oughly, remove al! dirt, grease, leaves, etc. ,Store in a
clean, dry area.
Clean entire tractor (See "CLEANING" in the Customer
Responsibilities section of this manual).
, inspect and replace belts, if necessary (See belt re-
placement instructions in the Service and Adjustments
section o'; this manual).
,, Lubricate as shown in the Customer Responsibilities
section of this manual.
Be sure that all nuts, bolts and screws are securely
fastened. Inspect moving parts for damage, breakage
and wear. Replace if necessary.
TOuch up all rusted or chipped paint surfaces; sand
lightly before painting.
BATTERY
Fully charge the bakery for storage.
After a period of time in storage, battery may require
recharging.
To help prevent corrosion and power leakage during
long periods of storage, battery cables should be
disconnected and battery cleaned thoroughly (see "TO
CLEAN BATTERY' AND TERMINALS" in the Cus-
tomer Responsibilities section of this manual).
,, After cieaning, leave cables disconnected and place
cables where they cannot come in contact with battery
terminals.
Be sure battery drain tube is securely attached,
If battery is removed from tractor for storage, do not
store battery directly on concrete or damp surfaces.
ENGINE
FUEL SYSTEM
IMPORTANT: IT IS IMPORTANT TO PREVENT GUM
DEPOSITS FROM FORMING IN ESSENTIAL FUEL
SYSTEM PARTS SUCH AS CARBURETOR, FUEL FILTER,
FUEL HOSE, OR TANK DURING STORAGE. ALSO,
EXPERIENCE INDICATES THAT ALCOHOL BLENDED
FUELS (CALLED GASOHOL OR USING ETHANOL OR
METHANOL) CAN ATTRACT MOISTURE WHICH LEADS
TO SEPARATION AND FORMATION OF ACIDS DURING
STORAGE. ACIDIC GAS CAN DAMAGE THE FUEL
SYSTEM OF AN ENGINE WHILE tN STORAGE.
Orain the fuel tank.
Start the engine and let it run until the fuel lines and
carburetor are empty.
• Never use engine or carburetor cleaner products in the
fue! tank or permanent damage may occur.
Use fresh fuel next season.
NOTE: Fuel stabilizer is an accepl_.ble alternative in
minimizing the formation of fuel gum deposits during stor-
age. Add stabilizer to gasoline in fuet tank or storage
container. Always foilow the mix ratio found on stabilizer
container. Run engine at least 10 minutes after adding
stabilizer to allow the stabilizer to reach the carburetor. Do
not drain the gas tank and carbu rotor if using fuel stabilizer.
ENGINE O_L
Drain oi! (with engine warm) and replace with clean engine
oil. (See "ENGINE" in the Customer Responsibilities
section of this manual).
CYLINDERS
, Remove spark plug(s).
o Pour one ounce of oil through spark plug hole(s) into
cylinder(s).
Turn ignition key to "START" position for a few seconds
to distribute oi!.
Replace with new spark plug(s).
OTHER
o Do not store gasoline from one season to another.
Replace your gasoline can if your can starts to rust.
Rust and/or dirt in your gasoline win cause problems.
, If possible, store your tractor indoors and cover it to
give protection from dust and dirt.
- Cover your tractor with a suitable protective cover that
does not retain moisture. Do not use plastic. Plastic
cannot breathe which allows condensation to form and
will cause your tractor to rust.
IMPORTANT: NEVER COVERTRACTOR WHILE ENGINE
AND EXHAUST AREAS ARE STILL WARM.
27

TRO BL OOTING POINTS
PROBLEM
Wil! not start
Hard to start
Engine will not turn over
Engine Clicks but will not
start
Loss of power
Excessive vibration
CAUSE
1. Out of fuel.
2. Engine not "CHOKED" property.
3. Engine flooded.
4. Bad spark plug,
5. Dirty air filter.
6. Dirty fuel filter.
7. Waterin fuel,
.8,
9,
Loose or damaged wiring.
Carburetor out of adjustment,
10. Engine valves out of adjustment,
1. Dirty air filter.
2. Bad spark plug,
3. Weak or dead battery.
4. Dirty fuel filter.
5. Stale or dirty fuel.
6. Loose or damaged wiring.
7. Carburetor out of adjustment.
8, Engine valves out of adjustment.
1. Clutch/brake pedal not depressed.
2. Attachment clutch is engaged.
3. Weak or dead battery.
4. Blown fuse.
5. Corroded battery terminals.
6. Loose or damaged wiring.
7. Faulty ignition switch.
8. Fauity solenoid or starter,
9. Faulty operator presence switch(es).
1. Weak o_"dead battery.
2. Corroded battery terminals,
3. Loose or damaged wiring.
4. Faulty solenoid or starter,
1. Cutting too much grass/too fast,
2, Throttle in "CHOKE" position.
3, Buildoup of grass, leaves and trash under mower,
4, Dirty air filter.
5. Low oil level/dirty oil.
6, Faulty spark plug,
7. Dirty fuel filter.
8. Stale or dirty fuel.
g. Water in fuel.
CORRECTION
1, Fill fuel tank.
2, See q-O START ENGINE" in Operation section.
3, Wait several minutes before attempting to start.
4. Replace spark plug.
5. Clean/replace air filter,
6. Replace fuel filter.
7, Drain fuel tank and carburetor, refill tank with fresh
gasoline and replace fuel filter.
8. Check all wiring.
9, See 'q'o Adjust Carburetor" in Service Adjustments
section.
10. Contact an authorized service center/department,
1, Clean/replace air filter.
2, Replace spark plug.
3, Recharge or replace battery.
4. Replace fuel filter.
5. Drain fuel tank and refill with fresh gasoline.
6, Check all wiring.
7. See "To Adjust Carburetor" in Sen,ice Adjustments
section,
8. Contact an authorized sen,ice center/department.
1. Depress clutch/brake pedal.
2. Disengage attachment clutch.
3, Recharge or replace battery,
4. Replace fuse.
5. Clean battery terminals.
6. Check all wiring.
7. Check/replace ignition switch.
8. CheckJreplace solenoid orstarter.
9. Contact an authorized service center!department.
1. Recharge or repiace battery.
2. Clean battery terminals.
3. Check all wiring,
4. Check!replace solenoid or starter.
1. Set in "Higher Cut" position/reduce speed.
2. Adjust throttle control.
3. Clean underside of mower housing.
10. Spark plug wire loose,
11. Dirty engine air screen/fins.
12. Dirty/clogged muffler.
13. Loose or damaged wiring,
14. Carburetor out of adjustment.
15. Engine valves out of adjustment.
1, Worn, bent or loose blade.
2. Bent blade mandrel,
3. Loose/damaged part(s).
4. Clean/replace air filter.
5. Check oil level/change oil
6. Clean and regap or change spark plug.
7. Replace fuel filter,
8, Drain fuel tank and refill with fresh gasoline.
9. Drain fuel tank and carburetor, refill tank with fresh
gasoline and replace fuel filter.
10. Connect and tighten spark plug wire.
11, Clean engine air screen/fins.
12. Clean/replace muffler.
13. Check all wiring.
14, See "To Adjust Carburetor" in Service Adjustments
section,
15. Contact an authorized service center/department.
1. Replace blade. Tighten blade bolt.
2. Replace blade mandrel,
3. Tighten loose part(s). Replace damaged parts.
28

TROUBLESHOOTI POINTS
PROBLEM
Engine continues to run
when operator leaves sea
with attachment clutch
engaged
Poor cut - uneven
Mower blades will not
rotate
Poor grass discharge
CAUSE
1. Faulty operator-safety presence control system.
1. Worn, bent or loose blade.
2. Mower deck not level.
3. Buildup of grass, leaves, and trash under mower.
4. Bent blade mandrel',
5, Clogged mower deck vent holes from buildup of
grass, leaves, and trash around mandrels.
1, Obstruction in clutch mechanism.
2. Worn/damaged mower drive belt.
3. Frozen idler pulley.
4. Frozen blade mandrel.
1. Engine speed too slow.
2. Travel speed too fast.
CORRECTION
1. Check wiring, switches and connections. If not
corrected, contact an authorized service center/
department.
1. Replace blade. Tighten blade bolt.
2. Level mower deck,
3. Clean underside o| mower housing.
4. Replace blade mandrel
5. CIean around mandre{s to open vent holes.
1. Remove obstruction.
2. Replace mower drive bait.
3. Replace idler pulley.
4. Replace blade mandrel.
1. Place throttle control in "FAST" position.
2. Shift to slower speed.
3. Wet grass.
4. Mower deck not level.
5. Low/uneven tire air pressure.
6. Worn, bent or loose blade.
7. Buildup of grass, leaves and trash under mower.
8. Mower drive belt worn,
9. Blades improperly installed.
t0. Improper blades used.
11. Clogged mower deck vent holP.s ;Tom buildup of
grass, leaves, and trash around mandrels.
3. Allow grass to dry before mowing.
4. Level mower deck.
5. Check tires for proper air pressure.
6. Replace/sharpen blade. Tighten blade bolt.
7. CIean underside of mower housing.
8. Replace mower drive belt.
9. Reinstall blades sharp edge down,
10. Replace with blades listed in this manual.
11. Clean around mandrels to open vent holes.
Headlight{s) not working
(if so equipped}
Battery witl not charge
Loss of drive
m
Engine "backfires"
when turning engine
"OFF"
1. Switch is "OFF".
2. Bulb(s) burned out.
3. Faulty light switch.
4. Loose or damaged wiring.
5, Blown fuse.
1. Bad battery cell(s).
2. Poor cable connections.
3. Faulty regulator (if so equipped).
4. Faulty alternator.
1, Freewheel control in %isengaged" position.
2. Motion drive belt worn, damaged, or broken,
3. Air trapped in transmission during shipment
or servicing.
1. Engine throttle controJ not set at 'SLOW"
position for 30 seconds before stopping engine.
1. Turn switch "ON".
2. Replace bulb(s).
3. CheckJ'replace light switch.
4, Check wiring and connections.
5. Replace fuse.
1, Replace battery.
2, ChecWclean all connections.
3. Replace regu{ator.
4. Replace alternator.
1. Place freewheel control in "engaged" position.
2. Replace motion drive belt.
3. Purge transmission.
1. Move throttle control to "SLOW" position and allow
to idle for 30 seconds before stopping engine.
29

SERVICE NOTES
3O

SCHEMATIC
TRACTOR - - MODEL NUMBER 917.258572
RED BLACK ,.
O gb
FUSE 30 AMP.
frO,O;
-I I fl "I
! (PEDAL UP)
BLACK
METER
........ I I
..... J
SOLENOID
WHITE
I1 r
_ARL) FED
........._ I WHITE
)G L ("')-
SWITCH I
/77
IF
(OPTIONAL)
RED
I i k 'q
I , BLACK I
STARTER
BLACK (_ IGNITION
UNIT
I
BLACK
SEAT SWITCH
(NOT OCCUPIED)
f
I
BLUE
ORANGE
t-
I BLACK
T
CHARGING SYSTEM OUTPUT
3 AMP _ @ 360,0 RPM
I
GROUNDING
CONNECTOR
TWIN CYL. ENGINES)
28 VOLTS AC MIN. @ 3600 RPM
(CHARGING SYSTEM D SOONNECTEO)
I
IGNITION SWITCH
POSITION
OFF
RUN/L[GHT
RUN
START
CIRCUIT I "MAKE"
G+M+LI NONE ,
B+L _ A+Y
B + L /NONE
B+L÷S I NONE
NOTE
YOUR TRACTOR IS
EQUIPPED WITH A SPECIAL
ALTERNATOR SYSTEM.
THE LIGHTS ARE NOT
CONNECTED TO THE
BATTERY, BUT HAVE THEIR
OWN ELECTRICAL SOURCE.
BECAUSE OF THIS, THE
BRIGHTNESS OF THE LIGHTS
WILL CHANGE WITH ENGINE
SPEED. AT IDLE THE LIGHTS
WILL DIM. AS THE ENGINE IS
SPEEDED UP, THE LIGHTS
WILL BECOME THEIR BRIGHTEST.
LIGHTING SYSTEM OUTPUT DIODE i ALTERNATOR
5 AMP AC @ 3600 RPM _ i
mI j
14 VOLTS AC MIN, @ 3600 RPM (LIGHTS OFF}
HEADLIGHTS
BROWN
O ©
NON-REMOVABLE REMOVABLE
CONNECTIONS CONNECTIONS /-)
WIRING INSULATED CLIPS
NOTE: IF WIRING INSULATED
CLIPS WERE REMOVED FOR
SERVICING OF UNIT, THEY
SHOULD BE REPLACED TO
PROPERLY SECURE YOUR WIRING.
31

REPAIR PARTS
TRACTOR- - MODEL NUMBER 917.258572
ELECTRICAL
1
89
7
19
2O
1
I
• I
42
, 41
12
/
1
I
I
I
I '
t,
]
I
Zi
\\
\
\
I
/
1
I
1/
/
/
/1
!
32

REPAIR PARTS
TRACTOR = o MODEL NUMBER 917.258572
ELECTRICAL
KEY PART
NO. NO. DESCRaPTION
1 144926
2 74760412
3 STD551025
4 STD551125
6 STD541025
7 7697J
8 7603J
9 109596X
10 145211
11 150109
12 145769
16 153664
19 STD551125
20 73350400
21 147430
22 4152J
24 4799J
25 146148
26 108824X
28 145491
29 121305X
3O 14O3O1
31 124211X
32 141226
33 109310X
4O 156442,
41 71110408
42 131563
43 145673
44 73640400
45 121433X
52 141940
55 17490508
70 140413
Battery
Bolt, Hex 1/4-20 x 3/4
Washer 9/32 × 5/8 x 16 Gauge
Washer, Lock 1/4
Nut, Hex 1/4-20
Tube
Tray, Battery
Clamp, Hose
Bolt, Btr Front 1/4-20 x 7-1/2
Holddown Battery Front Mount
Nut, Push Nylon Battery Front 1/4
Switch Interlock Push-in
Washer, Lock 1/4
Nut, Hex, Jam 1/4-20
Harness, Light Socket (w/4152J)
Light Bulb
Cable, Battery
Cable, Battery
Fuse
Cable, Ground
Switch, Seat
Switch, Ignition 4 Position
Nut, Ignition
Cover, Ignition Switch
Key, Molded, Craftsman
Harness, Ignition
Bolt BIk Fin Hex 1/4-20 UNC x 1/2
Cover, Terminal
Solenoid
Nut Keps BIk Hex 1/4-20 UNC
Ammeter Rectangular 6 Amp
Protection Wire Loop (Hour Meter)
Screw Thdrol 5/16-18 x 1/2
Harness Engine B&S/Tec Dual
NOTE: All component dimensions given in U.S. inches
1 inch = 25.4 mm
33

REPAIR PARTS
TRACTOR - - MODEL NUMBER 917.258572
CHASSIS AND ENCLOSURES
28
58 12
14
31
37
Ii
37
20 23
54
2 55
/. 57
142
_3 j3
3/
3
74 14
34

REPAIR PARTS
TRACTOR =- MODEL NUMBER 917.258572
CHASSIS AND ENCLOSURES
KEY PART
NO. NO. DESCRIPTION
1 159527
2 140356
3 17490612
4 STD551025
5 155272
9 150156X011
10 STD533710
11 155927
12 145660.
13 155936
14 17490608
17 144983X558
18 126938X
20 156437
23 124028X
25 19131312
26 STD541437
28 145198X558
29 155217
30 151287X558
31 139976
37 17490508
38 139886
39 139887
51 73800400
52 19091416
53 145201
54 170308_4
55 145202
57 STD552507
58 140547
60 72140606
64 154798
71 73680400
74 STD541437
140 158418
142 156095
143 154966
144 154207
145 156524
147 74760412
Chassis, STL Stamping
Drawbar
Screw, Thd., Roll. 3/8-16 x 3/4 Type TT
Washer 13/32 x 3/4 x 16 Gauge
Bumper Hood/Dash
Dash, Siikscreened
Bolt, Carriage 3/8-16 x 1
Panel, Dash, LH
Clip Tinnerman Grille P/L
Panel, Dash, RH
Screw, Thd., Roll. 3/8-16 x 1/2 Type TT
Hood Assembly
Bumber Hood
Plate Mtg Battery Fuel Tank
Bushing, Snap, Nylon, Fuel Line
Washer 13/32 x 13/16 x 12 Gauge
Locknut, Hex, with Insert 3/8-16 UNC
Grille, W!Clips MS-558
Lens, Grille
Fender/Footrest
Bracket, Fender/Support
Screw, Thdrol. 5/16-18 x 1/2 TYT
Pivot Bracket Assembly, LH, Mower, Rear
Pivot Bracket Assembly, RH, Mower, Rear
Nut Lock W!Insert 1/4 - 20 UNC
Washer 9/32 X 7/8 X 16 Ga.
Bracket Grille Pickoff LH
Screw, Hex Head, Spider!ock #8 x 7/8 AB
Bracket Grille Pickoff RH
Bolt FinHex 1/4 -20 UNC X.75
Air Duct P!L 18HP B&S Opp. Twin
Bolt Rdhd Sqnk 3/8-16 UNC x 3/4
Dash Lower STLT
Nut Crownlock 1/4-20 UNC
Nut Crownlock 3/8-16 UNC
Bracket Suspension Front
Plate Reinforcement STLT
Backrest Swaybar Chassis
Bracket Footrest STLT
Rod Pivot Chassis/Hood
Bolt, Hex Hd 1/4-20 UNC x 3/4
NOTE: All component dimensions given in U.S. inches
1 inch = 25.4 mm
35

SEE PARTS LIST

REPAIR PARTS
TRACTOR - -MODEL NUMBER 917,258572
ENGINE
2
15
©
/
3g
32 31
17
1S
5
29
OPTIONAL EQUIPMENT
Spark Attester
4O

REPAIR
ENGINE
PARTS
TRACTOR - =MODEL NUM BER 917°258572 .
KEY PART
NO. NO. DESCRIPTION
1 151273
2 17720410
3 .......
4 149723
5 144069
6 144068
7 138129
8 15O176
10 145552
11 STD551125
!2 STD522507
13 272250
14 13280336
15 13200300
16 STD551237
17 17490624
23 156123
25 145996
26 73920600
27 152927
29 137180
31 157103
32 155971
33 123487X
34 106082X'
35 17490512
37 8543R
38
39 109227X
4O 3645J
41 139277
81 128861
Control Throt Paddle 32 22
Screw Hex Thd Cut 1/4-20x5/8 T
Engine (See Breakdown) Briggs
Model No. 42E707-1631-01
Muffler Exhaust
Exhaust Asm. Left
Exhaust Asm. Right
Clamp Tube Double Engine
Bolt 5/16 - 18 UNC X 3/4 W/Sems
Heat Shield Lt
Washer Lock Hvy. Helical 1/4
Bolt Fin Hex 1/4-20 x3/4
Gasket Muffler
Nipple Pipe 4-1/2"
Elbow Std 90 Degree 3/8-18 Npt
Washer Lock Ext Tooth 3/8
Screw Thdrol 3/8-16xl -1/2 Tytt
Shield Browning
Control Choke
Nut Keps 3/8-24 Unf
Screw TT #10-32 x 5 x 3/8 Flange
Arrestor Spark
Tank Fuel 3 50 Rear
Cap Fuel Guage STLT
Clamp Hose BIk
Spacer Pad
Screw Thdrcl 5/16-18 x 3/4 TYT
Line Fuel
Plug Oil Drain (Order From Engine
Manufacturer)
Pad idler 1.75 x ,75 x .06
Bushing
Stem Tank Fuel
Nut, Flange 1/4-20 Starter Nut
NOTE: All component dimensions given in U.S. inches
1 inch = 25.4 mm
41

REPAIR PARTS
TRACTOR = - MODEL NUMBER 917.258572
MOWER LIFT
25 24 23
5 49
3O
3\
26
8/
!
i /
i i'
I I"
I I'
i'.... I'
5
19
13
32
32
2O
42

REPAIR PARTS
TRACTOR == MODEL NUMBER 917,258572
MOWER LIFT
KEY PART
NO. NO. DESCRiPTiON
1 159460 Wire Asm, Inner/Sprg w/Plunger
2 159471 Shaft Asm. Lift
3 105767X Pin Groove
4 12000002 E Ring #5133-62
5 19211621 Washer 21/32xl x21Ga.
6 120183X Bearing Nylon
7 125631X Grip Handle Fluted
8 122365X Button Plunger Read
11 139865 Link Lift Lh Fixed Length
12 139866 Link Lift Rh Fixed Length
13 STD624008 Retainer Spring
15 127218 , Link Front
16 73350800 Nut Jam Hex 1/2-13 Unc
17 130171 Trunnion Blk Zinc
18 73800800 Nut Lock W/Wsh 1/2-13 Unc
19 139868 Arm Suspension Rear
20 STD624008 Retainer Spring
23 110807X Nut Spring
24 19131016 Washer 13/32x5i8x16Ga.
25 2876H Spring 2-1/8"
26 76020308 Pin cotter 3/32 x 1/2
27 126971X Rod Adj. Lift
28 73350600 Nut Hex Jam 3/8-16
29 138057 Knob Inf. 3/8-16
30 150233 Trunnion Infin. Height
31 140302 Bearing, Pivot, Lift, Special
32 73540600 Nut, Crownlock 3/8-24
49 145212 Nut Flange Lock
50 110452X Nut, Push
NOTE: A!! component dimensions given in U.S. inches
1 inch = 25.4 mm
43

REPAIR PARTS
TRACTOR -= MODEL NUMBER 917.258572
MOWER DECK
34
32
I÷_21
102
105
106
21 22
29
18
27

REPAIR PARTS
TRACTOR == MODEL NUMBER 917.258572
MOWER DECK
KEY PART KEY PART
NO. NO. DESCRiPTiON NO. NO. DESCRmPTION
1 144393
2 STD533107
3 138017
4 138440
5 STD624008
6 130832
8 850857
9 STD551137
10 140296
11 134149
12 129895
13 137645
14 128774
15 110485X
16 14O329
17 7211O610
18 72140505
19 132827
20 136888
2! STD541431
22 134753
23 131267
24 105304X
25 123713X
26 110452X
27 130968
28 19111016
29 131491
30 157722
31 129963
32 153535
33 137266
34 STD533717
35 133835
36 131494
37 19131316
40 STD541437
41 133551
43 140083
44 140088
45 STD624003
46 137729
48 133944
49 155066
50 131340
51 STD541410
52 139888
53 131845X900
54 133943
55 155046
56 122052X
Mower Deck Assembly, 42" 58
Bolt 59
Bracket Asm Fr. Sway Bar 67
Bracket Asm Deck 42" Sway Bar 68
Retainer Spring 71
Arm, Suspension, Rear 72
Bolt 3/8-24 x 1.25 Grade 8 73
Washer, Lock 74
Washer, Hardened 75
Blade, Mulching, 42" Mower Deck 76
Bearing, Ball 77
Shaft Assembly, Mandrel, Vented 78
(Includes Key Number 12) 79
Housing, Mandrel, Vented 80
Bearing, Ball, Mandrel 81
Stripper, Vented Mower Deck 82
Bolt, Carriage 3/8-16 x 2-1/4 83
Bolt, Carriage 5/16-18 x 5/8 84
Bolt, Shoulder 85
Baffle, Vortex 92
Nut Crown!ock 5/!6-18 101
Stiffener Bracket 102
Bracket, Deflector 103
Cap, Sleeve 104
Spring, Torsion, Deflector 105
Nut, Push 106
Shieid, Deflector , 111
Washer 11/32 x 5/8 x 16 Gauge 112
Rod, Hinge 113
Screw Thdrolling Washer Head 114
Washer, Spacer 115
Pulley, Mandrel 116
Nut, Flanged, Teplock 9/18 117
Bolt 118
Fastner, Christmas Tree 119
Pulley, ldter, Flat 121
Washer 13/32 x 13/16 x 16 Gauge 128
Nut, Crownlock 129
Rod, Pivot, with Nibs 130
Rod, Clutch, Secondary, with Nibs 131
Guard, Mandrel, LH 132
Retainer
Screw, Hex Hd, Thdcut 1/4-20 x 5/8 - -
Washer, Hardened
Roller Assembly, Cam Follower - -
Bolt, Shloulder #10-24 Grade 5
Looknut
Bolt, Shoulder 5/16-18 UNC
Arm Assembly, Pad, Brake
Washer, Hardened
Arm, Idler
Spacer, Retainer
140O86
141O43
149846
144200
142427
131870
127847
121748X
12000029
128903
127845
154809
127498
153701
73350600
142028
120958X
156084
72140618
STD541437
136420
71161010
19061216
STD551110
130758
2029J
155197
155198
17490512
73510500
72110504
137844
133957
73930600
19121414
143723
153390
19131312
74780616
72140608
19132203
130794
145411
Spring, Torsion, Brake
Guard, Idler
Knob Custom Dual
V-Belt
Rod, Clutch, Primary
Spring, Extension, Return
Arm, Clutch, Secondary
Washer 25/32 x 1-5/8 x 16 Gauge
Ring, Klip
Bolt, Shoulder 3/8-16 UNC x 1.44
Keeper, Spring
Arm, Clutch, Primary
Bushing, Large, Brass
Spring, Mower Clutch
Nut, Hex, Jam 3/8-16
Trunnion
Washer Sintered
Keeper Belt Idler
Bolt Rdhd Sq 3/8-16 Unc x 2-1/4
Locknut, Hex W/Wash Insert
Mulcher cover
Screw
Washer #10
Washer, Lock
Latch Assembly, Bagger
Nut, Weld
Bracket, Gauge, Wheel L.H.
Bracket, Gauge, Wheel R.H.
Screw, Thdrol 5/16 -18 x 3/4
Nut, Nex Keps 5/16-18 UNC
Bolt, Carriage 5/16 UNC x 1/2
Bolt, Shoulder
Wheel, Gauge
Nut, Centedock 3/8-16
Washer 3/8 x 7/8 x 14 Ga.
Bracket, Extruded Gauge Wheel
Washer Felt
Washer 13/32 x !3/16 x 12 Ga
Bolt Fin Hex 3/8-16 UNC x 1 Gr. 5
Bolt Rdhd Sqnk 3/8-16 UNC x 1
Spacer Washer 13/32 I.D. x 1-3/8
O.D. x 1/4
Mandrel Assembly (includes Key
Numbers 8-10, 12-15, 31 and 33)
Mower Deck, Complete
(Standard Deck; Order Mulcher
Piate and Gauge Wheel
Components Separately- Key
Nos. 101-106, 111-119, 121)
NOTE: All component dimensions given in U.S. inches
1 inch = 25.4 mm
45

REPAIR PARTS
TRACTOR -- MODEL NUMBER 917.258572
SEAT ASSEMBLY
\\
J
i
5
21
KEY
NO.
1
-2
3
4
5
6
7
8
9
10
12
13
PART
NO.
140123
14O551
74760616
19131610
145006
STD541437
124181X
17490616
19131614
155925
121246X
121248X
DESCR_PTnON
Seat
Bracket Pnt Pivot Seat (blk)
Bolt Fin Hex 3/8-16 UNC x 1
Washer Fiat 13/32 x 1 x 10 Ga
Clip Push-in
Nut Lock Hex W/Ins 3/8 -16 UNC
Spring Seat Cprsn 2 250 BIk Zi
Screw 3/8-16xl
Washer 13/32 x 1 x 14 Ga
Pan Pnt Seat (blk)
Bracket Pnt Mounting Switch
Bushing Snap BIk Nyl 50 Id
KEY PART
NOo NO.
14 72050411
15 134300
16 121250X
17 123976X
21 153236
22 STD541431
23 74780814
24 19171912
25 127018X
26 STD551150
DESCRIPTION
Bolt Rdhd Sht Nk 1/4-20xl-3/8
Spacer Split 28 X 96 Zinc
Spring Cprsn 1 27 BIk Pnt
Nut Lock 1/4 Lge Fig Gr 5 Zinc
Bolt Shoulder 5/16-18 Uric
Nut Lock Hex W/Ins 5/16-18
Bolt Fin Hex 1/2-13 X 7/8 Gr 5
Washer 17/32 X 1-3/16 X 12 Ga
Bolt Shoulder 5/16-18 X 62
Washer Lock Hvy Hlcl Spr 1/2
NOTE: All component dimensions given in U.S. inches
1 inch = 25.4 mm
46

REPAIR PARTS
TRACTOR- MODEL NUMBER 917.258572
DECALS
6177 17
14
22
19
13 14
KEY PART
NO. NO.
1 156439
2 156810
3 151299
4 151300
6 133644
7 150927
9 146709
10 150333
11 156811
13 146046
14 147138
15 136832
17 156798
DESCRIPTION
Decal Fender Danger Sears
Decal Fend Auto Sears Gold
Decal Hood Rh Craftsman,
Decal Hood Lh Craftsman
Decal Maint Customer Sears Dora
Decal Panel Side B&S5
Decal Fender Craftsman G'old
Decal, Cap CNSMR Help Line SRS
Decal Fender STLTH Oper Inst E/S
Decal V-belt Dr Sch Tractor E
DecalDec aI Ch_sl SDHvYde_4_2emPa_li°Srs"' '
Decal, Insert, Hood
KEY PART
NO. NO.
19 138047
20 156787
22 149516
23 273304
138311
142341
154515
154516
160270
160271
DESCRIPTION
Decal, Battery Diehard Sears
Decal Deck Mower EZ3 Mulching
Decal Battery
Decal, Engine B&S, Turbo 19 HP
Decal Lift Handle
Decal, Drawbar Cntrl. Mvt. Hyd. Lt.
Pad Footrest Lh STLT
Pad Footrest Rh STLT
Manual, Owner's (English)
Manual, Owner's (Spanish)
WHEELS & TSRES
4,10
1,9
11
47
KEY PART
NO. NO. DESCRIPTION
1 59192 Valve Cap, Tire
2 65139 Stem, Valve
3 106222X Tire, Front
4 59904 Tube, Front Tire
(Not Provided, Service Item Only)
5 106732X427 Rim, Front
6 278H Fitting, Grease (Front Wheel Only)
7 9040H Bearing, Flange (Front Wheel Only)
8 106108X427 Rim, Rear
9 122082X Tire, Rear
10 7152J Tube, Rear Tire %
(Not Provided, Service Item'Only)
11 104757X Cap, Axle
- - 144334 Sealant, Tire (10 oz. Tube)
NOTE: All component dimensions given in U. S, inches
1 inch = 25.4 mm

REPAIR PARTS
TRACTOR =_ MODEL NUMBER 917.258572
HYDRO GEAR TRANSAXLE - MODEL NUMBER 310-0850
58
23
19
91
34
26
139 "/" 29
25
17
14
53
35
113
48

REPAIR PARTS
TRACTOR =- MODEL NUMBER 917,258572
HYDRO GEAR TRANSAXLE =MODEL NUMBER 310-0650
KEY PART KEY PART
NO. NO. DESCRiPTiON NO. NO. DESCRIPTION
1 142930 Housing, Lower 43 142884 Washer 7/16 x 7/8 x .060
2 142931 Assembly, Upper Housing 44 150829 Differential Assembly
3 142932 Seal, Lip 52 142991 Washer 3/4 x 1.5 x .13
4 142928 Ring, Wire Retaining 53 142961 Seal .75 x 1.25 x.250
5 142933 Ring, Retaining 56 142963 Shaft, Input
6 142934 Bearing, Shaft Ball 58 142964 Bolt 1/4-20 x 1.38
7 142935 Bearing, Cradle 59 142965 Pin .50D x.43 ID x.750
8 150771 Bearing, Thrust 30 x 52 x 1.3 62 142966 Arm, Control
9 142937 Swashplate, Variable 63 142967 Puck, Dampener
13 142938 Block, Cylinder Assembly 64 142920 Set Screw
14 142939 Arm, Trunnion 68 142969 Spring
15 142940 Seal, Lip 69 144610 Stud 5/16-24
17 142941 Guide, Slot 83 142971 Jackshaft Assembly
18 150772 Shaft, Motor 85 150806 Jackshaft
19 150773 Bearing, Thrust 42 x 68 x 16 88 142973 Screw, Cap
23 142944 Block, Cylinder Assembly 89 142974 Washer 7/16 x 1 x 1/2
24 142945 Seal, Lip 10 x 25 x 7 90 142975 Sleeve Bearing
25 142946 Actuator, Bypass 91 142976 Seal, Wiper
26 150774 Center SectionAssembly Kit 92 142977 Spring, Block
27 142948 Seal, Lip 26 x42 x 8 93 142978 Washer, Block Thrust
28 142949 Ring, Retaining 113 142917 Cap, Vent Assembly
29 142950 Washer 26 x 35 x 1 114 142918 Fitting, O-Ring Assembly
34 142951 Oil Filter Element 119 142980 Spacer
35 142952 Arm, Bypass 134 144607 Nut, Castle 5/16-24
36 142953 Ring, Retaining 135 144608 Pin, Cotter
37 142954 Arm, Actuating 139 150775 Spring, Compression
38 142955 Pin, Actuating 140 150776 Nut, Hex 5/16-24
39 150777 Bolt 5/16-24 x 1-3/4
40 150778 Locknut, Hex 5/t6-24 UNJC NOTE: All component dimensions given in U.S. inches
41 142958 Brake RotodStator Kit 1 inch = 25.4 mm
49

REPAIR PARTS
TRACTOR = - MODEL NUMBER 917.258572
BRIGGS & STRATTON ENGnNE = MODEL NUMBER 42E707_ TYPE NUMBER 1631=01
__ 615 _t_
24 634A
552A®
615
.552
U-2so
_ 219
32
240
868_ @4o 3s
413_ _:_3 34
219A
523
422
284A
525
524 0
284
534
?
642
535
445
235
537
50

REPAIR PARTS
TRACTOR = - MODEL NUMBER 917.258572
BRIGGS & STRATTON ENGINE - MODEL NUMBER 42E707, TYPE NUMBER 1631-01
95
955 98
859 858 87
394
434
q_ 332
@ 7s
188
1006
93
51
_ 51A
52
@ 634
232 _20
202
257 3
52
54
383
51

REPAIR PARTS
TRACTOR ==MODEL NUMBER 917.258572
BRiGGS & STRATTON ENGINE = MODEL NUMBER 42E707, TYPE NUMBER 1631-01
544
801
201
209A 209
562
229
592
307
52

REPAIR PARTS
TRACTOR - =MODEL NUMBER .917.258572
BRiGGS & STRATTON ENGINE - MOD1=L NUMBER 421=707, TYPE NUMBER 1631 =01
8A I 9
10A
10
305
307
3O8
306
22
9__ 881
_" REQUIRES SPECIAL TOOLS
TO INSTALL. SEE REPAIR
INSTFtUCTION MANUAL,
3O5
307
3O5
53

REPAIR PARTS
TRACTOR =MODEL NUMBER 917.258572
BRIGGS & STRATTON ENGINE = MODEL NUMBER 42E707_ TYPE NUMBER 1631=01
KEY PART KEY PART
NO. NO. DESCRIPTION NO, NO. DESCRIPTION
1 497074
2 399265
3 391086
4 493304
5 493457
5A 493458
7 271867
7A 271868
8 495754
8A 222892
9 27803
10 94382
IOA 94830
11 280225
12 273208
271188
271189
13 94565
15 94239
16 394028
94196
20 291675
22 94724
23 491180
24 222698
25 498584
498585
498586
498587
26 394959
394960
394961
394962
27 263129
28 498319
:'391286
29 394306
397158
32 94671
33 390420
34 261528
35 65906
36 26828
40 221596
4! 292260
42 494553
45 261368
46 213520
50 213290
51 271412
51A 281411
52 270884
53 93970
Cylinder Assembly 54 93208
Bushing 75 222511
* Seal, Oil 78 95039
Sump, Engine 90 495181
Head, Cylinder #1 91 495035
Head, Cylinder #2 93 231209
* Gasket, Cylinder Head #1 94 491538
* Gasket, Cylinder Head #2 95 93499
Breather Assembly #1 96 221939
Cover, Breather Cylinder #2 97 392672
(Used Only on Key #572, 98 91920
Air Baffle with Holes for Mounting) 99 26157
*Gasket, Breather 102 271607
Screw, Seres 103 298514
Screw, Seres 104 231435
Tube, Breather 105 394683
* Gasket, Crankcase, .015" Thick 107 491543
* Gasket, Crankcase, .005" Thick 108 223534
* Gasket, Crankcase, .009" Thick 109 392673
Screw, Cylinder Head 116 280474
Plug, Oil Drain 117 231338
Crankshaft 231333
Timing Gear Key
* Seal, Oil 119 94152
Screw, Sems 121 4.91539
Flywheel 127 223472
Key, Flywheel 161 496599
Piston Assembly, Standard Size i65 94289
Piston Assembly, .010" Oversize i 87 299146
Piston Assembly, .020" Oversize 188 94627
Piston Assembly, .030" Oversize 201 262683
Ring Set, Standard Size 202 262684
Ring Set, .010" Oversize 208 280997
Ring Set, .020" Oversize 205 93971
Ring Set, .030" Oversize 206 94298
Lock, Piston Pin 207 262337
Pin, Piston, Standard Size 209 262352
Pin, Piston, .005" Oversize 209A 261563
Rod, Connecting, Standard Size 219 394348
Rod, Connecting, .020" Undersize 219A 393415
Screw, Connecting Rod 220 222773
Valve, Exhaust 222 491282
Valve, Intake 224 94297
Spring, Valve, intake
Spring, Valve, Exhaust
Retainer, Valve, Intake
Retainer, Valve, Exhaust
Keeper, Valve
Tappet, Valve
Gear, Cam
Manifold, Intake
Gasket, Carburetor Mounting
Spacer,. Carburetor
* Gasket, Intake Manifold Mounting
Screw, Hex Head,
Carburetor to Manifold
Screw, Phillips
Washer, Spring
Screw, Hex
Ca rbureto r
Body Assembly, Upper
Bushing, Throttle Shaft
** Valve, Idle Adjust
Screw, Seres
Valve, Throttle
Shaft, Throttle
Screw, Fillister Head
Spring, Throttle Adjust
** Gasket, Carburetor Body
Float, Carburetor
** Pin, Float Hinge
** Valve, Needle
Body Assembly, Lower
Valve, Choke
Shaft, Choke
* Q-Ring
Jet, Needle Valve, Fixed
Jet, Needle Valve, .Fixed,
High Altitude
Screw, Hex Head
Carburetor Kit
** Plug, Welch
Base, Air Cleaner
Nut, Wing
Line, Fuel, 28" Long (Cut to Suit)
Screw
Link
Link
Crank, Bell
Screw, Hex Head
Nut
Spring, Control, Rod
Spring, Governor
Spring, Governor tdle
Gear, Governor
Oil Slinger
Washer, Thrust
Bracket, Control
Screw, Torx®
* included in Gasket Set (495868)
** Included in Carburetor Kit (491539)
*** Included in Carburetor Kit (491539),
and Pump Repair Kit (393397)
.... Included in Gasket Set (495868),
and Carburetor Kit (491539)
NOTE: Al! component dimensions given in U,S. inches
1 inch = 25.4 mm
54

REPAIR PARTS
TRACTOR - - MODEL NUMBER 917.258572
BRIGGS & STRATTON ENGINE - MODEL NUMBER 42E707, TYPE NUMBER 1831 =01
KEY PART KEY PART
NO. NO. DESCRIPTION NO. NO. DESCRIPTION
227 491297 Lever Assembly, Governor 556 93585
229 62199 Washer 562 93853
230 223882 Washer, Governor Crank, Inside 567 94811
235 224995 Shield, Fuel Spray
240 394358 Filter, Fuel 569 272645
244 230318 Connector, Fuel Line 572 224816
257 93897 Screw, Sems 573 491304
258 94623 Screw, Sems 592 92278
259 223890 Bracket, Cable 601 93053
265 221535 Clamp, Casing 615 94296
267 94906 Screw, Sems 615A 263080
284 94674 Screw, Hex Head 616 491530
284A 94882 Screw, Hex Head 634 271013
304 495469 Housing, Blower, Red 634A 491287
305 94786 Screw, Sems 635 66538
306 222846 Shield, Cylinder 642 225008
306A 223734 Shield, Cylinder 643 496700
307 94930 Screw, Self-Tapping 653 93585
308 224774 Cover, Air Guide 726 391362
308A 224775 Cover, Air Guide
309 497596 Motor, Starter 741 262989
310 94003 Bolt, Thru 783 280104
311 497608 Brush Set 801 394860
332 230674 Nut, Hex 802 497607
333 394891 Armature, Magneto 803 497604
334 94731 Screw, Sems 819 94675
337 802592 Plug, Spark 842 270920
356 494705 Wire, Stop 847 495715
358 491856 Gasket Set 851 493880
363 19203 Flywheei Puller 858 270989
383 89838 Wrench, Spark Plug 859 271025
387 280197 Body, Pump 860 261358
392 261395 ***Spring, Diaphragm 861 393397
394 270988 ***Diaphragm, Carburetor 868 497212
414 220680 Washer 869 261463
422 222875 Bracket, Oil Fill 870 213316
432 221377 *** Cap, Spring 871 261961
434 223688 Cover, Diaphragm 231218
435 93829 Screw, Diaphragm Cover 877 393456
445 394019 Filter, Air 881 495901
468 497908 Screen, Rotating 955 397882
474 393474 Alternator 1005 281053
482 93621 Screw, 1006 224901
510 497606 Drive, Starter 1019 496726
523 494947 Cap, Oil Fill 1058 272112
524 271157 *Seal, Fill Tube 1090 497605
525 495348 Tube, Oil Fill (Includes Seals
528 393815 Hose, Vacuum
534 94823 Screw, Air Cleaner
535 272490 Filter, Air
537 271411 .... Gasket, Air Cleaner
544 497603 Armature, Starter
552 262332 Lower Bushing, Governor
552A 262331 Upper Bushing, Governor
Screw, Hex Head
Bolt, Governor Lever
Screw, Hex Head,
Back Plate to Cylinder
* Gasket, Base
Baffle, Air, Cylinder #2
Plate, Back
Nut, Hex.
Clamp, Hose
Retainer, E-Ring
Retainer
Crank, Governor
** Washer, Throttle Shaft
*Seal, Governor Shaft
Boot, Spark Plug
Cover, Air Cleaner
Plate, Air Cleaner
Screw, Hex Head
Gear, Ring
(Includes Mounting Parts)
Gear, Timing
Gear, Starter
Cap, Drive
Cap, End
Housing, Starter
Screw, Hex Head
* Seal, Cap
Tube Assembly, Oil
•Terminal, Cable
*** Diaphragm, Carburetor
*** Gasket, Pump
*** Spring, Diaphragm
Repair Kit, Pump
Seal, Valve
Seat, Valve, Intake
Seat, Valve, Exhaust
Bushing, Guide (Exhaust Only)
Bushing, Guide (Intake, Brass)
Wire, Alternator
Plate, Cover
P!ug and Seal, Solenoid
Fan, Flywheel
Retainer, Fan
Label Kit
Owner's Manual
Retainer, Brush
* Included in Gasket Set (495868)
** Included in Carburetor Kit (491539)
*** Included in Carburetor Kit (491539),
and Pump Repair Kit (393397)
.... Included in Gasket Set (495868),
and Carburetor Kit (491539)
NOTE: All component dimensions given in U.S. inches
1 inch = 25.4 mm
55

SERVICE OTES
56

SERVICE NOTES
57

SERVICE NOTE_
58

SUGGESTED GUIDE FOR SiGHTiNG SLOPES FOR SAFE OPERATION
SIGHTING _
ONLY RiDE UP AND DOWN HILL,
NOT ACROSS HiLL
SIGHT AND HOLD THIS LEVEL WiTH
SKY LINE OR TREE.
15 °MAX.
Operate your Tractor up and down the face of slopes (not
greater than !5°), never across the face. Make turns gradu=
ally to prevent tipping or loss of control. Exercise extreme
caution when changing direction on slopes.

S ,4RS
OWNER'S
MANUAL
MODEL NO.
917.258572
IF YOU NEED
REPAIR SERVICE
OR PARTS:
FOR REPAIR SERVICE, CALL
THIS TOLL FREE NUMBER:
1-800-4-REPAIR
(1-800-473-7247)
FOR REPLACEMENT PARTS
INFORMATION AND
ORDERING, CALL THIS
TOLL FREE NUMBER:
1-800-FON-PART
(1-800-366=7278)
--ORCONSUMER ASSISTANCE
HOT LINE, CALL THIS
TOLL FREE NUMBER:
1-800-659-5917
£RAFTZMAN®
19.0 HP
ELECTRIC START
42" MOWER
AUTOMATIC (HYDROSTATIC)
LAWN TRACTOR
Each tractor has its own model number. Each engine has
its own model number.
The model number for your tractor will be found on the
model plate located under the seat.
-[he model number for your engine will be found on the
blower housing of the engine.
A!I parts listed herein may be ordered from any Sears,
Roebuck and Co. Service Center/Department and most Re-
tail Stores.
WHEN ORDERING REPAIR PARTS, ALWAYS GIVE THE
FOLLOWING INFORMATION:
" PRODUCT - TRACTOR
,, MODEL NUMBER - 917.258572
', ENGINE MODEL NO. - 42E707-1631-01
•PART NUMBER
• PART DESCRIPTION
Your Sears merchandise has added value when you
consider Sears has service units nationwide staffed with
Sears trained technicians.., professional technicians
specifically trained to insure that we meet our pledge to
you, we service what we sell.
160437 Rev. 1 3.26.97 RH/KFSW Printed in U.S.A.
--F