Craftsman 917258671 User Manual LAWN TRACTOR Manuals And Guides L1003205
CRAFTSMAN Lawn, Tractor Manual L1003205 CRAFTSMAN Lawn, Tractor Owner's Manual, CRAFTSMAN Lawn, Tractor installation guides
User Manual: Craftsman 917258671 917258671 CRAFTSMAN LAWN TRACTOR - Manuals and Guides View the owners manual for your CRAFTSMAN LAWN TRACTOR #917258671. Home:Lawn & Garden Parts:Craftsman Parts:Craftsman LAWN TRACTOR Manual
Open the PDF directly: View PDF
.
Page Count: 60

[RDFTX
MODEL N 917.258671 OWNER'S MANUAL
®
®Assembly
®Operation
•Customer Responsibilities
oService and Adjustments
®Repair Parts
CAUTION: Read and follow all safety rules and instructions before operating this equipment.
FOR CONSUMER ASSISTANCE HOT LINE, CALL THIS TOLL FREE NUMBER: 1-800-659-5917
iiiiii! ! i! i!ili!ii!i!illliiiiiiii!H!ii!!i]!ilililllllllllllllllllllllllllllllllllllllllll i.--

SAFETY RULES
Safe Operation Practices for Ride-On Mowers
IMPORTANT: THIS CUTTING MACHINE IS CAPABLE OF AMPUTATING HANDS AND FEET AND THROWING OBJECTS.
FAILURE TO OBSERVE THE FOLLOWING SAFETY INSTRUCTIONS COULD RESULT IN SERIOUS iNJURY OR DEATH
I. GENERAL OPERATION
•Read, understand, and follow all instructionsin the manual
and on the machine before starting.
•Only allow responsible adults, who are familiar with the
instructions,to operate the machine
,, Clear the area of objects such as rocks, toys, wire, etc,
which could be picked up and thrown by the blade,
• Be sure thearea isclear of other people before mowing Stop
machine if anyone enters the area
. Never carry passengers
° Do not mow in reverse unless absolutely necessary. Always
look down and behind before and while backing
• Be aware of the mower discharge direction and do not point
it at anyone Do not operate the mower without either the
entire grass catcher or the guard in place
,, Slow down before turning
• Never leave a running machine unattended Always turn oil
blades, set parking brake, stop engine, and remove keys
before dismounting
• Turn off blades when not mowing
• Stop engine before removing grass catcher or unclogging
chute
• Mow only in daylight or good artificial light
• Do not operate the machine while under the influence of
alcohol or drugs
,, Watch lot traffic when operating near or crossing roadways
o Use extra care when loading or unloading the machine into
atrailer or truck
II. SLOPE OPERATION
S_opes are a major factor related to loss-of-control and
tipover accidents, which can resutt in severe injury or
death, All slopes require extra caution. If you cannot back
up the slope or if you feet uneasy on it, do not mow it.
DO:
• Mow up and down slopes, not across
,, Remove obstacles such as rocks, tree limbs, etc
• Watch for holes, ruts, or bumps. Uneven terrain could
overturn the machine. Taft grass can hide obstacles
• Use slow speed Choose a low gear so that you wilt not have
to stop or' shift while on the slope
• Follow the manufacturer's recommendations for wheel
weights or counterweights to improve stability
. Use extra care with grass catchers or other attachments
These can change the stability of the machine
° Keep all movement on the slopes slow and gradual Do not
make sudden changes in speed or direction
• Avoid starting or stopping on a s!ope. If tires fose traction,
disengage the blades and proceed slowly straight down the
stope
DO NOT:
•Donottumonslopesunlessnecessary,andthenturnslowiy
and gradually downhill, if possible
•Do not mow near drop-offs, ditches, or embankments The
mower could suddenly turn over if a wheel is over the edge
of a cliff or ditch, or if an edge caves in
•Do not mow on wet grass. Reduced traction could cause
sliding
°Do not try to stabilize the machine by putting your foot on the
ground
•Do not use grass catcher on sleep stopes
III. CHILDREN
Tragic accidents can occur if the operator is not alert to the
presence of children, Children are often attracted to the
machine and the mowing activity Never assume that
children wilt remain where you last saw them..
• Keep children out of the mowing area and under the walchful
care of another responsible adult
"Be alert and turn machine off if children enter the area
• Before and when backing, look beh!,_d End down for sm&ll
children
• Never carry chiEdren. They may fall off and be seriously
injured or interfere with safe machine operation
,, Never allow children to operate the machine,
•Use extra care when approaching blind corners, shrubs ._
trees, or other objects that may obscure vision.
IV. SERVICE
• Use extra care in handling gasoline and other fuels They are
fFammable and vapors are explosive
Use only an approved container.
Never remove gas cap or add fue! with the engine
running. Allow engine to cool before refueling Do not
smoke
Never refuet the machine indoors
Never slore the machine or' fuel container inside where
there is an open flame, such as a water heater
• Never run a machine inside a closed area.
,, Keep nuts and bolts, especially blade attachment bo_ls fight
and keep equipment in good condition
• Never tamper with safely devices. Check their proper
operation regularly
° Keep machine free of grass, leaves, o_ other debris build-up
Clean oil or fuel spillage Allow machine to cool be!ore
storing
° Stop and inspect the equipment if you strike an obiect
Repair, it necessary, before restarting
• Never make adjustments or repairs with the engine funning
•Grass catcher components are subiect to wear, damage, and
deterioration, which could expose moving parts or altow
objects to be thrown. Frequently check components and
replace with manufacturer's recommended parts when nec-
essary
• Mower blades are sharp and can cu_ Wrap the blade(st or
wear gloves, and use extra caution when servicing Ihem
, Check brake operation frequently Adjust and service as
required.
Look for this symbol to point out important
safety precautions° It means
CAUTtON!!t BECOME ALERT!!! YOUR
SAFETY IS INVOLVED.
.............. ILLUIU,IUIUII /Ul Jl,I I II _ :==! i Jj I,I ,
CAUTION: Always disconnect spark plug
wire and place wire where it can not co nt act
spark plug to prevent
in order accidental
starting when setting up, transporting
adjusting or making repairs,
A WARNING
The engine exhaust from this product contains
chemicals known to the State of California to
cause cancer, birth defects, or other' reproduc-
tive harm.

CONGRATULATIONSon yourpurchaseof a Sears
Tractor,Ithasbeendesigned,engineered and manufac-
tured to give you the best possible dependability and
performance°
Should you experience any problem you cannot easily
remedy, please contact your nearest Sears Authorized
Service Center/Department Department° We have com-
petent, well-trained technicians and the proper tools to
service or repair this tractor.
Please read and retain this manual° The instructions will
enable you to assemble and maintain your tractor proper]y_
Always observe the "SAFETY RULES"°
MODEL
NUMBER 917.258671
SERIAL
NUMBER
DATE OF PURCHASE
THE MODEL AND SERIAL NUMBERSWILL BE FOUND
ON A PLATE UNDER THE SEAT,
YOU SHOULD RECORD BOTH SERIAL NUMBER AND
DATE OF PURCHASE AND KEEP IN A SAFE PLACE
FOR FUTURE REFERENCE.
MAINTENANCE AGREEMENT
A Sears Maintenance Agreement is available on this prod-
uct,. Contact your nearest Sears store for details°
PRODUCT SPECIFICATIONS
HORSEPOWER: 19,5
GASOLINE CAPACITY 3,5 GALLONS
AND TYPE: UNLEADED REGULAR
OIL TYPE (APt-SF/SGtSH); SAE 30 (above 32°F)
SAE 5W-30 (below 32°F)
OIL CAPACITY: 3.,0 PINTS
SPARK PLUG: CHAMPION RJ19LM
(GAP: ,030")
VALVE CLEARANCE: INTAKE: ,004"- ,006"
EXHAUST: 007"- .009"
GROUND SPEED (MPH): FORWARD: 0- 5,.5
REVERSE; 0-24
TIRE PRESSURE: FRONT: 14 PSI
REAR: 10 PSI
CHARGING SYSTEM: 3 AMPS BATTERY
5 AMPS HEADLIGHTS
BATTERY: AMPtHR: 30
MtN. CCA: 240
CASE SIZE: UIR
BLADE BOLTTORQUE: 30-35 FT. LBS
CUSTOMER RESPONSIBILITIES
• Read and observe the safety rules°
o Follow a regular schedule in maintaining, caring for and
using your tractor..
°Follow the instructions under"Customer Responsibili-
ties" and "Storage" sections of this owner's manual°
WARNING: This tractor is equipped with an internal
combustion engine and should not be used on or near any
unimproved forest-covered, brush*covered or grass-cov-
ered land unless the engine's exhaust system is equipped
with a spark arrester meeting applicable local or state laws
(if any)._If a spark arrester is used, it should be maintained
in effective working order by the operator,
In the state of California the above is required by law
(Section 4442 of the California Public Resources Code)._
Other states may have similar laws. Feder_=ilaws apply on
federal lands. A spark arrester for the muffler is available
through your nearest Sears Authorized Service Center/
Department (See REPAIR PARTS section ofthis manual)..
LIMITED TWO YEAR WARRANTY ON CRAFTSMAN RIDING EQUIPMENT
For two (2) years from the date of purchase, if this Craftsman Riding Equipment is maintained, lubricated and tuned up according
to the instructionsin the owner's manual, Sears will repair or replace, free of charge, any parts found to be defective in material or
workmanship,
This Warranty does not cover:
•Expendable itemswhich become worn dudng normal use, such as blades, spark plugs, air cleaners, belts, etc.
•Tire replacement or repair caused by punctures from outside objects, such as nails, thorns, stumps, or glass.
•Repairs necessary because of operator abuse, negligence, improper storage or accident or the failure to maintain the
equipment according to the instructions contained inthe owner's manual
•Riding equipment used for commercial or rental purposes_
LIMITED 90 DAY WARRANTY ON BATTERY I,
For ninety (90) days from date of purchase, if any batten] included with this riding equipment proves detective in material or
workmanship and our testing determines the battery will not hold a charge. Sears will replace the battery at no charge,
IN-HOME WARRANTY SERVICE ON YOUR CRAFTSMAN RIDING EQUIPMENT tS AVAILABLE AT NO-CHARGE FOR 30
DAYS FROM THE DATE OF PURCHASE. PLEASE CONTACT YOUR NEAREST SERVICE CENTER, AFTER 30 DAYS FROM
THE DATE OF PURCHASE, WARRANTY SERVICE IS AVAILABLE BY TAKING YOUR CRAFTSMAN RIDING EQUIPMENT TO
YOUR NEAREST SEARS SERVICE CENTER. (IN-HOME WARRANTY SERVICE WILL STILL BE AVAILABLE AFTER 30 DAYS
FROM THE DATE OF PURCHASE BUT A STANDARD TRIP CHARGE WILL APPLY) THIS WARRANTY APPLIES ONLY
WHILE THIS PRODUCT 1SIN THE UNITED STATES.
This Warranty gives you specific legal rights, and you may also have other rights which may vary from state to state
SEARS, ROEBUCK AND CO,, D/817 WA, HOFFMAN ESTATES, IL 60'179
3

TABLE OF CONTENTS
SAFETY RULES ............................................................ 2
PRODUCT SPECIFICATIONS ...................................... 3
CUSTOMER RESPONSIBILITIES ..................... 3, 17-20
WARRANTY .................................................................. 3
TABLE OF CONTENTS ................................................ 4
INDEX ...................................................................... ...... 4
TRACTOR ACCESSORIES .......................................... 5
ASSEMBLY .............................................................. 7-10
OPERATION ........................................................... 11-16
MAINTENANCE SCHEDULE ...................................... 17
SERVICE AND ADJUSTMENTS ............................ 21-27
STORAGE ................................................................... 28
TROUBLESHOOTING ............................................ 29-30
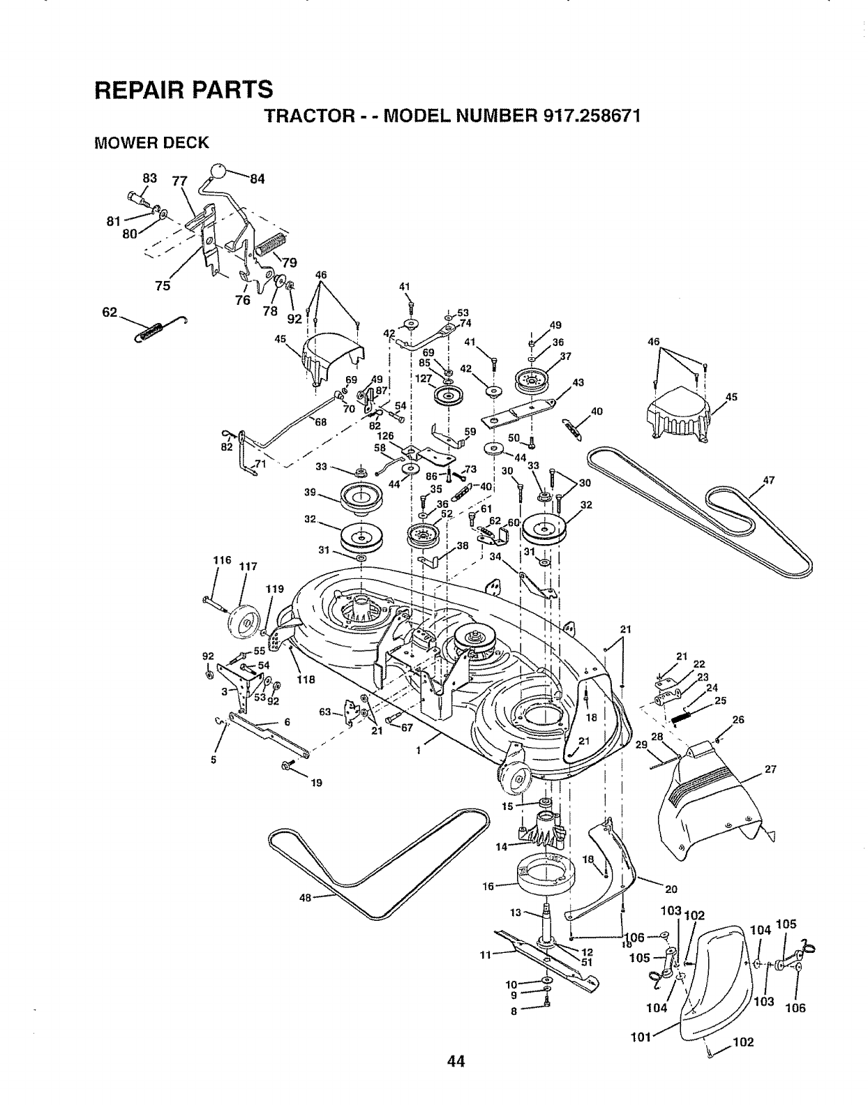
REPAIR PARTS -TRACTOR ................................. 32-47
REPAIR PARTS -ENGINE .................................... 48-53
PARTS ORDERING/SERVICE .................. BACK PAGE
INDEX
A
Accessories ............................................................5
Adjustments:
Brake ..............................................................24
Carburetor ..................................................27
Mower:
Front-To-Back ...........................22
Side-To-Side ............................ 22
Throttle Control Cable ..............26-27
Air Filter, Engine ..................................................19
Air Screen, Engine ............................................19
Assembly ...................................................7-t0
B
Battery:
Charging ................................................18
Cleaning .....................................................18
Starting with Weak Battery ...............26
Storage .....................................................28
Terminals .............................................18
Belts:
Motion Drive
Removal/Replacement .............24
Mower Drive
RemovallReptacement .............23
Mower Blade Drive
Removal/Replacement ..................23
Blade:
Sharpening .............................................18
Replacement .......................................18
Brake Adjustment ......................................24
C
Carburetor Adjustment .............................27
Controls, Tractor .............................................13
Customer Responsibilities ...........3,17-20
Engine:
Air Filter ..................................................19
Air Screen, Engine .........................19
Battery ...................................................18
Cooling Fins, Engine ...................19
Engine Oil ..........................................20
FuelFilter'..............................................20
SparkPlugs......................................18
Tractor:
Blades ..............................................18
Lubrication Chart .................................17
Maintenance Schedule ............ 17
Tire Care ............................8,18,25
Cutting Height, Mower ................................13
E
Electrical:
Interlocksand Relays ........................26
Schematic................................................31
Wiring Diagram ...................................32
Engine:
Air Filter.........................................19
Air Screen ........................................19
Cooling Fins, Engine ..........................20
Oil Change ...................................................19
Oil Level ..........................................14,19
OilType ..............................................19
Preparation ......................................14
Repair Parts ..........................................48-53
Starting ....................................................14
Storage ..............................................................28
F
Filters:
Air ................................................................19
Fuel .................................................................20
Fuel:
Type ............................................................14
Storage ..............................................28
Fuse ..........................................................................26
G
Gauge Wheets ........................................9,14
H
Hood RemovaIllnstatlation ........................26
L.
Leveling Mower Deck ..........................21-22
LubricationChart ...............................................17
M
Maintenance Schedule ................................17
Mower:
Adjustment, Front-to-Back .............22
Adjustment, Side4o-Side ...................22
Blade Sharpening ...............................18
Blade Replacement ....................... 18
Cutting Height .................................13
Installation ...................................................9,21
Operation ..................................................11-16
Removal ..........................................................21
Mowing Tips ............................................................16
Muffler. ........................................._'...............20
Spark AtTester .........._....................3,40
MulcherPlate......................................................10
4
O
Oil:
Cold Weather Conditions .........14,19
Engine ..........................................................19
Storage ....................................................28
Operation ..............................................11-16
Operating Mower ............................................14
Options:
Accessories ..............................................5
Spark Arrester. ..........................3,40
P
Parking Brake .......................................12-13
Parts Bag ...............................................................6
Parts, Replacement/Repair. ..................32-47
Product Specifications .................................3
R
Repair Parts ..............................................32-47
S
Safety Rules .......................................................2
Seat .............................................................................8
Service and Adjustments .................21-27
Brake .............................................................24
Carburetor ............................................27
Fuse .......................................................26
Hood Removal/Installation ........... 26
Motion Drive Belt
RemovaL/Replacement .............24
Mower Drive
Removal/Replacement .............23
Mower' Blade Drive Belt
Removal/Replacement ..............23
Mower- Adjustment:
Front-to-Back .................................22
Side4o-Side........................................22
Mower Installation ...........................21
Mower Removal ......................................21
Tire Care ..........................................6,18,25
Slope Guide Sheet .................................55
Spark Plugs ......................................................20
Specifications ......................................................3
Starting the Engine ........................................t4-15
Steering Wheel .....................................................7,25
Stopping the Tractor ..........................................13
Storage ...................................................28
T
Throttle Control Cable Adjustment ........26
Tires ........................................................8,18,25
Trouble Shooting Chart .................. 29-30
Transaxle Repair Parts ........................46-47
W
Warranty .............................................................3
Wiring Diagram ...................................................32
Wiring Schematic ................................................31

ACCESSORIES AND ATTACHMENTS
....................................... _.......................ii1,,,,i,1,,i, iii iiii ii IHHm'II III I
These accessories and attachments were available throughmost Sears retail outlets and service centers when the tractor was purchased
Most Sears stores can order these items for you when you provide the model number of your tractor
ENGINE
SPARKPLUG GAS CAN ENGINE OIL FUELSTABILIZER AIR FILTER
%
MAINTENANCE
BLADES BELTS
PERFORMANCE
Sears offers a wide variety of attachments that fit your tractor.. Many of these are listedbelow with brief explanations of how they can help
you. This list was current at the time of publication;however, it may change in future years - more attachments may be added, changes
may be made in these attachments, or some may no longer be available orfit your model Contact your nearest Sears store for the
accessories and attachments that are available for your tractor.
Most of these attachments do not require additional hitches or conversion kits (those that do are indicated) and are designed for easy
attaching and detaching.
AERATOR promotes deep root growth for a healthy lawn.. Ta-
pered 25-inch steel spikes mounted on 10+inch diameter discs
puncture holes in soil at close intervals to let moisture soak in.
Steel weight tray for increased penetration.
BAGGER lets you collect grass clippings and leaves for a
heatthier, heater looking lawn° Two Permanex containers hold
30.gallon plastic bags.
BUMPER protects front end of tractor from damage+
CARTS make hauling easy_ Variety of sizes available, plus
accessories such as side panel kits, toot caddy, cart cover,
protective mat and doily.
CORING AERATOR takes small plugs out of soil to allow mois-
ture and nutrients to reach grass roots 36+inch swath 24
hardened steel coring tips 150 Ib..capacity weight tray..
EASY OIL DRAIN VALVE makes oil changes easier, faster
FRONT NOSE ROLLER canters in front of mower deck to reduce
chances of "scarping" on uneven terrain.
GANG HITCH letsyou tow 2 or 3 pu_Fbehindattachments at once,
such as sweepers, dethatchers, aerators (not for use with rollers,
carts or other heavy attachments)..
GAUGE WHEELS on both sides of the mower deck reduce
chances of "scalping" on uneven terrain.. For mower decks not so
equipped.
MULCH RAKF.JDETHATOHER loosens soil and flips thatch and
matted leaves to lawnsurface for easy pickup. Twenty spring tine
teeth° Useful to prepare bare areas forseedfng. Available for front
or rear mounting. HIGH PERFORMANCE REEL-ACTION
SPRING TINE DETHATCHER covers 36+inch wide path and
tosses thatch into large hopper Mounts behind tractor
MULCHING CLOSE-OUT PLATE KIT, once installed, lets you
muich, discharge or bag clippings (bagger optional) without
changing blades_ For models not equipped as 3-in-1 Convertible
mowers. See "MOWER" in the Repair Parts section of this
manual..
RAMP TOPS AND FEET let you load and unload tractor from a
pickup truck Use with 2 x 8 or 2 x 10 lumber
ROLLER for smoother lawn surface. 36-inch wide, 18+inch
diameterwater-tightdrum holds up to 390 Ibs of weight. Rounded
edges prevent harm to turf Adjustable scraper automatically
cleans drum..
SNOW BLADE for snow removar only. 14-inch high, 48-inch wide
blade clears 42-inch pathwhen angted leftor right. Raises, lowers
with side lever. Adjustable skids; replaceable, reversible scraper
bar,. (Use with tire chains and wheel weights and/or rear drawbar
weight.)
SNOWTHROWER has 40+inch swath.. Drum-type auger handles
powdery and wet/heavy snow. Mounts easily with simple pin
arrangement Discharge chute adjusts from tractor seat 6-inch
diameter spout discharges snow t0 to 50 feet. Lift controlled at
tractor seat, (Use with chains and wheel weights and/or rear
drawbar weight..)
SPRAYERS use 12-volt DC electric motor that connects to the
tractor battery or other 12-volt source includes booms for
automatic spraying and hand held wand for spot spraying, Wand
has adjustable spray pattern, For applying herbicides, insecti-
cides, fungicides and liquid fertilizers.
SPREADER/SEEDERS make seeding, fertilizing, and weed kill-
ing easy. Broadcast spreaders are also useful for granular de-
icers and sand.
SWEEPERS let you cotiect grass clippings and leaves
TILLER has 5 hp engine and 36+inch swath to prepare seed beds,
cultivate and compost garden residue_ Tiller has its own built-in
liftand depth control system and does NOT require a sleeve hitch°
Fits anylawn, yardorgardentractor.. Simply hook up to the tractor
drawbar and go! Optional accessories convert unit for
dethatching, aerating, hilling,....without tools,
TIRE CHAINS are heavy duty; closely spaced extra-large cross
links give smooth ride, outstanding traction.
TRACTOR CAB has heavy duty vinyl fabric over tubular steel
frame, ABS plastictop; clear plastic windshield offers 360 degree
visibility+ Hinged metal doors with catch. Keeps operator warm
and dry.. Remove vinyi sides and windshields for use as sun
protector in summer. Optional accessories include: tinted/
tempered solid safety glass windshield with hand operated wiper;
12-volt amber caution tightfor mounting on cab top.
VACS for powerful collection of heavy grass clippings and leaveso
Optional wand attachment to pick up debris in hard-to+reach
places. VAC/CHIPPER incfudesa chipper-shredder°
WEIGHT BRACKET for drawbar for snow removal applications.
Uses (t) 55 Ib. weight.
WHEEL, WEIGHTS for rear wheels provide needed traction for
snow removal or dozing heavy materials.

CONTENTS OF HARDWARE PACK
Parts Bag contents shown full size
5/16-18_
--_ (l)HexBolt _))
_ _]_f]_t_,5/16-18 × 1-1/4
Iir , Jnl_/lllHill
(1) HexBo!! I12-13 x I
IIFiHiliil.
/(2) Screws #10 x 5/8
Washers #10 %i (2) Washers I L-I! )
.r--J 3116x 314 _ /
(2) Weld ii x 16 Gauge
Nuts #10 _
_ts 114-20X 3/4 _(2) HeX Nuts
13!llIfH_IIIl!II!Itlt!!_/--_i c_ J>,/4._o
i
. _1_ ./ (2) Lock l
(2) Wasners _ Washers 1/4
9/32 x 5/8 x t6 Gauge ....................... i
ii ii IHIII, IIIII III
Parts packed separately in carton
illl lul ii, iiii INNNNIIINI IIINNmUHIIN I
Steering
Wheel
Manual
Seat
Steering
Boot
Video
Cassette
Mufcher
Plate
i
,i
Parts Bag
it,,Jl/,,,,,,,,,,,,,,,,,,,, ,,, ,, ,,,, ,,, ,,,,,,,, ,
Parts bag contents not shown full size
(2) Shoulder
Bolts
(2) CenteP
lock Nuts
(2) Washers 3/8
x 7/8 x 14 Gauge
(_) (2) Gauge r4:;;FR_
Wheels _
Steering Wheel
Adapter'
_nt Link Assemblies
(2) Latch Hook
Assemblys Steering
Wheel
Insert
Slope Sheet
(2) Keys
Steering
Extension
Shaft
O
6

BLY
Your new tractor has been assembled at the factory with exception of those parts left unassembled for shipping purposes.
To ensure safe and proper operation of your tractor all parts and hardware you assemble must be tightened secure_y.. Use
the correct tools as necessary to insure proper tightness.
TOOLS REQUIRED FOR ASSEMBLY
A socket wrench set will make assembly easier_ Standard
wrench sizes are listed°
(1) 9/16" wrench
(2) 7/16" wrenches
(2) 1/2" wrench
(1) 3/4" wrench
(1) 3/4" Socket w/drive rachet
Phillips Screwdriver
Tire pressure gauge
Utility knife
Pliers
When right or left hand is mentioned in this manual, it
means when you are in the operating position (seated
behind the steering wheel)r
TO REMOVE TRACTOR FROM CARTON
UNPACK CARTON
, Remove ai! accessible loose parts and parts cartons
from carton (See page 6)..
, Cut, from top to bottom, along lines on all four corners
of carton, and lay panels flat.
° Remove mower and package materials.
-Check for any additional loose parts or cartons and
remove.
BEFORE ROLLING TRACTOR OFF SKID
ATTACH STEERING WHEEL (See Fig. 1)
ASSEMBLE EXTENSION SHAFT AND BOOT
= Slide extension shaft onto lower steering shafL Align
mounting holes in extension and lower shafts and
install5/t6 hex bolt and locknut. Tighten securely.
IMPORTANT: TIGHTEN BOLT AND NUT SECURELY TO
18-22 FT, LBS TORQUE.
• Place tabs of steering boot over tab slots in dash and
push down to secure°
iNSTALL STEERING WHEEL
° Position front wheels of the tractor so they are pointing
straight forward.
=Slide steering wheel adapter onto steering shaft exten-
sion.
= Position steering wheel so cross bars are horizontal
(left to right) and slide insideboot and onto adapter.
• Assemble large fiat washer, 3/8 lockwasher, 3/8 hex
bolt and tighten securely.
• Snap steering wheel insert into center of steering
wheel°
•Remove protective materials from tractor hood and
gritlo
• IMPORTANT: CHECK FOR AND REMOVE ANY STAPLES
INSKlD THAT MAY PUNCTURE TIRES WHERE TRACTOR
iS TO ROLL OFF SKID..
LARGE FLAT
WASHER
STEERING
WHEEL
EXTENSION
STEERING
BOOT
APTER
5/16 HEX
BOLT
LOWER
STEERING
SHAFT
/• ., ",
t,I
• # t1 tt
FIG. 1
TO ROLL TRACTOR OFF SKID (See Opera-
tion section for location and function of con-
trols)
= Press lift lever plunger and raise attachment liftleverto
its highest position,
•Release parking brake by depressing chJtch/brake
pedal
°Place freewheel control in freewheeling position to
disengage transmission (See "TO TRANSPORT" in
the Operation section of this manual)°
° Roll tractor backwards off skid..
•Remove banding holding discharge guard up against
tractor°
7

ASSEMBLY
HOW TO SET UP YOUR TRACTOR INSTALL SEAT (See Fig. 3)
CONNECT BATTERY (See Fig. 2)
CAUTION: Do not short battery termi-
nals by allowing a wrench or any other
object to contact both terminals at the
sametime. Before connecting battery,
remove metal bracelets, wristwatch
bands, rings, etc.
Positive terminal must be connected
first to prevent sparking from acciden-
tal grounding.
•Lift hood to raised position,
•Open terminal access doors, remove terminal protec-
tive caps and discard.
•If this battery is put into service after month and year
indicated on label (label tocated between terminals)
charge battery for minimum of one hour at 6-t0 amps,
•First connect RED battery cable to positive (+) battery
terminal with hex bolt, flat washer', lock washer and hex
nut as shown,, Tighten securely.
•Connect BLACK grounding cable to negative (-) bat-
tery terminal with remaining hex bolt, flat washer, lock
washer and hex nut. Tighten securely.
•Close terminal access doors.
Use terminal access doors for:
•Inspection for secure connections (to tighten hard-
ware),,
• Inspectionfor corrosion.
• Testing battery,,
• Jumping (if required),,
•Periodic charging°
HEX NUT
DISCARD TERMINAL \\
PROTECTIVE CAPS
LOCK FLAT
WASHER WASHER
ACCESS
DOOR
CABLE
NEGA_VE
(BLAC_
CABLE
Adjust seat before tightening adjustment bolt.
•Remove cardboard packing on seat pan=
•Place seat on seat pan and assemble shoulder bolt.
•Assemble adjustment bolt, lock washer and flat washer
loosely. Do not tighten.
°Tighten shoulder bolt securely,,
•Lower seat into operating position and sit on seat°
•Slide seat until a comfortable position is reached which
allows you to press clutchforake pedal all the way
down,
°Get off seat without moving its adjusted position,
°Raise seat and tighten adjustment bolt securely,
SEAT ,=AN ,__ -_"__,_,-"_ [_ (
•
FIG. 3
CHECK TIRE PRESSURE
The tires on your tractorwere overinflatedat the factoryfor
shipping purposes,, Correct tire pressure is important for
best cutting performance.
° Reduce tire pressure to PSI shown in "PRODUCT
SPECIFICATIONS" on page 3 of this manual.
CHECK BRAKE SYSTEM
After you learn how to operate your tractor, check to see
that the brake is properly adjusted. See 'q'O ADJUST
BRAKE" in the Service and Adjustments section of this
manual
FIG. 2
8

ASSEMBLY
INSTALL MOWER AND DRIVE BELT (See
Figs. 4 and 7)
Be sure tractor is on level surface and mower suspension
arms are raised with attachment lift control, Engage park-
ing brake,
*Cut and remove ties securing anti-sway bar and belts,
Swing anti-sway bar to left side of mower deck,
, Slide mower under tractor with discharge guard to right
side of tractor.,
IMPORTANT: CHECK BELT FOR PROPER ROUTING IN
ALL MOWER PULLEY GROOVES, INSTALL BELT INTO
ENGINE PULLEY GROOVE,,
•install one front link in tophole of the LH. front mower
bracket and LH, front suspension bracket,, Retain with
two single loop retainer springs as shown.
°Install second front link in R_H,front suspension bracket
and retain with single loop retainer spring as shown..
- Slide right side of mower back and install link intop hole
of R,H, front mower bracket, Retain with single loop
retainer spring as shown.
°Turn height adjustment knob counterclockwise until it
stops,,
• Lower mower linkage with attachment lift control,
•Place the suspension arms on outward pointing deck
pins,. If necessary, rock and raise front of mower to
align deck pins with the holes in suspension arms
Retain with double loop retainer springs with loops
down as shown,
° Connect antFsway bar to chassis bracket under left
footrest and retain with double loop retainer spring,,
° Install clutch rod in clutch lever., Secure with retainer
spring,
•Turn height adjustment knob clockwise to remove
slack from mower suspension_
• Raise deck to highest position,
.Assemble gauge wheels as shown using long shoulder
bolts, 3/8 washers, and 3/8-16 center Iocknuts. Tighten
securely.
• Adjust gauge wheels before operating mower as shown
inthe Operation section of this manual.
CHECK MOWER LEVELNESS
For best cutting resuits, mower should be properly leveled.
See "TO LEVEL MOWER HOUSING" in the Service and
Adjustments section of this manual°
CHECK FOR PROPER POSITION OF ALL
BELTS
See the figures that are shown for replacing motion, mower
drive, and mower blade drive belts in the Service and
Adjustments section of this manual. Verify that the belts are
routed correctly.
CLUTCH
LEVER
CLUTCH
ROD\
RETAINER
SPRING FRONT
SUSPENSION
BRACKETS
DOUBLE LOOP
RETAINER SPRING
CHASSIS (outward pointing
BRACKET deck pins)
SUSPENSION
ARMS
ENGINE
PULLEY
FRONT
LINK
SHOULDER
BOLT
GAUGE
WHEEL
318 WASHER
USE PLIERS FOR
RETAINER SPRINGS
3_-16
CENTER
LOCKNUT /
DOUBLELOOP
RETAINER
SPRING ANTI-SWAY
BAR
IDLER
PULLEY
FIG. 4
_INGLE
LOOP
RETAINER
SPRINGS
MOWER
BRACKET
DISCHARGE GUARD
9

INSTALL MULCHER PLATE
(See Figs. 5 and 6)
• Install two latch hooks to mulcher plate using screw,
washer, lock washer, and weld nut as shown.
NOTE, Pre-assembie weld nut to latch hook by inserting
weld nut from the top with hook pointing down_
• Tighten hardware securely.
• Raise and hold deflector shield in upright position.
° Place front of mulcher plate over front of mower deck
opening and slide into ptace, as shown..
°Hook front latch into hole on front of mower deck.
• Hook rear latch into hole on back of mower deck..
CAUTION: Do not remove discharge
guard from mower. Raise and hold
guard when attaching mulcher plate
and allow it to rest on plate while in
operation.
TO CONVERT TO BAGGING OR
DISCHARGING
Simply remove mulcher plate and store in a safe place.
Your mower is now ready for discharging or installationof
optional grass catcher accessory°
NOTE: Itis not necessary to change blades.. The mulcher
blades are designed for discharging and bagging also..
WELD NUT
FROM THE TOP
HOOK POINTS
DOWN
LOCK
WASHER
SCREW
LATCH
HOOK
WASHER
MULCHER
PLATE
LOCK
WASHER
\
WASHER
_-'--SCREW
WELD
NUT
FIG. 5
MBLY
DEFLECTOR
SHIELD
LATCH
HOOKS
FIG. 6
,/CHECKLIST
BEFORE YOU OPERATE AND ENJOY YOUR NEW
TRACTOR, WE WISH TO ASSURE THAT YOU RECEIVE
THE BEST PERFORMANCE AND SATISFACTION FROM
THIS QUALITY PRODUCT.
PLEASE REVIEW THE FOLLOWING CHECKLIST:
,/' All assembly instructionshave been comp_etedo
,/ No remaining loose parts in carton..
,/ Battery is properly prepared and charged. (Minimum
1 hour at 6 amps).
,/ Seat is adjusted comfortably and tightened securely.
,/ All tires are properly inflated. (For shipping purposes,
the tires were overinflated at the factory)..
,/ Be sure mower deck is properly leveled side-to-side/
front-to-rear for best cutting results_ (Tires must be
properly inflatedfor leveling).
,/ Check mower and drive belts. Be sure they are routed
properly around pulleys and inside all belt keepers°
,/ Check wiring. See that all connections are still secure
and wires are properly clamped.
,/ Before driving tractor, be sure freewheel control is in
drive position_
WHILE LEARNING HOW TO USE YOUR TRACTOR, PAY
EXTRA ATTENTION TO THE FOLLOWING IMPORTANT
ITEMS.:
,/ Engine oil is at proper level.
,/ Fuel tank is filled with fresh, clean, regular unleaded
gasoline.
v" Become familiar with all controls - their location and
function. Operate them before you start the engine..
,/ Be sure brake system is in safe operating condition..
v" It is important to purge the transmission before operat-
ing your tractor for the first time. Follow proper starting
and transmissionpurging instructions(See "TO START
ENGINE" and "PURGE TRANSMISSION" in the Op-
eration section of this manual).
10

OPERATION
i i i,uill,i, i i i i i ...........................................................................
These symbols may appear on your tractor or in literature suppUed with the product, Learn and understand their meaning°
+
BATFERY CAUTION OR REVERSE FORWARD FAST SLOW
WARNING
ENGINE ON ENGINE OFF OIL PRESSURE CLUTCH LIGHTS ON LIGHTS OFF
FUEL CHOKE MOWER HEIGHT DIFFERENTIAL PARKING BRAKE UNLOCKED
LOCK LOCKED
MOWER LIFT
REVERSE NEUTRAL HIGH
ATTACHMENT
CLUTCH ENGAGED
L
LOW PARKING BRAKE
ATTACHMENT
CLUTCH DISENGAGED IGNITION
DANGER, KEEP HANDS AND FEET AWAY HYDROSTATIC FREE WHEEL
(Hydro Models only)
11

,,,,,,,,,,,,,,,,,,,,,,,,,,,,,,,,,,,,,,,,,, , .................................
OPERATION
KNOW "(OUR TRACTOR
READ THIS OWNER'S MANUAL AND SAFETY RULES BEFORE OPERATING YOUR TRACTOR
Compare the illustrationswith yourtractor to familiarize yourself with the locations of various controls and adjustments Save
this manual for future reference,,
CHOKE
CONTROL
\
CLUTCH/
BRAKE
PEDAL
AMMETER ATTACHMENT
CLUTCH LEVER
©
\
LIGHT
SWITCH
POSITION
LIFT LEVER
PLUNGER
ATTACHMENT
LIFT LEVER
HEIGHT
ADJUSTMENT
KNOB
, . IGNITION
SWITCH
FREEWHEEL
CONTROL PARKING
BRAKE
i MOTION
-CONTROL
_ ' ' .... LEVER
i.;I
APPROX.
SPEED
3 MPH
2MPH
1MPH
FIG. 7
Our tractors conform to the safety standards of the American National Standards lnstitute_
ATTACHMENT CLUTCH LEVER: Used to engage the
mower blades, or other' attachments mounted to your
tractor.
LIGHT SWITCH: Turns the headlights on and off,
THROTTLE CONTROL: Used to control engine speed,.
CLUTCH/BRAKE PEDAL: Used for declutching and brak-
ing the tractor and starting the engine..
PARKING BRAKE: Locks clutch/brake pedal into the
brake position._
FREEWHEEL CONTROL: Disengages transmission for
pushing or slowly towing the tractor with the engine off,.
CHOKE CONTROL: Used when starting a cold engine_
MOTION CONTROL LEVER: Selects the speed and direc-
tion of the tractor_
ATTACHMENT LIFT LEVER: Used to raise and lower the
mower deck or other attachments mounted to your tractor'.
LIFT LEVER PLUNGER: Used to release attachment lift
lever when changing its position..
IGNITION SWITCH: Used for starting and stopping the
engine.
HEIGHT ADJUSTMENT KNOB: Used toadjust the mower
cuttingheight.
AMMETER: Indicates battery charging (+) or discharging
(-),
12

OPERATION
The operation of any tractor can result in foreign objects thrown into the eyes, which can result
in severe eye damage. Always wear safety glasses or eye shields while operating your tractor
or performing any adjustments or repairs. We recommend a wide vision safety mask over the
spectacles or standard safety glasses.
HOW TO USE YOUR TRACTOR
TO SET PARKING BRAKE (See Fig, 8)
Your tractoris equippedwithan operator presence sensing
switch,_ When engine is running, any attempt by the
operator to leave the seat without first setting the parking
brake wiIl shut off the engine°
•Depress clutch/brake pedal into full "BRAKE" position
and hold_
•PIace parking brake lever in "ENGAGED" position and
release pressure from clutch/brake pedal. Pedal should
remain in "BRAKE" position. Make sure parking brake
will hold tractor secure.
THROTTLE
CONTROL
CHOKE
CONTROL
"BRAKE"
POSITION
ATTACHMENT CLUTCH
LEVER "ENGAGE"
POSITION
"DISENGAGE"
ITION
MOTION CONTROL
LEVER
PARKING BRAKE
"ENGAGED"
CLUTCH!BRAKE POSITION
PEDAL "DRIVE" HEIGHT I
POSITION ADJUSTMENT "DISENGAGED"
KNOB POSITION
FIG. 8
STOPPING (See Fig. 8)
MOWER BLADES -
= Move attachment clutch Lever to "DISENGAGED"
position°
GROUND DRIVE -
• Depress clutch/brake pedal intofull "BRAKE" position,,
•Move motion control lever to neutral (N) position°
IMPORTANT= THE MOTION CONTROL LEVER DOES
NOT RETURN TO NEUTRAL (N) POSITION WHEN THE
CLUTCH/BRAKE PEDAL IS DEPRESSED.,
ENGINE -
" Move throttle control to slow position.,
NOTE: Failure to move throttle control to slow position and
aliowing engine to idle before stopping may cause engine
to "backfire",
o Turn ignition key to "OFF" position and remove key.
Always remove key when leaving tractor to prevent
unauthorized use,,
° Never use choke to stop engine.
NOTE: Under certain conditions when tractor is standing
idle with the engine running, hot engine exhaust gases may
cause "browning" of grass., To eliminate this possibility,
always stop engine when stopping tractor on grass areas,,
Ill;I li lili iii iiiii i i iii iii i iliiii iiiii ii ii ii;i;ii,i;,,i,
CAUTION: Always stop tractor com-
pletely, as described above, before leav-
ing the operator's position; to empty
grass catcher, etc.
TO USE THROTTLE CONTROL (See Fig. 8)
Always operate engine at full throttle.
• Operating engine at less than full throttle reduces the
battery charging rate,.
•Full throttle offers the best bagging and mower perfor-
mance.
TO USE CHOKE CONTROL (See Fig. 8)
Use choke control whenever you are starting a cold engine_
Do not use to start a warm engine.
• To engage choke control, pull knob out. Slowly push
knob in to disengage°
TO MOVE FORWARD AND BACKWARD (See
Fig. 8)
The directionand speed of movement is controlled by the
motion control lever.
°Start tractor with motion control lever in neutral (N)
position
°Release parking brake and clutch/brake pedal°
°Slowly move motion control lever to desired position,
TO ADJUST MOWER CUTTING HEIGHT
(See Fig. 8)
The cutting height is controlled by turning the height adjust-
ment knob in desired direction,,
° Turn knob clockwise (('-_) to raise cutting height°
°Turn knob counterclockwise (b_-'_) to lower cutting
height.
The cutting height range is approximately 1-1/2" to 4". The
heights are measured from the ground to the blade tip with
the engine not running_ These heights are approximate
and may vary depending upon soil conditions, height of
grass and types of grass being mowed°
o The average lawn should be cut to approximately 2-'I/2
inches during the cool season and to over 3 inches
during hot months, For healthier and better looking
lawns, mow often and after moderate growth°
° For best cutting performance, grass over 6 inches in
height should be mowed twice. Make the first cut
relatively high; the second to desired heighL
TO ADJUST GAUGE WHEELS (See Fig, 9)
Gauge wheels are properly adjusted when they are slightly
off the ground when mower is at the desired cutting height
in operating position, Gauge wheels then keep the deck in
proper position to help prevent scalping in most terrain
conditions,,
o
°
Adjust gauge wheels with tractor on a flat level surface,
Adjust mower to desired cutting height (See 'q'O AD-
JUST MOWER CUTTING HEIGHT_' in the Operation
section of this manual)°
13

, ,,,,,,,,,,,,,,
OPERATION
° With mower in desired height of cut position, gauge
wheels should be assembled so they are slightly off the
ground° Install gauge wheel in appropriate hole with
shoulder bolt, 3/8 washer', and 3/8-16 Iocknut and
tighten securely_
• Repeat for opposite side installing gauge wheel in
same adjustment hole..
GAUGE
WHEEL
MOUNTING
BRACKET
SHOULDER
BOLT
FIG. 9
TO OPERATE MOWER (See Fig. 10)
Your tractor is equipped with an operator presence sensing
switch.. Any attempt by the operator to leave the seat with
the engine running and the attachment clutch engaged will
shut off the engine_
•Select desired height of cut,
• Lower mower with attachment lift control.
° Start mower blades by engaging attachment clutch
control
° TO STOP MOWER BLADES -disengage attachment
clutch control.
CAUTION: Do not operate the mower
without either the entire grass catcher,
on mowers so equipped, or the dis-
charge guard in place,
,, ,,,, ..........................................
° If stopping is absolutely necessary, push clutch/brake
pedal quickly to brake position and engage parking
brake,
• Move motion control lever to neutral (N) position.
IMPORTANT; THE MOTION CONTROL LEVER DOES
NOT RETURN TO NEUTRAL (N) POSITION WHEN THE
CLUTCH/BRAKE PEDAL IS DEPRESSED.
• To restartmovement, slowly release parking brake and
clutch!brake pedal..
• Slowly move motion control lever to slowest setting..
•Make all turns slowly_
TO TRANSPORT (See Fig, 11)
When pushing or towing your' tractor, be sure to disengage
transmission by placing freewheel control in freewheeling
position. Free wheel control is located at the rear drawbar
of tractor..
=Raise attachment lift to highest position with attach-
ment liftcontrol.
• Pult freewheel control knob out and hold in position by
inserting retainer spring intoforward hole of control rod.,
• Do not push or tow tractor at more than two (2) MPH.
• To reengagetransmission, reverse above procedure°
NOTE: To protect hood from damage when transporting
your tractoron a truck or a trailer, be sure hood isclosed and
secured to tractor. Use an appropriate means of tying hood
to tractor (rope, cord, etc_).
ATTACHMENT CLUTCH ATTACHMENT LIFT
LEVER "ENGAGED" LEVER HIGH
POSITION POSITION
,/_ LOW
POSITION
POSITION
HEIGHT
ADJUSTMENT DISCHARGE
KNOB GUARD
FIG. 10
FIG. 11
BEFORE STARTING THE ENGINE
CHECK ENGINE OIL LEVEL (See Fig. 15)
=The engine inyour tractor has been shipped, from the
factory, already filled with summer weight oil
•Check engine oil with tractor on level ground.
oRemove oilfill cap/dipstickand wipe clean, reinsertthe
dipstick and screw cap tight, wait for a few seconds,
remove and read o[Ilevel If necessary, add oil until
"FULL" mark on dipstick is reached. Do not overfill.
•For cold weather operation you should change oil for
easier starting (See "OIL VISCOSITY CHART" in the
Customer Responsibilities section of this manual).
•To change engine oil,see the Customer Responsibili-
ties section in this manual.
TO OPERATE ON HILLS
A CAUTION: Do not drive up or down I
hills with slopes greater than 15°and I
do not drive across any slope. I
°Choose the slowest speed before starting up or down
hills.
° Avoid stopping or changing speed on hills.
• If slowing is necessary, move throttle control lever to
slower position_ 14
ADD GASOLINE
•Fill fuel tank.. Use fresh, clean, regular unleaded
gasolinewitha minimum of 87 octane.. (Use of leaded
gasoline will increase carbon and lead oxide deposits
and reduce valve life)_ Do not mix oil with gasoline.
Purchase fuel inquantities that can be used within 30
days to assure fuel freshness_
IMPORTANT: WHEN OPERATING iN TEMPERATURES
BELOW 32°F(0_C), USE FRESH, CLEAN WINTER GRADE
GASOLINE TO HELP INSURE GOOD COLD WEATHER
STARTING

OPERATION
WARNING: Experience indicates that alcohol blended
fuels (called gasoho! or using ethanol or methanol) can
attract moisture which leads to separation and formation of
acids during storage. Acidic gas can damage the fuel
system of an engine while in storage To avoid engine
problems, the fue! system should be emptied before stor-
age of 30 days or longer. Drain the gas tank, start the
engine and let it run until the fuel lines and carburetor are
empty. Use fresh fuel next season See Storage Instruc-
tions for additional information. Never use engine or
carburetor cleaner products in the fuel tank or permanent
damage may occur°
I_ CAUTION: Fill to bottom of gas tank
filler neck. Do not overfill. Wipe off any
spilled oil or fuel. Do not store, spill or
use gaso!ine near an open flame.
TO START ENGINE (See Fig. 8)
When starting the engine for the first time or if the engine
has run out of fuel, it will take extra cranking time to move
fuel from the tank to the engine.
• Be sure freewheel control is in the transmission en-
gaged position.
• Sit on seat in operating position, depress clutch/brake
pedal and set parking brake°
• Place motion control lever in neutral (N) position,
• Move attachment clutch to "DISENGAGED" position
, Move throttle control to fast position
° Pull choke control out for a cold engine start attempt.
For a warm engine start attempt the choke control may
not be needed°
Note: Before starting, read the warm and cold starting
procedures below°
o Insert key into ignition and turn keyclock"wise to"START"
position and release key as soon as engine starts. Do
not run starter continuously for more than fi_en sec-
onds per minute. If the engine does not start after
several attempts, push choke control in, wait a few
minutes and try again. Ifengine still does not start, pull
the choke control out and retry,
WARM WEATHER STARTING (50° F and above)
° When engine starts, slowly push choke control in until
the engine begins to run smoothly. If the engine starts
to run roughly, pull the choke control out slightly for a
few seconds and then continue to push the control in
slowly.
° The attachments and ground drivecan nowbe used. If
the engine does not accept the load, restart the engine
and allow it to warm up for one minute using the choke
as described above°
COLD WEATHER STARTING (50° F and below)
° When engine starts, slowly push choke control in until
the engine begins to run smoothly. Continue to push
the choke control in small steps allowing the engine to
accept small changes in speed and load, until the
choke control is fully in. If the engine starts to run
roughly, pull the choke control out slightly for a few
seconds and then continue to push the control tn
slowly. This may require an engine warm-up period
from several seconds to several minutes, depending
on the temperature°
15
HYDROSTATIC TRANSMISSION WARM UP
• Before driving the unit in cold weather, the transmis-
sion should be warmed up as follows:
• Be sure the tractor is on level ground.
•Place the motion control lever in neutral.
Release the parking brake and let the clutch/brake
slowly return to operating position.
° Allow one minute for transmission to warm up.
This can be done during the engine warm up
pedod.
° The attachments can be used during the engine warm-
up period after the transmission has been warmed up
and may require thechoke control be pulled out slightly.
NOTE: If at a high altitude (above 3000 feet) or in cold
temperatures (below 32 F) the carburetor fuel mixture may
need to be adjusted for best engine performance. See "TO
ADJUST CARBURETOR" in the Service and Adjustments
section of this manual.
PURGE TRANSMISSION
CAUTION: Never engage or disengage t
freewheel lever while the engine is run-
nlng_ !
To ensure proper operation and performance, it is recom-
mended that the transmission be purged before operating
tractor for the first time. This procedure will remove any
trapped air inside the transmission which may have devel-
oped during shipping of your tractor.
IMPORTANT; SHOULD YOUR TRANSMISSION REQUIRE
REMOVAL FOR SERVICE OR REPLACEMENT, IT
SHOULD BE PURGED AFTER REINSTALLATION
BEFORE OPERATING THE TRACTOR
= Place tractor safely on levelsurface with engine off and
parking brake set.
• Disengage transmission by placing freewheel control
in freewheeling position (See '`TO TRANSPORT" in
this section of manual).
•Sitting inthe tractor seat, start engine, After the engine
is running, move throttle control to slow position. With
motion control lever in neutral (N) position, slowly
disengage clutch/brake pedal..
°Move motion control lever to full forward position and
hold for five (5) seconds. Move lever to full reverse
position and hold for five (5) seconds. Repeat this
procedure three (3) times.
NOTE: During this procedure there will be no movement of
drive wheels.. The air isbeing removed from hydraulic drive
system
°Move motion control leverto neutral (N) position_ Shut-
off engine and set parking brake..
° Engage transmission by placing freewheel control in
driving position (See 'TO TRANSPORT' in this section
of manual).
- Sitting inthetractor seat, start engine. After the engine
is running, move throttle control to half (1/2) speed.
With motion control lever inneutral (N) position, slowly
disengage clutch/brake pedal.
° Slowly move motion control lever forward, after the
tractor moves approximately five (5) feet, slowly move
motion control lever to reverse position. After the
tractor moves approximately five (5) feet return the
motion control lever to the neutral (N) position, Repeat
this procedure with the motion control lever three (3)
times.
• Your tractor is now purged and now ready for normal
operation..

OPERATION
MOWING TIPS
.Tire chainscannot be used when the mower housing is
attached to tractor.
• Mower' should be properly leveled for best mowing
performance.. See q'O LEVEL MOWER HOUSING" in
the Service and Adjustments section of this manual°
• The Ieft hand side of rnower should be used for trim-
ruing
, Drive so that clippings are discharged onto the area
that has been cute Have the cut area to the right of the
tractor. This will result in a more even distribution of
clippings and more uniforrn cutting.
o When mowing large areas, start by turning to the right
so that clippings will discharge away from shrubs,
fences, driveways, etc. After one or two rounds, mow
in the opposite direction making left hand turns until
finished (See Fig° t2A )..
°if grass is extremely tall, it should be mowed twice to
reduce load and possible fire hazard from dried clip-
pings. Make first cut relatively high; the second to the
desired height.
• Do not mow grass when it is weL Wet grass will ptug
mower and leave undesirable clumps.. Allow grass to
dry before mowing.
• Always operate engine at full throttle when mowing to
assure better mowing performance and proper dis-
charge of material Regulate ground speed by select-
ing a low enough gear' to give the mower cutting
performance as well as the quality of cut desired..
• When operating attachments, select a ground speed
that will suit the terrain and give best performance of
the attachment being used
f
i!,_! \
MULCHING MOWING TIPS
IMPORTANT: FOR BEST PERFORMANCE, KEEP
MOWER HOUSING FREE OF BUILT-UP GRASS AND
TRASH., CLEAN AFTER EACH USE.
•The special mulching blade will recut the grass clip-
pings many times and reduce them in size so that as
they fall onto the lawn they will disperse into the grass
and not be noticed. Also, the mulched grass will
biodegrade quickly to provide nutrients for the lawn.
Always mulch with your highest engine (blade) speed
as this will provide the best recutting action of the
blades.
• Avoid cutting your iawnwhen it iswet.. Wet grass tends
to form clumps and interfereswith the mulching action.
The best time to mow your lawn is the early afternoon.
At this time the grass has dried and the newly cut area
wilt not be exposed to the direct sun.
• Forbest results,adjust the mower cutting height so that
the mower cuts off only the top one-third of the grass
blades (See Fig. 12B). For extremety heavy mulching,
reduce your' width of cut and mow slowly.
° Certain types of grass and grass conditions may re-
quire that an area be mulched a second time to com-
pletefy hide the clippings. When doing a second cut,
mow across or perpendicular to the first cut path_
• Change your cutting pattern from week to week. Mow
north to south one week then change to east to west the
next week_ This will help prevent matting and graining
of the lawn.
'I MAX 1/3
1
FIG. 12B
FtGo12A
16

CUSTOMER RESPONSIBILITIES
ASYOUCOMPLETE .......
REGULARSERVICE _'_ _/_._#" SERVICE DATES
Check Brake Operation _ 6_
Check Tire Pressure _ 6_
Check for LOOse Fasteners - _ ""6/7 !_
a Sharpen/Replace Mower Blades 1_4
Lubrication Chart _
C Check BatterYLeve!tRecharge i
0Clean Battery and Terminals
a CheckTransax[eCoofing
Adjust Blade Belt(s) Tension _si
Adjust Motion Drive Bell(s) Tension _si
Check Engine Oil Levei if
....ChangeEng ooO, V',.........
EClean Air Filte r ....... t_2
NClean Air Screen _i: ', _ , .......... .... .......
GInspect Muffler/Spark Arrester t4 #
IReplace Oil Filter (If equipped) _,2
N Clean Engine Cooling Fins t##'2
Replace Spark PIug 6##' 6/
Replace Air Filter Paper Cartridge 6f2
Replace Fuel Filter
1 - Change more often when operating under a heavy Iced or in high ambient temperatures
2-Service more often when operating }n dfrty or dusty conditions
3 - tf equipped with oil filter, change oll every 50 hours
4 - Reptece blades mere otten when mowing in sandy soil
5 - If equipped with adIustable system
6- Not required if equipped wtth matntenance_free battery
7 - Tighten front axle pivot bolt to 35 ft,Abs, maximum,
Do not overttghten,,
GENERAL RECOMMENDATIONS
The warranty on this tractor does not cover items that have
been subjected to operator abuse or negligence, To
receive full value fromthe warranty, operator must maintain
tractor as instructed in this manual,
Some adjustments will need to be made periodically to
properly maintain your tractor,
All adjustments in the Service and Adjustments section of
this manual should be checked at least once each season.
Once a year you should replace the spark plug, clean
or replace air filter, and check blades and belts for
wear, A new spark plug and clean air filter assure
proper air-fuel mixture and help your engine run better
and last Ionger_
LUBRICATION CHART
(_) SPINDLE ZERK ®
(_ FRONT WHEEL (_)
BEARING ZERK BEARING ZERK
®CLUTCH
PIVOT(S)
®
BEFORE EACH USE
•Check engine oil level.
• Check brake operation.
•Check tire pressure,,
• Check for loose fasteners_
17
(_ SAE 30 OR 10W30 MOTOR OIL
(_) GENERAL PURPOSE GREASE
®REFER TO CUSTOMER RESPONSIBILITIES "ENGINE" SECTION
IMPORTANT: DO NOT OIL OR GREASE THE PIVOT POINTS
WHICH HAVE SPECIAL NYLON BEARINGS VtSCOUS LUBRI-
CANTS WILL ATTRACT DUST AND DIRT THAT WILL SHORTEN
THE LIFE OF THE SELF-LUBRICATING BEARINGS, IF YOU
FEEL THEY MUST BE LUBRICATED, USE ONLY ADRY, POW-
DERED GRAPHITE TYPE LUBRICANT SPARINGLY,

iilu iiiiiiiiiiiiiiiiiiiiii iiii i ii i i i1,111111,11111u iii iii iiIIIILIIIIIIIIIIIIIIIII
CUSTOMER RESPONSIBILITIES
TRACTOR
Always observe safety rules when performing any mainte-
nance.
BRAKE OPERATION
If tractor'requires more than six (6) feet stopping distance
at high speed in highest gear, then brake must be adjusted.
(See 'q'O ADJUST BRAKE" in the Service and Adjust-
ments section of this manual).
TIRES
•Maintain proper' air pressure in all tires (See "PROD-
UCT SPECIFICATIONS" on page 3 of this manual)_
=Keep tires free of gasoline, oil, or insectcontrol chemi-
cals which can harm rubber.
•Avoid stumps, stones, deep ruts, sharp objects and
other hazards that may cause tire damager
NOTE: To seal tire punctures and prevent flat tires due to
slow leaks, tire sealant may be purchased from your local
parts dealer. Tire sealant also prevents tire dry rot and
corrosion_
BLADE CARE
For best results mower' blades must be kept sharp° Re-
place bent or damaged blades.,
BLADE REMOVAL (See Fig. 13)
° Raise mower' to highest position to allow access to
blades°
- Remove hex bolt, lock washer and flat washer securing
blade.
° Install new or resharpened blade with trailing edge up
towards deck as shown,.
° Reassemble hex bolt, lock washer and flat washer in
exact order as shown_
°Tighten boit securely (30-35 FL Lbs., torque)_
IMPORTANT: BLADE BOLT IS GRADE 8 HEATTREATED_
NOTE" We do not recommendsharpening blade- but ifyou
do, be sure the blade is balanced_
BLADE MANDREL
FLAT WASHER
HEX BOLT
TRAILING EDGE
"A GRADE 8 HEAT TREATED BOLT' CAN BE
IDENTIRED BY SIX LINES ON THE BOLT HEAD,
TO SHARPEN BLADE (See Fig. 14)
Care should be taken to keep the blade balanced° An
unbalancedblade willcause excessive vibrationand even-
tual damage to mower and engine.
•The blade can be sharpened witha file oron agrinding
wheel° Do not attempt to sharpen while on the mower.
•To check blade balance, you will need a 5/8" diameter
steel bolt, pin, ora cone balancer. (When using a cone
batancer, follow the instructions supplied with bal-
ancer).
•Slidebladeontoanunthreadedportionofthesteelbolt
or pin and hold the bolt or pin parallel with the ground.
If blade is balanced, it should remain in ahorizontal
position° if either end of the blade moves downward,
sharpen the heavy end untilthe blade is balanced.
NOTE: Do not use a nail for'balancing blade. The lobes of
the center hole may appear to be centered, but are not,,
CENTER HOLE / /
FIG. 14
BATTERY
Your tractor has a battery charging system which is suffi-
cient for' normal use. However, periodic charging of the
battery with an automotivecharger will extend its life.
° Keep battery and terminals clean.
°Keep battery bolts tighL
•Keep small vent holes open.
•Recharge at 6-10 amperes for' 1 hour.
TO CLEAN BATTERY AND TERMINALS
Corrosion and dirton the battery and terminalscan cause
the battery to "leaW' power_
•Remove terminal guard.
•Disconnect BLACK battery cable first then RED
battery cable and remove battery from tractor.
•Rinse the battery with plain water and dry°
•Clean terminals and battery cable ends with wire
brush untilbright.,
°Coat terminals with grease or petroleum jeUy.
t
• Reinstall battery (See "CONNECT BATTERY" in the
Assembly section of this manual).
FIG. 13
18

ii i i ,i,,lllli,ii,,i,l,,llll
CUSTOME
................................ ll,,ll,,lllll ,_ ii ,i ii
V-BELTS
Check V-belts for deterioration and wear after 100 hours of
operation and replace if necessary° The belts are not
adjustable, Replace belts if they begin to slip from wear,
TRANSAXLE COOLING
The fan and cooling fins of transmission should be kept
clean to assure proper cooling°
Do not attempt to clean fan or transmission while engine is
running or while the transmission is hot.
• Inspect cooling fan to be sure fan blades are intactand
clean.
=Inspect cooling fins for dirt, grass clippings and other
materials, To prevent damage to seals, do not use
compressed air or high pressure sprayer to clean
cooling fins,
TRANSAXLE PUMP FLUID
The transaxle was sealed at the factory and fluid mainte-
nance isnot required for the life ofthe transaxle. Should the
transaxle ever leak or require servicing, contactyour near-
est authorized service center/department.
ENGINE
LUBRICATION
Only use high quality detergent oil rated with API service
classification SF, SG or SH. Select the oil's SAE viscosity
grade according to your expected operating temperature,
SAE VISCOSITY GRADES
=F "204 0°30 _32 ° 4(3= _ 60" 80; ...............t00 =
LJTIES
III'I'I"H I II IIII IIII IIlllll' _ll 'Ill ',ll ",l'l",,'l',l
=After oil has drained completely, replace oil drain plug
and tighten securely._
-Refill engine with oil through oil fill dipstick tube. Pour
slowly. Do not overfill. For approximate capacity see
"PRODUCT SPECIFICATIONS" on page 3 of this
manual
oUse gauge on oil fill cap/dipstick for checking level. Be
sure dipstick cap is hghtened securely for accurate
reading° Keep oil at "FULU' line on dipstick,.
OIL
DRAIN
PLUG
AIR SCREEN
OIL FELL
CAP/D|PSTSICK
FIG. 16
CLEAN AIR SCREEN (See Fig. 16)
Air screen must be kept free of dirt and chaff to prevent
engine damage from overheating. Clean with awire brush
or compressed air to remove dirt and stubborn dried gum
fibers..
AIR FILTER (See Fig. 17)
Your engine wilenot nm properly using adirty air filter.
CIean the foam pre-cleaner after every 25 hoursof opera-
tion or every season,, Service paper cartridge every 100
hours of operation or every season, whichever occurs first°
Service air cleaner more often under dusty conditions,.
,,, ,,_............
°c -3o" -2oo-ioo oo to, _o_ 3o° 4o°
TEMPERAT',JRE:RANGE ANTiciPATED BEFOR E NEXT, O,!,L,ICHANGE
FIG. 15
NOTE: Although multi-viscosity oils (5W30, 10W30 etc..)
improve starting in cold weather, these multi-viscosity oils
will result in. increased oil consumption when used above
32°F. Check your engine oil level more frequently to avoid
possible engine damage from running low on oil.
Change the oil after every 25 hours of operation or at least
once a year ifthe tractor is not used for25 hours in one year,
Check the crankcase oil level before starting the engine
and after each eight (8) hours of operation,. Tighten oil fill
cap/dipstick securely each time you check the oil level.
TO CHANGE ENGINE OIL (See Figs.. 15 and 16)
Determine temperature range expected before oil change.
All oil must meet API service classification SF, SG or SH.
. Be sure tractor is on level surface.
• Oil will drain more freely when warm,.
• Catch oil in a suitable container,
° Remove oil fill cap/dipsticko Be careful not to allow dirt
to enter the engine when changing oil.
° Remove drain plug. 19
=Remove knob(s) and cover.
TO SERVICE PRE-CLEANER
•Slide foam pre-cleaner off cartridge.
• Wash it in liquiddetergent and water.
° Squeeze it dry in a clean cloth.
= Saturate it in engine oil.. Wrap it in clean, absorbent
cloth and squeeze to remove excess oil,.
° If very dirty or damaged, replace pre-cleaner.
• Reinstall pre-cleaner over cartridge.
° Reinstall cover and secure with knob(s)o
TO SERVICE CARTRIDGE
•Remove wing nuts and cartridge plate
° Carefully remove cartridge to prevent debris from en-
tering carburetor°
• Clean cartridge bytapping gently on flat surface. Ifvery
dirty or damaged, replace cartridge.
• Reinstall cartridge plate, wing nuts, precleaner, cover
and secure with knob(s),.

CUSTOMER SIBILITIES
IMPORTANT: PETROLEUM SOLVENTS, SUCH AS
KEROSENE, ARE NOT TO BE USED TO CLEAN THE
CARTRIDGE. THEY MAY CAUSE DETERIORATION OF
THE CARTRIDGE, DO NOT OIL CARTRIDGE° DO NOT
USE PRESSURIZED AIR TO CLEAN OR DRY
CARTRIDGE.
KNOB
FOAM
PR
PLATE
AIR SCREEN
CARTRIDGE
FIG. 17
ENGINE COOLING FINS (See Fig. 18)
Remove any dust, dirt or oil from engine cooting fins to
prevent engine damage from overheating°Air guide covers
must be removed., Remove side panels and hood (See "TO
REMOVE HOOD AND GRILL ASSEMBLY" in the Service
and Adjustments section of this manual)._
ENGINE
COOL|NG FINS
AIR GUIDE COVER (BOTH SIDES]
MUFFLER
inspect and replace corroded muffler and spark arrester (if
equipped) as it could create a fire hazard and/or damage.
SPARK PLUGS
Replace spark plugs at the beginning of each mowing
season or after every 100 hours of operation, whichever
occurs first, Spark pfug type and gap setting are shown in
"PRODUCT SPECIFICATIONS" on page 3 of this manual..
IN-LINE FUEL FILTER (See Fig. 19)
The fue! filter should be replacedonce each season,, iffuel
filter becomes clogged, obstructingfuelflow to carburetor,
replacement is required.
*With engine coo], remove filter and plug fuel line
sections_
. Place new fuel filter in position in fuel line with arrow
pointing towards carburetor.
. Be sure there are no fuel line leaks and clamps are
properly positioned..
o Immediately wipe up any spilled gasoline°
CLA_LAMP
FUEL /\/'j/ /
FILTER -
FIGo 19
CLEANING
•Clean engine, battery, seat, finish, etco of all foreign
matter.
• Keep finished surfaces and wheels free of all gasoline,
oil, etc..
= Protect painted surfaces with automotive type wax.
We do not recommend using a garden hose to clean your
tractor unless the electrical system, muffler, air filter and
carburetor are covered to keep water ouL Water in engine
can result in a shortened engine life.
FIG. 18
2O

ii
SERVICE AND ADJUSTMENTS
CAUTION; BEFORE PERFORMING ANY SERVICE OR ADJUSTMENTS:
o
o
o
o
o
o
Depress clutch/brake pedal fully and set parking brake.
Place motion control lever in neutral (N) position.
Place attachment clutch in "DISENGAGED" position,
Turn ignition key "OFF" and remove key.
Make sure the blades and all moving parts have completely stopped.
Disconnect spark plug wire from spark plug and place wire where it cannot come in contact
with plug,
TO REMOVE MOWER (See Fig. 20)
,, Place attachment clutch in "DISENGAGED" position°
oTurn height adjustment knob to lowest setting.,
°Lower mower to its lowest position,.
,, Disconnect clutch rod from clutch lever by removing
retainer spring.,
- Remove retainer spring holding anti-swaybar to chas-
sis bracket and disengage anti-swaybar from bracket,
°Remove retainer springs from suspension arms at
deck and disengage arms from deck.,
° Raise attachment lift to its highest position,,
° Remove two retainer springs from each front link and
remove links,
CLUTCH
ROD
SUSPENSION
ARMS ADJUSTMENT
NUTS
LIFT
LINKS
o Slide mower forward and remove belt from engine
pulley,
• Slide mower out from under right side of tractor.,
IMPORTANT: IF AN ATTACHMENT OTHER THAN THE
MOWER DECK IS TO BE MOUNTED ON THE TRACTOR,
REMOVE THE FRONT LINKS,,
TO INSTALL MOWER
Follow procedure described in "INSTALL MOWER AND
DRIVE BELT" in the Assembly section of this manual,
RETAINER FRONT
CLUTCH SPRING SUSPENSION
LEVER BRACKET
ENGINE
CHASSIS
BRACKET
LINKS
RETAINER
SPRINGS
RETAINER
SPRING
ANTI-SWAY
BAR
RETAINER
SPRINGS
FRONT MOWER
BRACKET
FIG. 20
21

SERVICE AND ADJUSTMENTS
TO LEVEL MOWER HOUSING FRONT_TO-BACK ADJUSTMENT (See Figs_ 23 and 24)
IMPORTANT; DECK MUST BE LEVEL SiDE-TO-SIDE, IF
THE FOLLOWING FRONT-TO-BACK ADJUSTMENT IS
NECESSARY, BE SURE TO ADJUST BOTH FRONT LINKS
EQUALLY SO MOWER WILL STAY LEVEL SIDE-TO-
SIDE.
To obtain the best cutting results, the mower housing
should be adjusted so that the front is approximately 1/8" to
1/2" lower than the rear when the mower' is in its highest
position_
Check adjustment on right side of tractor.. Measure dis-
tance "D" directly infront and behind the mandrel at bottom
edge of mower housing as shown.
°Before making any necessary adjustments, check that
" both front links are equat in length. Both links should be
approximately 10-3/8'L
• . if links are not equal in length, adjust one link to same
length as other link.
° • To lower front of mower' loosen nut "E" on both front
links an equal number of turns.
• When distance "D" is 1/8" to 1/2" lower at front than
rear, tighten nuts "F" against trunnion on both front
links_
• To raisefrontofmower,loosennut"F"fromtrunnionon
bothfrontlinks,Tightennut"E"on bothfrontlinksan
equalnumber ofturns.
° When distance "D" is 1/8" to 1/2" lower at front than
rear, tighten nut "F" against trunnion on both front links..
• Recheck side-to-side adjustmenL
Adjust the mower while tractor is parked on level ground or
driveway. Make sure tires are properly inflated .(See
"PRODUCT SPECIFICATIONS" on page 3 of this manual),
If tires are over or under'inflated, you will not properly adjust
your mower_
SIDE-TO-SiDE ADJUSTMENT (See Figs_21 and 22)
= Raise mower to its highest position_
° At the midpoint of both sides of mower, measure height
from bottom edge of mower to ground_ Distance"A" on
both sides of mower should be the same or within 1/4"
of each other_
tf adjustment is necessary, make adjustment on one
side of mower only..
To raiseone side of mower, tighten lift linkadjustment
nut on that side..
To lower one side of mower, loosen liftlink adjustment
nut on that side.
NOTE: Each full turn of adjustment nut wiII change mower
height about 1/8".
° Recheck measurements after-adjusting..
BOTTOM EDGE BOTTOM EDGE
OF MOWER TO OF MOWER TO
GROUND GROUND
FIG. 21
SUSPENSION
ARM
UFTLINK
ADJUSTMENT NUT
FIG. 22
._ _=.._ , _ MANDREL
FIG. 23
BOTH FRONT LINKS MUST BE EQUAL tN LENGTH
NUT "E"
NUT
FRONT LINKS TRUNNION
22 FIG. 24

ii ....................................
SERVICE AND
TO REPLACE MOWER DRIVE BELT
MOWER DRIVE BELT REMOVAL (See Fig 25)
• Park tractor on a level surface. Engage parking brake.
ADJUSTMENTS
i,111iii i m m Ik I II I I I I1'11..................... I I I I
TO REPLACE MOWER BLADE DRIVE BELT
(See Fig. 26)
Park the tractor on level surface° Engage parking brake,
Disengage attachment clutch control.,
• Remove four screws from LH, mandrel cover and
remove cover.,
- Roll belt over the top of L.H. mandrel pulley.
- Remove belt from engine pulley,,
• Remove belt from idler pulleys.
• Remove any dirt or grass clippings which may have
accumulated around mandrels and entire upper deck
surface.
• Check primary idler arm and two idlers to see that they
rotate freely,,
MOWER DRIVE BELT INSTALLATION (See Fig, 25)
• Install belt in both idlers° Make sure belt is in both belt
keepers at the idlers as shown.,
° Install new belt onto engine pulley,
• Roll belt into upper groove of L_H.mandrel puiley_
- Carefully check belt routing making sure belt is in the
grooves correctly and inside belt keepers.,
oReassemble L,H. mandrel cover.
SCREWS
°°v,.X !\, IDLER
PULLEYS
ENGINE
PULLEY
MANDREL
MOWER
DRIVE
BELT BELT
KEEPERS
\
e
o
I
o
o
o
o
o
o
o
o
°
o
o
FIG. 25
Remove mower drive belt (See'q-O REPLACE MOWER
DRIVE BELT' in this section of this manual).
Remove mower (See "TO REMOVE MOWER" in this
section of this manual),,
Remove four screws from R,H mandrel cover and
remove cover,.
Disconnect secondary clutch rod from pivot rod by
removing retainer spring,
Carefully roll belt off R.,H. mandrel pulley,,
Remove belt from center mandrel pulley, idler pulley,
and L.H mandrel pulley.
Remove any dirt or grass which may have accumu-
lated around mandrels and entire upper deck surface,
Check secondary idler arm and idler to see that they
rotate freely.,
Be sure spring is hooked in secondary idler arm and
sway-bar bracket,
Install new belt in lower groove of L.H. mandrel pulley,
idler pulley, and center mandrel pulley as shown.
Roll belt over R.H mandrel pultey. Make sure belt is in
all grooves properly,
Reconnect secondary clutch rod to pivot rod with
retainer spring_
Reinstall R,Ho mandrel cover,
Reinstall mower to tractor (See "INSTALL MOWER
AND DRIVE BELT" in the Assembly section of this
manual)°
Reassemble mower drive belt (See "TO REPLACE
MOWER DRIVE BELT" in this section of this manual),
L,H,,MANDREL
MOWER CENTER
BLADE MANDREL
DRIVE BELT
SECONDARY
IDLER ARM
SPRING
SWAY BAR
BRACKET IDLER
PULLEY SCREW
FIG. 26
23

SERVICE AND ADJUSTMENTS
TO ADJUST BRAKE (See Fig. 27)
Your tractor is equipped with an adjustable brake system
which is mounted on the side of the transaxle,.
If tractor requires more than six (6) feet stopping distance
at high speed in highest gear, then brake must be adjusted.,
• Depress clutch/brake pedal and engage parking brake,
•Measure distance between brake operating arm and
nut "A" on brake rod,.
° tf distance is other than 1-3/4", loosen jam nut and turn
nut "A" until distance becomes 1-3/4". Retighten jam
nut against nut "A",,
• Road test tractor for proper stopping distance as stated
above,, Readjust if necessary, if stopping distance is
still greater than six (6) feet in highest gear, further
maintenance is necessary, Contact your nearest au-
thorized service center?department,
WITH PARKING BRAKE "ENGAGED"
NUT "A"
NUT
ARM
DO NOT TOUCH THIS NUT. IF FURTHER BRAKE ADJUST_
MENT IS NECESSARY CONTACT YOUR NEAREST AUTHO-
RIZED SERVICE CENTER/DEPARTMENT
FIG. 27
TO REPLACE MOTION DRIVE BELT
(See Fig. 28)
Park the tractor on level surface_ Engage parking brake_
For assistance, there is a belt installation guide decal on
bottom side of left footrest,.
• Remove mower (See "TO REMOVE MOWER" in this
section of this rr_anual,)
• Remove upper belt keeper.
• Remove belt from stationary idler and crutchingidter_
• Pull belt slack toward rear of tractor° Carefully remove
belt upwards from transmission input pulley and over
cooling fan blades_
•Pull belt toward front of tractor and remove downward
from around engine pulley,,
°Install new belt by reversing above procedure
IMPORTANT: MAKE SURE UPPER BELT KEEPER IS
POSITIONED PROPERLY BETWEEN LOCATOR TABS,
PULLEY
CLUTCHING
IDLER
IDLER
TRANSMISSION"
INPUT PULLEY
OR
TABS
UPPER BELT
KEEPER
FIG. 28
24

SERVmCE AND ADJUSTMENTS
TO ADJUST MOTION CONTROL LEVER
(See Fig. 29)
The motion control lever has been preset at the factory and
adjustment should not be necessary_
If for any reason the motion control lever will not hold its
position while at a selected speed, it may be adjusted at the
friction pack located on the right side of transmission,.
.Park tractor on level surface.. Stop tractor by turning
ignition key to "OFF" position, and engage parking
brake,.
•Adjust motion control lever by tightening adjustment
tocknut one half (1/2) turn.
NOTE: If for any reason the effort to move the motion
control lever becomes too excessive, reverse the above
adjustment procedure by loosening locknut 1/4 to 1/2 turn
Road test tractor after adjustment and repeat procedure if
necessary.
TRANSMISSION REMOVAL/REPLACEMENT
Should your transmission require removal for service or
replacement, it should be purged after reinstallation and
before operating the tractor. See "PURGE TRANSMIS-
SION" in the Operation section of this manual
ADJUSTMENT
LOCKNUT
FIG. 29
TO ADJUST STEERING WHEEL ALIGNMENT
If steering wheel crossbars are not horizontal (left to right)
when wheels are positioned straight forward, remove steer-
ing wheel and reassemble per instructionsinthe Assembly
section of this manual.
FRONT WHEEL TOE-IN/CAMBER
The front wheel toe-in and camber are not adjustable on
your tractor, if damage has occurred to affect the front
wheel toe-in or camber, contact your nearest authorized
service center/department,
TO REMOVE WHEEL FOR REPAIRS
(See Fig. 30)
• Block up axle securely.
-Remove axle cover, retaining ring and washers to allow
wheel removal (rear wheel contains a square key - Do
not lose).
• Repair tire and reassemble.
• On rear wheels onty: align grooves in rear wheel hub
and axle. Insert square key.
-Replace washers and snap retaining ring securely in
axle groove_
° Replace axle cover.
NOTE: To seal tire punctures and prevent flat tires due to
slow leaks, tire sealant may be purchased from your local
parts dealer. Tire sealant also prevents tire dry rot and
corrosion,.
WASHERS
RETAINING
RING
AXLE COVER
!
_,, SQUARE KEY
(REAR WHEEL ONLY)
FIG. 30
25

I I III II L k II J ILl Iklllll llllllklllll[lJlJlJllJ
ICE AND ADJUSTM
TO START ENGINE WITH A WEAK BATTERY
(See Fig. 31)
.......................... iii I III I
CAUTION: Lead-acid batteries gen'er-
ate explosive gases. Keepsparks, flame
and smoking materials away from bat-
teries. Always wear eye protection
when around batteries.
If your battery is too weak to start the engine, it should be
recharged_ If "jumper' cables" are used for emergency
starting, follow this procedure:
IMPORTANT: YOUR TRACTOR IS EQUIPPED WITH A
12 VOLT NEGATIVE GROUNDED SYSTEM. THE OTHER
VEHICLE MUST ALSO BE A 12 VOLT NEGATIVE
GROUNDED SYSTEM. DO NOT USE YOUR TRACTOR
BATTERY TO START OTHER VEHICLES.
TO ATTACH JUMPER CABLES -
• Connect each end of the RED cable to the POSITIVE
(+) terminal of each battery, taking care not to short
against chassis.
° Connect one end of the BLACK cable to the NEGA-
TIVE (-) terminal of fully charged battery°
° Connect the other end of the BLACK cable to good
CHASSIS GROUND, away from fuel tank and battery.
TO REMOVE CABLES, REVERSE ORDER -
° BLACK cable first from chassis and then from the fully
charged battery.
• RED cable last from both batterie&
TO REPLACE FUSE
Replace with 30 amp automotive4ype plug-in fuse. The
fuse holder is located behind the dash..
TO REMOVE HOOD AND GRILL ASSEMBLY
(See Fig. 32)
•Raise hood.
• Unsnap headlight wire connector.
• Stand in front of tractor. Grasp hood at sides, tilt toward
engine and lift off of tractor,
• To replace, reverse above procedures.
HOOD
HEADLIGHT
WIRE
CONNECTOR
"POSITIVE" (+) "NEGATIVE" (-)
FIG. 31
TO REPLACE HEADLIGHT BULB
-Raise hood.
° Pull bulb holder out of the hole in the backside of the
grill..
• Replace bulb in holder and push bulb holder securely
back into the hole in the backside of the grill..
• Close hood_
INTERLOCKS AND RELAYS
Loose or damaged wiring may cause your tractor to run
poorly, stop running,or prevent it from starting.
•Check wiring. See electrical wiring diagram in the
Repair Parts section of this manual..
FIG. 32
ENGINE
TO ADJUST THROTTLE CONTROL CABLE
(See Fig. 33)
The throttle control has been preset at the factory and
adjustment should not be necessary. Check adjustment as
described below before loosening cable. If adjustrnent is
necessary, proceed as follows:
• With engine not running, move throttle control lever to
fast position°
• Check that swivel is against side of quarter circle. If it
is not, loosen cable clamp screw and pull cable back
until swivel is against quarter' circle.. Tighten cable
clamp screw securely°
CLAMP SCREW " __
26 FIG. 33

,_ i ii i jill illllllllllllll__ ..................iii/i,,ll, l,i i_l_ i i i IllL,, i iii ii i i ii iii illl
VICE AND ADJUSTMENTS
i,,, i iiiiill ................
TO ADJUST CHOKE CONTROL (See Fig. 34)
The choke control has been preset at the factory and
adjustment should not be necessary. Check adjustment as
described below before loosening cable If adjustment is
necessary, proceed as follows:
• With engine not running, move choke control (located
on dash panel) to full choke position°
.Remove air cleaner cover, filter and cartridge plate to
expose carburetor choke (see "AIR FILTER" in the
Customer Responsibilities section of this manual).
•Choke should be closed_ If it is not, loosen casing
clamp screw and move choke cable until choke is
completely c!osed. Tighten casing clamp screw se-
curelyo
• Reassemble air cleaner.
CHOKE
CLOSED
SCREW
CHOKE
LEVER
i
FIG. 34
TO ADJUST CARBURETOR (See Figs. 35 &
36)
The carburetor has been preset at the factory and adjust-
ment should not be necessary'. However, minor adjust-
merit may be required to compensate for differences infuel,
temperature, altitude or load. If the carburetor does need
adjustment, proceed as fo!lows:
In general, turning the mixture screw in (clockwise) de-
creases the suppIy of fuel to the engine giving a leaner fueV
air mixture Turning the mixture screw out (counterclock-
wise) increases the supply of fuel to the engine giving a
richer fuel/air mixture
IMPORTANT: DAMAGE TO THE NEEDLES AND THE
SEATS IN CARBURETOR MAY RESULT lF SCREW IS
TURNED tN TOO TIGHT
PRELIMINARY SETTING *
-Be sure you have a clean air filter, and the throttle
control cable and choke are adjusted properly (see
above)°
°With engtne off turn Ldlemixture _crew in (cluckwi_e)
closing it finger tight and then turn out (counterclock-
wise) 1-1/4 to 1-!/2 turns,
FINAL SETTING -
• Start engine and allow to warm for five minutes. Make
final adjustments with engine running and shift! motion
control lever in neutral (N) position.
-With throttle control lever in slow position, hold throttle
lever against idle speed screw and adjust idle speed
screw to obtain t200 to 1400 RPM
•While still holding throttle lever against idle speed
screw, turn idle mixture screw in (clockwise) until
engine begins to die and then turn out (counterclock _
wise) until engine runs rough. Turn screw to a point
midway between those two positions.
°Continue to hold throttle lever against idle speed screw
and adjust idle speed screw to obtain 900 to 1200 RPM
Release throttle levero
ACCELERATION TEST -
°Move throttle control lever from slow to fast position° If
engine hesitates or dies, turn idle mixture screw out
(counterclockwise) 1/8 turn. Repeat test and continue
to adjust, if necessary, until engine accelerates
smoothly°
High speed stop is factory' adjusted. Do not adjust -
damage may result°
IMPORTANT; NEVER TAMPER WITH THE ENGINE
GOVERNOR, WHICH IS FACTORY SET FOR PROPER
ENGINE SPEED. OVERSPEEDING THE ENGINE ABOVE
THE FACTORY HIGH SPEED SETTING CAN BE
DANGEROUS. IF YOU THINK THE ENGINE-GOVERNED
HIGH SPEED NEEDS ADJUSTING, CONTACT YOUR
NEAREST AUTHORIZED SERVICE CENTER/
DEPARTMENT, WHICH HAS PROPER EQUIPMENTAND
EXPERIENCE TO MAKE ANY NECESSARY
ADJUSTMENTS
IDLE SPEED
SCREW
IDLE MIXTURE
SCREW
THROTTLE
LEVER
FIG. 35
IDLE MIXTURE
LEVER SCREW
27 FIG. 36

STORAGE
Immediately prepare your tractor for storage at the end of
the season or if the tractor will not be used for 30 days or
rnore_
CAUTION: Never store the tractor with
gasoline in the tank inside a building
where fumes may reach an open flame
or spark, Allow the engine to cool
before storing in any enclosure,
TRACTOR
Remove mower' from tractor for winter storage. When
mower' is to be stored for a period of time, clean it thor-
oughly, remove all dirt, grease, leaves, etc_ Store in a
clean, dry area.
•Clean entire tractor (See"CLEAN ING" inthe Customer
Responsibilities section of this manua0.
• Inspect and replace belts, if necessary (See belt re-
placement instructions inthe Service and Adjustments
section of this manual)_
= Lubricate as shown in the Customer Responsibilities
section of this manual.
• Be sure that all nuts, bolts and screws are securely
fastened° Inspect moving parts fordamage, breakage
and weat_ Replace if necessary..
•Touch up all rusted or chipped paint surfaces; sand
lightly before painting.
BATTERY
° Fully charge the battery for storage.
°After a period of time in storage, battery may require
recharging°
° To help prevent corrosion and power leakage dudng
long periods of storage, battery cables should be
disconnected and battery cleaned thoroughly (see "TO
CLEAN BATTERY AND TERMINALS" in the Cus-
tomer Responsibilities section of this manual).,
• After cleaning, leave cables disconnected and place
cables where they cannot come in contact with battery
terminals,
• Be sure battery drain tube is securely attached,.
• If battery is removed from tractor for storage, do not
store battery directly on concrete or damp surface&
ENGINE
FUEL SYSTEM
IMPORTANT: iT IS IMPORTANT TO PREVENT GUM
DEPOSITS FROM FORMING IN ESSENTIAL FUEL
SYSTEM PARTS SUCH AS CARBURETOR, FUEL FILTER,
FUEL HOSE, OR TANK DURING STORAGE. ALSO,
EXPERIENCE INDICATES THAT ALCOHOL BLENDED
FUELS (CALLED GASOHOL OR USING ETHANOL OR
METHANOL) CAN ATTRACT MOISTURE WHICH LEADS
TO SEPARATION AND FORMATION OF ACIDS DURING
STORAGE. ACIDIC GAS CAN DAMAGE THE FUEL
SYSTEM OF AN ENGINE WHILE IN STORAGE,
D
O
Drain the fuel tank_
Start the engine and let it run until the fuel lines and
carburetor' are empty.
Never use engine or carburetor cleaner products in the
fuel tank or permanent damage may occur.
Use fresh fuel next season..
NOTE: Fuel stabilizer is art acceptable alternative in
minimizing the formation of fuel gum deposits during stor-
age. Add stabilizer to gasoline in fuel tank or' storage
container_ Always foflow the mix ratio found on stabilizer
container. Run engine at least 10 minutes after' adding
stabilizer to allow the stabilizer' to reach the carburetor. Do
not drain the gas tank and carburetor if using fuel stabilizer:,
ENGINE OIL
Drain oil (with engine warm) and replace with cEeanengine
oil. (See "ENGINE" in the Customer Responsibilities
section of this manual).
CYLINDERS
• Remove spark plug(s).
•Pour one ounce of oil through spark plug hole(s) into
cylinder(s).,
• Turn ignition key to"START" position for a few seconds
to distribute oil.
• Replace with new spark plug(s)_
OTHER
• Do not store gasoline from one season to another.
• Replace your gasoline can if your can starts to rust,.
Rust and/or dirt in your gasoline wiJlcause problems.
• If possible, store your' tractor indoors and cover it to
give protection from dust and dirL
• Cover your tractor with a suitable protective cover' that
does not retain moisture. Do not use plastic. Plastic
cannot breathe which allows condensation to fom] and
will cause your tractor' to rust.
IMPORTANT: NEVER COVER TRACTO#t WHILE ENGINE
AND EXHAUST AREAS ARE STILL WARM.
28

TROUBLESHOOTING POINTS
PROBL.EM
Will not start
Hard to start
Engine will not turn over
Engine clicks but will not
start
Loss of power
Excessive vibration
CAUSE
1, Out of fuel
2. Engine not "CHOKED" properly.
3 Engine flooded
4Bad spark plug
5 Dirty air filter,
6 Dirty fuel filter.
7 Waterfn fuel.
8Loose or damaged widng
9 Carburetor out of adjustment
10 Engine valves out of adjustment,
1, Dirty air filter
2. Bad spark piug
3Weak or dead battery
4 Didy fuel filter.
5 Stale ordirty fuel.
6 Loose or damaged w+dng
7. Carburetor out of adjustment.,
8,, Engine valves out of adjustment
1+ ChJtchforake pedal not depressed,
2. Attachment cIutch is engaged
3. Weak or dead battery.
4 Blown fuse.
5 Corroded battery terminals.
6, Loose or damaged wiring
7 Faulty ignition switch,
8. Faulty solenoid or starter,,
9 Faulty operator presence switch(es).
t,, Weak or dead battery,,
2. Corroded battery terminals
3, Loose or damaged wiring
4, Fauity solenoid or starter+
1. Cutting too much grass/too fast
2 Throttle In "CHOKE" position.
3 Build-up ol grass, leaves and trash under mower,
4 Dirty air ftlter,
5, Low oil level/dirty oil.
6. Faulty spark plug.
7 Dirty fuel filter
8, Stale ordtrty fuel
9., Water in fuet.
10 Spark plug wire loose.,
11, Dirty engine air screen/fins,
t2 Dirtytclogged muffler
t3, Loose or damaged wiring
t4. Carburetor out of adjustment.
1'3. Engine va{ves out of adiustment
!Worn, bent or loose blade
2 Bent blade mandrel
3 Loosetdamaged part(s}
CORRECTION
I. Fi}Ifuel tank,
2. See "TO START ENGINE" in Operation section,
3 Wait several minutes before attempting to start,
4, Repiace spark plug.
5 Clean!replace air filter,
6. Replace fuelfilter
7, Drain fuel tank and carburetor, refill tank with fresh
gasoline and replace fuel filter
8 Check at+wiring
9, See "To Adjust Carburetor" _nService Adjustments
section
10 Contact an authorized service centerldepartment
1. Clean!replace air filter
2 Replace spark p_ug
3 Recharge or repface battery
4 Replace fuel fitter
5 Drain fuel tank and refill with fresh gasoline.
6. Check all wiring,
7, See "To Adjust Carburetor" in Service Adjustments
section,,
8 Contact an authorized service center/department
t,, Depress clutch/brake pedal
2, Disengage attachment clutch,
3, Recharge or replace battery,
4,, Replace fuse,
5,, Clean battery terminals
6,, Check all wiring,
7, Checldreplace ignition switch,
8,, Checldreplace solenoid or starter
9, Contact an authorized servtce center/department
t, Recharge or replace battery
2, Clean battery terminals,
3. Check all wiring
4., Chectdreptace sotenoid or starter
1,, Set in "Higher Cut" position/reduce speed,
2, Adjust throttle control,
3 Clean underside of mower housing,
4, Clean/replace air filter
5,, Check oil level/change oil
6, Clean and regap or change spark plug,
7, Replace fuel filter
8, Drain fuel tank and refil! with fresh gasofine
9, Drain fuel tank and carburetor, refill tank with fresh
gasoline and replace fuel filter.
t0, Connect and tighten spark plug wire,
11, Clean engine air screentf_ns
12, Clean/replace muffler,
13, Check all wiring.
t4. See "To Adjust Carburetor" in Service Adjustments
section
1.5. Contact an authorized _ervice center,'department.
I Replace blade Tighten blade bolt
2. Replace blade mandrel,
3 Tighten Loosepart(s) Replace damaged parts
29

TROUBLESHOOTING POINTS
PROBLEM
Engine continues to run
when operator leaves seat
with attachment clutch
engaged
Poorcut-uneven
Mower blades wiU not
rotate
Poor grass discharge
Headlight(s) not working
(if so equipped)
.......... ,,,,,,,,,,,,,,,,
Battery will not charge
iJuLt i i i llllllllll
Loss of drive
Engine "backfires"
when turning engine
"OFF"
CAUSE
t, Faulty operator-safety presence control system.
t Worn, bent or loose blade.
2 Mower deck not level
3 Buildup of grass, leaves, and trash under mower,
4. Bent blade mandrel,
5 Clogged mower deck vent holes from buildup of
grass, leaves, and trash around mandrels
1 Obstruction in clutch mechanism
2 Womtdamaged mower drive belt
3 Frozen idler pulley
4 Frozen blade mandrel.
1 Engine speed too slow.
2Travel speed too fast.
3Wet grass.
4. Mower deck not level
5. Low/uneven tire air pressure
6 Worn, bent or toose blade
7. Buildup of grass, leaves and trash under mower.
8, Mower drive belt worn
9. Blades improperly Installed
t0 Improper blades used.
1! Clogged mower deck vent holes from buildup of
grass, leaves, and trash around mandrels.
t. Switch is "OFF",
2. Bulb(s) bumedout.
3. Faulty light switch
4. Loose or damaged wiring
5. Blown fuse.
t. Bad battery cell(s).
2 Poor cable connections,.
3 Faulty regulator (if so equipped)
4 Faulty alternator.
1. Freewheel control in "disengaged" position.
2. Motion drive belt worn, damaged, or broken
3, Air trapped in transmission during shipment
or servicing
1Engine throttle control not set at =SLOW"
position for 30 seconds before stopping engine.
CORRECTION
1. Check wiring, switches and connections if not
corrected, contact an authorized service canted
department
1 Replace blade, Tighten blade bolt
2. Level mower deck.
3 Clean underside of mower housing
4 Replace blade mandrel
5 Clean around mandrels to open vent holes
1 Remove obstruction,
2, Replace mower drive bett
3. Replace idler pulley,.
4, Replace blade mandrel.
1. Place throttle control in "FAST" position,
2 Shift to slower speed.
3 Allow grass to dry before mowing.
4 Level mower deck
5,. Checktires for proper air pressure_
6._ Replacetsharpen blade. Tighten blade boll
7, Clean underside of mower housing
8. Replace mower drive belt
9 Reinstall blades sharp edge down
!O Replace with btades ]isled in this manual
1t Clean around mandrels to open vent holes,
1. Turn switch "ON",
2. Replace bulb(s).
3.. Check/replace light switch
4. Check wtrtng and connections
5. Replace fuse.
1, Replace battery,
2 Check/clean all connections
3, Replace regulator,
4, Replace alternator,
1 Place freewheel control in "engaged" position
2 Replace motion drive belt
3 Purge transmission,.
1 Move throttle control to "SLOW" position and allow
to idle for 30 seconds before stopping engine
3O

SCHEMATIC
TRACTOR -- MODEL NUMBER 917.258671
BATTERY
AMMETER
(OPTIONAL)
f .....
.EO C/",vO _I .EO
FUSE 30 AMP, f ,-_th
r __Jl _I I, t , ....
,©:©:. ...... ,
WHrrE
IGNITION
SWITCH
STARTER
BLACK
!
- SOLENO,O
....... J
CLUTCH 1BRAKE
(PEDAL UP) WH1TE
SEAT SWITCH
(NOT OCCUPIED)
W.fTEf ,---, I .---, ,,.... "t .... '
...............f _-,z--F-.-._,z-;--- f,-_ ! C_,'
f,, _I..... If
' ..... f 7 1"- --n_- - 1-Y
._ _ ('_ ,BLACK t ".,,,._| I("""__.__
aLAcK _..._ ..,._........ ,_ ......... ,
.................................... _ ....... ATT'MENT CLUTCH _ _n,qu_,.fn_Nn
r-'-]_ _ I (CLUTCH OFF) IC_O"N_NE'C_'6R
METERp'
g IGNITIONUNIT
CHARGING SYSTEM OUTPUT
3 AMP DO @ 3600 RPM
BLUE
ORANGE
®SPARK PLUG
GAP
(2 PLUGS ON
TWIN CYL. ENGINES)
2,8VOLTS AC MIN, @ 3600 RPM
(CHARGING SYSTEM DISCONNECTED
I
UGHTING SYSTEM OUTPUT
5 AMP AC @ 3600 RPM DIODE =ALTERNATOR
% ,
! j
14 VOLTS AG MIN @ 3600 RPM (LIGHTS OFF}
IGNITION SWITCH
POSITION CIRCUIT "MAKE"
OFF G+M+LNONE
RUN/LIGHT B + L A + Y
RUN B + L NONE
START B + L + S NONE
(OPTIONAL)
BROWN
HEADLIGHTS
A
w
NON-REMOVABLE REMOVABLE
CONNECTIONS CONNECTIONS /-t
BLACK
WIRING INSULATED CLIPS
NOTE: IF WIRING INSULATED
CLIPS WERE REMOVED FOR
SERVICING OF UNIT, THEY
SHOULD BE REPLACED TO
PROPERLY SECURE YOUR WIRING°
NOTE
YOUR TRACTOR !S
EQUIPPED WITH A SPECIAL
ALTERNATOR SYSTEM,,
THE LIGHTS ARE NOT
CONNECTED TO THE
BATTERY, BUT HAVE THEIR
OWN ELECTRICAL SOURCE.
BECAUSE OF THIS, THE
BRIGHTNESS OF THE LIGHTS
WILL CHANGE WITH ENGINE
SPEED. AT IDLE THE LIGHTS
WILL DIM. AS THE ENGINE IS
SPEEDED UP, THE LIGHTS
WILL BECOME THEIR BRIGHTEST.
P
)
i
31

REPAIR PARTS
TRACTOR -- MODEL NUMBER 917.258671
ELECTRICAL
11
33
31
l
I
I
I
I
I
12
I
1
I
732

REPAIR PARTS
TRACTOR - - MODEL NUMBER 917.258671
ELECTRICAL
KEY PART
NO. NO. DESCRIPTION
1 144926
2 74760412
3 STD551025
4 STD551125
6 STD541025
7 7697J
8 7603J
9 109596X
10 145211
11 150109
12 145769
16 153664
19 STD551125
20 73350400
21 147430
22 4152J
24 4799J
25 146148
26 108824X
28 145491
29 121305X
30 140301
31 124211X
32 141226
33 109310X
40 156442
41 71110408
42 131563
43 145673
44 73640400
45 121433X
52 141940
55 17490508
70 140413
Battery
Bolt, Hex 1/4-20 x 3/4
Washer 9/32 x 5/8 x 16 Gauge
Washer, Lock 1/4
Nut, Hex 1/4-20
Tube
Tray, Battery
Clamp, Hose
Bolt, Btr Front 1/4-20 x 7-1/2
Holddown Battery Front Mount
Nut, Push Nylon Battery Front 1/4
Switch interlock Push-In
Washer, Lock 1/4
Nut, Hex, Jam 1/4-20
Harness, Light Socket (w14152J)
Light Bulb
Cable, Battery
Cable, Battery
Fuse
Cable, Ground
Switch, Seat
Switch, Ignition 4 Position
Nut, Ignition
Cover, ignition Switch
Key, Molded, Craftsman
Harness, lgnition
Bolt Blk Fin Hex 1/4-20 UNC x 1/2
Cover, Terminal
Solenoid
Nut Keps Blk Hex t/4-20 UNC
Ammeter Rectangular 6 Amp
Protection Wire Loop (Hour Meter)
Screw Thdrol 5/16-18 x 1/2
Harness Engine B&SFFec Dual
NOTE: All component dimensions given in U.So inches
I inch = 25..4 mm
33

REPAIR PARTS
TRACTOR - - MODEL NUMBER 917.258671
CHASSIS AND ENCLOSURES
29
28
58 12
31
37
37
20 23
37
52 55
54
6O
i
3
3/
74 3
38_ 39
14
34

REPAIR PARTS
TRACTOR- - MODEL NUMBER 917.258671
CHASSIS AND ENCLOSURES
KEY PART
NO. NO. DESCRIPTION
1 153871
2 159527
3 17490612
4 STD551025
5 155272
9 150156X01t
10 STD533710
11 155927
12 145660
13 155936
14 174906O8
17 144983X558
18 126938X
20 156437
23 124028X
25 19131312
26 STD541437
Chassis
Drawbar
Screw, Thd., Roll. 3/8_16 x 3/4 Type
TT
Washer 13/32 x 3/4 x 16 Gauge
Bumper Hood/Dash
Dash, Silkscreened
Bolt, Carriage 3/8-16 x 1
Panel, Dash, LH
Clip Tinnerman Grille P/L
Panel, Dash, RH
Screw, Thd., Roll. 3/8-16 x 1/2 Type
Hood Assembly
Bumber Hood
Plate Mtg Battery Fuel Tank
Bushing, Snap, Nylon, Fuel Line
Washer 13/32 x 13/16 x 12 Gauge
Locknut, Hex, with Insert 3/8-t6 UNC
28 145198X558
29 145200
30 151287X558
31 139976
37 17490508
38 139886
39 139887
51 73800400
52 19091416
53 145201
54 17030814
55 145202
57 STD552507
58 140547
60 72140606
64 154798
71 73680400
74 STD541437
122 157301
123 152927
140 158418
142 156095
143 154966
144 154207
145 156524
147 74760412
Grille, W/Clips MS-558
Lens, Grille
Fender/Footrest
Bracket, FendedSupport
Screw, ThdroL 5/16-18 x 1/2 TYT
Pivot Bracket Assembly, LH, Mower,
Rear
Pivot Bracket Assembly, RH, Mower,
Rear
Nut Lock W/insert 1/4 - 20 UNC
Washer 9/32 X 7/8 X 16 Ga.
Bracket Grille Pickoff LH
Screw, Hex Head, Spiderlock #8 x 7/8
AB
Bracket Grille Pickoff RH
Bolt FinHex 1/4 -20 UNC X..75
Air Duct P/L 18HP B&S Opp. Twin
Bolt Rdhd Sqnk 3/8_16 UNC x 3/4
Dash Lower STLT
Nut Crownlock 1/4-20unc x 3/4
Nut Crownlock 3/8-16 UNC
Bracket, Shift STLT
Screw TT #10-32o 5.3/8 Flange
Bracket Suspension Front
Plate Reinforcement STLT
Backrest Swaybar Chassis
Bracket Footrest STLT
Rod Pivot Chassis/Hood
Bolt Hex Hd 1/4-20unc x 3/4
NOTE: Att component dimensions given in UoS°inches
1 inch = 25.4 mm
35

REPAIR PARTS
TRACTOR-- MODEL NUMBER 917.258671
DRIVE
36

REPAIR
DRIVE
PARTS
TRACTOR -- MODEL NUMBER 917.258671
KEY
NO,
2
3
8
10
15
16
18
19
21
22
24
25
26
27
28
29
30
31
32
34
35
36
37
38
39
4O
41
42
47
48
49
5O
51
52
53
55
56
57
59
61
PART
NO.
150071
142431
143995
154792
STD561210
74490544
STD541431
STD523710
STD54t437
130564
145627
73350600
106888X
STD551037
STD561210
145204
124236X
130807
127275X
74760512
155071
120183X
19211616
1572H
123674X
STD523727
4470J
154777
19131312
127783
154604
123205X
STD523715
STD54t 437
STD541431
105710X
105709X
STD523712
140294
140312
17490612
KEY PART
DESCRIPTION NO. NO.
Transaxle ( See Breakdown) 62
Hydro Gear Model No. 310-0650 63
Spring, Return, Brake 64
Pulley, Transaxle 65
Rod Shift Fender STLT 66
Pin Cotter 1/8 x 1 CAD 71
Bolt Hex Flghd 5/16-18 Gr..5 72
Nut Lock Hex Wilnso 5/16-I8 Unc 73
Bolt Fin Hex 3/8-16 Uncx 1 Gr. 5 74
Nut Lock Hex W/Wsh 3/8_16 Unc 75
Knob, Deluxe 1/2-13 76
Rod, Brake Hydro 77
Nut, Hex ,Jam 3/8-16 Unc 78
Spring, Brake Rod 81
Washer 82
Pin Cotter I/8 x 3/4 CAD° 83
Rod, Parking Brake 84
Cap, Parking Brake 86
Bracket, Transaxle 87
Keeper Belt Lh 88
Bolt Hex Hd 5/16-18 Unc x 3/4 89
Shaft, Foot Pedal 90
Bearing, Nylon 91
Washer 92
Pin, Roll 93
Pulley, Idler, Fiat 94
Bolt 95
Spacer, Split 96
Keeper, Belt idler 97
Washer 13/32 x 13/16 x 12 Gauge 98
Pulley, Idler, V-Groove 100
Bellcrank Assembly 102
Retainer, Belt 103
Bolt 104
Nut Crownlock 3/8-16 UNC 105
Nut, Crownlock 5/16_18 Unc 106
Link, Clutch 116
Spring, Return, Clutch 118
Bolt Hex 3/8-16 x 1-1/4 121
V-BeR, Ground Drive 124
Keeper, Center Span
Screw Thdrol. 3/8-16 x 3/4 Ty_."iF
8883R
140186
71170764
STD55t143
154778
140158
!9'132012
156347
121199X
121749X
STD581075
123583X
121748X
156046
i23782X
19171216
140548
71208
19212016
12000008
154882
124346X
74780536
74780524
142564
140462
144643
4497H
140469
73510600
19111216
141322
73940800
14O156
71070516
7478O520
72110610
154774
154419
156470
DESCRIPTION
Cover, Pedal
Pulley, Engine
Bolt Hex 7/16-20 x 4 Gr. 5
Washer
Keeper Belt Engine Full-Proof
Strap Torque Lh Hydro 18/20" T
Washer 13/32 x 1-1/4 x 12 Ga_
Strap Torque Rh Hydro 0650
Spacer, Split
Washer 25/32 x 1-1/4 x 16 Gauge
E_Ring
Key, Square
Washer 25/32 x 1-5/8 x '16Gauge
Shaft Asmo Cross Hydro 20" Tires
Spring Torsion T/A
Washer 17/32 x 3/4 x 16 Ga.
Rod, Tie Hydro 20" Tires
Bushing Rod Stfig. 629/632 iD
Washer 21/32 x 1-1/4 x 16 Ga..
Ring Klip #5304-62
Consoie, Shift
Nut Self-Thd Wsh-hd 1/4 Zinc
Bolt Fin Hex 5/16-18 x 2-1/4
Bolt Fin Hex 5/6-18 Unc x 1-1/2
Line Fuel Hydro 4"
Fan, Hydro 7"
Control Bypass Hydro 20" Tires
Retainer Spring 1" Zinc/Cad
Keeper Bolt Rh Hydro 0750.18/20"
Nut Keps Hex 3/8-16 Unc
Washer 11/32x3/4x 16 Ga.
Washer Bellvilte o501D x 1.50D
Nut Hex Jam Topiock 1/4-20 Unf
Arm, Control Hydro
Screw Cap Hex 5/16 x 18 x 1
Bolt Fin Hex 5/16-18 Unc x 1-1/4
Bolt Carr_ 3/8-16 x 1o25
Spacer Bellcrank
Mytiner Clutching STL
Guide Belt RH Engine
NOTE: All component dimensions given in U.S. inches
1 inch = 25.4 mm
37

REPAIR PARTS
TRACTOR - -MODEL NUMBER 917.258671
STEERING ASSEMBLY
62
l i
_P'-++'+"-+_42
t
68 J
J
68 67
32
43

REPAIR PARTS
TRACTOR - -MODEL NUMBER 917.258671
STEERING ASSEMBLY
KEY PART
NO, NO. DESCRIPTION
1 139768
2 154427
3 156483
4 157473
5 6266H
6 121748X
7 19272016
8 12000029
9 3366R
10 156438
tl STD551137
13 154779
15 73901000
17 156546
18 57079
19 124035X
20 126684X
21 STD551125
22 71100410
23 127501
25 154406
26 126847X
27 136874
28 19131416
29 17490612
30 STD561210
32 130465
36 155099
37 152927
38 139769
39 19133808
40 78t0H
41 100711L
42 145054
43 121749X
44 153720
46 121232X
47 6855M
51 73800500
54 74780520
62 156594
63 74780616
65 154780
66 1544O4
67 74781044
68 154429
Wheel Steering Std Black
Axle Asm Front
Spindle Asm Lh
Spindle Asm Rh
Bearing Race Thrust Harden
Washer 25/32 X 1 5/8 X 16ga
Washer 27/32 X 1 1/4 X 16 Ga
Ring Klip #t5304-75
Bearing Col Strg BIk
Link Drag Extended Stamped
Washer Lock Hvy Hlcl Spr 3/8
Bearing Axle STLT/GT
Locknut Flange 5/8-11 UNC
Shaft Asm Strg Private Label
Washer Thrust 515x 750x 033
Support Shaft
Washer Shim t/4 X 5/8 X 062
Washer Lock Hvy Helical 1/4
Screw Cap Sckt Hd Phos & Oil
Shaft Asm Pittman
Bracket Steering
Bushing Rod Tie Blk Lt
Gear Sector
Washer 13/32 X 7/8 X 16ga
Screw Thdrol 3/8-16x3/4 Ty-tt
Pin Cotter 1/8 X 3/4 Cad
Rod Tie Wire Form 19 75 Mech
Bushing Strg 5/8 Id Dash
Screw TT #10-32x5x3/8 Flange
Insert Cap Strg Wheel Std Btk
Washer 13/32 X 2-3/8 X 8 Ga
Nut Lock Center 3/8-24 UNF
Adaptor Wheel Strg
Boot Shaft Steering
Washer 25/32 X 1 1/4 X 16 Ga
Extension Steering Non-Adjust
Cap Spindle Fr Top BIk
Fitting Grease
Nut Lock Hex W/Ins 5/16 -18 UNC
Bolt Fin Hex 5/16 - 18 UNC X 1 -1/4
Kit, Steering Assembly
Bolt Fin Hex 3/8-16unc x I Gr.5
Spacer Axle
Bearing Arm Pittman
Bolt Fin Hex 5/8-11 UNC x 2-3/4
Axle Brace
NOTE: Al! component dimensions given in U,S. inches
1 inch = 25..4 mm
39

REPAIR PARTS
TRACTOR - - MODEL NUMBER 917.258671
ENGINE
15
38
14
32 31 34
39 33
40 41
29
\
OPTIONAL EQUIPMENT
Spark Arrester
27
73
s
37
13 10
23
135
40

REPAIR
ENGINE
PARTS
TRACTOR -- MODEL NUMBER 917.258671
KEY PART
NO. NO. DESCRIPTION
I 151273
2 t7720410
.......
4'149723
5 144069
6 144068
7 138129
8 150176
10 145552
11 STD551125
12 STD522507
13 272250
14 13280336
15 13200300
16 STD551237
17 17490624
23 156123
25 145996
26 73920600
27 152927
29 137180
31 153630
32 155971
33 123487X
34 106082X
35 17490512
37 8543R
38 .......
39 109227X
40 3645J
41 139277
81 128861
Control Throt Paddle 32 22
Screw Hex Thd Cut 1/4-20x5/8 T
Engine (See Breakdown) Briggs
Model Noo 42E707-1631-01
Muffler Exhaust
Exhaust Asm. Left
Exhaust Asm. Right
Clamp Tube Double Engine
Bolt 5/16 - 18 UNC X 3/4 W!Seres
Heat Shield Lt
Washer Lock Hvy. Helical 1/4
Bolt Fin Hex 1/4-20 x 3/4
Gasket Muffler
Nipple Pipe 4-1/2"
EIbow Std 90 Degree 3/8-18 Npt
Washer Lock Ext Tooth 3/8
Screw Thdrol 3/8-16x1-1/2 Tytt
Shield Browning
Control Choke
Nut Keps 3/8_24 Unf
Screw TT #10-32 x 5 x 3/8 Flange
Arrestor Spark
Tank Fuel 3 50 Rear
Cap Fuel Guage STLT
Clamp Hose Blk
Spacer Pad
Screw Thdrol 5/16-18 x 3/4 TYT
Line Fuel
Plug Oil Drain (Order From Engine
Manufacturer)
Pad Idler 1.75 x °75 x °06
Bushing
Stem Tank Fuel
Nut, Flange 1/4-20 Starter Nut
NOTE: All component dimensions given in UoSoinches
1 inch = 25.4 mm
4'1

REPAIR PARTS
TRACTOR -- MODEL NUMBER 917.258671
MOWER LIFT
7
11
12
5
6
49
30
3
26
/8
/ /
/i
5
13
19
32
32
13
19
2O
15 20 161718
15
20
42

REPAIR PARTS
TRACTOR - -MODEL NUMBER
MOWER LIFT
9'17.258671
KEY PART
NO. NOo DESCRIPTION
1 159460
2 159471
3 105767X
4 12000002
5 1921!62I
6 120t83X
7 125631X
8 122365X
10 122512X
11 139865
12 139866
13 STD624008
15 127218
16 73350800
17 130171
18 7380080O
19 139868
20 STD624008
23 110807X
24 19131016
25 2876H
26 76020308
27 126971X
28 73350600
29 138057
3O 150233
31 140302
32 73540600
49 145212
Wire Assy., Inner/Spring,w/Plunger
Shaft Asm. Lift
Pin Groove
E Ring #5133-62
Washer 21/32 x I x 21 Ga..
Bearing Nylon
Grip Handle Ftuted
Button Plunger Read
Spring Cprsn
Link Lift Lh Fixed Length
Link Lift Rh Fixed Length
Retainer Spring
Link Front
Nut Jam Hex 1/2-13 Unc
Trunnion BIk Zinc
Nut Lock W/Wsh I/2-13 Unc
Arm Suspension Rear
Retainer Spring
Nut Spring
Washer 13/32 x 5/8 x 16 Gao
Spring 2-1/8"
Pin cotter 3/32 x 1/2
Rod Adj,. Lift
Nut Hex Jam 3/8-16
Knob Inf. 3/8o16
Trunnion lnfin. Height
Bearing, Pivot, Lift, Special
Nut, Crownlock 3/8-24
Nut Flange Lock
NOTE: At] component dimensions given in U_Soinches
1 inch = 25.4 mm
43

REPAIR PARTS
TRACTOR -- MODEL NUMBER 917.258671
MOWER DECK
8180
83
75
\79
/
46 41
116
92
92
118
19
21
21
26
27
10
8
101
103102 105
106
44

REPAIR PARTS
TRACTOR - - MODEL NUMBER 917.258671
MOWER DECK
KEY PART KEY PART
NO. NO. DESCRIPTION NO. NO. DESCRIPTION
1 156948
3 138457
5 4939M
6 130832
8 850857
9 10030600
10 140296
!1 152443
12 129895
13 137553
14 137152
15 110485X
16 140329
18 72140505
19 132827
20 145055
21 73680500
22 134753
23 131267
24 105304X
25 123713X
26 110452X
27 157788
28 19111016
29 131491
30 138776
31 129963
32 153531
33 137266
34 144945
35 17490628
36 19131316
37 131494
38 156086
39 144917
40 137273
4I 17490620
42 122052X
43 144949
44 133943
45 145059
46 137729
47 144959
48 139573
49 73680600
50 72110612
51 153390
Deck Asm., Mower 46" 52
Bracket Asm., Sway Bar 53
Retainer Spring 54
Arm, Suspension, Rear (Sway Bar) 55
Bolt, Patched 3/8-24 x 1-1/4 Gr. 8 58
Washer, Lock Hvy., Unplated 3/8 59
Washer, Hard Blade, Mower 60
Vented 61
Blade, 46" Mower Deck 62
Bearing, Ball, Mandrel #6204 63
Shaft Asm. w/Lower Beadng 67
(includes Key No. 12) 68
Housing, Mandrel 69
Bearing, Ball, Mandrel 70
Stripper, Mower Round 71
Bolt, Carriage 5!16-18 x 5/8 72
Bolt, Hex Head, Shoulder 5/16-18 73
Baffle, Vortex Mower 46" 74
Nut, Crowntock 5/16-18 UNC 75
Stiffiner, Bracket 76
Bracket, Deflector 77
Cap, Sleeve 78
Spring, Torsion, Deflector 79
Nut, Push 80
Shield, Deflector Mower 81
Washer 11/32 x 5/8 x 16 Ga.. 82
Rod, Hinge 83
Screw, Hex Head, Thdroll 84
Washer, Spacer Mower Vented 87
Pulley, Mandrel 92
Nut, FlgoTop Lock Cntr.. 9/16 94
Anchor, Spring Deck 46" 101
Screw, Thdroll 3/8-16 x 1-3/4 Tytt 102
Washer I3/32 x 13/16 x 16 Ga.. 103
Pulley, Idler, Flat 104
Keeper, Belt, Idler 105
Pulley, Idler, Driven 106
Spring, Secondary 44/46/50 Vent 116
Screw, Thdroll 3/8-16 x 1-1/4 Tytt 117
Spacer, Retainer 118
Arm, idler Secondary t 19
Washer, Hardened 126
Cover, Mandrel Deck 127
Screw, Thdroll. 1/4-20 x 5/8 .. _
V-Belt, Mower, Secondary
V-Belt, Mower, Primary
Nut, Crownlock 3/8-16 UNC
Bolt, Carriage 3/8-16 x I-1/2 Gr..5 ...
Washer, Felt
156493
19131312
74780616
721406O8
156488
157034
156722
139888
131870
156473
74760512
156487
73350600
142028
133551
19111116
76020412
156474
127847
154809
127845
127498
153701
121748X
12000029
4497H
129803
149846
158373
73800600
149846
145579
71161010
10071000
19061216
130758
2029J
137644
133957
73930600
19121414
156472
146763
157112
143651
Pulley, Idler, 97 46 Pri. Drive
Washer, 13/32 x 13/16 x 12 Ga..
Bolt, Fin. Hex 3/8-16 x 1 Gr. 5
Bolt, RDHD Sqnk, 3/8-16 UNC x 1
Link, Brake 46" Mech
Guide, Belt 46" Mower
Arm Assm. Brake 46"
Bolt, Shoulder 5/16-18 Type TT
Spring Return
Bracket, Clutch Rod Pivot
Bolt, Hex Head 5/16-18 x 3/4
Rod, Clutch
Nut, Hex Jam 3/8-16 Unc
Trunnion, Adj_94
Rod, Pivot with Nibs
Washer 11/32 x '11/16 x 16 Gao
Pin, Cotter 1/8 x 3/4
Link, Clutch 46" Mech.
Arm, Clutch Secondary
Lever, Assmo Clutch Primary
Keeper, Spring
Bushing, .747 OD. x .794 ID..
Spring, Mower Clutch
Washer 25/32 x 1-5/8 x 16 Ga.
Ring, Clip
Retainer Spring 1"
Bolt, Shoulder 3/8-16 Unc
Knob, Custon Oval
Bracket, Extension
Locknut, Hex, w/Insert 3/8-16 UNC
Knob Custom Oval
Cover, Mulching
Screw
Washer, Lock #10
Washer
Latch Asm Bagger
Nut, Weld
Bolt, Shoulder
Gauge Wheel, Wide
Nut, Centerlock 3/8-16 UNC
Washer 3/6 x 7/8 x 14 Ga.,
Arm, Idler, Deck 46" Mech°
Pulley, Idler, V_Groove Dim. 4_25
Deck Complete (Std. Deck-Order
separately mulcher plate and gauge
wheel components Key Nos 101-
106 and 116-I18)
Mandrel Assmo Service
NOTE: All component dimensions given in U.S.. inches
1 inch = 25.4 mm
45

REPAIR PARTS
TRACTOR - -MODEL NUMBER 917.258671
SEAT ASSEMBLY
10
t
6
_... 22
• 21
KEY
NO.
1
2
3
4
5
6
7
8
9
10
12
PART
NO.
140123
140551
74760616
19131610
145006
STD541437
124181X
17490616
1913t1514
155925
121246X
KEY PART
DESCRIPTION NO. NO. DESCRIPTION
Seat
Bracket Pnt Pivot Seat (blk)
Bolt Fin Hex 3/8-16 UNC x 1
Washer Flat 13/32 x I x 10 Ga
Clip Push-In
Nut Lock Hex W/Ins 3/8 -16 UNC
Spring Seat Cprsn 2 250 Blk Zi
Screw 3/8-16xl
waslqer 13/32 x1 x 14 Ga
Pan Pnt Seat (blk)
Bracket Pnt Mounting Switch
13 121248X
14 72050411
15 134300
16 121250X
17 123976X
21 153236
22 STD54143t
23 74780814
24 19171912
25 127016X
26 STD55It50
Bushing Snap Blk Nyl 50 id
Bolt Rdhd Sht Nk 1/4-20xl-3t8
Spacer Split 28 X 96 Zinc
Spring Cprsn 1 27 Blk Pnt
Nut Lock 1/4 Lge Fig Gr 5 Zinc
Bolt Shoulder 5/16-18 Unc
Nut Lock Hex W/Ins 5/16-!8
Bolt Fin Hex I/2-13 X 7/8 Gr5
W_l lur 1 7132. X 1-31t 0X12 G_
Bolt Shoulder' 5/t6-18 X 62
Washer' Lock Hvy Hlcl Spr 1/2
NOTE: All component dimensions given in U_S,,inches
1 inch = 25.,4 mrn
46

REPAIR
DECALS
9
PARTS
TRACTOR - - MODEL NUMBER 917.258671
210 6 1 7 717 2
14
22
19 13 14
5
15,
KEY
NO. PART
NO,
1 156439
2 156810
3 151299
4 151300
5 273503
6 133644
7 150927
9 146709
10 150333
11 156811
13 146046
14 151401
15 139346
KEY PART
DESCRIPTION NO, NO.
Decal Fender Danger Sears 17 t58215
Decal Fend Auto Sears Gold 19 138047
Decal Hood Rh Craftsman 20 156787
Decal Hood Lh Craftsman 22 149516
Decal HP Engine o- 138311
Decal Maint Customer Sears Dom -- 142341
Decal Panel Side B&S -- 159839
Decal Fender Craftsman Gold -- 159840
Decal, Cap CNSMR Help Line SRS - - 154515
Decal Fender STLTH Oper Inst E/S - - 154516
Decal V-belt Dr Sch Tractor E
Decal Chassis Hydro 46"
Decal Mower Drive Schematic
DESCRIPTION
Decal, insert, Hood
Decal, Battery Diehard Sears
Decal Deck Mower EZ3 Mulching
Decal Battery
Decal Lift Handle
Decal, Drawbar Cntrto MvL Hyd. Lt,.
Manual, Owner's (English)
Manual, Owner's (Spanish)
Pad Footrest Lh STLT
Pad Footrest Rh STLT
4,10
11
47
KEY PART
NO. NO. DESCRIPTION
1
2
3
4
5
6
7
8
9
10
11
59192
65139
106222X
59904
106732X427
278H
9040H
106108X427
122082X
7152J
104757X
144334
Valve Cap, Tire
Stem, Valve
Tire, Front
Tube, Front Tire
(Not Provided, Service ltem Onty)
Rim, Front
Fitting, Grease (Front Wheel Only)
Bearing, Flange (Front Wheel Only)
Rim, Rear
Tire, Rear
Tube, Rear Tire
(Not Provided, Service Item Only)
Cap, Axle
Sealant, Tire (10 oz. Tube)
NOTE: All component dimensions given in U° So inches
1 inch = 25.4 mm

REPAIR PARTS
TRACTOR - - MODEL NUMBER 917.258671
HYDRO GEAR TRANSAXLE - MODEL NUMBER 310-0650
58
34 27
9t
90 52
18
28
59
119
14
53
_36
35
113
48

REPAIR PARTS
TRACTOR - - MODEL NUMBER 917.258671
HYDRO GEAR TRANSAXLE - MODEL NUMBER 310-0650
KEY PART KEY PART
NOn NO. DESCRIPTION NO. NO.
1 142930 Housing, Lower 43 142884
2 142931 Assembly, Upper Housing 44 150829
3 142932 Seal, Lip 52 142991
4 142928 Ring, Wire Retaining 53 14296!
5 142933 Ring, Retaining 56 142963
6 142934 Bearing, Shaft Ball 58 142964
7 142935 Bearing, Cradle 59 142965
8 150771 Bearing, Thrust 30 x 52 x 13 62 142966
9 142937 Swashplate, Variable 63 142967
13 142938 Block, Cylinder Assembly 64 142920
14 142939 Arm, Trunnion 68 142969
15 142940 Seal, Lip 69 144610
17 142941 Guide, Slot 83 142971
18 t50772 Shaft, Motor 85 150806
19 150773 Bearing, ThnJst 42 x 68 x 16 88 142973
23 142944 Block, Cylinder Assembly 89 142974
24 142945 Seal, Lip 10x25x7 90 142975
25 142946 Actuator, Bypass 91 142976
26 150774 Center Section Assembly Kit 92 +I42977
27 142948 Seal, Lip 26 x 42 x 8 93 142978
28 142949 Ring, Retaining 113 142917
29 142950 Washer 26x35x1 114 142918
34 142951 Oil Filter Element 119 142980
35 142952 Arm, Bypass 134 144607
36 142953 Ring, Retaining 135 144608
37 142954 Arm, Actuating 139 150775
38 142955 Pin, Actuating 140 150776
39 150777 Bolt 5/16-24 x 1+3/4
40 150778 Locknut, Hex 5/16-24 UNJC
41 142958 Brake RotoriStator Kit
DESCRIPTION
Washer 7/16 x 7/8 x .060
Differential Assembly
Washer 3/4 x 1.5 x .13
SeaJ +75x 1..25x +250
Shaft, _nput
Bolt 1/4-20 x 1.38
Pin .50D x .43 ID x °750
Arm, Control
Puck, Dampener
Set Screw
Spring
Stud 5/16-24
Jackshaft Assembly
Jackshaft
Screw, Cap
Washer 7/16 x 1 x 1/2
Sleeve Bearing
Seat, Wiper
Spring, Block
Washer, Block Thrust
Cap, Vent Assembly
Fitting, O-Ring Assembly
Spacer
Nut, Castle 5/16-24
Pin, Cotter
Spring, Compression
Nut, Hex 5/16-24
NOTE: All component dimensions given in U+Soinches
1 inch = 25°4 mm
49

REPAIR PARTS
TRACTOR -- MODEL NUMBER 917.258671
BRIGGS & STRATTON ENGINE - MODEL NUMBER 42E707, TYPE NUMBER 1631-01
615 q_
24 634A Q
615 q_
552
220 _) 1
__ 230
32 1
26
601
601
868_ @40 3s
41 -'_ c__ L)
36 v33
34
12
525
524 0
__ 84_523
22 284
I819
534
?
642
165
643
535
445
235
161
537
50

REPAIR PARTS
TRACTOR - - MODEL NUMBER 917.258671
BRtGGS & STRATTON ENGINE - MODEL NUMBER 42E707, TYPE NUMBER 1631-01
[358 GASKET SET J
1861 PUMP REPAIR KI!
121 CARBURETOR KIT
859
394
104 103
_119
434
468
332
Q7s
188
1006
93
\
257
334 851
51
51A
51 52
_205
356
OO5
383
51

REPAIR PARTS
TRACTOR -- MODEL NUMBER 917.258671
BRIGGS & STRATTON ENGINE -MODEL NUMBER 42E707, TYPE NUMBER 1631+01
653
544
\
311
803
801
802
592
201
209A 209
414 207 Y
307
52

REPAIR PARTS
TRACTOR - - MODEL NUMBER 917,258671
BRIGGS & STRA'TTON ENGINE - MODEL NUMBER 42E707, TYPE NUMBER '1631-01
8A 9
10A
10
304
22
_1 881
5A
13
1058 OWNER'S MANUAL I1019 LABEL
"_ REQUIRES SPECIAL TOOLS
TO INSTALL. SEE REPAIR
INSTRUCTION MANUAL.
305
305
308
306
3O7
3O
,_ 3o5
306A
'_ 307
53

REPAIR PARTS
TRACTOR - - MODEL NUMBER 917.258671
BRIGGS & STRATTON ENGINE - MODEL NUMBER 42E707, TYPE NUMBER 1631-01
KEY PART KEY PART
NO. NO. DESCRIPTION NO, NO. DESCRIPTION
1 497074 Cylinder Assembly 54
75
2 399265 Bushing 78
3 391086 *Sea!,Oil 90
4 493304 Sump, Engine 9t
5 493457 Head, Cylinder #1
5A 493458 Head, Cylinder #2 93
7 271867 * Gasket, Cylinder Head #1 94
7A 271868 * Gasket, Cylinder Head #2 95
8 495754 Breather Assembly #1 96
8A 222892 Cover, Breather Cylinder #2 97
(Used Only on Key #572, 98
Air Baffle with Holes for Mounting) 99
9 27803 * Gasket, Breather 102
10 94382 Screw, Sems 103
10A 94830 Screw, Seres 104
1t 280225 Tube, Breather 105
12 273208 * Gasket, Crankcase, _015"Thick t07
271188 * Gasket, Crankcase, .005" Thick 108
271189 * Gasket, Crankcase, ..009"Thick 109
13 94565 Screw, Cylinder Head 116
15 94239 Plug, Oil Drain t17
16 394028 Crankshaft
94196 Timing Gear Key 119
20 291675 * Seal, Oil 121
22 94724 Screw, Sems 127
23 491180 Flywheel
24 222698 Key, Flywheel 161
25 498584 Piston Assembly, Standard Size 165
187
498585 Piston Assembly, o010" Oversize
498586 Piston Assembly, _.020"Oversize 188
498587 Piston Assembly, .030" Oversize 201
26 394959 Ring Set, Standard Size 202
394960 Ring Set, _010" Oversize 203
394961 Ring Set, °020" Oversize 205
394962 Ring Set, °030" Oversize 206
27 263129 Lock, Piston Pin 207
28 498319 Pin, Piston, Standard Size 209
391286 Pin, Piston, .005" Oversize 209A
29 394306 Rod, Connecting, Standard Size 219
397158 Rod, Connecting, .020" Undersize 219A
32 94671 Screw, Connecting Rod 220
33 390420 Valve, Exhaust 222
34 261528 Valve, Intake 224
35 65906 Spring, Valve, Intake
36 26828 Spring, Valve, Exhaust
40 221596 Retainer, Valve, intake
4! 292260 Retainer, Valve, Exhaust
42 494553 Keeper, Valve
45 261368 Tappet, Valve
46 213520 Gear, Cam
50 213290 Manifold, Intake
51 271412 **** Gasket, Carburetor Mounting
51A 281411 Spacer, Carburetor
52 270084 * Gasket, Intako Manifold Mounting
53 93970 Screw, Hex Head,
Carburetor to Manifold
93208
222511
95039
495181
495035
231209
491538
93499
221939
392672
91920
26157
271607
298514
231435
394683
491543
223534
392673
280474
231338
231333
94152
491539
223472
496599
94289
299146
94627
262683
262684
280997
93971
94298
262337
262352
261563
394348
393415
222773
491282
94297
Screw, Phillips
Washer-, Spring
Screw, Hex
Carburetor
Body Assembly, Upper
Bushing, Throttle Shaft
** Valve, Idle Adjust
Screw, Sems
Valve, Throttle
Shaft, Throttle
Screw, Fillister Head
Spring, Throttle Adjust
** Gasket, Carburetor Body
Float, Carburetor
** Pin, Float Hinge
** Valve, Needle
Body Assembly, Lower
Valve, Choke
Shaft, Choke
* O-Ring
Jet, Needle Valve, Fixed
Jet, Needle Valve, Fixed,
High Altitude
Screw, Hex Head
Carburetor Kit
** Plug, Welch
Base, Air Cleaner
Nut, Wing
Line, Fuel, 28" Long (Cut to Suit)
Screw
Link
Link
Crank, Befl
Screw, Hex Head
Nut
Spring, Control, Rod
Spring, Governor'
Spring, Governor Idle
Gear, Governor
Oil Slinger
Washer, Thrust
Bracket, Control
Screw, Torx®
* Included in Gasket Set (495868)
** Included in Carburetor Kit (491539)
*** included in Carburetor Kit (491539),
and Pump Repair Kit (393397)
.... Included in Gasket Set (495888),
and Carburetor Kit (491539)
NOTE: Al! component dimensions given in U.S. inches
1 inch = 25_4 mm
54

REPABR PARTS
TRACTOR - - MODEL NUMBER 917.258671
BRIGGS & STRATTON ENGINE -MODEL NUMBER 42E707, TYPE NUMBER 1631-01
KEY PART KEY PART
NO. NO. DESCRIPTION NO, NO, DESCRIPTION
227 491297 Lever Assembly, Governor 556 93585 Screw, Hex Head
229 62199 Washer 562 93853 Bolt, Governor Lever
230 223882 Washer, Governor Crank, inside 567 94811 Screw, Hex Head,
235 224995 Shield, Fue! Spray Back Plate to Cylinder
240 394358 Filter, Fuel 569 272645 *Gasket, Base
244 230318 Connector, Fuel Line 572 224816 Baffle, Air, Cylinder #2
257 93897 Screw, Sems 573 491304 Plate, Back
258 94623 Screw, Sems 592 92278 Nut, Hex.
259 223890 Bracket, Cable 601 93053 Clamp, Hose
265 221535 Clamp, Casing 615 94296 Retainer, E-Ring
267 94906 Screw, Sems 615A 263080 Retainer
284 94674 Screw, Hex Head 616 491530 Crank, Governor
284A 94882 Screw, Hex Head 634 271013 ** Washer, Throttle Shaft
304 495469 Housing, Blower, Red 634A 491287 * Seal, Governor Shaft
305 94786 Screw, Sems 635 66538 Boot, Spark Plug
306 222846 Shield, Cylinder 642 225008 Cover, Air Cleaner
306A 223734 Shield, Cylinder 643 496700 Plate, AirCleaner
307 94930 Screw, Self-Tapping 653 93585 Screw, Hex Head
308 224774 Cover, Air Guide 726 391362 Gear, Ring
308A 224775 Cover, Air Guide (Includes Mounting Pads)
309 497596 Motor, Starter 741 262989 Gear, Timing
310 94003 Bolt, Thru 783 280104 Gear, Starter
311 497608 Brush Set 801 394860 Cap, Drive
332 230674 Nut, Hex 802 497607 Cap, End
333 394891 Armature, Magneto 803 497604 Housing, Starter
334 94731 Screw, Sems 819 94675 Screw, Hex Head
337 802592 Plug, Spark 842 270920 * Seal, Cap
356 494705 Wire, Stop 847 495715 Tube Assembly, Oil
358 491856 Gasket Set 851 493880 Terminal, Cable
363 19203 Flywheel Puller 858 270989 *** Diaphragm, Carburetor
383 89838 Wrench, Spark Plug 859 271025 *** Gasket, Pump
387 280197 *** Body, Pump 860 261358 *** Spring, Diaphragm
392 261395 Spring, Diaphragm 861 393397 Repair Kit, Pump
394 270988 *** Diaphragm, Carburetor 868 497212 Seal, Valve
414 220680 Washer 869 261463 Seat, Valve, intake
422 222875 Bracket, Oil Fitl 870 213316 Seat, Valve, Exhaust
432 221377 *** Cap, Spring 871 261961 Bushing, Guide (Exhaust Only)
434 223688 Cover, Diaphragm 231218 Bushing, Guide (intake, Brass)
435 93829 Screw, Diaphragm Cover 877 393456 Wire, Alternator
445 394019 Filter, Air 881 495901 Plate, Cover
468 497908 Screen, Rotating 955 397882 Plug and Seal, Solenoid
474 393474 Alternator 1005 281053 Fan, Flywheel
482 93621 Screw, 1006 224901 Retainer, Fan
510 497606 Drive, Starter 1019 496726 Label Kit
523 494947 Cap, Oil Fill 1058 272112 Owner's Manual
524 271157 *Seal, FillTube 1090 497605 Retainer, Brush
525 495348 Tube, Oil Fill (Includes Seals
528 393815 Hose, Vacuum * Included in Gasket Set (495868)
534 94823 Screw, Air Cleaner
535 272490 Filter, Air ** Included in Carburetor Kit (491539)
537 271411 .... Gasket, Air Cleaner
544 497603 Armature, Starter *** Included.in Carburetor Kit (491539),
552 2600.332 Lower Bushing, Governor and Pump Repair Kit (393397)
552A 262331 Upper Bushing, Governor .... included in Gasket Set (495868),
and Carburetor Kit (491539)
NOTE: Alt component dimensions given in U.S.. inches
". 1 inch =25.4 mm
55

CE NOTES
56

SERVICE NOTES
57

NOTES
58

SUGGESTED GUIDE FOR SIGHTING SLOPES FOR SAFE OPERATION
SIGHTING
GUIDE
ONLY RIDE UP AND DOWN HILL,
NOT ACROSS HILL
SIGHT AND HOLD THIS LEVEL WITH
SKY LINE OR TREE.
15 ° MAX.
Operate your Tractor up and down the face of slopes (not
greater than 15°), never across the face. Make turns gradu-
ally to prevent tipping or loss of control. Exercise extreme
caution when changing direction on slopes.
i

OWNER'S
MANUAL
MODEL NO.
917.258671
IF YOU NEED
REPAIR SERVICE
OR PARTS:
FOR REPAIR SERVICE, CALl..
THIS TOLL FREE NUMBER:
1-800-4-REPAIR
(1-800-473-7247)
FOR REPLACEMENT PARTS
INFORMATION AND
ORDERING, CALL THIS
TOLL FREE NUMBER:
1-800-FON-PART
(1-800-366-7278)
FOR CONSUMER ASSISTANCE
HOT LINE, CALL THIS
TOLL FREE NUMBER:
1-800-659-5917
£RAFTZMAN®
19.5 HP
ELECTRIC START
46" MOWER
AUTOMATIC (HYDROSTATIC)
LAWN TRACTOR
Each tractor has its own model number Each engine has
its own model number
The model number for your tractor will be found on the
model plate located under the seat.
The model number for your engine will be found on the
blower housing of the engine.
All parts listed herein may be ordered from any Sears,
Roebuck and Co, Service Center/Department and most Re-
tail Stores
WHEN ORDERING REPAIR PARTS, ALWAYS GIVE THE
FOLLOWING INFORMATION:
=PRODUCT- TRACTOR
•MODEL NUMBER -917,258671
• ENGINE MODEL NO, -42E707-1631-01
= PART NUMBER
•PART DESCRIPTION
Your Sears merchandise has added value when you
consider Sears has service units nationwide staffed with
Sears trained technicians.,, professional technicians
specifically trained to insure that we meet our pledge to
you, we service what we sell.
159839 2.1397 RHiJH Printed in U S A