Craftsman 917258870 User Manual TRACTOR Manuals And Guides L0804437
CRAFTSMAN Lawn, Tractor Manual L0804437 CRAFTSMAN Lawn, Tractor Owner's Manual, CRAFTSMAN Lawn, Tractor installation guides
User Manual: Craftsman 917258870 917258870 CRAFTSMAN TRACTOR - Manuals and Guides View the owners manual for your CRAFTSMAN TRACTOR #917258870. Home:Lawn & Garden Parts:Craftsman Parts:Craftsman TRACTOR Manual
Open the PDF directly: View PDF
.
Page Count: 64

SW/A/RS
®
MODEL NUMBER 917.258870 OWNER'SMANUAL
Assembly
oOperation
oCustomer Responsibilities
Service and Adjustments
Repair Parts
CAUTION: Read and follow all safety rules and instructions before operating this equipment.
FOR CONSUMER ASSISTANCE HOT LINE, CALL THIS TOLL FREE NUMBER: ! =800_659-59t7
IIIIIIIIIHIIIIIIIIIIIIIIIIIII IIIIIJIII ..............
...................................... _j

SAFETY RULES A
Safe Operation Practices for Ride-On Mowers u
IMPORTANT: THIS CUTTING MACHINE IS CAPABLE OF AMPUTATING HANDS AND FEET AND THROWING OBJECTS.
FAILURE TO OBSERVE THE FOLLOWING SAFETY INSTRUCTIONS COULD RESULT IN SERIOUS iNJURY OR DEATH.
i. GENERAL OPERATION
•Read, understand, and follow all instructions in the manual
and on the machine before starting
• Only allow responsible adults, who are familiar with the
instructions, to operate the machine.
° Clear the area of objects such as rocks, toys, wire, etc,
which could be picked up and thrown by the btade.
•Besuretheareaisciearofotherpeopiebeforemowing. Stop
machine if anyone enters the area.
• Never carry passengers.
,, Do not mow in reverse unless absolutely necessary. Always
look down and behind before and while backing.
•Be aware of the mower discharge direction and do not point
it at anyone_ Do not operate the mower without either the
entire grass catcher or the guard in place,
°Slow clown before turning.
• Never leave a running machine unattended, Always turn off
blades, set parking brake, stop engine, and remove keys
before dismounting_
• Turn off blades when not mowing
•Stop engine before removing grass catcher or unclogging
chute
•Mow only in daylight or good artificial light,,
• Do not operate the machine while under the influence of
alcohol or drugs.
• Watch for traffic when operating near or crossing roadways.
• Use extra care when loading or unloading the machine into
atrailer or truck_
I1. SLOPE OPERATION
Slopes are a major factor' related to loss-of-control and
tipover accidents, which can result insevere injuryor death,
All slopes require extra caution. If you cannot back up the
slope or if you feel uneasy on it, do not mow it.
DO:
•Use stow speed_ Choose a low gear so that you will not have
to stop or shift while on the slope._
• Follow the manufacturer's recommendations for wheel
weights or counterweights to improve stability,
•Use extra care with grass catchers or other attachments.
These can change the stability of the machine°
. KeepallmovementontheslopesslowandgladuaL Donot
make sudden changes in speed or direction,
II!. CHILDREN
Tragic accidents can occur if the operator is not alert to the
presence of children. Children are often attracted to the
machine and the mowing activity, Never assume that
children will remain where you last saw them.
•Keep childrenoutofthemowingarea andunderthewatchful
care of anotherresponsibleadulto
•Be alert and turnmachineoff if childrenenterthe area.
• Beforeand whenbacking,lookbehindand downfor small
children.
• Never carry children, They may fall off and be seriously
injuredorinterferewithsafemachine operation.
• Never allow children to operate the machine.
•Use extra care when approachingblind corners, shrubs,
trees, orotherobjects that mayobscurevision,
IV. SERVICE
• Use extra care in handling gasoline and other fuels, They are
flammable and vapors are explosive
Use only an approved container.
Never remove gas cap or add fuel with the engine
running Allow engine to cool before refueling_ Do not
smoke,
Never refuel the machine indoors.
Never store the machine or fuel container inside where
there is an open flame, such as a water heater.
• Never run a machine inside a closed area,
•Keep nuts and bolts, especially blade attachment bolts, tight
and keep equipment in good condition.
•Never tamper with safety devices, Check their proper
operation regutarly_
•Keep machine free of grass, leaves, or other debris build-up.
Clean oil or fuel spillage. Allow machine to cool before
storing.
•Stop and inspect the equipment if you strike an object°
Repair, if necessary, before restarting,
Mow up and down s opes, not across .........
..... ; ; , _ :,, Never make aajusrmen[s or repairs wirr]me engine running
Hemove obstacles SUChas roCKS,tree limes, e[c_ _ . , . '
•n
_^/atch _"- "_" "*_ "r k, _,.,_, Un_w . _.... =¥,.^, _. Lirasscatc ercomponentsaresuDJecttowear, damage, and
overturn"" ""the'"_O'machme"U'°'Tall_' ,.u,,,_O.grasscan hide'=_'obstacles'_"="'. "''" objectsdeteri°ra_i°nto'be* thrown.WhiCh"co-ldFrequentty_exr_°se_"checkm°v'nl'gcomponents_'"'_'_r__._,"at,'-,,and,_.,
replace with manufacturer's recommended parts, when nec-
essaryo
Mower blades are sharp and can cut. Wrap the blade(s) or
wear gloves, and use extra caution when servicing them,
Check brake operation frequently. Adjust and service as
required_
I,,,,IN ii ,,11,111i....................................
Look for this symbol to point out ira- I
portant safety precautions. It means I
CAUTION!!! BEOOMEALERTtI! YOUR I
SAFETY IS INVOLVED, I
i,,,i,,i i i NHI,IIIIII H,I,, ,11 II I
CAUTION: Always disconnect spark plug
wire and place wire where it cannot contact
spark plug in order to prevent accidental
starting when setting up, transporting,
adjusting or making repairs.
.H...., .HHH IIIIIIIIIII'1 IIIIIII II I
...............& WARNING...........&....
•Avoid starting or stopping on a slope, If tires lose traction,
disengage the blades and proceed slowly straight down the
slope°
DO NOT:
•Do not tum on slopes unless necessary, and then, turn slowly
and gradually downhil!, if possibleo
•Do not mow near drop-oils, ditches, or embankments The
mower could sudden|y turn over if a wheel is over the edge
of a cliff or ditch, or if an edge caves in_
•Do not mow on wet grass_ Reduced traction could cause
sliding.
,Do not try to stabilize the machine by putting your foot on the
ground_
•Do not use grass catcher on steep slopes, The engine exhaust from this product con-
tains ctiemicals known to the State of Califor-
nia to cause cancer, birth defects, or other
reproductive harm. ii iii1,11111111 iiiiiiiiiii i i i

CONGRATULATIONS on your purchase of a Sears
Tractor° It has been designed, engineered and manufac-
tured to give you the best possible dependability and
performance°
Should you experience any problem you cannot easily
remedy, please contact your nearest Sears Authorized
Service Center/Department Department. We have com-
petent, weIFtrained technicians and the proper tools to
service or repair this tractor_
Please read and retain this manual. The instructions will
enable you to assemble and maintain your tractor properly°
Always observe the "SAFETY RULES".
MODEL
NUMBER 917_258870
SERIAL
NUMBER
DATE OF PURCHASE
THE MODELAN D SERIAL NUMBERS WILL BE FOUND
ON A PLATE UNDER THE SEAT°
YOU SHOULD RECORD BOTH SERIAL NUMBER AND
DATE OF PURCHASE AND KEEP iN A SAFE PLACE
_FOR FUTURE REFERENCE.
MAINTENANCE AGREEMENT
A Sears Maintenance Agreement is available on this prod-
uct. Contact your nearest Sears store for details.
CUSTOMER RESPONSIBiLITiES
• Read and observe the safety rules°
oFollowa regular schedule in maintaining, caring for and
using your tractor.
°Follow the instructions under"Customer Responsibili-
ties" and "Storage" sections of this owner's manual.
PRODUCT SPECItFICATIONS
HORSEPOWER: 18.5
GASOLINE CAPACITY 3.5 GALLONS
AND TYPE: UNLEADED REGULAR
OiL TYPE (API-SF/SG): SAE30 (above 32°F)
SAE 5W_30 (below 32°F)
OIL CAPACITY: W/FILTER: 4.0 PINTS
W/O FILTER: 3.5 PINTS
SPARK PLUG: CHAMPION RV17YC
GAP: .025")
VALVE CLEARANCE: INTAKE: ,003" - 006"
EXHAUST: .013" - -016"
GROUND SPEED (MPH): FORWARD: O- 5,8
REVERSE: 0-2,1
TIRE PRESSURE: FRONT: 14 PSi
REAR: 10 PSI
CHARGING SYSTEM: 15 AMPS @ 3600 RPM
BATTERY: AMP/HR: 30
MIN, CCA: 240
CASE SIZE: U1R
BLADE BOLT TORQUE: 30-35 FT. LBS.
VARNING: This tractor is equipped with an internal
combustion engine and should not be used on or near any
unimproved forest-covered, brush-covered or grass-cov-
ered land unless the engine's exhaust system is equipped
with a spark arrester meeting applicable local or state laws
(if any)° If a spark arrester is used, it should be maintained
in effective working order by the operator.
In the state of California the above is required by law
(Section 4442 of the California Public Resources Code).
Other states may haye similar laws. Federal laws apply on
federal land& A spark arrester for the muffler is available
through your nearest Sears Authorized Service Center!
Department (See REPAIR PARTS section ofthis manual)_
i i,,, i,,,i ,,uum,, i ii
ii
LIMITED TWO YEAR WARRANTY ON CRAFTSMAN RIDING EQUIPMENT
For two (2) years from the date of purchase, if this Craftsman Riding Equipment is maintained, lubricated and tuned up according
to the instructions in the owner's manual, Sears will repair or replace, free of charge, any parts found to be defective in material
or workmanship.
This Warranty does not cover:
• Expendable items which become worn during normal use, such as blades, spark plugs, air cleaners, betts, etc.
oTire replacement or repair caused by punctures from outside objects, such as nails, thorns, stumps, or glasso
o Repairs necessary because of operator abuse, negligence, improper storage or accident or the failure to maintain the
equipment according to the instructions contained in the owner's manual.
oRiding equipment used for commercial or rental purposes.
LIMITED 90 DAY WARRANTY ON BATTERY
For ninety (90) days from date of purchase, if any battery included with this riding equipment proves defective in material or
workmanship and our testing determines the battery will not hold a charge, Sears will replace the battery at no charge.
IN-HOME WARRANTY SERVICE ON YOUR CRAFTSMAN RIDING EQUIPMENT IS AVAILABLE AT NO-CHARGE FOR 30
DAYS FROM THE DATE OF PURCHASE° PLEASE CONTACT YOUR NEAREST SERVICE CENTER,. AFTER 30 DAYS
FROM THE DATE OF PURCHASE, WARRANTY SERVICE IS AVAILABLE BY TAKING YOUR CRAFTSMAN RIDING EQUIP-
MENT TO YOUR NEAREST SEARS SERVICE CENTER, (IN-HOME WARRANTY SERVICE WILL STILL BE AVAILABLE
AFTER 30 DAYS FROM THE DATE OF PURCHASE BUT A STANDARD TRIP CHARGE WILL APPLY..) THIS WARRANTY
APPLIES ONLY WHILE THIS PRODUCT IS tN THE UNITED STATES.
This Warranty gives you specific legal rights, and you may also have other rights which may vary from state to state_
SEARS, ROEBUCK AND COo, D/8t7 WA, HOFFMAN ESTATES, IL 60179
ii i u,,,
3

TABLE OF CONTENTS
SAFETY RULES ............................................................ 2
PRODUCT SPECIFICATIONS ....................................... 3
CUSTOMER RESPONSIBILITIES ..................... 3, 17-20
WARRANTY ..................................................................... 3
TRACTOR ACCESSORIES ............................................ 5
ASSE_IBLY .............................................................. 7-10
OPERATION ........................................................... "i1-16
i_Ad¾TENANC_ SCH_DbL_' ..................................... t7
SERV!C_= AND ADJUSTMENTS .............................. 21-27
STORAGE .................................................................... 28
TROUBLESHOOTING ............................................ 2.9-30
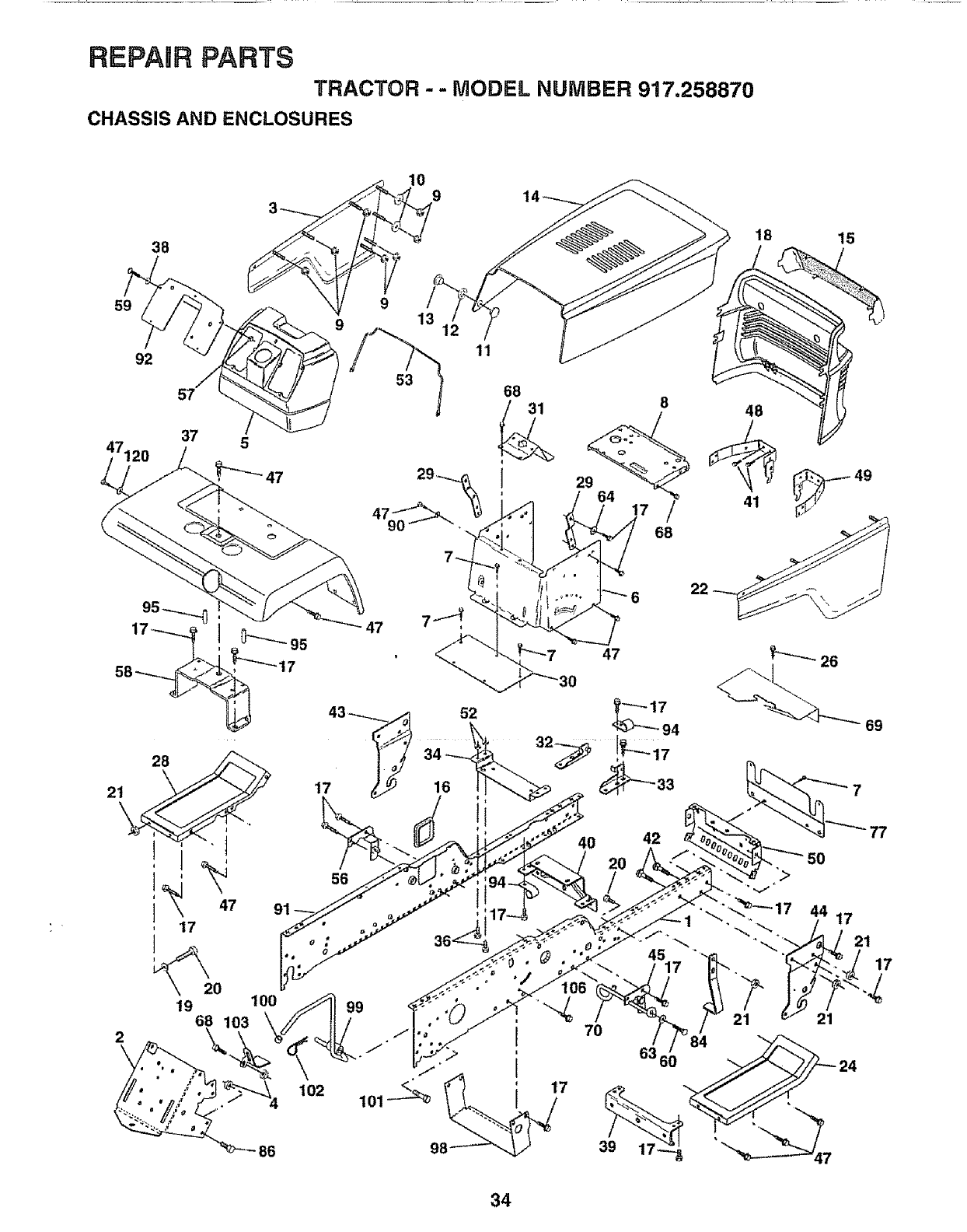
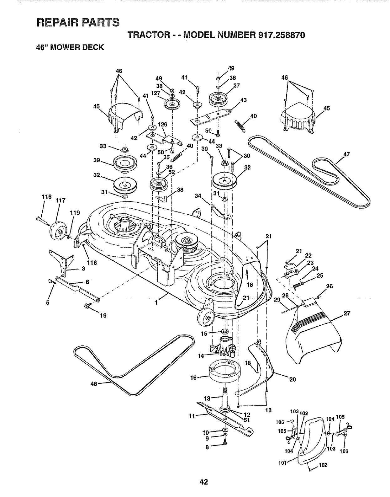
REPAIR PARTS- TRACTOR ................................. 32-47
REPAIR PAR3S - ENGINE .................................... 51-60
PARTS ORDERING/SERVICE ................ BACK COVER
nNDIEX A
Accessories ........................................................... 5
Adjustments:
Blake ....................................................23
Carburetor ......................................... 27
Clutch Pulley .......................................23
Gauge Wheels ................................. 14
Mower
Front-To-Back .................................22
Side-To-Side ...............................21
Throltle Control Cable ..........................27
Air Filter, Engine .................................... 20
Air Screen, Engine .................................. 20
Assembly .......................................................7-10
B
Battery:
Charging .....................................................8
Cleaning .............................................20
Starting with Weak Battery ......... 25
Storage ............................................. 27
Terminals .......................................... 18
Belt:
Motion Drive
RemovaVRepiacement .................24
Mower Drive
Remova!/Reptacement ..............22
Mower Blade Drive
RemovaVReplacement ...............23
Blade:
Sharpening :,:..............::............:._:.:o_18
Replacement ................................................18
Brake Adjustment ........................................23
C
Carburetor Adjustment ............................27
Clutch Pulley ....................................................23
Controls, Tractor ................................... 12
Customer Responsibilities ..................17-20
Engine:
Air Filter ...................................... 20
Air Screen ..............................................19
Cooling Fins ...................................20
Engine Oil ..................................t5,!9
Fuel Filter .................................. 20
Spark Plug(s) ..................................20
Tractor:
Battery ..............................................18
Blade ..............................................18
Lubrication Chad ........................ 17
Maintenance Schedule ............ 17
Tire Care :........................... 8,18,25
Transaxle ..................................... 19
Cutting Height, Mower ........................... 13
E
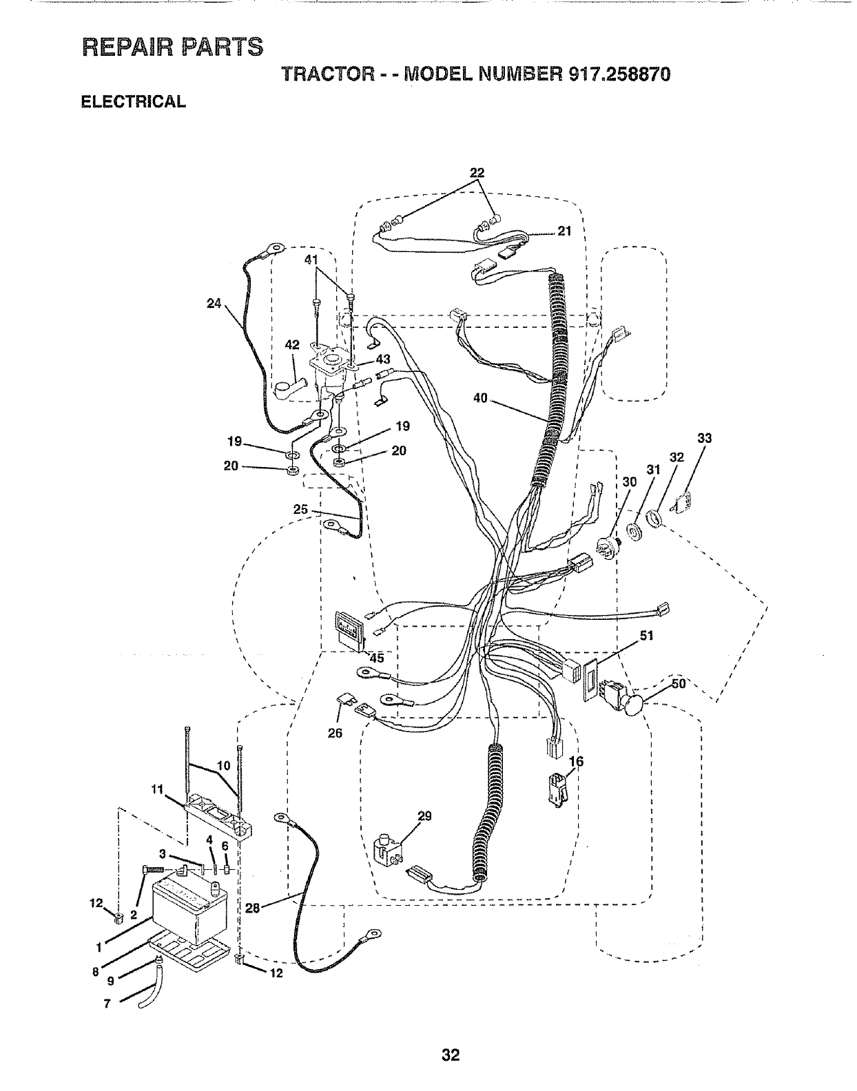
Electrical:
Interlocks and Relays ...........................26
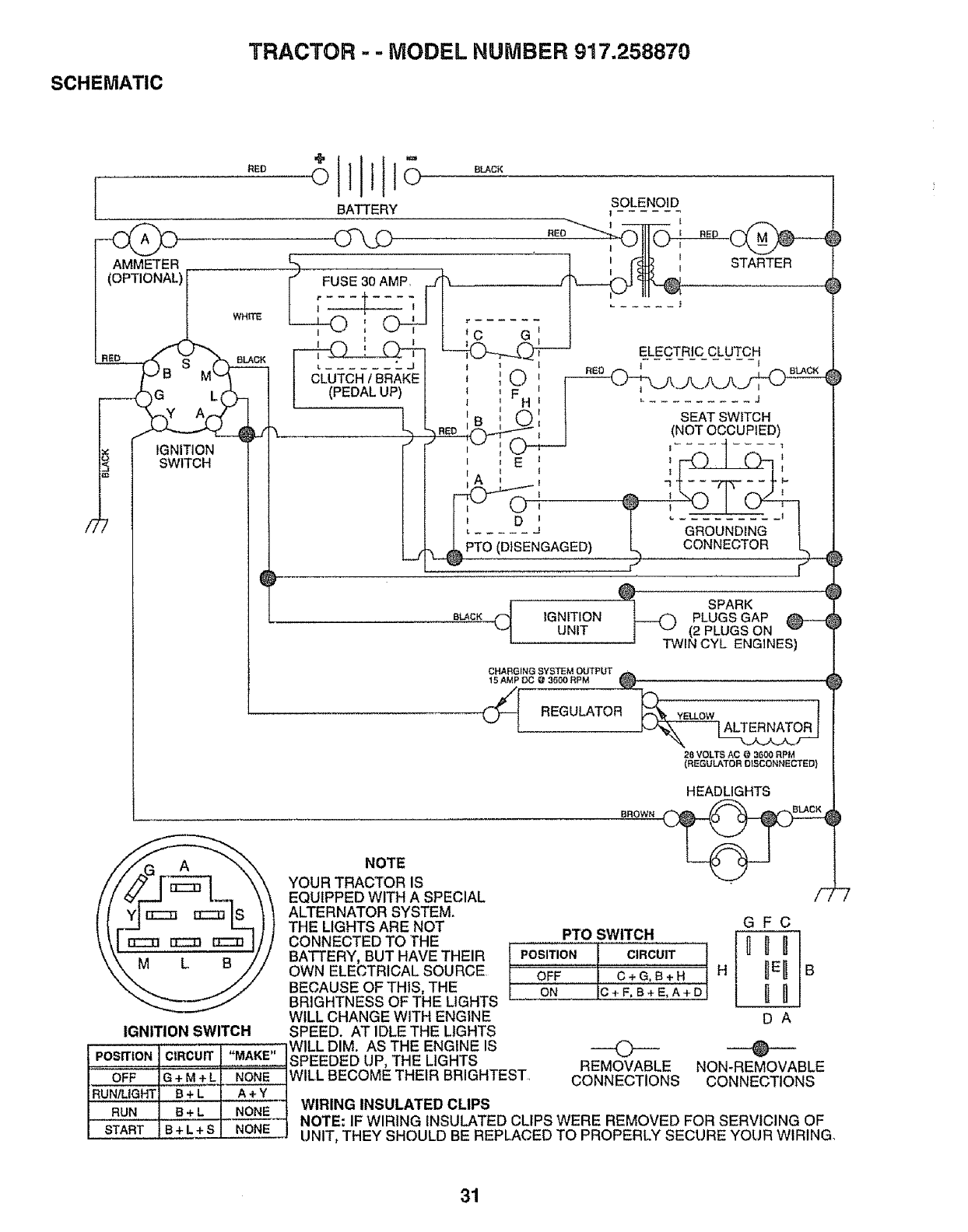
Schematic ............................................31
Widng Diagram ................................32
Engine:
Ai_ Filter ................................................19
Ai_ Screen .................................... 19
Cooling Fins ..................................... 20
Oil Change ................................... 19
Oil Level ......................................15
Oil Type ................................................... 19
Prepa_'ation .................................... 14
Repair Pads ................................51-60
Starting ................................................15
Storage ............................................28
F
Filter:
Air Filter ....................................................20
Fuel...........................................................20
Oil .......................................................... 20
Fuel:
Storage ..............................................28
Type ................................................. 15
FUse .................................................... 26
H
Headlights ...............................................26
Hood Removal/installation .....................26
Leveling Mower Deck ............................2I
Lubrication:
Chart ..............................................17
Engine ............................................... 19
hi
Maintenance Schedule ...........................17
Mower:
Adjustment, Front-to-Back ...............22
Adjustment, Side4o-Side ............. 21
Blade Replacement ........................18
Blade Sharpening ........................18
Cutting Height .....................................13
Installation ..................................... 21
Operation ........................................14
Removal ........................................21
Mowing Tips ......................................... 16
Muffler .............................................................20
Spark Arrester .............................. 3,40
Oi1:
O
Cold Weather Conditions ....... 15,19
Engine .....................................................19
Storage ............................................ 28
4
Operation .................................................11-t6
Operating Mower ........................................14
Options:
Accessories ...................................... 5
Spark Ar_estei .......................... 3,40
P
PaNing Brake .........................................12
Pads Bag .............................................6
Pads, Replacement/Repair. ........... 31-47
Product Specifications ................................3
R
Reoair Pads ........................................31-47
S
Safely Rules ...................................................2
Seat ......................................................8
Service and Adjustments ...............21-27
Carburetor ........................................ 27
Clutch Pulley ........................................23
Fuse .................................................. 26
Hood RemovaVInstallatton ...........26
Motion Drive Belt
RemovaltReplacement ........... 24
Mower Drive Belt
RemovaVReplacement ............ 22
Mower Blade Drive Belt
RemovaVReplacement ............ 23
Mower Adjustment
Front4o-Back ..............................22
Side-tmSide ..................................21
Mower RemovalflnstaIlation ......... 21
Tire Care ...................................8,25
Slope Guide Sheet ................................ 63
Spark Plug(s) .............................................20
Specifications ..................................................... 3
Starting the Engine o:................................15
Steering Wheel .....................................7,24
Stopping the Tractor ......................... 13
Storage..........................................................28
T
Throttie Control Cabte Adjustment .........27
Tires ............................................ 8,18,25
Troubleshooting Chart ..................... 29-30
Transaxle ................................................ 19
W
Warranty ................................................3
Wiring Diagram ............................................32
Wiring Schematic ................................. 31

,i ,i,
ii .... iii,
ACCESSORUE$
,11 i,i,,i, i, ,,,i
ATTACHMENTS
i ii , '"'M"II'II'
These accessories and attach ments were available through most Sears retail outlets and service centers when the tractor was purchased
Most Sears stores can order these items for you when you provide the model number of your tractor.
ENGINE
SPARK PLUG GAS CAN ENGINE OIL FUEL STABILIZER AIR FILTER
MAINTENANCE
BLADES BELTS
PERFORMANCE
Sears offers awide variety of attachments that fit your tractor, Many of these are listed beiow with brief explanations of how they can help
you° This list was current at the time of publication; however, it may change in future years - more attachments may be added, changes
may be made in these attachments, or some may no longer be available or fit your model Contact your nearest Sears store for the
accessories and attachments that are available for your tractor.
Most of these attachments do not require additional hitches or conversion kits (those that do are indicated) and are designed for easy
attaching and detaching.
AERATOR promotes deep root growth for a healthy lawn, Tapered
2_5-inch steel spikes mounted on tO-inch diameter discs puncture
holesin soii at close intervals to let moisture soak in Steelweight tray
for increased penetration.
BUMPER protects front end of tractor from damage.
CARTS make hauling easy Variety of sizes available, plus accesso*
ties such as side panel kits, tool caddy, cart cover, protective mat and
dolly°
CORING AERATOR takes small plugs out of soil to allow moisture
and nutrientsto reach grass roots, 36-inch swath. 24 hardenedsteel
coring tips. 150 Ib° capacity weight tray.
DISC HARROW has 2 gangs of 4steel blades that angle from 10 to
20 degrees, 40 inches wide, Can hook2 units in tandem (Requires
sleeve hitch)
DOZER BLADE removes snow; grades dirt, sand and gravel. 48
inches wide 17 inches high, clears44-inch path when angled. Master
lift control lever for operator ease_ Spr ng trip for snow removal on
uneven pavement; built-in float for blade to follow ground contour.
Reversible, replaceable scraper barn(Use with tire chains and wheel
weights and/or rear drawbar weight.)
EASY OIL DRAIN VALVE makes oil changes easier, faster°
FRONT NOSE ROLLER canters in front of mower deck to reduce
chances of "scalping" on uneven terrain,
GANG HITCH lets you tow 2 or 3 pulFbehtnd attachments at
once, such as sweepers, dethatchers, aerators (not for use with
rollers, carts or otherheavy attachments).
MULCH RAKFJDETHATCHER loosens soil and flips thatch and
matted leaves to lawn surface for easy pickup, Twenty spring tine
teeth, Usefulto prepare bare areas for seeding, Available for frontor
rear mounting. HIGH PERFORMANCE REEL-ACTION SPRING
TINE DETHATCHER covers 36-inchwidepathandtossesthatchinto
large hopper Mounts behind tractor.
PLOW turns soil 6 inches deep, cuts 104nch furrow. Crank adjust*
ment controlsdepth, 3-positionyoke setswidth,Heavy steellandside
for straight furrowing_ (Requires sleeve hitch)
RAMP TOPS AND FEET let you lead and unload tractor from a
pickuptruck, Use with 2 x 8 or 2 x 10 lumber,
REAR GRADER BLADE is42 incheswide andoperatedfrom driver's
seatr Reversible steel blade can be angledat 30 degrees for grading,
Reverses for pushingsnow backwards. (Requires sleeve hitch.)
ROLLER for smoother lawn surface. 36-inchwide, 18-inch diameter
water-tight drum holds up to 390 fbs, of weight. Rounded edges
prevent harm to turf. Adjustable scraper automatically cleans drum.
SLEEVE CULTIVATOR is 43 inches wide. Prepares ground for
seeding, helps weed control Steel frame holds 5 adjustable sweeps,
Adjusts vertically, horizontally, (Requires sleeve hitch.) Optional
accessory: steel furrow opener for wider openings for potatoes,
corn, and other deep-seeded crops,
SLEEVE FLITCHfor use with master lift system, Single pin couples/
uncouples,
SNOWTHROWER has 42-inch swath. Drum-type auger handles
powdery and wet]heavysnow Mounts easilywith simple pin arrange-
ment, Discharge chute adjusts from tractor seat, 6-inch diameter
spout discharges snow 10 to 50 feet. Lift controlled at tractor seat.
(Use with chains and wheel weights and/or rear drawbar weighL)
SPRAYERS use 12-volt DC electric motor that connects to the tractor
battery or other 12-volt source, Includes booms for automatic
spraying and hand held Wandfor spot spraying. Wand has adjustable
spray pattern For applying herbicides, insecticides, fungicidesand
liquid fertilizers.
SPREADER/SEEDERS make seeding, fertilizing, and weed killing
easy. Broadcast spreaders are also useful for granular de-icers and
sand.
SWEEPERS let you collect grass clippings and leaves.
TILLER has 8 hp engine to prepare seed beds, cultivate, and compost
garden residue_ Chain-drive transmission, Six t 1-inch diameter one
piece heat-treated steel tines. Tills 30qnch path. (Requires sleeve
hitch.) Cruse 5 hp tow-behindTILLER with 36-inch swath to prepare
seed beds, cultivate and compost garden residue. Tiller has its own
bui{Ffn lift and depth control system and does NOT requirea sleeve
hitch. Fits any lawn, yard or garden tractor, Simply hook up to the
tractordrawbar and gel Optional accessories for 5 hp til_erconvert
unit for dethatching, aerating, h{lling_o.without tools.
TIRE CHAINS are heavy duty; closely spaced extra-large cross links
give smooth dde, outstanding traction,
TRACTOR CAB has heavy duty vinyl fabric over tubular steel frame,
ABS plastic top; clear plastic windshield offers 360 degree visibility.
Hinged metal doors with catch, Keeps operator warm and dry.
Remove vinyl sides and windshields for use as sun protector in
summer. Optional accessories include- tinted/tempered solid
safety glass wlndshield with hand operated wiper; 12-volt amber
caution light for mounting on cab top.
VACS for powerful collection of heavy grass clippings and Leaves.
Optional wand attachment to pick up debris inhard-to-reach places.
VAC/CHIPPER includesa chipper-shredder.
WEIGHT BRACKET for drawbar for snow removai applications. Can
be mounted on front of tractor for plowing applications. Uses (1) 55
lb. weight.
WHEEL WEIGHTS for rear wheels provide needed traction for snow
removal or dozing heavy materials,
5

CONTENTS OF E PACK
Parts Bag contents shown full size
(1) Shoulder Bolt 5/16+18
(1) Washer 17/32 x I-3/I6 x 12 Gauge
o
(2) Screws #10 x 5/8 (2) Lock Washers #t0
(2) Weld Nuts #10
(2) Washers 3/16 x 3/4 x 16 Gauge
(3) Retainer' Springs (double loop)
(2) Hex Bolts 114-20 x 3/4
@
(2) Washers 9/32 x 5/8
x 16 Gauge
(2) Hex Nuts 1/4-20
®
(2) Lock Washers 114
Parts packed separately in carton
Seat
Steering
Sleeve
C3
Video
Cassette
Steering
Wheel
Manual
Mulcher
Plate
Parts Bag
Parts bag contents not shown full size Ull
(2) Shoulder/ /_"_/
Bolts | i(Z.__///
\ L,i!/(2) Gauge
_Wheels
_(21 Fr;nt Link Assemblies
(2) Washers 3/8
x 7/8 x 14 Gauge
(2) Center-
lock Nuts
_ok
Assembiys
Slope Sheet
(2) Keys
_ teering
Wheel
Insert
6

Hill '1 II " ' I I I I I I I1'1' 'I....................
ASSEMBLY
,,11,1, i,ii iii i .......................... i ii ,,11,11 _ :
Your new tractor has been assembled at the factory with exception of those parts left unassembled for shipping purposes.
To ensure safe and proper operation of your tractor atl parts and hardware you assemble must be tightened securely. Use
the correct tools as necessary to insure proper tightness,
TOOLS REQUIRED FOR ASSEMBLY
A socket wrench set will make assembly easier_ Standard
wrench sizes are listed°
(2) 7/16" wrenches (1) Tire pressure gauge
(1) 9/16" wrench (1) Utility knife
(1) 1/2" wrench (1) 3/4" socket w/drive ratchet
When right or left hand is mentioned in this manual,_it
means when you are in the operating position (seated
behind the steering wheel)°
TO REMOVE TRACTOR FROiVi CARTON
UNPACK CARTON
= Remove all accessible Ioose parts and parts cartons
from carton (See page 6)°
,, Cut, from top to bottom, along lines on all four corners
of carton, and lay panels flat,
• Remove mower and packing materials.
o Check for any additional loose parts or cartons and
remove.
BEFORE ROLLING TRACTOR OFFSKmD
ATTACH STEERING WHEEL (See Fig. 1)
- Remove hex bolt, lock washer and large flat washer
from steering shaft.
. Position front wheels of the tractor so they are pointing
straight forward.
o Slide the steering sleeve over the steering shaft.
= Position steering wheel so cross bars are horizontal
(left to right) and slide onto steering wheel adapter.
• Secure steering wheel to steering shaft with hex bolt,
lock washer and large flat washer previously removed.
Tighten securely.
• Snap steering wheel insert into center of steering
wheel.
. Remove protective materials from tractor hood and
grill°
IMPORTANT; CHECK FOR AND REMOVE ANY STAPLES
IN SKID THAT MAY PUNCTURE TIRES WHERE TRACTOR
IS TO ROLL OFF SKID
_TEERING WHEEL
INSERT
_L HEX BOLT
_LOCI(
,_/WASHER
*_' LARGE FLAT
STEERING
WHEEL
STEERING _ L,_- S_EER,NG ....
WHEEL _ t _ _11_rI
ADAPTER _l'[i_ /
i_ / /STEERING
.:" _/ /SLEEVE
I / _/ t
/ /
/I i, I/
FIG. 1
TO ROLL TRACTOR OFF SKID (See Opera-
tion section for location and function of con-
trols)
•Press lift lever plunger and raise attachment tilt lever to
its highest position.
o Release parking brake by depressing clutch/brake
pedal°
•Place freewheel control in freewheeling position to
disengage transmission (See "TO TRANSPORT" in
the Operation section of this manual).
.Roll tractor backwards off skid.
7

ASSEMBLY
i,, IINII ,!ll,,,ll
HOW TO SET UP YOUR TRACTOR
CONNECT BA'R'ERY (See Fig. 2)
,,1,,, ............................... ii ,,,
CAUTION: Do not short battery termi-
nals by allowing a wrench or any other
object to contact both terminals at the
sametime. Before connecting battery,
remove metal bracelets, wristwatch
bands, rings, etc.
Positive terminal must be connected
first to prevent sparking from acciden.
tal grounding.
•Lift hood to raised position,,
= Open terminal access doors, remove terminal protec-
tive caps and discard.
• If this battery is put into service after month and year
indicated on label (label located between terminals)
charge battery for minimum of one hour at 6-10 amps,
o First connect RED battery cable to positive (+) battery
terminal with hex bolt, flat washer, fock washer and hex
nut as shown. Tighten securely.
= Connect BLACK grounding cable to negative (-) bat-
tery terminal with remaining hex bott, fiat washer, lock
washer and hex nut. Tighten securely,
o Close terminal access doors.
Use terminal access doors for:
°inspection for secure connections (to tighten hard-
ware),
-Inspection for corrosion.
+Testing battery+
=Jumping (if required),
= Periodic charging,
LOCK FLAT
HEX NUT WASHER WASHER
DISCARD TERM{NAL HEX
PROTECTIVE CAPS BOLT
POSITIVE
{RED)
CABLE
NEGATIVE
(BLACK)
CABLE
INSTALL SEAT (See Fig. 3)
Adjust seat before tightening adjustment knob.
o Remove cardboard packing on seat pan.
° Place seat on seat pan and assemble shoulder bolt.
= Assemble adjustment knob and fiat washer loosely,
Do not tighten,.
• Tighten shoulder bolt securely+
= Lower seat into operating position and sit on seat°
= Slide seat until a comfortable position is reached which
allows you to press clutch/brake pedal all the way
down+
• Get off seat without moving its adjusted position,,
• Raise seat and tighten adjustment knob securely,,
FIG. 3
S
S
CHECK TIRE PRESSURE
The tires on you rtractor were overinftated at the factory for
shipping purposes+ Correct tire pressure is important for
best cutting performance.
= Reduce tire pressure to PSI shown in "PRODUCT
SPECIFICATIONS" on page 3 of this manual,
CHECK BRAKE SYSTEM
After you learn how to operate your tractor, check to see
that the brake is properly adjusted+ See '_TO ADJUST
BRAKE" in the Service and Adjustments section of this
manual
FIG. 2
8

i=, ............. ii , ,
= n==,,= .........................................
INSTALL MOWER AND DRIVE BELT (See °
Figs. 4 and 7)
Be sure tractor is on levet surface and mower suspension
arms are raised with attachment lift control. Engage park-
ing brake,
• Cut and remove ties securing anti-sway bar and belts,
Swing anti-sway bar to left side of mower deck.
.Slide mower under tractor with discharge guard to right
side of tractor°
IMPORTANT: CHECK BELT FOR PROPER ROUTING IN
ALL MOWER PULLEY GROOVES. INSTALL BELT INTO
ELECTRIC CLUTCH PULLEY GROOVE
• Install one front link in top hole of the R.H. front mower
bracket and RoHofront suspension bracket. Retain with
two single loop retainer springs as shown°
. installsecond front linkin LoHofront suspension bracket
only and retain with single loop retainer spring as
shown,,
= Turn height adjustment knob counterclockwise until it
stops.
oLower mower linkage with attachment lift control,
o Place the L°H. suspension arm on inward pointing deck
pin, If necessary, rock and raise front of mower to align
deck pin with the hole in suspension arm. Retain with
double loop retainer spring with loops down as shown.
• Slide left side of mower back and install the unattached
front link in top hole of the LoH_front mower bracket
Retain with single loop retainer spring as shown.
o
°
o
LY
Place the R.H. suspension arm on inward pointing
deck pin. If necessary, rock and raise front of mower
to align deck pin with the hole in suspension arm,
Retain with double Ioop retainer spring with loops
down as shown.
Connect anti-sway bar to chassis bracket under left
footrest and retain with double loop retainer spring,
Turn height adjustment knob clockwise to remove
slack from mower suspension.
Raise mower to highest position..
Assemble gauge wheels (See "TO ADJUST GAUGE
WHEELS" in the Operation section of this manual).
CHECK MOWER LEVELNESS
For best cutting resuIts, mower should be properly leveled.
See 'q-O LEVEL MOWER HOUSING" in the Service and
Adjustments section of this manual°
CHECK FOR PROPER POSITION OF ALL
BELTS
See the figu res that are shown for replacing motion, mower
ddve, and mower blade drive belts in the Service and
Adjustments section of this manual. Verify that the belts
are routed correctiy,_
ELECTRIC
CLUTCH
FRONT
,SUSPENSION
BRACKETS
DOUBLELOOP
RETAINER SPRING
CHASSIS (Inwa_ pointing
BRACKET deckplns)
SUSPENSION
ARMS FRONT
MOWER
BRACKET
FRONT
LINK
SHOULDER
BOLT
GAUGE
WHEEL
_8 WASHER
USE PLIERS FOR
RETAINERSPRINGS
318-t6
CENTER
LOCKNUT
DOUBLELOOP
RETAINER
SPRING ANTI-SWAY
BAR
IDLER /
PULLEY
FIG. 4
SINGLE
LOOP
RETAINER
SPRINGS
DISCHARGEGUARD

INSTALL IVlULCHER PLATE (See Figs. 5 and 6)
oInstall two latch hooks to mulcher plate using screw,
washer, loci<washer, and weld nut as shown,
NOTE: Pre_assemble weld nut to latch hook by inserting
weld nut from the top with hook pointing dowm
° Tighten hardware securely.
o Raise and hold deflector shield in upright position.
o Place front of mulcher plate over front of mower deck
opening and slide into place, as showno
• Hook front latch into hole on front of mower deck.
= Hook rear latch into hole on back of mower deck.
CAUTION: Do not remove discharge
guard from mower. Raise and hold
guard when attaching mulcher plate
and allow it to rest on plate while in
operation- _.................
TO CONVERT TO BAGGING OR
DISCHARGING
Simply remove mulcher plate and store in a safe place.
Your mower is now ready for discharging or installation of
optional grass catcher accessory.
NOTE: tt is not necessary to change blades.. The mulcher
blades are designed for discharging and bagging also
HOOK POINTS
WELDNUT /\ DOWN
LOCK \_ _
WASHER
WELD.
NUT _,_ SCREW
LATCH
HOOK
WASHER
MULCHER
PLATE
LOCK WELD
WASHER NUT
WASHER
\_--'SCREW
FIG. 5
DEFLECTOR
SHIELD
v'
FIG. 6
"_ LATCH
HOOKS
,/CHECKLIST
BEFORE YOU OPERATE AND ENJOY YOUR NEW
TRACTOR, WE WISH TO ASSURE THAT YOU RECEIVE
THE BEST PERFORMANCE AND SATISFACTION FROM
THIS QUALITY PRODUCT
PLEASE REVIEW THE FOLLOWING CHECKLIST:
,/ All assembly instructions have been completed.
,/ No remaining loose parts in carton.
,/ Battery is properly prepared and charged. (Minimum
1 hour at 6 amps).
v" Seat is adjusted comfortably and tightened securely.
,/ Atl tires are properly inflated. (For shipping purposes,
the tires were overinflated at the factory).
Be sure mower deck is properly leveled side-to-side/
front-to-rear for best cutting results. (Tires must be
properly inflated for leveling).
v" Check mower'and drive belts. Be sure they are routed
properly around pulleys and inside all belt keepers.
v" Check wiring. See that all connections are still secure
and wires are properly clamped°
,/ Before driving tractor, be sure freewheel control is in
drive position.
WHILE LEARNING HOW TO USE YOUR TRACTOR, PAY
EXTRA ATTENTION TO THE FOLLOWING IMPORTANT
ITEMS:
,/ Engine oil is at proper level°
,/ Fuel tank is filled with fresh, clean, regular unleaded
gasoline°
J" Become familiar with all controls - their location and
function. Operate them before you start the engine.
.i Be sure brake system is in safe operating condition.
,/ It is important to purge the transmission before operat-
ing your tractor for the first time. Follow proper starting
and transmission purging instructions (See "TO START
ENGINE and PURGE TRANSMISSION in Opera-
tion section of this manual).
10

i ilu,,q.............. r t,,,,/ ., , ,i i ........ i,u,,,,n,, '
OPERATUON
i, i i, nu,,,q
These symbols may appear on your tractor or in literature supplied with the product° Learn and understand they meaning,
BATTERY CAUTION OR REVERSE
WARNING
ENGINE ON ENGINE OFF OILPRESSURE
FORWARD FAST SLOW
CLUTCH LIGHTS ON LIGHTS OFF
FUEL
\
CHOKE MOWER HEIGHT DIFFERENTIAL PARKING BRAKE UNLOCKED
LOCK LOCKED
MOWER LIFT
REVERSE NEUTRAL
ATTACHMENT
CLUTCHENGAGED
HIGH LOW
ATTACHMENT
CLUTCH DISENGAGED
PARKING BRAKE
IGNITION
DANGER, KEEP HANDS AND FEET AWAY
HYDROSTATIC FREE WHEEL
(Hydro Models only)
'11

OPERATmON
i lU Ull ,, ii,Ulll ii,ll
KNOW YOUR TRACTOR
READ THIS OWNER'S MANUAL AND SAFETY RULES BEFORE OPERATING YOUR TRACTOR.
Compare the illustrations with your tractor to familiarize yourself with the location of various controls and adjustments= Save
this manual for future reference,
AMMETER ATTACHMENT LIGHT SWITCH
CLUTCH SWITCH
CHOKE CONTROL
THROTTLE CONTRO_L_
CLUTCH/BRAKE
PEDAL
HEIGHT ADJUSTMENT
KNOB
%
LIFT'LEVER
PLUNGER
LIFT LEVER
•PARKING BRAKE
LEVER
APPROX,
SPEEDS:
3 MPH
MOTION
CONTROL
LEVER
FREE WHEEL CONTROL
FIG. 7
Our tractors conform to the safety standards of the American Nationai Standards Institute.
AMMETER - Indicates charging (+) or discharging (-) of
battery°
ATTACHMENT CLUTCH SWITCH - Used to engage the
mower' blades or other attachments mounted to your trac-
tor.
CHOKE CONTROL -Used when starting a cold engine,
CLUTCH/BRAKE PEDAL - Used for declutching and
braking the tractor and starting the engine.
FREEWHEEL CONTROL -Disengages transmission for
pushing or slowly towing the tractor with the engine off,
12
HEIGHT ADJUSTMENT KNOB- Used to adjust the mower
cutting heighL
IGNITION SWITCH - Used for starting and stopping the
engine_
LIFT LEVER PLUNGER - Used to release attachment lift
lever when changing its position.
LIGHT SWITCH - Turns the headlights on and off,.
MOTION CONTROL LEVER - Selects the speed and
direction of the tractor',,
PARKING BRAKE LEVER -Locks clutch/brake pedal into
the brake position,

......... ,,,, ......................
OPERATUON
' ,ll i i N,ill i ,1,11,111
1,,,,,1,, i ,,i ,, ii '"Hi,M= ....... 1'""1'1 .....
i The operation of any tractor can result in foreign objects thrown into the eyes, which can result
in severe eye damage. Always wear safety glasses or eye shields while operating your tractor
or performing any adjustments or repairs. We recommend a wide vision safety mask over the
spectacles or standard safety glasses.
........ ,, ,,,,,,,,,,,,,,,,,,,_,,,_,_, .
I I I ...... I"'1111'1 .....................
HOW TO USE YOUR TRACTOR NOTE: Under certain conditions when tractor is standing
idle with the engine running, hot engine exhaust gases may
TO SET PARKING BRAKE (See Fig. 8)
Your tractor is equipped with an operator presence sensing
switch. When engine is running, any attempt by the
operator to leave the seat without first setting the parking
brake will shut off the engine.
• Depress clutch/brake pedal into full "BRAKE" position
and hold.
= Place parking brake lever in "ENGAGED" position and
release pressure from clutch/brake pedal° Pedal should
remain in BRAKE position. Make sure parking brake
will hold tractor secure.
cause "browning" of grass. To eliminate this possibility,
always stop engine when stopping tractor on grass areas.
CAUTION" Always stop tractor com-
pletely, as described above, before leav-
ing the operator's position; to empty
grass catcher, etc_
PUSH IN TO ATTACHMENT CLUTCH
THROTTLE "DISENGAGE" SWITCH PULL OUT TO
CONTROL LEVER
CHOKE
CONTROL
CLUTCH/BRAKE
PEDAL"BRAKE"
_OSITION
IGNITION
MOTION
CONTROL
LEVER
HEIGHT
"DRIVE" ADJUSTMENT PARKING
POSITION KNOB BRAKE
"DISENGAGED .... ENGAGED"
POSITION POSITION
FIG. 8
STOPPING (See Fig. 8)
MOWER BLADES -
= Move attachment clutch switch to "DISENGAGED"
position,
GROUND DRIVE -
• Depress clutch/brake pedal into full "BRAKE" position.
•Move motion control lever to neutral (N) position°
IMPORTANT: THE MOTION CONTROL LEVER DOES
NOT RETURN TO NEUTRAL (N) POSITION WHEN THE
CLUTCH/BRAKE PEDAL IS DEPRESSED
ENGINE -
. Move throttle control to slow (,¢_) position,
NOTE: Failure to move throttle control to slow (,¢_)
position and allowing engine to idle before stopping may
cause engine to "backfire".
°Turn ignition key to "OFF" position and remove key.
Always remove key when leaving tractor to prevent
unauthorized use,
°Never use choke to stop engine°
TO USE CHOKE CONTROL (See Fig. 8)
Use choke control whenever you are starting a cold engine°
Do not use to start a warm engine_
° To engage choke control, pull knob out. Slowly push
knob in to disengage.
TO USE THROTTLE CONTROL (See Fig. 8)
Always operate engine at full throttle,
. Operating engine at less than full throttle reduces the
battery charging rate.
° Full throttle offers the best bagging and mower perfor-
mange°
TO MOVE FORWARD AND BACKWARD
(See Fig. 8)
The direction and speed of movement is controlled by the
motion control lever.
• Start tractor with motion control lever in neutral (N)
position.
° Release parking brake and clutch/brake pedal
oSlowly move motion control lever to desired position°
TO ADJUST MOWER CUTTING HEIGHT
(See Fig, 8)
The cutting height is controlled by turning the height adjust-
ment knob in desired direction_
. Turn knob clockwise (F-x) to raise cutting height.
• Turn knob counterclockwise (v-_)to lower cutting
height.
The cutting height range is approximately 1-1/2" to 4-1/2",
The heights are measured from the ground to the blade tip
with the engine not running° These heights are approxi-
mate and may vary depending upon soi! conditions, height
of grass and types of grass being mowed.
°The average lawn should be cut to approximately 2_1/2
inches during the cool season and to over 3 inches
during hot months° For healthier and better looking
lawns, mow often and after moderate growth_
°For best cutting performance grass over 6 inches in
height should be mowed twice. Make the first cut
relatively high; the second to desired height°
13
t

,',I'_
, ,,11,1i ........
OPERATION
TO ADJUST GAUGE WHEELS (See Fig. 9)
Gauge wheels are properly adjusted when they are slightly
off the ground when mower is at the desired cutting height
in operating position. Gauge wheels then keep the deck in
proper position to help prevent scalping in most terrain
conditions.
• Adjust gauge wheels with tractor on a fiat leve! surface.
o Adjust mower to desired cutting height (See "TO AD-
JUST MOWER CUTTING HEIGHT" in the Operation
section of this manual).
oWith mower in desired height of cut position, gauge
wheels should be assembled so they are slightly off the
ground Install gauge wheel in appropriate hole with
shoulder bolt, 3/8 washer, and 3/8-16 locknut and
tighten secureIy,
,, Repeat for opposite side installing gauge wheel in
same adjustment hoteo
GUAGE
WHEEL
MOUNTING
3/8_16 _"_"
LOCKNUT
3t8 WASHER
SHOULDER BOLT
GAUGE WHEEL
FIG. 9
TO OPERATE MOWER (See Figs. 7 and 8)
You rtractor is equipped with an operator presence sensing
switch. Any attempt by the operator to leave the seat with
the engine running and the attachment clutch engaged will
shut off the engine°
o Select desired height of cut.
= Lower mower with attachment lift control.
* Start mower blades by engaging attachment clutch
control
° TO STOP MOWER BLADES- disengage attachment
clutch control,
TO OPERATE ON HILLS
I _ CAUTIONi D0n'0tdriveup°rd°wn I
hills with slopes greater than 15° and
do not drive across any slope,
oChoose the slowest speed before starting up or down
hills.
= Avoid stopping or changing speed on hitls_
= If slowing is necessary, move throttle control lever to
slower position.
= If stopping is absolutely necessary, push clutch/brake
_edal quickly to brake position and engage parking
rake.
=Move motion control lever to neutral (N) position_
IMPORTANT; THE MOTION CONTROL LEVER DOES
NOT RETURN TO NEUTRAL (N) POSITION WHEN THE
CLUTCH/BRAKE PEDAL IS DEPRESSED.
o To_estart movement, slowly release parking brake and
clutch/brake pedal
= Slowly move motion control lever to slowest setting.
° Make all turns slowly.
TO TRANSPORT (See Figs. 7 and 11)
When pushing or towing your tractor, be sure to disengage
transmission by placing freewheel control in freewheeling
position° Free wheel control is located at the rear drawbar
of tractor.
o Raise attachment lift to highest position with attach-
ment lift control
oRemove retainer spring from freewheel control rod.
= Push control rod in to disengage transmission and
reinsert retainer' spring into control rod hole now on
back side of the bracket°
o Do not push or tow tractor at more than two (2) MPH.
oTo reengage transmission, reverse above procedure.
NOTE: To protect hood from damage when transporting
your tractor on a truck or a trailer, be sure hood is closed
and secured to tractor. Use an appropriate means of tying
hood to tractor (rope, cord, etc.).
DISCHARGE
GUARD
FIG. 11
FIG. 10 14

,== = , ===,
OPERATmON
t , i i ,,u,uHn ....... nnl
BEFORE STARTING THE ENGINE
CHECK ENGINE OIL LEVEL (See Fig. 12)
• The engine in your tractor has been shipped, from the
factory, already filled with summer weight oil
.Check engine oil with tractor on level ground.
oRemove oil fill cap/dipstick and wipe clean, reinsert the
dipstick and push it all the way down into the tube, wait
for a few seconds, remove and read oil level, If
necessary, add oil until "FULL" mark on dipstick is
reached_ Do not overfill
•For cold weather operation you should change oil for
easier starting (See "OIL VISCOSITY CHART" in the
Customer Responsibilities section of this manual).
oTo change engine oil, see the Customer Responsibili-
ties section in this manual.
ENGINE OIL
FILL CAP/DIPSTICK
FIG. 12
ADD GASOLINE
° Fil! fuel tank. Use fresh, clean, regular unleaded
gasoline with a minimum of 87 octane. (Use of Ieaded
gasoline will increase carbon and lead oxide deposits
and reduce valve iife)o Do not mix oil with gasoline.
Purchase fuel in quantities that can be used within 30
days to assure fuel freshness.
IMPORTANT: WHEN OPERATING IN TEMPERATURES
BELOW 32°F(0°C), USE FRESH, CLEAN WINTER GRADE
GASOLINE TO HELP INSURE GOOD COLD WEATHER
STARTING.
WARNING: Experience indicates that alcohol blended
fuels (called gasohol or using ethanol or methanol) can
attract moisture which leads to separation and formation of
acids during storage. Acidic gas can damage the fuel
system of an engine while in storage° To avoid engine
problems, the fuel system should be emptied before stor-
age of 30 days or longer. Drain the gas tank, start the
engine and let it run until the fuel lines and carburetor are
empty. Use fresh fuel next season. See Storage Instruc-
tions for additional information. Never use engine or
carburetor cleaner products in the fuel tank or permanent
damage may occur.
= im um i H
l& AUTION: Fill to bottom of gas tank I
filler neck. Do not overfill. Wipe off any i
spilled oil or fuel. Do not store, spill or
use gasoline near an open flame.
i
TO START ENGINE (See Fig. 8)
When starting the engine for the first time or if the engine
has run out of fuel, it will take extra cranking time to move
fuel from the tank to the engine°
,, Be sure freewheel control is in the transmission en-
gaged position.
o Sit on seat in operating position, depress clutch/brake
pedal and set parking brake_
• Place motion control lever in neutral (N) position..
o Move attachment clutch to "DISENGAGED" position.
o Move throttle control to fast (_) position
o Pull choke control out for a cold engine start attempt,
For a warm engine start attempt the choke control may
not be needed.
Note: Before starting, read the warm and cold starting
procedures below.
= Insert keyinto ignition and turn keyciockwiseto"START"
position and release key as soon as engine starts. Do
not run starter continuously for more than fifteen sec-
onds per minute, tf the engine does not start after
several attempts, push choke control in, wait a few
minutes and try again. If engine still does not start, pull
the choke controf out and retry.
WARM WEATHER STARTING (50° F and above)
o When engine starts, slowly push choke controlin until
the engine begins to run smoothly. If the engine starts
to run roughly, pull the choke control out slightly for a
few seconds and then continue to push the control in
slowly.
o The attachments and ground drive can now be used. If
the engine does not accept the load, restart the engine
and allow it to warm up for one minute using the choke
as described above.
COLD WEATHER STARTING (50 ° F and below)
o When engine starts, slowly push choke control in until
the engine begins to run smoothly° Continue to push
the choke control in small steps allowing the engine to
accept small changes in speed and load, until the
choke control is fully in. if the engine starts to run
roughly, pull the choke control out slightly for a few
seconds and then continue to push the control in
slowly_ This may require an engine warm-up period
from several seconds to several minutes, depending
on the temperature,.
HYDROSTATIC TRANSMISSION WARM UP
,, Before driving the unit in cold weather, the transmis-
sion should be warmed up as follows:
•Be sure the tractor is on level ground.
o Place the motion control lever in neutral.
Release the parking brake and let the clutch/brake
sIowly return to operating position.
• Allow one minute for transmission to warm up
This can be done during the engine warm up
period,,
o The attachments can be used during the engine warm*
up period after the transmission has been warmed up
and may require the choke control be pulled out slightly,
NOTE: If at a high altitude (above 3000 feet) or in cold
temperatures (below 32 F) the carburetor fuel mixture may
need to be adjusted for best engine performance. See "TO
ADJUST CARBURETOR" in the Service and Adjustments
section of this manual.
15

,;,,,,;,,_,;_,_ .....i,,-m, ii ....
OPERATUON
PURGE TRANSMISSION =tf grass is extremely tail, it should be mowed twice to
i._, CAUTION: Never engage or disengage I
_ freewheel lever while the engine is run-
To ensure proper operation and performance, it is recom-
mended that the transmission be purged befoi'e operating
tractor for the first time. This procedure will remove any
trapped air inside the transmission which may have devel-
oped during shipping of your tractor_
IMPORTANT" SHOULD YOUR TRANSMISSION REQUIRE
REMOVAL FOR SERVICE OR REPLACEMENT, IT
SHOULD BE PURGED AFTER REINSTALLATION
BEFORE OPERATING THE TRACTOR_
= Place tractor safely on level surface with engine off and
parking brake set..
o Disengage transmission by placing freewheel control
in freewheeling position (See "TO TRANSPORT" in
this section of manual).
, Sitting !n the tractor seat, start engine. After the engine
is running, move throttle control to slow (,_) position.
With motion control lever in neutral (N) position, slowly
disengage clutch/brake pedal.
° Move motion control lever to full forward position and
hold for five (5) seconds. Move lever to full reverse
position and hold for five (5) seconds.. Repeat this
procedure three {3) times.
NOTE: During this procedure there will be no movement of
drive wheels. The airis being removed from hydraulic ddve
system.
o Move motion control lever to neutral (N) position. Shut-
off engine and set parking brake,
, Engage transmission by placing freewht_e! control in
driving position (See "T'OTRANSPORT" in this section
of manual)..
oSitting in the tractor seat, start engine. After the engine
is running, move throttle control to half (1/2) speed_
With motion control lever in neutral (N) position, slowly
disengage clutch/brake pedal.
• Slowly move motion control lever forward, after the
tractor moves approximately five (5) feet, slowly move
motion control lever to reverse position. After the
tractor moves approximately five (5) feet return the
motion control lever to the neutral (N) position. Repeat
this procedure with the motion control lever three (3)
times.
-Your tractor' is now purged and now ready for normal
operation.
MOWgNG TBPS
,Tire chainscannot be used when the mower housing is
attached to tractor.
= Mower should be properly leveled for best mowing
performance. See ''TO LEVEL MOWER HOUSING" in
the Service and Adjustments section of this manual.
o The left hand side of mower should be used for trim-
ming.
o Drive so that clippings are discharged onto the area
that has been cut. Have the cut area to the right of the
tractor'. This will result in a more even distribution of
clippings and more uniform cutting.
o When mowing large areas, start by turning to the right
so that clippings will discharge away from shrubs,
fences, driveways, etc. After one or'two rounds, mow
in the opposite direction making left hand turns until
finished (See Fig.. 13).
reduce load and possible fire hazard from dried clip-
pings. Make first cut relatively high; the second to the
desired heightv
. Do not mow grass when it is wet. Wet grass will plug
mower and leave undesirable clumps_ Atlow grass to
dry before mowing.
o Always operate engine at full throttle when mowing to
assure better mowing performance and proper dis-
charge of material, Regulate ground speed by select-
ing a low enough gear' to give the mower cutting
performance as well as the quality of cut desired,
• When operating attachments, select a ground speed
that will suit the terrain and give best performance of
the attachment being used.
l
,%, ,_
_ J
FIG. 13
MULCHING E/lOWiNG T_PS
IMPORTANT: FOR BEST PERFORMANCE, KEEP
MOWER HOUSING FREE OF BUILT-UP GRASS AND
TRASH.. CLEAN AFTER EACH USE.
° The special mulching blade will recut the grass clip-
pings many times and reduce them in size so that as
they fall onto the lawn they will disperse into the grass
and not be noticed. Also, the mulched grass will
biodegrade quickly to provide nutrients for the lawn.
Always mulch with your highest engine (blade) speed
as this will provide the best recutting action of the
blades_
. Avoidcuttingyourlawnwhenitiswet. Wetgrasstends
to form clumps and interferes with the mulching action.
The best time to mow your lawn is the early afternoon.
At this time the grass has dried and the newly cut area
wilt not be exposed to the direct sun.
For'best results, adjust the mower cutting height so that
the mower cuts off only the top one-third of the grass
blades (See Fig. 14),. For extremely heavy mulching,
reduce your width of cut on each pass and mow slowly.
o Certain types of grass and grass conditions may re-
quire that an area be mulched a second time to com-
pletely hide the clippings. When doing a second cut,
mow across or perpendicular to the first cut path.
° Change your' cutting pattern from week to week. Mow
north to south one week then change to east to west the
next week. This wiil help prevent matting and graining
of the lawn.
MAX 113
F1G. 14
16

CUSTOMER RESPONSUBILnTIES
, i,, i , i ......... " ii ii i .......... i,,i,,,Ii ,,,,,u,w
MAINTENANCE SCHEDULE /__//_o_'_ S
AS YOU COMPLETE /_./_ _ _,_,_,_j-_._O'_'__"
REGULAR SERVICE ........ /_/'_4__SERV1CE DATE s
Chec__kkBrake Operation ......6f , 6#4:
Check Tire Pressure 644
TCheck for Loose Fasteners 6/
SharpentReptace Mower Biades
Lubrication Chart
C .........
TChe'ckBattery Leve!/Recharge ..........
0Clean Battery and Terminals ............
R CheckTransaxle Cooling
L,Adjust B!,adeBelt(s) Tension
Adjust Motion Drive Belt(s) Tension
Check Engine Oil Level
Change Engine Oil
NE clean Air Filter ....Clean Air Screen
I
G Inspec! Muffler/S,P,ark,Arrester
I Replace Oil Filter (If equipped)
N-clean Engine Cooling Fins
Replace Spark Plug
Replace Air F,ilte,rpaper Cartridge
Replace Fuel Filter ,,, ,:, ,,,,,,,
6/ 6/
6/ 6/ .......
6/ .......... 6/
6/ 6/,
6/,
_1,2,3
6/2 6/
1 - Change more often when operellng under a heavy load or In high ambient temperatures
2 - Service more often when operating in dirty or dusty conditions
3 - tf equipped with oil filter, change ell every 50 hours
4 - Replace blades more often when mowing tn sandy soil
6/
6/ 6/
5-1!equipped wilh adjustable system
6 - Net required i! equipped wilh maintenance4_'ee batlery
7- Tighten front axle pivot bolt to 35 It -Ibs maximum
Do not overiighten
GENERAL RECOMMENDATIONS
The warranty on this tractor does not cover items that have
been subjected to operator abuse or negligence_ To
receive full value from the warranty, operator must maintain
tractor as instructed in this manual.
Some adjustments will need to be made periodically to
properly maintain your tractor.
All adjustments in the Service and Adjustments section of
this manual should be checked at least once each season_
. Once a year you should replace the spark plug, clean
or replace air filter, and check blades and belts for
wear. A new spark plug and clean air filter assure
proper air-fuel mixture and help your engine run better
and last longer°
BEFORE EACH USE
• Check engine oil level.
°Check brake operation°
• Checktire pressure.
.Check for loose fasteners.
IMPORTANT: DO NOT OIL OR GREASE THE PIVOT POINTS
WHICH HAVE SPECIAL NYLON BEARINGS VISCOUS LUBRI-
CANTS WILL ATTRACT DUST AND DIRT THAT WILL SHORTEN
THE LIFE OF THE SELF-LUBRICATiNG BEARINGS. IF YOU
FEEL THEY MUST BE LUBRICATED, USE ONLY A DRY, Pew-
DERED GRAPHITE TYPE LUBRICANT SPARINGLY
LUBRICATION CHART
(I_T|E ROD BALL JOINTS ®
® ®
BEARING ZERK BEARING ZERK
®STEERING
SECTOR GEAR
TEETH
ENGINE ®
L
(_) SPRAY SILICONE LUBRICANT (MOVE BOOTS TO LUBRICATE)
®GENERAL PURPOSE GREASE
(_) REFER TO CUSTOMER RESPONSIBILITIES "ENGINE" SECTION
17

....... -- _ m , ,,,, ,,,, .... =
CUSTOMER RESPONSmB L T ES
TRACTOR
Always observe safety rules when performing any mainte _
nance.
BRAKE OPERATION
If tractor requires more than six (6) feet stopping distance
at high speed in highest gear', then brake must be adjusted.
(See "TO ADJUST BRAKE" in the Service and Adjust-
ments section of this manual).
TIRES
o Maintain proper air pressure in ail tires (See "PROD--
UCT SPECIFICATIONS" on page 3 of this manuat)_
= Keep tires free of gasoline, oil, or insect control chemi-
cals which can harm rubber_
• Avoid stumps, stones, deep ruts, sharp objects and
other' hazards that may cause tire damage.
NOTE: To seal tire punctures and prevent fiat tires due to
slow leaks, tire sealam may be purchased from your local
parts dealer.. Tire sealant also prevents tire dry rot and
corrosion.
BLADE CARE
For best results mower blades must be kept sharp, Re-
place bent or damaged blades°
BLADE REMOVAL (See Fig. 15)
o Raise mower' to highest position to allow access to
blades.
-Remove hex bolt, lockwasher and flat washer secudng
blade.
= lnstatl new or resharpened blade with trailing edge up
towards deck as shown.
o Reassemble hex bolt, lock washer and flat washer in
exact Order'as shown..
, Tighten bolt securely (30_35 Ft. Lbs. torque).
IMPORTANT: BLADE BOLT IS GRADE 8 HEAT TREATED
NOTE: We do not recommend sharpening blade -but if you
do, be sure the blade is balanced
BLADE MANDREL
ASSEMBLY
TRAILING
EDGEUP
HEX BOLT (GRADE 8)
*A GRADE 8 HEAT TREATED BOLT CAN BE
tDENT'IFIED BY SIX LINES ON THE BOLT HEAD.
TO SHARPEN 8LADE (See Fig. 16)
Care should be taken to keep the blade balanced. An
unbalanced blade wili cause excessive vibration and even-
tual damage to mower and engine
• The blade can be sharpened with a file or on a grinding
wheel. Do not attempt to sharpen while on the mower,
oTo check blade balance, you will need a 5/8" diameter
steel bolt, pin, or a cone balancer (When using a cone
balancer, follow the instructions supplied with bal-
ancer) o
•Slide blade on to an unthreaded portion of the steel bolt
or pin and hold the bolt or pin parallel with the ground.
!f blade is balanced, it should remain in a horizontal
position, if either end of the b!ade rnoves downward,
sharpen the he_,.Jyend unti] the blade is balanced
NOTE: Do not us_:,3nai! for balancing blade. The lobes of
he cenler hole rn;,y appear to be centered, but are not.
CENT2R HOLE /,
/
i
518" BOLT
OR PIN
BLADE
FIG. 16
BA'FI'ERY
Your tractor has a battery charging system which is suffF
cient for normal use However, periodic charging of the
battery with an automotive charger will extend its Iife_
o Keep battery and terminals clean.
', Keep battery bolts tight°
o Keep smallvent holes open.
o Recharge at 6-10 amperes for 1 hour.
TO CLEAN BATTERY AND TERMINALS
Corrosion and dirt on the battery and terminals can cause
the battery to "leak" power'.
° Remove terminal guar&
,, Disconnect BLACK battery cable first then RED
battery cable and remove battery from tractor°
Rinse the battery with plain water and dry.
• Clean terrninals and batterycable ends withwire brush
until bright.
o Coat terminals with grease or petroleum jelly..
,Reinstall battery (See "CONNECT BATTERY" in the
Assembly section of this manual).
FIG. 15
18

ii ,l= = ..........................
=,==,,, = '='HI'=IHr'
TRANSAXLE COOLING
The fan and cooling fins of transmission should be kept
clean to assure proper cooling.
Do not attempt to clean fan or transmission while engine is
running or while the transmission is hot. To prevent
possible damage to seals, no not use high pressure water
or steam to clean transaxle.
, Inspect cooling fan to be sure fan blades are intact and
clean.
o inspect cooling fins for dirt, grass clippings and other
materials° To prevent damage to seals, do not use
compressed air or high pressure sprayer.
TRANSAXLE PUMP FLUID
The transaxle was sealed at the factory and fluid mainte-
nance is not required for the life of the transaxle. Should
the transaxle ever leak or require servicing, contact your
nearest authorized service center/department.
i i i1= i, i== ............
BILITIES
TO CHANGE ENGINE OIL (See Fig.17)
Determine temperature range expected before oil change,
All oil must meet API service classification SF or SG,
', Be sure tractor is on level surface_
•Oil will drain more freely when warm.
,, Catch oil in a suitable container.
,, Remove oil fill cap/dipsticko Be careful not to allow dirt
to enter the engine when changing oil..
oRemove drain plug.
= After oil has drained completely, replace oil drain plug
and tighten securely°
• Refill engine with oil through oil fill dipstick tube. Pour
slowly. Do not overfill. For approximate capacity see
"PRODUCT SPECIFICATIONS" on page 3 of this
manual.
•Use gauge on oil fill cap/dipstick for checking level. Be
sure dipstick is in all the way for accurate reading.
Keep od at "FULL" line on dipstick_
V-BELTS
Check V-belts for deterioration and wear after 100 hours of
operation and replace if necessary. The belts are not
adjustable. Replace belts if they begin to slip from wear_
ENGINE
OIL DRAINPLUG
ENGINE OIL
LUBRICATION
Only use high quality detergent oil rated with API service
classification SForSG. Setect theoil'sSAEviscositygrade
according to your expected operating temperature,
SAE VISCOSITY GRADES
_F "20 _ 0Q _0 _ 32" 40" 60 _ 80" t00 _
_'C -30" -20=-I0 °10=20 =30° 40°
TEMp,E,FI/_RE RANGE ANTICIPATED BEFORE NEXT OIL CHANGE
NOTE: Although multi-viscosity oils (5W30, 10W30 etc°)
improve starting in cold weather, these multi-viscosity oils
will result in increased oil consumption when used above
32°F. Check your engine oil level more frequently to avoid
possible engine damage from running low on oil
Change the oil after the first two hours of operation and
every 50 hours thereafter or at least once a year if the
tractor is not used for 50 hours in one year.
Check the crankcase oil level before starting the engine
and after each eight (8) hours of operation° Tighten oil fill
cap/dipstick securely each time you check the oil level°
FILLER CAP/DIPSTICK
FIG. 17
CLEAN AIR SCREEN (See Fig. 18)
Air screen must be kept free of dirt and chaff to prevent
engine damage from overheating, Clean with a wire brush
or compressed air to remove dirt and stubborn dried gum
fibers.
19

, Hu,,, i i
CUSTOMIE ESPON B LWT ES
ENGINE COOLING FINS (See Fig. 18)
Remove any dust, dirt or oil from engine cooling fins to
prevent engine damage from overheating. Engine blower
housing must be removed. Remove side panels and hood
(See''TO REMOVE HOOD AND GRILLASSEMBLY" in the
Service and Adjustments section of this manuaio)
AIR SCREEN
COOLING FINS
(BOTH SIDES)
\
FIG. 18
AIR FILTER (See Fig. 19)
Your engine will not run properly using a dirty air fHtero
Clean the foam pre-cleaner after every 25 ho,urs of opera-
tion or every season. Service paper cartridge every 100
hours of operation or every season, whichever occurs first.
Service air cleaner more often under' dusty conditions°
,Removewing nut and cover.
• Removeseal and cartridge plate°
TO SERVICE PRE-CLEANER
oSlide foam pre-cleaner off cartridge°
°Wash it in liquid detergent and water°
• Squeeze it dry in a clean cloth°
o Saturate it in engine oil Wrap it in clean, absorbent
cloth and squeeze to remove excess oil.
TO SERVICE CARTRIDGE
° Gently tap the flat side of the paper cartridge to dis-
lodge dirt° Do not wash the paper cartridge or use
pressurized air, as this will damage the cartridge°
Replace a dirty, bent, or damaged cartridge.
o Reinstall the pre-cleaner (cleaned and oiled) over the
paper cartridge.
°Reassemble air cleaner, cartridge plate, and seal.
oinstall the air cleaner cover and wing nut. Tighten wing
nut 1/2 turnto 1fulltum after nutcontactscover. Donot
overtighteno
__'LL-'_'--.-.._=_.WINGNUT
COVER _-_.__
SEAL
FOAM ""F _" _CARTRIDGE
@
FIG. 19
ENGINE OIL F_L'rER
Replace the engine oil filter every season or every other oil
change if the tractor is used more than 100 hours in one
year.
MUFFLER
Inspect and replace corroded muffler and spark arrester (if
equipped) as it could create a fire hazard and/or damage,
SPARK PLUGS
Replace spark plugs at the beginning of each mowing
season or after every 100 hours of operation, whichever
occurs first. Spark plug type and gap setting are shown in
"PRODUCT SPECIFICATIONS" on page 3 of this manual.
IN-UNE FUEL FILTER (See Fig, 20)
The fuel filter should be replaced once each season, If fuel
filter becomes clogged, obstructing fuel flow to carburetor,
replacement is required.
,, With engine cool, remove filter and plug fuel line
sections.
o Place new fuel filter in position in fuel line with arrow
pointing towards carburetor'=
o Be sure there are no fuel line leaks and clamps are
properly positioned.
= immediately wipe up any spilled gasoline.
,CLAMP
2O
CLAMP FUEL FILTER
FIG. 20
CLEANING
o Clean engine, battery, seat, finish, etc. of all foreign
matter°
,, Keep finished surfaces and wheels free of all gasoline,
oil, etc.
o Protect painted surfaces with automotive type wax.
We do not recommend using a garden hose to clean your
tractor unless the electrical system, muffler, air filter and
carburetor are covered to keep water out. Water in engine
can result in a shortened engine lifeo

SERVSCE AND ADJUSTMENTS
,, 11,11.....
,i,1,11,11,11 ,,i,, ,11,,, i,,,,,11,,,
CAUTION: BEFORE PERFORMING ANY SERVICE OR ADJUSTMENTS:
oDepress clutcWbrake pedal fully and set parking brake.
Place motion control lever in neutral (N) position.
Place attachment clutch in "DISENGAGED" position.
Turn ignition key "OFF" and remove key.
Make sure the blades and all moving parts
Disconnect spark plug wire from spark plug
plug. , ii i, , ii , , ,i i ,,11 .......... i,,,,,,i,,,1111,1,, 1,1,11 ..... iii i ,
o
0
0
0
0
TO REMOVE MOWER (See Fig. 21)
°Place attachment clutch in "DISENGAGED" position,
.Turn height adjustment knob to lowest setting.
°Lower mower to its lowest position°
•Remove retainer spring holding anti-swaybar to chas-
sis bracket and disengage antFswaybar from bracket,
oRemove retainer springs from suspension arms at
deck and disengage arms from deck.
•Raise attachment lift to its highest position_
o Remove two retainer springs from each front Iink and
remove links.
,Slide mower forward and remove belt from electric
clutch pulley.
• Slide mower out from under right side of tractor.
IMPORTANT: IF AN ATTACHMENT OTHER THAN THE
MOWER DECK IS TO BE MOUNTED ON THE TRACTOR,
REMOVE THE FRONT LINKS.
TO INSTALL MOWER
Follow procedure described in "INSTALL MOWER AND
DRIVE BELT" in the Assembly section of this manual.
ADJUSTMENT
NUTS
SUSPENSION
ARMS
CHASSIS
BRACKET_
LIFT
LINKS
FRONT
SUSPENSION
BRACKET
have completely stopped.
and place wire where it cannot come in contact with
TO LEVEL MOWER HOUSING
Adjust the mower while tractor is parked on level ground or
driveway. Make sure tires are properly inflated (See
"PRODUCT SPECIFICATIONS" on page 3 of this manual).
If tires are over or underinflated, you will not properly adjust
your mower.
SIDE-TO-SIDE ADJUSTMENT (See Figs. 21 and 22)
,, Raise mower to its highest position.
° Measure height from bottom of deck curl to ground
level at front corners of mower. Distance "A" on both
sides of mower should be the same°
• If adjustment is necessary, make adjustment on one
side of mower only.
. To raise one side of mower, tighten lift link adjustment
nut on that side.
. To lower one side of mower, loosen lift link adjustment
nut on that side.
NOTE: Each half turn of adjustment nut will change mower
height about 3/16'L
Recheck measurements after adjusting.
BOTTOMOF BOTTOMOF
CURL CURL
GROUND LINE
FIG. 22
FRONT
SUSPENSION
BRACKET
RETAINER
SPRING
ANTI-SWAY
BAR RETAINER
SPRINGS
RETAINER
FRONT MOWER
BRACKET
FIG. 21
21

FRONT-TO-BACK ADJUSTMENT (See Figs. 23 and 24)
IMPORTANT: DECK MUST BE LEVEL SIDE-tO-SIDE IF
THE FOLLOWING FRONT.TO-BACK ADJUSTMENT IS
NECESSARY, BE SURE °,'0 P,DJUST BOTH FRONT LINKS
EQUALLY SO MOWER WILL STAY LEVEL SIDE-TO-SIDE
To obtain the best cutting results, the mower' housing
should be adjusted so the front is approximately 1/8" to 1/2"
lower than the rear when the mower is in its highest
position.
Check adjustment on right side of tractor° Measure dis-
tance "F" directly in front of and behind the mandrel at
bottom edge of mower housing as shown.
,, Before making any necessary adjustments, check that
both front links are equal in length.
o If links are not equal in lehgth, adjust one link to same
length as other link.
o To lower front of mower housing, loosen nut"G" on both
front links an equal number of turns.
,, When distance "F" is 1/8" to 1/2" lower at front than
rear, tighten nut"H" against trunnion on both front !!nkso
= To raise front of mower housing, loosen nut "H" from
trunnion on both front links. Tighten nut "G" on both
front links an equal number oi' turns..
o When distance "F" is 1/8" to 1/2" lower at front than
rear, tighten nut "H" against trunnion on both front
links.
NOTE: Each full turn of nut "G" wilt change dim. "F" by
approximately 3/8".
o Recheck side-to-side adjustment
MANDREL
FIG. 23
BOTH FRONT LINKS SHOULD BE EQUAL IN LENGTH
NUT"H
FRONT LINKS
TO REPLACE _IOWER DRIVE BELT
MOWER DRIVE BELt- REMOVAL (See Fig,, 25)
Pa_k tractor on a _evel surface. Engage parking brake,
oRemove four screws from [Ho mandrel cover and
remove cover,
oRoll belt over the top of L.H. mandrel pulley.
,Remove belt from electric clutch pulley°
o Remove belt from idler pulleys,
= Remove any dirt or grass clippinrJs which may have
accumulated around mandrels and entire upper deck
surface,,
o Check primary idler arm and two idlers to see that they
rotate [reely,
oBe sure spring is securely hooked to primary idler arm
and bolt in mow,::,rhousir_g,.
MOWER DRIVE BELT INSTALLATION (See Fig. 25)
= install belt in both idlers, t_,takesure belt is in both belt
keepers at the idlers ss shown,
• Install new belt onto electric clutch pulley.
= Roll belt into upper groove of L.H, mandrel pulley.
° Carefully check belt routing making sure belt is in the
grooves correctly and inside belt keepers°
o Reassemble L.H mandrel cover,
L,H,
M/_NDREL
COVER \
SCREWS IDLER
ELECTRIC
CLUTCH
PULLEY
MOWER
DRIVE
BELT
IDLER ARM BELT
KEEPERS
FIG. 25
FiG. 24 22

$ERVmCEAN
i1,1 ii ' ='="" ....
TO REPLACE MOWER BLADE DRIVE BELT
(See Fig. 26)
Park the tractor on level surface. Engage parking brake,
•Remove mowerdrive belt(See'TO REPLACE MOWER
DRIVE BELT" in this section of this manual)o
• Remove mower (See "TO REMOVE MOWER" in this
section of this manual).
,Remove four screws from R.H, mandrel cover and
remove cover. Unhook spring from bolt on mower
housing°
oCarefully roll belt off R.H. mandrel pulley.
° Remove belt from center mandrel pulley, idler pulley,
and L°H° mandrel pulley°
,Remove any dirt or grass which may have accumu-
lated around mandrels and entire upper deck surface.
= Check secondary idler arm and idler to see that they
rotate freely.
° Be sure spring is hooked in secondary idler arm and
sway-bar bracket.
•Install new belt in lower groove of Loll. mandrel pulley,
idler pulley, and center mandrel pulley as shown.
= Roll belt over R.H. mandrel pulleyo Make sure belt is in
all grooves properly.
• Reconnect spring to bolt in mower housing and rein-
stall R.Ho mandrel cover.
•Reinstall mower to tractor (See "INSTALL MOWER
AND DRIVE BELT" in the Assembly section of this
manual).
• Reassemble mower drive belt (See "TO REPLACE
MOWER DRIVE BELT" in this section of this manual).
R,H_
MANDREL
COVER
LH. MOWER CENTER
MANDREL BLADE
DRIVE BELT MANDREL
IDLER
PULLEY
IDLER ARM
SWAY-BAR
BRACKET SCREW
FIG. 26
SPRING
TO ADJUST ATTACHMENT CLUTCH
(See Fig. 27)
The electric clutch should provide years of service° The
clutch has a built-in brake that stops the pulley within 5
seconds. Eventually, the internal brake will wear which
may cause the mower blades to not engage, or, to not stop
as required. Adjustments should be made byyour nearest
authorized service center/departmento
ADJUSTMENTS
° Make sure attachment clutch and ignition switches are
in "OFF" position.
o Adjust the three nylon Iocknuts until space between
clutch plate and rotor measures .012" at all three slot
locations cut in side of brake plate_
NOTE: After installing a new electric clutch, run tractor at
full throttle and engage and disengage electric clutch 10
cycles to wear in clutch plate.
ROTOR CLUTCH PLATE
.012"
NYLON LOCKNUT (3) BRAKE PLATE
FIG. 27
TO ADJUST BRAKE (See Fig. 28)
Your tractor is equipped with an adjustable brake system
which is mounted on the side of the transaxleo
If tractor requires more than six (6) feet stopping distance
at high speed inhighest gear, then brake must be adjusted.
°Depress clutch/brake pedal and engage parking brake_
• Measure distance between brake operating arm and
nut 'W' on brake rod°
°tf distance is other than 1-1/2", loosen jam nut and turn
nut "A" until distance becomes 1-1/2", Retighten jam
nut against nut "A"o
oRoad test tractor for proper stopping distance as stated
above. Readjust if necessary. If stopping distance is
still greater than six (6) feet in highest gear, further
maintenance is necessary. Contact your nearest au _
thorized service center/department.
WITH PARKING BRAKE "ENGAGED"
NUT "A"
NUT
OPERATING
ARM
FIG. 28
23

TO REPLACE MOTION DRIVE BELT
(See Fig. 29)
Park the tractor on level surface_ Engage parking btake_
For ease of service there is a belt installation guide decal on
bdttom of left footrest,,
.Remove mower (See "TO REMOVE MOWER" in this
section of this manuaL)
BELT REMOVAL -
• Engage parking brake (creates slack in belt).
• Remove belt from cl_Jtching and fan idler pulleys°
° Loosen belt keeper above transaxle pulley.
o Remove belt from transaxle pulley..
°Remove belt from engine pulley and front V-idler pul-
ley..
oPull belt out of all belt keepers and remove from tractor=
BELT INSTALLATION -
° Place V part of belt into grooves on engine pulley and
front V-idler, making su[e to route belt inside of all belt
keepers.
• Route belt on right side, coming from V-idler, towards
back of tractor, above midspan belt keeper and to top
of transaxle pulley=
o Route belt on left side, coming from engine pulley,
towards back of tractor and through loop in midspan
belt keeper°
° Place V part of belt into grooves on transaxle and fan
idler pulleys, making sure to route belt inside of all belt
keepers,
•Retighten belt keeper above transaxle pulley.
= Place belt around clutching idlers as shown, making
sure to route belt inside of all belt keepers.
° Check to be sure belt is positioned correctly and is on
proper side of all belt keepers:
o Reinstall mower,
IMPORTANT: CHECK BRAKE ADJUSTMENT.
,.,.,w= TRACTOR V-BELT DRIVE SCHEMATIC
VIEWED FROM L,H, SIDE OF TRACTOR
CLUTCHING TRANSAXLE
CLUTCH|NG IDLER X BELT
\KEEPER
ENGINE ABOVE
PULLEY V-IDLER KEEPER
BELT
TWISTS BELt
KEEPER FAN
IDLER
AS VIEWED FROM BOTTOM
TO ADJUST MOTION CONTPOL LEVER (See
Fig. 30)
The motion control lever has been preset at the factory and
adjustment should not be necessary.
if for any reason the motion control lever wil! not hold its
position while at a selected speed, it may be adjusted at the
friction pack located on the right side of chassis.
• Park tractor on level surface. Stop tractor by turning
ignition key to "OFF" position and engage parking
brake..
= Place motion control lever in neutral (N) position.
o While hotding ]ochnut, loosen jam nut
= Tighten loc;(nut 1/4 turn_
° While holding tocknut, tighten jam nut securely.
NOTE: tf for any r_:ason the effofl, to move the motion
control lever becomes too excessive, reverse the above
adjustment procedure by loosening locknut 1/4 turn.
Road test tractor after adjustment arid repeat procedure if
necessary.
TRANSMPSSION REMOVAL/REPLACEMENT
Should your transmission require removal for service or
replacement, it should be purged after reinstallation and
before operating the tractor'. See "PURGE TRANSMIS-
SION" in the Operation section of this manual
jLOCKNUT
JAM
NUT
FIG. 30
TO ADJUST STEERING WHEEL ALIGNMENT
if steering wheel crossbars are not horizontal (Ieft to right)
when wheels are positioned straight forward, remove steer-
ing wheel and reassemble per instructions inthe Assembly
section of this manual
FIG. 29
24

=SERVICE AND ADJUSTMENTS
=
WAS
I=,H i=1=,i,,=i=1,,_1=
FRONT WHEEL TOE-IN ADJUSTMENT
Frontwheet toe-in is required for propersteering operation.
Toe-in was set at the factory and adjustment should not be
necessary. If partsinthe frontaxle orsteering mechanism
have been replaced or damaged, check toe-in and adjust
if necessary.
TO CHECK TOE-IN (See Fig. 31)
o Position front wheels straight ahead_
o Measure distance between wheels at front and rear of
tires (dimensions "A" and "B")°
• Front dimension "A" should be 1/8" to !/4" less than
rear dimension "B".
TO ADJUST TOE-IN (See Figs° 31 and 32)
= Loosen jam nuts at adjustment sleeves on tie rod,
• Adjust tie rod until dimension"A"is 1/8" to !/4" less than
dimension "B",
•Tighten jam nuts securely.
FIG. 31
,, ADJUSTMENT
/rSLEEVES
TIE ROD
FIG. 32
FRONT WHEEL CAMBER
The front wheel camber is not adjustable on your tractor. If
damage has occurred to affect the front wheel camber,
contact your nearest authorized service center/depart-
ment.
TO REMOVE WHEEL FOR REPAIRS
FRONT WHEEL (See Fig. 33)
oBlock up axle securely°
oRemove axle cover, retaining ring and washers to allow
wheel removal.
° Repair tire and reassemble°
°Replace washers and snap retaining ring securely in
axle groove,
° Replace axle cover.
NOTE: To seal tire punctures and prevent flat tires due to
slow leaks, tire sealant may be purchased from your local
parts dealer. Tire sealant also prevents tire dry rot and
corrosion.
RETAINING
RING
AXLE
COVER
FIG. 33
REAR WHEEL -
•Block rear axle securely°
.Remove five (5) hub bolts to allow wheel removal,
°Repair tire and reassemble. Replace and tighten hub
bolts securely.
TO START ENGINE WITH AWEAK BATTERY
(See Fig. 34)
I_ CAUTi0N: Lead.acid batteries gener-
ate explosive gases. Keep sparks, flame
and smoking materials away from bat-
teries. Always wear eye protection
when around batteries,
if your battery is too weak to start the engine, it should be
recharged. If "jumper cables" are used for emergency
starting, follow this procedure:
IMPORTANT: YOUR TRACTOR IS EQUIPPED WITH A 12
VOLT NEGATIVE GROUNDED SYSTEM. THE OTHER
VEHICLE MUST ALSO BE A 12 VOLT NEGATIVE
GROUNDED SYSTEM. DO NOT USE YOUR TRACTOR
BATTERY TO START OTHER VEHICLES.
TO ATTACH JUMPER CABLES -
°Connect each end of the RED cable to the POSITIVE
(+) terminal of each battery, taking care not to short
against chassis°
oConnect one end of the BLACK cabte to the NEGA-
TIVE (-) terminal of fully charged battery
o Connect the other end of the BLACK cable to good
CHASSIS GROUND, away from fuel tank and battery°
TO REMOVE CABLES, REVERSE ORDER
o BLACK cable first from chassis and then from the fully
charged battery.
RED cable last from both batteries.
25
"POSITIVE" (+) "NEGATIVE"(-)
FIG. 34

=,. SERVICE AND ADJUSTMENTS
ADJUSTMENT
......................... i,
TO REPLACE HEADLIGHT BULB
,, Raise hood.
• Pull bulb holder out of the hole in the backside of the
grill.
oReplace bulb in holder and push bulb holder securely
back into the hole in the backside of the grill.
oClose hood.
INTERLOCKS AND RELAYS
Loose or damaged wiring may cause your tractor to run
poorly, stop running, or prevent it from starting.
= Check wiring. See electrical wiring diagram in the
Repair Parts section of thls manual.
TO REPLACE FUSE
Replace with 30 amp automotive-type plug-in fuse. The
fuse holder is tocated behind the dash.
TO ADJUST ATTACHMENT LIFT SPRING
(See Fig, 35)
°While holding spring bushing withwrench, loosen jam
nut.
o Turn adjustrnent bolt clockwise to extend spring and
reduce lifteffort for heavier' attachments.
= Turn adjustment bolt counterclockwise for lighter at.,
tachmentso
• Retighten jam nut against spring bushing.
IMPORTANT: DO NOT ADJUST FOR MAXIMUM SPRING
TENSION WHEN USING LIGHT ATTACHMENTS SUCH
AS A MOWER. ADJUST LIFT LEVER SPRING TO AID IN
LIFTING ATTACHMENT. DO NOT OVERPOWER SPRING.
WHEN REMOVING ATTACHMENT, ALWAYS ADJUST
SPRING TENSION TO ITS LOWEST POSITION.
SPRING BUSHING
eATTACHMENT
JAMNUT LIFTSPRING
FIG. 35
TO REMOVE HOOD AND GRt, LL ASSEMBLY
(See Fig. 36)
,, Raise hood.
°Unsnap headlight wire connector..
oStand infrontof tractor. Grasp hood at sides, tilttoward
engine and lift off of tractor.
, To replace, reverse above procedures.
HOOD
FIG, 36
26

SERVICE AND ADJUSTMENTS
,11 i,i1,111,
ENGINE ACCELERATION TEST-
TO ADJUST THROTTLE CONTROL CABLE
(See Figs. 37 & 38)
The throttle control has been preset at the factory and
adjustment should notbe necessary. Checkadjustmentas
described below before loosening cable. If adjustment is
necessary, proceed as follows:
• With engine not running, move throttle control lever to
fast (,_) position.
° Check that speed control lever is against stop screw. If
it is not, loosen casing clamp screw and pull throttle
cable untit lever is against screw. Tighten clamp screw
securely.
TO ADJUST CARBURETOR (See Fig. 39)
The carburetor has been preset at the factory and adjust-
ment should not be necessary° However, minor adjustment
may be required to compensate for differences in fuel,
temperature, altitude or load.. If the carburetor does need
adjustment, proceed as follows:
In general, turning the adjusting needles in (clockwise)
decreases the supply of fuel to the engine giving a leaner
fueVair mixture. Turning the adjusting needles out (coun-
terclockwise) increases the supply of fuel to the engine
giving a richer fueVair mixture..
IMPOR'fANT: DAMAGE TO THE NEEDLES AND THE
SEATS IN CARBURETOR MAY RESULT IF SCREW tS
TURNED IN TOO TIGHT.
o Move throttle control lever from slow (_) to fast (,€_)
position, tf engine hesitates or dies, turn idle mixture
screw out (counte rctockwise) 1/8 turn. Rep.eat test and
continue to adjust, it necessary, until engine acceler-
ates smoothly_
High speed stop is factory adjusted, Do not adjust-damage
may result.
IMPORTANT: NEVER TAMPER WITH THE ENGINE
GOVERNOR, WHICH IS FACTORY SET FOR PROPER
ENGINE SPEED. OVERSPEEDING THE ENGINE ABOVE
THE FACTORY HIGH SPEED SETTING CAN BE
DANGEROUS. IF YOU THINKTHE ENGINE-GOVERNED
HIGH SPEED NEEDS ADJUSTING, CONTACT YOUR
NEAREST AUTHORIZED SERVICE CENTER!
DEPARTMENT, WHICH HAS PROPER EQUIPMENT AND
EXPERIENCE TO MAKE ANY NECESSARY
ADJUSTMENTS°
PRELIMINARY SETTING -
o Be sure you have a clean air filter, and the throttle
control cable is adjusted properly (see above).
oWith engine off turn idle fuel adjusting needle in (clock-
wise) closing it finger tight and then turn out (counter-
clockwise) 1-1/4 turns,
.Turn ma!n fuel adjusting needle in (clockwise) closing
finger tight and then turn out (counterclockwise) 1turn.
FINAL SETTING -
° Start engine and allow to warm for five minutes,. Make
final adjustments with engine running and shift/motion
control lever in neutral (N) position.
•With throttle control lever in fast (,_) position, turn main
fuel adjusting needle in (clockwise) until engine begins
to die then turn out (counterclockwise) until engine
runs rough. Turn needle to a point midway between
those two positions.
• _eed setting - With throttle control lever in slow
(,,=_) position engine should idle at 1400 RPMo If
engine idles too slow or fast, turn idle speea aajusting
screw in or out until correct idle is attained.
°Idle fuel needle setting ...With throttle control lever in
slow (,,_.) position, turn idte fuel adjusting needle in
(clockwise) until engine begins to die and then turn out
(counterclockwise) until engine runs rough. Turn needle
to a point midway between those two positions.
,, Recheck idle speed_ Readjust if necessary.
CASING
CLAMP
SCREW
STOP SCREW SPEED CONTROL
THROTTLE
CONTROL
CABLE
FIG. 37
STOP
SPEED
CONTROL
LEVER
FIG. 38
IDLESPEED
ADJUSTING
SCREW
IDLE FUEL
ADJUSTING
EDLE
IN FUEL
DJUST|NG
EEDLE
27 FIG. 39

Immediatelyprepare your tractor rfor storage at the end of ENGINE
the season or if the tractor will not be used for' 30 days or
more.
iCAUTION: Never store the tractor with
gasoline in the tank inside a building
where fumes may reach an open flame
or spark. Allow the engine to cool
before storing in any enclosure.
, ,11,1,,, r....
TRACTOR
Remove mower from tractor for winter storage_ When
mower is to be stored for a Ceriod of time, ctean it thor-
oughly, remove all dirt, grease, leaves, etc. Store in a
clean, dry area°
oClean entire tractor (See"CLEANING"in the Customer
Responsibilities section of this manual).
= Inspect and replace belts, if necessary (See belt re-
placement instructions inthe Service and Adjustments
section of this manual)°
,Lubricate as shown in the Customer Responsibilities
section of this manual.
oBe sure that all nuts, bolts and screws are securely
fastened. Inspect moving parts for damage, breakage
and wear_ Replace if necessary.
oTouch up all rusted or chipped paint surfaces; sand
lightly before painting.
BATTERY
,Fully charge the battery for' storage°
•After a period of time in storage, battery may require
recharging.
,To help prevent corrosion and power leakage dudng
long periods of storage; battery cables should be
disconnected and battery cleaned thoroughly (see'TO
CLEAN BATTERY AND TERMINALS" in the Cus-
torner Responsibilities section of this manual).
•After cleaning, leave cables disconnected and place
cables where they cannot come in contact with battery
terminals.
oBe sure battery drain tube is securely attached.
-If battery is removed from tractor for storage, do not
store battery directly on concrete or damp surfaces.
FUEL SYSTEM
IMPORTANT': IT IS IMPORTANT TO PREVENT GUM
DEPOSITS FROM FORMING IN ESSENTIAL FUEL
SYSTEM PARTS SUCH AS CARBURETOR, FUEL FILTER,
FUEL HOSE, OR TANK DURING STORAGE. ALSO,
EXPERIENCE INDICATES THAT ALCOHOL BLENDED
FUELS (CALLED GASOHOL OR USING ETHANOL OR
METHANOL) CAN ATTRACT MOISTURE WHICH LEADS
TO SEPARATION AND FORMATION OF ACIDS DURING
STORAGE ACIDIC GAS CAN DAMAGE THE FUEL
SYSTEM OF AN ENGINE WHILE IN STORAGE
•Drain the fuel tank°
= Start the engine and let it run until the fuel lines and
carburetor are empty_
= Never use engine or carburetor cleaner products in the
fuel tank or permanent damage may occur_
•Use fresh fuel next season.
NOTE: Fuel stabilizer is an acceptable alternative in
minimizing the formation of fuel gum deposits during stor-
age. Add stabilizer to gasoline in fuel tank or storage
container_ Always follow the mix ratio found on stabilizer
container. Run engine at least 10 minutes after adding
stabilizer to allow the stabilizer to reach the carburetor. Do
not drain the gas tank and carburetor if using fuel stabilizer.
ENGINE OIL
Drain oil (with engine warm) and replace withclean engine
oil (See "ENGINE" in the Customer Responsibilities
section of this manual).
CYLINDERS
o Remove spark plug(s),
= Pour one ounce of oil through spark plug hole(s) into
cylinder(s).
° Turn ignition key to"START" position for a few seconds
to distribute oil.
• Replace with new sparkptug(s).
OTHER
° Do not store gasoline from one season to anotheL
= Replace your gasoline can if your can starts to rust.
Rust and/or dirt in your gasoline will cause problems.
= If possible, store your tractor indoors and cover it to
give protection from dust and dirt.
• Cover your tractor with a suitable protective cover that
does not retain moisture. Do not use plastic. Plastic
cannot breathe which allows condensation to form and
wilt cause your tractor to rust.
IMPORTANT: NEVER COVER TRACTOR WHILE ENGINE
AND EXHAUST AREAS ARE STILL WARM..
28

,i,,i.......................................... i,
TROUBLESHOOTBNG POUNT$
ii ...................................... iiiiiir
CAUSE CORRECTION
PROBLEM
i..................
Will not start
i ii i iii, ,,11
Hard to start
Engine will not turn over
iii ii ,11111111,1
Engine clicks but will not
start
Loss of power
Excessive vibration
1_ Out of (Ueir
2 Engine not "CHOKED" properly
3, Engine fIooded
4, Bad spark plug,
5. Dirty air filter.
6- Dirty fuel filter°
7. Water in fuel,
8, Looseor damaged widng.
9. Carburetor out of adjustment,
10 Engine valves out of adjustment-
i i, iiii1,111 iiii
t, Dirty air tilter.
2, Bad spark plug
3. Weak or dead battery,
4o Dirty fuel filter,
5_ Sta[e or dirty fuel
6_ Loose or damaged wiring,
7, Carburetor out of adjustment
8_ Engine valves out of adjustment
,i, i,,i ,111
1o Clutch/brake pedal not depressed,
2, Attachment clutch is engaged
3. Weak or dead battery°
4, Blown fuse,
5, Corroded batterytermlnals_
6, Loose or damaged wiring,
7, Faulty ignition switch
8, Faulty solenoid or starter,
9, Faulty operator presence switch(as),
1, Weakor dead battery_
2, Corroded battery terminals
3, Loose or damaged widng,,
4, Faulty solenoid or starter
t, Cutting toe much grass/too fast,
2Throttle tn "CHOKE" position.
3, Bulld,up of grass, leaves and trash under mower,
4,, Dirty air filter..
5, Low oil level/dirty oil
6Faulty spark plug,,
7Dirty fuel filter,
8_ Stale or dirty fuel,
9, Water in fuel
10, Spark plug wire loose.
11, Dirty engine air screen/fins
12. Dirtylclogged muffler,
13, Loose or damaged widng,
14. Carburetor out of adjustment,
15 Engine valves out ef adjustment-
iii i ,,
1_ Worn, bent orloose blade
2, Bent blade mandrel.
3, Loose/damaged part(s),.
1. Fill fuel tank
2, See =TO START ENGINE" in Operation secllon,
3 Wait several minutes before attempting to start
4Replace spark plug
5, Clean/replace air filter
6 Replace fuel filter.
7, Drain fuel tank and carburetor, refill tank with fresh
gasoline and replace fuel filter,
8, Check alt wiring_
9. See "To Adjust Carburetor" in Service Adjustments
section,.
10 Contact an authorized service center/department
t, Clean/replace air filter°
2, Replace spark plug
3, Recharge or replace battery
4 Replace fuel filter
5 Drain fuel tank and refill with fresh gasoline,
6. Check all wiring,
7. See "To Adjust Carburetor" in Service Adjustments
section
8. Contact an authorized service center/department
1. Depress clutch/brake pedal,.
2Disengage attachment clutch
3 Recharge or replace battery,
4 Replace fuse_
5, Clean battery terminals,
6 Check alt wiring,
7, Check/replace ignition swttch_
8Check/replace solenoid or starter,
9 Contact an authorized service center/departmenL
1, Recharge or replace battery
2Clean battery terminals
3 Check all wiring,,
4, ChscWrsplace solenoid or starter,
t, Set in "Higher Cut" position/reduce speed
2, Adjust throttle control.
3. Clean underside of mower housing.
4 Clean/replace alr filter,
5 Check oil level/change oil,
6, Clean and regap or change spark plug.
7. Replace fuel filter,
8. Drain fuel tank and retili with fresh gasoline.,
9. Drain fuel tank and carburetor, refilI tank with fresh
gasoline and repFace fuel filter
_t0, Connect and tighten spark plug wire
tl, Clean engine air screen/fins
12. Clean/replace muffler•
13, Check all wiring
14o See "To Adjust Carburetor" in Service Adjustments
section.
15, Contact an authorized service centerldepartment_
1, Replace blade, Tighten blade bolt.
2, Replace blade mandral,
3, Tighten loose part(s) Replace damaged parts
29

,i, i,,,,111,,, TROUBLESHOOTmNG IPO N3=$
PROBLEM
Engine continues to run
when operator leaves seat
with attachment clutch
engaged
Poor cut -uneven
Mower blades witl not
rotate
i,lUl,,i , i,,,i,1,,i ,i
Poor grass discharge
Headlight(s) not working
(if so equipped)
Battery will not charge
Engine "backfires"
when turning engine
"OFF"
CAUSE
..... i, i,,,i . ,,.,., ,, ,, ,u1,1,,i
1 Faulty operator_safety presence control system,
1. Worn, bent or loose blade
2Mower deck not levei.
3 Buildup of grass, [eaves, and trash under mower.
4 Bent blade mandrel
5. Clogged mower deck vent holes from buildup of
grass, leaves, and trash around mandrets
1 Obstruction in cfutch mechanism,
2 Womtdamaged mower drive belt,
3 Frozen idler pu!ley,
4 Frozen blade mandrel
1. Engine speedtoo slow
2. Travel speed too fast
3 Wet grass.
4 Mower deck notlevel,
5, Low/uneven tire air pressure
6 Worn, bent ortoose blade
7 Buildup of grass, leaves and trash under mower,
8, Mower drive belt worn
9, Blades improperly installed,,
10 improper blades used
1t Clogged mower deck vent holes from buildup of
grass, leaves, and trash around mandrels
1, Switch Is "OFF'
2, Bulb(s) burned out
3, Faulty light switch
4, Loose or damaged widng.
5, Blown fuse.
1, Bad battery eelE(s)_
2, Poor cable connections.
3. Faulty regulator (if so equipped),
4 Faulty alternator,
1. Engine throttle control not set at "SLOW"
position for 30 seconds before stopping engine
CORRECTION
_..=.._ =
t Check wiring, switches and connections. If not
corrected, contact an authorized service center/
department
1,. Replace blader Tighten blade bolt
2Level mower deck,
3,, Clean underside of mower housing
4 Replace blade mandrel
5 Clean arour_d mandrels to open -Jent holes
1 Remove obstruction,
2 Replace mower ddve bett
3, RepIace idler puIley
4. Replace blade mandrel
1. Place throttle control in "FAST" position.
2 Shift to slower speed,
3 Altow grass to dry before mowing,
4 Level mower decl;,
5 Check tires for proper at_ pressure,
6 Replace/sharpen blade, Tighten blade bolt
7 CIean underside of mower housing,
8 Replace mower drive belt,.
9, Reinstall blades sharp edge down
10. Replace with blades listed in this manual
11. Clean around mandrels to open vent holes,,
1. Turn switch "ON"
2 Replace butb(s),
3 Check/replace light switch,
4 Check widng and connections°
5, Replace fuse.
1,, Reptace battery,
2, Check/clean nil connections_
3 Replace regulator_
4. Replace affernator.
Move throttle control to "SLOW" positlon and aliow
to idle for 30 seconds before stopping engine.
30

SCHEMATIC
TRACTOR -- MODEL NUMBER 917.258870
[
AMMETER
(OPTIONAL) [
,,_ WHR'E
/_ SWITCH
Lh CONNECTOR
sLacK ._, tGNIT!ONuNIT
__OT w SPARK
PLUGSGAP
(2 PLUGSON "_ "_
INCYL ENGINES)
)
(-_ REGULATOR _ ]
28 VOLTS AC @ 3@00RPM
(REGULATOR DISCONNECTED)
NOTE
YOUR TRACTOR IS
EQUIPPED WITH ASPECIAL
ALTERNATOR SYSTEM,
IGNITION SWITCH
POSITION 'CIRCUIT "MAKE"
OFF G + M + L NONE
RUN/LIGHT B+ L A + Y
RUN B + LNONE
START B +L+SNON E
THE LIGHTS ARE NOT
CONNECTED TO THE
BATI'ERY, BUT HAVE THEIR tPosITION
OWN ELECTRICAL SOURCE. t" OFF
BECAUSE OF THIS, THE L ON
BRIGHTNESS OF THE LIGHTS
WILL CHANGE WITH ENGINE
SPEED. AT IDLE THE LIGHTS
WILL DIM. AS THE ENGINE IS
SPEEDED UP, THE LIGHTS
WILL BECOME THEIR BRIGHTEST
HEADLIGHTS
/-7-7
GFC
PTO SWITCH
CIRCUIT i
C+G,B+H H B
C+F,B+E,A+Dj
DA
O @
REMOVABLE NON-REMOVABLE
CONNECTIONS CONNECTIONS
iIRING INSULATED CLIPS
NOTE: IF WIRING INSULATED CLIPS WERE REMOVED FOR SERVICING OF
UNIT, THEY SHOULD BE REPLACED TO PROPERLY SECURE YOUR WIRING,
31

REPAURPARTS
ELECTRICAL
TRACTOR - = MODEL NUMBER 917o258870
22
42
\
2O 2O 32
31
33
25
/
/
\
26
/
t
/
/
/
/
I
32

REPABRPARTS
ELECTRICAL
TRACTOR ..-MODEL NUMBER 917.25887G
KEY PA_tT
HO. NO. DESCRIPTION
1 144926 Battery
2 74760412 Bolt Hex Head 1/4-20 x 3/4
3 STD551125 Washer, Lock 1/4
4 STD551025 Washer 9/32 x 5/8 x 16 Ga
6 STD541025 Nut Fin Hex 1/4-20
7 7697J Tube Plastic
8 7603J Tray, Batter_,
9 109596X Clamp, Hose
10 145211 Boit Wet BTR 1/4-20 x 7.5 Zinc
11 150109 Hold down Battery Dash Mount
•12 145769 Nut Push Nylon 1/4" Wet Battery
16 153664 Switch Interlock Push-In
19 STD551125 Washer, Lock !/4
20 73350400 Nut, Jam Hex 1/4-20
21 136850 Harness Socket Light W/4152J
22 4152J Bulb Light
24 4799J Cable, BatteryedR
25 146149 Cable 6 Gao 125" W 16 Wire
26 108824X Fuse
28 4207J Cable, Ground
29 121305X Switch, Plunger
30 140301 Switch, Ign
31 124211X Nut, Ignition Switch
32 141226 Cover Switch Key
33 I09310X Key
40 156155 Harness Ign.
41 17720408 Screw 1/4-20 x 1/2
42 131563 Cover, Terminal Red
43 145673 Solenoid
45 122822X Ammeter
50 154963 Switch, PTO
5t 140405 Ring Retainer PTO
NOTE: All component dimensions given in U,.So inches
1 inch = 25.4 mm
33

REPARRPARTS
TRACTOR -- MODEL NUMBER 917.258870
CHASSIS AND ENCLOSURES
38
10
18 15
59
92
47120
57
37 5
47
9
913
53
11
68 8 48
17 // 41
68
17
)
_20
19 100
68 103
2
86
52 69
102
56
42
34

REPAtIR PARTS
TRACTOR -- MODEL NUMBER 917.258870
CHASSIS AND ENCLOSURES
KEY PART KEY PART
NO. NO. DESCRIPTION NO. NO, DESCRIPTION
1 150253 Rail, Frame RH 44 136940
2 140506 Drawbar, Gt 45 154913
3 13667IX558 PanelAsm, Side LH 47 17490608
4 73800700 Nut, Lock Hex 7/16 Unc 48 154994
5 145203 Dash, Plastic Black 49 154992
6 157882 Dash Asm, Lower 50 152728
7 17720408 Screw, Thd Cut 1/4-20 x 1/2 52 73680500
8 145166 Support, Battery 53 137304
9 108067X Nut, Pa! 56 154914
10 19092016 Washer 9/32 x 1-1/4 x 16 Gao 57 73640400
11 137270 Rivet, Ratchet Male 58 137113
12 137269 Washer, Nylon 59 74180412
t3 137271 Rivet, Ratchet Female 60 17490620
14 t36673X558 Hood Asm., Pnt 63 19131614
15 136374 Lens, Bar Clear 64 144283
16 121794X Cover, Access 66 17490508
'17 17490612 Screw, Thdrol 3/8-16 x 3/4 69 153991
18 136373X428 Grille 70 137159
'19 19131312 Washer '13/32x 13/16 x 12 Ga. 77 137308
20 74760616 Bott, Fin Hex 3/8-16 x I 84 142992
21 73680600 Nut, Crownlock 3/8-16 Unc 86 74760716
22 136670X558 PanelAsmo, Side RH 90 11050600
24 145243X558 Footrest, RH 91 156586
26 174905t2 Screw, Thdrol 5/16-18 x 3/4 92 I5628t X0I 1
28 145244X558 Footrest, LH 94 100207K
29 145349 Bracket, Support Dash 95 105531X
30 145052 Saddle, Hydro 1995 98 140503
31 145'183 Brace, Support Steering 99 140871
32 141315 Bracket Asm.., Frame Pivot Lh 100 124236X
33 141314 Bracket Asm., Frame Pivot Rh 101 17490628
34 142131 Bracket, Engine Support Rear 102 4497H
36 74780512 Bolt, Fin Hex 5/16-18 x 3/4 103 142273
37 140002X558 Fender, Pnt. 106 138776
38 19091216 Washer 9/32 x 3/4 x 16 Ga_ 120 19131616
39 136961 Bracket, Axle Front --- 8022,1
40 156111 Bracket, Support Axle/Engine
41 '17580408 Screw Tap Tite 1/4-20 x 1/2
42 72140608 Bolt, Carriage 3/8-16x 1
43 136939 Bracket, Spnsn Front Lh
Bracket, Spnsn Front Rh
Bracket Asm,, Susp Chassis Rh
Screw Thdrol 3/8-16 x 1/2
Bracket Asm, Pivot Hood Lh
Bracket Asm, Pivot Hood Rh
Blacker, Chassis Front
Nut, Crownlock 5/16-18
Rod, Support Hood
Bracket Asmo, Susp Chassis Lh
Nut, Keps Hex 1/4-20
Bracket Asm. Fender
Screw, Mach Cr t/4-20 x 3/4
SclewThdrol 3t8-16 x 1-114
Washer 13/32 x 1 ;_ 14 Ga°
Washer, Serrated Disc 13/32 x 1
Screw, Thd 5/16-18 x 1/2
Shield, Heat
Guide, Belt Mid Span
Shield, Front
Stop, Over Center Mower
Bolt, Fin Hex 7/16-14 Uric x 1
Washer, Lock External Tooth 3t8
Rail, Frame Lh
Plate, Silkscreen Dash
Clip, Fuel Line
Push Nut, Nylon
Bracket Skid Chassis
Rod By Pass
Cap By Pass Rod
Screw Thdrol 3/8-16 x '1-3/4
Retainer, Spring
Lock, By Pass
Bolt 5/16-18 Type TT
Washer 13/32 x 1 x 16 Ga.
Plug, Hole
NOTE; All component dimensions given in U.S. inches
1 inch = 2&4 mm
35

REPAIR PARTS
GROUND DRIVE
TRACTOR -- MODEL NUMBER 917.258870
40 78
41
33 9
69
109 "
= I
I
07
61
112
lOO 113
36

REPAIR PARTS
GROUND DRIVE
TRACTOR - - MODEL NUMBER 917.258870
KEY PART
NO. NO.
2 7070E
37563R
4 17490508
5 STD541437
6 STD561210
7 140507
9 140080
15 STD551037
17 140921
20 73940800
22 1561O3
23 106933X
28 STD541237
29 140494
30 19'13t616
33 12000053
34 124236X
35 137648
36 149412
37 121749X
38 150O35
39 74321016
40 5304J
41 736310O0
42 8883R
44 155246
46 145170
47 138228
48 72110612
50 131494
51 STD541437
52 139123
53 207J
54 156563
55 105706X
56 140218
58 74760724
61 140488
64 154752
65 67609
66 140296
67 19131312
68 5142H
69 123800X
70 '151146
DESCRIPTION
Key 1/4 x 2°5
Washer Thrust Axle Harden
Screw Thdrol 5/I6-18 x 1/2
Nut Crownlock 3/8-16
Pin Cotter I/8 x 3/4
Wheel Hub Asrn.
Bolt Hub
Washer I3/32 x 13/16 x t6 Ga
Spring Rod Brake
Nut Hex Jam Toplock 1t2-20
Arm Asm Shift VGTH 97
Knob
Nut
Brake Rod
Washer 13/32 x 1 x 16 Ga.
Ring E
Cap Plunger
Rod Parking Brake
Spring, Drive Ground
Washer 25/32 x 1-1/4 x 16 Gauge
Nyliner
Screw Fin #10-24 x 1
Actuator Interlock Switch
Nut Lock #10-24
Cover Pedal
Bracket Interlock
Retainer Spring
Clutch Rod
Bolt Carriage 3/846 x 1-1/2 Gr 5
Pulley Idler Flat
Nut Crownlock 3/8-16 UNC
Pulley Idler Grooved
Washer Hartdened
Clutch Arm Asm
Bearing, Idler
V-Belt
Bolt Fin Hex 7/16-14 x 1-I/2
Pullery Transaxle
Shaft Asm Brake Parking Clutch
Bolt Shoulder
Washer Hardened
Washer 13/32 x 13/16 x 12 Ga
Pin Roll
Washer
Console Hydro Fender
KEY PART
NO. NO.
71 151179
72 STD541431
73 7478O548
74 142432
76 140481
77 74760716
78 19111212
79 72110505
80 140484
81 17490612
82 150586
83 140479
84 140490
85 17541020
86 140462
87 140491
88 140492
89 73680700
90 140489
91 17490644
92 74760520
93 140502
94 133835
96 141103
98 141O04
99 17490624
100 126881X
101 156106
104 140480
105 17580408
106 142918
107 154739
108 142917
109 140929
tll 156240
112 156104
113 73220700
114 73680700
115 123405X
116 73900500
tt7 73900600
-- 150073
DESCRIPTION
Plate Console S_11__:'_:_"-i_._;
LockoutHe, i
Boit Fin Hex5/].6_._._.::,
Screw Hex Wsh_iB,l_._
Bracket Transaxie:: :_':_,:_.!i:,_._._;i_,_
Bolt Fin Hex 7i16-14 _.'-1_#_'_;'_'_
Washer 11/32 x 3/4 x '12 Ga
Bolt Carriage 5/16-18 x 5t8
Bracket Torque RH
bcrew Thdrol 3/84 6 x 3/4
Bracket Mount Torque/Fan
Strap Torque Mid
Spacer
Screw #10-24 x 1-1/4
Fan 7" Hydro
Adapter Fan
Pulley Idler
Nut Crownlock 7/16-14 UNC
Keeper Belt
Screw Thdrol 3/8-16 x 2-3/4
Bolt Fin Hex 5/16-18 x 1,25
Link Shift Asm
Fastner Christmas Tree
Washer Nickel Plated
Bracket Shift
Screw Thdrol 3/8-16 x 1-1/2
Washer Compression
Washer Bellville
Bracket Idler
Screw Tap 1/4-20 x 1/2
O-Ring Asm Hydro Gear 70110
Line Fuel Hydro 15" VGT Serv.
Cap Asm Vent Hydro Gear 70109
Spring Return Brake
Spacer Shift Lever VGTH
Washer Nylon High Temp
Nut -Hex ASF 7/16-14 Uric
Nut Crown Lock 7/16-14 Unc
Keeper Belk TIA Grid Dr
Nut Lock Hex Flange 5/t6-18
Nut Lock FIg_ 8/8-16
Transaxle Hydro
NOTE: All component dimensions given in UoS. inches
1 inch = 25_4 mm
37

REPAIR PARTS
STEERING ASSEMBLY
TRACTOR - -MODEL NUMBER 917,258870
23
34
33"
32
31
27
19 28
15
27
6/
/
/
/16
\
\
\
\
\
\
38

REPAIR PARTS
STEERING ASSEMBLY
TRACTOR --MODEL NUMBER 917.258870
KEY PART
NO. NO. DESCRIPTION
1 t21472X
2 137094
3 6855M
4 136960
5 136959
6 6266H
7 121748X
8 12000029
9 !21232X
10 74781044
11 136518
I2 7390t000
13 121749X
14 STD55'1137
15 STD541537
16 145103
17 137347
18 137155
!9 156011
20 145182
2t 1007tlL
22 155105
23 152927
24 19133808
25 74780616
26 126805X
27 3366R
28 17490612
29 !04239X
30 12000034
31 138136
32 1911'1610
33 STD551131
34 74760512
35 138059
36 137156
37 73360600
38 109850X
39 73700600
40 10985tX
Wheel, Steering
Axle Asm., Front
Fitting, Grease
Spindle Asm, LH
Spindle Asm. RH
Bearing, Race Thrust Harden
Washer 25/32 x 1-5/8 x 16 Gao
Ring, Klip #T5304_75
Cap, Spindle
Bolt, Fin Hex 5/8-1t x 2_3/4
Spacer, Brg_ Axle Front
Nut, Lock Flange 5/8-11 Unc
Washer 25/32 x 1-1/4 x 16 Ga.
Washer, Lock Hvy Hlcl Spr 3,8
Nut, Lock Center 3/8-24 Unf
Shaft Asm. Steering
Rod Asm., Tie Ball J Ball Vgt (Inc.
Key No. 36-40)
Draglink, Ball Joint Solid Vgt
Support Asm, Steering Vgt
Column, Steering
Adapter, Wheel Steering
Bushing, Strg,. Bfk
Screw
Washer '13/32 x 2-3/8 x 8 Ga.
Bolt, Fin Hex 3/8-16 x I Gr. 5
Cap, Wheel Steering
Bearing, Colo Strg.
Screw, Thrdrol 3/8-16 x 3/4
Bearing, Flange
Ring, Klip Truarc #5304-75
Bushing, Nytiner Snap
Washer 11/32 x 1 x 10 Ga.
Washer, Lock Hvy Hlcl Spr 5/t6
Bolt, Hex Hd 5/16-18 x 3/4
Gear, Sector Steering
Tie Rod
Jam Nut RH Thread
Joint Asmo Ball RH Thread
,Jam Nut LH Thread
Joint Asm,, Ball LH Thread
NOTE: Atl component dimensions given in U.& inches
1inch = 25.4 mm
39

REPAURPARTS
ENGINE
TRACTOR --MODEL NUMBER 917.258870
22
30
13
©
14
18 15 17
32
37
39
12
11
|2
43
62
34
16 26 27 37
28
39
8
|0
29
/
ISPARK ARRESTER KIT j
40

REPAIR PARTS
ENGINE
TRACTOR --MODEL NUMBER 917.258870
t<EY PART
NO_ NO. DESCRIPTION
I44110
4 13280328
5 13200300
6 138129
8 t21361X
9 150828
10 105432X
11 137140
12 136907
13 154575
14 154574
15 151346
16 109227X
t7 106082X
!8 152334
19 13290300
2O 133439
21 17720410
22 138672
23 19132616
24 STD551237
25 73920600
26 3645J
27 139277
28 7834R
29 132920
30 105037X
32 17490508
34 1772O408
35 STD551!31
36 74570512
37 t23487X
39 17490624
40 17490652
41 126197X
42 STD551143
43 150280
45 128861
62 137373
Engine (See Breakdown) Kohler
Model MV18S-58560
Muffler Asm Kohler VGT
(lnc, Key No. 34)
Nipple Pipe 3/8NPT X 3 - 1/2
Elbow STD 90 Degree 3/8 - 18 NPT
Clamp TTJbeDoubte Engine
Pulley V-Idler
Keeper Asrn Bett Engine
Bushing
Clutch Electric
Pulley Engine VGT Elect Clutch
Baffle Air LH ]<oh VGT
Baffre Air RH Koh VGT
Tank Fuel Rear 350 "_I'!GT
Pad Spacer
Pad Spacer
Cap Asm Fuel W!Gauge Vented
Plug Oil Drain
(Order From Engine Manufacturer)
Control Throttle
Screw Hex Thd Cut 1/4 - 20 X 5/8
Control Choke
Washer 13/32 X t - 5/8 X 16 Ga
Lockwasher Ext Tooth 3/8
Nut Keps 3/8 - 24 UNF
Bushing
Stem Tank Fuel
Fuel Line
Spark Arrester Kit
Strip Foam
Screw Thdrol 5/16 - 18 X 1/2
Screw Thd Cut 1.4 - 20 x 1/2
Washer Lock 5/16
Screw Hex 5/16 - !6 UNC X 3/4
Clamp Hose
Screw Thdrol 3/8 - 16 X 1 - 1/2 TT
Screw Thdrol 3/8 _ 16 X 3 - 1/4
Washer 1-1/20D X 15/32 ID X .250
Washer Lock 7/16
Bolt Hex 7/16_20 X 4-1/4 Ga 5
Nut Flange 1/4-20 Starter Nut
Shield Heat
NOTE; All component dimensions given in U,S,, inches
1 inch = 2&4 mm
41

REPAIR PARTS
46" MOWER DECK
TRACTOR - -MODEL NUMBER 917.258870
46
41
33 r_
31
116 117
_3 118
19
49 46
i
126 !
I
49
41 _36
26
27
105
104
101
106
42

REPAnR PARTS
46" MOWER DECK
TRACTOR --MODEL NUMBER $t7.258870
KEY PART
NO. NO.
1 156948
3 !38457
5 STD624008
6 !30832
8 850857
9 STD551137
10 140296
11 152443
12 129895
13 137553
14 137152
15 110485X
16 140329
18 72140505
19 '132827
2O 145055
21 STD541431
22 134753
23 131267
24 105304X
25 123713X
26 110452X
27 145325
28 19111016
29 131491
30 138776
31 129963
32 153531
33 137266
34 144945
35 17490628
36 STD551037
37 131494
DESCRII:_T_ON
Deck Asm., Mowet 46"
Bracket Asm.. Sway Bar
Retainer Spring
Arm, Suspension, Rear (Swa_Bar)
Boi[, Patched 3/8-24 x 1-1/4 ,=r. 8
Washer, Lock Hvy., Unpiated 3/8
Washer, Hard Blade, Mower
Vented
Blade, 46" Mower Deck
Bearing, Bail, Mandrel #6204
Shaft Asm. w/Lower Bearing
(Includes Key No. 12)
Housing, Mandrel
Bearing, Ball, Mandrel
Stripper, Mower Round
Bolt, Carriage 5tt6-18 x 5/8
Bolt, Hex Head, Shoulder 5/t6q 8
Baffle, Voflex Mower 46"
Nut, Crownlock 5/16-18 UNC
Stiffiner, Bracket
Bracket, Deflector
Cap, Sleeve
Spring, Torsion, Deflector
Nut, Push
Shield, Deflector Mower
Washer t 1/32 x 5/8 x 16 Ga
Rod, Hinge
Screw, Hex Head, Thdroll
Washer, Spacer Mower Vented
Pulley, Mandrel
Nut, Flg, Top Lock Cntr, 9/16
Anchor, Spring Deck 46"
Screw, Thdroll 3t8-16 x 1-3/4 Tytt
Washer 13/32 x 13/16 x 16 Ga,
Pulley, Idler, Flat
KEY PART
NO. NO. DESCRIPTION
38 156086
39 144917
40 137273
41 17490620
42 122052X
43 144949
133943
45 14.5059
46 137729
47 144959
46 139573
49 STD541437
50 72110612
51 153390
52 156493
10t 145579
102 71161010
103 STD851110
104 19061216
105 130758
106 2029J
116 137644
117 133957
118 73930600
119 19121414
126 144948
127 146763
_ 143651
157251
Keeper, Belt, Idler
Pulley, Idler, Driven
Sprinu, Sscondary 44/46/50 Vent
Screw, Thdroll 3/8-16 x t-1/4 Tytt
Spacer, Retainer
Arm, !dler Secondary
Washer, Hardened
Cover, Mandrel Deck
Screw, Thdro[lo 1/4-20 x 5/8
V-Belt, Mower, Secondary
V-Belt, Mower, Primary
Nut, Crowntock 318q6 UNC
Bott, Carriage 3/8-16 x 1-1/2 Gr, 5
Washer Felt
Pulley, Idler Flat 46 Pri Drive
Cover, Mulching
Screw
Washer, Lock #10
Washer
Latch A*_m, Bagger
Nut, Weld
Bolt, Shoulder
Gauge Wheel, Wide
Nut, Centedock 3/8q6 UNC
, Washer 3/8 x 7/8 x 14 Gao
Arm, idler, Primary Deck 46"
Pulley, Idler, V-Groove Dim. 4.25
Mandrel Asm 44"/50" Service
(includes Key Nos. 8-10, 12-15, 31
and 33)
Deck Complete (Std. Deck-Order
separately mulcher plate and gauge
wheel components Key Nos. 101-
106 and 116-118)
NOTE: All component dimensions given in U.S. inches
1 inch = 25.4 mm
43

REPAIR PARTS
SEAT ASSEMBLY
TRACTOR -- MODEL NUMBER 917.258870
12
5
2t
KEY
NO.
1
2
3
4
5
6
7
8
10
12
13
14
PART
NO.
140124
140551
140675
127018X
145006
STD54t437
124181X
150176
155925
121246X
121248X
72050411
3
DESCRIPTION
Seat
Bracket, Pivot Seat
Strap, Fender
Bolt, Shoulder 5/16-18 X .62
Clip, Push In Hinged
Nut,Crowntock 3/8-16 Unc
Spring, Seat Cprsn
Bolt 5/16-18 UNC x 3/4 w/Sems
Pan, Seat
Bracket, Mounting Switch
Bushing, Snap
Bolt, Carriage 1/4-20 X 1-3/8
KEY PART
NO. NO.
15 121249X
16 123740X
17 123976X
18 19171912
19 120068X
20 124238X
21 153236
22 STD541431
DESCRIPTION
Spacer, Split
Spring, Cprsn
Nut, Lock 1/4 Lge Fig Gr. 5
Washer 17/32 X 1-3/16 X 12 Ga.
Knob, Seat 1/2-t3 Unc
Cap, Spring Seat
Bolt, Shoulder 5/16-18 Unc
Nut, Crownlock 5/16-18 Unc
NOTE: All component dimensions given in U.S. inches
1 inch = 25.4 mm
44

REPAIR PARTS
DECALS
18
TRACTOR-- MODEL NUMBER 917.258870
6 3 7 15 15 7 4 13
'\
88.\
2O
24 21
2
11 12
'17
!4
KEY PART
NO, NO.
1 156835
2 149516
3 146705
4 146706
5 140837
6 133644
7 138048
8 151441
9 1467O9
10 156439
11 4900J
12 146790
13 151401
14 139346
15 142243
16 156787
DESCRIPTION
Decal, Operating Instruction
Decal, Battery DNGR/PSNiAcme
Decal, Hood, Craftsman, RH
Decal, Hood, Craftsman, LH
Decal, Brake Parking Saddle
Decal, Maintenance
Decal, Side Panel
Decal, Ins. Hood
Decal, Fender, Craftsman
Decal, Fender, Danger
Decal, ClutchtBrake
Decal, V-Belt Drive Schematic
Decal, Chassis, Hydro 46"
Decal, V-Belt Schematic
Decal, Hood Insert Hd GT
Decal, Deck Mower EZ3
WHEELS &TIRES
5,8
74,10
1,9
11
16 KEY
NO.
17
18
19
2O
22
23
24
25
PART
NO.
52-t13-54
!46710
138047
151448
142342
106202X
150333
149918
138311
145245
145247
156849
156850
KEY PART
NO. NO.
DESCRIPTION
Decal, Koh t8.5 Mag Sears
Decal, Insert Strg
Decal, Battery
Decal, Grille GT IPC
Decal, Drawbar CNTRL
Reflector, Taillight
Decal, Cap Cnsmr Help Line
Decal, Fend Auto Trans Srs Gold
Decal, Handle LFT Hieght Adj. (Lift
Handle)
Pad Footrest
Fastener Pop-in Footrest
Manual, Owner's (Eng)
Manual, Owner's (Span)
DESCRIPTION
1 59192
2 65139
3 106230X
4 8134H
5 106228X427
6 6856M
7 9040H
8 106277X427
9 105588X
10 7154J
11 104757X
-- 278H
-- 144334
Cap, Valve, Tire
Stem, Valve
Tire, Front
Tube, Front (Service Item Only)
Rim Assembly, Front
Fitting, Grease
Bearing, Flange (Front Wheel Only)
Rim Assembly, Rear
Tire, Rear
Tube, Rear
Cap Hub Axle BLK 1.50 x1o00
Fitting Grease
Sealant, Tire ( 10 oz. Tube)
NOTE: All component dimensions given in UoS. inches
1 inch = 25.4 mm
45

REPAIR PARTS
LIFT ASSEMBLY
TRACTOR -- MODEL NUMBER 917.258870
40 35 17
42 43 38 34
t
\31 8
32 9
10
"'_" 4 72
4
12,-_ 2425 26
,23 _2_
13 I "_ \ 12 16
23 "X_S_,
23_ 14"_ 20 19 18 15
41 "
46

REPAaR PARTS
LIFT ASSEMBLY
TRACTOR - - MODEL NUMBER 917.258870
KEY PART
NO, NO. DESCRIPTION
1 121006X
2 154389
3 121002X
4 12000022
5 19292016
6 74780624
7 125531X
8 122365X
9 122364X
10 2876H
11 1467O4
12 STD624008
13 '139868
t4 140302
t5 STD541437
t6 674A247
17 73350600
18 143363
19 STD551037
20 5328J
21 STD523710
22 127218
23 STD624008
24 73350800
25 130171
26 73800800
29 150233
30 110807X
31 19131016
32 137150
33 76020308
34 137167
35 138057
36 17490612
38 155097
39 123935X
40 17490512
41 73540600
42 19112410
43 123934X
70 145212
72 110452X
Rod Asm, Lever
Shaft Asm., Lift Vgt
Lever Asm., Lift Rh
E-Ring Truarc #5133-87
Washer 29/32 x 1_1/4 x 16 Ga.
Bolt, Fin Hex 3/8-16 x 1-1/2
Grip, Handle Fluted
Button, Plunger
Plunger, Lever Lift
Spring 2-t/8"
Link Lift
Retainer, Spring
Arm, Suspension Vgt
Bearing, Pvt. Lift Spherical
Nut, Crownlock 3/8-16 Unc
Spring Asm, Assist Lift
Nut, Hex Jam 3/8-16 Unc
Bracket, Spring Assist
Washer 13/32 x 13/16 x 16 Ga°
Bolt, Adjust Spring Assist
Bolt, Fin Hex 3/8-16 x 1
Link, Front
Retainer, Spring
Nut, ,Jam Hex 1/2-13 Unc
Trunnion
Nut, Lock W/Wsh 1/2-13 Unc
Trunnion lnfin, Height
Nut, Special
Washer 13/32 x 5/8 x 16 Ga_
Spring, Compression Inf Hgt
Pin, Cotter 3/32 x 1/2
Rod, Adj Lift
Knob, Inf 3/8-16 Unc
Screw, Thdrol 3/8-!6 x 3/4
Pointer, Pnt Height indicator
Plug, Hole
Screw Thdrol 5/16-18 x 3/4
Nut, Crownlock 3/8-24
Washer 11/32 x t-1/2 x 10 Ga,
Scale, Indicator Height
Nut, Hex Flange Lock
Nut, Push
NOTE: All component dimensions given in U.S. inches
1 inch = 2&4 mrn
47

RE!PAaRPARTS
TRACTOR - = MODEL NUMBER 917.258870
HYDRO GEAR TRANSAXLE =-MODEL NUMBER 218-3010L
71
111
124
(2)
48

REPABRPARTS
TRACTOR - -MODEL NUMBER 917.258870
HYDRO GEAR TRANSAXLE --MODEL NUMBER 218-3010L
KEY PART KEY PART
NO. NO, DESCRIPTION NO. NO. DESCRIPTION
1'142874 Assembly, Housing, LH 72 153767
2 142875 Assembly, Housing, RH 73 142904
7 153765 Oil Seal .984 x 1o5 x .25 74 142905
16 142876 Brake Shaft Assembly 76 142907
20 142877 Axle Mounting Horn Assembly 77 142908
21 142878 Washer 1.0 x 1.63 x 08 78 142909
22 142879 Washer 1.0 x 2°06 x.09 79 153768
33 142929 Brake Yoke Assembly 81 142910
35 142880 Brake Arm 82 142911
36 142882 Puck Plate 89 142912
37 142883 Brake Puck 91 153769
38 142884 Washer 7/80.D. x7/16x.060 95 142914
39 t42885 Nut, Castle 5/16-24 96 t53770
40 142886 Cotter Pin 103 142916
41 142887 Brake Actuating Pin 104 142917
42 142888 Hi Pro Key 106 142918
43 142889 Spacer 108 142919
45 142890 Brake Disc 109 142920
46 142891 Bolt '1/4-20 x 1-!/2 1t0 142921
47 142892 Bolt 1/4-20 x 1 111 150820
49 153766 Differential Assembly 112 150823
63 142894 Dowel Pin 113 150821
64 150818 Reduction Gear, 117 150822
14 Teeth to 38 Teeth 123 150824
65 142897 Final Drive Pinion Assembly 124 150825
67 142898 Jackshaft 129 153771
68 142899 O-Ring
69 142900 Washer 5/8 X '1-5/32
70 142901 Washer 7/8 X !-1/2
71 142902 Bolt, Hex 5/16-'18 x 3.5
Locknut, Hex 5/16-18
Bolt, Hex 5/16-18 x 1-1/2
Hex Cap Screw 5/16-I8 x 1
Shoulder Bolt
Freewheel Actuating Arm
Oil Seal .625 x 1o0x _25
Grease (10 oz. Tube)
Bolt, Hex 5/16-18 x 1-3/4
Bolt 5/16-18 x 4-t/2
Filter, Spin On
Pump, BDU-10L-122
Plug, Straight Thread
60° 7/t8 SAE x 5/16 Fitting
Washer
Vent Cap Assembly
Fitting O-Ring Assembly
Control Arm
Set Screw
Filter Head
Hose 1/2"
Fitting, '1/2" Beaded 90° 7/8 SAE
Fitting, 1/2" Beaded 60° 9/16
Fitting, 1/2" Beaded 90° 9/16
O Ring
Pinch Clamp
Spring, Long
NOTE: AIt component dimensions given in U.S. inches
1 inch = 25°4 mm

REPAgR PARTS TRACTOR - - MODEL NUMBER 917.258870
HYDRO GEAR PUMP - MODEL NUMBER BU..101--122
KEY PART
NO, NO.
1 144569
2 122716X
3 122745X
4 122715X
5 122700X
6 122699X
8 122767X
I2 1227t7X
13 122748X
14 122749X
15 144571
17 122770X
19 153801
21 122722X
22 144573
23 142978
DESCRIPTION
Shaft, Pump
Ring, Retaining
Bearing, Ball
Spacer
Seal, Lip
Ring, Retaining
Bearing, Cradle
Seal, Lip
Arm, Trunnion
Guide, Slot
Housing Kit, Transmission
Bearing, Thrust, Ball
Center Section Kit
Seal, Lip
Shaft, Motor
Washer, Block Thrust
KEY
NO.
25
32
37
38
42
43
44
47
53
60
62
63
64
67
PART
NO.
127148X
142938
122786X
122718X
144578
144578
144579
122752X
127153X
142977
144581
144582
144583
144584
153769
DESCRIPTION
Swashplate, Variable
Block Assembly
Pin, Stainless, Headless
Gasket, Center Section
Check Vaive Kit
Check Valve Kit
Charge Relief Kit
Screw, Socket Head, Cap
Bypass Valve Kit
Block Spring
O-Ring
Charge Pump Kit
Gerotor Assembly
Screw, Socket Head, Cap
Pump Assembly, Complete
50

REPASR PARTS
TRACTOR- - MODEL NUMBER 917.258870
KOHLER ENGINE -MODEL NUMBER MV18S, TYPE NUMBER 58560
AIR INTAKE I
I
2_
_--5
_--12
1B
14 15
17; /'_
16
!
BAFFLES AND SHROUD I
I
87
/
6
M5
%t
4
2
/3
/
BREATHER AND VENT J
,/tv lf_l[/' Fc-'-"
51

R1EPAaRPARTS
TRACTOR = = MODEL NUMBER 917,258870
KOHLER ENGINE - MODEL NUMBER MV18S, TYPE NUMBER 58560
AIR INTAKE BAFFLES & SHROUD
KEY PART DESCRIPTION KEY PART
NO. NO. NO. NO.
1 X-276-7 Wing Nut 1/4-20
2 52-755-83 Kit, Cover and Tube
(includes Key Numbers 3 and 4)
3 52-096-35 Cover, AirCleaner
4 52-123-21Tube, Air Intake
5 231032
6 52-082-04
7 45-083-01
8 45-083-02
9 237423
10 X-67-98
11 52_201-06
12 277093
13 52-054_39
14 X-25-79
15 X-50-37
16 X-50o57
17 X-22-9
Seal, Element Cover
Cover, Air Cleaner Element
Pre-Cleaner
Element
Seal, Air Cleaner Cover
Screw, Hex Washer Head
#10-32 x 9/16 (4)
Base, Air Cleaner
Gasket, Air' Cleaner' (2)
Elbow, Air Intake
Washer, Plain #10
Screw, Slotted Pan Head
#10-32 x 2-1/4
Screw, Slotted Pan Head
#10-32 x 1-3/4 (2)
Washer, Lock, Internal Tooth
#10 (2)
Gasket, Air Cleaner Elbow18 25-041-06
NOT ILLUSTRATED
-- 25-113-15 Decal, Air Cleaner
- - 52-113-30 Decal
DESCRIPTION
1
2
3
4
6
7
8
9
52-063-41
52-313-05
52-063-42
X-67-83
52-755-70
52_217_01
52-468_16
52-086-11
52-124-23
Baffle, #2 Cylinder Head
Grommet (2)
Baffle, Fuel Pump
Screw, Hex Washer Head
1/4-20 x 7/16 (14)
Kit, Blower Housing
(includes Key Numbers 6 thru 8)
Support, Upper' Housing
Washer, Flat (2)
Screw 1/4-20 x 5/8 (6)
Baffle, #1 Cylinder Head
NOT ILLUSTRATED
- - 52-113-46 Decal, Horsepower (3)
BREATHER &VENT
KEY PART
NO. NO. DESCRIPTION
1
2
3
4
5
X-81-1
X-25-12
52-096-18
52_055-01
X-352_39
6 52-326-12
7 52-096-08
8 52-032-04
9 52-462-0t
10 52-096-22
11 275220
Nut, Hex 1/4-20 (2)
Washer, Plain 1/4 (2)
Cover, #2 Cylinder Valve
Gasket, Cover (3)
Stud, #2 Cylinder Valve Cover
1/4-20 x 2-1/4
Hose, Breather
Cover, #1 Upper Cylinder Valve
Seal, Breather
Valve, Umbrella
Cover, #1 Lower' Cylinder Valve
Stud, #1 Cylinder Valve Cover
1/4-20 x 3-1/4
NOTE: All component dimensions given in U.So inches
1 inch = 25.4 mm
52

REPAIR PARTS
TRACTOR - - MODEL NUMBER 917.258870
KOHLER ENGINE -MODEL NUMBER MV18S, TYPE NUMBER 58560
19--
17
9
9
/
%
13
13
?, 11 I @
t2 j
16
53

REPAIR PARTS
TRACTOR - - MODEL NUMBER 917,258870
KOHLER ENGINE - MODEL NUMBER iVIV18S, TYPE NUMBER 58560
CRANKCASE CARBURETOR
KEY PART DESCRIPTION KEY PART DESCRIPTION
NO. NO. NO. NO=
1 X-82-2 Nut, Hex 5/16-18 (12) 1 52-041-09
2 52-468-12 Washer, Flat 5/I6 (12) 2 52-755-91
3 82-755-!6 Kit, #1 Cylinder Barrel
(Includes Key Numbers 4 thru 6) 3 52-164-15
4 52-016-05 Valve, Exhaust 4 X-2t-1
5 52-031-01 Insert, Valve Seat (2) 5 X-6-29
6 52-316-06 Guide, Valve (2) 6 X-75-23
7 52-755-50 Kit, Oil Relief
8 52-072-12 Step Stud 5/16-18 x 3/4, 7 235778
3/8-16 x 5/8, 2" Long (12) 8 X-67_97
9 25-086-12 Screw, Hex Flange 5/16-18 x 2 (2)
10 X-269.43 Ring, Retaining 9 41-072_19
11 52-078-05 Shaft, Governor 10 52-063_40
12 52-030_10 Bearing, Sleeve, Standard (2) 11 25-155-02
52-030-11 Bearing, Sleeve .010" (2) 12 52-853-25
52-030-12 Bearing, Sleeve .020" (2)
13 25-086-10 Screw, Hex Flange 13 271030
5/16-18 x 1-1/2 (3) 14 52-053-54
Screw, Hex Flange
3/8-16 x 3-5/8 (2)
15 52-141-02 O-Ring 15 25-041406
16 52-139-08 Plug 16 X-77-2
!7 25-086-11 Screw, Hex Flange 17 232867
5/16-18 x 3-1/2 (8) 18 X-67-62
Seal, Oil, Front
Kit, #2 Cylinder Barret
(Includes Key Numbers'4 thru 6)
Crankcase (Service with Short
Block, Part Number 82 522 30)
14 25-086-13
18 52-032-10
19 82-755-17
0 _-_
19 25-086-27
20 25-146-03
21 52-144-24
22 25-368-01
23 25-089-02
24 25-086-26
25 25-089-04
26 25-368-03
27 25-089-02
28 52-090-13
29 25-089-03
30 25-194-01
31 25-146-02
32 25-041-04
33 25-757-09
34 25-104-01
35 25-041-03
36 25-100-05
Gasket, Intake (2)
Kit, Manifold
(Includes Key Numbers 3 thru 8)
Manifold, Intake
Washer, Lock 5/16 (4)
Screw, Hex Cap 5/16-18 x 2 (4)
Plug, Hex, Countersunk
1/8 N_P.T.F_
Clamp, Cable (2)
Screw, Hex Washer Head
#10-24 x 3/8 (2)
Stud 5/16-18 x I (2)
Baffle, Carburetor
Connector, Hose
Kit, Carburetor with Gasket
(Includes Key Numbers 12 thru 14)
Gasket, Carburetor (2)
Carburetor Assembly (information
Only - Not Available Separately)
(Includes Key Numbers 18 thru 35)
Gasket, Air CIeaner
Nut 5/16 (2)
Strap, Lifting
Screw, Hex Washer Head
I/4-20 x 3/4
Screw, Throttle and Choke Plate (4)
Plate, Choke
Shaft, Throttle with Lever and Seal
Needle, Idle Fuel Adjust
Spring, Idle, Fuel
Screw, Idle Speed Adjust
Spring, Idle Speed
Needle, Main Fuel
Spring, Main Fuel
Lever, Choke
Spring, Choke, Friction
Ball, Choke, Friction
Plate, Throttle
Gasket, Bowl
Kit, Float
Bowl, Fuel
Gasket, Bowl Retainer Screw
Screw, Bowl Retainer
NOT ILLUSTRATED
-- 25-757-11 Kit, Carburetor Repair
- - 25-757-23 Kit, Bowl Baffle
NOTE: All component dimensions given in U.So inches
1 inch = 25.4 mm
54

REPAmRPARTS
TRACTOR - - MODEL NUMBER 917.258870
KOHLER ENGINE - MODEL NUMBER MV18S, TYPE NUMBER 58560
, i i,,i
CRANKSHAFT |
€€
ELECTRIC STARTER I
2®
DIPSTICK !
m
0w4"i
I
--6
7
8
@
--6 4
//1
55

REPAIR PARTS
TRACTOR -- MODEL NUMBER 917.258870
KOHLER ENGINE - MODEL NUMBER MV18S, TYPE NUMBER 58560
CRANKSHAFT ELECTRIC STARTER
KEY PART DESCRIPTION KEY PART
NO. NO. NO. NO.
1 52-014-93
2 52-468-03
52-468-04
52-468-05
DIPSTICK
KEY PART
NO. NO.
1 52-038-14
2 X-25-44
3 52-032-14
4 41-153-0t
5 52-126-11
6 52-123-20
7 47-139-0t
CYLINDER HEAD
KEY PART
NO. NO.
Crankshaft
Washer', Thrust o119/_122 (A Rr.)
Washer, Thrust .128/o131
Washer, Thrust .137/.140 (AR)
DESCRIPTION
Dipstick Assembly
(Includes Key Numbers 2 and 3)
Washer', Plain 5/16
Seal, Rubber
O-Ring
Bracket, Oil Tube Support
Tube, Oil Fill 11-7/8
Plug, Hex, Countersunk
3/4 N.P.T.Fo
DESCRIPTION
Gasket, Head (2)
Cylinder Head (2)
Washer, Plain 5/16 (18)
Screw, Hex Head
5/16-18 x 1-1/2 (18)
1 52-041-20
2 52-015-08
3 220534
4 41-086-02
DESCRIPTION
1 52_098_12
2 X-20_1
3 X_81-1
4 82-755-26
5 52_081-07
6 52-170-05
7 52_211-01
8 52-227-10
9 82-755-28
Starter Assembly
(includes Key Numbers 4 thru 9)
Washer, Lock 1/4 (2)
Nut, Hex 1/4-20 (2)
Kit, Drive
Cap, Drive End
Armature
Bolt, Thru (2)
Cap, Commutator End
Kit, Brush
NOT ILLUSTRATED
- - 25-450-03 Tag, Caution
EXHAUST
KEY PART DESCRIPTION
NO. NO.
1 52-126-12 Bracket
2 X-25_72 Washer, Plain (3)
3 52_086_1! Screw 1/4-20 x 5/8 (3)
4 52-041-14 Gasket, Exhaust (2)
NOTE: All component dimensions given in U.So inches
1 inch = 25.4 mrr
56

RIEPAURPARTS
TRACTOR --MODEL NUMBER 917,258870
KOHLER ENGINE - MODEL NUMBER MV18S, TYPE NUMBER 58560
GOVERNOR ,I
IGNITION i
4
I
11
9
:UEL PUMP !
\
10
5
1
iiiii iiii1,1,,,,1111
FLYWHEEL !
B,_3
57

REPABRPARTS
TRACTOR - -MODEL NUMBER 917,258870
KOHLER ENGINE -MODEL NUMBER iViV18S, TYPE NUiVIBER 58560
FLYWHEEL FUEL PUMP
KEY PART DESCRIPTION KEY PART DESCRIPTION
NO. NO. NO. NO.
1 25-162-01 Screen, Grass
2 25-086-21 Screw, Hex Washer Head
1/4-20 x 5/8 (4)
3 25-112-04 Spacer (4)
4 25q 57_01 Fan
5 25-086-24 Screw, Hex Machine 3/8-24 x 1-1/4
6 52-468-15 Washer, Plain
7 X-286-17 Key, Square 3/16 x 7/8
8 52-025-36 Flywheel
GOVERNOR
KEY PART DESCRIPTION
NO. NO.
1 231355
2 X-25-12
3 237022
4 A-235743-S
5 52-078-04
6 X-25-102
7 X-269-28
8 X-25-72
9 52-090-23
10 277341
11 52-158-07
t2 25-086-15
13 52-089-07
I4 X-81-1
15 X-25-63
16 52-186-09
17 52-211-04
18 25-141-03
19 25-158-08
20 52-079-07
21 52-079-06
22 52-090-14
23 52-089-08
24 25-086_21
25 X-67-97
Pin, Governor' Stop
Washer, Plain 1/4
Washer, Thrust
Kit, Governor Gear
Shaft, Governor Cross
Washer, Plain 1/4 (2)
Retainer, Governor
Washer, Plain 1/4 (2)
Lever, Speed Control ,
Washer, Tension
Bushing, Throttle Control Lever
Screw, Hex Washer Head
1/4-20 x 1
Spring, Governor
Nut, Hex 1/4-20
Washer', Plain 1/4
Arm, Governor
Screw, Round Head, Square Neck
1/4-20 x 1
Ring, Retaining (4)
Bushing, Linkage Retaining (4)
Linkage, Governor
Linkage, Throttle
Lever, Throttle
Spring, Torsion
Screw, Hex Washer Head
1/4-20 x 5/8
Screw, Hex Washer Head
#10-24 x 3/8 (3)
Clamp, Cable (3)
Bushing, Speed Control Lever
Nut, Hex #10-32
Screw, Hex Head #10-32 x 7/8
26 235778
27 25-431-01
28 X-70-3
29 52-086-05
1 47_086-08
2 52-559-01
3 X-380-1
4 X-25-63
5 25-041-09
6 25-155-02
7 X-426-9
8 52-3534 8
9 25-050-03
10 15-353-04
Screw, Pozidriv, Truss Head
1/4-20 x 5/8 (2)
Pump, Fuel Assembly
(Includes Key Numbers 3 thru 6)
Connector, Straight
Washer, Plain 1/4 (2)
Gasket, Fuel Pump
Connector, Hose
Clamp, Hose (4)
Line, Fuel, 8"
Filter, Fuel
Line, Fuel, 11-1/2"
IGNITION
KEY PART
NO, NO. DESCRIPTION
2
3
4
5
6
7
25-755-03
X-132-5
236602
237878
X-67-51
2t 0281
X-67-64
8 41-155-03
9 220297
10 52-313-02
1! 52-132-02
12 52-126-08
13 25-086-15
14 52-584-O2
15 25-086-16
Kit, Rectifier-Regulator
(includes Key Number 2)
Screw, Hex Cap 1/4-20 x 5/8 (2)
Connector, 3 Contact
Kit, Stator (includes Key Number 5)
Screw, Hex Cap #10-24 x 3/4 (2)
C!ip (2)
Screw, Hex Washer Head
#t0-32 x 7/16
Connector, 2 Contact
Grommet, Rubber
Grommet
Spark Plug (2)
Bracket, Module
Screw, Hex Washer' Head
1/4-20 x 1 (2)
Module, ignition
Screw, Hex Washer Head
1/4-20 x 7/8 (2)
NOT ILLUSTRATED
--47-518-33 Lead, Violet, Rectifier-Regulator
(11", 14 Gauge, Uninsulated Push
On Tab Terminals)
- - 52-518-19 Lead, White, Module To Connector
(19-1/2", 14 Gauge, insulated Push
On Tab, Uninsulated Push On Tab
Terminals)
NOTE: All component dimensions given in U.S, inches
1 inch = 2&4 mm
58

REPAIR PARTS
TRACTOR- =,MODEL NUMBER 917.258879
KOHLER ENGINE -MODEL NUMBER MV18S, TYPE NUMBER 58560
i,ii i
OIL PAN ]
I
P,sTo.A.0R0D!
--3
7
7
8\
9
5
\6
32
2
3
f
_3
[i
2
OIL PUMP !
m5
7_ _6
59

REPAIR PARTS
TRACTOR - -MODEL NUMBER 917.258870
KOHLER ENGINE -MODEL NUMBER MV18S, TYPE NUMBER 58560
OIL PAN
KEY PART
NO. NO.
1 X-67-64
2 52-050-03
3 52-199-14
4 X-702-14
5 52-054-07
6 X-75-38
7 X-75-10
8 52-086-12
9 52-032-10
OIL FILTER
KEY PART
NO. NO.
1 52-050-02
2 82-755-23
3 X-55-15
4X-75-23
5 52-.041-16
PISTON & ROD
KEY PART
NO. NO.
1 52-067-67
52-067-68
2 52-874-11
52-874-12
52-874-13
52-874-14
52-874-I5
3 230004
4 52-108_09
52-108-10
52-108-11
52-108-12
DESCRIPTION
Screw, Hex Washer Head
#10-32 x 7/16 (2)
Filter, Oil Pickup
Oil Pan (Includes Key #4 thru 6)
Plug, Cup 1-1/16
Elbow, Street
Plug, Hex, Countersunk
1/4 N.PoT F.
Plug, Square Head 3/8 N.ET.F. (2)
Screw, Hex Washer Head
5/16-18 x 1-1/4 (9)
Seal, Oil, Rear
DESCRIPTION
Oil Filter
Kit, Oil Filter Adaptor
(Includes Key Numbers 3 thru 5)
Screw, Hex Socket Head
5/16-18 x 1-1/4 (2)
Plug, Hex, Countersunk
1/8 N_PoT.F.
Gasket, Oil Filter
DESCRIPTION
Connecting Rod, Standard (2)
Connecting Rod .010" (2)
Piston with Ring Set, Standard (2)
Piston with Ring Set .003" l_ /
Piston with Ring Set .010"
Piston with Ring Set .020"
Piston with Ring Set .030" (2)
Retainer, Piston Pin (4)
Ring Set, Standard and ,003" (2)
Ring Set .010" li 1
Ring Set .020"
Ring Set .030"
LOW OIL PRESSURE SWITCH
KEY PART DESCRIPTION
NO. NO.
1 X-75-23 Plug, Pipe 1/8 NoP.T.F.
CAMSHAFr &VALVES
KEY PART
NO. NO. DESCRIPTION
1
2
3
4
5
6
7
8
9
1
2
52-012-09
52-019-03
41-755-10
52413-01
25-089-01
52-016-05
52-017-08
52-032-13
230011
After serial
52-012-11
52-019-02
Camshaft
Tappet (4)
Kit, Retainer (4)
Rotator, Exhaust Valve (2)
Spring, Valve (4)
Valve, Exhaust (2)
Valve, intake (2)
Seal, Intake Valve Stem (2)
Retainer, Intake Valve (2)
no° 24082000 use:
Camshaft
Tappet
OIL PUMP
KEY PART
NO. NO. DESCRIPTION
1
2
3
4
5
6
7
X-280-25
52-144-05
52-422-01
52-043-05
52-393_09
52-096-03
X-67-64
Pin, Rotl
Shaft, Oil Pump
Spacer, Shim
(As Required, Maximum of 2)
Gear; Oil Pump
Rotor Set
Cover, Oil Pump
Screw, Hex Washer Head
#t0-32 x 7/16 (4)
NOT ILLUSTRATED
-- 82-522-30
- - 52-755-94 Short Block
Gasket Set
RPM Settings: Low Speed: 1150-1650
High Speed: 3200-3400
NOTE: All component dimensions given in U.So inches
1 inch = 25_4 mm
6O

6'1

62

SUGGESTED GUIDE FOR SiGHTiNG SLOPES FOR SAFE OPERATION
€,o
SIGHTING "" ......CUT
GUIDE TH-_ iS A_.
ONLY RIDE UP AND DOWN HILL,
NOT ACROSS HILL
SIGHT AND HOLD THIS LEVEL WITH
SKY LINE OR TREE.
/
15° MAX.
,_, Operate your Tractor up and down the face of slopes (not
_1 AILA greater than 15°), never across the face. Make turns gradu-
a! O ally to prevent tipping or loss of control. Exercise extreme
caution when changing direction on slopes.

OWNER'S
MANUAL
MODEL NO.
917.258870
IF YOU NEED
REPAIR SERVICE
OR PARTS:
FOR REPAIR SERVICE, CALL
THIS TOLL FREE NUMBER:
1-800-4-REPAIR
(1-800-473-7247)
FOR REPLACEMENT PARTS
INFORMATION AND
ORDERING, CALL THIS
TOLL FREE NUMBER:
1-800-FON-PART
(1-800-366-7278)
:OR CONSUMER ASSISTANCE
HOT LINE, CALL THIS
TOLL FREE NUMBER:
1-800-659-5917
®
18.5 HP TWIN CYLINDER
ELECTRIC START
46" MOWER
HYDROSTATIC (AUTOMATIC)
GARDEN TRACTOR
Each tractor has its own model number Each engine has
its own model nurnben
The model number for your tractor will be found on the
model plate located under the seal
The model number fat your engine will be found on the
blower housing of the engine,
All parts listed herein may be ordered from any Sears,
Roebuck and Co. Service Center/Department and most Re-
tail Stores,.
WHEN ORDERING REPAIR PARTS, ALWAYS GIVE THE
FOLLOWING INFORMATION:
• PRODUCT- TRACTOR
•MODEL NUMBER - 917,258870
°ENGINE MODEL NO. - MV18S-58560
° PART NUMBER
°PART DESCRIPTION
Your Sears merchandise has added value when you
consider Sears has service units nationwide staffed with
Sears trained technicians._ professional technicians
specifically trained to insure that we meet our pledge to
you, we service what we sell
156849 Rev, 2 3 26.97 JH
IIIIIIIIIIIIIIIIIIIIII IIIIIIIIII I IIIIIIIIIIIIIIIIIIIIIIIIIIIIIIII IIIIII
Printed in USA.
/ Illlll IlllIll