Craftsman 917270670 User Manual LAWN TRACTOR Manuals And Guides L0010519
CRAFTSMAN Lawn, Tractor Manual L0010519 CRAFTSMAN Lawn, Tractor Owner's Manual, CRAFTSMAN Lawn, Tractor installation guides
User Manual: Craftsman 917270670 917270670 CRAFTSMAN LAWN TRACTOR - Manuals and Guides View the owners manual for your CRAFTSMAN LAWN TRACTOR #917270670. Home:Lawn & Garden Parts:Craftsman Parts:Craftsman LAWN TRACTOR Manual
Open the PDF directly: View PDF
.
Page Count: 56

Owner's Manual
(RRFTSMAN
16 HP
ELECTRIC START
42" MOWER
6 SPEED TRANSAXLE
LAWN TRACTOR
Model No
917.270670
£Z
• Safety
•Assembly
•Operation
•Maintenance
•Repair Parts
This product has a low emission engine which operates
differently from previously built engines. Before you start the en-
gine, read and understand this Owner's Manual.
CAUTION:
Read and follow all Safety
Rules and Instructions before
operating this equipment.
For answers to your questions
about this product, Call:
1-800-659-5917
Sears Craftsman Help Line
5 am -5 pm, Mon - Sat
Sears, Roebuck and Co., Hoffman Estates, II 60179
Visit our Craftsman website:www.sears.com/craftsman

Warranty ............................................... 2
Safety Rules ......................................... 3
Product Specifications .......................... 5
Assembly .............................................. 7
Operation ............................................ 10
Maintenance Schedule ...................... 16
Service and Adjustments .................... 20
Storage ............................................... 27
Trou_eshooting ................................. 28
Repair Pa_s ........................................ 32
Parts O_ering ..................... Back Cover
LIMITED TWO YEAR WARRANTY ON CRAFTSMAN RIDING EQUIPMENT PARTS
For two (2) years from the date of purchase, if this Craftsman Riding Equipment is
maintained, lubricated and tuned up according to the instructions in the owner's
manual, Sears will repair or replace, free of charge, any parts found to be defective in
material or workmanship. Warranty service is available free of charge by taking your
Craftsman riding, quipment to your nearest Sears Service Center. In-home warranty
service is available but a trip charge will apply. This warranty applies only while this
product is in the United States.
This Warranty does not cover:
• Expendable items which become worn during normal use, such as blades, spark
plugs, air cleaners, belts and oil filters.
• Tire replacement or repair caused by punctures from outside objects, such as nails,
thorns, stumps, or glass.
• Repairs necessary because of operator abuse, including but not limited to, damage
caused by towing objects beyond the capability of the riding equipment, impacting
objects that bend the frame or crankshaft, or over speeding the engine.
• Repairs necessary because of operator negligence, including but not limited to,
electrical and mechanical damage caused by improper storage, failure to use the
proper grade and amount of engine oil, failure to keep the deck clear of flammable
debris, or the failure to maintain the equipment according to the instructions
contained in the owner's manual.
• Engine (fuel system) cleaning or repairs caused by fuel determined to be contami-
nated or oxidized (stale). In general, fuel should be used within thirty (30) days of its
purchase date.
• Riding equipment used for commercial or rental purposes.
LIMITED 90 DAY WARRANTY ON BATTERY
For ninety (90) days from date of purchase, if any battery included with this riding
equipment proves defective in material or workmanship and our testing determines
the battery will not hold a charge, Sears will replace the battery at no charge. War-
ranty service is available free of charge by taking your Craftsman riding equipment to
your nearest Sears Service Center. In-home warranty service is available but a trip
charge will apply. This warranty applies only while this product is in the United States.
To locate the nearest sears service center or to schedule in-home warranty service,
simply contact sears at 1-800-4-my-home
This Warranty gives you specific legal rights, and you may also have other rights
which may vary from state to state.

IMPORTANT: This cutting machine is
capable of amputating hands and feet
and throwing objects. Failure to observe
the following safety instructions could
result in serious injury or death.
GENERAL OPERATION
•Read, understand, and follow all
instructions in the manual and on the
machine before starting.
•Only allow responsible adults, who are
familiar with the instructions, to operate
the machine.
• Clear the area of objects such as rocks,
toys, wire, etc., which could be picked
up and thrown by the blade.
• Be sure the area is clear of other
people before mowing. Stop machine if
anyone enters the area.
• Never carry passengers.
• Do not mow in reverse unless absolute-
ly necessary. Always look down and
behind before and while backing.
• Be aware of the mower discharge
direction and do not point it at anyone.
Do not operate the mower without
either the entire grass catcher or the
guard in place.
• Slow down before turning.
• Never leave a running machine
unattended. Always turn off blades, set
parking brake, stop engine, and remove
keys before dismounting.
• Turn off blades when not mowing.
• Stop engine before removing grass
catcher or unclogging chute.
• Mow only in daylight or good artificial
light.
•Do not operate the machine while
under the influence of alcohol or drugs.
• Watch for traffic when operating near or
crossing roadways.
• Use extra care when loading or
unloading the machine into a trailer or
truck.
• Data indicates that operators, age 60
years end above, are involved in a
large percentage of riding mower-
related injuries. These operators should
evaluate their ability to operate the
riding mower safely enough to protect
themselves and others from serious
injury.
SLOPE OPERATION
Slopes are a major factor related to loss-
of-control and tipover accidents, which 3
can result in severe injury or death. All
slopes require extra caution. If you cannot
back up the slope or if you feel uneasy on
it, do not mow it.
DO:
• Mow up and down slopes, not across.
• Remove obstacles such as rocks, tree
limbs, etc.
Watch for holes, ruts, or bumps. Unever'
terrain could overturn the machine. Tall
grass can hide obstacles.
Use slow speed. Choose a low gear so
that you will not have to stop or shift
while on the slope.
Follow the manufacturer's recommen-
dations for wheel weights or counter-
weights to improve stability.
Use extra care with grass catchers or
other attachments. These can change
the stability of the machine.
Keep all movement on the slopes slow
and gradual. Do not make sudden
changes in speed or direction.
Avoid starling or stopping on a slope. If
tires lose traction, disengage the blades
and proceed slowly straight down the
slope.
DO NOT:
•Do not turn on slopes unless neces-
sary, and then, turn slowly and gradual-
ly downhill, if possible.
•Do not mow near drop-offs, ditches, or
embankments. The mower could
suddenly turn over if a wheel is over the
edge of a cliff or ditch, or if an edge
caves in.
•Do not mow on wet grass. Reduced
traction could cause sliding.
•Do nottry to stabilize the machine by
putting your foot on the ground.
•Do not use grass catcher on steep
slopes.
CHILDREN
Tragic accidents can occur if the operator
is not alert to the presence of children.
Children are often attracted to the
machine and the mowing activity. Never
assume that children will remain where
you last saw them.
• Keep children out of the mowing area
and under the watchful care of another
responsible adult.
• Be alert and turn machine off if children
enter the area.

• Beforeandwhenbacking,lookbehind
anddownforsmallchildren.
• Nevercarrychildren.Theymayfalloff
andbeseriouslyinjuredorinterfere
withsafemachineoperation.
• Neverallowchildrentooperatethe
machine.
• Useextracarewhenapproachingblind
corners,shrubs,trees,orotherobjects
thatmayobscurevision.
SERVICE
• Use extra care in handling gasoline
and other fuels. They are flammable
and vapors are explosive.
- Use only an approved container.
- Never remove gas cap or add fuel
with the engine running. Allow
engine to cool before refueling. Do
not smoke.
Never retuel the machine )ndoors.
Never store the machine or fuel
container inside where there is an
open flame, such as a water heater.
• Never run a machine inside a closed
area.
• Keep nuts and bolts, especially blade
attachment bolts, tight and keep
equipment in good condition.
• Never tamper with safety devices.
Check their proper operation regularly.
• Keep machine free of grass, leaves, or
other debris build-up. Clean oil or fuel
spillage. Allow machine to cool before
storing.
• Stop and inspect the equipment if you
strike an object. Repair, if necessary,
before restarting.
• Never make adjustments or repairs with
the engine running.
• Grass catcher components ere subject
to wear, damage, and deterioration,
which could expose moving parts or
allow objects to be thrown. Frequently
check components and replace with
manufacturer's recommended parts,
when necessary.
• Mower blades are sharp and can cut.
Wrap the blade(s) or wear gloves, and
use extra caution when servicing them.
• Check brake operation frequently.
Adjust and service as required.
• Be sure the area is clear of other
people before mowing. Stop machine if
anyone enters the area.
• Never carry passengers or children
even with the blades off.
• Do not mow in reverse unless abso-
lutely necessary. Always look down and
behind before and while backing.
• Never carry children. They may fall off
and be seriously injured or interfere
with safe machine operation.
• Keep children out of the mowing area
and under the watchful care of another
responsible adult.
• Be alert and turn machine off if children
enter the area.
• Before and when backing, look behind
and down for small children.
• Mow up and down slopes (15 °Max),
not across.
• Remove obstacles such as rocks, tree
limbs, etc.
• Watch for holes, ruts, or bumps. Uneven
terrain could overturn the machine. Tall
grass can hide obstacles,
• Use slow speed. Choose alow gear so
that you will not have to stop or shift
while on the slope.
• Avoid starting or stopping on a slope. If
tires lose traction, disengage the blades
and proceed slowly straight down the
slope.
• If machine stops while going uphill,
disengage blades, shift into reverse
and back down slowly.
•Do not turn on slopes unless neces-
sary, and then, turn slowly and gradual-
ly downhill, if possible.
4

_Look for this symbol to point out
important safety precautions. It means
CAUTION!!F BECOMEAWARE!H YOUR
_FETY IS INVOLVED.
CAUTION: In order to prevent acciden-
tal starting when setting up, transporting,
adjusting or making repairs always
disconnect spark plug wire and place wire
'_ere it cannot contact spark plug.
CAUTION: Do not coast down a hill in
neutral, you may lose control of the tractor.
_CAUTION: Tow only the attachments
that are recommended by and comply
with specifications of the manufacturer of
your tractor. Use common sense when
towing. Operate only at the lowest
possible speed when on a slope. Too
heavy of a load, while on a slope, is
dangerous. Tires can lose traction with th_
ground and cause you to lose control of
_UWrtractor.
ARNING: The engine exhaust from
this product contains chemicals known to
the State of California to cause cancer,
birth defects, or other reproductive harm.
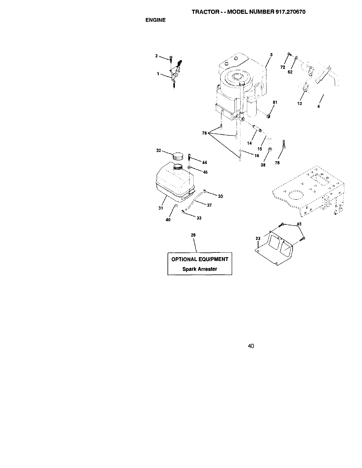
PRODUCT SPECIFICATIONS
GASOLINE 1.25 GALLONS
CAPACITY UNLEADED
ANDTYPE: REGULAR
OILTYPE SAE 30 (ABOVE 32°F
API-SF/SG/SH): SAE 5W-30
(below 32°F)
31LCAPACITY: 3.0 PINTS
SPARK PLUG: CHAMPION RC12YC
GAP: .030")
!ALVE INTAKE: .003"-.005"
.3LEARANCE: EXHAUST:.O05"-.007"
3ROUND SPEEDFORWARD:
MPH): 1sT 1.1
2ND 1.4
3RD 2.2
4TM 3.4
5TM 4.3
6TM 5.5
REVERSE: 1.7
FIRE PRESSURE: FRONT: 14 PSI
REAR: 12 PSI
.3HARGING 3AMPS BATTERY
_YSTEM: 5 AMPS HEADLIGHTS
3A'I-rERY: AMP/HR: 25
MIN, CCA: 190
CASE SIZE: U1R
3LADE BOLT 27-35 FT. LBS.
I'ORQUE:
CONGRATULATIONS on your purchase
of a Craftsman Tractor. It has been
designed, engineered and manufactured
to give you the best possible dependabili-
ty and performance.
5
Should you experience any problem you
cannot easily remedy, please contact
your nearest Sears Authorized Service
Center. We have competent, well-trained
technicians and the proper tools to
service or repair this tractor.
Please read and retain this manual. The
instructions will enable you to assemble
and maintain your tractor properly. Always
observe the "SAFETY RULES".
REPAIR AGREEMENT
A Sears Repair Agreement iS available
on this product. Contact your nearest
Sears store for details.
CUSTOMER RESPONSIBILITIES
•Read and observe the safety rules.
• Follow a regular schedule in maintain-
ing, caring for and using your tractor.
• Follow the instructions under "Mainte-
nance" and "Storage" sections of this
owner's manual.
_WARNING: This tractor is equipped
with an internal combustion engine and
should not be used on or near any
unimproved forest-covered, brush-
covered or grass-covered land unless the
engine's exhaust system is equipped with
a spark arrester meeting applicable local
or state laws (if any). If a spark arrester is
used, it should be maintained in effective
working order by the operator.
In the state of California the above is
required by law (Section 4442 of the
California Public Resources Code). Other
states may have similar laws. Federal
laws apply on federal lands. A spark
arrester for the muffler is available
through your nearest Sears Authorized
Service Center (See REPAIR PARTS
section of this manual).

Steering
Wheel Insert
(1) Hex Bolt
3/8-16 x1
(1) Hex Bolt 5/16-18 x 1-1/4 (1) Locknut 5/16-1a _
_ Steering Wheel
Adapter
(1) Large Fiat Washer
°t
(1) Lockwasher 318
Steering
Extension
Steering Shaft
Boot
'__-_ Seat
f
(_ 17/32 x(1) Washer
1-3/16 x 12 Gauge
t_(1) Knob
(1) Shoulder
Bolt 5/16-18
Keys
(2) Keys Slope Sheet
Video Cassette

Your new tractor has been assembled at the factory with exception of those parts 14
unassembled for shipping purposes. To ensure safe and proper operation of your
tractor all parts and hardware you assemble must be tightened securely. Use the
correct tools as necessary to insure proper tightness. Review the video cassette b_
you begin.
TOOLS REQUIRED FOR
ASSEMBLY
Asocket wrench set will make assembly
easier. Standard wrench sizes you need
are listed below.
(1) 9/16" wrench (1) Pliers
(2) 1/2" wrench (1) Utility knife
(1) Tire pressure gauge
When right or left hand is mentioned in
this manual, it means, from your point of
view, when you are in the operating
position (seated behind the steering
wheel).
TO REMOVE TRACTOR FROM
CARTON
UNPACK CARTON
• Remove all accessible loose parts
and parts boxes from shipping carton.
•Cut, from top to bottom, along lines on
all four corners of shipping carton, and
lay panels flat.
• Check for any additional loose parts or
boxes and remove.
BEFORE REMOVING TRACTOR
FROM SKID
ATTACH STEERING WHEEL
ASSEMBLE EXTENSION SHAFT AND
BOOT
• Slide extension shaft onto lower
steering shaft. Align mounting holes
in extension and lower shafts and
install 5/16 hex bolt and Iocknut.
Tighten securely.
• Place tabs of steering boot over tab
slots in dash and push down to
sect,ire.
INSTALL STEERING WHEEL
•Position front wheels of the tractor so
they are pointing straight forward.
• Remove steerng wheel adapter from
steering wheel and slide adapter onto
steering shaft extension.
_Insert
'_3/8 Hex Bolt
_3/8 Lock Wa._
.'_'_Large F
Washe
,:12.ijStea,og,
Steering Wheel !_:,
/_Tabs
Adapler_ i,1.-_Extension Sha
5/16 Locknut ,/''_ ";_''1 _5/16 _ex E
Lower
SteeriP,g /", _ !
Shaft _ Tab
"" -, ," Slol
• Position steering wheel so cross b
are horizontal (left to right) and slk
inside boot and onto adapter.
• Assemble large flat washer, 3/8 le_
washer, 3/8 hex bolt and tighten
securely.
• Snap steering wheel insert into ce
of steering wheet.
• Remove protective materials from
tractor hood and grill.
IMPORTANT: Check for and remow
staples in skid that may puncture tir_
where tractor is to roll off skid.
HOW TO SET UP YOUR TRACTOI
CHECK BATTERY
•Lift seat pan to raised postion and
open battery box door.
•If this batten] is put into service aft,
month and year indicated on label
bel located between terminals) ch;
battery for minimum of one hour at
10 amps. (See "BATTERY" in MAIIX
NANCE section of this manual for
charging structions.)

Seat Terminal
Batter
Door
INSTALLSEAT
Adjust seat before tightening adjustment
knob.
• Remove adjustment knob and fiat
washer securing seat to cardboard
packing and set aside for assembly of
seat to tractor.
•Pivot seat upward and remove from
the cardboard packing. Remove the
cardboard packing and discard.
• Place seat on seat pan and assemble
shoulder bolt. Tighten shoulder bolt
securely.
• Assemble adjustment knob and flat
washer loosely. Do not tighten.
• Lower seat into operating position and
sit on seat.
• Slide seat until a comfortable position
is reached which allows you to press
clutch/brake pedal all the way down,
• Get off seat without moving its adjusted
position.
• Raise seat and tighten adjustment
knob securely.
Seat
Shoulder Seat Pan J_p-"-_-'_ _ _
so,t / ', \\
Adjustment
Knob
NOTE: You may now roll or drive your
tractor off the skid. Follow the appropriate
instruction below to remove the tractor from
the skid.
TO ROLL TRACTOR OFF SKID (See
Operation section for location and
function of controls)
•Press lift lever plunger and raise
attachment lift lever to its highest
position.
•Release parking brake by depressing
clutch/brake pedal,
•Place gearshift lever in neutral (N)
position.
•Roll tractor forward Off skid.
• Remove banding holding discharge
guard up against tractor,
TO DRIVE TRACTOR OFF SKID
(See Operation section for location and
function of controls)
_,WARNING: Before starting, read,
understand and follow all instructions in
the Operation section of this manual. Be
sure tractor is in a well-ventilated area.
Be sure the area in front of tractor is clear
of other people and objects.
• Be sure all the above assembly steps
have been completed.
• Check engine oil level and fill fuel tank
with gasoline.
• Sit on seat in operating position,
depress clutch/brake pedal and set the
parking brake.
• Place gear shift lever in neutral (N)
position.
• Press lift lever plunger and raise
attachment lift lever to its highest
position.
• Start the engine. After engine has
started, move throttle control to idle
position.
• Depress clutch/brake pedal into full
"BRAKE" position and hold. Move
gearshift lever to 1st gear.
• Slowly release clutch/brake pedal and
slowly drive tractor off skid.
• Apply brake to stop tractor, set parking
brake and place gearshift lever in
neutral position.
• Turn ignition key to "OFF' position.
Continue with the instructions that follow.
8

INSTALL MULCHER PLATE
(If previously removed)
•Raise and hold deflector shield in
upright position.
• Place front of mulcher plate over front
of mower deck opening and slide into
place, as shown.
• Hook front latch into hole on front of
mower deck.
• Hook rear latch into hole on back of
mower deck.
_CAUTION: Do not remove deflector
shield from mower. Raise and hold
shield when attaching mulcher plate and
allow it to rest on plate while in opera-
tion.
/
Deflector F_
Shield---_- ,
/ Mulcher
Plate
TO CONVERT TO BAGGING OR
DISCHARGING
Simply remove mulcher plate and store
in a safe place. Your mower is now ready
for discharging or installation of optional
grass catcher accessory.
NOTE: It is not necessary to change
blades. The mulcher blades are de-
signed for discharging and bagging also.
CHECK TIRE PRESSURE
The tires on your tractor were overin-
flated at the factory for shipping pur-
poses. Correct tire pressure is important
for best cutting performance.
• Reduce tire pressure to PSI shown in
"PRODUCT SPECIFICATIONS"
section of this manual.
CHECK DECK LEVELNESS
For best cutting results, mower housing
should be propedy leveled. See "TO
LEVEL MOWER HOUSING" in the
Service and Adjustments section of this
manual.
9
CHECK FOR PROPER POSITION
OF ALL BELTS
See the figures that are shown for
replacing motion and mower blade ddve
belts in the Service and Adjustments
section of this manual. Verify that the
belts are routed correctly.
CHECK BRAKE SYSTEM
After you learn how to operate your
tractor, check to see that the brake is
properly adjusted. See "TO ADJUST
BRAKE" in the Service and Adjustments
section of this manual.
/CHECKLIST
BEFORE YOU OPERATE AND ENJOY
YOUR NEW TRACTOR, WE WISH TO
ASSURE THAT YOU RECEIVE THE
BEST PERFORMANCE AND
SATISFACTION FROM THIS QUALITY
PRODUCT.
PLEASE REVIEWTHE FOLLOWING
CHECKLIST:
,/All assembly instructions have been
completed.
,/No remaining loose parts in carton.
,/Battery is properly prepared and
charged. (Minimum 1 hour at 6
amps).
,I Seat is adjusted comfortably and
tightened securely.
,/All tires are properly inflated. (For
shipping purposes, the tires were
overinflated at the factory).
,/Be sure mower deck is properly
leveled side-to-side/front-to-rear for
best cutting results. (Tires must be
properly inflated for leveling).
,/Check mower and drive belts. Be sure
they are routed properly around
pulleys and inside all belt keepers.
,/Check wiring. See that all connections
are still secure and wires are properly
clamped.
WHILE LEARNING HOWTO USE YOUR
TRACTOR, PAY EXTRAATTENTION TO
THE FOLLOWING IMPORTANT ITEMS:
,/Engine oil is at proper level.
#" Fuel tank is filled with fresh, clean,
regular unleaded gasoline.
,/" Become familiar with all controls - their
location and function. Operate them
before you start the engine.
,/Be sure brake system is in safe
operating condition.

Thesesymbolsmayappearonyourtractororinliteraturesuppliedwiththeproduct.
Learnandunderstandtheirmeaning,
BATTERY CAUTION OR REVERSE FORWARD FAST SLOW
WARNING
ENGINE ON ENGINE OFF OIL PRESSURE LIGHTS ON OVER TEMP tl _
LIGHT L
FUEL CHOKE MOWER HEIGHT PARKING BRAKE UNLOCKED
LOCKED MOWER L_FT
_r_'l R N H L c®)_I
ATTACHMENT REVERSE NEUTRAL HIGH LOW PARKING BRAKE
CLUTCH ENGAGED
_(_ ATTACHMENT
tGNITION CLUTCH DISENGAGED
DANGER, KEEP HANDS AND FEET AWAY
KEEP AREA CLEAR SLOPE HAZARDS
(SEE SAFETY RULES SECTION)
FREE WHEEL
(Automatic Models only)
10

KNOW YOUR TRACTOR
READ THIS OWNER'S MANUAL AND SAFETY RULES BEFORE OPERATING
YOUR TRACTOR
Compare the illustrations with your tractor to familiarize yourself with the locations of
various controls and adjustments. Save this manual for future reference.
Attachment Ignition Switch
Clutch
Light Switch
Lift
Plunger
Attachment
Lift Lever
Height
Adjustment
'a_ing Brake Lever
Gearshift Lever
Our tractors conform to the safety standards of the American
NationalStandardslnstitute.
AMMETER - Indicates charging (+) or
discharging (-) of battery.
ATTACHMENT CLUTCH LEVER - Used
to engage the mower blades, or other
attachments mounted to your tractor.
ATTACHMENT LIFT LEVER - Used to
raise, lower, and adjust the mower deck
or other attachments mounted to your
tractor.
CLUTCH/BRAKE PEDAL - Used for
declutching and braking the tractor and
starting the engine.
GEARSHIFT LEVER - Selects the speed
and direction of tractor.
IGNITION SWITCH - Used for starting
and stopping the engine.
LIFT LEVER PLUNGER - Used to
release attachment lift lever when
changing its position.
LIGHT SWITCH -Turns the headlights on
end off.
PARKING BRAKE LEVER -Locks
clutch/brake pedal into the brake
position,
THROTTLE/CHOKE CONTROL- Used
for starting and controlling engine speed.
11

The operation of any tractor can result in foreign objects thrown into
the eyes, which can result in severe eye damage. Always wear safety
glasses or eye shields while operating your tractor or performing any
adjustments or repairs. We recommend a wide vision safety mask
over spectacles or standard safety glasses.
HOW TO USE YOUR TRACTOR
TO SET PARKING BRAKE
Your tractor is equipped with an operator
presence sensing switch. When engine
is running, any attempt by the operator to
leave the seat without first setting the
parking brake will shut off the engine.
•Depress clutch/brake pedal into full
"BRAKE" position and hold.
•Place parking brake lever in "EN-
GAGED" position and release pres-
sure from clutch/brake pedal. Pedal
should remain in "BRAKE" position.
Make sure parking brake will hold
tractor secure. Attachment Clutch Lever
"Engaged" Position
Throttle
IBrake
"Engaged"
Clutch/ Position
Lever
"Disengaged"
Position Position
STOPPING
MOWER BLADES -
•TO stop mower blades,move attach-
ment clutch lever to "DISENGAGED"
position.
GROUND DRIVE -
• To stop ground drive, depress clutch/
brake pedal into full "BRAKE" position.
• Move gearshift lever to neutral (N)
position.
ENGINE -
•Move throttle control to slow position.
NOTE; Failure to move throttle control to
slow position and allowing engine to idle
before stopping may cause engine to
"backfire".
• Turn ignition key to "OFF" position and
remove key. Always remove key when
leaving tractor to prevent unauthorized
use.
• Never use choke to stop engine.
IMPORTANT; Leaving the ignition
switch in any position other than "OFF"
will cause the battery to be discharged,
(dead).
NOTE: Under certain conditions when
tractor is standing idle with the engine
running, hot engine exhaust gases may
cause "browning" of grass. To eliminate
this possibility, always stop engine when
stopping tractor on grass areas.
CAUTION: Always stop tractor
completely, as described above, before
leaving the operator's position; to empty
grass catcher, etc.
TO USE THRO'I'FLE CONTROL
Always operate engine at full throttle.
• Operating engine at less than full
throttle reduces the battery charging
rate.
• Full throttle offers the best bagging
and mower performance.
TO MOVE FORWARD AND
BACKWARD
The direction and speed of movement is
controlled by the gearshift lever,
• Start tractor with clutch/brake pedal
depressed and gearshift lever in
neutral (N) position.
• Move gearshift lever to desired
position.
• Slowly release clutch/breke pedal to
start movement.
IMPORTANT: Bring tractor to a complete
stop before shifting or changing gears.
Failure to do so will shorten the useful
life of your transaxle.
TO ADJUST MOWER cu'n'ING
HEIGHT
The position of the attachment lift lever
determines the cutting height.
• Grasp lift lever.
• Press plunger with thumb and move
lever to desired position.
The cutting height range is approxi-
mately 1-1/2 to 4". The heights are
measured from the ground to the blade
tip with the engine not running. These
heights are approximate and may vary
depending upon soil conditions, height
of grass and types of grass being
12 mowed.

•The average lawn should be cut to
approximately 2-1/2 inches during the
cool season and to over 3 inches
during hot months. For healthier and
better looking lawns, mow often and
after moderate growth.
• For best cutting performance, grass
over 6 inches in height should be
mowed twice. Make the first cut
relatively high; the second to desired
height.
TO OPERATE MOWER
Your tractor is equipped with an operator
presence sensing switch. Any attempt by
the operator to leave the seat with the
engine running and the attachment
clutch engaged will shut off the engine.
•Select desired height of cut.
•Start mower blades by engaging
attachment clutch control.
• TO STOP MOWER BLADES - disen-
gage attachment clutch control.
CAUTION: De not operate the
mower without either the entire grass
catcher, on mowers so equipped, or
the deflector shield in place.
Attachment
Clutch Lever Attachemnt
j./ ,ow
'Position
,, J :_- _. _..
Disengaged.....
Posrtion !,
Deflector
Shield
TO OPERATE ON HILLS
_l, CAUTION: Do not drive up or down
hills with slopes greater than 15" and do
not drive across any slope.
•Choose the slowest speed before
starting up or down hills.
• Avoid stopping or changing speed on
hills.
•If slowing is necessary, move throttle
control lever to slower position.
•If stopping is absolutely necessary,
push clutch/brake pedal quickly to
brake position and engage parking
brake.
• Move gearshift lever to 1st gear. Be
sure you have allowed room for tractor
to roll slightly as you restart movement
•To restart movement, srowly release
parking brake and clutch/brake pedal.
•Make all turns slowly.
TO TRANSPORT
•Raise attachment lift to highest
position with attachment lift control.
•When pushing or towing your tractor,
be sure gearshift lever is in neutral (N)
position.
• Do not push or tow tractor at more than
five (5) MPH.
NOTE: To protect hood from damage
when transporting your tractor on a truck
or a trailer, be sure hood is closed and
secured to tractor. Use an appropriate
means of tying hood to tractor (rope,
cord, etc.).
TOWING CARTS AND OTHER
A'rrACHMENTS
Tow only the attachments that are
recommended by and comply with
specifications of the manufacturer of your
tractor. Use common sense when towing.
Too heavy of a load, while on a slope, is
dangerous. Tires can lose traction with
the ground and cause you to lose control
of your tractor.
BEFORE STARTING THE ENGINE
CHECK ENGINE OIL LEVEL
•The engine in your tractor has been
shipped, from the factory, already filled
with summer weight oil.
•Check engine oil with tractor on level
ground.
• Remove oil fill cap/dipstick and wipe
clean, reinsert the dipstick and screw
cap tight, wait for afew seconds,
remove and read oil level. If neces-
sary, add oil until "FULL" mark on
dipstick is reached. Do not overfill.
• For cold weather operation you should
change oil for easier starting (See "OIL
VISCOSITY CHART" in the Mainte-
nance section of this manual).
• To change engine oil, see the Mainte-
nance section in this manual.
Dipstick
13

ADD GASOLINE
• Fill fuel tank. Use fresh, clean, regular
unleaded gasoline with a minimum of
87 octane. (Use of leaded gasoline
will increase carbon and lead oxide
deposits and reduce valve life), Do
not mix oil with gasoline. Purchase
fuel in quantities that can be used
within 30 days to assure fuel fresh-
ness.
IMPORTANT: When operating in
temperatures below 32°F(0°C), use
fresh, clean winter grade gasoline to
help insure good cold weather starting.
WARNING: Experience indicates that
alcohol blended fuels (called gasohol or
using ethanol or methanol) can attract
moisture which leads to separation and
formation of acids during storage. Acidic
gas can damage the fuel system of an
engine while in storage. To avoid engine
problems, the fuel system should be
emptied before storage of 30 days or
longer. Drain the gas tank, start the
engine and let it run until the fuel lines
and carburetor are empty. Use fresh fuel
next season. See Storage Instructions
for additional information. Never use
engine or carburetor cleaner products in
the fuel tank or permanent damage may
occur.
f_eCAUTION: Fill to bottom of gas tank
r neck, Do not overfill. Wipe off any
spilled oil or fuel. Do not store, spill or
use gasoline near an open flame.
TO START ENGINE
When starting the engine for the first time
or if the engine has run out of fuel, it will
take extra cranking time to move fuel
from the tank to the engine.
• Sit on seat in operating position,
depress clutch/brake pedal and set
parking brake.
• Place gear shift lever in neutral (N)
position.
• Move attachment clutch to "DISEN-
GAGED" position.
• Move throttle control to choke position.
NOTE: Before starting, read the warm
and cold starting procedures below.
• Insert key into ignition and turn key
clockwise to "START" position and
release key as soon as engine starts.
Do not run starter continuously for
more than fifteen seconds per minute.
If the engine does not start after
several attempts, move throttle control
to fast position, wait a few minutes and
try again. If engine still does not start,
move the throttle control back to the
choke position and retry.
WARM WEATHER STARTING (50 ° F and
above)
• When engine starts, move the throttle
control to the fast position.
• The attachments and ground drive can
now be used. If the engine does not
accept the load, restart the engine and
allow it to warm up for one minute
using the choke as described above.
COLD WEATHER STARTING ( 50° F and
below)
• When engine starts, allow engine to
run with the throttle control in the
choke position until the engine runs
roughly, then move throttle control to
fast position. This may require an
engine warm-up period from several
seconds to several minutes, depend-
ing on the temperature.
• The attachments can also be used
during the engine warm-up period.
NOTE: If at a high altitude (above 3000
feet) or in cold temperatures (below 32
F) the carburetor fuel mixture may need
to be adjusted for best engine perfor-
mance. See "TO ADJUST CARBURE-
TOR" in the Service and Adjustments
section of this manual.
14

MOWING TIPS
•Mower should be properly leveled for
best mowing performance. See "TO
LEVEL MOWER HOUSING" in the
Service and Adjustments section of
this manual.
•The left hand side of mower should be
used for trimming.
•Drive so that clippings are discharged
onto the area that has been cut. Have
the cut area to the right of the tractor.
This will result in amore even distribu-
tion of clippings and more uniform
cutting.
•When mowing large areas, start by
turning to the right so that clippings will
discharge away from shrubs, fences,
driveways, etc. After one or two
rounds, mow in the opposite direction
making left hand turns until finished.
•If grass is extremely tall, it should be
mowed twice to reduce load and
possible fire hazard from dried
clippings, Make first cut relatively
high; the second to the desired height.
•Do not mow grass when it is wet. Wet
grass will plug mower and leave
undesirable clumps. Allow grass to
dry before mowing.
•Always operate engine at full throttle
when mowing to assure better mowing
performance and proper discharge of
material. Regulate ground speed by
selecting a low enough gear to give
the mower cutting performance as well
as the quality of cut desired.
• When operating attachments, select a
ground speed that will suit the terrain
and give best performance of the
attachment being used.
,/-
-)
MULCHING MOWING TIPS
IMPORTANT: For best performance,
keep mower housing free of built-up
grass and trash. Clean after each use.
•The special mulching blade will recut
the grass clippings many times and
reduce them in size so that as they fall
onto the lawn they will disperse into
the grass and not be noticed. Also, th_
mulched grass will biodegrade quickly
to provide nutrients for the lawn.
Always mulch with your highest
engine (blade) speed as this will
provide the best recutting action of the
blades.
• Avoid cutting your lawn when it is wet.
Wet grass tends to form clumps and
interferes with the mulching action.
The best time to mow your lawn is the
early afternoon. At this lime the grass
has dried and the newly cut area will
not be exposed to the direct sun.
• For best results, adjust the mower
cutting height so that the mower cuts
off only the top one-third of the grass
blades. For extremely heavy mulching,
reduce your width of cut on each pass
and mow slowly.
• Certain types of grass and grass
conditions may require that an area be
mulched a second time to completely
hide the clippings. When doing a
second cut, mow across or perpen-
dicular to the first cut path.
•Change your cutting pattern from week
to week. Mow north to south one week
then change to east to west the next
week. This will help prevent matting
and graining of the lawn.
Max 1/3"
15

MAINTENANCE SCHEDULE
FiLL IN DATES
AS YOU COMPLETE
REGULAR SERVICE
Ch_k Brake Operation ql_ [1_
CheCk Tire Pressure KVr
!TCheck Operator Pcesence and
Inter/OCk Systems K
i R Check for Loose Fasteners K _ t, j
!ASharpen/Replace Mower Btades I_ ---
IC Lubrication Chart g_ tl_
i[_ Check Batlery Level
!RClean Battery and Terminals g_ K
Check Transaxle COOling g_
Adjust Blade Belt(s) Tension Ks
Ad)ust MOt.0n Drive Belt(s) Tension Ks
CheCk Engine Oil Level V#If
Change Engine Oil II_ 2_li/
E Clean Air Filter tl_
NClean Air Screen K2
G Inspect Muffler/Spark Arrester K
U Replace Oil Filte_ (g equipped) _ 2
E Clean Engine COOling Fins K2
Replace Spark Plug Wl_ K
Replace Air Filter Paper Cadr*dge K_
Replace Fuel Filter _1_
i. Char=go more o_l_,nwhen op=ra_n 9 under a hoaw IC¢.dor in Ngh amount _empemture_ 5. II equ_ppod w_U__djuetablo sysl_m
e Not r_qu,red if equippod w_ m_r_tenar_o 1_. b_ae,._
7. Ti_hten Iro_t axle _vol I_,1_to 35 ft Ibs maximum¸
DO no_ .vertigh_en
GENERAL RECOMMENDATIONS
The warranty on this tractor does not
cover items that have been subjected to
operator abuse or negligence. To
receive full value from the warranty,
operator must maintain tractor as
instructed in this manual.
Some adjustments will need to be made
periodically to properly maintain your
tractor.
All adjustments in the Service and
Adjustments section of this manual
should be checked at least once each
season.
•Once a year you should replace the
spark plug, clean or replace air filter,
and check blades and belts for wear.
A new spark plug and clean air filter
assure proper air-fuel mixture and
help your engine run better and last
longer.
BEFORE EACH USE
• Check engine oil level.
• Check brake operation.
•Check tire pressure.
•Check operator presence and
interlock systems for proper operation.
• Check for loose fasteners.
LUBRICATION CHART
-_Spindle
Zerk Zerk
_Front Wheel
Bearing
Zerk Beanng Ze_
_SAE 30 or 10w30 MOTOR OIL
_GENERAL PURPOSE GREASE
®REFER TO Maintenance "ENGINE" SECTION
IMPORTANT: Do not oil or grease the pivot
points which have special nylon bearings.
Viscous lubricants will attract dust and dirt
that will shorten the life of the self-lubricat-
ing bearings. If you feel they must be
lubricated, use only a dry, powdered
graphite type lubricant sparingly.
16

TRACTOR
Alwaysobserve safety rules when
performing any maintenance.
BRAKE OPERATION
If tractor requires more than six (6) feet
stopping distance at high speed in
highest gear, then brake must be
adjusted. (See "TO ADJUST BRAKE" in
the Service and Adjustments section of
this manuat).
TIRES
•Maintain proper air pressure in all tires
(See "PRODUCT SPECIFICATIONS"
section of this manual).
• Keep tires free of gasoline, oil, or
insect control chemicals which can
harm rubber.
• Avoid stumps, stones, deep ruts, sharp
objects and other hazards that may
cause tire damage.
NOTE: To seal tire punctures and
prevent flat tires due to slow leaks, tire
sealant may be purchased from your
local parts dealer. Tire sealant also
prevents tire dry rot and corrosion.
OPERATOR PRESENCE SYSTEM
Be sure operator presence and interlock
systems are working properly. If your
tractor does not function as described,
repair the problem immediately.
•The engine should not start unless the
clutch/brake pedal is fully depressed
and attachement clutch control is in
the disengaged position.
• When the engine is running, any
attempt by the operator to leave the
seat without first setting the parking
brake should shut off the engine.
• When the engine is running and the
attachment clutch is engaged, any
attempt by the operator to leave the
seat should shut off the engine.
•The attachment clutch should never
operate unless the operator is in the
seat.
BLADE CARE
For best results mower blades must be
kept sharp. Replace bent or damaged
blades.
BLADE REMOVAL
•Raise mower to highest position to
allow access to blades.
• Remove hex bolt, lock washer and flat
washer securing blade.
• Install new or resharpened blade with
trailing edge up towards deck as
shown.
IMPORTANT: To ensure proper assem-
bly, center hole in blade must align with
star on mandrel assembly.
• Reassemble hex bolt, lock washer ant
flat washer in exact order as shown.
• Tighten bolt securely (27-35 Ft. Lbs.
torque).
IMPORTANT: Blade bolt is Grade 5 heat
treated. Mandrel Assembly
Trailing Edge Up
\ Blade Center ._
Hole
Lock
_-_-Hex Bolt (Grade)"_ •
*A Grade 8 heat treated bolt can be identified
by sixlines on the bolt head.
TO SHARPEN BLADE
NOTE: We do not recommend sharpen-
ing blade - but if you do, be sure the
blade is balanced.
Care should be taken to keep the blade
balanced. An unbalanced blade will
cause excessive vibration and eventual
damage to mower and engine.
• The blade can be sharpened with a
file or on a grinding wheel. Do not
attempt to sharpen while on the
mower.
• To check blade balance, you will need
a 5/8" diameter steel bolt, pin, or a
cone balancer. (When using a cone
balancer, follow the instructions
supplied with balancer.)
NOTE: Do not use a nail for balancing
blade. The lobes of the center hole may
appear to be centered, but are not.
• Slide blade on to an unthreaded
portion of the steel bolt or pin and hold
the bolt or pin parallel with the ground.
If blade is balanced, it should remain
in a horizontal position. If either end of
the blade moves downward, sharpen
the heavy end until the blade is
balanced.
//
/
Center Hole
17

BA'n'ERY
Your tractor has a battery charging
system which is sufficient for normal use.
However, periodic charging of the battery
with an automotive charger will extend
its life.
•Keep battery and terminals clean.
•Keep battery bolts tight.
•Keep small vent ho_esopen.
• Recharge at 6-10 amperes for 1 hour.
NOTE: The original equipment battery on
your tractor is maintenance free, Do not
attempt to open or remove caps or
covers. Adding or checking level of
electrolyte is not necessary.
TO CLEAN BATTERY AND TERMINALS
Corrosion and dirt on the battery and
terminals can cause the battery to "leak"
power.
• Open battery box door.
•Disconnect BLACK battery cable first
then RED battery cable and remove
battery from tractor.
• Rinse the battery with plain water and
dry.
• Clean terminals and battery cable
ends with wire brush until bright.
• Coat terminals with grease or petro-
leum jelly.
• Reinstall battery (See "REPLACING
BATTERY" in the SERVICE AND
ADJUSTMENTS section of this
manual).
V-BELTS
Check V-belts for deterioration and wear
after 100 hours of operation and replace
if necessary. The belts are not adjustable.
Replace belts if they begin to slip from
wear.
TRANSAXLE COOLING
Keep transaxle free from build-up of did
and chaff which can restrict cooling,
ENGINE
LUBRICATION
Only use high quality detergent oil rated
with API service classification SF, SG or
SH. Select the oil's SAE viscosity grade
according to your expected operating
temperature.
SAE VISCOSITy GRADES
i ' i
TEt_ERAIURE P_NGEANTiClpt_l'_DBEFORENEXTOJLCHANGE
NOTE: Although multi-viscosity oils
(5W30, 10W30 etc.) improve starling in
cold weather, these multi-viscosity oils
will result in increased oil consumption
when used above 32°F. Check your en-
gine oil level more frequently to avoid
possible engine damage from running
low on oil.
Change the oil after every 25 hours of
operation or at least once a year if the
tractor is not used for 25 hours in one
year.
Check the crankcase oil level before
starting the engine and after each eight
(8) hours of operation. Tighten oil fill cap/
dipstick securely each time you check
the oil level.
TO CHANGE ENGINE OIL
Determine temperature range expected
before oil change, All oil must meet API
service classification SF, SG or SH.
•Be sure tractor is on level surface.
• Oil will drain more freely when warm.
• Catch oil in a suitable container.
• Remove oil fill cap/dipstick. Be careful
not to allow dirt to enter the engine
when changing oil.
• Remove drain plug.
• After oil has drained completely, re-
place oil drain plug and tighten se-
curely.
• Refill engine with oil through oil fill dip-
stick tube. Pour slowly. Do not overfill,
For approximate capacity see "PROD-
UCT SPECIFICATIONS" section of this
manual.
• Use gauge on oil fill cap/dipstick for
checking level. Be sure dipstick cap is
tightened securely for accurate read-
ing. Keep oil at "FULL" line on dipstick.
'_ Dipstick
.Oil Drain
Plug
CLEAN AIR SCREEN
Air screen must be kept free of dirt and
chaff to prevent engine damage from
overheating. Clean with a wire brush or
compressed air to remove dirt and
stubborn dried gum fibers.
18

ENGINE COOLING FINS
Remove any dust, dirt or oil from engine
cooling fins to prevent engine damage
from overheating.
• Remove screws from blower housing
and lift housing and dipstick tube
assembly off engine.
• Cover oil flit opening to prevent entry
of dirt.
•Use compressed air or stiff bristle
brush to thoroughly clean engine
cooling fins.
•TO reassemble, reverse above
procedure.
Blower Housing Screws
Screws _ _ \
Assembly ._...=_,__
_Spark
Engine Cooling Fins_ Plug
AIR FILTER
Your engine will not run properly using a
dirty air filter. Clean the foam pre-cleaner
after every 25 hours of operation or
every season. Service paper cartridge
every 100 hours of operation or every
season, whichever occurs first.
Service air cleaner more often under
dusty conditions.
• Remove knob(s) and cover.
TO SERVICE PRE.CLEANER
• Slide foam pre-cleaner off cadridge.
•Wash it in liquid detergent and water.
•Squeeze it dry in a clean cloth.
•Saturate it in engine oil. Wrap it in
clean, absorbent cloth and squeeze to
remove excess oil.
•If very dirty or damaged, replace pre-
cleaner.
•Reinstall pre-cleaner over cartridge.
•Reinstall cover end secure with
knob(s).
TO SERVICE CARTRIDGE
•Remove cartridge nut.
• Carefully remove cartridge to prevent
debris from entering carburetor. Clean
base carefully to prevent debris from
entering carburetor.
• Clean cartridge by tapping gently on
flat surface. If very dirty or damaged,
replace cartridge.
• Reinstall cartridge, nut, precleaner,
cover and secure with knob(s).
IMPORTANT: Petroleum solvents, such
as kerosene, are not to be used to clean
the cartridge. They may cause deteriora-
tion of the cartridge. Do not oil eadddge.
Do not use pressurized air to clean or
dry cartridge.
Cover Knob _"
Cover-.--_. _.Cartddge Nut
zj
Foam___:- "- "_ Paper
i Cartridge
Pre-Cleaner i;
_' "_'Base
MUFFLER
Inspect and replace corroded muffler
and spark arrester (if equipped) as it
could create a fire hazard and/or
damage.
SPARK PLUGS
Replace spark plugs at the beginning of
each mowing season or after every 100
hours of operation, whichever occurs
first. Spark plug type and gap setting are
shown in "PRODUCT SPECIFICATIONS"
section of this manual.
IN-LINE FUEL FILTER
The fuel filter should be replaced once
each season. If fuel filter becomes
clogged, obstructing fuel flow to carbure-
tor, replacement is required.
•With engine cool, remove filter and
plug fuel line sections.
•Place new fuel filter in position in fuel
line with arrow pointing towards
carburetor.
• Be sure there are no fuel line leaks
and clamps are properly positioned.
• Immediately wipe up any spilled
gasoline.
C_e,_ ---q) _-_"-" - i = Clamp
Fuel Filter_ "-
19

CLEANING
•Clean engine, battery, seat, finish, etc.
of all foreign matter.
•Keep finished surfaces and wheels
free of all gasoline, oil, etc.
• Protect painted surfaces with automo-
tive type wax.
We do not recommend using a garden
hose to clean your tractor unless the
electrical system, muffler, air filter and
carburetor are covered to keep water out.
Water in engine can result in a short-
ened engine life.
_CAUTION: Before performing any service or adjustments:
• Depress clutch/brake pedal fully and set parking brake.
Place gearshift lever in neutral (N position.
Place attachment clutch in "DISENGAGED position.
• Turn ignition key "OFF" and remove key.
• Make sure the blades and all moving pads have completely stopped.
• Disconnect spark plug wire from spark plug and place wire where it cannot
come in contact with plug.
TRACTOR
TO REMOVE MOWER
Mower will be easier to remove from the
right side of tractor.
• Place attachment clutch in "DISEN-
GAGED" position.
• Move attachment lift lever forward to
lower mower to its lowest position.
• Roll belt off engine pulley.
• Remove small retainer spring, and lift
clutch spring off pulley bolt.
• Remove large retainer spring, slide
collar off and push housing guide out
of bracket.
• Disconnect anti-swaybar from chassis
bracket by removing retainer spring.
• Disconnect suspension arms from rear
deck brackets by removing retainer
springs.
Small Retainer Spring
Clutch
• Disconnect front links from deck by
removing retainer springs.
• Raise lift lever to raise suspension
arms, Slide mower out from under
tractor.
IMPORTANT: If an attachment other than
the mower deck is to be mounted on the
tractor, remove the front links and hook
the clutch spring onto square hole in
frame.
TO INSTALL MOWER
• Raise attachment lift lever to its
highest position.
• Slide mower under tractor with
discharge guard to right side of tractor.
• Lower lift lever to its lowest position.
• Install mower in reverse order of
removaJ instructions.
4"_"
-_ _;_-_"_'_"'- Square Hole
Suspension Arms , -
Anti-Swa prings
(Both Sides)
Housing Guide
Large Retainer Spring
2O

TO LEVEL MOWER HOUSING
Ad ust the mower while tractor is parked
on evel ground or driveway. Make sure
tires are properly inflated (See "PROD-
UCT SPECfFICATIONS" section of this
manual). If tires are over or
underinflated, you will not properly
adjust your mower.
SIDE-TO-SIDE ADJUSTMENT
•Raise mower to its highest position.
• At the midpoint of both sides of mower,
measure height from bottom edge of
mower to ground. Distance "A" on
both sides of mower should be the
same or within 1/4" o1each other.
•If adjustment is necessary, make
adjustment on one side of mower only.
• To raise one side of mower, tighten lift
link adjustment nut on that side.
,, To lower one side of mower, loosen lift
link adjustment nut on that side.
NOTE: Each full turn of adjustment nut
will change mower height about 1/8".
• Recheck measurements after adjust-
ing.
Bottom edge of Bottom edge of
mower to mower to
ground _ ground
f
©Suspension Arm
LiftLink "_-=_.j_._!
Adjustment Nut
FRONT-TO-BACK ADJUSTMENT
IMPORTANT; Deck must be level side-to
side. If the following front-to-back
adjustment is necessary, be sure to
adjust both front links equally so mower
will stay level side-to-side.
To obtain the best cutting results, the
mower housing should be adjusted so
that the front is approximately 1/8" to 1/2"
lower than the rear when the mower is in
its highest position.
Check adjustment on right side of tractor.
Measure distance "D" directly in front
and behind the mandrel at bottom edge
of mower housing as shown.
• Before making any necessary adjust-
ments, check that both front links are
equal in length. Both links should be
approximately 10-3/8".
• if links are not equal in length, adjust
one link to same length as other link.
• To lower front of mower loosen nut "E"
on both front links an equal number of
turns.
•When distance "D" is 1/8" to 1/2" lower
at front than rear, tighten nuts "F"
against trunnion on both front links.
•To raise front of mower, loosen nut "F"
from trunnion on both front links.
Tighten nut "E" on both front links an
equal number of turns.
•When distance "D" is 1/8" to 1/2" lower
at front than rear, tighten nut "F"
against trunnion on both front links.
•Recheck side-to-side adjustment.
Mandrel
Both Front Links Should be Equal in Length
Front Links
Nut
21

TO REPLACE MOWER BLADE
DRIVE BELT
The mower blade drive belt may be
replaced without tools. Park the tractor
on level surface. Engage parking brake.
BELT REMOVAL -
•Remove mower from tractor (See "TO
REMOVE MOWER" in this section of
this manual).
•Work belt off both mandrel pulleys and
idler pulleys.
•Pull belt away from mower.
BELT iNSTALLATION -
• Install new belt in reverse order of
removal,
•Make sure belt is in all pulley grooves
and inside all belt guides.
• Install mower in reverse order of
removal instructions,
Mandrel
Pulley_
i
6; \
Pulley
TO ADJUST BRAKE
Your tractor is equipped with an adjust-
able brake system which is mounted on
the right side of the transaxle.
If tractor requires more than six (6) feet
stopping distance at high speed in
highest gear, then brake must be
adjusted.
• Depress clutch/brake pedal and
engage parking brake.
• Measure distance between brake
operating arm and nut "A" on brake
rod.
• If distance is other than 1-1/2", loosen
jam nut and turn nut "A" until distance
becomes 1-1/2". Retighten jam nut
against nut "A".
• Road test tractor for proper stopping
distance as stated above. Readjust if
necessary. If stopping distance is still
greater than six (6) feet in highest
gear, further maintenance is neces-
sary, Contact your nearest authorized
service center/department,
With Parking Brake "Engaged"
22
TO REPLACE MOTION DRIVE BELT
Park the tractor on level surface. Engage
parking brake, For assistance, there is a
belt installation guide decal on bottom
side of leftfootrest.
•Remove mower (See "TO REMOVE
MOWER" in this section of this
manual.)
•Remove belt from stationary idler and
clutching idler.
•Pull belt slack toward rear of tractor.
Remove belt upwards from transaxle
pulley by deflecting belt keepers,
•Pull belt toward front of tractor and
remove downwards from around
engine pulley,
•Install new belt by reversing above
procedure.
EnginePulley-
Clutchingldler j
Stationary idler
Transaxle

TRANSAXLE GEAR SHIFT LEVER
NEUTRAL ADJUSTMENT
The trensaxle should be in neutral when
the gear shift lever is in neutral (N) (lock
gate) position. The adjustment is preset
at the factory; however, if adjustment is
needed, proceed as follows:
•Make sure transaxle is in neutral (N).
NOTE: When the tractor rear wheels
move freely, the transaxle is in neutral.
•Loosen adjustment bolt in front of the
right rear wheel
• Position the gear shift lever in the
neutrar (N) position.
• Tighten adjustment bolt securely.
NOTE: If additional crearance is needed
to get to adjustment bolt, move mower
deck height to the lowest position.
Gearshift Lever Neutral Lock Gate
Adjustment Bolt
TO ADJUST STEERING WHEEL
ALIGNMENT
If steering wheel crossbars are not
horizontal (left to right) when wheels are
positioned straight forward, remove
steering wheel and reassemble per
instructions in the Assembly section of
this manual.
FRONT WHEEL TOE-IN/CAMBER
The front wheel toe-in and camber are
not adjustable on your tractor, if damage
has occurred to affect the front wheel
toe-in or camber, contact your nearest
authorized service center/department.
TO REMOVE WHEEL FOR REPAIRS
• Brock up axle securely.
•Remove axle cover, retaining ring and
washers to allow wheel removal (rear
wheel contains a square key -Do not
lose).
•Repair tire and reassemble.
• On rear wheels only: align grooves in
rear wheel hub and axle. Insert
square key.
•Replace washers and snap retaining
ring securely in axle groove.
•Replace axle cover.
NOTE: To seal tire punctures and
prevent fiat tires due to slow leaks, tire
sealant may be purchased from your
local parts dealer. Tire sealant also
prevents tire dry rot and corrosion.
Washer
Retainin
Axle
Cover
I
Square Key "1_
(Rear Wheel Only)
TO START ENGINE WITH A WEAK
BATrERY
_CAUTION: Lead-acid batteries
generate explosive gases. Keep sparks,
flame and smoking materials away from
batteries. Always wear eye protection
when around batteries.
If your battery is too weak to start the
engine, it should be recharged. (See
"BATTERY" in the MAINTENANCE
section of this manual).
If "jumper cables" are used for emer-
gency starting, follow this procedure:
IMPORTANT: Your tractor is equipped
with a 12 volt negative grounded system.
The other vehicle must also be a 12 volt
negative grounded system. Do not use
your tractor battery to start other vehicles.
TO ATTACH JUMPER CABLES -
• Connect each end of the RED cable to
the POSITIVE (+) terminal of each
battery, taking care not to short against
chassis.
• Connect one end of the BLACK cable
to the NEGATIVE (-) terminal of fully
charged battery.
•Connect the other end of the BLACK
cable to good CHASSIS GROUND,
away from fuel tank and battery.
TO REMOVE CABLES, REVERSE
ORDER -
•BLACK cable first from chassis and
then from the fully charged battery.
• RED cable last from both batteries.
23

Positive Terminal Negative Terminal Keps_ Hex
Nut _.<_ Bolt
ged
Battery
Positive Terminal Negative Terminal
REPLACING BATTERY
CAUTION: Do not short battery
terminals by allowing a wrench or any
other object to contact both terminals at
the same time. Before connecting battery,
remove metal bracelets, wristwatch
bands,rings,etc.
Positive terminal must be connected first
to prevent sparking from accidental
grounding.
•Lift seat pan to raised position and
open battery box door.
•Disconnect BLACK battery cable first
then RED battery cable and carefully
remove battery from tractor.
• Install new battery with terminals in
same position as old battery.
•First connect RED battery cable to
positive (+) terminal with hex bolt and
nut as shown. Tighten securely.
•Connect BLACK grounding cable to
negative (-) terminal with remaining
hex bolt and nut. Tighten securely.
• Close battery box door.
Battery
Door
Positive (Red) Cable Negative (Black)
Cable
TO REPLACE HEADLIGHT BULB
• Raise hood.
• Pull bulb holder out of the hole in the
backside of the grill.
•Replace bulb in holder and push bulb
holder securely back into the hole in
the backside of the grill.
• Close hood.
INTERLOCKS AND RELAYS
Loose or damaged wiring may cause
your tractor to run poorly, stop running, or
prevent it from starting.
• Check wiring. See electrical wiring
diagram in the Repair Parts section.
TO REPLACE FUSE
Replace with 15 amp automotive-type
plug-in fuse. The fuse holder is located
behind the dash.
TO REMOVE HOOD AND GRILL
ASSEMBLY
•Raise hood.
•Unsnap headlight wire connector.
• Stand in front of tractor. Grasp hood at
sides, tilttoward engine and liftoff of
tractor.
•To replace, reverse above procedure.
.//,Hood
Headlight Wire
" Connector
24

ENGINE
Maintenance, repair, or replacement of
the emission control devices and
systems, which are being done at the
customers expense, may be performed
by any non-road engine repair establish-
ment or individual. Warranty repairs must
be performed by an authorized engine
manufacturer's service outlet.
TO ADJUST THROTTLE CONTROL
CABLE
The throttle control has been preset at
the factory and adjustment should not be
necessary. Check adjustment as de-
scribed below before loosening cable. If
adjustment is necessary, proceed as
follows:
• With engine not running, move throttle
control lever from slow to choke
position. Slowly move lever from
choke to fast position.
• Check that holes "A" in governor
control lever and hole in governor
plate line-up. If holes "A" are not
aligned, loosen clamp screw and
move throttle cable until holes are
aligned. Tighten clamp screw se-
curely.
Governor Governor
Control Lever Control Plate
TO ADJUST CARBURETOR
NOTE: The carburetor on this engine is
low emission, it is equipped with an idle
fuel adjusting needle with a limiter cap,
which allows some adjustment within the
limits allowed by the cap. Do not attempt
to remove the limiter cap. The limiter cap
cannot be removed without breaking the
adjusting needle.
The carburetor has been preset at the
factory and adiustment should not be
necessary. However, minor adjustment
may be required to compensate for
differences in fuel, temperature, altitude
or load. If the carburetor does need
adjustment, proceed as follows:
In general, turning idle mixture valve in
(clockwise) decreases the supply of fuel
to the engine giving a leaner fuel/air
mixture. Turning the idle mixture valve
out (counterclockwise) increases the
supply of fuel to the engine giving a
richer fuel/air mixture.
IMPORTANT: Damage to the needle
valve and the seat in carburetor may
result if screw is turned in too tight.
PRELIMINARY SETTING
• Air cleaner assembly must be assem-
bled to the carburetor when making
carburetor adjustments.
• Be sure the throttle control cable is
adjusted properly (see above).
FINAL SETTING
•Start engine and allow to warm for five
minutes. Make final adjustments with
engine running and shift/motion
control lever in neutral (N) position.
•Move throttle control lever to slow
position. With finger, rotate and hold
throttle lever against idle speed screw.
Turn idle speed screw to attain 1750
RPM.
•While still holding throttle lever against
idle speed screw, turn idle mixture
valve full travel clockwise then
counterclockwise until engine runs
rough. Turn valve to apoint midway
between those two positions. Release
throttle lever.
25

ACCELERATION TEST
• Move throttle oontrol lever from slow to
fast position. If engine hesitates or
dies, turn idle mixture valve out
(counter-clockwise) 1/8 turn. Repeat
test and continue to adjust, if neces-
sary, until engine accelerates
smoothly.
High speed stop is factory adjusted. Do
not adjust--damage may result.
IMPORTANT; Never tamper with the
engine governor, which is factory set for
proper engine speed, overspeeding the
engine above the factory high speed
setting can be dangerous, ifyou think the
engine-governed high speed needs
adjusting, contact your nearest autho-
rized service center, which has proper
equipment to make any necessary
adjustments.
Idle Speed Throttle
Screw Lever
Idle Mixture
ValveWith
Limiter
26

Immediately prepare your tractor for
storage at the end of the season or if the
tractor will not be used for 30 days or
more.
CAUTION: Never store the tractor
with gasoline in the tank inside a
building where fumes may reach an
open flame or spark. Allow the engine to
cool before storing in any enclosure.
TRACTOR
Remove mower from tractor for winter
storage. When mower is to be stored for
a period of time, clean it thoroughly,
remove all did, grease, leaves, etc. Store
in a clean, dry area.
• Clean entire tractor (See "CLEANING"
in the Maintenance section of this
manual).
• Inspect and replace belts, if necessary
(See belt replacement instructions in
the Service and Adjustments section of
this manual).
• Lubricate as shown in the Mainte-
nance section of this manual.
• Be sure that all nuts, bolts and screws
are securely fastened. Inspect moving
parts for damage, breakage and wear.
Replace if necessary.
• Touch up all rusted or chipped paint
surfaces; sand lightly before painting.
BAI-rERY
•Fully charge the battery for storage.
• After a period of time in storage,
battery may require recharging.
• To help prevent corrosion and power
leakage during long periods of
storage, battery cables should be
disconnected and battery cleaned
thoroughly (see "TO CLEAN BATTERY
AND TERMINALS" in the Maintenance
section of this manual).
• After cleaning, leave cables discon-
nected and place cables where they
cannot come in contact with battery
terminals.
• If battery is removed from tractor for
storage, do not store battery directly on
concrete or damp surfaces.
ENGINE
FUELSYSTEM
IMPORTANT: It is important to prevent
gum deposits from forming in essential
fuel system parts such as carburetor, fuel
filter, fuel hose, or tank during storage.
Also, experience indicates that alcohol
blended fuels 9called gasohol or using
ethanol or methanol) can attract moistur_
which leads to separation and formation
of acids during storage. Acidic gas can
damage the fuel system of an engine
while in storage.
• Drain the fuel tank.
• Start the engine and let it run until the
fuel lines and carburetor are empty.
• Never use engine or carburetor
cleaner products in the fuel tank or
permanent damage may occur.
• Use fresh fuel next season.
NOTE: Fuel stabilizer is an acceptable
alternative in minimizing the formation of
fuel gum deposits during storage. Add
stabilizer to gasoline in fuel tank or
storage container. Always follow the mix
ratio found on stabilizer container. Run
engine at least 10 minutes after adding
stabilizer to allow the stabilizer to reach
the carburetor, Do not drain the gas tank
and carburetor if using fuel stabilizer.
ENGINE OIL
Drain oil (with engine warm) and replace
with clean engine oil. (See "ENGINE" in
the Maintenance section of this manual),
CYLINDER(S)
• Remove spark plug(s).
• Pour one ounce of oil through spark
plug hole(s) into cylinder(s).
•Turn ignition key to "START" position
for a few seconds to distribute oil.
• Replace with new spark plug(s).
OTHER
• Do not store gasoline from one season
to another.
• Replace your gasoline can if your can
starts to rust. Rust and/or dirt in your
gasoline will cause problems.
• If possible, store your tractor indoors
and cover it to give protection from
dust and dirt.
• Cover your tractor with a suitable
protective cover that does not retain
moisture. Do not use plastic. Plastic
cannot breathe which allows conden-
sation to form and will cause your
tractor to rust.
IMPORTANT: Never cover tractor while
engine and exhaust areas are still
warm.
27

TROUBLESHOOTING CHART
PROBLEM CAUSE CORRECTION
Will not start
Hard to start
Enginewill not
turn over
Out of fuel.
Engine not "CHOKED"
properly.
i " Engine flooded.
Bad spark plug.
Dirty air filter. *
Dirty fuel filter. •
Water in fuel. •
• Loose or damaged wiring. •
•Carburetor out of adjustment, •
Engine valves out of
adjustment.
Dirty air filter. °
• Bad spark plug.
• Weak or dead battery. •
Dirty fuel filter. •
• Stale or dirty fuel. •
Loose or damaged wiring. •
• Carburetor out of adjustmenl ,
Engine valves out of
adjustment.
• Clutch/brake pedal not •
depressed.
• Attachment clutch is
engaged.
• Weak or dead battery. °
Blown fuse. •
• Corroded battery terminals. •
Loose or damaged wiring. •
Faulty ignition switch. •
Faulty solenoid or starter. •
Faulty operator presence •
switch(es).
• Fill fueltank.
• See "TO START ENGINE"
in Operation section.
• Wait several minutes
before attempting to start.
• Replace spark plug.
Clean/replace air filter.
Replace fuel filter.
Drain fuel tank and
carburetor, refill tank with
fresh gasoline and replace
fuel filter.
Check all wiring.
See "To Adjust Carburetor"
in Service Adjustments
section.
Contact an
authorized service center/
department.
Clean/replace air filter.
Replace spark plug.
Recharge or replace
battery.
Replace fuel filter.
Drain fuel tank and refill
with fresh gasoline.
Check all wiring.
See "To Adjust Carburetor"
in Service Adjustments
section.
Contact an authorized
service center/department.
Depress clutch/brake
pedal.
Disengage attachment
clutch,
Recharge or replace
battery.
Replace fuse.
Clean battery terminals.
Check all wiring.
Check/replace ignition
switch.
Check/replace solenoid or
starter.
Contact an authorized
service center/department.
28

TROUBLESHOOTING CHART
PROBLEM CAUSE CORRECTION
Engineclicks but •Weak or dead battery, •Recharge or replace battery.
willnot start •Corroded battery terminals. •Clean battery terminals,
•Loose or damaged wiring. • Check all wiring.
•Faulty solenoid or starter. •Check/replace solenoid or
starter,
Loss of power • Cutting too much grass/too
fast.
• Throttle in"CHOKE" •
position.
Build-up of grass, leaves •
and trash under mower.
• Dirty air filter. •
Low oil leveVdirty oil. •
Faulty spark plug. •
Dirty fuel filter,
Stale or dirty fuel. •
Water in fuel. .
•Spark plug wire loose. •
• Dirty engine air screen/fins. •
• Dirty/clogged muffler. •
• Loose or damaged wiring. •
• Carburetor out of •
adjustment.
• Engine valves out of
adjustment.
• Worn, bent or loose blade. •
• Bent blade mandrel.
• Loose/damaged part(s). •
• Faulty operator-safety •
presence control system.
Excessive
vibration
Engine continues
to run
when operator
leaves seat
with attachment
clutch engaged
• Set in "Higher Cut" position/
reduce speed.
Adjust throttle control.
Clean underside of mower
housing.
Clean/replace air filter.
Check oil level/change oil.
Clean and regap or change
spark plug.
Replace fuel filter.
Drain fuel tank and refill with
fresh gasoline.
Drain fuel tank and carbure
tor, refill tank with fresh
gasoline and replace fuel
filter.
Connect and tighten spark
plug wire.
Clean engine air screen/fins.
Clean/replace muffler.
Check all wiring.
See "To Adjust Carburetor" ir
Service Adjustments section.
Contact an authorized
service center/department.
Replace blade.
Tighten blade bolt.
Replace blade mandrel.
Tighten loose part(s).
Replace damaged parts.
Check wiring, switches and
connections. If not
corrected, contact an eutho
rized service center/
department.
29

I HUUBLESHOOTIN(
PROBLEM CORRECTION
I
!Poor cut - uneven
!Mower blades will
not rotate
Poor grass
discharge
Headlight(s)not
working
(if so equipped)
Battery will not
charge
Engine
"backfires" when
turning engine
"OFF"
;CHART
CAUSE
•Worn, bentorlooseblade.
•Mower deck not level.
Buildup of grass, leaves,
and trash under mower.
•Bent blade mandrel.
•Clogged mower deck vent
holes from buildup of
grass, leaves, and trash
around mandrels.
• Obstruction in clutch
mechanism.
• Worn/damaged mower
drive belt.
Frozen idler pulley.
Frozen blade mandrel.
Engine speed too slow.
•Travel speed too fast.
•Wet grass.
• Mower deck not level.
i, Low/uneven tire air pressur_
, Worn, bent or loose blade.
• Buildup of grass, leaves
and trash under mower.
• Mower drive belt worn.
• Blades improperly installed.
• Improper blades used.
•Clogged mower deck vent
holes from buildup of grass,
leaves, and trash around
mandrels.
• Switch is "OFF'.
•Bulb(s) burned out.
•Faultylight switch.
• Loose or damaged wiring.
• Blown fuse.
•Bad battery cell(s).
• Poor cable connections.
• Faulty regulator (if so
equipped).
• Faulty alternator.
• Engine throttle control
not set at "SLOW"
position for 30 seconds
before stopping engine.
• Replace blade. Tighten
blade bolt.
•Level mower deck.
• Clean underside of mower
housing.
• Replace blade mandrel.
• Clean around mandrels to
open vent hores.
• Remove obstruction.
• Replace mower drive belt.
• Replace idler pulley.
• Replace blade mandrel.
• Place throttle control in
"FAST" position.
• Shift to slower speed.
• Allow grass to dry before
mowing.
•Level mower deck.
• Check tires for proper air
pressure.
• Replace/sharpen blade.
Tighten blade bolt.
• Clean underside of mower
housing.
• Replace mower drive belt.
• Reinstall blades sharp edge
down.
• Replace with blades listed in
this manual.
• Clean around mandrels to
open vent holes.
• Turn switch "ON".
•Replace bulb(s).
• Check/replace light switch.
• Check wiring and connec
tions.
Replace fuse.
• Replace battery.
•Check/clean all connections.
•Replace regulator.
• Replace alternator.
• Move throttle control to
"SLOW" position and allow
to idle for 30 seconds before
stopping engine.
3O

SCHEMATIC
TRACTOR --MODEL NUMBER 917.270670
BATTERY
AMMETER
(OPTIONAL)
_fJ
FUSE i i STARTER
', I SOLENOlO
WHI_TE _ SEAT SWITCH
(NOT OCCUPIED)
,_,
BLACK |i_' i • L
BA¢ Iq _
)
ATT'MENT CLUTCH RN_1
__ G OU D NG(CLUTCHBLACK
l
(OPTIONAL) _j[ -_ SPARK
BL_CK "_4 IGNITION _ PLUG
FUEL = UNIT GAP
(2 PLUGS ON
TWIN CYL, ENGINES}
i
q_HAR_iN _ S¥ STEM OUTPUT 2S VCL TS AC MiN O*#_O0 RpM
3AMP D_ @38OO RpM _Ckf ARGING SYSTEM DI_ONNECTEDI
FUEL SHUT-OFF SOLENOID [
-- -- _ LIAGHTIN_ sY _T_M OUTPUT DODE iALTERNATOR '
OP_G s M ¢O_OORPM
/_ YOUR TRACTOR IS ClAL I
EQUIPPED WITH ASPECIAL
ALTERNATOR SYSTEM shown _ll_ _
/t_l_Ti3_]_-_) )THE UGHTS ARE NOT _'_
CONNECTED TO THE
BAT[ERY, BUT HAVE THEIR
OWN ELECTRICAL SOURCE
BECAUSE OF THIS, THE HEADLIGHTS
BRIGHTNESS OF THE LIGHTS
WILL CHANGE WITH ENGINE
SPEED. AT IDLE THE LIGHTS _ _ /7
iGNITION SWITCH WILL DIM, AS THE ENGINE IS NON-REMOVABLE REMOVABLE
SPEEDED UP, THE LIGHTS CONNECTIONS CONNECTIONS
'WILL BECOME THEIR BRIGHTEST,
WIRING INSULATED CUPS
NOTE: IF WIRING INSULATED CLIPS WERE REMOVED FOR
SERVICING OF UNIT, THEY SHOULD BE REPLACED TO
PROPERLY SECURE YOUR WIRING,
31

TRACTOR - - MODEL NUMBER 917.270670
ELECTRICAL
25
32

TRACTOR - - MODEL NUMBER 917.270670
ELECTRICAL
KEY PART
NO. NO. DESCRIPTION
1 144925 Battery 12 VOLT 25 AMP
274760412 Bolt Hex Hd 1/4-20unc x 3/4
8 156417 Case Battery
16 153664 Switch, Interlock Push-_n
21 166192 Harness Asm Light W/4152j
22 4152J Bulb Light #1156
24 4799J Cable Battery 6 Ga 11" red
25 146147 Cable Battery 6 Ga w/16 wire red
26 166190 Fuse 15AMP
27 73510400 Nut, Keps Hex 1/4-20 UNC
28 4207J Cable Ground 6Ga 12" black
29 121305X Switch Plunger Nc Gray
30 163968 Switch lgn
33 140403 Key Ign Molded Craltsman
40 170217 Harnesslgn
41 71110409 Bolt BIk. Fin Hex 1/4-20 Unc x 1/2
42 131563 Cover Terminal Red
43 145673 Solenoid
45 121433X Ammeter Rectangular 6 Amp
52 141940 Protection Wire Loop
70 170243 Harness Engine B&S
NOTE: All component dimensions give in U.S. inches
1 inch = 25.4 mm
33

TRACTOR --MODEL NUMBER 917.270670
CHASSIS AND ENCLOSURES
2921_
28 p
12
208_
53
55 57
\54
_-, _3 6O
\3
/
3
74 2O8
:34

TRACTOR - - MODEL NUMBER 917.270670
CHASSIS AND ENCLOSURES
KEY PART
NO. NO. DESCRIPTION
1 169830 Chassis
2 169061 Drawbar
317060612 Screw 3/8-16x3/4
5155272 Bumper Hood/Dash
9 168337X013 Dash.
10 STD533710 Bolt, Carriage 3/8-16 x 3/4
11 155927 PaneI, Dash, L.H.
12 145660 Clip Tinnerman Grille P/L
13 169117 PaneI, Asm. SLKSCR Dash R.H.
17 144983X558 Hood Assembly
18 126938X Bumper Hood
25 19131312 Washer 13/32 x 13/16 x 12 Gauge
26 STD541437 Nut, Lock Hex W/Ins. 3/8-16 UNC
26 166271X558 Gdlle w/Clips
29 155217X599 Lens, Gdlle
30 164915X558 Fender
31 139976 Bracket, Fender Suppod
37 17490508 Screw Thdrol 5/16-18 x 1/2 TYT
51 73800400 Nut Lock w/Insert 1/4-20 UNC
52 19091416 Washer 9/32 x 7/8 x 16 Ga.
53 145201 Bracket Grille Pickoff LH
54 161464 Screw Hex WSHD 8-18 x 7/8
55 145202 Bracket G r/Be Pickoff RPI
57 STD522507 Bolt, Fin Hex 1/4-20 UNC x .75
60 STD533707 Bo6 Rdhd Sqnk 3/8-16 UNC
64 154798 Dash Lower STLT
74 STD541437 Nut, Crownlock 3/8-16 UNC
142 165867 Plate Reinforcement STLT
143 154966 Bracket Swaybar Chassis
144 154207 Bracket Pnt Footrest STLT
145 156524 Rod Pivot Chassis/Hood
206 170165 BOltShoulder 5/16-18 TT
207 17670508 Screw Thdrol 5/5-18 x 1/2
208 17670608 ScrewThdro13/8-16x1/2
-- 5479J Plug, Button
NOTE: All component dimensions give in U.S. inches
1inch = 25.4 mm
35

TRACTOR-- MODELNUMBER917.270670
GROUNDDRIVE
5 72
116
37
36

TRACTOR - - MODEL NUMBER 917.270670
GROUND DRIVE
KEY PART KEY PART
NO, NO, DESCRIPTION NO. NO.
1 .... Transax_e (See Breakdown) 58 127274X
Peedess 206-545C 59 169691
2146682 Spring Return Brake T/a Zinc 61 17060612
3123666X Pulley Transaxle 18/20" tires 62 8883R
412000028 RingRetainer#51CO-62 63 140186
5121520X StrapTorque30Degrees 64 71170764
617060512 Screw 5/16-18 x 3/4 65 STD551143
8 165866 RodShifterPenderSTLT 66 154778
10 STD561210 PinCotterl/SxlCad 70 134683
11 105701X WasherPlateShf388SqHole 72 19132012
13 74550412 Boltl/4-28unfGr8W/Patch 74 137957
14 10040400 Washer Lock Hvy Helical 1/4 75 121749X
16 STD541431 NutLockHexw/Ins5/16-18UNC 76 STD581075
18 STD523710 Bolt Fin Rex 3/8-16unc x 1 Gr,5 77 123583X
19 STD541437 Nut Lock Hex W/Ins, 3/8-16 Uric 78 121748X
21 106933X Knob Rd 1/2-13 Plstc Thds BIk 79 2228M
22 130804 Rod Brake BIk Zinc 26 840 80 131486
24 STD541237 NutHexJam3/8-t6Unc 81 165594
25 106888X Spring Rod Brake 2OOZinc 82 165711
26 STD551037 Washer13/32x13/16xt6Ga 83 19171216
27 STD561210 Pin Cotter 1/8 x 3/4 Cad B4 166229
28 145204 RodBrake Parking Lt/Yt 85 150360
29 71673 CapBrakeParking 89 158391X428
30 130807 Bracket Mtg Transaxle 90 124346X
31 127275X KeeperBeltLRLT14Ga 96 4497H
32 STD523107 Bolt Hex Hd 5/16-18unc x 3/4 11219091210
34 155071 Shaft Asm Pedal Foot 113 127255X
35 120183X Beadng Nylon BIk 629 Id 116 72110610
36 STD551062 Washer21/32 x 1 x 16 Ga 145 74490540
37 STD571810 Pin Roll 3/16 x 1" 150 165850
38 131494 Pulley Idler Fiat 151 19133210
39 72110622 Bolt Rdhd 3/8-16unc x 2-3/4 Gr.5 156 166062
40 4470J Spacer Split 395 x 59 Bzp 158 165589
41 165838 Keeper Beg ldter 159 165494
42 19131312 Washer 13/32 x 13/16 x 12 Ga 160 19292016
47 127783 Pulley Idler 161 72140406
48 154407 Bellcrank Clutch Grnd Dry STL 162 73680400
49 123205X Retainer Belt Style Spring 163 74760416
50 STD523715 Bolt Hex Hd 3/8-16unc x 1-1/2 164 19091010
51 STD541437 NutCrownlock 3/8-16UNC 165 165623
52 STD541431 NutCrownLock5/16-18 166 166880
53 105710X Link Clutch 7 66 168 165492
55 105709X Spdng Return Clutch 6 75 169 165580
56 STD523712 Bolt Fin Hex 3/8-16 unc x 1-1/4 170 165849
57 130801 V-BeltGdDdve 197 169613
198 169593
202 72110612
204 17060516
DESCRIPTION
Keeper Belt RH LT Pnt/zinc 16g
Keeper Belt Centerspan
Screw 3/8-16 x 3/4
Cover Pedal BIk Round
Pulley Eng Cl Mech 38deg LT/YT
Bolt Hex 7/16-20 x 4 Gr 5
Washer Lock Hvy R1¢1Spr 7/16
Keeper Belt Engine
Guide Belt Mower Drive RH
Washer 13/92 x 1-1/4 x 12 Ga
Spacer Axle
Washer 25/32 x 1 1/4 x 16 Ga
E-ring#5133-75
Key Square
Washer 25/32 x 1-5/8 x 16ga
Key Woodruff #9 3/16 x 3/4
Arm, Shift
Shaft Assembly
Spring, Torsion
Washer 17/32 x 3/4 x16 Gauge
Link Transaxle
Nut, Nylock
Console, Shift, STLT
Nut, Self-Threading, Washer Hd 1
Retainer Ring 1"
Washer 9/32 x 3/4 x 10 Ga
Strap Torque
Bolt Rdhd Sq Neck 3/8-16 x 1.25
Bolt Hex FLGHD 5/16-18Gr.5
Bushing
Washer 13/32 x 2 x 10 Ga.
Washer Srrted 5/161D x 1 .125
Bracket Shift Mount
Hub Tapered Flange Shift Lt
Washer 29/32 x 1-1/4 x 16 Ga.
Bolt Rdhd Sqnk 1/4-20 x 3/4 Gr.5
Nut Crownlock 1/4-20 UNC
Bolt Hex Fin 1/4-20 UNC x 1 Gr,5
Washer 5/8 x .281 x 10 Ga.
Bracket Pivot Lever
Screw 5/16-18 x 5/8
Bolt shoulder 5/16-18 x .561
Plate Fastening Lt
Keeper Belt Transaxle Gear
Nyliner Snap-In 5/8" ID
Washer Nyl 7/81B x .165"
Bolt Cart Sh 3/8-16 x 1-1/2 Gr,5
Screw 5/19-18 x 1 SngmlTap/R
NOTE: All component dimensions give _nU.S. inches
1 inch = 25.4 mm
37

TRACTOR --MODEL NUMBER 917.270670
STEERING ASSEMBLY
'_ 3a
_- 3g
_41
42
I
40
38

TRACTOR --MODEL NUMBER 917.270670
STEERING ASSEMBLY
KEY PART
NO. NO. DESCRIPTION
1 139768 Steedng Wheel
2 154427 Front Axle AsSembly
3 156483 Spindle ASSembly, L,H.
4 157473 Spindle Assembly, R.H.
56L_6H Bearing, Race, Thrust, Hardened
6 121748X Washer 25/32 x 1-5/8 x 16 Gauge
7 19272016 Washer 27/32 x 1-1/4 x 16 Gauge
8 12000029 Ring, Klip
9 3366R Bearing, Stee ring Column
10 169832 Link, Drag
11 STD551137 Washer, Lock
13 136518 Spacer, Bearing, FrontAxle
15 145212 Nut Lock Hex Flange
17 156546 Shaft Assembly, Steering
18 57079 Washer, Thrust .815 x ,750 x .033
19 160395 Suppod, Shaft
22 165857 Screw Hex WSH HDTOrX
23 165851 Piftman Shaft Assembly
25 154406 Bracket, Steering
26 126847x Bushing, Link, Drag
27 136874 Gear. Sector
28 19131416 Washer 13/32 x7/8 x16 Gauge
29 17060612 Screw 3/8-16x3/4
30 STD561210 Pin
32 130465 Rod,Tie
36 155099 Bushing, Steering
37 152927 Screw TT #10-32 x 5 x 3/8 Flange
38 139769 Cap Wheel Steer OPP BIk
39 19133812 Washer 13/32 x 2-3/8 x12 Gauge
40 STD541537 Nut Lock Center 3/8-24 UNF
41 100711L Adaptor, Steering Wheel
42 145054X428 Boot, Steering Dash P/L Mtl BIk
43 121749X Washer 25/32xl-1/4x16Gauge
44 153720 Extension Steering Non-Adjust
46 121232X Cap, Spindle
47 6855M Fitting, Grease
51 STD541431 Nut Lock Hx W/Ins 5/16-18 UNC
54 74780520 Bolt Fin Hex 5/16-18 UNC x 1-1/4
62 167902 Kit, Steering Assembly, Service
63 STD523710 Bolt Fin Hex 3/8-16 unc. x 1 Gr. 5
65 160367 Spacer Brace Axle
66 154404 Beadng Arm Piftman
67 72110618 Bolt Rdhd Sqnk 3/8-16 x 2-1/4
68 169827 Brace Axle
79 19132012 Washer 13/32 x 1-1/4 x 12 Ga.
80 74950612 Bolt Hex Nylon 3/8-16 x 3/4
82 169835 Bracket Susp Chassis Front
85 133835 Fastener Christmas Tree
NOTE: All component dimensions given it1U,S, inches
1inch =25.4 mm
39

ENGINE
TRACTOR --MODEL NUMBER 917.270670
:] 81 13 4
38 78
29
OPTIONAL EQUIPMENT
Spark Arrester
45
4O

TRACTOR--MODEL NUMBER 917.270670
ENGINE
KEY PART
NO. NO. DESCRIPTION
1162157 Control Throffle/Choke
2 17720410 ScrewHexThdCutl/4-2Ox5/8T
3........ Engine (See Breakdown) Briggs Model 310707-0136-E1
4 137352 Muffler Exhaust B&S Lt
13 165291 Gasket 1 813 Id Tin Plated
14 13280324 Nipple Pipe 3/8 Npt X 3"
16 13800300 Elbow Std 90 Degree 3/8-18 Npt
16 STD551237 Washer Lock Ext Tooth 3/8
23 169837 Shield BRN/DBRGuard
29 137180 Arrestor Spark
31 109202X Tank Fuel 1 25 Fr
32 158990 Cap Asm Fuel W/sym Vented
33 123487X ClampHoseBIk
37 137040 Line Fuel20'
38 ...... Plug Oil Drain (See Engine Breakdown)
40 124028X Bushing Snap Nyi BIk Fuel Line
44 17490412 Screw Hexwsh Thdrol 1/4-20x3/4
45 17060612 Screw 3/8-16 x 3/4
46 19091416 Washer 9/32 X 7/8 X 16ga
62 STD551131 Washer Lock Hvy Hicl Spr 5/16
72 71070512 ScrewHexhdCap 5/16-18x3/4
78 17060620 Screw 3/8-16x1-1/4
81 128861 Nut Flange 1/4-20 Starter Nut
NOTE: All component dimensions given in U.S. inches 1 inch = 25.4 mm
41

TRACTOR -- MODEL NUMBER 917.270670
SEAT ASSEMBLY
KEY PART
NO. NO. DESCRIPTION
1140122
2 140551
3 71110616
419131610
5 145006
6STD341437
7 124181X
8 17000616
9 19131614
10 155925
11 166369
12 121246X
Seat 3350 BIk/blk Craftsman
Bracket Pnt Pivot Seat (blk)
Bolt Fin Hex 3/8-16uric X 1
Washer 13/32 X 3/4 X 10 Ga
Clip Push In Hinged
Nut Hex Lock w/Ins 3/6-16 Uric
Spring Seat Cprsn 2 250 BIk Zi
Screw 3/8-16 X 1 -1/2
Washer 13/32 X 1 X 14 Ga
Pan Pnt Seat (blk)
Knob Seat
Bracket Pnt Mounting Switch
KEY PART
NO. NO. DESCRIPTION
13 121248X
14 72050412
15 134300
16 121250X
17 123976X
21 171852
22 STD541431
24 19171912
25 127018X
Bushing Snap BIk Nyl 50 Id
Bolt Rdhd Sht Nk 1/4-20x1-1/2
Spacer Split 28 X 96 Zinc
Spring Cprsn I 27 BIk Pnt
Nut Lock 1/4 Lge Fig Gr 5 Zinc
Bolt Shoulder 5/16-16 Unc-2A
Nut Hex Lock w/Ins 5/16-18
Washer 17/32 X 1-3/16 X 12 Ga
Bolt Shoulder 5/16-18 X 62
NOTE: All component dimensions given in U,S, inches
1inch = 25.4 mm
42

TRACTOR - - MODEL NUMBER 917.270670
DECALS
4 10
2
11
14
11
13
KEY PART
NO. NO.
1 156368
2 171760
3 171696
4171697
5 165404
6 133644
8 166887
9 163204
10 156439
KEY PART
DESCRIPTION NO. NO.
Decal Oper. Instr. 11 163207
Decal, Rep4cmnt 12 1,_Y346
Decal, Hood Rh 13 163252
Decal, Hood Lh 14 160396
Decal, Hp Engine 20 149516
Decal, Maint Customer Sears Dora - - 138311
Decal, Deck Mower EZ3 - - 165800X428
Decal, Fender Craftsman - - 165799X428
DecaLFenderDanger - - 172082
• - 172083
WHEELS & TIRES
6
3,9
/
DESCRIPTION
Decal, Fender
Decal, V-belt Dr Sch
Decal, Dash, Panel
Decal, V-belt Schematic
Decal, Battery Dngr/Psn Eng
Decal, Lift Handle
Pad, Footrest LH STLT
Pad, Footrest RH STLT
Manual Owner's (English)
Manual, Owner's (Spanish)
KEY PART
NO. NO. DESCRIPTION
1 59192 Cap Value Tire
265139 Stem Va_ue
3 106222X Tire F Ts 15 X 6 0 - 6 Service
4 59904 Tube Inner Front #35060
5 106732X427 Rim Asm 6"front White Service
6 278H Fitting Grease
7 9040H Beadng Flange
8 106108X427 Rim Asm 8"rear White Service
9 106268X Tire R TS 18x9 5-8 Service
10 7152J Tube Rear 9 5 X 8Service
11 104757X Cap Axle BIk 1 50 X 1 0O
- - 144334 Sealant, Tire (10 oz, tube)
NOTE: All component dimensions given in U.S. inches
1 inch = 25,4 mm
43

TRACTOR - - MODEL NUMBER 917.270670
LIFT ASSEMBLY
13
11__ 6
12
3
2
20
_15
20
44

TRACTOR - -MODEL NUMBER 917.270670
LIFT ASSEMBLY
KEY PART
NO. NO, DESCRIPTION
1 159460 Washer Asm Inner Spring W/Plunger
2 159471 Shaft Asm. Lift RH
3 105767X Pin Groove
4 12000002 ERing #5133-62
5 19211621 Washer 21/32 x 1 x 21 Ga.
6 120183X Beadng Nylong
7 125631X Gdp Handle Fluted
8 122365X ButtonPlungerRead
11 139865 Link Asm Lift L,H.
12 139866 Link Asm Lift R.H,
13 STD624008 Retainer Sphng
15 167253 Link Front
16 73350800 NutJamHex 1/2-13Unc
17 130171 Trunnion BIk Zinc
18 73600600 Nut Lockw/wsh 1/2-13 Unc
19 139868 Arm Suspension Mower
20 163552 Retainer Spdng
31 140302 Bearing, Pvt. Lift, Spherical
32 73540600 Nut Crownlock 3/8-24
NOTE: All component dimensions given in U,S. inches
1 inch = 25.4 mm
45

I HAL; IUH - - MODEL NUMBER 917.270670
MOWER DECK
187 _/67
158 _/_
I34
144 45
145
147 1,
il,
21 22
\23
46

TRACTOR - - MODEL NUMBER 917.270670
MOWER DECK
KEY PART KEY PART
NO. NO. DESCRIPTION NO, NO.
1 165992 MowerDeckAssembly, 42" 53 131845
2 STD533107 Bolt 54 133943
3 138017 Bracket Assembly,Sway Bar, Front 55 155046
4 165460 Bracket Sway Bar 38/42" Deck 56 165723
5 STD624G08 RetainerSpring 59 141043
6 130832 Arm, Suspension, Rear 67 149846
8 850857 Bolt, Hex 3/8-24 x 1.25 Gr. 8 68 144959
9 STD551137 Washer, Lock 92 STD541437
10 140296 Washer, Hardened 101 136420
11 134149 Blade, Mulching 102 71161010
12 129895 Bearing, Ball 103 19061216
13 137645 Shaft Assembly, Mandrel, Vented 104 STD551110
(Includes Key Number 12) 105 160793
14 128774 Housing, Mandrel, Vented 106 2029J
15 110485X Beadng, BalI, Mandrel 128 153390
16 140329 Stdpper, VentedMowerDeck 129 19131312
18 72140505 Bolt, Carriage 5/16-18 x 5/8 130 STD523719
19 132827 Bolt, Shoulder 131 STD533710
20 159770 Baffle, Vortex 142 165890
21 STD541431 NutCrownlock5/16-18UNC 143 157109
22 134753 Stiffener Bracket 144 158634
23 131267 Bracket. Oeflector 145 165888
24 105304X Cap, Sleeve 146 165891
25 123713X Spring, Torsion, Deflector 147 131335
26 110452X Nut, Push 148 16_322
27 130968X429 Shield, Deflector 149 165898
28 19111016 Washer 11/32x5/8x16Ga. 15019091216
29 131491 Rod,Hinge 151 169670
30 157722 ScrewThdrolWasherHead 192 169676
31 129963 Washer, Spacer 153 169674
32 153535 Pulley, Mandrel 154 169675
33 137266 Nut, Toplock, Flanged 155 169671
34 STD533717 Bolt 156 189672
35 133835 Fastner, ChdstmasTree 157 169669
36 131494 Pulley, Idler, Flat 158 17720410
37 STD551037 Washer 13!32x13/16x16Ga. 15972140614
40 STD541437 NutCrownlock3/8-16UNC -- 130794
44 140088 Guard, Mandrel, L.H.
45 STD624003 Retainer -- 169583
46 137729 Screw, Thd. Roll 1/4-20 x 5/8
48 133944 Washer, Hardened
49 155066 Roller Assembly, Cam Follower
50 131340 Bolt, Shoulder #10-24Grade5
51 STD541410 Locknut
52 139888 Bolt, Shoulder 5/16-18 UNC
DESCRIPTION
Arm Assembly, Pad, Brake
Washer, Hardened
Arm, Idler
Spacer, Retainer
Guard, TUV Idler
Knob Custom Oval
V.Belt
Nut
Muleher Cover
Screw
Washer #10
Washer, LOck
Latch Assembly, Bagger
Nut, Weld
Washer Felt
Washer 13/32 x 13/16 x 12 Ga.
Bolt, Fin Hex 3/8-16 UNC x 1 Gr.5
Bolt, Rdhd Sqnk 3/8-16UNC x 1
Arm Spring Brake Mower
Bracket Arm Idler 42"
Keeper Belt 42" Clutch Cable
Pulley Idler Flat
Bolt Carriage Idler
Spring Extension
Spring Return Idler
Retainer Spdng Yellow Zinc
Washer 9/32 x 3/4 x 16 Ga.
Bracket Clutch
Cable Clutch 42 In
Washer Flat 3/8" Type B
Spring Retainer
Spring Retention Lever
Spacer
Rod Clutch
Screw Hex Thd Cut 1/4-20 x 5/8
Bolt Tdhd Sgn 3/8-16UNC x 1-3/4
Mandrel Assembly (Includes Key
Numbers 8-10, 12-15, 31 and 32)
Mower Deck, Complete (Standard
Deck, Order Separately Mulcher
Plate and Gauge Wheel
Components, Key NOS. 101-106
and111-121)
NOTE: All component dimensions given in U.S.inshes
1inch = 25.4 mm
47

TRACTOR --MODEL NUMBER 917.270670
PEERLESS TRANSAXLE - oMODEL NUMBER 206-545C
13
48

TRACTOR -- MODEL NUMBER 917.270670
PEERLESS TRANSAXLE - -MODEL NUMBER 206-545C
REF PART REF PART
NO. NO, DESCRIPTION NO. NO. DESCRIPTION
1 772147 Transaxle Cover 41A 790079 Brake Lever
278CO86A NeedleBeadng5/8" 42 792073A Screw 1/4 -20 x 1-1 /4"
3 770128 TransaxleCase 42A 792085A Screw 1/4 -20 x 2 1/4"
4776395 Countershaft 43 792075 Locknut 5 /16 -24
5 776409 Output Shaft 44 790(_5 Brake Pad Holder
6 778364 Spur Gear (38 teeth) 45 786066 Spacer .2625 x 1.0
6A 778369 SpurGear(15teeth) 46 786086 Brake Lever Bracket
7 778330 Spur Gear (11 teeth) 47 774690 Axle (11-15 /16" Long)
8 792180 Shift Key 48 774691 Axle (16 - 1 /2" long)
8A 792047 Woodruff Key #9 49 778356 SpurGear(29teeth)
8 784352 Shift Collar 50 778338 Spur Gear (27 teeth)
10 784378 Shift Rod & Fork 81 778354 SpurGear(23teeth)
11 778334 Bevel Gear (30 teeth) 52 778352 SpurGear(19teeth)
12 778309 Input Bevel Pinion (13 teeth) 53 778350 SpurGear(16teeth/
13 778368 BevelGear(13teeth)(Include. 54 778346 SpurGear(15teeth)
14) 56 778355 Spur Gear (11 teeth)
14 778368 Bevel Pinion (13 teeth) (fnclude. 57 778337 SpurGear(13teeth)
13) 58 778353 Spur Gear (17 teeth)
15 778370 RingGear(43teeth) 59 778351 SpurGear(21tee_h)
17 786198 DrivePin 60 778349 SpurGear(24teeth)
18 786102 Spacer1.130 X .695 61 778345 SpurGear(25teeth)
20 792077A Bal15/16"dia 65 780189 FlatWasher.5631Dx.O62W
21 792078 Set Screw 3/8 - 16 x3/8" 66 776422 Input Sha8
22 792079 Spring .310 OD x .625 L 67 776396 Shifter & Brake Shaft
25 792073A Screw 1/4 - 20 x 1-1/4" 69 792170 RetainingRing
25A 792177 Screw 1/4-20 x 1-3/8" 70 786187 Spacer .890
26 792125 RetalningRing(pkgof2) 71 788069 SquareCutRing
27 792035 Retaining Ring 71B 788092 "O" Ring
26 788040 RetainingRing 76 780090 FlatWasher1.1281Dx.058W
29 780072 ThrustWasher,6271Dx.031W 77 788078A InvertedRetainingRing
29A 780160 Thrust Washer .762 ID x .031W 79 792144 Spdng .430 OD x ,5000 L
29B 780051 Thrust Washer .762 ID x.031W 82 778333 Bevel & Spur Gear (30 & 13
29C 780199 Anti-Rotation Washer .632 teeth)
30 780108 CupWasher1.1271Dx,032W 53 778338 SpurGear(27teeth)
31 780001 FlatWasher.7501Dx.056W 85 792154 OilFillPlug
(Use AS Needed) 87 788089A Oil Seal 9/16"
31A 780195 Flat Washer .750 ID x .062W 150 788093A Liquid Gasket RTV Silicone
32 788083 Oil Seal 5/8" 157 758088A Oil Seal 3/4"
34 780194 Bushing .563 180 73(_,?.9A GearOilS0W90
35 780193 Flanged Bushing 5 /8" ID 900794712 Replacement MST - 206-545C
35A 780197 Flanged Bushing .751 Transaxle
36 790075 Brake Disk
37 790007 Brake Pad Plate
38 799021 Brake Pad (pkg of 2) NOTE: All component dimensions given in U.S.
39 7860_6 DowelPin inches 1 inch = 25.4 mm
40 792076A Flat Washer .312 ID x.059W
49

TRACTOR --MODEL NUMBER 917.270670
BRIGGS& STRATTONENGINE-MODELNUMBER310707,TYPENUMBER0136-E1
•k REQU]RESSPECIALTOOLS 5_
TOINSTALL, SEE REPAIR
INSTRUCTIONMANUAL. 654_
103
617
36_
30E
I 1019 LABEL KIT J
I 1058 OWNER'S MANUAL
1033 VALVE OVERHAUL KIT
7_ 6170
71 ;_
13_
s5._22
691 d
46
146 L J
12
5O

TRACTOR - -MODEL NUMBER 917.270670
BRIGGS& STRATTONENGINE-MODELNUMBER310707,TYPENUMBER0136-EI
167
/I 423_r :,11W
; "443
_r REQUIRE3 $PEC,AL TOOL3 TO INSTALL,
SEE REPAIR INSTRUCTION MANUAL,
133(,:_d
95 _987 (_
127 _ _
5_ 276 _
LMT/CARBURETOR i
PART NUMBER 142
LOCATIONS 947
THIS CARBURETOR SERVICES BOTH CHOKE-A-MATIC
AND MANUAL CHOKE SYSTEMS 232
121 CARBURETOR OVERHAUL KIT
104_ 127_ 276 _987_ 95_
634A_ 634__._ 117 _]_ 231 _142_
358 ENGINE GASKET SET
51

TRACTOR..MODELNUMBER917.270670
BRIGGS8,STRA'I-FONENGINE-MODELNUMBER310707,TYPENUMBER0136-E1
803 462
287 _
524
_.Q 783A
695
165
1119_
73
74_ _
J 1036 LABEL-EMISSIONS J
52

TRACTOR - -MODEL NUMBER 917.270670
BRIGGS & STRATFON ENGINE-MODEL NUMBER 310707, TYPE NUMBER 0136-E1
KEY PARr KEY PART
NO. NO. DESCRIPTION NO, NO, DESCRIPTION
1 6_3156 Cylinder Assembly 105 231855 • Velve-Float Needle
106 690577 •Seat-Inlet
2 399265 Bushing/Seal Kit
3 291675 _r SeaI-C_l 108 690464 Valve-Choke (Manual Choke)
4494238 Sump-Engine 108A 692344 Valve-Choke (Choke A Matic)
6 690188 Head-Cytlnder 117 892408 •Jet, Main (Standard)
7 692410 9+ Gasket-CylinderHead 692411 Jet, Main (High AItitude)
8 495735 Breather Assembly 121 690191 Carburetor Overhaul Kit
9 27803 _Gasket-Breather 125 690194 Carburetor
10 691666 Screw (Breather Assembly) 127 695065 • Plug-Welch
11 691328 Tube-Breather 130 691750 Valve-Throttle
12 271916 ¢r Gasket-Crankcase 131 494379 Throttle Sha8 Kit
(,015Thick,Srd.) 133 494381 Float-Carburetor
271997 Gasket-Crankcase (.005 Thiok) 137 281165 Gasket-Float Bowl
271996 Gasket-Crankcase (.009 Thick) 141 495097 Choke Shaft Kit (Manual
13 690360 Screw (Cylthder Head, 3-9/16") Choke)
15 94239 Plug-Oil Drain 141A 495931 Choke Shaft Kit (Choke A
16 690136 Crankshaft Matlc)
20 291675 €_ Seal-Oil 142 692412 • Nozzle-Carburetor
22 95187 Screw (Crankcase Cover) 146 94196 Key-Timing
23 693557 Flywheel (Steel Ring Gear) 165 693148 Nut (Ring Gear)
167 281051 Air Cleaner Stud Seal
23A 492326 Flywheel (Plastic Ring Gear) 176 281106 O-Ring Seal (Air Cleaner Base)
24 222698 Key-Flywheel 186 493496 Connector-Hose
25 692271 Piston Assembly (Std.)
692272 Piston Assembly (.010 O.S.) 187 298049 Line-Fuel (Cut to Required
Length)
692273 Piston Assembly (.026 O.S,) 188 94929 Screw (Control Bracket)
692274 Piston Assembly (.030 O.S.) 192 492160 Adjuster- Rocker Arm
26 690162 Ring Set- Piston (Std.) 202 262767 Mechanical Governor Link
690164 Ring Set- Piston (.010 O.S.) 209 260695 Spdng- Governor
690166 Ring Set- Piston (,020 O.S.) 216 262766 Link-Choke
690168 Ring Set- Piston (.030 O.S.)
27 691299 Look-Piston Pin 222 694042 Bracket-Contrbl
28 498319 Pin Assembly- Piston (Std.) 227 691374 Lever-Governor Control
231 691636 • Screw (Choke Valve)
498320 Pin Assembly-Piston(.0O5o.s.) 232 262785 Spdng-Governor Link
29 692419 Rod-Connec6ng (Std.) 238 262836 Cap-Valve
499940 Rod-Connecting (.020 U.S.) 240 394358 Filter-Fuel
32 692852 Screw (Connecting Rod)
33 495856 Valve-Exhaust 265 221535 Clamp-Casing
34 495857 Valve- Intake 267 695134 Screw (Casing Clamp)
35 691279 Spring- Valve (Intake) 276 692255 Sealing Washer
287 94903 Screw (Dipstick Tube)
36 691279 Spdng- Valve (Exhaust) 304 690844 Housing-Blower
37 690456 Guard-Flywheel
40 224641 Retainer-Valve 305 690969 Screw (Blower Housing)
43 490815 Governor-oil Slinger 306 690499 Shield, Cylinder
307 94930 Screw (Cylinder Shield)
45 690564 Tappet- Valve
46 692421 Camsha8 309 693551 Motor-Starter (For Steel Ring
48 692706 Short Block Gear Only)
50 690193 Manifold- Intake 497598 Motor-Starter (For Plastic Ring
51 273650 Gasket-Intake Gear Only)
53 690227 Stud (Carburetor)
54 691148 Screw (Intake Manifold) RPM Settings: Low Speed: 1900-2100
73 494439 Screen- Rotating High Speed: 3000-3200
74 691057 Screw (Rotating Screen) ._lncluded in Engine Gasket Set, Ref Number 358.
75 225136 Washer (Flywheel) • Included in Carburetor Overhaul Kit, Ref Number
78 94896 Screw (Flywheel Guard) 121.
93 690602 Bushing-Throttle Shaft _*Included in Carburetor Gasket Set, Ref number977.
94 498030 Valve-Idle Adjustment
95 691636 • Screw (Throttle Valve) + Included in Value Overhaul KIt, Ref Number 1033.
98 495800 Kit-Idle Speed NOTE: All component dimensions given in U.S.
104 690525 • Pin-Float Hinge inches1 inch -- 25.4 mm
53

TRACTOR --MODEL NUMBER 917.270670
BRIGGS & STRATTON ENGINE-MODEL NUMBER 310707, TYPE NUMBER 0136-E1
KEY PART KEY PART
NO. NO. DI=SCRIP13ON NO. NO, DESCRIPTION
310 690323 Screw (Starter Motor) 759 691239 Pin-Counterweight
311 497608 Brush Set 761 691096 Screw (Counterweightl
318 692127 Screw (Mounting Bracket) 783 693713 Gear-Pinion (For Steel
333 495859 Armature-Magneto Gear Only)
334 94731 Screw (Magneto Armature) 783A 693058 Gear-Pinion (For Pies'
337 491055 Sparkplug Gear Only)
344 693675 Screw (Casing Clamp) 799 695050 Harness- Widng
358 690189 Engine Gasket Set 901 497626 Cap-Drive
363 19203 Flywhee_ Pu_ter 802 497607 C.alPE_d
383 99838 Wrench-Spark Plug 803 497604 Housing-Starter
404 94927 Washer(GovemorCrank) 830 691095 Stad (Reeker Arm)
423 692129 Screw (Air Cleaner Base) 942 270920 Dipstick/Tube Seal
445 496894 Fifter- A/C Cartridge 847 496415 Dipstick/Tube Assem_
462 225137 Washer (Starter Cable) 851 692424 Sparkplug Terminal
467 493903 Knob-Air Cleaner 868 499236 _+ Scal-Valve
474 393474 Alternator 871 262835 BuShing-Guide
493 690493 Bracket-Mounting (Front) 875 693686 Base- Air Cleaner
493A 690494 Bracket-Mounting (Rear) 877 393456 Wire-Altemtaor
503 691532 Strap-Staffer 914 690969 Screw (Rocker Cover)
505 691251 Nut (Governor Control Lever) 934 94627 Screw (Fan Retainer)
510 693699 Drive-Stader (Use With Steel 947 497672 Solenoid-Fuel
Ring Gear Only) 967 272403 Fiher-P[e C_eaner
510A 497606 Drive-Starter (Use With 968 261104 Cover- Air Cleaner
Plastic Ring Gear Only) 975 495933 Bowl-Float
513 398003 Clutch-Drive 977 690192 Gasket Set-Carburetor
523 49523(3 Dipstick 987 691326 • Seal-Throttle Shaft
524 281370 _- Dipstick Tube Seal 996 690678 Carburetor Shield
625 496113 Dipstick Tube 1005 281400 Fan-Flywheel
544 497603 Armature-Starter 1006 690452 Retainer-Fan
552 491986 Bushing-Gov, Lever 1019 690180 Label Kit
562 691119 Bolt (Governor Control 1622 272475 _+ Gasket-Rocker Cover
Lever) 1023 691192 Cover-Rocker
579 92278 Nut (Starter Cable) 1026 494432 Rod-Push(Intake)
601 95162 Clamp-Here 1026A 495136 Rod-Push (Exhaust)
614 93306 Pin-Cotter 1029 224554 Arm-Rocker
616 495157 Crank-Governor 1033 690190 Valve Overhaul Kit
617 692138 "_-+ O-Ring Seal (Intake 1034 690822 Guide-Push Rod
Manifold) 1036 694497 LabeI-Emlssioos
634 690801 • Se_d-Spdng Assembly 1044 94673 Screw(Flywheel)
(Manual Choke) 1051 263080 Ring-Retainer
634A 690802 •Seal-Spring Assy. (Cttoke A 1058 274271 Owners Manual
Matie) 1090 497605 Retainer-Brush
635 280872 BoOt- Spark Plug 1091 691333 Cap-Llmiter
654 94010 Nut(Carburetor) 1119 93621 Screw (Alternator)
667 94010 Nut(AirCleanerBrace) ---- 311707-0028-E1 RaplacementEnglne
668 691500 Spacer
691 491323 ¢r Seal-Governor Shaft RPM Settings: Low Speed: 1900-2100
692 690572 Sphng-Detent High Speed: 300_-3200
695 693109 Screw (Ring Gear)
697 690372 Screw (Drive Cap) #Included in Engine Gasket Set, Ref Number:
711 6907_3 Screw (Carburetor Shield) •Included in Carburetor Overhaul Kit, Ref Nun
715 23Q1_Z Locattag Pk', 121.
726 399676 Gear- Ring (Aluminum- _, included in Carburetor Gasket Set, Ret numb
services Plastic Ring 977.
Gear Only) + Included in Value Overhaul Kit, Ref Number 1_
727 490324 Cover- Starter Drive
729 691224 Clil:PWire NOTE: All component dimensions given in U.S.
732 94903 Screw (Starter Drive Cover) inches 1 inch = 25.4 mm
741 691284 Gear-Timing
757 213998 Link-Counterweight
755 692423 Counterweight
54

SUGGESTED GUIDE FOR SIGHTING SLOPES FOR SAFE OPERATION
NG
ISIGHTI _ _. ,CUT '
GUIDE THe.S
ONLY RIDE UP AND DOWN HILL,
NOT ACROSS HILL
o'1

Get it fixed, at your home or ours!
For repair of major brand appliances in your own home...
no matter who made it, no matter who sold it!
1-800-4-MY-HOME SMAoytim_,dayornight
(1-800-469-4663)
www.sears.corn
To bring in products such as vacuums,
lawn equipment and electronics for repair, call for
the location of your nearest Sears Parts & Repair Center.
1-800-488-1222 Anytime, day or night
www.sears.com
For the replacement parts, accessories and owner's manuals
that you need to do-it-yourself, call Sears PartsDirectSM!
1-800-366-PART 6.m- t_pmCST,
(1-800-366-7278) 7 days aweek
www,sears.com/par tsdirect
To purchase or inquire about a Sears Service Agreement:
1-800-827-6655
7 a.m.- 5 p.m.CST,Mon.- Sat
Para pedir serviciode reparacibn a domicilio,
y para ordenar piezas con entrega a domicilio:
1-888-SU-HOGAR _
(1-888-784-6427)
Au Canada pour service en fran_ais:
1-877-LE-FOYER_"
(1-877-533-6937)
© Sears, Roebuck and Co,
®Registered Trademark /TM Trademark of Sears, Roebuck _nd Co
® Marca Registrada /TM Marc_ de F_bfica de Seats, Roebuck and CO.
172082 Rev. 2 3/7/00 RD/VB/MH Printed in U.S.A.