Craftsman 917270722 User Manual TRACTOR Manuals And Guides 98100084
CRAFTSMAN Lawn, Tractor Manual 98100084 CRAFTSMAN Lawn, Tractor Owner's Manual, CRAFTSMAN Lawn, Tractor installation guides
User Manual: Craftsman 917270722 917270722 CRAFTSMAN TRACTOR - Manuals and Guides View the owners manual for your CRAFTSMAN TRACTOR #917270722. Home:Lawn & Garden Parts:Craftsman Parts:Craftsman TRACTOR Manual
Open the PDF directly: View PDF
.
Page Count: 60

Owner's Manual
(RRFTSMAN
17.0 HP
ELECTRIC START
42" MOWER
AUTOMATIC
LAWN TRACT H
Model No.
917.270722
EZ
•Safety
•Assembly
•Operation
•Maintenance
•Repair Parts
CAUTION:
Read and follow all
Safety Rules and Instructions
before operating this equip-
ment.
For answers to your questions
about this product, Call:
1-800-659-5917
Sears Craftsman Help Line
5 am- 5 pm, Mon- Sat
Seam, Roebuck and Co., Hoffman Estates, IL 60179

Warranty ................................................. 2
Safety Rules .......................................... .2
Product Specifications ........................... 5
Assembly ................................................ 8
Operation .............................................. 11
Maintenance Schedule ......................... 18
Maintenance ......................................... 18
Service and Adjustments ...................... 22
Storage ................................................. 28
Troubleshooting.................................... 29
Repair Parts ......................................... 32
Pads Ordedng ....................... Back Cover
..LIMITED TWO YEAR WARRANTY ON CRAFTSMAN RIDING EQUIPMENT
For two(2) years from the date ofpurchase, if this Craftsman Riding Equipment is main-
taih_d, lubricated and tuned up according to the instructionsin the owner's manual,
•Seam will repair or replace, free ofcharge, any pa.ds found to be defective in material or
workmanship.
This Warranty does not cover, o._:
• Expendable items which become worn during normal use, such as blades, spark
plugs, air cleaners, belts, etc.
• Tire replacement or repair caused by punctures from outside objects, such as nails,
thorns, stumps, or glass.
•Repairs necessary because of operator abuse, negligence, improper storage or acci-
dent or the failure to maintain the equipment according to the instructions contained in
the owner's manual.
•Riding equipment used for commemial or rental purposes.
LIMITED 90 DAY WARRANTY ON BA'I-I'ERY
For ninety (90) days from date of purchase, if any battery included with this riding equip-
ment proves defective in material or workmanship and our testing determines the bat-
tery will not hold a charge, Sears will replace the battery at no charge. In-home warranty
service on your Craftsman riding equipment is available at no charge for 30 days from
the date of purchase. Please contact your nearest service center. After 30 days from the
date of purchasa, warranty service is available by taking your Craftsman riding equip-
ment to your nearest Sears Service Center. (In-home warranty service will still be avail-
able after 30 days from the date of purchase but a standard trip charge will apply). This
warranty applies only while this product is in the United States. This Warranty gives you
specific legal rights, and you may also have other rights which may vary from state to
state.
Sears, Roebuck and Co., D/817 WA, Hoffman Estates, IL 60179
GENERAL OPERATION
•Read, understand, and follow all instruc-
tions in the manual and on the machine
before starting.
•Only allow responsible adults, who are
familiar with the instructions, to operate
the machine.
•Clear the area of objects such as recks,
toys, wire, etc., which could be picked
up and thrown by the blade.
•Be sure the area is clear of other people
befo_mowing. Stop machine if anyone
enters the area.
2
•Never carry passengers.
•Do not mow in reverse unless absolute-
ly necessary. Always look down and
behind before and while backing.
•Be aware of the mower discharge direc-
tion and do not point it at anyone. Do
not operate the mower without either
the entire grass catcher or the guard in
place.
•Slow down before tuming.
• Never leave a running machine unat-
tended. Always turn off blades, set park-
ing brake, stop engine, and remove
keys before dismounting.

•Tum off blades when not mowing.
•Stop engine before removing grass
catcher or unclogging chute.
•Mow only in daylight or good artificial
light.
•Do not operate the machine while under
the influence of alcohol or drugs.
•Watch for traffic when operating near or
crossing roadways.
•Use extra care when loading or unload-
ing the machine into a trailer or truck.
SLOPE OPERATION
Slopes are a major factor related to loss-
of-control and tipover accidents, which
can result in severe injury or death. All
slopes require extra caution, If you cannot
back up the slope or if you feel uneasy on
it, do not mow it.
DO:
•Mow up and down slopes, not across.
•Remove obstacles such as rocks, tree
limbs, etc.
• Watch for holes, ruts, or bumps. Uneven
terrain could overturn the machine. Tall
grass can hide obstacles.
•Use slow speed. Choose a low gear so
that you will not have to stop or shift
while on the slope.
•Follow the manufacturer's recommen-
dations for wheel weights or counter-
weights to improve stability.
•Use extra care with grass catchers or
other attachments. These can change
the stability of the machine.
•Keep all movement on the slopes slow
and gradual. Do not make sudden
changes in speed or direction.
•Avoid starting or stopping on a slope. If
tires-lose traction, disengage the blades
and proceed slowly straight down the
slope.
DO NOT:
•Do notturn on slopes unless necessary,
and then, turn slowly and gradually
downhill, if possible.
•Do not mow near drop-offs, ditches, or
embankments. The mower could sud-
denly turn over if a wheel is over the
edge of a cliff or ditch, or if an edge
caves in.
•Do not mow on wet grass. Reduced
tra,_ion could cause sliding.
•Do nottry to stabilize the machine by
putting your foot on the ground.
•Do not use grass catcher on steep
slopes.
CHILDREN
Tragic accidents can occur ifthe operator
is not alert to the presence of children.
Children are often attracted to the
machine and the mowing activity. Never
assume that children will remain where
you last saw them.
•Keep children out of the mowing area
and under the watchful care of another
responsible adult.
•Be alert and turn machine off if children
enter the area.
•Before and when backing, look behind
and down for small children.
•Never carry children. They may fall off
and be seriously injured or interfere with
safe machine operation.
•Never allow children to operate the
machine.
•Use extra care when approaching blind
comers, shrubs, trees, or other objects
that may obscure vision.
SERVICE
•Use extra care in handling gasoline and
other fuels. They are flammable and
vapors are explosive.
Use only an approved container.
Never remove gas cap or add fuel
with the engine running. Allow en-
gine to coo/before refueling. Do not
smoke.
Never refuel the machine indoors.
-Never store the machine or fuel
container inside where there is an
open flame, such as a water heater,
•Never run a machine inside a closed
area.
•Keep nuts and bolts, especially blade
attachment bolts, tight and keep equip-
ment in good condition.
•Never tamper with safety devices.
Check their proper operation regularly.
•Keep machine free of grass, leaves, or
other debris build-up. Clean oil or fuel
spillage. Allow machine to cool before
storing.
•Stop and inspect the equipment if you
strike an object. Repair, if necessary,
before restarting.
3

•Never make adjustments or repaim with
the engine running.
•Grass catcher components are subject
to wear, damage, and deterioration,
which could expose movingpads or
allow objects to be thrown. Frequently
check components and replace with
manufacturer's recommended pads,
when necessary.
•Mower blades are sharp and can cut.
Wrap the blade(s) or wear gloves, and
use extra caution when servicingthem.
•Check brake operation frequently.
Adjust and service as required.
•Be sure the area is clear of other people
before mowing. Stop machine if anyone
enters the area.
•Never carry passengers.
•Do not mow in reverse unless absolute-
ly necessary. Always look down and
behind before and while backing.
•Never carry children. They may fall off
and be seriously injured or interfere with
safe machine operation.
• Keep children out of the mowing area
and under the watchful care of another
responsible adult.
•Be alert and turn machine off if children
enter the area.
•Before and when backing, look behind
and down for small children.
•Mow up and down slopes (15 ° Max), not
across.
•Remove obstacles such as rocks, tree
limbs, etc.
•Watch for holes, ruts, or bumps. Uneven
terrain could overturn the machine. Tall
grass can hide obstacles.
•Use slow speed. Choose a low gear so
that you will not have to stop or shift
while on the slope.
•Avoid starting or stopping on a slope. If
tires lose traction, disengage the blades
and proceed slowly straight down the
slope.
•Do not tum on slopes unless necessary,
and then, tum slowly and gradually
downhill, if possible.
,_,Look for this symbol to point out impor-
tant safety precautions. It means CAU-
TION!?! BECOME AWARE!!! YOUR SAFE-
TY IS INVOLVED.
ACAUTION: In order to prevent acciden-
tal starting when setting up, transporting,
adjusting or making repairs always discon-
nect spark plug wire and place wire where
it cannot contact spark plug.
AWARNING: The engine exhaust from
this product contains chemicals known to
the State of Califomia to cause cancer,
birth defects, or other reproductive harm.
4

PRODUCT SPECIFICATIONS
GASOLINE 1.25 GALLONS
CAPACITY
AND TYPE: UNLEADED
REGULAR
OIL TYPE SAE 30
_,PI-SF/SG/SH): (above 32°F)
SAE 5W-30
(below 32°F)
DIL CAPACITY: 3.0 PINTS
SPARK PLUG: Champion RC12YC
[GAP: .030")
VALVE INTAKE: .003"-.005"
;LEARANCE: EXHAUST:.005"-.007"
-_ROUND SPEED FORWARD: 0 -5.5
MPH): REVERSE: 0 - 2.4
TIRE PRESSURE: FRONT: 14 PSI
REAR: 10 PSI
CHARGING 3 AMPS BAI-I'ERY
YSTEM: 5 AMPS HEADLIGHTS
BATTERY: AMP/HR: 25
MIN. CCA:190
CASE SIZE: U1R
BLADE BOLT 27-35 FT. LBS.
TORQUE:
CONGRATULATIONS on your purchase
of aCraftsman Tractor. It has been
designed, engineered and manufactured
to give you the best possible dependability
and performance.
Should you expedence any problem you
cannot easily remedy, please contact your
nearest Sears Authorized Service Center.
We have competent, well-trained techni-
clans.and the proper tools to service or
repair this tractor.
Please read and retain this manual. The
instructions will enable you to assemble
and maintain your tractor properly.Always
observe the "SAFETY RULES".
MAINTENANCE AGREEMENT
A Sears Maintenance Agreement is avail-
able on this product. Contact you_"nearest
Sears store for details.
CUSTOMER RESPONSIBILITIES
•Read and observe the safety rules.
•Follow a regular schedule in maintain-
ing, cadng for and using your tractor.
•Follow the instructions under "Mainte-
nance" and =Storage" sections of this
owner's manual.
,AWARNING: This tractor is equipped
with an internal combustion engine and
should not be used on or near any unim-
proved forest-covered, brush-covered or
grass-covered land unless the engine's
exhaust system is equipped with aspark
arrester meeting applicable local or state
laws (if any). If a spark arrester is used, it
should be maintained in effective working
order by the operator.
In the state of California the above is
required by law (Section 4442 of the
California Public Resources Code). Other
states may have similar laws. Federal
laws apply on federal lands. A spark
arrester for the muffler is available through
your nearest Sears Authorized Service
Center (See REPAIR PARTS section of
this manual).
5

Pads Bag contents shown full size
(1) Hex Bolt 5/16-18 x 1-1/4
(1) Hex Bolt
3/8-16 x I
Lockwasher 3/8
(1) Large Rat Washer
(1) Loci(nut 5/16-18
(1) Knob
(1) Washer
17/32 x %3/16 x 12 Gauge
(1) Shoulder
Bolt 5/16-18
(2) Washers
3/16 x 3/4 x 16 Gauge
(2) Weld
Nuts #10
_#10 x 5/8
(2) Lock
Washers #10
6

Partspackedseparatelyincarton
I
Manual
Seat
Mulcher
Plate
Parts Bag
D
Video
Cassette
Steering
Boot
Steedng
Wheel
(2) Shoulder
Bolts
_(2) Center-
lockNuts
(2) Washers 3/8
x 7/8 x 14 Gauge
SlopeSheet
Parts Bag contents not shown full size
(2) Keys
SteeringWheel
Adapter
Wheels
_ teedng
Wheel
Insert
_--. Steering
Extension
Shaft
ii
(2) Latch Hook
Assernblya 0
7

Yournewtractorhasbeenassembledat thefactorywithexceptionof thosepartsleft
unassembledfor shippingpurposes.Toensuresafeandproperoperationof yourtractor
all partsandhardwareyouassemblemustbetightenedsecurely.Usethecorrecttools
as necessaryto insurepropertightness.Reviewthevideocassettebeforeyou begin.
TOOLS REQUIRED FOR
ASSEMBLY
- A socket wrench set will make assembly
easier. Standard wrench sizes you need
are listed below.
(1) 9/16" wrench
(1) 3/4" wrench
(2) 1/2" wrench
(1) Phillips Screw driver
(1) Tire pressure gauge
(1) Utility knife
(1)Pliers
(1) 3/4" Socket
w/drive rachet
When right or left hand is mentioned in
this manual, it means, from your point of
view, when you are in the operating posi-
tion (seated behind the steering wheel).
TO REMOVE TRACTOR FROM
CARTON
UNPACK CARTON
•Remove all accessible loose parts and
parts boxes from shipping carton (See
page 6).
•Cut, from top to bottom, along lines on
all four corners of shipping carton, and
lay panels flat.
•Check for any additional loose parts or
boxes and remove.
BEFORE ROLLING TRACTOR OFF
SKID
ATTACH STEERING WHEEL
ASSEMBLE EXTENSION SHAFT AND
BOOT
•Slide extension shaft onto lower steer-
ingshaft. Align mounting holes in exten-
sion and lower shafts and install 5/16
hex belt and Iocknut. Tighten securely.
IMPORTANT: Tighten bolt and nut secure-
ly to 18-22 ft. Ibs. torque.
•Place tabs of steering boot over tab
slots in dash and push down to secure.
iNSTALL STEERING WHEEL
•Position front wheels of the tractor so
they are pointingstraight forward.
•Slide steering wheel adapter onto steer-
ing shaft extension.
•Position steering wheel so cross bars
araJ_rizontal (left to right) and slide
inside boot and onto adapter.
•Assemble large flat washer, 3/8 lock
washer, 3/8 hex belt and tighten securely.
•Snap steering wheel insert into center
of steering wheel.
•Remove protective materials from trac-
tor hood and grill.
IMPORTANT: Check for and remove any
staples in skid that may puncture tires
where tractor is to roll off skid.
Insert
,_3/8 Lockwasher
_Lt_rgherFlat
Wheel
Extension Adapter
TO ROLL TRACTOR OFF SKID (See
Operation section for location and
function of controls)
•Press lift lever plunger and raise attach-
ment lift lever to its highest position.
•Release parking brake by depressing
clutch/brake pedal.
•Place freewheel control in freewheeling
position to disengage transmission (See
"TO TRANSPORT" in the Operation
section of this manual).
•Roll tractor forward off skid.
•Remove banding holding discharge
guard up against tractor.
8

HOW TO SET UP YOUR TRACTOR
CHECKBATTERY
•Lift seat pan to raised position and open
battery box door.
•If this battery is put into service after
month and year indicated on label (label
located between terminals) charge bat-
tery for minimum of one hour at 6-10
amps. (See "BATTERY" in MAINTE-
NANCE section of this manual for
charging instructions).
Battery
Box Door_
Label
INSTALL SEAT
Adjust seat before tightening adjustment
knob.
•Remove cardboard packing on seat
pan.
•Place seat on seat pan and assemble
shoulder bolt. Tighten shoulder bolt
securely.
•Assemble adjustment knob and flat
washer loosely. Do not tighten.
•Lower seat into operating position and
sit on seat.
•Slide seat until a comfortable position is
reached which allows you to press
clutch/brake pedal all the way down.
•Get off seat without moving its adjusted
position.
•Raise seat and tighten adjustment knob
securaly. Seat
Seat Pan
Shoulder
Bolt
+ •
Adjusl_nentKnob
Rat Washer
CHECK TIRE PRESSURE
The tires on your tractor were overinflated
at the factory for shipping purposes.
Correct tire pressure is important for best
cutting performance.
•Reduce tire pressure to PSI shown in
"PRODUCT SPECIFICATIONS" on
page 5 of this manual.
CHECK DECK LEVELNESS
For best cutting results, mower housing
should be properly leveled. See "TO
LEVEL MOWER HOUSING" in the
Service and Adjustments section of this
manual.
CHECK FOR PROPER POSITION OF
ALL BELTS
See the figures that are shown for replac-
ing motion and mower blade drive belts in
the Service and Adjustments sectoin of
this manual. Verify that the belts are mut-
ed correctly.
CHECK BRAKE SYSTEM
After you learn how to operate your trac-
tor, check to see that the brake is properly
adjusted. See "TO ADJUST BRAKE" in
the Service and Adjustments section of
this manual.
INSTALL MULCHER PLATE
•Install two latch hooks to mulcher plate
using screw, washer, lock washer, and
weld nut as shown.
NOTE: Pre-assemble weld nut to latch
hook by inserting weld nut from the top
with hook pointing down.
•Tighten hardware securely.
•Raise and hold deflector shield in up-
right position.
•Place front of mulcher plate over front of
mower deck opening and slide into
place, as shown.
•Hook front latch into hole on front of
mower deck.
•Hook rear latch into hole on back of
mower deck.
ACAUTION: Do not remove discharge
guard from mower. Raise and hold guard
when attaching mulcher plate and allow it
to rest on plate while in operation.
_TO CONVERT TO BAGGING OR
DISCHARGING
Simply remove mulcher plate and store in
a safdl_lace. Your mower is now ready for
discharging or installation of optional
grass catcher accessory.
9

blades. The mulcher blades are _
for discharging and bagging also.
Weld Nut From Ho_ Peints.
The Top Down
Lock
Weld Washer
Latch Latch
Washer
Mulcher
Plate
Deflector
Shield
Lock Washer
Washer
Screw
Latch
Hooks
ASSEMBLE GAUGE WHEELS TO
MOWER DECK
The gauge wheels are designed to keep
the mower deck in proper position when
operating mower. Be sure they are proper-
ly adjusted to ensure optimum mower per-
formance.
• Assemble gauge wheels with tractor on
a flat level surface.
•Adjust mower to desired cutting height
(See "TO ADJUST MOWER CUTI'ING
HEIGHT" in the Operation section of
this manual).
•With mower in desired height of cut pe-
sition, gauge wheels should be assem-
bled so they are slightlyoffthe ground.
Install gauge wheel in appropdate hole
with shoulder bolt, 3/8 washer, and 3/8-
16 iocknut and tighten securely.
• Repeat for opposite side installing
gauge wheel in same adjustment hole.
3/8-16 Washer e Wheel
v'CHECKLIST
PLEASE REVIEW THE FOLLOWING
CHECKLIST:
V' All assembly instructions have been
completed.
,/ No remaining loose parts in carton.
v' Battery is propedy prepared and
charged. (Minimum I hour at 6 amps).
v' Seat is adjusted comfortably and
tightened securely.
,/ All tires are properly inflated. (For
shipping purposes, the tires were
overinflated at the factory).
v' Be sure mower deck is properly leveled
side-to-side/front-to-rear for best
cutting results. (Tires must be properly
inflated for leveling).
,/ Check mower and drive belts. Be sure
they are muted propedy around pulleys
and inside all belt keepers.
I/ Check wiring. See that all connections
are still secure and wires are properly
clamped.
v' Before driving tractor, be sure free-
wheel control is in drive position.
WHILE LEARNING HOW TO USE YOUR
TRACTOR, PAY EXTRAA'I-rENTION TO
THE FOLLOWING IMPORTANT ITEMS:
,/Engine oil is at proper level.
/Fuel tank is filled with fresh, clean,
regular unleaded gasoline.
/Become familiar with all controls -their
location and function. Operate them
before you start the engine.
/Be sure brake system is in safe operat-
ing condition.
/It is important to purge the transmis-
sion before operating your tractor for
the first time. Follow proper starting
and transmission purging instructions
(See "TO START ENGINE" end
"PURGE TRANSMISSION" in the Op
eration section of this manual).
10

Thesesymbolsmayappearonyourtractoror inliteraturesuppliedwiththe product.
Learnand understandtheirmeaning.
BATI'ERY CAUTION OR REVERSE FORWARD FAST SLOW
WARNING
FUEL CHOKE MOWER HEIGHT PARKING BRAKE UNLOCKED MOWER LIFT
LOCKED
NHL
A'I-rACHMENT REVERSE NEUTRAL HIGH LOW PARKING BRAKE
CLUTCH ENGAGED
KEEP AREA CLEAR
ATTACHMENT SLOPE HAZARDS
IGNITION CLUTCH DISENGAGED (SEE SAFETY RULES SECTION)
DANGER, KEEP HANDS AND FEET AWAY FREE WHEEL
(Automatic Models only)
11

KNOW YOUR TRACTOR
READ THIS OWNER'S MANUAL AND SAFETY RULES BEFORE OPERATING YOUR
TRACTOR
Compare the illustrationswith your tractor to familiarize yourselfwith the locations of
various controlsand adjustments. Save this manual for future reference.
Attachment IgnlUon
Clutch Lever Switch
LightSwitch
Position
Ammeter
Throttle/Choke
Control
Clutch/Brake
Control
Height
Adjustment
Indicator
Lift Lever
Plunger
Attachment
Lift Lever
Brake
Freewheel
Control
Motion
Control Lever
Our tractors conformto the safety standards of the American
National Standards Institute.
ATTACHMENT CLUTCH LEVER: Used to
engage the mower blades, or other attach-
ments mounted to your tractor.
LIGHT SWITCH: Tums the headlights on
and off.
THROTTLE/CHOKE CONTROL: Used to
control engine speed.
CLUTCH/BRAKE PEDAL: Used for
declutching and braking the tractor and
starting the engine.
FREEWHEEL CONTROL: Disengages
transmission for I_ushing or slowly towing
the tractor with the engine off.
HEIGHT ADJUSTMENT KNOB: Used to
adju_"f_e mower cutting height.
MOTION CONTROL LEVER: Selects the
speed and direction of the tractor.
ATTACHMENT LIFT LEVER: Used to
raise and lower the mower deck or other
attachments mounted to your tractor.
UFT LEVER PLUNGER: Used to release
attachment lift lever when changing its
position.
IGNITION SWITCH: Used for starting and
stopping the engine.
AMMETER: Indicates battery charging (+)
or discharging (-).
PARKING BRAKE: Locks clutch/brake
into the brake position.
12

Theoperationof anytractorcanresultinforeignobjectsthrownintothe
eyes, which can result in severe eye damage. Always wear safety glasses
or eye shields while operating your tractor or performing any adjustments or
repairs. We recommend a wide vision safety mask over spectacles, or stan-
dard safety glasses.
HOW TO USE YOUR TRACTOR
Your tractor is equipped with an operator
presence sensing switch. When engine is
running, any attempt by the operator to
leave the seat without first setting the
parking brake will shut off the engine.
TO SET PARKING BRAKE
•Depress clutch/brake pedal into full
"BRAKE" position and hold.
•Place parking brake lever in =EN-
GAGED" position and release pressure
from clutch/brake pedal. Pedal should
remain in =BRAKE" position. Make sure
parking brake will hold tractor secure.
Attachment Clutch
Throttle/Choke Lever "Engaged"
Control Position
=Disengaged"
"Brake" , Parking Brake
Position
/_ ', Position
Motion
Pedal =Drive" =Disengaged" Control
Position Position Lever
STOPPING
MOWER BLADES -
•To stop mower blades, move attach-
ment clutch lever to =DISENGAGED"
position.
GROUND DRIVE -
• To stop ground drive, depress
clutch/brake pedal into full "BRAKE"
position.
•Turn ignition key to =OFF" position and
remove key. Always remove key when
leaving tractor to prevent unauthorized
use.
•Never usa choke to stop engine.
IMPORTANT: Leaving the ignition switch
in any position other than =OFF" will cause
the battery to be discharged, (dead).
NOTE: Under certain conditions when
tractor is standing idle with the engine run-
ning, hot engine exhaust gases may
cause =browning" of grass. To eliminate
this possibility, always stop engine when
stopping tractor on grass areas.
_, CAUTION: Always stop tractor com-
pletely, as described above, before leaving
the operator's position; to empty grass
catcher, etc.
THROTTLE CONTROL
Always operate engine at full throttle.
•Operating engine at less than full throt-
tle reduces the battery charging rate.
•Full throttle offers the best bagging and
mower performance.
TO MOVE FORWARD AND BACKWARD
The direction and speed of movement is
controlled by the motion control lever.
•Start tractor with motion control lever in
neutral (N) position.
•Release parking brake and clutch/brake
pedal.
•Slowly move motion control lever to
desired position.
NOTE: The effort to move the motion con-
trol lever will reduce after the first few
hours of use. This is normal.
TO ADJUST MOWER CUTTING HEIGHT
The cutting height is controlled by turning
the height adjustment knob in desired
direction.
_ _,:-Movemotion control lever to neutral (N) _'' Turn knob clockwise (C,) to raisa cutting
height.
position.
IMPORTANT: The motion control lever
does not retum to neutral (N) position
when the dutch/brake pedal is depressed.:
ENGINE -
• Move throttle control to slow position.
NOTE: Failure to move throttle control to
slow position and allowing engine to idle _
before stopping may cause engine to
"backfire".
•Tum knob counterclockwise (,.._)to
lower cuttin_ height.
The curing height range is approximately
1-1/2" to4". The heights are measured
from the ground to the blade tip with the
engine not running. These he,ghts are ap-
proximate and may vary depending upon
soil conditions, height of grass andtypes
of grass being mowed.
13

• The averagelawnshouldbecut to
opproximately 2-1/2 inches dudng the
cool season and to over 3 inches during
hot months. For healthier and better
looking lawns, mow often and after
moderate growth.
•For best cutting performance, grass
over 6 inches in height should be
mowed twice. Make the first cut rela-
-tively high; the second to desired height.
TO OPERATE MOWER
Your tractor is equipped with an operator
presence sensing switch. Any attempt by
the operator to leave the seat with the
engine running and the attachment clutch
engaged will shut off the engine.
•Select desired height of cut.
•Lower mower with attachment lift con-
trol.
•Start mower blades by engaging attach-
ment clutch control.
•TO STOP MOWER BLADES - disen-
gage attachment clutch control.
Attachment Clutch
Lever =Engaged"
Attachment Lift
Lever High Position
"Disengaged" ,_ Low
_uard
TO OPERATE ON HILLS
_,CAUTION: Do not drive up or down
hills with slopes greater than 15° and do
not drive acr-ossany slope. Use the slope
guide provided at the back of this manual.
•Choose the slowest speed b_fore start-
ing up or down hills.
•Avoid stopping or changing speed on
hills.
•If slowing is necessary, move throttle
control lever to slower position.
•If stopping is absolutely necessary, push
clutch/brake pedal quicklyto brake posi-
tion and engage parking brake.
• Move motion control lever to neutral (N)
position.
IMPORTANT: The motion control lever
does noL.-mtumto neutral (N) position
when the clutch/brake pedal is depressed.
14
• To restarrmovement, slowly release
parking brake and clutch/brake pedal.
• Slowly move motion control lever to
slowest setting.
•Make all tums slowly.
TO TRANSPORT
When pushing or towing your tractor, be
sure to disengage transmission by placing
freewheel control in freewheeling position.
Freewheel control is located at the rear
drawbar of tractor.
•Raise attachment lift to highest position
with attachment lift control.
•Pull freewheel control knob out and hold
in position by inserting retainer spring
into forward hole of control rod.
•Do not push or tow tractor at more than
two (2) MPH.
•To reengage transmission, reverse
above procedure.
NOTE: To protect hood from damage when
transporting your tractor on a truck or a
trailer, be sure hood is closed and secured
to tractor. Use an appropriate means of
tying hood to tractor (rope, cord, etc.).
TOWING CARTS AND OTHER
ATTACHMENTS
Tow only the attachments that are recom-
mendedby and comply with specifications
of the manufacturer ofyour tractor. Use
common sense when towing. Too heavy of
a load, while on a slope, is dangerous.
Tires can lose tractionwith the ground and
cause you to lose control of your tractor.
BEFORE STARTING THE ENGINE
CHECK ENGINE OIL LEVEL
•The engine in your tractor has been
shipped, from the factory, already filled
with summer weight oil.
•Check engine oil with tractor on level
ground.
•Remove oil fill cap/dipstick and wipe
clean, reinsert the dipstick and screw
cap tight, wait for afew seconds,
remove and read oil level. If necessary,
add oil until =FULL" mark on dipstick is
reached. Do not overfill.

•For cold weather operation you should
change oil for easier starting (See "OIL
VISCOSITY CHART" in the Mainte-
nance section of this manual).
•To change engine oil, see the Mainte-
nance section in this manual.
ADD GASOLINE
•Fill fuel tank. Use fresh, clean, regular
unleaded gasoline with a minimum of 87
octane. (Use of leaded gasoline will
increase carbon and lead oxide
deposits and reduce valve life). Do not
mix oil with gasoline. Purchase fuel in
quantities that can be used within 30
days to assure fuel freshness.
IMPORTANT: When operating in tempera-
tures below 32°F(0°C), use fresh, clean
winter grade gasoline to help insure good
cold weather starting.
,AWARNING: Experience indicates that
alcohol blended fuels (called gasohol or
using ethanol or methanol) can attract
moisture which leads to separation and
formation of acids during storage. Acidic
gas can damage the fuel system of an
engine while in storage. To avoid engine
problems, the fuel system should be emp-
tied before storage of 30 days or longer.
Drain the gas tank, start the engine and let
it run until the fuel lines and carburetor are
empty. Use fresh fuel next season. See
Storage Instructions for additional informa-
tion. Never use engine or carburetor
cleaner products in the fuel tank or perma-
nent damage may occur.
A, CAUTION: Fill to bottom of gas tank
filler neck. Do not overfill. Wipe off any
spilled oil or fuel. Do not store, spill or use
gasoline near an open flame.
TO START ENGINE
When starting the engine for the first time
or if the engine has run out of fuel, it will
take extra cranking time to move fuel from
the tank to the engine.
•Be sure freewheel control is in the
transmission engaged position.
•Sit on seat in operating position,
depress clutch/brake pedal and set
parking brake.
•Place motion control lever in neutral (N)
position.
•Move attachment clutch to =DISEN-
GAGED" position.
•Move throttle control to choke position.
NOTE: Before starting, read the warm and
cold'St_rting procedures below.
•Insert key into ignition and turn key
clockwise to "START" position and
release key as soon as engine starts.
Do not run starter continuously for more
than fifteen seconds per minute, if the
engine does not start after several
attempts, move throttle control to fast
position, wait a few minutes and try
again. If engine still does not start,
move the throttle control back to the
choke position and retry.
WARM WEATHER STARTING (50 ° F and
above)
•When engine starts, move the throttle
control to the fast position.
•The attachments and ground drive can
now be used. If the engine does not
accept the load, restart the engine and
allow it to warm up for one minute using
the choke as described above.
COLD WEATHER STARTING ( 50 °F and
below)
•When engine starts, allow engine to run
with the throttle control in the choke
position until the engine runs roughly,
then move throttle control to fast posi-
tion. This may require an engine warm-
up period from several seconds to sev-
eral minutes, depending on the temper-
ature.
AUTOMATIC TRANSMISSION WARM UP
•Before driving the unit in cold weather,
the transmission should be warmed up
as follows:
Be sure the tractor is on level _mund.
Place the motion control lever m neutral.
Release the parking brake and let the
clutch/brake slowly retum to operating
position.
•Allow one minute for transmission to
warm up. This can be done during the
engine warm up period.
•The attachments can also be used dur-
ing the engine warm-up period after the
transmission has been warmed up.
NOTE: At a high altitude (above 3000
feet) or in cold temperatures (below 32 F)
the carburetor fuel mixture may need to be
adjusted for best engine performance.
See =TO ADJUST CARBURETOR" in the
Sewice and Adjustments section of this
manual.
15

PURGETRANSMISSION
,ACAUTION: Never engage or disen-
gage freewheel lever while the engine is
running.
To ensure proper operation and perfor-
mance, it is recommended that the trans-
mission be purged before operating tractor
for the first time. This procedure will
remove any trapped air inside the trans-
"mission which may have developed during
shipping of your tractor.
IMPORTANT: Should your transmission
require removal for service or replace-
ment, it should be purged after reinstalla-
tion before operating the tractor.
•Place tractor safely on level surface with
engine off and parking brake set.
• Disengage transmission by placing free-
wheel control in freewheeling position
(See "TO TRANSPORT" in this section
of manual).
•Sitting in the tractor seat, start engine.
After the engine is running, move throt-
tle control to slow position. With motion
control lever in neutral (N) position,
slowly disengage clutch/brake pedal.
•Move motion control lever to full forward
position and hold for five (5) seconds.
Move lever to full reverse position and
hold for five (5) seconds. Repeat this
procedure three (3) times.
NOTE: During this procedure there will be
no movement of drive wheels. The air is
being removed from hydraulic drive sys-
tem.
• Move motion control lever to neutral (N)
position. Shut off engine and set parking
brake.
•Engage transmission by placing free-
wheel control in driving position (See
=TO TRANSPORT" in this section of
mantlal).
•Sitting in the tractor seat, stad engine.
After the engine is running, move throt-
tle control to half (1/2) speed. With
motion control lever in neutral (N) posi-
tion, slowly disengage clutch/brake
pedal.
• Slowly move motion control lever for-
ward; after the tractor moves approxi-
mately five (5) feet, slowly move motion
control lever to reverse position. After
the tractor moves approximately five (5)
feet return the motion control lever to
the neutral (N) position. Repeat this pro-
ceddre with the motion control lever
three (3) times.
•Your tractor is now purged and ready for
normal operation.
MOWING TIPS
•Tire chains cannot be used when the
mower housing is attached to tractor.
•Mower should be propedy leveled for
best mowing performance. See "TO
LEVEL MOWER HOUSING" in the
Service and Adjustments section of this
manual.
•The left hand side of mower should be
used for trimming.
•Drive so that clippings are discharged
onto the area that has been cut. Have
the cut area to the right of the tractor.
This will result in a more even distribu-
tion of clippings and more uniform cut-
ting.
•When mowing large areas, stad by tum-
ing to the right so that clippings will dis-
charge away from shrubs, fences, drive-
ways, etc. After one or two rounds, mow
in the opposite direction making left
hand tums until finished.
• If grass is extremely tall, it should be
mowed twice to reduce load and possi-
ble fire hazard from dried clippings.
Make first cut relatively high; the second
to the desired height.
•Do not mow grass when it is wet. Wet
grass will plug mower and leave unde-
sirable clumps. Allow grass to dry
before mowing.
•Always operate engine at full throttle
when mowing to assure better mowing
performance and proper discharge of
material. Regulate ground speed by se-
lecting a low enough gear to give the
mower the best cutting performance as
well as the quality of cut desired.
•When operating attachments, select a
ground speed that will suit the terrain
and give best performance of the at-
tachment being used.
[
I
t
16

MULCHING MOWING TIPS
IMPORTANT:Forbestperformance,keep
mowerhousingfreeof built-upgrassand
trash.Cleanaftereachuse.
• Thespecialmulchingbladewill recut
the grassclippingsmanytimesand
reducethem in sizesothat astheyfall
ontothe lawnthey willdisperseintothe
grassand not be noticed. Also, the
mulched grass will biodegrade quickly
to provide nutrients for the lawn. Always
mulch with your highest engine (blade)
speed as this will provide the best recut-
ring action of the blades.
•Avoid cutting your lawn when it is wet.
Wet grass tends to form clumps and
interferes with the mulching action. The
best time to mow your lawn is the early
aftemoon. At this time the grass has
dried and the newly cut area will not be
exposed to the direct sun.
•For best results, adjust the mower cut-
ting height so that the mower cuts off
only the top one-third of the grass
• blades. For extremely heavy mulching,
reduce your width of cut on each pass
and mow slowly.
•Certain types of grass and grass condi-
tions may require that an area be
mulched a second time to completely
hide the clippings. When doing a sec-
ond cut, mow across or perpendicular to
the first cut path.
•Change your cutting pattem from week
to week. Mow north to south one week
then change to east to west the next
week. This will help prevent matting and
graining of the lawn,
17

CUSTOMER RESPONSIBILITIES
3ERVICE DATES
iv"
#-djust *_otion Drive Belt(s) Tension
Check Engine Oil Level
Change Engine Oil
Clean Air Filter
Clean Air Screen
!nspect Muffler/Spark Arrester
;qepiace Oil Filter (If equipped)
C!ean ENgine Coo;i'_,g FiRs
'!:(: v,auanty on thi_ tractor does ;',or cover
iL_ms that i_ave been subjected to operator
_bus_._ or negligence. To receive full value
hem lhe warranty, operator must maintain
tractor as instructed in this manual. Some
_djustments will need to be made periodi-
cally to properly maintain your tractor.
_dladjustments in the Service and
Ac',iustmen_ts section of this manual should
be checked at least once each season•
*Once a year you should replace the
spark plug, clean or replace air filter, and
check blades and belts for wear. A new
spark plug and clean air filter assure
proper air-fuel mixture and help your
engine run better and last longer.
BEFORE EACH USE
• Check engine oil level.
• Check brake operation.
• Check tire pressure.
, Check operator presence and interlock
system_.for proper operation.
,Check for loose fasteners.
_- = Whee'
e r-rent Wh_el. Bearing
Bearing Zerk
_) Engine
OA_achm_
Clutch
Pivot(s)
OSAE 30 or 10w30 Motor OIL
_1 General Purpose Grease
Refer to Maintenance "Engine" Section
IMPORTANT: Do not oil or grease the pivot
points which have special nylon bear-ings.
Viscous lubricants will attract dust and dirt
that will shorten the life of the self-lubricating
bearings. If you feel they must be lubricated,
use only a dry, powdered graphite type lubri-
cant sparingly.
18

TRACTOR
Always observe safety rules when per-
forming any maintenance.
BRAKE OPERATION
If tractor requires more than six (6) feet
stopping distance at high speed in highest
gear, then brake must be adjusted. (See
"TO ADJUST BRAKE" in the Service and
Adjustments section of this manual).
-TIRES
•Maintain proper air pressure in all tires
(See "PRODUCT SPECIFICATIONS"
on page 5 of this manual).
•Keep tires free of gasoline, oil, or insect
control chemicals which can harm rub-
ber.
•Avoid stumps, stones, deep ruts, sharp
objects and other hazards that may
cause tire damage.
NOTE: To seal tire punctures and prevent
flat tires due to slow leaks, tire sealant
may be purchased from your local parts
dealer. Tire sealant also prevents tire dry
rot and corrosion.
OPERATOR PRESENCE SYSTEM
Be sure that operator presence and inter-
lock systems are working properly. If your
tractor does not function as described
below, repair the problem immediately.
•The engine should not start unless the
clutch/brake pedal is fully depressed
and attachment clutch control is in the
disengaged position.
•When the engine is running, any
attempt by the operator to leave the
seat without first setting the parking
brake should shut off the engine.
•When the engine is running and the
attachment clutch is engaged, any
attempt by the operator to leave the
seat should shut off the engine.
•The attachment clutch should never
operate unless the operator is in the
seat.
BLADE CARE
For best results mower blades must be
kept sharp. Replace bent or damaged
blades.
BLADE REMOVAL
•Raise mower to highest position to allow
access to blades.
•Remove hex bolt, lock washer and flat
washer securing blade.
•Install new or resharpened blade with
trst_ edge up towards deck as shown.
NOTE: Make sure center hole in blade
aligns with star on mandrel assembly.
•Reassemble hex bolt, lock washer and
flat washer in exact order as shown.
•Tighten bolt securely (27-35 Ft. Lbs.
torque).
IMPORTANT: Blade bolt is Grade 8 heat
treated. Mandrel Assembly
Trailing Edge Up
.Blade
Center
hole
Lock
Washer
Flat Washer Star
Hex Bolt (Grade 8)*
*A Grade 8 heat treated bolt can be
identified by six lines on the bolt head.
TO SHARPEN BLADE
NOTE: We do not recommend sharpening
blade, but if you do, be sure the blade is
balanced.
Care should be taken to keep the blade
balanced. An unbalanced blade will cause
excessive vibration and eventual damage
to mower and engine.
•The blade can be sharpened with a file
or on a grinding wheel. Do not attempt
to sharpen while it is on the mower.
•To check blade balance, you will need a
5/8" diameter steel bolt, pin, or a cone
balancer. (When using acone balancer,
follow the instructions supplied with bal-
ancer).
NOTE: Do not use a nail for balancing
blade. The lobes of the center hole may
appear to be centered, but are not.
•Slide blade onto an unthreaded portion
of the steel bolt or pin and hold the bolt
or pin parallel with the ground. If blade
is balanced, it should remain in a hori-
zontal position. If either end of the blade
moves downward, sharpen the heavy
end until the blade is balanced.
Center Hole
5/8* Bolt
or Pin
Blade
BATTERY
Your tractor has a battery charging system
which is sufficient for normal use.
19

However,periodicchargingof the battery
withanautomotivechargerwill extendits
life.
• Keepbatteryandterminalsclean.
• Keepbatteryboltstight.
•Keep small vent holes open.
• Recharge at 6-10 amperes for 1 hour.
TO CLEAN BATTERY AND TERMINALS
Corrosion and dirt on the battery and ter-
minals can cause the battery to =leak _
- power.
•Open battery box door.
•Disconnect BLACK battery cable first
then RED battery cable and remove
battery from tractor.
•Rinse the battery with plain water and
dry.
•Clean terminals and battery cable ends
with wire brush until bright.
•Coat terminals with grease or petroleum
jelly.
•Reinstall battery (See =REPLACING
BATTERY" in the SERVICE AND
ADJUSTMENTS section of this manu-
al).
V-BELTS
Check V-belts for deterioration and wear
after 100 hours of operation and replace if
necessary. The belts are not adjustable.
Replace belts if they begin to slip from
wear.
TRANSAXLE COOLING
The transmission fan and cooling fins
should be kept clean to assure proper
cooling.
Do not attempt to clean fan or transmis-
sion while engine is running or while the
transmission is hot.
•Inspect cooling fan to be sure fan
blades are intact and clean.
•Inspect cooling fins for dirt, grass clip-
pings _andother materials. To prevent
damage to seals, do not use com-
pressed air or high pressure sprayer to
clean cooling fins.
TRANSAXLE PUMP FLUID
The transaxle was sealed at the factory
and fluid maintenance is not required for
the life of the transaxle. Should the
transaxle ever leak or require servicing,
contact your nearest authorized service
center.
ENGINE
LUBRICATION
On_ high quality detergent oil rated
with API service classification SF, SG or
SH. Select the oil's SAE viscosity grade
according to your expected operating tem-
perature.
NOTE: Although multi-viscosity oils
(5W30, 10W30 etc.) improve starting in
cold weather, these multi-viscosity oils will
result in increased oil consumption when
used above 32°1=. Check your engine oil
level more frequently to avoid possible
engine damage from running low on oil.
Change the oil after every 25 hours of
operation or at least once a year if the
tractor is not used for 25 hours in one
year.
Check the crankcase oil level before start-
ing the engine and after each eight (8)
hours of operation. Tighten oil fill cap/dip-
stick securely each time you check the oil
level.
TO CHANGE ENGINE OIL
20
Determine temperature range expected
before oil change. All oil must meet API
service classification SF, SG or SH.
•Be sure tractor is on level surface.
•Oil will drain more freely when warm.
•Catch oil in a suitable container.
•Remove oil fill cap/dipstick. Be careful
not to allow dirt to enter the engine
when changing oil.
•Remove drain plug.
•After oil has drained completely, replace
oil drain plug and tighten securely.
•Refill engine with oil through oil fill dip-
stick tube. Pour slowly. Do not overfill.
For approximate capacity see "PROD-
UCT SPECIFICATIONS" on page 5 of
this manual.
•Use gauge on oil fill cap/dipstick for
checking level. Be sure dipstick cap is
tightened securely for accurate reading.
Keep oil at "FULL" line on dipstick.
Oil Fill
Cap/Dipstick
Oil
Drain
Plug

CLEAN AIR SCREEN
Air screen must be kept free of dirt and
chaff to prevent engine damage from over-
heating. Clean with a wire brush or com-
pressed air to remove dirt and stubborn
dded gum fibers.
AIR FILTER
Your engine will not run propedy using a
dirty air filter. Clean the foam pre-cleaner
- after every 25 hours of operation or every
season. Sewice paper cartridge every 100
hours of operation or every season,
whichever occurs first.
Service air cleaner more often under dusty
conditions.
•Remove knob(s) and cover.
TO SERVICE PRE-CLEANER
•Slide foam pre-cleaner off cartridge.
•Wash it in liquid detergent and water.
•Squeeze it dry in a clean cloth.
•Saturate it in engine oil. Wrap it in clean,
absorbent cloth and squeeze to remove
excess oil.
•If very dirty or damaged, replace pre-
cleaner.
•Reinstall pre-cleaner over cartridge.
•Reinstall cover and secure with knob(s).
TO SERVICE CARTRIDGE
• Remove cartridge nut.
• Carefully remove cartridge to prevent
debris from entering carburetor. Clean
base carefully to prevent debris from
entering carburetor.
•Clean cartridge by tapping gently on flat
surface. If very dirty or damaged,
replace cartridge.
•Reinstall cartridge, nut, precleaner,
cover and secure with knob(s).
IMPORTANT: Petroleum solvents, such as
kerosene, are not to be used to clean the
cartddge. They may cause deterioration of
the cartridge. Do not oil cartddge. De not
use pressurized air to clean_or dry car-
tddge. Cover
Knob
C _ Cartridge
Pre-Cleaner/_ _Paper
ENGINE COOLING FINS
Remove any dust, dirt or oil from engine
cooling fins to prevent engine damage
from overheating.
•Remove screws from blower housing
and lift housing and dipstick tube
assembly off engine.
•Cover oil fill opening to prevent entry of
dirt.
•Use compressed air or stiff bdstle brush
to thoroughly clean engine cooling fins.
•To reassemble, reverse above proce-
dure.
Blower Housing Screws
Screws
air screen
DipstickTube
Assembly
Spark
Plug
Engine Cooling Fins
MUFFLER
Inspect and replace corroded muffler and
spark arrester (if equipped) as it could cre-
ate a fire hazard and/or damage.
SPARK PLUGS
Replace spark plugs at the beginning of
each mowing season or after every 100
hours of operation, whichever occurs first.
Spark plug type and gap setting are
shown in "PRODUCT SPECIFICATIONS"
on page 5 of this manual.
IN-LINE FUEL FILTER
The fuel filter should be replaced once
each season. If fuel filter becomes
clogged, obstructing fuel flow to carbure-
tor, replacement is required.
•With engine cool, remove filter and plug
fuel line sections.
•Place new fuel filter in position in fuel
line with arrow pointing towards carbu-
retor.
•Be sure there are no fuel line leaks and
clam.ps are propedy positioned.
21

_Filter
CLEANING
• Clean engine, battery, seat, finish, etc.
" of all foreign matter.
• Keep finished su,'faces and _-=ele free
of all gasorme, oil, etc.
•Protect painted surfaces with automo-
b_e type wax.
We do not recommend using a garden
hose to cleen your tractor unless the elec-
trical system, muffler, air filter and carbure-
tor are covered to keep water out. Water
in engine can result in a shortened engine
life.
_,CAUTION: Before performing any service or adjustments:
•Depress clutch/brake pedal fully and set parking brake.
•Place motion control lever in neutral (N) position.
•Place attachment clutch in =DISENGAGED" position.
•Tum ignition key "OFF" and remove key.
• Make sure the blades and all moving parts have completely stopped.
•Disconnect spark plug wire from spark plug and place wire where it cannot come
in contact with plug.
TO REMOVE MOWER
Mower will be easier to remove from the
right side of tractor.
•Place attachment clutch in uDISEN-
GAGED" position.
•Move attachment lift lever forward to
lower mower to its lowest position.
•Roll belt off engine pulley.
•Disconnect clutch rod from clutch lever
by removing retainer spring.
•Disconnect anti-swaybar from chassis
bracket by removing retainer spring.
• Disconnect suspension arms from rear
deck brackets by removing retainer
springs.
Suspension Clutch
Arms
•Disconnect front links from deck by
removing retainer springs.
•Raise lift lever to raise suspension
arms. Slide mower out from under trac-
tor.
IMPORTANT: If an attachment other than
the mower deck is to be mounted on the
tractor, remove the front links.
TO INSTALL MOWER
•Raise attachment lift lever to its highest
position.
•Slide mower under tractor with dis-
charge guard to right side of tractor.
•Lower lift lever to its lowest position.
•Install mower in reverse order of
removal instructions,
Retainer
Pulley
Front
Link
Retainer
spdng
,_ti-Swaybar
(Both Sides)
(BothS_des)
22

TO LEVELMOWERHOUSING
Adjustthe mowerwhiletractoris parked
on levelgroundor driveway.Makesure
tiresare properlyinflated(See=PROD-
UCT SPECIFICATIONS'). If tires are
over or underinflated, you will not properly
adjust your mower.
SIDE-TO-SIDE ADJUSTMENT
• Raise mower to its highest position.
• At the midpoint of both sides of mower,
measure height from bottom edge of
mower to ground. Distance _A" on both
sides of mower should be the same or
within 1/4" of each other.
•If adjustment is necessary, make adjust-
ment on one side of mower only.
• To raise one side of mower, tighten lift
link adjustment nut on that side.
•To lower one side of mower, loosen lift
link adjustment nut on that side.
NOTE: Each full turn of adjustment nut
will change mower height about 1/8".
•Recheck measurements after adjusting.
Bottoro
Suspension
Arm
Lift Link Adjustment Nut
FRONT-TO-BACK ADJUSTMENT
IMPORTANT: Deck must be level side-to-
side. If the followingfront-to-back adjust-
ment is necessary, be sure to adjust both
front links equally so mc)wer will stay
level side-to-side.
To obtain the best cutting results, the
mower housing should be adjusted so that
the front is approximately 1/8" to 1/2"
lower than the rear when the mower is in
its highest position.
Check adjustment on ri._ht side of tractor.
Measure distance =D" d=rectly in front and
behind the mandrel at bottom edge of
mower housing as shown.
•Before making any necessary adjust-
ments, check that both front links are
equal in length. Both links should be
approximately 10-3/8".
If links are not equal in length, adjust
one link to same length as other link.
To lower front of mower loosen nut "E"
on both front links an equal number of
turns.
• When distance "D" is 1/8" to 1/2" lower
at front than rear, tighten nuts "F"
against trunnion on both front links.
• To raise front of mower, loosen nut "F"
from trunnion on both front links.
Tighten nut "E" on both front links an
equal number of tums.
•When distance "D" is 1/8" to 1/2" lower
at front than rear, tighten nut "F" against
trunnion on both front links.
•Recheck side-to-side adjustment.
_=_ _.. -_____Mandrel
Both Front Links Should be Equal in Length
Nut =F"_ Nut =E"
Trunnionf_
Front Links
TO REPLACE MOWER BLADE DRIVE
BELT (See Illustration Next Page)
The mower blade drive belt may be
replaced without tools. Park the tractor on
level surface. Engage parking brake.
BELT REMOVAL
•Remove mower from tractor (See "TO
REMOVE MOWER" in this section of
this manual).
•Work belt off both mandrel pulleys and
idler pulleys,
•Pull belt away from mower.
23

BELT INSTALLATION
•Install new belt in reverse order of
removal.
Mandrel
• Make sure belt is in all pulley grooves
and inside all belt guides.
• Install mower in reverse order of
removal instructions.
Idler
Pulleys
Mandrel
Pulley
TO ADJUST BRAKE
Your tractor is equipped with an adjustable
brake system which is mounted on the
side of the transaxle.
If tractor requires more than six (6) feet
stopping distance at high speed in high-
est gear, then brake must be adjusted.
•Depress clutch/brake pedal and engage
parking brake.
•Measure distance between brake oper-
ating arm and nut "A" on brake rod.
•If distance is other than 1-9/16", loosen
jam nut and turn nut =A" until distance
becomes 1-9/16". Retighten jam nut
against nut "A".
•Road test tractor for proper stopping
distance as stated above. Readjust if
necessary. If stopping distance is still
greater than six (6) feet in highest gear,
further maintenance is necessary.
Contact your nearest authodzed ser-
vice center/department.
With parking Brake
Jam "Engaged"
TO REPLACE MOTION DRIVE BELT
Park the tractor on level surface. Engage
parking brake. For assistance, there is a
belt installation guide decal on bottom side
of left footrest.
•Remove mower (See =TO REMOVE
MOWER" in this section of this manual.)
•Remove belt from stationary idler and
clutching idler.
•Pull belt slack toward rear of tractor.
Carefully remove belt upwards from
transmission input pulley and over cool-
ing fan blades.
•Pull belt toward front of tractor and
remove downward from around engine
pulley.
•Install new belt by reversing above pro-
cedure.
Arm
Pulley
Clutching
StatJonar_
Transmission
Input Pulley_
DO Not,_uch his nut. If further brake adjust-
ment is necessary contact your nearest autho-
rizad service center/department 24

TO ADJUST MOTION CONTROL LEVER
The motion control lever has been preset
at the factory and adjustment should not
be necessary.
If for any reason the motion control lever
will not hold its position while at a selected
speed, it may be adjusted at the friction
pack located on the right side of transmis-
sion.
•Park tractor on level surface. Stop trac-
tor by turning ignition key to =OFF" posi-
tion, and engage parking brake.
•Adjust motion control lever by tightening
adjustment Iocknut one half (1/2) turn.
NOTE: If for any reason the effort to
move the motion control lever becomes
too excessive, reverse the above adjust-
ment procedure by loosening Iocknut 1/4
to 1/2 tum.
Road test tractor after adjustment and
repeat procedure if necessary.
TRANSMISSION REMOVAL/REPLACE-
MENT
Should your transmission require removal
for service or replacement, it should be
purged after reinstallation and before
operating the tractor. See "PURGE
TRANSMISSION" in the Operation section
of this manual.
Lock,nut
TO ADJUST STEERING WHEEL ALIGN-
MENT
If steeringwheel crossbars are not hod-
zontal ([eft to right) when wheels are posi-
tioned straight forward, remove steering
wheel and reassemble per instructions in
the Assembly section of this manual.
FRONT WHEEL TOE-IN/CAMBER
The front wheel toe-in and camber are not
adjustable on your tractor. If damage has
occurred to affect the front wheel toe-in or
camber, contact your nearest authodzed
service center.
TO REMOVE WHEEL FOR REPAIRS
•Block up axle securely.
•Remove axle cover, retaining ring and
washers to allow wheel removal (rear
wheel contains a square key - Do not
lose).
•Repair tire and reassemble.
•On rear wheels only: align grooves in
rear wheel hub and axle, Insert square
key.
•Replace washers and snap retaining
ring securely in axle groove.
•Replace axle cover.
NOTE: To seal tire punctures and prevent
flat tires due to slow leaks, tire sealant
may be purchased from your local parts
dealer, Tire sealant also prevents tire dry
rot and corrosion.
Washers
Retaining
Ring
Axle Cover
I
_, Square Key
(Rear Wheel Only)
TO START ENGINE WITH A WEAK
BATTERY
ACAUTION: Lead-acid batteries gener-
ate explosive gases. Keep sparks, flame
and smoking materials away from batter-
ies. Always wear eye protection when
around batteries.
If your battery is too weak to start the
engine, it should be recharged. (See
"BATTERY" in the MAINTENANCE sec-
tion of this manual).
If "jumper cables" are used for emergency
starting, follow this procedure:
IMPORTANT: Your tractor Is equiped with
a 12 volt negative grounded system. The
other vehical must also be a 12 volt nega-
tive grounded system. De not use your
tractor battery to start other vehicals.
TO ATTACH JUMPER CABLES -
• Connect each end of the RED cable to
the POSITIVE (+) terminal of each bat-
tery, taking care not to short against
chassis.
•Connect one end of the BLACK cable to
the NEGATIVE (-) terminal of fully
charged battery.
•Connect the other end of the BLACK
cable to good CHASSIS GROUND,
away from fuel tank and battery.
TO REMOVE CABLES, REVERSE
ORDER -
•BLACK cable first from chassis and_
then from the fully charged battery.
• RED cable last from both batteries.
25

PositiveTerminal Negative Terminal
Charged
Positive
'Negative
Terminal
REPLACING BATTERY
ACAUTION: Do not short battery termi-
nals by allowing a wrench or any other
object to contact both terminals at the
same time. Before connecting battery,
remove metal bracelets, wristwatch
bands, rings,etc.
Positive terminal must be connected first
to prevent sparking from accidental
grounding.
• Lift seat pan to raised position and open
battery box door.
•Disconnect BLACK battery cable first
then RED battery cable and carefully
remove battery from tractor.
•Install new battery with terminals in
same position as old battery.
•First connect RED battery cable to posi-
tive (+) terminal with hex bolt and keps
nut as shown. Tighten securely.
•Connect BLACK grounding cable to
negative (-) terminal with remaining hex
bolt and keps nut. Tighten securely.
•Close battery box door.
Battery
Positive (Red) Cable Nut
Hex Bolt
TO REPLACE HEADLIGHT BULB
•Raise hood.
•Pull bulb holder out of the hole in the
backside of the grill.
•Replace bulb in holder and push bulb
holder securely back into the hole in the
backside of the grill.
•Close hood.
INTERLOCKS AND RELAYS
Loose or damaged widng may cause your
tractor to run poorly, stop running, or pre-
vent it from starting.
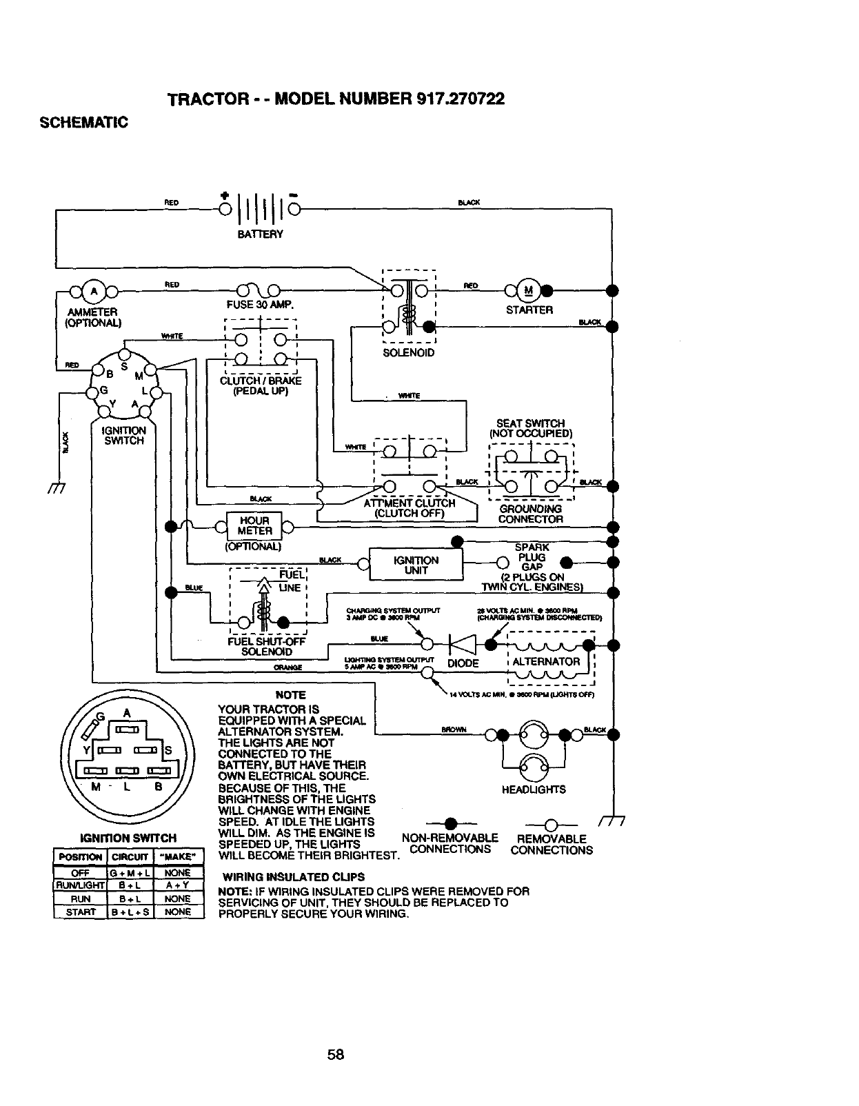
•Check wiring. See electrical wiring dia-
gram in the Repair Parts section of this
manual.
TO REPLACE FUSE
Replace with 30 amp automotive-type
plug-in fuse. The fuse holder is located
behind the dash.
TO REMOVE HOOD AND GRILL AS-
SEMBLY
•Raise hood.
•Unsnap headlight wire connector.
Stand in front of tractor. Grasp hood at
sides, tilt toward engine and lift off of
tractor.
•To replace, reverse above procedures.
F-_'_ Hood
I _ \_ Wire ector
ENGINE
Maintenance, repair, or replacement of the
emission control devices and systems,
which are being done at the customers
expense, may be performed by any non-
read engine repair establishment or indi-
vidual. Warranty repairs must be per-
formed by an authorized engine manufac-
turer's service outlet.
TO ADJUST THROTTLE CONTROL
CABLE
The throttle control has been preset at the
factory and adjustment should not be nec-
essary. Check adjustment as described
below before loosening cable. If adjust-
ment is necessary, proceed as follows:
Negative (Black) Cable
26

•With engine not running, move throttle
control lever from slow to choke posi-
tion. Slowly move lever from choke to
fast position.
•Check that holes "A" in govemor con-
trol lever and hole in governor plate line-
up. If holes UA" are not aligned, loosen
clamp screw and move throttle cable
until holes are aligned. Tighten clamp
screw securely.
Governor Govemor
Control Lever Control Plate
\
Holes "A"
Clamp
Screw Throttle
Cable
TO ADJUST CARBURETOR
NOTE: The carburetor on this engine is
low emission. It is equipped with an idle
fuel adjusting needle with a limiter cap,
which allows some adjustment within the
limits allowed by the cap. Do not attempt
to remove the limiter cap. The limifer cap
cannot be removed without breaking the
adjusting needle.
The carburetor has been preset at the fac-
tory and adjustment should not be neces-
sary. However, minor adjustment may be
required to compensate for differences in
fuel, temperature, altitude or load. If the
carburetor does need adjustment, proceed
as follows:
In general, turning idle mixture valve in
(clockwise) decreases the supply of fuel to
the engine giving a leaner fueVair mixture.
Turning the idle mixture valve out
(counterclockwise) increases the supply of
fuel to the engine giving aricher fuel/air
mixture.
IMPORTANT: Damage to the needle
valve and the seat in carburetor may
result if screw is tumed in too tight.
PRELIMINARY SE'I-I'ING
•Air cleaner assembly must be assem-
bled to the carburetor when making car-
buretor adjustments.
•Be sure the throttle control cable is
adjusted properly (see above).
FINAL SETTING
•Start engine and allow to warm for five
minutes. Make final adjustments with
engine running and shift/motion control
lever in neutral (N) position.
•Move throttle control lever to slow posi-
tion. With finger, rotate and holdthrottle
lever against idle speed screw. Turn
idle speed screw to attain 1750 RPM.
_, While still holding throttle lever against
idle speed screw, turn idle mixture valve
full travel clockwise then counterclock-
wise until engine runs rough. Tum
valve to a point midway between those
two positions. Release throttlelever.
ACCELERATION TEST
•Move throttle control lever from slow to
fast position. If engine hesitates or dies,
tum idle mixture valve out (counter-
clockwise) 1/8 turn. Repeat test and
continue to adjust, if necessary, until
engine accelerates smoothly.
High speed stop is factory adjusted. Do
not adjust - damage may result.
iMPORTANT: Never tamper with the
engine governor, which is factory set for
proper engine speed. Overspeeding the
engine above the factory high speed set-
ting can be dangerous. If you think the
engine-govemed high speed needs
adjusting, contact your nearest authorized
service center/department, which has
proper equipment and experience to make
any necessary adjustments.
Idle Speed
Screw Throttle
Lever
Valve _qbh
Umiter
27

Immediately prepare your tractor for stor-
age at the end of the season or if the trac-
tor will not be used for 30 days or more.
ACAUTION: Never store the tractor with
gasoline in the tank inside a building
where fumes may reach an open flame or
. spark. Allow the engine to cool before
storing in any enclosure.
TRACTOR
Remove mower from tractor for winter
storage. This will allow you to clean it thor-
oughly. Remove all dirt, grease, leaves,
etc. Store in a clean, dry area.
•Clean entire tractor (See =CLEANING"
in the Maintenance section of this man-
ual).
•Inspect and replace belts, if necessary
(See belt replacement instructions in the
Service and Adjustments section of this
manual).
•Lubricate as shown in the Maintenance
section of this manual.
•Be sure that all nuts, bolts and screws
are securely fastened. Inspect moving
parts for damage, breakage and wear.
Replace if necessary.
•Touch up all rusted or chipped paint sur-
faces; sand lightly before painting.
BATTERY
•Fully charge the battery for storage.
•After a pedod of time in storage, battery
may require recharging.
•To help prevent corrosion and power
leakage during long periods of storage,
battery cables should be disconnected
and battery cleaned thoroughly (see
"TO CLEAN BATTERY AND TERMI-
NALS'_in the Maintenance section of
this manual).
•After cleaning, leave cables disconnect-
ed and place cables where they cannot
come in contact with battery terminals.
•If battery is removed from tractor for
storage, do not store battery directly on
concrete or damp surfaces.
ENGINE
FUEL SYSTEM
IMPORTANT: It is important to prevent
gum deposits from forming in essential
fuel system parts such as carburetor, fuel
filterr-fuel hose, or tank dudng storage.
Also, experience indicates that alcohol
blended fuels (called gasohol or using
ethanol or methanol) can attract moisture
which leads to separation and formation of
acids during storage. Acidic gas can dam-
age the fuel system of an engine while in
storage.
•Drain the fuel tank.
•Start the engine and let it run until the
fuel lines and carburetor are empty.
•Never use engine or carburetor cleaner
products in the fuel tank or permanent
damage may occur.
•Use fresh fuel next season.
NOTE: Fuel stabilizer is an acceptable
alternative in minimizing the formation of
fuel gum deposits during storage. Add sta-
bilizer to gasoline in fuel tank or storage
container. Always follow the mix ratio
found on stabilizer container. Run engine
at least 10 minutes after adding stabilizer
to allow the stabilizer to reach the carbure-
tor. Do not drain the gas tank and carbure-
tor if using fuel stabilizer.
ENGINE OIL
Drain oil (with engine warm) and replace
with clean engine oil. (See "ENGINE" in
the Maintenance section of this manual).
CYLINDER(S)
•Remove spark plug(s).
•Pour one ounce of oil through spark
plug hole(s) into cylinder(s).
•Tum ignition key to "START" position for
a few seconds to distribute oil.
•Replace with new spark plug(s).
OTHER
•Do not store gasoline from one season
to another.
•Replace your gasoline can if it starts to
rust. Rust and/or dirt in your gasoline
will cause problems.
•If possible, store your tractor indoors
and cover it to give protection from dust
and dirt.
•Cover your tractor with a suitable pro-
tective cover that does not retain mois-
ture. Do not use plastic. Plastic cannot
breathe, which allows condensation to
form and cause your tractor to rust.
IMPORTANT: Never cover tractor while
engine and exhaust areas are still warm.
28

"ROUBLESHOOTING CHART
PROBLEM CAUSE CORRECTION
Will not start
Hard to start
Engine will not turn
over
Engine clicks but will
not start
Loss of power
•Out of fuel.
• Engine not "CHOKED" prop-
erly.
• Engine flooded.
• Bad spark plug.
•Dirty air filter.
•Dirty fuel filter.
•Water in fuel.
• Loose or damaged wiring.
•Carburetor out of adjustment.
•Engine valves outof adjust-
ment.
•Dirty air filter.
• Bad spark plug.
•Weak or dead battery.
•Dirty fuel tilter.
•Stale or dirty fuel.
•Loose or damaged wiring.
•Carburetor out of adjustment.
• Engine valves out of adjust-
ment.
• Clutch/brake pedal not
depressed.
•Attachment clutch is engaged.
•Weak or dead battery.
•Blownfuse.
•Corroded battery terminals.
•Loose or damaged widng.
• Faulty ignitionswitch.
•Faulty solenoidor starter.
•Faulty operator presence
switch(es).
•Weak or dead battery.
•Corroded battery terminals.
•Loose or damaged widng.
•Faulty solenoid or starter.
•Cutting too muchgrass/too
fast.
•Throttle in "CHOKE" position.
•Build-up of grass, leaves and
trash under mower.
•Dirty air filter.
•Low oil leveVdirtyoil.
•Fill fuel tank.
•See "TO START ENGINE" in
Operafion section.
•Wait several minutes before
attempting to start.
•Replace spark plug.
•Clean/replace air tilter.
•Replace fuel filter.
•Drain fuel tank and carburetor,
refilltank with fresh
gasoline and replace fuel tilter.
• Check all wiring.
•See "To Adjust Carburetor" in
Service and Adjustments
section.
•Contact an authorized service
center.
•Clean/replace air filter.
•Replace spark plug.
•Recharge or replace battery.
•Replace fuel filter.
•Drain fuel tank and refillwith
fresh gasoline.
•Check all wiring.
•See "To Adjust Carburetor" in
Service and Adjustments
section.
• Contact an authorized service
center.
•Depress clutch/brake pedal.
•Disengage attachment clutch.
•Recharge or replace battery.
•Replace fuse.
•Clean battery terminals.
•Check all wiring.
•Check/replace ignitionswitch.
•Check/raplace solenoidor
starter.
•Contact an authorized service
center.
•Recharge or replace battery.
•Clean battery terminals.
•Check all wiring.
•Check/replace solenoid or
starter.
•Set in=Higher Cut" posi-
fion/reduce speed.
•Adjust throttle control.
•Clean underside of mower
housing.
•Clean/replace air tilter.
•Check oil leveVchange oil.
29

TROUBLESHOOTING CHART f
PROBLEM CAUSE
Loss of power (cont'd) • Faulty spark plug,
• Dirty fuel filter.
•Sfale or dirty fuel.
Excessive vibration
Engine continues to
run when operator
leaves seat with at
tachment clutch
engaged
Poor cut -uneven
Mower blades will not
rotate
Poor grass discharge
• Waterinfuai.
•Spark plugwire loose.
•Dirty engine air screen/fins. •
- Dirty/cloggedmuffler. •
•Loose or damaged widng. •
•Carburetor outof adjustment. •
•Engine valves out of adjust- •
ment.
•Worn, bent or loose blade.
•Bent blade mandrel. •
• Loose/damaged part(s).
•Faulty operator-safety pres- •
ence control system.
•Worn, bent or loose blade.
• Mower deck not level. •
•Buildup of grass, leaves, and -
trash under mower.
•Bent blade mandrel.
•Clogged mower deck vent. -
holes from buildupof
grass, leaves, and trash
around mandrels.
•Obstructionin clutch mecha- i "
nism.
•Wom/damaged mower ddve i •
belt. [
•Frozen idler pulley. ,I•
•Frozen blade mandrel. I "
•Engine speed ton slow. I•
•Travel speed too fast.
•Wet grass.
•Mower deck not level.
•Low/uneven tire air pressure.
• Wom, bent or loose blade.
CORRECTION
•Clean and regap or change
spark plug.
•Replace fuel filter.
•Drain fuel tank and refillwith
fresh gasoline.
•Drain fuel tank and carburetor,
refilltank withfresh gasoline and
replace fuel filter.
Connect and lighten spark plug
wire.
Clean engine air screen/fins.
Clean/replace muffler.
Check all widng.
See "To Adjust Carburetor"in
Service and Adjustments
section.
Contact an authorized service
center.
Replace blade. Tighten blade
bolt.
Replace blade mandrel.
Tighten loose part(s). Replace
damaged parts.
Check wiring, switches and con-
nections. If not
corrected, contact an authorized
service center/
department.
Replace blade. Tighten blade
bolt.
Level mower deck.
Clean underside of mower hous-
ing.
Replace blade mandrel.
Clean around mandrels to open
vent holes.
Remove obstruction.
Replace mower drive belt.
Replace idler pulley.
Replace bfada mandrel.
Place throttle control in UFAST"
pos on.
Shift to dower speed.
Allowgrass to dry before mow-
ing.
•Level mower deck.
•Check tiresfor proper air pres-
sure.
•Replace/sharpen blade. Tighten
blade bolL
3O

TROUBLESHOOTING CHART
PROBLEM
Poor gmse discharge
(cont'd)
Headlight(s) not
working (if so
equipped)
Battery will not
charge
Lossofdnve
Engine "backfires" ; -
when turning engine
"OFP
CAUSE "
•Buildup of grass, leaves and
trash under mower.
•Mower drive belt worn.
•Blades impmpedy installed.
• Improper blades used.
•Clogged mower deck vent
holes from buildup of
grass, leaves, and trash
around mandrels.
• Switch is "OFF".
•Bulb(s) bumed out.
•Faulty lightswitch.
•Loose or damaged widng.
•Blownfuse.
• Bad batterycell_).
•Poor cable connections.
•Faultyragulator(ifso
equipped).
•Faultyaltemato_
•Freewheel control in"disen-
gaged" position.
• Motion drive belt worn, dam-
aged or broken.
•Air trapped in transmission
during shipment
or servicing.
Engine throttle control not set
at "SLOW" positionfor 30
seconds before stopping
engine.
[CORRECTION
•Clean underside of mower hoes-
ing.
• Replace mower ddve belt.
•Reinstall blades sharp edge
down.
•Replace with blades listed inthis
manual.
•Clean around mandrels to open
vent holes.
•Tum switch =ON".
•Replace bulb(s).
•Check/replace lightswitch.
•Check widng and conneclJons.
•Replace fuse.
•Replace battery.
• Check/clean all connections.
•Replace regulator.
•Replace alternator.
•Place freewheel control in
"engaged" position.
• Replace motion drive belt.
•Purge transmission.
• Move throttle control to "SLOW"
position and allow to idle for 30
seconds before stoppingengine.
31

ELECTRICAL
TRACTOR - - MODEL NUMBER 917.270722
i
16 ,
29
26
32

ELECTRICAL
TRACTOR -- MODEL NUMBER 917.270722
KEY PART
NO. NO.
1 1449__5
2 74760412
8 156417
16 153664
19 STD551125
20 73350400
21 147430
22 4152J
24 4799,.I
25 146147
26 108824X
27 73510400
28 4207J
29 121305X
30 140301
31 124211X
32 141226
33 109310X
40 156442
41 71110408
42 131563
43 145673
44 73640400
45 121433X
52 141940
70 140422
DESCRIPTION
Battery12 VOLT 25AMP
BoltHex Hd 1/4-20unc x 3/4
Case Battery
Switch,InterlockPush-In
Washer Lock 1/4
NutJam Hex 114-20Unc
Hamese Asm LightW14152j
BulbLight#1156
Cable Battery 6 Ga 11"red
Cable Battery 6 Ga w/16 wire red
Fuse 30 AMP AutoGreen
Nut Keps Hex 1/4-20 Unc
Cable Ground6 Ga 12" black
SwitchPlunger Nc Gray
SwitchIgn 4 Pos
Nut Ignition
Cover Sw Key BIk I 25 Text SLT
Key IgnMolded Crattsman
Hamese Ign Man CI Am Hm 97
BoltBII_ FinHex 1/4-20 Unc x 1/2
Cover TerminalRed
Solenoid
Nut Keps BIk Hax 1/4-20 Uric
Ammeter Rectangular6Amp
ProtectionWire Loop
Hamess Engine B&S 14 OHV
NOTE: All componentdimensionsgiven in U.S. inches
1 inch = 25.4 mm
33

TRACTOR - - MODEL NUMBER 917.270722
CHASSIS AND ENCLOSURES
28
12
31 53
54
55
6O
2_74 3
38_39
14
,'! _34

TRACTOR - -MODEL NUMBER 917.270722
CHASSIS AND ENCLOSURES
KEY PART
NO. NO. DESCRIPTION
1 160392 ChassisAssembly
2 140356 Drawhar
3 17490612 Screw, Thd. Rog.3/8-16 x 3/4
4 19131216 Washer 13/32 x 3/4 x 16Gauge
5 155272 BumperHood/Dash
9 161917X013 Dash
10 S'1"D533710 Bo_ Cardage 3/8-16 x 3/4
11 155927 Panel, Dash, LH.
12 145660 Clip_nnerman GnlleP/L
13 155936 Panel, Dash, R.H.
14 17490608 Scraw'Thdrct3/8-16 x 1/2
17 144983X558 HoodAssembly
18 126938X Bumper Hood
25 19131312 Washer 13/32 x 13/16 x 12 Gauge
26 S'TD541437 Nut
28 145198X558 Grillew/ClipsMSo558
29 155217 Lens,Grille
30 151287X558 Fender
31 139976 Bracket, Fender
37 17490508 Screw Thdrol5/16-18 x 1/2
38 139886 PivotBracketAssembly,L.H.
39 139887 PivotBracketAssembly,R.H.
51 73800400 Nut Lockw/Insert 1/4-20 UNC
52 19091416 Washer9/32 x 7/8 x 16 Ga.
53 145201 BracketGrillePickoffLH
54 161464 Screw Hex Wshd #8-8 x 7/8
55 145202 BracketGrineF_kofl RH
57 STD522507 Boit,FinHex 1/4-20 UNC x .75
60 STD533707 Bolt RdhdSqnk 3/8-16 UNC x 3/4
64 154798 Dash LowerSilt
74 S'rD541437 Nut, Crowntock 3/8-16 UNC
140 158418 BracketFrontSuspension
142 165867 Plate ReinforcementSTLT
143 154966 BracketSwaybarChassis
144 154207 BracketPnt FootrestSTLT
145 156524 Rod PivotChassis/Hood
-- 5479J Plug, Button
NOTE: AllcomponentdimensionsgiveninU.S. inches
1 inch= 25.4 mm
35

TRACTOR - - MODEL NUMBER 917.270722
GROUND DRIVE
57
_--18 _ _ 83_82
19 "88
71 16 81 .87 8688
3_ 62
• 103 97
61 52
16 __._ 19
35
27
36

TRACTOR - - MODEL.NUMBER 917.270722
GROUND DRIVE
KEY PART KEY PART
NO. NO. DESCRIPTION NO. NO.
1 150071 Transaxla, (See Breakdown) 61 17490612
Hydro Gear 319-0650 62 8883R
2 146682 Spring, Retum Brake 63 140186
5 121520X Strap, Torque 64 71170764
6 17490512 Screw,Thd., Roll, 65 10040700
5/16-16 x 3/4 66 154778
8 141003 Rod, Shift 69 142432
10 76020416 Pin,Cotter 11/8x I Cad
11 105701X Washer,Shift;Plate 70 134683
13 74550412 Bolt 1/4-28 UNF Grade 8 72 19132012
WPatch 74 156972
15 74490544 BoltHex Flghd5/16-18 x Gr. 5 75 121749X
18 74760616 BoltFinHex 3/8-16unc x 1
Gr. 5 76 1_1
19 73800600 Nut LockHex W/ins 3/6-16 77 123583X
UNC 78 121748X
21 106933X Knob, Round 1/2-13
22 130804 Rod,Brake 81 156046
24 73350600 Nut, Hex Jam 3/8-16 Uric 82 123782X
25 106888X Spring,Brake Rod 83 19171216
26 19131316 Washer 84 158266
27 76020412 Pin Cotter 1/8 x 3/4 Cad 86 157480
28 145204 Rod, ParkingBrake 87 19212016
29 124236X Cap, Parking Brake 88 12000008
30 130807 Bracket,Transaxle 89 158388
32 74760512 Bolt gO 124346X
34 155071 ShaftAscembly,Foot Pedal 95 156970
35 120183X Bearing,Nylon 96 4497H
36 19211616 Washer 113 127285X
37 1572H RolIPin 116 72110610
38 123674X Pulley,Idler,Flat
39 74760644 Bolt 122 156963
40 4470J Spacer,Spltt .395 x .59 123 19091016
41 154777 Keeper, Belt, Idler 124 156967
42 19131312 Washer13/32 x13/16 x12 Ga. 125 74780516
47 127783 Pulley,Idler,V-Groove, Plastic 126 16851-1
48 154407 Bellcraf_ ClutchGrnd Dw Stl 143 74780520
49 123205X Retainer,Belt
50 74760624 Bolt 145 74490540
51 73680600 Nut, Crownlock 3/8-16 Unc 146 74490536
52 73680500 Nut, CrownlockS/16-18UNC 147 74490524
53 105710X Unk, Clutch 148 159103
55 105709X Spring,ClutchReturn 149 122052
56 74760620 Bolt,Flex3/8-16x 1-1/4 150 150935
57 140294 V-Belt,Ground Ddve 151 19133210
59 140312 Keeper, Belt,Center Span 153 160792
DESCRIPTION
Screw, Thdrol.3/8-16 x 3/4
Cover.Pedal
Pulley,Engine
Belt, Hex 711620 x 4 Gr. 5
Washer
Keeper, Belt, Engine
Screw, Hex WasherHi-Lo
1/4-1/2
Keeper, Belt Engine
Washer 13/32 x 1-1/4 x 12 Ga.
Spacer,Axle PVST
Washer 25/32 x 1-1/4 x 16
Gauge
E-Ring
Key,Square
Washer 25/32 x 1-5/8 x 16
Gauge
ShaftAssembly
Spdng,Torsion
Washer 17/32 x 3/4 x 16 Gauge
"heROd
Bushing
Washer 21/32 x 1-1//4 x 16
RingKlip
Console, Shift
Nut Self-'rhd 1/4 Zinc
Rod Asm Bypass PVST
Retainer Spring 1"Zinc/Cad
StrapTorqueLH LT
Bolt RdhdSq Neck3/8-16 x
1.25
Plate BypassPVST
Washer 9/32 x 5/8 x 16 Ga.
SpdngRelum PVST
Belt F'mHex 5/16-18 Unsx 1
Nut Lock 5/16-18 Unc
BoltRn Hex 5/16-18 Uncx 1-
1/4
Bolt Hex Flghd5/16-18 x Gr. 5
Bolt Hex Fig5/16-18unc x 2
Belt Hex Flanged
Spacer
Spacer Reteiner Pm Mower
Besh_j Nyk_nCoUerad
Washer 13/32 x 2 x 10Ga.
AgenWrench
NOTE: AllcomponeutdimensionsgiveninU.S. inches
1inch = 25.4 mm
37

TRACTOR - - MODEL NUMBER 917.270722
STEERING ASSEMBLY
I
,---,---42
4?
/ /
28/
/
3O
....:.38

TRACTOR - - MODEL NUMBER 917.270722
STEERING ASSEMBLY
KEY PART
NO. NO. DESCRIPTION
1 139768
2 154427
3 156483
4 157473
5 6266H
6 121748X
7 19272016
8 12000029
9 3366R
10 156438
11 STD551137
13 154779
15 73901000
17 156546
18 57079
19 124035X
20 126684X
22 71200410
23 127501
25 154406
26 126847X
27 136874
28 19131416
29 17490612
30 STD561210
32 130465
36 155099
37 152927
38 139769
39 19133808
40 STD541537
41 100711L
42 145054
43 121749X
44 153720
46 121232X
47 6865M
51 STD541431
54 74780520
62 156594
63 STD523710 .
65 154780
66 1544O4
67 74781044
68 154429
SteeringWheet
FrordAxleArSeembty
SpindleAssembly,LH.
SpindleAssembly,R.H.
Bearing, Race,Thrust, Hardened
Washer 25/32 x 1-5/8 x 16 Gauge
Washer 27/32 x 1-1/4 x 16 Gauge
Ring,Krlp
Beering,SteeringColumn
Link, Drag
Washer,Lock
Spacer,Bearing,FrontAxle
Nut, Lock,Flange5/8-11 UNC
Shaft_, Steering
Washer,Thrust.515 x .750 x .033
Support,Shalt
Washer,Shim 114x 5/8 x .062
Screw Has Socket 114-20x 5/8
PinmanShaftAssembly
Bracket, Steering
Bushing,Link, Drag
Gear, Sector
Washer 13/32 x 7/8 x 16 Gauge
Screw,Thd., Roll.3/8-16 x 3/4
Pin
Rod,"Re
Bushing,Steering
Screw'l-r #10-32x 5 x 3/8 Flange
Insert, Steering Wheel
Washer 13/32 x 2-3/8 x 6 Gauge
GripcoNut
Adaptor,Stasdng Wheel
Boot, SteeringDash PJLMtl BIk
Washer 25/32 x 1-1/4 x 16 Gauge
Exte_on SteeringNon-Adjust
Cap, Spindle
Rging, Grease
Nut Lock I'_ W/Ins 5/16-18 UNC
BoltFin Hex 5/16-18 UNC x 1-1/4
Kit,Steering Assembly,Service
BollRn Hex 3/8-16 unc.x I Gro5
Spacer Axle
BearingArm Pittman
Bon Fin Hex 5/6.11unc x 2-3/4
BraceA)de
NOTE: All componentdimensionsgive_ in U.S. inches
1 inch= 25.4 mm
39

ENGINE
TRACTOR - " MODEL NUMBER 917.270722
33
S_s_rk A_parkA_resOPTiONAL EQUIPMENT
ter '1
4O

ENGINE
TRACTOR - - MODEL NUMBER 917.270722
KEY PART
NO. NO. DESCRIPTION
1 162157
2 17720410
3........
4 137352
13 272293
14 13280324
15 13200300
16 STD551237
23 159880
29 137180
31 109202X
32 158990
33 123487X
35 17490512
37 137040
38 ......
40 124028X
44 17490412
46 19091416
62 STD551131
72 71070512
78 17490620
81 128861
ControlThrotICh Lh
Screw Hex Thd Cut 1/4-20x5/8T
Engine (See Breakdown)B&S Model 311707-O132-E1
Muffler ExhaustB&SLt
Gasket 1 313 ld "13nPlated
Nipple Pipe3/8 NptX 3"
ElbowStd 90 Degree 3/8-18 Npt
Washer Lock ExtTooth3/8
Shield Browning/DebrisGuard
ArrestorSpark
Tank Fuel I 25 Fr
Cap Asm FuelScars Vented
Clamp Hose BIk
Screw,Thdrol5/16-18 x 3/4 Tyt
Line Fuel 20"
Plug Oil Drain(Order From Engine Manufacturer)
BushingSnap Nyl BIk Fuel Une
Screw HexwshThdrol1/4-20x3/4
Washer 9/32 X 7/8 X 16ga
Washer LockHvy Hlcl Spr 5/16
Screw HexhdCap 5/16-18x3/4
Screw Thdrol3/8-16xl-1/4 Tytt
Nut Range 1/4-20 Starter Nut
NOTE: All componentdimensionsgiven in U.S. inches
1 inch= 25.4 mm
41

TRACTOR - - MODEL NUMBER 917.270722
SEAT ASSEMBLY
KEY
NO.
1
2
3
4
5
6
7
8
9
10
11
PART KEY PART
NO. DESCRIPTION NO. NO. DESCRIPTION
140123
140551
STD523710
19131610
145006
STD541437
124181X
17490616
19131614
155925
120068X
Seat 3450 BlkfolkCraftsman 12 121246X
BracketPnt _Seat (bik) 13 121248X
Bo_tFin Hex 3/8-16uncX 1 14 72050412
Washer 13/32 X 3/4 X 10 Ga 15 134300
ClipPush InHinged 16 121250X
Nut He:<Lock w/Ins3/8-16 Unc 17 123976X
SpringSeatCprsn2 250 BIkZi 21 153236
ScrewThdrol3/8-16 X 1Ty-tt 22 STD541431
Washer 13/32X 1X 14Ga 24 19171912
Pan Pnt Seat (blk) 25 127018X
Knob Seat 1/2-13 Unc BIk
BracketPntMountingSwitch
BushingSnap BIk Ny150 Id
Bolt RdhdSht Nk 1/4-20x1-1/2
Spacer Split28 X 96Zinc
Sp_ng CprsnI 27 BIk Pnt
Nut Lock1/4 Lge FigGr 5 _nc
Bolt Shoulder5/16-18 Unc-2A
Nut Hex Lock w/Ins5/16-18
Washer 17/32 X 1-3/16 X 12 Ga.
BoltShoulder5/16-18 X 62
NOTE: Allcomponent dimensions given in U.S. inch-
esl inch= 25.4 mm
42

DECALS
TRACTOR - -MODEL NUMBER 917.270722
21
56 3
5
410
\12
2O
21
?:_Y PART
,_'> H©.
" 3,: '_
'_ !I-4
:':S:G04
_b_i3p
",'<E/ PART
Decal, Mower EZ
r}ecal, Fe_er Dange_
;i 3:':{:
!: _ 1i
i4:_34
_54S_5
15_51S
165093
_.;£SCRIPTION
Dec_'.!, V-L_!t Z:, 83q} :!,sic
Pad, Footres_ .LH "Ci! T
P_d, _ootresI rail 8TLT
_anuel, Ow,qer's iEnglisi_)
_is_ual, O_ner's (Spanish)
'_ HF-.ELS & TIRES
4,10
fl
KEY
NO.
1
2
3
4
8
9
10
tl
PA RT
_'10, DESCRIPTION
59192 Cap ValueTire
65139 Stem Value
106222X Tire Front
59904 Tube Front "13re(Not Provided, :
Sar,'ice Item Only
106732X427 Rim Front
278H Fitting Grease (Front Wheel
Only)
9040H Beadng Flange (Front Wheel
Only)
10_108X427 Rim Rear
122082X Tire Rear
7152J Tube Rear "l]re (Not Provided.
Sercie Item Only
104757)( Cap Axle
144334 Sealant, Tim (10 oz. tube)
NOTE: All componentdimensionsgiveninU.S. inches
1 inch= 25.4 mm
43

TRACTOR - - MODEL NUMBER 917.270722
LIFT ASSEMBLY
29_ 28 27
13
12
• -_ 13
49
23
!
I
I
i
i
I
3O
3
\
26
6
7
44

TRACTOR - - MODEL NUMBER 917.270722
LIFT ASSEMBLY
KEY PART
NO. NO. DESCRIPTION
1 159460 Lilt LeverInner WireAsm.
2 159471 ShaftAsm. Lift
3 105767X Pin Groove
4 1200(XX_ E Ring
5 19211621 Washer21/32xlx21 Ga.
6 120183X BearingNylong
7 125631X Grip Handle Rutad
8 122365X ButtonPlungerRead
11 139865 LinkAsm LiftLH.
12 139866 LinkAsm LiftR.H.
13 STD624008 RetainerSpring
15 127218 Link Front
16 73350800 Nut Jam Hex 1/2-13 Unc
17 130171 TrunnionBIkZinc
18 73680800 NutLock W/Wsh 1/2-13 Une
19 139868 Arm SuspensionMower
20 163552 RetainerSpring
23 110807X Nut, Special
24 19131016 Washer 13/32x5/8x16Ga.
25 2876H Spnng
26 76020308 Pin, Cotter3/32 x 1/2
27 126971X Rod,AdjustLife
28 73350600 Nut, Hex Jam 3/8-16 UNC
29 138057 Knob,InfiniteHeightAdmustment
30 150233 Trunnion,Inf. Height
31 140302 Bearing,Pvt. Lift.Spherical
32 73540600 Nut Crownlock3/8-24
49 145212 Nut, Hex Range Lock
50 110452)( Nut, Push Phos.& Oil
NOTE: AllcomponentdimensionsgiveninU,S, inches
1 inch= 25.4 mm
45

TRACTOR - - MODEL NUMBER 917.270722
MOWER DECK
68
_-132
31
21 22
113 111
\.
\
28
29
26
27
46

TRACTOR - -MODEL NUMBER 917.270722
MOWER DECK
KEY PART KEY PART
NO. NO. DESCRIPTION NO. NO.
1
2
3
4
5
6
8
9
10
11
12
13
14
15
16
17
18
19
2O
21
22
23
24
25
26
27
28
29
3O
31
32
33
34
35
36
37
4O
41
43
44
45
46
48
49
5O
51
52
53
54
55
56
58
144393 Mower Housing 59 141043
STD533107 Bolt 67 162113
138017 BrecketAssembly,Sway Bar, 68 144200
Front 71 142427
138440 BracketAssembly,Sway Bar 72 131870 .
STD624008 Retainer Spdng 73 127847
1308,32 Arm, Suspension,Rear 74 121748X
850857 Bolt, Hex 3/8-24 x 1.25 Gr. 8 75 120000_9
STD551137 Washer,Lock 76 128903
140296 Washer,Hardened
134149 Blade, Mulching 77 127845
129895 Bearing, Ball 78 160570
137645 ShaftAssembly,Mandrel, 79 127498
Vented (Incl. Key Number 6) 80 153701
128774 Housing,Mandrel, Vented 81 73350600
110485X Beadng, Ball,Mandrel 82 142028
140329 Stripper,Vented Mower Deck 83 120958X
72110610 Bolt,Carriage 3/6-16 x 2-1/4 84 156084
STD522106 Bolt,Carriage 5/16-18 x 5/8 85 72140620
132827 Bolt,Shoulder 92 STD541487
159770 Baffle,Vortex
STD541431 Nut, Crownlock5/16-18 UNC 101 136420
134753 StiffenerBracket 102 71161010
131267 Bracket, Deflector 103 19061216
105304X Cap, Sleeve 104 STD541431
123713X Spdng,Torsion,Deflector 105 160793
110452X Nut, Push 106 2029J
130968 Shield, Deflector 111 155197
19111016 Washer 11/32 x 5/8 x 16 Ga. 112 155198
131491 Rod,Hinge 113 17490512
157722 ScrewThdrolRollingWsh lid 114 STD541431
129963 Washer, Spacer 115 72110504
153535 Pulley,Mandrel 116 137644
137266 Nut,Toplock,Flanged 117 133957
STD533717 Bolt 118 73930600
133835 Pastner,ChdstrnasTrea 119 19121414
131494 Pulley,Idler,Flat 121 143723
STD551037 • Washer13i32x13/16x16Ga. 128 153390
STD541437 Nut, Crownlock3/8-16UNC 129 19131312
133551 Rod, Pivot,with Nibs 130 STD523710
140083 Rod, Clutch,Secondary,w/Nios
140088 Guard, Mandrel,LH. 131 STD533710
STD624(X)3 Retainer 132 19132203
137729 Screw, Thd. Roll 1/4-20 x 5/8 141 6266H
133944 Washer, Hardened - - 130794
155066 RollerAssembl_ Cam Follower
131340 Bolt,Shoulder#10-24 Grade 5
STD541410 Lceknut - -145411
139888 Bolt,Shoulder5/16-18 UNC
131845 ArmAssembly,Pad, Brake
133943 Washer, Hardened
155046 Arm, Idler
122052X Spacer,Retainer
140086 Spdng,TorsionBrakes42"
DESCRIPTION
Guard,Tuv Idler(94)
KnobCustomOvel
V-Bett
Rod, Clutch,Primmy,withNios
Spring, Return
Arm, Clutch,Secondary
Washer25/32 x 1-5/8 x 16 Ga.
Ring, Klip
Bolt,Shoulder3/8-16 UNC x
1.44
Keeper, Spring
Arm, Clutch,Pdmary
Bushing,Large, Brass
Spdng, Mower Clutch
Nut, Hex Jam 3/8-16 UNC
TrunnionAdj. 94
Washer Sintered
Keeper BeltIdler
BoltCarriage 3/6-16 x 2-1/2
Locknut,Hex WhNsh 3/8-16
UNC
Cover Mulching42" Black
Screw Truss Hd Phi110-24x5/8
Washer#10
Washer Lock #10
Latch Asm Bagger
NutWeld
BracketGauge, Wheel LH
Bracket,Gauge, Wheet RH
ScrewThdrol 5/16-18 x3/4
Nut, Hex Keps 5/16-18 UNC
Bolt,Carriage 5/16 UNC x 1/2
Bolt,Shoulder
Wheel, Gauge
Nut, Crownlock 3/8-16
Washer 13/32 x 7/8 x 14 Ga.
Bracket
Washer Felt
Washer 13/32 x 13/16 x 12 Ga.
Bdlt,FinHex 3/8-16 UNC x 1
Gr. 5
BoltRdhd Sqnk 3/8-16 UNC x 1
Washer 13/32 x 1-3/8 x 3 Ga.
WasherThrust .75 x 1.230
Mandrel Assembly(Includes
Key Numbers8-10, 12-15, 31
and 32)
Mower Deck, Complete(Std
deck - orderespamtely mulcher
plate componentskey nos. 101-
106)
NOTE: Agcomponent dimensionsgivenin U.S.inches
1inch = 25.4 mm
47

TRACTOR - - MODEL NUMBER 917.270722
HYDRO GEAR TRANSAXLE - - MODEL NUMBER 319-0650
41
21
59
23
9O
48

TRACTOR .-MODEL NUMBER 917.270722
HYDRO GEAR TRANSAXLE.. MODEL NUMBER 319-0650
KEY PART KEY PART
NO. NO. DESCRIPTION NO. NO.
1 532142930 Housing, Lower 43 532142884
2 532142931 Aeseml_, Upper Housing 44 5321,._829
3 532142932 Seal, Up 52 532142991
4 532142928 Ring, Wire Retaining 53 532142961
5 532142933 Ring, Retaining 56 532142963
6 532142934 Beadng, ShaftBall 58 532142964
7532142935 Beadng, Cmd/e 59 532142965
8 532150771 Beadng, Thrust 30x52x13 62 532142966
9 532142937 Swashplate, Variable 63 532142967
13 532142938 Block,CylhxlarAssembly 64 532142920
14 532142939 Arm,Trunnlo¢l 68 532142969
15 532142940 Seal, lip 69 532144610
17 532142941 Guide, Slot 83 532142971
18 532150772 Shaft, Motor 85 532150806
19 532150773 Bearing,Thrust 42x68x16 88 532142973
23 532142944 Block.CytinderAssembly 89 532142974
24 532142945 Seal, Lip 10 x 25 x 7 90 532142975
25 532142946 Actuator,Bypass 91 532142976
26 532150774 CenterSectionAssemblyK_ 92 532142977
27 532142948 Seal, Lip 26 x 42 x 8 93 532142978
28 532142949 Ring,Retaining 113 532142917
29 532142950 Washer 26x35x 1 114 532142918
30 532150787 Plate, Bypass 119 532142980
34 532142951 Oil Rlter Element 134 532144607
35 532142952 Arm, Bypass 135 532144608
36 532142953 Ring, Retaining 139 532150775
37 532142954 Arm,Actuating 140 532150776
38 532142955 Pin, Actuating
39 532150777 Bolt 5/16-24xl-3/4
40 532150778 Locknut,Hex 5/16-24 UNJC
41 532142958 Brake Rotor/Statorlot
DESCRIPTION
Washer 7/16 x 7/8 x.060
Dmeren_ Assem_
Washer 3/4 x 1.5 x.13
Seal .75 x 1.25 x .250
Shaft, Input
Bolt 1/4-20 x 1.38
Pin .50D x .43 ID x .750
Arm, Control
Puck, Dampener
Set Screw
Sp_ng
Stud 5/16-24
JackshaftAssembly
Jackshaft
Screw, Cap
Washer 7/18x 1 xl/2
Sleeve Bearing
Seal, Wiper
Spring, Block
Washer, BlockThrust
Cap, V_n! Assembb/
Rtting,O-Ring Assembly
Spacer
Nut, Castle 5/16-24
Pin, Cotter
Spdng,Compression
Nut, Flex 5/16-24
NOTE: All componentdimensionsgiven In U.S. Inches
1 inch= 25A mm
49

TRACTOR - - MODEL NUMBER 917.270722
BRIGGS & STRATTON ENGINE-MODEL NUMBER 311707, TYPE NUMBER 0132-E1
11
"k REQUIRE88PECIAL TOOLS
TO IN._'ALL. SEE REPAIR
h'_I_'RUGTIONMANUAL
,o_
307 _I 10"19LABEL KIT I
1lo_ OWNE.'s.MANUALI
u/[
5O

TRACTOR---MODEL NUMBER 917.270722
BRIGGS & STRATTON ENGINE-MODEL NUMBER 311707 , TYPE NUMBER 0132-E1
10
51

TRACTOR -- MODEL NUMBER 917.270722
BR|GGS & STRATTON ENGINE-MODEL NUMBER 311707, TYPE NUMBER 0132-E1
411117 1270
SEE REPAIR LMT/CARBURETOR _ I 047
INSTRUCTIONIk_t,lUAL PARTNUMBER 142 105 186"_ I"l J
LOCATIONS .--_.; __,-,_ __ J
THIS CARBURETOR SERVICES BOTH CHOKE-A.-MATIC AND MANUAL CHOKE SY3TEM,_
,++,-+ +, +
52

TRACTOR - - MODEL NUMBER 917.270722
BRIGGS & STRATTON ENGINE-MODEL NUMBER 311707, TYPE NUMBER 0132-E1
878
r_
616
8o2
801
53

TRACTOR - -MODEL NUMBER 917.270722
BRIGGS & STRATTON ENGINE-MODEL NUMBER 311707, TYPE NUMBER 0132-E1
304A
1005
m&
.i
54

TRACTOR - -MODEL NUMBER 917.270722
BRIGGS & STRATTON ENGINE-MODEL NUMBER 311707, TYPE NUMBER 0132-E1
_11 "'" J _r RE(XmESm,t=Ct_ TOOLS
127_ 9578 954_ 104_| _mll_C'l_m_
70 _;(_ 95. 14I
110 _163_ 529_1 958_
%' .,0
55

TRACTOR - - MODEL NUMBER 917,270722
BRIGGS & STRATTON ENGINE-MODEL NUMBER 311707, TYPE NUMBER 0132-E1
KEY PART KEY PART
NO. NO. DESCRIPTION NO. NO. DESCRIPTION
1 690156 CylinderAssembly 98 495800 Screw,Idle Speed
2 399265 Bushing,Cylinder 104 231789 •Pin, Float Hinge
3 391086 * Seal, Oil 105 231855 •Valve,Needle
4 494238 Sump, Engine 106 231854 • Scat, Inlet
5 690188 Head, Cylinder 108 224558 Valve,Choke (ManualChoke)
6 94927 Washer, Flat 108A 224540 Valve,Choke (Choke-A-Matic)
7 273763 0" Casket, CylinderHead 110 225137 Washer,Rat
8 495735 BreatherAssembly 116 270920 " Seal, O-Ring
9 27803 * Casket, Breather 117 232118 °Jet,Main (Standard)
10 94621 Screw, He)( 232119 Jet,Main (HighAltitude)
11 281246 Tube, Breather 121 690191 CarburetorOverhaulKit
12 271916 * Gasket, Crankcase(.015_Thk) 123 95160 Screw, Hex
271997 * Casket, Crankcase (.005_ Thk) 125 690194 Carburetor
13 94728 Screw_Cylinder Head (3- 127 •Plug, Welch (Sold in KitOnly)
9/160) 130 224539 Valve,Throttle
15 94239 Plug, Oil Drain 131 493379 Throttle Shaft Kit
16 690136 Crankshaft 133 494381 Float,Carburetor
20 291675 * Seal, Oil 137 281165 0* Gasket, Roar Bowl
22 95187 Screw, Crankcase Cover 141 495097 Choke ShaftKit (Man. Choke)
23 690222 Rywheel 141A 495931 Choke ShaftKit (Choke-A-
24 222698 Key, Rywheal Matic)
25 692271 Piston,Assembly(Std.) 142 232117 •Nozzle, Carburetor
692272 PistonAssembly(.0100 O.S.) 146 94196 Key,Timing
692273 Piston Assembly(.020_ O.S.) 163 281051 * Casket, Air Cleaner
692274 PistonAssembly (.030(_ O.S.) 171 281051 Nut
26 690162 RingSet, Piston(Std.) 186 493496 Connector,Hose
690164 RingSet, Piston(.0100 O.S.) 187 298049 Une, Fuel (Cutto Required
690166 RingSet, Piston(.0200 O.S.) Length)
690168 Ring Set, Piston(.0300 O.S.) 188 94627 Screw He)(
27 263129 Lock,Piston Pin 192 492160 Adjuster,RockerArm
28 498319 Pin Assembly,Piston(Std.) 199 494768 Valve, Shut-Oft
498320 PinAssembly, Piston(.005_ 205 94903 Screw, Sholder
O.S.) 205A 94073 Screw, Shoulder
29 499468 Rod Assembly,Connecting 209 260695 Spring,Governor
(Std.) 216 262766 Link,Choke
499940 Rod Assy.,Connecting (.020 216A 262766 Unk, Choke
U.S.) 222 495611 Bracket,Control
32 95190 Screw, ConnectingRod 224 95163 Screw,Torx_Hex
33 495856 Valve, E)dtaust 227 493935 Lever, Governor
34 495857 Velve,.Intake 232 262785 Spdng,Unk
35 262811 Spring,Valve RPM Scttings: Low:.1650-1850
40 224641 Retainer,Valve High: 3200-3400
43 40815 GovJOII Slinger
45 262411 Tappet,Valve * Includedin Casket Set (690189).
46 496884 Gear, Cam included in CarburetorKit (690191).
50 690193 Manifold,intake 0 Includedin CarburetorGasket Set (690192).
51 281735 *a Casket, Intake €Indeded in Valve oved_ul Gasket Set (690190)
51A 273650 § Casket, intake §indudedinKifsO,0e.
53 94637 Stud, Carb. Mounting
73 494439 Screen, Rotating NOTE: Allcomponentdimensionsgivenin U.S. inches
75 225136 Washer, Flywheel 1 inch=25.4mm
78 94821 ScrewTorx_
87 491323 "Seal, GovemorShaft 238 262836 Cap, Valve
93 281346 BushingThrottle Shaft 240 394358 Fdter,Fuel
94 498030 Valve, Idle Adjustment 265 221535 Clamp, Casing
95 94098 '; Screw,Choke/Throttle
56

TRACTOR - - MODEL NUMBER 917.270722
BRIGGS & STRATTON ENGINE-MODEL NUMBER 311707, TYPE NUMBER 0132-E1
KEY PART KEY PART
NO. NO. DESCRIPTION NO. NO. DESCRIPTION
294 810104 Adjuster,RockerArm 729A 225170 Clip,Wire
304 225511 Housing,Blower(Red Outer) 741 262932 Gear,'Rming
304A 225017 Housing,Blower (BlackInner) 757 213998 Unk, Countewtei_t
305 94682 Screw,Hex 758 499994 Counterweight
- 305A 94822 Screw, Ton<" 759 230787 Pin, Countan_ight
306 225020 Shield,Cylinder 761 94593 Screw, Hex
307 94930 Screw, Hex 783 280104 Gear, Starter
309 497595 Mater, Starter 789 497708 Harness,Wiring
310 94003 Screw, Hex 801 497626 Cap, Drive
311 497608 BrushSet 802 497607 Cap, End
333 495859 Armature,Magneto 803 497604 Housing,Starter
334 94731 Screw, ArmatureMounltng 830 94555 Stud, RockerArm
337 491055 Sparkpiug 847 496415 Dipstick/TubeAssy.
354 94010 Nut, Hex 851 224110 Terminal,Cable
355 281164 ,,0 Washer 868 499236 *e Seal, Valve
356 494705 Wire, Stop 871 262835 Bushing,Guide
358 690189 Gasket Set 875 495862 Base, AirCleaner
363 19203 Flywheel Puller 877 393456 Wire, Alternator
381 94863 Screw, Hex 878 393362 Harness,Alternator
383 89838 Wrench, Spark Plug 947 497672 Solenoid,Fuel
461 94734 Screw, Ton<',Hax 967 272403 Filter, Pre-Cleaner
467 493903 Nut,Air Cleaner 968 281758 Cover, Air Cleaner
474 393474 Alternator 975 494933 Bawl, Rcet
482 93621 Screw,Hex 977 690192 Gasket Set, Carburetor
493 224968 Bracket, Mounting(Front) 987 281166 •Seal,'_rotUe Shaft
493A 224969 Bracket, Mounting(Rear) 1005 281400 Fan, Rywheet
503 806000 Strap, Starter 1006 224413 Retainer, Fan
510 497606 Ddve, Starter 1019 690180 Label Kit
523 495230 Dipstick,Oil 1022 272475 *g Gasket, RockerCover
525 496113 Tube, Oil Fill 1023 225521 Cover, Rocker
529 281370 ° Seal, Fill Tube 1026 494432 Red, Push (Intake)
535 496894 Filter,/VC Element 1026A 495136 Rod, Push (Exhaust)
544 497603 Armature,Starter 1029 224554 Ann, Rocker
552 491986 Bushing,GovemorCrank 1033 690190 Valve Overhaul Klt
562 94907 Bolt,GovernorLover 1034 495248 Guide, PushRod
592 231978 Nut, Hex 1036 273807 Label Kit,Emission
592A 92278 Nut, Flex 1044 94673 Screw, Shoulder
601 95162 Clamp, Fuel Une 1058 273686 Owner's Manual
614 93306 Pin, Cotter 1090 497605 Retainer,Brush
615 263080 Ring, Retaining 1091 281364 Cap, Limiter
616 495157 Crank, Governor RPM Seffings: Low:1650 -1850
634 494453 °Seal, Spdng Assy.(Man. High: 3200 - 3400
Choke)
634A 494455 *SeaI, SpdngAssy.(_e-A- IncludodinGasketSet,PartNumber690189
Maltc) IncludedinCarburetorKit, PartNumber 690191
635 280872 Boot,Spark Plug 0 IncludedInCaCouretorGasket Set, Part
646 224546 Bmne Number 680192
657 94.905 Screw, SlottedHax _ IncludedinValveOverhaul Gasket Set, Part
663 94929 Screw, Hex Number 690190
663A 94704 Screw, Hax § Included inICits*,,0g
668 805402 Spacer
689 262715 Spring, F_n NOTE: All componentdimensionsgivenIn U.S. inches
673 94896 Screw, Hex 1 inch= 25.4 mm
718 230192 Dowel, Sleeve
726 399676 Gear, Ring
727 490324 Cover,Starter Ddve
728 94951 Screw, Torx"
729 __2_1390 Clip, Wire
57

SCHEMATIC
TRACTOR - -MODEL NUMBER 917.270722
I° 111111
BATrERY
.--( )G Lq
IGNITION
SWITCH
RED
V_RE
FUSE 30 AMP.
L ....... J
CLUTCH/BRAKE
(PEDALUP)
I
• ..... 1
SOLENOID
/;
REO
STARTER
SEAT SWITCH
(NOT OCCUPfED)
IGNITION SWITCH
I -- ill --
........ J
FUEL SHUT-OFF
SOLENOID
NOTE
CLUTCH OFF)
A
wSPARK
et_.K (_ IGNITIONuNIT _• _ PLUGGAP
_(2 PLUGS ON
TWIN CYL ENGINES)
YOUR TRACTOR IS
EQUIPPED WITH A SPECIAL
ALTERNATOR SYSTEM.
THE LIGHTS ARE NOT
CONNECTED TO THE
BA'I-I'ERY, BUT HAVE THEIR
OWN ELECTRICAL SOURCE.
BECAUSE OF THIS, THE
BRIGHTNESS OF THE LIGHTS
WILL CHANGE WITH ENGINE
SPEED. AT IDLE THE LIGHTS
WILL DIM. AS THE ENGINE IS NON-REMOVABLE
SPEEDED UP, THE LIGHTS CONNECTIONS
WILL BECOME THEIR BRIGHTEST.
HEADLIGHTS
REMOVABLE
CONNECTIONS
WIRING INSULATED CLIPS
NOTE: IF WIRING INSULATED CLIPS WERE REMOVED FOR
SERVICING OF UNIT, THEY SHOULD BE REPLACED TO
PROPERLY SECURE YOUR WIRING.
58

SUGGESTED GUIDE FOR SIGHTING SLOPES FOR SAFE OPERATION
_r _
SIGHTING ..-....Cu T
GUIDE TH-_
ONLY RIDE UP AND DOWN HILL,
NOT ACROSS HILL
O1
t,D
15" MAX.
I_ perate your Tractor up and down the face of slopes (not
greater than 15") never across the face. Make turns gradu-
ally to prevent tipping or loss of control. Exercise extreme
caution when changing direction on slopes.

For the repair or replacement parts you need
delivered directly to your home
Call 7 am - 7 pm, 7 days a week
1-800-366-PART
(1-800-366-7278)
Para ordenar piezas con entrega a
domicilio - 1-800-659-7084
For in--house major brand repair service
Call 24 hours a day, 7 days a week
1-800-4-REPAIR
(1-800-473-7274)
Para pedir servicio de reparaci6n a
domicilio - 1-800-676-5811
For the location of a Sears Parts and
Repair Center in your area
Call 24 hours a day, 7 days a week
1-800-488-1222
For information on purchasing a Sears
Maintenance Agreement or to inquire
about an existing Agreement
Call 9 am - 5 pm, Monday-Saturday
1-800-827-6655
Immmmm
mmm|mm
When requesting service or ordering
pads, always provide the following
information:
•Product Type •Part Number
•Model Number •Part Description SEARS
Amenca's Repazr Specialzsts
165092 Rev. 5 9.2.98 TR/JHNB/RD Printed in U.S.A,