Craftsman 917271811 User Manual LAWN TRACTOR Manuals And Guides L0103078
CRAFTSMAN Lawn, Tractor Manual L0103078 CRAFTSMAN Lawn, Tractor Owner's Manual, CRAFTSMAN Lawn, Tractor installation guides
User Manual: Craftsman 917271811 917271811 CRAFTSMAN LAWN TRACTOR - Manuals and Guides View the owners manual for your CRAFTSMAN LAWN TRACTOR #917271811. Home:Lawn & Garden Parts:Craftsman Parts:Craftsman LAWN TRACTOR Manual
Open the PDF directly: View PDF
.
Page Count: 60

Owner's Manual
ELECTRIC START
42" MOWER
6 SPEED TRANSAXLE
LAWN TRACTOR
Model No.
917.271811
• Safety
• Assembly
• Operation
• Maintenance
° Repair Parts
.,F-T-_ This product has a low emission engine which operates differently
III I tll from previously built engines. Before you start the engine, read
and understandthis Owner's Manual.
CAUTION:
Read and follow all
Safety Rules and Instructions
before operating this equip-
ment.
For answers to your questions
about this product, Call:
1-800-659-5917
Sear• Craft•men Help Line
5 am - 5 pm, Mon - Sat
Sears, Roebuck and Co., Hoffman Estates, IL 60179
visit our Craftsman website: www.sears.com/craftsman

Warranty ............................................... 2
Safety Rules ......................................... 3
Product Specifications .......................... 6
Assembly .............................................. 8
Operation ............................................ 12
Maintenance Schedule ...................... 19
Maintenance ....................................... 19
Service and Adjustments .................... 23
Storage ............................................... 29
Troubleshooting .................................. 30
Repair Pads ........................................ 34
Parts Ordering ..................... Back Cover
LIMITED TWO YEAR WARRANTY ON CRAFTSMAN RIDING EQUIPMENT PARTS
For two (2) years from the date of purchase, if this Craftsman Riding Equipment is
maintained, lubricated and tuned up according to the instructions in the owner's
manual, Sears will repair or replace, free of charge, any paris found to be defective in
material or workmanship. Warranty service is available free of charge by taking your
Craftsman riding equipment to your nearest Sears Service Center. In-home warranty
service is available but a trip charge will apply, This warranty applies only while this
product is in the United States.
This Warranty does not cover:
• Expendable items which become worn during normal use, such as blades, spark
plugs, air cleaners, belts and oil filters.
• Tire replacement or repair caused by punctures from outside objects, such as nails,
thorns, stumps, or glass.
•Repairs necessary because of operator abuse, including but not limited to, damage
caused by towing objects beyond the capability of the riding equipment, impacting
objects that bend the frame or crankshaft, or over speeding the engine.
• Repairs necessary because of operator negligence, including but not limited to,
electdcal and mechanical damage caused by improper storage, failure to use the
proper grade and amount of engine oil, failure to keep the deck clear of flammable
debds, or the failure to maintain the equipment according to the instructions
contained in the owner's manual.
• Engine (fuel system) cleaning or repairs caused by fuel determined to be contami-
nated or oxidized (stale). In general, fuel should be used within thirty (30) days of its
purchase date.
• Riding equipment used for commercial or rental purposes.
LIMITED 90 DAY WARRANTY ON BATTERY
For ninety (90) days from date of purchase, if any battery included with this riding
equipment proves defective in material or workmanship and our testing determines
the battery will not hold a charge, Sears will replace the battery at no charge. War-
ranty service is available free of charge by taking your Craftsman dding equipment to
your nearest Sears Service Center. In-home warranty service is available but a trip
charge will apply. This warranty applies only while this product is in the United States.
TO LOCATE THE NEAREST SEARS SERVICE CENTER OR TO SCHEDULE IN-
HOME WARRANTY SERVICE, SIMPLY CONTACT SEARS AT 1-800-4oMY-HOME
This Warrantygives you specificlegal dghts, and you may also have other rights
which may vary from state to state.
Sears, Roebuck and Co., 19/817 WA, Hoffman Estates, IL 60179

IMPORTANT: This cutting machine is capable of amputating hands and feet and
throwing objects. Failure to observe the following safety instructions could result in
serious injury or death.
I. GENERAL OPERATION
•Read, understand, and follow all
instructions in the manual and on the
machine before starting.
• Only allow responsible adults, who are
familiar with the instructions, to operate
the machine.
•Clear the area of objects such as
rocks, toys, wire, etc., which could be
picked up and thrown by the blade.
•Be sure the area is clear of other
people before mowing. Stop machine
if anyone enters the area.
•Never carry passengers.
•Do not mow in reverse unless abso-
lutely necessary. Always look down
and behind before and while backing.
• Be aware of the mower discharge
direction and do not point it at anyone.
Do not operate the mower without
either the entire grass catcher or the
guard in place.
• Slow down before turning.
•Never leave a running machine
unattended. Always turn off blades, set
parking brake, stop engine, and
remove keys before dismounting.
•Turn off blades when not mowing.
•Stop engine before removing grass
catcher or unclogging chute.
• Mow only in daylight or good artificial
light.
• Do not operate the machine while
under the influence of alcohol or drugs.
• Watch for traffic when operating near or
crossing roadways.
•Use extra care when loading or
unloading the machine into a trailer or
truck.
•Data indicates that operators, age 60
years and above, are involved in a
large percentage of riding mower-
related injuries. These operators
should evaluate their ability to operate
the riding mower safely enough to
protect themselves and others from
serious injury.
II. SLOPE OPERATION
Slopes are a major factor related to loss-of-
control and tipover accidents, which can
result in severe injury or death. All slopes
require extra caution. If you cannot back up
the slope or if you feel uneasy on it, do not
mow it.
DO:
•Mow up and down slopes, not across.
• Remove obstacles such as rocks, tree
limbs, etc.
•Watch for holes, ruts, or bumps.
Uneven terrain could overturn the
machine. Taft grass can hide ob-
stacles.
•Use slow speed. Choose a low gear
so that you will not have to stop or shift
while on the slope.
•Follow the manufacturer's recommen-
dations for wheel weights or counter-
weights to improve stability.
•Use extra care with grass catchers or
other attachments. These can change
the stability of the machine.
•Keep all movement on the slopes s/ow
and gradual. Do not make sudden
changes in speed or direction.
• Avoid starting or stopping on a slope. If
tires lose traction, disengage the
blades and proceed slowly straight
down the slope.
DO NOT:
•Do not rum on slopes unless neces-
sary, and then, turn slowly and gradu-
ally downhill, if possible.
•Do not mow near drop-offs, ditches, or
embankments. The mower could
suddenly turn over if a wheel is over
the edge of a cliff or ditch, or if an edge
caves in.
•Do not mow on wet grass. Reduced
traction could cause sliding.
•Do not try to stabilize the machine by
putting your foot on the ground.
•Do not use grass catcher on steep
slopes.

III.CHILDREN
Tragicaccidentscanoccuriftheoperator
isnot alert to the presence of children.
Children are often attracted to the
machine and the mowing activity. Never
assume that children will remain where
you last saw them.
•Keep children out of the mowing area
and under the watchful care of another
responsible adult.
•Be alert and turn machine off if children
enter the area.
•Before end when backing, look behind
and down for small children.
•Never carry children. They may fall off
and be seriously injured or interfere
with safe machine operation.
•Never allow children to operate the
machine.
•Use extra care when approaching blind
corners, shrubs, trees, or other objects
that may obscure vision.
IV. SERVICE
• Use extra care in handling gasoline
and other fuels. They are flammable
and vapors are explosive.
- Use only an approved container.
-Never remove gas cap or add fuel
with the engine running, Allow
engine to cool before refueling. Do
not smoke.
-Never refuel the machine indoors.
- Never store the machine or fuel
container inside where there is an
open flame, such as a water heater.
•Never run a machine inside a closed
area.
•Keep nuts and bolts, especially blade
attachment bo_ts, tight and keep
equipment in good condition.
• Never tamper with safety devices.
Check their proper operation regularly.
•Keep machine free of grass, leaves, or
other debris build-up. Clean oil or fuel
spillage. Allow machine to cool before
storing.
•Stop and inspect the equipment if you
stdke an object. Repair, if necessary,
before restarting.
•Never make adjustments or repairs with
the engine running.
• Grass catcher components are subject
to wear, damage, and detedoration,
which could expose moving parts or
allow objects to be thrown. Frequently
check components and replace with
manufacturer's recommended parts,
when necessary.
• Mower blades are sharp and can cut.
Wrap the blade(s) or wear gloves, and
use extra caution when servicing them.
• Check brake operation frequently.
Adjust and service as required.
• Be sure the area is clear of other
people before mowing. Stop machine if
anyone enters the area.
•Never carry passengers or children
even with the blades off.
•Do not mow in reverse unJess abso-
lutely necessary. Always look down
and behind before and while backing.
•Never carry children. They may fall off
and be sedously injured or interfere
with safe machine operation.
• Keep children out of the mowing area
and under the watchful care of another
responsible adult.
• Be alert and turn machine off if children
enter the area.
• Before and when backing, look behind
and down for small children.
•Mow up and down slopes (15 ° Max),
not across.
•Remove obstacles such as rocks, tree
limbs, etc.
•Watch for holes, ruts, or bumps.
Uneven terrain could overturn the
machine. Tall grass can hide obstacles.
4

•Use slow speed. Choose alow gear so
that you will not have to stop or shift
while on the slope.
• Avoid starting or stopping on a slope. If
tires lose traction, disengage the blades
and proceed slowly straight down the
slope.
• If machine stops while going uphill,
disengage blades, shift into reverse
and back down slowly.
• Do not turn on slopes unless neces-
sary, and then, turn slowly and gradu-
ally downhill, if possible.
_bLook for this symbol to point out
important safety precautions. It means
CAUTION!!! BECOMEALERT!!! YOUR
SAFETY IS INVOLVED.
_L CAUTION: In order to prevent
accidental starting when setting up,
transporting, adjusting or making repairs,
always disconnect spark plug wire and
place wire where it cannot contact spark
plug.
_i CAUTION: Do not coast down a hill
in neutral, you may lose control of the
tractor.
,_ CAUTION: Tow only the attachments
that are recommended by and comply
with specifications of the manufacturer of
your tractor. Use common sense when
towing. Operate only at the lowest
possible speed when on a slope. Too
heavy of a load, while on a slope, is
dangerous. Tires can lose traction with
the ground and cause you to lose control
of your tractor.
_WARNING: Engine exhaust, some of
its constituents, and certain vehicle
components contain or emit chemicals
known to the State of California to cause
cancer and birth defects or other repro-
ductive harm.
_IWARNING: Battery posts, terminals
and related accessories contain lead and
lead compounds, chemicals known to the
State of California to cause cancer and
birth defects or other reproductive harm.
Wash hands after handling,
5

PRODUCT SPECIFICATIONS
GASOLINE 3.5 GALLONS
CAPACITY UNLEADED
ANDTYPE: REGULAR
OILTYPE SAE 30 (ABOVE 32°F
API-SF-SJ): SAE 5W-30
(BELOW 32°F)
OIL CAPACITY: 3.0 PINTS
SPARK PLUG: CHAMPION RJt9LM
3AP: .030") OR J19LM
GROUND SPEED FORWARD:
(MPH): 1sT 1.2
2_° 1.5
3"D 2,4
MH3,5
5TM 4,8
6TM 5.3
REVERSE: 1.5
TIRE PRESSURE: FRONT: 14 PSI
REAR: 10 PSI
CHARGING 3 AMPS BATTERY
SYSTEM: 5 AMPS HEADLIGHTS
BATTERY: AMP/HR: 30
MIN. CCA: 240
CASE SIZE: U1 R
BLADE BOLT 27-35 FT. LBS.
TORQUE:
CONGRATULATIONS on your purchase
of anew tractor. It has been designed,
engineered and manufactured to give you
the best possible dependability and
performance.
Should you experience any problem you
cannot easily remedy, please contact a
_;o_,_sor other qualified service center.
We have competent, welFtrained techni-
cians and the proper tools to service or
repair this tractor.
Please read and retain this manual. The
instructions will enable you to assemble
and maintain your tractor properly.
Always observe the "SAFETY
RULES".Repair AGREEMENT
ARepair Agreement is available on this
product. Contact your nearest Sears store
for details.
CUSTOMER RESPONSIBILITIES
• Read and observe the safety rules.
• Follow a regular schedule in maintain-
ing, caring for and using your tractor.
• Follow the instructions under "Mainte-
nance" and "Storage" sections of this
owner's manual.
_WARNING: This tractor is equipped
with an internal combustion engine and
should not be used on or near any
unimproved forest-covered, brush-
covered or gress-covered land unless the
engine's exhaust system is equipped with
a spark arrester meeting applicable local
or state laws (if any). If a spark arrester is
used, it should be maintained in effective
working order by the operator.
In the state of California the above is
required by law (Section 4442 of the
California Public Resources Code). Other
states may have similar laws. Federal
laws apply on federal lands. A spark
arrester for the muffler is available
through your nearest Sears service center
(See REPAIR PARTS section of this
manual).

Steering Wheel
©
Steedng '_'f_"
Wheel Insert
(1) Hex Bolt 5/16-18 x 1-1/4
_SteeringWheel
_, Adapter
@
(1) Hex Bolt
3/8-16 x 1
(1) Large Flat Washer
(1) Locknut 5/16-18 (1) Lockwasher 3/8
Steering
Extension
Steering Shaft
Boot
(1) Washer
17/32 x 1-3/16 x 12 Gauge
_(1) Knob
Keys Slope Sheet
(2) Keys
Video Cassette
7

Your new tractor has been assembled at the factory with exception of those parts left
unassembled for shipping purposes. To ensure safe and proper operation of your
tractor all parts and hardware you assemble must be tightened securely. Use the
correct tools as necessary to insure proper tightness. Review the video cassette before
you begin.
TOOLS REQUIRED FOR ASSEMBLY
A socket wrench set will make assembly
easier. Standard wrench sizes you need
are listed below.
(1) 9/16" wrench (2) I/2" wrench
(1) Utility knife (1) Pliers
(1) Tire pressure gauge
When right or left hand is mentioned in
this manual, it means, from your point of
view, when you are in the operating
position (seated behind the steering
wheel).
TO REMOVETRACTOR FROM
CARTON
UNPACK CARTON
1. Remove all accessible loose parts
and parts cartons from carton.
2. Cut, from top to bottom, along lines on
all four comers of carton, and lay
panels flat.
3. Check for any additional loose parts
or cartons and remove.
BEFORE REMOVINGTRACTOR
FROM SKID
ATTACH STEERING WHEEL
ASSEMBLE EXTENSION SHAFT AND
BOOT
1. Slide extension shaft onto lower
steering shaft. Align mounting holes
in extension and lower shafts and
install 5/16 hex bolt and Iocknut.
Tighten securely.
2. Place tabs of steering boot over tab
slots in dash and push down to
secure.
INSTALL STEERING WHEEL
3. Position front wheels of the tractor so
they are pointing straight forward.
4. Remove steering wheel adapter from
steedng wheel and slide adapter onto
steering shaft extension.
5. Position steering wheel so cross bars
are horizontal (left to right) and slide
inside boot and onto adapter,
6. Assemble large fiat washer, 3/8 lock
washer, 3/8 hex bolt and tighten
securely.
7. Snap steering wheel insert into center
of steering wheel.
8. Remove protective materials from
tractor hood and grill.
IMPORTANT: Check for and remove any
staples in skid that may puncture tires
where tractor is to roll off skid.
Insert
3/8
,_ Lockwasher
eFlat
Washer
HOWTO SET UPYOURTRACTOR
CHECK BATTERY
1. Lift hood to raised position.
NOTE: If this battery is put into service
after month and year indicated on label
(label located between terminals) charge
battery for minimum of one hour at 6-10
amps. (See "BATTERY" in Maintenance
section of this manual for charging
instructions).

Label
I-
INSTALL SEAT
Adjust seat before tightening adjustment
knob.
1. Remove adjustment knob and flat
washer securing seat to cardboard
packing and set aside for assembly of
seat to tractor.
2. Pivot seat upward and remove from
the cardboard packing. Remove the
cardboard packing and discard.
3. Place seat on seat pan so head of
shoulder bolt is positioned over large
slotted hole in pan.
4. Push down on seat to engage
shoulder bolt in slot and pull seat
towards rear of tractor.
5. Pivot seat and pan forward and
assemble adjustment knob and flat
washer loosely. Do not tighten.
6. Lower seat into operating position and
sit in seat.
7. Slide seat until a comfortable position
is reached which allows you to press
clutch/brake pedal all the way down.
8. Get off seat without moving its
adjusted position.
9. Raise seat and tighten adjustment
knob securely.
Seat
\
Seat Pan_-
Bolt
Flat
NOTE: You may now roll or drive your
tractor off the skid. Follow the appropriate
instruction below to remove the tractor
from the skid.
TO ROLLTRACTOR OFF SKID (See
Operation section for location and
function of controls)
1. Press lift lever plunger and raise
attachment lift lever to its highest
position.
2. Release parking brake by depressing
clutch/brake pedal.
3. Place gearshift lever in neutral (N)
position.
4. Roll tractor forward off skid.
5. Remove banding holding deflector
shield up against tractor.
TO DRIVETRACTOR OFF SKID (See
Operation section for location and
function of controls)
_WARNING: Before starting read,
understand and follow all ins{ructions in
the Operation section of this manual. Be
sure tractor is in a well-ventilated area. Be
sure the area in front of tractor is clear of
other people and objects.
1. Be sure all the above assembly steps
have been completed.
2. Check engine oil level and fill fuel
tank with gasoline.
3. Sit on seat in operating position,
depress clutch/brake pedal and set
the parking brake.
4. Place gear shift lever in neutral (N)
position.
5. Press lift lever plunger and raise
attachment lift lever to its highest
position.
6. Start the engine. After engine has
started, move throttle control to idle
position.
7. Depress clutch/brake pedal into full
"BRAKE" position and hold. Move
gearshift lever to 1st gear.
8. Slowly release clutch/brake pedal and
slowly drive tractor off skid.
9. Apply brake to stop tractor, set parking
brake and place gearshift lever in
neutral position.
10.Turn ignition key to "OFF" position.
Continue with the instructions that follow.

INSTALL MULCHER PLATE
(If previously removed)
1. Raise and hold deflector shield in
upright position.
2. Place front of mulcher plate over front
of mower deck opening and slide into
place, as shown.
3. Hook front latch into hole on front of
mower deck.
4. Hook rear latch into hole on back of
mower deck.
,A_CAUTION: Do not remove deflector
shield from mower. Raise and hold shield
when attaching mulcher plate and allow it
to rest on plate while in operation.
TO CONVERT TO BAGGING OR
DISCHARGING
Simply remove mulcher plate and store in
a safe place. Your mower is now ready for
discharging or installation of optional
grass catcher accessory.
NOTE: It is not necessary to change
blades. The mulcher blades are designed
for dischargirlg and
Deflector /
Shield_ _ _.
ba ging also.
Mulcher
_/Plate
/_ Latch
_'_ Hooks
CHECK TIRE PRESSURE
The tires on your tractor were overinflated
at the factory for shipping purposes.
Correct tire pressure is important for best
cutting performance.
• Reduce tire pressure to PSI shown in
"PRODUCT SPECIFICATIONS" section
of this manual.
CHECK DECK LEVELNESS
For best cutting results, mower housing
should be properly leveled. See "TO
LEVEL MOWER HOUSING" in the
Service and Adjustments section of this
manual,
CHECK FOR PROPER POSITION OF
ALL BELTS
See the figures that are shown for
replacing motion and mower blade drive
belts in the Service and Adjustments
section of this manual. Verify that the belts
are routed correctly.
CHECK BRAKE SYSTEM
After you learn how to operate your
tractor, check to see that the brake is
properly adjusted. See "TO ADJUST
BRAKE" in the Service and Adjustments
section of this manual.
10

I/CHECKLIST
Be]ore you operate and enjoy your new
tractor, we wish to assure that you receive
the best performance and satisfaction
from this quality product.
Please review the following checklist:
/All assembly instructions have been
completed.
,/No remaining loose parts in carton.
,/Battery is propedy prepared and
charged.(Minimum 1 hour at 6 amps).
4" Seat is adjusted comfortably and
tightened securely.
,/All tires are properly inflated. (For
shipping purposes, the tires were
ovednflated at the factory).
,/Be sure mower deck is properly leveled
side-to-side/front-to-raar for best cutting
results. (Tires must be properly inflated
for leveling).
1/Check mower and drive belts. Be sure
they are routed properly around pulleys
and inside all belt keepers.
,/Check wiring. See that all connections
are still secure and wires are propedy
clamped.
While learning how to use your tractor,
pay extra attention to the following
important items:
,/Engine oil is at proper level.
,/Fuel tank is filled with fresh, clean,
regular unleaded gasoline.
4" Become familiar with all controls - their
location and function. Operate them
before you start the engine.
,/Be sure brake system is in safe operat-
ing condition.
11

These symbols may appear on your tractor or in literature supplied with the product.
Learn and understand their meaning.
BATFERY CAUTION OR
WARNING
ENGINE ON ENGINE OFF
REVERSE FORWARD FAST SLOW
FUEL CHOKE MOWER HEIGHT
OIL PRESSURE LIGHTS ON OVER TEMP
LIGHT L
PARKING BRAKE UNLOCKED MOWER LIFT
LOCKEO
_r'_ R N H L c®_[
ATTACHMENT REVERSE NEUTRAL HIGH LOW PARKING BRAKE
CLUTCH ENGAGED
KEEP AREA CLEAR SLOPE HAZARDS
ATTACHMENT
IGNITION CLUTCH DISENGAGED (SEE SAFETY RULES SECTION)
DANGER, KEEPHANDSANDFEETAWAY
12
FREEWHEEL
(Automat_ Modebon_)

KNOWYOURTRACTOR
READTHIS OWNER'S MANUAL AND SAFETY RULES BEFORE OPERATING
YOURTRACTOR
Comparethe illustrationswithyour tractorto familiarizeyourselfwiththe locationsof
vadouscontrolsand adjustments.Save this manualforfuturereference,
Attachment Lig_
Clutch Lever Ignition Switch
Ammeter Switch
Choke Control Lift Lever
Throttle
Control _
Clutch/
Brake
Pedal
Attachment
_Height
Adjustment
Indicator
ParkingBrake
Gearshift
Lever
Our tractors conform to the safety standards of the American
National Standards Institute.
ATTACHMENT CLUTCH LEVER: Used
to engage the mower blades, or other
attachments mounted to your tractor,
LIGHT SWITCH: Turns the headlights on
and off.
THROTTLE CONTROL: Used for starting
and controlling engine speed.
CHOKE CONTROL: Used when starting
a cold engine.
CLUTCH/BRAKE PEDAL: Used for
declutching and braking the tractor and
starting the engine.
PARKING BRAKE: Locks clutch/brake
pedal into the brake position.
GEARSHIFT LEVER: Selects the speed
and direction of tractor.
ATTACHMENT LIFT LEVER: Used to
raise, lower, and adjust the mower deck
or other attachments mounted to your
tractor.
LIFT LEVER PLUNGER: Used to release
attachment lift lever when changing its
position.
IGNITION SWITCH: Used for starting and
stopping the engine.
AMMETER: Indicates battery charging
(+) or discharging (.).
13

HOWTO USEYOURTRACTOR
TO SET PARKING BRAKE
Your tractor is equipped with an operator
presence sensing switch. When engine
is running, any attempt by the operator to
leave the seat without first setting the
parking brake will shut off the engine.
1. Depress clutch/brake pedal into full
"BRAKE" position and hold.
2. Place parking brake lever in "EN-
GAGED" position and release
pressure from clutch/brake pedal.
Pedal should remain in "BRAKE"
position• Make sure parking brake will
hold tractor secure.
The operation of any tractor can result in foreign objects thrown into the I
eyes, which can result in severe eye damage. Always wear safety I
glasses or eye shields while operating your tractor or performing any
adjustments or repairs. We recommend a wide vision safety mask over
spectacles, or standard safety glasses.
Choke Attachment Clutch Lever
Control "Engaged" Position
_ - -_=_._ fgnition Key
Thrott,o\ /O,aengaoed"
Control __ _ _ Position
Clutch/Brake\ _', ,\\ -
,,Orive-_,_- _ _3 '_ Jp_nigtaged
Pedal
•Disengaged" "Brake'
Position Position
Gearshift
Lever
STOPPING
MOWER BLADES -
•To stop mower blades,move attachment
clutch lever to "DISENGAGED" position.
GROUND DRIVE -
•To stop ground drive, depress clutch/
brake pedal into full "BRAKE" position.
•Move gearshift lever to neutral (N)
position.
ENGINE -
•Move throttle control to slow position.
NOTE; Failure to move throttle control to
slow position and allowing engine to idle
before stopping may cause engine to
"backfire".
•Turn ignition key to =OFF" position and
remove key. Always remove key when
leaving tractor to prevent unauthorized
use.
•Never use choke to stop engine.
IMPORTANT: Leaving the ignition switch
in any position other than "OFF" will cause
the battery to be discharged, (dead).
NOTE: Under certain conditions when
tractor is standing idle with the engine
running, hot engine exhaust gases may
cause "browning" of grass. To eliminate
this possibility, always stop engine when
stopping tractor on grass areas.
,_CAUTION: Always stop tractor
completely, as described above, before
leaving the operator's position; to empty
grass catcher, etc.
TO USE THROTTLE CONTROL
Always operate engine at full throttle.
•Operating engine at less than full
throttle reduces the battery charging
rate.
•Full throttle offers the best bagging and
mower performance.
TO USE CHOKE CONTROL
Use choke control whenever you are
starting a cold engine. Do not use to start
a warm engine.
•To engage choke control, pull knob out.
Slowly push knob in to disengage•
TO MOVE FORWARD AND BACK-
WARD
The direction and speed of movement is
controlled by the gearshift lever.
1. Start tractor with clutch/brake pedal
depressed and gearshift lever in
neutral (N) position.
2. Move gearshift lever to desired
position.
3. Slowly release clutch/brake pedal to
start movement.
IMPORTANT; Bring tractor to a complete
stop before shifting or changing gears.
Failure to do so will shorten the useful life
of your transaxle.
14

TO ADJUST MOWER CUTTING HEIGHT
The position of the attachment lift lever
determines the cutting height.
• Grasp lift lever.
• Press plunger with thumb and move
lever to desired position,
The cutting height range is approxi-
mately 1-1/2 to 4". The heights are
measured from the ground to the blade tip
with the engine not running. These
heights are approximate and may vary
depending upon soil conditions, height of
grass and types of grass being mowed.
•The average lawn should be out to
approximately 2-1/2 inches during the
cool season and to over 3 inches
during hot months. For healthier and
better looking lawns, mow often and
after moderate growth.
• For best cutting performance, grass
over 6 inches in height should be
mowed twice. Make the first cut
relatively high; the second to desired
height.
TO ADJUST GAUGE WHEELS
Gauge wheels are properly adjusted
when they are slightly off the ground
when mower is at the desired cutting
height in operating position. Gauge
wheels then keep the deck in proper
position to help prevent scalping in most
terrain conditions.
NOTE: Adjust gauge wheels with tractor
on a flat level surface.
1. Adjust mower to desired cutting height
(See 'q'O ADJUST MOWER CUTTING
HEIGHT" in the Operation section of
this manual).
2. With mower in desired height of cut
position, gauge wheels should be
assembled so they are slightly off the
ground. Install gauge wheel in
appropriate hole with shoulder bolt, 3/
8 washer, and 3/8-16 Iocknut and
tighten securely.
3. Repeat for opposite side installing
gauge wheel in same adjustment hole.
GaugeWheel _ _- _-J3
Bracket "_,_ _ _)._/_ _
3/8 Washer J Shoulder
TO OPERATE MOWER
Your tractor is equipped with an operator
presence sensing switch, Any attempt by
the operator to leave the seat with the
engine running and the attachment clutch
engaged will shut off the engine.
1. Select desired height of cut.
2. Stad mower blades by engaging
attachment clutch control.
TO STOP MOWER BLADES -
disengage attachment clutch control
_,CAUTION: Do not operate the mower
without either the entire grass catcher, on
mowers so equipped, or the deflector
shield in place.
Attachment Clutch Attachment Lift Lever
High Position
Position
Low
Position Position
TO OPERATE ON HILLS
_kCAUTION: Do not drive up or down
hills with slopes greater than 15° and do
not drive across any slope. A slope guide
at the back of your manual is provided for
your use.
• Choose the slowest speed before
starting up or down hills.
•Avoid stopping or changing speed on
hills.
• If slowing is necessmy, move throttle
control lever to slower position.
• If stopping is absolutely necessary,
push clutch/brake pedal quickly to
brake position and engage parking
brake.
• Move gearshift lever to lstgear. Be
sure you have allowed room for tractor
to roll slightly as you restart movement.
• To restart movement, slowly release
parking brake and clutch/brake pedal.
• Make all turns slowly.
15

TO TRANSPORT
•Raise attachment liftto highest position
with attachment lift control.
• _hen pushing or towing your tractor,
be sure gearshift lever is in neutral (N)
position.
•Do not push or tow tractor at more than
five (5) MPH.
NOTE: To protect hood from damage
when transporting your tractor on a truck
or a trailer, be sure hood is closed and
secured to tractor. Use an appropriate
means of tying hood to tractor (rope, cord,
etc.).
TOWING CARTS AND OTHER ATTACH-
MENTS
Tow only the attachments that are
recommended by and comply with
specifications of the manufacturer of your
tractor. Use common sense when towing.
Too heavy of a load, while on a slope, is
dangerous. Tires can lose traction with
the ground and cause you to lose control
of your tractor.
BEFORE STARTING THE ENGINE
CHECK ENGINE OIL LEVEL
The engine in your tractor has been
shipped, from the factory, already filled
with summer weight oil.
1. Check engine oil with tractor on level
ground.
2. Remove oil fill cap/dipstick and wipe
clean, reinsert the dipstick and screw
cap tight, wait for afew seconds,
remove and read oil level. If neces-
saw, add oil until "FULL" mark on
dipstick is reached. Do not overfill.
• For cold weather operation you should
change oil for easier starting {See "OIL
VISCOSITY CHART" in the Mainte-
nance section of this manual).
• To change engine oil, see the Mainte-
nance section in this manual.
ADD GASOLINE
•Fill fuel tank. Use fresh, clean, regular
unleaded gasoline with aminimum of
87 octane. (Use of leaded gasoline will
increase carbon and lead oxide
deposits and reduce valve life). Do not
mix oil with gasoline. Purchase fuel in
quantities that can be used within 30
days to assure fuel freshness.
IMPORTANT: When operating in tem-
peratures below 32°F(0°C), use fresh,
clean winter grade gasoline to help
insure good cold weather starting.
_WARNING: Experience indicates that
alcohol blended fuels (called gasohol or
using ethanol or methanol) can attract
moisture which leads to separation and
formation of acids during storage. Acidic
gas can damage the fuel system of an
engine while in storage. To avoid engine
problems, the fuel system should be
emptied before storage of 30 days or
longer. Drain the gas tank, start the
engine and let it run until the fuel lines
and carburetor are empty. Use fresh fuel
next season. See Storage Instructions for
additional information. Never use engine
or carburetor cleaner products in the fuel
tank or permanent damage may occur.
_I=CAUTION: Fill to bottom of gas tank
filler neck. Do not overfill. Wipe off any
spilled oil or fuel. Do not store, spill or use
gasoline near an open flame.
16

TOSTARTENGINE
W;'Jenstadingthe enginefor the firsttime or if
the engine has run ou_offuel _twi_take extra
crankingtime to move fuel from the tank to the
engine.
1. Sit on seat in operating position,
depress clutch/brake pedal and set
parking brake.
2. Place gear shift lever in neutral (N)
position.
3. Move attachment clutch to "DiSEN-
GAGED" position.
4. Move throttle control to fast position
5. Pull choke control out for a cold
engine start attempt. For a warm
engine start attempt the choke control
may not be needed.
NOTE: Before starting, read the warm and
cold starting procedures below.
6. Insert key into ignition and turn key
clockwise to "START" position and
release key as soon as engine starts.
Do not run starter continuously for
more than fifteen seconds per minute.
If the engine does not start after
several attempts, push choke control
in, wait a few minutes and try again, if
engine still does not start, pull the
choke control out and retry.
WARM WEATHER STARTING (50°F and
above)
7. When engine starts, slowly push
choke control in until the engine
begins to run smoothly. If the engine
starts to run roughly, pull the choke
control out slightly for a few seconds
and then continue to push the control
in slowly.
•The attachments and ground drive can
now be used. If the engine does not
accept the load, restart the engine and
allow it to warm up for one minute using
the choke as described above.
COLD WEATHER STARTING (50°Fand
below)
7. When engine starts, slowly push
choke control in until the engine
begins to run smoothly. Continue to
push the choke control in small steps
allowing the engine to accept small
changes in speed and load, until the
choke control is fully in. If the engine
starts to run roughly, pull the choke
control out slightly for afew seconds
and then continue to push the control
in slowly. This may require an engine
warm-up period from several seconds
to several minutes, depending on the
temperature.
•The attachments can be used during
the engine warm-up period and may
require the choke control be pulled out
slightly.
NOTE: If at a high altitude (above 3000
feet) or in cold temperatures (below 32 F)
the carburetor fue_ mixture may need to
be adjusted for best engine performance.
See 'q'O ADJUST CARBURETOR" in the
Service end Adjustments section of this
manual
17

MOWINGTIPS
•Mower should be properly leveled for
best mowing performance. See "TO
LEVEL MOWER HOUSING" in the
Service and Adjustments section of this
manual.
•The left hand side of mower should be
used for trimming.
• Drive so that clippings are discharged
onto the area that has been cut. Have
the cut area to the right of the machine.
This will result in a more even distribu-
tion of clippings and more uniform
cutting.
• When mowing large areas, start by
turning to the right so that clippings will
discharge away from shrubs, fences,
driveways, etc. After one or two
rounds,
mow in the opposite direction making
left hand turns until finished
• If grass is extremely tall, it should be
mowed twice to reduce load and
possible fire hazard from dried clip-
pings. Make first cut relatively high; the
second to the desired height.
• Do not mow grass when it is wet. Wet
grass will plug mower and leave
undesirable clumps. Allow grass to dry
before mowing.
•Always operate engine at full throttle
when mowing to assure better mowing
performance and proper discharge of
material. Regulate ground speed by
selecting a low enough gear to give the
mower the best cutting performance as
well as the quality of cut desired.
•When operating attachments, select a
ground speed that will suit the terrain
and give best performance of the
attachment being used.
MULCHING MOWINGTIPS
IMPORTANT: For best performance,
keep mower housing free of built-up grass
and trash. Clean after each use.
•The special mulching blade will recur
the grass clippings many times and
reduce them in size so that as they fall
onto the lawn they will disperse into the
grass and not be noticed. Also, the
mutohed grass will biodegrade quickly
to provide nutrients for the lawn.
Always mulch with your highest engine
(blade) speed as this will provide the
best recutting action of the blades.
• Avoid cutting your lawn when it is wet.
Wet grass tends to form clumps and
interferes with the mulching action. The
best time to mow your lawn is the early
afternoon. At this time the grass has
dried and the newly cut area will not be
exposed to the direct sun.
•For best results, adjust the mower
cutting height so that the mower cuts off
only the top one-third of the grass
blades. For extremely heavy mulching,
reduce your width of cut on each pass
and mow slowly.
•Certain types of grass and grass
conditions may require that an area be
mulched a second time to completely
hide the clippings. When doing a
second cut, mow across or perpendicu-
lar to the first cut path.
•Change your cutting pattern from week
to week. Mow north to south one week
then change to east to west the next
week. This will help prevent matting
and graining of the lawn.
Max 1/3
18

AS YOU COMPLETE
lllllm
CheCk Operator Presence and
T_nterlockSystems I/
CheckforLooseFasteners t/ I/7 t/
Sharpen/ReplaCe Mower Blades II_4
Lubrication Chart II_ I_
T ChsckBatteryLevel I_e
RCh_anBatter!andTerminals t/' I_
CheckTransaxleCooling I1_
AdjuSt Blade Belt(s) Tension Ks
AdjustMotionDriveBeR(s)Tension !/s
1
CheckEngine_I Level I_ (I/
Change Engine Oil _._.3
ilean Air Filt_ 1_2
Clean Air Screen (_/2
Inspect Muffler/Spark Arrester I_
Replace Oil Filter (If equipped) l_t2
N C_ean Engine Cooling Fins Ii//z
Rep_CeSpa,kPl_ q/ t/
Replace Air Filter Paper Carlddge 11_2
Replace Fuel FiRef
1 - C_ge mc*_ ¢at_ whim operMtng und4r aheavy _oad = kl highamb4ml temper_u,_=. S. fl eq_F_4d v**J_hadjua_b_ sys*_tt.
2 - _¢e more oR_'l when op_a_g kl direr or du_y co_ddlor_ 0 * NOl r_rIKI Heq_ wit_ m_Jntena_J=free belfry.
3 * rlequipped _th _ flr_., _o_ every 50 h,our_ 7. Tl_ f_:_ _e phot bo_ Io _I_os m_,,num
4. RepUte biaci_a more of_r, whe_ rno,,,_ _n_andy soil DO r_ ov_tigP, te_
GENERAL RECOMMENDATIONS
The warranty on this tractor does not cover
items that have been subjected to operator
abuse or negligence. To receive full value
from the warranty, operator must maintain
tractor as instructed in this manual.
Some adjustments will need to be made
periodically to properly maintain your
tractor.
All adjustments in the Service and
Adjustments section of this manual should
be checked at _east once each season.
•Once a year you should replace the
spark plug, clean or replace air filter, and
check blades and be_tsfor wear. A new
spark plug and clean air filter assure
proper air-fuel mixture and help your
engine run better and last longer.
BEFORE EACH USE
1. Check engine oil level.
2. Check brake operation.
3. Check tire pressure.
4. Check operator presence and
interlock systems for proper operation.
5. Check for loose fasteners.
LUBRICATION CHART
Zerk Zerk
(_ Front _)
Wheel
Bearing Bearing
Zerk Zerk
_) Engine
:__-" Gearshift
-..... Pivots
SAE 30 or 10w30 motor oil
_)General Purpose Grease
@Refer to Maintenance =ENGINE"
Section
IMPORTANT: Do not oil or grease the
pivot points which have special nylon
bearings. Viscous lubricants will attract
dust and dirt that will shorten the life of the
self-lubricating bearings. If you feel they
must be lubricated, use only a dry, pow-
dered graphite type lubricant sparingly.
19

TRACTOR
Always observe safety rules when
performing any maintenance.
BRAKE OPERATION
If tractor requires more than six (6) feet
stopping distance at high speed in
highest gear, then brake must be ad-
justed. (See 'q'O ADJUST BRAKE" in the
Service and Adjustments section of this
manual).
TIRES
• Maintain proper air pressure in all tires
(Bee "PRODUCT SPECIFICATIONS"
section of this manual).
•Keep tires free of gasoline, oil, or insect
control chemicals which can harm
rubber..
• Avoid stumps, stones, deep ruts, sharp
objects and other hazards that may
cause tire damage.
NOTE: To sea! tire punctures and prevent
fiat tires due to slow leaks, tire sealant
may be purchased from your local parts
dealer. Tire sealant also prevents tire dry
rot and corrosion.
OPERATOR PRESENCE SYSTEM
Be sure that operator presence and
interlock systems are working properly. If
your tractor does not function as de-
scribed below, repair the problem
immediately.
• The engine should not start unless the
clutch/brake pedal is fully depressed
and attachment clutch control is in the
disengaged position.
•When the engine is running, any
attempt by the operator to teava the
seat without first setting the parking
brake should shut off the engine.
•When the engine is running and the
attachment clutch is engaged, any
attempt by the operator to leave the
seat should shut off the engine.
• The attachment clutch should never
operate unless the operator is in the
seat.
BLADE CARE
For best results mower blades must be
kept sharp. Replace bent or damaged
blades.
BLADE REMOVAL
1. Raise mower to highest position to
allow access to blades.
2. Remove hex bolt, lock washer and flat
washer secunng blade.
3. Install new or resharpened blade with
trailing edge up towards deck as
shown. 20
IMPORTANT: To ensure proper assembly,
center hole in blade must align with star
on mandrel assembly.
4. Reassemble hex bo_t, lock washer and
flat washer in exact order as shown.
5. Tighten bolt securely (27-35 Ft. Lbs.
torque).
IMPORTANT: Blade bolt is grade 8 heat
treated.
TrailingEdee Up Mandrel Assembly
"k BladeCenter _ _.
FlatW,sber /
Lock .v-_.
*A Grade 8 heattreated belt can be identified
by sixlineson the bolt head.
TO SHARPEN BLADE
NOTE: We do not recommend sharpen-
ing blade -but if you do, be sure the blade
is balanced.
Care should be taken to keep the blade
balanced. An unbalanced blade will
cause excessive vibration and eventual
damage to mower and engine.
•The blade can be sharpened with a file
or on a gdnding wheel. Do not attempt
to sharpen while on the mower.
• To check blade balance, you will need
a 5/8" diameter steel bolt, pin, or acone
balancar. (When using a cone bal-
ancer, follow the instructions supplied
with balancer.)
NOTE: Do not use a nail for balancing
blade. The lobes of the center hole may
appear to be centered, but are not.
• Slide blade on to an unthreaded portion
of the steel bolt or pin and hold the bolt
or pin parallel with the ground. If blade
is balanced, it should remain in a
horizontal position. If either end of the
blade moves downward, sharpen the
heavy end until the blade is balanced.
5/8" lade

BATTERY
Your tractor has a battery charging system
which is sufficient for normal use. How-
ever, periodic charging of the battery with
an automotive charger will extend its life.
•Keep battery and terminals clean.
•Keep battery bolts tight.
• Keep small vent holes open.
•Recharge at 6-10 amperes for 1 hour.
NOTE= The original equipment battery on
your tractor is maintenance free. Do not
attempt to open or remove caps or covers,
Adding or checking level of electrolyte is
not necessary.
TO CLEAN BATTERY AND TERMINALS
Corrosion and dirt on the battery and
terminals can cause the battery to "leak"
power.
1. Remove terminal guard.
2. Disconnect BLACK battery cable first
then RED battery cable and remove
battery from tractor.
3. Rinse the battery with plain water and
dry.
4. Clean terminals and battery cable
ends with wire brush until bright.
5. Coat terminals with grease or petro-
leum jelly.
6. Reinstall battery (See "REPLACING
BATTERY" in the SERVICE AND
ADJUSTMENTS section of this
manual).
V-BELTS
Check V-belts for deterioration and wear
after 100 hours of operation and replace
if necessary. The belts are not adjustable.
Replace belts if they begin to slip from
wear,
TRANSAXLE COOLING
Keep transaxle free from build-up of dirt
and chaff which can restrict cooling.
ENGINE
LUBRICATION
Only use high quality detergent oil rated
with API service classification SF-SJ.
when used above 32°F. Check your
engine oil level more frequently to avoid
possible engine damage from running
low on oil.
Change the oil after every 25 hours of
operation or at least once a year if the
tractor is not used for 25 hours in one
year.
Check the crankcase oil level before
starting the engine and after each eight
(8) hours of operation. Tighten oil fill cap/
dipstick securely each time you check the
oit level.
TO CHANGE ENGINE OIL
Determine temperature range expected
before oil change. All oil must meet API
service classification SF-SJ.
• Be sure tractor is on level surface.
• Oil will drain more freely when warm.
•Catch oil in a suitable container.
1. Remove oil fill cap/dipstick. Be careful
not to allow dirt to enter the engine
when changing oil.
2. Remove cap from end of drain valve
and instal} the drain tube onto the
fitting.
3. Unlock drain valve by pushing inward
slightly and turning counterclockwise.
4. To open, pull out on the drain valve.
5. After oil has drained completely, close
and lock the drain valve by pushing
inward and turning clockwise until the
pin is in the locked position as shown.
6. Remove the drain tube and replace
the cap onto to the end of the drain
valve.
7. Refill engine with oil through oil fill
dipstick tube. Pour slowly. Do not
overfill. For approximate capacity see
"PRODUCT SPECIFICATIONS"
section of this manual.
8. Use gauge on oil fill cap/dipstick for
checking level. Be sure dipstick cap is
tightened securely for accurate
reading. Keep oil at "FULL" line on
dipstick. Oil DrainValve
Select the oil's SAE viscosity grade
according to your expected operating d ._ __._,
t_mDerature.
Locked
Positi
Although multi-viscosity oils Cap _'7_NOTE:
(5W30, 10W30 etc.) improve starting in
cold weather, these multi-viscosity oils
wilt result in increased oil consumption 21 DrainTube

CLEANAIRSCREEN
Air screen must be kept free of did and
cha[_to prevent engine damage from
overheating. Clean with a wire brush or
compressed air to remove dirt and
stubborn dried gum fibers.
ENGINE COOUNG FINS
Remove any dust, dirt or oil from engine
cooling fins to prevent engine damage
from overheating. Air guide covers must
be removed. Remove side panels and
hood (See "TO REMOVE ROOD AND
GRILL ASSEMBLY" in the Service and
Adjustments section of this manual).
TopAir Guide
C°V_glne Co_'*
Fins
Cover
(Both
Sides)
AIR RLTER
Your engine will not run properly using a
dirty air filter. Ctean the foam pro-cleaner
after every 25 hours of operation or every
season. Service paper cartridge every 100
hours of operation or every season,
whichever occurs first.
Service air cleaner more often under dusty
conditions.
1. Remove knob(s) and cover.
TO SERVICE PRE-CLEANER
2. Stide foam pro-cleaner off cartridge.
3. Wash it in liquid detergent and water.
4. Squeeze it dry in a clean cloth.
5. Saturate it in engine oil. Wrap it in
clean, absorbent cloth and squeeze to
remove excess oil.
NOTE: If very dirty or damaged, replace
pro-cleaner.
6. Reinstall pre-cleaner over cartridge.
7. Reinstall cover and secure with
knob(s).
TO SERVICE CARTRIDGE
1. Remove wing nuts and cartridge plate.
2. Carefully remove cartridge to prevent
debris from entering carburetor.
3. Clean cartridge by tapping gently on
flat surface.
NOTE: if very dirty or damaged, replace
cartridge.
4. Reinstall cartridge plate, wing nuts,
precleaner, cover and secure with
knob(s).
IMPORTANT: Petroleum solvents, such as
kerosene, are not to be used to clean the
cartridge. They may cause deterioration of
the cartridge. Do not oil cartridge. Do not
use pressurized air to clean or dry car-
tridge.
Cover
Knob
Cartridge
Wing Nut Plate
Foam
Pro-Cleaner
Air Scre_
MUFFLER
Inspect and replace corroded muffler and
spark arrestor (if equipped) as it could
create a fire hazard and/or damage.
SPARK PLUGS
Replace spark plugs at the beginning of
each mowing season or after every 100
hours of operation, whichever occurs first.
Spark plug type and gap setting are
shown in "PRODUCT SPECLFICATIONS"
section of this manual.
IN-LINE FUEL FILTER
The fuel filter should be replaced once
each season. If fuel filter becomes
clogged, obstructing fuel flew to carbure-
tor, replacement is required.
1. With engine cco_, remove filter and
plug fuel line sections.
2. Place new fuel filter in position in fuel
line with arrow pointing towards
carburetor.
3. Be sure there are no fuel line leaks
and clamps are properly positioned.
4. Immediately wipe up any spilled
gasoline.
22

CLEANING
•Clean engine, battery, seat, finish, etc.
bf all foreign matter.
•Keep finished surfaces and wheels free
of all gasoline, oil, etc.
•Protect painted surfaces with automo-
tive type wax.
We do not recommend using a garden
hose to clean your tractor unless the
electrical system, muffler, air filter and
carburetor are covered to keep water out.
Water in engine can result in a shortened
engine life.
_CAUTION: BEFORE PERFORMING ANY SERVICE OR ADJUSTMENTS:
1. Depress clutch/brake pedal fully and set parking brake.
2. Place gearshift lever in neutral (N) position.
3. Place attachment clutch in "DISENGAGED" position.
4. Turn ignition key =OFF" and remove key.
5. Make sure the blades and all moving pads have completely stopped.
6. Disconnect spark plug wire from spark plug and place wire where it cannot
come in contact with p]ug.
"tRACTOR
TO REMOVE MOWER
Mower will be easier to remove from the
right side of tractor•
1. Place attachment clutch in "DISEN-
GAGED" position.
2. Move attachment lift lever forward to
lower mower to its lowest position.
3. Roll belt off engine pulley.
4. Remove small retainer spring, and lift
clutch spnng off pulley bolt.
5. Remove large retainer spring, slide
collar off and push housing guide out
of bracket.
6. Disconnect anti-swaybar from chassis
bracket by removing retainer spring.
7. Disconnect suspension arms from
rear deck brackets by removing
retainer springs.
Small Retainer Spring
8. Disconnect front links from deck by
removing retainer springs.
9. Raise lift lever to raise suspension
arms. Slide mower out from under
tractor.
IMPORTANT: If an attachment other than
the mower deck is to be mounted on the
tractor, remove the front links and hook
the clutch spring Into square hole in
frame.
TO INSTALL MOWER
1, Raise attachment lift lever to its
highest position.
2. Slide mower under tractor with
discharge guard to right side of tractor.
3. Lower lift lever to its lowest position.
4. Install mower in reverse order of
removal instructions.
-; _"'/-'_'''_" Square Hole
Suspension Arms . -J
Retainer Spring
Anti-Sway
Collar
Housing
Front Link
Springs
Sides)
Large
Spdng Bracket
23

TO LEVEL MOWER HOUSING
Adjust the mower while tractor is parked
on level ground or driveway. Make sure
tire_ are properly inflated (See "PRODUCT
SPECIFICATIONS" section of this manual).
If tires are over or underinflated, you will
not properly adjust your mower.
SIDE-TO-SIDE ADJUSTMENT
• Raise mower to its highest position.
• A[ the midpoint of both sides of mower,
measure height from bottom edge of
mower to ground. Distance "A" on both
sides of mower should be the same or
within 1/4" of each other,
• If adjustment is necessary, make
adjustment on one side of mower only.
•To raise one side of mower, tighten lift
link adjustment nut on that side.
•To lower one side of mower, loosen lift
IJnkadjustment nut on that side.
NOTE: Each full turn of adjustment nut will
change mower height about 1/8".
• Recheck measurements after adjusting.
BottomEdge _BottomEdge
of Mower to(-_ __of Mower to
Ground \ I I_t,,=_=_==,_._l IGround
Suspension
Arm
Lift LinkAdjustment
Nut
FRONT-TO-BACK ADJUSTMENT
IMPORTANT: Deck must be level side-to-
side. If the following front-to-back adjust-
ment is necessary, be sure to adjust both
front links equally so mower will stay
level side-to-side.
To obtain the best cutting results, the
mower housing should be adjusted so
that the front is approximately 1/8" to 1/2"
lower than the rear when the mower is in
its highest position.
Check adjustment on right side of tractor.
Measure distance "D" directly in front and
behind the mandrel at bottom edge of
mower housing as shown.
• Before making any necessary adjust-
ments, check that both front links are
equal in length. Both links should be
approximately 10-3/8".
• if links are not equal in length, adjust
one link to same length as other link.
•To lower front of mower loosen nut "E"
on both front links an equal number of
tums.
•When distance "D" is 1/8" to 1/2" lower
at front than rear, tighten nuts "F"
against trunnion on both front links.
•To raise front of mower, loosen nut "F"
from trunnion on both front links.
Tighten nut "15"on both front links an
equal number of turns.
•When distance "D" is 1/8" to 1/2" lower
at front than rear, tighten nut "F" against
trunnion on both front links.
• Recheck side-to-side adjustment.
Mandrel
Both Front Links Should be Equal in Length
_ j Nut "E"
Nut F_,__
Trunnion
Front Links
TO REPLACE MOWER BLADE DRIVE
BELT
The mower blade drive belt may be
replaced without tools. Park the tractor on
level surface. Engage parking brake.
BELT REMOVAL -
1. Remove mower from tractor (See "TO
REMOVE MOWER" in this section of
this manual).
2. Work belt off both mandrel pulleys and
idler pulleys.
3. Pull belt away from mower.
24

BELT INSTALLATION -
4. Install new belt in reverse order of
"removal.
5. Make sure belt is in all pulley grooves
and inside all belt guides.
6. Install mower in reverse order of
removal instructions.
Mandrel IdlerPulleys
_ Mandrel
\ _ Iley
\j v
TO ADJUST BRAKE
Your tractor is equipped with an adjust-
able brake system which is mounted on
the rightside of the transaxle.
If tractor requires more than six (6) feet
stopping distance at high speed in
highest gear on a level dry concrete or
paved surface, then brake must be
adjusted.
1. Depress clutch/brake pedal and
engage parking brake.
2. Measure distance between brake
operating arm and nut =A" on brake
rod.
3. If distance is other than 1-1/2", loosen
jam nut and turn nut "A" until distance
becomes 1-1/2". Retighten jam nut
against nut "A".
4. Road test tractor for proper stopping
distance as stated above. Readjust if
necessary. If stopping distance is still
greater than six (6) feet in highest
gear, further maintenance is neces-
sary. Contact a Sears or other
qualified service center.
With Parking Brake
"Engaged"
Nut "A"
_ Jam Nut
/
Operating Arm
TO REPLACE MOTION DRIVE BELT
Park the tractor on level surface. Engage
parking brake. For assistance, there is a
belt installation guide decal on bottom
side of left footrest.
1. Remove mower (See "TO REMOVE
MOWER" in this section of this
manual.)
2. Remove belt from stationary idler and
clutching idler.
3. Pull belt slack toward rear of tractor.
Remove belt upwards from transaxle
pulley by deflecting belt keepers.
4. Pull belt toward front of tractor and
remove downwards from around
engine pulley.
5. Install new belt by reversing above
procedure.
Engine
Pulley
Clutching
Idler
Stationary 7
Idler
Transaxle
Pulley ___--
TRANSAXLE GEAR SHIFT LEVER
NEUTRAL ADJUSTMENT
The transaxle should be in neutral when
the gear shift lever is in neutral (N) (lock
gate) position. The adjustment is preset at
the factory; however, if adjustment is
needed, proceed as follows:
1. Make sure transaxle is in neutral (N).
NOTE: When the tractor rear wheels move
freely, the transaxle is in neutral.
2. Loosen adjustment bolt in front of the
right rear wheel.
3. Position the gear shift lever in the
neutral (N) position.
4. Tighten adjustment bolt securely.
NOTE: If additional clearance is needed
to get to adjustment bolt, move mower
deck height to the lowest position.
25

Gearshift Lever Neutral
Lock Gate
._ _.
i .
:_,_ _;_ "_;--_'X Adjustment
_" Bo_t
TO ADJUST STEERING WHEEL ALIGN-
MENT
If steedng wheel crossbars are not
horizontal (left to right) when wheels are
positioned straight forward, remove
steering wheel and reassemble per
instructions in the Assembly section of this
manual.
FRONT WHEEL TOE-IN/CAMBER
The front wheel toe-le and camber are not
adjustable on your tractor. If damage has
occurred to affect the front wheel toe-in or
camber, contact a Sears or other qualified
service center.
TO REMOVE WHEEL FOR REPAIRS
1. Block up axle securely.
2. Remove axle cover, retaining ring and
washers to allow wheel removal (rear
wheel contains a square key - Do not
lose).
3. Repair tire and reassemble.
NOTE: On rear wheels only: align
grooves in rear wheel hub and axle.
Insert square key.
4. Replace washers and snap retaining
ring securely in axle groove.
5. Replace axle cover.
NOTE: To seal tire punctures and prevent
flat tires due to slow leaks, tire sealant
may be purchased from your local parts
dealer. Tire sealant also prevents tire dry
rot and corrosion.
Washers
Retaining _ _r__
Axle Cover _-, Square Key
(Rear Wheel Only)
"1"(3START ENGINEWITH AWEAK
BAI-FERY
_I_CAUTION: Lead-acid batteries generate
explosivegases. Keep sparks, ltame and
smokingmaterials away from batteries.
Always wear eye protectionwhen around
batteries.
Ifyourbattery is tooweak to startthe engine,it
shouldbe recharged.(See "BATI'ERY" inthe
MAINTENANCE sectionof this manual).
If "jumper cables"are used for emergency
starting,follow this procedure:
IMPORTANT: Yourtractoris equipped witha
12 voltnegative groundedsystem. The other
vehioalmust also be a 12 voltnegative
groundedsystem. Do not useyour tractor
batteryto startothervehicles.
TO ATI'ACH JUMPER CABLES -
1. Connect each end of the RED cable to
the POSITIVE (+) terminal of each
battery, taking care not to short
against chassis.
2. Connect one end of the BLACK cable
to the NEGATIVE (-) terminal of fully
charged battery.
3. Connect the other end of the BLACK
cable to good CHASSIS GROUND,
away from fuel tank and battery.
TO REMOVE CABLES, REVERSE ORDER -
1. BLACK cable first from chassis and
then from the fully charged battery.
2. RED cable last from both batteries.
"Positive" (+) "Negative"(-)
26

REPLACING BATTERY
_I,(_AUTION: Do not short battery
terminals by allowing a wrench or any
other object to contact both terminals at
the same time. Before connecting battery,
remove metal bracelets, wristwatch
bands, rings, etc.
Positive terminal must be connected first
to prevent sparking from accidental
grounding.
1. Lift hood to raised position.
2. Remove terminal guard.
3. Disconnect BLACK battery cable then
RED battery cable and carefully
remove battery from tractor.
4. Install new battery with terminals in
same position as old battery.
5. Reinstall terminal guard.
6. First connect RED battery cable to
positive (+) battery terminal with hex
bolt and keps nut as shown. Tighten
securely.
7. Connect BLACK grounding cable to
negative (-) battery terminal with
remaining hex bolt and keps nut.
Tighten securely
8. Close terminal access doors.
9. Close hood.
Keps
Terminal ""
Access _"
Hex
Cable
Terminal _Negative
Guard (Black) Cable
TO REPLACE HEADLIGHT BULB
1. Raise hood.
2. Pull bulb holder out of the hole in the
backside of the grill.
3. Replace bulb in holder and push bulb
holder securely back into the hole in
the backside of the grill.
4. Close hood.
INTERLOCKS AND RELAYS
Loose or damaged wiring may cause your
tractor to run poody, stop running, or
prevent itfrom starting.
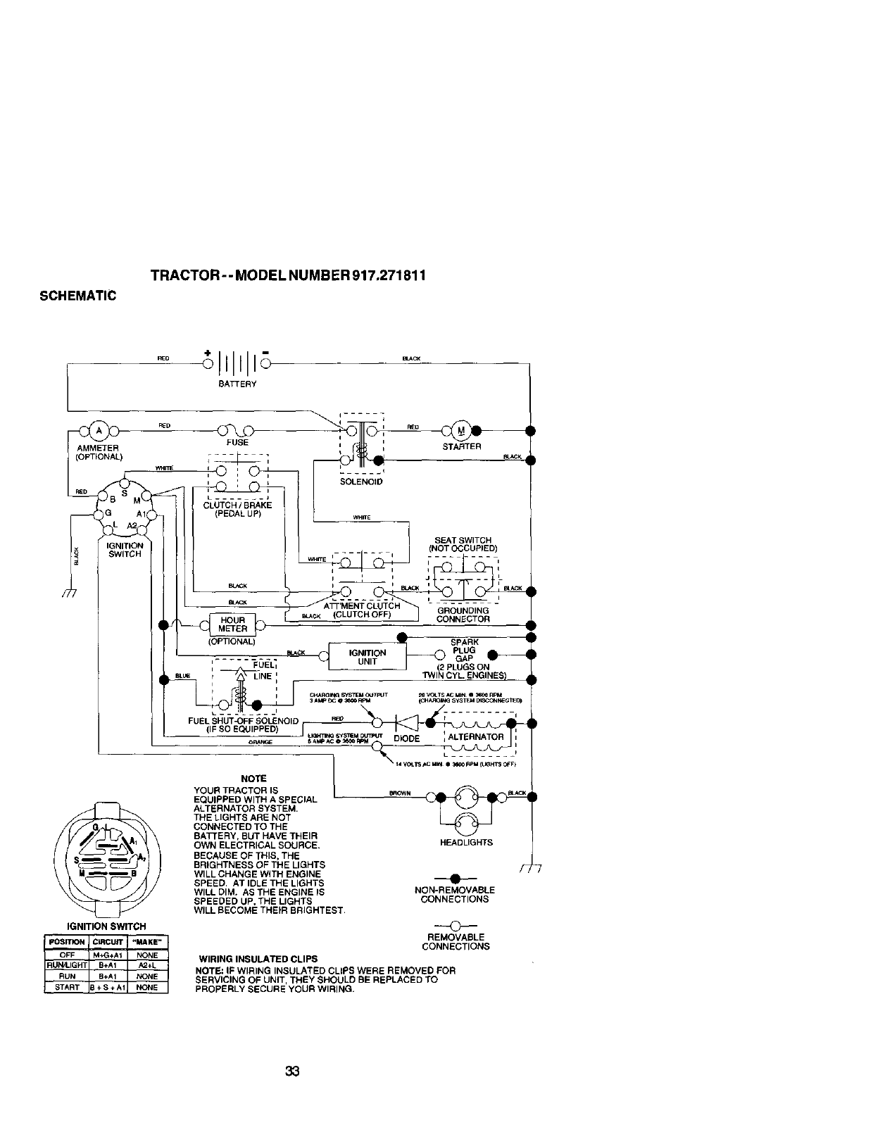
• Check wiring. See electdcal widng
diagram in the Repair Parts section.
TO REPLACE FUSE
Replace with 20 amp automotive-type
plug-in fuse. The fuse holder is located
behind the dash.
TO REMOVE HOOD AND GRILL
ASSEMBLY
1. Raise hood.
2. Unsnap headlight wire connector.
3. Stand in front of tractor. Grasp hood at
sides, tilt toward engine and lift off of
tractor.
4. To replace, reverse above procedure.
ENGINE
Maintenance, repair, or replacement of
the emission control devices and systems,
which are being done at the customers
expense, may be performed by any non-
road engine repair establishment or
individual. Warranty repairs must be
performed by an authorized engine
manufacturer's service outlet.
TO ADJUST THRO'n'LE CONTROL
CABLE
The throttle control has been preset at the
factory and adjustment should not be
necessary. Check adjustment as de-
scribed below before loosening cable. If
adjustment is necessary, proceed as
follows:
1. With engine not running, move throttle
control lever to fast position.
2. Check that swivel is against side of
quarter circle. If it is not, loosen cable
clamp screw and pull cable back until
swivel is against quarter circle.
Tighten cable clam ) screw securely.
Clamp Screw----
Quarter Circle(
"'-Swivel
27

TO ADJUST CHOKE CONTROL
The choke control has been preset at the
fac.tory and adjustment should not be
necessary. Check adjustment as de-
scribed below before loosening cable. If
adjustment is necessary, proceed as
follows:
1. With engine not running, move choke
control (located on dash panel) to full
choke position.
2. Remove air cleaner cover, filter and
cartridge plate to expose carburetor
choke (see "AIR FILTER" in the
Maintenance section of this manual).
3. Choke should be closed. If it is not,
loosen casing clamp screw and move
choke cable until choke is completely
closed. Tighten casing clamp screw
securely.
4 Reassemble air cleaner.
Choke Closed
Casing _
Clamp. _ _'r_:_,_::::_ Choke
Lever
TO ADJUST CARBURETOR
The carburetor has been preset at the
factory and adjustment should not be
necessary. However, minor adjustment
may be required to compensate for
differences in fuel, temperature, altitude or
load. If the carburetor does need adjust-
ment, proceed as follows:
In general, turning the mixture screw in
(clockwise) decreases the supply of fuel
to the engine giving a leaner fuel/air
mixture. Turning the mixture screw out
(counterclockwise) increases the supply
of fuel to the engine giving a richer fuel/air
mixture.
IMPORTANT: Damage to the needles
and the seats in carburetor may result if
screw is turned in toOtight.
PRELIMINARY SETTING -
1. Be sure you have a clean air filter, and
the throttle control cable and choke
are adjusted properly (see above).
2. With engine off tam idle mixture screw
in (clockwise) closing it finger tight and
then tum out (counterclockwise) 1-1/4
to 1-1/2 turns.
FINAL SETTING-
1. Start engine and allow to warm for five
minutes. Make final adjustments with
engine running and shift/motion
control lever in neutral (N) position.
2. With throttle control lever in slow
position, hold throttle lever against idle
speed screw and adjust idle speed
screw to obtain 1200 to 1400 RPM.
3. While still holding throttle lever against
idle speed screw, turn idle mixture
screw in (clockwise) until engine
begins to die and then turn out
(counterclockwise) until engine runs
rough. Tum screw to a point midway
between those two positions.
4. Continue to hold throttle lever against
idle speed screw and adjust idle
speed screw to obtain 900 to 1200
RPM. Release throttle lever.
ACCELERATION TEST -
5. Move throttle control lever from slow to
fast position. If engine hesitates or
dies, turn idle mixture screw out
(counterclockwise) 1/8 turn. Repeat
test and continue to adjust, if neces-
sary, until engine accelerates
smoothly.
High speed stop is factory adjusted. Do
not adjust - damage may result.
IMPORTANT: Never tamper with the
engine governor, which is factory set for
proper engine speed. Overspeeding the
engine above the factory high speed
setting can be dangerous. If you think the
engine-governed high speed needs
adjusting, contact a Seals or otherqualified
service center, which has proper equip-
ment and experience to make any
necessary adjustments.
ldleSpeed
crew
Idle Mixture
Screw
Throttle Lever
IdleSpeed r_l"_:===_',,m_
Screw __ Idle
Throttle "_=_=====_='_ _'1_/ :_. re
Lever _ _['_lxtu
_ _crew
28

Immediately prepare your tractor for
storage at the end of the season or if the
tractor will not be used for 30 days or
more,
_k, OAUTION: Never store the tractor with
gasoline in the tank inside abuilding
where fumes may reach an open flame or
spark. Allow the engine to cool before
storing in any enclosure.
TRACTOR
Remove mower from tractor for winter
storage. When mower is to be stored for
a period of time, clean it thoroughly,
remove all dirt, grease, leaves, etc. Store
in a clean, dry area.
t. Clean entire tractor (See "CLEANING"
in the Maintenance section of this
manual).
2. Inspect and replace belts, if necessary
(See belt replacement instructions in
the Service and Adjustments section
of this manual).
3. Lubricate as shown in the Mainte-
nance section of this manual.
4. Be sure that all nuts, bolts and screws
are securely fastened. Inspect moving
parts for damage, breakage and wear.
Replace if necessary.
5. Touch up all rusted or chipped paint
surfaces; sand lightly before painting.
BATTERY
• Fully charge the battery for storage.
•After a period of time in storage, battery
may require recharging.
• To help prevent corrosion and power
leakage dudng long pedods of storage,
battery cables should be disconnected
and battery cleaned thoroughly (see
"TO CLEAN BATTERY AND TERMI-
NALS" in the Maintenance section of
this manual).
•After cleaning, leave cables discon-
nected and place cables where they
cannot come in contact with battery
terminals.
•If battery is removed from tractor for
storage, do not store battery directly on
concrete or damp surfaces.
ENGINE
FUEL SYSTEM
IMPORTANT: It is important to prevent
gum deposites from forming in essential
fuel system parts such as carburetor, fuel
hose, or tank during storage.
Also, experiance indicates that alcohol
blended fuels (called gasohol or using
ethanol or methanol) can attract moisture
which leads to separation and formation
of acids during storage. Acidic gas can
damage the fuel system of and engine
while in storage.
1. Drain the fuel tank.
2. Start the engine and let it run until the
fuel lines and carburetor are empty.
• Never use engine or carburetor cleaner
products in the fuel tank or permanent
damage may occur.
•Use fresh fuel next season.
NOTE= Fuel stabitizer is an acceptable
alternative in minimizing the formation of
fuel gum deposits dudng storage. Add
stabilizer to gasoline in fuel tank or
storage container. Always follow the mix
ratio found on stabilizer container. Run
engine at least 10 minutes after adding
stabilizer to allow the stabilizer to reach
the carburetor. Do not drain the gas tank
and carburetor if using fuel stabilizer.
ENGINEOIL
Drain oil (with engine warm) and replace
with clean engine oil. (See "ENGINE" in
the Maintenance section of this manual).
CYLINDER(S)
1. Remove spark plug(s).
2. Pour one ounce of oil through spark
plug hole(s) into cylinder(s).
3. Tum ignition key to "START position
for afew seconds to distdbute oil.
4. Replace with new spark plug(s).
OTHER
•Do not store gasoline from one season
to another.
•Replace your gasoline can if your can
starts to rust. Rust and/or dirt in your
gasoline will cause problems.
• If possible, store your tractor indoors
and cover it to give protection from dust
and dirt.
• Cover your tractor with a suitable
protective cover that does not retain
moisture. Do not use plastic. Plastic
cannot breathe which allows conden-
sation to form and will cause your
tractor to rust.
IMPORTANT: Never cover tractor while
engine and exhaust areas are still warm.
29

TROUBLESHOOTING CHART
PROBLEM CAUSE
Wiil not start 1. Out of fuel.
2. Engine not "CHOKED"
properly.
3. Engine flooded.
Hard to start
Enginewill not
turn over
Engine clicks but
will not start
4. Bad spark plug,
5. Dirty air filter.
6. Dirty fuel filter.
7Water in fuel.
8, Loose or damaged wiring.
9. Carburetoroutof adjustment.
10. Enginevalves outof
adjustment,
1. Dirty air filter.
2. Bad spark plug.
3. Weak or dead battery,
4. Dirty fuelfilter.
5. Stale or dirtyfuel.
6. Loose or damaged wiring.
7. Carburetorout of adjustment.
8. Enginevalves outof
adjustment.
1. Clutch/brake pedal not
depressed.
2. Attachment clutch is
engaged.
3. Weak or dead battery.
4. Blown fuse.
5. Corroded battery terminals.
6. Loose or damaged wiring.
7. Faulty ignition switch.
8. Faulty solenoid or starter.
9. Faulty operatorpresence
switch(es).
1. Weak or dead battery.
2. Corroded battery terminals.
3. Loose or damaged wiring.
4. Faulty solenoid or starter•
ICORRECTION
|_,
1. Fill fuel tank.
2. See "TO START ENGINE"
in Operation section.
3. Wait several minutes
before attempting to start.
4. Replace spark plug.
5. Clean/rapJace air filter.
6. Replace fuel filter.
7. Drain fuel tank and
carburetor, refill tank with
fresh gasoline end replace
fuel filter.
8. Check all wiring.
9. See "To Adjust Carburetor"
in Service Adjustments
section.
10.Contact a Sears or other
qualified service center.
1. Clean/replace air filter.
2. Replace spark plug.
3. Recharge or replace
battery.
4. Replace fuel filter.
5. Drain fuel tank and refill
with fresh gasoline.
6. Check all widng.
7. See "To Adjust Carburetor"
in Service Adjustments
section.
8. Contact a Sears or other
qualified service center.
1. Depress clutch/brake
12 pedal.
•Disengage attachment
clutch.
13. Recharge or replace
battery.
4. Replace fuse.
5. Clean battery terminals,
6. Check all wiring.
7. Check/replace ignition
switch.
8. Check/replace solenoid or
starter.
9. Contact a Sears or other
qualified service center.
1. Recharge or replace battery
2. Clean battery terminals.
3. Check all wiring.
4. Check/replace solenoid or
starter.
30

TROUBLESHOOTING CHART
PROBLEM CAUSE
Loea of power 1.
Excessive
vibration
Cutting too much grass/too
fast.
2. Throttle in "CHOKE"
position.
3. Build-up of grass, leaves
and trash under mower.
4. Dirty air filter.
5. Low oil leve!/dirty oil.
6. Faulty spark plug.
7. Dirty fuel filter.
8. Stale or dirty fuel.
9. Water in fuel.
10.Spark plug wire loose.
11. Dirty engine air screen/fins.
12. Dirty/clogged muffler.
13.Loose or damaged widng.
14.Carburetor out of
adjustment.
CORRECTION
1. Set in "Higher Cut" position/
reduce speed.
2. Adjust throttle control,
3. Clean underside of mower
housing.
4. Clean/replace air filter.
5. Check oil level/change oil.
6. Clean and ragap or change
spark plug.
7. Replace fuel filter.
8. Drain fuel tank and refill with
fresh gasoline.
9. Drain fuel tank and carbure
tor, refill tank with fresh
gasoline and replace fuel
filter.
t0.Connect and tighten spark
plug wire.
1!.Clean engine air scraen/fins
12.Clean/replace muffler.
13.Check all wiring.
14. See "To Adjust Carburetor"
in Service Adjustments
section.
15.Contact a Sears or other
qualified service center.
15. Engine valves out of
adjustment.
1. Worn, bent or loose blade. 1. Replace blade.
Tighten blade bolt.
2. Bent blade mandrel. 2. Replace blade mandrel.
3. Loose/damaged part(s). 3. Tighten loose part(s).
Replace damaged pads.
Enginscontinues 1. Faulty operator-safety 1. Check wiring, switches and
torun presence control system, connections. If not
when operator contact a Sears or other
leaves seat with qualified service center.
with attachment
clutch engaged
Poor cut- uneven 1. Worn, bent or loose blade.
2. Mower deck notlevel.
3. Buildup of grass, leaves,
and trash under mower.
4. Bent blade mandrel.
5. Clogged mower deck vent
holes from buildup of
grass, leaves, and trash
around mandrels.
1. Replace blade. Tighten
blade bolt.
2. Level mower deck.
3. Clean underside of mower
housing.
4. Replace blade mandrel.
5. Clean around mandrels to
open vent holes.
31

TROUBLESHOOTING
PROBLEM
Mower blades will
not rotate
Poor grass
discharge
Headlight(s) not
working
ifso equipped)
5.
Battery will not 1,
charge 2,
3.
4.
Engine "backfires" 1.
whenturning
engine "OFF"
CHART
CAUSE CORRECTION
1. Obstruction in clutch 1. Remove obstruction.
mechanism.
2. Wom/damaged mower 2. Replace mower drive belt.
ddve belt.
3. Frozen idler pulley, 3. Replace idler pulley.
4. Frozen blade mandrel. 4. Replace blade mandrel.
1. Engine speed too slow. 1. Place throttle control in
21 Travel speedtoo fast.
Wet grass.
4. Mower deck not level.
5. Low/uneven tire air
pressure.
6. Worn, bent or loose blade.
7. Buildup of grass, leaves
and trash under mower.
8. Mower drive belt worn.
9. Blades improperly installed.
10.Improper blades used.
11.Clogged mower deck vent
holes from buildup of grass,
leaves, and trash around
mandrels.
"FAST" position.
2. Shift to slower speed.
3. Allow grass to dry before
mowing.
4. Level mower deck.
5. Check tires for proper air
pressure.
6. Replace/sharpen blade.
Tighten blade bolt.
7. Clean underside of mower
housing.
8. Replace mower drive belt.
9. Reinstall blades sharp edge
down.
10. Replace with blades listed
in this manual.
11.Clean around mandrels to
open vent holes.
1. Switch is "OFF'.
2. Bulb(s) burned out.
3. Faulty light switch.
4. Loose or damaged wiring.
Blown fuse.
Bad battery cell(s).
Poor cable connections.
Faulty regulator
(if so equipped).
Faulty alternator,
Engine throttle control not
set at "SLOW" position
for 30 seconds before
stopping engine.
1. Turn switch "ON".
2. Replace bulb(s).
3. Check/replace light switch.
4. Check wiring and connec
tions.
5. Replace fuse.
1. Replace battery,
2. Check/clean all connec
lions.
3. Replace regulator.
4. Replace alternator.
1. Move throttle control to
"SLOW" position and allow
to idle for 30 seconds befon
stopping engine.
32

SCHEMATIC
TRACTOR --MODEL NUMB ER 917.271811
BATTERY
AMMETER
__(OPTIONAL)
_-_ _ '÷ _°
FUSE I i STARTER
_,
'_ :© ', O-_-n I_ .....
j l SOLENO_B
•...... J
CLUTCH/BRAKE
(PEDAL_P)-Ki I t
SEAT SWITCH
...... (NOT OCCUPIED)
WHrtE i i/....... i
_,_ L ,_. _-i _ _,L-_'T--_-)i_
GROUNDING
(OPTIONAL) ¢,K _[" _) SPARK
- - _IGNITION PLUG
' -- - -F_L] UNIT GAP O----
i = I(2 PLUGSON
___] ;_INE ; TWI_ CYL. ENGINES) ,,
3ANP _ O _ _ (CH_k*_I SySl_ DmC_NE¢_D_
\ _'_ ...... ,
F
(IF SO EQtJIPPED) __1 LP
IGNITION SWITCH
NOTE
YOUR TRACTOR IS
EQUIPPED WITH A SPECIAL
ALTERNATOR SYSTEM.
THE LIGHTS ARE NOT
CONNECTED TO THE
BATTERY, BUT HAVE THEIR
OWN ELECTRICAL SOURCE.
BECAUSE OF THIS, THE
BRIGHTNESS OF THE LIGHTS
WILL CHANGE WITH ENGINE
SPEED. AT IDLE THE LIGHTS
WILL DIM. AS THE ENGINE IS
SPEEDED UP, THE LIGHTS
WILL BECOME THEIR BRIGHTEST.
HEADLIGHTS
NON-REMOVABLE
CONNECTIONS
O
REMOVABLE
CONNECTIONS
WIRING INSULATED CLIPS
NOTE: IF WIRING INSULATED CLIPS WERE REMOVED FOR
SERVICING OF UNIT, THEY BHOULD BE REPLACED TO
PROPERLY SECURE YOUR WIRING.
33

TRACTOR- MODEL NU MBER 917.271811
ELECTRICAL
21
34

ELECTRICAL
TRACTOR - MODEL NUMBER 917.271811
KEY PART
NO. NO, DESCRIPTION
1
2
8
10
11
12
16
21
22
24
25
26
27
28
29
3O
33
4O
41
42
43
45
52
55
163465 Batten/12 VOLT 28 AMP
74760412 Bolt Hex Hd 1/4-20unc x 3/4
7603J Case Batten/
145211 Bolt, Btr Front 1/4-20 x 7-1/2
150109 Holddown Batten! FrOnt Mount
145769 Nut, Push Nylon Batten/Front I/4
153664 Switch, Interlock Push*fn
166182 Hamess Light Socket (W/4152j)
4152J Bulb Ugtlt #1156
4799J Cable Batten/
146148 Cable Batten/
175158 Fuse
73510400 Nut Keps Hex 1/4-20 Unc
145491 Cable Ground
1213O5X Switch Seat
175566 Switch Ign
140403 Key Molded Craftsman
17(_17 Harness Ign
71110408 Bolt BIk. Fin Hex 1/4-20 Uric x 1/2
131563 Cover TerminaJ
175141 Solenoid
121433X Ammeter Rectangular 6 Amp
141940 Protection Wire Loop
17490508 Screw Thdrol 5/16-18 x 1/2
NOTE: All component dimensions given in U. S.
inches 1 inch =25.4 mm
35

TRACTOR- MODEL NUMBER 917.271811
CHASSIS AND ENCLOSURES
28
58 12
53
55 57
207
23 54
6O
3
74
2O7
2O8
36

TRACTOR-MODELNUMBER917.271811
CHASSISANDENCLOSURES
KEY PART
NO. NO. DESCRIPTION
1 174619 Chassis Assembly
2 176554 Brawbar
3 17060612 Screw 3/8-16 x 3/4
5 155272 Bumper Hood/Dash
9 168337)(013 Dash
10 STD533710 Bolt, Ca_age 3/8-16xl
11 155927 Panel, Dash, L.H.
12 145660 Clip Tinnerman Grille P/L
13 172107X010 Panel, Dash, R.R.
14 17490608 Screw "l]ldrol 3/8-16 x 1/2
17 144983)(558 Hood Assembly
18 126938X Bumper Hood
20 156437 Plate Mtg Battery Fuel Tank
23 124028X Bushing, Snap, Nylon, Fuel Une
25 19131312 Washer 13/32 x 13/16 x 12 Gauge
26 STD541437 Locknut, Hex, with Insed 3/8-16 Unc
28 156725X558 Gd;le/I-ens Asm
29 155217X599 Lens, Gdlle
30 164919X558 Fend/Ftrest
31 139976 Bracket, Fender Support
37 174,90508 Screw Thdrol 5/16-18 x 1/2
38 169834 Pivot Bracket Assembly, L.H.
51 73800400 Nut Lock w/Insed 1/4-20 UNC
52 19091416 Washer 9/32 x 7/8 x 16 Ga.
53 145201 Bracket Grille Pickoff LH
54 161464 Screw Hex Wshd 8-18 x 7/8
55 1452(_ Bracket Grille Pickoff RH
57 S_7 Bolt, Fin Hax 1/4-20 UNC x ,75
58 140547 Air Duct P/L B&S
60 ST[T_33707 Bolt Rdhd Sqnk 3/8-16 UNC x 3/4
64 154798 Dash Lower STLT
74 S_1437 NutCrownlock 3/8-16UNC
114 158112 Keeper Belt Rear Lh SU
115 17_0 Screw 3/8-16 x 1-1/4
142 165867 Plate Reinforcement STLT
143 154966 Bracket Bwaybar Chassis
144 154207 Bracket Pnt Footrest STLT
145 156524 Rod Pivot Chassis/Hood
159 155123X428 Cupholder
206 170165 Bolt Shoulder 5/16-18 Tr
207 17670508 Screw Thdrol 5/16-18 x 1/2
208 17670608 Screw Thdrol 3/8-16 x 1/2
211 145212 Nut Hexflange Lock
212 165919 Insert Lens Reflective
-- 5479J Plug Button
NOTE: All component dimensions given In U. S.
Inches 1 Inch = 25,4 mm
37

TRACTOR - MODEL NUMBER 917.271811
GROUND DRIVE
57
70 116
• 22 26 27
38

TRACTOR - MODEL NU MBER gl 7.271811
GROUND DRIVE
KEY PART KEY PART
NO, NO. DESCRIPTION NO_ NO. DESCRIPTION
1 ........ Transaxle (See Breakdown) 62
Peedess 206-545C 63
2 146682 Bpdng, Retum, Brake 64
3 123666X Pulley, Transaxle 65
4120(XX_8 Ring, Retainer 66
5 121520X Strap, Torque 70
6 17060512 Screw 5/16-18 x 3/4 74
8 165866 Rod Shifter Fender STLT 75
10 STD561210 Pin, Cotter 76
11 105701X Washer, Shift Plate 77
13 74550412 B_t 1/4-28 UNF W/Patch Gr. 8 78
14 10040400 Washer Lock Hvy Helical 79
16 73800500 Nut Lock Hx W/Ins 5/16-18 80
18 ST[_-_o3710 Bolt Fin Hex 3/8-16UNC x 1Gr 5 81
19 $3_541437 Nut 82
21 106933X Knob 83
_'_ 130804 Rod, Brake 84
24 BTD541237 Nut 85
25 106888X Spdng, Brake Rod 89
26 STD551037 Washer 90
27 STD561210 Pin 96
28 175765 Rod, Parking Brake 112
29 71673 Cap, Parking Brake 113
30 169592 Bracket, Transaxle 116
32 STD523107 Bolt 120
34 175578 Shaft Assembly, Foot Pedal 145
35 120183X Beadng, Nylon 150
36 STET_51C62 Washer 151
37 STC571810 Roll Pin 156
38 165936 Pulley, Composite, Rat 158
39 74760648 B_t, Fin Hex 3/8-16 x 3 159
40 175461 Spacer, Split 161
41 175556 Keeper, Belt, Idler 162
42 19131312 Washer 13/32 x 13/16 x 12 Ga. 163
47 127783 Pulley, Idler, V-Groove, Plastic 164
48 154407 Bellcrank Clutch Grad Dry Btl 165
49 123205X Retainer, Belt 166
50 STD523715 Bolt He)( Hd 3/8-16 x 1-1/2 168
51 $313541437 Nut Crown Lock 3/8-16 UNC 169
52 STD541431 Nut Crown Lock 5/16-15 UNC 170
53 105710)( Link, Clutch 197
55 105709X Spdng, Clutch Return 198
56 17060616 Screw 3/8-16 x 1.0 20_
57 130801 V-Belt, Ground Ddve 212
59 169691 Keeper, Beft, Center Span
61 17060612 Screw 3/8-16 x 3/4
8883R Cover, Pedal
175410 Pulley, Engine
71170764 Bolt, Hex 7/16-20 x 4 Grade 5
BTD551143 Washer
154778 Keeper, Belt, Engine, Fool-Proof
134683 Guide, Mower Drive Belt, R.H.
137057 Spacer, Axle
121749X Washer 25/32 x 1-1/4 x 16 Ga.
$3_581075 E-Ring
123583X Key, Square 2.0 x .1845/.1865
121748X Washer 25/32 x 1-5/8 x 16 Ga
STD580025 Key Woodruff
145090 Arm, Shift
165592 Shaft Asm Cross Tapered 650 20
165711 Sprlng, Tore!on
19171216 Washer 17/32 x 3/4 x 16 Ga,
166231 Link Transaxle
150360 Nut, Nylock
158391)(428 Console, Shift, STLT
124.346X Nut, Self-Thdlng, Wsh Hd 1/4
STD624(X_ Retainer Bpdng 1"
19091210 Washer 9/82. x 3/4 x 10 Gauge
127285X Strap Torque 90 Degrees
72140608 Bolt Rdhd Bqneck 3/8-16 x 1
73900600 Nut Lock Fig. 3/8-I 6
74490540 Bolt, Hex FIg_d 5/16-18 Gr. 5
175456 Spacer Retainer
19133210 Washer 13/32 x 2x 10 Ga.
1660(_ Washer Srrted 5/161D x 1.125
165589 Bracket Shift Mount
165494 Hub Tapered Flange Shift Lt
72140406 Bolt Rdhd Sqnk 1/4-20 x 3/4 Gr.5
73680400 NUt Crownlock 1/4-20 Unc
74780416 Bolt Hex Fin 1/4-20UNC x 1 Gr 5
19091010 Washer 5/8 x .281 x 10 Ga
165623 Bracket Pivot Lever
166880 Screw 5/16-18 x 5/8
165492 Bolt Shoulder 5/16-18 x.561
165580 Plate Fastening Lt
173898 Keeper Belt Transaxle Gear
169613 Nyliner Snap-In
169593 Washer Nyliner
72110614 Bolt Cart. SH 3/8-16 x 1-3/4 Gr. 5
145212 Nut Hex Fig. Lock
NOTE: A_Icomponent dimensJons given in U. S.
inches I inch = 25.4 mm
39

STEERING
TRACTOR - MODEL NUMBER 917.271811
L i
\
\
\
\
\\\
\
\
4O

STEERING
TRACTOR- MODEL NUMBER 917.271811
KEY PART
NO, NO. DESCRIPTION
1
2
3
4
5
6
7
8
9
lO
11
13
15
17
26
28
29
3o
32
36
37
38
39
4o
41
42
43
44
46
47
51
54
63
66
67
68
71
82
85
88
91
NOTE;
139768 Steedng Wheel
154427 Axle Assembly STMP Dropped STL
169840 Spindle Assembly, L.H.
169839 Spindle Assembly, R.H.
6266H Beadng, Race, Tllrust, Hardened
121748X Washer 25/32 x 1-5/8 x 16 Gauge
19272016 Washer 27/32 x 1-1/4 x t 6 Gauge
123O0(_9 Ring, Klip
3366R Bearing, SteeringColumn
175121 Dra_lnk
STD551137 Washer, Lock
136518 Spacer, Beadng, Axle
145212 Nut, Hextlange Lock
177876 Shaft Assembly, Steedng
126847X Bushing, Link, Drag
19131416 Washer 13/82 x 7/8 x 16 Gauge
17060612 Screw 3/8-16 x 5/4
STD561210 PLn
130465 Rod,Tie
155099 Bushing, Steedng
162927 Screw
139769 Insert, Steering Wheel
19133812 Washer 13132 x 2-3!8 x12 Gauge
S*H_541537 Gdpco Nut
100711L Adaptor, Steedng Wheel
143O54X428 Boot, Steedng Shaft
121749X Washer 25/32 x 1-1/4 x16 Gauge
153720 Extension Shaft Steedng LR.LT
121232 Cap,Spindle
1_55M Fitting, Grease
STD541431 NutLockHexw/Ins. 5/16-18UNC
74780520 Bblt Fin Hex 5/16-18 UNC x 1-1/4
STITo23710 Bolt, Fin Hex 3/8-16 UNC x I Gr 5
154404 BeadngArrn pittman
72140618 Bblt RDHD SQNK 3/8-16 x 2-1/4
169827 Axle, Brace
175146 SteeringAsm
169835 Bracket Susp Chassis Front
133835 Fastner Christmas Tree
175118 Bolt shoulder 7/16-20
175553 Clip Steedng
All component dimensions given in U. S.
inches 1 inch = 25.4 mm
41

ENGINE
TRACTOR - MODEL NUMBER 917.271811
39
14
38
13
32 34
31 33
23
29
OPTIONAL EQUIPMENT
Spark Arrester
42

ENGINE
TRACTOR - MODEL NUMBER 917.271811
KEY
NO.
1
2
3
4
5
6
7
8
10
11
12
13
14
16
17
23
25
26
27
29
31
32
33
34
37
38
39
45
81
PART
NO. DESCRIPTION
170547 Control, Throt Paddle
17720410 Screw, Hex Thd Cut 1/4-20 x 5/8
...... Engine, B&S,(SeeBreakdown) No.461707-O147-E1
149723 Muffler Exhaust
144069 Exhaust Asm. Left
144068 ExhauSt Asm. RIgttt
138129 Clamp Tube Double Engine
171877 Bclt 5/16-18unc x 3/4 W/Seres
145552 Heat Shield Lt
S_1125 Washer Lock Hvy. Helical 1/4
STD522507 Bolt Fin Hex 1/4-20Unc x .75
165287 Gasket, Muffler
148456 Tube Drain Oil Easy
STC551237 Washer Lock Ext Tool_ 3/8
174g0624 Screw Thdrol 3/8-16xl- 1/2 Tytt
169837 Shield, BrrVDbr Guard
145996 ConlroiChoke
73920600 Nut Keps 3/8-24 Unf
152927 Screw Tr #10-32 x 5 x 3/8 Flange
137180 Arrestor, Spark
157103 Tank, Fuel
161696 Cap FuelGuage
123487)( Clamp, Hose
1060_-X Spacer Pad
8543FI Line, Fuel
148315 Plug, Oil Drain Easy
109227)( Pad Idler
17000612 Screw Hex Wsh3/8-16 x 3/4
73510400 Nut KepS Hex 1/4-20 Starter Nut
NOTE: All componentdimensionsgiveninU. S.
Inches1 inch= 25.4 mm
43

TRACTOR - MODEL NUMBER 917.271811
SEAT ASSEMBLY
KEY PART KEY PART
NO. NO. DESCRIPTION NO. NO. DESCRIPTION
1 140123 Seat 3350 BIk/blk Craftsman 13 121248X Bushing Snap BIk Ny150 Id
2 140551 Bracket Pnt Pivot Seat (blk) 14 72050412 Bolt Rdhd Sht Nk 1/4-20xl +1/2
3 71110616 Bolt Fin Hex 3/8-16unc X 1 15 134300 Spacer Split 28 X 96 Zinc
4 19131610 Washer 13/32 X 3/4 X 10 Ga 16 121250X Spdng Cprsn 1 27 BIk Pnt
5 145006 Clip Push In Hinged 17 123976X Nut Lock 1/4 Lge Fig Gr 5 Zinc
6STD541437 Nut Hex Lock w/Ins 3/8-16 Unc 21 171852 Bolt Shoulder 3/16-18 Unc-2A
7 124181X Spring Seat Cprsn 2 250 BIKZI 22 STD541431 Nut Hex LOCk wrins 5/16-18
8 17030616 Screw 3/8-16 x 1.5 SMGML 24 19171912 washer 17/32 X 1-3/16 X 12 Ga.
9 19131614 Washer 13F32 X 1 X 14 Ga 25 127018X Bolt Shoulder 5/16-18 X 62
10 174894 Pan Pnl Seat (blk)
11 166369 Knob Seat NOTE: All component dimensions given in U. S.
12 121246X Bracket Pnt Mounting Switch inches 1 inch = 25.4 rnm
44

DECALS
TRACTOR- MODEL NUMBER 917.271811
8 7
13
KEY PART
NO. NO.
1 156439
2 176681
3 171696
4 171697
5 177253
6 133644
7 177265
8 171808
9 163204
11 156368
KEY PART
DESCRIPTION NO. NO. DESCRIPTION
Decal,FenderDangerSears 13 146046 Decal,V-BeltDr Sch Tractor
Decal,EngJne 15 160396 Decal,MowerDdveSchematlc
Decal,Hood,R.H. 19 138047 Decal,BatteryDiehardSears
Decal, Hood,L.H. 20 172331 Decal, DeckSears
DeeaJ,HoodSide 22 149516 Decal, Battery
Decal,Maintenance -- 138311 Decal,LiftHandle
Decal,LowerDash -÷ 165800X428 Pad FootrestLHSTLT
Decal,Rplcmnt .÷ 165799X428 Pad FootrestRHSTLT
Decal, Fender, CraftsmanGold -o 178072 Owner'sManual,English
Decal,FenderSTLT Oper InstFJS - o178073 Owners Manual,Spanish
WHEELS AND TIRES
11
KEY PART
NO. NO. DESCRIPTION
1 59192 VaJve Cap, Tire
2 65139 Stem, Valve
3 106222X Tire, Front
4 59904 Tube, Front Tire
(Not Provided, Service Item Only)
5 106732X427 Rim, Front
6 278H Flffing, Grease (Front Wheel Only)
7 9040H Beadng, Flange (Front Wheel
Only)
8106108)<427 Rim, Rear
9 122_82X Tire, Rear
10 7152J Tube, Rear Tire
(Not Provided, SePAca Item Only)
11 104757X428 Cap, Axle
NOTE: All component dimensions gdven in U. S.
inches 1 inch =25.4 mm
45

TRACTOR - MODEL NUMBER 917.271811
LIFT ASSEMBLY
13 3
13
19
13 _20
32
32
19
15
15
20
46

TRACTOR - MODEL NU MBER 917.271811
LIFTASSEMBLY
KEY PART
NO, NO. DESCRIPTION
1 159460 Lift Lever Inner Wire ASSembly
2 159471 Shaft Assembly, Lift
3 105767X Pin, Groove
4 126(_000_ EoF_ng
5 19211621 Washer 21/32 x 1 x21 Gauge
6 120183X Beadng, Nylon
7125631X Gdp, Handle, Fluted
8 1_-_365X Button, Plunger, Red
11 139865 Link, Lift, L.H.
12 139866 Link, Lift, R.H.
13 STD624008 Retainer Spdng
15 173288 Link, Front
16 73350e00 Nut, Hex, Jam 1/2-13 UNC
17 130171 Trunnion
18 73800800 Nut Lock w/Wsh 1/2-13 UNC
19 139868 Ann, Suspension, Rear
20 163552 Retainer Spdng
31 169865 Bearing, Pvt, Lift
73540600 Nut, Crownlock 3/8-24
NOTE: All component dimensions g_ven in U. S.
inches 1 Inch ==25.4 mm
47

TRACTOR- MODEL NUMBER 917.271811
MOWER DECK
34 _21
119
1
18 _L
11_ 112
118 i
27
48

TRACTOR- MODELNUMBER917.271811
MOWERDECK
KEY PART KEY PART
NO. NO, DESCRIPTION NO. NO.
165892
ST0533107
138017
4165460
5 BTD624008
6 130632
8850857
9STD551137
10 140296
11 134149
13 137645
Mower Deck Assembly, 42" 67 149846
Bolt 68 144959
Bracket Assembly,Sway Bar, 92 STD541437
Front 101 136420
Bracket Sway Bar 38/42' Deck 10_ 71081010
Retsiner Sprlug 103 19061216
Arm, Suspension, Rear 104 STD551110
Bolt, Hex 3/8-24 x 1.25 Gr. 8 165 160793
Washer, Lock 106 2029J
Washer, Hardened 111 155197
Blade, Mulching 112 155198
Shaft ASSembly, Mandrel, Vented 113 1_14
(Includes Key Number 12) 114 STITo41431
14 128774 Housing, Mandrel, Vented 115 7211(To04
15 110485)( Beadng, Ball, Mandrel 116 489811
t6 174493 Stdpper, Mower Deck 117 165746
18 72140505 Bolt, Carriage 5/16-18x5/8 116 73930600
19 132827 Bolt, Shoulder 119 $3_551057
20 159770 Baffle, Vortex 121 143723
21 STD541431 NutCrownlock5/16-18UNC 129 19131312
22 134753 Stiffener Bracket 130 STD523710
23 131267 Bracket, Deflector
24 105-304X Cap, Sleeve 131 STD533710
25 123713)( Spdng, Torsion, Detiector 142 165890
26 110452 Nut, PUSh 143 157109
27 130968)(428 Shield, Deflector 144 158634
28 19111016 Washer 11/32x5/ax16Ga. 145 165888
29 131491 Rod, Hinge 146 171977
30 157722 Screw Thdrol Washer Head 147 131335
31 129963 Washer, Spacer 148 169(_2
32 153535 Pulley, Mandrsi 149 165898
33 137266 Nut, TOl_ock, Flanged 150 19091216
34 S'11T_33717 Bolt 151 169670
35 133835 FaStner, Christmas Trae 152 169676
36 131494 Pultsy, Idler, Flat 153 169674
37 STD551037 Washer 13!32 x13/16 x16 154 169675
Gauge 155 169671
40 STD541437 NutCrownlock3/8-16UNC 156 169672
44 140088 Guard, Mandrel, L.H. 157 169669
45 STD624003 Retainer 158 17720410
46 137729 Screw, Thd. Roll 1/4-20 x 5/8 159 STD533717
48 133944 Washer, Hardened - -130794
49 174284 Rslier Assembly, Cam Follower
50 131340 Bdlt, Shoulder #10-24 Grade 5 -- 169583
51 STD541410 Locknut
52 139888 Bolt, Shoulder 5/16-18 UNC
53 131845 Arm Assembly, Pad, Brake
54 133943 Washer, Hardened
55 155046 Arm, Idler
56 165723 Spacer, Retainer
59 141043 Guard, TUV Idler
DESCRIPTION
Knob Custom Oval
V-Belt
Nut
Muk_herCover
Screw Pan HD Phflllp 10-24 x 5/8
Washer #10
Washer, Lock
Latch Assembly, Bagger
Nut, Weld
Bracket, Gauge, Wheel LH.
Bracket, Gauge, Wheel R.H.
S_rew 5/16-18
Nut, Hex, Kepe 5/16-18 UNC
Bolt, Cardage 5/16 UNC x 1/2
Bolt, Shoulder
Wheel, Gauge
Nut, Cerdedock 3/8-16
Washer 3/8 x 7/8 x 14 Gauge
Bracket
Washer 13/32 x 13/16 x 12 Ga.
Bolt, Fin Hex 3/8-16 UNC x 1
Gr. 5
Bolt, Rdhd Sqnk 3/8-16UNC x 1
Arm Spdng Brake Mower
Bracket Arm Idler 42"
Keeper Belt 42" Clutch Cable
Pulley Idler Rat
Bolt Carriage Idler
Spring Extension
Spring Return Idler
Retainer Spdng Yellow Zinc
Washer 9/32 x 3/4 x 16 Ga.
Bracket Clutch
Cable ClutCh 42 In
Washer Flat 3_" Type B
Spring Retainer
Spring Retention Lever
Spacer
RodClutch
Screw Hex TOd Cut 1/4-20 x 5/8
Bolt Rdhd Sqn 3/3-16Un¢ x 1-3/4
Mandrel As.sembly (Includes Key
Numbers 6-10, 12-15, 31 and 32)
Mower Deck, Complete (Standard
Deck, Order Separately Mulcher
Plate and Gauge Wheel
Components, Key NOS. 101-106
and 111-121)
NOTE: All component dimensions given in U. S.
inches 1 Inch =26.4 rnm
49

TRACTOR - MODEL NUMBER 917.271811
PEERLESS TRANSAXLE-MODEL NUMBER 206-545C
13
I
5O

TRACTOR- MODELNUMBER917.271811
PEERLESSTRANSAXLE-MODELNUMBER206-545C
KEY PART KEY PART
NO. NO. DESCRIPTION NO. NO. DESCRIPTION
1 772147 Transaxle Cover 39 786026 Dowel Pin
2 780086. 4,Needle Beadng 5/8" 40 792076A Flat Washer
3 770128 Transaxle Case ,312 ID x .059W
4 776395 Countershaft 41A 790079 Brake Lever
5 776409 Output Shaft 42 792073A Screw 1/4 -20 x 1-1/4"
6 778364 Spur Gear (38 teeth) 42A 792085A Screw 1/4 - 20 x 2 1/4"
6A 778369 Spur Gear (15 teeth) 43 792075 Locknut 5 /16 -24
7 778330 Spur Gear (11 teeth) 44 7o_025 Broke Pad Holder
8 792180 Shift Key 45 786066 Spacer .2625 x 1.0
8A 792047 Woodruff Key #9 46 786086 Brake Lever Bracket
9 784352 Shift Collar 47 774690 Axle (11-15 /16" Long)
10 784378 Shift Rod & Fork 48 774691 Axle (16 - 1 /2" long)
11 778334 Bevel Gear (30 teeth) 49 778356 Spur Gear (29 teeth)
12 778309 Input Bevel Pinion (13 teeth) 50 778338 Spur Gear (27 teeth)
13 778368 Bevel Gear (13 teeth) 51 778354 Spur Gear (23 teeth)
(Include, 14) 52 778352 Spur Gear (19 teeth)
14 778368 Bevel Pinion (13 teeth) 53 778350 Spur Gear (16 teeth)
(InClude, 13) 54 778346 Spur Gear (15 teeth)
15 778370 Ring Gear (43 teeth) 56 778355 Spur Gear (11 teeth)
17 786188 Drive Pin 57 778337 Spur Gear (13 teeth)
18 786102 Spacer t.130 X .695 58 778353 Spur Gear (17 teeth)
20 792077A Ball 5/16" dia 59 778351 Spur Gear (21 teeth)
21 792078 Set Screw 3/8 *16 x 3/8" 60 7-/8349 Spur Gear (24 teeth)
22 792079 Spdng .310 OD x .625 L 61 778345 Spur Gear (25 *,eeth)
25 792073A Screw 1/4 -20 x 1-1/4" 65 780189 FlatWasher
25A 7,92177 Screw 1/4-20 x 1-3/6- .563 IDx,062W
26 792125 Retaining Ring (pkg of 2) 66 776422 Input Shaft
27 7_ RetainlngRing 67 776396 Shifter & Brake Shaft
28 788040 Retaining Ring 69 792170 Retaining Ring
29 78G072 Thrust Washer 70 786187 Spacer,890
.627 ID x,031W 71 788069 Square Cut Ring
29A 780160 ThrustWasher 71B 788092 _O"Ring
.762 ID x .031W 76 780090 Flat Washer
29S 780051 ThrustWasher 1.12g _Dx.058W
.762 ID x .031W 77 788078A Inverted Retaining Ring
29C 780199 AntFRota8on Washer.632 79 792144 Spdng A30 OD x.5000 L
30 780108 CupWasher 92 778333 Bevel & Spur Gear (30 & 13
1.127 ID x .032W teeth)
31 780001 Flat Washer ,750 ID x .056W 83 778338 Spur Gear (27 teeM)
(Use AS Needed) 85 792154 Oil RII Plug
31A 780195 FlatWasher 07 788089A Oil Seal 9 /16"
.750 ID x .062W 150 788093A Liquid Gasket RTV Silicone
32 788083 Ot_Seal 5/8" t57 7880_8A Oil Seal 3/4"
34 780194 BLushing.563 180 73_29A Gear Oil 80W90
35 780193 Flanged Bushing 5 /6- IB 900 794712 Replacement MST
35A 780197 Flanged Bushing .751 206_545C Transaxle
36 790075 Brake Disk
37 7_0_07 Brake Pad Plate NOTE: All component dimensions given in
38 7990_I Brake Pad (pkg of 2) U.S. inches t inch =25.4 mm
51

TRACTOR - MODEL NU MBER 917.271811
BRIGGS & STRA'I'FONENGINE-MODEL NUMBER 461707, TYPE NUMBER 0147-E1
22 ,_

TRACTOR - MODEL NUMBER 917.271811
BRIGGS & STRATTON ENGINE-MODELNUMBER 461707, TYPE NUMBER 0147-E1
842
524 O
441
147
394 391
121 CARBURETOR OVERHAUL KIT
51_394
102/_ 859
95_ 607® 14_
859A
53

TRACTOR - MODEL NUMBER 917.271811
BRIGGS & STRATTON ENGINE-MODELNUMBER 461707, TYPE NUMBER 0147-E1
968 :97_;'
967
445
2221 689 113_
1137/_ 789
861 FUEL PUMP KIT
432_, 392_
859_394_859A _
358 ENGINE GASKET SET
163_ o,1÷ I_ II
54

TRACTOR- MODELNUMBER917.271811
BRIGGS & STRATrON ENGINE-MODEL NUMBER 461707, TYPE NUMBER 0147-E1
332_ 197_
934_ 75_
1006
1005_ 363_
3O4
307 A865A
447
307|
802
544
797A
797
697
55

TRACTOR- MODELNUMBER917.271811
BRIGGS&STRATTONENGINE-MODELNUMBER461707,TYPENUMBER0147-E1
KEY PART KEY PART
NO. NO. DESCRIPTION NO. NO. DESCRIPTION
1498583 Cylinder Assembly 98 807923 Idle Speed Kit
2 399265 Bushing-Cylinder 102 693509 e Gasket-Carburetor Body
3 391086 • Seal-Oil " 104 693506 CI Pin-Float Hinge
692078 aValve-Float Needle
4 493304 Sump-Engine 105
5 691162 Head-Cylinder No. 1 107 693482 Body-Lower Carburetor
5A 691163 Head-Cylinder No. 2 108 693505 Valve-Choke
7271867 •+ Gasket-Cylinder Head #1 109 693498 Shaft-Choke
7A 271868 ,+ Gasket-Cylinder Head #2 117 693507 QJet-Main (Standard)
8 495754 Breather Assembly 693500 Jet-Main (High Altitude)
927803 •+ Gasket-Breather 119 690720 Screw (Upper to Lower
10 690334 Screw (Breather Assy.) Carburetor Body)
11 691899 Tube-Breather 121 693503 Carburetor Overhaul Kit
12 692287 •Gasket-Crankcase 122 691928 Spacer-Carburetor
12A 692292 •Gasket-Crankcase (.015) 125 693479 Carburetor
271188 • Gasket-Crankcase !,005! 130 693504 Valve-Throttle
271189 •Gasket-Crankcase _/,009 133 693512 Float-Carburetor
13 691651 Screw (Cylinder Head) 146 691639 Key-Timing
15 690946 Plug-Oil Drain 147 693508 O Jet-Pilot
16 690666 Crankshaft 161 691401 Base-Air Cleaner
18 495901 Cover-Crankcase 163 690273 •Ganket-Air Cleaner
19 399264 Kit-BushinngJ/Seal 165 693148 Nut (Ring Gear)
20 291675 Seal-Oil (PT
•499167187 Line-Fuel (Cut to RequiredOSide)
22 691184 Screw (Crankcase Cover/ Length)
Sump) 188 691003 Screw (Control Bracket)
22A 693972 Screw (Crankcase Cover/ 197 690364 Screw Back Plate)
Sump) 202 690570 Link-Mechancal Governor
23 691976 Flywheel 203 493230 Crank-Bell
24 222698 Key-Flywheel 295 690322 Screw (Bell Crank)
25 499180 Piston Assembly Std.) 209 691273 Spring-Governor
499181 Piston Assembly (.010 "O.S.) 211 691807 Spring-Governed Idle
499182 Piston Assembly (.020" O.S.) 212 693544 Link-Throttle
499183 Piston Assembly (.030" O,S.) 212A 690571 Link-Throttle
26 499184 Ring Set-Piston (Std.) 219 394348 Gear-Governor
499185 Ring Set-Piston (.010 "O.S.) 220 690412 Washer (Governor Lever)
499186 Ring Set-Piston (.020 "O.S. 222 691366 Bracket-Control
499187 Ring Set-Piston (.030 "O.S.) 227 690762 Control Lever-Governor
27 691299 Lock-Piston Pin 235 691206 Shield- Fuel Spray
28 498319 Pin-Piston (Std.) 240 394358 Filter-Fuel
498320 Pin-Piston (.095 "O.S.) 267 690316 Screw (Casing Clamp)
29 497912 Rod-Connecting (Std.) 276 693519 _+ Sealing Washer
498317 Rod-Connecting (.020" 276A 693497 QSealing Washer
Undersize) 278 692810 Washer (Gov. Control Lever)
32 691133 Screw Connecting Rod) 279 690366 Screw Valve Cover
33 390420 Vave-Exhaust 297 691331 Nut ArFterRetanor
34 691302 Valve-Intake 304 495588 Housinq-Blower
35 691597 Spring-Valve (intake) 305 690960 Screw (Blower Housing)
36 691597 Spring-Valve (Exhaust) 306 690414 Shield-Cylinder
40 690656 Retainer-Valve (Intake) 306A 690435 Shield-Cylinder
4OA 691939 Retainer-Valve (Exhaust) 307 691003 Screw (Cylinder Shield)
42 494553 497596 Motor-Starter
Keeper-Valve 309
45 261368 Valve Tappet 310 690323 Bolt-Starter Motor
46 691161 Cam Shaft 311 497608 Brush Set
47 691964 Slinger*Oil 332 691059 Nut (Flywheel)
48 498542 Short Block (Replacement RPM Settings: Low Speed: 1900-2100
Engine 460707-2637-E1) High Speed: 3000-3200
50 213290 Manifold-Intake
51 692278 ,,_ Gasket-Intake Included in Engine Gasket Set, Key. No.
51A 692219 .+ Gasket-Intake 358
54 93208 Screw (Intake Manifold) O Included in Carburetor Overhaul Kit, Key.
73 692527 Screen-Rotating No. 121
74 691677 Screw (Rotating Screen) + Included in Valve Gasket Set, Key. No.
75 691056 Washer (Flywheel) 1095
91 693483 Sody-Upper Carburetor ±Included in Fuel Pump Kit, Key. No.861
95 690718 _ Screw (l"hrotUe Valve)
97 693485 Shaft-Throttle NOTE: All component dimensionsgiven in U.S.
inches 1inch = 25.4 mm
56

TRACTOR- MODELNUMBER917.271811
BRIGGS&STRATFONENGINE-MODELNUMBER461707,TYPENUMBER0147-E1
KEY PART KEY PART
NO. NO. DESCRIPTION NO. NO. DESCRIPTION
333 394891 Armature-Magneto 797 690958 Nut (Brush Retainer)
334 691061 Screw (Armature) 797A 693167 Nut (Brush Retainer)
337 802592 Sparkplug 801 691967 Cap-Drive
358 495868 Gasket Set 802 691286 Cap-End
359 691077 Washer-Ground Terminal 803 691427 Housing-Starlet
363 691062 Flywheel Puller 807 693511 _ Spacer-Throttle
365 690321 Screw (Carburetor) 842 271170 °O-Ring Seal (Dipstick Tube
373 691612 Nut Ground Terminal) 847 495715 Dipstick!Tube Assembly
383 89838 Wrench-Spark Pug 851 493880 TarminaI-Sparkplug
391 693487 Body-Fuel Pump 859 693488 Q± Gasket- Carburetor Pump
392 693491 Q_: Spring-Pump Diaphragm 859A 693490 _± Gasket- Carburetor Pump
394 693489 _± Diaphragm-Carburetor 861 693502 Kit-Fuel Pump
395 690481 Cover-Valve Chamber 865 691196 Cover-Air Guide
404 690442 Washer (Governor Crank) 865A 691197 Cover-Air Guide
414 691872 Washer (Bell Crank) 868 497656 Seal-Valve
425 691675 Screw (Air Cleaner Cover) 868A 273312 Seal-Valve
432 693492 _1± Cap-Spring 869 691802 Seat-Valve (intake)
434 693493 Cover Diaphragm 870 691844 Seat-Valve (Exhaust)
435 693494 Screw (Diaphragm Cover) 871 231218 Bushing-Valve (Exhaust)
441 691176 Bracket-OiIFill 871 231218 Bushing-Valve (Intake)
445 394019 Filter-Air Cleaner Cartridge 877 393456 Wire/Connector-AItereator
447 690297 Screw (Air Guide Cover) 883 692282 •Gasket-Exhaust
449 691044 Screw (Oil Fill Bracket) 918 393815 Hose-Vacuum (Cut to
474 691063 Alternator Required Length)
506 691029 Nut (Governor Control Lever) 934 691058 Screw (Fan Retainer)
507 691972 Insulator 955 693513 Plug-Carburetor
510 497606 Drive-Stader 967 272490 Filter-Pre Cleaner
513 692024 Clutch-Drive 968 691207 Cover-Air Cleaner
520 691084 TerminaFGreund 971 691100 Screw (Air Cleaner Base)
823 691385 Dipstick 1005 498157 Fan-Flywheel
524 692532 •Seal-Dipstick Tube 1006 691247 Retainer-Fan
525 690823 Tube-Dipstick 1019 496726 Kit-Label
544 692034 Armature-Starter 1036 695702 Label-Emissions
551 690415 Cover-Valve 1051 691265 Ring-Retaining
552 690553 Bushing-Governor Crank 1058 274279 Owner's Manual
582A 690552 Bushing-Governor Crank 1090 691293 Retainer-Brush
562 690311 Bolt (Governor Lever) 1095 498047 Gasket Set-Valve
573 696040 Plate-Back 1119 691183 Screw (Alternator)
601 95162 Clamp-Hose " 1132 690353 Screw (Oil Slinger)
615 690317 Retainer-Governor Shaft 1136 690329 Screw (Control Bracket)
616 491530 Crank-Governor 1137 690390 Washer (Control Bracket)
629 262539 Spring-Throttle Return 1138 690330 Nut (Control Bracket)
635 66538 Boot-Sparkplug RPM Settings: Low Speed: 1990-2100
643 496700 Retainer-Air Filter High Speed: 3000-3200
689 690555 Spring-Friction
691 690657 • Seal-Governor Shaft Included in Engine Gasket Set, Key. No.
695 693149 Screw (Ring Gear) 358
697 691625 Screw (Ddve Cap) Q Included in Carburetor Overhaul Kit, Key.
725 280866 Shield Heat NO. 121
726 391362 Gaar-RJn_ + Included in Valve Gasket Sat, Key. No.
741 691285 Gear-Timmg 1095
742 690328 Ratainar-ERing ± Included in Fuel Pump Kit, Key. No.861
783 693059 Gear-Pinion
789 695050 Harness-Wiring NOTE: All component dimensions given in U.S.
inches 1 inch = 25.4 mm
57

NOTES

SUGGESTED GUIDE FOR SIGHTING SLOPES FOR SAFE OPERATION
ONLY RIDE UP AND DOWN HILL,
NOT ACROSS HILL
l& perate your Tractor up and down the face of slopes (not I
greater than 15°) never acrose tha face, Make turns gradu- J
a y to prevent Upping or loss of control. Exercise extreme
caution when changing direction on slopes,

Get it fixed, at your home or ours!
For repair of major brand appliances in your own home...
no matter who made it, no matter who sold it!
1-800-4-MY-HOM E SMAnytime,dayor night
(1-800-469-4663)
www.sears.com
To bring in products such as vacuums,
lawn equipment and electronics for repair, call for
the location of your nearest Sears Parts & Repair Center.
1-800-488-1222 Anytime, day or night
www, sears.com
For the replacement parts, accessories andowner's manuals
that you need to do-it-yourself, call Sears PartsDirectSMt
1-800-366-PART Sam- 11p.m. CST,
(1-800-366-7278) 7 daysa week
www.sears.condpartsdirect
To purchase or inquire about a Sears Service Agreement:
1-800-827-6655
7 a.m.- 5 p.m.CST,Mon.- Sat.
Para pedir serviciode reparaci6na domicilio,
ypara ordenarpiezas con entrega a domicilio: Au Canada pour serviceen fran¢,ais:
1-877-LE-FOYER _"
1-888-SU-HOGAR s. (1-877-533-6937)
(1-888-784-6427)
©Sears, Roebuckand Co. ®Marca Registrada/T= Mama de Fdbri_ade Sears, Roebu_ and Co.
178072 Rev. 1 01.18.01 RH Printedin U.S.A,