Craftsman 917272160 User Manual LAWN TRACTOR Manuals And Guides L0809122
CRAFTSMAN Lawn, Tractor Manual L0809122 CRAFTSMAN Lawn, Tractor Owner's Manual, CRAFTSMAN Lawn, Tractor installation guides
User Manual: Craftsman 917272160 917272160 CRAFTSMAN LAWN TRACTOR - Manuals and Guides View the owners manual for your CRAFTSMAN LAWN TRACTOR #917272160. Home:Lawn & Garden Parts:Craftsman Parts:Craftsman LAWN TRACTOR Manual
Open the PDF directly: View PDF
.
Page Count: 64

Owner's Manual
CRRFTSMRNo
20.0 HP
ELECTRIC START
46" MOWER
AUTOMATIC
LAWN TRACTOR
Model No.
917.272160
, Safety
° Assembly
° Operation
°Maintenance
°Repair Parts
CAUTION:
Read and follow all
Safety Rules and Instructions
before operating this equip-
mento
For answers to your questions
about this product, CalF:
1-800-659-5917
Sears Craftsman Help Line
5 am -5 pro, Mort -Sat
Sears, Roebuck and Co., Hoffman Estates, IL 60179
Visit our Craftsman website: www.searsocom/craftsman

Warranty ............................................... 2
Safety Rules ......................................... 3
Product Specifications .......................... 6
Assembly .............................................. 8
Operation ................................................... 13
Maintenance Schedule ...................... 20
Maintenance ....................................... 20
Service and Adjustments .................... 24
Storage ............................................... 31
Troubleshooting ................................... 32
Repair Parts ........................................ 36
Parts Ordering ..................... Back Cover
LIMITED TWO YEAR WARRANT'( ON CRAFTSMAN RIDING EQUIPMENT PARTS
For two (2) years from the date of purchase, if this Craftsman Riding Equipment is
maintained, lubricated and tuned up according to the instructions in the owner's
manual, Sears wilt repair or replace, free of charge, any parts found to be defective in
material or workmanship. Warranty service is available free of charge by returning
your Craftsman riding equipment to your nearest Sears Service Center. In-home
warranty service is available but a trip charge will apply. This warranty applies only
while this product is in the United States.
This Warranty does not cover:
•Expendable items which become worn during normal use, such as blades, spark
plugs, air cleaners, belts and oil filters°
• Tire replacement or repair caused by punctures from outside objects, such as nails,
thorns, stumps, or glass.
° Repairs necessary because of operator abuse, including but not limited to, damage
caused by towing objects beyond the capability of the riding equipment, impacting
objects that bend the frame or crankshaft, or over speeding the engine.
•Repairs necessary because of operator negligence, including but not limited to,
electrical and mechanical damage caused by improper storage, failure to use the
proper grade and amount of engine oil, failure to keep the deck clear of flammable
debris, or the failure to maintain the equipment according to the instructions
contained in the owner's manual.
•Engine (fuel system) cleaning or repairs caused by fuel determined to be contami-
nated or oxidized (stale). In general, fuel should be used within thirty (30) days of its
purchase date.
•Riding equipment used for commercial or rental purposes. A product is "used for
commercial purpose" if is used for any purpose other than single family household
dwellings or in usage where profit is made.
LIMITED 90 DAY WARRANTY ON BATTERY
For ninety (90) days from date of purchase, if any battery included with this riding
equipment proves defective in material or workmanship and our testing determines
the battery will not hold a charge, Sears wilt replace the battery at no charge. Warranty
service is available free of charge by returning your Craftsman riding equipment to
your nearest Sears Service Center. In-home warranty service is available but a trip
charge will apply. This warranty applies only while this product is in the United States.
TO LOCATE THE NEAREST SEARS SERVICE CENTER OR TO SCHEDULE IN-
HOME WARRANTY SERVICE, SIMPLY CONTACT SEARS AT 1-800-4-MY-HOME
This Warranty gives you specific legal rights, and you may also have other rights
which may vary from state to state.
Sears, Roebuck and Co., D/817 WA, Hoffman Estates, IL 60179

IMPORTANT;This cuttingmachineis capableof amputatinghandsand feet and
throwingobjects.Failureto observethe followingsafetyinstructionscouldresultin
seriousinjuryor death.
I. GENERAL OPERATION
• Read, understand, and follow all
instructions in the manual and on the
machine before starting.
• Only allow responsible adults, who are
familiar with the instructions, to operate
the machine.
° Clear the area of objects such as
rocks, toys, wire, etc., which could be
picked up and thrown by the blade.
° Be sure the area is clear of other
people before mowing, Stop machine
if anyone enters the area.
• Never carry passengers.
o Do not mow in reverse unless abso-
lutely necessary. Always look down
and behind before and while backing.
° Be aware of the mower discharge
direction and do not point it at anyone.
Do not operate the mower without
either the entire grass catcher or the
guard in place.
° Slow down before turning.
° Never leave a running machine
unattended. Always turn off blades, set
parking brake, stop engine, and
remove keys before dismounting,,
° Turn off blades when not mowing_
° Stop engine before removing grass
catcher or unclogging chute.
° Mow only in daylight or good artificial
lighL
o Do not operate the machine while
under the influence of alcohol or drugs.
° Watch for traffic when operating near or
crossing roadways.
° Use extra care when loading or
unloading the machine into a trailer or
truck.
° Data indicates that operators, age 60
years and above, are involved in a
large percentage of riding mower-
related injuries. These operators
should evaluate their ability to operate
the riding mower safely enough to
protect themselves and others from
serious injury.
° Keep machine free of grass, leaves or
other debris build-up which can touch
hot exhaust /engine parts and burn.
Do not allow the mower deck to plow
leaves or other debris which can cause
build-up to occur.
Clean any oil or fuel spillage before
operating or storing the machine° Allow
machine to cool before storage.
I!. SLOPE OPERATION
Slopes are a major factor related to loss-
of-control and tipover accidents, which
can result in severe injury or death. All
slopes require extra caution. If you
cannot back up the slope or if you feel
uneasy on it, do not mow it.
DO:
• Mow up and down slopes, not across,
• Remove obstacles such as rocks, tree
limbs, etc.
° Watch for holes, ruts, or bumps.
Uneven terrain could overturn the
machine. Tall grass can hide obstacles.
° Use slow speed. Choose a low gear
so that you will not have to stop or shift
while on the slope.
° Follow the manufacturer's recommen-
dations for wheel weights or counter-
weights to improve stability_
° Use extra care with grass catchers or
other attachments. These can change
the stability of the machine.
• Keep all movement on the slopes slow
and gradual Do not make sudden
changes in speed or direction.
° Avoid starting or stopping on a slope, if
tires lose traction, disengage the
blades and proceed slowly straight
down the slope.
DO NOT:
°Do not turn on slopes unless neces-
sary, and then, turn slowly and gradu-
ally downhill, if possible.
°Do not mow near drop-offs, ditches, or
embankments. The mower could
suddenly turn over if a wheel is over
the edge of a cliff or ditch, or if an edge
caves in.
°Do not mow on wet grass. Reduced
traction could cause sliding.
°Do not try to stabilize the machine by
putting your foot on the ground.
°Do not use grass catcher on steep
slopes.
3

Ilh CHILDREN
Tragic accidents can occur if the operator
is not alert to the presence of children.
Children are often attracted to the
machine and the mowing activity. Never
assume that children will remain where
you last saw them_
• Keep children out of the mowing area
and under the watchful care of another
responsible adult.
° Be alert and turn machine off if children
enter the area.
° Before and when backing, look behind
and down for small children.
° Never carry children. They may fall off
and be seriously injured or interfere
with safe machine operation.
° Never allow children to operate the
machine.
. Use extra care when approaching blind
corners, shrubs, trees, or other objects
that may obscure vision.
IV. SERVICE
.Use extra care in handling gasoline
and other fuels. They are flammable
and vapors are explosive.
-Use only an approved container,
-Never remove gas cap or add fuel
with the engine running. Allow
engine to cool before refueling. Do
not smoke.
-Never refuel the machine indoors.
-Never store the machine or fuel
container inside where there is an
open flame, such as a water heater.
° Never run a machine inside a closed
area.
° Keep nuts and bolts, especially blade
attachment bolts, tight and keep
equipment in good condition°
° Never tamper with safety devices.
Check their proper operation regularly.
•Keep machine free of grass, leaves, or
other debris build-up. Clean oil or fuel
spillage. Allow machine to cool before
storing.
° Stop and inspect the equipment if you
strike an object. Repair, if necessary,
before restarting.
°Never make adjustments or repairs
with the engine running.
• Grass catcher components are subject
to wear, damage, and deterioration,
which could expose moving parts or
allow objects to be thrown° Frequently
check components and replace with
manufacturer's recommended parts,
when necessary.
•Mower blades are sharp and can cut.
Wrap the blade(s) or wear gloves, and
use extra caution when servicing them.
° Check brake operation frequently_
Adjust and service as required.
•Be sure the area is clear of other
people before mowing. Stop machine if
anyone enters the area.
°Never carry passengers or children
even with the blades off°
° Do not mow in reverse unless abso-
lutely necessary. Always took down
and behind before and while backing.
°Never carry children. They may fall off
and be seriously injured or interfere
with safe machine operation.
•Keep children out of the mowing area
and under the watchful care of another
responsible adult. 4
-Be alert and turn machine off if children
enter the area.
• Before and when backing, look behind
and down for small children.
•Mow up and down slopes (I5 ° Max),
not across.
•Remove obstacles such as rocks, tree
limbs, etc.
•Watch for holes, ruts, or bumps°
Uneven terrain could overturn the
machine. Tall grass can hide obstacles.

o Useslow speed.Choosea low gearso
thatyouwill not haveto stop orshift
while on the slope.
° Avoid startingor stoppingon a slope, if
tires lose traction,disengagethe
bladesand proceedslowlystraight
downthe slope.
• If machinestopswhile goinguphill,
disengageblades,shift into reverse
and backdownslowly.
• Do notturn on slopesunlessneces-
sary, and then,turn slowlyandgradu-
ally downhill,if possible.
,_Look for thissymbolto pointout
importantsafetyprecautions.It means
CAUTIONHtBECOMEALERT!tfYOUR
SAFETYISINVOLVED.
_,CAUTION: Inorderto prevent
acciaenta!startingwhen settingup,
transporting,adjustingor makingrepairs,
alwaysdisconnectspark plugwire and
placewirewhere it cannot contactspark
plug.
,_CAUTION: Do not coast down a hill in
neutral, you may lose control of the
tractor.
_CAUTION: Tow only the attachments
that are recommended by and comply
with specifications of the manufacturer of
your tractor. Use common sense when
towing. Operate only at the lowest
possible speed when on a slope. Too
heavy of a load, while on a slope, is
dangerous. Tires can lose traction with
the ground and cause you to lose control
of your tractor.
_t_sWAR_.ING.." Engine exh.aust,, s.ome of
constituents, and certain ventcle
components contain or emit chemicals
known to the State of California to cause
cancer and birth defects or other repro_
ductive harm.
,II_WABNING: Battery. posts,.terminals ,
and related accessories contain lead and
lead compounds, chemicals known to the
State of California to cause cancer and
birth defects or other reproductive harm.
Wash hands after handling.

PRODUCT SPECIFICATIONS
GASOLINE 3.5 GALLONS
CAPACITY UNLEADED
&NDTYPE: REGULAR
DILTYPE SAE 10W30
(ABOVE32°F)
APt-SFiSG/SH): SAE5W-30
(BELOW32°F)
OILCAPACITY': W/FILTER:4.5PINTS
W/OFILTER:4.0PINTS
SPARKPLUG: CHAMPIONRC12YC
GAP:.030")
GROUND SPEED FORWARD:0-5.5
(MPH): REVERSE: 0-2.4
FIRE PRESSURE: FRONT: 14 PSI
REAR: I0 PSI
CHARGING
SYSTEM: 15 AMPS @ 3600 RPM
BATTERY: AMPiHR: 30
MINo CCA: 240
CASE SIZE: U I R
BLADE BOLT 27-35 FT, LBS,
TORQUE:
CONGRATULATIONS on your purchase
of a new tractor° It has been designed,
engineered and manufactured to give you
the best possible dependability and
performance.
Should you experience any problem you
cannot easily remedy, please contact your
nearest authorized service center/
department. We have competent, well.-
trained technicians and the proper tools to
service or repair this tractor.
Please read and retain this manual. The
instructions will enable you to assemble
and maintain your tractor properly.
Always observe the "SAFETY RULES".
REPAIR AGREEMENT
A Repair Agreement is available on this
product. Contact your nearest Sears
store for details°
CUSTOMER RESPONSIBILITIES
. Read and observe the safety rules.
. Follow a regular schedule in maintain-
ing, caring for and using your tractor.
° Follow the instructions under "Mainte-
nance" and "Storage" sections of this
owner's manual.
_,WARNING: This tractor is equipped
with an internal combustion engine and
should not be used on or near any
unimproved forest-covered, brush-
covered or grass-covered land unless the
engine's exhaust system is equipped with
a spark arrester meeting applicable local
or state laws (if any), If a spark arrester is
used, it should be maintained in effective
working order by the operator.
in the state of California the above is
required by law (Section 4442 of the
California Public Resources Code)°
Other states may have similar laws.
Federal laws apply on federal lands. A
spark arrester for the muffler is available
through your nearest authorized service
center/department (See REPAIR PARTS
section of this manual).
6

Steering Wheel
©
Steering
Wheel Insert Steering Sleeve
Steering Sleeve
Extension
Seat
(1) Washer
@ 17/32 x 1-3/16 x 12 Gauge
(_(1) Knob
(1
!I
_J (1) Shoulder
Bolt 5/16-18
Mower
k Assemblies
(4) Retainer Springs (single loop) (3) Retainer Springs (double loop)
Gauge Wheels
(2) Shoulder
Bolts
(2) Washers 3/8
x 7/8 x 14 Gauge
(2) Center-
lock Nuts
7

'(our newtractor hasbeenassembledat the factorywithexceptionof thosepartsleft
unassembledfor shippingpurposes.To ensuresafe and properoperationof your
tractor all partsand hardwareyou assemblemustbe tightenedsecurely°Usethe
correcttoolsas necessaryto insurepropertightness.Reviewthe videocassettebefore
you begin.
TOOLS REQUIRED FOR ASSEMBLY
A socket wrench set will make assembly
easier. Standard wrench sizes you need
are listed below.
(t) 9/16" wrench (1) 3/4" Socket w/
(I) 1/2" wrench drive ratchet
(I) Utility knife (I) Pliers
(t) Tire pressure gauge
j,'_ .,,. Steering
_Wheel Insert
L&---_ Lock Nut
_4;-,__.__ Large Flat
"--r" -Washer
When right or left hand is mentioned in
this manual, it means, from your point of
view, when you are in the operating
position (seated behind the steering
wheel).
TO REMOVE TRACTOR FROM
CARTON
UNPACK CARTON
I. Remove all accessible loose parts
and parts cartons from carton.
2. Cut, from top to bottom, along lines on
all four corners of carton, and lay
panels flat.
3_ Remove mower and packing materi-
als.
4. Check for any additional loose parts
or cartons and remove.
BEFORE REMOVING TRACTOR
FROM SKID
ATTACH STEERING WHEEL
1, Remove hex bolt, lock washer and
large flat washer from steering shaft.
2. Position front wheels of the tractor so
they are pointing straight forward.
3. Slide the steering sleeve over the
steering shaft.
4. Align tabs and press steering sleeve
extension into bottom of steering
wheel.
5. Position steering wheel so cross bars
are horizontal (left to right) and slide
onto steering wheel adapter.
6. Secure steering wheel to steering
shaft with hex bolt, lock washer and
large flat washer previously removed.
Tighten securely.
7. Snap steering wheel insert into center
of steering wheel.
Steering
Sleeve
Extension
Steenng - ,-__&=.-_--. ":_..,
Shaft _ //" / --_-->.-z. ",,,
Steering_;' _,_ t ,,,
_t, _ I I tt t
Sleeve (".'_3',' 3_:", ,,, ,,,
J
8. Remove protective materials from
tractor hood and grill.
IMPORTANT: Check for and remove any
staples in skid that may puncture tires
where tractor is to roll off skid.
HOW TO SET UP YOUR TRACTOR
CHECK BATTERY
1. Lift hood to raised position.
NOTE: If this battery is put into service
after month and year indicated on label
(label located between terminals) charge
battery for minimum of one hour at 6-10
amps. (See "BATTERY" in Maintenance
section of this manual for charging
instructions).
'÷ '"ii" i" ii+__ _ Lab el,_

INSTALL SEAT
Adjust seat before tightening adjustment
knob,
1, Remove adjustment knob and flat
washer securing seat to cardboard
packing and set aside for assembly of
seat to tractor°
2. Pivot seat upward and remove from
the cardboard packing, Remove the
cardboard packing and discard_
3. Place seat on seat pan and assemble
shoulder bolt. Tighten shoulder bolt
securely.
4. Assemble adjustment knob and flat
washer loosely. Do not tighten.
5. Lower seat into operating position and
sit on seat,
6, Slide seat until a comfortable position
is reached which allows you to press
clutch/brake pedal all the way down.
7. Get off seat without moving its
adjusted position.
8, Raise seat and tighten adjustment
knob securely,
Seat --_
Shoulder Seat Pan ,______-._ L
__ _ _RatWasher
Adjustment
Knob
NOTE: You may now roll or drive your
tractor off the skid. Follow the appropriate
instruction below to remove the tractor
from the skid.
TO ROLL TRACTOR OFF SKID (See
Operation section for location and
function of controls)
I. Press lift lever plunger and raise
attachment lift lever to its highest
position°
2. Release parking brake by depressing
clutch/brake pedal
3, Place freewheel control in freewheel-
ing position to disengage transmis-
sion (See "TO TRANSPORT" in the
Operation section of this manual).
4. Roll tractor forward off skid.
9
TO DRIVE TRACTOR OFF SKID (See
Operation section for location and
function of controls)
_lb WARNING: Before starting, read,
understand and follow all instructions in
the Operation section of this manual, Be
sure tractor is in a well-ventilated area, Be
sure the area in front of tractor is clear of
other people and objects.
1. Be sure all the above assembly steps
have been completed.
2, Check engine oil level and fill fuel
tank with gasoline.
3. Place freewheel control in "transmis-
sion engaged" position.
4o Sit on seat in operating position,
depress clutch/brake pedal and set
the parking brake.
5. Place motion control lever in neutral
(N) position.
6. Press lift lever plunger and raise
attachment lift lever to its highest
position.
7. Start the engine. After engine has
started, move throttle control to idle
position.
8. Release parking brake.
9. Slowly move the motion control lever
forward and slowly drive tractor off
skid.
10.Apply brake to stop tractor, set parking
brake and place motion control lever
in neutral position.
11 .Turn ignition key to "OFF" position.
Continue with the instructions that follow.
IMPORTANT: For shipping purposes, the
mulcher plate was preattached to your
mower. The mulcher plate must only be
used with the mulching blades that came
packed separately in the carton.
Your mower came factory equipped with
high performance blades, which are the
best blades for bagging and discharging.
To use your mower with the high perfor-
mance blades the mulcher plate must be
removed from the mower.
TO SET UP YOUR MOWER FOR
MULCHING
1. Turn the mower over to allow access
to blades,
2, Remove hex bolt, lock washer and flat
washer and remove high performance
blades. Store in safe place.
3. Install mulcher blades with trailing
edge up towards deck as shown,
IMPORTANT" To ensure proper assembly,
center hole in blade must align with star
on mandrel assembly.

4. Reassemblehex bolt, lockwasher
and flat washerin exactorderas
shown.
5. Tightenboltsecurely(27-35Ft.Lbs.
torque).
IMPORTANT: Bladeboltis grade 8 heat
treated.
6_ Install mulcher plate if previously
removed. Mandrel
Assembly
Trailing Edge Up Center
Blade Hole
Washer-,
Hex Bolt
(Grade 8)* Star
(_ Lock
Washer
*A GRADE 8 HEAT TREATED BOLT CAN BE
IDENTIFIED BY SIX LINES ON THE BOLT
HEAD.
TO INSTALL MULCHER PLATE
NOTE: If you installed the mulching
blades you will need to install the
mulcher plate.
1. Raise and hold deflector shield in
upright position.
2. Place front of mufcher plate over front
of mower deck opening and slide into
place, as shown.
3. Hook front latch into hole on front of
mower deck.
4o Hook rear latch into hole on back of
mower deck.
_},CAUTION: Do not remove deflector
shield from mower. Raise and hold shield
when attaching mulcher plate and allow it
to rest on plate while in operation,
Deflector
Shield
)
Mulcher
Plate
Latch
Hooks
TO CONVERT TO BAGGING OR
DISCHARGING
NOTE: The mulcher blades will discharge
and bag grass, but for best bagging and
discharging install the high performance
blades.
1. Remove mulcher plate and mulcher
blades and install high performance
blades, (see BLADE REMOVAL in the
Maintenance section of this manual)
2. Store mulcher blades and mulcher
plate in a safe place. Your mower is
now ready for discharging or installa-
tion of optional grass catcher acces-
sory.
INSTALL MOWER AND DRIVE BELT
Be sure tractor is on level surface and
mower suspension arms are raised with
attachment lift control. Engage parking
braker
1. Cut and remove ties securing anti-
sway bar and belts. Swing anti-sway
bar to left side of mower deck.
2. Slide mower under tractor with
deflector shield to right side of tractor,
IMPORTANT: Check belt for proper
routing in all mower pulley grooves.
Install belt into electric clutch pulley
groove.
3. Install one front link in top hole of the
R.H. front mower bracket and R.H.
front suspension bracket, Retain with
two single loop retainer springs as
shown.
4. Install second front link in L.H. front
suspension bracket only and retain
with single loop retainer spring as
showm
5. Turn height adjustment knob counter-
clockwise until it stops.
6_ Lower mower linkage with attachment
lift control.
7,, Place the Loll, suspension arm on
outward pointing deck pin. If neces-
sary, rock and raise front of mower to
align deck pin with the hole in
suspension arm. Retain with double
loop retainer spring with loops down
as shown.
8. Slide left side of mower back and
install the unattached front link in top
hole of the LH. front mower bracket.
Retain with single loop retainer spring
as shown°
10

9. Place the R.H. suspension arm on
outward pointing deck pin,, If neces-
sary, rock and raise front of mower to
align deck pin with the hole in
suspension arm. Retain with double
loop retainer spring with loops down
as shown.
10.Connect anti-sway bar to chassis
bracket under left footrest and retain
with double loop retainer spring.
11 .Turn height adjustment knob clock-
wise to remove slack from mower
suspension,
12.Raise mower to highest position.
1&Assemble gauge wheels (See "TO
ADJUST GAUGE WHEELS" in the
Operation section of this manual).
CHECK TIRE PRESSURE
The tires on your tractor were overinflated
at the factory for shipping purposes.
Correct tire pressure is important for best
cutting performance.
o Reduce tire pressure to PSI shown in
"PRODUCT SPECIFICATIONS" section
of this manual.
CHECK MOWER LEVELNESS
For best cutting results, mower should be
properly leveled. See "TO LEVEL
MOWER HOUSING" in the Service and
Adjustments section of this manual.
CHECK FOR PROPER POSITION OF
ALL BELTS
See the figures that are shown for
replacing motion, mower drive, and
mower blade drive belts in the Service
and Adjustments section of this manual.
Verify that the belts are routed correctly,
CHECK BRAKE SYSTEM
After you learn how to operate your
tractor, check to see that the brake is
properly adjusted. See "TO ADJUST
BRAKE" in the Service and Adjustments
section of this manual.
Double Loop
Chassis Retainer Spring
Bracket"_ (Outward pointing
_...deck pins) \
Shoulder
Bolt
\\\ Gauge
Wheel
Electric
Suspension Clutch
Arms Pulley
Front Mower
Bracket
Front"_, c. ;
Link i! '
318
Washer
3/8-16
Center
Locknut Double Loop
Retainer Spring
I Antil
Use Pliers for Bar
Retainer Springs
DowR
Idler
Pulley
Single Loop
Retainer
Spring
Deflector
Shield
11

V'CHECKLIST
BEFORE YOU OPERATEAND ENJOY
YOUR NEW TRACTOR, WE WISH TO
ASSURE THAT YOU RECEIVE THE
BEST PERFORMANCE AND
SATISFACTION FROM THIS QUALITY
PRODUCT°
PLEASE REVIEW THE FOLLOWING
CHECKLIST:
¢" All assembly instructions have been
completed.
¢ No remaining loose parts in carton.
,/Battery is properly prepared and
charged. (Minimum 1 hour at 6
amps).
¢" Seat is adjusted comfortably and
tightened securely.
¢ All tires are properly inflated. (For
shipping purposes, the tires were
overinflated at the factory).
¢ Be sure mower deck is properly
leveled side-to-side/front-to-rear for
best cutting results. (Tires must be
properly inflated for leveling)°
v" Check mower and drive belts. Be sure
they are routed properly around
pulleys and inside all belt keepers.
,/Check wiring. See that all connections
are still secure and wires are properly
clamped.
¢' Before driving tractor, be sure free-
wheel control is in drive position.
WHILE LEARNING HOW TO USE YOUR
TRACTOR, PAY EXTRAATTENTION TO
THE FOLLOWING IMPORTANT ITEMS:
,/Engine oil is at proper level.
v' Fuel tank is filled with fresh, clean,
regular unleaded gasoline.
v' Become familiar with all controls - their
location and function. Operate them
before you start the engine.
v' Be sure brake system is in safe
operating condition.
¢It is important to purge the transmis-
sion before operating your tractor for
the first timer Follow proper starting
and transmission purging instructions
(See "TO START ENGINE" and
"PURGE TRANSMISSION" in the
Operation section of this manual).
12

Thesesymbolsmayappearon yourtractoror in literaturesuppliedwiththe product.
Learn and understandtheir meaning.
BA't-t'ERY
ENGINE ON
FUEL
÷
CAUTION OR REVERSE FORWARD FAST
WARNING
ENGINE OFF OIL PRESSURE LIGHTS Ol'4 OVER TEMP
LIGHT
CHOKE MOWER HEIGHT PARKING BRAKE UNLOCKED
LOCKED
SLOW
MOWER LIFT
ATTACHMENT
CLUTCH ENGAGED
IGNITION
REVERSE NEUTRAL HIGH
ATTACHMENT
CLUTCH DISENGAGED
LOW PARKING BRAKE
KEEP AREA CLEAR SLOPE HAZARDS
(SEE SAFETY RULES SECTION)
DANGER, KEEP HANDS AND FEET AWAY
13
FREE WHEEL
(Automatic Modelsonty)

KNOW YOUR TRACTOR
READ THIS OWNER'S MANUAL AND SAFETY RULES BEFORE OPERATING
YOUR TRACTOR
Compare the illustrations with your tractor to familiarize yourself with the locations of
various controls and adjustments. Save this manual for future reference°
Throttle Control
Clutch!Brake
Control
Height
Adjustment
Ammeter
Choke Control
Ignition
Switch
Light Switch
Position
Attachment
Clutch Switch
Lift Lever
Plunger
Attachment
Lift Lever
Parking Brake
Freewhee!
Control
Motion
Control Lever
Approx.
Speed
3mph
2mph
lmph
Our tractors conform to the safety standards of the American
National Standards Institute.
ATTACHMENT CLUTCH SWITCH: Used
to engage the mower blades, or other
attachments mounted to your tractor.
LIGHT swrf'CH: Turns the headlights on
and off.
THROTTLE CONTROL - Used to control
engine speed.
CHOKE CONTROL - Used when starting
a cold engine.
CLUTCHtBRAKE PEDAL: Used for
declutching and braking the tractor and
starting the engine,
FREEWHEEL CONTROL: Disengages
transmission for pushing or slowly towing
the tractor with the engine off,
HEIGHT ADJUSTMENT KNOB: Used to
adjust the mower cutting height°
MOTION CONTROL LEVER: Selects the
speed and direction of the tractor,
ATTACHMENT LIFT LEVER: Used to
raise and lower the mower deck or other
attachments mounted to your tractor.
LIFT LEVER PLUNGER: Used to release
attachment lift lever when changing its
position.
IGNITION SWITCH: Used for starting and
stopping the engine,
AMMETER: Indicates battery charging (+)
or discharging (-).
PARKING BRAKE: Locks clutch/brake
into the brake position.
14

The operationof anytractorcan resultinforeignobjectsthrownintothe
eyes,whichcanresultinsevereeyedamage.Alwayswear safetyglasses
or eyeshieldswhileoperatingyourtractoror performinganyadjustments
or repairs.We recommenda widevisionsafetymaskoverspectacles,or
standardsafetyglasses.
HOW TO USE YOUR TRACTOR
TO SET PARKING BRAKE
Your tractor is equipped with an operator
presence sensing switch° When engine
is running, any attempt by the operator to
leave the seat without first setting the
parking brake will shut off the engine.
1. Depress clutch/brake pedal into full
"BRAKE" position and hold.
2. Place parking brake lever in "EN-
GAGED" position and release
pressure from clutch/brake pedal.
Pedal should remain in "BRAKE"
position° Make sure parking brake will
hold tractor secure.
Choke
Control
Push-In to Attachment Clutch
"Disengaged" Switch Pull Out To
\ Engage"
Throttle
"Brake"
Position
Clutch/Brake "Engaged" Motion
Pedal "Drive" Adjustment Position Control
Position Knob "Disengaged" Lever
Position
STOPPING
MOWER BLADES -
= To stop mower blades, move attach-
ment clutch switch to "DISENGAGED"
position.
GROUND DRIVE -
°To stop ground drive, depress clutch/
brake pedal into full "BRAKE" position.
° Move motion control lever to neutral (N)
position_
IMPORTANT: The motion control lever
does not return to neutral (N) position
when the clutchtbrake pedal is de-
pressed.
ENGINE -
, Move throttle control to slow position.
NOTE: Failure to move throttle control to
slow position and allowing engine to idle
before stopping may cause engine to
"backfire".
• Turn ignition key to "OFF" position and
remove key. Always remove key when
leaving tractor to prevent unauthorized
use.
° Never use choke to stop engine.
IMPORTANT: Leaving the ignition switch
in any position other than "OFF" will
cause the battery to be discharged,
(dead).
NOTE: Under certain conditions when
tractor is standing idle with the engine
running, hot engine exhaust gases may
cause "browning" of grass. To eliminate
this possibility, always stop engine when
stopping tractor on grass areas°
p_ICAUTIOI'_: Always stop tractor com-
ely, as aescnuea above, before
leaving the operator's position; to empty
grass catcher, etc.
THROTTLE CONTROL
Always operate engine at full throttle.
° Operating engine at tess than full
throttle reduces the battery charging
rate.
• Full throttle offers the best bagging and
mower performance.
TO USE CHOKE CONTROL
Use choke control whenever you are
starting a cold engine. Do not use to start
a warm engine.
° To engage choke control, pull knob out.
Slowly push knob in to disengage.
TO MOVE FORWARD AND
BACKWARD
The direction and speed of movement is
controlled by the motion control lever.
1. Start tractor with motion control lever
in neutral (N) position.
2. Release parking brake and clutch/
brake pedal.
3. Slowly move motion control lever to
desired position.
TO ADJUST MOWER CUTTING HEIGHT
The cutting height is controlled by turning
the height adjustment knob in desired di-
rection.
oTurn knob clockwise (f'_) to raise cut-
ting height.
• Turn knob counterclockwise (F'_)to
lower cutting height.
15

The cuttingheightrangeis approximately
1-1/2"to 4", Theheightsare measured
from thegroundto the bladetip withthe
enginenot running. Theseheightsare
approximateand mayvary depending
upon soil conditions,heightof grassand
typesof grassbeingmowed.
• The average lawnshouldbe cut to
approximately2-1/2 inchesduringthe
coolseasonand to over3 inches
duringhot months. For healthierand
betterlookinglawns,mowoftenand
after moderategrowth.
•For best cutting performance, grass
over 6 inches in height should be
mowed twice. Make the first cut
relatively high; the second to desired
height.
TO ADJUST GAUGE WHEELS
Gauge wheels are properly adjusted
when they are slightly off the ground
when mower is at the desired cutting
height in operating position. Gauge
wheels then keep the deck in proper
position to help prevent scalping in most
terrain conditions.
NOTE; Adjust gauge wheels with tractor
on a flat level surface°
1o Adjust mower to desired cutting height
(See "TO ADJUST MOWER CUTTING
HEIGHT" in the Operation section of
this manual).
2. With mower in desired height of cut
position, gauge wheels should be
assembled so they are slightly off the
ground, install gauge wheel in
appropriate hole with shoulder bolt, 3/
8 washer, and 3/8-t6 Iocknut and
tighten securely.
3. Repeat for opposite side installing
gauge wheel in same adjustment
hole.
Gauge Wheel
Mounting
Bracket
3/8-16
Locknut Shoulder Bolt
3/8 Washer Gauge Wheel
TO OPERATE MOWER
Your tractor is equipped with an operator
presence sensing switch. Any attempt by
the operator to leave the seat with the
engine running and the attachment clutch
engaged will shut off the engine.
1o Select desired height of cut.
2. Lower mower with attachment lift
control.
3, Start mower blades by engaging
attachment clutch control.
TO STOP MOWER BLADES -
disengage attachment clutch control,
_CAUTION: Do not operate the mower
without either the entire grass catcher, on
mowers so equipped, or the deflector
shield in placeo
Attachment Clutch Attachment Lift Lever
Switch Pull Out To High Position
/Low
0,_ Position
_:_ Deflector
y Shield
TO OPERATE ON HILLS
,_CAUTION: Do not drive up or down
hills with slopes greater than 15 °and do
not drive across any slope. Use the slope
guide provided at the back of this manual.
° Choose the slowest speed before
starting up or down hills.
• Avoid stopping or changing speed on
hills.
° If slowing is necessary, move throttle
control lever to slower position,
. If stopping is absolutely necessary,
push clutch/brake pedal quickly to
brake position and engage parking
brake,
• Move motion control lever to neutral (N)
position.
IMPORTANT; The motion control lever does
not return to neutral (N) position when the
clutch/brake pedal Is depressed,
° To restart movement, slowly release
parking brake and clutch/brake pedal.
° Slowly move motion control lever to
slowest setting.
° Make all turns slowly,
TO TRANSPORT
When pushing or towing your tractor, be
sure to disengage transmission by
placing freewheel control in freewheeling
position, Free wheel control is located at
the rear drawbar of tractor,
1. Raise attachment lift to highest
position with attachment lift control.
2. Put! freewheel control out and down
into the slot and release so it is held in
the disengaged position.
° Do not push or tow tractor at more than
two (2) MPHo
16

•To reengage transmission, reverse
above procedure°
NOTE: To protect hood from damage
when transporting your tractor on a truck
or a trailer, be sure hood is closed and
secured to tractor. Use an appropriate
means of tying hood to tractor (rope, cord,
etc.).
TOWING CARTS AND OTHER ATTACH-
MENTS
Tow only the attachments that are
recommended by and comply with
specifications of the manufacturer of your
tractor, Use common sense when towing.
Too heavy of a load, while on a slope, is
dangerous_ Tires can lose traction with
the ground and cause you to lose control
of your tractor,
BEFORE STARTING THE ENGINE
CHECK ENGINE OIL LEVEL
The engine in your tractor has been
shipped, from the factory, already filled
with summer weight oil.
1. Check engine oil with tractor on level
ground,
2, Unthread and remove oil fill cap/
dipstick; wipe oil off. Reinsert the
dipstick into the tube and rest oil fill
cap on the tube. Do not thread the
cap onto the tube. Remove and read
oil level. If necessary, add oil until
"FULL" mark on dipstick is reached.
Do not overfill.
• For cold weather operation you should
change oil for easier starting (See "OIL
VISCOSITY CHART" in the Mainte-
nance section of this manual).
,, To change engine oi!, see the Mainte-
nance section in this manual.
ADD GASOLINE
• Fill fuel tank. Use fresh, clean, regular
unleaded gasoline with a minimum of
87 octane. (Use of leaded gasoline will
increase carbon and lead oxide
deposits and reduce valve life). Do not
mix oil with gasoline. Purchase fuel in
quantities that can be used within 30
days to assure fuel freshness.
IMPORTANT: When operating in tem-
peratures below 32°F(0°C), use fresh,
clean winter grade gasoline to help
insure good cold weather starting.
AWARNING: Experience indicates that
alcohol blended fuels (called gasohol or
using ethanol or methanol) can attract
moisture which leads to separation and
formation of acids during storage. Acidic
gas can damage the fuel system of an
engine while in storage. To avoid engine
problems, the fuel system should be
emptied before storage of 30 days or
longer. Drain the gas tank, start the
engine and let it run until the fuel lines
and carburetor are empty. Use fresh fuel
next season. See Storage instructions for
additional information. Never use engine
or carburetor cleaner products in the fuel
tank or permanent damage may occur.
,_CAUTION: Fill to bottom of gas tank
filler neck. Do not overfill. Wipe off any
spilled oil or fuel. Do not store, spill or use
gasoline near an open flame.
TO START ENGINE
When starting the engine for the first time or if
the engine has run out of fuel, it will take extra
cranking time to move fuel from the tank to
the engine.
t. Be sure freewheel control is in the
transmission engaged position.
2. Sit on seat in operating position,
depress clutch/brake pedal and set
parking brake_
3. Place motion control lever in neutral
(N) position.
4. Move attachment clutch to "DISEN-
GAGED" position.
5. Move throttle control to fast position
6. Pull choke control out for a cold
engine start attempt. For a warm
engine start attempt the choke control
may not be needed.
NOTE: Before starting, read the warm and
cold starting procedures below.
7. Insert key into ignition and turn key
clockwise to "START" position and
release key as soon as engine starts°
Do not run starter continuously for
more than fifteen seconds per minute.
If the engine does not start after
several attempts, push choke control
in, wait a few minutes and try again. If
engine still does not start, pull the
choke control out and retry,
17

WARMWEATHERSTARTING(50° Fand
above)
8. Whenenginestarts,slowlypush
chokecontrolin until the engine
beginsto runsmoothly,if the engine
startsto run roughly,pullthe choke
controlout slightlyfor a few seconds
and thencontinueto pushthe control
in slowly.
o Theattachmentsandgrounddrivecan
nowbeused.Iftheenginedoesnotaccept
theload,restarttheengineandallowitto
warmupforoneminuteusingthechoke
as describedabove.
COLDWEATHERSTARTING(50°F and
below)
8. Whenengine starts,slowlypush
chokecontrolin until the engine
beginsto runsmoothly.Continueto
pushthe chokecontrolin small steps
allowingthe engineto acceptsmall
changesin speedand load, until the
chokecontrolisfully inoIf the engine
startsto run roughly,pullthe choke
controlout slightlyfor a few seconds
and thencontinueto pushthe control
in slowly.This may requirean engine
warm-upperiodfrom severalseconds
to severalminutes,dependingon the
temperature.
AUTOMATICTRANSMISSIONWARMUP
Beforedrivingthe unitin cold weather,
the transmissionshouldbewarmedup as
follows:
1. Be surethe tractoris on level ground.
2. Placethe motioncontrollever in
neutral,Releasethe parkingbrake
and let the clutch/brakeslowly return
to operatingposition°
3. Allowone minutefor transmissionto
warmup.Thiscan be doneduringthe
enginewarmup period.
° The attachmentscan be used during
the enginewarm-upperiodafter the
transmissionhas beenwarmedup and
mayrequirethe chokecontrolbe
pulledout slightly.
NOTE:Ifat a highaltitude(above3000
feet) or in cold temperatures(below32 F)
the carburetorfuel mixturemay needto
be adjustedfor best engineperformance°
See"TOADJUSTCARBURETOR"in the
Service and Adjustments section of this
manual.
PURGE TRANSMISSION
_,_CAUTION: Never engage or disen-
gage freewheel lever while the engine is
running.
To ensure proper operation and perfor-
mance, it is recommended that the
transmission be purged before operating
tractor for the first time. This procedure will
remove any trapped air inside the trans-
mission which may have developed during
shipping of your tractor_
IMPORTANT: Should your transmission
require removal for service or replacement,
it should be purged after reinstaltation
before operating the tractor.
I. Place tractor safely on level surface
with engine off and parking brake set.
2. Disengage transmission by placing
freewheel control in freewheeling
position (See '%0 TRANSPORT" in
this section of manual).
3. Sitting in the tractor seat, start engine.
After the engine is running, move
throttle control to slow position° With
motion control lever in neutral (N)
position, slowly disengage clutch/
brake pedal°
4, Move motion control lever to full
forward position and hold for five (5)
seconds. Move lever to full reverse
position and hold for five (5) seconds.
Repeat this procedure three (3) times.
NOTE: During this procedure there will be
no movement of drive wheels. The air is
being removed from hydraulic drive
system.
5. Move motion control lever to neutral
(N) position. Shut- off engine and set
parking brake.
6. Engage transmission by placing
freewheel control in driving position
(See "TO TRANSPORT" in this section
of manual).
7. Sitting in the tractor seat, start engine.
After the engine is running, move
throttle control to half (1/2) speed. With
motion control lever in neutral (N)
position, slowly disengage clutch/
brake pedal.
8. Slowly move motion control lever
forward, after the tractor moves
approximately five (5) feet, slowly
move motion control lever to reverse
position. After the tractor moves
approximately five (5) feet return the
motion control lever to the neutral (N)
position. Repeat this procedure with
the motion control lever three (3)
times_
Your tractor is now purged and now ready
for normal operation.
18

MOWING TIPS
•Mower should be properly leveled for
best mowing performance° See "TO
LEVEL MOWER HOUSING" in the
Service and Adjustments section of this
manual.
o The left hand side of mower should be
used for trimming.
o Drive so that clippings are discharged
onto the area that has been cut. Have
the cut area to the right of the tractor.
This wilt result in a more even distribu-
tion of clippings and more uniform
cutting.
• When mowing large areas, start by
turning to the right so that clippings will
discharge away from shrubs, fences,
driveways, etc. After one or two
rounds, mow in the opposite direction
making left hand turns until finished.
o If grass is extremely tall, it should be
mowed twice to reduce load and
possible fire hazard from dried clip-
pings. Make first cut relatively high; the
second to the desired height.
° Do not mow grass when it is wet. Wet
grass will plug mower and leave
undesirable clumps. Allow grass to dry
before mowing.
•Always operate engine at full throttle
when mowing to assure better mowing
performance and proper discharge of
material. Regulate ground speed by
selecting a tow enough gear to give the
mower cutting performance as well as
the quality of cut desired.
° When operating attachments, select a
ground speed that will suit the terrain
and give best performance of the
attachment being used.
.
MULCHING MOWING TIPS
IMPORTANT: For best performance,
keep mower housing free of built-up
grass and trash. Clean after each use.
° The special mulching blade will recut
the grass clippings many times and
reduce them in size so that as they fall
onto the lawn they will disperse into the
grass and not be noticed. Also, the
mulched grass will biodegrade quickly
to provide nutrients for the lawn.
Always mulch with your highest engine
(blade) speed as this will provide the
best recutting action of the blades.
• Avoid cutting your lawn when it is wet.
Wet grass tends to form clumps and
interferes with the mulching action.
The best time to mow your lawn is the
early afternoon, At this time the grass
has dried and the newly cut area will
not be exposed to the direct sun.
° For best results, adjust the mower
cutting height so that the mower cuts off
only the top one-third of the grass
blades. For extremely heavy mulching,
reduce your width of cut on each pass
and mow slowly.
o Certain types of grass and grass
conditions may require that an area be
mulched a second time to completely
hide the clippings. When doing a
second cut, mow across or perpendicu-
lar to the first cut path.
• Change your cutting pattern from week
to week. Mow north to south one week
then change to east to west the next
week. This will help prevent matting
and graining of the lawn.
MAX 1/3
19

MAINTENAN'CE'SCHEDULE _._
FILL IN DATES ,_O_==_
Check BrakeOperalion if If
Check Tire Pressure V_ If
Check Operator Presence and
T}nterlock Sysiem_ V_
aCheck far Loose Fasteners V_' V_,
(_ Sh_;e,_Rep!_,ceMo,_e'r"B1;,_e_........ V'. ...........
T Lubricationchart _ Sf ........................
0 Check Batter,i Level I_B
R Clean Battery and Terminais * ' ' _ '
CheckT,anS,xl,CQor!_g......................................V" ...............
Adjust Blade Belt(s) Tension V_s
Adj"stM0ti0.D.vaBa,(s)Tens_an _, ....
CheckEngtne0!*Lever............... V" V"
Change Engine Oit 1_t.2.= V_
E0,eon ,rF,,,er ' '.................... i i i...........'.....i
NCleanAir Screen _z
Inspect Muffler/Spark Arrester
Replace 0ii F{iter (if equipped) . . .
Replace Spark Plug If If
ReplacoAt,F,,orPaperco.,_d_e V'_ ...............
Replace Fuel Filter I_
I-Change mote olter_ when operating under a heavy bad Dr tn high _mhlanl temperalums., ,5 ,,1I eq_}pped with adjuslabie syslem
2- Service more olden when operating In d_rty o_ dusty conditions 6 -Hot mqu!_od tl _qulpped with maintenance*lee bal_enf,
3 - If equipped wllh ol tilter, change oil ovary SO hours 7-Tighten trent mdt_ pivot bo!l Io 35 {I,-Ibs m_lmum
4- Replace blades more piton when mowing In s_ndy soil Do nat evertlghter_
GENERAL RECOMMENDATIONS
The warranty on this tractor does not cover
items that have been subjected to operator
abuse or negligence. To receive full value
from the warranty, operator must maintain
tractor as instructed in this manual°
Some adjustments will need to be made
periodically to properly maintain your
tractor°
All adjustments in the Service and
Adjustments section of this manual should
be checked at least once each season.
• Once a year you should replace the
spark plug, clean or replace air filter, and
check blades and belts for wear° A new
spark plug and clean air filter assure
proper air-fuel mixture and help your
engine run better and last longer.
BEFORE EACH USE
1. Check engine oil level.
2. Check brake operation.
3. Check tire pressure.
4. Check operator presence and
interlock systems for proper operation.
5. Check for loose fasteners.
LUBRICATION CHART
Spindle
Zerk
OWheel
Bearing
Zerk
Spindle
Zerk
_) Front
Wheel
Bearing
Zerk
O General Purpose Grease
® Refer to Maintenance "ENGINE" Section
(_ Engine
IMPORTANT: Do not oil or grease the
pivot points which have special nylon
bear-tags. Viscous lubricants will attract
dust and dirt that will shorten the life of
the self-lubricating bearings. If you feet
they must be lubricated, use only a dry,
powdered graphite type lubricant
sparingly.
2O

TRACTOR
Alwaysobservesafety ruleswhen
performingany maintenance.
BRAKEOPERATION
tftractorrequiresmorethansix (6)feet
stoppingdistanceat highspeed in
highestgear,thenbrakemust bead-
justed.(See"TOADJUSTBRAKE"in the
Serviceand Adjustmentssectionof this
manual).
TIRES
• Maintainproperair pressurein all tires
(See"PRODUCTSPECIFICATIONS"
sectionof this manual).
•Keep tires free of gasoline, oil, or insect
control chemicals which can harm
rubber.
• Avoid stumps, stones, deep ruts, sharp
objects and other hazards that may
cause tire damage.
NOTE: To seal tire punctures and prevent
flat tires due to slow leaks, tire sealant
may be purchased from your local parts
dealer. Tire sealant also prevents tire dry
rot and corrosion°
OPERATOR PRESENCE SYSTEM
Be sure that operator presence and
interlock systems are working properly. If
your tractor does not function as de-
scribed below, repair the problem
immediately.
, The engine should not start unless the
clutch/brake pedal is fully depressed
and attachment clutch control is in the
disengaged position.
• When the engine is running, any
attempt by the operator to leave the
seat without first setting the parking
brake should shut off the engine.
°When the engine is running and the
attachment clutch is engaged, any
attempt by the operator to leave the
seat should shut off the engine.
° The attachment clutch should never
operate unless the operator is in the
seat.
BLADE CARE
For best results mower blades must be
kept sharp_ Replace bent or damaged
blades.
BLADE REMOVAL
1o Raise mower to highest position to
allow access to blades.
2o Remove hex bolt, lock washer and flat
washer securing blade.
3o Install new or resharpened blade with
trailing edge up towards deck as
shown.
IMPORTANT: To ensure proper assembly,
center hole in blade must align with star
on mandrel assembly°
4. Reassemble hex bolt, lock washer
and flat washer in exact order as
shown.
5. Tighten bolt securely (27-35 Ft. Lbs.
torque).
Trailing Edge Up _'_ _ Mandrel
Star _"_'_Asse mbly
Washer ._ .._"" _-_q"_'_ Blade
_... Hex Bolt _'J
(Grade 8)*
*A Grade 8 heat treated bolt can be
identified by six lines on the bolt head.
IMPORTANT: Blade bolt is grade 8 heat
treated.
TO SHARPEN BLADE
NOTE: We do not recommend sharpen-
ing blade - but if you do, be sure the
blade is balanced.
Care should be taken to keep the blade
balanced. An unbalanced blade wilt
cause excessive vibration and eventual
damage to mower and engine.
, The blade can be sharpened with a file
or on a grinding wheel. Do not attempt
to sharpen while on the mower.
° To check blade balance, you will need
a 5/8" diameter steel bolt, pin, or a cone
balancer_ (When using a cone bal-
ancer, follow the instructions supplied
with balancer.)
NOTE: Do not use a nail for balancing
blade. The lobes of the center hole may
appear to be centered, but are not°
° Slide blade on to an unthreaded
portion of the steel bolt or pin and hold
the bolt or pin parallel with the ground.
If blade is balanced, it should remain in
a horizontal position. If either end of
the blade moves downward, sharpen
the heavy end until the blade is
balanced.
Center Hole
BIade
518" Bolt
or Pin
BATTERY
Your tractor has a battery charging system
which is sufficient for normal use. How-
ever, periodic charging of the battery with
2! an automotive charger will extend its life.

• Keepbatter,/and terminalsclean.
° Keepbattery'boltstight°
° Keepsmall vent holesopen_
• Rechargeat 6-10 amperesfor 1 hour.
NOTE:The originalequipmentbatteryon
yourtractoris maintenancefree, Donot
attemptto openor removecapsor covers.
Addingor checkinglevelof electrolyteis
not necessary,
TO CLEANBATTERYANDTERMINALS
Corrosionand dirt on the batteryand
terminalscancausethe batteryto "leak"
power.
1o Removeterminalguard,
2, DisconnectBLACKbatterycablefirst
then RED batterycableand remove
batteryfrom tractor.
3, Rinsethe batterywith plainwaterand
dry,
4, Cleanterminalsand batterycable
endswith wire brush until bright.
5, Coatterminalswith greaseor petro,.,
teumjelly,
6, Reinstallbattery (See"REPLACING
BATTERY"in theSERVICEAND
ADJUSTMENTSsectionof this
manual).
V-BELTS
CheckV-beltsfor deteriorationandwear
after 100hours of operationand replace
if necessary,Thebeltsarenot adjustable.
Replacebeltsif they beginto slip from
wear.
TRANSAXLECOOLING
The transmissionfan and coolingfins
shouldbe keptcleanto assureproper
cooling.
Donotattemptto cleanfan or transmis-
sion whileengine is runningor whilethe
transmissionis hot.To preventpossible
damageto seals,do not use high
pressurewateror steamto clean
transaxie_
° Inspectcoolingfan to besurefan
bladesare intact and clean.
° Inspect cooling fins for dirt, grass
clippings and other materials° To
prevent damage to seals, do not use
compressed air or high pressure
sprayer to clean cooling fins.
TRANSAXLE PUMP FLUID
The transaxle was sealed at the factory
and fluid maintenance is not required for
the life of the transaxle. Should the
transaxle ever leak or require servicing,
contact your nearest authorized service
center/department.
ENGINE
LUBRICATION
Only use high quality' detergent oil rated
with API service classification SF, SG, or
SHo Select the oil's SAE viscosity grade
according to your expected operating
temperature,
,SAE vIr_coSEY GRADEES .......... 1
.... TE}4PI_TUR£ RAI_GE A_ICIP^TED BEFORE NEXT OIL C'_NG_ {
Change the oil after every 50 hours of
operation or at least once a year if the
tractor is not used for 50 hours in one
year,
Check the crankcase oil level before
starting the engine and after each eight
(8) hours of operation. Tighten oil fill cap/
dipstick securely each time you check the
oil level,
TO CHANGE ENGINE OIL
Determine temperature range expected
before oil change. All oil must meet API
service classification SF, SG, or SH.
° Be sure tractor is on level surface.
° Oil will drain more freely when warm.
•Catch oil in a suitable container.
I. Remove oil fill cap/dipstick. Be careful
not to allow dirt to enter the engine
when changing oil.
2. Remove drain plug.
3. After oil has drained completely,
replace oil drain plug and tighten
securely.
4o Refill engine with oil through oil fill
dipstick tube. Pour slowly. Do not
overfill. For approximate capacity see
"PRODUCT SPECIFICATIONS"
section of this manual.
5, Use gauge on oil fill cap/dipstick for
checking level. Insert dipstick into the
tube and rest the oil fill cap on the
tube. Do not thread the cap onto the
tube when taking reading. Keep oil
at "FULL" line on dipstick, Tighten cap
onto the tube securely when finished.
Oil Drain
Plug
22
Oil Fill
Air Screen Cap/Dipstick

CLEAN AIR SCREEN
Air screen must be kept free of dirt and
chaff to prevent engine damage from
overheating. Clean with a wire brush or
compressed air to remove dirt and
stubborn dried gum fibers.
CLEAN AIR INTAKE/COOLING AREAS
To insure proper cooling, make sure the
grass screen, cooling fins, and other
external surfaces of the engine are kept
clean at all times.
Even/100 hours of operation (more often
under extremely dusty, dirty conditions),
remove the blower housing and other
cooling shrouds. Clean the cooling fins
and external surfaces as necessary. Make
sure the cooling shrouds are reinstalled.
NOTE: Operating the engine with a
blocked grass screen, dirty or plugged
cooling fins, and/or cooling shrouds
removed will cause engine damage due
to overheating.
AIR FILTER
Your engine will not run properly using a
dirty air filter° Clean the foam pre-cleaner
after every 25 hours of operation or every
season. Service paper cartridge every
100 hours of operation or every season,
whichever occurs first.
Service air cleaner more often under
dusty conditions.
1_ Loosen knob and remove cover.
TO SERVICE PRE-CLEANER
2. Slide foam pre-cleaner off cartridge.
3o Wash it in liquid detergent and water.
4, Squeeze it dry in a clean cloth. Allow
it to dry.
5_ Saturate it in engine oil. Wrap it in
clean, absorbent cloth and squeeze to
remove excess oilo
TO SERVICE CARTRIDGE
- Replace a dirty, bent, or damaged
cartridge.
NOTE: Do not wash the paper cartridge
or use pressurized air, as this will
damage the cartridge.
6o Remove nut and cartridge plate.
7. Reinstall the pre-cleaner (cleaned
and oiled) over the paper cartridge.
8. Check rubber seat for damage and
proper position around stud Replace
if necessary.
9. Reassemble air cleaner, cartridge
plate, and nut.
10. Reinstall air cleaner cover and secure
by tightening knob.
Cartridge
Cart
Foam
Pre-Cleaner
Rubber
Seal
ENGINE OIL FILTER
Replace the engine oil filter every season
or every other oil change if the tractor is
used more than 100 hours in one year.
MUFFLER
inspect and replace corroded muffler and
spark arrester (if equipped) as it could
create a fire hazard and/or damage.
SPARK PLUGS
Replace spark plugs at the beginning of
each mowing season or after every 100
hours of operation, whichever occurs first.
Spark plug type and gap setting are
shown in "PRODUCT SPECIFICATIONS"
section of this manual.
IN-LINE FUEL FILTER
The fuel filter should be replaced once
each season, tf fuel filter becomes
clogged, obstructing fuel flow to carbure-
tor, replacement is required.
1. With engine cool, remove filter and
plug fuel line sections.
2. Place new fuel filter in position in fuel
line with arrow pointing towards
carburetor.
3. Be sure there are no fuel line leaks
and clamps are properly positioned.
4. Immediately wipe up any spilled
gasoline.
Clamp
CLEANING
• Clean engine, battery, seat, finish, etco
of all foreign matter.
° Keep finished surfaces and wheels free
of all gasoline, oil, etc.
•Protect painted surfaces with automo-
tive type wax.
We do not recommend using a garden
hose to clean your tractor unless the
electrical system, muffler, air filter and
carburetor are covered to keep water out.
Water in engine can result in a shortened
23engine lifeo

CAUTION: BEFOREPERFORMING ANY SERVICE OR ADJUSTMENTS:
1, Depress clutch/brake pedal fully and set parking brake.
2, Place motion control lever in neutral (N) positiom
3_ Place attachment clutch in "DISENGAGED" position.
4, Turn ignition key "OFF" and remove key.
5. Make sure the blades and all moving parts have completely stopped.
6. Disconnect spark plug wire from spark plug and place wire where it cannot
come in contact with plug,
TRACTOR
TO REMOVE MOWER
1o Place attachment clutch in "DISEN-
GAGED" position.
2, Turn height adjustment knob to lowest
setting.
3. Lower mower to its lowest position,
4, Remove retainer spring holding anti-
swaybar to chassis bracket and
disengage anti-swaybar from bracket.
5. Remove retainer springs from
suspension arms at deck and disen-
gage arms from deck,
6. Raise attachment lift to its highest
position°
7. Remove two retainer springs from
each front link and remove links.
8. Slide mower forward and remove belt
from electric clutch pulley.
9. Slide mower out from under right side
of tractoro
IMPORTANT: If an attachment other than
the mower deck is to be mounted on the
tractor, remove the front links.
TO INSTALL MOWER
Follow procedure described in "INSTALL
MOWER AND DRIVE BELT" in the
Assembly section of this manual,
TO LEVEL MOWER HOUSING
Adjust the mower while tractor is parked
on level ground or driveway. Make sure
tires are properly inflated (See "PROD-
UCT SPECIFICATIONS"). If tires are over
or underinflated, you will not properly
adjust your mower,
SIDE-TO-SIDE ADJUSTMENT
o Raise mower to its highest position,
° At the midpoint of both sides of mower,
measure height from bottom edge of
mower to ground, Distance "A" on both
sides of mower should be the same or
within 1/4" of each other.
° If adjustment is necessary, make
adjustment on one side of mower only,
• To raise one side of mower, tighten lift
link adjustment nut on that side°
Adjustment Nuts
Suspension Arms Lift Links
Front Mower
Bracket
Chassis
Bracket
Retainer
Spring
Retainer Springs
Mower Bracket
Anti-Sway Bar
Retainer
Springs
24

. To lower one side of mower, loosen lift
link adjustment nut on that side.
NOTE: Each full turn of adjustment nut
will change mower height about 1/8".
oRecheck measurements after adjust-
ing.
Bottom edge of Bottom edge of
mower to ground mower to ground
_andrel
Both Front Links Should be Equal in Length
Lift Link Adjustment Nut
FRONT-TO-BACK ADJUSTMENT
IMPORTANT: Deck must be level side-to-
side. If the following fronbto°back adjust-
ment is necessary, be sure to adjust both
front links equally so mower will stay
level side-to-side.
To obtain the best cutting results, the
mower housing should be adjusted so
that the front is approximately 1/8" to 1/2"
lower than the rear when the mower is in
its highest position.
Check adjustment on right side of tractor.
Measure distance "D" directly in front and
behind the mandrel at bottom edge of
mower housing as shown.
° Before making any necessary adjust-
ments, check that both front links are
equal in length° Both links should be
approximately I0-3/8".
• If links are not equal in length, adjust
one link to same length as other link.
• To lower front of mower loosen nut "E"
on both front links an equal number of
turns.
° When distance "D" is 1/8" to 1/2" lower
at front than rear, tighten nuts "F"
against trunnion on both front links.
° To raise front of mower, loosen nut "F"
from trunnion on both front links,.
Tighten nut "E" on both front links an
equal number of turns.
° When distance "D" is 1/8" to 1/2" lower
at front than rear, tighten nut "F" against
trunnion on both front links.
-Recheck side-to-side adjustment.
_Nut
"E"
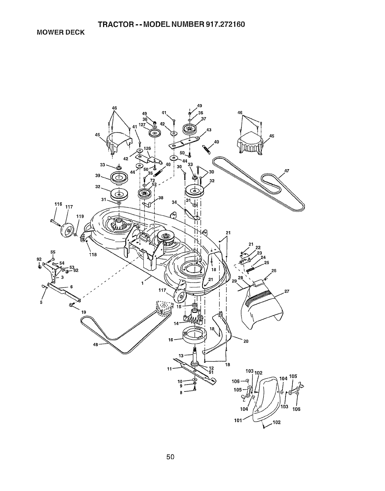
TO REPLACE MOWER DRIVE BELT
MOWER DRIVE BELT REMOVAL
1. Park tractor on a level surface.
Engage parking brake.
2. Remove screws from LH. mandrel
cover and remove cover.
3. Roll belt over the top of L.H. mandrel
pulley,
4. Remove belt from electric clutch
pulley.
5. Remove belt from idler pulleys.
6o Remove any dirt or grass clippings
which may have accumulated around
mandrels and entire upper deck
surface.
7. Check primary idler arm and two
idlers to see that they rotate freely_
8_ Be sure spring is securely hooked to
primary idler arm and bolt in mower
housing.
MOWER DRIVE BELT INSTALLATION
9. Install belt in both idlers. Make sure
belt is in both belt keepers at the
idlers as shown.
10. Install new belt onto electric clutch
pulley.
I1. Roll belt into upper groove of L_H.
mandrel pulley.
12.Carefully check belt routing making
sure belt is in the grooves correctly
and inside belt keepers,
13oReassemble L.H,, mandrel cover,.
25

L.H.
Mandrel
Screws
Idler
PL leys
Electric
Clutch
Pulley
Mower
,Drive
Belt
L.H_
Mandre
Prima
Idler Arm
Keepers
TO REPLACE MOWER BLADE DRIVE
BELT
Park the tractor on level surface. Engage
parking braker
1. Remove mower drive belt (See "TO
REPLACE MOWER DRIVE BELT" in
this section of this manual),
2, Remove mower (See "TO REMOVE
MOWER" in this section of this
manual),
3. Remove screws from R.H. mandrel
cover and remove cover. Unhook
spring from bolt on mower housing_
4_ Carefully roll belt off R_Ho mandrel
pulley.
5_ Remove belt from center mandrel
pulley, idler pulley, and L,,H, mandrel
pulley.
6. Remove any dirt or grass which may
have accumulated around mandrels
and entire upper deck surface.
7. Check secondary idler arm and idler
to see that they rotate freely,
8, Be sure spring is hooked in secondary
idler arm and sway-bar bracket,
9, Install new belt in lower groove of L,H.
mandrel pulley, idler pulley, and
center mandrel pulley as shown,
I0, Roll belt over R,H. mandrel pulley.
Make sure belt is in all grooves
properly.
t 1. Reconnect spring to bolt in mower
housing and reinstall RoHo mandrel
cover.
12. Reinstall mower to tractor (See
"INSTALL MOWER AND DRIVE
BELT" in the Assembly section of this
manual).
* Reassemble mower drive belt (See
"TO REPLACE MOWER DRIVE BELT'
in this section of this manual).
Mower
L.H. Blade Drive Center
Man4 Irel Belt Mandrel Idler
Pulley
RH.
Secondar Cover
Idler Arm
Bracket Screw
Spring
TO ADJUST BRAKE
Your tractor is equipped with an adjustable
brake system which is mounted on the
side of the transaxle.
If tractor requires more than six (6) feet
stopping distance at high speed in highest
gear on a level dry concrete or paved
surface, then brake must be adjusted.
I. Depress clutch/brake pedal and
engage parking brake.
2_ Measure distance between brake
operating arm and nut "A" on brake rod°
3. If distance is other than 1-9/16", loosen
jam nut and turn nut "A" until distance
becomes 1-9/16". Retighten jam nut
against nut "A".
4. Road test tractor for proper stopping
distance as stated above° Readjust if
necessary_ If stopping distance is still
greater than six (6) feet in highest gear,
further maintenance is necessary.
Contact a Sears or other qualified
service center.
With Parking Brake "Engaged"
Jam Nut
Operating
Arm
Do Not touch this nut, If further brake
adjustment is necessary, contact a Sears or
other qualified service center.
26

TO REPLACE MOTION DRIVE BELT
Park the tractor on level surface° Engage
parking brake. For assistance, there is a
belt installation guide decal on bottom
side of left footrest.
1o Remove mower (See "TO REMOVE
MOWER" in this section of this
manual.)
2. Disconnect clutch wire harness.
3. Remove clutch Iocator.
4. Remove belt from stationary idler and
clutching idler,
5. Pull belt slack toward rear of tractor.
Carefully remove belt upwards from
transmission input pulley and over
cooling fan blades.
6. Pull belt toward front of tractor and
remove downwards from around
electric clutch,
7. Install new belt by reversing above
procedure.
Electric ..... _L__ clutch
Clutch _r
Clutching-----" _ I t'_ h",
Stationary //I ft'
,,,er
Transmission _._'_ tt c!"tcb
re
vF ,q vJ
TRANSAXLE MOTION CONTROL
LEVER NEUTRAL ADJUSTMENT
The motion control lever has been preset
at the factory and adjustment should not
be necessary.
1, Loosen adjustment bolt in front of the
right rear wheel, and lightly tighten,
2, Start engine and move motion control
lever until tractor does not move
fo_,vard or backward.
3, Hold motion control lever in that
position and turn engine off.
4, While holding motion control lever in
place, loosen the adjustment bolt,
5, Move motion control lever to the
neutral (N) (lock gate) position°
6. Tighten adjustment bolt securely.
NOTE: If additional clearance is needed
to get to adjustment bolt, move mower
deck height to the lowest position.
After above adjustment is made, if the
tractor still creeps forward or backward
while motion control lever is in neutral
position, follow these steps:
1. Loosen the adjustment bolt,
2. Move the motion control lever 1/4 to
1/2 inch in the direction it is trying to
creep,
3, Tighten adjustment bolt securely.
4o Start engine and test,
5. If tractor still creeps, repeat above
steps until satisfied.
Motion Control Lever Neutral Lock Gate
Adjustment
/,_.... Bolt
TRANSMISSION REMOVAL/REPLACE-
MENT
Should your transmission require
removal for service or replacement, it
should be purged after reinstallation and
before operating the tractor, See "PURGE
TRANSMISSION" in the Operation
section of this manual.
TO ADJUST STEERING WHEEL ALIGN-
MENT
If steering wheel crossbars are not
horizontal (left to right) when wheels are
positioned straight forward, remove
steering wheel and reassemble per
instructions in the Assembly section of
this manual,
FRONT WHEEL TOE-IN/CAMBER
The front wheel toe-in and camber are
not adjustable on your tractor. If damage
has occurred to affect the front wheel toe-
in or camber, contact your nearest
authorized service center.
TO REMOVE WHEEL FOR REPAIRS
1. Block up axle securely.
2, Remove axle cover, retaining ring and
washers to allow wheel removal (rear
wheel contains a square key - Do not
lose),
3_ Repair tire and reassemble,
NOTE: On rear wheels only: align
grooves in rear wheel hub and axle,
Insert square key,
4, Replace washers and snap retaining
ring securely in axle groove.
5. Replace axle cover.
NOTE: To seal tire punctures and prevent
flat tires due to slow leaks, tire sealant
may be purchased from your local parts
dealer. Tire sealant also prevents tire dry
rot and corrosion,
27

Retaining
Washers
Axle
Cover
t
Square Key
(Rear Wheel Only)
TO START ENGINE WITH A WEAK
BATTERY
_,CAUTtON: Lead-acid batteries
generate explosive gases. Keep sparks,
flame and smoking materials away from
batteries. Always wear eye protection
when around batteries°
if your battery is too weak to start the
engine, it should be recharged. (See
"BATTERY" in the MAINTENANCE
section of this manual).
If "jumper cables" are used for emergency
starting, follow this procedure:
IMPORTANT: Your tractor is equipped
with a 12 volt negative grounded system.
The other vehicat must also be a 12 volt
negative grounded system. Do not use
your tractor battery to start other vehicles.
TO ATTACH JUMPER CABLES -
1. Connect each end of the RED cable to
the POSITIVE (+) terminal of each
battery, taking care not to short
against chassis.
2. Connect one end of the BLACK cable
to the NEGATIVE (-) terminal of fully
charged battery.
3. Connect the other end of the BLACK
cable to good CHASSIS GROUND,
away from fuel tank and battery.
TO REMOVE CABLES, REVERSE ORDER -
1. BLACK cable first from chassis and
then from the fully charged battery.
2. RED cable last from both batteries.
REPLACING BATTERY
_,CAUTION: Do not short battery
terminals by allowing a wrench or any
other object to contact both terminals at
the same time, Before connecting battery,
remove metal bracelets, wristwatch
bands, rings, etc.
Positive terminal must be connected first
to prevent sparking from accidental
grounding.
1. Lift hood to raised position.
2. Remove terminal guard,,
3. Disconnect BLACK battery cable then
RED battery cable and carefully
remove battery from tractor.
4. Install new battery with terminals in
same position as old battery,,
5. Reinstall terminal guard.
6. First connect RED battery cable to
positive (+) battery terminal with hex
bolt and keps nut as shown. Tighten
securely°
7. Connect BLACK grounding cable to
negative (-) battery terminal with
remaining hex bolt and keps nut.
Tighten securely
8, Close terminal access doors.
9. Close hood,
(Black) Cable
TO REPLACE HEADLIGHT BULB
1. Raise hood.
2. Pull bulb holder out of the hole in the
backside of the grill.
3. Replace bulb in holder and push bulb
holder securely back into the hole in
the backside of the grill.
4o Close hood.
INTERLOCKS AND RELAYS
Loose or damaged wiring may cause your
tractor to run poorly, stop running, or
prevent it from starting.
° Check wiring. See electrical wiring
diagram in the Repair Parts section.
TO REPLACE FUSE
Replace with t5 amp automotive-type
plug-in fuse. The fuse holder is located
behind the dash.
28

TO REMOVE HOOD AND GRILL
ASSEMBLY
1. Raise hood°
2. Unsnap headlight wire connector.
3. Stand in front of tractor, Grasp hood
at sides, tilt toward engine and lift off
of tractor.
4. To replace, reverse above procedure.
Hood
Headlight Wire
Connector
ENGINE
Maintenance, repair, or replacement of
the emission control devices and sys-
tems, which are being done at the
customers expense, may be performed
by any non-road engine repair establish-
ment or individual. Warranty repairs must
be performed by an authorized engine
manufacturer's service outlet.
TO ADJUST THROTTLE CONTROL
CABLE
The throttle control has been preset at the
factory and adjustment should not be
necessary. Check adjustment as de-
scribed below before loosening cable_ If
adjustment is necessary, proceed as
follows:
1. With engine not running, move throttle
control lever to fast position.
2. Check that speed control lever is
against stop screw, tf it is not, loosen
casing clamp screw and pull throttle
cable until lever is against screw.
Tighten clamp screw securely_
Idle Speed
Adjusting iAdjusting
Needle Screw
Throttle
Control
Cable
Choke
Control
Stop Cable
TO ADJUST CHOKE CONTROL
The choke control has been preset at the
factory and adjustment should not be
necessary, check adjustment as described
below before loosening cable. If adjusF
ment is necessary, proceed as follows:
1o With engine not running, move choke
control (located on dash panel) to full
choke position.
2_ Remove air cleaner cover, filter and
cartridge plate to expose carburetor
choke (See "AIR FILTER" in the
Maintenance section of this manual).
3. Choke should be closed. If it is not,
loosen casing clamp screw and move
choke cable until choke is completely
closed. Tighten casing clamp screw
securely°
4. Reassemble air cleaner.
Closed For
Fuli Choke_
TO ADJUST CARBURETOR
The carburetor has been present at the
factory and adjustment should not be
necessary. However, minor adjustment
may be required to compensate for
differences in fuel, temperature, altitude
or load. If the carburetor does need
adjustment, proceed as follows:
In general, turning the adjusting needles
in (clockwise) decreases the supply of
fuel to the engine giving a leaner fuel/air
mixture_ Turning the adjusting needles out
(counterclockwise) increases the supply
of fuel to the engine giving a richer fuel/
air mixture°
IMPORTANT: Damage to the needles
and the seats in carburetor may result if
screw is turned in too tight.
PRELIMINARY SETTING -
1. Be sure you have a clean air filter, and
the throttle control cable is adjusted
properly (see "TO ADJUST
THROTTLE CONTROL CABLE" in the
Service and Adjustments section of
this manual).
Clamp Screw 29

2. With engine off turn idle fuel adjusting
needle in (clockwise) closing it finger
tight and then turn out (counterclock-
wise) 1 turn.
FINAL SETTING -
1. Start engine and allow to warm for five
minutes. Make final adjustments with
engine running and shift!motion
control lever in neutral (N) position.
NOTE: The high idle is set at the factory
and cannot be adjusted.
2. Idle speed setting - With throttle
control lever in slow position, engine
should idle at t200 RPMo If engine
idles too stow or fast, turn idle speed
adjusting screw in or out until correct
idle is attained.
3. Idle fuel needle setting - With throttle
control lever in slow position, turn idle
fuel adjusting needle in (clockwise)
until engine speed decreases and
then turn out (counterclockwise)
approximately 3/4 turn to obtain the
best low speed performance.
4. Recheck idle speed. Readjust if
necessary.
ACCELERATION TEST
5. Move throttle control lever from slow to
fast position. If engine hesitates or
dies, turn idle fuel adjusting needle
out (counterclockwise) 1/8 turn.
Repeat test and continue to adjust, if
necessary, until engine accelerates
smoothly.
High speed stop is factory adjusted. Do
not adjust-damage may result.
IMPORTANT: Never tamper with the
engine governor, which is factory set for
proper engine speed. Overspeeding the
engine above the factory high speed
setting can be dangerous. If you think the
engine-governed high speed needs
adjusting, contact your nearest autho-
rized service center/department, which
has proper equipment and experience to
make any necessary adjustments.
3O

Immediately prepare your tractor for
storage at the end of the season or if the
tractor will not be used for 30 days or
more.
_CAUTION: Never store the tractor with
gasoline in the tank inside a building
where fumes may reach an open flame or
spark. Allow the engine to cool before
storing in any enclosure.
TRACTOR
Remove mower from tractor for winter
storage° When mower is to be stored for
a period of time, clean
remove all dirt, grease,
in a clean, dry area°
1. Clean entire tractor
in the Maintenance
manual).
it thoroughly,
leaves, etc. Store
(See "CLEANING"
section of this
2. Inspect and replace belts, if necessary
(See belt replacement instructions in
the Service and Adjustments section
of this manual).
3. Lubricate as shown in the Mainte-
nance section of this manual°
4. Be sure that all nuts, bolts and screws
are securely fastened. Inspect moving
parts for damage, breakage and wear.
Replace if necessary.
5. Touch up all rusted or chipped paint
surfaces; sand lightly before painting.
BATTERY
o Fully charge the battery for storage.
= After a period of time in storage, battery
may require recharging.
° To help prevent corrosion and power
leakage during long periods of storage,
battery cables should be disconnected
and battery cleaned thoroughly (see
"TO CLEAN BATTERY AND TERMI-
NALS" in the Maintenance section of
this manual).
• After cleaning, leave cables discon-
nected and place cables where they
cannot come in contact with battery
terminals.
° If battery is removed from tractor for
storage, do not store battery directly on
concrete or damp surfaces.
ENGINE
FUEL SYSTEM
IMPORTANT: It is important to prevent
gum deposites from forming in essential
fuel system parts such as carburetor, fuel
hose, or tank during storage, Also,
3I
experiance indicates that alcohol
blended fuels (called gasohol or using
ethanol or methanol) can attract moisture
which leads to separation and formation
of acids during storage. Acidic gas can
damage the fuel system of and engine
while in storage°
1o Drain the fuel tank.
2. Start the engine and let it run until the
fuel lines and carburetor are empty.
•Never use engine or carburetor cleaner
products in the fuel tank or permanent
damage may occur.
°Use fresh fuel next season.
NOTE: Fuel stabilizer is an acceptable
alternative in minimizing the formation of
fuel gum deposits during storage. Add
stabilizer to gasoline in fuel tank or
storage container. Always follow the mix
ratio found on stabilizer container, Run
engine at least 10 minutes after adding
stabilizer to allow the stabilizer to reach
the carburetor. Do not drain the gas tank
and carburetor if using fuel stabilizer.
ENGINE OIL
Drain oil (with engine warm) and replace
with clean engine oil (See "ENGINE" in
the Maintenance section of this manual),
CYLINDER(S)
1o Remove spark plug(s).
2. Pour one ounce of oil through spark
plug hole(s) into cylinder(s).
3. Turn ignition key to "START" position
for a few seconds to distribute oil,
4. Replace with new spark plug(s).
OTHER
°Do not store gasoline from one season
to another,.
° Replace your gasoline can if your can
starts to rust. Rust and/or dirt in your
gasoline will cause problems,
,if possible, store your tractor indoors
and cover it to give protection from dust
and dirt_
° Cover your tractor with a suitable
protective cover that does not retain
moisture. Do not use plastic. Plastic
cannot breathe which allows conden-
sation to form and will cause your
tractor to rust.
IMPORTANT: Never cover tractor while
engine and exhaust areas are still warm.

TROUBLESHOOTING CHART
PROBLEM CAUSE CORRECTION
Will not start
Hard to start
Engine will not
turn over
Engine clicks but
will not start
Loss of power
1_ Out of fuel.
2. Engine not "CHOKED"
properly.
3, Engine flooded,
4. Bad spark plug.
5. Dirty air filter,
6, Dirt/fuel filter,
7, Water in fuel.
& Loose or damaged wiring,
9, Carburetor out of adjustment.
10, Engine valves out of
adjustment,
1. Dirty air filter,
2. Bad spark plug,
3. Weak or dead battery,
4. Dirty fuel filter.
5o Stale or dirty fuelo
6. Loose or damaged wiring_
7, Carburetor out of adjustment,
8. Engine valves out of
adjustment.
1, Clutch/brake pedal not
depressed.
2, Attachment clutch is
engaged,
3, Weak or dead battery,
4, Blown fuse,
5. Corroded battery terminals.
6. Loose or damaged wiring,
7. Faulty ignition switch.
8. Faulty solenoid or starter°
9. Faulty operator presence
switch(es).
1. Weak or dead battery.
2, Corroded battery terminals.
3. Loose or damaged wiring,
4. Faulty solenoid or starter,
1, Cutting too much grass!too
fasL
2, Throttle in "CHOKE"
position.
1. Fill fuel tank.
2, See 'q'O START ENGINE"
in Operation section_
3. Wait several minutes before
attempting to start,
4, Replace spark plug,
5, Clean/replace air filter.
6. Replace fuel filter,
7. Drain fuel tank and carbure
tor, refill tank with fresh
gasoline and replace fuel
filter_
& Check al! wiring,
9. See "To Adjust Carburetor"
in Service Adjustments
section,
10,Contact a qualified
service center,
1, Clean/replace air filter,
2, Replace spark plug,
3. Recharge or replace battery,
4, Replace fuel filter.
5, Drain fuel tank and refill with
fresh gasoline.
6, Check all wiring.
7. See "To Adjust Carburetor"
in Service Adjustments
section.
8. Contact a qualified
service center.
1_ Depress clutch/brake pedal.
2, Disengage attachment
clutch,
3, Recharge or replace battery.
4, Replace fuse_
5, Clean battery terminals.
6, Check all wiring.
7. Check/replace ignition
switch.
8, Check/replace solenoid or
starter.
9, Contact a qualified
service center,
I, Recharge or replace battery.
2, Clean battery terminals,
3. Check all wiring.
4. Check/replace solenoid or
starter.
1, Set in "Higher Cut" position/
reduce speed,
2, Adjust throttle control°
32

TROUBLESHOOTING CHART
PROBLEM
Loss of power
(continued)
Excessive
vibration
CAUSE
3, Build-up of grass, leaves
and trash under mower,
CORRECTION
4o Dirty air filter.
5, Low oil leveVdirty oil,
6. Faulty spark plug,
7. Dirty fuel filter,
8. Stale or dirty fuel.
9, Water in fuel,
Engine continues
to run when
operator leaves
seat with
attachment
clutch engaged
Poor cut - uneven
Mower blades will
not rotate
10,Spark plug wire loose.
I1 ,Dirty engine air screen/fins,
12. Dirty/clogged muffler_
13. Loose or damaged wiring,
14.Carburetor out of
adjustment.
15.Engine valves out of
1, Worn, bent or loose blade.
2o Bent blade mandrel.
3, Loose/damaged part(s).
t. Faulty operator-safety
presence control system.
1o Worn, bent or loose blade_
2. Mower deck not level,
3, Buildup of grass, leaves.
and trash under mower,
4, Bent blade mandrel,
5, Clogged mower deck vent
from build-up of grass,
leaves, and trash around
mandrels.
1, Obstruction in clutch
mechanism,
2, Worn/damaged mower
drive belt.
3, Frozen idler pulley,
4_ Frozen blade mandrel,
3. Clean underside of mower
housing,,
4o Clean/replace air filter.
5. Check oil level/change oil.
6. Clean and regap or change
spark plug.
7. Replace fuel filter°
8. Drain fuel tank and refill
with fresh gasoline.
9. Drain fuel tank and
carburetor, refill tank with
fresh gasoline and replace
fuel filter.
10.Connect and tighten spark
plug wire.
!1.Clean engine air screen/
fins,
12.Clean/replace muffler.
13.Check all wiring.
14_See "To Adjust Carburetor"
in Service Adjustments
section_
1&Contact a qualified service
center.
1. Replace blade°
Tighten blade bolt.
2. Replace blade mandrel.
& Tighten loose part(s).
Replace damaged parts.
Check wiring, switches and
connections, tf not corrected
contact a qualified
service center.
1_ Replace blade. Tighten
blade bolt.
2. Level mower deck_
3. Clean underside of mower
housing.
4. Replace blade mandrel.
5o Clean around mandrels to
open vent holes.
1. Remove obstruction_
2, Replace mower drive belt.
3, Replace idler pulley,
4_ Replace blade mandrel,
33

TROUBLESHOOTING CHART
PROBLEM CAUSE
Poor grass 1o Enginespeedtoo slow.
discharge 2o Travelspeedtoofast.
3, Wetgrass_
4. Mowerdecknot level.
5. Low/uneventire air pressure
6. Worn,bentor looseblade,
iHeadlight(s) not
working
(if so equipped)
Battery will not
charge
Loss of drive
Engine "backfires'
whenturning
engine
"OFF"
7. Buildup of grass, leaves and
trash under mower,
8. Mower drive belt worn.
9_ Blades improperly instalted_
10,Improper blades used.
11 .Clogged mower deck vent
holes from buildup of
grass, leaves, and trash
around mandrels.
1, Switch is"OFF".
2. Bulb(s) burned out.
3. Faulty light switch,
4, Loose or damaged wiring,
5. Blown fuse,
1. Bad battery cell(s)o
2. Poor cable connections,
3. Faulty regulator
(if so equipped).
4, Faulty alternator.
1, Freewheel control in
"disengaged" position_
2, Motion drive belt worn,
damaged, or broken,
3, Air trapped in transmission
during shipment or
servicing°
lx Engine throttle control not
set at "SLOW"
position for 30 seconds
stopping engine.
CORRECTION
1. Place throttle control in
"FAST" position,
2, Shift to slower speed.
3. Allow grass to dry before
mowing°
4. Level mower deck.
5. Check tires for proper air
pressure,
6. Replace/sharpen blade,
Tighten blade bolt,
7, Clean underside of mower
housing,
8, Replace mower drive belt.
9, Reinstall blades sharp edge
down.
10.Replace with blades listed
in this manual.
11 .Clean around mandrels to
open vent holes.
1. Turn switch "ON".
2, Replace bulb(s)o
3, Check/replace light switch,
4. Check wiring and connec-
tions.
5, Replace fuse,
1, Replace battery.
2o Check/clean all connec-
tions,
3, Replace regulator,
4. Replace alternator.
!, Place freewheel control in
"engaged" position,
2o Replace motion drive belt,
3, Purge transmission,
1, Move throttle control to
"SLOW" position and allow
to idle for 30 seconds before
stopping engine.
34

SCHEMATIC
TRACTOR - - MODEL NUMBER 917.272'160
BATTERY
SOLENOID
I......
I STARTER
8LACK
; _ ELECTPJC CLUTCH
I i I RED
SEAT SWITCH
(NOT OCCUPIED)
i 1
t
__ © .....G._. ..............
ILINE
IGNITION
UNIT
t I
FUEL SHUT-OFF SOLENOID
OPERATOR
PRESENCE
RELAY#I
_j__, SPARK
PLUGS GAP
(2 PLUGS ON _
TWIN CYL,,ENGINES)
IGNITION SWITCH
POSITION iClBCUIT "#AKE"
OFF,,iM*e÷A_ ,NONE
RUN/LIGHT B+A1 A2+L
RUN B+A1 NONE
START ;B+S+At NONE
BF[OWII
WIRING INSULATED CLIPS
NOTE: IF WIRING INSULATED
CLIPS WERE REMOVED FOR
SERVICING OF UNIT, THEY
SHOULD BE REPLACED TO
PROPERLY SECURE YOUR WIRING-
PTO SWITCH
FOSILrlON CIRCUIT
OFF C + G. B+H
ON C÷F,B+E,A+D
oO
NON-REMOVABLE REMOVABLE
CONNECTIONS CONNECTIONS
)
)
)
)
HEADLIGHTS
GFC
RELAY D A
35

ELECTRICAL
TRACTOR -- MODEL NUMBER 917.272160
1
12
11
3O
5O
I
I
1
I
I
t
\I
I
I
I
29
45
*b 55 F
I
t
1
t •
12
36

ELECTRICAL TRACTOR -- MODEL NUMBER 917.272160
KEY PART
NO, NO. DESCRIPTION
I 163465
2 7476O412
8 7603J
10 145211
11 150109
12 145769
16 153664
18 17720408
21 166184
22 4152J
24 8860R
25 146148
26 166180
27 73510400
28 145491
29 160784
3O 163968
33 140403
4O 170233
42 131563
43 145673
45 122822X
50 169416
55 17490508
79 163996
80 146685
81 109748X
NOTE:
Battery
Bolt, Hex 1/4-20 x3/4
Tray, Battery
Bolt, Btr Front I/4-20 x 7-1/2
Holddown Battery Front Mount
Nut, Push Nylon Battery Front 1/4
Switch Interlock Push-in
Bolt Blk Fin Hex I/4_20 UNC x I/2
Harness, Light
Light Bulb
Cable, Battery
Cable, Battery
Fuse
Nut Keps Hex 1/4-20 UNC
Cable, Ground
Switch, Seat
Switch, Ignition
Key, Molded, Craftsman
Harness, Ignition
Cover, Terminal
Soienoid
Ammeter Rectangular 15Amp
Switch Pto 3 Pdt Red Delta
Screw Thdrol 5/16-16 x t/2
Socket, Light Bulb
Harness Clutch EVX
Relay Asm
All component dimensions given in US inches
1inch = 254 mm
37

TRACTOR -- MODEL NUMBER 917.272160
CHASSIS AND ENCLOSURES
31
209 ,,%
155
11
209
160
"15B
54
54
,1209
2O9
60
209
74
o3 37
_3
209
38

TRACTOR -- MODEL NUMBER 917,272160
CHASSIS AND ENCLOSURES
KEY PART
NO. NO. DESCRIPTION
1 169830 Chassis
2 169061 Drawbar
3 17060612 Screw, 3t8_16 x 3/4
9 163976X428 Dash
10 STD5337t0 Bolt, Carriage 3/8-16 x 1
11 167203 Panel, Dash, LH
13 167202 Panel, Dash, RH
17 161023X558 HoodAssembEy
20 162026 Plate Battery STYT
25 19131312 Washer 13/32 x 13/16 x 12 Gauge
26 STD541437 Locknut, Hex, with insert 3/8-16 UNC
28 160564X558 Grilre, MS-558
29 161235 Lens, GriEle
30 164919X558 FendedFootrest
31 139976 Bracket, Fender/Support
37 t7490508 Screw, Thdrol. 5/16-18 x 1/2 TYT
38 169834 Bracket Asm Pivot Mower Rear
54 161464 Screw Hex Wshd 8-18 x 7/8
58 ! 61236 Duct Hood
59 ! t0436X Bushing, Snap, Split
60 STD533707 Bolt Rdhd Sqnk 3/8-16 UNC x 3/4
64 162025 Dash Lower STYT
74 STD541437 NutCrownlock3/8-16UNC
142 165867 Plate Reinforcement STLT
143 154966 Bracket SwaybarChassis
144 154207 Bracket Footrest STLT
145 156524 Rod Pivot Chassis/Hood
154 161897 Bracket Dash Rh
155 161900 Bracket Dash Lh
156 163805 Striker P_ate
157 163806 MagnetYTGT
158 162037 Parking Brake Bkrt
!59 155123X428 CupholderStl Blk
I60 162967 FastnerNutpal
!61 164655 Ptnch-WeltHood
t66 164863 HWHDH:-Lo. #13-16 x 3/4
206 170165 Bolt Shoulder 5/16_18
209 17000612 Screw Hexwsh Thdr 3/8-16 x 3/4
NOTE: All component dimensions g{ven in U,.S. inches
1 inch = 25.4 mm
39

GROUND DRIVE TRACTOR-. MODEL NUMBER 917.272160
32
32
30
36
37
53
4O

TRAC']+OR -- MODEL NUMBER 9'17.272160
GROUND DRIVE
KEY PART KEY PART
NO. NO. DESCRIPTION NO. NO+ DESCRIPTION
1 ...... Transaxle (See Breakdown) 61
Hydro gear Model 314-0510 62
8 165866 Rod Shift Fender Adjust Lt 63
9 160889 Clutch E]ec Evx 65
10 76020416 Pin Cotter 1/8 x 1 CAD 66
14 10040400 Washer Lock Hvy Helical 7t
15 74490544 Bolt Hex Flghd 5/16+18 Gro5 73
16 73800500 Nut Lock Hex W/Ins, 5/t6-I8 Unc 74
t9 73800600 Nut Lock Hex WiWsh 3/8-16 Unc 75
20 150280 Bolt Hex 7t16-20 x 4+1/4 5Ga° 76
2I 130564 Knob, Deluxe 1/2-13 77
22 169498 Rod, Brake Hydro 78
23 171258 Bracket Asm Anti-Rot 81
24 73350600 Nut, Hex Jam 3/8-I6 Unc 82
25 106888X Spring, Brake Rod 83
26 19! 31316 Washer 84
27 76020412 Pin Cotter 1/8 x 3/4 CAD+ 89
28 145204 Rod, Parking Brake 90
29 71673 Cap, Parking Brake 95
30 169592 Bracket, Transaxfe 96
32 74760512 Bolt Hex Hd 5/16-18 Unc x 3/4 t44
33 72140506 Bolt Rdhd Sqnk 5/16+I8 Unc x 3/4 t50
34 155071 Shaft, Foot Pedal 151
35 120I 83X Bearing, Nylon 156
36 19211616 Washer 158
37 1572H Pin, Roll 159
38 131494 Pulley, Idler, Flat 161
39 74760644 Bolt 162
40 4470J Spacer, Split 163
41 165838 Keeper, Belt idler
42 19131312 Washer !3/32 x 13/16 x !2 Ga.. 164
47 127783 Pulley, Idler, V-Groove 165
48 154407 Bellcrank CIutch Gmd Drw Stf 166
49 123205X Retainer, Bett 168
50 74760624 Bolt I69
51 73680600 Nut Crownlock 3/6-16 UNC 197
52 73680500 Nut, Crownlock 5/16-18 Unc 198
53 105710X Link, Clutch 199
55 t05709X Spring, Return, Clutch 200
56 74760620 Bolt Hex 3/8-t6 x I-1/4 202
57 140294 V-Belt, Ground Drive
59 169691 Keeper, Center Span
17060612 Screw 3/8-16 x 3/4
8883R Cover, Pedal
145868 Pulley, Clutch
10040700 Washer
t54778 Keeper Belt Engine
169183 Strap Torque Lh
169182 Strap Torque Rh
169496 Spacer, Axle
121749X Washer 25/32 x1-1/4 x 16 Ga,
12000001 E-Ring
!23583X Key, Square
121748X Washer 25/32 x 1-5/8 x 16 Ga.
165596 Shaft Asm. Cross Tapered
165711 Spring Torsion TtA
19171216 Washer 17/32 x 3/4 x 16 Gao
169594 Link Transaxle
t64890X428 Console, Shift
124346X
170201
4497H
19111O16
165850
19133210
166002
165589
165494
72140406
73680400
74780416
19091010
165623
166880
165492
165580
169613
169593
169612
72140508
72110612
Nut Seff+Thd Wsh+hd 1/4 Zinc
Control Bypass
Retainer Spring 1"Zinc/Cad
Washer 11132x 5/8 x 16 Ga.
Bushing Belfcrank Grd Drive
Washer 13/32 x 2 x 10 Ga.
Washer Srrted 5/161D x 1+125
Bracket Shift Mount
Hub Tapered Flange Shift Lt
Bolt Rdhd Sqnk 1/4-20 x 3/4 Gr 5
Nut Crownlock 1/4-20 Unc
Bolt Hex Fin
1/4-20 Uric x 1 Gr 5
Washer 5/8 x .281 x 10 Ga,
Bracket Pivot Lever
Screw 5t16-18 x ,561
Bolt Shoulder 5/16-t8 x +561
Plate Fastening Lt
Nyliner Snap-In 5/8" ID
Washer Nyl 7/8 ID x .105"
Bolt Shoulder 5/16-18 Uric
Bolt Rdhd Sqnk 5/18-18 Unc x 1
Bolt Carr Sh 3/8-16 x 1+1/2 Gr 5
NOTE: A!l component dimensions given in U.S. inches
Iinch = 25.4 mm
4I

TRACTOR -- MODEL NUMBER 917.272160
STEERING ASSEMBLY
f
'_ 36
J
i
i
1
1
61J 67 67
32
33
34
35
42

TRACTOR -- MODEL NUMBER 917,272160
STEERING ASSEMBLY
KEY PART
NO, NO. DESCRIPTION
1 159944X428 SteeringWheel
2 154427 Axle Assembly STMP Dropped STL
3 169840 Spindle Assembly, L.H,
4 169839 Spindle Assembly, R.Ho
5 6266H Bearing, Race, Thrust, Hardened
6 12t748X Washer 25/32 x 1-5/8 x 16 Gauge
7 19272016 Washer 27/32 x I-1/4 x 16 Gauge
8 12000029 Ring, Klip
93366R Bearing, Steering Column
10 169832 Draglink
11 STD551137 Washer, Lock
12 73940800 Nut Hex Jam Toplock 1/2-20 Unf
t3 136518 Spacer Brg Axle Front
I5 145212 Nut Hexflange Lock
17 156543 Shaft Assembly, Steering
18 57079 Washer, Thrust ,.515 x ,750 x B33
19 160395 Support, Shaft
22 !65857 Screw Hex Wshhd Torx
23 16585! Pittman Shaft Assembly
25 154406 Bracket, Steering
27 136874 Gear, Sector
29 17060612 Screw, 3/8-t6 x 3/4
32 171888 Rod, Tie
33 19111216 Washer 11/32 x 3/4 x 16 Ga/
34 STD551131 Washer Lock Hvy Spr,. 5/16
35 73810500 Locknut 5/16-24 Unf
36 155105 Bushing, Steering
37 152927 Screw
38 159946X428 Insert, Steering Wheel
40 STD541537 Gdpco Nut
41 159945 Adaptor, Steering Wheel
42 163888 Boot, Steering Shaft
43 121749X Washer 25/32 x 1-1/4 x 16 Gauge
46 121232X Cap, Spindle
47 6855M Fitting, Grease
62 167905 itSteering Asm Service
65 t60367 Spacer Brace Axle
66 154404 BearlngArm Pittman
67 72140618 Bolt Rdhd Sq 3/8-16 UNC x 2-1/4
68 169827 Axle, Brace
72 19182411 Washer 9/t6 Id x i-1/2Od 11 G Zin
73 160135 Steerlng Sleeve Extension
79 19132012 Washer 13/32 x I-1/4 x 12 Ga
80 74950612 Bolt Hex Nylon 3/8-16 x 3/4
82 169835 Bracket Susp Chassis Front
85 133835 Fastner Christmas Tree
NOTE: All component dimensions given in US, inches
1 inch = 25.4 mm
43

ENGINE
TRACTOR -- MODEL NUMBER 917.272160
13 10
31
2g 39
OPTIONAL EQUIPMENT
Spark Arrester
32 34
33
23
tI _+ + + ; + I I 1_-2+I
,ix++ ,_+'.++'++
44

ENGINE
TRACTOR -- MODEL NUMBER 917.272160
KEY PART
NO. NO. DESCRIPTION
1 t64092 Control, Throttle
3 ....... Engine, (See Breakdown) Kohler Model Number
CV20S-65570
4 149723 Muffler
5 146699 Pipe Exhaust Lh
6 146700 Pipe Exhaust Rh
8 150176 Bolt 5/16-18 UNC x 3/4 wtSems
10 146629 Shield Heat
13 24-041432 Gasket Kohler CV18-CV26
(See Engine Breakdown)
I4 13280336 Nipple, Pipe 3/8 NPT x 4-1/2
15 13200300 Elbow, Standard 90° 3/8-18 NPT
I6 t1050600 Washer, Lock, External Tooth 3/8
!7 17490624 Screw Thdrol 3t8-16 x 1-1/2
23 169837 Shield, Browning/Debris Guard
25 164415 Choke Control
26 73920600 Nut, Keps 3/8-24 UNF
29 137180 Ktt, Spark Arrestor
31 157103 Tank Fuel
32 t61696 Cap Asm Fuel
33 123487X Clamp, Hose
34 106082X Pad, Spacer
37 8543R Line, Fuel
38 ....... Plug, Oil Drain (See Engine Breakdown)
39 109227X Pad, Adler
45 17000612 Screw Hexwsh Thdr 3/8-16 x 3/4
81 73510400 Nut Keps Hex 114-20 UNC
I0I M73030800 NutFlangeM8-1.25
102 164863 Screw Hwhd H.-Lo #130t6 x 3!4
NOTE' All component dimensions given in US. inches
I inch = 25..4 mm
45

TRACTOR --MODEL NUMBER 917.272160
SEAT ASSEMBLY
KEY PART
NO. NO,
1 140124
2 140551
3 71110616
4 19131610
5 145006
6 ST0541437
7t24181X
817000616
9 19131614
10 155925
11 166369
12 121246X
13 121248X
25
11
12
DESCRIPTION
Seat
Bracket, Pivot, Seat
Bolt
Washer 13/32 x 1 x 10 Gauge
Clip, Push-In Hinged
Nut
Spring, Seat
Screw 3/8-16 x 1-1/2
Washer 13/32 x 1 x 14 Gauge
Pan, Seat Emboss QCK Corm..
Knob Ssat
Bracket, Switch Mounting
Bushing, Snap
10
KEY PART
NO. NO. DESCRIPTION
14 72050412 Bolt, Carriage 1/4-20 x 1-1/2
15 121249X Spacer, Split
16 123740X Spring
17 123976X Locknul, Flange 1/4 Grade 5
I8 124238X Cap Spring Seat
2I 171852 Bolt, Shoulder 5/16-18 UNC
22 STD541431 Nul
24 19171912 Washer 17/32 x 1-3/16 x 12
Gauge
25 127018X Bolt, Shoulder 5/16-18 x ,,62
NOTE: All component dimensions given in U°S. inches
1 Inch = 25.4 mm
46

DECALS
TRACTOR - -MODEL NUMBER 917.272160
21 t3 6
/318
15 t
18 4 7 21
17
14
t6
2
9
2
12
KEY PART
NO. NO,
I 164094
2 106202X
3 174230
4 174231
5 164088
6 133644
7 163265
8 133179
9 163204
10 156439
11 172977
12 146046
13 164065
11 8
DESCRIPTION
Decal, Dash, Stealth
Reflector Tail Light
Decal, Hood, R,H,
Decal, Hood, LHo
Decal Brake Clutch Stealth
Decal, Customer Maintenance
Decal Dash Phi
Decal, Mower QC
Decal, Fender, Craftsman
Decal, Fender Danger
Decal Deck Heavy Duty
Decal, V-Belt Drive Schematic
Decal Strg Wheel
KEY PART
NO. NO. DESCRIPTION
14 160397 Decal, V-Belt Schematic
t5 174162 DecalRep_c
t6 138047 Decal, Battery Diehard
t7 164757 Decal, Hp Englne
t8 171706 Decal, Panel Side
t9 164884 Decal, Blower Housing
20 149516 Decal, Battery Dngr/Psn Eng
2t 163206 Decal, Fender Side
- - 138311 Decal, Lift Handle
-* 165800X428 Pad FootrestLH STLT
- * 165799X428 Pad Footrest RH STLT
- - 169210 Decal, By Pass Lt Hydro
- - 174166 Owner's Manual, English
- - 174167 Owner's Manual, Spanish
WHEELS & TIRES
11
KEY PART
NO. NO. DESCRIPTION
1 59192 Valve Cap, Tire
2 65139 Stem, Valve
3 106222X Tire, Front
4 59904 Tube, Front Tire
(Not Provided, Service EtemOnly)
5 106732X598 Rim, Front
6 278H Fitting, Grease (Front Wheel Only)
7 9040H Bearing, Flange (Front Wheel Only)
8 106108X598 Rim, Rear
g 122082X Tire, Rear
t0 7152J Tube, RearTlre
(Not Provided, Service Item Only)
11 104757X Cap, Axle
-- 144334 Sealant, Tire 10 ozo
NOTE: All component dimensions given in U,S, inches
1 inch = 2&4 mm
47

TRACTOR -- MODEL NUMBER 917.272160
LIFT ASSEMBLY
28 27
25 2423
7
46
11
I9
13
32
i
3I
32
19
49
13
3O
65
20
48

TRACTOR - - MODEL NUMBER 917.272160
LIFT ASSEMBLY
KEY PART
NO. NO. DESCRIPTION
1 159461 Lift Lever Inner Wire Assembly
2 159476 Shaft Assembly, Lift
3 138284 Pin, Groove
4 12000002 E-Ring
5 19211621 Washer 21/32 x 1 x 21 Gauge
6 120183X Bearing, Nylon
7 125631X Grip, Handle, Ftuted
8 122365X Button, Plunger, Red
11 139865 Link, Lift, L_H,
12 139866 Link, Lift, R,H,
13 4939M RetainerSpdng
15 173288 Link, Front
16 73350800 Nut, Hex, Jam 1/2-13 UNC
t7 130171 Trunnion
18 73800800 Nut Lock w/wsh 1/2-13 UNC
t9 139868 Arm, Suspension, Rear
20 163552 RetainerSpdng
23 110807X Nut Special
24 19131016 Washer t3/32 x 5t8 x 16 Ga,
25 164024 Spring Comp Infinite
26 169484 Retainer Clip
27 164543 Rod Adj Lift Zinc
28 73350600 Nut Hex Jam 3/8-16 unc
29 138057 Knob lnfin 3t8-I6 unc BIk Sym
30 150233 Trunnion Infin Height
3! 169865 Bearing, Pvt, Lift
32 73540600 Nut, Crownlock 3/8-24
36 155097 Pointer Height indicator
37 123935X Plug Hole
38 17060516 Screw 5/16-t8 x t
40 19112410 Washer 11/32 x 1-1/2 x 10 Ga
4t 155098 Indicator Height Stir
49 145212 Nut Hex/Large Lock
50 110452X Nut Push Phos & Oil
NOTE; All component dimensions given in U,S_Inches
1 inch = 25,,4 mm
49

MOWER DECK
TRACTOR - - MODEL NUMBER 917.272160
11G 117
Z
46
i
!19
117
32
46
26
47
/
_'12 1B
5O

MOWER DECK
TRACTOR -- MODEL NUMBER 917.272160
KEY PART
NO. NO.
1 156948X598
3 I38457
5 STD624008
6 130832
8 850857
9 STD55tt37
10 140296
II 170698
12 129895
13 137553
14 137152
t5 110485X
16 I40329
18 STD533106
19 132827
20 145055
21 STD541431
22 134753X598
23 131267)(598
24 105304X
25 149287
26 110452)(
27 166883X428
28 19111016
29 131491
30 157722
3t 129963
32 173434
33 137266
34 144945X598
35 17490628
36 STD551037
37 173438
38 173900
39 173899
40 137273
KEY PART
DESCRIPTION NO. NO. DESCRIPTION
Deck Weldment. 46" 41
Bracket Asm. Sway Bar 42
RelatnerSpring 43
Arm, Suspension, Rear (Sway Bar) 44
Bolt, Patched 3/8_24 x 1-I/4 Gr, 8 45
Washer, Lock Hvy., Unplated 3/8 46
Washer, Hard Blade, Mower 47
Vented 48
Blade, 3 in 1 46" 49
BearLng,Ball, Mandrel #6204 50
Shaft Asm_ w/Lower Bearing 51
(includes Key No_ 12) 52
Housing, Mandrel 53
Bearing, Ball, Mandrel 54
Stripper, Mower Round 55
Bolt, Carriage 5116-18 x 5/8 72
Bolt, Hex Hd, Shoulder 51t6-18 92
Baffle, Vortex Mower 46" 101
Nut, Crownlock 5/16-18 UNC 102
Stiffener, Bracket 103
Bracket, Deflector 104
Cap, Sleeve !05
Spring, Torsion, Deflector t06
Nut, Push !16
Shield, Deflector Mower ! t 7
Washer t 1/32 x 518 x 16 Ga. 118
Rod, Hinge 119
Screw, Thd Rolling Washer Head 126
Washer, Spacer Mower Vented 127
Pulley, Mandrel - -
Nut, Fig. Top Lock Cntr. 9/t6
Anchor, Spring Deck 46"
Screw, Thdrol 3/8-I6 x 1-3/4 Tytt
Washer 13/32 x 13/16 x 16 G& --
Pulley, Idler, Flat
Keeper, Belt, Idler
Pulley, Idler, Driven
Spring, Secondary 44146t50 Vent
17060620
122052X
144949X598
133943
145059
137729
144959
148763
STD541437
72110612
153390
173901
19131312
74780616
72140608
19131616
STD541437
145579
711610t0
STD551110
19061216
16O793
2029J
137644
133957
73930600
19121414
144948X598
1739OO
174192
143651
Screw 3/8-16 x 1-1t4
Spacer, Retainer
Arm, Idler Secondary
Washer, Hardened
Cover, Mandrel Deck
Screw, Thdro]L !14-20 x 5/8
V-Bell, Mower, Secondary
V-Belt, Mower, Primary
Nut, Crownlock 3!8q6 UNC
Bolt, Carriage 3/8-16 x 1-1/2 Gro5
Washer Felt
Pulley Idler 46" Prim. Drive
Washer 13f32 x 13/16 x 12 Ga
Bolt Fin Hex 3/8-16 Unc x I Gr, 5
Bolt Rdhd Sqnk 3/8-16 Unc x 1
Washer 13/32 x 1 x 16 Ga
Nut Lock Hex w/Ins 3/8-16 Unc
Cover, Mulching
Screw
Washer, Lock #10
Washer
Latch Aem. Bagger
Nut, Weld
Bolt, Shoulder
Gauge Wheel
Nut, Centedock 3/8-16 UNC
Washer 3/8 x 7/8 x 14 Ga.
Arm, Idler, Primary Deck 46"
Pulley, Idler, V-Groove Dim. 4.25
Mower Service 46" (Standard
Deck -Order separately mulching
and guage wheel components
Key Nos. 101-106 and 116-119
Mandrel Asm 44/50 Service
(Includes Key Nos. 8-t0, 12q5,
31 and 33)
NOTE: All componentdimensions given in U.S,. inches
t inch = 25A mm
51

TRACTOR - - MODEL NUMBER 917.272160
HYDRO GEAR TRANSAXLE -- MODEL NUMBER 314-0510
122-
1t9,
79
73
16
I7
t9
93
107
52

TRACTOR - - MODEL NUMBER 917.272160
HYDRO GEAR TRANSAXLE -- MODEL NUMBER 314-0510
KEY PART KEY PART
NO. NO. DESCRIPTION NO. NO. DESCRIPTION
1
2
3
4
5
6
7
9
10
11
12
13
14
16
17
18
19
23
24
27
28
29
30
31
32
33
34
35
36
37
38
39
4O
41
42
43
44
45
46
47
48
49
50
5!
52
53
54
55
56
57
58
170351
170352
170353
170354
169898
170355
170356
170357
170358
170359
170360
169870
170361
169869
170362
170363
170364
150771
170365
170366
170367
170368
170369
170370
17O371
170389
142991
170390
170391
170392
150792
150793
150809
170393
17O394
170395
170396
150797
170397
17O398
170399
170400
170401
170202
170403
17O4O4
170405
170406
142977
142978
150798
170407
Main Housing, Assembly 59 !70408
Side Housing, Assembly 60 142883
Center Section, Assembly 61 142881
Swashplate, Trunion 62 142887
Machined 63 1704t0
Btock- Assembly
Sealant I0..50z 64 142892
Hex Flange Screw 1/4-20 X 65 17041I
1.25 66 170412
Stud, 5/16-24 Hex Double 67 170413
End 68 170414
Shaft, Input 69 170415
Ring - Retaining 70 170416
Spacer 71 170417
Ring - Retaining
Seal, Lip .67 X t.58 X °276 72 170418
Ball Brg 17mm id X 40mm
Od X 12mm 73 142884
Hex Flange Head Screw
5/16-24X0.75 74 170419
Lip Sea118X32X7 75 170420
Arm, Control
Bearing, 30x52x13 Thrust 76 170421
Check Plug Assembly, 77 170422
Washer 78 142969
Shaft, Motor 79 142980
Gear - Pinion, 13t 80 150778
10t/48t Gear
Gear, 10t Jackshaft 81 170423
60t Bull Gear 82 170424
Sleeve Bearing
.75 X 1,575 X _625 83 161162
SleeveBearing(Outboard) 84 170425
°75xl o750x°625 85 170426
Washer, 86 170427
3/4 Id X 1-1/20d X .13 Thk 87 170424
Lip Seal Axle Seat 88 170429
Shaft, Axle °75 X ! t.39
(Key, R.H.) 90 170430
Shaft, Axle .75 X 16.99 93 170431
(Key, Loll.) 107 170432
Miter Gear (Splined) t08 170433
Miter Gear 15t (0°5 Id)
Shaft 109 170434
Ring, Spiral Retaining 1 t 1 170435
Pin, Jackshaft I12 170436
Magnet, Ring I13 170437
Spring, Bypass
Hydro Mtg Screw 116 170438
3t8-24 X 2.5 Long 119 170439
Filter 120 170440
Base, Filler I21 170441
Actuator, Bypass
Rod, Bypass Actuator 122 170442
Arm, Bypass 123 170443
Retaining Ring ,250 124 170444
External
Seal, Lip 125 t70445
,741 X .250 X ,250 Tc 126 170446
FEatWasher,
5/8 Id X 1,00d X .05 Thk 127 170447
Retaining Ring 128 173165
Bearing, Center Block 900 166768
Spring - Helical Compres
sion
Washer
20w-50 Oil
Brake Yoke
Rotor, Brake
Brake Puck
Puck Plate
Brake Actuating Pin
Hfhcs 1/4_20x2 W/
Patch,SpecialFlange
Bolt, 1/4-20 X 1 W/Patch
Spacer
Spring, Brake Arm Bias
Sqo Hdo Bolt 5/16-24-Ribbed
Arm, Brake
Slotted Hex Nut 5/16_24
Cotter Pin 3/32 X 3/4
Compression Spring Brake
Anti-Drag
Washer, Ht
.5 I,D, X 10oD. X .032
Flat - Washer
11/32 I.D.. X 7/80.D
Oi! Seal ,625 X 1.0 X °25
Check Plug Assembfy,
.027, Washer
Stud, 5/16-24 Friction Pack
Puck, ,330 X 1.50 X .0975
Spring, Helical Comp
Spacer
Hex Lock Nut
5/16-24Unjf(Nylon Insert)
Wedge, Friction Pack
Clip, Washer
.316xl .50x.1046 (Plated)
Pin, Standard Headless
Fitting, 5/16 Sae 5/32 Tube
Hose, Expansion Tank
Expansion Tank
Ca - Poppet Valve
BoP, Self Tapping
10-32 X 1/2
Puck, Inner Wedge
Spring Clip - Housing Thrust
Deflector
Washer,Motor Shaft
.71idx1.15odx.030thk
Plug, Sae #6
O-Ring .07 X .301 I.D.
Shield, Vent
Bracket, Support Expan
sion Tank
Silicon Sponge
Fan, 7 In.
Pulley
Hex Lock Nut 1/2-20 (Nylon
Insert)
Washer, Belleville
Belt Keeper
Center Section-Filter-
Bypass Assembly
Filter Assembly
Fan - Pulley Service
Assembly
Seal - O-Ring Kit
Kit, Expansion Tank
Transaxle Complete
NOTE: All component dimensions given in U_S. inches
1 inch = 25.4 mm
53

TRACTOR - - MODEL NUMBER 917.272160
KOHLER ENGINE-MODEL NUMBER CV20S, TYPE NUMBER 65570
CYLINDER HEAD, VALVE AND BREATHER |
I
4
7--
1f3
30 (_ _28
I
29
CRANKCASEJ
19
11o
P
j16
@
21 2O
2S 24 23 _22
\26
22--
23_O-- 24-
0--21
26 2
27
54

TRACTOR -- MODEL NUMBER 917.272160
KOHLER ENGINE-MODEL NUMBER CV20S, TYPE NUMBER 65570
E3L0W__HoUS!NGANpBAFFLES1
15
1:3 ,-_
7
A,.,,_r_,KEl......,,,,,.................
14
I5
t3
\11
\9
/,
2
55

TRACTOR -- MODEL NUMBER 917.272'160
KOHLER ENGINE-MODEL NUMBER CV20S, TYPE NUMBER 65570
B
@
¢=,
ENGINE CONTROLS J
G
1
a 1 n / ---='
I
I4
17
56

TRACTOR -- MODEL NUMBER 917.272160
=R ENGINE-MODEL NUMBER CV20S, TYPE NUMBER 65570
KSHAFTJ EXHAUST {
2
S_'STEMI
/
1
/9
\
7 8
14
57

TRACTOR - - MODEL NUMBER 917.272160
KOHLER ENGINE-MODEL NUMBER CV20S, TYPE NUMBER 65570
HEAD/VALVF-,/BREATHER CRANKCASE
KEY PART KEY PART
NO. NO. DESCRIPTION NO. NO, DESCRIPTION
1 24-033-03-S Kit, breather cover w/gasket 1 24-032-01-S
(Includes 2,3) 2
2 24-041-23-S Gasket, breather
3 24-096-59-S Cover, breather 3 24-294-!3-S
4 M-645020 Screw, hex. flange 4 12-380-17-S
M6x1,0x20 (4) 5 24-067-13-S
5 X-75-23-S Plug, allen hdo 1/8" 24-067-14-S
6 25-351-01-S Lifter, valve (4) 6 24-874-01-S
7 24-755-66-S Kit, valve train (Includes
8,11,t2) 24_B74-02-S
8 24-411-05-S Rod, push (4) 24-874-03-S
9 24-041-08-S Gasket, cylinder head (2) 24-874-14-S
10 24-318-12-S Head assembly, #2 cylinder 7 24-108_01-S
11 25-186-01-S Arm, rocker (4) 244108-02-S
12 24-599-01-S Pivot, rocker arm (4) 24-108-03-S
13 M640034-S Screw, hexo flange 8 24-0I 8-01 -S
M6xlo0x34 (4) 9 12-422-09-S
14 12-086-16-S Screw, hex. flange 12-422-13-S
M10x1.5x90 (8) 12-422-07_S
15 24-755-74-S Kit, valve cover - plain 12-422-0B-S
(Includes 16,17) 12-422-10-S
16 24-153-16-S O-Ring 12-422-1 I-S
17 24-086-32-S Screw, shoulder (4) 12-422-12-S
18 24-445-01-S Strap, lifting 10 24-0!0-06-S
19 24-016-01-S Valve, exhaust (Std.) (2) 11 24-089-35-S
24-0t6-02-S Valve, exhaust (_25) (2) 12 24-089-34-S
20 24-017-0I-S Valve, intake (Stdo) (2 13 52-139-09-S
24_017-02-S Valve, intake (.25) (2) 14 M-545010-S
2! 24-032-05-S Seal, valve stem (2)
22 235011 -S Retainer, spring (4) 15 24-018-04-S
23 24-089-02-S Spring, valve (4) 16 24-402-05-S
24 12-173-01-S Cap, valve spring (4) 17 12-153-01-S
25 12-755-03-S Kit, retainer (4) IB 24-126_19_S
26 24-318_11-S Head assembly, #1 cylinder 19 12-123-04-S
27 24-755-76-S Kit, valve cover - breather 20 M-545016-S
(Incl. 16,17,28)
28 25-313-02-S Grommet, rubber 21 12-I53-02-S
29 24-755-57-S Kit, breather separator 22 24-038-04-S
(includes 28,30-33)
30 M-545016-S Screw, hex° flange 23 24-755°46-S
M5x0oSx16 (2) 24 I2-153-03-S
31 24-445-02-S Strap, breather 25 I2-380-04-S
32 24-126-44-S Bracket, breather separator 26 M-631005-S
33 24_112-12-S Spacer 27 12_032-01-S
34 24-294-06-S Fitting 28 X-25-102-S
35 24-326-13-S Hose, breather 29 24-144-01-S
36 24-326-14-S Hose, breather
37 X-426-9-S Clamp, hose (2)
Seal, oil front
Crankcase
(USE: Miniblock 24 782 05)
Fitting
Pin, dowel locating (6)
Connecting Rod (Std.) (2)
Connecting Rod (25) (2)
Piston w/Ring Set (Std.) (2)
(Includes 7,8)
Piston w/Ring Set (.50)
Piston w/ring set (.08)
Ring Set (Std.) (2)
Ring Set (.25) (2)
Ring Set (°50) (2)
Retainer, piston pin (4)
Shim, camshaft/A.R. I
Shim, camshaft
Shim, camshaft
Shim, camshaft
oomo.o,t/ : l
Shim, camshaft i
Camshaft (includes 11,12)
Spring acr (Heavy)
Spring act (light)
Plug, cup
Screw, hex. flange
M5x08x10 (2)
Retainer, reed (2)
Reed, breather (2)
O-Ring, lower oil fill tube
Bracket, oil fill tube
Tube, oil fill
Screw, hexo flange
M5x0.Sx16
O-Ring, upper oil fi!l tube
Dipstick assembly (Includes
22,23)
Kit, oil fill cap (Includes 23)
O-Ring, dipstick
Pin, hitch
Washer, plain 6 mm
Seal, governor cross shaft
Washer, plain 1/4"
Shaft, governor cross
NOTE: All component dimensions given in U,S,
inches 1 inch = 25.4 mm
58

TRACTOR -- MODEL NUMBER 917,272160
KOHLER ENGINE-MODEL NUMBER CV20S, TYPE NUMBER 65570
IGNITIONICHARGING BLOWER HOUSING & BAFFLES
KEY PART KEY PART
NO, NO. DESCRIPTION NO. NO. DESCRIPTION
1 54_755-15-S Kit, grass screen (Includes 1 24-027-20-S Housing, blower (Incl. 2-4)
2-4,and 24 113 18) 2 24-100-01-S Nut plastic (3)
2 M-403025-S Screw, hex_cap M4xO.7x25 3 25-139-16-S Plug, button 9/16
(4) 4 24-100-02-S Nut, plastic (2)
3 X-25-92-S Washer, plain 5/16" (4) 5 M-545020-8 Screw, hex. flange
4 24-112-04-S Spacer, grass screen (4) MSxO.Sx20 (4)
5 25-086-47-S Bolt, shoulder M6 XI.0 X16 6 M-545016-S Screw, hex. flange
S(4) M5xO.8x16 (3)
6 24-157-03-S Fan 7 M-551016_S Screw, hex. flange
7 12-086-14-S Screw, hexo flange MSxO,8x16
M1Oxl,.5x46 8 M-645016-S Screw, hex. flange
8 12-468-03-8 Washer, plain 3/8". M6x1,.Ox16 (6)
9 X-42-15-S- Key 9 24-146-16-S Plate, backing - # 2 side
!0 24-025-04-S Flywheel 10 24-146-20-S Plate, backing - # 1 side
i1 25-403-03-8 Rectifier-regulator 11 24-063-20-S Baffle, cylinder barrel-# 2
12 X-25-92-S Washer, plain 3/16" (2) side
13 24-086-18-8 Screw, phillips hdo 11-16x7!8 12 24-063-t4-8 Baffle, valley - #2 side
(2) 13 24-063-30-8 Baffle, cylinder barrel-# 1
14 236602-S Connector (3 contact) side
15 54-755-09-S Kit, 15 amp stator !4 24_063-23-S Baffle, valley - #1 side
(Includes 24 126 71) 15 M-545010-S Screw, hex. flange
!6 !2-132-06-S Spark Plug (2) MSxO3xlO (2)
17 M-548025-8 Screw, hex. cap M5x&Sx25 NOT ILLUSTRATED
(2) -- 24-096-66_S Cover, control
I8 235173-8 Clip, cable -- 24-086-06-S Screw, phillips h& 11-16x3f
I9 48-154-02-8 Clip, cable 4" (2)
20 X-25-63-S Washer, plain 1/4"
21 24-584-01_S Module, ignition (2)
22 M-545020-8 Screw, hex,. flange
M5x&Sx20 (4)
NOT ILLUSTRATED AIR INTAKE/FILTRATION
--24-126-7t _S
- - X-22-11-8
- - 24-I 76-79-8
-- 24-518q2°8
- 24q 13_18-8
--25-454-03-S
Bracket, stator wire
Washer, lock t/4"
Harness, wiring
Lead, black (recL-reg. 5" -
12 gauge
insulated grip barrel eyelets)
Decal, grass screen
Tie, wire (3)
KEY PART
NO. NO. DESCRIPTION
1 24-t64-06-S Manifold, intake
2 M-651055-S Screw, hex. flange
M6x1.0x55 (4)
3 24-041-01-S Gasket, intake manifold
4 24-041-14-S Gasket, air cleaner base (2)
5 24-094q8-S Base, air cleaner
6 24-041-13-S Gasket, fuel spitback cup
7 24-109-09-S Cup, fuel spitback
8 24-083-05-S Precleaner, element
9 24-083-03-S Element, air cleaner
10 231032-S Seal, breather
1 1 24-096-01-S Cover, inner air cleaner
12 ! 2-100-01-S Wing Nut
13 24-096-73-S Cover, air cleaner
I4 54-755-01-S Kit, knob with seal
(Includes 15 & 16)
!5 24-153-15-S O-Ring
16 25-341-03-S Knob, cover
17 24-063-51-S Baffle, fuel spit-back
NOTE: All component dimensions given in U_S_
inches 1 inch = 25_4 mm
59

TRACTOR -- MODEL NUMBER 917,272160
KOHLER ENGINE-MODEL NUMBER CV20S, TYPE NUMBER 65570
STARTING SYSTEM OIL PAN/LUBRICATION
KEY PART KEY PART
NO, NO. DESCRIPTION NO, NO,
1 M-839070-S Screw, hex. flange
M8x1,25x70 1
2 24-096-05-S Cover, pinion 2
3 M-839080-S Screw, hex. flange
M8xl o25x80 3
4 12-468-01-S Washer, plain 11/32" (3)
5 25-098-07-S Starter, (includes 6-1t) 4
6 12-221-01-S Kit, brush 5
7 12-227-13-S Cap 6
8 12-211-01-S Bolt, thru (2) 7
9 12-755-54-S Kit, drive
10 !2-227-t8-S Cap, drive end
11 12-170-05-S Armature
ENGINE CONTROLS
KEY PART
NO. NO,
1 SM-642025-S
2 24-090-14-S
3 M-641060-S
4 24-089-01-S
5 25-158-08-S
6 24-079-04-S
7 25-158-11 -S
8 M-547050-S
9 24-089-03-S
10 24-126-56-S
1 1 M-645016-S
12 12-237-01 -S
13 M-545016-S
14 24-090-07-S
15 24-468-01 -S
16 24-089-18-S
17 M-446030-S
! 8 24-090-13-S
19 M-545020-S
20 24-089-51-S
21 24-090-05-S
22 41-468-03-S
23 M-403025-S
24 24-079-05-S
25 24-086-43-S
DESCRIPTION
Screw, hex. flange
M6x1.0x25
Lever, governor
Nut, hex. flange M6x!.0
Spring, linkage
Bushing, linkage retaining
Linkage, throttle
Bushing, throttle linkage
Nut, hex, lock M5x0.8
Spring, choke return
Bracket, control
Screw, hex. flange
M6x1,0x16 (4)
Clamp, cable (2)
Screw, hex. flange
M5x0.8x16 (1)
Lever, throttle actuator
Washer, plain 5,5 mm (3)
Spring, governor
Nut, hex M4x0,7
Lever, throttle control
Screw, hex. flange
M5x0°8x20
Spring, throttle limiter
Lever, choke
Washer, spring 1/4"
Screw, hex. cap M4x0_7x25
Llnkage, choke
Screw, thread forming (2)
DESCRIPTION
8
9
10
11
12
13
14
15
t6
17
18
M-645025-S
M-631005-S
24-199-07-S
24-393_08-S
24-123-05-S
24-162-26-S
24-043-12-S
129380-0 ! -S
52-448-02-S
12-144-02-S
24-153-08-S
X-75-32-S
24-136-01 -S
52-050-02-S
52-032-08-S
24-086-17-S
24-086-16-S
X-75-10-S
Screw, hex. flange
M6x1.0x25 (2)
Washer, plain 6 mm (2)
Pan, oil assembly
(includes 1,2, & 440)
Oil pump assembly (includes
5)
Tube, oil pickup
Screen, oil
Kit, governor gear w/pin
(fncfudes 8)
Pin, governor regulating
Tab, locking
Shaft, governor gear
O-Ring
Plug, hex. ctsko 3/8"
Nipple, oil filter
Filter, oil
Seal, oil (PTO end)
Screw, hex,. flange
M8x1.25x45
Screw, hex. flange
MSxlo25x45 (91
Plug, sq. hd. sohd 3/8"NoP.ToE
NOTE: All component dimensions given in U,S,
inches 1 inch =25°4 mm
60

TRACTOR -- MODEL NUMBER 917.272160
KOHLER ENGINE-MODEL NUMBER CV20S, TYPE NUMBER 65570
CRANKSHAFT
KEY PART
NO. NO.
1 24-014-42-S
2 52-139-09-S
EXHAUST
KEY PART
NO. NO.
1 24-041-02-S
2 25-072-04-S
NOT ILLUSTRATED
-- 24-522-62
- - 24-782-05
- - 24-755-03-S
DESCRIPTION
Crankshaft (includes 2)
Plug, cup
DESCRIPTION
Gasket, exhaust (2)
Stud, MBx1.25x33 (4)
Short Block
Minib!ock
Gasket Set
FUEL SYSTEM
KEY PART
NO. NO. DESCRIPTION
1
2
3
4
5
6
7
8
9
t0
tl
12
t3
I4
24-853-25-S
24-041-15-S
24-053-25
24-041-14-S
M-629095-S
M-641060-S
47_154-01-S
24-353-03-S
X-426-9-S
24-086-12-S
24-393-16-S
24-100-01-S
15-353-04-S
24-050-02-S
Kit, carburetor w/gaskets
(Includes 2-4)
Gasket, carburetor
Carburetor assembly
(For information only not
available separately)
(includes 24 757 18,
24-757 -l g, 24-757-20, 24-
757-22)
Gasket, air cleaner base
Stud, M6x1_0x95 (2)
Nut, hex. flange M6xl.0 (2)
Cl_p, cable
Line, fuel 10-5/8" (2)
Clamp, hose (6)
Screw, hex. cap. M6x1_7x18
(2)
Pump, fuel - pulse
Nut, plastic (2)
Line, fuel 11-1/2"
Filter, fuel
NOT ILLUSTRATED
-- 24-757-18-S Kit, overhaul w/gaskets
-- 24-757-19-S Kit, choke repair w/gaskets
-- 24-757-20-S Kit, gasket
-- 24-757_22-S Kit, solenoid replacement w/
gaskets
NOTE: All component dimensions given in U,S.
inches 1 inch = 25°4 mm
61

62

SUGGESTED GUIDE FOR SIGHTING SLOPES FOR SAFE OPERATION
I""
SIGHTING
ONLY RIDE UP AND DOWN HILL,
NOT ACROSS HILL
03
b3
SIGHT AND HOLD THIS LEVEL WITH
SKY LINE OR TREE.
15 ° MAX.
' "_' Operate your Tractor up and down the face of slopes (not
greater than 15°), never across the face. Make turns gradu-
ally to prevent tipping or loss of control. Exercise extreme
caution when changing direction on slopes.

home or Ours!
For repair of major brand appliances in your own home...
no matter who made it,no matter who sold it!
1-800-4-MY-HOM E_ Anytime,day ornight
(1-_9-4663) (U.S.A.and Canada)
www.sears.com www.sears.ca
For repair of carry-in products likevacuums, lawn equipment, and
electronics, callfor the nearest Sears Parts and Repair Center.
1-800-488-1222 Anytime,day or night(USA.. only)
www.s_rs.corn
For the replacement parts, accessories and owner's manuals
that you need to do-it-yourself, call Sears PartsDirectSM!
1-800-366-PART 6am -11 pro, 7days aweek
(1-800-366-7278) (US A. only)
www.sears.com/part-_sdirect
To purchase or inquire about a Sears Service Agreement
or Sears Maintenance Agreement:
1-800-827-6655 (usA) 1-800-361-6665 (Canada)
7 &m_-5 pro., CST, Mon.- Sat.. 9 &m. -8 p.m_EST, M- F,4 p..m SaL
Para pedirserviciode reparaci6na Au Canada pour serviceenfranc..aJs:
domicilio,y paraordenarpiezas: 1.800.LE.FOYERMC
1-888-SU-HOGARsM (1-800-533-6937)
(1-888-784-6427) www,sear&ca
TM S_1
® Registered Trademark /Trademark /Service Mark of Sears, Roebuck and Co,
® Marca Registrada /_rMMarca de F_brica /s_ Marca de Servicio de Sears, Roebuck and Coo
McMarque de commerce /MDMarque d_pos_e de Sears, Roebuck and Co
!
=
i
_i:!!zi_!'i:_i
::::i/: i:;_
i i iiiii!
= .... ,
174166 Rev, 3 04.30.01 RDiTR!RH Printed in U.S,A.