Craftsman 917272460 User Manual LAWN TRACTOR Manuals And Guides L0202150
CRAFTSMAN Lawn, Tractor Manual L0202150 CRAFTSMAN Lawn, Tractor Owner's Manual, CRAFTSMAN Lawn, Tractor installation guides
User Manual: Craftsman 917272460 917272460 CRAFTSMAN LAWN TRACTOR - Manuals and Guides View the owners manual for your CRAFTSMAN LAWN TRACTOR #917272460. Home:Lawn & Garden Parts:Craftsman Parts:Craftsman LAWN TRACTOR Manual
Open the PDF directly: View PDF .
Page Count: 60

Owner's Manual
ICRIIFTSMRN'I
LAWN TRACTOR
21.5 HP, 42" Mower
Electric Start
Automatic Transmission
Model No.
917.272460
This product has a low emission engine which operates
differently from previously built engines. Before you start the
engine, read and understand this Owner's Manual,
CAUTION:
Read and follow all Safety
Rules and Instructions before
operating this equipment.
For answers to your questions
about this product, Call:
1-800-659-5917
Sears Craftsman Help Line
5 am -5 pro, Mon- Sat
Sears, Roebuck and Co., Hoffman Estates, II 60179 U.S.A
Visit our Craftsman website:www.sears.corn/craftsman

Warranty ............................................... 2
Safety Rules ......................................... 3
Product Specifications .......................... 6
AssembtyPra-Operation ....................... 8
Operation ............................................ 11
Maintenance ....................................... 18
Maintenance Schedule ...................... 18
Service and Adjustments.................... 22
Storage ............................................... 28
Troubleshooting ................................. 29
Repair Parts ........................................ 34
Sears Service ...................... Back Cover
LIMITED WARRANTY ON CRAFTSMAN RIDING EQUIPMENT
For two (2) years from the date of purchase, if this Craftsman Riding Equipment is
maintained, lubricated and tuned up according to the instructions in the owner's
manual, Sears wilt repair or replace free of charge any parts that are found to be
defective in material or workmanship according to the guidelines of coverage listed
below. Sears will also provide free labor for these applicable warranted parts for the
two full years. During the first 30 days of purchase, there will be no charges to service
the product at your home for issues covered by this warranty. (Sea exclusions below).
For your convenience, IN HOME warranty service will still be available after the first 30
clays of purchase, but atrip charge will apply. This charge will be waived if the Crafts-
man product is dropped off at an authorized Sears location. For the nearest authorized
Sears location, please call 1-800-4-MY-HOME®. This warranty applies only while this
product is within the United States.
This Warranty does not cover:
•Expendable items which become worn during normal use, including but not limited
to blades, spark plugs, air cleaners, belts, and oil filters.
•Standard Maintenance Servicing, oil changes, or tune-ups
•Tire replacement or repair caused by punctures from outside objects, such as nails,
thorns, stumps, or glass.
•Repairs necessary because of operator abuse, including but not limited to, damage
caused by towing objects beyond the capability of the riding equipment, impacting
objects that bend the frame or crankshaft, or over-speeding the engine.
• Repairs necessary because of operator negligence, including but not limited to,
electrical and mechanical damage caused by improper storage, failure to use the
proper grade and amount of engine oil, failure to keep the deck clear of flammable
debris, or failure to maintain the equipment according to the instructions contained in
the owner's manual.
• Engine (fuel system) cleaning or repairs caused by fuel determined to be contami-
nated or oxidized (stale). In general, fuel should be used within 30 days of its
purchase date.
•Normal deterioration and wear of the exterior finishes, or product label replacement.
•Riding equipment used for commercial or rental purposes.
LIMITED WARRANTY ON BA'I-FERY
For ninety (90) days from date of purchase, if any battery included with this riding
equipment proves defective in material or workmanship and our testing determines the
battery will not hold a charge, Sears will replace the battery at no charge. During the
first 30 days of purchase, there will be no charges to replace the battery at your HOME.
After the first 30 days, for your convenience, IN-HOME warranty service will still be
available but a trip charge will apply. This charge will be waived if the Craftsman
product is dropped of at an authorized Sears location. For the nearest authorized
Sears location, please call 1-800-4-MY-HOME®.
This battery warranty applies only while this product is within the United States.
This warranty gives you specific legal rights, and you may also have other rights, which
vary, from state to state.
Sears, Roebuck and Co.,Dept.817WA, Hoffman Estates, IL 60179
2

IMPORTANT: This cutting machine is capable of amputating hands and feet and
throwing, objects. Failure to observe the following safety instructions could result in
serious inJury or death.
_Look for this symbol to point out •Do not mow in reverse unless absolutely
important safety precautions. It means necessary. Always look clown and
CAUTION[H BECOMEALERT!H YOUR
SAFETY IS INVOLVED.
,_ CAUTION: In order to prevent
accidental starting when setting up,
transporting, adjusting or making repairs,
always disconnect spark plug wire and
place wire where it cannot contact spark
plug.
,_ CAUTION: Do not coast down a hill
in neutral, you may lose control of the
tractor.
,_ CAUTION: Tow only the attachments
that are recommended by and comply
with specifications of the manufacturer of
your tractor. Use common sense when
towing. Operate only at the lowest
possible speed when on a slope. Too
heavy of a load, while on aslope, is
dangerous. Tires can lose traction with
the ground and cause you to lose control
of your tractor.
_WARNING: Engine exhaust, some of
its constituents, and certain vehicle
components contain or emit chemicals
known to the State of California to cause
cancer and birth defects or other repro-
ductive harm.
_,WARNING: Battery posts, terminals
and related accessories contain lead
and lead compounds, chemicals known
to the State of California to cause cancer
and birth defects or other reproductive
harm. Wash hands after handling.
I. GENERAL OPERATION
behind before and while backing.
•Be aware of the mower discharge
direction and do not point it at anyone.
Do not operate the mower without either
the entire grass catcher or the guard in
place.
• Slow down before turning.
•Never leave a running machine
unattended. Always turn off blades, set
parking brake, stop engine, and remove
keys before dismounting.
•Turn off blades when not mowing.
•Stop engine before removing grass
catcher or unclogging chute.
•Mow only in daylight or good artificial
light.
•Do not operate the machine while under
the influence of alcohol or drugs.
•Watch for traffic when operating near or
crossing roadways.
•Use extra care when loading or unload-
ing the machine into atrailer or truck.
• Data indicates that operators, age 60
years and above, are involved in a large
percentage of riding mower-related
injuries. These operators should
evaluate their ability to operate the riding
mower safely enough to protect them-
selves and others from serious injury.
•Keep machine free of grass, leaves or
other debris build-up which can touch
hot exhaust /engine parts and bum. Do
not allow the mower deck to plow leaves
or other debris which can cause build-
up to occur. Clean any oil or fuel
spillage before operating or storing the
machine. Allow machine to cool before
storage.
• Read, understand, and follow all
instructions in the manual and on the
machine before starting.
•Only allow responsible adults, who are
familiar with the instructions, to operate
the machine.
•Clear the area of objects such as rocks,
toys, wire, etc., which could be picked
up and thrown by the blade.
• Be sure the area is clear of other people
before mowing. Stop machine if anyone
enters the area.
•Never carry passengers.
II. SLOPE OPERATION
Slopes are a major factor related to loss-of-
control and tipover accidents, which can re-
sult in severe injury or death. All slopes
require extra caution. If you cannot back up
the slope or if you feel uneasy on it, do not
mow it.
3

DO:
• Mow up and down slopes, not across.
• Remove obstacles such as rocks, tree
limbs, etc.
•Watch for holes, ruts, or bumps. Uneven
terrain could overturn the machine. Taft
grass can hide obstacles.
• Use slow speed. Choose a low gear so
that you will not have to stop or shift
while on the slope.
•Follow the manufacturer's recommenda-
tions for wheel weights or counter-
weights to improve stability.
• Use extra care with grass catchers or
other attachments. These can change
the stability of the machine.
• Keep all movement on the slopes slow
and gradual. Do not make sudden
changes in speed or direction.
• Avoid starting or stopping on a slope. If
tires lose traction, disengage the blades
and proceed slowly straight down the
slope.
DO NOT:
•Do not turn on slopes unless necessary,
and then, turn slowly and gradually
downhill, if possible.
•Do not mow near drop-offs, ditches, or
embankments. The mower could
suddenly turn over if a wheel is over the
edge of a cliff or ditch, or if an edge
caves in.
•Do not mow on wet grass. Reduced
traction could cause sliding,
•Do not try to stabilize the machine by
putting your foot on the ground.
•Do not use grass catcher on steep
slopes.
lU. CHILDREN
Tragic accidents can occur if the operator
is not alert to the presence of children.
Children are often attracted to the
machine and the mowing activity, Never
assume that children will remain where
you last saw them.
•Keep children out of the mowing area
and under the watchful care of another
responsible adult.
•Be alert and turn machine off if children
enter the area.
• Before and when backing, look behind
and down for small children.
• Never carry children. They may fall off
and be seriously injured or interfere
with safe machine operation.
•Never allow children to operate the
machine.
•Use extra care when approaching blind
comers, shrubs, trees, or other objects
that may obscure vision.
IV. SERVICE
•Use extra care in handling gasoline
and other fuels. They are flammable
and vapors are explosive.
-Use only an approved container.
- Never remove gas cap or add fuel
with the engine running. Allow
engine to cool before refueling. Do
not smoke.
-Never refuel the machine indoors.
- Never store the machine or fuel
container inside where there is an
open flame, such as a water heater.
Never run a machine inside a closed
area.
Keep nuts and bolts, especially blade
attachment bolts, tight and keep
equipment in good condition.
Never tamper with safety devices.
Check their proper operation regularly.
Keep machine free of grass, leaves, or
other debris build-up. Clean oil or fuel
spiUage. Nlow machine to cool before
storing.
Stop and inspect the equipment if you
strike an object. Repair, if necessary,
before restarting.
Never make adjustments or repairs
with the engine running.
Grass catcher components are subject
to wear, damage, and deterioration,
which could expose moving parts or
allow objects to be thrown. Frequently
check components and replace with
manufacturer's recommended parts,
when necessary.
Mower blades are sharp and can cut.
Wrap the blade(s) or wear gloves, and
use extra caution when servicing them.
Check brake operation frequently.
Adjust and service as required.
4

•Be sure the area is clear of other
people before mowing. Stop machine if
anyone enters the area.
•Never carry passengers or children
even with the blades off.
•Do not mow in reverse unless abso-
lutely necessary. Always look down
and behind before and while backing.
•Never carry children. They may fall off
and be seriously injured or interfere
with safe machine operation.
• Keep children out of the mowing area
and under the watchful care of another
responsible adult.
•Be alert and turn machine off if children
enter the area.
• Before and when backing, look behind
and down for small children.
• Mow up and down slopes (15 ° Max),
not across.
• Remove obstacles such as rocks, tree
limbs, etc.
• Watch for holes, ruts, or bumps.
Uneven terrain could overturn the
machine. Tall grass can hide obstacles.
• Use slow speed. Choose a low gear so
that you will not have to stop or shift
while on the slope.
• Avoid starting or stopping on aslope. If
tires lose traction, disengage the
blades and proceed slowly straight
down the slope,
•If machine stops while going uphill,
disengage blades, shift into reverse
and back down slowly.
• Do not turn on slopes unless neces-
sary, and then, turn slowly and gradu-
ally downhill, if possible.
5

PRODUCT SPECIFICATIONS
Gasoline 3.5 Gallons
Capacity Unleaded
and Type: Regular
Oil Type SAE 30 (Above 32°F)
API-SF-SJ): SAE 5W-30
(Below 32°F)
Oil Capacity: 4 Pints
Spark Plug: Champion RC12YC
GAP: .030")
Ground Speed Forward: 5.5
(MPH): Reverse: 2.4
Fire Pressure: Front: 14PSI
Rear: 10 PSI
Charging 3Amps Battery
System: 5 Amps Headlights
Battery: Amp/Hr. 28
Min. CCA: 230
Case Size: U1R
Blade Bolt 27-35 Ft. Lbs.
Torque:
CONGRATULATIONS on your purchase
of a new tractor. It has been designed,
engineered and manufactured to give
you the best possible dependability and
performance.
Should you experience any problem you
cannot easily remedy, please contact a
Sears or other qualified service center.
We have competent, well-trained techni-
cians and the proper tools to service or
repair this tractor.
Please read and retain this manual. The
instructions will enable you to assemble
and maintain your tractor properly.
Always observe the "SAFETY RULES".
REPAIR AGREEMENT
A Repair Agreement is available on this
product. Contact your nearest Sears
store for details.
CUSTOMER RESPONSIBILITIES
•Read and observe the safety rules.
•Follow a regular schedule in maintain-
ing, caring for and using your tractor.
• Follow the instructions under "Mainte-
nance" and "Storage" sections of this
owner's manual.
,_WARNING: This tractor is equipped
with an internal combustion engine and
should not be used on or near any
unimproved forest-covered, brush-
covered or grass-covered land unless the
engine's exhaust system is equipped with
a spark arrester meeting applicable local
or state laws (if any). If a spark arrester is
used, it should be maintained in effective
working order by the operator.
In the state of California the above is
required by law (Section 4442 of the
California Public Resources Code).
Other states may have similar laws.
Federal laws apply on federal lands. A
spark arrester for the muffler is available
through your nearest Sears service
center (See REPAIR PARTS section of
this manual).
6

Steering
Wheel Insert
(1) Hex Bolt
3/8-16 x 1
Steerinc_
Boot
Steering Wheel
1) Lock
washer 3/8
(1) Locknut
5/16-18
_ Steering
Wheel Adapter
Seat
(1) Large Flat Washer
(1) Hex Bolt
5116-18 x 1-1/4
1SEtx_eeringn
Shaft
(_Washer
17/32 x 1-3/16 x 12
Gauge
_(1) Knob
For Future Use
Slope Sheet
Keys
Video Cassette
7

Your new tractor has been assembled at the factory with the exception of those parts
left unassembled for shipping purposes. To ensure safe and proper operation of your
tractor all parts and hardware you assemble must be tightened securely. Use the
correct tools as necessary to insure proper tightness. Review the video cassette before
you begin.
TOOLS REQUIRED FOR
ASSEMBLY
A socket wrench set will make assembly
easier. Standard wrench sizes you need
are listed below.
(1) 9/16" wrench (1) Pliers
(2) 1/2=wrench (1) Utility knife
(1) Tire pressure gauge
When right or left hand is mentioned in
this manual, it means, from your point of
view, when you are in the operating
position (seated behind the steering
wheel).
TO REMOVE TRACTOR FROM
CARTON
UNPACK CARTON
1. Remove all accessible loose parts
and parts boxes from carton.
2. Cut, from top to bottom, along lines
on all four corners of carton, and lay
panels flat.
3. Check for any additional loose parts
or cartons and remove.
BEFORE REMOVING TRACTOR
FROM SKID
ATTACH STEERING WHEEL
ASSEMBLE EXTENSION SHAFT AND
BOOT
1. Slide extension shaft onto lower
steering shaft. Align mounting holes
in extension and lower shafts and
install 5/16 hex bolt and Iocknut.
Tighten securely.
IMPORTANT: Tighten bolt and nut
securely to 18-22 ft. Ibs torque.
2. Place tabs of steering boot over tab
slots in dash and push down to
secure.
INSTALL STEERING WHEEL
3. Position front wheels of the tractor so
they are pointing straight forward.
4. Remove steering wheel adapter from
steering wheel and slide adapter
onto steering shaft extension.
5. Position steering wheel so cross bars
are horizontal (_elt to right) and slide
inside boot and onto adapter.
6. Assemble large flat washer, 3/8 lock
washer, 3/8 he)( bolt and tighten
securely.
7. Snap steering wheel insert into center
of steering wheel.
8. Remove protective materials from
tractor hood and grill.
IMPORTANT: Check for and remove any
staples in skid that may puncture tires
where tractor is to roll off skid.
_.._._ Insert
_- 3/8 Hex Bolt
3/8 Lock Washer
_3_'_'_ Larg_Fla t
Boot
Steering Wheel
=-Tabs
Extension Shaft
CHECK BATrER¥
1. Lift hood to raised position.
NOTE: If this battery is put into service
after month and year indicated on label
(label located between terminals) charge
battery for minimum of one hour at 6-10
amps. (See "BAI-FERY" in Maintenance
section of this manual for charging
instructions).
8

•"_-..... ;l__bel
•
INSTALL SEAT
Adjust seat before tightening adjustment
knob.
1. Remove adjustment knob and flat
washer securing seat to cardboard
packing and set aside for assembly of
seat to tractor.
2. Pivot seat upward and remove from
the cardboard packing• Remove the
cardboard packing and discard.
3. Place seat on seat pan so head of
shoulder bolts are positioned over the
large slotted holes in pan.
4. Push down on seat to engage
shoulder bolts in slots and pull seat
towards rear of tractor.
5. Pivot seat and pan forward and
assemble adjustment knob and flat
washer loosely. Do not tighten.
6. Lower seat into operating position and
sit in seat.
7. Slide seat until a comfortable position
is reached which allows you to press
clutch/brake pedal all the way down.
8. Get off seat without moving its
adjusted position.
9. Raise seat and tighten adjustment
knob securely.
Seat
Seat Pan
Shoulder Bolts
Flat Wash_r__
Adjustment Knob
NOTE: You may now rollor drive your
tractor off the skid. Follow the appropriate
instructionbelow to remove the tractor
from the skid.
TO ROLL TRACTOR OFF SKID (See
Operation section for location and
function of controls)
1. Press lift lever plunger and raise
attachment lift lever to its highest
position.
2. Release parking brake by depressing
clutch/brake pedal.
3. Place freewheel control in "transmis-
sion disengaged" position (See "1O
TRANSPORT" in the Operation
section of this manual).
4. Roll tractor forward off skid.
5. Remove banding holding deflector
shield up against tractor.
TO DRIVE TRACTOR OFF SKID (See
Operation section for location and
function of controls)
_IL WARNING: Before starting, read,
understand and follow all instructions in
the Operation section of this manual. Be
sure tractor is in a well-ventilated area. Be
sure the area in front of tractor is clear of
other people and objects.
1. Be sure all the above assembly steps
have been completed.
2. Check engine oil level and fill fuel
tank with gasoline.
3. Place freewheel control in "transmis-
sion engaged" position. (See "TO
TRANSPORT" in the Operation
section of this manual).
4. Sit on seat in operating position,
depress clutch/brake pedal and set
the parking brake.
5. Place motion control lever in neutral
(N) position.
6. Press lift lever plunger and raise
attachment lift lever to its highest
position.
7. Start the engine. After engine has
started, move throttle control to idle
position.
8. Release parking brake.
9. Slowly move the motion control lever
forward and slowly drive tractor off
skid.
10.Apply brake to stop tractor, set parking
brake and place motion control lever
in neutral position.
11 .Turn ignition key to "STOP" position.
Continue with the instructions that follow.
9

INSTALL MULCHER PLATE
(If previously removed)
1. Raise and hold deflector shield in
upright position.
2. Place front of mulcher plate over front
of mower deck opening and slide into
place, as shown.
3. Hook front latch into hole on front of
mower deck.
4. Hook rear latch into hole on back of
mower deck.
J
Deflector \,/_ .
Shield _
Mulcher
te
_ Latch
Hooks
CAUTION: Do not remove deflector
shield from mower. Raise and hold shield
when attaching mulcher plate and allow it
to rest on plate while in operation.
TO CONVERT TO BAGGING OR
DISCHARGING
Simply remove mulcher plate and store in
a safe place. Your mower is now ready for
discharging or installation of optional
grass catcher accessory.
NOTE: It is not necessary to change
blades. The mulching blades are
designed for discharging and bagging
also.
CHECK TIRE PRESSURE
The tires on your tractor were overinflated
at the factory for shipping purposes.
Correct tire pressure is important for best
cutting performance.
•Reduce tire pressure to PSi shown in
"PRODUCT SPECIFICATIONS" section
of this manual.
CHECK DECK LEVELNESS
For best cutting results, mower housing
should be properly leveled. See "TO
LEVEL MOWER HOUSING" in the
Service and Adjustments section of this
manual.
CHECK FOR PROPER POSITION OF
ALL BELTS
See the figures that are shown for
replacing motion and mower blade drive
belts in the Service and Adjustments
section of this manual. Verify that the
belts are routed correctly.
CHECK BRAKE SYSTEM
After you learn how to operate your
tractor, check to see that the brake is
properly adjusted. See "TO ADJUST
BRAKE" in the Service and Adjustments
section of this manual.
V' CHECKLIST
Before you operate your new tractor, we
wish to assure that you receive the best
performance and satisfaction from this
quality product.
Please review the following checklist:
,/ All assembly instructions have been
completed.
,/No remaining loose parts in carton.
,/Battery is properly prepared and
charged. (Minimum 1 hour at 6 amps).
,/Seat is adjusted comfortably and
tightened securely.
,I All tires are properly inflated. (For
shipping purposes, the tires were
overinflated at the factory).
,/Be sure mower deck is properly leveled
side-to-side/front-to-rear for best cutting
results. (Tires must be properly inflated
for leveling).
,/Check mower and drive belts. Be sure
they are routed properly around pulleys
and inside all belt keepers.
,/Check wiring. See that all connections
are still secure and wires are properly
clamped.
,/Before driving tractor, be sure free-
wheel control is in "transmission
engaged" position (see "TO TRANS-
PORT' in the Operation section of this
manual).
While learning how to use your tractor,
pay extra attention to the following
important items:
•/Engine oil is at proper level.
/Fuel tank is filled with fresh, clean,
regular unleaded gasoline.
,/Become familiar with all controls -their
location and function. Operate them
before you start the engine.
,I Be sure brake system is in safe
operating condition.
,/It is important to purge the transmission
before operating your tractor for the first
time. Follow proper starting and
transmission purging instructions (See
"TO START ENGINE" and "PURGE
TRANSMISSION" in the Operation
section of this manual).
10

Thesesymbolsmayappearonyour tractoror in literaturesuppliedwiththe product.
Learnand understandtheir meaning.
BATTERy CAUTION OR REVERSE FORWARD
WARNING
ENGINE ON ENGINE OFF OIL PRESSURE LIGHTS ON
FUEL CHOKE MOWER HEIGHT
®
PARKING BRAKE
LOCKED
FAST SLOW
Oi k
UNLOCKED MOWER LIFT
R N H L
ATTACHMENT REVERSE NEUTRAL HIGH LOW PARKING BRAKE
CLUTCH ENGAGED
@_(_) ATTACHMENT KEEP AREA CLEAR SLOPE HAZARDS
IGNITION CLUTCH DISENGAGED (SEE SAFETY RULES SECTION)
DANGER, KEEP HANDS AND FEET AWAY
11
FREE WHEEL
(Automatic Models only)

K]qOW YOUR TRACTOR
READ THIS OWNER'S MANUAL AND SAFETY RULES BEFORE OPERATING
YOUR TRACTOR
Compare the illustrations with your tractor to familiarize yourself with the locations of
various controls and adjustments. Save this manual for future reference.
Attachment Light Switch
Clutch Lever Ignition Switch
Ammeter Lift
Choke ....
--'" -- Lever
Control _ "_." Plunger
Throttle
Clutch/
Brake Pedal
Height
Adjustment
Knob
Attachment
t Lever
Freewheel
Control g Brake Lever
Motion
Control
Lever
Our tractors conform to the safety standards of the
American National Standards Institute.
AMMETER - Indicates charging (+) or
discharging (-) of battery.
A'n'ACHMENT CLUTCH LEVER - Used
to engage the mower blades, or other
attachments mounted to your tractor.
AI-rACHMENT LIFT LEVER - Used to
raise, lower, and adjust the mower deck
or other attachments mounted to your
tractor.
CLUTCH/BRAKE PEDAL -Used for
declutching and braking the tractor and
starting the engine.
MOTION CONTROL LEVER - Selects the
speed and direction of tractor.
CHOKE CONTROL -Used when starting
a cold engine.
HEIGHT ADJUSTMENT KNOB - Used to
adjust the mower cutting height.
IGNITION SWITCH -Used for starting and
stopping the engine,
LIFT LEVER PLUNGER -Used to release
attachment lift lever when changing its
position.
LIGHT SWITCH POSITION - Turns the
headlights on and off.
PARKING BRAKE LEVER - Locks clutch/
brake pedal into the brake position.
THRO'B'LE CONTROL - Used to control
engine speed.
FREEWHEEL CONTROL - Disengages
transmission for pushing or slowly towing
the tractor with the engine off.
12

The operation of any tractor can result in foreign objects thrown into the
eyes, which can result in severe eye damage. Always wear safety
glasses or eye shields while operating your tractor or performing any
adjustments or repairs. We recommend standard safety glasses or a
wide vision safety mask worn over spectacles.
HOW TO USE YOUR TRACTOR
TO SET PARKING BRAKE
Your tractor is equipped with an operator
presence sensing switch. When engine
is running, any attempt by the operator to
leave the seat without first setting the
parking brake will shut off the engine.
1. Depress clutch/brake pedal all the
way down and ho_d.
2. Pull parking brake lever up and
release pressure from clutch/brake
pedal. Pedal should remain in brake
position. Make sure parking brake will
hold tractor secure.
Attachment Clutch Lever "Engaged" Position
Choke _ ..
Control "-----._( JL..7_'_ Ignition Key
_'_---.___/.._)isengaged"
\._"_=_'_./ /Position
Th rotfle.._ :,)_0_,'_ Parkin.
C ontr_"_', _'_/;aar _ _
Clutch/ _. _._- "'Y "Enqaqed"
Brake _,,; _('_L_-_ Position •
_'_/ _ \ Motion Control
.Disen/geged . AH_iugshttrnent ,_Lever
ju Brake
Position Knob Position
STOPPING
MOWER BLADES -
• To stop mower blades, move attach-
ment clutch lever to "DISENGAGED"
position.
GROUND DRIVE -
•To stop ground drive, depress clutch/
brake pedal all the way down.
•Move motion control lever to neutral (N)
position.
IMPORTANT: The motion control lever
does not return to neutral (N) position
when the clutch/brake pedal is de-
pressed.
ENGINE -
• Move throttle control to slow position.
NOTE: Failure to move throttle control to
slow position and allowing engine to idle
before stopping may cause engine to
"backfire".
• Turn ignition key to "STOP" position
and remove key. Always remove key
when leaving tractor to prevent
unauthorized use.
• Never use choke to stop engine.
IMPORTANT: Leaving the ignition switch
in any position other than "STOP" will
cause the battery to discharge and go
dead.
NOTE" Under certain conditions when
tractor is standing idle with the engine
running, hot engine exhaust gases may
cause "browning" of grass. To eliminate
this possibility, always stop engine when
stopping tractor on grass areas.
_]L CAUTION: Always stop tractor
completely, as described above, before
leaving the operator's position.
TO USE THROTTLE CONTROL
Always operate engine at full throttle.
•Operating engine at less than full
throttle reduces the battery charging
rate.
•Full throttle offers the best bagging and
mower performance.
TO USE CHOKE CONTROL
Use choke control whenever you are
starting a cold engine. Do not use to start
a warm engine.
•To engage choke control, pull knob out.
Slowly push knob in to disengage.
TO MOVE FORWARD AND BACKWARD
The direction and speed of movement is
controlled by the motion control lever.
1. Start tractor with motion control lever in
neutral (N) position.
2. Release parking brake.
3. Slowly move motion control lever to
desired position.
TO ADJUST MOWER CUTI'ING HEIGHT
The cutting height is controlled by turning
the height adjustment knob in desired
direction.
• Turn knob clockwise (_) to raise
cutting height.
• Turn knob counterclockwise (_)to
lower cutting height.
The cutting height range is approximately
1-1/2" to 4". The heights are measured
from the ground to the blade tip with the
engine not running. These heights are
approximate and may vary depending
upon soil conditions, height of grass and
types of grass being mowed.
13

• The average lawn should be cut to
approximately 2-1/2 inches during the
cool season and to over 3 inches
during hot months. For healthier and
better looking lawns, mow often and
after moderate growth.
• For best cutting performance, grass
over 6 inches in height should be
mowed twice. Make the first cut
relatively high; the second to desired
height.
TO ADJUST GAUGE WHEELS
Gauge wheels are properly adjusted
when they are slightly off the ground
when mower is at the desired cutting
height in operating position. Gauge
wheels then keep the deck in proper
position to help prevent scalping in most
terrain conditions.
NOTE: Adjust gauge wheels with tractor
on a flat level surface.
t. Adjust mower to desired cutting height
(See "TO ADJUST MOWER CU-I-FING
HEIGHT" in this section of manual).
2. With mower in desired height of cut
position, gauge wheels should be
assembled so they are slightly off the
ground. Install gauge wheel in
appropriate hole with shoulder bolt, 3/
8 washer, and 3/8-16 Iocknut and
tighten securely.
3. Repeat for opposite side, installing
gauge wheel in same adjustment
hole.
Gauge
Wheel
\
3/8-16_
Locknut
3/8 Washer/j_
f
Gauge Wheel
TO OPERATE MOWER
Your tractor is equipped with an operator
presence sensing switch. Any attempt by
the operator to leave the seat with the
engine running and the attachment clutch
engaged will shut off the engine.
1. Select desired height of cut.
2. Lower mower with attachment lift
control.
3. Start mower blades by engaging
attachment clutch control.
TO STOP MOWER BLADES -
disengage attachment clutch control.
_,CAUTION: Do not operate the mower
without either the entire grass catcher, on
mowers so equipped, or the deflector
shield in place.
Attachment Attachemnt
Clutch Lever Lever
"Engaged" High
Position Position
Position
"Disengaged_.
Position Deflector
TO OPERATE ON HILLS
411CAUTION: Do not drive up or down
hills with slopes greater than 15° and do
not drive across any slope. Use the slope
guide at the back of this manual.
•Choose the slowest speed before
starting up or down hills.
• Avoid stopping or changing speed on
hills.
•If slowing is necessary, move throttle
control lever to slower position.
•If stopping is absolutely necessary,
push clutch/brake pedal quickly to
brake position and engage parking
brake.
•Move motion control lever to neutral (N)
position.
IMPORTANT: The motion control lever
does not return to neutral (N) position
when the clutch/brake pedal is de-
pressed.
•To restart movement, slowly release
parking brake and clutch/brake pedal.
•Slowly move motion control lever to
slowest setting.
•Make all tums slowly.
14

TO TRANSPORT
When pushing or towing your tractor, be
sure to disengage transmission by
placing freewheel control in freewheeling
position. Freewheel control is located at
the rear drawbar of tractor.
1. Raise attachment lift to highest
position with attachment lift control.
2. Pull freewheel control out and down
into the slot and release so it is held in
the disengaged position.
• Do not push or tow tractor at more than
two (2) MPH.
•To re-engage transmission, reverse
above procedure.
Transmission Engaged
Transmission Disengaged
NOTE: To protect hood from damage
when transporting your tractor on a truck
or a trailer, be sure hood is closed and
secured to tractor. Use an appropriate
means of tying hood to tractor (rope, cord,
etc.).
TOWING CARTS AND OTHER ATtACH-
MENTS
Tow only the attachments that are
recommended by and comply with
specifications of the manufacturer of your
tractor. Use common sense when towing.
Too heavy of a load, while on a slope, is
dangerous. Tires can lose traction with the
ground and cause you to lose control of
your tractor.
BEFORE STARTING THE ENGINE
CHECK ENGINE OIL LEVEL
The engine in your tractor has been
shipped, from the factory, already filled
with summer weight oil.
t. Check engine oil with tractor on level
ground.
2. Remove oil fill cap/dipstick and wipe
clean, reinsert the dipstick and screw
cap tight, wait for afew seconds,
remove and read oil level. If neces-
sary, add oil until "FULL" mark on
dipstick is reached. Do not overfill.
•For cold weather operation you should
change oil for easier starting ((See the
oil viscosity chart in the Maintenance
section of this manual).
• To change engine oil, see the Mainte-
nance section in this manual.
ADD GASOLINE
•Fill fuel tank to bottom of tank filler
neck. Do not overfill. Use fresh, clean,
regular unleaded gasoline with a
minimum of 87 octane. (Use of leaded
gasoline will increase carbon and lead
oxide deposits and reduce valve life).
Do not mix oil with gasoline. Purchase
fuel in quantities that can be used
within 30 days to assure fuel freshness.
_CAUTION; Wipe off any spilled oil or
fuel. Do not store, spill or use gasoline
near an open flame.
IMPORTANT: When operating in tem-
peratures below 32°F(0°C), use fresh,
clean winter grade gasoline to help
insure good cold weather starting.
_,CAUTION: Alcohol blended fuels
(called gasohol or using ethanol or
methanol) can attract moisture which
leads to separation and formation of
acids during storage. Acidic gas can
damage the fuel system of an engine
while in storage.
To avoid engine problems, the fuel
system should be emptied before storage
of 30 days or longer. Drain the gas tank,
start the engine and let it run until the fuel
lines and carburetor are empty. Use fresh
fuel next season. See Storage Instruc-
tions for additional information.
Never use engine or carburetor cleaner
products in the fuel tank or permanent
damage may occur.
TO START ENGINE
When starting the engine for the first time
or if the engine has run out of fuel, it will
take extra cranking time to move fuel from
the tank to the engine.
1. Be sure freewheel control is in the
transmission engaged position.
2. Sit on seat in operating position,
depress clutch/brake pedal and set
parking brake.
3. Place motion control lever in neutral
(N) position.
4. Move attachment clutch to disen-
gaged position.
5. Move throttle control to choke position.
NOTE: Before starting, read the warm
and cold starting procedures below.
15

.Insert key into ignition and turn key
clockwise to start position and release
key as soon as engine starts. Do not
run starter continuously for more than
fifteen seconds per minute. If the
engine does not start after several
attempts, move throttle control to fast
position, wait a few minutes and try
again. If engine still does not start,
move the throttle control back to the
choke position and retry.
WARM WEATHER STARTING (50 °F and
above)
7. When engine starts, move the throttle
control to the fast position.
• The attachments and ground drive can
now be used. If the engine does not
accept the load, restart the engine and
allow it to warm up for one minute
using the choke as described above.
COLD WEATHER STARTING ( 50 ° F and
below)
7. When engine starts, allow engine to
run with the throttle control in the
choke position until the engine runs
roughly, then move throttle control to
fast position. This may require an
engine warm-up period from several
seconds to several minutes, depend-
ing on the temperature.
AUTOMATIC TRANSMISSION WARM UP
Before driving the unit in cold weather,
the transmission should be warmed up as
follows:
1. Be sure the tractor is on level ground.
2. Place the motion control lever in
neutral. Release the parking brake
and let the clutch/brake slowly return
to operating position.
3. Allow one minute for transmission to
warm up. This can be done during
the engine warm up period.
•The attachments can also be used
during the engine warm-up period after
the transmission has been warmed up.
NOTE: If at a high altitude (above 3000
feet) or in cold temperatures (below 32 F)
the carburetor fuel mixture may need to
be adjusted for best engine performance.
(See "TO ADJUST CARBURETOR" in the
Service and Adjustments section of this
manual.)
PURGE TRANSMISSION
ACAUTION: Never engage or disen-
gage freewheel lever while the engine is
running.
To ensure proper operation and perfor-
mance, it is recommended that the
transmission be purged before operating
tractor for the first time. This procedure will
remove any trapped air inside the trans-
mission which may have developed during
shipping of your tractor.
IMPORTANT: Should your transmission
require removal for service or replacement,
it should be purged after reinstallation
before operating the tractor.
1. Place tractor safely on level surface
with engine off and parking brake set.
2. Disengage transmission by placing
freewheel control in "transmission
disengaged" position (See "TO
TRANSPORT" in this section of
manual).
3. Sitting in the tractor seat, start engine.
After the engine is running, move
throttle control to slow position. With
motion control lever in neutral (N)
position, slowly disengage clutch/
brake pedal.
4. Move motion control lever to full
forward position and hold for five (5)
seconds. Move lever to full reverse
position and hold for five (5) seconds.
Repeat this procedure three (3) times.
NOTE: During this step there will be no
movement of drive wheels. The air is being
removed from hydraulic drive system.
5. Move motion control lever to neutral
(N) position. Shutoff engine and set
parking brake.
6. Engage transmission by placing
freewheel control in "transmission
engaged" position (See "TO TRANS-
PORT" in this section of manual).
7. Sitting in the tractor seat, start engine.
After the engine is running, move
throttle control to half (1/2) speed. With
motion control lever in neutral (N)
position, slowly disengage clutch/
brake pedal.
8. Slowly move motion control lever
forward, after the tractor moves
approximately five (5) feet, slowly
move motion control lever to reverse
position. After the tractor moves
approximately five (5) feet return the
motion control lever to the neutral (N)
position. Repeat this procedure with
the motion control lever three (3)
times.
Your transmission is now purged and
ready for normal operation.
16

MOWING TIPS
•Mower should be properly leveled for
best mowing performance. See "3"O
LEVEL MOWER HOUSING" in the
Service and Adjustments section of
this manual.
•The left hand side of mower should be
used for trimming.
•Drive so that clippings are discharged
onto the area that has already been
cut. Have the cut area to the right of
the tractor. This will result in a more
even distribution of clippings and more
uniform cutting.
•When mowing large areas, start by
turning to the right so that clippings will
discharge away from shrubs, fences,
driveways, etc. After one or two
rounds, mow in the opposite direction
making left hand turns until finished.
[
l
• If grass is extremely tall, it should be
mowed twice to reduce load and
possible fire hazard from dried clip-
pings. Make first cut relatively high; the
second to the desired height.
• Do not mow grass when it is wet. Wet
grass will plug mower and leave
undesirable clumps. Allow grass to dry
before mowing.
•Always operate engine at full throttle
when mowing to assure better mowing
performance and proper discharge of
material. Regulate ground speed by
selecting a low enough gear to give the
mower cutting performance as well as
the quality of cut desired.
•When operating attachments, select a
ground speed that will suit the terrain
and give best performance of the
attachment being used.
MULCHING MOWING TIPS
IMPORTANT: For best performance,
keep mower housing free of built-up
grass and trash. Clean after each use.
• The special mulching blade will recut
the grass clippings many times and
reduce them in size so that as they fall
onto the lawn they will disperse into the
grass and not be noticed. Also, the
mulched grass will biodegrade quickly
to provide nutrients for the lawn.
Always mulch with your highest engine
(blade) speed as this will provide the
best recutting action of the blades.
•Avoid cutting your lawn when it is wet.
Wet grass tends to form clumps and
interferes with the mulching action.
The best time to mow your lawn is the
early afternoon. At this time the grass
has dried and the newly cut area will
not be exposed to the direct sun.
•For best results, adjust the mower
cutting height so that the mower cuts off
only the top one-third of the grass
blades. For extremely heavy grass,
reduce your width of cut on each pass
and mow slowly.
it_!_i_'--_ Max 1/3
• Certain types of grass and grass
conditions may require that an area be
mulched a second time to completely
hide the clippings. When doing a
second cut, mow across or perpendicu-
lar to the first cut path.
• Change your cutting pattern from week
to week. Mow north to south one week
then change to east to west the next
week. This will help prevent matting
and graining of the lawn.
17

FILL IN DATES /_j_:>_/cp.y__/¢¢ cac_
Check Brake Operation
Check Tire Pressure _
Check Operator Presence and
TIntedock Systems If
RCheck for Loose Fasteners If Ks I1_
A Sharpen/Replace Mower Blades _3
TLubr_ation Chart V'
0Check Battery Level
RClean Batter'j and Terminals I_
Check Transaxle Cooling V'
Check V-Belts _'
Check Engine O11Level I_ I_'
Change Engine Oil (with oil filter) _i_11 _
E Change Engine Oil (without oil filter) I_1,= I_
N ' Clean Air Rlter _I_:G Clean Air Screen
NI Inspect Muffler/Spark Arrester
EReplace Oil Filter (If equipped) 1_1.;
Clean Engine Cooling Fins if ;
Replace Spark Plug V_ if
Replace Air Filter Paper Cartridge I 1_2
Replace Fuel Filter I
1- Charge more often when operating under e heavy icsd ot
In high ambient temperatures.
2 - Service rno_e often when operating in dirty Ot dusty co_ditlens.
3 - Replace blades more often when mowing in sandy soil.
4-Not required if equipped with maintenance-free battery.
5 - Tighten front axle pivot bolt to 35 ft.-les, maximum.
Do not overtightsn.
GENERAL RECOMMENDATIONS
The warranty on this tractor does not
cover items that have been subjected to
operator abuse or negligence. To receive
full value from the warranty, operator must
maintain tractor as instructed in this
manual.
Some adjustments will need to be made
periodically to properly maintain your
tractor.
All adjustments in the Service and
Adjustments section of this manual should
be checked at least once each season.
•Once a year you should replace the
spark plug, clean or replace air filter,
and check blades and belts for wear. A
new spark plug and clean air filter
assure proper air-fuel mixture and help
your engine run better and last longer.
BEFORE EACH USE
1. Check engine oil level.
2. Check brake operation.
3. Check tire pressure.
4. Check operator presence and
interlock systems for proper opera-
tion.
5. Check for loose fasteners.
LUBRICATION CHART
• Spindle--
Zerk t--;"
• I
,f:':
(_Front Wheel ,-
Bz_al_ing_
(_Engine'i i"
J--.
I_ (:i)Spindle
Zerk
,_'- ...... .-__Front Wheel
........ ,k_earing Zerk
"4 b _
._____ i :
= t
(i) General PurposeGrease
(_ REFER TO Maintertance "ENGINE"SECTION
IMPORTANT: Do not oil or grease the
pivot points which have special nylon
bearings. Viscous lubricants will attract
dust and dirt that will shorten the life of
the self-lubricating bearings. If you feel
they must be lubricated, use only a dry,
powdered graphite type lubricant
sparingly.
18

TRACTOR
Always observe safety rules when
performing any maintenance.
BRAKE OPERATION
If tractor requires more than six (6) feet
stopping distance at high speed in
highest gear, then brake must be ad-
justed. (See TO ADJUST BRAKE" in the Center
Service and Adjustments section of this Edge Up
manual).
TIRES
• Maintain proper air pressure in all tires
(See "PRODUCT SPECIFICATIONS"
section of this manual).
•Keep tires free of gasoline, oil, or insect
control chemicals which can harm
rubber.
•Avoid stumps, stones, deep ruts, sharp
objects and other hazards that may
cause tire damage.
NOTE: To seal tire punctures and prevent
flat tires due to slow leaks, tire sealant
may be purchased from your local parts
dealer. Tire sealant also prevents tire dry
rot and corrosion.
OPERATOR PRESENCE SYSTEM
Be sure operator presence and interlock
systems are working properly. If your
tractor does not function as described,
repair the problem immediately.
•The engine should not start unless the
brake pedal is fully depressed and
attachement clutch control is in the
disengaged position.
•When the engine is running, any
attempt by the operator to leave the
seat without first setting the parking
brake should shut off the engine.
•When the engine is running and the
attachment clutch is engaged, any
attempt by the operator to leave the
seat should shut off the engine.
•The attachment clutch should never
operate unless the operator is in the
seat.
BLADE CARE
For best results mower blades must be
kept sharp. Replace bent or damaged
blades.
BLADE REMOVAL
1. Raise mower to highest position to
allow access to blades.
2. Remove hex bolt, lock washer and flat
washer securing blade.
3. Install new or resharpened blade with
trailing edge up towards deck as
shown.
IMPORTANT: To ensure proper assembly,
center hole in blade must align with star
on mandrel assembly. 19
4. Reassemble hex bolt, lock washer
and flat washer in exact order as
shown.
5. Tighten bolt securely (27-35 Ft. Lbs.
torque).
IMPORTANT: Blade bolt is grade 8 heat
treated.
Mandrel
Flat Assembly
Lock
/
_'Hex Bolt i
*A Grade 8 heat treated bolt can be identified
by six lines on the bolt head.
TO SHARPEN BLADE
NOTE: We do not recommend sharpen-
ing blade -but if you do, be sure the
blade is balanced.
Care should be taken to keep the blade
balanced. An unbalanced blade will
cause excessive vibration and eventual
damage to mower and engine.
• The blade can be sharpened with a file
or on a grinding wheel. Do not attempt
to sharpen while on the mower.
• To check blade balance, you will need
a 5/8" diameter steel bolt, pin, or a cone
balancer. (When using a cone bal-
ancer, follow the instructions supplied
with balancer.)
NOTE: Do not use a nail for balancing
blade. The lobes of the center hole may
appear to be centered, but are not.
• Slide blade on to an unthreaded
portion of the steel bolt or pin and hold
the bolt or pin parallel with the ground.
If blade is balanced, it should remain in
a horizontal position. If either end of
the blade moves downward, sharpen
the heavy end until the blade is
balanced.
_'_= '"'_-_.___<_:;,m__/_ B,ade
ooorP
C_ferHo'e "_
BA'i-rERY
Your tractor has a battery charging system
which is sufficient for normal use. How-
ever, periodic charging of the battery with
an automotive charger will extend its life.
• Keep battery and terminals clean.
• Keep battery bolts tight.
• Keep small vent holes open.
• Recharge at 6-10 amperes for 1 hour.

NOTE: The original equipment battery on
your tractor is maintenance free. Do not
attempt to open or remove caps or covers.
Adding or checking level of electrolyte is
not necessary.
TO CLEAN BATTERYAND TERMINALS
Corrosion and dirt on the battery and
terminals can cause the battery to "leak"
power.
1. Remove terminal guard.
2. Disconnect BLACK battery cable first
then RED battery cable and remove
battery from tractor.
3. Rinse the battery with plain water and
dry.
4. Clean terminals and battery cable
ends with wire brush until bright.
5. Coat terminals with grease or petro-
leum jelly.
6. Reinstall battery (See "REPLACING
BAI-rERY" in the SERVICE AND
ADJUSTMENTS section of this
manual).
TRANSAXLE COOLING
The transmission fan and cooling fins
should be kept clean to assure proper
cooling.
Do not attempt to clean fan or transmission
while engine is running or while the
transmission is hot. To prevent possible
damage to seals, do not use high pressure
water or steam to clean transaxle.
• Inspect cooling fan to be sure fan blades
are intact and clean.
•Inspect cooling fins for dirt, grass
clippings and other materials. To
prevent damage to seals, do not use
compressed air or high pressure sprayer
to clean cooling fins.
TRANSAXLE PUMP FLUID
The trensaxle was sealed at the factory
and fluid maintenance is not required for
the life of the transaxle. Should the
transaxle ever leak or require servicing,
contact a Sears or other qualified service
center.
V-BELTS
Check V-belts for deterioration and wear
after 100 hours of operation and replace if
necessary. The belts are not adjustable.
Replace belts if they begin to slip from
wear.
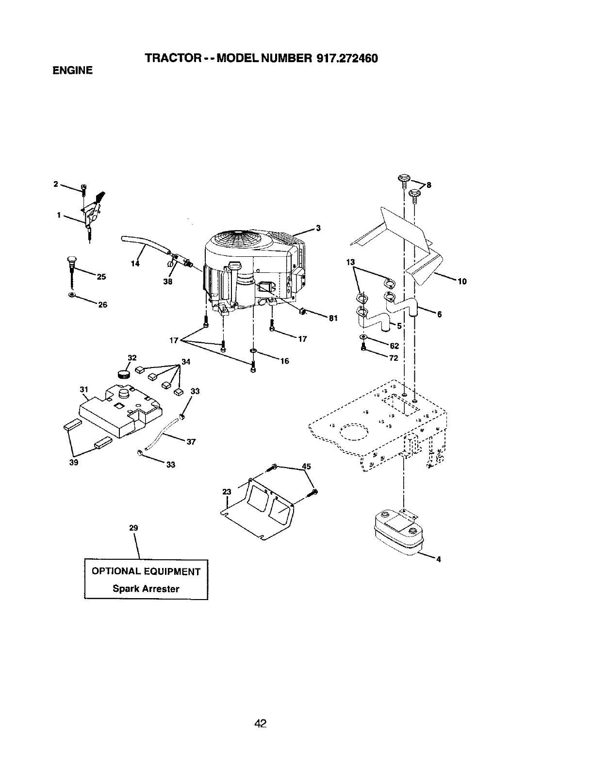
ENGINE
LUBRICATION
Only use high quality detergent oil rated
with API service classification SF-SJ.
Select the oil's SAE viscosity grade
according to your expected operating
temperature.
NOTE: Although multi-viscosity oils
(5W30, 10W30 etc.) improve starting in
cold weather, these multi-viscosity oils will
result in increased oil consumption when
used above 32°F. Check your engine oil
level more frequently to avoid possible
engine damage from running low on oil.
Change the oil after every 50 hours of
operation or at least once a year if the
tractor is not used for 50 hours in one year.
Check the crankcase oil level before
starting the engine and after each eight (8)
hours of operation. -tighten oil fill cap/
dipstick securely each time you check the
oil level.
TO CHANGE ENGINE OiL
Determine temperature range expected
before oil change. All oil must meet API
service classification SF-SJ.
• Be sure tractor is on level surface.
• Oil will drain more freely when warm.
• Catch oil in a suitable container.
1. Remove oil fill cap/dipstick. Be carefut
not to allow dirt to enter the engine
when changing oil.
2. Remove yellow cap from end of drain
valve and install the drain tube onto
the fitting. Oil Drain Valve
Closed and
Yellow _-_--/_, _ .'_" °
Cap -
Drain
Tube
3. Unlock drain valve by pushing inward
slightly and turning counterclockwise.
4. To open, pull out on the drain valve.
5. After oil has drained completely, close
and lock the drain valve by pushing
inward and turning clockwise until the
pin is in the locked position as shown.
6. Remove the drain tube and replace
the cap onto the end of the drain
valve.
7. Refill engine with oil through oil fill
dipstick tube. Pour slowly. Do not
overfill. For approximate capacity see
"PRODUCT SPECIFICATIONS"
section of this manual.
2O

8. Use gauge on oil fill cap/dipstick for
checking level. For accurate reading,
tighten dipstick cap securely onto the
tube before removing dipstick. Keep
oil at "FULL" line on dipstick. Tighten
cap onto the tube securely when
finished.
ENGINE OIL FILTER
Replace the engine oil filter every season
or every other oil change if the tractor is
used more than 100 hours in one year.
AIR FILTER
Your engine will not run properly using a
dirty air filter. Clean the foam pre-cleaner
after every 25 hours of operation or every
season. Service paper cartridge every
100 hours of operation or every season,
whichever occurs first.
Service air cleaner more often under
dusty conditions.
1. Remove knobs and cover.
TO SERVICE PRE-CLEANER
2. Wash it in liquid detergent and water.
3. Squeeze it dry in a clean cloth.
4. Saturate it in engine oil. Wrap it in
clean, absorbent cloth and squeeze to
remove excess oil.
NOTE: If very dirty or damaged, replace
pre-cleaner.
TO SERVICE CARTRIDGE
1. Clean cartridge by tapping gently on
flat surface. If very dirty or damaged,
replace cartridge.
2. Reinstall precleaner cartridge, cover
and secure with knobs.
IMPORTANT: Petroleum solvents, such
as kerosene, are not to be used to clean
the cartridge. They may cause deteriora-
tion of the cartridge. Do not oil cartridge.
Do not use pressurized air to clean or dry
cartridge.
Knob_
Foam C°v_ rtridge
Pre-Clea_e_
CLEAN AIR SCREEN
Air screen must be kept free of dirt and
chaff to prevent engine damage from
overheating. Clean with a wire brush or
compressed air to remove dirt and
stubborn dried gum fibers. 21
CLEAN AIR INTAKE/COOLING AREAS
To insure proper cooling, make sure the
grass screen, cooling fins, and other
extemal surfaces of the engine are kept
clean at all times.
Every 100 hours of operation (more often
under extremely dusty, dirty conditions),
remove the blower housing and other
cooling shrouds. Clean the cooling fins
and external surfaces as necessary. Make
sure the cooling shrouds are reinstalled.
NOTE: Operating the engine with a
blocked grass screen, dirty or plugged
cooling fins, and/or cooling shrouds
removed will cause engine damage due
to overheating.
MUFFLER
Inspect and replace corroded muffler and
spark arrester (if equipped) as it could
create a fire hazard and/or damage.
SPARK PLUG(S)
Replace spark plug(s) at the beginning of
each mowing season or after every 100
hours of operation, whichever occurs first.
Spark plug type and gap setting are
shown in "PRODUCT SPECIFICATIONS"
section of this manual.
IN-LINE FUEL FILTER
The fuel filter should be replaced once
each season. If fuel filter becomes
clogged, obstructing fuel flow to carbure-
tor, replacement is required.
1. With engine cool, remove filter and
plug fuel line sections.
2. Place new fuel filter in position in fuel
line with arrow pointing towards
carburetor.
3. Be sure there are no fuel line leaks
and clamps are properly positioned.
4. Immediately wipe up any spilled
gasoline.
ClamP_clamp
Fuel Filter
CLEANING
ilean engine, battery, seat, finish, etc.
of all foreign matter.
Keep finished surfaces and wheels free
of all gasoline, oil, etc.
• Protect painted surfaces with automo-
tive type wax.
We do not recommend using a garden
hose to clean your tractor unless the
electrical system, muffler, air filter and
carburetor are covered to keep water out.
Water in engine can result in a shortened
engine life.

[,_ WARNING: TO AVOID SERIOUS INJURY, BEFORE PERFORMING ANY
SERVICE OR ADJUSTMENTS:
1. Depress clutch/brake pedal fully and set parking brake.
2. Place motion control lever in neutral (N) position.
3. Place attachment clutch in "DISENGAGED" position.
4. Turn ignition key "OFF" and remove key.
5. Make sure the blades and all moving parts have completely stopped.
6. Disconnect spark plug wire from spark plug and place wire where it cannot
come in contact with plug.
TRACTOR IMPORTANT: If an attachment other than
TO REMOVE MOWER the mower deck is to be mounted on the
Mower will be easier to remove from the tractor, remove the front links and hook
right side of tractor, the clutch spring Into square hole in
1. Place attachment clutch in "DISEN- frame.
GAGED" position. TO INSTALL MOWER
2. Move attachment lift lever forward to
lower mower to its lowest position.
3. Roll belt off engine pulley.
4. Remove small retainer spring, and lift
clutch spring off pulley bolt.
5. Remove large retainer spring, slide
collar off and push housing guide out
of bracket.
6. Disconnect anti-sway bar from chassis
bracket by removing retainer spring.
7. Disconnect suspension arms from
rear deck brackets by removing
retainer springs.
8. Disconnect front links from deck by
removing retainer springs.
9. Raise lift lever to raise suspension
arms. Slide mower out from under
tractor.
1. Raise attachment lift lever to its
highest position.
2. Slide mower under tractor with
deflector shield to right side of tractor.
3. Lower lift lever to its lowest position.
4. Connect front links to mower deck and
secure with retainer springs.
5. Connect suspension arms to rear
deck brackets and secure with
retainer springs.
6. Connect anti-sway bar to chassis
bracket and secure with retainer
spring.
7. Push clutch cable housing guide into
bracket, slide collar onto guide and
secure with large retainer spring.
8. Install belt onto engine pulley.
Small Retainer Spring
Clutch Spring _
Retainer Spring
Anti-Sway Bar --
Collar
Housing
Guide
Large
Retainer
Spring Bracket
Engine Pulley
J_ Front
Link
Retainer Springs
(Both Sides)
Deflector
Shield
22

TO LEVEL MOWER HOUSING
Adjust the mower while tractor is parked
on level ground or driveway. Make sure
tires are properly inflated (See "PROD-
UCT SPECIFICATIONS" section of this
manual). If tires are over or
underinflated, you will not properly
adjust your mower.
SIDE-TO-SIDE ADJUSTMENT
•Raise mower to its highest position.
•At the midpoint of both sides of mower,
measure height from bottom edge of
mower to ground. Distance "A" on
both sides of mower should be the
same or within 1/4" of each other.
• If adjustment is necessary, make
adjustment on one side of mower only.
• To raise one side of mower, tighten lift
link adjustment nut on that side.
• To lower one side of mower, loosen lift
link adjustment nut on that side.
NOTE: Each full turn of adjustment nut
will change mower height about 1/8".
•Recheck measurements after adjust-
ing.
Bottom edge of Bottom edge of
mower to _ mower to
ground _ ground
A--_'_Ground Line _t_._--A
Suspension Arm
Lift Link
Adjustment Nut
FRONT-TO-BACK ADJUSTMENT
IMPORTANT: Deck must be level side-to
side. If the following front-to-back
adjustment is necessary, be sure to
adjust both front links equally so mower
will stay level side-to-side.
To obtain the best cutting results, the
mower housing should be adjusted so
that the front is approximately 1/8" to 1/2"
lower than the rear when the mower is in
its highest position.
Check adjustment on right side of tractor.
Measure distance "D" directly in front
and behind the mandrel at bottom edge
of mower housing as shown.
• Before making any necessary adjust-
ments, check that both front links are
equal in length.
•If links are not equal in length, adjust
one link to same length as other link.
•To lower front of mower loosen nut "E"
on both front links an equal number of
turns.
• When distance "D" is 1/8" to 1/2" lower
at front than rear, tighten nuts "F"
against trunnion on both front links.
• To raise front of mower, loosen nut "F"
from trunnion on both front links.
Tighten nut "E" on both front links an
equal number of turns.
• When distance "D" is 1/8" to 1/2" lower
at front than rear, tighten nut "F"
against trunnion on both front links.
• Recheck side-to-side adjustment.
Both Front Links Should be Equal in Length
Nut "E"
Front Links
23

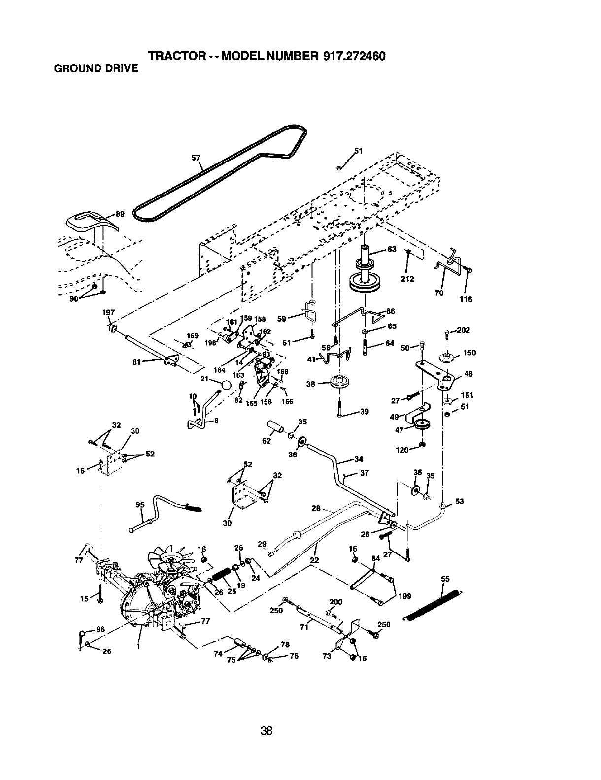
TO REPLACE MOWER BLADE DRIVE
BELT
The mower blade drive belt may be
replaced without tools. Park the tractor on
level surface. Engage parking brake.
BELT REMOVAL -
1. Remove mower from tractor (See "-I-O
REMOVE MOWER" in this section of
manual).
2. Work belt off both mandrel pulleys and
idler pulleys.
3. Pull belt away from mower.
BELT INSTALLATION -
1. Work belt around both mandrel
pulleys and idler pulleys
2. Make sure belt is in all pulley grooves
and inside all belt guides.
3. Install mower (See 'q'o Install Mower"
in this section of this manual).
Mandrel
TO ADJUST BRAKE
Your tractor is equipped with an adjust-
able brake system which is mounted on
the side of the transaxle.
If tractor requires more than six (6) feet
stopping distance at high speed in
highest gear on alevel dry concrete or
paved surface, then brake must be
adjusted.
1. Depress clutch/brake pedal and
engage parking brake.
2. Measure distance between brake
operating arm and nut "A" on brake
rod.
3. If distance is other than 1-9/16", loosen
jam nut and turn nut "A" until distance
becomes 1-9/16". Retighten jam nut
against nut "A".
4. Road test tractor for proper stopping
distance as stated above. Readjust if
necessary. If stopping distance is still
greater than six (6) feet in highest
gear, lurther maintenance is neces-
sary. Contact a Sears or other
qualified service center.
With Parking Brake
"Engaged"
Jam Nut
Nut =A"
Arm
Do Not touch this nut. If further brake
adjustment is necessary contact a Sears or
other qualified service center.
TO REPLACE MOTION DRIVE BELT
Park the tractor on level surface. Engage
parking brake. For assistance, there is a
belt installation guide decal on bottom
side of left footrest.
BELT REMOVAL -
1. Remove mower (See 'q-O REMOVE
MOWER" in this section of manual).
NOTE: Observe entire motion drive belt
and position of all belt guides and
keepers.
2. Remove belt from stationary idler and
clutching idler.
3. Remove belt downward from around
engine pulley.
4. Pull belt slack toward rear of tractor.
Carefully remove belt upwards from
transmission input pulley and over
cooling fan blades.
5. Remove belt from center span keeper
and pull belt away from tractor.
BELT INSTALLATION -
1. Carefully work new belt down around
transmission cooling fan and onto the
input pulley.
2. Slide belt into the center span keeper.
3. Pull belt toward front of tractor and roll
around the top groove of engine
pulley.
4. Install belt through stationary idler and
clutching idler.
5. Make sure belt is in all pulley grooves
and inside all belt guides and keep-
ers.
6. Install mower (See 'qO INSTALL
MOWER" in this section of manual).
24

Motion Control Lever Neutral
Lock Gate
Clutching
Stationary Idler
Center Span
Keeper
Transmission
Input Pulley
TRANSAXLE MOTION CONTROL
LEVER NEUTRAL ADJUSTMENT
The motion control lever has been preset
at the factory and adjustment should not
be necessary.
1. Loosen adjustment bolt in front of the
right rear wheel, and lightly tighten.
2. Start engine and move motion control
lever until tractor does not move
forward or backward.
3. Hold motion control lever in that
position and turn engine off.
4. While holding motion control lever in
place, loosen the adjustment bolt.
5. Move motion control lever to the
neutral (N) (lock gate) position.
6. Tighten adjustment bolt securely.
NOTE: If additional clearance is needed
to get to adjustment bolt, move mower
deck height to the lowest position.
After above adjustment is made, if the
tractor still creeps forward or backward
while motion control lever is in neutral
position, follow these steps:
1. Loosen the adjustment bolt.
2. Move the motion control lever 1/4 to
1/2 inch in the direction it is trying to
creep.
3. Tighten adjustment bolt securely.
4. Start engine and test.
5. If tractor still creeps, repeat above
steps until satisfied.
"., Adjustment Bolt
TRANSMISSION REMOVAL/REPLACE-
MENT
Should your transmission require
removal for service or replacement, it
should be purged after reinstallation and
before operating the tractor. See "PURGE
TRANSMISSION" in the Operation
section of this manual.
TO ADJUST STEERING WHEEL ALIGN-
MENT
If steering wheel crossbars are not
horizontal (left to right) when wheels are
positioned straight forward, remove
steering wheel and reassemble with
crossbars horizontal. Tighten securely.
FRONT WHEEL TOE-IN/CAMBER
The front wheel toe-in and camber are
not adjustable on your tractor. If damage
has occurred to affect the front wheel toe-
in or camber, contact a Sears or other
qualified service center.
TO REMOVE WHEEL FOR REPAIRS
1. Block up axle securely.
2. Remove axle cover, retaining ring and
washers to allow wheel removal (rear
wheels have a square key -Do not
lose).
3. Repair tire and reassemble.
NOTE: On rear wheels only: align grooves
in rear wheel hub and axle. Insert square
key.
4. Replace washers and snap retaining
ring securely in axle groove.
5. Replace axle cover.
NOTE: To seal tire punctures and prevent
flat tires due to slow leaks, purchase and
use tire sealant from Sears. 13re sealant
also prevents tire dry rot and corrosion.
Washers
Retaining _ _k.'_
Ring\ /\ _'_r__!
Cover \ ;6;ll Im
Square Key ----_'
(Rear Wheel Only)
25

TO START ENGINE WITH A WEAK
BATTERY
,_WARNING: Lead-acid batteries generate
explosive gases. Keep sparks, flame and
smoking materials away from batteries.
Always wear eye protection when around
batteries.
If your battery is too weak to start the engine, it
should be recharged. (See "BATTERY" in the
MAINTENANCE section of this manual).
If "jumper cables" are used for emergency
starting, follow this procedure:
IMPORTANT: Your tractor is equipped with a
12 volt system. The other vehicle must also be
a 12 volt system. Do not use your tractor
battery to start other vehicles.
TO ATFACH JUMPER CABLES -
1. Connect one end of the RED cable to
the POSITIVE (+) terminal of each
battery(A-B), taking care not to short
against tractor chassis.
2. Connect one end of the BLACK cable
to the NEGATIVE (-) terminal (C) of
fully charged battery.
3. Connect the other end of the BLACK
cable (D) to good chassis ground,
away from fuel tank and battery.
TO REMOVE CABLES, REVERSE ORDER -
1. BLACK cable first from chassis and
then from the fully charged battery.
2. RED cable last from both batteries.
Weak or Dead Fully Charged
Battery Battery
REPLACING BATTERY
_IWARNING: Do not short battery
terminals by allowing a wrench or any
other object to contact both terminals at
the same time. Before connecting battery,
remove metal bracelets, wristwatch
bands, rings, etc.
Positive terminal must be connected first
to prevent sparking from accidental
grounding.
1. Lift hood to raised position.
2. Remove terminal guard.
3. Disconnect BLACK battery cable then
RED battery cable and carefully
remove battery from tractor.
4. Install new battery with terminals in
same position as old battery.
5. Reinstall terminal guard.
6. First connect RED battery cable to
positive (+) battery terminal with hex
bolt and keps nut as shown. Tighten
securely.
7. Connect BLACK grounding cable to
negative (-) battery terminal with
remaining hex bolt and keps nut.
Tighten securely
8. Close terminal access doors.
9. Close hood.
Hex Bolt
Keps Nut
Terminal
Door
Cable
Terminal -_ ,Negative
Guard (Black)
Cable
TO REPLACE HEADLIGHT BULB
1. Raise hood.
2. Pull bulb holder out of the hole in the
backside of the grill.
3. Replace bulb in holder and push bulb
holder securely back into the hole in
the backside of the grill.
4. Close hood.
INTERLOCKS AND RELAYS
Loose or damaged wiring may cause your
tractor to run poorly, stop running, or
prevent it from starting.
•Check wiring. See electrical wiring
diagram in the Repair Parts section.
TO REPLACE FUSE
Replace with 20 amp automotive-type
plug-in fuse. The fuse holder is located
behind the dash.
26

TO REMOVE HOOD AND GRILL AS-
SEMBLY
1. Raise hood.
2. Unsnap headlight wire connector.
3. Stand in front of tractor. Grasp hood at
sides, tilt toward engine and lift off of
tractor.
4. When replacing hood, be sure to
reconnect the headlight wire connec-
tor.
Headlight Wire
Connector
ENGINE
Maintenance, repair, or replacement of the
emission control devices and systems, which
are being done at the customers expense,
may be performed by any non-road engine
repair establishment or individual. Warranty
repairs must be performed by an authorized
engine manufacturer's service outlet.
TO ADJUST THROTTLE CONTROL
CABLE
The throttle control has been preset at the
factory and adjustment should not be
necessary. Check adjustment as de-
scribed below before loosening cable. If
adjustment is necessary, proceed as
follows:
1. With engine not running, move throttle
control lever to fast position.
2. Check that swivel is against stop. If it
is not, loosen cable clamp screw and
pull cable back until swivel is against
stop. Tighten cable clamp screw
securely.
TO ADJUST CHOKE CONTROL
The choke control has been preset at the
factory and adjustment should not be
necessary. Check adjustment as de-
scribed below before loosening cable. If
adjustment is necessary, proceed as
follows:
1. With engine not running, move choke
control (located on dash panel) to full
choke position.
2. Loosen knob and remove cover
assembly from air cleaner.
3. Choke should be closed. If it is not,
loosen casing clamp screw and move
choke cable until choke is completely
closed. Tighten casing clamp screw
securely.
4. Replace air cleaner cover assembly
and tighten knob.
TO ADJUST CARBURETOR
Your carburetor is not adjustable. If your
engine does not operate properly due to
suspected carburetor problems, take your
tractor to an authorized service center for
repair and/or adjustment.
High speed stop is factory adjusted. Do
not adjust - damage may result.
IMPORTANT: Never tamper with the
engine governor, which is factory set for
proper engine speed. Overspeeding the
engine above the factory high speed
setting can be dangerous. If you think the
engine-governed high speed needs
adjusting, contact a Sears or other qualified
service center,, which has proper equip-
ment and experience to make any
necessary adjustments.
Stop
Swivel Clamp
Screw
27

Immediately prepare your tractor for
storage at the end of the season or if the
tractor will not be used for 30 days or
more.
_, CAUTION: Never store the tractor
with gasoline in the tank inside a building
where fumes may reach an open flame or
spark. Allow the engine to cool before
storing in any enclosure.
TRACTOR
Remove mower from tractor for winter
storage. When mower is to be stored for
a period of time, clean it thoroughly,
remove all dirt, grease, leaves, etc. Store
in a clean, dry area.
1. Clean entire tractor (See "CLEANING"
in the Maintenance section of this
manual).
2. Inspect and replace belts, if necessary
(See belt replacement instructions in
the Service and Adjustments section
of this manual).
3. Lubricate as shown in the Mainte-
nance section of this manual.
4. Be sure that all nuts, bolts and screws
are securely fastened. Inspect moving
parts for damage, breakage and wear.
Replace if necessary.
5. Touch up all rusted or chipped paint
surfaces; sand lightly before painting.
BATI'ERY
•Fully charge the battery for storage.
• After a period of time in storage, battery
may require recharging.
•To help prevent corrosion and power
leakage during long periods of storage,
battery cables should be disconnected
and battery cleaned thoroughly (see
'q-O CLEAN BATTERY AND TERMI-
NALS" in the Maintenance section of
this manual).
• After cleaning, leave cables discon-
nected and place cables where they
cannot come in contact with battery
terminals.
•If battery is removed from tractor for
storage, do not store battery directly on
concrete or damp surfaces.
ENGINE
FUEL SYSTEM
IMPORTANT: It is important to prevent
gum deposits from forming in essential
fuel system parts such as carburetor, fuel
hose, or tank during storage.
Also, alcohol blended fuels (called
gasohol or using ethanol or methanol)
can attract moisture which leads to
separation and formation of acids during
storage. Acidic gas can damage the fuel
system of an engine while in storage.
1. Drain the fuel tank.
2. Start the engine and let it run until the
fuel lines and carburetor are empty.
•Never use engine or carburetor cleaner
products in the fuel tank or permanent
damage may occur.
•Use fresh fuel next season.
NOTE: Fuel stabilizer is an acceptable
alternative in minimizing the formation of
fuel gum deposits during storage. Add
stabilizer to gasoline in fuel tank or
storage container. Always follow the mix
ratio found on stabilizer container. Run
engine at least 10 minutes after adding
stabilizer to allow the stabilizer to reach
the carburetor. Do not drain the gas tank
and carburetor if using fuel stabilizer.
ENGINEOIL
Drain oil (with engine warm) and replace
with clean engine oil. (See "ENGINE" in
the Maintenance section of this manual).
CYLINDER(S)
1. Remove spark plug(s).
2. Pour one ounce of oil through spark
plug hole(s) into cylinder(s).
3. Turn ignition key to start position for a
few seconds to distribute oil.
4. Replace with new spark plug(s).
OTHER
• Do not store gasoline from one season
to another.
•Replace your gasoline can if your can
starts to rust. Rust and/or dirt in your
gasoline will cause problems.
• If possible, store your tractor indoors
and cover it to give protection from dust
and dirt.
• Cover your tractor with a suitable
protective cover that does not retain
moisture. Do not use plastic. Plastic
cannot breathe which allows conden-
sation to form and will cause your
tractor to rust.
IMPORTANT: Never cover tractor while
engine and exhaust areas are still warm.
28

TROUBLESHOOTINGCHART:
See appropriate section in manual unless directed to Sears service center
PROBLEM
Will not start
Hard to start
Enginewill not
turn over
!Engine clicks but
will not start
Loss of power
CAUSE CORRECTION
•Out of fuel.
2. Engine not "CHOKED"
properly.
3. Engine flooded.
4. Bad spark plug.
5. Dirty air filter.
6. Dirty fuel filter.
7. Water in fuel.
8. Loose or damaged wiring.
9. Carburetor out of adjustment.
10.Engine valves out of
adjustment.
1. Dirty air filter.
2. Bad spark plug.
3. Weak or dead battery.
4. Dirty fuel filter.
5. Stale or dirty fuel.
6. Loose or damaged wiring.
7. Carburetor out of adjustment.
8. Engine valves out of
adjustment.
1. Brake pedal not
depressed
2. Attachment clutch is
engaged.
3. Weak or dead battery.
4. Blown fuse.
5. Corroded battery terminals.
6. Loose or damaged wiring.
7. Faulty ignition switch.
8. Faulty solenoid or starter.
9. Faulty operator presence
switch(es).
1. Weak or dead battery.
2. Corroded battery terminals.
3. Loose or damaged wiring.
4. Faulty solenoid or starter.
1. Cutting too much grass/too
fast.
2. Throttle in "CHOKE" position.
1. Fill fuel tank.
2. See "TO START ENGINE"
in Operation section.
3. Wait several minutes before
attempting to start.
4. Replace spark plug•
5. Clean/replace air filter.
6. Replace fuel filter.
7. Drain fuel tank and carbure
tor, refill tank with fresh
gasoline and replace fuel
filter.
8. Check all wiring.
9. Sea "To Adjust Carburetor"
in Service and Adjustments
section.
10.Contact a Sears or other
qualified service center.
1. Clean/replace air filter.
2. Replace spark plug.
3. Recharge or replace battery.
4. Replace fuel filter.
5• Drain fuel tank and refill with
fresh gasoline.
6. Check all widng.
7. See "To Adjust Carburetor" in
Service and Adjustments
section.
6. Contact a Sears or other
qualified service center.
1. Depress brake pedal.
2. Disengage attachment
clutch.
3. Recharge or replace battery.
4. Replace fuse.
5. Clean battery terminals.
6. Check all wiring.
7. Check/replace ignition
switch.
8. Check/replace solenoid or
starter.
9. Contact a Sears or other
qualified service center.
1. Recharge or replace battery.
2. Clean battery terminals.
3. Check all wiring.
4. Check/replace solenoid or
starter.
1. Set in "Higher Cut" position/
reduce speed.
2. Adjust throttle control.
29

TROUBLESHOOTING CHART:
See appropriate section in manual unless directed to Sears service center
PROBLEM
Loss of power
continued)
Excessive
vibration
Engine continues
to run when
aperator leaves
;eat with
attachment
:lutch engaged
Poorcut-uneven
Mower blades will
rot rotate
CAUSE
3. Build-up of grass, leaves
and trash under mower.
4. Dirty air filter.
5. Low oil level/dirty oil.
6. Faulty spark plug.
7. Dirty fuel filter.
8. Stale or dirty fuel.
9. Water in fuel.
10.Spark plug wire loose.
11. Dirty engine air screen/fins.
12. Dirty/clogged muffler.
13.Loose or damaged wiring.
14. Carburetor out of
adjustment.
15. Engine valves out of
adjustment.
1. Worn, bent or loose blade.
2. Bent blade mandrel.
3. Loose/damaged part(s).
1. Faulty operator-safety
presence control system.
1. Worn, bentorloose blade.
2. Mower deck not level.
3. Buildup of grass, leaves,
and trash under mower.
4. Bent blade mandrel.
.Clogged mower deck vent
from build-up of grass,
leaves, and trash around
mandrels.
1. Obstruction in clutch
mechanism.
CORRECTION
3. Clean underside of mower
housing.
4. Clean/replace air filter.
5. Check oil level/change oil.
6. Clean and regap or change
spark plug.
7. Replace fuel filter.
8. Drain fuel tank and refill
with fresh gasoline.
9. Drain fuel tank and
carburetor, refill tank with
fresh gasoline and replace
fuel filter.
10.Connect and tighten spark
plug wire.
11 .Clean engine air screen/
fins.
12.Clean/replace muffler.
13.Check all wiring.
14.See "To Adjust Carburetor"
in Service and Adjustments
section.
15.Contact a Sears or other
qualified service center.
1. Replace blade.
Tighten blade bolt.
2. Contact a Sears or other
qualified service center.
3. Tighten loose part(s).
Replace damaged parts.
.Check wiring, switches and
connections. If not corrected
contact a Sears or other
qualified service center.
1. Replace blade. Tighten
blade bolt.
2. Level mower deck.
3. Clean underside of mower
housing.
4. Contact a Sears or other
qualified service center.
5. Clean around mandrels to
open vent holes.
1. Remove obstruction.
3O

TROUBLESHOOTING CHART:
See appropriate section in manual unless directed to Sears service center
PROBLEM CAUSE CORRECTION
Mower blades will 2. Worn/damaged mower 2. Replace mower drive belt.
not rotate (con't) drive belt.
3. Frozen idler pulley. 3. Replace idler pulley.
4. Frozen blade mandrel. 4. Contact aSears or other
qualified service center.
Poor grass 1. Engine speed too slow.
discharge
Headlight(s) not
working
(if so equipped)
Battery will not
charge
Loss of drive
Engine "backfires"
when turning
engine
"OFF"
2. Travel speed too fast.
3. Wet grass.
4. Mower deck not level.
5. Low/uneven tire air pressure.
6. Worn, bent or loose blade.
7. Buildup of grass, leaves and
trash under mower.
8. Mower drive belt worn.
9. Blades improperly installed.
10. Improper blades used.
11 .Clogged mower deck vent
holes from buildup of
grass, leaves, and trash
around mandrels.
1. Switch is "OFF".
2. Bulb(s) or lamp(s) bumed out.
3. Faulty light switch.
4. Loose or damaged wiring.
5. Blown fuse.
1. Bad battery cell(s).
2. Poor cable connections.
3. Faulty regulator
(if so equipped).
4. Faulty alternator.
1. Freewheel control in
"disengaged" position.
2. Motion drive belt worn,
damaged, or broken.
3. Air trapped in transmission
during shipment or
servicing.
.Engine throttle control not
set at "SLOW"
position for 30 seconds
before stopping engine.
1. Place throttle control in
"FAST" position.
2. Shift to slower speed.
3. Allow grass to dry before
mowing.
4. Level mower deck.
5. Check tires for proper air
pressure.
6. Replace/sharpen blade.
Tighten blade bolt.
7. Clean underside of mower
housing.
8. Replace mower drive belt.
9. Reinstall blades sharp edge
down.
10. Replace with blades listed
in this manual.
11.Clean around mandrels to
open vent holes.
1. Turn switch "ON".
2. Replace bulb(s) or lamp(s).
3. Check/replace light switch.
4. Check wiring and connec-
tions.
5. Replace fuse.
1. Replace battery.
2. Check/clean all connec-
tions.
3. Replace regulator.
4. Replace alternator.
1. Place freewheel control in
"engaged" position.
2. Replace motion drive belt.
3. Purge transmission.
1. Move throttle control to
"SLOW" position and allow
to idle for 30 seconds before
stopping engine.
31

32

TRACTOR -- MODEL NUMBER 917.272460
SCHEMATIC
RED
BATTERY
BLACK
AMMETER FUSE
(OPTIONAL) : i
I J
CLUTCH /BRAKE
IGNITION
SWITCH
/;
_ARTER
i .... I
SOLENOID
(PEDAL UP) WH_E
,- - _ .... (NoTSEAToccuPIED)SWITCH
Ii I Pi k
i BLACK bL BLACK
JATI_M E_IT (_LUTCH R_.....
SL_K (CLUTCH G OUNDING
SPARK
IGNITION _) PLUG
UNIT GAP
I(2 PLUGS ON
1WIN CYL. ENGINES) I
NOTE
YOUR TRACTOR IS
EQUIPPED WITH A SPECIAL
ALTERNATOR SYSTEM.
THE LIGHTS ARE NOT
CONNECTED TO THE
BATTERY, BUT HAVE THEIR
OWN ELECTRICAL SOURCE.
BECAUSE OF THIS, THE
BRIGHTNESS OF THE LIGHTS
WILL CHANGE WITH ENGINE
SPEED. AT IDLE THE LIGHTS
WILL DIM. AS THE ENGINE IS
SPEEDED UP, THE LIGHTS
WILL BECOME THEIR BRIGHTEST.
BROWN
HEADLIGHTS
NON-REMOVABLE
CONNECTIONS
IGNITION SWITCH
POSITION CIRCUIT "MAKE"
OFF M+G+AI NONE
_UN/LIGH] B+A1 A2+L
RUN B÷A1 NONE
START ]+ S + A1 NONE
REMOVABLE
CONNECTIONS
WIRING INSULATED CLIPS
NOTE: IF WIRING INSULATED CLIPS WERE REMOVED FOR
SERVICING OF UNIT, THEY SHOULD BE REPLACED TO
PROPERLY SECURE YOUR WIRING.
33

ELECTRICAL TRACTOR -- MODEL NUMBER 917.272460
€I
II
II
I
41
!
I
26
16
I
I
I
I
\t
29
\
\\
/
/
/
!
/
34

TRACTOR - - MODEL NUMBER 917.272460
ELECTRICAL
KEY PART
NO. NO. DESCRIPTION
1 163465 Battery
2 74760412 Bolt Hax Hd 1/4-20unc X 3/4
8 7603J Casa Battery
10 145211 Bolt Btr Frt 1/4-20 x 7,5
11 150109 Holddown Battery Front
12 145769 Nut Push Nylon 1/4 Batt Frt
16 176138 Switch IntedockPush-In
21 175688 Harness Asm LightW/4152J
22 4152J BulbLight#1156
24 4799,.I Cable Battery 6 Ga 11"red
25 146148 Cable Battery
26 175158 Fuse20AMP
27 73510400 Nut, Keps Hex 1/4-20 UNC
28 145491 CableGround
29 121305X Switch PlungerNc Gray
30 175566 Switch Ign
33 140403 Key Ign
40 179720 Hamess Ign
41 71110408 Bolt BIk Fin Hex 1/4-20unc X 1/2
42 131563 Cover TerminalRed
43 178861 Solenoid
45 121433X Ammeter
52 141940 ProtectionWire Loop(Hourmeter)
55 17490508 Screw Thrd Roll5/16-18 x 1/2
NOTE: Allcomponent dimensions givein U.S.inches
1 inch= 25.4 mm.
35

TRACTOR - - MODEL NUMBER 917.272460
CHASSIS AND ENCLOSURES
60
74
,142
J3
/
3 14 208
36

TRACTOR -- MODEL NUMBER 917.272460
CHASSIS AND ENCLOSURES
KEY PART
NO. NO. DESCRIPTION
1 174619 Chassis
2 176554 Dmwbar
3 17060612 Screw 3/8-16x3/4
5 155272 BumperHood/Dash
9 168337X013 Dash
10 STD533710 Bolt Cardage 3/8o16 x 1
11 174996 Panel Dash Lh
13 175149 Panel Dash Rh
14 174906o08 Screw Thdrol3/8-16 x 1/2
17 174330X612 Hood
18 126938X BumperHood
20 180679 Plate Mtg Bait
23 124028X BushingSnap
25 19131312 Washer 13/32 X 13/16 X 12 Ga
26 STD541437 Nut Lock Hex W/Ins 3/8-16 Unc
28 177403 Gdlle
29 174332X599 Lens Gdlle
30 175692X612 Fender Footrest
31 139976 Bracket Support Fender
37 17490508 Screw Thdrol6/16-18 x 1/2 TYT
38 175710 Bracket, Asm. Pivot,MowerRear
39 174714 Bracket Pivot Laser Lt
58 174930 Air Duct
60 STD533707 Bolt Rdhd Sqnk 3/8-16unc x3/4
64 154798 Dash LowerSTLT
74 STD5414.37 Nut Crownlock 3/8-16 UNC
142 175702 Plate Reinforcement STLT
143 154966 Bracket Swaybar Chassis
144 175582 Bracket Pnt Footrest STLT
145 156524 Rod Pivot Chassis/Hood
159 155123X428 Cupholder Stlt Black
166 164863 Screw Hwhd Hi-Lo #13°16 x 3/4
206 170165 Bolt Shoulder 5/16-18 "I-I"
207 17670508 Screw Thdro13/8-16 x 1/2
208 17670608 Screw Thdrol 3/8-16 x 1/2
219 17000512 Screw 5/16-16 x 3/4
NOTE: All component dimensions given in U.S. inches
1 inch = 25.4 mm
37

TRACTOR -- MODEL NUMBER 917.272460
GROUNDDRIVE
36
77
55

TRACTOR-- MODELNUMBER 917.272460
GROUND DRIVE
KEY PART KEY PART
NO, NO. DESCRIPTION NO. NO.
1 ...... Transaxle (See Braakdown) 70 134683
HydroGr 314-0510 71 169183
8 165866 Rod ShiftFender Adjust 73 169182
10 STD561210 Pin Cotter 1/8 x 1 CAD 74 137057
14 10040400 Washer Lock Hvy Helical 75 121749X
15 74490544 Bolt Hex FLGHD 5/16-18 x Gr 5 76
16 STD541431 Nut Lock Hex W/Ins. 5/16-18 Unc 77
19 STD541437 Nut Lock Hex W/Wsh 3/8-16 Unc 78
21 130564 Knob, Deluxe 1/2-13 81
22 169498 Rod, Brake Hydra 82
24 73350600 Nut, Hex Jam 3/8-16 Unc 83
25 106888X Spring, Brake Rod 84
26 STD551037 Washer 89
27 S'rD561210 Pin Cotter 118x 3/4 CAD. 90 124346X
28 175765 Rod, ParkingBrake 95 170201
29 71673 Cap, Parking Brake 96 4497H
30 169592 Bracket, Transaxle 116 72140608
32 74760512 Bolt Hex Hd 5/16-18 Unc x 3/4 120 73900600
34 175578 Shaft, Foot Pedal 150 175456
35 120183X Beadng, Nylon 151 19133210
36 19211618 Washer 156 166002
37 1572H Pin, Roll 158 165589
38 179114 Pulley,Composite, Fiat 159 165494
39 74760648 Bolt Fin Hex 3/8-16 x 3 161 72140406
41 175556 Keeper, Belt I_er 162 73680400
47 127783 Pulley, Idler,V-Groove 163 74780416
48 154407 Bellcrank, Clutch 164 19091010
49 123205X Retainer, Belt 165 165623
50 STD523715 Bolt 166 166880
51 STD541437 NutCrownlock 3/8-16UNC 168 165492
52 STD641431 Nut, Crownlock 5/16-16Unc 169 165580
53 105710X Link, Clutch 197 169613
55 106709X Spring, Return, Clutch 198 169593
56 17060620 Screw3/8-16 x 1-1/4 199 169612
57 140294 V-Belt 200 72140508
59 169691 Keeper, Center Span 202 72110614
61 17120614 Screw. 3/8-16 x.875 212 145212
62 8883R Cover, Pedal 250 17060612
63 175410 Pulley,Engine
64 71170764 Bolt Hex 7/16-20 x 4 Gr. 5
65 s'rD551143 Washer
66 154778 Keeper Belt Engine Hydro
DESCRIPTION
Keeper BeltEngine
Strap TorqueLh Hydro
StrapTorque Rh Hydro
Spacer
Washer 25/32 x 1-1/4 x 16 Gauge
STD581075 E-Ring
123583X Key, Square
121748X Washer 25/32 x 1-5/8 x 16 Gauge
165596 ShaftAsm CrossTapered
165711 SpdngTorsion
19171216 Washer 17/32 x 3/4 x 16 Ga.
169594 Unk Transaxle
164890X428 Console,Shift
Nut Seif-ThdWsh-hd 1/4 Zinc
Control BypassHydro 20" Tires
Retainer Spring1"Zinc'Cad
Bolt Rdhd Sqneck 3/8-16 x1
Nut Lock Fig 3/8-16
Spacer Retainer
Washer 13/32 x 2 x 10 Ga.
Washer Srrted 5/161D x 1.125
Bracket Shift Mount
Hub Tapered Flange ShiftLt
Bolt Rdhd Sqnk 1/4-20 x3/4 Gr 5
Nut Crowntock1/4-20 Unc
Bolt Hex Fin 1/4-20 Unc x 1 Gr 5
Washer 5/8 x .281 x 10 Ga
Bracket Pivot Lever
Screw 5/16-18 x 6/8
BoltShoulder 5/16-18 x .561
PlateFastening
Nyliner Snap-in 5/8"10
Washer Nyl 7/8 ID x .105" Hyd
Bolt Shoulder5/16-18UNC
Bolt Rdhd Sgnk 5/16-18UNC x 1
Bolt Carl"Sh 3J8-16 x 1-3/4 Gr.5
Nut Hex Flange Lock
Screw 3/8-16 x .75
NOTE: Allcomponent dimensionsgiven inU.S.
inches 1 inch = 25.4 mm
39

TRACTOR-- MODEL NUMBER 917.272460
STEERING ASSEMBLY
L_ _ _---..-..._ 311
. __39
i', _ _ _"
i --_ .... t *1
i
/
15 15 29
68 67 67
6II 13 /
g7
_ 3
J32
10
/
34
4O

TRACTOR - - MODEL NUMBER 917.272460
STEERING ASSEMBLY
KEY PART
NO. NO. DESCRIPTION
1159944X428 WheelSteedng
2172393 Axle Asm Cast Iron LT
3 169840 SpindleAsmLH
4169839 Spindte AsmR_
5 6266H BearingRaceThrustHarden
6 121748X Washer 25/32 X 1-5/8 X 16 Ga
612000029 RingKlip#15304-75
10 175121 LinkDrag
11 STD551137 Washer Lock Hvy Hlcl Spr 3/8
13 136518 Spacer Bearing Axle
15 145212 Nut Hexflange Lock
17 177876 Shaft Asm Strg
29 17060612 Screw 3/8-16x3/4
32 171888 Rod Tie Wire Fonn 19 75 Mech
33 19111216 Washer 11/32 x 3/4 x16
34 10040500 Washer Lock 5/16
35 73540500 CrownlockNut5/16-24
36 155099 BushingStrg
37 152927 Screw
38 159946X428 InsertCap Strg
39 19132411 Washer 13/32 X 1-112X 11 Ga
40 STD541537 Lock nut
41 159945 AdaptorWheel Strg
42 1450,5AX428 Boot Steering Shaft
43 121749X Washer 25/32 X 1 1/4 X 16 Ga
44 153720 ExtensionSteering Shaft LWLT
46 121232X Cap SpindleFrTop BIk
51 STD541431 Nut Lock Hex w/Ins 5/16-18
54 STD523112 Bolt Fin Hex 5/16-18 Unc x 1-1/4
63 STD523710 Bolt Fin Hex 3/8-16unc x 1 Gr, 5
65 160367 Spacer Brace Axle
67 72140618 Bolt, Rdhd Sq 3/8-16 UNC x 2-1/4
68 169827 Axle, Brace
71 175146 Steering Asm
82 169835 Bracket Susp Chassis Front
87 173966 Washer Flat .761 x 1-1/2 x .14
88 175118 Bolt Shoulder7/16-20
91 175553 Clip Steering
NOTE: Allcomponent dimensionsgiven in U.S. inches
1 inch = 25,4 mm
41

TRACTOR - - MODEL NUMBER 917.272460
ENGINE
31 33
29
OPTIONAL EQUIPMENT
Spark Arrester
23
13
81
i
42

TRACTOR-- MODEL NUMBER 917.272460
ENGINE
KEY PART
NO. NO. DESCRIPTION
1
2
3
4 149723 Muffler Exhaust
5 159955 Exhaust Asm. Left
6 160589 Exhaust Asm. Right
8 171877 Bolt 5/16-18unc x 3/4 w/seres
10 162797 Heat Shield Lt
13 165391 Gasket Muffler
14 148456 Tube Drain Oil Easy
16 STD551237 Washer Lock Ext Tooth 3/8
17 17060624 Screw Thdrol3/8-16x1-1/2 Tytt
23 169837 ShieldBRN/DBR Guard
25 145996 ControlChoke
26 73920600 Nut Keps 3/8-24 UNF
29 137180 Arrestor Spark
31 157103 Tank Fuel 3.5 STL W/O Sensor
32 161696 Cap FueIGauge
33 123487X Clamp Hose BIk
34 106082X Strip Foam
37 8543R Line Fuel
38 148315 Plug Drain Oil Easy
39 t 09227X Pad Spacer
45 17000612 Screw Hexwsh Thdrol 3/8-16 x3/4
62 10040500 Washer Lock Hvy Hlcl Spr 5/16
72 71070512 Screw Hex Hd Cap 5/16-18 x3/4
81 73510400 Nut Keps Hex 1/4-20 UNC
170546 ControlThmt Paddle
17720408 Screw Hex Thd Cut 114-20x 1/2
........ Engine (See Breakdown) B&SModel No,407777-0174-E1
NOTE: All componentdimensionsgiveninU.S. inches
1 inch= 25.4 mm
43

TRACTOR - - MODEL NUMBER 917.272460
SEAT ASSEMBLY
8
,_22
11
12
s -.
52',";'-L '4
:k4.5
KEY PART
NO. NO, DESCRIPTION
1 180597 Seat 12 121246X
2 180166 Bracket Pivot Fender 13 121248X
3 71110616 Bott F}n Hex 3/6-16unc X 1 14 72050412
4 19131610 Washer 13/32 X 1X10 Ga 15 134300
5 145006 Clip Push-In 16 121250X
6 STO541437 Nut Hex w/Ins. 3/8-16 Unc 17 123976X
7124181X Spring Seat Cprsn 2 250 BIk Zi 21 171852.
8 17000616 Screw 3/8-16 X 1.5 22 STO541431
9 19131614 Washer 13/32 X 1X14 Ga. 24 19171912
10 180186 Pan Seat
11 166369 Knob Seat
KEY PART
NO. NO. DESCRIPTION
Bracket MountingSwitch
BushingSnap BIk Ny150 Id
Bolt Rdhd Sqnk 1/4-20x1-1/2
Spacer Split 28x 96 Yel Zinc
Spring Cpmn 1 27 BIk Pnt
Nut Lock 1/4 Lge FigGr5 Zinc
BoltShoulder 5/16-18 Unc
Nut Hex Lock W/Ins 6/16o18
Washer 17/32 X 1-3/16 X 12 Ga.
NOTE: Allcomponentdimensionsgiven inU.S.
inches 1 inch = 25.4 mm
44

TRACTOR -- MODEL NUMBER 917.272460
DECALS
92713
810
11
KEY PART
NO. NO.
1 156811
2 164065
3 177356
4 138047
5 181569
6 146046
7 181703
8 133644
9163204
10 156439
11 177357
15
12 KEY PART
DESCRIPTION NO. NO.
Decal Fend STLTOper 12 172331
Decal Steer. Wheel 13 177355
Decal HoodRH 14 160396
Decal Batt Diehard 15 179128
Decal Engine 20 149516
Decal V Belt Drive Sch 30 181429
Decal Dash Pnl - - 165800X428
Decal CustomerResponsibility - - 165799X428
DecalCraftsman - - 138311
Decal Fender Danger Eng/Fr --169210
Decal Hood LH - - 151342
--181343
_4
DESCRIPTION
Decal Mower Srs Heavy Duty 12 Ga
Decal Hood Side
Decal V-Belt Schematic
Decal Deck "B"42"
Decal BatDardPsn
Decal ReplacementParts
Pad FootrestLH STLT
Pad FootrestRH STLT
Decal Handle LftHeight Adjust
Decal By-Pass
Manual Owner's(English)
Manual Owner's(Spanish)
WHEELS & TIRES
4,10
KEY PART
NO. NO. DESCRIPTION
11
1
2
3
4
5
6
7
8
9
10
11
59192
65139
106222X
59904
106732X427
2781-1
9040H
106108)(427
122082)(
7152J
104757X428
144334
Cap Valve Tire
Stem Valve
Tire Frent
Tube Front (Service Item Only)
RimAsm 6"frontService
FittingGrease (Front Wheel Only)
BearingFlange (FrontWheel nly)
RimAsm 8"rearService
Tire Rear
Tube Rear (Service Item Only)
Cap Axle BIk I50 x 1 0O
Sealant, Tire ( 10 oz. Tube)
NOTE: All component dimensions given in U.S.
inches 1 inch = 25.4 mm
45

TRACTOR - - MODEL NUMBER 917.272460
LIFTASSEMBLY
29 _28 27
37
38
40
11
13
41
46
13
19
19
32
49
7
2
6
20 20
46

TRACTOR - - MODEL NUMBER 917.272460
LIFT ASSEMBLY
KEY PART
NO. NO. DESCRIPTION
1 159460 Wire Asm Inner W/Plunge5r
2 159471 Shaft Asm Lift
3 105767X PinGroove
4 STD581062 E Ring
5 19211621 Washer 29/32 x 1-1/4x 21 Ga.
6 120183X BearingNylon BIk .629 ID
7125631X GripHandle Fluted
8 122.365X Button, Plunger
11 139865 Link Uft Lh Fixed Length
12 139866 Link Lift Rh Fixed Length
13 STD624008 Retainer Spr_ng
15 173288 Link Front
16 73350800 Nut Jam Hex 1/2-13 Unc
17 175689 Trunnion
18 73800800 Nut Lock w/Wsh 1/2-13 Unc
19 139868 Arm Suspension Rear
20 163552 Spring Retainer
23 110807X Nut Special
24 19131016 Washer 13/32 x 5/8 x 16 Ga.
25 2876H Spring 2-1/8
26 169484 RetainerClip
27 126971X Rod Adj. Lift
28 73350600 Nut Hex Jam 3/8-16 Uric
29 138057 Knob Inf.
31 169865 Bearing Pvt. Lift
30 150233 Trunnion
32 73540600 Nut Lock 3/8-24
36 155097 Pointer
37 123935X Plug
38 17060516 Screw 5/16-18 x 1
40 19112410 Washer 11/32 x 1-1/2 x 10 Ga
41 155098 indicator
49 145212 Nut Hex Flange Lock
50 110452)( Nut Push
NOTE: All componentdimensions given in U.S. inches
1 inch = 25.4 mm
47

TRACTOR -- MODEL NUMBER 917.272460
MOWER DECK
; 142
;147
I
68
34
119
118
6
19F 21
21
\2
16
1
18
\
13_
10 .-.-._
9_
23 24
25
27
48

TRACTOR -- MODELNUMBER 917.272460
MOWER DECK
KEY PART KEY PART
NO. NO. DESCRIPTION NO, NO.
1 165892 Mower DeckAssembly, 42" 53 131845
2 STD533107 Bolt 54 133943
3 138017 Bracket Assembly,Sway Bar, 55 155046
Front 56 165723
4 165460 Bracket Sway Bar 38/42, Deck 59 141043
5 STD624008 RetainerSpdng 67 149846
6 178024 Bar Sway Deck 68 144959
8 850857 Bolt, He:< 3/6-24 x 1.25 Gr. 8 92 STD541437
9 STD551137 Washer, Lock 101 136420
10 140296 Washer,Hardened 102 71081010
11 134149 Blade Mulching42" 103 19061216
(OriginallyEquippedWith) 104 STD551f 10
- - 138498 Blade Mower 42" Hi-Lift Std 105 160793
(For Better Bagging, Especially In 106 2029J
Wet Conditions) 111 179292
- - 139775 BladeMulching42"Premium 112 179293
(For BetterWear When Mulching) 113 17060510
-o 138971 BladaMower42"Hi-liffPremium 114 STD541431
(For BetterWear When Bagging In 115 72110505
Heavy or Wet Conditions) 116 4898H
13 137645 Shaft Assembly, Mandrel, Vented 117 165746
14 128774 Housing,Mandrel, Vented 118 73930600
15 110485X Bearing,Ball,Maodrel 119 STD551037
16 174493 Strippor,Vented Mower Deck 129 19131312
18 72140505 Bolt, Carriage 5/16-18 x 5/8 130 STD523710
19 132827 Bolt, Shoulder 131 STD533710
20 159770 Baffle, Vortex 142 165890
21 STD541431 NutCrownlock5/16-18UNC 143 157109
23 177563 Bracket, Deflector 144 158634
24 105304X Cap, Sleeve 145 165888
25 123713X Spring,Torsion, Deflector 146 171977
26 110452)( Nut, Push 147 131335
27 130968X428 Shield, Deflector 148 169022
28 19111016 Washer 11/32x5/8x16Ga. 149 165898
29 131491 Rod, Hinge 150 19091216
30 173984 ScrewThdrolWasher Head 151 169870
31 129963 Washer, Spacer 152 169676
32 153535 Pulley, Mandrel 153 169674
33 178342 Nut,Toplock, Flanged 154 189675
34 STD533717 Bolt Rdhd 3/8-16 x 1-3/4 155 169671
36 131494 Pulley, Idler, Flat 156 169672
37 STD551037 Washer 13/32x13/16x16Ga. 157 169669
40 STD541437 NutCrownlock3/8-16UNC 158 17720408
44 140088 Guard, MandreI, L.H. 159 72140614
45 STD624003 Retainer --130794
46 137729 Screw, Thd. Roll 1/4-20 x 5/8
48 133944 Washer, Hardened
49 174284 RollerAssembly,Cam Follower --169583
50 131340 Bolt,Shoulder #10-24 Grade 5
51 STD541410 Loeknut
52 139888 Bolt,Shoulder 5/16-18 UNC
DESCRIPTION
ArmAssembly, Pad, Brake
Washer,Hardened
Arm, Idler
Spacer, Retainer
Guard,TUV Idler
KnobCustom Oval
V-Belt
Nut
MulcherCover
Screw
Washer #10
Washer, Lock
Latch Assembly,Bagger
Nut, Weld
Bracket, Ga. Wheel LH
Bracket, Ga. Wheel RH
ScrewTapping5/16-18
Nut, Hex, Keps 5/16-18 UNC
Bolt,Carriage 5/16-18 x 5/8
BoltShoulder
Wheel Gauge
Nut, Cantedock 3/8-16
Washer 3/8 x 7/8 x 14 Gauge
Washer 13/32 x 13/16 x 12 Ga.
Bolt, Fin Hex 3/8-16 UNC x 1 Gr. 5
Bolt, Rdhd Sqnk 3/8-18 UNC x 1
Arm SpringBrakeMower
Bracket Arm Idler 42"
Keeper Belt 42" ClutchCable
Pulley Idler Flat
BoltCarriage Idler
SpringExtension
SpringReturnIdler
RetainerSpdngYellow Zinc
Washer 9/32 x 3/4 x16 Ga.
Bracket Clutch
Cable Clutch42 In
Washer Flat 3/8" Type B
Spring Retainer
Spdng Retention Lever
Spacer
Rod Clutch
Screw Hex Thd Cut 1/4-20 x 5/8
Bolt Rdhd Sqn 3/8-16unc x 1-3/4
Mandrel Assembly (Includes
Housing, Shaftand Shaft Hardware
Only - Pulley Not Included)
Replacement Mower, Complete
NOTE: AllcomponentdimensionsgiveninU.S.inches
1 inch = 25.4 mm
49

81
79
73
16
64
93
32
63 60
58
19
48
120"
24
107
128
12
88
o
=-
='=I
0
I1'1
,2
I I
oO
mo
r- m
Zl-
cz
=Ouu
=.._
010
o_
o

TRACTOR -- MODEL NUMBER 917.272460
HYDRO GEAR TRANSAXLE --MODEL NUMBER 314-0510
KEY PART KEY PART
NO. NO. DESCRIPTION NO, NO. DESCRIPTION
1 170351 Main Housing, Assembly 59 170408
2 170352 Side Housing, Assembly 60 142883
3 170353 Center Section, Assembly 61 142882
4 170354 Swashplate, Trunion Machined 82 142887
5 169898 Block -Assembly 63 170410
6 170355 Sealant 10.50z
7 170356 Hex Flange Screw 1/4-20X1.25 64 142892
8 170357 Stud, 5/16-24 Hex Double End 65 170411
9 170358 Shaft, Input 66 170412
10 170359 Ring -Retaining 67 170413
11 170360 Spacer 68 170414
12 169870 Ring -Retaining 69 170415
13 170361 Seal, Lip .67 X 1.58 X .276 70 170416
14 169869 Ball Brg 17mm Id X 40mm 71 170417
Od X 12mm
16 170362 Hex Flange Head Screw 72 170418
5/16-24X0.75
17 170363 Lip Seal 18 X 32 X 7 73 142884
18 170364 Arm, Control
19 150771 Bearing, 30x52x13 Thrust 74 170419
23 170365 Check Plug Assembly, Washer 75 170420
24 170366 Shaft, Motor
27 170367 Gear -Pinion, 13t 76 170421
28 170368 10t/48t Gear 77 170422
29 170369 Gear, 10t Jackshaft 78 142969
30 170370 60t Bull Gear 79 142980
31 170371 Sleeve Bearing 80 150778
.75 X 1.575 X .625
32 170389 SleeveBearing(Outboard) 81 170423
.75x1.750x.625 82 170424
33 142991 Washer,
3/4 Id X 1-1/20d X .13 Thk 83 161168
34 170390 Lip Seal Axle Seal 84 170425
35 170391 Shaft, Axle .75 X 11.39 85 170426
(Key, R.H.) 87 142917
36 170392 Shaft, Axle .75 X 16.99 88 170429
(Key, L.H.) 90 170430
37 150792 Miter Gear (Splined) 93 170431
38 150793 Miter Gear 15t (0.5 Id) 107 170432
39 150809 Shaft 108 170433
40 170393 Ring, Spiral Retaining
41 170394 Pin, Jackshaft 109 170434
42 170395 Magnet, Ring 111 170435
43 170396 Spring, Bypass 113 170437
44 150797 Hydro Mtg Screw 3/8-24 X 2.5
Long 116 170438
45 170397 Filter 119 170439
46 170398 Base, Filter 120 170440
47 170399 Actuator, Bypass 121 170441
48 170400 Rod, Bypass Actuator
49 170401 Arm, Bypass 122 170442
50 170402 Retaining Ring .250 External 123 170443
51 170403 Seal, Lip .741 X .250 X .250Tc 124 170444
52 170404 Flat Washer,
5/8 Id X 1.00d X .05 Thk 125 170445
53 170405 Retaining Ring 126 170446
54 170406 Bearing, Center Block 127 170447
55 142977 Spring - Helical Compression 128 173165
56 142978 Washer 900 166768
57 150798 20w-50 Oil
58 170407 Brake Yoke
Rotor, Brake
Brake Puck
Puck Plate
Brake Actuating Pin
Hfhcs 1/4-20x2 W/Patch,
Special Flange
Bolt, 1/4-20 X 1 W/Patch
Spacer
Spring, Brake Arm Bias
Sq. Hd. Bolt 5/16-24-Ribbed
Arm, Brake
Slotted Hex Nut 5/16-24
Cotter Pin 3/32 X 3/4
Compression Spring Brake
Anti-Drag
Washer, Ht
.5 I.D. X 10.D. X .032
Flat - Washer
11/32 I.D. X 7/80.D
Oil Seal .625 X 1.0 X .26
Check Plug Assembly, .027,
Washer
Stud, 5/16-24 Friction Pack
Puck, .330 X 1.50 X .0975
Spring, Helical Comp
Spacer
Hex Lock Nut 5i16-24Unf
(Nylon Insert)
Wedge, Friction Pack
Clip, Washer .316x1.50x.1046
(Plated)
Pin, Standard Headless
Fitting, 5/16 Sae 5/32 Tube
Hose, Expansion Tank
Cap - Poppet Valve
Bolt, Self Tapping 10-32 X 1/2
Puck, Inner Wedge
Spring Clip - Housing Thrust
Deflector
Washer, Motor Shaft
.71idx1.15odx.030thk
Plug, Sae #6
O-Ring .07 X .301 I.D.
Bracket, Support Expansion
Tank
Silicon Sponge
Fan, 7 In.
Pulley
Hex Lock Nut 1/2-20 (Nylon
Insert)
Washer, Belleville
Belt Keeper
Center Section-Filter-Bypass
Assembly
Filter Assembly
Fan - Pulley Service Assembly
Seal - O-Ring Kit
Kit, Expansion Tank
Transaxle Complete
NOTE: All component dimensions given in U.S.
inches 1 inch = 25.4 mm
51

TRACTOR - - MODEL NUMBER 917.272460
BRIGGS & STRATTON ENGINE-MODEL NUMBER 407777, TYPE NUMBER 0174-E1
IIoTI'__i)
l10
216 188
267 _* 710
207_//_
524
220
75oI
32 _I 1010LABELKIT I304
447A
2_
965
I 1058 OWNER'S MANUAL ]
[ 1036 EMJSSION LABEL I
1017
3O5 19
,eA7A
447
501 163
617 51
s4_
654O
1095 VALVE GASKET SET
276 O
1_3_ ,o22_:_

TRACTOR - - MODEL NUMBER 917.272460
BRIGGS & STRA'I'rON ENGINE-MODEL NUMBER 407777, TYPE NUMBER 0174-E1
sl
1029 II022
211
_'i_ `P" _D_' 2_
I
40_ 505 I_
121 CARBURETOR OVERHAUL KIT
51 L__)_ )_J 276 O
633 •0,B_
sszA8
742
4040
552A8
691 0
987 •
104 983_
105 _1123 0
117 _1124
137 _1125 |
9T/CARBURETOR GASKET SET
633 •
51
987 •
137C_ 983C:;_
150_ 1123_
276 0 1124_
914'_)
108_ I / I 11311130 9stl
__ I--_,."oo I
I::::,llll , _
117 f276 Q
118 IP
53

TRACTOR -- MODEL NUMBER 917.272460
BRIGGS & STRATTON ENGINE-MODEL NUMBER 407777, TYPE NUMBER 0174-E1
78,
573 _
4O5
358 ENGINE GASKET KIT
51
9
117 •
276
691 d_
8O3
54

TRACTOR - - MODEL NUMBER 917.272460
BRIGGS & STRATTON ENGINE-MODEL NUMBER 407777, TYPE NUMBER 0174-E1
KEY PART KEY PART
NO, NO. DESCRIPTION NO. NO, DESCRIPTION
1690231 Cylinder Assembly 125 499804
2 499585 Kit-Bushing/Seal (Magneto 130 690993
Side) 131 499805
3 391086 •Seal-Oil (Magneto Side) 133 499806
4 690069 Sump-Engine 135 499803
5 693998 Head-Cylinder (Cylinder 1) 137 690994
5A 693999 Head-Cylinder (Cylinder 2) 141 499807
7 690962 -+ Gasket-Cylinder Head 142 499808
8 499601 Breather Assembly 146 690979
9 690937 •Gasket-Breather 150 690995
10 690960 Screw (Breather Assembly) 160 690996
11 690942 Tube-Breather 183 691001
12 697227 °Gasket-Crankcase 165 693148
13 690360 Screw (Cylinder Head) t 87 691050
15 690946 Plug-Oil Drain
16 691046 Crankshaft 187A 691049
20 690947 °Seal-Oil (PTO Side) 188 690960
22 694966 Screw (Engine Sump) 192 690083
23 691054 Flywheel 209 697674
24 222698 Key-Flywheel 211 691019
25 499588 Piston Assembly (Standard) 212 695238
25 499589 Piston Assembly (.01(T 213 691021
Oversize) 216 691022
25 499590 Piston Assembly (.020" 219 696376
Oversize) 220 690412
25 499591 Piston Assembly (.030" 222 691023
Oversize) 227 691048
26 499604 Ring Set-Piston (Standard) 231 690718
26 499605 Ring Set-Piston (.010" 240 691035
Oversize) 250 690957
26 499606 Ring Set-Piston (.020" 252 690956
Oversize) 265 691024
26 499607 Ring Set-Piston (.030" 267 695134
Oversize) 276 690997._+
27 690975 Lock-Piston Pin 287 690960
28 690229 Pin-Piston 304 695277
29 499583 Rod-Connecting 305 691005
32 690976 Screw (Connecting Rod) 309 691262
33 499596 Valve-Exhaust 310 691263
34 499597 Valve-Intake 31 t497608
35 690963 Spring-Valve (Intake) 332 691059
36 690963 Spring-Valve (Exhaust) 333 691060
40 690964 Retainer-Valve 334 691061
42 499586 Keeper-Valve 337 691043
45 690977 Tappet-Valve 358 694012
46 690978 Camshaft 363 691062
48 692714 Short Block (446777-0027-E2 383 690966
Replacement Engine) 385 690960
50 695241 Manifold-Intake RPM Settings:
51 690950° O:1:Gasket-Intake
53 690951 Stud (Carburetor)
54 695240 Screw (Intake Manifold) Included in
73 691055 Screen-Rotating _} in
Included
74 691057 Screw (Rotating Screen) 121
75 691056 Washer (Flywheel) :I: Included in
89 690283 Plug-Oil 977
95 690718 Screw (Throttle Valve) + Included in
98 499802 Kit-Idle Speed
104 690984 _Pin-Float Hinge
105 690985 0Valve-Float Needle
108 690986 Valve-Choke
117 690232 OJet-Main (Standard)
118 690989 Jet-Main (High Altitude)
121 499811 Kit-Carburetor Overhaul
Carburetor
Valve-Throttle
Kit-Throttle Shaft
Float-Carburetor
Tube-Fuel Transfer
IZI:I: Gasket-Float Bowl
Kit-Choke Shaft
1_ Nozzle-Carburetor
Key-Timing
_a_t Gasket-Nozzle
Retainer-Solenoid
•+ Gasket-Air Cleaner
Nut (Ring Gear)
Line-Fuel (Cut to Required
Length)
Line-Fuel (Molded)
Screw (Control Bracket)
Adjuster-Rocker Arm
Spring-Governor
Spring-Governed Idle
Link-Throttle
Bracket-Choke Control
Link-Choke
Gear-Governor
Washer (Governor Lever)
Bracket-Control
Lever-Governor Control
Screw (Choke Valve)
Filter-Fuel
Retainer-Breather
Collector-Oil
Clamp-Casing
Screw (Casing Clamp)
Washer-Sealing
Screw (Dipstick Tube)
Housing-Blower
Screw (Blower Housing)
Motor-Starter
Bolt-Starter Motor
Brush Set
Nut (Flywheel)
Armature-Magneto
Screw (Magneto Armature)
Spark Plug
Set-Engine Gasket
Flywheel Puller
Wrench-Spark Plug
Screw (Fuel Pump)
Low Speed: 1900-2100
High Speed: 3000-3200
Engine Gasket Set, Key. No. 358
Carburetor Overhaul Kit, Key. No.
Carburetor Gasket Set, Key. No.
Valve Gasket Set, Key. No. 1095
NOTE: All component dimensions given in U.S.
inches 1 inch = 25.4 mm
55

TRACTOR - - MODEL NUMBER 917.272460
BRIGGS& STRA'n'ONENGINE-MODELNUMBER407777,TYPENUMBER0174-E1
KEY PART KEY PART
NO. NO. DESCRIPTION NO. NO. DESCRIPTION
387 808656 Pump-Fuel 865 691012 Cover-Air Guido
404 690442 Washer (Governor Crank) 865A 691014 Cover-Air Guide
405 690960 Screw (Back Plate) 865B 691015 Cover-Air Guide
418 690999 Plate-Carburetor 868 690968 .+ Seal-Valve
445 499486 Filter-Air Cleaner Cartridge 914 691127 Screw (Rocker Cover)
447 691003 Screw (Air Guide Cover) 918 694000 Hose-Vacuum
447A 690960 Screw (Air Guide Cover) 929 695239 Screw (Choke Control
467 691008 Knob-Air Cleaner Bracket)
474 696459 Alternator 929A 691003 Screw (Choke Control
505 691029 Nut (Governor Control Lever) Bracket)
510 497606 Drive-Starter 943 690589 • SeaI-O Ring (Oil Pump
513 692024 Clutch-Drive Cover)
523 691036 Dipstick 947 499809 Solenoid-Fuel
524 691032 •Seal-Dipstick Tube 965 499613 Cover-Oil Pump
525 691037 Tube-Dipstick 967 272638 Filter-Pre Cleaner
544 Armatura-Starter 968 499788 Cover-Air Cleaner
(Service with 691262 Starter 975 499810 Bowl-Float
Motor) 977 499812 Gasket Set-Carburetor
552 690552 Bushing-Governor Crank 987 691000 O:1: Seal-Throttle Shaft
552A 690553 Bushing-Governor Crank 1005 499603 Fan-Flywheel
562 690311 Bolt (Governor Control Lever) 1013 690954 Nipple-Oil Filter
573 691009 Plate-Back 1017 690770 Screen-Oil Pump
601 691038 Clamp-Hose 1019 690103 Kit-Label
615 690317 Retainer-Governor Shaft 1022 690971 ,+ Gasket-Rocker Cover
616 691045 Crank-Governor 1023 499599 Cover-Rocker (Cylinder 1)
617 691917 SeaI-O Ring (Intake Manifold) 1023A499600 Cover-Rocker(Cylinder2)
628 690960 Screw (Fuel Pump Bracket) 1024 499054 Pump-Oil
633 690998 O:_: Seal-Choke/Throttle Shaft 1026 690981 Rod-Push (Steel)
635 66538 Boot-Sparkplug 1026A690982 Rod-Push (Aluminum)
654 690958 Nut (Carburetor) 1027 492932 Filter-Oil
668 691216 Spacer 1029 690972 Arm-Rocker
672 690234 O_ Gasket-Carburetor Plate 1035 691042 Shaft-Pump
691 690657 ° Seal-Governor Shaft 1036 695704 Label-Emission
695 693149 Screw (Ring Gear) 1051 691265 Ring-Retaining
697 690372 Screw (Drive Cap) 1058 274794 Owner's Manual
703 691010 Clip 1070 691674 Screw (Flywheel Fan)
718 690959 Pin-Locating 1090 691293 Retainer-Brush
726 499612 Gear-Ring 1095 694013 Kit-Valve Overhaul
741 690980 Gear-Timing 1100 690973 Pivot-Rocker Arm
742 690328 Retainer-E Ring 1119 691183 Screw (Altomator)
750 691033 Screw (Oil Pump Cover) 1123 6909870:1: SeaI-O Ring (Solenoid
783 693058 Gear-Pinion Retainer)
788 691039 Bracket-Fuel Pump 1124 6909889:1: SeaI-O Ring (Fuel Transfer
789 695050 Harness-Wiring Tube)
797 691029 Nut (Brush Retainer) 1126 690991 Screw (Fuel Transfer Tube)
797A 693167 Nut (Brush Retainer) 1127 690992 Screw (Float Bowl)
798 690967 Screw (RockerArm) 1128 690990 O Screw (Carburetor Nozzle)
801 691283 Cap-Drive 1169 693140 Screw (Carburetor Cover
802 691286 Cap-End Plate)
803 Housing-Starter RPM Settings: Low Speed: 1900-2100
(Service with 691262 Starter High Speed: 3000-3200
Motor)
842 691031 • Seal-Dipstick/Tube -- Included in Engine Gasket Set, Key. No. 358
847 4996O2 Dipstick/Tube Assembly OIncluded in Carburetor Overhaul Kit, Key. No.
851 493880 TerminaI-Sparkplug 121
855 691011 Adapter-Air :1: Included in Carburetor Gasket Set, Key. No.
977
+ Included in Valve Gasket Set, Key. No. 1095
NOTE: All component dimensions given in U.S.
inches 1 inch = 25.4 mm
56

57


SUGGESTED GUIDE FOR SIGHTING SLOPES FOR SAFE OPERATION
ONLY RIDE UP AND DOWN HILL,
NOT ACROSS HILL
15 DEGREES MAX.
_ARNING: To avoid serious Injury, operate your tractor up and
down the face of slopes, never across the face. Do not mow
bslopes greater than 15 degrees. Make turns gradually to prevent
tipping or loss of control. Exercise extreme caution when
changing direction on slopes.
1. Fold this page along dotted line indicated above.
2. Hold page before you so that Its left edge is vertically parallel to a tree
trunk or other upright structure.
3. Sight across the fold in the direction of hill slope you want to measure.
4. Compare the angle of the fold with the slope of the hill.

1-800-4-MY-HOME _
1-800-488-1222
For the replacement parts, accessories and owner's manuals
that you need to do-it-yourself, call Sears PartsDirectS_!
1-800-366-PART 6a.m.-11p.m.,7daysaweek
(1-800-366-7278) (U.S.A. only)
www.sears.com_rect
To purchase or inquire about a Sears Service Agreement
or Sears Maintenance Agreement:
1-800-827-6855 (U.S.A.) 1-800-361-6665 (Canada)
7 a.m.- 5 p.m., CST, Mort. - Sat. 9 a.m.- 8 p.m. EST, M- F, 4 p.m. Sat.
,,H,i;, ,iL i i i i J ! - --- _
Para pedir seNicio de reparod6n a Au Canada pour service en _:
domialio, ypara o_denar pie>:_,_: 1.800.LE.FOYERMC
1-888-SU-HOGAR s" (1-800-5,33.6937)
(1-888-784-6427) www.sears.ca
@Seals,RoebuckandCo. HomeCentral®J
® Registered Trademark /TMTrademark /SMService Mark of Sears, Roebuck and Co.
® Marca Registrada /TMMama de Fdbrica /SMMarca de Servicio de Sears, Roebuck and Co.
uc Marque de commerce /uoMarque deposee de Sears, Roebuck and Co.
181342 01.23.02 RH Printedin U.S.A.