Craftsman 917273372 User Manual LAWN TRACTOR Manuals And Guides L0403474
CRAFTSMAN Lawn, Tractor Manual L0403474 CRAFTSMAN Lawn, Tractor Owner's Manual, CRAFTSMAN Lawn, Tractor installation guides
User Manual: Craftsman 917273372 917273372 CRAFTSMAN LAWN TRACTOR - Manuals and Guides View the owners manual for your CRAFTSMAN LAWN TRACTOR #917273372. Home:Lawn & Garden Parts:Craftsman Parts:Craftsman LAWN TRACTOR Manual
Open the PDF directly: View PDF 
.
Page Count: 56

Owner's Manual
JCRIIFTSMIIWJ
LAWN TRACTOR
175 HP, 42" Mower
Electric Start
6 Speed Transaxle
Model No.
917.273372
[_ This product has a low emission engine which operates 1
differently from previously built engines. Before you start the
engine, read and understand this Owner's Manual.
IMPORTANT:
Read and follow all Safety
Rules and Instructions before
operating this equipment
For answers to your questions about
this product, Call:
1-800-659-5917
Sears Craftsman Help Line
5am - 5 pm, Mon- Sat
Sears, Roebuck and Co., Hoffman Estates, IL 60179 U.S.A.
Visit our Craftsman website:www.sears.com/craftsman

Warranty ................................................. 2
Safety Rules ........................................... 3
Product Specifications ............................ 6
Assembly/P re-Operation ........................ 8
Operation .............................................. 11
Maintenance Schedule ......................... 17
Maintenance ......................................... 17
Service and Adjustments ...................... 21
Storage ................................................. 27
Troubleshooting .................................... 28
Repair Parts .......................................... 32
Sears Service ......................... Back Cover
LIMITED WARRANTY ON CRAFTSMAN RIDING EQUIPMENT
For two (2) years from the date of purchase, if this Craftsman Riding Equipment is
maintained, lubricated and tuned up according to the instructions in the owner's manual,
Sears will repair or replace free of charge any parts that are found to be defective in
material or workmanship according to the guidelines of coverage listed below. Sears will
also provide free labor for these applicable warranted parts for the two full years. During
the first 30 days of purchase, there will be no charges to service the product at your
home for issues covered by this warranty. (See exclusions below). For your conve-
nience, IN HOME warranty service will still be available after the first 30 days of pur-
chase, but a trip charge will apply. This charge will be waived if the Craftsman product is
dropped off at an authorized Sears location. For the nearest authorized Sears location,
please call 1-800-4-MY-HOME®. This warranty applies only while this product is within
the United States.
This Warranty does not cover:
• Expendable items which become worn during normal use, including but not limited to
blades, spark plugs, air cleaners, belts, and oil filters.
Standard Maintenance Servicing, oil changes, or tune-ups
• Tire replacement or repair caused by punctures from outside objects, such as nails,
thorns, stumps, or glass.
• Repairs necessary because of operator abuse, including but not limited to, damage
caused by towing objects beyond the capability of the riding equipment, impacting
objects that bend the frame or crankshaft, or over-speeding the engine.
• Repairs necessary because of operator negligence, including but not limited to, elec-
trical and mechanical damage caused by improper storage, failure to use the proper
grade and amount of engine oil, failure to keep the deck clear of flammable debris,
or failure to maintain the equipment according to the instructions contained in the
owner's manual.
• Engine (fuel system) cleaning or repairs caused by fuel determined to be contami-
nated or oxidized (stale). In general, fuel should be used within 30 days of its pur-
chase date.
• Normal deterioration and wear of the exterior finishes, or product label replacement.
Riding equipment used for commercial or rental purposes.
LIMITED WARRANTY ON BATTERY
For ninety (90) days from date of purchase, if any battery included with this riding equip-
ment proves defective in material or workmanship and our testing determines the battery
will not hold a charge, Sears will replace the battery at no charge. During the first 30
days of purchase, there will be no charges to replace the battery at your HOME. After
the first 30 days, for your convenience, IN-HOME warranty service will still be avail-
able but a trip charge will apply. This charge will be waived if the Craftsman product is
dropped off at an authorized Sears location. For the nearest authorized Sears location,
please call 1-800-4-MY-HOME®.
This battery warranty applies only while this product is within the United States.
This warranty gives you specific legal rights, and you may also have other rights, which
vary, from state to state.
Sears, Roebuck and Co.,Dept.817WA, Hoffman Estates, IL 60179
2

IMPORTANT: This cutting machine is capable of amputating hands and feet and throw-
ing objects. Failure to observe the following safety instructions could result in serious
injury or death.
_,WARNING: In order to prevent ac-
cidental starting when setting up, trans-
porting, adjusting or making repairs,
always disconnect spark plug wire and
place wire where it cannot contact spark
plug.
_tLWARNING: Do not coast down a hill in
neutral, you may lose control of the tractor.
_,WARNING: Tow only the attachments
that are recommended by and comply with
specifications of the manufacturer of your
tractor. Use common sense when towing.
Operate only at the lowest possible speed
when on a slope. Too heavy of a load,
while on a slope, is dangerous. Tires can
lose traction with the ground and cause
you to lose control of your tractor.
_,WARNING: Engine exhaust, some of
its constituents, and certain vehicle com-
ponents contain or emit chemicals known
to the State of California to cause cancer
and birth defects or other reproductive
harm.
_I_,WARNING: Battery posts, terminals
and related accessories contain lead and
lead compounds, chemicals known to the
State of California to cause cancer and
birth defects or other reproductive harm.
Wash hands after handling.
I. GENERAL OPERATION
• Read, understand, and follow all instruc-
tions in the manual and on the machine
before starting.
• Only allow responsible adults, who are
familiar with the instructions, to operate
the machine.
• Clear the area of objects such as rocks,
toys, wire, etc., which could be picked
up and thrown by the blade.
• Be sure the area is clear of other people
before mowing. Stop machine if anyone
enters the area.
• Never carry passengers.
• Do not mow in reverse unless abso-
lutely necessary. Always look down and
behind before and while backing.
Be aware of the mower discharge direc-
tion and do not point it at anyone. Do
not operate the mower without either
the entire grass catcher or the guard in
place.
Slow down before turning.
Never leave a running machine unat-
tended. Always turn off blades, set
parking brake, stop engine, and remove
keys before dismounting.
Turn off blades when not mowing.
Stop engine before removing grass
catcher or unclogging chute.
Mow only in daylight or good artificial
light.
Do not operate the machine while under
the influence of alcohol or drugs.
Watch for traffic when operating near or
crossing roadways.
Use extra care when loading or un-
loading the machine into a trailer or
truck.
Data indicates that operators, age 60
years and above, are involved in a large
percentage of riding mower-related in-
juries. These operators should evaluate
their ability to operate the riding mower
safely enough to protect themselves and
others from serious injury.
Keep machine free of grass, leaves or
other debris build-up which can touch
hot exhaust /engine parts and burn. Do
not allow the mower deck to plow leaves
or other debris which can cause build-
up to occur. Clean any oil or fuel
spillage before operating or storing the
machine. Allow machine to cool before
storage.
II. SLOPE OPERATION
Slopes are amajor factor related to loss-
of-control and tipover accidents, which can
result in severe injury or death. All slopes
require extra caution. If you cannot back
up the slope or if you feel uneasy on it, do
not mow it.
3

DO:
• Mow up and down slopes, not across.
• Remove obstacles such as rocks, tree
limbs, etc.
• Watch for holes, ruts, or bumps. Un-
even terrain could overturn the machine.
Tall grass can hide obstacles.
• Use slow speed. Choose a low gear
so that you will not have to stop or shift
while on the slope.
• Follow the manufacturer's recommend-
ations for wheel weights or counter-
weights to improve stability.
• Use extra care with grass catchers or
other attachments. These can change
the stability of the machine.
• Keep all movement on the slopes slow
and gradual Do not make sudden
changes in speed or direction.
• Avoid starting or stopping on a slope. If
tires lose traction, disengage the blades
and proceed slowly straight down the
slope.
DO NOT:
•Do not turn on slopes unless neces-
sary, and then, turn slowly and gradually
downhill, if possible.
•Do not mow near drop-offs, ditches,
or embankments. The mower could
suddenly turn over if a wheel is over
the edge of a cliff or ditch, or if an edge
caves in.
•Do not mow on wet grass. Reduced
traction could cause sliding.
•Do not try to stabilize the machine by
putting your foot on the ground.
•Do not use grass catcher on steep
slopes.
III, CHILDREN
Tragic accidents can occur if the operator
is not alert to the presence of children.
Children are often attracted to the ma-
chine and the mowing activity. Neveras-
sume that children will remain where you
last saw them.
• Keep children out of the mowing area
and under the watchful care of another
responsible adult.
• Be alert and turn machine off if children
enter the area.
• Before and when backing, look behind
and down for small children.
• Never carry children. They may fall off
and be seriously injured or interfere with
safe machine operation.
• Never allow children to operate the
machine.
• Use extra care when approaching blind
corners, shrubs, trees, or other objects
that may obscure vision.
IV. SERVICE
• Use extra care in handling gasoline and
other fuels. They are flammable and
vapors are explosive.
- Use only an approved container.
- Never remove gas cap or add fuel
with the engine running. Allow
engine to cool before refueling. Do
not smoke.
- Never refuel the machine indoors.
- Never store the machine or fuel
container inside where there is an
open flame, such as a water heater.
• Never run a machine inside a closed
area.
• Keep nuts and bolts, especially blade
attachment bolts, tight and keep equip-
ment in good condition.
• Never tamper with safety devices.
Check their proper operation regularly.
• Keep machine free of grass, leaves, or
other debris build-up. Clean oil or fuel
spillage. Allow machine to cool before
storing.
• Stop and inspect the equipment if you
strike an object. Repair, if necessary,
before restarting.
• Never make adjustments or repairs with
the engine running.
• Grass catcher components are subject
to wear, damage, and deterioration,
which could expose moving parts or
allow objects to be thrown. Frequently
check components and replace with
manufacturer's recommended parts,
when necessary.
• Mower blades are sharp and can cut.
Wrap the blade(s) or wear gloves, and
use extra caution when servicing them.
• Check brake operation frequently. Ad-
just and service as required.
4

• Be sure the area is clear of other people
before mowing. Stop machine if anyone
enters the area.
• Never carry passengers or children
even with the blades off.
• Do not mow in reverse unless abso-
lutely necessary. Always look down and
behind before and while backing.
• Never carry children. They may fall off
and be seriously injured or interfere with
safe machine operation.
• Keep children out of the mowing area
and under the watchful care of another
responsible adult.
• Be alert and turn machine off if children
enter the area.
• Before and when backing, look behind
and down for small children.
• Mow up and down slopes (15 ° Max), not
across.
• Remove obstacles such as rocks, tree
limbs, etc.
• Watch for holes, ruts, or bumps. Uneven
terrain could overturn the machine. Tall
grass can hide obstacles.
• Use slow speed. Choose a low gear
so that you will not have to stop or shift
while on the slope.
• Avoid starting or stopping on a slope. If
tires lose traction, disengage the blades
and proceed slowly straight down the
slope.
• If machine stops while going uphill,
disengage blades, shift into reverse and
back down slowly.
• Be not turn on slopes unless necessary,
and then, turn slowly and gradually
downhill, if possible.
5

PRODUCT SPECIFICATIONS
Gasoline 1.25
Capacity and Unleaded
Type: Regular
Oil Type SAE 30 (above 32°F)
API-SF-SJ): SAE 5W-30(below 32°F
Oil Capacity: 3.0 Pints
Spark Plug: Champion RC12YC
(Gap: .030")
Ground Speed
(MPH):
Forward:
1st 1.1
2nd 1.4
3rd 2.2
4th 3.3
5th 4.4
6th 4.9
Reverse: 1.4
Tire Pressure: Front: 14 PSI
Rear: 12 PSI
Charging System: 3 Amps Battery
5 Amps Headlights
Battery: Amp/Hr: 28
Min. CCA: 230
Case Size: U1R
Blade Bolt Torque: 27-35 Ft. Lbs.
CONGRATULATIONS on your purchase of
a new tractor. It has been designed, engi-
neered and manufactured to give you the best
possible dependability and performance.
Should you experience any problem you
cannot easily remedy, please contact a
Sears or other qualified service center.
We have competent, well-trained techni-
cians and the proper tools to service or
repair this tractor.
Please read and retain this manual. The
instructions will enable you to assemble
and maintain your tractor properly. Always
observe the "SAFETY RULES".
CUSTOMER RESPONSIBILITIES
• Read and observe the safety rules.
• Follow a regular schedule in main-
taining, caring for and using your tractor.
• Follow the instructions under "Mainte-
nance" and "Storage" sections of this
owner's manual.
_,WARNING: This tractor is equipped
with an internal combustion engine and
should not be used on or near any unim-
proved forest-covered, brush-covered or
grass-covered land unless the engine's
exhaust system is equipped with a spark
arrester meeting applicable local or state
laws (if any). If a spark arrester is used, it
should be maintained in effective working
order by the operator.
In the state of California the above is re-
quired by law (Section 4442 of the Califor-
nia Public Resources Code). Other states
may have similar laws. Federal laws apply
on federal lands. A spark arrester for the
muffler is available through your nearest
Sears service center (See REPAIR PARTS
section of this manual).
REPAIR PROTECTION
AGREEMENTS
Congratulations on making a smart pur-
chase.Your new Craftsman_ product is
designed and manufactured for years of
dependable operation. But like all products,
it may require repair from time to time. That's
when having a Repair Protection Agreement
can save you money and aggravation.
Purchase a Repair Protection Agreement
now and protect yourself from unexpected
hassle and expense.
Here's what's included in the Agreement:
• Expert service by our 12,000 profe-
sional repair specialists.
• Unlimited service and no charge for
parts and labor on all covered repairs.
• Product replacement if your covered
product can't be fixed.
• Discount of 10% from regular price of
service and service-related parts not
covered by the agreement; also, 10%
off regular price of preventive mainte-
nance check.
• Fast help by phone - phone support
from a Sears technician on products
requiring in-home repair, plus conve-
nient repair scheduling.
Once you purchase the Agreement, a
simple phone call is all that it takes for you
to schedule service. You can call anytime
day or night, or schedule a service ap-
pointment online.
Sears has over 12,000 professional repair
specialists, who have access to over 4.5
million quality parts and accessories.
That's the kind of professionalism you can
count on to help prolong the life of your
new purchase for years to come. Purchase
your Repair Protection Agreement today!
Some limitations and exclusions apply.
For prices and additional information
call 1-800-827-6655.
SEARS INSTALLATION SERVICE
For Sears professional installation of home
appliances, garage door openers, water
heaters, and other major home items, in
the U.S.A. call 1-800-4-MY-HOME®
6

Steering
Wheel Insert
Steering Wheel
(1) Hex Bolt 1/4-28 x 1-1/4
_F_r_ Steering Wheel
Adapter
I I
I I
@
(1) Locknut 1/2-20
(1) Large Flat Washer
O1
(1) Locknut 1/4-28
_£ Steering
Extension
teering Shaft
Boot
Seat
(1)Washer
@ 17/32 x 1-3/16 x 12 Gauge
_(1) Knob
Keys
(2) Keys
For Future Use
Slope Sheet Video Cassette
7

Your new tractor has been assembled at the factory with the exception of those parts left
unassembled for shipping purposes. To ensure safe and proper operation of your tractor
all parts and hardware you assemble must be tightened securely. Use the correct tools
as necessary to insure proper tightness. Review the video cassette before you begin.
TOOLS REQUIRED FOR
ASSEMBLY
A socket wrench set will make assembly
easier. Standard wrench sizes you need
are listed below.
(1) 3/4"wrench (1) Pliers
(2) 7/16" wrench (1) Utility knife
(1) Tire pressure gauge
When right or left hand is mentioned in
this manual, it means when you are in
the operating position (seated behind the
steering wheel).
TO REMOVE TRACTOR FROM
CARTON
UNPACK CARTON
1. Remove all accessible loose parts and
parts boxes from carton.
2. Cut along dotted lines on all four pan-
els of carton. Remove end panels and
lay side panels flat.
3. Check for any additional loose parts or
cartons and remove.
D _ Insert
_1/2 Hex Nut
_Large Flat
Steering _ __Washer
Whee'--- L _ teering
Boot
Tabs
Adapter -----____
___ Extension
Shaft
1/4 Locknut ._""'_ 1/4 Hex Bolt
Lower "_""'" -
Steering _.----__ _ ",
Shaft--_----_',_ _J_ _,.,_I
..-- - _ "_ Slots
BEFORE REMOVING TRACTOR
FROM SKID
ATTACH STEERING WHEEL
ASSEMBLE EXTENSION SHAFT AND
BOOT
1. Slide extension shaft onto lower steer-
ing shaft. Align mounting holes in ex-
tension and lower shafts and install 1/4
hex bolt and Iocknut. Tighten securely.
IMPORTANT: Tighten bolt and nut se-
curely to 10-12 ft. Ibs torque.
2. Place tabs of steering boot over tab
slots in dash and push down to secure.
INSTALL STEERING WHEEL
3. Position front wheels of the tractor so
they are pointing straight forward.
4. Remove steering wheel adapter from
steering wheel and slide adapter onto
steering shaft extension.
5. Position steering wheel so cross bars
are horizontal (left to right) and slide
inside boot and onto adapter.
6. Assemble large flat washer, 1/2 hex
nut and tighten securely.
7. Snap steering wheel insert into center
of steering wheel.
8. Remove protective materials from trac-
tor hood and grill.
IMPORTANT: Check for and remove any
staples in skid that may puncture tires
where tractor is to roll off skid.
HOWTO SET UP YOUR TRACTOR
INSTALL SEAT
Adjust seat before tightening adjustment
knob.
1. Remove adjustment knob and flat
washer securing seat to cardboard
packing and set aside for assembly of
seat to tractor.
2. Pivot seat upward and remove from
the cardboard packing. Remove the
cardboard packing and discard.
3. Place seat on seat pan so head of
shoulder bolts are positioned over the
large slotted holes in pan.
4. Push down on seat to engage shoulder
bolts in slots and pull seat towards rear
of tractor.
8

5. Pivot seat and pan forward and as-
semble adjustment knob and flat
washer loosely. Do not tighten.
6. Lower seat into operating position and
sit in seat.
7. Slide seat until a comfortable position
is reached which allows you to press
clutch/brake pedal all the way down.
8. Get off seat without moving its ad-
justed position.
9. Raise seat and tighten adjustment
knob securely.
Seat
Seat I
Shoulder
Bolts
Flat Wa_(_
Adjustment Knob _
CHECK BATTERY
1. Lift seat pan to raised position.
NOTE: If this battery is put into service
after month and year indicated on label
(label located between terminals) charge
battery for minimum of one hour at 6-10
amps. (See "BATTERY" in Maintenance
section of this manual for charging instruc-
tions).
Seat Label
Terminal
NOTE: You may now roll or drive your
tractor off the skid. Follow the appropriate
instruction below to remove the tractor
from the skid.
TO ROLL TRACTOR OFF SKID (See
Operation section for location and
function of controls)
1. Press lift lever plunger and raise
attachment lift lever to its highest po-
sition.
2. Release parking brake by depressing
clutch/brake pedal.
3. Place gearshift lever in neutral (N)
position.
4. Roll tractor forward off skid.
5. Remove banding holding deflector
shield up against tractor.
TO DRIVE TRACTOR OFF SKID (See
Operation section for location and
function of controls)
_WARNING: Before starting, read, un-
derstand and follow all instructions in the
Operation section of this manual. Be sure
tractor is in a well-ventilated area. Be sure
the area in front of tractor is clear of other
people and objects.
1. Be sure all the above assembly steps
have been completed.
2. Check engine oil level and fill fuel tank
with gasoline.
3. Sit on seat in operating position,
depress clutch/brake pedal and set the
parking brake.
4. Place gear shift lever in neutral (N)
position.
5. Press lift lever plunger and raise
attachment lift lever to its highest posi-
tion.
6. Start the engine. After engine has
started, move throttle control to idle
position.
7. Depress clutch/brake pedal into full
"BRAKE" position and hold. Move gear-
shift lever to 1st gear.
8. Slowly release clutch/brake pedal and
slowly drive tractor off skid.
9. Apply brake to stop tractor, set park-
ing brake and place gearshift lever in
neutral position.
10.Turn ignition key to "STOP" position.
Continue with the instructions that follow.
9

INSTALL MULCHER PLATE
(If previously removed)
1. Raise and hold deflector shield in
upright position.
2. Place front of mulcher plate over front
of mower deck opening and slide into
place, as shown.
3. Hook front latch into hole on front of
mower deck.
4. Hook rear latch into hole on back of
mower deck.
Deflector
Shield Mulcher
Plate
Latch
Hooks
AHi,CAUTION: Do not remove deflector
shield from mower.
TO CONVERTTO BAGGING OR
DISCHARGING
Simply remove mulcher plate and store in
a safe place.Your mower is now ready for
discharging or installation of optional grass
catcher accessory.
NOTE: It is not necessary to change
blades. The mulcher blades are designed
for discharging and bagging also.
CHECK TIRE PRESSURE
The tires on your tractor were overin-
flated at the factory for shipping purposes.
Correct tire pressure is important for best
cutting performance.
• Reduce tire pressure to PSI shown in
"PRODUCT SPECIFICATIONS" section
of this manual.
CHECK DECK LEVELNESS
For best cutting results, mower hous-
ing should be properly leveled. See "TO
LEVEL MOWER HOUSING" in the Service
and Adjustments section of this manual.
CHECK FOR PROPER POSITION
OF ALL BELTS
See the figures that are shown for replac-
ing motion and mower blade drive belts
in the Service and Adjustments section
of this manual. Verify that the belts are
routed correctly.
CHECK BRAKE SYSTEM
After you learn how to operate your trac-
tor, check to see that the brake is properly
adjusted. See "TO ADJUST BRAKE" in
the Service and Adjustments section of
this manual.
JCHECKLIST
Before you operate and enjoy your new
tractor, we wish to assure that you receive
the best performance and satisfaction
from this Quality Product.
Please review the following checklist:
,/All assembly instructions have been
completed.
,/No remaining loose parts in carton.
,/Battery is properly prepared and
charged. (Minimum 1 hour at 6 amps).
,/Seat is adjusted comfortably and tight-
ened securely.
,/All tires are properly inflated. (For ship-
ping purposes, the tires were overin-
flated at the factory).
,/Be sure mower deck is properly leveled
side-to-side/front-to-rear for best cutting
results. (Tires must be properly inflated
for leveling).
,/Check mower and drive belts. Be sure
they are routed properly around pulleys
and inside all belt keepers.
,/Check wiring. See that all connections
are still secure and wires are properly
clamped.
While learning how to use your tractor, pay
extra attention to the following important
items:
,/Engine oil is at proper level.
,/Fuel tank is filled with fresh, clean, regu-
lar unleaded gasoline.
,/Become familiar with all controls - their
location and function. Operate them
before you start the engine.
,/Be sure brake system is in safe oper-
ating condition.
10

These symbols may appear on your tractor or in literature supplied with the product.
Learn and understand their meaning.
R N H L Ikl
REVERSE NEUTRAL HIGH LOW CHOKE FAST SLOW IGNITION
ENGINE OFF LIGHTS ON ENGINE ON ENGINE START PARKING BRAKE PARKING BRAKE PARKING BRAKE
LOCKED UNLOCKED
OVER TEMF FUEL OIL PRESSURE BATTERY REVERSE FORWARD
LIGHT
ATTACHMENT ATTACHMENT
CLUTCH ENGAGED CLUTCH DISENGAGED
FREE WHEEL
(Automatic Models only)
MOWER HEIGHT MOWER LIFT
DANGER, KEEP HANDS
AND FEET AWAY
@@@@@
KEEP AREA CLEAR SLOPE HAZARDS
(SEE SAFETY RULES SECTION)
&
Failure to follow instructions
could result in serious injury or
death. The safety alert symbol
is used to identify safety inform-
ation about hazards which can
result in death, serious injury
and/or property damage.
&
&
&
DANGER indicates a hazard which, if not avoided,
will result in death or serious injury.
WARNING indicatesa hazard which, if not avoided,
could result in death or serious injury.
CAUTION indicates a hazard which, if not avoided,
might result in minor or moderate injury.
CAUTION when used without the alert symbol,
indicatesa situation that could result in damage
to the tractor and/or engine.
HOT SURFACES indicates a hazard which,
.d/_,. if not avoided, could result in death, serious injury
and/or property damage.
FIRE indicates a hazard which, if not avoided,
could result in death, serious injury and/or
property damage.
11

KNOW YOUR TRACTOR
READ THIS OWNER'S MANUAL AND SAFETY RULES BEFORE OPERATING YOUR
TRACTOR
Compare the illustrations with your tractor to familiarize yourself with the locations of
various controls and adjustments. Save this manual for future reference.
Ammeter
Attachment
Clutch Lever
Ignition Switch Light Switch
Position
Lift Lever
Plunger
Throttle/Choke
Control
Attachment
Lift Lever
Clutch/Brake
Pedal
Height
Adjustment
Lever
Brake Lever
Gearshift Lever
Our tractors conform to the safety standards of the
American National Standards Institute.
AMMETER - Indicates charging (+) or
discharging (-) of battery.
ATTACHMENT CLUTCH LEVER - Used
to engage the mower blades, or other at-
tachments mounted to your tractor.
ATTACHMENT LIFT LEVER -Used to
raise, lower, and adjust the mower deck or
other attachments mounted to your tractor.
CLUTCH/BRAKE PEDAL - Used for
declutching and braking the tractor and
starting the engine.
GEARSHIFT LEVER - Selects the speed
and direction of tractor.
IGNITION SWITCH - Used for starting and
stopping the engine.
LIFT LEVER PLUNGER - Used to release
attachment lift lever when changing its
position.
LIGHT SWITCH POSITION -Turns the
headlights on and off.
PARKING BRAKE LEVER -Locks clutch/
brake pedal into the brake position.
THROTTLE/CHOKE CONTROL - Used
for starting and controlling engine speed.
12

The operation of any tractor can result in foreign objects thrown into
the eyes, which can result in severe eye damage. Always wear safety
glasses or eye shields while operating your tractor or performing any
adjustments or repairs. We recommend a wide vision safety mask over
spectacles or standard safety glasses.
HOW TO USE YOUR TRACTOR
TO SET PARKING BRAKE
Your tractor is equipped with an operator
presence sensing switch. When engine
is running, any attempt by the operator
to leave the seat without first setting the
parking brake will shut off the engine.
1. Depress clutch/brake pedal all the way
down and hold.
2. Pull parking brake lever up and release
pressure from clutch/brake pedal.
Pedal should remain in brake position.
Make sure parking brake will hold trac-
tor secure.
Attachment Clutch Lever
Position
Clutch/
Brake
inition Key
"Disengaged"
Position
Brake
"Engaged"
Position
Gearshift
"Disengaged" "Brake" Lever
Position Position
STOPPING
MOWER BLADES -
• To stop mower blades, move attachment
clutch lever to "DISENGAGED" position.
GROUND DRIVE -
• To stop ground drive, depress clutch/
brake pedal all the way down.
• Move gearshift lever to neutral (N)
position.
ENGINE -
• Move throttle control to slow position.
NOTE: Failure to move throttle control
to slow position and allowing engine to
idle before stopping may cause engine to
"backfire".
• Turn ignition key to "STOP" position and
remove key. Always remove key when
leaving tractor to prevent unauthorized
use.
• Never use choke to stop engine.
IMPORTANT: Leaving the ignition switch
in any position other than "STOP" will
cause the battery to discharge and go
dead.
NOTE: Under certain conditions when
tractor is standing idle with the engine
running, hot engine exhaust gases may
cause "browning" of grass. To eliminate
this possibility, always stop engine when
stopping tractor on grass areas.
_,CAUTION.- Always stop tractor com-
pletely, as described above, before leaving
the operator's position.
TO USE THROTTLE CONTROL
Always operate engine at full throttle.
• Operating engine at less than full
throttle reduces the battery charging
rate.
•Full throttle offers the best bagging and
mower performance.
TO MOVE FORWARD AND BACKWARD
The direction and speed of movement is
controlled by the gearshift lever.
1. Start tractor with clutch/brake pedal de-
pressed and gearshift lever in neutral
(N) position.
2. Move gearshift lever to desired po-
sition.
3. Slowly release clutch/brake pedal to
start movement.
IMPORTANT: Bring tractor to a complete
stop before shifting or changing gears.
Failure to do so will shorten the useful life
of your transaxle.
TO ADJUST MOWER CUTTING HEIGHT
The position of the attachment lift lever
determines the cutting height.
• Grasp lift lever.
• Press plunger with thumb and move
lever to desired position.
The cutting height range is approxi-
mately 1-1/2 to 4". The heights are mea-
sured from the ground to the blade tip with
the engine not running. These heights
are approximate and may vary depending
upon soil conditions, height of grass and
types of grass being mowed.
13

• The average lawn should be cut to ap-
proximately 2-1/2 inches during the cool
season and to over 3 inches during hot
months. For healthier and better looking
lawns, mow often and after moderate
growth.
• For best cutting performance, grass over
6 inches in height should be mowed
twice. Make the first cut relatively high;
the second to desired height.
TO OPERATE MOWER
Your tractor is equipped with an operator
presence sensing switch. Any attempt
by the operator to leave the seat with the
engine running and the attachment clutch
engaged will shut off the engine. You must
remain fully and centrally positioned in the
seat to prevent the engine from hesitating
or cutting off when operating your equip-
ment on rough, rolling terrain or hills.
1. Select desired height of cut.
2. Start mower blades by engaging at-
tachment clutch control.
TO STOP MOWER BLADES -
disengage attachment clutch control.
_I_,CAUTION: Do not operate the mower
without either the entire grass catcher,
on mowers so equipped, or the deflector
shield in place.
Lever High Position
/
Attachment \ f 4
Clutch Lever _-:_f"-_-Low
"En{ Position
"Disen
Position
Shield
TO OPERATE ON HILLS
_,WARNING: Do not drive up or down
hills with slopes greater than 15 °and do
not drive across any slope. Use the slope
guide at the back of this manual.
• Choose the slowest speed before start-
ing up or down hills.
• Avoid stopping or changing speed on
hills.
• If slowing is necessary, move throttle
control lever to slower position.
• If stopping is absolutely necessary, push
clutch/brake pedal quickly to brake posi-
tion and engage parking brake.
• Move gearshift lever to 1st gear. Be
sure you have allowed room for tractor
to roll slightly as you restart movement.
• To restart movement, slowly release
parking brake and clutch/brake pedal.
• Make all turns slowly.
TO TRANSPORT
•Raise attachment lift to highest position
with attachment lift control.
•When pushing or towing your tractor,
be sure gearshift lever is in neutral (N)
position.
• Do not push or tow tractor at more than
five (5) MPH.
NOTE: To protect hood from damage
when transporting your tractor on a truck
or atrailer, be sure hood is closed and
secured to tractor. Use an appropriate
means of tying hood to tractor (rope, cord,
etc.).
TOWING CARTS AND OTHER ATTACH-
MENTS
Tow only the attachments that are recom-
mended by and comply with specifications
of the manufacturer of your tractor. Use
common sense when towing. Too heavy
of a load, while on a slope, is dangerous.
Tires can lose traction with the ground and
cause you to lose control of your tractor.
BEFORE STARTING THE ENGINE
CHECK ENGINE OIL LEVEL
The engine in your tractor has been
shipped, from the factory, already filled
with summer weight oil.
1. Check engine oil with tractor on level
ground.
2. Remove oil fill cap/dipstick and wipe
clean, reinsert the dipstick and screw
cap tight, wait for a few seconds, re-
move and read oil level. If necessary,
add oil until "FULE' mark on dipstick is
reached. Do not overfill.
• For cold weather operation you should
change oil for easier starting (See the
oil viscosity chart in the Maintenance
section of this manual).
• To change engine oil, see the Mainte-
nance section in this manual.
14

ADD GASOLINE
• Fill fuel tank to bottom of filler neck. Do
not overfill. Use fresh, clean, regular
unleaded gasoline with a minimum of
87 octane. (Use of leaded gasoline will
increase carbon and lead oxide deposits
and reduce valve life). Do not mix oil
with gasoline. Purchase fuel in quan-
tities that can be used within 30 days to
assure fuel freshness.
_)',CAUTION: Wipe off any spilled oil or
fuel. Do not store, spill or use gasoline
near an open flame.
IMPORTANT: When operating in temper-
atures below32°F(0°C), use fresh, clean
winter grade gasoline to help insure good
cold weather starting.
CAUTION: Alcohol blended fuels (called
gasohol or using ethanol or methanol) can
attract moisture which leads to separa-
tion and formation of acids during storage.
Acidic gas can damage the fuel system
of an engine while in storage. To avoid
engine problems, the fuel system should
be emptied before storage of 30 days
or longer. Drain the gas tank, start the
engine and let it run until the fuel lines
and carburetor are empty. Use fresh fuel
next season. See Storage Instructions for
additional information. Never use engine
or carburetor cleaner products in the fuel
tank or permanent damage may occur.
TO START ENGINE
When starting the engine for the first time
or if the engine has run out of fuel, it will
take extra cranking time to move fuel from
the tank to the engine.
1. Sit on seat in operating position,
depress clutch/brake pedal and set
parking brake.
2. Place gear shift lever in neutral (N)
position.
3. Move attachment clutch to disengaged
position.
4. Move throttle control to choke position.
NOTE: Before starting, read the warm
and cold starting procedures below.
.Insert key into ignition and turn key
clockwise to start position and release
key as soon as engine starts. Do
not run starter continuously for more
than fifteen seconds per minute. If the
engine does not start after several
attempts, move throttle control to fast
position, wait a few minutes and try
again. If engine still does not start,
move the throttle control back to the
choke position and retry.
WARM WEATHER STARTING (50 ° F and
above)
6. When engine starts, move the throttle
control to the fast position.
• The attachments and ground drive can
now be used. If the engine does not
accept the load, restart the engine and
allow it to warm up for one minute using
the choke as described above.
COLD WEATHER STARTING ( 50° F and
below)
6. When engine starts, leave throttle
control in choke position until engine
warms up and begins to run roughly.
Once rough running begins, imme-
diately move the throttle control to the
fast position. Engine warm-up may
take from several seconds to several
minutes (the colder the temperature,
the longer the warm-up).
• The attachments can also be used dur-
ing the engine warm-up period.
NOTE: If at a high altitude (above 3000
feet) or in cold temperatures (below 32 F)
the carburetor fuel mixture may need to
be adjusted for best engine performance
(see "TO ADJUST CARBURETOR" in the
Service and Adjustments section of this
manual).
15

MOWING TIPS
• Mower should be properly leveled for
best mowing performance. See "TO
LEVEL MOWER HOUSING" in the
Service and Adjustments section of this
manual.
• The left hand side of mower should be
used for trimming.
• Drive so that clippings are discharged
onto the area that has already been
cut. Have the cut area to the right of
the tractor. This will result in a more
even distribution of clippings and more
uniform cutting.
• When mowing large areas, start by
turning to the right so that clippings will
discharge away from shrubs, fences,
driveways, etc. After one or two rounds,
mow in the opposite direction making
left hand turns until finished.
MULCHING MOWING TIPS
IMPORTANT: For best performance, keep
mower housing free of built-up grass and
trash. Clean after each use.
• The special mulching blade will recut
the grass clippings many times and
reduce them in size so that as they fall
onto the lawn they will disperse into
the grass and not be noticed. Also, the
mulched grass will biodegrade quickly
to provide nutrients for the lawn. Always
mulch with your highest engine (blade)
speed as this will provide the best recut-
ting action of the blades.
• Avoid cutting your lawn when it is wet.
Wet grass tends to form clumps and
interferes with the mulching action. The
best time to mow your lawn is the early
afternoon. At this time the grass has
dried, the newly cut area will not be
exposed to direct sunlight.
• For best results, adjust the mower
cutting height so that the mower cuts
off only the top one-third of the grass
blades. For extremely heavy grass, re-
duce your width of cut on each pass and
mow slowly.
f
1
(-
l"
00272
• If grass is extremely tall, it should be
mowed twice to reduce load and pos-
sible fire hazard from dried clippings.
Make first cut relatively high; the second
to the desired height.
• Do not mow grass when it is wet.
Wet grass will plug mower and leave
undesirable clumps. Allow grass to dry
before mowing.
•Always operate engine at full throttle
when mowing to assure better mowing
performance and proper discharge of
material. Regulate ground speed by
selecting a low enough gear to give the
mower cutting performance as well as
the quality of cut desired.
• When operating attachments, select a
ground speed that will suit the terrain
and give best performance of the at-
tachment being used.
MAX 1/3
• Certain types of grass and grass
conditions may require that an area be
mulched a second time to completely
hide the clippings. When doing a sec-
ond cut, mow across (perpendicular) to
the first cut path.
• Change your cutting pattern from week
to week. Mow north to south one week
then change to east to west the next
week. This will help prevent matting and
graining of the lawn.
16

MA,.TENANC SC.EOULE
FILL IN DATES _ ,_O_ _Xx(_ _C_ _ ._lp,_ _O
AS YOU COMPLETE /_. _.%_7
REGULAR SERVICE /_% x"_q%_l_ll_SERVtCE DATES
cChh::: TB_::; eOp:r::i° n _
Check Operator Presence and
TInterlock Systems
RCheck for Loose Fasteners _ _5 _1_
ASharpen/Replace Mower Blades _3
TLubrication Chart I1_
0Check Battery Level
RClean Battery and Terminals
Check Transaxle Cooling
Check V_Belts
Check Engine Oil Level I_
Change Engine Oil (with oi_ filter) _,2
EChange Engine Oil (without oil filter) _1,2
N Clean Air Filter _2
GClean Air Screen _1_2
N_ Inspect Muffler/Spark Arrester
EReplace Oil Filter (If equipped) _2
Clean Engine Cooling Fins _2
Replace Spark Plug _1'2 I1_
Replace Air Filter Paper Cartridge
Replace Fuel Filter q_
t-Change more often when operating under a heavy {cad or
in high ambient temperatures.
2-Service more often when operating in dirty or dusty conditions.
3-Replace blades more often when mowing in sandy soil.
4-NOt required if equipped with maintenance=free battery.
5-Tighten front axle pivot bolt to 35 ft.-Ibs, maximum.
DO not over tighten.
GENERAL RECOMMENDATIONS
The warranty on this tractor does not
cover items that have been subjected to
operator abuse or negligence. To receive Zerk
full value from the warranty, operator
must maintain tractor as instructed in this
manual. @FrontWheel
Some adjustments will need to be made Bearing
periodically to properly maintain your Zerk
tractor.
At least once a season, check to see if
you should make any of the adjustments @Engine /
described in the Service and Adjustments I
section of this manual.
•At least once a year you should replace
the spark plug, clean or replace air filter,
and check blades and belts for wear.
A new spark plug and clean air filter
assure proper air-fuel mixture and help
your engine run better and last longer.
BEFORE EACH USE
1. Check engine oil level.
2. Check brake operation.
3. Check tire pressure.
4. Check operator presence and
interlock systems for proper operation.
5. Check for loose fasteners.
LUBRICATION CHART
-- @ Spindle
Zerk
@Front Wheel
Bearing Zerk
_SAE 30 or 10w30 Motor Oil
@General Purpose Grease
@Refer to Maintenance "ENGINE" Section
IMPORTANT: Do not oil or grease the
pivot points which have special nylon
bearings. Viscous lubricants will attract
dust and dirt that will shorten the life of
the self-lubricating bearings. If you feel
they must be lubricated, use only a dry,
powdered graphite type lubricant sparingly.
17

TRACTOR
Always observe safety rules when per-
forming any maintenance.
BRAKE OPERATION
If tractor requires more than six (6) feet
stopping distance at high speed in highest
gear, then brake must be adjusted. (See
"TO ADJUST BRAKE" in the Service and
Adjustments section of this manual).
TIRES
• Maintain proper air pressure in all tires
(See "PRODUCT SPECIFICATIONS"
section of this manual).
• Keep tires free of gasoline, oil, or insect
control chemicals which can harm rub-
ber.
• Avoid stumps, stones, deep ruts, sharp
objects and other hazards that may
cause tire damage.
NOTE: To seal tire punctures and prevent
flat tires due to slow leaks, tire sealant
may be purchased from your local parts
dealer. Tire sealant also prevents tire dry
rot and corrosion.
OPERATOR PRESENCE SYSTEM
Be sure operator presence and interlock
systems are working properly. If your trac-
tor does not function as described, repair
the problem immediately.
• The engine should not start unless the
clutch/brake pedal is fully depressed
and attachement clutch control is in the
disengaged position.
• When the engine is running, any at-
tempt by the operator to leave the seat
without first setting the parking brake
should shut off the engine.
• When the engine is running and the
attachment clutch is engaged, any at-
tempt by the operator to leave the seat
should shut off the engine.
• The attachment clutch should never op-
erate unless the operator is in the seat.
BLADE CARE
For best results mower blades must be
kept sharp. Replace bent or damaged
blades.
BLADE REMOVAL
1. Raise mower to highest position to al-
low access to blades.
2. Remove blade bolt, lock washer and
flat washer securing blade.
3. Install new or resharpened blade
with trailing edge up towards deck as
shown.
IMPORTANT: To ensure proper assembly,
center hole in blade must align with star
on mandrel assembly.
4. Reassemble blade bolt, lock washer
and flat washer in exact order as
shown.
5. Tighten blade bolt securely (27-35 Ft.
Lbs. torque).
IMPORTANT: Blade bolt is heat treated.
If bolt needs replacing, replace only with
approve bolt shown in the Repair Parts.
Mandrel Assembly
Trailing _ BI_,_
Edge Up /_"_'"i" Center _ _'_'_
H le 2
Flat Washer _ _"_.._ _ \ A.
Lock Washer-_'_ Star
G_ Blade Bolt
TO SHARPEN BLADE
NOTE: We do not recommend sharp-
ening blade - but if you do, be sure the
blade is balanced.
Care should be taken to keep the blade
balanced. An unbalanced blade will cause
excessive vibration and eventual damage
to mower and engine.
• The blade can be sharpened with a file
or on a grinding wheel. Do not attempt
to sharpen while on the mower.
• To check blade balance, you will need a
5/8" diameter steel bolt, pin, or a cone
balancer. (When using a cone balancer,
follow the instructions supplied with
balancer.)
NOTE: Do not use a nail for balancing
blade. The lobes of the center hole may
appear to be centered, but are not.
• Slide blade on to an unthreaded portion
of the steel bolt or pin and hold the
bolt or pin parallel with the ground. If
blade is balanced, it should remain in a
horizontal position. If either end of the
blade moves downward, sharpen the
heavy end until the blade is balanced.
5/8" Bolt o_ Blade
Pin
Center Hole
18

BATTERY
Your tractor has a battery charging system
which is sufficient for normal use. How-
ever, periodic charging of the battery with
an automotive charger will extend its life.
• Keep battery and terminals clean.
• Keep battery bolts tight.
• Keep small vent holes open.
• Recharge at 6-10 amperes for 1 hour.
NOTE: The original equipment battery on
your tractor is maintenance free. Do not
attempt to open or remove caps or covers.
Adding or checking level of electrolyte is
not necessary.
TO CLEAN BATTERY AND TERMINALS
Corrosion and dirt on the battery and
terminals can cause the battery to "leak"
power.
1. Disconnect BLACK battery cable first
then RED battery cable and remove
battery from tractor.
2. Rinse the battery with plain water and
dry.
3. Clean terminals and battery cable ends
with wire brush until bright.
4. Coat terminals with grease or petro-
leum jelly.
5. Reinstall battery (See "REPLACING
BATTERY" in the SERVICE AND AD-
JUSTMENTS section of this manual).
TRANSAXLE COOLING
Keep transaxle free from build-up of dirt
and chaff which can restrict cooling.
V-BELTS
Check V-belts for deterioration and wear
after 100 hours of operation and replace
if necessary. The belts are not adjustable.
Replace belts if they begin to slip from
wear.
ENGINE
LUBRICATION
Only use high quality detergent oil rated
with API service classification SF-SJ.
Select the oil's SAE viscosity grade
according to your expected operating
temperature.
SAE VISCOSITY GRADES
.30 .10 0 10 20 30
TEMPERATURE RANGEANTBCIPATEDSEFORENEXTOILCHANGE
oi_ vl_c cha_El
NOTE: Although multi-viscosity oils
(5W30, 10W30 etc.) improve starting in
cold weather, the oils will result in in-
creased oil consumption when used above
32°E Check your engine oil level more
frequently to avoid possible engine dam-
age from running low on oil.
Change the oil after every 25 hours of op-
eration or at least once a year if the tractor
is not used for 25 hours in one year.
Check the crankcase oil level before start-
ing the engine and after each eight (8)
hours of operation. Tighten oil fill cap/
dipstick securely each time you check the
oil level.
TO CHANGE ENGINE OIL
Determine temperature range expected
before oil change. All oil must meet API
service classification SF-SJ.
• Be sure tractor is on level surface.
• Oil will drain more freely when warm.
• Catch oil in a suitable container.
1. Remove oil fill cap/dipstick. Be careful
not to allow dirt to enter the engine
when changing oil.
2. Remove yellow cap from end of drain
valve and install the drain tube onto the
fitting. Oil Drain Valve
Drain
Tube
19
3. Unlock drain valve by pushing inward
slightly and turning counterclockwise.
4. To open, pull out on the drain valve.
5. After oil has drained completely, close
and lock the drain valve by pushing
inward and turning clockwise until the
pin is in the locked position as shown.
6. Remove the drain tube and replace the
cap onto the end of the drain valve.
7. Refill engine with oil through oil fill dip-
stick tube. Pour slowly. Do not overfill.
For approximate capacity see "PROD-
UCT SPECIFICATIONS" section of this
manual.
8. Use gauge on oil fill cap/dipstick for
checking level. For accurate reading,
tighten dipstick cap securely onto the
tube before removing dipstick. Keep oil
at "FULl.:' line on dipstick. Tighten cap
onto the tube securely when finished.

ENGINEOIL FILTER
Replacethe engineoil filter everyseason
or everyotheroil changeif the tractor is
used morethan 100 hours in one year.
AIR FILTER
Your engine will not run properly using a
dirty air filter. Replace pre-cleaner after
every 25 hours of operation or every
season. Service paper cartridge every
100 hours of operation or every season,
whichever occurs first.
Service air cleaner more often under dusty
conditions.
1. Pull up on air filter cover handle and
rotate towards engine.
2. Remove cover.
3. Carefully remove air filter cartridge and
pre-cleaner from base.
4. Clean base carefully to prevent debris
from falling into carburetor.
NOTE: If very dirty or damaged, replace
cartridge.
5. Place new pre-cleaner and cartridge
firmly in base.
6. Align tabs on cover with slots in blower
housing and replace cover.
7. Hook handle on cover and push down
on handle to close.
IMPORTANT: Petroleum solvents, such
as kerosene, are not to be used to clean
the cartridge. They may cause deterio-
ration of the cartridge. Do not oil car-
tridge. Do not use pressurized air to clean
cartridge.
CLEAN AIR SCREEN
Air screen must be kept free of dirt and
chaff to prevent engine damage from
overheating. Clean with a wire brush or
compressed air to remove dirt and stub-
born dried gum fibers.
ENGINE COOLING SYSTEM
Debris may clog the engine's air cool-
ing system. Remove blower housing and
clean area shown to prevent overheating
and engine damage.
Air Screen Clean out chaff and debris
MUFFLER
Inspect and replace corroded muffler and
spark arrester (if equipped) as it could cre-
ate a fire hazard and/or damage.
SPARK PLUG(S)
Replace spark plug(s) at the beginning
of each mowing season or after every
100 hours of operation, whichever occurs
first. Spark plug type and gap setting are
shown in "PRODUCT SPECIFICATIONS"
section of this manual.
jCover
Cartridge
Slots
IN-LINE FUEL FILTER
The fuel filter should be replaced once
each season. If fuel filter becomes
clogged, obstructing fuel flow to carbu-
retor, replacement is required.
1. With engine cool, remove filter and
plug fuel line sections.
2. Place new fuel filter in position in fuel
line with arrow pointing towards carbu-
retor.
3. Be sure there are no fuel line leaks
and clamps are properly positioned.
4. Immediately wipe up any spilled gaso-
line.
_ Clamp
Clamp J- _1 Filter
20

CLEANING
•Clean engine, battery, seat, finish, etc.
of all foreign matter.
• Keep finished surfaces and wheels free
of all gasoline, oil, etc.
• Protect painted surfaces with auto-
motive type wax.
We do not recommend using a garden
hose or pressure washer to clean your
tractor unless the engine and transmis-
sion are covered to keep water out. Water
in engine or transmission will shorten the
useful life of your tractor. Use compressed
air or a leaf blower to remove grass,
leaves and trash from tractor and mower.
_IL WARNING: TO AVOID SERIOUS INJURY, BEFORE PERFORMING ANYSERVICE OR ADJUSTMENTS:
1. Depress clutch/brake pedal fully and set parking brake.
2. Place gearshift lever in neutral (N) position.
3. Place attachment clutch in "DISENGAGED" position.
4. Turn ignition key to "STOP" and remove key.
5. Make sure the blades and all moving parts have completely stopped.
6. Disconnect spark plug wire from spark plug and place wire where it cannot
come in contact with plug.
TRACTOR
TO REMOVE MOWER
Mower will be easier to remove from the
right side of tractor.
1. Place attachment clutch in "DISEN-
GAGED" position.
2. Move attachment lift lever forward to
lower mower to its lowest position.
3. Roll belt off engine pulley.
4. Remove small retainer spring, and
remove clutch spring off pulley bolt.
5. Remove large retainer spring, slide
collar off and push housing guide out
of bracket.
6. Disconnect anti-sway bar from chassis
bracket by removing retainer spring.
Small
Clutch
Small Retainer Spring-
Clutch Spring----______
7. Disconnect suspension arms from rear
deck brackets by removing retainer
springs.
8. Disconnect front links from deck by
removing retainer springs.
9. Raise lift lever to raise suspension
arms. Slide mower out from under trac-
tor.
IMPORTANT: If an attachment other than
the mower deck is to be mounted on the
tractor, remove the front links and hook
the clutch spring Into square hole in frame.
TO INSTALL MOWER
1. Raise attachment lift lever to its highest
position.
Front Link
Retainer Spring_
Anti-Sway
Housing
Retainer Springs
Both Sides)
Deflector Shield
Bracket
Large Retainer Spring 21

2. Slide mowerundertractorwith deflec-
tor shieldto right side of tractor.
3. Lowerlift leverto its lowestposition.
4. Connectfront linksto mowerdeckand
securewith retainersprings.
5. Connectsuspensionarms to rear
deckbracketsand securewith retainer
springs.
6. Connectanti-swaybar to chassis
bracketand securewith retainerspring.
7. Pushclutchcable housingguide into
bracket,slide collaronto guideand
securewith large retainerspring.
8. Placeflat washerand clutchspringon
idler pulleyboltand securewith small
retainerspring.
9. Installbeltonto enginepulley.
TO LEVEL MOWER HOUSING
Adjust the mower while tractor is parked
on level ground or driveway. Make sure
tires are properly inflated (See "PROD-
UCT SPECIFICATIONS" section of this
manual). If tires are over or underinflated,
you will not properly adjust your mower.
SIDE-TO-SIDE ADJUSTMENT
• Raise mower to its highest position.
• At the midpoint of both sides of mower,
measure height from bottom edge of
mower to ground. Distance "A" on both
sides of mower should be the same or
within 1/4" of each other.
• If adjustment is necessary, make adjust-
ment on one side of mower only.
• To raise one side of mower, tighten lift
link adjustment nut on that side.
• To lower one side of mower, loosen lift
link adjustment nut on that side.
NOTE: Each full turn of adjustment nut
will change mower height about 1/8".
• Recheck measurements after adjusting.
Bottom edge Bottom edge of
of mower to _ _rr3o_er to ground
0roood l/
A_T _ Ground Line _"-J_A
nArm
kidf_uLstrkent N_
FRONT-TO-BACK ADJUSTMENT
IMPORTANT: Deck must be level side-to
side. If the following front-to-back adjust-
ment is necessary, be sure to adjust both
front links equally so mower will stay level
side-to-side.
To obtain the best cutting results, the
mower housing should be adjusted so
that the front is approximately 1/8" to 1/2"
lower than the rear when the mower is in
its highest position.
Check adjustment on right side of trac-
tor. Measure distance "D" directly in front
and behind the mandrel at bottom edge of
mower housing as shown.
• Before making any necessary adjust-
ments, check that both front links are
equal in length.
• If links are not equal in length, adjust
one link to same length as other link.
• To lower front of mower loosen nut "E"
on both front links an equal number of
turns.
• When distance "D" is 1/8" to 1/2"
lower at front than rear, tighten nuts "F"
against trunnion on both front links.
• To raise front of mower, loosen nut "F"
from trunnion on both front links. Tighten
nut "E" on both front links an equal num-
ber of turns. The two front links must
remain equal in length.
• When distance "D" is 1/8" to 1/2" lower
at front than rear, tighten nut "F" against
trunnion on both front links.
• Recheck side-to-side adjustment.
!_g _
Both Front nks Should be ual in Length
Nut it "E"
mru
Front Links
22

TO REPLACE MOWER BLADE DRIVE
BELT
The mower blade drive belt may be re-
placed without tools. Park the tractor on
level surface. Engage parking brake.
BELT REMOVAL -
1. Remove mower from tractor (See "TO
REMOVE MOWER" in this section of
manual).
2. Work belt off both mandrel pulleys and
idler pulleys.
3. Pull belt away from mower.
BELT INSTALLATION -
1. Work belt around both mandrel pulleys
and idler pulleys
2. Make sure belt is in all pulley grooves
and inside all belt guides.
3. Install mower (See "To Install Mower" in
this section of this manual).
Mandrel Idler Pulleys
Pulley
TO CHECK AND ADJUST BRAKE
Your tractor is equipped with an adjustable
brake system which is mounted on the
right side of the transaxle.
If tractor requires more than five (5) feet to
stop at highest speed in highest gear on a
level, dry concrete or paved surface, then
brake must be checked and adjusted.
TO CHECK BRAKE
1. Park tractor on a level, dry concrete or
paved surface, depress clutch/brake
pedal all the way down and engage
parking brake.
2. Place gear shift lever in neutral (N)
position.
The rear wheels must lock and skid when
you try to manually push the tractor for-
ward. If the rear wheels rotate, the brake
needs to be adjusted or the pads need to
be replaced.
TO ADJUST BRAKE
1. Depress clutch/brake pedal all the way
down and engage parking brake.
2. Measure distance between brake oper-
ating arm and nut "A" on brake rod.
3. If distance is other than 1-1/2", loosen
jam nut and turn nut "A" until distance
becomes 1-1/2". Retighten jam nut
against nut "A".
4. Road test tractor for proper stopping
distance as stated above. Readjust
if necessary. If stopping distance is
still greater than five (5) feet in highest
gear, further maintenance is neces-
sary. Replace brake pads or contact a
Sears or other qualified service center.
With Parking Brake "Engaged"
Arm
TO REPLACE MOTION DRIVE BELT
Park the tractor on level surface. Engage
parking brake. For assistance, there is a
belt installation guide decal on bottom side
of left footrest.
BELT REMOVAL -
1. Remove mower (See "TO REMOVE
MOWER" in this section of manual).
NOTE: Observe entire motion drive belt
and position of all belt guides and keepers.
2. Remove belt from stationary idler and
clutching idler.
3. Remove belt downward from around
engine pulley.
4. Pull belt slack toward rear of tractor.
Remove belt upwards from transaxle
pulley by deflecting belt keepers.
5. Remove belt from center span keeper
and pull belt away from tractor.
BELT INSTALLATION -
1. Carefully work new belt down between
transaxle belt keepers and onto the
input pulley.
2. Slide belt into the center span keeper.
3. Pull belt toward front of tractor and roll
around the top groove of engine pulley.
4. Install belt through stationary idler and
clutching idler.
23

5. Make sure belt is in all pulley grooves
and inside all belt guides and keepers.
6. Install mower (See "TO INSTALL
MOWER" in this section of manual).
Clutchir
Center
.Span
Keeper
Stationaryldler
Transaxle
TRANSAXLE GEAR SHIFT LEVER NEU-
TRAL ADJUSTMENT
The transaxle should be in neutral when
the gear shift lever is in neutral (N) (lock
gate) position. The adjustment is preset
at the factory; however, if adjustment is
needed, proceed as follows:
1. Make sure transaxle is in neutral (N).
NOTE: When the tractor rear wheels move
freely, the transaxle is in neutral.
2. Loosen ad ustment bolt in front of the
right rear wheel.
3. Position the gear shift lever in the neu-
tral (N) position.
4. Tighten adjustment bolt securely.
NOTE: If additional clearance is needed
to get to adjustment bolt, move mower
deck height to the lowest position.
Neutral Lock Gate
Gearshift
/" ,t
...... ...... ..---'..... i Adjustment Bolt
TO ADJUST STEERING WHEEL ALIGN-
MENT
If steering wheel crossbars are not
horizontal (left to right) when wheels are
positioned straight forward, remove steer-
ing wheel and reassemble with crossbars
horizontal. Tighten securely.
FRONT WHEEL TOE-IN/CAMBER
The front wheel toe-in and camber are not
adjustable on your tractor. If damage has
occurred to affect the front wheel toe-in or
camber, contact a Sears or other qualified
service center.
TO REMOVE WHEEL FOR REPAIRS
1. Block up axle securely.
2. Remove axle cover, retaining ring and
washers to allow wheel removal (rear
wheels have a square key - Do not
lose).
3. Repair tire and reassemble.
NOTE: On rear wheels only: align
grooves in rear wheel hub and axle. Insert
square key.
4. Replace washers and snap retaining
ring securely in axle groove.
5. Replace axle cover.
NOTE: To seal tire punctures and prevent
flat tires due to slow leaks, purchase and
use tire sealant from Sears. Tire sealant
also prevents tire dry rot and corrosion.
Washers
Retaining
Ring
Axle
Cover
I
Square Key
(Rear Wheel Only)
TO START ENGINE WITH A WEAK BAT-
TERY
,_WARNING: Lead-acid batteries gen-
erate explosive gases. Keep sparks, flame
and smoking materials away from bat-
teries. Always wear eye protection when
around batteries.
If your battery is too weak to start the
engine, it should be recharged. (See "BAT-
TERY" in the MAINTENANCE section of
this manual).
If "jumper cables" are used for emergency
starting, follow this procedure:
IMPORTANT: Your tractor is equipped
with a 12 volt system. The other vehicle
must also be a 12 volt system. Do not use
your tractor battery to start other vehicles.
TO ATTACH JUMPER CABLES -
1. Connect one end of the RED cable
to the POSITIVE (+) terminal of each
battery(A-B), taking care not to short
against tractor chassis.
24

2. Connectone end of the BLACKcable
to the NEGATIVE(-) terminal(C) of
fully chargedbattery.
3. Connectthe otherend of the BLACK
cable(D) to good chassisground,
awayfrom fuel tank and battery.
TO REMOVE CABLES, REVERSE
ORDER -
1. BLACK cable first from chassis and
then from the fully charged battery.
2. RED cable last from both batteries.
02614
Weak or Dead Fully Charged
Battery Battery
REPLACING BATTERY
_WARNING: Do not short battery
terminals by allowing a wrench or any
other object to contact both terminals at
the same time. Before connecting battery,
remove metal bracelets, wristwatch bands,
rings, etc.
Positive terminal must be connected
first to prevent sparking from accidental
grounding.
1. Lift seat pan to raised position.
2. Disconnect BLACK battery cable first
then RED battery cable and carefully
remove battery from tractor.
3. Install new battery with terminals in
same position as old battery.
4. First connect RED battery cable to
positive (+) terminal with hex bolt and
keps nut as shown. Tighten securely.
Slide terminal cover over terminal
5. Connect BLACK grounding cable to
negative (-) terminal with remaining
hex bolt and keps nut. Tighten securely.
Seat Label
Positive
(Red)
Cable
Terminal
Cover •Keps
.,/Nut Hex
Bolt
Negative (Black)
Cable
TO REPLACE HEADLIGHT BULB
1. Raise hood.
2. Pull bulb holder out of the hole in the
backside of the grill.
3. Replace bulb in holder and push bulb
holder securely back into the hole in
the backside of the grill.
4. Close hood.
INTERLOCKS AND RELAYS
Loose or damaged wiring may cause
your tractor to run poorly, stop running, or
prevent it from starting.
• Check wiring. See electrical wiring
diagram in the Repair Parts section.
TO REPLACE FUSE
Replace with 20 amp automotive-type
plug-in fuse. The fuse holder is located
behind the dash.
TO REMOVE HOOD AND GRILL AS-
SEMBLY
1. Raise hood.
2. Unsnap headlight wire connector.
3. Stand in front of tractor. Grasp hood at
sides, tilt toward engine and lift off of
tractor.
4. When replacing hood, be sure to re-
connect the headlight wire connector.
Hood
Z Headlight Wire
_ _ Connector
25

ENGINE
Maintenance, repair, or replacement of the
emission control devices and systems, which
are being done at the customers expense,
may be performed by any non-road engine
repair establishment or individual. Warranty
repairs must be performed by an authorized
engine manufacturer's service outlet.
TO ADJUST THROTTLE CONTROL
CABLE
The throttle control has been preset at the
factory and adjustment should not be nec-
essary. Check adjustment as described
below before loosening cable. If adjust-
ment is necessary, proceed as follows:
1. With engine not running, move throttle
control lever from slow to choke posi-
tion. Slowly move lever from choke to
fast position.
2. Check that holes "A" in governor
control lever and hole in governor plate
line-up. If holes "A" are not aligned,
loosen clamp screw and move throttle
cable until holes are aligned. Tighten
clamp screw securely.
Governor Control Lever Governor Plate
Clamp Cable
Screw
TO ADJUST CARBURETOR
NOTE: The carburetor on this engine is
low emission. It is equipped with an idle
fuel adjusting needle with a limiter cap,
which allows some adjustment within the
limits allowed by the cap. Do not attempt
to remove the limiter cap. The limiter cap
cannot be removed without breaking the
adjusting needle.
The carburetor has been preset at the
factory and adjustment should not be nec-
essary. However, minor adjustment may
be required to compensate for differences
in fuel, temperature, altitude or load. If the
carburetor does need adjustment, proceed
as follows:
In general, turning idle mixture valve in
(clockwise) decreases the supply of fuel to
the engine giving a leaner fuel/air mix-
ture. Turning the idle mixture valve out
(counterclockwise) increases the supply
of fuel to the engine giving a richer fuel/air
mixture.
IMPORTANT: Damage to the needle
valve and the seat in carburetor may result
if screw is turned in too tight.
PRELIMINARY SETTING -
1. Air cleaner assembly must be assem-
bled to the carburetor when making
carburetor adjustments.
2. Be sure the throttle control cable is
adjusted properly (see above).
FINAL SETTING -
1. Start engine and allow to warm for five
minutes. Make final adjustments with
engine running and shift/motion control
lever in neutral (N) position.
2. Move throttle control lever to slow posi-
tion. With finger, rotate and hold throttle
lever against idle speed screw. Turn
idle speed screw to attain 1750 RPM.
3. While still holding throttle lever against
idle speed screw, turn idle mixture
valve full travel clockwise then coun-
terclockwise until engine runs rough.
Turn valve to a point midway between
those two positions. Release throttle
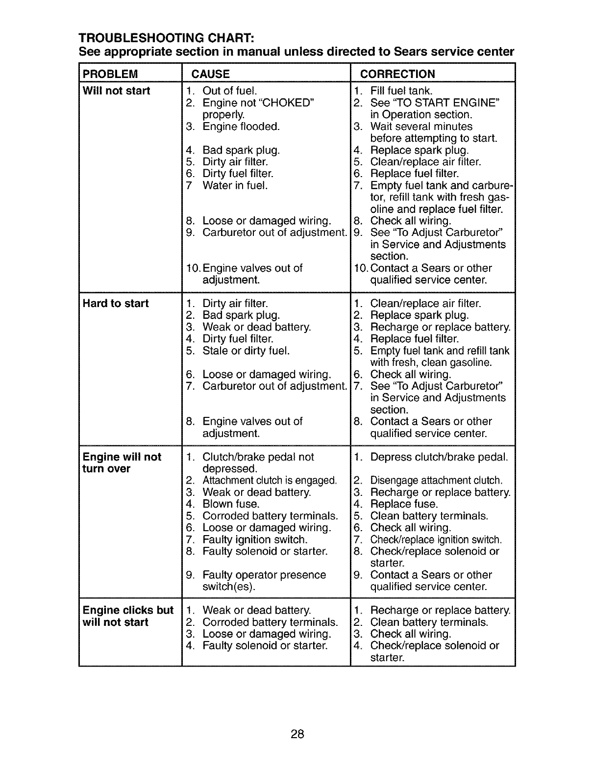
lever.
ACCELERATION TEST -
4. Move throttle control lever from slow
to fast position. If engine hesitates or
dies, turn idle mixture valve out (coun-
terclockwise) 1/8 turn. Repeat test and
continue to adjust, if necessary, until
engine accelerates smoothly.
High speed stop is factory adjusted. Do
not adjust - damage may result.
IMPORTANT: Never tamper with the
engine governor, which is factory set
for proper engine speed. Overspeed-
ing the engine above the factory high
speed setting can be dangerous. If you
think the engine-governed high speed
needs adjusting, contact a Sears or other
qualified service center, which has proper
equipment and experience to make any
necessary adjustments.
Idle Speed _ __ Throttle
Screw __ever
Idle Mixture Valve _-__"
With Limiter
26

Immediately prepare your tractor for stor-
age at the end of the season or if the trac-
tor will not be used for 30 days or more.
_,WARNING: Never store the tractor
with gasoline in the tank inside a building
where fumes may reach an open flame
or spark. Allow the engine to cool before
storing in any enclosure.
TRACTOR
Remove mower from tractor for winter
storage. When mower is to be stored for a
period of time, clean it thoroughly, remove
all dirt, grease, leaves, etc. Store in a
clean, dry area.
1. Clean entire tractor (See"CLEANING"
in the Maintenance section of this
manual).
2. Inspect and replace belts, if necessary
(See belt replacement instructions in
the Service and Adjustments section of
this manual).
3. Lubricate as shown in the Maintenance
section of this manual.
4. Be sure that all nuts, bolts and screws
are securely fastened. Inspect moving
parts for damage, breakage and wear.
Replace if necessary.
5. Touch up all rusted or chipped paint
surfaces; sand lightly before painting.
BATTERY
•Fully charge the battery for storage.
• After a period of time in storage, battery
may require recharging.
• To help prevent corrosion and power
leakage during long periods of storage,
battery cables should be disconnected
and battery cleaned thoroughly (see "TO
CLEAN BATTERY AND TERMINALS" in
the Maintenance section of this manual).
• After cleaning, leave cables discon-
nected and place cables where they
cannot come in contact with battery
terminals.
• If battery is removed from tractor for
storage, do not store battery directly on
concrete or damp surfaces.
ENGINE
FUEL SYSTEM
IMPORTANT: It is important to prevent
gum deposits from forming in essential
fuel system parts such as carburetor, fuel
hose, or tank during storage. Also, alcohol
blended fuels (called gasohol or using
ethanol or methanol) can attract moisture
which leads to separation and formation of
acids during storage. Acidic gas can dam-
age the fuel system of an engine while in
storage.
• Empty the fuel tank by starting the en-
gine and letting it run until the fuel lines
and carburetor are empty.
• Never use engine or carburetor cleaner
products in the fuel tank or permanent
damage may occur.
• Use fresh fuel next season.
NOTE: Fuel stabilizer is an acceptable
alternative in minimizing the formation of
fuel gum deposits during storage. Add
stabilizer to gasoline in fuel tank or stor-
age container. Always follow the mix ratio
found on stabilizer container. Run engine
at least 10 minutes after adding stabilizer
to allow the stabilizer to reach the car-
buretor. Do not empty the gas tank and
carburetor if using fuel stabilizer.
ENGINE OIL
Drain oil (with engine warm) and replace
with clean engine oil. (See "ENGINE" in
the Maintenance section of this manual).
CYLINDER(S)
1. Remove spark plug(s).
2. Pour one ounce of oil through spark
plug hole(s) into cylinder(s).
3. Turn ignition key to "START" position
for a few seconds to distribute oil.
4. Replace with new spark plug(s).
OTHER
• Do not store gasoline from one season
to another.
• Replace your gasoline can if your can
starts to rust. Rust and/or dirt in your
gasoline will cause problems.
• If possible, store your tractor indoors
and cover it to give protection from dust
and dirt.
• Cover your tractor with a suitable pro-
tective cover that does not retain mois-
ture. Do not use plastic. Plastic cannot
breathe which allows condensation to
form and will cause your tractor to rust.
IMPORTANT: Never cover tractor while
engine and exhaust areas are still warm.
27

TROUBLESHOOTING CHART:
See appropriate section in manual unless directed to Sears service center
PROBLEM CAUSE CORRECTION
Will not start
Hard to start
Engine will not
turn over
Engine clicks but
will not start
1. Out of fuel.
2. Engine not "CHOKED"
properly.
3. Engine flooded.
4. Bad spark plug.
5. Dirty air filter.
6. Dirty fuel filter.
7 Water in fuel.
8. Loose or damaged wiring.
9. Carburetor out of adjustment.
10. Engine valves out of
adjustment.
1. Dirty air filter.
2. Bad spark plug.
3. Weak or dead battery.
4. Dirty fuel filter.
5. Stale or dirty fuel.
6. Loose or damaged wiring.
7. Carburetor out of adjustment.
8. Engine valves out of
adjustment.
1. Clutch/brake pedal not
depressed.
2. Attachment clutch is engaged.
3. Weak or dead battery.
4. Blown fuse.
5. Corroded battery terminals.
6. Loose or damaged wiring.
7. Faulty ignition switch.
8. Faulty solenoid or starter.
9. Faulty operator presence
switch(es).
1. Weak or dead battery.
2. Corroded battery terminals.
3. Loose or damaged wiring.
4. Faulty solenoid or starter.
1. Fill fuel tank.
2. See "TO START ENGINE"
in Operation section.
3. Wait several minutes
before attempting to start.
4. Replace spark plug.
5. Clean/replace air filter.
6. Replace fuel filter.
7. Empty fuel tank and carbure-
tor, refill tank with fresh gas-
oline and replace fuel filter.
8. Check all wiring.
9. See "To Adjust Carburetor"
in Service and Adjustments
section.
10.Contact a Sears or other
qualified service center.
1. Clean/replace air filter.
2. Replace spark plug.
3. Recharge or replace battery.
4. Replace fuel filter.
5. Empty fuel tank and refill tank
with fresh, clean gasoline.
6. Check all wiring.
7. See "To Adjust Carburetor"
in Service and Adjustments
section.
8. Contact a Sears or other
qualified service center.
1. Depress clutch/brake pedal.
2. Disengage attachment clutch.
3. Recharge or replace battery.
4. Replace fuse.
5. Clean battery terminals.
6. Check all wiring.
7. Check/replace ignition switch.
8. Check/replace solenoid or
starter.
9. Contact a Sears or other
qualified service center.
1. Recharge or replace battery.
2. Clean battery terminals.
3. Check all wiring.
4. Check/replace solenoid or
starter.
28

TROUBLESHOOTING CHART:
See appropriate section in manual unless directed to Sears service center
CAUSE
.
.
3.
PROBLEM
Loss of power
.
5.
6.
7. Dirty fuel filter.
8. Stale or dirty fuel.
Cutting too much grass/too 1.
fast.
Throttle in "CHOKE" position. 2.
Build-up of grass, leaves 3.
and trash under mower.
Dirty air filter. 4.
Low oil level/dirty oil. 5.
Faulty spark plug. 6.
7.
9. Water in fuel.
10. Spark plug wire loose.
11. Dirty engine air screen/fins.
12. Dirty/clogged muffler.
13. Loose or damaged wiring.
14. Carburetor out of adjustment.
15. Engine valves out of
adjustment.
Excessive
vibration
Engine continues
to run when
operator leaves
seat with attach-
ment clutch
engaged
Poor cut -uneven
1. Worn, bent or loose blade.
2. Bent blade mandrel.
3. Loose/damaged part(s).
1. Faulty operator-safety
presence control system.
.
2.
3.
4.
5.
Worn, bent or loose blade.
Mower deck not level.
Buildup of grass, leaves,
and trash under mower.
Bent blade mandrel.
Clogged mower deck vent
holes from buildup of grass,
leaves, and trash around
mandrels.
CORRECTION
Raise cutting height/reduce
speed.
Adjust throttle control.
Clean underside of mower
housing.
Clean/replace air filter.
Check oil level/change oil.
Clean and regap or change
spark plug.
Replace fuel filter.
8. Empty fuel tank and refill tank
with fresh, clean gasoline.
9. Empty fuel tank and carbure-
tor, refill tank with fresh gas-
oline and replace fuel filter.
10. Connect and tighten spark
plug wire.
11. Clean engine air screen/fins.
12. Clean/replace muffler.
13.Check all wiring.
14. See "To Adjust Carburetor"
in Service and Adjustments
section.
15.Contact a Sears or other
qualified service center.
1. Replace blade.
Tighten blade bolt.
2. Contact a Sears or other
qualified service center.
3. Tighten loose part(s).
Replace damaged parts.
.Check wiring, switches and
connections. If not corrected
contact Sears or other
qualified service center.
1. Replace blade. Tighten
blade bolt.
2. Level mower deck.
3. Clean underside of mower
housing.
4. Contact a Sears or other
qualified service center.
5. Clean around mandrels to
open vent holes.
29

TROUBLESHOOTING CHART:
See appropriate section in manual unless directed to Sears service center
PROBLEM
Mower blades will
not rotate
Poor grass
discharge
Headlight(s) not
working
(if so equipped)
Battery will not
charge
Engine "backfires"
when turning
engine "OFF"
CAUSE
1. Obstruction in clutch
mechanism.
2. Worn/damaged mower drive
belt.
3. Frozen idler pulley.
4. Frozen blade mandrel.
1. Engine speed too slow.
2. Travel speed too fast.
3. Wet grass.
4. Mower deck not level.
5. Low/uneven tire air pressure.
6. Worn, bent or loose blade.
7. Buildup of grass, leaves and
trash under mower.
8. Mower drive belt worn.
9. Blades improperly installed.
10. Improper blades used.
11. Clogged mower deck vent
holes from buildup of grass,
leaves, and trash around
mandrels.
1. Switch is "OFF".
2. Bulb(s) or lamp(s) burned out.
3. Faulty light switch.
4. Loose or damaged wiring.
5. Blown fuse.
1. Bad battery cell(s).
2. Poor cable connections.
3. Faulty regulator
(if so equipped).
4. Faulty alternator.
.Engine throttle control not
set at "SLOW" position for
30 seconds before stopping
engine.
CORRECTION
1. Remove obstruction.
2. Replace mower drive belt.
3. Replace idler pulley.
4. Contact a Sears or other
qualified service center.
1. Place throttle control in
"FAST" position.
2. Shift to slower speed.
3. Allow grass to dry before
mowing.
4. Level mower deck.
5. Check tires for proper air
pressure.
6. Replace/sharpen blade.
Tighten blade bolt.
7. Clean underside of mower
housing.
8. Replace mower drive belt.
9. Reinstall blades sharp edge
down.
10. Replace with blades listed
in this manual.
11. Clean around mandrels to
open vent holes.
1. Turn switch "ON".
2. Replace bulb(s) or lamp(s).
3. Check/replace light switch.
4. Check wiring and connections.
5. Replace fuse.
1. Replace battery.
2. Check/clean all connections.
3. Replace regulator.
4. Replace alternator.
.Move throttle control to
"SLOW" position and allow
to idle for 30 seconds before
stopping engine.
30

TRACTOR - - MODEL NUMBER 917.273372
SCHEMATIC
*1
REo 113 BLACK
BATTERY
//
__S_M _ RED
AMMETER
(OPTIONAL)
WHITE
J
)G AI(
IGNITION
SWITCH
FUSE
I
'©'C_
I I
L J
CLUTCH/BRAKE
(PEDALUP)
BLACK
BLACK
(OPTIONAL)
RED
STARTER
SOLENOID
WHFFE
wa_ _ SEATSWITCH
(NOTOCCUPIED)
I I
iIi i I
LACK I I BLACK
E J ATT'MENTCLUTCH
BLACK(CLUTCHOFF) J GROUNDING
CONNECTOR
A
'W SPARK
PLUG L
GAP
PLUGS ON
CYL. ENGINES)
BLACK IGNITION
UNIT
28 VOLTS AC MIN @ 3600 RPM
(CHARGING SYSTEM DISCONNECTED)
J
FUELSHUT-OFFSOLENOID
(IF SO EQUIPPED) I
ORANGE
CNARGING SYSTEM OUTPUT
3AMPDC@36OORPM
NOTE
YOUR TRACTOR IS
EQUIPPED WITH A SPECIAL
ALTERNATOR SYSTEM.
THE LIGHTS ARE NOT
CONNECTED TO THE
BATTERY, BUT HAVE THEIR
OWN ELECTRICAL SOURCE.
BECAUSE OF THIS, THE
BRIGHTNESS OF THE LIGHTS
WILL CHANGE WITH ENGINE
SPEED. AT IDLE THE LIGHTS
WILL DIM. AS THE ENGINE IS
SPEEDED UP, THE LIGHTS
WILL BECOME THEIR BRIGHTEST.
\14 VOLTS AC MJN @3600 RPM(LIGHTS OFF)
BROWN
HEADLIGHTS
BLACK •
D
|
//T
NON-REMOVABLE
CONNECTIONS
IGNITION SWITCH
POSITION CIRCUIT "MAKE"
OFF M+G+A1 NONE
RUN/LIGHT B+A1 A2+L
RUN B+A1 NONE
START 3 + S + A1 NONE
WIRING INSULATED CLIPS
NOTE: IF WIRING INSULATEDCLIPS WERE REMOVED FOR
SERVICING OF UNIT,THEY SHOULD BE REPLACED TO
PROPERLY SECURE YOUR WIRING.
02363
REMOVABLE
CONNECTIONS
31

TRACTOR - - MODEL NUMBER 917.273372
ELECTRICAL
41 I I
/
/
I
I
26
I
\
\
/
/
/
/
27
29
32

TRACTOR - - MODEL NUMBER 917.273372
ELECTRICAL
KEY PART
NO. NO. DESCRIPTION
1 163465 Battery
2 74760412 Bolt Hex Hd 1/4-20 uric x 3/4
8 176689 Box Battery Fender
16 176138 Switch, Interlock
21 183759 Harness Asm Light W/4152j
22 4152J Bulb Light #1156
24 4799J Cable Battery 6 Ga. 11" red
25 146147 Cable Battery 6 Ga. w/16 wire red
26 175158 Fuse 20 AMP
27 73510400 Nut, Keps Hex 1/4-20 unc
28 4207J Cable Ground 6 Ga. 12" black
29 121305X Switch Plunger Nc Gray
30 175566 Switch lgn
33 140403 Key Ign Molded Craftsman
40 179720 Harness lgn
41 71110408 Bolt BIk. Fin Hex 1/4-20uncx1/2
42 131563 Cover Terminal Red
43 178861 Solenoid
45 121433X Ammeter Rectangular 6 Amp
52 141940 Protection Wire Loop
90 180499 Cover Battery Terminal
NOTE: All component dimensions give in U.S. inches
1inch = 25.4 mm
33

TRACTOR -- MODEL NUMBER 917.273372
CHASSIS AND ENCLOSURES
28
39
\
278
31
209
,5
@/
208 209 208
/64
2_
60
_209
74
6O
-142
-209 37
_209
p4
_145
37
208
2O6 209
chassis-Laser -It.stlt 27
34

TRACTOR -- MODEL NUMBER 917.273372
CHASSIS AND ENCLOSURES
KEY PART
NO. NO. DESCRIPTION
1
2
5
9
10
11
13
14
17
18
26
28
29
30
31
37
38
39
6O
64
74
142
143
144
145
206
207
208
209
212
278
174619 Chassis Stamping
176554 Drawbar
155272 Bumper Hood/Dash
187846X013 Dash
STD533710 Bolt, Carriage 3/8-16 x 1
174996 Panel, Dash, LH.
172105X010 Panel, Dash, R.H.
17490608 Screw Thdrel 3/8-16 x 1/2
185682X558 Hood Assembly Laser
184921 Bumper Extrusion
STD541437 Nut
188636 Grille Lens Asm Laser (Includes Key Nos. 29 and 212)
174332X599 Lens, Laser
188571X558 Fend/Ftrest Pnt STLT
139976
17490508
175710
174714
72140606
154798
7368O60O
175702
186689
175582
156524
170165
17670508
17670608
17000612
175143
191611
5479J
187801
Bracket, Fender Support
ScrewThdrol 5/16-18 x 1/2 Tyt
Bracket Asm. Pivot Mower Rear
Bracket Pivot Laser
Bolt Rdhd Sqnk 3/8-16 unc x 3/4
Dash Lower STLT
Nut Crewnlock 3/8-16 unc
Plate Reinforcement STLT
Bracket Swaybar Chassis
Bracket Pnt Footrest STLT
Rod Pivot Chassis/Hood
Bolt Shoulder 5/16 -18 TT
ScrewThdrel 5/16-18 x 1/2TYTT
Screw Thdrel 3/8-16 x 1/2
Screw Thdrol 3/8-16 x 3/4
Insert Lens Reflective
Screw 10 x 3/4 Single Lead-Hex
Plug, Button
Plug Dome Plastic
NOTE: All component dimensions given in U.S. inches
1 inch = 25.4 mm
35

TRACTOR - - MODEL NUMBER 917.273372
GROUND DRIVE
197
_-_ 85_ 10 ' 169
_212
r
116
166
156 150
51 38_ _48
5
/151
18 39 /51
30 52
37
J
34
26 27
drive*fender.stlt 35
36

TRACTOR - - MODEL NUMBER 917.273372
GROUND DRIVE
KEY PART KEY PART
NO. NO. DESCRIPTION NO. NO. DESCRIPTION
1 Transaxle (See Breakdown) 64
Dana D4360-140 65
2 146682 Spring Brake Return 66
3 123666X Pulley Transaxle 69
4 12000028 Ring Retainer
5 121520X Strap Torque 30 Degrees 70
6 17000512 Screw 5/16-18 x 3/4 74
8 165866 Red Shift Fender Adjust 75
10 STD561210 Pin Cotter 1/8 x 1 CAD 76
11 105701X Washer Plate Shift 77
13 74550412 Bolt 1/4-28 unf Gr. 8 W/Patch 78
14 10040400 Washer Lock Hvy Helical 79
16 STD541431 Nut Lock Hex W/Ins. 5/16-18 unc 80
18 74780616 Bolt Fin Hex 3/8-16 x 1 Gr. 5 81
19 STD541437 Nut Lock Hex W/Wsh 3/8-16 unc 82
21 106933X Knob 83
22 130804 Rod, Brake 84
24 73350600 Nut, Hex Jam 3/8-16 unc 85
25 106888X Spring, Brake Rod 89
26 STD551037 Washer 13/32 x 13/16 Ga. 96
27 STD561210 PinCotter 1/8 x 3/4 CAD. 112
28 175765 Red, Parking Brake 113
29 71673 Cap, Parking Brake 116
30 174973 Bracket, Transaxle 120
32 74760512 Bolt Hex Hd 5/16-18 unc x 3/4 145
34 175578 Shaft, Foot Pedal 150
35 120183X Bearing, Nylon 151
36 19211616 Washer 156
37 1572H Pin, Roll 158
38 179114 Pulley, Composite, Flat 159
39 72110622 Bolt Fin Hex 3/8-16 x 2-3/4 161
41 175556 Keeper, Belt Idler 162
47 127783 Pulley, Idler, V-Groove 163
48 154407 Bellcrank, Clutch 165
49 123205X Retainer, Belt 166
50 72110612 Bolt Cart 3/8-16 x 1-1/2 168
51 STD541437 Nut Crownlock 3/8-16 unc 169
52 STD541431 Nut, Crewnlock 5/16-18 unc 170
53 105710X Link, Clutch 197
55 105709X Spring, Return, Clutch 198
56 17060620 Screw 3/8-16 x 1-1/4 202
57 160855 V-Belt 212
59 169691 Keeper, Center Span
61 17120614 Screw. 3/8-16 x .875
62 8883R Cover, Pedal
63 175410 Pulley, Engine
173937 Bolt Hex 7/16-20 x 4 Gr. 5-1.5
STD551143 Washer
154778 Keeper Belt Engine Hydro
142432 Screw Hex Wsh Hi-Lo
1/4 x 1/2 unc
134683 Keeper Belt Engine
109502X Spacer
121749X Washer 25/32 x 1-1/4 x 16 Ga.
STD581075 E-Ring
123583X Key, Square
121748X Washer 25/32 x 1-5/8 x 16 Ga.
2228M Key Woodruff
131488 Arm Shift
165594 Shaft Asm Cross Tapered
165711 Spring Torsion
19171216 Washer 17/32 x 3/4 x 16 Ga.
166229 Link Transaxle
150360 Nut Lock Center 1/4-20
188310X428 Console, Shift
4497H
19091210
127285X
72140608
7390O600
74490544
175456
19133210
166002
165589
183900
72140406
73680400
74780416
165623
17490510
165492
165580
187414
169613
169593
72110614
145212
Retainer Spring 1" Zinc/Cad
Washer 9/32 x 3/4 x 10 Ga.
Strap Torque 90 Degrees
Belt Rdhd Sqneck 3/8-16 x 1.25
Nut Lock Fig 3/8-16
Belt Hex FLGHD 5/16-18 x Gr. 5
Spacer Retainer
Washer 13/32 x 2 x 10 Ga.
Washer Srrted 5/16 ID x 1.125
Bracket Shift Mount
Hub Shift
Belt Rdhd Sqnk 1/4-20 x 3/4 Gr. 5
Nut Crownlock 1/4-20 unc
Belt Hex Fin 1/4-20 unc x 1 Gr. 5
Bracket Pivot Lever
Screw 5/16-18 x 5/8
Belt Shoulder 5/16-18 x .561
Plate Fastening
Keeper Belt T/A
Nyliner Snap-In 5/8"1D
Washer Nyl 7/8 ID x .105" Hyd
Belt Carr Sh 3/8-16 x 1-3/4 Gr. 5
Nut Hex Fig. Lock
NOTE: All component dimensions given in U.S.
inches 1inch =25.4 mm
37

TRACTOR - - MODEL NUMBER 917.273372
STEERING ASSEMBLY
-_39
\ \ J .
\ _ =_ - -1/
37 I,
y _36
88
I
29
47
67 67
67
68
steedng_pl,lt 42
30
43
38

TRACTOR - - MODEL NUMBER 917.273372
STEERING ASSEMBLY
KEY PART
NO. NO. DESCRIPTION
1 139768 Steering Wheel
2 175131 Axle Assembly STMP Dropped STL
3 169840 Spindle Assembly, LH.
4 169839 Spindle Assembly, R.H.
5 6266H Bearing, Race, Thrust, Hardened
6 121748X Washer 25/32 x 1-5/8 x 16 Ga.
7 19272016 Washer 27/32 x 1-1/4 x 16 Ga.
8 12000029 Ring, Klip
9 3366R Bearing, Steering Column
10 175121 Draglink
11 10040600 Washer, Lock
12 73940800 Nut Hex Jam Toplock 1/2-20 unf
13 136518 Spacer Brg Axle Front
15 145212 Nut, Hexflange Lock
17 180641 Shaft Assembly, Steering
26 126847X Bushing, Link, Drag
28 19131416 Washer 13/32x7/8x16Ga.
29 17000612 Screw 3/8-16 x 3/4
30 STD561210 Pin
32 130465 Red, Tie
36 155099 Bushing, Steering
37 152927 Screw
38 139769 Insert, Steering Wheel
39 19183812 Washer 9/16 x 2-3/8
40 73540600 Nut Crownlock 3/8-24
41 186737 Adaptor, Steering Wheel
42 145054x428 Boot, Steering Shaft
43 121749X Washer 25/32 x 1-1/4 x 16 Ga.
44 180640 Extension Shaft Steering
46 121232X Cap, Spindle
47 183226 Fitting, Grease
51 73540400 Nut Crownlock 1/4-28
54 71130420 Belt Hex 1/4-28 unf x 1-1/4 Gr. 8
65 160367 Spacer Brace Axle
67 72110618 Belt Rdhd Sqnk 3/8-16 x 2-1/4
68 169827 Axle, Brace
71 175146 Steering Asm
82 169835 Bracket Susp Chassis Front
85 133835 Fastner Christmas Tree
88 175118 Bolt Shoulder 7/16-20
91 175553 Clip Steering
95 188967 Washer Hardened
NOTE: All component dimensions given in U.S. inches
1 inch = 25.4 mm
39

TRACTOR - - MODEL NUMBER 917.273372
ENGINE
72
31
33
33
81
14
13 4
29
\
OPTIONAL EQUIPMENT I
Spark Arrester
KEY PART
NO. NO.
1 170545
217720408
3
4 137352
13 165291
14 148456
16 STD551237
23 169837
29 137180
31 184900
32 140527
DESCRIPTION
Control, Throttle
Screw, Hex Head, Thread Cutting
1/4-20 x 5/8
Engine, (See Breakdown) Briggs
Model No. 31C707-0230-E1
Muffler
Gasket
Tube Drain Oil Easy
Washer
Shield Brn/Dbr Guard
Arrestor, Spark
Tank, Fuel
Cap Assembly Fuel
KEY PART
NO. NO.
33 123487X
37 137040
38 181654
40 124028X
44 17670412
J
engine-bs.lcyl 17
DESCRIPTION
Clamp, Hose
Line, Fuel
Plug, Drain Oil Easy
Bushing Snap
Screw, Hex Washer Head, Thd.,
Roll. 1/4-20 x 3/4
45 17000612 Screw Hex Wsh Thdr 3/8-16 x 3/4
46 19091416 Washer 9/32 x 7/8 x 16 Ga.
72 183906 Screw Socket Head 5/16-18 x 1
78 17060620 Screw 3/8-16 x 1-1/4
81 73510400 Nut Keps Hex 1/4-20 unc
NOTE: All component dimensions given
1inch =25.4 mm
in U.S. inches
40

TRACTOR - - MODEL NUMBER 917.273372
SEAT ASSEMBLY
\\\
\\\\
/
/
I
I
I
I
I
I
I
11
12
seat It.knob_9
8
22
21
KEY PART
NO. NO.
1 188716
2180166
3 71110616
4 19131610
5 145006
6 STD541437
7 124181X
8 17000616
9 19131614
10 180186
11 166369
12 121246X
DESCRIPTION
Seat
Bracket, Pivot, Seat
Bolt
Washer 13/32 x 1 x 10 Ga.
Clip, Push-In Hinged
Nut
Spring, Seat
Screw 3/8-16 x 1-1/2
Washer 13/32 x 1 x 14 Ga.
Pan, Seat
Knob Seat
Bracket, Switch Mounting
KEY PART
NO. NO. DESCRIPTION
13 121248X Bushing, Snap
14 72050412 Bolt, Carriage 1/4-20 x 1-1/2
15 134300 Spacer, Split 28 x .88
16 121250X Spring
17 123976X Locknut, Flange 1/4 Gr. 5
21 171852 Bolt, Shoulder 5/16-18 uric
22 STD541431 Nut
24 19171912 Washer 17/32 x 1-3/16 x 12 Ga.
NOTE: All component dimensions given in U.S.
inches 1inch =25.4 mm
41

TRACTOR - - MODEL NUMBER 917.273372
DECALS
14
6 14
7 3
"12
4
11 10
15
16
13
KEY PART
NO. NO.
1 156368
2 186377
3 184728
4 179128
5 184729
6 133644
7 189263
8 138047
9 184899
10 149516
11 156439
DESCRIPTION
Decal Fender Opr. Inst.
Decal, HP Engine
Decal, Hood RH
Decal, Deck
Decal, Hood LH
Decal, Customer Maintenance
Decal, Replacement
Decal, Battery
Decal, Fender
Decal, Battery, Dngr/Psn Eng
Decal, Danger Fender Eng/Span
KEY PART
NO. NO. DESCRIPTION
12 184730 Decal, Side Panel
13 146046 Decal, V-Belt Dr Sch Tractor
14 186787 Decal, Panel Dash
15 160396 Decal, V-Belt Sch
16 172331 Decal, Deck Heavy Duty
- - 138311 Decal, Lift Handle
- - 184310X428 Pad Footrest LH STLT
- - 18431 lX428 Pad Footrest RH STLT
- - 192022 Manual, Owner's, English
- - 190023 Manual, Owner's, Spanish
WHEELS & TIRES
2_5,8
74,10
wheel 1
11
KEY PART
NO. NO. DESCRIPTION
1 59192 Valve Cap, Tire
2 65139 Stem, Valve
3 106222X Tire, Front
4 59904 Tube, Front Tire
(Not Provided, Service Item Only)
5 106732X624 Rim, Front
6 278H Fitting, Grease (Front Wheel Only)
7 9040H Bearing, Flange (Front Wheel
Only)
8 106108X624 Rim, Rear
9 106268X Tire, Rear
10 7152J Tube, Rear Tire
(Not Provided, Service Item Only)
11 104757X428 Cap, Axle
- - 144334 Sealant, Tire 10 oz.
NOTE: All component dimensions given in U.S.
inches 1inch = 25.4 mm
42

TRACTOR - - MODEL NUMBER 917.273372
LIFT ASSEMBLY
7
5
13 3
2
6
11_ 5
19
13
13----_
13
19
20 20
15
lift-rh.1piece 3
KEY PART KEY PART
NO. NO. DESCRIPTION NO. NO.
1 159460 Lift Lever Inner Wire Assembly 15 173288
2159471 Shaft Assembly, Lift 16 73350800
3 105767X Pin, Groove 17 175689
4 12000002 E-Ring 18 73800800
5 19211621 Washer 21/32xl x21 Ga.
6 120183X Bearing, Nylon 19 139868
7 125631X Grip, Handle, Fluted 20 163552
8 122365X Button, Plunger, Red 31 169865
11 139865 Link, Lift, L.H. 32 73540600
12 139866 Link, Lift, R.H.
13 STD624008 Retainer Spring
DESCRIPTION
Link, Front
Nut, Hex, Jam 1/2-13 uric
Trunnion
Lecknut, Hex, with Washer Insert
1/2-13 unc
Arm, Suspension, Rear
Retainer Spring
Bearing, Pvt, Lift
Nut, Crownlock 3/8-24
NOTE: All component dimensions given in U.S. inches
1inch =25.4 mm
43

TRACTOR - - MODEL NUMBER 917.273372
MOWER DECK
,_ 142
47
106""_ 102 103 105
103f\/_F _' //
1011_ 104 106
loz__
56
'S
19 21
42. D. man-t-path stlt 3
\2
16
10_
9_
18
_8 _
\
\.
28
29
21
23 24
25
27
44

TRACTOR - - MODEL NUMBER 917.273372
MOWER DECK
KEY PART KEY PART
NO. NO. DESCRIPTION NO. NO. DESCRIPTION
1 165892 Mower Deck Assembly, 42" 48 133944
2 STD533107 Bolt 52 139888
3 138017 Bracket Assembly, Sway Bar, 53 184907
Front 54 178515
4 165460 Bracket Sway Bar 38/42" eck 55 155046
5 STD624008 Retainer Spring 56 165723
6 178024 Bar Sway Deck 59 141043
8 850857 Bolt, Hex 3/8-24 x 1.25 Gr. 8 67 149846
9 STD551137 Washer, Lock 68 144959
10 140296 Washer, Hardened 92 73800600
(The following blades are 101 136420
available) 102 71081010
11 134149 Blade, 42" Mulching STD (For 103 19061216
mulching mowers only) 104 10071000
-- 139775 Blade, 42" Mulching Premium 105 160793
(For better wear when mulching) 106 2029J
-- 138971 Blade, 42" Hi-Lift (For bagging or 129 19131312
discharging) 130 74780616
13 137645 Shaft Assembly, Mandrel, 131 72140608
Vented 142 165890
14 128774 Housing, Mandrel, Vented 143 157109
15 110485X Bearing, Ball, Mandrel 144 158634
16 174493 Stripper, Mower Deck 145 165888
18 72140505 Bolt, Carriage 5/16-18x5/8 146 171977
19 132827 Bolt, Shoulder 147 131335
20 159770 Baffle, Vortex 148 169022
21 STD541431 Nut Crownlock 5/16-18 unc 149 165898
23 177563 Bracket, Deflector 150 19091216
24 105304X Cap, Sleeve 152 169676
25 123713X Spring, Torsion, Deflector 158 17720408
26 110452X Nut, Push 159 72140614
27 130968X428 Shield, Deflector
28 19111016 Washer 11/32x5/8x16Ga. 184 19131410
29 131491 Rod, Hinge 185 188234
30 173984 Screw Thdrol DOD PT Hex - - 130794
31 187690 Washer, Spacer
32 153535 Pulley, Mandrel
33 178342 Nut, Toplock, Flanged - - 169583
34 STD533717 Bolt
36 131494 Pulley, Idler, Flat
40 73900600 Nut Lock Fig. 3/8-16 unc
44 140088 Guard, Mandrel, LH.
45 STD624003 Retainer
46 137729 Screw, Thd. Roll 1/4-20 x 5/8
Washer, Hardened
Bolt, Shoulder 5/16-18 unc
Arm Assembly, Brake
Washer, Hardened
Arm, Idler
Spacer, Retainer
Guard, TUV Idler
Knob Custom Oval
V-Belt
Nut Lock Hex w/Ins. 3/8-16
Mulcher Cover
Screw Pan Hd Phillips 10-24 x 5/8
Washer #10
Washer, Lock #10
Latch Assembly, Bagger
Nut, Weld
Washer 13/32 x 13/16 x 12 Ga.
Bolt, Fin Hex 3/8-16 unc xl Gr. 5
Bolt, Rdhd Sqnk 3/8-16 unc x 1
Arm Spring Brake Mower
Bracket Arm Idler 42"
Keeper Belt 42" Clutch Cable
Pulley Idler Flat
Bolt Carriage Idler
Spring Extension
Spring Return Idler
Retainer Spring Yellow Zinc
Washer 9/32 x 3/4 x 16 Ga.
Cable Clutch 42 In
Screw Hex Thd Cut 1/4-20 x 5/8
Bolt Rdhd Sqn
3/8-16 Uncx 1 3/4
Washer 13/32 x 7/8 x 10 Ga.
Head Asm. Cable Clutch
Mandrel Assembly (Includes
housing, shaft and shaft hardware
only-pulley not included)
Replacement Mower, Complete
(Std. Deck-Order separately mul-
cher cover components key nos.
101 - 106)
NOTE: All component dimensions given in U.S.inches
1inch =25.4 mm
45

TRACTOR - -MODEL NUMBER 917.273372
DANA TRANSAXLE -- MODEL NUMBER D4360-140
20
/
52
/53
i
36
/3,5
54
/
/
/
/
8
/ / /041
/ /
/
42 43+
/
/
/44
/
59
56
/
/
50
62
/63
/6+
/
/
/
/
60
/
/
/
_6
.23
l/"
/f
615
43* 52
/
/
46

TRACTOR - - MODEL NUMBER 917.273372
DANA TRANSAXLE - - MODEL NUMBER D4360-140
KEY PART KEY PART
NO. NO. DESCRIPTION NO. NO. DESCRIPTION
1 170981 Housing, Upper 40 120472X Spacer, .633 X.87 X .755
2 2274J Screw, Tapping, 1/4-20 X .734 41 105928X Sprocket, 9T
3 134400 Ball, Detent 42 170988 Gear, Bevel, 36T
4 105904X Spring, Detent 43 134394 * Assy, Kit, Shim, .750 Shaft
5 160940 Screw, Tapping, No. 10-24 X 44 120473X Shaft, Drive
.482 45 142678 Gear, Spur, 12T
6 138235 Assy, Kit, Shifter 46 143697 Gear, Spur, 15T
7 108727X V-Ring 47 124641X Gear, Spur, 20T
8 148266 Bearing, Flange 48 106589X Gear, Spur, 25T
9 148269 Seal, Oil 49 120408X Gear, Spur, 28T
10 2225J Ring, Retaining 50 105937X Gear, Spur, 31T
11 134793 * Assy, Kit, Shim, .625 Shaft 51 2226J Washer, Plain, .632 X 1.00 X
12 148268 Bearing, Flange .060
13 120415X Washer, Plain, .632 X 1.38 X 52 134401 Washer, Neoprene
.046 53 2264J Washer, Plain, .758 X 1.25 X
14 142674 Key, Woodruff, No. 9 .031
15 170983 Assy, Kit, Input Shaft 54 160946 Axle, LH
16 170986 Pinion, Bevel, 12T 55 170990 Gear, Miter, 1 2"1,Splined
17 105909X Ring, Retaining 56 160948 Ring, Retaining
18 105910X Chain, 24 Pitches 57 110071X Gear, Spur, 32T
19 160942 Cover, Detent 58 120952X Shaft, Cross
20 160943 Gear, Spur, 1 2T 59 170991 Gear, Miter, 1 2T, Idler
21 148267 Collar, Clutch 60 160950 Axle, RH
22 138236 Assy, Kit, Clutch Keys 61 170992 Housing, Lower
23 73810500 Nut, Lock, 5/16-24 62 7294J Disc, Brake
24 142676 Shaft, Intermediate 63 108989X Spacer, Brake Puck
25 2244J Key, Woodruff, No. 61 64 160952 Jaw, Brake
26 105916X Ring, Retaining 65 120954X Pin, Dowel
27 12047OX Sprocket, 1 8T 66 160953 Screw, Tapping, 5/16-18 X 2.35
28 110070X Spacer, 1.131 X 1.45 X .494 67 138244 Lever, Actuating
29 142677 Gear, Spur, 37T 68 108996X Washer, Plain, .321 X 1.00 X
30 142681 Gear, Spur, 35T .055
31 124644X Gear, Spur, 30T 69 160954 Bracket, Anti-Rotation
32 108980X Gear, Spur, 25T 70 120951X Puck, Friction
33 120406X Gear, Spur, 22T 71 174256 Washer, Anti Rotation
34 134796 Gear, Spur, 19T 72 120416X Grease
35 105925X Washer, Plain, .640 X 1.37 X
.061 NOTE: All component dimensions given in U.S. inches
36 2228J Washer, Plain, .632 X 1.00 X 1 inch = 25.4 mm
.046
37 170987 Washer, Plain, .632 X 1.00 X * Use in various combinations to maintain proper
.031 clearances.
38 174255 Assy, Gear, Comb., 12T & 30T
39 124639X Shaft, Idler ** Order Key No. 15.
*** Silicone Sealant to be applied between Upper and
Lower Housings (use Loctite Ultra Gray Silicone
5699 or equivalent).
47

TRACTOR - -MODEL NUMBER 917.273372
BRIGGS ENGINE-MODEL NUMBER 31C707,TYPE NUMBER 0230-E1
25_ 27 _=_
3o7
3_ 358 ENGINE GASKET SET
12
868 _)
943 O
20@ 0170 1022
51 691
842 O
524
1019 LABEL KIT
1058 OWNER'S MANUAL
[ 1036 EMISSION LABEL ]
24
434 
741
10_11_
584_9_
1264_
1270
_J
12
15g
22_
20
48

TRACTOR - -MODEL NUMBER 917.273372
BRIGGS ENGINE-MODEL NUMBER 31C707,TYPE NUMBER 0230-E1
1022
238
36
6170
1096 VALVE GASKET SET
617 O1022
868
914
1022
54_ 664@
616
/ %_6°6_
216/ 23_/2o9_r6_
/267 %`
1119_
49

TRACTOR -- MODEL NUMBER 917.273372
BRIGGS ENGINE-MODEL NUMBER 31C707,TYPE NUMBER 0230-E1
142_ 117
105 _1
137
276
95c_
186(_
127
1091
108A _
634A_-._
118
1266AQ
1266 0
121 CARBURETOR OVERHAUL KIT
104 _ 127_ 231_
51 276(_
105 _ 137
634_
93_ 106 [_ 142 6170
95_ 117_
987_
1266 0
1266AQ
977 CARBURETOR GASKET SET
51_ 137 0 276_)
50

TRACTOR - -MODEL NUMBER 917.273372
BRIGGS ENGINE-MODEL NUMBER 31C707,TYPE NUMBER 0230-E1
3043
1267
q_
305A
643
1265
801
803_ 310 1
5o3_
462 797"
802 _-_
803A
_311A
NOTE: For Replacement Starter Motor,
See Reference 309.
729
697 _
37 74'_
75@
1070
51

TRACTOR -- MODEL NUMBER 917.273372
BRIGGS ENGINE-MODEL NUMBER 31C707,TYPE NUMBER 0230-E1
KEY PART KEY PART
NO. NO. DESCRIPTION NO. NO. DESCRIPTION
1 697174 Cylinder Assembly 118 697492
2 399265 Kit-Bushing/Seal (Magneto Side) 121 697241
3 391086 * Seal-Oil (Magneto Side) 125 697190
4 697106 Sump-Engine 127 695005
5 698147 Head-Cylinder 130 691750
7 692410 °+ Gasket-Cylinder Head 131 494379
9 697109 * Gasket-Breather 133 494381
10 697157 Screw (Breather Assembly) 137 281165
11 697113 Tube-Breather 141 495097
12 697110 ° Gasket-Crankcase 141A 495931
13 690360 Screw (Cylinder Head) 142 697140
15 690946 Plug-Oil Drain 146 691639
16 697127 Crankshaft 186 692317
20 690947 * Seal-Oil (PTO Side) 187 691050
22 692125 Screw (Crankcase Cover/Sump)
23 693557 Flywheel 188 691693
24 222698 Key-Flywheel 192 691986
25 697159 Piston Assembly (Standard) 202 691841
697160 Piston Assembly (.010" Over- 209 692208
size) 216 691840
697162 Piston Assembly (.020" Over- 222 694042
size) 227 691374
697163 Piston Assembly (.030" Over- 231 691636
size) 232 691842
26 697164 Ring Set (Standard) 238 691843
697165 Ring Set (.010" Oversize) 240 394358
697171 Ring Set (.020" Oversize) 265 691024
697172 Ring Set (.030" Oversize) 267 695134
27 697100 Lock-Piston Pin 276 692255
28 697099 Pin-Piston 304 698402
29 697126 Rod-Connecting (Standard) 305 697102
32 692852 Screw (Connecting Rod) 305A 697103
33 495856 Valve-Exhaust 306 697107
34 495857 Valve-Intake 307 691003
35 691279 Spring-Valve (Intake) 309 693551
36 691279 Spring-Valve (Exhaust) 309A ........
37 697352 Guard-Flywheel
40 691752 Retainer-Valve
43 691968 Slinger-Governor/Oil 310 690323
45 690564 Tappet-Valve 311 497608
46 697687 Camshaft 311A 395538
48 697761 Short Block (31C707-0230-E2 333 492341
Replacement Engine-art 334 691061
not available) 337 491055
50 690193 Manifold4ntake 358 697191
51 692137 ,(35+ Gasket-Intake 363 19203
53 690227 Stud (Carburetor)
54 691148 Screw (Intake Manifold) RPM Settings:
73 697384 Screen-Rotating
74 697987 Screw (Rotating Screen)
75 690582 Washer (Flywheel)
78 691003 Screw (Flywheel Guard)
93 690602 (3 Bushing-Throttle Shaft
94 498030 Kit-Idle Mixture
95 691636 Screw (Throttle Valve)
98 495800 Kit-Idle Speed
104 690525 (3 Pin-Float Hinge
105 231855 (3 Valve-Float Needle
106 690577 (3 Seat-Inlet
108 690464 Valve-Choke (Manual Choke)
108A 692344 Valve-Choke (Choke A Matic)
117 694352 (3 Jet-Main (Standard)
(3
Jet-Main (High Altitude)
Kit-Carburetor Overhaul
Carburetor
Plug-Welch
Valve-Throttle
Kit-Throttle Shaft
Float-Carburetor
Gasket-Float Bowl
Kit-Choke Shaft (Manual Choke)
Kit-Choke Shaft (Choke A Matic)
Nozzle-Carburetor
Key-Timing
Connector-Hose
Line-Fuel (Cut to Required
Length)
Screw (Control Bracket)
Adjuster-Rocker Arm
Link-Mechanical Governor
Spring-Governor
Link-Choke
Bracket-Control
Lever-Governor Control
Screw (Choke Valve)
Spring-Governor
Cap-Valve
Filter-Fuel
Clamp-Casing
Screw (Casing Clamp)
Washer-Sealing
Housing-Blower
Screw (Blower Housing)
Screw (Blower Housing)
Shield-Cylinder
Screw (Cylinder Shield)
Motor-Starter
Motor-Starter (For Replacement
Starter Motor,
See Reference 309)
Bolt (Starter Motor)
Brush Set
Brush Set
Armature-Magneto
Screw (Magneto Armature)
Plug-Spark
Gasket Set-Engine
Flywheel Puller
Low Speed: 1900-2100
High Speed: 3000-3200
Included in Engine Gasket Set, Key. No. 358
Included in Carburetor Overhaul Kit, Key. No. 121
:l: Included in Carburetor Gasket Set, Key. No. 977
+ Included in Valve Gasket Set, Key. No. 1095
NOTE: All component dimensions given in U.S. inches
1 inch = 25.4 mm
52

TRACTOR - -MODEL NUMBER 917.273372
BRIGGS ENGINE-MODEL NUMBER 31C707,TYPE NUMBER 0230-E1
KEY PART KEY PART
NO. NO. DESCRIPTION NO. NO. DESCRIPTION
383 89838 Wrench-Spark Plug 851 692424
404 691691 Washer (Governor Crank) 868 690968
431 697122 Elbow-Intake 876 495877
445 698083 Filter-Air Cleaner Cartridge 877 393456
462 691261 Washer (Starter Cable) 896 691641
474 696459 Alternator 914 690960
503 691532 Strap-Starter 947 694393
505 691251 Nut (Governor Control Lever) 950 691657
510 693699 Drive-Starter 967 697015
510A 497606 Drive-Starter 968 698403
513 692024 Clutch-Drive 975 495933
523 697086 Dipstick 977 690192
524 691032 • Seal-Dipstick Tube 987 691326
525 697184 Tube-Dipstick 1005 697853
544 692034 Starter-Armature 1019 697143
544A 390837 Starter-Armature 1022 272475
552 697144 Bushing-Governor Crank 1023 692492
562 691119 Bolt (Governor Control Lever) 1026 692003
579 691029 Nut (Starter Cable) .... 692011
584 697112 Cover-Breather Passage 1029 691751
601 95162 Clamp-Hose 1034 690822
614 691620 Pin-Cotter 1036 695700
616 692012 Crank-Governor 1040 698368
617 692138 O • SeaI-O Ring (Intake Manifold) 1044 691658
634 690801 Q Spring/Seal Assembly (Manual 1051 691265
Choke) 1058 275038
634A 690802 Q Spring/Seal Assembly (Choke 1070 690372
A Matic) 1083 691626
635 691909 Boot-Spark Plug 1083A690958
643 698401 Retainer-Air Filter
654 690958 Nut(Carburetor) 1090 691293
691 692407 • SeaI-GovemorShaft 1091 691333
697 690372 Screw (Drive Cap) 1095 690190
718 690959 Pin-Locating 1119 691183
729 691224 Clip-Wire 1263 697124
741 697128 Gear-Timing 1264 697104
757 697607 Link-Counterweight 1265 697125
758 697134 Counterweight 1266 691917
759 697392 Pin-Counterweight 1266A697123
783 693713 Gear-Pinion 1267 697575
783A 693059 Gear-Pinion 1270 697156
789 698329 Harness-Wiring 1279 690960
797 693167 Nut (Brush Retainer)
801 691283 Cap-Drive RPM Settings:
801A 394856 Cap-Drive
802 691286 Cap-End
802A 395537 Cap-End
803 693757 Housing-Starter
803A 398159 Housing-Starter
830 691095 Stud (Rocker Arm)
842 691031 • SeaI-O Ring (DipstickTube)
847 697611 Dipstick/Tube Assembly
Terminal-Spark Plug
•+ Seal-Valve
Kit-Pinion Spring
Wire-Connector/Alternator
Pin-Drive Retainer
Screw (Rocker Cover)
Solenoid-Fuel
Screw (Float Bowl)
Filter-Pre Cleaner
Cover-Air Cleaner
Bowl-Float
Gasket Set-Carburetor
Q Seal-Throttle Shaft
Fan-Flywheel
Kit-Label
•+ Gasket-Rocker Cover
Cover-Rocker Arm
Red-Push (Intake)
Red-Push (Exhaust)
Arm-Rocker
Guide-Push Red
Label-Emission
Plate-Trim
Screw (Flywheel)
Ring-Retaining
Owner's Manual
Screw (Flywheel Fan)
Nut (Starter Terminal)
Nut (Starter Terminal)
°Q
Q
Retainer-Brush
Cap-Limiter
Gasket Set-Valve
Screw (Alternator)
Reed-Breather
Screw (Breather Reed)
Support-Blower Housing
SeaI-O Ring (Intake Elbow)
SeaI-O Ring (Intake Elbow)
Latch-Blower Housing
Plug-AVS Counterweight
Screw (Blower Housing Support)
Low Speed: 1900-2100
High Speed: 3000-3200
Included in Engine Gasket Set, Key. No. 358
Included in Carburetor Overhaul Kit, Key. No.121
:l: Included in Carburetor Gasket Set, Key. No. 977
+ Included in Valve Gasket Set, Key. No. 1095
NOTE: All component dimensions given in U.S. inches
1 inch = 25.4 mm
53

54

SUGGESTED GUIDE FOR SIGHTING SLOPES FOR SAFE OPERATION
u_
u_
_k ARNING: To avoid serious injury, operate your tractor up and
down the face of slopes, never across the face. Do not mow
slopes greater than 15 degrees, Make turns gradually to prevent
tipping or loss of control. Exercise extreme caution when
changing direction on slopes.
1. Fold this page along dotted line indicated above.
2. Hold page before you so that its left edge is vertically parallel to atree
trunk or other upright structure,
3. Sight across the fold in the direction of hill slope you want to measure,
4. Compare the angle of the fold with the slope of the hill.

Your Home
For repair - in your home - of all major brand appliances,
lawn and garden equipment, or heating and cooling systems,
no matter who made it, no matter who sold it!
For the replacement parts, accessories and
owner's manuals that you need to do-it-yourself.
For Sears professional installation of home appliances
and items like garage door openers and water heaters.
1-800-4-MY-HOME _Anytime, day or night
(1-800-469-4663) (U.S.A. and Canada)
www,sears,com www,sears,ca
Our Home
For repair of carry-in products like vacuums, lawn equipment,
and electronics, call or go on-line for the nearest
Sears Parts and Repair Center.
1-800-488-1222 Anytime, day or night (U.S.A. only)
www, sears,com
To purchase a protection agreement (U.S.A.)
or maintenance agreement (Canada) on a product serviced by Sears:
1-800-827-6655 (u.s._) 1-800-361-6665 (Canada)
Para pedir servicio de reparaci6n
a domicilio, y para ordenar piezas:
1-888-SU-HOGAR sM
(1-888-784-6427)
Au Canada pour service en franc;ais:
1-800-LE-FOYER Mc
(14_30-533_37)
www.sears.ca
02410
© Sears,Roebuckand Co.
® Registered Trademark /TMTrademark /SMService Mark of Sears, Roebuck and Co.
® Marca Registrada /TMMarca de FAbrica /SMMarca de Servicio de Sears, Roebuck and Co.
MCMarque de commerce /MDMarque d_pos_e de Sears, Roebuck and Co.
192022 03.18.04 TR Printed in U.S.A.