Craftsman 917275034 User Manual LAWN TRACTOR Manuals And Guides L0203050
CRAFTSMAN Lawn, Tractor Manual L0203050 CRAFTSMAN Lawn, Tractor Owner's Manual, CRAFTSMAN Lawn, Tractor installation guides
User Manual: Craftsman 917275034 917275034 CRAFTSMAN LAWN TRACTOR - Manuals and Guides View the owners manual for your CRAFTSMAN LAWN TRACTOR #917275034. Home:Lawn & Garden Parts:Craftsman Parts:Craftsman LAWN TRACTOR Manual
Open the PDF directly: View PDF
.
Page Count: 64

Owner's Manual
II:RAFTSMnN°I
GARDEN TRACTOR
23.0 HP, 50" Mower
Electric Start
6 Speed
Model No.
917.275034
This product has a low emission engine which operates
differently from previously built engines. Before you start the en-
gine, read and understand this Owner's Manual.
CAUTION:
Read and follow all Safety
Rules and Instructions before
operating this equipment.
For answers to your questions
about this product, Call:
1-800-659-5917
Sears Craftsman Help Line
5 am -5 pm, Mon- Sat
SEARS, ROEBUCKAND CO., HOFFMAN ESTATES, IL 60179 U.S.A.
Visit our Craftsman website:www.sears.com/craftsman

Warranty ............................................... 2
Safety Rules ......................................... 3
Product Specifications .......................... 6
Assembly/Pre-Operation ...................... 8
Operation ............................................ 12
Maintenance Schedule ...................... 18
Maintenance ....................................... 18
Service and Adjustments .................... 22
Storage ............................................... 29
Troubleshooting ................................. 30
Repair Parts ........................................ 34
Sears Service ...................... Back Cover
LIMITED WARRANTY ON CRAFTSMAN RIDING EQUIPMENT
For two (2) years from the date of purchase, if this Craftsman Riding Equipment is
maintained, lubricated and tuned up according to the instructions in the owner's
manual, Sears will repair or replace free of charge any parts that are found to be
defective in material or workmanship according to the guidelines of coverage listed
below. Sears will also provide free labor for these applicable warranted parts for the
two full years. During the first 30 days of purchase, there will be no charges to service
the product at your home for issues covered by this warranty. (See exclusions below).
For your convenience, IN HOME warranty service will still be available after the first 30
days of purchase, but a trip charge will apply. This charge will be waived if the Crafts-
man product is dropped off at an authorizedSears location. For the nearest authorized
Sears location, please call 1-800-4-MY-HOME®. This warranty applies only while this
product is within the United States.
This Warranty does not cover:
•Expendable items which become worn during normal use, including but not limited
to blades, spark plugs, air cleaners, belts, and oil filters.
•Standard Maintenance Servicing, oil changes, or tune-ups
• Tire replacement or repair caused by punctures from outside objects, such as nails,
thorns, stumps, or glass.
• Repairs necessary because of operator abuse, including but not limited to, damage
caused by towing objects beyond the capability of the riding equipment, impacting
objects that bend the frame or crankshaft, or over-speeding the engine.
• Repairs necessary because of operator negligence, including but not limited to,
electrical and mechanical damage caused by improper storage, failure to use the
proper grade and amount of engine oil, failure to keep the deck clear of flammable
debris, or failure to maintain the equipment according to the instructions contained in
the owner's manual.
• Engine (fuel system) cleaning or repairs caused by fuel determined to be contami-
nated or oxidized (stale). In general, fuel should be used within 30 days of its
purchase date.
• Normal deterioration and wear of the exterior finishes, or product label replacement.
• Riding equipment used for commercial or rental purposes.
LIMITED WARRANTY ON BATTERY
For ninety (90) days from date of purchase, if any battery included with this riding
equipment proves defective in material or workmanship and our testing determines the
battery will not hold a charge, Sears will replace the battery at no charge. During the
first 30 days of purchase, there will be no charges to replace the battery at your HOME.
After the first 30 days, for your convenience, IN-HOME warranty service will still be
available but a trip charge will apply. This charge will be waived if the Craftsman
product is dropped of at an authorized Sears location. For the nearest authorized
Sears location, please call 1-800-4-MY-HOME®.
This battery warranty applies only while this product is within the United States.
This warranty gives you specific legal rights, and you may also have other rights, which
vary, from state to state.
Sears, Roebuck and Co.,Dept.817WA, Hoffman Estates, IL 60179
2

IMPORTANT: This cutting machine is capable of amputating hands and feet and
throwing objects. Failure to observe the following safety instructions could result in
serious injury or death.
Look for this symbol to point out
important safety precautions. It means
CAUTIONIH BECOMEALERTt!! YOUR
SAFETY IS INVOLVED.
CAUTION: In order to prevent
accidental starting when setting up,
transporting, adjusting or making repairs,
always disconnect spark plug wire and
place wire where it cannot contact spark
plug.
_h, CAUTION: Do not coast down a hill
in neutral, you may lose control of the
tractor.
CAUTION: Tow only the attachments
that are recommended by and comply
with specifications of the manufacturer of
your tractor. Use common sense when
towing. Operate only at the lowest
possible speed when on a slope. Too
heavy of aload, while on a slope, is
dangerous. Tires can lose traction with
the ground and cause you to lose control
of your tractor.
WARNING: Engine exhaust, some of
its constituents, and certain vehicle
components contain or emit chemicals
known to the State of California to cause
cancer and birth defects or other repro-
ductive harm.
_WARNING: Battery posts, terminals
and related accessories contain lead
and lead compounds, chemicals known
to the State of California to cause cancer
and birth defects or other reproductive
harm. Wash hands after handling.
I. GENERAL OPERATION
•Read, understand, and follow all
instructions in the manual and on the
machine before starting.
• Only allow responsible adults, who are
familiar with the instructions, to operate
the machine.
• Clear the area of objects such as rocks,
toys, wire, etc., which could be picked
up and thrown by the blade.
•Be sure the area is clear of other people
before mowing. Stop machine if anyone
enters the area.
• Never carry passengers.
•Do not mow in reverse unless absolutely
necessary. Always look down and
behind before and while backing.
•Be aware of the mower discharge
direction and do not point it at anyone.
Do not operate the mower without either
the entire grass catcher or the guard in
place.
•Slow down before turning.
•Never leave a running machine
unattended. Always turn off blades, set
parking brake, stop engine, and remove
keys before dismounting.
•Turn off blades when not mowing.
•Stop engine before removing grass
catcher or unclogging chute.
•Mow only in daylight or good artificial
light.
•Do not operate the machine while under
the influence of alcohol or drugs.
•Watch for traffic when operating near or
crossing roadways.
•Use extra care when loading or unload-
ing the machine into a trailer or truck.
•Data indicates that operators, age 60
years and above, are involved in a large
percentage of riding mower-related
injuries. These operators should
evaluate their ability to operate the riding
mower safely enough to protect them-
selves and others from serious injury.
•Keep machine free of grass, leaves or
other debris build-up which can touch
hot exhaust / engine parts and burn. Do
not allow the mower deck to plow leaves
or other debris which can cause build-
up to occur. Clean any oil or fuel
spillage before operating or storing the
machine. Allow machine to cool before
storage.
II. SLOPE OPERATION
Slopes are a major factor related to loss-of-
control and tipover accidents, which can re-
sult in severe injury or death. All slopes
require extra caution. If you cannot back up
the slope or if you feel uneasy on it, do not
mow it.
3

DO:
• Mow up and down slopes, not across.
•Remove obstacles such as rocks, tree
limbs, etc.
• Watch for holes, ruts, or bumps. Uneven
terrain could overturn the machine. Tall
grass can hide obstacles.
•Use slow speed. Choose a low gear so
that you will not have to stop or shift
while on the slope.
• Follow the manufacturer's recommenda-
tions for wheel weights or counter-
weights to improve stability.
• Use extra care with grass catchers or
other attachments. These can change
the stability of the machine.
• Keep all movement on the slopes slow
and gradual. Do not make sudden
changes in speed or direction.
• Avoid starting or stopping on a slope. If
tires lose traction, disengage the blades
and proceed slowly straight down the
slope.
DO NOT:
•Do not turn on slopes unless necessary,
and then, turn slowly and gradually
downhill, if possible.
•Do not mow near drop-offs, ditches, or
embankments. The mower could
suddenly turn over if a wheel is over the
edge of a cliff or ditch, or if an edge
caves in.
•Do not mow on wet grass. Reduced
traction could cause sliding.
• Do not try to stabilize the machine by
putting your foot on the ground.
•Do not use grass catcher on steep
slopes.
III. CHILDREN
Tragic accidents can occur if the operator
is not alert to the presence of children.
Children are often attracted to the
machine and the mowing activity. Never
assume that children will remain where
you last saw them.
•Keep children out of the mowing area
and under the watchful care of another
responsible adult.
• Be alert and turn machine off if children
enter the area.
• Before and when backing, look behind
and down for small children.
•Never carry children. They may fall off
and be seriously injured or interfere
with safe machine operation.
• Never allow children to operate the
machine.
• Use extra care when approaching blind
corners, shrubs, trees, or other objects
that may obscure vision.
IV. SERVICE
• Use extra care in handling gasoline
and other fuels. They are flammable
and vapors are explosive.
-Use only an approved container.
- Never remove gas cap or add fuel
with the engine running. Allow
engine to cool before refueling. Do
not smoke.
-Never refuel the machine indoors.
- Never store the machine or fuel
container inside where there is an
open flame, such as a water heater.
• Never run a machine inside a closed
area.
• Keep nuts and bolts, especially blade
attachment bolts, tight and keep
equipment in good condition.
• Never tamper with safety devices.
Check their proper operation regularly.
•Keep machine free of grass, leaves, or
other debris build-up. Clean oil or fuel
spillage. Allow machine to cool before
storing.
• Stop and inspect the equipment if you
strike an object. Repair, if necessary,
before restarting.
• Never make adjustments or repairs
with the engine running.
• Grass catcher components are subject
to wear, damage, and deterioration,
which could expose moving parts or
allow objects to be thrown. Frequently
check components and replace with
manufacturer's recommended parts,
when necessary.
• Mower blades are sharp and can cut.
Wrap the blade(s) or wear gloves, and
use extra caution when servicing them.
• Check brake operation frequently.
Adjust and service as required.
4

• Be sure the area is clear of other
people before mowing. Stop machine if
anyone enters the area.
• Never carry passengers or children
even with the blades off.
•Do not mow in reverse unless abso-
lutely necessary. Always look down
and behind before and while backing.
• Never carry children. They may fall off
and be seriously injured or interfere
with safe machine operation.
• Keep children out of the mowing area
and under the watchful care of another
responsible adult.
• Be alert and turn machine off if children
enter the area.
• Before and when backing, look behind
and down for small children.
• Mow up and down slopes (15 ° Max),
not across.
• Remove obstacles such as rocks, tree
limbs, etc.
• Watch for holes, ruts, or bumps.
Uneven terrain could overturn the
machine. Tall grass can hide obstacles.
• Use slow speed. Choose a low gear so
that you will not have to stop or shift
while on the slope.
• Avoid starting or stopping on a slope. If
tires lose traction, disengage the
blades and proceed slowly straight
down the slope.
• If machine stops while going uphill,
disengage blades, shift into reverse
and back down slowly.
•Do not turn on slopes unless neces-
sary, and then, turn slowly and gradu-
ally downhill, if possible.
5

PRODUCT SPECIFICATIONS
Gasoline 5 Gallons
Capacity Unleaded
and Type: Regular
Oil Type SAE 10W30
(above 32°F)
(API-SF-SJ): SAE 5W-30
(below 32°F)
Oil Capacity: W/Filter: 4.5 Pints
W/O Filter: 4.0 Pints
Spark Plug: Champion RC12YC
(Gap: .030")
Ground Speed Lo: Hi:
MPH): 0.7 1.7
1.4 3.3
2.3 5.4
Reverse: 0.9 2.1
Tire Pressure: Front: 14 PSI
Rear: 10 PSI
Charging
System: 15 Amps @ 3600 RPIV
Battery: Amp/Hr: 35
Min. CCA: 280
Case size: U1R
Blade Bolt Torque: 27-35 Ft. Lbs.
CONGRATULATIONS on your purchase
of a new tractor. It has been designed,
engineered and manufactured to give
you the best possible dependability and
performance.
Should you experience any problem you
cannot easily remedy, please contact a
Sears or other qualified service center.
We have competent, well-trained techni-
cians and the proper tools to service or
repair this tractor.
Please read and retain this manual. The
instructions will enable you to assemble
and maintain your tractor properly.
Always observe the "SAFETY RULES".
REPAIR AGREEMENT
A Repair Agreement is available on this
product. Contact your nearest Sears
store for details.
CUSTOMER RESPONSIBILITIES
•Read and observe the safety rules.
• Follow a regular schedule in maintain-
ing, caring for and using your tractor.
•Follow the instructions under "Mainte-
nance" and "Storage" sections of this
owner's manual.
_IbWARNING: This tractor is equipped
with an internal combustion engine and
should not be used on or near any
unimproved forest-covered, brush-
covered or grass-covered land unless the
engine's exhaust system is equipped with
a spark arrester meeting applicable local
or state laws (if any). If aspark arrester is
used, it should be maintained in effective
working order by the operator.
In the state of California the above is
required by law (Section 4442 of the
California Public Resources Code).
Other states may have similar laws.
Federal laws apply on federal lands. A
spark arrester for the muffler is available
through your nearest Sears service
center (See REPAIR PARTS section of
this manual).
6

Steering
Wheel Insert
Steering Wheel
Steering Sleeve
Steering Sleeve
Extension
Mower
Leveling
Wrench Bubble
Seat
@(1) Washer
17/32 x 1-3/16 x 12 Gauge
_(1) Knob
Mower
(2) Flanged
(1)FmntPlate _- _
Assembly _b
(2) Shoulder
Bolts ©
(2) Centerlock Nuts
Gauge Wheels
(2) Wheels
er, o%'i°gs
) etainer Springs
(single loop)
I
(2) Washers 3/8 x 3/4 x 14 Ga.
Video Cassette _Slope Sheet
For Future Use
Keys
(2) Keys
7

Your new tractor has been assembled at the factory with the exception of those parts
left unassembled for shipping purposes. To ensure safe and proper operation of your
tractor all parts and hardware you assemble must be tightened securely. Use the
correct tools as necessary to insure proper tightness. Review the video cassette before
you begin.
TOOLS REQUIRED FOR ASSEMBLY
A socket wrench set will make assembly
easier. Standard wrench sizes you need
are listed below.
(1) 9/16" wrench (1) Pliers
(1) 1/2"wrench (1) Utility knife
(1) 314" socket with
drive ratchet
(1) Tire pressure gauge
When right or left hand is mentioned in
this manual, it means, from your point of
view, when you are in the operating
position (seated behind the steering
wheel).
TO REMOVE TRACTOR FROM
CARTON
UNPACK CARTON
1. Remove all accessible loose parts
and parts boxes from carton.
2. Cut, from top to bottom, along lines on
all four corners of carton, and lay
panels flat.
3. Remove mower and packing materi-
als.
4. Check for any additional loose parts
or cartons and remove.
BEFORE REMOVING TRACTOR
FROM SKID
ATTACH STEERING WHEEL
1. Remove hex bolt, lock washer and
large flat washer from steering shaft.
2. Position front wheels of the tractor so
they are pointing straight forward.
3. Slide the steering sleeve over the
steering shaft.
4. Align tabs and press steering sleeve
extension into bottom of steering
wheel.
5. Position steering wheel so cross bars
are horizontal (left to right) and slide
onto steering wheel adapter.
6. Secure steering wheel to steering
shaft with hex bolt, lock washer and
large flat washer previously removed.
Tighten securely.
7. Snap steering wheel insert into center
of steering wheel.
8. Remove protective materials from
tractor hood and grill.
_ _--_Steering
"_ Wheel Insert
Hex Bolt
_Lock Washer
Steering _Large Flat
_ Adapter
Steering _ _ Tabs
Sleeve _
Extension I
Steering Shaft -_ .,._---_:_'_-';',"-.\.
,,,
Steerng ,-- ,L ,,,
Sleeve [(,/,'_',_:J;. ., ....
IMPORTANT: Check for and remove any
staples in skid that may puncture tires
where tractor is to roll off skid.
CHECK BATTERY
1. Lift hood to raised position.
NOTE: If this battery is put into service
after month and year indicated on label
(label located between terminals) charge
battery for minimum of one hour at 6-10
amps. (See "BATTERY" in Maintenance
section of this manual for charging
instructions).
•Label
'i
8

INSTALL SEAT
Adjust seat before tightening adjustment
knob.
1. Remove adjustment knob and flat
washer securing seat to cardboard
packing and set aside for assembly of
seat to tractor.
2. Pivot seat upward and remove from
the cardboard packing. Remove the
cardboard packing and discard.
3. Place seat on seat pan so head of
shoulder bolts are positioned over the
large slotted holes in pan.
4. Push clown on seat to engage
shoulder bolts in slots and pull seat
towards rear of tractor.
5. Pivot seat and pan forward and
assemble adjustment knob and flat
washer loosely. Do not tighten.
6. Lower seat into operating position and
sit in seat.
7. Slide seat until a comfortable position
is reached which allows you to press
clutch/brake pedal all the way down.
8. Get off seat without moving its
adjusted position.
9. Raise seat and tighten adjustment
knob securely.
Seat
Seat Pan
Ider
Bolts
Flat W_
Adjustrr ent_Knob _
NOTE: You may now roll or drive your
tractor off the skid. Follow the appropriate
instruction below to remove the tractor
from the skid.
TO ROLLTRACTOR OFF SKID (See
Operation section for location and
function of controls)
1. Press lift lever plunger and raise
attachment lift lever to its highest
position.
2. Release parking brake by depressing
clutch/brake pedal.
3. Place gearshift lever in neutral (N)
position.
4. Roll tractor forward off skid.
TO DRIVE TRACTOR OFF SKID (See
Operation section for location and
function of controls)
_I_WARNING: Before starting, read,
understand and follow all instructions in
the Operation section of this manual. Be
sure tractor is in a well-ventilated area. Be
sure the area in front of tractor is clear of
other people and objects.
1. Be sure all the above assembly steps
have been completed.
2. Check engine oil level and fill fuel
tank with gasoline.
3. Sit on seat in operating position,
depress clutch/brake pedal and set
the parking brake.
4. Place gear shift lever in neutral (N)
position.
5. Press lift lever plunger and raise
attachment lift lever to its highest
position.
6. Start the engine. After engine has
started, move throttle control to idle
position.
7. Depress clutch/brake pedal into full
"BRAKE" position and hold. Move
gearshift lever to 1st gear.
8. Slowly release clutch/brake pedal and
slowly drive tractor off skid.
9. Apply brake to stop tractor, set parking
brake and place gearshift lever in
neutral position.
10.Turn ignition key to "STOP" position.
Continue with the instructions that follow.
9

INSTALL MOWER AND DRIVE BELT
Be sure tractor is on level surface and
mower suspension arms are raised with
attachment lift control. Engage parking
brake.
1. Cut and remove ties securing anti-
sway bar and belts. Swing anti-sway
bar to left side of mower deck.
2. Slide mower under tractor with
deflector shield to right side of tractor.
IMPORTANT: Check belt for proper
routing in all mower pulley grooves.
3. If equipped, turn height adjustment
knob counterclockwise until it stops.
4. Lower mower linkage with attachment
lift control.
5. Install belt into electric clutch pulley
groove.
6. Place the suspension arms on inward
pointing deck pins. Retain with
double loop retainer spring with loops
up as shown.
7. Install front plate assembly to tractor
suspension brackets and retain with
single loop retainer springs as shown.
8. Position front plate assembly between
front mower brackets. Raise deck and
plate assembly to align holes and
insert flanged pins. Secure pins with
double loop retainer springs between
the plate and mower brackets.
NOTE: To assist in locating hole in
flanged pin, the hole in pin is inline with
notch on head of pin. If necessary, move
mower side-to-side to give space
between plate and mower brackets.
IMPORTANT: Check belt for proper
routing in all mower pulley grooves.
9. Connect anti-sway bar to chassis
bracket under left footrest and retain
with double loop retainer spring.
10.If equipped, turn height adjustment
knob clockwise to remove slack from
mower suspension.
11. Raise deck to highest position.
12.Assemble gauge wheels as shown
using long shoulder bolts, 3/8
washers, and 3/8-16 center Iocknuts.
Tighten securely.
13.Adjust gauge wheels before operat-
ing mower as shown in the Operation
section of this manual.
CHECK TIRE PRESSURE
The tires on your tractor were overin-
flated at the factory for shipping pur-
poses. Correct tire pressure is important
for best cutting performance.
•Reduce tire pressure to PSI shown in
"PRODUCT SPECIFICATIONS"
section of this manual.
Chassis
Bracket
Double Loop
Retainer
Shoulder Gau
Bolt Wheel
Front
Suspension Mower
Arms Bracket
Idler
Front Electric
Suspensk_ Clutch
Brackets Pulley
Front Plate
Y
3/8
Washer
3/8-16 Double
Center Loop
Locknut Retainer Anti-_
Spring Bar
Use Pliers For
Retainer Springs
Loop Down
Double Loop
Retainer Spring
(Inward pointing
deck pins)
Single
Loop
Retainer
Springs
Deflector
10

CHECK MOWER LEVELNESS
For best cutting results, mower should be
properly leveled. See "TO LEVEL
MOWER HOUSING" in the Service and
Adjustments section of this manual.
CHECK FOR PROPER POSITION OF
ALL BELTS
See the figures that are shown for
replacing motion, mower drive, and
mower blade drive belts in the Service
and Adjustments section of this manual.
Verify that the belts are routed correctly.
CHECK BRAKE SYSTEM
After you learn how to operate your
tractor, check to see that the brake is
properly adjusted. See 'q'O ADJUST
BRAKE" in the Service and Adjustments
section of this manual.
,/CHECKLIST
Before you operate your new tractor, we
wish to assure that you receive the best
performance and satisfaction from this
Quality Product.
Please review the following checklist:
,/All assembly instructions have been
completed.
,I No remaining loose parts in carton.
,/Battery is properly prepared and
charged. (Minimum 1 hour at 6 amps).
/ Seat is adjusted comfortably and
tightened securely.
,/All tires are properly inflated. (For
shipping purposes, the tires were
overinflated at the factory).
,/Be sure mower deck is properly leveled
side-to-side/front-to-rear for best cutting
results. (Tires must be properly inflated
for leveling).
,/Check mower and drive belts. Be sure
they are routed properly around pulleys
and inside all belt keepers.
,/Check wiring. See that all connections
are still secure and wires are properly
clamped.
While learning how to use your tractor,
pay extra attention to the following
important items:
,/Engine oil is at proper level.
J" Fuel tank is filled with fresh, clean,
regular unleaded gasoline.
,/Become familiar with all controls, their
location and function. Operate them
before you start the engine.
4 Be sure brake system is in safe
operating condition.
11

These symbols may appear on your tractor or in literature supplied with the product.
Learn and understand their meaning.
I:- ;I
BATTERY CAUTION OR REVERSE FORWARD FAST SLOW
WARNING
ENGINE ON ENGINE OFF OIL PRESSURE LIGHTS ON OVER TEMP
LIGHT !
FUEL CHOKE MOWER HEIGHT PARKING BRAKE UNLOCKED MOWER LIFT
LOCKED
R N H L
ATTACHMENT REVERSE NEUTRAL HIGH LOW PARKING BRAKE
CLUTCH ENGAGED
ATTACHMENT KEEP AREA CLEAR SLOPE HAZARDS
IGNITION CLUTCH DISENGAGED (SEE SAFETY RULES SECTION)
DANGER, KEEP HANDS AND FEET AWAY
12
FREEWHEEL
(Automatic Models only)

KNOWYOURTRACTOR
READ THIS OWNER'S MANUAL AND SAFETY RULES BEFORE OPERATING
YOUR TRACTOR
Compare the illustrations with your tractor to familiarize yourself with the locations of
various controls and adjustments. Save this manual for future reference.
Ammeter
Ignition Position
Switch
Throttle Control
Lift Lever
Plunger
Clutch/Brake
Pedal_Attachment
Lift Lever
Choke g Brake
Control
Height B Shift Lever
Adjustment
Knob
Gear Shift Lever \
\
Our tractors conform to the safety standards of the
American National Standards Institute.
ATTACHMENT CLUTCH SWITCH: Used
to engage the mower blades, or other
attachments mounted to your tractor.
LIGHT SWITCH POSITION: Turns the
headlights on and off.
THROTTLE CONTROL: Used to control
engine speed.
CLUTCH/BRAKE PEDAL: Used for
declutching and braking the tractor and
starting the engine.
CHOKE CONTROL: Used when starting
a cold engine.
HEIGHT ADJUSTMENT KNOB: Used to
adjust the mower cutting height.
GEARSHIFT LEVER: Selects the speed
and direction of the tractor.
RANGESHIFT LEVER: Allows high (H)
and low (L) speed for all forward and
reverse gears.
ATTACHMENT LIFT LEVER: Used to
raise and lower the mower deck or other
attachments mounted to your tractor.
LIFT LEVER PLUNGER: Used to release
attachment lift lever when changing its
position.
IGNITION SWITCH: Used for starting and
stopping the engine.
AMMETER: Indicates battery charging (+)
or discharging (-).
PARKING BRAKE: Locks clutch/brake
into the brake position.
13

The operation of any tractor can result in foreign objects thrown into the
eyes, which can result in severe eye damage. Always wear safety
glasses or eye shields while operating your tractor or performing any
adjustments or repairs. We recommend standard safety glasses or a
wide vision safety mask worn over spectacles.
HOW TO USE YOUR TRACTOR
TO SET PARKING BRAKE
Your tractor is equipped with an operator
presence sensing switch. When engine
is running, any attempt by the operator to
leave the seat without first setting the
parking brake will shut off the engine.
1. Depress brake pedal all the way down
and hold.
2. Pull parking brake lever up and
release pressure from brake pedal.
Pedal should remain in brake posi-
tion. Make sure parking brake will
hold tractor secure.
Push-In to
"Disengaged" Attachment Clutch
Choke Switch Pull Out To
Control, "Engage"
Throttle
Control
=Brake"
Position Key
Brake
Clutch/ _. / ,, "Engaged"
Brake Pedal J Disengaged Position
"Drive" /Position Gear Shift
Position Height Lever
Adjustment Knob
STOPPING
MOWER BLADES -
•To stop mower blades, move attach-
ment clutch switch to disengaged
position.
GROUND DRIVE -
• To stop ground drive, depress clutch/
brake pedal all the way down.
• Move gearshift lever to neutral (N)
position.
ENGINE -
• Move throttle control to slow position.
NOTE, Failure to move throttle control to
slow position and allowing engine to idle
before stopping may cause engine to
"backfire".
• Turn ignition key to "STOP" position
and remove key. Always remove key
when leaving tractor to prevent
unauthorized use.
•Never use choke to stop engine.
IMPORTANT: Leaving the ignition switch
in any position other than "STOP" will
cause the battery to discharged, and go
dead.
NOTE: Under certain conditions when
tractor is standing idle with the engine
running, hot engine exhaust gases may
cause "browning" of grass. To eliminate
this possibility, always stop engine when
_pping tractor on grass areas.
CAUTION: Always stop tractor
completely, as described above, before
leaving the operator's position.
TO USE THRO'rrLE CONTROL
Always operate engine at full throttle.
• Operating engine at less than full
throttle reduces the battery charging
rate.
•Full throttle offers the best mower
performance.
TO USE CHOKE CONTROL
Use choke control whenever you are
starting a cold engine. Do not use to start
a warm engine.
•To engage choke control, pull knob out.
Slowly push knob in to disengage.
TO MOVE FORWARD AND BACK-
WARD
The direction and speed of movement is
controlled by the gearshift lever.
1. Start tractor with clutch/brake pedal
depressed and gearshift lever in
neutral (N) position.
2. Move gearshift and range shift levers
to desired position.
3. Slowly release clutch/brake pedal to
start movement.
IMPORTANT: Bring tractor to a complete
stop before shifting or changing gears.
Failure to do so will shorten the useful life
of your transaxle.
TO ADJUST MOWER CUTTING HEIGHT
The cutting height is controlled by turning
the height adjustment knob in desired
direction.
•Turn knob clockwise (F_) tO raise
cutting height.
•Turn knob counterclockwise (_-,)to
lower cutting height.
14

The cutting height range is approximately
1-1/2" to 4-1/2". The heights are mea-
sured from the ground to the blade tip
with the engine not running. These
heights are approximate and may vary
depending upon soil conditions, height of
grass and types of grass being mowed.
• The average lawn should be cut to
approximately 2-1/2 inches during the
cool season and to over 3 inches
during hot months. For healthier and
better looking lawns, mow often and
after moderate growth.
• For best cutting performance, grass
over 6 inches in height should be
mowed twice. Make the first cut
relatively high; the second to desired
height.
TO ADJUST GAUGE WHEELS
Gauge wheels are properly adjusted
when they are slightly off the ground
when mower is at the desired cutting
height in operating position. Gauge
wheels then keep the deck in proper
position to help prevent scalping in most
terrain conditions.
NOTE: Adjust gauge wheels with tractor
on a flat level surface.
1. Adjust mower to desired cutting
height.
2. Lower mower with lift control. Re-
move rear retainer spring and clevis
pin which secure each gauge wheel.
3. Lower gauge wheels to ground.
Raise gauge wheels slightly to align
holes in bracket and gauge wheel bar
and insert clevis pins. Gauge wheels
should be slightly off the ground.
4. Replace retainer springs into clevis
pins. Clevis Pin
Retainer /
Spring _
Gauge _ f_'_ _t_/
Gauge._k.___/_._
Wheel Bra(_ket
TO OPERATE MOWER
Your tractor is equipped with an operator
presence sensing switch. Any attempt by
the operator to leave the seat with the
engine running and the attachment clutch
engaged will shut off the engine.
1. Select desired height of cut.
2. Lower mower with attachment lift
control.
3. Start mower blades by engaging
attachment clutch control.
TO STOP MOWER BLADES -
disengage attachment clutch control.
ACAUTION: Do not operate the mower
without either the entire grass catcher, on
mowers so equipped, or the deflector
shield in place. Attachment Lift Lever
Attachment Clutch High Position Low
Switch Pull Out To /_'Position
"Enga_ ..:::_/
- _::_ Deflector
_;..x Shield
TO OPERATE ON HILLS
_CAUTION" Do not drive up or down
hills with slopes greater than 15° and do
not drive across any slope. Use the slope
guide at the back of this manual.
• Choose the slowest speed before start-
ing up or down hills.
•Avoid stopping or changing speed on
hills.
• If slowing is necessary, move throttle con-
trol lever to slower position.
• If stopping is absolutely necessary, push
clutch/brake pedal quickly to brake posi-
tion and engage parking brake.
• Move gearshift lever to 1st gear and range
shift lever to low (L) position. Be sure you
have allowed room for tractor to roll slightly
as you restart movement.
• To restart movement, slowly release park-
ing brake and clutch/brake pedal.
• Make all turns slowly.
TO TRANSPORT
• Raise attachment lift to highest position
with attachment lift control.
• When pushing or towing your tractor, be
sure gearshift lever is in neutral (N) posi-
tion.
• Do not push or towtractorat more than five
(5) MPH.
NOTE: To protect hood from damage
when transporting your tractor on a truck
or a trailer, be sure hood is closed and
secured to tractor. Use an appropriate
means of tying hood to tractor (rope, cord,
etc.).
15

TOWING CARTS AND OTHER A'n'ACH-
MENTS
Tow only the attachments that are
recommended by and comply with
specifications of the manufacturer of your
tractor. Use common sense when towing.
Too heavy of a load, while on a slope, is
dangerous. Tires can lose traction with
the ground and cause you to lose control
of your tractor.
BEFORE STARTING THE ENGINE
CHECK ENGINE OIL LEVEL
The engine in your tractor has been
shipped, from the factory, already filled
with summer weight oil.
1. Check engine oil with tractor on level
ground.
2. Unthread and remove oil fill cap/
dipstick; wipe oil off. Reinsert the
dipstick into the tube and rest oil fill
cap on the tube. Do not thread the
cap onto the tube. Remove and read
oil level. If necessary, add oil until
"FULL" mark on dipstick is reached.
Do not overfill.
•For cold weather operation you should
change oil for easier starting (See "OIL
VISCOSITY CHART" in the Mainte-
nance section of this manual).
•To change engine oil, see the Mainte-
nance section in this manual.
ADD GASOLINE
• Fill fuel tank to bottom of filler neck. Do
not overfill. Use fresh, clean, regular
unleaded gasoline with a minimum of
87 octane. (Use of leaded gasoline
will increase carbon and lead oxide
deposits and reduce valve life). Do not
mix oil with gasoline. Purchase fuel in
quantities that can be used within 30
days to assure fuel freshness.
CAUTION: Wipe off any spilled oil or fuel.
Do not store, spill or use gasoline near an
open flame.
IMPORTANT: When operating in
temperatures below32°F(0°C), use fresh,
clean winter grade gasoline to help
insure good cold weather starting.
CAUTION: Alcohol blended fuels (called
gasohol or using ethanol or methanol)
can attract moisture which leads to
separation and formation of acids during
storage. Acidic gas can damage the fuel
system of an engine while in storage. To
avoid engine problems, the fuel system
should be emptied before storage of 30
days or longer. Drain the gas tank, start
the engine and let it run until the fuel lines
and carburetor are empty. Use fresh fuel
next season. See Storage instructions for
additional information. Never use engine
or carburetor cleaner products in the fuel
tank or permanent damage may occur.
TO START ENGINE
When starting the engine for the first time or if
the engine has run out of fuel, it will take extra
cranking time to move fuel from the tank to
the engine.
1. Sit on seat in operating position,
depress clutch/brake pedal and set
parking brake.
2. Place gear shift lever in neutral (N)
position.
3. Move attachment clutch to disen-
gaged position.
4. Move throttle control to fast position
5. Pull choke control out for a cold
engine start attempt. For a warm
engine start attempt the choke control
may not be needed.
NOTE: Before starting, read the warm and
cold starting procedures below.
6. Insert key into ignition and turn key
clockwise to start position and release
key as soon as engine starts. Do not
run starter continuously for more than
fifteen seconds per minute. If the
engine does not start after several
attempts, push choke control in, wait a
few minutes and try again. If engine
still does not start, pull the choke
control out and retry.
WARM WEATHER STARTING (50°F and
above)
7. When engine starts, slowly push
choke control in until the engine
begins to run smoothly. If the engine
starts to run roughly, pull the choke
control out slightly for a few seconds
and then continue to push the control
in slowly.
16

• The attachments and ground drive can
now be used. If the engine does not
accept the load, restart the engine and
allow it to warm up for one minute
using the choke as described above.
COLD WEATHER STARTING (50° F and
below)
7. When engine starts, slowly push
choke control in until the engine
begins to run smoothly. Continue to
push the choke control in small steps
allowing the engine to accept small
changes in speed and load, until the
choke control is fully in. If the engine
starts to run roughly, pull the choke
control out slightly for afew seconds
and then continue to push the control
in slowly. This may require an engine
warm-up period from several seconds
to several minutes, depending on the
temperature.
• The attachments can be used during
the engine warm-up period and may
require the choke control be pulled out
slightly.
NOTE: If at a high altitude (above 3000
feet) or in cold temperatures (below 32 F)
the carburetor fuel mixture may need to
be adjusted for best engine performance.
See "TO ADJUST CARBURETOR" in the
Service and Adjustments section of this
manual.
MOWING TIPS
• Tire chains cannot be used when the
mower housing is attached to tractor.
• Mower should be properly leveled for
best mowing performance. See "TO
LEVEL MOWER HOUSING" in the
Service and Adjustments section of this
manual.
• The left hand side of mower should be
used for trimming.
• Drive so that clippings are discharged
onto the area that has already been
cut. Have the cut area to the right of the
tractor. This will result in a more even
distribution of clippings and more
uniform cutting.
• When mowing large areas, start by
turning to the right so that clippings will
discharge away from shrubs, fences,
driveways, etc. After one or two
rounds, mow in the opposite direction
making left hand turns until finished.
I-
•If grass is extremely tall, it should be
mowed twice to reduce load and
possible fire hazard from dried clip-
pings. Make first cut relatively high; the
second to the desired height.
• Do not mow grass when it is wet. Wet
grass will plug mower and leave
undesirable clumps. Allow grass to dry
before mowing.
•Always operate engine at full throttle
when mowing to assure better mowing
performance and proper discharge of
material. Regulate ground speed by
selecting a low enough gear to give the
mower cutting performance as well as
the quality of cut desired.
•When operating attachments, select a
ground speed that will suit the terrain
and give best performance of the
attachment being used.
17

REOO 'RSE°V,CE OV'OEOATES
n
Check Operator Presence and
1Interlock Systems
RCheck for Loose Fasteners If II_s
_ ! Sharpen/Replace Mower Blades V'3
Lubrication Chart _ ll_
0Check Battery Level
Rc_ Battery and Terminals
Check Transaxle COOling I_ €
Check V-Botts Ik_
Check Engine Oil Level If I_
Change Engine Oil (with oil fitter) l_lr =
EChange Engine Oil (without oil fitter) I_ U ll_
NClean Air Filter Ill=
GClean Air Screen 1_2
NI Inspect Arrester V'
Muttler/Spark
E Replace Oil Filter (If equipped) iI1_.=
Clean Engine Cooling Firs ill_
Replace Spark Plug VwIk/
Replace Air Filter Paper Cartridge v',
Replace Fuel Filter f/_
I-Change more often when operating under a heavy load or
in high ambient temperatures.
2 - Sen/ice more often when operating _n dirty Or d_sty condilions,
3 - Replace blades more often when mowing in sandy soil.
4*Not required ff equipped with maintenance-free battel_.
5- T'_hten front auxle pivot bolt to 35 ft.-Ibs, ma.xgnurn.
Do not overtighten.
GENERAL RECOMMENDATIONS
The warranty on this tractor does not cover
items that have been subjected to operator
abuse or negligence. To receive full value
from the warranty, operator must maintain
tractor as instructed in this manual.
Some adjustments will need to be made
periodically to properly maintain your
tractor.
All adjustments in the Service and
Adjustments section of this manual should
be checked at least once each season.
•Once a year you should replace the
spark plug, clean or replace air filter, and
check blades and belts for wear. A new
spark plug and clean air filter assure
proper air-fuel mixture and help your
engine run better and last longer.
BEFORE EACH USE
1. Check engine oil level.
2. Check brake operation.
3. Check tire pressure.
4. Check operator presence and
interlock systems for proper operation.
5. Check for loose fasteners.
LUBRICATION CHART
_) Tie Rod Ball Joints
_) Spindle "_--IF--_----'_r-_ _) Spindle
Zerk _ --:, :_Z'e rk
(_Front Wheel J ".% \ _, (_Fro_ Wheel
Bearing '--,_---'-----'_ L Bearing Zerk
Zerk _/
_)Steering
Sector/\ ,
Gear
TeethII '" Engine
_)ChecW _ .......
Add I
Transaxle L._
Fluid
(D SAE 30 or 10w30 motor oil
_) General Purpose Grease
(_) Refer to Maintenance "ENGINE" Section
® Spray silicone lubriant (Move Boots to
Lubricate)
IMPORTANT: Do not oil or grease the
pivot points which have special nylon
bearings. Viscous lubricants will attract
dust and dirt that will shorten the life of
the self-lubricating bearings. If you feel
they must be lubricated, use only a dry,
powdered graphite type lubricant
18sparingly.

TRACTOR
Always observe safety rules when
performing any maintenance.
BRAKE OPERATION
If tractor requires more than six (6) feet
stopping distance at high speed in
highest gear, then brake must be ad-
justed. (See "TO ADJUST BRAKE" in the
Service and Adjustments section of this
manual).
TIRES
• Maintain proper air pressure in all tires
(See "PRODUCT SPECIFICATIONS"
section of this manual).
• Keep tires free of gasoline, oil, or insect
control chemicals which can harm
rubber.
•Avoid stumps, stones, deep ruts, sharp
objects and other hazards that may
cause tire damage.
NOTE: To seal tire punctures and prevent
flat tires due to slow leaks, tire sealant
may be purchased from your local parts
dealer. Tire sealant also prevents tire dry
rot and corrosion.
OPERATOR PRESENCE SYSTEM
Be sure operator presence and interlock
systems are working properly. If your
tractor does not function as described,
repair the problem immediately.
•The engine should not start unless the
brake pedal is fully depressed and
attachement clutch control is in the
disengaged position.
•When the engine is running, any
attempt by the operator to leave the
seat without first setting the parking
brake should shut off the engine.
•When the engine is running and the
attachment clutch is engaged, any
attempt by the operator to leave the
seat should shut off the engine.
•The attachment clutch should never
operate unless the operator is in the
seat.
BLADE CARE
For best results mower blades must be
kept sharp. Replace bent or damaged
blades.
BLADE REMOVAL
1. Raise mower to highest position to
allow access to blades.
2. Remove hex bolt, lock washer and fiat
washer securing blade.
3. Install new or resharpened blade with
trailing edge up towards deck as
shown.
IMPORTANT: To ensure proper assembly,
center hole in blade must align with star
on mandrel assembly.
4. Reassemble hex bolt, lock washer
and flat washer in exact order as
shown.
5. Tighten bolt securely (27-35 Ft. Lbs.
torque).
IMPORTANT: Blade bolt is grade 8 heat
treated.
Trailir Blade Centel ly
J
_i-lex Bolt (Grade)'
*A Grade 8heat treated bolt can be identified
by six lines on the bolt head.
TO SHARPEN BLADE
NOTE: We do not recommend sharpen-
ing blade - but if you do, be sure the
blade is balanced.
Care should be taken to keep the blade
balanced. An unbalanced blade will
cause excessive vibration and eventual
damage to mower and engine.
•The blade can be sharpened with a file
or on a grinding wheel. Do not attempt
to sharpen while on the mower.
•To check blade balance, you will need
a 5/8" diameter steel bolt, pin, or acone
balancer. (When using a cone bal-
ancer, follow the instructions supplied
with balancer.)
NOTE: Do not use a nail for balancing
blade. The lobes of the center hole may
appear to be centered, but are not.
•Slide blade on to an unthreaded
portion of the steel bolt or pin and hold
the bolt or pin parallel with the ground.
If blade is balanced, it should remain in
a horizontal position. If either end of
the blade moves downward, sharpen
the heavy end until the blade is
balanced.
5/8" Blade
Center Hole
BATTERY
Your tractor has a battery charging system
which is sufficient for normal use. How-
ever, periodic charging of the battery with
an automotive charger will extend its life.
19

• Keep battery and terminals clean.
• Keep battery bolts tight.
•Keep small vent holes open.
•Recharge at 6-10 amperes for t hour.
NOTE; The odginal equipment battery on
your tractor is maintenance free. Do not
attempt to open or remove caps or covers.
Adding or checking level of electrolyte is
not necessary.
TO CLEAN BAI-rERYAND TERMINALS
Corrosion and dirt on the battery and
terminals can cause the battery to "leak"
power.
1. Remove terminal guard.
2. Disconnect BLACK battery cable first
then RED battery cable and remove
battery from tractor.
3. Rinse the battery with plain water and
dry.
4. Clean terminals and battery cable ends
with wire brush until bright.
5. Coat terminals with grease or petro-
leum jelly.
6. Reinstall battery (See "REPLACING
BATTERY" in the SERVICE AND
ADJUSTMENTS section of this
manual).
TRANSAXLE COOLING
Keep transaxle free from build-up of dirt
and chaff which can restrict cooling.
CHECK TRANSAXLE OIL LEVEL
1. Block up rear axle securely.
2. Remove left rear wheel by removing
hub bolts.
3. Remove filler plug from transaxle. Oil
level must be even with plug threads. If
necessary, fill with SAE 30 motor oil,
API SF-SJ. Replace filler plug.
4. Reassemble wheel to hub.
___Transaxle Filler
Plug
V-BELTS
Check V-belts for deterioration and wear
after 100 hours of operation and replace if
necessary. The belts are not adjustable.
Replace belts if they begin to slip from
wear.
ENGINE
LUBRICATION
Only use high quality detergent oil rated
with API service classification SF-SJ.
Select the oil's SAE viscosity grade
according to your expected operating
temperature.
SAEVISCOSR'YGRADES
F *20 0 30 _40
-,_ _ -1_, 0_'o 2o
TEMPERATURE RANGE ANTICIPATED BEFORE NEXT OIL CHANGE
Change the oil after every 50 hours of
operation or at least once a year if the
tractor is not used for 50 hours in one
year.
Check the crankcase oil level before
starting the engine and after each eight
(8) hours of operation. Tighten oil fill cap/
dipstick securely each time you check the
oil level.
TO CHANGE ENGINE OIL
Determine temperature range expected
before oil change. All oil must meet API
service classification SF-SJ.
• Be sure tractor is on level surface.
•Oil will drain more freely when warm.
• Catch oil in a suitable container.
1. Remove oil fill cap/dipstick. Be careful
not to allow dirt to enter the engine
when changing oil.
2. Remove yellow cap from end of drain
valve and install the drain tube onto
the fitting. Oil Drain Valve
20
Yellow
Cap
Drain Tube Closed and
Locked Position
3. Unlock drain valve by pushing upward
slightly and turning counterclockwise.
4. To open, pull down on the drain valve.
5. After oil has drained completely, close
and lock the drain valve by pushing
upward and turning clockwise until the
pin is in the locked position as shown.
6. Remove the drain tube and replace
the cap onto to the end of the drain
valve.
7. Refill engine with oil through oil fill
dipstick tube. Pour slowly. Do not
overfill. For approximate capacity see
"PRODUCT SPECIFICATIONS"
section of this manual.
8. Use gauge on oil fill cap/dipstick for
checking level. Insert dipstick into the
tube and rest the oil fill cap on the
tube. Do not thread the cap onto the
tube when taking reading. Keep oil
at "FULL" line on dipstick. Tighten cap
onto the tube securely when finished.

ENGINE OIL FILTER
Replace the engine oil filter every season
or every other oil change if the tractor is
used more than 100 hours in one year.
AIR FILTER
Your engine will not run properly using a
dirty air filter. Clean the foam pre-cleaner
after every 25 hours of operation or every
season. Service paper cartridge every
100 hours of operation or every season,
whichever occurs first.
Service air cleaner more often under
dusty conditions.
1. Loosen knob and remove cover.
TO SERVICE PRE-CLEANER
2. Slide foam pre-cleaner off cartridge.
3. Wash it in liquid detergent and water.
4. Squeeze it dry in a clean cloth. Allow
it to dry.
5. Saturate it in engine oil. Wrap it in
clean, absorbent cloth and squeeze to
remove excess oil.
TO SERVICE CARTRIDGE
•Replace a dirty, bent, or damaged
cartridge.
NOTE: Do not wash the paper cartridge
or use pressurized air, as this will
damage the cartridge.
6. Remove nut and cartridge plate.
7. Reinstall the pre-cleaner (cleaned
and oiled) over the paper cartridge.
8. Check rubber seal for damage and
proper position around stud. Replace
if necessary.
9. Reassemble air cleaner, cartridge
plate, and nut.
10.Reinstall air cleaner cover and secure
by tightening knob.
Cartridge
Foam
Pre-Cleaner
Cartridge
Plate
Rubber
Seal
Nut
Knob
CLEAN AIR SCREEN
Air screen must be kept free of dirt and
chaff to prevent engine damage from
overheating. Clean with a wire brush or
compressed air to remove dirt and
stubborn dried gum fibers.
CLEAN AIR INTAKE/COOLING AREAS
To insure proper cooling, make sure the
grass screen, cooling fins, and other
external surfaces of the engine are kept
clean at all times.
Every 100 hours of operation (more often
under extremely dusty, dirty conditions),
remove the blower housing and other
cooling shrouds. Clean the cooling fins
and external surfaces as necessary. Make
sure the cooling shrouds are reinstalled.
NOTE: Operating the engine with a
blocked grass screen, dirty or plugged
cooling fins, and/or cooling shrouds
removed will cause engine damage due
to overheating.
MUFFLER
Inspect and replace corroded muffler and
spark arrester (if equipped) as it could
create a fire hazard and/or damage.
SPARK PLUG(S)
Replace spark plug(s) at the beginning of
each mowing season or after every 100
hours of operation, whichever occurs first.
Spark plug type and gap setting are
shown in "PRODUCT SPECIFICATIONS"
section of this manual.
IN-LINE FUEL FILTER
The fuel filter should be replaced once
each season. If fuel filter becomes
clogged, obstructing fuel flow to carbure-
tor, replacement is required.
1. With engine cool, remove filter and
plug fuel line sections.
2. Place new fuel filter in position in fuel
line with arrow pointing towards
carburetor.
3. Be sure there are no fuel line leaks
and clamps are properly positioned.
4. Immediately wipe up any spilled
gasoline.
Fuel Filter__ _J
CLEANING
•Clean engine, battery, seat, finish, etc.
of all foreign matter.
•Keep finished surfaces and wheels free
of all gasoline, oil, etc.
• Protect painted surfaces with automo-
tive type wax.
We do not recommend using a garden
hose to clean your tractor unless the
electrical system, muffler, air filter and
carburetor are covered to keep water out.
Water in engine can result in a shortened
engine life.
21

AWARNING: TO AVIOD SERIOUS INJURY, BEFORE PERFORMING ANY
SERVICE OR ADJUSTMENTS:
1. Depress clutch/brake pedal fully and set parking brake,
2. Place gearshift lever in neutral (N) position.
3. Place attachment clutch in "DISENGAGED" position.
4. Turn ignition key "OFF" and remove key.
5. Make sure the blades and all moving parts have completely stopped.
6. Disconnect spark plug wire from spark plug and place wire where it cannot
come in contact with plug.
TRACTOR
TO REMOVE MOWER
1. Place attachment clutch in "DISEN-
GAGED" position.
2. Turn height adjustment knob to lowest
setting.
3. Lower mower to its lowest position.
4. Remove retainer spring holding anti-
swaybar to chassis bracket and
disengage anti-swaybar from bracket.
5. Remove four retainer springs from
front plate assembly and remove
plate.
6. Remove retainer springs from
suspension arms at deck and disen-
gage arms from deck.
7. Raise attachment lift to its highest
position.
8. Slide mower forward and remove belt
from electric clutch pulley.
9. Slide mower out from under right side
of tractor.
TO INSTALL MOWER
Follow procedure described in "INSTALL
MOWER AND DRIVE BELl" in the
Assembly section of this manual.
TO LEVEL MOWER HOUSING
Adjust the mower while tractor is parked
on level ground or driveway. Make sure
tires are properly inflated (See "PROD-
UCT SPECIFICATIONS" section of this
manual). If tires are over or underinflated,
you will not properly adjust your mower.
Suspension
Front Mower
Bracket
Electric
Clutch Pulley
Front
Plate
Chassis
Bracket ly
Retainer
Sprit
Anti-Sway
Bar
Retainer Springs
.=rSprings
(Both Sides)
Mower
Bracket
22

SIDE-TO-SIDE ADJUSTMENT WITH
BUBBLE LEVEL
NOTE: If necessary, check side-to-side
surface below tractor for levelness with a
long board and the bubble level.
•Using the lift lever, place mower in
position where no part of the mower,
including gauge wheels, is touching
the ground.
•From left side of tractor, find the level
decal on top of mower and place
bubble level on decal as indicated.
• Mower is level side-to-side when
bubble is between the two lines in the
bubble level.
• If adjustment is necessary, under left
hand footrest, turn lift link adjustment
nut (above yellow cap) in appropriate
direction to bring bubble between the
lines in the bubble level.
• Remove bubble level from mower and
store in a safe place.
Bubble _ _ Bubble Level
Between
Lines _J././_l
_ Level Decal
Brake_
Pedal _Footrest
Lift Link
Adjustment
Nut
ALTERNATE SIDE-TO-SIDE
ADJUSTMENT METHOD
• Raise mower to its highest position.
• Measure height from bottom edge of
mower to ground level at front corners
of mower. Distance "A" on both sides
of mower should be the same.
• If adjustment is necessary, make
adjustment on one side of mower only.
• To raise one side of mower, tighten lift
link adjustment nut on that side.
• To lower one side of mower, loosen lift
link adjustment nut on that side.
NOTE: Each full turn of adjustment nut
will change mower height about 3/16".
• Recheck measurements after adjust-
ing.
Bottom Edge of Bottom Edge of
Mower to Ground Mower to Ground
' Mandrel
FRONT-TO-BACK ADJUSTMENT
IMPORTANT: Deck must be level side-to-
side. If the following front-to-back
adjustment is necessary, be sure to adjust
both front links equally so mower will stay
level side-to-side.
To obtain the best cutting results, the
mower housing should be adjusted so
the front is approximately 1/8" to 1/2"
lower than the rear when the mower is in
its highest position.
Check adjustment on right side of tractor.
Position any blade so the tip is pointing
straight forward. Measure distance "B" at
front and rear tip of blade
• Before making any necessary adjust-
ments, check that both front links are
equal in length.
• If links are not equal in length, adjust
one link to same length as other link.
• To lower front of blade, loosen nut "C"
on both front links an equal number of
turns.
NOTE: Each full turn of nut "C" will
change dim. "B" by approximately 3/16".
• When distance "B" is 1/8" to 1/2" lower
at front than rear, tighten nut "D"
against trunnion on both front links.
• To raise front of blade, loosen nut "D"
from trunnion on both front links.
Tighten nut "C" on both front links an
equal number of turns.
• When distance "B" is 1/8" to 1/2" lower
at front than rear, tighten nut "D"
against trunnion on both front links.
• Recheck side-to-side adjustment.
\,\ Blade

BOTH FRONT LINKS MUST BE EQUAL
IN LENGTH
Front Plate Trunnion
Assembly
TO REPLACE MOWER DRIVE BELT
MOWER DRIVE BELT REMOVAL
1. Park tractor on a level surface.
Engage parking brake.
2. Remove screws from L.H. mandrel
cover and remove cover.
Screws
L.H.
Mandrel
Cover
3. Roll belt over the top of L.H. mandrel
pulley.
4. Remove belt from electric clutch
pulley.
5. Remove belt from idler pulleys.
6. Remove any dirt or grass clippings
which may have accumulated around
mandrels and entire upper deck
surface.
7. Check primary idler arm and two
idlers to see that they rotate freely.
8. Be sure spring is securely hooked to
primary idler arm and bolt in mower
housing.
MOWER DRIVE BELT INSTALLATION
9. Install belt in both idlers. Make sure
belt is in both belt keepers at the idlers
as shown.
10.Install new belt onto electric clutch
pulley.
11 .Roll belt into upper groove of L.H.
mandrel pulley.
12.Carefully check belt routing making
sure belt is in the grooves correctly
and inside belt keepers.
13. Reassemble L.H. mandrel cover.
Idler
Pulleys
Primary Idler Arm
Spring
Electric
Clutch
Pulley
L.H.
Mandrel
Bolt in
Mower
Housing
Mower Drive Belt
Belt Keepers
24

TO REPLACE MOWER BLADE DRIVE
BELT
Park the tractor on level surface. Engage
parking brake.
1. Remove mower drive belt (See 'q-O
REPLACE MOWER DRIVE BELT" in
this section of this manual).
2. Remove mower (See "TO REMOVE
MOWER" in this section of this
manual).
3. Remove screws from R.H. mandrel
cover and remove cover. Unhook
spring from bolt on mower housing.
4. Carefully roll belt oft R.H. mandrel
pulley.
5. Remove belt from center mandrel
pulley, idler pulley, and L.H. mandrel
pulley.
6. Remove any dirt or grass which may
have accumulated around mandrels
and entire upper deck surface.
7. Check secondary idler arm and idler
to see that they rotate freely.
8. Be sure spring is hooked in secondary
idler arm and sway-bar bracket.
9. Install new belt in lower groove of L.H.
mandrel pulley, idler pulley, and
center mandrel pulley as shown.
10.Roll belt over R.H. mandrel pulley.
Make sure belt is in all grooves
properly.
11. Reconnect spring to bolt in mower
housing and reinstall R.H. mandrel
cover.
12. Reinstall mower to tractor (See
"INSTALL MOWER AND DRIVE
BELT" in the Assembly section of this
manual).
13. Reassemble mower drive belt (See
"TO REPLACE MOWER DRIVE BELT"
in this section of this manual).
Mower Blade
LH. Drive Belt Center
Mandrel
Mandrel-_ _.\ i R.H. Mandrel
- -._.,f_[. xv_ "<;_L Cover
IdlerArm" ,_'E i!__'_ I)
Spring I _'_'__ \
Swa Bar // \
BracKet Idler
Pulley
TO ADJUST ATrACHMENT CLUTCH
The electric clutch should provide years
of service. The clutch has a built-in brake
that stops the pulley within 5 seconds.
Eventually, the internal brake will wear
which may cause the mower blades to
not engage, or, to not stop as required.
Adjustments should be made by a Sears
or other qualified service center.
1. Make sure attachment clutch and
ignition switches are in "OFF" position.
2. Adjust the three nylon Iocknuts until
space between clutch plate and rotor
measures .012" at all three slot
locations cut in the side of brake plate.
NOTE: After installing a new electric
clutch, run tractor at full throttle and
engage and disengage electric clutch 10
cycles to wear in clutch plate.
Rotor
.012"
Ny
Locknut
_Plate
TO ADJUST BRAKE
Your tractor is equipped with an adjustable
brake system which is mounted on the left
side of the transaxle.
If tractor requires more than six (6) feet
stopping distance at high speed in highest
gear on a level dry concrete or paved
surface, then brake must be adjusted.
1. Depress clutch/brake pedal and
engage parking brake.
2. Measure distance between brake
operating arm and nut 'W' on brake rod.
3. If distance is other than 1-3/4", loosen
jam nut and turn nut "A" until distance
becomes 1-3/4". Retighten jam nut
against nut "A".
25

41 Road test tractor for proper stopping
distance as stated above. Readjust if
necessary. If stopping distance is still
greater than six (6) feet in highest gear,
further maintenance is necessary.
Contact a Sears or other qualified
service center.
IMPORTANT: Check Brake Adjustment.
Clutching Flat Idler
Engine Above
With Parking Brake "Engaged" Transaxle
Pulley
Twists Belt
Keeper
Nut As Viewed from Bottom
Operating
Arm
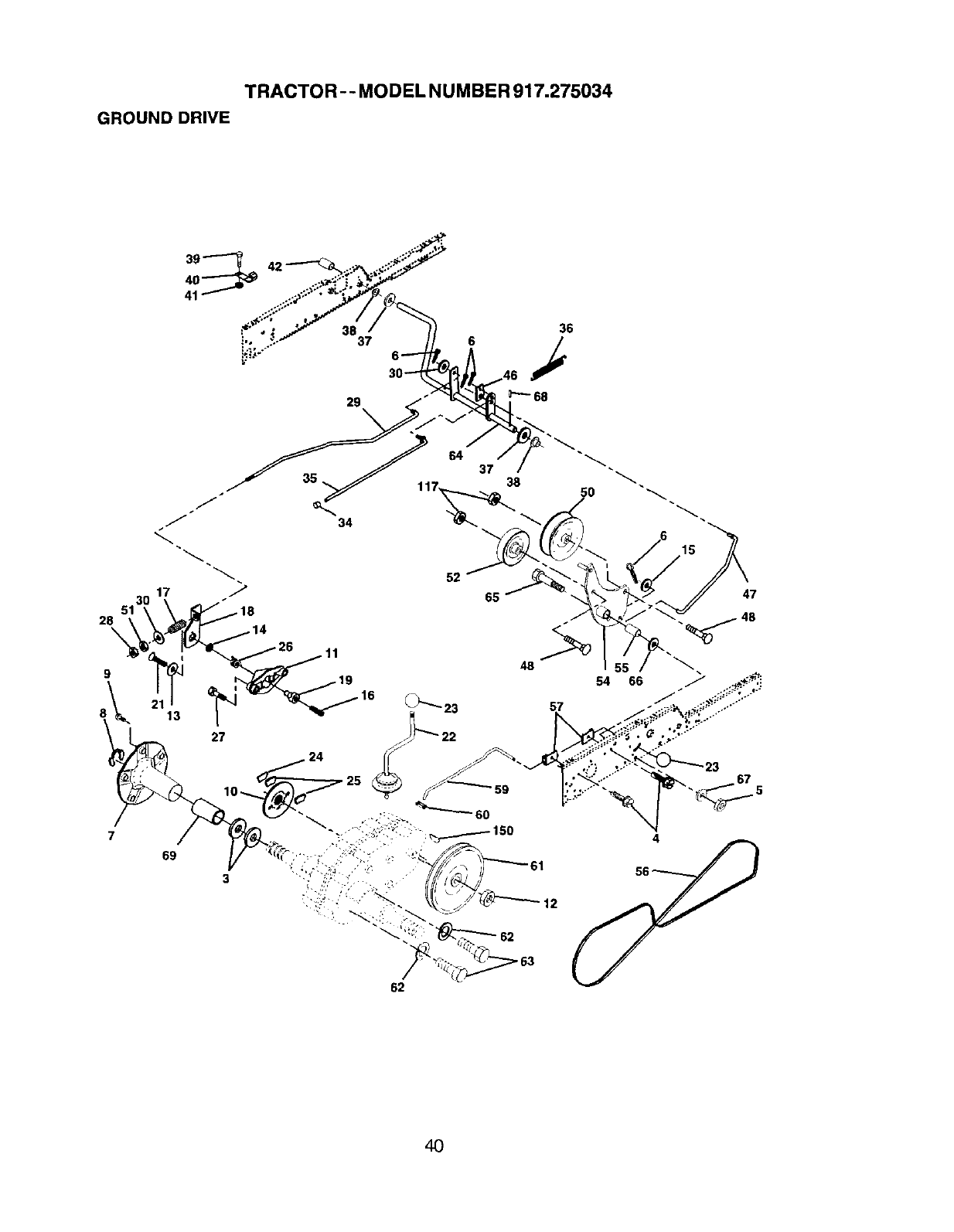
TO REPLACE MOTION DRIVE BELT
Park the tractor on level surface. Engage
parking brake. For ease of service there
is a belt installation guide decal on
bottom of left footrest. It is not necessary
to remove mower.
BELT REMOVAL -
1. Engage parking brake (creates slack
in belt).
2. Remove mower drive belt from electric
clutch pulley only (See "TO REPLACE
MOWER DRIVE BELT' in this section
of this manual).
3. Roll motion drive belt off transaxle
pulley.
4. Roll belt off clutching idler pulleys,
then off engine pulley and front V-idler
pulley.
5. Pull belt out of all belt keepers.
BELT INSTALLATION -
1. Place V part of belt into grooves on
engine pulley and front V-idler,
making sure to route belt inside of belt
keepers.
2. Put belt coming from V-idler above
midspan belt keeper, then onto
clutching idler pulleys as shown.
3. Make sure V part of belt engages V-
idler.
4. Place belt around transaxle pulley,
beginning at top.
V part of belt should engage transaxle
pulley.
5. Place long lower section of belt
through loop in midspan belt keeper.
6. Check to be sure belt is on proper
side of all belt keepers.
7. Reinstall mower drive belt onto
electric clutch pulley. 26
TO ADJUST STEERING WHEEL ALIGN-
MENT
If steering wheel crossbars are not
horizontal (left to right) when wheels are
positioned straight forward, remove
steering wheel and reassemble with
crossbar horizontal. Tighten securely.
FRONT WHEEL TOE-IN ADJUSTMENT
Front wheel toe-in is required for proper
steering operation. Toe-in was set at the
factory and adjustment should not be
necessary. If parts in the front axle or
steering mechanism have been replaced
or damaged, check toe-in and adjust if
necessary.
TO CHECK TOE-IN -
1. Position front wheels straight ahead.
2. Measure distance between wheels at
front and rear of tires (dimensions "A"
and "B").
• Front dimension "A" should be 1/8" to
1/4" less than rear dimension "B".
TO ADJUST TOE-IN -
1. Loosen jam nuts at adjustment
sleeves on tie rod.
2. Adjust tie rod until dimension "A" is
1/8" to 1/4" less than dimension "B".
3. Tighten jam nuts securely.
FRONT WHEEL CAMBER
The front wheel camber is not adjustable
on your tractor. If damage has occurred to
affect the front wheel camber, contact a
Sears or other qualified service center.
_ B ....

Adjustment Sleeves
Jam Nuts
TO REMOVE WHEEL FOR REPAIRS
TO ATFACH JUMPER CABLES -
1. Connect one end of the RED cable to
the POSITIVE (+) terminal of each
battery(A-B), taking care not to short
against tractor chassis.
2. Connect one end of the BLACK cable
to the NEGATIVE (-) terminal (C) of
fully charged battery.
3. Connect the other end of the BLACK
cable (D) to good chassis ground,
away from fuel tank and battery.
FRONT WHEEL -
1. Block up axle securely.
2. Remove axle cover, retaining ring and
washers to allow wheel removal.
3. Repair tire and reassemble.
4. Replace washers and snap retaining
ring securely in axle groove.
5. Replace axle cover.
REAR WHEEL -
1. Block rear axle securely.
2. Remove five (5) hub bolts to allow
wheel removal.
3. Repair tire and reassemble. Replace
and tighten hub bolts securely.
Retaining
Ring
Axle
Cover
NOTE: To seal tire punctures and prevent
flat tires due to slow leaks, tire sealant
may be purchased from your local parts
dealer. Tire sealant also prevents tire dry
rot and corrosion.
TO START ENGINE WITH A WEAK
RNING: Lead-acid batteries
generate explosive gases. Keep sparks,
flame and smoking materials away from
batteries. Always wear eye protection
when around batteries.
If your battery is too weak to start the
engine, it should be recharged. (See
"BATTERY" in the MAINTENANCE
section of this manual).
If "jumper cables" are used for emergency
starting, follow this procedure:
IMPORTANT: Your tractor is equipped
with a 12 volt system. The other vehicle
must also be a 12 volt system. Do not use
your tractor battery to start other vehicles.
TO REMOVE CABLES, REVERSE
ORDER -
1. BLACK cable first from chassis and
then from the fully charged battery.
2. RED cable last from both batteries.
Weak or Dead Fully Charged
Battery Battery
REPLACING BATTERY
ACAUTION: Do not short battery
terminals by allowing a wrench or any
other object to contact both terminals at
the same time. Before connecting battery,
remove metal bracelets, wristwatch
bands, rings, etc.
Positive terminal must be connected first
to prevent sparking from accidental
grounding.
1. Lift hood to raised position.
2. Remove terminal guard.
3. Disconnect BLACK battery cable then
RED battery cable and carefully
remove battery from tractor.
4. Install new battery with terminals in
same position as old battery.
5. Reinstall terminal guard.
6. First connect RED battery cable to
positive (+) battery terminal with hex
bolt and keps nut as shown. Tighten
securely.
7. Connect BLACK grounding cable to
negative (-) battery terminal with
remaining hex bolt and keps nut.
Tighten securely
8. Close terminal access doors.
9. Close hood.
27

Terminal .--'_ Hex
Access :. Bolt
,.: (Red)
%*..
Terminal Cable
Guard
Cable (Black)
TO REPLACE HEADLIGHT BULB
1. Raise hood.
2. Pull bulb holder out of the hole in the
backside of the grill.
3. Replace bulb in holder and push bulb
holder securely back into the hole in
the backside of the grill.
4. Close hood.
INTERLOCKS AND RELAYS
Loose or damaged wiring may cause your
tractor to run poorly, stop running, or
prevent it from starting.
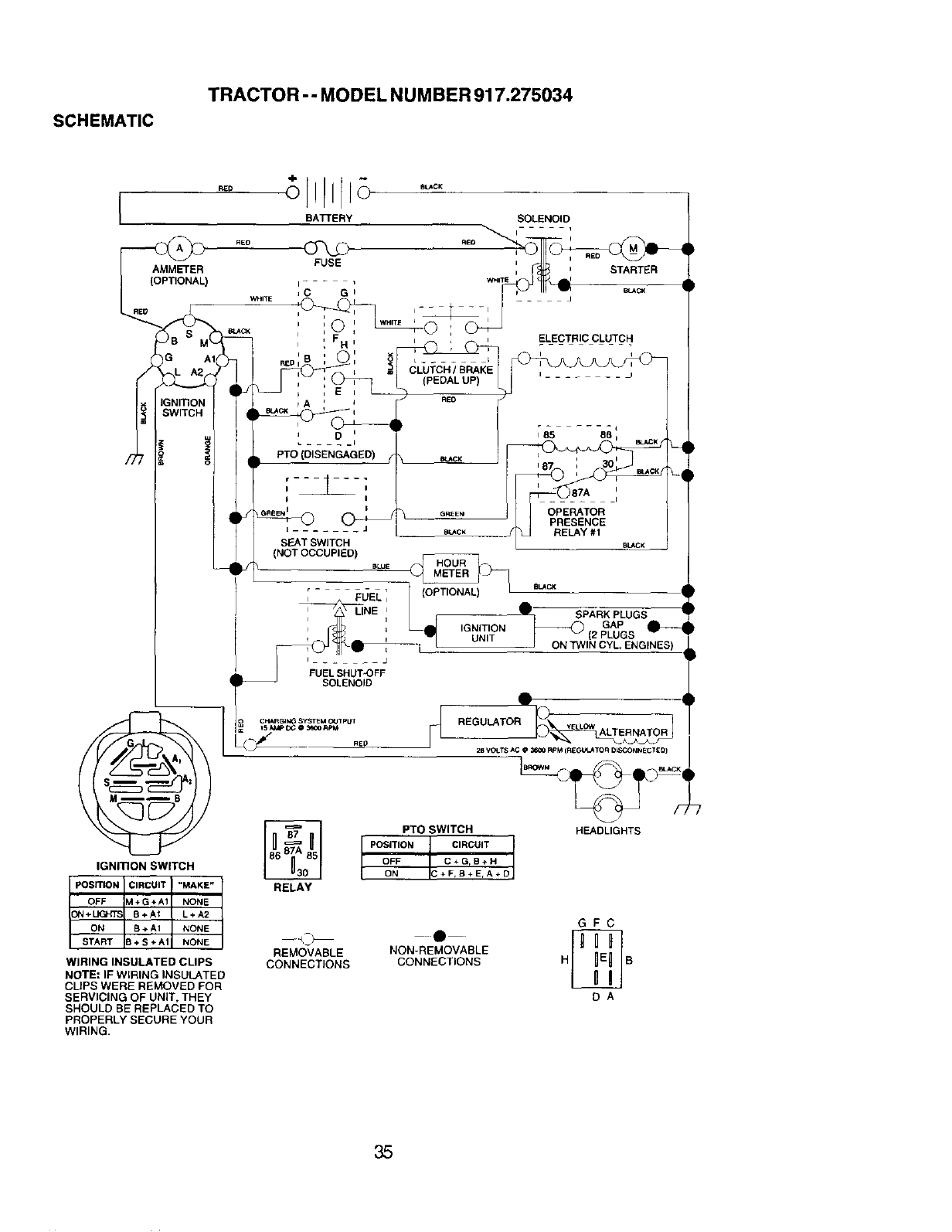
•Check wiring. See electrical wiring
diagram in the Repair Parts section.
TO REPLACE FUSE
Replace with 30 amp automotive-type
plug-in fuse. The fuse holder is located
behind the dash.
TO REMOVE HOOD AND GRILL AS-
SEMBLY
1. Raise hood.
2. Unsnap headlight wire connector.
3. Stand in front of tractor. Grasp hood at
sides, tilt toward engine and lift off of
tractor.
4. When replacing hood, be sure to
reconnect the headlight wire connec-
tor.
._ HeadnlightoWire
H°°d/" _._
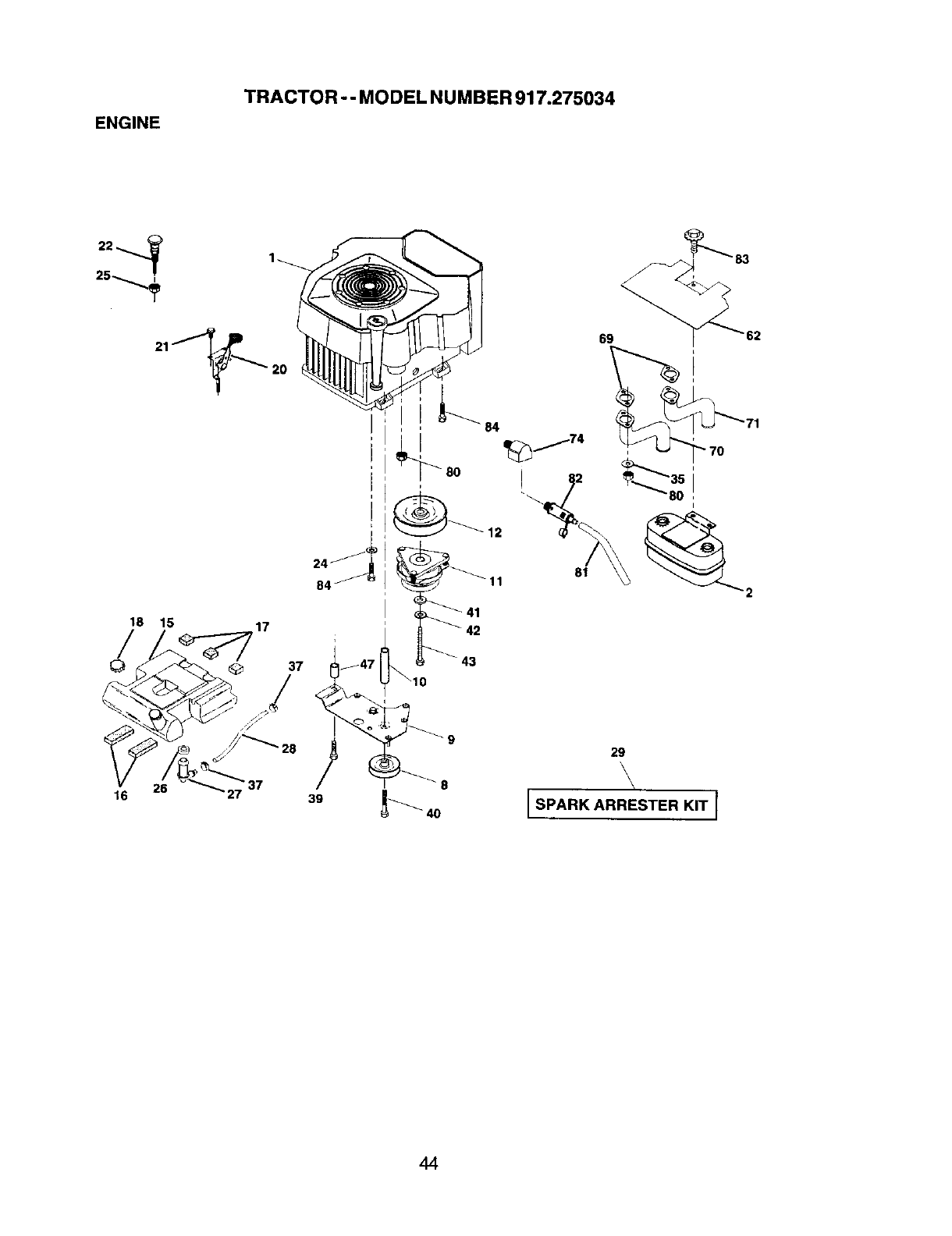
ENGINE
Maintenance, repair, or replacement of
the emission control devices and sys-
tems, which are being done at the
customers expense, may be performed
by any non-road engine repair establish-
ment or individual. Warranty repairs must
be performed by an authorized engine
manufacturer's service outlet.
TO ADJUST THROTTLE CONTROL
CABLE
The throttle control has been preset at the
factory and adjustment should not be
necessary. Check adjustment as de-
scribed below before loosening cable. If
adjustment is necessary, proceed as
follows:
1. With engine not running, move throttle
control lever to fast position.
2. Check that speed control lever is
against stop screw. If it is not, loosen
casing clamp screw and pull throttle
cable until lever is against screw.
Tighten clamp screw securely.
Idle Fuel Adjusting
Needle Idle speed Adjusting
Screw
Throttle
Control
Cable
Stol
ScreV_lam p
Choke
Control
Cable
28

TO ADJUST CHOKE CONTROL
The choke control has been preset at the
factory and adjustment should not be
necessary, check adjustment as de-
scribed below before loosening cable. If
adjustment is necessary, proceed as
follows:
1. With engine not running, move choke
control (located on dash panel) to full
choke position.
2. Remove air cleaner cover, filter and
cartridge plate to expose carburetor
choke (See "AIR FILTER" in the
Maintenance section of this manual).
3. Choke should be closed. If it is not,
loosen casing clamp screw and move
choke cable until choke is completely
closed. Tighten casing clamp screw
securely.
4. Reassemble air cleaner.
Closed for Full
Chok,
TO ADJUST CARBURETOR
The carburetor has been present at the
factory and adjustment should not be
necessary. However, minor adjustment
may be required to compensate for
differences in fuel, temperature, altitude
or load. If the carburetor does need
adjustment, proceed as follows:
In general, turning the adjusting needles
in (clockwise) decreases the supply of
fuel to the engine giving aleaner fuel/air
mixture. Turning the adjusting needles out
(counterclockwise) increases the supply
of fuel to the engine giving aricher fuel/
air mixture.
IMPORTANT: Damage to the needles
and the seats in carburetor may result if
screw is turned in too tight.
PRELIMINARY SEI-IING -
1. Be sure you have a clean air filter, and
the throttle control cable is adjusted
properly (see "TO ADJUST
THROTTLE CONTROL CABLE" in the
Service and Adjustments section of
this manual).
2. With engine off turn idle fuel adjusting
needle in (clockwise) closing it finger
tight and then turn out (counterclock-
wise) 1 turn.
FINAL SEI-I-ING -
1. Start engine and allow to warm for five
minutes. Make final adjustments with
engine running and shift/motion
control lever in neutral (N) position.
NOTE: The high idle is set at the factory
and cannot be adjusted.
2. Idle speed setting - With throttle
control lever in slow position, engine
should idle at 1200 RPM. If engine
idles too slow or fast, turn idle speed
adjusting screw in or out until correct
idle is attained.
3. Idle fuel needle setting - With throttle
control lever in slow position, turn idle
fuel adjusting needle in (clockwise)
until engine speed decreases and
then turn out (counterclockwise)
approximately 3/4 turn to obtain the
best low speed performance.
4. Recheck idle speed. Readjust if
necessary.
ACCELERATION TEST -
5. Move throttle control lever from slow to
fast position. If engine hesitates or
dies, turn idle fuel adjusting needle
out (counterclockwise) 1/8 turn.
Repeat test and continue to adjust, if
necessary, until engine accelerates
smoothly.
High speed stop is factory adjusted. Do
not adjust-damage may result.
IMPORTANT: Never tamper with the
engine governor, which is factory set for
proper engine speed. Overspeeding the
engine above the factory high speed
setting can be dangerous. If you think the
engine-governed high speed needs
adjusting, contact Sears or other qualified
service center, which has proper equip-
ment and experience to make any
necessary adjustments.
29

Immediately prepare your tractor for
storage at the end of the season or if the
tractor will not be used for 30 days or
more.
_CAUTION: Never store the tractor with
gasoline in the tank inside a building
where fumes may reach an open flame or
spark. Allow the engine to cool before
storing in any enclosure.
TRACTOR
Remove mower from tractor for winter
storage. When mower is to be stored for
a period of time, clean it thoroughly,
remove all dirt, grease, leaves, etc. Store
in a clean, dry area.
1. Clean entire tractor (See "CLEANING"
in the Maintenance section of this
manual).
2. Inspect and replace belts, if necessary
(See belt replacement instructions in
the Service and Adjustments section
of this manual).
3. Lubricate as shown in the Mainte-
nance section of this manual.
4. Be sure that all nuts, bolts and screws
are securely fastened. Inspect moving
parts for damage, breakage and wear.
Replace if necessary.
5. Touch up all rusted or chipped paint
surfaces; sand lightly before painting.
BATTERY
•Fully charge the battery for storage.
•After a period of time in storage, battery
may require recharging.
•To help prevent corrosion and power
leakage during long periods of storage,
battery cables should be disconnected
and battery cleaned thoroughly (see
"TO CLEAN BATTERY AND TERMI-
NALS" in the Maintenance section of
this manual).
• After cleaning, leave cables discon-
nected and place cables where they
cannot come in contact with battery
terminals.
• If battery is removed from tractor for
storage, do not store battery directly on
concrete or clamp surfaces.
ENGINE
FUEL SYSTEM
IMPORTANT: It is important to prevent
gum deposits from forming in essential
fuel system parts such as carburetor, fuel
hose, or tank during storage. Also,
alcohol blended fuels (called gasohol or
using ethanol or methanol) can attract
moisture which leads to separation and
formation of acids during storage. Acidic
gas can damage the fuel system of an
engine while in storage.
1. Drain the fuel tank.
2. Start the engine and let it run until the
fuel lines and carburetor are empty.
• Never use engine or carburetor cleaner
products in the fuel tank or permanent
damage may occur.
• Use fresh fuel next season.
NOTE: Fuel stabilizer is an acceptable
alternative in minimizing the formation of
fuel gum deposits during storage. Add
stabilizer to gasoline in fuel tank or
storage container. Always follow the mix
ratio found on stabilizer container. Run
engine at least 10 minutes after adding
stabilizer to allow the stabilizer to reach
the carburetor. Do not drain the gas tank
and carburetor if using fuel stabilizer.
ENGINE OIL
Drain oil (with engine warm) and replace
with clean engine oil. (See "ENGINE" in
the Maintenance section of this manual).
CYLINDER(S)
1. Remove spark plug(s).
2. Pour one ounce of oil through spark
plug hole(s) into cylinder(s).
3. Turn ignition key to start position for a
few seconds to distribute oil.
4. Replace with new spark plug(s).
OTHER
• Do not store gasoline from one season
to another.
• Replace your gasoline can if your can
starts to rust. Rust and/or dirt in your
gasoline will cause problems.
• If possible, store your tractor indoors
and cover it to give protection from dust
and dirt.
• Cover your tractor with a suitable
protective cover that does not retain
moisture. Do not use plastic. Plastic
cannot breathe which allows conden-
sation to form and will cause your
tractor to rust.
IMPORTANT: Never cover tractor while
engine and exhaust areas are still warm.
3O

TROUBLESHOOTING CHART:
See appropriate section in manual unless directed to Sears service center
PROBLEM
Will not start 1.
2,
3.
4.
5,
6.
7
CAUSE CORRECTION
Hard to start
Enginewill not
turn over
Engine clicks but
will not start
Out of fuel.
Engine not "CHOKED"
properly.
Engine flooded.
Bad spark plug.
Dirty air filter.
Dirty fuel filter.
Water in fuel.
i8. Loose or damaged wiring.
9. Carburetor out of adjustment.
10. Engine valves out of
adjustment.
1. Dirty air filter.
2. Bad spark plug.
3. Weak or dead battery.
4. Dirty fuel filter.
5. Stale or dirty fuel.
6. Loose or damaged wiring.
7. Carburetor out of adjustment.
8. Engine valves out of
adjustment.
1. Clutch/brake pedal not
depressed,
2. Attachment clutch is
engaged.
3. Weak or dead battery.
4. Blown fuse.
5. Corroded battery terminals.
6. Loose or damaged wiring.
7. Faulty ignition switch.
8. Faulty solenoid or starter.
9. Faulty operator presence
switch(es).
1. Weak or dead battery.
2. Corroded battery terminals.
3. Loose or damaged wiring.
4. Faulty solenoid or starter.
1. Fill fuel tank.
2. See "TO START ENGINE"
in Operation section.
3. Wait several minutes
before attempting to start,
4. Replace spark plug.
5. Clean/replace air filter.
6. Replace fuel filter.
7. Drain fuel tank and
carburetor, refill tank with
fresh gasoline and replace
fuel filter.
8. Check all wiring.
9. See "To Adjust Carburetor"
in Service and Adjustments
section.
10.Contact a Sears or other
qualified service center.
1. Clean/replace air filter.
2. Replace spark plug.
3. Recharge or replace
battery.
4. Replace fuel filter.
5. Drain fuel tank and refill
with fresh gasoline,
6. Check all wiring.
:7. See "To Adjust Carburetor"
in Service and Adjustments
section.
8, Contact a Sears or other
qualified service center.
1. Depress clutch/brake
pedal,
2. Disengage attachment
clutch.
3. Recharge or replace
battery.
4. Replace fuse.
5. Clean battery terminals.
6. Check all wiring.
7. Check/replace ignition
switch.
8. Check/replace solenoid or
starter.
9. Contact a Sears or other
qualified service center.
1. Recharge or replace battery
2, Clean battery terminals.
3. Check all wiring.
4. Check/replace solenoid or
starter.
31

TROUBLESHOOTING CHART:
See appropriate section in manual unless directed to Sears service center
PROBLEM CAUSE CORRECTION
Loss of power .
2.
3.
4.
5.
6.
Excessive
vibration
7. Dirty fuel filter.
8. Stale or dirty fuel.
Cutting too much grass/too
fast.
Throttle in "CHOKE"
position.
Build-up of grass, leaves 3.
and trash under mower.
Dirty air filter. 4.
Low oil leveVdirty oil. 15.
Faulty spark plug. 6.
7.
8.
9. Water in fuel.
10.Spark plug wire loose.
11. Dirty engine air screen/fins.
12. Dirty/clogged muffler.
13.Loose or damaged wiring.
14.Carburetor out of
adjustment.
15. Engine valves out of
adjustment.
1. Worn, bent or loose blade.
2. Bent blade mandrel.
1. Set in "Higher Cut" position/
reduce speed.
2. Adjust throttle control.
Clean underside of mower
housing.
Clean/replace air filter.
Check oil level/change oil.
Clean and regap or change
spark plug.
Replace fuel filter.
Drain fuel tank and refill with
fresh gasoline.
9. Drain fuel tank and carbure
tor, refill tank with fresh
gasoline and replace fuel
filter.
10.Connect and tighten spark
plug wire.
11.Clean engine air screen/fins.
12.Clean/replace muffler.
13.Check all wiring.
14. See "To Adjust Carburetor"
in Service and Adjustments
section.
15.Contact a Sears or other
qualified service center.
1. Replace blade.
Tighten blade bolt.
2. Contact a Sears or other
qualified service center.
3. Tighten loose part(s).
Replace damaged parts.
3. Loose/damaged part(s).
Enginecontinues 1. Faulty operator-safety 1. Check wiring, switches and
to run presence control system, connections. If not
when operator contact a Sears or other
leaves seat with qualified service center.
with attachment
clutch engaged
Poor cut -uneven Worn, bent or loose blade.
Mower deck not level.
Buildup of grass, leaves,
and trash under mower.
Bent blade mandrel.
Clogged mower deck vent
holes from buildup of
grass, leaves, and trash
around mandrels.
.
2.
3.
4.
5.
1. Replace blade. Tighten
blade bolt.
2. Level mower deck.
3. Clean underside of mower
housing.
4. Contact a Sears or other
qualified service center.
5. Clean around mandrels to
open vent holes.
32

TROUBLESHOOTING CHART:
See appropriate section in manual unless directed to Sears service center
PROBLEM
Mower blades will
not rotate
Poor grass
discharge
4.
5.
6.
7.
8.
9.
Headlight(s) not 1.
working 2.
(if so equipped) 3.
4.
5.
Battery will not 1.
charge 2.
3.
4.
1.
Engine "backfires'
whenturning
engine "OFF"
CAUSE
1. Obstruction in clutch
mechanism.
2. Worn/damaged mower
drive belt.
3. Frozen idler pulley.
4. Frozen blade mandrel.
1. Engine speed too slow.
2. Travel speed too fast.
3. Wet grass.
Mower deck not level.
Low/uneven tire air
pressure.
Worn, bent or loose blade.
Buildup of grass, leaves
and trash under mower.
Mower drive belt worn.
Blades improperly installed.
10.Improper blades used.
11 .Clogged mower deck vent
holes from buildup of grass,
leaves, and trash around
mandrels.
Switch is "OFF".
Bulb(s) or lamp(s) burned ou!
Faulty light switch.
Loose or damaged wiring.
Blown fuse.
Bad battery cell(s).
Poor cable connections.
Faulty regulator
(if so equipped).
Faulty alternator.
Engine throttle control not
set at "SLOW" position
for 30 seconds before
stopping engine.
CORRECTION
1. Remove obstruction.
2. Replace mower drive belt.
3. Replace idler pulley.
4. Contact a Sears or other
qualified service center.
1. Place throttle control in
"FAST" position.
2. Shift to slower speed.
3. Allow grass to dry before
mowing.
4. Level mower deck.
5. Check tires for proper air
pressure.
6. Replace/sharpen blade.
Tighten blade bolt.
7. Clean underside of mower
housing.
8. Replace mower drive belt.
9. Reinstall blades sharp edge
down.
10.Replace with blades listed
in this manual.
11 .Clean around mandrels to
open vent holes.
1. Turn switch "ON".
2. Replace bulb(s) or lamp(s).
3. Check/replace light switch.
4. Check wiring and connec
tions.
5. Replace fuse.
1. Replace battery.
2. Check/clean all connec
tions.
3. Replace regulator.
4. Replace alternator.
.Move throttle control to
"SLOW" position and allow
to idle for 30 seconds before
stopping engine.
33

NOTES
34

SCHEMATIC
TRACTOR -- MODEL NUMBER 917.275034
POSITION CIRCUIT "MAKE" RELAY
OFF M+G+A1 NONE
ON + L_HT_ B+At L+A2
ON B + A1 NONE
START _+ S + A1 NONE
WIRING INSULATED CLIPS
NOTE: IF WIRING INSULATED
CLIPS WERE REMOVED FOR
SERVICING OF UNIT, THEY
SHOULD BE REPLACED TO
PROPERLY SECURE YOUR
WIRING.
GFC
REMOVABLE NON-REMOVABLE
CONNECTIONS CONNECTIONS H B
DA
35

ELECTRICAL
TRACTOR -- MODEL NUMBER 917.275034
81
16
i
33
30
36

ELECTRICAL
TRACTOR -- MODEL NUMBER 917.275034
KEY PART
NO. NO. DESCRIPTION
1 144927 Battery
2 74760412 Bolt Hex Head 1/4-20 x 3/4
8 7603,.I Tray, Battery
10 145211 Bolt 1/4-20 x 7.5 Zinc
11 150109 Hold down Battery Dash Mount
12 145769 Nut Push Nylon 1/4"
16 176138 Switch Interlock Push-In
21 175688 Harness Socket LightW/Bulb
25 150775 Cable, Battery
26 108824X Fuse
27 73510400 Nut Keps Hex 1/4-20 Unc
28 170697 Cable, Ground
29 160784 Switch, Plunger
30 175566 Switch, Ign
33 140403 Key, Ignition
40 170238 Harness Ign,
42 154336 Cover,Terminal
45 122822X Ammeter
50 174652 Switch, PTO
52 141940 Protection Wire Loop
79 175242 Bulbholder Asm. Incan descent
81 109748X Relay Asm.
NOTE: All component dimensions given in U.S. inches
1 inch = 25.4 mm
37

TRACTOR -- MODEL NUMBER 917.275034
CHASSIS AND ENCLOSURES
1/_8 148 130
161
158 36/" 152
58 7 122
17_144
28
21 17
i I
47
I17
19
1"_. 17 44 17
88 70
17 6 _636() 24
.,] 63 17
86 17 47
38

TRACTOR-- MODEL NUMBER 017.275034
CHASSIS AND ENCLOSURES
KEY PART KEY
NO. NO. DESCRIPTION NO.
1 180372 Rail,Frame RH 58
2 175282 Drawbar,Gt 60
4 73680700 Nut, CrownlockHex 7/16-14UNC 63
5163976)(428 DashYTGT2 Cyl 67
6157882 Dash, Lower Vgt One Piece 68
717720408 Screw, Thd Cut 1/4-20 x 1/2 70
8 145166 Support, Battery 84
14 175259X558 HoodAsm 85
16 121794X Cover, Access 86
17 17060612 Screw 3/8-16 X.75 88
18 174515)(558 Grille 91
19 19131312 Washer t3/32x13/16x12 Ga. 122
20 STD523710 Bolt, Fin Hex 3/8-16 x 1 130
21 STD541437 NutCrownlock 3/8-16Unc 137
24 179717X558 Footrest, RH 138
28 179716X558 Footrest, LH 139
30 145051X014 Saddle, SlkscrVgt 140
31 161419 Brace, Supt 1-pc VGT Strg 141
32 161327 Bracket, Pivot Chassis Lh 142
33 161326 Bracket, Pivot Chassis Rh 144
34 177018 Plate Asm Engine Chassis 148
35 19111116 Washer 11/32x11/16x16 Ga. 150
36 17060512 Screw 5/16-18 x 3/4 152
37 179772X558 Fender 153
39 175278 Bracket, Axle Front 157
42 72140608 Bolt, Carriage 3/8-16 x 1 158
43 136939 Bracket, Spnsn Front Lh 159
44 136940 Bracket, Spnsn Front Rh 160
45 154913 Bracket Asm., Susp Chassis Rh 161
47 17490608 Screw Thdrol 3/8-16 x 1/2 162
50 175476 Bracket, Chassis Front
56 154914 Bracket Asm., Susp Chassis Lh
PART
NO.
175315
17060620
19131614
156973
17490508
177679
142992
144911
74780716
DESCRIPTION
Bracket Asm., Fender
Screw Thdrol. 3/8-16 x 1-1/4
Washer 13/32 x 1 x 14 Ga.
Guide, Belt Gear Drive
Screw Thdrol. 5/16-18 x 1/2
Belt KeeperVGT GroundDrive
Stop, Over Center Mower
Bracket, SupportTransaxle
Bolt Fin Hex 7/16-14 UNC x 1
STD55t 143 Washer, Lock Hvy Hlcl Spr 7/16
180366 Rail, Frame Lh
161464 Screw Hex Wshd 8-18 x 7/8
164863 Screw HWHD Hi-Lo #13-16 x 3/4
74780716 Boll Fin Hex 7/16-14 xl Gr. 5
179125X428 CupholderYTGT
171873 BollShoulder 5/16-18 TT
163806 MagnetYTGT
163805 Striker PlateYTGT
161897 Bracket Dash Rh
161900 Bracket Dash Lh
164655 Extrusion Bumper
161237 Duct Heat Hood
177956 ShieEdBrowning
179761 Light Box Asm W/Lens
161840 Lens Bar
17670608 Screw Thdrol. 3/8-16 x 1/2
17000612 Screw Hex Wsh Thdr. 3/8-16 x 3/4
17060508 Screw 5/16-18 x 1/2
179612X428 Console FuelWindow
142432 Screw Hex 1/4-1/2 Unc
NOTE: All component dimensions given in U,S. inches
1inch = 25.4 mm
39

TRACTOR-- MODEL NUMBER 917.275034
GROUNDDRIVE
36
!,, 37 6
65
15
47
4O

TRACTOR - - MODEL NUMBER 917.275034
GROUND DRIVE
KEY PART KEY PART
NO. NO. DESCRIPTION NO. NO. DESCRIPTION
3 7563R Washer, Thrust, Axle 38 150035
4 17490508 Screw Thdrol5/16-18 x 3/4 39 74321016
5 STD541437 Nut, Crownlock 3/8-16 40 178575
6 STD561210 Pin, Cotter 41 73931000
7 149176 Wheel, Hub Assembly 42 8883R
8 12000034 Klip,Ring 46 145170
9 140080 Bolt,Hub 47 138228
10 142509 Disc, Brake 48 72110612
11 136927 Yoke, Brake Disc 50 131494
12 73750800 Nutlock 1/2-20 Unf 51 STD541437
13 139419 Washer, Special 52 139123
14 138901 Bushing 54 161590
15 STD551037 Washer 13/32x13/16 x 16 Ga. 55 105706X
16 143012 Set, Screw 1/4-28 x 3/4 56 137153
17 126909X Spring 57 141756
16 137104 Lever, Brake 59 122253X
19 136926 Cam, BrakeDisc 60 122268X
21 23260412 Screw, Flat Head 1/4-28 x 3/4 61 137524
22 633A109 Gearshift, Lever Assembly 62
23 106932X Knob 63 74760720
24 136925 Support, Puck Brake 64 154752
25 136923 Puck, Brake Top 65 179613
26 137552 Spring, Return 66 140296
27 17490528 Screw, Hex Wsh Thd. 67 19131312
5/16-18 x 1-3/4 68 5142H
28 73350600 Nut, Hex Jam 3/8-16 69 136327
29 137213 Brake, Rod 117 73900600
30 19131616 Washer 13/32 x1 x 16 Ga. 150 9858M1
34 71673 Cap, Plunger -- 174742
35 137648 Rod, Parking Brake
36 149412 Spring, Drive Ground
37 121749X Washer 25/32 x1-1/4 x 16 Ga.
Nyliner
Screw, Fin. #10-24x 1
Actuator, Interlock Switch
Nut, Centerlock#10-24
Cover, Pedal
Retainer,Spring
ClutchRod
Bolt,Cam 3/8-16 x 1-112Gr. 5
Pulley, Idler, Flat
Nut, Crownlock 3/8-16 UNC
Pulley, Idler, Grooved
Clutch,Arm Assembly
Bearing, Idler
V-Belt
Bracket, Shift Rod, Hi-Lo
ShiftRod, Hi-Lo
Spring Clip,ConnectingUnk
Pulley,Transaxle
STD551143 Washer, Lock 7/16
Bolt, Fin Hex 7/16-14 x 1-1/4
Shaft, Clutch/Brake Pedal
Bolt, Shoulder
Washer, Hardened
Washer, Flat
Pin, Roll
Hub, Cover
Nut, Lock Fig. 3/8-16 Unc
Key, Woodruff
Transaxle Asm
NOTE: All component dimensions givenin U.S. inches
1 inch = 25.4 mm
41

TRACTOR --MODEL NUMBER 917.275034
STEERING ASSEMBLY
36
14
1313
/
I/
II
\ I
78
35
14
42

TRACTOR-- MODEL NUMBER 917.275034
STEERING ASSEMBLY
KEY PART
NO. NO. DESCRIPTION
1 159944X428
2 178557
36&55M
4 161849
5 161848
6 6266H
7121748X
8 12000029
9 121232.X
10 74781044
11 136518
12 73901000
13 121749X
14 STD551137
15 STD541537
16 145103
17 137347
18 175572
19 156011
20 163887X428
21 159945
22 155105
23 152927
25 STD523710
26 159946X428
27 3366R
28 17000612
29 104239X
31 138136
32 19111610
33 10040500
34 74780512
35 138059
36 137156
37 73360600
38 109850X
39 73700600
40 109851X
41 155246
42 17490508
44 160135X428
45 19132411
Wheel, Steering
Axle Asm., Front
Fitting, Grease
SpindleAsm, LH
SpindleAsm., RH
Bearing, Race ThrustHarden
Washer 25/32 x 1-5/8 x 16 Ga.
Ring,Klip#T5304-75
Cap, Spindle
Bolt, Fin Hex 5/8-11 x 2-3/4
Spacer Beadng Axle Front
Nut, Lock Flange 5/8-11 Unc
Washer 25/32 x 1-1/4 x 16 Ga.
Washer, Lock Hvy Hlcl Spr 3/8
Nut, LockCenter 3/8-24 UNF
Shaft Asm., Steedng
Rod Asm., Tie Ball J Ball Vgt (Inc. Key No. 36-40)
Draglink, Ball JointSolid Vgt
Support Asm., Steering Vgt
Boot,Steedng
Adapter, Wheel Steering
Bushing, Strg. BIk
Screw
Bolt, Fin Hex 3/8-16 x 1 Gr. 5
Cap, Wheel Steering
Bearing, Col. Strg.
Screw 3/8-16 x 3/4
Bearing, Flange
Bushing, Nyliner Snap
Washer 11/32 x 1 x 10 Ga.
Washer, Lock Hvy HIclSpr 5/16
Bolt. Hex Hd 5/16-18 x 3/4
Gear, Sector Steering
Tie Rod
Jam Nut RH Thread
Joint Asm. Ball RH Thread
Jam Nut LH Thread
Joint Asm. Ball LH Thread
Bracket Switch Intedock VGT 97
Screw Thdrol 5/16-18 x 1/2 Tyt
Extension, Steering
Washer 13/32 x 1-1120x 11 Ga.
NOTE: Ag component dimensions given in U.S. inches
1 inch = 25.4 mm
43

ENGINE
TRACTOR --MODEL NUMBER 917.275034
25
21_IB 20
18 15 17
Q
26 ' 37
16
37
12
81
11
69
29
LSPARK ARRESTER KIT I
44

ENGINE
TRACTOR -- MODEL NUMBER 917.275034
KEY PART
NO. NO.
1
2149723
8 121361X
9177748
10 175287
11 170056
12 143996
15 179115
16 109227X
17 106082)(
18 179124X428
20 177328X428
21 164863
22 175441X428
24 S'1"D551237
25 73920600
26 3645J
27 139277
28 7834R
29 137180
35 10010500
DESCRIPTION KEY PART
NO. NO.
Engine(See Breakdown)Kohler 37 1234873(
ModelNo.CV674-75544 39 17490636
Muffler 40 17490664
PulleyV-Idler 41 126197X
KeeperAsm, Belt Engine
Bushing 42 STD551143
Clutch Electric 43 179953
Pulley Engine VGT Elect Clutch 47 175288
Tank Fuel Rear 5.0 Yt/Gt 96 62 146629
Pad Spacer 69 24-041-02
Pad Spacer 70 175545
Cap Asm FuelW/Gauge 71 175546
ControlThrottle 74 162295
Screw HWHD Hi-Lo #13-16 x 3/4 80 M73030800
Contrel Choke 81 148456
Washer Ext Tooth 3/8 82 148315
Nut Keps 3/8 - 24 UNF 83 171877
Bushing 84 17060624
StemTank Fuel
FuelLine
Spark Arrester Kit
Washer Split
DESCRIPTION
ClampHose
Screw TT 3/8-16 x 2-1/4 UNC
Screw TT 3/8-16 x 4 UNC
Washer 1-1/20D x 15/32 ID x
.250
Washer Lock7/16
Bolt Hex 7/16 -20 X 3.75 Ga 5
Bushing
ShieldHeat Muffler
Gasket
Tube ExhaustLH
Tube Exhaust RH
Elbow Street Brass
NutFlange
Plug Drain Oil Easy
Plug Oil Drain Easy
Bolt5/16-18 UNC x 3/4 W/Sems
Screw 3/8-16 x 1-1/2
NOTE: All component dimensionsgiven in U.S. inches
1 inch = 25.4 mm
45

TRACTOR -- MODEL NUMBER 917.275034
SEAT ASSEMBLY
\
18
19
12
KEY PART
NO. NO.
1 180598
2 180166
3 140675
5 145006
6 STD541437
7124181X
8 171877
10 189186
12 121246X
13 121248X
14 72050412
15 121249X
DESCRIPTION
Seat
Bracket, Pivot Seat
Strap, Fender
Clip, Push In, Hinged
Nut, Crownlock 3/8-16 Unc
Spring, Seat Cprsn
Bolt 5/16-18Uncx 3/4 w/Seres
Pan, Seat
Bracket, Mounting Switch
Bushing, Snap
Bolt, Carriage 1/4-20 X 1-1/2
Spacer, Split
KEY PART
NO. NO. DESCRIPTION
16 123740X Spdng,Cprsn
17 123976X Nut, Lock 1/4 Lge Fig Gr. 5
18 19171912 Washer17/32xl-3/16x12Ga.
19 166369 Knob, Seat
20 124238X Cap, Spring Seat
21 171852 Bolt, Shoulder 5/16-18
22 STD541431 Nut, Crownlock 5/16-18 Unc
NOTE: All component dimensions given in U.S. inches
1 inch = 25.4 mm
46

DECALS
TRACTOR -- MODEL NUMBER 917.275034
9
18 2 6 5
19 17
15 10
1,_
8
12
--24
11
KEY PART
NO. NO.
1 177375
2 164085
3 171702
4 171703
5 177415
6 133644
7 181470
8 177416
9 163204
10 156439
11 181249
12 146047
DESCRIPTION
Decal, Dash Panel
Decal, Dash
Decal, Hood, RH
Decal, Hood, LH
Decal, Hood Side Panel
Decal, Maintenance
Decal, Deck Level
Decal, Engine
Decal, Fender, Craftsman
Decal, Fender Danger
Decal, Clutch/Brake
Decal, V-Belt Drive
Schematic
KEY PART
NO. NO. DESCRIPTION
13 164884
14 160397
15 181500
17 149516
18 164065
19 138047
23 174969
24 174970
- - 138311
-- 179768X428
-- 179769X428
-- 181154
-- 181155
Decal, BlowerHousing
Decal, V-Belt Schematic
Decal, Repl Parts
Decal, Battery DngeJPoi
Decal, Insert Strg
Decal, Battery
Reflector, Taillight LH
Reflector,Taillight RH
Decal, Handle Lft Height
Adjust (Lift Handle)
Pad, Footrest LH
Pad, Footrest RH
Manual, Owners (Eng)
Manual, Owner's (Span)
WHEELS & TIRES
3
410
KEY PART
NO. NO.
159192
2 65139
3106228X427
48134H
5 106230)(
6 2781-1
79040H
9 8 104757X428
S9105588)(
10 7154J
11 106277X428
12 6856M
- - 144334
DESCRIPTION
Cap, Valve, Tire
Stem, Valve
Rim Assembly, Front
Tube, Front (Service Item Only)
Tire, Front
Fitting, Grease (Front Wheel Only)
Bearing, Flange (Front Wheel Only)
Cap, Axle (Front Wheel Only)
Tire, Rear
Tube, Rear (Service Item Only)
Rim Assembly, Rear
Fitting, Grease
Sealant, Tire (10 oz. Tube)
NOTE: All component dimensions given in U.S. inches
1 inch =25.4 mm
47

TRACTOR -- MODEL NUMBER 917.275034
LIFT ASSEMBLY
4O 42 43 35 73
34
31
30 10
80
48

TRACTOR -- MODEL N UMBER 917.275034
LIFT ASSEMBLY
KEY PART KEY PART
NO. NO. DESCRIPTION NO. NO.
1 121006X Rod Asm., Lever 32 137150
2 180045 Shaft Asm., Lift Vgt 34 137187
3 159189 Lever Asm., Lift Rh 35 138057
4 12000022 E-RingTruarc #5133-87 38 155097
5 19292016 Washer 29/32 x 1-1/4 x 16 Ga. 39 123935X
6 71110624 Bolt,Fin Hex 3/8-16 unc x1-1/2 40 17060516
7 175830 Grip, Handle Fluted 41 73540600
9 175831 Button, Plunger 42 19112410
10 2876H Spring 2-1/8" 43 123934X
11 146704 Link Lift 70 145212
12 163552 Retainer, Spring 72 110452X
13 139868 Arm, Suspension Vgt 73 73350600
14 169865 Bearing 75 175805
23 STD624008 Retainer, Spring 76 175560
24 73350800 Nut, Jam Hex 1/2-13 Unc 78 175689
26 73800800 Nut, Crownlock 1/2-13 Unc 80 126684X
29 150233 Trunnion, Infin Height 62 169484
30 110887X Nut, Special
31 19131016 Washer 13/32 x 5/8 x 16 Ga.
DESCRIPTION
Spring, CompressionInf Hgt
Rod, Adj Lift
Knob, Inf 3/8-16 Uric
Pointer, Height Indicator
Plug, Hole
Screw 5/16-18 x 1
Nut, Crownlock 3/8-24
Washer 11/32 x 1-1/2 x18 Ga.
Scale, Indicator Height
Nut Hex Flange Lock
Nut Push Phos & Oil
Nut Hex Jam 3/8-16 UNC
Plate Asm Susp Front
Pin Flange
Trunnion
Washer Shim 1/4 x 5/8 x .662
Retainer Clip
NOTE: All component dimensions given in U.S. inches
1inch = 25.4 mm
49

MOWER DECK
TRACTOR - - MODEL NUMBER 917.275034
55
116
53,
45
48
47
36
36
2
2 2 22
21
99
113
5O

MOWER DECK
TRACTOR -- MODEL NUMBER 917.275034
KEY PART KEY PART
NO. NO. DESCRIPTION NO. NO.
1 181606 Mower DeckWeldment 50 37 137166
2 STD541413 Nut,Crewnlock 5/16-18 38 173979
3 72110506 Bolt,Carriage 5/16-18 x 3/4 39 131494
4 7631J Runner,MowerLH 40 174375
5138457 Bracket Asm., Sway Bar 42 STD533107
6 STD624008 Retainer, Spring 43 136460
7178024 Bar, Sway Deck 44 165723
8 850857 Bolt 3/8-24 x 1.25 Gr. 8 45 STD541437
Patched 46 74760628
9 STD561137 Washer, Lock Hvy 3/8 47 137200
Unplated 48 137729
10 140296 Washer, HardBlade Mower 49 136574
Vented 50 137272
11 137380 Blade(3 Required) 51 137273
13 137553 Shaft Asm., W/Lower Brg 52 175080
14 137152 Housing, Mandrel 50" Vent 53 180807
15 110485X Beadng,Ball Mandrel 54 148763
16 174493 Stripper,MowerVented 55 144959
17 106735X Rod,Hinge 56 138687
18 19111016 Washer 11/32 x 5/8 x 16 Ga. 57 136577
19 105304X Cap, Sleeve 58 133957
20 123713X Spdng,Torsion Deflector 59 137644
21 137607 Bracket, Deflector 60 139031
22 110452X Nut, Push 61 136573
23 110509X Shield, DeflectorMower 62 133943
24 136320 Runner,RH 63 72110504
25 19111216 Washer 11/32 x 3/4 x 16 Ga. 64 19121414
27 STD551037 Washer 13/32 x 13/16 x 16 Ga. 65 151831
28 132823 Spacer, Spring Stop Idler 66 156009
30 173984 Screw Thdrel Rolling Washer 67 73930600
Head 99 72110614
31 178342 Nut, FIgTop Lock Cntr 9/16 116 73680500
32 153535 Pulley, Mandrel - - 143651
33 129963 Washer, Spacer Mower
Vented - - 181689
34 72140610 Bolt, Carriage 3/8-16 x 1-1/4
35 72110616 Bolt, Carriage 3/8-16 x 2
36 72110609 Bolt, Carriage 3/8-16 x 1 Gr. 5
DESCRIPTION
Stiffener, Arm Idler
Keeper, Belt idler
Pulley, Idler Flat
Pulley,Driven
Bolt,Carriage 5/16-18 Unc x 3/4
Arm, IdlerSeconda_
Spacer, Retainer
Nut, Crownlock 3/8-16 Unc
Bolt, Fin Hex 3/8-16 Unc x 1-3/4
Cover, Mandrel RH
Screw, Thd Roll 1/4-20 x 5/8
Cover, Mandrel LH
Arm, Idler Primary
Spring, Secondary
Pulley, IdlerV Groove
Shield, Idler
V-Belt, Mower Pdmary
V-Belt, Mower Secondary
Spdng,Primary
Bar Asm.,Wheel Gauge
Wheel,Gauge
Bolt,Shoulder
Pin, Clevis
Bracket, Wheel Gauge
Washer Hardened
Bolt Carriage 5/16 x 1/2
Washer 3/8 x 3/4 x 14 Ga
Pulley IdlerFlat Mower
Keeper, Belt Idler 44/50"
Nut, Centerlock 3/8-16
Bolt, Carriage 3/8-16 x 1-3/4 Gr.5
Nut Crown Lock 5/16-18
Mandrel Assembly (Includes
Key Nos. 8-10, 13-15, 31 and 33)
Replacement Mower, Complete
NOTE: All componentdimensions givenin U. S.
inches 1 inch= 25.4 mm
51

TRANSAXLE
TRACTOR - - MODEL NUMBER 917.275034
8O
74 7O
73
°
"o ,
.o°" °.oO-
41
52

TRANSAXLE
TRACTOR -- MODEL N UMB ER 917.275034
KEY PART KEY PART
NO. NO, DESCRIPTION NO. NO.
14197R
2 12OOOO34
3 4199R
44216R
5 4215R
64217R
7174728
874020652
9 7392M
10 137261
11 4985R
12 6L_66H
13 4212R
14 137125
15 6276H
16 633A63
17 8118M
18 8740H1
19 122238X
20 4218R
21 6252H1
22 781OH
23 6262H
24 7393R
25 992R1
26 139111
27 4986R
28 122254X
29 6269H
30 5855H
31 174731
32 6277H
33 4225R
34 7396H
35 4198R
36 4200R
37 7395H
38 160789
39 174729
40 13320400
41 17580520
45 6271H
46 13060200
49 4895H
50 4222R
51 1529R
Axle Shaft 52 8119M
RetainingRing 53 4220R
Final Ddve Gear 54 4209R
DifferentialGear 55 4213R
Differential Pinion 56 4442R
Differential Carder 57 4195R
Axle Thrust Washer 58 4214R
Bolt, Hex Head 3/8-24 x 3-1/4 59 4194R
(1" Threed Length) 60 7528R
Steel Ball 61 4208R
Spdng ShiftFork Detent 62 4207R
ShiftFork, High-Low Range 63 7398H
Thrust Bearing Race 64 4203R
4th Reduction Pinion
Shaft, Brake 65 4204R
Snap Ring, Crescent Type 66 2898J
High-Low Range Gears 67 12000033
Needle Beadng 68 4205R
Sintered IronBearing 69 4206R
ShiftFork Shaft, High-Low 70 1370H
Range 71 633A69
DifferentialPinionSpacer
DifferentialPinionBushing 72 139120
Gripco Centedock Nut 3/8-24 73 4201R
Shift Fork, R.H. 74 12000008
Oil Seal 75 1153R
SinteredIron Bearing 77 6803J
Shift Fork Shaft 79 1167R
Shift Fork, L.H. 80 73360700
ShiftShaft, High-Low Range 81 6270H
Oil Seal 82 136984
Pressure Relief Valve 84 5384J
Gearcase, Reverse Idler Shaft 85 2978J
and Bearings, R.H. 86 633A85
(Includes Key No.'s 17,18, 25, 87 8739H1
33, 50, 63, 77 and 82) 88 4924H
Dowel Pin 89 19151516
Needle Bearing 90 110542X
Thrust Bearing Race 91 19181511
4th Reduction Gear Shaft 92 75J
4th Reduction Gear Spacer
Thrust Bearing Race 93 6274H
Gate, Lower, Shift 94 76020412
Gearcase and Bearings, LH. 96 159783
(includes Key 97 633109
Numbers 18, 25, 49, 50 (2), 51 98 174742
and 52)
Pipe Plug 1/2-14 N.P.T.
Bolt, Hex 5/16-18 UNC x 1-1/4
Oil Seal
Pipe Plug 1/4-18 N.P.T.
Needle Bearing
Needle Bearing
Needle Bearing
DESCRIPTION
Needle Bearing
ThrustBearing Race
3rd ReductionPinion, Low
4th Reduction Gear
3rd Reduction Pinion Spacer
2nd Reduction Gear Shaft
Final Ddve Pinion
1st Reduction Gear Shaft
1st Reduction Shaft Spacer
3rd Reduction Pinion High
2nd Reduction Gear
Needle Beadng
Low Speed Gear and 2nd
Reduction Pinion Cluster
Reverse Gear
Key, Hi-Pro 1/8 x 17/32
KlipRing
IntermediateSpeed Gear
HighSpeedGear
Thrust BearingRace
Intermediate and HighSpeed
Cluster Pinions
Input Shaft
LowSpeed Pinion
E-Ring
Reverse Idler Gear
Needle Beadng
Sealing Washer
Nut, Hex, Jam 7/16-20
Oil Seal
Reverse Idler Shaft
Gearshift Lever, Bent
Gearshift Cap
Gearshift Ball Cover and Pin
Shift Lever Guide Ball, Keyed
Spring
Washer 15132x 15/16 x 16 Ga
Shift Mechanism Seal
Washer 9/16 x 15/16 x 12 Ga
Gearshift Gate and
Reinforcement
Shift Ball Cover Gasket
Cotter Pin 1/8 x 3/4
Screw, Hex, Washer, HD.
Gearshift Lever Assembly
Transaxle, 6 Speed,
Complete Assembly
NOTE: Allcomponent dimensions givenin U.S. inches
1 inch = 25.4 mm
53

TRACTOR -- MODEL NUMBER 917.275034
KOHLER ENGINE-MODEL NUMBER CV674, TYPE NUMBER 75544
CYLINDER HEAD, VALVE AND BREATHER I
t
31
j6
7+
10
2
17
2\P\_
3
/
'_,,,f I
+- _r7
v I
]

TRACTOR - - MODEL NUMBER 917.275034
KOHLER ENGINE-MODEL NUMBER CV674, TYPE NUMBER 75544
HEADNALVE/BREATHER CRANKCASE
KEY PART
NO. NO. DESCRIPTION KEY PART
NO. NO. DESCRIPTION
2
3
4
5
6
7
8
9
10
11
12
13
14
15
16
17
18
19
20
21
22
23
24
25
26
27
28
29
30
31
32
33
34
35
36
37
38
39
24-033-03-S
24-041-23-S
24-096-59-S
M-645020-S
X-75-23-S
25-351-01 -S
24-755-66-S
24-411-05-S
24-041-40-S
24-318-70-S
25-186-01-S
24-599-01-S
M-640034-S
24-072-09-S
24 468 16-S
24 100 10-S
24-755-74-S
24-153-16-S
24-086-32-S
24-445-01-S
24-016-01-S
24-016-02-S
24-017-01-S
24-017-02-S
24-032-05-S
235011-S
24-089-02-S
12-173-01-S
12-755-03-S
24-318-67-S
24-755-76-S
25-313-02-S
24-755-57-S
M-545016-S
24-445-02-S
24-126-44-S
24-112-12-S
24-294-06-S
24-326-13-S
24-326-14-S
25-237-14-S
Kit, breather cover w/ 1
gasket (Includes 2, 3) 2
Gasket, breather
Cover, breather 3
Screw, hex. flange 4
M6xl.0x20 (4) 5
Plug, allen hd. 1/8"
Lifter, valve (4) 6
Kit, valve train (Includes 8,
11, 12)
Rod, push (4)
Gasket, cylinder head (2)
Head assembly, #2 cylinder 7
Arm, rocker (4)
Pivot, rocker arm (4)
Screw, hex. flange 8
M6x1.0x34 (4) 9
Stud, cylinder head
M8x1.25x20, M10x1.5x33,
105 mm long (8)
Washer, flat 8 mm (8)
Nut, hex. flange MSx1.25
(2)
Kit, valve cover - plain 10
(Includes 18, 19) 11
O-Ring 12
Screw, shoulder (4)
Strap, lifting 13
Valve, exhaust (Std.) (2) 14
Valve, exhaust (.25) (2) 15
Valve, intake (Std.) (2) 16
Valve, intake (.25) (2) 17
Seal, valve stem (2) 18
Retainer, spring (4)
Spring, valve (4) 19
Cap, valve spring (4) 20
Kit, retainer (4)
Head assembly, #1 cylinder 21
Kit, valve cover - breather 22
(Inc1.18, 19, 30) 23
Grommet, rubber 24
Kit, breather separator 25
_ncludes 30, 32-35) 26
crew, hex. flange 27
M5x0.8x16 (2)
Strap, breather
Bracket, breather
separator
Spacer
Fitting
Hose, breather
Hose, breather
Clamp, hose (2)
24-032-01 -S
24-294-13-S
24-380-13-S
24-067-13-S
24-067-14-S
24-874-09-S
24-874-10-S
24-874-11-S
24-874-15-S
24-108-08-S
24-108-09-S
24-108-10-S
24-018-01-S
12-422-09-S
12-422-13-S
12-422-07-S
12-422-08-S
12-422-10-S
12-422-11-S
12-422-12-S
24-012-10-S
52-139-09-S
M-545010-S
24-018-04-S
24-402-05-S
12-153-01-S
24-126-19-S
12-123-04-S
M-545016-S
12-153-02-S
24-038-04-S
24-755-46-S
12-153-03-S
24-018-09-S
M-931010-S
28-032-09-S
24-468-15-S
24-144-33-S
Seal, oil front
Crankcase
(USE: Miniblock 24 782 14)
Fitting
Pin, dowel locating (6)
Connecting Rod (Std.) (2)
Connecting Rod (.25) (2)
Piston wiRing Set (Std.) (2)
(Includes 7, 8)
Piston wiRing Set (.25) (2)
Piston w/Ring Set (.50) (2)
Kit, piston wiring set (.08)
Ring Set (Std.) (2)
Ring Set (.25) (2)
Ring Set (.50) (2)
Retainer, piston _nR(._)
Shim, camshaft
Shim, camshaft (A.R.)
shim,camshaft
Shim, camshaft
Shim, camshaft
Shim,camshaft/ :":l
Shim, camshaft
Camshaft
Plug, cup
Screw, hex. flange
M5x0.8x10 (2)
Retainer, reed (2)
Reed, breather (2)
O-Ring, lower oil fill tube
Bracket, oil fill tube
Tube, oil fill
Screw, hex. flange
M5x0.8x16
O-Ring, upper oil fill tube
Dipstick assembly (Includes
21, 22)
Kit, oil fill cap (Includes 22)
O-Ring, dipstick
Ring, retainer
Washer, nylon (top)
Seal, governor cross shaft
Washer (bottom)
Shaft, governor cross
NOTE: All component dimensions given in U.S.
inches 1inch = 25.4 mm
55

TRACTOR - - MODEL NUMBER 917.275034
KOHLER ENGINE-MODEL NUMBER CV674, TYPE NUMBER 75544
IGNITIONIELECTRICAL J
17\_ .
BLOWER HOUSING AND BAFFLES I
1
_I---8
114 _0
8
AIR INTAKE j
|\
13 10
11

TRACTOR --MODEL N UM B ER 917.275034
KOHLER ENGINE-MODEL NUMBER CV674, TYPE NUMBER 75544
IGNITION/CHARGING
KEY PART
NO, NO.
BLOWER HOUSING & BAFFLES
1 54-755-15-S
2M-403025-S
3 X-25-92-S
4 24-112-04-S
5 25-086-47-S
6 24-157-03-S
7 12-086-14-S
8 12-468-03-S
9 X-42-15-S
10 24-025-04-S
11 25-403-03-S
12 X-25-92-S
13 24-086-18-S
14 236602-S
15 54-755-09-S
16 12-132-06-S
17 M-548025-S
18 48-154-02-S
19 X-25-63-S
20 24-584-01-S
21 M-545020-S
22 235173-S
NOT ILLUSTRATED
24-126-71-S
X-22-11°S
24-176-82-S
24-518-12-S
24-113-18-S
25-454-03-S
KEY PART
DESCRIPTION NO. NO. DESCRIPTION
Kit, grass screen 1 24-027-20-S Housing, blower (Includes
(Includes 2-4,and 24 113 2-4)
18-S) 2 24-100-0i-S Nut, plastic (3)
Screw, hex. cap M4x0.7x25 3 25-139-16-S Plug, button 9/16"
(4) 4 24-100-02-S Nut, plastic (2)
Washer, plain 5/16" (4) 5M-545020-S Screw, hex. flange
Spacer, grass screen (4) M5x0.8x20 (4)
Bolt, shoulder (4) 6 M-545016-S Screw, hex. flange
Fan M5x0.8x16 (3)
Screw, hex. flange 7 M-551016-S Screw, hex. flange
M10xl.5x46 M5x0.8x16
Washer, plain 3/8" 8 M-645016-S Screw, hex. flange
Key M6x1.0x16 (6)
Flywheel 9 24-146-16-S Plate, backing - # 2 side
Rectifier-regulator 10 24-146-20-S Plate, backing - # 1 side
Washer, plain 3/16" (2) 11 24-063-20-S Baffle, cylinder barrel-# 2
Screw, phillips hd. 11-16x7/ side
8 (2) 12 24-063-14-S Baffle, valley - #2 side
Connector (3 contact) 13 24-063-58-S Baffle, cylinder barrel-# 1
Kit, 15 amp stator side
(Includes 24 126 71-S) 14 24-063-23-S Baffle, valley - #1 side
Spark Plug (2) 15 M-545010-S Screw, hex. flange
Screw, hex. cap M5x0.Sx25 M5x0.8xl0 (2)
(2)
Clip, cable NOT ILLUSTRATED
Washer, plain 1/4" 24-096-68-S Cover, control
Module, ignition (2) 24-086-06-S Screw, phillips hd. 11-16x3/
Screw, hex flange 4" (2)
M5x0.8x20 (4)
Clip, cable AIR INTAKE/FILTRATION
Bracket, stator wire KEY PART
Washer, lock 1/4" NO. NO.
Harness, wiring 1
Lead, black (rect.-reg. 6" -2
12 gauge
insulated grip barrel 3 24-041-01-S
eyelets) 4 24-041-14-S
Decal, grass screen
Tie, wire (3) 5 24-094-18-S
624-041-13-S
7 24-109-09-S
8 24-083-03-S
9 24-083-05-S
10 231032-S
11 24-096-01-S
12 12-100-01-S
13 24-096-73-S
14 54-755-01 -S
DESCRIPTION
24-164-06-S
M-651055-S
15 25-341-03-S
16 24-153-20-S
17 24-063-51-S
Manifold, intake
Screw, hex. flange
M6x1.0x55 (4)
Gasket, intake manifold (2)
Gasket, air cleaner base
Base, air cleaner
Gasket, fuel spitback cup
Cup, fuel spitback
Element, air cleaner
Precleaner, element
Seal, breather
Cover, inner air cleaner
Wing Nut
Cover, air cleaner
Kit, knob with seal
(Includes 15 & 16)
Knob, cover
O-Ring
Baffle, spitback cup
NOTE: All component dimensions given in U.S.
inches 1inch = 25.4 mm
57

TRACTOR -- MODEL NUMBER 917.275034
KOHLER ENGINE-MODEL NUMBER CV674, TYPE NUMBER 75544
STARTING SYSTEM I
/
3
S° OIL PAN !LUBRICATION I

TRACTOR -- MODEL NUMBER 917.275034
KOHLER ENGINE-MODEL NUMBER CV674, TYPE NUMBER 75544
STARTING SYSTEM OIL PAN/LUBRICATION
KEY PART
NO. NO.
KEY PART
DESCRIPTION NO. NO.
1
2
3
4
5
6
7
M-839080-S
25-098-08-S
M-841080-S
25-435-04-S
25-755-33-S
25-141-05-S
25-221-01-S
Screw, hex. flange
MSx1.25x80 (2)
Starter, solenoid shift
(Includes 4-7)
Nut, hex. flange M8x1.25
Kit, solenoid
Kit, pinion drive (Includes
6)
Ring
Kit,brush
ENGINE CONTROLS
KEY PART
NO. NO. DESCRIPTION
1 24 211 03-S Bolt, round head square
neck
2 24-090-33-S Lever, governor
3 M-641060-S Nut, hex. flange M6xl.0
4 24-089-01-S Spring, |inkage
5 25-158-08-S Bushing, linkage retaining
6 24-079-04-S Linkage, throttle
7 25-158-11-S Bushing, throttle linkage
8 M-545016-S Screw, hex. flange
M5x0.8xf6
9 M-547050-S Nut, hex. lock M5x0.8
10 24-089-03-S Spring, choke return
11 24-126-56-S Bracket, control
12 M-645016-S Screw, hex. flange
M6xl.0xf 6 (4)
13 12-237-01-S Clamp, cable (2)
14 24-086-43-S Screw, hex. flange
M5x0.8xl 6 (2)
15 24-090-07-S Lever, throttle actuator
16 X-20-1-S Washer, lock 1/4"
17 M-541050-S Nut, hex. flange M5x0.8
18 24-468-01-S Washer, plain 5.5 mm (3)
19 24-089-45-S Spring, governor
20 Mo446030-S Nut, hex M4xO.7
21 24-090-13-S Lever, throttle control
22 M-545020-S Screw, hex. flange
M5x0.8x2O
23 24-089-51-S Spring, throttle limiter
24 24-090-05-S Lever, choke
25 41-468-03-S Washer, spring 1/4"
26 M-403025-S Screw, hex. cap M4x0.7x25
27 24-079-05-S Linkage, choke
DESCRIPTION
5
6
7
8
9
10
11
12
13
14
15
16
17
18
24-199-07-S
M-645025-S
M-631005-S
24-393-08-S
24-123-05-S
24-162-26-S
24-043-12-S
12-380o01-S
52-448-02-S
12-144-02-S
24-153-08-S
X-75-32-S
24-136-01-S
52-050*02-S
52-032-08-S
24-086-17-S
24-086-16-S
X-75-10-S
Pan, oil assembly
(Includes 2-10)
Screw, hex. flange
M6x1.0x25 (2)
Washer, plain 6 mm (2)
Oil pump assembly
(tncludes 5)
Tube, oil pickup
Screen, oil
Kit, governor gear w/pin
_ncludes 8)
in, ovemor regulating
Tab, _cking
Shah, governor gear
O-Ring
Plug, hex. ctsk. 3/8"
Nipple, oil filter
Filter, oil
Seal, oil (PTO end)
Screw, hex. flange
MSx1.25x45
Screw, hex. flange
M8x1.25x45 (9)
Plug, sq. hd. solid 3/8"
N.P.T.I_
NOTE: All component dimensions given in U,S.
inches 1 inch = 25.4 mm
59

TRACTOR -- MODEL NUMBER 917.275034
KOHLER ENGINE-MODEL NUMBER CV674, TYPE NUMBER 75544
CRANKSHAFT I
FUEL SYSTEM J
EXHAUST I
\
/
t
15
60

TRACTOR -- MODEL NUMBER 917.275034
KOHLER ENGINE-MODEL NUMBER CV674, TYPE NUMBER 75544
CRANKSHAFT
KEY PART
NO. NO. DESCRIPTION
1. 24-014-72-S Crankshaft (Includes 2)
2. 52-139-09-S Plug, cup
EXHAUST
KEY PART
NO. NO. DESCRIPTION
1. 24-041-02-S Gasket, exhaust (2)
2. 25-072-04-S Stud, MSx1.25x33 (4)
-- PA-75544 Replacement Engine
o- 24 782 14 Miniblock
-- 24 755 108-SGasket Set
FUEL SYSTEM
KEY PART
NO. NO. DESCRIPTION
1. 24-853-61-S Kit, carburetor w/gaskets
(Includes 2-4)
2. 24-041-15-S Gasket, carburetor
3. 24-053-61 Carburetor assembly (For
information only not
available separately)
(Service with Kits 24 757
36-S, 24 757 38-S)
4. 24 041 14-S Gasket, air cleaner base
5. M-629095-S Stud, M6xl.0x95 (2)
6. M-641060-S Nut, hex. flange M6xl.0 (2)
7. 47-154-01-S Clip, cable
8. 52-353-22-S Une, fuel 12"
9. 25-237-14-S Clamp, hose (6)
10. 24-086-12-S Screw, hex. cap.
M6x1.7x18 (2)
11. 24-393-16-S Pump, fuel - pulse
12. 24-100-01-S Nut, plastic (2)
13. 24-353-03-S Line, fuel 10-5/8"
14. 15-353-04-S Line, fuel 11-1/2"
15. 24-050-02-S Filter, fuel
NOT ILLUSTRATED
-- 24 757 36-S Kit, choke repair
-- 24 757 38-S Kit, gasket repair
NOTE: All component dimensions given in U.S.
inches 1 inch = 25.4 mm
61

62

SUGGESTED GUIDE FOR SIGHTING SLOPES FOR SAFE OPERATION
ONLY RIDE UP AND DOWN HILL,
NOT ACROSS HILL
15 DEGREES MAX.
!
_ARNING: To avoid serious Injury, operate your tractor up and
down the face of slopes, never across the face. Do not mow
bslopes greater than 15 degrees, Make turns gradually to prevent
tipping or loss of control. Exercise extreme caution when
changing direction on slopes.
1, Fold this page along dotted line indicated above.
2, Hold page before you so that its left edge Is vertically parallel to s tree
trunk or other upright structure.
3, Sight across the fold in the direction of hill slope you want to measure.
4, Compare the angle of the fold with the slope of the hill.

For repair of major brand appliances in your own home...
no matter who made it, no matter who sold it!
1-800-4-MY-HOME _ _, dayornight
(1-80o469-4_3) (u.sA andCanada)
V_NW.S_9,rS.CO_I3 I_Nw.se_lll.ca
For repair of carrj-in products like vacuums, lawn equipment, and
electronics, call for the nearest Sears Pads and Repair Center.
1-800-488-1222 _'ne, dayorr_ght(U.SAonly)
www,seats.com
For the replacement parts, accessories and owner's manuals
that you need to do-it-yourself, call Sears PartsDirectS"!
1-800-366-PART 6a.m.-11 p.m., 7days aw_ek
(1-800-366-7278) (U.SA only)
www.sears.con_parls_rect
To purchase or inquire about a Sears Service Agreement
or Sears Maintenance Agreement:
1-800-827-6655 (U.SA) 1-800-361-6665 (Canada)
7a.m.- 5 p.m.,CST, Mon.- Sat. 9 a-m.- 8p.m. EST,M- F,4 p.m.Sat.
Parapedir_ da re_ a
domic_o,y paraordenarpiezas:
1-888-SU-HOGARsM
(1-888-784-6427)
AuCanadapourse,_vi_en frangais:
1-800-LE.-FOYER Mc
(1-800-533-6937)
_h_Nv.seal's.ca
© Sears,Reebu_ andCo.
® Registered Trademark /"rMTrademark /SMService Mark of Sears, Roebuck and Co.
®Marca Registrada /TMMarca de Fdbdca /sMMarca de Servicio de Sears, Roebuckand Co.
MCMarque de commerce /io Marque d_pos_e de Sears, Roebuck and Co.
181154 Rev. 1 2.25.02 rad Printed in U.S.A.