Craftsman 917277730 User Manual RIDING MOWER Manuals And Guides 1612086L
User Manual: Craftsman 917277730 917277730 CRAFTSMAN RIDING MOWER - Manuals and Guides View the owners manual for your CRAFTSMAN RIDING MOWER #917277730. Home:Lawn & Garden Parts:Craftsman Parts:Craftsman RIDING MOWER Manual
Open the PDF directly: View PDF
.
Page Count: 76
- INTRODUCTION
- SYMBOLS AND DECALS
- SAFETY
- CONTROLS
- OPERATION
- MAINTENANCE
- LUBRICATION
- TROUBLESHOOTING
- STORAGE
- SCHEMATIC
- TECHNICAL DATA
- SERVICE JOURNAL
- WARRANTY
- INTRODUCCIÓN
- SÍMBOLOS Y RÓTULOS
- SEGURIDAD
- CONTROLES
- Palancas de control de la dirección
- Freno de estacionamiento
- Interruptor de arranque
- Control del acelerador
- Interruptor de la cuchilla
- Estrangulador
- Medidor de servicio
- Palanca de ajuste del asiento
- Fusible
- Ajuste de la altura de corte
- Válvula de corte de combustible
- Palancas de liberación hidrostática
- Botón de seguimiento
- Depósito de combustible
- OPERACIÓN
- MANTENIMIENTO
- LUBRICACIÓN
- SOLUCIÓN DE PROBLEMAS
- ALMACENAMIENTO
- ESQUEMA
- DATA TÉCNICOS
- REGISTRO DE SERVICIO
- GARANTÍA

115869327 Rev. B
Model No.
917.277730
Z7000
Operator’s Manual
For answers to your questions
about this product, call:
1-888-331-4569
Craftsman Customer Help Line
Sears Brands Management Corporati on, Hoffman Estates, IL 60179 U.S.A.
Visit our Craftsman website: www.craftsman.com
* The power rating as declared by the engine manufacturer is the
average gross power output at the specied RPM of a typical
production engine for the engine model measured using SAE
Standards for engine gross power. Please refer to the engine
manufacturer for details.
IMPORTANT:
Read and follow all Safety Rules
and Instructions before operating
this equipment.
* La potencia nominal declarada por el fabricante del motor es
la salida media de potencia bruta a las RPM especicadas
de un motor de serie típico para el modelo de motor, medida
según las normas SAE sobre potencia bruta de motor. Para
más información, consulte al fabricante del motor del.
ZERO TURN MOWER
24 HP* 42"
WITH SMART LAWN TECHNOLOGY

©2016 All rights reserved.
Orangeburg, SC Printed in U.S.A.
CONFORMITY CERTIFICATES
USA requirements
Labels are placed on the engine and/or in the engine compartment stating that the machine
will fulll the requirements. This is also applicable to special requirements for any of the states,
(California emission rules etc.). Do not remove these labels. Certicates can also be supplied
with the machine at delivery or written in the Engine manual. Take care of them as they are
valuable documents.
When this product is worn out and no longer
used, return it to the reseller or other party for
recycling.
To implement improvements, specications
and designs can be altered without prior
notication.
Note that no legal demands can be placed
based on the information contained in these
instructions.
Use only original parts for repairs. The use of
other parts voids the warranty.
Do not modify or install non-standard
equipment to the unit without consent from the
manufacturer. Modications to the unit may
cause unsafe operations or damage the unit.
WARNING! Failure to follow cautious
operating practices can result in dangerous
injury to the operator or other persons. The
owner must understand these instructions,
and must let only approved persons who
understand these instructions to operate the
mower.
Each person operating the mower must be of
sound mind and body and must not be under
the inuence of mind altering substances.
WARNING! Engine exhaust, some of its
constituents, and certain vehicle components
contain or emit chemicals known to the State of
California to cause cancer and birth defects or
other reproductive harm.
WARNING! Battery posts, terminals
and related accessories contain lead and lead
compounds, chemicals known to the State of
California to cause cancer and birth defects
or other reproductive harm. Clean your hands
after handling.
WARNING! Engine exhaust and certain
vehicle components contain or emit chemicals
considered to cause cancer, birth defects,
or other reproductive system damage. The
engine exhaust contains carbon monoxide,
which is an odorless, colorless, poisonous gas.
Do not use the machine in enclosed spaces.

INTRODUCTION .......................................................4
Driving and Transport on Public Roads ............... 4
Towing .................................................................. 4
Operating .............................................................4
SYMBOLS AND DECALS .......................................... 6
SAFETY .....................................................................7
Protecting Children ..............................................7
Personal Safety Equipment .................................8
Slope Operation ................................................... 8
Safe Handling of Gasoline ...................................9
Transport ............................................................10
Towing ................................................................ 10
Spark Arrestor .................................................... 11
CONTROLS ............................................................. 12
Motion Control Levers ........................................13
Park Brake .........................................................13
Throttle Control ..................................................13
Choke Control .................................................... 14
Blade Switch ......................................................14
Ignition Switch ....................................................14
Service Meter .....................................................14
Seat Adjustment Lever ....................................... 14
Fuse ................................................................... 15
Cutting Height Lever ..........................................15
Fuel Shut Off Valve ............................................15
Tracking .............................................................15
Fuel Tank............................................................16
Hydro Release Levers .......................................16
OPERATION ............................................................17
Training ..............................................................17
Smart Lawn App ................................................. 17
Operating on Hills ..............................................19
Moving Machine By Hand .................................. 20
MAINTENANCE .......................................................21
Battery ................................................................23
Safety System ....................................................24
Park Brake .........................................................24
Cutting Blades ....................................................24
Caster Wheels ...................................................25
V-belts ................................................................ 25
Adjusting the Mower Deck .................................25
Cleaning .............................................................26
LUBRICATION .........................................................27
Engine Oil ..........................................................28
Transmission ......................................................28
Wheel and Deck Zerks .......................................28
TROUBLESHOOTING .............................................29
STORAGE................................................................30
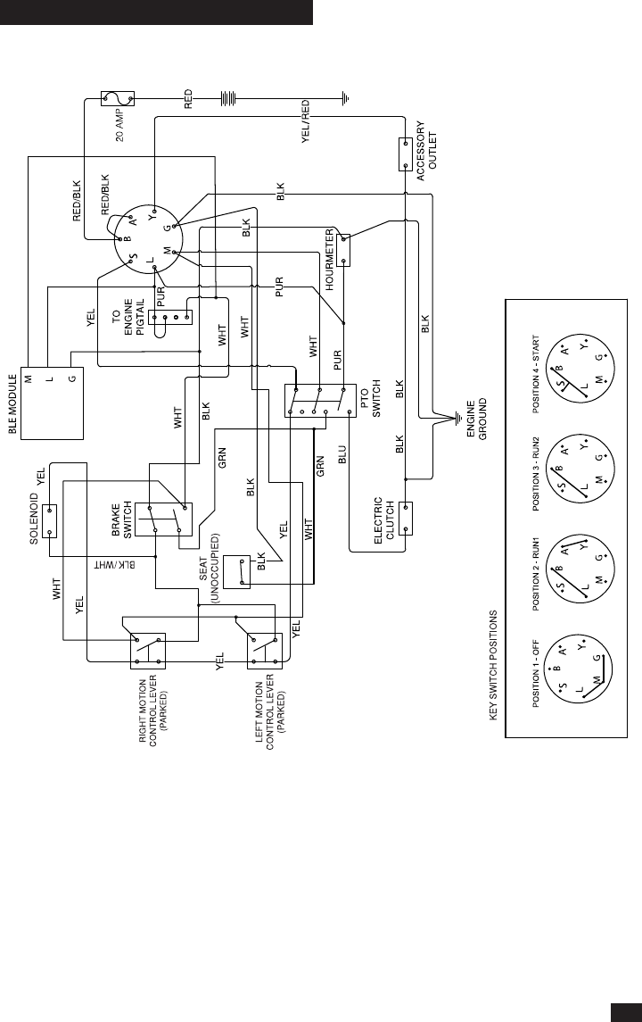
SCHEMATIC ............................................................31
TECHNICAL DATA ................................................... 32
SERVICE JOURNAL ................................................ 34
WARRANTY .............................................................37
INTRODUCCIÓN ..................................................... 39
Conducción y transporte en vías públicas .........39
Remolque ...........................................................39
Funcionamiento .................................................39
SÍMBOLOS Y RÓTULOS .........................................41
SEGURIDAD ............................................................42
Seguridad infantil ...............................................42
Equipo de seguridad personal ...........................43
Funcionamiento en pendientes ..........................43
Manipulación segura de la gasolina ...................44
Transporte ..........................................................46
Remolque ...........................................................46
Parachispas .......................................................46
CONTROLES ...........................................................47
Palancas de control de la dirección ...................48
Freno de estacionamiento .................................48
Interruptor de arranque ...................................... 48
Control del acelerador ........................................49
Interruptor de la cuchilla .....................................49
Estrangulador .....................................................49
Medidor de servicio ............................................49
Palanca de ajuste del asiento ............................ 50
Fusible ...............................................................50
Ajuste de la altura de corte ................................50
Válvula de corte de combustible ........................ 50
Palancas de liberación hidrostática ...................51
Botón de seguimiento .......................................51
Depósito de combustible ....................................51
OPERACIÓN ...........................................................53
Capacitación ......................................................53
Trabajo en pendientes .......................................55
Mover la máquina manualmente ........................56
MANTENIMIENTO ................................................... 57
Batería ...............................................................59
Sistema de seguridad ........................................60
Discos de corte ..................................................60
Freno de estacionamiento .................................60
Correas en V ......................................................61
Ajuste del equipo de corte .................................61
Ruedecillas ........................................................62
Limpieza .............................................................62
LUBRICACIÓN ........................................................63
Cambio de aceite del motor ............................... 64
Engrasadores de rueda y equipo .......................64
Transmisión ........................................................64
SOLUCIÓN DE PROBLEMAS .................................65
ALMACENAMIENTO ...............................................66
ESQUEMA ............................................................... 67
DATA TÉCNICOS .....................................................68
REGISTRO DE SERVICIO ......................................70
GARANTÍA ............................................................... 73
CONTENTS

4
Congratulations
Thank you for purchasing a Craftsman ride-
on mower. This machine is built for superior
efciency to rapidly mow primarily large areas.
A control panel easily accessible to the operator
and a hydrostatic transmission regulated by
steering controls both contribute to the machine’s
performance.
This manual is a valuable document. Read the
contents carefully before using or servicing the
machine. The following of instructions (use,
service, maintenance) by all who operate this
machine is important for the safety of the operator
and others. It can also considerably increase the
life span of the machine and increase its resale
value.
If you sell your machine, be sure to give the
operator manual to the new owner.
The nal chapter of this operator manual provides
a Service Journal. Make sure that service and
repair work are documented. A correctly kept
service journal reduces service costs for the
maintenance and affects the machine’s resale
value. Contact your dealer for more information.
Take the operator manual along when the
machine is taken to your dealer for service.
General
In this operator manual, left and right, backward
and forward are used in relation to the machine’s
usual driving direction.
Continuous dedication to improve our products
require that specications and design are subject
to change without notice.
Driving and Transport on Public Roads
Check applicable road trafc regulations before
transporting on public roads. If the machine is
transported, you must always use approved
fastening equipment and make sure that the
machine is correctly attached. DO NOT operate
this machine on public roadways.
Towing
If machine is equipped with a tow hitch, use much
more caution when towing. Do not let children or
others in or on the towed equipment. Make wide
turns to avoid jack-kning. Travel slowly and leave
more distance to stop.
Do not tow on sloped ground. The weight of the
towed equipment may cause loss of traction and
loss of control.
Follow the manufacturer's recommendation for
weight limits for towed equipment. Do not tow
near ditches, canals, and other hazards.
Operating
This machine is constructed only for mowing
grass on lawns and even ground without
obstacles such as stones, tree stumps, etc. The
machine can also be used for other tasks when
equipped with special accessories provided by
the manufacturer. Operating instructions for the
accessories are provided with delivery. All other
types of uses are incorrect. The manufacturer’s
directions concerning operation, maintenance,
and repairs must be carefully followed.
Lawn mowers and all power equipment, can
be potentially dangerous if used improperly.
Safety requires good judgement, careful use in
accordance with these instructions and common
sense.
The machine must only be operated, maintained,
and repaired by persons familiar with the
machine’s special characteristics and who are
also knowledgeable about the safety instructions.
Use only approved repair parts to maintain this
machine.
Accident prevention regulations, other general
safety regulations, occupational safety rules, and
trafc regulations must be followed without fail.
Unauthorized modications to the design of the
machine may absolve the manufacturer from
liability for resulting personal injury or property
damage.
INTRODUCTION

5
Good Service
Craftsman products are sold only in specialized
retail stores with complete service. This ensures
that you as a customer receive only the best
support and service. Before the product is
delivered, the machine has, for example, been
inspected and adjusted by your retailer. See the
certicate in the Service Journal in this operator
manual.
When you need spare parts or support in
service questions, warranty issues, etc., consult
the following professional:
Manufacturing Number
The machine’s manufacturing number can be
found on the printed plate afxed to the engine
compartment.
Stated on the plate, from the top are:
• The machine’s type designation (I.D.).
• The manufacturer’s type number (Model).
• The machine’s serial number (Serial no.)
Have the type designation and serial number
available when ordering spare parts.
This manual belongs to the machine with the
manufacturing number:
Engine Transmission
The engine’s manufacturing number is stamped
on one of the valve covers.
The plate states:
• The engine’s model.
• The engine’s type.
• Code
Have these available when ordering spare parts.
The wheel motors and hydrostatic pumps have a
barcode decal afxed at the rear.
INTRODUCTION

R N
6
These symbols are found on the machine and in
the operator manual.
Study them carefully so that you know what they
mean.
IMPORTANT INFORMATION Xxxx xxxxxx
xxxxx xxxx xxxxxxxxx xxxxxx xxxxxxxxx.
WARNING! Xxxx xxxxxx xxxxx xxxx
xxxxxxxxx xxxxxx xxxxxxxxx.
Used in this publication to notify the reader of a
risk of personal injury or death, particularly if the
reader neglects to follow the instructions in the
manual.
Reverse Neutral Fast Slow Choke Fuel Park Brake
Danger Use protective
glasses
Use protective
gloves
Wear hearing
protection
Do not
stand here
Read Operator
Manual
Shut off engine,
remove key before
maintenance
or repair
Keep a safe
distance from
the machine
Use on slopes no
greater than 10° No passengers
Whole body
exposure to
thrown objects
Severing of ngers
and toes
Do not open or
remove safety
shields wIth engine
running
Careful backing up,
watch for
other people
Careful going
forward, watch for
other people
Warning!
Battery acid is
corrosive, explosive
and ammable
Warning!
Do not touch parts
Warning!
Keep away from the
discharge deck
Warning!
Do not use without
deector
or grass catcher
Used in this publication to notify the reader of a
risk of material damage, particularly if the reader
neglects to follow the instructions in the manual.
Used also when there is a potential for misuse or
misassembly.
SYMBOLS AND DECALS

7
General Operation
• Read, understand,
and follow all
instructions on the
machine and in
the manual before
starting.
• It is recommended
that someone be
aware that you are mowing and can provide
help in case of injury or accident.
• Anyone who operates, maintains, and/or
services this machine must rst read and
understand this Operator Manual. Local laws
may regulate the age of the user. The owner
is responsible for training the users of this
equipment.
• The owner and operator of this equipment
can prevent accidents and is responsible for
accidents or injuries occurring to themselves,
other people and/or property.
• Do not put hands or feet near rotating parts or
under the machine. Keep clear of the discharge
opening at all times.
• Only let responsible adults, who are familiar
with the instructions, to operate the machine.
• Clear the area of objects such as rocks, toys,
wire, etc., which
could be picked up
and thrown by the
blades.
• Be sure the area is
clear of bystanders
before operating.
Stop machine if
anyone enters the area.
• Do not mow in reverse unless fully necessary.
Always look down and behind before and while
backing.
• Do not direct discharged material toward
anyone. Avoid discharging material against a
wall or obstruction. Material may ricochet back
toward the operator. Stop the blades when
crossing gravel surfaces.
• Do not operate machine without the full grass
catcher, discharge guard, or other safety
devices in place and working.
Protecting Children
Tragic accidents can occur if the operator is
not alert to the presence of children. Children
are frequently attracted to the machine and the
mowing activity. Do not assume that children will
stay where you last saw them.
• Keep children out
of the mowing area
and in the watchful
care of a responsible
adult other than the
operator.
• Be alert and turn
machine off if a child
enters the area.
• Before and while backing, look behind and
down for small children.
• Do not carry children, even with the blades
shut off. They may fall off and be seriously
injured or interfere with safe machine operation.
Children who have
been given rides
in the past may
suddenly come into
the mowing area for
another ride and be
run over or backed
over by the machine.
• Do not let children to operate the machine.
• Use extreme care when going near blind
corners, shrubs, trees, or other objects that may
block your view of a child.
Safety Instructions
These instructions are for your safety. Read them
carefully.
WARNING! THIS CUTTING MACHINE
IS CAPABLE OF AMPUTATING HANDS
AND FEET AND THROWING OBJECTS.
FAILURE TO OBEY THE FOLLOWING
SAFETY INSTRUCTIONS COULD RESULT IN
DANGEROUS INJURY OR DEATH.
WARNING! CHILDREN CAN BE
SERIOUSLY INJURED OR KILLED BY THIS
EQUIPMENT. Carefully read and follow all the
safety instruction that follow.
IMPORTANT INFORMATION The American
Academy of Pediatrics recommends that
children be a minimum of 16 years of age
before operating a riding lawn mower.
WARNING! The engine must not
be started when the driver’s oor plate or
protective plates for the mower deck’s drive
belt is removed.
• Slow down before turning.
SAFETY

8
• Always turn off blades, move the steering
control lever out to the park brake position, stop
engine and remove keys before dismounting.
• Do not carry passengers. The machine is only
intended for use by one person.
• Disengage blades when not mowing. Shut
off engine and wait for all parts to come to a
complete stop before cleaning the machine,
removing the grass catcher or unclogging the
discharge guard.
• Operate the machine only in daylight or good
articial light.
• Do not operate the machine while under the
inuence of alcohol or drugs.
• Watch for trafc when operating near or
crossing roadways.
• Use extra care when loading or unloading the
machine into a trailer or truck.
• Always wear eye protection when operating
machine.
Do not use the
machine when
barefoot.
Always wear
protective shoes or
boots, preferably with
steel toe caps.
Always wear approved protective glasses or a full
visor when assembling or driving.
Always wear gloves when handling the blades.
Do not wear loose clothing that can get caught in
moving parts.
Use ear protectors to avoid damage to hearing.
Slope Operation
Slopes are a major factor related to loss of control
and tip-over accidents, which can result in severe
injury or death. Operation on slopes requires
much more caution. If you cannot back up the
slope or if you feel uneasy on it, do not mow it.
• Mow up and down
slopes (10 degrees
maximum), not
across.
• Watch for holes,
ruts, bumps, rocks,
or other hidden
objects. Uneven
terrain could overturn the machine. Tall grass
can hide obstacles.
• Choose a low ground speed so that you will not
have to stop while on the slope.
• Do not mow on wet grass. Tires may lose
traction.
• Avoid starting, stopping, or turning on a slope. If
the tires lose traction, disengage the blades and
proceed slowly straight down the slope.
• Keep movement
on the slopes slow
and gradual. Do
not make sudden
changes in speed
or direction, which
could cause
machine to roll over.
• Use extra care while operating machine with
grass catchers or other attachments; the
stability of the machine can be effected.
• Do not use on steep slopes.
• Do not try to stabilize the machine by putting a
foot on the ground.
WARNING! When using the machine,
approved personal protective equipment must
be used. Personal protective equipment cannot
eliminate the risk of injury but it will reduce the
degree of injury if an accident does happen.
Ask your retailer for help in choosing the right
equipment.
• Wear proper Personal Protective Equipment
(PPE) while operating this machine, including
(at a minimum) sturdy footwear, eye protection,
and hearing protection. Do not mow in shorts
and/or footwear with open toes.
• Data indicates that operators age 60 years and
above are involved in a large percentage of
riding mower-related injuries. These operators
must evaluate if they can safely operate the
riding mower sufciently to protect themselves
and others from serious injury.
• Follow the manufacturer’s recommendation for
wheel weights or counterweights.
• Keep machine free of grass, leaves or other
debris buildup which can touch hot exhaust or
engine parts and burn. Do not let the mower
deck plow leaves or other debris that can cause
a buildup to occur. Clean oil or fuel spillage
before operating or storing the machine.
• Let machine cool before storage.
Personal Safety Equipment
Make sure that rst aid equipment is close at hand
when using the machine.
WARNING! Do not drive up or down hills
with slopes greater than 10 degrees. Do not
drive across slopes.
SAFETY

9
• Check the fuel level before each use and leave
space for the fuel to expand, as the heat from
the engine and the sun may otherwise cause
the fuel to expand and overow.
General Maintenance
• Do not use the
machine indoors or
in spaces lacking
proper ventilation.
The exhaust
fumes contain
carbon monoxide,
an odorless and
poisonous lethal gas.
WARNING! The engine and the exhaust
system become very hot during operation.
There is a risk for burns if touched. Let engine
and exhaust system to cool before refueling.
• Make sure that the equipment is in good
condition and that all nuts and bolts, especially
those fastening the blade attachments, are
properly tightened and torqued.
• Maintain or replace safety and instruction labels
as necessary.
• Do not interfere with the intended function of a
safety device or reduce the protection provided
by a safety device. Check their proper operation
regularly. NEVER operate a machine with a
safety device that does not function properly.
• Check grass catcher components and the
discharge guard frequently and replace with
manufacturer’s recommended parts when
necessary.
WARNING! The engine must not
be started when the driver’s oor plate or
protective plates for the mower deck’s drive
belt is removed.
• Do not mow near drop-offs, ditches, or
embankments. The machine could suddenly
roll over if a wheel is over the edge or the edge
caves in.
Safe Handling of Gasoline
To avoid personal injury or property damage, use
much more care in handling gasoline. Gasoline is
very ammable and the vapors are explosive.
• Do not fuel the
machine indoors.
• Extinguish all
cigarettes, cigars,
pipes, and other
sources of ignition.
• Use only approved
gasoline containers.
• Do not remove gas cap or add fuel with
the engine running. Let engine cool before
refueling.
• Do not keep the machine or fuel container
where there is an open ame, spark or pilot light
such as on a water heater or other appliance.
• Before you begin refueling, minimize the risk of
static electricity by touching a metal surface.
• Do not ll containers inside a vehicle or on a
truck or trailer bed with plastic liner. Always
place containers on the ground away from the
vehicle when lling.
• Do not overll fuel tank. Replace gas cap and
tighten securely.
• Remove gas-powered equipment from the truck
or trailer and refuel it on the ground. If this is not
possible, refuel such equipment with a portable
container, rather than from a gasoline dispenser
nozzle.
• Keep the nozzle in contact with the rim of the
fuel tank or container opening at all times until
fueling is complete. Do not use a nozzle lock-
open device.
• If fuel is spilled on clothing, change clothing
immediately.
• Do not start the engine near spilled fuel.
• Do not use gasoline as a cleaning agent.
• If leaks arise in fuel system, the engine must
not be started until problem has been resolved.
CAUTION! Use protective glasses
for maintenance work.
• Do not change the settings of governors and
avoid running the engine with overly high
engine speeds. If you run the engine too fast,
machine components could be damaged.
• To reduce the risk of re, keep machine free of
grass, leaves or other debris buildup. Clean oil
or fuel spills and remove fuel-soaked debris. Let
machine cool before storing.
• Stop to inspect the equipment if you run over or
into anything. If necessary, make repairs before
starting.
• Do not make adjustments or repairs with the
engine running.
• The blades are sharp and can cause cuts and
gashes. Wrap blades or use protective gloves
when handling them.
SAFETY

10
Towing
If machine is equipped with a tow hitch, use much
more caution when towing. Do not let children or
others in or on towed equipment.
Make wide turns to avoid jack-kning. Travel
slowly and leave more distance to stop. Do not
tow on sloped ground. The weight of the towed
equipment may cause loss of traction and loss of
control.
Follow the manufacturer’s recommendation for
weight limits for towed equipment. Do not tow
near ditches, canals, and other hazards.
IMPORTANT INFORMATION The park brake
is not sufcient to lock the machine in place
during transport. Ensure that the machine is
well fastened to the transport vehicle. Always
reverse the machine onto the transport vehicle
to avoid tipping it over.
• Check the park brake’s functionality regularly.
Adjust and service as necessary.
• Do not work with the starter circuit if there is
spilled fuel.
• Make sure that the fuel ller cap is mounted
tightly and no ammable substances are kept in
an open vessel.
• Sparking can occur
when working with
the battery and the
heavy cables of
the starter circuit.
This can cause
battery explosion,
re or eye injury.
Sparking will not occur after the grounding
cable (normally negative, black) is removed
from the battery.
• Disconnect the grounding cable from the battery
rst and reconnect it last.
• Do not make a bridge short circuit across the
starter relay to run the starter.
• Be very careful when handling battery acid.
Acid on skin can cause serious corrosive burns.
If you spill battery acid on your skin, rinse
immediately with water.
• Acid in the eyes can cause blindness, contact a
doctor immediately.
• Be careful when servicing the battery. Explosive
gases form in the battery. Do not perform
maintenance on the battery when smoking or
near open ames or sparks. The battery can
explode and cause serious injury or damage.
• The machine is tested and approved only
with the equipment originally provided or
recommended by the manufacturer. Only use
approved repair parts for the machine.
• The mulch blades
must only be used
in familiar areas
when higher quality
mowing is desired.
• Regularly clean
the deck and the
underside of the
deck. Avoid spraying engine and electrical
components with water.
Transport
• The machine is heavy and can cause serious
crushing injuries. Be extra cautious when it is
loaded on or unloaded from a vehicle or trailer.
• Use full width ramps for loading machine into a
trailer or truck.
• Use an approved trailer to transport the
machine. Operate the park brake by securing
the steering controls in the outboard position
with elastic or ratchet straps. Turn off the fuel
supply. Fasten the machine down with approved
devices such as bands, chains or straps.
• Both front and rear tie down straps must be
used and directed down and out from the
machine.
• Do not operate this machine on public
roadways.
• Check and abide by local trafc regulations
before transporting the machine on roads.
• Do not tow this machine, it may cause damage
to the drive system.
• Do not tow trailers, etc. with this mower. They
may jackknife or overturn, causing damage to
the mower and possible serious injury to the
operator.
• Load the unit onto truck or trailer by driving up
ramps of suitable strength using a slow speed.
Do not lift! The machine is not intended to be
lifted by hand.
• When loading or unloading this machine, do
not use more than the maximum recommended
operation angle of 10 degrees.
WARNING! Use extreme caution when
loading the machine into a truck or trailer using
ramps. There is the possibility of serious injury
or death if the machine falls off the ramps.
SAFETY

11
Spark Arrestor
This mower is equipped with an internal
combustion engine and must not be used on
or near unimproved forested, bush covered
or grassy lands unless the engine’s system is
equipped with a spark arrestor meeting applicable
local or state laws. Federal laws apply on federal
lands.
If a spark arrestor is used, it must be maintained
in effective working order by the operator.
A spark arrestor for the mufer is available
through your authorized Craftsman dealer.
SAFETY

2
10
11
3
4
6
7
8
9
5
13
14
1
12
12
This operator manual describes the Craftsman
Zero Turn Rider. The rider is tted with a four-
stroke overhead valve engine.
Transmission from the engine is made via
belt-driven hydraulic pumps. Using the left and
right steering controls, the ow is regulated and
thereby the direction and speed.
1. Motion control levers
2. Tracking knob
3. Park brake
4. Fuse
5. Bypass Linkages
6. Fuel Shutoff
7. Fuel tank
8. Blade switch
9. Ignition switch
10. Throttle control
11. Choke control
12. Service meter
13. Deck lift
14. Seat adjustment lever
CONTROLS

Forward
Neutral
Reverse
Neutral
Lock
13
Motion Control Levers
The machine’s speed and direction are
continuously variable using the two steering
controls. The steering controls can be moved
forward or backward about a neutral position.
There is a neutral position, which is locked if the
steering controls are moved out.
When both controls are in the neutral position (N),
the machine stands still.
By equally moving both controls forward or
backward, the machine moves in a straight line
forward or backward.
WARNING! The machine can turn very
rapidly if one steering control is moved much
further forward than the other.
Park Brake
IMPORTANT INFORMATION The machine
must stand still when applying the park brake.
Always set the park brake before dismounting.
Release the park brake before moving the
mower.
The park brake is found on the left of the
machine. Pull the lever backward to operate the
brake and push forward to release it.
Throttle Control
The throttle control regulates the engine speed
and the rate of rotation of the blades, assuming
the blade switch is pulled out.
To increase or decrease the engine speed, the
control is moved forward or back respectively.
Avoid idling the engine for long periods, as there
is a risk of fouling the spark plugs. USE FULL
THROTTLE WHEN MOWING, for best mower
performance and battery charging.
For example, to turn right while moving forward,
move the right control towards the neutral
position. The rotation of the right wheel is reduced
and the machine turns to the right.
Zero turn can be achieved by moving one control
backward (behind the neutral position) and
carefully moving the other steering control forward
from its neutral position. The rotation direction
when zero turning is determined by which
steering control is moved backward behind the
neutral position. If the left steering control is pulled
backward, the machine turns to the left. Use more
care when using this maneuver.
If the steering controls are in uneven positions
when standing still or do not t in the slots for
moving the controls out, they can be adjusted.
CONTROLS

14
Blade Switch
Ignition Switch
To engage the mower deck blades, pull the knob
up; the blades are disengaged when the knob is
pressed down.
The ignition switch is placed on the control panel
and is used to start and stop the engine. On
models equipped with headlights, turn the key
clockwise to ACCESSORY for headlight use.
Service Meter
The service meter displays the total number of
hours the engine has run and indicates when the
engine and mower need servicing.
After every 50 hours of operation, an oil can icon
will appear and stay on for two hours, before
an automatic reset occurs. To manually reset
the meter, turn the key off and on ve times at
one second intervals. To service the engine and
mower, see the Service Journal of this manual.
Note: The service meter operates (clocks hours)
only when the engine is running. Be sure to turn
the key off when the unit is not in use, to prevent
meter hours from accumulating.
Choke Control
The choke control is used for cold starts to
provide the engine with a richer fuel mixture.
For cold starts, pull the control up.
Seat Adjustment Lever
The seat can be adjusted lengthways. When
making adjustments, the lever under the right side
of the seat is pulled up, after which the seat can
be moved backward or forward.
IMPORTANT INFORMATION The seat must
not be adjusted while unit is in motion.
CONTROLS

15
The 20 amp primary fuse is located on the left
hand side of the machine. It is accessed by tilting
the seat forward. The fuse is a at pin type used
in automobiles.
Fuel Shut Off Valve
The fuel shut off valve is located at the left rear of
the seat. The valve is off when the handle tab is
turned perpendicular to the fuel line.
IMPORTANT INFORMATION Always raise the
deck to the highest position for transport.
Cutting Height Lever
To set the desired deck cutting height, press the
release button and move the lever forward to the
cutting height pin. See Before Starting in the
Operation section to change the cutting height.
The cutting height range is from 1-1/2" (38 mm)
to 4" (102 mm) in 1/2" (13 mm) increments. The
heights are measured from the ground up to the
blade tip with the engine not running.
Tracking
If the mower is not tracking straight, check the
air pressure in both rear tires. Recommended air
pressure for the rear tires is 15 psi (1 bar).
1. Tracking adjustments are made using the
tracking knob and tracking bolt. The tracking
knob and bolt act as limiting devices for the
motion control levers when in the full-forward
position.
2. For preliminary tracking adjustment, move
unit to an open, unobstructed area such as an
empty parking lot or open eld.
3. Back the tracking bolt out until ush with nut.
4. Loosen tracking knob out until ush with nut.
5. Test operate unit by driving it at full throttle and
the full forward position on both motion control
levers. Gradually turn in the tracking bolt on
the right hand side until the unit noticeably
starts drifting right.
6. Drive forward at full throttle with both motion
control levers in the full forward position.
Gradually turn in the tracking knob (left side)
until unit tracks straight.
Fuse
WARNING! Do not make adjustments
unless the engine is stopped and the park
brake is activated.
CONTROLS

16
Fuel Tank
WARNING! Gasoline is highly ammable.
Observe caution and ll the tank outdoors (see
the Safety section).
WARNING! Fill to bottom of ller neck.
Do not overll. Wipe off spilled oil or fuel. Do
not store, spill or use gasoline near an open
ame.
Read the safety instructions before refueling. The
capacity for the tank is 3 gallons.
Regularly check the gas cap gasket for damage
and keep the cap properly tightened.
The engine will run on a minimum of 87-octane
unleaded gasoline (no oil mix). Environmentally
adapted alkylate gasoline can be used. See
Technical Data concerning ethanol fuel.
Methanol fuel is not allowed. Do not use E85
alcohol based fuel. Damage to the engine and
components may occur.
When operating in temperatures below 32°F, use
fresh, clean winter grade gasoline to help insure
good cold weather starting.
IMPORTANT INFORMATION Experience
indicates that alcohol blended fuels (called
gasohol, ethanol or methanol) can attract
moisture which leads to separation and
formation of acids during storage. Acidic gas
can damage the fuel system of an engine while
in storage. To avoid engine problems, the fuel
system must be emptied before storage of 30
days or longer. Drain the gas tank, start the
engine and let it run until the fuel lines and
carburetor are empty. Use fresh fuel the next
season. See Storage for more information. Do
not use engine or carburetor cleaners in the
fuel tank or permanent damage may occur.
WARNING! The engine and the exhaust
system, become very hot during operation.
There is a risk for burns if touched. Let engine
and exhaust system to cool before refueling.
Hydro Release Levers
Transaxle bypass linkages must be engaged
when pushing or pulling the mower. The release
levers are located on each side of the rear of the
unit below the rear engine plate. See Moving
Machine By Hand in the Operation section.
WARNING! Bypass linkages are located
close to the mufer. To prevent burns, the
engine should be shut off and allowed to cool
before the bypass linkage levers are handled.
CONTROLS

17
Read the Safety section and following pages, if
you are unfamiliar with the machine.
Training
Due to unique steering capabilities, zero turn
mowers are far more maneuverable than typical
riding mowers.
This section must be reviewed in its entirety
prior to attempting to move the mower under its
own power. When rst operating the mower or
until becoming comfortable with controls, use
a reduced throttle speed and reduced ground
speed. DO NOT move control levers to the
furthest forward or reverse positions during initial
operation.
First time users must become familiar with the
mower’s movement on a hard surface, such
as concrete or blacktop PRIOR to attempting
to operate on turf. Until the operator becomes
comfortable with the mower controls and zero
turning capability, overly aggressive maneuvers
may damage turf.
Steering
To move forward and backward
The direction and speed of the mower’s
movements are effected by the movement of the
control lever(s) on each side of mower. The left
control lever controls the left wheel. The right
control lever controls the right wheel.
For rst time use, push the mower (see Moving
Machine By Hand in the Operation section) to
an open, at area without other people, vehicles
or obstacles nearby. To move the unit under
its own power, the operator must sit in the seat
and start the engine (see Before Starting in the
Operation section). Adjust the engine speed to
idle, disengage the park brake but do not engage
the blades at this time. Rotate control levers
inward. As long as the control levers have not
been moved forward or backwards, the mower
will not move.
Slowly move both control levers forward slightly.
This will let the mower start moving forward in a
straight line. Pull the control levers back to the
neutral position and the mower will stop moving.
Pull back slightly on control levers, allowing the
mower to move backwards. Push the control
levers forward to the neutral position and mower
will stop moving.
To turn to the right
While moving in a forward direction, pull the right
lever back towards the neutral position while
maintaining the position of the left lever, this will
slow the rotation of the right wheel and cause the
machine to turn in that direction.
To turn to the left
While moving in a forward direction pull the left
lever back towards the neutral position while
maintaining the position of the right lever, this will
slow the rotation of the left wheel and cause the
machine to turn in that direction.
To zero turn
While moving in a forward direction, rst pull both
control levers back until the mower stops or slows
dramatically.
Then by alternating one lever slightly to the
forward position and the other in the reverse
position, complete the turn.
WARNING! Make sure the work area is
free from objects that could be thrown by the
rotating blades Clear the lawn of stones and
other objects.
Smart Lawn App
The app’s automated maintenance dashboard
and log will help you keep your machine running
at peak performance and protect your investment
by tracking total hours across the lifetime of your
equipment.
Receive alert notications when it’s time to
perform essential maintenance tasks. Your
dashboard provides real time monitoring and
indicates when it’s time for you to check or
change the oil, air lter, blades or battery. The
app also enables you to locate and contact
service centers, access step-by-step instructions
to perform routine maintenance and purchase
replacement parts directly from your mobile
device.
OPERATION

18
3. Activate the park brake by pushing the release
button in and pulling the lever fully upwards.
4. Disengage the mower blades by pressing the
blade switch down.
5. Move the steering controls outward to the
locked (outer) neutral position.
6. Move the throttle to the middle position. If the
engine is cold, the choke control should be
pulled up.
IMPORTANT INFORMATION Do not run the
starter for more than ve seconds each time. If
the engine does not start, wait approximately
ten seconds before retrying.
7. Press in and turn the ignition key to the start
position.
Starting the Engine
1. Sit on the seat.
2. Raise the mower deck by pushing the release
button on the top of the lifting lever. Pull the
lifting lever backward to the locked (transport)
position.
The following conditions must be fullled before
the engine can be started:
• The blade switch must be pressed downward
into the disengaged position.
• The park brake must be up into the activated
position.
• Both steering controls must be in the locked
(outer) neutral position.
Before Starting
1. Read the sections on Safety and Controls
before starting the machine.
2. Perform the daily maintenance before
starting (see Maintenance Schedule in the
Maintenance section).
3. Check that there is sufcient fuel in the fuel
tank.
4. Adjust the seat to the desired position.
5. Set the deck cutting height by inserting the lift
pin into the desired cut height.
OPERATION

19
8. When the engine starts, immediately release
the ignition key back to the run position.
Push the choke control in gradually when the
engine has started.
9. Set the engine speed with the throttle. Allow
the engine to run at a moderate speed,
approximately mid throttle, for a short time
before use. USE FULL THROTTLE WHEN
MOWING.
Running
1. Release the park brake by moving the lever
downward.
NOTE: The mower is equipped with an
operator presence system. If the engine is
running and the operator tries to leave the
seat without rst setting the park brake, the
engine will shut off.
2. Move the steering controls inwards, out of the
neutral position (N).
3. Push the release button on the cutting height
lever, move lever to the pin and then release
the button.
4. Move throttle control to full throttle.
5. Engage the mower deck by pulling the blade
switch up.
WARNING! Make sure that no one is
near mower when engaging blade switch.
6. Rotate control levers inward and slowly move
both control levers slightly forward to move
forward in a straight line.
Stopping the Engine
1. Move the throttle to the minimum position
(tortoise symbol).
2. Move the steering controls outward.
3. Disengage the mower deck by pressing the
blade switch down.
4. Raise the mower deck by pressing the release
button on the lever and pulling the lever
upward to the transport position.
5. When the machine is standing still, activate
the park brake by pushing the lever release
button and pulling the lever upward.
If the engine has been worked hard, allow it
to idle at least 60 seconds to attain a normal
operating temperature before stopping. To
prevent fouling the spark plugs, avoid idling
the engine for longer periods.
IMPORTANT INFORMATION Leaving the
ignition switch in a position than OFF will cause
the battery to be discharged.
Operating on Hills
Read the Safety Instructions Driving on Slopes
in the Safety section.
• Use the slowest speed possible before starting
up or down hills.
• Avoid stopping or changing speed on hills.
• If stopping is necessary, pull drive levers into
the neutral position and push outward. Engage
the park brake.
• To restart movement, release the park brake.
• Pull the control levers back to the center of the
mower and press forward to regain forward
motion.
• Make all turns slowly.
WARNING! Do not drive the mower on
terrain that slopes more than 10 degrees. Mow
slopes up and down, never side to side. Do not
drive across slopes. Avoid sudden directional
changes.
6. Turn the ignition key to the stop position and
remove the key. Always remove the key when
leaving the mower to prevent unauthorized
use.
Mowing Tips
• Observe and ag rocks and other xed objects
to avoid collisions.
• Begin with a high cutting height and reduce
it until the desired mowing result is attained.
Cut the average lawn to 2-1/2" during the cool
season and over 3" during the hot months. For
healthier and better looking lawns, mow often
after moderate growth.
• For best cutting performance, mow grass over
6" in height twice. Make the rst cut relatively
high; the second to the desired height.
• The mowing result will be best with a high
engine speed (the blades rotate rapidly) and
low speed (the rider moves slowly). If the grass
is not too long and dense, the driving speed can
be increased without negatively affecting the
mowing result.
• The nest lawns are obtained by mowing
often. The lawn becomes more even and the
grass clippings more evenly distributed over
the mown area. The total time taken is not
increased as a higher operating speed can be
used without poor mowing results.
OPERATION

20
• When mowing large areas, start by turning to
the right so that clippings will discharge away
from shrubs, fences, driveways, etc. After one
or two rounds, mow in the opposite direction
making left hand turns until nished.
WARNING! Use extreme caution when
loading the machine into a truck or trailer using
ramps. There is the possibility of serious injury
or death if the machine falls off the ramps.
WARNING! Bypass linkages are located
close to the mufer. To prevent burns, the
engine should be shut off and allowed to cool
before the bypass linkage levers are handled.
Moving Machine By Hand
When pushing or pulling the mower, engage the
EZT bypass linkages. The EZT bypass linkages
are located on the rear of the frame, below the
rear engine guard.
1. Raise the deck into the highest cutting
position.
2. Engage the park brake.
3. Pull the EZT bypass linkages up and out of
the keyhole slots. Release the levers with the
head outside the frame and held in the bypass
position.
4. To reengage the EZT’s to drive, reverse the
above procedure.
Load the machine into truck or trailer by driving
slowly up the ramps. DO NOT LIFT! The machine
is not intended to be lifted by hand.
• Avoid mowing wet lawns. The mowing result
is poorer because the wheels sink into the soft
lawn, clumps build, and grass clippings fasten
under the cowling.
• Hose the mower deck underside with water
after each use. When cleaning, raise the mower
into the transport position. Make sure the
mower is cooled and the engine is off.
• Use compressed air to clean top surface of
the deck. Avoid ooding water on top surface,
engine and electrical components.
• When the mulching kit is used, it is important
that the mowing interval is frequent.
OPERATION

21
Maintenance Schedule
Following is a list of maintenance procedures
that must be performed on the machine. For
those points not described in this manual, visit an
authorized service workshop. An annual service
MAINTENANCE
DAILY
AT LEAST
ONCE
EACH
YEAR
MAINTENANCE INTERVAL
IN HOURS
BEFORE AFTER 25 50 100 300
CHECK
Park brake for adjustment ●
Engine’s oil level (each refueling) ■
Safety system ●
For fuel and oil leakages ♦
For damage ♦
For loose hardware (screws, nuts) ♦
For mower deck damage ♦
Tire pressures ● ● ● ●
Battery connections ● ● ● ● ●
CLEAN
Below the mower deck ●
Around the engine ♦
Around belts, belt pulleys ♦ ♦ ♦ ♦
Engine’s cooling air intake 2) ■ ■
Air cleaner foam pre-lter 2) ■ ■
Air cleaner paper lter cartridge 2) 4) ■ ■
ALSO
Inspect mufer/spark arrestor ♦ ♦ ♦ ♦
Start the engine & blades,
listen for unusual sounds ♦
Sharpen 3) / Replace mower blades ● ●
1) First change after 8-10 hours. When
operating with a heavy load or at high ambient
temperatures, replace at 50 hour intervals.
2) In dusty conditions, cleaning and replacement
are required more frequently.
3) Performed by authorized service workshop.
4) If equipped.
carried out by an authorized service workshop is
recommended to maintain your machine in the
best possible condition and to make sure of safe
operation.
Read General Maintenance in the Safety
section.
● = Described in this manual
♦ = Not described in this manual
■ = Refer to the engine manufacturer’s manual
WARNING! Before performing service or
adjustment:
• Engage the park brake.
• Place the blade switch in the disengaged
position.
• Turn the ignition switch to OFF position and
remove the key.
• Make sure the blades and all moving parts
have completely stopped.
MAINTENANCE

22
1) First change after 8-10 hours. When
operating with a heavy load or at high ambient
temperatures, replace at 50 hour intervals.
2) In dusty conditions, cleaning and replacement
are required more frequently.
3) Performed by authorized service workshop.
4) If equipped.
● = Described in this manual
♦ = Not described in this manual
■ = Refer to the engine manufacturer’s manual
MAINTENANCE
DAILY
AT LEAST
ONCE
EACH
YEAR
MAINTENANCE INTERVAL
IN HOURS
BEFORE AFTER 25 50 100 300
CHECK
Throttle cable for adjustment ■
Mower deck for adjustment ● ●
Condition of belts, belt pulleys ● ●
Caster wheels (at 200 hour intervals)● ●
Engine valve clearance 3) ♦ ♦
CHANGE
Spark plugs ■ ■
Engine oil 1) ■ ■
Engine oil lter ■ ■
Fuel lter ■ ■
Paper air lter 2) ■ ■
Air cleaner foam pre-lter 2) 4) ■
ALSO
Do the 300-hour service 3) ♦ ♦
IMPORTANT INFORMATION The mower is
equipped with a 12-volt negative grounded
system. The other vehicle must also be a
12-volt negative grounded system. Do not use
your mower to start other vehicles.
WARNING! Do not short battery
terminals by allowing a wrench or other objects
to contact both terminals at the same time.
Before connecting battery, remove metal
bracelets, wristwatch bands, rings, etc.
Positive terminal must be connected rst to
prevent sparks from accidental grounding.
CAUTION! Always wear eye
protection when around batteries.
MAINTENANCE

23
The mower is equipped with a maintenance
free battery and does not need servicing.
However, periodic charging of the battery with an
automotive type battery charger will extend its life.
• Keep battery and terminals clean.
• Keep battery bolts tight.
• See chart for charging times.
IMPORTANT INFORMATION Do not open
or remove caps or covers. Adding or checking
level of electrolyte is not necessary.
Always use two wrenches for the terminal
screws.
STD
BATTERY
STATE
OF
CHARGE
APPROXIMATE CHARGING TIME*
TO FULL CHARGE AT 80O F
Maximum Rate at:
50 Amps 30 Amps 20 Amps 10 Amps
12.6V 100%
- FULL CHARGE -
12.4V 75% 20 min. 35 min. 48 min. 90 min.
12.2V 50% 45 min. 75 min. 95 min. 180 min.
12.0V 25% 65 min. 115 min. 145 min. 280 min.
11.8V 0% 85 min. 150 min. 195 min. 370 min.
*Charging time depends on battery capacity,
condition, age, temperature and efciency of charger
Cleaning the battery and terminals
Corrosion and dirt on the battery and terminals
can cause the battery to lose power.
1. Lift the seat and rotate fully forward until
supported by the seat rod.
2. Loosen the two wing nuts attached to the side
J bolts just enough that the battery mount
bracket slides down off the battery.
Battery
If the battery is too weak to start the engine, it
must be recharged.
Jumper Cable Use
1. Connect each end of the RED cable to the
POSITIVE (+) terminal on each battery, taking
care not to short against chassis.
2. Connect one end of the BLACK cable to the
NEGATIVE (-) terminal of the fully charged
battery.
3. Connect the other end of the BLACK cable to a
good CHASSIS GROUND on the mower with
the discharged battery, away from the fuel
tank and battery.
To remove cables, reverse order
1. Remove BLACK cable rst from chassis and then
from the fully charged battery.
2. Remove RED cable last from both batteries.
CAUTION! Lead-acid batteries generate
explosive gases. Keep sparks, ame and
smoking materials away from batteries.
3. Lift seat and rotate forward.
4. Using two 1/2" wrenches disconnect BLACK
battery cable then RED battery cable.
5. Remove the battery from the machine.
6. Rinse the battery with plain water and dry.
7. Clean terminals and battery cable ends with wire
brush until shiny.
8. Coat terminals with grease or petroleum jelly.
Replacing battery
1. Install the new battery with terminals in the same
position as the old battery.
2. Connect RED battery cable rst to positive (+)
battery terminal.
3. Connect BLACK grounding cable to negative (-)
battery terminal.
4. Slide mount bracket back up over battery and
retighten wing nuts.
MAINTENANCE

24
Safety System
The machine is equipped with a safety system
that prevents starting or driving under the
following conditions.
The engine can only be started when:
• the mower deck is disengaged.
• the steering controls are in the outer, locked
neutral position.
• the park brake is on.
IMPORTANT INFORMATION To be able to
drive, the driver must sit in the seat and release
the park brake before the steering controls can
be moved into the neutral position, otherwise
the engine will stop.
Tire Pressures
All tires must be at 15 psi / 103 kPa / 1 bar.
IMPORTANT INFORMATION DO NOT add
a tire liner or foam ll material to the tires.
Excessive loads created by foam lled tires will
cause premature failures.
Only use O.E.M. specied tires.
Make daily inspections to ensure that the safety
system works by attempting to start the engine
when one of the conditions is not met. Change
the conditions and try again.
If the machine starts when one of these
conditions is not met, turn the machine off and
repair the safety system before using the machine
again.
Make sure the engine stops when the park brake
is not engaged and the operator leaves the
seated position.
Check that the engine stops if the mower blades
are engaged and the driver temporarily moves off
the driver’s seat.
Cutting Blades
Blade Replacement
1. Remove blade bolt by turning it counter
clockwise.
2. Install new or re-sharpened blade with stamped
GRASS SIDE facing towards ground/grass
(down) or THIS SIDE UP facing deck and
cutter housing.
3. Install and tighten blade bolt securely.
4. Torque blade bolt to 45-55 ft/lbs (61-83 Nm).
IMPORTANT INFORMATION The special
blade bolt is heat treated. Replace it with a
Craftsman bolt if required. Do not a use lower
grade hardware than specied.
CAUTION! Blades are sharp. Protect
your hands with gloves and/or wrap blades with
a heavy cloth when handling.
The sharpening of blades must be
carried out by an authorized service
workshop.
For the best mowing effect, it is important that the
blades are well sharpened and not damaged.
Replace blades that have been bent or cracked
when hitting obstacles.
Let the service workshop decide whether a blade
with large nicks can be repaired/ground or must
be replaced. Balance the blades after sharpening.
Check the blade mounts.
Park Brake
Visually check that no damage is found on the
lever, links, or switch belonging to the park brake.
Perform a standstill test and check that there is
sufcient braking. For park brake adjustments,
contact the Craftsman service workshop.
WARNING! Faulty adjustment will result
in reduced braking and can cause an accident.
MAINTENANCE

25
Caster Wheels
Check every 200 hours. Check that wheels rotate
freely.
Foam lled tires or solid tires will void the
warranty.
To replace, remove nut and caster bolt. Pull the
wheel out of the yoke and take care with the
spacer. Reinstall in reverse order. Tighten the
caster bolt and torque to 45 ft-lbs (61 Nm).
V-belts
Check at 100 hour intervals of operation. Check
for severe cracking and large nicks.
NOTE: The belt will show some small cracks in
usual operation.
The belts are not adjustable. Replace belts if they
begin to slip from wear.
Deck Belt Removal
1. Park on a level surface. Apply park brake.
2. Lower the deck into the lowest cutting position.
3. Remove bolts from belt shields and remove
shields.
4. Remove any dirt or grass that may have
accumulated around the cutter housings and
entire deck surface.
5. Push inward on the idler arm to release the
tension on the belt.
6. Carefully lift the belt over the top of the cutter
housing pulleys and remove belt from the
deck.
Deck Belt Installation
NOTE: For ease in installing the deck belt, refer to
the routing decal on the top of the deck.
1. Wind the deck belt around the electric clutch
pulley located on the engine shaft.
2. Route the belt forward and up onto the deck.
3. Position the belt around spring loaded idler pulley.
4. Wind the belt around the stationary idler pulley
and the mandrel housings.
5. Push inward on the idler arm and carefully put the
belt over the stationary idler pulley. When the
belt is correctly routed, slowly release the idler
arm to tension the belt.
6. Check the belt routing to make sure it matches
the routing decal, and the belt does not have
twists.
7. Replace belt shields on both mandrel housings
and secure with fasteners.
Adjusting the Mower Deck
Leveling deck
Adjust the deck while the mower is on a level
surface. Make sure the tires are inated to
the correct pressure. See Technical Data /
Transmission. If tires are under or over inated,
the deck cannot be correctly adjusted. Raise the
deck to the highest (transport) position.
The deck must be adjusted slightly higher in the
rear.
NOTE: To insure the precision of the leveling
procedure, the mower deck drive belt must be
installed before leveling the deck.
1. Wear heavy gloves. Turn each blade tip to
align front to rear with the deck side-to-side.
2. Measure from the oor surface up to the
bottom of the blade tip on the discharge side
of the mower deck. Record the measurement.
MAINTENANCE

26
Cleaning
Regular cleaning, especially under the mower
deck, will increase the machine’s life-span. Clean
the machine directly after use (after it is cooled),
before the debris sticks.
Do not spray water on the top of the mower deck.
Use compressed air to clean the top side of the
mower deck. Do not use a high pressure washer
or steam cleaner. Avoid spraying engine and
electrical components with water.
Regularly clean the underside of the deck with
normal water pressure. Attach the quick connect
(from the accessory packet) to any garden hose.
After mowing, snap the hose to the cleanout port
and turn on water supply.
Restart the mower and engage the blades to use
the spinning action to wash away debris. Make
sure the hose is away from the mower blades.
Do not rinse hot surfaces with cold water. Let unit
cool before washing.
Hardware
Check daily. Inspect the entire machine for loose
or missing hardware.
CAUTION! Wear eye protection when
cleaning or washing the mower.
3. Move to the opposite side, check that
measurement is the same. If adjustment is
required—with a 3/4" or adjustable wrench,
turn the lift link adjustment nuts on either
side counter clockwise to lower or clockwise
to raise. Adjust until both measurements are
equal.
4. Turn either blade to align with the deck front-
to-rear. If the front blade tip does not measure
1/4" to 3/8" lower than the rear, remove the
foot plate access the front deck adjustment.
With an adjustable wrench, loosen the rear
jam nut on the front suspension linkage.
Make adjustment to level with the front lift link
nut. Clockwise raises the front of the mower,
counter clockwise will lower the front. Adjust
the nut until rear blade tip is 1/4" to 3/8"
higher than the front blade tip.
NOTE: This will position the mower deck in a
standard measurement position. Depending on
the type of grass being mowed or environmental
conditions, additional adjustments may be
required to get the desired cut.
MAINTENANCE

27
General
Remove the ignition key to prevent unintentional
movements during lubrication.
When lubricating with an oil can, it must be lled
with engine oil.
When lubricating with grease, unless otherwise
stated, use high grade molybdenum disulphide
grease.
For daily use, the machine must be lubricated
twice weekly.
Wipe away excess grease after lubrication.
It is important to avoid getting lubricant on the
belts or the drive surfaces on the belt pulleys.
If this happens, clean them with spirits. If the
belt continues to slip after cleaning, it must be
replaced. Gasoline or other petroleum products
must not be used to clean belts.
12/12 Every year Lubricate with grease gun
1/52 Every Week Filter change
1/365 Every day Oil change
Level check
Lubrication Schedule
IMPORTANT INFORMATION Use minimal
lubrication and remove excess lubricant so that
is does not come into contact with belts or belt
pulley drive surfaces.
WARNING! Escaping hydraulic oil
under pressure can have sufcient force to
penetrate the skin, causing serious injury. If
injured by escaping uid, see a doctor at once.
Serious infection or reaction can develop if
proper medical treatment is not administered
immediately.
LUBRICATION

28
Wheel and Deck Zerks
Use only good quality bearing grease.
Grease from well-known brand names
(petrochemical companies, etc.) usually maintains
a good quality.
Front Wheel Mount
Lubricate 3-4 strokes with a grease gun on each
set of wheel bearings.
Front Wheel Bearings
Lubricate 3-4 strokes with a grease gun on each
set of wheel bearings.
Deck Spindles
Lower the cutting deck completely. Lubricate with
a grease gun, 2-3 strokes per spindle through the
openings in the belt shields.
Transmission
The transmission is maintenance free with no
need for level checks or oil changes. If a leak
occurs, replace the unit or contact your Craftsman
dealer.
Engine Oil
NOTE: Change the engine oil when the engine
is warm. Refer to the engine owner’s manual
for the correct replacement oil and lter change
recommendations.
1. Park on a level surface. Apply park brake.
2. Clean the dirt and debris from the area around
the oil ll cap.
3. Remove the cap/dipstick.
4. Locate the drain hose at the left rear of the
engine near the bypass linkage. Place an
adequately sized container under the end of
the drain hose and remove the oil drain plug.
5. Allow the oil to fully drain from the engine.
6. Replace the drain hose plug and tighten
securely.
7. Fill the engine with new oil to the bottom of
the ll tube threads. Check the level with the
dipstick.
8. Replace the oil ll cap securely when the oil
level is FULL.
9. Refer to the Service Journal for oil checking
and changing intervals and change
recommendations.
WARNING! The engine drain plug is
located close to the mufer. To prevent burns,
the engine should be shut off and allowed to
cool slightly so the engine is still warm but the
surrounding surfaces and oil are not.
LUBRICATION

29
Engine will not start
Blade switch is engaged
Steering controls are not locked in the
neutral position
Park brake is not activated
Dead battery
Contamination in the carburetor or fuel line
Fuel supply shutoff valve is closed or in the
wrong position
Clogged fuel lter or fuel line
Ignition system faulty
Starter does not turn the engine over
Dead battery
Battery terminal cable contacts are defective
Blown fuse
Fault in the starter safety circuit. See Safety
System in the Maintenance Section
Engine runs rough
Faulty carburetor
Clogged fuel lter or jet
Choke is activated with a warm engine
Clogged ventilation valve on the fuel cap
Fuel tank nearly empty
Fouled spark plugs
Rich fuel mixture or fuel-air mixture.
Wrong fuel type
Water in fuel
Clogged air lter
Engine seems weak
Clogged air lter
Fouled spark plugs
Carburetor incorrectly adjusted
Air trapped in hydraulic system
Machine vibrates
Blades are loose
Blades are incorrectly balanced
Engine is loose
Engine overheats
Clogged air intake or cooling ns
Engine overloaded
Poor ventilation around engine
Defective engine speed regulator
Too little or no oil in the engine
Contamination in the fuel line
Fouled spark plugs
Battery not charging
Battery terminal cable contacts are defective
Charging lead is disconnected
Fault in engine charging system
Mower moves slowly, unevenly, or not at all
Park brake activated
Bypass linkage engaged
Transmission drive belt is slack or off
Air trapped in hydraulic system
Mower deck not engaging
Drive belt for the mower deck is loose
Electromagnetic coupling contact is loose
Blade switch is faulty or loose from cable
contact
Blown fuse
Transaxle leaks oil
Damaged seals, housing, or gaskets
Air trapped in hydraulic system
Uneven mowing results
Unequal air pressures in tires
Bent blades
Suspension for the mower deck is uneven
Blades are dull
Driving speed too high
Grass is too long
Grass has collected under the mower deck
TROUBLESHOOTING
Problem / Cause

30
Winter Storage
The machine must be readied for storage at the
end of the mowing season, or if it will not be in
use for more than 30 days.
Fuel allowed to stand for long periods of time (30
days or more) can leave sticky residues that can
plug the carburetor and disrupt engine function.
Fuel stabilizers are an permitted option as
regards to the sticky residues that can occur
during storage.
Add stabilizer to the fuel in the tank or in the
storage container. Always use the mixing ratios
specied by the manufacturer of the stabilizer.
Run the engine for at least ten minutes after
adding the stabilizer so that it reaches the
carburetor. Do not empty the fuel tank and the
carburetor if a stabilizer has been added.
To ready the machine for storage:
1. Thoroughly clean the machine, especially
under the mower deck. Touch up damage
to the paint and spray a thin layer of oil on
the underside of the mower deck to avoid
corrosion.
2. Inspect the machine for worn or damaged parts
and tighten nuts or screws that may have
become loose.
3. Change the engine oil; dispose of properly.
4. Empty the fuel tanks or add a fuel stabilizer. Start
the engine and let it run until the carburetor is
drained of fuel or the stabilizer has reached
the carburetor.
5. Remove the spark plug and pour about a
tablespoon of engine oil into the cylinder.
Turn over the engine so that the oil is evenly
distributed and then ret the spark plug.
6. Lubricate all grease zerks, joints, and axles.
7. Remove the battery. Clean, charge, and store
the battery in a cool place, but protect it from
direct cold.
8. Store the machine in a clean, dry place and cover
it for extra protection.
Service
When ordering spare parts, specify the purchase
year, model, type, and serial number.
Always use genuine Craftsman spare parts.
An annual check-up at an authorized service
workshop is a good way to ensure that the
machine performs its best the following season.
WARNING! Do not store an engine with
fuel in the tank indoors or in poorly ventilated
spaces where fuel vapor can come in contact
with open ames, sparks, or a pilot light
such as in a boiler, hot water tank, clothes
dryer, etc. Handle the fuel with care. It is very
ammable and can cause serious personal
injury and property damage. Drain the fuel
into an approved container outdoors and
store far away from open ame or sources of
ignition. Do not use gasoline for cleaning. Use
a degreaser and warm water.
STORAGE

31
SCHEMATIC

32
ENGINE
Manufacturer Kohler
Type KT735
Power 24 hp 1)
Lubrication Pressure with oil lter
Fuel Min 87 octane unleaded (Max ethanol 10%, Max MTBE 15%)
Fuel tank capacity 3-1/2 gallons 13,25 litres
Cooling Air cooled
Air lter Standard
Alternator 12v 15 amp @ 3600 rpm
Starter Electric
TRANSMISSION
Transmission Hydrostatic transaxles
Steering control Dual levers, foam gripped
Speed forward 0-6.5 mph 0-10,5 km/h
Speed reverse 0-3.5 mph 0-5,6 km/h
Brakes Mechanical
Front caster tires 11 x 4-5
Rear tires, turf pneumatic 18 x 8.5-8
Tire pressure 15 PSI / 103 kPa / 1 bar
FRAME
Cutting Width 42" 106,7 cm
Cutting Height 1-1/2 - 4" 3,8 cm - 10,2 cm
Number of Blades 2
Blade Length 21" 53.3 cm
Nose Roller Yes
Seat Standard
Hinged Arm Rests Optional
Service Meter Digital
Blade Engagement Electromagnetic Clutch
Deck Construction Fabricated
Productivity 2.2 acres/h 8,093 m2/h
DIMENSIONS
Weight 430 lbs 195 kg
Base Machine Length 75" 191,5 cm
Base Machine Height 40" 101,6 cm
Base Machine Width 41-1/2" 105,5 cm
Overall Width, Chute Up 48" 122 cm
Overall Width, Chute Down 56" 142 cm
1) The power rating as declared
by the engine manufacturer
is the average gross power
output at the specied
RPM of a typical production
engine for the engine
model measured using
SAE Standards for engine
gross power. Refer to the
engine manufacturer engine
specications.
TECHNICAL DATA

33
Standard 1/4" fasteners 9 ft/lb
Standard 5/16" fasteners 18 ft/lb
Standard 3/8" fasteners 33 ft/lb
Standard 7/16" fasteners 52 ft/lb
Standard 1/2" fasteners 80 ft/lb
HEX HEAD CAP SCREWS
The torque values shown must be used as a general guideline
when specic torque values are not given.
U.S. Standard Hardware
Grade SAE Grade 5 SAE Grade 8 Flangelock Screw
w/Flangelock Nut
Size ft./lbs Nm ft./lbs Nm ft./lbs Nm
Shank Size (Diameter in inches,
ne or coarse thread)
1/4 912 13 18
5/16 18 24 28 38 24 33
3/8 31 42 46 62 40 54
7/16 50 68 75 102
1/2 75 102 115 156
9/16 110 149 165 224
5/8 150 203 225 305
3/4 250 339 370 502
7/8 378 512 591 801
1-1/8 782 1060 1410 1912
** Grade 5 - Minimum commercial quality (lower quality not recommended)
Metric Standard Hardware
Grade Grade 8.8 Grade 10.9 Grade 12.9
Size ft./lbs Nm ft./lbs Nm ft./lbs Nm
Shank Size (Diameter in millimeters, ne or
coarse thread)
M4 1.5 22.2 32.7 3.7
M5 3 4 4.5 65.2 7
M6 5.2 77.5 10 8.2 11
M7 8.2 11 12 16 15 20
M8 13.5 18 18.8 25 21.8 30
M10 24 33 35.2 48 43.5 59
M12 43.5 59 62.2 84 75 102
M14 70.5 96 100 136 119 161
M16 108 146 147 199 176 239
M18 142 193 202 274 242 328
M20 195 264 275 373 330 447
M22 276 374 390 529 471 639
M24 353 478 498 675 596 808
M27 530 719 735 996 904 1226
Engine crankshaft bolt 50 ft/lb
Deck pulley bolts 150 ft/lb
Lug nuts 75 ft/lb
Blade bolt 90 ft/lb
Torque Specications
TECHNICAL DATA

34
Delivery service has
been carried out
No remaining notes
Certied:
DELIVERY SERVICE
Action Date, mtr reading, stamp, sign
Charge and connect the battery r
Adjust the tire pressure of all wheels to 15 PSI (1 bar) r
Connect the contact box to the cable for the seat’s safety switch r
Check that the right quantity of oil is in the engine r
Adjust the position of the steering controls r
Fill with fuel and open the fuel shut off valve r
Start the engine r
Check:
Drive to both wheels r
Mower deck pitch and adjustment r
Safety switch for the park brake r
Safety switch for the mower deck r
Safety switch in the seat r
Safety switch in the steering controls r
Park brake functionality and adjustment r
Driving forward r
Driving backward r
Engaging the blades r
Idle speed r
Engine high idle speed r
Inform the customer about:
Need and advantages of following the service schedule r
Need and advantages of leaving the machine for service r
Effects of service and maintaining a service journal on the
machine’s resale value r
Application areas for mulching r
Fill in the sales papers, etc.
SERVICE JOURNAL

35
AFTER 10 HOURS
Action Date, mtr reading, stamp, sign
Change the engine oil r
DAILY SERVICE
Action Date, mtr reading, stamp, sign
Clean debris from mower r
Check engine oil level r
Check the tire pressures r
Check underside of deck r
Check safety system r
Check fuel system for leaks r
Inspect safety guards and shields r
Check brake adjustment r
25-HOUR SERVICE
Action Date, mtr reading, stamp, sign
Check the fuel pump’s air lter r
Sharpen/Replace mower blades if required r
Check the tire pressures r
Check battery cables r
Lubricate according to lubrication chart r
Check/clean the engine’s cooling air intake r
Clean the air cleaner’s foam pre-lter r
50-HOUR SERVICE
Action Date, mtr reading, stamp, sign
Do the 25-hour service r
Clean / replace the air cleaner’s paper lter cartridge
(shorter intervals for dusty operating conditions) r
Change engine oil r
Lubricate according to lubrication chart r
SERVICE JOURNAL

36
100-HOUR SERVICE
Action Date, mtr reading, stamp, sign
Do the 25-hour service r
Do the 50-hour service r
Change the engine oil lter r
Clean/replace the spark plugs r
Replace the fuel lter r
Check V-belts r
Check / tighten caster wheel axle bolts (at 200 hour intervals) r
Change the air lter’s paper cartridge r
300-HOUR SERVICE
Action Date, mtr reading, stamp, sign
Do the 25-hour service r
Do the 50-hour service r
Do the 100-hour service r
Check / adjust the mower deck r
Clean the combustion chamber and grind the valve seats r
Check the engine valve clearance r
Replace the air cleaner’s foam pre-lter r
AT LEAST ONCE EACH YEAR
Action Date, mtr reading, stamp, sign
Clean the engine’s cooling air intake (at 25 hour intervals) r
Replace the air cleaner’s foam pre-lter (at 50 hour intervals) r
Replace the air lter’s paper cartridge r
Change the engine oil (50 hours) r
Replace the engine oil lter (100 hours) r
Check / adjust the cutting height r
Check / adjust the park brake (50 hours) r
Clean / change the spark plugs (100 hours) r
Change the fuel lter (100 hours) r
Check the engine valve clearance r
SERVICE JOURNAL

37
WARRANTY UCTION
CRAFTSMAN LIMITED WARRANTY
FOR TWO YEARS from the date of purchase, all non-expendable parts of this riding equipment are
warranted against defects in material or workmanship. With proof of purchase, a defective non-
expendable part will receive free repair. If the part cannot be repaired, it will be replaced free of
charge.
Battery Limited Warranty
FOR 90 DAYS from the date of purchase, the battery (an expendable part) of this riding equipment is
warranted against defects in material or workmanship. With proof of purchase, you will receive a new
battery at no charge. You are responsible for the labor cost of battery installation.
WARRANTY SERVICE
For warranty coverage details to obtain free repair or replacement, visit the web page:
www.craftsman.com/warranty
Product Replacement
If part repair or replacement is impossible, you will receive a new riding equipment unit of the same or
equivalent model.
Warranty Restriction
All warranty coverage is void if this riding equipment is ever used while providing commercial services
or if rented to another person.
This warranty covers ONLY defects in material and workmanship. Warranty
coverage does NOT include:
• Expendable parts (except battery) that can wear out from normal use within the warranty period,
including but not limited to blades, spark plugs, belts and air, oil or gas lters.
• Standard maintenance servicing, deck leveling, oil changes or tune-ups.
• Tire replacement or repair caused by punctures from outside objects, such as nails, thorns,
stumps, or glass.
• Tire or wheel replacement or repair resulting from normal wear, accident, or improper operation
or maintenance.
• Repairs necessary because of operator abuse, including but not limited to damage caused by
towing objects beyond the capability of the riding equipment, impacting objects that bend the
frame, axle assembly or crankshaft, or over-speeding the engine.
• Repairs necessary because of operator negligence, including but not limited to, electrical and
mechanical damage caused by improper storage, failure to use the proper grade and amount
of engine oil, failure to keep the deck clear of ammable debris, or failure to maintain the riding
equipment according to the instructions contained in the operator’s manual.
• Engine (fuel system) cleaning or repairs caused by fuel determined to be contaminated or
oxidized (stale). In general, fuel should be used within 30 days of its purchase date.
• Normal deterioration and wear of the exterior nishes, or product label replacement.
This warranty gives you specic legal rights, and you may also have other rights which vary from
state to state.
Sears Brands Management Corporation, Hoffman Estates, IL 60179

38
Cuando este producto esté desgastado y ya no
se use, debe devolverse al distribuidor o a un
tercero para su reciclaje.
Para implementar mejoras, las specicaciones
y diseños pueden modicarse sin previo aviso.
Tenga en cuenta que no es posible presentar
demandas legales en función de la información
contenida en estas instrucciones.
Utilice únicamente piezas originales para las
reparaciones. El uso de otras piezas anula la
garantía.
No modique ni instale equipo no estándar en
la unidad sin el consentimiento del fabricante.
Las modicaciones a la unidad pueden
provocar operaciones inseguras o daños en la
unidad.
ADVERTENCIA: No seguir las prácticas
de operación con cautela puede provocar
lesiones graves al operador o a otras
personas. El propietario debe comprender
estas instrucciones, y debe permitir que solo
personas con la debida capacitación y que
comprendan estas instrucciones utilicen el
cortacésped.
Cada persona que maneje el cortacésped
debe estar en buenas condiciones físicas y
mentales y no debe estar bajo la inuencia de
ninguna sustancia que altere la mente.
ADVERTENCIA: Los gases de escape
del motor, algunos de sus componentes y
algunos componentes del vehículo contienen
o emiten químicos que según el Estado de
California provocan cáncer y malformaciones
congénitas u otros daños reproductivos.
CERTIFICADOS DE CONFORMIDAD
Requisitos para EE. UU.
En el motor y/o en el compartimiento del motor hay etiquetas que indican que la máquina
cumple con los requisitos. Esto también es aplicable a requisitos especiales para cualquiera
de los estados, (normas de emisiones de California, etc.). No retire ninguna de estas
etiquetas. También es posible que se incluyan certicados con la máquina en el momento de
su entrega o que estén escritos en el manual del motor. Cuídelos porque son documentos
valiosos.
ADVERTENCIA: Los gases de escape
del motor y ciertos componentes del vehículo
contienen o emiten productos químicos
que se consideran causantes de cáncer,
malformaciones congénitas u otros daños en el
sistema reproductor. Los gases de escape del
motor contienen monóxido de carbono, que es
un gas venenoso, inodoro e incoloro. No utilice
la máquina en espacios cerrados.
ADVERTENCIA: Los postes de batería,
terminales y accesorios relacionados contienen
plomo y compuestos de plomo, químicos que
según el Estado de California provocan cáncer
y malformaciones congénitas u otros daños
reproductivos. Lávese las manos luego de su
uso.

39
Felicitaciones
Gracias por adquirir un cortacésped Craftsman.
Esta máquina se ha fabricado para lograr una
ecacia superior al cortar áreas grandes con
rapidez. Un panel de control fácilmente accesible
para el operador y una transmisión hidrostática
regulada por controles de la dirección contribuyen
al rendimiento de la máquina.
Este manual es un documento valioso. Lea
el contenido con atención antes de utilizar la
máquina o de realizar tareas de mantenimiento.
Es importante que todas las personas que operen
esta máquina cumplan estas instrucciones
(uso, servicio, mantenimiento) para proteger la
seguridad del operador y de las demás personas.
Asimismo, este cumplimiento puede aumentar
considerablemente la vida útil de la máquina y su
valor de reventa.
Si vende la máquina, asegúrese de proporcionar
el manual del operador al nuevo propietario.
El último capítulo de este manual del operador
proporciona un registro de servicio. Asegúrese de
documentar las labores de servicio y reparación
realizadas. Un registro de servicio bien mantenido
reduce costos de servicio para el mantenimiento
y mejora el valor de reventa de la máquina.
Póngase en contacto con su concesionario
para obtener más información. Cuando lleve la
máquina a mantenimiento en el concesionario,
lleve con ella el manual del operador.
Información general
En este manual del operador, hacia la izquierda
y hacia la derecha, hacia atrás y hacia adelante
se utilizan en relación con la dirección de
conducción normal de la máquina.
La dedicación continua a mejorar nuestros
productos requiere que las especicaciones y el
diseño estén sujetos a cambios sin previo aviso.
Conducción y transporte en vías
públicas
Consulte las normas de circulación vigentes
antes del transporte en vías públicas. Si va a
transportar la máquina, siempre debe utilizar
anclajes homologados y asegurarse de que
la máquina esté bien sujeta. NO utilice esta
máquina en vías públicas.
Remolque
Si la máquina está equipada con un sistema de
remolque, tenga extrema precaución al remolcar.
No lleve a niños ni otras personas dentro del
equipo remolcado o sobre él. Realice giros
amplios para evitar el efecto tijera. Desplácese
lentamente y guarde más distancia para
detenerse.
No remolque en una supercie en pendiente. En
las pendientes, el peso del equipo remolcado
puede provocar la pérdida de tracción y de
control.
Obedezca las recomendaciones del fabricante
sobre los límites de peso para el equipo
remolcado. No remolque cerca de zanjas,
canales y otros peligros.
Funcionamiento
Esta máquina está diseñada solo para cortar
pasto en céspedes y tierra nivelada sin
obstáculos tales como piedras, tocones de
árboles, etc. La máquina también puede utilizarse
para otras tareas cuando está equipada con
accesorios especiales proporcionados por
el fabricante. Instrucciones de operación de
los accesorios se suministran con la entrega.
Cualquier otra clase de uso es incorrecta.
Las instrucciones del fabricante sobre el
funcionamiento, mantenimiento y reparación
deberán seguirse atentamente.
Los cortacésped y todos equipos electrónicos
pueden ser peligrosos si no se usan
correctamente. Para mantener la seguridad se
requiere tener buen juicio, utilizar la máquina de
acuerdo con estas instrucciones y con sentido
común.
Solo personas que conozcan las características
especiales de la máquina y que además
conozcan las instrucciones de seguridad pueden
utilizar, mantener o reparar la máquina. Utilice
exclusivamente piezas de repuesto aprobadas
para mantener esta máquina.
Las normas de prevención de accidentes,
otras reglas de seguridad generales, reglas de
seguridad laboral y las leyes de tránsito deben
seguirse sin excepción.
Las modicaciones no autorizadas en el diseño
de la máquina absuelven al fabricante de
cualquier tipo de responsabilidad por daños
personales o daños a la propiedad resultantes.
INTRODUCCIÓN

40
Buen servicio
Los productos Craftsman se venden solo en
tiendas minoristas especializadas con servicio
completo. Esto asegura que como, cliente, usted
reciba solo el mejor nivel de asistencia y servicio.
Antes de la entrega del producto, el distribuidor
ha sometido la máquina a inspecciones y ajustes,
entre otros. Consulte el certicado en el Registro
de servicio de este manual del operador.
Si necesita piezas de repuesto o ayuda con
respecto a preguntas de servicio, asuntos
de garantía, etc., consulte a los siguientes
profesionales:
Número de fabricación
El número de fabricación de la máquina se puede
encontrar en la placa impresa colocada en el
compartimiento del motor.
En la placa se indican los siguientes detalles,
desde la parte superior:
• La designación del tipo de máquina (I. D.).
• El número de tipo del fabricante (Modelo).
• El número de serie de la máquina (Número de
serie)
Tenga a mano la designación del tipo y el número
de serie cuando haga pedidos de piezas de
repuesto.
Este manual pertenece a la máquina con el
número de fabricación:
Motor Transmisión
El número de fabricación del motor se encuentra
estampado en una de las tapas de las válvulas.
La placa indica:
• El modelo del motor.
• El tipo de motor.
• Código
Tenga esta información disponible cuando haga
pedidos de piezas de repuesto.
Los motores de las ruedas y las bombas
hidrostáticas tienen un código de barras adherido
en la parte trasera.
INTRODUCCIÓN

RN
41
Estos símbolos se encuentran en la máquina y en
el manual del operador. Estúdielos atentamente
para que sepa qué signican.
Se usa en esta publicación para noticar al lector
de un riesgo de daños personales o que puede
ADVERTENCIA: Xxxx xxxxxx xxxxx xxxx
xxxxxxxxx xxxxxx xxxxxxxxx.
causar la muerte, especialmente si el lector no
sigue las instrucciones proporcionadas en el
manual.
Lea el manual del
operador
Apague el motor,
retire la llave antes
de mantenimiento o
reparación
Mantenga una
distancia de
seguridad con
respecto a la
máquina
Uso en pendientes
no superiores a 10°
No se permite
llevar pasajeros
Exposición del
cuerpo entero a
objetos arrojados
Corte de dedos de
manos y pies
No abra ni retire
las protecciones
de seguridad
con el motor en
marcha
Tenga cuidado al
dar marcha atrás,
observe si hay
otras personas
Tenga cuidado al
avanzar, observe si
hay otras personas
Reversa Neutro Rápido Lento Estrangulador Combustible Freno de
estacionamiento
Advertencia Use gafas de
protección
Use guantes
protectores
Utilice protección
auditiva
No se pare aquí
Advertencia! El
ácido de la batería es
corrosivo, explosivo e
inamable
Advertencia! No toque
las piezas
Advertencia! Cuchillas
giratorias, manténgase
alejado del equipo de
descarga
Advertencia! No opere
sin el colector o sin la
coraza del deector
INFORMACIÓN IMPORTANTE Xxxx xxxxxx
xxxxx xxxx xxxxxxxxx xxxxxx xxxxxxxxx.
Se usa en esta publicación para noticar al
lector de un riesgo de daños en el material,
sobre todo si el lector no sigue las instrucciones
proporcionadas en el manual. Se utiliza también
cuando hay un riesgo potencial de uso indebido o
montaje incorrecto.
SÍMBOLOS Y RÓTULOS

42
Uso general
• Lea, entienda y
siga todas las
instrucciones sobre
la máquina en el
manual antes de
comenzar.
• Se recomienda que
alguien esté al tanto
de que está usando la máquina y pueda prestar
ayuda en caso de lesión o accidente.
• Cualquier persona que opere, realice
mantenimiento y/o servicio en esta máquina
primero debe leer y comprender este manual
del operador. Las leyes locales pueden
controlar la edad del usuario. El propietario es
responsable de capacitar a los usuarios de este
equipo.
• Tanto el propietario como el operador de
este equipo pueden evitar que se produzcan
accidentes y son responsables de accidentes
o lesiones que sufran ellos mismos u otras
personas y/o de daños a la propiedad.
• No coloque las manos ni los pies cerca de
las partes giratorias ni debajo de la máquina.
Manténgase alejado de la abertura de descarga
en todo momento.
• Sólo permita que los adultos responsables,
que estén familiarizados con las instrucciones,
operen la máquina.
• Quite de la zona los
objetos como rocas,
juguetes, cables,
etc. que podrían
engancharse en
la cuchilla y ser
arrojados.
• Asegúrese de que
el área esté libre de curiosos antes de operar la
máquina. Detenga la máquina si alguien entra
en el área.
• No corte en reversa, a menos que sea
absolutamente necesario. Siempre mire hacia
abajo y hacia atrás antes y cuando vaya en
reversa.
• No dirija el material que se descarga hacia
nadie. Evite descargar el material contra una
pared u otra obstrucción. El material puede
rebotar hacia el operador. Detenga las cuchillas
cuando atraviese supercies de grava.
ADVERTENCIA: ESTA MÁQUINA
CORTADORA PUEDE AMPUTAR MANOS Y
PIES Y ARROJAR OBJETOS. SI NO SIGUE
LAS INSTRUCCIONES DE SEGURIDAD
PUEDE CAUSAR DAÑOS GRAVES O LA
MUERTE.
ADVERTENCIA ESTE EQUIPO ES
PELIGROSO PARA LOS NIÑOS, PUEDE
CAUSAR LESIONES GRAVES O LA
MUERTE. Lea y siga atentamente todas las
instrucciones de seguridad que se indican a
continuación.
INFORMACIÓN IMPORTANTE La Academia
Norteamericana de Pediatría recomienda que
solo niños mayores de 16 años operen o se
suban a un cortacésped.
Seguridad infantil
Pueden ocurrir trágicos accidentes si el operador
no está atento a la presencia de niños. A los
niños suelen atraerles las máquinas y el corte
del césped. No dé por un hecho que los niños
permanecerán donde usted los vio por última vez.
• Mantenga a los
niños alejados del
área de corte y bajo
la supervisión de un
adulto responsable
además del
operador.
• Esté alerta y apague
la máquina si un niño entra en el área.
• Antes y mientras avance en reversa, mire hacia
atrás y hacia abajo por si hay niños presentes.
• No lleve niños arriba de la máquina, incluso
cuando las cuchillas estén desactivadas.
Pueden caerse y lesionarse gravemente
o interferir con la operación segura de la
máquina. Los niños a quienes se les da una
vuelta en la máquina
pueden aparecer
de repente en el
área de corte para
otra vuelta y ser
atropellados o
golpeados con la
máquina.
Instrucciones de seguridad
Estas instrucciones son para su propia seguridad.
Léalas atentamente.
• No permita que los niños operen la máquina.
• Tenga cuidado extremo al acercarse a curvas
sin visibilidad, arbustos, árboles u otros objetos
que puedan bloquear su visión e impedir que
vea a un niño.
SEGURIDAD

43
• No maneje la máquina si no tiene el recogedor
de césped completo, la protección de descarga
u otros dispositivos de seguridad en su lugar y
en funcionamiento.
• Desacelere antes de dar la vuelta.
• No deje la máquina en funcionamiento sin
vigilar. Siempre detenga las cuchillas, active el
freno de estacionamiento, detenga el motor y
retire la llave antes de descender.
• No transporte pasajeros La máquina se ha
diseñado solamente para que la use una sola
persona.
• Desenganche las hojas cuando no esté
cortando césped. Apague el motor y espere
hasta que todas las partes se detengan por
completo antes de limpiar la máquina, retirar el
recogedor de césped o destapar la protección
de descarga.
• Opere la máquina únicamente durante el día o
con buena luz articial.
• No opere la máquina mientras esté bajo la
inuencia de alcohol o drogas.
• Esté pendiente del tráco cuando opere la
máquina cerca de caminos o al cruzarlos.
• Tenga cuidado extremo cuando cargue o
descargue la máquina de un trailer o camión.
• Use siempre protección ocular cuando opere la
máquina.
ADVERTENCIA: Cuando utilice la
máquina, debe utilizar un equipo de protección
personal homologado. El equipo de protección
personal no puede eliminar el riesgo de
lesiones pero reducirá el grado de lesiones en
caso de que se produzca un accidente. Pida
ayuda a su distribuidor para elegir los equipos
de protección adecuados.
• Use equipo de protección personal (PPE,
Personal Protective Equipment) mientras
usa esta máquina, incluido (como mínimo)
un calzado resistente, protección ocular y
protectores auriculares. No corte en pantalones
cortos ni con calzado que deje los dedos
descubiertos.
• Los datos indican que los operadores de 60
años o más son víctimas de un gran porcentaje
de lesiones relacionadas con la conducción
de un cortacésped. Estos operadores deben
evaluar su habilidad para operar la cortadora de
césped en forma sucientemente segura como
para protegerse a sí mismos y a los demás de
una lesión grave.
• Siga las recomendaciones del fabricante para
los pesos de las ruedas o los contrapesos.
• Mantenga la máquina libre de cualquier
acumulación de césped, hojas u otra basura,
pues podrían entrar en contacto con el escape
caliente y/o las partes del motor y quemarse.
No permita que la plataforma de la cortadora
de césped levante hojas u otra basura que
pueda causar acumulaciones. Limpie cualquier
derrame de aceite o combustible antes de
operar o almacenar la máquina.
• Permita que la máquina se enfríe antes de
almacenarla.
Equipo de seguridad personal
• Asegúrese de tener
a mano el equipo
de primeros auxilios
durante la utilización
de la máquina.
• No utilice la máquina
si está descalzo.
• Es imperativo usar
zapatos o botas de protección, preferiblemente
con puntera de acero.
• Siempre use gafas protectoras homologadas
o un visor completo al realizar el montaje o
durante la conducción.
• Siempre use guantes al manipular las cuchillas.
• No lleve ropa ancha que pueda quedar
atrapada en las piezas móviles.
• Utilice protectores auriculares para evitar daños
en los oídos.
Funcionamiento en pendientes
Las pendientes son un factor importante
relacionado con la pérdida de control y
accidentes donde se vuelca, que pueden causar
daños graves o la muerte. El uso en todas las
pendientes requiere tener especial precaución. Si
usted no puede retroceder de una pendiente o si
se siente incómodo en la pendiente, no la pode.
• Corte las pendientes
hacia arriba y hacia
abajo, no de un lado
a otro.
• Tenga cuidado con
los hoyos, surcos,
protuberancias,
piedras y otros
objetos ocultos. El terreno disparejo podría
volcar la máquina. El césped alto puede ocultar
obstáculos.
• Elija una velocidad absoluta baja, así no tiene
que detenerse mientras está en la pendiente.
SEGURIDAD

44
ADVERTENCIA: No conduzca en lomas
con pendientes superiores a 10 grados. Y no
conduzca a través de pendientes.
• No corte el césped húmedo. Los neumáticos
podrían perder tracción.
• Evite arrancar, parar o girar en una pendiente.
Si los neumáticos pierden tracción, desacople
las cuchillas y avance lentamente y en línea
recta bajando la pendiente.
• Mantenga el
desplazamiento
lento y gradual en
las pendientes.
No haga cambios
repentinos de
velocidad o
dirección, pues
podría causar que la máquina se vuelque.
• Ponga especial atención mientras usa la
máquina con recogedores de césped u
otros accesorios, ya que pueden afectar la
estabilidad de la máquina.
• No use la máquina en pendientes
pronunciadas.
• No intente estabilizar la máquina poniendo el
pie en el suelo.
• No corte cerca de declives, zanjas o
terraplenes. La máquina podría volcarse de
repente si una rueda pasa sobre la orilla o si la
orilla termina en un hoyo.
ADVERTENCIA: El motor y el sistema
de escape se calientan mucho durante el
funcionamiento. Existe riesgo de quemaduras
si se tocan. Deje que el motor y el sistema de
escape se enfríen antes de llenar el depósito
de combustible.
Manipulación segura de la gasolina
• No llene la máquina
de combustible en
interiores.
• No almacene
la máquina o
el recipiente de
combustible donde
haya una ama
abierta, chispa o una luz de piloto como la de
un calentador de agua u otros aparatos.
• Antes de comenzar el reabastecimiento de
combustible, reducir al mínimo el riesgo de
electricidad estática tocando una supercie de
metal.
• No llene los recipientes adentro de un vehículo
o en un camión o trailer con forro de plástico.
Coloque siempre los recipientes en el suelo y
lejos del vehículo durante el llenado.
• No llene de más el tanque de combustible.
Vuelva a colocar la tapa de la gasolina y
asegúrela apretándola.
• Retire el equipo que funciona con gasolina
del camión o trailer y rellénelo en el suelo.
Si esto no es posible, rellene el equipo con
un recipiente portátil, en lugar de hacerlo
directamente con la boquilla del dispensador de
gasolina.
• Mantenga la boquilla en contacto con el
borde del tanque o recipiente de combustible
abriéndolo en todo momento hasta que el
llenado de combustible esté completo. No use
un dispositivo que mantenga abierta la boquilla.
• Si el combustible se derrama sobre la ropa,
cámbiesela de inmediato.
• No arranque el motor cerca de combustible
derramado.
• No utilice gasolina como producto de limpieza.
• Si surgen fugas en el sistema de combustible,
no se debe arrancar el motor hasta que el
problema se haya resuelto.
• Compruebe el nivel de combustible antes de
cada uso y deje espacio para que se expanda
el combustible, ya que el calor del motor y el sol
pueden hacer que el combustible se expanda y
se desborde.
Mantenimiento general
• No utilice la
máquina en un
espacio interior
o en espacios
sin ventilación
adecuada. Los
gases de escape
contienen monóxido
de carbono, un gas inodoro, venenoso y letal.
Para evitar una lesión personal o un daño en la
propiedad, tenga cuidado extremo al manejar
la gasolina. La gasolina es extremadamente
inamable y los vapores son explosivos.
• Apague los cigarrillos, habanos, pipas y otras
fuentes de ignición.
• Use solo recipientes de gasolina aprobados.
• No retire el tapón de la gasolina ni agregue
combustible con el motor en funcionamiento.
Permita que el motor se enfríe antes de volver a
llenar el tanque de combustible.
SEGURIDAD

45
ADVERTENCIA: El motor no debe
arrancarse si se he retirado la placa del piso
del conductor o cualquier placa protectora de
la correa de transmisión del equipo de corte.
• Asegúrese de que el equipo esté en buen
estado y que todas las tuercas y los pernos,
sobre todo los que aseguran los accesorios de
la cuchilla, estén correctamente apretados con
el par de apriete adecuado.
• Cuide el estado de las etiquetas de seguridad
e instructivas, o sustitúyalas, según sea
necesario.
• No interera con la función propia de los
dispositivos de seguridad ni reduzca la
protección provista por un dispositivo de
seguridad. Revise con regularidad que operen
bien. NO haga funcionar una máquina con
un dispositivo de seguridad que no funcione
correctamente.
• Revise frecuentemente los componentes
del recogedor de césped y la protección de
descarga y realice los reemplazos necesarios
con piezas recomendadas por el fabricante.
• No cambie los ajustes de los reguladores y
evite usar la máquina con un régimen del motor
demasiado alto. Si hace funcionar el motor
demasiado rápido, los componentes de la
máquina podrían dañarse.
• Para reducir el riesgo de incendio, mantenga la
máquina limpia y sin acumulación de césped,
hojas u otra basura. Limpie las salpicaduras de
aceite o combustible y quite los restos mojados
con combustible. Permita que la máquina se
enfríe antes de almacenarla.
• Deténgase para inspeccionar el equipo si
pasa por encima de algo o topa algo. Si es
necesario, haga reparaciones antes de arrancar
la máquina.
• No haga ajustes o reparaciones con el motor en
funcionamiento.
• Las cuchillas están aladas y pueden causar
cortes y heridas profundas. Envuelva las
cuchillas o use guantes protectores durante su
manipulación.
• Compruebe el funcionamiento del freno de
estacionamiento con regularidad. Hágale los
ajustes y el servicio necesarios.
AVISO: Utilice gafas de protección
para trabajos de mantenimiento.
• No trabaje con el circuito del motor de arranque
si hay combustible derramado.
• Asegúrese de que el tapón del depósito de
combustible esté cerrado rmemente y no haya
sustancias inamables almacenadas en un
recipiente abierto.
• Pueden producirse
chispas cuando
se trabaja con
la batería y los
cables pesados del
circuito del motor
de arranque. Esto
puede causar una
explosión de la batería, incendio o daños en
los ojos. No se producirán chispas una vez que
el cable de conexión a tierra (por lo general
negativo, negro) se extraiga de la batería.
• Desconecte el cable de conexión a tierra de la
batería primero y vuelva a conectarlo en último
lugar.
• No haga un cortocircuito de puente en el relé
del motor de arranque para activar el motor de
arranque.
• Tenga mucho cuidado al manipular el ácido
de la batería. El ácido puede causar graves
quemaduras corrosivas en la piel. Si se
derrama ácido de la batería sobre la piel,
enjuague inmediatamente con agua.
• El ácido en los ojos puede causar ceguera,
póngase en contacto con un médico de
inmediato.
• Tenga cuidado
cuando efectúe
trabajos en la
batería. En ella
se forman gases
explosivos. No
lleve a cabo el
mantenimiento
de la batería mientras esté fumando o si se
encuentra cerca de llamas abiertas o chispas.
La batería puede explotar y causar daños
graves o lesiones.
• La máquina ha sido probada y aprobada solo
con el equipo proporcionado originalmente o
recomendado por el fabricante. Utilice solo
piezas de repuesto aprobadas para la máquina.
• Las cuchillas para mantillo solo deben usarse
en áreas conocidas donde se desee un corte
de mayor calidad.
• Limpie regularmente la plataforma y la parte
inferior de la plataforma, evite salpicar con agua
el motor y los componentes eléctricos.
SEGURIDAD

46
INFORMACIÓN IMPORTANTE El freno de
estacionamiento no es suciente para bloquear
la máquina en su lugar durante el transporte.
Asegúrese de que la máquina esté bien
sujetada al vehículo de transporte. Siempre
ingrese la máquina marcha atrás al vehículo de
transporte para evitar el volcamiento.
Transporte
• La máquina es pesada y puede causar
daños graves por aplastamiento. Extreme las
precauciones cuando se cargue o descargue
de un vehículo o un remolque.
• Utilice rampas de ancho completo para cargar
la máquina un remolque o camión.
• Utilice un remolque aprobado para transportar
la máquina. Active el freno de estacionamiento,
apague el suministro de combustible y sujete
la máquina con anclajes homologados,
como bandas, cadenas o correas durante el
transporte.
• Deben usarse correas de sujeción en las partes
delantera y trasera, en dirección hacia abajo y
hacia fuera de la máquina.
ADVERTENCIA:
Tenga mucho cuidado
cuando cargue la máquina en un camión o
remolque usando las rampas. Existe la posibilidad
de daños graves o peligro de muerte si la máquina
se cae de las rampas.
• No utilice esta máquina en vías públicas.
• Consulte y respete las normas de tráco locales
antes de transportar la máquina en cualquier
camino.
• No remolque esta máquina, ya que podrían
producirse daños en el sistema de transmisión.
• No remolque ningún elemento con este
cortacésped, a menos que esté equipado con
un gancho de remolque. Puede producirse un
efecto tijera o volcarse y dañar el cortacésped y
posiblemente causar daños graves al operador.
• Cargue la unidad en un camión o remolque
utilizando rampas de una resistencia correcta
y a baja velocidad. ¡No levante la máquina! La
máquina no está diseñada para ser levantada
manualmente.
• Al cargar o descargar la máquina, no exceda
el ángulo de operación máximo recomendado
de 10°.
Remolque
Si la máquina está equipada con un sistema de
remolque, extreme las precauciones al remolcar.
No lleve a niños ni otras personas dentro del
equipo remolcado o sobre éste.
Realice giros amplios para evitar el efecto tijera.
Desplácese lentamente y guarde más distancia
para detenerse. No remolque en una supercie
en pendiente. En las pendientes, el peso del
equipo remolcado puede provocar pérdida de
tracción y pérdida de control.
Obedezca las recomendaciones del fabricante
sobre los límites de peso para el equipo
remolcado. No remolque cerca de zanjas,
canales y otros peligros.
Parachispas
Este cortacésped está equipado con un motor
de combustión interna y no se debe usar sobre
ninguna porción de tierra sin mejorar, cubierta por
arbustos o malezas a menos que el sistema del
motor cuente con un dispositivo apagachispas
que cumpla con las leyes locales o estatales
pertinentes (si las hay). Las leyes federales se
aplican a las tierras federales.
Si se usa un dispositivo apagachispas,
el operador debe mantenerlo en buenas
condiciones de trabajo.
Se puede obtener un apagachispas para
el silenciador a través de un distribuidor de
Craftsman autorizado.
SEGURIDAD

2
10
11
3
4
6
7
8
9
5
13
14
1
12
47
Este manual del operador corresponde al
cortacésped Zero Turn de Craftsman. El
cortacésped está equipado con un motor de
válvula superior de cuatro tiempos.
La transmisión del motor se hace mediante
bombas hidráulicas accionadas por correa.
Utilizando los controles de la dirección izquierdo
y derecho, se regula el caudal y, por lo tanto, el
sentido de marcha y la velocidad.
1. Palancas de control
2. Freno de estacionamiento
3. Ajuste
de la alineación
4. Fusible
5. Palancas de hidrostática
6. Corte de combustible
7. Depósito de combustible
8. Interruptor de la cuchilla
9. Interruptor de encendido
10. Control del acelerador
11. Estrangulador
12. Medidor de servicio
13. Elevación del equipo
14. Palanca de ajuste del asiento
CONTROLES

Hacia
adelante
Neutro
Reversa
Bloqueo
de posición
neutra
48
La velocidad y la dirección de la máquina son de
tipo variable continua con los dos controles de la
dirección. Los controles de la dirección se pueden
mover hacia adelante o hacia atrás sobre una
posición neutra. Además, hay una posición neutra
que se bloquea si los controles de la dirección se
mueven hacia afuera.
Cuando ambos controles están en la posición
neutra (N), la máquina permanece ja.
Al mover los dos controles la misma cantidad
hacia adelante o hacia atrás, la máquina se
mueve en línea recta hacia adelante o hacia atrás
respectivamente.
Por ejemplo, para girar hacia la derecha mientras
se desplaza hacia adelante, mueva el control de
la derecha hacia la posición neutra. La rotación
de la rueda derecha se reduce, y la máquina gira
a la derecha.
ADVERTENCIA: La máquina puede girar
muy rápidamente si mueva un control de la
dirección mucho más que el otro.
Freno de estacionamiento
INFORMACIÓN IMPORTANTE La máquina
debe estar detenida cuando se aplica el freno
de estacionamiento. Ponga siempre el freno
de estacionamiento antes de descender de la
máquina. Suelte el freno de estacionamiento
antes de mover el cortacésped.
El freno de estacionamiento se encuentra en el
lado izquierdo de la máquina. Tire de la palanca
hacia atrás para activar el freno y empújela hacia
adelante para liberarlo.
Palancas de control de la dirección
Interruptor de arranque
El interruptor de encendido se encuentra en
el panel de control y se utiliza para arrancar y
detener el motor. En los modelos equipados con
faros, gire la llave en el sentido de las agujas del
reloj, hasta la posición ACCESSORY (Accesorio)
para usar los faros.
El giro cero se puede lograr moviendo uno
control hacia atrás (detrás de la posición neutra)
y desplazando con cuidado el otro control de
la dirección hacia adelante desde su posición
neutra. El sentido de rotación durante el giro cero
se determina según el control de la dirección que
se mueva hacia atrás por detrás de la posición
neutra. Si el control de la dirección izquierdo se
mueve hacia atrás, la máquina gira a la izquierda.
tenga mucho cuidado al realizar esta maniobra.
Si los controles de la dirección están en
posiciones irregulares cuando está detenido o no
encajan en las ranuras para mover los controles
hacia afuera, pueden ajustarse.
CONTROLES

49
Control del acelerador
El acelerador regula el régimen del motor y, por
lo tanto, la velocidad de rotación de las cuchillas,
asumiendo que el interruptor de la cuchilla se
ha accionado, consulte la sección Conexión del
equipo de corte.
Para aumentar o disminuir el régimen del motor,
el control se mueve hacia adelante o hacia atrás
respectivamente.
Evite el funcionamiento del motor en ralentí
durante períodos prolongados, ya que existe
el riesgo de contaminar las bujías. USE
ACELERACIÓN MÁXIMA AL CORTAR para un
mejor rendimiento del cortacésped y carga de la
batería.
Interruptor de la cuchilla
Medidor de servicio
Estrangulador
El estrangulador se utiliza para los arranques en
frío para proporcionar al motor una mejor mezcla
de combustible.
Para los arranques en frío el control se debe tirar
hacia arriba.
Para acoplar el equipo de corte, tire de la perilla
hacia afuera; las cuchillas de corte se desacoplan
cuando la perilla se presiona hacia abajo.
El medidor de servicio muestra la cantidad total
de horas que el motor ha estado funcionando e
indica cuando el motor y el cortacésped necesitan
reparación.
Cada 50 horas de funcionamiento, aparecerá
un icono de lata de aceite que permanecerá
encendido durante dos horas, antes de que se
produzca un reinicio automático. Para restablecer
manualmente el medidor, gire la llave a la
posición de apagado cinco veces con intervalos
de un segundo. Para obtener información sobre
el mantenimiento del motor y el cortacésped,
consulte el Registro de servicio de este manual.
NOTA: El indicador de servicio funciona (horas
de reloj) solo cuando el motor está en marcha.
Asegúrese de poner la llave en posición de
apagado cuando la unidad no esté en uso, para
evitar la acumulación de horas del medidor.
CONTROLES

50
Fusible
Válvula de corte de combustible
El fusible principal de 20 amperios se encuentra
en el lado izquierdo de la máquina. Se puede
acceder a él inclinando el asiento hacia delante.
El fusible es de clavija plana, como el que se
utiliza en los automóviles.
Ajuste de la altura de corte
Para ajustar la altura de corte de la unidad,
presione el botón de apertura y desplace la
palanca hacia delante, hasta la altura de corte
correcta en la placa de corte. Consulte Antes
de arrancar en el apartado Operación ajuste la
altura de corte. El rango de altura de corte varía
entre 38 mm y 102 mm, en aumentos de 6,35
mm. Las alturas se miden desde el suelo hasta la
punta de la hoja. El rango de altura de corte varía
entre 38 mm y 102 mm, en aumentos de 6,35
mm. Las alturas se miden desde el suelo hasta la
punta de la hoja.
La válvula de corte de combustible está centrada
en la parte trasera del asiento. La válvula está
desconectada cuando la manija está en posición
perpendicular a la tubería de combustible.
INFORMACIÓN IMPORTANTE Eleve siempre
la plataforma a la posición más alta para el
transporte.
ADVERTENCIA: No haga ningún ajuste
a menos que el motor se detenga y el freno de
estacionamiento se active.
INFORMACIÓN IMPORTANTE El asiento
no debe ajustarse cuando la unidad está en
movimiento.
Palanca de ajuste del asiento
El asiento se puede ajustar longitudinalmente. La
palanca se encuentra debajo del lado derecho
del asiento (visto desde el asiento del conductor).
Cuando se realizan ajustes, la palanca se mueve
hacia la izquierda.
CONTROLES

51
Palancas de liberación hidrostática
Los acoplamientos de derivación del transeje
se deben accionar al empujar o tirar del
cortacésped. Las palancas están ubicadas en
cada lado de la parte trasera de la unidad por
debajo de la placa trasera del motor. El varillaje
de derivación se usa cuando la unidad se empuja
o se tira manualmente.
Consulte Mover la máquina manualmente en la
sección Operación.
ADVERTENCIA: Los varillajes de
derivación están situados cerca del silenciador.
Para prevenir quemaduras, el motor debe
estar apagado y debe dejarse enfriar antes de
manipular las palancas del varillaje derivación.
Depósito de combustible
Lea las instrucciones de seguridad antes de
cargar combustible. La capacidad del tanque es
de 19 litros.
Revise con regularidad la junta del tapón de la
gasolina para ver si hay daños y mantenga la
tapa debidamente apretada.
El motor funcionará con un mínimo de gasolina
sin plomo de 87 octanos (sin mezcla de aceite).
Se puede utilizar gasolina de alquilatos adaptada
para el medio ambiente. Consulte la sección
Datos técnicos relacionada con el combustible
etanol. No se admite el uso de combustible
metanol. No utilice combustible E85 a base de
alcohol. Puede producir daños en el motor y sus
componentes.
Cuando use la máquina en temperaturas
inferiores a 0° C, use gasolina de invierno limpia y
nueva para asegurar un buen arranque en climas
fríos.
Si el cortacésped no se mueve en línea recta,
revise la presión de aire de los dos neumáticos
traseros. La presión de aire recomendada para
los neumáticos traseros es de 15 psi (1 bar).
1. Los ajustes de la rodadura se realizan
mediante el perno de alineación y el botón de
seguimiento. El perno de alineación y el botón
de seguimiento actúan como dispositivos
limitadores para las palancas de control
de movimiento cuando la máquina está en
posición completamente hacia delante.
Botón de seguimiento
2. Para realizar un ajuste preliminar de la
alineación, traslade la unidad a un área
abierta y sin obstrucciones, como un
estacionamiento vacío o campo abierto.
3. Gire el perno de alineación hacia fuera hasta
que quede a ras con la tuerca.
4. Aoje el botón de seguimiento hacia fuera
hasta que quede a ras con la tuerca.
5. Pruebe la unidad conduciéndola a aceleración
máxima y con ambas palancas de control de
movimiento en la posición completamente
hacia delante. Gire gradualmente el perno
de alineación del lado derecho hasta que la
unidad comience a desviarse notablemente
hacia la derecha.
6. Conduzca hacia delante a aceleración
máxima con ambas palancas de control de
movimiento en la posición completamente
hacia adelante. Gire gradualmente el botón
de seguimiento (lado izquierdo) hasta que la
unidad avance en línea recta.
CONTROLES

52
ADVERTENCIA: El motor y el sistema
de escape se calientan mucho durante el
funcionamiento. Existe riesgo de quemaduras
si se tocan. Deje que el motor y el sistema de
escape se enfríen antes de llenar el depósito
de combustible.
ADVERTENCIA: La gasolina es
altamente inamable. Respete las precauciones
y llene el depósito de combustible al aire libre.
ADVERTENCIA: Llene hasta la parte
inferior del tubo de llenado. No lo llene de
más. Limpie las salpicaduras de aceite o
combustible. No almacene, derrame ni use
gasolina cerca de una ama abierta.
INFORMACIÓN IMPORTANTE La
experiencia indica que los combustibles
mezclados con alcohol (llamados gasohol,
etanol o metanol) pueden atraer la humedad,
lo que lleva a la separación y la formación
de ácidos durante el almacenamiento. El gas
ácido puede dañar el sistema de combustible
de un motor mientras está almacenado. Para
evitar problemas en el motor, el sistema de
combustible se debe vaciar antes de ser
almacenado por 30 días o más. Drene el
tanque de gasolina, encienda el motor y déjelo
en marcha hasta que los tubos de combustible
y el carburador estén vacíos. Use combustible
nuevo la temporada siguiente. Consulte la
sección Almacenamiento para obtener más
información. No use productos de limpieza
para motor o carburador en el depósito de
combustible porque puede ocurrir un daño
permanente.
CONTROLES

53
Lea la sección Seguridad y las páginas
siguientes si no está familiarizado con la
máquina.
Capacitación
Debido a su exclusiva capacidad de dirección,
los cortacésped de cero giro son mucho más
maniobrables que los cortacésped típicos.
Esta sección se debe analizar en su totalidad
antes de intentar mover el cortacésped con su
propia potencia. Antes de utilizar por primera vez
el cortacésped o hasta que se sienta cómodo
con los controles, utilice una menor velocidad de
aceleración y una velocidad de desplazamiento
reducida. NO mueva las palancas de control a la
posición más adelantada ni a las posiciones de
marcha atrás durante el funcionamiento inicial.
Los usuarios primerizos deben familiarizarse con
el movimiento del cortacésped en una supercie
dura, como el hormigón o el asfalto ANTES
de intentar conducir en césped. Hasta que el
operador se sienta cómodo con los controles
del cortacésped y la capacidad de cero giro, las
maniobras excesivamente bruscas pueden dañar
el césped.
Dirección
Para mover la máquina hacia adelante y hacia
atrás
El sentido de marcha y la velocidad de los
movimientos del cortacésped se ven afectados
por el movimiento de las palancas de control a
cada lado del cortacésped. La palanca de control
izquierda controla la rueda izquierda. La palanca
de control derecha controla la rueda derecha.
Los usuarios primerizos deben empujar el
cortacésped (consulte Mover la máquina
manualmente en la sección Operación) hasta
un lugar abierto y plano, sin otras personas,
vehículos u obstáculos cerca. Para mover la
máquina con su propia potencia, el operador
debe sentarse en el asiento y arrancar el motor
(consulte Antes de arrancar en la sección
Operación). Ajuste el régimen del motor a ralentí,
desconecte el freno de estacionamiento, pero no
conecte las cuchillas en este momento. Gire las
palancas de control hacia adentro. Mientras las
palancas de control no se muevan hacia delante
o hacia atrás, el cortacésped no se moverá.
Mueva lentamente ambas palancas de control
un poco hacia delante. Esto permitirá que el
cortacésped empiece a moverse hacia delante
en línea recta. Tire las palancas de control hacia
atrás a la posición neutra y el cortacésped dejará
de moverse.
Tire ligeramente hacia atrás las palancas de
control para que el cortacésped se mueva hacia
atrás. Empuje las palancas de control hacia
delante, hasta la posición neutra y el cortacésped
dejará de moverse.
Para girar a la derecha
Mientras se mueve en la dirección de avance,
tire de la palanca derecha hacia atrás hacia la
posición neutral y mantenga a la vez la posición
de la palanca izquierda, esto reducirá la velocidad
de rotación de la rueda derecha y hará que la
máquina gire en esa dirección.
Para girar a la izquierda
Mientras se mueve en la dirección de avance,
tire de la palanca izquierda hacia atrás hacia la
posición neutral y mantenga a la vez la posición
de la palanca derecha, esto reducirá la velocidad
de rotación de la rueda izquierda y hará que la
máquina gire en esa dirección.
Para realizar el giro cero
Mientras se mueve en el sentido de avance,
primero tire de ambas palancas de control hacia
atrás hasta que el cortacésped se detenga o
reduzca drásticamente su velocidad.
Luego, alternando una palanca ligeramente hacia
la posición de avance y la otra en la posición de
retroceso, realice el giro.
Antes de arrancar
1. Lea las secciones sobre Seguridad y Controles
antes de arrancar la máquina.
2. Realice el mantenimiento diario antes de arrancar
(consulte el Programa de mantenimiento en
la sección Mantenimiento).
3. Compruebe que haya suciente combustible en
el depósito de combustible.
4. Ajuste el asiento en la posición deseada.
5. Para ajustar la altura de corte de la unidad,
introduzca un pasador de elevación a la altura
que desee.
OPERACIÓN

54
INFORMACIÓN IMPORTANTE No haga
funcionar el motor de arranque durante más
de cinco segundos cada vez. Si el motor no
arranca, espere unos diez segundos antes de
volver a intentarlo.
Arranque del motor
1. Siéntese en el asiento.
2. Eleve el equipo de corte tirando de la palanca
elevadora hacia arriba hasta la posición de
transporte.
3. Active el freno de estacionamiento tirando de la
palanca hacia arriba.
4. Desacople las cuchillas de corte presionando el
interruptor de la cuchilla hacia abajo.
5. Mueva los controles de la dirección hacia afuera a
la posición neutra bloqueada (exterior).
6. Mueva el acelerador hasta la posición intermedia.
Si el motor está frío, el estrangulador se debe
tirar hacia arriba.
7. Presione y gire la llave de encendido a la
posición de arranque.
Operación
1. Suelte el freno de estacionamiento moviendo la
palanca hacia abajo.
NOTA: El cortacésped está equipado con
un sistema de detección de presencia
del operador. Cuando el motor esté en
funcionamiento, cualquier intento del operador
de dejar el asiento sin primero activar el freno
de estacionamiento apagará el motor.
ADVERTENCIA: Asegúrese de que no
haya nadie cerca del cortacésped al activar el
interruptor de la cuchilla.
Asegúrese de que el área de trabajo esté
libre de objetos que puedan ser lanzados por
las cuchillas giratorias. Despeje el césped de
piedras y otros objetos.
Las condiciones siguientes deben cumplirse
antes de arrancar el motor:
• El interruptor de la cuchilla se debe presionar
hacia abajo a la posición desacoplada.
• El freno de estacionamiento debe estar hacia
arriba, en la posición activada.
• Ambos controles de dirección deben estar en la
posición neutra bloqueada (exterior).
8. Cuando el motor arranque, suelte
inmediatamente la llave de encendido para
volver a la posición de funcionamiento.
Presione el estrangulador gradualmente
cuando haya arrancado el motor.
9. Ajuste el régimen del motor con el acelerador.
Deje que el motor funcione a una velocidad
moderada, aproximadamente a media
aceleración, durante tres a cinco minutos
antes de cargarlo demasiado. USE LA
ACELERACIÓN MÁXIMA AL CORTAR (no el
estrangulador).
OPERACIÓN

55
Detención del motor
1. Mueva el acelerador a la posición mínima (con el
símbolo en forma de tortuga).
2. Mueva los controles de la dirección hacia afuera.
3. Desacople el equipo de corte presionando el
interruptor de la cuchilla hacia abajo.
4. Levante el equipo de corte presionando el pedal
de liberación hacia adelante a la posición de
transporte.
5. Cuando la máquina esté detenida, active el freno
de estacionamiento tirando de la palanca
hacia arriba.
Si el motor ha trabajado duro, déjelo funcionar
en ralentí durante al menos 60 segundos
para que alcance una temperatura normal
de operación antes de detenerlo. Para no
ensuciar las bujías de encendido, evite dejar
el motor en ralentí durante períodos más
largos.
6. Coloque la llave de encendido en la posición de
parada. Retire la llave. Siempre retire la llave
cuando termine de usar el cortacésped para
evitar el uso no autorizado.
INFORMACIÓN IMPORTANTE Dejar el
interruptor de encendido en cualquier posición
que no sea la de apagado hace que la batería
se descargue.
ADVERTENCIA: No conduzca el
cortacésped en terrenos con pendientes de
más de 10 grados. Realice el corte en las
pendientes hacia arriba y hacia abajo, nunca
de lado a lado. No conduzca a través de
pendientes. Evite cambios repentinos en el
sentido de marcha.
Trabajo en pendientes
Lea las instrucciones de seguridad de
Conducción en pendientes en la sección
Seguridad.
• Use la velocidad más lenta posible antes de
comenzar a bajar o subir colinas.
• Evite detenerse o cambiar de velocidad en las
colinas.
2. Mueva los controles de la dirección hacia dentro,
fuera de la posición neutra (N).
3. Pulse el botón de la palanca de la altura de corte,
mueva la palanca hasta el pasador y suelte
el botón.
4. Mueva el acelerador hasta la posición de
aceleración máxima.
5. Acople el equipo de corte tirando hacia arriba del
interruptor de la cuchilla.
6. Gire las palancas de control hacia adentro y
mueva despacio ambas palancas de control
ligeramente hacia adelante para avanzar en
una línea recta.
• Si es absolutamente necesario detenerse,
mueva las palancas de mando a la posición
neutra y empújelas hacia afuera. Aplique el
freno de estacionamiento.
• Para volver a iniciar el movimiento, suelte el
freno de estacionamiento.
• Mueva las palancas de control de regreso al
centro del cortacésped y presiónelas hacia
adelante para volver al movimiento de avance.
• Dé todas las vueltas despacio.
Consejos para cortar el césped
• Observe e identique rocas y otros objetos jos
para evitar colisiones.
• Comience con una altura de corte elevada y
redúzcala hasta lograr el resultado de corte
deseado. El césped promedio se debe cortar
aproximadamente a 6.35 cm durante la
temporada fría y a más de 7.62 cm durante
los meses de calor. Para que el césped crezca
más sano y tenga mejor aspecto, córtelo
con frecuencia después de un crecimiento
moderado.
• Para un mejor rendimiento del corte, el césped
de más de 15.24 cm de altura debe cortar dos
veces. Haga el primer corte relativamente alto;
el segundo a la altura deseada.
• Las mejores jardines se obtienen cortando el
césped con frecuencia. El césped se vuelve
más uniforme y los recortes de pasto se
distribuyen de manera más homogénea en el
área de corte. El tiempo total que se tarda no
aumenta ya que se puede usar una velocidad
mayor sin que ello perjudique los resultados del
corte.
• El resultado del corte será mejor con un
régimen del motor alto (cuando las cuchillas
giran rápidamente) y a baja velocidad (el
cortacésped se mueve lentamente). Si el pasto
no está demasiado largo y denso, la velocidad
de conducción puede aumentarse sin afectar
negativamente el resultado de corte.
• Cuando corte áreas grandes, comience girando
hacia la derecha, de modo que los recortes
se descarguen lejos de los arbustos, bardas,
caminos, etc. Después de una o dos vueltas,
corte en la dirección opuesta, dando vueltas
hacia la izquierda hasta que termine.
OPERACIÓN

56
• Evite cortar césped húmedo. El resultado
del corte es deciente porque las ruedas se
hunden en el césped blando, se acumulan
huellas y los recortes de pasto se atoran bajo el
carenado.
• Use una manguera para limpiar el equipo de
corte por debajo después de cada uso. Durante
la operación de limpieza, el equipo de corte
debe levantarse a la posición de transporte.
Asegúrese de que el cortacésped se haya
enfriado y el motor esté apagado.
• Utilice aire comprimido para limpiar la supercie
superior del equipo. Evite que se acumule
agua en la supercie superior, en el motor y los
componentes eléctricos.
• Cuando se utiliza el kit para triturar, es
importante que el intervalo de corte sea
frecuente.
Mover la máquina manualmente
Cuando empuje o tire del cortacésped, acople
los varillajes de derivación con las palancas
de liberación hidrostática. Las palancas están
ubicadas en cada lado de la parte trasera de la
unidad por debajo de la placa del motor.
1. Levante el equipo hasta la posición más alta (de
transporte).
2. Tire los varillajes de derivación hacia arriba y
retírelos de las ranuras de la chaveta. Suelte
la palanca con la cabeza fuera del soporte y
manténgala en el ajuste de derivación.
ADVERTENCIA: No realice ningún
ajuste sin:
• el motor detenido,
• la llave de contacto retirada,
• el freno de estacionamiento activado
ADVERTENCIA: Tenga mucho cuidado
cuando cargue la máquina en un camión
o remolque usando las rampas. Existe la
posibilidad de daños graves o peligro de
muerte si la máquina se cae de las rampas.
3. Para volver a acoplar el sistema hidrostático a la
marcha, realice el procedimiento anterior a la
inversa.
Cargue la máquina en un camión o remolque
conduciendo lentamente por rampas. ¡NO
LEVANTE LA MÁQUINA! La máquina no está
diseñada para ser levantada manualmente.
ADVERTENCIA: Los varillajes de
derivación están situados cerca del silenciador.
Para prevenir quemaduras, el motor debe
estar apagado y debe dejarse enfriar antes de
manipular las palancas del varillaje derivación.
OPERACIÓN

57
● = Descrito en este manual
♦ = No se describe en este manual
■ = Consulte el manual del fabricante del motor
1) Primer cambio, después de 8 a 10 horas.
Cuando se trabaja con una carga pesada
o a temperaturas ambiente elevadas, el
reemplazo se debe realizar cada 50 horas.
2) En condiciones de mucho polvo, se debe
aumentar la frecuencia de la limpieza y el
reemplazo.
3) Realizado por un taller de servicio autorizado.
Programa de mantenimiento
La siguiente es una lista de procedimientos
de mantenimiento que se deben realizar en la
máquina. Para los puntos que no se describen
en este manual, visite un taller de servicio
autorizado. Se recomienda enviar la máquina a
revisión una vez al año en un taller de servicio
autorizado para mantenerla en las mejores
condiciones posibles y para garantizar un
funcionamiento seguro.
Lea Mantenimiento general en la sección
Seguridad.
MANTENIMIENTO
DIARIO
AL
MENOS
UNA
VEZ AL
AÑO
INTERVALO DE
MANTENIMIENTO
EN HORAS
ANTES DESPUÉS 25 50 100 300
COMPROBAR
El freno de estacionamiento ●
El nivel de aceite del motor (cada reabastecimiento) ■
El sistema de seguridad ●
Que no haya fugas de combustible ni aceite ♦
Si hay daños ♦
Si hay tornillería oja ♦
El equipo de corte ♦
La presión de los neumáticos ● ● ● ●
Las conexiones de la batería ● ● ● ● ●
LIMPIAR
Toma de aire de enfriamiento del motor ■ ■
Debajo del equipo de corte ●
A fondo la zona alrededor del motor ♦
La zona que rodea correas, poleas de correas ♦ ♦ ♦ ♦
La toma de aire de refrigeración del motor 2) ■ ■
El preltro del puricador de aire de espuma 2) ■ ■
El cartucho del ltro del puricador de aire
de papel 2) ■ ■
TAMBIÉN
Inspeccionar el silenciador/parachispas ♦ ♦ ♦ ♦
Arrancar el motor y las cuchillas, revisar si hay
ruidos inusuales ♦
Alar 3) / reemplazar las cuchillas de corte ● ●
ADVERTENCIA: Lista de comprobación
para antes de realizar cualquier operación de
mantenimiento o ajuste
• Aplique el freno de estacionamiento.
• Colocar el interruptor de la cuchilla en la
posición desacoplada.
• Gire la llave de contacto a la posición de
apagado y saque la llave.
• Asegúrese de que la cuchilla y todas las
partes móviles se hayan detenido por
completo.
MANTENIMIENTO

58
MANTENIMIENTO
DIARIO
AL
MENOS
UNA
VEZ AL
AÑO
INTERVALO DE
MANTENIMIENTO
EN HORAS
ANTES DESPUÉS
25 50 100 300
COMPROBAR
Ajustar el cable del acelerador ■
Ajustar el equipo de corte ● ●
El estado de las correas, poleas de correa ● ●
Las ruedecillas (cada 200 horas) ● ●
El reglaje de la válvula del motor 3) ♦ ♦
LIMPIAR
Las bujías ■ ■
El aceite del motor 2) ■ ■
El ltro de aceite del motor ■ ■
El ltro de combustible ■ ■
El ltro de aire de papel 2) ■ ■
El ltro de aire de papel 2) 4) ■
TAMBIÉN
Realizar el mantenimiento después de 300 horas 3) ● ●
ADVERTENCIA: No produzca un corto
en las terminales de la batería al permitir
que una llave o cualquier otro objeto entre
en contacto con ambas terminales al mismo
tiempo. Antes de conectar la batería, quítese
pulseras metálicas, relojes, anillos, etc.
La terminal positiva debe conectarse primero
para evitar que se produzcan chispas por
conexiones a tierra accidentales.
INFORMACIÓN IMPORTANTE El
cortacésped está equipado con un sistema
de conexión a tierra negativo de 12 voltios. El
otro vehículo también debe tener un sistema
de conexión a tierra negativo de 12 voltios. No
utilice el cortacésped con sistema para hacer
arrancar otros vehículos.
● = Descrito en este manual
♦ = No se describe en este manual
■ = Consulte el manual del fabricante del motor
1) Primer cambio, después de 8 a 10 horas.
Cuando se trabaja con una carga pesada
o a temperaturas ambiente elevadas, el
reemplazo se debe realizar cada 50 horas.
2) En condiciones de mucho polvo, se debe
aumentar la frecuencia de la limpieza y el
reemplazo.
3) Realizado por un taller de servicio autorizado.
4) Si está equipado
ADVERTENCIA: Las baterías de plomo
y ácido generan gases explosivos. Mantenga
las baterías alejadas de chispas, llamas y
tabaquería. Use siempre protección ocular
cuando esté cerca de las baterías.
MANTENIMIENTO

59
El cortacésped está equipado con una batería
que no requiere mantenimiento. Sin embargo,
cargar periódicamente la batería con un cargador
de batería automotriz prolongará su vida útil.
• Mantenga la batería y las terminales limpias.
• Mantenga los pernos de la batería apretados.
• Consulte la tabla para conocer los tiempos de
carga.
BATERÍA
ESTÁNDAR
ESTADO
DE CARGA
TIEMPO DE CARGA APROXIMADO DE LA
BATERÍA* PARA LA CARGA
COMPLETA A 27OC
Régimen máximo en:
50
amperios 30
amperios 20
amperios 10
amperios
12,6 V 100% - CARGA COMPLETA -
12,4V 75% 20 min. 35 min. 48 min. 90 min.
12,2V 50% 45 min. 75 min. 95 min. 180 min.
12,0V 25% 65 min. 115 min. 145 min. 280 min.
11,8V 0% 85 min. 150 min. 195 min. 370 min.
*El tiempo de carga depende de la capacidad,
el estado y la antigüedad de la batería, la
temperatura y la ecacia de cargador
Desmontaje de la batería
La corrosión y la suciedad de la batería y las
terminales pueden hacer que la batería pierda
potencia.
1. Levante el asiento y gírelo completamente hacia
delante hasta que quede sujeto por la varilla
del asiento.
2. Aoje las dos tuercas de mariposa puestas en
los pernos de tipo J laterales solo lo suciente
para que el soporte de montaje de la batería
se deslice hacia abajo de la batería.
Batería
Si la batería está demasiado baja como para
arrancar el motor, se debe recargar.
1. Conecte cada extremo del cable rojo al terminal
POSITIVO (+) de cada batería, teniendo
cuidado de no hacer cortocircuito contra el
chasis.
2. Conecte un extremo del cable NEGRO al terminal
NEGATIVO (-) de la batería totalmente
cargada.
3. Conecte el otro extremo del cable NEGRO a
una CONEXIÓN A TIERRA DEL CHASIS en
buenas condiciones del cortacésped con la
batería descargada, lejos del depósito de
combustible y la batería.
Para quitar los cables, invierta el orden
4. Quite el cable NEGRO primero del chasis y luego
de la batería completamente cargada.
5. Quite el cable ROJO de las dos baterías en
último lugar.
3. Con dos llaves 1/2", desconecte el cable de la
batería NEGRO y después el cable de la
batería ROJO.
4. Retire con cuidado la batería del cortacésped
5. Enjuague la batería con agua pura y séquela.
6. Limpie las terminales y los extremos del cable
de la batería con un cepillo de alambre hasta
que brillen.
7. Cubra los terminales con grasa o vaselina.
Cambio de la batería
1. Instale una batería nueva con las terminales en la
misma posición que en la batería antigua.
2. Conecte el cable ROJO de la batería en la
terminal positiva (+) de la batería.
3. Conecte el cable de la tierra NEGRO en la
terminal negativa (-) de la batería.
4. Deslice el soporte de montaje nuevamente sobre
la batería y vuelva a apretar las tuercas de
mariposa.
INFORMACIÓN IMPORTANTE No abrir o
quitar las tapas o cubiertas. No es necesario
agregar ni revisar el nivel del electrolito.
Use siempre dos llaves para los tornillos de las
terminales.
AVISO: Use siempre protección
ocular cuando esté cerca de las
baterías.
MANTENIMIENTO

60
Sistema de seguridad
La máquina está equipada con un sistema de
seguridad que impide el arranque o la conducción
en las condiciones siguientes.
El motor solo puede arrancarse cuando:
• el equipo de corte está desacoplado.
• los controles de dirección están en la posición
de neutra bloqueada.
• el freno de estacionamiento está activado.
Realice inspecciones diarias para asegurarse de
que el sistema de seguridad funcione intentando
arrancar el motor sin cumplir una de las
condiciones anteriores. Cambie las condiciones y
vuelva a intentarlo.
Si la máquina arranca cuando una de estas
condiciones no se cumple, apáguela y repare el
sistema de seguridad antes de volver a usarla.
Asegúrese de que el motor se detenga cuando
el freno de estacionamiento no está activado y el
operador abandone el asiento.
Compruebe que el motor se detenga si las
cuchillas de corte están acopladas y el conductor
abandona temporalmente el asiento.
INFORMACIÓN IMPORTANTE Para poder
conducir, el operador debe sentarse en el
asiento y liberar el freno de estacionamiento
antes de que los controles de dirección se
puedan mover a la posición neutral, ya que de
lo contrario el motor se detendrá.
Discos de corte
Para conseguir el mejor efecto de corte, es
importante que las cuchillas estén bien aladas y
sin daños.
Reemplace las cuchillas que estén dobladas o
agrietadas después de golpear obstáculos.
Deje que el taller de servicio decida si una
cuchilla con mellas grandes se puede reparar o
si hay que reemplazarla. Equilibre las cuchillas
después del alado. Revise los montajes de las
cuchillas.
AVISO: Las cuchillas son aladas.
Protéjase las manos con guantes y/o envuelva
las cuchillas con un paño grueso cuando las
manipule. El alado de las cuchillas
debe realizarlo un taller de servicio
autorizado.
INFORMACIÓN IMPORTANTE El perno de
la cuchilla especial está tratado con calor.
Reemplácelo por un perno Craftsman si es
necesario. No utilice tornillería de grado inferior
al especicado.
Freno de estacionamiento
Compruebe visualmente que no haya daños en
la palanca, las conexiones o el interruptor del
freno de estacionamiento. Realice una prueba
de detención y compruebe que haya suciente
acción de frenado. Para ajustar el freno de
estacionamiento, póngase en contacto con el
taller de servicio de Craftsman.
AVISO: Un ajuste defectuoso reducirá
la capacidad de frenado y puede provocar un
accidente.
Presión de los neumáticos
Todos los neumáticos deben tener una presión de
15 psi / 103 kPa / 1 bar.
INFORMACIÓN IMPORTANTE NO agregue
ningún tipo de camisa de neumático ni material
de relleno de espuma a los neumáticos. Las
cargas excesivas creadas por neumáticos
rellenos de espuma causan fallas prematuras.
Utilice solo neumáticos especicados por el
fabricante original.
Reemplazo de las cuchillas
1. Quite el tornillo de la cuchilla girándolo hacia la
izquierda.
2. Instale cuchillas nuevas o realadas con el lado
que lleva estampadas las palabras GRASS
SIDE (lado del pasto) orientado hacia el
suelo/hierba (hacia abajo) o THIS SIDE UP
(este lado hacia arriba) orientado hacia el
equipo y la carcasa del eje.
3. Instale y apriete con rmeza el tornillo de la
cuchilla.
4. Apriete el tornillo de la cuchilla a 45-55 lb-pie
(122 Nm).
MANTENIMIENTO

61
Correas en V
Revíselas cada 100 horas de funcionamiento.
Revise si hay grietas profundas y mellas grandes.
NOTA: La correa mostrará algunas pequeñas
grietas en la operación normal.
Las correas no son ajustables. Reemplace las
correas si empiezan a deslizarse por desgaste.
Extracción de la correa del equipo
1. Estacione la máquina en una supercie nivelada.
Aplique el freno de estacionamiento.
2. Baje el equipo a la posición de corte más baja.
3. Quite los pernos de las protecciones de la correa
y quite las protecciones.
4. Retire cualquier resto de suciedad o hierba que
se pueda haber acumulado alrededor de los
alojamientos de la cortadora y toda supercie
del equipo.
5. Presione hacia adentro el brazo guía para liberar
la tensión de la correa.
6. Levante con cuidado la correa hacia la parte
superior de las poleas de la carcasa de la
cortadora y quite la correa del equipo.
Instalación de la correa del equipo
NOTA: Para facilitar la instalación de la cinta de la
plataforma, consulte la etiqueta sobre la ruta que
está en la parte superior del equipo.
1. Envuelva la correa del equipo alrededor de
la polea del embrague eléctrico que está
ubicada en el eje del motor.
2. Pase la correa hacia adelante y hacia arriba en
el equipo.
3. Coloque la correa alrededor de la polea tensora
de resorte.
4. Enrolle la correa alrededor de la polea tensora ja
y de los alojamientos del mandril.
5. Empuje hacia dentro el brazo guía y dirija
cuidadosamente la correa sobre la polea
tensora ja. Una vez que correa está
correctamente instalada, suelte lentamente
del brazo guía para tensar la correa.
6. Vuelva a revisar la ruta de la cinta para
asegurarse de que coincida con la etiqueta
sobre la ruta, y que la cinta no esté torcida.
7. Vuelva a colocar las protecciones de la correa
en ambas carcasas de los mandriles y
asegúrelas con los broches.
Ajuste del equipo de corte
Nivelación del equipo
Ajuste el equipo mientras el cortacésped esté en
una supercie nivelada. Asegúrese de que los
neumáticos estén inados a la presión correcta.
Consulte Datos técnicos / Transmisión. Si los
neumáticos tienen aire de menos o de más,
el equipo no puede ajustarse correctamente.
Levante el equipo hasta la posición más alta (de
transporte).
El equipo se debe ajustar en un punto
ligeramente más alto en la parte trasera.
NOTA: Para garantizar la precisión del
procedimiento de nivelación, la correa de
transmisión del equipo de corte debe instalarse
antes de nivelar el equipo.
1. Use guantes resistentes. Gire cada punta de la
cuchilla para alinearla la parte delantera con
la trasera con el equipo de lado a lado.
2. Mida desde la supercie del suelo hasta la parte
inferior de la punta de la cuchilla en el lado de
descarga del equipo de corte. Registre esta
medida.
3. Vaya al lado opuesto y compruebe que la medida
sea la misma. Si es necesario hacer ajustes,
con una llave de 3/4" o una llave inglesa, gire
MANTENIMIENTO

62
NOTA: Esto colocará el equipo de corte en una
posición de medida estándar. En función del tipo
de pasto que éste cortando o las condiciones
ambientales, es posible que deba realizar ajustes
adicionales para lograr el corte deseado.
las tuercas de ajuste de la articulación de
elevación en cada lado hacia la izquierda para
bajar o hacia la derecha para subir. Ajuste
hasta que ambas medidas sean iguales.
4. Gire cada cuchilla para alinearla con el equipo
desde la parte delantera a la trasera. Si la
punta de la cuchilla delantera no se encuentra
3.175 mm a .500 mm más arriba en la parte
trasera, use una llave de 5/8 o una llave
inglesa para girar las tuercas en el varillaje de
la suspensión delantera. Girar en el sentido
de las agujas del reloj hará que se levante
la parte delantera del cortacésped, y contra
el sentido de las agujas del reloj se baja la
parte delantera. Ajuste las tuercas hasta que
la parte trasera del equipo de corte esté en un
nivel 3.175 mm más alto en la parte trasera
que en la medida de lado a lado.
Limpieza
La limpieza regular, especialmente por debajo
del equipo de corte, aumenta la vida útil de
la máquina. Limpiar la máquina directamente
después de cada uso (una vez que se haya
enfriado), antes de que la suciedad se adhiera.
No rocíe con agua la parte superior del equipo
de corte. Utilice aire comprimido para limpiar la
supercie superior del equipo de corte. No utilice
lavadoras de alta presión ni equipos de limpieza
al vapor. Evite rociar el motor y los componentes
eléctricos con agua.
Limpie regularmente la parte inferior del equipo
con presión de agua normal. Conecte el conector
rápido (del paquete de accesorios) en cualquier
manguera de jardín. Después de cortar, coloque
la manguera en el oricio de limpieza y abra el
suministro de agua.
Vuelva a arrancar el cortacésped y conecte las
cuchillas para utilizar la acción giratoria para
eliminar los residuos. Asegúrese de que la
manguera quede alejada de las cuchilla de corte.
No lave las supercies calientes con agua fría.
Deje que la unidad se enfríe antes de lavarla.
Tornillería
Revísela diariamente. Inspeccione toda la
máquina para ver si faltan tornillos o si hay
tornillos sueltos.
AVISO: Utilice gafas de protección
para realizar las tareas de limpieza y lavado.
Ruedecillas
Revíselas cada 200 horas. Compruebe que las
ruedas giren libremente. Los neumáticos rellenos
de espuma o los neumáticos macizos invalidan la
garantía.
Quite la tuerca y el perno de la rueda. Tire de la
rueda hacia fuera de la horquilla. Para volver a
instalar, siga el orden inverso. Apriete el perno
de la ruedecilla y apriete con un par de 45 pies/
lb (61 Nm).
MANTENIMIENTO

63
Información general
Retire la llave de contacto para evitar
movimientos involuntarios durante las tareas de
lubricación.
Si realiza la lubricación con una lata de aceite,
debe contener aceite de motor.
Si lubrica con grasa, a menos que se indique lo
contrario, use grasa de bisulfuro de molibdeno de
grado alto.
Para el uso diario, la máquina debe lubricarse
dos veces por semana.
Limpie el exceso de grasa después de la
lubricación.
Es importante evitar que quede lubricante en las
correas o las supercies de avance de las poleas
de correa. Si esto ocurre, intente limpiarlas
con alcohol. Si la correa continúa deslizándose
después de la limpieza, se debe reemplazar.
No se debe usar gasolina ni otros productos
derivados del petróleo para limpiar las correas.
12/12 Cada año Lubricar con una pistola de engrase
1/52 Cada semana Cambiar ltro
1/365 Todos los días Cambiar aceite
Comprobar el nivel
Programa de lubricación
INFORMACIÓN IMPORTANTE Utilice
lubricación mínima y quite el exceso de
lubricante para que no entre en contacto con
las correas o las supercies de avance de la
polea de correa.
ADVERTENCIA: Las fugas de aceite
hidráulico a presión pueden tener fuerza
suciente para penetrar en la piel y causar
daños graves. Si sufre alguna lesión por un
escape de uido, consulte a un médico de
inmediato. Pueden desarrollarse infecciones o
reacciones graves si no se recibe tratamiento
médico inmediatamente.
LUBRICACIÓN

64
Engrasadores de rueda y equipo
Utilice únicamente grasa para cojinetes de buena
calidad.
La grasa de marcas reconocidas (empresas
petroquímicas, etc.) generalmente mantiene una
buena calidad.
Montaje de la rueda delantera
Lubrique las carreras 3-4 con una pistola de
engrase en cada juego de cojinetes de las
ruedas.
Cojinetes de las ruedas delanteras
Lubrique las carreras 3-4 con una pistola de
engrase en cada juego de cojinetes de las
ruedas.
Ejes del equipo
Baje el equipo de corte completamente. Si usa
una pistola de engrase sin manguera de goma,
debe retirar la placa de pie para acceder al eje
central. Lubrique con una pistola de engrase, 2-3
recorridos por eje.
Cambio de aceite del motor
NOTA: Cambie el aceite del motor cuando
el motor esté caliente. Consulte el manual
del propietario del motor para ver las
recomendaciones para realizar un cambio de
aceite y de ltro adecuado.
1. Estacione la máquina en una supercie nivelada.
Aplique el freno de estacionamiento.
2. Limpie la suciedad y los desechos del área
alrededor de la tapa del tanque de llenado de
aceite.
3. Quité la tapa/varilla de nivel.
4. Ubique la manguera de drenado que se
encuentra al lado trasero izquierdo del
motor. Ponga un contenedor de un tamaño
adecuado bajo el extremo de la manguera
de drenado y quite el tapón de vaciado de
aceite.
5. Permita que el aceite se drene
completamente del motor.
6. Vuelva a poner el tapón de la manguera de
drenado y apriétela rmemente.
7. Llene el motor con un aceite nuevo hasta la parte
de abajo de las marcas del tubo de llenado.
Compruebe el nivel con la varilla de nivel.
8. Vuelva a poner la tapa del tanque de llenado de
aceite rmemente cuando el nivel de aceite
indique FULL.
9. Consulte el historial de mantenimiento para ver
los intervalos de cambio y de vericación del
aceite.
Transmisión
La transmisión no necesita mantenimiento ni
comprobaciones de nivel o cambios de aceite.
Si se produce una fuga, reemplace la unidad
o póngase en contacto con su distribuidor
Craftsman.
ADVERTENCIA! El tapón de drenaje
del motor está situado cerca del silenciador.
Para prevenir quemaduras, se debe apagar el
motor y dejar que se enfríe un poco para que
aún esté caliente, pero para que las áreas que
rodean el motor no lo estén.
LUBRICACIÓN

65
El motor no arranca
El interruptor de la cuchilla está activado
Los controles de dirección no están
bloqueados en la posición neutra
El freno de estacionamiento no está activado
La batería está agotada
Hay contaminación en el carburador o la
tubería de combustible
La válvula de corte del suministro de
combustible está cerrada o en una posición
incorrecta
Hay obstrucción en el ltro de combustible o la
tubería de combustible
Sistema de encendido defectuoso
El arranque no hace girar el motor
Batería descargada
Mal contacto de las conexiones de cable de la
terminal de la batería
Fusible fundido
Falla en el circuito de seguridad del arranque.
Consulte Sistema de seguridad en la sección
Mantenimiento
El motor funciona con dicultad
Carburador defectuoso
Obstrucción en el ltro o suministro de
combustible
El estrangulador se activa con el motor caliente
Válvula de ventilación obstruida en el tapón de
combustible
Depósito de combustible prácticamente vacío
Bujías sucias
Mezcla de combustible enriquecida o mezcla
de combustible-aire.
Tipo de combustible incorrecto
Agua en el combustible
Filtro de aire obstruido
El motor parece débil
Filtro de aire obstruido
Bujías sucias
Ajuste incorrecto del carburador
Aire atrapado en el sistema hidráulico
La máquina vibra
Las cuchillas están sueltas
Las cuchillas están mal equilibradas
El motor está suelto
El motor se sobrecalienta
Obstrucción en la entrada de aire o las aletas
de refrigeración
Sobrecarga del motor
Ventilación deciente alrededor del motor
Regulador del régimen del motor defectuoso
Escasez o ausencia de aceite en el motor
Contaminación de la tubería de combustible.
Bujías sucias
La batería no se carga
Mal contacto de las conexiones de cable de la
terminal de la batería
El cable de carga está desconectado
Falla del sistema de carga del motor
La máquina se mueve lentamente, de forma
irregular, o no se mueve en absoluto
El freno de estacionamiento está activado
Articulación de derivación de la bomba
hidráulica accionada
La correa de transmisión está suelta o se salió
Aire atrapado en el sistema hidráulico
El equipo de corte no está acoplado
La correa de transmisión del equipo de corte
se soltó
El contacto del acoplamiento electromagnético
se soltó
El interruptor de la cuchilla está defectuoso o
se soltó de contacto del cable
Fusible fundido
El transeje tiene fugas de aceite
Daño en los sellos, el alojamiento o las juntas
Aire atrapado en el sistema hidráulico
Resultados de corte desiguales
Diferente presión de aire en los neumáticos en
los lados izquierdo y derecho.
Cuchillas dobladas
La suspensión del equipo de corte es desigual
Las cuchillas están desaladas
La velocidad de conducción es demasiado alta
La hierba es demasiado larga
Hay hierba acumulada debajo del equipo de
corte
SOLUCIÓN DE PROBLEMAS
Problema / Causa

66
Almacenamiento durante el invierno
La máquina debe prepararse para el
almacenamiento al nal de la temporada de corte
o si se no se va a utilizar durante más de 30 días.
El combustible que se deja en el depósito durante
largos períodos de tiempo (30 días o más) puede
dejar residuos pegajosos que pueden obstruir el
carburador y alterar la función del motor.
Los estabilizadores combustible son una
opción aceptable respecto para tratar los
residuos pegajosos que se producen durante el
almacenamiento.
Agregue estabilizador al combustible del depósito
o al contenedor de almacenamiento. Utilice
siempre la proporción de mezcla indicada por
el fabricante del estabilizador. Haga funcionar
el motor durante al menos 10 minutos después
de agregar el estabilizador para que llegue al
combustible. No vacíe el depósito de combustible
ni el carburador si ha agregado estabilizador.
ADVERTENCIA: No almacene el motor
con combustible en el depósito en interiores
o espacios con poca ventilación donde los
vapores del combustible puedan entrar en
contacto con llamas abiertas, chispas o una
llama piloto como la de una caldera, depósito
de agua caliente, secadora de ropa, etc.
Manipule el combustible con cuidado. Es muy
inamable y puede provocar daños personales
graves y daños a la propiedad. Drene el
combustible en un recipiente aprobado al aire
libre y almacénelo lejos de llamas abiertas o
fuentes de ignición. No utilice gasolina para la
limpieza. Utilice un desengrasador y agua tibia.
Para preparar la máquina para el
almacenamiento:
1. Limpie la máquina completamente, en especial
debajo del equipo de corte. Retoque los
daños en la pintura y rocíe una capa delgada
de aceite en la parte inferior del equipo de
corte para evitar la corrosión.
2. Inspeccione la máquina para ver si hay piezas
dañadas o desgastadas y apriete las tuercas
y los tornillos que se hayan aojado.
3. Cambie el aceite del motor y deséchelo de forma
adecuada.
4. Vacíe los depósitos de combustible o agregue
un estabilizador de combustible. Arranque
el motor y déjelo funcionar hasta que el
carburador se quede sin combustible o el
estabilizador haya llegado al carburador.
5. Extraiga la bujía de encendido y vierta
aproximadamente una cucharada de
aceite de motor en el cilindro. Arranque
el motor para que el aceite se distribuya
uniformemente y a continuación, vuelva a
colocar la bujía.
6. Lubrique todos los engrasadores, juntas y ejes.
7. Extraiga la batería. Limpie, cargue y guarde la
batería en un lugar fresco, pero protegida del
frío directo.
8. Guarde la máquina en un lugar limpio y seco y
cúbrala para protegerla mejor.
Servicio
Cuando solicite piezas de repuesto, indique el
año de compra, modelo, tipo y número de serie.
Utilice siempre piezas de repuesto Craftsman
originales.
Una comprobación anual en un taller de servicio
autorizado es una buena forma de garantizar
que la máquina funcione de manera óptima en la
temporada siguiente.
ALMACENAMIENTO

67
ESQUEMA

68
MOTOR
Fabricante Kohler
Tipo KT735
Electricidad 24 hp 1)
Lubricación Presión con ltro de aceite
Combustible Min sin plomo de 87 octanos (máx. etanol al
10 %, máx. MTBE al 15%)
Capacidad del depósito de combustible 13,25 litros
Refrigeración Refrigerado por aire
Filtro de aire Standard
Alternador 12 V, 15 amp a 3600 rpm
Motor de partida Eléctrico
TRANSMISIÓN
Transmisión Transejes hidrostáticos
Control de la dirección Palancas dobles, sujeción de espuma
Velocidad de avance 0-10,5 km/h
Velocidad de retroceso 0-5,6 km/h
Frenos Mecánicos
Neumáticos de la ruedecilla delantera 11 x 4,5
Neumáticos traseros, neumático para césped 18 x 8,5-8
Presión de los neumáticos 15 PSI / 103 kPa / 1 bar
BASTIDOR
Ancho de corte 106,7 cm
Altura de corte 3,8-10,2 cm
Número de cuchillas 2
Longitud de la cuchilla 43,3 cm
Rodillo de la punta Si
Asiento Standard
Reposabrazos con bisagras Opcional
Medidor de servicio Digital
Acoplamiento de la cuchilla Embrague electromagnético
Construcción del equipo Fabricado
Productividad 8,093 m2/h
DIMENSIONES
Peso 173 kg
Longitud base de la máquina 191,5 cm
Altura base de la máquina 101,6 cm
Ancho base de la máquina 105,5 cm
Ancho total, tolva arriba 122 cm
Ancho total, tolva abajo 142 cm
1) La clasicación de potencia
declarada por el fabricante
del motor es la potencia
bruta de salida promedio
en la RPM especicada de
un motor de producción
típico para el modelo de
motor que se mide con las
normas SAE para potencia
bruta del motor. Consulte las
especicaciones del motor
del fabricante.
DATOS TÉCNICOS

69
ORNILLOS HEXÁGONOS
Los valores de par indicados se deben utilizar como pauta general
cuando no se tenga información de los valores de par especícos.
Tornillería estándar de EE. UU.
Grado SAE grado 5 SAE grado 8 Tornillo Flangelock con
tuerca Flangelock
Tamaño pies/lbs Nm pies/lbs Nm pies/lbs Nm
Tamaño de culata (diámetro en
pulgadas, rosca na o gruesa)
1/4 912 13 18
5/16 18 24 28 38 24 33
3/8 31 42 46 62 40 54
7/16 50 68 75 102
1/2 75 102 115 156
9/16 110 149 165 224
5/8 150 203 225 305
3/4 250 339 370 502
7/8 378 512 591 801
1-1/8 782 1060 1410 1912
** Grado 5 - Calidad comercial mínima (no se recomienda una menor calidad)
Tornillería estándar en sistema métrico
Grade Grade 8.8 Grade 10.9 Grade 12.9
Tamaño pies/lbs Nm pies/lbs Nm pies/lbs Nm
Tamaño de culata (diámetro en milímetros,
rosca na o gruesa)
M4 1.5 22.2 32.7 3.7
M5 3 4 4.5 65.2 7
M6 5.2 77.5 10 8.2 11
M7 8.2 11 12 16 15 20
M8 13.5 18 18.8 25 21.8 30
M10 24 33 35.2 48 43.5 59
M12 43.5 59 62.2 84 75 102
M14 70.5 96 100 136 119 161
M16 108 146 147 199 176 239
M18 142 193 202 274 242 328
M20 195 264 275 373 330 447
M22 276 374 390 529 471 639
M24 353 478 498 675 596 808
M27 530 719 735 996 904 1226
Sujetadores estándar 12 Nm
Sujetadores estándar 25 Nm
Sujetadores estándar 44 Nm
Sujetadores estándar 70 Nm
Sujetadores estándar 110 Nm
Perno del cigüeñal del motor 67 Nm
Tornillos de polea de corte 203 Nm
Tuercas del asa 102 Nm
Tornillo de la cuchilla 122 Nm
Especicaciones de par
DATOS TÉCNICOS

70
SERVICIO DE ENTREGA
Acción Fecha, Lectura De Medidor,
Sello, Firma
Cargar y conecte la batería r
Ajustar la presión de los neumáticos de todas las ruedas a 15 psi (1 bar) r
Conectar la caja de contacto al cable para el interruptor de seguridad
del asiento r
Vericar que el motor tenga la cantidad correcta de aceite r
Ajustar la posición de los controles de la dirección r
Llenar con combustible y abrir la válvula de corte de combustible r
Arrancar el motor r
Comprobar:
Que haya impulso en ambas ruedas r
El ajuste del equipo de corte r
Interruptor de seguridad del freno de estacionamiento r
Interruptor de seguridad del equipo de corte r
Interruptor de seguridad en el asiento r
Interruptor de seguridad en los controles de la dirección r
Funcionalidad del freno de estacionamiento r
Avance hacia delante r
Marcha atrás r
Acoplamiento de las cuchillas r
Velocidad de ralentí r
Revisar el régimen de ralentí alto del motor r
Informar al cliente acerca de:
Necesidad y ventajas de seguir el programa de mantenimiento r
Necesidad y ventajas de dejar la máquina para el servicio r
Efectos del servicio y de mantener un registro de servicio
en el valor de reventa de la máquina r
Áreas de aplicación para triturar r
Llenar los documentos de venta, etc.
REGISTRO DE SERVICIO

71
DESPUÉS DE 10 HORAS
Acción Fecha, Lectura De Medidor,
Sello, Firma
Cambiar el aceite del motor r
MANTENIMIENTO DIARIO
Acción Fecha, Lectura De Medidor,
Sello, Firma
Limpiar los residuos del cortacésped r
Revisar el nivel del aceite del motor r
Comprobar la presión de los neumáticos r
Revisar la parte inferior del equipo r
Comprobar el sistema de seguridad r
Comprobar si hay fugas en el sistema de combustible r
Inspeccionar las protecciones y blindajes de seguridad r
Revisar el ajuste del freno r
SERVICIO DE 25 HORAS
Acción Fecha, Lectura De Medidor,
Sello, Firma
Comprobar el ltro de aire de la bomba de combustible r
Alar/reemplazar las cuchillas de corte si es necesario r
Comprobar la presión de los neumáticos r
Revisar las los cables de la batería r
Lubricar de acuerdo con la tabla de lubricación r
Comprobar/limpiar las tomas de aire de refrigeración del motor r
Limpiar el preltro de espuma del puricador de aire r
SERVICIO DE 50 HORAS
Acción Fecha, Lectura De Medidor,
Sello, Firma
Realizar el mantenimiento después de 25 horas r
Limpiar/reemplazar el cartucho de ltro de papel del puricador de aire
(intervalos más cortos para condiciones de funcionamiento con mucho
polvo) r
Cambiar el aceite del motor r
Lubricar de acuerdo con la tabla de lubricación r
REGISTRO DE SERVICIO

72
SERVICIO DE 100 HORAS
Acción Fecha, Lectura De Medidor,
Sello, Firma
Realizar el mantenimiento después de 25 horas r
Realizar el mantenimiento después de 50 horas r
Reemplazar el ltro de aceite del motor r
Limpiar/reemplazar las bujías r
Reemplazar el ltro de combustible r
Revisar las correas en V r
Comprobar/apretar los pernos de los ejes de las ruedecillas
(cada 200 horas) r
Cambiar el cartucho de papel del ltro de aire r
SERVICIO DE 300 HORAS
Acción Fecha, Lectura De Medidor,
Sello, Firma
Realizar el mantenimiento después de 25 horas r
Realizar el mantenimiento después de 50 horas r
Realizar el mantenimiento después de 100 horas r
Revisar/ajustar el equipo de corte r
Limpiar la cámara de combustión y recticar los asientos
de las válvulas r
Comprobar el reglaje de la válvula del motor r
Reemplazar el preltro de espuma del puricador de aire r
AL MENOS UNA VEZ AL AÑO
Acción Fecha, Lectura De Medidor,
Sello, Firma
Limpiar la toma de aire de refrigeración del motor (25 horas) r
Reemplazar el preltro de espuma del puricador de aire (300 horas) r
Reemplazar el cartucho de papel del ltro de aire r
Cambiar el aceite del motor (50 horas) r
Reemplazar el ltro de aceite del motor (100 horas) r
Comprobar/ajustar la altura de corte r
Comprobar/ajustar el freno de estacionamiento (50 horas) r
Limpiar/cambiar las bujías (100 horas) r
Cambiar el ltro de combustible (100 horas) r
Comprobar el reglaje de la válvula del motor r
REGISTRO DE SERVICIO

73
GARANTÍA LIMITADA DE CRAFTSMAN
DURANTE DOS AÑOS a partir de la fecha de compra, todas las piezas no fungibles de este equipo
están garantizadas contra defectos en los materiales o la mano de obra. Con el comprobante de
compra, una pieza no fungible con defectos se reparará de forma gratuita. Si la pieza no se puede
reparar, se reemplazará de forma gratuita.
Garantía limitada de la batería
DURANTE 90 DÍAS a partir de la fecha de compra, la batería (una pieza fungible) de este equipo
está garantizada contra defectos en los materiales o la mano de obra. Con el comprobante de
compra, usted recibirá una batería nueva, sin cargo. Usted es responsable del coste de la mano de
obra de instalación de la batería.
SERVICIO DE GARANTÍA
Para obtener detalles de la cobertura de la garantía sobre reparaciones o sustituciones gratuitas,
visite la página web: www.craftsman.com/warranty
Sustitución del producto
Si no se puede reparar o sustituir el pieza, usted recibirá un nuevo equipo del mismo modelo o
equivalente.
Restricción de garantía
Esta garantía será nula si este producto se utiliza alguna vez para brindar servicios comerciales o si
se alquila a otra persona.
Esta garantía cubre ÚNICAMENTE defectos de material y mano de obra. La
cobertura de garantía NO incluye:
• Componentes fungibles (excepto la batería) que se puedan desgastar por el uso normal dentro
del período de garantía, incluso, pero sin limitarse a ello hojas, bujías, correas y ltros de aceite,
aire y gasolina.
• Servicios de mantenimiento estándar, nivelación del equipo, cambios de aceite o anaciones.
• Reemplazo o reparación de neumáticos por pinchazos causados por objetos externos como
clavos, espinas, tocones o vidrios.
• Reemplazo o reparación de neumáticos o ruedas por desgaste normal, accidentes o por
operación o mantenimiento incorrectos.
• Reparaciones necesarias por abuso del operador, incluso (pero sin limitarse a ello) daños
causados por remolcar objetos que superen la capacidad del equipo tractor, chocar contra
objetos que doblen el bastidor, el conjunto del eje o el cigüeñal o sobrepasar la velocidad del
motor.
• Reparaciones necesarias por negligencia del operador, incluso (pero sin limitarse a ello) daños
eléctricos y mecánicos causados por el almacenamiento incorrecto, por no usar el grado y la
cantidad correctos de aceite de motor, por no mantener del muelle libre de residuos inamables
o por no mantener el equipo tractor de acuerdo con las instrucciones que contiene el manual del
operador.
• Limpieza o reparaciones del motor (sistema de combustible) cuando se determina que se usó
combustible contaminado y oxidado (sarro). En general, el combustible debe usarse dentro de
los 30 días posteriores a su compra.
• Deterioro y desgaste normal de los acabados exteriores o sustitución de rótulos de productos.
Esta garantía le otorga derechos legales especícos, y usted también puede tener otros derechos
que varían de un estado a otro.
Sears Brands Management Corporation, Hoffman Estates, IL 60179
GARANTÍA

12.01.16 RT Printed in the U.S. A.