Craftsman 917285230 User Manual SEARS SHREDDER BAGGER Manuals And Guides L0807215

CRAFTSMAN Grass Catcher Manual L0807215 CRAFTSMAN Grass Catcher Owner's Manual, CRAFTSMAN Grass Catcher installation guides

User Manual: Craftsman 917285230 917285230 CRAFTSMAN SEARS SHREDDER-BAGGER - Manuals and Guides View the owners manual for your CRAFTSMAN SEARS SHREDDER-BAGGER #917285230. Home:Lawn & Garden Parts:Craftsman Parts:Craftsman SEARS SHREDDER-BAGGER Manual

Open the PDF directly: View PDF PDF.
Page Count: 12

MODEL NO.
917.285230
,_UTION:
Read Rules for
Safe Operation
and instructions
Carefully
® Assembly
o Operating
® Maintenance
® Repair Parts
J
Prinled in U S A
_GUARANTEE _
Your Shredder-Bagger is guaranteed for one fuji year. If any defect in material or workmanship should
appear during this time, simply contact our nearest Sears store or service center throughout the United
States or Conoda_ We will make all necessary repairs, including parts and labor, at no charge to you. If the
Shredder-Bagger is used for commercial or rental purposes, this guarantee applies for thirty days.
SEARS, ROEBUCK AND CO. SIMPSONS-SEARS LTD
IMPORTANT
RULES FOR SAFE OPERATION
1 Children must never be allowed to operate this
SHREDDER_BAGGER.
2. It is recommended that the operator of this
SHREDDER-BAGGER obtain and wear safety
glasses at all times.
3 Operator should become fully familar with all
of the different sections of this Owners Manual
and the Engine Manual before attempting to
operate the SHREDDER-BAGGER,
4o Never allow your hands, any other part of your
body, or your clothing inside the hopper, leaf
ramp, discharge chute or near any moving parts,
while the engine ;s running.
5 The shredding blades are "directly connected to
the engine crankshaft, therefore when the engine
is running the blades are always turning.
14.
15_
16.
17_
6_ Always stand clear of the discharge area when
operating the SHREDDER-BAGGER; never re- 18_
move the discharge deflector and always keep
it at a downward angle as this limits the un-
controlled expulsion of shredded material from 19o
the unit at high speeds.
7_ Never remove the hopper guard at anytime and
be sure that it is in a closed position at all
times when the SHREDDER-BAGGER is in
operatlon_
8_ Never start or operate this SHREDDER-BAGGER
without the hopper or leaf ramp fully secured in
the proper position.
20_
2I_
9. Keep your face and body back from the hopper
opening in order to avoid the bounceback of
material from the hopper_
10_ When feeding shreddable materials into your
SHREDDER-BAGGER be extremely careful
that pieces of metal, rocks, bottles, cans or
other foreign materials are not inadvertantly
placed in the SHREDDER-BAGGER.
¼" in diameter dowel or plasterlng lath; never
use your hands, large pieces of wood, thick
plastic material or the like
Do not allow an accumulation of shredded
material in the discharge area as this will
prevent proper discharge,
This SHREDDER-BAGGER should be operated
only upon a level surface to prevent tlpping_
The spark plug wire must be disconnected from
the spark plug to prevent accidental starting.
The engine of this SHREDDER-BAGGER must
be allowed to cool down before making any
inspection, adjustments or repairs to the unit.
Never run the SHREDDER-BAGGER indoors
as the exhaust from the engine contains carbon-
monoxide which is a tasteless, odorless, dead-
ly poison
Always disconnect the spark plug wire each
time the engine is stopped_
If your SHREDDER-BAGGER should start
making an unusual noise or abnormallyvibrat-
ing, immediately stop the engine and removethe
spark plug wire. The unit should then be fully
checked far loose parts or damage to assure
continued safe operation of the unlt_
Never fill the gasoline tank of your SHREDDER
BAGGER while the engine is running or while
it is hot. All spilled or excess gasoline should
be wiped up prior to starting the engine -gaso-
line is highly flammable and must be handled
with extreme care°
All screws, nuts and bolts must be kept tight
to be sure that the SHREDDER-BAGGER is
in safe operating condition, Also, the engine
must be kept clean of all dirt and other ac-
cumulations in order ta prevent damage tothe
engine.
11. The SHREDDER-BAGGER should never be
operated in the vicinity of children, pets or
other persons_
12_ Avoid wearing loose fitting clothing and make
sure you are wearing protective footwear while
operating the SHREDDER_BAGGER.
13, Do not overload the hopper of this SHREDDER-
BAGGER, however, in the event it becomes
necessary to push material into the hopper, use
only a soft 3-faot lanai piece of wood such as a
1434R-3,5_71
22_
23v
-I-
The governor settings on this SHREDDER-
BAGGER must not be altered, changed or
tampered wlth_ The governor controls the maxi-
mum safe operatlng speed of the SHREDDER-
BAGGER and protects the engine from damage_
When storing the SHREDDER-BAGGER, it must
be kept in a place where gasoline fumes will
not reach an open flame or spark. For long
periods of storage, the gasoline tank should be
drained and the gasoline discarded in a safe
place. The engine must always be allowed to
coal down before storing in any enclosure.
reference drawing for assembly and instructions
REAR
RIGHT
HAND
SIDE
/
FRONT
4
5
LEFT
HAND
SIDE
1. Handle
2. Fuel Tank and Cap
3_ Starter Handle
4. Air Cleaner
5_ Speed Control Knob
6_ Engine Pad
7. Mill Housing
Fig. 1
8. Spark Plug and Cover
9. Discharge Area
10. Deflector
11. Hold Down Knob
12. Hopper
13, Guard
1434R-3_5,71 - 2-
introduction
Your new SHREDDER-BAGGER utilizes multiple
sharp flat cutting blades rotating about the vertical
shaft of its engine within the mill housing_ In order
to reduce lawn and garden bulk by shredding, these
blades rotate at a speed of approximately 14,000
feet per minute or almost 158 miles per hour_ They
exert about the same force as a 7_ pound sledge
hammer traveling at 158 miles per hour and shred
materials by simply cutting and forcing them at this
speed against the internal breaker plates_ Ob-
viously, this extreme force constitutes a potential
danger if the SHREDDER-BAGGER is not properly
used and maintained_ It is therefore all the more
important that the operator always FOLLOW THE
"RULES FOR SAFE OPERATION" as well as
other instructions contained in the Owners Manual
and the Engine Manual
This SHREDDER-BAGGER has been designed,
engineered and manufactured to give you the best
passible dependability and performance. Should you
experience any minor problem which you cannot
easily remedy, please return your SHREDDER-
BAGGER to your nearest Sears, Roebuck and Co_
or Simpson-Sears Limited store_ They have well-
qualified, competent trained technicians and the
proper tools to service or repair this unit. NEVER
ATTEMPT TO REPAIR YOUR SHREDDER-BAGGER
UNLESS YOU ARE FULLY QUALIFIED TO DO SO.
assembly
A letter in parentheses in the following instructions
refer to an arrow in an adjoing Figure (Illustration),
unless otherwise stated. When R.H. (Right Hand) or
L.H. (Left Hand) are used, it should be understood
to mean from a position standing at the front (handle)
end and facing the Shredder-Baggel. Refer to Fig_ t.
D o
C
FIG, 2
L434R-3, 571
.
-3-
3_
Cut all wires which fasten Shredder-Bagger to
wood pallet in bottom of shipping cartom Remove
all parts from the inner carton in which this
Owners Manual was found_ All hardware; bolts,
nuts, washers and E-rings which are referred
to in the following instructions were shipped in
a plastic bag.
Position and assemble deflector (A), to engine
pad (B), and mill housing (C), with two 3/8 x
truss head machine screws, Iockwashers and hex
nuts (D)_ Heads of machine screws to inside.
Deflector (A), must be positioned as shown to
deflect shredded material downward. Tighten
nuts securely.
Position handle (E), to hopper (F), as shown,
and align holes_ Secure handle to hopper with
four truss head slotted machines screws ¼ x¾,
Iockwashers and hex nuts (G), Head of machine
screws to outside. Tighten nuts securely.
ONE SIDE OF WHEEL
HUB IS CONVEX. THIS
SURFACE OF BOTH
WHEELS TO INSIDE.
L
N
R
N
4.
5_
6_
7.
FIG, 3
Tip shredder forward until shredder rests on
front portion of hopper and deflector_
Position holes in ground pad (H), over weld
bolts in bottom of mill housing (C)_ Secure with
two 3/8 Iockwashers and hex nuts (J). Tighten
nuts securely.
Position holes in axle bracket (K), over weld
bolts in bottom of mill housing (C). Secure with
two 3/8 Iockwashers and hex nuts (L). Tighten
nuts securely°
Refer to Fig. 3 for correct positioning of wheel
on axle. Slide a flat washer (M), and a wheel
(N), ovel one end of the axle (P). Secure an
E-ring (R), in the groove near end of axle. Now
slide axle through the hole in one end of axle
bracket (K). Flat washer will be between wheel
and axle bracket. Push axle through opposite
hole in axle bracket. Assemble second flat
washer, wheel and E-ring
instructions before operating
KEEP 5CREWS_ N UT5
AND BOLTS TIGHT---
SPEED CONTROL DECAL
STARTER HANDLE
FUEL TANK CAP
NEVER OPERATE THE SHREDDER-BAGGER
IN WET GRASS, MUDDY, UNEVEN OR ROUGH
TERRAIN. ALWAYS BE SURE OF YOUR
FOOTING.
FILL ENGINE CRANKCASE
I. Refer to Fig. 7 for location of oil filler plug.
Be sure area around plug is clean.
2. Remove oil filler plug. Insert a small neckfun-
nel in opening and fill crankcase with M_S:
S_A_E, 30 oil_ If not available, use Multi-Grade
All-Weather oil SoA_E. 10W-20W-30W. Use All-
state oil or equivalent_ Capacity 1-1/2 pints (24
ounces), In cool spring or fall weather (under
40°F_) All-Weather oil will produce easier
starting_ Replace oil filler plug_
3, Change oll after first 2 hours of operation and
every 25 operating hours thereafter. Check oil
every 8 operating hours° Refer to **Engine Lub-
rication", pages 7 and 8o
FILL FUEL TANK
1, Refer to Fig. 4 for location° Be sure area around
fuel cap is clean and remove cap. Fill fuel tank
with a good grade of clean, fresh "regular"
gasoline. Do not use gasoline that has been
stored for any great length of time or has been
sitting in some old gas can for a long while°
Capacity--1 quarh
WIPE UP ALL SPILLED FUEL OR OIL,
TO START ENGINE
], To start a cold engine, move speed control knob
to "start" position,
2, Grasp recoil starter handle and pull sharply,
Do NOT allow starter rope to snap back, Rewind
slowly keeping hold of the starter handle at
all times
3 After engine starts, move speed control knob to
"fast" position,
SPEED
CONTROL
KNOB
FIG. 4
TO STOP ENGINE
1. To stop engine, move the speed control knob to
the "stop" position.
KEEPCktlLI)REbl,PEOPLE
AFtt)PETS MAY.._
1434R-3°5_71_ - 4 -
preface to operating
There are enumerable ecological and gardening applications for your powerful new SHREDDER-BAGGER_ Probably
your initial use of this unit will be to substantially reduce lawn and garden bulk by shredding it and bagging it for
disposal pick-up_ Air pollution ordinances in many areas have made it illegal to burn this bulk, however your SHRED-
DER-BAGGER will allow you to dispose of it properly.
Another prime use for your SHREDDER-BAGGER will be in the preparation of a compost pile. Shredding accelerates
the decomposition process, This is a very valuable asset to every gardener in that it provides an excellent source of
sol[ which is relatively rich in plant food and high in organic contenL Compost is of special value for potting house
plants, use in greenhouses, gardens and the like. Some other uses are for flower beds, rose beds, and as atop dress_
ing for [awns_ The ingredients which go into the preparation of a compost pile vary depending upon the materials
available, but they usually consist of sod, grass clippings, weeds, leaves, corn stalk, discarded vegetable greens
such as carrot tops, etc. Many local libraries have fine books on gardening and flower bed preparation and main-
tenance dealing with the preparation of compost piles which will apply to your particular climate, soil conditions and
use for the compost pile.
In order to make your SHREDDER-BAGGER a more versatile piece of equipment, Sears offers the following access.
sories:
1, Lawn Cleanup Cart
2, Bagging Attachment
operating
BE AWARE OF ALL THE "RULESFOR SAFE OPERATION" LISTED
CAUTION ON PAGE
3. Leaf Ramp
4. Extra*heavy plastic Bags
6. After the engine starts, normally move the con-
trol knob to '°fast °' position, However, with a
brand new engine, we suggest that the control
knob be positioned midway between the '°slow"
and "fast setting--½ to ¾ throttle for the first
15 minutes of running at no load, for engine
breakim
7. To stop engine, move the control knob to the
'°stop '° position.
8. DISCONNECT SPARK PLUG WIRE.
SHUTOFF ENGINE AND REMOVE
SPARK PLUG WIRE WHEN NOTIN
U SE- EVEN FOR AIdOI'dENT
OPERATE OH A
LEVEL SURFACE ONLY
1. Position the Shredder-Bagger on level ground.
2. Fill engine crankcase and fuel tank as described
on page 4.
3. Attach spark plug cover and wire to spark plug.
Refer to Fig_ 4, page 4o
4, Move control knob to "start" position.
5, Grasp recoil starter handle and pull sharply.
Do NOT allow starter rope to snap back. Re-
wind slowly keeping hold of the starter handle
at all times_ Several pulls of the starter may be
necessary to start the engine for the first time or
after it has set idle for a peroid of time, in
order to pump fuel from the tank to the car-
buretor,
1434R-3 5 71
PUT ON YOUR SAFETY GLASSES,
Your Shredder-Bagger was designed for optimum
operation at full "fast °' throttle_ Keep guard, at
top, rear end of hopper in the closed position at
all times_ Be sure discharge chute deflector is
angled downward so that all shredded material is
diverted to discharge toward the ground_
-5-
operating
Stalks, long heavy weeds, small diameter branches,
etc can be hand fed into the hopper so that the rate
of feed can be controlled to prevent stalling of the
engine However, when this material becomes so
short so as to be level with the top of the hopper,
let go and the material will feed itself Do NOT
extend hands beyond the top of the hopper,
USE A SMALL
5TIC.K TO PUSH "_k'/
MATERIAL { IqTO
HaPPieR .... _-
Should it become necessary to push the material
down inside the hopper, use only a soft 3 foot long
piece of wood such as a _" diameter dowel or
plastering lath, Keep face away from hopper open-
ing to avoid bounceback of materials.
D0 NOq ALLOW MA'TEP-,IAL TO COLLEGT
AT OUTLET. _.
/
From time to time, it will be necessary to remove
the shredded material from the discharge area so
that it will not obstruct the flow of other material
being shredded in the mill housing and discharged
from the discharge chute. When doing this, stop the
engine and remove the spark plug wire° Then rake
the shredded material to one side before replacing
the spark plug wire and re- starting the engine. In
the event a bagging attachment is being used, the
engine should be stopped and the spark plug wire
removed prior to detaching the bag from the bagging
attachment, The new bog should be put into place
before replacing the spark plug wire and re,starting
the engine.
DANGER: WHEN PUTTING MATERIAL IN
YOUR SHREDDER-BAGGER BE SURE THAT
IT DOES NOT CONTAIN METAL, ROCKS,
CANS, BOTTLES OR OTHER FOREIGN MAT-
ERIAL.
/
It is possible to feed heavy material (corn cobs,
prunlngs, wet leaves, grass clippings, etc.), too
fast so as to load up the hopper and stall the
engine. It will take experience to determine ;he
proper rate of material feed into the Shredder for
best performance,
It is not necessary to shred aIt material to a uni-
form size, REMEMBER,the main purpose of the
Shredder is to reduce the bulk.
1434R-3_5,71 -6-
operating
FLOW OF MATERIAL OBSTRUCTED
BLADE
MILL
HOUSING
DISCHARGE
AREA FIG. 5
1. Move engine control knob to "stop '_ position to
shut- off engine.
2. Disconnect spark plug wire.
3. Remove the hopper, refer to Fig_ 6=
4_ Use a stick or small board to clean out mill
housing and discharge area.
5. Replace hopper_
6. Reattach spark plug cover and wire to spark
plug and start engine_
maintenance
HOPPER REMOVAL
1. Remove spark plug cover and wire (A), from
spark plug.
2_ Unscrew and remove hopper hold down knob (B)
3. Lift and tilt hopper (C), to the right so that
hopper clears weld pin (D)o Now pull hopper
(C), to the left to disengaged weld pins (E and
F), from holes (G and H), in engine pad and
discharge separator.
HOPPER REASSEMBLY
1. Lift and tilt hopper (C), into position as shown
in Fig. 6. Insert weld pin (F), into round hole(H),
of engine pad, now pivot hopper until weld bolt
(E), enters slot (G), of discharge separator_
2. Lower hopper until hole in lower left hand side
of hopper engages weld pin (D). Secure in place
with hopper hold down knob (B),
ENGINE LUBRICATION
DISCONNECT SPARK PLUG WIRE AT SPARK
PLUG.
CHANGE OIL AFTER FIRST 2
HOURS OF OPERATION. THERE-
AFTER, CHANGE OIL EVERY 25
_NGIt_EOtLHOURS OF OPERATION_
CHECK OIL LEVEL REGULARLY--AFTER
EACH 8 HOURS OF OPERATION_ STOP
ENGINE, DISCONNECT SPARK PLUG WIRE
AT SPARK PLUG AND WAIT SEVERAL MIN-
UTES BEFORE CHECKING OIL LEVEL.
\
L_H. SIDE
FIG. 6
1434R-3.5,71
R_H°
SIDE /
SHREDDER MUST BE ON
WHEN CHECKING OIL LEVEL
/
LEVEL GROUND
BE SURE OIL LEVEL IS MAINTAINED.
NOTE: THE BEST TIME TO DRAIN OIL IS AT
THE END OF A DAY'S OPERATION AT
WHICH TIME THE OIL IS HOT AND ALL DIRT
AND FOREIGN MATERAIL IS SUSPENDED IN
THE OIL,
-7-
maintenance
SERVICE INSTRUCTIONS
The torque of the mandrel nut _s VERY CRITICAL.
If nut is tightened too tight, clutch will not slip and
should some foreign object enter the milt housing,
extensive damage could occur to the mandrel, blades
and engine
It is probable that the blades will never need sharp-
emng We STRONGLY RECOMMEND that should
any repairs or adjustment be required to the mandrel,
blades or engine (requiring removal of the mandrel
nut), that the Shredder-Bagger be returned to your
Sears store or service center for inspection and
servloeo
2.
FIG 7
Remove hopper, refer to page 7.
Remove oil filler plug while engine is warm
Certain normal owner maintenance must be per.
formed to obtain longest life and trouble free use
of your engine° Servicing of the air cleaner re-
gularly is of the upmost importance° Refer to the
engine manual for information regarding the air
cleaner, carburetor and spark plug°
HOW TO CLEAN
FIG, 8
3, Tip Shredder on its side as shown in Fig, 8.
DRAIN ALL USED OIL COMPLETELY, and
wipe up any oil that has collected on the Shred-
der_
4. Sit Shredder upright and refilt engine crankcase
with oil as instructed on page 4. Replace off
filler plug. Wipe up any spilled oil.
5 R'eplace hopper, refer to page 7,,-z-.,....-----,,_
KEEP GASOLINE IN AN AP-
PROVED, TIGHTLY SEALED
CONTAINER. NEVER FILL
SHREDDER-BAGGER FUEL
TANK INDOORS-
1434 R- 3.5 71
When you ere through operating the Shredder for the
day, flush out the residue that has collected inside
the machine. Run some water into the hopper with a
garden hose while the engine is running at "slow"
speed CAUTION: Do NOT place hose inside the
hopper. Avoid getting water on engine. Shut-off
engine and disconnect spark plug. Tip the Shredder
to allow excess water to drain out the discharge
area. Clean the engine, refer to engine manual.
STORAGE
In the event your Shredder is to be inoperative for
periods in excess of 30 days--prepare for storage as
outlined below:
1. Stop engine, disconnect spark plug and allow
engine to cool dowm
2. Completely dean inside and outside of Shredder
3_ Refer to engine manual for engine storage in-
structions.
4. Apply a light coat of grease or rust preventative
to hopper, blades and inside walls of mlJl
housing.
5. Store in a clean, dry building.
6. Do not save or store gasoline over winter,
-8-
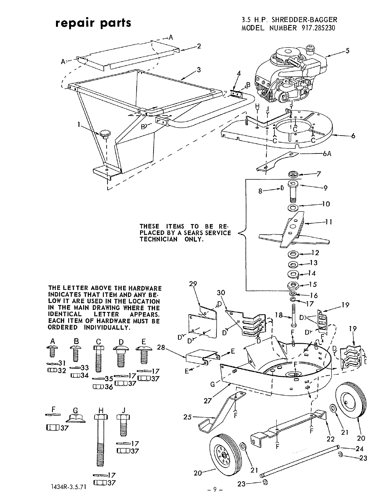
repair parts 3.5 H.P. SHREDDER-BAGGER
MODEL NUMBER 917.285230
THESE ITEMS TO BE RE-
PLACED BY A SEARS SERVICE <
TECHNICIAN ONLY.
THE LETTER ABOVE THE HARDWARE
INDICATES THAT ITEM AND ANY BE-
LOW IT ARE USED IN THE LOCATION
IN THE MAIN DRAWING WHERE THE
IDENTICAL LETTER APPEARS.
EACH ITEM OF HARDWARE MUST BE
ORDERED INDIVIDUALLY.
30
AB
_31
lED32 .=_33
I_J34
FG
IIZI]37
1434R-3.5.71
.:=:=:=17
1_337
19
repair parts
KEY
NO. or
LETTER
1
2
3
4
s
PART
NO.
1417R
1396R
658A 11
658A15
6 658A14
6A 2052R
7 1383R
8 4919H
9 1376R
10 1521R
11 658A29
12 1405R
13 1423R
14 1482R
15 1380R
16 1404R
17 I004P
18 3246P
19 1402R
20 626A133
21 1545P
22 1403R
23 5002P
24 1375R
25 2015R
27 658A13
28 1399R
29 1401R
30 1382R
31 1422R
32 1605H
33 I002P
34 503P
35 I003P
36 504P
37 501P
A 3241P
B 3240P
C 3012P
D 19P
E 3242P
F 1004P
G 1421R
H 3251P
J 3021P
..... 1434R
3.5 H,P, SHREDDER-BAGGER
MODEL NUMBER 917.285230
DESCRIPTION
Hold Down Knob
Guard
Hopper
Handle
Engine, Craftsman Model No. 143o214302 See Price List
932.00 for Ordering information
Engine Pad Assembly
Breaker Angle
Formed Cup
Woodruff Key
Mandrel
Wear Washer
Blade Weldment
Drive Washer
Compression Washer
Nut Lock Plate
Nut
Mandrel Washer
*Lockwasher 3/8
Bolt, Finished Hex 3/8-24 UNF x 2-¼ Heat Treated
Breaker Plate
Wheel
*Washer 17/32 x 1 x 16 Ga.
Axle Bracket
E-Ring
Axle
Ground Pad
Mill Housing Assembly
Deflector
Di scharge Separator
Breaker Plate-Heavy
Spring Washer
Lock Nut
*kockwasher ¼
*Nut, Hex ASF ¼- 20 UNC
*Lockwasher 5/16
*Nut, Hex ASF 5/16- 18 UNC
*Nut, Hex ASF 3/8- 16 UNC
*Machine Screw, Truss Hd. Slotted ¼ -20 UNC x ½
*Machine Screw, Truss Hd. Slottecl ¼ - 20 UNC x ¾
*Bolt, Finished Hex 5/16 - 18 UNC x 1-¼
*Bolt, SqoNeck Carriage 3/8- 16 UNC x ¾
*Machine Screw, Truss Hd. Slotted 3/8 - 16 UNC x ¾
*kockwasher 3/8
Lock Nut
*Bolt, Finished Hex 3/8 - 16 UNC x 5
*Bolt, Finished Hex 3/8 - 16 UNC x 3/4
Owners Manual
*Standard Hardware Items-May be Purchased Locally -Specify plated
cO
u-}
_Ct
Seers, Roebuck and Co_ or Simpsons-Sears Limited in Canada reserves the right to make any changes m design
or improvements without imposing any obligation to install the same upon its items heretofore manufactured.
1434R-3 5,71 -10-
Sears owners monual
MODEL NO.
917.285230
SEARS SERVICE
IS AT YOUR SERVICE
WHEREVER YOU LIVE
OR MOVE
IN THE U.S.A.
The Model Number will be found on a plate attached to the
Mill Housing. Always mention the Model Number when
requesting service or repair parts for your SHREDDER-
BAGGER.
All parts listed herein may be ordered through SEARS,
ROEBUCK AND CO. or SIMPSONS-SEARS LIMITED. When
ordering parts by mail, selling prices will be furnished on
request or parts will be shipped at prevailing prices and
will be billed accordingly_
WHEN ORDERING REPAIR PARTS, ALWAYS GIVE THE
FOLLOWING INFORMATION AS SHOWN IN THIS LIST.
1. The PART NUMBER 3. The MODEL NUMBER
2. The PART DESCRIPTION 4. 917.285230
4. The NAME OF ITEM-
SHREDDER-BAGGER
Your Sears Merchandise takes on added value when you
discover that Sears has over 2,000 Service Units through-
out the country. Each is staffed by Sears-trained, pro_
fessional technicians using Sears approved parts and
methods.

Navigation menu