Craftsman 917293203 User Manual TILLER Manuals And Guides L0010025
CRAFTSMAN Rear Tine, Gas Tiller Manual L0010025 CRAFTSMAN Rear Tine, Gas Tiller Owner's Manual, CRAFTSMAN Rear Tine, Gas Tiller installation guides
SS373PEX L0010025
User Manual: Craftsman 917293203 917293203 CRAFTSMAN TILLER - Manuals and Guides View the owners manual for your CRAFTSMAN TILLER #917293203. Home:Lawn & Garden Parts:Craftsman Parts:Craftsman TILLER Manual
Open the PDF directly: View PDF
.
Page Count: 36

Owner's Manual
CRRFTSMRN
5.0 HP
17 INCH TINE WIDTH
REAR TINE WITH COUNTER
ROTATING TINES
TILLER
Model No.
917.293203
• Safety
• Assembly
• Operation
•Maintenance
•Espa_ol
•Repair Parts
CAUTION:
Read and follow all Safety
Rules and instructions before
operating this equipment.
For answers to your questions
about this product, Call:
1-800-659-5917
Sears Craftsman Help Line
5 am- 5 pro,Mort* Sat
Sears, Roebuck and Co., Hoffman Estates, II 60179
Visit our Craftsman website:www,sears.com/craftsman

Warranty ......... :._.................... ................ 2
Safety Rules .......................................... 2
Product Sprcifications ........................... 4
Assembly .............................................. 5
Operation ................... .................... 3 & 8
?
Manintenance ..................................... 13
Service and Adjustments .................... 15
Storage ........................................ 3 & 19
Troubleshooting .................................. 20
Illustratsd Parts List............................. 42
Parts Ordering ...................... Back Cover
LIMITED ONE YEAR WARRANTY ON CRAFTSMAN TILLER
For one (1) year from date of purchase, when this Craftsman Tiller is maintained,
lubricated, and tuned up according to the operating and maintenance instructions in the
owner's manual, Sears will repair free of charge any defect in material or workmanship.
This Warranty does not cover:
•Expendable items which become worn during normal use, such as tines, spark plugs,
air cleaners and belts.
•Repairs necessary because of operator abuse or negligence, including bent crank-
shafts and the failure to maintain the equipment according to the instructionscon-
tained in the owner's manual.
• if this Craftsman Tiller is used for commercial or rental purposes, this Warranty applies
for only thirty (30) days from the date of purchase.
Warranty service is available by returning the craftsman power mower to the nearest
sears service center/department in the united states. This warranty applies onlywhile
this product is in use in the united states.
This Warranty gives you specific legal rights, and you may also have other rightswhich
vary from state to state.
SEARS, ROEBUCKAND CO., D/817WA, HOFFMAN ESTATES, IL 60179
IMPORTANT: This cutting machine is
capable of amputating hands and feet
and throwing objects. Failure to observe
the following safety instructions could
result in serious injury or death.
TRAINING
•• Read the Owner's Manual carefully. Be
thoroughly familiar with the controls and
the proper use of the equipment. Know
how to stop the unit and disengage the
controlsquickly.
• Never allow children to operate the
equipment. Never allow adults to
operatethe equipment without proper
instruction.
•Keep the area of operation clear of all
persons, particularly small children, and
pets.
PREPARATION
•Thoroughly inspect the area where the
equipment is to be used and remove all
foreign objects.
•Disengage all clutches and shift into
neutral before startingthe engine
(motor).
•Do not operate the equipment without
wearing adequate outer garments.
Wear footwear that will improve footing
on slippery surfaces.
•Handle fuel with care; it is highly
flammable.
•Use an approved fuel container.
•Never add fuel to a running engine or
hot engine.
•Fill fuel tank outdoors with extreme
care. Never fillfuel tank indoors.
• Replace gasoline cap securely and
clean up spilled fuel before restarting.
•Use extension cords and receptacles
as specified by the manufacturer for all
units with electric drive motors or
electdc starting motors.
•Never attempt to make any adjust-
ments while the engine (motor) is
running (except where specifically
recommended by manufacturer).
2

OPERATION
• Do not put hands or feet near or under
rotatingparts.
•Exercise extreme caution when
operating on or crossing gravel drives,
walks, or roads. Stay alert for hidden
hazards or traffic. Do not carry passen-
gers.
•After striking a foreign object, stop the
engine (motor), remove the wire from
the spark plug, thoroughly inspect the
tiller for any damage, and repair the
damage before restarting and operat-
ing the tiller.
•Exercise caution to avoid slipping or
failing.
•If the unit should start to vibrate
abnormally, stop the engine (motor)
and check immediately for the cause.
Vibration is generally awarning of
trouble.
•Stop the engine (motor) when leaving
the operating position.
•Take all possible precautions when
leaving the machine unattended.
Disengage the tines, shift into neutral,
and stop the engine.
•Before cleaning, repairing, or inspect-
ing, shut offthe engine and make
certain all moving parts have stopped.
Disconnect the spark plug wire, and
keep the wire away from the plug to
prevent accidental starting. Disconnect
the cord on electric motors.
•Do not run the engine indoors; exhaust
fumes are dangerous.
•Never operate the tiller without proper
guards, plates, or other safety protec-
tive devices in place.
•Keep children and pets away.
•Do not overload the machine capacity
by attempting to tilltoo deep at too fast
a rate.
•Never operate the machine at high
speeds on slippery surfaces. Look
behind and use care when backing.
*Never allow bystanders near the unit.
•Use only attachments and accessories
approved by the manutacturer of the
tiller.
•Never operate the tiller without good
visibilityor light.
•Be careful when tilling in hard ground.
The tines may catch in the ground and
propel the tiller forward. If this occurs,
let go of the handlebars and do not
restrainthe machine.
MAINTENANCE AND STORAGE
•Keep machine, attachments, and
accessories in safe working
condition.
•Check shear pins, engine mounting
bolts, and other belts at frequent
intervals for proper tightness to be
sure the equipment is in safe
working condition.
•Never store the machine with fuel in
the fuel tank inside a building where
ignition sources are present, such
as hot water and space heaters,
clothes dryers, and the like. Allow
the engine to cool before storing in
any enclosure.
*Always refer to the operator's guide
instructions for important details if
the tiller is to be stored for an
extended podod.
ALook for this symbol to point out
important safety precautions. It means
CAUTION!!! BECOME AWARE!!!
YOUR SAFETY IS INVOLVED,
ACAUTION: Always disconnect spark
plug wire and place wire where it
cannot contact spark plug in order to
prevent accidental starting when
setting up, transporting, adjusting or
making repairs.
_WARNING: The engine exhuast
from this product contains chemicals
known to the State of Califomia to
cause cancer, birth defects or other
reproductive harm.
3

PRODUCT SPECIFICAT!ONS
GASOLINE 3 QTS
3APACITY: UNLEADED
REGULAR
DIL(API-SF/SG/SH): SAE 30
CAPACITY: 20 OZ.) (ABOVE 32°F)
SAE 5W-30
SPARK PLUG :
(BELOW 32°F)
CHAMPION
{GAP: .030") RJ19LMORJ19LM
Congratulations on your purchase of a
Sears Tiller. It has been designed,
engineered and manufactured to give you
the best possible dependability and
performance.
Should you experience any problems you
cannot easily remedy, please contact
your nearest authorized Sears Service
Center/Department. We have competent,
well-trained technicians and the proper
toolsto service or repair this unit.
Please road and retain this manual. The
instructionswill enable you to assemble
and maintain your tiller properly.Always
observe the "SAFETY RULES".
Yournew tiller has been assembled at the
factory with exception ofthose parts left
unessembled for shipping purposes. To
ensure safe and proper operation of your
tiller all parts and hardware you assemble
must be tightened securely. Use the
correct tools as necessary to insure
proper tightness.
MAINTENANCE AGREEMENT
A Sears Maintenance Agreement is
available on this product. Contact
your nearest Sears store for details,
CUSTOMER
RESPONSIBILITIES
•Read and observe the safety rules.
•Follow a regular schedule in
maintaining, caring for and using
yourtiller.
•Follow the instructionsunder the
"Maintenance" and =Storage"
sections of this Owner's Manual.
_WARNING: This unit is equipped
with an internal combustion engine
and should not be used on or near
any unimproved forest-covered.
brush-covered or grass covered land
unless the engine's exhaust system is
equipped with a spark arrester
meeting applicable local or state laws
(ifany). If a spark arroster is used, it
should be maintained in effective
working order by the operator.
In the state of California the above is
required by law (Section 4442 of the
California Public Resourcas Code).
Other states may have similar laws.
Federal laws apply on federal lands.
See your Sears Authorized Service
Center for spark arroster. Refer to the
Repair Parts section of this manual for
part number.
These accessories were available when the tiller was purchased. They are also
available at most Sears Retail outlets and Service Centers. Most Sears Stores can
order repair parts for you when you provide the model number of your tiller.
ENGINE
TILLER PERFORMANCE
!
TILLER MAINTENANCE
1%c hl'i-i -°'
4

Your new tiller has been assembled at the factory with exception of those parts left
unassembled for shipping purposes. To ensure safe and proper operation ofyour tiller
all parts and hardware you assemble must be tightened securely. Use the correct tools
as necessary to insure proper tightness.
TOOLS REQUIRED FOR ASSEMBLY
A socket wrench set will make assembly
easier. Standard wrench sizes are listed.
(1) Utility knife
(1) Wire cutter
(1) ]ire pressure guage
(1) Screwdriver
(1) Pair of pliers
(t) 9/16 Wrench
OPERATOR'S POSITION
When right or left hand is mentioned in
this manual, it means when you are in
the operating position (standing behind
tiller handles).
FRONT
LEFT RIGHT
OPERATOR'S
PosmoN
CONTENTS OF HARDWARE PACK
(1) Carriage Bolt
3/8-16 UNC x 1 Gr. 5
Q
(1) Center Locknut
3/8-16 UNC
(1) Cable Clip
_, (1) Flat Washer " (_) Pi_B_;ItG rade 5
I13/32 x 1 x11Ga.
(2) Shear Pins & Clips (1) Handle Lock Lever
5

UNPACKING CARTON
ACAUTION: Be careful of exposed
staples when handling or disposing of
cartoning material.
IMPORTANT:When unpacking and
assembling tiller, be careful not to stretch
or kink cables.
• While holding handle assembly, cut
cable ties securing handle assembly to
top frame. Let handle assembly rest on
tiller.
•Remove top frame of carton.
•Slowly ease handle assembly up and
place on top of carton.
• Cut down right hand front and right
hand rear comers of carton, lay side
carton wall down.
•Remove packing material from handle
assembly.
•Separate shift rod from handle assem-
bly.
Assembly
INSTALL HANDLE
•Insert one handle lock (with teeth
facing outward) in gearcase notch.
(Apply grease on smooth side of
handle lock to aid in keeping lock in
place until handle assembly is lowered
into position.)
VIEWED FROM R.H. SIDE OF TILLER
\ Y
Gearcase Notch
Handle Lock
•Grasp handle assembly. Hold in =up"
position. Be sure handle lock remains
in gearcase notch. Slide handle
assembly into position.
•Rotate handle assembly down. Insert
rear carriage bolt first, with head of bolt
on L.H. side oftiller and loosely
assemble Iocknut.
HandleAssembly
"UP"Position%
Tighten handle lock
leverto hold
Loosen Handle Lock
Lever to Move
Insert pivot bolt in front part of plate and
tighten.
Cut down remaining corners of carton
and lay panels flat.
Lower the handle assembly. Tighten
nut on carriage bolt so handle moves
with some resistance. This will allow
for easier adjustment.
Place flat washer on threaded end of
handle lock lever.
Insert handle lock lever through handle
base and geamase. Screw in handle
lock lever just enough to hold lever in
place.
Insert second handle lock (with teeth
inward) in the slot of the handle base
(just inside of washer).
Raise handle assembly to highest
position and securely tighten handle
lock lever by rotating clockwise.
Leaving handle assembly in highest
position will make it easier to connect
shift rod, Rat Washer
Handle Lock Handle Lock
Gearcase_
Slot_
Rear Cartridge
Bolt
HandleBase Locknut _PivotBolt
6

INSERT CABLE CLIP
• Insert plastic cable clip into hole on the
back of handle column. Push cables
into clip.
Handle Column
Cables
Cable Clip
CONNECT SHIFT ROD
• Insert end of shift rod farthest from
bend into hole of shift lever indicator.
•Insert hairpin clip through hole of shift
rod to secure with bend of clip on right
side.
Attach this EndTo shift _ShiftRod
Lever Indicator
Shift Rod HairpinClip ShiftLever
Indicator
REMOVE TILLER FROM CRATE
•Adjust handle assemby to lowest
position. Be sure hex bolt is tightened
securely.
•Make sure shift lever indicator is in =N"
(neutral) position.
•Tilt tillerforward by liftinghandle.
Separate cardboard cover from leveling
shield.
•Rotate tiller handle to the right and pull
tiller out ofcarton.
CHECKTIREPRESSURE
The tires on your unit were overinflated at
the factory for shipping purposes. Correct
and equal tire pressure is important for
best tilling performance.
•Reduce tire pressure to 20 PSI.
HANDLE HEIGHT
• Handle height may be adjusted to
better suit operator. (See "TO ADJUST
HANDLE HEIGHT" in the Service and
Adjustments section of this manual).
7

These symbols may appear on your Tiller or in literature supplied with the product, Leam
and understand their meeting.
KNOW YOUR TILLER
READ THIS OWNER'S MANUALAND SAFETY RULES BEFORE OPERATING YOUR
TILLER.
Compare the Illustrations with your tiller to familiarize with the location of various
controls and adjustments. Save this manual for future reference.
TILLING FORWARO NEUTRAL REVERSE STOP
OR WARNqhiG ON OFF
Drive ControlBar
Shift Lever
Choke Control
Shift Lever Indicator
LevelingShield
Outer Side Shield Recoil
) Starter
Handle
MEETS ANSI SAFETY REQUIREMENTS
Our tillersconform to the safety standards of the American National Standards Institute.
DRIVE CONTROL BAR -Used to
engage tines.
DEPTH STAKE - Controls depth at which
tiller will dig.
LEVELING SHIELD - Levels tilled soil.
OUTER SIDE SHIELD - Adjustable to
protect small plants from being buried.
THROTTLE CONTROL - Used to control
engine speed.
SHIFT LEVER - Used to shift transmis-
sion gears.
SHIFT LEVER INDICATOR - Shows
which gear the transmission is in.
RECOIL STARTER HANDLE - Used to
start the engine,
CHOKE CONTROL - Used when starting
a cold engine.
8

The operation of any tiller can result in foreign objects thrown into the eyes,
whichcan result in severe eye damage. Always wear safety glasses or eye
shields before starting your tiller and while tilling. We recommend a wide
visionsafety mask over spectacles or standard safety glasses.
HOW TO USE YOUR TILLER
Know how to operate all controls before
adding fuel and oil or attempting to start
engine.
STOPPING
TINES AND DRIVE
• Release ddve control bar to stop
movement.
• Move shift lever to "N" (neutral)
position.
ENGINE
• Move throttle controlto "STOP"
position. If equipped with stop switch,
move switch to "STOP" position.
• Never use choke to stop engine.
Drive Control Bar
ShiftLever
=DISENGAGED"
Position Throttle
TINE OPERATION - WITH WHEEL
DRIVE
•Always release ddve control bar before
moving shift lever into another position.
•Tine movement is achieved by moving
shift lever to (_) till position and
engaging ddve control bar.
FORWARD -WHEELS ONLY/FINES
STOPPED
•Release drive control bar and move
shift lever indicator to "F" (forward)
position. Engage drive control bar and
tiller will move forward.
REVERSE -WHEELS ONLY/FINES
STOPPED
•DO NOT STAND DIRECTLY BEHIND
TILLER.
• Release the drive control bar.
• Move throttle control to =SLOW"
position.
•Move shift lever indicator to =R"
(reverse) position.
•Hold drive control bar against the
handle to start tiller movement.
HARD TO SHIFT GEARS
•Briefly engage drive control bar and
release or reck tiller forward and
backward until are able to shift gears.
DEPTH STAKE
The depth stake can be raised or lowered
to allow you more versatile tillingand
cultivating, or to more easily transport
your tiller.
ShallowestTilling
(CultivaUng)
/
Deeptest "Riling
Depth Stake /J
TILLING
"_Transport Position
•Release depth stake pin. Pull the
depth stake up for increased tilling
depth. Place depth stake pin in hole of
depth stake to lock in position.
•Place shift lever indicator in (_)till
position.
•Hold the drive control bar against the
handle to start tilling movement. Tines
and wheels will both turn.
•Move throttle control to "FAST position
for deep tilling. To cultivate, throttle
control can be set at any desired
speed, depending on how fast or slow
you wish to cultivate.
IMPORTANT: Always release drive
control bar before moving shift lever into
another position. Depth Stake Pin
=RELEASED" Position
'Locked"
Position
Shield
9

TURNING
•Release the drive control barl
•Move throttle control to "SLOW"
position,
•Place shift lever indicator in UF"
(forward) position. Tines will not turn.
•Lift handle to raise tines out of ground.
•Swing the handle in the opposite
direction you wish to turn, being careful
to keep feet and legs away from tines.
•When you have completed your turn-
around, release the drive control bar
and lower handle. Place shift lever in
till position and move throttle control to
desired speed. To begin tilling, hold
drive control bar against the handle.
OUTER SIDE SHIELDS
The back edges of the outer side shields
are slotted so that the shields can be
raised for deep tilling and lowered for
shallow tilling to protect small plants from
being buried. Loosen nut "A" in slot and
nut "B". Move shield to desired position
(both sides). Retighten nuts.
TO TRANSPORT
_CAUTION: Before liftingor transporting,
allow tiller engine and muffler to cool.
Disconnect spark plug wire. Drain
gasoline from fuel tank.
AROUND THE YARD
•Release the depth stake pin. Move the
depth stake down to the top hole for
transportingthe tiller. Place depth
stake pin in hole of depth stake to lock
in position. This prevents tines from
scuffing the ground.
•Place shift lever indicator in UF"
(forward) positionfor transporting.
•Hold the drive control bar against the
handle to start tiller movement. Tines
will nottum.
•Move throttle control to desired speed.
AROUND TOWN
•Disconnect spark plug wire.
•Drain fuel tank.
•Transport in upright position to prevent
oil leakage.
BEFORE STARTING ENGINE
IMPORTANT: Be very careful notto allow
dirt to enter the engine when checking or
adding oil or fuel. Use clean oiland fuel
and store in approved, clean, covered
Containers. use clean fillfunnels.
CHECK ENGINEOILLEVEL _
•The engine in your unit has been
shipped, from the factory, alreadyfilled
with SAE 30 summer weight oil, •
• With engine level, clean area around oil
filler plug and remove plug.
•Engine oilshould be to pointof
overflowing when engine is level. For
approximate capacity see "PRODUCT
SPECIFICATIONS" on page 4 ofthis
manual. All oil must meet A.P.I.
Service Classification SF, SG or SH.
•For cold weather operation you should
change oil for easier starting (See oil
viscositychart in the Maintenance
section of this manual).
•To change engine o11,see the Mainte-
nance section in this manual.
OilLevel
Plug
ADD GASOLINE
•Fillfuel tank. Use freshl clean, regular
unleaded gasoline. (Use of leaded
gasoline will increase carbon and lead
oxide deposits and reduce valve life.)
IMPORTANT: When operating intem-
peratures below 32°F(0°C), use fresh,
clean, winter grade gasoline to help
insure good cold weather starting.
_WARNING: Expedence indicates that
alcohol blended fuels (called gasohol or
using ethanol or methanol) can attract
moisture which leads to separation and
formation of acids dudng storage. Acidic
gas can damage the fuel system of an
engine while instorage. To avoid engine
problems, the fuel system should be
emptied before storage of 30 days or
longer. Drain the gas tank, start the
engine and let it run untilthe fuel lines
and carburetor are empty. Use fresh fuel
next season. See Storage section of this
manual for additional information. Never
use engine or carburetor cleaner prod-
ucts in the fuel tank or permanent
damage may occur.
ACAUTION: Fillto within 1/2 inch oftop
of fuel tank to prevent spills and to allow
for fuel expansion. If gasoline is acciden-
tally spilled, move machine away from
area ofspill. Avoid creating any source of
ignition until gasoline vapors have
10 disappeared.

Do not overfill. Wipe off any spilled oil or
fuel. Do not store, spill or use gasoline
near an open flame.
TO START ENGINE
_]LCAUTION: Keep tine control in =OFF"
position when starting engine.
When starting engine for the first time or if
engine has run out of fuel, it will take
extra putts of the recoil starter to move
fuel from the tank to the engine.
•Make sure spark plug wire is propedy
connected.
•Place throttle control in "FAST"
position.
•Move choke control to full "CHOKE"
position. Grasp recoil starter handle
with one hand and grasp tiller handle
with other hand. Pull rope out slowly
until engine reaches start of compres-
sion cycle (rope will pull slightly harder
at this point).
•Pull recoil starter handle quickly. Do
not let starter handle snap back against
starter. Repeat if necessary.
•If engine fires but does not start, move
choke control to half choke position.
Pull recoil starter handle until engine
starts.
•When engine starts, slowly move
choke control to =RUN" position as
engine warms up.
NOTE: Awarm engine requires less
choking to start.
•Move throttle control to desired running
position.
•Allow engine to warm up for a few
minutes before engaging tines.
NOTE: If at a high altitude (3000 feet) or
in cold temperatures (below 32°F), the
carburetor fuel mixture may need to be
adjusted for best engine performance.
See "TO ADJUST CARBURETOR" in the
Service and Adjustments section of this
manual.
NOTE: If engine does not start, see
troubleshooting points. ;parkPlug
Choke
Control
TILLING HINTS
_I,CAUTION: Until you are accustomed to
handling your tiller, start actual field use
with throttle in slow position.
•Tillingis digging into, turningover, and
breaking up packed soilbefore planting.
Loose, unpacked soil helps root growth.
Best tillingdepth is 4' to 6'. A tillerwill
also clear the soil of unwanted vegeta-
tion. The decomposition of thisveg-
etable matter enriches the soil. De-
pending on the climate (rainfall and
wind), it may be advisable to tillthe soil
at the end of the growing season to fur-
ther condition the soil.
•You will find tilling much easier if you
leave a row untilled between passes.
Then go back between tilled rows.
There are two reasons for doing this.
First, wide turns are much easier to ne-
gotiate than about-feces. Second, the
tiller won't be putting itself, and you, to-
ward the row next to it.
° Soil conditionsare important for proper
tilling. Tines will not readily penetrate
dry, hard soil which may contribute to
excessive bounce and difficulthandling
of your tiller. Hard soil should be mois-
tened before tilling;however, extremely
wet soil will "ball-up" or clumpduring till-
ing. Wait until the soil is less wet in or-
der to achieve the best results. When
tillingin the fall, remove vines and long
grass to prevent them from wrapping
around the fine shaft and slowing your
tillingoperation.
•Do not lean on handle. This takes
weight offthe wheels and reduces trac-
tion. To get through a really tough sec-
tion of sod or hard ground, apply up-
ward pressure on handle or lower the
depth stake.
Recoil
Starter Handle 11

CULTIVATING
Cultivating is destroying the weeds
between rows to prevent them from
robbing nourishment and moisture from
the plants. At the same time, breaking up
the upper layer of soil crust will help retain
moisture inthe soil. Best digging depth is
1" to 3" (2.5-7.5 cm). Lower the outer
side shields to protect small plants from
being buried.
•Cultivate up and down the rows at a
speed which will allow tines to uproot
weeds and leave the ground in rough
condition, promoting no further growth
of weeds and grass
o olo OlO
© OIO O1©
© ©10 ©10
O OIO OIO
TINE SHEAR PINS
The tine assemblies on your tiller are
secured to the tine shaft with shear pins
(See =TINE REPLACEMENT" in the
Service and Adjustments section of this
manual).
t!the titter is unusually overloaded or
jammed, the shear pins are designed to
break before internal damage occurs to
the transmission.
•If shear pin(s) break, replace only with
those shown in the Repair Parts
section of this manual.
ADJUST WHEELS FOR
CULTIVATING
•Place blocks under right hand side of
tiller and remove hairpin clip and clevis
pin from right hand wheel.
• Move wheel outward approximately 1
inch (2.5 cm) until hole in inner wheel
hub lines up with inner hole in axle.
•Replace clevis pin and hairpin clip on
inside of wheel and remove blocks.
•Repeat preceding steps on left hand
side.
NOTE: In extremely rough conditions and
while cultivating, the wheels should be
moved outward on the axle for increased
stability,
OUTER VIEW OF TIRE
Clevis Pin \
d
INNER VIEW OF TIRE
12

MAINTENANCE __ _//J_/
SCHEDULE
F,LL,NO,TOS ,/d/
Check Engine Oil Level I_ I_
Change Engine Oil 1_1,2
_l PivotPokers II/'
Inspect Spark An'ester /Muffler
Inspect Air Screen I_
Clean or Replace Air Cleaner Cartridge 1_2
Clean Engine Cylinder Fins ll_
Replace Spark Plug I_
RH Gear Case Grease Fitting (1oz.)
1 - Change more oRen when operlaing under a heavy load or k_high ambient temperatut'e6,
2. Service moce often when opera_'lg In dirly or dusiy conditions,
GENERAL RECOMMENDATIONS
The warranty on this tiller does not cover
items that have been subjected to
operator abuse or negligence. To receive
full value from the warranty, the operator
must maintain tiller as instructed in this
manual.
Some adjustments will need to be made
periodically to properly maintain your tiller.
All adjustments in the Service and
Adjustments section of this manual
should be checked at least once each
season.
•Once a year you should replace the
spark plug, clean or replace air filter,
and check tines and belts for wear. A
new spark plug and clean air filter
assure proper air-fuel mixture and help
your engine run better and last longer.
BEFORE EACH USE
• Check engine oil level.
•Check line operation.
• Check for loose fasteners.
LUBRICATION
Keep unit well lubricated (See =LUBRICA-
TION CHART")
LUBRICATION CHART
* ThrottleControl
***RH Gear Case
* Depth Stake Pin
* Idler Bracket
* Wheel Hub
Shield
Hinges
* SAE 30 OR 5W-30 Motor Oil
** Refer to Maintenance =ENGINE. Section
*** EP #1 Grease
13

ACAUTION: Disconnect spark plug wire
before pedorming any maintenance
(except carburetor adjustment) to prevent
accidental starting of engine.
Prevent firesf Keep the engine free of
grass, leaves, spilled oil, or fuel. Remove
fuel fromtank before tipping unitfor
maintenance. Clean muffler area of all
grass, dirt, and debris.
Do nottouch hot muffler or cylinder fins
as contact may cause bums.
ENGINE
LUBRICATION
Use only high quality detergent oil rated
withAP/service classification SF, SG or
SH. Select the oil'sSAE viscositygrade
according to your expected temperature.
SAE _IScosrrY GRADES
o" io"
TEMPERATURE RANGE ANTICIPATED BEFORE NEXT OIL CHANGE
NOTE: Although multi-viscosityoils (5W-
30, 10W-30, etc.) improve starting in cold
weather, these multi-viscosityoils will
result in increased oil consumption when
used above 32°F (0°C). Checkyour
engine oil level more frequently to avoid
possible engine damage from running low
on oil.
Change the oil after every 50 hours of
operation or at least once a year if the
tiller is not used for 50 hours in one year.
Check the crankcase oil level before
starting the engine and after each five (5)
hours of continuous use. Add SAE 30
motor oil or equivalent. Tighten oilfiller
plug securely each time you check the oil
level.
' TO CHANGE ENGINE OIL
Determine temperature range expected
before oil change. All oil must meet API
service classification SF, SG or SH.
•Be sure tiller is on level surface.
•Oil will drain more freely when warm.
•Use a funnel to prevent oil spillon tiller,
and catch oil in a suitable container.
•Remove drain plug.
•Tip tiller forward to drain oil.
•After oll has drained completely,
replace oil drain plug and tighten
securely.
•"Remove oilfiller plug. Be careful not to
allow dirt to enter the engine.
•Refill engine with oil. See "CHECK
ENGINE OIL LEVEL" inthe Operation
section of this manual.
OII Drain Plug,,
Level
Oil Filler Plug
AIR CLEANER
Service air cleaner cartridge every
twenty-five hours, more often if engine is
used in very dusty conditions.
•Loosen air cleaner screws, one on
each side of cover.
•Remove air cleaner cover.
•Carefully remove air cleaner cartridge.
Be careful. Do not allow dirt or debris to
fall into carburetor.
•Clean by tapping gently on a flat
surface.
•If very dirty or damaged, replace
cartridge.
•Clean and replace cover. Tighten
screws securely.
_CAUTION: Petroleum solvents, such as
kerosene, are not to be used to clean
cartridge. They may cause deterioration
of the cartridge. Do not oil cartridge. Do
not use pressurized air to clean or dry
cartridge. Dover
Air Cleaner
Screw
Air Cleaner
Cartridge
COOLING SYSTEM
Your engine is aircooled. For proper
engine pedormanca and tong life keep
your engine clean.
• Clean air screen frequently using a
stiff-bristled brush.
•Remove blower housing and clean as
necessary.
•Keep cylinder fins free of dirt and chaff.
14

Muffler. rRns
MUFFLER
Do not operate tillerwithout muffler. Do
not tamper with exhaust system. Dam-
aged mufflersor spark arresters could
create a fire hazard. Inspect periodically
and replace if necessary. If your engine is
equipped with a spark arrsster screen
assembly, remove every 50 hours for
cleaning and inspection. Replace if
damaged.
SPARK PLUG
Replace spark plugs at the beginning of
each tillingseason or after every 50 hours
of use, whichever comes first. Spark plug
type and gap setting are shown in
"PRODUCT SPECIFICATIONS".
TRANSMISSION
Once a season, lubricate the right hand
gear case grease fittingwith 1 oz. of EP
#1 grease.
CLEANING
• Clean engine, wheels, finish, etc. of all
foreign matter.
• Keep finished surfaces and wheels free
of all gasoline, oil, etc.
•Protect painted surfaces with automo-
tive type wax.
We do not recommend usinga garden
hose to clean your unit unless the muffler,
air filter and carburetor are covered to
keep water out. Water in engine can
result in a shortened engine life.
ACAUTION: Disconnect spark plug wire
from spark plug and place wire where it
cannot come into contact with plug.
TILLER
TO ADJUST HANDLE HEIGHT
Select handle height best suited for your
tillingconditions. Handle height will be
different when tiller digs into soil,
•First loosen handle hex bolt.
• Handle can be positioned at different
settings between =HIGH" and =LOW"
positions.
•Retighten hex bolt securely after
adjusting.
HandLe(High) Position
Handle LockLever
Handle (Low) Position
TIRE CARE
ACAUTION: When mountingtires,
unless beads are seated, overinflation
can cause an explosion.
•Maintain 20 pounds of tire pressure. If
tire pressures are notequal, tiller will
pull to one side.
•Keep tires free of gasoline or oilwhich
can damage rubber.
TO REMOVE WHEEL
•Place blocks under transmission to
keep tiller from tipping.
•Remove hairpin clip and clevis pin from
wheel.
•Remove wheel and tire.
• Repair tire and reassemble.
Clevis Pin
HairpinClip
15

TO REMOVE BELT GUARD
NOTE: For ease of removal, remove
hairpin clip and clevis pin from left wheel.
Pull wheel out from tiller about 1 inch.
• Remove two (2) screws from side of
belt guard.
•Remove hex nut and washer from
bottom of belt guard (located behind
wheel).
•Pull belt guard out and away from unit.
• Replace belt guard by reversing above
procedure.
BeltGuard Screw
_< _ ._ (Located
_ 9° _hind
\
Hahpin Clip and Clevis Pin
TO REPLACE GROUND DRIVE
BELT
• Remove belt guard as described in "TO
REMOVE BELT GUARD".
• Remove old belt by slipping off engine
pulley first then remove from transmis-
sion pulley.
•Place new belt in groove oftransmis-
sion pulley and into engine pulley.
BELT MUST BE IN GROOVE ON TOP
OF IDLER PULLEY. NOTE POSITION
OF BELT TO GUIDES.
•Check belt adjustment as described
below.
•Replace belt guard.
•Reposition wheel and replace clevis pin
and hairpin clip.
GROUND DRIVE BELT
ADJUSTMENT
For proper belt tension, the extension
spring should have about 5/8 inch stretch
when drive controlbar is in"ENGAGED"
position. This tension can be attained as
follows:
•Loosen cable clip screw securing the
drive control cable.
•Slide cable forward for less tension and
rearward for more tension until about
5/8 inch stretch is obtained while the
drive control bar is engaged.
•Tighten cable clip screw securely.
Cable ClipScrew
DriveControlCable
Be_tGuide
Extension
Transmission Pulley
16

TINE REPLACEMENT
ACAUTION: "nnes are sharp. Wear
gloves or other protection when handling
tines.
A badly worn tine causes your tiller to
work harder and dig more shallow. Most
important, worn tines cannot chop and
shred organic matter as effectively nor
bury it as deeply as good tines. Atine
New "nne Wom'11ne
this wom needs to be replaced.
•To maintain the superb tillingperfor-
mance of this machine the tines should
be checked for sharpness, wear, and
bending, particularly the tines which are
next to the transmission. If the gap be-
tween the tines exceeds 3-1/2 inches
they should be replaced or straightened
as necessary.
•New tines should be assembled.
Sharpened tine edges will rotate rear-
ward from above.
Transmission
_o_n.tt_oner'_ne
Sharp Edge
Shear Pin
"Fine
Tine I I
I I
I I
I I
Clip
Shear Pin SharpEgde
17

ENGINE
Maintenance,repair,or replacementof
theemissioncontroldevicesand sys-
tems,whichare being done at the
customers expense, may be performed
by any non-roed engine repair establish-
ment or individual. Warranty repairs must
be performed by an authorized engine
manufacturer's service outlet.
TO ADJUST THRO'I'rLE CONTROL
CABLE
•Loosen cable clamp screw to allow
cable to move.
•Move throttle control lever on upper
handle to =FAST" position.
•Pull throttle cable out until engine
bellcrank is back as far as it will go.
•Hold cable in this position and tighten
clamp screw securely.
Throttle Cable ) Screw
FINAL SE'R'ING
•Start engine and allow to warm for five
minutes.
•With throttle controllever in=SLOW"
position.
IDLE RPM ADJUSTMENT
•Rotate throttle linkage counterclock-
wise and hold against stop while
adjusting idle speed adjusting screw to
obtain 1750 RPM. Release throttle
linkage.
High speed stop is factory adjusted. Do
not adjust or damage may result.
IMPORTANT: Never tamper with the
engine governor, which is factory set for
proper engine speed, overspeeding the
engine above the factory high speed
setting can be dangerous. If you think the
engine-governed high speed needs
adjusting, contact your nearest sears
service centerdepartment, which has
proper equipment and experience to
make any necessary adjustments.
Throttle Stop
/
Bell Crank
TO ADJUST CARBURETOR
The carburetor has a high speed jet and
has been preset at the factory end
adjustment should not be necessary.
However, minor adjustments may be
required to compensate for differences in
fuel, temperature, altitude or load. If the
carburetor does need adjustment,
proceed as follows.
Idle Speed AdjustingScrew
18

Immediately prepare your tiller for storage
at the end of the season or if the unit will
not be used for 30 days or more.
_CAUTION: Never store the tiller with
gasoline in the tank inside a building
where fumes may reach an open flame or
spark. Allow the engine to cool before
stodng in any enclosure.
TILLER
•Clean entire tiller (See "CLEANING" in
the Maintenance section of this
manual).
•Inspect and replace belts, if necessary
(See belt replacement instructions in
the Service and Adjustments section of
this manual).
•Lubricate as shown in the Maintenance
section of this manual.
•Be sure that all nuts, bolts and screws
are securely fastened. Inspect moving
parts for damage, breakage and wear.
Replace if necessary.
•Touch up all rusted or chipped paint
surfaces; sand lightlybefore painting.
ENGINE
FUEL SYSTEM
IMPORTANT: It isimportant to prevent
gum deposits from forming in essential
fuel system parts such as the carburetor,
fuel filter,fuel hose, or tank dudng
storage, also, experience indicates that
alcohol blended tuets (called gasohol or
usingethanol or methanol) can attract
moisture which leads to separation and
formation of acids during storage. Acidic
gas can damage the fuel system of an
engine while in storage.
•Drain the fuel tank,
•Start the engine and let it run untilthe
fuel lines and carburetor are empty.
•Never use engine or carburetor cleaner
products in the fuel tank or permanent
damage may occur.
•Use fresh fuel next season.
NOTE: Fuel stabilizer is an acceptable
alternative in minimizing the formation of
fuel gum deposits during storage. Add
stabilizer to gasoline in fuel tank or
storage container. Always follow the mix
ratio found on stabilizer container. Run
engine at least 10 minutes after adding
stabilizer to allow the stabilizer to reach
the carburetor. Do not drain the gas tank
and carburetor if using fuel stabilizer.
ENGINE OIL
Drain oil (with engine warm) and replace
with clean oil. (See =ENGINE" in the
Maintenance section of this manual).
CYLINDER(S)
•Remove spark plug.
•Pour I ounce (29 ml) of oilthrough
spark plug hole into cylinder,
•Pull starter handle slowly several times
to distdbute oil,
•Replace with new spark plug,
OTHER
•Do not store gasoline from one season
to another.
•Replace your gasoline can if your can
starts to rust. Rust and/or dirt inyour
gasoline will cause problems.
•If possible, store your unit indoors and
cover it to give protection from dust and
dirt.
•Cover your unit with a suitable protec-
tive cover that does not retain moisture.
Do not use plastic. Plastic cannot
breathe which allows condensation to
form and will cause your unit to rust.
IMPORTANT: Never cover tillerwhile
engine and exhaust areas are stillwarm.
19

PROBLEM
Will not start
Hard to start
Loss of power
CAUSE
1. Out of fuel.
2. Engine not "CHOKED"
properly.
3. Engine flooded.
4. Dirty air cleaner.
5. Water in fuel.
6. Clogged fuel tank.
7. Loose spark plug wire.
8. Bad spark plug or
improper gap.
9. Carburetor out of adjust-
ment.
10.Oil soaked air filter.
1. Throttle control not set
propedy.
2. Dirty air cleaner.
cartridge.
3. Bad spark plug or
improper gap.
4. Stale or dirty fuel.
fresh gasoline.
5. Loose spark plug wire.
seated propedy on plug.
6. Carburetor out of adjust-
ment.
1. Engine is ovedoaded.
2. Dirty air cleaner.
3. Low oil level/dirty oil.
4. Faulty spark plug.
5. Oil in fuel.
6. Stale or dirty fuel.
fresh gasoline.
7. Water in fuel.
8. Clogged fuel tank,
9. Spark plug wire loose.
plug wire.
10. Dirty engine air screen.
11. Dirty/clogged muffler.
12. Carburetor out of adjuts-
mant.
13. Poor compression.
20
CORRECTION
1. Fill fuel tank.
2. See "TO START ENGINE" in
the Operation section.
3. Wait several minutes before
attempting to start.
4. Clean or replace aircleaner
cartridge.
5. Drain fuel tank and carburetor,
and refilltank with fresh
gasoline.
6. Remove fuel tank and dean.
7. Make sure spark plug wire is
seated propedy on plug.
8. Replace spark plug or adjust
gap.
9. Make necessary adjustments.
10. Replace air filter.
1. Place throttle controlin "FAST"
position.
2. Clean or replace air cleaner
3. Replace spark plug or adjust
gap.
4. Drain fuel tank and refill with
5, Make sure spark plug wire is
6, Make necessary adjustments.
1. Set depth stake and wheels
for shallower tilling.
2. Clean or replace aircleaner
cartddge.
3. Check oil leveVchange oil.
4. Clean and regap or change
spark plug.
5. Drain and clean fuel tank and
refill, and clean carburetor.
6. Drain fueltank and refillwith
7. Drain fuel tank and carburetor,
and refill tank with fresh
gasoline.
8. Remove fuel tank and clean.
9. Connect and tighten spark
10. Clean engine air screen.
11. Clean/replace muffler.
12. Make necessary adjustments.
13. Contact an authorized Sears
Service CentedDepartment.

PROBLEM
Engine
overheats
Excessive
bounce/difficult
handling
Soil bails upor
clumps
Engineruns but
tiller won't
move
Engineruns but
labors when
tilling
Tlnes Skip
overground
Hardto Shift
into gear
Tiller shuts off
when drive
control bar
engaged
CAUSE
1. Low oil level/dirty oil.
2. Dirty engine air screen.
3. Dirty engine.
muffler area.
4. Partially plugged muffler.
5. Improper carburetor
adjustment.
1. Ground too dry and hard.
more favorable
1. Ground too wet.
1. Tine control is not engage€
2. V-belt not correctly
adjusted.
3. V-belt is off pulley(s),
1. "fillingtoo deep.
tilling,
2. Throttle control not
properlyadjusted.
3. Carburetor out of
adjustment.
1. Shear pin (s) broken.
1. Gears not timmed.
1. Shift lever set in between
counter rotating till position
and forward rotating till
position.
2. Tines jammed.
CORRECTION
1. Check oil level/change oil.
2. Clean engine air screen.
3. Clean cylinder fins, air screen,
4. Remove and clean muffler.
5. Adjust carburetor to richer
position.
1. Moisten ground or wait for
soil conditions.
1. Wait for more favorable
soil conditions.
•1. Engage tine control.
2. InspectJadjustV-belt.
3. Inspect V-belt.
1. Set depth stake for shallower
2. Checkthrottle control setting.
3. Make necessary adjustments.
1. Replace shear pin(s).
.
.
Briefly engage drive control
bar and release or rocktiller
forward and backward until
are able to shift gears.
Shift to either counter rotating
till position or forward rotating
till position,
2, Clear tines.
21

TILLER - - MODEL NUMBER 917.293203
HANDLES
3
69
15
31 \\
11
KEY PART KEY PART
NO. NO. DESCRIPTION NO. NO.
1 127012X ContmlThrottle 19 19131611
2 141406 Grip, Handle 20 109228X
3 110673X Grommet, Handle 21 150258
4 127254X Bar, Drive ControlAssembly 22 165197
5 6712J Cap, Vinyl 23 86777
6 137119X031 Panel, Control
7 110641X Bushing,Split 24 9484R
8 71191008 *Screw, Phd.#10-24UNC 25 73970500
GD 2 Phosp 26 110675X
9 72010520 *BaltS/16-18x2.50 27 STD541025
10 110646X Handle, Grip 28 STD551125
11 STD624003 *Clip, Hairpin 29 STD541462
12 81328 BaH, Shoulder 31 150696
13 110741X Handle, Shift
14 109313X Grommet, Rubber
15 110702X Rod, Shift
16 STD533710 °Bolt, Cardage 318-16 x I Gr. 5
17 109229X Lock, Handle
18 STD541437 *Nut, Centedock 3/8-16
DESCRIPTION
Washer 13/32 x'l x 11 Ga.
Lever, Lock, Handle
Handle,Assemble
Clip, Nyl BIk Cable
Screw, Hox, Washer Hd, Slotted
#10-24 x 1/2
Clip
Locknut,Hex, Flange
Clutch,Cable
"Nut, Hox 1/4-20
"Washer, Lock 1/4
*Nut, Keps #10-24
Bolt,Pivot
* STANDARD HARDWARE --PURCHASE
LOCALLY
NOTE: All componentdimensionsgiven in U.S.
inches. 1 inch = 25.4 mm
42

TILLER - - MODEL NUMBER 917.293203
MAINFRAME,LEFTSIDE
39
\
36
31
3O
28
23
KEY PART
NO. NO. DESCRIPTION
ISrD541431 *Nut, Kepa, Flange 5/16-18
2S'[D551137 "Washer, Lock 3/8 KEY PART
3 STD541037 "Nut, Hex 3/8-16 NO. NO.
4 170127 Sh_d, Inner BertGuard Rt
5 154734 Screw ShiftLever 25 STD624003
6 110111X Lever, Shltt 26 165501X558
7 STD532505 "Bolt, CaR 1/4-20xl/2Gr. 5 27 132801
8 8700J Plate, Shlftlndlcetor 28 104679X
9 86777 Screw, Hex, Washer Head, 29 12000032
Slotted#10-24 x 1/2 30 159229
10 9484R Clip 31 102384X
11 STD551125 "Washer, Lock1/4 32 102141X
12 STD541025 *Nut, Hex 1/4-20 33 STD523710
13 23230506 *Screw, Set, 5/16-18x3/8 34 102383X
14 110652X Spacer,Splft 35 74760524
0.327 x 0.42 x 2.09 36 I02331X
15 STD551031 *Washer 11/32x11/16x16Ga. 37 130812
16 145102 Sheave, Tmnsmisslon 38 74760544
19 12000028 Ring,Retaining 39 140062
21 156117 Spacer, Spilt 40 170488
0.327 x 0.42 x 1.220 43 69180
22 74770508 Bolt, FinHex5/16-24UNFxli2 44 73800500
23 102190X Tim
150750 Rim
795R Tire Valve
24 126875)( Rivet,Ddned
24
DESCRIPTION
*Clip, Hairpin
Guard, Belt
Belt, V
Pulley,Idler
Ring,Klip
Bracket, Idler
Bolt,Hex 5/16-16 x 12
Shaft, IdlerArm
*Bolt, Hex 3/8-16 x 1
CountenNeight,LH.
Boft, Hax 5/16-18 x 1-1/2
Bracket, Reinforcement, LH.
Sheave, Engine
Bolt,Fin Hex 5/16-18 x 2-3/4
cap
Screw Hex Wsh #10-24 x .50
Nut Lock #10-24
Nut, Lock Hex w/Ins 5/16-18
* 8TANDAI_D HARDWARE -- PURCHASE
LOCALLY
NOTE: All component dimenslonsgiven In U.S.
inches. 1 inch = 25.4 mm
43

TILLER - - MODEL NUMBER 917.293203
MAINFRAME, RIGHT SIDE
12
9
KEY PART
NO. NO.
5 102332X
6 74760524
7 102173)(
8 STD551137
9 STD541037
11 STD624003
12 126875X
13 102190X
150750
795R
DESCRIPTION
Bracket,Relnforcrnent
Bolt, Hex 5/16-18 x 1-1r2
Counter Weight, R.R.
"Washer, Lock 3/8
*Nut, Hex 3/8-16
*Clip, Hairpin
Rivet, Ddlled
Tire
Rim
Tire Valve
KEY PART
NO. NO.
14 STD541431
15 .....
DESCRIPTION
*Nut, Keps 5/16-18
Engine, (See Breakdown)
Btigg_ & Stratton Model No.
137202,Type No. 1125-E1
* STANDARD HARDWARE - - PURCHASE
LOCALLY
NOTE: All componentdimens)onsgiven in
U.S.inches. I inch= 25.4 mm
44

TRANSMISSION
TILLER - - MODEL NUMBER 917,293203
12_ lS
11
44
KEY PART
NO. NO.
1 170337
2 165729
3 161963
4 5020,1
5 1370H
6 137335
7 145101
8 4895H
9 154467
10 7392M
11 100371K
12 106160X
13 142145
14 8353J
15 12000039
16 154466
18 4350J
19 12000040
20 102114X
21 102115X
22 6803J
23 102111X
24 S'rD551143
25 STD541143
27 143009
28 106390X
29 102134X
30 150737
31 143008
51 S4
KEY PART
DESCRIPTION NO. NO.
TransmissionAseambty (Includes 32 106388X
KeyNos. 2-54) 33 102121X
Gearcase, LH. w/Bearing 34 102112X
(Includes Key No. 4) 35 102101X
Gasket, Gearcase 36 154355
Bearing,Needle
Washer Thrust 5/8 x 1.10 x 1/32 37 4422J
Pinion,Input 38 154356
Shaft, Input 39 105345X
Beadng, Needle 40 105346X
Washer, Seal 41 8358J
Bell,Steel 42 4220R
Spdng, Shitt, Fork 43 106146X
O-Ring 44 155236
Arm, Shift 48 170338
Fork, Shift
Ring,Klip 49 132688
Shaft, Shift 50 106147X
Washer 51 17720408
Ring,Klip 52 STD541031
Gear, Assembly, Reverse Idler 53 165140
(Includes Key Nos. 21 and 22) 54 17720412
Gear, Reverse Idler 60 6855M
Shaft, Reverse Idler - - 6066J
Shaft, Reverse Idler
*Washer, Lock 7/16
"Nut, Hex 7/16-20
Beadng, Shaft, Ground Ddvo
Spacer 0,765 x 1.125 x 1.23
Chain #35-50 Pitch
Ground Shaft Assembly
Beadng, Shaft, Ground Drive
DESCRIPTION
Spacer 0.70 x 1.00 x 1.150
Sprocket and Gear Assembly
Shaft, Reduction (2nd)
Screw, Look 5/16-18 x 3-1/2
Sprocket Assemblyw/Beadng
(Includes Key Nos. 37 and 38)
Beadng, Needle
Sprocket, Tine
Gear, Cluster, Red 1st & 2nd
Gear, Reverse
Shaft, Reduction (1st)
Washer, Thrust
Spacer 1.01 x 1.75x0.760
Seal Asm OII
Gearcaea, R.H. w/Beadng
(Includes Key No. 8)
Shaft, Tine
Chain, Roller #50-50 Pitch
Screw 1/4-20 x 1/2
*Nut, Hex 5/16-18
Beating Kit,"lineShaft
Screw Thd Cut 1/4-20 x 3/4
Fitting Grease
Grease, Plastilube#1
* STANDARD HARDWARE. -PURCHASE
LOCALLY
NOTE: Allcomponent dimensionsgiven in
U.S.Inchas. 1 inch= 25.4 mm
45

TINE SHIELD
TILLER - - MODEL NUMBER 917.293203
17
24 29 1
15
KEY PART
NO. NO.
1 73900500
2 161415X558
3 8393,1
4 12000036
5 STD533107
6 8394J
7 8392J
8 109230X
9 102326X558
10 72140508
11 STD541031
12 STD551131
13 STD533112
14 124343X
15 161414X558
17 162175
18 STD532512
19 102701X
KEY PART
DESCRIPTION NO. NO.
Nut, Lock Hex Flange 5/16-18 20 STD541037
Shield, Side, Outer L H. 21 102156X
Pin, Stake, Depth 22 74930632
Ring, Klip 23 4440J
*Bolt, Carr 5/16-18 x 3/4 Gr 5 24 STD532505
Spring 25 6712J
Bracket, Latch 26 109227X
Spdng, Depth Stake 27 102695X558
Shield,Tine 28 120588X
Bolt Rdhd 5/16-18 UNC x I 29 104085X558
*Nut, Hex 5/16-18 32 STD541425
*Washer, Lock 5/16 33 STD551125
Bolt,Carriage 5/16-18 x 1-1/4
Bracket, Shield "line
Shield, Side, Outer R.H.
Nut, Wing Forged 5/16-18
*Bolt, Carriage 1/4-20 x 1-1/4
Grip
DESCRIPTION
"Nut, Hex 3/8-16
Stake, Depth
Bolt, Hex 3/8-16 x 2
Hinge
*Bolt,Carriage 1/4-20 x 1/2
cap,vin
Pad, Idler
Shield,Leveling
Pin, Hinge
Shield Asm PntSide
*Nut, Keps He:( 1/4-20
Washer Lock Hvy Helical 1/4
* STANDARD HARDWARE --PURCHASE
LOCALLY
NOTE: Allcomponent dimensionsgiven inU.S.
inches. 1 inch = 25.4 mm
46

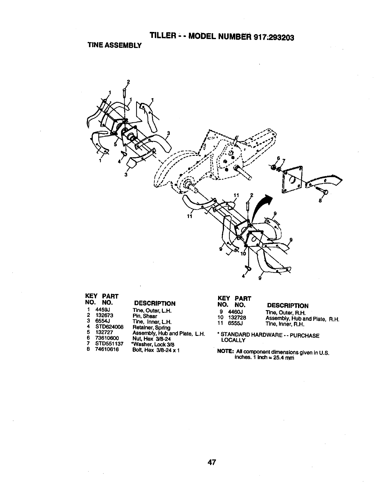
TILLER - ' MODEL NUMBER 917.293203
TINE ASSEMBLY
2
1
1
3
11
11 2
6 7
8
KEY PART
NO. NO.
1 4459J
2 132673
3 6554J
4STD624008
5 132727
6 7361O600
7 ST0551137
8 74610616
KEY PART
DESCRIPTION NO. NO.
Tine, Outer, L.H. 9 4460J
Pin,Shear 10 132728
Tine, Inner,L.PI. 11 6555J
Retainer, Spdng
Assembly,Hub end Prate+L.H.
Nut, Hex 3/8-24
"Washer, Lock 3/6
Bolt,Hex 3/8-24 x 1
DESCRIPTION
Tine, Outer, R.H.
Assembly, Hub end Plate, R.H.
Tine, inner, R.H.
* STANDARD HARDWARE - -PURCHASE
LOCALLY
NOTE: Allcomponent dimensions given InU.S.
inches. 1 inch = 25.4 mm
47

DECALS
TILLER - - MODEL NUMBER 917.293203
1
lO
7
Q
i
/11
KEY PART
NO. NO.
1 163119
2 166132
3 166133
4 137538
5 120431X
6 102180X
7 110719X
8 165268
9 120075X
10 1'57984
11 165278
12 162215
13 163094
- - 172052
DESCRIPTION
Decal, Logo
Decal, Logo
Decal, Description
Decal, Caution, DriveControl
Decal, Hand Placement
Decal, ShiftIndicator
Decal, Operationand Lubrication
Decal, Craftsman
Decal, Warning, Rotating Tines
Decal, Counter Rot. Tine
Decal, 5 HP
Decal, Tine ShieldWing Dora
Decal, Depth Stake
Manual, Owner's (Eng/Span)
48

TILLER - - MODEL NUMBER 917.293203
ENGINE, BRIGGS & STRATI"ON - - MODEL NUMBER 137202, TYPE NO. 1125-E1
3O7
_500
)15 528
INSTRUCTION MANUAL.
49

TILLER - - MODEL NUMBER 917.293203
ENGINE,BRIGGS& STRATTON- - MODELNUMBER137202,TYPENO.1125-E1
202
2oe
211
5O

TILLER - - MOOEL NUMBER 917.293203
ENGINE, BRIGGS & STRA'rTON - - MODEL NUMBER 137202, TYPE NO. 1125-E1
2OO
3O7
10.SVA_EO_._U._S_,_ _I
51

TILLER -- MODEL NUMBER 917.293203
ENGINE,BRIGGS& STRATTON- - MODELNUMBER137202,TYPENO.1125-E1
KEY PART KEY PART
NO. NO. DESCRIPTION NO. NO. DESCRIPTION
1 497144 CylinderAssembly 35 260552 Spring,IntakeValve
2 399268 Bushing,Cylinder 36 26478 Spring,ExhaustValve
3 299819 * Seal, Oil 37 222443 Guard,Flywheel
5 40 93312 Retainer,IntakeValveand214040 Head, Cylinder
7 272157 e* Gasket' CylinderHead ExhaustSIpdng
8 495774 BreatherAssembly 45 260642 Tappet,Valve
9 27549 _* Gasket, ValveCover 46 214726 Gear,Cam
10 94621 Screw,BreatherMounting 51 273113 e.* Gasket,CarburetorMounting
11 66578 Grommet,BreatherTube 55 497442 Housing,RewindStarter
12 270080 * Gasket, Crankcase, 56 498144 Pulley,Rewind Starter
Standard .015" 58 66894 Rope, RewindStarter
270125 * Gasket, Crankcase .005" (Cutto RequiredLength)
Thick 60 691915 Handle, RewindStarter
270126 * Gasket, Crankcase .009" 65 94904 Screw,HousingMounting
Thick 65A 94669 Screw, Hex
13 94221 Screw,CylinderHead 2-3/ 73 225176 Screen, Rotating
32" 81 222263 Lock,Screw
14 94679 Screw, CylinderHead 2-15/ 90 498298 CarburetorAssembly
32" 95 93499 Screw,ThrottleValve toShaft
15 94916 Plug, Pipe, Hex Socket 96 223793 Throttle,Carburetor
16 492088 Crankshaft 97 497600 ShaftandLever, Throttle
94388 Gear Key,Crankshaft 108 497230 Valve andShaftGroup,
18 494044 Cover Assembly,Crankcase Choke
19 495660 Bushing,CrankcaseCover 111 262715 Spdng,Choke
20 294606 * Seal, Oil 121 495606 CarbumtorOverhaulKIt
21 281658 Plug,Oil Filler 124 94913 Screw, Hex Head
21A 399195 Cap, OilFIII 127 220352 Plug,Welch
22 94980 Screw, Cover Mounting 127A 0223789 Plug,Welch
94917 Stud, Hex Drive 147 231955 Jet, Pilot
(Use in positions4 & 5 of 152 260575 Spring,ThrottleAdjustment
crankcasecover) 154 93527 Screw, Machine,Round
23 393673 Flywheel,Magneto Head
24 222698 Key,Flywheel 162 490589 Screw and Collar
25 298904 PistonAssembly,Standard t63 271935 e* Gasket,Air Cleaner
Size Mounting
298905 PistonAssembly .010" 180 495405 TankAasemb|y,Fuel
Oversize 181 494559 Cap, FuelTank
298906 PistonAssembly .020" 190 94924 Screw,FuelTank
Oversize 190A 94919 Screw,FustTankMount'_g
298907 PistonAssembly .030' 19t 272489 .* Gasket, FuelTank to
Oversize Carburetor
26 298982 RingSet, Piston,Standard 200 223886 Guide,Air
Size 202 262280 Link,Mech. Govemor
299742 RingSet, Piston,Standard,
Chrome "Included in GasketSet (495603)
298983 RingSet, Piston .010" * IncludedinCarburetorOverhauIKit
Oversize (495606)
298984 RingSet, Piston .020" oIncludedinValve OverhaulGasketSet
Oversize (498529)
298985 RingSet, Piston .030"
Oversize NOTE: All component dimensionsgivenin
27 26026 Lock,Piston Pin U.S. inches 1 inch= 25.4 mm
28 298909 PinAssembly, Piston,
Standard
298908 PinAssembly,Piston .005"
Over
29 299430 Rod Assembly, Connecting
390459 Rod Assembly, Connecting
.020"UndersizeCranlq)ln
Bore
30 225183 Dipper,Connecting Rod
32 94745 Screw,ConnectingRod
33 211t 19 Valve, Exhaust
34 261044 Valve, Intake
52

TILLER - - MODEL NUMBER 917.293203
ENGINE,BRIGGS& STRATTON- - MODELNUMBER137202,TYPENO.1125-E1
KEY PART KEY PART
NO. NO. DESCRIPTION NO, NO. DESCRiPTiON
203 280720 BellCrank 552 231079 Bushing,GovernorCrank
205 231520 Screw,Shoulder 562 94907 Bolt,GovernorLever
208 262279 Red, Speed Control 592 231978 Nut, Hex
209 262284 Spdng,Governor 608 692696 StarterAssembly,Rewind
211 263031 Spring,GovernorIdle 611 231068 Pipe, Fuel
212 262270 Link,Throttle 612 391513 Fuel Pipe and ClipAssembly
216 262359 Link,Choke 613 93935 Screw,Hax Head, Shoulder
219 494845 Gear,Governor 614 93306 Pin,Cotter
220 221551 Washer,Thrust 616 495243 Crank,Governor
222 490649 Panel,Control 621 396847 Switch,Stop
227 490374 LeverAssembly,Govemor 623 94943 Screw,Shoulder
230 94927 Washer,GovernorLever 634 271853 Washer,ThrottleShaft,Foam
256 223813 Crank,Bell 635 66538 Elbow,SparkPlug
257 93593 Screw,SlottedHex 676 393757 Deflector, Exhaust,Side
300 493936 Muffler,Exhaust Outlet
304 495759 Housing,Blower 679 270382 Washer,Foam
305 690960 Screw,Blower Housing 680 221839 Washer,Brass
Mounting 689 263073 Spring,Fdction
306 224820 Sbleld,Cylinder 741 262992 Gear,T_min9
307 94680 Screw, CylinderShield 780 225029 Anchor,Spnng
308 224738 Cover,CylinderHead 851 493880 CableTerminal,Ignition
332 94877 Nut, Flywheel 869 211787 Seat, IntakeValve,Standard
333 397358 ArmatureGroup 870 211172 Seat, ExhaustValve,
334 93414 Screw,ArmatureMounting Standard
337 802592 Plug,Spark 871 262001 Guide,ExhaustValve
346 94896 Screw,Seres 63709 Guide,IntakeValve
356 497833 Wire,Ground 883 272309 * Gasket, Exhaust
358 495603 GasketSat 916 280321 Rack,GearControl
363 19069 FlywheelPutter 966 492797 Base,Air Cleaner
373 94908 Nut, Hex 967 491588 Filter,Air Cleaner
383 89838 Wrench, SparkPlug 968 495872 Cover,AirCleaner
392 262328 Spdng, Fuel Pump 969 490073 Screw,Air Cleaner
D=aphragm 971 94902 Screw,Hex Head
393 225058 Screen, Carburetor 987 398970 Seal, ThrottleShaft
394 272538 •Diaphragm 994 399541 Spark Arraster
414 220982 Washer 995 497195 Contro_Thmttte
432 221377 Cap,Spdng 1012 490507 Retainer,Unk
433 93265 Pin, DiaphragmCover 1036 499345 Label, Kit, Emissions
434 213963 Cover,Diaphragm 1095 498529 GasketSet, Valve Overhaul
435 93141 Screw,DiaphragmCover 2500 137202-1114 ReplacementEngine
455 225121 Cap, Starter -- 491145 ReplacementShortbteck
456 281503 Retainer
459 281505 Pawl,Starter RPM Settings: LowSpeed: 1750-1950
467 280715 Knob,Control HighSpeed:3400-3600
524 271485 Seal, O-Ring
526 94914 Screw,Seres,Tank Bracket Included in GasketSet (495603)
Mount. Includedin CarburetorOverhaulKit
527 223786 Ciamp,BreatherTube }49u5u5u_d)
528 231550 Tube,Breather einValve OverhaulGasketSet
529 67838 Grommet,BmatherTube (498529)
535 491435 Filter,Air
536 494279 Cleaner,Air NOTE: All componentdimensionsgivenin
542 94897 Screw U.S. inches 1 inch= 25.4 mm
53

54

55

For in-home major brand repair service:
Call 24 hoursa day, 7days a week
1-800-4-MY-HOME s" (1-800-469-4663)
Para pedir servic|o de reparaci6n a domicilio
1-800-676-5811
In Canada for all your service and parts needs call
Au Canada pour tout le service ou les pi_ces
1-800-665-4455
For the repair or replacement parts you need:
Call 6 am - 11 pm CST, 7 days a week
PartsDirectsM
1-800-366-PART (1-800-366-7278)
Para ordenar piezas con entrega a domicilio
1-800-659-7084
For the location of a Sears Parts and Repair Center
in your area:
Call 24 hours a day, 7 days a week
1.800-488-1222
For information on purchasing a Sears Maintenance
Agreement or to inquire about an existing Agreement:
Call 9 am -5 pro, Monday -Saturday
1-800-827-6655
L
SEARS I
Home CentraF
172052 10.29.99 TR Printed in U.S.A.