Craftsman 917293400 User Manual REAR TINE TILLER Manuals And Guides L0711400
CRAFTSMAN Rear Tine, Gas Tiller Manual L0711400 CRAFTSMAN Rear Tine, Gas Tiller Owner's Manual, CRAFTSMAN Rear Tine, Gas Tiller installation guides
User Manual: Craftsman 917293400 917293400 CRAFTSMAN REAR TINE TILLER - Manuals and Guides View the owners manual for your CRAFTSMAN REAR TINE TILLER #917293400. Home:Lawn & Garden Parts:Craftsman Parts:Craftsman REAR TINE TILLER Manual
Open the PDF directly: View PDF
.
Page Count: 36

Owner's Manual
CRnFTSMnNo
6.0 HP
17 INCH TINE WIDTH
REAR TINE WITH
COUNTER ROTATING TINES
TILLER
Model No,
917.293400
• Safety
•Assembly
°Operation
° Maintenance
°Repair Parts
CAUTION:
Read and follow all
Safety Rules and Instructions
before operating this equipment
Sears, Roebuck and Co., Hoffman Estates, IL 60179

Warranty .:............................................... 2
Safety Rules ............................................ 2
Product Specifications ........................... 4
Assembly ................................................ 5
Operation ............................................ 3 & 8
Maintenance ......................................... 13
Service and Adjustments ...................... 15
Storage .......................................... 3 & 19
Troubleshooting .................................... 20
Illustrated Parts List ....................................22
Parts Ordering ....................... Back Cover
LIMITED TWO YEAR WARRANTY ON CRAFTSMAN TILLEB
For two (2) years from date of purchase, when this Craftsman Tiller is maintained, lubri-
cated, and tuned up according to the operating and maintenance instructions in the
owner's manual, Sears will repair free of charge any defect in material or workmanship.
This Warranty does not cover:
• Expendable items which become worn during normal use, Such as tines, spark plugs,
air cleaners and belts.
- Repairs necessary because of operator abuse or negligence, including bent crank-
shafts and the failure to maintain the equipment according to the instructions con-
tained in the owner's manual.
o If this Craftsman Tiller is used for commercial or rental purposes, this Warranty
applies for only thirty _30) days from the date of purchase,
Warranty service is available by relurning the craftsman power mower to the nearest
sears service center/department in the united states. This warranty applies only while
this product is in use in the united states.
This Warranty gives you specific legal rights, and you may also have other rights which
vary from state to state.
SEARS, ROEBUCK AND CO., D/817WA, HOFFMAN ESTATES, IL 60179
•
TRAINING
• Read lhe Owner's Manual carefully. Be
thoroughly familiar with the controls and
the proper use of the equipment. Know
how to stop the unit and disengage the
controls quickly.
° Never allow children to operate the
equipment.. Never allow adults to oper-
ate the equipment without proper
instruction
. Keep the area of operation clear of all
persons, particularly small children, and
pets_
PREPARATION
• Thoroughly inspect the area where the
equipment is to be used and remove all
foreign objects°
• Disengage all clutches and shift into
neutral before starting the engine (mo-
tor).,
.Do not operate the equipment without
wearing adequate outer garments. Wear
footwear that will improve footing on
slippery surfaces,
• Handle fuel with care; it is highly flam-
mable.
° Use an approved fuel container.
° Never add fuel to a running engine or
hot engine.
• Fill fuel tank outdoors with extreme care
Never fill fuel tank indoors.
•Replace gasoline cap securely and
clean up spilled fue! before restarting.
° Use extension cords and receptacles as
specified by the manufacturer for all
units with electric ddve motors or electric
starling motors.
° Never attempt to make any adjustments
while the engine (motor) is running
(except where specifically recommend-
ed by manu!acturer).

OPERATION
•Do not put hands or feet near or under
rotating parts.
•Exercise extreme caution when operat-
ing on or crossing gravel drives, walks,
or roads° Stay alert for hidden hazards
or traffic. Do not carry passengers.
,, After striking a foreign object, stop the
engine (motor), remove the wire from
the spark plug, thoroughly inspect the
tilier for any damage, and repair the
damage before restarting and operating
the tiiler_
• Exercise caution to avoid slipping or
falling°
• If the unit should start to vibrate abnor-
mally, stop the engine (motor) and check
immediately for the cause. Vibration is
generally a warning of trouble.
• Stop the engine (motor) when leaving
the operating position.
•Take all possible precautions when leav-
ing the machine unattended. Disengage
the tines, shift into neutral, and stop the
engine.
• Before cleaning, repairing, or inspecting,
shut off the engine and make Certain all
moving parts have stopped. Disconnect
the spark plug wire, and keep the wire
away from the plug to prevent accidental
starting,. Disconnect the cord on electric
motors.
o Do not run the engine indoors; exhaust
fumes are dangerous,
° Never operate the tiller without proper
guards, plates, or other safety protective
devices in place.
o Keep children and pets away.
•Do not overload the machine capacity
by attempting to till too deep at too fast a
rate.
• Never operate the machine at high
speeds on slippery surfaces. I..ook
behind and use care when backing.
• Never allow bystanders near the unit.
° Use only attachments and accessories
approved by the manufacturer of the
tiller (such as wheel weights, counter _
weights, cabs, and the like).
• Never operate the tiller without good vis-
ibility or light.
° Be careful when tilling in hard ground.
The tines may catch in the ground and
propel the tiller forward, tf this occurs,
let go of the handlebars and do not
restrain the machine.
MAINTENANCE AND STORAGE
•Keep machine, attachments, and
accessories in safe working condition.
° Check shear pins, engine mounting
bolts, and other bolts at frequent inter-
vals for proper lightness to be sure the
equipment is in safe working condition°
• Never store the machine with fuel in the
fuel tank inside a building where ignition
sources are present, such as hot water
and space heaters, clothes dryers, and
the like. Allow the engine to cool before
storing in any enclosure.
• Always refer tO the operator's guide
instructions for: important details il the
tiller is to be stored for an extended peri-
odo
•_kCAUTION: Always disconnect spark
plug wire and place wire where it cannot
contact spark plug in order to prevent acci-
dental starting when setting up, transport-
ing, adjusting or making repairs.
WARNING
The engine exhuast from this product con-
tains chemicals known to the State of
California to cause cancer, birth defectd, or
other reproductive harm.

PRODUCTSPECIFICATIONS
-IORSEPOWER:6.0HP
DISPLACEMENT: 11o88CU.tN.
GASOLINECAPACITY:4 Quarts
UnleadedRegular
OIL(API-SF/SG/SH): SAE30
(Above32°F)
CAPACITY:20oz.) SAE5W-30
(Below32°F)
SPARKPLUG: ChampionN4C
GAP:.030")
Congratulations on your purchase of a
Craftsman Tiller. It has been designed, en-
gineered and manufacttJred to give you the
best possible dependability and perform-
ance,
Should you experience any problems you
cannot easily remedy, please contact your
nearest authorized Sears Service
Center/Department. We have competent,
well-trained technicians and the proper
tools to service or repair this unit.
Please read and retain this manual The
instructions will enable you to assemble
and maintain your tillerproperly, Always
observe the "SAFETY RULES'L
Your new tiller has been assembled at the
factory with exception of those parts teft
unassembfed for shipping purposes. To
ensure safe and proper op6ration of your
tiller all parts and hardware you assemble
must be tightened securely. Use the cor-
rect tools as necessary to insure proper
tightness.
MAINTENANCE AGREEMENT
A Sears Maintenance Agreement is avail-
able on this product° Contact your nearest
Sears store for details.
CUSTOMER RESPONSIBILITIES
• Read and observe the safety rules_
° Follow a regular schedule in maintain-
ing, caring for and using your tiller°
° Follow the instructions under the
"Customer Responsibilities" and "Stor-
age" sections of this Owner's Manual.
WARNING: This unit is equipped with an
internal combustion engine and should not
be used on or near any unimproved forest-
covered, brush-covered or grass covered
land unless the engine's exhaust system is
equipped with a spark arrester meeting
applicable local or state laws (if any). If a
spark arrester is used, it should be main-
tained in effective working order by the
operator.
tn the state of California the above is
required by law (Section 4442 of the
California Public Resources Code). Other
states may have similar laws. Federal
Iaws apply on federal lands, See your
Sears Authorized Service Center for spark
arrester. Refer to the Repair Parts section
of this m_nual for part number.
These accessories were available when the tiller was purchased. They are also avail-
able at most Sears Retail outlets and Service Centers. Most Sears Stores can order
repair pads for you when you provide the model number of your tiller.
ENGINE
AiR F_LTER 'GAS CAN i
TILLER PERFORMANCE
FURROWOPENER
TILLER MAINTENANCE
BELT '
SHEAR_PIN iHAtRP{NCL!= p

Your new tiller has been assembled at the factory with exception of those parts left
unassembled for shipping purposes, To ensure safe and proper operation of your tiller
all parts and hardware you assemble must be tightened securely. Use the correct tools
as necessary to insure proper tightness.
TOOLS REQUIRED FOR ASSEMBLY
A socket wrench set will make assembly
easier. Standard wrench sizes are listed.
(1) Utility knife
(1) Wire cutter
(1) Tire pressure gauge
(1) Screwdriver
(1) Pair of pliers
(1) 9/16" wrench
OPERATOR'S POSITION
When right or left hand is mentioned in
this manual, it means whenyou are in
the operating position (standing behind
tiller handles),
LEFT'
FRONT
OPERATOR'S
POSITION
RIGHT
i
i JJ,_'uJJ i,m i 1±± LL . I IHIH'I
CONTENTS OF HARDWARE PACK
//llllfifY
(2) Handle Locks
(2) Hairpin Clips
(I) Carriage Bolt
3/8-16 UNC x 1 Gr, 5
Q
(1) Center Locknut
3/8-16 UNC
(1) Cable Clip
(1) Pivot Bolt
3/8-16 UNC Grade 5
0
Extra Shear Pins & Clips
(1) Flat Washer
13/32 x 1 x 11 Ga,
©
(1) Handle L.oc_L_v_r_

UNPACKING CARTON
,_OAUTION: Be careful of exposed sta-
ples when handling or disposing of cartom
ing material,
IMPORTANT:When unpacking and
assembling tiller, be careful not to stretch
or kink cables.
• While holding handle assembly, cut
cable ties securing handle assembly to
top frame. Let handle assembly rest on
tiller.
. Remove top frame of carton.
• Slowly ease handle assembly up and
place on top of carton.
• Cut down right hand front and right hand
rear corners of carton, lay side carton
wall down.
, Remove packing material from handle
assembly.
° Separate shift rod from handle assem-
bly.
_.,m
"---.. tJ Assembly
INSTALL HANDLE ' ' '
°Insert one handle lock (with teeth facing
outward) in gearcase notch. (Apply
grease on smooth side of handle lock to
aid in keeping lock in place until handle
assembly is lowered into position.)
Viewed from r.h. side of tiller
/Handte Assembly
\'_"v_" Gearcase Notch
_.__., /Handle Lock
. Grasp handle assembly° Hold in "up"
position. Be sure handle lock remains in
gearcase notch. Slide handle assembly
into position.
• Rota[e handle assembly down. Insert
rear carriage bolt first, with head of bolt
on LH. side of titler and loosely assem-
ble locknut.
o
°
0
°
°
,,._,,_ Handle Assembly
"uP"Posilfoo
"::'+:_::_ Tighten handle lock
Loose__ _.'_,_'_ _
Insert pivot bolt in front part of plate and
lighten.
Cut down remaining corners of carton
and lay panels flat.
Lower the handle assembly. Tighten nut
on carriage bolt so handle moves with
some resistance. This will allow for eas-
ier adjustment.
Place flat washer on threaded end of
handle lock lever.
Insert handle lock {ever through handle
base and gearcase. Screw in handle
lock {ever just enough to hold {ever in
place,
Insert second handle lock (with teeth
inward) in the slot of the handle base
(just inside of washer).
Raise handle assembly to highest posi-
tion and securely tighten handle lock
lever by rotating clockwise. Leaving
handle assembly in highest position will
make it easier to connect shift rod.
Handle Lock Flat Washer
Gearcase \ Handle Lock
Slot
Rear Cartridge
Boft
Handle Base
- ._. Pivot Bolt
Locknut--

INSEHT [;ABLI= ULtt _
°Insert plastic cable clip into hole on the
back of handle column Push cables
into clip,
Handle Column
Cables
Cable Clip
CONNECT SHIFT ROD
. Insert end of shift rod farthest from bend
into hole of shift lever indicator,
o Insert hairpin clip through hole of shift
rod to secure.
oInsert other end of shift rod into hole in
shift lever,
°Insert second hairpin clip through hole of
shift rod.
REMOVE TILLER FROM CRATE
° Adjust handle assemby to lowest posi-
tion, Be sure lock lever is tightened
securely°
.Make sure shift lever indicator, is in "N"
(neutral) position.
°Tilt tiller forward by' lifting handle,
Separate cardboard cover from leveling
shield,
• Rotate tiller handle to the right and pull
tiller out of carton,
Attach thts end to shift lever -.-,.._
LL"_,Atlach this End To shift "_'_" Shift Rod
Lever Indicator
Shift Rod Hairpin Clip Shift Lever
Indicator
Shift Lever
CHECK TIRE PRESSURE
The tires on your unit were overinfIated at
the factory for shipping purposes, Correct
and equal tire pressure is important for
best tilling performance.
• Reduce tire pressu[e to 20 PSI,
HANDLE HEIGHT
° Handle height may' be adjusted Io better
suit operator° (See "TO ADJUST HAN-
DLE HEIGHT' in the Service and
Adjustments section of this manual)_

Thesesymbols mayappearonyourTElleror inliteraturesuppliedwitl_theproduct.
Learnandunderstandtheirmeaning.
T_,LI#(_ FO;_,Vi_D N_UT_I F_EE CkUT_ON Et,_GIHE 5t',_G_E _5T SLO_ CHOK_
OR WARNING Ot_ OFF
FUEL
KNOW YOUR TILLER
READ THIS OWNER'S MANUAL AND SAFETY RULES BEFORE OPERATING YOUR
TILLER.
Compare the illustrations with your tiller to familiarize yourself with the location of vari-
ous controls and adjustments. Save this manual for future reference,
Drive Control Bar Throttle Control
Primer
"",,.\ Shift Lever Indicator
Depth Stake-._
Leveting Shield---..
Outer Side Shield
Recoil
Starter
Handle
MEETS ANSI SAFETY REQUIREMENTs .......... -"
Our tillers conform to the safety standards of the American National Standards Institute.
DRIVE CONTROL BAR - Used to engage
tines.
DEPTH STAKE - Controls depth at which
tiller will dig.
LEVELING SHIELD - Levels tilled soil.
OUTER SIDE SHIELD - Adjustable to pro-
tect small plants from being buried.
THROTTLE CONTROL - Used to conlrol
engine speed.
SHIFT LEVER - Used to shift transmission
gears,
SHIFT LEVER INDICATOR - Shows which
gear the transmission is in.
RECOIL STARTER HANDLE - Used to
start'the engine.
PRIMER - Pumps additonat fuel from the
carburetor to tile cylinder for use when
starting a cold engine,

Theoperationol anytillercan resultin foreignobjectsthrownintotheeyes,
whichcanresultinsevereeyedamage.Alwayswear safetyglassesoreye
shieldsbeforestartingyourtiller andwhiletilling,We recommendawide
visionsafetymaskoverthespectaclesor standardsafety glasses.
HOW TO USE YOUR TILLER
Know how to operate all controls before
adding fuel and oil or attempting to start
engine+
STOPPING
DEPTH STAKE
The depth stake ban be raised or lowered
to allow you more versatile tilling and culti-
yating, or to more easily transport your
tiller+
TINES AND DRIVE
° Release drive control bar to stop move-
ment.
•Move shift fever to "N +'(neutral) position.
ENGINE
•Move throttle control to "STOP" position+
If equipped with stop switch, move
switch Io "STOP" position.
• Never use choke to stop engine.
Drive Control Bar
"ENGAGED" Position Shift Lever
Drive Bar
"DISENGAGED"
Position
Throttle
TINE OPERATION - WITH WHEEL
DRIVE
° Always release drive control bar before
moving shift lever into another position.
+ T_ne movement is achieved by moving
shift lever to ( _ ) fill position and
engaging drive control bar.
FORWARD - WHEELS ONLY/TINES
STOPPED
• Release drive control bar and move shift
lever indicator to "F" (forward) position.
Engage drive control bar and tiller will
move forward..
REVERSE - WHEELS ONLY/TINES
STOPPED
• DO NOT STAND DIRECTLY BEHIND
TILLER,
• Release the drive contro! bar+
• Move throttle control to "SLOW" posF
tion,
,Move shift lever indicator to "R"
(reverse) position.
° Hold drive control bar against the handle
to start tiller movement+
Shallowest Tilling +......
(Cultivating)
Deepest "Riling
%
"" Transport Position
Depth Stake.
TILLING
• Release depth stake pin. Pull the depttl
stake up for increased tilling depth.
Place Depth stake pin ir_hole of depth
stake to lock in position.
• Place shift lever indicator in till position+
• Hold the drivecontrol bar against the
handle to start telling movement. "Fines
and wheels will both turn,
°Move throttle control to "FAST" position
for deep tilling. To cultivate, throttle con-
trol can be set at any desired speed,
depending on how fast or stow you wish
to cultivate+
IMPORTANT: Always release drive control
bar before moving shift lever into another
position.
Depth Stake Pin
SED" Position
\
Nut "B"
Nut "A"
Outer Side Shield
"Locked"
Position

TURNING
• Release tile drive control bar.
. Move throttle control to "SLOW" posi-
tion.
• Place shift lever indicator in "F" (forward)
position. Tines will not turn.
- Lift handle to raise tines out of ground.
o Swing the handle in the opposite direc-
tion you wish to turn, being careful to
keep feet and legs away from tines.
• When you have completed your turn-
around, release the drive control bar and
lower handle, Place shift lever in till
position and move throttle control to de-
sired spbed_ To begin tilling, hold drive
control bar against the handle.
OUTER SIDE SHIELDS
The back edges of the outer side shields
are slotted so that the shields can be
raised for deep tilling and lowered for shal-
low tilling to protect smaif plants from
being buried Loosen nut "A" in slot and
nut "B". Move shield to desired position
(both sides)° Retighten'nuts,
TO TRANSPORT
_CAUTION: Before lifting or transpod-
ing, allow tiller engine and muffler to cool.
Disconnect spark plug wire. Drain gaso-
line from fuel tank.
AROUND THE YARD
° Release the depth stake pin. Move the
depth stake down to the top hole for
transporting the tiller. Place depth stake
pin in hole of depth stake to lock in posi-
tion, This prevents tines from scuffing
the ground.
. Place shift lever indicator in "F" (forward)
position for transporting.
• Hold the drive control bar against the
handle to start tiller movement Tines
will not turn.
° Move throttle control to desired speed.
AROUND TOWN
° Disconnect spark plug wire.
• Drain fuel tank,
° Transport in upright position to prevent
oil leakage.
BEFORE STARTING ENGINE
IMPORTANT: Be very careful not to allow
dirt to enter the engine when checking or
adding oiF or fuel. Use clean oit and fuel
and store in approved, clean, covered con-
tainers,, use clean fill funnels,
CHECK ENGINE OIL LEVEL
,, The engine in your unit has been
shipped, from the factory, already filled
with SAE 30 summer weight oil,
.Be sure tiller is level and the area
around oil fill is clean,
• Check oil level before each use. Add oil
if needed. Fill to full line on dipstick,
• To read proper level, tighten engine oil
cap each time.
Reinstall engine oil cap and tighten.
For approximate capaci!_/see 'PROD-
UCT SPECIFICATIONS on page 4 of
this manual, All oil must meet A P.I.
Service Classification SF, SG or SH,
°For cold weather operation you should
change oil for easier starting (See oil
viscosity chart in the Customer
Responsibilities section of this manual).
° To changeengine oil, see the Customer
Responsibilities section in this manual.
"_""'-.-, Oil Fill
Cap/Dipstick
ADD GASOLINE
°Fill fuel tank. Use fresh, clean, regular
unleaded gasoline. (Use of leaded
gasoline will increase carbon and lead
oxide deposits and reduce valve life.
IMPORTANT: When operating in tempera,_
tures below 32°F (0°C), use fresh, clean,
winter grade gasoline to help insure good
cold weather starting.
WARNING: Experience indicates that alco-
hol blended fuels (called gasohol or using
ethanol or methanol) can attract moisture
which leads to separation and formation of
acids during storage. Acidic gas can dam-
age the fuel system of an engine while in
storage_ To avoid engine problems, the
fuel system should be emptied before
storage of 30 days or longer. Drain the
gas tank, start the engine and let it run
until the fuel lines and carburetor are
empty. Use fresh fuel next season. See
Storage section of this manual for addition-
al information, Never use engine or carbu.,
retor cleaner products in the fuel tank or
permanent damage may occur.
tt3

,_CAUTtON" Fill to within 1/2 inch of top
of fuel tank to prevent spills and to allow
for fuel expansion° If gaso{ine _sacciden-
tally spilled, move machine away from
area of spill° Avoid creating any source of
ignition until gasoline vapors have disap-
peared.
Do not overfill. Wipe off any spilled oil or
fuel. Do not store, spill or use gasoline
near an open flame.
TO START ENGINE
,_CAUTION: Keep drive control bar in
"DISENGAGED" position when starting en-
gine,,
When starting engine for the first lime dr if
engine has run out of fuel, it will take extra
pulls of the recoil starter to move fuel from
the tank to the engine,
• Make sure spark plug wire is properly
connected.
• Moveshift lever indicator to "N" (neutral)
position,
•Place throttle control in "FAST" position.
• To start a cold engine, push primer five
(5) times before trying to start. Use a
firm push. This step is not usually nec-
essary when starting an engine which
has already run for a few minutes.
° Grasp recoil starter handle with one
hand and grasp tiller handle with other
hand. Pul/rope cut slowly until engine
reaches start of compression cycle (rope
wJtl pull slightly harder at this potnt)o
o Pull recoil starter handle quickly. Do not
let starter handle snap back against
starter.
• Allow engine to warm up for a few min-
utes before engaging lines,
NOTE: In cooler weather it may be neces-
sary to repeat priming steps. In warmer
weather over priming may cause flooding
andengine wilt not start° tf you do flood
engine, wait a few minutes before attempt.-
ing to start and do not repeat priming
steps,
Primer_ Recoil
Starter
Handle
TILLINL_ HINT_
,_CAUTION: Until you are accustomed to
handling your tiller, start actual field use
with throttle in slow position (mid-way
between "FAST" and "IDLE").
°Tilling is digging into, turning over, and
breaking up packed soil before planting.
Loose, unpacked soil helps root growth.
Best tilling depth is 4" to 6". A tiller will
also clear the soil of unwanted vegeta-
tion. The decomposition of this veg.
etable matter enriches the soil.
Depending on the climate (rainfall and
wind), it may be advisable to till the soil
at the end of the growing season to fur-
ther condition the soil.
•Soil conditions are important for proper
tilling. Tines will not readily penetrate
dry, hard soil which may contribute to
excessive bounce and difficult handling
of your tiller. Hard soil should be mois-
tened before filling; however, extremely
wet soil will "ball-up" or clump during till-
ing. Wait until the soil is tess wet in order
to achieve the best results. When tilling
in the fall, remove vines and long grass
to prevent them from wrapping around
the tine shaft and slowing your tilling
operation.
-You will find tilling much easier if you
leave a row untilled between passes.
Then go back between tilled rows.There
are two reasons for doing this. First,
wide turns are much easier to negotiate
than about-faces. Second, the tiller
won't be pulling itself, and you, toward
the row next to it.
7_
/j
i,z
//
g
f/
rj
z
//
N
/J
g
Do not lean on handle. This takes
weight off the wheels and reduces trac-
tion, To get through a really tough sec-
tion of sod or hard ground, apply upward
pressure on 'handle or lower the depth
stake.
11

CULTIVATING
Cultivatingis destroyingthe weeds
betweenrowsto preventthemfromrob-
bingnourishmentand moisturefromthe
plants,At thesametime, breakingupthe
upperlayerof soil crustwill help retain
moistureinthesoil,Bestdiggingdepthis
I" to3" (2.5-7,5cm). Lowertheouterside
shieldsto protectsmallplantsfrom being
buried.
o Cultivateup anddownthe rowsat a
speedwhichwil!allowtinesto uproot
weedsandleavethe groundin rough
condition,promotingnofurthergrowthof
weedsandgrass_
OOIO C)10
O OIO OIO
O ©iO O_O
O,OIOOIO
TINE SHEAR PINS
The fine assemblies on your tiller are
secured to the fine shaft with shear pins
(See 'q'INE REPLACEMENT" In the
Service and Adjustments section of this
manual).
If the tiller is unusually overloaded or
jammed, the shear pins are designed to
break before in_rnal damage occurs to
the transmission.
° If shear pin(s) break, replace only with
those shown in the Repair Parts section
of this manual

:SERV CE DATES
Check Engine Oil Level t_ If
ChangeE.glneo, _,2
Oil Pivot Points
Inspect Spark Attester /Mutfter
Inspect Air Screen Ve
Clean or Replace Air Cleaner Cartridge
CleanEngine Cylinder Fins If
Replace Spark Plug
! - Ch_flge more often when opersling under a heavy toad a_ in high amblenl temperntures
2r' SeatO0 more often when operating In dt_y or dos_ conditions.
GENERAL RECOMMENDATIONS
The warranty on this tiller does not cover
items that have been subjected _ opera-
tor abuse or negligence. To receive full
value from the warranty, the operator must
maintain tiller as instructed in this manual.
Some adjustments will need to be made
periodically to properly maintain your tiller.
All adjustments in the Service and
Adjustments section of this manual should
be checked at least once each season.
• Once a year you should replace the
spark plug, clean or replace air filter, and
check tines and belts for wear, A new
spark plug and clean air filter assure
proper air-fuel mixture and help your
engine run better and last longer.
BEFORE EACH USE
• Check engine oil level.
• Check tine operation.
•Check for loose fasteners.
LUBRICATION
Keep unit welt lubricated (See "LUBRICA-
TION CHART").
LUBRICATION CHART
Throttte Control
*" Engine
[" ' * Wheel Hub
* Idler Bracket
* SAE 30 OR 10W-30 MOTOR OIL
_* REFER TO CUSTOMER
RESPONSIBILITIES "ENGINE" SECTION
13

Disconnect spark plug wire before per-
forming any maintenance (except carbure-
tor adjustment) to prevent accidental start_
ing of engine_
Prevent fires] Keep the engine free of
grass, leaves, spilled oil, or fue!. Remove
fuel from tank before tipping unit for main-
tenance. Clean muffler area of all grass,
dirt, and debris.
Do not touch hot muffler or cylinder fins as
contact may cause burns.
ENGINE
LUBRICATION
Use only high quality detergent oil rated
with API service classification SF, SG or
SH, Select the oil's SAE viscosity grade
according to your expected temperature.
NOTE: Although multi-viscosity oils (5W-
30, 10W..30, etc.) improve starting in cold
weather, these multi-viscosity oils will
result in increased otl consumption when
used above 32°F (0°C)_ Check your
engine oil level more frequently to avoid
possible engine damage from running low
on oil.
Change the oil after every 50 hours of
operation or at least once a year if the tiller
is not used for 50 hours in one year.
Check the crankcase oil level before start-
ing the engine and after each five (5)
hours of continuous use. Add SAE 30
motor oil or equivalent. Tighten oil filler
plug securely each time you check the oil
level.
TO CHANGE ENGINE OIL
Determine temperature range expected
before oil change. All oil must meet API
service classification SF, SG or SH.
•Be sure tiller is on level surface.
• Oil will drain more freely when warm.
• Use a funnel to prevent oil spill on tiller,
and catch oil in a suitable container'.
• Remove oil drain plug and oil fill cap/dip-
stick, Be careful not to allow dirt to enter
the engine.For easier removal of plug
use 7/16 12 PL socket with extension.
-Tip tiller forward to drain oil.
,, After oil has drained completely,
replace oil drain plug and tighten
securely.
- Refill engine with oil through oil fIH
tube. See "CHECK ENGINE OIL
LEVEL" in the Operation section of this
manual.
,__i! FiII Cap/Dipstick
Oil _,.
drainPlug__ __-_-_ \
-- ___-_ __ Oi1 Fill Tube
AIR FILTER
Your engine will not run properly using a
dirty air filter. Clean the foam pre-cleaner
after every 50 hours of operation or every
season. Service paper cartridge every
100 hours of operation or every season,
whichever occurs first.
Service air cleaner more often under dusty
conditions.
• Remove cover screw and cover.
TO SERVICE PRE-CLEANER
o Remo_e foam pre-cteaner from air
cleaner cover,
• Wash it in liquid detergent and water.
° Squeeze it dry in a clean cloth.
•Saturate it in engine oil. Wrap it in
clean, absorbent cloth and squeeze to
remove excess oil.
° If very dirty or damaged, replace pre-
cleaner,
• Reinstall pre-cleaner into air cleaner
cover.
• Reinstall cover and secure screw.
TO SERVICE CARTRIDGE
•Carefully remove cartridge to prevent
debris from entering carburetor. Clean
base carefully to prevent debris from
entering carburetor.
°Clean cartridge by tapping gently on flat
surface. If very dirty or damaged,
replace cartridge.
• Reinstall cartridge, cover with pre-clean-
er and secure with screw.
IMPORTANT: Petroleum solvents, such
as kerosene, are not to be used to clean
the cartridge. They may cause deteriora-
tion of the cartridge. Do not oil cartridge.

L_Ono[ use pressunzuu a. tu u_uan uJ u{y
cartridge.
Base Foam Precleaner
Cover
Screw
Air Clean,
COOLING SYSTEM
Your engine is air cooled. For proper
engine performance and long life keep
your engine clean.
• Clean air screen frequently using a stiff.-
bristled brush.
• Keep cylinder fins, levers, and linkage
free of dirt and chaff,
_U_Lr_M
Do not operate tiller without muffler Do not
tamper with exhaust system Damaged
mufflers or spark arrestors could create a
fire hazard, Inspect periodically and re-
place if necessary. If your engine is
equipped with a spark arrester screen
assembly, remove every 50 hours for
cleaning and inspection. Replace if dam-
aged.
SPARK PLUG
Replace spark plugs at the beginning of
each tilling season or after every 50 hours
of use, whichever comes first. Spark plug
type and gap setting is shown in "PROD-
UCT SPECIFICATIONS" on page 4 of this
manual.
TRANSMISSION
Your transmission is sealed and will only
require lubrication if serviced_
CLEANING
° Clean engine, wheels, finish, etc. of atl
toreign matter.
° Keep finished surfaces and wheels free
of all gasoline, oil, etco
,, Protect painted surfaces with automotive
type wax,
We do not recommend using a garden
hose to clean your unit unless the muffler,
air filter and carburetor are covered to
keep water out. Water in engine can result
in a shortened engine lifeo
,_CAUTION: Disconnect spark plug wire
from spark plug and place wire where it
cannot come into contact with piug_
TILLER
TO ADJUST HANDLE HEIGHT
Select handle height best suited for your
tilling conditions. Handle height will be dif-
ferent when tiller digs into soil.
•First loosen handle lock lever.
, Handle can be positioned at different
settings between "HIGH" and "LOW"
positions.
, Retighten handle lock le_er securely
after adjusting.
Handle (Low) Position
Handle (High) Position
Handle Lock Lever
I5

TIRE CARE
._CAUTION: When mounting tires, un-
less beads are seated, overinflation can
cause an explosion_
° Maintain 20 pounds of tire pressuleo tf
tire pressures are not equal, tiller will
pull to one side.
• Keep tires free of gasoline or oil which
can damage rubber.
TO REMOVE WHEEL
•Place blocks under transmission to keep
tiller from tipping,
oRemove outer side shield by removing
nuts "A" and "B".
•Remove inner side shield by removing
nuts "C" and "D".
°Remove hairpin clip and clevis pin from
wheel°
°Remove wheel and tire.,, Repair tire and
reassemble.
f
Hairpin
Clip
Nut "B"
Nut "A"f
Inner Side Shield
Outer Side Shield
TO REMOVE BELT GUARD
NOTE: For ease of removal, remove hair-
pin clip and clevis pin from left wheel. Pull
wheel out from tiller about 1 inch.
•Remove two (2) cap nuts and washers
from side of belt guard I
•Remove hex nut and washer from bot.,
tom of belt guard (located behind
wheel).
• Pull belt guard out and away from unit.
- Replace belt guaid by reversing above
procedure,
Cap Nut
and
Washer Hairpin Clip and Clevis Pin
TO REPLACE GROUND DRIVE
BELT
° Remove belt guard as described in "TO
REMOVE BELT GUARD".
• Loosen belt guides "A" and"B" and
also remove stud "C".
• Remove old belt by slipping off engine
pulley first then remove from transmis-,
sion pulley,
° Place new belt in groove of transmis-
sion pulley and into engine pulley, BELT
MUST BE IN GROOVE ON TOP OF
IDLER PULLEY. NOTE POSITION OF
BELT TO GUIDES,
°Tighten belt guides "A" and "B" and stud
. Check belt adjustment as described
below.
,, Replac, e belt guard,
o Reposition wheel and replace clevis pin
and hairpin clip.
GROUND DRIVE BELT ADJUST-
MENT
For proper belt tension, the extension
spring should have about 5/8 inch stretch
when drive control bar is in "ENGAGED"
position_ This tension can be attained as
follows:
• Loosen cable clip screw securing the
drive control cable.
• Slide cable forward for less tension and
rearward for more tension until about 5/8
inch stretch is obtained while the drive
cont[ol bar is engaged.
o Tighten cable clip screw securely,

Screw
- DriveControlCable
Transmission Pu!ley
TINE REPLACEMENT -
,_.CAUTION: Tines are sharp. Wear
gloves or other protection when handling
tines.
A badly worn tine causes your tiller to work
harder and dig more shallow. Most impor-
tant, worn tines cannot chop and shred
organic matter as effectively nor bury it as
deeply as good tines. A tine this worn "
needs to be replaced.
New Tine
Counter line
Rotation
._nsion
To maintain the superb tilling perfor-
mance of this machine the tines should
be checked for sharpness, wear, and
bending, particularly the tines which are
next to the transmission, If the gap
between the tines exceeds 3-1/2 inches
they should be replaced or straightened
as necessary
New tines should be assembled. Sharp-
ened tine edges will rotate rearward
from above.
J t
t
3-1/2" Max _ }-----
Sharp Edg_
Hairpin Clip
\Sharp Egde
Sharp Edge
Shear Pin
Shear Pin
17

ENGINE
Maintenance, repair, or reRlacement of the
emission control devices af_d systems,
which are being doqe at the customers
expense, may be p_rformed by any non-
road engine repair establishment or indi-
vidual, Warranly repairs must be per-
formed by an authorized engine manufac-
turer's service outlet,
TO ADJUST THROTTLE CONTROL
CABLE
,The throttle control has been preset at
the factory and adjustment should not
be necessary, if adjustment is neces-
sary, proceed as follows:
o With engine not running, move remote
throttle control lever to "FAST" position+
• If throttle lever on engine touches high
speed stop, no further adjustment is
necessary. If throttle lever does not
touch high speed stop, continue with
adjustment procedure.
• Loosen cable clamp screw+
, Move throttle lever up until it touches
high speed stop, and hold in this posi-
tion.
•Tighten cable clamp _crew securely.
Throttle
TO ADJUST CARBURETOR
The carburetor has been preset at the fac-
tory and adjustment should not be neces-
sary+ However, engine performance can
be affected by differences in fuel, tempera+
ture, altitude or load. If the carburetor
does need adjustment, contact your near-
est authorized service center/department
IMPORTANT; never tamper with the
engine governor, which is factory set for
proper engine speed. Overspeeding the
engine above the factory high speed set-
ting can be dangerous. !f you think the
engine-governed high speed needs adjust-
ing, contact your nearest authorized ser-
vice center!department, which has the
proper equipment and experience to make
any necessary adjustments.
High Throtti'e
Speed Clamp Screw Lever
Stop

Immediately prepare your tiller for storage
at the end of the season or if the unit will
not be used for 30 days or more.
,_,CAUTION: Never store the tiller with
gasoline in the tank inside a building
where fumes may reach an open flame or
spark. Allow the engine to coot before
storing in any enclostJre,
TILLER
• Clean entire tiller (See "CLEANING" in
the Customer Responsibilities section of
this manual),
,Inspect and replace belts, if necessary
(See belt replacement instructions in the
Service and Adjustments section of this
manual).
, Lubricate as shown in the Customer
Responsibilities section of this manual.
o Be sure that all nuts, bolts and screws
are securely fastened. Inspect moving
parts for damage, breakage and wear
Replace if necessary
• Touch up all rusted or chipped paint sur-
faces; sand light!y before painting,
ENGINE
FUEL SYSTEM
IMPORTANT: It is important to prevent
gum deposits from forming in essential fuel
system parts such as the carburetor, fuel
filter, fuel hose, or tank during storage.
also, experience indicates that alcohol
blended fuels (called gasohol or using
ethanol or methanol) can attract moisture
which leads to separation and formation of
acids during storage_ Acidic gas can dam-
age the fuel system of an engine while in
storage.
* Drain the fuel tank,
, Start the engine and let it run until the
fuel lines and carburetor are empty
- Never use engine or carburetor cleaner
products in the fuel tank or permanent
damage may occur.
o Use fresh fuel next season.
NOTE: Fuel stabilizer is an acceptable
afternative in minimfzing the formation of
fuel gum deposits during storage. Add sta-
bilizer to gasoline in fuel tank or storage
container° Always follow the mix ratio
found on stabilizer container. Run engine
at least 10 minutes after adding stabilizer
to allow the stabilizer to reach the carbure _
tor. Do not drain the gas tank and carbu_
retor if using fuel stabilizer
ENGINE OIL
Drain oil (with engine warm) and replace
with clean oil. (See "ENGINE" in the
Customer Responsibilities section of this
manual)_
CYLINDER
, Remove spark p_ug.
• Pour I ounce (29 ml) of oil through
spark plug hole into cylinder
,, Pull starter handle slowly severa_ times
to distribute oil
• Replace with new spark plug
OTHER
,, Do not store gasoline from one season
to another.
•Replace your gasoline can if your can
starts to rust. Rust and/or dirt in your
gasoline will cause problems
• If possible, store your unit indoors and
cover it to give protection from dust and
dirt_
, Cover your unit with a suitable protective
cover that does not retain moisture. Do
not use plastic. Plastic cannot breathe
which allows condensation to form and
wiIl cause your unit to rust
IMPORTANT: Never cover tiller while
engine and exhaust areas are still warm

PROBLEM
Wt}I not start
Hard to start
Loss of power
CAUSE
1., Out of fuel
2. Engine not "CHOKED"
properly
3 Engine flooded.
4 Dirtyair cleaner
5. Water in fuel
6 Clogged fuel tank.
7. Loose spark plug wire.
8 Bad spark plug or
improper gap
9. Carburetor out of adjust-
ment.
1. Throttle control not set
properly_
2 Dirtyair cleaner.
3. Bad spark ptug or
impropergap.
4. Stale or dirty fuel.
5 Loose spark plug wire
6. Carburetor out of •
adjuslment.
1. Engine is overloaded.
2. Dirty air cleaner.
3 Low oil level/dirly oil.
4 Faulty spark plug.
5 Oil intuel
6 Stale or dirty fuel.
7. Water in fuel.
8. Clogged fue! tank.
9. Spark plug wire loose.
wire,
10, Dirty engine air screen.
1I, Dirty/clogged muffler.
12. Carburetor out of
adjustment.
13, Poor compression.
2O
CORRECTION
.,=
1, Fil_fuel tank_
2. See "TO START ENGINE" tn,,the
Operation section,,
3. Walt several minutes betore
attempting to start.
4. Clean or replace air cleaner car
tridge°
5, Drain fuel tank and carburetor,
and refill tank with fresh gasoline.
6. Remove fuel tank and clean.
7. Make sure spark plug wire is seat
ed properly on plug.
8. Replace spark plug or adjust gap.
9 Make necessary adjustments.
, ,, ,,,,,,
1. Place throttle control in "FAST"
position_
2, Clean or replace air cleaner car
tridge.
3. Replace spark plug or adjust gap.
4, Drain fuel tank and refillwith fresh
gasoline. :
5. Make sure spark plug wire is seat
ed properly _n plug.,
6 Make necessary adjustments,
,, ,-ii LLLJU_.'II I 'l ' '= I I'l
1. Set depth stake and wheels for
shallower tilling.
2. Clean or replace air cleaner car
tridge.
3. Check oil level/change oil.
4. Clean and regap or change spark
plug.
5. Drain and clean fuel tank and
refill, and clean carburetor,
6. Drain fuel tank and refill with fresh
gasoline,
7. Drain fuel tank and carburetor,
and refill tank with [resh gasoline.
8. Remove fuel tank and clean.
& Connect and tighten spark plug
10. Clean engine airscreen.
tl. Clean/replace muffler.
12. Make necessary adjustments°
13. Contact an authorized Sears
Service CenteriDeparlment,

PROBLEM
= ,
Engine overheats
Excessive bounce/
difficult handling
Soil balls up or
clumps
Engine runs but
tiller won't move
Engine runs but
tabors when tilling
CAUSE
1., Low oil level/dirty oil
2., Dirty engine air screen,
3, Dirty engine,
4. Partially plugged muffler.
5, Improper carburetor
adjustment,
1. Ground too dry and hard.,
2. Wheels and depth stake
incorrectlyadjusted
1. Ground too wet.
1. Tine control is nol engaged-
2. V-belt not correctly adjusted
3,, V-belt is off pulley(s)
I Tilling too deep,
2. Throttle control not properly
adjusted,
3. Carburetor out of adjustment.
,CORRECTION
1., check oil level/change oil,
2 Clean engine air screen,
3. Clean cylinder fins, air screen, muf
tier area,
4. Remove and clean muffler.
5. Adjust carburetor to richer posi
tion.,
1, Moisten ground or wait for more
favorable soil conditions.
2 Adjust wheels and depth stake.
2,,
3.
1.
2,
3_
Wait for more favorable soil condi
lions.
i i r ,i
Engage tine control
Inspect/adjust V-belt
Inspecl V.belt,
Set depth stake for shallower tii]
ing.
Check throttle control setting
Make necessary adjustments

HANDLES
TILLER - - MODEL NUMBER 917.293400
2
'_, %,
"tt. ",X
1\
29
9
\
tl
KEY
NO.
1
2
3
4
5
6
7
8
9
10
11
12
13
14
15
16
17
PART DESCRIPTION
NO.
127o12x Tflrollle, Control
141406 Grip, Handle
110673X G[ommet, Handle
127254X Bar, Drive Conlrol Assembly
6712J Cap, Vinyl
137119 Panel, Conlrol
1t0641X Bushing, Spill
71191008 "Screw, Pan Head #10-24
72010520 °Bolt,5/16-18 x 2-112
110646X Handle, Grip
STD624003 'Clip, Hairpin
81328 Bolt, Shoulder
110741;4 Handle, Shift
109313X Grommet, Rubber
110702X Rod, Shill
STD533710 "Boll, Carriage 3/8-16 x t Gr, 5
109229X t.eck, Handle
KEY PART DESCRIPTION
NO. NO.
18 STD541437 *Nut, Cenlefiock 318_16
19 19131611 Washer 13/32 x 1 × 1t Ga
20 109228X Lever. Lock. Handle
21 150258 Handle, Assemble
22 121145X Clip, Ptasllc, Cable
23 86777 Screw, He×, Washer Hd, Slotted
#10-24 x 1/2
24 9484R Clip
25 73970500 Locknut, Hex, Flange
26 110675)( Clutch, Cable
27 STD541025 *Nut, Hex 114-20
28 STD551125 'Washer, Lock 1/4
29 STD541462 "Nut, Keps #10.24
31 150696 Boll, Pivol
* STANDARD HARDWARE - - PURCHASE LOCALLY
NOTE: All component dimensions given in US. laches
1 inch = 25,4 mm
22

TILLER --MODEL NUMBER 917.293400
MAINFRAME, LEFT SIDE
9
7
3"o +"
KEY
NO,
1
2
3
4
5
6
7
8
9
10
11
12
13
14
15
16
17
19
2O
21
22
23
PART
NO.
STD541431
STD551137
STD541037
74930568
154734
1t011tX
STD532505
8700J
86777
9484R
STD551125
STD541025
23230506
120938X
STD551031
145102
STD541031
12000028
110653X
145216
104214X
5015J
128952
795R
DESCRIPTION KEY PART
NO. NO.
Nut, Keps 5/16-18 24 I26875X
*Washer, Lock 8/8 25 8TD624003
"Nut, Hex 3/8.t6 26 131t59X574
Bratt,Hex 5/16-18x4-114 27 132801
Screw Shift Lever 28 104679X
Lever, Shift 29 12000032
*Bert,Carriage 1/4-20 x 1/2 30 159229
Gr. 531 102384X
Plate, Shiftlndicator 32 102141X
Screw. Hex, Washer Head, 83 STD523710
Stetted #10_24 x1/2 34 102383X
Clip 35 74760532
'Washer, Lock 1/4 36 102331X
'Nut, Hex 1/4-20 37 130812
*Screw, Set, 5/16.18 x3/8 88 145822
Spacer, Split 0327 x 0.42 39 140062
x2..68 41 19111610
'Washer 11f32 x 11/16 x 16 Ga. 42 151004
Sheave, Transmission 43 69180
*Nut, Hex 5/16-18 44 164173
R_ng,Retainer
Guard,Pinch Point
Spacer,Split 0 327 x 0 42
xl 688
Nut, Cap 5/16-18
T_re
Rim
Tire Valve
DESCRIPTION
Rivet, Orllled
'Clip, Hairpin
Guard, Bell
Belt, V
Pulley, td]er
Ring, Klip
Bracket. Idler
Boff, I'-tex 5/16-16 x 12
Shaft, tdler Arm
"Bolt, Hex 3/8-16 x I
Counterweight, LH
Botl, Hex 5/16q8x 1 1/2
8racket, Reinforcement, LH
Sheave, Engine
Slud, Guard Boil
Cap, Plunger
Washer 11t32 x 1 x 10 Ga
Spacer
Nut Lock #1@24
Belt Keeper
"STANDARD HARDWARE - - PURCHASE LOCALLY
NOTE: Aftcomponent dimensions given in U S. inches
1inch= 25 4 mm

I ILLP-..H - - MUUP_L NUNtUI:.H _1/.Z_UU
MAINFRAME, RIGHT SIDE
13
12
\
/
9
10
KEY
NO.
1
2
3
4
5
6
7
8
9
10
PART
NO.
157976
73970500
STD55I 031
74760512
102332X
74760532
I02173X
STD551137
STD541037
7476O524
DESCRIPTION
Bumper
Locknut, Hex, Flange 5/16-
18
'Washer I1/32 x 11/16 x 16
Ga.
BoIt, Hex 5/16-18 x 3/4
Bracket, Reinforcement
Bolt, Hex 5/16-18 x 2
Counter Weight, R H.
*Washer, Lock 3/8
"Nut, Hex 3/8-16
Bolt, Hex 5/16-18 x 1-1/2
KEY PART DESCRIPTION
NO. NO.
11 STD624003 *Clip, Hairpin
12 126875X Rivet, Drilled
t3 5015J Tire
128952 Rim
795R Tire Valve
t4 STD541431 *Nut, Keps 5/16-18
15 ...... Engtne, (See Breakdown)
Craftsman Model No.
I43.976001
STANDARD HARDWARE - _,PURCHASE LOCALLY
NOTE: All componentd{mensionsgiven_nUSinches,
t inch = 254 ram
24

TRANSMISSION
TILLER - - MODEL NUMBER 9!7,293400
48
25
KEY PART
NO. NO,
t 154354
3
,4
5
150698
106211X
5020J
1370H
6 137335
7145101
8 4895H
9 154467
10 7392M
1! 100371K
12 106160X
t3 142145
I4 8353J
t5 '12000039
t6 154466
18 4358J
t9 12000040
20 102114X
21
22
23
24
25
27
28
29
I02t15X
6803J
102111X
STD551143
STD541143
143009
I_390X
1_1_X
DESCRIPTION
Transmission Assembly
(Includes Key Nos. 2-52)
Gearcase, LH. w/Bearing
(fncludes Key No 4}
Gasket, Gearcase
Beadng, Needle
Washer, Thrusl 5/8 x I 10 x
1i32
Pinion, Input
Shaft, Input
Bearing, Needte
Washer, Seal
Ball, Sleel
Spring, Shift, Fork
O,Ring
Arm, Shill
Fork, Shift
Ring, Kltp
Shaft, Shift
Washer
Ring, Kiip
Gear,Assembly, Reverse Idler
(Includes Key Nos. 21 and 22)
Gear, Reverse Idler
Bearing, Needle
Shaft, Reverse Idler
"Washer, Lock 7/t6
*Nul, Hex 7/16..20
Bearing, Shaft, Ground Orive
LH,
Spacer 0765 × ! .125 x 1 23
Chain #35-50 Pitch
KEY PART DESCRIPTION
NO, NO.
30 150737 Ground Shatt Assembly
31 143008 Bearing, Shaft, Ground Drive
RH.
32 106388X Spacer 070x 1 O0 x 1 150
33 102121X Sp[ocket and Gear Assembly
34 102112X Shaft, Reduction (2nd)
35 102101X ScreW, Whiz. Lock 5/16-18 x 3-
1/2
36 154355 Sprocket Assembly w/Bearing
(Includes Key Nos 37 and 38)
37 4422J Bearing, Needle
38 154356 Sprockel, Title
39 !05345X Gear,Ctusler, Red 1st & 2nd
40 105346X Gear, Reverse
41 8358J Shaft, Reduction (1st)
42 4220R Washer, Thrust
43 106146X Spacer 1 01 x 175 x 0760
44 !55236 SealAsm, OII
48 150700 Gearcase, RH w/Bearing
(Includes Key No, 8)
49 132688 Shaft, _ne
50 106147X Chain, Roller //50-50 Pitch
51 17720408 Screw 1/4-20 x 1/2
52 73220500 "Nut, He× 5/16,18
53 122204X Beating Kit, Tfne Shaft
- _ 6066J Grease, Plaslilube #1
' SIANDARD HARDWARE- - PURCHASE L,OCALLY
NOTE: All componenl dimensions given in U S inches
Iinch = 25.4 mm

TINE SHIELD
TILLER - - MODEL NUMBER 917.293400
24
2¢ 29
f9
KEY
NO.
1
2
3
4
5
6
7
8
9
10
tl
12
13
14
15
16
PART
NO.
98000129
16t415X574
8393./
120(}0036
ST6533107
839,M
8392J
'_09230X
124289X574
STD5331t 0
ST6541031
STD551131
721t0510
124311X
16t414X574
73510400
DESCRIPTION KEY PART
NO. NO,
Nut, Range 5/16d8 17 162175
Shield,Side, Outer L.H. 18 STD532512
Pin,Stake, Oeplh
Ring, Klip 19 102701X
*Bet•,Cardage 5/16-18 ×3/4 Gr 20 STD541037
5 21 102"f56X
Spring 22 74930632
Bracket, Latci_ 23 4440J
Spring, Depth Stake 24 72140404
Shte_d,Tine 25 6712J
*Bolt,Carriage 5/16-16 x I Gr 5 26 109227X
*Nut, Hex 5/16q8 27 t02695X574
'Washer, Lock 5/16 26 126588X
Bolt, Carriage 5/16-18 x 1-1/4 29 124309X574
Bracket, Shield '[ine 30 73970500
Shield, Side, Outer RH
Nut, Hex "_/4-20
DESCRIPTION
NuL Wing Forged 5/16o18
*Boll, Carriage 1,'4-20 x I-1/4
Gr. 5
G_p
*Nul, Hex 3/0-10
Stake, Depth
Boll, Hex 318-16x2
Hinge
"Bolt, Carriage 1/4.20 x 1/4
Cap, Vinyl
Pad, Idler
Shield, LeveEing
Pin, Hinge
Shield,Side
Locknut,He×,Flange
*STANDARD HARDWARE - - PURCHASE LOCALLY
NOTE; All component dimensions given in US _nches
i inch = 25,4 mm
26

TILLER -- MODEL NUMBER 9t 7.293400
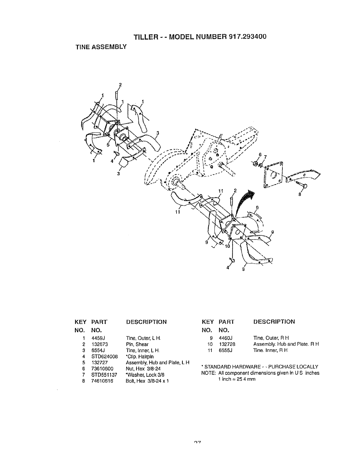
TINE ASSEMBLY
2
I
1
9
KEY PART
NO. NO,
1 4459J
2 132673
3 6554J
4 STD624008
6 132727
6 73610600
7STD551137
8 74610616
DESCRIPTION
Tine,Outer, LH
Pin, Shear
'_qne,Inner, L H
"Clip. Hairpin
Assembly, Hub and Plale, L H
Nut, Hex 3/8.24
*Washer, Lock 3/8
Bolt, Hex 3/8-24 x I
KEY PAR3 r DESCRIPTION
NO. NO.
9 4460J "line, Outer, R H
10 132728 Assembly. Hub and Pfate. R H
11 6555J 3qne. Inner, R H
" STANDARD HARDWARE -. PURCHASE LOCALLY
NOTE; All componenl dimensions given in U S inches
t inch = 25 4 mm

DECALS
TILLER --. MODEL NUMBER 917.293400
10
12
KEY PAR]'
NO. NO.
t158095
2 145023
3 157982
4 157983
5 137536
6 120431X
7 102180X
8 157984
9 120075X
t0 163094
1! 162215
12 164527
-_ 163160
•,- 163161
DESCRIPTION
Decal, Lago
Decal, Logo
Decal, Logo
Decal, Description
Decal, Caution, Ddve Controt
Decal, Hand Placement
Decal, Shift Indicator
Decal, "Fine,Shield, Counter Rotating Tines
Decal, Warning, Rotaling _nes
Decal, "lqneDeplh Stake
Decal, Tine, Shield, Warning Dom
Decal, OpariLub lnst_ctfons
Manual, Owner's {English]
Manual, Owner's (Spanish)
28

TILLER - - MODEL NUMBER 9t7.293400
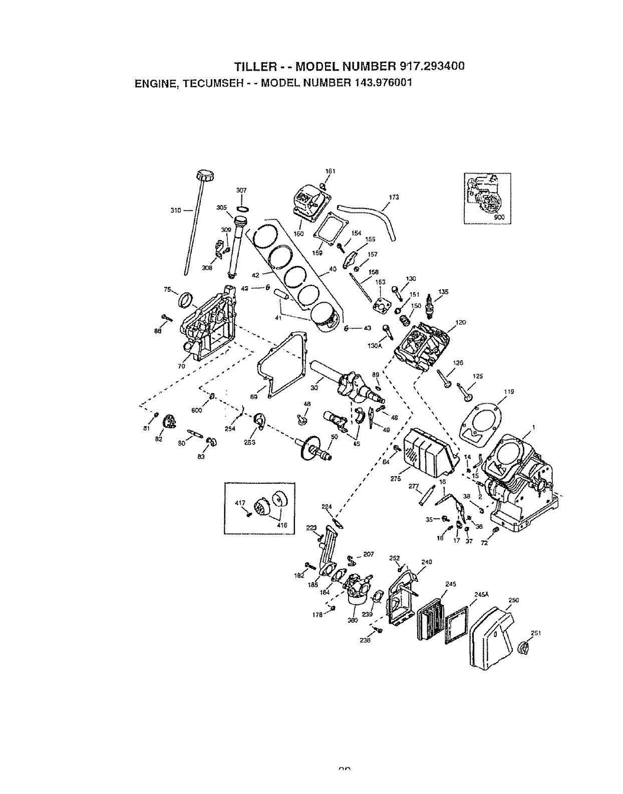
ENGINE, TECUMSEH - - MODEL NUMBER 143,976001

TILLER --MODEL NUMBER 917,293400
ENGINE, TECUMSEH - -MODEL NUMBER 143.976001
370&
¢
KEY
NO.
1
2
14
15
16
t7
!8
lg
20
25
25A
26
30
PART KEY PART
NO. DESCRIPTION NO. NO.
36866 Cylinder (tnoL 2, 20 &72) 35 29826
26727 Dowel Pin 36 29918
28277 Washer 37 29216
30589 Governor Rod 38 29642
36618 Governor Lever 40 40004
36700 Governor Lever Ciamp 40 40005
65t028 Screw, Torx "1"-15,8-32 x 3/8"
36710 Extension Spring 41 36070
32600 Oil Seal
36621 Air Baffle (Left) 41 36071
36622 A_rBaffle (Right)
30200 Screw, 10-24 x 9/16" 42 40006
34740 Crankshaft 42 40007
DESCRIPTION
Screw, 10-32 x 3/4"
Lock Washer
Lock Nut, 10-32
Retaining Ring
Piston, Pin & Ring Set (Std.)
Piston, Pin & Ring Se{ (.010"
os)
Piston & Pin AssOy (Std) (IncL
43)
Piston & Pin Ass0y
('.0i0" OS) _JrtcL43)
Ring Set (St&!,'
Ring Set (.010 OS)
30

TILLER - - MODEL NUMBER 9t7.293400
ENGINE, TECUMSEH - - MODEL NUMBER 143.976001
KEY PART KEY PART
NO. NO. DESCRIPTION NO. NO.
43 2038t Piston Pin Retaining _Ring 210 27793
45 32875A Connecting Rod AssOy 211 28942
(Incl. 46 & 49) 223 650451
46 32610A Connecting Rod Bolt 224 36581
48 35616 Valve Lifter 238 28820
49 36611 Oil Dipper 239 27272A
50 36620 Camshaft (Incl 253 & 254) 240 36633
60 36623 Blower Housing Extension 245 36046
64 650738 Screw, 1/4-20 x 5/8" 245A 36634
65 30200 Screw, 10-24 x 9/16" 250 36635A
69 36624 *Cylinder Cover Gasket 25t 650886
70 36625 Cylinder Cover (IncL 75 thru 252 650821
83_) 253 36701
72 27642 OII Drain Plug 254 36702
75 27897 Oil Seal 260 36992
80 30574A Governor Shaft 261 651008
81 30590A Washer 261A 650821
82 30591 Governor Gear AssOy (Incl. 262 651008
81) 275 36759
83 36057 Governor Spool 277 650988
86 650488 Screw, 1/4-20 x 1-1/4" 285 35985B
89 610961 F_ywhee!Key 287 651008
90 611205 Flywheel 290 30705
92 650815 BellevilIe Washer 292 26460
93 6508 !6 Flywheel Nut 298 650665
100 34443A Solid State Ignition 300 36875
101 610118 Spark Plug Cover 301 36246
103 651007 Screw, Torx T-15, 10-24 x 305 36877
15/16" 307 35499
110 36054 Ground Wire 308 36651
119 36719 *Cy{inder Head Gasket 309 651011
120 36721 Cy{inder Head 310 36878
125 36471 Exhaust Valve (Std.) (Incl. 15 !)
125 36472 Exhaust Valve (1/32' OS) 313 34080
325 29443
(incl. 151)
126 29314B Intake Valve (Std.) (Incl 151) 327 35392
126 29315C Intake Valve (1/32" OS) (tnd. 340 36876
151) 34t 36644
130 650912 Screw, 5/16-18 x 1-1/2" 342 651010
130A 650999 Screw, 5/16-18 x 2-.41/64"
135 34645 Resistor Spark Plug (RN4C) 342A 650738
150 31672 Valve Spring 370A 36261
151 31673 Valve Spring Cap 380 640025
153 36649 Push Rod Guide 390 590704
154 650913 RockerArmSlud 400 36720
155 35624A RockerArm
157 650914 Nut, 1/4-28
158 36629 Push Rod 416 36085
159 35626 *Rocker Arm Cover Gasket
I60 36630A Rocker Arm Cover 417 650760
t6I 651008 Screw, 1/4-20 x 31/64" 600 65!013
t73 36675A BreatherTube 900t_
178 650852 Nut, 1/4-20
182 650451 Screw, 1/4-20 x 1" 9001_1
184 26756 *Carburetor To Intake Pipe
Gasket I_ I_
185 36631 Intake Pipe N I_
186 36711 Governor Link
200 36736 Control Bracket
(Incl. 206, 210 & 211)
206 610973 Terminal
207 36632 Throtlle Link
209 650821 Screw, 10_32x 1/2"
DESCRIPTION
Conduit Clip
Screw, 10-32 x 3/8"
Screw, 1/4-20 x 1"
*Intake Pipe Gasket
Screw, 10-.32 x 1/2"
*Air Cleaner Gasket
Air Cleaner Body (Inct 239)
Air Cleaner Filter
Air Cleaner Filter (Poly)
Air Cleaner Cover
Wing Nut
Screw, 10-32 x 1/2"
Compression Release Weight
Compression Release Spring
Blower Housing
Screw, 1/4-20 x 31/64"
Screw, 10-32 x 1/2"
Screw, 1t4.20 x 31/64'*
Muffler
Screw, 114-20x 2-9/32"
Starter Cup
Rivet, t/4-20 x 31/64"
Fuel Line
Fuel Line Clamp
Screw, 1/4_15 x 3/4"
Fuel Tank (lncl 292 & 301)
Fuel Cap
011Eili Tube
000 Ring
Fill Tube Clip
Screw, 10-32 x 15/16"
Dipstick
Spacer
Wire Clip
Starter Plug
Fue! Tank Bracket (Upper)
Fuel Tank Bracket (Lower)
Screw, 1/4-20 x 7/8"
Screw, 1/4-20 x 5/8"
Lubrication Decal
Carburetor' (tncl, !84)
Rewind Starter
Gasket Set
(tnd llems Marked' in Notes)
Spark Arrestor Kit
(inct, 417) (Oplional)
Screw, 8-32 x 3/8'_
Washer
Replacement Engine -None
Replacement S/B 754295,
order from 71-999
RPM High 3050 to 3350
RPM Low 1650 to 1950
(NOTE: This engine could have been built with
590746 starter)
NOTE: Al! component dimensions given in US
inches 1 inch = 25 4 mm

T|LLEH -- ML)IJr_L NUIVI_I::::H f91 [.Z_J;SqUU
ENGINE, TECUMSEH - - MODEL NUMBER 143.976001
KEY PART
NO, NO.
.... 640025
"' 1 631615
' 2 631767
_!_,,_ 4 631184
5 631183
6 631036
7 650506
16 632164
_l 17 650417
16 630766
20 640018
20A 640053
25 631867
_ 27 631024
26 632019
29 631028
6-_ 30 631021
l 3! 631O22
"_ 35 36045
_- 2, 36 640019
[_,_i 37 632547
40 640015
44 27110
__._ 47 630748
_.._ 48 631027
DESCRIPTION
Carburetor (Ind 184 or Eng Parts fist)
Thtotlle Shaft & Lever Assembly
Throttle Return Spdng
Dust Seal Washer
Dusl Seat (Throttle)
Throtlle Shutter
Shutter Screw
Fuel Fitting
Throl_leCrack Screw/Idle Spd Screw
Tenston Spdng
tdle Restrictor Screw
Idle Reslrlctor Screw Cap
Float Bowl
Float Shaft
Float
Float Bowl ()00 Ring
Inlet Needle, Seat, & Clip (Incl. 31)
Spring Clip
Primer Bulb!Retainer Rtog
Main Nozzle Tube
000 Rtng, Main Nozzle Tuba
High Speed Bowl Nut
Bowl Nul Washer
Welch Plug, Idle Mixture Welt
Welch Plug, Atmosphe6c Venl
KEY PART
NO. NO.
590736
1 590599A
2 590600
3 590696
4 590601
5 59O697
6 590698
7 590699
8 5907OO
tl 590705
12 590535
13 590701
DESCRIPTION
Recoil Starter
Sprlng Ptn (tncl 4)
Washer
Retainer
Washer
Brake Spr_ng
StaMer Dog
Dog Spring
Pulley & Rewind Spring AssOy.
Starter Hopstng AssOy,
Starter Rope ( 98" X 9/64" d_a)
Starter Handle
KEY PART
NO. NO.
590748
1 590599A
2 590600
3 590679
4 590601
5 590678
6 590680
7 590412
8 590681
11 590747
12 590535
13 590701
32
DESCRIPTION
Recoil Starter
Spring Pin (Incl 4)
Washer
Retainer
Washer
Brake Spring
Starter Dog
Dog Spdng
Pulley & Rewind Spdng Assembly
Slader Housing Assembly
Stader Rope
(Length 98" × 9164,"die.)
Stader Handle


34


For the repair or replacement pads you need
deli_'ered directly to your home
Call 7 am - 7 pro, 7 days a week
1-800-366-PART
(1-800-366-7278)
Para ordenar piezas con entrega a
domicilio - 1-800-659-7084
For in-house major brand repair service
Call 24 hours a day, 7 days a week
1-800-4-REPAIR
(1-800_473_7274)
Para pedir servicto de reparaci6n a
domicilio - 1-800-676-5811
For the locat}on of a Sears Parts and
Repair Center in your area
Call 24 hours a day, 7 days a week
1-800-488-1222
For information on purchasing a Sears
Maintenance Agreement or to inquire
about an existing Agreement
Call 9 am - 5 pro, Monday-Saturday
1-800-827-6655
_luiim
,.-,,,ml
When requesting service or ordering
pads, always provide the following
information:
°Product Type •Part Number
° Model Number •Part Description
Amenca_s Repair Specialrsts
163160 Rev, 9 2.12,98TR Printed in U.S.A.