Craftsman 917293472 User Manual REAR TINE TILLER Manuals And Guides L0203192
CRAFTSMAN Rear Tine, Gas Tiller Manual L0203192 CRAFTSMAN Rear Tine, Gas Tiller Owner's Manual, CRAFTSMAN Rear Tine, Gas Tiller installation guides
User Manual: Craftsman 917293472 917293472 CRAFTSMAN REAR TINE TILLER - Manuals and Guides View the owners manual for your CRAFTSMAN REAR TINE TILLER #917293472. Home:Lawn & Garden Parts:Craftsman Parts:Craftsman REAR TINE TILLER Manual
Open the PDF directly: View PDF
.
Page Count: 56

Owner's Manual
ICRRFTSMIIN'J
TILLER
5.5 HP, 14 Inch Tine Width
Rear Tine with
Counter Rotating Tines
Model No.
917.293472
I_ his product has a low emission engine which operates
differently from previously built engines. Before you start the
engine, read and understand this Owner's Manual.
CAUTION:
Read and follow all Safety
Rules and Instructions before
operating this equipment.
Sears, Roebuck and Co., Hoffman Estates, II 60179 U.S.A.
Visit our Craftsman website:www.sears.com/craftsman

Safety Rules ......................................... 2
Warranty ............................................... 2
Product Specifications .......................... 4
Assembly .............................................. 5
Operation .............................................. 8
Maintenance Schedule ...................... 13
Maintenance ....................................... 13
Service and Adjustments .................... 15
Storage ............................................... 19
Troubleshooting ................................. 20
Illustrated Parts List ............................ 42
Sears Service ...................... Back Cover
LIMITED ONE YEAR WARRANTY ON CRAFTSMAN TILLER
For one (1) year from date of purchase, when this Craftsman Tiller is maintained,
lubricated, and tuned up according to the operating and maintenance instructions in
the owner's manual, Sears will repair free of charge any defect in material or workman-
ship.
This Warranty does not cover:
•Expendable items which become worn during normal use, such as tines, spark
plugs, air cleaners and belts.
•Repairs necessary because of operator abuse or negligence, including bent
crankshafts and the failure to maintain the equipment according to the instructions
contained in the owner's manual.
•If this Craftsman Tiller is used for commemial or rental purposes, this Warranty
applies for only thirty (30) days from the date of purchase.
Warranty service is available by returning the craftsman power mower to the nearest
sears service center/department in the united states. This warranty applies only while
this product is in use in the united states.
This Warranty gives you specific legal rights, and you may also have other rights which
vary from state to state.
SEARS, ROEBUCK AND CO., D/817WA, HOFFMAN ESTATES, IL 60179
IMPORTANT: This cutting machine is capable of amputating hands and feet and
throwingobjects. Failure to observe the following safety instructionscould result in
serious injury or death.
TRAINING "
• Read the Owner's Manual carefully. Be
thoroughly familiar with the controls
and the proper use of the equipment.
Know how to stop the unit and disen-
gage the controls quickly.
•Never allow children to operate the
equipment. Never allow adults to
operate the equipment without proper
instruction.
•Keep the area of operation clear of all
persons, particularly small children,
and pets.
PREPARATION
•Thoroughly inspect the area where the
equipment is to be used and remove all
foreign objects.
2
Disengage all clutches and shift into
neutral before starting the engine
(motor).
•Do not operate the equipment without
wearing adequate outer garments.
Wear footwear that will improve footing
on slippery surfaces.
•Handle fuel with care; it is highly
flammable.
•Use an approved fuel container.
•Never add fuel to a running engine or
hot engine.
•Fill fuel tank outdoors with extreme
care. Never fill fuel tank indoors.
•Replace gasoline cap securely and
clean up spilled fuel before restarting.
•Use extension cords and receptacles
as specified by the manufacturer for all
units with electric drive motors or
electric starting motors.

•Never attempt to make any adjustments
while the engine (motor) is running
(except where specifically recommend-
ed by manufacturer).
OPERATION
•Do not put hands or feet near or under
rotating parts.
•Exercise extreme caution when
operating on or crossing gravel drives,
walks, or roads. Stay alert for hidden
hazards or traffic. Do not carry passen-
gers.
•After striking a foreign object, stop the
engine (motor), remove the wire from
the spark plug, thoroughly inspect the
tiller for any damage, and repair the
damage before restarting and operat-
ing the tiller.
• Exercise caution to avoid slipping or
falling.
•If the unit should start to vibrate
abnormally, stop the engine (motor)
and check immediately for the cause.
Vibration is generally a warning of
trouble.
•Stop the engine (motor) when leaving
the operating position.
• Take all possible precautions when
leaving the machine unattended.
Disengage the tines, shift into neutral,
and stop the engine.
•Before cleaning, repairing, or inspect-
ing, shut off the engine and make
certain all moving parts have stopped.
Disconnect the spark plug wire, and
keep the wire away from the plug to
prevent accidental starting. Disconnect
the cord on electric motors.
•Do not run the engine indoors; exhaust
fumes are dangerous.
• Never operate the tiller without proper
guards, plates, or other safety protec-
tive devices in place.
•Keep children and pets away.
•Do not overload the machine capacity
by attempting to till too deep at too fast
a rate.
•Never operate the machine at high
speeds on slippery surfaces. Look
behind and use care when backing.
•Never allow bystanders near the unit.
•Use only attachments and accessories
approved by the manufacturer of the
tiller.
• Never operate the tiller without good
visibility or light.
•Be careful when tilling in hard ground.
The tines may catch in the ground and
propel the tiller forward. If this occurs,
let go of the handlebars and do not
restrain the machine.
MAINTENANCE AND STORAGE
•Keep machine, attachments, and
accessories in safe working condition.
•Check shear pins, engine mounting
bolts, and other bolts at frequent
intervals for proper tightness to be sure
the equipment is in safe working
condition.
•Never store the machine with fuel in the
fuel tank inside a building where
ignition sources are present, such as
hot water and space heaters, clothes
dryers, and the like. Allow the engine to
cool before storing in any enclosure.
•Always refer to the operator's guide
instructions for important details if the
tiller is to be stored for an extended
period.
ALook for this symbol to point out
important safety precautions. It means
CAUTION!!! BECOMEALERT!!! YOUR
SAFETY IS INVOLVED.
_I_CAUTION- Always disconnect spark
plug wire and place wire where it cannot
contact spark plug in order to prevent
accidental starting when setting up,
transporting, adjusting or making repairs.
_,WARNING: Engine exhaust, some of its
constituents, and certain vehicle compo-
nents contain or emit chemicals known to
the State of California to cause cancer
and birth defects or other reproductive
harm.
3

PRODUCT SPECIFICATIONS
GASOLINE
CAPACITY:
OIL (API-SF-SJ):
CAPACITY: 20 OZ.)
;PARK PLUG :
GAP: .030")
3QUARTS
UNLEADED
REGULAR
SAE 30
(ABOVE 32°F)
SAE 5W-30
(BELOW 32°F)
CHAMPION
RC12YC
CONGRATULATIONS on your purchase
of a Sears Tiller. It has been designed,
engineered and manufactured to give
you the best possible dependability and
performance.
Should you experience any problems you
cannot easily remedy, please contact a
Sears or other qualified Service Center.
We have competent, well-trained techni-
cians and the proper tools to service or
repair this unit.
Please read and retain this manual. The
instructions will enable you to assemble
and maintain your tiller properly. Always
observe the "SAFETY RULES".
Your new tiller has been assembled at the
factory with exception of those parts left
unassembled for shipping purposes. To
ensure safe and proper operation of your
tiller all parts and hardware you as-
semble must be tightened securely. Use
the correct tools as necessary to insure
proper tightness.
CUSTOMER RESPONSIBILITIES
•Read and observe the safety rules.
•Follow a regular schedule in maintain-
ing, caring for and using your tiller.
•Follow the instructions under the
"Customer Responsibilities" and
"Storage" sections of this Owner's
Manual.
_WARNING: This unit is equipped with
an internal combustion engine and
should not be used on or near any
unimproved forest-covered, brush-
covered or grass covered land unless the
engine's exhaust system is equipped with
a spark arrester meeting applicable local
or state laws (if any). If a spark arrester is
used, it should be maintained in effective
working order by the operator.
In the state of California the above is
required by law (Section 4442 of the
California Public Resources Code).
Other states may have similar laws.
Federal laws apply on federal lands. A
spark arrester for the muffler is available
through your nearest Sears service
center (See REPAIR PARTS section of
this manual).
These accessories were available when the tiller was purchased. They are also
available at most Sears Retail outlets and Service Centers. Most Sears Stores can
order repair parts for you when you provide the model number of your tiller.
ENGINE
TILLER PERFORMANCE
FUR_PENER
TILLER MAINTENANCE
BELT TINES SHEAR PIN HAIRPIN CUP
4

Your new tiller has been assembled at the
factory with exception of those parts left
unassembled for shipping purposes. To
ensure safe and proper operation of your
tiller all parts and hardware you assemble
must be tightened securely. Use the
correct tools as necessary to insure
proper tightness.
TOOLS REQUIRED FOR ASSEMBLY
A socket wrench set will make assembly
easier. Standard wrench sizes are listed.
(1) Utility knife
(1) Wire cutter
(1) 13re pressure gauge
(1) Screwdriver
(1) Pair of pliers
(1) 9/16" wrench
OPERATOR'S POSITION
When right or left hand is mentioned in
this manual, it means when you are in the
operating position (standing behind tiller
handles).
LEFT
FRONT
OPERATOR'S
POSITION
RIGHT
CONTENTS OF HARDWARE PACK
(2) Handle Locks
(1) Carriage Bolt
3/8-16 UNC x 1 Gr. 5
,(1) Flat Washer
13/32 x I x 11 Ga.
°1 ©
(2) Shear Pins & Clips
Q
(1) Center Locknut
3/8-16 UNC
(1) Cable Clip
(1) Pivot Bolt
3/8-16 UNC Grade 5
(1) Handle Lock Lever
5

UNPACKING CARTON
ACAUTION: Be careful of exposed
staples when handling or disposing of
cartoning material.
IMPORTANT: When unpacking and
assembling tiller, be careful of exposed
staples when handling or disposing of
cartoning material.
1. While holding handle assembly, cut
cable ties securing handle assembly
to top frame. Let handle assembly
rest on tiller.
2. Remove top frame of carton.
3. Slowly ease handle assembly up and
place on top of carton.
4. Cut down right hand front and right
hand rear corners of carton, lay side
carton wall down.
5. Remove packing material from handle
assembly.
6. Separate shift rod from handle
assembly.
Shift Rod
Assembly
INSTALL HANDLE
.Insert one handle lock (with teeth
facing outward) in gearcase notch.
(Apply grease on smooth side of
handle lock to aid in keeping lock in
place until handle assembly is
lowered into position.)
VIEWED FROM R.H. SIDE OF TILLER
_,_. Ge Handle Assembly
arcase Notch
Handle Lock
2. Grasp handle assembly. Hold in "up"
position. Be sure handle lock remains
in gearcase notch. Slide handle
assembly into position.
3. Rotate handle assembly down. Insert
rear carriage bolt first, with head of
bolt on L.H. side of tiller and loosely
assemble Iocknut.
Loosen Handle Lock
Lever to Move
"UP" Position
lever to hold
4. Insert pivot bolt in front part of plate
and tighten.
5. Cut down remaining corners of carton
and lay panels flat.
6. Lower the handle assembly. Tighten
nut on carriage bolt so handle moves
with some resistance. This will allow
for easier adjustment.
7. Place flat washer on threaded end of
handle lock lever.
8. Insert handle lock lever through
handle base and gearcase. Screw in
handle lock lever just enough to hold
lever in place.
9. Insert second handle lock (with teeth
inward) in the slot of the handle base
(just inside of washer).
10. Raise handle assembly to highest
position and securely tighten handle
lock lever by rotating clockwise.
Leaving handle assembly in highest
position will make it easier to connect
shift red.
Flat Washer
Handle
Gearcase_
Slot
Rear Cartridge
Handle Lock
Lever
Handle Base
Pivot Bolt
Locknut "_
6

INSERT CABLE CLIP
•insert plastic cable clip into hole on the
back of handle column. Push cables
into clip.
Hairpin
Shift Rod
Shift Lever
Indicator
Handle Column
Cables
Cable Clip
CONNECT SHIFT ROD
1. Insert end of shift rod farthest from
bend into hole of shift lever indicator.
2. Insert hairpin clip through hole of shift
rod to secure with bend of clip on right
side.
L- Attach this End To shift
Lever Indicator
Shift Rod
REMOVE TILLER FROM CRATE
1. Adjust handle assemby to lowest
position. Be sure lock lever is tight-
ened securely.
2. Make sure shift lever indicator is in "N"
(neutral) position.
3. Tilt tiller forward by lifting handle.
Separate cardboard cover from
leveling shield.
4. Rotate tiller handle to the right and
pull tiller out of carton.
CHECKTIREPRESSURE
The tires on your unit were overinflated at
the factory for shipping purposes. Correct
and equal tire pressure is important for
best tilling performance.
•Reduce tire pressure to 20 PSI.
HANDLE HEIGHT
• Handle height may be adjusted to
better suit operator. (See "TO ADJUST
HANDLE HEIGHT" in the Service and
Adjustments section of this manual).
7

These symbols may appear on your Tiller or in literature suppliedwith the product.
Learn and understand their meaning.
KNOW YOUR TILLER
READ THIS OWNER'S MANUALAND SAFETY RULES BEFORE OPERATING YOUR
TILLER.
Compare the illustrations with your tiller to familiarize yourself with the location of
various controls and adjustments. Save this manual for future reference.
F N R& @,=
(_'qW._I NQ O_t OFF
Throttle Control
Lever
Drive Control Bar Shift Lever Indicator
Depth
Leveling Shield
Outer Side Shield
Recoil
Starter
Handle
MEETS ANSI SAFETY REQUIREMENTS
Our tillers conform to the safety standards of the American National Standards Institute.
DRIVE CONTROL BAR - Used to engage
tines.
DEPTH STAKE - Controls depth at which
tiller will dig.
OUTER SIDE SHIELD - Adjustable to
protect small plants from being buried.
THROTTLE CONTROL - Used to control
engine speed.
LEVELING SHIELD - Levels tilled soil.
SHIFT LEVER - Used to shift transmission
gears.
SHIFT LEVER INDICATOR - Shows
which gear the transmission is in.
RECOIL STARTER HANDLE - Used to
start the engine.
8

The operation of any tiller can result in foreign objects thrown into the eyes,
which can result in severe eye damage. Always wear safety glasses or eye
shields before starting your tiller and while tilling. We recommend a wide
vision safety mask over spectacles or standard safety glasses.
HOW TO USE YOUR TILLER
Know how to operate all controls before
adding fuel and oil or attempting to start
engine.
STOPPING
TINES AND DRIVE
1. Release drive control bar to stop
movement.
2. Move shift lever to "N" (neutral)
position.
ENGINE
°Move throttle control to "STOP" posi-
tion. If equipped with stop switch, move
switch to "STOP" position.
NOTE: Never use choke to stop engine.
Drive Control Bar
"ENGAGED" Position Shift Lever
HARD TO SHIFT GEARS
•Briefly engage drive control bar and
release or rock tiller forward and
backward until are able to shift gears.
DEPTH STAKE
The depth stake can be raised or lowered
to allow you more versatile tilling and
cultivating, or to more easily transport
your tiller.
Shallowest'nlling .......
(Cultivating)
Deeptest lilling_
Depth Stake --------
"'Transport Position
J
Drive Control Bar
"DISENGAGED"
Position
Throttle Control
TINE OPERATION -WITH WHEEL
DRIVE
•Always release drive control bar before
moving shift lever into another posi-
tion.
•Tine movement is achieved by moving
shift lever to (_) till position and
engaging drive control bar.
FORWARD -WHEELS ONLY/TINES
STOPPED
•Release drive control bar and move
shift lever indicator to "F" (forward)
position. Engage drive control bar and
tiller will move forward.
REVERSE - WHEELS ONLY/TINES
STOPPED
1. DO NOT STAND DIRECTLY BEHIND
TILLER.
2. Release the drive control bar.
3. Move throttle control to "SLOW"
position.
4. Move shift lever indicator to "R"
(reverse) position.
5. Hold drive control bar against the
handle to start tiller movement.
TILLING
1. Release depth stake pin. Pull the
depth stake up for increased tilling
depth. Place depth stake pin in hole
of depth stake to lock in position.
2. Place shift lever indicator in till
position.
3. Hold the drive control bar against the
handle to start tilling movement. Tines
and wheels will both turn.
4. Move throttle control to "FAST"
position for deep tilling. To cultivate,
throttle control can be set at any
desired speed, depending on how fast
or slow you wish to cultivate.
IMPORTANT: Always release drive
control bar before moving shift lever into
another position.
Depth Stake Pin
"RELEASED" Position
\
9
Side Shield
"Locked"
Position

TURNING
1. Release the drive control bar.
2. Move throttle control to "SLOW"
position.
3. Place shift lever indicator in =1_
(forward) position. Tines will not turn.
4. Lift handle to raise tines out of ground.
5. Swing the handle in the opposite
direction you wish to turn, being
careful to keep feet and legs away
from tines.
6. When you have completed your turn-
around, release the drive control bar
and lower handte. Place shift lever in
(till) position and move throttle control
to desired speed. To begin tilling,
hold drive control bar against the
handle.
TO TRANSPORT
ACAUTION: Before lifting or transporting,
allow tiller engine and muffler to cool.
Disconnect spark plug wire. Drain
gasoline from fuel tank.
AROUND THE YARD
1. Release the depth stake pin. Move
the depth stake down to the top hole
for transporting the tiller. Place depth
stake pin in hole of depth stake to lock
in position. This prevents tines from
scuffing the ground.
2. Place shift lever indicator in "F'
(forward) position for transporting.
3. Hold the drive control bar against the
handle to start tiller movement. Tines
will not turn.
4. Move throttle control to desired speed.
AROUND TOWN
1. Disconnect spark plug wire.
2. Drain fuel tank.
3. Transport in upright position to
prevent oil leakage.
BEFORE STARTING ENGINE
IMPORTANT: Be very careful not to allow
dirt to enter the engine when checking or
adding oil or fuel. Use clean oil and fuel
and store in approved, clean, covered
containers, use clean fill funnels.
CHECK ENGINE OIL LEVEL
The engine in your unit has been
shipped, from the factory, already filled
with SAE 30 summer weight oil.
1. With engine level, clean area around
oil filler plug and remove plug.
2. Engine oil should be to point of
overflowing when engine is level.
•For approximate capacity see "PROD-
UCT SPECIFICATIONS" on page 4 of
this manual. All oil must meet A.P.I.
Service Classification SF-SJ.
•For cold weather operation you should
change oil for easier starting (See oil
viscosity chart in the Maintenance
section of this manual).
•To change engine oil, see the Mainte-
nance section in this manual.
Oil Fill
ADD GASOLINE
•Fill fuel tank. Use fresh, clean, regular
unleaded gasoline. (Use of leaded
gasoline will increase carbon and lead
oxide deposits and reduce valve life.)
IMPORTANT: When operating in tem-
peratures below 32°F(0°C), use fresh,
clean, winter grade gasoline to help
insure good cold weather starting.
_WARNING: Experience indicates that
alcohol blended fuels (called gasohol or
using ethanol or methanol) can attract
moisture which leads to separation and
formation of acids during storage. Acidic
gas can damage the fuel system of an
engine while in storage. To avoid engine
problems, the fuel system should be
emptied before storage of 30 days or
longer. Drain the gas tank, start the
engine and let it run until the fuel lines
and carburetor are empty. Use fresh fuel
next season. See Storage section of this
manual for additional information. Never
use engine or carburetor cleaner prod-
ucts in the fuel tank or permanent
damage may occur.
ACAUTION: Fill to within 1/2 inch of top
of fuel tank to prevent spills and to allow
for fuel expansion. If gasoline is acciden-
tally spilled, move machine away from
area of spill. Avoid creating any source of
ignition until gasoline vapors have
disappeared.
Do not overfill. Wipe off any spilled oil or
fuel. Do not store, spill or use gasoline
near an open flame.
10

TO START ENGINE
&CAUTION: Keep drive control bar in
=DISENGAGED" position when starting
engine.
When starting engine for the first time or if
engine has run out of fuel, it will take
extra pulls of the recoil starter to move
fuel from the tank to the engine.
1. Make sure spark plug wire is properly
connected.
2. Move shift lever indicator to "N"
(neutral) position.
3. Place throttle control in "FAST"
position.
4. Tum fuel shut-off valve 1/4 turn to
open position.
5. Move choke control to choke position.
6. Grasp recoil starter handle with one
hand and grasp tiller handle with
other hand. Pull rope out slowly until
engine reaches start of compression
cycle (rope will pull slightly harder at
this point).
7. Pull recoil starter handle quickly. Do
not let starter handle snap back
against starter.
NOTE: If engine fires but does not start,
move choke control to half choke position.
Pull recoil starter handle until engine
starts.
8. When engine starts, slowly move
choke control to "RUN" position as
engine warms up.
NOTE: A warm engine requires less
choking to start.
9. Move throttle control to desired
running position.
1O.AIIow engine to warm up for afew
minutes before engaging tines.
NOTE: If at a high altitude (3000 feet) or
in cold temperatures (below 32°F), the
carburetor fuel mixture may need to be
adjusted for best engine performance.
See 'q'O ADJUST CARBURETOR" in the
Service and Adjustments section of this
manual.
NOTE; If engine does not start, see
troubleshooting points.
TILLING HINTS
_aaCAUTION, Until you are accustomed to
ndling your tiller, start actual field use
with throttle in slow position (mid-way
between "FAST" and "IDLE").
• Tilling is digging into, turning over, and
breaking up packed soil before
planting. Loose, unpacked soil helps
root growth. Best tilling depth is 4" to 6".
A tiller will also clear the soil of un-
wanted vegetation. The decomposition
of this vegetable matter enriches the
soil. Depending on the climate (rainfall
and wind), it may be advisable to till the
soil at the end of the growing season to
further condition the soil.
• Soil conditions are important for proper
tilling. Tines will not readily penetrate
dry, hard soil which may contribute to
excessive bounce and difficult handling
of your tiller. Hard soil should be
moistened before tilling; however,
extremely wet soil will "ball-up" or
clump during tilling. Wait until the soil is
less wet in order to achieve the best
results. When tilling in the fall, remove
vines and long grass to prevent them
from wrapping around the tine shaft
and slowing your tilling operation.
• You will find tilling much easier if you
leave a row untilled between passes.
Then go back between tilled
rows.There are two reasons for doing
this. First, wide turns are much easier to
negotiate than about-faces. Second,
the tiller won't be pulling itself, and
you, toward the row next to it.
• Do not lean on handle. This takes
weight off the wheels and reduces
traction. To get through a really tough
section of sod or hard ground, apply
upward pressure on handle or lower
the depth stake.
Choke Control
Starter Handle 11

CULTIVATING
Cultivating is destroying the weeds
between rowsto prevent them from
robbing nourishment and moisture from
the plants. At the same time, breaking up
the upper layer of soil crust will help
retain moisture in the soil. Best digging
depth is 1" to 3" (2.5-7.5 cm). Lower the
outer side shields to protect small plants
from being buried.
•Cultivate up and down the rows at a
speed which will allow tines to uproot
weeds and leave the ground in rough
condition, promoting no further growth
of weeds and grass.
ADJUST WHEELS FOR
CULTIVATING
• Place blocks under right hand side of
tiller and remove hairpin clip and
clevis pin from right hand wheel.
2. Move wheel outward approximately 1
inch until hole in inner wheel hub
lines up with inner hole in axle.
3. Replace clevis pin and hairpin clip on
inside of wheel and remove blocks•
4. Repeat preceding steps on left hand
side.
NOTE: In extremely rough conditions
and while cultivating, the wheels should
be moved outward on the axle for
increased stability.
OUTER VIEW OF TIRE
Clevis
Pin
ooioolo
0010 010
00I 0 01©
©010 010 Clevis
Pin
Hairpin CIlip
INNER VIEW OF TIRE
TINE SHEAR PINS
The tine assemblies on your tiller are
secured to the tine shaft with shear pins
(See "TINE REPLACEMENT" in the
Service and Adjustments section of this
manual).
If the tiller is unusually overloaded or
jammed, the shear pins are designed to
break before internal damage occurs to
the transmission.
• If shear pin(s) break, replace only with
those shown in the Repair Parts
section of this manual.
Hairpin
12

MAINTENANCE
SCHEDULE
i
!
' i
i
I
1 - Change more often when operating under a heavy load or _n high ambient temperatures.
2 - Service moreoftenwhen operatingindirtyor dustyconditions. LUBRICATION CHART
GENERAL RECOMMENDATIONS
The warranty on this tiller does not cover
items that have been subjected to
operator abuse or negligence. To receive
full value from the warranty, the operator .
must maintain tiller as instructed in this
manual.
Some adjustments will need to be made
periodically to properly maintain your
tiller.
All adjustments in the Service and
Adjustments section of this manual
should be checked at least once each
season.
* Once a year you should replace the
spark plug, clean or replace air filter,
and check tines and belts for wear. A
new spark plug and clean air filter
assure proper air-fuel mixture and help
your engine run better and last longer.
BEFORE EACH USE
1. Check engine oil level.
2. Check tine operation.
3. Check for loose fasteners.
*Throttle Control
** En ine ***RH Gear Case_
epth Stake P__f.__'_* Leveling in
/_ _[ o_ _7_ _\ Shield
/
* Idler Bracket
* SAE 30 OR 5W-30 Motor Oil
** Refer to Maintenance "ENGINE" Section
*** EP #1 Grease
LUBRICATION
Keep unit well lubricated (See "LUBRI-
CATION CHART").
13

_kCAUTION:Disconnect spark plug wire
before performing any maintenance
(except carburetor adjustment) to prevent
accidental starting of engine.
Prevent firest Keep the engine free of
grass, leaves, spilled oil, or fuel. Remove
fuel from tank before tipping unit for
maintenance. Clean muffler area of all
grass, dirt, and debris.
Do not touch hot muffler or cylinder fins
as contact may cause burns.
ENGINE
LUBRICATION
Use only high quality detergent oil rated
with API service classification SF-SJ.
Select the oil's SAE viscosity grade
according to your expected temperature.
NOTE: Although multi-viscosity oils (5W-
30, 10W-30, etc.) improve starting in cold
weather, these multi-viscosity oils will
result in increased oil consumption when
used above 32°F (0°C). Check your
engine oil level more frequently to avoid
possible engine damage from running
low on oil.
Change the oil after every 50 hours of
operation or at least once ayear if the
tiller is not used for 50 hours in one year.
Check the crankcase oil level before
starting the engine and after each five (5)
hours of continuous use. Add SAE 30
motor oil or equivalent. Tighten oil filler
plug securely each time you check the oil
level.
TO CHANGE ENGINE OIL
Determine temperature range expected
before oil change. All oil must meet API
service classification SF-SJ.
•Be sure tiller is on level surface.
•Oil will drain more freely when warm.
• Use a funnel to prevent oil spill on tiller,
and catch oil in a suitable container.
1. Remove drain plug.
2. Tip tiller forward to drain oil.
3. After oil has drained completely,
replace oil drain plug and tighten
securely.
4. Remove oil filler plug. Be careful not
to allow dirt to enter the engine.
5. Refill engine with oil. See "CHECK
ENGINE OIL LEVEL" in the Operation
section of this manual.
Oil drain
Level
Oil Fill Plug
AIR FILTER
Your engine will not run properly using a
dirty air filter. Clean the foam pre-cleaner
after every 50 hours of operation or every
season. Service paper cartridge every
100 hours of operation or every season,
whichever occurs first.
Service air cleaner more often under
dusty conditions.
1. Remove knob and cover. Lift air
cleaner assembly off stud.
TO SERVICE PRE-CLEANER
2. Remove foam pre-cleaner from air
filter.
3. Wash it in liquid detergent and water.
4. Squeeze it dry in a clean cloth.
NOTE: If very dirty or damaged, replace
pre-cleaner.
5. Reinstall pre-cleaner onto air filter.
6. Reinstall cover and secure with knob.
TO SERVICE CARTRIDGE
1. Carefully remove cartridge to prevent
debris from entering carburetor.
Clean base carefully to prevent debris
from entering carburetor.
2. Remove foam pre-cleaner from air
filter.
3. Clean cartridge by tapping gently on
flat surface. If very dirty or damaged,
replace cartridge.
4. Reinstall pre-cleaner onto air filter.
5. Reinstall cover and secure with knob.
IMPORTANT: Petroleum solvents, such
as kerosene, are not to be used to clean
the cartridge. They may cause deteriora-
tion of the cartridge. Do not oil cartridge.
Do not use pressurized air to clean or dry
cartridge.
14

Cover\
Knob
COOLING SYSTEM
Your engine is air cooled. For proper
engine performance and long life keep
your engine clean.
• Clean air screen frequently using a
stiff-bristled brush.
•Remove blower housing and clean as
necessary.
•Keep cylinder fins free of dirt and chaff.
Muffler
Blower
Screen
MUFFLER
Do not operate tiller without muffler. Do not
tamper with exhaust system. Damaged
mufflers or spark arresters could create a
fire hazard. Inspect periodically and
replace if necessary. If your engine is
equipped with a spark arrester screen
assembly, remove every 50 hours for
cleaning and inspection. Replace if
damaged.
SPARK PLUG
Replace spark plugs at the beginning of
each tilling season or after every 50 hours
of use, whichever comes first. Spark plug
type and gap setting is shown in =PROD-
UCT SPECIFICATIONS" on page 4 of this
manual.
TRANSMISSION
Once a season, lubricate the right hand
gear case grease fitting with 1 oz. of EP #1
grease.
CLEANING
Do not clean your tiller when the engine
and transmission are hot. We do not
recommend using pressurized water
(garden hose, etc.) to clean your unit
unless the gasket area around the
transmission and the engine muffler, air
filter and carburetor are covered to keep
water out. Water in engine will shorten the
useful life of your tiller.
•Clean engine, wheels, finish, etc. of all
foreign matter.
•Keep finished surfaces and wheels free
of all gasoline, oil, etc.
•Protect painted surfaces with automo-
tive type wax.
•LCAUTION: Disconnect spark plug wire
from spark plug and place wire where it
cannot come into contact with plug.
TILLER
TO ADJUST HANDLE HEIGHT
Select handle height best suited for your
tilling conditions. Handle height will be
different when tiller digs into soil,
1. First loosen handle lock lever.
2. Handle can be positioned at different
settings between "HIGH" and =LOW"
positions.
3. Retighten handle lock lever securely
after adjusting.
Handle (Low) Position
Handle (High) Position
Handle Lock Lever
15

TIRE CARE
_CAUTION: When mounting tires, unless
beads are seated, overinflation can
cause an explosion.
•Maintain 20 pounds of tire pressure. If
tire pressures are not equal, tiller will
pull to one side.
•Keep tires free of gasoline or oil which
can damage rubber.
TO REMOVE WHEEL
1. Place blocks under transmission to
keep tiller from tipping.
2. Remove hairpin clip and clevis pin
from wheel.
3. Remove wheel and tire.
4. Repair tire and reassemble.
Clevis Pin
HairpinClip
TO REMOVE BELT GUARD
NOTE: For ease of removal, remove
hairpin clip and clevis pin from left wheel.
Pull wheel out from tiller about 1 inch.
1. Remove two (2) screws from side of
belt guard.
2. Remove hex nut and washer from
bottom of belt guard (located behind
wheel).
3. Pull belt guard out and away from unit.
4. Replace belt guard by reversing
above procedure.
._=._,..======_ B I/tGuard
J// "_r-'_'_. ."_/jHex Nut
//_/_//and
_./_ Washer
_._-----"_ _ _ (Located
\__ _._; _ Behind
Screws _ (_.,0,_)_/ _\
HairpinClip and Clevis Pin
TO REPLACE GROUND DRIVE BELT
I. Remove belt guard as described in
"TO REMOVE BELT GUARD".
2. Remove old belt by slipping off engine
pulley first then remove from transmis-
sion pulley.
3. Place new belt in groove of transmis-
sion pulley and into engine pulley.
BELT MUST BE IN GROOVE ON TOP
OF IDLER PULLEY. NOTE POSITION
OF BELT TO GUIDES.
4. Check belt adjustment as described
below.
5. Replace belt guard.
6. Reposition wheel and replace clevis
pin and hairpin clip.
GROUND DRIVE BELT ADJUSTMENT
For proper belt tension, the extension
spring should have about 5/8 inch stretch
when drive control bar is in "ENGAGED"
position. This tension can be attained as
follows:
1. Loosen cable clip screw securing the
drive control cable.
2. Slide cable forward for less tension
and rearward for more tension until
about
5/8 inch stretch is obtained while the
drive control bar is engaged.
3. Tighten cable clip screw securely.
Engine Pulley,,
pScrew
Control Cable
Idler Pulley More Tension
Transmission Pulley
16

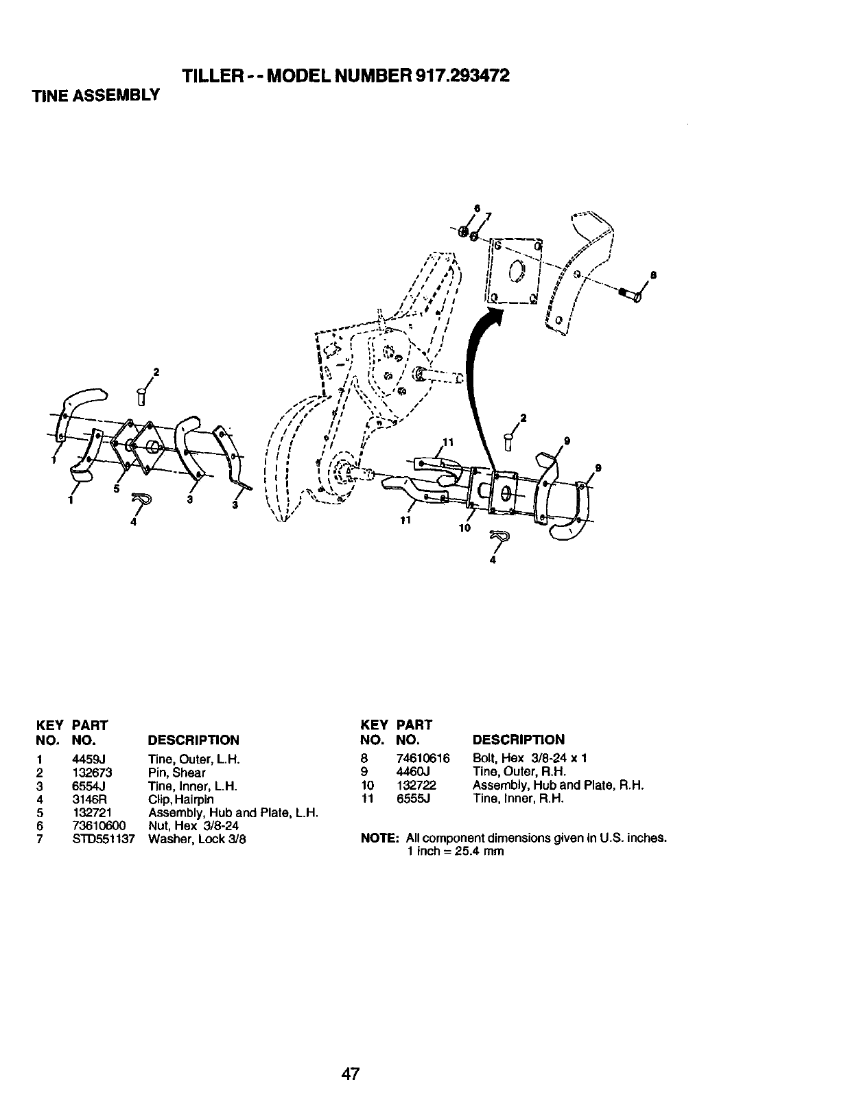
TINE REPLACEMENT
_kCAUTION: Tines are sharp. Wear
gloves or other protection when handling
tines.
A badly wom tine causes your tiller to
work harder and dig more shallow. Most
important, worn tines cannot chop and
shred organic matter as effectively nor
bury it as deeply as good tines. A tine this
worn needs to be replaced.
New Tine "nne
•To maintain the superb tilling perfor-
mance of this machine the tines should
be checked for sharpness, wear, and
bending, particularly the tines which
are next to the transmission. If the gap
between the tines exceeds 3-1/2
inches they should be replaced or
straightened as necessary.
•New tines should be assembled.
Sharpened tine edges will rotate
rearward from above.
/
i Tine
3-1/2
MAX
Counter Tine
Shear Pin Rotation
Sharp Edge----_________
ShearPin__ _ _,_ __
Sharp Edge / _X_ \_// _ \
I,,_ _ Sh,arp _/ \ _!;rp
HairpinClip
Sharp
Edge
17

ENGINE
Maintenance, repair, or replacement of
the emission control devices and sys-
tems, which are being done at the
customers expense, may be performed
by any non-read engine repair establish-
ment or individual. Warranty repairs must
be performed by an authorized engine
manufacturer's service outlet.
TO ADJUST THROTTLE CONTROL
CABLE
1. The throttle control has been preset at
the factory and adjustment should not
be necessary. If adjustment is
necessary, proceed as follows:
2. With engine not running, move remote
throttle control lever to "FAS'I _
position.
3. If throttle lever on engine touches high
speed stop, no further adjustment is
necessary. If throttle lever does not
touch high speed stop, continue with
adjustment procedure.
4. Loosen cable clamp screw.
5. Move throttle lever up until it touches
high speed stop, and hold in this
position.
6. Tighten cable clamp screw securely.
Clamp Screw
Casing "_
and Wire _ "_
"Z-
Governor Control Lever _
TO ADJUST CARBURETOR
The carburetor has been preset at the
factory and adjustment should not be
necessary. However, engine perfor-
mance can be affected by differences in
fuel, temperature, altitude or load. If the
carburetor does need adjustment, contact
your nearest authorized service center/
department
IMPORTANT: Never tamper with the
engine governor, which is factory set for
proper engine speed. Overspeeding the
engine above the factory high speed
setting can be dangerous. If you think the
engine-govemed high speed needs
adjusting, contact your nearest autho-
rized service center/department, which
has the proper equipment and experi-
ence to make any necessary adjust-
ments.
18

Immediately prepare your tiller for storage
at the end of the season or if the unit will
not be used for 30 days or more.
_I_CAUTION: Never store the tiller with
gasoline in the tank inside a building
where fumes may reach an open flame or
spark. Allow the engine to cool before
storing in any enclosure.
TILLER
1. Clean entire tiller (See =CLEANING" in
the Maintenance section of this
manual).
2. Inspect and replace belts, if necessary
(See belt replacement instructions in
the Service and Adjustments section
of this manual).
3. Lubricate as shown in the Mainte-
nance section of this manual.
4. Be sure that all nuts, bolts and screws
are securely fastened. Inspect moving
parts for damage, breakage and wear.
Replace if necessary.
5. Touch up all rusted or chipped paint
surfaces; sand lightly before painting.
ENGINE
FUEL SYSTEM
IMPORTANT: It is important to prevent
gum deposits from forming in essential
fuel system parts such as the carburetor,
fuel filter, fuel hose, or tank during
storage, also, experience indicates that
alcohol blended fuels (called gasohol or
using ethanol or methanol) can attract
moisture which leads to separation and
formation of acids during storage. Acidic
gas can damage the fuel system of an
engine while in storage.
1. Drain the fuel tank.
2. Start the engine and let it run until the
fuel lines and carburetor are empty.
•Never use engine or carburetor cleaner
products in the fuel tank or permanent
damage may occur.
•Use fresh fuel next season.
NOTE: Fuel stabilizer is an acceptable
alternative in minimizing the formation of
fuel gum deposits during storage. Add
stabilizer to gasoline in fuel tank or
storage container. Always follow the mix
ratio found on stabilizer container. Run
engine at least 10 minutes after adding
stabilizer to allow the stabilizer to reach
the carburetor. Do not drain the gas tank
and carburetor if using fuel stabilizer.
ENGINE OIL
Drain oil (with engine warm) and replace
with clean oil. (See "ENGINE" in the
Maintenance section of this manual).
CYLINDER
1. Remove spark plug.
2. Pour 1 ounce (29 ml) of oil through
spark plug hole into cylinder.
3. Pull starter handle slowly several
times to distribute oil.
4. Replace with new spark plug.
OTHER
• Do not store gasoline from one season
to another.
• Replace your gasoline can if your can
starts to rust. Rust and/or dirt in your
gasoline will cause problems.
• If possible, store your unit indoors and
cover it to give protection from dust and
dirt.
•Cover your unit with a suitable protec-
tive cover that does not retain moisture.
Do not use plastic. Plastic cannot
breathe which allows condensation to
form and will cause your unit to rust.
IMPORTANT: Never cover tiller while
engine and exhaust areas are still warm.
19

PROBLEM
Will not start
Hard to start
Loss of power
CAUSE
1. Out of fuel.
2. Engine not "CHOKED"
properly.
3. Engine flooded.
4. Dirty air cleaner.
5. Water in fuel.
6. Clogged fuel tank.
7. Loose spark plug wire.
8. Bad spark plug or
improper gap.
9. Carburetor out of adjust-
ment.
10.Oil soaked air filter.
1. Throttle control not set
properly.
2. Dirty air cleaner.
3. Bad spark plug or
improper gap.
4. Stale or dirty fuel.
5. Loose spark plug wire.
6. Carburetor out of adjust-
ment.
1. Engine is overloaded.
2. Dirty air cleaner.
3. Low oil level/dirty oil.
4. Faulty spark plug.
5. Oil in fuel.
6. Stale or dirty fuel.
7. Water in fuel.
8. Clogged fuel tank.
9. Spark plug wire loose.
10.Dirty engine air screen.
11.Dirty/clogged muffler.
12.Carburetor out of adjuts-
ment.
13.Poor compression.
2O
CORRECTION
1. Fill fuel tank.
2. See "TO START ENGINE" in
the Operation section.
3. Wait several minutes before
attempting to start.
4. Clean or replace aircleaner
cartridge.
5. Drain fuel tank and carbure-
tor, and refill tank with fresh
gasoline.
6. Remove fuel tank and clean.
7. Make sure spark plug wire is
seated properly on plug.
8. Replace spark plug or adjust
gap.
9. Make necessary adjust
ments.
10.Replace air filter.
1. Place throttle control in
"FAST" position.
2. Clean or replace air cleaner
cartridge.
3. Replace spark plug or adjust
gap.
4. Drain fuel tank and refill with
fresh gasoline.
5. Make sure spark plug wire is
seated properly on plug.
6. Make necessary adjust
ments.
1. Set depth stake and wheels
for shallower tilling.
2. Clean or replace aircleaner
cartridge.
3. Check oil level/change oil.
4. Clean and regap or change
spark plug.
5. Drain and clean fuel tank
and refill, and clean carbure
tor.
6. Drain fuel tank and refill
with fresh gasoline.
7. Drain fuel tank and carbure-
tor, and refill tank with fresh
gasoline.
8. Remove fuel tank and clean.
9. Connect and tighten spark
plug wire.
10.Clean engine air screen.
11.Clean/replace muffler.
12.Make necessary adjust-
ments.
13.Contact a Sears or other
qualified service center.

PROBLEM
Engine
overheats
Excessive
bounce/difficult
handling
Soil balls up or
clumps
Engine runs but
tiller won't
move
Engine runs but
labors when
tilling
CAUSE CORRECTION
1. Low oil level/dirty oil.
2. Dirty engine air screen.
3. Dirty engine.
4. Partially plugged muffler.
5. Improper carburetor
adjustment.
1. Ground too dry and hard.
1. Ground too wet.
1. Tine control is not
engaged.
2. V-belt not correctly
adjusted.
3. V-belt is off pulley(s).
1. Tilling too deep.
2. Throttle control not
properly adjusted.
3. Carburetor out of
adjustment.
1. Check oil level/change oil.
2. Clean engine air screen.
3. Clean cylinder fins, air
screen, muffler area.
4. Remove and clean muffler.
5. Adjust carburetor to richer
position.
.
.
.
2.
3.
1.
2.
3.
Moisten ground or wait for
more favorable soil condi-
tions.
Wait for more favorable
soil conditions.
Engage tine control.
Inspect]adjust V-belt.
Inspect V-belt.
Set depth stake for shallower
tilling.
Check throttle control setting.
Make necessary adjust
ments.
Tines Skip 1. Shear pin (s) broken. 1. Replace shear pin(s).
over ground
Hard to ShiR 1. Gears not timmed. 1. Briefly engage drive control
Into gear bar and release or rock tiller
forward and backward until
are able to shift gears.
Tiller shuts off
when drive
control bar
engaged
1. Shift lever set in between
counter rotating till posi-
tion and forward rotating
till position.
2. Tines jammed.
1. Shift to either counter
rotating till position or
forward rotating
till position.
2. Clear tines.
21

Reglas de Seguddad ................................... 22
Garantia ...................................................... 22
Especificaciones del producto .................... 24
Montaje ........................................................ 25
Operaci6n .................................................... 28
Mantenimiento ............................................. 33
Programa de Mantenimiento ....................... 33
Servicio y Ajustes ...................................... 35
Almacenamiento .......................................... 39
Identificacibn de Problemas ........................ 40
Partes de Repuesto ...... Vea el Manual tngl6s
Ingl6s del Duetio
GARANTfA LIMITADA DE UNO AI_IO PARA LA CULTIVADORA CRAFTSMAN
Por un (1) aSo, a partir de la fecha de compra, cuando esta Cultivadora Craftsman se mantenga,
lubdque y afine segen las instrucciones para la operacibn y el mantenimiento en el manual del
dueSo, Sears reparar&, gratis, todo defecto en el material y la mano de obra.
Esta Garantfa no cubre:
•Artfculos que se desgastan durante el uso normal tales como los brazos, las bujfas, los filtros
de aire y las correas.
•Reparaciones necesarias debido al abuso o a la negligencia del operador, incluy6ndose a los
cigQe6ales doblados y a la falta de mantenimiento del equipo segL_nlas instrucciones que se
incluyen en el manual del due_o.
•Si la Cultivadora Craftsman se usa para fines de arriendo, esta garantia se aplica solamente
pot treinta (30) dfas a partir de la fecha de compra.
El Servicio de Garantia esta disponible al devolver la cultivadora Craftsman al centro/
departamento de servicio Sears mds cercano en los Estados Unidos. Esta Garantfa se aplica
solamente mientras el producto este en uso en los Estados Unidos.
Esta Garantia le otorga derechos legales especfficos, y puede que tambi6n tenga otros
derechos que varfan de estado a estado.
SEARS, ROEBUCK AND CO., D/817WA, HOFFMAN ESTATES, IL 60179
IMPORTANTE: Esta Maquina cortadora es capaz de amputar las manosy los pies y de lanzar
objetos, si no se observan las instrucciones de seguridad siguientes se pueden pmducir
lesiones graves o la muerte.
ENTRENAMIENTO
•Lea el Manual del DueSo cuidadosamente.
Familiarfcese completamente con los
controles y con el uso adecuado del equipo.
Sepa como parar la unidad y desenganchar
los controles rdpidamente.
•Nunca permita que los niSos operen el
equipo. Nunca permita que los adultos
operen el equipo sin los conocimientos
adecuados.
•Mantenga el area de operaci6n despejada
de personas, especialmente nifios
pequeSos y animales dom6sticos.
PREPARACI(_N
•Inspeccione cuidadosamente el drea en
donde se va usar el equipo y remueva los
objetos extraSos.
•Desenganche todos los embragues y
cambie a neutro antes de hacer arrancar el
motor.
•No opere el equipo sin usar ropa exterior
adecuada. Use zapatos que mejoren el
equilibrio en superficies resbalosas.
• Maneje el combustible con cuidado pues es
muy inflamable.
• Use un envase de combustible aprobado.
• Nunca aSada combustible a un motor en
funcionamiento o caliente.
•Llene el estanque de combustible afuera
con mucho cuidado. Nunca Ilene el
estanque de combustible en un recinto
cerrado.
•Vuelva a colocar la tapa del dep6sito de
gasolina en forma segura y limpie el
combustible derramado antes de volver a
arrancar.
•Use cordones de extensibn y receptdculos,
segdn las especificaciones del fabricante,
para todas las unidades con motores de
impulsidn o con motores de arranque
el6ctrico.
•Nunca trate de hacer ning_n ajuste
mientras que el motor est6 funcionando
(excepto en los casos especificamente
recomendados por et fabdcante).
OPERACI(_N
•No ponga ni las manos ni los pies cerca o
debajo de las piezas rotatorias.
22

•Tenga mucho cuidado cuando opere o
cruce entradas para autombviles de dpio,
senderos o caminos. Est6 alerta en Io que
se refiere a los peligros escondidos o al
tr&fico. No Ileve pasajeros.
•Despu(_s de pegarle a un objeto extrafio,
pare el motor, remueva el alambre de la
bujfa, inspeccione la cultivadora
cuidadosamente, para verificar si hay
dafios, y repare el dafio antes de volver a
arrancar y operar la cultJvadora.
•Tenga cuidado para evitar resbalarse o
caerse.
•Si la unidad ernpieza a vibrar anormalmente,
pare el motor y rev/sela inmediatamente
pare verificar la causa. La vibraci6n
normalmente es un aviso de problemas.
•Pare el motor cuando abandone la posici6n
de operaci6n.
•Tome todas las precauciones posibles
cuando deje la m&quina desatendida.
Desenganche los brazos, cambie a neutro
y pare el motor.
•Antes de limpiar, reparar e inspeccionar,
apague el motor y asegDrese que todas las
partes en movimiento se han detenido.
Desconecte el alambre de la buj/a, y
mant6ngalo alejado de _sta para evitar el
arranque por accidents. Desconecte el
cordbn en los motores el(_ctricos.
•No haga funcionar el motor en recintos
cerrados; los gases de escape son
peligrosos.
•Nunca opere la cultivadora sin las
protecciones, y las planchas adecuadas y
sin los demds dispositivos de seguridad en
su lugar.
•Mantenga a los nifios y a los animales
dom_sticos alejados.
•No sobrecargue la capacidad de la
m&quina, tratando de cultivar a mucha
profundidad, muy rbpido.
•Nunca opere la mbquina a altas velocidades
en superficies resbalosas. Mire hacia atr&s
y tenga cuidado cuando retroceda.
•Nunca permita la presencia de
espectadores cerca de la unidad.
•Use solamente accesorios y aditamentos
para la cultivadora aprobados por el
fabricante.
•Nunca opere la cultivadora sin buena
visibilidad o luz.
•Tenga cuidado al cultivar en terreno duro.
Los brazos pueden quedarse agarrados en
el suelo e impulsar a la cultivadora hacia
adelante. Si esto sucede, suelte los mangos
y no restrinja la mbquina.
MANTENIMIENTO Y
ALMACENAMIENTO
• Mantenga los accesodos y aditamentos de
la m_quina en buenas condiciones para el
funcionamisnto.
• Revise las clavijas de seguro, los pernos de
rnontaje det motor y otros pernos, a
intervalos frecuentes, para vedficar si est_n
apretados en forma segura y asegurarse
clue el equipo est6 en buenas condiciones
de funcionamiento.
•Nunca guarde la m&quina con combustible
en el estanque de combustible dentro de un
editicio en donde hay fuentes de ignicibn
presentes, tales como calentadores de
agua o del ambiente, secadoras de ropa u
otros artefactos parecidos. Perrnita que se
enfris el motor antes de guardado en algt_n
lugar cerrado.
•Siempre refi_rase alas instrucciones en la
guia del operador para ver los detaUes de
importancia si la cuffivadora va a ser
guardada por un pefiodo de tiempo largo.
ABusque este simbolo que sefiala las
precauciones de seguridad de importancia.
Quiere decir - iiiATENCION!!! iiiESTE
ALERTO!H SU SEGURIDAD ESTA COMPRO-
METIDA.
APRECAUCI6N: Siempre desconecte el
alambre de la bujia y pbngalo donde no pueda
entrar en contacto con la bujfa, para svitar el
arranque por accidente, durante la
preparacibn, el transports, el ajuste o euando
se hacen reparaciones.
_bADVERTENCIA: El tubo de escape del
motor, algunos de sus constituyentes y
algunos componentes del vehiculo contienen
o desprenden productos qufmicos conocidos
en el Estado de California como causa de
c&ncer y defectos al nacimiento u otros dafios
reproductivos.
23

ESPEClFICAClONES DEL PRODUCTO
CAPACIDAD DE 3 CUARTOS
GASOLINA: SIN PLOMO, REGULAR
ACEITE(API-SF-SJ): SAE 30 (SOBRE 32°F)
CAPACIDAD: 20 OZ.) SAE 5W-30
(DEBAJO 32°F)
BUJIA : CHAMPION RC12YC
'ABERTURA: 0,030")
FELIClTAClONES pot la compra de su
Cultivadora Sears. Ha sido disefiada,
planificada y fabricada para darle la mejor
confiabilidad y el mejor rendimiento posible.
En el caso de que se encuentre con cualquier
problema que no pueda solucionar fdcilmente,
haga el favor de ponersa en contacto con su
centro de sarvicio cualificado. Sears cuenta
con tdcnicos bien capacitados y competentes
con herramientas adecuadas para darle
servicio o para reparar su unidad.
Haga el favor de leer y de guardar este
manual. Estas instrucciones le permitirbn
montar y mantener su cultivadora en forma
adecuada. Siempre observe las "REGLAS DE
SEGURIDAD."
RESPONSABIUDADES DEL CLIENTE
• Lea y observe las reglas de saguridad.
•Siga un programa regular de mantenimiento,
cuidado y uso de su culttvadora.
•Siga las instrucciones descritas en las
secciones "Mantenimiento" y
"Almacenamiento" de este Manual del
DueSo.
_I_DVERTENCIA: Esta unidad viene
equipada con un motor de combusti6n intemo
y no se debe usar sobre, o cerca, de un
terreno no desarrollado cubierto de bosques,
de arbustos o de c6sped, a menos que el
sistema de escape del motor venga equipado
con un amortiguador de chispas que cumpla
con las leyes locales o estatales (si existen).
Si se usa un amortiguador de chispas, el
operador debe mantenerlo en condiciones de
trabajo eficientes.
En el estado de California, la ley exige Io
anterior (Secci6n 4442 del "California Public
Resources Code" [Decreto de Recursos
P_blicos de California]). Otros estados
pueden contar con otras leyes parecidas. Las
leyes federales se aplican en las gerras
federales. Su centro de Servicio m&s cercano
tiene disponible amortiguadores de chispas
para el silenciador. (Vea la secci6n de Partes
de Repuesto en el manual Ingles del duefio.)
Estos accesorios estaban disponibles cuando se compr6 la cultivadora. Tambi_n est&n
disponibles en la mayor_a de las tiendas de Sears yen los centros de servicio. La mayoria de las
tiendas Sears tambi_n pueden ordenar partes de repuesto para usted, si les proporciona el
nOmero del modelo de su cultivadora.
MOTOR
FILI1RO DE[ AIFIE LATADEGASOLINA ACI_TBDBLMOTOR E_l'_
t lr
RENDIMIENTO DE LA CULTIVADORA
J ABRIDOR DE $URCOS¢
MANTENIMIENTO DE LA CULTIVADORA
CORREA BRAZOS CLAVklA DE SEGURO ABRAZADERA DE HORQUILLA
I
24

Su cultivadora nueva ha sido montada en la
fi_bdca, con la axcepci6n de aquellas partes
qua se dejaron sin montar por razonas de
envfo. Para asegurarse qua la cultivadora
operard en forma segura y adecuada, todas
las partes y los articulos de ferreteria qua
monte tienen qua estar apretados en forma
segura. Use las herramientas correctas,
segdn sea necesario, para asegurarse de qua
queden apretadas en forma segura.
HERRAMIENTAS NECESARIAS PARA
EL MONTAJE
Sele facilitard el montaje si cuenta con un
juego de Ilaves de tubo. Sa han enumerado los
tamafios estdndar de las Ilaves.
(1) Cuchillo para todo uso
(1) Cortador de alambres
(1) Destomillador
(1) Medidor de presi6n de las Ilantas
(1) Par de alicates
(1) Llave de 9/16"
POSICl6N DEL OPERADOR
Cuando en esta manual se mencionan los
ti_rminos =lado derecho" o =lado izquierdo" se
refiere a cuando usted se encuentra en la
posicibn de operacibn (parado/a detr&s de los
mangos de la cultivadora).
PARTE DELANTERA
LADO LADO
IZQUIERDO DERECHO
POSlCl0N DEL
OPERADOR
CONTENIDO DEL CONJUNTO DE FERRETER|A
/IIIIIII/Y
(2) Cierres del mango
(1) Abrazaderas de
(] °l
(2) Clavijade seguro
& retencion
(1) Perno portadores
3/8-16 UNC x 1 clase 5
(1) Arandela plana
13/32 x 1 x 11 Ga.
©
@
(1) Tuerca de
seguridad
de centro
3/8-16 UNC (1)Abrazadera
de cable
(1) Perno articulado
3/8-16 UNC Clase 5
(1)Palanca de cierre del mango
25

DESEMPAQUE DE LA CAJA DE
CART(_N
_PRECAUCI6N: Tenfa cuidado con las
grapas expuestas cuando maneje o deseche
los materiales de la caja de cart6n.
IMPORTANTE: Cuando desempaque y monte
la cultivadora, tenga cuidado de no estirar o
enredar los cables.
1. AI mismo tiempo que se sujeta el conjunto
del mango, corte las ligaduras del cable
que aseguran el conjunto del mango al
bastidor superior y a la estaca de
profundidad. Permita que el conjunto del
mango descanse en la cultivadora.
2. Remueva el bastidor superior de la caja de
cart6n.
3. Lentamente, saque el conjunto del mango
hacia arriba y p6ngalo en la parte superior
de la caja de cartbn.
4. Code la esquina del lado derecho delantera
y la trasera de la caja de cart6n, tienda en
el suelo la pared lateral de la caja de
cartbn.
5. Remueva el matedal de empaque del
conjunto del mango.
6. Separe la vadlla de cambio del conjunto del
mango.
Vadna de Cambio
Conjunto del
Mango
INSTALACI6N DEL MANGO
1. Inserte un cierre del mango (con los
dientes mirando hacia afuera) en la
muesca de la caja de cambio. (Aplique
grasa en el lado liso del cierre del mango
para ayudar a mantenerlo en su lugar
hasta que el conjunto del mango se baje a
su posici6n.)
Vista desde el lado derecho de la cultivadora
_X_..._1-Conjunto del Manfo
\ _ Muesca de la Caja deCambio
"_._ _ Cierre del Mango
2. Agarre el conjunto del mango. Mant_ngalo
en la posici6n "arriba." Aseg6rese qua el
cierre del mango permanezca en la muesca
de la caja de cambio. Deslice el conjunto del
mango a su posicibn.
3. Rote el conjunto del mango hacia abajo.
Inserte el perno portador trasero pdmero,
con la cabeza del perno en el lado
izquierdo de la cultivadora yponga
sueltamente la tuerca de seguddad.
Sueltela palancade
moveda
Conjuntodelmango
posocl6n"Arriba"
Aprietela palancade
cierradel mangopara
sujetarla
4. Inserte el perno de pivote de la parte
delantera de la placa y apdete en forma
segura.
5. Corte las esquinas restantes del cartbn y
p6ngalas planas.
6. Baje el conjunto de mango, Apriete la
tuerca del pemo de acarreo para que el
mango pueda moverse con alguna
resistencia. Esto facilitara el ajuste.
7. Ponga la arandela plana en el extremo
roscado de la palanca de cierre del mango.
8. Inserte la palanca de cierre del mango a
trav_s de la base del mango y de la caja
de engranaje. Atomille la palanca de
seguridad del mango, justo Io suficiente
como para sujetar la palanca en su lugar.
9. Inserte el segundo cierra del mango (con
los dientes hacia adentro) en la ranura en
la base del mango Gusto dentro de la
arandela).
10. Levante el conjunto del mango a la
posici6n mas alta, y apriete la palanca de
cierre del mango, en forma segura,
rotdndola en el sentido de las manillas del
reloj. Si se deja el conjunto del mango en
la oposici6n mas alta, serd mas fdcil
conectar la palanca de cambios.
ArandelaPlana
CierredelMango Palancado
CajadeCambio. CiorredelMango
Ranura
Pemo portador
trasero
Basedel Mangc
Boulon de
-_1_ pivot
Tuorcas de Seguridad
26

INSERCI6N DE LA ABRAZADERA DEL
CABLE
•Inserte la abrazadera del cable de pldstico
dentro del agujero en la parte trasera de la
columna del mango. Empuje los cables
dentro de la abrazadera.
Columnadel
Mango
Abrazaderade Horqunla
Indicadorde la
Palancade Cambio
Vadllade Cambio
Cables
Abrazaderadel
Cable
CONEXI6N DE LA VARILLA DE CAMBIO
1. Inserte el extremo de la varilla de cambio
que sstd rods alejado de la dobladura, sn
el agujero del indicador de la palanca de
cambio.
2. Inserta la abrazadera de horquilla a trav6s
dsl agujero de la vadlla de cambio para
asegurarla con la junta de la abrazadera
sobre el lade derscho.
Vadlla de cambio
_)L_ Adjunteeste extremoal indicadorde
la palancade cambio
REMOCI6N DE LA CULTIVADORA DE
LA CAJA
1. Ajuste el conjunto del mango a la posicibn
lamas baja. Assg0ress que el mango de
cierre est6 bien seguro.
2. Asegdrese que el indicador de la palanca
de cambio est6 en la posici6n neutro "N".
3. Incline la cultivadora hacia adelante
levantando el mango. Separe la cubierta de
cartbn de ta defsnsa de nivelacibn.
4. Rote el mango de la culUvadora a la
derecha y tfrela fuera de la caja de cartbn.
REVISI(_N DE LA PRESI6N DE LAS
LLANTAS
Las Ilantas en su unidad se inflaron demasiado
en la fdbrica por razones de envio. Es
importante que las Ilantas tengan la misma
presi6n y qus 6sta sea la correcta para
obtener el mejor rendimiento en el labrado.
•Reduzca la presibn de las Ilantas a 20 PSI.
ALTURA DEL MANGO
•Se pueds ajustar la altura del mango en la
mejor forma qus Is acomode al operador.
(Vea "PARA AJUSTAR LA ALTURA DEL
MANGO" en la secci6n de Servicio y
Ajustss de este manual.)
27

Estos sfmbolos pueden apareser sobre su cultivadora en la literature propomlonada con el
producto, aprenda y comprenda sus significados.
CONOZCA SU CULTIVADORA
LEA ESTE MANUAL DEL DUEI_IO Y LAS REGLAS DE SEGURIDAD ANTES DE OPERAR SU
CULTIVADORA
Compare las ilustraciones con su cultivadora para familiarizarse con la ubicaci6n de los
diversos controles y ajustes. Guarde este manual para futura referencia,
LABOREO MARCHA NEUTRO REV_ ATT_O MOTOR MOTOR RJ_PIIDO _ESTRN*IGU
_;LA ADVERIFJtC_ I_lOtOO APAGADO _EIUS_m.E
Controlde la aceleraci6n
Palancade cambio
la impulsi6n
Indicadorde la palanca
de cambio
Estaca de
Defensade
Defensalateral Mangodel
arrancadorde
culateo
Nuestras cultivadoras cumplen con los est&ndares de seguridad del
American National Standards Institute.
ESTACA DE PROFUNDIDAD - Controla la
profundidad a la cual excavara la cultivadora.
BARRA DE CONTROL DE LA IMPULSION -
Se usa para enganchar los brazos.
DEFENSA DE NIVELAClON - Nivela el suelo
labrado.
DEFENSA LATERAL EXTERIOR -Ajustable
para no enterrar las plantas peque_as.
MANGO DEL ARRANCADOR DE CULATEO
- Se usa para hacer arrancar el motor.
PALANCA DE CAMBIO - Se usa para
cambiar los engranajes de la transmisi6n.
INDICADOR DE LA PALANCA DE CAMBIO
- Muastra en qud cambio de engrenaje se
encuentra la transmisi6n.
CONTROL DE LA ACELERACl6N -
Controla la velocidad del motor.
28

La operacibn de cualquier cultivadora puede hacer que salten objetos extrafios
_entro de sus ojos, Io que puede producir dafios graves en 6stos. Siempre use
anteojos de seguddad o protecciones para los ojos antes de hacer arrancar su
cultivadora o mientras estd labrando con 611a. Recomendamos el uso de la
m&scara de seguridad de visibn amplia, para uso sobre los espejuelos oanteojos
de seguddad estdndar.
COMO USAR SU CULTIVADORA ES DIF|CIL CAMBIAR LAS MARCHAS
Sepa cbmo operar todos los controles antes • Enganche lentamente la barra de control de
de agregar combustible y aceite o antes de la transmisi6n y suelte o bascule la
tratar de hacer arrancar el motor, cultivadora hacia adelante y hacia atr_.s
hasta que sea posible cambiar las marchas.
PARADA ESTACA DE PROFUNDIDAD
BRAZOS Y 1.6. IMPULSI(_N La estaca de profundidad puede levantarse o
1. Suelte la barra de control de la impulsi6n bajarse para permitide un labrado m&s versatil
para parar el movimiento, o para facilitar el transporte de su cultivadora.
2. Mueva la palanca de cambio a la posici6n
de neutro ("N").
MOTOR
• Mueva el control de la aceleracibn a la Labradomenos Transporte
posici6n de "PARADA" (STOP). Si equipado profundo
con un interruptor de parada, mueva el (Cultivating)
interruptor a la posicibn de "PARADA"
(STOP).
AVISO: Nunca use la estrangulaci6n para LabradoMds
parar el motor, profundo
Controlde la
Aceleraci6n
Barra de controlde la
mpulsi_xSnan la posici6n _.::::-_
"Enganchada" ._::.:""
impulsi6nen la posici6n \',
"Disenganchada" _
Estacade profundidad
_Pamlanca de
bio
OPERACI6N DE LOS BRAZOS - CON
IMPULSI6N DE RUEDAS
• Siempre suelte la barra de control de la
impulsibn antes de mover la palanca de
cambio a otra posici6n,
•El movimiento de los brazos se Iogra
moviendo la palanca de cambio a la
posicibn (_) labrado y enganchando la
barra de control de la impulsi6n.
MARCHA HACIA ADELANTE - RUEDAS
SOLAMENTE/BRAZOS PARADOS
•Suelte la barra de control de la impulsi6n y
mueva el indicador de la palanca de cambio
ala posicibn "F" (marcha hacia adelante).
Enganche la barra de control de la impulsi6n
y la cultivadora se mover& hacia adelante.
MARCHA ATRAS - RUEDAS SOLA MENTE/
BRAZOS PARADOS
1. NO SE PARE DIRECTAMENTE DETRAS
DE LA CULTIVADORA.
2. Suelte la barra de control de la impulsibn.
3. Mueva el control de la aceleraci6n a la
posici6n de "LENTO" (SLOW).
4. Mueva el indicador de la palanca de
cambio ala posici6n de "R" (mamha
atr&s).
5. Sujete la barra de control de la impulsibn
en contra del mango para hacer arrancar
en movimlento a la cultivadora.
LABRADO
1. Suelte la clavija de la estaca de
profundidad. 13re la estaca de profundidad
hacia arriba para aumentar la profundidad
del labrado. Ponga la clavija de la estaca
de profundidad en el agujero de la estaca
de profundidad para cerrarla en su
posicibn.
2. Ponga el indicador de la palanca de cambio
en la (_)posici6n.
3. Sujete]a barra de control de la impulsi6n
en contra del mango para empezar con el
movimiento de labracibn. Tanto los brazos
como las ruedas van a girar.
4. Mueva el control de la aceleraci6n a la
posicibn de "RJ, PIDO" (FAST) para un
labrado pmfundo. Para culUvar, el control
de la aceleracibn puede ser ajustado a
cualquier velocidad deseada, dependiendo
de cudn rapido o cudn lento desee hacer
el cultivo.
IMPORTANTE: Siempre suelte la barra de
control de la impulsibn antes de mover la
palanca de cambio a otra posici6n.
Clavijade la estacade
profundidaden la posici6n
Tuerca
HB_ Protecteur
29 lateral
Posici6n
"Cerrada"

GIRO
1. Suelte la barra de control de la impulsi6n.
2. Mueva el control de la aceleracibn a la
posici6n de =LENTO" (SLOW).
3. Ponga el indicador de la palanca de cambio
en la posicibn de "F" (marcha hacia
adelante). Los brazos no van a girar.
4. Levante el mango para levantar los brazos
fuera del suelo.
5. Mueva el mango en la direccibn opuesta
en la que desea girar, con cuidado de
mantener los pies y las piemas alejados
de los brazos de la cultivadora.
6. Cuando haya completado su vuelta, suelte
la barra de control de la impulsi6n y baje et
mango. Ponga la palanca de cambio en la
posicibn labrado y mueva el control de la
aceleraci6n a la velocidad deseada. Para
empezar a cultivar, sujete la barra de
control de la impulsi6n en contra del
mango.
PARA EL TRANSPORTE
• bPRECAUCl6N: Antes de tevantada o
transportada, permita que el motor de la
cultivadora y el silenciador se enfrfen.
Desconecte el alambre de la bujfa. Drene la
gasolina del estanque de combustible.
EN EL JARD|N
1. Suelte la clavija de la estaca de
profundidad. Mueva fa estaca de
profundidad hacia abajo, al agujero
superior, para transportar la cultivadora.
Ponga la clavija de la estaca de profundi-
dad en el agujero de la estaca de
profundidad para asegurarla en su lugar.
Esto impide que los brazos se arrastren
por el suelo.
2. Ponga el indicador de la palanca de cambio
en la posici6n de "F" (marcha hacia
adelante) para el transporte.
3. Sujete la barra de control de la impulsi6n
en contra del mango para empezar con el
movimiento de la cultivadora. Los brazos
no van a girar.
4. Mueva el control de la aceleraci6n a la
velocidad deseada.
EN LA CIUDAD
1. Desconecte el alambre de la bujfa.
2. Drene el estanque de combustible.
3. Transp6rtela en la posicibn derecha hacia
arriba para evitar la fuga del aceite.
ANTES DE HACER ARRANCAR EL
MOTOR
IMPORTANTE: Tenga mucho cuidado de no
permitir que entre mugre al motor cuando
revise o afiada aceite o combustible. Use
aceite y combustible limpios y gudrdslos en
envases aprobados, limpios y con tapa. use
embudos para relleno limpios.
REVISION DEL NIVEL DEL ACEITE DEL
MOTOR
El motor en su unidad ha sido enviado desde
la fdbdca Ileno con aceite de calidad para el
verano SAE 30.
1. Con el motor nivelado, limpie un drea
alrededor del tap6n del dep6sito para
relleno del aceite y remueva el tap6n.
2. Con el motor nivelado, d aceite del motor
debe Ilegar hasta el punto de derramarse.
•Para verificar la capacidad aproximada vea
"ESPECIFICACIONES DEL PRODUCTO"
sn la pbgina 24 de este manual. Todo el
aceite tiene que cumplir la clasificaci6n de
servicio API SF o SJ.
•Para la operaci6n en clima frfo, debe
cambiarss el aceite para facilitar el arranque
(vea la "I'ABLA DE VISCOSIDAD DEL
ACEITE" en la secci6n de Mantenimiento en
este manual).
•Para cambiar el aceite del motor, vea la
seccibn de Mantenimiento en este manual.
Tap6nde depositode
rellenode aceite
AGREGUE GASOLINA
•Llene el estanque de combustible. Use
gasolina regular, sin plomo, nueva y limpia,
(El uso de gasolina con plomo aumentard
los depbsitos de 6xido de plomo y carbono
y se reducir& la duracibn de la v&lvula.)
IMPORTANTE: Cuando se opere en
temperaturas por debajo de 32°F (0°C) use
gasolina de calidad de inviemo, limpia y nueva
para ayudar a asegurar un buen arranque en
clima fr|o.
AADVERTENClA: La experiencia ha indicado
que los combustibles mezclados con alcohol
(conocidos como gasohol, o el uso de etanol o
metanol) pueden atraer la humedad, la que
conduce a la separacibn y formacibn de
dcidos durante el almacenamiento. La gasolina
acidica puede dafiar el sistema del combus-
tible de un motor durante el almacenamiento,
Para evitar problemas con el motor, se
debe vaclar el sistema de combustible
antes de guardarlo por un periodo de 30
dias o mds. Vacie el estanque de combus-
tible, haga arrancar el motor y hdgalo
funcionar hasta que las Ifneas del combustible
y el carburador queden vaclas. La pr6xima
temporada use combustible nuevo. Vea la
seccibn de Almacenamiento para robs
informacibn. Nunca use productos de limpieza
para el motor o para el carburador en el
estanque del combustible pues se pueden
producir dafios permanentes.
3O

_PRECAUCI6N: Llene el estanque de
combustible hasta dentro de 1/2 pulgada de la
parte superior para evitar los darrames y para
permitir que se expanda el combustible. Si por
casualidad se derrama la gasolina, aleje la
mdquina dal drea del derrama. Evita crear
cualquiera fuente de ignici6n hasta qua se
hayan desaparacido los gases de la gasolina.
No Io Ilene demasiado. Limpia el aceite o el
combustible derramado. No guarda, derrame o
use la gasolina cerca de una llama expuesta.
PARA HACER ARRANCAR EL MOTOR
APRECAUCI6N: Mantenga la barra de
control de la impulsibn en la posici6n
"DESENGANCHADO" cuando haga arrancar
el motor.
Cuando este ampezando un motor por la
pdmera vez o si el motor se ha quedado sin
gasolina, seth. necesario vados intentos para
mover la gasolina desde el astanque al motor.
1. AsegOresa qua el alambre de la bujia estd
conectado en forma adecuada y qua la
vdlvuta de ciarra de la gasolina aste
abiarta.
2. Ponga la palanca de carnbio a la posici6n
de (NEUTRO) "N".
3. Ponga la palanca de cambio a la posicibn
de "RAPIDO" (FAST).
4. Mueva la vdlvula de cierre del combustible
1/4 tumo para ABRIR.
5. Muava el control de la astrangulaci6n a la
posici6n de ESTRANGULACION.
6. Agarre el mango del arrancador de culateo
con una mano y el mango de la cultivadora
con la otra mano. Tire el cord6n hacia
afuara, lentamente, hasta qua el motor
legue al comienzo dal ciclo de la
compresi6n (el cord6n se sentird un poco
mas duro en aste momento).
7. Tire el mango del arrancador de culateo
rdpidamente. No permita qua el mango del
arrancador sa devuelva abruptamente en
contra del arrancador. Vuelva a repetir, si
to es necessario.
AVISO" Si el motor sa enciende pero no
comienza, mueva el control de la
astrangulaci6n al medio. Tire del mango del
arrancador de retroceso hasta qua el motor
comience.
8. Cuando comience el motor y al mismo
tiempo qua se caliente, mueva,
lentamente, el control de la astrangulacibn,
a la posicibn de "MARCHA".
AVISO: Un motor caliente requiera menos
estrangulacibn para ampezar.
9. Mueva el control de la aceleraci6n a la
posici6n de funcionamiento daseada.
10. Permita qua se caliente el motor pot unos
cuantos minutos antes de anganchar los
brazos.
AVISO: A mucha altura (sobre 3000 pies) o en
climas fdos (debajo de 40 ° F [4° C]) puede
qua la mezcla del combustible del carburador
necasite ajuste, para obtanar el major
resultado del motor. Vea =PARA AJUSTAR EL
CARBURADOR" en la seccibn de Servicio y
Ajustes de este manual.
AVISO: Si el motor no arranca, vea la gufa de
identificacibn de problemas.
Choke control
de la estrangulaci6n
Mang,
CONSEJOS PARA LABRAR
_bPRECAUCl6N:Antes de acostumbrarse a
manejar su cultivadora, empiece el uso de
dsta en el terrano con la acaleraci6n en la
posici6n de "lento" (SLOW).
•El labrar quiere decir el excavar, dar vuelta
y romper el suelo duro antes de plantar. El
suelo suelto y blando permite el desarrollo
de las raicas. La major profundidad de
labrar es 4" a 6". La cultivadora tambi_n
puede despejar el suelo de las malezas
indeseables.
La descomposici6n de astas malezas
enriquece el suelo. Dependiendo del clima
(lluvia o viento), puede sar recomendable
labrar el suelo a fines de la tamporada de
cultivo para acondicionar el suelo aen mds.
•Para facilitar el manejo de su culUvadora,
deje alrededor de 8 pulgadas de terreno sin
labrar entre la primera y la segunda pasada
para el labrar. La tarcera pasada se hace
entre la primera y la segunda.
• Va a descrubdr que el labrado se facilita si
deja una fila sin labrar entre las pasadas.
Entonces vuelva de nuevo entre las filas de
cultivo. Hay dos razones para hacer dsto.
Pdmero, las vueltas amplias se pueden
realizar con mds facilidad que las cerradas.
Segundo, la cultivadora no estard
empujdndose a sf misma y austed hacia la
pr6xima hilera.
•No se aflrme en el mango. Esto saca el
peso de la ruedas y reduce la tracci6n. Para
atravesar una secci6n muy diffcU de tierra
herbosa o de suelo duro, aplique una
presi6n hacia ardba en el mango o baje la
estaca de profundidad.
31

CULTIVO
El cultivo quiere decir la destruccibn de las
malezas entre las hileras, para evitar que
6stas le roben la nutdci6n y la humedad alas
plantas. AI mismo tiempo, si se rompe la capa
superior de la costra del suelo, _ste puede
retener la humedad. La mejor profundidad de
excavaclbn es de 1" a 3". Baje las defensas
laterales extedores para evitar enterrar las
plantas peque_as.
•CulUve hacia arriba y hacia abajo las hileras
a una velocidad que le permita a los brazos
sacar las raices de las malezas y dejar el
suelo en condiciones ,'_speras, para
desalentar el desarrollo de las malezas y el
c(_sped.
AJUSTE DE LAS RUEDAS PARA EL
CULTIVO
• Ponga bloques debajo del lado derecho de
la cultivadora ¥ remueva la abrazadara de
horquilla y la clavija de hoi'quilla de la rueda
del lado derecho.
2. Mueva la rueda hacia afuera,
aproximadamente 1 pulgada, hasta que el
agujero en el cubo de la rueda interior se
alinee con el agujero intedor en el eje.
3. Vuelva a colocar la clavija de horquilla y la
abrazadera de horquilla en la parte interior
de la rueda y remueva los bloques.
4. Repita los pasos anteriores para el lado
izquierdo.
AVISO: En condiciones muy diflciles cuando
se cultiva, las ruedas tienen que moverse
hacia afuera en el eje para aumentar la
estabilidad.
CLAVIJAS DE SEGURO
Los conjuntos de los brazos de su cultivadora
est&n afirmados en eje de los brazos pot
medio de clavijas de seguro (vea "CAMBIO
DE LOS BRAZOS" en la seccibn de Servicio y
Ajustes de este manual).
Si la cultivadora est_ muy cargada o
atascada, las clavijas de seguro han sido
disefiadas para que se quiebren antes de que
se produzcan dafios internos en la
transmisibn.
•Si las clavijas de segum se quiebran,
c&mbielas solamente por aquellas que
aparecen en la secci6n de Partes de
Repuesto en el manual Ingles del duefio.
VISTA EXTERIOR DE LA LLANTA
bClavija de
horquiUa
¢lavija de horquilla_
Abrazadera L
de Horqui_'_
VISTA INTERIOR DE LA LLANTA
32

MANTENIMIENTO
LLENE I_AS FECHAS DE MEDIDA _ "_ _'_
SERVIcIoQUECOMPLETEREGULARSU _%_"Q_"_"Q_'/_/O_Q1 FECHAS DE SERVIClO
/
Revisar el nivel del aceite del motor I_ I_
Cambiar el aceite del motor 111_.21
Aceitar los puntos de pivot° I/'
Inspeccionar el supresor del silenciador I_
Inspeccionar la rejilla de aim I_
IJmplar/cambiar el cartucho del fUtrode air° 1_2
Limpiar las aletas del cilindro del motor
Camblar la bujfa I_
Raccord de graisse du c6t_ droit de la
bolte de vitesse (1 onza) I_
1- Camblar m_s menudo cuando se opere baJo carga pe_ada o en ambientes con alias temperaturas.
2- Dar servlcio m_ a menudo cuando se opera en condiclones suclas o polvorosas
RECOMENDACIONES GENERALES
La garantfa de esta cultivadora no cubre los
artfculos que ban estado sujetos al abuso o a
la negligencia del operador. Para recibir todo el
valor de la garantfa, el operador tiene que
mantener la cultivadora seg0n las
instrucciones descritas en este manual.
Hay algunos ajustes que se tienen que hacer
en forma peri6dica para poder mantener su
cultivadora adecuadamente.
Todos los ajustes en la secci6n de Servicio y
Aiustes de este manual tienen que ser
revisados por Io menos una vez por cada
temporada.
• Una vez al a_o, cambie la bujfa, limpie o
cambie el filtro de air° y revise si los brazos
y las correas estb.n desgastadas. Una bujia
nueva y un filtro de aire limpio aseguran una
mezcla de aim-combustible adecuada y le
ayuda aque su motor funcione mejor y que
dure mds.
ANTES DE CADA USO
1. Revise el nivel del aceite del motor.
2. Revise la operaci6n de los brazos.
3. Revise si hay sujetadores sueltos.
LUBRICACl6N
Mantenga la unidad bien lubricada (vea la
"I'ABLA DE LUBRICACI6N").
TABLA DE LUBRICACI(_N
* Controlde la aceleraci6n
*** Raccordde graisse \ ,_._
/A roitdo,abo+to
** Motor I_
./___J+/ ; Clavija de la
=-J._' /estaca de
_ _rofundidad
_ _ __ * Bisabrade
I_ (LL-_-_>__. \_\ ladefen.sa..
Aceitede motor SAE 30 O5W-30
** Refierasea la secci6ndel motor,
MANTENIMIENTO"
*** Graissede EP #1
33

_PRECAUCl6N: Desconecte el alambre de
la bujfa antes de dar mantenimlento (excepto
por el ajuste del carburador) para evitar qua el
motor arranque por accidente.
lEvite los incendios! Mantenga el motor sin
c6sped, hojas, aceite o combustible
derramado.
Remueva el combustible del estanque antes
de inclinar la unidad para darle mantenimiento.
Limpie el c6sped, la mugre y la basura del
drea del silenciador.
No toque el silenciador caliente o las aletas del
cilindro, pues el contacto puede pmducir
quemaduras.
MOTOR
LUBRICACI6N
Use solamente aceite de detergente de alta
calidad clasiflcado con la clasificaci6n SF-SJ.
de servicio API. Seleccione la calidad de
viscosidad SAE seg0n su temperatura de
operacibn esperada.
CALIDADES DE VISCOSIDAD DE SAE
AVISO" A pesar de qua los aceites de
multiviscosidad (5W-30, 10W-30, etc.)
mejoran el arranque an clima fifo, estos
aceites de multiviscosidad van aaumentar el
consumo de aceite cuando se usan en
temperaturas sobre 32°F (0°C).
Revise el nivel del aceite del motor m&s a
menudo, para evitar un posible dafio an el
motor, debido a que no tiene suficiente aceite.
Cambie el aceite despu6s de 50 horas de
operaci6n o pot Io menos una vez al afio si el
tiller se utiliza menos 50 horas el afio.
Revise el nivel del aceite del c&rter antes de
hacer arrancar el motor y despu6s de cada
cinco (5) horas de uso continuado. Agregue
aceite de motor SAE 30 o su equivalente.
Apdete el tap6n del dep6sito de relleno del
aceite en forma segura cada vez qua revise el
nivel del aceite.
PARA CAMBIAR EL ACEITE DEL MOTOR
Determine la gama de temperatura esperada
antes del cambio del aceite. Todos los aceites
deben cumplir con los requisitos de la
clasificaci6n de servicio API SF-SJ.
• Asegerese qua la cultivadora est_ en una
supefficie nivelada.
• El aceite drenar& m&s f&cilmente cuando
est,_ caliente.
• Utilice un embudo para impedir el derrame
de aceita sobre la cultivadora, y recoja el
aceite en un envase adecuado.
1. Remueva el tap6n del drenaje.
2. Incline la cultivadora hacia adelante para
drenar el aceite.
3. Despu6s de qua el aceite se haya drenado
completamente, vuelva a colocar el tap6n
del drenaje del aceite y apd_telo en forma
segura. 34
4. Remuava e! tap6n del dep6slto de relleno
de aceite. Tenga cuidado de no permitir
que la mugre entre al motor.
5. Vuelva a Ilenar el motor con aceite. Vea
"REVISI6N DEL NIVEL DEL ACEITE DEL
MOTOR CON ACEITE" an la secci6n de
Operaci6n de ese manual.
Tap6nde
Drenajedel
aceit_
Nivelde
Bouchon Aceite
FILTRO DE AIRE
Su motor no va a funcionar en forma
adecuada si usa un filtro sucio. Limpi6 el
elemento del prefiltro de espuma despu6s de
cada 50 horas de operaci6n o cada
temporada. D61e servicio al cartucho de papal
cada 100 horas de operaci6n, o cada
temporada, Io qua suceda primem.
D61e servicio al filtro de aire m&s a menudo si
se usa en condiciones polvorosas.
1. Remueva la cubierta y el tomillo.
PARA DAR SERVICIO AL PREFILTRO
2. Remueva el prefiltro del filtro de aire.
3. Lave con espuma en un detergente liquido
y agua.
4. S6quelo apretandolo en una tela limpia.
AVISO: Si muy sucio o dafiado, reampl&celo.
5. Vuelva a instalar el prefiltro sobre el filtro
de aire.
6. Vuelva a instalar la cubierta y aseg0rela
con el bot6n.
PARA DAR SERVICIO AL CARTUCHO
1. Golpee suavemente el lado piano del
cartucho de papal para desprender la
mugre. Cambie un cartucho que este
sucio, o dafiado.
2. Remueva el prefiltm del flltro de aire.
3. Vuelva a instalar el cartucho, la cubierta
con el prefiltro y asegOrelos con un
tomillo.
4. Vuelva a instalar el prefiltro sobre el filtro
de aire.
5. Vuelva a instalar la cubierta y aseg0rela
con el bot6n.
IMPORTANTE: Los elemento del
petr61eo, como queroseno, no deben ser
utilizados para limpiar el cartucho. Pueden
ocasionar la deterdoraci6n del cartucho.
No ponga aceite al cartucho. No haga pre
si6n al aire para limpiar o secar le cartu
cho.

Cubieda_
- Tomillo de la base
Atetas del
SISTEMA DE ENFRIAMIENTO
Su motor se enfrfa con aire. Para obtener el
rendimiento del motor adecuado y larga
duraci6n mantenga su motor limpio.
•Limpie la rejilla de aire frecuentemente
usando un cepillo de cerdas duras.
•Remueva la caja del ventJlador y Ifmpiela si
es necesario.
•Mantenga las aletas del cilindro sin mugre o
paja.
Caja del
aire
SlLENCIADOR
No opere la cultivadora sin el silenciador. No
manipulee el sistema de escape, Los
silenciadores o los amortiguadores de chispas
daSados pueden crear un peligro de incendio.
Inspecci6nelos pedbdicamente y cdmbielos si
es necesado. Si su motor viene equipado con
un conjunto de rejilla para el amorUguador de
chispas, remu_valo cada 50 horas para
limpiarlo e inspeccionado. Cdmbielo si es
necesario.
BUJ|A
Cambie las bujfas at comienzo de cada
temporada de cultivo, o despuds de 50 horas
de uso, Io que suceda primero. El tipo de bujfa
y la abertura aparece an las
"ESPECIFICACIONES DEL PRODUCTO" en
la pdgina 24 de este manual.
TRANSMISl6N
Una vez por temporada, lubrique el ajuste de
lubricante del lado derecho della
caja de velocidades con Ionza de grasa EP
#1.
LIMPIEZA
No limpie su cultivadora cuando el motor y la
transmisibn estdn calientes. No
recomendamos el uso de agua presudzada
(manguera del jardfn, etc.) para limpiar su
unidad a menos que el drea de la junta
alrededor de la transmisibn y del silenciador
dal motor, del filtro de aire y del carburador se
cubran ara protejerlos del agua. El agua en la
transmisi6n y/o el motor acortard la vida de su
cultivadora.
•Limpie todo material extra_o del motor, las
ruedas, el pulido, etc.
•Mantenga las superficies pulidas y las
ruedas sin derrames de gasolina, aceite,
etc.
•Proteja las superficies pintadas con cera
tipo automotriz.
_PRECAUCl6N: Desconecte el alambre de
la bujfa y p6ngalo en donde no pueda entrar
en contacto con la bujfa.
CULTIVADORA
PARA AJUSTAR LA ALTURA DEL MANGO
Ajuste el mango a la altura que mejor se
acomode para sus condiciones de labracibn.
La altura del mango serd diferente cuando la
cultivadora excave el suelo,
1. Primero afloje la tuerca hexagonal del
mango.
2. El mango se puede poner en distintos
ajustes entre las posici6nes de "ALTO"
(HIGH) y "BAJO" (LOW).
3. Despuds de ajustar, vuelva a apretar con
seguridad la tuerca hexagonal.
Mango-Posicibn "Bajo"
35

CUIDADO DE LAS LLANTAS
_PRECAUCI6N: Cuando monte las Ilantas, a
menos que los talones estdn asentados, si se
inflan demasiado se puede producir una
explosi6n.
• Mantenga 20 libras de presi6n en las Ifantas.
Si la presi6n de las Ilantas no es la misma,
la culUvadora va a tirar hacia un lado.
•Mantenga las Ilantas sin gasolina o acaite,
porque pueden dafiar el caucho.
PARA REMOVER LA RUEDA
1. Ponga los bloques debajo de la transmisi6n
para evitar que se vuelque la cultivadora.
2. Remueva la abrazadera de horquilla y la
clavija de horquilla de la rueda.
3. Remueva la rueda y la Ilanta.
4. Repare la Ilanta y vuelva a colocarla.
Clav_a de
Abrazadera de
horquilla
PARA REMOVER LA PROTECCION DE LA
CORREA
AVISO: Para facilitar ia remoci6n, remueva la
abrazadera de horquilla y la clavija de horquilla
de la rueda izquierda. Tire la rueda hacia
afuera de la cultivadora 1 pulgada.
1. Remueva las dos (2) tomillos del lado de
la proteccibn de la correa.
2. Remueva la tuerca hexagonal y la
arandela de la parte inferior de la
protecci6n de la correa (ubicada detrds de
la rueda).
3. Tire la protecci6n de la correa hacia afuera
yal_jela de la unidad.
4. Vuelva a colocar la protecci6n de la correa
invirtiendo los pasos del procedimiento
anterior.
Poleadel Motor
\
Pmtecci6nde la correa
_ _rca Hexagonal
•_y amndela
___ _. (Ublcadasdetras
__ de la Ilanta)
Tuercade'_ _ _ \_\
cabeza y __'_
amndela
::le,aAb_e_horrq_illa Yc,alvijade horqui,,a
PARA CAMBIAR LA CORREA DE
IMPULSI(_N DE RECORRIDO
I. Remueva la protecci6n de la correa segOn
se ha descrito en "PARA REMOVER LA
PROTECCI6N DE LA CORREA."
2. Remueva la correa antigua deslizdndota
fuera de la potea del motor primero y
remueva la poiea de la transmisi6n.
3. Ponga la correa nueva en la ranura de ta
polea de la transmisi6n y dentro de la
polea del motor. LA CORREATIENE QUE
ESTAR EN LA RANURA EN LA PARTE
SUPERIOR DE LA POLEA DE GU[A.
NOTA LA POSICI6N DE LA CORREA EN
RELACION CON I.AS GU[AS.
4. Revise el ajuste de la correa segdn se
describe a conUnuaci6n.
5. VueIva a colocar la protecci6n de la
correa.
6. Vuelva a colocar la rueda y la clavija de
horquilla y la abrazadera de horquilla.
AJUSTE DE LA CORREA DE IMPULSI(_N
DE RECORRIDO
Para obtener la tensi6n de la correa
adecuada, el resorte de extensi6n debe tener
alrededor de 5/8 de pulgada de estiramiento
cuando la barra de control de la impulsibn estd
en la posici6n "ENGANCHADO" (ENGAGED).
Esta tensi6n se puede lograr de la forma
siguiente:
1. Suelte el tomillo de la abrazadera del cable
que asegura el cable de control de la
impulsi6n.
2. Deslice el cable hacia adelante para
obtener una menor tensi6n y hacia atrds
para obtener una mayor tensi6n hasta que
se obtenga alrededor de 5/8 de pulgada de
estiramiento cuando la barra de control de
la impulsi6n est_ enganchada.
3. Apriete el tornillo de la abrazadera del
cable en forma segura.
abrazadera del cable
de la impulsi6n
Tensi6n
Poleade
Gula Mds
Tensi6n
Polea de la transmisi6n extensi(_n
36

CAMBIO DE BRAZOS
_PRECAUCI6N: LOS brazos son afilados.
Use guantes u otra protecci6n cuando maneje
los brazos.
Si hay un brazo muy desgastado su
cultivadora tiene que trabajar mds y excava
con menos profundidad. Mds importante adn,
los brazos desgastados no pueden cortar ni
moler la materia orgdnica, ni tampoco
enterrarla, tan efecUvamente como Io hacen
los brazos buenos. Es necesario cambiar un
brazo desgastado.
Brazo
nuevo
•Pare que esta rndquina pueda mantener un
rendimiento excelente en el labrado, se
deben revlsar los brazos pare vedficar si
estdn afilados, desgastados o doblados,
especialmente los que se encuentran al
lado de la transmisi6n. Si el espacio fibre
entre los brazos es mds de 3-1/2 pulgadas,
se tienen que cambiar o enderezar, segdn
sea necesario.
•Los brazos nuevos tienen que montarse
segdn se muestra en la. Los bordes de los
brazos afilados rotardn hacia atrds desde
arriba.
\
_1 Brazo
3-1/2"Max
Abrazadera de Horqt
Rotaci6ncontmda
del brazo
Bordesafilado
Bordesafilado
Clavija de seguro
Bordes afilado
37

MOTOR
El mantenimiento, la reparaci6n, o el
reemplazo de cualquier dispositivos o
sistemas del control de la emisi6n, los cuales
sean hechos al costo del cliente, pueden ser
realizados por cualquier individuo o
establecimiento de reparaci6n de motor. Los
reparos que caen bajo garantfa deben ser
reatizados por un establecimiento de servicio
de reparaci6n de motor autorizado.
PARA AJUSTAR EL CABLE DE CONTROL
DE LA ACELERACI_)N
El control de la aceteraci6n ha sido
preajustado en la f_brica y no debefia
necesitar ajustes.
1. Si el ajuste es necesado, proceda segL_nIo
siguiente:
2. Con el motor sin funcionar, mueva la
palanca de control de la aceleraci6n a la
posici6n de "RAPIDO"(FAST).
3. Si la palanca de control de la vetocidad
situada sobre el motor toca el tope de la
velocidad alta, no necesitara mds ajustes.
Si la plalanca de control de la velocidad no
toca el tope de la velocidad atta, continual
con el procedimiento del ajuste.
4. Afloje el tomillo de la abrazadera del cable.
5. Mueva la palanca de control de la
velocidad hacia ardba hasta que toque el
tope de la velocidad alta, y mant6ngala en
esta posoci6n.
6. Apriete el tornillo de la abrazadera del
cable con seguridad.
Cable del tomillode sujecl6n
Cable de la '_
Aceleraci6n,_ "_
PARA AJUSTAR EL CARBURADOR
El carburador tiene un chorro de alta velocidad
y ha sido preajustado en la fdbrica y no
deberfa necesitar ajustes. Sin embargo, se
pueden necesitar ajustes de menor
importancia para compensar por las
diferencias en el combustible, temperatura,
altura o carga. Si el carburador necesita
ajustes, pongase en contacto con su centro/
departamento de servicio autorizado mds
cercano.
IMPORTANTE: Nunca manipulee el regulador
del motor el que hasido ajustado en la fabrica
para la velocidad del motor adecuada puede
ser peligroso hacer funcionar el motor a una
velocidad por sobre el ajuste de alta vetocidad
de la fabdca si creeque la velocidad aria
regulada del motor necesita ajuste, pongase
en contacto con sucentro/departamento de
servicio.
38

Inmediatamente prepare su cultivadora para el
almacenamiento al final de la temporada o si la
unldad no se va ausar por 30 dfas o m_.s.
4_kPRECABCl0N: Nunca almacene la
cultivadora con gasolina an el estanque dentro
de un ediflcio an donde los gases pueden
alcanzar una llama expuesta o una chispa.
Permita que el motor se enfrfe antes de
almacanado en cualquier recinto privado.
CULTIVADORA
1. Limpie toda la cultJvadora (vea "LIMPIEZA"
en la seccibn de Mantenimiento en este
manual).
2. Inspeccione y cambie las correas, si es
necesado (vea las instrucciones para el
cambio de la correa en la secci6n de
Servicio y Ajustes de este manual).
3. Lubrfquela seg6n se muestra en la
seccibn de Mantenimiento en este manual.
4. Asegdrese que todas las tuercas, pemos
y tomillos est_n apretados en forma
segura. Inspeccione las partes movibles
para vedflcar si estdn da_adas, rotas o
desgastadas. Cdmbielas si es necesario.
5. Retoque todas las superficies pintadas
que estdn oxidadas o picadas; use una lija
suavemente antes de pintar.
MOTOR
SISTEMA DE COMBUSTIBLE
IMPORTANTE: Es importante evitar que se
formen dep6sitos de goma en partes
fundamentales det sistema de combustible
tales como el carburador, el filtro del combus-
tible, la manguera del combustible o en el
estanque durante el almacenamiento. La
expedencia tambi_n indica que los combus-
tibles mezclados con alcohol (conocido como
gasohol o que tienen etanol o metanol) pueden
atraer humedad, Io que conduce a la
separaci6n de dcidos durante el
almacenamianto. La gasolina dcidica puede
da_ar el sistema de combustible de un motor
durante el periodo de almacenamiento.
1. Drene el estanque de combustible.
2. Haga arrancar el motor y ddjelo funcionar
hasta que las Ifneas del combustible y el
carburador estdn vacfos.
• Nunca use los productos para limpieza del
carburador odel motor en el estanque de
combustible pues se pueden producir
dahos permanentes.
•Use combustible nuevo la pr6xima
temporada.
AVISO: El estabilizador de combustible es una
altema_va aceptable para reducir a un mfnimo
la formaci6n de dep6sitos de goma en el
combustible durante el perfodo de
almacenamiento. Agregue estabilizador ala
gasolina en el estanque de combustible o en el
envase para el almacenamiento. Siempre siga
la propomi6n de mezcla que se encuentra en
el envase del estabilizador. Haga funcionar el
motor por Io menos 10 minutos despu_s de
agregar el estabilizador, para permiUr que dste
Ilegue al carburador. No drene la gasolina del
estanque de gasolina y el carburador si se
estd usando estabilizador de combustible.
ACEITE DEL MOTOR
Drene el aceite (con el motor caliente) y
cdmbielo con aceite de motor limpio. (Vea
"MOTOR" an la secci6n de Mantenimiento de
este manual.)
CIUNDRO(S)
1. Remueva la bujfa.
2. Vacfe una onza de aceite a trav6s del
agujero de la bujfa en el cilindro.
3. "fire el mango del arrancador, lentamente,
varias veces para distribuir el aceite.
4. Cambie por una bujfa nueva.
OTROS
•No guarde la gasolina de una temporada a
la otra.
•Cambie el envase de la gasolina si se
empieza a oxidar. La oxidacibn y/o la mugre
en su gasolina pmducirdn problemas.
•Si es posible, guarde su unidad en un
recinto cerrado y ct_brala para protegerla
contra el polvo y la mugre.
•Cubra su unidad con un form protector
adecuado que no retenga la humedad. No
use pldstico. El pldstico no puede respimr,
Io que permite la formaci6n de
condensaci6n, Io que pmducird la oxidacibn
de su unidad.
IMPORTANTE: Nunca cubra la cultivadora
mientras el motor y las areas de escape
todavia estan calientes.
39

PROBLEMA
No arranca .
2.
.
4.
5.
CAUSA
Sin combustible.
Motor sin la =ESTRANGU-
LACION" (CHOKE)
adecuada.
Motor ahogado.
Filtro de aire sucio.
Agua en el combustible.
6. Estanque de combustible
taponado.
7. Alambre de la bujia suelto.
oBujia mala o abertura inade-
cuada.
Correcci6n
1. Llene el estanque de combustible.
2. Vea "PARA ARRANCAR EL
MOTOR" en la seccibn de
Operacibn.
3. Espere varios minutos antes de
tratar de arrancar.
4. Limpie o cambie el cartucho del
filtro de aire.
5. Drene el estanque de combustible
y el carburador, vuelva aIlenar
el estanque con gasolina nueva.
6. Remueva el estanque de com-
bustible y Ifmpielo.
7. Asegdrese que el alambre de la
bujla est6 asentado en forma
adecuada en 6sta.
8. Cambie la bujia o ajuste la
abertura.
Dificil de arrancar
Falta de fuerza
9. Carburador desajustado.
10.La vdlvula de cierre del com-
bustible est6 cerrada.
1. Control de la aceleraci6n
ajustado inadecuadamente.
2. Filtro de aire sucio.
3. Buj[a mala o abertura inade-
cuada.
4. Combustible rancio o sucio.
5. Alambre de la bujfa suelto.
6. Carburador desajustado.
1. Et motor estd sobrecargado.
2. Filtro de aire sucio.
3. Nivel de aceite bajo/aceite
sucio.
4. Bujfa fallada.
5. Aceite en el combustible.
6. Combustible rancio o sucio.
7. Agua en el combustible.
8. Estanque de combustible
taponado.
9. Alambre de la bujl'a suelto.
9. Haga los ajustes necesarios.
10.Habra la vblvula.
1. Ponga el control de la_aceleraci6n
en laposici6n de "RAPIDO"
(FAST).
2. Limpie o cambie el cartucho
del filtro de aire.
3. Cambie la bujfa o ajuste la
abertura.
4. Drene el estanque de combustible
y vuelva a Ilenarlo con gasolina
nueva.
5. Asegdrese que el alambre de la
bujla est6 asentado en forma
adecuada en 6sta.
6. Haga los ajustes necesados.
1. Ajuste la estaca de profundidad
para un labrado menos profundo.
2. Limpie o cambie el cartucho del
filtro de aire.
3. Revise el nivel del aceite/cambie
el aceite.
4. Limpie y vuelva a ajustar la
abertura o cambie la bujia.
5. Drene y limpie el estanque de
combustible y vuelva a/lenado y
limpie el carburador.
6. Drene el estanque de combus
tible yvuelva a Ilenarlo con
gasolina nueva.
7. Drene el estanque de combus
tible y el carburador y vuelva a
Ilenar el estanque con gasolina
nueva.
8. Remueva el estanque de
combustible y Ifmpielo.
9. Conecte y apriete el alambre de
la bujia.
4O

PROBLEMA
Falta de fuerza
El motor se
callenta
demaslado
Rebote excesivo/n"
anejo diffcil
El suelo se hace
bolas o se
amontona
El motor
funciona pero
la cultivadora no
se mueve
El motor
funclona pero sc
esfuerza cuando
se labra
Los dientes
saltan sobre el
terreno
Diflcil para
camblar de
transmisi6n
La cultivadora se
apaga cuando la
barra de control
del cambio de
mando esta
enganchada
CAUSA
10.Rejilla de aim del motor sucia.
11.Silenciador sucio/taponado.
12. Carburador desajustado.
13. Mala compresibn.
1. Nivel del aceite bajo/aceite
sucio.
2. Rejilla de aire del motor sucia.
3. Motor sucio.
4. Silenciador pamialmente
5. Mal ajuste del carburador.
1. El terreno estb muy seco y
duro.
1. El terreno est& muy mojado.
1. La barra de control de la
impulsi6n no estd
enganchada.
2. La correa V no est& ajustada
correctamente.
3. La correa Vest& fuera de
la(s) polea(s).
i
; t. Se est& labrando muy
profundamente.
2. El control de la aceleraci6n
no est& ajustado en forma
adecuada.
3. El carburador est,, des
1. No baje la estaca de arrastre
1. Las transmisiones no est&n
distribuidas.
1. El conjunto de palanca esta
colocado entre la posicibn
la para segarde contra rotaci6n
delante.
2. Los dientes estdn atascados.
CORRECCI_N
10. Limpie la rejilla de aire del motor.
11. Limpie/cambie el silenciador.
12. Haga los ajustes necesados.
13.Contacto con su cenb'o de
servicio Sears o con un otro
centro de servicio cualificado.
1. Revise el nivel del aceite/
cambie el aceite.
2. Limpie la rejilla de aire del motor.
3. Limpie las aletas del cilindro, la
rejilla de aire y el &rea del
silenciador.
4. Remueva y timpie el silenciador.
taponado,
5. Ajuste el carburador pare una
posici6n de mezcla m&s rica.
1. Moje el suelo o espere a que
existan condiciones del suelo
rods favorables.
1. Espere a que existan condiciones
del suelo mds favorables.
1. Enganche el control de la
impulsi6n.
2. Inspeccione/ajuste la correa V.
3. Inspeccione la correa V.
1. Ajuste la estaca de profundidad
para un labrado menos profundo.
2. Revise el ajuste del control de
la aceleraci6n.
3. Haga los ajustes necesarios.
ajustado.
1. Baje la estaca de arrastre.
durante el movimiento de
rotaci6n hacia delante.
,Enganche lentamente la barra de
control de la transmisi6n y suelte
o bascule la cultivadora hacia
adelante y hacia atrds hasta que
sea posible cambiar las
marchas.
I. Cambie de direcci6n a la posici6n
para segar de contra mtaci6n o
posicibn para segar hacia
y la posicibn para segar
haciaadelante.
2. Aciare los dientes.
41

TILLER -- MODEL NUMBER 917.293472
HANDLES
2 2
-_ \
3
9
15
31 \\
11
KEY PART
NO. NO. DESCRIPTION
1 180634 Throttle, Control
2 141406 Grip, Handle
3 110673X Grommet, Handle
4 127254X Bar, Ddve Control Assembly
5 6712J Cap, Vinyl
6 180500 Panel, Control
7 110641X Bushing, Split
8 71191008 Screw, Pan Head #10-24
9 72010520 Bolt, 5/16-18 x 2-1/2
10 110646X Handle, Grip
11 STD62.4003 Clip, Hairpin
12 81328 Bolt, Shoulder
13 110741X Handle, Shift
14 109313X Grommet, Rubber
15 110702X Rod, Shift
16 S'rD533710 Bolt, Carriage 3/8-16 x 1 Gr. 5
17 109229X Lock, Handle
KEY PART
NO. NO. DESCRIPTION
18 STD541437 Nut, Crownlock 3/8-16
19 19131611 Washer 13/32x I x 11Ga.
20 109228X Lever, Lock, Handle
21 150258 Handle, Assemble
22 165197 Clip, Plastic, Cable
23 86777 Screw, Hex, Washer Hd, Slotted
#10-24 x 1/2
24 9484R Clip
25 73970500 Locknut, Hex, Flange
26 110675X Clutch, Cable
27 73900400 Nut, Hex Flange 1/4-20
29 STD541462 Nut, Keps #10-24
31 150696 Bolt, Pivot
NOTE: All component dimensions given in U.S.
inches. 1 inch =25.4 mm
42

TILLER - - MODEL NUMBER 917.293472
MAINFRAME,LEFT SIDE
6S
36
\\
35
31
3O
\
15
23
24
KEY PART
NO. NO.
1 STD541431
2 STD551137
3 STD541037
4 170127
5 154734
6 110111X
7 STD532505
8 8700J
9 86777
10 9484R
11 STD551125
12 STD541025
13 23230506
14 156117
15 STD551031
16 145102
19 12000028
21 11(To52X
22 74770508
23 102190X
150750
795R
24 126875X
KEY
DESCRIPTION NO.
Nut, Keps Flange 5/16-18 25
Washer, Lock 3/6 26
Nut, Hex 3/8-16 27
Shield, Inner Belt Guard 28
Screw Shift Lever 29
Lever, Shift 30
Bolt, Carriage 1/4-20 x 1/2 Gr. 5 31
Plate, Shift Indicator 32
Screw, Hex, Washer Head, 33
Slotted #10-24 x 1/2 34
Clip 35
Washer, Lock 1/4 36
Nut, Hex 1/4-20 37
Screw, Set, 5/16-18 x 3/8 38
Spacer, Split .327 x.42 x 1.220 39
Washer 11/32 x 11/16 x 16 Ga. 40
Sheave, Transmission 43
Ring, Retainer 44
Spacer, Split .327 x .42 x 2.09 65
Bolt, Fin Hex 5/16-24 x1/2
Tire
Rim
TireValve
Rivet, Drilled
PART
NO. DESCRIPTION
STD624003 Clip, Hairpin
165501X558 Guard, Belt
132801 Belt, V
104679X Pulley, Idler
12000032 Ring, Klip
159229 Bracket, Idler
102194X Bolt, Hex 5/16-16 x 10
102141X Shaft, Idler Arm
STD523710 Bolt, Hex 3/8-16 x 1
102173X
74760524
102331X
130812
74760544
140O62
170488
69180
73800500
739705O0
Counterweight, LH.
Bolt,Hex 5/16-18 x 1-1/2
Bracket,Reinforcement,L.H.
Sheave,Engine
Bolt,Fin Hex 5/16-18 x 2-3/4
Cap, Plunger
Screw Hex Wsh. Hd #10-32 x 9/16
Nut Lock #10-24
Nut, Lock Hex w/ins 5/16-18
Nut, Lock Hex Flange 5/16-18
NOTE: AllcomponentdimensionsgiveninU.S.
inches.1 inch= 25.4 mm
43

TILLER - - MODEL NUMBER 917.293472
MAINFRAME, RIGHT SIDE
16
13
12
KEY PART
NO. NO.
2 73970500
5 102332
7 102173X
8 STD551137
9 STD541037
10 74760524
11 STD624003
12 126875X
DESCRIPTION
Locknut,Hex, Flange 5/16-18
Bracket,Reinforcement
CounterWeight,R,H.
Washer, Lock 3/8
Nut, Hex 3/8-16
Bolt,Hex 5/16-18 x 1-1/2
Clip,Hairpin
Rivet,Ddned
KEY PART
NO. NO. DESCRIPTION
13 102190X Tire
150750 Pin
795R Tire Valve
15 Engine, (See Breakdown)
Craftsman Model No. 120402-
0213-E1
16 7192J TieCable
NOTE: All component dimensions given In U.S,inches.
1 inch = 25,4 mm
44

TRANSMISSION TILLER -- MODEL NUMBER 917.293472
lS
6
6
48
44
KEY PART
NO. NO.
1 18O677
2 180627
3 161963
4 5020J
5 1370H
6 137335
7 145101
8 4895H
9 154467
10 7392M
11 100371K
12 106160X
13 142145
14 8353J
15 12000039
16 154466
18 4358J
19 12000040
20 102114X
21 102115X
22 6803J
23 102111X
24 STD551143
25 STD541143
27 143009
28 106390X
29 102134X
30 150737
31 143008
51
KEY PART
DESCRIPTION NO. NO.
TransmissionAssembly(Includes 32 106388X
Key Nos. 2-52) 33 102121X
Gearcase,L.H.w/Bearing 34 102112X
(IncludesKey No. 4) 35 102101X
Gasket, Gearcase 36 154355
Bearing,Needle
Washer, Thrust 5/8 x 1.10 x 1/32 37 4422J
Pinion,Input 38 154356
Shaft, Input 39 105345X
Bearing,Neadle 40 105346X
Washer,Seal 41 8358J
Ball,Steel 42 4220R
Spring,Shift,Fork 43 106146X
O-Ring 44 155236
Arm,Shift 48 180631
Fork, Shift
Ring,Klip 49 132688
Shaft, Shift 50 106147X
Washer 51 17720408
Ring,Klip 52 STD541031
Gear, Assembly,ReverseIdler 53 165140
(IncludesKey Nos. 21 and22) 58 179520
Gear, ReverseIdler 60 6855M
Bearing, Needle - - 6066J
Shaft, Reverse Idler
Washer, Lock 7/16
Nut, Hex 7/16-20
Beadng, Shaft, Ground Drive L.H.
Spacer 0.765 x 1.125 x 1.23
Chain #35-50 Pitch
Ground Shaft Assembly
Bearing, Shaft, Ground Drive R.H.
DESCRIPTION
Spacer 0.70 x 1.00 x 1.150
Sprocketand Gear Assembly
Shaft,Reduction(2nd)
Screw,Whiz, Lock5/16-18 x 3-1/2
SprocketAssemblyw/Bearing
(IncludesKey Nos.37 and 38)
Bearing,Needle
Sprocket,Tine
Gear, Cluster,Red 1st & 2nd
Gear,Reverse
Shaft, Reduction(1st)
Washer,Thrust
Spacer 1.01 x 1.75 x 0.760
Seal Asm.on
Gearcase,R.H.w/Bearing
(IncludesKey No. 8)
Shaft,"nne
Chain,Roller #50-50 Pitch
Screw 1/4-20 x 1/2
Nut, Hex 5/16-18
BearingKit, Tine Shaft
Bolt,Shoulder
FittingGrease
Grease, Plastilube#1
NOTE: All component dimensions given in U.S.inchea.
1 inch = 25.4 mm
45

TINE SHIELD
TILLER -- MODEL NUMBER 917.293472
13 14
29
5
28
24 29
KEY PART KEY
NO. NO. DESCRIPTION NO.
1 73900500 Nut, Lock Hex Flange 5/16-18 Unc 20
3 8393J Pin, Stake, Depth 21
4 12000036 Ring, Klip 22
5 STD533107 Bolt, Carriage 5/16-18 x 3/4 Gr 5 23
6 8394J Spring 24
7 8392J Bracket, Latch 25
8 109230X Spring, Depth Stake 26
9 10_152X558 Shield, Tine 27
10 72140508 Bolt, Rehd Sqnk 5/16-18 Unc x I 28
11 STD5410_1 Nut, Hex 5/16-18 29
12 STD551131 Washer, Lock 5/16 32
13 STD533112 Bolt, Cardage 5/16-18 x1-1/4 33
14 124343 Bracket, Shield Tine
16 73900400 Nut, Flange lock 1/4-20
18 STD532512 Bolt, Cardage 1/4-20 x 1-1/4 Gr. 5
19 102701X Gdp
PART
NO, DESCRIPTION
STD541037 Nut, He)( 3/8-16
102156X Stake, Depth
74930632 Bolt, Hex 3/8-16 x 2
4440J Hinge
STD532505 Bolt, Cardage 1/4-20 x 1/2
6712J Cap, Vinyl
109227X Pad, Idler
102686X558 Shield,Leveling
120588X Pin,Hinge
104085X558 Shield, Side
STD541(_5 Nut, Fin, Hex 1/4-20
STD551125 Washer LockHvy Helical 1/4
NOTE: All component dimensions given in U.S. inches
1 inch = 25.4 mm
46

TILLER -- MODEL NUMBER 917.293472
TINEASSEMBLY
6
j2
4
KEY PART
NO. NO. DESCRIPTION
1
2
3
4
5
6
7
4459J Tine, Outer, L.H.
132673 Pin, Shear
6554J Tine, Inner, L.H.
3146R Clip, Hairpin
132721 Assembly, Hub and Plate, L.H.
73610600 Nut, Hex 3/8-24
STD551137 Washer, Lock 3/8
KEY PART
NO. NO.
8 74610616
9 4460J
10 132722
11 6555J
DESCRIPTION
Bolt, Hex 3/8-24 x 1
Tine, Outer, R.H.
Assembly, Hub and Plate, R.H.
Tine, Inner, R.H.
NOTE: All component dimensions given in U.S. inches.
1 inch = 25.4 mm
47

DECALS
TILLER -- MODEL NUMBER 917.293472
2/
7
13
12
KEY PART
NO. NO.
1 176738
2 176736
4 137538
5 120431X
6 102180X
7166138
8 167156
9 120075X
10 157984
11 171078
12 162215
13 163094
- - 182610
DESCRIPTION
Decal, ServiceCNTRL PNL
Decal, BeltGuard
Decal, Caution,DriveControl
Decal, HandPlacement
Decal, ShiftIndicator
Decal,OperationIntek
Decal, B & S Intek
Decal,Waming,RotatingTines
Decal,Tine,Shield,CounterRotatingTines
Decal,RewindIntek
Decal,Tine,Shield,WarningDom
Decal,Tine Depth Stake
Manual,Owner's(Eng/Span)
48

TILLER - - MODEL NUMBER 917.293472
ENGINE,BRIGGS & STRATTON- - MODEL NUMBER 120402-0213-E1
36_
4o
307 _I_
24
22_'
I+e91 '
635_ 914A'_
742
, 1019 LABEL KIT , 746_ 46_
I 1058 OWNER'S MANUAL I
15AQ
718
49

TILLER -- MODEL NUMBER 917.293472
ENGINE, BRIGGS & STRATTON - oMODEL NUMBER 120402-0213-E1
365_)
6921 Le_
/__ 186_
108 _ __
276._
.ZJ276_
9_CARBUR_ORGASK_SETIf"61276©I
13 276_ _/_163 _
7Q 633A_ _633
121 CARBURETOR OVERHAUL KIT
llr L 2,sol
104 127_ 633_ 633A_ I 51 _-_'_
2O
358 ENGINE GASKET SET
1022_
_ 666_
883_ 163
50

TILLER -- MODEL NUMBER 917.293472
ENGINE,BRIGGS & STRATTON - - MODEL NUMBER 120402-0213-E1
281 265_
2221 427®
,,3_
621
356
°
_s8_
334_
190
883_:_
467
717 _.,.I.
_ 971i'
163
51

TILLER - - MODEL NUMBER 917.293472
ENGINE, BRIGGS & STRATTON - - MODEL NUMBER 120402-0213-E1
592
65 _
I 1036 EMISSIONS LABEL I
65A
48
23
305 _'
1095 VALVE GASKET SET
102 51
52

TILLER - - MODEL NUMBER 917.293472
ENGINE, BRIGGS & STRATTON - - MODEL NUMBER 120402-0213-E1
KEY PART KEY PART
NO. NO. DESCRIPTION NO. NO. DESCRIPTION
1 693811
3 299819
5 693643
7695166
11 693647
12 692549
13 691137
15 691686
15A 691682
16 693887
18 694466
20 692550
21 281658
22 692551
23 692987
24 222698
25 690021
694167
694168
694169
26 499631
692785
692786
692787
27 691866
28 499423
29 690124
30 692562
32 691664
32A 695759
33 499642
34 499641
35 691304
36 691304
40 692194
45 690977
46 693404
48
Cylinder Assembly
2Seal-Oil (Magneto Side)
Head-Cylinder
•Gasket-Cylinder Head
Tube-Breather
•Gasket-Crankcase
Screw (Cylinder Head)
Plug-Oil Drain
Plug-Oil Drain
Crankshaft
Cover-Crankcase
•Seal-Oil (PTO Side)
Cap-Oil Fill
Screw (Engine Sump)
Flywheel
Key-Flywheel
Piston Assembly (Standard)
Piston Assembly (.010' O.S.)
Piston Assembly (.020" O.S.)
Piston Assembly (_.(330"O.S.)
Ring Set-Piston _Standard)
Ring Set-Piston 010' O.S.)
Ring Set-Piston .020' O.S.)
Ring Set-Piston .030" O.S.)
Lock-Piston Pin
Pin-Piston
Rod-Connecting
Dipper-Connecting Rod
Screw (Connecting Rod)
Screw (Connecting Rod)
Valve-Exhaust
Valve-Intake
Spring-Valve (Intake)
Spring-Valve (Exhaust)
Retainer-Valve
Tappet-Valve
Camshaft
Short Block (120402-0194-
E2 Replacement Engine)
51 692555 •_:l:+Gasket-lntake
55 691422 Housing-Rewind Starter
58 693389 Rope-Starter (Cut to
Required Length)
59 805957 Insert-Grip
60 715257 Grip-Starter Rope
65 690837 Screw (Blower Housing)
65A 692608 Screw (Rewind Starter)
95 691636 Screw (Throttle Valve)
97 690024 Shaft-Throttle
98 398185 Kit-Idle Speed
104 691242 _Pin-Float Hinge
108 691182 Valve-Choke
109 693628 Shaft-Choke
117 690048 Jet*Main (Standard)
118 498977 Jet-Main (High Altitude)
121 695157 Kit-Carburetor Overhaul
122 693749 •QSpacer-Carburetor
125 693518 Carburetor
127 691739 _Plug-Welch
t 30 69 t 181 Valve-Throttle
133 398187 Float-Carburetor
134 398188 _Kit-Needle/Seat
137 693981 04: Gasket-Float Bowl
146 690979 Key-Timing
163 693458 Gasket-Air Cleaner
186 692317 Connector-Hose
187 691050 Line-Fuel (Cut to Required
Length)
187A 692601 Line-Fuel (Molded)
188 690877 Screw (Control Bracket)
189 694543 Bail-Rocker Arm
190 692127 Screw (Fuel Tank)
209 691278 Spring-Governor
209A 692571 Spring-Governor
219 693578 Gear-Governor
220 691724 Washer (Governor Gear)
222 694253 Bracket-Control
227 692573 Control Lever-Governor
238 691300 Cap-Valve
265 691024 Clamp-Casing
267 692577 Screw(Casing Clamp)
271 894256 Lever-Control
276 271716 O:I: Sealing Washer
281 694252 Panel-Control
300 693593 Muffler
304 693621 Housing-Blower
305 690960 Screw (Blower Housing)
RPM Settings:
•Included in
358
GI Included in
No. 121
Included in
No, 977
+ Included in
1095
Low Speed: t900-2100
High Speed: 3000-3200
Engine Gasket Set, Key. No.
Carburetor Overhaul Kit, Key.
Carburetor Gasket Set, Key.
Valve Gasket Set, Key. No.
NOTE: All component dimensions given in U.S.
inches 1 inch = 25.4 mm
53

TILLER - - MODEL NUMBER 917.293472
ENGINE, BRIGGS & STRATTON- - MODEL NUMBER 120402-0213-E1
KEY PART KEY PART
NO. NO. DESCRIPTION NO. NO. DESCRIPTION
306 693610 Shield-Cylinder 746 692566 Gear-Idler
307 690345 Screw (Cylinder Shield) 773 694258 Retainer
332 690662 Nut (Flywheel) 830 694544 Stud (Rocker Arm)
333 695711 Armature-Magneto 832 693583 Guard-Muffler
334 691061 Screw (Armature Magneto) 836 690661 Screw (Muffler Guard)
337 491055 Spark Plug 836A 693624 Screw (Muffler Guard)
356 692390 Wire-Stop 851 493880 Terminat-Sparkplug
358 695155 Engine Gasket Set 868 692044 .+ Seal-Valve
363 19069 Flywheel Puller 875 693459 Base-Air Cleaner
365 692568 Screw (Carburetor) 883 691893 .+ Gasket-Exhaust
383 19374 Wrench-Spark Plug 886 696268 Gasket Kit-Cylinder Head/
415 693463 Plug Plate
427 694255 Nut (Control Bracket) 914 692198 Screw (Rocker Cover)
445 697029 Filter-Air Cleaner Cartridge 914A 692557 Screw (Rocker Cover)
455 692591 Cup-Flywheel 957 694261 Cap-Fuel Tank
456 692299 Plate-Pawl Fdction 958 692586 Valve-Fuel Shut Off
467 691668 Knob-Air Cleaner 961 693598 Screw (Air Cleaner Bracket)
459 281505 PawI-Ratchet 967 273356 Filter-Pre Cleaner
504 694254 Washer Set 968 693460 Cover-Air Cleaner
505 691251 Nut (Govemor Control Lever) 971 690349 Screw (Air Cleaner Base)
552 692346 Bushing-Governor Crank 971A 691693 Screw (Air Cleaner Base)
562 691112 Bolt (Governor Control Lever) 972 694260 Tank-Fuel
592 690800 Nut (Rewind Starter) 975 493640 Bowl-Float
597 691696 Screw (Pawl Fdction Plate) 977 695156 Set-Carburetor Gasket
601 95162 Clamp-Hose 993 694088 ,+ Gasket-Cylinder Head Plate
608 693394 Starter-Rewind 1005 692592 Fan-Flywheel
613 691665 Screw (Muffler) 1019 694852 Kit-Label
615 692576 Retainer-Governor Shaft 1022 691890 °+ Gasket-Rocker Cover
616 692547 Crank-Governor 1023 499924 Cover-Rocker
619 691108 Screw (Cylinder Head Plate) 1026 693517 Rod-Push
621 692310 Switch-Stop 1029 691230 Arm-Rocker
632 693408 Spring/Link-Mechanical 1034 691343 Guide-Push Rod
Governor 1036 697004 Label-Emissions
633 693867 I_:1: SaaI-Choke/Throttle Shaft 1058 275092 Owner's Manual
633A 691321 _1:1:Seal-Throttle Shaft 1070 692590 Screw (Flywheel Fan)
635 692076 Boot-Sparkplug 1095 695289 Set-Valve Gasket
663 694593 Screw (Control Panel) 12t0 498144 Assembly-Pulley/Spdng
668 694257 Spacer (Pulley)
676 393757 Deflector-Muffler 1211 498144 Assembly-Pulley/Spring
677 690661 Screw (Muffler Deflector) (Spring)
689 691855 Spring-Friction
692 690572 Spring-Detent RPM Settings:
717 693462 Bracket-Air Cleaner
718 690959 Pin-Locating
741 692565 Gear-Timing
742 692564 Retainer-E Ring • Included in
358
GIncluded in
No. 121
:1: Included in
No. 977
+ Included in
1095
Low Speed: 1900-2100
High Speed: 3000-3200
Engine Gasket Set, Key. No.
Carburetor Overhaul Kit, Key.
Carburetor Gasket Set, Key.
Valve Gasket Set, Key. No.
NOTE: All component dimensions given in U.S.
inches 1 inch =25.4 mm
54


ForrepairofmajorbrandappliancesIn your own home...
nomatterwhomadeit,nomatterwhosoldit]
1-800-4-MY-HOME _
(1-800-469.4663)
_m
Any,n_dayorr_t
(U.SA=_dCanada)
W_RI/m
Forrepairofcarry-inproductslikevacuums,lawnequipment,and
elecbonics,callfor the nearestSears Partsand Repair Center.
1-800-488-1222 Anyth_e,dayorright(U.S.A.only)
www.seam.com
Forthe replacementparts,accessoriesand owner'smanuals
thatyouneedtodo-it-yourself,callSears PadsDirectS"!
1-800-366-PART 6a.m.-11 p.m., 7days aweek
(1-800-366-7278) (U.S.A. only)
vw,_w,mrs.con'Cmr tmlrecl
To purchaseor inquireabouta SearsServiceAgreement
orSearsMaintenanceAgreement:
1-800-827..6655 (U.s.A.) 1-800-361-6665 (Canada)
7a.m.- 5 p.m.,CST, MOR- Sat 9 a.m. - 8 p.m. EST, M- F, 4 p.m.Sat
Parapedrse_dodemparac_na
domk_o,yparaoldenarIdeZaS:
1.888-SI.H!OGAR su
(1-_s-_
AuCanadapoursenio_enfrarx;ais:
1-800-LE-FOYER Mc
0-8oo-s33-6_7)
_MNW.SearS,C8
©Sears,RoebuckandCo.
TM SM
®Registered Trademark /Trademark /Service Mark of Seam, Roebuck and Co.
TM SM
®Mama Registmda/Mama de F&bdca/Marcade Serviciode Seam, Roebuckand Co.
MCMarque de commerce /MDMarque d&pos_e de Sears, Roebuck and Co.
182610 2.18.02 TR Printed in U.S.A.