Craftsman 917297011 User Manual TILLER Manuals And Guides L0802612
CRAFTSMAN Front Tine, Gas Tiller Manual L0802612 CRAFTSMAN Front Tine, Gas Tiller Owner's Manual, CRAFTSMAN Front Tine, Gas Tiller installation guides
User Manual: Craftsman 917297011 917297011 CRAFTSMAN TILLER - Manuals and Guides View the owners manual for your CRAFTSMAN TILLER #917297011. Home:Lawn & Garden Parts:Craftsman Parts:Craftsman TILLER Manual
Open the PDF directly: View PDF
.
Page Count: 48

Owner's Manual
®
T TI
825 Series
24 Inch Tine Width
TILL
Model No.
917.297011
• EspaSol, p. 19
This product has a low emission engine which operates
differently from previously built engines. Before start the
you
engine, read and understand this Owner's Manual.
IMPORTANT:
Read and follow all Safety
Rules and Instructions before
operating this equipment.
Sears, Roebuck and Co., Hoffman Estates, IL 60179 U.S.A.
Visit our Craftsman website:www.sears.com/craftsman

Warranty................................................2
Safety Rules..........................................2
ProductSpecifications...........................4
Assembly/Pre-Operation.......................5
Operation...............................................7
MaintenanceSchedule........................11
Manintenance......................................11
Service and Adjustments.....................14
Storage................................................16
Troubleshooting...................................17
Illustrated Parts List.............................36
SearsService ........................BackCover
LIMITEDONE YEAR WARRANTYON CRAFTSMANTILLER
Forone (1) year from date of purchase,when this CraftsmanTiller is maintained,
lubricated,and tuned up accordingto the operating and maintenanceinstructionsin the
owner's manual, Searswill repairfree of charge any defect in materialor workmanship.
This Warranty does not cover:
Expendableitemswhich becomeworn during normal use, such as tines, spark plugs,
air cleanersand belts.
Repairsnecessarybecauseof operator abuse or negligence,includingbent crank-
shafts and the failure to maintain the equipment according to the instructionscon-
tained inthe owner's manual.
If this CraftsmanTiller is used for commercialor rental purposes,this Warranty ap-
pliesfor only thirty (30) days from the date of purchase.
Warranty service is availableby returningthe craftsman power mower to the nearest
searsservice center/departmentinthe unitedstates. This warranty applies only while
this product is in use inthe united states.
This Warranty gives you specific legal rights, and you may also have other rightswhich
vary from state to state.
SEARS, ROEBUCKAND CO., D/817WA,HOFFMANESTATES,IL 60179 U.S.A.
IMPORTANT:This cutting machineis capable of amputatinghands andfeet and throw-
ing objects. Failureto observe the following safety instructionscould resultin serious
injury or death.
TRAINING
. Read the Owner's Manual carefully. Be
thoroughly familiar with the controls and
the proper use of the equipment. Know
how to stop the unit and disengage the
controls quickly.
. Never allow children to operate the
equipment. Never allow adults to op-
erate the equipment without proper
instruction.
Keep the area of operation clear of all
persons, particularly small children, and
pets.
PREPARATION
Thoroughly inspect the area where the
equipment is to be used and remove all
foreign objects.
. Disengage all clutches and shift into
neutral before starting the engine (mo-
tor).
. Do not operate the equipment without
wearing adequate outer garments. Wear
footwear that will improve footing on
slippery surfaces.
Handle fuel with care; it is highly flam-
mable.
. Use an approved fuel container.
Never add fuel to a running engine or
hot engine.
. Fill fuel tank outdoors with extreme
care. Never fill fuel tank indoors.
Replace gasoline cap securely and
clean up spilled fuel before restarting.
2

•Use extension cords and receptacles
as specified by the manufacturer for all
units with electric drive motors or elec-
tric starting motors.
Never attempt to make any adjustments
while the engine (motor) is running (ex-
cept where specifically recommended
by manufacturer).
OPERATION
,Do not put hands or feet near or under
rotating parts.
,Exercise extreme caution when operat-
ing on or crossing gravel drives, walks,
or roads. Stay alert for hidden hazards
or traffic. Do not carry passengers.
•After striking a foreign object, stop the
engine (motor), remove the wire from
the spark plug, thoroughly inspect the
tiller for any damage, and repair the
damage before restarting and operating
the tiller.
•Exercise caution to avoid slipping or fall-
ing.
,If the unit should start to vibrate ab-
normally, stop the engine (motor) and
check immediately for the cause. Vibra-
tion is generally a warning of trouble.
,Stop the engine (motor) when leaving
the operating position.
•Take all possible precautions when
leaving the machine unattended. Dis-
engage the tines, shift into neutral, and
stop the engine.
,Before cleaning, repairing, or inspecting,
shut off the engine and make certain all
moving parts have stopped. Disconnect
the spark plug wire, and keep the wire
away from the plug to prevent acci-
dental starting. Disconnect the cord on
electric motors.
•Do not run the engine indoors; exhaust
fumes are dangerous.
,Never operate the tiller without proper
guards, plates, or other safety protective
devices in place.
,Keep children and pets away.
•Do not overload the machine capacity
by attempting to till too deep at too fast
a rate.
•Never operate the machine at high
speeds on slippery surfaces. Look be-
hind and use care when backing.
•Never allow bystanders near the unit.
Use only attachments and accessories
approved by the manufacturer of the
tiller.
Never operate the tiller without good
visibility or light.
•Be careful when tilling in hard ground.
The tines may catch in the ground and
propel the tiller forward. If this occurs,
let go of the handlebars and do not
restrain the machine.
MAINTENANCE AND STORAGE
•Keep machine, attachments, and ac-
cessories in safe working condition.
,Check shear pins, engine mounting
bolts, and other bolts at frequent inter-
vals for proper tightness to be sure the
equipment is in safe working condition.
•Never store the machine with fuel in the
fuel tank inside a building where ignition
sources are present, such as hot water
and space heaters, clothes dryers, and
the like. Allow the engine to cool before
storing in any enclosure.
,Always refer to the operator's guide in-
structions for important details if the tiller
is to be stored for an extended period.
_iLook for this symbol to point out
important safety precautions. It means
CAUTION!!! BECOME ALERT!!! YOUR
SAFETY IS INVOLVED.
_ICAUTION: Always disconnect spark
plug wire and place wire where it cannot
contact spark plug in order to prevent acci-
dental starting when setting up, transport-
ing, adjusting or making repairs.
_I, WARNING: Engine exhaust, some of its
constituents, and certain vehicle compo-
nents contain or emit chemicals known to
the State of California to cause cancer and
birth defects or other reproductive harm.
3

PRODUCT SPECIFICATIONS
Gasoline 3 Qts
Capacity: Unleaded Regular
OiI(API-SG-SL): SAE 30
Capacity: 20 oz.) (Above 32°F)
SAE 5w-30
(Below 32°F)
Spark Plug : Champion
(Gap: .030") RC12YC
CONGRATULATIONS on your purchase
of a Sears Tiller. It has been designed,
engineered and manufactured to give you
the best possible dependability and per-
formance.
Should you experience any problems you
cannot easily remedy, please contact a
Sears or other qualified Service Center.
We have competent, well-trained techni-
cians and the proper tools to service or
repair this unit.
Please read and retain this manual. The
instructions will enable you to assemble
and maintain your tiller properly. Always
observe the "SAFETY RULES".
Your new tiller has been assembled at the
factory with exception of those parts left
unassembled for shipping purposes. To
ensure safe and proper operation of your
tiller all parts and hardware you assemble
must be tightened securely. Use the cor-
rect tools as necessary to insure proper
tightness.
CUSTOMER RESPONSIBILiTiES
, Read and observe the safety rules.
• Follow a regular schedule in main-
taining, caring for and using your tiller.
Follow the instructions under the "Main-
tenance" and "Storage" sections of this
Owner's Manual.
_WARNING: This unit is equipped with
an internal combustion engine and should
not be used on or near any unimproved
forest-covered, brush-covered or grass
covered land unless the engine's exhaust
system is equipped with a spark arrester
meeting applicable local or state laws (if
any). If a spark arrester is used, it should
be maintained in effective working order
by the operator.
4
In the state of California the above is
required by law (Section 4442 of the
California Public Resources Code). Other
states may have similar laws. Federal
laws apply on federal lands. A spark ar-
rester for the muffler is available through
your nearest Sears service center (See
REPAIR PARTS section of this manual).
REPAIR PROTECTION
AGREEMENTS
Congratulations on making a smart pur-
chase. Your new Craftsman@ product is
designed and manufactured for years of
dependable operation. But like all products,
it may require repair from time to time. That's
when having a Repair Protection Agreement
can save you money and aggravation.
Purchase a Repair Protection Agreement
now and protect yourself from unexpected
hassle and expense.
Here's what's included in the Agreement:
Expert service by our 12,000 profe-
sional repair specialists.
Unlimited service and no charge for
parts and labor on all covered repairs.
Product replacement if your covered
product can't be fixed.
Discount of 10% from regular price of
service and service-related parts not
covered by the agreement; also, 10%
off regular price of preventive mainte-
nance check.
Fast help by phone - phone support
from a Sears technician on products
requiring in-home repair, plus conve-
nient repair scheduling.
Once you purchase the Agreement, a
simple phone call is all that it takes for you
to schedule service. You can call anytime
day or night, or schedule a service ap-
pointment online.
Sears has over 12,000 professional repair
specialists, who have access to over 4.5
million quality parts and accessories.
That's the kind of professionalism you can
count on to help prolong the life of your
new purchase for years to come. Pur-
chase your Repair Protection Agreement
today!
Some limitations and exclusions apply.
For prices and additional information
call 1=800=827=6655.
SEARS INSTALLATION SERVICE
For Sears professional installation of
home appliances, garage door openers,
water heaters, and other major home
items, in the U.S.A. call 1=800=4-MY-
HOME@

These accessories were available when the tiller was produced. They are also available
at most Sears retail outlets and service centers. Some of these accessories may not
apply to your tiller.
AIR FILTER
ENGINE
SPARK PLUG MUFFLER GAS CAN ENGINE OIL STABILIZER
TILLER MAINTENANCE
BELT TINES SHEAR PIN HAIRPIN CLIP
(1) Manual
ii
(1) Bottle
Engine Oil
CONTENTS OF HARDWARE PACK
__]_ (2) Carriage Bolt_ O
5/16-18 UNC x 2-1/2 (2) Flange
Locknuts
5/16-18 UNC
(2) Hex Bolt
5/16-18 x 1-1/4 (2) Hex Nut
(2) Lock 5/16-18
Washer
5/16
5

Your new tiller has been assembled at the factory with the exception of those parts left
unassembled for shipping purposes. To ensure safe and proper operation of your tiller
all parts and hardware you assemble must be tightened securely. Use the correct tools
as necessary to insure proper tightness.
TOOLS REQUIRED FOR
ASSEMBLY
A socket wrench set will make assembly
easier. Standard wrench sizes are listed.
(1) Utility knife
(2) 1/2 Wrench
OPERATOR'S POSITION
When right or left hand is mentioned in this
manual, it means when you are in the oper-
ating position (standing behind tiller handles).
Front
Left Right
Operator's Position
UNPACK CARTON &INSTALL
HANDLE
_CAUTION: Be careful of exposed sta-
ples when handling or disposing of carton-
ing material.
IMPORTANT: When unpacking and as-
sembling tiller, be careful not to stretch or
kink cable(s).
1. Cut cable ties securing handle column.
2. Route cable(s) as shown and slide
handle column onto handle mount.
3. Remove all packing from carton.
4. Secure handle column using two (2)
carriage bolts and two (2) flange lock-
nuts. Tighten securely.
5. Cut away carton.
6. Route tine control cable(s) through
plastic cable clip on handle mount.
NOTE: Cables must not touch the muffler.
7. Cut cable ties securing tiller to skid.
Remove tiller from skid by pulling back-
wards.
8. Remove screws securing depth stake
to skid and discard the screws.
__ Tine
Control
Tine
Control
Handle Cable
Column
Locknut
INSTALL DEPTH STAKE
ASSEMBLY
1. Loosen nut '_'.
2. Insert stake support between engine
bracket halves with stake spring down.
3. Bolt stake support to engine brackets
with bolts, lock washers and nuts.
Tighten securely. Tighten nut '_'.
4. Depth stake must move freely. If it
does not, loosen support bolt.
Engine Bracket Halves
Nut '_'
Depth Stake Support
6
Stake
Support Bolt
Spring
Hex Bolts, Lock
Washers, and hex Nuts
HANDLE HEIGHT
•Handle height may be adjusted to better
suit operator. (See "HANDLE HEIGHT"
in the Service and Adjustments section
of this manual).
TILLING WIDTH
•Tilling width may be adjusted to better
handle your tilling conditions (See "TINE
ARRANGEMENT" in the Service and
Adjustments section of this manual).
TINE OPERATION
•Check tine operation before first use.
(See "TINE OPERATION CHECK" in
the Service and Adjustments section of
this manual).

KNOW YOUR TILLER
READ THIS OWNER'S MANUAL AND SAFETY RULES BEFORE OPERATING YOUR
TILLER
Compare the illustrations with your tiller to familiarize yourself with the locations of var-
ious controls and adjustments. Save this manual for future reference.
N
FILLING FORWARD NEUTRAL REVERSE CAUTION ENGINE ENGINE FAST SLOW CHOKE FUEL OIL
OR WARNING ON OFF
Forward Tine
Control
Choke Control
Control
Depth
Stake
Tine Shield
Recoil Starter
Handle
Our tillers conform to the safety standards of the American National Standards Institute.
CHOKE CONTROL = Used when starting
a cold engine.
DEPTH STAKE - Controls forward speed
and the depth at which tiller will dig.
FORWARD TINE CONTROL - Engages
tines in forward direction.
RECOIL STARTER HANDLE - Used to
start the engine.
THROTTLE CONTROL - Used to control
engine speed.
7

The operation of any tiller can result in foreign objects thrown into the eyes,
which can result in severe eye damage. Always wear safety glasses or eye
shields before starting your tiller and while tilling. We recommend standard
safety glasses or a wide vision safety mask worn over spectacles.
HOW TO USE YOUR TILLER
Know how to operate all controls before
adding fuel and oil or attempting to start
engine.
STOPPING
TINES
.Release tiRe control to stop movement.
ENGINE
.Move throttle control to "STOP" position.
NOTE: Never use choke to stop engine.
TiRe Control
"Off" (UP) Position
WHEELS
Adjust wheels by removing the hairpin clip
and clevis pin. Change wheel position.
Replace the hairpin clip and clevis pin.
.For normal tilling, set wheels at the
second or third hole from the top.
Hairpin Clip and
Clevis Pin
Stake
Wheel Spring
Depth
Stake
Choke
Control
Control
TINE OPERATION
Squeeze tiRe control to handle.
TILLING
The speed and depth of tilling is regulated
by the position of the depth stake and
wheel height.
The depth stake should always be below
the wheels for digging. It serves as a
brake to slow the tiller's forward motion to
enable the tines to penetrate the ground.
Also, the more the depth stake is lowered
into the ground the deeper the tines will
dig.
DEPTH STAKE
Adjust depth stake by removing the hairpin
clip and clevis pin. Change depth stake
to desired position. Replace the clevis pin
and hairpin clip.
• For normal tilling, set depth stake at the
second or third hole from the top.
TO TRANSPORT
Ai_CAUTION: Before lifting or transporting,
allow tiller engine and muffler to cool. Dis-
connect spark plug wire. Drain gasoline
from fuel tank.
AROUND THE YARD
1. Tip depth stake forward until it is held
by the stake spring.
2. Push tiller handles down, raising tines
off the ground.
3. Push or pull tiller to desired location.
AROUND TOWN
1. Disconnect spark plug wire.
2. Drain fuel tank.
3. Transport in upright position to prevent
oil leakage.
BEFORE STARTING ENGINE
iMPORTANT: Be very careful not to allow
dirt to enter the engine when checking or
adding oil or fuel. Use clean oil and fuel
and store in approved, clean, covered
containers, use clean fill funnels.
FILL ENGINE WITH OIL
1. Remove hangtag from engine.
2. With engine level, remove engine oil
filler plug.
3. Fill engine with oil to point of over-
flowing. For approximate capacity
see "PRODUCT SPECIFICATIONS"
on page 4 of this manual. All oil must
meet A.RI. Service Classification SG-
SL.
8

4. Tilt tiller back on its wheels and then
re-level.
5. With engine level, refill to point of over-
flowing if necessary. Replace oil filler
plug.
•For cold weather operation you should
change oil for easier starting (See "OIL
VISCOSITY CHART" in the Mainte-
nance section of this manual).
,To change engine oil, see the Mainte-
nance section of this manual.
Oil Filler
Oil Level Plug
ADD GASOLINE
,Fill fuel tank to bottom of filler neck. Do
not overfill. Use fresh, clean, regular
unleaded gasoline with a minimum of
87 octane. (Use of leaded gasoline
will increase carbon and lead oxide
deposits and reduce valve life). Do not
mix oil with gasoline. Purchase fuel in
quantities that can be used within 30
days to assure fuel freshness.
_i, CAUTION: Fill to within 1/2 inch of top
of fuel tank to prevent spills and to allow
for fuel expansion. If gasoline is acci-
dentally spilled, move machine away from
area of spill. Avoid creating any source of
ignition until gasoline vapors have disap-
peared.
Wipe off any spilled oil or fuel. Do not
store, spill or use gasoline near an open
flame.
IMPORTANT: When operating in temper-
atures below32°F(0°C), use fresh, clean
winter grade gasoline to help insure good
cold weather starting.
CAUTION: Alcohol blended fuels (called
gasohol or using ethanol or methanol) can
attract moisture which leads to separation
and formation of acids during storage.
Acidic gas can damage the fuel system
of an engine while in storage. To avoid
engine problems, the fuel system should
be emptied before storage of 30 days
or longer. Drain the gas tank, start the
engine and let it run until the fuel lines
and carburetor are empty. Use fresh fuel
next season. See Storage Instructions for
additional information. Never use engine
or carburetor cleaner products in the fuel
tank or permanent damage may occur.
TO START ENGINE
Ai_CAUTION: Keep tine control in "OFF"
position when starting engine.
When starting engine for the first time or
if engine has run out of fuel, it will take
extra pulls of the recoil starter to move fuel
from the tank to the engine.
1. Make sure spark plug wire is properly
connected.
2. Place throttle control in "FAST" posi-
tion.
3. Move choke control to full "CHOKE"
position. Grasp recoil starter handle
with one hand and grasp tiller handle
with other hand. Pull rope out slowly
until engine reaches start of compres-
sion cycle (rope will pull slightly harder
at this point).
4. Pull recoil starter handle quickly.
Do not let starter handle snap back
against starter. Repeat if necessary.
NOTE: If engine fires but does not start,
move choke control to half choke posi-
tion. Pull recoil starter handle until engine
starts.
5. When engine starts, slowly move
choke control to "RUN" position as
engine warms up.
NOTE: A warm engine requires less
choking to start.
6. Move throttle control to desired running
position.
7. Allow engine to warm up for a few
minutes before engaging tines.
NOTE: If at a high altitude (3000 feet) or
in cold temperatures (below 32°F), the
carburetor fuel mixture may need to be
adjusted for best engine performance.
See "TO ADJUST CARBURETOR" in the
Service and Adjustments section of this
manual.
NOTE: If engine does not start, see trou-
bleshooting points.
9

BREAKING IN YOUR TILLER
Break-in your belt(s), pulleys and tine con-
trol before you actually begin tilling.
Start engine, tip tines off ground by
pressing handles down and engage tine
control to start tine rotation. Allow tines
to rotate for five minutes.
Check tine operation and adjust if
necessary. See "TINE OPERATION
CHECK" in the Service and Adjustments
section of this manual.
TILLING HINTS
,_CAUTION: Until you are accustomed
to handling your tiller, start actual field use
with throttle in slow position.
To help tiller move forward, lift up the
handles slightly (thus lifting depth stake
out of ground). To slow down the tiller,
press down on handles.
If you are straining or tiller is shaking,
the wheels and depth stake are not set
properly in the soil being tilled. The proper
setting of the wheels and depth stake is
through trial and error and depends upon
the soil condition. (The harder or wetter
the ground, the slower the engine and tine
speed needed. Under these poor condi-
tions, at fast speed the tiller will run and
jump over the ground).
A properly adjusted tiller will dig with little
effort from the operator.
Tilling is digging into, turning over, and
breaking up packed soil before planting.
Loose, unpacked soil helps root growth.
Best tilling depth is 4"-6". A tiller will
also clear the soil of unwanted vegeta-
tion. The decomposition of this vegeta-
ble matter enriches the soil. Depending
on the climate (rainfall and wind), it may
be advisable to till the soil at the end of
the growing season to further condition
the soil.
•Soil conditions are important for proper
tilling. Tines will not readily penetrate
dry, hard soil which may contribute to
excessive bounce and difficult handling
of your tiller. Hard soil should be mois-
tened before tilling; however, extremely
wet soil will "ball-up" or clump during
tilling. Wait until the soil is less wet in
order to achieve the best results. When
tilling in the fall, remove vines and long
grass to prevent them from wrapping
around the tine shaft and slowing your
tilling operation.
You will find tilling much easier if you
leave a row untilled between passes.
Then go back between tilled rows There
are two reasons for doing this. First,
wide turns are much easier to negoti-
ate than about-faces. Second, the tiller
won't be pulling itself, and you, toward
the row next to it.
•Set depth stake and wheel height for
shallow tilling when working extremely
hard soil or sod. Then work across the
first cuts at normal depth.
7
CULTIVATING
Cultivating is destroying the weeds be-
tween rows to prevent them from robbing
nourishment and moisture from the plants.
At the same time, breaking up the upper
layer of soil crust will help retain moisture
in the soil. Best digging depth is 1"-3".
,You will probably not need to use the
depth stake. Begin by tipping the depth
stake forward until it is held by the stake
spring.
•Cultivate up and down the rows at a
speed which will allow tines to uproot
weeds and leave the ground in rough
condition, promoting no further growth
of weeds and grass.
_s _
10

MAINTENANCE //_ _F
SCHEDULE __.,_
FILL IN DATES
AS YOU COMPLETE /4bz,_/ ,_
REGULAR SERVICE
Check Engine Oil Level I1_
Change Engine Oil 1_1,2
Oil Pivot Points I_
SERVICE DATES
Inspect Spark Arrester /Muffler If
Inspect Air Screen I_
Clean or Replace Air Cleaner Cartridge _2
Clean Engine Cylinder Fins I_
Replace Spark Plug If
1 - Change more often when operating under a heavy load or in high ambient temperatures.
2 - Service more often when operating in dirty or dusty conditions.
GENERAL RECOMMENDATIONS
The warranty on this tiller does not cover
items that have been subjected to op-
erator abuse or negligence. To receive full
value from the warranty, the operator must
maintain tiller as instructed in this manual.
Some adjustments will need to be made
periodically to properly maintain your tiller.
All adjustments in the Service and Adjust-
ments section of this manual should be
checked at least once each season.
Once a year you should replace the
spark plug, clean or replace air filter,
and check tines and belts for wear. A
new spark plug and clean air filter as-
sure proper air-fuel mixture and help
your engine run better and last longer.
BEFORE EACH USE
1. Check engine oil level.
2. Check tine operation.
3. Check for loose fasteners.
LUBRICATION
Keep unit well lubricated (See "LUBRI-
CATION CHART").
LUBRICATION CHART
O Tine Control
(2) Engine
\
@ Idler Arm
O SAE 30 OR 10W-30 MOTOR OIL
@ Refer to Maintenance "ENGINE" section
11

,_CAUTION:Disconnect spark plug
wire before performing any maintenance
(except carburetor adjustment) to prevent
accidental starting of engine.
Prevent fires! Keep the engine free of
grass, leaves, spilled oil, or fuel. Remove
fuel from tank before tipping unit for main-
tenance. Clean muffler area of all grass,
dirt, and debris.
Do not touch hot muffler or cylinder fins as
contact may cause burns.
ENGINE
LUBRICATION
Use only high quality detergent oil rated
with API service classification SG-SL.
Select the oil's SAE viscosity grade ac-
cording to your expected temperature.
SAE VISCOSITY GRADES
F -20 0 30 32 40 60 80 100
c -_o -2_ -1; ; 1; _o 3o 4;
TEMPERATURE RANGE ANTICIPATED BEFORE NEXT OIL CHANGE
ol_wscch_rt I e
NOTE: Although multi-viscosity oils (5W-
30, 10W-30, etc.) improve starting in cold
weather, these multi-viscosity oils will result in
increased oil consumption when used above
32°F (0°C). Check your engine oil level more
frequently to avoid possible engine damage
from running low on oil.
Change the oil after every 50 hours of op-
eration or at least once a year if the tiller is
not used for 50 hours in one year.
Check the crankcase oil level before
starting the engine and after each five (5)
hours of continuous use. Add SAE 30 mo-
tor oil or equivalent. Tighten oil filler plug
securely each time you check the oil level.
TO CHANGE ENGINE OIL
Determine temperature range expected
before oil change. All oil must meet API
service classification SG-SL.
• Be sure tiller is on level surface.
• Oil will drain more freely when warm.
• Catch oil in a suitable container.
1. Remove drain plug.
2. Tip tiller forward to drain oil.
3. After oil has drained completely,
replace oil drain plug and tighten se-
curely.
4. Remove oil filler plug. Be careful not
to allow dirt to enter the engine.
5. Refill engine with oil. See "FILL
ENGINE WITH OIL" in the Operation
section of this manual.
Oil
Drain
Oil Level
Oil Filler Plug
AIR CLEANER
Service air cleaner cartridge every
twenty-five hours, more often if engine is
used in very dusty conditions.
1. Loosen air cleaner screw.
2. Remove air cleaner cover.
3. Carefully remove air cleaner cartridge.
Be careful. Do not allow dirt or debris
to fall into carburetor.
4. Clean by tapping gently on a flat sur-
face.
NOTE: If very dirty or damaged, replace
cartridge.
5. Clean and replace cover. Tighten
screw securely.
_CAUTION: Petroleum solvents, such
as kerosene, are not to be used to clean
cartridge. They may cause deterioration
of the cartridge. Do not oil cartridge. Do
not use pressurized air to clean or dry
cartridge.
Air Cleaner
Cartr e
Cover
\
Air Cleaner
Screw
12

COOLING SYSTEM
Your engine is air cooled. For proper en-
gine performance and long life keep your
engine clean.
•Clean air screen frequently using a
stiff-bristled brush.
,Remove blower housing and clean as
necessary.
,Keep cylinder fins free of dirt and chaff.
Muffler Cylir Fins
Blower
__iirn_or een
MUFFLER
Do not operate tiller without muffler. Do
not tamper with exhaust system. Dam-
aged mufflers or spark arresters could
create a fire hazard. Inspect periodically
and replace if necessary. If your engine is
equipped with a spark arrester screen as-
sembly, remove every 50 hours for clean-
ing and inspection. Replace if damaged.
SPARK PLUG
Replace spark plugs at the beginning of
each tilling season or after every 50 hours
of use, whichever comes first. Spark plug
type and gap setting are shown in "PROD-
UCT SPECIFICATIONS" on page 4 of this
manual.
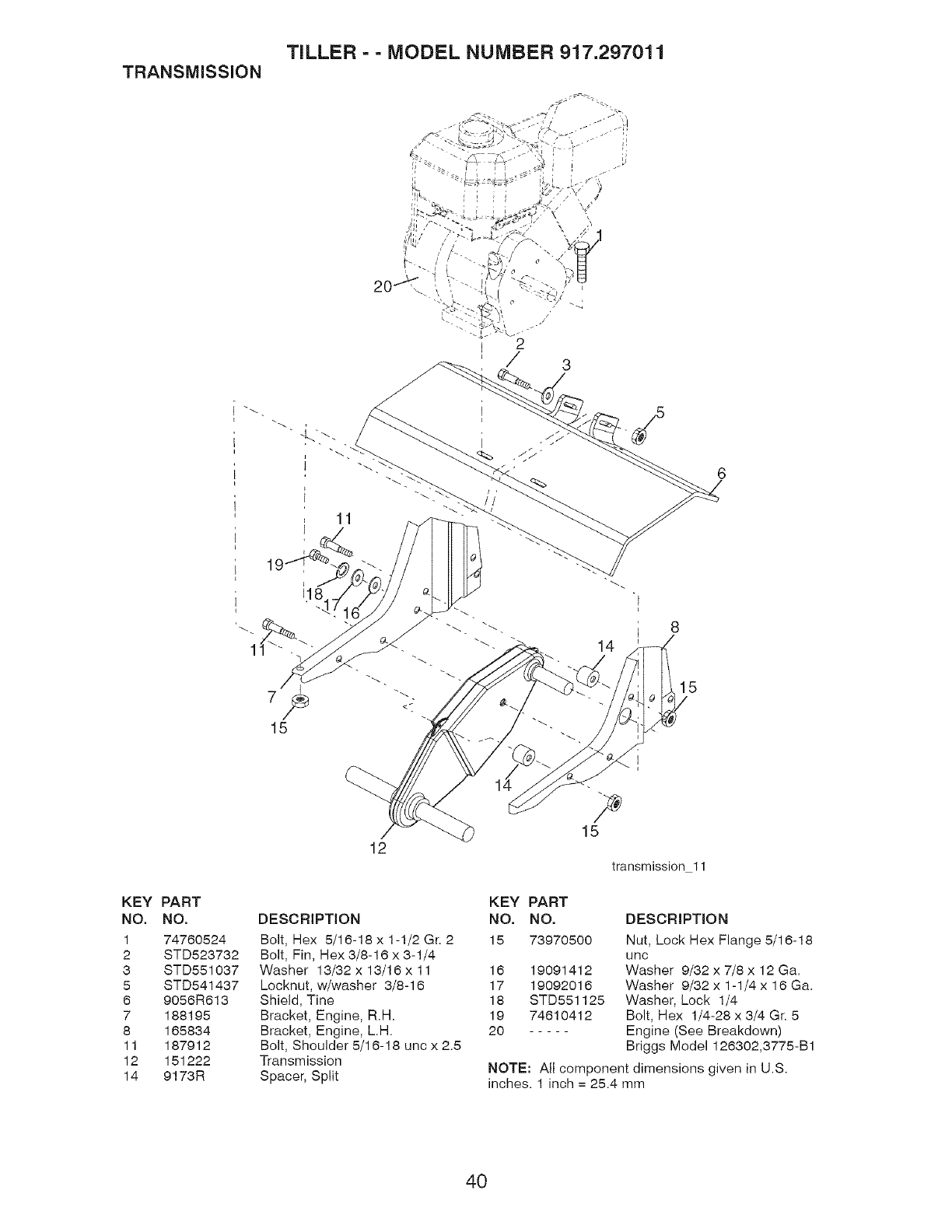
TRANSMISSION
Your transmission is sealed and will not
require lubrication unless serviced.
CLEANING
Do not clean your tiller when the engine
and transmission are hot. We do not rec-
ommend using pressurized water (garden
hose, etc.) to clean your unit unless the
gasket area around the transmission and
the engine muffler, air filter and carburetor
are covered to keep water out. Water in
engine will shorten the useful life of your
tiller.
•Clean engine, wheels, finish, etc. of all
foreign matter.
•Keep finished surfaces and wheels free
of all gasoline, oil, etc.
,Protect painted surfaces with auto-
motive type wax.
13

_CAUTION: Disconnect spark plug wire
from spark plug and place wire where it
cannot come into contact with plug.
MID-WIDTH TILLING - 22" PATH
•Assemble holes '_' in tine hubs to holes
"C" in tine shaft.
TILLER
TO ADJUST HANDLE HEIGHT
Factory assembly has provided lowest
handle height. Select handle height best
suited for your tilling conditions. Handle
height will be different when tiller digs into
soil.
1. If a higher handle height is desired,
loosen the four nuts securing handle
panel to engine brackets.
2. Slide handle panel to desired location.
3. Tighten the four nuts securely.
,,,_ Engine Brackets
,,,/" / ,i/Handle
:_ '_,_-- _ Pane,
/iZ,/ii i_ _ Nuts(Also 2
_'I/ i /¢hC-_ ,/A on Left Side
,ib f, lUl lIFt /_#'/A of Tiller
TINE ARRANGEMENT
Your outer tines can be assembled in
several different ways to suit your tilling or
cultivating needs.
,_CAUTION: Tines are sharp. Wear
gloves or other protection when handling
tines.
NORMAL TILLING - 24" PATH
Assemble holes '_' in tine hubs to holes
"B" in tine shaft.
-- Clevis Pin Outer Tine
_irpin Clip \Inner Tine
NARROW TILLING/CULTIVATING -
12-3/4" PATH
Remove outer tines.
[oo
Inner Tines Only
NOTE: When reassembling outer tines,
be sure right tine assembly (marked "R")
and left tine assembly (marked "L') are
mounted to correct side of tine shaft.
ool
tine6
TINE OPERATION CHECK
_WARNING: Disconnect spark plug wire
from spark plug to prevent starting while
checking tine operation.
For proper tine operation, tine control lever
must be against control body and all slack
removed from inner wire of control cable
when control is in the "OFF" (up) position.
If lever and cable are loose, loosen cable
clip at lower end of cable. Pull up on
cable to remove slack, without extend-
ing spring on end of cable, and retighten
cable clip.
FINAL CHECK "OFF" POSITION
1. With tine control "OFF" (up), push
down on handle to raise tines off the
ground.
2. Slowly pull recoil starter handle while
observing tines. Tines should not
rotate.
3. If tines rotate, inner wire of control
cable is too tight which is extend-
ing lower spring and engaging tines.
Loosen cable clip and push down on
cable only enough to relieve spring
tension. Tighten cable clip.
4. Recheck in "OFF" position and adjust
if necessary.
14

FINAL CHECK "ON" POSITION
5. With tine control "ON" (held down to
handle) push down on handle to raise
tines off the ground.
6. Slowly pull recoil starter handle while
observing tines. Tines should rotate
forward.
7. If tines do not rotate, inner wire of con-
trol cable is too loose. Loosen cable
clip and pull cable up to remove slack
and retighten clip.
8. Recheck in "ON" position and adjust if
necessary.
NOTE: If "ON" position check required
adjustment, recheck "OFF" position ad-
justment to insure tines do not rotate when
control is "OFF" (up).
Tine Control "OFF" Position
Tine Control "ON" Position
Cable Cli
-\ \\
Tine Control Cable
TO REMOVE BELT GUARD
1. Remove screws from side of belt
guard.
2. Pull belt guard out and away from unit.
3. Replace belt guard by reversing above
procedure. Be sure slot in bottom of
belt guard is under head of tine shield
bolt and all nuts are tightened securely.
Belt
Guard
Screw
Screw
Screw
TO REPLACE V-BELT
Replace V-belt if it has stretched consid-
erably or if it has cracks or frayed edges.
1. Belt guard must be removed to ser-
vice belt. See "TO REMOVE BELT
GUARD" in this section of manual.
BELT REMOVAL
2. Remove V-belt from transmission pul-
ley first and then from engine pulley.
BELT REPLACEMENT
3. Install new V-belt to engine pulley first
then to transmission pulley. Be sure
belt is positioned on inside groove of
both pulleys, inside all belt guides and
rests on idler pulley.
CHECK TINE OPERATION
4. See "TINE OPERATION CHECK" in
this section of manual.
5. Replace belt guard
Belt Guide
Engine
Pull
V-Belt
Belt Idler Pulley Transmission
Pulley
ENGINE
Maintenance, repair, or replacement of
the emission control devices and systems,
which are being done at the customers ex-
pense, may be performed by any non-road
engine repair establishment or individual.
Warranty repairs must be performed by an
authorized engine manufacturer's service
outlet.
TO ADJUST CARBURETOR
The carburetor has been preset at the
factory and adjustment should not be
necessary. However, engine performance
can be affected by differences in fuel, tem-
perature, altitude or load. If the carburetor
does need adjustment, contact your near-
est authorized service center/department
IMPORTANT: Never tamper with the
engine governor, which is factory set for
proper engine speed. Overspeeding
the engine above the factory high speed
setting can be dangerous. If you think
the engine-governed high speed needs
adjusting, contact your nearest sears or
other qualified service center which has
the proper equipment and experience to
make any necessary adjustments.
15

Immediately prepare your tiller for storage
at the end of the season or if the unit will
not be used for 30 days or more.
Ai:_Warning: Never store the tiller with gas-
oline in the tank inside a building where
fumes may reach an open flame or spark.
Allow the engine to cool before storing in
any enclosure.
TILLER
1. Clean entire tiller (See "CLEANING" in
the Maintenance section of this man-
ual).
2. Inspect and replace belts, if necessary
(See belt replacement instructions in
the Service and Adjustments section of
this manual).
3. Lubricate as shown in the Maintenance
section of this manual.
4. Be sure that all nuts, bolts and screws
are securely fastened. Inspect moving
parts for damage, breakage and wear.
Replace if necessary.
5. Touch up all rusted or chipped paint
surfaces; sand lightly before painting.
ENGINE
FUEL SYSTEM
iMPORTANT: It is important to prevent
gum deposits from forming in essential
fuel system parts such as the carburetor,
fuel filter, fuel hose, or tank during stor-
age. Also, alcohol blended fuels (called
gasohol or using ethanol or methanol) can
attract moisture which leads to separation
and formation of acids during storage.
Acidic gas can damage the fuel system of
an engine while in storage.
Empty the fuel tank by starting the en-
gine and letting it run until the fuel lines
and carburetor are empty.
Never use engine or carburetor cleaner
products in the fuel tank or permanent
damage may occur.
Use fresh fuel next season.
NOTE: Fuel stabilizer is an acceptable
alternative in minimizing the formation of
fuel gum deposits during storage. Add
stabilizer to gasoline in fuel tank or stor-
age container. Always follow the mix ratio
found on stabilizer container. Run engine
at least 10 minutes after adding stabilizer
to allow the stabilizer to reach the carbu-
retor. Do not empty the gas tank and
carburetor if using fuel stabilizer.
ENGINE OIL
Drain oil (with engine warm) and replace
with clean oil. (See "ENGINE" in the
Maintenance section of this manual).
CYLINDER
1. Remove spark plug.
2. Pour 1 ounce (29 ml) of oil through
spark plug hole into cylinder.
3. Pull starter handle slowly several times
to distribute oil.
4. Replace with new spark plug.
OTHER
*Do not store gasoline from one season
to another.
*Replace your gasoline can if your can
starts to rust. Rust and/or dirt in your
gasoline will cause problems.
, If possible, store your unit indoors and
cover it to give protection from dust and
dirt.
, Cover your unit with a suitable protec-
tive cover that does not retain moisture.
Do not use plastic. Plastic cannot
breathe which allows condensation to
form and will cause your unit to rust.
IMPORTANT: Never cover tiller while en-
gine and exhaust areas are still warm.
16

TROUBLESHOOTING CHART:
See appropriate section in manuaJ unJess directed to Sears service center
CAUSE
1. Out of fuel.
2. Engine not "CHOKED"
properly.
3. Engine flooded.
4. Dirty air cleaner.
5. Water in fuel.
PROBLEM
Will not start
6. Clogged fuel tank.
7. Loose spark plug wire.
8. Bad spark plug or
improper gap.
9. Carburetor out of adjust-
ment.
Hard to start
Loss of power
1. Throttle control not set
properly.
2. Dirty air cleaner.
3. Bad spark plug or
improper gap.
4. Stale or dirty fuel.
5. Loose spark plug wire.
6. Carburetor out of
adjustment.
1. Engine is overloaded.
2. Dirty air cleaner.
3. Low oil level/dirty oil.
4. Faulty spark plug.
5. Oil in fuel.
6. Stale or dirty fuel.
7. Water in fuel.
8. Clogged fuel tank.
9. Spark plug wire loose.
10. Dirty engine air screen.
11. Dirty/clogged muffler.
12. Carburetor out of
adjustment.
13. Poor compression.
17
CORRECTION
1. Fill fuel tank.
2. See "TO START ENGINE"
in the Operation section.
3. Wait several minutes before
attempting to start.
4. Clean or replace air cleaner
cartridge.
5. Empty fuel tank and carbure-
tor, and refill tank with fresh
gasoline.
6. Remove fuel tank and clean.
7. Make sure spark plug wire is
seated properly on plug.
8. Replace spark plug or adjust
gap.
9. Make necessary adjust-
ments.
1. Place throttle control in
"FAST" position.
2. Clean or replace air cleaner
cartridge.
3. Replace spark plug or adjust
gap.
4. Empty fuel tank and refill tank
with fresh clean gasoline.
5. Make sure spark plug wire is
seated properly on plug.
6. Make necessary adjust-
ments.
1. Set depth stake and wheels
for shallower tilling.
2. Clean or replace air cleaner
cartridge.
3. Check oil level/change oil.
4. Clean and regap or change
spark plug.
5. Empty and clean fuel tank
and refill, and clean carbure-
tor.
6. Empty fuel tank and refill tank
with fresh clean gasoline
7. Empty fuel tank and carbure-
tor, and refill tank with fresh
gasoline.
8. Remove fuel tank and clean.
9. Connect and tighten spark
plug wire.
10.Clean engine air screen.
11. Clean/replace muffler.
12. Make necessary adjust-
ments.
13. Contact a Sears or other
qualified service center.

TROUBLESHOOTING CHART:
See appropriate section in manual unless directed to Sears service center
PROBLEM
Engine
overheats
Excessive
bounce/difficult
dling
CAUSE
Engine runs but
tiller won't move
1. Low oil level/dirty oil.
2. Dirty engine air screen.
3. Dirty engine.
4. Partially plugged muffler.
5. Improper carburetor
adjustment.
1. Ground too dry and hard.
2. Wheels and depth stake
incorrectly adjusted.
CORRECTION
1. Check oil level/change oil.
2. Clean engine air screen.
3. Clean cylinder fins,
airscreen, muffler area.
4. Remove and clean muffler.
5. Adjust carburetor to richer
position.
,
,
Soil balls up or 1. Ground too wet. 1. Wait for more favorable
clumps soil conditions.
1. Engage tine control.
1. Tine control is not
engaged.
2. V-belt not correctly
adjusted.
3. V-belt is off pulley(s).
Engine runs but
labors when
tilling
1. Tilling too deep.
2. Throttle control not
properly adjusted.
3. Carburetor out of
adjustment.
Moisten ground or wait
for more favorable soil han-
conditions.
Adjust wheels and depth
stake.
2. Inspect/adjust V-belt.
3. Inspect V-belt.
1. Set depth stake for shal-
lower tilling.
2. Check throttle control setting.
3. Make necessary adjust-
ments.
18

Garantia ....................................................... 19
Reglas de Seguridad ................................... 19
Especificaciones del producto ..................... 21
Montaje/Pre Operaci6n ................................ 23
Operaci6n .................................................... 24
Programa De Mantenimiento ....................... 28
Mantenimiento ............................................. 28
Servicio y Ajustes ........................................ 30
AImacenamiento .......................................... 33
Identificaci6n de Problemas ........................ 34
Yea el manual Ingles del dueSo .... Back Cover
GARANT[A LIMITADA DE UNO AI_O PARA LA CULTIVADORA CRAFTSMAN
Por un (1) aho, a partir de la fecha de compra, cuando esta Cultivadora Craftsman se mantenga,
lubrique y afine segOn las instrucciones para la operaci6n y el mantenimiento en el manual del
dueSo, Sears reparar&, gratis, todo defecto en el material y la mano de obra.
Esta Garantfa no cubre:
, Articulos que se desgastan durante el uso normal tales como los brazos, las bujias, los filtros de
aire y las correas.
, Reparaciones necesarias debido al abuso o a la negligencia del operador, incluyendose a los
cigOehales doblados y a la falta de mantenimiento del equipo segOn las instrucciones que se
incluyen en el manual del dueho.
• Si la Cultivadora Craftsman se usa para fines de arriendo, esta garantfa se aplica solamente por
treinta (30) dias a partir de la fecha de compra.
El Servicio de Garantia esta disponible al devolver la cultivadora Craftsman al centro/departa-
mento de servicio Sears m&s cercano en los Estados Unidos. Esta Garantfa se aplica solamente
mientras el producto este en uso en los Estados Unidos.
Esta Garantfa le otorga derechos legales especfficos, y puede que tambien tenga otros derechos
que varian de estado a estado.
SEARS, ROEBUCKAND CO., D/817WA, HOFFMAN ESTATES, IL 60179 U.S.A.
IMPORTANTE: Esta Maquina cortadora es capaz de amputar las manosy los pies y de lanzar
objetos, si no se observan las instrucciones de seguridad siguientes se pueden producir lesiones
graves o la muerte,
ENTRENAMIENTO
, Lea el Manual del Dueho cuidadosamente.
Familiaricese completamente con los
controles y con el uso adecuado del equipo.
Sepa c6mo parar la unidad y desenganchar
los controles r&pidamente.
• Nunca permita que los ni5os operen el equi-
po. Nunca permita que los adultos operen el
equipo sin los conocimientos adecuados.
• Mantenga el &rea de operaci6n despejada de
personas, especialmente nihos pequehos y
animales domesticos.
PREPARAClON
• Inspeccione cuidadosamente el &rea en
donde se va usar el equipo y remueva los
objetos extraSos.
, Desenganche todos los embragues y cambie
a neutro antes de hacer arrancar el motor.
, No opere el equipo sin usar ropa exterior
adecuada. Use zapatos que mejoren el equi-
librio en superficies resbalosas,
, Maneje el combustible con cuidado pues es
muy inflamable.
, Use un envase de combustible aprobado.
• Nunca ahada combustible a un motor en
funcionamiento o caliente.
• Llene el estanque de combustible afuera con
mucho cuidado. Nunca Ilene el estanque de
combustible en un recinto cerrado.
, Vuelva a colocar la tapa del dep6sito de
gasolina en forma segura y limpie el combus-
tible derramado antes de volver a arrancar.
, Use cordones de extensi6n y recept&culos,
segOn las especificaciones del fabricante,
para todas las unidades con motores de im-
pulsi6n o con motores de arranque electrico.
• Nunca trate de hacer ningOn ajuste mientras
que el motor este funcionando (excepto en
los casos especfficamente recomendados
por el fabricante).
19

OPERAClON
, No ponga ni las manos ni los pies cerca o
debajo de las piezas rotatorias.
• Tenga mucho cuidado cuando opere o cruce
entradas para autom6viles de ripio, senderos
o caminos. Est6 alerta en Io que se refiere a
los peligros escondidos o al tr&fico. No Ileve
pasajeros.
, Despu6s de pegarle a un objeto extraf_o,
pare el motor, remueva el alambre de la
bujfa, inspeccione la cultivadora cuidadosa-
mente, para verificar si hay daflos, y repare
el daflo antes de volver a arrancar y operar
la cultivadora.
• Tenga cuidado para evitar resbalarse o
caerse.
• Si la unidad empieza a vibrar anormalmente,
pare el motor y revisela inmediatamente para
verificar la causa. La vibraci6n normalmente
es un aviso de problemas.
, Pare el motor cuando abandone la posici6n
de operaci6n.
• Tome todas las precauciones posibles
cuando deje la m&quina desatendida. Desen-
ganche los brazos, cambie a neutro y pare el
motor.
• Antes de limpiar, reparar e inspeccionar,
apague el motor y asegOrese que todas
las partes en movimiento se han detenido.
Desconecte el alambre de la bujfa, y manten-
galo alejado de esta para evitar el arranque
pot accidente. Desconecte el cord6n en los
motores el6ctricos.
, No haga funcionar el motor en recintos cerra-
dos; los gases de escape son peligrosos.
, Nunca opere la cultivadora sin las protec-
clones, y las planchas adecuadas y sin los
dem&s dispositivos de seguridad en su lugar.
• Mantenga a los nihos y a los animales do-
mesticos alejados.
• No sobrecargue la capacidad de la m&quina,
tratando de cultivar a mucha profundidad,
muy r&pido.
, Nunca opere la m&quina a altas velocidades
en superficies resbalosas. Mire hacia atras y
tenga cuidado cuando retroceda.
, Nunca permita la presencia de espectadores
cerca de la unidad.
• Use solamente accesorios y aditamentos
para la cultivadora aprobados por el fabrican-
te.
• Nunca opere la cultivadora sin buena visibili-
dad o luz.
, Tenga cuidado al cultivar en terreno duro.
Los brazos pueden quedarse agarrados en
el suelo e impulsar a la cultivadora hacia
adelante. Si esto sucede, suelte los mangos
y no restrinja la m&quina.
MANTENIMIENTO YALMACENAMIEN-
TO
• Mantenga los accesorios y aditamentos de
la m&quina en buenas condiciones para el
funcionamiento.
• Revise las clavijas de seguro, los pernos
de montaje del motor y otros pernos, a
intervalos frecuentes, para verificar si est&n
apretados en forma segura y asegurarse que
el equipo este en buenas condiciones de
funcionamiento.
, Nunca guarde la m&quina con combustible
en el estanque de combustible dentro de un
edificio en donde hay fuentes de ignici6n
presentes, tales como calentadores de agua
o del ambiente, secadoras de ropa u otros
artefactos parecidos. Permita que se enfrfe
el motor antes de guardarlo en algOn lugar
cerrado.
, Siempre refierase alas instrucciones en la
guia del operador para ver los detalles de im-
portancia si la cultivadora va a ser guardada
por un perfodo de tiempo largo.
_Busque este simbolo que sehala las precau-
clones de seguridad de importancia. Quiere
decir - iiiATENCION!!! iiiESTE ALERTO!!! SU
SEGURIDAD ESTA COMPROMETIDA.
_L, PREOAUOK)N: Siempre desconecte el
alambre de la bujia y p6ngalo donde no pueda
entrar en contacto con la bujfa, para evitar el
arranque por accidente, durante la preparaci6n,
el transporte, el ajuste o cuando se hacen
reparaciones.
,jI_,ADVERTENCIA: El tubo de escape del
motor, algunos de sus constituyentes y algunos
componentes del vehiculo contienen o des-
prenden productos quimicos conocidos en el
Estado de California como causa de cancer y
defectos al nacimiento u otros da_os reproduc-
tivos.
20

ESPECIFICACIONES DEL PRODUCTO
Capacidad de 3 Cuartos
Gasolina: Sin plomo, Regular
Aceite (API-SG-SL): SAE 30 (Sobre 32°F)
(Capacidad: 20 oz.) SAE 5W-30 (Debajo 32°F)
Bujia : Champion
(Abertura:0,030") RC12YC
FELIClTAClONES por la compra de su Culti-
vadora Sears. Ha sido diseflada, planificada y
fabricada para darle la mejor confiabilidad y el
mejor rendimiento posible.
En el caso de que se encuentre con cualquier
problema que no pueda solucionar f&cilmente,
haga el favor de ponerse en contacto con su
centro de servicio cualificado. Sears cuenta con
tecnicos bien capacitados y competentes con
herramientas adecuadas para darle servicio o
para reparar su unidad.
Haga el favor de leer y de guardar este manual.
Estas instrucciones le permitir&n montar y
mantener su cultivadora en forma adecuada.
Siempre observe las "REGLAS DE SEGURI-
DAD."
RESPONSABILIDADES DEL CLIENTE
, Lea y observe las reglas de seguridad.
, Siga un programa regular de mantenimiento,
cuidado y uso de su cultivadora.
, Siga las instrucciones descritas en las sec-
clones "Mantenimiento" y 'AImacenamiento"
de este Manual del Dueflo.
,_ADVERTENOIA: Esta unidad viene equipa-
da con un motor de combusti6n interno y no se
debe usar sobre, o cerca, de un terreno no de-
sarrollado cubierto de bosques, de arbustos o
de cesped, a menos que el sistema de escape
del motor venga equipado con un amortiguador
de chispas que cumpla con las leyes locales o
estatales (si existen). Si se usa un amortigua-
dor de chispas, el operador debe mantenerlo
en condiciones de trabajo eficientes.
En el estado de California, la ley exige Io an-
terior (Secci6n 4442 del "California Public Re-
sources Code" [Decreto de Recursos PQblicos
de California]). Otros estados pueden contar
con otras leyes parecidas. Las leyes federales
se aplican en las tierras federales. Su centro
de Servicio m&s cercano tiene disponible amor-
tiguadores de chispas para el silenciador. (Vea
la secci6n de Partes de Repuesto en el manual
Ingles del dueflo.)
ACUERDOS DE PROTECClON PARA
LA REPARAClON
Congratulaciones por su buena compra.
Su nuevo producto Craftsman<,_, est& diseflado
y fabricado para funcionar de modo fiable por
muchos aflos. Pero como todos los productos,
puede necesitar alguna reparaci6n de tanto
en tanto. En este caso tener un Acuerdo de
Protecci6n para la Reparaci6n puede hacerles
ahorrar dinero y fastidios.
Compre ahora un Acuerdo de Protecci6n para
la Reparaci6n y protegese de molestias y gas-
tos inesperados.
Un Acuerdo incluye los puntos siguientes:
, Servicio experto de nuestros 12.000 espe-
cialistas profesionales en la reparaci6n.
,Servicio ilimitado sin cargo alguno para
las partes y la mano de obra sobre todas las
reparaciones garantizadas.
• Sustituci6n del producto si su producto
garantizado no puede ser arreglado.
• Descuento del 10% sobre el precio corriente
del servicio y de las partes relativas al servi-
cio no cubiertas por el acuerdo; tambien el
10% menos sobre el precio corriente de un
control de mantenimiento preventivo.
, Ayuda rapida pot tel_fono - soporte
telef6nico pot parte de un tecnico Sears
sobre productos que requieren un arreglo en
casa, y adem&s una programaci6n sobre los
arreglos m&s convenientes.
Cuando se ha comprado el Acuerdo, basta con
una Ilamada telef6nica para programar el servi-
cio. Puede Ilamar cuando quiera, dia y noche o
fijar en linea una cita para obtener el servicio.
Sears tiene mas de 12.000 especialistas
profesionales en la reparaci6n, que tienen
acceso a mas de 4.5 millones de partes y
accesorios de calidad.
Este es el tipo de profesionalidad con que
puede contar para ayudar a alargar la vida del
producto que acaba de comprar, por muchos
aflos, iCompre hoy su Acuerdo de Protecci6n
para la Reparaci6n!
Se aplican algunas limitaciones y exclueio-
nee. Para conocer los precioe ytenet m_s
Informaci6n, Ilame al 1=800=827-6655.
SERVlCIO DE INSTALACION SEARS
Para la instalacidn profesional Sears de apara-
tos de casa, puertas de garaje, calentadores de
agua y otros importantes
artfculos para la casa, en U.S.A Ilamar a
1-800-4-MY-HOME®
21

Estos accesorios estaban disponibles cuando se produjo la cultivadora. Tambien est&n disponibles
en la mayorfa de las tiendas de Sears y en los centros de servicio. Algunos de estos accesorios tal
vez no se apliquen a su cultivadora.
MOTOR
BUJ|A SILENCIADOR FILTRO DE AIRE LATA DE GASOLINA ACEITE DEL MOTOR ESTABILIZADOR
MANTENIMIENTO DE LA CULTIVADORA
CORREA BRAZOS CLAVIJA DE SEGURO
cD
ABRAZADERA DE HORQUILLA
CONTENIDO DEL CONJUNTO DE FERRETERiA
(1) Manual
(1) Aceite
del motor
(2) Pernos portadores
5/16-18 UNC x 2-1/2
(2) Perno
hexagonales
5/16-18 x 1-1/4
Q
(2) Tuercas de
seguridad de brida
5/16-18 UNC
@
(2) Aranclela de (2) Tuerca
seguridad 5/16 hexagonales
5/16-18
22

Su cultivadora nueva ha side montada en la f&brica, con la excepci6n de aquellas partes que se
dejaron sin montar per razones de envio. Para asegurarse que la cultivadora operara en forma
segura y adecuada, todas las partes y los artfculos de ferreteria que monte tienen que estar apre-
tados en forma segura. Use las herramientas correctas, segL_n sea necesario, para asegurarse de
que queden apretadas en forma segura.
HERRAMIENTAS NECESARIAS PARA
EL MONTAJE
Se le facilitar& el montaje si cuenta con un
juego de Ilaves de tubo. Se han enumerado los
tamaflos est&ndar de las Ilaves.
(1) Cuchillo para todo use
(2) Llave de 1/2"
POSICION DEL OPERADOR
Cuando en este manual se mencionan los
terminos "lado derecho" o "lado izquierdo"
se refiere a cuando usted se encuentra en la
posici6n de operaci6n (parado/a detr&s de los
mangos de la cultivadora).
ParteDelantera
Lado
Izquierdo
Lado
Derecho
Posicion del operador
DESEMPAQUE DE LA CAJA DE
CARTON E INSTALACION DEL MANGO
_PRECAUCI6N: Tenga cuidado con las
grapas expuestas cuando maneje o deseche
los materiales de la caja de cart6n.
IMPORTANTE: Cuando desempaque y monte
la cultivadora, tenga cuidado de no estirar o
enredar el (los) cable(s).
1. Corte las abrazaderas de cable que asegu-
ran la columna del mango.
2. Inserte el cable segOn Io mostrado y
resbale la columna del mango sobre la
montura del mango.
3. Remueva el empaque de la caja de cart6n.
4. Asegure la columna del mango usando dos
(2) pernos de acarreo y dos (2) contratuer-
cas con aletas. Apriete con seguridad.
5. Corte la caja de cart6n.
6. Haga pasar el cable de control de los bra-
zos a traves de la abrazadera los cables de
pl&stico en la montura del mango.
AVlSO: Los cables no deben tocar el silenciador.
7. Corte las ligaduras del cable que aseguran la
cultivadora a la corredera. Remueva la culti-
vadora de la corredera tir&ndola hacia atr&s.
8. Quitar el tomillo de fijaci6n del pilote de
profundidad para girar y remover el tomillo.
Cable de
control de
Montura los brazos
del \
man(
Control de los brazos
mango
iTuerca de
7 seguridad de
brida
INSTALACION DEL CONJUNTO DE LA
ESTACA DE PROFUNDIDAD
1. Afloje la tuercas '_'.
2. Inserte el soporte de la estaca entre las
mitades del puntal del motor, con el resorte
de la estaca hacia abajo.
3. Aperen el soporte de la estaca en los pun-
tales del motor con los pernos hexagonales,
las arandelas de seguridad y las tuercas.
Aprietelos en forma segura. Tambien
apriete las tuercas '_'.
4. La estaca de profundidad se tiene que
mover libremente. Si no Io hace, suelte el
perno de soporte.
Mitades del puntal del motor
'_' oorte de la estaca
de profundidad
profundidad
Resorte de
la estaca
soporte
Pernos hexagonales, arandelas de
seguridad y tuercas hexagonales
ALTURA DEL MANGO
,Se puede ajustar la altura del mango en la
mejor forma que le acomode al operador.
(Yea 'ALTURA DEL MANGO" en la secci6n
de Servicio y Ajustes de este manual.)
ANCHO DEL LABRADO
• Se puede ajustar el ancho del labrado para
manejar mejor sus condici6nes de labraci6n
(yea 'ARREGLO DE LOS BRAZOS" en la sec-
ci6n de Servicio y Ajustes de este manual).
OPERACION DE LOS BRAZOS
,Revise la operaci6n de los brazos antes del
primer use (vea "REVISION DE LA OPER-
ACION DE LOS BRAZOS" en la secci6n de
Servicio y Ajustes de este manual).
23

CONOZCA SU CULTmVADORA
LEAESTEMANUAL DEL DUEllO Y LAS REGLAS DE SEGURIDAD ANTES DE OPERAR SU
CUTIVADORA
Compare las ilustraciones con su cultivadora para familiarizarse con la ubicaci6n de los diversos
controles y ajustes. Guarde este manual para referencia en el futuro.
Estos sirnbolos pueden apateser sobre su cultivadora en Is Iitetatura proporcionada con el
producto. Aprenda y comprenda sus significados.
_ABOREO MARCHA NEUTRO REVES ATTENCION O MOTOR MOTOR R/_,PIDO LENTO ESTRANGU COM- ACEITE
HACIA ADVERTENCIA ENCENDIDO APAGADO LACION BUSTIBLE
Control de los brazos
marcha hac
Estaca de
profundidad
Control de la estrangulaci6n
/
"_ r___"_ Control de la
INN !- losbr zo
Las cultivadoras de Sears cumplen con los est&ndares de seguridad del
American National Standard Institute (Instituto Nacional de Est&ndares Americano).
CONTROL DE LA ACELERACl6N - Controla
la velocidad del motor.
CONTROL DE LA ESTRANGULAOI6N- Use-
Io cuando se hace arrancar un motor frio.
CONTROL DE LOS BRAZOS MAROHA HA-
ClA ADELANTE - Engancha los brazos en la
direcci6n de marcha hacia adelante.
ESTACA DE PROFUNDIDAD - Controla la
velocidad de la marcha hacia adelante y la
profundidad a la cual excavar& la cultivadora.
MANGO DEL ARRANOADOR DE CULATEO
- Se usa para hacer arrancar el motor.
24

La operaci6n de cualquier cultivadora puede hacer que salten objetos extrahos dentro
de sus ojos, Io que puede producir dahos graves en estos. Siempre use anteojos
de seguridad o protecciones para los ojos antes de hacer arrancar su cultivadora o
mientras este labrando con ella. Recomendamos el uso de la m&scara de seguridad
de visi6n amplia, para use sobre los espejuelos o anteojos de seguridad est&ndar.
COMO USAR SU CULTIVADORA
Sepa cSmo operar todos los controles antes de
agregar combustible y aceite o antes de tratar
de hacer arrancar el motor.
PARADA
BRAZOS
, Suelte el control de los brazos para parar el
movimiento.
MOTOR
• Mueva el control de la aceleraci6n a la
posici6n de "PARAD,_' (STOP).
AVlSO: Nunca use la estrangulaci6n para parar
el motor.
Control de los brazos en la
posici6n de '_Apagedo"(Arriba)
Control de la
aceleraci6n
Control de la ,j,,,___.,_,,
estrangulaci6n
OPERAOION DE LOS BRAZOS
•Apriete el control de los brazos contra el
mango.
LABRADO
La velocidad y la profundidad del labrado son
reguladas per medio de la posici6n de la estaca
de profundidad y per la altura de la rueda.
La estaca de profundidad siempre tiene que es-
tar por debajo de las ruedas para excavar. Sirve
de freno para retardar el movimiento de marcha
hacia adelante de la cultivadora, para permitir
que los brazos penetren en el suelo. Tambien,
mientras m&s se baje la estaca de profundidad
dentro del suelo, m&s profunda ser& la excav-
aci6n realizada con los brazos.
ESTAOA DE PROFUNDIDAD
Ajuste la estaca de profundidad removiendo
la abrazadera de horquilla y la clavija de
horquilla. Cambie la estaca de profundidad a la
posici6n deseada. Vuelva a colocar la clavija de
horquilla y la abrazadera de horquilla.
, Para el labrado normal, ajuste la estaca de
profundidad en el segundo o tercer agujero a
partir de la parte superior. 25
RUEDAS
Ajuste las ruedas removiendo la abrazadera
de horquilla y la clavija de horquilla. Cambie
la posici6n de la rueda. Vuelva a colocar la
abrazadera de horquilla y la clavija de horquilla.
, Para el labrado normal, ajuste las ruedas
en el segundo o tercer agujero a partir de la
parte superior.
Abrazadera de horquilla y
clavija de horuilla
profundidad
Rueda Resorte de la estaca
PARA EL TRANSPORTE
_k, PRECAUCl6N: Antes de levantarla o trans-
portarla, permita que el motor de la cultivadora
yel silenciador se enfrien. Desconecte el alam-
bre de la bujia. Drene la gasolina del estanque
de combustible.
EN EL JARDiN
1. Incline la estaca de profundidad hacia adel-
ante, hasta que quede sujeta con el resorte
de la estaca.
2. Empuje los mangos de la cultivadora hacia
abajo, levantando los brazos per encima del
suelo.
3. Tire o empuje la cultivadora a la ubicaci6n
deseada.
EN LA ClUDAD
1. Desconecte el alambre de la bujia.
2. Drene el estanque de combustible.
3. Transp6rtela en la posici6n derecha hacia
arriba para evitar la fuga del aceite.
ANTES DE HAOER ARRANOAR EL
MOTOR
IMPORTANTE: Tenga mucho cuidado de no
permitir que entre mugre al motor cua do revise
o anada aceiteo combustible. Use aceite y
combustible limpios y gu&rdelos en envases
aprobados, limpios y con tapa. Use embudos
para relleno limpios.
RELLENO DEL AOEITE DEL MOTOR
1. Remueva la etiqueta del motor.
2. Con el motor nivelado, remueva el tap6n
del dep6sito de relleno del aceite del motor.
3. Llene el motor con aceite hasta el punto
de derramarse. Para verificar la capacidad
aproximada vea "ESPECIFICACIONES
DEL PRODUCTO" de este manual.
4. Incline la cultivadora hacia atr&s en sus
ruedas y luego vuelva a nivelarla.

5. Conelmotornivelado,vuelvaa Ilenarlo
hastaelpuntodederramarse,si esnecesa-
rio.Vuelvaa colocareltap6ndeldep6sito
derellenodeaceite.
•Para la operaci6n en clima frio, debe cambi-
arse el aceite para facilitar el arranque (vea
la "TABLA DE VlSCOSIDAD DEL ACEITE"
en la secci6n de Mantenimiento en este
manual).
•Para cambiar el aceite del motor, vea la sec-
ci6n de Mantenimiento en este manual.
Nivel del )6n de
deposito de
relleno de
aceite
AGREGUE GASOLINA
,Llene el estanque de combustible. Llene
hasta la parte inferior del cuello de rel-
leno del estanque de gasolina. No Io Ilene
demasiado. Use gasolina regular, sin plomo,
nueva y limpia con el minimo de 87 octanos.
(El uso de gasolina con plomo aumentar&
los dep6sitos de 6xido de plomo y carbono
y se reducir& la duraci6n de la v&lvula).
No mezcle el aceite con la gasolina. Para
asegurar que la gasolina utilizada sea fresca
compre estanques los cuales puedan ser
utilizados durante los primeros 30 d[as.
,_PRECAUCl6N: Llene el estanque de
combustible hasta dentro de 1/2 pulgada de la
parte superior para evitar los derrames y para
permitir que se expanda el combustible. Si por
casualidad se derrama la gasolina, aleje la
m&quina del &rea del derrame. Evite crear cu-
alquiera fuente de ignici6n hasta que se hayan
desaparecido los gases de la gasolina.
Limpie el aceite o el combustible derramado.
No almacene, derrame o use gasolina cerca de
una llama expuesta.
IMPORTANTE: Cuando se opere en temper-
aturas por debajo de 32°F (0°C) use gasolina
de invierno limpia y nueva para auedar a ase-
gurar un buen arranque en clima frio.
PREOAUOION: Combustibles mezclados con
alcohol (conocidos como gasohol, o el uso de
etanol o metanol) pueden atraer la humedad,
la que conduce a la separaci6n y formaci6n de
acidos durante el almacenamiento. La gasolina
acidica puede da_ar el sistema del combustible
de un motor durante el almacenamiento. Para
evitar los problemas con el motor, se debe
vaciar el sistema de combustible antes de
guardarlo por un periodo de 30 d[as o m@.s.
Vacfe el estanque de combustible, haga arran-
car el motor y hagalo funcionar hasta que las
lineas del combustible y el carburador queden
vacfos. La pr6xima temporada use combustible
nuevo. Vea las Instrucciones para el Almace-
namiento para m@.sinformaci6n. Nunca use
productos de limpieza para el motor o para
el carburador en el estanque del combustible
pues se pueden producir da_os permanentes.
PARA HACER ARRANCAR EL MOTOR
_,PRECAUCl6N: Mantenga la barra de
control de la impulsi6n en la posici6n "DESEN-
GANCHADO" cuando haga arrancar el motor.
Cuando intente arrancar el motor por la primera
vez o si al motor se le ha acabado la gasolina,
ser& necesario que estire varias veces del
mango arrancador de culateo para desplazar la
gasolina del estanque al motor.
1. AsegOrese que el alambre de la buj[a est@
conectado en forma adecuada.
2. Ponga el control de la aceleraci6n en la
posici6n de "R_,PIDO" (FAST).
3. Con el motor completamente en la posici6n
de estrangulaci6n "CHOKE. Agarre el
mango del arrancador de culateo con una
mano y el mango de la cultivadora con la
otra mano. Tire el cord6n hacia afuera,
lentamente, hasta que el motor Ilegue al
comienzo del ciclo de la compresi6n (el
cord6n se sentir& un poco m@.sduro en este
momento).
4. Tire el mango del arrancador de culateo
r&pidamente. No permita que el mango del
arrancador se devuelva abruptamente en
contra del arrancador. Vuelva a repetir en
la posici6n de semiestrangulaci6n si Io es
necesario.
AVlSO: Si los fuegos del motor se encienden
pero no arranca, mueva el control del la estran-
gulaci6n a la posici6n de semiestrangulaci6n.
Tire del mando arrancador de culateo hasta
que el motor arranque.
5. Cuando arranque el motor, lentamente,
mueva el control de la estrangulaci6n a la
posici6n de "FUNCIONAMIENTO" (RUN) a
medida que se calienta el motor.
AVlSO: Un motor caliente requiere menos
estrangulaci6n para empezar.
6. Mueva el control de la aceleraci6n a la
posici6n de funcionamiento deseada.
7. Permita que se caliente el motor por unos
cuantos minutos antes de enganchar los
brazos.
AVlSO: A mucha altura (sobre 3000 pies) o
en climas frios (debajo de 32 ° F [0° C]) puede
que la mezcla del combustible del carburador
necesite ajuste, para obtener el mejor resultado
del motor. Vea "PARA AJUSTAR EL CARBU-
RADOR" en la secci6n de Servicio y Ajustes de
este manual.
AVlSO: Si el motor no arranca, vea la guia de
identificaci6n de problemas.
Bujia
Control de la_) aceleracidn
g"
arrancador de culat_ _J
26

RODAJE DE SU CULTIVADORA
Use su(s) correa(s), las poleas y el control de
los brazos antes de empezar a labrar.
• Haga arrancar el motor, saque los brazos
fuera del suelo presionando los mangos
hacia abajo y enganche el control de los
brazos para hacer arrancar la rotaci6n de
los brazos. Permita que los brazos roten por
cinco minutos.
•Revise la operaci6n de los brazos y ajQstelos,
si es necesario. Vea "REVISION DE LA OP-
ERACION DE LOS BRAZOS" en la secci6n de
Servicio y Ajustes de este manual.
CONSEJOS PARA LABRAR
_PRECAUCl6N: Antes de acostumbrarse a
manejar su cultivadora, empiece el uso de esta
en el terreno con la aceleraci6n en la posici6n
de "lento" (SLOW).
Para ayudarle a la cultivadora a moverse
hacia adelante, levante los mangos un poco
(levantando en esta forma la estaca de profun-
didad fuera del suelo). Para hacer que la cul-
tivadora ande m&s lento presione los mangos
hacia abajo.
Si est& forz&ndola o si la cultivadora est& vib-
rando, quiere decir que las ruedas y la estaca
de profundidad no est&n ajustadas en forma
adecuada para el terreno que se est& labrando.
El ajuste adecuado de las ruedas y de la estaca
de profundidad se Iogra al probarlas en acci6n
y depende de las condiciones del suelo. (Mien-
tras m&s duro o m&s mojado este el suelo,
menor es la velocidad necesaria del motor y de
los brazos. La cultivadora va a correr y saltar
sobre el terreno si se usa en estas malas condi-
clones a una velocidad r&pida.)
Si la cultivadora est& bien ajustada, excavara
con poco esfuerzo per parte del operador.
• El labrar quiere decir el excavar, dar vuelta y
romper el suelo duro antes de plantar. El suelo
suelto y blando permite el desarroNo de las
raices. La mejor profundidad de labrar es 4"
a 6". La cultivadora tambien puede despejar
el suelo de la mala hierba indeseables. La
descomposici6n de esta mala hierba enriquece
el suelo. Dependiendo del cNma (lluvia o
viento), puede ser recomendable labrar el
suelo a fines de la temporada de cultivo para
acondicionar el suelo aOn mas.
• Las condiciones del suelo son importantes
si se desea obtener un labrado adecuado.
Los brazos no van a penetrar f&cilmente en
el suelo seco y duro, Io que puede contribuir
a un rebote excesivo y a dificultades en el
manejo de su cultivadora. El terreno duro
tiene que ser humedecido antes de labrarlo,
sin embargo, si el suelo est& demasiado mo-
jado se convertir& en bolas o se amontonara
durante el labrado. Espere a que el suelo
este menos mojado para poder obtener
los mejores resultados. Cuando se hagan
labrados en el otoflo, remueva las vides y
el cesped alto para evitar que se envuelvan
alrededor det eje de los brazos y retarden su
operaci6n para el labrado.
• Va a descrubrir que el labrado se faciNta si
deja una fila sin labrar entre las pasadas.
Entonces vuelva de nuevo entre las filas de
cultivo. Hay dos razones para hacer esto.
Primero, las vueltas ampNas se pueden
reaNzar con m&s faciNdad que las cerradas.
Segundo, la cultivadora no estar& empujan-
dose a si misma y a usted hacia la pr6xima
hilera.
• Ajuste la estaca de profundidad y la altura de
la rueda para labrado poco profundo cuando
este trabajando en suelo o terreno herboso
dem&siado duro. Luego atraviese los prim-
eros cortes a la profundidad normal.
5
CULTIVO
El cultivo quiere decir la destrucci6n de la mala
hierba entre las filas para evitar que estas le
robert la nutrici6n y la humedad alas plantas.
AI mismo tiempo, si se rompe la capa superior
de la costra del suelo, este puede retener la
humedad. La mejor profundidad de excavaci6n
es de 1" a 3".
, Probablemente no va a necesitar usar la es-
taca de profundidad. Empiece per incNnar la
estaca de profundidad hacia adelante, hasta
que quede sujeta en el resorte de la estaca.
• Cultive hacia arriba y hacia abajo las filas a
una velocidad que le permita a los brazos
sacar las rafces de la mala hierba y dejar el
suelo en condiciones &speras, para impedir
el desarroNo de la mala hierba y el cesped.
r--\
z
,J \
', / 7-
js¸ \ s ¸-'
I-X ¢""-'_>
f" "b - "_
<> S _")
?/\
i
,i /> \_ ,
? , )
.....) i--"'!
\
,J
27

PROGRAMA DE
MANTENIMIENTO kS/L/
QUE COMPLETE SU #_, A, ,,#/_._/'4/Z0_/40_/©_/
SERVICIO REGULAR /_'_'/©_"/O_'/©_'J/ FECHAS DE SERVlCIO
Revisar el nivel del aceite del motor I_ If
Cambiar el aceite del motor 1_2
Aceitar los puntos de pivote If
Inspeccionar el supresor del silenciador I_
Inspeccionar la rejilla de aire I1_
Limpiar/cambiar el cartucho del filtro de aire _2
Limpiar las aletas del cilindro del motor
Cambiar la bujfa if
1- Cambiar mas menudo cuando se opere bajo carga pesada o en ambientes con altas temperaturas.
2- Dar servicio mas a menudo cuando se opere en condiciones sucias o polvorosas
RECOMENDACIONES GENERALES
La garantia de esta cultivadora no cubre los
articulos que han estado sujetos al abuso o a
la negligencia del operador. Para recibir todo el
valor de la garantia, el operador tiene que
mantener la cultivadora segOn las
instrucciones descritas en este manual.
Hay algunos ajustes que se tienen que hacer
en forma peri6dica para poder mantener su
cultivadora adecuadamente.
Todos los ajustes en la secci6n de Servicio y
Ajustes de este manual tienen que ser
revisados por Io menos una vez por cada
temporada.
,Una vez al aflo, cambie la bujia, limpie o
cambie el filtro de aire y revise si los brazos
y las correas est&n desgastadas. Una bujia
nueva y un filtro de aire limpio aseguran una
mezcla de aire-combustible adecuada y le
ayuda a que su motor funcione mejor y que
dure m&s.
ANTES DE CADA USO
1. Revise el nivel del aceite del motor.
2. Revise la operaci6n de los brazos.
3. Revise si hay sujetadores sueltos.
LUBRICAClON
Mantenga la unidad bien lubricada (vea la
"TABLA DE LUBRICACION').
(2) Motor
TABLA DE LUBRICACION
O Control de los brazos
O Brazo de quia
O Aceite de motor SAE 30 O 10W-30
(_) Refi@ase a la secci6n del motor,
"MANTENIMIENTO"
28

_,PRECAUCI6N: Desconecte el alambre de
la bujia antes de dar mantenimiento (excepto
por el ajuste del carburador) para evitar que el
motor arranque por accidente.
lEvite los incendios! Mantenga el motor sin
cesped, hojas, aceite o combustible derramado.
Remueva el combustible del estanque antes de
inclinar la unidad para darle mantenimiento.
Limpie el cesped, la mugre y la basura del &rea
del silenciador.
No toque el silenciador caliente o las aletas del
cilindro, pues el contacto puede producir
quemaduras.
MOTOR
LUBRICAClON
Use solamente aceite de detergente de alta
calidad clasificado con la clasificaci6n SG-SL
de servicio API. Seleccione la calidad de
viscosidad SAE segOn su temperatura de
operaci6n esperada.
CALIDADES DE VISCOSIDAD DE SAE
oi_vJs¢¢ha_t 1 s
AVlSO: A pesar de que los aceites de
multiviscosidad (5W-30, 10W-30, etc.) mejoran
el arranque en clima frio, estos aceites de
multiviscosidad van a aumentar el consumo de
aceite cuando se usan en temperaturas sobre
32°F (0°C).
Revise el nivel del aceite del motor m&s a
menudo, para evitar un posible daflo en el
motor, debido a que no tiene suficiente aceite.
Cambie el aceite despues de 50 horas de
operaci6n o por Io menos una vez al aflo si el
tiller se utiliza menos 50 horas el aflo.
Revise el nivel del aceite del c&rter antes de
hacer arrancar el motor y despues de cada
cinco (5) horas de uso continuado. Agregue
aceite de motor SAE 30 o su equivalente.
Apriete el tap6n del dep6sito de relleno del
aceite en forma segura cada vez que revise el
nivel del aceite.
PARA CAMBIAR EL ACEITE DEL MOTOR
Determine la gama de temperatura esperada
antes del cambio de] aceite. Todos los aceites
deben cumplir con los requisitos de la
clasificaci6n de servicio API SG-SL
•AsegOrese que la cultivadora este en una
superficie nivelada.
•El aceite drenar& m&s f&cilmente cuando
est& caliente.
,0tilice un embudo para impedir el derrame
de aceite sobre la cultivadora, y recoja el
aceite en un envase adecuado.
1. Remueva el tap6n del drenaje.
2. Incline la cultivadora hacia adelante para
drenar el aceite.
3. Despues de que el aceite se haya drenado
completamente, vuelva a colocar el tap6n
del drenaje del aceite y aprietelo en forma
segura.
4. Remueva el tap6n del dep6sito de relleno
de aceite. Tenga cuidado de no permitir
que la mugre entre al motor.
5. Vuelva a Ilenar el motor con aceite. Yea
"RELLENO DEL MOTOR CON ACEITE"
en la secci6n de Operaci6n de este
manual.
Tap6n del
drenaje X
Nivel del aceite
Tap6n del Relleno
FILTRO DE AIRE
Dele servicio al cartucho del filtro de aire cada
50 horas y m&s a menudo si el motor se usa en
condiciones muy polvorosas.
1. Suelte los tornitlo del filtro de aire.
2. Remueva la cubierta de] filtro de aire.
3. Cuidadosamente, remueva el cartucho del
filtro de aire. Tenga cuidado. No permita
que mugre o basura caigan dentro del
carburador.
4. Limpielo golpe&ndolo suavemente en una
superficie plana.
AVlSO: Si el cartucho esta muy sucio o
daflado, reempl&celo.
5. Limpie y vuelva a colocar la cubierta.
Apriete los tornillo en forma segura.
Ai_.PRECAUCl6N: Los solventes de petr61eo,
tales como el kerosene, no deben ser utilizado
para limpiar el cartucho. Pueden ocasionar el
deterioro de este. No aceite el cartucho. No
use aire a presi6n para limpiarlo o secarlo.
Cartucho
Cartucho del
filtero de '
Cubierta
Tornillo del
filtro
29
SlSTEMA DE ENFRIAMIENTO
Su motor se enfria con aire. Para obtener el
rendimiento del motor adecuado y larga
duraci6n mantenga su motor limpio.
•Limpie la rejilla de aire frecuentemente
usando un cepillo de cerdas duras.
Remueva la caja del ventilador y limpiela si
es necesario,
Mantenga las aletas del cilindro sin mugre o
paja.

Aletas del cilindor
Silenciador
\i/Caja del
/ventilador
_ Rejilla de
_f" aire
SlLENClADOR
No opere la cultivadora sin el silenciador. No
manipulee el sistema de escape. Los
silenciadores o los amortiguadores de chispas
dahados pueden crear un peligro de incendio.
Inspecci6nelos peri6dicamente y c&mbielos si
es necesario. Si su motor viene equipado con
un conjunto de rejilla para el amortiguador de
chispas, remuevalo cada 50 horas para
limpiarlo e inspeccionarlo. C&mbielo si es
necesario.
BUJiA
Cambie las bujias al comienzo de cada
temporada de cuitivo, o despues de 50 horas
de uso, Io que suceda primero. El tipo de bujia
y la abertura aparece en las
"ESPECIFICACIONES DEL PRODUCTO" en
la p&gina 21 de este manual.
TRANSMISI6N
Su transmisi6n est& sellada y no va a necesitar
lubricaci6n.
LIMPIEZA
No limpie su cultivadora cuando el motor y la
transmisi6n esten calientes. No recomendamos
el uso de agua presurizada (manguera del
jard{n, etc.) para limpiar su unidad a menos que
el &rea de la junta alrededor de la transmisi6n y
del silenciador del motor, del filtro de aire y del
carburador se cubran ara protejerlos del agua.
El agua en la transmisi6n y/o el motor acortar&
la vida de su cultivadora.
, Limpie todo material extra_o del motor, las
ruedas, el pulido, etc.
, Mantenga las superficies pulidas y las
ruedas sin derrames de gasolina, aceite,
etc.
, Proteja las superficies pintadas con cera
tipo automotriz.
_PRECAUCl6N: Desconecte el alambre de
la bujia y p6ngalo en donde no pueda entrar en
contacto con la bujia.
CULTIVADORA
PARA AJUSTAR LA ALTURA DEL MANGO
El montaje en la f&brica se ha realizado usando
la altura m&s baja del mango. Seleccione la
altura del mango que meier se acomode a sus
condiciones de labraci6n. La altura del mango
ser& diferente cuando la cultivadora excave el
suelo.
1. Si se desea una mayor altura para el
mango, suelte las cuatro tuercas que ase-
guran el panel del mango en los puntales
del motor.
2. Deslice el panel del mango a la ubicaci6n
deseada.
3. Apriete las cuatro tuercas en forma segura.
motor
(Tamvien 2
en el lade izquierdo
de la cultivadora)
del
mango
ARREGLO DE LOS BRAZOS
Sus brazos exteriores se pueden montar de
varias formas distintas para acomodar sus
necesidades de labraci6n o cultivaci6n.
,_PRECAUCl6N: Los brazos son afilados.
Use guantes u otra protecci6n cuando maneje
los brazos.
LABRADO NORMAL- PASO DE 24"
, Monte los agujeros '_' en los cubos de los
brazos con los agujeros "B" en el eje de los
brazos.
i_ Ciavija de Brazo
horquilla extenor .,,,
j A i A _.
raza era e orqui a _razo interior
LABRADO DE ANCHO MEDIANO - PASO DE
22"
, Monte los agujeros '%' en los cubes de los
brazos con los agujeros "C" en el eje de los
brazos.
30

CULTIVO/LABRADO ESTRECHO - PASO DE
12-3/4"
• Remueva los brazos exteriores.
Brazos interiores solamente
AVISO: Cuando vuelva a montar los brazos
exteriores, asegOrese que el conjunto del brazo
derecho (marcado con "R") y el conjunto del
brazo izquierdo (marcado con "1") esten monta-
dos en el lado correcto del eje de los brazos.
REVlSI6N DE LA OPERACl6N DE LOS
BRAZOS
_PRECAUCl6N: Desconecte el alambre de la
bujia para evitar que arranque mientras se est&
revisando la operaci6n de los brazos.
Para obtener una operaci6n de los brazos
adecuada, la palanca de control de los brazos
tiene que estar en contra del cuerpo del control
y se tiene que remover toda la soltura del
alambre interior del cable de control, cuando
el control est& en la posici6n de '_,PAGADO"
(OFF) (arriba).
Si la palanca y el cable est&n sueltos, suelte la
abrazadera del cable en el extremo inferior de
este. Tire el cable hacia arriba para remover la
soltura, sin extender el resorte en el extremo
det cable, y vuelva a apretar la abrazadera del
cable.
REVISION FINAL EN LA POSlCION DE
'APAGADO" (OFF)
1. Con el control de los brazos en la posici6n
de 'APAGADO" (OFF) (arriba), empuje ha-
cia abajo el mango para levantar los brazos
fuera del suelo.
2. Lentamente, tire el mango del arrancador
de culateo mientras se observan los brazos.
Los brazos no deben rotar.
3. Si los brazos rotan, el alambre interior del
cable de control est& demasiado apretado,
extendiendo el resorte inferior y est& engan-
chando los brazos. Suelte la abrazadera del
cable y empuje el cable hacia abajo, s61o Io
suficiente como para aliviar la tensi6n del
resorte. Apriete la abrazadera del cable.
4. Vuelva a revisar en la posici6n de 'APAGA-
DO" (OFF) y ajOstelo si es necesario.
REVISION FINAL EN LA POSlCION DE "EN-
CENDIDO" (ON)
5. Con el control de los brazos en la posici6n
de "ENCENDIDO" (ON) (sujeto abajo en el
mango), empuje hacia abajo el mango para
levantar los brazos fuera del suelo.
6. Lentamente, tire el mango del arrancador
de culateo mientras se observan los brazos.
Los brazos deben rotar hacia adelante.
7. Si los brazos no rotan, el alambre interior
del cable de control est& demasiado suelto.
Suelte la abrazadera del cable y empuje el
cable hacia arriba para remover la soltura y
vuelva a apretar la abrazadera.
8. Vuelva a revisar en la posici6n de "ENCEN-
DIDO" (ON) y ajOstelo si es necesario.
AVISO: Si se necesita ajuste en la posici6n de
"ENCENDIDO" (ON), vuelva a revisar el ajuste
de la posici6n de '_,PAGADO" (OFF) para
asegurarse que los brazos no roten cuando el
control est& 'APAGADO" (OFF) (arriba).
Control de los brazos posici6n 'Apagado" (Off)
Cuerpo
Control de los brazos posici6n
"Encendido" (On)
Cable de control de los brazos
Abrazadera del cable
/
\
PARA REMOVER LA PROTEOOI6N DE LA
CORREA
1. Remueva los tornillos del lado de la protec-
ci6n de la correa.
2. Tire la protecci6n de la correa hacia afuera
alej&ndola de la unidad.
3. Vuelva a colocar la protecci6n de la correa
invirtiendo los pasos del procedimiento
anterior. AsegQrese que la ranura en la
parte inferior de la protecci6n de la correa
este debajo de la cabeza del perno de
la defensa de los brazos y que todas las
tuercas esten apretadas en forma segura.
Protecci6n
de la correa
Vis __
31

PARA CAMBIAR LA CORREA V
Cambie la correa V si se ha estirado consid-
erablemente o si est& partida o si los bordes
est&n desgastados.
1. La protecci6n de la correa tiene que
removerse para darle servicio a la correa.
Vea "PARA REMOVER LA PROTECCION
DE LA CORRE,_' en esta secci6n de este
manual.
REMOCION DE LA CORREA
2. Remueva la correa V de la polea de la
transmisi6n primero y luego de la polea del
motor.
CAMBIO DE LA CORREA
3. Instale la correa V nueva en la polea del
motor primero luego en la polea de la
transmisi6n. Aseg0rese que la correa este
ubicada en al ranura interior de ambas
poleas, dentro de todas las guias de la cor-
rea y,que descanse en la joolea de guia.
REVISION DE LA OPERACION DE LOS
BRAZOS
4. Vea"REVISION DE LA OPERACION DE
LOS BRAZOS" en esta secci6n de este
manual.
5. Vuelva a colocar la protocci6n de la correa.
Guia de la correa
Polea del
motor
\
MOTOR
El mantenimiento, la reparaci6n, o el reemplazo
de cualquier dispositivos o sistemas del control
de la emisi6n, los cuales sean hechos al costo
del cliente, pueden ser realizados por cualquier
individuo o establecimiento de reparaci6n de
motor. Los reparos que caen bajo garantia
deben ser realizados por un establecimiento de
servicio de reparaci6n de motor autorizado.
PARA AJUSTAR EL CARBURADOR
El carburador tiene un chorro de alta velocidad
y ha sido preajustado en la f&brica y no deberia
necesitar ajustes. Sin embargo, se pueden
necesitar ajustes de menor importancia para
compensar por las diferencias en el combusti-
ble, temperatura, altura o carga. Si el carbura-
dor necesita ajustes, pongase en contacto con
su centro/departamento de servicio autorizado
m&s cercano.
IMPORTANTE: Nunca manipule el regulador
del motor el que ha sido ajusta do en la fabrica
para la velocidad del motor adecuada puede
ser peligroso hacer funcionar el motor a una
velocidad por sobre elajuste de lata velocidad
de la fabrica. Si cree que la velocidad alta
regulada del motor necesita ajuste, p6ngase en
contacto con su centro de servicio cualificado,
el cual cuenta con el equipoa decuado y la
experiencia para hacer los ajustes necesarios.
\
Guia de la
correa
Correa v
Polea de
guia
Polea de la
transmisi6n
32

Inmediatamente prepare su cultivadora para el
almacenamiento al final de la temporada o si la
unidad no se va a usar por 30 dfas o m&s.
_PRECAUCl6N: Nunca almacene la cultiva-
dora con gasolina en el estanque dentro de un
edificio en donde los gases pueden alcanzar
una llama expuesta o una chispa. Permita que
el motor se enfrie antes de almacenarlo en
cualquier recinto privado.
C U LTIVADO RA
1. Limpie toda la cultivadora (vea "LIMPIEZ_'
en la secci6n de Mantenimiento en este
manual).
2. Inspeccione y cambie las correas, si es
necesario (vea las instrucciones para el
cambio de la correa en la secci6n de Servi-
cio y Ajustes de este manual).
3. Lubriquela segOn se muestra en la secci6n
de Mantenimiento en este manual.
4. AsegOrese que todas las tuercas, pernos y
tornillos esten apretados en forma segura.
Inspeccione las partes movibles para verifi-
car si est&n dafladas, rotas o desgastadas.
C_.mbielas si es necesario.
5. Retoque todas las superficies pintadas
que esten oxidadas o picadas; use una lija
suavemente antes de pintar.
MOTOR
SlSTEMA DE OOMBUSTIBLE
IMPORTANTE: Es importante evitar que se
formen dep6sitos de goma en partes funda-
mentales del sistema de combustible tales
como el carburador, el filtro del combustible,
la manguera del combustible o en el estanque
durante el almacenamiento. La experiencia
tambien indica que los combustibles mezclados
con alcohol (conocido como gasohol o que
tienen etanol o metanol) pueden atraer hume-
dad, Io que conduce a la separaci6n de _.cidos
durante el almacenamiento. La gasolina &cidica
puede daflar el sistema de combustible de un
motor durante el periodo de almacenamiento.
• Vaciar el dep6sito del carburante poniendo
en marcha el motor y dej_.ndolo funcionar
hasta que el carburante termine el carbura-
dor este vacfo.
, Nunca use los productos para limpieza del
carburador o del motor en el estanque de
combustible pues se pueden producir daflos
permanentes.
, Use combustible nuevo la pr6xima tempo-
rada.
AVlSO: El estabilizador de combustible es una
alternativa aceptable para reducir a un minimo
la formaci6n de dep6sitos de goma en el com-
bustible durante el periodo de almacenamiento.
Agregue estabitizador a la gasolina en el
estanque de combustible o en el envase para el
almacenamiento. Siempre siga la proporci6n de
mezcla que se encuentra en el envase del esta-
bilizador. Haga funcionar el motor por Io menos
10 minutos despues de agregar el estabilizador,
para permitir que este Ilegue al carburador. No
vaciar la gasolina del estanque de gasolina y el
carburador si se est& usando estabilizador de
combustible.
ACEITE DEL MOTOR
Drene el aceite (con el motor caliente) y c_.m-
bielo con aceite de motor limpio. (Vea "MO-
TOR" en la secci6n de Mantenimiento de este
manual.)
CJLINDRO(S)
1. Remueva la bujia.
2. Vacie una onza de aceite a traves del agu-
jero de la bujia en el cilindro.
3. Tire el mango del arrancador, lentamente,
varias veces para distribuir et aceite.
4. Cambie por una bujia nueva.
OTROS
• No guarde la gasolina de una temporada a la
otra.
• Cambie el envase de la gasolina si se empie-
za a oxidar. La oxidaci6n y/o la mugre en su
gasolina producir_.n problemas.
• Si es posible, guarde su unidad en un recinto
cerrado y cObrala para protegerla contra el
polvo y la mugre.
, Cubra su unidad con un forro protector
adecuado que no retenga la humedad. No
use pl&stico. El pl_.stico no puede respirar, Io
que permite la formaci6n de condensaci6n,
Io que producir& la oxidaci6n de su unidad.
IMPORTANTE: Nunca cubra la cultivadora
mientras el motor y las areas de escape todavia
estan calientes.
33

IDENTIFICACK)N DE PROBLEMAS:
Vea la secci6n apropiada en el manual a menos que est6 dirigido a un centro de servicio
CAUSA
1. Sin combustible.
2. Motor sin la "ESTRANGU-
LACION" (CHOKE) adecuada.
3. Motor ahogado.
Sears.
PROBLEMA
NO arranca
Dificil de arrancar
2.
Falta de fuerza
4. Filtro de aire sucio.
5. Agua en el combustible.
6. Estanque de combustible
taponado.
7. Alambre de la bujia suelto.
8. Bujia mala o abertura inadecuada.
9. Carburador desajustado.
1. Control de la aceleraci6n
ajustado inadecuadamente.
Filtro de aire sucio.
3. ujia mala o abertura inadecuada.
4. Combustible rancio o sucio.
5. Alambre de la bujia suelto.
6. Carburador desajustado.
1. El motor est& sobrecargado.
2. Filtro de aire sucio.
3. Nivel de aceite bajo/aceite
sucio.
4. Bujia faflada.
5. Aceite en el combustible.
6. Combustible rancio o sucio.
7. Agua en el combustible.
CORRECCION
1. Llene el estanque de combustible.
2. Vea "PARA ARRANCAR EL
MOTOR" en la secci6n de
Operaci6n.
3. Espere varios minutos antes de
tratar de arrancar.
4. Limpie o cambie el cartucho del
fittro de aire.
5. Vaciar el estanque de combustible
y el carburador, vuelva a Ilenar el
estanque con gasolina nueva.
6. Remueva el estanque de
combustible y limpielo.
7. AsegOrese que el alambre de la
bujia este asentado en forma
adecuada en esta.
8. Cambie la bujia o ajuste la abertura.
9. Haga los ajustes necesarios.
1. Ponga el control de la aceleraci6n
en la posici6n de "RAPIDO"
(FAST).
2. Limpie o cambie el cartucho del
filtro de aire.
3. Cambie la bujia o ajuste la abertura.
4. Vaciar el estanque de combustible
y vuelva a Ilenarlo con gasolina
nueva.
5. AsegOrese que el alambre de
la bujia este asentado en forma
adecuada en esta.
6. Haga los ajustes necesarios.
1. Ajuste la estaca de profundidad y
las ruedas para un labrado menos
profundo.
2. Limpie o cambie el cartucho del
filtro de aire.
3. Revise el nivel del aceite/cambie
el aceite.
4. Limpie y vuelva a ajustar la
abertura o cambie la bujia.
5. Vaciar y limpie el estanque de
combustible y vuelva a Ilenarlo y
limpie el carburador.
6. Vaciar el estanque de combustible
y vuelva a Ilenarlo con gasolina
nueva.
7. Vaciar el estanque de combustible
8. Estanque de combustible
taponado.
9. Alambre de la bujia suelto.
10. Rejilla de aire del motor sucia.
11. Silenciador sucio/taponado.
12. Carburador desajustado.
13. Mala compresi6n.
y el carburador y vuelva a Ilenar
el estanque con gasolina nueva.
8. Remueva el estanque de
combustible y limpielo.
9. Conecte y apriete el alambre
de la bujfa.
10. Limpie la rejilta de aire del motor.
11. Limpie/cambie el silenciador.
12. Haga los ajustes necesarios.
13. Contacto con su centro de
servicio cualificado.
34

IDENTIFICACION DE PROBLEMAS:
Vea la secci6n apropiada en el manual a menos que eet6 dirigido a un centro de eervicio
Sears.
PROBLEMA
El motor ee
calienta dem
aeiado
Rebote e×ceeivo/m
anejo dificil
El euelo ee hate
bolas o ee
tona
El motor
funciona pero
la cultivadora no
ee mueve
El motor
funciona pero ee
eefuerza cuando
ee labra
CAUSA
1. Nivel del aceite bajo/aceite
sucio.
2. Rejilla de aire del motor sucia.
3. Motor sucio.
4. Silenciador parcialmente
taponado.
5. Mal ajuste del carburador.
1. El terreno esta muy seco y
duro.
2. Las ruedas y la estaca
de profundidad est@.n
ajustadas incorrectamente.
1. El terreno esta muy mojado.
1. La barra de control de la
impulsi6n no est@.enganchada.
2. La correa V no esta ajustada
correctamente.
3. La correa V esta fuera de
la(s) polea(s).
1. Se esta labrando muy
profundamente.
2. El control de la aceleraci6n no
est@.ajustado en forma
adecuada.
3. El carburador est@.
desajustado.
CORRECCION
1. Revise el nivel del aceite/cambie
el aceite.
2. Limpie la rejilla de aire del motor.
3. Limpie las aletas del cilindro, la
rejilla de aire y el area del
silenciador.
4. Remueva y limpie el silenciador.
5. Ajuste el carburador para una
posici6n de mezcla m@.srica.
1. Moje el suelo o espere a que
existan condiciones del suelo
m@.sfavorables.
2. Ajuste las ruedas y la estaca de
profundidad.
1. Espere a que existan
condiciones del suelo mas
favorables.
1. Enganche el control de la
impulsi6n.
2. Inspeccione/ajuste la correa V.
3. Inspeccione la correa V.
amol3=
1. Ajuste la estaca de profundidad
para un labrado menos profundo.
2. Revise el ajuste del control de
la aceleraci6n.
3. Haga los ajustes necesarios.
35

TILLER ==MODEL NUMBER 917.297011
HANDLES
35
38Q 3 3
13_. /
/
•handle assy 99 9epic
KEY PART
NO. NO.
1 137118X023
3 9266R
12 98000129
13 STD533107
14 181476
19 188532
20 188555
29 12000059
DESCRIPTION
Panel, Control
Grip, Handle
Nut, Flange
Bolt, Carriage 5/16-18 x 3/4
Assembly, Panel and Tube
Lever, Control, Tine
Pin, Pivot
Retainer, Ring
KEY PART
NO. NO. DESCRIPTION
35 72010520 Bolt 5/16-18 x 2-1/2
36 73970500 Locknut, Flange 5/16-18 unc
38 417465 Assembly, Handle Column
39 181580 Clip
NOTE: All component dimensions given in U.S.
inches. 1 inch = 25.4 mm
19
20
36

TILLER ==MODEL NUMBER 917.297011
BELT GUARD AND PULLEY ASSEMBLY
21
2O 14
/-{t
77 belt guard 10
KEY PART
NO. NO.
1 23230506
2 130812
3 86777
4 74610812
5 17490440
6 174898
7 170488
8 139155
9 165768X613
10 109227X
11 9484R
12 9180R
DESCRIPTION
Screw Set 5/16-18 x 3/8 Patch
Sheave, Engine
Screw, Tap Hex Head
Bolt, Hex Head 1/2-20 x 3/4
Bolt, Thd Roller 1/4-20 x 2-1/2
Shield, Inner Belt Guard
Screw Hex Wsh Hd #8-18 x 1/2
Spacer Split
Guard, Belt
Pad, Idler
Clip, Cable
V-Belt
KEY PART
NO, NO, DESCRIPTION
13 12000028 Ring, Retainer
14 151223 Sheave, Transmisison
16 12000036 Ring, Klip
17 STD541237 Nut, Hex, Jam 3/8-16
18 161806 Pulley, Idler
19 175377 Arm, Idler
20 STD523712 Bolt, Hex Head 3/8-16 x 1-1/4
21 106968X Shaft, Idler Arm
25 73350500 Nut, Hex, Jam 5/16-18
NOTE: All component dimensions given in U.S.
inches. 1 inch = 25.4 mm
37

TILLER --MODEL NUMBER 917.297011
WHEEL AND DEPTH STAKE ASSEMBLY
2 3
7
6
-13
9
16 21
18
17 19
11
18 17
19
wheel d.stake2
KEY PART
NO. NO.
1 9194R
2 74760520
3 STD523107
4 73220500
5 STD551131
6 STD541437
7 4921H
8 1952J
9 122233X
10 326J
11 74780628
13 1951J
KEY
DESCRIPTION NO.
Pin, Clevis 15
Bolt, Hex Head 5/16-18 x 1-1/4 16
Bolt, Hex Head 5/16-18 x3/4 17
Nut 18
Washer, Lock 5/16 19
Locknut, w/washer 3/8-16 20
Clip, Hairpin 21
Support, Depth Stake, R.H. 22
Stake, Depth 24
Pin, Clevis
Bolt, Hex 3/8-16 x 1-3/4
Support, Depth Stake, LH.
PART
NO. DESCRIPTION
5388J Spring, Stake
121117X Bolt, Shoulder
9188R Wheel
STD551037 Washer 13/32 x 13/16 x 11 Ga.
9190R Bracket, Wheel
STD541437 Locknut, Crown 3/8-16
74760516 Bolt, Hex Head 5/16-18 x 1
STD541431 Locknut, w/insert 5/16-18
73970500 Nut Lock 5/16-18
NOTE: All component dimensions given in U.S. inches.
1 inch = 25.4 mm
38

TILLER ==MODEL NUMBER 917.297011
TINE ASSEMBLY
6
1 2
i
tine_ipb_3
KEY PART
NO. NO.
1 156926
2 3146R
3 156924
4 156923
DESCRIPTION
Tine, Outer, R.H.
Retainer, Spring Zinc
Tine, Inner, R.H.
Tine, Inner, LH.
KEY PART
NO. NO. DESCRIPTION
5 156925 Tine, Outer, L.H.
6 4929H Pin, Clovis
NOTE: All component dimensions given in U.S. inches.
1 inch = 25.4 mm
39

TRANSMISSION
TILLER - - MODEL NUMBER 917.297011
d8
15
14
15
KEY
NO.
1
2
3
5
6
7
8
11
12
14
PART
NO.
74760524
STD523732
STD551037
STD541437
9056R613
188195
165834
187912
151222
9173R
12
DESCRIPTION
Bolt, Hex 5/16-18 x 1-1/2 Gr. 2
Bolt, Fin, Hex 3/8-16 x 3-1/4
Washer 13/32 x 13/16 x 11
Locknut, w/washer 3/8-16
Shield, Tine
Bracket, Engine, R.H.
Bracket, Engine, LH.
Bolt, Shoulder 5/16-18 unc x 2.5
Transmission
Spacer, SpNt
15
transmission 11
KEY PART
NO. NO.
15 73970500
16 19091412
17 19092016
18 STD551125
19 74610412
2O
DESCRIPTION
Nut, Lock Hex Flange 5/16-18
unc
Washer 9/32 x 7/8 x 12 Ga.
Washer 9/32 x 1-1/4 x 16 Ga.
Washer, Lock 1/4
Bolt, Hex 1/4-28 x 3/4 Gr. 5
Engine (See Breakdown)
Briggs Model 126302,3775-B1
NOTE: All component dimensions given in U.S.
inches. 1 inch = 25.4 mm
40

DECALS
TILLER - - MODEL NUMBER 917.297011
9
7 ;o
KEY PART
NO. NO.
2 410842
4 401410
5 137539
6 120431X
7 409138
8 162215
9 409137
10 411816
11 120075X
12 410844
13 411327
-- 413749
DESCRiPTiON
Decal, Logo
Decal, Belt Guard Tine Shield
Decal, Cntrl Pnl Inst.
Decal, Hand Placement
Decal, Engine Oper.
Decal, Tine Shield Warning
Decal, Engine B&S Intek
Decal, Rewind Intek
Decal, Warning, Rotating Tines
Decal, Control Panel
Decal, Inst. 07 Craft.
Manual, Owner's (Eng/Span)
41

TILLER = - MODEL NUMBER 917.297011
ENGINE, BRIGGS & STRATTON -- MODEL NUMBER 126302, TYPE NO. 3775=B1
412
332
_1330 REPAIR MANUAL 742 %
[ 1036 EMiSSiONS LABEL i
5A@
{1329 REPLACEMENT ENGINE}
42

TILLER --MODEL NUMBER 917.297011
ENGINE, BRIGGS & STRATTON -- MODEL NUMBER 126302, TYPE NO. 3775-B1
977 CARBURETOR GASKET SET
51
121 CARBURETOR OVERHAUL KiT
io3%
104_ 127_ 633_ 633A@ 51
358 ENGINE GASKET SET
2O
1211
65_ 58
592 60
689 _:_
456
597
1022
1095 VALVE GASKET SET
993 © o
365
305
1005
455
332_ 1070
23
48 _._
43

TILLER ==MODEL NUMBER 917.297011
ENGINE, BRIGGS & STRATTON -= MODEL NUMBER 126302, TYPE NO. 3775=B1
968
621 832
334_ 445
\163
951
108
163
692_
51
44

TILLER ==MODEL NUMBER 917.297Oll
ENGINE, BRIGGS & STRATTON -= MODEL NUMBER 126302, TYPE NO. 3775=B1
KEY PART KEY PART
NO. NO. DESCRiPTiON NO. NO. DESCRiPTiON
1 899510 CylinderAssembly
3 299819s *Seal-Oil (Magneto Side) 188 899479 Screw (Control Bracket)
5 699486 Head-Cylinder 190 699220 Screw (Fuel Tank)
7698210 *+Gasket-CylinderHead 192 694543 Adjuster-RockerArm
11 790632 Tube-Breather 209 691278 Spring-Governor
12 698485 *Gasket-Crankcase 209A 692571 Spring-Governor
13 699482 Screw (CylinderHead) 219 693578 Gear-Governor
15 591680 Plug-Oil Drain 220 681724 Washer (Governor Gear)
15A 691682 Piug-OiIDrain 222 793107 Bracket-Control
16 699445 Crankshaft 227 692573 ControlLever-Governor
18 699696 Cover-Crankcase 238 691300 Cap-Valve
28 692550 *Seal-Oil (PTOSide) 271 694250 Lever-Control
21 281658s Cap-Oil Fill 276 271716 Sealing Washer
22 699478 Screw(Engine Surnp) 281 793122 Panel-Control
23 599488 Flywheel 300 593593 Muffler
24 222698s Key-Flywheel 304 699598 Housing-Blower
25 791988 Piston Assembly(Standard) 305 699480 Screw (Blower Housing)
791326 Piston Assembly(.820" Oversize) 306 693610 Shield-Cylinder
26 791969 Ring Set-Piston (Standard) 307 899483 Screw (Cylinder Shield)
791324 Ring Set-Piston (.020"Oversize) 332 899359 Nut (Flywheel)
27 691866 Lock-PistonPin 333 695711 Armature-Magneto
28 499423 Pin-Piston 334 699477 Screw (Armature Magneto)
29 690124 Rod-Connecting 337 491855s Spark Plug
38 692562 Dipper-ConnectingRed 356 692390 Wire-Stop
32 691664 Screw (Connecting Rod) 358 791797 GasketSet-Engine
32A 695759 Screw (Connecting Rod) 383 19203 FlywheelPuller
33 499642 Valve-Exhaust 385 699484 Screw (Carburetor)
34 499641 Valve-intake 383 19374s Wrench-SparkPlug
35 681304 Spring-Valve (intake) 415 693463 Plug
36 691304 Spring-Valve (Exhaust) 425 692583 Screw (Air Cleaner Cover)
37 699661 Guard-Flywheel 427 684255 Nut (Control Bracket)
48 892194 Retainer-Valve 445 491588s Filter-Air Cleaner Cartridge
45 690977 Tappet-Valve 455 692591 Cup-Flywheel
46 693404 Camshaft 456 692299 Plate-Pawl Friction
48 791518 Short Block 459 281585s PawI-Ratchet
51 692555 *D:j:+Gasket-intake 504 684254 WasherSet
55 691422 Housing-RewindStarter 505 691251 Nut (Governor ControlLever)
58 893389 Rope-Starter (Cut to Required Length) 552 692348 gushing-GovernorCrank
68 691915 Grip-Starter Rope 562 691112 Bolt (Governor Control Lever)
65 690837 Screw (RewindStarter) 592 690800 Hut (Rewind Starter)
78 699228 Screw (Flywheel Guard) 597 691896 Screw (Pawl Friction Plate)
95 691836 Screw (Throttle Valve) 601 791850 Clamp-Hose
97 690024 Shaft-Throttle 608 693394 Starter-Rewind
98 398185 Kit-idle Speed 613 781972 Screw(Muffler)
184 691242 OPin-Float Hinge 615 692576 Retainer-Governor Shaft
188 692567 Valve-Choke 616 692547 Crank-Governor
189 790624 Shaft-Choke 619 699230 Screw(Cylinder Head Plate)
117 498978 Jet-Main (Standard) 621 692310 Switch-Stop
118 488975 Jet-Main (High Altitude) 632 893408 Spring/Link-Mechanical Governor
121 792006 Kit-CarburetorOverhaul 633 693867 O$Seai-Choke/Throttle Shaft
122 693749 Spacer-Carburetor 633A 691321 04:Seal-ThrottleShaft
125 791077 Carburetor 635 692078 Boot-SparkPlug
127 691739 8Plug-Welch
130 691181 Valve-Throttle
133 398187 Float-Carburetor
134 398188 OKit-Heedie/Seat
137 893981 04:Gasket-Float Bowl * included in EngineGasket Set, Key. No. 358
146 890978 Key-Timing 9 Includedin CarburetorOverhaulKit, Key. No. 121
155 698214 Plate-Cylinder Head t: Includedin Carburetor Gasket Set, Key. No. 977
161 790631 Base-Air Cleaner + Includedin Valve GasketSet, Key. No. 1095
163 696024 *94:Gasket-Air Cleaner
186 692317 Connector-Hose NOTE: All componentdimensionsgiven in U.S. inches
187 791874 Line-Fuel 1inch= 25.4 rnrn
45

TILLER ==MODEL NUMBER 917.297Oll
ENGINE, BRIGGS & STRATTON -= MODEL NUMBER 126302, TYPE NO. 3775=B1
KEY PART
NO. NO. DESCRiPTiON
063 8992g6 Screw(Control Panel)
068 684257 Spacer
676 393757 Degector-iVluffler
677 590661 Screw (Muffler Deflector)
889 691855 Spring-Friction
892 690572 Spring-Detent
718 690959 Pin-Locating
741 695087 Gear-Timing
742 692564 Retainer-E Ring
746 692566 Gear-idler
773 594258 Retainer
830 894544 Stud (Rocker Arm)
832 893583 Guard-lVluffler
838 699293 Screw (IViuffierGuard)
836A 899632 Screw (IVluffierGuard)
851 493889s Terminal-Spark Plug
868 892044 *+Seal-Valve
883 691893 *Gasket-Exhaust
014 899481 Screw (Rocker Cover)(Bottorn)
014A 692557 Screw (Rocker Cover) (Top)
014B 897551 Screw (Rocker Cover) (Center)
051 780630 Lever-Choke
057 894261 Cap-Fuel Tank
068 791082 Cover-AirCleaner
071 890370 Screw (Air Cleaner Base)
072 894260 Tank-Fuel
075 493640 Bowl-Float
077 897001 Gasket Set-Carburetor
093 694088 *+Gasket-CylinderHead Plate
1005 892582 Fan-Flywheel
1022 691890 *+Gasket-RockerCover
1023 499824 Cover-Rocker
1025 790287 Rod-Push
1029 591230 Arm-Rocker
1034 891343 Guide-PushRod
1038 Label-Emissions(Available from
an AuthorizedBriggs& Stratton
Service Dealer)
1058 iVIS3797 Operator's IVlanual
1070 899291 Screw (Flywheel Fan)
1985 791798 Gasket Set-Valve
1210 498144 Assembly-Pulley/Spring (Pulley)
1211 498144 Assembly-Pulley/Spring (Spring)
1329 121302-0520 Replacement Engine(Replacement
engine listed is notavailable in the
State of California. Repair with
individualparts.)
1330 272147 Repair Manual
* included in Engine GasketSet, Key. No. 358
0includedin CarburetorOverhaul Kit, Key. No. 121
4: includedin CarburetorGasketSet, Key. No. 977
+ Includedin Valve GasketSet, Key. No. 1095
NOTE: All componentdimensionsgivenin U.S. inches
1inch=25.4 rnrn
46

47

iiiiiiiiiii!ii!iiiiiii!ii!!_
!!iiiii_iiiiiiiiiHiiiiiiii!_
iiiiii!iiiiiiiiiii!i!!iiiii_
i_iiiiiiiiiiiiiiiiiiiiiiiiiiii
iiiiiiH iiiHiiiHi!ilH!iii!i
!!iiiiilHiiiiiiiiiHiiHiiii!i
i!iiiiii iiiii ii!!!iii!iH iiiii
iiiiiiiiiiii_iiiiiiiiilHiiii!_i
_iiiii_iiiii!!iiiiiiiii!iiiil_
_iiiii_iiiii!!iiiiiiiii!iiiil_
_iiiii_iiiii!!iiiiiiiii!iiiil_
Your Home
For repair - in your home - of all major brand appliances,
lawn and garden equipment, or heating and cooling systems,
no matter who made it, no matter who sold it!
For the replacement parts, accessories and
owner's manuals that you need to do-it-yourself.
For Sears professional installation of home appliances
and items like garage door openers and water heaters.
1-800-4-MY-HOME ® Anytime, day or night
(1-800-469-4663) (U.S.A. and Canada)
www.sears.com www.sears.ca
Our Home
For repair of carry-in products like vacuums, lawn equipment,
and electronics, call or go on-line for the nearest
Sears Parts and Repair Center.
1-800-488-1222 Anytime, day or night (U.S.A. only)
www.sears.com
!!!!i!!!ii!!!!!!!!!!!i!!!!!1-800-827-66SS!OSA/
iiiiiiiiiiiiiiiiiiiiiiiiiii!ii!i
iiii!_iiii:ili::!!iii::!i
iiiiiiiiii::iiiiiiiiii!!illParapedirserviciodereparaci6n
iiiiiiiiiiiiiiiiiiii!!iiilladomicilio, yparaordenarpiezas:
:_iiiiiiiiiii;;ii;,iiiiiiiiii;,,,,l"888"SU'HOGAR®
:i!!!!iiiiiii!iiiiiiiiiiiiiiiiiiiiiiiii,,' (1-888-784-6427)
_!i!!iiiiii!iiiiiiii!!iiiiiiiiii!!!i_,.....
_i!!!iiiiiiiiiii!!iiiii!!!!iiiiii!!iiiii_.....
' .......................SeNIrs
To purchase a protection agreement (U.S.A.)
or maintenance agreement (Canada) on a product serviced by Sears:
1-800-361-6665 (Canada)
Au Canada pour service en fran£ais:
1-800-LE-FOYER Mc
(1-800-533-6937)
www. sears, ca
_iiiiiii!ii!!ii!!iiiii!!iiiiiiiii
_,_HH_H_HHHHHHHHH_
ii_iiiiii_iiiii_iiiiHiiii_ii!iiii
iiiiiiiiiiii_i!!i!!iiiiii!mi
iiiiiiiiiiiiii!iiiiiiiiiiiH_
iiiiiiiiiiii!!iiii!iii_iii_ii
iiiiiiiiiiiiiiiiiiiiiii!iiiiii
iiiiiiiii_iiiii_iiiii_iiiii_iiii!i
iiiiiiiiiiiiiiiiiiiiiiiiiiiill
iiiiiiiiiiiiiiiiiiiiiiiiL
_iiiiiiii!!iiii!!iiiii!iiii!_
,_iiiiiiiiiiiiiiiiii!!iiiiiiiiiiii!'
,_iiii!i!!iiiiiiiiiiiiiiiiiiiiiiii_'
_Hii!!ii!!ii!!iiiiiiiiiiiiiiii!!iiiiii_
_ii!!!!iiii_i!!i_!i_i!_!!i_!i_i!_!!i_!i_i!_!!i_!i_i!_!!i_!i_i!_!!i_!i_i!_!!i_!i_i!_!!i_!i_i!_!!i_!i_i!_!!i_!i_i!_!!i_!i!!i!!i!!ii_i!i_i!i_;_...........
© Sears Brands, LLC
® Registered Trademark /TM Trademark /SMService Mark of Sears Brands, LLC
® Marca Registrada /TMMarca de F&brica /SMMarca de Servicio de Sears Brands, LLC
MC Marque de commerce /MDMarque depos6e de Sears Brands, LLC
413749 Rev. 1 01.28.08 AP Printed in U.S.A.