Craftsman 917353730 User Manual CRAFTMAN 3.7 CHAIN SAW OR 3.7PS Manuals And Guides L0809072
CRAFTSMAN Chainsaw, Gas Manual L0809072 CRAFTSMAN Chainsaw, Gas Owner's Manual, CRAFTSMAN Chainsaw, Gas installation guides
User Manual: Craftsman 917353730 917353730 CRAFTSMAN CRAFTMAN 3.7 CHAIN SAW OR 3.7PS CHAIN SAW - Manuals and Guides View the owners manual for your CRAFTSMAN CRAFTMAN 3.7 CHAIN SAW OR 3.7PS CHAIN SAW #917353730. Home:Lawn & Garden Parts:Craftsman Parts:Craftsman CRAFTMAN 3.7 CHAIN SAW OR 3.7PS CHAIN SAW Manual
Open the PDF directly: View PDF .
Page Count: 32

.Assembly
®Operation
. Msintenance
. RepairParts
I:RRFTSIVinNo
33 CHAIN SAW
OR
CHAIN SAW
MODEL NO,S.
917.353730
917.353731
IMPORTANT:
I
AND INSTRUCTIONS
_CAREFULLY
|
I
MODEL NOS.
917.353770
917.353771
Sears, Roebuck and Co_, Chicago, Illo 60684, U,S.A_

MODEL ;
NUMBER_
SERIAL
NUMBEL
THE MODEL AND SERIAL NUMBERS
WILL BE FOUND ON THE MODEL
PLATE LOCATED BELOW "ON-OFF"
SWITCH
YOU SHOULD RECORD BOTH MODEL
AND SERIAL NUMBERS AND KEEP
IN A SAFE PLACE FOR FUTURE REF-'
ERENCE.
CONGRATULATIONS...
on your purchase of a Craftsman 3°7
Chain Saw. tt has been designed, engin-
eered and manufactured to give you de-
pendability and pe_'formanceoShould you
experience any problem you cannot
easily remedy, please contact your near-
eat Sears, Roebuck and Coo store_ They
have competent, welt-trained technicians
and the proper tools and parts to service
or repair this unit.
Please read and retain this manual Fol-
[pwlng the ]_ules for _pfe Ot2eratzon ,
"'Assqmbly", "Operation", and-Mainten-
ance" instructions will help you achieve a
long, safe, service life for your Chain Saw°
ENJOY USING YOUR
NEW CRAFTSMAN 3.7
CHAIN SAW TO MAKE...
4;
LOG DISCS...
for paths, pat os steps. Simplest of all
Chmn Saw prolects.. Cut 4 thtck slices
from alog at least 10!' in diame_ter. Treat
with wood preservative and place on a
fi_m bed"of crushed rock.. :
FIRE WOOD...
Your National Forest Ra_qgermay permit
removal of dead or downed timber for a
_odest fee -- a clear) forest is lesssuscep-
t!ble tO fires and disease_Quick burning
evergreens will split easily to kindle slow-
er burning hardwoods_ Measure "_i0urfire-
place before you start -- logs don_t bend.
FENCES...
make good neighbors, especially the rus-
tic split rails so suggestive of the "good
old days". Use cedar or redwood, or any
good splitting wood. Split rails with an ax
and wedges, notch and fit so your fence
is self supporting.,
TABLES AND BENCHES...
from half logs, slices or planks drilled and
pegged. Legs of smaller diameter logs
are whittled, fitted and wedged into drill-
ed tops.
With other tools, good Chain S_w techni-
que, and your imagination you'll soon be
inventing many other Chain Saw projects.
BY THE 1NAY...
Don't forget to visit your' nearby Sears
store for Chain Saw accessories, Chain
Guards and Saw Maintenance Items that
can make your projects more enjoyable°

TABLE OF CONTENTS
WARRANTY ................. 1
RULES FOR SAFE OPERATION ...... 1
ASSEMBLY INSTRUCTIONS ........... 2
OPERATION INSTRUCTIONS ........... 5
MAINTENANCE INSTRUCTIONS ...... 9
CHAIN SHARPENING INSTRUCTIONS ., 9
TROUBLE SHOOTING ............ 16
REPAIR PARTS ............. 18
LOOK FOR THIS SYMBOl. TO POINT
OUT IMPORTANT SAFETY PRECAU-
TIONS. IT MEANS -- ATTENTION!
BECOME ALERT! YOUR SAFETY IS
INVOLVED,
FULL 90-DAY WARRANTY
For 90 days from the date of purchase, Sears will repair any de-
fect in material or workmanship in this gasoline chain saw at no
charge
If the chain saw is used for commercial or rental purpo_s, the
warranty applies for only thirty days from the date of purchar_.
Warranty service is available by contacting the nearest Sears store
or Service Center throughout the United States_
This warranty gives you specific legal rights, and you may also
have other rights which vary from state to state.
Sears, Roebuck and Co,1
Sears Tower
BSC 41-3
Chicago, !il 60684
SPECIAL NOTE
In some states, such as California, laws covering chain saws (having internal combustion engines}, when used in areas covered by
forests, brush or grass (excluding residential lawns and landscaped areas}, necessitate fitting the saw's muffler with an additional
heat shield to reduce muffler surface temperatures, Sears offers such a shield as an optional accessory kit° Muffler Heat Shield Kit
Catalog No. 32-36178 can be purchased at your Sears Service Center. Check with your state conservation or forestry department
about their regulations before operating this Sears Chain Saw on any forest-covered, brush-covered or grass-covered areas, Oregon
and Washington have similar requirements with respect to forest-covered lands°
RULES FOR SAFE OPERATION
1o KNOW YOUR ShtW,
Use your Owner sManual to become familiar with your
Saw and proper cutting methods before you begin cutting,
2, LIMIT YOUR SAW'S USE TO TRAINED ADULTS.
Never allow children to operate your Saw or adults lacking
proper instruction,,
3, PLAN AHEAD.
Keep onlookers and pets a safe distance away when starting
or operating your Saw,,
USE EYE, EAR, HEAD, HAND, AND FOOT PROTEC-
TION and never wear loose clothing or jewerly.,
Take time to carefully study your sawing operation, plan-
ning cuts required and clearing retreat paths° Be alert to
conditions which might alter your plans as you are cutting,
4o TAKE PRECAUTIONS AGAINST FIRE,
Take fire fighting equipment with you when operating the
Saw in dry areas_
Handle fuel with care:
a. Use approved gasoline and oil containers and store them
away from heat or open flame, out of the reach of chil-
dren,
bo Turn the engine off and let your Saw cool before remov-
ing the fuel tank cap and refueling your Saw,
d. Do not smoke while operating or refueling your Saw.
d. Refuel your Saw outdoors in a clear area.
e, Wipe your Saw clean of any spilled oil or fuel and move
away from the fueling area before starting your Saw,
Never run the Saw without the muffler or muffler screen.
5. RESPECT YOUR SAW.
Do not start or run Saw indoors to avoid Carbon Monoxide
poisoning from exhaust gases.
When starting Saw, pick an area clear of loose gravel or
flammable debris, hold Saw firmly to the ground without
letting the Guide Bar touch anything, and start your Saw
without assistance,
Take a position uphill of expected fall or roll of logs, then
practice cutting on fallen logs before felling trees° Take
special care when cutting wood that is under stress.
Don_t operate your Saw when you're tired° Fight careless-
ness and avoid distractions,
Cut wood only,
When sawing, maintain a firm grip with both hands, thumbs
opposing fingers and a secure footing. Do not saw on lad-
ders, platforms or in any other position which might en-
danger your balance and thus cause loss of positive Saw
control. -1-
6_
Keep hands, body and clothing away from the moving
chain°
Stop Saw Engine and wear heavy gloves when handling
Saw Muffler area or Chain.
LOOK OUT FOR KICKBACK, When the moving chain or
the tip of the guide bar is stubbed or pinched in a cut, the
bar and chain can be thrown up and back or down and
back with considerable force° THIS IS KICKBACK!
Avoid touching limbs or other objects with the tip of the
Guide Bar while the chain is moving.
Stand slightly to the side rather than directly behind Guide
Bar°
Do not reach above shoulder height or outward beyond
your point of positive Saw control as you cut.
Avoid striking cement or metal, etc. buried in the wood.
Obtain full chain speed before cutting or resuming pre*
vious cut. Start cutting with fro_t of _3aw Frame against
log or tree. Never use your Saw for boring.0
Plan c_tting to avoid situations which might cause Guide
Bar to be pinched in acut. If, however, your Saw does be-
come pinched in a cut, STOP THE ENGINE BEFORE RE-
MOVING IT.
7. MAINTAIN SAW IN GOOD WORKING ORDER,
Keep your entire Saw clean of sawdust, chaff, oil or fuel
and keep handles clean and dry.
Keep oil and fuel caps, bolts and screwstight.
Make all adjustments (except carburetor) with engine stop-
ped and spark plug disconnected.
Adjust carburetor so that chain stops when throttle trigger
is released.
Keep chain sharp and properly tensioned.
Stop your Saw, inspect and repair if necessary after chain
strikes a foreign object.
All service other than that included in this Manual should
be performed by a competent technician.
8, TRANSPORT AND STORE SAFELY.
Stop your Saw engine before setting it down or carrying it
to another location.
Carry stopped Saw with Guide Bar behind (preferably
covered) and muffler away from your body°
Cool your Saw completely and cover Guide Bar before
transporting in any vehicle,
Drain oil and fuel tank and run Saw engine to use remain _
ing fuel, then cool completely before storing in any en-
closure,

NOTE: MODEL 917.353770 tS
ILLUSTRATED THROUGH-
OUT THIS MANUAL WHERE
INSTRUCTIONS APPLY TO
ALL MODELS,
HAND GUARD CHAIN
SAW
OIL
GUIDE
BAR
WRENCH
FRAM_
GUIDE /F'_
BAR //
NUTS
GUIDE BAR
CHAIN
GUIDES
FIGURE 2
FLAT
WASHER
"_" MACHtN E
SCREW
BASE
PLATE
HAND
NUT
SPRING
WASHER
WASHER
CHAIN
FIGURE 1
ASSEMBLY
YOU SHOULD HEAR A
FRAME; FUEL AND OiL
HOSES_
RATTLE INSIDE THE SAW
FILTERS ARE ON FLEXIBLE
WEAR HEAVY GLOVES WHEN HAND-
LING SAW CHAIN,
.Identif_¢ the Saw parts (Fig, 1) as ypu remove them from
the shipping carton, NOTE: THE GUIDE BAR WRENCH
(FURNISHED WITH YOUR SAW) AND A 7/16"WRENCH
ARE THE ONLY TOOLS YOU WILL NEED TO ASSEM-
BLE AND ADJUST YOUR SAW.
2o Soak Chain in light oil for a few minutes before assembly,
-2-
INSTALLATION OF HAND GUARD
1. Remove Nut, Spring Washer and Flat Washer from Stud
in Front Handle (Fig. 2L
2_ Assemble Hand Guard over Bushing and against Flat
Washer, Next, assemble remaining Flat Washer and Spring
Washer. NOTE: CONCAVE SURFACE OF SPRING
WASHER MUST FACE FLAT WASHER. Secure with Nut.
Tighten Nut until Hand Guard is secureto handle, DO NOT
OVERTIGHTEN. Hand Guard must move easily to fill
fuel and oil tanks_
INSTALLATION OF BAR
A ND C H AIN
1o Using the Guide Bar Wrench, remove the two Guide Bar
Nuts and Outer Chain Guide from Guide Bar Studs (Fig_ 3L
2. Remove Machine Screw from Base Plate (Fig. 2).
3. Be sure upper and lower" edges of inner Chain Guide are
bent TOWARD the Saw Frame (Fig. 3). '

4. Place Guide Bar over Guide Bar Studs, NOTE:BAR GOES
ON ONLY ONE WAY--NOTE CONTOUR OF BAR (FIG.
4)° ALSO, THE SMALL ROUND HOLE COMPLETELY
THRU THE BAR IS BELOW BAR SLOT.
5, Hold Guide Bar slightly away from the Saw Frame., Push
_Baras far TOWARD the Chain Sprocket as it will go. Place
Chain Drive Links around Chain Sprocket and in Guide Bar
groove (Fig. 5), SHARP EDGES OF CUTTERS MOVE
AWAY FROM THE SAW FRAME ON TOP OF THE
GUIDE BAR (FIGo 5- INSET),
B, Place Outer Chain Guide on Guide Bar Studs with upper
and lower edges bent AWAY from the Saw Frame (Fig,,
6-A) o
7. (Fig. 6). Push Guide Bar against Saw Frame. (Fig. 6-A)o
Hole in Guide Bar should be centered in slot of Outer Chain
Guide It may be necessary to pull Bar forward.
8o (Fig., 6-B)o Center Chain Tightener Block Pin in Slot of
Chain Shield. To do this, turn Chain Tension Adjusting
Screw,
go (Fig° 6), Place Chain Shield onto Guide Bar Studs, Holding
Chain Shield to Frame, turn Saw on its side (Fig. 6-C)_
Chain Tightener Block Pin must be in Hole of Guide Bar,
in order to tension Chain (Page 4).
10. Set Saw upright (Fig° 7), Assemble Chain Shield to Saw
Frame with Guide Bar Nuts_ Assemble Machine Screw in
rear corner of Chain Shiel& NOTE: Tighten Machine Screw
securely, Tighten Guide Bar Nuts FINGER TIGHT ONLY.
GUIDE BAR
ROUND GUIDE
HOLE BAR
CHAIN SPROCKETI
GUIDE
BAR
.FIGURE 4
CHAIN
TRAVEl
DRIVE'
LINKS
FIGURE 5
FIGURE
CHAIN
GUIDE
GUIDE BAR HOLE
CHAIN
SHIELD CHAIN TENSION
ADJ USTI N G
SCREW
GUIDE BAR
SAW
GUIDE BAR
FIGURE 6
VIEW OF SAW ON
ITS LEFT HAND
SIDE LOOKING UP
TO BOTTOM OF
CHAIN SHIELD.
'tGHTENEB
PIN
GUIDE
BAR
FIGURE 6C
CHAIN
TENSION
ADJUSTING
CHAIN
TIGHTE
BLOCK PIN
SHIEL[
SLOT
-3-

LOOSEr
FIGURE 8
CHAIN TENSION EW
GUIDE
TENSION CHAIN
2_
3_
Hold end of Guide Bar upo Leave Guide Bar Nuts
FINGER TIGHT ONLY. Turn Chain Tension Adjusting
Screw clockwise until there is no droop or sag in the
Chain (Fig. 8),,
Still holding end of Guide Bar up, tighter} Guide Bar Nuts
securely (Fig,, 9).
Test Chain tension by lifting Chain at the center of the
Guide Bar. Bottoms of Cutters should raise approx=mately
1/8 inch above the Guide Bar (Fig, 9).
a. If Bottoms of Chain Cutters can be lifted more than 1/8
inch above Guide Bar, LOOSEN GUIDE BAR NUTS.
Turn Chain Tension Adjusting Screw clockwise to
tighten tension, TIGHTEN GUIDE BAR NUTS and
test again.
b, if Bottoms of Chain Cutters cannot be lifted 1/16 inch
above the Guide Bar, or if the Chain cannot be pulled
easily around the Bar by hand, LOOSEN GUIDE BAR
NUTS_ Turn Chain Tension Adjusting Screw counter-
clockwise to loosen tension, TIGHTEN GUIDE BAR
NUTS and test again,
FILL CHAIN OIL TANK
1. Push Hand Guard to the rear for easier filling of Fuel and
Oil Tanks (Fig. 10).
2_ Fill Chain Oil Tank (Fig, 10) with Sears Bar' and Chain
Lubricant--suitable for use in any temperature_ You may
also use any good multi-grade automotive type oil. if used
in temperatures below 0°F, thin oil with a small amount
of kerosene (approximately 6 ounces per quark of oil).
Tighten Cap securely. NOTE: THIS TANK IS FOR BAR
AND CHAIN LUBRICATION ONLY.
MIX FUEL AND FILL FUEL TANK
MIX SAW FUEL IN AN AREA WITH ADE-
QUATE VENTILATION AND AWAY
FROM HEAT OR FLAME,
t. Mix fuel.. Prepare only enough to last for one or two days
cutting_
a. Use fresh Regular Grade Gasoline leaded or unleaded,
however, DO NOT SWITCH TO LEAD-FREE GASO-
LINE IF INITIAL OPERATION USED LEADED GAS-
OLINEo Do not use Premium Grade or White Gasoline,
Mix in a ratio of 16 to 1 with Sears Chain Saw Engine
Oil or SAE 30 non-detergent oif for 2 cycle air cooled
engine fuel mixing,,
Gasoline
1gallon
2 gallons
2-1/2 gallons
5 gallons
Oil
8ounces (1/'2 pint)
16 ounces (1 pint)
20 ounces (1 - 1/4 pints)
40 ounces (1 quart + 1/2 pint)
b,, Pour half of the gasoline into aclean container_ Add all
of the oil and shake or stir vigorously, Add remainder
of the gasoline and shake or stir again_ When preparing
rue| mixture in low temperatures, thin the oil with
some of the gasoline before adding it to the gasoline.
NOTE: NEVER MIX FUEL IN THE CHAIN SAW
FUELTANK_
2o Fill Fuel Tank (Fig_ 10). NOTE: DO NOT OVERFILL.
ALLOW 3/4 INCH FOR EXPANSION. Tighten Cap secure
ly.
KEEP THE HANDLES DRY, CLEAN OF
CAP OIL OR FUEL M|XTURE.

OPERATION
STARTING
MOVE CHAIN SAW AT LEAST 10 FEET
AWAY FROM FUELING POINT.,
Make sure your Saw is fueled and Chain Oil Tank filled
properly (Page4).
Set the Automatic Oiler Metering Knob at 1 -1/2 turns
open (counterclockwise). Press Manual Oiler Pump Button
several times to force oil lubrication onto Bar and Chain
(Fig. 11),
Move "ON-OFF" Switch to "ON" position (Fig° tt),
Squeeze Throttle Lever and push in on Throttle Detent
(Fig's. 11 and 12),
Push Compression Release Button down and back to latch
in this position (Fig, 12),,
Pull Choke out completely (Fig_, 11),
TAKE PROPER STARTING POSITION
WITH SAW ON THE GROUND (IN A DE_
BRIS-FREE AREA) RIGHT FOOT IN
REAR HANDLE AND LEFT HAND ON
FRONT HANDLE (FIG. 13).
Pull Starter Handle slowly until a slight resistance is felt
(between 2 and 4 inches) then finish the pull sharply, Re-
peat as necessary_ holding Starter Handle as starter recoils
avoiding a free snap rewind. NOTE: DO NOT PULL
STARTER HANDLE MORE THAN 2 - 1/2 FEET TO
AVOID CORD DAMAGE,,
When Saw fires, push Choke half way in to prevent En-
.llf .* II
gne OOolng
When engine starts, squeeze Throttle Lever fully to release
Throttle Detent and Compression Release Button. The
Saw is now at IDLE-THE CHAIN SHOULD NOT BE
MOVING°
FIGURE 11
IF CHAIN DOES MOVE WITH SAW AT
IDLE, THE CARBURETOR MUST BE AD-
JUSTED (PAGE 12).
Push Choke in as engine warms or as engine begins to labor
from overrich mixture,
THE MUFFLER AND IMMEDIATE AREA
BECOME HOT WHEN OPERATING YOUR
SAW ENGINE.
_/ARM ENGINE STARTING
nce the engine is warm, choking is usually not necessary to
start. Choking awarm engine or over-choking a cold engine
ill cause flooding.
lOT FUEL STARTING
IAPOR LOCK CONDITIONS)
hot weather (above 90°F.) if engine is difficult to restart
ter refueling, or shortly after being shut-off, it may be the
suit of vapor lock. This condition will be minimized by
;ing gasoline for the fuel mixture that has been correctly
ended for the season°
this VAPOR LOCK CONDITION should occur the follow-
g procedures will minimize engine restart problems,
. Move "ON-OFF" Switch to "ON" position (Fig, 11)_
Squeeze Throttle Lever and push in on Throttle Detent
,If
(Figs., 11 and 12),
)//_/ STARTER
E
FIGURE 13
3. Push Compression Release Button down and back (Fig, 12).
4, Pull Choke out as far as it will go (Fig. 1 1).
5. Pull Starter with shor_, r_pid movements until Engine fires,
Push Choke halfway IN and continue starting procedure
until engine runs.
6. Hold at full Throttle and gradually push Choke f_lly in.
A SHO_,T PERIOD OF ENGINE OPERATION AT HALF
CHOKE MAY BE REQUIRED TO CLEAR VAPOR
FROM SYSTEM°
STOPPING
-5 - Flip _ON-OFF" Switch to _'OFF" position (Fig, t t),

USING YOUR CHAIN OILING SYSTEM
1, Press the Manual Oiler Pump Button often during the first
few minutes of operation even if you are not cutting wood
(Fig, 14).
2+ The Automatic Oiler Metering Knob setting at 1 -1/2 turns
open is for green wood; if seasoned hard wood is being cut,
more oil will be required -* turn Knob counterclockwise to
increase oil flow (Fig, 14)+
3+ As you cut wood, especially if Saw and oil are cold, use the
Manual Oiler' Button to temporarily increase the amount
of oil delivered to the chain. Check oil level as you cut by
pressing Manual Oiler Button, Less resistance indicates
Chain Oil Tank needs refilling.
4, Keep Chain Oil Tank fulI+ YOU CAN EXPECT TO USE
ALMOST ONE TANK OF CHAIN OIL FOR EACH TANK
OF FUEL USED,
CHECK BEFORE
¢
¢
YOU CUT
lS THE CHAIN TENSIONED PROPERLY? A chain
can hammer itself to pieces if too loose -- and burn
up if too tight! (See page 4),
IS THE POWER SHARP KNOB iN STORAGE POSI_
TION? Knob should be in the far right hand position
in Support Plate (Fig. 14)+
ARE THE CHAIN AND BAR GETTING ENOUGH
OIL? Throttle up to cutting speed for a few seconds
holding Bar Nose approximately six inches from test
surface+ Enough oil should be thrown from chain to
mark test surface (Fig. 15}. Open Automatic Oiter
Metering Knob farther if necessary.
DO NOT ALLOW BAR NOSE TO
TOUCH TEST SURFACE.
q_ ARE "ALL SYSTEMS GO"? if your Saw i_n't per-forming Rroperly .please check our handy Trouble
Shooting- section on pages 16 and 17+
USING GOOD SAWING TECHNIQUE
Practice cutting a few limbs or small fogs to get the "feel '_ of
your' Saw using Good Sawing Technique,
USE A FIRM GRIP (THUMBS OPPOSING
FINGERS) WITH LEFT HAND ON FRONT
HANDLE AND RIGHT HAND ON REAR
HANDLE. KEEP A SECURE BALANCED
FOOTING TO THE LEFT OF THE SAW
AND DON'T OVERREACH (FIG. 16),
1. Squeeze Throttle Lever fully before starting the chain in-
to wood+ The chain will cut more efficiently with engine
at top speed+
2+ Start cutting with the front of Saw Frame against the Ioc,
or tree and pivot as you cut so that the Bar Nose enters th_
cut last (Fig. t6)+
3, Allow the Chain to cut for you and hold Saw so that the
Chain runs free in the opening cut. You need not rock th_
Saw back and forth in the cut or use great force, If y0u dc
use excessive force to cut, damage to the bar+,chain, o_
engine may result+
4. Keep Saw chain at cutting speed until Bar is completel_
free of cut, ttmn release Throttle Lever to idle engim

USING GOOD TREE FELLING TECHNIQUE
A SAFE WORKING PROCEDURE IS
YOUR FIRST LINE OF DEFENSE TO-
WARD PREVENTING ACCIDENTS
1. SIZE UP THE TREE.
a. Determine natural felling direction ....
-- toward the direction of natural lean.
-- toward the side with more or heavier branches.,
-- (if heavily leaved) with the direction of the wind.t
b., Avoid felling a tree ....
-- if it shows signs of rot which may make felling unpre-
dictable.
-- if it's natural felling direction must be changed to
avoid obstacles.,
-- if hanging dead limbs (_widov_ makers =_) cannot be
removed before felling.,
-- if wind is strong or gusty.
2. PLAN YOUR ESCAPE ROUTE, Choose a route back and
to one side of the direction of tree fall (Fig, 17),, You
should plan a route that will place you at least twenty feet
from the stump at the time the tree hits the ground,
3. CLEAR THE BRUSH AND DEBRIS from around the tree
and along your escape route, Examine tree in cutting area
and remove dirt or foreign material which might dull or
break the chain as you cut_
4. FELL THE T_EE. ,
a. Undercut ( notch ) the tree on the side of natural fall
(Fig. 18),
-- Make the first cut horizontally I/3 the tree diameter
at acomfortable working height.
-- Finish the undercut with sloping cut to meet but
not cross the first,,
-- Clean out the undercut wood.
fl ,Ii
b. Backcut ( felling cut )the tree opposite the notch (Fig..
18).
- Make the horizontal felling cut opposite the side of
natural fall. at least 2 inches above the horizontal un-
dercut,,
-- For trees larger than bar length make two felling cuts
pivoting bar nose in last, in on one side. then pivoting
in from the other to complete the cut (Fig. 19).
-- Some trees may need to be pushed into the under-
cut. Drive wedges into the backcut, stopping often
to drive wedges tight but taking care not to place
them where they will interfere with cutting or direc-
tion of fallo Use plastic or wood wedges so that they
cannot dull saw chain if accidentally hit.
-- DO NOT CUT COMPLETELY THROUGH TO THE
UNDERCUT. Leave at least a 2 inch hinge to hold
and guide the tree down in the direction you planned
and keep the tree from snapping off the stump., Make
sure to keep the hinge a uniform thickness to pre-
vent the tree from pivoting on the stump°
5. ESCAPE. As your backcut nears the undercut, watch the
treetop and the cut for signs of movement., Be alert -- as
soon as the tree starts to move, pul! your saw from the
tree, turn it off, put it down, and move away quickly on
you[ escape route. If your saw is pinched in the backcut--
don twait until the falling tree frees it., Shut if off and
leave itl
BE ALERT TO CONDITIONS WHICH
MIGHT ALTER YOUR PLANNED ES-
CAPE ROUTE AND WATCH WHERE YOU
ARE GOINGI
6. STUDY THE STUMP. Improve your felling technique by
analyzing your work (Fig. 20).
a. Did the undercuts meet without crossing?
b;. Was the backcut horizontal, parallel to the undercut and
at least 2 inches above it?
c,, Was the hinge at least 2 inches thick and of uniform
thickness? -7-
BACKCUT
("FELLING CUT"}
HINGE
UNDERCUT
("NOTCH")
IIIIIIIIIIIIIIIII
Ot RECTION
OF FALL
FIGURE 20

PREVENT KICKBACK. NEVER LET THE
MOVING CHAIN AT THE BAR NOSE
CATCH OR STUB ITSELF OR THE BAR
WILL RECOIL BACK AND UP OR DOWN
DEPENDING ON WHERE IT HAS BEEN
STUBBED (FIG. 21).
ALWAYS STOP THE ENGINE BEFORE
MOVING FROM TREE TO TREE.
FIGURE 22
,TOPCUT
FIGURE 21
IF YOUR SAW SHOULD BECOME PINCH-
ED IN A CUT, STOP THE ENGINE BE-
FORE REMOVING IT.
LIMBING
I,, Cut branches and limbs from the felled tree starting at the
base, working towards the top, Leave the larger lower limbs
to support the tree as you work°
EXTREME CARE SHOUL.D BE TAKEN
CUTTING LIMBS WHICH MAY SPRING
OUT IN ANY DIRECTION,
2. Large lower branches which support the felled tree's weight
should first be top cut° Then, undercut them so the cut
opens away from the saw, n that way, your saw won't be
closed on or pinched (Fig,. 22}.
BUCKING (CUTTING LOGS)
2_
.
4.
STAND TO SIDE OF THE SAW, NOT BE-
HIND IT AND TAKE A POSITION UP-
HILL OF POSSIBLE LOG ROLL.
Logs resting on the ground for their entire length can be
I II |#
bucked from the top ( overbuck ),, Stop cutting before
passing through the log; it takes only a few seconds of cut-
ting dirt to ruin a chain. Roll log over to finish cut,,
Logs that are only suppo,r,ted on one.end can be cut from
below, 1/3 log diameter ('under'buck")' then finished '_rom
the top (Fig. 23),
Logs that are supported on both ends can be overbucked
1/3 log diameter then finished from the bottom (FIgo 24).
Use wedges if necessary to prevent log from pinching saw
bar in the cut.
5. Smaller, lighter logs may need to be blocked to prevent
them from rolling off their supports.
PRUNING
(CUTTING LIMBS FROM STANDING TREES)
DO NOT SAW ON LADDERS, PLAT-
FORMS, IN TREES OR IN ANY OTHER
POSITION WHICH MIGHT ENDANGER
YOUR BALANCE AND THUS CAUSE
LOSS OF POSITIVE SAW CONTROL.
When removing alimb from a growing tree, make an undercut
1/4 limb diameter near the trunk and finish with atop cut a
little farther out from the trunk. After removing the limb,
fhJ_h _l_t fh_ _t=lh noor th_ tr_lnk {_';rt _}_

MAINTENANCE
GENERAL
ALL CHAIN SAW SERVICE, OTHER
THAN THE ITEMS LISTED IN THE
OWNER'S MANUAL MAINTENANCE IN-
STRUCTIONS, SHOULD BE PERFORMED
BY COMPETENT CHAIN SAW SERVICE
PERSONNEL_
WITH THE EXCEPTION OF POWER
SHARPENING AND CARBURETOR AD_
JUSTING, DISCONNECT SPARK PLUG
WIRE AND LET SAW COOL BEFORE
MAKING ADJUSTMENTS OR REPAIR_
A good maintenance program of regular inspection and care
will increase the life and maintain the performance of your
Saw°
Each working day, check Nuts, Screws and Wires, tightening
any that are loose and replacing those that are worn or damp
aged.
NOTE: WHEN REPLACNG FASTENERS USEATHREAD
ADHESIVE. SUCH AS "THREAD LOCK",--LOCTITE
SEALANT 'r, ETC. AVAILABLE AT YOUR SEARS SER-
VICE CENTER.
GUIDE BAR AND CHAIN
Service life of your Bar and Chain will be greatly increased by
roper Saw use-correct Chain Tension (page 4), Lubrication
page 6) and regular maintenance-Sharpening, Bar Deburring,
etco
CHAIN SHARPENING
If wood chips are becoming increasingly smaller as you cut,
from normal wear or accidental running Chain in dirt or sand,
your Chain may need sharpening. Check Chain for sharpness
or damage after every refueling and sharpen perhaps every
third or fourth refueling; more often when cutting seasoned
hard wood or frozen wood.
CUTTER TOP PLATE POWER SHARPENING
(MODEL 917.353770 & 917,353771 ONLY)
MAKE SURE INSIDE CHAIN SHIELD
AND POWER SHARP PARTS ARE FREE
OF PACKED SAWDUST AND WOOD
CHIPS.
t. Tension Chain slightly tighter than normal cutting tension
but still able to be pulled easily around the Guide Bar (page
4).
2o Place Power Sharp Knob in Sharpening I_OSition (Fig. 26)°
NOTE: To make operation smoother and easier, lift Power
Sharp Knob slightly_
3o Set Stone Adjusting Knob (Fig. 26).
ao Move Sharpening Stone away from chain by turning
Stone Adjusting Knob clockwise as far in as possible.
b. Move Stone closer to chain by turning Stone Adjusting
Knob 1 click at a time counterclockwise,
c. Test proper Stone position by pulling chain around bar
with gloved hand. Leave Stone Adjusting Knob at the
setting reached when chain first touches Sharpening
Stone (Fig° 26- Inset)°
4. Start Saw and throttle up to cutting speed.
POWER SHARP KNOB
(SHARPENING POSITION)
STONE
ADJUSTI NG
KNOB
FIGURE 26
SHARPENING _CHAIN
uSTONE
VIEW FROM BOTTOM OF SAW ON ITS
LEFT HAND SIDE
KEEP A FIRM GRIP AND AVOID GUIDE
BAR AND CHAIN AREA.
5. Leave Saw on ground in the debris free starting area° Move
Power Sharp Knob up and back (ful! range-Figo26) rapidly
several times. This will sharpen Cutters on both sides of
Chain and maintain aflat surface on the Sharpening Stone.
SPARKS WILL FLY AS CUTTERS ARE SHARPENED.
6o NORMAL CHAIN SHARPENING TAKES ONLY A FEW
SECONDS. Stop Saw Engine to inspect Chain visually
Edg=_sof Cutter Top Plate will took clean and sharp and,
sighting down the Chain, Cutter Tops will be flat, parallel
with each other and perpendicular to the Guide Bar, -9.
a, If Cutter abrasion is not completely removed, turn Stone
Adjusting Knob counterclockwise one click at a time
and resharpen,
bo If Cutter Tops are not flat and perpendicular to the Bar
rotate or replace Sharpening Stone (page 1t)o
7o Place Power Sharp Knob in storage position (Fig. 27)° Re-
tension Chain for cutting (page 4)°
8. Stone Adjusting Knob may need to be readjusted (counter-
clockwise 1 click} for succeeding sharpenings.

CUTTER SIDE PLATE FILING
(MODEL 917.353770 &917,353771 ONL ¥_
File Cutter Side Plates (Fig. 28) after every third to fifth Top
Plate sharpening.
Tension Chain so it is snug, won't wobble on the bar_ Use a
chain filing vise if one is available,,
1,, Place 5/32 File and Holder on Cutter Top Plate and Depth
Gauge. Line up Guide Mark Parallel to Guide Bar (Fig. 29).
Keep File Holder firmly level (perpendicular to Guide Bar)
(Fig. 30).
2, Make a light pressure file stroke from inside toward outside
of Cutters,. Take care not to nick Cutters on return stroke,,
Use a few file strokes for each Cutter on one side of Chain
then move to the other side of the Guide Bar to file oppos-
ing Cutters, Rotate the File in its Holder occasionally to
even File wear.
Measure Side Plate projection it should be 1/32 inch (Fig.
31).
CUTTER DEPTH GAUGE FILING
(MODEL 917.353770 & 917.353771 ONLY)
Depth Gauges are lowered as Cutter Top Plates are power
sharpened. Use a Flat File to round off the front corner,
maintaining original shape (Fig_ 32).
Re.tension Chain for cutting (page 4).
CUTTER TOP & SIDE PLATE FILING
(MODEL 917,353730 &917,,353731 ONLY')
Tension Chain so it is snug, won't wobble on the bar, Use a
chain filing vise if one is available.
1_ Place 3/16 inch File and Holder on Cutter Top Plate and
Depth Gauge (Fig. 33), Line up Guide Mark parallel to
Guide Bar (Fig_ 34). Keep File Holder' Handle firmly angled
down 10 ° from Guide Bar perpendicular (Fig, 35}_
2. Make a light pressure file stroke from inside toward outside
of Cutters_ Take care not to nick Cutters on return stroker
Use a few file strokes for each Cutter on one side of Chain
then move to the other side of the Guide Bar to file oppos-
ing Cutters_ Rotate the File in its Holder occasionally to
even Fife wear,
CUTTER DEPTH GAUGE FILING
(MODEL 917.353730 & 917,353731 ONLY)
File Cutter Depth Gauges after every third or fourth Top and
Side Plate sharpening.
1. Place Jointer on Chain. If Depth Gauge projects above
Jointer. file it level with Flat File (Fig. 36}.
2, Round off front corner to maintain original shape (Fig. 37).
Re-tension Chain for' cutting (page 4),
GUIDE MARK
FIGURE 29
J
5/32 FILE & HOLDER
GUIDE MARK
&HOLDER
FIGURE 34
FIGURE 30 FIGURE 35
SIDE PLATE
FIGURE 31 1/32"
i........................
DEPTH GAt
FIGURE 37

POWER SHARP STONE ROTATION
(MODEL 917_353770 & 917o353771 ONLY)
Reverse the Power Sharp Stone to even Stone wear, perhaps
every third or fourth sharpening, as needed. An unevenly worn
Power Sharp Stone may sharpen Chain on an angle. Cutter
Tops will not look flat when sighted down the Guide Bar,
Chain will stumble through wood when cutting or cut slanted,
1. Remove Guide Bar Nuts and Screw in rear of Chain Shield
(Fig, 7)_ Remove Chain Shield
2_ Loosen Stone Retaining Screw to slide Power Sharp Stone
from Arctuating Arm (Fig_ 38)
3. Turn Stone end for end, slide it on Arctuating Arm, reposi-
tion and tighten Retaining Screw,
4, Reassemble Saw and re-tension Chain (pages 3 and 4),
GUIDE BAR REPAIR
1. Chain Cutter and Link bottoms riding on Guide Bar Rails
will normally roll some Bar Material to the outside of the
_bails ff_pecially in actual cutting area of Guide Bar, These
urrs" should be removed as they form or they will chip
away during use taking more Bar material with them,
Check Bar for burrs at each Chain sharpening (Fig. 39),
a, Remove Guide Bar Nuts, Screw in rear of Chain Shield,
Chain Shield and Outer Chain Guide. Loosen Chain
Tension, remove Chain and Guide Bar,
bo Move your gloved hand across the flat of the Guide Bar
to feel burrs and remove them with aFlat Fife. Round-
ing outside Rail edges will retard further burr formation
(Fig, 40),
co Reassemble Saw and re-tension Chain (pages 3 and 4)°
NOTE: YOUR GUIDE BAR IS SPECIAL "LO-KICK"
TYPE AND CAN ONLY BE ASSEMBLED IN ONE POSI-
TIONo
2o When new or newly sharpened Chain makes slanted cuts,
sometimes badly enough to prevent completion of cuts
through large diameter logs, check for Guide Bar wear or
damage.
ao File uneven Rail top wear flat, perpendicular to Guide
Bar (Fig. 39),
b. Hammer worn, open Rails closer together to restore
correct Chain Groove--between .052 and .060 inch (Fig,
39), NOTE: MAKE SURE CHAIN RUNS EASILY IN
CORRECTED CHAIN GROOVE BEFORE REASSEM-
BLY.
co A badly bent Guide Bar or Rails worn low enough to
allow Chain Drive Links to ride on the Chain Groove
bottom must be professionally serviced or reptaced:
RAIL TOPS
WORN OPEN
AND SLANTED,
BURRS FORMING
RAIL TOPS
POUNDED CLOSED
AND FILED LEVEL,
BURRS ROUNDED OFF
FIGURE 39
CHAIN REPLACEMENT
Normal Chain sharpening will eventually remove enough mat _
erial to weaken Cutters and cause damage during use. Individ-
ual Cutters can be replaced and sharpened to match Chain
in aSears Service Center, however, repeated Cutter or Link
breakage indicates Chain replacement is required°
NOTE: A damaged Cutter on Top Sharp Chain (MODEL
917.353770 & 917o353771), should not be replaced by
another Cutter due to the difficulty in sharpening it to match
other worn Cutters, Use of a Tie Strap (Fig, 28) to replace an
individual damaged Cutter will not noticeably affect the cut °
ting ability of your chain,
POWER SHARP STONE REPLACEMENT
(MODEL 917.353770 & 917.353771 ON LY)
Replace Power Sharp Stone when installing new Chain (Fig°
38),
CHAIN SPROCKET REPLACEMENT
Replace worn Chain Sprocket when installing new Chain_
Clutch Drum removal (page 14) is required, -11

AIR FILTER CLEANING
An accumulation of dirt and ,dust on your Air Filter will
considerably reduce your Saw s cutting power. Clean "t at
least once each day, more often if sawing in extremely dusty
conditions NOTE: NEVER OPERATE SAW WITHOUT AIR
FI LTER,
2_
3,
To remove Filter Cover, squeez lower 1/3 portion of Cover
and raise up as shown (Fig. 41)_
Remove and clean Air Filter with compressed air or a
brush. Wipe Air Filter Adapter clean (Fig, 41).
Reposition Air Filter as shown in Fig. 42.
4_ Reassemble Filter Cover_
ao Insert Cover Tabs between Rear Handle Tabs (Fig. 42),
b., Squeeze lower 1/3 portion of Cover and press down in-
to place,
CARBURETOR ADJUSTMENT
Your" Carburetor has been adjusted at the factory for the best
fuel/air mix to provide maximum Saw performance. Your
Carburetor may need resetting, however, if you notice any of
these conditions:
a, Chain moves with Saw engine idle,
bo Loss of cutting power which is not corrected by Air' Filter'
or Muffler Screen cleaning,
c, Saw engine dies or hesitates on acceleration,
NOTE: CARELESS ADJUSTMENTS CAN SERIOUSLY
DAMAGE YOUR SAW ENGINE.
1o Make initial setting with Engine stopped:
a, Turn Idle Speed Regulating Screw out (counterclock-
wise); then in until Carburetor Throttle Lever just begins
to move, continue moving 2 more turns,
b, Turn Low Speed Mixture Screw in (clockwise) until
LIGHTLY seated, then turn counterclockwise 1 - 1/8
turns.
2. Start and warm up Engine by making one or two cuts,
,, ....................... , ,,, ,, ,, ,,, ,,
RETURN SAW TO DEBRIS FREE START-
ING AREA FOR CARBURETOR ADjUST-
MENTS. KEEP A FIRM GRIP AND AVOID
GUIDE BAR AND CHAIN AREA.
.
.
Release Throttle Lever to let Engine idle. If Engine stops,
turn Idle Speed Regulating Screw clockwise 1/8 turn at a
time as required until Engine maintains idle.
Adjust idle speed and Low Speed Mixture to achieve
smoothest engine idle without chain movement but allow-
ing rapid acceleration.
a. Adjust Idle Speed Regulating Screw until Engine main-
tains idle speed just slower than the point at which the
chain moves.
b. Adjust Low Speed Fuel Mixture Screw for fastest idle;
then turn counterclockwise 1/4 turn.
co Squeeze Throttle Lever. If Engine falters or hesitates on
acceleration turn Low Speed Fuel Mixture Screw coun-
terclockwise 1/16 turn at atime just enough to achieve
rapid acceleration.
d. Chain should not rotate around bar unfes_ throttle is
squeezed, If chain does move repeat Step "A o

STARTER REPAIR
ROPE REPLACEMENT
TO "CARRY OUT THE FOLLOWING STEPS, YOU WILL
NEED A SCREWDRIVER,
1o Remove 4 screws and remove Starter Housing (Fig, 44)
from Saw,,
2. Remove broken RoDe from Starter Handle and Starter Pul-
ley. To replace a frayed Rope:
a_ Pull Starter Handle until several inches of Rope are ex-
posed (Fig, 44),
b Lock Starter Pulley in place with a screwdriver.
c, Slide Starter Handle down on Rope, Untie knot in Rope
and remove Washer and Handle.
d. Hold Thumb on Starter Pulley and remove screwdriver
to SLOWLY release Spring Tension,
e. Remove Rope from Pulley,
3. Thread new Rope into hole of Starter Handle. Place Washer
on Rope and tie a secure knot in end of Rope. Position
knot and Washer inside Handle.
4, (Fig, 45). Turn Starter Pulley clockwise 9 full turns to wind
Starter Spring. Align hole in Pulley with Starter Housing
Rope Channel. Lock Pulley in place with a screwdriver.
5. Use a lighted match to melt pulley end of Rope, Pull it
thru a rag to mold an easily threaded point,,
6, Place Rope in Housing Channel and insert into Pulley hQle,
Tie a secure knot in Rope, and tap with wood block into
Rope Knot Cavity.
7. Remove screwdriver and allow Rope to slip SLOWLY thru
your fingers to rewind.
8. Reassemble Starter Housing to Saw.
STARTER SPRING REPLACEMENT
TO REPLACE SPRING, YOU WILL NEED A SCREWDRIV-
ER AND A SMALL AMOUNT OF GRAPHtTE_
t. Remove 4 screws and remove Starter Housing from Saw.
2_ Untie Starter Rope knot at Starter Pulley (Fig, 44) and re-
move Rope.
3. Remove E-Ring and Washer from Starter Center Post (Fig,
46).
4. Lift out Starter Pulley and old Spring.
WEAR EYE AND HAND PROTECTION
WHEN REPLACING WORN OR BROKEN
SPRING IN CASE tT SHOULD UNCOIL
AS YOU HANDLE IT. ALLOW SPRING
TENSION TO BE COMPLETELY RE-
LIEVED AND MAKE SURE PULLEY
DISENGAGES FROt,; SPRING BEFORE
CAREFULLY LIFTING PULLEY AND
OLD SPRING FROM HOUSING.
5. Install new Spring (Fig_46) with loop in end of Spring over
Outer Starter Post. The Spring will wind clockwise toward
the center,
6. Apply graphite to Starter Center Post, reassemble Pulley,
Washer and E-Ring,
7, Prewind Sta_er Pulley. Refer to Step 4 of "Starter Rope
Replacement ,
8, Reassemble _arter as in steps 6, 7 and 8 of "Starter Rope
Replacement'\
PAWL SPRING REPLACEMENT
1o Remove 4 screws and remove Starter Housing from Saw,
2o Unhook Pawl Springs and slip over Pawls°
3o Slip new Springs over Pawls and hook as shown in Fig. 47,
4, Reassemble Starter Housing to Sawn _13
FIGURE 45

COOLING FIN CLEANING
A 3/8" WRENCH IS REQUIRED TO REMOVE MUFFLER..
Check air flow over the engine cylinder,, If restricted by debris,
remove Muffler and clean engine and Cylinder Cooling Fins
(Fig° 48),, Compressed air can be used, Replace Muffler,
EXHAUST PORT & MUFFLER SCREEN
CLEANING
Remove carbon deposits f_om cylinder, exhaust ports and
Muffler Screen each season or as required..
TO CARRY OUT THE FOLLOWING STEPS YOU WILL
NEED: A WIRE BRUSH, 3/8" WRENCH AND A HARD-
WOOD STICK.
1.. Remove Muffler Cap, Baffle and Screen° Lift Spark Ptug
Cap and remove Spark Plug (Fig. 48).
2, Pull Starter Rope to position piston below exhaust hotes,
Use a HARDWOOD STICK to scrape carbon deposits from
exhaust ports and surrounding exhaust chamber_
3. Blow out loosened carbon by pulling Starter Rope several
times.,
4. Use wire brush to clean Muffler Screen. Replace whenever
breaks in Screen are noted.
5. Reassemble Spark Plug and Spark Plug Cap, Baffle and
Screen and Muffler Cap.
WARNING TO PURCHASERS OF INTERNAL COMBUS-
TION ENGINE EQUIPMENT MACHINERY OR DEVICES
IN THE STATE OF CALIFORNIA.
The California law effective January 1, t974 prohibits the use
of any devices or equipment on any forest covered, brush cov-
ered, or grass covered land without providing or maintaining
in effective order, a Spark Arrestor attached to the exhaust
system. The equipment which you purchased DOES include
such a Spark Arrestor. It is a violation of law, however, to use
it unless it is maintained in effective working order.
CLUTCH SHOE & SPRING
REPLACEMENT
YOU WILL NEED A SPANNER WRENCH (FIG. 49) FOR
CLUTCH REMOVAL° ORDER PART NUMBER 632AgA
FROM YOUR NEAREST SEARS SERVICE CENTER,
Your Chain Saw has acentrifugal Clutch. It is designed to en-
gage chain as engine speed increases_ Slip or disengage chain as
engine speed decreases in a heavy cutting situation or with
Throttle Lever released. If Clutch slippage is excessive so that
full engine power cannot be utilized, replace Clutch Shoes, If
Clutch does not disengage chain movement, when Throttle
Lever is released, replace Clutch Springs.
1_ Remove Chain Shield, Outer' Chain Guide, Bar and Chain
and Inner Chain Guide from Saw.
2,
SPARK PLUG CLEANING OR 3.
REPLACEMENT
TO CLEAN SPARK PLUG YOU WILL NEED A WIRE 4.
BRUSH OR POCKET KNIFE.
Use a wire brush or a pocket knife to clean deposits from the 5,
electrodes. Use care not to scratch or chip the ceramic section
of the Spark Plugo Be careful when removing, cleaning, gapping
and replacing the Spark Plug. If it is damaged it will not work 6.
properly and must be replace_lo The proper gap between the
Spark Pllug electrodes is o025'\ Should it be necessary to re-
pla¢-_ the plug, use Champion CJ-6. Replace the Spark Plug
each season or when suspected of being faulty, Reattach the
_nark Phln CaD to Spark Pluq. .14.7.
Remove Spark Plug Cap and Spark Plug (Fig, 48). Tie a
knot in a nylon cord (such as a Starter Rope), Drop knot-
ted end of rope into cylinder so engine will not go past
top dead center.
Place Spanner Wrench in Clutch and turn clockwise to un-
screw Clutch from Engine Shaft (Fig_ 49).
Remove Clutch from Drum. Use small screwdrivers to pry
Clutch Shoesout to remove Clutch Springs (Fig. 50).
Replace worn Clutch Shoes and Springs. We suggest Clutch
Shoes and Springs be replaced at the same time,
Appty a THIN coat of lithium grease to Clutch Drum
Needle Bearing (Fig. 5t). NOTE: AVOID USING TOO
MUCH GREASE ON NEEDLE BEARING; GREASY
CLUTCH SHOES Wl LL CAUSE CLUTCH SLIPPAGE_
Reassemble Saw.

STORAGE
Never store your Chain Saw for o_er 30 days without perform-
ing the following procedures:
_,, Drain o{1 and fuel tanks in a safe area.,
2o Start Saw and run at idle speed until the engine stops,
This will remove most of the fuel from the fuel system.
3. Remove the Spark Plug and pour a teaspoonful of oil
through the spark plug hole into the combustion chamber
(Fig,, 52)° Pull the starter rope slowly several times to dis-
tribute the oil throughout the engine. Replace the Spark
Plug tightly and pull rope until resistance is felt, closing
intake and exhaust ports°
4., Remove and clean the Bar and Chain (use gloves when
handling chain).
5, Store the Chain in a container with oil covering chain,
6. Apply aheavy film of oil over the entire Bar including the
groove for the chaim Wrap bar in heavy paper, cloth or plas_
tic.
7, Clean the outside surfaces of the saw,
8,, Cover the saw with aprotective cloth or plastic and store
the saw and bar in a dry place. Always store away from
possible source of ignition such as furnaces heaters, etc_
Sears, Roebuck and Co. reserves the right to make any changes
in design or improvements without imposing any obligation to
install the same upon its items heretofore manufactured°

TROUBLE SHOOTING
POSSIBLE CAUSE AND CHECK
I1"1 _._._____ '%'1 I'I'1'1_"1'11#!.....
STARTER ROPE WILL NOT REWIND
Broken Starter Spring/Not enough Pre!oad (9 turns) Replace, page 13
STARTER DOES NOT ENGAGE FLYWHEEl+
Broken Paw{ Spring
Broken Pawls or Pins
IJZL i'l'_''I I','! 'i ' ,l' ,-- ' ............................... I "l ,,
ENGINE DIFFICULT OR WILL NOT START
Fuel Tank empty
Compression Release Button not in Starting Position
Throttle Detent not holding Throttle open° CHECK:
Carburetor linkage with Detent in Starting Position,
Carburetor Throttle should be 1/4 to 1/2 open
Solid State weak° CHECK: Remove Spark Plug, reattach
Plug Wire, hold Plug against engine and pull starter
rope (a strong white spark should jump across plug
points - weak Solid State produces a short red spark)
Solid State grounded,. CHECK: Wire from Solid State to
"ON-OFF" Switch for bare spots+
Carburetor misadjusted
Engine flooded.
Engine is mildly vapor locked, operating in hot weather
POSSIBLE REMEDY
................................. ,,,!,,,,
Engine is severely vapor locked
Replace, page 13
Replace
Fill Fuel Tank, page 4
Follow Starting Procedure, page 5
Repair or replace Detent
Contact your nearest Sears Service Center°
Wrap Wire with electrical tape or replace
Follow Carburetor' Adjusting Procedure, page 12
Follow Starting Procedure, page 5 WITHOUT USING CHOKE
Follow Starting Instructions, page 5, then after starting WITH
CHOKE OUT RUN SAW AT FULL THROTTLE FOR A
FEW SECONDS BEFORE PUSHING CHOKE IN AND
ALLOWING SAW TO IDLE
ALLOW SAW TO COOL COMPLETELY, then follow Starting
instructions, page 5
Contact your nearest Sears Service Center'
Broken Reed Valve
CARBURETOR FLOODS
Carburetor misadjusted Follow Carburetor' Adjusting Procedure, page 12
Damaged Carburetor Diaphragm Replace
Leaking Gasket Replace
Leaking Inlet Needle Seat Replace
.................. _ ......... _ :.... :::_..::::-_- _ -_= ......_:_ :: ..... ::::
ENGINE WILL NOT IDLE
Carburetor misadjusted
Carburetcr Diaphragm leaking
Carburetor Inlet Seat Gasket leaking
Crankshaft seals leaking
Cylinder scored or compression low
Reeds leaking or broken
ENGINE WILL NOT ACCELERATE
Carburetor misadjusted
Dirty Air Filter
Spark Plug fouled or Solid State weak
Carbon build-up
Carburetor Diaphragm Cover loose or Diaphragm Gasket
leaking
Broken Reed Valve
H HilIHHmm rollmHmmmmHH'lH i i m'm, re, ill mm,,,,,'l, I tHtmmHm'm,mm'mHtl
ENGINE LACKS POWER OR DIES IN THE CUT
Dirty Air Filter
Carbon build-up
Low compression. CHECK: Compression pressure tests
below 80PSt or lessened engine resistance to pulling
starter rope
/1/11 i .......................
ENGINE KNOCKS
Follow Carburetor Adjusting Procedure, page 12
Replace Diaphragm
Contact your nearest Sears Service Center
Replace seals
Contact your nearest Sears Service Center
Contact your nearest Sears Service Center
................ %1i+, --
Follow Carburetor Adjusting Procedure, page 12
Clean Air' Filter or replace, page 12
Clean Spark Plug and regap or replace, page 14
Clean Exhaust Port and Muffler Screen, page 14
Tighten cover or replace Diaphragm
Contact your....rl.ea.restSears Service.Center
Clean Air Filter or replace, page 12
Clean Exhaust Port and Muffler Screen, page 14
Contact your nearest Sears Ser'_ice Department
Worn Connecting Rod or Bearings, CHECK: Remove Contact your nearest Sears Service Department
Starter, rotate Flywheel quickly back and forth. (Slight
play is normal, however, worn Rod or Bearings allow
considerable play and audible click)
-16+

TROUBLE SHOOTING CONTINUED
POSSIBLE CAUSE AND CHECK POSSIBLE REMEDY
...... _ _ _=_:---_-_ :;_ _;z_: .... -.... " ----':--_-_ _ --__ .... :_===_ "_==-_-'_='_
ENGINE BACKFIRES OR MISFIRES
Fuel Mix improper or contaminated
Spark Plug fouled
Solid State intermittently shorting. CHECK: loose or bare
wires or loose assemblies
Defective Pyramid Reed Assembly
CHAIN TURNS WHEN ENGINE IS IDLING
Carburetor misadjusted
Clutch Springs broken or weak
Clutch Bearing seized or dry
I II!!111"[!_ _
Drain tank and refill with freshly mixed fuel, page 4
Clean Spark Plug and regap or replace, page 14
Tighten assemblies, wrap wires
Replace
Chain tensioned too tight
Guide Bar Rails pinched
Clutch slipping
Carburetor misadjusted
Spr0cket Nose Bearing seized
CHAIN STOPS WITHIN ACUT
Chain cutter tops not filed flat
Follow Carburetor Adjustment instructions, page t2
Replace Clutch Springs, page 14
Lubricate or replace
......... m ._.&m_ i iiiP
CHAIN WILL NOT TURN WHEN THROTTLE LEVER IS sQUEEZED
Follow Chain Tensioning Instructions, page 4
Repair Guide Bar or replace, page 11
Replace Clutch Shoes, page 14
Follow Carburetor Adjustment Instructions, page 12
Replace Guide Bar
J'I Il'llr "I'I' iiii iiiiiii,,iiiiii ii ii ii .................._,: .... i] 1,1, _!: _ ....................
File Chain correctly or rotate or replace sharpening stone
(9t7.353770 & 9t7.353771 ONLY) pages 9- 11
Guide Bar burred or bent or rails uneven Repair Guide Bar or replace, page 11
Clutch slipping excessively Replace Clutch Shoes, page 14
_- i i..... ..... ., iii .......... ;i';...... ii ' '-iiiii ;i"i ii ..... :- _-
CHAIN CUTS UNSATISFACTORI LY OR PULLS QUICKLY
Cutters dull, improperly sharpened, Depth Gaugestoo high
Chain tension too tight or loose
Chain contact with dirt, sand, or frozen wood
.......................................... - ...... -'1 _ _ "'
CHAIN OPERATES ROUGHLY, CHATTERS OR GRABS
Chain tension too loose
Cutters not properly sharpened
Worn Chain Sprocket
Chain rivet bearing wear due to use in dirt or sand or inad_
equate chain oiling
Several cutters damaged through striking buried foreign
material
W'I'I ......
CUT TENDS TO SLANT
Improper use
Bent, wor_ or burred Guide Bar
Improper Chain sharpening, depth gauge lowering or stone
rotation (917.353770 & 917.353771 ON LY)
I1"1"1 ....- _ °_ .............
CHAIN BREAKAGE
Maintain proper Chain tension
Guide Bar Rails pinched
Cutting frozen wood
CHAIN JUMPS OFF
Chain tension too loose
Worn Guide Bar
Broken Chain Side Link
Worn Chain Sprocket
'11I'111111111IIi II
GUIDE BAR CHIPPED ON EDGES
Applying excessive pressure to cut
Improper Guide Bar Maintenance
Improper Chain Lubrication,, CHECK: page 6
Follow Chain Sharpening Instructions, pages 9- 1t
Follow Chain Tensio=ning Instructions, page 4
Resharpen chain, pages 9 - 11
!!i'l' I'' 'll'l" II...... ;k .........._.....................
Follow Chain Tensioning Instructions, page 4
Follow Chain Sharpening Instructions, pages 9 - 11
Replace, page 11
Replace Chain
Contact your nearest Sears Center for Cutter replacement
........... .................... ' ................I!llFII
Hold and guide Saw properly, page 6
Repair or replace, page 11
Follow Chain Sharpening and PowertShar_ Maintenance,
pages9 - 11
m....
Follow Chain Tensioning Instructions, page 4
Repair Guide Bar or replace, page 11
Keep Chain very sharp, pages 9 - 11
,i H,IH',, ..........I
Follow Chain Tensioning Instructions, page 4
Replace
Contact your nearest Sears Service Center for Chain repair
Replace, page 11
'!!! Iq" "1_/_ : ' '!! II ................
Keep chain sharp, pages 9 - 1 1
Remove burrs as they form, page 11
Keep oil tank full, oil lines open and Manual Oiler operational,
page 4
III III III I II1" ,,1 ,i0 ..............................
Replace
Blow out with compressed air
Replace
II II IIII II IIIIII
MANUAL OIL PUMP DOES NOT PUMP OIL
Clogged Oil Pump
Clogged Oil Line
Clogged Oil Filter
- 17 -

REPAIR PARTS
SEARS 3.7 CttAIN SAWS-_MODEL NUMBERS 917.353730, 917.353731, 917o353770 AND 917.353771
MAIN FRAME
43
22
27
44 5
64 47
12
10 11 \.
13_
40
¢"
37
63
56
49 60 18
,_, 21
23

REPAIR PARTS
SEARS 3.7 CHAIN SAWS--MODEL NUMBERS 917.353730, 917.353731, 917.353770 AND 917.353771
MAIN FRAME
KEY PART DESCRIPTION KEY PART DESCRIPTION
NO. NO._ NO,. NO.
1 9957R Front Handle 37
2 771J Hand Guard
3t608P Washer 3/8 x 7/8 x 14 Ga. Black Oxide 38 832J
4 772J Bushing 39 2022J
5 14_2J_ Stud 40 99t7R
6 _ Machine Screw, Pan Hd. Phillips 41 9918R
Noo 10 - 24 x 3/4 Gr., 5 42 9919R
7 STD541410 *Hex Nut No. 10 43 564P
84735R Hose " 44 3315P
9 9972R Cap
10 9283H "O" Ring 45 584P
11 STD551012 *Washer 1/4x9/16x 16Ga. 46 773J
12 9057H Fuel Filter 47 5564P
13 6167H "0" Ring
14 9991R Oil Filter 48 2J
15 676A5 Oil Tank Assembly (Inc. Key No_s.. 49 6806R
t4, t7 and 18) 50 5J
16 643A55 Fuel Tank Assembly (Inc. Key No's_ 51
10, 12, t7 and 58) 12J ,
17 9078H Check Valve 829J
18 525_FL__ Hose 52 9094H
19 _ Base Plate Assembly (Inc. Key Nots. 53 9999R
23 and 24} 54 8J
20 3317P Machine Screw, Pan Flex Hd. Slotted 55 1J
1/4 - 20 x 3/4 Gr. 5 56 676A3
21 STD522508 "Bolt, Hex Hd. 1/4 - 20 x 7/8 Gr_ 5
22 S_1125 *Lockwasher 1/4 57 5532P
23 _ Bolt, Hex Hd, 1/4 - 20 x 2 - 5/8 Gr_ 5
II tl .
24 g052H E Ring 58 5255R
25 876J Pin 59 t6J
26 676A20 Rear Mount Assembly 60
27 9567R Rubber Mount 61
28 643A54 Top Cover Assembly
29 9099H Grommet" 62 1392J
30 6J "Choke Control 63 4J
31 _ Roll Pin 64 8_
32 Oil Pump Lever 65
33 Throttle Lever 66 507
34 676A21 Rear Handle Assembly (Inc. Key No's_ --- 9557R
29, 33, 35, 38 and 39) --- 77_J
35 765J Pin --
36 9889R Rear Handle Grip
Machine Screw, Pan Hdo Phillips
No,.10-24x3Gro5
Compression Release Button
Spring
Air Filter Adapter
Air Filter
Air Filter Cover
High Crown Acorn Nut 1/4 - 20
Screw, Phillips Oval Hd. Machine
No. t0-24x 1-1/8Gr. 5
Hex Locknut 1/4- 20
Spring Washer
Screw, Pan Hal. Phillips Nor t0- 24 x
1/2 Type T
Hold Down Clip
Rubber Mount
Throttle Link
Carburetor
(917.353730 and 917.353770 ONLY)
(917.353731 and 917.353771 ONLY)
Gasket
Throttle Detent Pin
Idle Adjustment Screw
Spring
Carburetor Adapter and Oil Pump
Assembly
Screw, Pan Hdo Slotted No, 6 - 32 x
5/16 Type 23
Hose
Baffle Plate-Air Flow
Heat Barrier
Screw, FiL Hd. Cross Recess
No. 8- 18 x t Type BT
Cotter External Hair Pin
Oil Pump Ro_ "Q
Pin "I ',
"E" Ring
*Bolt, Hex Hd_ !/4- 20 x 3/4 Gro 5
Warranty Label
Instruction Decal
Owners Manual
*STANDARD HARDWARE--PURCHASE LOCALLY
-19-

REPAIR PARTS
SEARS 3.7 CHAIN SAWS--MODEL NUMBERS 917.353730, 917.353731, 917o353770 AND 917.35377.1
CUTTING AND SHARPENING
29
\
36
25
8
22
16
12
17
15
20
18
-2!1 -

REPAIR PARTS
SEARS 3.7 CHAIN SAWS_-rvIODEL NUMBERS 917.353730, 917.353731, 917o353770 AND 917,353771
CUTTING AND SHARPENING
KEY PART DESCRIPT!ON KEY PART DESCRIPTION
NO, NO, NO. NO
2
3
4
5
6
7
8
9
10
11
12
13
14
15
16
17
t =8
19
20
2t
22
23
24065
4058R
9091H
23935
1154J
1155J
774J
9J
10J
632At46
STD502502
8526H1
Chain Repair Kit (917 353730 and 24
917,35373! ONLY} contains:
Plain Tie Strap (Two)
Guard Drive Link (One) 25
Cutter- RoHo(One)
Cutter- L_H, (One) 26
Drive Link (One)
Preset Tie Strap (Two) 27
Huglock Nut
Chain Tightener Block
Guide Bar Nut (Flange Nut 5/16- 24 UNF) 28
Chain Tension Adjusting Screw
(Machine Screw, Pan Hd_ Phillips 29
No, 10 -24 x 3 Gr, 5 Full Thdo)
Chain Repair Kit (917,353770 and
917.353771 ON LY) contains: 30
Plain Tie Strap (Two)
Guard Drive Link (One} 31
Preset Tie Strap (Two)
Drive Link (One) 32
Chain
(9t7.353730 and 917o353731 ONLY) 33
Sears Catalog No, 3633
+(917_353770 and 917,353771 ONLY) 34
SearsCatalog No, 3636
I|
Guide Bar- 18 Sears Catalog No,
Chain Guide -Outer 35
Chain Guide - Inner
Stone Assembly (917.353770 36
& 9t7o353771 ONLY)
*Set Screw, Allen Hd_ Cup Point
I/4 - 20 x 1/4 (917.353770 &
917.353771 ONLY)
Spring (917_353770 & 917_353771
ONLY)
690J Detent Pin (917_353770 &
917_353771 ONLY)
Detent Pin
Arctuate Arm (g17o353770 and
917.353771 ON LY)
Set Screw, Allen Hd, Cup Point
No. 6 -32 x 1/4
Stone Retaining Screw (Machine
Screw, Truss Hd. Slotted with Nylok
No, 8 -32 x 7/16)
Machine Screw, Pan Hd, Phillips
Noo 10 -24 x 3/4 Gr, 5
Chain Shield
9871 R (917°353730 and 917.353731 ON LY)
643A53 (917_353770 and 917.353771 ONLY}
687J Foam Filler (9t7.353770 and
917°353771 ON LY)
689J Spring Clip (917.353770 and
g17,353771 ON LY)
688J Support Plate (917.353770 and
917_353771 ONLY)
Machine Screw, Pan Hd. Slotted -
Sems No, 8 -32 x 3/8 (917o353770
= and 917.353771 ONLY)
676A17 Sharpener Knob Assembly (917353770
and 917.353771 ONLY}
1008J Adjustment Screw (g17,353770 and
9t7.353771 ONLY}
1085J Decal - 3.7/18"
+A new Stone Assembly (Key No. 21) is shipped with
each chain
692J
3243P
*STANDARD HARDWARE--PURCHASE LOCALLY

REPAIR PARTS
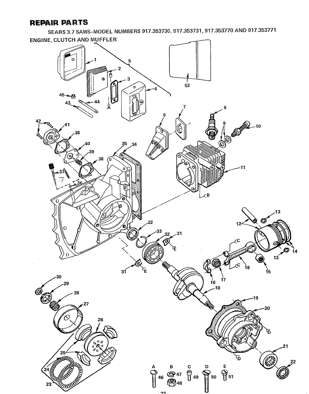
SEARS 3.7 SAWS--MODEL NUMBERS 917,353730, 917.353731, 917.353770 AND 917,353771
ENGINE, CLUTCH AND MUFFLER ----
Y5_L_, __._
52
42
35
23
26
\\
31
17
A B C D E
16
D
15
14
13
22

REPAIR PARTS
SEARS 3.7 SAWS--MODEL NUMBERS 917.353730, 917.353731,917.353770 AND 917_353771
ENGINE, CLUTCH AND MUFFLER
KEY PART DESCRIPTION KEY PART DESCRIPTION
NOo NO. NOo NO.
-- 643A56 Short Block Assembly -Complete 26
Engine Not Furnished (inc. Key No's. 27
11, 12, t4, 16 thru 20, 31,32, 33, 35,
37 thru 42, 47, 48, 50 and 51) 28 9089H
I 676A8 Muffler Cap Assembly 29 9137H
2 676A16 Baffle and Screen Assembly 30 91 t0H
3 6317 R Muffler Support 31 9081H
4 9992 R Muffler Base 32 9062H
5 676A27 Muffler Parts (Inc. Key No'so 1, 2 & 4) 33 9065H
6 643A5 Reed Plate Assembly 34 9963R
7 9095H Cork Gasket 35 643A49
8 9409H Spark Plug 36 9213H
91844 R Washer 37 643A50
10 831J Decompression Valve
11 9579R Cylinder 38 9962R
12 643A12 Piston and Pin (Inc. Key No. 13) 39 9974R
13 9063H Retaining Ring 40 643A43
14 643A18 Piston Rings (Set of 2) 41
15 2593R Needle Bearing *Connecting Rod 42
16 643A1 Connecting Rod Assembly (lnc_ Key
No'so 15 and C) 43 9997 R
!7 9084H Strip of Connecting Rod Needles 44 9998R
(Set of 31) 45 4058R
18 9973R Crankshaft 46 3178P
19 79J Gasket
20 643A48 Bearing Carrier Assembly (Inc. Key NoSs.. 47
21 and 22) 48
21 8999H Keystone Bearing 49
22 8998H Oil Seal 50
23 632A137 Centrifugal Clutch (tnc. Key No*s. 24,
25 and 26) 51
24 8473H 1 Clutch Spring 52
25 632A183 Clutch Shoes (Set of 4)
632A133 Clutch Hub and Washer Assembly
642A35 Clutch Drum and Bearing (Inc. Key No.
28)
Needle Bearing
Rimmed Sprocket
Clutch Spacer
Retainer Washer
Ball Bearing
Round Section -Retainer Ring
Gasket
Crankcase Assembly (Inc, Key No. 22)
"O _' Ring
Metering Stem Assembly (Inc. Key No.
36)
Diaphragm Gasket
Diaphragm Spring
Diaphragm Assembly
Oil Pump Cover
Machine Screw, Filo Hd. Cro Recess
Noo 8- 32 x 1/2 Gr. 5
Bushing
Muffler Stud
Huglock Nut
Machine Screw, Slotted Pan Flex Hd.
1/4- 20 x 5/8 Gr. 5
STD551125 *Lockwasher 1/4
STD541125 *Hex Nut 1/4 - 28 UNF
1136R Cap Screw Socket Hd. -Special
3250P Machine Screw, Slotted Flat Hdo
t/4- 20 x 11/16 Gr. 8
9086H1 Machine Screw, Slotted Hd° - Special
Muffler Cap Assembly (See Note
Below)
*STANDARD HARDWARE-PURCHASE LOCALLY
NOTE: A SPECIAL MUFFLER CAP ASSEMBLY MAY BE REQUIRED BY LOCAL LAW FOR USE IN FORESTS OR BRUSH
AREAS. CHECK WITH YOUR STATE CONSERVATION OR FORESTRY DEPARTMENT,
23 -

REPAIR PARTS
SEARS 3.7 SAWS--MODEL NUMBERS 917,353730, 917.353731,917+353770 AND 917,353771
SOLID STATE
2
3
11
)
70
12
KEY
NO.
1
2
3
4
PART DESCRiPTION
NO.
9409H
7682R
833J
808J
Spark Plug (Champion CJ-6)
Switch Plate
Ignition Switch
Solid State ignition Group
(Inc. Key No+ 11)
Flywheel P,_embly (inc, Key No_s.
8 and 12)
KEY PART
NO. NO+
6 9072H
7 9070H
8¢o43A14
9 9087H
10 8989H
11 9262H
12 9404H
DESCRIPTION
Torsion Spring
Huglock Nut
Starter' Pawls and Postswith Springs
(Inc. Key No. 6)
Woodruff Key
Slotted Fil+ Hd. Machine Screw
No+8- 32 x 3/4
High Tension Lead
Flywheel

REPAIR PARTS
SEARS 3.7 SAWS-MODEL NUMBERS 917.353730, 917o353731, 917.353770 AND 917_35377 t
R ECOI L STARTER
6
A
KEY PART DESCRIPTION KEY PART DESCRIPTION
NO. NO, NO, NO.
1
2
3
4
5
9052H E-Ring 6 9826R Handie, Starter
STD551012 *Washer t/4 x 9/16 x 16 Gao 7 9862_J_L Starter Housing
1219J Pulley, Starter S _ Starter Assembly (Inco Key No'so
91 t7H Spring, Starter 1 thru 7)
9143H Rope, Starter (.156 Diameter x 9 Machine Screw, Pan Hd, Phillips
42" Long) No. 10 _24 x 3/4 Gr,, 5
*STANDARD HARDWARE-_PURCHASE LOCALLY
-25

REPAIR PARTS
SEARS 3.7 CHAIN SAWS-MODEL NUMBERS 917.353730 AND 917,353770 ONLY
31
KEY PART DESCRIPTION KEY PART
NO, NO. NO. NOr
1 014125 *Body Channel Reducer 17 008793
2 012809 *Body Channel Welch Plug (Large) 18 013395
3 004784 Choke Friction Ball 19 013210
4008805 Choke Friction Spring 20 013269
5 017994 Choke Shaft & Lever' 21 013396
6 013263 Choke Shutter 22 012727
7 013215 fDiaphragm Gasket 23 011503
8 013278 +Diaphragm 24 016806
9 013216 Diaphragm Cover 25 017995
10 008942 Diaphragm Cover Screw & Lockwasher 26 013219
(4) 27 010280
11 9094H tGasket 28 013518
12 013652 +Fuel Pump Diaphragm 29 004119
13 013218 1"Fuel Pump Gasket 30 010280
14 013167 Fuel Pump Cover 31 GS-1HS
t5 011441 Fuel Pump Cover Ret,. Screw & 32 RK-3HS
Lockwasher (4) 33 DG-1HS
16 013621 Idle Mixture Screw -26 -
*Idle Mixture Screw Spring
*Inlet Control Lever
*inlet Fulcrum Pin
*Inlet Fulcrum Pin Ret. Screw
Inlet Needle
*Inlet Screen
*Inlet Tension Spring
Main Nozzle and Jet (,028)
Throttle Shaft & Lever
Throttle Shaft Clip
*Throttle Shaft Clip Ret. Screw
*Throttle Shaft Return Spring
Throttle Shutter
*Throttle Shutter Screw & Lockwasher
+Gasket Set (inc, Parl:sMarked t )
Repair Parts Kit (tnc, Parts Marked *)
*Diaphragm & Gasket Set (Inc. Parts
Marked +)

REPAIR PARTS
CHAIN SAW--MODEL NUMBER 9t7,35373t & 917.353771 ONLY
CARBURETOR
29
I 4
KEY
NO,
1
2
3
4
5
6
7
8
9
10
tl
12
13
14
15
16
17
t8
19
20
PART DESCRIPTION KEY PART DESCRIPTION
NO, NO_ NOo
96-517
21-88
92_93
95-21
140-33
5-1656 !_-
40-631 _:
88-14
98-162
89-13
96-526
6242 _';
82-26
98-182,,
166-35
144-60
96-156
300-944
92-94
95-515
Screw - Cover 2t
Cover - Fuel Pump
Gasket - Fuel Pump 22
Diaphragm -Fuel Pump 23
Screen - Fuel Inlet 24
Body Assembly - Carburetor 25
Choke - Shaft & Lever Assembly 26
Plug - Cup 27
Spring, Choke Friction 28
Ball - Choke Friction 29
Screw _Valve
Valve ,-Choke 30
Valve - Inlet Needle
Spring - Metering Lever 3I
Lever - Metering 32
Pin - Metering Lever 33
Screw -Metering Lever Pin 34
*Kit- Check Valve Repair (Main Nozzle) 35
Gasket ,, Metering Diaphragm 36
Diaphragm - Assembly Metering 37
-27-
325_500
21-112
96-543
9544
88-23
98-160
112_165
96-265
92-524
350-500
98-26t
98-163
16-33
102-56:,
30-808
3444 _-,,_
21-116
Kit - Kwik (Inco Key No's. 5, 9- 11,
13 - 17, 24 -26, 30 -32 & 34)
Cover - Metering Diaphragm
Screw - Fuel Pump Cover
Diaphragm - Acc_ Pump
Plug, Welch, Idle, 3/8
Spring - Needle
Jet, Main
Screw - Idle Adjustment
Gasket - Service Set (Inc, Key No_s.
3& 19)
Kit -Gasket/Diaphragm (tnc, Key No=s,
3,4, 19& 20)
Spring - Acc, Pump
Spring •Throttle Return
Ring - Throttle Shaft Retainer
Needle _ Idle
_._,: Throttle - Shaft & Lever Assembly
Valve - Throttle
Cover - Accelerator Pump
*INCLUDES VALVE DISC CHECK AND SEAT
ASSEMBLY CHECK VALVE (NOT ILLUSTRATED)

SEARS 3.7 CHAIN SAWS--MODEL NUMBERS 917.353730, 917.353731, 917,353770 AND 917.353771
ACCESSORIES AND REPAIR PARTS
AVAI LABLE THROUGH YOUR NEAREST SEARS SER+
VICE OR CATALOG OUTLET+
CATALOG DESCR _PTION CATALOG DESC R IPTION
NO+ NO,
3633
3636
36367
36501
36516
36178
Chain
(917,353730 & 917+353731) 36525
(917.353770 & 917+353771 )
Guide Bar 18" 36524
Chain File and Guide
3/16" Diameter' (917.353730 & 36609
917.353731 ON LY) 36512
5/32" Diameter (917+353770 & 36555
917.353771 ONLY) 36554
Muffler Heat Shield Kit
Chain File
3/16" Diameter (917+353730 &
917.353731 ON LY)
5/32" Diameter (917.353770 &
917+353771 ONLY)
Chain Saw Case
Snap - On Chain Guard
Craftsman Chain Saw Oil
Chain/Bar Lubricant
MAINTENANCE KIT (NOT INCLUDED WITH CHAIN SAW)
4
10
11
AVAILABLE THROUGH
VICE CENTER+
YOUR
8
NEAREST SEARS SER-
KEY PART
NO. NO.
2
4
6
2155R
2160R
780J
4001R
1338R
DESCRIPTION
File Holder and File
3/16" Diameter (917.353730 &
917.353731 ON LY)
5/32" Diameter (917.353770 &
917+353771 ON LY)
+Wrench
+Oil, Chain Saw
Gap Gauge +025 (For
Spark Plug)
KEY
NO+
7
8
9
10
tl
PART
NO. DESCRIPTION
632A9A
6299H
36548
4302R
5674H
648A34
Wrench, Clutch Spanner
Handle, File
File
3/16" Diameter (917.353730 &
917.353731 ONLY)
5/32" Diameter (917+353770 &
917,353771 ON LY)
Depth Gauge (917.353730 &
917,353731 ON LY)
Flywheel Driver
+IN¢.I t|PtFr} WITH CHAIN RAW
+28 -

SERVICE N OTES
-29 *Printed in UoS.A.

[-S-ea rs
MODEL NOS.
917+353730
917,353731
917.353770 flBWT6BBBE8
MODEL NUMBER
The Model Number will be found on the Model Plate located
below "ON-OF F" Switch. Always mention the Model Number'
when requesting service or repair +parts for your Chain Saw.
REPAIR PARTS
All parts listed herein may be ordered from any SEARS, ROE-
BUCK AN D CO. retail or catalog store.
WHEN ORDERING REPAIR PARTS, ALWAYS GIVE THE
FOLLQWING INFORMATION:
®'THE PART NUMBER
® THE PART DESCRIPTION
• THE MODEL NUMBER
® THE I_AME OF MERCHANDISE
If the parts you need are not stocked [ocafly, your' order will
be electronically transmi1_ted to a Sears Repair Parts Distribu-
tion Center for' "expedited handling".
,.m,
SEARS SERVICE
Yogr Sears merchandise takes on added value when you dis-
cover that Sears has over 2,000 Service Units throughout the
country+ Each is staffed by Sears-trained, professional techni-
cians using Sears approved parts and methods.
i| .......... iI.rl _'J --
Sears, Roebuok and Co., Chicago, Ill. 60684, U.S.A.