Craftsman 917376990 User Manual LAWN MOWER Manuals And Guides L0705263
CRAFTSMAN Walk Behind Lawnmower, Gas Manual L0705263 CRAFTSMAN Walk Behind Lawnmower, Gas Owner's Manual, CRAFTSMAN Walk Behind Lawnmower, Gas installation guides
User Manual: Craftsman 917376990 917376990 CRAFTSMAN LAWN MOWER - Manuals and Guides View the owners manual for your CRAFTSMAN LAWN MOWER #917376990. Home:Lawn & Garden Parts:Craftsman Parts:Craftsman LAWN MOWER Manual
Open the PDF directly: View PDF
.
Page Count: 52

Owner's Manual
CRRFTSMIIN°
ROTARY LAWN MOWER
160cc Honda Engine
Power-Propelled
21" Multi-Cut
Model No.
917.376990
•EspaSol, p. 21
CAUTION:
Read and follow all
Safety Rules and Instructions
before operating this equipment
Sears, Roebuck and Co., Hoffman Estates, IL 60179
Visit our Craftsman website: www.sears.com/craftsman U.S.A.

Warranty ................................................... 2
Safety Rules .......................................... 2-4
Product Specifications .............................. 4
Assembly /Pre-Operation ........................ 6
Operation ............................................. 7-11
Maintenance Schedule ........................... 12
Maintenance ...................................... 12-15
Service and Adjustments ................... 16-18
Storage .............................................. 18-19
Troubleshooting ................................. 19-20
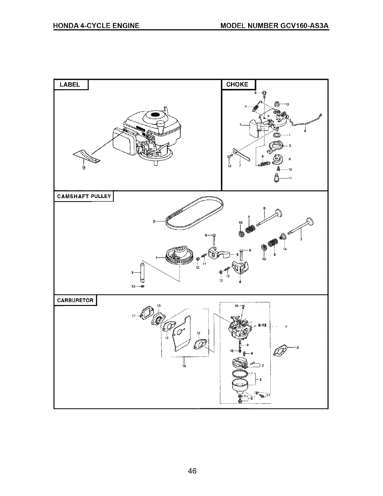
Repair Parts ....................................... 40-51
Sears Service .......................... Back Cover
2-YEAR FULL WARRANTY ON CRAFTSMAN LAWN MOWER
If this Craftsman Lawn Mower fails due to manufacturer defects in material or
workmanship within two years from the date of purchase, return it to any Sears store,
Parts & Repair Center or other Craftsman outlet for free repair (or replacement if repair
proves impossible).
This warranty applies for only 90 days from the date of purchase if this Lawn Mower is
ever used for commercial or rental purposes.
This warranty does not cover:
• Expendable items that become worn during normal use, such as rotary mower
blades, blade adapters, belts, air cleaners and spark plug.
• Repairs necessary because of operator abuse or negligence, including bent
crackshafts and the failure to assemble, operate or maintain this Lawn Mower
according to all supplied product instructions.
This warranty applies only while this product is used in the United States.
This warranty gives you specific legal rights, and you may also have other rights which
vary from state to state.
Sears, Roebuck and Co., Hoffman Estates, IL 60179
IMPORTANT: This cutting machine is capable of amputating hands and feet and throw-
ing objects. Failure to observe the following safety instructions could result in serious
injury or death.
ALook for this symbol to point out impor-
tant safety precautions. It means
CAUTIONN! BECOME ALERTH!
YOUR SAFETY IS INVOLVED.
AWARNING: In order to prevent ac-
cidental starting when setting up, trans-
porting, adjusting or making repairs,
always disconnect spark plug wire and
place wire where it cannot come in contact
with plug.
_,WARNING: Engine exhaust, some of its
constituents, and certain vehicle components
contain or emit chemicals known to the State
of California to cause cancer and birth defects
or other reproductive harm.
AWARNING: Battery posts, terminals and
related accessories contain lead and lead
compounds, chemicals known to the State
of California to cause cancer and birth
defects or other reproductive harm. Wash
hands after handling.
_, CAUTION: Muffler and other engine
parts become extremely hot during
operation and remain hot after engine has
stopped. To avoid severe burns on contact,
stay away from these areas.

I. GENERAL OPERATION
•Read, understand, and follow all
instructions on the machine and in the
manual(s) before starting. Be thoroughly
familiar with the controls and the proper
use of the machine before starting.
• Do not put hands or feet near or under
rotating parts. Keep clear of the dis-
charge opening at all times.
• Only allow responsible individuals, familiar
withtheinstructions,tooperatethe machine.
• Clear the area of objects such as rocks,
toys, wire, bones, sticks, etc., which
could be picked up and thrown by blade.
• Be sure the area is clear of other people
before mowing. Stop machine if anyone
enters the area.
• Do not operate the mower when bare-
foot or wearing open sandals. Always
wear substantial foot wear.
• Do not pull mower backwards unless ab-
solutely necessary. Always look down and
behind before and while moving backwards.
• Never direct discharged material toward
anyone. Avoid discharging material against
a wall or obstruction. Material may richo-
chet back toward the operator. Stop the
blade when crossing gravel surfaces.
• Do not operate the mower without
proper guards, plates, grass catcher or
other safety protective devices in place.
• See manufacturer's instructions for
proper operation and installation of
accessories. Only use accessories ap-
proved by the manufacturer.
• Stop the blade(s) when crossing gravel
drives, walks, or roads.
• Stop the engine (motor) whenever you
leave the equipment, before cleaning the
mower or unclogging the chute.
• Shut the engine (motor) off and wait until
the blade comes to complete stop before
removing grass catcher.
• Mow only in daylight /good artificial light.
• Do not operate the machine while under
the influence of alcohol or drugs.
• Never operate machine in wet grass.
Always be sure of your footing: keep a
firm hold on the handle; walk, never run.
• Disengage the self-propelled mech-
anism or drive clutch on mowers so
equipped before starting the engine.
• If the equipment should start to vibrate
abnormally, stop the engine (motor) and
check immediately for the cause. Vibra-
tion is generally a warning of trouble.
• Always wear safety goggles or safety glass-
es with side shields when operating mower.
II. SLOPE OPERATION
Slopes are a major factor related to slip &
fall accidents which can result in severe
injury. All slopes require extra caution. If
you feel uneasy on a slope, do not mow it.
DO:
• Mow across the face of slopes: never
up and down. Exercise extreme caution
when changing direction on slopes.
• Remove obstacles such as rocks, tree
limbs, etc.
• Watch for holes, ruts, or bumps. Tall
grass can hide obstacles.
DO NOT:
• Do not trim near drop-offs, ditches or
embankments. The operator could lose
footing or balance.
• Do not trim excessively steep slopes.
• Do not mow on wet grass. Reduced foot-
ing could cause slipping.
III. CHILDREN
Tragic accidents can occur if the operator
is not alert to the presence of children.
Children are often attracted to the machine
and the mowing activity. Never assume
that children will remain where you last
saw them.
• Keep children out of the trimming area
and under the watchful care of another
responsible adult.
• Be alert and turn machine off if children
enter the area.
• Before and while walking backwards,
look behind and down for small children.
• Never allow children to operate mower.
• Use extra care when approaching blind
corners, shrubs, trees, or other objects
that may obscure vision.
IV. SAFE HANDLING OF GASOLINE
Use extreme care in handling gasoline.
Gasoline is extremely flammable and the
vapors are explosive.
• Extinguish all cigarettes, cigars, pipes
and other sources of ignition.
• Use only an approved container.
• Never remove gas cap or add fuel with
the engine running. Allow engine to cool
before refueling.
• Never refuel the machine indoors.
• Never store the machine or fuel contain-
er where there is an open flame, spark
or pilot light such as a water heater or on
other appliances.
• Never fill containers inside a vehicle, on
a truck or trailer bed with a plastic liner.
Always place containers on the ground
away from your vehicle before filling.

• Removegas-poweredequipmentfrom
thetruck or trailerand refuel it on the
ground. Ifthis is notpossible,then
refuelsuchequipmentwith a portable
container,ratherthanfrom a gasoline
dispensernozzle.
• Keepthe nozzlein contactwith the rim
of the fueltank or containeropeningat
all times untilfueling iscomplete. Do
not usea nozzlelock-opendevice.
• Iffuel isspilled on clothing,change
clothingimmediately.
• Neveroverfillfuel tank. Replacegas
capand tightensecurely.
V. GENERAL SERVICE
• Neverrun machineinsidea closedarea.
• Never make adjustmentsor repairswith
theengine(motor)running.Disconnectthe
sparkplugwire,and keepthewire away
from plugto preventaccidentalstarting.
• Keepnuts andbolts,especiallyblade
attachmentbolts,tight and keepequip-
mentin goodcondition.
• Nevertamperwithsafetydevices.Check
theirproperoperationregularly.
• Keep machinefree of grass, leaves, or
otherdebrisbuild-up.Cleanoilorfuelspill-
age.Allowmachinetocoolbeforestoring.
• Stopand inspectthe equipmentif you
strikean object.Repair,if necessary,
beforerestarting.
• Neverattemptto makewheelheight
adjustmentswhiletheengine is running.
• Grasscatchercomponentsaresubject
to wear,damage,anddeterioration,
whichcouldexposemovingpartsor
allowobjectsto be thrown.Frequently
checkcomponentsand replacewith
manufacturer'srecommendedparts,
when necessary.
• Mowerbladesare sharpand can cut.
Wrapthe blade(s)orwear gloves,and
useextra cautionwhenservicingthem.
• Donot changethe enginegovernorset-
tingor overspeedthe engine.
• Maintainor replacesafetyand instruc-
tion labels,as necessary.
&WARNING: This lawnmoweris equippedwith an internalcombustionengineand
shouldnot be usedon or nearany unimprovedforest-covered,brush-coveredor
grass-coveredland unlessthe engine'sexhaustsystemis equippedwith a spark
arrestermeetingapplicablelocalor state laws(if any). If a sparkarresteris used,it
shouldbe maintainedin effectiveworkingorder by the operator.
In the stateof Californiathe aboveis requiredby law (Section4442of the California
PublicResourcesCode). Otherstatesmay havesimilarlaws. Federallaws applyon
federal lands. A sparkarresterfor the muffleris availablethroughyour nearestSears
Parts& RepairCenter(Seethe REPAIRPARTSsectionof this manual).
SerialNumber:
Dateof Purchase:
GasolineCapacity/Type: 1.0 Quarts (Unleaded Regular)
Oil Capacity: 18.5 Ounces
Oil Type (API SG-SL): SAE 30 (above 32°F) or SAE 10W-30
Spark Plug (Gap: .030") NGK BPR6ES
Valve Clearance (+ 0.04 mm): Intake: 0.015 mm; Exhaust: 0.020 mm
Blade Bolt Torque: 35-40 ft. Ibs.
• The model and serial numbers will be found on a decal on the rear of the lawn mower
housing. Record both serial number and date of purchase in space provided above.
4

Repair Protection Agreements
Congratulations on making a smart pur-
chase. Your new Craftsman® product is
designed and manufactured for years of
dependable operation. But like all prod-
ucts, it may require repair from time to
time. That's when having a Repair Protec-
tion Agreement can save you money and
aggravation.
Purchase a Repair Protection Agreement
now and protect yourself from unexpected
hassle and expense.
Here's what's included in the Agreement:
•Expert service by our 12,000 profe-
sional repair specialists.
• Unlimited service and no charge for
parts and labor on all covered repairs.
• Product replacement if your covered
product can't be fixed.
• Discount of 10% from regular price of
service and service-related parts not
covered by the agreement; also, 10%
off regular price of preventive mainte-
nance check.
• Fast help by phone- phone sup-
port from a Sears representative on
products requiring in-home repair, plus
convenient repair scheduling.
Once you purchase the Agreement, a
simple phone call is all that it takes for you
to schedule service. You can call anytime
day or night, or schedule a service ap-
pointment online.
Sears has over 12,000 professional repair
specialists, who have access to over 4.5
million quality parts and accessories.
That's the kind of professionalism you can
count on to help prolong the life of your
new purchase for years to come. Purchase
your Repair Protection Agreement today!
Some limitations and exclusions apply.
For prices and additional information
call 1-800-827-6655.
Sears Installation Service
For Sears professional installation of home
appliances, garage door openers, water
heaters, and other major home items, in
the U.S.A. call 1-800-4-MY-HOME®.
These accessories were available when this lawn mower was produced. They are not
shipped with your mower. They are also available at most Sears retail outlets and
service centers. Some of these accessories may not apply to your lawn mower.
LAWN MOWER PERFORMANCE
CLIPPING
DEFLECTORS
FOR
REAR DISCHARGE
LAWN MOWERS
GRASS CATCHERS
FOR
REAR DISCHARGE
LAWN MOWERS
STABILIZER
GRASS CATCHERS
FOR
SIDE DISCHARGE
LAWN MOWERS
LAWN MOWER MAINTENANCE
MUFFLERS
BELTS BLADES BLADE ADAPTERS
AIR FILTERS
WHEELS
SPARK PLUGS
ENGINE OIL

Read these instructions and this manual in
its entirety before you attempt to assemble
or operate your new lawn mower.
IMPORTANT: This lawn mower is shipped
WITHOUT OIL OR GASOLINE in the
engine.
Your new lawn mower has been assem-
bled at the factory with the exception of
those parts left unassembled for shipping
purposes. To ensure safe and proper
operation of your lawn mower, all parts
and hardware you assemble must be tight-
ened securely. Use the correct tools as
necessary to ensure proper tightness. All
parts such as nuts, washers, bolts, etc.,
necessary to complete the assembly have
been placed in the parts bag.
Operator MOWING
presence POSITION
control bar
]/// ////
Upper
UP handle
Handle
knob
Lower handle
TO REMOVE LAWN MOWER FROM
CARTON
1. Remove loose parts included with lawn
mower.
2. Cut down two end corners of carton
and lay end panel down flat.
3. Remove all packing materials except
padding between upper and lower
handle and padding holding operator
presence control bar to upper handle.
4. Roll lawn mower out of carton and
check carton thoroughly for additional
loose parts.
Knob
Handle
bracket
Bolt
HOW TO SET UP YOUR LAWN
MOWER
TO UNFOLD HANDLE
IMPORTANT: Unfold handle carefully so
as not to pinch or damage control cables.
1. Raise lower handle section to operat-
ing position and align hole in handle
with one of the height positioning holes
in handle bracket.
2. Insert handle bolt through handle and
bracket and secure with knob.
3. Repeat for opposite side of handle.
4. Remove protective padding, raise up-
per handle section into place on lower
handle and tighten both handle knobs.
5. Remove any packing material from
around control bar.
Your lawn mower handle can be adjusted
for your mowing comfort. Refer to "AD-
JUST HANDLE" in the Service and Adjust-
ments section of this manual.
TO INSTALL ATTACHMENTS
Your lawn mower was shipped ready to be
used as a mulcher. To convert mower to
bagging or discharging, see "TO CON-
VERT MOWER" in the Operation section
of this manual.

KNOW YOUR LAWN MOWER
READ THIS OWNER'S MANUAL AND ALL SAFETY RULES BEFORE OPERATING
YOUR LAWN MOWER. Compare the illustrations with your lawn mower to familiarize
yourself with the location of various controls and adjustments. Save this manual for
future reference.
These symbols may appear on your lawn mower or in literature supplied with the
product. Learn and understand their meaning.
CAUTION ENGINE ENGINE FAST SLOW CHOKE FUEL OIL DANGER, KEEP HANDS
OR WARNING ON OFF AND FEET AWAY
Operator presence control bar
Drive control lever
Starter
handle knob
Grass
catcher
Engine oil cat
with dipstick
Gasoline filler cap
Fuel shutoff valve
Air filter
Dual
point
height
adjuster
lever
Muffler
Mulcher door
Housing Spark plug
IMPORTANT: This lawn mower is shipped WITHOUT OIL OR GASOLINE in the engine.
MEETS CPSC SAFETY REQUIREMENTS
Sears rotary walk-behind power lawn mowers conform to the safety standards of the
American National Standards Institute and the U.S. Consumer Product Safety Com-
mission. The blade turns when the engine is running.
Operator presence control bar - must
be held down to the handle to start the
engine. Release to stop the engine.
Drive control lever - used to engage
power-propelled forward motion of mower.
Mulcher door - allows conversion to
discharging or bagging operation.
Starter handle - used for starting engine.
Dual point height adjuster - used to
adjust cutting height of lawn mower.

The operation of any lawn
SAFETYGLASSESmower can resultin foreign
objectsthrownintotheeyes,
which can result in severe
eye damage. Atways wear
safety glasses or eye shields while oper-
ating your lawn mower or performingany
adjustmentsor repairs. We recommenda
standardsafetyglassesorwidevisionsafety
maskworn overspectacles.
HOW TO USE YOUR LAWN MOWER
ENGINE SPEED
The engine speed was set at the factory
for optimum performance. Speed is not
adjustable.
ENGINE ZONE CONTROL
_CAUTION: Federal regulations require
an engine control to be installed on this
lawn mower in order to minimize the
risk of blade contact injury. Do not under
any circumstances attempt to defeat the
function of the operator control. The blade
turns when the engine is running.
• Your lawn mower is equipped with an
operator presence control bar which
requires the operator to be positioned
behind the lawn mower handle to start
and operate the lawn mower.
DRIVE CONTROL
• Self-propelling is controlled by hold-
ing the operator presence control bar
down to the handle and pulling the drive
control lever rearward to the handle.
The farther toward the handle the lever
is pulled, the faster the unit will travel.
• Forward motion will stop when either
the operator presence control bar or
drive control lever are released. To stop
forward motion without stopping engine,
release only the drive control lever. Hold
operator presence control bar down
against handle to continue mowing
without self-propelling
NOTE: If after releasing the drive control
the mower will not roll backwards, push
the mower forward slightly to disengage
drive wheels.
• To keep drive control engaged when
turning corners, push down on the
handle to lift the front wheels off the
ground while turning lawn mower.
DRIVE CONTROL ADJUSTMENT
Over time, the drive control system may
become "loose", resulting in decreased
speed. There is a turnbuckle on the
underside of the drive control housing to
increase tension on the drive cable. Pro-
ceed as follows:
1. Turn unit off and disconnect spark plug
wire from spark plug.
2. Turn nut on underside of drive control
to increase drive speed.
3. Operate mower to test drive speed.
Readjust as required.
4. If condition fails to improve after the
above steps (forward speed remains
the same), your drive belt is worn and
should be replaced.
O _=ratorpresence control bar
Drive
control
TO lever
ENGAGE DRIVE
Adjustment DRIVE CONTROL
turnbuckle CONTROL DISENGAGED
TO ADJUST CUTTING HEIGHT
Both front wheels are adjusted by a single
lever on the left front wheel. Likewise,
both rear wheels are adjusted by a single
lever on the left rear wheel.
• Pull adjuster lever toward wheel. To
raise mower, move lever forward to
desired position. To lower mower, move
the lever backward to desired position.
Be sure to adjust both front and rear
wheels to the same height.
Height uster lever
LEVER BACKWARD
TO LOWER MOWER
LEVER FORWARD
TO RAISE MOWER
TO CONVERT MOWER
Your lawn mower was shipped ready to
be used as a mulcher. To convert to rear
bagging or side discharging:
REAR BAGGING
1. Remove knob securing mulcher door
to lawn mower housing.
2. Open mulcher door and insert tabs
of discharge chute into hinge bracket
opening and position rear of chute over
threaded stud.

Hinge bracket Mulcher door
3. Secure rear of discharge chute to lawn
mower housing with knob.
4. Place rear handle of grass catcher on
the crossbar of the lawn mower's lower
handle as shown.
5. Lift the round door of the discharge
chute and place the grass catcher into
place on the discharge chute.
NOTE: Be sure round door of discharge
chute rests on grass catcher as shown.
• Mower is now ready for rear bagging
operation.
• To convert to mulching operation,
remove grass catcher and discharge
chute. Secure mulcher door to mower
housing with knob.
• To convert to side discharging opera-
tion, remove grass catcher and dis-
charge chute. Install side discharge
deflector and secure it to lawn mower
housing with knob.
handle
Grass
door
Discharc
chute
Knob
Threaded
stud
Mulcher door
SIDE DISCHARGING
1. Grass catcher and discharge chute
must be removed.
2. Open mulcher door and install front of
side discharge deflector beneath door
and position rear over threaded stud.
3. Secure rear of side discharge deflector
to lawn mower housing with knob.
• Mower is now ready for side discharging
operation.
• To convert to mulching operation, side
discharge deflector must be removed
and mulcher door secured to mower
housing with knob.
• To convert to rear bagging opera-
tion, side discharge deflector must be
removed; discharge chute and grass
catcher installed and discharge chute
secured to mower housing with knob.
Mulcher door Knob
stud
Side
discharge
deflector
SIMPLE STEPS TO REMEMBER WHEN
CONVERTING YOUR LAWN MOWER
FOR MULCHING -
1. Grass catcher, discharge chute and
side discharge deflector removed.
2. Mulcher door secured to mower hous-
ing with knob.
FOR REAR BAGGING -
1. Side discharge deflector removed.
2. Grass catcher and discharge chute
installed with discharge chute secured
to lawn mower housing with knob.
3. Round door of discharge chute resting
on top of grass catcher.
FOR SIDE DISCHARGING -
1. Grass catcher and discharge chute
removed.
2. Side discharge deflector installed and
secured to mower housing with knob.
ACAUTION: Do not run your lawn mower
without mulcher door closed; side dis-
charge deflector installed, or discharge
chute and approved grass catcher in
place. Never attempt to operate the lawn
mower with mulcher door or round door
removed or propped open.

TO EMPTY GRASS CATCHER
1. Open round door of discharge chute to
move starter rope out and away from
grass catcher.
\ X Front
OPEN
Round Starter
door rope
2. Remove grass catcher with clippings
from lawn mower using both front and
rear handles.
3. Empty clippings from grass catcher
using both rear handle and strap. The
weight of the grass will open the door.
4. Snap door shut over frame before
installing grass catcher on mower.
NOTE: Do not drag the grass catcher when
emptying; it will cause unnecessary wear.
Strap
handle
Front
handle
BEFORE STARTING ENGINE
ADD OIL
Your lawnmower is shipped without oil in
the engine. For type and grade of oil to
use, see "ENGINE" in the Maintenance
section of this manual.
• i, CAUTION: DO NOT overfill engine with
oil, or it will smoke on startup.
1. Be sure lawnmower is level.
2. Remove oil fill cap/dipstick from oil fill
spout.
3. You recieve a container of oil with the
unit. Slowly pour the entire container
down the oil fill spout into the engine.
4. Insert and tighten oil fill cap/dipstick.
IMPORTANT:
• Check oil level before each use. Add oil
if needed. Fill to full line on dipstick.
• Change the oil after every 25 hours of
operation or each season. You may
need to change the oil more often
under dusty, dirty conditions. See "TO
CHANGE ENGINE OIL" in the Mainte-
nance section of this manual.
ADD GASOLINE
• Fill fuel tank to bottom of tank filler neck.
Do not overfill. Use fresh, clean, regular
unleaded gasoline with a minimum of
87 octane. Do not mix oil with gasoline.
Purchase fuel in quantities that can be
used within 30 days to assure fuel fresh-
ness.
A CAUTION: Wipe off any spilled oil or
fuel. Do not store, spill or use gasoline
near an open flame.
A CAUTION: Alcohol blended fuels
(called gasohol or using ethanol or metha-
nol) can attract moisture which leads to
separation and formation of acids during
storage. Acidic gas can damage the fuel
system of an engine while in storage. To
avoid engine problems, the fuel system
should be emptied before storage of 30
days or longer. Empty the gas tank, start
the engine and let it run until the fuel lines
and carburetor are empty. Use fresh fuel
next season. See Storage Instructions for
additional information. Never use engine
or carburetor cleaner products in the fuel
tank or permanent damage may occur.
Oil fill cap /
di Gasoline
filler cap
Upper
mark mark
TO STOP ENGINE
• To stop engine, release operator pres-
ence control bar. Wait until blade and
all moving parts have stopped and turn
fuel valve to OFF position if you do not
10 intend to restart the engine soon.

TO START ENGINE
NOTE:Dueto protectivecoatingsonthe
engine,a smallamountof smokemaybe
presentduringthe initialuseof the product
andshouldbeconsiderednormal.
1. Besure fuelvalve is inthe ON po-
sition.
2. Holdoperatorpresencecontrolbar
downto the handleand pullstarter
handlequickly.Donotallowstarter
rope to snap back.
NOTE:The choke leverautomatically
beginsmovingto the OFFpositionwhen
operatorpresencecontrolbar is held
downto handle.
OFF
Fuel valve lever
MOWING TIPS
A CAUTION: Do not use de-thatcher
blade attachments on your mower. Such
attachments are hazardous, will damage
your mower and could void your warranty.
• Under certain conditions, such as very
tall grass, it may be necessary to raise
the height of cut to reduce pushing
effort and to keep from overloading the
engine and leaving clumps of grass clip-
pings. It may also be necessary to re-
duce ground speed and/or run the lawn
mower over the area a second time.
• For extremely heavy cutting, reduce the
width of cut by overlapping previously
cut path and mow slowly.
• For better grass bagging and most cut-
ting conditions, the engine speed should
be set in the FAST position.
• Pores in cloth grass catchers can be-
come filled with dirt and dust with use
and catchers will collect less grass. To
prevent this, regularly hose catcher off
with water and let dry before using.
Keep top of engine around starter clear
and clean of grass clippings and chaff.
This will help engine air flow and extend
engine life.
MULCHING MOWING TIPS
IMPORTANT: For best performance,
keep mower housing free of built-up
grass and trash. See "CLEANING" in the
Maintenance section of this manual.
• The special mulching blade will recut
the grass clippings many times and
reduce them in size so that as they fall
onto the lawn they will disperse into
the grass and not be noticed. Also, the
mulched grass will biodegrade quickly
to provide nutrients for the lawn. Always
mulch with your highest engine (blade)
speed as this will provide the best recut-
ting action of the blades.
• Avoid cutting your lawn when it is wet.
Wet grass tends to form clumps and
interferes with the mulching action. The
best time to mow your lawn is the early
afternoon. At this time the grass has
dried, yet the newly cut area will not be
exposed to direct sunlight.
• For best results, adjust the lawn mower
cutting height so that the lawn mower
cuts off only the top one-third of the
grass blades. If the lawn is overgrown it
will be necessary to raise the height of cut
to reduce pushing effort and to keep from
overloading the engine and leaving clumps
of mulched grass. For extremely heavy
grass, reduce your width of cut by overlap-
ping previously cut path and mow slowly.
1/3
• Certain types ofg rass and grass conditions
may require that an area be mulched a sec-
ond time to completely hide the clippings.
When doing a second cut, mow across
(perpendicular) to the first cut path.
• Change your cutting pattern from week
to week. Mow north to south one week
then change to east to west the next
week. This will help prevent matting and
graining of the lawn.
11

SCHEDULE
Check for Loose Fasteners
L Clean /Inspect Grass Catcher *
_ Check Tires
N Check Drive Wheels ***
Clean Lawn Mower ....
M Clean under Drive Cover ***
O Check Drive Belt /Pulleys ***
_ heck /Sharpen /Replace Blade
Lubrication
Clean and Recharge Battery **
Check Engine Oil level
_' Change Engine Oil
N Clean Air Filter
_ Inspect Muffler
N Replace Spark Plug
E Replace Air Filter Paper Cartridge
Empty fuel system or add Stabilizer
BEFORE AFTER EVERY EVERY EVERY
EACH EACH 10 25HOURS 100 BEFORE
USE USE HOURS OR SEASON HOURS STORAGE
v' v'
v'
v'3
1##_,2
v' v'
v'
* (if so equipped)
** Electric-Start mowers
*** Power-Propelled mowers
**** Use a scraper
to clean under deck
1 - Change more often if operating under a heavy load or in high outdoor temperatures.
2 - Service more often if operating in dirty or dusty conditions.
3 - Replace blades more often when mowing in sandy soil,
4-Charge 48 hours at end of season.
5 - And after each 5 hours of use.
GENERAL RECOMMENDATIONS
The warranty on this lawn mower does not
cover items that have been subjected to
operator abuse or negligence. To receive
full value from the warranty, operator must
maintain unit as instructed in this manual.
Some adjustments will need to be made
periodically to properly maintain your unit.
At least once a season, check to see if
you should make any of the adjustments
described in the Service and Adjustments
section of this manual.
• At least once a year, replace the spark
plug, clean or replace air filter element
and check blade for wear. A new spark
plug and clean/new air filter element
assure proper air-fuel mixture and help
your engine run better and last longer.
• Follow the maintenance schedule in this
manual.
BEFORE EACH USE
• Check engine oil level.
• Check for loose fasteners.
LU BRICATION
Keep unit well lubricated
(See "LUBRICATION CHART").
LUBRICATION CHART
Engine oil
Mulcher
door hinge pin
Rear door
hinge
Handle bracket mounting pins
_Spray lubricant
See "ENGINE" in Maintenance section.
IMPORTANT: Do not oil or grease plastic
wheel bearings. Viscous lubricants will
attract dust and dirt that will shorten the life of
the self-lubricating bearings. If you feel they
must be lubricated, use only a dry, powdered
graphite type lubricant sparingly.
12

LAWN MOWER
Always observe safety rules when per-
forming any maintenance.
TIRES
• Keep tires free of gasoline, oil, or insect
control chemicals which can harm rubber.
• Avoid stumps, stones, deep ruts, sharp
objects and other hazards that may
cause tire damage.
DRIVE WHEELS
Check rear drive wheels each time you
mow to be sure they move freely. The
wheels not turning freely means trash,
grass cuttings, etc., may be inside the
drive wheel and dust cover area and must
be cleaned out to free drive wheels.
BLADE CARE
For best results, mower blade must be kept
sharp. Replace a bent or damaged blade.
A CAUTION: Use only a replacement
blade approved by the manufacturer of
your mower. Using a blade not approved
by the manufacturer of your mower is
hazardous, could damage your mower and
void your warranty.
TO REMOVE BLADE
1. Disconnect spark plug wire from spark
plug and place wire where it cannot
come in contact with plug.
2. Turn lawn mower on its side. Make
sure air filter and carburetor are up.
3. Use a wood block between blade and
mower housing to prevent blade from
turning when removing blade bolt.
NOTE: Protect your hands with gloves
and/or wrap blade with heavy cloth.
4. Remove blade bolt by turning counter-
clockwise.
5. Remove blade and attaching hardware
(bolt, lock washer, hardened washer).
TO REPLACE BLADE
1. Position blade on the blade adapter
aligning the two (2) holes in the blade
with the raised lugs on the adapter.
2. Be sure the trailing edge of blade (oppo-
site sharp edge) is up toward the engine.
3. Install the blade bolt with the lock
washer and hardened washer into
blade adapter and crankshaft.
4. Use block of wood between blade and
lawn mower housing and tighten the
blade bolt, turning clockwise.
• The recommended tightening torque is
35-40 ft. Ibs.
IMPORTANT: Blade bolt is heat treated.
If bolt needs replacing, replace only with
approved bolt shown in the Repair Parts
section of this manual.
Trailinc
Blade adapter
13
Lock-
washer
Hardened Blade
Blade washer bolt
TO SHARPEN BLADE
NOTE: We do not recommend sharpening
the blade - but if you do, be sure the blade
is balanced. Care should be taken to keep
the blade balanced. An unbalanced bladewill
cause eventual damage to mower or engine.
• The blade can be sharpened with a file
or on a grinding wheel. Do not attempt
to sharpen while on the mower.
• To check blade balance, drive a nail into
a beam or wall. Leave about one inch of
the straight nail exposed. Place center
hole of blade over the head of the nail.
If blade is balanced, it should remain in
a horizontal position. If either end of the
blade moves downward, sharpen the
heavy end until the blade is balanced.
GRASS CATCHER
• The grass catcher may be hosed with
water, but must be dry when used.
• Check your grass catcher often for dam-
age or deterioration. Through normal
use it will wear. If catcher needs replac-
ing, replace only with approved replace-
ment catcher shown in the Repair Parts
section of this manual. Give the lawn
mower model number when ordering.
GEAR CASE
• To keep your drive system working
properly, the gear case and area around
the drive should be kept clean and free
of trash build-up. Clean under the drive
cover twice a season.
• The gear case is filled with lubricant to the
proper level at the factory. The only time
the lubricant needs attention is if service
has been performed on the gear case.
• If lubricant is required, use only Texaco
Starplex Premium 1 Grease, Part No.
750369. Do not substitute.

ENGINE
Maintenance,repair,or replacementof
the emissioncontroldevicesand systems,
whichare beingdone at the customersex-
pense,maybe performedby anynon-road
engine repairestablishmentor individual.
Warrantyrepairsmustbe performedbyan
authorizedenginemanufacturer'sservice
outlet.
LUBRICATION
Use only high quality detergent oil rated
with API service classification SG-SL.
Selectthe oil'sSAEviscositygradeaccord-
ingto yourexpectedoperatingtemperature.
SAE VISCOSITY GRADES
°F -20 0 30 32 40 60 80 100
°c -_0 -25 -1_ _ 1_ _0 _0 40
TEMPERATURE RANGE ANTICIPATED BEFORE NEXT OIL CHANGE
NOTE: Multi-viscosity oils (5W30, 10W30
etc.) improve starting in cold weather, and
you should check your engine oil level fre-
quently to avoid possible engine damage
from running low on oil.
Change the oil after every 25 hours of
operation or at least once a year if the
lawn mower is not used for 25 hours in
one year.
Check the crankcase oil level before
starting the engine and after each five (5)
hours of continuous use. Tighten oil plug
securely each time you check the oil level.
TO CHANGE ENGINE OIL
NOTE: Before tipping lawn mower to drain
oil, empty fuel tank by running engine until
fuel tank is empty.
1. Disconnect spark plug wire from spark
plug and place wire where it cannot
come in contact with plug.
2. Remove oil fill cap/dipstick; lay aside
on a clean surface.
3. Tip lawn mower on its side as shown
and drain oil into a suitable container.
Rock lawn mower back and forth to re-
move any oil trapped inside of engine.
,
5.
6.
Wipe off any spilled oil from lawn
mower or side of engine.
Fill engine with oil. Slowly pour oil
down the oil fill spout into the engine.
Wait one minute to allow oil to settle.
Use guage on oil fill cap/dipstick for
checking level. Insert dipstick into
the tube and rest the oil fill cap on the
tube. DO NOT thread the cap into the
tube when taking reading.
Oil fill cap /
dipstick
Upper _
mark_
Lower" __
mark
7. Continue adding small amounts of
oil and rechecking the dipstick until it
reads full. DO NOT overfill, or engine
will smoke on startup.
8. Always be sure to retighten oil fill cap/
dipstick before starting engine.
9. Reconnect spark plug wire to spark
plug.
AIR FILTER
Your engine will not run properly and may
be damaged by using a dirty air filter.
Replace the air filter every 100 hours of
operation or every season, whichever oc-
curs first. Service air cleaner more often
under dusty conditions.
TO CLEAN AIR FILTER
1. Remove cover.
2. Carefully remove cartridge.
3. Clean by gently tapping on a flat sur-
face. If very dirty, replace cartridge.
ACAUTION: Petroleum solvents, such
as kerosene, are not to be used to clean
cartridge. They may cause deterioration
of the cartridge. Do not oil cartridge. Do
not use pressurized air to clean or dry
cartridge.
4. Install cartridge, then replace cover.
14

Tab
Cartridge
Filter
MUFFLER
Inspect and replace corroded muffler as it
could create a fire hazard and/or damage.
SPARK PLUG
Replace spark plug at the beginning of
each mowing season or after every 100
hours of operation, whichever occurs
first. Spark plug type and gap setting
are shown in the "PRODUCT SPECIFIC-
ATIONS" section of this manual.
CLEANING
IMPORTANT: For best performance,
keep mower housing free of built-grass
and trash. Clean the underside of your
mower after each use.
AI:;_CAUTION: Disconnect spark plug wire
from spark plug and place wire where it
cannot come in contact with plug.
• Clean the underside of your lawn mower
by scraping to remove build-up of grass
and trash.
• Clean engine often to keep trash from
accumulating. A clogged engine runs
hotter and shortens engine life.
• Keep finished surfaces and wheels free
of all gasoline, oil, etc.
• We do not recommend using a garden hose
to clean lawn mower unless the electrical
system, muffler, air filter and carburetor
are covered to keep water out. Water
in engine can result in shortened engine
life.
CLEAN UNDER DRIVE COVER
Clean under drive cover at least twice a
season. Scrape underside of cover with
putty knife or similar tool to remove any
build-up of trash or grass on underside of
drive cover.
15

AWARNING: To avoid serious injury, before
performing any service and adjustments:
1. Release control bar and stop engine.
2. Make sure the blade and all moving
parts have completely stopped.
3. Disconnect spark plug wire from spark
plug and place wire where it cannot
come in contact with plug.
LAWN MOWER
TO ADJUST CUTTING HEIGHT
See "TO ADJUST CUTTING HEIGHT" in
the Operation section of this manual.
REAR DEFLECTOR
The rear deflector, attached between the
rear wheels of your mower, is provided to
minimize the possibility that objects will be
thrown out of the rear of the mower into
the operator mowing position. If deflector
becomes damaged, it should be replaced.
TO REMOVE DRIVE BELT
1. Disconnect spark plug wire from spark
plug and place wire where it cannot
come in contact with plug.
2. Remove screws retaining drive cover
and remove drive cover from lawn
mower housing (See Figure A).
Drive
cover
Lawn
mower
housing
,
Figure A
Remove drive cable from anchor, then
detach it and return spring from idler
arm assembly (See Fig. B).
Return spring Drive cable anchor
/Drive belt
Housing
hole
pulley Idler arm
• C-._j
Belt keeper PIVOT \ assembly
Figure B
4. Pivot idler arm assembly to slacken
drive belt, then remove drive belt from
drive pulley, belt keepers and idler arm.
5. Turn lawn mower on its side. Make
sure air filter and carburetor are up.
6. Remove screw securing debris shield.
Note that the debris shield has a tab
which fits into a gap in the housing
(See Figure C).
Crankshaft Tab Blade
Housing adapter
hole \ (pulley
end)
Hardened
washer
Blade
bolt
Screw Trailing edge Lock-washer
Figure O
7. Use a wood block between blade and
mower housing to prevent blade from
turning when removing blade bolt.
NOTE: Protect your hands with gloves
and/or wrap blade with heavy cloth.
8. Remove blade bolt.
9. Remove blade, attaching hardware
(bolt, lock washer and hardened wash-
er), blade adapter and debris shield as
one assembly.
10. Remove drive belt from blade adapter
and debris shield; discard old belt.
16

TO REPLACE DRIVE BELT
1. Place new drive belt in the belt retainer
of the debris shield. Be sure to route
belt between belt keepers and through
slot (See Figure D).
Belt retainer. Tab
Belt
Drive
belt
Slot
Figure D
Debris
shield
2. Route the other end of the new drive
belt through hole in housing.
3. Reattach debris shield to housing with
screw previously removed. Be sure tab
of debris shield is in gap of housing.
4. Position blade on the blade adapter
aligning the two (2) holes in the blade
with the raised lugs on the adapter.
5. Be sure the trailing edge of blade (op-
posite sharp edge) is up toward the
engine (See Figure C).
6. Install the blade bolt with the lock
washer and hardened washer into
blade adapter and crankshaft.
7. Use block of wood between blade and
lawn mower housing and tighten the
blade bolt, turning clockwise.
• The recommended tightening torque is
35-40 ft. Ibs.
IMPORTANT: Blade bolt is heat treated.
If bolt needs replacing, replace only with
approved bolt shown in the Repair Parts
section of this manual.
8. Return mower to upright position.
9. Install new drive belt into idler arm
assembly, then around the drive pulley.
Be sure belt is inside of belt keepers
(See Figure B).
NOTE: Pulling on the drive belt (to install
it on the drive pulley) will cause the other
end of the belt to free itself from the debris
shield retainer and properly seat itself in
groove of pulley end of the blade adapter.
10. Reattach drive cable and return spring
to the idler arm assembly, then reat-
tach drive cable to anchor.
11. Reattach drive cover with screws previ-
ously removed.
TO ADJUST HANDLE
The handle on your lawn mower has
multiple height positions - adjust to height
that suits you.
1. Remove knob and carriage bolt on left
side of the lower handle.
2. While holding handle assembly, re-
move knob and carriage bolt from right
side. Align hole in handle with desired
hole in handle bracket, then reassem-
ble bolt and knob and tighten securely.
3. Align left side of handle with same po-
sitioning hole as right side and secure
with bolt and knob.
Knob Bolt
\
Low
Hi
ENGINE
Maintenance, repair, or replacement of
the emission control devices and systems,
which are being done at the customers ex-
pense, may be performed by any non-road
engine repair establishment or individual.
Warranty repairs must be performed by an
authorized engine manufacturer's service
outlet.
ENGINE SPEED
Your engine speed has been factory set.
Do not attempt to increase engine speed
or it may result in personal injury. If you
believe that the engine is running too fast
or too slow, take your lawn mower to a
Sears or other qualified service center for
repair and adjustment.
CARBURETOR
Your carburetor is not adjustable. If your
engine does not operate properly due to sus-
pected carburetor problems, take your lawn
mower to a Sears or other qualified service
center for repair and/or adjustment.
12.Connect spark plug wire to spark plug. 17

IMPORTANT:Nevertamperwith the
enginegovernor,which isfactory set
for properenginespeed. Overspeeding
the engineabovethefactory highspeed
settingcanbe dangerous. Ifyou think
the engine-governedhighspeed needs
adjusting,contacta Searsor other
qualifiedservicecenter,which hasproper
equipmentand experienceto makeany
necessaryadjustments.
Immediatelyprepareyourlawn mowerfor
storageat the end of theseasonor if the
unitwill not beusedfor 30daysor more.
LAWN MOWER
When lawn mower is to be stored for a
period of time, clean it thoroughly, remove
all dirt, grease, leaves, etc. Store in a
clean, dry area.
1. Clean entire lawn mower (See
"CLEANING" in the Maintenance sec-
tion of this manual).
2. Lubricate as shown in the Maintenance
section of this manual.
3. Be sure that all nuts, bolts, screws, and
pins are securely fastened. Inspect
moving parts for damage, breakage
and wear. Replace if necessary.
4. Touch up all rusted or chipped paint
surfaces. Be sure to sand surface
lightly before painting.
HANDLE
You can fold your lawn mower handle for
storage.
1. Loosen the two (2) handle knobs on
sides of the upper handle and allow
handle to fold down to the rear.
Operator MOWING
I: POSITION
control bar
FOLD
FORWARD
FOR
STORAGE
Upper
handle
Handle
knob
Lower handle
,Remove the two (2) handle knobs and
carriage bolts on sides of the lower
handle and pivot entire handle as-
sembly forward and allow it to rest on
mower.
Bolt
Handle
bracket
3. Reinstall knobs and carriage bolts to
lower handle or handle brackets for
safe keeping.
• When setting up your handle from the
storage position, you must manually
lock lower handle into mowing position.
IMPORTANT: When folding the handle
for storage or transportation, be sure to
fold it as shown or you may damage the
control cables.
ENGINE
FUEL SYSTEM
IMPORTANT: It is important to prevent
gum deposits from forming in essential
fuel system parts such as carburetor, fuel
filter, fuel hose, or tank during storage.
Alcohol blended fuels (called gasohol or
using ethanol or methanol) can attract
moisture which leads to separation and
formation of acids during storage. Acidic
gas can damage the fuel system of an
engine while in storage.
• Empty the fuel tank by starting the en-
gine and letting it run until the fuel lines
and carburetor are empty.
18

• Never use engine or carburetor cleaner
products in the fuel tank or permanent
damage may occur.
• Use fresh fuel next season.
NOTE: Fuel stabilizer is an acceptable
alternative in minimizing the formation of
fuel gum deposits during storage. Add
stabilizer to gasoline in fuel tank or stor-
age container. Always follow the mix ratio
found on stabilizer container. Run engine
at least 10 minutes after adding stabilizer
to allow the stabilizer to reach the car-
buretor. Do not empty the gas tank and
carburetor if using fuel stabilizer.
ENGINE OIL
Drain oil (with engine warm) and replace
with clean engine oil. (See "ENGINE" in
the Maintenance section of this manual).
CYLINDER
1. Remove spark plug.
2. Pour one ounce (29 ml) of oil through
spark plug hole into cylinder.
3. Pull starter handle slowly a few times
to distribute oil.
4. Replace with new spark plug.
OTHER
• Do not store gasoline from one season
to another.
• Replace your gasoline can if your can
starts to rust. Rust and/or dirt in your
gasoline will cause problems.
• If possible, store your unit indoors and
cover it to protect it from dust and dirt.
• Cover your unit with a suitable protec-
tive cover that does not retain moisture.
Do not use plastic. Plastic cannot
breathe, which allows condensation to
form and will cause your unit to rust.
IMPORTANT: Never cover mower while
engine and exhaust areas are still warm.
_IbCAUTION: Never store the lawn mower
with gasoline in the tank inside a building
where fumes may reach an open flame
or spark. Allow the engine to cool before
storing in any enclosure.
TROUBLESHOOTING - See appropriate section in manual unless directed
to a Sears Parts & Repair Center.
PROBLEM CAUSE
Does not start 1. Dirty air filter.
2. Out of fuel.
3. Stale fuel.
4. Water in fuel.
5. Spark plug wire is
disconnected.
6. Bad spark plug.
7. Loose blade or broken
blade adapter.
8. Control bar in released
position.
9. Control bar defective.
10. Fuel valve lever (if so
equipped) in OFF position.
11. Weak battery (if equipped).
12. Disconnected battery
connector (if equipped).
CORRECTION
1. Clean/replace air filter.
2. Fill fuel tank.
3. Empty fuel tank and refill tank
with fresh, clean gasoline.
4. Empty fuel tank and refill tank
with fresh, clean gasoline.
5. Connect wire to plug.
6. Replace spark plug.
7. Tighten blade bolt or
replace blade adapter.
8. Depress control bar to
handle.
9. Replace control bar.
10. Turn fuel valve lever
to the ON position.
11. Charge battery.
12. Connect battery to engine.
19

TROUBLESHOOTING - See appropriate section in manual unless directed
to a Sears Parts & Repair Center,
CAUSEPROBLEM
Loss of power
Poor cut -
uneven
Excessive
vibration
Starter rope
hard to pull
Grass catcher
not filling
(If so equipped)
Hard to push
Loss of drive
or slowing of
drive speed
1. Rear of mower housing or
blade dragging in grass.
2. Cutting too much grass.
3. Dirty air filter.
4. Buildup of grass, leaves,
and trash under mower.
5. Too much oil in engine.
6. Walking speed too fast.
1. Worn, bent or loose blade.
2. Wheel heights uneven.
3. Buildup of grass, leaves
and trash under mower.
1. Worn, bent or loose blade.
2. Bent engine crankshaft.
.Engine flywheel brake is on
when control bar is released.
2. Bent engine crankshaft.
3. Blade adapter broken.
4. Blade dragging in grass.
1. Cutting height too low.
2. Lift on blade worn off.
3. Catcher not venting air.
1. Grass is too high or wheel
height is too low.
2. Rear of mower housing or
blade dragging in grass.
3. Grass catcher too full.
4. Handle height position not
right for you.
1. Belt wear.
2. Belt off of pulley.
3. Drive cable worn or broken.
4. "Loose" drive control system.
CORRECTION
1. Raise cutting height.
2. Raise cutting height.
3. Clean/replace air filter.
4. Clean underside of mower
housing.
5. Check oil level.
6. Cut at slower walking speed.
1. Replace blade. Tighten
blade bolt.
2. Set all wheels at same
height.
3. Clean underside of
mower housing.
1. Replace blade. Tighten
blade bolt.
2. Contact a Sears or other
qualified service center.
1. Depress control bar to
upper handle before
pulling the starter rope.
2. Contact a Sears or other
qualified service center.
3. Replace blade adapter.
4. Move lawn mower to cut
grass or to hard surface.
1. Raise cutting height.
2. Replace blade.
3. Clean grass catcher.
1. Raise cutting height.
2. Raise rear of mower housing
one (1) setting higher.
3. Empty grass catcher.
4. Adjust handle height to suit.
1. Check/replace drive belt.
2. Check/reinstall drive belt.
3. Replace drive cable.
4. Adjust drive control.
20

Garantia ......................................................... 21
Reglas de Seguridad ................................ 21-23
Especificaciones del Producto ....................... 23
Montaje /Pre-Operacion ............................... 25
Operaci6n ................................................. 26-30
Mantenimiento .......................................... 31-34
Programa de Mantenimiento ......................... 31
Servicio y Adjustes ................................... 35-37
AImacenamiento ....................................... 37-38
Identificacion de problemas ...................... 38-39
Partes de repuesto .................................. 40-51
Servicio Sears .................................. Contratapa
GARANTiA TOTAL DE LA CORTADORA DE ClaSPED CRAFTSMAN POR 2 ANOS
Si esta Segadora Craftsman Ilega a presentar algOn desperfecto por defectos de materiales
o fabricacion durante un plazo de dos a5os a partir de la fecha de compra, Ilevela de vuelta a
cualquiera de las tiendas Sears, al Centre de Repuestos y Reparacion, o a otro comercio donde se
vendan los equipos Craftsman, a efectos de que se la reparen sin costo (o bien se la reemplacen,
en case que no sea posible repararla).
Siesta Segadora Ilega a ser utilizada con fines comerciales o arrendada, la presente garantia tendra
vigencia per s61o 90 dias a partir de la fecha de compra.
La presente garantia no cubre:
• Aquellas piezas fungibles que se desgastan por el uso normal, tales como las cuchillas rotatorias
de la cortadora, los adaptadores de las cuchillas, las correas, los filtros de aire y las bujias.
• Aquellas reparaciones que haya que hacer debido a mal uso o negligencia por parte del operador,
incluidos el arbol del cigQe5al torcido u omisiones relativas al armado, manejo o mantenimieno de
la Segadora en un todo de acuerdo a las instrucciones provistas con el equipo.
La presente garantia se aplicara solamente en tanto el articulo sea usado en los Estados Unidos.
Esta garantia le otorga a usted derechos legales especificos; puede que usted tenga, ademas, otros
derechos, los cuales varian de estado a estado.
Sears, Roebuck and Co., Hoffman Estates, IL 60179
IMPORTANTE: Esta maquina cortadaora es capaz de amputar las manes y los manos y los pies y
de lanzar objetos. Si no se observan las instrucciones de seguridad siguientes se pueden producir
lesiones graves o la muerte.
_Busque este simbolo que se_ala las precau-
ciones de seguridad de importancia. Quiere
decir- iiiATENClON!!! iiiESTE ALERTO!!!
_ SEGURIDAD ESTA COMPROMETtDA.
ADVERTENCIA: Siempre desconecte el
alambre de la bujia y p6ngalo donde no pueda
entrar en contacto con la bujia, para evitar el
arranque por accidente, durante la preparaci6n,
el transporte, el ajuste o cuando se hacen
reparaciones.
_ADVERTENClA: Los bornes, terminales y
accesorios relatives de la bateria contienen
plomo o compuestos de plomo, productos
quimicos conocidos en el Estado de California
como causa de cancer y defectos al nacimiento
u otros daSos reproductivos. Lavar las manos
despues de manipularlos.
_PRECAUClON: El tubo de escape del motor,
algunos de sus constituyentes y algunos com-
ponentes del vehiculo contienen o desprenden
productos quimicos conocidos en el Estado de
California come causa de cancer y defectos al
,_cimiento u otros da5os reproductivos.
PRECAUClON: El silenciador y otras piezas
del motor Ilegan a sre extremadamente calien-
tes durante la operacion y siguen siendo cali-
entes despues de que el motor haya parado.
Para evitar quemaduras severas, permanezca
lejos de estas areas.
21

I. OPERACION
• Antes de empezar, debe familiarizarse
completamente con los controles y el uso
correcto de la maquina. Para esto, debe leer
y comprender todas las instrucciones que
aparecen en la maquina yen los manuales
de operacion.
• No ponga las manos o los pies cerca o
debajo de las partes rotatorias. Mantengase
siempre lejos de la abertura de la descarga.
• Permita que solamente las personas re-
sponsables que esten familiarizadas con las
instrucciones operen la maquina.
• Despeje el area de objetos tales como pie-
dras, juguetes, alambres, huesos, palos, etc.
que pueden ser recogidos y lanzados por las
cuchillas.
• AsegQrese que el area no se hallen per-
sonas, antes de segar. Pare la maquina si
alguien entra en el area.
• No opere la maquina sin zapatos o con san-
dalias abiertas. P6ngase siempre zapatos
s61idos.
• No tire de la segadora hacia atras a menos
que sea absolutamente necesario. Mire
siempre hacia abajo y hacia detras antes y
mientras que se mueve hacia atras.
• Nunca dirigir el material descargado hacia
las personas. Evitar descargar material
contra paredes o barreras. El material puede
retornar al operador. Para la cuchilla cuando
se pasa por superficies de grava.
• No opere la segadora sin los respectivos
resguardos, las placas, el recogedor de
cesped u otros aditamentos dise ados para
su proteccion y seguridad.
• Refi@ase a las instrucciones del fabricante
para el funcionamiento e instalacion de
accesorios. Use Qnicamente accesorios
aprobados por el fabricante.
• Detenga la cuchilla o las cuchillas cuando cruce
por calzadas, calles o caminos de grava.
• Parar el motor cada vez que se abandona el
aparato, antes de limpiar la segadora o de
remover residuos del tubo.
• Apagar el motor y esperar hasta que las
cuchillas esten completamente paradas
antes de remover el receptor de hierba.
• Segar solamente con luz del dia o con una
buena luz artificial.
• No opere la maquina bajo la influencia del
alcohol o de las drogas.
• Nunca opere la maquina cuando la hierba
este mojada. AsegQrese siempre de tener
buena traccion en sus pies; mantenga el
mango firmemente y camine; nunca corra.
• Desconectar el mecanismo de propulsi6n
aut6noma o el embrague de transmisi6n en
las segadoras que Io tienen antes de poner
en marcha el motor.
• Si el equipo empezara a vibrar de una
manera anormal, pare el motor y revise de
inmediato para averiguar la causa. General-
mente la vibracion suele indicar que existe
alguna averia.
• Siempre use gafas de seguridad o anteojos
con proteccion lateral cuando opere la sega-
dora.
II. OPERACION SOBRE LAS CUESTAS
Los accidentes ocurren con mas frecuencia en
las cuestas. Estos accidentes ocurren debido a
resbaladas o caidas, las cuales pueden resultar
en graves lesiones. Operar la recortadora en
cuestas requiere mayor concentracion. Si se
siente inseguro en una cuesta, no la recorte.
HACER:
• Puede recortar a traves de la superficie de
la cuesta, nunca hacia arriba y hacia abajo.
Proceda con extrema precauci6n cuando
cambie de direccion en las cuestas.
• Renueva todos los objetos extraSos, tales
como guijarros, ramas, etc.
• Debe prestar atencion a hoyos, baches o
protuberancias. Recuerde que la hierba alta
puede esconder obstaculos.
NO HACER:
• No recorte cerca de pendientes, zanjas o
terraplenes. El operador puede perder la
traccion en los pies o el equilibrio.
• No recorte cuestas demasiado inclinadas.
• No recorte en hierba mojada. La reduccion
en la tracci6n de la pisada puede causar
resbalones.
III. NINOS
Se pueden producir accidentes tragicos si el
operador no presta atenci6n a la presencia
de los niSos. A menudo, los niSos se sienten
atraidos por la maquina y por la actividad de
la siega. Nunca suponga que los niSos van a
permanecer en el mismo lugar donde los vio
por _ltima vez.
• Mantenga a los niSos alejados del _lrea de
la siega y bajo el cuidado estricto de otra
persona adulta responsable.
• Este alerta y apague la maquina si hay ni5os
que entran al area.
• Antes y cuando este retrocediendo, mire
hacia atr_ls y hacia abajo para verificar si hay
niSos peque5os.
• Nunca permita que los ni5os operen la ma-
quina.
• Tenga un cuidado extra cuando se acerque
aesquinas donde no hay visibilidad, a los
arbustos, _lrboles u otros objetos que pueden
interferir con su linea de visi6n.
IV. MANEJO SEGURO DE GASOLINA
Usar mucha atenci6n cuando se maneja gaso-
lina. La gasolina es extremamente inflamable y
los vapores son explosivos.
• Apagar todos los cigarrillos, cigarros, pipas y
otras fuentes de ignici6n.
• Usar solo un contenedor apropiado.
• Nunca quitar el tap6n de la gasolina o a_adir
carburante con el motor en marcha. Esperar
que el motor se enfrie antes de repostar la
gasolina.
• Nunca repostar la maquina al interior de un
local.
• Nunca guardar la maquina o el contenedor
de gasolina donde hay una llama abierta,
chispa o luz piloto como una caldera u otros
dispositivos.
22

• Nunca Ilenar contenedores en un vehiculo, en
un cami6n o caravana con un forro de plastico.
Colocar siempre los contenedores en el suelo
lejos de su vehiculo antes de Ilenar.
• Quitar equipos que funcionan con gasolina
del cami6n o caravana y repostar en el
suelo. Si esto no es posible, repostar dicho
equipo con un contenedor portatil, mas bien
que con una tobera de gasolina.
• Mantener la tobera en contacto con el bordo
del dep6sito de carburante o de la apertura
del contenedor siempre hasta terminar el
abastecimiento. No usar un dispositivo de
cierre-apertura de la tobera.
• Si el carburante cae en la ropa que se Ileva,
cambiarsela inmediatamente.
• Nunca Ilenar en exceso el dep6sito de
carburante. Colocar el tap6n de la gasolina y
apretar de modo seguro.
V. SERVlClO
• Nunca haga funcionar una maquina dentro
de un area cerrada.
• Nunca haga ajustes o reparaciones mientras
el motor este en marcha. Desconecte el
cable de la bujia, y mantengalo a cierta
distancia de esta para prevenir un arranque
accidental.
• Mantenga las tuercas y los pernos, espe-
cialmente los pernos del accesorio de la
cuchilla, apretados y mantenga el equipo en
buenas condiciones.
• Nunca manipule de forma indebida los
dispositivos de seguridad. Controle regular-
mente su funcionamiento correcto.
• Mantenga la maquina libre de hierba, hojas
u otras acumulaciones de desperdicio.
Limpie los derrames de aceite o combustible.
Permita que la maquina se enfrie antes de
almacenarla.
• Pare e inspeccione el equipo si le pega a un
objeto. Reparelo, si es necesario, antes de
hacerlo arrancar.
• En ningQn caso hay que regular la altura de
las ruedas mientras el motor esta en marcha.
• Los componentes del receptor de la hierba
van sujetos a desgaste, da_os y deterioro,
que pueden exponer las partes en mov-
imiento o permitir que objetos sean dispara-
dos. Controlar frecuentemente y cuando sea
necesario sustituir con partes aconsejadas
por el fabricante.
• Las cuchillas de la segadora estan afiladas
y pueden cortar. Cubrir las hojas o Ilevar
guantes, y utilizar precauciones especiales
cuando se efectQa mantenimiento sobre las
mismas.
• No cambie el ajuste del regulador del motor
ni exceda su velocidad.
• Mantener o sustituir las etiquetas de
seguridad e instrucciones, cuando sea
necesario.
,AADVERTENClA: Este segadora viene equipado con un motor de combustion interna y no se
debe usar sobre, o cerca, de un terreno no desarrollado cubierto de bosques, de arbustos o de
cesped, o menos que el sistema de escape del motor venga equipado con un amortiguador de
chispas que cumpla con las leyes locales o estatales (si existen). Si se usa un amortiguador de
chispas, el operador debe mantenerlo en condiciones de trabajo eficientes.
En el estado de California, la ley exige Io anterior (Seccion 4442 del "California Public Re-
sources Code"). Otros estados pueden contar con otras leyes parecidas. Las leyes federales
se aplican en la tierras federales. Su centro de Servicio mas cercano tiene disponible amor-
tiguadores de chispas para el silenciador (Vea la seccion de PARTES DE REPUESTO en el
manual Ingles del due_o).
Numero de Serie:
Fecha de Compra:
Capacidad y Tipo de Gasolina: 1.0 Cuartos (Regular sin Plomo)
Capacidad de Aceite: 18.50nzas
Tipo de Aceite (API SG-SL): SAE 30 (Debajo 0°C/32°F) o SAE 10W30
Bujia (Abertura: .030") NGK BPR6ES
Tolerancia de Valvula (+ 0.004 mm) Admisi6n: 0.015 mm; Descarga: 0.020 mm
Torsi6n del Pemo de la Cuchilla: 35-40 ft. Ibs.
• El nOmero del nodelo y el de serie se encuentran en la calcomania adjunta a la parte trasera
de la caja de la segadora. Debe registrar tanto el nQmero de serie come la fecha de compra y
mantengalos en un lugar seguro para refencia en el futuro.
23

Acuerdos de Protecci6n para la Reparaci6n
Congratulaciones por su buena compra. Su
nuevo producto Craftsman@ esta diseSado
y fabricado para funcionar de modo fiable por
muchos aSos. Pero como todos los productos,
puede necesitar alguna reparaci6n de tanto
en tanto. En este caso tener un Acuerdo de
Protecci6n para la Reparaci6n puede hacerles
ahorrar dinero y fastidios.
Compre ahora un Acuerdo de Protecci6n para
la Reparaci6n y protegese de molestias y gas-
tos inesperados.
Un Acuerdo incluye los puntos siguientes:
•Servicio experto de nuestros 12.000 espe-
cialistas profesionales en la reparaci6n.
• Servicio ilimitado sin cargo alguno para
las partes y la mano de obra sobre todas las
reparaciones garantizadas.
• Sustitucion del producto si su producto
garantizado no puede ser arreglado.
• Descuento del 10% sobre el precio cor-
riente del servicio y de las partes relativas al
servicio no cubiertas por el acuerdo; tambien
el 10% menos sobre el precio corriente de
un control de mantenimiento preventivo.
Ayuda r&pida por telefono - soporte tele-
f6nico por parte de un representento Sears
sobre productos que requieren un arreglo en
casa, y ademas una programacion sobre los
a reglos mas convenientes.
Cuando se ha comprado el Acuerdo, basta con
una Ilamada telef6nica para programar el servi-
cio. Puede Ilamar cuando quiera, dia y noche o
fijar en linea una cita para obtener el servicio.
Sears tiene mas de 12.000 especialistas
profesionales en la reparaci6n, que tienen
acceso a mas de 4.5 millones de partes y
accesorios de calidad. Este es el tipo de
profesionalidad con que puede contar para
ayudar a alargar la vida del producto que acaba
de comprar, por muchos a5os. iCompre hoy su
Acuerdo de Proteccion para la Reparaci6n!
Se aplican algunas limitaciones y exclu-
siones. Para conocer los precios y tener
mas informacion, Ilame al 1-800-827-6655.
Servicio de Instalacion Sears
Para la instalaci6n profesional Sears de
aparatos de casa, puertas de garaje,
calentadores de agua y otros importantes
articulos para la casa, en U.S.A. Ilamar a
1-800-4-MY-HOME®.
Estos accesorios estaban disponibles cuando se produjo la segadora. No son facilitados junto al
cortacesped. Tambien estan disponibles en la mayoria de las tiendas de Sears y en los centros de
servicio. AIgunos de estos accesorios tal vez no se apliquen a su segadora.
RENDIMIENTO DE LA SEGADORA
DESVIADOR
DE RECORTES
PARASEGADORAS
CON DESCARGA
TRASERA
_\ RECOREDOR
PARA
SEGADORAS
CON DESCARGA
TRASERA
ESTABILI-
ZADORES
__D ENVASES
E GASOLINA
RECOREDOR
PARA
SEGADORAS
CON DESCARGA
LATERAL
MANTENIMIENTO DE LA SEGADORA
SILENCIADORES
CORREAS CUCHILLAS
FILTROS DE AIRE
ADAPTADORES
DE CUCHILLA RUEDAS
BUJIAS
ACEITE
DEL MOTOR
24

Lea estas instrucciones y este manual comple-
tamente antes de tratar de montar u operar su
segadora nueva.
IMPORTANTE: Este cortacesped viene SIN
ACEITE O GASOLINA en el motor.
Su segadora nueva ha sido montada en la
fabrica con la excepcion de aquellas partes que
se dejaron sin montar por razones de envio.
Todas las partes como las tuercas, las arande-
las, los pemos, etc., que son necesarias para
completar el montaje han sido colocadas en la
bolsa de partes. Para asegurarse que su sega-
dora funcione en forma segura y adecuada,
todas las partes y los articulos de ferreteria que
se monten tienen que ser apretados segura-
mente. Use las herramientas correctas, como
sea necesario, para asegurar que se aprieten
adecuadamente.
PARA REMOVER LA SEGADORA DE
LA CAJA DE CARTON
1. Remueva las partes sueltas que se incluyen
con la segadora.
2. Corte las dos esquinas de los extremos
de la caja de cart6n y tienda el panel del
extremo piano.
3. Remueva todo el material de empaque, ex-
cepto la curia entre el mango superior y el
inferior, y la curia que sujeta la barra de los
control que exige la presencia del operador
junto con el mango superior.
4. Haga rodar la segadora hacia afuera de la
caja de cart6n y revisela cuidadosamente
para verificar si todavia quedan partes
sueltas adicionales.
COMO PREPARAR SU SEGADORA
PARA DESDOBLAR EL MANGO
IMPORTANTE: Despliegue el mango con
mucho cuidado para no pellizcar o dadar los
cables de control.
1. Levante la seccion del mango inferior hasta
la posicion de operacion y alinee el agujero
en este con uno de los agujeros para deter-
minar la altura en el puntal del mango.
2. Inserte el perno del mango a traves de este
y del puntal y asegOrelo con la manilla.
3. Repita el procedimiento para el lado
opuesto del mango.
4. Levante la seccion del mango superior
hasta la posicion de operacion, remueva la
curia protectora y apriete las manillas del
mango en forma segura.
5. Remueva el material de empaque de alred-
edor de la barra de control.
El mango de la segadora puede ajustarse
segOn le acomode para segar. Refierase a
"AJUSTE DEL MANGO" en la seccion de
Servicio y Ajustes de este manual.
Barra de POSICION
que sxige la PARA
presencia del SEGAR
operador
LEVANTAR'
Mango
superior
Manilla del
mango
Mango inferior
\
Perno
Manilla
Soporte
de mango
PARA INSTALAR LOS ACCESORIOS
Su segadora fue enviada lista para usarse
como una acolchadora de capa vegetal. Para
convertirla de modo que pueda ensacar o
descarga, refierase a "PARA CONVERTIR LA
SEGADORA" en la seccion de Operaci6n de
este manual.
25

FAMILIARICESE CON SU SEGADORA
LEA ESTE MANUAL DEL DUENO Y LAS REGLAS DE SEGURtDAD ANTES DE OPARAR SU
SEGADORA. Compare las ilustraciones con su segadora para familiarizarse con la ubicacion de
los diversos controles y ajustes. Guarde este manual para referencia en el futuro.
Estos simbolos pueden apareser sobre su segadora o en la literatura proporcionada con el
producto. Aprenda y comprenda sus significados.
ATTENCION O MOTOR MOTOR RAPIDO LENTO ESTRANGU COM- ACEITE PELIGRO, GUARDE LAS
ADVERTENCIA ENCENDIDO APAGADO LACION BUSTIBLE MANOS Y LOS PIES LEJOS
Barra de control que exige la
presencia del operador
Cord6n
arrancador
Palanca de control de la impulsion
del mango
Recogedor
de ces
Tapa del deposito de la gasolina
Valvula del combustible
Filtro de aire
Tapa del deposito de
aciete del motor con
varilla indicadora de nivel
Mango del
ajustador de
un duel punto
Silenciador
Puerta de la acolchadora
Caja Bujia
IMPORTANTE: Este cortacesped viene SIN ACEITE O GASOLINA en motor.
CUMPLE CON LOS REQUISITOS DE SEGURIDAD DE LA CPSC
Las segadoras a motor, que se conducen desde la parte de atras, rotatorias, Sears, cumplen con
los estandares de seguridad del American National Standards Institute y de la U.S. Consumer
Product Safety Commission. La cuchilla gira cuando el motor esta funcionando.
Barra de control que exige la presencia del
operador - tiene que sujetarse abajo, junto
con el mango, para hacer arrancar el motor.
Sueltela para parar el motor.
Palanca de control de la impulsion - se usa
para enganchar la segadora para movimiento
hacia adelante impulsada a motor.
Cord6n arrancador - se usa para hacer ar-
rancar el motor.
Puerta de la acolchadora - permite la conver-
sion para la operacion de descarga o ensacado.
Mango del ajustador de un duel punto - se usa
para ajustar la altura de corte de la segadora.
26

La operacion de cualquier
segadora puede hacer que
salten objetos extrafios dentro de
sus ojos, Io que puede producir
dafios graves en estos. Siempre
use anteojos de seguridad o proteccion para
los ojos mientras opere su segadora o cuando
haga ajustes o reparaciones. Recomendamos
gafas o una mascara de seguridad de visi6n
amplia de seguridad usada sobre las gafas.
COMO USAR SU SEGADORA Torniquete
VELOCIDAD DEL MOTOR ajuste
La velocidad del motor se establecio en la fa-
brica para un rendimiento 6ptimo. La velocidad
no se puede ajustar.
_NTROL DE ZONA DEL MOTOR
PRECAUClON: Las regulaciones federales
exigen que se instale un control para el motor
en esta segadora para reducir a un minimo el
riesgo de lesionarse debido al contacto con la
cuchilla. Por ningQn motive trate de eliminar
la funci6n del control del operador. La cuchilla
gira cuando el motor esta funcionando.
•Su segadora viene equipada con una barra
de controles que exigen la presencia del
operador, Io que requiere que el operador
este detras del mango de la segadora para
hacerla arrancar y operarla.
CONTROL DE LA IMPULSION
• La autopropulsion se controla manteniendo
la palanca de mando operador presente
abajo hacia el mango y tirando la palanca de
accionamiento atras hacia el mango. Cuanto
mas lejos se tira la palanca hacia el mango,
mas rapida ira la unidad.
• El movimiento hacia adelante se detiene cuan-
do sea la palanca de mando operador presente
o la palanca de accionamiento se sueltan.
Para detener el movimiento hacia adelante
sin apagar el motor, soltar solo la palanca de
accionamiento. Mantener la palanca de mando
operador presente abajo contra el mango para
continuar a cortar sin autopropulsion.
AVlSO: Si despues haber desenganchado de la
palanca de control, la segadora no roda hacia
atras, empuje la segadora un poco hacia adelante
para desenganchar las ruedas de la impulsion.
• Para mantener el mando conectado cuando
se da la vuelta a una esquina, empujar el
mango para levantar las ruedas delanteras
del terreno mientras se gira la cortadora.
AJUSTE DEL MANDO
Ocasionalmente, el sistema de mando puede
"aflojarse", provocando una disminucion de la
velocidad. Hay un torniquete en la parte trasera
de la sede del mando para apretar la tension
del cable. Proceder de la siguiente manera:
1. Apagar la unidad y desconectar el cable de
bujia de la bujia.
2. Vuelta el tuerca en la parte inferior del
mando de transmision para aumentar la
velocidad del mecanismo.
3. Opere la segadora para probar la velocidad
del mecanismo. Reajuste segQn Io requerido.
4. Si las condiciones no mejoran despues de los
pasos descritos (la velocidad hacia adelante27Sop °rte de articulacion
queda la misma), la correa de transmisi6n
esta desgastada y tiene que ser sustituida.
Barra de control que, _resencia del operador
Control de
la impulsi6n
PARA
ENGANCHAR EL CONTROL DE LA
CONTROL DE LA IMPULSION
IMPULSION DESENGANCHADO
PARA AJUSTAR LA ALTURA DE CORTE
Las dos ruedas delanteras se ajustan a traves
de una Qnica palanca en la rueda delantera
izquierda. Asimismo, las dos ruedas traseras
se ajustan a traves de una Qnica palanca en la
rueda trasera izquierda.
• Tire de la palanca de ajustes hacia la rueda. Le-
vante la segadora, mueva la palanca hasta del-
ante a la posicion deseada. Para bajar la sega-
dora, mueva la palanca hacia la retaguardia.
Asegurarse de que las dos ruedas delanteras y
traseras esten reguladas a la misma altura.
PALANCA HACIA
ATRAS PARA BAJAR
EL CORTACESPED
PALANCA HACIA ADELANTE PARA
LEVANTAR EL CORTAC#SPED
PARA CONVERTIR LA SEGADORA
Su segadora fue enviada lista para usarse
come acolchadora de capa vegetal. Para con-
vertirla a una operacion de ensacado posterior
o de descargar lateral:
SEGADORAS CON DESCARGA TRASERA
1. Quitar el pomo que fija la puerta del acaba-
dor al bastidor del cortacesped.
2. Abrir la puerta del acabador eintroducir
las lengeetas del tube de descarga en la
apertura de la brida de la articulacion y
colocar la parte trasera del tube sobre el
pasador roscado.
LengQetas del tubo de descarga
Puerta de la acolchadora

3. Fijar la parte trasera del canal de descarga
al bastidor del cortacesped a traves del
pomo.
4. Colocar el mango trasero del dep6sito de
hierba en la alzaprima del mango inferior
del cortacesped como mostrado.
5. AIzar la puerta redonda del canal de eyec-
ci6n y colocar el dep6sito de hierba en el
canal de eyeccion.
AVlSO: Asegurarse de que la puerta redonda
del canal de eyeccion se apoye en el dep6sito
de hierba como mostrado.
• Ahora el cortacesped esta listo para la oper-
acion de ensacado trasero.
• Para convertir en la operacion de acabado,
quitar el dep6sito de hierba y el canal de
eyeccion. Fijar la puerta del acabador al
bastidor del cortacesped a traves del pomo.
• Para convertir en la operacion de descarga,
quitar el dep6sito de hierba y el canal de
eyecci6n, lnstalar el deflector de descarga
lateral y fijarlo al bastidor del cortacesped a
traves del pomo.
go posterior
Barra transversal
del mangoinferior
Elrecogedor
de cesped
3. Fijar la parte trasera del deflector de des-
carga lateral al bastidor del cortacesped a
traves del pomo.
• Ahora el cortacesped esta listo para la oper-
acion de descarga.
• Para convertir a la operacion de acabado,
hay que quitar el deflector de descarga lat-
eral y fijar la puerta del acabador al bastidor
del cortacesped a traves del pomo.
• Para convertir en la operacion de ensacado
trasero, hay que quitar el deflector de des-
carga lateral; instalar el canal de eyeccion y el
dep6sito de hierba y fijar el canal de descarga
al bastidor del cortacesped a traves del pomo.
Puerta dela - Manilla
acolchadora, -Pasador
roscado
Desviadorde
la descarga
redonda
Canal
inclinado de Manilla
la descarga
Pasador
roscado
Puerta de la acolchadora
SEGADORAS CON DESCARGA LATERAL
1. Hay que quitar el dep6sito de hierba y el
canal de eyecci6n.
2. Abrir la puerta de la puerta del acabador e
instalar la parte delantera del deflector de
descarga lateral debajo la puerta y colocar
el parte trasero en la esparrago fileteado.
PASOS SIMPLES DE RECORDAR
CUANDO CONVlERTA SU SEGADORA
PARA ACOLCHAMIENTO -
1. El dep6sito de hierba, el canal de eyecci6n
yel deflector de descarga lateral quitados.
2. La puerta del acabador fijada al bastidor del
cortacesped a traves del pomo.
PARA ENSACAMIENTO TRASERO -
1. Deflector de descarga lateral quitado.
2. El dep6sito de hierba y el canal de eyecci6n
instalados con el canal de eyecci6n fijado al
bastidor del cortacesped a traves del pomo.
3. La puerta redonda del canal de descarga
apoyada sobre la parte superior del
dep6sito de hierba.
PARA DESCARGA LATERAL-
1. El dep6sito de hierba y el canal de eyecci6n
quitados.
2. El deflector de descarga lateral instalados y
fijados al bastidor del cortacesped a traves
del pomo.
• _,PRECAUClON: No haga funcionar su sega-
dora sin la puerta trasera se cerr6, desviador de
la descarga instalada, o sin el canal inclinado
de la descarga o el recogedor cesped aproba-
dos en su lugar. Nunca trate de operar la sega-
dora cuando se ha removido a puerta trasera o
puerta redonda cuando esta un poco abierta.
28

PARA VAClAR EL RECOGEDOR DE ClaSPED
1. Abierto la puerta redonda del canal incli-
nado de la descarga para mover la cuerda
del arrancador hacia fuera y lejos des de el
recogedor de cesped.
\X Mango
ABIERTO
Puerta
redonda Cuerda del
arrancador
2. Remueva el recogedor de cesped, con los
recortes, de la segadora usando tanto el
mango anterior como el mango posterior.
3. Vacie los recortes de el recogedor de cesped
usando tanto el mango posterior como el cor-
rea. El peso de la hierba abrira la puerta.
4. Cerrar fuerte la puerta en el armaz6n antes
de instalar de dep6sito de hierba en el
cortacesped.
AVlSO: No arrastre la bolsa cuando la vacie;
se producira un desgaste innecesario.
\\\
Correa
/\
Mango
posterior
Mango
anterior
Puerta
ANTES DE HACER ARRANCAR EL
MOTOR
AGREGUE ACEITE
Su segadora fue enviada sin aceite en el motor.
Para el tipo y el grado del aceite a utilizar, vea
el "MOTOR" en la seccion del Mantenimiento
de este manual.
AI:_PRECAUCI6N: NO sobrellene el motor con
aceite, o fumara pesa demante del silenciador
cuando Io valla a arrancar.
1. AsegQrese que la segadora este nivelada.
2. Remueva la varila medidora de aceite del tubo
de desarga de aceite. 29
3. Usted recibe un envase de aceite con la
unidad. Vierta lentamente el envase entero
de aceite en el tubo de relleno del motor.
4. lnserte y apriete la varilla medidora de aceite.
IMPORTANTE:
• Revise el nivel del aceite antes de cada uso.
Agregue aceite si es necesario. Llene hasta la
linea de Ileno en la varilla medidora de nivel.
• Cambie el aceite despues de 25 horas de
operacion o una vez por temporada. Puede
necesitar cambiar el aceite mas a menudo
cuando las condiciones son polvorosas o su-
cias. Vea "PARA CAMBtAR EL ACEITE DEL
MOTOR" en la seccion de Mantenimiento de
este manual.
AGREGUE GASOLINA
• Llene el estanque de combustible hasta la
parte inferior del cueNo de relleno del es-
tanque de gasolina. No Io Ilene demasiado.
Use gasolina regular, sin plomo, nueva y Nm-
pia con el minimo de 87 octanos. No mezcle
el aceite con la gasolina. Para asegurar
que la gasolina utilizada sea fresca compre
estanques los cuales puedan ser utilizados
,durante los primeros 30 dias.
PRECAUClON: Limpie el aceite o el
combustible derramado. No almacene, derrame
o use gasolina cerca de una llama expuesta.
_PRECAUCl6N: Los combustibles
mezclados con alcohol (conocidos como
gasohol, o el uso de etanol o metanol) pueden
atraer la humedad, la que conduce a la
separacion y formacion de acidos durante el
almacenamiento. La gasolina acidica puede
daSar el sistema del combustible de un motor
durante el almacenamiento. Para evitar los
problemas con el motor, se debe vaciar el
sistema del combustible antes de guardarlo
por un periodo de 30 dias o mas. Vacie el
estanque del combustible, haga ar rancar el
motor y hagalo funcionar hasta que las lineas
del combustible y el carburador queden vacios.
La pr6xima temporada use combustible nuevo.
Vea las lnstrucciones Para El Almacenamiento
para mas informacion. Nunca use productos de
Nmpieza para el motor o para el carburador en
el estanque del combustible pues se pueden
producir daSos permanentes.
Tapa del deposito
de aceite
con
varilla
de
nivel
Marca
superior
Tapa del
de gasolina
Marca
inferior

PARA PARAR EL MOTOR
-Para parar el motor y si no intenta ponerlo en
marcha de nuevo, alivie la barra de control
que exige la presencia del operador. Espere
hasta que la cuchilla y todas las piezas m6-
viles se hallan parado y mueva la valvula del
combustible a la posicion APAGADO (OFF).
PARA HACER ARRANCAR EL MOTOR
AVlSO: Debido alas capas protectoras del mo-
tor, una cantidad pequefia de humo puede es-
tar presente durante el uso inicial del producto
y se debe considerar normal.
1. Asegurase que vg_lvuladel combustible este
en la posicion ON.
2. Mueva la palanca de la estrangulacion a la
posicion de ON (I",1).
3. Sujete la barra de controles que exigen la
presencia del operador abajo en el mango
y tire el mango del arrancador rapidamente.
No permita que el cord6n arrancador se
devuelva abruptamente.
AVISO: La palanca de la estrangulacion
comienza a moverse automaticamente a la
posici6n de APAGADO (OFF) cuando la barra
del control de la presencia del operador se
mantiene hacia el mango.
APAGADO Palanca de la
(OFF) ulaci6n
Valvula del combustible
• Los poros en los recogedores de cesped de
tela pueden Ilenarse con mugre y polvo con
el uso y los recogedores recaudaran menos
cesped. Para evitar este, rocie el recogedor
con la manguera de agua, regularmente, y
dejelo secarse antes de usarlo.
• Mantenga la parte superior del motor, alred-
edor del arrancador, despejada y sin recortes
de cesped y paja. Esto ayudara el flujo del
aire del motor y extendera su duraci6n.
CONSEJOS PARA SEGAR Y ACOLCHAR
IMPORTANTE: Para obtener el mejor
rendimiento mantenga la caja de la segadora
sin acumulacion de cesped y basura. Yea
"LIMPtEZA" en la seccion de Mantenimento de
este manual.
• La cuchilla acolchadora especial va a volver
a cortar los recortes de cesped muchas
veces, y los reduce en tamafio, de modo que
si se caen en el cesped se van a dispesar
entre este y no se van a notar. Tambien, el
cesped acolchado se va a deshacer rapidam-
ente entregando substancias nutritivas para
el cesped. Siempre acolche con la velocidad
del motor (cuchilla) mas alta, pues asi se
obtendra la mejor accion de recorte de las
cuchillas.
• Evite cortar el cesped cuando este mojado.
El cesped mojado tiende a formar montones
e interfiere con la acci6n de acolchado.
La mejor hora para segar el cesped es
temprano en la tarde. A esa hora este se ha
secado y el g_rearecien cortada no quedara
expuesta al sol directo.
• Para obtener los mejores resultados, ajuste
la altura del corte de la segadora de modo
que esta corte solamente el tercio superior
de las hojas de cesped. En el caso de que el
cesped haya crecido demasiado, puede ser
necesario el elevar la altura del corte para
reducir el esfuerzo necesario para empujar la
segadora y para evitar sobrecargar el motor,
dejando montones de recortes de cesped.
Para un cesped muy pesado, reduzca el an-
cho del corte pasando por encima del lugar
anteriormente cortado y siegue lentamente.
CONSEJOS PARA SEGAR
_PRECAUCI6N: No utilizar dispositivos anti-
paja de la hoja en la segadora ya que estos
accesorios son peligrosos, pueden dafiar su
segadora y anular su garantia.
• Bajo ciertas condiciones, tal como cesped
muy alto, puede ser necesario el elevar la
altura del corte para reducir el esfuerzo
necesario para empujar la segadora y para •
evitar sobrecargar el motor, dejando mon-
tones de recortes de cesped. Puede que sea
necesario reducir la velocidad del recorrido
y/o haga funcionar la segadora sobre el area
por segunda vez.
• Para un corte muy pesado, reduzca el ancho del
corte pasando parcialmente porencimadel lugar •
anteriormente cortado y siegue lentamente.
• Para un mejor ensacado del cesped y para la
mayoria de las condiciones de core, la velo-
cidad del motor debe ajustarse a la posicion
de R/kPIDO. 30
1/3
Ciertos tipos de cesped y sus condiciones
pueden exigir que un area tenga que ser
acolchada por segunda vez para esconder
completamente los recortes. Cuando se haga
el segundo corte, siegue atravesado (en
forma perpendicular) a la pasada del primer
corte.
Cambie su patron de corte de semana a
semana. Siegue de norte a sur una semana
y luego cambie de este a oeste la pr6xima
semana. Esto evitara que el cesped se
enrede y cambie de direcci6n.

PROGRAMA DE
MANTENIMIENTO
Revisar si hay Sujetadores Sue_tos
S Limpiar/Inspeccionar el Recogedor de C_sped *
E Controlar los NeumAticos
GControlar las Ruedas Motrices ***
j_ Limpiar _aSegadora ....
DLimpiar debajo la Cubierta de la Transmisi6n ***
O Revisar las Correas y las Poleas Impu_sadas ***
R Revisar /Afilar /Cambiar la Cuchilla
A Lubricaci6n
Limpiar /Recargar la Baterfa **
Revisar el nive_ del Aceite
aCambiar el Aceite del motor
O Limpiar el Filtro de Aire
T Inspeccionar e_Silenciador
O Cambiar la Bujfa
_1_ Cambiar el Cartucho de Pape_ del Filtro de Aire
Vaciar el sistema del carburante
o ai_adir un estabilizador de carburante,
ANTES DESPUES CADA CADA CADA ANTES DEL
DE CADA DE CADA 10 25 HORAS O 100 ALMACE-
USO USO HORAS TEMPORADA HORAS NAMIENTO
t/ t/
t/ I/
14
(si viene equipado) 1 -Cambiar m_.s a menudo cuando se opere bajo carga pesada o en ambientes con altas temperaturas.
_ Segadoras con Arranque EU6ctrico 2 - Dar servicio m_.s a menudo cuando se opere en condiciones sucias o polvorosas.
_ Segadoras con Poder Propulsor 3 - Cambie las cuchillas mas a menudo cuando siegue en terreno arenoso.
_ Utilizar una rasqueta para mimpia_ 4 - Cargar por 48 horas al fin de la temporada.
debajo de la cubierta del cortac_sped 5 _ Y despu_s de 5 horas de funcionamiento=
RECOMENDACIONES GENERALES
La garantia de esta segadora no cubre los
articules que han estade sujetos al abuse e a
la negligencia del operador. Para recibir todo
el valor de la garantia, el operador tiene que
mantener la segadora segQn las instrucciones
descritas en este manual.
Hay algunos ajustes que se tienen que hacer
en forma peri6dica para poder mantener su
unidad adecuadamente.
AI menos una vez cada estaci6n comprobar
si es necesario efectuar los ajustes descritos
en las secciones de Servicio y Ajustes de este
manual.
• Una vez al ado, cambie la bujia, limpie o
cambie el elemento del filtro de aire y revise
si la cuchilla esta desgastada. Una bujia
nueva y un elemento del filtro de aire limpio/
nuevo aseguran la mezcla de aire-com-
bustible adecuada y ayudan a que su motor
funcione mejor y que dure mas.
• Siga el programa de mantenimiento en este
manual.
ANTES DE CADA USO
• Revise el nivel del aceite del motor.
• Revise si hay sujetadores sueltos.
LUBRICACION
Mantenga la unidad bien lubricada
(vea la "TABLA DE LUBRtCACION").
TABLA DE LUBRICAClON
@ Aceite
del motor
_Bisagra
pue_a
dela acol-
chadora
Bisagra de
pue_atraser
Clavija de montaje del puntal del mango
Rocie el lubricante
@ Yea "MOTOR" en la seccion de Mantenimiento
IMPORTANTE: No aceite oengrase los rodamien-
tos de la rueda de plastico. Los lubricantes visco-
sos atearan polvo y mugre, Io acortara la duracion
de los rodamientos autolubricantes. Si cree que
tienen que lubricarse, use Iosamente un lubrican-
te tipo crafito, de polvo seco, en forma moderada.
31

SEGADORA
Siempre observe las reglas de seguridad cu-
ando haga el mantenimiento.
LLANTAS
•Mantenga las Ilantas sin gasolina, aceite o
substancias quimicas para control de insec-
tos que pueden da5ar la goma.
• Evite los tocones, las piedras, las grietas pro-
fundas, los objetos afilados y otros peligros
que pueden da5ar a las Ilantas.
RUEDAS DE IMPULSION
Revise las ruedas de impulsi6n traseras cada
vez antes de segar, para asegurarse de que se
mueven libremente. Si las ruedas no giran li-
bremente quiere decir que hay basura, recortes
de cesped, etc. dentro del area de las ruedas
de impulsion y de la cubierta contra el polvo y
tienen que limpiarse para liberarlas.
CUIDADO DE LA CUCHILLA
Para obtener los mejores resultados, la cuchilla
de la segadora tienen que mantenerse afilada.
Cambie la cuchilla doblada o da5ada.
Ai_,PRECAUCl6N: Usar solamente la hoja
de repuesto aprobada por el fabricante de su
cortacesped. Usar una hoja no aprobada por el
fabricante de su cortacesped es peligroso, pu-
ede da5ar su cortacesped y anular su garantia.
PARA REMOVER LA CUCHILLA
1. Desconecte el alambre de la bujia y p6ngalo en
donde no pueda entrar en contacto con esta.
2. Haga descansar la segadora en su lado.
AsegQrese que el filtro de aire y que el
carburador queden mirando hacia arriba.
3. Use un bloque de madera entre la cuchilla
y la caja de la segadora para evitar que la
cuchilla gire cuando se le quite el perno.
AVlSO: Proteja sus manos con guantes y/o
envuelva la cuchilla con una tela gruesa.
4. Remueva el perno de la cuchilla girandolo
en el sentido contrario en que giran las
manillas del reloj.
5. Remueva la cuchilla y los articulos de fer-
reteria adjuntadores (el perno, la arandela
de seguridad y la arandela endurecida).
PARA CAMBIAR LA CUCHILLA
1. Ponga la cuchilla en el adaptador de esta
alineando los dos (2) agujeros en la cuchilla
con las salientes elevadas en el adaptador.
2. AsegQrese de que el borde de salida de
la cuchilla (opuesto al borde afilado) este
hacia arriba hacia el motor.
3. Instale el perno de la cuchilla con la aran-
dela de seguridad y la arandela endurecida
en el adaptador de la cuchilla y el cigue_al.
4. Use un bloque de madera entre la cuchilla
y la caja de la segadora y apriete el perno
de la cuchilla girandolo en el sentido en que
giran las manillas del reloj.
• La torsi6n para apretar recomendada es de
35 - 40 pies libras. •
IMPORTANTE: El perno de la cuchilla es tratado
a calo. Si es necesario sustituir los pernos,
sustituirlos s61ocon pernos aprobados mostrados
en lasecci6n Partes de Reparacion de este manual. 32
Borde de
Adaptador salida
de la cuchilla
Arandela
de se-
uridad
Arandel_ Perno de
endurecida la cuchilla
PARA AFILAR LA CUCHILLA
AVISO: No recomendamos el afilar la cuchilla
- pero si Io hace, asegQrese de que quede
balanceada. Se tiene que tener cuidado de
mantenerla balanceada. Una cuchilla que no
esta balanceada va a producir eventualmente
da5o en la segadora o en el motor.
• La cuchilla puede afilarse con una lima o en
una rueda rectificadora. No trate de afilarla
mientras se encuentra en la segadora.
• Para revisar el balance de la cuchilla, clave un
clavo en una viga o en la pared. Deje alrededor
de una pulgada de un clavo recto expuesto.
Ponga el agujero central de la cuchilla sobre la
cabeza del clavo. Si la cuchilla esta balanceada
debe permanecer en la posicion horizontal. Si
cualquiera de los extremos de la cuchilla se
mueve hacia abajo, afile el extremo pesado
hasta que esta quede balanceada.
RECOGEDOR DE CESPED
• El recogedor de cesped puede ser rociado
con el agua de la manguera pero tiene que
estar seco cuando se vaya a usar.
• Revise su recogedor de cesped a menudo
para verificar siesta da5ado o deteriorado.
Se va a desgastar con el uso normal. Si se
necesita cambiar el recogedor, cambielo
solamente por uno que sea aprobado por el
fabricante. De el nQmero del modelo de la
segadora cuando Io ordene.
CAJA DE ENGRANAJES
• Para mantener el sistema de impulsion
funcionando en forma adecuada, la caja de
engranajes y el area alrededor de la impulsion
tienen que mantenerse limpias y sin acumu-
lacion de basura. Limpie debajo de la cubierta
de la impulsion dos veces por temporada.
• La caja de engranajes se Ilena con lubricante
hasta el nivel adecuado en la fabrica. La
Onica vez que el lubricante necesita atencion
es cuando se le ha prestado servicio a la
caja de engranajes.
Si se necesita lubricante, use solamente
Grasa Texaco Starplex Premium 1, Parte No.
750369. No use substitutos.

MOTOR
El mantenimiento, la reparaci6n, o el reemplazo
de cualquier dispositivos o sistemas del control
de la emision, los cuales sean hechos al costo
del cliente, pueden ser realizados por cualquier
individuo o establecimiento de reparacion de
motor. Los reparos que caen bajo garantia
deben ser realizados por un establecimiento de
servicio de reparacion de motor autorizado.
LUBRICAClON
Use solamente aceite de detergente de alta
calidad clasificado con la clasificacion SG-SL
de servicio API. Seleccione la calidad de visco-
sidad SAE segOn su temperatura de operacion
esperada.
CALIDADES DE VlSCOSIDAD DE SAE
I'|'l'l_i
°F -20 0 30 32 40 60 80 100
°c -_0 -25 -1_ ;_ _0 _0 40
GAMA DE TEMPERATURA ANTICIPADA ANTES DEL PROXIMO CAMBIO DE ACEITE
AVlSO: Los aceites de multiviscosidad (5W30,
10W30, etc.) mejoran el arranque en clima frio,
y revise el nivel del aceite del motor menudo,
para evitar un posible dafio en el motor, debido
a que no tiene suficiente aceite.
Cambie el aceite despues de 25 horas de
operaci6n o por Io menos una vez al afio si la
segadora se utiliza menos 25 horas el afio.
Revise el nivel del aceite del carter antes de
arrancar el motor y despues de cada cinco (5)
horas de uso continuado. Apriete el tap6n del
aceite en forma segura cada vez que revise el
nivel del aceite.
PARA CAMBIAR EL ACEITE DEL MOTOR
AVlSO: Antes de inclinar la segadora para dre-
nar el aceite, drene el tanque de combustible
haciendo correr el motor hasta que el tanque
este vacio.
1. Desconecte el alambre de la bujia y
p6ngalo de modo que no pueda entrar en
contacto con esta.
2. Remueva la tapa del dep6sito del aceite;
dejela a un lado en una superficie limpia.
3. Incline la cortadora de cesped por este
costado tal como se muestra y purgue el
aceite en un recipiente id6neo. Mueva la
segadora de atras para adelante para re-
mover todo el aceite que se haya quedado
atrapado dentro del motor.
Envase
4. Limpie todo el aceite derramado en la sega-
dora yen el lado del motor.
5. Rellene el motor con aceite. Vierta lenta-
mente el aceite en el tubo de relleno del
motor.
6. Permita que el aceite se asiente. Use un
medidor en la tapa/varilla indicadora del
nivel para relleno del aceite para revisar el
nivel, lnserte la varilla indicadora de nivel
en el tubo, y haga descansar la tapa del
dep6sito para relleno del aceite en el tubo
al leer las medidas. NO enrosque el tap6n
cuando este tomando una lectura.
7. ContinOe agregando cantidades pequeas
de aceite y vuelva a inspeccionar la varilla
medidora hasta que lea Ileno (FULL). NO
sobrellene el motor con aceite, o fumara
cuando Io valla a arrancar.
8. AsegQrese de apretar la varilla medidora
del aceite antes de arrancar el motor.
9. Vuelva a conectar el alambre de la bujia a
esta.
Tapa del
deposito de
aceite con
varilla de
nivel _
Marca "_
superlor_
Uarca I '_/
inferior
FILTRO DE AIRE
Su motor puede sufrir averias y funcionar de
manera incorrecta con un filtro del aire sucio.
Sustituir el papel del cartucho una vez al afio o
tras 100 horas de funcionamiento, mas a menu-
do si se utiliza en condiciones de suciedad y
polvo particulares. No lave el filtro de aire.
PARA LIMPIAR EL FILTRO DE AtRE
1. Remueva la cubierta.
2. Cuidadosamente, remueva el cartucho.
3. Limpielo golpeandolo suavemente en una
superficie plana. Si esta muy sucio cambie
el cartucho.
_PRECAUCl6N: Los solventes de petr61eo,
tales como el keroseno, no se deben usar para
limpiar el cartucho. Pueden producir el deteri-
oro de este. No aceite el cartucho. No use aire
a presion para limpiarlo o secarlo.
4. Instale el cartucho, luego vuelva a poner la
cubierta.
33

Oreja
Cartucho
Cubierta del filtro de aire
SILENClADOR
Inspeccione y cambie el silenciador si esta
corroido puede producir un peligro de incendio
y/o dafio.
BUJJA
Cambie el bujia al comienzo de carla tempo-
rada de siega o despues de cada 100 horas de
operaci6n, Io que suceda primero. El tipo de
bujia y el ajuste de la abertura aparecen en "ES-
PECIFICACIONES DEL PRODUCTO" seccion
de este manual.
LIMPIEZA
IMPORTANTE: Para obtener el mejor
rendimineto, mantenga la caja de la segadora
sin acumulacion de cesped y basura. Limpie
la parte de abajo de su segadora despues de
cada uso.
_,PRECAUCl6N: Desconecte el alambre de
la bujia y p6ngalo en donde no pueda entrar en
contacto con esta.
• Haga descansar la segadora en su lado.
AsegOrese que el filtro de aire y que el carbu-
rador queden mirando hacia arriba. Limpie la
parte inferior de su segadora raspandola para
remover la acumulaci6n de cesped y basura.
• Limpie el motor a menudo para evitar que
se acumule la basura. Un motor tapado fun-
ciona mas caliente y se acorta su duracion.
• Mantenga las superficies pulidas y las rue-
das sin gasolina, aceite, etc.
• No recomendamos el uso de una manguera
de jardin para limpiar la segadora a menos
que el sistema electrico, el silenciador, el
filtro de aire y el carburador esten tapados
para evitar que les entre el agua. El agua en
el motor puede acortar la duracion de este.
LIMPIE DEBAJO DE LA CUBIERTA DE LA
IMPULSION
Limpie debajo de la cubierta de la impulsi6n por
Io menos dos veces carla temporada. Raspe de-
bajo de la cubierta con un cuchillo para masilla
o con una herramienta parecida, para remover
toda acumulacion de cesped o basura en la parte
inferior de la cubierta de la impulsi6n.
34

_ADVERTENClA: Para evitar lesi6nes serias,
antes de dar calquier servico o de hacer
ajustes:
1. Suelte la barra de control y pare el motor.
2. AsegQrese que la cuchilla y que todas las
partes movibles se hayan detenido comple-
tamente.
3. Desconecte el alambre de la bujia y p6n-
galo en donde no pueda entrar en contacto
con esta.
SEGADORA
PARA AJUSTAR LA ALTURA DE CORTE
Vea "PARA AJUSTAR LAALTURA DE CORTE"
en la secci6n de Operaci6n de este manual.
DESVlADOR TRASERO
Se proporciona un desviador trasero, adjunto
entre las ruedas traseras de su segadora, para
reducir a un minimo la posibilidad que objetos
sean lanzados hacia afuera de la parte trasera
de la segadora, en la posici6n en donde se
encuentra el operador. Si se dafia el desviador
debe cambiarse.
PARA REMOVER LA CORREA DE IMPUL-
Sl6N
1. Desconecte el alambre de la bujia y p6n-
galo en donde no pueda entrar en contacto
con esta.
2. Quitar los tornillos que sujetan la tapa del
mando y quitar la tapa del mando del basti-
dor del cortacesped (Vea la Figure A).
El resorte Cable de mando ancla
Correa de mando
/Orificio en el
bastidor
de
mando
o)
#_ Con junto
palanca de
Q// transmisi6n
Dispositivo _ /
de fijaci6n ' '-_z EM PERNAR' \
Figure B
4. Empernar el conjunto palanca de transmis-
ion para aflojar la correa de mando, luego
quitar la correa de mando de la polea de
mando, los dispositivos de fijaci6n de la cor-
rea y la palanca de transmision.
5. Haga descansar la segadora en su lado.
AsegQrese que el filtro de aire y que el
carburador queden mirando hacia arriba.
6. Quitar el tornillo que fija la pantalla de los
escombros. Noten que la pantalla de los es-
combros tiene una lengQeta que se introduce
en un orificio del bastidor (Vea la Figure C).
Ciguer_al Oreja
Orificio en Adaptador
el bastidor de la
cuchilla
Arandela de
endurecida
.
Bastidor del
cortacesped
Tapa del
mando
Figure A
Quitar el cable del mando de la ancla, luego
separar el cable y el resorte de vuelta del
conjunto palanca de transmisi6n (Vea la
Figure B).
Tornillo,
los escombros
)erno
de la
cuchilla
Arandela
Borde de salida de seguridad
Figure C
7. Use un bloque de madera entre la cuchilla
y la caja de la segadora para evitar que la
cuchilla gire cuando se le quite el perno.
AVlSO" Proteja sus manos con guantes y/o
envuelva la cuchilla con una tela gruesa.
8. Remueva el perno de la cuchilla.
9. Quitar la cuchilla y todos los dispositivos de
fijacion (perno, arandela de freno, arandela
templada), adaptador de la cuchilla y pantalla
de los escombros como un Qnico conjunto.
10. Quitar la correa de mando del adaptador de
la cuchilla y la pantalla de los escombros;
35 eliminar la correa vieja.

PARACAMBIARLACORREADEIMPULSION
1. Colocarlanuevacorreademandoen el
estribo de la pantalla de los escombros.
Asegurarse de colocar la correa entre los
dispositivos de fijaci6n de la correa y las
ranuras como mostrado (Vea la Figure D).
Estribo de la correa reja
Dispositivos
de fi
Correa
de
mando
Pantalla de los
Ranura escombros
Figure D
2. Colocar la otra extremidad de la nueva
correa de mando a traves del orificio en el
bastidor.
3. Fijar otra vez la pantalla de los escombros
al bastidor con el tornillo precedentemente
quitado. Asegurarse de que la lengQeta de
la pantalla de los escombros se halle en el
orificio del bastidor.
4. Ponga la cuchilla en el adaptador de esta
alineando los dos (2) agujeros en la cuchilla
con las salientes elevadas en el adaptador.
5. AsegQrese de que el borde de salida de la
cuchilla (opuesto al borde afilado) este hacia
arriba hacia el motor (Vea la Figure C).
6. Instale el perno de la cuchilla con la aran-
dela de seguridad y la arandela endurecida
en el adaptador de la cuchilla y el cigue_al.
7. Use un bloque de madera entre la cuchilla
y la caja de la segadora y apriete el perno
de la cuchilla girandolo en el sentido en que
giran las manillas del reloj.
• La torsi6n para apretar recomendada es de
35 - 40 pies libras.
IMPORTANTE: El perno de la cuchilla es
tratado a calo. Si es necesario sustituir los
pernos, sustituirlos s61o con pernos aprobados
mostrados en la seccion Partes de Reparacion
de este manual.
8. Volver a colocar el cortacesped en posicion
vertical.
9. Instalar la nueva correa de mando en el
conjunto de la palanca de transmisi6n,
luego alrededor de la polea de mando. Ase-
gurarse de que la correa se halle al interior
de los dispositivos de fijacion de la correa
(Vea la Figure B).
NOTA: Tirando la correa de mando (para
instalarla en la polea de mando) provocara la
liberacion de la otra extremidad de la correa
del estribo de la pantalla de los escombros y
entrar en contacto con el cabo de la polea del
adaptador de la cuchilla.
10. Volver a colocar el cable del mando y el re-
sorte de vuelta en el conjunto de la palanca
de transmision, luego fijar el cable de mando
al ancla.
11. Volver a colocar la tapa del mando con los
tornillos precedentemente quitados.
12. Conectar el hilo de la bujia de encendido a
la bujia de encendido.
PARA AJUSTAR EL MANGO
El mango de su segadora cuenta con mQItiple posi-
cionesdealtura-ajQsteloa la alturaque leacomode.
1. Remueva la manilla y el perno portador en
un lado del mango inferior.
2. AI mismo tiempo que sujeta el conjunto del
mango, remueva la manilla y el perno porta-
dor del lado opuesto. Alinee el agujero en el
mango con el agujero deseado en el puntal
del mango y vuelva a montar el perno y la
manilla y aprietelos en forma segura.
3. Alinee el lado opuesto del mango con el
agujero de la misma posicion y asegQrelos
con el perno y la manilla.
Manilla
aa
Alta
Soporte
mango
MOTOR
El mantenimiento, la reparacion, o el reemplazo
de cualquier dispositivos o sistemas del control
de la emisi6n, los cuales sean hechos al costo
del cliente, pueden ser realizados por cualquier
individuo o establecimiento de reparacion de
motor. Los reparos que caen bajo garantia
deben ser realizados por un establecimiento de
servicio de reparacion de motor autorizado.
VELOClDAD DEL MOTOR
La velocidad del motor ha sido ajustada en
la fabrica. No trate de aumentar la velocidad
del motor pues se pueden producir lesiones
personales. Si cree que el motor esta funcio-
nando demasiado rapido o demasiado lento,
Ileve su segadora a mas con su centro de
servicio Sears o con un otro centro de servicio
cualificado.
36

CARBURADOR
Su carburador no es ajustable. Si su motor no
esta funcionando en forma adecuada debido
a problemas que se sospecha vienen del carbu-
rador, Ileve su segadora a contacto con su cen-
tro de servicio Sears o con un otro centro de
servicio cualificado para repararla y/o ajustarla.
IMPORTANTE: Nunca manipule el regulador
del motor, el que ha sido ajustado en la fabrica
para la velocidad del motor adecuada. Puede
ser peligroso hacer funcionar el motor a una
velocidad por sobre el ajuste de alta velocidad
de la fabrica. Si cree que la velocidad alta regu-
lada del motor necesita ajuste, contacto con su
centro de servicio Sears o con un otro centro
de servicio cualificado, el que cuenta con el
equipo adecuado y la experiencia para hacer
los ajustes necesarios.
Inmediatamente prepare su segadora para el almacenamiento al final de cada temporada o si la
unidad no se va a usar por 30 dias o mas.
SEGADORA
Cuando se va aguardar la segadora por cierto
periodo de tiempo, limpiela cuidadosamente,
remueva toda la mugre, la grasa, las hojas, etc.
Guardela en un area limpia y seca.
1. Limpie toda la segadora (Vea "LIMPIEZA" en
la secci6n de Mantenimento de este manual).
2. Lubriquela segQn se muestra en la seccion
de Mantenimento de este manual.
3. Aseg0rese de que todas las tuercas y
clavijas y todos los pernos y tornillos esten
apretados en foma segura, lnspeccione
las partes que se mueven para verificar si
estan da_adas, quebradas o desgastadas.
Cambielas si es necesario.
4. Retoque todas las superficies que esten
oxidadas o con la pintura picada; use una
lija antes de pintar.
MANGO
Puede doblar el mango de su segadora para el
almacenamiento.
1. Suelte las dos (2) manillas del mango en
cada lado del mango superior y permita que
el mango se doble hacia detras.
2. Remueva las dos (2) manillas y los pernos de
cada lado del mango inferior y pivote el con-
junto entero del mango hacia delante y per-
mita le que se descanse sobre la segadora.
3. Vuelva a poner las manillas y los pernos al
mango inferior o a los puntales del mango
para la seguridad.
• Cuando prepare su mango a partir de la
posici6n de almacenamiento, el mango infe-
rior nesecitara cerrarlo manualmente para la
posici6n de sega.
POSICl0N
PARA
SEGAR
Barra de control
que exige
presencia del
operador
DOBLAR ,,'"\
HACIA -.. ,%/
ADELANTE Mango
PARA ", superior
ALMACENAR
j//
Manilla del
mango
Manilla \
Mango inferior37
Soporte
de mango
IMPORTANTE: Cuando doble el mango para el
almacenamiento o el transporte, asegOrese que
Io doble segOn se muestra o purde da5ar los
cables de control.
MOTOR
SISTEMA DE COMBUSTIBLE
IMPORTANTE: Es importante evitar que
se formen depositos de coma en partes
fundamentales del sistemade combustible tales
como el carburador, el filtro del combustible,
la mangura del combustible o en el estanque
durante el almacenamiento. Los combustibles
mezclados con alcohol (conocido come
gasohol o que tienen etanol o metanol)
Pueden atraer humedad, Io que conduce a la
separacion y a la formaci6n de acidos durante
el almacenamiento. La gasolina acida puede
danar el sistema de combustible de un motor
durante el perido de almacenamiento.
• Vaciar el dep6sito del carburante poniendo
en marcha el motor y dejandolo funcionar
hasta que el carburante termine y el
carburador este vacio.
• Nunca use los productos para limpieza del
carburador o del motor en el estanque de
combustible pues se pueden producir da_os
permanentes.
• Use combustible nuevo la pr6xima tempo-
rada.

AVI$O:Elestabilizadordecombustibleesuna
alternativaaceptableparareducira unminimo
laformaci6ndedepositosdegomaenelcom-
bustibleduranteelperiododealmacenamiento.
Agregueestabilizadoralagasolinaenel
estanquedecombustibleo enelenvaseparael
almacenamiento.Siempresigalaproporci6nde
mezclaqueseencuentraenelenvasedelesta-
bilizador.HagafuncionarelmotorporIomenos
10minutosdespuesdeagregarelestabilizador,
parapermitirqueesteIleguealcarburador.No
drenelagasolinadelestanquedegasolinay el
carburadorsi seestausandoestabilizadorde
combustible.
ACEITEDELMOTOR
Dreneelaceite(conelmotorcaliente)y
cambieloconaceitedemotorlimpio.(Vea"MO-
TOR"enlasecci6ndeMantenimentodeeste
manual.)
ClLINDRO
1. Remuevalabujia.
2. Vacieunaonza(29ml)deaceitea traves
delagujerodelabujiaenelcilindro.
3. Tirelamanilladearranquelentamenteunas
cuantasvecesparadistribuirelaceite.
4. Vuelvaamontarlanuevabujia.
OTROS
• No guarde la gasolina de una temporada a la
otra.
• Cambie el envase de la gasolina si se emp-
ieza a oxidar. La oxidacion y/o la mugre en
su gasolina produciran problemas.
• Si es posible, guarde su unidad en un recinto
cerrado y cQbrala para protegerla contra el
polvo y la mugre.
• Cubra su unidad con un forro protector
adecuado que no retenga la humedad. No
use plastico. El plastico no puede respirar, Io
que permite la formaci6n de condensacion,
Io que producira la oxidacion de su unidad.
IMPORTANTE: Nunca cubra la segadora
mientras el motor y las areas de escape todavia
estan calientes.
_PRECAUCl6N: Nunca almacene la
segadora con gasolina en el estanque dentro
de un edificio en donde los gases pueden
alcanzar una llama expuesta o una chispa.
Permita que se enfrie el motor antes de
almacenarla en algQn recinto cerrado.
SOLUCION DE PROBLEMAS - Vea la secci6n apropiada en el manual amenos que
estd dirigido a un centro de servico Sears.
CAUSAPROBLEMA
No arranca 1. Filtro de aire sucio.
2. Sin combustible.
3. Combustible rancio.
4. Agua en el combustible.
5. Alambre de la bujia desconectado.
6. Bujia mala.
7. Cuchilla suelta o adaptador
de la cuchilla quebrado.
8. Barra de control en la
posicion suelta.
9. Barra de control defectuosa.
10. Valvula del combustible (si equ-
ipada) esta en la posici6n OFF.
11. Bateria debi (si equipada).
12. Desconecte el conector
de la bateria (si equipada).
CORRECCION
1. Limpie/cambie el filtro de aire.
2. Llene el estanque de combustible.
3. Vaciar el estanque y vuelva a
Ilenarlo con combustible limpio
y nuevo.
4. Vaciar el estanque y vuelva a
Ilenarlo con combustible limpio
y nuevo.
5. Conecte el alambre a la bujia.
6. Cambie la bujia.
7. Apriete el perno de la cuchilla
cambie el adaptador de la cuchilla.
8. Presione la barra de control
hacia el mango.
9. Cambie la barra de control.
10. Gire a la valvula del combustible
a la posicion ON.
11. Cague la bateria.
12. Conecte la bateria al motor.
38

SOLUCION DE
est_ dirigido a
PROBLEMA
Falta de 1.
fuerza
2.
3.
4.
5.
6.
Mal corte- 1.
disparejo 2.
3.
Vibraci6n 1.
excesiva
2.
Cord6n 1.
arrancador
dificil de tirar
2.
3.
4.
Recogedor de 1.
cesped nose 2.
Ilena (si viene
equipado) 3.
Dificil de 1.
empujar 2.
3.
4.
Perdida de 1.
impulsion 2.
o retardase 3.
de la 4.
velocidad
PROBLEMAS - Vea la secci6n apropiada en el manual amenos que
un centro de servico Sears.
CAUSA CORRECCION
1. Eleve la altura de corte.
Cuchilla desgastada, doblada
o suelta.
Altura de las ruedas dispareja.
Velocidad del motor lenta.
Acumulaci6n de cesped, hojas o
basura debajo de la segadora.
Demasiado aceite en motor.
Velocidad de recorrido
demasiado rapida.
Cuchilla desgastada, doblada
o suelta.
AItura de las ruedas dispareja.
Acumulacion de cesped, hojas o
basura debajo de la segadora.
Cuchilla desgastada, doblada
o suelta.
CigueSal del motor doblado.
El freno del volante del motor
esta aplicado cuando se
suelta la barra de control.
CigueSal del motor doblado.
Adaptador de la cuchilla quebrado.
La cuchilla se arrastra en
el cesped.
AItura de corte demasiado baja.
Levantamiento de la cuchilla
desgastado.
Recogedor sin ventilacion de aire.
El cesped esta demasiado alto o la
altura de la rueda demasiado baja.
Parte trasera de la
caja/cuchilla de la segadora
arrastrandose en el cesped.
Recogedor de cesped
demasiado Ileno.
Posici6n de la altura del mango
no adecuada para usted.
Desgaste de la correa.
La correa esta fuera de la polea.
Cable de la impulsi6n usado o roto.
El sistema de control del
mecanismo impulsor "suelto".
2. Eleve la altura de corte.
3. Limpie/cambie el filtro de aire.
4. Limpie la parte inferior de la
caja de la segadora.
5. Revise el nivel del aceite.
6. Corte a una velocidad de
recorrido mas lenta.
1. Cambie la cuchilla. Apriete el perno
de la cuchilla.
2. Ajuste todas las ruedas a la misma
altura.
3. Limpie la parte inferior de la
caja de la segadora.
1. Cambie la cuchilla. Apriete el
perno de la cuchilla.
2. P6ngase en contacto con su centro
de servicio Sears o con un otro
centro de servicio cualificado.
1. Presione la barra de control
hacia el mango superior antes
de tirar el cord6n arrancador.
2. P6ngase en contacto con su centro
de servicio Sears o con un otro
centro de servicio cualificado.
3. Cambie el adaptador de la cuchilla.
4. Mueva la segadora a un lugar
en donde el cesped ha sido
cortado o a una superficie firme
para hacer arrancar el motor.
1. Eleve la altura de corte.
2. Cambie las cuchillas.
3. Limpie el recogedor de cesped.
1. Eleve la altura de corte.
2. Eleve la parte trasera de la caja de
la segadora (1) un lugar mas alto.
3. Vacie el recogedor de cesped.
4. Ajuste la altura del mango de
modo que le acomode.
1. Revise/cambie correa de impulsi6n.
2. Revise/vuelva a instalar la
3. Cambie el cable de la impulsion.
4. Ajuste el control del mecanismo
impulsor.
39

CRAFTSMAN ROTARY LAWN MOWER- - MODEL NUMBER 917.376990
O
5?
53
37
3
4
48
44 47
I 32
I
54
46
43
35
39
4O
38
27
12
56
36
25
23

CRAFTSMAN ROTARY LAWN MOWER- - MODEL NUMBER 917.376990
4:_
KEY PART KEY PART KEY PART
NO. NO. DESCRIPTION NO. NO. DESCRIPTION NO. NO.
1 188505X418 Handle, Grassbag, Rear 24 191730 Nut, Hex, Flangelock 1/4-20 47 750634
2 65322 Hairpin Cotter 25 183445 Rod, Hinge 48 86899X004
3 183483 Rod, Rear Handle, Grassbag 26 183446 Spring, Mulcher Door 49 132004
4 410446 Grassbag 27 404763 Decal, Danger 50 188501
5 188506 Frame, Grassbag 28 188507X418 Mulcher Door 51 195147
6 12000014 E-Ring 29 183447 Knob 52 - - -
7 188498X418 Door, Grassbag 30 188497X418 Door, Discharge Chute
8 183479 Rod, Pivot 31 183478 Spring, Round Door,
9 72140405 Bolt, Carriage, Grade 5 Discharge Chute 53 410447
1/4-20 x 5!8 32 183445 Rod, Door, Discharge Chute
10 73800400 Nut, Hex 33 188504X418 Discharge Chute, Plastic
11 188359X479 Tube, Rear Skirt 34 187063X479 Adjustment Bracket, 54 189014
12 190815X428 Skirt, Rear Lower Handle, LH
13 194172X418 Cover, Front 35 185588 Knob, Star
14 194189 Screw, Hex Washer Head 36 194187 Bolt, Shoulder 55 194192
#13-16 x 5/8 37 185996 Deflector, Discharge 56 12000058
15 150406 Bolt, Engine Mounting 38 187064X479 Adjustment Bracket, 57 188634
16 159267 Blade, 21" Lower Handle, RH -- 404764
17 851074 Washer, Hardened 39 191574 Bolt, Handle -- 410448
18 850263 Washer, Lock 40 66426 Wire Tie
19 191760 Bolt, Hex Head, Grade 8 42 183464X479 Handle Assembly, Lower
20 186766 Adapter, Blade 43 183474 Bail, Control
21 188510X428 Debris Shield 44 182748 Grip, Foam
22 17600406 Screw, Hex Head, Serrated, 45 184576 Handle Assembly, Upper
Type TT 1/4-20 (Includes Foam Grip)
23 183609 Mounting Bracket, 46 197740 Cable, Engine Zone Control
Mulcher Door
DESCRIPTION
Screw
Bracket, Upstop
Nut, Hex 1/4-20
Rope Guide
Kit, Housing
Engine, Honda, Model
Number GCV160-AS3A
(See Breakdown)
Grassbag Assembly,
Complete (Consists of
Key Numbers 1-8)
Discharge Chute Assembly,
Complete (Consists of
Key Numbers 30-33)
Stud, Shoulder, T45
E-Ring, T45
Stud, Threaded 1/4-20 x 5!8
Decal, Warning (not shown)
Owner's Manual
Available accessories not included with mower:
- - 71 33623 Gas Can
(2.5 Gallon Container)
- - 71 33500 Fuel Stabilizer
- - 71 33000 SAE 30W Oil
(20 Ounce Bottle)
NOTE: All component dimensions given in U.S. inches. 1 inch = 25.4 mm.
IMPORTANT: Use only Original Equipment Manufacturer (O.EM.) replacement parts. Failure to do so could be hazardous, damage your lawn mower and void your warranty.

\
I'0
t
\\
\
34
69 3
32
CRAFTSMAN ROTARY LAWN MOWER - - MODEL NUMBER 917.376990
16_,T, _ _ 24 32
---_-- 25 69
26 13
27 30
14
-_-28 12
\
\X
30
10
38
14
i
J
38
\
o
\1
\
/
jll
I69
33
I
\
34
i/\ 38
\
34
I
I
I
46 I 6 _:
t
18
2
)i
I
I
\\ I
I
I

CRAFTSMAN ROTARY LAWN MOWER - - MODEL NUMBER 917.376990
4:_
KEY PART KEY PART
NO. NO. DESCRIPTION NO. NO. DESCRIPTION
1 196785 Drive Control Assembly (Includes Cable) 29 17060410
2 195745 Cover, Drive Control, Top 30 183457
3 187353 Pulley, Drive Control 31 88348
4 190038 Lever, Drive Control (red) 32 192622
5 195744 Cover, Drive Control, Bottom 33 83923
6 181698 Screw, Torx Head #8 x 5/8 34 183442
7 400235X479 Bracket, Mounting, Drive Control 35 185994
8 184987 Cap, Drive Control, Bottom 36 188291
9 197011 Cable, Drive Control 37 175098
10 188356X418 Cover Assembly, Drive 38 12000058
11 194188 Screw, Hex Washer Head 1/4-20 x 1/2 39 175103
12 12000012 Ring, Retaining 40 175105
13 194186 Screw, Hex Head 1/4-20 41 175104
14 187120 Bearing/Axle Support 42 184172
15 188294 Gear Case Assembly (See Breakdown) 43 188508X004
16 194124 Spring, Return 44 188509X004
17 194438 Bracket, Gearcase /Drive Pulley 46 192232
18 163409 Screw, Hi-Lo Thread #12 x 5/8 47 183438
19 194128 Pulley, Drive 48 169675
21 132004 Locknut, Hex 1/4-20 49 192431X004
22 193791 Pulley Assembly, Idler 50 183688
23 197480 O-Ring 51 188331
24 145212 Nut, Hex, Flangelock, Special Thread 52 175102
25 73930500 Nut, Hex, Lock 53 192138X004
26 194123X004 Idler Arm 54 188330
27 166043 Pulley, Idler 55 194212
28 160829 Bolt, Hex Head, Shoulder 5/16-18 x 1/2 69 169911
Screw 1/4-20 x 1/16
Cover, Dust, Wheel
Washer, Flat 3/8
Wheel Assembly, Rear 9 x 2-1/4
Nut, Hex, Flangelock 3/8-16
Hubcap
Knob
Spring, Torsion
Pawl
E-Ring
Gear
Retainer, Drive, LH
Disc, Drive
Seal, Friction
Lever, Selector, Wheel Height, Rear
Lever, Selector, Wheel Height, Front
Wheel Assembly, Front 9 x 2-1/4
Bushing, Front Axle
Retainer, Hairpin Cotter
Torque Shaft Assembly, Front
Belt, Drive
Pinion Assembly, LH
Retainer, Drive, RH
Rear Axle Assembly
Pinion Assembly, RH
Decal, Drive Control Operation
Bearing, Ball (Wheel)
NOTE: All component dimensions given in US. inches. 1 inch = 25.4 mm.
IMPORTANT: Use only Original Equipment Manufacturer (O.EM.) replacement parts. Failure to do so could be hazardous, damage your lawn mower and void your warranty.

CRAFTSMAN ROTARY LAWN MOWER - - MODEL NUMBER 917.376990
GEAR CASE ASSEMBLY - - PART NUMBER 188294
\_ JSJ ¸
.. : _ .......12
5
10
7
11
KEY PART
NO. NO. DESCRIPTION
1 187530 Case, Lower
2 191245 Case, Upper
3 187532 Gear, 24 Teeth
4 191246 Shaft, Worm
5 183505 Wireform
6 183506 Bearing, Ball
7 183508 Seal, Output Shaft
8 183509 Washer
9 183511 Bushing
10 191247 Shaft, Output
11 183513 Screw
12 183514 Seal, Worm Shaft
- - 750369 Grease, Texaco Starplex Premium 1
(Do not substitute) (1.4 ounce capacity)
IMPORTANT: Use only Original Equipment Manufacturer (O.E.M) replacement parts.
Failure to do so could be hazardous, damage your lawn mower and void your warranty.
44

SERVICE NOTES
45

HONDA 4-CYCLE ENGINE MODEL NUMBER GCV160-AS3A
LABEL CHOKE
12 •
°It
CAMSHAFT PULLEY J
CARBURETOR J
...... _]_ .............................
14
46

HONDA 4-CYCLE ENGINE MODEL NUMBER GCV160-AS3A
LABELS
KEY PART
NO, NO, DESCRIPTION
9 7400187 Mark, Choke Indication
CHOKE
KEY PART
NO, NO, DESCRIPTION
1 7257157 Seal, Choke Lever
2 4209581 Spring, Cable Return
3 7257165 Lever, Choke
4 7257173 Base Comp., Choke
5 7257181 Spring, Choke Lever
6 7257199 Hook, Choke Spring
7 7257207 Plate, Choke
8 7229867 Rod, Stop
9 0747733 Bolt, Flange #6 x 16
10 3674413 Screw, Tapping #4 x 8 (PO)
11 2544690 Screw, Pan Head #5 x 19
12 0369017 Screw, Pan Head #4 x 8
13 0636951 Nut, Flange 5 mm
CAMSHAFT PULLEY
KEY PART
NO, NO, DESCRIPTION
1 7049679
2 5580063
3 7058985
4 5580089
5 5580097
6 5580105
7 5580113
8 5580121
9 5580139
10 1426980
11 0294819
12 0004598
13 6315873
14 6839831
Pulley Comp., Camshaft
Shaft, Cam Pulley
Belt, Timing (84HU7 G200)
Rocker Arm, Intake Valve
Rocker Arm, Exhaust Valve
Shaft, Rocker Arm
Valve, Intake
Valve, Exhaust
Spring, Valve
Retainer, Intake Valve Spring
Screw, Tappet Adjusting
Nut, Tappet Adjusting
ORing 6.8 x 1.9 (ARAI)
Seal, Valve Stem
CARBURETOR
KEY PART
NO, NO,
1 3088416
2 5580162
3 3465879
5 1441518
7 7301138
8 5580212
9 5580220
10 5580238
11 5580246
12 4581120
13 5580253
14 5580535
15 0639419
16 0635474
0635482
0636126
17 1672187
DESCRIPTION
Packing Set
Float Set
Chamber Set, Float
Screw Set
Carburetor Asssembly (BB62G A)
Valve, Float
Nozzle, Main
Insulator, Carburetor
Packing, Insulator
Packing, Carburetor
Packing, Carburetor
Guide Comp., Air
Screw, Pan Head #5 x 6
Jet, Main #60
Jet, Main #62
Jet, Main #65
Screw Set, Drain
47

HONDA 4-CYCLE ENGINE MODEL NUMBER GCV160-AS3A
FAN COVER I
AIR CLEANER ]
E*3 •
12. 5
RECOILSTARTER I
FLYWHEEL
48

HONDA 4-CYCLE ENGINE MODEL NUMBER GCV160-AS3A
FAN COVER
KEY PART
NO, NO, DESCRIPTION
1 3683646 Rubber Supporter (107 mm)
2 7357379 Cock Assembly, Fuel
3 5189352 Bracket, Fuel Cock
4 6673289 Cap Assembly, Fuel Tank
5 5580469 Tube, Fuel
6 7399371 Cover Comp., Fan (T89)
8 6978399 Collar, Fuel Cock
9 5581004 Bolt, Stud
10 0671636 Screw, Washer Head #5 x 10
11 6754279 Tube, Fuel Tank
12 0250647 Clip, Tube (B8)
13 0250985 Clip, Tube (1310)
14 0053447 Clip, Tube (C9)
AIR CLEANER
KEY PART
NO, NO, DESCRIPTION
1 5720289
2 6718159
3 5580410
5 5664560
6 6673255
7 5580964
8 2374742
Tube, Breather
Element, Air Cleaner
Case Assembly, Air Cleaner
Packing, Air Cleaner
Cover, Air Cleaner
Bolt, Flange #6 x 86 (CT200)
Bolt, Flange #6 x 14
RECOIL STARTER
KEY PART
NO, NO. DESCRIPTION
1
8
9
11
6092886
5580634
5580642
6478812
Starter Assembly, Recoil
Grip, Starter
Rope, Recoil Starter
Nut, Flange 6 mm
FLYWHEEL
KEY PART
NO, NO, DESCRIPTION
1
3
4
5
6
8
10
11
12
13
15
16
19
20
21
0348433
6859722
6859714
6315816
5580683
5580790
0803619
1725050
0671552
0442038
0485946
1510361
1824630
1240845
7301591
Key, Special, Woodruff #25 x 18
Coil Assembly, Ignition
Flywheel Assembly
Cord, Stop Switch
Switch Assembly, Engine Stop
Spring, Brake Lever
Bolt, Flange #6 x 14 (CT200)
Bolt, Flange #6 x 23 (CT200)
Bolt, Flange #6 x 20 (CT200)
Nut, Special 14 mm
Screw, Washer Head #4x12
Washer, Plain 4 mm
Clip A, Cable
Grommet A, Rear Cover
Brake Sub-Assembly
49

HONDA 4-CYCLE ENGINE MODEL NUMBER GCV160-AS3A
CYLINDER BARREL J PISTON CONNECTING ROD J
CRANKSHAFT ] OIL PANI
i--.-
/
./
1
16
5
MUFFLER
5O

HONDA 4-CYCLE ENGINE MODEL NUMBER GCV160-AS3A
CYLINDER BARREL
KEY PART
NO, NO, DESCRIPTION
1
2
3
4
5
6
7
8
9
6842413
2399780
5579990
5580006
0636845
0803619
5581038
1441112
1899848
Barrel Assembly, Cylinder
Clip, Valve Guide
Cover, Head
Cover Comp., Breather
Bolt, Flange #6 x 12 (CT200)
Bolt, Flange #6 x 14 (CT200)
Oil Seal 25Ax 62 x 6
Plug, Spark (BPR6ES) (NGK)
Guide, Exhaust Valve (O.S.)
PISTON /CONNECTING ROD
KEY PART
NO, NO, DESCRIPTION
1
2
3
4
5
6
5580014 Piston
1426576 Pin, Piston
5580022 Rod Assembly, Connecting
1431055 Bolt, Connecting Rod
2605517 Clip, Piston Pin 13 mm
5655949 Ring Set, Piston (Riken)
7154727 Ring Set, Piston (Teikoku)
CRANKSHAFT
KEY PART
NO, NO, DESCRIPTION
3 5664495 Crankshaft Comp.
5 5581012 Washer, Thrust
OIL PAN
KEY PART
NO, NO,
1 6771489
2 5716915
4 1452754
5 5664503
6 5664511
8 6384341
9 6384333
10 5580287
11 5580295
12 1427244
13 1427251
14 5580303
15 0803619
16 0748111
17 2413862
18 2456697
19 5581046
20 1377704
21 0345900
22 0115527
23 1417369
MUFFLER
KEY PART
NO, NO,
1 5580485
2 5664610
3 5737457
4 5580972
5 0636845
6 5656012
7 5611397
8 1431121
DESCRIPTION
Pan Assembly, Oil
Gauge Assembly, Oil Level
Packing, Oil Filler cap
Extension, Oil Filler
Washer, Extension Rock
Shaft Comp., Governor Holder
Governor Assembly
Weight, Governor
Holder, Governor Weight
Pin, Governor Weight
Slider, Governor
Shaft, Governor Arm
Bolt, Flange #6 x 14 (CT200)
Bolt, Flange #6 x 25
Washer, Thrust 6 mm
Clip, Governor Holder
Oil Seal 28 x 41.25 x 6
ORing 14.8 x 2.4 (NOK)
Washer, Plain 6 mm
Pin, Lock 8 mm
Dowel Pin #8 x 20
DESCRIPTION
Muffler, Complete
Protector, Muffler (CBU)
Gasket, Muffler
Bolt, Flange #6 x 79 (CT200)
Bolt, Flange #6 x 12 (CT200)
Spark Arrester
Plate, Arrester Number
Screw, Tapping #4 x 6
51

iiiiiiiiiiiiiiiiiiiii_i_
iiiiiiiiiiiiiiiiiiii_
iiiiiiiiiiiiiiiii
iiiiiiiiiiiiiiiii
iiiiiiiiiiiiiiiii
iiiiiiiiiiiiiiiii
iiiiiiiiiiiiiiiii
iiiiiiiiiiiiiiiii
iiiiiiiiiiiiiiiii
iiiiiiiiiiiiiiiii
iiiiiiiiiiiiiiiii
iiiiiiiiiiiiiiiii
iiiiiiiiiiiiiiiii
iiiiiiiiiiiiiiiii
Your Home
For repair - in your home - of all major brand appliances,
lawn and garden equipment, or heating and cooling systems,
no matter who made it, no matter who sold it!
For the replacement parts, accessories and
owner's manuals that you need to do-it-yourself.
For Sears professional installation of home appliances
and items like garage door openers and water heaters.
I-800o4°MYoHOME ® Anytime, day or night
(1=800-469-4663) (U,S.A. and Canada)
www.sears.com www.sears.ca
Our Home
For repair of carry-in products like vacuums, lawn equipment,
and electronics, call or go on-line for the nearest
Sears Parts and Repair Center.
1-800-488-t222 Anytime, day or night (U,S,A, only)
www.sears.com
To purchase a protection agreement (U.S.A.)
or maintenance agreement (Canada) on a product serviced by Sears:
t-800-827-6655 (U.S.A.) t-800-361-6665 (Canada)
Para pedir servicio de reparaci6n
a domidlio, y para ordenar piezas:
Io888..SU-HOGAR ®
(1-88&784_27)
Au Canada pour service en fran(_ais:
1-800-LE-FOYER Mc
(1-800-533-6937)
www,s@ars,ca
© Sears Brands, LLC
® Registered Trademark /TMTrademark /SM Service Mark of Sears Brands, LLC
® Marca Registrada /TM Marca de Fabrica /sM Marca de Servicio de Sears Brands, LLC
Mc Marque de commerce /MD Marque d6pos6e de Sears Brands, LLC
410448 Rev. 2 05.01.07 BY Printed in U.S.A.