Craftsman 917377880 User Manual Gas, Walk Behind Lawnmower Manuals And Guides L0030044
CRAFTSMAN Walk Behind Lawnmower, Gas Manual L0030044 CRAFTSMAN Walk Behind Lawnmower, Gas Owner's Manual, CRAFTSMAN Walk Behind Lawnmower, Gas installation guides
User Manual: Craftsman 917377880 917377880 CRAFTSMAN Gas, Walk Behind Lawnmower - Manuals and Guides View the owners manual for your CRAFTSMAN Gas, Walk Behind Lawnmower #917377880. Home:Lawn & Garden Parts:Craftsman Parts:Craftsman Gas, Walk Behind Lawnmower Manual
Open the PDF directly: View PDF
.
Page Count: 30

Owner's Manual
CRAFTIMBN°
6.5 HORSEPOWER
21" MULTI-CUT
POWER PROPELLED
ROTARY LAWN MOWE_R
Model No.
917.377880
•Safety
•Assembly
•Operation
•Maintenance
•Espafiol
•Repair Parts
CAUTION:
Read and follow all
Safety Rules and Instructions
before operating this equipment
Sears, Roebuck and Co., Hoffman Estates, IL 60179
Visit our Craftsman website: www.sears.com/craftsman

Warranty
Safety Rules
Assembly
Operation
Maintenance Schedule
Maintenance
2 Product Specifications 12
2 Service and Adjustments 15
4 ..Storage 16
6 " Troubleshooting 17
11 Repair Parts 38
lt Parts Ordering Back Cover
LIMITED TWO YEAR WARRANTY ON CRAFTSMAN POWER MOWER
For two years from date of purchase, when this Craftsman Lawn Mower is maintained,
lubricated, and tuned up according to the operating and maintenance instructions in the
owner's manual, Sears will repair free of charge any defect in material or workmanship.
If this Craftsman Lawn Mower is used for commercial or rental purposes, this warranty
applies for only 90 days from the date of purchase.
This Warranty does not cover:
•Expendable items which become worn during normal use, such as rotary mower
blades, blade adapters, belts, air cleaners and spark plug.
• Repairs necessary because of operator abuse or negligence, including bent crank-
shafts and the failure to maintain the equipment according to the instructions con-
tained in the owner's manual.
Warranty service is available by returning the Craftsman power mower to the nearest
Sears Service Center/Department in the United States. This warranty applies only while
this product is in use in the United States.
This Warranty gives you specific legal rights, and you may also have other rights which
vary from state to state.
SEARS, ROEBUCK AND CO., D/817 WA, HOFFMAN ESTATES, ILLINOIS 60179
Safety standards require operator pres-
ence controls to minimize the risk of injury.
Your unit is equipped with such controls.
Do not attempt to defeat the function of the
operator presence controls under any
circumstances.
TRAINING:
• Read this operator's manual carefully.
Become familiar with the controls and know
how to operate your mower properly. Learn
how to quickly stop mower.
•Do not allow children to use your mower.
Never allow adults to use mower without
proper instructions.
• Keep the area of operation clear of all
persons, especially small children and pets.
• Use mower only as the manufacturer
intended and as described in this manual.
• Do not operate mower if it has been
dropped or damaged in any manner.
Always have damage repaired before using
your mower.
•Do not use accessory attachments that are
not recommended by the manufacturer.
Use of such attachments may be hazard-
ous.
•The blade turns when the engine is running.
PREPARATION:
•Always thoroughly check the area to be
mowed and clear it of all stones, sticks,
wires, bones, and other foreign objects.
These objects will be thrown by the blade
and can cause severe injury.
• Always wear safety glasses or eye shields
when starting and while using your mower.
•Dress properly. Do not operate mower
when barefoot or wearing open sandals.
Wear only solid shoes with good traction
when mowing.
2

•Check fuel tank before starting engine. Do
not fill gas tank indoors, when the engine is
running or when the engine is hot. Allow the
engine to cool for several minutes before
filling the gas tank. Clean off any spilled
gasoline before starting the engine.
•Always make wheel height adjustments
before starting your mower. Never attempt
to do this while the engine is running.
• Mow only in daylight or good artificial light.
OPERATION:
•Keep your eyes and mind on your mower
and the area being cut. Do not let other
interests distract you.
• Do not mow wet or slippery grass. Never
run while operating your mower. Always be
sure of your footing - keep a firm hold on the
handles and walk.
• Do not put hands or feet near or under
rotating parts. Keep clear of the discharge
opening at all times.
•Always stop the engine whenever you leave
orare not using your mower, or before
crossing driveways, walks, roads, and any
gravel-covered areas.
• Never direct discharge of material toward
bystanders nor allow anyone near the
mower while you are operating it.
• Before cleaning, inspecting, or repairing
your mower, stop the engine and make
absolutely sure the blade and all moving
parts have stopped. Then disconnect the
spark plug wire and keep if away from the
spark plug to prevent accidental starting.
• Do not continue to run your mower if you hit
a foreign object. Follow the procedure
outlined above, then repair any damage
before restarting and operating your mower.
• Do not change the gevemor settings or
overspeed the engine. Engine damage or
personal injury may result.
• Do not operate your mower if if vibrates
abnormally. Excessive vibration is an
indication of damage; stop the engine,
safely check for the cause of vibration and
repair as required.
• Do not run the engine indoors. Exhaust
fumes are dangerous.
• Never cut grass by pulling the mower
towards you. Mow across the face of
slopes, never up and down or you might
lose your footing. Do not mow excessively
steep slopes. Usa caution when operating
the mower on uneven terrain or when
changing directions - maintain good footing.
• Never operate your mower without proper
guards, plates, grass catcher or other safety
devices in place.
MAINTENANCE AND STORAGE:
• Check the blade and the engine mounting
belts often to be sure they are tightened
properly.
• Check all bolts, nuts and screws at frequent
intervals for proper tightness to be sure
mower is in safe working condition.
• Keep all safety devices in place and
working.
• To reduce fire hazard, keep the engine free
of grass, leaves or excessive grease and oil.
• Check grass catcher often for deterioration
and wear and replace wom bags. Usa only
replacement bags that are recommended
by and comply with specifications of the
manufacturer of your mower.
•Always keep a sharp blade on your mower.
• Allow engine to cool before storing in any
enclosure.
• Never store mower with fuel in the tank
inside a building where fumes may reach an
open flame or an ignition source such as a
hot water heater, space heater, clothes
dryer, etc.
_,Look for this symbol to point out
important safety precautions. It means
CAUTIONf!! BECOMEALERT!!f YOUR
SAFETY IS iNVOLVED.
A, CAUTION: Always disconnect spark
plug wire and place wire wnere it cannot
contact spark plug in order to prevent
accidental starting when setting up,
transporting, adjusting or making repairs.
_1, WARNING: The engine exhaust from
this product contains chemicals known to
the State of California to cause cancer,
birth defects, or other reproductive harm.
3

_=when this produced.
shipped with your mower. They are also avaik='_bteat most Sears retail outlats and service
centers. Most Sears stores can also order repair parts for you, when you provide the model
number of your lawn mower. Some of these accessories may not app{y to your lawn mower.
LAWN MOWER PERFORMANCE
CLIPPING DEFLECTOR I --
FOR REAR DISCHARGE LAWN MOWERS MULCHER KITS STARIUZER
%osscs ccFO o
REAR DISCHARGE SIDE DISCHARGE
LAWN MOWERS LAWN MOWERS
GAS CANS
LAWN MOWER MAINTENANCE
MUFFLERS AIR FILTERS SPARK PLUGS
BELTS BLADES BLADE ADAPTERS WHEELS ENGINE OIL
Read these instructions and this manual in
its entirety before you attempt to assemble
or operate your new lawn mower.
IMPORTANT: This lawn mower is shipped
WITHOUT OIL OR GASOLINE in the
engine.
Your new lawn mower has been as-
sembled at the factory with the exception
of those parts left unassembled for
shipping purposes. To ensure safe and
proper operation of your lawn mower, all
parts and hardware you assemble must be
tightened securely. Use the correct tools
as necessary to ensure proper tightness.
At! parts such as nuts, washers, bolts, etc.,
necessary to complete the assembly have
been placed in the parts bag.
TO REMOVE LAWN MOWER FROM
CARTON
•Remove loose parts included with
mower.
•Cut down two end corners of carton and
lay end panel down flat.
•Remove all packing materials except
padding between upper and lower
handle and padding holding operator
presence control bar to upper handle.
• Roll lawn mower out of carton and checl
carton thoroughly for additional loose
pads.
HOW TO SET UP YOUR LAWN
MOWER
TO UNFOLD HANDLE
IMPORTANT: Unfold handle carefully so
as not to pinch or damage control cables.
•Raise lower handle section to operating
position and squeeze the bottom ends c
lower handle towards each other until
the pin in handte can be inserted into
one of the three height adjustment
holes.
• Remove protective padding, raise upper
handle section into place on lower
handle and tighten both handle knobs.
•Remove any packing material from
around control bar.
4

•Your handles may be adjusted for your
mowing comfort. Refer to Service and
Adjustments section of this manual.
Operator presence
control bar
Upper handle\
Lift up
TO INSTALL ATTACHMENTS
Your lawn mower was shipped ready to be
used as a mulcher. To convert to bagging
or discharging; See OPERATION section
of this manual.
Lower Mowing
handle position
3-position
Handle
adjustment
bracket
Handle
pin
5

KNOW YOUR LAWN MOWER
READ THIS OWNER'S MANUALAND SAFETY RULES BEFORE OPERATING YOUR LAWN
MOWER, Compare the illustrationswith your lawn mower to familiarize yourself with the
location of various controls and adjustments. Save this manual for future reference.
These symbols may appear on your lawn mower or in literature supplied with the
product. Learn and understand their meaning.
CAUTION ENGINE ENGINE FAST SLOW CHOKE FUEL OIL DANGER, KEEP HANDS
OR WARNING ON OFF AND FEET AWAY
Drivl
Throttle control
Operator presence control
Starter handle Cable clip
Grass catcher _.
Wheel adjuster
lever
Engine oil cap w/dipstick
Mulcher
plug Gasoline cap
Mulcher door
IMPORTANT: This lawn mower is shipped Primer
without oil or _lasoline in the en_line. Housing
MEETS CPSC SAFETY REQUIREMENTS
Sears rotary walk-behind power lawn mowers conform to the safety standards of the
American National Standards Institute and the U.S. Consumer Product Safety Commis-
sion. The blade turns when the engine is running.
Operator presence control -must be
held down to the handle to start the
engine. Release to stop the engine.
Primer -pumps additional fuel from the
carburetor to the cylinder for use when
starting a cold engine.
Starter handle -used for starting the
engine.
Drive control bar -used to engage
power-propelled foward motion of lawn
mower.
Mulcher plug - Located at the rear
discharge opening must be removed
when converting to bagging operation.
6

The operation of any lawn mower
can result in foreign objects thrown
into the eyes, which can result in
severe eye damage. Always wear safety
glasses or eye sh_ds while operating your
lawn mower or performing any adjustments
or repairs. We recommend a wide vision
safety mask over spectacles or standard
safety glasses.
HOWTO USEYOUR LAWN MOWER
ENGINE SPEED
The engine speed is controlled by a
throttle located on the side of the upper
handle. Fast position is for starting,
normal cutting, trimming and better grass
bagging. Slow position is for light cutting,
trimming and fuel economy.
ENGINE ZONE CONTROL
_CAUTION: Federal regulations require
an engine control to be installed on this
lawn mower in order to minimize the risk
of blade contact injury. Do not under any
circumstances attempt to defeat the
function of the operator control. The blade
turns when the engine is running.
•Your lawn mower is equipped with an
operator presence control bar which
requires the operator to be positioned
behind the lawn mower handle to start and
operate the lawn mower.
TO ADJUST CUTTING HEIGHT
• All four wheels are adjusted by a single
lever.
• Pull adjuster lever toward wheel. To raise
mower, move lever forward to desired
position. To lower mower, move the lever
toward the rear.
Lower Wheels for high cut
Wheel \
A_uster
Lever J
Raise Wheels for low cut
GROUND DRIVE SPEEDS
Your lawn mower provides multiple
speeds to let you select the speed that
Suits you best.
•Lower speeds are for slow, heavy/thic
grass cutting or trimming.
•Medium speeds are for normal grass
cutting or trimming.
• High is for light cutting and for ground
transport.
NOTE: Do not move speed control level
unless the engine is running
TO OPERATE DRIVE SYSTEM
• With engine running, select ground
speed by moving speed control lever
desired position.
• To start forward motion, pull drive
control bar back against handle.
• To stop forward motion, release drive
control bar.
IMPORTANT: Always keep drive control
bar fully engaged against handle when
use. I
Speed control
lever
Drive control
engaged
Drive control
disengaged
Operator presence
control bar
7

TO CONVERT MOWER
Yourlawn mower was shippedreadyto be
used as a mulcher. To convert to bagging or
discharging:
REAR BAGGING-
.Open rear door and remove mulcher plug.
Store mulcher plug in a safe place.
•To convert to _ing or discharging
operation, install mulcher plug into rear
discharge opening of mower.
SIDE DISCHARGING-
.Rear door must be closed.
• Open mulcher door and install discharge
deflector under guard as shown.
• Mower is now ready for discharging
operation.
•To convert to mulching or bagging
operation, discharge deflector must be
removed and mulcher door must be
closed.
SIMPLE STEPS TO REMEMBER
WHEN CONVERTING YOUR LAWN
MOWER
FOR MULCHING -
• Rear mulcher plug installed.
• Mulcher door closed.
FOR REAR BAGGING -
•Rear mulcher plug removed.
•Grass catcher installed.
• Mulcher door closed.
FOR SIDE DISCHARGING -
• Rear mulcher plug installed.
• Side discharge deflector installed.
_CAUTION: Do not run your lawn mower
without rear mulcher plug in place or
approved grass catcher in place.
Never attempt to operate the lawn mower
with the rear door removed or propped
open.
Muncher plug
Mulcher door
Open
mulcher door
Discharge deflector
TO ATTACH GRASS CATCHER
•Liftthe rear door of the lawn mower and
place the grass catcher frame hooks into
the slots of the rear door.
•The grass catcher is secured to the lawn
mower housing when the rear door is
lowered onto the grass catcher frame.
Rear door Grass
catcher
hook
ACAUTION: Do not run your lawn mow_
without rear mulcher plug or approved
grass catcher in place. Never attempt to
operate the lawn mower with the rear
door removed or propped open.
TO EMPTY GRASS CATCHER
•Lift up on grass catcher usingthe frame
handle.
• Remove grass catcher with clippings from
under lawn mower handle.
• Empty clippings from bag using beth frarnq
handle and bag handle.
NOTE: Do not drag the bag when
emptying; it will cause unnecessary wea
/
8

BEFORE STARTING ENGINE
OIL
Your lawn mower is shipped without oil in
the engine.
• Be sure mower is level and area
around oil fill is clean.
• Remove engine oil cap and fill to the
full line on the dipstick.
NOTE: Allow oil to settle down into
engine for accurate reading.
• Engine holds 20 ozs. of oil. For type
and grade of oil to use, see "ENGINE"
in maintenance section of this manual.
• Pour oil slowly. Do not over fill.
• Check oil level before each use. Add
oil if needed. Fill to full line on dipstick.
• To read proper level, tighten engine oil
cap each time.
• Reinstall engine oil cap and tighten.
• Change the oil after every 25 hours of
operation or each season. You may
need to change the oil more often
under dusty, dirty conditions.
ADD GASOLINE
•Fill fuel tank. Use fresh, clean, regular
unleaded gasoline with a minimum of
87 octane(Use of leaded gasoline will
increase carbon and lead oxide
deposits and reduce valve life). Do not
mix oil with gasoline. Purchase fuel in
quantities that can be used within 30
days to assure fuel freshness.
_WARNING: Experience indicates that
alcohol blended fuels (called gasohol or
using ethanol or methanol) can attract
moisture which leads to separation and
formation of acids during storage. Acidic
gas can damage the fuel system of an
engine while in storage. To avoid engine
problems, the fuel system should be
emptied before storage of 30 days or
longer. Drain the fuel tank, start the
engine and let it run until fuel lines and
carburetor are empty. Use fresh fuel next
season. See Storage Instructions for
additional information. Never use engine
or carburetor cleaner products in fuel tank
or permanent damage may occur.
_I,CAUTION: Fill to bottom of gas tank
filler neck. Do not overfill. Wipe off any
spilled oil or fuel. Do not store, spill or u,_
gasoline near an open flame.
Gasoline
filler cap
Engine oil c_
TO START ENGINE
•To start a cold engine, push primer
three (3) times before trying to start.
Use a firm push. This step is not
usually necessary when starting an
engine which has already run for a few
minutes.
• Move throttle control lever to fast
position.
• Hold operator presence control bar
down to the handle and pull starter
handle quickly. Do not allow starter
rope to snap back.
• To stop engine, release operator
presence control bar.
NOTE: In cooler weather it may be necessaq
to repeat priming steps. In warmer weather
over priming may cause flooding and engine
will not start. If you do flood engine wait a fen
minutes before attempting to start and do not
repeat priming steps.
9

MOWINGTIPS
•Under certain conditions, such as very
tall grass, it may be necessary to raise
the height of cut to reduce pushing
effort and to keep from overloading the
engine and leaving clumps of grass
clippings. It may also be necessary to
reduce ground speed and/or run the
lawn mower over the area a second
time.
•For extremely heavy cutting, reduce the
width of cut by overlapping previously
cut path and mow slowly.
•For better grass bagging and most
cutting conditions, the engine speed
should be set in the fast position.
•Pores in cloth grass catchers can
become filled with dirt and dust with
use and catchers will collect less grass.
To prevent this, regularly hose catcher
off with water and let dry before using.
• Keep top of engine around starter clear
and clean of grass clippings and chaff.
This will help engine air flow and
extend engine life.
MULCHING MOWING TIPS
IMPORTANT: For best performance, keep
mower housing free of built-up grass and
trash. See "Cleaning" in MAINTENANCE
section of this manual.
•The special mulching blade will recut the
gross clippings many times and reduce
them in size so that as they fall onto the
lawn they will disperse into the grass and
not be noticed. Also, the mulched grass
will biodegrade quickly to provide nutrients
for the lawn. Always mulch with your
highest engine (blade) speed as this will
provide the best recutting action of the
blades.
•Avoid cutting your lawn when it is wet. Wet
grass tends to form clumps and interferes
with the mulching action. The best time to
mow your lawn is the early aftemson. At
this time the grass has dried and the newly
cut area will not be exposed to the direct
sun.
•For best results, adjust the lawn mower
cutting height so that the lawn mower cuts
off only the top one-third of the grass
blades. If the lawn is overgrown it will be
necessary to raise the height of cut to
reduce pushing effort and to keep from
overloading the engine and leaving
clumps of mulched grass. For extremely
heavy mulching, reduce your width of cut
by overlapping previously cut path and
mow slowly.
•Certain types of grass and grass conditions
may require that an area be mulched a
second time to completely hide the
clippings. When doing a second cut, mow
acmas or perpendicular to the first cut path.
•Change your cutting pattem from week to
week. Mow north to south one week then
change to east to west the next week This
will help prevent matting and graining of
the lawn.
i!;_',l_f_",_l';'_ Max 1/3
10

MA,NTEN..CESC.EDULE
FILLO, ES
AS YOU COMPLETE /__,,_r"._"_O_l=l=t\llt"l= n ....
.E O RSERV,CE OA.=
Check for Loose Fasteners _If
Clean/Inspect Grass Catcher
(If Equipped) i/ _ _,
MClean Lawn Mower
wO Clean Under Drive Cover
(Power-Propelled Mowers) I/'
Check drive belt/pulleys
E(Power-Propelled Mowers) I/'
CheckJSharpen/ReplaceBlade V' 3
Lubrication Chart I/ V'
Clean Battery/Recharge
/Electric Start Mowers I If I,/I,/4
E Check Engine Oil Level
NChange Engine Oil !/1,2
GClean Air Filter I_
I InspectMuffler
N Clean or Replace Spark Plug I/
E IReplace Air Filter Paper Cartridge I/'2
1-Change more often wilen operating under a heavy load or in high ambient temperatures,
2 - Service more often when operating in ditty or dusty cOnditions.
3 - Replace blades more often when mowing in sandy soil.
4- Chan_e 48 hours at end of season.
GENERAL RECOMMENDATIONS
The warranty on this lawn mower does not
cover items that have been subjected to
operator abuse or negligence. To receive full
value from the warranty, operator must
maintain mower as instructed in this manual.
Some adjustments will need to be made
periodically to properly maintain your unit.
All adjustments in the Service and Adjust-
ments section of this manual should be
checked at least once each season.
•Once a year, replace the spark plug,
replace air filter element and check blade for
wear. A new spark plug and clean/new air
filter element assures proper air-fuel mixture
and helps your engine run better and lest
longer.
• Follow the maintenance schedule in this
manual.
BEFORE EACH USE
• Check engine oil level.
• Check for loose fasteners.
LUBRICATION
Keep unit well lubricated (See "LUBRICATION
CHART").
LUBRICATION CHART
(_) Wheel
•adjuster
(_) Engine oil
(_ Spray lubricant
(_ Refer to MAINTENANCE
"ENGINE" section.
IMPORTANT: Do not oil or grease plastic
wheel bearings. Viscous lubncants will
attract dust and dirt that will shorten the
life of the self lubricating bearings. If you
feel they must be lubricated, use only a
dry, powdered graphite type lubricant
sparingly.
11

PRODUCT SPECIFICATIONS
SERIAL NUMBER
DATE OF PURCHASE
GASOLINE CAPACITY/TYPE: 1.6 QUARTS
JNLEADED REGULAR
SAE 30 (ABOVE 32°F)
SAE 5W-30 IBELOW 32°F)
20 OZS.
OIL TYPE (API-SF/SG/SH):
OIL CAPACITY:
SPARK PLUGIGAP: .030") CHAMPION RJ19LM or J19LM
VALVE CLEARANCE: INTAKE: .004 - .008
EXHAUST: .004 - .008
BLADE BOLT TORQUE: 35-40 FT. LBS.
• The model and serial numbers will be found on a decal attached to the rear of the
lawn mower housing.Record both serial number and date of purchase in space
provided above.
LAWN MOWlER
Always observe safety rules when performing
any maintenance.
TIRES
• Keep tires free of gasoline, oil, or insect
control chemicals which can harm rubber.
•Avoid stumps, stones, deep ruts, sharp
objects and other hazards that may cause
tire damage.
BLADE CARE
For best results, mower blade must be
kept sharp. Replace bent or damaged
blades.
TO REMOVE BLADE
• Disconnect spark plug wire from spark
plug and place wire where it cannot
come in contact with spark plug.
• Turn lawn mower on its side. Make
sure air filter and carburetor are up.
• Use a wood block between blade and
mower housing to prevent blade from
turning when removing blade bolt.
• Protect your hands with gloves and/or
wrap blade with heavy cloth.
• Remove blade bolt by turning counter-
clockwise.
•Remove blade and attaching hardware
(bolt, lock washer and hardened
washer).
NOTE" Remove the blade adapter and
check the key inside hub of blade adapter.
The key must be in good condition to work
properly. Replace adapter if damaged.
TO REPLACE BLADE
• Position the blade adapter on the
engine crankshaft. Be sure key in
adapter and crankshaft keyway are
aligned.
• Position blade on the blade adapter
aligning the two (2) holes in the blade
with the raised lugs on the adapter.
• Be sure the trailing edge of blade
(opposite sharp edge) is up toward the
engine.
•Install the blade bolt with the lock
washer and hardened washer into
blade adapter and crankshaft.
• Use block of wood between blade and
lawn mower housing and tighten the
blade bolt, turning clockwise.
• The recommended tightening torque is
35-40 ft. Ibs.
IMPORTANT: BLADE BOLT IS GRADE 8
H EAT TREATED.
TO SHARPEN BLADE
NOTE" We do not recommend
sharpening blade - but if you do, be sure
the blade is balanced.
Care should be taken to keep the blade
balanced. An unbalanced blade will
cause eventual damage to lawn mower or
engine.
12

• The blade can be sharpened with a file
or on a grinding wheel. Do not attempt
to sharpen while on the mower.
• To check blade balance, drive a nail
into a beam or wall. Leave about one
inch of the straight nail exposed. Place
center hole of blade over the head o1
the nail. If blade is balanced, it should
remain in a horizontal position. If either
end of the blade moves downward,
sharpen the heavy end until the blade
is balanced. Crank-
Blade shaft
adapter _. keyway
Blade
bolt
Lock
washer Harden
washer
Trailing Blade
edge adapter
Crank-
shaft
GRASS CATCHER
• The grass catcher may be hosed with
water, but must be dry when used.
• Check your grass catcher often for
damage or deterioration. Through
normal use it will wear. If catcher needs
replacing, replace only with a manufac-
turer approved replacement catcher.
Give the lawn mower model number
when ordering.
DRIVE WHEELS
Check rear drive wheels each time you
mow to be sure they move freely. The
wheels not turning freely means trash,
grass cuttings, etc., may be inside the
drive wheel and dust cover area and must
be cleaned out to free drive wheels.
If necessary to clean the drive wheels,
check both rear wheels.
• Remove hubcaps and Iocknuts.
•Remove wheels from wheel adjuster
axles.
• Remove any trash or grass cuttings
from inside the dust cover, pinion and/
or drive wheel gear teeth.
• If you remove the drive pinions, wipe
clean with dry cloth. Reassemble dry.
Do not lubricate. Do not use oil or
grease.
• The pinion gear, on both sides of the
mower, are the same, however, they
must be installed correctly. If installed
incorrectly, the drive system will not
work.
• There are arrows embossed on both
sides of the pinion gear. With the arro.
at the top of the pinion, the arrow must
point towards front of mower. If the
arrow points to the rear, turn the pinion
around and assemble to mower.
• Place wheels back on adjuster axles.
• Replace Iocknuts and hubcaps.
Correct incorrect
Wave
Washer
Pinion
E-ring
DLmOOVe
Washer
,Hubcap
ENGINE
LUBRICATION
Use only high quality detergent oil rated with
API service classification SF, SG or SH.
Select the oil's SAE viscosity grade according
to your expected operating temperature.
SAE VISCOSITY GRADES
-20" _32" 40" 80" 80" 106"
_0" _ -10' 0" 10" _0" ;30" 40"
TEMPERATURE RANGE ANTICIPATED BEFORE NEXT OIL CHANGE I
NOTE: Although mu_viscosity oils (5W30,
10W30 etc.) improve starting in cokl weather,
these multi-viscnsify oils will result in
increased oil consumption when used above
32_F. Check your engine oil level more
frequently to avoid possible engine damage
from running low on oil.
Change the oil after every 25 hours of
operation or at least once ayear if the lawn
mower is not used for 25 hours in one year.
13

Checkthecrankcaseoillevelbeforestarting
theengine and after each five (5) hours of
continuous use. TK:Jhtenoil plug securely each
time you check the oil level.
TO CHANGE ENGINE OIL
NOTE: Before tipping lawn mower to drain oil,
drain fuel tank by running engine until fuel tank
is empty.
• Disconnect spark plug wire from spark plug
and place wire where it cannot come in
contact with spark plug.
• Remove engine oil cap; lay aside on a clean
surface.
• Tip lawn mower on its side as shown and
drain oil into a suitable container. Rock lawn
mower back and forth to remove any oil
trapped inside of engine.
• Wipe off any spilled oil on lawn mower and
on side of engine.
• Fill engine with oil. Fill only to the "FULL"
line on the dipstick. DO NOT OVER FILL.
• Replace engine oil cap.
• Reconnect spark plug wire to spark plug.
Container
AIR FILTER
Your engine will not run properly and may
be damaged by using a dirty air filter.
Replace the air filter every year, more
often if you mow in very dusty, dirty
conditions.
TO CLEAN AIR FILTER
• Loosen screw and tilt cover to remove.
• Carefully remove cartridge.
• Clean by gently tapping on a flat
surface. If very dirty, replace cartridge.
_,CAUTION" Petroleum solvents, such as
kerosene, are not to be used to clean
cartridge. They may cause deterioration
of the cartridge. Do not oil cartridge. Do
not use pressurized air to clean or dry
cartridge.
• Install cartridge, then replace cover
making sure the tabs are aligned with
the slots in the back plate. Fasten
screw securely.
Lip Back
Cartridge
Slots
Cover
MUFFLER
Inspect and replace corroded muffler as it
could create afire hazard and/or damage.
SPARK PLUG
Change your spark plug each year to make
your engine start easier and run better. Set
spark plug gap at .030 inch.
CLEANING
IMPORTAN'_: For best performance, keep
mower housing free of built-up grass and
trash. Clean underside of mower housing
after each use.
ACAUTION: Disconnect spark plug wire
from spark plug and place wire where it
cannot come in contact with the spark
plug.
•Clean the underside of your lawn
mower by scraping to remove build-up
of grass and trash.
•Clean engine often to keep trash from
accumulating. A clogged engine runs
hotter and shortens engine life.
•Keep finished surfaces and wheels free
of all gasoline, oil,etc.
•We do not recommend using a garden
hose to clean lawn mower unless the
electrical system, muffler, air filter and
carburetor are covered to keep water
out. Water in engine can result in
shortened engine life.
14

_CAUTION: Before performing any service
or adjustments:
• Release control bar and stop engine.
• Make sure the blade and all moving
parts have completely stopped.
• Disconnect spark plug wire from
spark plug and place where it cannot
come in contact with plug.
LAWN MOWER
TO ADJUST CUTTING HEIGHT
See "TO ADJUST CU'I-FING HEIGHT" in the
Operation section of this manual.
REAR DEFLECTOR
The rear deflector, attached between the rear
wheels of your lawn mower, is provided to
minimize the possibility that objects will be
thrown out the rear of the lawn mower into the
operator's mowing position. If the rear
deflector becomes damaged, it should be
replaced.
TO ADJUST HANDLE
The handle on your lawn mower has three (3)
height positions - adjust to height that suits
you.
•Squeeze the bottom ends of lower handle
towards each other until the pin in handle
can be inserted into one of the three height
adjustment holes.
High
Med.
Low
Handle pin
.J 3-position
Handle
adjustment
bracket
TO ASSEMBLE GRASS CATCHER
• Put grass catcher frame into grass bag
with rigid part of bag on the bottom.
Make sure the frame handle is outside
of the bag top.
• Slip vinyl bindings over frame.
NOTE: if vinyl bindings are too stiff, hold them
in warm water for a few minutes, tf bag gets
wet, let it dry before using.
_,CAUTION: Do not run your lawn mower
without clipping deflector or approved gras,,
catcher in place. Never attempt to operate
lawn mower with the rear door removed or
propped open.
Catcher
frame
handle
Frame
opening
ENGINE
ENGINE SPEED
Your engine speed has been factory set
Do not attempt to increase engine spec
or it may result in personal injury. If you
believe that the engine is running too fa
or too slow, take your lawn mower to an
authorized service center/department fi
repair and adjustment.
CARBURETOR
Your carburetor has anon-adjustable fixed
main jet for mixture control. If your engine
does not operate propedy due to suspecte_
carburetor problems, take your lawn mow(
to an authorized service center/department
for repair and adjustment.
IMPORTANT: Never tamper with the engin,
governor, which is factory set for proper
engine speed. Overspeeding the engine
above the factory high speed setting can b_
dangerous, if you think the engine-goveme
high speed needs adjusting, contact your
nearest authorized service center, which ha
proper equipment and experience to make
any necessary adjustments.
15

Immediately prepare your lawn mower for
storage at the end of the season or if the unit
will not be used for 30 days or more.
LAWN MOWER Med.-
When lawn mower is to be stored for a period Low
of time, clean if thoroughly, remove all dirt,
grease, leaves, etc. Store in a clean, dry area.
•Clean entire lawn mower (See "CLEANING"
in the Maintenance section of this manual).
•Lubricate as shown in the Maintenance
section of this manual.
•Be sure that all nuts, belts, screws, and pins ENGINE
are securely fastened. Inspect moving
parts for damage, breakage and wear.
Replace if necessary.
• Touch up all rusted or chipped paint
surfaces; sand lightly before painting.
HANDLE
• You can fold your lawn mower handle for
storage.
•Loosen the two (2) handle knobs on sides of
the upper handle and allow handle to fold
down to the rear.
• Squeeze the bottom ends of lower handle
toward each other until pins in handle clear
the brackets and pivot entire handle
assembly forward and allow it to rest on
mower.
*When setting up your handle from the
storage position, the lower handle will
require manually locking into the mowing
position.
IMPORTANT: When folding the handle for
storage or transportation be sure to fold the
handle as shown or you may damage the
control cables.
Operator presence
control bar
Upper handle
Fold forward
for storage backward
Lower Mowing
handle position
pin 3-position
Handle
J adjustment
bracket
FUELSYSTEM
IMPORTANT: It is important to prevent gum
deposits from forming in essential fuel system
parts such as carburetor, fuel filter, fuel hose,
or tank during storage. Also, experience
indicates that alcohol blended fuels (called
gasohel or using ethanol or methanol) can
attract moisture which leads to separation and
formation of acids during storage. Acidic gas
can damage the fuel system of an engine
while in storage.
•Drain the fuel tank.
• Start the engine and let it run until the fuel
lines and carburetor are empty.
• Never use engine or carburetor cleaner
products in the fuel tank or permanent
damage may occur.
• Use fresh fuel next season.
NOTE; Fuel stabilizer is an acceptable
altemative in minimizing the formation of fuel
gum deposits during storage. Add stabilizer
to gasoline in fuel tank or storage container.
Always follow the mix ratio found on stabilizer
container. Run engine at least 10 minutes
after adding stabilizer to allow the stabilizer to
reach the carburetor. Do not drain the gas
tank and carburetor if using fuel stabilizer.
ENGINEOIL
Drain oil (with engine warm) and replace with
clean engine oil. (See "ENGINE" in the
Maintenance section of this manual).
CYLINDER
• Remove spark plug.
•Pour one ounce (29 ml) of oil through sparl
plug hole into cylinder.
•Pull starter handle slowly a few times to
distribute oil.
•Replace with new spark plug.
OTHER
• Do not store gasoline from one season to
16 another.

• Replace your gasoline can if your can
starts to rust. Rust and/or dirt in your
gasoline will cause problems.
•If possible, store your unit indoors and
cover it to give protection from dust and dirt.
•Cover your unit with a suitable protective
cover that does not retain moisture. Do not
use plastic. Plastic cannot breathe which
allows condensation to form and will cause
your unit to rust.
IMPORTANT: Never cover mower while
engine and exhaust areas are still warm.
A, CAUTION" Never store the lawn mower
with gasoline in the tank inside a building
where fumes may reach an open flame or
spark. Allow the engine to cool before
storing in any enclosure.
TROUBLESHOOTING CHART
PROBLEM
!Will not start
Loss of power
Poor cut
°uneven
Excessive
vibration
Starter rope
hard to pull
CAUSE
1. Dirty air filter.
2. Out of fuel.
3. Stale fuel.
4. Water in fuel.
5. Spark plug wire is disconnected,
6. Bad spark plug.
7. Loose blade or broken blade
adapter.
8, Control bar in released position
9. Control bar defective
1. Rear of lawn mower
housing/blade dragging
in heavy grass,
2. Cuffing too much grass.
3. Dirty air filter.
4. Buildup of grass, leaves
and trash under mower.
5. Too much oil in engine.
6. Walking speed too fast.
1. Worn, bent or loose blade.
2. Buildup of grass, leaves, and
trash under mower.
1. Wom, bent or loose blade.
2, Bent engine crankshaft.
1.
2.
3.
4.
Engine flywheel brake is
on when control bar is released.
Bent engine crankshaft
Blade adapter broken.
Blade dragging in grass.
CORRECTION
1. Clean/replace air tilter.
2. Fillfuel tank.
3. Drain tank and refillwith fresh
clean fuel.
4. Drain fuel tank and carburetor
and refill tank with fresh gasoline.
5. Connect wire to plug.
6. Replace spark plug.
7. Tighten blade bolt or replace blade
adapter.
8. Depress control bar to handle.
9. Replace control bar.
1. Set in "Higher Cut" position.
I2. Set in "Higher Cut" position.
3. Clean/raplace air filter.
4. Clean underside of mower housin
5. Check oil level.
6. Cut at slower walking speed.
1. Replace blade. Tighten blade bolt
2. Clean underside of mower housi_
1. Replace blade. Tighten blade bolt.
2. Contact an authorized service
center/department.
1. Depress control bar to upper
handle before pulling starter rope.
2. Contact an authorized service
centerldepartment.
3. Replace blade adapter.
4. Move lawn mower to cut grass or
to hard surface to start engine.
17

TROUBLESHC ITING CHART
PROBLEM CAUSE CORRECTION
Grass catcher 1. Cuffing height too low, 1. Raise cuffing height,
not filling 2. Lifton blade worn off. 2, Replace blade.
(If so equipped I3. Catcher not venting air. 3. Clean grass catcher.
Hard to push
Loss of drive
1. Grass is too high or
wheel height is too low.
2. Rear of lawn mower
housing/blade dragging
in grass.
3. Grass catcher too full.
4. Handle height position
not right for you.
1. Belt wear.
2. Belt off of pulley.
3. Drive cable worn or broken.
4. Dirt in drive pinions.
1. Raise cutting height.
2. Raise rear of lawn mower
housing one (1)seffing higher.
3. Empty grass catcher.
4. Adjust handle height to suit,
1. Check/replace drive belt.
2. Check/reinstall drive belt.
3. Replace drive cable.
4. Clean drive pinions,
18

SERVICE NOTES
37

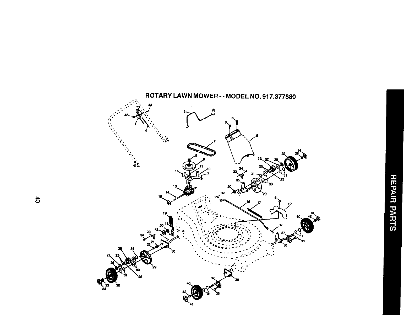
ROTARY LAWN MOWER - - MODEL NO. 917.377880
4
78
41
I

ROTARY LAWN MOWER -- MODEL NO. 917.377880
KEY PART
NO. NO
1 167163
2 161105X479
3 131036
4 132001
663601
6 66426
7 131959
8 87692
9164265
10 161551
11 73990500
12 51793
13 133107
14 850733X004
15 83816
16 162085
17 161548
18 165281
19 166907
20 161568)(479
21 168227X479
22 150078
23 163183
24 63124
25 161333
26 163409
29 166036X479
30 851514
31 159267
32 851074
33 850263
34 851084
35 169809
36 170045
37 150406
38 .....
39 169294
40 161358
DESCRIPTION
Handle, Upper DIx Coral. (IncludesGdp)
Handle,Lower
Bail, Cont. Wire DIx Comf. BIk
Guide, Rope, Side
Nut, Hex Lockwasher 1/4-20
Wire, Tie
Bolt, Handle 5/16-18 x t.75
Knob, Handle
Grip, Hdl Foam Smooth
Bolt, Sq. Neck
Nut, Hex Lockwasher Ins. 5/16-18 UNC
Cotter, Hairpin
Engine Zone ControlCable
Bracket, Upstop
Screw, Hex Washer Head Tapping 10-2
Kit,Door Rear
Seal, Door
Plug, Mulcher
Kit, Housing
Handle, Bracket Asm. Left
Handle, Bracket Asm. Right
Screw, Hex Wshd
Bolt, Hex Head 5/16-18 x5/8
Nut, Hex Lock Wshr 5/16-18
Baffle, Side
Screw 12 x 5/8
Belt Cover, Top
Adapter, Bladew/key Longer
Blade, 21"
Washer, Hardened
Lockwasher, HelicalSpdng3/8
Screw, Hex Head 3/8-24 x 1.38
Pulley, Fixed
Bearing Support Assy.
Bolt,Engine
Engine ( See Breakdown) Bdggs and Stratton
120602-0138-EA
Grass Catcher Bag
Grass Catcher Frame
KEY PART
NO. NO DESCRIPTION
41 85463 Danger Decal
42 144929 Screw
43 63601 Nut
45 166034 Rod, Pulley Engage
46 166041 Bushing
48 169605 RetainerClip
49 166039X008 Clamp
50 54583 Screw
51 169980 Spacer
52 170868 WaveWasher
53 173(341 Belt Cover, Bottom
54 750097 Screw
55 166383X479 Cable SupportBracket
56 63601 Nut
57 166391X004 Bracket Assy.
58 57808 Screw
59 166042 V-Groove Pulley
60 166050 IdlerArmSpacer
61 145212 FlangeNut
62 155552 Locknut
63 166022X008 IdlerArm
64 166043 Idler Pulley
65 160829 ShoulderBOlt
66 171962 Door Assy.
67 88349 Nut
68 166028 Multi Cut Guard
69 54583 Screw
71 168246 ThrottleControl
72 11119OX EngineClamp
73 83816 Screw
76 87677 Hi Pro Key
77 161850 Skirt
78 88652 Screw
- - 161058 WarningDecal (NotShown)
-- 173191 Owner'sManual

ROTARY LAWN MOWER - - MODEL NO. 917.377880
23
24
31
3O
,_ 32
34

ROTARY LAWN MOWER -- MODEL NO. 917.377880
KEY PART
NO. NO DESCRIPTION KEY PART
NO. NO DESCRIPTION
1 171050
2167259
3 54583
4 170050
5 161537
6 750634
7 166060
8 132010
9 166049
10 166021X004
11 17541011
12 166189
13 166388
14 145354
15 57079
16 161584X479
17 161602
18 160477X004
19 167650
20 12000022
21 163365
22 169911
SpeedControl
BallControl Drive
Screw
DdveCable
Cover Drive
Screw Thdrol 10-25 x,50
V-Belt
Nut Lock Ranged 3/8-16 Zinc
Pulley Driven
Belt Keeper Bracket
Screw Hex Wash Head 10-24 X .668
Pivot Rod Cover
TransmissionAsm.
Pin SpringThrust
WasherHardened
Rod Connecting
Spdng Extension
Spring Selector
Knob Selector Spnng
E-Ring 7/8
Beadng Support
BearingBall
23 161118X004
24 57808
25 170011
26 166450
27 52160
28 12000058
29 88O80
30 67725
31 57143
32 172324
33 145212
34 150181
35 160755 X004
36 160786X004
37 161463
38 1634O9
39 700279
40 172323
41 150182
42 83923
43 19572216
44 144929
45 751152
Retainer DriveAsm. Strop.
Screw Hex Head Tapping 1/4-20 x .75
DrivePawl
Pinion,Drive
Washer
E-Ring 7/16
Cover, DustWheel
Washer 1/2x1-1/2 x.134
WaveWasher
Wheel 9 x 2
Nut Hex FlangeLock
Hubcap, Mag Platinum 9"
ShaftAsm. Rear
Shaft Asm. Front
Retainer Front Shaft
Screw 12 x 5/8
ClipRetainer
Wheel 8 x 2
Hubcap, Mag Platinum8"
Nut, Hex Flange Lock 3/8-16
Washer
Screw 1/4 x 2.12
Locknut

BRIGGS & STRATI'ON MODEL NUMBER
4-CYCLE ENGINE 120602-0138-E1
7
4r REQUIRESSPECIALTOOLS
TOINSTALL.SEEREPAIR
INSTRUCTIONMANUAL.
_,5, _ 615
sos_' I
616
1034
1026 i635 !_/ -_,_°_
914 _383 _
1023 ]1022
51 27 o
1095 VALVE OVERHAUL KIT
883 I_,'_ _ J
122 ,ii"
:!
32 _' J307
22 '::'_
504 584
585
'•10_
11
1058 OWNER'S MANUAL I
46 _'_ _t
_,_"
43 • ::_
42

BRIGGS & STRATTON MODEL NUMBER
4-CYCLE ENGINE 120602-0138-E1
3es_
287_
Q
842_
122 {_ 51
745
121 CARBURETOR KIT
634 _104<_
I _. CARBUR_TO._AS_TSET
,43

BRIGGS & STRATTON MODEL NUMBER
4-CYCLE ENGINE 120602-O138-EI
1211
65_
592 _ -_::_
58 .... _>_
450 t_' 60_i!
689 <_-_
456 _.
597 305 _'_
925
592 @
48
37
358 GASKET SET
930
75 _
1005
23
@
332
455
@
@
44

BRIGGS & STRATTON MODEL NUMBEF
4-CYCLE ENGINE 120602-0138-EI
i
PART
NO. NO. DESCRIPTION PARr
NO. NO. DESCRIPTION
1692670 Cylinder Assembly 121
2399269 Bushing/Seat Kit 122
( Magneto Side) 125
3 299819 _ Oil Seal (Magneto Side) 127
4 499019 Engine Sump 130
5 692800 Cylinder Head 131
7 273240 "_+ Cylinder Head Gasket 133
8 495786 Braather Assembly 134
9272481 _Braether Gasket 137
10 691125 Screw (BraatherAssembly) 146
11 499675 Braether Tube 165
12 272198 "trCrankcase Gasket 163
13 691137 Screw (Cylinder Head) 187
15 691680 Oil Drain Plug 188
16 691457 Crankshaft 189
20 399781 .trOJlSeal (PTO Side) 190
22 691092 Screw(CrankcaseCover/Sump) 202
22A 94612 Screw 209
(CrankcaseCovar/Sump) 222
(Used inHole 227
Nearest Breather) 238
23 692452 Flywheel 276
24 222698 FlywheelKey 287
25 690021 Piston Assembly(Standard) 300
694167 Piston Assembly (.010 O.S.) 304
694168 Piston Assembly (.020 O.S.) 305
694169 Piston Assembly (.030 O.S.) 306
26 499031 Ring Set (Standard) 307
692785 Ring Set (.010 O.S.) 332
692786 Ring Set (.020 O.S.) 333
692787 Ring Sat (.030 O.S.) 334
27 263190 Piston Pin Lock 337
28 499423 Piston Pin 356
29 499424 Connecting Rod 358
32 94699 Screw (Connecting Rod) 363
33 49_642 Exhaust Valve 365
34 499641 tntake Valve
35 691304 Valve Spring (Intake)
36 691304 Valve Spring (Exhaust)
37 694086 Rywheel Guard
40 93312 Valve Retainer
43 490737 Governor/OilSlinger
45 262679 Valve Tappet
46 692453 Ca_ft
48 692745 Shodblock
51 692668 _Oe,+ intake Gasket
55 691421 RewindStader Housing
58 280399 StarterRope (Cut To Length)
60 281434 Starter Rope Grip
65 94904 Screw (RewindStarter)
78 691108 Screw (Flywheel Guard)
95 94098 Screw (Throttle Valve)
104 691242 •FloatHinge Pin
117 498978 Main Jet (Standard)
692703 • Carburetor Overhaul Kit
692799 -kO•+ Carburetor Spacer
694202 Carburetor
694468 • Welch Plug
691203 ThrottleValve
499682 ThrottleShaft
390187 Carburetor Float
398188 •Needle/Seat Kit
693981 Oe Float Bowl Gasket
94388 TimingKey
691231 CylinderHead Plate
692667 Yre•+ AirCleaner Gasket
298049 Fuel Line
691147 Screw (Control Bracket)
694543 Rocker Arm Ball
94511 Screw (Fuel Tank)
691303 Mechanical Governor Link
691290 Governor Spdng
692672 Control Bracket
691467 Governor Control Lever
691300 Valve Cap
271716 _ SealingWasher
94511 Screw (DipstickTube)
693982 Exhaust Muffle€
499077 BlowerHousing
691108 Screw (B_owerHousing)
691232 Cylinder Shield
690345 Screw (Cylinder Shield)
94877 Nut(Flywheel)
602574 MagnetoArmature
94731 Screw(Magneto Armature)
499608 Spark Plug
692390 StopWire
694090 -tr Engine Gasket Set
19069 FlywheelPu_ter
691136 Screw (Carburetor)
RPM Settings: LowSpeed: 1900-2!00
High Speed: 3000-3200
Yr Included in Engine Gasket Set,
Ref Number358.
•Included in Carburetor Overhaul Kit,
Ref Number 121.
• Included in Carburetor Gasket Set,
Ret Number 9T7.
+ Included In Value Overhaul Kit,
Ref Number 1095.
NOTE: All component dimensions given in U.S. inches
1 inch = 25.4 rom

BRIGGS & STRATTON MODEL NUMB
4-CYCLE ENGINE 120602-0138-E
I<L=Y PART
NO. NO. DESCRIPTION
383 19374
404 690272
425 94872
443 94116
443A 94873
445 491588
455 691219
456 281503
459 281505
505 231082
523 499621
524 280966
525 495265
529 281299
562 94852
564 693808
584 692342
585 272238
592 94908
597 94943
601 93053
604 692669
608 497680
613 691108
613A 691140
615 690340
616 691306
619 6911O8
635 66538
670 280512
684 690345
689 263073
708 691321
718 230192
741 262596
745 94512
830 694544
842 280393
847 498715
PART
NO. NO, DESCRIP1qON
Spark PlugWrench 851 493880 Spark PlugTerminal
Washer(GovemorCrank) 868 498592 ,A-+Valve Seal
Screw(AirCleanerCover) 883 691893 ,A-+Exhaust Gasket
Screw (Air Cleaner Pdmer Base) 914 691108 Screw (Rocker Cover)
Screw (Air Cleaner Pdmer Base) 922 262640 Brake Spdng
Air Cleaner Cartridge Filter 923 493442 Brake
Flywheel Cup 925 690595 Linkage Cover
Pawl Friction Plate 930 692675 Rewind Guard
Ratchet Pawl 957 498697 FueITank Cap
Nut (Governor Control Lever) 966 692673 Air Cleaner Pdmer Base
Dipstick 968 281340 Air Cleaner Cover
-A-Dipstick Tube Seal 972 499618 FueITank
Dipstick Tube 975 493640 FloatBowl
Grommet 976 694395 CarburetorPdmer
Bolt (Governor Control Lever) 977 692704 • Carburetor Gasket Set
Screw (Control Cover) 993 694088 "tr+ Cylinder Head Plate Gaske
Breather Passage Cover 1005 691346 Flywheel Fan
,A-Breather Passage Gasket 1022 691890 4+ Rocker Cover Gasket
Nut (Rewind Starter) 1023 499624 Rocker Arm Cover
Screw (Pawl Friction Plate) 1026 498597 Push Rod
Hose Clamp 1029 691230 RockerArm
ControlCover 1034 691343 Push Rod Guide
Rewind Starter 1036 694507 Emissions Label
Screw(Muffler) 1058 274264 Owner's Manual
Screw(Muffler)(Muff_arGuard) (EmissionEngines)
Governor Shaft Retainer 1095 694091 + Valve Gasket Set
GovernorCrank 1210 498144 Pulley/Spring
Screw (Cytinder Head Plate) 1211 498144 Pulley/Spring
Spark Plug Boot -- 121602-0515-E1
Fuel Tank Spacer Replacement Engine
Screw (Breather Passage
Cover) RPM Settings: Low Speed: 1900-2100
FdctionSpdng H_ghSpeed: 3000-3200
Dust Seal
Locating Pin vx Included in Engine Gasket Set,
Timing Gear Ref Number 358.
Screw (Brake) • Included in Carburetor Overhaul Kit,
Stud (Rocker Arm) Ref Number 121.
-A-Dipstick/Tube Seal • Included inCarburetor Gasket Set,
Dipstick/Tube Assembly Ref Number977.
+ Included in Value Overhaul Kit,
Ref Number 1095.
NOTE: AIrcomponentdimensions given in U.S. in(
1 inch = 25.4 mm
46

SERVICE NOTES
47

For repair of major brand appliances in your own home...
no matter who made it, no matter who sold it!
1-800-4-MY-HOMEsM Anytime,day or night =i!iiiiiil;i;;_;;;
;!i!i!!i!iii!il (1"800"469"4663 ) _,_
www.sears.com
To bring in products such as vacuums,
,awnequ,pmentande,ectron,cs,orrepa,rca,,for ii!i!!
the location of your nearest Sears Parts & Repair Center.
1-800-488-1222 An_me,dayor night
iii_ ii!!i!iiiiiii_;
www.sears.com
iiiiiiiiii_i..................
i_ii_iiiii!i;_i
For the replacement parts, accessories and owner's manuals
that you need to do-it-yourself, call Sears PartsDirectSM!
1-800-366-PART6a.m.-llp.m. OST, iiiii!i!ii!!!i!!
(1-800-366-7278) 7days a week iiiilililiiiiiiii
www.sears.com/partsdirect iiiiiiii'i:ii:ilili
Topurchaseor inquireabouta SearsServiceAgreement:
1-800-827-6655
7 a.m. - 5 p.m. CST, Mon. - Sat.
Parapedir servicio de reparaci6n adomicilio,
y para ordenar piezas con entrega a domicilio:
1-888-SU-HOGAR s=
(1-888-784-6427)
AuCanada pour serviceen franr,,ais:
l"877"LE'FOYER s.
(1-877-533-6937)
SEARS
HomeCentral_'
©Sears,Roebuck andCo ®RegisteredTrademark/T. Trademarkof Sears, RoebuckandCo.
TM
® Marca Registrada/Mamade Fdbncade Sears,RoebuckandCo.
173191 01.28.00 VB Printed in U.S.A.