Craftsman 917377912 User Manual ROTARY MOWER Manuals And Guides L0070109
CRAFTSMAN Walk Behind Lawnmower, Gas Manual L0070109 CRAFTSMAN Walk Behind Lawnmower, Gas Owner's Manual, CRAFTSMAN Walk Behind Lawnmower, Gas installation guides
User Manual: Craftsman 917377912 917377912 CRAFTSMAN ROTARY MOWER - Manuals and Guides View the owners manual for your CRAFTSMAN ROTARY MOWER #917377912. Home:Lawn & Garden Parts:Craftsman Parts:Craftsman ROTARY MOWER Manual
Open the PDF directly: View PDF
.
Page Count: 30

Owner's Manual
£RAFTZMANo
6.75 HORSEPOWER
21" MULTI-CUT L,_
POWER PROPELLE_ _
ROTARY LAWN MO__EI:_
Model No.
917.377912
• Safety
• Assembly
• Operation
• Maintenance
•Espa_ol
•Repair Parts
CAUTION:
Read and follow all
Safety Rules and Instructions
before operating this equipment
Seam, Roebuck and Co,, Hotfman Estates, IL 60179
Visit our Craftsman webslte: www.sears.condcraftsman

Warranty ............................................... 2
Safety Rules ......................................... 2
Assembly .............................................. 4
Operation .............................................. 6
Maintenance Schedule ........................ 11
Maintenance ......................................... 11
Product Specifications .......................... 12
Service and Adjustments ...................... 15
Storage ................................................. 17
Troubleshooting ................................... 18
Repair Parts .......................................... 38
Parts Ordering ..................... Back Cover
LIMITED TWO-_'EAR WARRANTY O'N CRAFTSMAN POWER MOWER
For two years from date of purchase, when this Craftsman Lawn Mower is maintained,
lubricated, and tuned up according to the operating and maintenance instructions in
the owner's manual, Sears will repair free of charge any defect in material or workman-
ship.
If this Craftsman Lawn Mower is used for commercial or rental purposes, this warranty
applies for only 90 days from the date of purchase.
This Warranty does not cover:
• Expendable items which become worn during normal use, such as rotary mower
blades, blade adapters, belts, air cleaners and spark plug.
• Repairs necessary because of operator abuse or negligence, including bent
crankshafts and the failure to maintain the equipment according to the instructions
contained in the owner's manual.
Warranty service is available by returning the Craftsman power mower to the nearest
Sears Service Center/Department in the United States. This warranty applies only
while this product is in use in the United States.
This Warranty gives you specific legal rights, and you may also have other rights which
vary from state to state.
SEARS, ROEBUCKAND CO., D/817 WA, HOFFMAN ESTATES, ILLINOIS 60179
Safety standards require operator
presence controls to minimize the risk of
injury. Your unit is equipped with such
controls. Do not attempt to defeat the
function of the operator presence controls
under any circumstances.
TRAINING:
•Read this operator's manual carefully.
Become familiar with the controls and
know how to operate your mower
properly. Learn how to quickly stop
mower.
•Do not allow children to use your
mower, Never allow adults to use
mower without proper instructions.
•Keep the area of operation clear of all
persons, especially small children and
pets.
• Use mower only as the manufacturer
intended and as described in this
manual.
•Do not operate mower if it has been
dropped or damaged in any manner.
Always have damage repaired before
using your mower.
• Do not use accessory attachments that
are not recommended by the manufac-
turer. Use of such attachments may be
hazardous.
• The blade turns when the engine is
running.
PREPARATION:
•Always thoroughly check the area to be
mowed and clear it of all stones, sticks,
wires, bones, and other foreign objects.
These objects will be thrown by the
blade and can cause severe injury.
• Always wear safety glasses or eye
shields when starting and while using
your mower.
• Dress properly. Do not operate mower
when barefoot or wearing open sandals.
2

Wear only solid shoes with good traction
when mowing.
•Check fuel tank before starting engine.
Do not fill gas tank indoors, when the
engine is running or when the engine is
hot. Allow the engine to cool for several
minutes before filling the gas tank. Clean
off any spilled gasoline before starting
the engine.
• Always make wheel height adjustments
before starting your mower. Never
attempt to do this while the engine is
running.
•Mow only in daylight or good artificial
light.
OPERATION:
•Keep your eyes and mind on your
mower and the area being cut. Do not let
other interests distract you.
•Do not mow wet or slippery grass. Never
run while operating your mower. Always
be sure of your footing -- keep afirm
hold on the handles and walk.
•Do not put hands or feet near or under
rotating parts. Keep clear of the dis-
charge opening at all times.
°Always stop the engine whenever you
leave or are not using your mower, or
before crossing driveways, walks, roads,
and any gravel-covered areas.
° Never direct discharge of material
toward bystanders nor allow anyone
near the mower while you are operating
it.
•Before cleaning, inspecting, or repairing
your mower, stop the engine and make
absolutely sure the blade and all moving
parts have stopped. Then disconnect the
spark plug wire and keep it away from
the spark plug to prevent accidental
starting.
•Do not continue to run your mower if you
hit a foreign object. Follow the procedure
outlined above, then repair any damage
before restarting and operating you
mower.
•Do not change the governor settings or
overspeed the engine. Engine damage
or personal injury may result.
• Do not operate your mower if it vibrates
abnormally. Excessive vibration is an
indication of damage; stop the engine,
safely check for the cause of vibration
and repair as required.
•Do not run the engine indoors. Exhaust
fumes are dangerous.
3
• Never cut grass by pulling the mower
towards you. Mow across the face of
slopes, never up and down or you
might lose your footing. Do not mow
excessively steep slopes. Use caution
when operating the mower on uneven
terrain or when changing directions
maintain good footing.
•Never operate your mower without
proper guards, plates, grass catcher or
other safety devices in place.
MAINTENANCE AND STORAGE:
•Check the blade and the engine
mounting bolts often to be sure they are
tightened properly.
•Check all bolts, nuts and screws at
frequent intervals for proper tightness to
be sure mower is in safe working
condition.
•Keep all safety devices in place and
working.
•To reduce fire hazard, keep the engine
free of grass, leaves or excessive
grease and oil.
•Check grass catcher often for deteriora-
tion and wear and replace worn bags.
Use only replacement bags that are
recommended by and comply with
specifications of the manufacturer of
your mower.
•Always keep a sharp blade on your
mower.
•Allow engine to cool before storing in
any enclosure.
•Never store mower with fuel in the tank
inside a building where fumes may
reach an open flame or an ignition
source such as a hot water heater,
space heater, clothes dryer, etc.
_Look for this symbol to point out
important safety precautions. It means
CAUTIONH! BECOMEALERT!!! YOUR
SAFETY IS INVOLVED.
ACAUTION: Always disconnect spark
plug wire and place wire where it cannot
contact spark plug in order to prevent
accidental starting when setting up,
transporting, adjusting or making repairs.
AWARNING
The engine exhaust from this product
contains chemicals known to the State of
California to cause cancer, birth defects,
or other reproductive harm.

Theseaccessories were available when this lawn mower was produced. They are not
shipped with your mower. They are also available at most Sears retail outlets and service
centers. Most Sears stores can also order repair parts for you, when you provide the model
number of your lawn mower. Some of these accessories may not apply to your lawn mower.
LAWN MOWER PERFORMANCE
CLIPPING DEFLECTOR
FOR REAR DISCHARGE LAWN MOWERS MULCHER KITS
GRASS CATCHERS
FOR
REAR DISCHARGE
LAWN MOWERS !GRASS CATCHERS
FOR
SIDE DISCHARGE
LAWN MOWERS
LAWN MOWER MAINTENANCE
MUFFLERS
BELTS BLADES BLADE ADAPTERS
AIR FILTERS
WHEELS
2-
STABILIZER
GAS CANS
SPARK PLUGS
ENGINE OIL
Read these instructionsand this manual in its
entirety before you attempt to assemble or
operate your new lawn mower.
IMPORTANT: This lawn mower is
shipped WITHOUT OIL OR GASOLINE in
the engine.
Your new lawn mower has been assembled
at the factory with the exception of those parts
leftunassembled for shipping purposes. All
partssuch as nuts, washers, bolts,etc.,
necessary to complete the assembly have
been placed in the pads bag. To ensure safe
and proper operation of your lawn mower, all
pads and hardware you assemble must be
tightened securely. Use the correct tools as
necessary to ensure proper tightness.
TO REMOVE LAWN MOWER FROM
CARTON
•Remove loose pads included with mower.
•Cut down two end comers of carton and
lay end panel down flat.
• Remove all packing materials except
padding between upper and lower handle
and padding holding operator presence
control bar to upper handle.
• Roll lawn mower out of carton and check
carton thoroughly for additional loose pads.
4

HOWTO SET UPYOUR LAWN MOWER
TO UNFOLDHANDLE
IMPORTANT: Unfold handles carefully so as
not to pinch or damage control cables.
•Raise lower handle section to operat-
ing position and squeeze the bottom
ends of lower handle towards each
other until the pin in handle can be
inserted into one of the three height
adjustment holes.
•Remove protective padding, raise
upper handle section into place on
lower handle and tighten both handle
knobs.
•Remove any packing material from
around control bar.
•Your handles may be adjusted for your
mowing comfort. Refer to Service and
Adjustments section of this manual.
Operator presence
bar
Upper handle
Lift up
TO INSTALL ATTACHMENTS
Your lawn mower was shipped ready to
be used as a mulcher. To convert to
bagging or discharging; See OPERATION
section of this manual.
Mowing
position
Lower handle
3-position
Handle
adjustment
bracket
Handle
pin
5

KNOW YOUR LAWN MOWER
READ THIS OWNER'S MANUALAND SAFETY RULES BEFORE OPERATING YOUR LAWN
MOWER, Compare the illustrations with your lawn mower to familiarize yourself with the
location of various controls and adiustments. Save this manual for future reference.
_symbolsmayappearon yourlawnmoweror inr_eraturesuppliedwithU,deproduct.Leamend
understandthem meaning.
CAUTION ENGINE ENGINE FAST SLOW CHOKE FUEL OIL DANGER, KEEP HANDS
OR WARNING ON OFF AND FEET AWAY
Drive control Operator presence control bar
Speed control lever
Starter Cable clip
Grass catcher
Wheel adjuster
lever
Gasoline cap
Primer
Mulcher
plug Engine oil cap
Mulcher door
IMPORTANT: This lawn mower is shipped
without oil or gasoline in the en_line. Housing
MEETS CPSC SAFETY REQUIREMENTS
Sears rotary walk-behind power lawn mowers conform to the safety standards of the
American National Standards Institute and the U.S. Consumer Product Safety Commis-
sion. The blade turns when the engine is running.
Operator presence control bar -must
be held down to the handle to start the
engine. Release to stop the engine.
Primer - pumps additional fuel from the
carburetor to the cylinder for use when
starting a cold engine.
Starter handle -used for starting the
engine.
Drive control bar - used to engage
power-propelled foward motion of lawn
mower.
Mulcher plug -Located at the rear
discharge opening must be removed
when converting to bagging operation.
6

The operation of any lawn
mower can result in foreign
objects thrown into the eyes,
which can result in severe eye damage.
Always wear safety glasses or eye shields
while operating your lawn mower or
performing any adjustments or repairs.
We recommend a wide vision safety mask
over spectacles or standard safety
glasses.
HOW TO USE YOUR LAWN MOWER
ENGINE SPEED
The engine speed was set at the factory
for optimum performance. Speed is not
adjustable.
ENGINE ZONE CONTROL
•-CAUTION: Federal regulations require
an engine control to be installed on this
lawn mower in order to minimize the risk
of blade contact injury. Do not under any
circumstances attempt to defeat the
function of the operator control. The blade
turns when the engine is running.
• Your lawn mower is equipped with an
operator presence control bar which
requires the operator to be positioned
behind the lawn mower handle to start
and operate the lawn mower.
TO ADJUST CUTTING HEIGHT
• All four wheels are adjusted by a single
lever.
•Pull adjuster lever toward wheel. To raise
mower, move lever forward to desired
position.To lower mower, move the lever
toward the rear.
LowerWheels for high cut
Adjuster J
Lever
Raise Wheels for low cut
GROUND DRIVE SPEEDS
Your lawn mower provides multiple
speeds to let you select the speed that
suits you best.
•Lower speeds are for slow, heavy/thick
grass cutting or trimming.
•Medium speeds are for normal grass
cutting or trimming.
•High is for light cutting and for ground
transport.
NOTE: Do not move speed control lever
unless the engine is running
TO OPERATE DRIVE SYSTEM
• With engine running, select ground
speed by moving speed control lever to
desired position.
• To start forward motion, pull drive
control bar back against handle.
• To stop forward motion, release drive
control bar.
IMPORTANT: Always keep drive control
bar fully engaged against handle when in
use.
Speed control
lever
Drive control
engaged
Operator presence
control bar
Drive control
disengaged
TO CONVERT MOWER
Your lawn mower was shipped ready to be
used as a mulcher. To convert to bagging or
discharging:
REAR BAGGING-
•Open rear door and remove mulcher plug.
Store mulcher plug in asafe place.
•To convert to mulching or discharging
operation, install mulcher plug into rear
discharge opening of mower.
SIDE DISCHARGING-
•Rear door must be open.
• Open mulcher door and install discharge
deflector under guard as shown.
•Mower is now ready for discharging
operation.
•To convert to mulching or bagging
operation, discharge deflector must be
removed and mulcher door must be
closed.
7

SIMPLE STEPS TO REMEMBER
WHEN CONVERTING YOUR LAWN
MOWER
FOR MULCHING -
•Rear mulcher plug installed.
• Mulcher door closed.
FOR REAR BAGGING -
• Rear mulcher plug removed.
• Grass catcher installed.
•Mulcher door closed.
FOR SIDE DISCHARGING -
• Rear mulcher plug installed.
• Side discharge deflector installed.
&CAUTION: D.onot _n your lawn mower
without rear mulcner plug m place or
approved grass catcher in place.
Never attempt to operate the lawn mower with
the rear door removed or propped open.
Mulcher plug _
£t
m_CAUTION: Do not run your lawn mower
without roar mulcher plug or approved grass
catcher in place. Never attempt to operate the
lawn mower with the roar door removed or
propped open.
door
slots Grass
Catcher
frame hook
handle
TO EMPTYGRASSCATCHER
• Lift up on grass catcher using the frame
handle.
• Remove grass catcher with clippings from
under lawn mower handle.
• Empty clippings from bag using both frame
handle and bag handle.
NOTE: Do not drag the beg when emptying;
it will cause unnecessary wear.
/
Mulcher door
Open
mulcher door
Discharge deflector
TO A'B'ACH GRASS CATCHER
•Liftthe rear door of the lawn mower and
peace the grass catcher frame hooks into
the slots of the rear door.
•The grass catcher is secured to the lawn
mower housing when the roar door is
lowered onto the grass catcher frame.
BEFORE STARTING ENGINE
OIL
Your lawn mower is shipped withoutoil in the
engine.
•Be sure mower is level and area around oil
fillis clean.
•Remove engine oilcap and fillto the full
line on the dipstick.
NOTE: Allow oil to settle down into
engine for accurate dipstick reading.
•Engine holds 20 ozs. of oil. For type and
grade of oil to use, see "ENGINE" in
Maintenance section of this manual.
• Pour oil slowly. Do not over fill.
• Check oil level before each use. Add oil if
needed. Fill to full line on dipstick.
• To read proper level, tighten engine oil cap
each time.
• Reinstall engine oil cap and tighten.
• Change the oil after every 25 hours of
operation or each season, You may need
to change the oil more often under dusty,
dirty conditions.
ADD GASOLINE
•Fillfuel tank. Use frosh, clean, regular
unleaded gasoline with a minimum of 87
8

octane. (Use of leaded gasoline will
increase carbon and lead oxide deposits
and reduce valve life). Do not mix oil with
gasoline. Purchase fuel in quan_les that
can be used within 30 days to assure fuel
freshness.
_WpAoRNING: E.xp#.rieneaindicates that
I blended fuels (called gasohol or
using ethanol or methanol) can attract
moisture which leads to separation and
formation of acids during storage. Acidic gas
can damage the fuel system of an engine
while in storage. To avoid engine problems,
the fuel system should be emptied before
storage of30 days or longer. Drain the gas
tank, startthe engine and let it run untilthe
fuel lines and carburetor are empty. Use fresh
fuel next season. Sea Storage Instructionsfor
additional information. Never use engine or
carburetor cleaner products in the fuel tank or
permanent damage may occur.
f._CAUT.ION: Fill.to bosom of gas.tank
iher necK. uo not overfill, wipe on any
spilled oil or fuel. Do not store, spill or use
gasoline near an open flame.
Engine oil cap
Gasoline
cap
TO START ENGINE
•To start a cold engine, push primer five (5)
times before tryingto start. Use a firm push.
This step is not usually necessary when
starting an engine which has already run
for a few minutes.
• Hold operator presence control bar down
to the handle and pullstarter handle
quickly. Do not allow starter rope to snap
back
•To stop engine, release operator presence
control bar.
NOTE: In cooler weather it may be necessary
to repeat priming steps. In warmer weather
over priming may cause flooding and engine
will not start. If you do flood engine wait a few
minutes before attempting to start and do not
repeat priming steps.
9

MOWING TIPS
•Under certain conditions, such as very
tall grass, it may be necessary to raise
the height of cut to reduce pushing
effort and to keep from overloading the
engine and leaving clumps of grass
clippings. It may also be necessary to
reduce ground speed and/or run the
lawn mower over the area a second
time.
• For extremely heavy cutting, reduce the
width of cut by overlapping previously
cut path and mow slowly.
• For better grass bagging and most
cutting conditions, the engine speed
should be set in the fast position.
• Pores in cloth grass catchers can
become filled with dirt and dust with use
and catchers will collect less grass. To
prevent this, regularly hose catcher off
with water and let dry before using.
• Keep top of engine around starter clear
and clean of grass clippings and chaff.
This will help engine air flow and
extend engine life.
MULCHING MOWING TIPS
IMPORTANT: For best performance, keep
mower housing free of built-upgrass and
trash. See "Cleaning" in MAINTENANCE
section of this manual,
•The special mulching blade will recut the
grass clippings many times and reduce
them in size so that as they fall ontothe
lawn they will disperse into the grass and
not be noticed. Also, the mulched grass
will biodegrade quickly to provide nutrients
for the lawn. Always mulch with your
highest engine (blade) speed as this will
provide the best recutting action of the
blades.
• Avoid cutting your lawn when it is wet. Wet
grass tends to form clumps and interferes
with the mulching action. The best time to
mow your lawn is the early aftemoon. At
this time the grass has dried and the newly
cut area will not be exposed to the direct
sun.
•For best results,adjustthe lawn mower
cutting height so that the lawn mower cuts
off only the top one-third of the grass
blades. If the lawn is overgrown it willbe
necessary to raise the height of cut to
reduce pushing effortand to keep from
overloading the engine and leaving
clumps of mulched grass. For extremely
heavy mulching, reduce your width of cut
by overlapping previously cut path and
mowslowly.
•Certain types of grass and grass conditions
may require that an area be mulched a
second time to completely hide the
clippings. When doing a second cut, mow
across or perpendicular to the firstcut path.
•Change your cutting pattem from week to
week. Mow north to south one week then
change to east to west the next week. This
will help prevent matting and graining of
the lawn.
10

FILL IN DATES /_/v"/n¢_<_ _z- _'_
AS YOU COMPLETE /__'_._00___ .....
REGULARSERVICE /_'9,_,/_b_.,x-/ SERVICE DATES
Check for Loose Fasteners _i_/
Clean/Inspect Grass Catcher
(If Equipped) I/ _
oi Clean Lawn Mower
Clean Under Drive Cover
(Power-Propelled Mowers) i##
_Check drive belVpulleys
(Power-Propelled Mowers} I/'
RCheck/Sharpen/Replace Blade I_s
Lubrication Chart If V'
Clean Battery/Recharge
,IElectric Start Mowers / I/ I/4
RECheck Engine Oil Level !/
Change Engine Oil .I1_1,2
Clean Air Filter _/2
Inspect Muffler
NF Clean or Replace Spark Plug
Replace Air Filter Paper Cartridge 1_2
1 - Change more often when operating under a heavy load or in high ambient temperatures,
2 - Service more often when operating in dirty or dusty conditions.
3 - Replace blades more often when mowing in sandy soil.
4 - Charge 48 hours at end of season.
GENERALRECOMMENDATIONS
The warranty on this lawn mower does
not cover items that have been subjected
to operator abuse or negligence. To
receive full value from the warranty,
operator must maintain mower as
instructed in this manual.
Some adjustments will need to be made
periodically to properly maintain your unit.
All adjustments in the Service and
Adjustments section of this manual should
be checked at least once each season.
• Once a year, replace the spark plug,
replace air filter element and check
blade for wear. Anew spark plug and
clean/new air filter element assures
proper air-fuel mixture and helps your
engine run better and last longer.
•Follow the maintenance schedule in
this manual.
BEFORE EACH USE
•Check engine oil level.
•Check for loose fasteners.
LUBRICATION
Keep unit well lubricated (See "LUBRICA-
TION CHART").
11
LUBRICATION CHART
Wheel
adjuster Engine
oil
' Handle bracket
mounting pin
(_) Spray lubricant
Brake
spring
bracket
Rear door
hinge
Referto Maintenance"ENGINE"
section.
IMPORTANT: Do not oil or grease plastic
wheel bearings. VL_..ouslubricantswill attract
dust and dirt that will shorten the lifeof the self
lubricatingbearings. If you feel they must be
lubricated, use only a dry, powdered graphite
typelubr antspa ng .

PRODUCT SPECIFICATIONS
SERIALNUMBER
DATE OF PURCHASE
GASOLINE CAPACITY/TYPE:
OIL TYPE (API-SF/SG/SH):
OIL CAPACITY:
SPARK PLUG (GAP: .030")
VALVE CLEARANCE:
1.25 QUARTS
UNLEADED REGULAR
SAE 30 (ABOVE 32°F)
SAE 5W-30 (BELOW 32°F)
20 OZS.
CHAMPION RJ19LM OR J19LM
INTAKE: .004 - .008
EXHAUST: .004 - .008
SOLID STATE IGNITION
AIR GAP: .0125 IN.
BLADE BOLT TORQUE: 35-40 FT. LBS.
The model and serial numbers will be found on a decal attached to the rear of the
lawn mower housing.Record both serial number and date of purchase in space
provided above.
LAWN MOWER
Always observe safety rules when performing
any maintenance.
TIRES
• Keep tires free of gasoline, oil, or insect
control chemicals which can harm rubber.
• Avoid stumps, stones, deep ruts, sharp
objects and other hazards that may cause
tire damage.
BLADE CARE
For best results, mower blade must be
kept sharp. Replace bent or damaged
blades.
TO REMOVE BLADE
• Disconnect spark plug wire from spark
plug and place wire where it cannot
come in contact with spark plug.
•Turn lawn mower on its side. Make
sure air filter and carburetor are up.
•Use a wood block between blade and
mower housing to prevent blade from
turning when removing blade bolt.
•Protect your hands with gloves and/or
wrap blade with heavy cloth.
•Remove blade bolt by turning counter-
clockwise.
• Remove blade and attaching hardware
(bolt, lock washer and hardened
washer).
NOTE: Remove the blade adapter and
check the key inside hub of blade adapter.
The key must be in good condition to work
properly. Replace adapter if damaged.
TO REPLACE BLADE
•Position the blade adapter on the
engine crankshaft. Be sure key in
adapter and crankshaft keyway are
aligned.
• Position blade on the blade adapter
aligning the two (2) holes in the blade
with the raised lugs on the adapter.
•Be sure the trailing edge of blade
(opposite sharp edge) is up toward the
engine.
•Install the blade bolt with the lock
washer and hardened washer into
blade adapter and crankshaft.
•Use block of wood between blade and
lawn mower housing and tighten the
blade bolt, turning clockwise.
• The recommended tightening torque is
35-40 ft. Ibs.
12

IMPORTANT: Blade bolt is grade 8heat
treated.
TO SHARPEN BLADE
NOTE: We do not recommend sharpen-
ing blade - but if you do, be sure the blade
is balanced.
Care should be taken to keep the blade
balanced. An unbalanced blade will
cause eventual damage to lawn mower or
engine.
• The blade can be sharpened with a file
or on a grinding wheel. Do not attempt
to sharpen while on the mower.
•To check blade balance, drive a nail
into a beam or wall. Leave about one
inch of the straight nail exposed. Place
center hole of blade over the head of
the nail. If blade is balanced, it should
remain in a horizontal position. If either
end of the blade moves downward,
sharpen the heavy end until the blade
is balanced. Crank shaft
Blade _ /._"--"'_keyway
adapter _---_(_ /_,,=_m_.
Key_ ._</_L_il
Blade _ _" _--
BI_ _\Crank'\
LocI_ \Trailin 13lade
washer Hardened edge adapter
washer
GRASS CATCHER
• The grass catcher may he hosed with
water, but must be dry when used.
•Check your grass catcher oftenfor
damage or deterioration. Through normal
use it will wear. If catcher needs replacing,
replace only with a manufacturer approved
replacement catcher. Give the lawn
mower model number when ordering.
DRIVE WHEELS
Check rear drive wheels each time you
mow to be sure they move freely. The
wheels not turning freely means trash,
grass cuttings, etc., may be inside the
drive wheel and dust cover area and must
be cleaned out to free ddve wheels.
If necessary to clean the drive wheels,
check both rear wheels.
•Remove hubcaps and lecknuts.
•Remove wheels from wheel adjuster
axles.
•Remove any trash or grass cuttings
from inside the dust cover, pinion and/or
drive wheel gear teeth.
•If you remove the drive pinions, wipe
clean with dry cloth. Reassemble dry.
Do not lubricate. Do not use oil or
grease.
•The pinion gear, on both sides of the
mower, are the same, however, they
must be installed correctly. If installed
incorrectly, the drive system will not
work.
• There are arrows embossed on both
sides of the pinion gear. With the arrow
at the top of the pinion, the arrow must
point towards front of mower. If the
arrow points to the rear, turn the pinion
around and assemble to mower.
• Place wheels back on adjuster axles.
• Replace Iocknuts and hubcaps.
Correct Incorrect
Wave
Washer
Pinion
E-ring
j"
Washer
'-Hubcap
ENGINE
LUBRICATION
Use only high quality detergent oil rated
with API service classification SF, SG or
SH. Select the oit's SAE viscosity grade
according to your expected operating
temperature.
SAE V+SCOSITY GRADES
_0" 0+3o"
_0 • -20" -1_* o" tO* 20" 30"
TEMPERATURE RANGE ANTICIPATED BEFORE NEXT OiL CHANGE
NOTE: Although mu_vlscosity oils (5W30,
10W30 etc.) improve starting in cold weather,
these multi-viscosityoils will result in
increased oil consumption when used above
32°F. Check your engine oil level h_ore
frequen T to avoid possible engine damage
from running low on oil.
13

Change the oil after every 25 hours of
operation or at least once a year if the
lawn mower is not used for 25 hours in
one year.
Check the crankcase oil level before
starting the engine and after each five (5)
hours of continuous use. Tighten oil plug
securely each time you check the oil level.
TO CHANGE ENGINE OIL
NOTE: Before tipping lawn mower to
drain oil, drain fuel tank by running
engine until fuel tank is empty.
•Disconnect spark plug wire from spark plug
and place wire where it cannot come in
contact with spark plug.
• Remove engine oil cap; lay aside on a
clean surface.
• Tip lawn mower on its side as shown and
drain oil into a suitable container. Rock
lawn mower back and forth to remove any
oil trapped inside of engine.
•Wipe off any spilled oil on lawn mower and
on side of engine.
• Fill engine with oil. Fill only to the "FULL"
line on the dipstick. DO NOT overfill.
• Replace engine oil cap.
• Reconnect spark plug wire to spark plug.
Container
AIR FILTER
Your engine will not run properly and may
be damaged by using a dirty air filter.
Replace the air filter every year, more
often if you mow in very dusty, dirty
conditions. Do not wash air filter.
TO CHANGE AIR FILTER
•Remove the air filter by turning clock-
wise to the stop and pull away from
collar.
°Remove filter from inside of cover.
•Clean the inside of the cover and the
collar to remove any dirt accumulation.
°Insert new filter into cover.
•Put air filter cover and filter into collar
aligning the tab with the slot.
•Push in on cover and turn counter-
clockwise to tighten.
Collar
Clodevise
Slot Remove
Air Filter
Turn
Tab Counter-
Air Filter Clockwise to
Cover Tighten
MUFFLER
Inspect and replace corroded muffler as it
could create a fire hazard and/or damage.
SPARK PLUG
Change your spark plug each year to make
your engine start easier and run better. Set
spark plug gap at .030 inch.
CLEANING
IMPORTANT: For best performance, keep
mower housing free of built-up grass and
trash. Clean the underside of your mower
after each use.
ACAUTION: Disconnect spark plug wire
from spark plug and place wire where it
cannot come in contact with the spark
plug.
•Tum lawn mower on its side. Make sure air
filter and carburetor are up. Clean the
underside of your lawn mower by scraping
to remove build-up of grass and trash.
• Clean engine often to keep trash from
accumulating. Aclogged engine runs
hotter and shortens engine life.
•Keep finished surfaces and wheels free of
all gasoline, oil,etc.
•We do not recommend usinga garden
hose to clean lawn mower unless the
electrical system, muffler, air filter and
carburetor are covered to keep water out.
Water in engine can result in shortened
engine life.
14

&CAUTION: Before performing any
service and adjustments:
•Release control bar and stop engine.
• Make sure the blade and all moving
parts have completely stopped
•Disconnect spark plug wire from spark
plug and place where it cannot come
in contact with plug.
LAWN MOWER
TO ADJUST CUI'FING HEIGHT
See "TO ADJUST CU'I-I'ING HEIGHT" inthe
Operation section of this manual.
REAR DEFLECTOR
The rear deflector, attached between the rear
wheels of your lawn mower, is provided to
minimize the possibilitythat objects will be
thrown outthe rear of the lawn mower intothe
operator'smowing position If the rear
deflector becomes damaged, it should be
replaced.
TO ADJUST HANDLE
The handle on your lawn mower has three (3)
height positions - adjust to height that suits
you.
• Squeeze the bottom ends of lower handle
towards each other until the pin in handle
can be inserted into one of the three height
adjustment holes.
Handle pin
Med.- f3-position
Handle
adjustment
bracket
TO ASSEMBLE GRASS CATCHER
•Put grass catcher frame into grass bag
with rigid part of bag on the bottom,
Make sure the frame handle is outside
of the bag top.
• Slip vinyl bindings over frame.
NOTE: If vinyl bindings are too stiff, hold
them in warm water for a few minutes. If
bag gets wet, let it dry before using.
[LCAUTION: Do not run your lawn
mower without clipping deflector or
approved grass catcher in place. Never
attempt to operate the lawn mower with
the rear door removed or propped open.
Catcher
frame
handle
Frame
opening
15

ENGINE SPEED
Your engine speed has been factory set.
Do not attempt to increase engine speed
or it may result in personal injury. If you
believe that the engine is running too fast
or too slow, take your lawn mower to an
authorized service center for repair and
adjustment.
CARBURETOR
Your carburetor has anon-adjustable
fixed main jet for mixture control. If your
engine does not operate properly due to
suspected carburetor problems, take your
lawn mower to an authorized service
center for repair and/or adjustment.
IMPORTANT: Never tamper with the
engine governor, which is factory set for
proper engine speed. Overspeeding the
engine above the factory high speed
setting can be dangerous, if you think the
engine-governed high speed needs
adjusting, contact your nearest authorized
service center, which has proper
equipment and experience to make any
necessary adjustments.
16

Immediately prepare your lawn mower for
storage at the end of the season or if the unit
will not be used for 30 days or more.
LAWN MOWER
When lawn mower is to be stored for a period
of time, clean it thoroughly,remove all dirt,
grease, leaves, etc. Store in a clean, dryarea.
•Clean entire lawn mower (See "CLEAN-
ING" in the Maintenance section of this
manual).
•Lubricate as shown in the Maintenance
section of this manual.
• Be sure that all nuts, bolts, screws, and pins
are securely fastened. Inspect moving
parts for damage, breakage and wear.
Replace if necessary.
• Touch up all rusted or chipped paint
surfaces; sand lightly before painting.
HANDLE
• You can fold your lawn mower handle
for storage.
• Loosen the two (2) handle knobs on
sides of the upper handle and allow
handle to fold down to the rear.
• Squeeze the bottom ends of lower
handle toward each other until pins in
handle clear the brackets and pivot
entire handle assembly forward and
allow it to rest on mower.
• When setting up your handle from the
storage position, the lower handle will
require manually locking into the
mowing position.
IMPORTANT: When folding the handle for
storage or transportation be sure to fold the
handle as shown or you may damage the
control cables.
Med.
Low
Handle pin
3-position
Handle
adjustment
bracket
Upper
Operator presence control bar handle
"p,L_"
Fold foward _ /,_'_%,
for storage //'// //_ _'_)
Lower (_/,..,,--_/_/ii /_/'_/%
handle _ .'_._. /;,"_".z_ ',y J
,_,_i )_115 _'-...._ "-; _"_'Y_\ /" Fold
_--J:'-_..___'_ _ _ position
ENGINE
FUELSYSTEM
IMPORTANT: It is importantto prevent gum
deposits from forming in essential fuel system
parts such as carburetor, f fuel filter, fuel hose
or tank during storage. Also, experience
indicates that alcohol blended fuels ( called
gasehol or using ethanol or methanol) can
attract moisture which leads to separation
and formation of acids during storage. Acidic
gas can damage the fuel system of an
engine while in storage.
•Drain the fuel tank.
• Start the engine and let it run until the fuel
lines and carburetor are empty.
• Never use engine or carburetor cleaner
products in the fuel tank or permanent
damage may occur.
• Use fresh fuel next season.
NOTE: Fuel stabilizer is an acceptable
alternative in minimizing the formation of fuel
gum deposits during storage. Add stabilizer
to gasoline in fuel tank or storage container.
Always follow the mix ratio found on stabilizer
container. Run engine at least 10 minutes
after adding stabilizer to allow the stabilizer to
reach the carburetor. Do not drain the gas
tank and carburetor if using fuel stabilizer.
ENGINEOIL
Drain oil (with engine warm) and replace with
clean engine oil. (See "ENGINE" inthe
Maintenance section of this manual).
17

CYLINDER
• Remove spark plug.
•Pour one ounce (29 ml) of oil through spark
plug hole into cylinder.
•Pull starter handle slowly a few times to
distribute oil.
•Replace with new spark plug.
OTHER
• Do not store gasoline from one season to
another.
•Replace your gasoline can if your can
starts to rust. Rust and/or dirt in your
gasoline will cause problems.
•If possible, store your unit indoors and
cover it to give protection from dust and dirt.
•Cover your unit with a suitable protective
cover that does not retain moisture. Do
not use plastic. Plastic cannot breathe
which allows condensation to form and will
cause your unit to rust.
IMPORTANT: Never cover mower while
engine and exhaust areas are stillwarm.
_CAUTION: Never store the lawn
mower with gasoline in the tank inside a
building where fumes may reach an open
flame or spark. Allow the engine to cool
before storing in any enclosure.
TROUBLESHOOTING CHART
PROBLEM
_/ill not start
CAUSE
1. Dirty air filter.
2. Out of fuel.
3. Stale fuel.
4. Water in fuel.
Loss of power
Poor cut
-uneven
5. Spark plug wire is disconnected.
6. Bad spark plug.
7. Loose blade or broken blade
adapter.
8. Control bar in released position
9. Control bar defective
1. Rear of lawn mower
housing/blade dragging
in heavy grass.
2. Cutting too much grass.
3. Dirty air filter.
4. Buildup of grass, leaves
and trash under mower.
5. Too much oil in engine.
6. Walking speed too fast.
1. Worn, bent or loose blade.
2. Low engine speed.
3. Buildup of grass, leaves, and
trash under mower.
1. Worn, bent or loose blade.
2. Bent engine crankshaft.
Excessive
_ibration
CORRECTION
1. Clean/replace air filter.
2. Fill fuel tank.
3. Drain tank and refill with fresh
clean fuel.
_4. Drain fuel tank and carburetor
and refill tank with fresh gasoline.
5. Connect wire to plug.
6. Replace spark plug.
7. Tighten blade bolt or replace blade
adapter.
8. Depress control bar to handle.
9. Replace control bar.
1. Set in "Higher Cut" position.
2. Set in "Higher Cut" position.
3. Clean/replace air filter.
4. Clean underside of mower housing
5. Check oil level.
6. Cut at slower walking speed.
1. Replace blade. Tighten blade bolt.
2. Set engine speed control in fast
position.
3. Clean underside of mower housin
1. Replace blade. Tighten blade bolt.
2. Contact an authorized service
center/department.
18

TROUBLESHO
PROBLEM
Starter rope
hard to pull
Grass catcher 1.
not filling 2.
(If so equipped) 3.
4.
Hard to push 1.
2.
3.
4.
Loss of drive 1.
2,
3.
4.
:)TING CHART
CAUSE
1, Engine flywheel brake is
on when control bar is released.
2. Bent engine crankshaft
3, Blade adapter broken.
4. Blade dragging in grass.
Cutting height too low.
Lift on blade worn off.
Catcher not venting air,
Low engine speed.
Grass is too high or
wheel height is too low.
Rear of lawn mower
housing/blade dragging
in grass.
Grass catcher too full.
Handle height position
not right for you.
CORRECTION
1. Depress control bar to upper
handle before pulling starter rope.
2, Contact an authorized service
center/deparfment.
3. Replace blade adapter.
4. Move lawn mower to cut grass or
to hard surface to start engine.
1. Raise cutting height.
2. Replace blade.
3. Clean grass catcher.
4. Set engine speed control in
fast position.
1.
2.
Belt wear. 1.
Belt off of pulley. 2.
Drive cable worn or broken. 3.
Dirt in drive pinions. 4.
Raise cutting height.
Raise rear of lawn mower
housing one (1)setting higher.
3. Empty grass catcher.
4. Adjust handle height to suit.
Check/replace drive belt.
Check/reinstall drive belt.
Replace drive cable.
Clean drive pinions.
19

4
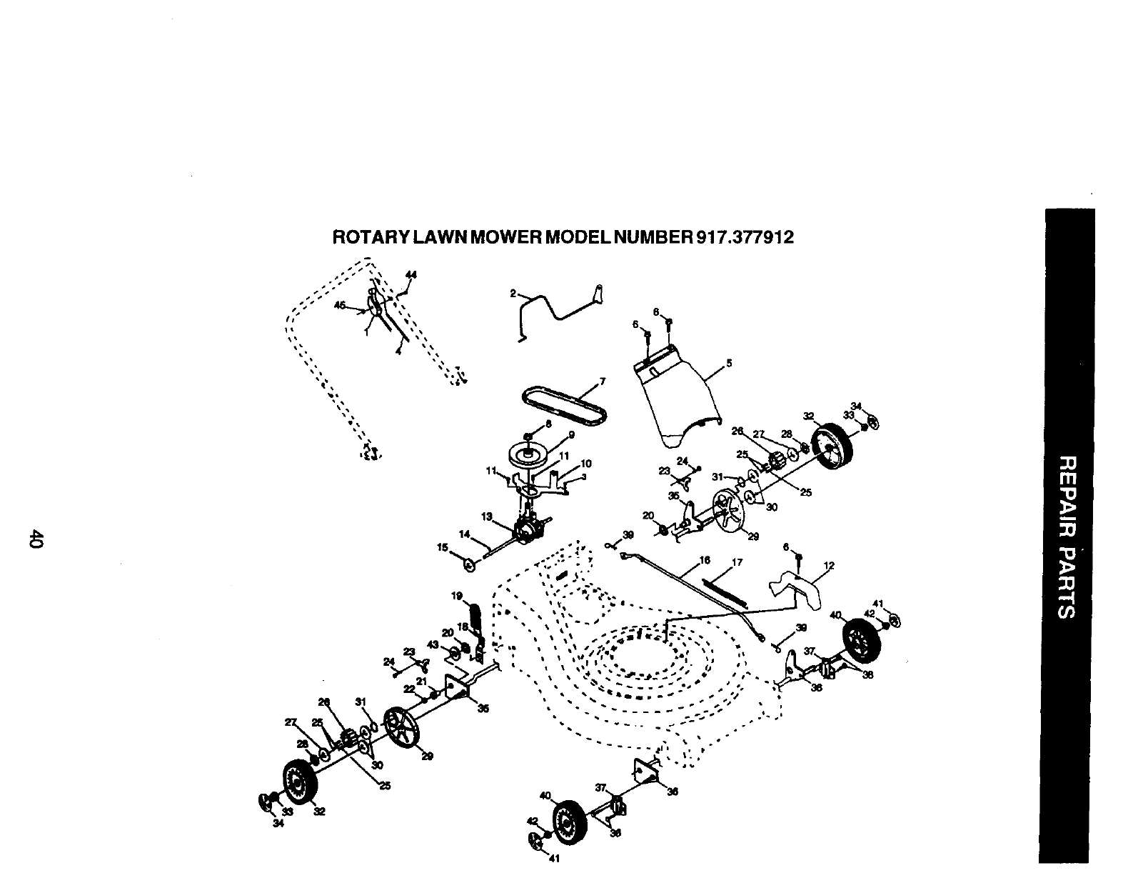
ROTARY LAWN MOWER MODEL NUMBER 917.377912
I$
28
27 2J
10

ROTARY LAWN MOWER MODEL NUMBER 917.377912
KEY PART
NO. NO, DESCRIPTION KEY PART
NO. NO. DESCRIPTION
1 167163
2 161105X479
3 131036
4132001
563601
6 66426
7 131959
8 87692
9164265
10 161551
11 73990500
12 51793
13 161586
14 850733X004
15 83816
16 162085
17 161548
18 165261
19 166907
20 161568X479
21 168227X479
22 150078
23 163183
24 63124
25 161333
26 163409
27 161550
28 88652
29 166036X479
30 851514
31 159267
32 851074
33 850263
34 851084
Handle, Upper DIx Coral. (Includes Grip)
Handle, Lower
Bail, Cont. Wire DIx Comf. BIk
Guide, Rope, Side
Nut, Hex Lnckwasher 1/4-20
Wire, Tie
Bolt, Handle 5/16-18 x 1.75
Knob, Handle
Grip, Hdl Foam Smooth
Bolt, Sq. Neck
Nut, Hex Lockwasher Ins. 5/16-18 UNC
Cotter, Hairpin
Engine Zone Control Cable
Bracket, Upstop
Screw, Hex Washer Head Tapping 10-2
Kit, Door Rear
Seal, Door
Plug, Mulcher
Kit, Housing
Handle, Bracket Asm. Left
Handle, Bracket Asm. Right
Screw, Hsx Wshd
Bolt, Hex Head 5/16-18 x 5/8
Nut, Hex Lock Wshr 5/16-18
Baffle, Side
Screw 12 x 5/8
Skirt
Screw, Hinge 1/4-20x 1.25
Belt Cover, Top
Adapter, Blade w/key Longer
Blade, 21"
Washer, Hardened
Lockwashsr, Helical Spring 3/8
Screw, Hex Head 3/8-24 x 1.38
35 166032 Pulley, Fixed
36 170045 Bearing Support Assy.
37 150406 Bolt, Engine
38 Engine (See Breakdown)
Craftsman 143.996702
39 169294 Grass Catcher Bag
40 161358 Grass Catcher Frame
41 85463 Danger Decal
45 166034 Rod, Pulley Engage
46 166041 Bushing
48 169605 Retainer Clip
49 166039X008 Clamp
50 54583 Screw
51 169980 Spacer
52 170047 WaveWasher
53 166037 Belt Cover, Bottom
54 750097 Screw
55 166383X479 Cable Support Bracket
56 63601 Nut
57 166391X004 Bracket Assy.
58 57808 Screw
59 166042 V-Groove Pulley
60 166050 Idler Arm Spacer
61 145212 FlangeNut
62 155552 Locknut
63 166022X008 IdlerArm
64 166043 Idler Pulley
65 160829 Shoulder Bolt
66 171962 Door Assy.
67 88349 Nut
68 166028 Multi Cut Guard
- - 161058 Waming Decal (Not Shown)
- - 171048 Owner's Manual
Available accessories not included with lawn mower:
71 33000 SAE 30W Oil (20 oz.)

ROTARY LAWN MOWER MODEL NUMBER 917.377912
24
31
30
30
2O

ROTARY LAWN MOWER MODEL NUMBER 917.377912
KEY PART
NO. NO.
1166047
2 167259
3 17060408
4 170050
5 161537
6 750634
7 166060
8 132010
9166049
10 166021X004
4:=, 11 17541011
12 166189
13 166388
14 145354
15 57079
16 161584X479
17 161602
18 160477X004
19 167650
20 12000022
21 163365
22 189911
23 161118X004
DESCRIPTION
SpeedControl
BailControlDrive
Screw
DriveCable
CoverDrlve
ScrewThdro110-25x .50
V-BaR
NutLockFlanged 3/8-16 Zinc
PulleyDriven
Belt KeeperBracket
Screw HexWash Head 10-.24X .668
PivotRodCover
TransmissionAsm.
PinSpringThrust
WasherHardenod
RodConnecling
SpringExtension
SpringSelector
KnobSelectorSpring
E-Ring7/8
BearingSupport
Baaring Ball
RetainerDriveAsm.Stmp.
KEY PART
NO. NO. DESCRIPTION
24 578O8
25 170011
26 166450
27 52160
28 12000058
29 88O8O
30 67725
31 57143
32 172324
33 145212
34 150181
35 160785 X004
36 160786X004
37 161463
38 1634O9
39 700279
40 172323
41 150182
42 83923
43 19572216
44 144929
45 751152
Screw Hex Head Tapping 1/4-20 x.75
DrivePawl
Pinion, Drive RH
Washer
E-Ring 7/16
Cover, Dust Wheel
Washer 1/2 x 1-1/2 x.134
WaveWasher
Wheel 9 x 2
Nut Hex Flange Lock
Hubcap, Mag Platinum 9"
Shaft Asm. Rear
Shaft Asm. Front
Retainer Front Shaft
Screw 12 x 5/8
Clip Retainer
Wheel 8 x 2
Hubcap, Mag Platinum 8"
Nut, Hex Flange Lock 3/8-16
Washer
Screw 1/4 x 2.12
Locknut

_:I::IAFTSMAN 4-CYCLE ENGINE MODEL NUMBER 143.996702
", 370A
161 4OO
.160
130A
11g
101
125
42
103.
_223 t85 /
178
/285
45 46
"3O5
306
42

CRAFTSMAN 4-CYCLE Ehl ilH MODEL NUMBER 143.996702
KEY PART
NO. NO. DESCRIPTION KEY PART
NO. NO.
1 36835A Cylinder(Incl. 2 & 20) 154 650913
226727 DowelPin 155 35624A
633734 BreatherElement 157 650914
736557 Breather Ass'y. (Incl. 6 & 12A) 158 36629
12 32447 BreatherTube 159 35626
12A 36558 Breather Cover & Tube (IncL t60 35718
12B) 161 30063
12B 36694 BreatherTubeEIbow 178 29752
14 28277 Washer 182 30088A
15 30589 Govemor Rod (Incl. 14) 184 26756
16 34839A GovemorLever 185 36579
17 31335 GovemorLeverClamp 166 32653
18 651018 Screw, TorxT-15,8-32x19/64" 187 36580
19 36281 Extension Spring 189 650839
20 32600 Oil Seal 191 36559A
30 36587 Crankshaft 195 610973
40 35544A Piston, Pin & Ring Set (Std.) 207 34336
35545A Piston, Pin & Ring Set (.010" 216 33086
OS) 223 651044
35546 Piston, Pin & Ring Set (.020" 223A 651043
OS) 224 36581
41 35541 Piston & Pin Ass'y. (Std.) 238 650932
35542 Piston & Pin Ass'y. (.010" OS) 239 34338
(Incl. 43) 241 36919
35543 Piston & Pin Ass'y. (.020" OS) 245 36905
(Incl. 43) 250 36920
42 35547A Ring Set (Std.) 260 37180
35548A Ring Set (.010" OS) 261 30063
35549 Ring Set (.020" OS) 262 650831
43 20381 Piston Pin Retaining Ring 263A 37184
45 32875A Connecting Rod Ass'y. (Incl. 276 36950A
46) 276 36949
46 32610A Connecting Rod Bolt 277 651039
48 35616 Valve Lifter 285 36000A
50 37285 Camshaft(MCR) 287 650926
52 29914 Oil Pump Ass'y. 290 29774
69 35261 * MountingFlangeGasket 292 26460
70 34311E Mounting Flange (Incl. 72 thru 298 28763
83,306) 300 36916
72 30572 Oil Drain Plug (Incl. 73) 301 36246
73 28833 Drain Plug Gasket 305 35647
75 27897 Oil Seal 306 36996
80 30574A Governor Shaft 307 35499
81 30590A Washer 309 650562
82 30591 Governor Gear Ass'y. (Incl. 81) 310 35648
83 30588A GovernorSpool 313 34080
86 650488 Screw, 1/4-20 x 1-1/4" 341A 36578
89 611004 Flywheel Key
90 611112 Flywheel 347 651038
92 650815 BellevilleWasher 370A 36261
93 650816 FlywheelNut 370C 37199
100 34443B Solid State Ignition 370R 37317
101 610118 Spark Plug Cover 380 640195
103 651007 Screw, TorxT-15, 10-24 x 151 390 590739
16" 400 36806B
110 37047 Ground Wire
119 36738 * Cylinder Head Gasket 900 -- --
120 36721 CylinderHead 900 ----
125 36471 Exhaust Valve (Std.) (Incl. 151)
36472 Exhaust Valve (1/32" OS) (Incl.
151)
126 29314C Intake Valve (Std.) (Incl. 151)
29315C Intake Valve (1/32" OS) (Incl.
151)
130 650912 Screw, 5/16-18 x 1-1/2"
130A 650999 Screw, 5/16-18 x 2-41164"
135 34645 Resistor Spark Plug (RN4C)
150 31672 Valve Spdng
151 31673 Valve Spdng Cap
153 36649 Push Rod Guide
DESCRIPTION
Rocker Arm Stud
RockerArm
Lock Nut
Push Rod
*Rocker Arm Cover Gasket
Rocker Arm Housing
Screw, Torx T-30, 1/4-20 x 1/2"
Nut & Lock Washer, 1/4-28
Screw, 1/4-28 x 1"
• Carburetor Gasket
Intake Pipe
Governor Link
Spacer
Screw, 1/4-20 x 3/8"
S.E. Brake Ass'y. (Incl. 195)
Terminal
Throttle Link
R.P.M. Adjusting Lever
Screw, 1/4-20 x 2-25/32"
Screw, 1/4-20 x 1-31/64"
Intake Pipe Gasket
Screw, 10-32 x 49/64"
* Air Cleaner Gasket
Air Cleaner Collar
Air Cleaner Filter
Air Cleaner Cover
Blower Housing
Screw, Torx T-30, 1/4-20 x 1/2"
Screw, 1/4-20 x 1/2"
Starter Grill
Muffler (Incl. 276 & 277)
Locking Plate
Screw, 1/4-20 x 2-47/64"
StarterCup
Screw, 8-32 x 21/64"
Fuel Line
Fuel Line Clamp
Screw, 10-32 x 35/64"
Fuel Tank (Incl. 292 & 301)
Fuel Cap
Oil Fill Tube
* "O"-Ring
"O"-Ring
Screw, 10-32 x 1/2"
Dipstick
Spacer
Blower Housing Support
Bracket
Screw, 10-32 x 27/32"
Lubrication Decal
PdmerDecal
Warning Decal
Carburetor (Incl. 184)
Rewind Starter
Gasket Set
(Incl. Items Marked *)
Replacement Engine NONE
Rep(acement Short Block
750853,order from 71-999
RPM High 3000 to 3300
NOTE: This engine could have been built with 590702
starter
NOTE: All component dimensions given in U.S.
inches 1 inch = 25.4 mm
43

CRAFTSMAN 4-CYCLE ENGINE MODEL NUMBER 143.996702
KEY
NO.
__i
1
2
4
5
6
7
16
17
18
2O
20A
25
27
28
29
3O
31
35
36
36A
37
4O
44
47
48
48A
6O
PART
NO.
64O195
631615
631767
631184
631183
640070
65O5O6
6318O7
651025
63O766
640027
640053
631867
631024
632019
631028
631021
631022
36045A
64OO8O
632766
632547
632746
27110A
630748
631027
631027
632760
DESCRIPTION
Carburetor(Incl. 184 of EnginePartsList)
ThrottleShaft & LeverAssembly
ThrottleReturnSpdng
* DustSeal Washer
* DustSeal (Throttle)
ThrottleShutter
* ShutterScrew
FuelFitting
ThrottleCrackScrew/IdioSpeedScrew
TensionSpring
Idle RestrictorScrew
Idle RsstrictorScrew Cap
FloatBowl
* Float Shaft
Roar
* FloatBowl"O"Ring
* Inlet Needle, Seat, & Clip(Incl. 31)
SpdngClip
PrimerBulb/RetainerRing
MainNozzleTube
CarburetorTuba
*"O" Ring,Main NozzleTubs
HighSpeedBowlNut
Bowl NutWasher
° Welch Plug,Idle MixtureWell
* Welch Plug,AtmosphericVent
* Welch Plug
Repairkit (IncL Items Marked *)
44

CRAFTSMAN 4..CYCLE ENGINE MODEL NUMBER 143.996702
--11
KEY
NO.
1
2
3
4
5
6
7
8
11
12
13
PART
NO.
590702
590599A
590600
59O696
590601
590697
590698
590699
590700
590703
590535
590701
DESCRIPTION
Recoil Starter
Spring Pin (Incl. 4)
Washer
Retainer
Washer
Brake Spring
Starter Dog
DogSpdng
Pulley & Rewind Spring
Ass'y.
Starter Housing Ass'y.
(40degree grommet)
Starter Rope ( 98" X 9/
64" dia.)
Starter Handle
KEY
NO.
3
6
7
8
11
12
13
14
PART
NO.
590739
590740
590616
590617
590618A
59O638
59O535
590701
590760
DESCRIPTION
RewindStarter
Retainer
StarterDog
DogSpring
Pulley& RewindSpring
Aes'y
Starter Housing Ass'y
(40 degreegrommet)
Starter Rope (Length 98"
x 9/64" dia.)
StarterHandle
SpringClip
45

46

47

iiiiiiiii_ili_i_i
iiiiii!!!i!!i!i!!i
iiiiiili;i!iii_i_
For repair of major brand appliances in your own home...
no matter who made it, no matter who sold it!
1-800-4-MY-HOME sM Anytime, day or night
(1-800-469-4663)
iiiii;!il
iii!iiiiiiiiiiii_
www.sears.com
To bring in products such as vacuums,
lawn equipment and electronics for repair, call for
the location of your nearest Sears Parts & Repair Center.
1-800-488-1222 Anytime, day or night
www.sears.com
iiiiiiiiii!iii_i;
iiiii!iii!i!
iii!ii_iiiiii
iiiiiiiiii!iiiii_
%ii!
i_i_!_iiiii!i!iiil
iiiiiii!i!ili_iill
iiiiii!i!!i!ilill
iii!i;ii!ii_i_
ili_iiiiiiiii!
iii!i!iii!iiiii_
iiiii!iiiii!!_!!
For the replacement parts, accessories and owner's manuals :, :,_
that you need to do-it-yourself, call Sears PartsDirectSM! '_"'_'_
iii!iiiiiiiii!!!_
iiiii!iii[!i_!!!i
1-800-366-PART 6a_- 11p.m.CST,
(1-800-366-7278) 7 days a week
www.sears.com/partsdirect
To purchase or inquire about a Sears Service Agreement: i!ii_i
1-800-827-6655 !ii
7 a.m.- 5 p.m. CST, Men.- Sat.
Para pedir serviciode reparaci6n adomicilio Au Canada pour serv ce en fran_as _ i
y para ordenar piazas con entrega a domicilio: 1-877-LE-FOYER s"
SM
1-888-SU-HOGAR (1-877-533-6937)
(1-888-784-6427) _i_
[ HomeCentral TM J
©Sears, Roebuckand Co. ®Registered Trademark / "r,_Trademark of Sears, Roebuck and Co.
®Marca Registrads /"r, Marca de F_brica de Sears, Roebuck and Co.
171048 Rev.2 03.13.00 VB Printed in U.S.A.