Craftsman 917378311 User Manual 22 LAWN MOWER Manuals And Guides L0101089
CRAFTSMAN Walk Behind Lawnmower, Gas Manual L0101089 CRAFTSMAN Walk Behind Lawnmower, Gas Owner's Manual, CRAFTSMAN Walk Behind Lawnmower, Gas installation guides
User Manual: Craftsman 917378311 917378311 CRAFTSMAN 22 LAWN MOWER - Manuals and Guides View the owners manual for your CRAFTSMAN 22 LAWN MOWER #917378311. Home:Lawn & Garden Parts:Craftsman Parts:Craftsman 22 LAWN MOWER Manual
Open the PDF directly: View PDF
.
Page Count: 30

Owner's Manual
ICRAFT..TMAN"I
6.75 HORSEPOWER
22" REAR DISCHARGE
POWER PROPELLED
ROTARY LAWN MOWER
Model No,
917,378311
•Safety
•Assembly
•Operation
•Maintenance
•EspaSol
•Repair Parts
CAUTION:
Read and follow all
Safety Rules and Instructions
before operating this equipment
Sears, Roebuck and Co., Hoffman Estates, IL 60179
Visit our Craftsman website: www.sears.com/craftsman

Warranty............................................... 2
Safety Rules ......................................... 2
Assembly.............................................. 5
Operation.............................................. 6
Maintenance Schedule...................... 10
Maintenance ....................................... 10
ProductSpecifications........................1t
Service and Adjustments....................14
Storage ...............................................16
Troubleshooting................................. 17
Repair Parts........................................37
Parts Ordering..................... Back Cover
LIMITEDTWO YEARWARRANTYON CRAFTSMAN POWERMOWER
For two years from date of purchasa,when thisCraftsmanLawnMower is maintained,
lubdcated,and tuned up accordingto the operatingand maintenanceinstructionsin
the owner'smanual,Sears will repairfree of chargeany defectin materialor workman-
ship.
If thisCraftsmanLawnMower is usedforcommemialor rental purposes,thiswarranty
appliesfor only90 days from the date of purchase.
This Warrantydoes notcover:
• Expendableitemswhichbecomeworn duringnormaluse, suchas rotarymower
blades, blade adapters,belts, air cleanersand spark plug.
•Repairsnecessarybecauseof operatorabuse or negligence,includingbent
crankshaftsand the failure to maintainthe equipmentaccordingto the instructions
containedin the owner'smanual.
Warrantyserviceis availableby returningthe Craftsmanpower mowerto the nearest
Sears ServiceCenter/Departmentin the UnitedStates.This warrantyappliesonly
while thisproductis in use in the UnitedStates.
This Warrantygivesyou specificlegal dghts,and youmay also have other rightswhich
varyfrom stateto state.
SEARS, ROEBUCKAND CO., D/817 WA, HOFFMAN ESTATES,ILLINOIS 60179
IMPORTANT: This cuttingmachineis capable of amputatinghandsand feet and
throwingobjects.Failureto observethe following safetyinstructionscould resultin
sedousinjuryor death.
I.GENERAL OPERATION
•Read, understand, end follow all
instructions on the machine and in the
manual(s) before starting. Be thor-
oughly familiar with the controls and the
proper use of the machine before
starting.
•Do not put hands or feet near or under
rotating parts. Keep clear of the
discharge opening at all times.
• Only allow responsible individuals, who
are familiar with the instructions, to
operate the machine.
• Clear the area of objects such as rocks,
toys, wire, bones, sticks, etc., which
could be picked up and thrown by the
blade.
•Be sure the area is clear of other
people before mowing. Stop machine if
anyone enters the area. 2
•Do notoperatethe mowerwhen
barefootor wearingopen sandals.
Alwayswear substantialfoot wear.
•Do notpull mowerbackwardsunless
absolutelynecessary.Alwayslook
down and behind before and while
movingbackwards.
•Do notoperate the mowerwithout
properguards,plates, grasscatcheror
other safetyprotectivedevicesin
place.
•See manufacturer'sinstructionsfor
properoperationand installationof
accessories.Only use accessories
approved by the manufacturer.
•Stopthe blade(s) whencrossinggravel
drives,walks,or roads.
•Stopthe engine (motor)wheneveryou
leave the equipment,before cleaning
the moweror uncloggingthe chute.

• Shut the engine (motor) off and wait
until the blade comes to complete stop
before removing grass catcher.
•Mow only in daylight or good artificial
light.
•Do not operate the machine while
under the influence of alcohol or drugs.
• Never operate machine in wet grass.
Always be sure of your footing: keep a
firm hold on the handle and walk; never
run.
• Disengage the self-propelled mocha-
nism or drive clutch on mowers so
equipped before starting the engine
(motor).
• If the equipment should start to vibrate
abnormally, stop the engine (motor)
and check immediately for the cause.
Vibration is generally a warning of
trouble.
•Always wear safety goggles or safety
glasses with side shields when
operating mower.
I1.SLOPE OPERATION
Slopes are a major factor related to slip
and fall accidents which can result in
severe injury.All slopes require extra
caution. If you feel uneasy on a slope, do
not mow it.
DO:
•Mow across the face of slopes: never
up and down. Exercise extreme caution
when changing direction on slopes.
•Remove obstacles such as rocks, tree
limbs, etc.
•Watch for holes, ruts, or bumps. Tall
grass can hide obstacles.
DO NOT:
•Do not trim near drep-offs, ditches or
embankments. The operator could lose
footing or balance.
•Do not trim excessively steep slopes.
•Do not mow on wet grass. Reduced
footing could cause slipping.
II1. CHILDREN
Tragic accidents can occur if the operator
is not alert to the presence of children.
Children are often attracted to the
machine and the mowing activity. Never
assume that children will remain where
you last saw them.
•Keep children out of the trimming area
and under the watchful care of another
responsible adult.
•be aled and turn machine off if children
enter the area.
•Before and while walking backwards,
look behind and down for small
children.
• Never allow children to operate the
machine.
•Use extra care when approaching blind
corners, shrubs, trees, or other objects
that may obscure vision.
IV. SERVICE
•Use extra care in handling gasoline
and other fuels. They are flammable
and vapors are explosive.
-Use only an approved container.
- Never remove gas cap or add fuel
with the engine running. Allow
engine to cool before refuelirtg. Do
not smoke.
- Never refuel the machine indoors.
- Never store the machine or fuel
container inside where there is an
open flame, such as a water heater.
•Never run a machine inside a closed
area.
•Never make adjustments or repairs with
the engine (motor) running. Disconnect
the spark plug wire, and keep the wire
away from the plug to prevent acciden-
tal starting.
• Keep nuts and bolts, especially blade
attachment bolts, tight and keep
equipment in good condition.
•Never tamper with safety devices.
Check their proper operation regularly.
• Keep machine free of grass, leaves, or
other debris build-up. Clean oil or fuel
spillage. Allow machine to cool before
storing.
•Stop and inspect the equipment if you
strike an object. Repair, if necessary,
before restarting.
• Never attempt to make wheel height
adjustments while the engine (motor) is
running.
• Grass catcher components are subject
to wear, damage, and deterioration,
which could expose moving parts or
allow objects to be thrown. Frequently
check components and replace with
manufacturer's recommended parts,
when necessary.
•Mower blades are sharp and can cut.
Wrap the blade(s) or wear gloves, and
use extra caution when servicing them.
•Do not change the engine governor
setting or overspeed the engine.

_Look for this symbol to point out
important safety precautions, it means
CAUTION!tf BECOMEALERTl!! YOUR
SAFETY IS INVOLVED.
_WARNING: In order to prevent
accidental starting when setting up,
transporting, adjusting or making repairs,
always disconnect spark plug wire and
place wire where it cannot contact spark
plug.
_WARNING: Engine exhaust, some bf its
constituents, and certain vehicle compo-
nents contain or emit chemicals known to
the State of California to cause cancer
and birth defects or other reproductive
harm.
AWARNING: Battery posts, terminals and
related accessories contain lead and
lead compounds, chemicals known to the
State of California to cause cancer and
birth defects or other reproductive harm.
Wash hands after handling.
These accessories were available when this lawn mower was produced. They are not
shipped with your mower. They are also available at most Sears retail outlets and
service centers. Most Sears stores can also order repair parts for you, when you
provide the model number of your lawn mower. Some of these accessories may not
apply to your lawn mower.
LAWN MOWER PERFORMANCE
CUPPING DEFLECTOR
FOR REAR DISCHARGE LAWN MOWERS
GRASC CATCHERS
FOR
REAR DISCHARGE
LAWN MOWERS
MULCHER KITS
GRASS CATCHERS
FOR
ISiDE DISCHARGE
LAWN MOWERS
STABlUZER
<f
GAS CANS
LAWN MOWER MAINTENANCE
MUFFLERS
BELTS BLADES
AIR FILTERS
BLADE ADAPTERS WHEELS
SPARK PLUGS
ENGINE OIL
4

Read these instructions and this manual
in its entirety before you attempt to
assemble or operate your new lawn
mower.
IMPORTANT: This lawn mower is
shipped WITHOUT OIL OR GASOLINE in
the engine.
Your new lawn mower has been as-
sembled at the factory with the exception
of those parts left unassembled for
shipping purposes. All parts such as nuts,
washers, bolts, etc., necessary to com-
plete the assembly have been placed in
the parts bag. To ensure safe and proper
operation of your lawn mower, all parts
and hardware you assemble must be
tightened securely. Use the correct tools
as necessary to ensure proper tightness.
TO REMOVE LAWN MOWER FROM
CARTON
1. Remove loose parts included with
mower.
2. Cut down two end corners of carton
and lay end panel down flat.
3. Remove all packing materials except
padding between upper and lower
handle and padding holding operator
presence control bar to upper handle.
4. Roll lawn mower out of carton and
check carton thorougiy for additional
loose pads.
HOWTO SET UPYOUR LAWN
MOWER
TO UNFOLD HANDLE
IMPORTANT: Unfold handle carefully so
as not to pinch or damage control cables.
1. Raise handles until lower handle
section locks into place in mowing
position.
2. Remove protective padding, raise
upper handle section into place on
lower handle and tighten both handle
knobs.
3. Remove handle padding holding
operator presence control bar to
upper handle.
Your lawn mower handle can be adjusted
for your mowing comfod. Refer to "Adjust
Handle" in the Service and Adjustments
section of this manual.
Operator I
control bar
Upper handle
Lift up
Mowing
Lower handle
TO INSTALL ATTACHMENTS
Your lawn mower was shipped ready to
be used as a mulcher. To convert to
bagging or discharging:
Open rear door and remove mulcher
plug, Store mulcher plug in a safe
place.
You can now install catcher or
optional clipping deflector.
• To return to mulching operation, instalt
mulcher plug into discharge opening
of mower.
w_=tCAUTION:Do not run your lawn mower
hout mulcher plug in place or ap-
proved clipping deflector or grass catcher
in place. Never attempt to operate the
lawn mower with the rear door removed
or propped open.
Mulcher
5

KNOW YOUR LAWN MOWER
READ THIS OWNER'S MANUALAND SAFETY RULES BEFORE OPERATING YOUR
LAWN MOWER. Compare the illustrations with your lawn mower to familiarize yourself
with the location of various controls and adjustments. Save this manual for future
reference.
These symbols may appear on your lawn mower or in literature supplied with the
produot. Learn and understand their meaning,
CAUTION ENGINE ENGINE FAST SLOW CHOKE FUEL OIL DANGER, KEEP HANI
OR WARNING ON OFF AND FEET AWAY
Enginezone controlcable
\Operator presence control bar
Drive control lever
Starter handle
Grass catche
Mulcherplug Gasoline cap
Primer
Housing
COVet
Engine oil
cap w/
dipstick
IMPORTANT: This lawn mower is
shipped WITHOUT OIL OR GASOLINE in Wheet adjuster
the engine. (on each wheel)
MEETS CPSC SAFETY REQUIREMENTS
Sears rotarywalk-behind power lawn mowers conformto the safetystandards of the American
NationalStandards Instituteand the U.S. Consumer ProductSafety Commission. The blade
turnswhen the engine is runninc_.
Operator presence control bar - must
be held down to the handle to start the
engine. Release to stop the engine.
Primer -pumps additional fuel from the
carburetor to the cylinder for use when
starting a cold engine.
Starter handle -used for starting the
engine.
Drive control lever -used to engage
power-propelled forward motion of lawn
mower.
Muleher plug - must be removed to
convertto begging or discharging
6 operation.

The operation of any lawn
mower can result in
foreign objects thrown into
the eyes, which can result
in severe eye damage.
Always wear safety glasses or eye
shields while operating your lawn mower
or performing any adjustments or repairs,
We recommend a wide vision safety
mask over spectacles or standard safety
glasses,
HOW TO USE YOUR LAWN MOWER
ENGINE SPEED
The engine speed was set at the factory
for optimum performance. Speed is not
adjustable.
ENGINE ZONE CONTROL
_CAUTION: Federal regulations require
an engine control to be installed on this
lawn mower in order to minimize the risk
of blade contact injury. Do not under any
circumstances attempt to defeat the
function of the operator control, The blade
turns when the engine is running.
•Your lawn mower is equipped with an
operator presence control bar which
requires the operator to be positioned
behind the lawn mower handle to start
and operate the lawn mower,
TO ADJUST CUTTING HEIGHT
Raise wheels for low cut and lower
wheels for high cut, adjust cutting height
to suit your requirements. Medium
position is best for most lawns,
•To change cutting height, squeeze
adjuster lever toward wheel. Move
wheel up or down to suit your require-
ments. Be sure all wheels are in the
same setting,
NOTE: Adjuster is properly positioned
when plate tab inserts into hole in lever.
Also, g-position adjusters (if so equipped)
allow lever to be positioned between the
plate tabs. PlateTab
LowerWheelsfor HighCutr'-_LA_.J_IIF
., ar
Raise Wheels for Low Cut
TO ATTACH GRASS CATCHER
1. Lift the rear door of the lawn mower
and place the grass catcher frame
side hooks onto the door pivot pins,
2, The grass catcher is secured to the
lawn mower housing when the rear
door is lowered onto the grass catcher
frame.
_CAUTION: Do not run your lawn
mower without clipping deflector or
approved grass catcher in place. Never
attempt to operate the lawn mower with
the rear door removed or propped open.
Grass
catcher
handle
Pivot _, ... \ .
pins frame hook
TO EMPTY GRASS CATCHER
1. Lift up on grass catcher using the
frame handle,
2. Remove grass catcher with clippings
from under lawn mower handle,
3. Empty clippings from bag using both
frame handle and bag handle.
NOTE: Do not drag the bag when
emptying; it will cause unnecessary wear.
Bag handle
(
Grass
frame
handle

DRIVECONTROL
•Self-propelling is controlled by holding
the operator presence control bar down
to the handle and pushing the drive
control lever forward until it clicks; then
releasing the lever.
•Forward motion will stop when the
operator presence control bar is
released. To stop forward motion
without stopping engine, release the
operator presence control bar slightly
until the drive control disengages. Hold
operator presence control bar down
against handle to continue mowing
without self-propelling.
•To keep drive control engaged when
turning corners, push down on handle
and liftfront wheels off ground while
turning lawn mower.
Operatorpresence controlbar Drive
, _ control
To engage Drive control
drivecontrol disengaged
BEFORE STARTING ENGINE
ADD OIL
Your lawnmower is shipped without oil in
the engine. Engine holds 20 oz. of oil.
For type and grade of oil to use, see
"ENGINE" in Maintenance section of this
manual.
1. Be sure lawnmower is level and area
around oil fill is clean.
2. Remove engine oil cap and fill to the
full line on the dipstick. Pour oil slowly.
Do not over fill.
NOTE: Allow oil to settle down into engine
for accurate reading. To road proper level,
tighten engine oil cap, then remove it to
read the dipstick.
3. Reinstall engine oil cap and tighten.
•Check oil level before each use. Add
oil if needed. Fill to full line on dipstick.
•Change the oil after every 25 hours of
operation or each season. You may
need to change the oil more often under
dusty, dirty conditions.
ADD GASOLINE
• Fill fuel tank Use fresh, clean, regular
unleaded gasoline with a minimum of
87 octane Do not mix oil with gasoline
Purchase fuel in quantities that can be
used within 30 days to assure fuet
freshne_
_WARNING: Experience indicates that
alcohol blended fuels (called gasohol or
using ethanol or methanol) can attract
moisture which leads to separation and
formation of acids during storage. Acidic
gas can damage the fuel system of an
engine while in storage. To avoid engine
problems, the fuel system should be
emptied before storage of 30 days or
longer. Drain the gas tank, start the
engine and let it run until the fuel lines
and carburetor are empty. Use fresh fuel
next season, See Storage Instructions for
additional information. Never use engine
or carburetor cleaner products in the fuel
tank or permanent damage may occur.
CAUTION: Fill to bottom of gas tank
filler neck. Do not overfill. Wipe eft any
spilled oil or fuel. Do not store, spill or
use gasoline near an open flame.
Engineoil cap Gasolinefillercap
TO START ENGINE
NOTE: Due to protective coatings on the
engine, a small amount of smoke may be
present during the initial use of the
product and should be considered
normal.
1. To start a cold engine, push primer
three (3) times before trying to start.
Use a firm push. This step is not
usually necessary when starting an
engine which has already run for a
few minutes.
2. Hold operator presence control bar
down to the handle and pull starter
handle quickly. Do not allow starter
rope to snap back.
TO STOP ENGINE
•To stop engine, release operator
presence control bar.
NOTE: In cooler weather it may be
necessary to repeat priming steps. In
warmer weather over priming may cause
flooding and engine will not start. If you
do flood engine, wait a few minutes
before attempting to start and do not
repeat priming steps.
8

MOWING TIPS
• Under certain conditions, such as very
tall grass, it may be necessary to raise
the height of cut to reduce pushing
effort and to keep from overloading the
engine and leaving clumps of grass
clippings. _t may also be necessary to
reduce ground speed and/or run the
lawn mower ever the area asecond
time.
• For extremely heavy cutting, reduce the
width of cut by overlapping previously
cut path and mow slowly.
• For better grass bagging and most
cutting conditions, the engine speed
should be set in the fast position.
• When using arear discharge lawn
mower in moist, heavy grass, clumps of
cut grass may not enter the grass
catcher. Reduce ground speed
(pushing speed) and/or run the lawn
mower over the area a second time.
•If a trail of clippings is left on the right
side of a rear discharge mower, mow in
a clockwise direction with a small
overlap to collect the clippings on the
next pass.
• Pores in cloth grass catchers can
become filled with dirt and dust with use
and catchers will collect less grass. To
prevent this, regularly hose catcher off
with water and let dry before using.
• Keep top of engine around starter clear
and clean of grass clippings and chaff.
This will help engine air flow and
extend engine life.
MULCHING MOWING TIPS
IMPORTANT: For best performance, keep
mower housing free of built-up grass and
trash. See "Cleaning" in Maintenance
section of this manual.
•The special mulching blade will recut
the grass clippings many times and
reduce them in size so that as they fall
onto the lawn they will disperse into the
grass and not be noticed. Also, the
mulched grass will biodegrade quickly
to provide nutrients for the lawn.
Always mulch with your highest engine
(blade) speed as this will provide the
best recutting action of the blades.
•Avoid cutting your lawn when it is wet.
Wet grass tends to form clumps and
interferes with the mulching action. The
best time to mow your lawn is the early
afternoon. At this time the grass has
dried and the newly cut area will not be
exposed to the direct sun.
• For best results, adjust the lawn mower
cutting height so that the lawn mower
cuts off only the top one-third of the
grass blades. If the lawn is overgrown it
will be necessary to raise the height of
cut to reduce pushing effort and to keep
from overloading the engine and
leaving clumps of mulched grass. For
extremely heavy mulching, reduce your
width of cut by overlapping previously
cut path and mow slowly.
• Certain types of grass and grass
conditions may require that an area be
mulched a second time to completely
hide the clippings. When doing a
second cut, mow across or perpendicu-
lar to the first cut path.
•Change your cutting pattern from week
to week. Mow north to south one week
then change to east to west the next
week. This will help prevent matting
and graining of the lawn.
Max 1/3
9

.A,.TENA.CESC. OULE
As COMPLETE
nEGUS.SE.VlOE SERWCEOATES
ICheck for Loose Fasteners ; _ _/
Clean/Inspect Grass Catcher
(11Equipped) ¥o t/ if
MClean Lawn Mower _ M/
Clean Under Drive Cover
(Power-Propelled Mowers)
Check drive belt/pulleys
E(Power-Propelled Mowers) If
Check/Sharpen/Replace Blade bS $
Lubrication Chart V_
Clean Battery/Recha_rQe
Electric Start Mowers'_ II/ I/4
ECheck EnQine Oil Level t/
NChange Engine Oil _I,2
G Clean Air Filter It/ 2
Inspect Muffler
NClean or Replace Spark Plug v'
E Replace Air Filter Paper Cartridge 1_2
1 - Change more o/ten when operating under a heavy load or In high an=blenttemperalu_s.
2 - Ser_ce more O/lee when odPe_ng indidy or ckJstyCOediliC*_S
3- Replace blades moreo_en when mowing in sandy sc_l.
4 - Cha_e 48 hours at end of season.
GENERAL RECOMMENDATIONS
The warranty on this lawn mower does
not cover items that have been subjected
to operator abuse or negligence. To
receive full value from the warranty,
operator must maintain mower as
instructed in this manual.
Some adjustments will need to be made
periodically to properly maintain your
unit,
All adjustments in the Service and
Adjustments section of this manual
should be checked at least once each
season.
• Once a year, replace the spark plug,
clean or replace air filter element and
check blade for wear. A new spark
plug and clean/new air filter element
assures proper air-fuel mixture and
helps your engine run better and last
longer.
•Follow the maintenance schedule in
this manual.
BEFORE EACH USE
1. Check engine oil level.
2. Check forloose fasteners.
LUBRICATION
Keep unit well lubricated (See "LUBRI-
CATION CHART").
LUBRICATION CHART
_) Wheel adjuster Engineoil
(_) Brake spring bracket
Handle bracket
mounting pin
(_) Rear door hinge
(_) Refer to maintenance "Engine" section.
_) Spray lubricant
IMPORTANT: Do not oil or grease
plastic wheel bearings, viscous lubri-
cants will attract dust and dirtthat will
shorten the life of the self-lubricating
bearings, if you feel they must be
lubricated, use only a dry, powdered
10graphite type lubricant sparingly.

PRODUCT SPECIFICATIONS
SERIAL NUMBER
DATE OF PURCHASE
GASOLIN E CAPACITY/TYPE: 1.5 QUARTS
UNLEADED REGULAR
OIL TYPE (API-SF-SJ): SAE 30 (ABOVE 32°F)
SAE 5W-30 (BELOW 32°F)
_)ILCAPACITY: 20 OZS.
SPARK PLUG (GAP: .030") CHAMPION RJlgLM OR J19LM
VALVE CLEARANCE: INTAKE: .004 - .008
EXHAUST: .004 - .008
SOLID STATE IGNITION
_,IRGAP: .0125 IN.
BLADE BOLTTORQUE: 35-40 FT. LBS.
The model and serial numbers will be found on a decal attached to the rear of the
lawn mower housing.Record both serial number and date of purchase in space
provided above.
LAWN MOWER
Always observe safety rules when
performing any maintenance.
TIRES
• "Keep tires free of gasoline, oil, or insect
control chemicals which can harm
rubber.
• Avoid stumps, stones, deep ruts, sharp
objects and other hazards that may
cause tire damage.
BLADE CARE
For best results, mower blade must be
kept sharp. Replace bent or damaged
blades.
TO REMOVE BLADE
1. Disconnect spark plug wire from spark
plug and place wire where it cannot
come in contact with spark plug.
2. Turn lawn mower on its side. Make
sure air filter and carburetor are up.
3. Use a wood block between blade and
mower housing to prevent blade from
turning when removing blade bolt.
NOTE: Protect your hands with gloves
and/or wrap blade with heavy cloth.
4. Remove blade bolt by turning counter-
clockwise.
5. Remove blade and attaching hard-
ware (bolt, lock washer and hardened
washer).
NOTE: Remove the blade adapter and
check the key inside hub of blade
adapter. The key must be in good condi-
tion to work properly. Replace adapter if
damaged.
TO REPLACE BLADE
1. Position the blade adapter on the
engine crankshaft. Be sure key in
adapter and crankshaft keyway are
aligned.
2. Position blade on the blade adapter
aligning the two (2) holes in the blade
with the raised lugs on the adapter.
3. Be sure the trailing edge of blade
(opposite sharp edge) is up toward
the engine.
4. Install the blade bolt with the lock
washer and hardened washer into
blade adapter and crankshaft.
5. Use block of wood between blade and
lawn mower housing and tighten the
blade bolt, turning clockwise.
•The recommended tightening torque is
35-40 ft. Ibs.
IMPORTANT: Blade bolt is grade 8 heat
treated.
TO SHARPEN BLADE
NOTE: We do not recommend sharpen-
ing blade - but if you do, be sure the
blade is balanced.
Care should be taken to keep the blade
balanced. An unbalanced blade wilt
cause eventual damage to lawn mower
or engine.
• The blade can be sharpened with a file
or on a grinding wheel. Do not attempt
to sharpen while on the mower.
11

•To check blade balance,drive a nail
intoa beam orwall. Leave about one
inchof the straightnail exposed.Place
centerhole of bladeover the head of
the nail.If blade is balanced, it should
remainin a horizontalposition.If either
end of the blade moves downward,
sharpenthe heavy end untilthe blade
is balanced. Blade
adapter
Lockwasher
_/_,._ _ Crank
ilF shoft
Hardened _''_"_"_''_ Bladeadapter
washer eoge
GRASS CATCHER
•The grasscatchermay be hosedwith
water,but mustbe drywhenused.
• Checkyour grasscatcheroftenfor
damage or deterioration. Through
normaluse it willwear. If catcher
needs replacing,replace onlywith a
manufacturer approved replacement
catcher. Give the lawnmower model
numberwhen ordering.
DRIVE WHEELS
Checkfront drive wheelseach time
beforeyoumow to be sure they move
freely.
The wheelsnot turningfreely means
trash,grasscuttings,etc. are in the drive
wheelarea and mustbe cleanedto free
drive wheels.
If necessaryto clean the drive wheels,
check bothfront wheels.
1. Remove hubcaps,hairpincottersand
washers.
2. Remove wheelsfrom wheel adjusters.
3. Removeany trashor grasscuttings
from insidethe dustcover, pinionand/
or ddvewheel gear teeth.
4. Put wheelsback in place.
NOTE: If after cleaning,the drivewheels
donotturnfreely, contacta Sears or other
qualifiedservicecenter.
GEAR CASE
•To keep your drivesystemworking
properly,the gear case and area
aroundthe ddveshouldbe kept clean
and free of trashbuild-up. Clean under
the drivecovertwice a season.
•The gear case is filled withlubricantto
the properlevelat the factory. The only
time the lubricantneeds attentionis if
servicehas been performedon the
gear case.
•If lubricantis required,use onlyTexaco
StarplexPremium1Grease, Part No.
750369. Do notsubstitute.
ENGINE
LUBRICATION
Use only highqualitydetergentoil rated
withAPI serviceclassificationSF-SJ.
Select the oil'sSAE viscositygrade
accordingto your expectedoperating
temperature.
11EMpERATURE RANGE ANllCIPATED BEFORE NEXT OIL CHANGE
NOTE: Althoughmulti-viscosityoils
(5W30, 10W30 etc.) improvestartingin
cold weather,these multi-viscosityoils
will result in increasedoil consumption
when usedabove32°1::.Checkyour
engineoil level morefrequently to avoid
possibleengine damage from running
lowon oil.
Changethe oil after every 25 hoursof
operationor at least oncea year if the
lawnmoweris not usedfor 25 hoursin
one year.
Checkthe crankcaseoil level before
startingthe engineand after each five (6)
hoursof continuoususa. Tightenoil plug
securelyeach time youcheck the oil
level.
12

TO CHANGE ENGINE OIL
NOTE: Before tipping lawn mower to
drain oil, drain fuel tank by running
engine until fuel tank is empty.
1. Disconnect spark plug wire from spark
plug and place wire where it cannot
come in contact with spark plug.
2. Remove engine oil cap; lay aside on a
clean surface.
3. Tip lawn mower on its side as shown
and drain oil into a suitable container.
Rock lawn mower back and forth to
remove any oil trapped inside of
engine.
4. Wipe off any spilled oil on lawn mower
and on side of engine.
5. Fill engine with oil. (See "Add Oil" in
the Operacion section of this manual.)
6. Reconnect spark plug wire to spark
plug.
Container
AIR FILTER
Your engine will not run properly and may
be damaged by using a dirty air filter.
Replace the air filter every year, more
often ifyou mow in very dusty, dirty
conditions. Do not wash air filter.
TO CHANGE AIR FILTER
1. Remove the air filter by turning
clockwise to the stop and pull away
from col)ar.
2. Remove filter from inside of cover.
3. Clean the inside of the cover and the
collar to remove any dirt accumula-
tion.
4. Insert new filter into cover.
5. Put air filter cover and filter into collar
aligning the tab with the slot.
6. Push in on cover and turn counter-
clockwise to tighten.
Turn
Collar Clip Clockwise to
remove
MUFFLER
Inspect and replace corroded muffler as it
could create a fire hazard and/or dam-
age.
SPARK PLUG
Change your spark plug each year to
make your engine start easier and run
better. Set spark plug gap at .030 inch.
CLEANING
IMPORTANT: For best performance,
keep mower housing free of buitt-up
grass and trash. Clean the underside of
your mower after each use.
_I_CAUTION: Disconnect spark plug wire
from spark plug and place wire where it
cannot come in contact with the spark
plug.
•Clean the underside of your lawn
mower by scraping to remove build-up
of grass and trash.
•Clean engine often to keep trash from
accumulating. A clogged engine runs
hotter and shortens engine life.
•Keep finished surfaces and wheels free
of all gasoline, oil,etc.
•We do not recommend using a garden
hose to clean lawn mower unless the
electrical system, muffler, air filter and
carburetor are covered to keep water
out. Water in engine can result in
shortened engine life.
CLEAN UNDER DRIVE COVER
Clean under drive cover at least twice a
season. Scrape underside of cover with
putty knife or similar tool to remove any
build-up of trash or grass on underside of
drive cover.
Air filter Tat
Air filter cover Turn counter-
clockwise to
tighten 13

_kCAUTION: Before performing any
service or adjustments:
1. Release control bar and stop engine.
2. Make sure the blade and all moving
parts have completely stopped.
3. Disconnect spark plug wire from spark
plug and place where it cannot come
in contact with plug.
LAWN MOWER
TO ADJUST CUTTING HEIGHT
See "TO ADJUST CUTTING HEIGHT" in
the Operation section of this manual.
REAR DEFLECTOR
The rear deflector, attached between the
rear wheels of your mower, is provided to
minimize the possibility that objects will
be thrown out of the rear of the mower into
the operator mowing position. If the
deflector becomes damaged, it should be
replaced.
TO REMOVE/REPLACE DRIVE BELT
1. Remove drive cover. Remove belt
from geercase pulley by pushing down
on pulley and rolling belt off it.
2. Turn lawn mower on its side with air
filter and carburetor up.
3. Remove blade.
4. Remove debris shield.
5. Remove belt from engine pulley on
crankshaft.
6. Install new belt by reversing above
steps.
7. Always use factory approved belt to
assure fit and long life.
TO ADJUST HANDLE
The handle can be mounted in a high or
low position. The mounting holes in the
bottom of lower handle are off center for
raising or lowering the handle.
1. Remove upper handle and all parts
attached to lower handle.
2. Remove hairpin cotters from lower
handle bracket mounting pin.
3. Squeeze lower handle in to remove it
from mounting pins.
4. Turn lower handle over to raise or
lower handle.
5. Squeeze lower handle in and position
holes onto mounting pins on handle
bracket.
6. Reassemble upper handle and all
parts removed from lower handle.
Rotate_i__ handle
DrivVerBeR__
14

TO ASSEMBLE GRASS CATCHER
1. Put grass catcher frame into grass bag
with rigid part of bag on the bottom.
Make sure the frame handle is outside
of the bag top.
2. Slip vinyl bindings over frame.
NOTE: If vinyl bindings are too stiff, hold
them in warm water for afew minutes. If
bag gets wet, let it dry before using.
ACAUTION: Do not run your lawn mower
without clipping deflector or approved
grass catcher in place. Never attempt to
operate the lawn mower with the rear
door removed or propped open.
Catcher
frame
handle
Frame
opening
ENGINE
ENGINE SPEED
Your engine speed has been factory set.
Do not attempt to increase engine speed
or itmay result in personal injury. If you
believe that the engine is running too fast
or too slow, take your lawn mower to a
Sears or other qualified service center for
repair and adjustment.
CARBURETOR
Your carburetor has a non-adjustable
fixed main jet for mixture control. If your
engine does not operate properly due to
suspected carburetor problems, take your
lawn mower to a Sears or other qualified
service center for repair and/or adjust-
ment.
IMPORTANT: Never tamper with the
engine governor, which is factory set for
proper engine speed. Overspeeding the
engine above the factory high speed
setting can be dangerous. If you think the
engine-governed high speed needs
adjusting, contact a Sears or other
qualified service center, which has
proper equipment and experience to
make any necessary adjustments.
15

Immediately prepare your lawn mower for
storage at the end of the season or if the
unit will not be used for 30 days or more.
LAWN MOWER
When lawn mower is to be stored for a
period of time, clean it thoroughly, remove
all dirt, grease, leaves, etc. Store in a
clean, dry area.
1. Clean entire lawn mower (See
"CLEANING" in the Maintenance
section of this manual).
2. Lubricate as shown in the Mainte*
nance section of this manual.
3. Be sure that all nuts, bolts, screws,
and pins are securely fastened.
Inspect moving parts for damage,
breakage and wear. Replace if
necessary.
4. Touch up all rusted or chipped paint
surfaces; sand lightly before painting.
HANDLE
You can fold your lawn mower handle for
storage.
1. Squeeze the bottom ends of the lower
handle toward each other until the
lower handle clears the handle
bracket, then move handle forward.
2. Loosen upper handle mounting bolts
enough to allow upper handle to be
folded back.
IMPORTANT: When folding the handle
for storage or transportation, be sure to
fold the handle as shown or you may
damage the control cables.
• When setting up your handle from the
storage position, the lower handle will
automatically lock into the mowing
position,
Handle
Sueeze to fold bracket
pin
Operator presence
controlbar _,
upper nanale -__ //// _, _)
Foldforward f J l
stroage _!J"_"/ I
Y.'7
3 _,.k.,_-_,_-_'_J_: yMowing
positioo
Lower handle
ENGINE
FUEL SYSTEM
IMPORTANT: It is important to prevent
gum deposits from forming in essential
fuel system parts such as carburetor, fuel
filter, fuel hose, or tank during storage.
Also, experience indicates that alcohol
blended fuels (called gasohol or using
ethanol or methanol) can attract moisture
which leads to separation and formation
of acids during storage. Acidic gas can
damage the fuel system of an engine
while in storage.
1. Drain the fuel tank.
2. Start the engine and let it run until the
fuel lines and carburetor are empty.
•Never use engine or carburetor cleaner
products in the fuel tank or permanent
damage may occur.
•Use fresh fuel next season.
NOTE: Fuel stabilizer is an acceptable
alternative in minimizing the formation of
fuel gum deposits during storage. Add
stabilizer to gasoline in fuel tank or
storage container. Always follow the mix
ratio found on stabilizer container. Run
engine at least 10 minutes after adding
stabilizer to allow the stabilizer to reach
the carburetor. Do not drain the gas tank
and carburetor if using fuel stabilizer.
ENGINEOIL
Drain oil (with engine warm) and replace
with clean engine oil. (See "ENGINE" in
the Maintenance section of this manual).
CYLINDER
1. Remove spark plug.
2. Pour one ounce (29 ml) of oil through
spark plug hole into cylinder.
3. Pull starter handle slowly a few times
to distribute oil.
164 .Replace with new spark plug.

OTHER
• Donotstoregasolinefromone
seasontoanother.
•Replace your gasoline can if your
can starts to rust, Rust and/or dirt in
your gasoline will cause problems.
•If possible, store your unit indoors
and cover it to give protection from
dust and dirt.
TROUBLESHOOTING CHART
PROBLEM CAUSE
Does not start 1. Dirtyairfilter.
Loss of power
Poor cut -
uneven
Excessive
vibration
• Cover your unit with a suitable protec-
tive cover that does not retain mois-
ture. Do not use plastic. Plastic cannot
breathe which allows condensation to
form and will cause your unit to rust.
IMPORTANT: Never cover mower while
engone and exhaust areas are still warm.
ACAUTION:Never store the lawn mower
with gasoline in the tank inside a building
where fumes may reach an open flame or
spark. Allow the engine to cool before
storing in any enclosure.
2. Out of fuel.
3. Stale fuel.
4. Water in fuel.
5. Spark plug wire is
disconnected.
6. Bad spark plug.
7. Loose blade or broken
blade adapter.
8. Control bar in released
position.
9. Control bar defective.
1. Rear of lawn mower
housing or cutting blade
dragging in heavy grass.
2. Cutting too much grass.
3. Dirty air filter.
4. Buildup of grass, leaves,
and trash under mower.
5. Too much oil in engine.
6. Walking speed too fast.
1. Worn, bent or loose blade.
2. Wheel heights uneven.
3. Buildup of grass, leaves
and trash under mower.
1. Worn, bent or loose blade.
2. Bent engine crankshaft.
CORRECTION
1. Clean/replace air filter.
2. Fill fuel tank.
3, Drain tank and refill with
fresh clean fuel,
4. Drain fuel tank and
carburetor and refill tank
with fresh gasoline.
5. Connect wire to plug,
6. Replace spark plug.
7. Tighten blade bolt or
replace blade adapter.
8. Depress control bar to
handle.
9. Replace control bar.
1. Set to "Higher Cut"
position.
2, Set to "Higher Cut"
position.
3, Clean/replace air filter.
4. Clean underside of mower
housing.
5. Check oil level,
6, Cut at slower walking
speed,
1, Replace blade. Tighten
blade bolt.
2. Set all wheels at same
height
3. Clean underside of
mower housing,
11, Replace blade. Tighten
blade bolt.
2. Contact a Sears or other
qualified service center.
17

TROUBLESHOO
PROBLEM
Starterropehard
topull
rING CHART
CAUSE
1, Engineflywheelbrake is on
when controlbar is release€
2. Bent engine crankshaft.
3. Blade adapter broken.
4. Blade dragging in grass.
CORRECTION
1. Depress control bar to
upper handle before
pulling starter rope.
2, Contact a Sears or other
qualified service center.
3, Replace blade adapter.
4. Move lawn mower to cut
grass or to hard surface.
Loss of drive 1. Drive wheels not turning 1. Adjust or replace drive
with drive control engaged, control cable.
2, Belt not driving 2, Put belt on pulleys or
replace belts if broken.
Grass catcher 1, Cutting height too low. 1. Raise cutting height,
notfilling(ifso 2. Lift on blade worn off, 2. Replace blade.
equipped) 3, Catcher not venting air, 3, Clean grass catcher.
Hard to push 1, Raise cutting height.
1. Grass is too high or wheel
height is too low.
2. Rear of lawn mower
housing or blade dragging
in grass.
3. Grass catcher too full.
4. Handle height position not
right for you.
2. Raise rear of lawn mower
housing one (1) setting
higher.
3. Empty grass catcher.
4. Adjust handle height to
suit.

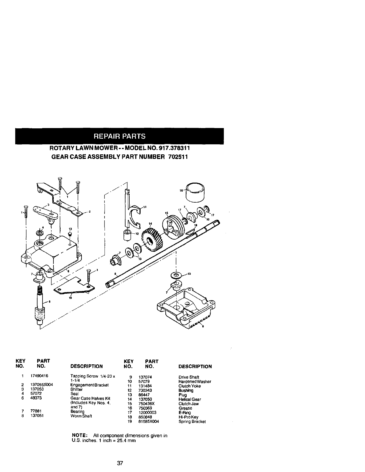
ROTARY LAWN MOWER -- MODE L NO. 917.378311
GEAR CASE ASSEMBLY PART NUMBER 702511
1
I
KEY PART
NO. NO. KEY PART
DESCRIPTION NO. NO.
1 17490416 Tapping Screw 1/4-20 x 9 137074
1-1/4 10 57079
2137055X004 EngagementBracket 11 131484
3137053 Shifter 12 700343
4 57072 Seal 13 86447
6 48373 Gear Case Halves Kit 14 137050
(Includes Key NOS. 4, 15 750436X
and 7) 16 750369
7 77881 Bearing 17 12000(_3
8 137051 WormShaft 18 850848
19 81585X004
NOTE: All component dimensions given in
U.S, inches. 1 inch =25.4 mm
DESCRIPTION
Drive Shaft
HardenedWasher
Clutch Yoke
Bushing
Plug
Helical Gear
Clutch Jaw
Grease
E-Ring
Hi-ProKey
Spring Bracket
37

ROTARYLAWNMOWERMODELNUMBER917.378311
61
27
10
F
16 12
31-_
3O
14
35
39 t
70
20 37
3s ._- 2
13
27
28
41

ROTARY LAWN MOWER MODEL NUMBER 917.378311
KEY PART
NO, NO.
1 166860X479
2164322
4 150425
566426
6136376
8 146771
9 170947
10 126415
11 150050
12 54583
13 15018_1
14 156374X479
15 700365X479
16 133190X479
17 140661X479
18 63601
2O 14054O
22 85543
23 87677
25 83_23
27 150341
28 142748
29 62335
30 145935X004
31 701037
32 700331X004
34 14663O
35 700325X007
37 150078
DESCRIPTION
Upper Haedle
EngineZone Control Cable
M_cher Plug
WireTie
Handle Knob
ControlBar
Rear Door Kit
Pop Rivet
Self Tapping Screw #10-16 x 1/2
Hex Tapping Screw w/Seres 1/4-20 x 1/2
Hubcap
Back Plate
Side Baffle
Discharge Baffle
Rear Baffle
KepS Locknut 1/4-20
Rear.Skirt
Engine Pulley
Hi-pro Key #505
Hex Flange Nut
Whea_
Sh_JIder Bolt 3/8-16 x I
SpffngWasher
Axis Arm ASsembly
Selector Knob
SeleCtor Spring
sp,_er
Wheel Adjusting Bracket (Right)
Thread Cutting Screw w/Sems 5/16-18 x 3/4
KEY PART
NO. NO. DESCRIPTION
38 7515_ Nut
39 173569X479 Handle Bracket Assembly (Left)
40 173570X479 Handle Bracket ASSembly (Right)
41 150406 Hex Head Thread Roiling Screw 5/8-16 x 1-1/8
44 172835 Lawn Mower Housing (Incl, Key #14, 15, 51 & 52)
46 851514 Blede Adapter
47 141114 BJade 22"
48 851074 Hardened Washer
49 850263 Helical Washer 3/8-24 xt-5/8 Gr, 8
50 851084 Hex Head Machine Screw 3/8-24 x 1-3/8 Gr. 8
51 170031 Kit Baffle
52 85463 Danger Decal
56 88652 Hinge Screw 1/4-20 x 1-1/4
57 51793 Hairpin Cotter
58 151590X479 Lower Handle
59 131959 HandleBoft
61 132601 RopeGuide
62 134612 Debris Shield
64 ...... Engine_Craftsman - Modet NO. 143.016700
70 17600406 Screw. Hx. Serrated. 114 x 20
71 170939 Door Spring RH
72 170938 Door Spnng LH
73 165912 Bolt
- - 161058 Warning DeCal (Not Shown)
- - 176414 Owner's Manual (EnglislVSpanish)
Available accessories not included with lawn mower;
-- D/98 33313 Clipping Dedector
- - 71 33000 SAE 30W Oil (20 Oz.)

8
54
ROTARY LAWN MOWER MODEL NUMBER 917.378311
18
18
14 16
14
41
12 13
11
/
13
/8
26

ROTARY LAWN MOWER MODEL NUMBER 917.378311
KEY PART
NO. NO.
1 145755
3751152
4158755
5146527
6150495
8150182
9145212
11 150340
12 12000058
13 137054
14 88080
15 88118
16 67725
18 701037
26 1436O3
DESCRIPTION
Control Cable Assembly
Lock.nut #10-24
Hex Washer Head Screw 1/4-20 x 2.12
V-Bell
Spring Retainer
Hubcap
Locknuf
Wheel & Tire Assembly
E_Ring
Pinion
Dust Cover
Felt Washer
Washer 1/2 x 1-1/2 x .134
Selector Knob
Pan Head Tapping Screw #10-24 x2-3/4
KEY PART
NO. NO. DESC_PTION
28
31
3_
35
36
37
38
4O
41
54
55
57
154990 DriveCover
132010 Hex Flange Nut
137052 Drive Pulley
151521 Wheel Adjuster Assembly (Left)
702511 Gear Case AsSembly
137090 Spnng
63601 Locknut 1/4-20
75192 Spring
151520 Wheel Adjuster Assembly (Right)
169932 Grassbag Assembly
86012 Drivesheft Cover
169931 Grassbag Frarne

CRAFTSMAN 4-CYCLE ENGINE MODEL NO. 143.016700
9OO
_ 282_
11o
/285
40O
135
130
120
416
119
125
275-
182216 19
2_.224 174
223 / 184 38 207
82;
370C <_" 81-_ jj
238 250
195
42

CRAFTSMAN 4-CYCLE ENGINE MODEL NO. 143.016700
KEY PART
NO. NO. DESCRIPTION KEY PART
NO. NO. DESCRIPTION
1 37465 Cylinder (Incl. 2 & 20) 178 29752
•2 26727 Dowel Pie 182 6201
6 33734 Breather Element 184 26756
7 36557 Breather Ass'y, (Incl. 6 & 12A)
12 36775 Breather Tube 185 37466
12A 36558 Breather Cover & Tube (Incl. 186 32653
126) 189 650839
128 36694 Breather Tube Elbow 191 36659A
14 28277 Washer 196 610973
15 30589 Governor Rod (Incl. 14) 207 34336
16 34939A Governor Lever 216 33086
17 31335 Governor Lever Clamp 223 650451
16 651018 Screw, Torx T-15, 8-32 x 19/ 224 36786
64" 238 650932
19 36281 Extension Spring 239 34338
20 32600 Oil Seal 241 36919
30 37464 Crankshaft 245 36905
40 40027 Piston, Pin & Ring Sat (Std.)
41 40042 Piston & PinAss'y. (Std.) 250 37122
260 36980
(Incl. 43)
42 40006 Ring Set (Std.) 261 30200
43 20381 Piston Pin Retaining Ring 262 650831
46 36777 Connecting Rod Ass'y. (Incl. 263A 37184
275 37462
46) 277 650988
46 32610A Connecting Rod Bolt 285 35000A
48 27241 Valve Litter 287 650926
50 37460 Camshaft Exhaust(MCR)(Inc. 290 29774
ref 104) 292 26460
52 29914 C4_Pump Ass'y. 298 28763
69 37130 * Mounting Flange Gasket
70 34311E Mounting Flange (Incl. 72 300 36916
thru 83) 301 36246
72 30572 Oil Drain Plug (Incl• 73 305 35647
73 28833 Drain Plug Gasket 306 36996
75 27897 Oil Seal 307 35499
309 650562
89 30574A Governor Shaft 310 35648
81 30590A Washer 313 34080
82 30591 Governor GearAss'y. (incL 347 651038
81)
63 30588A Governor Spoor 370A 36261
370C 37318
86 650488 Screw, 1/4-20 x 1-1/4" 370R 37317
89 611004 Flywheel Key 380 640271
90 611112 FlywheelA 390 590739
92 650815 Belleville Washer
93 650816 Flywheel Nut 400 36792B
100 34443C Solid State Ignition
101 610118 Spark Plug Cover 416 36085
103 651007 Screw, TorxT-15, 10-24 x 15/ 417 650760
16"
164 37486 Cam Bushing 900
110 37047 Ground Wire 900
119 36787 * Cylinder Head Gasket
120 36825 Cylinder Head
125 36780 Exhaust Valve (1/32" OS)
(_nct. 151)
37288 Exhaust Valve (Std.) (Incl.
151
126 37289 ntake Valve (Std.) (Incl. 151)
130 6021A Screw, 5/16-18 x 1-1/2"
135 37598 Resistor Spark Plug
(RJ19LM4)
150 31672 Valve Spring
151 31673 Valve Spring Cap
151A 40017 Intake Valve Seal
169 36783 * Valve Cover Gasket
172 36784 Valve Cover
174 30200 Screw, 10-24 x 9/t6"
Nut & Lock Washer, 1/4-28
Screw, t/4-28 x 7/6"
• Carburetor To Intake Pipe
Gasket
Intake Pipe
Governor Link
Screw, 1/4-20 x 3/6"
S.E. Brake Bracket (Incl. 195)
Terminal
ThrOttle Link
R.P,M. Adjusting Lever
Screw, 1/4-20 x 1"
* Intake Pipe Gasket
Screw, 10-32 x 49/64"
* Air Cleaner Gasket
Air Cleaner Collar
Air Cleaner Fi_ter
Air Cleaner Cover
Blower Housing
Screw, 10-24 x 9/16"
Screw, 1/4-20 x 1/2"
Recoil Grille
Muffler
Screw, 1/4-20 x 2-8/16"
Starter Cup
Screw, 8-32 x 21/64"
Fuel Line
Fuel Line Clamp
Screw, 10-32 x 35/64"
Fuel Tank (Inct. 292 & 301)
Fuel Cap (Black)
Oil FillTube
" "O"-Ring
"O"-Ring
Screw, 10-32 x 1/2"
Dipstick
Spacer
Screw, 10-32 x 51/64"
Lubrication Decal
Primer Decal (3 X)
Warning Decal
Carburetor (Inct. 184)
Rewind S1arter
Gasket Set (hlncl.Items
Marked * inNotes)
Spark Arrestor Kit (Incl.
417)(Optional)
Screw, 8-32 x 3/8" Optional)
Replacement Engine NONE
Replacement S/B 750865
Order from 71 -999
RPM High 2900 to 3200
NOTE: This engine could have been built with
590702 starter
NOTE: Atl component dimensions given in U.S.
inches 1 inch ,= 25.4 mm
43

CRAFTSMAN 4-CYCLE ENGINE MODEL NO. 143.016700
_--37
_m37
40
44

CRAFTSMAN 4-CYCLE ENGINE MODEL NO. 143.016700
KEY PART
NO. NO.
---- 640271
1 31615
2 31767
4 631184
5 631183
6 640070
7 650506
15 631807
17 651025
18 630766
20 640027
20A 640200
25 631867
27 631024
28 632019
29 631028
30 631021
31 631022
35 640259
36 640080
36A 632766
37 632547
40 640030
44 27110A
47 630748
48 631027
60 632760B
DESCRIPTION
Carburetor (Incl. 184 of Engine Parts Lisl)
Throttle Shaft & Lever Assembly
Throttle Return Spring
•Dust Seal Washer
•Dust Seal (Throttle)
Throttle Shutter
•Shutter Screw
Fuel Fitting
Throttle Crack Screw/Idle Speed Screw
Tension Spring
Idle Restdctor Screw
Idle Restrictor Scrwe Cap (Black)
Roar Bowl
• Float Shaft
Float
•Float Bowl "0" Ring
•Inlet Needle, Seat, & Clip (Incl. 31)
Spring Clip
Primer Bulb/Retainer Ring
Main Nozzle Tube
Carburetor Tube
•"0" Ring, Main Nozzle Tube
High Speed Bowl Nut
•Bowl Nut Washer
•Welch Plug, Idle Mixture Well
• Welch Plug, Atmospheric Vent
Repair kit (Incl. Items Marked * in Notes)
45

CRAFTSMAN 4-CYCLE ENGINE MODEL NO. 143,016700
13
O_4
B--5
KEY
NO.
1
2
3
4
5
6
7
8
11
12
13
PART
NO.
590702
590599A
590600
590696
590601
590697
590698
590699
590700
590703
590535
590701
DESCRIPTION
Recoil Starter
Spring Pin (Incl, 4)
Washer
Retainer
Washer
Brake Spring
Starter Dog
Dog Spring
Pulley & Rewind Spring Ass'y
Starter Housing Ass'y. (40
degree grommet)
Starter Hope
( 98" X 9/64" dia.)
Starter Handle
46

CRAFTSMAN 4-CYCLE ENGINE MODEL NO. 143.016700
12
KEY
NO.
3
6
7
8
11
12
13
14
PART
NO. DESCRIPTION
590739 Rewind Starter
590740 Retainer
590616 Starter Dog
590617 Dog Spring
590618A Pulley & Rewind Spring
Ass'y
590638 Starter Housing Ass'y 40
degree grommet
590535 Starter Rope (Length 98"
x 9/64" dia,)
590701 Starter Handle
590760 Spring Clip
47

Get it fixed, at your home or ours!
For repair of major brand appliances in your own home...
no matter who made it, no matter who sold itT
1-800-4-MY-HOME sMAnytime,dayer nighl
(1-800-469-4663)
www.sears.com
To bring in products such as vacuums,
lawn equipment and electronics for repair, call for
the location of your nearest Sears Parts & Repair Center.
1-800-488-1222 A._im.dayo, night
www.sears.com
For the replacement parts, accessories and owner's manuals
that you need to do-it-yourself, call Sears PartsDireetSM!
1-800-366-PART 6ar..- 11p.m. CST,
(1-800-366-7278) 7 days a week
www.sears.condpar tsdirect
To purchase or inquire about a Sears Service Agreement:
1-800-827-6655
7 am. - 5p.m.CST,Mon.- Sat.
Para pedir serviciode reparacibna domicilio,
y para ordenar piezas conentrega a domicilio:
1-888-SU-HOGAR s.
(1-888-784-6427)
Au Canada pour serviceen fran_tais:
1-877-LE-FOYER s.
(t-877-533-6937)
SEARS ]
HomeCentral s.
©Sears, Roebuckand Co_
®RegisteredTrademark /;M Trademark of Sears, Roebuck and Co,
®M_;qa Registrada /_" Mar..a de F_tbdcade Sears, Roebuckand Co,
176414 10.10.00 V_ aPrinted in U.S.A.