Craftsman 917379510 User Manual LAWN MOWER Manuals And Guides L0102261
CRAFTSMAN Walk Behind Lawnmower, Gas Manual L0102261 CRAFTSMAN Walk Behind Lawnmower, Gas Owner's Manual, CRAFTSMAN Walk Behind Lawnmower, Gas installation guides
User Manual: Craftsman 917379510 917379510 CRAFTSMAN LAWN MOWER - Manuals and Guides View the owners manual for your CRAFTSMAN LAWN MOWER #917379510. Home:Lawn & Garden Parts:Craftsman Parts:Craftsman LAWN MOWER Manual
Open the PDF directly: View PDF
.
Page Count: 31

Owner's Manual
6.75 HORSEPOWER
22" REAR DISCHARGE
POWER PROPELLED
ROTARY LAWN MOWER
Model No.
917.379510
•Safety
•Assembly
•Operation
•Maintenance
•Espa_ol
•Repair Parts
NOTE: Engines which are certified to comply with California and U.S. EPA emission regulations
for SORE (Small Off Road Equipment), are certified to operate on regular unleadedgasoline,
and include the following emission control systems: Engine Modiflcatton (EM), and Three-way
Catalyst (TWC) (If so equipped).
AVISO: Los motores homologados para cumplir con la reglamentacibn sobre emisiones de
California y de la Agencia de Protecoibn Ambiental estadounidense (EPA) para equipos
pequerios no circulantes (SORE) funcionan con gasolina normal sin plomo, e incluyen los
siguientes sistemas de control de emisiones: mediflcacibn del motor (EM) y catalizador de triple
accibn (TWC) (en caso de tenerlo).
The D.O.M. decal includes engine life specifications for the emissions-related useful life period of
_our engine. This period relates to the emission compliance life as certified by EPNCARB. To
nd the fe period specification for your engine, please match one of the following letters with the
letter printed on your D.O.M. decah (C) 125 hours, (B) 250 hours, (A) 500 hours.
La calcomania D.O.M. incluye especiflcaciones sobre la duracibn del motor para el perlodo de
vida 5til de su motor relaccionado con emisiones. Este periodo se relaciona con la duraci6n en
conformidad con las emisiones seg_n Io certificado por EPNCARB. Para haltar la especificacibn
del periodo de vida de su motor, mire cudl de las siguientes letrss viene impresa en su
calcomania D.OM.: (C) 125 horas, (B) 250 horas, (A) 500 horas.
CAUTION:
Read and follow all
Safety Rules and Instructions
before operating this equipment
Sears, Roebuck and Co., Hoffman Estates, IL 60179
Visit our Craftsman website: www.sears.com/craftsman

Warranty ............................................... 2
Safety Rules ......................................... 2
Assembly .............................................. 5
Operation .............................................. 6
Maintenance Schedule ...................... 10
Maintenance ....................................... 10
Product Specifications ........................ 11
Service and Adjustments .................... 14
Storage ............................................... 16
Troubleshooting ................................. 17
Repair Parts ........................................ 37
Parts Ordering ..................... Back Cover
LIMITED TWO YEAR WARRANTY ON CRAFTSMAN POWER MOWER
For two years from date of purchase, when this Craftsman Lawn Mower is maintained,
lubricated, and tuned up according to the operating and maintenance instructions in
the owner's manual, Sears will repair free of charge any defect in material or workman-
ship.
if this Craftsman Lawn Mower is used for commercial or rental purposes, this warranty
applies for only 90 days from the date of purchase.
This Warranty does not cover:
•Expendable items which become worn during normal use, such as rotary mower
blades, blade adapters, belts, air cleaners and spark plug.
• Repairs necessary because of operator abuse or negligence, including bent
crankshafts and the failure to maintain the equipment according to the instructions
contained in the owner's manual.
Warranty service is available by returning the Craftsman power mower to the nearest
Sears Service Center/Department in the United States. This warranty applies only
while this product is in use in the United States.
This Warranty gives you specific legal rights, and you may also have other rights which
vary from state to state.
SEARS, ROEBUCK AND CO., D/817 WA, HOFFMAN ESTATES, ILLINOIS 60179
IMPORTANT: This cutting machine is capable of amputating hands and feet and
throwing objects. Failure to observe the following safety instructions could result in
serious injury or death. • Be sure the area is clear of other
I. GENERAL OPERATION
•Read, understand, and follow all
instructionson the machine and in the
manual(s) before starting. Be thor-
oughly familiar with the controls and the
proper use of the machine before
starting.
•Do not put hands or feet near or under
rotating parts. Keep clear of the
discharge opening at all times.
• Only allow responsible individuals, who
are familiar with the instructions,to
operate the machine.
•Clear the area of objects such as rocks,
toys, wire, bones, sticks, etc., which
could be picked up and thrown by the
blade. 2
people before mowing. Stop machine if
anyone enters the area.
• Do not operate the mower when
barefoot or wearing open sandals.
Always wear substantial foot wear.
• Do not pull mower backwards unless
absolutely necessary. Always look
down and behind before and while
moving backwards.
• Do not operate the mower without
proper guards, plates, grass catcher or
other safety protective devices in
place.
•See manufacturer's instructionsfor
proper operation and installafion of
accessories. Only use accessories
approved by the manufacturer.

•Stop the blade(s) when crossing gravel
drives, walks, or roads.
• Stop the engine (motor) whenever you
leave the equipment, before cleaning
the mower or unclogging the chute.
• Shut the engine (motor) off and wait
until the blade comes to complete stop
before removing grass catcher.
• Mow only in daylight or good artificial
light.
•Do not operate the machine while
under the influence of alcohol or drugs.
• Never operate machine in wet grass.
Always be sure of your footing: keep a
firm hold on the handle and walk; never
run.
•Disengage the self-propelled mecha-
nism or drive clutch on mowers so
equipped before starting the engine
(motor).
•If the equipment should start to vibrate
abnormally, stop the engine (motor)
and check immediately for the cause.
Vibration is generally a warning of
trouble.
• Always wear safety goggles or safety
glasses with side shields when
operating mower.
II. SLOPE OPERATION
Slopes are a major factor related to slip
and fall accidents which can resultin
severe injury. All slopes require extra
caution. Ifyou feel uneasy on a slope, do
not mow it.
DO:
•Mow across the face of slopes: never
up and down. Exercise extreme caution
when changing direction on slopes.
•Remove obstacles such as rocks, tree
limbs, etc.
•Watch for holes, ruts, or bumps. Tall
grass can hide obstacles.
DO NOT:
• Do not trim near drop-offs, ditchesor
embankments. The operator could lose
footing or balance.
•Do not trim excessively steep slopes.
•Do not mow on wet grass. Reduced
footing could cause slipping.
Ill. CHILDREN
Tragicaccidents can occur if the operator
is not alert to the presence of children.
Children are often attracted to the
machine and the mowing activity. Never
assume that children will remain where
you last saw them.
responsible adult.
• Be alert and turn machine off if children
enter the area.
• Before and while walking backwards,
look behind and down for small
children.
• Never allow children to operate the
machine.
• Use extra care when approaching blind
corners, shrubs, trees, or other objects
that may obscure vision.
IV. SERVICE
•Use extra care in handling gasoline
and other fuels. They are flammable
and vapors are explosive,
-Use only an approved container.
-Never remove gas cap or add fuel
with the engine running. Allow
engine to cool before refueling. Do
not smoke.
-Never refuel the machine indoors.
-Never store the machine or fuel
container inside where there is an
open flame, such as a water heater.
• Never run a machine inside a closed
area.
• Never make adjustments or repairs with
the engine (motor) running. Disconnect
the spark plug wire, and keep the wire
away from the plug to prevent acciden-
tal starting.
• Keep nuts and bolts, especially blade
attachment bolts, tight and keep
equipment in good condition.
• Never tamper with safety devices.
Check their proper operation regularly.
• Keep machine free of grass, leaves, or
other debris build-up. Clean oil or fuel
spillage. Allow machine to cool before
storing.
• Stop and inspect the equipment if you
strike an object. Repair, if necessary,
before restarting.
• Never attempt to make wheel height
adjustments while the engine (motor) is
running.
• Grass catcher components are subject
to wear, damage, and deterioration,
which could expose moving parts or
allow objects to be thrown. Frequently
check components and replace with
manufacturer's recommended parts,
when necessary.
• Mower blades are sharp and can cut.
Wrap the blade(s) or wear gloves, and
use extra caution when servicing them.
• Do not change the engine governor
• Keep children out of the trimming area setting or overspeed the engine.
end under the watchful care of another 3

ALook for this symbol to point out
important safety precautions. It means
CAUTION!!! BECOMEALERT!H YOUR
SAFETY IS INVOLVED.
AWARNING: In order to prevent
accidental starting when setting up,
transporting, adjusting or making repairs,
always disconnect spark plug wire and
place wire where it cannot contact spark
plug.
A,WARNING: Engine exhaust, some of
its constituents, and certain vehicle
components contain or emit chemicals
known to the State of California to cause
cancer and birthdefects or other repro-
ductive harm.
AWARNING: Battery posts, terminals and
related accessories contain lead and
lead compounds, chemicals known to the
State of California to cause cancer and
birthdefects or other reproductive harm.
Wash hands after handling.
_. CAUTION: Muffler and other engine
parts become extremely hot during
operation and remain hot after engine
has stopped. To avoid severe burns on
contact, stay away from these areas.
These accessories were available when this lawn mower was produced. They are not
shipped with your mower. They are also available at most Sears retail outlets and
service centers. Most Sears stores can also order repair parts for you, when you
provide the model number of your lawn mower. Some of these accessories may not
apply to your lawn mower.
LAWN MOWER PERFORMANCE
CLIPPING DEFLECTOR
FOR REAR DISCHARGE LAWN MOWERS MULCHER KITS
,/ GRASS CATCHERS
/ / FOR
SlOE DISCHARGE
LAWN MOWERS
STABILIZER
\\ GRASS CATCHERS
\, FOR _:_ ! '11I
Q,,_ NEARDISCHARGE i'
LAWN MOWERS ....
GAS CANS
LAWN MOWER MAINTENANCE
MUFFLERS AIR FILTERS SPARK PLUGS
BELTS BLADES BLADE ADAPTERS WHEELS ENGINE OIL
4

Read these instructionsand this manual
in itsentirety before you attempt to
assemble or operate your new lawn
mower.
IMPORTANT: This lawn mower is
shipped WITHOUT OIL OR GASOLINE in
the engine.
Your new lawn mower has been as-
sembled at the factory with the exception
of those parts left unassembled for
shipping purposes. All parts such as nuts,
washers, bolts, etc., necessary to com-
plete the assembly have been placed in
the parts bag. To ensure safe and proper
operation of your lawn mower, all parts
and hardware you assemble must be
tightened securely. Use the correct tools
as necessary to ensure proper tightness.
TO REMOVE LAWN MOWER FROM
CARTON
1. Remove loose parts included with
mower.
2. Cut down two end corners of carton
and lay end panel down fiat.
3. Remove all packing materials except
padding between upper and lower
handle and padding holding operator
presence control bar to upper handle.
4. Roll lawn mower out of carton and
check carton thorougly for additional
loose parts.
HOWTO SET UPYOUR LAWN
MOWER
TO UNFOLD HANDLE
IMPORTANT: Unfold handle carefully so
as not to pinch or damage control cables.
1. Raise handles until lower handle
section locks into place in mowing
position.
2. Remove protective padding, raise
upper handle section into place on
lower handle and tighten both handle
knobs.
3. Remove handle padding holding
operator presence control bar to
upper handle.
Your lawn mower handle can be adjusted
for your mowingcomfort. Refer to "AD-
JUST HANDLE" in the Service and
Adjustments section of this manual.
control bar
Upper
Lift u
position
Lower handle
TO INSTALL ATTACHMENTS
Your lawn mower was shipped ready to
be used as a mulcher. To convertto
bagging or discharging:
Open rear door and remove mulcher
plug. Store mulcher plug in a safe
place.
You can now install catcher or
optional clipping deflector.
To return to mulching operation, install
mulcher plug into discharge opening
of mower.
_CAUTION: Do not run your lawn mower
without mulcher plug in place or ap-
proved clipping deflector or grass catcher
in place. Never attempt to operate the
lawn mower with the rear door removed
or propped open.
Mulcher
5

KNOW YOUR LAWN MOWER
READ THIS OWNER'S MANUAL AND SAFETY RULES BEFORE OPERATING YOUR
LAWN MOWER. Compare the illustrations with your lawn mower to familiarize yourself
with the location of various controls and adjustments. Save this manual for future
reference.
These symbols may appear on your lawn mower or in literature supplied with the
product, Learn and understand their meaning.
CAUTION ENGINE ENGINE FAST SLOW CHOKE FUEL OIL DANGER, KEEPHANDS
OR WARNING ON OFF AND FEET AWAY
Enginezone controlcable
\Operator presence control bar
Ddve control lever
Starter handle
Handle knob
Gasoline cap
Primer
Housing
cover
Engine oil
cap w/
dipstick
IMPORTANT: This lawn mower is
shipped WITHOUT OLLOR GASOLINE in Wheel adjuster
the engine. (oneachwheel)
MEETS CPSC SAFETY REQUIREMENTS
Searsrotarywalk-behindIx_ver lawnmoanersconfennto thesafetystandardsof the Amedcan
Na_onalStandardsInstituteand the U.S. ConsumerProductSafetyCommission.The 1:4ade
tumswhen the ermineis runnin_l.
Operator presence control bar - must
be held down to the handle to start the
engine, Release to stop the engine.
Primer -pumps additional fuel from the
carburetorto the cylinder for use when
starting a cold engine.
Starter handle -used for starting the
engine,
Drive control lever - used to engage
power-propelled forward motion of lawn
mower.
Mulcher plug -must be removed to
convert to bagging or discharging
operation,

The operation of any lawn
mower can result in foreign
objects thrown into the
eyes, which can result in
severe eye damage.
Always wear safety glasses or eye
shields while operating your lawn mower
or performing any adjustments or repairs.
We recommend a wide vision safety
mask over spectacles or standard safety
glasses.
HOWTO USEYOUR LAWN MOWER
ENGINE SPEED
The engine speed was set at the factory
for optimum performance. Speed is not
adjustable.
ENGINE ZONE CONTROL
_I,CAUTION: Federal regulations require
an engine control to be installed on this
lawn mower in order to minimize the dsk
of blade contact injury. Do not under any
circumstances attempt to defeat the
function of the operator control The blade
turns when the engine is running.
•Your lawn mower is equipped with an
operator presence control bar which
requires the operator to be positioned
behind the lawn mower handle to start
and operate the lawn mower.
TO ADJUST CUTTING HEIGHT
Raise wheels for low cut and lower
wheels for high cut, adjust cutting height
to suit your requirements. Medium
positionis best for most lawns.
To change cutting height, squeeze
adjuster lever toward wheel. Move
wheel up or down to suityour require-
ments. Be sure all wheels are in the
same setting.
NOTE: Adjuster is properly positioned
when plate tab inserts into hole in lever.
Also, 9-position adjusters (if so equipped)
allow lever to be positioned between the
plate tabs. PlateTab
LowerWheelsfor High Cut_t._.__IIP
_ _L!ver
Raise Wheels for Low Cut
TO ATTACH GRASS CATCHER
1. Lift the rear door of the lawn mower
and place the grass catcher frame
side hooks onto the door pivot pins.
2. The grass catcher is secured to the
lawn mower housing when the rear
door is lowered onto the grass catcher
frame.
_LCAUTION: Do not run your lawn
mower without clipping deflector or
approved grass catcher in place. Never
attempt to operate the lawn mower with
the rear door removed or propped open.
Rear door
Grass
catcher
handle
Pivot
pins frame hook
TO EMPTY GRASS CATCHER
1. Lift up on grass catcher using the
frame handle.
2. Remove grass catcher with clippings
from under lawn mower handle.
3. Empty clippingsfrom bag using both
frame handle and bag handle.
NOTE: Do not drag the bag when
emptying; it will cause unnecessary wear.
Bag handle
Grass
:archer
frame
handle
7

DRIVE CONTROL
• Self-propelling is controlled by holding
the operator presence control bar down
to the handle and pushing the drive
control lever forward until it clicks; then
releasing the lever.
• Forward motion will stop when the
operator presence control bar is
released. To stop forward motion
without stopping engine, release the
operator presence control bar slightly
untilthe drive control disengages. Hold
operator presence control bar down
against handle to continue mowing
without self-propelling.
• To keep drive control engaged when
turning corners, push down on handle
and liftfront wheels off ground while
turning lawn mower.
Operatorpresencecontrol bar Drive
, _ control
To engage Drive control
ddvs control disengaged
BEFORE STARTING ENGINE
ADD OIL
Your lawnmower is shipped without oil in
the engine, Engine holds 20 oz. of oil.
For type and grade of oil to use, see
"ENGINE" in Maintenance section of this
manual.
1. Be sure lawnmower is level and area
around oil fill is clean,
2. Remove engine oil cap and fill to the
full line on the dipstick. Pour oil slowly.
Do net over fill.
NOTE: Allow oil to settle down into engine
for accurate reading. To read proper level,
tighten engine oil cap, then remove it to
read the dipstick.
3. Reinstall engine oil cap and tighten.
• Check oil level before each use. Add
oil ifneeded, Fill to full line on dipstick.
• Change the oil after every 25 hours of
operation or each season. You may
need to change the oil more often under
dusty, dirty conditions.
ADD GASOLINE
•Fill fuel tank. Use fresh, clean, regular
unleaded gasoline with a minimum of
87 octane. Do not mix oil with gasoline.
Purchase fuel in quantities that can be
used within 30 days to assure fuel
freshness,
_i_WARNING: Experience indicates that
alcohol blended fuels (called gasohol or
using ethanol or methanol) can attract
moisture which leads to separation and
formation of acids during storage. Acidic
gas can damage the fuel system of an
engine while in storage. To avoid engine
problems, the fuel system should be
emptied before storage of 30 days or
longer. Drain the gas tank, start the
engine and let it run until the fuel lines
and carburetor are empty. Use fresh fuel
next season. See Storage Instructionsfor
additional information. Never use engine
or carburetor cleaner products in the fuel
tank or permanent damage may occur.
_, CAUTION: Fill to bottomof gas tank
filler neck. Do not overfill. Wipe off any
spilled oil or fuel. Do not store, spill or
use gasoline near an open flame.
Engineoil cap Gasolinefillercap
TO START ENGINE
NOTE: Due to protective coatings on the
engine, a small amount of smoke may be
present during the initial use of the
product and should be considered
normal.
1. To start a cold engine, push primer
three (3) times before trying to start.
Use a firm push. This step is not
usually necessary when starting an
engine which has already run for a
few minutes.
2. Hold operator presence control bar
down to the handle and pull starter
handle quickly. Do not allow starter
rope to snap back.
TO STOP ENGINE
•To stop engine, release operator
presence control bar.
NOTE: In coolerweather it may be
necessary to repeat priming steps. In
warmer weather over priming may cause
flooding and engine will not start. If you
do flood engine, wait a few minutes
before attempting to start and do not
repeat primingsteps.
8

MOWING TiPS
• Under certain conditions, such as very
tall grass, it may be necessary to raise
the height of cut to reduce pushing
effort and to keep from overloading the
engine and leaving clumps of grass
clippings. It may also be necessary to
reduce ground speed and/or run the
lawn mower over the area a second
time.
• For extremely heavy cutting, reduce the
width of cut by overlapping previously
cut path and mow slowly.
•For better grass bagging and most
cutting conditions, the engine speed
should be set in the fast position.
• When using a rear discharge lawn
mower in moist, heavy grass, clumps of
cut grass may not enter the grass
catcher. Reduce ground speed
(pushing speed) and/or run the lawn
mower over the area a second time.
•If a trail of clippingsis left on the right
side of a rear discharge mower, mow in
a clockwise direction with a small
ovedap to collect the clippings on the
next pass.
• Pores in cloth grass catchers can
become filled with dirt and dust with use
and catchers will collect less grass. To
prevent this, regularly hose catcher off
with water and let dry before using.
• Keep top of engine around starter clear
and clean of grass clippings and chaff.
This will help engine air flow and
extend engine life.
MULCHING MOWING TIPS
IMPORTANT: For best performance, keep
mower housing free of built-up grass and
trash. See =CLEANING" in the Mainte-
nance section of this manual.
•The special mulching blade will recut
the grass clippings many times and
reduce them in size so that as they fall
onto the lawn they will disperse into the
grass and not be noticed. Also, the
mulched grass will biodegrade quickly
to provide nutrientsfor the lawn.
Always mulch with your highest engine
(blade) speed as this will provide the
best recutting action of the blades.
• Avoid cutting your lawn when it is wet.
Wet grass tends to form clumps and
interferes with the mulching action. The
best time to mow your lawn is the early
afternoon. At this time the grass has
dried and the newly cut area will not be
exposed to the direct sun.
• For best results, adjust the lawn mower
cutting height so that the lawn mower
cuts off only the top one-third of the
grass blades. If the lawn is overgrown it
will be necessary to raise the height of
cut to reduce pushing effort and to keep
from overloading the engine and
leaving clumps of mulched grass. For
extremely heavy mulching, reduce your
width of cut by overlapping previously
cut path and mow slowly.
•Certain types of grass and grass
conditions may require that an area be
mulched a second time to completely
hide the clippings. When doing a
second cut, mow across or perpendicu-
lar to the first cut path.
• Change your cutting pattern from week
to week. Mow north to south one week
then change to east to west the next
week. This will help prevent matting
and graining of the lawn.
Max 1/3

MAINTENANCE SCHEDULE
FILL IN DATES
AS YOU COMPLETE
REGULAR SERVICE SERVICE DATES
Check fo_"Loose Fasteners _
Cleanllnspect Grass Catcher
(If Equipppe) b/ I_
Clean Lawn Mower It/ It/
Clean Under Ddve Cover
(Power-Propelled MoweR) t_
Check drive Pelt/ ulleys
( Power_Propell_lPi owers ) I_
Check/Sperpen/Replace Blade t//3
Lubrication Chart fl/ ll/
Clean Batte_/Rechar e
IElectric Start Mowe_ ! t_ _4
Check Engine Oil Level f//
Chan_e En_line Oil 11//1,2
Clean Air Filter I_ 2
Inspect Muffler t/
Clean or Replace Spark Plug
_eplace Air Filter Paper Cartridge I_ 2
1- Change more often when operating under a heaW Io_ador inhigh ambient temperatures
2_Service moreoften when operatingin dirtyor dusbJconditions¸
3 - Replace blades more o_en when mowi_j insandy soil
4 - C_arge 48 hcumat e_d of season
GENERAL RECOMMENDATIONS
The warranty on this lawn mower does
not cover items that have been subjected
to operator abuse or negligence. To
receive full value from the warranty,
operator must maintain mower as
instructed in this manual.
Some adjustments will need to be made
periodically to properly maintain your
unit.
All adjustments in the Service and
Adjustments section of this manual
should be checked at least once each
season.
• Once a year, replace the spark plug,
clean or replace air filter element and
check blade for wear. A new spark
plug and clean/new air filter element
assures proper air-fuel mixture and
helps your engine run better and last
longer.
•Follow the maintenance schedule in
this manual.
BEFORE EACH USE
1. Check engine oil bevel.
2, Check for loose fasteners.
LUBRICATION
Keep unit well lubricated (See "LUBRI-
CATION CHART").
LUBRICATION CHART
_) Wheel adjuster _ Engineoil
mounting pin
I_) Rear door hinge
I_) Refer to maintenance "Engine" section.
_) Spray lubricant
IMPORTANT: Do not oil or grease
plastic wheel bearings, viscous lubri-
cants will attract dust and dirtthat will
shorten the life of the self-lubricating
bearings, if you feel they must be
lubricated, use only a dry, powdered
10graphite type lubricant sparingly.

PRODUCTSPECIFICATIONS
SERIAL NUMBER
DATE OF PURCHASE
;ASOLINE CAPACITY/TYPE: 1.5 QUARTS
UNLEADED REGULAR
DILTYPE (API-SF-SJ): SAE 30 (ABOVE 32°F)
SAE 5W-30 (BELOW 32°F)
OIL CAPACITY: 20 OZS.
SPARK PLUG (GAP: .045") CHAMPION RJlgLM4
BLADE BOLTTORQUE: 35-40 FT. LBS.
• The model and serial numbers will be found on a decal attached to the rear of the
lawn mower housing.Record both serial number and date of purchase in space
provided above.
LAWN MOWER
Always observe safety rules when
performing any maintenance.
TIRES
• Keep tires free of gasoline, oil, or insect
control chemicals which can harm
rubber.
•Avoid stumps, stones, deep ruts. sharp
objectsand other hazards that may
cause tire damage.
BLADE CARE
For best results, mower blade must be
kept sharp. Replace bent or damaged
blades.
TO REMOVE BLADE
1. Disconnect spark plug wire from spark
plug and place wire where it cannot
come in contact with spark plug.
2. Turn lawn mower on its side. Make
sure air filter and carburetor are up.
3. Use awood block between blade and
mower housing to prevent blade from
turning when removing blade bolt,
NOTE: Protect your hands with gloves
and/or wrap blade with heavy cloth.
4. Remove blade bolt by turning counter-
clockwise.
5. Remove blade and attaching hard-
ware (bolt, lock washer and hardened
washer).
NOTE: Remove the blade adapter and
check the key inside hub of blade
adapter. The key must be in good condi-
tion to work properly. Replace adapter if
damaged.
TO REPLACE BLADE
1, Position the blade adapter on the
engine crankshaft. Be sure key in
adapter and crankshaft keyway are
aligned.
2, Position blade on the blade adapter
aligning the two (2) holes in the blade
with the raised lugs on the adapter.
3. Be sure the trailing edge of blade
(opposite sharp edge) is up toward
the engine,
4. Install the blade bolt with the lock
washer and hardened washer into
blade adapter and crankshaft.
5. Use block of wood between blade and
lawn mower housing and tighten the
blade bolt, turning clockwise.
•The recommended tightening torque is
35-40 ft. Ibs.
IMPORTANT: Blade bolt is grade 8 heat
treated. Blade
adapter Crankshaft
Key keyway
Lockwasher __. _-
Hardened edne g Blade adapter
washer =
11

TO SHARPEN BLADE
NOTE: We do not recommend sharpen-
ing blade - but if you do, be sure the
blade is balanced.
Care should be taken to keep the blade
balanced. An unbalanced blade will
cause eventual damage to lawn mower
or engine.
• The blade can be sharpened with a file
or on a gdnding wheel. Do not attempt
to sharpen while on the mower.
• To check blade balance, drive anail
into a beam or wall. Leave about one
inch of the straight nail exposed. Place
center hole of blade over the head of
the nail. If blade is balanced, it should
remain in a horizontal position. If either
end of the blade moves downward,
sharpen the heavy end until the blade
is balanced.
GRASS CATCHER
• The grass catcher may be hosed with
water, but must be dry when used.
•Check your grass catcher often for
damage or deterioration. Through
normal use it will wear. If catcher
needs replacing, replace only with a
manufacturer approved replacement
catcher. Give the lawn mower model
number when ordering.
DRIVE WHEELS
Check front drive wheels each time
before you mow to be sure they move
freely.
The wheels not turning freely means
trash, grass cuttings, etc. are inthe drive
wheel area and must be cleaned to free
drive wheels.
If necessary to clean the drive wheels,
check both front wheels.
1. Remove hubcaps, hairpin cotters and
washers.
2. Remove wheels from wheel adjusters.
3. Remove any trash or grass cuttings
from inside the dust cover, pinion and/
or drive wheel gear teeth.
4. Put wheels back in place.
NOTE: If after cleaning, the drive wheels
do not turn freely, contact a Sears or other
qualified service center.
GEAR CASE
•To keep your drive system working
properly, the gear case and area
around the ddve should be kept clean
and free of trash build-up. Clean under
the drive cover twice aseason.
•The gear case is filled with lubricant to
the proper level at the factory. The only
time the lubricant needs attention is if
service has been performed on the
gear case.
•If lubricant is required, use only Texaco
Starplex Premium 1 Grease, Part No.
750369. Do not substitute.
ENGINE
LUBRICATION
Use only high quality detergent oil rated
with API service classification SF-SJ,
Select the oil's SAE viscositygrade
according to your expected operating
temperature.
NOTE: Although multi-viscosity oils
(5W30, 10W30 etc.) improve starting in
cold weather, these multi-viscoslty oils
will result in increased oil consumption
when used above 32°F. Check your
engine oil level more frequently to avoid
possible engine damage from running
low on oil.
Change the oil after every 25 hours of
operation or at least once a year if the
lawn mower is not used for 25 hours in
one year.
Check the crankcase oil level before
starting the engine and after each five (5)
hours of continuous use. Tighten oil plug
securely each time you check the oil
level.
12

TO CHANGE ENGINE OIL
NOTE: Before tipping lawn mower to
drain oil, drain fuel tank by running
engine until fuel tank is empty.
1. Disconnect spark plug wire from spark
plug and place wire where it cannot
come in contact with spark plug.
2. Remove engine oil cap; lay aside on a
clean surface.
3. Tip lawn mower on its side as shown
and drain oil into a suitable container.
Rock lawn mower back and forth to
remove any oil trapped inside of
engine.
4, Wipe off any spilled oil on lawn mower
and on side of engine.
5. Fill engine with oil. (See "ADD OIL" in
the Operation section of this manual.)
6. Reconnect spark plug wire to spark
plug.
_'I
Container
AIR FILTER
Your engine will not run properly and may
be damaged by using a dirty air filter.
Replace the air filter every year or every
100 hours of operation, more often if you
mow in very dusty,dirty conditions. Do not
wash air filter.
TO CHANGE AIR FILTER
1, Remove the air filter by turning
clockwise to the stop and pull away
from collar.
2. Remove filter from inside of cover.
3. Clean the inside of the cover and the
collar to remove any dirt accumula-
tion.
4. Insert new filter into cover.
5. Put air filter cover and filter into collar
aligning the tab with the slot.
6, Push in on cover and turn counter-
clockwise to tighten. Turn
Collar Clip clockwise to
remove
MUFFLER
inspect and replace corroded muffler as it
could create afire hazard and/or dam-
age.
SPARK PLUG
Replace spark plugs at the beginning of
each mowing season or after every 100
hours of operation, whichever occurs first.
Spark plug type and gap setting are
shown in "PRODUCT SPECIFICATIONS"
in Maintenance section of this manual.
CLEANING
IMPORTANT: For best performance,
keep mower housing free of built-up
grass and trash. Clean the underside of
your mower after each use.
_CAUTION: Disconnect spark plug wire
from spark plug and place wire where it
cannot come in contact with the spark
plug.
• Clean the underside of your lawn
mower by scraping to remove build-up
of grass and trash.
• Clean engine often to keep trash from
accumulating. Aclogged engine runs
hotter and shortens engine life.
• Keep finished surfaces and wheels free
of all gasoline, oil,etc.
•We do not recommend usLnga garden
hose to clean lawn mower unless the
electrical system, muffler, air filter and
carburetor are covered to keep water
out. Water in engine can result in
shortened engine life.
CLEAN UNDER DRIVE COVER
Clean under drive cover at least twice a
season. Scrape underside of cover with
putty knife or similar tool to remove any
build-up of trash or grass on underside of
drive cover.
Air filter Tat
Air filter cover Turn counter-
clockwise to
tighten 13

ACAUTION: Before performing any
service or adjustments:
1. Release control bar and stop engine.
2. Make sure the blade and all moving
parts have completely stopped.
3. Disconnect spark plug wire from spark
plug and place where it cannot come
in contact with plug.
LAWN MOWER
TO ADJUST CUTTING HEIGHT
See "TO ADJUST CUTTING HEIGHT" in
the Operation section of this manual.
REAR DEFLECTOR
The rear deflector, attached between the
rear wheels of your mower, is provided to
minimize the possibilitythat objects will
be thrown out of the rear of the mower into
the operator mowing position. If the
deflector becomes damaged, it should be
replaced.
TO REMOVE/REPLACE DRIVE BELT
t. Remove drive cover. Remove belt
from gearease puney by pushing down
on pulley and rolling belt off it.
2. Turn lawn mower on its side with air
filter and carburetor up.
3. Remove blade.
4. Remove debris shield.
5. Remove belt from engine pulley on
crankshaft.
6. Install new belt by reversing above
steps.
7. Always use factory approved belt to
assure fit and long life,
Drive
TO ADJUST HANDLE
The handle can be mounted in a high or
low position. The mounting holes in the
bottom of lower handle are off center for
raising or lowering the handle.
1. Remove upper handle and all parts
attached to lower handle.
2. Remove hairpin cotters from lower
handle bracket mounting pin.
3. Squeeze lower handle in to remove it
from mounting pins.
4. Turn lower handle over to raise or
lower handle.
5. Squeeze lower handle in and position
holes onto mounting pins on handle
bracket.
6. Reassemble upper handle and a]l
parts removed from lower handle.
Lower
Rotate _handle
Belt
Push
down
14

TO ASSEMBLE GRASS CATCHER
1. Put grass catcher frame into grass bag
with rigid part of bag on the bottom.
Make sure the frame handle is outside
of the bag top.
2. Slip vinyl bindings over frame.
NOTE: Ifvinyl bindings are too stiff, hold
them in warm water for a few minutes. If
bag gets wet, let it dry before using.
_CAUTION: Do not run your lawn mower
without clipping deflector or approved
grass catcher in place. Never attempt to
operate the lawn mower with the rear
door removed or propped open.
Catcher
frame
handle
Frame
opening
ENGINE
ENGINE SPEED
Your engine speed has been factory set.
Do not attempt to increase engine speed
or itmay result in personal injury.If you
believe that the engine is running too fast
or too slow, take your lawn mower to a
Sears or other qualified service center for
repair and adjustment.
CARBURETOR
Your carburetor has a non-adjustable
fixed main jet for mixture control. Ifyour
engine does not operate preperly due to
suspected carburetor problems, take your
lawn mower to a Sears or other qualified
service center for repair and/or adjust-
ment.
IMPORTANT: Never tamper with the
engine governor, which is factory set for
proper engine speed. Overspeeding the
engine above the factory high speed
setting can be dangerous. If you think the
engine-governed high speed needs
adjusting, contact a Sears or other
qualified service center, which has proper
equipment and experience to make any
necessary adjustments.
15

Immediately prepare your lawn mower for
storage at the end of the season or ifthe
unit will not be used for 30 days or more.
LAWN MOWER
When lawn mower is to be stored for a
period of time, clean it thoroughly,remove
all dirt, grease, leaves, etc. Store in a
clean, dry area.
1. Clean entire lawn mower (See
"CLEANING" in the Maintenance
section of this manual).
2. Lubricate as shown in the Mainte-
nance section of this manual.
3. Be sure that all nuts, bolts, screws,
and pins are securely fastened.
Inspect moving parts for damage,
breakage and wear. Replace if
necessary.
4. Touch up all rusted or chipped paint
surfaces; sand lightly before painting.
HANDLE
You can fold your lawn mower handle for
storage.
1. Squeeze the bottom ends of the lower
handle toward each other until the
lower handle clears the handle
bracket, then move handle forward.
2. Loosen upper handle mounting bolts
enough to allow upper handle to be
folded back.
IMPORTANT: When folding the handle
for storage or transportation, be sure to
fold the handle as shown or you may
damage the control cables.
• When setting up your handle from the
storage position, the lower handle will
automatically lock into the mowing
position.
Handle
Sueeze to fold bracket
cotter
Mounting >L
/ f
Operator presence
control bar
Upperhandle-.----_///
Lower_handle
old _
war_
f/_ckward
Mowing
position
ENGINE
FUEL SYSTEM
IMPORTANT: It is important to prevent
gum depositsfrom forming in essential
fuel system parts such as carburetor, fuel
filter, fuel hose, or tank during storage.
Also, experience indicates that alcohol
blended fuels (called gasohol or using
ethanol or methanol) can attract moisture
which leads to separation and formation
of acids during storage. Acidic gas can
damage the fuel system of an engine
while in storage.
1. Drain the fuel tank.
2. Start the engine and let it run untilthe
fuel lines and carburetor are empty.
• Never use engine or carburetor cleaner
products in the fuel tank or permanent
damage may occur.
• Use fresh fuel next season.
NOTE: Fuel stabilizer is an acceptable
alternative in minimizing the formation of
fuel gum depositsduring storage. Add
stabilizer to gasoline in fuel tank or
storage container. Always follow the mix
ratio found on stabilizer container. Run
engine at least 10 minutes after adding
stabilizer to allow the stabilizer to reach
the carburetor. Do not drain the gas tank
and carburetor if using fuel stabilizer.
ENGINEOIL
Drain oil (with engine warm) and replace
with clean engine oil, (See "ENGINE" in
the Maintenance section of this manual),
CYLINDER
1. Remove spark plug,
2, Pour one ounce (29 ml) of oil through
spark plug hole into cylinder.
3. Pull starter handle slowly a few times
to distribute oil.
4. Replace with new spark plug.
16

OTHER
• Do not store gasoline from one
season to another.
• Replace your gasoline can if your
can startsto rust. Rust and/or dirt in
your gasoline will cause problems.
• If possible, store your unit indoors
and cover it to give protectionfrom
dust and dirt.
•Cover your unit with a suitable protec-
tive cover that does not retain moisture.
Do not use plastic. Plastic cannot
breathe, which allows condensation to
form and will cause your unit to rust.
IMPORTANT: Never cover mower while
engone and exhaust areas are still warm.
• 1,CAUTION: Never store the lawn mower
with gasoline in the tank inside a building
where fumes may reach an open flame or
spark. Allow the engine to cool before
storing in any enclosure.
ROUBLESHOOTING CHART
PROBLEM CAUSE
Does not start 1. Dirty air filter.
2. Out of fuel.
3. Stale fuel.
4. Water in fuel.
5. Spark plug wire is
disconnected.
6. Bad spark plug.
7. Loose blade or broken
blade adapter.
8. Control bar in released
position.
9. Control bar defective.
Loss of power 1. Rear of lawn mower
housing or cutting blade
dragging in heavy grass.
2. Cutting too much grass.
3. Dirty air filter.
4. Buildup of grass, leaves,
and trash under mower.
5. Too much oil in engine.
6, Walking speed too fast.
Poor cut- 1. Worn, bent or loose blade.
uneven 2. Wheel heights uneven.
3. Buildup of grass, leaves
and trash under mower.
Excessive 1. Worn, bent or loose blade.
vibration 2. Bent engine crankshaft.
CORRECTION
I1. Cleanlreplace air filter.
2. Fill fuel tank.
3. Drain tank and refill with
fresh clean fuel.
4. Drain fuel tank and
carburetor end refill tank
with fresh gasoline.
5. Connect wire to plug.
6. Replace spark plug.
7. Tighten blade bolt or
replace blade adapter.
8. Depress control bar to
handle.
9. Replace control bar.
1. Set to "Higher Cut"
position.
2, Set to "Higher Cut"
position.
3. Clean/replace air filter.
4. Clean underside of mower
housing.
5. Check oil leveL.
6. Cut at slower walking
speed.
1. Replace blade. Tighten
blade bolt.
2. Set all wheels at same
height
3. Clean underside of
mower housing.
1, Replace blade. Tighten
blade bolt,
2. Contact a Sears or other
qualified service center.
17

PROBLEM
Starter rope hard
topull
TROUBLESHOOTING CHART
CAUSE
1. Engineflywhee_brakeis on
whencontrol baris release(
2. Bent engine crankshaft.
3. Blade adapter broken.
4. Blade dragging in grass.
CORRECTION
1. Depress control bar to
upper handle before
pul_ing starter rope.
2. Contact a Sears or other
qualified service center.
3. Replace blade adapter.
4. Move lawn mower to cut
grass or to hard surface.
Loss of drive 1. Drive wheels not turning 1. Adjust or replace drive
with drLve control engaged, control cable,
2. Belt not driving 2. Put belt on pulleys or
replace belts if broken.
Grass catcher 1. Cutting height too low. 1. Raise cutting height.
notfilling (if so 2. Lift on blade worn off. 2. Replace blade.
equipped) 3. Catcher not venting air. 3. Clean grass catcher.
Hard to push 1. Grass is too high or wheel 1. Raise cutting height.
height is too low.
2. Rear of lawn mower 2. Raise rear of lawn mower
housing or blade dragging housing one (1) setting
in grass, higher.
3. Grass catcher too full. 3. Empty grass catcher.
4. Handle height position not 4, Adjust handle height to
right for you. suit.
18

61
29
ROTARY LAWN MOWER- -MODEL NUMBER 917.379510
14
F
16 12
31 3S 63
20 37
12
56
41
31
32
28
6O

ROTARY LAWN MOWER-- MODEL NUMBER 917.379510
KEY PART
NO. NO.
1 166860X479
2 175604
4 1S0425
5 66426
6 136376
8 146771
9 170947
10 128415
11 150050
12 54583
13 63601
14 156374)(479
15 700365X479
16 176695X479
17 140661x47g
20 14O54O
22 85543
23 87677
25 83923
26 57143
27 151138
28 142748
29 61651
30 750913X004
31 161961
32 170136X004
34 14663O
35 700325X037
37 150078
38 88348
39 173571)(479
40 17357ZX479
41 150406
44 172835
KEY PART
DESCRIPTION NO. NO. DESCRIPTION
Upper Handle 46 851514 Blade Adapter
Engide Zone Contm_Cable 47 141114 Blade22"
Mulcher Plug 48 851074 Hardened Washer
WireTie 49 850263 HeliCalWasher 3/8-24 x 1o3/8Gr. 8
Handle Knob 50 851084 Hex Head Machine Screw 318-24 x 1-3/6 Gr. 8
ControlBar 51 17(;O31 Front Baffle Kit
Rear Door Kit (includes Key #71 & 72) 52 85463 Danger Decal
Pop Rivet 53 74760612 Hex Solt 3/8o16X3/4
SelfTappingScrew #10-24x5/8 55 751592 Locknut 3/8-16
Hex Tapping Screw w/Seres 114-20 x 112 56 88652 Hinge Screw 1/4_20 x 1-1/4
Nut 114 - 20 57 51793 Hairpin Cotter
Back Plate 58 151590X479 Lower Handle
Side Baffle 59 131959 HandEeBolt
Discharge Baffle 61 132001 RopeGuide
Rear Baffle 62 134612 Debds Shield
Rear Skirt 64 °-o Engine - (See Breakdown)
Engine Pulley Tecumseh Model 143,0 t 6712
Hi-Pro Key #505 69 151440 Hubcaps
Hex Flange Nut 70 17600406 Screw
WaveWasher 71 170939 Spring RH
Wheel 72 170938 SpdngLH
Shoulder Bolt 3/8-16 x 1 73 165912 Bolt
Spdng Washer - o 161058 Warning Decal (Not Shown)
Axle Arm Assembly -° 177360 Owner's Manual (EnglisWSpanish)
Selector Knob
Selector Spring Available accessories not included wgh lawn mower:
Spacer -o D/98 33313 Clipping Deflector
Wheel Adjusting Bracket --71 33623 Gas Can (2.5 gal,)
Thread Cutting Screw w/Seres B/16-18 x 3/4 -o 7133500 Fuel Btabilizer
Fidt washer 3/8 -- 71 33000 SAE 30W Oil (20 oz.)
Handle Bracket AssembLy (Left)
Handle Bracket Assembly (Right) NOTE: All component dimensions given in U,S. inches,
Hex Head Thread Rolling Screw 3/8-16 x 1-1/8 1 inch =25.4 mm
Lawn Mower Housir_g (Incl. Key #14, 15.51)

54
ROTARY LAWN MOWER - -MODEL NUMBER 917.379519
18
14
14
12
55
13 37
16
11
/,8
13

ROTARY LAWN MOWER-- MODEL NUMBER 917.379510
KEY
NO.
1
3
4
5
6
8
9
11
12
13
14
15
16
18
26
PART
NO.
145755
751152
158755
146527
150495
150182
145212
150340
12000058
137054
8808O
88118
67725
701037
143603
DESCRIPTION
KEY PART
NO. NO. DESCRIPTION
28 154990
ControlCable Assembly 31 132010
Locknut#10-24 32 137052
Pan Head Machine Screw 1/4 x 2.12 35 151521
V-Belt 36 702511
Spring Retaioer 37 137090
Hubcap 38 STD541425
Flanged Nut 40 75192
Wheel & Tire Assembly 41 151520
E-f_ng 54 169932
Pinion 55 86012
Dust Cover 57 169931
Felt Washer
Washer 112x 1-1/2 x ,134
Selector Knob
Pan Head Tapping Screw #t0-24 x 2-3/4
DriveCover
Hex Flange Nut
Drive Pulley
Wheel Adjuster Assembly (Left)
Gear Case Assembly
Spring
Nut
sp_g
Whee_ Adjuster Assembly (Right)
Grassbag Assembly
Driveshaft Cover
Grassbag Tube
NOTE: All component dimensions given in U.S. inches.
1 inch = 25.4 mm

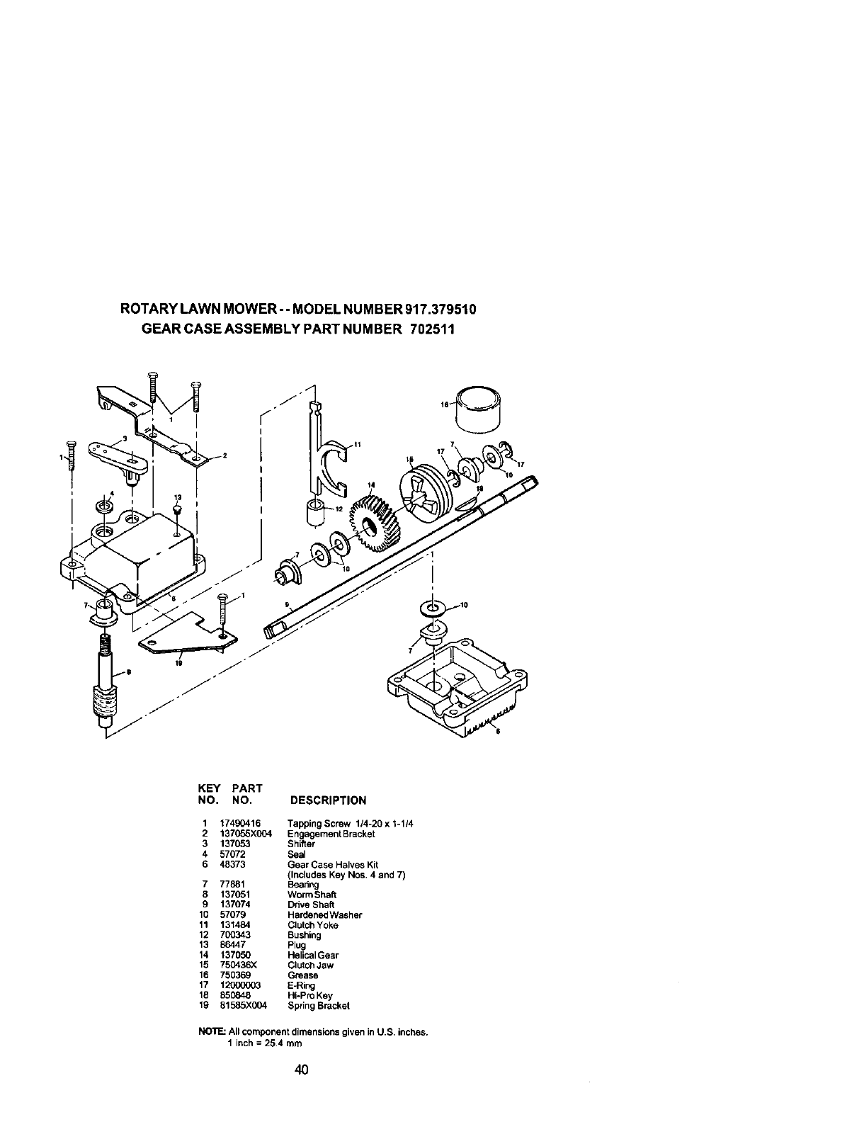
ROTARY LAWN MOWER- -MODEL NUMBER 917.379510
GEAR CASE ASSEMBLY PART NUMBER 702511
I
KEY PART
NO. NO. DESCRIPTION
117490416 Tapping Screw 114-20x 1-1/4
2 137055X004 Engagement Bracket
3 137053 Shifter
4 57072 Seal
6 48373 Gear Case Halves Kit
(includes Key NOS. 4 and 7)
7 77881 Bearing
8 137051 Worm Shaft
9 137074 Drive Shaft
10 57079 HardenedWasher
11 131484 Clutch Yoke
12 700343 Bushing
13 86447 Plug
14 137050 Helical Gear
15 750436X Clutch Jaw
16 750369 Grease
17 120(_O03 E_ing
18 850848 HI-Pro Key
19 51585X004 Spring Bracket
NOLO: Ail component dimensions given in U.B, inches.
1 inch = 25.4 rnm
4O

CRAFTSMAN 4-CYCLE ENGINE MODEL NUMBER 143.616712
_4
KEY PART
NO. NO. DESCRIPTION
---- 640271 Carburetor (Incl. 184 of Engine Parts List)
I 31615 Throttle Shaft & Lever Assembty
2 31767 Throttle Return Spring
4 631184 * Dust Seal Washer
5 631183 * Dust Seal (Throttle)
6 640070 Throttle Shutter
7 650506 " Shutter Screw
16 631807 Fuel Fitting
17 651025 Throttle Crack Screw/idle Speed Screw
18 630766 Tension Spring
20 640027 Idle Resthctor Screw
20A 640200 Idle Restrictor Scrwe Cap (Black)
25 631867 Float Bowl
27 631024 * Float Shaft
28 632019 Float
29 631028 * Float Bowl =O" Ring
30 631021 "Inlet Needle, Seat, & Clip (Incl. 31)
31 631022 Spring Clip
35 640259 Primer Bulb/Retainer Ring
36 640080 Main Nozzle Tube
36A 632766 Carburetor Tube
37 632547 * "O" Ring, Main Nozzle Tube
40 640030 High Speed Bowl Nut
44 27110A * Bowl Nut Washer
47 630748 * Welch Plug, Idle Mixture Well
48 631027 * Welch Plug, Atmospheric Vent
60 632780B Repair kit (IncL Items Marked ° in Notes)
NOTE: All component dimensions given _nU.S. inches,
1 inch = 25.4 mm 41

CRAFTSMAN 4-CYCLE ENGINE MODEL NUMBER 143.016712
90O
/355
,390
130
120 119
KEY PART KEY PART
NO, NO. DESCRIPTION NO. NO.
1 37465 Cylinder (Incl. 2 & 20) 12A 36558
2 26727 Dowel Pin
6 33734 Breather Element 12B 36694
7 36557 Breather Ass'y. (IncL 6 & 12A) 14 28277
12 36775 Breather Tube 15 30589
42
DESCRIPTION
Breather Cover & Tube
(Ind. 12B)
Breather Tube Elbow
Washer
Governor Rod (Incl. 14)
195

CRAFTSMAN 4-CYCLE ENGINE MODEL NUMBER 143.016712
KEY PART
NO. NO. DESCRIPTION
16 34839A Governor Lever
17 31335 Governor Lever Clamp
18 651018 Screw, Torx T-15, 8-32 x 19/64
19 36281 Extension Spring
20 32600 Oil Seal
30 37464 Crankshaft
40 40027 Piston, Pin & Ring Set (Std.)
41 40042 Piston & Pin Assembly (Std.)
(Incl. 43)
42 40006 Ring Set (Bid.)
43 20381 Piston Pin Retaining Ring
45 36777 Connecting Rod Assembly
(IncL 46)
46 32610A Connecting Rod Boll
48 27241 Valve Lifter
50 37460 Camshaft Exhaust (MCR)
(Inc. ref 104)
52 29914 Oil Pump Ass'y.
69 37609 Mounting Flange Gasket P
70 37608 Mounting Flange (Incl. 72-83)
72 37615 Oil Drain Plug (Incl. 73)
73 28833 Drain Plug Gasket
75 27897 Oil Seal
80 30574A Governor Shaft
81 30590A Washer
82 30591 Governor Gear Ass'y. (Incl. 81)
83 30588A Governor Spool
86 650488 Screw, 1/4-20 x 1-1/4"
89 611004 Flywheel Key
90 611112 Flywheel
92 650815 Belleville Washer
93 650816 Flywheel Nut
100 34443C Solid State Ignition
101 610116 Spark Plug Cover
103 651007 Screw, Torx T-15, 10-24x15/16
104 37480 Cam Bushing
110 37047 Ground Wire
119 36787 *Cylinder Head Gasket
120 36825 Cylinder Head
125 36780 Exhaust Vatve (1/32" OS)
(Ind. 151)
125 37288 Exhaust Valve (Std,) (Incl, 151)
126 37289 Intake Valve (Bid.) (Incl. 151)
130 6021A Screw, 5116-18 x 1-1/2"
135 37598 Resistor Spark Plug
(RJlgLM4)
150 31672 Valve Spring
151 31673 Valve Spdng Cap
151A 40017 Intake Valve Seal
169 36783 ° Valve Cover Gasket
172 36784 Valve Cover
174 30200 Screw. 10-24 x 9/16"
178 29752 Nut & Lock Washer, 1/4-28
182 6201 Screw, 1/4-28 x 7/8"
184 26756 * Carb, to Intake Pipe Gasket
KEY PART
NO. NO. DESCRIPTION
185 37466 Intake Pipe
165 32653 Governor Link
189 650839 Screw, 1/4-20 x 3/6"
191 36559A S,E, Brake Bracket (Incl, 195)
195 610973 Terminal
207 34336 Throttle Link
216 33086 R,PM. Adjusting Lever
223 650451 Screw, 1/4-20 x 1"
224 36786 * Intake Pipe Gasket
238 650932 Screw, 10-32 x 49164"
239 34338 * Air Cleaner Gasket
241 36919 Air Cleaner Collar
245 36905 Air Cleaner Filter
250 37122 Air Cleaner Cover
260 36980 Blower Housing
261 30200 Screw, 10-24 x 9/16"
262 650831 Screw, 1/4-20 x 1/2"
263A 37184 Starter Grill
275 37462 Muffler
277 650988 Screw. 114-20 x 2-5/16"
285 35000A Starter Cup
287 650926 Screw, 8-32 x21164"
290 29774 Fuel Line
292 26460 Fuel Line Clamp
298 28763 Screw, 10-32 x35164"
300 36916 FueITank (Incl. 292 & 301)
301 36246 Fuel Cap (Black)
305 35647 Oil Fill Tube
306 37610 * "O'-Ring
307 35499 "O"-Ring
309 650562 Screw, 10-32 x 1/2"
309A 650783 Screw, 10-24 x 3/4"
310 35648 Dipstick
311A 37611 Hold Down Bracket
313 34080 Spacer
347 651038 Screw, 10-32 x 51/64"
355 590701 Starter Handle
370A 36261 Lubrication Decal
370C 37318 Primer Decal (3 X)
370R 37317 Warning Decal
380 640271 Carburetor (Incl. 184)
390 590739 Rewind Starter
400 36792B Gasket Set
(includes Items Marked *)
416 36085 Spark Arrestor Kit (IncL 417)
(Optional)
417 650760 Screw, 8-32 x 3/8" (Optional)
900 Replacement Engine NONE
900 Replacement BIB 750865
Order from 71 -999
RPM High 2900 to 3200
NOTE: This engine could have been built with
590702 starter)
NOTE; All component dimensions given in U.S.
inches. 1 inch =25.4 mm
43

CRAFTSMAN 4-CYCLE ENGINE MODEL NUMBER 143.016712
12
O"----- 4
_--5
Ore2
KEY PART
NO. NO. DESCRIPTION
590702 Recoil Starter
1 590599A Spring Pin (Incl. 4)
2590600 Washer
3 590696 Retainer
4 590601 Washer
5 590697 Brake Sipnrring
6 590698 Starter Dog
7590699 DogSpring
8590700 Pulley & Rewind Spring Ass'y
11 590703 Starter Housing Ass'y. (40 degree grommet)
12 590535 Starter Rope (98" X9/64" dia.)
13 590701 Starter Handta
NOTE: All component dimensions given in U,S. inches.
1 inch = 25.4 mm
44

CRAFTSMAN 4-CYCLE ENGINE MODEL NUMBER 143.016712
12
Ii iI m7
KEY PART
NO. NO. DESCRIPTION
3" 590739 Rewind Starter
590740 Retainer
6 590616 Starter Dog
7 590617 Dog Spring
8 590618A Pulley & Rewind Spring Ass'y
11 590638 Starter Housing Ass'y (40 degree grommet)
12 590535 Starter Rope(Leogth 98" x 9/64" dia,)
13 590701 Starter Handle
14 590760 Spring Clip
NOTE: All component dimensions given in U,S, inches,
1 inch = 25.4 mm
45

SERVICE NOTES
46

SERVICE NOTES
47

For repair of major brand appliances in your own home... _;_
no matter who made it, no matter who sold it! iiNi_
1-800-4-MY-HOME sM Anytime, day or night ii!_!ii
(1-800-469-4663) _2;!!
i!Sii
www.sears.com ! i!i
1-800-366-PART 6am.-_1prnCST,
(1-800-366-7278) 7days a week
www.sears.comlpartsdirect
tH°meCentral® J
To purchase or inquire about aSears Service Agreement:
1-800-827"6655 _i_i!ii
7a.m. -5p.m. CST, Mort. - Sat. i_iii_
Para pedir servicio de reparacibn a domicilio, Au Canada pour service en franc, ais: _;_;_
y para ordenar piezas con enttega a domicilio: 1-877-LE-FOYER _' ii,ili
t.888.SU-HOGAR s_ (1÷877-533-6937) _;!_;_
(1-888-784-6427) _!Nil
©Sears, Roebu_ and Co.
®Registered Trademark /TM Trademark of Sears, Roebuck _nd Co
®Marca Registrada /TM Marc_ de F_br;ca de Sears, Roel_ck and Co
177360 01.31.00 BY Printed in U.S.A.