Craftsman 917379600 User Manual LAWN MOWER Manuals And Guides L0102260
CRAFTSMAN Walk Behind Lawnmower, Gas Manual L0102260 CRAFTSMAN Walk Behind Lawnmower, Gas Owner's Manual, CRAFTSMAN Walk Behind Lawnmower, Gas installation guides
User Manual: Craftsman 917379600 917379600 CRAFTSMAN LAWN MOWER - Manuals and Guides View the owners manual for your CRAFTSMAN LAWN MOWER #917379600. Home:Lawn & Garden Parts:Craftsman Parts:Craftsman LAWN MOWER Manual
Open the PDF directly: View PDF
.
Page Count: 27

Owner's Manual
ICRRFTSMRWI
6.75 HORSEPOWER
21" REAR DISCHARGE
POWER PROPELLED
ROTARY LAWN MOWER
Model No.
917.379600
•Safety
•Assembly
•Operation
•Maintenance
•EspaSol
•Repair Parts
NOTE: Engines which are certified to comply with California and U.S. EPA emission regulations
for SORE (Small Off Road Equipment), are certified to operate on regular unleaded gasoline,
and include the following emission control systems: Engine Modiflcatton (EM), and Three-way
Catalyst ('rwc) (If so equipped).
AVISO: Los motores homologados para cumplir can la reglamentacibn sobre emisiones de
California y de la Agencia de Proteccidn Ambiental estadounidense (EPA) para equipos
pequefios no circulantes (SORE) funcionan con gasolina normal sin plomo, e incluyen los
siguientes sistemas de control de emisiones: modificacibn del motor (EM) y catalizador de triple
accibn (TWC) (en case de tener/o).
The D.O.M. decal includes engine life specifications for the emissions-related useful life period of
your engine. This period relates to the emission compliance life as certified by EPNCARB. To
find the life period specification for your engine, please match one of the following letters with the
letter printed on your D.O.M decal: (C) 125 hours, (B) 250 hours, (A) 500 hours.
La calcamania D.O.M incluye especificaciones sobre la duracibn de_ motor para el periodo de
vida dtil de su motor relaccionado con emisiones. Este periodo sa relaciona con la duracibn an
conformidad con las emisiones seg_n Io certiflcado por EPNCARB. Para hailer la especificaei6n
del periodo de vida de su motor, mire cud1de las siguientes letras viene impresa en su
calcomanla D.OM.: (C) 125 horas, (B) 250 horas, (A) 500 horas.
CAUTION:
Read and follow all
Safety Rules and Instructions
before operating this equipment
Sears, Roebuck and Co., Hoffman Estates, IL 60179
Visit our Craftsman website: www.sears.comlcraftsman

Warranty ............................................... 2
Safety Rules ......................................... 2
Assembly .............................................. 5
Operation .............................................. 6
Maintenance Schedule ...................... 10
Maintenance ....................................... 10
Product Specifications........................ 11
Service and Adjustments.................... 13
Storage ............................................... 14
Troubleshooting ................................. 16
Repair Parts........................................ 35
Parts Ordering ..................... Back Cover
LIMITED TWO YEAR WARRANTY ON CRAFTSMAN POWER MOWER
For two years from date of purchase, when this Craftsman Lawn Mower is maintained,
lubricated, and tuned up according to the operating and maintenance instructionsin
the owner's manual, Sears will repair free of charge any defect in material or workman-
ship.
If this Craftsman Lawn Mower is used for commercial or rental purposes, this warranty
applies for only 90 days from the date of purchase.
This Warranty does not cover:
• Expendable items which become worn during normal use, such as rotary mower
blades, blade adapters, belts, air cleaners and spark plug.
• Repairs necessary because of operator abuse or negligence, including bent
crankshafts and the failure to maintain the equipment according to the instructions
contained in the owner's manual.
Warranty service is available by returning the Craftsman power mower to the nearest
Sears Service Center/Department in the United States. This warranty applies only
while this product is in use in the United States.
This Warranty gives you specific legal rights, and you may also have other rights which
vary from state to state.
Sears, Roebuck and Co., D/817 WA, Hoffman Estates, IIILnois60179
IMPORTANT: This cutting machine is capable of amputating hands and feet and
throwing objects. Failure to observe the following safety instructionscould result in
serious injury or death.
I.GENERAL OPERATION
•Read, understand, and follow all
instructionson the machine and in the
manual(s) before starting. Be thor-
oughly familiar with the controls and
the proper use of the machine before
starting.
•Do not put hands or feet near or under
rotating parts. Keep clear of the
discharge opening at all times.
• Only allow responsible individuals,
who are familiar with the instructions,to
operate the machine.
•Clear the area of objects such as
rocks,toys, wire, bones, sticks, etc.,
which could be picked up and thrown
by the blade.
•Be sure the area is clear of other
people before mowing. Stop machine if
anyone enters the area.
• Do not operate the mower when
barefoot or wearing open sandals.
Always wear substantial foot wear.
• Do not pull mower backwards unless
absolutely necessary. Always look
down and behind before and while
moving backwards.
Do not operate the mower without
proper guards, plates, grass catcher or
other safety protective devices in place.
See manufacturer's instructions for
proper operation and installation of
accessories. Only use accessories
approved by the manufacturer.
2

• Stop the blade(s) when crossing grovel
drives, walks, or roads.
• Stop the engine (motor) whenever you
leave the equipment, before cleaning
the mower or unclogging the chute.
• Shut the engine (motor) off and wait
untilthe blade comes to complete stop
before removing grass catcher.
• Mow only in daylight or good artificial
light.
•Do not operate the machine while
under the influence of alcohol or drugs.
•Never operate machine in wet grass.
Always be sure of your footing: keep a
firm hold on the handle and walk; never
run.
•Disengage the self-propelled mecha-
nism or drive clutch on mowers so
equipped before starting the engine
(motor).
• If the equipment should start to vibrate
abnormally, stop the engine (motor)
and check immediately for the cause.
Vibration is generally a warning of
trouble.
•Always wear safety goggles or safety
glasses with side shields when
operating mower.
II. SLOPE OPERATION
Slopes are a major factor related to slip
and fall accidents which can result in
severe injury. All slopes require extra
caution. Ifyou feel uneasy on a slope, do
not mow it.
DO:
•Mow across the face of slopes: never
up and down. Exercise extreme caution
when changing direction on slopes.
•Remove obstacles such as rocks, tree
limbs, etc.
• Watch for holes, ruts, or bumps. Tall
grass can hide obstacles.
DO NOT:
•Do not trim near drop-offs, ditchesor
embankments. The operator could lose
footing or balance.
•Do not trim excessively steep slopes.
• Do not mow on wet grass. Reduced
footing could cause slipping.
II1.CHILDREN
Tragic accidents can occur if the operator
is not alert to the presence of children.
Children are often attracted to the
machine and the mowing activity. Never
assume that children will remain where
you last saw them.
•Keep children out of the trimming area
and under the watchful care of another
responsible adult.
• Be alert and turn machine off if children
enter the area.
• Before and while walking backwards,
look behind and down for small
children.
• Never allow children to operate the
machine,
• Use extra care when approaching blind
comers, shrubs, trees, or other objects
that may obscure vision.
IV. SERVICE
•Use extra care in handling gasoline
and other fuels. They are flammable
and vapors are explosive.
-Use only an approved container.
-Never remove gas cap or add fuel
with the engine running. Allow
engine to cool before refueling. Do
not smoke.
-Never refuel the machine indoors.
-Never store the machine or fuel
container inside where there is an
open flame, such as a water heater.
• Never run a machine inside a closed
area.
• Never make adjustments or repairs with
the engine (motor) running. Disconnect
the spark plug wire, and keep the wire
away from the plug to prevent acciden-
tal starting.
• Keep nuts and bolts, especially blade
attachment bolts, tight and keep
equipment in good condition.
•Never tamper with safety devices.
Check their proper operation regularly.
• Keep machine free of grass, leaves, or
other debris build-up. Clean oil or fuel
spillage. Allow machine to cool before
storing.
•Stop and inspectthe equipment if you
strike an object. Repair, if necessary,
before restarting.
•Never attempt to make wheal height
adjustments while the engine (motor) is
running.
•Grass catcher components are subject
to wear, damage, and deterioration,
which could expose moving parts or
allow objects to be thrown. Frequently
check components and replace with
manufacturer's recommended parts,
when necessary.
• Mower blades are sharp and can cut.
Wrap the blade(s) or wear gloves, and
use extra caution when servicing them.
•Do not change the engine governor
setting or overspead the engine.
3

ALook for this symbol to point out
important safety precautions. It means
CAUTION!!! BECOME ALERT!!! YOUR
SAFETY IS INVOLVED.
ACAUTION: In order to prevent
accidental starting when setting up,
transporting, adjusting or making repairs,
always disconnect spark plug wire and
place wire where it cannot contact spark
plug.
A CAUTION: Muffler and other engine
parts become extremely hot during
operation and remain hot after engine
has stopped. To avoid severe burns on
contact, stay away from these areas.
AWARNING: Engine exhaust, some of its
constituents,and certain vehicle
components contain or emit chemicals
known to the State of California to cause
cancer and birth defects or other
reproductive harm.
AWARNING: Battery posts, terminals and
related accessories contain lead and lead
compounds, chemicals known to the State
of California to cause cancer and birth
defects or other reproductive harm. Wash
hands after handling.
These accessories were available when this lawn mower was produced. They are not
shipped with your mower. They are also available at most Sears retail outlets and
service canters. Most Sears stores can also order repair parts for you, when you
provide the model number of your lawn mower. Some of these accessories may not
apply to your lawn mower.
LAWN MOWER PERFORMANCE
CLIPPING DEFLECTOR
FOR REAR DISCHARGE LAWN MOWERS MULCHER KITS STABILIZER
GRASS CATCHERS GRASS CATCHERS /' 'i
\FOR Ill
[_ \ I__S-_-_- REAR DISCHARGE SlDEDISCHARGE i
"_i_- _ LAWN MOWERS LAWN MOWERS ---
GAS CANS
LAWN MOWER MAINTENANCE
MUFFLERS AIR FILTERS SPARK PLUGS
" _ _ __,
BELTS BLADES BLADE ADAPTERS WHEELS ENGINE OIL

Read these instructions and this manual
in its entirety before you attempt to
assemble or operate your new lawn
mower.
IMPORTANT: This lawn mower is
shipped WITHOUT OIL OR GASOLINE in
the engine.
Your new lawn mower has been as-
sembled at the factory with the exception
of those parts left unassembled for
shipping purposes. All parts such as nuts,
washers, bolts, etc., necessary to com-
plete the assembly have been placed in
the parts bag. To ensure safe and proper
operation of your lawn mower, all parts
and hardware you assemble must be
tightened securely. Use the correct tools
as necessary to ensure proper tightness.
TO REMOVE LAWN MOWER FROM
CARTON
1. Remove loose parts included with
mower.
2. Cut down two end comers of carton
and lay end panel down fiat.
3. Remove all packing materials except
padding between upper and lower
handle and padding holding operator
presence control bar to upper handle.
4. Roll lawn mower out of carton and
check carton thorougly for additional
loose parts.
HOWTO SET UPYOUR LAWN
MOWER
TO UNFOLD HANDLE
IMPORTANT: Unfold handle carefully so
as not to pinch or damage control cables.
1. Raise handles until lower handle
section locks into place in mowing
position.
2. Remove protective padding, raise
upper handle section into place on
lower handle and tighten both handle
knobs.
3. Remove handle padding holding
operator presence control bar to
upper handle.
Your lawn mower handle can be adjusted
for your mowing comfort. Refer to "Adjust
Handle" in the Service and Adjustments
section of this manual.
Operatorpresence
controlbar
Upper handle ---_/J
Lif_up
ing
_osition
Lower handle

KNOWYOUR LAWN MOWER
READ THIS OWNER'S MANUAL AND SAFETY RULES BEFORE OPERATING YOUR
LAWN MOWER. Compare the illustrations with your lawn mower to familiarize yourself
with the IocatLon of various controls and adjustments. Save this manual for future
reference.
These symbols may appear on your lawn mower or in literature supplied with the
product. Learn and understand their meaning.
CAUTION ENGINE ENGINE FAST SLOW CHOKE FUEL OIL DANGER, KEEP HANDS
OR WARNING ON OFF AND FEET AWAY
Engine zone
control cable
presence control bar
Starter handle' knob
Grass
Gasoline cap
Housing
Drive cover
Prim_
iMPORTANT: This lawn mower is
shipped WITHOUT OIL OR GASOLINE
in the engine. Wheel adjuster (on each wheel)
MEETS CPSC SAFETY REQUIREMENTS
Sears rotary walk-behind power lawn mowers conformto the safety standards of the
Amedcan National Standards Instituta and the U.S. Consumer Product Safety Commis-
sion. The blade turns when the engine is running.
Operator presence control bar -must Starter handle - used for starting the
be held down to the handle to start the engine.
engine. Release to stop the engine. Drive control lever -used to engage
Primer - pumps additional fuel from the power-propelled forward motion of lawn
carburetor to the cylinder for use when mower.
starting a cold engine. 6

Theoperationofanylawn
mowercanresultin
foreignobjectsthrowninto
the eyes, which can result
in severe eye damage.
Always wear safety glasses or eye
shields while operating your lawn mower
or performing any adjustments or repairs.
We recommend awide vision safety
mask over spectacles or standard safety
glasses.
HOWTO USEYOUR LAWN MOWER
ENGINE SPEED
The engine speed was set at the factory
for optimum performance, Speed is not
adjustable.
ENGINE ZONE CONTROL
_kCAUTION: Federal regulations require
an engine control to be installed on this
lawn mower in order to minimize the dsk
of blade contact injury.Do not under any
circumstances attempt to defeat the
function of the operator control.The blade
turns when the engine is running.
•Your lawn mower is equipped with an
operator presence control bar which
requires the operator to be positioned
behind the lawn mower handle to start
and operate the lawn mower.
TO ADJUST CUTTING HEIGHT
Raise wheels for low cut and lower
wheels for high cut, adjust cutting height
to suit your requirements. Medium
positionis best for most lawns.
• To change cutting height, squeeze
adjuster lever toward wheel. Move
wheel up or down to suit your require-
ments. Be sure all wheels are in the
same setting.
NOTE: Adjuster is properly positioned
when plate tab inserts into hole in lever.
Also, 9-position adjusters (if so equipped)
allow lever to be positioned between the
plate tabs. PlateTab
LowerWheelsfor HighCut
RaiseWheels for LowCut
TO CONVERT MOWER
Your lawnmower was shippedreadyto be
usedas a mulcher. To convertto bagging:
REAR BAGGING
•Liftreardoo_of the lawnmower and place
the grass catcherframehooks ontothe
doorpivotpins.
•To convertto mulching operation,remove
grasscatcher and closerear door.
_,CAUTION: Do not run your lawn mower
without clipping deflector or approved
grass catcher in place. Never attemptto
operate the lawn mower with the rear
door removed or propped open.
Pivot Grass catcher
handle
Catcher frame
TO EMPTY GRASS CATCHER
1. Open door and lift up on grass catcher
using the frame handle.
2. Remove grass catcher with clippings
from under lawn mower handle.
3. Empty clippingsfrom bag using both
frame handle and bag handle.
NOTE: Do not drag the bag when
emptying; it will cause unnecessary wear.
/
Bag catcher frame
handle handle
7

DRIVE CONTROL
• Self-prapelling is controlled by holding
the operator presence control bar down
to the handle and pushing the drive
control lever forward until it clicks;then
releasing the lever.
• Forward motion will stop when the
operator presence control bar is
released. To stop forward motion
without stopping engine, release the
operator presence control bar slightly
until the drive control disengages. Hold
operator presence control bar down
against handle to continue mowing
without self-propelling.
•To keep drive control engaged when
turning corners, push down on handle
and lift front wheels off ground while
turning lawn mower.
Operatorpresencecontrolbar Drive
' t control
\_, Toengage \_ Drive control
"" dn_'econtrol_" disengaged
BEFORE STARTING ENGINE
ADD OIL
Your lawnmower is shipped without oil in
the engine. Engine holds 20 oz. of oil.
For type and grade of oil to use, see
=ENGINE" in Maintenance section of this
manual.
1. Be sure lawnmower is level and area
around oil fill is clean.
2. Remove engine oil cap and figto the
full line on the dipstick. Pour oil slowly.
Do not over fill.
NOTE: Allow oil to settle down into engine
for accurate reading. To read proper level,
tighten engine oil cap, then remove it to
read the dipstick.
3. Reinstall engine oil cap and tighten.
• Check oil level before each use. Add
oil if needed. Fill to full line on dipstick.
• Change the oil after every 25 hours of
operation or each season. You may
need to change the oil more often
under dusty, dirty conditions.
ADD GASOLINE
•Fill fuel tank. Use fresh, clean, regular
unleaded gasoline with a minimum of
87 octane. Do not mix oil with gaso-
line. Purchase fuel in quantities that
can be used within 30 days to assure
fuel freshness,
_WARNING: Experience indicates that
alcohol blended fuels (called gasohol or
using ethanol or methanol) can attract
moisturewhich leads to separation and
formation of acids during storage, Acidic
gas can damage the fuel system of an
engine while in storage. To avoid engine
problems, the fuel system should be
emptied before storage of 30 days or
longer. Drain the gas tank, start the
engine and let it run until the fuel lines
and carburetorare empty. Use fresh fuel
next season. See Storage Instructionsfor
additional information. Never use engine
or carburetor cleaner products in the fuel
tank or permanent damage may occur.
*_, CAUTION: Fill to bottom of gas tank
filler neck. Do not overfill. Wipe off any
spilled oil or fuel. Do not store, spillor
use gasoline near an open flame.
Engine oil cap Gasoline filler cap
TO START ENGINE
NOTE: Due to protectivecoatings on the
engine, a small amount of smoke may be
present duringthe initial use of the
product and should be considered
normal.
1. To start a cold engine, push primer
three (3) times before trying to start.
Use afirm push. This step is not
usually necessary when starting an
engine which has already run for a
few minutes.
2. Hold operator presence control bar
down to the handle and pull starter
handle quickly. Do not allow starter
rope to snap back.
TO STOP ENGINE
•To stop engine, release operator
presence control bar.
NOTE: In cooler weather it may be
necessary to repeat primingsteps. In
warmer weather over priming may cause
flooding and engine will not start. If you
do flood engine, wait a few minutes
before attemptingto start and do not
repeat priming steps.

MOWINGTIPS
• Undercertainconditions,suchasvery
tailgrass,itmaybenecessarytoraise
theheightofcuttoreducepushing
effortandtokeepfrom overloading the
engine and leaving clumps of grass
clippings. It may also be necessary to
reduce ground speed and/or run the
lawn mower over the area a second
time.
• For extremely heavy cutting, reduce the
width of cut by overlapping previously
cut path and mow slowly.
• For better grass bagging and most
cutting conditions, the engine speed
should be set in the fast position.
•When using a rear discharge lawn
mower in moist, heavy grass, clumps of
cut grass may not enter the grass
catcher. Reduce ground speed
(pushing speed) and/or run the lawn
mower over the area a second time.
• If a trail of clippings is left on the right
side of a rear discharge mower, mow in
a clockwise directionwith a small
ovedap to collect the clippings on the
next pass.
• Pores in cloth grass catchers can
become filled with dirt and dust with use
and catchers will collect less grass. To
prevent this, regularly hose catcher off
with water and let dry before using.
• Keep top of engine around starter clear
and clean of grass clippings and chaff.
This will help engine air flow and
extend engine life.
MULCHING MOWlNGTIPS
IMPORTANT: For best performance,
keep mower housingfree of built-up
grass and trash. See =Cleaning" in
Maintenance section of this manual.
•The special mulching blade wig recut
the grass clippings many times and
reduce them in size so that as they fall
onto the lawn they will disperse into the
grass and not be noticed. Atso, the
mulched grass will biodegrade quickly
to provide nutrientsfor the lawn.
Always mulch with your highest engine
(blade) speed as this will provide the
best racutting action of the blades.
•Avoid cutting your ]awn when it is wet;
Wet grass tends to form clumps and
interferes with the mulching action.
The best time to mow your lawn is the
early afternoon. At this time the grass
has dried and the newly cut area will
not be exposed to the direct sun.
•For best results, adjust the lawn mower
cutting height so that the lawn mower
cuts off only the top orm-third of the
grass blades. If the lawn is overgrown
it will be necessary to raise the height
of cutto reduce pushingeffort and to
keep from overloading the engine and
leaving dumps of mulched grass. For
extremely heavy mulching, reduce your
width of cut by overlapping previously
cut path and mow slowly.
•Certain types of grass and grass
conditions may require that an area be
mulched a second time to completely
hide the clippings. When doing a
second cut, mow across or perpendicu-
lar to the firstcut path,
•Change your cutting pattern from week
to week. Mow north to south one week
then change to east to west the next
week. This will help prevent matting
and graining of the lawn.
Max 1/3
9

MAINTENANCE SCHEDULE .,,,,,,,__°_.._J
AS YOU COMPLETE f_a_O_l_\/iel:: nA--_
Check for Loose Fasteners VS
Ctaan/Inspect Grass Catcher
(If Equipped) _(t_ II/
MClean Lawn Mower _l/
:lean Under Drive Cover
(Power-Propelled Mowers)
Check drive belt/peileys
Power-Propelled Mowers) II/'
Check/Sharpen/Replace Btade V°3
LubricationChart t_ l/
Clean Battery/Recharge
Electric Start Mowers ! II/ 11/4
ECheck Engine Oil Level P//
NChan_ffl Engine Oil t/1,2
G CleanAirFiltar Ii/ 2
Inspect Muffler
N CleanorReplaceSparkPlug
E ReplaceAirFilterPaperCartridge t_2
1. Change ii"o¢e of_Jn when operating under a hea W load or in high ambient temperatures.
2 - Service rnomoiten when operating indirty or dusty conditions
3 * Replace _ades more oflen when _insandy soil
4-Chacge48 houn5at end olseason,
GENERAL RECOMMENDATIONS
The warranty on this lawn mower does
not cover items that have been subjected
to operator abuse or negligence. To
receive full value from the warranty,
operator must maintain mower as
instructed in this manual,
Some adjustments will need to be made
periodically to properly maintain your
unit,
All adjustments in the Service and
Adjustments section of this manual
should be checked at least once each
season.
• Once a year, replace the spark plug,
clean or replace air filter element and
check blade for wear. A new spark
plug and clean/new air filter element
assures proper air-fuel mixture and
helps your engine run better and last
longer.
• Follow the maintenance schedule in
this manual.
BEFORE EACH USE
1. Check engine oil level.
2. Check for loose fasteners.
LUBRICATION
Keep unit well lubricated (See "LUBRI-
CATION CHART").
LUBRICATION CHART
(_ Wheeladjuster
Brake spring bracket
-_andlebracket mounting pin
_) Refer to maintenance "Engine" section.
(2) Spray lubricant
IMPORTANT: Do not oil or grease
plastic wheel bearings, viscous lubri-
cants will attract dust and dirtthat will
shorten the life of the self-lubricating
bearings, if you feel they must be
lubricated, use only a dry, powdered
graphite type lubricant sparingly.
10

PRODUCT SPECIFICATIONS
SERIALNUMBER
DATE OF PURCHASE
GASOLINE CAPACITY/TYPE: 1.5 QUARTS
UNLEADED REGULAR
OILTYPE (API-SF-SJ): SAE 30 (ABOVE 32°F)
SAE 5W-30 (BELOW 32°F)
OIL CAPACITY: 20 OZS.
SPARK PLUG (GAP: .045") CHAMPION RESISTOR TYPE RJ19LM4
BLADE BOLT TORQUE: 35-40 FT. LBS.
•The model and serial numbers will be found on a decal attached to the rear of the
lawn mower housing.Record both serial number and date of purchase in space
provided above.
LAWN MOWER
Always observe safety rules when
performing any maintenance.
TIRES
• Keep tires free of gasoline, oil, or insect
control chemicals which can harm
rubber.
• Avoid stumps, stones, deep ruts, sharp
objects and other hazards that may
cause tire damage.
BLADE CARE
For best results, mower blade must be
kept sharp. Replace bent or damaged
blades.
TO REMOVE BLADE
1. Disconnect spark plug wire from spark
plug and place wire where it cannot
come in contact with spark plug.
2. Turn lawn mower on its side. Make
sure air filter and carburetor are up.
3. Use a wood block between blade and
mower housing to prevent blade from
turning when removing blade bolt.
NOTE: Protect your hands with gloves
and/or wrap blade with heavy cloth.
4. Remove blade bolt by turning counter-
clockwise.
5. Remove blade and attaching hard-
ware (bolt, lock washer and hardened
washer).
NOTE: Remove the blade adapter and
check the key inside hub of blade
adapter. The key must be in good condi-
tion to work properly. Replace adapter if
damaged.
TO REPLACE BLADE
1. Position the blade adapter on the
engine crankshaft. Be sure key in
adapter and crankshaft keyway are
aligned.
2. Position blade on the blade adapter
aligning the two (2) holes in the blade
with the raised lugs on the adapter.
3. Be sure the trailing edge of blade
(opposite sharp edge) is up toward
the engine.
4. Install the blade bolt with the lock
washer and hardened washer into
blade adapter and crankshaft.
5. Use block of wood between blade and
lawn mower housing and tighten the
blade bolt, turning clockwise.
• The recommended tightening torque is
35-40 ft. Ibs.
IMPORTANT: Blade bolt is grade 8 heat
treated.
TO SHARPEN BLADE
NOTE: We do not recommend sharpen-
ing blade - but if you do, be sure the
blade is balanced.
Care should be taken to keep the blade
balanced. An unbalanced blade will
cause eventual damage to lawn mower
or engine.
• The blade can be sharpened with a file
or on agdnding wheel. Do not attempt
to sharpen while on the mower.
• To check blade balance, drive a nail
into a beam or wall. Leave about one
inch of the straight nail exposed. Place
center hole of blade over the head of
the nail. If blade is balanced, it should
remain in a horizontal position. If either
end of the blade moves downward,
sharpen the heavy end untilthe blade
is balanced.
11

Bladeadapter kOr;n ' ha't
Lockwasher (r[_<__ _/
/
washer Trailing edge adapter
GRASS CATCHER
• The grass catcher may be hosed with
water, but must be dry when used•
•Check your grass catcher often for
damage or deterioration. Through
normal use it will wear. If catcher
needs replacing, replace only with a
manufacturer approved replacement
catcher. Give the lawn mower model
number when ordering.
DRIVE WHEELS
Check front drive wheels each time
before you mow to be sure they move
freely.
The wheels not turning freely means
trash, grass cuttings, etc. are in the drive
wheel area and must be cleaned to free
drive wheels.
If necessary to clean the drive wheels,
check both front wheels,
1. Remove hubcaps, hairpin cotters end
washers.
2. Remove wheels from wheel adjusters.
3. Remove any trash or grass cuttings
from inside the dust cover, pinion and/
or drive wheel gear teeth.
4. Put wheels back in place.
NOTE: If after cleaning, the drive wheels
do not turn freely, contact a Sears or other
qualified service center.
GEAR CASE
•To keep your drive system working
properly, the gear case and area
around the drive should be kept clean
and free of trash build-up. Clean under
the drive cover twice a season.
• The gear case is filled with lubricant to
the proper level at the factory. The only
time the lubricant needs attention is if
service has been performed on the
gear case.
•If lubricant is required, use only Texaco
Starplex Premium 1 Grease, ParL No.
750369. Do not substitute.
ENGINE
LUBRICATION
Use only high quality detergent oil rated
with API service classification SF-SJ,
Select the oil's SAE viscositygrade
according to your expected operating
temperature.
NOTE: Although multi-viscosity oils
(5W30, 10W30 etc.) improve starting in
cold weather, these multi-viscosity oils
will result in increased eil consumption
when used above 32°E Check your
engine oil level more frequently to avoid
possible engine damage from running
low on oil.
Change the oil after every 25 hours of
operation or at least once a year if the
lawn mower is not used for 25 hours in
one year.
Check the crankcase oil level before
starting the engine and after each five (5)
hours of continuous use. Tighten oil plug
securely each time you check the oil
level
TO CHANGE ENGINE OIL
NOTE: Before tipping lawn mower to
drain oil, drain fuel tank by running
engine until fuel tank is empty.
1. Disconnect spark plug wire from spark
plug and place wire where it cannot
come in contact with spark plug.
2. Remove engine oil cap; lay aside on a
clean surface.
3. Tip lawn mower on its side as shown
and drain oil into a suitable container.
Rock lawn mower back and forth to
remove any oil trapped inside of
engine.
4. Wipe off any spilled oil on lawn mower
and on side of engine,
5. Fill engine with oil. (See "Add Oil" in
the Operacion section of this manual.)
6. Reconnect spark plugwire to spark
plug.
Container
12

AIRFILTER
Your engine will not run properly and may
be damaged by using a dirty air filter.
Replace the air filter every year, more
often ifyou mow in very dusty, dirty
conditions. Do not wash air filter.
TO CHANGE AIR FILTER
1. Remove the air filter by turning
clockwiseto the stop and pull away
from collar.
2. Remove filter from inside of cover.
3. Clean the inside of the cover and the
collar to remove any dirt accumula-
tion.
4. Insert new filter into cover.
5. Put air filter cover and filter into collar
aligning the tab with the slot.
6. Push in on cover and turn counter-
clockwise to tighten.
Collar
Turn
;Iockwise
remove
Slot
Airfilter
Air filter cover
Turn
counter-
clockwise
to tighten
MUFFLER
Inspect and replace corroded muffler as it
could create a fire hazard and/or darn-
age.
SPARK PLUG
Change your spark plug each year to
make your engine start easier and run
better. Set spark pluggap at .030 inch.
CLEANING
IMPORTANT: For best performance,
keep mower housing free of built-up
grass and trash. Clean the underside of
your mower after each use.
_I=CAUTION: Disconnect spark plug wire
from spark plug and place wire where it
cannot come in contact with the spark
plug,
• Clean the underside of your lawn
mower by scraping to remove build-up
of grass and trash.
•Clean engine often to keep trash from
accumulating. Aclogged engine runs
hotter and shortens engine life.
•Keep finished surfaces and wheels free
of all gasoline, oit,etc.
•We do not recommend using a garden
hose to clean lawn mower unless the
electrical system, muffler, air filter and
carburetor are covered to keep water
out. Water in engine can result in
shortened engine life.
CLEAN UNDER DRIVE COVER
Clean under drive cover at least twice a
season. Scrape underside of cover with
putty knife or similar tool to remove any
build-up of trash or grass on underside of
drive cover.
_I,CAUTION: Before performing any
service or adjustments:
1. Release control bar and stop engine.
2. Make sure the blade and all moving
parts have completely stopped.
3. Disconnect spark plug wire from spark
plug and place where it cannot come
in contact with plug.
LAWN MOWER
TO ADJUST CUTTING HEIGHT
See "TO ADJUST CUTTING HEIGHT" in
the Operation section of this manual.
REAR DEFLECTOR
The rear deflector, attached between the
rear wheels of your mower, is provided to
minimize the possibility that objects will
be thrownout of the rear of the mower
into the operator mowing position. If the
deflector becomes damaged, it should be
replaced. 13
TO REMOVE/REPlACE DRIVE BELT
1. Remove drive cover. Remove belt
from gearcase pulley by pushing
down on pulley and rollingbelt off it.
2. Turn lawn mower on its side with air
filter and carburetor up.
3. Remove blade.
4. Remove debris shield.
5. Remove belt from engine pulley on
crankshaft.
6. Install new belt by reversing above
steps.
7. Always use factory approved belt to
assure fit and long life.
Drive
Belt
Push
down

TO ADJUST HANDLE
The upper handle may be adjusted to
four (4) different height positions.
1. Loosen both handle knobs only
enough to allow the upper handle to
pivot to the desired adjustment
position.
2. Tighten both handle knobs securely.
HandleKnob
Handle Knob
TO ASSEMBLE GRASS CATCHER
1. Put grass catcher frame into grass bag
with rigid part of bag on the bottom.
Make sure the frame handle is outside
of the bag top.
2. Slip vinyl bindingsover frame.
NOTE: If vinyl bindings are too stiff, hold
them inwarm water for afew minutes. If
bag gets wet, let it dry before using.
_kCAUTION: Do not run your lawn mower
without clipping deflector or approved
grass catcher in place. Never attempt to
operate the lawn mower with the rear
door removed or propped open.
Catcher
f_me
Frame
opening
ENGINE
ENGINE SPEED
Your engine speed has been factory set.
Do not attempt to increase engine speed
or it may result in personal injury.If you
believe that the engine is running too fast
or too slow, take your lawn mower to a
Sears or other qualified service center for
repair and adjustment.
CARBURETOR
Your carburetor has a non-adjustable
fixed main jet for mixture control. Ifyour
engine does not operate properly due to
suspected carburetor problems, take your
lawn mower to a Sears or other qualified
service center for repair and/or adjust-
ment.
IMPORTANT: Never tamper with the
engine governor, which is factory set for
proper engine speed. Overspeeding the
engine above the factory high speed
setting can be dangerous. If you think the
engine-governed high speed needs
adjusting, contact a Sears or other
qualified service center, which has
proper equipment and experience to
make any necessary adjustments.
Immediately prepare your lawn mower for
storage at the end of the season or ifthe
unit will not be used for 30 days or more.
LAWN MOWER
When lawn mower is to be stored for a
period of time, clean it thoroughly, remove
all dirt, grease, leaves, etc. Store in a
clean, dry area.
1. Clean entire lawn mower (See
"CLEANING" in the Maintenance
section of this manual).
2. Lubricate as shown in the Mainte-
nance section of this manual.
3. Be sure that all nuts, bolts, screws,
and pins are securely fastened.
Inspect moving parts for damage,
breakage and wear. Replace if
necessary.
4. Touch up all rusted or chipped paint
surfaces; sand lightly before painting.
HANDLE
You can fold your lawn mower handle for
storage.
1. Squeeze the bottom ends of the lower
handle toward each other until the
lower handle clears the handle
bracket, then move handle forward.
2. Loosen upper handle mounting bolts
enough to allow upper handle to be
folded back.
IMPORTANT: When folding the handle
for storage or transportation, be sure to
fold the handle as shown or you may
damage the control cables.
14

•When setting up your handle from the
storage position, the lower handle will
automatically lock into the mowing
position.
Squeeze 7
Operator presence
Upperhandle _ ':"
-//J /7 ,'
roidforwardfor
stroage _, '_j,, /,/'$_'_vy/ ._
..... 3,.k¥dS+,_< l,S'
position
Lower handle
ENGINE
FUEL SYSTEM
IMPORTANT: It is important to prevent
gum deposits from forming in essential
fuel system parts such as carburetor, fuel
filter, fuel hose, or tank during storage.
Also, experience indicates that alcohol
blended fuels (called gasohol or using
ethanol or methanol) can attract moisture
which leads to separation and formation
of acids during storage. Acidic gas can
damage the fuel system of an engine
while in storage.
1. Drain the fuel tank.
2. Start the engine and let it run untilthe
fuel lines and carburetor are empty.
•Never use engine or carburetor cleaner
products in the fuel tank or permanent
damage may occur.
• Use fresh fuel next season.
NOTE: Fuel stabilizer is an acceptable
alternative in minimizing the formation of
fuel gum deposits during storage. Add
stabilizer to gasoline in fuel tank or
storage container. ALways follow the mix
ratio found on stabilizer container. Run
engine at least 10 minutes after adding
stabilizer to allow the stabilizer to reach
the carburetor. Do not drain the gas tank
and carburetor if using fuel stabilizer.
ENGINEOIL
Drain oil (with engine warm) and replace
with clean engine oil. (See "ENGINE" in
the Maintenance section of this manual).
CYLINDER
1, Remove spark plug.
2. Pour one ounce (29 ml) of oil through
spark plug hole into cylinder.
3. Pull starter handle slowly a few times
to distribute oil.
4. Replace with new spark plug.
OTHER
• Do not store gasoline from one season
to another.
• Replace your gasoline can if your can
startsto rust. Rust and/or dirt in your
gasoline will cause problems.
•If possible, store your unit indoors and
cover it to give protectionfrom dust and
dirt,
•Cover your unit with a suitable protec-
tive cover that does not retain mois-
ture. Do not use plastic. Plastic cannot
breathe which allows condensation to
form and will cause your unit to rust.
IMPORTANT: Never cover mower while
engone and exhaust areas are stillwarm.
• , CAUTION:Never store the lawn mower
wLthgasoline in the tank inside a building
where fumes may reach an open flame or
spark. Allow the engine to cool before
storing in any enclosure.
15

TROUBLESHOOTING CHART
PROBLEM CAUSE
Does not start 1. Dirty air filter.
Loss of power
Poor cut-
uneven
2. Out of fuel.
3. Stale fuel.
4. Water in fuel.
5. Spark plug wire is
disconnected.
6. Bad spark plug.
7. Loose blade or broken
blade adapter.
8. Control bar in released
position.
9. Control bar defective.
1. Rear of lawn mower
housing or cutting blade
dragging in heavy grass.
2. Cutting too much grass.
3. Dirty air filter.
4. Buildup of grass, leaves,
and trash under mower.
5. Too much oil in engine.
6. Walking speed too fast.
1, Worn, bent or loose blade.
2. Wheel heights uneven.
3, Buildup of grass, leaves
and trash under mower.
1. Worn, bent or loose blade.
2. Bent engine crankshaft.
Engine flywheel brake is on
when control bar is released.
Bent engine crankshaft.
Blade adapter broken.
Blade dragging in grass.
Drive wheels not turning
with drive control engaged.
Belt not driving
Excessive
vibration
Starter rope hard 1.
topull
2.
3.
4.
Loss of drive 1.
2.
CORRECTION
1. Clean/replace air filter.
2. Fill fuel tank.
3. Drain tank and refill with
fresh clean fuel.
4. Drain fuel tank and
carburetor and refill tank
with fresh gasoline.
5. Connect wire to plug.
6. Replace spark plug.
7, Tighten blade bolt or
replace blade adapter.
8: Depress control bar to
handle.
9. Replace control bar.
1. Set to "Higher Cut"
position.
2. Set to "Higher Cut"
position.
3. Clean/replace air filter.
4. Clean underside of mower
housing.
5. Check oil level,
6. Cut at slower walking
speed.
1. Replace blade, Tighten
blade bolt.
2. Set all wheels at same
height
3. Clean underside of
mower housing.
1. Replace blade. Tighten
blade bolt.
2. Contact aSears or other
qualified service center.
1. Depress controlbar to
upper handle before
pulling starter rope.
2. Contact aSears or other
qualified service center.
3. Replace blade adapter.
4. Move lawn mower to cut
grass or to hard surface.
1. Adjust or replace drive
control cable.
2. Put belt on pulleys or
replace belts if broken.
16

TROUBLESHOOTING CHART
PROBLEM CAUSE CORRECTION
Grass catcher 1. Cutting height too low. 1. Raise cutting height.
notfilling(ifso 2. Lift on blade worn off. 2. Replace blade.
equipped) 3. Catcher not venting air. 3. Clean grass catcher.
Hard to push 1. Grass is too high or wheel 1. Raise cutting height.
height is too low.
2. Rear of lawn mower 2. Raise rear of lawn mower
housing or blade dragging housing one (1) setting
in grass, higher.
3. Grass catcher too full. 3. Empty grass catcher.
4. Handle height position not 4. Adjust handle height to
rightfor you. suit.
17

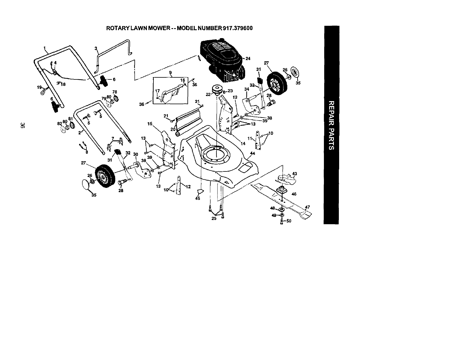
ROTARYLAWN MOWER-- MODEL NO. 917.379600
GEAR CASE ASSEMBLY PART NUMBER 175258
KEY PART
NO. NO. DESCRIPTION
1 17490416 Tapping Screw 1/4-20 x 1-114
2175248X004 Engagement Bracket
3 137053 Shifter
4 57072 SeaJ
6 48373 Gear Case Halves Kit (Includes
Key Nos. 4, and 7)
7 77881 Bearing
8 137051 WormShaft
9 175257 Drive Shaft
10 57079 HardenedWasher
11 131484 Clutch Yoke
KEY PART
NO. NO. DESCRIPTION
12 700343 Bushing
13 86447 Plug
14 137050 Helical Gear
15 750436X Clutch Jaw
16 750369 Grease
17 12000003 E-PJng
18 850848 Hi-Pro Key
19 81585X004 Spring Bracket
NOTE: All component dimensions given in U.S. inches.
1 inch = 25.4 mm
35

ROTARYLAWNMOWER--MODELNUMBER917.379600
21
13
28
45
24 27
31
44
35
25

ROTARY LAWN MOWER-- MODEL NUMBER 917.379600
KEY PART
NO. NO. DESCRIPTION
1
2
3
4
5
6
7
8
9
10
11
12
13
14
15
16 175243
17 175244
18 63601
19 153638
20 175573
21 88652
22 85543
23 87677
24 .....
25 150406
26 83923
27 150341
28 175231
30
31
32
175391X479 UpperHandle
175245X479 LowerHaadid
169780 ControlBar
156577 Engine Zone ControlCable
171407 Haadle Bolt
136376 Handle Knob
51793 HairpinCoiter
66426 WireTie
175794 Rear Door Kit (Incl. Key #16 & 17)
128415 Pop Rivet
175069X479 Support Bracket LH
175070)(479 Support Bracket RH
17060410 Screw 14-20 x 5/8
175082X479 Handle Bracket Assembly (Left)
175081X479 Handle Bracket Assembly (Right)
Spdng LH
Spring RH
Keps Locknut 114=20
RopeGuide
Rear Skirt
Hinge Screw 1/4-20 x 1-114
Engine Pulley
Hi-Pro Key #505
Engide-Craftsman-Model No. 143.016714
Hex Head Thread Rolling Srew 316-16 x %118
Hex Flange Nut
Whee_
Shoulder Bolt 5/16-18 x .33
165761X004 Axle Arm Assembly RR
701037 Selector Knob
175060X004 Selector Spridg
KEY PART
NO. NO. DESCRIPTION
34 165762X004 Axle Arm Assembly LR
35 175012 Hubcap
36 165912 Bolt
38 176185 Washer
39 176235 Pushnut
43 175083 Bottom Belt Cover
44 176289 Lawn Mower Housing (Incl. Key #10, 11, 12& 45)
45 85463 Danger Deal
46 851514 Blade Adapter
47 175064 Blade21"
48 851074 Hardened Washer
49 850263 Helical Washer 3/8-24 x 1-3/8 Gr. 8
50 851084 Hex Head Machine Screw 3/8-24 x 1-3/8 Gr, 8
76 170954 Handle Adjuster, Outside, LH
79 170953 Handle Adjuster, Inside, LH
80 170554 Handle Adjuster Spring
81 170955 Handle Adjuster, Inside, RH
82 170956 Handle Adjuster, Outside, RH
*- 161658 Warning Decal (Not Shown)
*-177317 Owner's Manual (EngUsh/Spanish)
Available accessories not included with lawn mower:
-- D/98 33314 CJippingDeflector
-- 71 33623 Gas Can
-- 71 33500 Fuel Stabilzer
- - 71 33000 SAE 30W Oil (20 oz.)
NOTE: AJlcomponent dimensions given in U.S. inches.
1 inch = 25.4 mm

14
11
I
18
14 16
13
15
13
12
_15 41 4O

ROTARY LAWN MOWER-- MODEL NUMBER 917.379600
KEY
NO.
1
3
4
5
6
8
9
11
12
13
14
15
16
18
26
PART
NO.
145755
751152
158755
175436
150495
175012
145212
15034O
12000(To8
137054
88O8O
88118
67725
701037
175252
KEY PART
DESCRIPTION NO. NO. DESCRIP'nON
Control Cable Assembly 28 175065
Locknut #10-24 31 132010
Hex Washer Head Screw 1/4-20 x 2.t2 32 137052
V-Belt 35 151521
Spring Retainer 36 175258
Hubcap 37 137090
Locknut 38 63601
Wheel & Tire Assembly 40 75192
E-Ring 41 151520
Pinion 54 175084
Dust Cover 55 175739
Felt Washer 57 175058
Washer 1/2x 1-1/2 x .134
Selector Knob
Pan Head Tapping Screw #10-24 x 2_/4
Ddve Cover
Hex Flange Nut
Dnve Pulley
Wheel Adjuster Assembly (Left)
Gear Case Assembly
Spring
Locknut 1/4-20
Spring
Wheel Adjuster Assembly (Right)
Grassbag Assembly
Driveshaft Cover
Frame
NOTE: All component dimensions given in U.S, inches.
1 inch =25.4 mm

CRAFTSMAN 4-CYCLE ENGINE MODEL NO. 143.016714
9OO
_ 262_
110 .285
400 135
130 _,
120 119
416 125
103_
-390
"305
"306
4O

CRAFTSMAN 4-CYCLE ENGINE MODEL NO. 143.016714
KEY PART
NO. NO. DESCRIP]ION
1 37465
2 26727
6 33734
7 36557
12 36775
12A 36558
12B 36694
14 28277
15 30589
16 34839A
17 31335
18 651018
19 36281
20 326OO
30 37464
40 40027
41 40042
42 40006
43 20381
45 36777
46 32610A
48 27241
50 37460
52 29914
69 37609
70 37608
72 37615
73 28833
75 27897
80 30574A
81 30590A
82 30591
83 00588A
86 65O488
89 611004
90 611112
92 650815
93 650816
100 34443C
101 610118
103 651007
104 37480
110 37047
119 36787
120 36825
125 36780
37288
126 37289
130 0021A
135 37598
150 31672
151 31673
151A 40017
169 36783
172 36784
174 00200
178 29752
1KEY PART
NO. NO, DESCRIP_ON
Cylinder (Incl. 2 & 20) 82 6201
Dowel Pin 184 26756
Breather Element 185 37466
Breather Ass'y. (IncL 6 & 12A) 186 32653
Breataer Tube 189 650839
BreatherCover/Tube(Incl. 12B) 19t 36559A
Breather Tube Elbow 195 610973
Washer 207 34336
Governor Rod (Incl. 14) 216 33086
Governor Lever 223 650451
Governor Lever Clamp 224 36786
Screw, Torx "1"-15,8-32 x 19/64" 238 650932
Extension Spring 239 34338
Oil Seal 241 36919
Crankshaft 245 36905
Piston, Pin & Ring Set (Std.) 250 37122
Piston & Pin Ass'y.(Std.)(IncL 43) 260 36980
Ring Set (Std.) 261 30200
Piston Pin Retaining Ring 262 650831
Connecting Rod Ass'y. (Incl. 46) 263A 37184
Connecting Rod Bolt 275 37462
Valve Lifter 277 650988
Camshaft Exhaust(MCR)(Inc. 104) 285 350_OA
Oil Pump Ass'y. 287 650926
• Mounting Flange Gasket 290 29774
Moun6ng Flange (Ind. 72 thru 83) 2£2 26460
Oil Drain Plug (Incl. 73) 298 28763
Drain Plug Gasket 300 36916
Oil Seal 301 36246
Governor Shaft 305 35647
Washer 306 37610
Governor Gear Ass'y. (Incl. 81) 307 35499
Governor Spool 3C9 650562
Screw, 114-20x 1-1/4" 309A 650783
Flywheel Key 310 35648
Flywheel 311A 37611
Be]levilleWasher 313 34080
Flywheel Nut 347 651038
Solid State ignition 355 590701
Spark Plug Cover 370A 36261
Screw, Torx T-15, 10-24 x 15/16" 370C 37318
Cam Bushing 370R 37317
Ground Wire 380 640271
• Cylinder Head Gasket 390 590739
Cylinder Head 400 36792B
Exhaust Valve (1/32" OS) 416 36085
(Includes Key Number 151)
Exhaust Valve (Std,) (IncL 151) 417 650760
Intake Valve (Std.) (Incl. 151) 900 -----
Screw, 5/16-18 x 1-112" 900 750865
Resistor Spark Plug (RJ19LM4)
Valve Spring
Valve Spring Cap
Intake Valve Seal
• Valve Cover Gasket
Valve Cover
Screw, 10-24 x 9/16"
Nut & Lock Washer, 114-28
Screw. 114-28 x 7/8"
•Carburetor To Intake Pipe Gasket
Intake Pipe
Governor Link
Screw, 1/4-20 x 3/8"
S.E. Brake Bracket (Incl. 195)
Terminal
ThrotSe Link
R.P.M, Adjus6ng Lever
Screw, 114-20 x 1"
•intake Pipe Gasket
Screw, 10-32 x 49164"
•Air Cleaner Gasket
AirCleaner Collar
AirCleaner Filtar
AirCleaner Cover
Bidwer Housing
Screw. 10-24 x 9116"
Screw, 1/4-20 x 112"
Starter Grill
Muffler
Screw, 1/4-20 x 2-5/16"
Startar Cup
Screw, 8-32 x 21164"
FuelLine
Fuel LineClamp
Screw, 10-32 x 35/64 _
Fuel Tank (Incl. 292 & 301)
Fuel Cap (Slack)
Oil FillTube
* "O"-Ring
=O'-P,ing
Screw, 10.32 x1/2"
Screw, 10-24 x 3/4"
Dipstick
Hold Down Bracket
Spacer
Screw, 10-32 x 51164"
Startar Handle
Lubrication Decal
Primer Decal (3 X)
Warning Decal
Carburetor (Inck 184)
Rewind Starter
Gasket Set (Incl. Items Marked *)
Spark Arrestor Kit (Incl. 417)
(Optional)
Screw, 8-32 x 3/8" (Optional)
Replecement Engine HONE
Replacement S/B
Orrier from 71-999
RPM High 2900 to 3200
NOTE: This engine could have been built with 590702
starter.
NOTE: All component dimensions given in U.S. inches
1 inch = 25.4 mm
41

CRAFTSMAN 4-CYCLE ENGINE MODEL NO. 143.016714
KEY PART
NO. NO. DESCRIPTION
--640271 Carburetor (Incl. 184 of Engine Parts List)
1 31615 Throttle Shaft & Lever Assembly
2 31767 Throttle Return Spring
4 631184 "Dust Seal Washer
5 631183 * Dust Seal (Throttle)
6 640070 Throttle Shutter
7 650506 * Shutter Screw
16 631807 Fuel Fitting
17 651025 Throttle Crack Screw/Idle Speed Screw
18 630766 Tension Spring
20 640027 Idle Restrictor Screw
20A 640200 Idle Restrictof Scrwe Cap (Black)
25 631867 Float Bowl
27 631024 * Float Shaft
28 632019 Float
29 631028 * Float Bowl'O" Ring
30 631021 * Inlet Needle, Seat, & Clip (LncL 31)
31 631022 Spring Clip
35 640259 Primer Bulb/Retainer Ring
36 640080 Main Nozzle Tube
36A 632766 Carburetor Tube
37 632547 * _O" Ring. Main Nozzle Tube
40 640030 High Speed Bowl Nut
44 27110A * Bowl Nut Washer
47 630748 * Welch Plug. Idle Mixture Well
48 631027 * Welch Plug, Atmospheric Vent
60 632760B Repair kit (Incl. Items Marked * in Notes)
42

CRAFTSMAN 4-CYCLE ENGINE MODEL NO. 143.016714
7-=f =f-'
_m5
_2
KEY
NO. PART
NO.
-- 590702
1 590599A
2 590600
3 590696
4 590601
5 590697
6 590698
7 590699
8 590700
11 590703
12 590535
13 590701
DESCRIPTION
Recoil Stader
Spnng Pin (Incl. 4)
Washer
Retainer
Washer
Brake Sp_ng
Starter Dog
Dog Spring
Pulley & Rewind Spring Ass'y
Sta_er Housing Ass'y
(40 degree grommet)
Starter Rope
( 98" X 9/64" dia,)
Sta_er Handle
V--14
KEY PART
NO. NO.
-- 590739
3 590740
6 590616
7 590617
--0 8 590618A
11 590638
12 590535
II I! -7 13
43
590701
590760
DESCRIPTION
Rewind Starter
Retainer
Starter Dog
Dog Spring
Pulley & Rewind Spring Ass'y
Starter Housing Ass'y
(40 degree grommet)
Starter Rope
(Length 98" x 9/64" dia.)
StarLet Handle
Spdng Clip

For repair of major brand appliances in your own home...
no matter who made it, no matter who sold it!
1-800-4-MY-HOME SMAoytim_,dayo_._ht
(1-800-469-4663)
;_ www.sears.com
_÷_ To bring in products suchas vacuums,
lawn equipment and electronics for repair, call for
the location of your nearest Sears Parts & Repair Center.
1-800-488-1222 ^n_,r.ed., or night
www, sears,com
For the replacement parts, accessories and owner's manuals
that you need to do-it-yourself, call Sears PartsDirectSM!
1-800-366-PART 6_m- 11pmCST,
(1-800-366-7278) 7 daysa week
www.sears.com/part sdirect
To purchase or inquire about aSears Service Agreement:
1-800o827-6655
7 a.m. -5 p.m. CST, Mon. -Sat.
i
ypara ordenar piezas con entrega a domicilio:
1-886-SU-HOGAR su
(1-888-784-6427)
1-877-LE-FOYER _
(1-877-533-6937)
HomeCentral ®
Sears, Roebu_x and Co,
_M
®Registered Trademark ITrademark of Seam, Rcebuck and Co.
t_
®Marca Registrada /Marca de Fabrica de Sears, Roebuck and Co.
177317 01.26.01 BY Printed in U.S.A.