Craftsman 917382781 User Manual LAWN MOWER Manuals And Guides L0707209
CRAFTSMAN Walk Behind Lawnmower, Gas Manual L0707209 CRAFTSMAN Walk Behind Lawnmower, Gas Owner's Manual, CRAFTSMAN Walk Behind Lawnmower, Gas installation guides
User Manual: Craftsman 917382781 917382781 CRAFTSMAN LAWN MOWER - Manuals and Guides View the owners manual for your CRAFTSMAN LAWN MOWER #917382781. Home:Lawn & Garden Parts:Craftsman Parts:Craftsman LAWN MOWER Manual
Open the PDF directly: View PDF
.
Page Count: 22

SEARS "1995"
®
MODEL NUMBER 917.382781 OWNER'S MANUAL
oAssembly
oOperation
oCustomer
Responsibilities
Service
Adjustments
oRepair Parts
Caution:
Read and Follow
all Safety Rules
and Instructions
Before Operating
This Equipment
149061 01.04.95 Printed in U.S.A.

SAFETY RULES
_CAUTION: ALWAYSDISCONNECTSPARK PLUG WlREAND PLACEWIREWHEREITCANNOT CONTACTSPARK
PLUG TO PREVENT ACCIDENTAL STARTING WHEN SETTING UP, TRANSPORTING, ADJUSTING OR MAKING
.EPAIRS IMPORTANT
SAFETYSTANDARDS REQUIRE OPERATOR PRESENCECONTROLSTO MINIMIZETHERISKOFINJURY. YOUR UNIT ISEQUIPPED WITH
SUCH CONTROLS, DO NOT ATTEMPT TO DEFEAT THE FUNCTION OF THE OPERATOR PRESENCE CONTROLS UNDER ANY CIRCUM-
STANCES.
TRAINING:
• Read this operator's manual carefully. Become familiar with
the controls and know how to operate your mower properly.
Learn how to quickly stop mower.
• Do not allow children to use your mower. Never allow adults
to use mower without proper instructions.
. Keep the area of operation clear of all persons, especially
small children and pets.
•Use mower only as the manufacturer intended and as de-
scribed in this manual
mDo not operate mower if ithas been dropped or damaged in
any manner. Always have damage repaired before using
your mower.
Do not use accessory attachments that are not recommended
by the manufacturer. Use of such attachments may be
hazardous.
Be aware that the biade turns when the engine is running.
PREPARATION:
,, Always thoroughly check the area to be mowed and clear itof
all stones, sticks, wires, bones, and other foreign objects.
These objects will be thrown by the blade and can cause
severe injury.
°Always wear safety glasses or eye shields when starting and
while using your mower,
= Dress properly. Do not operate mower when barefoot or
wearing open sandals. Wear only solid shoes with good
traction when mowing.
• Check fue_ tank before starting engine. Do not fill gas tank
indoors, when the engine is running orwhen the engine is hot.
Allow the engine to cool for several minutes before filling the
gas tank. Clean off any spilled gasoline before starting the
engine.
° Always make wheel height adjustments before starting your
mower. Never attempt to do this while the engine is running.
• Mow only in daylight or good artificial light.
OPERATION:
• Keep your eyes and mind on your mower and the area being
cut. Do not let other interests distract you.
• Do not mow wet or slippery grass, Never run while operating
your mower. Always be sure of your footing - keep a firm hold
on the handles and walk.
• Do net put hands or feet near or under rotating parts. Keep
clear of the discharge opening at all times.
°
°
• Always stop the blade whenever you leave or are not using
your mower, orb°fore crossing driveways, walks, roads, and
any gravel-covered areas.
• Never direct discharge of material toward bystanders nor
allow anyone near the mower while you are operating it.
• Before cleaning, inspecting, or repairing your mower, stop
the engine and make absolutely sure the blade and all
moving parts have stopped. Then disconnect the spark plug
wire and keep it away from the spark plug to prevent
accidental starting.
o Do not continue to run your mower if you hit a foreign object.
Follow the procedure outlined above, then repair any dam-
age before restarting and operating you mower.
° Do not change the governor settings or overspeed the
engine. Engine damage or personal injury may result.
- Do not operate your mower if it vibrates abnormally. Exces-
sive vibration is an indication of damage; stop the engine,
safely check for the cause of vibration and repair as required,
Do not run the engine indoors. Exhaust fumes are danger-
ous.
Never cut grass by pulling the mower towards you. Mow
across the face of slopes, never up and down or you might
lose your footing. Do not mow excessively steep slopes.
Use caution when operating the mower on uneven terrain or
when changing directions - maintain good footing.
Never operate your mower without proper guards, plates,
grass catcher or other safety devices in place.
MAINTENANCE AND STORAGE:
.Check the blade and the engine mounting bolts often to be
sure they are tightened properly.
•Check all bolts, nuts and screws at frequent intervals for
proper tightness to be sure mower is in safe working condi-
tion.
•Keep all safety devices in place and working.
• To reduce fire hazard, keep the engine free of grass, leaves
or excessive grease and o11.
• Check grass catcher often for detedoration and wear and
replace worn bags. Use only replacement bags that are
recommended by and comply with specifications of the
manufacturer of your mower.
•Always keep a sharp blade on your mower,
•Allow engine to cool before storing in any enclosure.
• Never store mower with fuel in the tank inside a building
where fumes may reach an open flame or an ignition sou rce
such as a hot water heater, space heater, clothes dryer, etc.
..... i
ILOOK FOR THIS SYMBOL TO POINT OUT IMPORTANT SAFETY PRECAUTIONS. I
IT MEANS - ATTENTION!!! BECOME ALERT!!! YOUR SAFETY IS INVOLVED.
H .. ....................

CONGRATULATIONS on your purchase of a Sears Lawn
Mower. It has been designed, engineered and manufac-
tured to give you the best possible dependability and
performance.
Should you experience any problem you cannot easily
remedy, please contact your nearest Sears Authorized
Service Center/Department. We have competent, wel!-
trained technicians and the proper tools to service or repair
this lawn mower.
Please read and retain this manual. The instructions will
enable you to assemble and maintain your lawn mower
properly. Always observe the "SAFETY RULES".
MODEL
NUMBER 917.382781
SERIAL
NUMBER
DATEOFPURCHASE
THE MODELAND SERIAL NUMBERS WILL BE FOUND
ON A DECAL ATTACHED TO THE REAR OF THE
LAWN MOWER HOUSING
YOUSHOULDRECORDBOTHSERIALNUMBERAND
DATE OF PURCHASEAND KEEPIN A SAFE PLACE
FOR FUTURE REFERENCE.
PRODUCT SPECIFICATIONS
HORSEPOWER: 4.5
DISPLACEMENT: t 1.5 CU. IN.
GASOLINE CAPACITY 1.5 QUARTS
AND TYPE: UNLEADED REGULAR
OIL TYPE (API-SF/SG): SAE 30 (ABOVE 32°F)
SAE 5W-30 (BELOW 32°F)
OIL CAPACITY: 20 OZS.
SPARK PLUG: CHAMPION RJ19-LM
(GAP: .030") STD361458
VALVE CLEARANCE: INTAKE: .008
EXHAUST: .008
SOLID STATE IGNITION
AIR GAP: .0125 IN_
BLADE BOLT TORQUE: 35-40 FT. LBS.
MAINTENANCE AGREEMENT
A Sears Maintenance Agreement is available on this product. Contact your nearest Sears store for details.
CUSTOMER RESPONSIBILITIES
• Read and observe the safety rules.
° Follow a regular schedule in maintaining, caring for and using your lawn mower.
• Follow the instructions under "Customer Responsibilities" and "Storage" sections of this owner's manual.
LIMITED TWO YEAR WARRANTY ON CRAFTSMAN POWER MOWER
For two years from date of purchase, when this Craftsman Lawn Mower is maintained, lubricated, and tuned up
according to the operating and maintenance instructions in the owner's manual, Sears will repair free of charge any
defect in material or workmanship.
If this Craftsman Lawn Mower is used for commercial or rental purposes, this warranty applies for only 90 days from
the date of purchase.
This Warranty does not cover:
*Expendable items which become worn during normal use, such as rotary mower blades, blade adapters, belts,
air cieaners and spark plug.
°Repairsnecessarybecause_f_peratorabuse_rneg_igence_inc_udingbentcranksha_sandthefai_uret_maintain
the equipment according to the instructions contained in the owner's manual.
WARRANTY SERVICE IS AVAILABLE BY RETURNING THE CRAFTSMAN POWER MOWER TO THE NEAREST
SEARS SERVICE CENTER/DEPARTMENT IN THE UNITED STATES. THIS WARRANTY APPLIES ONLY WHILE
THIS PRODUCT IS IN USE IN THE UNITED STATES.
This Warranty gives you specific legal rights, and you may also have other rights which vary from state to state.
SEARS, ROEBUCK AND CO., D/817 WA, HOFFMAN ESTATES, ILLINOIS 60179

i i
TABLE OF CONTENTS
SAFETY RULES ............................................................ 2
PRODUCT SPECIFICATIONS ...................................... 3
CUSTOMER RESPONSIBILITIES ..................... 3, 11-13
WARRANTY .................................................................. 3
ASSEMBLY ................................................................... 6
OPERATION .................................................................. 8
MAINTENANCE SCHEDULE ..................................... 11
SERVICE AND ADJUSTMENTS ................................ 14
STORAGE ................................................................... 15
TROUBLESHOOTING ................................................. 21
REPAIR PARTS - LAWN MOWER ........................ 16-17
REPAIR PARTS - ENGINE .................................... 18-20
PARTS ORDERING/SERVICE ................................... 22
iNDEX
A
Accessories .................................... 5
Adjustments:
Carburetor .............................. 14
Engine Speed ........................ 14
Handle Height ........................ 14
Height of Cut ............................ 9
Air Filter:
Replacement .......................... 13
Service ................................... 13
Assembly ........................................ 6
B
Blade:
Sharpening ............................ 12
Replacement .......................... 12
C
Controls:
Engine Zone Control ................ 9
Engine Speed Control .............. 8
Operator Presence
Control Bar ............................... 8
Customer Responsibilities ... 3, 11-13
Air Filter ................................. 13
Blade Care/Replacement ....... 12
Engine .................................... 13
Lubrication ............................. 13
Spark Plug ............................. 13
Cutting Levels ................................. 9
E
Engine:
Air Filter ................................. 13
Oil Change ............................. 13
Oil Level ................................. 13
Oil Type ................................. 13
Starting .................................. 10
Stopping ................................. 10
Storage .................................. 15
F
Fuel:
Capacity ................................... 3
Storage .................................. 15
Type ......................................... 9
H
Handle Adjustment:
Assembly ................................. 6
Cutting Height ........................ 14
L
Lubrication:
Engine .................................... 13
Lawn Mower .......................... 11
M
Maintenance Agreement ................ 3
Maintenance Schedule ................. 11
Mowing Tips ................................. 10
Oil:
O
Engine .................................... 13
Storage .................................. 15
Operation:
Engine Control ......................... 9
Grass Catcher .......................... 9
Mower ...................................... 9
Operator Presence
Control Bar ............................... 9
Options:
Accessories ............................. 5
R
Repair Parts:
Engine ............................... 18-20
Lawn Mower ..................... 16-17
Responsibilities, Customer.. 3, 11-13
S
Safety Rules ................................... 2
Service and Adjustments .............. 14
Carburetor .............................. 14
Engine Speed ........................ 14
Handle ................................... 14
Spark Plug .................................... 13
Specifications ................................. 3
Speed Control:
Engine .................................... 14
Starting the Engine ....................... 10
Stopping the Engine ..................... 10
Storage ......................................... 15
T
Trouble Shooting Chart ................ 21
W
Warranty ......................................... 3
4

,II,,N, 'i i i'1111
LAWN MOWER ACCESSORUES
i , M,I ,i,ii iiii
These accessories were available when this lawn mower was produced. They are also available at most Sears retail outlets
and service centers. Most Sears stores can also order repair parts for you, when you provide the model number of you r lawn
mower. Some of these accessories may not apply to your lawn mower.
ENGINE
SPARK PLUG MUFFLER AIR FILTER
®
IH
if lawn mower is an electric start
GAS CAN
i, ii iiii
CHARGER
ENGINE OIL STABILIZER
LAWN MOWER PERFORMANCE
REAR BAG
OPTIONAL
REPLACEMENT
BAG FOR REAR
DISCHARGE
LAWN MOWERS
FABRIC BAG
i,, H ,,,,11
LAWN MOWER MAINTENANCE
DUST SHIELD
P
L
l,
OPTIONAL
CATCHER FOR
SIDE DISCHARGE
LAWN MOWER
CLIPPING DEFLECTOR
ii .......
SIDE DISCHARGE CATCHER
5

iiiiii i ii iiiii............................................. ii
ASSEMBLY
iii i1,1 iiiii
Read these instructions and this manual in its entirety
before you attempt to assemble or operate your new lawn
mower. Your new lawn mower has been assembled at the
factory with the exception of those parts left unassembled
for shipping purposes. All parts such as nuts, washers,
bolts, etc., necessary to complete the assembly have been
placed in the parts bag. To ensure safe and proper
operation of your lawn mower, al! parts and hardware you
assemble must be tightened securely. Use the correct
tools as necessary to ensure proper tightness.
TO REMOVE LAWN MOWER FROM
CARTON
•Remove loose parts included with mower.
•Cut down two end corners of carton and lay end panel
down flat.
o Remove all packing materials except padding between
upper and lower handle and padding holding operator
presence control bar to upper handle.
.Roll lawn mower out of carton and check carton thor-
oughly for additional loose parts.
HOW TO SET UP YOUR LAWN MOWER
TO UNFOLD HANDLE (See Fig. 1)
IMPORTANT: UNFOLD HANDLES CAREFULLY SO AS
NOT TO PINCH OR DAMAGE CONTROL CABLES.
•Raise handles until lower handle section locks into
place in mowing position.
°Raise upper handle section into place on lower handle,
remove protective padding and tighten both handle
knobs.
• Remove handle padding holding operator presence
control bar to upper handle.
• Your lawn mower handle can be adjusted for your
mowing comfort. Refer to "Adjust Handle" in the
Service and Adjustment section of this manual.
TO INSTALL ATTACHMENTS
(See Fig. 2)
Your lawn mower was shipped ready to be used as a
mulcher. To convert to bagging or discharging:
° Open rear door and remove mulcher plate. Store
mutcher plate in a safe place.
•You can now install catcher or optional clipping deflec-
tor.
•To return to mulching operation, install mulcher plate
into discharge opening of mower. Be sure all tabs are
seated properly.
OPERATOR PRESENCE
CONTROLBAR
UPPER HANDLE
LIFT UP
MOWING POSITION
LOWER HANDLE
FIG. 1
SLOTS
MULCHERPLATE
FIG. 2
TABS
CAUTION: Do not run your lawn mower
without mulcher plate in place or ap-
proved clipping deflector or grass
catcher in place. Never attempt to op-
erate the lawn mower with the rear door
removed or propped open.

ii i u ii .............
ASSEMBLY
il,i i II , ,i iii ................................
TO ASSEMBLE AND ATTACH GRASS
CATCHER (See Figs. 3A thru 40 )
•To assemble tubular frame to grass bag, work sewn
hem of bag out through the front opening of bag to
expose the hem.
o Thread tubular frame into hem and gather material at
top of frame as shown.
•Push frame inside bag through the opening until only
the ends of frame are exposed out of the front.
NOTE: Do not close the flip lid at this time.
• Assemble lower frame totubular frame as shown. Be
sure frames are fully seated together as shown ininset.
•Slip vinyl bindings over frame.
NOTE: If vinyl bindings are too stiff, hold them in warm
water for a few minutes. If bag gets wet, let it dry before
using.
• Closethe flip lid. Flip lid must be closed while operating
lawn mower.
°Lift the rear door on the mower housing and place the
grass catcher frame onto the formed tabs on the rear
door hinge bracket.
•The grass catcher is secured to the lawn mower
housing when the rear door is lowered onto the grass
catcher frame.
, nn i,,,
CAUTION: Donot runyourlawn mower
without clipping deflector or approved
grass catcher in place. Never attempt
to operate the lawn mower with the rear
door removed or propped open.
11
FLIP LID
SEWN
HEM
(Full out
through front
of opening)
TUBULAR
FRAME
(Pushinside
bag)
FIG. 3C
LOWER
FRAME
TUBULAR
FRAME
(Frames must
be fully seated)
FIG. 4A
CATCHER FRAME
\
FIG. 3A FIG. 4B
TUBULAR
FRAME
(Thread into
sewn hem)
FIG. 3B
SEWN
HEM HINGE
BRACKET
GRASS CATCHER FRAME
FORMED
TABS
7FIG. 4C

LII i1= I
OPERATnON
i,=,,= i ii
KNOW YOUR LAWN MOWER
READ THIS OWNER'S MANUAL AND SAFETY RULES BEFORE OPERATING YOUR LAWN MOWER. Compare the
illustrations with your Iawn mower to familiarize yourself with the location of various controls and adjustments. Save this
manual for future reference.
OPERATOR PRESENCE CONTROL BAR
ENGINE ZONE CONTROL HANDLE
HANDLE KNOB
GRASS CATCHER
MULCHER PLATE
GASOLINE FILLER CAP
PRIMER
ENGINE SPEED CONTROL LEVER
FILTER
ENGINE OIL CAP
WITH DIPSTICK
WHEEL ADJUSTER
(ON EACH WHEEL)
LAWN MOWER HOUSING
==i ,,=,,=,==H,=,= i
MEETS CPSC SAFETY REQUIREMENTS
Sears rotary walk-behind power lawn mowers conform to the safety standards of the American National Standards Institute
and the U,S. Consumer Product Safety Commission. The blade turns when the engine is running,
=,==
OPERATOR PRESENCE CONTROL BAR -must be held
downtothe hand]etostarttheengine. Re]ease to stop the
engine.
PRIMER -pumps additional fuel from the carburetor to the
cylinder for use when starting a cold engine.
STARTER HANDLE - used for starting the engine.
..... ,NH'H'III I
ENGINE SPEED CONTROL -located on the side of the
engine which allows you to select either fast (,_) or slow
(,¢_) engine speed.
MULCHER PLATE - located at the discharge opening
must be removed when converting to bagging or discharg-
ing operation.

OPERATION
i, I I IM'III II ,, i ,11111
HOW TO USE YOUR LAWN MOWER
ENGINE SPEED CONTROL (See Fig. 5)
The engine speed is controlled by a lever Iocated on the
side of the engine. Fast (,_) position is for starting the
engine, normal cutting, and better grass bagging. Slow
(,_) position isfor light cutting, trimming and fuel economy.
ENGINE ZONE CONTROL
=H ,, , ull,
CAUTION: Federal regulations require
an engine control to be installed on this
lawn mower in order to minimize the ._
risk of blade contact injury. Do not
under any circumstances attempt to
defeat the function of the operator con-
trol. The blade turns when the engine is
running.
= =,== ,,
•Your lawn mower is equipped with an operator pres-
ence control bar which requires the operator to be
positioned behind the lawn mower handle to start and
operate the lawn mower.
TO ADJUST CU'I-i'ING HEIGHT (See Fig. 6)
. Raise wheels for iow cut and lower wheels for high cut.
- Wheels are set in low cut for shipping. Adjust cutting
height to suit your requirements. Medium position is
best for most lawns.
•To change cutting height, squeeze adjuster lever to-
ward wheel. Move wheel up or down to suit your
requirements. Be sure all wheels are in the same
setting.
TO EMPTY GRASS CATCHER (See Fig. 7)
• Lift up on grass catcher using the frame handle.
°Remove grass catcher with clippings from under tawn
mower handie.
• Empty clippings from bag using both frame handle and
bag handle.
NOTE: Do not drag the bag when emptying; it will cause
unnecessary wear.
BEFORE STARTING ENGINE
OIL
Your lawn mower is shipped without oil in the engine.
° Be sure mower is level and area around oil fill is clean.
° Remove engine oil cap w/dipstick and _l to the full line
on the dipstick.
• Use 20 ozs. of oil. Fortypeandgradeofoilto use, see
"ENGINE" in Customer Responsibilities section of this
manual.
°Pour oil slowly. Do not over fiil.
-Check oil ievel before each use. Add oil if needed. Fill
to full line on dipstick.
° To read proper level, tighten engine oil cap each time.
•Reinstall engine oil cap and tighten.
°After the first two (2) hours of mowing, change the oil,
and every 25 hours thereafter. You may need to
change the oil more often under dusty, dirty conditions.
ENGINE SPEED
CONTROL LEVER
PRIMER
FIG. 5
LOWER WHEELS
FOR HIGH CUT RAISE WHEELS
FOR LOW CUT
FIG. 6
FIG. 7
GAs
° Fill gasoline tankwith fresh, clean, unleaded gasoline.
DO NOT USE PREMIUM GASOLINE. BE CAREFUL
NOT TO OVER FILL TANK.
WARNING: Experience indicates that alcohol bfended
fuels (called gasohol or using ethanol or methanol) can
attract moisture which leads to separation and formation of
acids during storage. Acidic gas can damage the fuel
system of an engine while in storage. To avoid engine
problems, the fuel system should be emptied before stor-
age of 30 days or longer. Drain the fuel tank, start the
engine and let it run until fuel lines and carburetor are
empty. Use fresh fuel next season. See Storage Instruc-
tions for additional information. Never use engine or
carburetor cleaner products in fuel tank or permanent
damage may occur.
9

,i,illUnii i i i i,un 'u
OPERATION
i, irl, in i iinl 11111111 , n
TO START ENGINE
•To start acold engine, push primerfive (5) times before
trying to start. Use a firm push. This step is not usually
necessary when starting an engine which has already
run for a few minutes.
• Push engine speed control lever to fast (,_) position.
• ILloldoperator presence control bar down to the handle
and pull starter handle quickly. Do not allow starter
rope to snap back.
•To stop engine, release operator presence control bar.
NOTE: In cooler weather it may be necessary to repeat
priming steps. Inwarmer weather over priming may cause
flooding and engine will not start. If you do flood engine,
wait a few minutes before attempting to start and do not
repeat priming steps.
MOWING TIPS
.Under certain conditions, such as verytall grass, it may
be necessary to raise the height of cut to reduce
pushing effort and to keep from overloading the engine
and leaving clumps of grass clippings.
• For extremely heavy cutting, reduce the width of cut
and raise the rear of the lawn mower housing one (1)
wheel adjuster setting higher than the front for better
discharge of grass.
° For better grass bagging and most cutting conditions,
the engine speed should be set in the fast (,_) posi-
tion.
• When using a rear discharge lawn mower in moist,
heavy grass, clumps of cut grass may not enter the
grass catcher. Reduce ground speed (pushing speed)
and/or run the lawn mower over the area a second time.
• Ifa trait of grass clippings is left on the rightside of a rear
discharge lawn mower, mow in a clockwise direction
with a small overlap to collect the clippings on the next
pass.
° Keep top of engine around starter clear and clean of
grass clippings and chaff. This wift help engine airflow
and extend engine life.
° Pores in cloth grass catchers can become filled with dirt
and dust with use and catchers will collect less grass.
To prevent this, regularly hose catchers off with water
and let dry before using.
MAX1/3
FIG. 8
MULCHING MOWING TIPS
IMPORTANT: FOR BEST PERFORMANCE, KEEP
MOWER HOUSING FREE OF BUILT-UP GRASS AND
TRASH. CLEAN UNDERSIDE OF MOWER HOUSING
AFTER EACH USE, SEE "CLEANING" IN CUSTOMER
RESPONSIBILITIES SECTION OF THIS MANUAL.
• The special mulching blade will recut the grass clip-
pings many times and reduce them in size so that as
they faif onto the lawn they will disperse into the grass
and not be noticed. Also, the mulched grass will
biodegrade quickly to provide nutrients for the lawn.
Always mulch with your highest engine (blade) speed
as this will provide the best recutting action of the
blades.
•Avoid cutting your lawn when it iswet. Wet grass tends
to form clumps and interferes with the mulching action.
The best time to mow your lawn is the early afternoon.
At this time the grass has dried and the newly cut area
will not be exposed to the direct sun.
• For best results, adjust the lawn mower cutting height
so that the lawn mower cuts off only the top one-third
of the grass blades (See Fig. 8). If the lawn is
overgrown it will be necessary to raise the height of cut
to reduce pushing effort and to keep from overloading
the engine and leaving clumps of mulched grass. For
extremely heavy mulching, reduce your width of cut,
mow slowly and raise the rear of the lawn mower one
whee] adjuster setting higher than the front.
°Certain types of grass and grass conditions may re-
quire that an area be mulched a second time to
completely hide the clippings. When doing a second
cut, mow across or perpendicular to the first cut path.
°Change your cutting pattern from week to week. Mow
north to south one week then change to east to west the
next week. This will help prevent matting and graining
of the lawn.
10

i i , ,,11 '1 ¸
CUSTOMER RESPONSiBiLiTiES
i ,i, i1,11i iiiiiii , ,i
ii ,, _;............. i , i, i ........
° ZES
AS YOU COMPLETE __-'_.£_'{/_ _
REGULAR SERVICE __/_____DoATES
Check for Loose Fasteners !_'
Ciean/lnspect' Grass Catcher
Equipped)
C'_'e'anLawn Mower M#'
W" hspect/Clean Drive Wheels
(Self-Propelled Mowers)
Rsharpen/Replace Mower Blade
Lubrication Chart
Clean Battery/Recharge '"
(Electric Start Mo.wers).....................
ECheck Engine Oil Level .........t_
N Change EngineOil
GClean Air Filter
IInspect Muffler
NReplace Spark Ptug
EReplace Air Fi]ter..paper Cartridge
Q/
v'
v'
.....
J2
........... ,_, ,T,,, ,,,,
1 - Change more often when operating under a heavy load or in high ambient temperatures,
2 - Service mere often when operating in dirty or dusty conditions.
3 - Replace blades more often when mowing in sandy soil.
4 - Charge 48 hours at end of season.
LUBRICATION CHART
GENERAL RECOMMENDATIONS
The warranty on this lawn mower does not cover items that
have been subjected to operator abuse or negligence. To
receive full value from the warranty, operator must maintain
mower as instructed in this manual.
Some adjustments will need to be made periodically to
properly maintain your unit.
All adjustments in the Service and Adjustments section of
this manual should be checked at least once each season.
oOnce a year, replace the spark plug, replace air filter
element and check blade for wear. A new spark plug
and clean/new air filter element assures proper air-fuel
mixture and helps your engine run better and last
longer.
•Follow the maintenance schedule in this manual
WHEEL
ADJUSTER
(_)BRAKE
SPRING
BRACKET
(_) ENGINE OIL
BEFORE EACH USE
oCheck engine oil level.
°Check for loose fasteners.
LUBRICATION
Keep unit wel[ lubricated (See "LUBRICATION CHART").
(_) HANDLE BRACKET REAR
MOUNTING PIN DOOR
HINGE
(_ SPRAY LUBRICANT
(_) SAE30 MOTOROIL REFERTOENGINE- CUSTOMERRE'SPON-
SIBILITIES SECTION,
IMPORTANT: DO NOT OIL OR GREASE PLASTIC WHEEL
BEARINGS, VISCOUS LUBRICANTS WILL ATTRACT
DUST AND DIRT THAT WILL SHORTEN THE LIFE OF
THE SELF LUBRICATING BEARINGS. IF YOU FEELTHEY
MUST BE LUBRICATED, USE ONLY A DRY, POWDERED
GRAPHITE TYPE LUBRICANT SPARINGLY.
11

innlnun n,llllrn=
CUSTOMER RESPONSiBiLiTiES
,11111111 i ii1,11,,,1111111,i
LAWN MOWER
Always observe safety rules when performing any mainte-
nance.
TIRES
o Keep tires free of gasoline, oil, or insect control chemi-
cals which can harm rubber.
= Avoid stumps, stones, deep ruts, sharp objects and
other hazards that may cause tire damage.
BLADE CARE
For best results, mowerblademust be keptsharp, Replace
bent or damaged blades.
TO REMOVE BLADE (See Fig. 9)
°Disconnect spark plug wire from spark plug and place
wire where it cannot come in contact with spark plug.
°Turn lawn mower on its side. Make sure air filter and
carburetor are up.
oUse a wood block between blade and mower housing
to prevent blade from turning when removing blade
bolt.
•Protect your hands with gloves and/or wrap blade with
heavy cloth.
•Remove blade bolt by turning counter-clockwise. Use
a 9/!6" box or open-end wrench.
•Remove blade and attaching hardware (bolt, lock
washer and hardened washer).
NOTE: Remove the blade adapter and check the key
inside hub of blade adapter. The key must be in good
condition to work properly. Replace adapter if damaged.
TO REPLACE BLADE (See Fig. 9)
• Positron the blade adapter on the engine crankshaft.
Be sure key in adapter and keyway in crankshaft are
aligned.
= Position blade on the blade adapter aligning the two (2)
holes in the blade with the raised lugs on the adapter.
oBe sure the trailing edge is up toward the engine.
• Installthe blade bolt withthelockwasherand hardened
washer into blade adapter and crankshaft.
oUse block of wood between blade and lawn mower
housing and tighten the blade bolt, turning clockwise.
• The recommended tightening torque is 35-40 ft. lbs.
IMPORTANT: BLADE BOLT IS GRADE 8 HEAT TREATED.
BLADE sCRANK-
ADAPTER '_ _/SHAFT
BLADEI \ II _, \ _ ,?"_ -_J ""CRANK-
LOCK WASHER EDGE BLADE ADAPTER
RG. 9
NOTE: We do not recommend sharpening blade _but ifyou
do, be sure the blade is balanced.
TO SHARPEN BLADE
Care should be taken to keep the blade balanced. An
unbalanced blade will cause eventual damage to lawn
mower or engine.
•The blade can be sharpened with a file or on a grinding
wheel. Do not attempt to sharpen while on the mower.
• To check blade balance, drive a nait into a beam or wall.
Leave about one inch of the straight nail exposed.
Place center hole of blade over the head of the nail. If
blade is balanced, it should remain in ahorizontal
position, if either end of the blade moves downward,
sharpen the heavy end until the blade is balanced.
GRASS CATCHER
= The grass catcher may be hosed with water, but must
be dry when used.
oCheck your grass catcher often for damage or deterio-
ration. Through normal use it will wear. If catcher
needs replacing, replace only with a manufacturer
approved replacement catcher. Give the lawn mower
model number when ordering.
12

lU .... nl'l' i i 'i..... i' "u uu n'l i"1un'" u "lllrl'lU In
CUSTOM RESPONSIBIL ES
ii , lU in ' I1" I ...................
ENGINE
LUBRICATION
Use only high quality detergent oil rated with APt service
classification SF or SG. Select the oil's SAE viscosity grade
according to your expected operating temperature.
SAE VISCOSITY GRADES
oF -20 ° 0_30 +32" 40 _ 60_ 80 ° 10O_
+ +
......'........... '" _o + _0o 30"
ioc._= .2o+.loo 1o+ ,+o,_,,,
TEMPERATURE RANGE ANTICIPATED BEFORE NEXT OIL CHANGE
CONTAINER
NOTE: Although multi-viscosity oils (5W30, 10W30 etc.)
improve starting in cold weather, these multi-viscosity oils
will result in increased oil consumption when used above
32°F. Check your engine oil level more frequently to avoid
possible engine damage from running low on oil+
Change the oil after the first two hours of operation and
every 25 hours thereafter or at least once a year if the lawn
mower is not used for 25 hours in one year.
Check the crankcase oil level before starting the engine
and after each five (5) hours of continuous use. Tighten oil
plug securely each time you check the oil level.
TO CHANGE ENGINE OIL (See Fig. t0)
NOTE: Before tipping lawn mower to drain oil, drain fuel
tank by running engine until fuel tank is empty.
° Disconnect spark plug wire from spark plug and place
wire where it cannot come in contact with spark plug.
° Remove engine oil cap; lay aside on a clean surface.
o Tip lawn mower on its side and drain oil into a suitable
container. Rock lawn mower back and forth to remove
any oil trapped inside of engine.
• Wipe off any spilled oil on lawn mower and on side of
engine.
• Fill engine with oil. Fill only to the "FULL" line on the
dipstick. DO NOT OVER FILL.
• Replace engine oi] cap.
° Reconnect spark plug wire to spark plug.
AIR FILTER
Your engine will not run properly and may be damaged by
using a dirty air filter.
Replace the air filter every year, more often if you mow in
very dusty, dirty conditions. Do not wash air filter.
TO CHANGE AIR FILTER (See Fig. 11)
• Remove the air filter cover by turning counterclockwise
to the stop and pull away from collar.
° Remove filter from inside of cover.
, Clean the inside of the cover and the collar to remove
any dirt accumulation.
o Insert new filter into cover.
° Put air filter cover and filter into coltar aligning the tab
with the slot.
• Push in on cover and turn clockwise to tighten.
FIG. 10
COLLAR
SLOT
COUNTER-
CLOCKWISE
TO REMOVE
AIR FILTER AIR FILTER COVER TO TIGHTEN
13
FIG. 11
MUFFLER
Inspect and replace corroded muffler as it could create a
fire hazard and/or damage.
SPARK PLUG
Change your spark plug each year to make your engine
start easierand run better. Set spark plug gap at .030 inch.
CLEANING
IMPORTANT: FOR BEST PERFORMANCE, KEEP
MOWER HOUSING FREE OF BUILT-UP GRASS AND
TRASH. CLEAN UNDERSIDE OF MOWER HOUSING
AFTER EACH USE.
CAUTION: Disconnect spark plug wire
from spark plug and place wire where it
cannot come in contact with the spark
plug.
• Turn lawn mower on its side. Make sure air filter and
carburetor are up. Clean the underside of your lawn
mower by scraping to remove build-up of grass and
trash.
•Cleanengineoftento keeptrash from accumulating. A
clogged engine runs hotter and shortens engine life.
°Keep finished surfaces and wheels free of all gasoline,
oif, etc.
•We DO NOT recommend using a garden hose to clean
lawn mower unless the electrical system, muffler, air
filter and carburetor are covered to keep water out.
Water in engine can result in shortened engine life,

....P,l,,,, i== ,= H ii1= ii Hlll,II
ADJUSTM NTS
,,if,, i i iii ii , i i iiiiiii
............................ ,=1 iH
CAUTION: BEFORE PERFORMING ANY SERVICE OR ADJUSTMENTS: [
_elease control bar.Make sure the blade and all moving parts have completely stopped.
oDisconnect spark plug wire from spark plug and place where it cannot come in contact with plug.
LAWN MOWER
TO ADJUST CUTTING HEIGHT
See "TO ADJUST CUTTING HEIGHT" in the Operation
section of this manual.
REAR DEFLECTOR
The rear deflector, attached between the rear wheels of
your lawn mower, is provided to minimize the possibility
that objects will be thrown out the rear of the lawn mower
into the operator's mowing position. If the rear deflector
becomes damaged, it should be replaced.
TO ADJUST HANDLE (See Figs. 12 Thru 14)
Your lawn mower handle can be raised or lowered for your
mowing comfort, Four (4) positions are available: high,
medium high, medium tow and low. Handles are shipped
mounted in the medium low position.
-To change from medium low to medium high position,
the upper and lower handle sections will have to be
turned over (See Fig. 12B).
= Remove the cable clips.
o Remove the controls and operator presence control
bar from the upper handle.
• Remove the starter rope guide from the lower handle.
• Remove hairpin cotters.
o Disconnect the lower handle from the handle brackets
(See Fig. 14).
° Turn the handle over and reassemble the hairpin
cotters that have been removed.
° Reassemble the starter rope guide.
• Reassemble the controls and the operator presence
control bar to the upper handle,
,,1 =,111,11
CAUTION: The operator presence con-
trol bar must pivot freely to permit blade
brake engagement when control bar is
released. Do not over tighten the fas-
teners holding the controls to the up-
per handle,
,,1==
°To change from medium low to high position only the
upper handle section will have to be turned over (See
Fig. 13A).
•To change from medium low to low position oniy the
lower hand e section will have to be turned over (See
Fig. 13B).
SHIPPING POSITION
MEDIUM LOW
FIG. 12A
F
HIGH
i
! H
FIG. 12B
LOW
\
FIG. 13A FIG. 13B
LOWER HANDLE
SQUEEZE
TO REMOVE
HAIRPIN CLIP
FIG. 14
ENGINE
CARBURETOR
Your carburetor has a non-adjustable fixed main jet for
mixture control. If your engine does not operate pmpedy
due to suspected carburetor problems, take your lawn
mower to an authorized service center for repair or adjust-
ment.
ENGINE SPEED
Your engine speed has been factory set. Do not attempt
to increase engine speed or it may result in personal injury.
If you believe that the engine is running too fast ortoo slow,
take your _awn mower to an authorized service center for
repair and adjustment.
14

STORAGE
iiii iiiii ............... ii , .....................
Immediately prepare your lawn mower for storage at the
end of the season or if the unit will not be used for 30 days
or more.
LAWN MOWER
When lawn mower is to be stored for a period of time, clean
it thoroughly, remove all dirt, grease, leaves, etc. Store in
a clean, dry area.
• Clean entire lawn mower (See "CLEANING" in the
Customer Responsibilities section of this manual).
• Lubricate as shown in the Customer Responsibilities
section of this manual.
° Be sure that all nuts, bolts, screws, and pins are
secureiyfastened. Inspect moving parts for damage,
breakage and wear. Replace if necessary.
,Touch up all rusted or chipped paint surfaces; sand
lightly before painting.
HANDLE (See Fig. 15)
You can fold your lawn mower handle for storage.
•Squeeze the bottom ends of the lower handle toward
each other until the tower handle clears the handle
bracket, then move handle forward.
•Loosen upper handle mounting bolts enough to allow
upper handle to be folded back.
IMPORTANT: WHEN FOLDING THE HANDLE FOR
STORAGE OR TRANSPORTATION, BE SURE TO FOLD
THE HANDLE AS SHOWN OR YOU MAY DAMAGE THE
CONTROL CABLES.
-When setting up your handle from the storage position,
the lower handle will automatically lock into the mowing
position.
LOWER HANDLE
BRACKET
SQUEEZE TO
FOLD
HAIRPIN
COTTER
OPERATOR PRESENCE
CONTROLBAR
UPPER HANDLE
FOLDFORWARD
FORSTORAGE
FOLD BACKWARD
MOWING
POSITION
LOWER HANDLE
ENGINE
FUEL SYSTEM
IMPORTANT: IT IS IMPORTANT TO PREVENT GUM
DEPOSITS FROM FORMING IN ESSENTIAL FUEL
SYSTEM PARTS SUCH AS CARBURETOR, FUEL FILTER,
FUEL HOSE, OR TANK DURING STORAGE. ALSO,
EXPERIENCE INDICATES THAT ALCOHOL BLENDED
FUELS (CALLED GASOHOL OR USING ETHANOL OR
METHANOL) CAN ATTRACT MOISTURE WHICH LEADS
TO SEPARATION AND FORMATION OF ACIDS DURING
STORAGE. ACtDIC GAS CAN DAMAGE THE FUEL
SYSTEM OF AN ENGINE WHILE IN STORAGE.
• Drain the fuel tank.
•Start the engine and let it run untit the fuel lines and
carburetor are empty.
•Never use engine or carburetor cleaner products inthe
fuel tank or permanent damage may occur.
°Use fresh fuel next season.
NOTE: Fuel stabilizer is an acceptable alternative in
minimizing the formation of fuel gum deposits during stor-
age. Add stabilizer to gasoline in fuel tank or storage
container. Always follow the mix ratio found on stabilizer
container. Run engine at least 10 minutes after adding
stabilizer to aflowthe stabilizerto reach the carburetor. Do
not drain the gas tank and carburetor if using fuel stabilizer.
ENGINE OIL
Drain oil (with engine warm) and replace with clean engine
oil. (See "ENGINE" in the Customer Responsibilities
section of this manual).
CYLINDER
oRemove spark plug.
°Pour one ounce (29 ml) of oil through spark plug hole
into cylinder.
• Pull starter handle slowly a few times to distribute oil.
• Replace with new spark plug.
OTHER
•Do not store gasoline from one season to another.
•Replace your gasoline can if your can starts to rust.
Rust and!or dirt in your gasoline will cause problems.
•If possible, store your unit indoors and cover it to give
.protection from dust and dirt.
•Cover your unit with a suitable protective cover that
does not retain moisture. Do not use plastic. Plastic
cannot breathe which allows condensation to form and
will cause your unit to rust.
IMPORTANT: NEVER COVER MOWER WHILE ENGINE
AND EXHAUST AREAS ARE STILL WARM.
CAUTION: Neverstorethetawn mower
with gasoline in the tank inside a build-
ing where fumes may reach an open
flame or spark. Allow the engine to
cool before storing in any enclosure.
FIG. 15
15

REPAIR PARTS
ROTARY LAWN MOWER ,-- MODEL NO. 917.382781
7
8
57 24
34
25
•23,,
\
4.3
17 "] 35 42
22 2_1! _ 43
28 39
37
18 23
44
32 33
36
37
32 40
39
36 38
43
4O
39
38
37

REPAIR PARTS
ROTARY LAWN MOWER -- MODEL NO. 917.382781
KEY PART
NO. NO. DESCRIPTION KEY PART DESCRIPTION
NO. NO.
1 86902
2 145646X479
3 133169X479
4 103672X
5 84676X479
6 STD541425
7 131959
8 85827
9 51793
10 136376
11 130861
12 74350424
13 750097
14 850733X004
17 147613
18 700357X479
19 STD622506
20 86344
21 54583
22 700063X479
23 88652
24 700363X479
25 133335X479
26 140657
28 140629X479
29 140628X479
31 55187
32 700325X007
33 84920
34 t28415
35 87877
Control Bar
Upper Handle
Mulcher Plate
Rope Guide
Lower Handle
Locknut 1/4-20
Handle Bolt
Cable Clip
Hairpin Cotter
Handle Knob
Engine Zone Control Cable
Hex Head Bolt 1/4-20 x 1-1/2
Hex Washer Head Screw 10-24 x 1/2
Up-Stop Bracket
Rear Door Assembly Kit
Back Prate
Self Tapping Screw 10-24 x 5/8
Self Tapping Screw 10-24 x 1/2
Hex Head Tapping Screw 1/4-20 x !/2
Rear Baffle
Hinge Screw 1/4-20 x 1-1/4
Side Baffle
Discharge Baffle
Rear Deflector
Handle Bracket Assembly (Left)
Handle Bracket Assembly (Right)
Screw 5/16-18 x 3/4
Wheel Adjusting Bracket
Spacer
Pop Rivet
Selector Knob
36 700331X004
37 145935X004
38 62335
39 84921
40 146248
42 83923
43 77400
44 85463
45 850998
46 48395
47 751592
50 700938X479
51 851084
52 850263
53 851074
54 146749
55 850977
56 144748
57 141245
58 146381
59 144747
-- 149061
Selector Spring
Axle Arm Assembly
Belleville Washer
Shoulder Bolt
Wheel and Tire Assembiy
Hex Flange Locknut
Hubcap
Danger Decal
Hex Head Thread Rolling Screw 3/8-16 x 1
Lawn Mower Housing (Incl. Key #18, 22, 24, 44, 50)
Locknut 3/8-16
Front Baffle
Hex Head Machine Screw 3/8-24 x 1-3/8 (Grd, 8)
Helical Lockwasher 3/8
Washer
Blade 20"
Blade Adapter
Tube Frame
Grass Bag
Engine - Craftsman Model No,143.954502
Throat Frame
Owner's Manual (English/Spanish)
Available accessories not included with lawn mower:
7_/133303
7_133723
7_/133623
7133500
7133300
7_133417
7133316
Clipping Deflector
Hi-Wheel Kit
Gas Can (2.5 gal.)
Fuel Stabilizer
SAE 30W Oil (20 oz.)
Dust Shield
Mower Cover

CRAFTSMAN 4-CYCLE ENGaNE MODELNUMBER!43.954502
mDFJL_ SF.RIAI.
MWB_IS $
.193
82\
25O
18

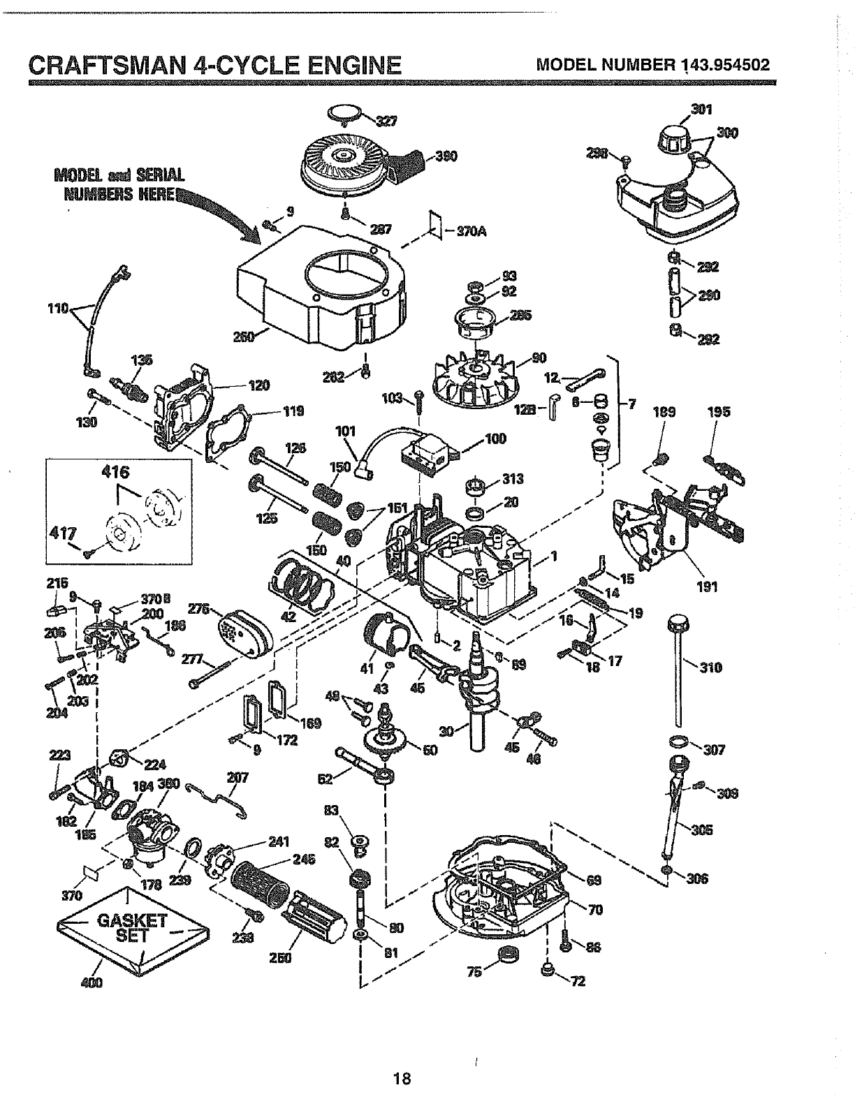
CRAFTSMAN 4-.CYCLE ENGINE MODELNUMBER143.954502
REF PART REF PART
NO. NO. DESCRIPTION NO. NO. DESCRIPTION
136478A
2 26727
6 33734
7 36557
9 30200
12 36558
12B 34695
14 28277
15 30589
16 31383A
17 31335
18 650548
19 31361
20 32600
30 35798
40 36073
36074
36075
41 36070
36071
36072
42 36076
36077
36078
43 20381
45 30963B
46 32610A
48 27241
50 35990
52 29914
69 35261
70 34311D
72 36083
73 28833
80 30574A
81 30590A
82 30591
83 30588A
86 650488
89 611O04
90 611112
92 650815
93 650816
100 34443A
101 610118
103 650814
110 34961
119 36477
120 36476
125 36471
36472
126 29314B
29315C
130 6021A
135 35395
150 35991
Cylinder (Includes Reference 151 31673
Numbers 2, 7, 20 and 125) 169 27234A
Dowel Pin 172 32755
Breather Element 178 29752
Breather Body Assembiy (Includes 182 6201
Reference Numbers 6 and 12) 184 26756
Screw #10-24x 9/16 185 31384A
Breather Tube 186 34358
(Includes Reference Number 12B) 189 650839
Breather Tube Elbow 191 36559
Washer 195 610973
Governor Rod 200 35727
Governor Lever
Governor Lever Clamp 202 36482
Screw #8-32 x5/16 203 31342
Extension Spring 204 650549
Oil Seal 205 650777
Crankshaft 207 34336
Piston, Pin & Ring Set, Std. Size 215 32410
Piston, Pin & Ring Set, .010" Over 223 650451
Piston, Pin & Ring Set, .020" Over 224 34690A
Piston & Pin Assembly, Std. Size 238 650932
Piston & Pin Assembly, .010" Over 239 34338
Piston & Pin Assembly, .020" Over 241 35797
(Assemblies Include Ref. #43) 245 35066
Ring Set, Piston, Standard Size 250 35065
Ring Set, Piston, .010" Oversize 260 36420A
Ring Set, Piston, .020" Oversize 262 650831
Piston Pin Retaining Ring 275 36473
Connecting Rod Assembly 277 650988
(Includes Reference Number 46) 285 35000A
Connecting Rod Bolt 287 650926
Valve Lifter 290 30705
Camshaft (BCR) 292 26460
Oil Pump Assembly 298 28763
* Mounting Flange Gasket 300 34369B
Mounting Flange (Indudes 301 35355
Reference Numbers 72 thru 83) 305 35647
Oil Drain Plug 306 34265
Drain Plug Gasket 307 35499
Governor Shaft 309 650562
Washer 310 35648
Governor Gear Assembly 313 34080
(Includes Reference Number 81) 327 35392
Governor Spool 370 36260
Screw 1/4-20 x 1-1/4 370A 36261
Flywheel Key 370B 35167
Flywheel 380 632569
Belteville Washer 390 590694
Flywheel Nut 400 36481
Solid State Ignition
Spark Plug Cover 416 36085
Screw, Torx T-15 #10-24 x 1
Ground Wire
* Cylinder Head Gasket
Cylinder Head
Exhaust Valve, Standard Size
Exhaust Valve, 1/32" Oversize
Intake Valve, Standard Size
Intake Vatve, 1/32" Oversize
(All Valves Include Reference #151)
Screw 5/16-18 x 1-1/2
Resistor Spark Plug (RJ19LM)
Valve Spring
19
417 650760
RPM Settings:
Valve Spring Cap
* Valve Cover Gasket
Valve Cover
Nut and Lock Washer 1/4-28
Screw 1/4-28 x 7/8
* Carburetor To Intake Pipe Gasket
Intake Pipe (Includes Ref. #224)
Governor Link
Screw 1/4-20 x 3/8
S.E. Brake Bracket (Includes #t95)
Terminal
Control Bracket (Includes
Reference Numbers 202 thru 205)
Compression Spring
Compression Spring
Screw #5-40 x 7/16
Screw #6-32 x 21/32
Throttle Link
Control Knob
Screw 1/4-20 x 1
* Intake Pipe Gasket
Screw #10-32 x 49/64
* Air Cleaner Gasket
Air Cleaner Collar
Air Cleaner Filter
Air Cleaner Cover
Blower Housing
Screw 1/4-20 x 1/2
Muffler (includes Reference #277)
Screw 1/4-20 x 2-13/64
Starter Cup
Screw #8-32 x 21/64
Fuel Line
Fuel Line Clamp
Screw #10-32 x 35/64
Fuel Tank (Includes #292 and 301)
Fuel Cap
Oil Fill Tube
* O-Ring
O-Ring
Screw #10-32 x 1/2
Dipstick
Spacer
Starter Plug
Primer Decal
Lubrication Decal
Control Decal
Carburetor (Includes Ref. #184)
Rewind Starter
Gasket Set
(Includes All Items Marked *)
Spark Arrestor Kit (Optional)
(Includes Reference Number 417)
Screw #8-32 x 3/8 (Optional)
Low Speed: 2450-2750
High Speed: 3000-3300
NOTE: This engine could have been built with 590686
Starter. Refer to design of air intake louvers for part
identification. Individual starter parts do not interchange.
NOTE: All component dimensions given in U.S. inches
1 inch = 25.4 mm

CRAFTSMAN 4-CYCLE ENGINE MODELNUMBER143.954502
CARBURETOR NO. 632569 REF PART
NO. NO. DESCRIPTION
632569
1 631615
2 631767
4 631184
5 631183
6 631616
7 650506
16 631775
25 631700
27 631024
28 632019
29 631028
30 631021
31 631022
35 632047
40 632071
44 631334
48 631027
Carburetor, Complete
(Includes #184 of Engine Parts List)
Throttle Shaft and Lever Assembly
Throttle Return Spring
Dust Seal Washer, Throttle
Dust Seal, Throttle
Throttle Shutter
Shutter Screw
Fuel Fitting
Float Bowl
Float Shaft
Float
Float Bowl "O" Ring
Inlet Needle, Seat &Clip
(Includes Reference Number 31)
Spring Clip
Primer Bulb/Retaining Ring
High Speed Bowl Nut
Bowl Nut Washer
Welch Plug, Atmospheric Vent
iiiii iiii
REWIND STARTER NO, 590694 i,iii,
REF PART
NO. NO.
'M 'UUUU II
DESCRIPTION
-- 590694
1 590599A
2 590600
3 590696
4 590601
5 590697
6 590698
7 590699
8 590700
11 590695
12 590535
13 590701
Recoil Starter, Complete
Spring Pin (Includes Reference #4)
Washer
Retainer
Washer
Brake Spring
Starter Dog
Dog Spring
Pulley & Rewind Spring Assembly
Starter Housing Assembly
(40 Degree Grommet)
Starter Rope (98" Long, 9/64" Dia.)
Starter Handle
NOTE: All component dimensions given in U.S. inches
1 inch = 25.4 mm
REWIND STARTER NO, 590686 REF PART
NO. NO. DESCRIPTION
-- 590686
1 590599A
2 590600
3 590615
4 590601
5 590598
6 590616
7 590617
8 590618A
9 590619
10 590620
11 590687
12 590535
13 590452
Recoil Starter
Spring Pin (includes Reference #4)
Washer
Retainer
Washer
Brake Spring
Starter Dog
Dog Spring
Pulley Assembly (Includes
Reference Numbers 9 and 10)
Rewind Spring
Spring Cover
Starter Housing Assembly
(40 Degree Grommet)
Starter Rope (98 Long, 9/64" Dia.)
Starter Handle
NOTE: A[I component dimensions given in U.S. inches
1 inch =.25.4 mm
20

,i ,11,,iiii
TROUBLESHOOTI POINTS
i
PROBLEM
i iiii
Does not start
Loss of power
i iii i
Poor cut -uneven
i, i1,,
Excessive vibration
i. iiii ii,
Starter rope hard to pull
Grass catcher not filling
(If so equipped)
i. i .111111,1..
Hard to push
CAUSE
t.
2.
3.
4.
Dirty air filter,
Out of fuel.
Stale fuel.
Water in fuel.
5. Spark plug wire is disconnected.
6, Bad spark plug.
7. Loose blade or broken blade adapter.
8, Controt bar in released position
9, Control bar defective
i1,, i ii ,111,,111
1, Rear of lawn mower housing/blade dragging
in heavy grass.
2. Cutting too much grass.
3. Dirty air filter,
4, Buildup of grass, leaves and trash under mower.
5, Too much oil in engine.
6, Walking speed too fasL
1. Worn. bent or loose blade.
2, Wheet heights uneven,
3, Low engine speed,
4, Buildup of grass, leaves, and trash under mower.
1. Worn. bent or loose blade.
2. Bent engine crankshaft.
1, Engine flywheel brake is on when control bar is
released.
2. Bent engine crankshaft
3. Blade adapter broken,
4, Blade dragging in grass,
1, Cutting height too low,
2, Lift on blade worn off.
3, Catcher not venting air.
4, Low engine speed,
1. Grass is too high or wheel height is too low.
2, Rear of lawn mower housing/blade dragging
in grass,
3. Grass calchar too fulL
4. Handle height position not right for you.
CORRECTION
1. Clean/replace air filter.
2. Fill fuel tank.
3. Drain tank and refill with fresh clean fuel.
4. Drain fuel tank and carburetor and refill tank with fresh
gasoline.
5. Connect wire to plug.
6. Replace spark plug,
7. Tighten blade bolt or replace blade adapter,
8. Depress control bar to handle.
9. Replace control bar. J,i,i1,,i
1, Set in "Higher Cut" position,
2. Set in "Higher Cut" position.
3. Clean/replace air filter.
4, Clean underside of mower housing.
5. Check oil level,
6. Cut at slower walking speed.
i
1, Replace blade. Tighten blade bolt.
2. Set all wheels at same height.
3. Contact an authorized service center/department.
4. Clean underside of mower housing.
1
1.
2,
Replace blade. Tighten blade bolt,
Contact an authorized service center/department,
1, Depress control bar to upper handle before
puUing starter rope,
2, Contact an authorized service center/department,
3, Replace blade adapter.
4. Move lawn mower to cut grass or to hard surface
to start engine.
1. Raise cutting height,
2, Replace blade.
3, Clean grass catcher.
4, Contact an authorized service center/department,
1, Raise cutting height.
2, Raise rear of lawn mower housing one (1)
setting higher.
3. Empty grass catcher.
4, Adjust handle height to suit.
21

OWNER'S
MANUAL
MODEL NO.
917.382781
IF YOU NEED
REPAIR SERVICE
OR PARTS:
FOR REPAIR SERVICE, CALL
THIS TOLL FREE NUMBER:
1-800-4-REPAIR
(1-800-473-7247)
FOR REPLACEMENT PARTS
INFORMATION AND
ORDERING, CALL THIS
TOLL FREE NUMBER:
1-800-FON-PART
(1-800-366-7278)
4.5 HORSEPOWER
20" REAR DISCHARGE
3 in ONE Convertible
ROTARY LAWN MOWER
Each lawn mower has its own model number. Each en-
gine has its own model number.
The model number for your lawn mower will be found on a
decal attached to the rear of the lawn mower housing.
The model number for your engine wi]l be found on the
blower housing of the engine.
All parts listed herein may be ordered from any Sears,
Roebuck and Co. Service Center/Department and most
Retail Stores.
WHEN ORDERING REPAIR PARTS, ALWAYS GIVE THE
FOLLOWING INFORMATION:
oPRODUCT -LAWN MOWER
•MODEL NUMBER - 917.382781
-ENGINE -CRAFTSMAN -MODEL NO. 143.954502
o PART NUMBER
oPART DESCRIPTION
Your Sears merchandise has added value when you
consider Sears has service units nationwide staffed with
Sears trained technicians.., professional technicians
specifically trained to insure that we meet our pledge to
you, we service what we sell.
22