Craftsman 917383640 User Manual LAWN MOWER Manuals And Guides L0903678
CRAFTSMAN Walk Behind Lawnmower, Gas Manual L0903678 CRAFTSMAN Walk Behind Lawnmower, Gas Owner's Manual, CRAFTSMAN Walk Behind Lawnmower, Gas installation guides
User Manual: Craftsman 917383640 917383640 CRAFTSMAN LAWN MOWER - Manuals and Guides View the owners manual for your CRAFTSMAN LAWN MOWER #917383640. Home:Lawn & Garden Parts:Craftsman Parts:Craftsman LAWN MOWER Manual
Open the PDF directly: View PDF
.
Page Count: 24

®
0 EL U
oAssembly
- Operation
oCustomer
Responsibilities
° Service
oAdjustments
_oRepair Parts
Caution:
Read and Follow
all Safety Rules
and Instructions
Before Operating
This Equipment
917.383640 OWNER'S MANUAL
TM
:_'11 IIIIII ..................... 1! ...........................................

SAFETY RULES
PLUG TO PREVENTACCIDENTAL STARTING WHEN SETTING UP, TRANSPORTING, ADJUSTING OR MAKING
REPAIRS. IMPORTANT
SAFETY STANDARDS REQUIRE OPERATOR PRESENCE CONTROLS TO MINIMIZETHE RISK OF INJURY. YOUR UNIT IS EQUIPPED WITH
SUCH CONTROLS. DO NOT ATTEMPT TO DEFEAT THE FUNCTION OF THE OPERATOR PRESENCE CONTROLS UNDER ANY CIRCUM-
STANCES.
TRAINING:
• Read this operator's manual carefulIy. Become familiar with
the controls and know how to operate your mower properly.
Learn how to quickfy stop mower_
•Do not allow children to use your mower. Never allow aduffs
to use mower without proper instructions.
,Keep the area of operation clear of all persons, especially
small children and pets.
• Use mower only as the manufacturer intended and as de-
scribed inthis manual.
•Do not operate mower if it has been dropped or damaged in
any manner. Always have damage repaired before using
your mower.
, Do not use accessory attachments that are not recommended
by the manufacturer. Use of such attachments may be
hazardous.
•The blade turns when the engine is running.
PREPARATION:
,, Always thoroughly check the area to be mowed and ctear it of
all stones, sticks, wires, bones, and other foreign objects.
These objects will be thrown by the blade and can cause
severe injury,
,, Always wear safety glasses or eye shields when starting and
while using your mower.
,, Dress properly. Do not operate mower when barefoot or
wearing open sandals. Wear only solid shoes with good
traction when mowing.
° Check fuel tank before starting engine. Do not fill gas tank
indoors, when the engine isrunning or when the engine is hot.
Allow the engine to cool for several minutes before filling the
gas tank. Clean off any spilled gasoline before starting the
engine.
,, Always make wheel height adjustments before starting your
mower. Never attempt to do this while the engine is running_
° Mow only in daylight or good artificial light.
OPERATION:
• Keep your eyes and mind on your mower and the area being
cut. Do not let other interests distract you.
• Do not mow wet or slippery grass. Never run while operating
your mower. Always be sure of your footing - keep a firm hold
on the handles and walk.
Do not put hands or feet near or under rotating parts. Keep
clear of the discharge opening at all times.
• Always stop the blade whenever you leave or are not using
you r mower, or before crossing driveways, walks, roads, and
any gravel-covered areas.
• Never direct discharge of material toward bystanders nor
allow anyone near the mower while you are operating it.
•Before cleaning, inspecting, or repairing your mower, stop
the engine and make absolutely sure the blade and all
moving parts have stopped. Then disconnect the spark plug
wire and keep it away from the spark plug to prevent
accidental starting.
• Do not continue to run your mower ifyou hit a foreign object.
Follow the procedure outlined above, then repair any dam-
age before restarting and operating you mower.
° Do not change the governor settings or overspeed the
engine. Engine damage or personal injury may result.
- Do not operate your mower if it vibrates abnormally. Exces-
sive vibration is an indication of damage; stop the engine,
safely check for the cause of vibration and repair as required.
• Do not run the engine indoors. Exhaust fumes are danger-
ous.
,, Never cut grass by pulling the mower towards you. Mow
across the face of slopes, never up and clown or you might
lose your footing. Do not mow excessively steep slopes.
Use caution when operating the mower on uneven terrain or
when changing directions - maintain good footing.
• Never operate your mower without proper guards, plates,
grass catcher or other safety devices in place.
MAINTENANCE AND STORAGE:
', Check the blade and the engine mounting bolts often to be
sure they are tightened properly.
• Check all bolts, nuts and screws at frequent intervals for
proper tightness to be sure mower is in safe working condi-
tion.
,, Keep al! safety devices in place and working.
• To reduce fire hazard, keep the engine free of grass, leaves
or excessive grease and oil.
Q Check grass catcher often for deterioration and wear and
replace worn bags. Use only replacement bags that are
recommended by and comply with specifications of the
manufacturer of your mower.
- Always keep a sharp blade on your mower.
° Allow engine to coo! before storing in any enclosure.
• Never store mower with fuel in the tank inside a building
where fumes may reach an open flame or an ignition source
such as a hot water heater, space heater, clothes dryer, etc.
IS SYMBOL TO POINT OUT IMPORTANT SAFETY PRECAUTIONS.
IT MEANS -ATTENTION!!! BECOME ALERT!!! YOUR SAFETY IS INVOLVED.

....... i
CONGRATULATIONS on your purchase of a Sears
Craftsman Lawn Mower. It has been designed, engineered
and manufactured to give you the best possible de-
pendability and performance.
Should you experience any problems you cannot easily
remedy, please contact your nearest Sears Service Cen-
teriDepartmento Sears has competent, welt trained tech-
nicians and the proper tools to service or repair this unit.
Please read and retain this manual. The instructions will
enable you to assemble and maintain your lawn mower
properly. Always observe the "SAFETY RULES".
MODEL
NUMBER 917.383640
SERIAL
NUMBER
DATE OF
PURCHASE
THE MODEl_ AND SERIAL NUMBERS WILL BE
FOUND ON A DECAL ATTACHED TO THE REAR
OF THE LAWN MOWER HOUSING.
YOU SHOULD RECORD BOTH SERIAL NUMBER
AND DATE OF PURCHASE AND KEEP IN A SAFE
PLACE FOR FUTURE REFERENCE.
PRODUCT SPECIFICATIONS
HORSEPOWER: 3.8
DISPLACEMENT: 9.0 cu. in.
GASOLfNE CAPACITY: ! .5 quarts
(Unleaded)
OIL (20 oz. Capacity): SAE 30 (Above 32°F)
5W30 (Below 32°F)
SPARK PLUG (GAP .030 in.):
(0.76 ram)
Champion
RJ19LM or
Sears _ 33312
or STD 361458
or STD 360950
VALVE CLEARANCE: Intake: .008 in.
Exhaust: .008 in.
SOLID STATE IGNITION
AIR GAP: .0125 in.
BLADE BOLT TORQUE: 35*40 ff.-lbs.
MAINTENANCE AGREEMENT
A Sears Maintenance Agreement is available on this product. Contact your nearest Sears store for details.
CUSTOMER RESPONSIB_UTJES
® Read and observe the safety rules.
= Follow a regular schedule in maintaining, caring for and using your lawn mower.
Follow the instructions under "Customer Responsibilities" and "Storage" sections of this Owne¢s Manual.
LiMiTED TWO YEAR WARRANTY ON CRAFTSMAN POWER MOWER
For two years from date of purchase, when this Craftsman Lawn Mower is maintained, lubricated, and tuned up
according to the operating and maintenance instructions in the owner's manual, Sears will repair free of charge any
defect in material or workmanship.
If this Craftsman Lawn Mower is used for commercial or rental purposes, this warranty applies for only 90 days from
the date of purchase.
This Warranty does not cover:
Expendable items which become worn during normal use, such as rotary mower blades, blade adapters, belts,
air cleaners and spark plug.
= Repairs necessary because of operator abuse or negligence, including bent crankshafts and the failure to
maintain the equipment according to the instructions contained in the owner's manual.
WARRANTY SERVICE IS AVAILABLE BY RETURNING THE CRAFTSMAN POWER MOWER TO THE NEAREST
SEARS SERVICE CENTER/DEPARTMENT IN THE UNITED STATES. THIS WARRANTY APPLIES ONLY WHILE
THIS PRODUCT tS tN USE IN THE UNITED STATES.
This Warranty gives you specific tegal rights, and you may also have other rights which vary from state to state.
SEARS, ROEBUCK AND CO., D/817 WA, HOFFMAN ESTATES, ILLINOIS 60179
3

....... i
TABLE OF
SAFETY RULES .................................................... 2
PRODUCT SPECiFICATiONS .............................. 3
CUSTOMER RESPONSIBILITIES ............. 3, 11-13
WARRANTY .......................................................... 3
LAWN MOWER ACCESSORIES .......................... 5
ASSEMBLY ........................................................... 6
OPERATION .......................................................... 7
CONTENTS
MAINTENANCE SCHEDULE .............................. 11
SERVICE AND ADJUSTMENTS ......................... 14
STORAGE ........................................................... 15
TROUBLESHOOTING ......................................... 21
REPAIR PARTS - LAWN MOWER ................ 16-17
REPAIR PARTS -ENGINE ............................ !8-20
PARTS ORDERING/SERVICE ........ BACK COVER
INDEX
A
Accessories ............................................. 5
Adjustments:
Carburetor .................................. 14
Handle Height ............................ i4
Height of Cut ................................ 9
Air Filter:
Service ........................................ 13
Assembly:
Handle .......................................... 8
Grass Catcher .............................. 6
B
Blade:
Sharpening ................................. 12
Replacement .............................. 12
C
Controls:
Operator Presence Control Bar..7
Speed Control .............................. 7
Customer Responsibifities ..... 3, 1i-i3
Air Filter ...................................... 13
Blade Care/Replacement .......... 1:2
Engine ........................................ 13
Lubrication ................................. 11
Spark Plug ................................. 13
E
Engine:
OJ! Change ................................. 13
Oi! Leve! ....................................... 9
Oil Type ........................................ 9
Starting ....................................... 10
Storage ....................................... 15
F
Fuel:
Type .............................................. 9
Storage ....................................... t5
H
Handle:
Adjustment ................................. 14
Assembly ..................................... 6
L
Lubrication:
Engine ........................................ 11
Brake Spring Bracket ................ 1t
Handle Bracket Mounting Pin .. 1t
Wheel Adjuster .......................... 11
M
Maintenance Agreement .................... 3
Mowing Tips ...................................... 10
Mowing Mulching Tips ..................... 10
O
Oih
Engine ........................................ 18
Storage ....... ,............................... 15
Operation:
Operating Lawn Mower ............... 8
Control Bar ................................... 7
Engine Speed Control ................. 8
Operator Presence Contro! Bar ......... 7
Options:
Attachments ................................. 5
P
Repair Parts
Lawn Mower .......................... 16-17
Engine ................................... 18-20
R
Responsibilities, Customer .... 3, 11-13
S
Safety Rules ........................................ 2
Service and Adjustments:
Carburetor .................................. 14
Engine Speed ............................. !4
Handle ........................................ ! 4
Spark Plug ......................................... 13
Specifications ..................................... 3
Starting the Engine ........................... 10
Stopping the Engine ........................ 10
Storage .............................................. 15
T
Trouble Shooting Chart ................... 21
W
Warranty .................................... .......... 3
Wheels:
Wheel Adjusters .......................... 7
4

LAWN IVIOWER ACCESSO ES
These accessories were available when this lawn mower was produced. They are also available at most Sears retail outlets,
catalog and service centers. Most Sears stores can also order repair parts for you, when you provide the model number of
your lawn mower, Some of these accessories may not apply to your lawn mower.
ENGINE
SPARK PLUG MUFFLER AmRFILTER
If lawn mower is an electric start
LAWN MOWER PERFORMANCE
REAR BAG
OPTIONAL
GAS CAN
REPLACEMENT
BAG FOR REAR
DISCHARGE
LAWN MOWERS
ENGINE OIL
DUST SHIELD
FABRIC BAG
LAWN MOWER MAINTENANCE
BELT BLADE
OPTIONAL
CATCHER FOR
SiDE DISCHARGE
LAWN MOWER
CLiPPiNG DEFLECTOR
SIDE DISCHARGECATCHER
BLADE
ADAPTER WHEELS LAWN MOWER
COVER
5

ASS
Read these instructions and the Operator's Manual in its
entirety before you attempt to assemble or operate your
new lawn mower. Your new lawn mower has been as-
sembled at the factory with the exception of those parts left
unassembled for shipping purposes. All parts such as nuts,
washers, bolts, etc., necessary to complete the assembly
have been placed in the parts bag. To ensure safe and
proper operation of your lawn mower, a!! parts and hard-
ware you assemble must be tightened securely. Use the
correct tools as necessary to ensure proper tightness.
TO REMOVE LAWN MOWER FROM
CARTON
• Remove loose parts included with mower.
o Cut down two end corners of carton and lay end panel
down fiat.
o Remove all packing materials except padding between
upper and lower handle and padding holding operator
presence control bar to upper handle.
Roii lawn mower out of carton and check carton thor-
oughly for additional loose parts.
HOW TO SET UP YOUR LAWN
MOWER
TO UNFOLD HANDLE (See Fig, I)
IMPORTANT: UNFOLD HANDLE CAREFULLY SO AS
NOT TO PINCH OR DAMAGE CONTROL CABLES.
* Raise handles untit lower handle section locks into
place in mowing position.
Raise upper handle section into place on _owerhandle,
remove protective padding and tighten both handle
knobs.
o Remove handle padding holding operator presence
control bar to upper handle.
o Your lawn mower handle can be adjusted for your
mowing comfort. Refer to "Adjust Handle" in the
Service and Adjustment section of this manual.
TO INSTALL ATTACHMENTS
(See Fig, 2)
Your lawn mower was shipped ready .to be used as a
mutcher. To convert to bagging or discharging:
o Open rear door and remove muncher plate. Store
mulcher plate in a safe place.
- You can now install catcher or optional clipping deflect
tor.
o To return to mulching operation, install mulcher plate
into discharge opening of mower. Be sure all tabs are
seated properly.
TO ASSEMBLE & ATTACH GRASS
CATCHER (See Figs, 3 & 4)
o Put grass catcher frame into grass bag with rigid part of
bag on the bottom. Make sure the frame handle is
o_Jtsideof the bag top.
Slip vinyl bindings over frame.
NOTE: tf vinyl bindings are too stiff, hoid them in warm
water for a few minutes. If bag gets wet, let it dry before
using.
Lift the rear door of the tawn mower and place the grass
catcher frame side hooks onto the handle bracket
hooks.
The grass catcher is secured to the lawn mower
housing when the rear door is lowered onto the grass
catcher frame.
LY
OPERATOR PRESENCE
CONTROLBAR
UPPER HANDLE
LIFT UP
MOWING POSiTiON
LOWER HANDLE
FIG, 1
SLOTS
MULCHER PLATE
TABS
FIG.2
CATCHER FRAME
6
FRAME OPENING
REAR DOOR
GRASS CATCHER
FRAME
CAUTION: Do not run your lawn mower
without mutcher pmate in peace or ap-
proved ctipping deflector or grass
catcher in ptace. Never attempt to op-
erate the {awn mower with the rear door
removed or propped open.

OPERATION
KNOW YOUR LAWN MOWER
READ THIS OWNER'S MANUAL AND SAFETY RULES BEFORE OPERATING YOUR LAWN MOWER. Compare the
illustrations with your lawn mower to familiarize yourself with the location of various controls and adjustments. Save this
manual for future reference.
OPERATOR PRESENCE CONTROL BAR
ENGINE ZONE CONTROL CABLE
STARTER HANDLE
HANDLE KNOB
GRASS CATCHER
MULCHER PLATE
ENGINE OIL CAP WITH
DIPSTICK
ENGINE SPEED CONTROL LEVER
PRIMER
AiR FILTER
WHEEL ADJUSTER
GASOLINE FILLER CAP (ON EACH WHEEL)
LAWN MOWER HOUSING
MEETS CPSC SAFETY REQUIREMENTS
Sears rotary walk-behind power iawn mowers conform to the safety standards of the American National Standards institute
and the U.S. Consumer Product Safety Commission. The blade turns when the engine is running.
OPERATOR PRESENCE CONTROL BAR - must be held
down to the handle to start the engine. Release to stop the
engine.
PRIMER - pumps additional fuel from the carburetor to the
cylinder for use when starting a cold engine,
STARTER HANDLE = used for starting the engine.
ENGINE SPEED CONTROL - located on the side of the
engine which allows you to select either fast (#,_) or slow
(,!_) engine speed.
MULCHER PLATE - located at the discharge opening,
must be removed when converting to bagging or discharg-
ing operation,
7

....... i
OPE 0
HOW TO USE YOUR LAWN MOWER
ENGINE SPEED CONTROL (See Fig. 5)
The engine speed is controlled by a lever (red knob)
located on the side of the engine. Fast (_) position is for
starting the engine, normal cutting, and better grass
bagging. Slow (,_!) position is for light cutting, trimming
and fuel economy.
ENGINE ZONE CONTROL
CAUTION: Federal regulations require
an engine control to be installed on this
lawn mower in order to minimize the
risk of blade contact injury. Do not un-
der any circumstances attempt to de-
feat the function of the operator control.
The blade turns when the engine is
running.
. Your lawn mower is equipped with an operator pres-
ence control bar which requires the operator to be
positioned behind the lawn mower handle to start and
operate the fawn mower.
TO ADJUST CUTTING HEIGHT (See Fig. 6)
•Raise wheels for low cut and lower wheels for high cut.
. Wheels are set in low cut for shipping. Adjust cutting
height to suit your requirements. Medium position is
best for most lawns.
•To change cutting height, squeeze adjuster lever to-
ward wheel. Move wheel up or down to suit your
requirements, Be sure al] wheels are in the same
setting,
ENGINE SPEED
CONTROL LEVER
FIG. 5
LOWER WHEELS
FOR HIGH CUT RAISE WHEELS
FOR LOW CUT
FIG. 6
8

z
OPERATION
TO EMPTY GRASS CATCHER
(See Fig, 7}
• Lift up on grass catcher using the frame handle.
® Remove grass catcher with clippings from under lawn
mower handle.
Empty clippings from bag using both frame handle and
bag handle.
NOTE: Do not drag the bag when emptying; it will cause
unnecessary wear.
BEFORE STARTING ENGINE
OIL
Your lawn mower is shipped without oil in the engine.
,Be sure mower is level and area around oil fill is clean.
Remove engine oil cap w/dipstick and fill to the full line
on the dipstick.
• Use 20 ozs. of oil. For type and grade of oil to use, see
"ENGINE" in Customer Responsibilities section of this
manual,
Pour oil slowly. Do not over fil!.
• Check oil level before each use. Add oil if needed. Fill
to full fine on dipstick.
•To read proper level, tighten engine oil cap each time.
• Reinstall engine oil cap and tighten.
After the first two (2) hours of mowing, change the oil,
and every 25 hours thereafter. You may need to
change the oil more often under dusty, dirty conditions.
GAS
, Fill gasoline tank with fresh, clean, unleaded gasoline.
DO NOT USE PREMIUM GASOLINE, BE CAREFUL
NOT TO OVER FILL TANK.
WARNING: Experience indicates that alcohol blended
fuels (called gasoho! or using ethanol or methanol) can
attract moisture which leads to separation and formation of
acids during storage. Acidic gas can damage the fuel
system of an engine while in storage. To avoid engine
problems, the fuel system should be emptied before stor-
age of 30 days or longer. Drain the fuel tank, start the
engine and let it run until fuel lines and carburetor are
empty, Use fresh fuel next season. See Storage lnstruc-
tions for additional information. Never use engine or
carburetor cleaner products in fuel tank or permanent
damage may occur.
A
FIG. 7
9

OPERATIO
TO START ENGINE
To start a cold engine, push primer five (5) times
before trying to start. Use a firm push. This step is not
usually necessary when starting an engine which has
already run for a few minutes.
,Push engine speed control lever to fast (_) position.
•Hold operator presence control bar down to the
handle and pull starter handle quickly, Do not
allow starter rope to snap back.
•To stop engine, release operator presence control
bar.
NOTE: In cooler weather it may be necessary to repeat
priming steps. 1n warmer weather over priming may cause
flooding and engine will not start, if you do flood engine,
wait a few minutes before attempting to start and do not
repeat priming steps.
MOWING TIIPS
o Under certain conditions, such as very tall grass, it
may be necessary to raise the height of cut to reduce
pushing effort and to keep from overloading the en-
gine and leaving clumps of grass clippings.
For extremely heavy cutting, reduce the width of cut
and raise the rear of the lawn mower housing one (1)
wheel adjuster setting higher than the front for better
discharge of grass.
* For better grass bagging and most cutting conditions,
the engine speed should be set in the fast ('_)
position.
When using a rear discharge lawn mower in moist,
heavy grass, clumps of cut grass may not enter the
grass catcher. Reduce ground speed (pushing speed)
and/or run the lawn mower over the area a second
time.
* tf a trail of grass clippings is left on the right side of a
rear discharge lawn mower, mow in a clockwise
direction with a small overlap to collect the clippings
on the next pass.
Keep top of engine around starter clear and clean of
grass clippings and chaff. This will help engine air
flow and extend engine life.
, Pores in cloth grass catchers can become filled with
dirt and dust with use and catchers will collect tess
grass. To prevent this, regularly hose catchers off
with water and let dry before using.
MAX 113
FIG, 8
MULCHING MOWING TIPS
IMPORTANT: FOR BEST PERFORMANCE, KEEP
MOWER HOUSING FREE OF BUILT-UP GRASS AND
TRASH. CLEAN UNDERSIDE OF MOWER HOUSING
AFTER EACH USE. SEE "CLEANING" IN CUSTOMER
RESPONSIBILITIES SECTION OF THIS MANUAL.
The speciat mulching blade will recut the grass clip-
pings many times and reduce them in size so that as
they fall onto the lawn they will disperse into the grass
and not be noticed. Also, the mulched grass wilt
biodegrade quickly to provide nutrients for the lawn.
Always mulch with your highest engine (blade) speed
as this will provide the best recutting action of the
blades.
•Avoid cutting your lawn when it is wet. Wet grass
tends to form clumps and interferes with the mulching
action. The best time to mow your tawn is the early
afternoon. At this time the grass has dried and the
newly cut area will not be exposed to the direct sun.
•For best results, adjust the tawn mower cutting height
so that the lawn mower cuts off only the top one-third
of the grass blades (See Fig. 8). If the lawn is
overgrown it will be necessary to raise the height of cut
to reduce pushing effort and to keep from overloading
the engine and leaving clumps of mulched grass. For
extremely heavy mulching, reduce your width of cut,
mow slowly and raise the rear of the lawn mower one
wheel adjuster setting higher than the front.
Certain types of grass and grass conditions may
require that an area be mulched a second time to
completely hide the clippings. When doing a second
cut, mow across or perpendicular to the first cut path.
• Change your cutting pattern from week to week. Mow
north to south one week then change to east to west
the next week. This wilt help prevent matting and
graining of the lawn.
10

CUSTO RESPO JL ES
MAINTENANCE SCHEDULE
FILL 1N DATES
AS YOU COMPLETE
REGULAR SERVICE
Check for Loose Fasteners
Qean,qnspect GraSS catcher | - "
(if Equipped) ............................... | _/
Clean Lawn Mower _#'
Inspect!Clean Drive Wheels
• (Self-Propelled Mowers) _ _ ..
SharpenlReplace Mower Blade _' 3
Lubrication Chart
Clean Battery/Recharge
(Electric Start Mowers)
......C,heck, ,EngineO!!Lev,,el ..............
Change Engine Oil ..... _ ........ ,,_,,,!,,2:
Clean Air Filter _2
Inspect Muffler J
Replace Spark Plug
Replace Air Filter Paper Cartridge
SERVICE DATES
v'
v'
t - Change more often when operating under a heavy load or in high ambient temperatures,
2-Service more often when operating in dirty or dusty conditions,
3-Replace blades more often when mowing in sandy soil.
4 - Charge 48 hours at end of season. LUBRaCATION CHART
GENERAL RECOMMENDATIONS
The warranty on this lawn mower does not cover items that
have been subjected to operator abuse or negligence. To
receive full value from the warranty, operator must maintain
mower as instructed in this manual.
Some adjustments will need to be made periodically to
properly maintain your unit.
All adjustments in the Service and Adjustments section of
this manual should be checked at least once each season.
•Once a year, replace the spark plug, replace air filter
element and check blade for wear. A new spark plug
and clean/new air filter element assures proper air-fuel
mixture and helps your engine run better and last
longer,
Follow the maintenance schedule in this manual.
BEFORE EACH USE
, Check engine oil level.
Check for loose fasteners.
WHEEL
L_) ENGINF* OIL ADJUSTER
(_) BRAKE '%
(_) HANDLE BRACKET
MOUNT,NG P,N d;_ R
HINGI_
(_) SPRAY LUBRICANT
(_) REFER TO CUSTOMER RESPONSIBILITIES "ENGINE" SECTION,
LUBRICATION
Keep unit well lubricated (See "LUBRICATION CHART"), iMPORTANT: DO NOT OIL OR GREASE PLASTIC WHEEL
BEARINGS. VISCOUS LUBRICANTS WILL ATTRACT
DUST AND DIRT THAT WILL SHORTEN THE LIFE OF
THE SELF LUBRICATING BEARINGS, IF YOU FEEL THEY
MUST BE LUBRICATED, USE ONLY A DRY, POWDERED
GRAPHITE TYPE LUBRICANT SPARINGLY.
1!

CUSTOM ESPONS L S
LAWN MOWER
Always observe safety rules when performing any mainte-
nance.
TIRES
Keep tires free of gasoline, oil, or insect control chemi-
cals which can harm rubber.
• Avoid stumps, stones, deep ruts, sharp objects and
other hazards that may cause tire damage.
BLADE CARE
For best results, mower blade must be kept sharp. Replace
bent or damaged blades,
TO REMOVE BLADE (See Fig. 9)
•Disconnect spark plug wire from spark plug and place
wire where it cannot come in contact with spark plug.
• Turn lawn mower on its side, Make sure air filter and
carburetor are up.
Use a wood block between blade and mower housing
to prevent blade from turning when removing blade
bolt.
Protect your hands with gloves and/or wrap blade with
heavy ctoth.
o Remove blade bolt by turning counter-clockwise. Use
a 9/I6" box or open-end wrench.
• Remove blade and attaching hardware (bolt, lock
washer and hardened washer).
NOTE: Remove the blade adapter and check the key
inside hub of blade adapter. The key must be in good
condition to work properly. Replace adapter if damaged.
TO REPLACE BLADE (See Fig. 9)
• Position the blade adapter on the engine crankshaft.
Be sure key in adapter and keyway in crankshaft are
aligned.
, Position blade on the blade adapter aligning the two (2)
holes in the blade with the raised lugs on the adapter.
• Be sure the trailing edge is up toward the engine,
o Install the blade bolt with the lock washer and hardened
washer into blade adapter and crankshaft.
o Use block of wood between blade and lawn mower
housing and tighten the blade bolt, turning clockwise.
The recommended tightening torque is 35-40 ft, lbs.
iMPORTANT: BLADE BOLT IS GRADE 8 HEAT TREATED,
CRANK-
SHAFT &
BLADE
ADAPTER
DETAIL BLADE
ADAPTER
KEY
EDGE
CRANK-SHAFT
BLADE
,_L_L BOLT
CRANK-
SHAFT
KEYWAY LOCK WASHER BLADE ADAPTER
FiG. 9
NOTE: We do not recommend sharpening blade - but if
you do, be sure the blade is balanced,
TO SHARPEN BLADE
- The blade can be sharpened with a file or on a grinding
wheel. Do not attempt to sharpen while on the mower.
To check blade balance, drive a nail into a beam or wall.
Leave about one inch of the straight nail exposed.
Place center hole of blade over the head of the nail. If
blade is balanced, it should remain in a horizontal
position, tf either end of the blade moves downward,
sharpen the heavy end unti! the blade is balanced.
GRASS CATCHER
• The grass catcher may be hosed with water, but must
be dry when used.
Check your grass catcher often for damage or deterio-
ration. Through normal use it will wear. if catcher
needs replacing, replace only with a manufacturer
approved replacement catcher. Give the lawn mower
model number when ordering.
12

CUSTOME SPONSIBILITIES
ENGINE
LUBRICATION
Use only high quality detergent oil rated with API service
classification SG, Select the oil's SAE viscosity grade
according to your expected operating temperature.
SAE VtSCOS_TY GRADES
-20 _ 30_ 32 _ 40_ 60 ° 80" 100"
r
._oo .2oo ._oo o" 1'o' 20° ;oo _o_'
TEMPERATURE RANGE ANTiCiPATED BEFORE NEXT OIL CHANGE
f CONTAINER
NOTE: Although multi-viscosity oils (5W30, 10W30 etc.)
improve starting in cold weather, these multi-viscosity oils
will result in increased oil consumption when used above
32°F. Check your engine oil level more frequently to avoid
possible engine damage from running low on oil.
Change the oil after the first two hours of operation and
every 25 hours thereafter or at least once a year if the lawn
mower is not used for 25 hours in one year.
Check the crankcase oil level before starting the engine
and after each five (5) hours of continuous use. Tighten oil
plug securely each time you check the oil level.
TO CHANGE ENGINE OIL (See Fig. t0)
Remove engine oil cap; lay aside on a clean surface.
• Tip lawn mower on its side and drain oil into a suitable
container. Rock lawn mower back and forth to remove
any oil trapped inside of engine.
• Wipe off any spilled oil on lawn mower and on side of
engine.
, Filt engine with oil. Fill only to the "FULL" line on the
dipstick. DO NOT OVER FILL.
= Reptace engine oil cap.
Reconnect spark plug wire to spark plug.
AiR FILTER
Your engine wift not run properly and may be damaged by
using a dirty air filter.
Replace the air filter every year, more often if you mow in
very dusty, dirty conditions. Do not wash air filter.
TO CHANGE AIR FILTER (See Fig. t 1)
Remove the air filter cover by turning counterclockwise
to the stop and pull away from collar.
Remove filter from inside of cover.
Clean the inside of the cover and the collar to remove
any dirt accumulation.
Insert new filter into cover.
• Put air filter cover and filter into collar aligning the tab
with the slot.
Push in on cover and turn clockwise to tighten,
MUFFLER
Inspect and replace corroded muffler as it could create a
fire hazard and/or damage,
SPARK PLUG
Change your spark plug each year to make your engine
start easier and run better. Set spark plug gap at .030 inch.
FIG. 10
COLLAR
OL
TAB /
AIR FILTER COVER
R
__N CLOCKWISE
TO TIGHTEN
FIG. 11
CLEANING
IMPORTANT: FOR BEST PERFORMANCE, KEEP
MOWER HOUSING FREE OF BUILT-UP GRASS AND
TRASH, CLEAN UNDERSIDE OF MOWER HOUSING
AFTER EACH USE,
o
o
CAUTION: Disconnect spark plug wire
from spark plug and place wire where it
cannot come in contact with the spark
plug.
Turn tawn mower on its side. Make sure air filter and
carburetor are up. Clean the underside of your lawn
mower by scraping to remove build-up of grass and
trash.
Clean engine often to keep trash from accumulating. A
clogged engine runs hotter and shortens engine life.
Keep finished surfaces and wheels free of all gasoline,
oil, etc.
We DO NOT recommend using a garden hose to clean
lawn mower unless the electrical system, muffler, air
filter and carburetor are covered to keep water out.
Water in engine can result in shortened engine life.
13

........ i
SERVICE AND ADJUSTMENTS
LAWN MOWER
TO ADJUST CUTTING HEIGHT
See "TO ADJUST CUTTING HEIGHT" in the Operation
section of this manual.
REAR DEFLECTOR
The rear deflector, attached between the rear wheels of
your lawn mower, is provided to minimize the possibility
that objects will be thrown out the rear of the lawn mower
into the operator's mowing position.
tf the rear deflector becomes damaged, it should be
replaced.
TO ADJUST HANDLE (See Figs. 12 Thru 14)
Your lawn mower handle can be raised or lowered for your
mowing comfort. Four (4) positions are available: high,
medium high, medium tow and low. Handles are shipped
mounted in the medium low position.
*To change from medium tow to medium high position,
the upper and lower handle sections wilt have to be
turned over (See Fig. 12B).
o Remove the controls and operator presence control
bar from the upper handle.
- Remove the starter rope guide from the lower handle.
* Remove hairpin cotters.
, Disconnect the lower handle from the handle brackets
(See Fig. 14),
= Turn the handle over and reassemble the hairpin
cotters that have been removed.
- Reassemble the starter rope guide.
, Reassemble the controls and the operator presence
control bar to the upper handle.
CAUT!ON: The operator presence con-
trol bar must pivot freely to permit blade
brake engagement when control bar is
released. Do not over tighten the fas-
teners holding the controls to the upper
handle.
To change from medium tow to high position only the
upper handle section will have to be turned over (See
Fig. 13A).
- To change from medium low to tow position, only the
lower handle section wilt have to be turned over (See
Fig. 13B).
ENGINE
CARBURETOR
Your carburetor has a non-adjustable fixed main jet for
mixture control. If your engine does not operate properly
due to suspected carburetor problems, take your lawn
mower to an authorized service center for repair or adjust-
ment,
SHIPPING POSEION
MEDIUM LOW MEDIUM HIGH
FIG, 12A FIG. 12B
LOW
FIG. 13A FiG. t3B
LOWER HANDLE
SQUEEZE \
TO REMOVE
HAIRPIN CLIP
FIG. 14
HANDLE
BRACKET
14
ENGINE SPEED
Your engine speed has been factory set. Do not attempt
to increase engine speed or it may result in personal
injury. If you believe that the engine is running too fast or
too stow, take your lawn mower to an authorized service
center for repair and adjustment.

STORAGE
immediately prepare your lawn mower for storage at the
end of the season or if the unit wilt not be used for 30 days
or more.
LAWN MOWER
When lawn mower is to be stored for a period of time, clean
it thoroughly, remove all dirt, grease, leaves, etc. Store in
a clean, dry area.
, Clean entire lawn mower (See "CLEANING" in the
Customer Responsibilities section of this manual).
Lubricate as shown in the Customer Responsibilities
section of this manual.
• Be sure that all nuts, bolts, screws, and pins are
securely fastened. Inspect moving parts for damage,
breakage and wear. Replace if necessary.
• Touch up all rusted or chipped paint surfaces; sand
lightly before painting.
HANDLE (See Fig. 15)
You can fold your lawn mower handle for storage.
, Squeeze the bottom ends of the lower handle toward
each other until the lower handle clears the handle
bracket, then move handle forward,
• Loosen upper handle mounting bolts enough to allow
upper handle to be folded back.
IMPORTANT, WHEN FOLDING THE HANDLE FOR
STORAGE OR TRANSPORTATION, BE SURE TO FOLD
THE HANDLE AS SHOWN OR YOU MAY DAMAGE THE
CONTROL CABLES.
When setting up your handle from the storage position,
the lower handle wit! automatically lock into the mow-
ing position.
LOWER HANDLE
HANDLE
BRACKET
\
HAIRPIN
COTTER
OPERATOR PRESENCE
CONTROLBAR
UPPER HANDLE
FOLDFORWARD
FORSTORAGE
FOLD BACKWARD
MOWING
POSiTiON
LOWER HANDLE
ENGINE
FUEL SYSTEM
iMPORTANT: IT ]S IMPORTANT TO PREVENT GUM
DEPOSITS FROM FORMING tN ESSENTIAL FUEL
SYSTEM PARTS SUCH AS CARBURETOR, FUEL FILTER,
FUEL HOSE, OR TANK DURING STORAGE. ALSO,
EXPERIENCE INDICATES THAT ALCOHOL BLENDED
FUELS (CALLED GASOHOL OR USING ETHANOL OR
METHANOL) CAN ATTRACT MOISTURE WHICH LEADS
TO SEPARATION AND FORMATION OF ACIDS DURING
STORAGE. AC_D1C GAS CAN DAMAGE THE FUEL
SYSTEM OF AN ENGINE WHILE IN STORAGE.
• Drain the _uel tank.
• Start the engine and let it run until the fuel lines and
carburetor are empty.
Never use engine or carburetor cleaner products in the
fuel tank or permanent damage may occur.
Use fresh fuel next season.
NOTE: Fuel stabilizer is an acceptable alternative in
minimizing the formation of fuel gum deposits during stor-
age. Add stabilizer to gasoline in fuel tank or storage
container. Always follow the mix ratio found on stabilizer
container. Run engine at least t0 minutes after adding
stabilizer to allow the stabilizer to reach the carburetor. Do
not drain the gas tank and carburetor if using fue! stabilizer.
ENGINE OIL
Drain oil (with engine warm) and replace with clean engine
oil. (See "ENGINE" in the Customer Responsibilities
section of this manual).
CYLINDER
*Remove spark plug.
*Pour one ounce (29 ml) of oil through spark plug hole
into cylinder.
*Pull starter handle slowly a few times to distribute oil.
,Replace with new spark plug.
OTHER
• Do not store gasoline from one season to another,
• Replace your gasoline can if your can starts to rust.
Rust and/or dirt in your gasoline wilt cause problems.
, If possible, store your unit indoors and cover it to give
protection from dust and dirt..
• Cover your unit with a suitable protective cover that
does not retain moisture. Do not use plastic. Plastic
cannot breathe which allows condensation to form and
will cause your unit to rust.
IIMPORTANT: NEVER COVER MOWER WHILE ENGINE
AND EXHAUST AREAS ARE STILL WARM.
CAUTION: Never storethe _awn mower
with gasoline in the tank inside a buitdo
ing where fumes may reach an open
flame or spark, Allow the engine to cool
before storing in any enclosure.
FIG. !,5 15

REPAIR PARTS
CRAFTSMAN 20" ROTARY LAWN MOWER--MODEL NO. 917.383640
1
\ 2
14 6
57
39
24
41
21
t8 23
25
\
36
\ 38
39
\58
28
43
42
41
35
32 33
38
4O
44
32
5O
43
42
4t \
\
4O

REPAIRPARTS
CRAFTSMAN 20" ROTARY LAWN MOWER= -MODEL NO. 917.383640
KEY PART DESCRIPT|ON KEY PART
NO. NO. NO. NO.
DF..SCRJPTiON
! 86902
2 13308I_X479
3 13316!)X479
4 103672X
5 84676X479
6 STD541425
7 ! 3t 959
8 85827
9 51793
10 ......136376,.
11_.;_:85i664:
12 74350424
13 750097
14 86899X004
17 48257
18 88551X479
19 STD622506
20 86344
21 54583
22 700063X479
23 88652
24 133184X479
25 133335X479
26 133259
28 701144X4!7
29 70t143X417
30 STD 541431
31 55187
32 700375
33 84920
34 86344
35 87877
36 700331X004
37 85021X004
Control Bar 38
Upper Handle 39
Mulcher Plate 40
Rope Guide 41
Lower Handle 42
Locknut t/4-20 43
Handle 8olt 44
Cable Clip 45
Hairpin Cotter 46
Handle Knob
Engine Zone Control Cable 47
Hex Head Bolt 1/4-20-I-1/2 49
Hex Washer Head Screw t0-24 x 1/2 50
Up-Stop Bracket 51
Rear Door Assembly Kit (incl. Ref, #16)
Back Plate 52
Self Tapping Screw 10-24 x 5/8 53
Self Tapping Screw 10-24 x 1/2 54
Hex Head Tapping Screw 1/4-20 x 1/2 55
Rear Baffle 56
Hinge Screw t/4-20 x I-1/4 57
Side Baffle 58
Discharge Baffle - -
Rear Deflector
Handle Bracket Assembly (Left)
Handle Bracket Assembly (Right)
Locknut 5/16-18
Screw 5/16-18 x 3/4
Wheel Adjusting Bracket
Spacer
Serf Tapping Screw #t0-24 x 1-1/2
Selector Knob
Selector Spring
Axle Arm Assembly
62335
84921
750500
52160
85179
800090
85463
850998
48347
751592
72070505
132354X479
851084
850263
851074
752233
850977
88614
751663
701268
701414
Belleville Washer
Shoulder Bolt
Wheel and Tire Assembly 7-1/2 x 1-1/2
Washer
Retainer Clip
Hubcap
Danger Decal
Hex Head Thread Rolling Screw 3/8-16 x 1
Lawn Mower Housing (Incl. Key #18, 22, 24,
44, 50)
Locknut 3/8ol 6
Carriage Bolt 5/16-t8 x 5/8
Front Baffle
Hex Head Machine Screw
3/8-24 x 1-3/8 (Grd. 8)
Helical Lockwasher 3/8
Washer
Blade 20"
Blade Adapter
Catcher Frame
Grass Bag
Engine- Craftsman Model No.143.434312
Owner's Manual
Available accessories not included with lawn mower:
7_t133303
71_33723
7_133623
7_1133500
7133300
7133417
7_t133316
Clipping Deflector
HFWheel Kit
Gas Can (2.5 gal.)
Fuel Stabilizer
SAE 30W Oil (20 oz.)
Dust Shield
Mower Cover

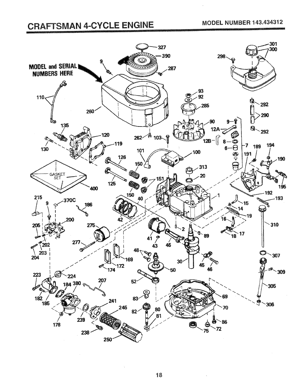
CRAFTSMAN 4-CYCLE ENGINE MODELNUMBER143.4343!2
MODELandSERIAL
NUMBERSHERE
207
310
18

CRAFTSMAN 4oCYCLE ENGINE MODELNUMBER143.4343t2
............ i
REF
NO.
1
2
6
7
8
9
PART
NO.
34975
26727
33734
34214A
33735
30200
12A 33886
12B 34695
14 28277
15 30589
16 31383A
t7 31335
' 18 650548
t9 36281
20 32600
30 34460A
40 34514
34515
34516
41
42
43
45
46
48
5O
52
69
70
72
75
80
81
82
83
86
89
90
92
93
100
!01
t03
!10
1t9
!20
I25
126
130
135
32538B
32548B
32549B
28986
28987
28988
20381
30963B
326t0A
27241
35990
29914
35261
35868A
36083
26208
30574A
30590A
30591
30588A
650488
611004
611112
650815
650816
34443A
610118
650814
34961
29953C
34335
29313C
29315C
293t4B
29315C
6021A
35395
REF PART
DESCRIPTION NO. NO,
Cylinder Assy, (lncL #2,8, 9 and 20) t50 35991
Pin, Dowel 151 31673
Element Breather 169 27234A
Breather Assembly (Includes 172 32755
Reference #6, 8, 9, t2A and 12B) t74 650128
* Gasket, Breather 178 29752
Screw, Seres, Hex Washer Head, 182 6201
Self-Tapping #10-24 x 9/16 184 26756
Tube, Breather t85 31384A
Elbow, Breather Tube 186 34337
Washer, Fiat 189 650839
Rod, Governor (Includes Ref. #t4)
Lever, Governor I90 35831
Clamp, Governor Lever 19I 35040B
Screw, Hex Washer #8-32 x 5/16 192 34966
Spring, Extension t93 34965
Seal, Oil 194 32309
Crankshaft Assembly 195 610973
Piston, Pin & Ring Assy., Standard 200 35727
Piston, Pin & Ring Assy..010" Over
Piston, Pin & Ring Assy..020" Over 202 33802
(Assemblys Include #4!, 42 and 43) 203 31342
Piston & Pin Assembly, Standard 204 650549
Piston & Pin Assembty .0t0" Over 205 650777
Piston & Pin Assembly .020" Over 207 34336
RAssemblys Include Reference #43) 215 32410
ing Set, Piston, Standard Size 223 650451
Ring Set, Piston .010" Oversize 224. 34690A
Ring Set, Piston .020" Oversize 238 650932
Ring, Piston Pin Retaining
Rod Assy., Connecting (Incl. #46) 239 34338
Bott, Connecting Rod 241 35797
Valve, Lifter 245 35066
Camshaft (Compression Release) 250 35065
Pump Assembly, Oil 260 35393
* Gasket, Mounting Flange 262 650831
Flange, Mounting (Includes
Reference #72, 75, 80, 81,82 & 83) 275 27181B
Plug, Oil Drain 277 650795
Seal, Oil 285 35000
Shaft, Governor 287 650926
Washer, Flat 290 30705
Gear Assy., Governor (Incl. #81) 292 26460
Spool, Governor 298 28763
Screw, Seres, Hex I/4-20 x tq/4
Key, Flywheel 300 34369A
Flywheel ,_ 30I 35355
Washer, Betlvvilfe 305 35577
Nut, Flywheel 306 34265
Solid State Assembly 307 35499
Cover, Spark Plug 309 650562
Screw, Seres, Torx T-t5,
Hex Washer Head #10o24 x 1 310 35578
Wire, Ground 313 34080
* Gasket, Cylinder Head 327 35392
Head, Cylinder 370C 35167
Valve, Exhaust, Standard Size 380 632646
Valve, Exhaust, 1/32" Oversize 390 590686
Valve, Intake, Standard Size 400 36206
Valve, Intake, 1/32" Oversize
(Afl Valves tnctude Reference #15!)
Screw, Hex Flange 5/16-18 x 1-1/2
Spark Plug, Resisto, Type
(Champion RJ--19LM or Equivalent)
DESCRIPTION
Spring, Valve
.Cap, Lower Vatve Spring
Gasket, Valve Spring Box
Cover, Valve Spring Box
Screw, Seres, Hex Hd. #10-24 x 1/2
Nut and Lock Washer 1/4-28
Screw, Hex Cap Head 1/4-28 x 7/8
*Gasket, Carburetor
Pipe, lntake (Includes Ref. #224)
Link, Governor Spring
Screw, Seres, Hex Head, Powerlok
t/4-20 x 3/8
Lever, Brake
Bracket, S.E. Brake (includes #195)
Link, Control
Spring, Extension
Ring, Retaining
Terminal Assembly
Bracket Assembly, Control
(includes Reference #202 thru 205)
Spring, Compression
Spring, Compression
Screw, Fiilister Head #5-40 x 7/16
Screw, Fitlister Head #6-32 x 21/32
Link, Throttle
Knob, Control
Screw, Seres, Hex Head 1/4-20 x 1
* Gasket, Intake Pipe
Screw, Hex Washer Head,
Shoulder #t0-32 x 49/64 .
* Gasket, Air Cleaner
Cellar, Air Cleaner
Filter, Air Cleaner, Paper
Cover, Air Cleaner
Housing, Blower
Screw, Hex Washer Head,
Powertok Thread 1/4-20 x 15/32
Muffler Assembly (Includes #277)
Screw, Hex Head 1/4-20 x 2-1/4
Hub, Starter
Screw, Hex Washer #8-32 x 21/64
Line, Fuel
Clamp, Fuel Line
Screw, Hex Washer Head,
Shakeproof #10-32 x 35/64
Tank Assy., Fuel (incl. #292 & 30!)
Cap, Fuel
Tube, Oil Fill
* Gasket, Fill Tube
"0" Ring
Screw, Hex Washer Head,
Shoulder #10-32 x 13/32
Dipstick, Oil Fitl
Spacer, Flywheel Key
Plug, Starter
Decal, Throttle
Carburetor (includes Ref, #t84)
Starter, Rewind
Gasket Set (Incl. Items Marked *)
RPM Settings: Low: 2300_2600, High: 2900-3200
*Indicates Parts Included in Gasket Set, Reference #400
NOTE: Atl component dimensions given in U.S, inches
! inch = 25.4 mm
!9

CRAFTSMAN 4=CYCLE ENGINE MODELNUMBER143.434312
CARBURETOR NO. 632646
dt
,..! 1
_...J
REF PART
NO, NO, DESCRIPTION
-- 632646
1 631615
2 631767
4 631184
5 631183
6 632504
7 650506
t6 631807
25 631867
27 631024
28 632019
29 631028
30 631021
31 631022
35 36045
35A 632647
40 6325O3
44 27110
48 631027
Carburetor, Complete
Throttle Shaft and Lever Assembly
Throttle Return Spring
Dust Seal Washer, Throttle
Dust Sea!, Throttle
Throttle Shutter
Throttle and Choke Shutter Screw
Fuel Fitting
Float Bowl
Shaft, Float
Float
"O" Ring, Float Bowl to Body
Inlet Needle, Seat and Clip
(Includes Reference Number 31)
Spring Clip
Primer Bulb/Retainer Ring
Primer Bulb Filter
High Speed Bowl Nut
Bowl Nut Washer
Welch Plug, Atmospheric Vent
REWIND STARTER NO. 590686
REF PART
NO. NO, DESCRIPTION
- - 590686 Starter, Rewind
1 590599A Pin, Spring (Includes Reference #4)
2 590600 Washer
3 590615 Retainer
4 590601 Washer
5 590598 Spring, Brake
6 590616 Dog, Starter
7 590617 Spring, Dog
8 590618 Pulley
9 590619 Spring, Rewind
10 590620 Cover, Spring
11 590687 Housing Assembly, Starter
(40° Grommet) ,,
12 590535 Rope, Starter (98 Long, 9/64" Dia.)
13 590452 Handle, Starter
NOTE: All component dimensions given in U,S. inches
1 inch = 25.4 mm
2O

TROU LESHOOTING POINTS
PROBLEM
Does not start
Loss of power
Poor cut -uneven
Excessive vi bration
Starter rope hard to put!
Grass catcher not filling
(If so equipped)
Hard to push
CAUSE
1. Dirty air filter,
2. Out of fuel,
3. Stale fuel,
4. Water infuet,
5. Spark plug wire is disconnected.
6. Bad spark plug,
7. Loose blade or broken blade adapter,
8. Control bar in released position
9. Control bar defective
I. Rear of lawn mower housing/blade dragging
in heavy grass.
2, Cutting too much grass,
3. Dirty air filter,
4, Buildup of grass, leaves and trash under mower.
5, Too much oil in engine,
6. Waiking speed too fast.
I. Worn, bent or loose blade.
2, Wheel heights uneven,
3, Lowengine speed,
4. Buildup of grass, leaves, and trash under mower.
1. Worn, bent or loose blade.
2. Bent engine crankshaft.
1. Engine flywheel brake is on when controt bar is
released.
2, Bent engine crankshaft
3. Biadeadapter broken.
4. Btade dragging in grass.
1. Cutting height tooiow.
2. Lift on bladeworn off.
3. Catcher not venting air.
4. Low engine speed.
t. Grass is too high or wheel height is too low.
2. Rear of lawn mower housing/blade dragging
in grass.
3. Grass catcher too full.
4. Hand{e height position not right for you.
CORRECTION
1, Clean/replace air filter.
2o Filtfuel tank.
3, Drain tank and refill with fresh clean fuel.
4, Drain fuel tank and carburetorand refill tank with fresh
gasoline.
5. Connect wire to plug.
6. Replace spark plug,
7, Tighten blade bolt or replace blade adapter.
8. Depress control bar to handle.
9, Replace control bar,
t. Set in "Higher Cut" position.
2. Set in "Higher Cur' position.
3, Clean/replace air fitter.
4. Ctean underside of mower housing,
5. Check oif leveL
6. Cut at slower walking speed.
1, Replace blade, Tighten blade bolt.
2. Set a!l wheels at same height.
3. Set engine speed control in fast position,
4, Clean underside of mower housing,
t. Replace blade, Tighten blade bolt,
2, Contact authorized service center/department,
1, Depress control bar to upper handle before
puWng starter rope,
2. Contact authorized service center/department
3. Replace blade adapter.
4. Move lawn mower to cut grass or to hard surface
to start engine.
1. Raise cutting height.
2. Replace blade,
3, Clean grass catcher,
4. Set engine speed control in fast position.
1. Raisecu,Ning height.
2. Raise rear of lawn mower housing one (1)
setting higher.
3. Empty grass catcher.
4. Adjust handle height to suit.
21

SERVICE NOTES
22

SERVICE NOTES
23

OW
MODEL NO.
917.383640
HOW TO ORDER
REPAIR PARTS
3.8 HORSEPOWER
20" REAR DISCHARGE
3in ONE ConvettibJe
ROTARY LAWN MOWER
Each Lawn Mower has its own model number, Each
engine has its own model number.
The model number for your lawn mower wilt be found on
a decal attached to the rear of the lawn mower housing.
The model number for the engine will be found on the
Blower Housing of the engine adjacent to the spark plug,
All parts listed here in may be ordered through Sears,
Roebuck and Co, Service Centers and most Retail
Stores,
WHEN ORDERING REPAIR PARTS, ALWAYS GIVE THE
FOLLOWING INFORMATION:
"PRODUCT - "ROTARY LAWN MOWER"
MODEL NUMBER -917,383640
° ENGINE - CRAFTSMAN MODEL NO. 143,434312
'_PART NUMBER
ePART DESCRIPTION
Your Sears merchandise has added value when you
consider that Sears has service units nationwide
staffed with Sears trained technicians._professional
technicians specifically trained on Sears products,
having the parts, tools and the equipment to insure that
we meet our pledge to you, we service what we sell.
®
701414 11/14/92 Printed in U.S,A.
...... IIIHIIIIIIIIIIIIIIIII IIII IIII I1