Craftsman 917773700 User Manual HIGH WHEEL WEED TRIMMER Manuals And Guides L0103069
CRAFTSMAN Line Trimmers/Weedwackers, Gas Manual L0103069 CRAFTSMAN Line Trimmers/Weedwackers, Gas Owner's Manual, CRAFTSMAN Line Trimmers/Weedwackers, Gas installation guides
User Manual: Craftsman 917773700 917773700 CRAFTSMAN HIGH WHEEL WEED TRIMMER - Manuals and Guides View the owners manual for your CRAFTSMAN HIGH WHEEL WEED TRIMMER #917773700. Home:Lawn & Garden Parts:Craftsman Parts:917773700 Craftsman Grass trimmer (weed wacker) Manual
Open the PDF directly: View PDF
.
Page Count: 27

Owner's Manual
ICRRFTSMRN°I
60 HORSEPOWER
22 INCH CUT
WHEELED
WEEDTRIMMER
Model No.
917.773700
• Safety
•Assembly
•Operation
•Maintenance
•Espa_ol
•Repair Parts
,_CAUTION
Read and follow all
Safety Rules and Instructions
before operating this equipment.
Sears, Roebuck and Co., Hoffman Estates, IL 60179
Visit our Craftsman website: www.sears.com/craftsman

Warranty ................................................. 2
Safety Rules ........................................... 2
Assembly ................................................ 5
Operation ................................................ 6
Maintenance Schedule .......................... 9
Maintenance ........................................... 9
Product Specifications ............................ 9
Service and Adjustments ...................... 12
Storage ................................................. 14
Troubleshooting ................................... 15
Repair Parts .......................................... 30
Parts Ordering ........................ Back Cover
LIMITED TWO YEAR WARRANTY ON CRAFTSMAN WEEDTRIMMER
For two years from date of purchase, when this Craftsman Weedtrimmer is maintained,
lubricated, and tuned up according to the operating and maintenance instructions in
the owner's manual, Sears will repair free of charge any defect in material or workman-
ship.
If this Craftsman Weedtrimmer is used for commercial or rental purposes, this warranty
applies for only 90 days from the date of purchase.
This Warranty does not cover:
• Expendable items which become worn during normal use, such as rotating lines,
belts, air cleaners and spark plug.
• Repairs necessary because of operator abuse or negligence, including bent
crankshafts and the failure to maintain the equipment according to the instructions
contained in the owner's manual.
Warranty service is available by returning the Craftsman Weedtrimmer to the nearest
Sears Service Center in the United States. This warranty applies only while this product
is in use in the United States.
This Warranty gives you specific legal rights, and you may also have other rights which
vary from state to state.
Sears, Roebuck and Co., Dept. 817 WA, Hoffman Estates, IL 60179
WARNING= This trimmer is equipped with an internal combustion engine and should
not be used on or near any unimproved forest-covered, brush-covered or grass-
covered land unless the engine's exhaust system is equipped with a spark arrester
meeting applicable local or state laws (if any). If a spark arrester is used, it should be
maintained in effective working order by the operator.
In the state of California the above is required by law (Section 4442 of the California
Public Resources Code). Other states may have similar laws. Federal laws apply on
federal lands. A spark arrester for the muffler is available through your nearest Sears
service center (see the REPAIR PARTS section of this manual).
2

The operation of any trimmer can result in foreign objects being thrown
into the eyes which can result in severe eye damage. Always wear
safety glasses or eye shields while operating your tr mmer or perform-
ing any adjustments or repairs. We recommend a wide vision safety
mask over spectacles or standard safety glasses.
I. GENERAL OPERATION
•Read, understand, and follow all
instructions on the machine and in the
manual before starting. Be thoroughly
familiar with the controls and the proper
use of the machine before starting,
• Do not put hands or feet near or under
rotating pads.
• Keep all parts of your body away from
muffler and spinning line. A hot muffler
can cause serious burns.
• Only allow responsible individuals, who
are familiar with the instructions, to
operate the machine.
• Stay away from breakable objects, such
as house windows, auto glass, green-
houses, etc.
• Clear the area of objects such as rocks,
toys, wire, bones, sticks, etc., which
could be picked up and thrown by the
spinning lines.
• Be sure the area is clear of other
people before trimming, particularly
small children and pets. Stop machine
if anyone enters the area.
• Wear appropriate clothing such as a
long-sleeved shirt or jacket. Also wear
long trousers or slacks. Do not wear
shorts.
• Do not wear loose clothing which could
get caught in this equipment.
• Do not operate the machine when
barefoot or wearing open sandals.
Always wear work gloves and sturdy
footwear. Leather work shoes or short
boots work well for most people. These
will protect the operator's ankles and
shins from small sticks, splinters, and
other debris, and improve traction.
• Do not pull machine backwards unless
absolutely necessary. Always look
down and behind before and while
moving backwards.
Do not operate the machine without
proper guards, plates or other safety
protective devices in place.
See manufacturer's instructions for
proper operation and installation of
accessories. Only use accessories
approved by the manufacturer.
Never use blades, wire, or flailing
devices. This unit is designed for line
trimmer use only. Use of other accesso-
ries or attachments will increase the risk
of injury.
Stop the rotating trimmer head when
crossing gravel drives, walks, or roads.
Wait for the cutting lines to stop rotating.
Stop the engine (motor) whenever you
leave the equipment and allow it to
cool, before cleaning, repairing or
inspecting the unit. Be sure the trimmer
head and all moving parts have
stopped.
Operate only in daylight or good
adificial light.
Do not operate the machine while
under the influence of alcohol or drugs.
Never operate machine in wet grass.
Always be sure of your footing: keep a
firm hold on the handle and walk; never
run.
If the equipment should start to vibrate
abnormally, stop the engine (motor)
and check immediately for the cause.
Vibration is generally a warning of
trouble.
Always wear safety goggles or safety
glasses with side shields when operat-
ing machine.
3

II. SLOPE OPERATION
Slopes are a major factor related to slip
and fall accidents which can result in
severe injury. All slopes require extra
caution. If you feel uneasy on a slope, do
not trim it.
DO:
• Trim across the face of slopes: never up
and down. Exercise extreme caution
when changing direction on slopes.
• Remove obstacles such as rocks, tree
limbs, etc.
• Watch for holes, ruts, or bumps. Tall
grass can hide obstacles.
DO NOT:
• Do not trim near drop-offs, ditches or
embankments. The operator could lose
footing or balance.
• Do not trim excessively steep slopes.
• Do not trim on wet grass. Reduced
footing could cause slipping.
III. CHILDREN
Tragic accidents can occur if the operator
is not alert to the presence of children.
Children are often attracted to the machine
and the trimming activity. Never assume
that children will remain where you last
saw them.
• Keep children out of the trimming area
and under the watchful care of another
responsible adult.
• Be alert and turn machine off if children
enter the area.
• Before and while moving backwards,
look behind and down for small
children.
• Never allow children to operate the
machine.
• Use extra care when approaching blind
corners, shrubs, trees, or other objects
that may obscure vision.
IV. SERVICE
• Use extra care in handling gasoline
and other fuels. They are flammable
and vapors are explosive.
- Use only an approved container.
- Never remove gas cap or add fuel
with the engine running. Allow
engine to cool before refueling. Do
not smoke.
- Never refuel the machine indoors.
- Never store the machine or fuel
container inside where there is an
open flame, such as a water heater.
- Move away from fueling site before
starting engine.
• Never run a machine inside a closed
area.
• Never make adjustments or repairs
with the engine (motor) running.
Disconnect the spark plug wire, and
keep the wire away from the plug to
prevent accidental starting.
• Keep nuts and bolts, especially trimmer
head and engine bolts, tight and keep
equipment in good condition.
• Never tamper with safety devices.
Check their proper operation regularly.
• Keep machine free of grass, leaves, or
other debris buildup. Clean oil or fuel
spillage. Allow machine to cool before
cleaning or storing.
• Stop and inspect the equipment if you
strike an object. Repair, if necessary,
before restarting.
• Do not change the engine governor
setting or overspeed the engine.
• Clean and replace safety and instruc-
tion decals as necessary.
_,Look for this symbol to point out
important safety precautions. It means
CAUTION!!! BECOME ALERT!!! YOUR
SAFETY IS INVOLVED.
WARNING: In order to prevent
accidental starting when setting up,
transporting, adjusting or making repairs,
always disconnect spark plug wire and
place wire where it cannot contact spark
plug.
CAUTION: Muffler and other engine
parts become extremely hot during
operation and remain hot after engine
has stopped. To avoid severe burns on
contact, stay away from these areas.
_,WARNING: Engine exhaust, some of its
constituents, and certain vehicle compo-
nents contain or emit chemicals known to
the State of California to cause cancer
and birth defects or other reproductive
harm.

Readtheseinstructionsand this manual in its
entirety before you attempt to assemble or
operate your new trimmer.
IMPORTANT: This tnmmer is shipped
WITHOUT OIL OR GASOLINE in the engine.
Your new trimmer has been assembled at the
factory with the exception of those parts left
unassembled for shipping purposes. All parts
such as nuts, washers, bolts, etc., necessary
to complete the assembly have been placed
in the parts bag. To ensure safe and proper
operation of your trimmer, all parts and
hardware you assemble must be tightened
securely. Use the correct tools as necessary
to ensure proper tightness.
Loose Parts Packed Separately
20 OZ.
Bottle of oil
Trimmer Lines
(2) Sets
(0,155 diameter
x 15.75 inches long)
TO REMOVETRIMMER FROM CARTON
1. Remove loose parts included with
trimmer.
2. Cut down two end corners of carton
and lay end panel down flat.
3. Remove all packing materials.
4. Roll trimmer out of carton and check
carton thoroughly for additional loose
parts.
HOWTO SET UPYOURTRIMMER
TO UNFOLD HANDLE
IMPORTANT: Unfold handle carefully so as
not to pinch or damage control cables.
1. Loosen handle knob enough to allow
upper handle to be unfolded from the
shipping position.
2. Raise upper handle section into place
on lower handle and tighten handle
knob.
3. Remove handle padding holding
trimmer head control bar to upper
handle.
Your trimmer handle can be adjusted for
your trimming comfort. Refer to "ADJUST
HANDLE" in the Service and Adjustments
section of this manual.
Upper handle
Lift up
knob
hendle

KNOW YOUR TRIMMER
READ THIS OWNER'S MANUAL AND SAFETY RULES BEFORE OPERATING YOUR
TRIMMER. Compare the illustrations with your tnmmer to familiarize yourself with the location
of various controls and adjustments. Save this manual for future reference,
symbolsmayappearonyourtrimmerorinliteraturesuppliedwiththeproduct.Leamandunderstand
CAUTION ENGINE OFF
FAST SLOW
FUEL OIL
met head control bar
head control lever
Starter handle
Engine oil cap
Gasoline Chassis
IMPORTANT: This trimmer is shipped
WITHOUT OIL OR GASOLINE inthe engine. _Trimmer line
Trimmer head control bar - must be held
down to the handle to engage trimmer head.
Release to stopthe trimmer head.
Primer -pumps additionalfuel from the
carburetorto the cylinderfor use when
starting a cold engine.
Throttle control - used for starting and
stopping the engine and allows you to select
eitherfast or slow engine speed.
Starter handle -used for starting the engine.
Tdrnmer head control lever -used to
6engage tnmmer head.

SAFETYGLASSES
The operation of any trimmer can result in
foreign objects being thrown into the
eyes, which can result in severe eye
damage. Always wear safety glasses or
eye shields while operating your trimmer
or performing any adjustments or repairs.
We recommend a wide vision safety mask
over spectacles or standard safety
glasses.
HOWTO USEYOURTRIMMER
ENGINE SPEED
The engine speed is controlled by a
throttle located on the side of the upper
handle. Fast position is for starting and
normal trimming. Slow is for light trimming
and fuel economy. Stop is for stopping the
engine. .,,,, 0
it
II
_ ,Trimmer head control bar Drive control
\ lever
To engage trimmer head disengaged
TO ADJUST TRIMMING HEIGHT
_,CAUTION: Stop the engine and wait
for all moving parts to stop. Disconnect
spark plug wire from spark plug and
place wire where it cannot come in
contact with plug.
The height of cut can be set to six (6)
different positions ranging from 1-1/2
inches to 3 inches. Recommended cutting
height for the average yard is 2 inches.
1. To adjust trimming height, push in the
locking plate tab and move trimmer
head up or down to desired position.
2. Release tab and be sure head is
locked into one of the six (6) height
positions.
Adjustable _
Trimmer
Head \\\
Locking
Plate Tab
TRIMMER HEAD DRIVE CONTROL
Your trimmer is equipped with a trimmer
head drive control bar and lever which
require the operator to be positioned
behind the trimmer handle to operate the
trimmer.
• Trimmer head rotation is controlled by
holding the trimmer head control bar
down to the handle and pushing the
drive control lever forward until it clicks;
then releasing the lever.
• Trimmer head rotation will stop when
the control bar is released.
J\
BEFORE STARTING ENGINE
ADD OIL
Your trimmer is shipped without oil in the
engine. For type and grade of oil to use,
see "ENGINE" in the Maintenance section
of this manual.
• l, CAUTION: DO NOT overfill engine with
oil, or it will smoke on startup.
1. Be sure trimmer is level and area
around oil fill is clean.
2. Remove oil dipstick from oil fill spout,
Make sure that rim of spout is clean.

3. You receive a 20 oz. container of oil
with the unit. Slowly pour 3/4 (15 oz.)
of the oil from the container down the
6il fill spout into the engine.
4. Wait one minute to allow oil to settle.
Insert and tighten dipstick, then
remove it to check oil level.
5. Continue adding small amounts of oil
and rechecking the dipstick until it
reads full. DO NOT overfill, or engine
will smoke on startup.
6. Always be sure to retighten oil dipstick
before starting engine.
•Check oil level before each use. Add oil if
needed. Fillto full line on dipstick.
•Change the oil after every 25 hours of
operation or each season. You may need
to change the oil more often under dusty,
dirty conditions.
Gasoline
(Discard
debris plug
inside)
oil cap
ADD GASOLINE
NOTE; Before filling fuel tank, remove
and discard the debris plug that is inside
the tank.
• Fill fuel tank. Use fresh, clean, regular
unleaded gasoline with a minimum of 87
octane. Do not mix oil with gasoline.
Purchase fuel in quantities that can be
used within 30 days to assure fuel
freshness.
_I,WARNING: Experience indicates that
alcohol blended fuels (called gasohol or
using ethanol or methanol) can attract
moisture which leads to separation and
formation of acids during storage. Acidic
gas can damage the fuel system of an
engine while in storage. To avoid engine
problems, the fuel system should be
emptied before storage of 30 days or
longer. Drain the gas tank, start the
engine and let it run until the fuel lines
and carburetor are empty. Use fresh fuel
next season. See Storage Instructions for
additional information. Never use engine
or carburetor cleaner products in the fuel
tank or permanent damage may occur.
Ai_CAUTION; Fill to bottom of gas tank
filler neck. Do not overfill. Wipe off any
spilled oil or fuel. Do not store, spill or
use gasoline near an open flame.
TO START ENGINE
1. To start a cold engine, push primer three
(3)times before trying to start. Use a firm
push. This step is not usually necessary
when starting an engine which has
already runfor a few minutes.
2. Move throttle control lever to fast position.
3. Hold upper handle firmly and pull starter
handle quickly. Do not allow starter rope
to snap back.
TO STOP ENGINE
•To stop engine, move throttlecontrollever
to stop position.
NOTE: In cooler weather it may be
necessary to repeat priming steps. In
warmer weather overpriming may cause
flooding and engine will not start. If you
do flood engine, wait a few minutes
before attempting to start and do not
repeat priming steps. _
Throttle control _!'
Starter handle_
TRIMMINGTIPS _/&
• Set the throttle control in the fast
position. If the weeds or grass are tall
and thick, operate the trimmer at a
slower walking speed.
• Frequently clean the underside of the
trimmer to remove any grass build up.
Keep top of engine around starter clear
and clean of grass clippings and chaff.
This will help engine air flow and extend
engine life.
• For best results and longer lasting line,
use the ends of the line to do the cutting.
This is easily done by moving slowly
through very thick and heavy weeds.
• Use the left side of trimmer when
trimming along fences, walls, flowerbeds
and other such objects.
• If trimmer lines become too short, it will
take longer to complete the job. If
trimmer lines are worn to less than half
their original length, they should be
replaced. See "TO REPLACE TRIMMER
LINE" in the Maintenance section of this
manual.
Trimmer head contact with concrete,
asphalt or other hard surfaces may
cause premature wear of the ball on
bottom of trimmer head.
8

MAINTENANCE SCHEDULE _'_, _"_//- _,_ ,/_.. _O_/_G_/'"
REGUL RSE.V,CE
Check for Loose Fasteners I_ I/
T
aClean Trimmer I_ I/
I
MClean Under Engine Cover 11/2 II/
MCheck ddve belt/pulleys l/
RCheck/Replace Trimmer Lines 11/3
Check Engine Oil Level I# #
E Change Engine Oil I/1,2
(_ Clean Air Filter _ 2
I Inspect Muffler it/
N Clean or Replace Spark Plug ¥1
Replace Air Filter Paper Cartridge 1_2
1Change mote often when operatin 9 under a heaVy load or in high ambient ternpCralures.
2Service more Often when operallng in dirty or dusty cOflditions.
3. AOplace Irimmer lines when they have worn Io half their original length¸
GENERAL RECOMMENDATIONS
The warranty on this trimmer does not
cover items that have been subjected to
operator abuse or negligence. To receive
full value from the warranty, operator must
maintain trimmer as instructed in this
manual.
Some adjustments will need to be made
periodically to properly maintain your unit.
All adjustments in the Service and
Adjustments section of this manual should
be checked at least once each season.
• Once a year, replace the spark plug
and replace air filter element. A new
spark plug and clean/new air filter
element assures proper air-fuel
mixture and helps your engine run
better and last longer.
Follow the maintenance schedule in
this manual.
BEFORE EACH USE
1. Check engine oil level.
2. Check for loose fasteners.
3. Clean under engine cover.
LUBRICATION
To prolong the useful life of your trimmer,
change engine oil as recommended in
this section of Owner's Manual.
IMPORTANT: Do not oil or grease plastic
wheel bearings. Viscous lubricants will
attract dust and dirt that will shorten the
life of the self- lubricating bearings. If you
feel they must be lubricated, use only a
dry, powdered graphite type lubricant
sparingly.
PRODUCT SPECIFICATIONS
Serial No.
Date of Purchase:
Gasoline Type: Unleaded Regular
Gasoline Capacity: 1,25 Quarts
Oil Type: SAE 30 (Above 32 ° F)
(API-SF-SJ) SAE 5W-30 (Below 32° F)
Oil Capacity: 20 Ozs.
Spark Plug : Champion J19LM
(Gap: .030") or RJ19LM
Trimmer Line Dia,: .155 inch
Trimmer Line Length: 18.75 inches
The model and serial numbers will be
found on a decal attached to the rear of
the trimmer. Record both serial number
and date of purchase in space provided
above.

TRIMMER
Always observe safety rules when
performing any maintenance.
TIRES
Keep tires free of gasoline, oil, or
insect control chemicals which can
harm rubber.
• Avoid stumps, stones, deep ruts,
sharp objects and other hazards that
may cause tire damage.
TRIMMER LINE
For best results, replace trimmer lines
when they have worn to half their original
length. Use .155 inch diameter trimmer
line. Cut new trimmer line length to 18-314
inches. After new line is installed on
trimmer head, check all lines so they do
not vary more then one (1) inch in length.
This is important to make sure the trimmer
head is balanced and will not vibrate
abnormally.
_WARNING: Use only the specified
trimmer line. Do not use other materials
such as wire, string, rope, etc. Wire can
break off during trimming and become a
dangerous missile that can cause serious
injury.
TO REPLACE TRIMMER LINE
1. Disconnect spark plug wire from spark
plug and place wire where it cannot
come in contact with spark plug.
2. Remove worn trimmer line from line
carrier plate.
3. Fold new, cut to length, trimmer line in
half and insert folded end through
carrier plate opening to back side of
retainer clip.
4. With folded end of line at back side of
retainer clip, pull line outward until
line is fully seated under the retainer
clip.
5. Repeat on other side of carrier plate.
6. Check all lines to be sure they are the
same length.
7. Reconnect spark plug wire to spark
plug.
Trimmer line
Carrier plate
opening
ENGINE
LUBRICATION
Use only high quality detergent oil rated
with API service classification SF-SJ.
Select the oil's SAE viscosity grade
according to your expected operating
temperature.
[_ 1SA_V_SCOS,T_GR_OES
*F 20. O, 30, 32. 4_* 60* t_O, lc0,
*C _0. .20, 10. O* 10. 2O, t_. E40*
NOTE: Although multi-viscosity oils
(5W30, 10W30 etc.) improve starting in
cold weather, these multi-viscosity oils
will result in increased oil consumption
when used above 32°E Check your
engine oil level more frequently to avoid
possible engine damage from running
low on oil.
Change the oil after every 25 hours of
operation or at least once a year if the
unit is not used for 25 hours in one year.
Check the crankcase oil level before
starting the engine and after each five (5)
hours of continuous use. Tighten oil plug
securely each time you check the oil
lolevel.

TO CHANGE ENGINE OiL
NOTE: Before tipping trimmer to drain
oil, drain fuel tank by running engine
until fuel tank is empty.
1. Disconnect spark plug wire from spark
plug and place wire where it cannot
come in contact with spark plug.
2. Remove engine oil cap; lay aside on a
clean surface.
3. Tip trimmer on its side as shown and
drain oil into a suitable container.
Rock trimmer back and forth to
remove any oil trapped inside of
engine.
4. Wipe off any spilled oil from trimmer
and side of engine.
5. Fill engine with oil (See "ADD OIL" in
the Operation section of this manual).
6. Replace engine oil cap.
7. Reconnect spark plug wire to spark
plug.
Container
AIR FILTER
Your engine will not run properly and may
be damaged by using a dirty air filter.
Replace the air filter every 100 hours of
operation or every season, whichever
occurs first. Service a_ cleaner more
often under dusty conditions.
TO CLEAN AIR FILTER
1. Loosen screw and tilt cover to remove.
2. Carefully remove cartridge.
3. Clean by gently tapping on a flat
surface. If very dirty, replace cartridge.
_,CAUTION: Petroleum solvents, such as
kerosene, are not to be used to clean
cartridge. They may cause deterioration of
the cartridge. Do not oi_cartridge. Do not
use pressurized air to clean or dry
cartridge.
4. Install cartridge, then replace cover
making sure the tabs are aligned with
the slots in the back plate. Fasten
screw securely.
Back plate
Slots
Cover
tabs
Cover
MUFFLER
Inspect and replace corroded muffler as
it could create a fire hazard and/or
damage.
SPARK PLUG
Replace spark plugs at the beginning of
each mowing season or after every 100
hours of operation, whichever occurs first.
Spark plug type and gap setting are
shown in "PRODUCT SPECIFICATIONS"
in Maintenance section of this manual.
CLEANING
IMPORTANT= For best performance,
keep tdmmer free of buitt-up grass and
trash. Clean the underside of your
trimmer after each use.
_CAUTION: Disconnect spark plug wire
from spark plug and place wire where it
cannot come in contact with the spark
plug.
• Turn trimmer on its side, Make sure air
fi_ter and carburetor are up. Clean the
underside of your trimmer by scraping
to remove build-up of grass and trash.
• Clean engine often to keep trash from
accumulating. A clogged engine runs
hotter and shortens engine life.
• Keep finished surfaces and wheels
free of all gasoline, oil,etc.
• We do not recommend using a garden
hose to clean trimmer unless the
electrical system, muffler, air filter and
carburetor are covered to keep water
out. Water in engine can result in
shortened engine life.
11

ACAUTION: Before performing any
service and adjustments:
1. Stop engine.
2. Make sure the rotating lines and all
moving parts have completely
stopped.
3. Disconnect spark plug wire from spark
plug and place where it cannot come
in contact with plug.
TRIMMER
TO ADJUSTTRIMMING HEIGHT
See 'q'OADJUSTTRIMMING HEIGHT" inthe
Operation section of this manual.
TO ADJUST HANDLE
The upper handle may be adjusted to
different height positions.
• Loosen handle knob only enough to
allow the upper handle to pivot to the
desired position.
•Tighten handle knob securely.
NOTE: The handle knob and bolt may be
reversed for left handed operation,
Upper handle
TO REMOVE/REPLACE TRIMMER HEAD
DRIVE BELT
1. Remove screw at front of chassis
cover.
2, Lift cover up and away from trimmer.
Chassis
3. Remove the two (2) screws on sides
of trimmer securing the debris shield.
4. Turn trimmer on its side with carbure-
tor and fuel cap up.
5. Remove the two (2) screws on
underside of trimmer securing the
debris shield.
6. Slide the debris shield rearward and
remove.
7. Remove belt from engine pulley on
crankshaft.
pulley
Handle knob Debris shield screws
12

8. Remove belt from trimmer head pulley.
9. Note the position of the control cable
+and idler return spring, then remove
idler assembly from chassis and
remove belt and idler from trimmer.
10. Remove belt from idler assembly by
removing bottom belt keeper and idler
pulleys.
11.Assemble new belt, idler pulleys and
bottom belt keeper to idler bracket.
Tighten pulley bolts securely.
NOTE: Be sure belt is inside top belt
keeper on idler assembly.
12. Position belt and idler assembly in
trimmer, reconnect idler spring and
assemble idler to chassis.
13. Install belt around trimmer head pulley
and engine pulley.
14. Replace debris shield and tighten the
four (4) screws securely.
15. Replace chassis cover and tighten
screw securely.
Always use Craftsman replacement parts
to assure proper fit and long life.
Idler bracket Flatidler
Spacer
V-idler._,
Idler
Beff Flat idler
Trimmer head pulley
ENGINE
ENGINE SPEED
Your engine speed has been factory set.
Do not attempt to increase engine speed
or it may result in personal injury, If you
believe that the engine is running too fast
or too slow, take your unit to a Sears or
other qualified service center for repair
and/or adjustment.
CARBURETOR
Your carburetor has a nonadjustable fixed
main jet for mixture control. If your engine
does not operate properly due to sus-
pected carburetor problems, take your
unit to a Sears or other qualified service
center for repair and/or adjustment.
IMPORTANT: Never tamper with the
engine governor, which is factory set for
proper engine speed. Overspeeding the
engine above the factory high speed
setting can be dangerous. Ifyou think the
engine-governed high speed needs
adjusting, take your unit to a Sears or
other qualified service center, which has
proper equipment and experience to
make any necessary adjustments.
13

Imrdediately prepare your trimmer for storage
at the end of the season or if the unit will not
be used for 30 days or more.
TRIMMER
When trimmer is to be stored for a pedodof
time, clean it thoroughly,remove all dirt,
grease, leaves, etc. Store in a clean, dry area.
1. Clean entiretrimmer (See "CLEANING" in
the Maintenance section of this manual).
2. Lubricate as shown in the Maintenance
section of this manual.
3. Be sure that all nuts, bolts, screws, and
pins are securely fastened. Inspect
moving parts for damage, breakage and
wear. Replace if necessary.
4. Touch up all rusted or chipped paint
surfaces; sand lightly before painting.
HANDLE
You can fold your trimmer handle for storage.
• Loosen handle knob enough to allow
upper handle to be folded forward.
IMPORTANT: When folding the handle for
storage or transportation, be sure to fold the
handle as shown or you may damage the
control cables.
Handle knob
ENGINE
FUEL SYSTEM
IMPORTANT: if is importantto preventgum
depositsfrom forming in essentialfuel system
tank during storage. Also, experience
indicates that alcohol blended fuels (called
gasohol or using ethanol or methanol) can
attract moisture which leads to separation
and formation of acids during storage. Acidic
gas can damage the fuel system of an
engine while in storage.
1. Drain the fuel tank.
2. Start the engine and let it run until the
fuel lines and carburetor are empty.
• Never use engine or carburetor cleaner
products in the fuel tank or permanent
damage may occur.
• Use fresh fuel next season.
NOTE: Fuel stabilizer is an acceptable
aitemative in minimizing the formation of fuel
gum deposits during storage. Add stabilizer
to gasoline in fuel tank or storage container.
Pawaysfollow the mix ratio found on stabilizer
container. Run engine at least 10 minutes
after adding stabilizer to allow the stabilizer to
reach the carburetor. Do not drain the gas
tank and carburetor if using fuel stabilizer.
ENGINEOIL
Drain oil (with engine warm) and replace with
clean engine oil. (See "ENGINE" in the
Maintenance sectionof this manual).
CYLINDER
t. Remove spark plug.
2. Pour one ounce (29 ml) of oil through
spark plug hole into cylinder.
3. Pull starter handle slowly a few times
to distribute oil.
4. Replace with new spark plug.
OTHER
• Do not store gasoline from one season to
another.
• Replace your gasoline can if your can
starts to rust. Rust and/or dirt in your
gasoline will cause problems.
• If possible, store your unit indoors and
cover it to give protection from dust and dirt.
• Cover your unit with a suitable protective
cover that does not retain moisture. Do
not use plastic. Plastic cannot breathe
which allows condensation to form and will
cause your unit to rust.
IMPORTANT: Never cover trimmer while
engine and exhaust areas are still warm.
_I,CAUTION: Never store the trimmer
with gasoline in the tank inside a building
where fumes may reach an open flame or
spark. Allow the engine to cool before
partssuch as carburetor, fuel filter,fuet hose or14storing in any enclosure.

TROUBLESHOOTING
PROBLEM CAUSE
6oesnotsta_ 1, Dirtyairfilter.
CORRECTION
2. Out of fuel.
3, Stale fuel.
4. Water in fuel.
5. Spark plug wire is
disconnected.
6. Bad spark plug.
7. Throttle control lever not
in correct position
(if equipped).
1. Dirty air filter.
2. Buildup of grass, leaves,
and trash under trimmer.
3. Too much oil in engine.
4. Walking speed too fast.
1. Lines uneven or broken.
2. Loose nuts or bolts.
3. Damaged trimmer head.
1. Bent engine crankshaft.
1. Belt not driving.
1. Handle height position no1
right for you.
1. Trimmer line length is
too short.
2. Throttle control lever not
in correct position
(if equipped).
1. Trimmer line not
properly installed.
2. Broken line retainer clip.
3. Incorrect size of
trimmer line.
1. Clean/replace air filter.
2. Fill fuel tank.
3. Drain tank and refill with
fresh clean fuel.
4. Drain fuel tank and
carburetor and refill tank
with fresh gasoline.
5. Connect wire to plug.
6. Replace spark plug.
7. Move throttle lever to FAST
position.
Loss of power 1. Clean/replace air filter.
2. Clean underside of trimmer
and trimmer head.
3. Check oil level.
4. Trim at slower walking
speed.
Excessive 1. Check trimmer lines.
Vibration 2. Check all hardware,
including engine bolts.
3. Check/repair trimmer head.
Starter rope harc 1. Contact a Sears or other
to pull qualified service center.
Loss of head 1. Put belt on pulleys or
drive replace belt if broken.
Hard to push 1. Adjust handle height
to suit.
Poor trimming 1. If line is worn or broken to
performance half original length,
replace line.
2. Move throttle lever to FAST
position.
Trimmer head 1. Follow instructions in
does not Maintenance section.
retain line 2. Replace string carrier plate
assembly.
3. Use .155 diameter
trimmer line.
15

SLOPE GUIDE
SIGHT AND HOLD THIS GUIDE LEVEL WITH A VERTICAL
TREE, A CORNER OF A STRUCTURE, A POWER LI'NE
"'°'_°*°'o,.° -..
I. . POLE, OR A FENCE.
o
Operate a trimmer across the face
of slopes, never up or down slopes.
15 DEGREES
Use this guide and do not trim on a slope greater than 15 degrees.
A 10 degree slope is a hill that increases in height at approximately 1.7 feet in 10 feet..
A 15 degree slope is a hill that increases in height at approximately 2.5 feet in 10 feet..
Use extreme care at all times and avoid sudden turns or maneuvers. Follow other instructions in this
_lb an ual for safety in trimming on slopes. Operate a trimmer across the face of slopes, never up o r down
slopes. Use extra care when operating on or near slopes and obstructions.

CRAFTSMANWEEDTRIMMER- -MODEL NUMBER 917.773700
28
29
21
14 15 8
9_ '_"
26 23
27
24
25
26
32

CRAFTSMAN WEED TRIMMER -- MODEL NUMBER 917.773700
KEY PART
NO. NO. DESCRIPTION
2
3
4
8
9
10
11
12
13
14
15
16
17
18
19
20
21
22
23
24
25
26
27
28
29
30
31
32
33
..... Engine, Briggs & Stratton,
Model Number 122H02-0110-D1
(See Breakdown)
150406 Bolt, Engine Mounting 3/8-16
169791 Pulley, Engine (Includes Setscrew, Key #4)
STD502502 Setscrew, Pulley
169821X479 Handle,Lower
150078 Screw, Hex Washer Head 5/16-18 x .75
169797X479 Handle, Upper
170980 Bolt, Handle
136376 Knob,Handle
170681 Adjuster, Handle, Inside
170682 Adjuster, Handle, Outside
170554 Spring, Handle Adjust
153638 Guide, Rope
STD541025 Locknut 1/4 x 20
66486 WireTire
171449 Control Bar
177814 Throttle Contro4
158755 Screw, Hex Washer Head
174750X004 Axle Shaft Assembly
150078 Screw, Hex Washer Head 5/15-18 x .75
174751 Spacer, Axle
57143 Washer, Wave
752063 Wheel, 14 x2
83923 Hex Flange Locknut 3/8-16
174037 Orive Control
178364 Decal,Warning
751152 Nut 1/4-20
111190X Clamp,Cable
83816 Screw
178365 Decal,Warning
177739 Owner's Man ual. English/Spanish
Available accessories not included with trimmer:
7133623 Gas Can (2.5 gal.)
7133000 SAE 30W Oil (20 oz.)
7!_79991 Trimmer Line (Pack of 24 strings, 155 dia,)
NOTE: All component dimensions given in U.S, inches
1 inch = 25.4 mm
33

CRAFTSMAN WEED TRIMMER - - MODEL NU MBER 917.773700
1 20
_ 14 43
42
21
-44
4
23
24
27
32
0--31
34

CRAFTSMANWEEDTRIMMER-- MODELNUMBER917.773700
KEY
NO.
1
2
3
4
5
6
7
8
9
10
11
12
13
14
15
16
17
18
19
2O
21
22
23
24
25
26
27
28
29
3O
31
32
33
34
35
36
37
38
39
40
41
42
43
44
45
46
47
48
PART
NO. DESCRIPTION
174031 X558 Chassis Assembly
169802 Line, Trimmer .155 diameter x 18,75 long
173715 Screw, Self-Tapping 5/16-18 x 1
169790 V-Beg
172145X004 Bracket, Idler
166042 Pulley, Idler, V-Groove
173716 Bolt, Hex Head 3/6-16 x1.25
751592 Locknut, Hex 3/8-16
166043 Pulley. Idler, Flat
160829 Bolt, Shoulder
155552 Locknut 5/16-18
173717 Spacer
174719 Bolt, Shoulder
145212 Locknut, Flange
173811 Spring, Return
177871 Shield, Debris
57808 Screw 1/4-20 x 1/2
85768 Screw #16-24 x 3/4
175301 Skirt
170553 Cover, Chassis, Top
149746 Screw #10-24 x 1-3/4
STD541137 Nut 3/8-24 UNF
STD551137 Washer, Lock 3/8
STD551037 Washer, Flat 3/8
169792 Pulley, Driven
172551 Spacer, Pulley
174549 Beadng
172520 Jackshaft
169766 Cover, Chassis, Bottom
174543 Spindle Housing Assembly
(" Includes Upper Bearing, Key #27)
174581 Ring, Retaining, External, 17mm
176973 Spring, Locking Plate
172519 Locking Plate
174544 Carrie r Plate Assembly
52784 Washer
172516 Cover, Beadng
174590 Ring, Retaining, Internal, 40mm
172523 Mow Ball
172636 Bolt, Mow Ball
172342 Head Assembly, Complete
(Includes Key Numbers 22-29, 30-39)
174029 Spacer
174036 Decal, Instruction
174042 Decal, Instruction
174035 Decal, Chassis Cover
174596 Belt Keeper, Bottom
17060408 Screw
76399 Screw
59931 Nut
NOTE: All component dimensions given in U.S. inches
1 Inch = 25.4 mm
35

BRIGGS & STRATTON 4-CYCLE ENGINE MODEL NUMBER 122HO2-O110-D1
36

BRIGGS & STRATTON 4-CYCLE ENGINE MODEL NUMBER 122H02-0110-D1
fJ
968 f_J
/
445
977 CARBURETOR
GASKET SET
_37_
_633 G
617_j
121 CARBURETOR OVERHAUL KIT
633_ 163
27eQ 127_
365_
lee_ 621
12___J
137_
276
I 617_il._l 27eo
37

BRIGGS & STRA'FTON 4-CYCLE ENGINE MODEL NUMBER 122HO2-O110-D1
6O4
564
949
78¸
, i 304
L!_
363 ,_i, ij
:I "
332 _, _'
,i' i'i
455 _ .r
1229 ."
ii;I
305
670 190 ""
057ITs,
187
_601 i
[ 1036 EMISSIONS LABEL ]
23
55 ___r
1211
1210
65_i
592 _
58 r_'_
F-__ =
I
459 ' _l
689 60 _
i,,
597.,
38

BRIGGS & STRATTON 4-CYCLE ENGINE MODEL NUMBER 122H02-0110-D1
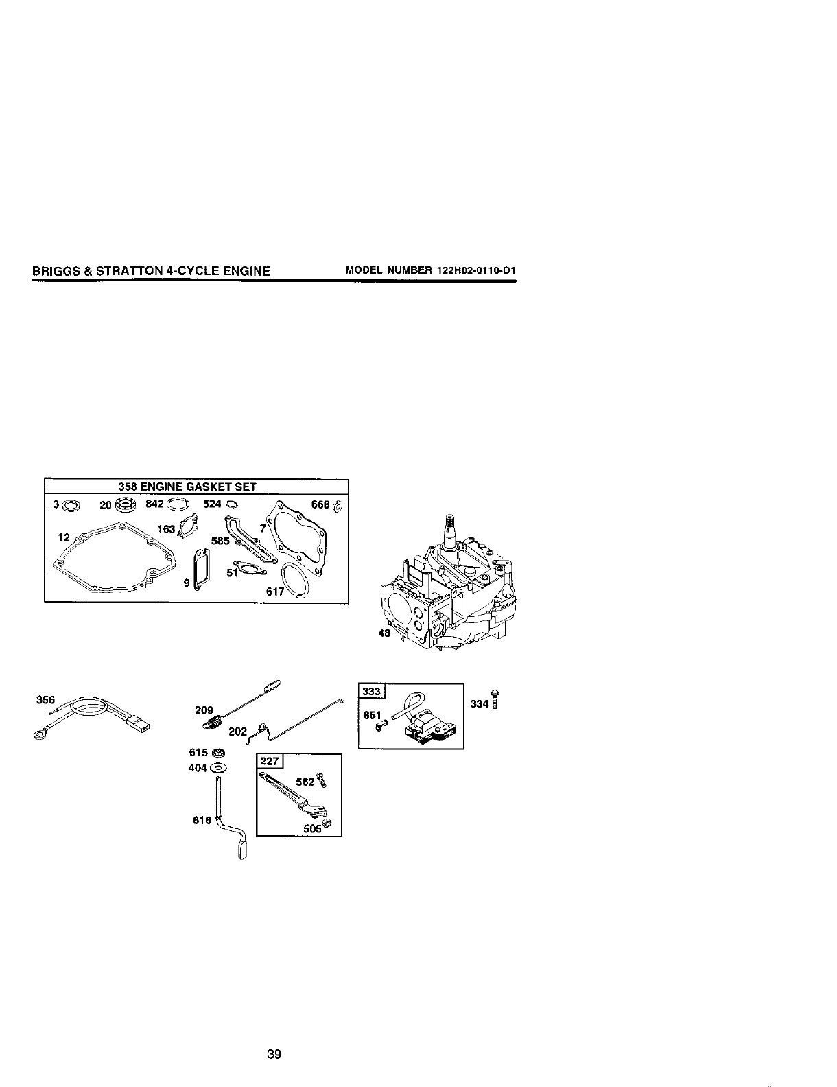
358 ENGINE GASKET SET
3© 20_ 842_) 524_, 7_ 80
585_
5
9"617_
615
404 _227
334_
39

BRIGGS & STRATTON 4-CYCLE ENGINE MODEL NUMBER 122H02-0110-D1
KEY PART
NO, NO. DESCRIPTION KEY PART
NO. NO.
1 493260 Cylinder Assembly 48
2 399269 KS-BushingJSeal
3 299819 • Seal-Oil (Magneto Side) 50
4 493279 Sump-Engtne 51
5 691160 Head-Cylinder 54
7692249 ,+ Gasket-Cylinder Head 55
8 695250 Breather Assembly 58
9272481 -+ Gasket-Breather 60
10 691125 Screw (Breather Assembly) 65
11 691781 Tube-Breather 78
12 692232 • Gasket-Crankcase 81
13 690912 Screw (Cylinder Head) 95
15 691680 Plug-Oil Drain 97
16 691451 Crankshaft 104
20 399781 •SeaI-Oil(PTO Side) 117
22 691092 Screw (Engine Sump)
23 692315 Flywheel 121
24 222698 Key-Flywheel 127
25 499429 Piston Assembly (Standard) 130
499430 Piston Assembly (.010" O.S.) 133
499431 Piston Assembly (.020' O.S.) 134
499432 Piston Assembly (,030' O.S.) 137
26 499425 Ring Set-Piston (Standard) 146
499426 Ring Set-Piston (.010" O,S.) 159
499427 Ring Set-Piston (.020"O.S.) 163
499428 Ring Set-Piston (.030" O.S.) 187
27 691866 Lock-Piston Pin 188
28 499423 Pin-Piston 190
29 499424 Rod-Connecting 202
32 691664 Screw (Connecting Rod) 209
32A 695759 Screw (Connecting ROd) 222
33 262651 Valve-Exhaust 227
34 262652 Valve-intake 265
35 691270 Spring-Valve (Intake) 276
36 691270 Spring-Valve (Exhaust) 287
37 694086 Guard-Rywheel 300
40 692194 Retainer-Valve 304
43 691997 Slinger-Governor/Oil 305
45 690548 Tappet-Valve 306
46 691449 Camshaft 307
DESCRIPTION
498826 Short Brock (Replacement
Engine 12D602-0015-B1 )
497465 Manifold-Intake
272199 •Gasket-Intake
691650 Screw (Intake Manifold)
691421 Housing-Rewind Starter
692259 Rope-Starter (Cut to Length)
281434 Grip-Starter Rope
690837 Screw (Rewind Starter)
691108 Screw (Flywheel Guard)
691740 Lock-M uffier Screw
691636 Screw (Throttle Valve)
493267 Shaft-Throhle
691242 O Pin-Float Hinge
494870 Jet-Main (Standard)
497315 Jet-Main (High Altitude)
498260 Kit-Carburetor Overhaul
694468 Q Plug-Welch
691203 Valve-ThroSle
398187 Float-Carburetor
398188 _ Valve-Needle/Seat
693981 O:_ Gasket-Float Bowl
690979 Key-Timing
691753 Bracket-Air Cleaner Prime r
272653 _ Gasket-AirCleaner
691050 Line- Fuel (Cut to Length)
690877 Screw (Control Bracket)
690940 Screw (Fuel Tank)
691829 Link- Mechanical Governor
690319 Spring-Governor
692031 Bracket-Control
690783 Control Lever-Governor
690798 Clamp-Casing
271716 :_ Sealing Washer
690940 Screw (Dipstick Tube)
692038 Muffler
696307 Housing-Blower
691108 Screw (Blower Housing)
690450 Shield-Cylinder
690345 Screw (Cylinder Shield)
4O

BRIGGS & STRATTON 4-CYCLE ENGINE MODEL NUMBER 122HO2-O110-D1
KEY PART
NO, NO. DESCRIPTION
332 6906o62
333 802574
334 691061
337 802592
356 692390
358 497316
363 19069
365 692524
383 89838
404 6911272
425 690670
443 692523
445 491588
455 691219
456 692299
459 281508
505 231082
523 495264
524 692296
525 495265
529 691923
562 92613
563 691138
564 690664
584 692342
585 691879
592 690800
597 691696
601 95162
604 691757
608 497680
613 691340
615 890340
616 691306
617 270344
621 692316
633 691321
635 66538
668 493823
670 692294
Nut (Flywheel)
Armature-Magneto
Screw (Armature Magneto)
Spark Plug
Wire-Stop
Engine Gasket Set
Flywheel Puller
Screw (Carburetor)
Wrench-Spark Plug
Washer (Governor Crank)
Screw (Air Cleaner Cover)
Screw (Air Cleaner Primer Base)
Fiber-Air Cleaner Cartridge
Cup-Flywheel
Plato-Pawl Friction
PawI-Ratchet
Nut (Governor Control Lever)
Dipstick
•SeaI-DipstickTube
Tube-Dipstick
Grommet
Bolt (Governor Control Leve
Screw (Debris Guard Cover
Screw (Control Cover)
Cover-Breather Passage
•Gasket-Breather Passage
Nut (Rewind Starter)
Screw (Pawl Friction Plate
Clamp-Hose
Cover-Control
Starter-Rewind
Screw (Muffler)
Retainer-Governor Shaft
Crank-Governor
K_:_ SeaI-O Ring(IntakeManifold)
Switch-Stop
SeaI-Choke/ThroSle Shaft
Boot-Sparkp_ug
• Spacer (Includes 2)
Spacer-Fuel Tank
KEY PART
NO. NO. DESCRIPTION
684 690345 Scre
(Breather Passage Cover)
689 691855 Spdng*Fdction
703 696309 Clip
741 691830 Gear-]]ming
842 691031 ° SeaI-O Ring (Dipstick Tube)
847 692017 A ssem bly- DipslJckJTu be
851 493880 TerminaI-Sparkplug
869 691155 Seat-Valve (Intake)
870 690380 Seat-Valve (Exhaust)
871 262001 Bushing-Guide(Exhaust)
63709 Bushing-Guide (Intake)
949 696306 Guard-Debris Screen
949A 696310 Guard-Debris Screen
957 397974 Cap-FuelTank
966 496118 Base-AirCleanerPdmer
967 493537 Filter-Pre Cleaner
968 692298 Cover-Air Cleaner
970 691669 Screw
(Air Cleaner Primer Bracket)
972 495224 Tank-Fuel
975 493640 Bowl-Float
976 694395 Pdmer-Carburetor
977 498261 Set-Carburetor Gasket
1019 494256 Kit-Label
1036 696035 Label-Emissions
1058 274978 Owner's Manual
1059 692311 Kit-Screw/Washer
1095 498528 Set-Valve Gasket
1210 498144 Assembly-Pulley/Spring(Pulley)
1211 498144 Assembly-Pulley/Spnng (Spdng)
1229 696308 Extension-Blower Housing
• Included in Engine Gasket Set, Key #358
O Included in Carburetor Overhaul Kit, Key #121
_t Included in Carburetor Gasket Set, Key #977
+ Included in Valve Overhaul Kit, Key #1095
NOTE: All component dimensions given in U.S. inches
1 inch = 25.4 mm
41

Get it fixed, at your home or ours!
For repair of major brand appliances in your own home...
no matter who made it, no matter who sold it!
1-800"4"MY-HOM E sMAnytime, dayor night
(1-800-469-4663)
www,sears.com
To bring in products such as vacuums,
lawn equipment and electronics for repair, call for
the location of your nearest Sears Parts &Repair Center.
1-800-488-1222 Anytime, day or night
www,sears.com
For the replacement parts, accessories and owner's manuals
that you need to do-it-yourself, call Sears PartsDirectSM!
1-800-366"PART _am- 11p,m,CST,
(1-800-366-7278) 7 days a week
www,sears.com/pa rtsdirect
To purchase or inquire about a Sears Service Agreement:
1-800-827-6655
7 a.m.- 5 p.m.CST,Mon.- Sat.
Para pedir servicio de reparaciSn a domici]io,
y para ordenar piezas con entrega a domicilio:
1-888-SU-HOGAR SM
(1-888-784-6427) {°°,°°]
HomeCentral _
Au Canada pour service en franqais:
1-877-LE-FOYER s_
(1-877-533-6937)
© Seam, Roebuck and Co Regis,v.l_ ITMM=rt'_ dA r-._nA dA Rnam R_ebuck aTidCo
177739 01.16.01 BY Printed in U.S.A.