Craftsman 917986911 User Manual TILLER Manuals And Guides 1401597L
User Manual: Craftsman 917986911 917986911 CRAFTSMAN TILLER - Manuals and Guides View the owners manual for your CRAFTSMAN TILLER #917986911. Home:Lawn & Garden Parts:Craftsman Parts:Craftsman TILLER Manual
Open the PDF directly: View PDF
.
Page Count: 48

Owner's Manual
CRRFTSMRH°
FRO T TI E
900 Series Briggs
24" Tine Width
TLL
& Stratton Engine
Model No.
917,986911
Espar_ol, p. 19
This product has a low emission engine which operates
differently from previously built engines. Before you start
the engine, read and understand this Owner's Manual.
Gasoline containing up to 10% ethanol (EIO) is acceptable for use in this machine.
The use of any gasoline exceeding 10% ethanol (EIO) will void the product warranty.
Esta m_quina puede utilizar gasolina con un contenido de hasta el 10% de etanol (EIO).
El uso de una gasolina que supere el 10% de etanol (El0) anular_ la garantia del producto.
IMPORTANT:
Read and follow all Safety Rules and Instructions
before operating this equipment.
Sears Brands Management Corporation, Hoffman Estates, IL 60179 U.S.A.
Visit our Craftsman website:www.sears.com/craftsman

Warranty ................................................. 2 Maintenance .................................... 11-13
Safety Rules ........................................ 2-3 Service and Adjustments ................ 14-15
Product Specifications ........................... 4 Storage ................................................. 16
Assem bly/Pre-Operation ..................... 5-6 Troubleshooting .............................. 17-18
Operation .......................................... 7-10 Illustrated Parts List ......................... 36-47
Maintenance Schedule ........................ 11 Sears Service ........................ Back Cover
Craftsman Professional Riding Equipment Full Warranty
FOR TWO YEARS from the date of purchase, all non-expendable parts of this riding equipment are
warranted against any defects in material or workmanship. A defective non-expendable part will
receive free in-home repair or replacement if repair is impossible.
FOR FIVE YEARS from the date of purchase, the frame and front axle of this riding equipment are
warranted against any defects in material or workmanship. A defective frame or front axle will receive
free in-home repair or replacement if repair is impossible.
All of the above warranty coverage applies for only one year from the date of purchase if this riding
equipment is ever used while providing commercial services or if rented to another person.
FOR 90 DAYS from the date of purchase, the battery (an expendable part) of this riding equipment
is warranted against any defects in material or workmanship (our testing proves that it will not hold
a charge). A defective battery will receive free in-home replacement.
ADDiTiONAL LiFETiME LiMiTED WARRANTY on CAST iRON FRONT AXLE (if equipped)
FOR AS LONG AS IT IS USED by the original owner after the fifth year from the date of purchase, the
cast iron front axle (if equipped) of this riding equipment is warranted against any defects in material or
workmanship. With proof of purchase, a defective cast front axle will receive free in-home replacement.
WARRANTY SERVICE
For warranty coverage details to obtain free
repair or replacement, call 1-800-659-5917 or
visit the web site: www. craftsman.com
In all cases above, if part repair or replacement
is impossible, the riding equipment will be
replaced free of charge with the same or an
equivalent model.
This warranty covers ONLY defects in material
and workmanship. Warranty coverage does
NOT include:
• Expendable parts (except for battery) that can
wear out from normal use within the warranty
period, including but not limited to blades,
spark plugs, air cleaners, belts, and oil filters.
• Standard maintenance servicing, oil changes,
or tune-ups.
• Tire replacement or repair caused by
punctures from outside objects, such as
nails, thorns, stumps, or glass.
• Tire or wheel replacement or repair resulting
from normal wear, accident, or improper
operation or maintenance.
• Repairs necessary because of operator
abuse, including but not limited to damage
caused by towing objects beyond the
capability of the riding equipment, impacting
objects that bend the frame, axle assembly or
crankshaft, or over-speeding the engine.
= Repairs necessary because of operator
negligence, including but not limited to,
electrical and mechanical damage caused
by improper storage, failure to use the proper
grade and amount of engine oil, failure to
keep the deck clear of flammable debris,
or failure to maintain the riding equipment
according to the instructions contained in the
operator's manual.
= Engine (fuel system) cleaning or repairs
caused by fuel determined to be contaminated
or oxidized (stale). In general, fuel should be
used within 30 days of its purchase date.
= Normal deterioration and wear of the exterior
finishes, or product label replacement.
This warranty gives you specific legal rights, and
you may also have other rights which vary from
state to state.
Sears Brands Management Corporation, Hoffman Estates, IL 60179
IMPORTANT: This cutting machine is capable of amputating hands and feet and throw-
ing objects. Failure to observe the following safety instructions could result in serious
injury or death.
TRAINING
Read the Owner's Manual carefully. Be
thoroughly familiar with the controls and
the proper use of the equipment. Know 2
how to stop the unit and disengage the
controls quickly.
Never allow children to operate the equip-
ment. Never allow adults to operate the
equipment without proper instruction.

•Keep the area of operation clear of all
persons, particularly small children, and
pets.
PREPARATION
•Thoroughly inspect the area where the
equipment is to be used and remove all
foreign objects.
•Disengage all clutches and shift into neu-
tral before starting the engine (motor).
•Do not operate the equipment with-
out wearing adequate outer garments.
Wear footwear that will improve footing
on slippery surfaces.
•Handle fuel with care; it is highly flam-
mable.
•Use an approved fuel container.
•Never add fuel to a running engine or
hot engine.
•Fill fue! tank outdoors with extreme
care. Never fill fuel tank indoors.
•Replace gasoline cap securely and
clean up spilled fue! before restarting.
•Use extension cords and receptacles
as specified by the manufacturer for
all units with electric drive motors or
electric starting motors.
•Never attempt to make any adjustments
while the engine (motor) is running
(except where specifically recommend-
ed by manufacturer).
OPERATION
•Do not put hands or feet near or under
rotating parts.
•Exercise extreme caution when operat-
ing on or crossing gravel drives, walks,
or roads. Stay alert for hidden hazards
or traffic. Do not carry passengers.
•After striking a foreign object, stop the
engine (motor), remove the wire from
the spark plug, thoroughly inspect the
tiller for any damage, and repair the
damage before restarting and operating
the tiller.
•Exercise caution to avoid slipping or
falling.
•If the unit should start to vibrate ab-
normally, stop the engine (motor) and
check immediately for the cause. Vibra-
tion is generally a warning of trouble.
•Stop the engine (motor) when leaving
the operating position.
•Take all possible precautions when
leaving the machine unattended. Dis-
engage the tines, shift into neutral, and
stop the engine.
•Before cleaning, repairing, or inspect-
ing, shut off the engine and make
certain all moving parts have stopped. 3
Disconnect the spark plug wire, and
keep the wire away from the plug to
prevent accidental starting. Disconnect
the cord on electric motors.
•Do not run the engine indoors; exhaust
fumes are dangerous.
•Never operate the tiller without proper
guards, plates, or other safety protec-
tive devices in place.
•Keep children and pets away.
•Do not overload the machine capacity
by attempting to till too deep at too fast
a rate.
•Never operate the machine at high
speeds on slippery surfaces. Look
behind and use care when backing.
•Never allow bystanders near the unit.
•Use only attachments and accessories
approved by the manufacturer of the
tiller.
•Never operate the tiller without good
visibility or light.
•Be careful when tilling in hard ground.
The tines may catch in the ground and
propel the tiller forward. If this occurs,
let go of the handlebars and do not
restrain the machine.
MAINTENANCE AND STORAGE
•Keep machine, attachments, and ac-
cessories in safe working condition.
•Check shear pins, engine mounting
bolts, and other bolts at frequent inter-
vals for proper tightness to be sure the
equipment is in safe working condition.
•Never store the machine with fuel in
the fuel tank inside a building where
ignition sources are present, such as
hot water and space heaters, clothes
dryers, and the like. Allow the engine to
cool before storing in any enclosure.
•Always refer to the operator's guide
instructions for important details if the
tiller is to be stored for an extended
period.
_Look for this symbol to point out
important safety precautions. It means
CAUTION!!! BECOME ALERT!!! YOUR
SAFETY IS INVOLVED.
_,CAUTION: Always disconnect spark
plug wire and place wire where it cannot
contact spark plug in order to prevent
accidental starting when setting up, trans-
orting, adjusting or making repairs.
WARNING: Engine exhaust, some of
its constituents, and certain vehicle com-
ponents contain or emit chemicals known
to the State of California to cause cancer
and birth defects or other reproductive
harm.

PRODUCT SPECIFICATIONS
Gasoline Capacity: 2.9 Quarts
Unleaded Regular
Oil (API SG-SL): SAE 30 Above 32°F/0°C
(Capacity: 20 oz.) SAE5W30Below32°F/0°C
Spark Plug: Champion RC12YC
(Gap: .030")
CONGRATULATIONS on your purchase
of a Sears Tiller. It has been designed,
engineered and manufactured to give you
the best possible dependability and per-
formance.
Should you experience any problems you
cannot easily remedy, please contact a
Sears or other qualified Service Center.
We have competent, well-trained techni-
cians and the proper tools to service or
repair this unit.
Please read and retain this manual. The
instructions will enable you to assemble
and maintain your tiller properly. Always
observe the "SAFETY RULES".
Your new tiller has been assembled at the
factory with exception of those parts left
unassembled for shipping purposes. To
ensure safe and proper operation of your
tiller all parts and hardware you assemble
must be tightened securely. Use the cor-
rect tools as necessary to insure proper
tightness.
CUSTOMER RESPONSIBILITIES
•Read and observe the safety rules.
•Follow a regular schedule in maintain-
ing, caring for and using your tiller.
•Follow the instructions under the "Main-
tenance" and "Storage" sections of this
Owner's Manual.
_WARNING: This unit is equipped with
an internal combustion engine and should
not be used on or near any unimproved
forest-covered, brush-covered or grass
covered land unless the engine's exhaust
system is equipped with a spark arrester
meeting applicable local or state laws (if
any). If a spark arrester is used, it should
be maintained in effective working order
by the operator.
In the state of California the above is
required by law (Section 4442 of the
California Public Resources Code). Other
states may have similar laws. Federal
laws apply on federal lands. A spark ar-
rester for the muffler is available through
your nearest Sears service center (See
REPAIR PARTS section of this manual).
REPAIR PROTECTION
AGREEMENTS
Congratulations on making a smart pur-
chase. Your new Craftsman® product is
designed and manufactured for years of
dependable operation. But like all products,
it may require repair from time to time. That's
when having a Repair Protection Agreement
can save you money and aggravation.
Purchase a Repair Protection Agreement
now and protect yourself from unexpected
hassle and expense.
Here's what's included in the Agreement:
•Expert service by our 12,000 profe-
sional repair specialists.
•Unlimited service and no charge for
parts and labor on all covered repairs.
•Product replacement if your covered
product can't be fixed.
•Discount of 10% from regular price of
service and service-related parts not
covered by the agreement; also, 10%
off regular price of preventive mainte-
nance check.
•Fast help by phone- phone support
from a Sears technician on products
requiring in-home repair, plus conve-
nient repair scheduling.
Once you purchase the Agreement, a
simple phone call is all that it takes for you
to schedule service. You can call anytime
day or night, or schedule a service ap-
pointment online.
Sears has over 12,000 professional repair
specialists, who have access to over 4.5
million quality parts and accessories.
That's the kind of professionalism you can
count on to help prolong the life of your
new purchase for years to come. Pur-
chase your Repair Protection Agreement
today!
Some limitations and exclusions apply.
For prices and additional information
call 1-800-827-6655.
SEARS INSTALLATION SERVICE
For Sears professional installation of home
appliances, garage door openers, water
heaters, and other major home items, in
the U.S.A. call 1-800-4-MY=HOME®
4

These accessories were available when the tiller was produced. They are also available
at most Sears retail outlets and service centers. Some of these accessories may not ap-
ply to your tiller.
ENGINE
SPARK PLUG MUFFLER AIR FILTER GAS CAN ENGINE OIL STABILIZER
SHEAR PIN
TILLER MAINTENANCE
BELT TINES
i
HAIRPIN CLIP
CONTENTS OF HARDWARE PACK
(1) Manual (1) Bottle (2) Hex Bolts
Engine Oil 5/16-18 x 1 (4) Washers
3/8 x 7/8 x 14
(4) Hex Bolts 5/16-18 x 1-1/4 (6) Lock
Washers 5/16 (6) Hex Nuts
5/16-18
Your new tiller has been assembled at the factory with the exception of those parts left
unassembled for shipping purposes. To ensure safe and proper operation of your tiller
all parts and hardware you assemble must be tightened securely. Use the correct tools
as necessary to insure proper tightness.
5

TOOLS REQUIRED FOR ASSEMBLY
A socket wrench set will make assembly
easier. Standard wrench sizes are listed.
(1) Utility knife
(2) 1/2 Wrench
OPERATOR'S POSITION
When right or left hand is mentioned in this
manual, it means when you are in the operat-
ing position (standing behind tiller handles).
Left Right
Front
1. Cut cable ties securing handles.
2. The handle may be assembled in high
or low position. Slowly lift handle as-
sembly up and align handle holes with
desired handle panel hole and slot.
3. Loosely assemble hardware as shown.
Be sure the shorter (1" long) hex bolt
is assembled in lower hole of handle.
Repeat for opposite side. Tighten all
hardware securely.
NOTE: Cables must not touch the muffler.
4. Cut cable ties securing tiller to skid
and remove tiller from skid.
5. Remove screws securing depth stake
to skid and discard screws.
INSTALL DEPTH STAKE ASSEMBLY
1. Loosen nut "A".
2. Insert stake support between engine
bracket halves with stake spring down.
3. Bolt stake support to engine brackets
with bolts, Iockwashers and nuts. Tighten
securely. Tighten nut "A".
4. Depth stake must move freely. If it does
not, loosen support bolt.
Operator's Position
UNPACK CARTON & INSTALL
HANDLE
_:_,CAUTION: Be careful of exposed
staples when handling or disposing of
cartoning material.
IMPORTANT: When unpacking and as-
sembling tiller, be careful not to stretch or
kink cable(s). _ ........._ Tiller Handle
Handle Panel _ ............
Hex Bolts,
Engine Bracket Halves
Nut "A"
epth Stake Support
Support
_Stake Spring
Lock Washers, and Hex Nuts
6
HANDLE HEIGHT
•Handle height may be adjusted to better
suit operator. (See "HANDLE HEIGHT"
in the Service and Adjustments section
of this manual).
TILLING WIDTH
•Tilling width may be adjusted to better
handle your tilling conditions (See "TINE
ARRANGEMENT" in the Service and
Adjustments section of this manual).
TINE OPERATION
•Checktine operation before first use. (See
"TIN EOPERATION CHECK" in the Service
and Adjustments section of this manual).

KNOW YOUR TILLER
READ THIS OWNER'S MANUALAND SAFETY RULES BEFORE OPERATING YOUR TILLER.
Compare the illustrations with your tiller to familiarize yourself with the location of
various controls and adjustments. Save this manual for future reference.
These symbols may appear on your Tiller or in literature supplied with the product. Learn
and understand their meaning.
F N -,,,
TILLING FORWARD NEUTRAL REVERSE CAUTION ENGINE ENGINE EAST SLOW CHOKE FUEL OIL STOP U
OR WARNING ON OFF
Forward Tine Control
Choke Control
Depth Stake Throttle
Control
Recoil Starter Handle
Tine
Shield
O
Tines
MEETS ANSI SAFETY REQUIREMENTS
Our tillers conform to the safety standards of the American National Standards Institute.
CHOKE CONTROL =Used when starting
a cold engine.
DEPTH STAKE =Controls forward speed
and the depth at which tiller will dig.
FORWARD TINE CONTROL =Engages
7
tines in forward direction.
RECOIL STARTER HANDLE =Used to
start the engine.
THROTTLE CONTROL =Used to control
engine speed.

The operation of any tiller can result in foreign objects thrown into the eyes,
which can result in severe eye damage. Always wear safety glasses or eye
shields before starting your tiller and while tilling. We recommend standard
safety glassesor a wide vision safety maskworn overspectacles.
HOW TO USE YOUR TILLER WHEELS
Know howto operate all controls before add-
ing fuel and oil or attempting to start engine.
STOPPING
TINES
•Release tine control to stop movement.
ENGINE
•Move throttle control to "STOP" posi-
tion.
NOTE: Never use choke to stop engine.
Tine Control Tine Control
"Off" (UP) "On" (DOWN)
Position Position
Choke Control Throttle Control
Adjust wheels by removing the hairpin clip
and clevis pin. Change wheel position. Re-
place the hairpin clip and clevis pin.
•Fornormaltilling, setwheelsatthesecond
or third hole from the top.
Hairpin Clip
and Clevis Pin
Wheels and Clevis Pin
TINE OPERATION
•Squeeze tine control to handle.
TILLING
The speed and depth of tilling is regulated
bythe position of the depth stake and wheel
height.
The depth stake should always be belowthe
wheels for digging. It serves as a brake to
slow the tiller's forward motion to enable the
tinesto penetrate the ground. Also, the more
the depth stake is lowered into the ground
the deeper the tines will dig.
DEPTH STAKE
Adjust depth stake by removing the hairpin
clip and clevis pin. Change depth stake to
desired position. Replace the clevis pin
and hairpin clip.
•For normal tilling, set depth stake at the
second or third hole from the top. 8
TO TRANSPORT
,_CAUTION: Before lifting or transport-
ing, allow tiller engine and muffler to
cool. Disconnect spark plug wire. Drain
gasoline from fuel tank.
AROUND THE YARD
1. Tip depth stake forward until it is held by
the stake spring.
2. Push tiller handles down, raising tines
off the ground.
3. Push or pull tiller to desired location.
AROUND TOWN
1. Disconnect spark plug wire.
2. Drain fuel tank.
3. Transport in upright position to prevent
oil leakage.
BEFORE STARTING ENGINE
iMPORTANT: Be very careful not to allow
dirt to enter the engine when checking or
adding oil or fuel. Use clean oil and fuel and
store in approved, clean, covered contain-
ers. use clean fill funnels.
FILL ENGINE WITH OIL
,
2.
.
Remove hangtag from engine.
With engine level, remove engine oil filler
plug.
Fill engine with oil to point of overflow-
ing. For approximate capacity see
"PRODUCT SPECIFICATIONS" on page
4 of this manual. All oil must meet A.RI.
Service Classification SG-SL.

4. Tilt tiller back on its wheels and then
re-level.
5. With engine level, refill to point of over-
flowing if necessary. Replace oil filler
plug.
For cold weather operation you should
change oil for easier starting (See "OIL
VISCOSITYCHART"in the Maintenance
section of this manual).
Tochangeengineoil,seethe Maintenance
section of this manual.
ADD GASOLINE
Fill fuel tank to bottom of filler neck. Do
not overfill. Use fresh, clean, regular
unleaded gasoline with a minimum of
87 octane. (Use of leaded gasoline will
increase carbon and lead oxide deposits
and reduce valve life). Do not mix oil with
gasoline. Purchase fuel in quantities that
can be used within 30 days to assure fuel
freshness.
_ILCAUTION: Fill to within 1/2" of top of fuel
tank to prevent spills and to allow for fuel
expansion. If gasoline is accidentally spilled,
move machine awayfrom area of spill. Avoid
creating any source of ignition until gasoline
vapors have disappeared.
Wipe off any spilled oil or fuel. Do not store,
spill or use gasoline near an open flame.
IMPORTANT: When operating in tempera-
tures below32°F(0°C), use fresh, clean winter
grade gasoline to help insure good cold
weather starting.
_ILCAUTION: Alcohol blended fuels (called
gasohol or using ethanol or methanol) can
attract moisture which leads to separation
and formation of acids during storage. Acidic
gas can damage the fuel system of an engine
while in storage. To avoid engine problems,
the fuel system should be emptied before
storage of 30 days or longer. Drain the gas
tank, start the engine and let it run until the
fuel lines and carburetor are empty. Use
fresh fuel next season. See Storage Instruc-
tions for additional information. Never use
engine or carburetor cleaner products in the
fuel tank or permanent damage may occur.
TO START ENGINE
_I, CAUTION: Keep tine control in "OFF"
position when starting engine.
When starting engine for the first time or if
engine has run out of fuel, it will take extra
pulls of the recoil starter to move fuel from
the tank to the engine.
1. Make sure spark plug wire is properly
connected.
2. Place throttle control in "FAST" position.
3. Movechokecontroltofull"CHOKE"posi-
tion. Grasp recoil starter handle with one
hand and grasp tiller handle with other
hand. Pull rope out slowly until engine
reaches start of compression cycle (rope
will pull slightly harder at this point).
4. Pull recoil starter handle quickly. Do
not let starter handle snap back against
starter. Repeat if necessary.
NOTE: If engine fires but does not start,
move choke control to half choke position.
Pull recoil starter handle until engine starts.
5. When engine starts, slowly move choke
control to "RUN" position as engine
warms up.
NOTE: A warm engine requires less chok-
ing to start.
6. Move throttle control to desired running
position.
7. AIIowenginetowarm upforafewminutes
before engaging tines.
NOTE: If at a high altitude (3000 feet) or
in cold temperatures (below 32°F/0°C), the
carburetor fuel mixture may need to be
adjusted for best engine performance. See
"TO ADJUST CARBURETOR" in the Service
and Adjustments section of this manual.
NOTE: Ifengine does not start, see trouble-
shooting points.
Choke Control Throttle Control
Recoil
Starter
Handle
9

BREAKING iN YOUR TILLER
Break-in your belt(s), pulleys and tine control
before you actually begin tilling.
•Start engine, tip tines off ground by press-
ing handles down and engage tine control
to start tine rotation. Allow tines to rotate
for five minutes.
•Check tine operation and adjust if neces-
sary. See "TINE OPERATION CHECK" in
the Service and Adjustments section of
this manual.
TILLING HINTS
,_k,CAUTION: Until you are accustomed to
handling your tiller, start actual field use with
throttle in slow position.
To help tiller move forward, lift up the
handles slightly (thus lifting depth stake out
of ground). To slow down the tiller, press
down on handles.
If you are straining or tiller is shaking, the
wheels and depth stake are not set properly
in the soil being tilled. The proper setting of
the wheels and depth stake is through trial
and error and depends upon the soil condi-
tion. (The harder or wetter the ground, the
slower the engine and tine speed needed.
Under these poor conditions, at fast speed
the tiller will run and jump over the ground).
A properly adjusted tiller will dig with little
effort from the operator.
•Tilling is digging into, turning over, and
breaking up packed soil before planting.
Loose, unpacked soil helps root growth.
Best tilling depth is 4"-6". A tiller will also
clear the soil of unwanted vegetation.
The decomposition of this vegetable
matter enriches the soil. Depending on
the climate (rainfall and wind), it may be
advisable to till the soil at the end of the
growing season to further condition the
soil.
•Soil conditions are important for proper
tilling. Tines will not readily penetrate
dry, hard soil which may contribute to
excessive bounce and difficult handling of
your tiller. Hard soil should be moistened
before tilling; however, extremely wet soil
will "ball-up" or clump during tilling. Wait
until the soil is less wet in order to achieve
the best results. When tilling in the fall,
remove vines and long grass to prevent
them from wrapping around the tine shaft
and slowing your tilling operation.
•You will find tilling much easier ifyou leave
a row untilled between passes. Then go
back between tilled rows There are two
reasons for doing this. First, wide turns
are much easier to negotiate than about-
10
faces. Second, the tiller won't be pulling
itself, and you, toward the row next to it.
•Set depth stake and wheel height for
shallow tilling when working extremely
hard soil or sod. Then work across the
first cuts at normal depth.
7
CU LTIVATI NG
Cultivating is destroying the weeds between
rows to prevent them from robbing nourish-
ment and moisture from the plants. At the
same time, breaking up the upper layer of
soil crust will help retain moisture in the soil.
Best digging depth is 1"-3".
•You will probably not need to use the
depth stake. Begin by tipping the depth
stake forward until it is held by the stake
spring.
•Cultivate up and down the rows at a speed
which will allow tines to uproot weeds
and leave the ground in rough condition,
promoting no further growth of weeds and
grass.
0
/

MAINTENANCE
SCHEDULE
FILL IN DATES
AS YOU COMPLETE
REGULAR SERVICE
Check Engine Oil Level
Change Engine Oil _1,2
Oil Pivot Points
Inspect Spark Arrester /Muffler if
Inspect Air Screen I_
Clean or Replace Air Cleaner Cartridge _2
Clean Engine Cylinder Fins t_
Replace Spark Plug If
A
4"7 # SERVICE DATES
1 - Change more often when operating under a heavy load or in high ambient temperatures.
2 - Service more often when operating in dirty or dusty conditions.
GENERAL RECOMMENDATIONS
The warranty on this tiller does not cover
items that have been subjected to operator
abuse or negligence. To receive full value
from the warranty, the operator must main-
tain tiller as instructed in this manual.
Some adjustments will need to be made
periodically to properly maintain your tiller.
All adjustments in the Service and Adjust-
ments section of this manual should be
checked at least once each season.
• Once a year you should replace the spark
plug, clean or replace air filter, and check
tines and belts for wear. A new spark plug
and clean air filter assure proper air-fuel
mixture and help your engine run better
and last longer.
BEFORE EACH USE
1. Check engine oil level.
2. Check tine operation.
3. Check for loose fasteners.
LUBRICATION
Keep unit well lubricated (See "LUBRICA-
TION CHART") .
LUBRiCATiON CHART
O SAE 30 OR 10W-30MOTOR OIL
@ Refer to Maintenance "ENGINE" section
11

_CAUTION:Disconnect spark plug wire
before performing any maintenance (except
carburetor adjustment) to prevent accidental
starting of engine.
Prevent fires! Keep the engine free of grass,
leaves, spilled oil, or fuel. Remove fuel from
tank before tipping unit for maintenance.
Clean muffler area of all grass, dirt, and
debris.
Do not touch hot muffler or cylinder fins as
contact may cause burns.
ENGINE
LUBRICATION
Use only high quality detergent oil rated with
API service classification SG-SL Select the
oil's SAE viscosity grade according to your
expected temperature.
SAE VISCOSITY GRADES
F -20 0 30 32 40 60 80 100
c -_0 -2; -1; ; 1'0 _0 _0 4;
TEMPERATURE RANGE ANTICIPATED BEFORE NEXT OIL CHANGE
NOTE: Although multi-viscosity oils (5W-
30, 10W-30, etc.) improve starting in cold
weather, these multi-viscosity oils will result in
increased oil consumption when used above
32°F (0°C). Checkyour engine oil level more
frequently to avoid possible engine damage
from running low on oil.
Change the oil after every 50 hours of opera-
tion or at least once a year if the tiller is not
used for 50 hours in one year.
Check the crankcase oil level before starting
the engine and after each five (5) hours of
continuous use. Add SAE 30 motor oil or
equivalent. Tighten oil filler plug securely
each time you check the oil level.
TO CHANGE ENGINE OIL
Determine temperature range expected
before oil change. All oil must meet API
service classification SG-SL
• Be sure tiller is on level surface.
• Oil will drain more freely when warm.
• Catch oil in a suitable container.
1. Remove drain plug.
2. Tip tiller forward to drain oil.
3. After oil has drained completely, replace
oil drain plug and tighten securely.
4. Remove oil filler plug. Be careful not to
allow dirt to enter the engine.
5. Refill engine with oil. See "FILL ENGINE
WITH OIL " in the Operation section of
this manual.
\
Oil
Filler Drain
Plug Plug
Level
AIR CLEANER
Service air cleaner cartridge every 50 hours,
more often if engine is used in very dusty
conditions.
1. Loosen air cleaner screw.
2. Remove air cleaner cover.
3. Carefully remove air cleaner cartridge.
Be careful. Do not allow dirt or debris to
fall into carburetor.
4. Clean bytapping gentlyon aflatsurface.
NOTE: If very dirty or damaged, replace
cartridge.
5. Clean and replace cover. Tighten screw
securely.
&CAUTION: Petroleum solvents, such
as kerosene, are not to be used to clean
cartridge. They may cause deterioration of
the cartridge. Do not oil cartridge. Do not
use pressurized airto clean or dry cartridge.
Air Cleaner
Cartrid(
Cover
Air
Cleaner
Screw
COOLING SYSTEM
Your engine is air cooled. For proper en-
gine performance and long life keep your
engine clean.
• Clean air screen frequently using a stiff-
bristled brush.
• Remove blower housing and clean as
necessary.
• Keep cylinder fins free of dirt and chaff.
12

'linder Fins
Muffler
Blower Housing
Air Screen
MUFFLER
Do not operate tiller without muffler. Do
not tamper with exhaust system. Dam-
aged mufflers or spark arresters could
create a fire hazard. Inspect periodically
and replace if necessary. If your engine is
equipped with a spark arrester screen as-
sembly, remove every 50 hours for clean-
ing and inspection. Replace if damaged.
SPARK PLUG
Replace spark plugs at the beginning of
each tilling season or after every 50 hours
of use, whichever comes first. Spark plug
type and gap setting are shown in "PROD-
UCT SPECIFICATIONS" on page 4 of this
manual.
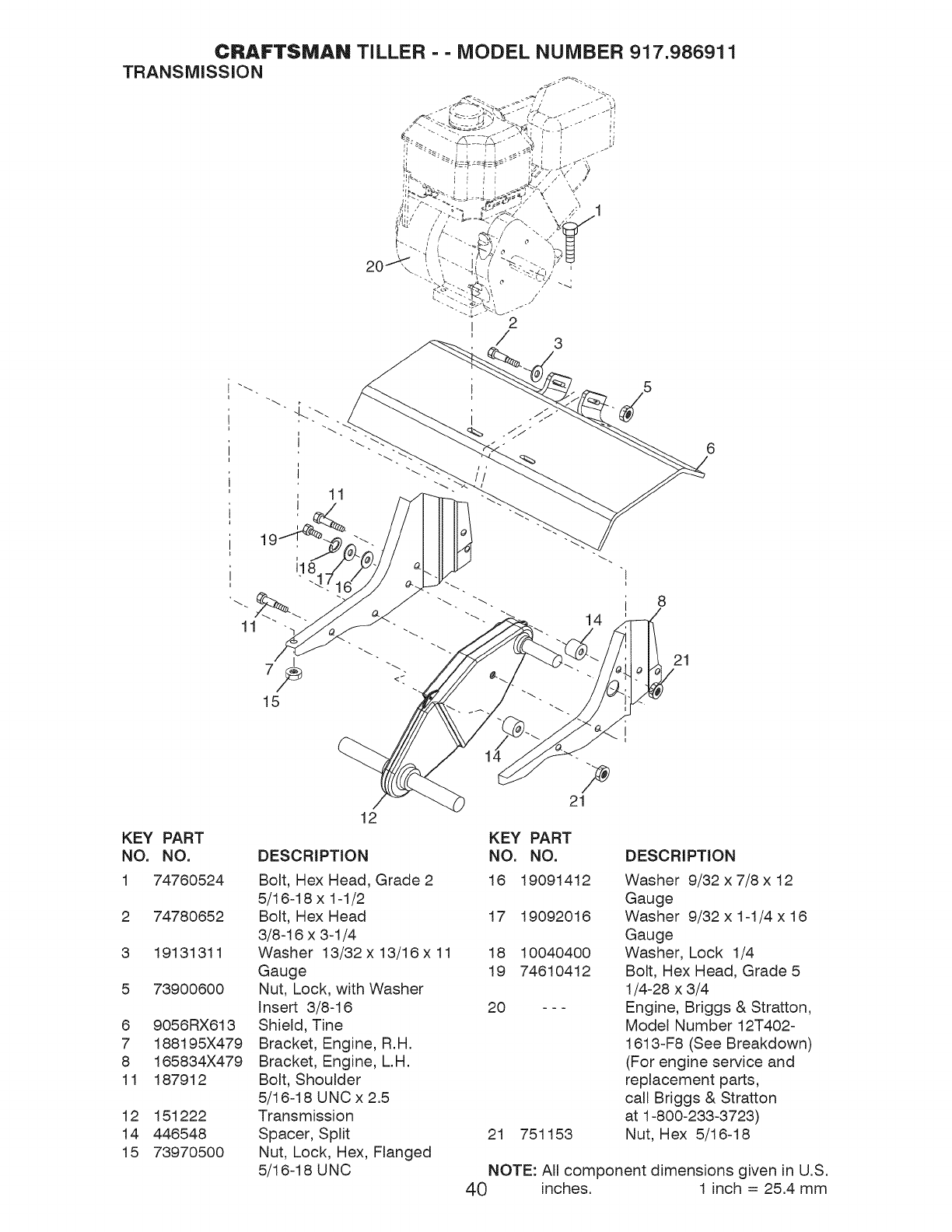
TRANSMISSION
Your transmission is sealed and will not re-
quire lubrication unless serviced.
CLEANING
Do not clean your tiller when the engine and
transmission are hot. We do not recommend
using pressurized water (garden hose, etc.)
to clean your unit unless the gasket area
around thetransmission and the engine muf-
fler, air filter and carburetor are covered to
keep water out. Water in engine will shorten
the useful life of your tiller.
•Clean engine, wheels, finish, etc. of all
foreign matter.
•Keep finished surfaces and wheels free
of all gasoline, oil, etc.
•Protect painted surfaces with automotive
type wax.
13

_I,,CAUTION: Disconnect spark plug wire NARROWTILLING/CULTIVATING-12-3/4"
from spark plug and place wire where it PATH
cannot come into contact with plug. *Remove outer tines.
TILLER
TO ADJUST HANDLE HEIGHT
Factory assembly has provided lowest han-
dle height. Select handle height best suited
foryourtilling conditions. Handle heightwill
be different when tiller digs into soil.
1. If a higher handle height is desired,
loosen the four nuts securing handle
panel to engine brackets.
2. Slide handle panel to desired location.
3. Tighten the four nuts securely.
Engine Brackets
,/"r='3 I _.
oil I Io
r===l
\
Inner Tines Only
oo]tine 6
NOTE: When reassembling outer tines, be
sure right tine assembly (marked "R") and
left tine assembly (marked "L') are mounted
to correct side of tine shaft.
Handle
Panel
Nuts
(Also
2 on
Left
Side
of
Tiller
TINE OPERATION CHECK
_I:_WARNING: Disconnect spark plug wire
from spark plug to prevent starting while
checking tine operation.
For proper tine operation, tine control lever
must be against control body and all slack
removed from inner wire of control cable
when control is in the "OFF" (up) position.
If lever and cable are loose, loosen cable
clip at lower end of cable. Pull up on cable
to remove slack, without extending spring
on end of cable, and retighten cable clip.
TINE ARRANGEMENT
Your outer tines can be assembled in several
different ways to suit your tilling or cultivat-
ing needs.
_,CAUTION: Tines are sharp. Wear gloves
or other protection when handling tines.
NORMAL TILLING - 24" PATH
*Assemble holes "A" in tine hubs to holes
"B" in tine shaft.
Clevis Pin Outer Tine \
_ _ I1_1 _ "A" _.,
Hairpin CIi, -"Inner Tine
MID-WIDTH TILLING -22" PATH
*Assemble holes "A" in tine hubs to holes
"C" in tine shaft.
o/, [1 4!ll b- "C" __"_
/°
FINAL CHECK "OFF" POSITION
1. With tine control "OFF" (up), push down
on handle to raise tines off the ground.
2. Slowly pull recoil starter handle while
observing tines. Tines should not rotate.
3. Iftines rotate, innerwire ofcontrol cable is
too tight which is extending lower spring
and engaging tines. Loosen cable clip
and push down on cable only enough
to relieve spring tension. Tighten cable
clip.
4. Recheck in "OFF" position and adjust if
necessary.
FINAL CHECK "ON" POSITION
5. With tine control "ON" (held down to
handle) push down on handle to raise
tines off the ground.
6. Slowly pull recoil starter handle while
observing tines. Tines should rotate
forward.
7. Iftines do not rotate, innerwire ofcontro!
cable is too loose. Loosen cable clip
and pull cable up to remove slack and
retighten clip.
8. Recheck in "ON" position and adjust if
necessary.
14

NOTE: If "ON" position check required
adjustment, recheck "OFF" position ad-
justment to insure tines do not rotate when
control is "OFF" (up).
Body
Tine Control Tine Control
"Off" (UP) "On" (DOWN)
Position Position
Tine Control Cable_
Cable Clip.,,
/
\
\
\
TO REMOVE BELT GUARD
,
2.
3.
Remove screws from side of belt guard.
Pull belt guard out and away from unit.
Replace belt guard by reversing above
procedure. Be sure slot in bottom of belt
guard is under head of tine shield bolt
and all nuts are tightened securely.
Screw
Belt Guard
Screw
Screw
TO REPLACE V=BELT
Replace V-belt if it has stretched consider-
ably or if it has cracks or frayed edges.
1. Belt guard must be removed to service
belt. See "TO REMOVE BELT GUARD"
in this section of manual.
BELT REMOVAL
2. Remove V-belt from transmission pulley
first and then from engine pulley. 15
BELT REPLACEMENT
3. Install new V-belt to engine pulley first
then to transmission pulley. Be sure belt
is positioned on inside groove of both
pulleys, inside all belt guides and rests
on idler pulley.
CHECK TINE OPERATION
4. See "TINE OPERATION CHECK" in this
section of manual.
5. Replace belt guard.
Belt Guide
/
Engine
Pulle'
\
V-Belt Trans-
Idler Pulley mission Pulley
ENGINE
Maintenance, repair, or replacement of the
emission control devices and systems, which
are being done at the customers expense,
may be performed by any non-road engine
repair establishment or individual. Warranty
repairs must be performed by an authorized
engine manufacturer's service outlet.
TO ADJUST CARBURETOR
The carburetor has been preset at the factory
and adjustment should not be necessary.
However, engine performance can be af-
fected by differences in fuel, temperature,
altitude or load. If the carburetor does need
adjustment, contact your nearest authorized
service center/department
IMPORTANT: Never tamper with the engine
governor, which is factory set for proper
engine speed. Overspeeding the engine
above the factory high speed setting can be
dangerous. If you thinkthe engine-governed
high speed needs adjusting, contact your
nearest sears or other qualified service
center which has the proper equipment
and experience to make any necessary
adjustments.

Immediately prepare your tiller for storage
at the end of the season or if the unit will
not be used for 30 days or more.
_,Warning: Never store the tiller with
gasoline in the tank inside a building where
fumes may reach an open flame or spark.
Allow the engine to cool before storing in
any enclosure.
TILLER
1. Clean entire tiller (See "CLEANING" in
the Maintenance section of this manual).
2. Inspect and replace belts, if necessary
(See belt replacement instructions in the
Service and Adjustments section of this
manual).
3. Lubricate as shown in the Maintenance
section of this manual.
4. Be sure that all nuts, bolts and screws
are securely fastened. Inspect moving
parts for damage, breakage and wear.
Replace if necessary.
5. Touch up a!l rusted or chipped paint
surfaces; sand lightly before painting.
•Use fresh fuel next season.
NOTE: Fuel stabilizer is an acceptable
alternative in minimizing the formation of
fue! gum deposits during storage. Add
stabilizer to gasoline in fuel tank or storage
container. Always follow the mix ratio found
on stabilizer container. Run engine at least
10 minutes after adding stabilizer to allow
the stabilizer to reach the carburetor. Do
not empty the gas tank and carburetor if
using fuel stabilizer.
ENGINE OIL
Drain oil (with enginewarm) and replace with
clean oil. (See "ENGINE" inthe Maintenance
section of this manual).
CYLINDER
1. Remove spark plug.
2. Pour 1 ounce (29ml) ofoilthroughspark
plug hole into cylinder.
3. Pull starter handle slowly several times
to distribute oil.
4. Replace with new spark plug.
ENGINE
FUEL SYSTEM
IMPORTANT: It is important to prevent
gum deposits from forming in essential
fuel system parts such as the carburetor,
fuel filter, fuel hose, or tank during storage.
Also, alcohol blended fuels (called gasohol
or using ethanol or methanol) can attract
moisture which leads to separation and
formation of acids during storage. Acidic gas
can damage the fuel system of an engine
while in storage.
•Empty the fuel tank by starting the engine
and letting it run until the fuel lines and
carburetor are empty.
•Never use engine or carburetor cleaner
products in the fuel tank or permanent
damage may occur.
OTHER
•Do not store gasoline from one season
to another.
•Replace your gasoline can if your can
starts to rust. Rust and/or dirt in your
gasoline will cause problems.
•If possible, store your tiller indoors and
cover it to give protection from dust and
dirt.
•Cover your tiller with a suitable protective
cover that does not retain moisture. Do
not use plastic. Plastic cannot breathe
which allows condensation to form and
will cause your unit to rust.
IMPORTANT: Never cover tiller while engine
and exhaust areas are still warm.
16

TROUBLESHOOTING CHART:
See appropriate section in manual unless directed to Sears service center
CAUSE CORRECTIONPROBLEM
Will not start
Hard to start
1. Out of fuel.
2. Engine not "CHOKED"
properly.
3. Engine flooded.
4. Dirty air cleaner.
5. Water in fuel.
.
7.
8.
9.
Clogged fuel tank.
Loose spark plug wire.
Loss of power
Bad spark plug or
improper gap.
Carburetor out of adjustment.
1. Throttle control not set
properly.
2. Dirty air cleaner.
3. Bad spark plug or
improper gap.
4. Stale or dirty fuel.
5. Loose spark plug wire.
6. Carburetor out of
adjustment.
1. Engine is overloaded.
2. Dirty air cleaner.
3. Low oil level/dirty oil.
4. Faulty spark plug.
5. Oil in fuel.
6. Stale or dirty fuel.
7. Water in fuel.
8. Clogged fuel tank.
9. Spark plug wire loose.
10. Dirty engine air screen.
11. Dirty/clogged muffler.
12. Carburetor out of
adjustment.
13. Poor compression.
17
1. Fill fuel tank.
2. See "TO START ENGINE"
in the Operation section.
3. Wait several minutes before
attempting to start.
4. Clean or replace air cleaner
cartridge.
5. Empty fuel tank and carbure-
tor, and refill tank with fresh
gasoline.
6. Remove fuel tank and clean.
7. Make sure spark plug wire is
seated properly on plug.
8. Replace spark plug or adjust
gap.
9. Make necessary adjustments.
1. Place throttle control in
"FAST" position.
2. Clean or replace air cleaner
cartridge.
3. Replace spark plug or adjust
gap.
4. Empty fuel tank and refill tank
with fresh clean gasoline.
5. Make sure spark plug wire is
seated properly on plug.
6. Make necessary adjustments.
1. Set depth stake and wheels
for shallower tilling.
2. Clean or replace air cleaner
cartridge.
3. Check oil level/change oil.
4. Clean and regap or change
spark plug.
5. Empty and clean fuel tank
and refill, and clean carbure-
tor.
6. Empty fuel tank and refill tank
with fresh clean gasoline
7. Empty fuel tank and carbure-
tor, and refill tank with fresh
gasoline.
8. Remove fuel tank and clean.
9. Connect and tighten spark
plug wire.
10.Clean engine air screen.
11 .Clean/replace muffler.
12. Make necessary adjust ments.
13. Contact a Sears or other
qualified service center.

TROUBLESHOOTING CHART:
See appropriate section in manual unless directed to Sears service center
PROBLEM
Engine
overheats
Excessive
bounce/difficult
handling
Soil balls up or
clumps
Engine runs but
tiller won't move
Engine runs but
labors when
tilling
CAUSE CORRECTION
1. Low oil level/dirty oil.
2. Dirty engine air screen.
3. Dirty engine.
4. Partially plugged muffler.
5. Improper carburetor
adjustment.
1. Ground too dry and hard.
2. Wheels and depth stake
incorrectly adjusted.
1. Ground too wet.
1. Tine control is not
engaged.
2. V-belt not correctly
adjusted.
3. V-belt is off pulley(s).
1. Tilling too deep.
2. Throttle control not
properly adjusted.
3. Carburetor out of
adjustment.
1. Check oil level/change oil.
2. Clean engine air screen.
3. Clean cylinder fins,
airscreen, muffler area.
4. Remove and clean muffler.
5. Adjust carburetor to richer
position.
1. Moisten ground or wait
for more favorable soil
conditions.
2. Adjust wheels and depth
stake.
1. Wait for more favorable
soil conditions.
1. Engage tine control.
2. Inspect/adjust V-belt.
3. Inspect V-belt.
1. Set depth stake for shal-
lower tilling.
2. Check throttle control setting.
3. Make necessary adjust-
ments.
NEED MORE HELP?
Yotf_[ find the answer a_/d more oil. managemyhemeocem - for free!
o Find this and aLLyour other product manuals online.
o Get answers from our team of home experts.
o Get a personalized maintenance plan for your home.
o Find information and tools to heLp with home projects.
bro_Jght to you by Sears
'4
18

Garantia ........................................................ 19 Mantenimiento .............................................. 28-30
Reglas de Seguridad .............................. 19-20 Servicio y Ajustes .......................................... 31-32
Especificaciones del producto .................... 21 AImacenamiento ................................................ 33
Montaje/Pre Operacion ........................... 22-23 Identificaci6n de Problemas ......................... 34-35
Operaci6n ............................................... 24-27 Partes del Reparaci6n ................................... 36-47
Programa De Mantenimiento ....................... 28 Vea el manual Ingles del duefio ...Trasera Portada
Garantia Completa para equipos tractores Craftsman Professional
POR DOS ANOS desde la fecha de compra, todas las partes no sustituibles de este equipo tractor est&n
garantizadas contra cualquier defecto de material o mano de obra. Una parte no sustituible defectuosa
recibir& reparaci6n o reemplazo gratuito en casa si la reparaci6n es imposible.
POR CINCO AKIOS desde la fecha de compra, el bastidor y el eje delantero de este equipo tractor est&n
garantizados contra cualquier defecto de material o mano de obra. Un bastidor o eje delantero defectuoso
recibir& reparaci6n o reemplazo gratuito en casa si la reparaci6n es imposible.
Toda la cobertura de garantia anterior se aplica Onicamente pot un afio a partir de la fecha de compra si
este equipo tractor alguna vez se utiliza con fines comerciales o de alquiler.
DURANTE 90 DiAS desde la fecha de compra, la bateria (una parte sustituible) de este equipo tractor est&
garantizada contra cualquier defecto de material o mano de obra (nuestra prueba comprueba que no
contendr& carga). Una bateria defectuosa recibir& un reemplazo gratuito en casa.
GARANTiA LIMITADA DE POR VIDA ADIOIONAL en el EJE DELANTERO DE HIERRO COLADO
(si esta provisto)
DURANTE EL TIEMPO EN QUE SE USE pot el propietario original despu_s del quinto afio a partir de la
fecha de compra, el eje delantero de hierro colado (si est& provisto) de este equipo tractos est& garantizado
contra cualquier defecto de material o mano de obra. Con el comprobante de compra, un eje delantero de
hierro colado recibir& un reemplazo gratuito en casa.
SERVIClO DE GARANTiA
Para conocer los detalles de la cobertura de
garantia para obtener una reparaci6n o reemplazo
gratuito, Ilame al 1-800-659-5917 6 visite el sitio
web: www. craftsman.com
En todos los casos anteriores, si el reemplazo es
imposible, el equipo tractor set& sustituido sin
cargo con el mismo modelo o uno equivalente.
Esta garantia cubre ONICAMENTE defectos de
material y mano de obra. La cobertura de garantia
NO incluye:
Partes sustituibles (excepto la bateria) que se
puedan desgastar pot el uso normal dentro del
periodo de garantia incluso, pero sin limitarse a,
cuchillas, bujias, filtros de aire, correas y filtros
de aceite.
Servicios de mantenimiento est&ndar, cambios
de aceite o afinaciones.
Reemplazo o reparaci6n de neum&ticos pot
pinchazos causados pot objetos externos como
clavos, espinas, tocones o vidrios.
Reemplazo o reparaci6n de neum&ticos o
ruedas pot desgaste normal, accidentes o pot
operaci6n o mantenimiento incorrectos.
Esta garantia le otorga derechos legales especificos, y
varian de un estado a otto.
Reparaciones necesarias por abuso del
operador incluso, pero sin limitarse a, dafios
causados pot remolcar objetos que superen
la capacidad del equipo tractor, chocar contra
objetos que doblen el bastidor, el ensamble del
eje o el cigQefial o sobrepasar la velocidad del
motor.
Reparaciones necesarias pot negligencia del
operador, incluso (pero sin limitarse a ello)
dafios el6ctricos y mec&nicos causados pot
el almacenamiento incorrecto, pot no usar el
grado y la cantidad correctos de aceite de motor,
pot no mantener del muelle libre de residuos
inflamables o pot no mantener el equipo tractor
de acuerdo con las instrucciones que contiene
el manual del operador.
Limpieza o reparaciones del motor (sistema de
combustible) cuando se determina que se us6
combustible contaminado y oxidado (sarro). En
general, el combustible debe usarse dentro de
los 30 dias posteriores a su compra.
Deterioro y desgaste normal de los acabados
exteriores o sustituci6n de r6tulos de productos.
usted tambi6n puede tenet otros derechos que
Sears Brands Management Corporation, Hoffman Estates, IL 60179
IMPORTANTE: Esta Maquina cortadora es capaz de amputar las manosy los pies y de lanzar
objetos, si no se observan las instrucciones de seguridad siguientes se pueden producir lesiones
graves o la muerte, parar la unidad y desenganchar los controles
ENTR ENAM I ENTO r&pidamente.
• Lea el Manual del Duefio cuidadosamente. Fa- • Nunca permita que los nifios operen el equipo.
miliaricese completamente con los controlesy Nunca permita que los adultos operen el
con el uso adecuado del equipo. Sepa como equipo sin los conocimientos adecuados.
19

• Mantenga el &rea de operacion despejada de
personas, especialmente nifios pequefios y
animales domesticos.
PREPARACION
• Inspeccione cuidadosamente el &rea en donde
se va usar el equipo y remueva los objetos
extrafios.
• Desenganche todos los embragues y cambie
a neutro antes de hacer arrancar el motor.
• No opere el equipo sin usar ropa exterior ad-
ecuada. Use zapatos que mejoren el equilibrio
en superficies resbalosas.
• Maneje el combustible con cuidado pues es
muy inflamable.
• Use un envase de combustible aprobado.
• Nunca afiada combustible a un motor en
funcionamiento o caliente.
• Llene el estanque de combustible afuera con
mucho cuidado. Nunca Ilene el estanque de
combustible en un recinto cerrado.
• Vuelva a colocar la tapa del dep6sito de gaso-
lina en forma segura y limpie el combustible
derramado antes de volver a arrancar.
• Use cordones de extensi6n y receptaculos,
seg0n las especificaciones del fabricante, para
todas las unidades con motores de impulsi6n
o con motores de arranque electrico.
• Nunca trate de hacer ning0n ajuste mientras
que el motor este funcionando (excepto en los
casos especificamente recomendados pot el
fabricante).
OPERAClON
• No ponga ni las manos ni los pies cerca o
debajo de las piezas rotatorias.
• Tenga mucho cuidado cuando opere o cruce
entradas para automoviles de ripio, senderos
o caminos. Este alerta en Io que se refiere a
los peligros escondidos o al trafico. No Ileve
pasajeros.
• Despues de pegarle a un objeto extrafio,
pare el motor, remueva el alambre de la bujia,
inspeccione la cultivadora cuidadosamente,
para verificar si hay daSos, y repare el dafio
antes de volver a arrancar y operar la cultiva-
dora.
• Tenga cuidado para evitar resbalarse o caerse.
• Si la unidad empieza a vibrar anormalmente,
pare el motor y revisela inmediatamente para
verificar la causa. La vibracion normalmente
es un aviso de problemas.
• Pare el motor cuando abandone la posici6n
de operaci6n.
• Tome todas las precauciones posibles cuando
deje la m&quina desatendida. Desenganche
los brazos, cambie a neutro y pare el motor.
• Antes de limpiar, reparar e inspeccionar,
apague el motor y asegQrese que todas
las partes en movimiento se han detenido.
Desconecte el alambre de la bujia, y manten-
galo alejado de esta para evitar el arranque
pot accidente. Desconecte el cordon en los
motores electricos.
• No haga funcionar el motor en recintos cer-
rados; los gases de escape son peligrosos.
• Nunca opere la cultivadora sin las proteccio-
nes, y las planchas adecuadas y sin los demas
dispositivos de seguridad en su lugar.
• Mantenga a los nifios y a los animales domesti-
cos alejados.
• No sobrecargue la capacidad de la m&quina,
tratando de cultivar a mucha profundidad, muy
r&pido.
• Nunca opere la maquina a altas velocidades
en superficies resbalosas. Mire hacia atras y
tenga cuidado cuando retroceda.
• Nunca permita la presencia de espectadores
cerca de la unidad.
• Use solamente accesorios y aditamentos para
la cultivadora aprobados pot el fabricante.
• Nunca opere la cultivadora sin buena visibili-
dad o luz.
• Tenga cuidado al cultivar en terreno duro.
Los brazos pueden quedarse agarrados en el
suelo e impulsar a la cultivadora hacia adel-
ante. Si esto sucede, suelte los mangos y no
restrinja la maquina.
MANTENIMI ENTO Y ALMAC ENAMIENTO
• Mantenga los accesorios y aditamentos de
la m&quina en buenas condiciones para el
funcionamiento.
• Revise las clavijas de seguro, los pernos de
montaje del motor y otros pernos, a intervalos
frecuentes, para verificar si estan apretados en
forma segura y asegurarse que el equipo este
en buenas condiciones de funcionamiento.
• Nunca guarde la maquina con combustible
en el estanque de combustible dentro de
un edificio en donde hay fuentes de ignicion
presentes, tales como calentadores de agua
o del ambiente, secadoras de ropa u otros
artefactos parecidos. Permita que se enfrie
el motor antes de guardarlo en algOn lugar
cerrado.
• Siempre refierase alas instrucciones en la guia
del operador para vet los detalles de impor-
tancia si la cultivadora va a set guardada pot
un periodo de tiempo largo.
,_Busque este simbolo que sehala las precau-
clones de seguridad de importancia. Quiere
decir- iiiATENCION!!! iiiESTE ALERTO!!! SU
SEGURIDAD ESTA COMPROMETIDA.
_PREOAUOI6N: Siempre desconecte el alam-
bre de la bujia y p6ngalo donde no pueda entrar
en contacto con la bujia, para evitar el arranque
pot accidente, durante la preparaci6n, el trans-
porte, el ajuste o cuando se hacen reparaciones.
_ADVERTENOIA: El tubo de escape del motor,
algunos de sus constituyentes y algunos com-
ponentes del vehiculo contienen o desprenden
productos quimicos conocidos en el Estado de
California como causa de c&ncer y defectos al
nacimiento u otros dafios reproductivos.
20

ESPECIFICACIONES DEL PRODUCTO
Capacidad de 2.9 Cuartos
Gasolina: Sin plomo, Regular
Aceite (API:SG-SL): SAE 30 (Sobre 32°F/0°O)
(Oapacidad: 20 oz.) SAE 5W-30 (Debajo 32°F/0°O)
Bujia : Ohampion
(Abertura:0,030") RC12YC
FELlClTACiONES por la compra de su Culti-
vadora Sears. Ha sido disefiada, planificada y
fabricada para darle la mejor confiabilidad y el
mejor rendimiento posible.
En el caso de que se encuentre con cualquier
problema que no pueda solucionar f&cilmente,
haga el favor de ponerse en contacto con su
centro de servicio cualificado. Sears cuenta con
tecnicos bien capacitados y competentes con
herramientas adecuadas para darle servicio o
para reparar su unidad.
Haga el favor de leer y de guardar este manual.
Estas instrucciones le permitir&n montar y man-
tenet su cultivadora en forma adecuada. Siempre
observe las "REGLAS DE SEGURIDAD."
RESPONSABILIDADES DEL CLIENTE
• Lea y observe las reglas de seguridad.
• Siga un programa regular de mantenimiento,
cuidado y uso de su cultivadora.
• Siga las instrucciones descritas en las sec-
ciones "Mantenimiento" y "Almacenamiento"
de este Manual del Duefio.
_ADVERTENClA: Esta unidad viene equi-
pada con un motor de combusti6n interno y no
se debe usar sobre, o cerca, de un terreno no
desarrollado cubierto de bosques, de arbustos
o de cesped, a menos que el sistema de escape
del motor venga equipado con un amortiguador
de chispas que cumpla con las leyes locales o
estatales (si existen). Si se usa un amortiguador
de chispas, el operador debe mantenerlo en
condiciones de trabajo eficientes.
En el estado de California, la ley exige Io anterior
(Secci6n 4442 del "California Public Resources
Code" [Decreto de Recursos POblicos de Cali-
fornia]). Otros estados pueden contar con otras
leyes parecidas. Las leyes federales se aplican
en las tierras federales. Su centro de Servicio
m&s cercano tiene disponible amortiguadores
de chispas para el silenciador. (Vea la seccion
de Partes de Repuesto en el manual Ingles del
duefio.)
ACUERDOS DE PROTECClON PARA
LA REPARAClON
Congratulaciones pot su buena compra. Su
nuevo producto Craftsman® est& disefiado y
fabricado para funcionar de modo fiable pot
muchos afios. Pero como todos los productos,
puede necesitar alguna reparaci6n de tanto en
tanto. En este caso tenet un Acuerdo de Protec-
ci6n para la Reparaci6n puede hacerles ahorrar
dinero y fastidios.
Compre ahora un Acuerdo de Proteccion para
la Reparaci6n y protegese de molestias y gastos
inesperados.
Un Acuerdo incluye los puntos siguientes:
• Servicio experto de nuestros 12.000 especia-
listas profesionales en la reparacion.
•Servicio ilimitado sin cargo alguno para
las partes y la mano de obra sobre todas las
reparaciones garantizadas.
• Sustituci6n del producto si su producto
garantizado no puede set arreglado.
• Descuento del 10% sobre el precio corriente
del servicio y de las partes relativas al servicio
no cubiertas pot el acuerdo; tambien el 10%
menos sobre el precio corriente de un control
de mantenimiento preventivo.
• Ayuda r_pida pot tel_fono - soporte tele-
fonico por parte de un tecnico Sears sobre
productos que requieren un arreglo en casa, y
adem&s una programaci6n sobre los arreglos
m&s convenientes.
Cuando se ha comprado el Acuerdo, basta con
una Ilamada telefonica para programar el servi-
cio. Puede Ilamar cuando quiera, dia y noche o
fijar en linea una cita para obtener el servicio.
Sears tiene mas de 12.000 especialistas profesio-
nales en la reparacion, que tienen acceso a mas
de 4.5 millones de partes y accesorios de calidad.
Este es el tipo de profesionalidad con que
puede contar para ayudar a alargar la vida del
producto que acaba de comprar, por muchos
afios, iCompre hoy su Acuerdo de Protecci6n
para la Reparaci6n!
Se aplican algunas limitaciones y exclusiones.
Para conocer los precios y tener m_s infor=
maci6n, Ilarne al 1=800=827=6655.
SERVlClO DE INSTALACION SEARS
Para la instalaci6n profesional Sears de aparatos
de casa, puertas de garaje, calentadores de agua
y otros importantes articulos para la casa, en
U.S.A Ilamar a I=800=4=IVIY=HOME®
21

Estos accesorios estaban disponibles cuando se produjo la cultivadora. Tambien est_tn dis-
ponibles en la mayoria de las tiendas de Sears yen los centros de servicio. Algunos de estos
accesorios tal vez no se apliquen a su cultivadora.
MOTOR
BUJIA SILENCIADOR FILTRO DE AIRE LATA DE GASOLINA ACEITE DEL MOTOR ESTABILIZADOR
MANTENIMIENTO DE LA CULTIVADORA
ABRAZADERA DE HORQUILLACORREA
%BRAZOS CLAVIJA DE SEGURO
0
r
CONTENIDO DEL CONJUNTO DE FERRETERIA
(1) Manual (1) Botella
Aciete del Motor (2) Pernos hexagonale
5/16-18 x 1 (4) Arandelas
3/8 x 7/8 x 14
@
(4) Pernos hexagonale
5/16-18 x 1-1/4 (6) Arandelas de
seguridad 5/16 (6) Tuercas hexagon-
ales 5/16-18
Su cultivadora nueva ha sido montada en la fabrica, con la excepcion de aquellas partes que se
dejaron sin montar pot razones de envio. Para asegurarse que la cultivadora operara en forma segura
y adecuada, todas las partes y los articulos de ferreteria que monte tienen que estar apretados en
forma segura. Use las herramientas correctas, segQn sea necesario, para asegurarse de que queden
apretadas en forma segura.
22

HERRAMIENTAS NECESARIAS PARA
EL MONTAJE
Se le facilitar& el montaje si cuenta con un juego
de Ilaves de tubo. Se han enumerado los tama-
_os esta.ndar de las Ilaves.
(1) Cuchillo para todo uso
(2) Llave de 1/2"
POSiClON DEL OPERADOR
Cuando en este manual se mencionan los t@mi-
nos "lado derecho" o "lado izquierdo" se refiere
a cuando usted se encuentra en la posici6n de
operaci6n (parado/a detras de los mangos de
la cultivadora). Parte Delantera
Lado Lado
Izquierdo Derecho
Posicion del operador
DESEMPAQUE DE LA CAJA DE CARTON
APRECAUCION:Tenga cuidado con las grapas
expuestas cuando maneje o deseche los mate-
riales de la caja de carton.
IMPORTANTE: Cuando desempaque y monte
la cultivadora, tenga cuidado de no estirar o
enredar los cables.
1. Corte las ligaduras del cable que aseguran
los mangos. Mango de la
z-- _.. cultivadora
Panel del mango
Arandela
seguridad
2. El mango puede ser montado en la posicion
alta o baja. Lentamente, levante el conjunto
del mango hacia arriba y alihe los agujeros
del mango con el agujero y ranura del panel
del mango.
3. Afloje el montaje de la quincalleria como
mostrado. AsegQrese que el perno hexago-
nal m_.s corto (1" de largo) este montado en
el agujero inferior del mango. Repita este
procedimiento en el otto lado. Apriete toda
la quincalleria con seguridad.
AViSO: Los cables no deben tocar el silenciador.
4. Corte las ligaduras del cable que aseguran
la cultivadora al rodillo y remueva la cultiva-
dora del rodillo.
5. Quitar el tornillo de fijacion del pilote de
profundidad para girar y remover el tornillo.
INSTALACION DEL CONJUNTO DE LA
ESTACA DE PROFUNDIDAD
1.
2.
,
,
Afloje la tuercas "A".
Inserte el soporte de la estaca entre las mita-
des del puntal del motor, con el resorte de la
estaca hacia abajo.
Aperen el soporte de la estaca en los pun-
tales del motor con los pernos hexagonales,
las arandelas de seguridad y las tuercas.
Apri@elos en forma segura. Tambien apriete
las tuercas "A".
La estaca de profundidad se tiene que mover
libremente. Si no Io hace, suelte el perno de
soporte.
NMitades del puntal del motor
Tuerca "A"
//_S I°p°rte de _arefStac_addc_
{_/7//// /lsTU;roCtaede//_//_
Pernos hexagonales, arandelas de
seguridad y tuercas hexagonales
Mangos de la
cultivadora
Pernos del
panel del
mango
Pemo
hexagonales
5/16-18 x 1-1/4"
23
ALTURA DEL MANGO
• Se puede ajustar la altura del mango en la
mejor forma que le acomode al operador.
(Vea "ALTU RA DEL MANGO" en la seccion de
Servicio y Ajustes de este manual.)
ANCHO DEL LABRADO
• Se puede ajustar el ancho del labrado para
manejar mejor sus condici6nes de labraci6n (vea
'ARREGLO DE LOS BRAZOS" en la secci6n de
Servicio y Ajustes de este manual).
OPERAClON DE LOS BRAZOS
• Revise la operaci6n de los brazos antes del
primer uso (vea "REVISION DE LA OPER-
ACION DE LOS BRAZOS" en la secci6n de
Servicio y Ajustes de este manual).

Estossimbolospuedenaparesersobresucultivadoraenlaliteratureproporcionadaconelpro-
ducto,aprenday comprendasussignificados.
CONOZCA SU CULTIVADORA
Compare lae ilustraciones con su cultivadora para familiarizarse con la ubicaci6n de Ice
diversos controles y ajustes. Guarde este manual para futura referencia.
LEA ESTE MANUAL DEL DUENO Y LAS REGLAS DE SEGURIDAD ANTES DE OPERAR SU CUL-
TIVADORA
LABOREO MARCHA NEUTRO REVES ATTENCION O MOTOR MOTOR R,_,PIDO LENTO ESTRANGU COM- ACEITE
HACIA ADVERTENCIA ENCENDIDO APAGADO LACION BUSTIBLE
MARCHA I
RETEN O
L
Control de los brazos "_
marcha hacia adelante
Estaca de _\__
profundidad
Mango del arrancador
de culateo
Control de la
alaci6n
Control de la
J
Defensas de
_ los brazo
Brazos
Las cultivadoras de Sears cumplen con los est&ndares de seguridad del
American National Standard Institute (Instituto Nacional de Estandares Americano).
CONTROL DE LA ACELERACION -Controla
la velocidad del motor.
CONTROL DE LA ESTRANGULAOi6N= Use-
Io cuando se hace arrancar un motor frio.
MANGO DEL ARRANOADOR DE CULATEO
- Se usa para hacer arrancar el motor.
CONTROL DE LOS BRAZOS MARCHA HA=
CiA ADELANTE = Engancha los brazos en la
direccion de marcha hacia adelante.
ESTACA DE PROFUNDIDAD = Controla la
velocidad de la marcha hacia adelante y la
profundidad a la cual excavar& la cultivadora.
24

SEGURIDAD
La operaci6n de cualquier cultivadora puede hacer que salten objetos extrahos dentro
de sus ojos, Io que puede producir dahos graves en estos. Siempre use anteojos de
seguridad o protecciones para los ojos antes de hacer arrancar su cultivadora o mientras
este labrando con efla. Recomendamos el uso de la mascara de seguridad de visi6n
ampfia, para uso sobre los espejuelos o anteojos de seguridad est_tndar.
COMO USAR SU CULTIVADORA
Sepa como operar todos los controles antes de
agregar combustible y aceite o antes de tratar
de hacer arrancar el motor.
PARADA
BRAZOS
• Suelte el control de los brazos para parar el
movimiento.
MOTOR
• Mueva el control de la aceleraci6n a la posici6n
de "PARADA" (STOP).
AVlSO: Nunca use la estrangulaci6n para
parar el motor.
Control de los Control de la
brazos en la en la posici6n
posici6n de de "Encendido"
"Apagedo" (Arriba) (Abajo)
Control de la estrangulaci6n Control de la
aceleraci6n
OPERACION DE LOS BRAZOS
• Apriete el control de los brazos contrael mango.
LABRADO
La velocidad y la profundidad del labrado son
reguladas por medio de la posici6n de la estaca
de profundidad y por la altura de la rueda. La es-
taca de profundidad siempre tiene que estar por
debajo de las ruedas para excavar. Sirve de freno
para retardar el movimiento de marcha hacia
adelante de la cultivadora, para permitir que los
brazos penetren en el suelo. Tambien, mientras
m&s se baje la estaca de profundidad dentro del
suelo, mas profunda sera la excavaci6n realizada
con los brazos.
ESTACA DE PROFUNDIDAD
Ajuste la estaca de profundidad removiendo la
abrazadera de horquilla y la clavija de horquilla.
Cambie la estaca de profundidad a la posici6n
deseada. Vuelva a colocar la clavija de horquilla
y la abrazadera de horquifla.
• Para el labrado normal, ajuste la estaca de
profundidad en el segundo o tercer agujero a
partir de la parte superior.
RUEDAS
Ajuste las ruedas removiendo la abrazadera
de horquilla y la clavija de horquilla. Cambie la
posicion de la rueda. Vuelva a colocar la abraza-
dera de horquilla y la clavija de horquilla.
• Para el labrado normal, ajuste las ruedas en el
segundo o tercer agujero a partir de la parte
superior.
25
Abrazadera de
horquilla y clavija
de horuilla
Ruedas
de
profundidad
de la
estaca
PARA EL TRANSPORTE
_PRECAUCKSN: Antes de levantarla o trans-
portarla, permita que el motor de la cultivadora y
el silenciador se enfrien. Desconecte el alambre
de la bujia. Drene la gasolina del estanque de
combustible.
EN EL JARDiN
1. Incline la estaca de profundidad hacia adel-
ante, hasta que quede sujeta con el resorte
de la estaca.
2. Empuje los mangos de la cultivadora hacia
abajo, levantando los brazos por encima del
suelo.
3. Tire o empuje la cultivadora a la ubicaci6n
deseada.
EN LA ClUDAD
1. Desconecte el alambre de la bujia.
2. Drene el estanque de combustible.
3. Transp6rtela en la posici6n derecha hacia
arriba para evitar la fuga del aceite.
ANTES DE HACER ARRANCAR EL
MOTOR
IMPORTANTE: Tenga mucho cuidado de no
permitir que entre mugre al motor cua do re-
vise o anada aceiteo combustible. Use aceite
y combustible limpios y gu&rdelos en envases
aprobados, limpios y con tapa. Use embudos
para relleno limpios.
RELLENO DEL ACEITE DEL MOTOR
1. Remueva la etiqueta del motor.
2. Con el motor nivelado, remueva el tapon del
dep6sito de relleno del aceite del motor.
3. Llene el motor con aceite hasta el punto
de derramarse. Para verificar la capacidad
aproximada vea "ESPECIFICACIONES DEL
PRODUCTO" de este manual.

4. Inclinelacultivadorahaciaatrasensusrue-
dasy luegovuelvaa nivelarla.
5. Conelmotornivelado,vuelvaaIlenarlohasta
el punto de derramarse,si es necesario.
Vuelvaa colocarel tapondel depositode
rellenodeaceite.
= Paralaoperacionenclimafrio,debecambi-
arseelaceiteparafacilitarelarranque(veala
"TABLADEVlSCOSIDADDELACEITE"enla
secciondeMantenimientoenestemanual).
= Paracambiarelaceitedelmotor,vealasecci6n
deMantenimientoenestemanual.
_.._ Tap6nde
deposito
derelleno
aceite
Niveldel......... _-"_
aceite
AGREGUEGASOLINA
= Lleneel estanquede combustible.Llene
hastalaparteinferiordelcuelloderellenodel
estanquedegasolina.NoIoIlenedemasiado.
Usegasolinaregular,sinplomo,nuevay lim-
piaconelminimode 87octanos.(Elusode
gasolinaconplomoaumentaralosdep6sitos
de6xidode plomoy carbonoysereducirala
duraci6ndelavalvula).Nomezcleel aceite
conla gasolina. Paraasegurarquela gaso-
lina utilizadaseafrescacompreestanques
loscualespuedanset utilizadosdurantelos
primeros30dias.
_I_PREOAUOi6N: Llene el estanque de com-
bustible hasta dentro de 1/2 pulgada de la parte
superior para evitar los derrames y para permitir
que se expanda el combustible. Si pot casualidad
se derrama la gasolina, aleje la ma.quina del a.rea
del derrame. Evite crear cualquiera fuente de
ignici6n hasta que se hayan desaparecido los
gases de la gasolina.
Limpie el aceite o el combustible derramado. No
almacene, derrame o use gasolina cerca de una
llama expuesta.
IMPORTANTE: Cuando se opere en temperatu-
ras pot debajo de 32°F (0°C) use gasolina de
invierno limpia y nueva para auedar a asegurar
un buen arra,nque en clima frio.
PREOAUOION: Combustibles mezclados con
alcohol (conocidos como gasohol, o el uso de
etanol o metanol) pueden atraer la humedad,
la que conduce a la separaci6n y formaci6n de
a.cidos durante el almacenamiento. La gasolina
acidica puede dafiar el sistema del combustible
de un motor durante el almacenamiento. Para
evitar los problemas con el motor, se debe vaciar
el sistema de combustible antes de guardarlo pot
un periodo de 30 dias o mas. Vac[e el estanque
de combustible, haga arrancar el motor y hagalo
funcionar hasta que las lineas del combustible
y el carburador queden vacios. La pr6xima
temporada use combustible nuevo. Vea las Ins-
trucciones para el AImacenamiento para mas
informaci6n. Nunca use productos de limpieza
para el motor o para el carburador en el estanque
del combustible pues se pueden producir dafios
permanentes.
PARA HACER ARRANCAR EL MOTOR
,_PRECAUCI6N: Mantenga la barra de control
de la impulsi6n en la posici6n "DESENGANCHA-
DO" cuando haga arrancar el motor.
Cuando intente arrancar el motor por la primera
vez o si al motor se le ha acabado la gasolina,
ser& necesario que estire varias veces del mango
arrancador de culateo para desplazar la gasolina
del estanque al motor.
1. AsegOrese que el alambre de la bujia este
conectado en forma adecuada.
2. Ponga el control de la aceleraci6n en la
posici6n de "RAPIDO" (FAST).
3. Con el motor completamente en la posici6n
de estrangulaci6n "CHOKE. Agarre el mango
del arrancador de culateo con una mano y
el mango de la cultivadora con la otra mano.
Tire el cordon hacia afuera, lentamente, hasta
que el motor Ilegue al comienzo del ciclo de
la compresi6n (el cord6n se sentira un poco
mas duro en este momento).
4. Tire el mango del arrancador de culateo
rapidamente. No permita que el mango del
arrancador se devuelva abruptamente en
contra del arrancador. Vuelva a repetir en
la posici6n de semiestrangulaci6n si Io es
necesario.
AViSO: Si los fuegos del motor se encienden
pero no arranca, mueva el control della estran-
gulaci6n a la posici6n de semiestrangulaci6n.
Tire del mando arrancador de culateo hasta que
el motor arranque.
5. Cuando arranque el motor, lentamente,
mueva el control de la estrangulaci6n a la
posici6n de "FUNCIONAMIENTO" (RUN) a
medida que se calienta el motor.
AVlSO: Un motor caliente requiere menos es-
trangulaci6n para empezar.
6. Mueva el control de la aceleraci6n a la
posici6n de funcionamiento deseada.
7. Permita que se caliente el motor por unos cu-
antos minutos antes de enganchar los brazos.
AVlSO: A mucha altura (sobre 3000 pies) o en
climas frios (debajo de 32 ° F [0° C]) puede que la
mezcla del combustible del carburador necesite
ajuste, para obtener el mejor resultado del motor.
Vea "PARA AJUSTAR EL CARBURADOR" en la
secci6n de Servicio y Ajustes de este manual.
Bujia
Mango del
26de culateo
de la
estrangulaci6n
Control de la

AVlSO: Si el motor no arranca, vea la guia de
identificaci6n de problemas.
RODAJE DE SU CULTIVADORA
Use su(s) correa(s), las poleas y el control de los
brazos antes de empezar a labrar.
• Haga arrancar el motor, saque los brazos fuera
del suelo presionando los mangos hacia abajo
y enganche el control de los brazos para hacer
arrancar la rotacion de los brazos. Permita que
los brazos roten pot cinco minutos.
• Revise la operacion de los brazos y ajOstelos,
si es necesario. Vea "REVISION DE LA OP-
ERACION DE LOS BRAZOS" en la seccion de
Servicio y Ajustes de este manual.
CONSEJOS PARA LABRAR
_k, PRECAUCI6N: Antes de acostumbrarse a
manejar su cultivadora, empiece el uso de esta
en el terreno con la aceleraci6n en la posicion
de "lento" (SLOW).
Para ayudarle a la cultivadora a moverse hacia
adelante, levante los mangos un poco (levantan-
do en esta forma la estaca de profundidad fuera
del suelo). Para hacer que la cultivadora ande
m&s lento presione los mangos hacia abajo.
Si est& forzandola o si la cultivadora esta vib-
rando, quiere decir que las ruedas y la estaca
de profundidad no estan ajustadas en forma
adecuada para el terreno que se esta labrando.
El ajuste adecuado de las ruedas y de la estaca
de profundidad se Iogra al probarlas en acci6n y
depende de las condiciones del suelo. (Mientras
mas duro o mas mojado este el suelo, menor
es la velocidad necesaria del motor y de los
brazos. La cultivadora va a cotter y saltar sobre
el terreno si se usa en estas malas condiciones
a una velocidad rapida.)
Si la cuWvadora est& bien ajustada, excavara con
poco esfuerzo pot parte del operador.
• El labrar quiere decir el excavar, dar vuelta y
romper el suelo duro antes de plantar. El suelo
suelto y blando permite el desarrollo de las
raices. La mejor profundidad de labrar es 4"
a 6". La cultivadora tambien puede despejar
el suelo de la mala hierba indeseables. La
descomposicion de esta mala hierba en-
riquece el suelo. Dependiendo del clima (lluvia
o viento), puede set recomendable labrar el
suelo a fines de la temporada de cultivo para
acondicionar el suelo aOn mas.
• Las condiciones del suelo son importantes
si se desea obtener un labrado adecuado.
Los brazos no van a penetrar facilmente en el
suelo seco y duro, Io que puede contribuir a un
rebote excesivo y a dificultades en el manejo
de su cultivadora. El terreno duro tiene que set
humedecido antes de labrarlo, sin embargo, si
el suelo esta demasiado mojado se convertir&
en bolas o se amontonara durante el labrado.
Espere a que el suelo este menos mojado
para poder obtener los mejores resultados.
Cuando se hagan labrados en el otofio, rem-
ueva las vides y el cesped alto para evitar que
se envuelvan alrededor del eje de los brazos
y retarden su operaci6n para el labrado.
• Va a descrubrir que el labrado se facilita si deja
una fila sin labrar entre las pasadas. Entonces 27
vuelva de nuevo entre las filas de cultivo. Hay
dos razones para hacer esto. Primero, las
vueltas amplias se pueden realizar con m&s
facilidad que las cerradas. Segundo, la culti-
vadora no estara empujandose a si misma y
a usted hacia la proxima hilera.
Ajuste la estaca de profundidad y la altura de
la rueda para labrado poco profundo cuando
este trabajando en suelo o terreno herboso
dem&siado duro. Luego atraviese los primeros
cortes a la profundidad normal.
CULTIVO
Elcultivoquieredecirladestruccionde lamala
hierbaentrelasfilasparaevitarque estasleroben
lanutrici6ny lahumedad alas plantas.AImismo
tiempo,sise rompe lacapa superiorde lacostra
del suelo,este puede retenerla humedad. La
mejor profundidadde excavaciones de I"a 3".
= Probablemente no va a necesitarusar laes-
taca de profundidad.Empiece pot inclinarla
estaca de profundidadhaciaadelante,hasta
que quede sujetaen elresortede laestaca.
= Cultive hacia arriba y hacia abajo las filas a
una velocidad que le permita a los brazos
sacar las raices de la mala hierba y dejar el
suelo en condiciones &speras, para impedir
el desarrollo de la mala hierba y el cesped.

PROGRAMA DE
MANTENIMIENTO
LLENE LAS FECHAS DE MEDIDA
QUE COMPLETE SU
SERVlCIO REGULAR
Revisar el nivel del aceite del motor t_ II/
Cambiar el aceite del motor I_1T2
Aceitar los puntos de pivote I_
FECHAS DE SERVICIO
Inspeccionar el supresor del silenciador I_
Inspeccionar la rejilla de aire I_
Limpiar/cambiar el cartucho del filtro de aire !_2
Limpiar las aletas del cilindro del motor I_
Cambiar la bujia I_
1- Cambiar mAs menudo cuando se opere bajo carga pesada o en ambientes con altas temperaturas.
2- Dar servicio m&s a menudo cuando se opere en condiciones sucias o polvorosas
RECOMENDACIONES GENERALES
La garantia de esta cultivadora no cubre los
articulos que hart estado sujetos al abuso o a
la negligencia del operador. Para recibir todo el
valor de la garantia, el operador tiene que
mantener la cultivadora segQn las instrucciones
descritas en este manual.
Hay algunos ajustes que se tienen que hacer en
forma peri6dica para poder mantener su cultiva-
dora adecuadamente.
Todos los ajustes en la seccion de Servicio y
Ajustes de este manual tienen que ser revisados
por Io menos una vez por cada temporada.
• Una vez al afio, cambie la bujia, limpie o cam-
bie el filtro de aire y revise si los brazos y las
correas est&n desgastadas. Una bujia nueva
y un filtro de aire limpio aseguran una mezcla
de aire-combustible adecuada y le ayuda a
que su motor funcione mejor y que dure mas.
ANTES DE CADA USO
1. Revise el nivel del aceite del motor.
2. Revise la operaci6n de los brazos.
3. Revise si hay sujetadores sueltos.
LUBRICACION
Mantenga la unidad bien lubricada (vea la
"TABLA DE LUBRICACION").
Q Motor
TABLA DE LUBRICACION
los brazos
O Brazo de quia
O Aceite de motor SAE 30 O 10W-30
Q Refierase a la secci6n del motor,
"MANTENIMIENTO"
28

_L, PRECAUCK)N: Desconecte el alambre de la
bujia antes de dar mantenimiento (excepto por
el ajuste del carburador) para evitar que el motor
arranque por accJdente.
iEvite los incendios! Mantenga el motor sin
cesped, hojas, aceite o combustible derramado.
Remueva el combustible del estanque antes de
Jnclinar la unidad para darle mantenimiento.
Limpie el cesped, la mugre y la basura del &rea
del silenciador.
No toque el sJlenciador caliente o las aletas del
cilindro, pues el contacto puede producir
quemaduras.
MOTOR
LUBRlCACJON
Use solamente aceite de detergente de alta
calidad clasificado con la clasificaci6n SG-SL.
de servJcio API. SeleccJone la calidad de visco-
sidad SAE segQn su temperatura de operaci6n
esperada.
CALIDADES DE VISCOSIDAD DE SAE
F -20 0 30 32 40 60 80 100
c -_0 -20 -1; ; 10 do _0 4;
GAMA DE TEMPERATURA ANTIClPADA ANTES DEL PROXIMO CAMBIO DE ACEITE
AVlSO: A pesar de que los aceites de multivisco-
sidad (5W-30, 10W-30, etc.) mejoran el arranque
en clima frio, estos aceites de multiviscosidad van
a aumentar el consumo de aceite cuando se usan
en temperaturas sobre 32°F (0°C). Revise el nivel
del aceite del motor m_ts amenudo, para evJtar un
posible daho en el motor, debido a que no tiene
suficiente aceite. Cambie el aceite despues de
50 horas de operaci6n o pot !o menos una vez
al aho si el tiller se utiliza menos 50 horas el aho.
Revise el nivel del aceite del carter antes dehacer
arrancar el motor y despues de cada inco (5)
horas de uso continuado. Agregue aceite de
motor SAE 30 o su equivalente. Apriete el tapon
del dep6sito de relleno del aceite en forma segura
cada vez que revise el nivel del aceJte.
PARA CAMBIAR EL ACEITE DEL MOTOR
Determine la gama de temperatura esperada
antes del cambJo del aceite. Todos los aceites
deben cumplir con los requisitos de la clasifi-
cacion de servJcio API SG-SL.
• AsegOrese que la cultivadora este en una
superficie nivelada.
• El aceite drenara mas facilmente cuando esta
caliente.
• 0tJlice un embudo para impedir el derrame de
aceite sobre la cultivadora, y recoja el aceJte
en un envase adecuado.
1. Remueva el tap6n del drenaje.
2. Incline la cultivadora hacia adelante para
drenar el aceJte.
3. Despues de que el aceite se haya drenado-
completamente, vuelva a colocar el tapon
del drenaje del aceite y aprJ6telo en forma
segura.
4. Remueva el tap6n del dep6sito de relleno
de aceite. Tenga cuidado de no permJtir que
la mugre entre al motor. 29
5. Vuelva a Ilenar el motor con aceJte. Yea
"RELLENO DEL MOTOR CON ACEITE" en
la seccion de Operacion de este manual.
\
Tap6n Nivel
del del del
drenaje Relleno aceite
FILTRO DE AIRE
Dele servicio al cartucho del filtro de aire cada
50 horas y mas a menudo si el motor se usa en
condiciones muy polvorosas.
1. Suelte los tornillo del filtro de aire.
2. Remueva la cubierta del filtro de aire.
3. Cuidadosamente, remueva el cartucho del
filtro de aJre. Tenga cuidado. No permita que
mugre o basura caigan dentro del carbura-
dot.
4. Limpielo golpeandolo suavemente en una
superficie plan&
AVlSO: Si el cartucho esta muy sucio o dahado,
reempla, celo.
5. LJmpie y vuelva a colocar la cubierta. AprJete
los tornillo en forma segura.
_,PREOAUOI6N: Los solventes de petr61eo,
tales como el kerosene, no deben set utilizado
para IJmpiar el cartucho. Pueden ocasionar el
deterioro de este. No aceite el cartucho. No use
aire a presion para limpiarlo o secarlo. Cartucho
Cartucho del
filtero de aire
Cubierta
Tornillo
del filtro
de aire
SJSTEMA DE ENFRIAMIENTO
Su motor se enfria con aire. Para obtener el ren-
dimiento del motor adecuado y larga duracion
mantenga su motor limpio.
• Limpie la rejilla de aire frecuentemente usando
un cepillo de cerdas duras.
• Remueva la caja del ventilador y limpJela si
es necesario.
• Mantenga las aletas del cilindro sin mugre o
paja.

Aletas del cilindor
Silenciador
Caja del
Rejilla de aire
SlLENClADOR
No opere la cultivadora sin el silenciador. No ma-
nipulee el sistema de escape. Los silenciadores o
los amortiguadores de chispas dafiados pueden
crear un peligro de incendio.
Inspecci6nelos peri6dicamente y ca.mbielos si
es necesario. Si su motor viene equipado con
un conjunto de rejilla para el amortiguador de
chispas, remuevalo cada 50 horas para limpiarlo
e inspeccionarlo. Cambielo si es necesario.
BUJiA
Cambie las bujias al comienzo de cada tempo-
rada de cultivo, o despues de 50 horas de uso, Io
que suceda primero. El tipo de bujia y la abertura
aparece en las
"ESPECIFICAC!ONES DEL PRODUCTO" en la
p&gina 21 de este manual.
TRANSMISION
Su transmision est& sellada y no va a necesitar
lubricaci6n.
LIMPIEZA
No limpie su cultivadora cuando el motor y la
transmision esten calientes. No recomendamos
el uso de agua presurizada (manguera del
jardin, etc.) para limpiar su unidad a menos que
el Area de la junta alrededor de la transmision y
del silenciador del motor, del filtro de aire y del
carburador se cubran ara protejeMos del agua.
El agua en la transmisi6n y/o el motor acortara
la vida de su cultivadora.
• Limpie todo material extrafio del motor, las
ruedas, el pulido, etc.
• Mantenga las superficies pulidas y las
ruedas sin derrames de gasolina, aceite, etc.
• Proteja las superficies pintadas con cera tipo
automotriz.
30

_,PRECAUCl6N: Desconecte el alambre de
la bujia y pongalo en donde no pueda entrar en
contacto con la bujia.
CULTIVADORA
PARA AJUSTAR LA ALTURA DEL MANGO
El montaje en la f&brica se ha realizado usando la
altura m&s baja del mango. Seleccione la altura
del mango que mejor se acomode a sus condi-
clones de labracion. La altura del mango ser&
diferente cuando la cultivadora excave el suelo.
1. Si se desea una mayor altura para el
mango, suelte las cuatro tuercas que ase-
guran el panel del mango en los puntales
del motor.
2. Deslice el panel del mango a la ubicacion
deseada.
3. Apriete las cuatro tuercas en forma segura.
delmotor
Panel del
mango
2 en el
lado
izquier-
do de la
cultiva-
dora)
ARREGLO DE LOS BRAZOS
Sus brazos exteriores se pueden montar de
varias formas distintas para acomodar sus nece-
sidades de labraci6n o cultivaci6n.
_PREOAUOI0N: Los brazos son afilados. Use
guantes u otra proteccion cuando maneje los
brazos.
LABRADO NORMAL- PASO DE 24"
• Monte los agujeros "A" en los cubos de los
brazos con los agujeros "B" en el eje de los
brazos.
Clavija de horquilla Brazo exterior
.I "A" "B" "_' _-
i
,; o
ine , , ,
LABRADO DEANCHO MEDIANO- PASO DE 22"
• Monte los agujeros "A" en los cubos de los
brazos con los agujeros "C" en el eje de los
brazos.
31
CULTIVO/LABRADO ESTRECHO- PASO DE
12-3/4"
• Remueva los brazos exteriores.
i O o Oll
\
IIO
K-"/
oo]
tine 6
Brazos interiores solamente
AViSO: Cuando vuelva a montar los brazos
exteriores, asegOrese que el conjunto del brazo
derecho (marcado con "R") y el conjunto del
brazo izquierdo (marcado con "E') esten mon-
tados en el lado correcto del eje de los brazos.
REVISION DE LA OPERACION DE LOS
BRAZOS
_IPRECAUCi6N: Desconecte el alambre de la
bujia para evitar que arranque mientras se est&
revisando la operaci6n de los brazos.
Para obtener una operaci6n de los brazos adec-
uada, la palanca de control de los brazos tiene
que estar en contra del cuerpo del control y se
tiene que remover toda la soltura del alambre
interior del cable de control, cuando el control
est& en la posicion de "APAGADO" (OFF) (arriba).
Si la palanca y el cable est&n sueltos, suelte la
abrazadera del cable en el extremo inferior de
este. Tire el cable hacia arriba para remover la
soltura, sin extender el resorte en el extremo del
cable, y,vuelva a apretar la abrazadera del cable.
REVISION FINAL EN LA POSICION DE
"APAGADO" (OFF)
1. Con el control de los brazos en la posici6n
de "APAGADO" (OFF) (arriba), empuje hacia
abajo el mango para levantar los brazos fuera
del suelo.
2. Lentamente, tire el mango del arrancador de
culateo mientras se observan los brazos. Los
brazos no deben rotar.
3. Si los brazos rotan, el alambre interior del
cable de control esta demasiado apretado,
extendiendo el resorte inferior y esta engan-
chando los brazos. Suelte la abrazadera del
cable y empuje el cable hacia abajo, solo Io
suficiente como para aliviar la tension del
resorte. Apriete la abrazadera del cable.
4. Vuelva a revisar en la posicion de "APAGADO"
(OFF) y aj0stelo si es necesario.
REVISION FINAL EN LA POSICION DE "ENCEN-
DIDO" (ON)
5. Con el control de los brazos en la posici6n
de "ENCENDIDO" (ON) (sujeto abajo en el
mango), empuje hacia abajo el mango para
levantar los brazos fuera del suelo.
6. Lentamente, tire el mango del arrancador de
culateo mientras se observan los brazos. Los
brazos deben rotar hacia adelante.

7. Si los brazosno rotan,el alambreinterior
delcabledecontrolest&demasiadosuelto.
Sueltela abrazaderadel cabley empujeel
cablehaciaarribapararemoverlasolturay
vuelvaa apretarlaabrazadera.
8. Vuelvaarevisarenlaposicionde"ENCEN-
DIDO"(ON)y aj0stelosi esnecesario.
AViSO:Si senecesitaajusteen laposici6nde
"ENCENDIDO"(ON),vuelvaa revisarel ajuste
delaposici6nde"APAGADO"(OFF)paraasegu-
rarsequelosbrazosnorotencuandoelcontrol
est&"APAGADO"(OFF)(arriba).
Cuer
Control de los Control de los
brazos posici6n brazos posici6n
"Apagado" (Off) "Encendido" (On)
Cable de control de los brazos
Abrazadera del
/
\
\
\
PARA REMOVER LA PROTECClON DE LA
CORREA
1. Remueva los tornillos del lado de la protec-
cJ6n de la correa.
2. Tire la protecci6n de la correa hacia afuera
alej&ndola de la unidad.
3. Vuelva a colocar la proteccion de la correa
invirtiendo los pasos del procedJmiento
anterior. Aseg0rese que la ranura en la parte
inferior de la protecci6n de la correa este
debajo de la cabeza del perno de la defensa
de los brazos y que todas las tuercas esten
apretadas en forma segura.
Perno
Protecci6n de la
correa
Perno
Perno
PARA CAMBIAR LA CORREA V
Cambie la correa V si se ha estirado consider-
ablemente o si est& partida o si los bordes estan
desgastados.
1. La protecci6n de la correa tiene que remov-
erse para darle servicio a la correa. Vea
"PARA REMOVER LA PROTECCION DE LA
CORREA" en esta secci6n de este manual.
REMOCION DE LA CORREA
2. Remueva la correa V de la polea de la trans-
misi6n primero y luego de la polea del motor.
CAMBIO DE LA CORREA
3. Instale la correaV nueva en la polea del motor
primero luego en la polea de la transmisi6n.
AsegOrese que la correa este ubicada en al
ranura interior de ambas poleas, dentro de
todas las guias de la correa y que descanse
en la polea de guia.
REVISION DE LA OPERACION DE LOS BRAZOS
4. Vea "REVISION DE LA OPERACION DE LOS
BRAZOS" en esta secci6n de este manual.
5. Vuelva a colocar la protocci6n de la correa.
Guia de la correa
/
Polea del
motor
Correa V Polea
Polea de guia de la transmisi6n
MOTOR
El mantenimiento, la reparacion, o el reemplazo
de cualquier dispositivos o sistemas del control
de la emisi6n, los cuales sean hechos al costo
del cliente, pueden ser realizados por cualquier
individuo o establecimJento de reparaci6n de
motor. Los reparos que caen bajo garantia deben
ser realizados por un establecimiento de servicio
de reparacion de motor autorizado.
PARA AJUSTAR EL CARBURADOR
El carburador tiene un chorro de alta velocidad
y ha sido preajustado en la f&brica y no deberia
necesitar ajustes. Sin embargo, se pueden
necesitar ajustes de menor importancia para
compensar por las diferencias en el combustible,
temperatura, altura o carga. Si el carburador
necesita ajustes, pongase en contacto con su
centro/departamento de servicio autorizado
m&s cercano.
IMPORTANTE: Nunca manipule el regulador del
motor el que ha sido ajusta do en la fabrica para
la velocidad del motor adecuada puede set pelf
groso hacer funcionar el motor a una velocidad
pot sobre elajuste de lata velocidad de la fabrica.
Si cree que la velocidad alta regulada del motor
necesita ajuste, p6ngase en contacto con su
centro de servicio cualificado, el cual cuenta con
el equipoa decuado y la experiencia para hacer
321os ajustes necesarJos.

Inmediatamente prepare su cultivadora para el
almacenamiento al final de la temporada o si la
unidad no se va a usar pot 30 dias o m&s.
_ILPREOAUOI6N: Nunca almacene la cultiva-
dora con gasolina en el estanque dentro de un
edificio en donde los gases pueden alcanzar una
llama expuesta o una chispa. Permita que el mo-
tor se enfrie antes de almacenarlo en cualquier
recinto privado.
CULTIVADORA
1. Limpietoda lacultivadora (vea"LIMPIEZA" en
la seccion de Mantenimiento en este manual).
2. Inspeccione y cambie las correas, si es nece-
sario (vea las instrucciones para el cambio de
la correa en la secci6n de Servicio y Ajustes
de este manual).
3. Lubriquela segOn se muestra en la seccion
de Mantenimiento en este manual.
4. AsegOrese que todas las tuercas, pernos y
tornillos esten apretados en forma segura.
Inspeccione las partes movibles para verifi-
car si est&n dafiadas, rotas o desgastadas.
Cambielas si es necesario.
5. Retoque todas las superficies pintadas que
esten oxidadas o picadas; use una lija suave-
mente antes de pintar.
MOTOR
SISTEMA DE COMBUSTIBLE
IMPORTANTE: Es importante evitar que se
formen depositos de goma en partes fundamen-
tales del sistema de combustible tales como el
carburador, el filtro del combustible, la manguera
del combustible o en el estanque durante el
almacenamiento. La experiencia tambien indica
que los combustibles mezclados con alcohol
(conocido como gasohol o que tienen etanol
o metanol) pueden atraer humedad, Io que
conduce a la separaci6n de &cidos durante el
almacenamiento. La gasolina &cidica puede
dafiar el sistema de combustible de un motor
durante el periodo de almacenamiento.
• Vaciar el dep6sito del carburante poniendo en
marcha el motor y dej&ndolo funcionar hasta
que el carburante termine el carburador este
vacio.
• Nunca use los productos para limpieza del
carburador o del motor en el estanque de
combustible pues se pueden producir dafios
permanentes.
• Use combustible nuevo la proximatemporada.
AVlSO: El estabilizador de combustible es una
alternativa aceptable para reducir a un minimo
la formaci6n de depositos de goma en el com-
bustible durante el periodo de almacenamiento.
Agregue estabilizador a la gasolina en el es-
tanque de combustible o en el envase para el
almacenamiento. Siempre siga la proporci6n de
mezcla que se encuentra en el envase del esta-
bilizador. Haga funcionar el motor por Io menos
10 minutos despues de agregar el estabilizador,
para permitir que este Ilegue al carburador. No
vaciar la gasolina del estanque de gasolina y el
carburador si se est& usando estabilizador de
combustible.
ACEITE DEL MOTOR
Drene el aceite (con el motor caliente) y c&mbielo
con aceite de motor limpio. (Vea "MOTOR" en
la secci6n de Mantenimiento de este manual.)
ClLINDRO(S)
1. Remueva la bujia.
2. Vacie una onza de aceite atraves del agujero
de la bujia en el cilindro.
3. Tire el mango del arrancador, lentamente,
varias veces para distribuir el aceite.
4. Cambie por una bujia nueva.
OTROS
• No guarde la gasolina de una temporada a
la otra.
• Cambie el envase de la gasolina si se emp-
ieza a oxidar. La oxidaci6n y/o la mugre en su
gasolina producir&n problemas.
• Si es posible, guarde su unidad en un recinto
cerrado y cObrala para protegerla contra el
polvo y la mugre.
• Cubra su unidad con un forro protector ad-
ecuado que no retenga la humedad. No use
pl&stico. El pl&stico no puede respirar, Io que
permite la formaci6n de condensaci6n, Io que
producir& la oxidaci6n de su unidad.
IMPORTANTE: Nunca cubra la cultivadora
mientras el motor y las areas de escape toda-
via estan calientes.
33

IDENTIFJCACi6N DE PROBLEMAS:
Vea la secci6n apropiada en el manual amenos que est_ dirigido aun centro de servicio
Sears.
CORRECClON
PROBLEMA
No arranca
Dificil de arrancar
CAUSA
1. Sin combustible.
2. Motor sin la "ESTRANGU-
LACJON" (CHOKE) adecuada.
3. Motor ahogado.
4. Filtro de aire sucio.
5. Agua en el combustible.
6. Estanque de combustible
taponado.
7. Alambre de la bujia suelto.
.
9.
1.
2.
3.
4.
Bujia mala o abertura inadecuada.
Carburador desajustado.
Control de la aceleraci6n
ajustado inadecuadamente.
Filtro de aire sucio.
ujia mala o abertura inadecuada.
Combustible rancio o sucio.
5. Alambre de la bujia suelto.
6. Carburador desajustado.
1. El motor est& sobrecargado.
2. Filtro de aire sucio.
3. Nivel de aceite bajo/aceite
sucio.
4. Bujia fallada.
5. Aceite en el combustible.
6. Combustible rancio o sucio.
7. Agua en el combustible.
8. Estanque de combustible
taponado.
9. Alambre de la bujia suelto.
10. Rejilla de aire del motor sucia.
11. Silenciador sucio/taponado.
12. Carburador desajustado.
13. Mala compresion.
Falta de fuerza
1. Llene el estanque de combustible.
2. Vea "PARA ARRANCAR EL
MOTOR" en la seccion de
Operacion.
3. Espere varios minutos antes de
tratar de arrancar.
4. Limpie o cambie el cartucho del
filtro de aire.
5. Vaciar el estanque de combustible
y el carburador, vuelva a Ilenar el
estanque con gasolina nueva.
6. Remueva el estanque de
combustible y limpielo.
7. Aseg0rese que el alambre de la
bujia este asentado en forma
adecuada en esta.
8. Cambie la bujia o ajuste la abertura.
9. Haga los ajustes necesarios.
1. Ponga el control de la aceleracion
en la posici6n de "RAPIDO" (FAST).
2. Limpie o cambie el cartucho del
filtro de aire.
3. Cambie la bujia o ajuste la abertura.
4. Vaciar el estanque de combustible
y vuelva a Ilenarlo con gasolina
nueva.
5. Aseg0rese que el alambre de
la bujia este asentado en forma
adecuada en esta.
6. Haga los ajustes necesarios.
1. Ajuste la estaca de profundidad y
las ruedas para un labrado menos
profundo.
2. Limpie o cambie el cartucho del
filtro de aire.
3. Revise el nivel del aceite/cambie
el aceite,
4. Limpie y vuelva a ajustar la
abertura o cambie la bujia.
5. Vaciar y limpie el estanque de
combustible y vuelva a Ilenarlo y
limpie el carburador.
6. Vaciar el estanque de combustible
y vuelva a Ilenarlo con gasolina
nueva.
7. Vaciar el estanque de combustible
y el carburador y vuelva a Ilenar
el estanque con gasolina nueva.
8. Remueva el estanque de
combustible y limpielo.
9. Conecte y apriete el alambre
de la bujia.
10. Umpie la rejilla de aire del motor.
11. LimpJe/cambie el silenciador.
12. Haga los ajustes necesarios.
13. Contacto con su centro de
servicio cualificado.
34

IDENTIFICACI6N DE PROBLEMAS:
Vea la secci6n apropiada en el manual amenos que est_ dirigido aun centro de servicio
Sears.
PROBLEMA
El motor se
calienta dem
asiado
Rebote e×cesivo/m
anejo dificil
El suelo se hace
bolas o se
amontona
El motor
funciona pero
la cultivadora no
se mueve
El motor
funciona pero se
esfuerza cuando
se labra
CAUSA
1. Nivel del aceite bajo/aceite
sucio.
2. Rejilla de aire del motor sucia.
3. Motor sucio.
4. Silenciador parcialmente
taponado.
5. Mal ajuste del carburador.
1. El terreno est& muy seco y
duro.
2. Las ruedas y la estaca
de profundidad est&n
ajustadas incorrectamente.
1. El terreno est& muy mojado.
1. La barra de control de la
impulsi6n no est& enganchada.
2. La correa V no est& ajustada
correctamente.
3. La correa Vest& fuera de
la(s) polea(s).
1. Se est& labrando muy
profundamente.
2. El control de la aceleraci6n no
est& ajustado en forma
adecuada.
3. El carburador est&
desajustado.
CORRECCl6N
1. Revise el nivel del aceite/cambie
el aceite.
2. Limpie la rejilla de aire del motor.
3. Limpie las aletas del cilindro, la
rejilla de aire y el &rea del
silenciador.
4. Remueva y limpie el silenciador.
5. Ajuste el carburador para una
posici6n de mezcla mas rica.
1. Moje el suelo o espere a que
existan condiciones del suelo
mas favorables.
2. Ajuste las ruedas y la estaca de
profundidad.
1. Espere a que existan
condiciones del suelo mas
favorables.
.
2.
3.
Enganche el control de la
impulsi6n.
Inspeccione/ajuste la correa V.
Inspeccione la correa V.
1. Ajuste la estaca de profundidad
para un labrado menos profundo.
2. Revise el ajuste del control de
la aceleraci6n.
3. Haga los ajustes necesarios.
iiiiiiiiii_;_,,,
NEED MORE HELP?
Youql. find the answer and re©re ©n managemyhOmeoCOm ,- for free!
°Find this and all your other product manuals online.
oGet answers from our team of home experts.
o Get a personalized maintenance plan for your home.
° Find information and tools to help with home projects.
35

CRAFTSMAN TILLER - - MODEL NUMBER 917.986911
HANDLES 3
16
KEY PART
NO. NO.
13
1
2
10
3
4
19
:=-
g
DESCRIPTION
1 137176X613
2 72140512
3 165787
4 166376X479
5 751153
7 19121414
8 74760520
10 10040500
11 73220500
Bracket, Handle 12 98000129
Bolt, Carriage 5/16-18 x 13 180847
1-1/2
Grip, Handle 14 9209RX613
Handle, L.H. 16 166381X479
Nut, Hex, Crownlock 19 188562
5/16-18
Washer 3/8 x 7/8 x 14 20 188555
Gauge 29 12000059
Bolt, Hex Head 44 181580
5/16-18 x 1-1/4
Washer, Lock 5/16
Nut, Hex 5/16-18
Nut, Hex, Flaged 5/16-18
Bolt, Carriage, Grade 5
5/16-18 x 3/4
Panel, Handle
Handle, R.H.
Tine Control Lever Assem-
bly (includes Cable)
Pin, Pivot
Retainer, Ring
Dual Routing Clip
NOTE: All component dimensions given in U.S.
inches. 1 inch = 25.4 mm
36

CRAFTSMAN TILLER -- MODEL NUMBER 917.986911
BELT GUARD AND PULLEY ASSEMBLY
belt_guard 10 r2
20
15
18 "\.
17
8
\\
\\
\\.
\
\
\\
14 "_•
12 "\ 7
KEY
NO.
2
3
4
5
6
7
8
9
10
11
12
PART
NO.
23230506
130812
150050
74610812
17490440
422920X428
170488
139155
165768X613
109227X
9484R
9180R
DESCRiPTiON
Screw, Set, Patch
5/16-18 x 3/8
Sheave, Engine
Screw, Tapping, Hex Head
Bolt, Hex Head 1/2-20 x 3/4
Bolt, Threaded, Rolled
1/4-20 x 2-1/2
Shield, Inner Belt Guard
Screw Hex Washer Head
#8-18 x 1/2
Spacer Split
Guard, Belt
Pad, Idler
Clip, Cable
V-Belt
KEY PART
NO. NO. DESCRIPTION
13 12000028 Ring, Retainer
14 151223 Sheave, Transmisison
15 155415 Washer
16 12000036 Ring, Klip
17 751153 Nut, Hex, Jam 3/8-16
18 180522 Pulley, Idler
19 580530002 Arm, Idler
20 74780524 Bolt, Hex Head
3/8-16 x 1-1/4
21 106968X Shaft, Idler Arm
25 73350500 Nut, Hex, Jam 5/16-18
26 67725 Washer
NOTE: All component dimensions given in U.S.
inches. 1 inch = 25.4 mm
37

CRAFTSMAN TILLER -- MODEL NUMBER 917.986911
WHEEL AND DEPTH STAKE ASSEMBLY
20
1
16
7
24
11
4
7
0
0
/
whee/d.stake 2 r3
KEY PART
NO. NO.
1 9194R
2 74760520
3 74780512
4 73220500
5 10040500
6 73800600
7 4921H
8 1952JX479
9 122233X479
10 4929H
11 74780628
DESCRIPTION
Pin, Clevis
Bolt, Hex Head
5/16-18 x 1-1/4
Bolt, Hex Head
5/16-18 x 3/4
Nut, Hex
Washer, Lock 5/16
Nut, Lock, with Washer
Insert 3/8-16
Clip, Hairpin
Support, Depth Stake, R.H.
Stake, Depth
Pin, Clevis
Bolt, Hex Head
3/8-16 x 1-3/4
KEY PART
NO. NO. DESCRIPTION
13 1951JX479 Support, Depth Stake, L.H.
15 5388JX004 Spring, Stake
16 121117X Bolt, Shoulder
17 193851X427 Wheel
19 9190RX479 Bracket, Wheel
20 73680600 Nut, Crownlock 3/8-16
21 74760516 Bolt, Hex Head 5/16-18 x 1
22 73800500 Nut, Lock, with Washer
Insert 5/16-18
24 73970500 Nut, Lock 5/16-18
25 19171416 Washer 17/32x 7/8x 16
Gauge
NOTE: All component dimensions given in U.S.
inches. 1 inch = 25.4 mm
38

CRAFTSMAN TILLER - - MODEL NUMBER 917.986911
TINE ASSEMBLY
6
1 2
' / '/ /
tine_ipb_3
KEY PART
NO. NO. DESCRIPTION
1 584971702 Tine, Outer, R.H.
2 3146R Retainer, Spring, Zinc Plated
3 584971502 Tine, Inner, R.H.
4 584971402 Tine, Inner, L.H.
5 584971602 Tine, Outer, L.H.
6 4929H Pin, Clevis
NOTE: All component dimensions given in U.S.
inches. 1 inch = 25.4 mm
39

CRAFTSMAN TILLER - - MODEL NUMBER 917.986911
TRANSMiSSiON
y .--r!
15
118
14
21
KEY PART
NO. NO.
1 74760524
2 74780652
3 19131311
5 73900600
6 9056RX613
7 188195X479
8 165834X479
11 187912
12 151222
14 446548
15 73970500
12
DESCRIPTION
Bolt, Hex Head, Grade 2
5/16-18 x 1-1/2
Bolt, Hex Head
3/8-16 x 3-1/4
Washer 13/32 x 13/16 x 11
Gauge
Nut, Lock, with Washer
Insert 3/8-16
Shield, Tine
Bracket, Engine, R.H.
Bracket, Engine, L.H.
Bolt, Shoulder
5/16-18 UNC x 2.5
Transmission
Spacer, Split
Nut, Lock, Hex, Flanged
5/16-18 UNC
21
KEY PART
NO. NO.
16 19091412
17 19092016
18 10040400
19 74610412
20 ---
21 751153
DESCRiPTiON
Washer 9/32 x 7/8 x 12
Gauge
Washer 9/32 x 1-1/4 x 16
Gauge
Washer, Lock 1/4
Bolt, Hex Head, Grade 5
1/4-28 x 3/4
Engine, Bfiggs & Stratton,
Model Number 12T402-
1613-F8 (See Breakdown)
(For engine service and
replacement parts,
call Briggs & Stratton
at 1-800-233-3723)
Nut, Hex 5/16-18
NOTE: All component dimensions given in U.S.
40 inches. 1 inch = 25.4 mm

CRAFTSMAN TILLER --MODEL NUMBER 917.986911
DECALS
4
1
8
11
7 9 13
KEY PART
NO. NO.
2 581821001
4 581821101
5 110594X
6 120431X
7 432278
8 162215
9 409143
11 120075X
12 581820901
13 423830
- - 586058096
DESCRiPTiON
Decal, Belt Guard
Decal, Tine Shield
Decal, Control Panel Instruction
Decal, Hand Placement
Decal, Engine, AC
Decal, Warning, Tine Shield
Decal, Engine Tank
Decal, Warning, Rotating Tines
Decal, Console
Decal, Ethanol
Manual, Owner's (English/Spanish)
41

CRAFTSMAN TILLER - - MODEL NUMBER 917.986911
ENGINE, BRIGGS & STRATTON -- MODEL NUMBER 12T402, TYPE NO. 1613-F8
I 48 SHORT BLOCK I [1058 OPERATOR'S MANUAL ] [1329 REPLACEMENT ENGINE] [1330 REPAIR MANUAL [
552
718_
15A
[ 27 \,_
321
22
12 s!
46
24 d9
742
746 _
741
2,%
I ,_yf5o50
42

CRAFTSMAN TILLER - - MODEL NUMBER 917.986911
ENGINE, BRIGGS & STRATTON -MODEL NUMBER 12T402, TYPE NO. 1613-F8
635
',_-) 45 13
1026 ....b
36
238
//
51
1034
1022
365
914_
914A
43

CRAFTSMAN TILLER = = MODEL NUMBER 917.986911
ENGINE, BRIGGS & STRATTON -= MODEL NUMBER 12T402, TYPE NO. 1613-F8
130
95 8,
951
692 1
127 @ '_,
J
108
633 _
1971_,_)
276 (_b
276 ,,-_J
365
51
957
f/
601
190
44

CRAFTSMAN TILLER = - MODEL NUMBER 917.986911
ENGINE, BRIGGS & STRATTON -= MODEL NUMBER 12T402, TYPE NO. 1613-F8
I 1036 EMISSIONS LABEL I
832
677 ,_p
334 @_
356
836
300
613_
971_
968
445
1070
592
65 <I_
304 /
305 _ '( \
455
632
45

CRAFTSMAN TILLER - - MODEL NUMBER 917.986911
ENGINE, BRIGGS & STRATTON ==MODEL NUMBER 12T402, TYPE NO. 1613-F8
51
104 c_
121 CARBURETOR OVERHAUL KIT
137
163
127 C
276 _....
633
987 _
12
358 ENGINE GASKET SET
2O
51
868
883
1022
993
1095 VALVE GASKET SET
868
993 1022
KEY
NO.
1
2
3
5
7
11
12
13
15
15A
16
18
2O
21
22
23
24
25
26
27
28
29
PART
NO.
699510
796961
299819s
797439
698210
790632
699485
699482
691686
691682
797070
699696
692550
281658s
699478
699488
796335
222698s
795429
795430
791969
793001
691866
499423
798813
KEY
DESCRIPTION NO.
Cylinder Assembly 32
Kit-Bushing/Seal
(Magneto Side) 33
Seal-Oil (Magneto Side) 34
Head-Cylinder 35
Gasket-Cylinder Head 36
Tube-Breather 40
Gasket-Crankcase 45
Screw (Cylinder Head) 46
Plug-Oil Drain 48
Plug-Oil Drain 51
Crankshaft 58
Cover-Crankshaft 60
Seal-Oil (PTO Side) 65
Cap-Oil Fill
Screw 65A
(Crankcase Cover/Sump)
Flywheel 95
Key-Flywheel (Steel) 97
Key-Flywheel (Aluminum) 98
Piston Assembly 104
(Standard Size) 105
Piston Assembly 108
(.020" Oversize) 109
Ring Set (Standard Size) 117
Ring Set (.020" Oversize) 121
Lock-Piston Pin 122
Pin-Piston 125
Rod-Connecting 127
46
PART
NO.
797437
499642
795443
691304
691304
692194
690977
693404
692555
693389
490652
690837
699228
691636
797628
797156
797622
797139
692567
790624
591298
797634
795643
591299
797633
DESCRIPTION
Screw (Connecting Rod)
(M6 x 31 mm)
Valve-Exhaust
Valve-Intake
Spring-Valve (Intake)
Spring-Valve (Exhaust)
Retainer-Valve
Tappet-Valve
Camshaft
Short Block
Gasket-Intake
Rope-Starter
Grip-Starter Rope
Screw (Rewind Starter)
(#10-32 x .37)
Screw (Rewind Starter)
(M5 x 6.35mm)
Screw (Throttle Valve)
Shaft-Throttle
Kit-Idle Speed
Pin-Float Hinge
Valve-Float Needle
Valve-Choke
Shaft-Choke
Jet-Main (Standard)
Kit-Carburetor Overhaul
Spacer-Carbu retor
Carburetor
Plug-Welch

CRAFTSMAN TILLER - - MODEL NUMBER 917.986911
ENGINE, BRIGGS & STRATTON -- MODEL NUMBER 12T402, TYPE NO. 1613-F8
KEY PART KEY PART
NO. NO. DESCRiPTiON NO. NO. DESCRIPTION
130 797630 Valve-Throttle 632 693408 Spring/Link
133 797136 Float-Carburetor (Mechanical Governor)
137 797625 Gasket-Float Bowl 633 693867 Seal-Choke/Throttle Shaft
146 690979 Key-Timing (Choke Shaft)
155 797442 Plate-Cylinder Head 635 692076 Boot-Spark Plug
161 790631 Base-Air Cleaner 668 694257 Spacer (Control Bracket)
163 696024 Gasket-Air Cleaner 676 796956 Deflector-Muffler
187 791867 Line-Fuel (Formed) 677 699203 Screw (Muffler Deflector)
187A 791766 Line-Fuel 692 797624 Spring-Detent
(Cut to required length) 718 690959 Pin-Locating
188 699479 Screw (Control Bracket) 741 695087 Gear-Timing
190 699220 Screw (Fuel Tank) 742 692564 Retainer-E Ring
192 797440 Adjustor-Rocker Arm 746 790278 Gear-idler
209 692571 Spring-Governor (#3 Hole) 773 694258 Retainer (Control Bracket)
209A 691278 Spring-Governor (Idle 830 797441 Stud-Rocker Arm
Speed Adjust) (Platinum) 832 693583 Guard-Muffler
219 693578 Gear-Governor 836 699632 Screw (Muffler Guard)
220 691724 Washer (Governor Gear) (M6 x 14mm)
222 793107 Bracket-Control 851 493880s Terminal-Spark Plug
227 794367 Lever-Governor Control 868 795440 Seal-Valve
238 691300 Valve-Cap 869 691155 Seal-Valve
271 694256 Lever-Control 883 691893 Gasket-Exhaust
(Control Bracket) 914 699481 Screw (Rocker Cover)
276 797632 Washer-Sealing (M6 x 15.88mm)
300 693593 Muffler 914A 692557 Screw (Rocker Cover)
304 699598 Housing-Blower (M6 x 9.53mm)
305 699481 Screw (Blower Housing) 951 790630 Lever-Choke
306 795334 Shield-Cylinder 957 799719 Cap-Fuel Tank
307 699483 Screw (Cylinder Shield) 958 698180 Valve-Fuel Shut Off
332 792723 Nut (Flywheel) 968 791082 Cover-Air Cleaner
333 796964 Armature-Magneto 971 798649 Screw (Air Cleaner Base
334 699477 Screw (Magneto Armature) to Carburetor) (M5xl 2mm)
337 491055s Plug-Spark 972 799863 Tank-Fuel
356 692390 Wire-Stop 975 797631 Bowl-Float
358 791797 Gasket Set-Engine 987 797629 Seal-Throttle Shaft
365 699484 Screw (Carburetor) 993 694088 Gasket
(M6 x 35.5mm) (Cylinder Head Plate)
415 693463 Plug 1005 794273 Fan-Flywheel
445 491588s Filter-Air Cleaner Cartridge 1022 691890 Gasket-Rocker Cover
455 591302 Cup-Flywheel 1023 499924 Cover-Rocker
504 695383 Washer Set-Friction 1026 790287 Rod-Push
(Control Bracket) 1029 797443 Arm-Rocker
505 691251 Nut 1034 691343 Guide-Push Rod
(Governor Control Lever) 1036 - - - Label-Emissions (Available
552 692346 Bushing-Governor Crank from any Briggs & Stratton
562 691119 Bolt Authorized Dealer)
(Governor Control Lever) 1058 277040 Operator's Manual
592 690800 Nut (Rewind Starter) 1070 699201 Screw (Flywheel Fan)
601 791850 Clamp-Hose (Green) 1095 791798 Gasket Set-Valve
608 591301 Starter-Rewind 1147 798458 Nut (Control Bracket)
613 699209 Screw (Muffler) 1329 - - - Replacement Engine
(M6 x 20mm) 1330 272147 Repair Manual
615 692576 Retainer-Governor Shaft
616 692547 Crank-Governor Carburetor Overhaul Kit Key No. 121
619 699230 Screw Engine Gasket Set Key No. 358
(Cylinder Head Plate) Valve Gasket Set Key No. 1095
621 692310 Switch-Stop
47

NEED HORE HELP?
Y_u'_I find the amwcei at@ mo_e ©_ mai_agemyhome_com _ for free!
o Find this and a[[ your other product manuals online.
o Get answers from our team of home experts.
Your Home
For repair - in your home - of all major brand appliances,
lawn and garden equipment, or heating and cooling systems,
no matter who made it, no matter who sold it!
For the replacement parts, accessories and
owner's manuals that you need to do-it-yourself.
For Sears professional installation of home appliances
and items like garage door openers and water heaters.
1-800-4-MY-HOME e Anytime, day or night
(1-800-469-4663) (U.S.A. and Canada)
www.sears.com www.sears.ca
Our Home
For repair of carry-in products like vacuums, lawn equipment,
and electronics, call or go on-line for the nearest
Sears Parts and Repair Center.
1 =800=488=1222 Anytime, day or night (U.S.A. only)
www.sears.corn
To purchase a protection agreement (U.S.A.)
or maintenance agreement (Canada) on a product serviced by Sears:
1-800-827-6655 (U.S.A.) 1-800-361-6665 (Canada)
Para pedir servicio de reparaci6n
a domicilio, y para ordenar piezas:
1-888-SU-HOGAR ®
(1-888-784-6427)
Au Canada pour service en fran_:ais:
1-800-LE-FOYER MC
(1-800-533-6937)
www.sears.ca
Se /rs
© Sears Brands, LLC
® Registered Trademark /TMTrademark /SMService Mark of Sears Brands, LLC
® Marca Registrada /TMMarca de Fabrica /SMMarca de Servicio de Sears Brands, LLC
MCMarque de commerce /MDMarque depos6e de Sears Brands, LLC
586058096 Rev. 1 o12214BYPrintedinU.S.A.