Craftsman 919165611 User Manual AIR COMPRESSOR Manuals And Guides L0306412
CRAFTSMAN Air compressor Manual L0306412 CRAFTSMAN Air compressor Owner's Manual, CRAFTSMAN Air compressor installation guides
User Manual: Craftsman 919165611 919165611 CRAFTSMAN AIR COMPRESSOR - Manuals and Guides View the owners manual for your CRAFTSMAN AIR COMPRESSOR #919165611. Home:Tool Parts:Craftsman Parts:Craftsman AIR COMPRESSOR Manual
Open the PDF directly: View PDF
.
Page Count: 52

Owner's Manual
JCRRFTSMRN1
Permanently Lubricated
Twin V
2-Stage
Stationary
AIR COMPRESSOR
Model No.
919.165611
• Safety Guidelines
• Assembly
• Operation
• Maintenance
• Troubleshooting
• Repair Parts
CAUTION: Read the Safety Guidelines
and All Instructions Carefully Before
Operating.
Sears, Roebuck and Co., Hoffman Estates, IL 60179 U.S.A.
Visit our Craftsman website: www.eears.com/craftsman
D29312 Rev. 1 6/12/03

hq;_:] !:1EoJ_,_[_o] _hi _h I_-_
WARRANTY ............................................. 2
SPECIFICATION CHART .................................... 3
SAFETY GUIDELINES-DEFINITIONS .......................... 3
IMPORTANT SAFETY INSTRUCTIONS ....................... 3-8
GLOSSARY .............................................. 9
ACCESSORIES .......................................... 9
DUTY CYCLE ............................................ 9
ASSEMBLY ............................................. 1O
INSTALLATION ........................................ f O-12
OPERATION .......................................... f 3- 15
MAINTENANCE ....................................... f 6-17
SERVICE AND ADJUSTMENTS ............................. 18
STORAGE .............................................. 19
TROUBLESHOOTING GUIDE ............................ 20-22
REPAIR PARTS ....................................... 23-27
HOW TO ORDER REPAIR PARTS ............................ 28
FULL ONE YEAR WARRANTY ON AIR COMPRESSORS
If this air compressor fails due to a defect in material or workmanship within
one year from the date of purchase, RETURN IT TO THE NEAREST SEARS
SERVICE CENTER THROUGHOUT CANADA AND SEARS WILL REPAIR IT,
FREE OF CHARGE.
If this air compressor is used for commercial or rental purposes, the warranty
will apply for ninety days (90) from the date of purchase.
This Craftsman Air Compressor warranty gives you specific legal rights and
you may have other rights which vary from province to province.
Sears Canada, Inc., Toronto, Ont. M5B 2B8
D29312 2* ENG

-1".1=[etI _1[_:_1 II[o] _I[e_"_':It.tl
Model No. 919-165611
Max. Developed HP 7
Bore 2.375
Stroke-High Pressure .54"
Low Pressure 1.45"
Voltage-Single Phase 240/60/1
Minimum Branch Circuit Requirement 15 amps
Fuse Type Time Delay
Air Tank Capacity - Gallons 60
Approximate Cut-in Pressure 145
Approximate Cut-out Pressure 175
SCFM@ 40 psig 9.6
SCFM@ 90 psig 9.0
This manual contains information that is important for you to know and understand. This information
relates to protecting YOUR SAFETY and PREVENTING EQUIPMENT PROBLEMS. To help you
recognize this inforrnation_ we use the symbols below. Please read the manual and pay attention to
these sections.
_'_ Indicates an
imminently hazardous
situation which, if not avoided, will
result in death or serious injury.
_lndicates a potentially
hazardous situation
which, if not avoided, could result in
death or serious injury.
_lndicates a potentially
hazardous situation
which, if not avoided, _ result in
minor or moderate injury.
_"_l_Used without the
safety alert symbol
indicates a potentially hazardous
situation which, if not avoided, may
result in orooertv damaae.
IhSl_o]-'tnf.,1+hd[-"_.,_l_S"d _[IP,[.._l_O]nll[_o_]P,[..+
SAVE THESE INSTRUCTIONS
IMPROPER OPERATION OR MAINTENANCE OF THIS PRODUCT COULD RESULT IN
SERIOUS INJURY AND PROPERTY DAMAGE. READ AND UNDERSTAND ALL
WARNINGS AND OPERATING INSTRUCTIONS BEFORE USING THIS EQUIPMENT.
Some dust created by power sanding, sawing, grinding, drilling, and other
construction activities contains chemicals known (to the State of California) to
cause cancer, birth defects or other reproductive harm. Some example of these chemicals are:
•lead from lead-based paints
•crystalline silica from bricks and cement and other masonry products
• arsenic and chromium from chemically*treated lumber
Your risk from these exposures varies, depending on how often you do this type of work. To reduce
your exposure to these chemicals: work in a well ventilated area, and work with approved safety
equipment, always wear MSHA/NIOSH approved, properly fitting face mask or respirator when using
such tools.
When using air tools, basic safety precautions should always be followed to reduce the risk of of
personat injury.
3* ENG D29312

Save these instructions
Improper operation or maintenance of this product could result in serious injury and
property damage. Read and understand all warnings and operation instructions before
using this equipment.
,I;1"1.'III n
WARNING: Risk of explosion or fire
What Could Happen
If electrical sparks from compressor
come into contact with flammable
vapors, they may ignite, causing fire or
explosion.
Unattended operation of this product
could result in personal injury or
property damage. To reduce the risk of
fire, do not allow the compressor to
operate unattended.
How To Prevent It
If spraying flammable materials, locate
compressor at least 20 feet away from
spray area. An additional length of hose
may be required.
Store flammable materials in a secure
location away from compressor.
Always remain in attendance with the
)roduct when it is operating+
Always disconnect electrical power by
moving pressure switch lever to the off
}osition and drain tank daily or after
each use=
D29312 4* ENG

;f:_J:1;ll
WARNING: Risk of Bursting
Air Tank: The following conditions could lead to a weakening of the tank, end result
in e violent tank explosion and could cause property damage or serious injury.
What Could Haopen How To Prevent It
Modifications or attempted repairs to
the tank.
Unauthorized modifications to the
unloader valve, safety valve, or any
other components which control tank
ATTACHMENTS & ACCESSORIES:
Exceeding the pressure rating of air
tools, spray guns, air operated
accessories, tires, and other inflatables
can cause them to explode or fly apart,
and could result in serious injury.
Never drill into, weld, or make any
modifications to the tank or its
attachments.
For essential control of air pressure, you
must install e pressure regulator and
pressure gauge to the air outlet (if not
equipped) of your compressor. Follow the
equipment manufacturers
recommendation and never exceed the
maximum allowable pressure rating of
attachments. Never use compressor to
inflate small low pressure objects such
as children's toys, footballs,
basketballs, etc.
;f.'I"#.'t ;tl
WARNING: Risk from Flying Objects
What Could Happen How To Prevent It
5*ENG D29312

:r:1"4_;ll
WARNING: Risk of Electrical Shock
What Could Happen How To Prevent It
Never operate the compressor outdoors
when it is raining or in wet conditions.
Never operate compressor with
Your air compressor is powered by
electricity. Like any other electrically
powered device, If it is not used
properly it may cause electric shock.
Electrical Grounding: Failure to provide
adequate grounding to this product
could result in serious injury or death
from electrocution.
See grounding instructions.
Make certain that the electrical circuit to
which the compressor is connected
provides proper electrical grounding,
correct voltage and adequate fuse
WARNING: Risk to Breathing
What Could Happen
Sprayed materials such as paint, paint
solvents, paint remover, insecticides,
weed killers, may contain harmful
vapors and poisons.
How To Prevent It
Work in an area with good cross
ventilation. Read and follow the safety
instructions provided on the label or
safety data sheets for the materials you
are spraying, Use a NtOSH/MSHA
approved respirator designed for use with
your specific application.
D29312 6* ENG

,l:_'l'J "-II
F77
WARNING: Risk of Burns
How To Prevent It
WARNING: Risk from Moving Parts _)
What Could Happen How To Prevent It
Moving parts such as the pulley, flywheel,
and belt can cause serious injury if they
come into contact with you or your
clothing.
Never operate the compressor with
guards or covers which are damaged or
removed.
;f.,V#.,1"1=
WARNING: Risk of Failing
What Could Happen
Aportable compressor can fall from a
table, workbench, or roof causing
damage to the compressor and could
result in serious injury or death to the
operator.
How To Prevent It
Always operate compressor in a stable
secure position to prevent accidental
movement of the unit. Never operate
compressor on e roof or other elevated
position. Use additional air hose to
reach high locations.
7÷ENG D29312

WARNING: Risk of Serious Injury or Property Damage When
Transporting Compressor
(Fire, Inhalation, Damage to VehicleSurfaces)
What Could Happen How To Prevent It
WARNING: Risk of Unsafe Operation ,_
What Could Happen How To Prevent It
Unsafe operation of your air compressor
could lead to serious injury or death to
you or others,
Review end understand all instructions
and warnings in this manual.
Become familiar with the operation and
controls of the air compressor.
Keep operating area clear of all persons,
pets, and obstacles.
Keep children away from the air
compressor at all times.
Do not operate the product when
fatigued or under the influence of
alcohol or drugs. Stay alert at all times.
Never defeat the safety features of this
product.
Equip area of operation with a fire
extinguisher.
DO not operate machine with missing,
broken, or unauthorized parts.
SAVE THESE INSTRUCTIONS
D29312 8* ENG

Become familiar with these terms
before operating the unit.
CFM: Cubic feet per minute.
SCFM: Standard cubic feet per
minute; a unit of measure of air
delivery.
PSIG: Pounds per square inch
gauge; a unit of measure of pressure.
Code Certification: Products that
bear one or more of the following
marks: UL, CUL, ETL, CETL, have
been evaluated by OSHA certified
independent safety laboratories and
meet the applicable Underwriters
Laboratories Standards for Safety.
Cut-In Pressure: While the motor is
off, air tank pressure drops as you
continue to use your accessory.
When the tank pressure drops to a
certain low level the motor will restart
automatically. The low pressure at
which the motor automatically
restarts is called "cut-in" pressure.
Cut-Out Pressure: When an air
compressor is turned on and begins
to run, air pressure in the air tank
begins to build. It builds to a certain
high pressure before the motor
automatically shuts off - protecting
your air tank from pressure higher
than its capacity. The high pressure
at which the motor shuts off is called
"cut-out" pressure.
Branch Circuit: Circuit carrying
electricity from electrical panel to
outlet.
The accessories and tools are
available through the current Power
and Hand Tool Catalog or full-line
Sears stores.
Accessories
• In Line Filter
• Tire Air Chuck
• Quick Connector Sets
(various sizes)
•Air Pressure Regulators
•Oil Fog Lubricators
•Air Hose:
1/4", 3/8" QR 1/2" I.D.
in various lengths
Refer to the selection chart located
on the unit to select the tools this unit
is capable of powering.
ml_Tujj_[e,_ q=1
Air compressors should be operated
on not more than a 50% duty cycle.
This means an air compressor that
pumps air more than 50% of one
hour is considered misuse, because
the air compressor is undersized for
the required air demand. Maximum
compressor pumping time per hour is
30 minutes.
9*ENG D29312

Contents of Carton
1 - Air Compressor
1 - Parts bag containing:
1 - Operator's Manual
1 - Parts Manual
4 - 5/8" Washers
Tools Required for Assembly
1 - 9/16" socket or open end wrench
Electric drill
Unpacking
1. Remove all packaging.
It may be
necessary to brace
or support one side of the outfit
when removing the pallet because
the air compressor will have a
tendency to tip.
2. Remove and discard the (4)
screws and washers holding the
compressor to the pallet.
3. With the help of another person
carefully remove air compressor
from pallet and place on a level
surface.
HOW TO SET UP YOUR
UNIT
Location of the Air Compressor
*Locate the air compressor in a
clean, dry, and well ventilated
area.
• Located the air compressor at
least 12" away from the wall or
other obstructions that will
interfere with the flow of air.
•Locate the air compressor as
close to the main power supply
as possible to avoid using long
lengths of electrical wiring.
NOTE: Long lengths of electrical
wiring could cause power loss to
the motor.
• The air filter must be kept clear
of obstructions which could
reduce air flow to the air
compressor.
Anchoring of the Air
Compressor
_Excessive Vibration
can weaken the air
tank and cause an explosion. The
compressor must be properly
mounted.
The air compressor MUST be bolted
to a solid, level surface.
Hardware needed:
4- Concrete anchors
4 - 3/8" Lag screw to fit
concrete anchors (not
supplied)
4 - 5/8" Washer (found in parts
bag) shims (if needed)
1. Place the air compressor on on a
solid, level surface.
2. Mark the surface using the holes
in the air compressor feet as a
template.
3. Drill holes in the surface for the
concrete anchors. Install
concrete anchors.
3/8" Lag
Screw
(not supplied)
5/8" Washer
(supplied)
Surface Line
Shim Under
Washer Concrete Anchor
(not supplied) (not supplied)
4. Line-up holes in surface with
holes in air compressor feet.
D29312 10- ENG

5. Place the (4) washers (supplied)
between the floor and air
compressor feet. If needed, solid
shims may be placed between
the washers and floor to evenly
distribute weight on all four feet.
See next figure.
6. Place the (4) 3/8" lag screws
through the air compressor feet,
washers, shims, and into the
anchors.
7. Torque 3/8" lag screws to 7-10
ft.-Ibs.
Wiring Instructions
_RISK OF
ELECTRICAL
SHOCK. Improper electrical
grounding can result in electrical
shock. The wiring should be done
by a qualified electrician
A qualified electrician needs to knows
the following before wiring:
1. The amperage rating of the
electrical box should be
adequate. Refer to the
Specification Chart, in the parts
manual, for this information.
2. The supply line should have the
same electrical characteristics
(voltage, cycle, phase) as the
motor. Refer to the motor
nameplate, on side of motor, for
this information.
NOTE: The wiring must be the same
as the motor nameplate voltage plus
or minus 10%. Refer to local codes
for recommended wire sizes, correct
wire size, and maximum wire run;
undersize wire causes high amp draw
and overheating to the motor.
Electrical wiring
must be located
away from hot surfaces such as
manifold assembly, compressor
outlet tubes, heads, or cylinders.
GROUNDING INSTRUCTIONS
This product should be connected to
a metallic, permanent wiring system,
of an equipment-grounding terminal
or lead on the product.
Voltage and Circuit Protection
Refer to the Parts Manual for the
voltage and minimum branch circuit
requirements.
Certain air compressors can be
operated on a 15 amp circuit if the
following conditions are met.
1. Voltage supply through branch
circuit is 15 amps.
2. Circuit is not used to supply any
other electrical needs (lights,
appliances, etc.).
3. Circuit is equipped with a 15
amp circuit breaker or 15 amp
time delay fuse. NOTE: If
compressor is connected to a
circuit protected by fuses, use
only time delay fuses. Time delay
fuses should be marked "D" in
Canada and "T" in the US.
If any of the above conditions cannot
be met, or if operation of the
compressor repeatedly causes
interruption of the power, it may be
necessary to operate it from a 20
amp circuit.
Air Distribution System
Plastic or PVC pipe
is not designed for
use with compressed air.
Regardless of its indicated
pressure rating, plastic pipe can
burst from air pressure. Use only
metal pipe for air distribution lines.
The next figure represents a typical
air distribution system. The following
are tips to remember when setting up
the air compressor's air distribution
system.
11_ENG D29312

Use pipe that is the same size as
the air tank outlet. Piping that is
too small will restrict the flow of
air.
If piping is over 100 feet long,
use the next larger size.
Bury underground lines below
the frost line and avoid pockets
where condensation can gather
and freeze. Apply pressure
before underground lines are
covered to make sure all pipe
joints are free of leaks.
A flexible coupling is
recommended to be installed
between the air discharge outlet
and main air distribution line to
allow for vibration.
A separate regulator is
recommended to control the air
pressure. Air pressure from the
tank is usually to high for
individual air driven tools.
FEEDER LINES SLOPE
AIR FLOW _ WiTH AiR FLOW
MAiN OISTRIBUTiON A_R LINES
S_Ope pipe in direction of air ftow.
Water condensate flows a_ng
_bottom of pipe to drain legs,
prevent_n 9 _ fr_ entering feeder
_ines.
LUBRICATOR
DP_IN _
TRAp
_MOtSTURE
SEPA_TOR
AND TRAP
LEG
AiR USAGE
LINES
TYPICAL COMPRESSED
AIR DISTRIBUTION SYSTEM
VALVE
DRAIN COCK
VALVE
A_R
COMPRESSOR
D29312 12- ENG

Know Your Air Compressor
READ THIS OWNER'S MANUAL AND SAFETY RULES BEFORE OPERATING
YOUR UNIT. Compare the illustrations with your unit to familiarize yourself with
the location of various controls and adjustments. Save this manual for future
reference.
Description of Operation
Become familiar with these controls
before operating the unit.
Tank
On/Auto/Off Switch: Turn this switch
ON to provide automatic power to the
pressure switch and OFF to remove
power at the end of each use.
Pressure Switch: The pressure
switch automatically starts the motor
when the air tank pressure drops
below the factory set "cut-in"
pressure. It stops the motor when the
air tank pressure reaches the factory
set "cut-out" pressure.
Safety Valve: If the pressure switch
does not shut off the air compressor
at its "cut-out" pressure setting, the
safety valve will protect against high
pressure by "popping out" at its
factory set pressure (slightly higher
than the pressure switch "cut-out"
setting).
13_ENG
Tank Pressure Gauge: The tank
pressure gauge indicates the reserve
air pressure in the tank.
Globe Valve: Opens and closes air
discharge valve. Turn knob counter-
clockwise to open and clockwise to
close.
Drain Valve: The drain valve is
located at the base of the air tank
and is used to drain condensation at
the end of each use.
Cooling System (not shown): This
compressor contains an advanced
design cooling system. At the heart of
this cooling system is an engineered
fan. It is perfectly normal for this fan
to blow air through the vent holes in
large amounts. You know that the
cooling system is working when air is
being expelled.
Air Compressor Pump (not shown):
Compresses air into the air tank.
Working air is not available until the
compressor has raised the air tank
pressure above that required at the
air outlet.
D29312

Check Valve: When the air
compressor is operating, the check
valve is "open", allowing compressed
air to enter the air tank. When the air
compressor reaches "cut-out"
pressure, the check valve "closes",
allowing air pressure to remain inside
the air tank.
Pressure Release Valve: The
pressure release valve, located on the
side of the pressure switch, is
designed to automatically release
compressed air from the compressor
head and the outlet tube when the air
compressor reaches "cut-out"
pressure or is shut off. The pressure
release valve allows the motor to
restart freely. When the motor stops
running, air will be heard escaping
from this valve for a few seconds. No
air should be heard leaking when the
motor is running, or continuous
leaking after unit reaches "cut-out"
pressure.
Pressure
Release
Valve
Air Intake Filter (not shown) This
filter is designed to clean air coming
into the pump. This filter must always
be clean and ventilation openings
free from obstructions. See
"Maintenance".
How to Use Your Unit
How to Stop:
1. Set the On/Auto/Off lever to
"OFF".
Before Starting
Break-in Procedure
_Serious damage
may result if the
following break-in instructions are
not closely followed.
This procedure is required before the
air compressor is put into service and
when the check valve or a complete
compressor pump has been
replaced.
1. Make sure the On/Auto/Off lever
is in the "OFF" position.
2. Recheck all wiring. Make sure
wires are secure at all terminals
connections. Make sure all
contacts move freely and are not
obstructed.
3. Open the globe valve fully to
permit air to escape and prevent
air pressure build up in the air
tank during the break-in period.
4. Move the On/Auto/Off lever to
"ON/AUTO" position. The
compressor will starL
5. Run the compressor for 15
minutes. Make sure the globe
valve is open and there is
minimal air pressure build-up in
tank.
6. Check all air line fittings and
connections/piping for air leaks
by applying a soap solution.
Correct if necessary. NOTE:
Minor leaks can cause the air
compressor to overwork,
resulting in premature breakdown
or inadequate performance.
D29312 14_ ENG

7. Check for excessive vibration.
Readjust or shim air compressor
feet, if necessary.
8. After 15 minutes, close the globe
valve. The air receiver will fill to
"cut-out" pressure and the motor
will stop.
Before Each Start-Up
1. Place On/Auto/Off lever to
"OFF".
2. Close the globe valve.
3. Attach hose and accessories.
NOTE: A regulator MUST be
installed when using accessories
rated at less than 175 PSI
Too much air
pressure causes a
hazardous risk of bursting. Check
the manufacturer's maximum
pressure rating for air tools and
accessories. The regulator outlet
pressure must never exceed the
maximum pressure rating.
How to Start
1. Turn the On/Auto/Off lever to
"AUTO" and allow tank pressure
to build. Motor will stop when
tank pressure reaches "cut-out"
pressure.
2. When the tank pressure reaches
"cut-out" pressure open the
globe valve.
IMPORTANT: When using regulator
and other accessories refer to the
manufacture instructions.
NOTE: Always operate the air
compressor in well-ventilated areas
free of gasoline or other combustible
vapors. If the compressor is being
used to operate a sprayer DO NOT
place compressor near the spray
area.
15_ ENG D29312

Customer Responsibilities
Check Safety Valve
Drain Tank
Air Filter
Inspect air lines and fittings
for leaks
Air compressor pump intake
and exhaust valves
Before Daily ol
after Every
_ach each 40 Frequently
_se use hours
1
Yearly
1- more frequent in dusty or humid conditions
Unit cycles
automatically when
power is on. When performing
maintenance, you may be exposed
to voltage sources, compressed
air, or moving parts. Personal
injuries can occur. Before
performing any maintenance or
repair, disconnect power source
from the compressor and bleed off
all air pressure.
To ensure efficient operation and
longer life of the air compressor
outfit, a routine maintenance
schedule should be prepared and
followed. The following routine
maintenance schedule is geared to
an outfit in a normal working
environment operating on a daily
basis. If necessary, the schedule
should be modified to suit the
conditions under which your
compressor is used. The
modifications will depend upon the
hours of operation and the working
environment. Compressor outfits in
an extremely dirty and/or hostile
environment will require a greater
frequency of all maintenance checks.
NOTE: See "Operation" section for
the location of controls.
To Check Safety Valve
If the safety valve
does not work
properly, over-pressurization may
occur, causing air tank rupture or
an explosion,
1. Before star_ing compressor, pull
the ring on the safety valve to
make sure that the safety valve
operates freely. If the valve is
stuck or does not operate
smoothly, it must be replaced
with the same type of valve.
To Drain Tank
1. Set the On/Auto/Off lever to
"OFF".
2. Pull the regulator knob out and
turn clockwise to set the outlet
pressure to zero.
3. Remove the air tool or
accessory.
4. Pull ring on safety valve allowing
air to bleed from the tank until
tank pressure is approximately
20 psi. Release safety valve ring.
5. Drain water from air tank by
opening drain valve (counter-
clockwise) on bottom of tank.
D29312 16_ ENG

Water will
condense in the air
tank. If not drained, water will
corrode and weaken the air tank
causing a risk of air tank rupture.
6. After the water has been drained,
close the drain valve (clockwise).
The air compressor can now be
stored.
NOTE: If drain valve is plugged,
release all air pressure. The valve can
then be removed, cleaned, the
reinstalled.
Air Filter -Inspection and
Replacement
Hot surfaces. Risk
of burn.
Compressor heads are exposed
when filter cover is removed.
Allow compressor to cool prior to
servicing.
A dirty air filter will not allow the
compressor to operate at full
capacity. Keep the air filter clean at
all times.
1. Remove the air filter cover.
Air Filter
Air Filter
2. Remove the air filter and make
sure it is clean.
IMPORTANT: Do not operate the
compressor with the air filter
removed.
3. If dirty, rinse air filter with warm
water and squeeze dry.
4. Replace air filter and air filter
cover.
NOTE: If the air filter is extremely
dirty it will need to be replaced. Refer
to the "Repair Parts" for the correct
part number.
Air Compressor Pump Intake
and Exhaust Valves
Once a year have a Trained Service
Technician check the air compressor
pump intake and exhaust valves.
Inspect Air Lines and Fittings
for Leaks
1. Turn the air compressor on to
inspect for air leaks.
2. Apply a soap solution to all air
line fittings and
connections/piping.
3. Correct any leaks found.
IMPORTANT: Even minor leaks can
cause the air compressor to
overwork, resulting in premature
breakdown or inadequate
performance.
MoOr
The motor has an automatic reset
thermal overload protector, if the
motor overheats for any reason, the
overload protector will shut off the
motor. The motor must be allowed to
cool down before restarting. The
compressor will automatically restart
after the motor cools.
if the overload protector shuts the
motor off frequently, check for a
possible voltage problem. Low
voltage can also be suspected when:
1. The motor does not get up to full
power or speed.
2. Fuses blow out when starting
the motor; lights dim and remain
dim when motor is started and is
running.
17_ ENG D29312

_'_jl_ Unit cycles
automatically when
power is on. When doing
Maintenance, you may be exposed
to voltage sources, compressed air
or moving parts. Personal injuries
can occur. Before performing any
Maintenance or repair, unplug the
compressor and bleed off all air
pressure.
ALL MAINTENANCE AND REPAIR
OPERATIONS NOT LISTED MUST
BE PERFORMED BY TRAINED
SERVICE TECHNICIAN.
TO Replace or Clean Check
Valve
1. Release all air pressure from air
tank. See "To Drain Tank" in the
Maintenance section.
2. Unplug outfit.
3. Using a phillips screwdriver
remove the air filter cover.
Outlet Tube
7.
8.
Unscrew the check valve (turn
counterclockwise) using a 7/8"
open end wrench. Note the
orientation for reassembly.
Using a screwdriver, carefully
push the valve disc up and
down. NOTE: The valve disc
should move freely up and down
on a spring which holds the valve
disc in the closed position, if not
the check valve needs to be
cleaned or replaced.
Screwdriver
position
nothing is
visible,
4. Remove the rear shrouds using
T-20 torx wrench.
In closed position
disc is visible.
5. Using an adjustable wrench
loosen outlet tube nut at air tank.
Carefully move outlet tube away
from check valve.
6. Using an adjustable wrench
loosen pressure relief tube nut at
air tank. Carefully move pressure
relief tube away from check
valve.
D29312
9. Clean or replace the check valve.
A solvent, such as paint or
varnish remover can be used to
clean the check valve.
10. Apply sealant to the check valve
threads. Reinstall the check valve
(turn clockwise).
11. Replace the pressure release
tube. Tighten nut.
12. Replace the outlet tube and
tighten nut.
13. Replacethe shroud and air filter.
14. Perform the Break-in Procedure.
See "Break-in Procedure" in the
Operation section.
18_ ENG

Before you store the air compressor,
make sure you do the following:
1. Review the "Maintenance"
section on the preceding pages
and perform scheduled
maintenance as necessary.
2. Set the On/Auto/Off lever to
"OFF".
3. Close the globe valve.
4. Remove the air tool or accessory.
5. Open the globe valve and allow
the air to slowly bleed from the
air tank until tank pressure is
approximately 20 psi.
6. Drain water from air tank by
opening drain valve (counter-
clockwise) on bottom of tank.
Water will
condense in the air
tank. If not drained, water will
corrode and weaken the air tank
causing a risk of air tank rupture.
7. After the water has been drained,
close the drain or drain valve.
NOTE: If drain valve is plugged,
release all air pressure. The valve
can then be removed, cleaned, then
reinstalled.
8. Protect the air hose from
damage (such as being stepped
on or run over).
19_ ENG D29312

d,(ollJ :] l:_'_"[oIo]l | I _B
Performing repairs may expose voltage sources, moving
parts or compressed air sources, moving parts or
compressed air sources. Personal injury may occur. Prior to attempting
any repairs, unplug the air compressor and bleed off all air tank air
pressure.
PROBLEM
Excessive tank
pressure - safet
valve pops off.
Air leaks at
fittings.
Air leaks at or
inside check
valve
CAUSE
Pressure switch does not
shut off motor when
compressor reaches "cut-
out" pressure.
Pressure switch "cut-out"
too high.
Tube fittings are not tight
enough.
Check valve seat damaged.
CORRECTION
Move On/Auto/Off lever to
the "OFF" position, if the
outfit does not shut off
contact a Trained Service
Technician.
Contact a Trained Service
Technician.
Tighten fittings where air can
be heard escaping. Check
fittings with soapy water
solution. Do Not
Overfi£1hten.
A defective check valve
results in a constant air leak
at the pressure release valve
when there is pressure in the
tank and the compressor is
shut off. Replace check
valve. Refer the '*To Replace
or Clean Check Valve" in the
"Service and Adjustment"
section.
Air leaks at Defective pressure switch Contact a Trained Service
pressure switch release valve. Technician.
release valve.
Defective air tank.
Air leaks in air
tank or at air
tank welds.
Air leaks Leaking seal.
between head
and valve plate.
D29312 20- ENG
Air tank must be replaced.
Do not repair the leak.
Do not drill into, weld or
otherwise modify air tank
or it will weaken. The tank
can rupture or explode.
Contact a Trained Service
Technician.

PROBLEM CAUSE CORRECTION
Knocking Noise. Possible defect in safety Operate safety valve
valve, manually by pulling on ring.
If valve still leaks, it should
be replaced.
Defective check valve. Remove and clean, or
replace.
Prolonged excessive use of Decrease amount of air
air. usage.
Compressor is
not supplying
enough air to
operate
accessories.
Compressor is not large
enough for air requirement.
Hole in hose.
Check valve restricted.
Air leaks.
Restricted air intake filter
Check the accessory air
requirement. If it is higher
than the SCFM or pressure
supplied by your air
compressor, you need a
larger compressor.
Check and replace if
required.
Remove and clean, or
replace.
Tighten fittings.
Clean or replace air intake
filter. Do not operate the air
compressor with the filter
removed. Refer to the "Air
Filter" paragraph in the
"Maintenance " section.
21_ENG D29312

PROBLEM
Motor will not
run.
CAUSE
Motor overload protection
switch has tripped
Tank pressure exceeds
pressure switch "cut-in"
pressure.
Extension cord is wrong
length or gauge.
Check valve stuck open.
Loose electrical connections.
Possible defective motor or
starting capacitor.
Paint spray on internal motor
parts.
Pressure release valve on
3ressure switch has not
unloaded head pressure.
Fuse blown, circuit breaker
tripped.
CORRECTION
Let motor coo] off and
overload switch will
automatically reset.
Motor will start automatically
when tank pressure drops
below "cut-in" pressure of
)ressure switch.
Check for proper gauge wire
and cord length.
Remove and clean, or
replace.
Check wiring connection
inside pressure switch and
terminal box area.
Have checked by a Trained
Service Technician.
Have checked by a Trained
Service Technician. Do not
operate the compressor in
the paint spray area. See
flammable vapor warning.
Bleed the line by pushing the
lever on the pressure switch
to the "off" position; if the
valve does not open, replace
switch.
1. Check fuse box for blown
fuse and replace as
necessary. Reset circuit
breaker. Do not use a fuse
or circuit breaker with
higher rating than that
specified for your particular
branch circuit.
2. Check for proper fuse. You
should use a time delay
fuse.
3. Check for low voltage
conditions and/or proper
extension cord.
4. Disconnect the other
electrical appliances from
circuit or operate the
compressor on its own
branch circuit.
D29312 22- ENG

23_ENG D29312

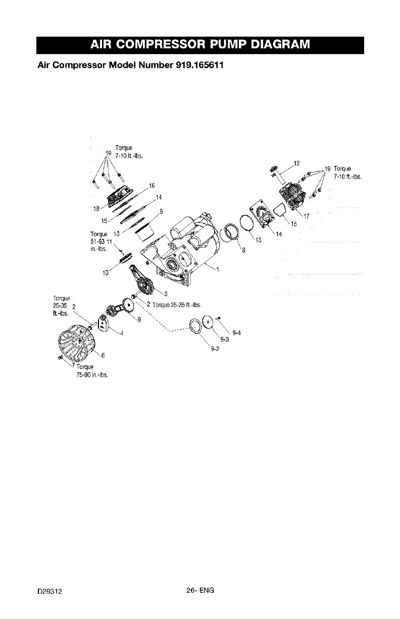
Air Compressor Model Number 919.165611
Torque 108-144 inqbs
29 6 Torque 100-120 in 4bs
19 58 Torque 100-120 in -Ibm
20
33 34 32 Torqe 8+10inqbs
J 3o
/44
6O
27
t 5-25 in =lbs
/
J
D29312 24+ENG

Air Compressor Model Number 919.165611
KEY
NO. PART NO.
2 D21885
3 ACG-18
4 SSF-990
5 SSW-7482
6 AC-0780
7 AC-0781
8Z-D24960
9 SSV-812
10 SSP-7811
12 AC-0631
13 AC-0217
14 GA-360
16 Z-D20596
17 SSW-7367
18 D21886
19 AC-0802
20 D21798
21 ACG-19
23 Z-D21880
24 SSP-7813
25 LA-3105
26 SS-2707
27 ACG-408
29 ACG-14
30 ACG-61-2
32 SSF-554
33 919-16433
34 AC-0783
36 LA-3027
41 LA-3266
44 D22979
45 SUDL-9-1
47 LA-3108
49 SSN-613
51 SS-2072-1
58 SSP-7821-1
59 SSG-3105
60 D25028
DESCRIPTION
Safety Valve
Saddle Mount Cup
Screw, 1/4-20UNC-2A THD
Conduit Connector 3/8
Nut Tubing for 1/2"QD Tube
Q-Ring
Pump Assembly
Globe Valve
Nut Sleeve Assembly 1/4
Check Valve, 7/8 HEX 1/4
Manifold
Gauge
Pressure Switch
Strain Relief Bushing
Pressure Release Tube
Tube, Interconnecting
Outlet Tube
Isolator
Tank Assembly
Nut Sleeve Assembly 3/8
Label, Craftsmen
Drain Valve
Fastener Assembly
Shroud, Front
Shroud, Back
Screw,10-14 x 2.5 pan head
Intake Filter Replacement
Cover, Intake Muffler
Label, Drain Tank (English)
Label, Warning (Not Shown)
Label, Application Duty Star
Screw, 8-32x.375/.344
Label, Hot Surface
Washer, Bevelled
Nipple .375 NPT x 1.50
Nut Tubing for 3/8" OD Tube
Q-Ring, 306/2961D 073/967W
Label, Performance
25_ ENG D29312

Air Compressor Model Number 919.165611
Torque
+7-10ft 4bs.
+9 Torque
7-10ff.-Ibs.
Torque
51-6311
in.-Ibs.
\9-2
\17
\15
\7 Torque
75-,90in-Ibs
D29312 26+ENG

Air Compressor Model Number 919.165611
KEY
NO. PART NO.
1 Z-D26718
2 D24596
3
4 D24597
6 ACG-22
7 39124607
•#+8
•9
9-2 ....
9-3 ....
9-4 SSF-3158-1
+10
+ 11 D20605
12 ACG-11
*• #+ 13 SSG-8156
14 Z-AC-0032
*• #+15 ACG-45
+ 16 AC-0779
17 AC-0805
18 AC-0784
19 AC-0798
# 20
# 21 SSF-3158-1
4-
#
DESCRIPTION
Motor
Screw 5/16-24 x 1.75
Assembly, Connecting Rod
(High Pressure)
Outer Eccentric
Fan
Screw, Self Tapping 1/4 x 5/8
Cylinder Sleeve
Assembly, Connecting Rod
(Low Pressure)
Compression Ring, Formed
Connecting Rod Cap
Screw, 10-24 x .75 T25
Assembly, High Pressure Piston
Screw, 10-32 x .75 T25
Intake Muffler
O-Ring
Assembly, Valve Plate
O-Ring
Gasket Head
Head, Low Pressure
Head, High Pressure
Screw, 1/4-20 x 1.25 HHW THD
Compression Ring, Formed
Screw, 10-24 x .75 T25
Not Illustated
K-0651
D24958
K-0648
K-0650
D22265
Connecting Rod Kit-Low Pressure
Includes K-0650
Connecting Rod Kit-High Pressure
Compression Ring Kit - High Pressure
Compression Ring Kit - Low Pressure
Label, Application
27_ ENG D29312

GARANT|A .................................................... 26
CUADRO DE ESPECIFICACIONES ..................................... 27
DEFINICIONES DE NORMAS DE SEGURIDAD ........................... 27
IMPORTANTES INSTRUCCIONES DE SEGUR|DAD ..................... 28-32
GLOSARIO ....................................................... 33
ACCESORIOS .................................................... 33
CICLO DE SERMICIO ............................................... 33
INSTALACION .................................................. 34-35
OPERACION ................................................... 36-38
MANTENIMIENTO .................................................. 39
SERVICIOS Y REGULACIONES ..................................... 40-41
ALMACENAJE ..................................................... 42
GUIA DE DIAGNOSTICO DE PROBLEMAS ............................ 43-45
NOTES/NOTAS ................................................. 46-47
LISTA DE PARTES ............................................... 22-25
COMO SOLICITAR PIEZAS PARA REPARACION ................... contratepa
GARANT|A COMPLETA POR UN AI_IO COMPRESOR DE AIRE
Si este compresor de aire fal_arapot defectos en materiales o mano de obra dentro del 3apsode
un aSo a partir de la fecha de su compra, DEVUELVALOAL CENTRO DE REPARACIONES
SEARS MAS CERCANO DENTRO DE LOS ESTADOS UNIDOS, Y SEARS LO REPARAP_, UBRE
DE CARGO. Si se hubiese comprado a Orchard Supply Hardware, devu_lva_oal comercio
Orchard m_s cercano y Orchard Io reparar_, libre de cargo.
Si este compresor de aire fuese utiJizado pare prop6sitos comerciales o de alquiler, la garantfa
solo tendra validez pot noventa dias a partir de la compra.
Esta garantia le otorga derechos legales especfficos, aunque usted podra tenet otros derechos
que poddan variar entre estados.
Sears, Roebuck and Co., Dept. 817WA, Hoffman Estates, IL 60179
D29312 28- SP

Modelo N°
M&x. HP deserrollado
Di&metro interior
Carrera- Alta Presi6n
Baja Presi6n
Tensi6n monofasica
Circuito mfnimo requerido
Tipo de fusible
Capacidad de aire en el tanque
Presi6n de corte de entrada
Presi6n de corte de salida
SCFM a 40 psig
SCFM a 90 psig
919-165611
7
2,375 pulg. (6,03 ram)
.54 pulg. (1,37mm)
1,45 pulg. (3,7 mm)
240V/60/1
15A
Accion retardada
60 Galones (227,11itros)
145
175
9,6 Calibre de Iibras
por pulgada cuadrada
9,0 Calibre de Iibras
por loulgada cuadrada
Im]=1_11_1[o'][o_]_,J_-._Im]=l_I_Z_'] Im]=[-']_!lJ ;t Im7=Im]
SEGURIDAD Y PREVENCION DE PROBLEMAS DEL EQUIPO: Para ayudar al
reconocimiento de esta informaci6n, hemos utilizado los simbolos mostrados abajo.
Sirvase leer el manual y prestar atenci6n a dichas secciones.
_ Indicauna situaci6nde
inminente la
riesgo,
caal, si no es evitade, causar& la muerte
o lesiones series.
potencialmente riesgose, que si no es
evitada, podrfa resultar en la muerte o
lesiones serias,
_ Indica una situaci6n
potencialmente
peligrosa, la cual, si no es evitada, podda
resultar en lesiones menores o
moderades.
_ Usado sin el simbolo
de seguridad de
alerta indica una situacion potencialmente
riesgosa la que, si no es evitada, podria
caasar da_os en la propiedada.
I1_v_I -,,[o]:]1q:t_i t:[--"]_l]_,[--_l[o"T_(o_ ID1_ [._=]. I ] :11_7'.ID]
_Algunos tipos de aserr[n creados por m&quinas el6ctricas de liiado, aserrado,
3molsdo_ perforado u otras actividsdes de la construooi6n, contienen
materiales qu_micos conocidos (en el Estado de California) como causantes de c&ncer, defectos de
nacimiento u otros d_os del ap_rato reproductivo. A_gunos ejemplos de dichos productos quimicos son:
El plomo contenido en algunas pinturas con base de pIomo
Silice cristalizado proveniente de los ladrillos, el cemento y otros productos de albaSilerla
•Ars6nico y cromo provenientes del tr_tamiento qufmico dado a la madera
Su tiesgo a dichas exposiciones variar& dependiendo de la frecuencia con la que usted realice
diferentes tipos de trabajo. Para reducir su exposici6n a la acci6n de dichos agentes qulmicos:
tr_baje en zonas bien ventilada& y h&galo con equipo de seguridad aprobado, use siempre protecci6n
facial o respirador MSHA /NIOSH aprobados cuando deba utilizar dichas herramientas.
AI utilizar herramientas neum&ticas tambi6n deben tomarse precauciones b&sicas de seguridad, a fin
de reducir la posibilidad de riesgo de lesiones personales.
29* SP D29312

GUARDE ESTAS INSTRUCCIONES
La operaciSn o el mantenimiento inadecuados de este producto podrian ocasionar
serias lesiones y dafios a la propiedad. Lea y comprenda todas las advertencias e
instrucciones de funcionamiento antes de utilizar este equipo.
',,l::ll[_ ;{q
ADVERTENCIA: Riesgo de Explosibn o Incendio
qud puedeoccurdr
Si las chispas eleotdoas provenientes del
compresor tomaraN contacto COn
emanacioP_s de materiales inflamables,
ellos podrian arder originando incendio o
explosi6n.
Dejar desatenido este producto mientras el
mismo estd en funcionamiento puede
resultar en lesiones personales o da6os ala
propiedad. Para reducir el riesgo de
incendio, no permita que el compresor
opere desatendido.
En un krea de rociado de materiates
inflamables, ubique al compresor por Io
menos a6,1m (20 pies) de distancia del _rea
de rociado= Podria requerirse un8 extensi6n de
18 manguera.
Almacene los materiales inflamables en una
ubicacibn segura, alejados del compresor.
Mantdngase siempre alerta cada vez que el
producto este funcionando.
Desconecte siempre el suministro el_ctrico
moviendo la palanca conmutadora de
presibn a la posicibn de apagado (off), y
drene el tanque diariamente o despu_s de
cada uso.
D29312 30- SP

',,1=1Iq[_1;{q
ADVERTENCIA: Riesgo de Explosibn
T_ las siguientes condiciones podrian, causar el debilitamiento del tanque, y
determinar su explosiSn violenta, dat3os a la propiedad o serias lesiones.
qu_ puede occurrir c6mo prevenirlo
Modiflcaciones o intento de reparaciones
al tanque.
Modiflcaciones no autorizadas a la vdivula
de descarga, vblvula de seguridad o
cualquier otro componente que controle la
presibn del tanque.
AGREGADOS Y ACCESORIOS
El exceso alos valores de presi6n
establecidos para las herramientas
neum_icas, pistolas rociadoras, accesorios
activados pot aire, cubiertas y otros objetos
infiabies, puede causar su explosibn o set
arrojados, pudiendo ocasionsr serias lesiones.
Jamds perfore, suelde, o efectde modificaci6n
alguna al tanque o sus accesorios.
Para un control esencial de la presi6n, debe
usted instalar un regulador y un medidor de
presibn a la salida del aire de su compresor. (Si
no estuv+ese equipado) Siga las recomendaciones
de los fabdcantes de su equipo y jam&s exceda
los valores m&ximos de presi6n permitidos pare
los accesorios. Jam_s use el compresot para
inflar objetos que requieren poca o baja
presibn, tales como juguetes para los niSos,
pelotas de fOtbol, pelotas de basquet, etc.
',j=llq[_1;{q
ADVERTENCIA: Riesgo de Objetos Arrojados por el Aire
qu_ puede occutrit c6mo ptevenido
31_ SP D29312

•,,l:::1nnl[_1;{q
ADVERTENCIA: Riesgo de Descarga EI6ctrica
qu6 puede occurHr
Su compresor de aire estfi accionado pot
electdcidad, Como cuatquier otto dispositivo
el6ctrico imputsado e_6ctricamente, si no se Io
utiliza adeouadamente, podria causarle una
descarga el_ctrica.
c6mo prevenirlo
Jam_s opere el compresor ala h_temperie
cuando estfi I[oviendo o en condiciones de
humedad,
Nunca opere el compresor sin sus defensas o
sus cubiertas removidas o dafiadas.
CONEXI(_N A TIERRA: Dejar de proveer una
adecuada cormxibn a tierra a este producto
podrla ccasionar lesiones serias o la muerte
por electrocuci6n= Vet instrucciones para la
puesta a tierra,
Asegdrese que el circuito el6ctrico al cual
estfi conectado el compresor, suministra
apropiada conexibn a tierra, tensi6n correcta
y una adecuada protecci6n de fusibles.
[-.]:4unlIt1:To]
ADVERTENCIA: Riesgo de Inhalaci6n
qu6 puede occurrir cbmo
El tociado de materiates tales como pintura,
SoIventes, removedores de pintura,
insecticidas, mata hierbas, contienen
emanaciones dafiinas y venenosas,
Trabaje en un &rea con buena ventilacibn
cruzada. Lea ysiga las instrucciones de
seguridad provistas en el r6tulo o en los datos
de las hojas de seguridad del material que estfi
pulverizando. Use el respirador aprobado
NIOSH/MSHA designado para utilizarse con su
aplicaci6n especffica,
D29312 32_SP

".,1=ll [_ ;{.
ADVERTENCIA: Riesgo de Quemadutas
qu_ puede occurrir cbmo prevenitlo
".,1=ll [_ ;{.
ADVERTENCIA: Riesgo de Partes M6viles
que puede occurrir cbmo prevenitlo
Partes movibles tales como [a polea, e+ Nunca opere el compresor sin sus defensas
volante y la correa podrian ser la causa de o sus cubiertas removidas oda_adas.
serias lesiones si elias entraran en contacto
COn ustod osus Fopas.
".,1=ll [_ ;{.
ADVERTENCIA: Riesgo de Ca|da
qu_ puede occurrir
Un compresor port&tit puede caerse de la
mesa, el banco de trabs_o o del techo dafiando
al compresor ypudiendo resultar en serias
lesiones o la muerte del operador=
cbmo orevenitlo
Opere siempre el compresor en una posici6n
estable y segura afin de preven[r el
movim[ento accidental de la unidad. Jamds
opere el compresor sobre un techo u otra
posicibn elevada. Utilice mangueras
adicionales de aire para alcanzar posiciones
altas.
33 + SP D29312

'J=I
Familiaricese con los siguientee t6rminos,
antes de operar la unidad:
OFM: (Cubic feet per minute) Pies cQbicos
pot minuto.
SCFM: (Stardard cubic feet per minute)
Pies cQbicos eet&ndar por minuto; eea
unidad de medida que permite medir la
cantidad de entrega de aire.
PSIG: (Pound per square inch) Ubras pot
pulgada cuadrad&
ASME: American Society of Mechanical
Engineers (Sociedad Americana de
Ingenieree Mec&nicee); hecho probado
inspeccionado y registrado an
cumplimianto de los est&ndares de la
ASME.
Cbdigo de cettificacibn: LOS productos
que usan una o m&s de lee siguientes
marcas: UL, CUL, ETL, CETL, hart sido
evaluados por OSHA, laboratoriee
indepandiantee certificados an seguridad,
y ret_nan los est&ndares suscdptos por los
laboratorios dedicados a la certificaciSn
de la seguridad.
Presibn minima de corte: Cuando el
motor est& apagado, la presion del tanque
de aire baja a medida que usted continQa
usando su acceeerio. Cuando la presiSn
del tanque baja al valor fijado en f&bdca
como punto bajo, el motor volver& a
arrancar autom&ticamente. La presi6n
baja a la cual el motor arranca
autom&ticamente, se llama presi6n
"mfnima de corte ".
Presibn m&xima de cotte: Cuando un
compresor de aire se enciende y
comianza a fancionar, la presi6n de aire an
el tanque comienza a aumantar. Aumanta
hasta un valor de presiSn alto fijado en
f&brica antes de que el motor
autom_ticamente se apague protegiendo
a su tanque de aire de presiones m&s
altas que su capacidad. La presidn alta a
la cual el motor se apaga se llama presion
"m_:ima de core".
Ramal: Circuito el6ctrico que transporta
electricidad desde el panel de control
hasta el tomacorriente.
Los accesorios y lee herramientas se
encuentran disponibles a traves del
cat&logo actual de Herramientas el6ctricas
y de mano, o la linea completa en los
comercios Sears.
Accesorios
Filtro en linee
Entrada de aire a neum&ticos
Juegos de conectores r&pidos
(varios tamaSos)
Reguladores de presi6n de aire
Lubricadores de niebla de aeeite
Manguera de aire:
1/4 po, 3/8 po o 1/2 po D.L en
varias medidas
Refi6rase al grafico de selecciSn ubicado
eebre la unidad, para elegir el tipo de
herramienta que esta unidad es capaz de
hacer fancionar.
Los compresores de aire deban set
operados a no m&s de150% de su cido de
servicio. Eso significa que si un comprescr
de aire bombea aire por m&s de150% en
una hora, est& cons_derado de uso
inadecuado, porque el compresor de aire
est& subdimensionado para la demanda
requedda. 30 minutos pot hora debe ser el
tiempo m&ximo de bombeo de un
compresor.
35 - SP D29312

Contenido de la Caja
1-Compresor de alre
1 - Bolsa de piezas eonteniendo Io
siguiente:
1 - Manual del operador
1 - Manual de piezas
4 - Arandelas de 5/8 po
Herramientas necesarias para el
ensamble
1 - Ilavede tubo o de boca de 9/16 po
Electric drill
Desembalaje
1. Extraigatodo el embalaje
apuntalar o soportar un lado del equipo
al extraer la plataforma, porque el
compresor de aire tendera a inclinarse.
2. Extraiga y descarte los (4) tornillos y
arandelas que sujetan el eompresor a
la plataforma.
3, Con la ayuda de otra persona,
remueva cuidadosamente el
compresor de aire de su plataforma y
coloquelo sobre una plataforma
nivelada.
COMO PREPARAR LA UNIDAD
Ubicacibn del comp_sor de aire
Instale el compresor de aire en una
zona limpia, seca y bien ventilad&
Instale el compresor de aire a una
distancia no menor de 12 po (30 cm)
de la pared u otras obstrueciones
que pudiesen interferir con el flujo del
aire.
Instaie el compresor de aire Io mAs
cerca posible del sitio de
alimentaci6n electrica, a fin de evitar
el uso de largas extensiones de
cableado electrico. NOTA: Las
exteasioaes electricas demasiado
largas pueden causar una cafda de
tensibo perjudicial para la
alimentaci6n del motor.
El filtro de aire debe mantenerse libre
de obstrucciones que pudiesen
reducir el flujo del aire al compresor.
Anclaje del compresor de aire
La vibracibn
excesiva puede
debilitar al tanque de aire y causar su
explosibn. El comptesor debe estar
montado adecuadamente.
El compresor de aire DEBE estar
abulonado a una superflcie s6iida y
nivelada.
Elementos necesarios:
1,
2,
3,
4 - Tarugos para anciajes en
cemento
4 - Tornillos tirafondo de 3/8 po
capaces de Ilenar los
tarLigos para anclaje en
cemento (no provistos)
4 - Arandelas 5/8 po (en la bolsa de
piezas)
Cu_as
(en caso de ser necesario)
Instale el compresor de aire sobre
una superficie solida y nivelada.
Marque [a superf{cie utilizando como
plantilla, los orificios existentes en el
compresor de aire.
Perfore {a superficie, a fin de penetrar
los tarugos para
anclaje en el cemento. Co{oque los
tarugos en el cemento.
Tornillo
Arandela de titafondo de
5/8 po _3/8 po (no
(suministrada) suministrado)
L|nea de superficie
Cuba debajo de
la arandela (no Tarugos para anclaje
suministrada) en cemento (no
suministrados)
D29312 36- SP

4 Haga coincidir la alineacion de los
orificios de la superficie, con el de Ins
pates del compresor de aire.
5. Coloque las (4) arandelas
(suministradas) entre el piso y las
pates del compresor. Si fuese
necesario, pueden colocarse cu£_as
s61idas entre las arandelas y el piso
a fin de distribuir en forma pareja el
peso sobre Ins cuatro pates. Vea la
figure siguiente.
6. Coloqae los (4) tomillos tirafondo de
3/8 poa traves de las pates del
compresor de aire, de Ins arandelas y
cutlas, hasta Ilegar a los tarugos de
anclaje.
7. Apliqae en torque de 7-10 if-lb, sobre
los tornillos tirafondo de 3/8 po.
Instrucciones pare la conexi6n
el_ctrica
RIESGO DE
ELECTROCUCI()N. Una
conexibn a tierra inadecuada puede
ocasionar electrocuci6n. Las conexiones
eldetricae deben eer efectuades por un
electricista calificado.
Antes de efectaar Ins conexiones, an
electricista calificado debe conocer Io
siguiente:
1. Que el valor promedio del amperaje en
la caja el6ctrica sea el adecuado. Pare
obtener dicha informacisn deber&
referirse ala hoja de especificaciones
del manual de piezss.
2 Que la linea de suministro electrico
tenga id6nticas caracteristices
el6ctricas (voltaje, ciclos, rases) que
lee del motor. Pare obtener dicha
informaeiSn deber& referirse ala place
de identificaci6n del motor, ubicada
sobre el lateral del mismo.
NOTA: Le conexion el6ctrice debe
corresponder al mismo voltaje indicado
sobre laplaca de identificaci6n del motor
mas o menos 10%. Para informarse acerca
de las extensiones y calibres de cable
recomendadas y m&xima extensiSn del
circuito, deber& referirse a los c6digos
locales; un circuito sabdimensionado
origina une caida elevada del amperaje y
un recalentamiento del motor.
eL_ ¢¢rr_eaX_enbeestar
ubicada fuera de superficies calientes,
tales como silenciadores de escape,
tubos de ealida de compreeores de aire,
cabezales o cilindros.
INSTRUCCIONES PARA
CONECTAR A TIERRA
Este artefacto debe conectarse el terminal
met&lico de un sistema de eableedo
permanente e tierre para equipos o al
terminal del ertefecto.
Protecci6n del voltaje y del circuito
Acerca de] voltaje y la minima cantided de
circuitos requeridos, refierase al Manual
de piezas.
Ciertos compresores de aire pueden eer
operados en un circuito de 15 A, siempre
que se cumplan las siguientes
condioiones:
1. Que el voltaje suministrado a tray,s
de los ramales del eireuito sea de
15A.
2. Que el circuito no sea utilizado pare
alimentar ninguna otra neeesidad
electrica (iluminaci6n, artefaetos,
etc.)
3. Que los cables de extensi6n cumplan
con Ins especificaciones.
4. El circuito cuenta con un disyuntor
de 15 amperioe o un fusible de
eccion retardada de 15 amperios.
NOTA: Si el eompresor est&
conectado a an circuito protegido
por fusibles, use solo fasibles de
accion retardada. Los fusibles de
eccion retardada deben ester
marcados con la letra "D" en Caned&
y "T" en EE.UU.
Si eualquiera de lee condieiones
enumeradas no pudiese set eumplide, o si
el fencionamiento del compresor eausara
reiteradas interrupciones de la energia con
la que se Io alimenta, podria set neceserio
operar al mismo desde un circuito de
20 A. Pare ello no ser& necesario cembiar
su cable de limentaci6n.
Sistema de distribucibn de aire
Los tubos de
pldstico o PVC
no hen sido disefiados
para usarlos con aire comprimido.
Independientemente de Io que estd
indicado como especificaci6n de
presi6n, las cafierlas de pldstieo
pueden explotar debido a la presi6n del
aire. Utilice solamente ca_os de metal
para los tamales de distribuci6n.
37_ SP D29312

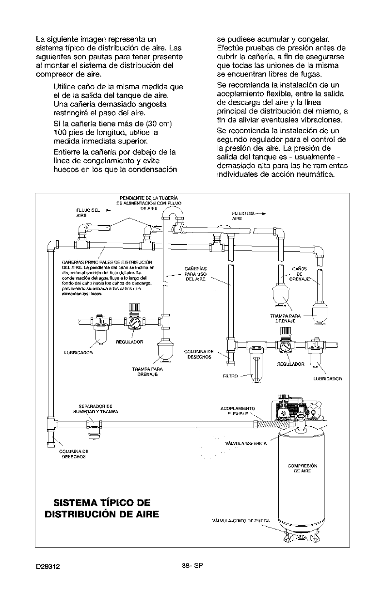
La siguiente imagen representa un
sistema tipico de distribuci6n de aire. Las
siguientes son pautas para tener presente
al montar el sistema de distribuci6n del
compresor de aire,
Utilice caflo de la misma medida que
el de la salida del tanque de aire.
Una caSeda demasiado angosta
restringira el paso del aire.
Si la ca_eria tiene m&s de (30 cm)
100 pies de Iongitud, utilice la
medida inmediata superior.
Entierre la caSeda pot debajo de la
Ifnea de congelamiento y evite
huecos en los que la condensaci6n
se pudiese acumular y congelar.
EfectQe pruebas de presi6n antes de
cubrir la caSeria, a fin de asegurarse
que todas las uniones de la misma
se enouentran libres de fugas.
Se recomienda la instalacion de un
acoplamiento flexible, entre la salida
de descarga del aire y la linea
principal de distribucion del mismo, a
fin de aliviar eventuales vibraeiones.
Se recomienda la instalacion de un
segundo regulador pare el control de
la presion del aire. La presion de
salida del tanque es - usualmente -
demasiado alta pare las herramientas
individuales de aeei6n neumAtica.
PENDkENTE DE LA TUBERiA
DE AMMENTACIQN CON FLU_
"_RE C _LUJO DEL_
AkRE
OANERiA$ pR_NCIPALES DE D_STRIBUCIC)N
e_re_¢n a__,_3o d_ flu}o _lel aJte _
¢o_lel_sac_3n eel agt_a fluye _ Io I_t_ del
ore_Jr_e_o _ e_rada a _ _Jlos _
aJ_me_lan _ I_neas.
DESECNOS
T_MPA _ARA
glN_N_E NL _
SE P_%&DOR DE
F_XIBt_E
VC&V,Jk_ _SF_ICA
)I_UMNA [1_
OONPN_S_N
SISTEMA TJPICO DE
DISTRIBUCI(_N DE AIRE VALV3LA.GR_FO D_ PORG_
D29312 38 - SP

Conozca SU compresor de aire
LEA ESTE MANUAL DEL PROPIETARIO Y SUS NORMAS DE SEGURIDAD ANTES DE
OPERAR LA UNIDAD. Compare las ilustraciones contra su unidad a fin de familiarizarse
con la ubicaci6n de los distintos controles y regulaciones. Conserve este manual para
referencias futuras.
Descripcibn de operaciones
Familiaricese con estos controles antes de
operar la unidad.
Interruptor
de presi6n
V_lvula de seguri,'l_tl
Interruptor On/Auto/Off: Mueva este
interruptor a la posici6n ON para dar
contacto automatico al interruptor de
presi6n, y OFF para interrumpir la energia
electrica al t_rmino del uso.
Interrupter de preei6n: El interruptor de
presi6n permite el arranque autom&tico
del motor cuando la presion del tanque
disminuye por debajo del valor de la
presi6n de conexion regulada an fabrica.
El motor se detendra cuando la presion
del tanque alcance los valores de presi6n
de corte, regulado en f&brica para su
desconexi6n.
Valvula de seguridad: Si el interruptor de
presi6n dejara de cortar el suministro de
presi6n del compresor conforme a los
valores prefijados para la presi6n de corte,
la v&lvula de seguridad proteger& contra la
presi6n elevada, "saltando" de acuerdo a
los valores prefijados en f&brica
(ligeramente superiores a los de presion
de corte de la Ilave interruptor&)
Man6metro de la presi6n del tanque: El
man6metro que controla la presion del
tanqae indiea la reserva de presi6n del
tanqae de aire,
Vdlvula de asiento: Abre ycierra la
valvula de descarga de aire. Gire la perilla
en sentido antihorario para abrir, y an
sentido horatio para cerrar.
V_lvula de drenaje: La v&lvula de drenaje
se encuentra ubicada sobre la base del
tanque de aire y se usa para drenar la
condensaci6n al fin de cada uso.
Sistema de enfriamiento (no mostrado):
Este compresor contiene un sistema de
avanzada para el control de enfriamiento.
En el nQcleo de este sistema de
enfdamiento hay un ventilador
especialmente dise_ado, Resulta
perfectamente normal - para este
ventilador - soplar aire en grandes
cantidades a traves de los orificios de
ventilaci6n. De tal manera se podr& saber
que el sistema de enfriamiento trabaja
cuando el aire esta siendo expelido.
Bomba de compresi6n del aire (no
mostrada): Comprime el aire dentro del
tanque. El aire de trabajo no se encuentra
disponible hasta que el compresor haya
alcanzado a Ilenar el tanque hasta un nivel
de presion por encima del requerido para
la salida del aire.
39 +SP D29312

Valvula reguladora: Cuando el
compresor de aire se encuentra
funcionando, la valvula regaladora esta
"abierta ", permitiendo la entrada del aire
comprimido al tanque de aire. Cuando el
nivel de presion del tanque alcanza el
punto de "corte _, la v&lvala reguladora "se
cierra", reteniendo la presi6n del sire
dentro del tanque.
Valvula aliviadora de presi6n: La vAIvula
aliviadora de presi6n se encaentra
ubiceda en el costado del interruptor de
presi6n; he sido dise_eda para liberar
aatom&ticamente el aire comprimido de la
cabeza compresora y el tubo de salida,
cuando el compresor de aire alcanza la
presion de "corte" o es apagado< La
v&lvula aliviadora de presi6n permite el
arranque Iibre del motor. Cuando el motor
se detiene, deberia escucharse el escape
del airea trav_s de dicha valvula durante
unos segundos. No debe escucharse
escape alguno mientras el motor esta en
marcha, ni p_rdidas continuas ana vez
que se alcanz6 la presi6n "de corte".
Filtro para la entrada del aire (no
mostrado) Este filtro esta dise_ado para
limpiar el aire que entraa la bomb& Dicbo
filtro debe estar siempre limpio y los
orificios de ventilaci6n libres de
obstrucciones< Vea "Mantenimiento".
Cbmo utilizar su unidad
Cbmo detenerla:
1. Coloque la posici6n de la Ilave
interruptora On/Auto/Off en la
posici6n "OFF".
Antes de poner en marcha
Procedimiento para el asentamiento es
fuesen segaidas estrictamente, podran
ocutrir series da_os.Este procedimieato es
necesario antes de porter ea servicio al
compresor de aire, y cuando la vdlvula
reguladora o la bomba completa del
compresor haya sido teemplazada.
1. Asegerese que la palanca On/Auto/Off
est_ en la posici6n "OFF".
2. Vuelva a verificar todas las
conexiones. AsegQrese que los cables
esten firmes en todes los terminales
de sus conexiones. AsegQrese que
todos los contactos se muevan
libremente y que no existan
obstrucciones.
3= Abre completamente la v&lvula de
asiento a fin de permitir el escape del
aire y prevenir le acumulacion de
presi6n de aire dentro del tanque de
aire, durante el periodo de
asentamiento.
4 Mueva la palanca On/Auto/Off ala
posici6n 'ON/AUTO". El compresor
se pondra en march&
5= Haga funoionar el compresor durante
15 minuto& AsegQrese que la v&lvule
de asiento est6 abierta y que la
presi6n de sire dentro del tanque sea
minima.
6 Aplicando una soluci6n jabonosa,
verifique todas las uniones de les
ca_erias y les conexiones /ca_eries a
fin de detecter fugas de aire< Corrija si
fuese necesario.
NOTA: Perdidas menores pueden causer
una carga adicional de trabajo el
compresor, dando como resultado su
rotura prematura o una performance
inadecuada.
D29312 40- SP

7. Verifique la existencia de vibraci6n
excesiva. Reajuste o acuSe el pie del
compresor, si ello fuera necesario.
Luego de 15 minutos, cierre la
valvula de asiento. El aire recibido
elevara la presi6n hasta el punto de
"presi6n de corte", y ello hat&
detener al motor.
El compresor estara ahora listo para ser
usado.
Antes de cada puesta en marcha
1. Coloque el interruptor On/Auto/Off en la
posici6n "OFF" y cierre eI regulador de
aire.
2. Cierre la vMvula de asiento.
3. Conecte la manguera y accesorios.
NOTA: Cuando se utilicen accesorios
especificados para menos de 175
PSI debera instalarse un regulador.
Demasiada
presibn de aim
podra ser la causa de riesgo de explosi6n.
Verifique los valores de maxima presibn
dados por el fabricante de las herramientas
neumbUcas y los accesorios. La presibn de
salida del regulador jambs debe exceder los
valores de mdxima presibn especiflcados.
Cbmo poner en marcha
1, Mueva la palanca On/Auto/Off a la
posici6n "AUTO" y deje que se
incremente la presi6n del tanque. El
motor se detendra una vez alcanzado el
valor de presi6n "de corte" del tanque.
2. Cuando la presi6n del tanque
alcanza el valor de "presi6n de corte"
se abre la v&lvula de asiento.
IMPORTANTE: AI utilizar un regulador y
otros accesorios, refi_rase a las
ittstrucciones del fabricante.
NOTA: Opere siempre el compresor de aire en
areas bien ventiladas, libres de gasolina u otras
emanaciones combustibles. Si el compresor
set& utilizado para utilizar un rociador, NO Io
co!oque en las cercanias de la zona de
rociado.
41_ SP D29312

li_I._I_ii__Ili_II_ _ii_i]
Responsabilidades del cliente
Verifique la v&lvula de seguridad
Drenaje del tanque
Filtro de aire
Inspecci6n de eventuales fugas
en las ca5erfas de aire y las
conexiones.
V_tlvulas de entrada y escape de
la bomba del compresor de aire
Antes
de _arnen_ Cada
duego de 40 Frecuentemente
cada :adauso horas
uso
1
Anualmente
I- Mas frecuente en condiciones polvorientas o h0medas.
Cuando ee realizan
trebajos de
mantenimiento, usted puede estar
expueeto a fuentes de voltaje, aire
compfimido o piezas en movimiento.
Pueden ocurtir lesiones personalee.
Antes de realizer cualquier ttabajo de
mantenimiento o repataci6n,
desconecte la fuente de energia del
compfesor y purgue toda la pteei6n de
aire.
Para asegurar ana operacion eficiente y
una vida t3til mas prolongada del
compresor de aire debe prepararse y
seguirse un programa de mantenimiento
de rutina. El siguiente programa de
mantenimiento de rutina esta dise_ado para
un equipo funcionando diariamente en un
ambiente normal de trabejo. Si fuese
necesario, el programa debe set
modificado para adaptarse alas
condiciones bajo las cueles se usa su
compresor. Las modificaciones
depender&n de las horas de operaci6n y
del ambiente de trabajo. Los eqaipos de
compresi6n funcionando en an ambiente
sumamente sucio y hostil reqaerir&n
mayor frecuencia de todas las
verificaciones de mantenimiento.
NOTA: Vea en la secci6n "Operacion" la
ubicaci6n de los controles.
C6mo verificar la vdlvula de
seguridad
Si le valvele de
seguridad no
trebaja adecuadamente, ello podrd
determinar le sobrepresibn del tenque,
creando el fiesgo de su rupture o
explosi6n.
1. Antes de poner en marcha el motor,
tire del anillo de la valvela de
seguridad para confirmar la
seguridad de que la misma opera
libremente, si la v&lvula quedase
trabada o no trabajara
c6modamente, debera set
reemplazada por el mismo tipo de
v&lvula.
C6mo drenar el tanque
1. Coloque la palanca On/Auto/Off en la
posici6n "OFF%
2. Tire de la perilla del regulador y gire
en sentido contrario e las agujas de
reloj para establecer la salida de
presi6n en cero.
3. Remueva la herramienta neumAtica o
el accesorio.
4. Tire del aro de la valvula de
segurided dejando purgar el aire del
tanque hasta qae este reduzea su
presion aproximadamente a 20 PSi.
Suelte el aro de la v&lvula de
seguridad.
D29312 42_SP

5+ Drene el agaa contenida en el tanque
de aire, abriendo la valvula de
drenaje ubicada en la base del
tanque (en sentido contrario a las
agujas de reloj).
Dentro del
tanque se
producira condensacibn de agua. Si no
drena, el agua Io corroera y debilitara
causando un riesgo de ruptura del
tanque de aire.
6+ Una vez drenada el agua, cierre la
valvula de drenaje
(girando en sentido horario). Ahora el
compresor de
aire podr& set guardado.
NOTA: Si la valvula de drenaje fuera del
tipo enchufe, elimine toda {a presion de
aire< La v&lvula podr_ entonces ser
extraida, limpiada y finalmente reinstalad&
Inspecci6n de las ca_erfas de aire
y las conexiones para detectar
fugas.
1. Ponga en marcha el compresor de
aire para permitir inspeccionarla
existencia de ragas de aire.
2. Aplique una solucion jabonosa a
todos los acoplamientos de aire y
las conexiones /caSerfas<
3. Corrija cualquier perdida encontrada
IMPORTANTE: Incluso p6rdidas menores,
pueden causar una carga adicional de
trabajo al compresor, dando come
resultado su rotura prematura o una
performance inadecuada<
Filtro de Aire - Inspeccibn y
reemplazo
_Superficies
calientes.
Riesgo de quemadutas. Las cabezas
del com-presor estdn expuestas
cuando se retira la cubierta del fUtro.
Deje enfriar al compresor antes de
darle servicio.
Un flltro de aire sucio no permitir& que el
compresor opere a plena capacidad.
Mantenga el filtro de aire Iimpio en todo
memento
1. Retire la tapa del filtro de aire.
2. Retire el filtro de aire y asegQrese de
que est_ limpio.
IMPORTANTE: No opere el compresor
sin el filtro de aire+
3. Si est& sucio enjuague el filtro de aire
con agua tibia y exprfmalo hasta que
seque.
4. Vuelva a colocar el filtro de aire y sa
cubierta<
NOTA: Si el filtro de aire est& sumamente
sucio necesitara ser reemplazado<
Consulte la secci6n "Repuestos" para
obtener el nQmero eorrecto de la pieza.
Vdlvulas de entrada y escape de la
bomba del compresor de aire
Una vez al aSo haga queun Tecnico
Capacitado de Servicio inspeccione las
v&lvulas de entrada y escape de la bomba
del compresor de aire.
Motor
El motor tiene an protector de sobrecarga
termico de reposicion autom&tica. Si el
motor se sobrecalienta per alguna raz6n,
el protector de sobrecarga apagarA el
motor. Debe dejar enfriar el motor antes
de volverlo a arrancar. El compresor
arrancar& autom&ticamente despu_s que
se enfrie el motor.
Si el protector de sobrecarga apaga el
motor con mucha frecuencia, verifique si
hay algQn posible
problema de voltaje. Tambi_n se puede
sospechar de
bajo voltaje cuando:
1. El motor no a]canza toda su potencia
o velocidad+
2+ Los fusibles se queman cuando se
arranca el motor; las laces se
atent_an y siguen atenaadas euando
el motor es arrancado y esta en
funcionamiento.
43- SP D29312

en cuanto la energla el_ctrica es
conectada. AI efectuar el
mantenimiento, usted quedard
expuesto a tensibn viva, eire
comprimido o partes en movimiento.
Debido a tales circunstancias, podrlan
ocurrirle lesiones personales. Antes de
efectuar mantenimiento o reparacibn
alguna, desenchufe el compresor y
purgue cualquier presibn de aire.
TODO TIPO DE MANTENIMIENTO Y
OPERACIONES DE REPARACION NO
MENCIONADOS, DEBEP_N SER
EFECTUADOS POR PERSONAL TI_CNICO
ESPECIALIZADO.
Para reemplazar o limpiar la
vblvula de retencibn
1< Libere toda la presi6n del tanqae de
aire. Vea "C6mo Drenar el Tanque"
en la secci6n "Mantenimiento".
2< Desenchufe el eqaipo.
3< Usando un destomillador Phillips
retire la cubierta del filtro de aire.
4 Retire las cubiertas posteriores
usando una Ilave Torx T-20
5 Usando una llave ajustable afloje la
tuerca de la tuberia de salida en el
tanque de aire. Retire
cuidadosamente la tuberfa de salida
de la valvula de retenci6n.
6< Usando una llave de tuercas
ajustable afloje la tuerca de la tuberfa
de alivio de presi6n en el tanque de
aire. Retire cuidadosamente la
tuberfa de alivio de presi6n de la
vdlvula de retenci6n.
D29312
I
el disco es visible I
I
9 Limpie o reemplace la v&lvala de
retenci6n. Un solvente, tal como un
removedor de pintura o de barniz
puede usarse para limpiar la valvula
de retenci6n.
10. Aplique sellador alas roscas de la
valvula de retenci6n. Vaelva a
instalar la valvula de retenci6n (gire a
la derecha).
11. Vaelva a instalar la tuberia de alivio
de presi6n. Apriete la tuerca.
12. Vuelva a instalar la tuberia de salida y
apriete la taerc&
13. Vuelva a colocar la cubierta y el filtro
de aire.
14. Ejecute el procedimiento de paesta
en march& Yea "Procedimiento de
Puesta en Marcha" en la secci6n
"Operaci6n".
7=
8=
Desenrosque la v&lvala de retenci6n
gir&ndola hacia la izquierda usando
una llave de boca de 7/8 po. Tome
nota de la orientaci6n para volverla
a ensamblar.
Usando un destomillador, empaje
con cuidado el disco de la v&lvula
hacia ardba y hacia abajo. NOTA: El
disco de la v&lvula debe moverse
Iibremente hacia arriba y hacia abajo
sobre an resorte que detiene el disco
de la v&lvula en la posicion cerrada.
Si no Io hace, la v&lvula de retencion
necesita ser limpiada o reemplazad&
44- SP

Antes de guardar su compresor de aire,
asegt]rese de hacer Io siguiente:
1. Revise la seccion "Mantenimiento"
de Iss p&ginas precedentes y ejecute
el mantenimiento programado de
acuerdo a la necesidad.
2. Coloque la palanca On/Auto/Off en
la posici6n "OFF".
3. Cierre la v&lvula de asiento
4. Extraiga le herramienta neem&tica o
el accesorio.
5. Abra le valvule de asiento y
lentamente deje purgar el aire del
tanque de aire, hesta que la presi6n
del mismo Ilegue aproximadamente a
20 PSI.
6. Drene el agea del tanque de aire
abriendo la valvula de dreneje
ubiceda en el rondo del tanque.
_EI agua se
condensa dentro
del tanque de eire. Si no se drena, ella
corroera debilitando las paredes del
tanque de aire, originendo un rieego de
rupture de sus paredes.
7. Una vez que el agua haya sido
drenada, oierre la valvula de drenaje.
NOTA: Si la valvula de drenaje estuviese
enchefada, libere toda la presion de aire.
La valvula podr& set extrafda, limpiada y
luego reinetalada.
8. Proteja la manguera del aire de
da#os (tales oomo eer pisoteada o
caminer por eneima).
Almacene el compresor de aire en un sitio
limpio y seco.
45- SP D29312

El desarrollo de reparaciones puede exponer a sitios
con corriente viva, partes en movimiento o fuentes de
aire comprimido que podrJan ocasionar lesiones petsonales. Antes de
intentar reparaci6n alguna, desenchufe el compresor de aire y purgue toda
la presibn de aire del
PROBLEMA
Presi6n excesiva
del tanque - la
v&lvula de
seguridad se
dispara.
Las conexiones
pierden aire.
tanque.
CAUSA
El interruptor de presi6n no
interrumpe al motor cuando el
oompresor alcanza la presi6n
"de corte".
El interruptor de presi6n "de
corte" esta calibrado demasiado
alto.
Las conexiones de los tubos no
est&n suficientemente ajustadas.
Compruebe si el asiento de la
valvula est& daSado.
Hay fugas de
aire en la valvula
de retenci6n o
dentro de ella.
CORRECCI(_N
Mueva Is palanca On/Auto/Off a
la posici6n "OFF", si el equipo
no corta, contacte a un tecnico
calificado para el servicio.
Contacte a un tecnico de
servicio calificado.
Ajuste las conexiones en las que
el aire puede set escuchado
escap_dose. Verifiqae las
conexiones con soluci6n
jabonosa y agua. NO
SOBREAJUSTE.
Una valvula de retenci6n
defectuosa cause una fuga
constante de aire en la valvula
de alivio de presi6n caando hay
presi6n en el tanque y se apaga
el compresor. Reemplace la
valvala de retenci6n. Consulte
"Como Reemplazar o Limpiar la
Valvula de Retenci6n" en la
secci6n "Servico y adjuste%
P6rdida de presi6n Un interruptor de presi6n Contacte a un tecnico calificado
de aire en el defectuoso libera la valvula, en servicio.
interruptor de la
valvula aliviadora.
P@rdida de aire en Tanque de aire defectuoso.
el tanqae de aire
o en las
soldadaras del
tanque de airs.
El tanque de aire debe ser
reemplazado. No repare la
perdida.
No efectde perforaci6n alguna
sobre la soldadura o cosa
semejante sobre el tanque de
aire, ello Io debilitard. El
tanque podrJa romperse o
explotar.
P_rdida de aire P_rdida en el sellado. Contacte a un tecnico calificado
entre el cabezal en servicio.
y el plato de
valvula.
D29312 46_ SP

PROBLEMA CAUSA CORRECCION
Golpeteo. Posible defecto en la valvula Opere la valvula de seguridad
de seguridad, manualmente tirando de su anillo.
Si la valvula aun pierde, debera set
reemplazada,
Posible defecto en la v&lvula Extraiga y limpie o reemplace.
de seguridad.
Excesivo y prolongado uso del Disminuya la cantidad de uso de
aire. aire.
El compresor no
esta
suministrando
suficiente
cantidad de aire
para
operar los
accesorios.
El compresor no tiene
suficiente capacidad para el
requerimiento de aire al que
est& sometido,
Orificio en la manguera.
Valvula reguladora restringid&
P_rdida de aire.
Filtro de entrada de aire
restringido.
Vedfique el requerimiento de aire
del accesorio. Si es mayor que
SCFM o la presi6n suministrada
pot su compresor de aire, se
necesita un compresor de mayor
capacidad.
Vedfique y reemplace si fuese
neces_rJo.
Extraiga, limpie o reemplace.
Ajuste las conexiones.
Limpie o reemplace el filtro de
entrada de aire. No opere el
compresor de aire sin el filtro.
Consulte el p&rrafo "Filtro de Aire"
en la secci6n "Mantenimiento ".
47_ SP D29312

PROBLEMA
El motor no
funciona.
CAUSA CORRECCI(_N
El interruptor de protecci6n des
obrecarga del motor se ha
abierto.
La presi6n del tanque excede
la presion de "corte maximo"
del interruptor de presi6n.
El cord6n de extension es del
largo o calibre equivocados.
La v&lvula de retenci6n se ha
quedado abierta+
Conexiones electricas sueltas.
Posible motor o capacitor de
arranque defectuosos
Rociado de pintura en las
)artes intemas del motor.
_a v&lvula de liberaci6n de
)resi6n en el interruptor de
)resi6n no ha descargado la
,'arga de presi6n.
Fusible quemado, disyuntor
abierto.
Deje enfriar el motor y el
interruptor de sobrecarga se
reajustar& autom&ticamente
El motor arrancar& automaticamente
cuando la presion del tanque caiga
por debajo de la presion de corte
m_xima del interruptor de presi6n.
Compruebe el calibre y la Iongitud
apropiados del cord6n.
Extraiga, Iimpie o reemplace.
Compruebe la conexi6n de
cableado dentro del interraptor de
presion y del _rea de la caja de
terminales.
Haga inspeccionar pot un tecnico
capacitado de servicio.
Haga inspeccionar pot un t6cnico
capacitado de servicio. No haga
funcionar el compresor en el &tea de
pintura por rociado. Vea la
advertencia acerca de vapores
inflamables,
Purgue la linea empujando la
palanca en el interruptor de presion
a la posicbn "off" [Apagado]; si la
v_lvula no se abre, reemplace el
interruptor.
1. Inspeccione la caja de
fusibles para determinar si
hay fusibles quemadoe y
reemplacelos segQn sea
necesario. Reajuste el
disyuntor. No use un fusible o
disyuntor con capacidad
mayor que la especificada
para su circaito especificado.
2. Compruebe si el fusible es el
correcto. Debe usar un fusible
de accion retardada.
3. Compruebe si existen
condiciones de bajo voltaje
y/o si el cordon de extensi6n
es el correcto.
4. Desconecte todos los otros
artefactos electricos del
circuito u opere el compresor
en stJ DroDio circuIto.
D29312 48- SP

49*SP D29312

D29312 50-SP

51_SP D29312

Get it fixed, at your home or ours!
Your Home
For repair - in your home - of all major brand apphances,
lawn and garden equipment, or heating and coohng systems,
no matter who made it, no matter who sold it!
For the replacement parts, accessones and
owner's manuals that you need to do-it-yourself
For Sears professtonal tnstallatlon of home apphances
and ttems like garage door openers and water heaters
1-800-4-MY-HOME _ Anyume.dayor ntght
{1-800-469-4663) {U S A and Canada)
www sears com www.sears ca
OurHome
For repa=r of carry-tn products hke vacuums, lawn equtpment,
and electrontcs, call or go on-hne for the nearest
Sears Parts and Repair Center.
1-800-488-1222 Anyttme.dayorntghi(USA only)
www.sears corn
To purchase a protection agreement on a product serviced by Sears
1-800-827-6655 lu SA ) 1-800-361-6665 (Canada)
Para ped_rservlc_o de reparac_on
a domtclllo, y para ordenar plezas
1-888-SU-HOGAR s_l
(1-888-784_427)
Au Canada pour service en franq,a_s
1-800-LE-FOYER Mc
(1-800-533_9371
www sears ca
SE/A R,
_P,cebud_a_Co
F Reg=stered Trademark Trademark "rl Service Mark of Sears Roebuck and Co
F Marca RegFstrada ' Marca de Fabr_ca /Marca _e Serv_c=o de S6ars, Roebuck arid Co
frib
M3rqLJe de comm6rce, , Marque depo_ee de Sears, Roebuck aRd Co