Craftsman 919728000 User Manual OPERATORS AIR COMPRESSOR Manuals And Guides L0101269
CRAFTSMAN Air compressor Manual L0101269 CRAFTSMAN Air compressor Owner's Manual, CRAFTSMAN Air compressor installation guides
D21245 L0101269
User Manual: Craftsman 919728000 919728000 CRAFTSMAN OPERATORS MANUAL- AIR COMPRESSOR - Manuals and Guides View the owners manual for your CRAFTSMAN OPERATORS MANUAL- AIR COMPRESSOR #919728000. Home:Tool Parts:Craftsman Parts:Craftsman OPERATORS MANUAL- AIR COMPRESSOR Manual
Open the PDF directly: View PDF
.
Page Count: 22

S£ S
CRAFTSMAN
Model No.
919.728000
IMPORTANT:
Read the Safety Guidelines
and All Instructions Carefully
Before Operating
OWNERS MANUAL FOR
CRAFTSMAN
TANK MOUNTED
AIR COMPRESSOR
SAFETY GUIDELINES
ASSEMBLY
OPERATION
MAINTENANCE
TROUBLESHOOTING
REPAIR PARTS
Record inthe spaces provided.
(1) The Model Number can be found on the
maintenance label on top of the motor
shroud or on the bar code label on the
rear of air tank.
(2) The Date Code Number can be found on
the bar code label on the rear of the air
tank.
(3) The Serial Number can be found on the
bar code label on the rear of the tank.
(4) The Tank Registration Number is located
on the metal data plate which is welded
onto the backside of the air tank. (This
data plate is painted the same color as the
tank.)
Retain these numbers for future reference.
Model No
Serial No
Date Code
Tank Registration No
D21245 Rev. 0 6/29/00
Sold by Sears Canada, Inc., Toronto, Ont. M5B 2B8

WARRANTY ......................................................... 2
SAFETY GUIDELINES ......................................... 2
WARNING CHART ............................................ 3-5
GENERAL INFORMATION ................................... 6
GLOSSARY .......................................................... 6
SPECIFICATION CHART ..................................... 7
DESCRIPTION OF OPERATION .......................... 7
TOOLS NEEDED FOR ASSEMBLY ...................... 7
ASSEMBLY .......................................................... 8
BREAK-IN PROCEDURES ................................... 8
Location of Air Compressor ............................ 8
Lubrication and Oil ......................................... 8
Grounding Instructions .................................... 6
Voltage and Circuit Protection ......................... g
Extension Cords ............................................. 10
Piping ............................................................. 10
Additional Regulators and Controls ................. 10
Break-in Procedure ......................................... 10
OPERATING PROCEDURES ............................... 11
MAINTENANCE ........................................................... 12
Air Filter - Inspection and Replacement .................. 12
Check Valve -Replacement .................................... 12
Safety Valve _Inspection ........................................ 12
Belt-Replacement ................................................... 13
Belt Guard - Removal and Installation ................... 13
Adjust Belt Tension ................................................. 13
Pressure Switch - Replacement ............................. 13
Motor Overload Protector - Reset ........................... 13
Pulley and Flywheel _Alignment ............................. 13
Servicing Intake and Exhaust Valves ...................... 13
Storage ................................................................... 14
TROUBLESHOOTING GUIDE ................................ 14-16
AIR COMPRESSOR DIAGRAM ................................... 18
PARTS LIST ................................................................. 19
COMPRESSOR PUMP DIAGRAM .............................. 20
PARTS LIST ................................................................. 21
HOW TO ORDER REPAIR PARTS ................ Back Cover
FULL ONE YEAR WARRANTY ON AIR COMPRESSORS
If this air compressor fails due to a defect in material or workmanship within one year from the date
of purchase, RETURN IT TO THE NEAREST SEARS SERVICE CENTER THROUGHOUT CANADA AND
SEARS WILL REPAIR IT, FREE OF CHARGE.
If this air compressor is used for commercial or rental purposes, the warranty will apply for ninety
days (90) from the date of purchase.
This Craftsman Air Compressor warranty gives you specific legal rights and you may have other
rights which vary from province to province.
Sears Canada, Inc., Toronto, Ont. MSB 2B8
This manual contains information that is important for you to know and understand. This information relates to protecting
YOUR SAFETY and PREVENTING EQUIPMENT PROBLEMS. To help you recognize this information, we use the symbols
to the right. Please read the manual and pay attention to these sections.
P_I_,_,I_LHS[=!
DANGER indicates an imminently hazardous situation which, if CAUTION indicates apotentially hazardous situation which, if
not avoided, will result in death or serious iniurv, not avoided, _resuR in minor or moderate iniurv.
_r_T_JILVJ_i
WARNING indicates a potentially hazardous situation which, if CAUTION used without the safety aFertsymbol indicates a
not avoided, could result in eath of serious i "u . potentiaUy hazardous situation which, if not avoided, _result
in =)roDertv damaae.
D21245 Rev. O6/29/00 2 = ENG

IMPROPER OPERATION OR MAINTENANCE OF THIS PRODUCT COULD RESULT IN SERIOUS INJURY AND PROPERTY
DAMAGE. READ AND UNDERSTAND ALL WARNINGS AND OPERATING INSTRUCTIONS BEFORE USING THIS EQUIPMENT.
SAVE THESE INSTRUCTIONS --
RISK OF EXPLOSION OR FIRE
WHAT CAN HAPPEN
IT IS NORMALFOR ELECTRICALCONTACTS WITHINTHE
MOTORAND PRESSURESWITCH TO SPARK.
IF ELECTRICAL SPARKS FROM COMPRESSOR COME INTO
CONTACT WITH FLAMMABLE VAPORS, THEY MAY IGNITE,
CAUSING FIRE OR EXPLOSION.
RESTRICTING ANY OF THE COMPRESSOR VENTILATION
OPENINGS WILL CAUSE SERIOUS OVERHEATING AND
COULD CAUSE FIRE.
UNATTENDED OPERATION OF THIS PRODUCT COULD
RESULT IN PERSONAL INJURY OR PROPERTY DAMAGE.
HOW TO PREVENT IT
ALWAYS OPERATE THE COMPRESSOR IN A WELL VENTI-
LATED AREA FREE OF COMBUSTIBLE MATERIALS.
GASOLINE OR SOLVENT VAPORS.
IF SPRAYING FLAMMABLE MATERIALS, LOCATE COMPRES-
SOR AT LEAST 20 FEET AWAY FROM SPRAY AREA. AN
ADDITIONAL LENGTH OF HOSE MAY BE REQUIRED.
STORE FLAMMABLE MATERIALS IN A SECURE LOCATION
AWAY FROM COMPRESSOR.
NEVER PLACE OBJECTS AGAINST OR ON TOP OF COM-
PRESSOR. OPERATE COMPRESSOR IN AN OPEN AREA AT
LEAST 12 INCHES AWAY FROM ANY WALL OR OBSTRUC-
TION THAT WOULD RESTRICT THE FLOW OF FRESH AIR TO
THE VENTILATION OPENINGS.
OPERATE COMPRESSOR IN A CLEAN, DRY, WELL VENTI-
LATED AREA. DO NOT OPERATE UNIT INDOORS OR IN ANY
CONFINED AREA.
ALWAYS REMAIN IN A1-FENDANCE WITH THE PRODUCT
WHEN IT IS OPERATING.
.s,o ou,s..o]
A/_: THE FOLLOWING CONDITIONS COULD LEAD TO A WEAKENING OF THE TANK, AND RESULT IN A
VIOLENT TANK EXPLOSION AND COULD CAUSE PROPERTY DAMAGE OR SERIOUS INJURY.
WHAT CAN HAPPEN
1. FAILURE TO PROPERLY DRAIN CONDENSED WATER
FROM THE TANK, CAUSING RUST AND THINNING OF THE
STEEL TANK.
2. MODIFICATIONS OR AI_EMPTED REPAIRS TO THE TANK.
3. UNAUTHORIZED MODIFICATIONS TO THE UNLOADER
VALVE, SAFETY VALVE, OR ANY OTHER COMPONENTS
WHICH CONTROL TANK PRESSURE.
4. EXCESSIVE VIBRATION CAN WEAKEN THE AIR TANK
AND CAUSE RUPTURE OR EXPLOSION.
ATTACHMENTS &ACCESSORIES:
EXCEEDING THE PRESSURE RATING OF AIR TOOLS, SPRAY
GUNS, AIR OPERATED ACCESSORIES, TIRES AND OTHER
INFLATABLES CAN CAUSE THEM TO EXPLODE OR FLY
APART, AND COULD RESULT IN SERIOUS INJURY.
HOW TO PREVENT IT
DRAIN TANK DAILY OR AFTER EACH USE. IF TANK DEVEL-
OPS A LEAK, REPLACE IT IMMEDIATELY WITH A NEW TANK OR
REPLACE THE ENTIRE COMPRESSOR.
NEVER DRILL INTO, WELD, OR MAKE ANY MODIFICATIONS
TO THE TANK OR ITS ATTACHMENTS.
THE TANK IS DESIGNED TO WITHSTAND SPECIFIC OPERATING
PRESSURES. NEVER MAKE ADJUSTMENTS OR PARTS
SUBSTITUTIONS TO ALTER THE FACTORY SET OPERATING
PRESSURES.
FOR ESSENTIAL CONTROL OF AIR PRESSURE, YOU MUST
INSTALL A PRESSURE REGULATOR AND PRESSURE GAUGE
TO THE AIR OUTLET OF YOUR COMPRESSOR. FOLLOW THE
EQUIPMENT MANUFACTURERS RECOMMENDATION AND
NEVER EXCEED THE MAXIMUM ALLOWABLE PRESSURE
RATING OF ATTACHMENTS. NEVER USE COMPRESSOR TO
INFLATE SMALL LOW-PRESSURE OBJECTS SUCH AS
CHILDREN'S TOYS, FOOTBALLS, BASKETBALLS. ETC.
3-- I:NG D21245 Rev. 0 6/29/00

RISK FROM FLYING OBJECTS
WHAT CAN HAPPEN
THE COMPRESSED AIR STREAM CAN CAUSE SOFT TISSUE
DAMAGE TO EXPOSED SKIN AND CAN PROPEL DIRT, CHIPS,
LOOSE PARTICLES AND SMALL OBJECTS AT HIGH SPEED,
RESULTING IN PROPERTY DAMAGE OR PERSONAL INJURY.
HOW TO PREVENT IT
ALWAYS WEAR ANSI Z87.1 APPROVED SAFETY GLASSES
WITH SIDE SHIELDS WHEN USING THE COMPRESSOR.
NEVER POINT ANY NOZZLE OR SPRAYER TOWARD ANY
PART OF THE BODY OR AT OTHER PEOPLE OR ANIMALS.
ALWAYS TURN THE COMPRESSOR OFF AND BLEED PRES-
SURE FROM THE AIR HOSE AND TANK BEFORE ATi-EMPTING
MAINTENANCE, ATI'ACHING TOOLS OR ACCESSORIES.
RISK TO BREATHING
WHAT CAN HAPPEN
THE COMPRESSED AIR FROM YOUR COMPRESSOR IS NOT
SAFE FOR BREATHING! THE AIR STREAM MAY CONTAIN
CARBON MONOXIDE. TOXIC VAPORS OR SOLID PARTICLES
FROM THE TANK.
SPRAYED MATERIALS SUCH AS PAINT, PAINT SOLVENTS,
PAINT REMOVER, INSECTICIDES, WEED K_LLERS, CONTAIN
HARMFUL VAPORS AND POISONS.
HOW TO PREVENT IT
ALWAYS OPERATE AIR COMPRESSOR OUTSIDE IN A CLEAN,
WELL VENTILATED AREA. AVOID ENCLOSED AREAS SUCH AS
GARAGES, BASEMENTS, STORAGE SHEDS, WHICH LACK A
STEADY EXCHANGE OF AIR. KEEP CHILDREN, PETS AND
OTHERS AWAY FROM AREA OF OPERATION.
NEVER INHALE AIR FROM THE COMPRESSOR EITHER
DIRECTLY OR FROM A BREATHING DEVICE CONNECTED TO
THE COMPRESSOR.
WORK IN AN AREA WITH GOOD CROSS-VENTILATION. READ
AND FOLLOW THE SAFETY INSTRUCTIONS PROVIDED ON
THE LABEL OR SAFETY DATA SHEETS FOR THE MATERIAL
YOU ARE SPRAYING. USE A NIOSH/MSHA APPROVED
RESPIRATOR DESIGNED FOR USE WITH YOUR SPECIFIC
APPLICATION.
--oF,.,or.c,soc,
WHAT CAN HAPPEN
YOUR AIR COMPRESSOR IS POWERED BY ELECTRICITY.
LIKE ANY OTHER ELECTRICALLY POWERED DEVICE, IF IT IS
NOT USED PROPERLY IT MAY CAUSE ELECTRIC SHOCK,
REPAIRS AI-rEMPTED BY UNQUALIFIED PERSONNEL CAN
RESULT IN SERIOUS INJURY OR DEATH BY ELECTROCU-
TION.
ELECTRICAL GROUNDING: FAILURE TO PROVIDE ADEQUATE
GROUNDING TO THIS PRODUCT COULD RESULT IN SERIOUS
INJURY OR DEATH FROM ELECTROCUTION, SEE GROUND-
ING INSTRUCTIONS.
HOW TO PREVENT IT
NEVER OPERATE THE COMPRESSOR OUTDOORS WHEN IT IS
RAINING OR IN WET CONDITIONS.
NEVER OPERATE COMPRESSOR WITH COVER COMPONENTS
REMOVED OR DAMAGED.
ANY ELECTRICAL WIRING OR REPAIRS REQUIRED ON THIS
PRODUCT SHOULD BE PERFORMED BY AUTHORIZED
SERVICE CENTER PERSONNELIN ACCORDANCE WITH
NATIONAL AND LOCAL ELECTRICAL CODES.
MAKE CERTAIN THAT THE ELECTRICAL CIRCUIT TO WHICH
THE COMPRESSOR IS CONNECTED PROVIDES PROPER
ELECTRICAL GROUNDING, CORRECT VOLTAGE AND
ADEQUATE FUSE PROTECTION.
D21245 Rev, 0 6/29/00 4-- ENG

RISK FROM MOVING PARTS
WHATCANHAPPEN
MOVING PARTS SUCH AS THE PULLEY, FLYWHEEL AND BELT
CAN CAUSE SERIOUS INJURY IF THEY COME INTO CONTACT
WITH YOU OR YOUR CLOTHING.
ATTEMPTING TO OPERATE COMPRESSOR WITH DAMAGED
OR MISSING PARTS OR AI"rEMPTING TO REPAIR COM-
PRESSOR WITH PROTECTIVE SHROUDS REMOVED CAN
EXPOSE YOU TO MOVING PARTS AND CAN RESULT IN
SERIOUS INJURY.
HOW TO PREVENT IT
NEVER OPERATE THE COMPRESSOR WITH GUARDS OR
COVERS WHICH ARE DAMAGED OR REMOVED.
ANY REPAIRS REQUIRED ON THIS PRODUCT SHOULD BE
PERFORMED BY AUTHORIZED SERVICE CENTER PERSON-
NEL,
RISK OF BURNS
WHAT CAN HAPPEN
TOUCHING EXPOSED METAL SUCH AS THE COMPRESSOR
HEADOR OUTLETTUBES, CAN RESULTIN SERIOUSBURNS.
HOW TO PREVENT IT
NEVER TOUCH ANY EXPOSED METAL PARTS ON COMPRES-
SOR DURING OR IMMEDIATELY AFTER OPERATION. COM-
PRESSOR WILL REMAIN HOT FOR SEVERAL MINUTES AFTER
OPERATION.
DO NOT REACH AROUND PROTECTIVE SHROUDS OR A]q'EMPT
MAINTENANCE UNTIL UNIT HAS BEEN ALLOWED TO COOL.
RISK OF FALLING
WHAT CAN HAPPEN
A PORTABLE COMPRESSOR CAN FALL FROM A TABLE,
WORKBENCH OR ROOF CAUSING DAMAGE TO THE COM-
PRESSOR AND COULD RESULT IN SERIOUS INJURY OR
DEATH TO THE OPERATOR.
HOWTO PREVENT IT
ALWAYS OPERATE COMPRESSOR IN A STABLE SECURE
POSITION TO PREVENT ACCIDENTAL MOVEMENT OF THE
UNIT. NEVER OPERATE COMPRESSOR ON A ROOF OR
OTHER ELEVATED POSITION. USE ADDITIONAL AIR HOSE
TO REACH HIGH LOCATIONS.
RISK OF PROPERTY DAMAGE WHEN TRANSPORTING
COMPRESSOR
(Fire, Inhalation, Damage to Vehicle Surfaces)
WHAT CAN HAPPEN
OIL CAN LEAK OR SPILL AND COULD RESULT IN FIRE OR
BREATHING HAZARD, SERIOUS INJURY OR DEATH CAN
RESULT. OIL LEAKS WILL DAMAGE CARPET, PAINT OR OTHER
SURFACES IN VEHICLES OR TRAILERS.
HOW TO PREVENT IT
ALWAYS PLACE COMPRESSOR ON A PROTECTIVE MAT WHEN
TRANSPORTING TO PROTECT AGAINST DAMAGE TO VEHICLE
FROM LEAKS. REMOVE COMPRESSOR FROM VEHICLE
IMMEDIATELY UPON ARRIVAL AT YOUR DESTINATION.
ESW*99 -- 9/26/99
5-- ENG D21245 Rev, 0 6/29/00

Youhave purchased an air compressor unit consisting
of an aluminum 2 cylinder,single-stage air compressor
pump (with cast ironsleeves), an air tank, wheels,
handle, associated controls and instruments.
Your air compressor can be used for operating paint
spray guns, air tools, caulking guns, grease guns, air
brushes, sandblasters, inflating tires and plastic toys,
spraying weed killers, insecticides, etc. An air pres-
sure regulator is required for most of these applica-
tions.
An air line filter is usually required for removal of
moisture and oil vapor in compressed air when a paint
spray gun is used.
An in-line lubricator is usually required for air tools to
prolong tool life.
Separate air transformers which combine the functions
of air regulation and/or moisture and dirt removal
should be used where applicable.
CFM: Cubic Feet per Minute.
SCFM: Standard Cubic Feet per Minute; a unit of
measure of air delivery.
PSI: Pounds per Square Inch; a unit of measure of
pressure.
ASME: American Society of Mechanical Engineers;
made, tested, inspected and registered to meet the
standards of the ASME.
Cut-In Pressure: While the motor is off, air tank
pressure drops as you continue to use your accessory.
When the tank pressure drops to a certain low level
and the pressure switch lever is in "Auto", the motor
will restart automatically. The low pressure at which
the motor automatically restarts is called "cut-in
pressure."
Cut-Out Pressure: When you turn on your air com-
pressor and it begins to run, air pressure in the air tank
begins to build. It builds to a certain high pressure
before the motor automatically shuts off -protecting
your air tank from pressure higher than its capacity.
The high pressure at which the motor shuts off is
called "cut-out pressure."
CSA: Electrical products sold in Canada are required
to be certified to the applicable CSA standard (s).
Canadian Standards Association (CSA) is a standards
writing and safety testing organization. Products that
are CSA certified have been evaluated and tested and
found to meet or exceed the applicable CSA standard
(s) for safety and electrical performance.
Model No. 919.728000
Bore 2 3/8"
Stroke 1.35"
Voltage - Single Phase 120/240
MinimumBranch Circuit Requirement 15 amps
FuseType Time Delay
Amperage at Maximum Pressure 15.0
Air Tank/Capacity ASME/30 gal. (U.S.)
Approximate Cut-in Pressure 100
Approximate Cut-out Pressure 125
SCFM @40 psi 7.2
SCFM @90 psi 5.6
021245 Rev. 0 6/29/00 6-- ENG

Air Compressor Pump: To compress air, the piston
moves up and down in the cylinder. On the downstroke,
air is drawn in through the air intake valves. The exhaust
valves remain closed. On the upstroke of the piston, air
is compressed. The intake valves close and compressed
air is forced out through the exhaust valves, through the
outlet tube, through the check valve and into the air tank.
Check Valve: When the air compressor is operating, the
check valve is "open", allowing compressed air to enter
the air tank. When the air compressor reaches "cut-out"
pressure, the check valve "closes", allowing air pres-
sure to remain inside the air tank.
Pressure Switch; The pressure switch is fitted with a
small lever. It is labeled "Auto/O" for automatic run or
off. In the "O" position, the motor will not run. In the "Auto"
position, it automatically starts the motor when the air
tank pressure drops below the factory set "cut-in" pres-
sure. It stops the motor when the air tank pressure reaches
the factory set "cut-out" pressure.
Pressure Release Valve: The pressure release valve lo-
cated on the side of the pressure switch is designed to
automatically release compressed air trapped within the
compressor head and outlet tube. This short release of
air will occur when the air compressor reaches "cut-out"
pressure or the unit is shut off. If the air is not released,
the motor will not be able to start when next required.
Flow Valve: The flow valve allows air to flow from the
head as the motor is getting "up to speed". Once the
motor reaches normal operating speed, the flow valve
closes and the pump begins to compress air, thus re-
quiring less amp draw on initial start.
Safety Valve: If the pressure switch does not shut off the
air compressor at its cut-out pressure setting, the safety
valve will protect the tank against high pressure by "pop-
ping out" at its factory set pressure (slightly higher than
the pressure switch cut-out setting).
Regulator: The air pressure coming from the air tank is
controlled by the regulator. The regulator control knob is
a vibration proof design. Lift the regulator knob to en-
gage and depress the knob to lock. Turn the regulator
knob clockwise to increase pressure and counter-clock-
wise to decrease pressure. To avoid minor readjustment
after making a change in pressure setting, always ap-
proach the desired pressure from a lower pressure. When
reducing from a higher to a lower setting, first reduce to
some pressure less than that desired, then bring up to
the desired pressure. Depending on the air requirements
of each particular accessory, the outlet regulated air pres-
sure may have to be adjusted while operating the acces-
sory.
Regulator Gauge: The outlet pressure gauge indicates
the air pressure available at the outlet side of the regula-
tor. This pressure is controlled by the regulator and is
always less than or equal to the tank pressure. See "Op-
erating Procedures".
Tank Pressure Gauge: The tank pressure gauge indi-
cates the reserve air pressure in the tank.
Air Intake Filter: This filtei is designed to clean air coming
into the pump. This filter must always be clean and ventila-
tion openings free from obstructions. See "Maintenance".
Drain Valve: This valve is located at the bottom of the
tank. To drain accumulated moisture from the tank, pull
on the safety valve until tank pressure is 15 PSI. Un-
screw the drain valve and allow the water to drain.
•a 9/16" socket and an open end wrench for attaching
the wheels • a 3/8" open end wrench or socket to tighten handle
screws
7-- ENG D21245 Rev. O6/29/00

It may be necessary to brace or support one
end of the outfit when attaching the wheels
because the air compressor will have a
tendency to tip.
1. Remove the protective paper strip from the adhe-
sive backed rubber foot strip. Attack the rubber foot
strip to the bottom of the air tank leg. Press firmly
into place.
2, The leg bracket on the underside of the air compres-
sor tank has 2 holes on each side for mounting the
wheels. Place one shoulder bolt through the hole in
a wheel. On models with 10" wheels, push the bolt
through the TOP hole of the leg bracket. For models
with 8" wheels, push the bolt through the BOTTOM
hole of the leg bracket. Screw on one hex locking
nut. The special locking nut does not turn freely.
Tighten the nut firmly until it contacts the tank leg.
The outfit will sit level if the wheels are properly
installed.
NOTE
The side of the wheel, that the hub protrudes
out past the wheel edge, should be bolted to
the compressor leg.
THE WHEELS AND HANDLE DO NOT PRO-
VIDE ADEQUATE CLEARANCE, STABILITY
OR SUPPORT FOR PULLING THE UNIT UP
AND DOWN STAIRS OR STEPS. THE UNIT
MUST BE LIFTED OR PUSHED UP A RAMP.
DO NOT LIFT THE UNIT BY THE MANIFOLD
ASSEMBLY. THE UNIT CAN BE DAMAGED.
Installing Handle
1. Insert the open end of the handle under the saddle
(Fig. 1). Before attaching handle, you may have to
pull the open ends of the handle apart so they fit
tightly against the side of the saddle. Looking in
from the open end of the saddle, position the handle
toward the two bent tabs, on the inside walls of the
saddle. Slowly push the open ends of the handle
onto both tabs at the same time (Fig. 2). Continue
pushing the handle into the saddle until the holes on
the side of the saddle and handle are in line,
2. Guide the straight end of each retaining clip through
the addle hole and both handle holes (Fig. 3).
3.
4.
Rotate each retaining clip clockwise and press
down until it snaps into place over the pull handle
(Fig. 4).
If the handle has excessive movement, it is improp-
erly installed. Check the following.
A. Are both tabs inside the handle (Step #1)?
B. Does each clip pass through both the saddle
and handle (Step #2)?
FiG. 1 FIG. 2
FIG. 3 FIG. 4
,I
i
I/
D21245 Rev. 0 6129/00 8 -- ENG

Location of the Air Compressor
Operate the air compressor in a clean, dry and well
ventilated area. The fan bladed flywheel must be kept
clear of obstructions that could interfere with the flow of
air through the air intake filter. The pump crankcase and
head are designed with fins to provide proper cooling.
If humidity is high, an air filter can be installed on the air
outlet adapter to remove excessive moisture. Closely
follow the instructions packaged with the filter for proper
installation. It must be installed as close as possible to
the accessory.Do not place the air compressor where
heat is excessive.
When locating the compressor outside, make sure there
is a mimum of 12 inches on each side of the compres-
sor. There must be fresh air flow for proper cooling. DO
NOT ALLOW THE COMPRESSOR TO GET WET.
Lubrication and Oil
Compressors are shipped without oil. Do not
attempt to operate this air compressor
without first adding oil to the crankcase.
Serious damage can result from even limited
operation unless filled with oil and broken in
correctly. Make sure to closely follow initial
start-up procedures.
Place unit on a level surface. Remove oil fill plug and slowly
add a special compressor oil such as Sears 9-16426 or SAE
20-20W SF motor oil until it is even with the top of the oil fill
hole. (It must not be allowed to be lower than 3/8" -- 6
threads down -- from the top at any time.) When filling the
crankcase, the oil flows very slowly. If the oil is added too
quickly, it will overflow and appear to be full. Crankcase oil
capacity is 16 fluid ounces. Under winter-type conditions
use SAE lOW oil. Multi-viscosity oil, lOW 30, will leave
carbon deposits on critical components, reducing perfor-
mance and compressor life. Replace oil fill plug.
NOTE
Drain and refill the compressor pump crank-
case after the first 100 hours of operation.
GROUNDING INSTRUCTIONS
It_i_r/_!;l{ll_H
RISK OF ELECTRICAL SHOCK. In the event
of a short circuit, grounding reduces the risk
of shock by providing an escape wire for the
electric current. This air compressor must be
properly grounded.
This portable air compressor is equipped with a cord
having a grounding wire with an appropriate grounding
plug. The plug must be used with an outlet that has
been installed and grounded in accordance with all
local codes and ordinances. The outlet must have the
same configuration as the plug. DO NOT USE AN
ADAPTER.
Inspect the plug and cord before each use. Do not use if
there are signs of damage.
IMPROPER GROUNDING CAN RESULT IN
ELECTRICAL SHOCK.
Do not modify the plug that has been provided. If it
does not fit the available outlet, the correct outlet
should be installed by a qualified technician.
If repairing or replacing cord or plug, the grounding wire
must be kept separate from the current-carrying wires.
Never connect the grounding wire to a flat blade p_ug
terminal. The grounding wire has insulation with an outer
surface that is green with or without yellow stripes.
If these grounding instructions are not completely
understood, or if in doubt as to whether the compressor
is properly grounded, have the installation checked by a
qualified electrician.
120 Volt Models 240 Volt Modols
White
20 AMP PLUG OUTLET
15 AMP PLUG OUTLET
GRO PfN
PIN
Voltage and Circuit Protection
Refer to your Specification Chart (page 6) for voltage and
circuit protection requirements of your compressor. Use
only a fuse or circuit breaker that is the same rating as
the branch circuit the air compressor is operated on. If
the compressor is connected to a circuit protected by
fuses, use only dual element time delay fuses.
9 - ENG D21245 Rev, 0 6/29/00

Certain air compressors can be converted from
120V to 240V operation. When converting an
air compressor to 240V operation, the
attached three-prong 120V cord assembly
must be replaced with a three-pronged 240V
cord assembly that can be purchased through
aSears Service Center.
Some models have a dual voltage motor, 120 and 240
volt. They are wired for 120 volt but can be converted
to 240 volt operation. Instructions for connecting the
motor for operation at 240 volt can be found printed on
the label attached to the side of the motor.
Irwin,.3.i]1d[1]_1
Certain air compressor models can be operated
on a 15 amp circuit if:
1. Voltage supply to circuit is normal.
2. Circuit is not used to supply any other electrical
needs (lights, appliances, etc.)
3. Extension cords comply with specifications in
this manual.
4. Circuit is equipped with a 15 amp circuit
breaker or 15 amp time delay fuse.
Extension Cords
To avoid voltage drop and power Ioss to the motor, and to
prevent overheating, use extra air hose instead of an
extension cord.
If an extension cord must be used:
use only a 3-wire extension cord that has a 3
blade grounding plug and a 3-slot receptacle tnat
will accept the plug on the extension cord
make sure the extension cord is in good condition.
the extension cord should be no longer than 50
feet.
• the minimum wire size is 12 gauge (AWG). (Wire
size increases as gauge number decreases. 10
AWG and 8 AWG may also be used. DO NOT USE
14 AWG or 16 AWG.)
can gather and freeze. Apply pressure before under-
ground lines are covered to make sure all pipe joints
are free of leaks.
Connect the piping to the 3/8" NPT air outlet opening
at the end of the air tank.
Additional Regulators and Controls
Since the air tank pressure is usually greater than that
which is needed, a separate regulator is employed to
control the air pressure ahead of any individual air
driven device.
Separate air transformers which combine the function
of air regulation, moisture and dirt removal should be
used where applicable.
Break-in Procedure
Serious damage may result if the following
break-in instructions are not closely fol-
lowed.
This procedure is required only once, before the air com-
pressor is put into service.
1. Set the pressure switch "AUTO/O" lever in the
"O" position for "Off".
2. Plug the power cord into the correct branch circuit
receptacle.
3 Do net attach hose to outlet. Leave the outlet open
to the atmosphere.
f Turn the regulator clockwise, opening it fully, to
prevent air pressure build-up in the tank.
5 Move the "AUTO/O" lever to "AUTO". The com-
pressor wil! start,
6 RUN THE COMPRESSOR FOR 30 MINUTES.
Make sure the regulator is open and there is no tank
pressure build-up.
7. After 30 minutes, close the regulator by turning it
counterclockwise. The air tank will fill to cut-out
pressure and then the motor will stop.
Piping
Plastic or PVC pipe is not designed for use with
compressed air, Regardless of its indicated
pressure rating, plastic pipe can burst from air
pressure. Use only metal pipe for air distribution
lines.
If a pipe line is necessary, use pipe that is the same
size as the air tank outlet. Piping that is too small will
restrict the flow of air. If piping is over 100 feet long,
use the next larger size. Bury underground lines below
the frost line and avoid pockets where condensation
D21245 Rev 0 6/29/00 10 -- ENG

1. Before attaching air hose or accessories, make
sure the "AUTO/O" lever is set to "O" and the air
regulator is closed.
2. Make sure that nothing is blocking the belt guard
air openings or air filter inlet.
3. Pull the ring on all safety valve to make sure the
valve moves freely and smoothly.
4. Check the oil level; add oil if necessary.
5. Clean or blow off fins or any part of compressor
thatcollects dust and dirt. Compressor will run
cooler and provide longer service.
6. Before attaching an air hose or accessory make
sure the pressure switch lever is in the "OFF"
position. Close the air regulator outlet by turning it
counterclockwise.
7. Attach hose and accessories.
TOO MUCH AIR PRESSURE CREATES A
HAZARDOUS RISK OF BURSTING. CARE-
FULLY FOLLOW STEPS 3 AND 5 BELOW EACH
TiME THE COMPRESSOR IS USED.
V_YI'.I -'1{11_[d
Compressed air from the outfit may contain
water condensation. Do not spray unfiltered air
at an item that could be damaged. Some air
operated tools or devices may require filtered
air. Read the instructions for the air tool or
device.
8. Check the manufacturer's maximum pressure
rating for air tools and accessories. The regulator
outletpressure must never exceed the maximum
pressure rating.
9. Turn the "AUTO/O" lever to "AUTO" and allow tank
pressure to build. Motor will stop when tank
pressure reaches "cut-out" pressure.
10. Open the regulator by turning it clockwise. Adjust
the regulator to the correct pressure setting. Your
compressor is ready for use.
11. Always operate the air compressor in well-venti-
lated areas; free of gasoline or other solvent
vapors. Do not operate the compressor near the
spray area.
WHEN YOU ARE FINISHED:
12. Set the "AUTO/O" lever to "O".
13. Turn the regulator counterclockwise and set the
outlet pressure to zero.
14. Remove the air tool or accessory.
15. Open the regulator and allow the air to slowly
bleed from the tank. Close the regulator when
tank pressure is approximately 20 psi.
16. Drain water from air tank.
WATER WILL CONDENSE IN THE AIR TANK. IF
NOT DRAINED, WATER WILL CORRODE AND
WEAKEN THE AiR TANK CAUSING A RISK OF
AIR TANK RUPTURE.
NOTE:
If drain cock valve is plugged, release all air
pressure. The valve can then be removed,
cleaned, then reinstalled.
17. After the water has been drained, cfose the drain
valve. The air compressor can now be stored.
11 -- ENG D21245 Rev. 0 6/29/00

UNIT CYCLES AUTOMATICALLY WHEN POWER IS ON. WHEN DOING MAINTENANCE, YOU MAY BE EXPOSED TO
VOLTAGE SOURCES, COMPRESSED AIR OR MOVING PARTS. PERSONAL INJURIES CAN OCCUR. BEFORE
PERFORMING ANY MAINTENANCE OR REPAIR, UNPLUG THE COMPRESSOR AND BLEED OFF ALL AIR PRES-
SURE.
ALL MAINTENANCE AND REPAIR OPERATIONS NOT LISTED MUST BE DONE BY A QUALIFIED SERVICE TECHNICIAN.
Routine Maintenance Schedule
Daily:
1. Check oil level. Add if necessary.
2. Drain water from the air tank, any moisture separa-
tors or transformers.
3. Check for any unusual noise and/or vibration.
4. Manually check all safety valves to make sure
they are operating properly.
5. Inspect for oil leaks and repair any leaks found.
6. Inspect air filter, replace if necessary.
Every 40 Hours of Operation:
1, Clean and inspect the air intake filter; replace if
necesssary.
2. Inspect condition of drive belt; replace if neces-
sary.
Every 100 Hours of Operation:
1. Drain and refill compressor crankcase with 16 fluid
ounces (473.2 ml) of clean compressor such as
Sears 9-16426 or SAE 20-20W SF motor oil
2. Increase frequency of oil changes if humidity or
operating conditions are extreme.
Every 160 Hours of Operation:
1. Check drive belt tension; adjust if necessary.
(Refer to SERVICE INSTRUCTIONS in this manual.)
2. Inspect air lines and fittings for leaks; correct as
necessary.
3. Check the alignment of the motor pulley to the
flywheel. If necessary, align to within 1/32 inch on
centedine.
Each Year of Operation or if a Problem
is Suspected:
Check condition of air compressor pump intake and
exhaust valves. Replace if damaged or worn out.
Air Filter -Inspection and Replacement
Hot surfaces. Risk of burn. Compressor
heads are exposed when filter cover is
removed. Allow compressor to cool prior to
servicing.
A dirty air filter will not allow the compressor to
operate at full capacity. Before you use the compres-
sor, check the air filter to be sure it is clean.
If it is dirty, replace it with a new filter. On some
models, the filter may be removed by using a pair of
needle nosed pliers or a screwdriver. Pull or pry out
the old filter. Push in the new air filter. Other models
require removal of the belt guard and/or filter retainer.
Check Valve Cleaning -Replacement
1,
2.
3.
4.
6.
Risk of personal injury. Manifold assembly
contains compressed air which can be
hazardous.
Manifold gets hot during operation.
Before servicing:
Unplug or disconnect electrical supply
to compressor.
Bleed tank of pressure.
Allow compressor to cool
Release all air pressure from air tank and unplug
outfit.
Remove shroud.
Loosen the top and bottom nuts and remove the
outlet tube.
Remove the pressure release tube, fitting, and
connector.
Unscrew the check valve (turn counterclockwise)
using a socket wrench.
Check that the valve disc moves freely inside the
check valve and that the spring holds the disc in
the upper, closed position. The check valve may
be cleaned with a solvent, such as paint and
varnish remover.
7. Apply a Teflon based pipe sealant to the check
valve threads. Reinstall the check valve (turn
clockwise).
8. Replace the pressure release tube and fitting.
9. Replace the outlet tube and tighten top and
bottom nuts.
10. Replace the shroud.
Safety Valve -Inspection
If the safety valve does not work properly,
over-pressurization may occur, causing air
tank rupture or an explosion. Before
starting compressor, pull the ring on the
safety valve to make sure that the safety
valve operates freely. If the valve is stuck or
does not operate smoothly, it must be
replaced with the same type of valve.
D21245 Rev, 06/29/00 12 -- ENG

Belt- Replacement
SERIOUS INJURY OR DAMAGE MAY OCCUR IF
PARTS OF THE BODY OR LOOSE ITEMS GET
CAUGHT IN MOVING PARTS. NEVER OPERATE
THE OUTFIT WITH THE BELT GUARD RE-
MOVED. THE BELT GUARD SHOULD BE
REMOVED ONLY WHEN THE COMPRESSOR IS
UNPLUGGED.
Belt Guard -Removal and Installation
1. Move the "ON/AUTO-OFF" lever to the "OFF"
position. Unplug the compressor. Release all air
tank pressure.
2. On one-piece belt guards, remove the two
beltguard screws on the bottom front of the outfit.
3. On two-peice belt guards, remove the front of the
belt guard by disengaging the snaps. Insert a flat
bladed screwdriver at each snap location and pry
the beltguard apart.
Replace Belt
1. Unplug compressor.
2. Remove (one-piece) beltguard, or front of (two-
piece) beltguard as described above.
NOTE
Loosen the wing nut at the hold down plate. The
motor can be tilted to allow for easy removal or
installation of the belt.
3. Remove belt and replace.
NOTE
The belt must be centered over the grooves on
the flywheel and motor pulley.
Adjust Belt Tension
Adjust belt tension by tightening the wing nut until it
makes contact with the washer, plus one additional
turn. I fitW_'1d_ll_rd
Pressure Switch -Replacement
PRESSURE LOADS BEYOND DESIGN LIMITS
MAY CAUSE TANK RUPTURE OR EXPLOSION.
PRESSURE SWITCH OPERATION IS RELATED
TO MOTOR HP, TANK RATING AND SAFETY
VALVE SETrlNG. DO NOT AI-rEMPT TO AD-
JUST, REMOVE OR DEFEAT THE PRESSURE
SWITCH, OR CHANGE AND MODIFY ANY
PRESSURE CONTROL RELATED DEVICE. IF
REPLACEMENT IS NECESSARY, THE SAME
RATED SWITCH MUST BE USED. CONTACT A
SEARS SERVICE CENTER FOR REPLACEMENT.
Motor Overload Protector -Reset
The motor has a manual thermal overload protector. If
the motor overheats for any reason, the overload
protector will shut off the motor. The motor must be
allowed to cool down before restarting. Turn the unit
off. To restart, depress the red reset button located on
the end of the motor and turn ON/AUTO-OFF switch to
the ON position.
NOTE
If the overload protector shuts the motor
off frequently, check for a possible voltage
problem. Low voltage can also be sus-
pected when:
1. The motor does not get up to full power or
speed.
2. Fuses blow out when the motor is started.
3. Lights dim when motor is started, and
remain dim while it is running.
Pulley and Flywheel -Alignment
The compressor flywheel and motor pulley grooves
must be in-line within 1/32" to assure belt alignment
within sheave grooves. To check alignment, unplug
compressor and remove the beltguard. Place a straight
edge against the outside of the flywheel and measure
the distance from it to the nearest groove. Alignment is
achieved when the other end of the straight edge is
within 1/32" of the measured dimension at the pulley
grooves.
Servicing Intake and Exhaust Valves
The intake and exhaust valves as well as the valve
plates and cylinder head will, over a period of time,
accumulate a residue of carbon-like material on their
surfaces. The material will decrease the efficiency of
the compressor. These components should be in-
spected whenever a problem is suspected and
cleaned or replaced with new parts, Refer to "Outfit
PartsListing", if required. Use the following procedure
to inspect the parts.
1, Unplug compressor and relieve all air pressure
from the air tank.
2. Disconnect the pressure release and outlet lines
from the air compressor.
3. Remove the hardware securing the cylinder head
and remove the cylinder head and valve plate.
MANY SOLVENTS ARE HIGHLY FLAMMABLE
AND A HEALTH HAZARD IF INHALED. ALWAYS
OBSERVE THE SOLVENT MANUFACTURER'S
SAFETY INSTRUCTIONS AND WARNINGS.
4. Clean carbon deposits in head cavities and valve
plates with lacquer thinner or other suitable
solvent.
5. Clean the intake and exhaust valves with lacquer
thinner or other suitable solvent. Inspect valves;
replace if necessary.
NOTE
Do not use gasket cement on any gasket
surface as this may clog compressor valve
cavities and air flow areas,
6. Reinstall valve plate and gaskets.
7. Install the cylinder head. Snug mounting screws
and studs tight, then torque to 25 to 30 foot
pounds starting at the center and working toward
the outside.
8. Reconnect the pressure release and outlet lines to
the compressor pump.
13 -- ENG D21245 Rev. 0 6/29/00

Storage
1. Review the "Maintenance" section on the preced-
ing pages and perform scheduled maintenance as
necessary. Drain the water from the air tank.
2. Set the ON/AUTO-OFF switch to the "OFF" posi-
tion, and unplug the unit.
3, Remove any air tool or accessory.
4. Protect the electrical cord and air hose from
damage (such as being stepped on or run over}.
Wind them loosely around the outfit handle.
5. Store the compressor in a clean and dry location.
PERFORMING REPAIRS MAY EXPOSE VOLTAGE SOURCES, MOVING PARTS OR COMPRESSED AIR SOURCES.
PERSONAL INJURY MAY OCCUR. PRIOR TO ATTEMPTING ANY REPAIRS, UNPLUG THE COMPRESSOR AND
BLEED OFF TANK AIR PRESSURE.
PROBLEM
Excessive tank pressure - safety
valve pops off.
CAUSE CORRECTION
Pressure switch does not shut off
motor when compressor reaches
cut-out pressure.
Move the pressure switch lever to the "O"
position. If the compressor doesn't shut off,
disconnect from the electrical outlet source
and return to a Sears Service Center to re-
place the pressure switch.
Pressure switch cut-out too high. ReturnthecompressortoSearsServiceCenter
to check and adjust, or replace switch.
Air leaks at fittings or hose. Tube or hose fittings are not tight Tighten fittings using teflon tape where air
enough, can be heard escaping. Check fittings with
soapy water solution. DO NOT OVER-
TIGHTEN.
Air _eaksat pressure switch Defective pressure switch release valve, Return to Sears Service Center for replace-
release valve, ment of pressure switch.
Defective or dirty check valve.
Defective air tank.Air leaks in air tank or at air tank
welds,
Check to see if the pin in the bottom of the
pressure release valve is stuck. If it does not
move freely, return to the Service Center for
replacement of pressure switch.
A defective check valve results in a constant
air leak at the pressure release valve when
there is pressure in the tank and the com-
pressor is shut off. Remove and clean or re-
place check valve, DO NOT OVERTIGHTEN,
Air tank must be replaced. Do not repair the
leak. Return compressor to Sears Service
Center.
DO NOT DRILL INTO, WELD OR OTHER-
WISE MODIFY AIR TANK OR IT WILL
WEAKEN. THE TANK CAN RUPTURE OR
EXPLODE.
Airleaksbetweenheadandvalve Leaking seal. Torque head screws to 7-10 ft. Ibs, If this
plate, does not stop leak, replace seal.
D21245 Rev 0 6/29/00 14 -- ENG

PROBLEM CAUSE CORRECTION
It is normal for some pressure drop
to Occur.
Pressure reading on the regu-
lated pressure gauge drops when
an accessory is used.
Air leak from safety valve,
Knocking noise
Possible defectin safety valve.
Air leaks at or inside check
valve.
Excessive belt wear.
Squealing sound.
Defective check valve.
Loose pulley.
Low oil level.
Loose flywheel.
Loose compressor mounting screws.
Loose belt.
Belt too tight.
Carbon build-up,
Defective or dirty check valve.
Belt is too loose or tight.
Loose pulley.
Pulley misalignment.
Loose belt.
There is no oil in the compressor.
If there is an excessive amount of pressure
drop when the accessory is used, adjust the
regulator.
NOTE
Adjust the regulated pressure under flow con-
ditions (while accessory is being used).
Operate safety valve manually by pulling on
ring. If valve still leaks, it should be
replaced.
Remove and clean or replace.
Torque pulley set screw.
Maintain prescribed oil level. Add oil.
Torque screw 15-20 ft. Ibs.
Check screws. Torque as required (15-20
ft.-Ibs.)
Tighten wing nut until it contacts the
washer, plus one more turn.
Adjust belt tension (see "Belt Replace-
ment".)
Remove the head and valve plate. Clean
the valve plate and top of the piston. (Be
sure carbon does not fall into the cylinder.)
Reassemble to 25-30 ft. Ibs. using new
gasket and torque screws.
A defective check valve results in a constant air
leak at the pressure release valve when there is
pressure in the tank and the compressor is shut
off. Remove and clean or replace check valve.
DO NOT OVER-TIGHTEN.
Adjust tension instructions. (See "Belt
Asjustment or Replacement" section in this
manual.
Check for worn keyway or pulley bore. Also
check for bent motor shaft. Replace parts if
necessary,
Motor pulley and flywheel must be in line within
1/32". (See "Pulley and Flywheel - Alignment"
section in this manual.)
Adjust belt tension, (See "Belt Replacement"
section in this manual.)
Add oil to top of fill hole in base.
15 -- ENG D21245 Rev. 0 6/29/00

PROBLEM
Compressor is not supply-
ing enough air to operate
accessories.
CAUSE
Compressor is not large enough
for air requirement.
Motor will net run or restart.
Regulator knob continuous
air leak. Regulator will not
shut off at air outlet.
Restricted air intake filter.
Hole in hose.
Check valve restricted.
Air leaks.
Loose belt.
Restricted or defective check valve.
Present tank pressure exceeds
pressure switch "cut-in" pressure.
Fuse blown, circuit breaker tripped.
Motor overload protection switch
has tripped.
Possible defective motor or
capactior.
Paint spray on internal motor
parts.
Check varve stuck open, putting
pressure on head.
Pressure release valve on pressure
switch has not unloaded head
pressure.
Dirty or damaged regulator
internal parts.
CORRECTION
Check the accessory air requirement. If it is higher
than the SCFM or pressure supplied by your air
compressor, you need a larger compressoE
Clean or replace air intake filter. Do not operate
the air compressor in any paint spray or drywall
sanding area.
Check and replace if required.
Remove and clean, or replace.
Tighten fittings.
Adjust belt tension.
Remove and clean or replace.
Motor will start automatically when tank pressure
drops below "cut-in" pressure of pressure switch.
Check fuse box for blown fuse and replace, if
necessary. Reset circuit breaker. Do not use a
fuse or circuit breaker with higher rating than
that specified for your particular branch circuit.
2. Check for proper fuse; only Time Delay fuses
are acceptable.
3. Check for low voltage conditions end/or
proper extension cord.
4. Disconnect the other electrical appliances
from circuit or operate the compressor on its
own branch circuit.
5. Check for loose electrical connections.
Let motor cool off and overload switch will
auto- matically reset.
Return to Sears Service Center for inspection or
replacement, if necessary.
Have compressor checked at Sears Service Center.
Do not operate the compressor in the paint spray
area. See flammable vapor warning.
Remove and clean, or replace the check valve.
Bleed the line by pushing the lever on the pressure
switch to the "0" position; if the valve does not
open, replace it.
Replace regulator:
D21245 Rev. 0 6/29/00 16 -- ENG

17-- ENG D21245Rev.0 6/29/00

(_39
42
48
54
35 19
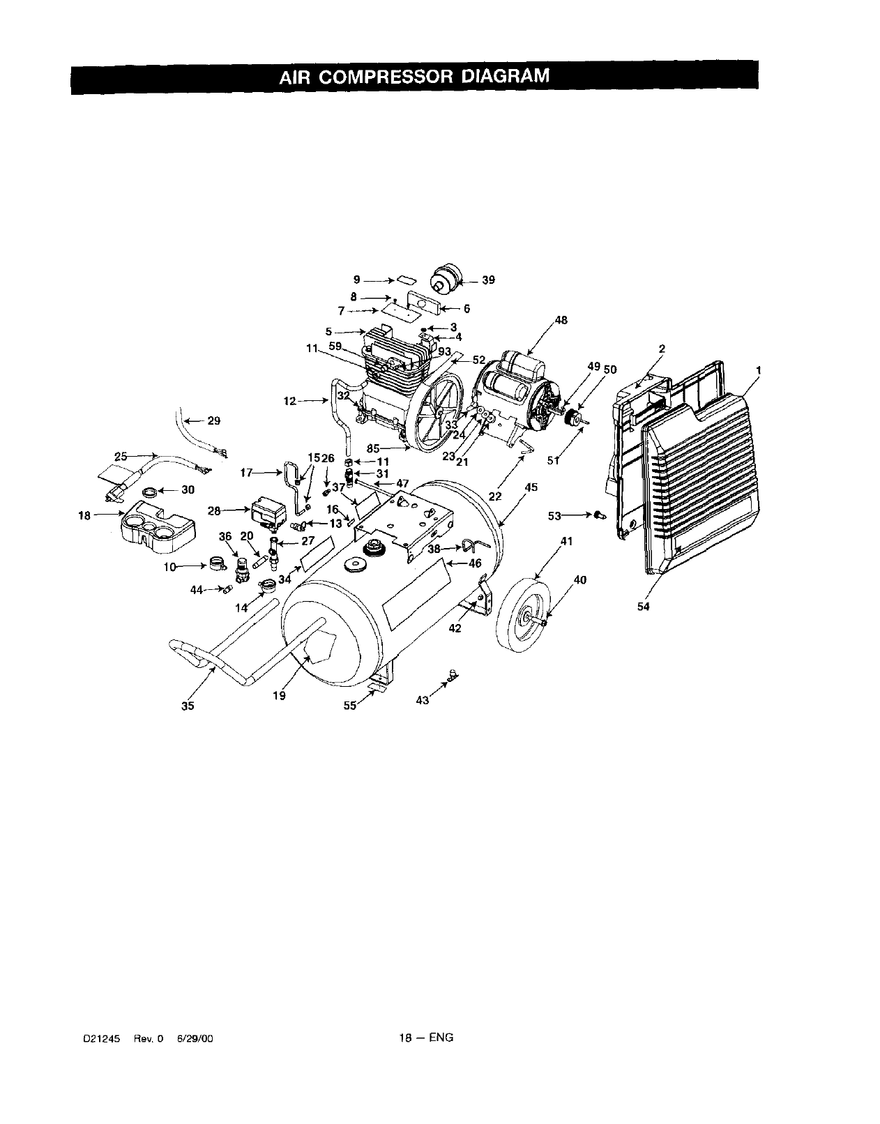
£)21245 Rev. 06/29/00 18 -- ENG

+
KEY
NO_
1
2
3
4
5
6
7
8
9
10
11
12
13
14
15
16
17
18
19
2O
21
22
23
24
25
26
27
28
29
30
31
32
33
34
35
36
37
38
39
40
41
42
43
44
45
46
47
48
49
50
51
52
53
54
55
PART NUMBER
CAC-322
CAC-323
SSF-8113-ZN
CAC-327
Z-AC-0334
265-!7
265-18
SSF-935
LA-2578
AC-0010-1
SSP-7812
AC-0041
97503734
AC-0009-1
SSP-7811
LA-1555
AC-0028
AC-O011
LA-1978-1
SSP-480
CAC-1011
CAC-1013
SSN_56-ZN
SSN-1619-ZN
SUDL-413-2
SS-8553
AC-0027-2
Z-AC-0008-2
CAC-4215-1
CAC-61
CAC-4337-1
SSF-928
SS-2038-ZN
LA-2632-1
CAC-320-1
AC-0076
LA-2749-1
CAC-1059
AC-0330
CAC-60
CAC-4313
SSF-8080-ZN
SS-2707
H-2101
Z_TA-4336
LA-3069
CAC-287
Z-MO-3019-2
SUDL-65
Z-C-PU_2872
SS-391
C-BT-222
SSF-986
D21244
SUDL-6-1
Not Shown
CAC-1392
DESCRIPTION
Belt guard, outside
Belt guard, inside
Lock nut
Bracket
Compressor pump assembly (includes Key #55 through 89 inclusive)
Felt Filter
Filter Plate Assy
Screw, #8-32 x 3/8" (2 used)
Hot Surface Label (2 used)
Gauge, LT Hand
Nut/Sleeve Assembly (2 used)
Outlet tube
Safety valve
Gauge, RT Hand
Nut/Sleeve Assembly (2 used)
Label - 120V Wired
Pressure release tube
Console
Drain Tank Label
Nipple
Elastomer spring
Hold down screw
Flat washer
Lock washer
Cord assembly
Connector Body
Manifold
Pressure switch assembly
Motor cord assembly
Panel mounting ring
Check valve
Screw 5/16"-18 x 7/8" (4 used)
Wing nut
Warning label
Handle
Regulator
Maintenance label
Retaining clip (2 used)
Filter, Solberg 1/2 NPT
Shoulder bolt (2 used)
10" wheel (2 used)
Lock nut (2 used)
Drain cock
Adapter
Air tank, 30 gallon ASME
Sears Craftsman label
Pivot pin
Motor
Motor shaft key (3/16" x 3/16" x 1 1/4")
Motor pulley
Set Screw
Poly-V Belt, 39" long
Self-tapping screw (2 used)
Label, Belt Guard
Rubber Strip
Strain Relief
19 -- ENG D21245 Rev 0 6/29/09

90-_ 91 92
t
(oil fill plug)
_77
(oil drain plug)
D21245 Rev. 0 6/29/00 20-- ENG

+
X
X
X
4-
+
KEY
PART NUMBER DESCRIPTION
59 SSP-9401 Connector Body
60 Z-CAC-291-1 Head Gasket I
61 265-25 (2Intakeflapper valve - squarecornerSusedon head) .I o°
62 SSF-9821 Screw #5-40 x 1/4" (8 used)
63 CAC-294 Restrictor plate (2 used)
64 Z-265-196-1 Exhaust flapper valve - beveled corners
(2 used on valve plate)
65 DAC-4129-1 Valve plate assembly (includes 4 ea. Key #62 and 2 ea.
Key #63 & #64)
66 Z-CAC-1265-2 Valve plate gasket
67 CAC-56-1 Compression ring (4 used)
68 CAC-58 Oil ring (4 used)
69 CAC-57 Oil ring expander (2 used)
70 CAC-55-1 Piston (2 used)
71 265-19 Piston pin (2 used)
72 CAC-207 Piston pin plug (4 used)
73 265-410 Connecting rod assembly (2 used) (includes two SSF-927 screws)
74 SSF-927 Screw, 1/4-20 x 1 1/8" (4 used)
75 AC-0205 Crankcase and cylinder
77 SSP-486 Pipe plug (2 used)
78 SSF-925 Screw, 1/4-20 x 7/8" (8 used)
79 DAC-276 Base
80 265-16-1 Base gasket
81 AC-0203 Crankshaft
82 SST-104 Ball Bearing (2 used)
83 SSP-5O5 Oil Plug
84 SSN-1018 Wavy Spring Washer
85 265-2 Flywheel
86 SSN- 1014-ZN Belleville washer
87 SSF-3039-ZN Cap screw
88 AC-0169 Oil Seal
89 265-6 Vent filter
90 SSF-6627 Stud 3/8" x 16 both ends (1 used - Torque 25 to 30 ft. Ibs.)
91 CAC-4213 Head Assembly (includes 2 ea. Key #61 and 4 ea. Key #62)
92 SSF-956 Screw, 3/8-16 x 1 1/2" (5 used - Torque 25 to 30 ft. Ibs.)
93 SS-1215 Pipe Plug
* Key No. 21,22,23,24 and 33 available as individual parts and part of Motor Hold Down Kit K-0655.
• Key No. 67, 68 and 69 only available in Ring Kit KK-4313.
+ Key No. 6, 60, 66, 80, 83, 88 and 89 available as individual parts and part of Gasket Kit K-0301.
X Key No. 61,62 and 64 only available in Valve Kit KK-4275.
NOT ILLUSTRATED
D21243 Specification Label
D21245 General Manual
LA-2633 Drain Tank Can
21 -- ENG D21245 Rev. O 6/29/00

SEeA.RS
CRAFTSMAN
MODEL NO.
SERVICE
HOW TO ORDER
REPAIR PARTS
OWNERS MANUAL FOR
PERMANENTLY LUBRICATED
TANK MOUNTED
AIR COMPRESSOR
The model number of your Sears Air Compressor can be
found
on the maintenance label on the top of the shroud or on the
bar code label on the rear of the air tank.
SERVICE AND REPAIR PARTS
CALL 1-800-665-4455"
Keep this number handy should you require a service call or
need to order repair parts.
If ordering parts make sure you have the name, make and
model no. of the merchandise and the name and number of
the part you wish to order.
*If calling locally, please use one of the following num-
bers:
Regina - 566-5124 Montreal - 333-5740
Toronto - 744-4900 Halifax -454-2444
Kitchener - 894-7590 Ottawa - 738-4440
Vancouver - 420-8211
WHEN ORDERING REPAIR PARTS, ALWAYS GIVE THE
FOLLOWING INFORMATION:
•PART NUMBER •PART DESCRIPTION
•MODEL NUMBER •NAME OF ITEM
All parts listed may be ordered from any Sears Service Center
and most Sears stores.
If the parts you need are not stocked locally, your order will be
electronically transmitted to a Sears Repair Parts Distribution
Center for handling.
Sold By Sears Canada, Inc., Toronto, Ont. MSB 2B8