Craftsman 921166360 User Manual AIR COMPRESSOR Manuals And Guides L0702368
CRAFTSMAN Air compressor Manual L0702368 CRAFTSMAN Air compressor Owner's Manual, CRAFTSMAN Air compressor installation guides
User Manual: Craftsman 921166360 921166360 CRAFTSMAN AIR COMPRESSOR - Manuals and Guides View the owners manual for your CRAFTSMAN AIR COMPRESSOR #921166360. Home:Tool Parts:Craftsman Parts:Craftsman AIR COMPRESSOR Manual
Open the PDF directly: View PDF
.
Page Count: 28

Owner's Manual
AiR COMPRESSOR
5-gallon
1HP
Oil-Lubricated, Direct Drive
Model No. 921.1 66360
FILL WITH OIL BEFORE USE.
CAUTION:
Before using this product,
read this manual and follow
all its Safety Rules and
Operating Instructions.
,, Safety Instructions
,, Installation & Assembly
,, Operating Procedures
,, Maintenance & Storage
,, Troubleshooting Guide
,, Parts List
,, Espaffoi, p. 13
Sears, Roebuck and Co., Hoffman Estates, IL 60179 U.S.A.
WWW.Seal_S.com
12/14/2006
Part No. E102348

Table of Contents
Page
Warranty .............................................................. See Below
Safety Symbols .......................................................... 1
Important Safety Instructions & Guidelines ..................................... 1
Specifications ............................................................ 2
Glossary ................................................................ 2
Duty Cycle .............................................................. 2
Parts & Features ......................................................... 3
Installation & Assembly .................................................... 4
Operating Procedures ..................................................... 5
Detaching Unit from Dolly .................................................. 6
Maintenance ............................................................. 6
Storage ................................................................ 6
Troubleshooting Guide ..................................................... 7
Exploded View ........................................................... 8-9
Parts List ............................................................... 10-11
Espafiol ................................................................ 13
ONE YEAR FULL WARRANTY
If this Craftsman product fails due to a defect in material or workmanship within one year from the
date of purchase, return it to any Sears store, Sears Service Center, or other Craftsman outlet for
free repair (or replacement if repair proves impossible).
This warranty applies for only 90 days from the date of purchase if this product is ever used for
commercial or rental purposes.
This warranty gives you specific legal rights, and you may also have other rights which vary from
state to state.
Sears, Roebuck and Co, Hoffman Estates, IL 60179

Safety Symbols
The information listed below should be read and understood by the operator. This information is given to protect the
user while operating and storing the air compressor. We utilize the symbols below to allow the reader to recognize important
information about their safety.
Indicates an imminently hazardous situation which, if not
avoided, will result in death or serious injury.
Indicates a potentially hazardous situation which, if not
avoided, could result in death or serious injury
Indicates a potentially hazardous situation which, if not
avoided, may result in minor or moderate injury.
When used without the safety alert symbol indicates a
potentially hazardous situation which, if not avoided, may
result in property damage.
important Safety instructions and Guidelines
- Save all instructions
Improper operation or maintenance of this product could result in serious injury and/or property damage. Read and
understand all of the warnings and safety instructions provided before using this equipment.
Risk of Moving Parts
I
I
1
1
1
1
Risk of Burns
Risk of Falling
Risk from Flying Objects
The air compressor should be operated on a dedicated 15 amp circuit. If the circuit does
not have 15 free amps available, a larger circuit must be used. Always use more air
hose before utilizing extension cords. All extension cords used must be 12 gauge with a
maximum length of 25 ft. The circuit fuse type must be a time delay. Low voltage could
cause damage to the motor.
If the air compressor is in operation, all guards and covers should be attached or
installed correctly. If any guard or cover has been damaged, do not operate the
equipment until the proper personnel has correctly repaired the equipment. The power
cord should be free of any moving parts, twisting and/or crimping while in use and while
in storage.
There are surfaces on your air compressor that while in operation and thereafter can
cause serious burns if touched. The equipment should be allowed time to cool before
any maintenance is attempted. Items such as the compressor pump and the outlet tube
are normally hot during and after operation.
Operation of the air compressor should always be in a position that is stable. Never use
the air compressor on a rooftop or elevated position that could allow the unit to fall or
be tipped over. Use additional air hose for elevated jobs.
Always wear ANSt Z87.1 approved safety glasses with side shields when the air
compressor is in use. Turn off the air compressor and drain the air tank before
performing any type of maintenance or disassembly of the hoses or fittings. Never point
any nozzle or sprayer toward any part of the body or at other people or animals.

Important Safety Instructions & Guidelines
Risk of Breathing
Risk of
Electrical Shock
Risk of
Explosion or Fire
Risk of Bursting
!
Avoid using the air compressor in confined areas. Always have adequate space
(12 inches) on all sides of the air compressor. Also keep children, pets, and others out of
the area of operation. This air compressor does not provide breathable air for anyone or
any auxiliary breathing device. Spraying material will always need to be in another area
away from the air compressor to not allow intake air to damage the air compressor filter.
Never utilize the air compressor in the rain or wet conditions. Any electrical issues or
repairs should be performed by authorized personnel such as an electrician and should
comply with all national and local electrical codes. The air compressor should also have
the proper three prong grounding plug, correct voltage, and adequate fuse protection.
Never operate the compressor near combustible materials, gasoline or solvent vapors.
If spraying flammable materials, locate the air compressor at least 20 feet away from the
spray area. Never operate the air compressor indoors or in a confined area.
Always drain the air compressor tank daily or after each use. If the tank develops a leak,
then replace the air compressor. Never use the air compressor after a leak has been
found or try to make any modifications to the tank. Never modify the air compressor's
factory settings which control the tank pressure or any other function.
Specifications
Pump .......................... Oil-lube direct drive Air Tank Capacity ......................... 5 Gallons
Motor ............................ 1.0 HP (induction) Cut-in Pressure ............................. 95 PSI
Bore ....................................... 1.65" Cut-out Pressure ........................... 125 PSI
Stroke ...................................... t.26" SCFM @ 90 PSi ................................ 2.4
Voltage Single Phase ....................... 120 VAC Oil Capacity ......................... 90 mL or 3oz.
Minimum Circuit Requirement ................ 15 Amps Oil Type ........................ SAE 30 Non-detergent
Glossary
SCFM: Standard cubic feet per minute; a unit of measure
for air delivery.
PSlG: Pounds per square inch gauge; a unit of measure
for pressure.
ASME: American Society of Mechanical Engineers.
California Code: Unit may comply with California Code
462 (I) (2)/(M) (2).
Cut=In Pressure: The air compressor will automatically
start to refill the tank when the pressure drops
below the prescribed minimum.
Cut=Out Pressure: The point at which the motor stops
when the tank has reached maximum air
pressure.
Code Certification: Products that bear one or more of
the following marks: UL, ULc, ETL, CSA, have
been evaluated by OSHA-certified independent
safety laboratories and meet the applicable
Underwriters Laboratories Standards for Safety.
Duty Cycle
This is a 50% duty cycle air compressor.
could damage the air compressor.
Do not run the air compressor more than 30 minutes of one hour. Doing so
2

Parts & Features
See figures below for reference.
I Check Valve o'_
When the pump is not in operation the valve closes t
retain air pressure inside the tank. An internal |
component. J
I Quick Connect
Offers a quick release feature for
attaching and removing the air hose.
I Regulator Gauge
Indicates the outgoing air pressure to the tool and is
controlled by the regulator.
I Regulator "_
The air pressure coming from the air tank is controlled I
by the regulator. To increase the pressure turn the r_
knob clockwise and to decrease the pressure turn the
knob counterclockwise.
Tank Safety Valve
Used to allow excess tank pressure to escape into
the atmosphere. This valve should only open when
the tank pressure is above the maximum rated
pressure.
Pressure Switch
On/Auto/Off Lever: Turn this lever to On/Auto to provide
power to the pressure switch. Turn lever to Off when
compressor is no longer in use.
Pressure Switch: The pressure switch automatically starts
the motor when the air tank pressure drops below the
factory set cut-in pressure. It stops the motor when the air
tank pressure reaches the factory set cut-out pressure.
f
Tank Pressure Gauge
Indicates the reserve air pressure
in the tank.
Pressure Relief Valve
The pressure relief valve located on the side of the
pressure switch, is designed to automatically
release compressed air when the air compressor
reaches cut-out pressure. The released air should
only escape momentarily and the valve should then
close.
Pressure Relief
Air Intake Filter
Provides clean air to the pump and must always be
kept free of debris. Check on a daily basis or before
each use.
Tank Drain Valve
Used to drain condensation from the air tank.
Located at bottom of tank.

Installation & Assembly
The air compressor should be turned off, unplugged from
the power source, the air bled from the tank and the unit
allowed time to cool before any maintenance is performed.
Personal injuries could occur from moving parts, electrical
sources, compressed air or hot surfaces. The quick connect
assembly must be attached before use. Failure to assemble
correctly could result in leaks and possible injury. If unsure
of assembly instructions or you experience difficulty in the
assembly please contact your local authorized Sears or
another qualified service dealer.
all local codes and ordinances. Check with a qualified
electrician or service personnel if these instructions are not
completely understood or if in doubt as to whether the tool
is properly grounded.
Grounding Pin
Grounded
Outlet
Assembly
1. Remove air compressor, oil bottle, intake filter, manual
and accessories from the styrofoam.
2. Remove the plastic plug from the compressor intake
port. (see diagram below)
3. Install the filter in the compressor intake port.
(see diagram below)
4. Remove the oil fill cap from the crankcase and fill until
the oil reaches the top of the red dot in the sight glass.
Oil capacity is 3 oz. (seebelow)Use SAE-30 non-
detergent (APt CG/CD heavy duty motor oil). Under
extreme cold weather conditions, 32° F (0°C) or below,
use SAE-10 weight oil.
5. Replace the oil cap.
6. Check to ensure that unit is mounted securely to the
dolly before transporting. (seepage 6)
Estimated Assembly Time: Approximately 5 minutes
Getting Started -Location of the Air Compressor
The air compressor should always be located in a clean,
dry and well ventilated environment. The unit should have
at minimum, 12 inches of space on each side. The air filter
intake should be free of any debris or obstructions.
Check the air filter on a daily basis to make sure it is clean
and in working order.
Improper installation of the grounding plug will result in a
risk of electric shock, tf repair or replacement of the cord
or plug is necessary, do not connect the grounding wire to
either flat blade terminal. The wire with insulation having an
outer surface that is green with or without yellow stripes is
the grounding wire. Check with a qualified electrician or
serviceman if the grounding instructions are not completely
understood, or if in doubt as to whether the product is
properly grounded. Do not modify the plug provided.
If it will not fit the outlet, have the proper outlet installed
by a qualified electrician.
This product is for use on a circuit having a nominal rating
of 120 volts and is factory-equipped with a specific electric
cord and plug to permit connection to a proper electric
circuit. Make sure the product is connected to an outlet
having the same configuration as the plug. An adapter
should not be used with this product, tf the product must
be reconnected for use on a different type of electric circuit,
qualified service personnel should make the reconnection.
Extension Cords
Use only a 3-wire extension cord that has a 3-blade
grounding plug and a 3-slot receptacle that will accept the
plug on the product. Make sure your extension cord is in
good condition. When using an extension cord, be sure to
use one heavy enough to carry the current your product will
draw. Cords must not exceed 25 feet and No. 12 AWG size
must be used. An undersized cord will cause a drop in line
voltage resulting in loss of power and overheating.
Grounding Instructions
This product should be grounded. In the event of an electrical
short circuit, grounding reduces the risk of electric shock by
providing an escape wire for the electric current.
This product is equipped with a cord having a grounding
wire with an appropriate grounding plug. (See the figure at
top right corner.) The plug must be plugged into an outlet
that is properly installed and grounded in accordance with
Break In Procedures
No break in procedure is required by the user.
This product is factory tested to ensure proper operation and
performance.

Operating Procedures
Daily Start=Up Procedures
1. Set the Auto-On/Off lever to the Off position.
2. Inspect the air compressor, air hose, and any
accessories/tools being used for damage or obstruction.
If any of these mentioned items are in need of repair/
replacement, contact your local authorized Sears or
another qualified service dealer.
3. Close the drain valve.
4. Check the oil level of the pump.
5. Connect the air hose to the quick connect socket on
the regulator assembly by inserting the quick connect
plug on the air hose into the quick connect socket. The
quick connect socket collar will snap forward and lock
the plug into place providing an air tight seal between
the socket and plug. To release the air hose push the
collar back on the quick connect socket.
6. Plug the power cord into the proper receptacle.
7. Turn the Auto-On/Off lever to the On-Auto position and
the compressor will start and build air pressure in the
tank to cut-out pressure and then shut off automatically.
8. Adjust the regulator to a PSI setting that is needed for
your application and be sure it is within the safety
standards required to perform the task. If using a
pneumatic tool, the manufacturer should have
recommendations in the manual for that particular
tool on operating PSI settings.
9. The air compressor is now ready for use. The following
inflation and cleaning accessories packaged with this
unit should only be operated at maximum pressure
of 90PSI: blow gun, rubber-tapered nozzle, inflation
needles, adapter, and blow gun adapter.
Daily Shut=Down Procedures
1. Set the Auto-On/Off lever to the Off position.
2. Unplug the power cord from the receptacle.
3. Set the outlet pressure to zero on the regulator.
4. Remove any air tools or accessories. Always use
approved ear and eye protection.
5. Open the drain valve allowing air to bleed from the
tank. After all of the air has bled from the tank, close
the drain valve to prevent debris buildup in the valve.
When draining the tank, always use ear and eye protection.
Drain the tank in a suitable location; condensation will be
present in most cases of draining.
Water that remains in the tank during storage will corrode
and weaken the air tank which could cause the tank to
rupture. To avoid serious injury, be sure to drain the tank
after each use or daily.

Detaching unit from dolly
Do not use the dolly for any other means other than transporting this air compressor.
Do not move air compressor/dolly combo without tightening the knob that safely secures the compressor to the dolly.
Removing the air compressor from the dolly:
1. Turn off the compressor and unplug it from the power
source.
2. Turn the knob on the bottom of the dolly counter-
clockwise, (as viewed from the bottom), until the knob
releases from the air compressor. (This should be 1-2
revolutions)
3. While holding the dolly cart handle with one hand,
lift up on the air compressor handle to remove the
compressor.
Attaching the air compressor to the dolly:
1. Turn off the compressor and unplug it from the power
source.
2. Align the compressor's rubber isolators with the
depressions in the dolly frame.
3. Insert knob bolt into the air compressor and rotate
clock-wise, (as viewed from the bottom), until tight.
(If the compressor is not properly aligned onto the
frame the knob will not tighten. Reposition compressor
and try again.)
Maintenance
NOTE: Any service procedure not covered in the
maintenance schedule should be performed by qualified
service personnel. Contact your local authorized Sears
or another qualified service dealer.
The air compressor should be turned off, unplugged from
the power source, air bled from the tank and allowed
time to cool before any maintenance is performed.
To ensure efficient operation and longer life of the air
compressor unit, a routine maintenance schedule should
be followed. The following schedule is geared toward
a consumer whose compressor is used in a normal
working environment on a daily basis.
Items to Check/Change
Check Tank Safety Valve
Overall Unit Visual Check
Check Air Filter
Drain Tank
Check Power Cord for Damage
Change Oil
Check Oil Level
Before each use
or daily
X
X
X
X
X
after first 50 hours
after every 100 hours
X
Storage
For storing the air compressor, be sure to do the following:
1. Turn the unit off and unplug the power cord from the
receptacle.
2. Remove all air hoses, accessories, and air tools from
the air compressor.
3. Perform the daily maintenance schedule.
4. Open the drain valve to bleed all air from the tank.
5. Close the drain valve.
6. Store the air compressor in a clean and dry location.

Troubleshooting Guide
The air compressor should be turned off and unplugged from the power source before any maintenance
is performed as well as the air bled from the tank and the unit allowed time to cool. Personal injuries
could occur from moving parts, electrical sources, compressed air, or hot surfaces.
PROBLEM POSSIBLE CORRECTION
Air leaks at the check valve A defective check valve results in a constant air leak at the pressure relief valve
or at the pressure relief valve, when there is pressure in the tank and the compressor is shut off. Drain the tank,
then remove and clean or replace the check valve.
Air leaks between head and Be sure of proper torque on head bolts. If leak remains, contact a service technician.
cylinder.
Air leak from safety valve. Operate the safety valve manually by pulling on the ring. If the valve continues to
leak when in the closed position, it should be replaced.
Pressure reading on the
regulated pressure gauge
drops when an accessory is
used.
Excessive tank pressure.
Motor will not start.
Excessive moisture in the
discharge air.
Air leaks from the tank body
or tank welds.
If there is an excessive amount of pressure drop when the accessory is used,
replace the regulator.
Adjust the regulated pressure under flow conditions (while accessory is being used).
It is normal for the gauge to show minimal pressure loss during initial use of the
tool.
Move the Auto-On/Off lever to the Off position. If the unit doesn't shut off, unplug it
from the power source and contact a service technician.
Make sure power cord is plugged in and the switch is on. Inspect for the proper size
fuse in your circuit box. If the fuse was tripped, reset it and restart the unit. tf
repeated tripping occurs, replace the check valve or contact a service technician.
Remove the water in the tank by draining after each use. High humidity
environments will cause excessive condensation. Utilize water filters on your air
line.
Water condensation is not caused by compressor malfunction. Be sure the
compressor's air output is greater than your tool's air consumption rate.
Never drill into, weld or otherwise modify the air tank or it will weaken. The tank can
rupture or explode. Compressor cannot be repaired. Discontinue use of the air
compressor.

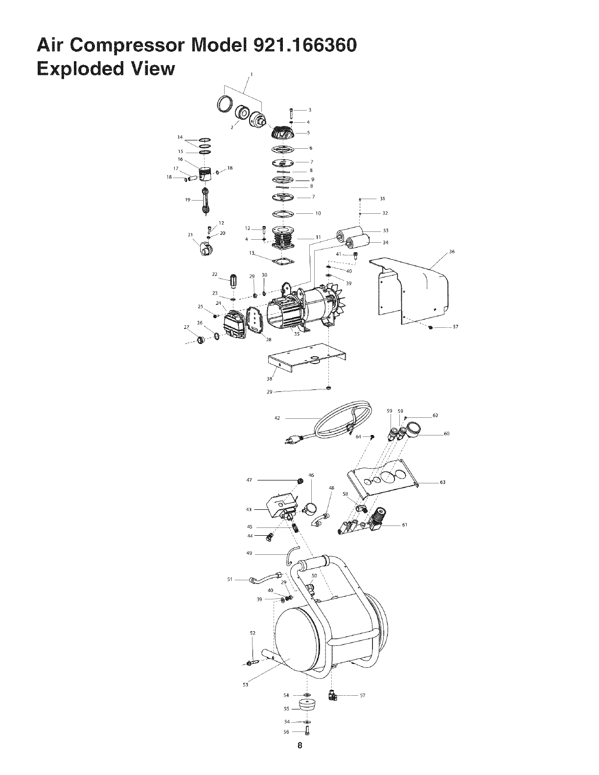
Air Compressor Model 921.166360
Exploded View
14 TO
_O
16\
17 _/18
1
_ 8
32
39 59
42 _ 62
__o
/
/
46
47 ,_ 48
49
_ ........ 5Z

Air Compressor Model 921.166360
E×ploded View
66
74
J
68 8
66 __ I
71
72
73 82
83
®
77
78
_79
8O

Air Compressor Model 921.166360
Parts List
Reference Kit Part Description Quantity
Number Number Number
1 1 Intake,FilterHousing/Cover, 1
1/2 NPT(Kunsan)
2 1 E100435 FilterElement(Kunsan) 1
3 Head BoltM6x 1.0x 30 4
4 LockWasher6 mm 8
5 E100227 CylinderHead 1
6 2 GasketHead 1
7 E100228 Valve Plate 2
8 E100229 Valve Reed 2
9 2 GasketValvePlate 1
10 GasketCylinderUpper 1
11 Cylinder,ID42mmx H65 mm 1
12 Screw,SocketHead,M6x 1.0x 20mm5
13 2 Gasket,CylinderLower 1
14 3 Ring,Compression 2
15 3 Ring,Scraper 1
16 3 Piston 1
17 3 PistonPin 1
18 3 SnapRing,12mm 2
19 3 Rod,Connecting 1
20 3 Nut, M6 x 1.0 1
21 3 Eccentric 1
22 4 Oil fill cap 1
23 4 0 ring, 0D17 mmx 2 mm 1
24 Cover,Crankcase 1
25 Screw,HexFlangeHead, 4
M5 x 0.8 x 15mm
Reference Kit Part Description Quantity
Number Number Number
26 5 Seal,Oil SightGauge 1
27 5 Gauge,Oil Sight 1
28 2 Baffle,Rubber 1
29 6 Nut,M8 x 1.25 10
30 Washer,ToothLock,5/16" 2
31 ScrewM3 x 0.5x 6 mm 4
32 Washer,Lock,3 mm 4
33 E100248 Capacitor,Starting(200#.F) 1
34 E100247 Capacitor,Running(40_F) 1
35 Motor 1
36 E100955 Shroud 1
37 BoltM5 x 5.8 x 10 6
38 MotorBraket 1
39 Flatwasher8 mm 6
40 LockWasher8 mm 6
41 Bolt,M8x 1.25x 26 mm 4
42 E100101 PowerCord 1
43 E100957 PressureSwitch 1
44 E100094 SafetyValve 1
45 E100309 Nipple1/4"NPTx 32 mm 1
46 E102370 PressureGauge1.5"200PSi 1
47 E100594 StrainRelief 2
48 E101968 ManifoldTubeMale/Male(Rubber) 1
49 E102394 PressureTubeAssy(Copper) 1
50 E100898 CheckValve 1
Notes
10

Air Compressor Model 921.166360
Parts List
Reference Kit Part Description Quantity
Number Number Number
51
52
53
54
55
56
57
58
59
6O
61
62
63
64
65
66
67
68
69
70
71
72
73
74
6
6
6
E102197 OutletTube Male/Female(SSFlex) 1
Bolt M8 x 1.2x 40 mm 2
FrameAndTank 1
FlatWasherM8 x 25 mm 4
RubberIsolator 4
Bolt M8 x 1.25mmx 16 mm 4
E101717 DrainValve 1
1/4 NPTElbowMale/Female 1
E100307 QuickConnectCoupler 2
E100311 PressureGauge2"200 PSI 1
E101952 Manifold 1
ScrewM3x 15mm 4
ManifoldPlate 1
ScrewM4x 10mm 2
Handle 1
ScrewM6x 1x 20 6
TelecopicTube 2
WiperSeal 4
SlideHandleBracket 4
FrameTube 1
Wheel 2
Jam NutM12 2
Hub Cap 2
Hex NutM6 x 1 2
E102344
E101671
E102343
Reference Kit Part Description Quantity
Number Number Number
75 E102362 LockPinClip
76 CraftsmanPlate
77 E101377 RubberIsolator
78 FlatWasher
79 ScrewM5 x 0.8x 15
80 ScrewM6 x 1x 20
81 E101360 UnitRetainingKnob
82 E100914 LockRing
83 E101367 LockRingCup
2
1
2
2
2
2
1
1
1
Note:Anypart/kitnumberfieldwithouta numberis not available.Descriptions
areprovidedfor referenceonly.TheKit# columnrepresentsthatthepartbeing
offeredisavailableina kit.Oneof eachpartperkitwillbeoffered.
Kit numberand partsthatare includedare as follows:
Kit No. PartNo. Description ReferenceNo.
1
2
3
4
5
6
7
E101179 FilterKit 1, 2
E100959 GasketKit 6, 9-10, 13,28
E100251 PistonKit 14-21
E100087 Oil FillCap w/O-Ring 22, 23
E100088 Oil SightGaugew/O-Ring 26, 27
E100102 IsolatorKit 54-56
E102369 WheelKit 71, 73
Notes
11


Manual de
COMPRESOR DE AIRE
18.9 iitros
1HP
De impuisi6n directa,
iubricada con aceite
# de Modeio 921.1 66360
LLENAR CON ACEITE ANTES
DE USARLO.
PRECAUCION: Antes de usar
el producto, lea este manual y siga
sus reglas einstrucciones
de seguridad.
oInstrucciones y pautas de seguridad
importantes
Instalaci6n y ensamblaje
Procedimientos de operaci6n
* Mantenimiento y Almacenamiento
* Diagn6stico y correcci6n de failas
Lista de ias piezas
Sears, Roebuck and Co., Hoffman Estates, IL 60179 U.S.A.
www.sears.com
13

Contenido
Pb.gina
Garantia ............................................................. esta p#.gina
Simbolos de seguridad .................................................... 15
lnstrucciones y pautas de seguridad importantes ................................ 16
Especificaciones .......................................................... 16
Glosario ................................................................ 16
Ciclo de trabajo .......................................................... 17
Partes y caracteristicas .................................................... 18
lnstalaci6n y ensamblaje ................................................... 19
Procedimientos de operaci6n ................................................ 20
Para quitar la unidad de la carretilla .......................................... 20
Mantenimiento ........................................................... 20
Almacenamiento .......................................................... 20
Diagn6stico y correcci6n de fallas ............................................ 21
Vista esquemb.tica ........................................................ 22-23
Lista de las piezas ........................................................ 24-25
GARANTIA COMPLETA DE UN ANO
Si este compresor de aire Craftsman Ilega a fallar debido a defectos de materiales o de mano de
obra dentro de un a_o desde la fecha de compra, devuelvalo a cualquier tienda Sears, un centro
de servicio Sears u otro punto de venta Craftsman para obtener una reparaci6n sin ningOn cargo
(o un reemplazo, si no se puede reparar).
Si este compresor de aire se usa con fines comerciales o de renta, esta garantia Onicamente se
aplicar& durante 90 dias, a partir de la fecha de compra.
Esta garantia le otorga derechos legales especificos; adem#.s, es posible que Ud. tenga otros
derechos, los cuales varian de un estado a otto.
Sears, Roebuck and Co., Hoffman Estates, IL 60179
14

Sirnbolos cornunes de seguridad
El operador debe leer y entender la informacidn descrita a continuacidn. Esta informaci6n se ofrece para proteger al
usuario al operar y almacenar el compresor de aire. Los simbolos siguientes son los que se utilizan para indicar al lector
informaci6n que es importante para su seguridad.
lndica una situaci6n de riesgo inminente que, al no
protegerse, provocarA lesiones graves o la muerte.
Indica una situaci6n potencialmente peligrosa que, al no
protegerse, podria provocar lesiones graves o la muerte.
Indica una situaci6n potencialmente peligrosa que, de no
evitarse, podria provocar lesiones menores o moderadas.
Cuando no aparezcasin el simbolo de alerta de seguridad, esto
quiere decir que hay una situaci6n potencialmente peligrosa
que, al no protegerse, podria causar da_os materiales.
nstrucciones y pautas de seguridad irnportantes
,, Guarde todas las instrucciones ,,
La operaci6n y el mantenimiento inadecuados de este producto pueden provocar lesiones graves y da_os materiales.
Antes de utilizar este equipo, lea y entienda las advertencias e instrucciones de seguridad aqui contenidas.
Riesgo pot partes en
movimiento !
I
1
I
1
1
Riesgo de quemaduras
Riesgo de caida
Riesgo de lanzamiento
de objetos
El compresor de aire se debe operar desde un circuito especial de 15 amperios.
Si el circuito no dispone de una capacidad de 15 amperios, se debe usar un circuito
de mayor capacidad. Si es necesario, antes de emplear una extensi6n electrica, a_ada
una manguera de aire mas larga. Las extensiones electricas deben ser de calibre 12
y tener una Iongitud m&xima de 7,6 metros. El fusible del circuito debe ser de acci6n
retardada. Un voltaje demasiado bajo puede daRar el motor.
AI operar el compresor, todos los protectores y cubiertas deben estar fijados e
instalados correctamente. Si alguno de los protectores o cubiertas esta daRado, no
opere el equipo hasta que personal calificado repare el problem& El cable de corriente
debe mantenerse alejado de las partes m6viles del equipo y no debe torcerse ni
prensarse durante su empleo, ni al almacenarse.
En su compresor hay superficies que, al ser tocadas durante y despues de su
operaci6n, pueden causar quemaduras graves. Antes de darle mantenimiento al
equipo, se debe dejar enfriar. Por Io normal, durante y despues de su operaci6n,
ciertas partes como la bomba del compresor y el tubo de salida estar&n calientes.
El compresor siempre debe ser operado en una posici6n estable. Nunca utilice el
compresor sobre un techo o en una posici6n elevada ya que podria caer o
volcarse. AI trabajar en posiciones elevadas, utilice una manguera de aire mas larga.
AI emplear el compresor, siempre utilice anteojos de seguridad con protectores
laterales que cumplan con la norma ANSI Z87.1. Antes de Ilevar a cabo cualquier clase
de mantenimiento y antes de desconectar las mangueras y los acopladores, apague
el compresor y drene el tanque de aire. Nunca apunte la boquilla o el rociador hacia
ninguna parte de su cuerpo, ni el de otros seres.
15

Instrucciones y pautas de seguridad importantes
Riesgo para la
respiraci6n
Riesgo de
descargas el_ctricas
Riesgo de
explosi6n yfuego
Riesgo de estallido
!
Evite utilizar el compresor de aire en _.reas encerradas. Siempre tenga un espacio
libre adecuado (30 cm.) en todos los lados del compresor. Tambien mantenga fuera
del Area de operaci6n alas mascotas, niRos y otras personas. Este compresor de aire
no provee aire que pueda ser respirado ni empleado con un dispositivo respiratorio
auxiliar. El material de rociado siempre deber_, estar en otra zona, alejado del compresor
de aire, para evitar que el aire aspirado dare al filtro del compresor.
Nunca utilice el compresor de aire bajo Iluvia o en lugares mojados. Los problemas
electricos deben set reparados pot personal autorizado, tal como seria un electricista,
y deben cumplir con las normas electricas nacionales y locales. El compresor tambien
debe tener la clavija apropiada de tres terminales para hacer tierra y contar con
un suministro electrico que sea del voltaje correcto y con un fusible de protecci6n
adecuado.
Nunca opere el compresor cerca de materiales combustibles, gasolina ni vapores
de solventes. Si est#. rociando materiales inflamables, coloque el compresor a una
distancia de cuando menos 6 metros del #.rea de rociado. Nunca opere el compresor
de aire en interiores o en lugares cerrados.
Drene el compresor diariamente o despues de cada utilizaci6n. Si el tanque tiene una
fuga, reemplace el compresor. Nunca utilice el compresor si se ha detectado una fuga,
nitrate de modificar el tanque. Nunca modifique los ajustes de fabrica del compresor
que controlan la presi6n del tanque y dem#.s funciones.
Especificaciones
Bomba ............................ De impulsi6n
directa, lubricada con aceite
Motor ........................... 1.0 HP (tnducci6n)
Di#.metro ................................. 41.9 mm
Carrera .................................. 32.0 mm
Voltaje monofasico ......................... 120 VAC
Capacidad minima del circuito .................... 15 A
Giosario
SCFM: Pies cQbicos est_.ndar por minuto; unidad de
medici6n de suministro del aire.
PSIG: Libras por pulgada cuadrada sobre la presi6n
atmosferica; unidad de medici6n de presi6n.
ASME: Sociedad estadounidense de ingenieros mecanicos.
C6digo de California: La unidad puede cumplir con el
c6digo de California 462 (I) (2)/(M) (2).
Capacidad del tanque de aire ............... 18.9 litros
Presi6n de arranque ............... 655.0 KPa /95 PSI
Presi6n de parada ................ 861.8 KPa /125 PSi
PiescQbicosp0rminut0(SCFM)a 90LPPC..................... 2.4
Capacidad del aceite ................ 90 ml o 3 onzas.
Tipo de aceite .................. SAE 30 - no detergente
Presi6n de arranque: El compresor arranca
autom_tticamente cuando la presi6n baja a menos
del minimo prescrito.
Presi6n de parada: El motor se para cuando el tanque
alcance la presi6n m#.xima de aire.
Certificaci6n de c6digo: Los productos que tienen
alguna o varias de las siguientes marcas han sido
evaluados por laboratorios de seguridad
independientes certificados por OSHA, y cumplen
con las normas de seguridad de Underwriters
Laboratories: UL, , ETL, CSA.
Ciclo de trabajo
Este compresor tiene un ciclo de trabajo de 50%. Nunca opere el compresor por m#.s de 30 minutos cada hora.
Ya que al hacerlo, podria daRarlo.
16

Partes y caracteristicas
Como referencia, vea las figuras abajo.
V&lvula de retenci6n
Cuando la bomba no est#. en operaci6n, esta vb.lvula
se cierra para retener la presi6n de aire dentro del
tanque. Es un componente interno.
Conector de acoplamiento r_pido
Permite conectar y desconectar r#.pidamente
la manguera del aire.
Man6metro de presi6n de salida
lndica la presi6n de salida del aire que entra en la
herramienta, la cual que es controlada por el regulador.
Man6metro de presi6n del tanque
lndica la presi6n de ]a reserva de
aire del tanque.
Tubo de
Regulador
La presidn del aire que sale del tanque es controlada
por el regulador. Para aumentar la presi6n, gire la
perilla en direcci6n de las manecillas; para disminuirla
gire la perilla en direcci6n contraria alas manecillas.
V&lvula de seguridad del tanque
Permite que el exceso de presi6n en el tanque
hacia el medio ambiente. Esta v&lvula s61o se abrir&
cuando la presbn en el tanque este por encima de la
presi6n m_.xima nominal del modelo.
Pressure Switch
Palanca de autoencendido y apagado (Auto-On/Off): Gire
esta palanca hacia la posici6n "On/Auto" (autoencendido)
para proporcionar potencia al interruptor de presion. Gire
la palanca hacia la posici6n "Off" (apagado), cuando no se
utiliza m&sel compresor.
Interruptor de presi6n: El interruptor de presi6n arranca
autom_tticamenteel motor, cuando la presi6n del tanque
de aire baja a menos de la presion de arranque establecida
en la f_tbrica.Para el motor cuando la presion del tanque de
aire alcanza la presion de parada establecida en la fabrica.
V&lvula de alivio de presi6n
Esta v_.lvula, que se encuentra en el costado del
interruptor de presi6n, esta disefiada para liberar aire
comprimido de manera autom_.tica cuando el
compresor Ilegue a la presbn de parada. El aire s61o
deber_, escapar durante un instante, cerr_.ndose la
uida.
Tubo de alivio de presibn
Filtro del aire
Suministra aire limpio a la bomba. Siempre debe
conservarlo limpio. Reviselo diariamente o antes
de cada uso.
Wilvula de drenaje
Sirve para drenar la condensaci6n acumulada en el
fondo del tanque. Se encuentra en la parte inferior
lue.
de
Ilenado
de aceite
Visor de aceite
17

Instalaci6n y ensamblaje
Antes de darle cualquier tipo de mantenimiento al compresor
de aire, se debe apagar y desconectar de la fuente de
alimentaci6n electrica, adem_.s de purgar el aire del tanque
y darle suficiente tiempo para enfriarse. Existe el riesgo
de que las partes m6viles, las fuentes electricas, el aire
comprimido y las superficies calientes provoquen lesiones.
El ensamblaje de conexbn rb.pida debe estar instalado
antes de usar el compresor. Un ensamblaje inadecuado
puede ser causa de fugas y posiblemente de lesiones.
Si no est#. seguro de entender las instrucciones de
ensamblaje o tiene dificultad para Ilevar a cabo el armado,
por favor flame a su departamento local de servicio para
obtener m#.s instrucciones. Contacte a su distribuidor local y
autorizado Sears u otto distribuidor calificado para el servicio.
Ensamblaje
1. Quite el compresor de aire, la botella de aceite, el filtro
para la entrada del aire, el manual y los accesorios de
la empaquetadura de espuma.
2. Remueva el tap6n de pl_.stico de la entrada de aire
del compresor. (ver abajo)
3. lnstale el filtro dentro de la entrada de aire del
compresor. (vea el diagrama abajo)
4. Remueva el tap6n de Ilenado de aceite, del c_.rter del
motor y Ilenelo hasta el punto rojo marcado en el vidrio
transparente. La capacidad de aceite es de 90 ml - 3
onzas (vea abajo). Utilice SAE-30 sin detergente (API
CG/CD aceite para motores de gran capacidad). Sobre
condiciones de temperaturas extremosamente frias,
32 ° F (0°C) o bajo, utilice aceite muy fiuido SAE-10.
5. Coloque nuevamente el tapdn de Ilenado de aceite.
6. AsegOrese de que la unidad este montada
seguramente sobre la carretilla, antes de
desplazarla. (vea la pa.gina 6)
Tiempo estimado de ensamblaje:
aproximadamente 5minutos
Primer paso: Ubicaci6n del compresor del aire
El compresor del aire siempre debe estar en un medio
ambiente limpio, seco y bien ventilado. La unidad debe
tenet pot Io menos 30 cm de espacio libre en cada
lado. La toma del filtro del aire debe estar limpia y sin
ningOn tipo de obstrucci6n. Pot favor revise diariamente
el filtro del aire para comprobar que este limpio y funcione
correctamente.
Instrucciones de conexi6n a tierra
Este producto se debe conectar a tierra. En el caso de
que haya un cortocircuito, la conexi6n a tierra reduce el
riesgo de descargas electricas al ofrecer una ruta de
18
escape para la corriente electrica. Este producto cuenta
con un cable que tiene un alambre de tierra y una clavija
con terminal de tierra (ver la figura a continuaci6n). La
clavija debe enchufarse en un tomacorriente instalado y
puesto a tierra segOn las normas locales. Hable con un
electricista o agente de servicio calificado si no entiende
completamente estas instrucciones, o si tiene dudas
sobre la correcta puesta a tierra de la herramienta.
Cla vija
Terminal de fierra
Tomacorrientes
con conexion a
tierra
Una conexi6n a tierra inadecuada puede provocar una
descarga electric& Si necesita reparar o cambiar el cable
o la clavija, no conecte el alambre de tierra con ninguna
de las terminales planas. El alambre de tierra es de
color verde, con o sin franjas amarillas. Si no entiende
completamente las instrucciones de conexi6n a tierra,
o si tiene dudas sobre la correcta puesta a tierra de la
herramienta, hable con un electricista o agente de servicio
calificado. No modifique la clavija que viene con el equipo;
si no puede enchufarla en el tomacorriente, Ilame a un
electricista calificado para que le instale el tomacorriente
adecuado.
Este producto est,. dise_ado para trabajar en un circuito
con un voltaje nominal de 120 voltios y est#. equipado
en la fAbrica con un cable y clavija que permiten su
conexi6n a un circuito electrico apropiado. AsegOrese de
que el producto este conectado a un tomacorriente con la
misma configuraci6n que la clavija. No se debe usar un
adaptador con este equipo. Si debe conectar el equipo con
un circuito electrico de diferente tipo, consiga la ayuda de
personal calificado para realizar la reconexi6n.
Cables de extensi6n
S6lo utilice un cable de extensi6n de tres alambres con
una clavija con extensi6n a tierra de tres terminales que
pueda enchufarse en un tomacorriente de tres orificios.
AsegOrese de que su cable de extensi6n este en buenas
condiciones. Si utiliza un cable de extensi6n, compruebe
que sea de la capacidad de la corriente que requiere su
equipo. Las extensiones no deben ser de mAs de 25 pies
(7,6 m) de largo y deben tener cable de calibre 12 AWG.
Un cable mAs delgado provocara una caida en el voltaje
de la linea, Io que provocaria una perdida de potencia y
sobrecalentamiento.
Procedimiento inicial de preparaci6n
No se requiere un procedimiento inicial de preparaci6n.
Este producto ha sido probado en la f#.brica para asegurar
su operaci6n y rendimiento adecuados.

Procedirnientos de operaci6n
Procedimiento diario de arranque
1. Ponga el interruptor Auto-On/Often la posiciOn de
apagado (Oft).
2. Verifique que el compresor del aire, la manguera de
aire y todos los accesorios/herramientas utilizados, no
tengan dafios ni obstrucciOn. Si algunas de ]as piezas
descritas requieren raparaciOn/reemplazo, Ilame a su
tienda autorizada local de servicio, antes de usar el
compresor. Contacte a su distribuidor local y autorizado
Sears u otro distribuidor calificado para el servicio.
3. Cierre la v#.lvula de drenaje.
4. Revise el nivel de aceite de la bomba.
5. Enchufe la manguera del aire dentro del conector
de acoplamiento r#.pido de la unidad del regulador,
insertando la clavija de conexiOn rapida en la manguera
del aire, dentro del conector de acoplamiento rapido.
El collarin del conector de acoplamiento r_.pido saltar#.
hacia adelante, sujetando la clavija y hat& una junta
entre el conector y la clavija. Para desconectar la
manguera del aire, empuje hacia atr&s el collarin del
conector de acoplamiento rb.pido.
6. Enchufe el cable de corriente en un tomacorriente
apropiado.
7. Mueva el interruptor Auto-On/Oft a la posiciOn de
encendido (Auto-On); el compresor deber& arrancar,
acumulando la presiOn del aire en el tanque hasta
Ilegar a la presiOn de apagado, momento en el cual se
apagar#, de manera autom#.tica.
8. Ajuste el regulador a la presiOn de aire recomendada
(PSI) para su aplicaciOn, cercior_.ndose de que este
dentro de las normas de seguridad para Ilevar a cabo
la tarea. Para las herramientas neum#.ticas, el manual
del fabricante debe tener recomendaciones sobre su
presi6n de operaciOn (PSI).
9. Ahora el compresor del aire est& listo para ser usado.
Los siguientes accesorios de inflado y de limpieza, los
cuales vienen con esta unidad, s01o se deben operar a
una presiOn maxima de 90 PSI: soplete, boquilla conica
de caucho, agujas para inflar, adaptador y adaptador de
soplete.
Procedimiento diario de apagado
1. Ponga el interruptor en la posiciOn de apagado (Oft).
2. Desconecte el cable del tomacorriente.
3. Ponga en cero el regulador de presiOn de salida.
4. Quite todas las herramientas o accesorios de aire.
Siempre Ileve una protecciOn aprobada para los oidos y
los ojos.
5. Abra la v_.lvula de drenaje permitiendo que escape el
aire del tanque. Cuando haya salido del tanque todo el
aire, cierre la valvula de drenaje para evitar que entre
suciedad.
AI drenar el tanque utilice protecciOn para oidos y ojos.
Drene el tanque en un lugar apropiado; en la mayoria de
las ocasiones al drenar saldr& condensaciOn.
Si no drena el tanque al almacenarlo, en su interior
quedar#, agua que Io corroer& y debilitar#., Io cual puede
provocar su ruptura. Para evitar lesiones graves, drene el
tanque diariamente o despues de cacla uso.
19

Para quitar la unidad de la carretilla
No utilice la carretilla con otros fines que no sean los adecuados para transportar este compresor de aire.
No mueva el ensamble compresor/carretilla sin apretar el pomo que fija con seguridad el compresor sobre la carretilla.
Para quitar el compresor de la carretilla:
1. Apague el compresor y desenchOfelo de la fuente de
alimentacion electric&
2. Gire el pomo que se encuentra en la parte inferior de
la carretilla en el sentido contrario del reloj, hasta que
el pomo se desenganche del compresor de aire (Dele
de 1 a 2 vueltas, (vista de la parte inferior).
3. Manteniendo a la vez la empufiadura de la carretilla con
una mano, levante la empufladura que se encuentra sobre el
compresor, para quitarlo.
Fijaci6n del compresor de aire sobre la carretilla.
1. Apague el compresor y desench0felo de la fuente de
alimentacion electrica.
2. Alinee los bloques de aislamiento de caucho del
compresor con los huecos de la estructura de la carretilla.
3. Inserte el perno con pomo en el compresor de aire y
girelo en el sentido del reloj, hasta que est¢
bien apretado. (Si el compresor no est#.alineado
adecuadamente sobre la estructura, no podr#,apretar el
pomo. Vuelva a colocar el compresor y ha.galootra vez,
(vista de la parte inferior).
Mantenirniento
NOTA: Cualquier procedimiento de servicio que no este
cubierto en el programa de mantenimiento que sigue deber_,
set efectuado el personal de servicio calificado. Contacte a
su distribuidor local y autorizado Sears u otto distribuidor
calificado para el servicio.
Antes de dar mantenimiento al equipo, se debe apagar y
desconectar del tomacorriente, asi como purgar el aire del
tanque y permitir que la unidad se enfrie.
A fin de asegurar una operaci6n eficiente y una larga vida del
compresor, debe seguir un programa de mantenimiento de
rutina. El siguiente programa de mantenimiento est& enfocado
al consumidor cuyo compresor es usado en un medio ambiente
normal y diariamente.
Almacenamiento
Asuntos para verificar /
cambiar
Revisar la v_tlvulade seguridad del
tanque
Revisar visualmente el aspecto
general de la unidad
Antes de cada uso
odiariarnente
X
X
Revisar el filtro de aire X
Drenar el tanque X
Verificar que el cable electrico X
no este dafiado
Cambiar el aceite Despues de las primeras
50 horas
Verificar el nivel del aceite Despues de cada 100
horas
Para almacenar el compresor, asegOrese de hacer Io siguiente:
1. Apague la unidad y desconecte el cable electrico del
tomacorriente.
2. Quite del compresor las mangueras, accesorios y
herramientas de aire.
3. Lleve a cabo el programa de mantenimiento de rutina.
4. Abra la valvula de drenaje para drenar el aire del
tanque.
5. Cierre la v_.lvula de drenaje.
6. Guarde el compresor en un lugar limpio y seco.
20

Diagn6stico ycorrecci6n de fallas
Antes de dar mantenimiento al equipo, se debe apagar y desconectar del tomacorriente, asi
como purgar el aire del tanque y permitir que la unidad se enfrie. Las partes en movimiento,
las fuentes electricas, el aire comprimido y las superficies calientes pueden provocar lesiones.
PROBLEMA POSIBLE CORRECCION
Fuga de aire en la vb.lvula de Una v_.lvula de retenci6n defectuosa provoca una fuga de aire constante en la
retenci6n o en la valvula de v_.lvula de alivio cuando este apagado y el compresor tenga presi6n de aire.
alivio. Drene el tanque, quite y limpie o cambie la valvula de retenci6n.
Fugas de aire entre la cabeza Compruebe que los pernos de la cabeza tengan un par apropiado. Si continOa la
fuga, el cilindro, flame a un tecnico de servicio.
Fuga de aire en la valvula Opere manualmente la v_.lvula de seguridad jalando el anillo. Si el tanque continOa
de seguridad, teniendo una fuga estando la valvula en posici6n cerrada, debera cambiarla.
La presi6n indicada en el
man6metro de presi6n
regulada bajar#, cuando se
utiliza un accesorio.
Presi6n excesiva
en el tanque.
El motor no arranca.
Humedad excesiva en el
aire de salida.
Fugas de aire en el cuerpo
o la soldadura del tanque.
Sial utilizar un accesorio hay una disminuci6n excesiva de presi6n, cambie el regulador.
Ajuste la presi6n regulada bajo condiciones de flujo (mientras se utiliza un
accesorio). Es normal que el man6metro indique una disminuci6n de presi6n
minima al comenzar a utilizar la herramienta.
Apague el interruptor de encendido (Off). Si la unidad no se apaga, desconectela del
tomacorriente y comuniquese con un tecnico de servicio.
Compruebe que el cable de corriente este enchufado y que el interruptor este encendido
Compruebe que el fusible de la caja de circuitos sea de la capacidad adecuada.
Si se ha disparado, restablezcalo y vuelva a arrancar la unidad. Si el fusible se dispara con
frecuencia, reemplace la valvula de retenci6n o flame a un tecnico de servicio
Saque el agua del tanque drenandolo despues de cada vez que se use. En los
medios ambientes de alta humedad habra un exceso de condensaci6n; instale
filtros de agua en su linea de aire.
La condensaci6n no es provocada por una falla en el compresor. Compruebe que la
salida de aire del compresor sea mayor que el consumo del aire de su herramienta.
Nunca taladre, suelde o modifique de ninguna manera el tanque, pues se
debilitarA. El tanque podria romperse o explotar. El tanque no puede ser
reparado.
21

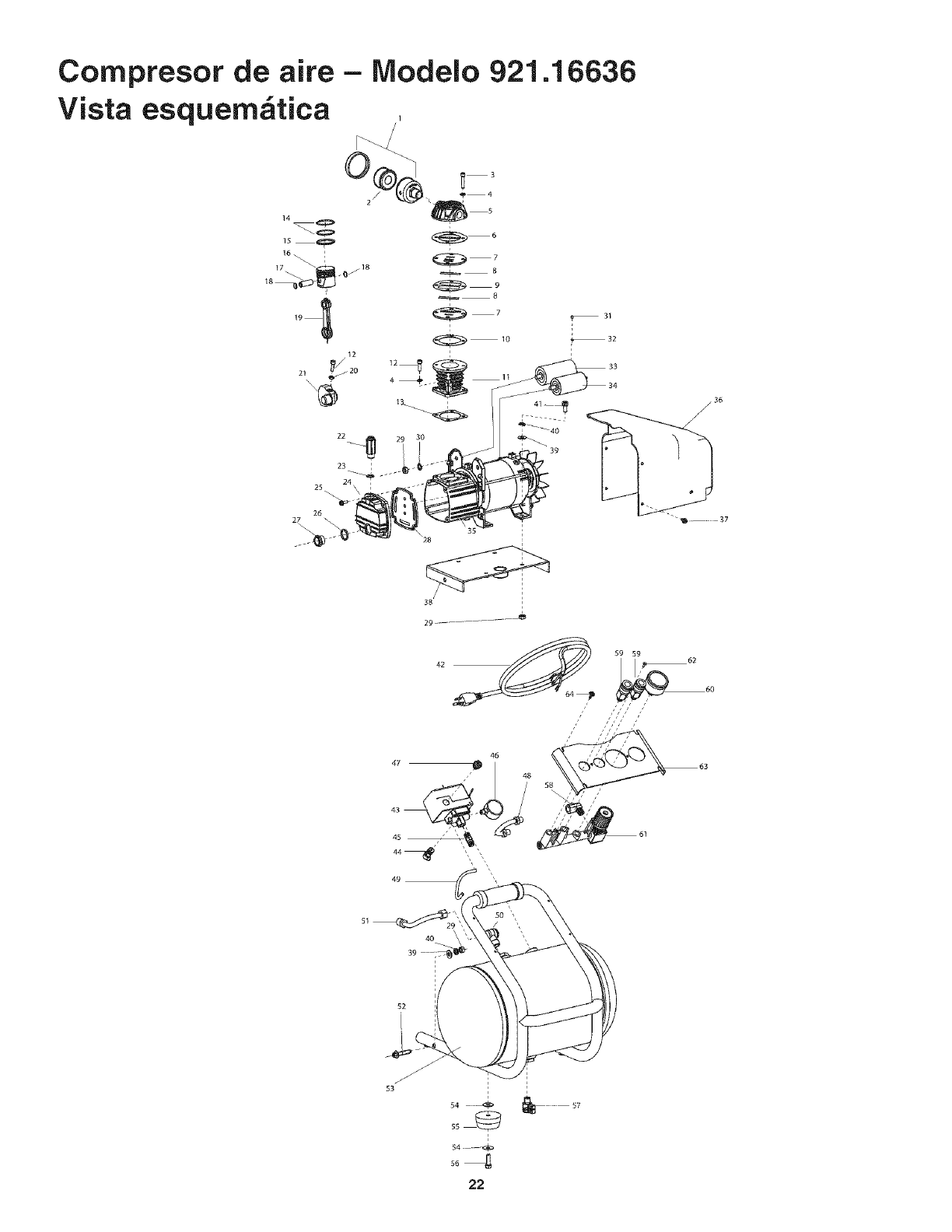
Compresor de aire =lVlodelo 921.16636
Vista esquembtica
14 TO
_O
16\
17 _/18
1
_ 8
32
39 59
42 _ 62
__o
/
/
46
47 ,_ 48
49
22

Compresor de aire =lVlodelo 921.16636
Vista esquem_tica
66
74
J
68 8
66 __ I
71
72
73 82
83
®
77
78
_79
8O
23

Compresor de aire =lVlodelo 921.16636
Lista de las piezas
I#de . #.de # de descripci6, de parte cant. #de . #.de # de descripci6nde parte cant. I
reTerencla Kll pane
1 1 Carter/tapadefiltro-entradadelaire, 1
1/2 NPT(Kunsan)
2 1 E100435 Elementode filtro(Kunsan) 1
3 Pernodecabeza,M6x 1.0x 30mm 4
4 Arandeladefreno,6 mm 8
5 E100227 Culatade cilindro 1
6 2 Juntadeculata 1
7 E100228 Placade v_.lvula 2
8 E100229 V_tlvula,cajade I_tminas 2
9 2 Junta, placade v_tlvula 1
10 Juntadecilindro- superior 1
11 Cilindro,42mmDiAm.int.x 65mmAIt. 1
12 Tornillodecabezahueca,M6x 1.0x20mm5
13 2 Juntadecilindro- inferior 1
14 3 Anillode presi6n 2
15 3 Segmentoraspador 1
16 3 Pist6n 1
17 3 Eje depist6n 1
18 3 Anilloel_tstico,12mm 2
19 3 Biela 1
20 3 Tuerca,M6 x 1.0mm 1
21 3 Excentrica 1
22 4 Tap6nde rellenode aceite 1
23 4 Anillo"0",Diam.ext.17mmx2 mm 1
24 Tapa dedtrter 1
25 Tornillo,hexembridadoM5x 0.8x 15mm4
26 5 Junta,visordel nivelde aceite 1
27 5 Visordel niveldeaceite 1
28 2 Deflectordecaucho 1
29 6 Tuerca,M8 x 1.25 10
30 Arandeladefrenocondientes,5/16pulg.2
31 TornilloM3 x 0.5x 6 mm 4
32 Arandeladefreno,3 mm 4
33 E100248 Condensadorel_ctricodearranque(200pF)1
34 E100247 Condensadorelectricodemarcha(40pF) 1
35 Motor 1
36 E100955 Caja 1
37 PernoM5 x 5.8 x 10 6
38 Soporteparamotor 1
39 Arandelaplana8 mm 6
40 Arandeladefreno 8 mm 6
41 Perno,M8 x 1.25x 26 mm 4
42 E100101 Cord6nelectrico 1
43 E100957 Conmutadorapresi6n 1
44 E100094 V_.lvulade seguridad 1
45 E100309 Boquilla,1/4 pulg.NPTx 32 mm 1
46 E102370 Man6metro1.5pulg. 200PSi 1
47 E100594 Protector 2
48 E101968 Tubodecolector,Macho/Macho(Caucho)1
49 E102394 Ensambladodetubodepresi6n(Cobre)1
50 E100898 V_tlvulade retenci6n 1
Notas
24

Compresor de aire =lVlodelo 921.16636
Lista de las piezas
I ,# de . #,.de #de descripci6nde parte cant. # de . #,.de # de descripci6nde parte cant. 1
reTerencla Kll pane reTerencla Kll pane
51 E102197 Tubo desalida,Macho/Hembra 1
(Aceroinox.flexible)
52 PernoM8x 1.25x 40 mm 2
53 Estructuray tanque 1
54 6 ArandelaplanaM8 x 25 mm 4
55 6 Aislantede caucho 4
56 6 PernoM8x 1.25mmx 16mm 4
57 E101717 V_.lvuladedrenaje 1
58 Codo1/4pulg.NPTMacho/Hembra 1
59 E100307 Acoplamientodeconexi6nr_.pida 2
60 E100311 Man6metro2 pulg.200PSI 1
61 E101952 Colector 1
62 TornilloM3 x 15mm 4
63 Placa paracolector 1
64 TornilloM4 x 10mm 2
65 E102344 Agarradera 1
66 TornilloM6 x 1x 20 mm 6
67 E101671 Tubo telesc6pico 2
68 E102343 Junta-rascador 4
69 Soporteparamanijadeslizante 4
70 Tubo deestructura 1
71 7 Rueda 2
72 ContratuercaM12 2
73 7 Tapacubos 2
74 TuercahexagonalM6 x 1 2
75 E102362 Pasadordefijaci6n 2
76 PlacaCraftsman 1
77 E101377 Aislantede caucho 2
78 Arandelaplana 2
79 TornilloM5 x 0.8x 15mm 2
80 TornilloM6 x 1x 20 mm 2
81 E101360 Bot6ndefijaci6nde unidad 1
82 E100914 Anillode seguridad 1
83 E101367 CopeldAnillode seguridad 1
Nota:Cualquiercampoparalos numeros/juegosdepiezasquenotenganun
n_Jmeroespecificodepieza,indicaquenoest,.disponible.Lasdescripcionesse
proveensolamentecomoreferencias.Lacolumnaconeln_Jmerodejuegoindica
quelapiezaofrecidaest,.disponiblecomopartedeunjuego.Unadecadauna
delaspiezasest,1ofrecida.
Losnumerosdelosjuegosy laspiezasqueest;_nincluidossedescriben
acontinuaci6n:
# dekit #departe descripci6ndeparte #dereferencia
1
2
3
4
5
6
7
E101179
E100959
E100251
E100087
E100088
E100102
E102369
Juegoparafiltro 1, 2
Juegoparajuntas 6, 9-10, 13,28
Juegoparapistones 14-21
Tap6nderellenodeaceiteconanillo"0"22,23
Visordelniveldeaceiteconanillo"0" 26,27
Juegoparaaislante 54-56
Juegopararuedas 71,73
Notas
25

Your Home
For repair - in your home - of all major brand appliances,
lawn and garden equipment, or heating and cooling systems,
no matter who made it, no matter who sold it!
For the replacement parts, accessories and
owner's manuals that you need to do-it-yourself.
For Sears professional installation of home appliances
and items like garage door openers and water heaters.
1-800-4-MY=HOME® (1=800=469=4663)
Call anytime, day or night (U.S.A. and Canada)
www.sea/s.com www.sears.ca
Our Home
For repair of carry-in items like vacuums, lawn equipment,
and electronics, call or go on-line for the location of your nearest
Sears Parts & Repair Center.
1-800-488-1222
Call anytime, day or night (U.S.A. only)
www.sears.oom
To purchase a protection agreement (U.S.A.)
or maintenance agreement (Canada) on a product serviced by Sears:
1-800-827-6655 (U.S.A.) 1-800-361-6665 (Canada)
Para pedir servicio de reparaci6n
a domicilio, y para ordenar piezas:
1-888-SU-HOGAR _
(1-888-784-6427)
Au Canada pour service en frangais:
1-800-LE-FOYER Mc
(1-800-553-6937)
www.sears.ca
Se /r,s
TM SM
,:R;Registered Trademark/ Trademark/ Service Mark of Sears, Roebuck and Co.
SM
EeMarca Registrada/ TMMama de Fabrica/ Marca de Servicio de Sears, Roebuck and Co
MC MD
Marque de commerce/ Marque d@osee de Sears, Roebuck and Co
¢_;Sears Brands, LLC