Craftsman 137 21194 Users Manual SM1850RC 050608 English Support
13721194 937079ef-f83a-47cf-be6a-db388e05e8f2 Craftsman Saw 137.21194 User Guide |
2015-01-05
: Craftsman Craftsman-137-21194-Users-Manual-161124 craftsman-137-21194-users-manual-161124 craftsman pdf
Open the PDF directly: View PDF .
Page Count: 44

1 1
Operator’s Manual
7-1/4 in. SLIDING COMPOUND
MITER SAW WITH LASER TRAC®
Model No. 137.211940
CAUTION:
Before using this Miter Saw,
read this manual and follow
all its Safety Rules and
Operating Instructions
● Safety Instructions
● Installation
● Operation
● Maintenance
● Parts List
Sears, Roebuck and Co., Hoffman Estates, lL 60179 USA
Visit our Craftsman website: www.sears.com/craftsman
Part No. 137211940001 Printed in China
Customer Help Line
For Technical Support
1-800-843-1682
Sears Parts &
Repair Center
1-800-488-1222

2 3
2 3
SECTION PAGE
Warranty ......................................................................................... 2
Product Specifications .................................................................... 3
Symbols.......................................................................................... 4
Power Tool Safety .......................................................................... 5
Compound Miter Saw Safety .......................................................... 7
Electrical Requirements and Safety.................................................. 9
Accessories and Attachments ........................................................ 11
Tools Needed for Assembly ............................................................ 12
Carton Contents ............................................................................. 13
Know Your Sliding Compound Miter Saw......................................... 14
Glossary of Terms .......................................................................... 15
Assembly and Adjustments............................................................. 17
Operation ....................................................................................... 26
Maintenance ................................................................................... 37
Troubleshooting Guide ................................................................... 39
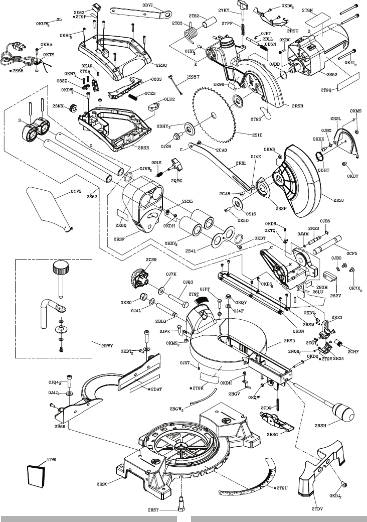
Parts List ........................................................................................ 41
CRAFTSMAN ONE YEAR FULL WARRANTY
If this Craftsman tool fails due to a defect in material or workmanship within
one year from the date of purchase, call 1-800-4-MY-HOME® to arrange for
free repair (or replacement if repair proves impossible).
This warranty applies for only 90 days from the date of purchase if this product
is ever used for commercial or rental purposes.
This warranty does not include expendable parts, such as lamps, batteries,
bits or blades.
This warranty gives you specific legal rights, and you may also have other
rights which vary from state to state.
Sears, Roebuck and Co., Hoffman Estates, IL 60179
WARNING
!
Some dust created by using power tools contains chemicals known to the
state of California to cause cancer and birth defects or other reproductive
harm. Some examples of these chemicals are:
● Lead from lead-based paints
● Crystalline silica from bricks, cement and other masonry products
● Arsenic and chromium from chemically treated lumber
Your risk from these exposures varies, depending on how often you do
this type of work. To reduce your exposure to these chemicals, work in a
well ventilated area and work with approved safety equipment such as dust
masks that are specially designed to filter out microscopic particles.
2008/05
TABLE OF CONTENTS
WARRANTY

2 3
2 3
ROTATING TABLE:
Diameter............................................................................ 9-1/32 in.
Miter Detent Stops ............................................................ 0, 15, 22.5, 31.6, 45º R & L
Bevel Positive Stops ......................................................... 0, 45º L
CUTTING CAPACITY:
Crosscut ............................................................................ 2 in. x 8 in.
Miter 45° R & L................................................................... 2 in. x 6 in.
Bevel 45º L......................................................................... 1-1/2 in. x 8 in.
45° Miter and 45° Bevel..................................................... 1-1/2 in. x 6 in.
WARNING
!
To avoid electrical hazards, fire hazards or damage to the tool, use proper
circuit protection.
This tool is wired at the factory for 110-120 Volt operation. It must be
connected to a 110-120 Volt / 15 Ampere time delay fuse or circuit breaker.
To avoid shock or fire, replace power cord immediately if it is worn, cut or
damaged in any way.
Before using your tool, it is critical that you read and understand these
safety rules. Failure to follow these rules could result in serious injury to
you or damage to the tool.
MOTOR
Power Source ..................................................................... 9Amp, 120V AC, 60Hz
Speed ................................................................................. 5000 RPM (No load)
Brake .................................................................................. Electric
Double Insulated ................................................................. Yes
BLADE SIZE
Diameter.............................................................................. 7-1/4 in.
Arbor size............................................................................ 5/8 in.
PRODUCT SPECIFICATIONS

4 5
4 5
WARNING ICONS
Your power tool and its Operator’s Manual may contain “WARNING ICONS”
(a picture symbol intended to alert you to, and/or instruct you how to avoid,
a potentially hazardous condition). Understanding and heeding these
symbols will help you operate your tool better and safer. Shown below are
some of the symbols you may see.
SAFETY ALERT: Precautions that involve your safety.
PROHIBITION
WEAR EYE PROTECTION: Always wear safety goggles or safety
glasses with side shields.
READ AND UNDERSTAND OPERATOR’S MANUAL: To reduce
the risk of injury, user and all bystanders must read and understand
operator’s manual before using this product.
SUPPORT AND CLAMP WORK
KEEP HANDS AWAY FROM BLADE: Failure to keep your hands
away from the blade will result in serious personal injury.
DANGER
!
WARNING
!
CAUTION
!
CAUTION
DANGER: indicates an imminently hazardous situation
which, if not avoided, will result in death or serious injury.
WARNING: indicates a potentially hazardous situation
which, if not avoided, could result in death or serious
injury.
CAUTION: indicates a potentially hazardous situation
which, if not avoided, may result in minor or moderate
injury.
CAUTION: used without the safety alert symbol indicates
a potentially hazardous situation which, if not avoided,
may result in property damage.
SYMBOLS

4 5
4 5
GENERAL SAFETY INSTRUCTIONS
BEFORE USING THIS POWER TOOL
Safety is a combination of common
sense, staying alert and knowing how
to use your power tool.
CAUTION
To avoid mistakes that could cause
serious injury, do not plug the tool in
until you have read and understood
the following.
1. READ and become familiar with
the entire Operator’s
Manual. LEARN the tool’s
application, limitations and
possible hazards.
2. KEEP GUARDS IN PLACE and in
working order.
3. REMOVE ADJUSTING KEYS
AND WRENCHES. Form the habit
of checking to see that keys and
adjusting wrenches are removed
from the tool before turning ON.
4. KEEP WORK AREA CLEAN.
Cluttered areas and benches invite
accidents.
5. DO NOT USE IN DANGEROUS
ENVIRONMENTS. Do not use
power tools in damp locations, or
expose them to rain or snow. Keep
work area well lit.
6. KEEP CHILDREN AWAY. All
visitors and bystanders should be
kept a safe distance from work
area.
7. MAKE WORKSHOP CHILD
PROOF with padlocks, master
switches or by removing starter
keys.
8. DO NOT FORCE THE TOOL. It will
do the job better and safer at the
rate for which it was designed.
9. USE THE RIGHT TOOL. Do not
force the tool or an attachment
to do a job for which it was not
designed.
10. USE PROPER EXTENSION
CORDS. Make sure your extension
cord is in good condition. When
using an extension cord, be sure
to use one heavy enough to carry
the current your product will draw.
An undersized cord will result in
a drop in line voltage and in loss
of power which will cause the tool
to overheat. The table on page
10 shows the correct size to use
depending on cord length and
nameplate ampere rating. If in
doubt, use the next heavier gauge.
The smaller the gauge number, the
heavier the cord.
11.
WEAR PROPER APPAREL. Do
not wear loose clothing, gloves,
neckties, rings, bracelets or other
jewelry which may get caught in
moving parts. Nonslip footwear is
recommended. Wear protective
hair covering to contain long hair.
12. ALWAYS WEAR EYE
PROTECTION. Any power
tool can throw foreign
objects into the eyes and
could cause permanent eye
damage. ALWAYS wear Safety
Goggles (not glasses) that comply
with ANSI Safety standard Z87.1.
Everyday eyeglasses have only
impact–resistant lenses. They
ARE NOT safety glasses. Safety
Goggles are available at sears.
POWER TOOL SAFETY

6 7
6 7
and any other conditions that may
affect its operation. A guard or
other part that is damaged should
be properly repaired or replaced.
20. NEVER LEAVE THE TOOL
RUNNING UNATTENDED. TURN
THE POWER “OFF”. Do not walk
away from a running tool until the
blade comes to a complete stop
and the tool is unplugged from the
power source.
21. DO NOT OVERREACH. Keep
proper footing and balance at all
times.
22. MAINTAIN TOOLS WITH CARE.
Keep tools sharp and clean for best
and safest performance. Follow
instructions for lubricating and
changing accessories.
23. WARNING: Dust generated from
certain materials can be hazardous
to your health. Always operate saw
in well-ventilated area and provide
for proper dust removal.
24. People with
electronic devices, such as
pacemakers, should consult their
physician(s) before using this
product. Operation of electrical
equipment in close proximity to
a heart pacemaker could cause
interference or failure of the
pacemaker.
NOTE: Glasses or goggles not in
compliance with ANSI Z87.1 could
seriously injure you when they
break.
13. WEAR A FACE MASK OR DUST
MASK. Sawing operation produces
dust.
14. SECURE WORK. Use
clamps or a vise to hold work
when practical. It is safer
than using your hand and it
frees both hands to operate
the tool.
15. DISCONNECT TOOLS FROM
POWER SOURCE before servicing,
and when changing accessories
such as blades, bits and cutters.
16. REDUCE THE RISK OF
UNINTENTIONAL STARTING.
Make sure switch is in the OFF
position before plugging the tool in.
17. USE RECOMMENDED
ACCESSORIES. Consult
this Operator’s Manual for
recommended accessories. The
use of improper accessories may
cause risk of injury to yourself or
others.
18. NEVER STAND ON THE TOOL.
Serious injury could occur if the
tool is tipped or if the cutting tool is
unintentionally contacted.
19. CHECK FOR DAMAGED PARTS.
Before further use of the tool, a
guard or other part that is damaged
should be carefully checked to
determine that it will operate
properly and perform its intended
function – check for alignment of
moving parts, binding of moving
parts, breakage of parts, mounting
DANGER
!

6 7
6 7
SPECIFIC SAFETY INSTRUCTIONS
FOR THIS COMPOUND MITER SAW
1. DO NOT operate the miter saw
until it is completely assembled
and installed according to these
instructions.
2. IF YOU ARE NOT thoroughly
familiar with the operation of miter
saws, seek guidance from your
supervisor, instructor or other
qualified person.
3. ALWAYS hold the work firmly
against the fence and table.
DO NOT perform any operation
free hand (use clamp wherever
possible).
4. KEEP HANDS out of the path of
the saw blade. If the workpiece
you are cutting would cause your
hands to be within 6-3/4 in. of the
saw blade, the workpiece should
be clamped in place before making
the cut.
5. BE SURE the blade is sharp, runs
freely and is free of vibration.
6. ALLOW the motor to come up to
full speed before starting a cut.
7. KEEP THE MOTOR AIR SLOTS
CLEAN and free of chips or dust.
8. ALWAYS MAKE SURE all handles
are tight before cutting, even if the
table is positioned in one of the
positive stops.
9. BE SURE both the blade and the
collar are clean and the arbor bolt
is tightened securely.
10. USE only blade collars specified for
your saw.
11. NEVER use blades larger in
diameter than 7-1/4 inches.
12. NEVER apply lubricants to the
blade when it is running.
13. ALWAYS check the blade for
cracks or damage before operation.
Replace a cracked or damaged
blade immediately.
14. NEVER use blades recommended
for operation at less than 5000
RPM.
15. ALWAYS keep the blade guards in
place and use at all times.
16. NEVER reach around the saw
blade.
17. MAKE SURE the blade is not
contacting the workpiece before the
switch is turned ON.
18. IMPORTANT: After completing the
cut, release the trigger and wait for
the blade to stop before returning
the saw to the raised position.
19. MAKE SURE the blade has come
to a complete stop before removing
or securing the workpiece,
changing the workpiece angle or
changing the angle of the blade.
20. NEVER cut metals or masonry
products with this tool. This miter
saw is designed for use on wood
and wood-like products.
COMPOUND MITER SAW SAFETY

8 9
8 9
21. NEVER cut small pieces. If the
workpiece being cut would cause
your hand or fingers to be within
6-3/4 in. of the saw blade the
workpiece is too small.
22. PROVIDE adequate support to the
sides of the saw table for long work
pieces.
23. NEVER use the miter saw in an
area with flammable liquids or
gases.
24. NEVER use solvents to clean
plastic parts. Solvents could
possibly dissolve or otherwise
damage the material.
25. SHUT OFF the power before
servicing or adjusting the tool.
26. DISCONNECT the saw from
the power source and clean the
machine when finished using.
27. MAKE SURE the work area is
clean before leaving the machine.
28. SHOULD any part of your miter saw
be missing, damaged, or fail in any
way, or any electrical component
fail to perform properly, lock the
switch and remove the plug from
the power supply outlet. Replace
missing, damaged, or failed parts
before resuming operation.

8 9
8 9
way. If the plug does not fit fully in the
outlet, reverse the plug. If it still does
not fit, contact a qualified electrician to
install the proper outlet. Do not change
the plug in any way.
Double insulation does not take the
place of normal safety precautions
when operating this tool.
To avoid electrocution:
1. Use only identical replacement parts
when servicing a tool with double
insulation. Servicing should be
performed by a qualified technician.
2. Do not use power tools in wet or
damp locations or expose them to
rain or snow.
MOTOR SAFETY PROTECTION
IMPORTANT
To avoid motor damage, the motor
should be blown out or vacuumed
frequently to keep sawdust from
interfering with the motor ventilation.
1. Connect this saw to a 120 V circuit.
This circuit must not be less than a
#18 wire with a 9 A time lag fuse.
NOTE: When using an extension
cord on a circuit with a #18 wire, the
extension cord must not exceed 25
feet in length.
2. If the motor will not start, release
the trigger switch immediately.
UNPLUG THE SAW. Check the saw
blade to make sure it turns freely. If
the blade is free, try to start the saw
again. If the motor still does not start,
refer to the TROUBLESHOOTING
GUIDE.
3. If the tool suddenly stalls while
cutting wood, release the trigger
switch, unplug the tool and free the
blade from the wood. The saw may
POWER SUPPLY AND MOTOR
SPECIFICATIONS
The AC motor used in this saw is
a universal, nonreversible type.
See “MOTOR” in the “PRODUCT
SPECIFICATIONS” section on page 3.
To avoid electrical hazards, fire
hazards, or damage to the tool,
use proper circuit protection. Your
saw is wired at the factory for 120
V operation. Connect to a 120 V, 9A
circuit and use a 9 A time delay fuse
or circuit breaker. To avoid shock
or fire, if power cord is worn or
cut, or damaged in any way, have it
replaced immediately.
DOUBLE INSULATED
The power tool is double insulated to
provide a double thickness of insulation
between you and tool’s electrical
system. All exposed metal parts are
isolated from the internal metal motor
components with protecting insulation.
Replacement parts – When servicing,
use only identical replacement parts.
Polarized plugs – This saw has a plug
that looks like the one shown below:
To reduce the risk of electrical shock,
this saw has a polarized plug (one
blade is wider than the other). This plug
will fit in a polarized outlet only one
WARNING
!WARNING
!
ELECTRICAL REQUIREMENTS AND SAFETY

10 11
10 11
now be started and the cut finished.
4. FUSES may “blow” or circuit
breakers may trip frequently if:
a. MOTOR is overloaded –
overloading can occur if you feed
too rapidly or make too many
start/stops in a short time.
b. LINE VOLTAGE is more
than 10% above or below the
nameplate voltage rating. For
heavy loads, the voltage at motor
terminals must equal the voltage
specified on the nameplate.
c. IMPROPER or dull saw blades
are used.
5. Most motor troubles may be traced
to loose or incorrect connections,
overload, low voltage or inadequate
power supply wiring. Always check
the connections, the load and
supply circuit if the motor doesn’t
run well. Check minimum gauge for
the length of cord you are using on
the chart below.
GUIDELINES FOR EXTENSION
CORDS
Use a proper extension cord. Make
sure your extension cord is in good
condition. When using an extension
cord, be sure to use one heavy enough
to carry the current your product will
draw. An undersized cord will cause
a drop in line voltage, resulting in
loss of power and overheating. The
table below shows the correct size
to use depending on cord length and
nameplate ampere rating. If in doubt,
use the next heavier gauge. The
smaller the gauge number, the heavier
the cord.
Be sure your extension cord is
properly wired and in good condition.
Always replace a damaged extension
cord or have it repaired by a qualified
person before using it. Protect your
extension cords from sharp objects,
excessive heat and damp or wet areas.
Use a separate electrical circuit for
your tools. This circuit must not be
less than a #18 wire with a 9 A time lag
fuse. NOTE: When using an extension
cord on a circuit with a #18 wire, the
extension cord must not exceed 25 feet
in length. Before connecting the tool to
the power line, make sure the switch
is in the OFF position and the electric
current is rated the same as the current
stamped on the motor nameplate,
running at a lower voltage will damage
the motor.
MINIMUM GAUGE FOR EXTENSION CORDS (AWG)
(When using 120 volts only)
Ampere Rating Total length of Cord
More Than Not More Than 25ft. 50ft. 100ft. 150ft.
0 6 18 16 16 14
6 10 18 16 14 12
10 12 16 16 14 12
12 16 14 12 Not Recommended
CAUTION: In all cases make certain
the receptacle in question is
properly grounded. If you are not
sure, have a certified electrician
check the receptacle.

10 11
10 11
RECOMMENDED ACCESSORIES
● Use only accessories
recommended for this miter
saw. Follow instructions that
accompany accessories. Use of
improper accessories may cause
hazards.
● The use of any cutting tool
except 7-1/4 in. saw blades which
meet the requirements under
recommended accessories
is prohibited. Do not use
accessories such as shaper
cutters or dado sets. Ferrous
metal cutting and the use of
abrasive wheels is prohibited.
● Do not attempt to modify this
tool or create accessories not
recommended for use with this
tool. Any such alteration or
modification is misuse and could
result in a hazardous condition
leading to possible serious
injury.
ACCESSORIES
Visit your Sears Hardware Department
or see the Sears Power and Hand Tool
Catalog to purchase recommended
accessories for this power tool.
● To avoid the risk of personal
injury, do not modify this power
tool or use accessories not
recommended by Sears.
●
Read warnings and conditions
on your CARBIDE TIPPED SAW
BLADE. Do not operate the saw
without the proper saw blade
guard in place. Carbide is a very
hard but brittle material. Care
WARNING
!
should be taken while mounting,
using, and storing carbide tipped
blades to prevent accidental
damage. Slight shocks, such as
striking the tip while handling,
can seriously damage the blade.
Foreign objects in the workpiece,
such as wire or nails, can also
cause tips to crack or break off.
Before using, always visually
examine the blade and tips for
bent blade, cracks, breakage,
missing or loose tips, or other
damage. Do not use if damage is
suspected. Failure to heed safety
instructions and warnings can
result in serious bodily injury.
WARNING
!
ACCESSORIES AND ATTACHMENTS

12 13
12 13
COMBINATION SQUARE MUST BE TRUE
Should not gap or overlap when square is flipped over (see dotted figure).
Should not gap or overlap when square
flipped over (see dotted figure).
Draw light line on
board along this edge.
Straight edge or a 3/4 in. board, this
edge must be perfectly straight.
Phillips Screwdriver
Blade Wrench Adjustable Wrench
6mm Hex Wrench
Combination Square
Supplied Not supplied
Slotted Screwdriver
TOOLS NEEDED FOR ASSEMBLY

12 13
12 13
UNPACKING YOUR MITER SAW
To avoid injury from unexpected
starting or electrical shock, do not
plug the power cord into a source
of power during unpacking and
assembly. This cord must remain
unplugged whenever you are
working on the saw.
1. Remove the miter saw from the
carton.
IMPORTANT: Do not lift miter saw
by the trigger switch handle. It
may cause misalignment. Only lift
machine by the base hand holds.
2. Place the saw on a secure
stationary work surface.
3. Separate all parts from the packing
material. Check each one with
the illustration to make certain all
items are accounted for, before
discarding any packing material.
●
If any part is missing or
damaged, do not attempt to
assemble the miter saw, or
plug in the power cord until
the missing or damaged part
is correctly replaced. Call
1-800-843-1682 for missing or
damaged parts.
●
To avoid electric shock, use
only identical replacement parts
when servicing double insulated
tools. Call 1-800-4-MY-HOME® for
replacement parts.
WARNING
!
WARNING
!
CARTON CONTENTS
Blade wrench
Hold-down clamp
Miter handle
Miter saw
Dust bag
Support bracket assembly

14 15
14 15
KNOW YOUR SLIDING COMPOUND MITER SAW
Upper blade guard Switch handle
ON/OFF trigger
switch
Lower blade guard
Base
Miter handle
Bevel lock handle
Mounting hole Turntable
Hold-down clamp
Bevel scale
Saw blade
Motor
Laser ON/OFF switch
Slide carriage
Slide carriage
lock knob
Table insert
Positive stop locking lever
Hold-down latch
Positive miter detent
Laser guide
Hand hold for
transportation
Support bracket

14 15
14 15
AMPERAGE (AMPS) – A measure
of the flow of electric current. Higher
ratings generally means the tool is
suited for heavier use.
ARBOR LOCK – Allows the user to
keep the blade from rotating while
tightening or loosening the arbor bolt
during blade replacement or removal.
BASE – Supports the table, holds
accessories and allows for workbench
or leg set mounting.
BEVEL LOCKING HANDLE – Locks
the miter saw at a desired bevel angle.
BEVEL SCALE – To measure the
bevel angle of the saw blade 0° to 45°
left.
CARBIDE TIPPED – Extremely hard
steel pieces with sharp cutting edges
fastened to cutting tools such as saw
blades.
COVER PLATE SCREW – Loosen this
screw and rotate the plate for access to
the blade arbor bolt.
DOUBLE-INSULATED – A form of
electrical protection featuring two
separate insulation systems to help
protect against electrical shock.
EXTENSION CORD – An electric cord
used between power tools and outlets
to extend the range of the tools. The
more amerage your tool uses, the
longer the distance, the larger the size
of the wire needed in your extension
cord.
EYE PROTECTION – Goggles or
spectacles intended to protect your
eyes. Eye protection should meet the
requirements of ANSI Z.87.1 (USA) or
CSA Z94.3-M88 (Canada).
FACE SHIELD – An impact resistant
shield that helps to protect your face
from chips, sparks, small debris.
Should only be used in conjunction with
additional eye protection.
FENCE – Helps to keep the workpiece
from moving when sawing. Scaled to
assist with accurate cutting.
GUARD – Protective devise that forms
a barrier between a hazardous object
such as a blade, wheel or cutter and
the operator.
HOLD DOWN LATCH – Locks the
miter saw in the lowered position for
compact storage and transportation.
INSTRUCTION OR OPERATOR’S
MANUAL – Booklet accompanying
your power tool that describes the
hazards and safe operation procedures,
outlines basic tool operation, care and
maintenance.
MITER HANDLE – Used to rotate the
table, and to rotate the saw to a right or
left cutting position.
MITER SCALE – Measures the miter
angle 0° to 45° left and right.
MOUNTING HOLES – To mount the
miter saw to a stable surface.
ON/OFF TRIGGER SWITCH – To start
the tool, squeeze the trigger. Release
the trigger to turn off the miter saw.
GLOSSARY OF TERMS
Switch handle
Slide carriage

16 17
16 17
POSITIVE STOP LOCKING LEVER –
Locks the miter saw at a preset positive
stop for the desired miter angle.
SWITCH HANDLE – The switch
handle contains the trigger switch and
the laser on/off switch. The blade is
lowered into the workpiece by pushing
down on the handle. The saw will
return to its upright position when the
handle is released.
WARNING LABELS – Read and
understand for your own safety. Make
sure all labels are present on machine
and legible.
WRENCH STORAGE – Convenient
storage to prevent misplacing the blade
wrench.
WOODWORKING TERMS
ARBOR – The shaft on which a blade
is mounted.
BEVEL CUT – An angle cut made
through the face of the workpiece.
COMPOUND CUT – An angled cut
to both the edge and face of a board,
most common use is with crown
molding.
CROSS CUT – A cut which runs across
the board perpendicular to the grain.
FREEHAND – Performing a cut without
using a fence (guide), hold down or
other proper device to prevent the
workpiece from twisting during the
cutting operation.
HEEL – Misalignment of the blade.
KERF – The width of a saw cut,
determined by the thickness and set of
the blade.
KICKBACK – Sudden and unintended
movement of the tool or workpiece. It is
typically caused by binding or pinching
of the workpiece
MITER CUT – A miter is a type of joint
where the two parts to be joined are cut
at an angle, and typically the finished
joint forms a 90-degree angle. Also
commonly spelled “mitre”.
REVOLUTIONS PER MINUTE (RPM)
– The number of turns completed by a
spinning object in one minute.
SAW BLADE PATH – The area of the
workpiece or table top directly in line
with the travel of the blade or the part
of the workpiece which will be cut.
SET – The distance between two saw
blade tips, bent outward in opposite
directions to each other. The further
apart the tips are, the greater the set.
THIN-KERF BLADE – Thinner than
normal blades, remove less material,
smaller kerfs (between .065 and .070).
Blade thinness also may increase the
heat generated while cutting.
WORKPIECE – The wood being
cut. The surfaces of a workpiece are
commonly referred to as faces, ends
and edges.

16 17
16 17
To avoid injury, do not connect
this miter saw to the power source
until it is completely assembled and
adjusted, and you have read and
understood this Operator’s Manual.
INSTALLING THE SUPPORT
BRACKET (FIG. A)
1. Place the support bracket (1) in
front of the miter saw as shown.
2. Tighten the two screws (2) using
a Phillips screwdriver into the pre-
drilled holes located in the front of
the table.
Fig. A
INSTALLING THE MITER HANDLE
(FIG. B)
1. Thread the miter handle (1) into the
hole located at the front of the miter
table.
Fig. B
WARNING
!INSTALLING THE DUST BAG (FIG. C)
1. Squeeze the metal collar wings of
the dust bag (1).
2. Place the dust bag neck opening
around the exhaust port (2), and
release the metal collar wings.
Fig. C
To empty the dust bag, squeeze the
metal collar and remove from exhaust
port. Open zipper on underside of bag
and empty into waste container.
NOTE: Check frequently and empty
bag before it gets full.
INSTALLING THE SAFETY HOLD-
DOWN CLAMP (FIG. D)
1. Loosen the hex screw (3) using a
Phillips screwdriver from the rear
side of the saw base.
2. Place the hold-down clamp
assembly (1) in one of the mounting
holes (2).
3. Tighten the hex screw (3).
ASSEMBLY AND ADJUSTMENTS
12
1
1
2

18 19
18 19
RELEASING CUTTING HEAD (FIG. G)
To avoid injury and damage to the
saw, transport or store the miter
saw with the cutting head locked in
the down position. Never use the
hold down latch to hold the cutting
head in a down position for cutting
operations.
Unlocking
1. Push down slightly on the switch
handle (1).
2. Pull out the hold-down latch (2).
3. Allow the cutting head to rise to the
up position.
Fig. G
Locking
When transporting or storing the miter
saw, the cutting head should always be
locked in the down position.
1. Push the cutting head down to its
lowest position.
2. Push the hold-down latch (2) into
the locking hole.
IMPORTANT: To avoid damage, never
carry the miter saw by the switch
handle, the cutting arm or the miter
handle. Only lift machine by the base
hand holds.
To avoid injury, disconnect the
plug from the power source before
performing any adjustments or
repair.
WARNING
!
Fig. D
SAW BLADE WRENCH (FIG. E)
For convenient storage and prevention
of loss, there is a slot (1) in the right
side of the switch handle (2) for storing
the blade wrench (3) when not in use.
Fig. E
UNLOCKING THE SLIDE CARRIAGE
(FIG. F)
After removing the saw from the carton,
loosen the slide carriage lock knob
(1). When transporting or storing the
miter saw, the slide carriage should
always be locked in position. The slide
carriage lock knob (1) is located on the
right side of the slide carriage.
Fig. F
WARNING
!
1
1
2
1
3
2
2
1
3

18 19
18 19
NOTE: Your miter saw was adjusted at
the factory. However, during shipment
slight misalignment may have occurred.
Check the following settings and adjust
if necessary prior to using this miter
saw.
REMOVING AND INSTALLING THE
TABLE INSERT (FIG. H)
To avoid injury:
●
Always unplug the saw to avoid
accidental starting. Remove all
small pieces of material from the
table cavity before performing
any cuts. The table insert may
be removed for this purpose, but
always reattach the table insert
prior to performing a cutting
operation.
●
Do not start the sliding compound
miter saw without checking for
interference between the blade
and table insert. Damage could
result to the blade, table insert or
turntable if blade strike occurs
during the cutting operation.
1. To remove, loosen and remove the
six screws (1) on the table inserts
(2) with a Phillips screwdriver and
remove the insert.
2. To install, reposition the table
inserts, install the six screws and
tighten.
3. Check for blade clearance by
moving the slide carriage through
the full motion of the blade in the
table slot.
Fig. H
MOUNTING THE MITER SAW
(FIG. I, J)
To avoid injury form unexpected
saw movement:
●
Disconnect the power cord from
the outlet, and lock the cutting
head in the lower position using
the stop latch.
●
Lock the slide carriage in place
by tightening the slide carriage
lock knob.
●
To avoid back injury, lift the saw
by using the designated carrying
handles located on the top of the
machine. When lifting, bend at
your knees, not from your back.
●
Never carry the miter saw by
the power cord or by the switch
handle. Carrying the tool by the
power cord could cause damage
to the insulation or the wire
connections resulting in electric
shock or fire.
●
To avoid injury from flying debris,
do not allow visitors to stand
near the saw during any cutting
operation.
●
Support the saw on a level work
surface.
●
Always bolt or clamp the saw to
its support.
WARNING
!
WARNING
!
1
2

20 21
20 21
REMOVING OR INSTALLING THE
BLADE
Removing Blade (Fig. K, L, M)
●
To avoid injury from an
accidental start, make sure the
switch is in the OFF position
and plug is not connected to the
power source outlet.
●
Only use a 7-1/4 inch diameter
blade.
●
NEVER cut metals or masonry
products with this tool. This
miter saw is designed for use on
wood and wood-like products
only.
1. Unplug the saw from the outlet.
2. Raise the miter saw to the upright
position.
3. Raise the lower blade guard (1) to
the uppermost position. (Fig. K)
4. While holding the lower blade
guard, loosen the cover plate screw
(2) with a Phillips screwdriver.
5. Rotate the cover plate (3) to
expose the arbor bolt.
6. Place the blade end wrench over
the arbor bolt.
Fig. K
Mounting instructions
1. For stationary use, place the saw
in the desired location, directly on
a workbench where there is room
for handling and proper support
of the workpiece. The base of the
saw has four mounting holes. Bolt
the base of the miter saw (1) to
the work surface (5), using the
fastening method as shown in Fig I.
Fig. I
NOTE: Mounting hardware is not
included with this tool. Bolts, nuts,
washers, & screws must be purchased
separately.
2. For portable use, place the
saw on a 3/4 in. thick piece of
plywood. Bolt the base of the
miter saw securely to the
plywood using the mounting holes on
the base. Use C-clamps to clamp this
mounting board to a stable work
surface at the worksite. (Fig. J)
Fig. J
WARNING
!
1
2
3
4
3/4 Inch
plywood
2
3
4
1
5
6
7
8
9
1. Miter saw base
2. Hex head bolt
3. Rubber washer
4. Flat washer
5. Workbench
6. Flat washer
7. Lockwasher
8. Hex nut
9. Jam nut

20 21
20 21
INSTALLING BLADE (FIG. K, L, M)
Un-plug the miter saw before
changing/installing the blade.
1. Install a 7-1/4 in. blade with a 5/8
in. arbor making sure the rotation
arrow on the blade matches the
clockwise rotation arrow on the
upper guard, and the blade teeth
are pointing downward.
2. Place the arbor collar (6) against
the blade and on the arbor. Thread
the arbor bolt (4) on the arbor. in a
counterclockwise direction. (Fig. M)
IMPORTANT: Make sure the flats
of the blade collars are engaged
with the flats on the arbor shaft.
Also, the flat-side of the arbor collar
must be placed against the blade.
3. Place the blade wrench on the
arbor bolt.
4. Press the arbor lock (5), holding
it in firmly while turning the blade
counterclockwise. When it engages,
continue to press the arbor lock
in, while tightening the arbor bolt
securely. (Fig. L)
5. Rotate the cover plate (3) back to
its original position until the slot in
the cover plate engages with the
cover plate screw (2). While holding
the lower blade guard, tighten the
screw with a Phillips screwdriver.
(Fig. K) NOTE: The lower blade
guard must be raised to the upright
position to access the cover plate
screw.
6. Lower the blade guard (1) and
verify the operation of the guard
does not bind or stick (Fig. K).
7. Be sure the arbor lock (5) is
released so the blade turns freely
by spinning the blade until the arbor
lock disengages.
7. Locate the arbor lock (5) below
motor lower cover. (Fig. L)
8. Press the arbor lock, holding it
in firmly while turning the blade
clockwise. The arbor lock will
then engage and lock the arbor.
Continue to hold the arbor lock,
while turning the wrench clockwise
to loosen the arbor bolt.
Fig. L
9. Remove the arbor bolt (4), the
arbor collar (6), and the blade (7).
Do not remove the inner blade
collar. (Fig. M)
10. Raise the lower clear plastic blade
guard (1) to the upright position
(Fig. K) to remove the blade.
NOTE: Pay attention to the pieces
removed, noting their position and
direction they face. Wipe the blade
collars clean of any sawdust before
installing a new blade.
Fig. M 7
4
6
WARNING
!
5

22 23
22 23
saw must be connected to the power
source and the laser on/off switch must
be turned on for the laser line to show.
AVOID DIRECT EYE CONTACT
● Laser is radiated when laser
guide is turned on. Avoid direct
eye contact. Always un-plug the
miter saw from power source
before making any adjustments.
●
Laser Warning Label: max
output <1mW DIODE LASER:
630-670nm, Complies with
21CFR 1040.10 and 1040. 11.
Class II laser product.
●
NOTE: All the adjustments for the
operation of this machine have
been completed at the factory. Due
to normal wear and use, some
occasional readjustments may be
necessary.
●
CAUTION-Use of controls or
adjustments or performance of
procedures other than those
specified herein may result in
hazardous radiation exposure.
●
CAUTION-The use of optical
instruments with this product
will increase eye hazard.
●
Do not attempt to repair or
disassemble the laser. If
unqualified persons attempt
to repair this laser product,
serious injury may result. Any
repair required on this laser
product should be performed
by authorized service center
personnel.
● To avoid injury, never use the saw
without the cover plate secure
in place. It keeps the arbor bolt
from falling out if it accidentally
loosens, and helps prevent the
spinning blade from coming off
the saw.
● Make sure the collars are clean
and properly arranged. Lower
the blade into the table and
check for any contact with the
metal base or the turn table.
THE LASER GUIDE (FIG. N)
1. To turn laser on, press on/off rocker
switch (1) to “ON” position.
2. To turn off laser, press on/off rocker
switch to “OFF” position.
Fig. N
THE LASER BEAM
For your own safety, never connect
the plug to power source outlet
until all the adjustment steps
are complete and you have read
and understood the safety and
operational instructions.
Your tool is equipped with the Laser
Trac® cutting guide using Class II laser
beam. The laser beam will enable you
to preview the saw blade path on the
stock to be cut before starting the miter
saw. This laser guide is powered by the
transformed alternating current supply
directly through the power lead. The
WARNING
!
WARNING
!
1
WARNING
!

22 23
22 23
BEVEL STOP ADJUSTMENTS
(FIG. O, P, Q)
To avoid injury from unexpected
starting or electrical shock, make
sure the trigger is released and
remove the power cord from the
power source.
90°(0°) Bevel adjustment (Fig. O)
1. Loosen bevel lock handle (1) and
tilt the cutting arm completely to the
right. Tighten the bevel lock handle.
2. Place a combination square (2) on
the miter table with the ruler against
the table and the heel of the square
against the saw blade.
3. If the blade is not 90o (0o) square
with the miter table (5), loosen the
bevel lock handle (1), tilt the cutting
head to the left, loosen the locknut
(4) on the bevel angle adjustment
bolt (3) and use a 10 mm wrench
to adjust the stop bolt (3) depth in
or out to increase or decrease the
bevel angle.
4. Tilt the cutting arm to back to the
right at 90o (0o) bevel and recheck
for alignment.
5. Repeat steps 1 through 4 if further
adjustment is needed.
6. Tighten bevel lock handle (1) and
locknut (4) when alignment is
achieved.
Fig. O
90° Bevel Pointer Adjustment (Fig. P)
1. When the blade is exactly 90o
(0o) to the table, loosen the bevel
indicator screw (6) using a # 2
Phillips screwdriver.
2. Adjust bevel indicator (7) to the
“0” mark on the bevel scale and
retighten the screw.
Fig. P
45o Bevel Adjustment (Fig. Q)
1. Loosen the bevel lock handle (8)
and tilt the cutting head completely
to the left.
2. Using a combination square, check
to see if the blade angle is 45° to
the table.
3. If the blade is not at 45° to the miter
table, tilt the cutting arm to the
right, loosen the locknut (9) on the
6
7
WARNING
!
25
1
3
4

24 25
24 25
bevel angle adjustment bolt (10)
and use a 10 mm wrench to adjust
the stop bolt (10) depth in or out
to increase or decrease the bevel
angle.
4. Tilt the cutting arm to the left to 45°
bevel and recheck for alignment.
5. Repeat steps 1 through 4 until the
blade is at 45° to the miter table.
6. Tighten bevel lock handle (8) and
locknut (9) when alignment is
achieved.
Fig. Q
MITER ANGLE ADJUSTMENT (FIG.
R)
The sliding compound miter saw scale
can be easily read, showing miter
angles from 0° to 45° to the left, and 0°
to 45° to the right. The miter saw table
has nine of the most common angle
setttings with positive stops at 0°, 15°,
22.5°, 31.6°, and 45°. These positive
stops position the blade at the desired
angle quickly and accurately. Follow
the process below for quickest and
most accurate adjustments.
1. Unlock the miter table by turning the
miter handle (1) counterclockwise.
2. Move the turntable while lifting up
on the positive stop locking lever
(2) to align the indicator (3) to the
desired degree measurement.
3. If the desired angle is one of the
nine positive stops, release the
positive stop locking lever, making
sure the lever snaps into position,
and then secure by tightening the
miter handle.
4. If the miter angle desired is not one
of the nine positive stops, simply
lock the miter table into desired
angle position by turning the miter
handle in the clockwise direction.
Fig. R
MITER SCALE INDICATOR
ADJUSTMENT (FIG. R)
1. Move the table to the 0° positive
stop.
2. Loosen the screw (4) that holds the
indicator with a Phillips screwdriver.
3. Adjust the indicator (3) to the 0°
mark and retighten screw.
ADJUSTING FENCE SQUARENESS
(FIG. S)
1. Lower the cutting arm and lock in
position.
2. Using a square (3), lay the heel of
the square against the blade and
3
2
4
1
8
10
9

24 25
24 25
Fig. S
ADJUSTING CUTTING DEPTH
(FIG. T)
The maximum depth travel of the
cutting head was set at the factory.
Check to see that the blade does not
extend more than 1/4 in. below the
table insert, and does not touch the
control arm throat or any part of the
base or table. If the maximum depth
needs readjusting:
1. Loosen the stop knob (1) while
moving the cutting head down until
the blade extends just 1/4 in. below
the table insert.
2. Adjust the stop knob (1) to touch
the stop plate (2).
3. Recheck the blade depth by
moving the cutting head front to
back through the full motion of a cut
along the control arm. If the blade
touches the inside of the control
arm, readjust the setting.
the ruler against the fence (2) as
shown.
3. Loosen the two fence locking bolts
(1) with a 6mm hex wrench.
4. Adjust the fence 90° to the blade
and tighten the four fence locking
bolts.
CAUTION: If the saw has not
been used recently, recheck
blade squareness to the fence
and readjust if needed.
5. After fence has been aligned, using
a scrap piece of wood, make a cut
at 90o, then check squareness on
the piece. Readjust if necessary.
Fig. S
SETTING CUTTING DEPTH (FIG. T)
The depth of cut can be preset for even
and repetitive shallow cuts.
1. Adjust the cutting head down (See
CUTTING HEAD section) until the
teeth of the blade are at the desired
depth.
2. While holding the upper arm in that
position, turn the stop knob (1) until
it touches the stop plate (2).
3. Recheck the blade depth by moving
the cutting head front to back
through the full motion of a typical
cut along the control arm.
1
2
11
2
3

26 27
26 27
SAFETY INSTRUCTIONS FOR BASIC
SAW OPERATION
BEFORE USING THE MITER SAW
To avoid mistakes that could cause
serious, permanent injury, do not
plug the tool in until the following
steps are completed:
● Completely assemble and adjust
the saw, following the instructions.
(ASSEMBLY AND ADJUSTMENTS)
● Learn the use and function of the
ON/OFF switch, upper and lower
blade guards, hold down latch, bevel
lock handle and cover plate screws.
● Review and understand all
safety instructions and operating
procedures in this Operator’s
Manual. (SAFETY & OPERATIONS)
● Review the MAINTENANCE and
TROUBLESHOOTING GUIDE for
your miter saw.
● To avoid injury or possible death
from electrical shock:
Make sure your fingers do not
touch the plug’s metal prongs
when plugging or unplugging
your miter saw. (ELECTRICAL
REQUIREMENTS AND SAFETY)
BEFORE EACH USE INSPECT YOUR
SAW.
● Disconnect the miter saw.
To avoid injury from accidental
starting, unplug the saw before any
adjustments, including set-up and
blade changes.
● Compare the direction of rotation
arrow on the guard to the direction
arrow on the blade. The blade teeth
should always point downward at the
front of the saw.
● Tighten the arbor bolt.
● Tighten the cover plate screw.
● Check for damaged parts. Check
for:
● Alignment of moving parts
● Damaged electric cords
● Binding of moving parts
● Mounting holes
● Function of arm return spring
and lower guard: Push the
cutting arm all the way down,
then let it rise until it stops.
The lower guard should fully
close. Follow instructions in
TROUBLESHOOTING GUIDE
for adjustment if necessary.
● Other conditions that may affect
the way the miter saw works.
● Keep all guards in place, in working
order and proper adjustment. If any
part of this miter saw is missing,
bent, damaged or broken in any way,
or any electrical parts do not work,
turn the saw off and unplug it.
●
Replace bent, damaged, missing or
defective parts before using the saw
again.
●
Maintain tools with care. Keep the
miter saw clean for best and safest
performance. Follow instructions for
lubricating. Do not put lubricants on
the blade while it is spinning.
●
Remove adjusting wrench from the
tool before turning it on.
●
To avoid injury from jams, slips,
or thrown pieces, use only
recommended accessories.
RECOMMENDED ACCESSORIES
● Consult the ACCESSORIES and
ATTACHMENTS section of this
Operators Manual for recommended
accessories. Follow the instructions
that come with the accessory. The
use of improper accessories may
cause risk of injury to persons.
● Choose the correct 7-1/4 in.
diameter blade for the material and
WARNING
!
OPERATION

26 27
26 27
CAUTION: This machine is not
designed for cutting masonry,
masonry products, ferrous metals
(steel, iron, and iron-based metals.)
Use this miter saw to cut only
wood, wood-like products, or non-
ferrous metals. Other material may
shatter, bind the blade, or create
other dangers. Remove all nails that
may be in the workpiece to prevent
sparking that could cause a fire.
Remove dust bag when cutting non-
ferrous metals.
DRESS FOR SAFETY
Any power tool can throw
foreign objects into the eyes.
This can result in permanent
eye damage. Everyday eyeglasses
have only impact resistant lenses and
are not safety glasses. Glasses or
goggles not in compliance with ANSI
Z87.1 could seriously injure you when
they break.
● Do not wear loose clothing, gloves,
neckties or jewelry (rings, watches).
They can get caught and draw you
into moving parts.
● Wear non-slip footwear.
● Tie back long hair.
● Roll long sleeves above the elbow.
● Noise levels vary widely. To avoid
possible hearing damage, wear ear
plugs when using any miter saw.
● For dusty operations, wear a dust
mask along with safety goggles.
INSPECT YOUR WORKPIECE
Make sure there are no nails or foreign
objects in the part of the workpiece
being cut.
Plan your work to avoid small pieces
that may bind, or that are too small to
clamp and get a solid grasp on. Plan
the way you will grasp the workpiece
from start to finish. Avoid awkward
operations and hand positions.
the type of cutting you plan to do. Do
not use thin kerf blades.
● Make sure the blade is sharp,
undamaged and properly aligned.
With the saw unplugged, push
the cutting arm all the way down.
Manually spin the blade and check
for clearance. Tilt the power-head to
a 45° bevel and repeat the test.
● Make sure the blade and arbor
collars are clean.
● Make sure all clamps and locks are
tight and there is no excessive play
in any parts.
KEEP YOUR WORK AREA CLEAN
Cluttered areas and benches invite
accidents.
To avoid burns or other fire damage,
never use the miter saw near
flammable liquids, vapors, or gases.
● Plan ahead to protect your eyes,
hands, face and ears.
● Know your miter saw. Read and
understand the Operator’s Manual
and labels affixed to the tool. Learn
its application and limitations as well
as the specific potential hazards
peculiar to this tool. To avoid injury
from accidental contact with moving
parts, do not do layout, assembly, or
setup work on the miter saw while
any parts are moving.
● Avoid accidental starting, make sure
the trigger switch is disengaged
before plugging the miter saw into a
power outlet.
PLAN YOUR WORK
● Use the right tool. Do not force a tool
or attachment to do a job it was not
designed to do. Use a different tool
for any workpiece that can’t be held
in a solidly braced, fixed position.
WARNING
!

28 29
28 29
“no hands zone” area marked on the
saws table.
● When cutting odd shaped
workpieces, plan your work so it
will not bind in the blade and cause
possible injury. Molding, for example,
must lie flat or be held by a fixture or
jig that will not let it move when cut.
● Properly support round material such
as dowel rods, or tubing, which have
a tendency to roll when cut, causing
the blade to “bite”.
To avoid injury, follow all applicable
safety instructions, when cutting
non-ferrous metals:
● Use only saw blades specifically
recommended for non-ferrous metal
cutting.
● Do not cut metal workpieces
that must be hand held. Clamp
workpieces securely.
● Cut non-ferrous metals only if you
are under the supervision of an
experienced person and the dust
bag has been removed from the
saw.
WHEN SAW IS RUNNING
Do not allow familiarity from
frequent use of your miter saw
to result in a careless mistake. A
careless fraction of a second is
enough to cause a severe injury.
Before cutting, if the saw makes an
unfamiliar noise or vibrates, stop
immediately. Turn the saw OFF.
Unplug the saw. Do not restart until
finding and correcting the problem.
A sudden slip could cause your fingers
or hand to move into the blade.
DO NOT OVER-REACH
Keep good footing and balance. Keep
your face and body to one side, out of
the line of a possible kickback. NEVER
stand in the line of the blade.
Never cut freehand:
● Brace your workpiece firmly against
the fence and table stop so it will not
rock or twist during the cut.
● Make sure there is no debris
between the workpiece and the table
or fence.
● Make sure there are no gaps
between the workpiece, fence and
table that will let the workpiece shift
after it is cut.
● Keep the cut off piece free to move
sideways after it is cut off. Otherwise,
it could get wedged against the
blade and thrown violently.
● Only the workpiece should be on the
saws table.
● Secure work. Use clamps or a vise
to help hold the work when it is
practical.
USE EXTRA CAUTION WITH LARGE
OR ODD SHAPED WORKPIECES.
● Use extra supports (tables,
sawhorses, blocks, etc.) for
workpieces large enough to tip.
● Never use another person as a
substitute for a table extension, or as
an additional support for a workpiece
that is longer or wider than the basic
miter saw table, or to help feed,
support, or pull the workpiece.
● Do not use this saw to cut small
pieces. If the workpiece being cut
would cause your hand or fingers
to be within 6-3/4 inches of the saw
blade the workpiece is too small.
Keep hands and fingers out of the
WARNING
!
WARNING
!

28 29
28 29
BODY AND HAND POSITION (FIG. U)
Never place hands near
the cutting area. Proper
positioning of your body
and hands when operating the miter
saw will make cutting easier and
safer. Keep children away. Keep all
visitors at a safe distance from the
miter saw. Make sure bystanders are
clear of the saw and workpiece. Do
not force the saw. It will do the job
better and safer at its designed rate.
Starting a cut:
● Place hands at least 6-3/4 in. away
on both sides of the blade path -
“no-hands zone”. (Fig. U)
● Hold workpiece firmly against the
fence to prevent movement toward
the blade.
● With the power switch OFF,
bring the saw blade down to the
workpiece to see the cutting path of
the blade.
● Squeeze trigger switch to start saw.
● Lower blade into workpiece with a
firm downward motion.
Finishing a cut:
● Hold the cutting arm in the down
position.
● Release trigger switch and wait
for all moving parts to stop before
moving your hands and raising the
cutting arm.
● If the blade does not stop within
10 seconds, unplug the saw
and follow the instructions in
TROUBLESHOOTING GUIDE
section.
Before freeing jammed material:
● Release trigger switch.
● Wait for all moving parts to stop.
● Unplug the miter saw.
Fig. U
BASIC SAW OPERATIONS
For your convenience, your saw
has a blade brake. The brake is
not a safety device. Never rely on
it to replace the proper use of the
guard on your saw. If the blade
does not stop within approximately
10 seconds, wait for the blade to
stop, unplug the saw and check
the Troubleshooting Guide on
page 39. Contact customer service
at 1-800-843-1682 for additional
technical information is needed.
TO TURN THE SAW ON (FIG. V)
Depress the trigger switch (1) to turn
on the miter saw started.
The miter saw is equipped with an
automatic blade brake. When the
trigger switch is released, the electric
blade brake will stop the blade within
approximately 10 seconds.
NOTE: Make the ON/OFF switch
childproof. Insert a padlock, or chain
with padlock, through the hole (2) in
the trigger switch, locking the tool’s
switch, preventing children and other
unauthorized users from turning the
machine on.
WARNING
!
WARNING
!
No Hand Zone
13-1/2 in.

30 31
30 31
Fig. V
SLIDING CARRIAGE SYSTEM (FIG.
W)
To reduce the risk of injury, return
carriage to the full rear position after
each crosscut operation.
1. For a chop cutting operations on
small workpieces, slide the cutting
head assembly completely toward
the rear of the unit and tighten the
carriage lock knob (1).
2. To cut wide boards up to 8 in.,
the carriage lock knob should be
loosened to allow the cutting head
to slide freely.
Fig. W
BEFORE LEAVING THE SAW
● Never leave tool running
unattended. Turn power OFF. Wait
for all moving parts to stop.
● Make workshop childproof. Lock the
shop. Disconnect master switches.
Store tool away from children and
other unqualified users.
To avoid injury from materials being
thrown, always unplug the saw
to avoid accidental starting, and
remove small pieces of material
from the table cavity.
MITER CUT (FIG. X)
1. When a miter cut is required,
unlock the miter table by turning the
miter handle (1) counterclockwise.
2. While holding the miter handle,
lift up on the positive stop locking
lever (2).
3. Rotate the miter table to the right or
left with the miter handle.
4. When the table is in the desired
position, as shown on the miter
scale (3), release the positive stop
locking lever and tighten the miter
handle. The table is now locked at
the desired angle.
Positive stops
are provided at 0°, 15°, 22.5°, 31.6°
and 45°.
IMPORTANT: Always tighten the
miter table lock handle before
performing every cutting operation.
Fig. X
1
WARNING
!
1
2
3
WARNING
!
1
2

30 31
30 31
WARNING
!
SLIDE CUTTING WIDE BOARDS UP
TO 8 in. WIDE (FIG. AA)
To avoid injury:
● Never pull the cutting head
assembly and spinning blade
toward you during the cut. The
blade may try to climb up on the
top of the workpiece, causing the
cutting assembly and spinning
blade to kick back forcefully. The
cutting head assembly should
be drawn back completely then
pushed forward when sawing.
●
Let the blade reach full speed
before cutting. This will help
reduce the risk of a thrown
workpiece.
COMPOUND CUT (FIG. Z)
A compound cut is the combination of a
miter and a bevel cut simultaneously.
1. Loosen the bevel lock handle (1)
and position the cutting head at the
desired bevel position. Lock the
bevel lock handle.
2. Loosen the miter handle (2). Lift up
the positive stop locking lever and
position the table at the desired
angle. Release the positive stop
locking lever and lock the miter
handle.
BEVEL CUT (FIG. Y)
1. When a bevel cut is required,
loosen the bevel lock handle (1) by
turning it clockwise.
2. Tilt the cutting head to the desired
angle, as shown on the bevel scale
(2).
3. The blade can be positioned at
any angle, from a 90° straight cut (
0° on the scale) to a 45° left bevel.
Tighten the bevel lock handle (1)
to lock the cutting head in position.
Positive stops are provided at 0°
and 45°.
Fig. Y
Fig. Z
2
1
2
1

32 33
32 33
WARNING
!
ROUGH CUTTING A DADO (FIG. CC)
DO NOT USE A DADO BLADE, use
only the standard saw blade for this
operation.
1. Mark lines identifying the width
and depth of the desired cut on
CUTTING BOWED MATERIAL (FIG.
BB)
To avoid injury from materials being
thrown, always unplug the saw
to avoid accidental starting and
remove small pieces of material
from the table cavity.
The table insert may be removed for
this purpose, but always reattach table
insert prior to performing a cutting
operation.
A bowed workpiece must be positioned
against the fence and secured with
a clamping device as shown before
cutting. Do not position workpiece
incorrectly or try to cut the workpiece
without the support of the fence. This
will cause the blade to bind and could
result in personal injury.
Fig. BB
1
2
3
To Slide Cut Wide Boards (Fig. AA)
1. Unlock the carriage lock handle
(1) and allow the cutting head
assembly to move freely.
2. Set both the desired bevel angle
and/or the miter angle and lock into
position.
3. Use a hold down clamp to secure
the workpiece.
4. Grasp and pull forward the switch
handle (2) until the center of the
saw blade is over the front of the
workpiece (3).
5. Engage the trigger to turn the saw
on.
6. When the saw reaches full speed,
push the switch handle down,
slowly, cutting through the leading
edge of the workpiece.
7. Slowly move the switch handle
toward the fence, completing the
cut.
8. Release the trigger and allow
the blade to stop spinning before
allowing the cutting head to raise.
Fig. AA
WARNING
!

32 33
32 33
Fig. DD
AUXILIARY WOOD FENCE (FIG. EE)
When making multiple or repetitive cuts
that result in cut-off pieces of one inch
or less, it is possible for the saw blade
to catch the cut-off piece and throw it
out of the saw or into the blade guard
and housing, possibly causing damage
or injury. To minimize this an auxiliary
wood fence can be mounted to your
saw. Holes are provided in the saw
fence to attach an auxiliary wood fence
(this provides additional depth of cut).
This fence should be constructed of
straight auxiliary wood approximately
3/4 in. thick by 1-1/2 in. high by 16 in.
long. Attach the wood fence securely
and make a full depth cut to make
a blade slot. Check for interference
between the wood fence and the lower
blade guard. Adjust if necessary.
Fig. EE
3-1/4 in.
the workpiece and position on the
table so the inside tip of the blade
is positioned on the line. Use a
hold down clamp to secure the
workpiece.
2. Lower the cutting head so the tip of
the blade touches the top surface
workpiece at the marked line.
3. While holding the upper arm in
position, turn the stop knob (2) until
it touches the stop plate (1).
4. Cut two parallel grooves as shown
below.
Fig. CC
Blade slot
WORKPIECE SUPPORT (FIG. DD)
Long pieces need extra support. The
support should be placed under the
workpiece. Keep your hand holding the
workpiece positioned 6-3/4 inches or
more away from the blade. The support
must let the workpiece lay flat on the
work table during the cutting operation.
NOTE: When mounted on a flat
surface, the saw table is 3-1/4 inches
high.
1
2
Cut these grooves
with saw
Use a chisel to cut
out the middle
Auxiliary
fence

34 35
34 35
angles that, when added together,
equal exactly 90°.
Most crown molding has a top rear
angle (the section that fits flat against
the ceiling) of 52°and a bottom rear
angle (the section that fits flat against
the wall) of 38°.
In order to accurately cut crown
molding for a 90° inside or outside
corner, lay the molding with its broad
back surface flat on the saw table.
When setting the bevel and miter
angles for compound miters, remember
that the settings are interdependent;
changing one changes the other, as
well.
Fig. GG
Bevel/Miter Settings
Fig. HH
Settings for standard crown molding
lying flat on compound miter saw
table
NOTE: The chart below references
a compound cut for crown molding
ONLY WHEN THE ANGLE BETWEEN
THE WALLS EQUALS 90°.
2. Reduce splintering by taping the cut
area prior to making the cut. Mark
the cut line directly on the tape.
3. Splintering typically happens due to
an incorrect blade application and
thinness of the material.
Fig. FF
NOTE: Always perform a dry run cut
so you can determine if the operation
being attempted is possible before
power is applied to the saw.
CUTTING CROWN MOLDING (FIG.
GG, HH)
Your compound miter saw is suited
for the difficult task of cutting crown
molding. To fit properly, crown molding
must be compound-mitered with
extreme accuracy. The two surfaces
on a piece of crown molding that fit
flat against the ceiling and wall are at
F
e
n
c
e
Miter saw table
Compound cut crown moldings
Inside corner
Outside corner
OR
OL
IR
IL
WARNING
!
F
e
n
c
e
Miter saw table
miter at 450,
bevel at 00
miter at 00, bevel
at 450
F
e
n
c
e
Miter saw table
CUTTING BASE MOLDING (FIG. FF)
Base moldings and many other
moldings can be cut on a compound
miter saw. The setup of the saw
depends on molding characteristics
and application, as shown. Perform
practice cuts on scrap material to
achieve best results:
1. Always make sure moldings rest
firmly against fence and table. Use
hold-down, crown molding vise
or C-clamps, whenever possible,
and place tape on the area being
clamped to avoid marks.

34 35
34 35
Bevel/Miter Settings
KEY BEVEL
SETTING
MITER
SETTING
TYPE OF CUT
Inside corner-Left side
IL 33.9° 31.6° Right 1. Position top of molding against fence.
2. Miter table set at RIGHT 31.6°.
3. LEFT side is finished piece.
Inside corner-Right side
IR 33.9° 31.6° Left 1. Position bottom of molding against fence.
2. Miter table set at LEFT 31.6°.
3. LEFT side is finished piece.
Outside corner-Left side
OL 33.9° 31.6° Left 1. Position bottom of molding against fence.
2. Miter table set at LEFT 31.6°.
3. RIGHT side is finished piece.
Outside corner-Right side
OR 33.9° 31.6° Right 1. Position top of molding against fence.
2. Miter table set at RIGHT 31.6°.
3. RIGHT side is finished piece.

36 37
36 37
CROWN MOLDING CHART
Compound Miter saw
Miter and bevel Angle settings
Wall to Crown Molding Angle
52/38° Crown Molding 45/45° Crown Molding
Angle
Between
Walls
Miter
Setting
Bevel
Setting
Miter
Setting
Bevel
Setting
67 42.93 41.08 46.89 36.13
68 42.39 40.79 46.35 35.89
69 41.85 40.50 45.81 35.64
70 41.32 40.20 45.28 35.40
71 40.79 39.90 44.75 35.15
72 40.28 39.61 44.22 34.89
73 39.76 39.30 43.70 34.64
74 39.25 39.00 43.18 35.38
75 38.74 38.69 42.66 34.12
76 38.24 38.39 42.15 33.86
77 37.74 38.08 41.64 33.60
78 37.24 37.76 41.13 33.33
79 36.75 37.45 40.62 33.07
80 36.27 37.13 40.12 32.80
81 35.79 36.81 39.62 32.53
82 35.31 36.49 39.13 32.25
83 34.83 36.17 38.63 31.98
84 34.36 35.85 38.14 31.70
85 33.90 35.52 37.66 31.42
86 33.43 35.19 37.17 31.34
87 32.97 34.86 36.69 30.86
88 32.52 34.53 36.21 30.57
89 32.07 34.20 35.74 30.29
90 31.62 33.86 35.26 30.00
91 31.17 33.53 34.79 29.71
92 30.73 33.19 34.33 29.42
93 30.30 32.86 33.86 29.13
94 29.86 32.51 33.40 28.83
95 29.43 32.17 32.94 28.54
96 29.00 31.82 32.48 28.24
97 28.58 31.48 32.02 27.94
98 28.16 31.13 31.58 27.64
99 27.74 30.78 31.13 27.34
100 27.32 30.43 30.68 27.03
101 26.91 30.08 30.24 26.73
102 26.50 29.73 29.80 26.42
103 26.09 29.38 29.36 26.12
104 25.69 29.02 28.92 25.81
105 25.29 28.67 28.48 25.50
106 24.89 28.31 28.05 25.19
107 24.49 27.96 27.62 24.87
108 24.10 27.59 27.19 24.56
109 23.71 27.23 26.77 24.24
110 23.32 26.87 26.34 23.93
111 22.93 26.51 25.92 23.61
112 22.55 26.15 25.50 23.29
113 22.17 25.78 25.08 22.97
114 21.79 25.42 24.66 22.66
115 21.42 25.05 24.25 22.33
116 21.04 24.68 23.84 22.01
117 20.67 24.31 23.43 21.68
118 20.30 23.94 23.02 21.36
119 19.93 23.57 22.61 21.03
120 19.57 23.20 22.21 20.70
121 19.20 22.83 21.80 20.38
122 18.84 22.46 21.40 20.05
123 18.48 22.09 21.00 19.72
52/38° Crown Molding 45/45° Crown Molding
Angle
Between
Walls
Miter
Setting
Bevel
Setting
Miter
Setting
Bevel
Setting
124 18.13 21.71 20.61 19.39
125 17.77 21.34 20.21 19.06
126 17.42 20.96 19.81 18.72
127 17.06 20.59 19.42 18.39
128 16.71 20.21 19.03 18.06
129 16.37 19.83 18.64 17.72
130 16.02 19.45 18.25 17.39
131 15.67 19.07 17.86 17.05
132 15.33 18.69 17.48 16.71
133 14.99 18.31 17.09 16.38
134 14.66 17.93 16.71 16.04
135 14.30 17.55 16.32 15.70
136 13.97 17.17 15.94 15.36
137 13.63 16.79 15.56 15.02
138 13.30 16.40 15.19 14.62
139 12.96 16.02 14.81 14.34
140 12.63 15.64 14.43 14.00
141 12.30 15.25 14.06 13.65
142 11.97 14.87 13.68 13.31
143 11.64 14.48 13.31 12.97
144 11.31 14.09 12.94 12.62
145 10.99 13.71 12.57 12.29
146 10.66 13.32 12.20 11.93
147 10.34 12.93 11.83 11.59
148 10.01 12.54 11.46 11.24
149 9.69 12.16 11.09 10.89
150 9.37 11.77 10.73 10.55
151 9.05 11.38 10.36 10.20
152 8.73 10.99 10.00 9.85
153 8.41 10.60 9.63 9.50
154 8.09 10.21 9.27 9.15
155 7.77 9.82 8.91 8.80
156 7.46 9.43 8.55 8.45
157 7.14 9.04 8.19 8.10
158 6.82 8.65 7.83 7.75
159 6.51 8.26 7.47 7.40
160 6.20 7.86 7.11 7.05
161 5.88 7.47 6.75 6.70
162 5.57 7.08 6.39 6.35
163 5.26 6.69 6.03 6.00
164 4.95 6.30 5.68 5.65
165 4.63 5.90 5.32 5.30
166 4.32 5.51 4.96 4.94
167 4.01 5.12 4.61 4.59
168 3.70 4.72 4.25 4.24
169 3.39 4.33 3.90 3.89
170 3.08 3.94 3.54 3.53
171 2.77 3.54 3.19 3.10
172 2.47 3.15 2.83 2.83
173 2.15 2.75 2.48 2.47
174 1.85 2.36 2.12 2.12
175 1.54 1.97 1.77 1.77
176 1.23 1.58 1.41 1.41
177 0.92 1.18 1.06 1.06
178 0.62 0.79 0.71 0.71
179 0.31 0.39 0.35 0.35

36 37
36 37
NOTE: To reinstall the same brushes,
first make sure the brushes go back in
the way they came out. This will avoid
a break-in period that reduces motor
performance and increases wear.
Fig. II
LOWER BLADE GUARD
Do not use the saw without the lower
blade guard. The lower blade guard is
attached to the saw for your protection.
Should the lower guard become
damaged, do not use the saw until the
damaged guard has been replaced.
Develop a regular check to make sure
the lower guard is working properly.
Clean the lower guard of any dust or
buildup with a damp cloth.
● When cleaning the lower guard,
unplug the saw from the power
source receptacle to avoid
unexpected startup.
●
Do not use solvents on the
guard. They could make the
plastic “cloudy” and brittle.
MAINTENANCE
To avoid injury, never put lubricants
on the blade while it is spinning.
●
To avoid fire or toxic reaction,
never use gasoline, naphtha
acetone, lacquer thinner or
similar highly volatile solvents to
clean the miter saw.
●
To avoid injury from unexpected
starting or electrical shock,
unplug the power cord before
working on the saw.
● For your safety, this saw is
double-insulated. To avoid
electrical shock, fire or injury,
use only parts identical to
those identified in the parts
list. Reassemble exactly as
the original assembly to avoid
electrical shock.
REPLACING CARBON BRUSHES
(FIG. II)
Replace both carbon brushes when
either has less than 1/4 in. length of
carbon remaining, or if the spring or
wire is damaged or burned. To inspect
or replace brushes, first unplug the
saw. Then remove the black plastic
cap (1) on the side of the motor (2).
Remove the cap cautiously, because
it is springloaded. Then pull out the
brush and replace. Replace for the
other side. To reassemble reverse the
procedure. The ears on the metal end
of the assembly go in the same hole
the carbon part fits into. Tighten the
cap snugly, but do not overtighten.
DANGER
!
WARNING
!
WARNING
!
12
MAINTENANCE

38 39
38 39
Fig. JJ
Fig. KK
SAWDUST
Periodically, sawdust will accumulate
under the work table and base. This
could cause difficulty in the movement
of the worktable when setting up
a miter cut. Frequently blow out or
vacuum up the sawdust.
Wear proper eye protection to keep
debris from entering eyes when
removing sawdust from unit.
LUBRICATION (FIG. JJ, KK)
All the motor bearings in this tool are
lubricated with a sufficient amount of
high grade lubricant for the life of the
unit under normal operating conditions;
therefore, no further lubrication is
required.
Lubricate the Following as necessary:
Chop pivot: Apply light machine oil to
points indicated in illustration.
Central pivot of plastic guard: Use
light household oil (sewing machine
oil ) on metal-to-metal or metal-to-
plastic guard contact areas as required
for smooth, quiet operation. Avoid
excessive oil, to which sawdust will
cling.
Link: (actuates lower guard movement)
If down chop motion is hard to start, oil
link at two screws (1).
WARNING
!
Chop pivot
Central pivot of
plastic guard
1
1

38 39
38 39
To avoid injury from accidental starting, always turn switch OFF and unplug
the tool before moving, replacing the blade or making adjustments.
TROUBLESHOOTING GUIDE - MOTOR
PROBLEM PROBLEM CAUSE SUGGESTED CORRECTIVE
ACTION
Brake does
not stop blade
within 10
seconds.
1. Motor brushes not sealed
or lightly sticking.
2. Motor brake overheated
from use of defective or
wrong size blade or rapid
ON/OFF cycling.
3. Arbor bolt loose.
4. Brushes cracked,
damaged, etc.
5. Other.
1. Inspect/clean/replace brushes.
See MAINTENANCE section.
2. Use a recommended blade. Let
cool down. See REMOVING
OR INSTALLING THE BLADE
section.
3. Retighten. See REMOVING
OR INSTALLING THE BLADE
section.
4. Replace brushes.
5. Contact Sears Service Center.
Motor does
not start
1. Limit switch failure
2. Brush worn.
3. Fuse blown or circuit
breaker tripped on home
panel.
1. Replace limit switch.
2. Replace brushes. See
MAINTENANCE section.
3. Verify there is electrical power at
the outlet.
Brush spark
when switch
released.
1. Brush worn.
2. Other.
1. Replace Brushes. See
MAINTENANCE section.
2. Contact Sears Service Center.
WARNING
!
TROUBLESHOOTING GUIDE

40 41
40 41
PROBLEM PROBLEM CAUSE SUGGESTED CORRECTIVE
ACTION
Blade hits table. 1. Misalignment. 1.
See ADJUSTMENT -Setting
Cutting Depth section.
Angle of cut not
accurate. Can
not adjust miter.
1. Miter table unlocked.
2. Sawdust under table.
1.
See OPERATION - Miter Angle
Adjustment section.
2.
Vacuum or blow out dust. WEAR
EYE PROTECTION.
Cutting arm
wobbles.
1. Loose pivot points. 1.
Contact Sears Service Center.
Cutting arm will
not fully raise, or
blade guard
won’t fully close.
1. Pivot spring not replaced
properly after service.
2. Sawdust build-up.
1. Contact Sears Service Center.
2. Clean and lubricate moving
parts.
Blade binds,
jams, burns
wood.
1. Improper operation.
2. Dull or warped blade.
3. Improper blade size.
4 Wood is moving during
cut.
1. See BASIC SAW OPERATION
section.
2. Replace or sharpen blade.
3. Replace with 7-1/4 in. diameter
blade.
4. Use hold down clamp to secure
workpiece to table.
Saw vibrates or
shakes.
1. Saw blade not round /
damaged / loose.
2. Arbor bolt loose.
1. Replace blade.
2. Tighten arbor bolt.
TROUBLESHOOTING GUIDE - SAW OPERATION

40 41
40 41
7-1/4 in. COMPOUND MITER SAW MODEL NO. 137.211940
When servicing use only CRAFTSMAN replacement parts. Use of any other
parts many create a HAZARD or cause product damage. Any attempt to
repair or replace electrical parts on this Miter Saw may create a HAZARD
unless repair is done by a qualified service technician. Repair service is
available at your nearest Sears Service Center.
PARTS LIST FOR SAW SCHEMATIC
WARNING
!
PARTS LIST
I.D. Description Size Qty I.D. Description Size Qty
083S TRIGGER 1 27PF COMPRESSION SPRING 1
083Z CORD CLAMP 1 290M CAUTION LABEL 1
091S COMPRESSION SPRING 1 2B66 FENCE #AW 1
0B5N COMPRESSION SPRING 1 2BGV NEEDLE POINTER 1
0CES COMPRESSION SPRING 1 2BGW SLIDE PLATE 3
0CF5 SHAFT-PIVOT 1 2BLG SHAFT-PIVOT 1
0CV5 DUST BAG ASS’Y 1 2BLL LOCATOR PIN 1
0DHT SPRING GUARD 1 2CA8 CR. RE. TRUSS HD. ROUND NECK SCREW M6*1.0-12 2
0DHY ARBOR COLLAR 2 2CD2 COMPRESSION SPRING 1
0DVJ BLADE WRENCH 1 2CGT SLOTTED SET SCREW M6*1.0-8 4
0HXV LINEAR MOTION BEARING 2 2CHF PLUNGER HOUSING ASS’Y 1
0J4E FLAT WASHER φ6*13-1 1 2CS9 CLAMP HANDLE 1
0J4F FLAT WASHER φ8*16-2.5 1 2DAT SCALE 1
0J4J FLAT WASHER φ10*20-2 2 2E63 ROCKER SWITCH 1
0J4L FLAT WASHER φ12*21-2.5 1 2K8Q WARNING LABEL 1
0J7K FLAT WASHER 3/8*29/32-5/64 1 2K96 WARNING LABEL 1
0JB0 WAVE WASHER 2 2NQ6 RIVET 2
0JBB WAVE WASHER 1 2QBG CLAMP BOLT 1
0JE6 C-RING 1 2RSB ARM #AW 1
0JET E-RING 1 2RSC BASE #AW 1
0JMM O-RING 1 2RSD TABLE #AW 1
0JNR O-RING ROD 2 2RSF ARM-MITER #AW 1
0JPE HEX. HD. BOLT M6*1.0-20 1 2RSG PLUNGER HANDLE 1
0JPF HEX. HD. BOLT M6*1.0-25 1 2RSH LOCKING HANDLE ASS’Y 1
0JQ3 HEX. HD. BOLT M10*1.5-65 1 2RSJ PC-GUARD 1
0JQ4 HEX. HD. BOLT M10*1.5-25 2 2RSL CUTTER SHAFT GUARD 1
0JX7 HEX. SOC. SET SCREW M6*1.0-6 3 2RSM TABLE INSERT (RIGHT) 1
0JZN ARBOR BOLT M8*1.25-20 1 2RSN TABLE INSERT (LEFT) 1
0K41 CR. RE. PAN HD. SCREW & WASHER M6*1.0-80 3 2RSP BRACING PLATE 1
0K5D CR. RE. COUNT HD. SCREW M6*1.0-20 1 2RSQ MOTOR HANDLE (TOP) 1
0K7X CR. RE. TRUSS HD. ROUND NECK SCREW M6*1.0-10 2 2RSR MOTOR HANDLE (DOWN) 1
0KA9 CR. RE. PAN HD. TAPPING SCREW M3*24-10 1 2RSS CLEVIS PIN 1
0KB7 CR. RE. PAN HD. TAPPING SCREW M4*18-16 2 2RST CENTER SHAFT 1
0KBA CR. RE. PAN HD. TAPPING SCREW M5*16-12 1 2RSU COVER 1
0KBC CR. RE. PAN HD. TAPPING SCREW M5*16-25 1 2RWY VISE ASS’Y 1
0KBD CR. RE. PAN HD. TAPPING SCREW M4*18-25 6 2RX1 LEVER 1
0KD5 CR. RE. PAN HD. SCREW M4*0.7-6 6 2RX3 LASER PLUNGER HOUSING 1
0KD6 CR. RE. PAN HD. SCREW M4*0.7-8 3 2RX4 COVER 1
0KD7 CR. RE. PAN HD. SCREW M4*0.7-10 2 2RX5 TILT POINTER 1
0KDH CR. RE. PAN HD. SCREW M5*0.8-8 2 2S1E BLADE 1
0KDJ CR. RE. PAN HD. SCREW M5*0.8-12 2 2S4L BEARING COVER 1
0KDQ CR. RE. PAN HD. SCREW M5*0.8-35 1 2S52 MOTOR ASS’Y 1
0KDT CR. RE. PAN HD. SCREW M6*1.0-8 4 2S62 MITER BAR ASS’Y 1
0KDW CR. RE. PAN HD. SCREW M6*1.0-20 2 2S65 POWER CABLE 1
0KKK CR. RE. PAN HD. ROUND NECK SCREW M6*1.0-12 1 2S67 LEAD WIRE ASS’Y 1
0KMS HEX. NUT M6*1.0 T=5 4 2T6A CONTROLLER ASS’Y 1
0KQW LOCK NUT M5*0.8 T=5 1 2T82 SHAFT SLEEVE 1
0KQY LOCK NUT M8*1.25 T=8 1 2T83 TORSION SPRING 1
0KR0 NUT M12*1.75 T=12 1 2T9K OPERATOR’S MANUAL 1
0KTQ CABLE CLAMP 1 2T9N LABEL 1
0KTS CABLE CLAMP 1 2T9P CAUTION LABEL 1
0KUW TERMINAL 2 2T9Q TRADE-MARK LABEL 1
0LU2 LIMIT SWITCH 1 2T9R WARNING LABEL 1
0S1S COLLAR 1 2T9S TRADE-MARK LABEL 1
23NX GUARD-CORD 1 2T9T TILTING SCALE 1
262V ANCHOR PLATE 1 2T9U BRACKET-TILT 1
26LU WARNING LABEL 1 2T9V CAUTION LABEL 1
27KY CLAMP BOLT 1 2TDV SUPPORT BRACKET 1

42 43
42 43
7-1/4 in. COMPOUND MITER SAW MODEL NO. 137.211940
SCHEMATIC
OPERATOR’S
MANUAL

42 43
42 43
7-1/4 in. COMPOUND MITER SAW MODEL NO. 137.211940
PARTS LIST FOR MOTOR
I.D. Description Size Qty
0HX7 NEEDLE ROLLER BEARING 1
0JX2 HEX. SOC. SET SCREW M5*0.8-6 2
0KCP CR. RE. PAN HEAD TAPPING & WASHER SCREW M5*12-60 2
0KNE HEX. NUT M6*1.0 T=5 2
0QBE BRUSH HOLDER ASS’Y 2
0QBG CARBON BRUSH ASS’Y 2
0QBK BRUSH COVER 2
2BMS CUTTER SHAFT 1
2BMT SPACER 1
2BMU HELIX GEAR 1
2BMX FLOW GUIDE 1
2BN1 MOTOR COVER 1
2DW9 WAVE WASHER 1
2E0J BALL BEARING 1
2S3B GEAR BOX 1
2S6R FIELD ASS’Y 1
2S6T ARMATURE ASS’Y 1

44 44
Your Home
For expert troubleshooting and home solutions advice:
www.managemyhome.com
For repair – in your home – of all major brand appliances,
lawn and garden equipment, or heating and cooling systems,
no matter who made it, no matter who sold it!
For the replacement parts, accessories and
owner’s manuals that you need to do-it-yourself.
For Sears professional installation of home appliances
and items like garage door openers and water heaters.
1-800-4-MY-HOME (1-800-469-4663)
Call anytime, day or night (U.S.A. and Canada)
www.sears.com www.sears.ca
Our Home
For repair of carry-in items like vacuums, lawn equipment,
and electronics, call anytime for the location of your nearest
Sears Parts & Repair Service Center
1-800-488-1222 (U.S.A.) 1-800-469-4663 (Canada)
www.sears.com www.sears.ca
To purchase a protection agreement on a product serviced by Sears:
1-800-827-6655 (U.S.A.) 1-800-361-6665 (Canada)
manage
my home
Get it fixed, at your home or ours!
Para pedir servicio de reparación
a domicilio, y para ordenar piezas:
1-888-SU-HOGAR
(1-888-784-6427)
Au Canada pour service en français:
1-800-LE-FOYERMC
(1-800-533-6937)
www.sears.ca
® Registered Trademark / TM Trademark / SM Service Mark of Sears Brands, LLC
® Marca Registrada / TM Marca de Fábrica / SM Marca de Servicio de Sears Brands, LLC
MC Marque de commerce / MD Marque déposée de Sears Brands, LLC © Sears Brands, LLC
R
R