Craftsman 247 797853 Operators Manual
247797852 247797852 CRAFTSMAN CHIPPER SHREDDER - Manuals and Guides L0807210 View the owners manual for your CRAFTSMAN CHIPPER SHREDDER #247797852. Home:Lawn & Garden Parts:Craftsman Parts:Craftsman CHIPPER SHREDDER Manual
CRAFTSMAN Chipper Shredder/Vacuum, Gas Manual L0807210 CRAFTSMAN Chipper Shredder/Vacuum, Gas Owner's Manual, CRAFTSMAN Chipper Shredder/Vacuum, Gas installation guides
247.797852 L0807210
2015-01-05
: Craftsman Craftsman-247-797853-Operators-Manual-160308 craftsman-247-797853-operators-manual-160308 craftsman pdf
Open the PDF directly: View PDF
.
Page Count: 24

I
MODELNOS.
247.797852
247.797853
Caution:
ReadandFollow
AllSafetyRules
andinstructions
BeforeOperating
ThisEquipment
5 HORSEPOWER
3CUTTUNG STAGE
MULCHUNG AND BAGGING
CHBPPER-SHREDDER
Assembly
Operation
Maintenance
Serviceand Adjustment
RepairParts
SEARS,ROEBUCKANDCO.,Chicago,IL 60684 U.S.A.

SAFETY RULES
WARNING: TO REDUCE THE POTENTIAL FOR ANY INJURY, COMPLY WITH THE FOLLOWING
SAFETY INSTRUCTIONS. FAILURE TO COMPLY WITH THE INSTRUCTIONS MAY RESULT IN
PERSONAL INJURY.
TRAINING
e Read this owner's manual carefully in its entirety before
attempting to assemble or operate this machine Be com-
pletely familiar with the corrtrols and the proper use of this
machine before operating it Keep this manual in a safe
place for future and regular reference and for ordering
replacement parts
eChildren must never be allowed to operate this equipment
eNo one should operate this unit while intoxicated or while
taking medication that impairs the senses or reactions
eThis equipment should never be operated in the vicinity
of children, pets or other persons
eNever run your machine in an enclosed area as the
exhaust from the engine contains carbon monoxide, which
is an odorless, tasteless and deadly poisonous gas
eNever place your hands or any part of your body or cloth-
ing inside the feeding chamber, discharge chute, or near
any moving part while the machine or engine is running.
e If it is necessary for any reason to inspect or repair the
feeding chamber or any part of the machine where a mov-
ing part can come in contact with your body or clothing,
stop the machine, allow it to cool, disconnect the spark
plug wire from the spark plug and move it away from the
spark plug before attempting such inspection or repair,
PREPARATION
e Wear safety glasses provided with your unit while operat-
ing the chipper-shredder to prevent injury from any mate-
rial which may be ejected out of the openings
e Wear proper apparel Avoid wearing loose fitting clothing
Wear gloves when handling material
eHANDLE GASOLINE WITH CARE as it is an extremely
flammable fuel
eCbeck the fuel before starting the engine Do not fill the
fuel tank irrdoors,while the engine is running, or while the
engine is still hot Turn the unit off and let the engine coo!
before refueling
e Fuel your chipper-shredder in a clean area Do not
smoke while refueling
eFuel tank cap must be secure at all times except during
refueling
eAvoid spilling gasoline or oil Wipe the unit clean of any
spilled fuel or oil.
eStore fuel and oil in approved containers, away from heat
or open flame, and out of reach of children
® This machine should be operated only upon a levelsurface
eAssure that all screws, nuts and bolts and other fasteners
are properly secured
OPERATION
eWhen feeding shreddable material into this equipment,
be extremely careful that pieces of metal, rocks, bottles,
cans or other foreign objects are not included Personal
irrjury or damage to the machine could result
e If the cutting mechanism strikes any foreign object or if
your machine should start making an unusual noise or
vibration, immediately stop the engine, disconnect the
spark plug wire from the spark plug arrd move it away
from the spark plug Allow the machine to stop and take
the following steps:
Inspect for damage
Replace or repair any damaged parts
Check for any loose parts and tighten to assure contin-
ued safe operation
e The engine must be kept clean of debris and other accu-
mulations.
e Do not allow an accumulation of processed material to
build up in the discharge area as this will prevent proper
discharge and can result in kick-back from feed opening
e Never place your hands or any other part of your body or
clothing inside the feeding chamber, discharge chute or
near any moving part while the engine is running
e Keep all guards and deflectors in place arrd in good work-
ing condition to assure continued safe operation
e Always stand clear of the discharge area when operating
this machine
eKeep your face and body back from the feed opening to
avoid accidental bounce back of any material.
e Do not over-reach Keep proper balance arrd footing at all
times
• The engine governor settings on your machine must not
be altered, changed, or tampered with The governor
controls the maximum safe operating speeds and pro-
tects the engine and all moving parts from damage
caused by ovetspeed.
e Do not transport machine while engine is running
eDo not operate engine if air cleaner or cover directly over
carburetor air intake is removed, except for adjustment
Removal of such parts could create a fire hazard
MAINTENANCE AND STORAGE
e When this equipment is stopped for servicing, inspection,
storage or to change an accessory, make sure the spark
plug wire is disconnected from the spark plug and moved
away from the spark plug The machine should be
allowed to cool down before making such irrspection,
adjustments, service, etc Maintain your machine with
care and keep it clean for the best and continued safe
operation
eDo not use flammable solutions to clean the air filter
e When not in use, your machine should be stored out of
the reach of children Keep where gasoline fumes will not
reach an open flame or spark For long periods of stor-
age, refer to the "Storage" section of this manual
]
LOOK FOR THIS SYMBOL TO POINT OUTJ
IMPORTANT SAFETY PRECAUTIONS. ITI
MEANS--ATTENTION!!! BECOMEALERT!!!
YOURSAFETYIS INVOLVED.

CONGRATULATIONS on your purchase of a Sears
Craftsman Chipper-Shredder It has been designed, engi-
neered and manufactured to give you the best possible
dependability and performance
Should you experience any problem you cannot easily rem-
edy, please contact your nearest Sears Service Center/
Department. We have competent, well4rained technicians
and the proper tools to service or repair this unit
Please read and retain this manual The instructions will
enable you to assemble and maintain your chipper-shredder
properly Always observe the "SAFETY RULES "
MODEL
NUMBER
3ERIAL
NUMBER
DATE OF
PURCHASE
THE MODEL AND SERIAL NUMBERS WILL BE FOUND
ON A LABEL ATTACHED TO THE FRAME OF THE
CHIPPER-SHREDDER
YOU SHOULD RECORD BOTH SERIAL NUMBER AND
DATE OF PURCHASE AND KEEP IN A SAFE PLACE
FOR FUTURE REFERENCE
iPRODUCT SPECRRCATRONS
Horsepower: 5 0
Displacement: 12,57 cu. in.
Fuel Capacity: 3 Quarts
Spark Plug (Gap 030 in): Champion
J19LM or
Equivalent
Magnetron ® Ignition Air Gap: 0125 in
MADNTENANCE AGREEMENT
A Sears Maintenance Agreement is available on this
product, Contact your nearest Sears store for details
CUSTOMER RESPONSUB LBTaES
e Read and observe the safety rules
e Follow a regular schedule in maintaining, caring for and using your chipper-shredder
e Follow the instructions under "Maintenance" and "Storage" sections of this Owner's Manual
WARRANTY
ONEYEARLIMITEDWARRANTYONCRAFTSMANGASCHIPPER-SHREDDER
For one year from the date of purchase, when this Craftsman Chipper-Shredder is maintained, lubricated and
tuned up according to the instructions in the owner's manual, Sears will repair, free of charge, any defect in
material and workmanship
If this Craftsman Chipper-Shredder is used for commercial or rental purposes, this warranty applies for only 30
days from the date of purchase
This warranty does not cover:
eExpendable items which become worn during normal use, such as blades, chipper blades, flails, air cleaners,
spark plugs and catcher bags
eRepairs necessary because of operator abuse or negligence, including bent crankshafts and the failure to
maintain the equipment according to the instructions contained in the owner's manual
WARRANTY SERVICE IS AVAILABLE BY RETURNING THE CRAFTSMAN CHIPPER-SHREDDER TO THE
NEAREST SEARS SERVICE CENTER/DEPARTMENT IN THE UNITED STATES THIS WARRANTY
APPLIES ONLY WHILE THIS PRODUCT IS IN USE IN THE UNITED STATES
This warranty gives you specific legal rights, and you may also have other rights which may vary from state to
state
SEARS, ROEBUCK AND CO,, Department 731CR-W, Sears Tower, Chicago, IL 60684
3

TABLE OF CONTENTS
SAFETY RULES .............................................................. 2
PRODUCT SPECIFICATIONS ............................................3
CUSTOMER RESPONSIBILITIES ..................................3
WARRANTY ..........................................................................3
INDEX .......................................................................................................4
ASSEMBLY ........................................................................5, 6
OPERATION .......................................................... 7-10
MAINTENANCE ................................................................10, 11
STORAGE .........................................................................12
SERVICE AND ADJUSTMENT ............................ 13-15
SERVICE RECOMMENDATIONS ........................................15
TROUBLE SHOOTING ...................................................16
REPAIR PARTS--CHIPPER-SHREDDER .........17, 18
REPAIR PARTS--ENGINE .........................................19-23
PARTS ORDERING/SERVICE ................... Back Cover
INDEX
A
Adjustments:
Carburetor, ...............................................................................14
Engine Speed ........................................................ 15
Assembly Instructions:
Catcher Bag .......................................................................6
Chute Crank Deflector ............................................ 6
Hopper' Assembly ....................................................................6
Catcher Bag ................................................................. 6
C
Catcher Bag .......................................................................6
Controls ........................................................................... 7
Customer Responsibilities ....................................................3
E
Engine:
Maintenance ....................................................................10, 11
Starting ..........................................................................8
Stopping ................................................................. 9
Storage .....................................................................................12
F
Fuel .................................................................................. 8
L
Lubrication ..................................................................... 10
M
Maintenance:
Agreement ........................................................... 3
Engine .......................................................................................10, 11
Chipper-Shredder ...........................................................10
O
Oil ..........................................................................................8
Operating Tips .................................................................9, 10
R
Release Bar .........................................................................7
Repairs'Replacement Parts ........................................17-23
Responsibilities, Customer, ................................................3
S
Safety Rules ..................................................................... 2
Sharpening .................................................................13, 14
Service Recommendations .......................................... 15
Spark Plug ..................................................................... 11
Specifications ................................................................. 3
Storage ...............................................................................12
T
Table of Contents ...............................................................4
Trouble Shooting ..................................................................16
U
Unclogging .......................................................................13
Unpacking ......................................................................................5
W
Warranty ...........................................................................3
WARNING: This unit is equipped with an internal combustion engine and should not be used on or near any
unimproved forest-covered, brush-covered or grass-covered land unless the engine's exhaust system is equipped
with a spark arrester meeting applicable local or state laws (if any). If a spark arrester is used, it should be main-
tained in effective working order' by the operator.
In the State of California the above is required by law (Section 4442 of the California Public Resources Code)_
Other states may have similar law& Federal laws apply on federal land& A spark arrester for the muffler (see
page 23) is available through your Sears Authorized Service Center.

m
r._i7
_=:
FIGURE 1.
ASSEMBLY INSTRUCTnONS
Flat ---_/t_
Washer [ _ )]
5/16" I.D.
HeX Lock
ut 5/16-18
Thread
Hex Bolt
•,,----5/16-18 x 8-3/8" Long
IMPORTANT: This unit is shipped WITHOUT GASO-
LINE or OIL After assembly, see operation section of
this manual for proper fuel and engine oil recommen-
dations.
NOTE: To determine right and left hand sides of your
chipper-shredder, stand behind and face the hopper
(engine is at the front of the unit).
Your chipper-shredder has been completely assem-
bled at the factory, except for the hopper assembly
(hopper hood and upper leaf ramp section have been
sub-assembled), upper guide assembly, chute deflec-
tor and the catcher bag. The hardware pack and safe-
ty glasses are also included in the carton.
The hardware pack contains the parts shown in figure
1 (shown full size).
TOREMOVECHIPPER-SHREDDERFROMCARTON
Cut the corners of the carton Remove all packing
inserts. Roll chipper-shredder out of the carton Make
certain all parts and literature have been removed
before the carton is discarded,
TOOLSREQUIREDFORASSEMBLY
(1) Phillips Screwdriver
(2) 1/2" or Adjustable Wrenches
(2) 7/16" or Adjustable Wrenches
.oxLock.ats
_=VJ V_ _' _ ' 1/4-20 Thread

Hex
Nut ,.
Knob
J
FIGURE 2,
Stop
Washer
/
FIGURE 3.
Hopper Pivot
Door
ASSEMBLE THIS \
TRUSS SCREW
AND NUT FIRST
Release"
Bar
FIGURE 4.
FIGURE 5.
Bolt
Chute
Deflector
\/
/
Release
Bar
8-3/8" Long
Flat Washer
Hex Lock Nut
Guide
Assembly
HOWTOSET-UPYOURCHIPPER-SHREDDER
MAKE CERTAIN THE SPARK PLUG]
WIRE IS DISCONNECTED AND MOVED /
AWAY FROM THE SPARK PLUG /
BEFORE ASSEMBLING THE CHIPPER- /
SHREDDER. j
_"-ATTACHING THE HOPPER ASSEMBLY
e Remove the hand knobs and cupped washers from
each side of the discharge opening on the left side
of the chipper-shredder
e Remove hex lock nut, two spacers and hex bolt
from inside the hinge on top of the discharge open-
ing Do not remove one spacer from the hex bolt.
ePlace the chute deflector in position on the dis-
charge opening Insert hex bolt and spacer' through
hinge on chute deflector and housing (spacer fits
inside of hinge) See figure 2.
e Place second spacer over hex bolt, inside other
part of hinge Secure with hex lock nuL Tighten
securely.
®Secure both sides of chute deflector to housing
Upper using hand knobs and cupped washers (cupped side
Guide of washers go against chute deflector)
Assembly "<,-ATTACHING THE UPPER GUIDE ASSEMBLY
Place upper guide assembly in position on frame,
making certain edges of the upper guide assembly
are underrreath stop washers, and the release bar is
in the slots. See figure 3 Insert hex bolt 8-3/8" long
through upper guide assembly and frame_ Secure
with flat washer and hex lock nut
NOTE: Make certain upper guide assembly can pivot
ly by pulling up on release bar and lowering upper guide
assembly If necessary, loosen hex lock nut a turn or
two Put the upper guide assembly back into the
raised position
Leaf
Ramp
Section
Remove Truss
Screw and Nut
Drawstring
/
"<_-ATTACHING THE HOPPER ASSEMBLY
Your chipper-shredder has been shipped with the
upper leaf ramp section attached to the hopper
assembly. See figure 4. Attach the hopper assembly
to the upper guide assembly as follows Be certain to
place heads of all truss machine screws inside of
hopper assembly.
®Remove one truss machine screw and nut from
each side of hopper assembly as shown in figure 4.
Push hopper pivot door down inside lower part
of hopper as you place hopper assembly (both
pieces) inside upper guide assembly Replace
truss screws and nuts just removed, using the hote
shown in figure 4, one on each side. Tighten finger
tight only.
e Place the six truss machine screws and nuts found
in hardware pack in the remaining holes of hopper
assembly, alternating sides of the unit and tighten-
ing finger tight only.
®After' assembling all eight screws, tighten them
securely.
"<-ATTACHING THE CATCHER BAG
Your chipper-shredder is equipped with acatcher bag
to catch the shredded material
6

e To attach the bag, place the opening of the bag
over the chute deflector so it completely covers the
chute opening. Depress the plunger on the draw-
string, and pull on the drawstring until the bag is tight
around the chute opening Release plunger to lock it
into position, See figure 5,
OPERATION
KNOWYOURCHIPPER-SHREDDER
READ THIS OWNER'S MANUAL AND SAFETY RULES BEFORE OPERATING YOUR CHIPPER-SHREDDER
Compare the illustrations with your chipper-shredder to familiarize yourself with the location of various controls
and adjustments, Save this manual for future reference,
Choke
Oil Fill
Dipstick
Chipper
Chute
Hopper
Assembly
Spark Chute
Plug \Deflector
Release
Bar
Catcher
Throttle Bag
Handle
FIGURE 6.
MEETSANSiSAFETYSTANDARDS
Sears chipper-shredders conform to the safety standards of the American National Standards Institute_
OPERATINGCONTROLS(See figure 6)
RELEASE BAR--Used to release the hopper when
raising or lowering
CHOKE LEVER--Used to enrich the fuel mixture in
the carburetor when starting a cold engine.
STARTER HANDLE--Used to manually start the
engine,
THROTTLE CONTROL--Controls engine speed and
stops the engine.
BEFORE USING YOUR CHIPPER-SHREDDER, AGAIN REFER TO THE "SAFETY RULES" AS SHOWN ON
PAGE 2 OF THIS MANUAL, ALWAYS BE CAREFUL.
The operation of any chipper-shredder can result in foreign objects being thrown into
the eyes, which can result in severe eye damage. Always wear the safety glasses pro-
vided with the chipper-shredder or eye shields before chipping or shredding, or while
performing any adjustments or repairs_ We recommend Wide Vision Safety Mask for
over spectacles or standard glasses available at Sears Retail or Catalog Stores,
7

BEFORESTARTING
GAS AND OIL FILL-UP
NOTE: ENGINE IS SHIPPED WITHOUT OIL FILL
CRANKCASE WITH OIL BEFORE STARTING. BE
VERY CAREFUL NOT TO ALLOW DIRT TO ENTER
THE ENGINE WHEN CHECKING OR ADDING OIL
OR FUEL
Recommended SAE Viscosity Grades
<llllll' 00!1o'w -%l
!,'T,,t _I_L_I.!1[I
-20 °0° 32°60° 80° 100 °
TEMPERATURE RANGE EXPECTED BEFORE
NEXT OIL CHANGE ALL OILS MUST BE API
SERVICE CLASSIFICATION SD, SE OR SF
® Fill engine with oil as follows. Remove oil fill dip-
stick See figure 7 With chipper-shredder level,
use a funnel to fill engine with oil to FULL mark on
dipstick Capacity is approximately 1-1/4 pints Be
careful not to overfill, Tilt chipper-shredder toward
the left (from behind the hopper'), then re-level
Check oil level Refill to FULL mark on dipstick if
necessary Replace dipstick and tighten.
Caution: Experience indicates that alcohol blended
fuels (called gasohol or using ethanol or methanol)
can attract moisture which leads to separation and
formation of acids during storage Acidic gas can
damage the fuel system of an engine while in storage
To avoid engine problems, the fuel system should be
empty before storage for 30 days or longer Refer to
"Storage" section of this manual for details Use fresh
fuel each season.
Never use engine or carburetor cleaner products in
the fuel tank or permanent damage may result
NOTE: USE CLEAN OIL AND FUEL. STORE IN
APPROVED, CLEAN, COVERED CONTAINERS
USE CLEAN FILL FUNNELS.
Oil Spark Plug, Muffler
Fill Wire and Boot
Dipstick Fuel
Tank
Oil
Fill.-----_
Dipstick
FIGURE 7.
Oil
Drain
Plug
®Remove fuel cap and fill fuel tank. See figure 8
Use fresh, clean, unleaded automotive gasoline.
Capacity is 3 quarts. Replace fuel cap
WARNING: DO NOT FILL CLOSER
THAN 1/2 INCH OF TOP OF FUEL TANK
TO PREVENT SPILLS AND TO ALLOW
FOR FUEL EXPANSION. IF GASOLINE
IS ACCIDENTLY SPILLED, MOVE CHIP-
PER-SHREDDER AWAY FROM AREA
OF SPILL. AVOID CREATING ANY
SOURCE OF IGNITION UNTIL GASO-
LINE VAPORS HAVE DISAPPEARED.
Check the fuel level periodically to avoid running out
of gasoline wMle operating the chipper-shredder. If
the unit runs out of gas as it is shredding or chipping,
it may be necessary to unclog the unit before it can be
restarted, Refer to "Removing the Flail Screen" on
page 13
FIGURE 8.
TOSTARTENGINE
WARNING: BE SURE NO ONE OTHER
THAN THE OPERATOR IS STANDING
NEAR THE CHIPPER-SHREDDER
WHILE STARTING OR OPERATING, DO
NOT OPERATE THIS CHIPPER-SHRED-
DER UNLESS THE CHUTE DEFLECTOR
HAS BEEN PROPERLY INSTALLED
AND IS SECURED WITH THE HAND
KNOBS.
•Attach spark plug wire and rubber boot to spark
plug if necessary See figure 8
• Place the throttle control lever in FAST position.
See figure 9.
e Move choke lever to CHOKE position
e Grasp starter handle (see figure 9) and pull rope
out slowly until engine reaches start of compres-
sion cycle (rope will pull slightly harder at this
point)_ Let the rope rewind slowly,
NOTE: A noise will be heard when finding the start of
the compression cycle. This noise is caused by the
flails and fingers which are part of the shredding mech-
anism falling into place, and should be expected In
addition, the flails and fingers will be noisy after the
engine is started, until the impeller reaches full speed.
8

e Pull rope with a rapid, continuous, full arm stroke,
Keep a firm grip on start handle Let rope rewind
slowly Do not let starter handle snap back against
starter
e Repeat preceding two instructions until engine
fires When engine starts, move choke lever on
engine halfway between CHOKE and RUN
NOTE: If engine does not fire after three attempts,
move choke lever halfway between CHOKE and RUN
position and try again See figure 9
,__
CI40_E
I
Throttle Control
FIGURE 9o
e Move throttle control to IDLE position for a few min-
utes warm-up Move choke lever to RUN position
as engine warms up
NOTE: In order to idle smoothly, a new engine may
require 3 to 5 minutes running above slow idle speed
Idle speed has been adjusted to be correct after this
break-in period_
TOSTOPENGINE
oMove throttle control lever to STOP position See
figure 9
e Disconnect spark plug wire and move away from
spark plug to prevent accidental starting while
equipment is unattended
HOWTO USEYOURCHIPPER-SHREDDER
Do not attempt to shred or chip any material other
than vegetation found in a normal yard (ie, branches,
leaves, twigs, etc,)
The chipper-shredder is designed for three different
methods of operation
e Leaves and small branches up to 1/2" diameter can
be fed into the hopper assembly when it is in the
raised position See figure 10 If it becomes neces-
sary to push material into the chipper-shredder,
use a small diameter stick--NOT YOUR HANDS
The stick should be small enough that it will be
ground up if gets into the impeller assembly
WARNING: DO NOT PUT MATERIAL
LARGER THAN 1/2" IN DIAMETER INTO
THE HOPPER ASSEMBLY. MATERIAL
UP TO A MAXIMUM OF 3" IN DIAMETER
MATERIAL MAY BE FED INTO THE
CHIPPER CHUTE. DO NOT ATTEMPT
TO SHRED OR CHIP ANY MATERIAL
LARGER THAN 3" IN DIAMETER. PER-
SONAL INJURY OR DAMAGE TO THE
MACHINE COULD RESULT.
\ No Larger
Than 1/2"
Hopper
Assembly
FIGURE 10.
e Leaves and small twigs can be raked into the hop-
per assembly when the hopper assembly is low-
ered to the ground See figure 11 Small branches
up to 1/2" diameter can also be fed into the hop-
per assembly in this position See figure 12
WARNING: THE CHIPPER-SHREDDER
DISCHARGES MATERIALS WITH CON-
SIDERABLE VELOCITY. KEEP AWAY
FROM THE AREA AROUND THE CHUTE
DEFLECTOR. ALWAYS STOP THE
ENGINE AND DISCONNECT THE
SPARK PLUG WIRE WHEN REMOVING
OR ATTACHING THE BAG WHEN
CHANGING CONTAINERS OR WHEN
REMOVING THE SHREDDED MATERI-
AL. WEAR SAFETY GLASSES AND
GLOVES WHENEVER USING YOUR
CHIPPER-SHREDDER. FIGURE 11r
9

No
1/2" Diameter
FIGURE 12.
e To lower the hopper assembly, use one hand to
grasp the handle at the top of the hopper assembly
and lift slightly, Pull up on the release bar, and
lower the hopper assembly to the ground Release
the bar'. See figure 13.
Hopper
Assembly
e Bulky material, such as stalks or heavy branches,
up to 3" in diameter, should be fed into the chipper
chute See figure 14
WARNING: MAKE CERTAIN THE CHIP-
PER CHUTE DOOR IS CLOSED WHEN
NOTINUSE.
3"Maximum
Diame_r
Chipper
Chute
FIGURE 14.
FIGURE 13.
Release
Bar
IMPORTANT: There is a flail screen located inside
the housing in the discharge area If the flail screen
becomes clogged, remove and clean as instructed in
the Service and Adjustments section on page 13 For
best performance, it is important to keep the shred-
ding blade and the chipper blades sharp If the com-
position of the material being discharged changes
(becomes stringy, etc) or if the rate at which the
material is discharged slows down considerably, it is
likely that the shredding blade and/or chipper blades
are dull and need to be sharpened or replaced, Refer
to Service and Adjustments section, page 13.
MAINTENANCE
GENERALRECOMMENDATIONS
•Periodically check all fastener's and be sure they
are tight.
®Follow the Service Recommendation Schedule on
page 15.
CHIPPER-SHREDDER
LUBRICATION
Lubricate the pivot points on the release bar, hopper
assembly, chute deflector and chipper chute once a
season using a light off
ENGINE
LUBRICATION
Check engine oil level regularly--approximately every
five hours of operation and before each usage. Stop
engine and wait several minutes before checking oil
level With engine level, the oil must be to FULL mark
on dipstick (refer to figure 7). Change engine oil after
the first five hours of operation, and every twenty-five
hours thereafter
•Drain oil while engine is warm.
Remove oil drain plug. Refer to figure 7_ Tip the
chipper-shredder, and catch oil ir} a suitable con-
tainer
10

When engine is drained of all oil, replace drain plug
securely_
e Refill with fresh oil Above 32°, use oil labeled SAE
30 or 10W30 Below 32 °, use oil labeled 5W20
Capacity is approximately 1-1/4 pints Refer to
"Gas and Oil Fill-Up" on page 8
e Replace dipstick.
AIR CLEANER
The air cleaner prevents damaging dirt, dust, etc,
from entering the carburetor and being forced into the
engine and is important to engine life and per-
formance
Never run your engine without air cleaner com-
pletely assembled,
To Service Air Cleaner:
Clean cartridge at three month intervals or every 25
hours, whichever occurs first, See figure 15 Service
more often under dusty conditions.
e Loosen screws and tilt cover as illustrated
eCarefully remove pre-cleaner and cartridge
e Clean cartridge by tapping gently on a flat surface
If very dirty, replace cartridge and pre-cleaner or
clean as follows:
Wash in a low or non-sudsing detergent and warm
water solution CAUTION: Do not use petroleum
solvents such as kerosene to clean cartridge
Rinse thoroughly with flowing water from inside out
until water is clear
Allow cartridge to stand and air dry thoroughly
before using DO NOT OIL CARTRIDGE OR PRE-
CLEANER DO NOT USE PRESSURIZED AIR TO
CLEAN OR DRY CARTRIDGE,
e Install cartridge and pre-cleaner Then close cover
and fasten screws securely
;crew
water is not recommended as water could contami-
nate the fuel system,
Yearly or every 25 hours, whichever occurs first.
remove the blower housing and clean the areas
shown in figure 16 to avoid overspeeding, overheating
and engine damage Clean more often if necessary
WARNING: PERIODICALLY CLEAN
MUFFLER AREA TO REMOVE ALL
GRASS, DIRT AND COMBUSTIBLE
DEBR S.
Clean Out
Chaff and Dirt
FIGURE 16.
SPARK PLUG
The spark plug should be cleaned and the gap reset
to 030" at least once a season or every 50 hours of
operation See figure 17 Spark plug replacement is
recommended at the start of each season, Refer to
engine parts list for correct spark plug type
NOTE: Do not sandblast spark plug Spark plug
should be cleaned by scraping or wire brushing and
washing with a commercial solvent
.030" Feeler Gauge
\
Spark Plug
FIGURE '17.
ge
Base
FIGURE 15.
CLEAN ENGINE
Clean engine periodically Remove dirt and debris
with a cloth or brush Cleaning with a forceful spray of
11
MUFFLER
Do not operate the chipper-shredder without a muffler
or tamper with the exhaust system. Damaged mufflers
or spark arresters could create a fire hazard Inspect
periodically, and replace if necessary If your engine
is equipped with a spark arrester screen assembly,
remove every 50 hours for cleaning and inspection
Replace if damaged
CLEANING
® The chipper-shredder may be cleaned by running
water from a hose through the hopper assembly
and chipper chute with the engine running Allow
the chipper-shredder to dry thoroughly
® Wash the bag periodically with water Allow to dry
thoroughly in the shade Do not use heat

STORAGE
NEVER STORE YOUR CHIPPER-
_SHREDDER INDOORS OR IN
AN EN-
CLOSED, POORLY VENTILATED AREA
IF GASOLINE REMAINS IN THE TANK.
FUMES MAY REACH AN OPEN FLAME,
SPARK OR PILOT' LIGHT FROM A FUR-
NACE, WATER HEATER, CLOTHES
DRYER, CIGARETTE, ETC.
To prevent engine damage if chipper-shredder is not
used for more than 30 days, follow the steps below
NOTE: GASOLINE MUST BE REMOVED OR
TREATED TO PREVENT GUM DEPOSITS FROM
FORMING IN THE TANK, FILTER, HOSE AND CAR-
BURETOR DURING STORAGE ALSO DURING
STORAGE, ALCOHOL-BLENDED GASOLINE THAT
USES ETHANOL OR METHANOL (SOMETIMES
CALLED GASOHOL) ATTRACTS WATER IT ACTS
ON THE GASOLINE TO FORM ACIDS WHICH DAM-
AGE THE ENGINE
To remove gasoline, run engine until tank is empty
and engine stops Then disconnect fuel line at carbu-
retor or fuel tank Be careful not to damage fuel line,
fittings or fuel tank Drain any remaining fuel from the
system If you do not want to remove gasoline, Sears
Craftsman Fuel Stabilizer No 33500 may be added to
any gasoline left in the tank to minimize gum deposits
and acids If the tank is almost empty, mix stabilizer
with fresh gasoline in a separate container and add
some to the tank Always follow instructions on
stabilizer container. Then run engine at least 10
minutes after stabilizer is added to allow mixture
to reach carburetor. Store chipper-shredder in
safe place° See warning in previous column.
You can help keep your engine in good operating
condition during storage by:
eChanging oil
OLubricating the piston/cylinder area by first remov-
ing the spark plug and squirting clean engine oil
into the spark plug hole Then cover' the spark plug
hole with a rag to absorb oil spray_ Next, rotate the
engine by pulling the starter two or three times
Finally, reinstall spark plug arrd attach spark plug
wire
Protect the chipper-shredder during storage by:
eThoroughly cleaning the chipper-shredder
eIf storing in an unventilated or metal storage shed,
coat metal parts with a light oil or silicone to pre-
vent rust
eStore in a clean, dry area Do not store next to cor-
rosive materials, such as fertilizer_
12

SERVKCE &ADJUSTMENT
WARNING: ALWAYS STOP ENGINE
AND DISCONNECT SPARK PLUG WIRE
AND MOVE IT AWAY FROM SPARK I
PLUG BEFORE PERFORMING ANY
ADJUSTMENTS OR REPA RS.
REMOVINGTHEFLAILSCREEN
If the discharge area becomes clogged, remove the
flail screen and clean area as follows
eStop the engine, make certain the chipper-shredder
has come to a complete stop and disconnect spark
plug wire from the spark plug before unclogging the
chute
e Loosen the two hand knobs on each side of the
chute deflector Lift the chute deflector up, and tie it
out of the way
e Remove two hairpin clips from the clevis pins which
extend through the housing Remove the clevis
pins Lift the flail screen from inside the housing
See figure 18
e Clean the screen by scraping or washing with
water Reinstall the screen
NOTE: Be certain to reassemble the flail screen with
the curved side down as shown in figure 18.
Chute Hairpin
Clips,
Clevis
Pins
_Hex
Nuts .Flail
Washers Screen
Chipper
Chute
FIGURE 18. Hand Knobs
SHARPENINGOR REPLACINGTHE BLADES
CHIPPER BLADES
®Disconnect spark plug wire and move it away from
spark plug.
®Remove the flail screen as instructed in previous
section.
®Remove the chipper chute by removing three hex
nuts and washers A 1/2" wrench is required, See
figure 18
NOTE: When reassembling, the cupped washer goes
on the bottom of the chipper chute with the cupped
side against the chute
eRotate the impeller assembly by hand until you
locate one of the chipper blades in the chipper
chute opening Remove the blade, using a 3/16"
allen wrench on the outside of the blade and 1/2"
wrench on the impeller assembly (inside the hous-
ing) See figure 19
eRemove the other blade in the same manner
@
FIGURE 19.
Replace or sharpen blades If sharpening, make cer-
tain to remove an equal amount from each blade,
Reassemble in reverse order
Make certain blades are reassembled with the sharp
edge facing the direction shown in figure 19 (sharp
edge is assembled toward the slotted opening in the
impeller assembly)
SHREDDING BLADE
The shredding blade may be removed for sharpening
or replacement as follows,
®Disconnect spark plug wire and move it away from
spark plug
®Lower the hopper assembly, Block up the housing
See figure 20
eRemove the six hex lock nuts and lock washers
from the housing weld bolts using a1/2" wrench.
Separate the chipper-shredder into two halves.
®Remove the back-up plate
NOTE: When reassembling, make certain the open-
ing on the back-up plate is toward the bottom of the
unit The back-up plate may be reversed to provide a
new cutting edge
13

Pi
Sharp
of
Torque
Wrenctl
Allen
Screws
e When reassembling the blade, tighten to between
550 and 650 inch pounds, or lacking torque
wrench, tighten securely
FLAILS
The flails, located inside the housing, may be
reversed when they become dull It is suggested that
this procedure be performed by your nearest Sears
Service Department
CARBURETORADJUSTMENT
WARNING: IF ANY ADJUSTMENTS ARE
MAUE TO THE ENGINE WHILE THE
ENGINE IS RUNNING (E.G. CARBURE-
TOR), KEEP CLEAR OF ALL MOVING
PARTS. BE CAREFUL OF HEATED SUR-
FACES AND MUFFLER.
FIGURE 2O,-Model 247.797853 Shown
eLoosen the two hand knobs and cupped washers
which secure the chute deflector, arrd raise the
chute deflector
e Insert a 1/2" or 3/4" diameter pipe through the flail
screen into the impeller to keep it from turning, or
remove the flail screen and insert a piece of wood
(2 x 4) into the chute opening
eModel 247.797853 only: Remove the two outside
screws on the blade, using a 3/16" allen wrench
and a 1/2" wrench
e Remove the blade by removing the center bolt, lock
washer and flat washer
NOTE: Use caution when removing the blade to avoid
contacting the weld bolts on the housing
e When sharpening the blade, follow the original
angle of grind as a guide It is extremely important
that each cutting edge receives an equal amount of
grinding to prevent an unbalanced blade. An unbal-
anced blade will cause excessive vibration when
rotating at high speeds and may cause damage to
the unit.
e The blade can be tested for balance by balancing it
on a round shaft screwdriver or nail Remove metal
from the heavy side until it is balanced evenly See
figure 21
Na. \ /
f ,,
/
Bl!de '__1" --_j_
FIGURE 21,
Minor carburetor adjustment may be required to com-
pensate for differences in fuel, temperature, altitude
or load
NOTE: A DIRTY AIR CLEANER WILL CAUSE
ENGINE TO RUN ROUGH BE CERTAIN AIR
CLEANER IS CLEAN AND ATTACHED TO THE
CARBURETOR BEFORE ADJUSTING CARBURE-
TOR DO NOT MAKE UNNECESSARY ADJUST-
MENTS FACTORY SETTINGS ARE SATISFACTO-
RY FOR MOST APPLICATIONS AND CONDITIONS. /
Never attempt to change maximum engine speed It is
pre-set at the factory and should be changed only by
a qualified service technician who has the necessary
equipment
The carburetor may need re-adjusting if engine lacks
power or does not idle properly If adjustments are
needed, proceed as follows
e Close needle valve (see figure 22) clockwise
(f-* ) finger tight only. Forcing may cause damage
Then open 1-1/2 turns counterclockwise ( _ )
e Start engine and allow to warm for five minutes
eWith throttle in FAST position, close needle valve
clockwise ( ,_ ) until engine starts to lose speed
(lean mixture) Then slowly open needle valve
counterclockwise (f',) until engine JUST BEGINS
to run unevenly This mixture should be rich
enough for best performance under load.
ePlace throttle control in IDLE position
If engine idles, no further adjustment is necessary
If engine idles too fast, turn idle speed adjusting
screw counterclockwise ( _ ) until slower speed is
obtained
If engine dies, turn idle speed adjusting screw 1/4
turn clockwise ( ,_ ). Place throttle control in FAS]_'
position and restart engine
Move throttle control to IDLE position_ If engine
does not idle, repeat step c
14

• Test the engine by using the chipper-shredder If
engine tends to stall or die out, it usually indicates
that the mixture is slightly lean and it may be nec-
essary to open ( _ ) the needle valve slightly to
provide a richer mixture This richer mixture may
cause a slight unevenness in idling
Throttle
Idle Speed Stop
Adjusting Screw
ENGINESPEED
Your engine speed has been factory set Do not
attempt to increase engine speed or it may result in
personal injury, If you believe the engine is running
too fast or too slow, take your chipper-shredder to the
nearest SEARS Service Center for repair and adjust-
ment,
FIGURE 22.
Throttle
Needle Valve
SERVaCE RECOMMENDATIONS
SERVICERECORD
Fill in dates as you
complete regular service
SCHEDULE SERVICEDATES
Check Fuel
Drain Fuel
Check Engine Oil Level
Change Engine Oil
Oil Pivot Points
Service Air Cleaner
Clean Engine Cylinder Fins
Replace or Clean Spark Plug
Spark Arrester Muffler
First Before Every Every Begin- Before
5 Each 25 50 ning Each Storage
Hours Use Hours Hours Season
,]
,1
.j
V
,l
,/
V
,/
,]
The Service Recommendations Chart is supplied to
assist the operator in proper maintenance of the chip-
per-shredder, This is only a check list; instructions will
be found in the Maintenance and Service Adjustment
sections of this manual
15

TROUBLE SHOO'rING
PROBLEM POSSIBLE CAUSE(S) CORRECTIVE ACTION
Engine fails to start eFuel tank empty, or stale fuel e
• Spark plug wire disconnected e
e Faulty spark plug e
Loss of power;
operation erratic
Engine overheats
Too much vibration
Unit does not
discharge
Rate of discharge
slows considerably or
composition of
discharged material
changes
e Spark plug wire loose
e Unit running on CHOKE
e Blocked fuel line or stale fuel
e Water or dirt in fuel system
e Carburetor out of adjustment
e Didy air cleaner
e Carburetor not adjusted
properly
e Engine oil level low
e Loose parts or damaged
impeller
e Discharge chute clogged
• Foreign object lodged in impeller
e Shredding blade and/or chipper
blades dull
Fill tank with clean, fresh fuel
Connect wire to spark plug
Clean, adjust gap or replace
e Connect and tighten spark plug wire
e Move choke lever to OFF position
e Clean fuel line; fill tank with clean
fresh gasoline
e Disconnect fuel line at calburetor to d
tank Refill with fresh fuel
e Adjust carburetor or contact your SE.Z
Service Center
e Service air cleaner See Maintenance
of this manual
e Corrtact your SEARS Service Center
e Fill crankcase with proper oil
e
]in fuel
Stop engine immediately and disconn
spark plug wire Tighten all bolts errd i
Make all necessary repairs If vibration continues,
have unit serviced by a SEARS Service Center
e Stop engine immediately and disconn
spark plug wire Clean flail screen and inside
of blower housing See Service/Adjustments
section of this manual
e Stop engine immediately and discenn
spark plug wire. Remove lodged objec
e Sharpen or replace shredding and chi
blades
NOTE: For repairs beyond the minor adjustments listed above, please contact your nearest SEARS Service Center
16

SEARS CRAFTSMAN 5 H.P. CHIPPER-SHREDDER MODEL NOS. 247.797852
Repair Parts 247.797853
57
11
7
Model
59
22
35 36
17

SEARS CRAFTSMAN 5 H.R CHIPPER-SHREDDER MODEL NOS. 247.797852
Repair Parts 247.797853
KEY
NO,
3
4
5
6
7
8
9
10
11
12
13
14
15
16
17
18
19
20
22
23
24
25
26
27
28
29
3O
31
32
33
34
35
36
PART
NO,
13431
742-0571
710-0818
714-0114
736-0217
736-0247
11459B
711-0564
711-0833A
711-0834
715-0249
736-0192
781-0484
681-0002
781-0490
710-1054
712-0411
736-0119
710-0825
736-0142
750-0793
711-0835
712-0291
714-3010
781-0457
714-0149B
781-0480
712-3010
736-0242
720-0170
747-0744A
732-0542
781-0489
781-0475
736-0170
712-3010
781-0510
DESCRIPTION KEY PART
NO, NO,
Blade (247 797852)
Blade (247.797853)
Hex Patch Bolt 3/8-24 x 2" Lg
(Gr 8)
Sq. Key 1/4 x 2.0" Lg,
L-Wash 3/8" I.D HD.
FI-Wash 406"1D x 125"
OD Hdn
Flail
Flail Spacer
Clevis Pin .496" Dia
Flail Spacer w/160" Dia, Hole
Spring Roll Pin 1.12" Lg,
FI-Wash ,531" I.D. x .94" O,D
Impeller Ass'y (247.797852)
Impeller Ass'y (247,797853)
Chipper Blade
Flat Hd. Scr 5/16-24 x ,75" Lg
Hex Top L-Nut 5/16-24 (Gr, 5)
L-Wash. 5/16" ID*
Hex Bolt 1/4-20 x 375" Lg.*
FI-Wash 281" ID x.50" OD
Chute Hinge Spacer 1.66" Lg
Clevis Pin 5" Dia. x 462" Lg
Hex Ctr. L-Nut 1/4_20 Thd,
Cotter Pin
Shredder Screen
Internal Cotter Pin 3/8" Di&
Chute Deflector Ass'y,
Hex Nut 5/16-18 Thd (Gr. 5)
Bell-Wash ,345" I,D x 88"
Hand Knob
Chipper Door Rod
Torsion Spring 1.14" Lg
Chipper Door
Chipper Chute Ass'y
Spec, L-Wash, 5/16" ID,
Hex Nut 5/16-18 Thd (Gr 5)
Shredder Frame
37 710-0157
38 736-0119
39 7t0-3008
40 710-0380
41 681-0004
42 781-0474A
43 735-0639
44 130212-3250-01
45 747-0531A
46 742-0546
47 712_0429
48 710-0601
49 11480
50 736-0264
51 710-0542
52 781-0487B
53 16522B
54 781-0494
55 16524B
56 710-0286
57 712_0107
58 11461B
59 726-0214
6O 736-0187
61 75O-O786
62 738-0814
63 734-1600
64 732-0629
65 747-0747
66 781-0492
67 781-0493
68 726-0106
-- 764-0199A
-- 723-0400
-- 770-7110G
DESCRIPTION
Hex Bolt 5/16-24 x _75" Lg,
L-Wash, 5/16" I.D,*
Hex Bolt 5/16-18 x 75" Lg
(Gr 5)
Hex Bolt 5/16-18 x 1.75" Lg*
Flail Housing Ass'y,--LH
Flail Housing Ass'y,--R H
Spark Plug Boot
Engine--B&S 130212-3250-01
Release Bar
Torsion Spring 106" Lg.
Elastic Lock Nut 5/16-18 Thd
Hex Wash Hd. Self-Tap Scr
5/16-t8 x .75" Lg
Stop Washer
Fl_Wash, 5/16" I.D
Hex Bolt 5/16-18 x 838" Lg
Back-Up Plate
Inlet Guide Ass'y
Pivot Hopper Hood
Upper Guide Ass'y
Truss Mach Scr 1/4-20 x _5"
Lg
Hex L-Nut 1/4-20 Thd
Upper Leaf Ramp Section
Push Cap 5/8" Di& Rod
FI-Wash. 64" I D x 1.24"
Spacer 64" I,D, x _38" Lg,
Shredder Axle
Wheel Ass'y Comp,
Torsion Spring
Hopper Door Rod
Hopper--Pivot Door
Hopper Lockout Brkt.
Cap Speed Nut 1/4" Rod
Bag (Not Shown)
Safety Glasses (Not Shown)
Owner's Manual
*Common Hardware--May Be Purchased Locally
NOTE: Specifications subject to change without
notice or obligation
18

BRIGGS AND STRATTON 5 H.P. ENGINE MODEL NO. 130212-3250-01
Repair Parts
26
337
7
36
741
35
16
615
230
219
46
220
SEEREPAIRINS'TRt_TION
MANUAL
(_22
19

BRIGGS AND STRATTON 5 H.P. ENGINE MODEL NO. 130212-3250-01
Repair Parts
3o5__
24
71
305
655
73
37
*REQUIRES
SPECIAL TOOLS
TO INSTALL.
SEE REPAIR
INSTRUCTION
MANUAL=
2O

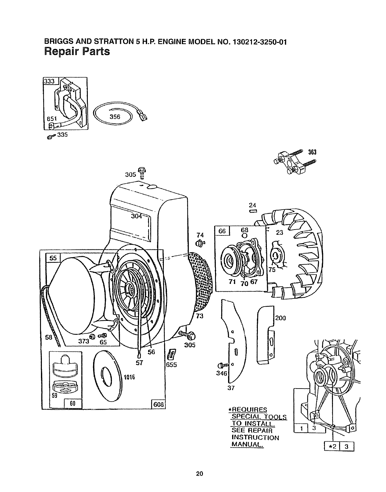
BRIGGS AND STRATTON 5 H.P. ENGINE MODEL NO. 130212-3250-01
Repair Parts
127A
96G{
124
969 9414 153
208
153
1012
190
392
435
191
725
_209
527
529
11
526
21

BRIGGS AND STRATTON 5H.P. ENGINE MODEL NO. 130212-3250-01
Repair Parts
KEY
NO,
3
5
7
8
9
10
11
12
13
14
15
16
18
19
20
21
22
23
24
25
26
27
28
29
30
31
PART
NO_
395990
297565
299819
211542
*272157
294178
*27549
93394i
665781
*270080
*270125
*270126
94221
93369
91249
492926
493916
297603
298504
66768
94607
297229
222698
298904
298905
298906
298907
298982
298983
298984
298985
26026
298909
298908
299430
221890
221876
DESCRIPTION KEY PART
NO. NO,
Cylinder Assembly 32 92296
Bushing--Cylinder 33 211119
Note: Requires special tools 34 261044
for installation 35 260552
Seal--Oil 36 26478
Head--Cylinder 37 222443
Gasket--Cylinder Head 40 93312
Breather--Valve Chamber 45 260642
Gasket--Valve Cover 46 212733
Screw--Breather Mtg. Sere 52 "271936
Grornmet--Breather Tube 55 299431
Gasket--Crankcase--.015" 56 295871
Thick (Standard) 57 490179
Gasket--Crankcase--005" 58 66884
Thick
Gasket--Crankcase-- 009" 59 490653
Thick 60 490652
Screw--Cylinder Head 65 94128
(2_3/32" Long)
Screw--Cylinder Head 66 399671
(2-15/32" Long) 67 394897
Plug--Pipe, 1/4" Std Square 68 63770
Head 70 298799
Crankshaft 71 394506
To Replace Crankshaft Gear 73 221923
Pin, Order Part No. 230978 74 93490
Cover Ass'y 75 224061
Bushing--Crankcase Cover 90 492611
Note: Requires special tools 95 93499
for instatlation_
Seal--Oil 96 223793
Plug--Oil Filler 97 490048
Screw--Crankcase Cover 108 491177
Mounting Sere 118 23t 533
Flywheel--Magneto 124 93357
Key--Flywheel 127 220352
Piston Ass'y --Standard 127A 223789
Piston Ass'y,-- 010" O,S, 149 26336
Piston Ass'y.--.020" O S 152 260575
Piston Ass'y.--.030" OS, 153 490589
PISTON RING SETS: 154 93527
Note: For Chrome Piston Ring
Set--Standard Size--Order 163 271935
Part No 299742_ 180 492927
Ring Set--Standard Piston 181 490075
Ring Set-- 010" O S. Piston 190 94094
Ring Set--_020" O_S. Piston
Ring Set--.030" OS Piston 191 *271928
Lock--Piston Pin 200 223886
Pin Ass'y,--Piston--Standard 201 262280
Pin Ass'y --Piston--.005" OS 202 262270
Rod Ass'y --Connecting 203 280720
Note: For Connecting Rod 204 222962
with .020" undersize Crankpin
Bore--Order No, 390459. 205 231520
Dipper--Connecting Rod 208 262279
Lock--Conn, Rod Screw 209 262288
DESCRIPTION
Screw--Connecting Rod
Valve--Exhaust
Valve--Intake
Spring--Intake Valve
Spring--Exhaust Valve
Guard--Flywheel
Retainer--Valve Spring
Tappet--Valve
Gear--Cam
Gasket--Carburetor Mounting
Housing--Rewind Starter
Pulley--Rewind Starter
Spring-Rewind Starter
Rope--Rewind Starter--63"
Long
Insert--Starter Handle
Handle--Rewind Starter
Screw--Stamped Steel
Housing Mtg. Sere
Clutch Ass'y--Rewind Starter
Housing--Starter Clutch
Ball--Clutch
Ratchet--Rewind Starter
Washer--Clutch Retainer
Screen--Starter Pulley
Screw--Sem
Washer--Spring
Carburetor Assembly
Screw--Throttle Valve to Shaft
Sere
Throttle--Carburetor
Shaft and Lever--Throttle
Valve Group--Choke
ValvelNeedle
Screw--Hex Head
Plug--Welch
Plug--Welch (Mixing Chamber)
Spring--Needle Valve
Spring--Throttle Adjustment
Screw Ass'y_ 4,
Screw--Machine, Rd. Hd.--
5-40 x 5/8"
Gasket--Air Cleaner Mounting
Tank Assembly--Fuel
Cap--Fuel Tank
Screw--Fuel Tank Mounting
Sem
Gasket--Fuel Tank Mounting
Guide--Air
Link--Governor
Link--Throttle
Crank--Bell
Bushing--Governor Lever
(Flat)
Screw--Shoulder
Rod--Control
Spring--Governor
22

BRIGGS AND STRATTON 5 H.P. ENGINE MODEL NO. 130212-3250-01
Repair Parts
KEY
NO
216
2t9
220
222
223
224
227
230
256
284
298
299
304
305
306
307
308
333
335
337
346
356
358
363
373
383
392
394
414
432
433
434
435
441
467
523
524
525
526
527
528
529
PART
NO.
262359
391737
221551
490649
223455
93491
490374
222450
223813
94419
261409
393368
490169
94608'
221511
93758
221512
397358
93414
492167
93705
398808
397145
19069
92987
89838
262328
270026
220982
221377
93265
210959
93141
224240
280715
492249
271485
280508
94409
223786
231550
67838
KEY PART
DESCRIPTION NO. NO.,
Link--Choke 535
Gear--Governor 542
Washer--Thrust 552
Bracket--Control
Lever--Governor Control 562
Rivet--Governor Control Lever 592
Mounting 608
Lever Ass'y--Governor 611
Washer--Governor Lever 614
Bell Crank 615
Screw--Self-Tapping 616
Lock Nut--Muffler 621
Muffler--Exhaust 634
Housing--Blower 635
Screw--Blower Housing 643
Mounting 643A
Shield--Cylinder 655
Screw--Cylinder Shield 676
Mounting Sere
Cover--Cylinder Head 679
Armature Assembly 680
Screw--Armature Mtg Sem 725
Plug--Spark 7/8" High-- 741
48 MM 779
Screw--Sem 842
Wire--Ground 847
Gasket Set 851
Flywheel Puller (Optional 869
Accessory) 870
Nut--Hex
Wrench--Spark Plug
Spring--Fuel Pump Diaphragm
Diaphragm 871
Washer
Cap--Spring
Pin--Diaphragm Cover
Cover--Diaphragm 916
Screw--Diaphragm Cover 966
Bracket--Oil Fill 967
Knob--Control 968
Cap--Oil Fill 969
Gasket--Oil Fill Cap 971
Nipple--Oil Fill 987
Screw--Tank Bracket 995
Mounting Sem 1012
Clamp--Breather Tube 1016
Tube--Breather 1019
Grommet--Breather Tube
491435
93572
231079
92613
231O82
390463
391813
93306
93307
231077
396847
271853
66538
280737
280726
222598!
395700
270382
221839
223867
261696
262276
270920
493367
221798
211787
211172
262001
280321
492797
491588
223765
490073
94018
398970
223887
490507
490817
491100
DESCRIPTION
Element--Air Cleaner
Screw
Bushing--Governor Crank
(1/4" I D)
Bolt--Governor Lever
Nut--Hex --10-24
Starter Ass'y--Rewind
Fuel Pipe and Clip Assembly
Cotter--Hairpin
Retainer--E_Ring
Crank--Governor (1/4" Dia )
Switch--Stop
Washer--Throttle Shaft (Foam)
Elbow--Spark Plug
Retainer--Foam Element
Retainer--Air Filter
Anchor Spring
Deflector--Exhaust
(Direct Outlet)
Washer Choke Shaft (Foam)
Washer Choke Shaft (Brass)
Shield--Heat
Gear--Timing
Link--Bell Crank
Seal--Tube
Oil Fill Ass'y
Cable Terminal--Ignition
Seat--Intake Valve (Standard)
Seat--Exhaust Valve
(Standard)
Note: For Options see Repair
Manual
Guide--Exhaust Valve
Note: 63709 Guide--Intake
Valve See Repair Instruction
Manual.
Gear Rack--Governor
Base--Air Cleaner
Filter--Air
Cover--Air Cleaner
Screw--Cover Mtg
Screw--Air Cleaner
Seal--Throttle Shaft
Bracket--Link
Link--Retainer
Spacer
Decal (Label) Kit
*Included in Gasket Set--
Part No, 397145
SPARK ARRESTING MUFFLER ASSEMBLY 392390
(Optional Equipment)
Consists of the following:
392154 Screen (1 required)
223372 Deflector (1 required)
93705 Screw (4 required)
23

OWNER'S
MANUAL
HOWTOORDER
REPAIRPARTS
5 HORSEPOWER
3CUTTING STAGE
MULCHING AND BAGGaNG
CHBPPER-SHREDDER
Each chipper-shredder has its own model number. Each
engine has its own model number.
The model number for your chipper-shredder will be found
on a label attached to the frame_
The model number for the engine will be found on the
blower housing of the engine.
All parts listed herein may be ordered through Sears,
Roebuck and Co_ Service Centers and most Retail Stores.
WHEN ORDERING REPAIR PARTS, ALWAYS GIVE THE
FOLLOWING INFORMATION:
* PRODUCT- "5 H.P. Chipper-Shredder"
* MODEL NUMBER - 247.797852
247.797853
* ENGINE MODEL NO. - 130212-3250-01
* PART NUMBER
* PART DESCRIPTION
Your Sears merchandise has added value when you con-
sider that Sears has service units nationwide staffed with
Sears trained technicians...professional technicians specifi-
cally trained on Sears products, having the parts, tools and
the equipment to insure that we meet our pledge to you__we
service what we sell/'
SEARS, ROEBUCK AND CO.
770-7110G 7/91
, Chicago, IL 60684
j
U.S.A.
Printed in U.S,A.