Craftsman 247 88045 Operators Manual
24788045 9556c766-145b-b014-ed3d-4b157d6a31e0 Craftsman Snow Blower 247.88045 User Guide |
2015-01-05
: Craftsman Craftsman-247-88045-Operators-Manual-161192 craftsman-247-88045-operators-manual-161192 craftsman pdf
Open the PDF directly: View PDF
.
Page Count: 64

Sears, Roebuck and Co., Hoffman Estates, IL 60179, U.S.A.
Visit our website: www.craftsman.com
CAUTION: Before using
this product, read this
manual and follow all
safety rules and operating
instructions.
Operator’s Manual
• SAFETY
• ASSEMBLY
• OPERATION
• MAINTENANCE
• PARTS LIST
• ESPAÑOL
45” SNOW THROWER
Model No. 247.88045
8/28/2007
FORM NO. 769-03349

2
TABLE OF CONTENTS
WARRANTY STATEMENT
PRODUCT SPECIFICATIONS MODEL NUMBER
Two -Year Limited Warranty on Craftsman Snow Thrower
When assembled, operated and maintained according to all supplied instructions, if this Craftsman product fails due to a defect in material or
workmanship within two years from the date of purchase, return it to any Sears store, Sears Parts & Repair Service Center or other Craftsman
outlet in the United States for free repair. In-home warranty service is available, but you will have to pay a trip charge.
This warranty covers only defects in material and workmanship. Sears will NOT pay for:
Expendable items which become worn during normal use, such as skid shoes, shave plate and spark plugs.
Repairs necessary because of operator negligence, including but not limited to, electrical and mechanical damage caused by improper
storage, bent crankshafts, failure to use the proper grade and amount of engine oil, or failure to maintain the equipment according to all
instructions contained supplied with the product.
Engine (fuel system) cleaning or repairs caused by fuel determined to be contaminated or oxidized (stale). In general, fuel should be used
within 30 days of its purchase date.
This warranty applies for only 90 days if this product is ever used for commercial or rental purposes.
This warranty applies only while this product is used in the United States.
This warranty gives you specific legal rights, and you may also have other rights which vary from state to state.
Sears, Roebuck and Co., Hoffman Estates, IL 60179
•
•
•
Engine Oil Type: SAE 5W-30
Engine Oil Capacity: 28 ounces
Fuel Capacity: 4 Quarts
Spark Plug: Champion® RJ19LM
Spark Plug Gap: .030”
Model Number .................................................................
Serial Number .................................................................
Date of Purchase .............................................................
Record the model number, serial number
and date of purchase above
© Sears Brands, LLC
Warranty Statement ..................................Page 2
Safe Operation Practices .........................Pages 3-4
Safety Labels ............................................Page 5
Assembly ..................................................Pages 6-9
Operation ..................................................Pages 10-13
Service and Maintenance .........................Pages 14-21
Off-Season Storage ..................................Page 22
Trouble Shooting ......................................Page 23
Parts List ...................................................Page 24-34
Repair Protection Agreement ...................Page 38
Español .....................................................Page 39
Service Numbers ......................................Back Cover

3
SAFETY INSTRUCTIONS
TRAINING
Read, understand, and follow all instructions on the machine and in
the manual(s) before attempting to assemble and operate. Keep this
manual in a safe place for future and regular reference and for ordering
replacement parts.
Be familiar with all controls and their proper operation. Know how to stop
the machine and disengage them quickly.
Never allow children under 14 years old to operate this machine. Chil-
dren 14 years old and over should read and understand the operation
instructions and safety rules in this manual and should be trained and
supervised by a parent.
Never allow adults to operate this machine without proper instruction.
Thrown objects can cause serious personal injury. Plan your snow-
throwing pattern to avoid discharge of material toward roads, bystanders
and the like.
Keep bystanders, helpers, pets and children at least 75 feet from the
machine while it is in operation. Stop machine if anyone enters the area.
Exercise caution to avoid slipping or falling, especially when operating in
reverse.
•
•
•
•
•
•
•
PREPARATION
Thoroughly inspect the area where the equipment is to be used. Remove all
doormats, newspapers, sleds, boards, wires and other foreign objects, which
could be tripped over or thrown by the auger/impeller.
Always wear safety glasses or eye shields during operation and while
performing an adjustment or repair to protect your eyes. Thrown objects
which ricochet can cause serious injury to the eyes.
Do not operate without wearing adequate winter outer garments. Do not
wear jewelry, long scarves or other loose clothing, which could become
entangled in moving parts. Wear footwear which will improve footing on
slippery surfaces.
Use a grounded three-wire extension cord and receptacle for all units
with electric start engines.
Adjust collector housing height to clear gravel or crushed rock surfaces.
Disengage all control levers before starting the engine.
Never attempt to make any adjustments while engine is running, except
where specifically recommended in the operator’s manual.
Let engine and machine adjust to outdoor temperature before starting to
clear snow.
Safe Handling of Gasoline
To avoid personal injury or property damage use extreme care in handling
gasoline. Gasoline is extremely flammable and the vapors are explosive.
Serious personal injury can occur when gasoline is spilled on yourself or your
clothes, which can ignite. Wash your skin and change clothes immediately.
Use only an approved gasoline container.
Extinguish all cigarettes, cigars, pipes and other sources of ignition.
Never fuel machine indoors.
Never remove gas cap or add fuel while the engine is hot or running.
Allow engine to cool at least two minutes before refueling.
Never over fill fuel tank. Fill tank to no more than ½ inch below bottom of
filler neck to provide space for fuel expansion.
Replace gasoline cap and tighten securely.
If gasoline is spilled, wipe it off the engine and equipment. Move
machine to another area. Wait 5 minutes before starting the engine.
Never store the machine or fuel container inside where there is an open
flame, spark or pilot light (e.g. furnace, water heater, space heater,
clothes dryer etc.).
Allow machine to cool at least 5 minutes before storing.
•
•
•
•
•
•
•
•
•
•
•
•
•
•
•
•
•
Your Responsibility: Restrict the use of this power machine to
persons who read, understand, and follow the warnings and instruc-
tions in this manual and on the machine.
DANGER
This machine was built to be operated according to the rules for
safe operation in this manual. As with any type of power equipment,
carelessness or error on the part of the operator can result in serious
injury. This machine is capable of amputating hands and feet and
throwing objects. Failure to observe the following safety instructions
could result in serious injury or death.
WARNING
Engine Exhaust, some of its constituents, and certain vehicle
components contain or emit chemicals known to State of California to
cause cancer and birth defects or other reproductive harm.
WARNING
This symbol points out important safety instructions
which, if not followed, could endanger the personal
safety and/or property of yourself and others. Read
and follow all instructions in this manual before
attempting to operate this machine. Failure to comply with these
instructions may result in personal injury. When you see this symbol,
HEED ITS WARNING!

4
SAFETY INSTRUCTIONS
OPERATION
Do not put hands or feet near rotating parts, in the auger/impeller
housing or chute assembly. Contact with the rotating parts can amputate
hands and feet.
The auger/impeller control lever is a safety device. Never bypass its
operation. Doing so makes the machine unsafe and may cause personal
injury.
The control levers must operate easily in both directions and automati-
cally return to the disengaged position when released.
Never operate with a missing or damaged chute assembly. Keep all
safety devices in place and working.
Never run an engine indoors or in a poorly ventilated area. Engine
exhaust contains carbon monoxide, an odorless and deadly gas.
Do not operate machine while under the influence of alcohol or drugs.
Muffler and engine become hot and can cause a burn. Do not touch.
Exercise extreme caution when operating on or crossing gravel surfaces.
Stay alert for hidden hazards or traffic.
Exercise caution when changing direction and while operating on slopes.
Plan your snow-throwing pattern to avoid discharge towards windows,
walls, cars etc. Thus, avoiding possible property damage or personal
injury caused by a ricochet.
Never direct discharge at children, bystanders and pets or allow anyone
in front of the machine.
Do not overload machine capacity by attempting to clear snow at too fast
of a rate.
Never operate this machine without good visibility or light. Always be
sure of your footing and keep a firm hold on the handles. Walk, never
run.
Disengage power to the auger/impeller when transporting or not in use.
Never operate machine at high transport speeds on slippery surfaces.
Look down and behind and use care when backing up.
If the machine should start to vibrate abnormally, stop the engine,
disconnect the spark plug wire and ground it against the engine. Inspect
thoroughly for damage. Repair any damage before starting and operat-
ing.
Disengage all control levers and stop engine before you leave the
operating position (behind the handles). Wait until the auger/impeller
comes to a complete stop before unclogging the chute assembly, making
any adjustments, or inspections.
Never put your hand in the discharge or collector openings. Always
use the clean-out tool provided to unclog the discharge opening. Do
not unclog chute assembly while engine is running. Shut off engine
and remain behind handles until all moving parts have stopped before
unclogging.
Use only attachments and accessories approved by the manufacturer
(e.g. wheel weights, tire chains, cabs etc.).
If situations occur which are not covered in this manual, use care and
good judgment. Contact your Sears Service Center for assistance.
•
•
•
•
•
•
•
•
•
•
•
•
•
•
•
•
•
•
•
•
MAINTENANCE & STORAGE
Never tamper with safety devices. Check their proper operation
regularly. Refer to the maintenance and adjustment sections of this
manual.
Before cleaning, repairing, or inspecting machine disengage all control
levers and stop the engine. Wait until the auger/impeller come to a
complete stop. Disconnect the spark plug wire and ground against the
engine to prevent unintended starting.
Check bolts and screws for proper tightness at frequent intervals to keep
the machine in safe working condition. Also, visually inspect machine for
any damage.
Do not change the engine governor setting or over-speed the engine.
The governor controls the maximum safe operating speed of the engine.
Snow thrower shave plates and skid shoes are subject to wear and
damage. For your safety protection, frequently check all components
and replace with original equipment manufacturer’s (OEM) parts only.
“Use of parts which do not meet the original equipment specifications
may lead to improper performance and compromise safety!”
Check controls periodically to verify they engage and disengage
properly and adjust, if necessary. Refer to the adjustment section in this
operator’s manual for instructions.
Maintain or replace safety and instruction labels, as necessary.
Observe proper disposal laws and regulations for gas, oil, etc. to protect
the environment.
Prior to storing, run machine a few minutes to clear snow from machine
and prevent freeze up of auger/impeller.
Never store the machine or fuel container inside where there is an open
flame, spark or pilot light such as a water heater, furnace, clothes dryer
etc.
Always refer to the operator’s manual for proper instructions on
off-season storage.
Do not modify engine
To avoid serious injury or death, do not modify engine in any way. Tampering
with the governor setting can lead to a runaway engine and cause it to operate
at unsafe speeds. Never tamper with factory setting of engine governor.
Notice Regarding Emissions
Engines which are certified to comply with California and federal EPA emission
regulations for SORE (Small Off Road Equipment) are certified to operate on
regular unleaded gasoline, and may include the following emission control sys-
tems: Engine Modification (EM) and Three Way Catalyst (TWC) if so equipped.
•
•
•
•
•
•
•
•
•
•
•

5
SAFETY LABELS
KEEP AWAY FROM ROTATING IMPELLER
AND AUGER. CONTACT WITH IMPELLER OR
AUGER CAN AMPUTATE HANDS AND FEET
.
USE CLEAN-OUT TOOL TO UNCLOG
DISCHARGE CHUTE.
DISENGAGE CLUTCH LEVERS, STOP ENGINE,
AND REMAIN BEHIND HANDLES UNTIL ALL
MOVING PARTS HAVE STOPPED BEFORE
UNCLOGGING OR SERVICING MACHINE.
TO AVOID THROWN OBJECTS INJURIES,
NEVER DIRECT DISCHARGE AT BYSTANDERS.
USE EXTRA CAUTION WHEN OPERATING ON
GRAVEL SURFACES.
READ OPERATOR'S MANUAL.
1.
2.
3.
4.
5.
DANGER
CLEAN-OUT TOOL
DANGER
AVOID INJURY FROM
ROTATING AUGER -
KEEP HANDS, FEET
AND CLOTHING AWAY.
DANGER
NEVER PUT HAND IN CHUTE. CONTACT WITH
ROTATING PARTS CAN AMPUTATE FINGERS
AND HANDS.
SHUT OFF ENGINE AND WAIT UNTIL AL L
MOVING PARTS HA VE STOPPED BEFORE
UNCLOGGING.
USE CLEAN-OUT TOOL OR WOODEN
STICK TO
UNCLOG DISCHARGE CHUTE.

6
ASSEMBLY
NOTE: References to right or left side of the snow thrower are
determined from behind the unit in the operating position (standing
directly behind the snow thrower, facing the handle panel).
REMOVING FROM CRATE
Remove screws from the bottom of the crate securing the sides,
and ends of the shipping crate.
Lift off the top off of the crate and set out of the way of the
assembly area.
Remove and discard plastic bag that covers unit.
Remove any loose parts included with unit (i.e., Operator’s
Manual, etc.).
Push down on the lower handle and pull unit back out of crate.
Make certain the crate has been completely emptied before
discarding it.
ASSEMBLY
Make certain the springs at the lower end of the auger and drive
cables are securely hooked into their respective actuator
bracket before pivoting the handle upward.
a. Place the shift lever in the F6 position.
b. Remove the lower wing knob and carriage bolt from each
side of the upper handle. Pull up on upper handle as shown
in Fig. 1. Align upper handle with the lower handle. Again,
make certain the springs at the lower end of the auger and
drive cables are securely hooked into their respective
actuator bracket. Also, remove any rubber bands securing
the cables to the wing nuts.
2. a. Secure the upper handle and lower handle with the two wing
knobs and carriage bolts removed earlier.
b. Tighten the two wing knobs already installed in the upper
holes to firmly secure the upper handle and support tubes.
3. Align the upper and lower shift rods, then slide the shift rod
connector down over the end of the lower shift rod. Tap the
connector until the lower rod is completely through the connector.
See Fig. 2.
NOTE: If the connector is not properly assembled, the shift rod will
pivot and you will not be able to change speeds or direction.
NOTE: If the full range of speeds (forward and reverse) can not be
achieved, refer to the “Making Adjustments” section.
4. a. Cut the cable tie securing the chute assembly to the lower
chute crank rod for shipping purposes.
b. Remove the internal cotter pin from the upper chute crank.
Slide the upper chute crank into the sleeve on the lower
chute crank. See Fig. 3.
c. Align the hole in the upper chute crank with the hole in the
sleeve (If necessary, use a pair of pliers to assist in aligning
holes). Insert the internal cotter pin through the holes to
secure the chute crank. See Fig. 3.
Remove lock nuts and screws securing one of the flange keepers
to the chute assembly.
1.
2.
3.
4.
5.
6.
1.
5.
Figure 1
Figure 2
a
b
Figure 3

7
ASSEMBLY
Place chute assembly onto chute base as shown in Fig. 4,
making sure that the notches engage with the spiral end of chute
directional control.
Secure flange keeper removed earlier with lock nuts and screws.
Tighten down nuts securing the other two flange keepers. See Fig. 5.
If not already done, slip the cables that run from the handle
panel to the discharge chute into the cable guide located on top of
the engine. See Fig. 4.
If not already done, wrap the wire of the head lamp wire harness
down the right handle until the wire can be plugged into the
engine alternator wire connector down on the engine.
Normally the cable ties holding the steering cables against the
handle are loosely installed on each side of the lower handle at
the factory. Pull the cable ties tight to secure. Cut the excess
from the ends of cable ties.
The extension cord is fastened with a cable tie to the rear of the auger
housing for shipping purposes. Cut the cable tie and remove it before
operating the snow thrower.
SET-UP
Chute Clean-Out Tool
A chute clean-out tool is fastened to the top of the auger housing
with a mounting clip. See Fig. 6. The tool is designed to clear a chute
assembly of ice and snow. This item, along with the extension cord, is
fastened with a cable tie at the factory, which you were instructed to
cut in the previous section.
Drift Cutters
Remove the two screws and lock nuts that secure each drift
cutter, and remove them from the sides of the auger housing.
Turn the drift cutters around and position them as shown in Fig. 7
to the outside of the auger housing.
6.
7.
8.
9.
10.
1.
2. Figure 5
Figure 4
Figure 6
Chute Clean-out Tool
WARNING
Never use your hands to clear a clogged chute assembly. Shut
off engine and remain behind handles until all moving parts have
stopped before using the clean-out tool to clear the chute assembly.
Figure 7

8
ASSEMBLY
Attach the drift cutters with the screws and lock nuts removed
earlier.
Tire Pressure
Before operating, check tire pressure. Refer to the tire sidewall for
exact tire manufacturer’s recommended or maximum psi.
NOTE: If the tire pressure is not equal in both tires, the unit may not
travel in a straight path and the shave plate may wear unevenly.
ADJUSTMENTS
Skid Shoes
The snow thrower skid shoes are adjusted upward at the factory for
shipping purposes. Adjust them downward, if desired, prior to operat-
ing the snow thrower.
For close snow removal on a smooth surface, raise skid shoes
higher on the auger housing.
Use a middle or lower position when the area to be cleared is
uneven, such as a gravel driveway
3.
•
•
Figure 8
CAUTION
It is not recommended that you operate this snow thrower on gravel
as it can easily pick up and throw loose gravel, causing personal
injury or damage to the snow thrower and surrounding property. NOTE: If you choose to operate the snow thrower on a gravel surface,
keep the skid shoes in position for maximum clearance between the
ground and the shave plate.
To adjust the skid shoes:
Loosen the six hex nuts (three on each side) and carriage bolts.
Move skid shoes to desired position. See Fig. 8.
1.
Figure 9
Drive
Control
Drive
Control
Cable
Auger
Control
Auger
Control
Cable
Shift Lever
Chute Tilt Control

9
ASSEMBLY
Make certain the entire bottom surface of skid shoe is against the
ground to avoid uneven wear on the skid shoes.
Retighten nuts and bolts securely.
Testing Auger Drive Control
When the auger control is released and in the disengaged “up” posi-
tion, the cable should have very little slack, but should NOT be tight.
In a well-ventilated area, start the snow thrower engine as
instructed in the Operation section. Make sure the throttle is set in
the fast position .
While standing in the operator’s position (behind the snow
thrower), engage the auger control and allow the auger to remain
engaged for approximately ten seconds before releasing the
auger control. Repeat this several times.
With the engine running in the fast position and the auger
control in the disengaged “up” position, walk to the front of the
machine. Confirm that the auger has completely stopped rotating
and shows no signs of motion.
If the auger shows any signs of rotating, immediately return to the
operator’s position and shut off the engine. Wait for all moving
parts to stop before readjusting the auger control cable.
Testing Drive Control & Shift Lever
Refer to Fig. 9 for location of controls.
Move the shift lever into sixth (6) position.
With the wheel drive control released, push the snow thrower
forward, then pull it back. The machine should move freely.
Engage the drive control and attempt to move the machine both
forward and back, resistance should be felt.
Move the shift lever into the fast reverse (R2) position and repeat
the previous two steps.
If you experienced resistance rolling the unit, either when repositioning
the shift lever from 6 to R2 or when attempting to move the machine
with the drive control released, adjust the drive control immediately.
See Adjusting Drive and Auger Controls.
Adjusting Drive and Auger Controls
From beneath the handle, pull downward on the appropriate cable
and unhook the spring found on the end of the cable from its
respective actuator bracket. Refer to Fig.s 9 and 10.
Slide the spring up the cable to expose the cable coupler threads
and lock nut. Refer to Fig. 11.
If adjusting the drive cable, thread the lock nut outward (down the
coupler) to lengthen the cable and allow the unit to move freely
when the control is released. Thread the lock nut inward (up the
coupler) to shorten the cable to reduce slippage and prevent the
machine from being easily moved with the drive control engaged.
If adjusting the auger cable, thread the lock nut down to lengthen
the cable as necessary to stop the auger from turning when the
control is released.
2.
3.
1.
2.
3.
4.
1.
2.
3.
4.
1.
2.
3.
4.
Figure 10
WARNING
Prior to operating your snow thrower, carefully read and follow all
instructions below. Perform all adjustments to verify your snow
thrower is operating safely and properly.
Figure 11
WARNING
Do not over-tighten the cable. Over-tightening may prevent the auger
from disengaging and compromise the safety of the snow thrower.
Reattach the spring to the rearmost hole in the actuator bracket.
Repeat the wheel drive and auger control tests to verify proper
adjustment. Repeat previous steps if necessary to attain proper
adjustment of each cable.
5.
6.

10
OPERATION
Now that you have setup your snow thrower, it’s important to become
acquainted with its controls and features. Refer to Figure 11.
SHIFT LEVER
The shift lever is located on the right side of the handle panel.
Place the shift lever into any of eight positions to control the
direction of travel and ground speed.
Forward
Your snow thrower has six forward (F) speeds. Position one (1) is
the slowest and position six (6) is the fastest.
Reverse
Your snow thrower has two reverse (R) speeds. One (1) is the
slower and two (2) is the faster.
IGNITION KEY
The ignition key is a safety device. It must be fully inserted in order for
the engine to start. Remove the ignition key when the snow thrower is
not in use.
NOTE: Do not turn the ignition key in an attempt to start the engine.
Doing so may cause it to break.
CHOKE CONTROL
The choke control is found on the rear of the engine and is activated
by rotating the knob clockwise. Activating the choke control closes the
choke plate on the carburetor and aids in starting the engine.
PRIMER
Depressing the primer forces fuel directly into the engine’s carburetor
to aid in cold-weather starting.
OIL FILL
Engine oil level can be checked and oil added through the oil fill.
Figure 11
Meets ANSI Safety Standards
Craftsman Snow Throwers conform to the safety standard of the American National Standards Institute (ANSI).
Engine Controls
Recoil Starter
Primer
Ignition
Key
Handle
Electric Starter
Switch
Bulb
Choke
Control
Throttle
Control
Drive Control
Headlight
Gas Cap
Oil Fill
Chute
Assembly
Drift
Cutters
Clean-Out
Tool
Auger Control
Shift Lever
Two-Way
Chute Control™
Wheel Steering
Control
Chute Directional
Control
Skid Shoe
Augers

11
OPERATION
THROTTLE CONTROL
The throttle control is located on the rear of the engine.
It regulates the speed of the engine and will shut off the
engine when moved into the STOP position.
SKID SHOES
Position the skid shoes based on surface conditions. Adjust
upward for hard-packed snow. Adjust downward when
operating on gravel or crushed rock surfaces.
RECOIL STARTER HANDLE
This handle is used to manually start the engine.
ELECTRIC STARTER BUTTON
Pressing the electric starter button engages the engine’s
electric starter when plugged into a 120V power source.
ELECTRIC STARTER OUTLET
Requires the use of a three-prong outdoor extension cord (included)
and a 120V power source/wall outlet.
AUGERS
When engaged, the augers rotate and draw snow into the auger
housing.
CHUTE ASSEMBLY
Snow drawn into the auger housing is discharged out the chute
assembly.
GAS CAP
Unthread the gas cap to add gasoline to the fuel tank.
AUGER CONTROL
The auger control is located on the left handle. Squeeze the control
grip against the handle to engage the augers and start snow throwing
action. Release to stop.
DRIVE CONTROL/ AUGER CONTROL LOCK
The drive control is located on the right handle. Squeeze the control
grip against the handle to engage the wheel drive. Release to stop.
The drive control also locks the auger control so you can operate
the chute directional control without interrupting the snow throwing
process. If the auger control is engaged simultaneously with the drive
control, the operator can release the auger control (on the left handle)
and the augers will remain engaged. Release both controls to stop the
augers and wheel drive.
NOTE: Always release the drive control before changing speeds.
Failure to do so will result in increased wear on your machine’s drive
system.
TWO-WAY CHUTE CONTROL™
The distance snow is thrown can be changed by adjusting the angle
of the chute assembly. Move the chute control forward to decrease the
distance, toward the rear to increase.
CHUTE DIRECTIONAL CONTROL
The chute directional control is located on the left side of the snow
thrower.
To change the direction in which snow is thrown, crank clockwise
to discharge to the left and counterclockwise to discharge to the
right.
WHEEL STEERING CONTROLS
The left and right wheel steering controls are located on the underside
of the handles. Squeeze the right control to turn right; squeeze the left
control to turn left.
NOTE: Operate the snow thrower in open areas until you are familiar
with these controls.
HEADLIGHT
The headlight is located on top of the handle panel. It may be adjusted
by loosening the screws on each side of the light housing, pivoting the
light up or down, and retightening the screws.
DRIFT CUTTERS
The drift cutters are designed for use in deep snow. Their use is
optional for normal snow conditions.
•
AUGER
CONTROL
GO
DRIVE
CONTROL
GO

12
OPERATION
CLEAN-OUT TOOL
The chute clean-out tool is conveniently fastened to the rear of the
auger housing with a mounting clip. Should snow and ice become
lodged in the chute assembly during operation, proceed as follows to
safely clean the chute assembly and chute opening:
Release both the Auger Control and the Drive Control.
Stop the engine by removing the ignition key.
Remove the clean-out tool from the clip which secures it to the
rear of the auger housing.
Use the shovel-shaped end of the clean-out tool to dislodge and
scoop any snow and ice which has formed in and near the chute
assembly.
Refasten the clean-out tool to the mounting clip on the rear of
the auger housing, reinsert the ignition key and start the snow
thrower’s engine.
While standing in the operator’s position (behind the snow
thrower), engage the auger control for a few seconds to clear any
remaining snow and ice from the chute assembly.
BEFORE STARTING ENGINE
Oil
The unit was shipped with oil in the engine. Check oil level before each
operation to ensure adequate oil in the engine. For further instructions,
refer to the steps on page 16.
Remove the dipstick from the oil fill.
Check and make sure that the level of oil is up to the FULL mark
on the dipstick.
If the oil level is not up to FULL, pour fresh motor oil (5W-30, with
a minimum classification of SL/SJ) slowly through the opening.
Replace oil fill dipstick and check oil level again.
Gasoline
Store gasoline in a clean, approved container and keep the cap in
place on the container.
Make sure that the container from which you pour the gasoline is
clean and free from rust or other foreign particles.
1.
2.
3.
4.
5.
6.
1.
2.
3.
•
•
NOTE: A plastic dust cap may be found inside the fuel fill opening.
Remove and discard, if present.
Always fill the fuel tank outdoors and use a funnel or spout to
prevent spilling.
Fill fuel tank with clean, fresh, unleaded gasoline.
Never fill the fuel tank completely. Fill the tank to within 1/2” from
the top to provide space for expansion of fuel.
Make sure to wipe off any spilled fuel before starting the engine.
STARTING THE ENGINE
Attach spark plug wire to spark plug. Make certain the metal
loop on the end of the spark plug wire (inside the rubber boot) is
fastened securely over the metal tip on the spark plug.
Make certain both the auger control and drive control are in the
disengaged (released) position.
Move throttle control up to FAST position. Insert ignition key
into slot. Make sure it snaps into place. Do not attempt to turn the
key.
NOTE: The engine cannot start without the key is fully inserted into the
ignition switch.
Electric Starter
Determine that your home’s wiring is a three-wire grounded system.
Ask a licensed electrician if you are not certain.
If you have a grounded three-prong receptacle, proceed as follows:
Plug the extension cord into the outlet located on the engine’s
surface. Plug the other end of extension cord into a three-prong
120-volt, grounded, AC outlet in a well-ventilated area.
Rotate choke control to FULL choke position (for a cold
engine start).
NOTE: If the engine is already warm, place choke control in the OFF
position instead of FULL .
3. Push the primer two or three times for cold engine start, making
sure to cover vent hole in the center of the primer when pushing.
NOTE: DO NOT use primer to restart a warm engine after a short
shutdown.
4. Push starter button to start engine.
NOTE: Do not hold the button down for longer than seven (7) seconds
at a time. Doing so may damage your engine’s electric starter.
•
•
•
•
1.
2.
3.
1.
2.
WARNING
Never use your hands to clear a clogged chute assembly. Shut
off engine and remain behind handles until all moving parts have
stopped before unclogging.
WARNING
Read, understand, and follow all instructions and warnings on the
machine and in this manual before operating.
WARNING
Use extreme care when handling gasoline. Gasoline is extremely
flammable and the vapors are explosive. Never fuel the machine
indoors or while the engine is hot or running. Extinguish cigarettes,
cigars, pipes and other sources of ignition.
WARNING
The optional electric starter is equipped with a grounded three-wire
power cord and plug, and is designed to operate on 120 volt AC
household current. It must be used with a properly grounded three-
prong receptacle at all times to avoid the possibility of electric shock.
Follow all instructions carefully prior to operating the electric starter.

13
OPERATION
5. Once the engine starts, release starter button.
6. As the engine warms, slowly rotate choke control to the OFF
position. If the engine falters, quickly rotate choke control back to
FULL then slowly into the OFF position again.
7. When disconnecting the extension cord, always unplug the end
at the three-prong wall outlet before unplugging the opposite end
from the snow thrower.
Recoil Starter
Rotate choke control to FULL choke position (cold engine
start).
NOTE: If the engine is already warm, place choke control in the OFF
position instead of FULL .
2. Push the primer two or three times for cold engine start, making
sure to cover vent hole in the center of the primer when pushing.
NOTE: DO NOT use primer to restart a warm engine after a short
shutdown.
NOTE: Additional priming may be necessary if the temperature is
below 15° Fahrenheit.
3. Grasp the recoil starter handle and slowly pull the rope out. At the
point where it becomes slightly harder to pull the rope, slowly
allow the rope to recoil.
4. Pull the starter handle with a firm, rapid stroke. Do not release
the handle and allow it to snap back. Keep a firm hold on the
starter handle and allow it to slowly recoil.
5. As the engine warms, slowly rotate the choke control to the OFF
position. If the engine falters, quickly rotate the choke control
back to the FULL position and then slowly into the OFF
position again.
NOTE: Allow the engine to warm up for a few minutes after starting.
The engine will not develop full power until it reaches operating
temperatures.
STOPPING THE ENGINE
Run engine for a few minutes before stopping to help dry off any
moisture on the engine.
Move throttle control to STOP STOP position.
Remove the ignition key and store in a safe place.
Wipe all snow and moisture from the area around the engine as
well as the area in and around the drive control and auger control.
Also, engage and release both controls several times.
TO ENGAGE DRIVE
With the throttle control in the Fast position, move shift lever
into one of the six forward (F) positions or two reverse (R)
positions. Select a speed appropriate for the snow conditions and
a pace you’re comfortable with.
1.
1.
2.
3.
1.
NOTE: When selecting a Drive Speed, use the slower speeds until
you are comfortable and familiar with the operation of the snow
thrower.
2. Squeeze the drive control against the handle the snow thrower
will move. Release it and drive motion will stop.
NOTE: NEVER reposition the shift lever (change speeds or direction
of travel) without first releasing the drive control and bringing the snow
thrower to a complete stop. Doing so will result in premature wear to
the snow thrower’s drive system.
TO ENGAGE AUGERS
To engage the augers and start throwing snow, squeeze the
auger control against the left handle. Release to stop the augers.
REPLACING SHEAR PINS
The augers are secured to the spiral shaft with two shear pins and cot-
ter pins. If the auger should strike a foreign object or ice jam, the snow
thrower is designed so that the shear pins may shear. If the augers will
not turn, check to see if the pins have sheared. See Figure 12.
1.
CAUTION
NEVER replace the auger shear pins with anything other than OEM
Part No. 738-04124A replacement shear pins. Any damage to the
auger gearbox or other components as a result of failing to do so will
NOT be covered by your snow thrower’s warranty.
WARNING
Always turn off the snow thrower’s engine and remove the key prior to
replacing shear pins.
Figure 12

14
SERVICE AND MAINTENANCE
ENGINE MAINTENANCE
Checking Engine Oil
Be sure engine is upright and level
Unscrew oil fill cap from oil filler tube and wipe dipstick clean.
Screw oil fill cap back into oil filler tube. Tighten securely.
Unscrew and remove oil fill cap from oil filler tube. Note oil level.
If oil reading on dipstick is below “ADD” mark, slowly add oil to
reach “FULL” level. See Figure 13.
Screw oil fill cap back into oil filler tube. Tighten securely.
Wipe away any spilled oil.
Changing Engine Oil
To avoid engine damage, it is important to:
Check oil level before each use and every five operating hours.
Change oil after first two (2) operating hours and every 25 operat-
ing hours thereafter.
Engine should still be warm but not hot from recent use.
Locate the oil drain plug. See Figure 14.
Be sure the gas cap is on and is tightened securely.
Clean area around oil drain plug.
Place approved recyclable oil container under oil drain plug.
Remove oil drain plug and drain oil.
NOTE: Used oil must be disposed of at a proper collection center.
6. Install oil drain plug and tighten securely.
7. Refill the engine with recommended oil. See Recommended Oil
Usage chart. The engine’s oil capacity is 28 ounces.
8. Wipe away any spilled oil.
1.
2.
3.
4.
5.
6.
•
•
•
1.
2.
3.
4.
5.
Figure 13
Figure 14
WARNING
Before lubricating, repairing, or inspecting, disengage all controls
and stop engine. Wait until all moving parts have come to a complete
stop. FULL
ADD
Maintain oil level
between FULL and ADD
-20 F
O
32 F
O
32 F
O
40 F
O
-20 C
O
20 F
O
40 C
O
30 C
O
20 C
O
10 C
O
0 C
O
-10 C
O
-30 C
O
0 F
O
60 F
O
80 F
O
100 F
O
Non-Multi Grade
SAE 30
Multi Grade
SAE 5W-30 or SAE 10W-30
Synthetic Multi Grade
SAE 0W-30
Recommended Oil Usage
Oil FIll
Oil Drain

15
SERVICE AND MAINTENANCE
Checking Spark Plug
Check spark plug yearly or every 100 operating hours
Clean area around spark plug.
Remove and inspect spark plug.
Replace spark plug if porcelain is cracked or if electrodes are
pitted, burned or fouled with deposits
Check electrode gap with a feeler gauge and set gap to .030
(0.76mm) if necessary. See Figure 15.
Reinstall spark plug and tighten securely.
NOTE: A resistor spark plug must be used for replacement. Contact a
Sears Parts and Repair Center for a replacement spark plug.
Carburetor
If you suspect your carburetor needs adjusting, see a Sears Parts and
Repair Center. Engine performance should not be affected at altitudes
up to 7,000 feet (2,134 meters). For operation at higher elevations,
contact a Sears Parts and Repair Center.
Engine Speed
LUBRICATION
Drive and Shifting Mechanism
At least once a season or after every 25 hours of operation, remove
rear cover. Lubricate all chains, sprockets, gears, bearings, shafts, and
the shifting mechanism. Use engine oil or a spray lubricant. Refer to
Figure 16.
NOTE: Be careful not to get any oil on the aluminum drive plate or
rubber friction wheel. Doing so will hinder the snow thrower’s drive
system. Wipe off any excess or spilled oil.
Wheels
At least once a season, remove both wheels. Clean and coat the axles
with a multipurpose automotive grease before reinstalling wheels.
Chute Directional Control
Once a season, lubricate the eye bolt bushing and the spiral with
3-in-1 oil.
Auger Shaft
At least once a season, remove the shear pins on auger shaft. Spray
lubricant inside shaft, and around the spacers and flange bearings
found at either end of the shaft. See Figure 17.
1.
2.
3.
4.
5.
Figure 15
23
1
1. .030 (.76 mm) Gap
2. Electrodes
3. Porcelain
WARNING
Avoid serious injury or death, DO NOT modify engine in any way.
Tampering with the governor setting can cause the engine and
equipment to operate at unsafe speeds. NEVER tamper with factory
setting of engine governor. Running the engine faster than the speed
set at the factory is dangerous.
Figure 16
Figure 17

16
SERVICE AND MAINTENANCE
SHAVE PLATE AND SKID SHOES
The shave plate and skid shoes on the bottom of the snow thrower are
subject to wear. They should be checked periodically and replaced
when necessary.
Skid Shoes
NOTE: The skid shoes on this machine have two wear edges. When
one side wears out, they can be rotated 180° to use the other edge.
Remove the six carriage bolts and hex nuts that secure the two
skid shoes to the sides of the auger housing. Refer to Figure 18.
Position the new skid shoes and secure with the carriage bolts
and hex nuts. Make certain the skid shoes are adjusted to be
level.
Shave Plate
Remove the hex nuts and carriage bolts that secure the shave
plate to the bottom of the housing.
Remove the rear most hex nut and carriage bolt securing the back
of each skid shoe to the sides of the housing. Loosen the four
remaining hex nuts securing the skid shoes.
Slide the shave plate out of the off-set slot at the bottom of the
housing, and from between the skid shoes and side panels of the
housing.
With the mounting holes toward the back, slide the new shave
plate into position and secure with the fasteners removed
previously.
ADJUSTMENTS
Shift Rod
If the full range of speeds (forward and reverse) cannot be achieved,
refer to the figure to the left and adjust the shift rod as follows:
Looking underneath the handle panel, note which of the three
holes in the shift lever the ferrule is inserted into. Also note the
direction of insertion. Then remove the internal cotter pin and flat
washer from the ferrule and withdraw the ferrule from the shift
lever. See Figure 19.
Place shift lever in sixth (6) position or fastest forward speed.
Push shift rod and shift arm assembly down sharply as far as it
will go to put the drive into the fastest forward position.
As necessary, rotate the ferrule up or down the shift rod until the
ferrule lines up with the hole from which it was earlier removed.
See Figure 19.
From the direction noted earlier, insert the ferrule into the proper
hole.
Reinstall the washer and the internal cotter pin.
Chute Control
The distance snow is thrown can be adjusted by adjusting the angle of
the chute assembly. Refer to the Operation section for instructions.
The remote chute control cables have been pre-adjusted at the factory.
Move the remote chute lever on the control panel forward to pivot the
upper chute down; move the lever rearward to pivot the upper chute
up.
1.
2.
1.
2.
3.
4.
1.
2.
3.
4.
5.
6.
Figure 18
Figure 19

17
SERVICE AND MAINTENANCE
Drive Control
Refer to the Adjustment section of the Assembly instructions to adjust
the drive control. To further check the adjustment, proceed as follows:
With the snow thrower tipped forward (be certain to drain gasoline
or place plastic film under the gas cap if the snow thrower has
already been operated), remove the frame cover underneath the
snow thrower by removing the self-tapping screws.
Locate the opening between the axle support bracket and
the front frame support (See Figure 20). Looking through this
opening, with the drive control released, there must be clearance
between the friction wheel and the drive plate in all positions of
the shift lever.
With the drive control engaged, the friction wheel must contact
the drive plate. See Figure 20.
If there is no friction wheel clearance, or the friction wheel does
not solidly contact the drive plate, re-adjust the lock nut on the
lower end of the drive cable following the instructions in the
Assembly section.
Reassemble the frame cover.
NOTE: If you placed plastic film under the gas cap earlier, remove it
now.
Chute Bracket
If the spiral at the bottom of the chute directional control is not fully
engaging with the chute assembly, the chute bracket can be adjusted.
To do so:
Loosen the two nuts which secure the chute bracket and reposi-
tion it slightly. See Figure 21.
Retighten the nuts.
Auger Control
Refer to the Assembly section for instructions on adjusting the auger
control cable.
Skid Shoes
Refer to the Assembly section for instructions on adjusting the skid
shoes.
BELT REPLACEMENT
Belt Removal Preparation
Disconnect the chute crank assembly at the discharge chute end
by removing the hairpin clip and the flat washer. Refer to Figure
22.
1.
2.
3.
4.
5.
1.
2.
1.
Figure 20
Figure 21
Figure 22
Axle Supp.
Brkt.
Opening
Drive
Plate
Friction
Wheel

18
SERVICE AND MAINTENANCE
Remove the plastic belt cover, located near the engine, by remov-
ing the three self-tapping screws that secure it. See Figure 23.
Loosen the bolt shown in Figure 24 securing the belt keeper
bracket and remove the other bolt. Push the belt keeper and
bracket up off the engine pulley. See Figure 24.
Auger Belt Replacement
Remove the hairpin clip and flat washer from the ferrule in order
to disconnect the auger idler rod from the brake bracket assem-
bly. See Figure 25.
NOTE: Make sure that the location of the ferrule on the auger
idler rod is maintained.
Slip the auger control belt (the front belt) off the engine pulley.
Pull the brake bracket assembly towards the cable guide roller
and unhook the auger cable “Z” fitting. See Figure 26.
From both sides of the the frame assembly, use a 1/2” wrench to
remove the three hex tap screws securing the frame to the auger
housing assembly. Refer to Figure 22 on previous page.
NOTE: Do not remove the lower hex flange lock nut on each side.
Place a block of wood underneath the auger housing as shown in
Figure 27 and separate auger housing from the frame by tilting the
housing forward and pulling up the handles.
Block the impeller with a piece of wood to prevent it from spinning
and use a 1/2” wrench to remove the hex screw and flat washer
from the center of the pulley on the auger housing. See Figure 28.
Lift the brake bracket assembly out of the pulley groove and slide
the pulley assembly off the posts of the auger pulley adapter to
remove the old belt. Refer to Figure 28.
2.
3.
1.
2.
3.
4.
5.
6.
7.
Figure 23
Figure 24
Figure 25
Figure 26
Loosen
Remove

19
SERVICE AND MAINTENANCE
NOTE: The pulley adapter may slide off the auger input shaft when
removing the pulley. Use extra caution to ensure the adapter does fall
and/or get damaged when removing the pulley.
8. Place the new auger belt in the V-groove of the auger pulley and
place the pulley w/belt inside the belt keepers.
9. Turn the pulley as necessary to align its three slots approximately
with the posts of the pulley adapter, then move the brake bracket
assembly away from the input shaft. While aligning the pulley
slots and adapter posts, push the auger pulley fully onto the
adapter. Refer to Figure 28.
NOTE: If the pulley adapter was removed with the pulley, align the
splines of the pulley adapter and auger input shaft, and push the pulley
and adapter onto the input shaft. Refer to Figure 28.
10. Slide the washer onto the hex screw removed earlier and apply
Loctite 262 to the threads of the hex screw.
11. Insert the hex screw through the pulley assembly and into the
threads of the input shaft. Torque the hex screw to 250-325 in.
/lbs. to secure the auger pulley assembly on the input shaft.
12. If also replacing the drive belt, proceed to the “Drive Belt”
instruction. If not, reposition the transmission frame back onto
the auger housing. Install the drive belt on the engine pulley,
re-connect the auger cable “Z” fitting and auger idler rod ferrule
to the brake bracket. Reposition and secure the engine pulley
belt guard, and re-install the belt cover.
NOTE: Make sure to remove the piece of wood blocking the impeller.
Check the auger drive belt adjustment. With the auger clutch lever
in the disengaged position, the top surface of the new belt should be
even with the outside diameter of the pulley.
To adjust, disconnect ferrule from brake bracket assembly. Thread
ferrule in (towards idler) to increase tension on belt, or out to decrease
belt tension.
NOTE: The brake puck must always be firmly seated in the pulley
groove when auger control is disengaged.
IMPORTANT: Repeat the “Auger Drive Control Test” from the As-
sembly section before operating snow thrower.
Drive Belt Replacement
If not already done, remove the auger drive belt from the front pulley of
the engine double pulley. Refer to “Auger Belt Replacement” instruc-
tions in the previous sub-section.
1. a. Pull the idler pulley away from the backside of the drive belt to
relieve the tension. See Figure 29.
b. Slip the drive belt off the idler pulley. Carefully release the idler
pulley.
2. Roll the drive belt off the lower drive pulley.
3. Remove the belt from the engine pulley.
4. Install the new belt on the pulleys in the reverse order and
re-tension with the idler pulley.
5. Reassemble by performing the previous steps in the opposite
order and manner of removal.
Figure 27
Figure 28
A
C
B
Pulley Slot
Adapter Post
Figure 29
2
3
1a
1b

20
SERVICE AND MAINTENANCE
Figure 30
Figure 31
CHANGING FRICTION WHEEL
The rubber on the friction wheel is subject to wear and should be
checked after the first 25 hours of operation, and periodically there-
after. Replace the friction wheel if any signs of wear or cracking are
found.
Drain the gasoline from the snow thrower, or place a piece of
plastic under the gas cap.
Tip the snow thrower up and forward, so that it rests on the
housing.
Remove screws from the frame cover underneath the snow
thrower (refer to Figure 30). Remove the right wheel from the
axle.
Using a 3/4” wrench, hold the hex shaft and remove the hex
screw and belleville washer and bearing from left side of the
frame. Refer to Figure 31.
Holding the friction wheel assembly, slide the hex shaft out of
the friction wheel assembly and the right side of the frame. The
spacer on the left side of the hex shaft will fall and the sprocket
should remain hanging lose in the chain.
Lift the friction wheel assembly out between the axle shaft and
the drive shaft assemblies.
Remove four screws securing the friction wheel to the hub
assembly (refer to Figure 32). Discard old friction wheel.
Reassemble the new friction wheel onto the hub assembly,
tightening the four screws in rotation and with equal force. It is
important to assemble the friction wheel symmetrically for proper
functioning.
1.
2.
3.
4.
5.
6.
7.
8.
Figure 32
Friction Wheel Ass’y.
Hex Shaft
Slide Hex
Shaft Out
Right Side
Remove Hex Screw
Belleville Washer

21
SERVICE AND MAINTENANCE
Reposition the friction wheel assembly in the snow thrower frame.
Insert the pin from the shift arm assembly into the friction wheel
assembly and hold assembly in position. Refer to Figure 33.
Slide the hex shaft through the right side of the frame toward the
left side and through the friction wheel assembly.
After making certain that the chain is on both the large and the
small sprocket, align the hex shaft with the hex hub of the small
sprocket, and slide the shaft through the sprocket.
NOTE: If the sprocket fell from the snow thrower while removing the
hex shaft, place the sprocket on the chain. Realign the sprocket on the
chain with the hex hub facing the right side of unit. Position the hex
hub of the sprocket toward the friction wheel when sliding the sprocket
on to the hex shaft.
12. Slide the spacer onto the end of the hex shaft.
13. Align the bearing on the right end of the hex shaft with the hole
in the right side of the frame, then push the hex shaft to the left
into position in the frame.
14. Slide the bearing onto the left end of the hex shaft and press into
the hole on the left side the frame.
15. Place the belleville washer (rounded side toward head) onto the
hex screw removed earlier, and insert the screw into the threaded
hole of the hex shaft.
16. Gradually tighten the hex screw to fully seat the bearings in each
side of the frame and to secure the hex shaft.
9.
10.
11.
Figure 33
Interval Item Service Service Log
Each Use Engine oil level
Loose or missing hardware
Unit and engine.
1.
2.
3.
Check
Tighten or replace
Clean
1.
2.
3.
1st 5 - 8 hours Engine oil1. Change1.
25 hours Engine oil†
Air cleaner
Control linkages and pivots
1.
2.
3.
Change
Clean or replace
Lube with light oil
1.
2.
3.
50 hours Engine oil1. Change1.
Annually or 100 hours Spark plug1. Clean, replace, re-gap1.
Before Storage Fuel system1. Run engine until it stops from lack of
fuel or add a gasoline additive to the
gas in the tank.
1.
† Under heavy load or in high temperatures
WARNING
Before performing any type of maintenance/service, disengage all
controls and stop the engine. Wait until all moving parts have come to
a complete stop. Disconnect spark plug wire and ground it against the
engine to prevent unintended starting. Always wear safety glasses during
operation or while performing any adjustments or repairs.
Follow the maintenance schedule given below. This chart describes
service guidelines only. Use the Service Log column to keep track of
completed maintenance tasks. To locate the nearest Sears Service
Center or to schedule service, simply contact Sears at
1-800-4-MY-HOME®.
MAINTENANCE SCHEDULE
17. Position the frame cover on the bottom of the frame and secure
with the self-tapping screws. Pivot the snow thrower down to it
normal operating position.
NOTE: If you placed plastic film under the gas cap, be certain to
remove it.

22
OFF-SEASON STORAGE
PREPARING ENGINE
Short-Term Storage
It is important to prevent gum deposits from forming in essential fuel
system parts of the engine such as the carburetor, fuel filter, fuel hose,
or tank during short-term storage (15-30 days). To prevent this, treat
the fuel system using a fuel stabilizer.
Fuel stabilizer (such as STA-BIL™ or ULTRA-FRESH™) is an accept-
able alternative in minimizing the formation of fuel gum deposits during
storage. Add stabilizer to gasoline in fuel tank or storage container.
Always follow mix ratio found on stabilizer container. Run engine at
least 10 minutes after adding stabilizer to allow it to reach the carbure-
tor.
WARNING
Never store snow thrower with fuel in tank indoors or in poorly venti-
lated areas, where fuel fumes may reach an open flame, spark or pilot
light as on a furnace, water heater, clothes dryer or gas appliance.
CAUTION
Alcohol blended fuels (called gasohol or using ethanol or methanol)
can attract moisture which leads to separation and formation of acids
during storage. Acidic gas can damage the fuel system of an engine
while in storage.
Long-Term Storage
To avoid engine problems, the fuel system should be emptied before
storage for 30 days or longer.
WARNING
Fuel left in engine during warm weather deteriorates and will cause
serious starting problems.
1. Run the engine until the fuel tank is empty and it stops due to lack
of fuel. Do not attempt to pour fuel from the engine.
WARNING
Never use engine or carburetor cleaning products in the fuel tank or
permanent damage may occur.
2. Remove the spark plug and pour one (1) ounce of engine oil
through the spark plug hole into the cylinder. Cover spark plug hole
with a rag and crank the engine several times to distribute the oil.
Replace spark plug.
If the snow thrower will not be used for 30 days or longer, or if it is the end of the snow season when the last possibility of snow is gone, the
equipment needs to be stored properly. Follow storage instructions below to ensure top performance from the snow thrower for many more years.
PREPARING SNOW THROWER
When storing the snow thrower in an unventilated or metal stor-
age shed, care should be taken to rustproof the equipment. Using
a light oil or silicone, coat the equipment, especially any chains,
springs, bearings and cables.
Remove all dirt from exterior of engine and equipment.
Follow lubrication recommendations.
Store equipment in a clean, dry area.
•
•
•
•

23
TROUBLESHOOTING
Problem Cause Remedy
Engine fails to start Choke control not in ON position
Spark plug wire disconnected
Faulty spark plug
Fuel tank empty or stale fuel
Engine not primed.
Safety key not inserted.
1.
2.
3.
4.
5.
6.
Move choke control to ON position.
Connect wire to spark plug.
Clean, adjust gap, or replace.
Fill tank with clean, fresh gasoline.
Prime engine as instructed in the Operation Section.
Insert key fully into the switch.
1.
2.
3.
4.
5.
6.
Engine runs erratically Engine running on CHOKE
Stale fuel
Water or dirt in fuel system
Carburetor out of adjustment
1.
2.
3.
4.
Move choke control to OFF position.
Fill tank with clean, fresh gasoline.
Drain fuel tank. Refill with fresh fuel.
Contact your Sears Parts & Repair Center.
1.
2.
3.
4.
Engine overheats Carburetor not adjusted properly1. Contact your Sears Parts & Repair Center.1.
Excessive vibration Loose parts or damaged auger1. Stop engine immediately and disconnect spark plug
wire. Tighten all bolts and nuts. If vibration continues,
have unit serviced by a Sears Parts & Repair Center.
1.
Loss of power Spark plug wire loose.
Gas cap vent hole plugged.
1.
2.
Connect and tighten spark plug wire.
Remove ice and snow from gas cap. Be certain vent
hole is clear.
1.
2.
Unit fails to propel itself Drive cable in need of adjustment
Drive belt loose or damaged
1.
2.
Adjust drive control cable. Refer to Service and
Maintenance section.
Replace drive belt. Refer to Service and Mainte-
nance section.
1.
2.
Unit fails to discharge snow Chute assembly clogged.
Foreign object lodged in auger.
Auger cable in need of adjustment.
Auger belt loose or damaged.
Shear pin(s) sheared.
1.
2.
3.
4.
5.
Stop engine immediately and disconnect spark plug
wire. Clean chute assembly and inside of auger
housing with clean-out tool or a stick.
Stop engine immediately and disconnect spark plug
wire. Remove object from auger with clean-out tool
or a stick.
Adjust auger control cable. Refer to Assembly
section.
Replace auger belt. Refer to Service and Mainte-
nance section.
Replace with new shear pin(s).
1.
2.
3.
4.
5.
This section addresses minor service issues. To locate the nearest Sears Service Center or to schedule service, simply contact Sears
at 1-800-4-MY-HOME®.
WARNING
Before performing any type of maintenance/service, disengage all
controls and stop the engine. Wait until all moving parts have come to
a complete stop. Disconnect spark plug wire and ground it against the
engine to prevent unintended starting. Always wear safety glasses during
operation or while performing any adjustments or repairs.

24
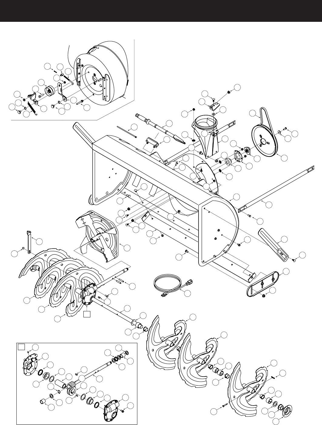
PARTS LIST
Craftsman Snow Thrower Model 247.88045
26
29
59
11
21
38
9
54
1
65
21
32
74
72
76
31
25
74
40
66
51
68
67
70
26
70
40
49
39
44
49
49
32
21
8
8
83
3
46
2
27
7
7
7
32
49
42
45
13
33
34
14
36
62
22
11
6
14
30
21
36
48
10
31
17
11
21
60
47
52
21
15
11
21
57
58
15
63
64
22
11
11
22
5
28
43
4
35
18
55
37
53 20
24 19
50
41
43 37
12
16
75
61
73
69
23
71
75
23
56

25
PARTS LIST
Craftsman Snow Thrower Model 247.88045
Ref. No. Part No. Description
1. 05244B Housing, Bearing
2. 05845C Housing, Bearing
3. 618-04515 Gear Box Assembly, Auger
4. 618-0281A Bracket Assy, Auger Brake
5. 684-0090B Impellar, 16”
6. 684-04224 Housing, Auger - 45”
7. 684-04151 Spiral Assy, LH
8. 684-04152 Spiral Assy, RH
9. 710-1245B Screw, 5/16-24 x .875
10. 710-0389 Bolt, Carriage, 3/8-16 x .750
11. 710-0451 Screw, Carriage, 5/16-18 x .75
12. 710-0459A Scr, Hex Cap, 3/8-24 x 1.5
13. 710-0376 Scr,Hex Cap, 5/16-18 x 1.00
14. 710-04484 Screw, 5/16-18 x .750
15. 726-04012 Nut, Push
16. 629-0071 Extension Cord, 110V
17. 710-3168 Bolt, Carriage, 3/8-16 x 1.0
18. 710-04606 Screw, 5/16-18 x .4300
19. 711-0677 Ferrule
20. 712-0116 Nut, Hex Lock, 3/8-24
21. 712-04063 Nut, Flnge Lk, 5/16-18
22. 712-04065 Nut, Flg Lk, 3/8-16
23. 741-0217 Sleeve
24. 714-0104 Pin, Internal Cotter
25. 714-0126 Key, Hi Pro, 3/16 x 3/4
26. 714-0135 Key, Woodruff,1/4 x 3/4
27. 714-04040 Pin, Bowtie Cotter
28. 715-0118 Pin, Spirol, 5/16 x 1.75
29. 725-0157 Tie, Cable
30. 731-1696A Adapter, Chute, 6”
31. 738-0275 Shf, Gear, Worm
32. 731-05163 Spacer, 1.0 x 1.5 x 1
33. 731-2635 Clip, Mounting
34. 731-2643 Tool, Cleanout
35. 732-0858 Spring, Extension
36. 736-0159 Washer, .349 x .879 x .063
37. 736-0174 Washer, .625 x .885 x .015
38. 736-0505 Washer, Flat, .34 x 1.50 x .150
Ref. No. Part No. Description
39. 750-04020 Spacer, 1.004 x 1.375 x .25
40. 721-0146 Oil Seal
41. 736-3008 Washer, .344 x .75 x .12
42. 736-3046A Washer, 1.01 x 1.86 x .06
43. 738-0281 Screw, Shoulder, .625 x .17
44. 738-04155 Pin, Shear, .25 x 1.75
45. 738-04159 Axle, Spiral, 45”
46. 741-0192 Bearing, Flange w/Flats
47. 741-04024 Bearing, Self Aligning
48. 741-0475 Bushing, Nylon
49. 741-0494 Bushing, Flange, 1.051 x 1.16
50. 747-0980A Rod, Auger Idler
51. 721-0325 Plug
52. 754-0222A V Belt,1/2 x 44
53. 756-0178 Pulley, Flat Idler, 2.75 OD
54. 756-04244A Pulley, Auger Drive, 10.0
55. 784-0385B Bracket, Auger Idler
56. 790-00264A Bracket, Gear Box Support
57. 784-5123 Bracket, Chute Crank
58. 710-0276 Screw, Carriage, 5/16-18 x 1.00
59. 790-00181 Drift Cutter
60. 790-00280 Plate, Shave, 45”
61. 741-0184 Brg, Thrust
62. 784-5697 Shoe, Skid
63. 749-04384 Support Tube
64. 710-3008 Screw, 5/16-18 x .75
65. 748-04067A Pulley, Adapter, .75 Dia.
66. 618-0246 Hsg Assy Auger RH (Inc. 40 & 70)
67. 618-0247 Hsg Assy Auger LH (Inc. 40 & 70)
68. 710-1260A Screw, LD, 5/16-18 x .750
69. 711-04714 Shf, Drive, Auger
70. 741-0670 Flange Bearing
71. 716-0111 Ext, Ret, Ring
72. 717-1425 Gear, Worm, LH
73. 721-0145 Seal, Oil
74. 736-0266 Washer, Flat, 1.52 ID x 2.0 OD
75. 736-0291 Washer, Flat, .88 ID x .38 OD
76. 717-0299 Gear, Worm, Dbl Thread

26
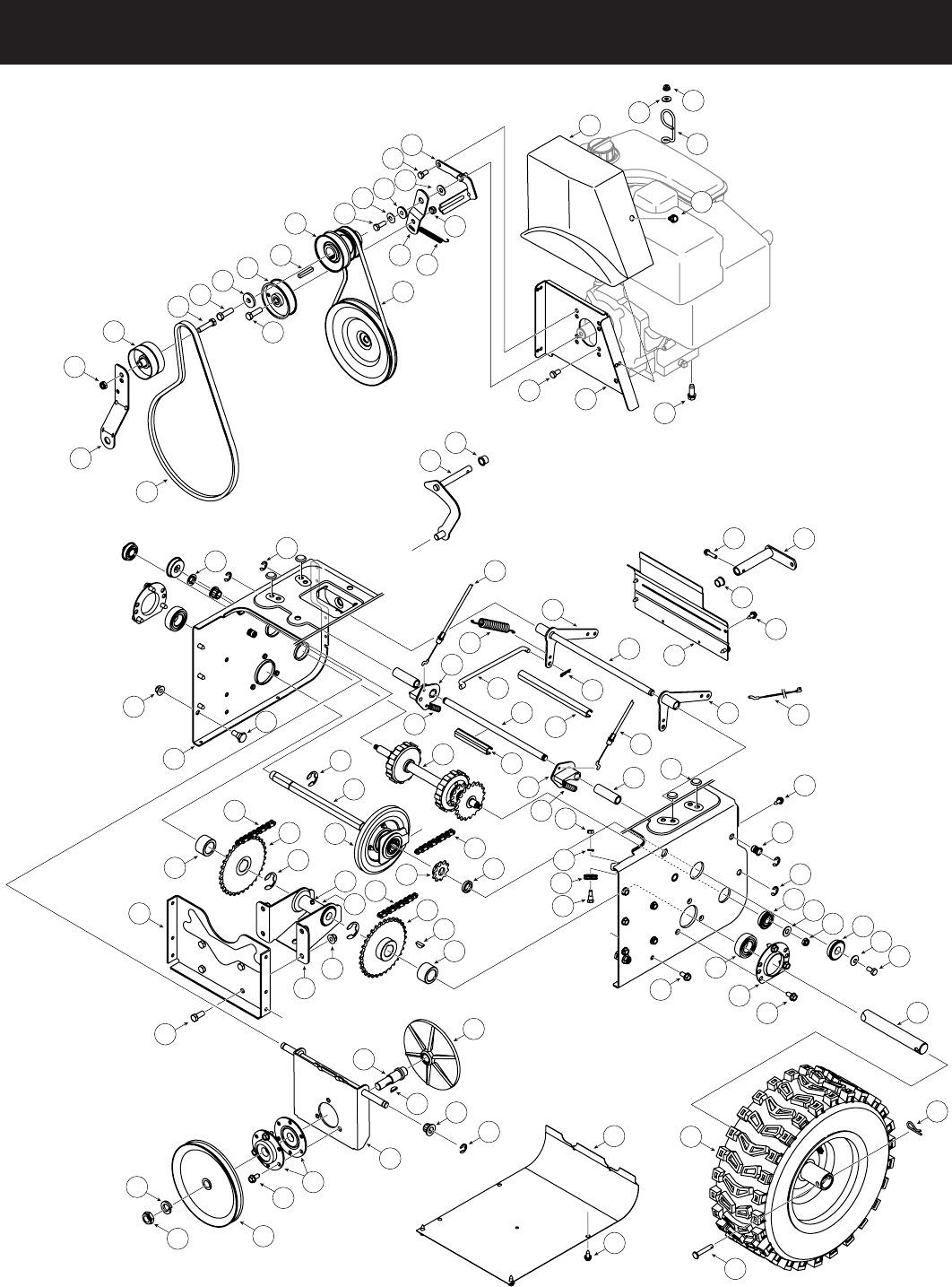
PARTS LIST
1
A
A
53
50
6
42
73 17
52
57
56
22
30
78
77
30
49
63
44 43
69
58
21
5
26
33
38
20
19
34
3
52
27
79
76
80
75
81
74
9
19
32
21
2
39
7
36
14
72
41
19
19
35
29
31
19
68
47
60
61
2
64
65
17
4
59
51
28
45
57
40
48
31
62
16
66
67
24
47
37
70
15
16
25
10
18
47
68 53
54
52
16
55
46
71
8
23
28
11
28
12
13
1
Craftsman Snow Thrower Model 247.88045

27
PARTS LIST
Ref. No. Part No. Description
1. 625-0007A Assembly, Light
2. 646-0012 Cable Ass’y, Auger/Drive
3. 684-0053B Crank, Chute, 26.0
4. 705-5218 Handle, Engage, RH
5. 705-5219 Handle, Engage, LH
6. 705-5266 Bracket, Chute Crank
7. 710-0458 Screw, Carr., 5/16-18 x 1.75
8. 710-0572 Screw, Carr., 5/16-18 x 2.5
9. 710-1003 Screw, #10-16 x .625
10. 710-1625 Screw, #10-24 x 1.75
11. 710-04682 Screw, Hex, 3/8-16 x 2.00
12. 710-3118 Screw, Hex, 3/8-16 x 1.00
13. 710-3015 Screw, Hex, 1/4-20 x .75
14. 711-0677 Ferrule, 5/16-18 x .312 Dia
15. 784-5679 Brkt., Handle Support - LH
16. 712-04064 Nut, Hex Flange, 1/4-20
17. 712-3068 Nut, Hex Lock, 5/16-18 GR5
18. 714-0101 Pin, Internal Cotter
19. 714-0104 Pin, Internal Cotter
20. 720-0201A Knob, Crank
21. 720-04039 Knob, Shift
22. 720-0284 Knob, Wing, 5/16-18
23. 725-0157 Tie, Cable
24. 784-5682 Brkt., Handle Support - RH
25. 784-5681 Brkt., Handle Support - LH
26. 726-0100 Cap, Push, 3/8
27. 731-2298 Panel, Handle
28. 736-0105 Wash, Bell, .375 x .87 x .063
29. 736-0185 Wash,Fl., .375 x .738 x .063
30. 736-0242 Wash, Bell, .34 x .872 x .06
31. 736-0275 Wash, Fl, .344 x .688 x .065
32. 741-0475 Bushing, Plastic, .38 ID
33. 746-0950A Cable Assembly, Trigger
34. 747-0624 Rod, Chute Crank
35. 747-0983A Rod, Lower Shift
36. 747-0997 Rod, Upper Shift
37. 784-5680 Brkt., Handle Support - RH
38. 749-0989A Handle, Upper LH
39. 749-0990A Handle, Upper RH
40. 749-0991 Handle, Lower
41. 750-0963 Connector, Shift Rod
Ref. No. Part No. Description
42. 684-0102A Panel, Handle
43. 710-0276 Screw, Carr, 5/16-18 x 1.0
44. 710-0458 Screw, Carr., 5/16-18 x 1.75
45. 710-0459A Screw, Hex, 3/8-24 x 1.5
46. 710-0597 Screw, Hex, 1/4-20 x 1.0
47. 710-0599 Screw, Hx, 1/4-20 x .5
48. 710-0805 Screw, Hex, 5/16-18 x 1.5
49. 710-0895 Screw, Hx,1/4-15 x .75
50. 711-0653 Pin, Clevis, .312 x 1.0
51. 712-0116 Nut, Insert, 3/8-24
52. 712-04063 Nut, Flnge Lk, 5/16-18
53. 714-0507 Pin, Cotter, 3/32 x .75
54. 731-0846C Chute, Upper, 6.0
55. 731-0851A Flange Keeper, Chute
56. 731-0903D Chute, Lower
57. 731-1313C Cbl. Guide, Chute Tilt
58. 732-0145 Spring, Compression
59. 732-0193 Spring, Compression
60. 732-0746 Spring, Torsion
61. 735-0199A Bumper, Rubber
62. 784-5619B Handle, Shift
63. 736-0231 Wash, Fl, .344 x 1.125 x .12
64. 736-0119 Washer, Lock, 5/16
65. 736-0509 Wash, Fl, .35 Sq x .72 x .134
66. 746-0902 Cable, Chute Control, 66”
67. 746-0903 Cable, Chute Control w/Clip,
68. 747-0877 Rod, Cam
69. 748-0362 Cam, Handle Lock
70. 748-0363 Pawl, Handle Lock
71. 784-5594 Bracket, Cable
72. 784-5604A Handle, Chute Tilt
73. 736-0159 Washer, Flat, .349 x .879 x .063
74. 705-5217 Bracket, Mount, Lamp
75. 710-0451 Bolt, Carriage, 5/16-18 x .750
76. 710-1240 Screw, M4 x .7
77. 725-1658 Lamp
78. 725-1669 Housing, Lamp
79. 725-04220 Harness
80. 731-1364 Housing
81. 735-0225 Grommet
Craftsman Snow Thrower Model 247.88045

28
PARTS LIST
11
62
9
21
A
B
B
A
17
32
38
61
60 50 26
49 13
73
52
72
58
19
31
59
1
31
35
20
29
12
15
83
79 77 82
92
28 87
26
74
41
36
20
8
53
25
8
56
70
51
27
95
67
23 2
42
54
38
94
4
43
43
24
71
24
86
80
18
66
3
63
40
38
69
48
31
10
63
6
93
88
64
17
62
7
37
39
33
65
78
16
57
30
45
55
47
76
29
75
26
14
79
91
85
22 78 89 46 84
44 81
49 90
34
34
5
68
17
Craftsman Snow Thrower Model 247.88045

29
PARTS LIST
Continued on following page
Craftsman Snow Thrower Model 247.88045
Ref. No. Part No. Description
1. 05244B Housing, Bearing
2. 618-0279 Dogg, Steering Drive, LH
3. 618-0280 Dogg, Steering Drive, RH
4. 618-0282E Shaft Assembly, Steering
5. 618-04178 Assembly, Friction Wheel
718-04034 Wheel, Friction, Bonded
710-0896 Screw, Hex Wash
6. 684-0118B Bracket, Auger Actuator
7. 684-0119B Bracket, Drive Actuator
8. 684-04235 Sprocket, 32T
9. 684-0161 Arm, Shift
10. 684-04212 Brkt, Friction Drive Suprt.
11. 684-04103 Rod Assembly, Shift
12. 784-0385B Brkt., Idler, Auger
13. 710-0538 Screw, Hex Cap Lock,
14. 756-0178 Idler, Flat, 2.75 OD
15. 754-0222A V-Belt, 1/2 x 44.0
16. 750-04718 Spcr., .51 ID x 3.66 Lg.
17. 710-1652 Screw, Hex Wash.
18. 750-04717 Spcr., .51 ID x 7.895 Lg.
19. 710-3001 Screw, Hex Cap, 3/8-16
20. 750-04703 Spcr., 1.0 ID x 1.50 OD
21. 710-0788 Screw, Hex, 1/4-20 x 1.00
22. 710-0459A Screw, 3/8-24 x 1.50
23. 711-04279 Shaft, Hex Drive
24. 711-04605 Shaft, Actuator
25. 716-04048 Ring, Retainer
26. 712-0116 Nut, Hex Insert Jam Lock
27. 712-0138 Nut, Hex, 1/4-28 GR5
28. 784-5726 Bracket, Idler, Drive
29. 712-04065 Nut, Hx Flnge Insert Lk
30. 712-0413 Nut, Hx Insert Jam Lk
31. 710-04484 TT Screw, 5/16-18 x .750
32. 712-0717 Nut, Insert 3/8-16
33. 713-0284 Chain, Endless, #41 x 36L
34. 713-0286 Chain, #420 x 40L
35. 713-04015 Sprocket, #41 x 10T
36. 714-0135 Key, Woodruff
37. 714-0104 Pin, Internal Cotter
Ref. No. Part No. Description
38. 716-0104 E-Ring
39. 714-0388 Key, Hi-Pro, 3/16 x 5/8
40. 716-0136 Ring, Retaining
41. 717-0302 Plate, Drive
42. 732-0121 Spring, Extension
43. 732-0209 Spring, Extension
44. 756-0241B Pulley, Dbl, 3.25 OD
45. 736-0158 Washer, Lock, 5/8
46. 756-0240 Pulley, Flat Idler, 3.0 OD
47. 634-0225A Wheel Ass’y. - LH
634-0226A Wheel Ass’y. - RH
734-2031 Tire
734-0255 Valve
741-0246A Bearing
48. 711-04615 Pin, Clevis
49. 736-0242 Wsh, Bell., .34 x .872 x .06
50. 736-0300 Wash, .406 x .875 x .059
51. 736-0329 Washer, Lock, 1/4
52. 714-0149B Pin, Internal Cotter
53. 737-3000 Fitting, Lube, 3/16 Drive
54. 738-0143 Screw, Shldr., .498 x .34
55. 738-0279 Spindle, Drive Plate
56. 738-0924A Screw, Hex Shldr., 1/4-28
57. 741-0163A Ass’y, Bearing/Housing
58. 741-04108 Bearing, Hex Flange
59. 741-04025 Bearing, Self Aligning
60. 741-04076 Bearing, Ball
61. 741-0563 Bearing, Ball
62. 741-0748 Bush, Flg, .5 ID x .627 OD
63. 746-0949A Cable, Steering
64. 746-0951 Cable, Auger Idler
65. 747-0973 Rod, Drive Clutch
66. 750-0903B Spcr., .514 x .632 x 2.44
67. 750-0997 Spacer, .675 x 1.0 x .23
68. 750-1302B Spcr, .6725 x 1.125 x 2.48
69. 756-0344 Pulley, Drive
70. 756-0625 Roller, Cable
71. 790-00257 Cover, Upper Frame
72. 790-00259 Cover, Lower Frame

30
PARTS LIST
Continued from previous page
Ref. No. Part No. Description
73. 711-04606 Axle, Wheel, 45”
74. 790-00255A Frame, Transmission
75. 784-0406A Bracket, Frame Support
76. 784-0407 Bracket, Axle Support
77. 790-00254 Bracket, Belt Cover
78. 710-0191 Screw, 3/8-14 x 1.25 GR8
79. 710-0237 Screw, 5/16-24 x .625
80. 710-0607 Screw, Hx Wash Hd Tapp
81. 710-1245B Screw, Hx Cap 5/16-24
82. 710-0654A Screw, 3/8-16 x 1.00
83. 736-0173 Wsh, Flat, .28 x .74 x .063
84. 714-0118 Key, Square, 1/4 x 1.5
85. 790-00167A Brkt., Belt, Keeper
86. 731-2531 Cover, Belt
87. 732-0303 Spring, Extension
88. 732-0705 Guide, Chute Cable
89. 736-0247 Washer, Flat, .406 x 1.25
90. 748-0234 Spacer, Shoulder
91. 736-0159 Washer, Flat, .349 x .879
92. 754-0131 V-Belt, 3/8 x 35.5
93. 712-04064 Nut, Flg Lk, 1/4-20
94. 726-0221 Nut, Spd.
95. 735-04099 Plug, 3/8 ID
Craftsman Snow Thrower Model 247.88045

31
PARTS LIST
Craftsman Engine Model OH358SA-223828 For Snow Thrower Model 247.88045

32
PARTS LIST
Ref. No. Part No. Description
1 37083 Cylinder (Incl. 2, 20, 72 & 80)
2 27652 Dowel Pin
3 650820 Screw, 1/4-20 x 1/2”(Upper Mounting Screws
for 120-Volt Electric Starter Motor)
4 0 Oil Drain Extension Not Available
5 30969 Extension Cap, 1/4-18 NPT
14 28277 Flat Washer
14A 651057 Washer
15 35685 Governor Rod (Incl. 14 & 38)
16 35686A Governor Lever (Incl. 212A)
17 29916 Governor Lever Clamp
18 651028 Screw, T-15, 8-32 x 7/16”
19 35688 Extension Spring
20 35319 Oil Seal
25 37861 Blower Housing Baffle (Incl. 325)
26 650561 Screw 1/4-20 x 19/32”
28 30322 Lock Nut, 8-32
30 35680A Crankshaft
31 35327 Counterbalance Gear
35 29826 Screw, 10-32 x 3/4”
36 29918 Lock Washer #8
37 29216 Lock Nut, 10-32
38 29642 Retaining Ring
40 35777A Piston, Pin & Ring Set (.010” OS) (Incl. 41, 42
& 43)
40 35776A Piston, Pin & Ring Set (Std) (Incl. 41, 42 & 43)
42 35780 Ring Set (.010” OS)
42 35779 Ring Set (Std.)(3-5/16”)
43 35772 Piston Pin Retaining Ring
45 36898A Connecting Rod Assembly (incl. 47 & 49)
47 651033A Connecting Rod Bolt (1/4-20 x 1-5/16”)
48 35313A Valve Lifter
50 35682A Camshaft (MCR)
51 35315A Counterbalance Weight
60 35316A Blower Housing Extension
65 30200 Screw, 10-24 x 9/16”
69 35683 Cylinder Cover Gasket
Ref. No. Part No. Description
70 35684A Cylinder Cover (Incl. 14,15,20,38
71 35377 Crankshaft Bushing
80 35751 Governor Shaft
81 35479A Washer
82 35321 Governor Gear Assembly
83 35322 Governor Spool
84 29193 Retaining Ring
86 650833 Screw 1/4-20 x 1-3/16”
87 650832 Screw, 1/4-20 x 1- 11/16”
89 32589 Flywheel Key
90 611093 Flywheel (3 Amp, w/ring gear)
92 650880 Belleville Washer
93 650881 Flywheel Nut (5/8-18)
100 35135A Solid State Ignition (Incl. 101)
101 611289 Spark Plug Cover
102 651024 Solid State Mounting Stud
103 651007 Screw, T-15, 10-24 x 15/16”
110 35187 Ground Wire (13.65” long - dark green - 90°
female & 2 male blades)
110A 37047 Ground Wire (10.50” with male & female flag
terminals)
119 36932 Cylinder Head Gasket
120 37491 Cylinder Head (Incl. 151A & 270A)
125 36936 Exhaust Valve (1/32” OS)
125 36934 Exhaust Valve (Std)
126 36937 Intake Valve (1/32” OS)
126 36935 Intake Valve (Std.)
127 650691 Flat Washer
128 650690 Belleville Washer
130 650697A Screw, 5/16-18 x 2-1/2”
135 34645 Resistor Spark Plug (RN4C) also available in
Packaged Part #740069
150 33507 Valve Spring
151 33508 Valve Spring Keeper
151A 35862 Intake Valve Seal
153 35949 Push Rod Guide
154 651105 Rocker Arm Stud
Craftsman Engine Model OH358SA-223828 For Snow Thrower Model 247.88045

33
PARTS LIST
Ref. No. Part No. Description
155 35950 Rocker Arm
156 37843 Rocker Arm Bearing
157 650586 Jam Nut, 5/16-24
158 35466 Push Rod
159 35952 Rocker Arm Cover Gasket
160 35953A Rocker Arm Cover
161 30063 Screw, T-30, 1/4-20 x 1/2”
161A 651034 Valve Cover Mounting Stud
169 27896A Valve Cover Gasket
170 28423 Breather Body
171 28424 Breather Element
172 28425 Valve Cover
173 35350 Breather Tube
174 650128 Screw, 10-24 x 1/2”
178 29752 Nut & Lock Washer 1/4-28
180 37101 Blower Housing Extension
183 34583A Choke Bracket
184 33263 Carburetor-to-Intake Pipe Gasket
185 37085 Intake Pipe
186 35691 Governor Link
186B 36653 Choke Spring
200 35702 Manual Control Bracket (Incl. 203, 204 & 206)
203 31342 Compression Spring
204 651029 Screw, T-10, 5-40 x 7/16”
206 610973 Terminal
207 35692 Throttle Link
212 30773A Bushing (Incl. 14A & 213)
212A 36288 Bushing
212B 651017 Washer
213 650930 Screw, 10-32 x 5/8”
215 35440 Control Knob
216 35679 R.P.M. Adjusting Lever
219 35689 Choke Rod
220 35438 Control Knob
223 650971 Screw, T-30, 5/16-18 x 7/8”
224 33515A Intake Pipe Gasket
238 28820 Screw, 10-32 x 1/2”
260 37092A Blower Housing
Ref. No. Part No. Description
262 651084 Screw, 5/16-18 x 9/16”
265 37086 Cylinder Head Cover
266 650876 Screw, 5/16-18 x 1-9/32”
269 35762 Exhaust Manifold Gasket
270 37263 Exhaust Manifold
270A 35829A Exhaust Port Liner
271 35293 Locking Plate (Manifold)
275 37264 Muffler
276 35348 Locking Plate
277A 650877 Screw, 5/16-18 x 4-1/2”
280 37265 Heat Shield
285 35985C Starter Cup
290 37964 Fuel Line (32.0” length)
292 26460 Fuel Line Clamp
293A 650517 Screw, T-30, 1/4-20 x 27-32”
298 650665 Screw, 1/4-15 x 3/4”
300A 37099A Fuel Tank (Incl. 292 & 301)
301 37845 Fuel Cap (Red Plastic)(1-1/2” I.D.)
302 37098 Fuel Tank Extension
305 35574 Oil Fill Tube
307 35499 O-Ring
308 35539 Fill Tube Clip
309 651011 Screw, 10-32 x 5/16”
310 35700 Dipstick
314 650873 Screw, 1/4-20 x 3/4”
315 611111 Alternator Coil (18 Watt)
328 35062 Ignition Key (also available in Packaged Part
#740077)
329A 651060 Screw, 8-32 x 23/64”
335 37096A Carburetor Cover
335A 37087 Carburetor Cover
338 650821 Screw, 10-32 x 1/2”
341 37093 Fuel Tank Bracket
342A 792028 Screw, 5/16-18 x 7/8”
343 35079A Key Switch Bracket (Incl. 329A)
345 37097 Heat Baffle
350 570682A Primer Assembly (also available in Packaged
Part #740101)
Craftsman Engine Model OH358SA-223828 For Snow Thrower Model 247.88045

34
PARTS LIST
Ref. No. Part No. Description
351 32180C Primer Line
355 590574 Starter Handle (Mitten Grip) also available in
Packaged Part #740053B
361 650990 Screw, T-30, 1/4-20 x 15/32” (Electric Starter
Mounting Screws)
369 651032 Screw, 12-16 x 5/8”
370 37119 Warning Decal (Bilingual)
370 36695 Decal - Tecumseh Logo for Top of Recoil
Starter
370 36534 Warning Decal
370 36501 Decal - Primer - International Symbol
370 37226 Decal - Speed Control, Choke, & Key
380 640105 Carburetor (Incl. 184)
390 590749 Rewind Starter
396 37105 Electric Starter Motor (120 Volt) (Optional)
400 36947B Gasket Set (Incl. items marked *) (Incl. items
marked *)
420 730226A SAE 5W30 4-Cycle Engine Oil (Quart)
(Winter)
704 650738 Screw, 1/4-20 x 5/8”
710 36482 Compression Spring
711 651019 Screw, T-10, 6-32 x 41/64”
— 730286 Winter Maintenance Kit includes 32 oz.
- SAE5W30 Oil, spark plug, switch key, fuel
stabilizer
Engine Part Number
913300B
Short Block Part Number
758216
Craftsman Engine Model OH358SA-223828 For Snow Thrower Model 247.88045

NOTES
35

36
(This page applicable in the U.S.A. and Canada only.)
Sears, Roebuck and Co., U.S.A. (Sears), the California Air Resources Board (CARB)
and the United States Environmental Protection Agency (U.S. EPA)
Emission Control System Warranty Statement (Owner’s Defect Warranty Rights and Obligations)
EMISSION CONTROL WARRANTY COVERAGE IS APPLICABLE TO CERTI-
FIED ENGINES PURCHASED IN CALIFORNIA IN 1995 AND THEREAF-
TER, WHICH ARE USED IN CALIFORNIA, AND TO CERTIFIED MODEL
YEAR 1997 AND LATER ENGINES WHICH ARE PURCHASED AND USED
ELSEWHERE IN THE UNITED STATES (AND AFTER JANUARY 1, 2001 IN
CANADA).
California and United States Emission Control Defects Warranty Statement
The California Air Resources Board (CARB), U.S. EPA and Sears are pleased
to explain the Emission Control System Warranty on your model year 2000 and
later small off-road engine (SORE). In California, new small off-road engines
must be designed, built and equipped to meet the State’s stringent anti-smog
standards. Elsewhere in the United States, new non-road, spark-ignition
engines certified for model year 1997 and later must meet similar standards set
forth by the U.S. EPA. Sears must warrant the emission control system on your
engine for the periods of time listed below, provided there has been no abuse,
neglect or improper maintenance of your small off-road engine. Your emis-
sion control system includes parts such as the carburetor, air cleaner, ignition
system, muffler and catalytic converter. Also included may be connectors and
other emission related assemblies. Where a warrantable condition exists, Sears
will repair your small off-road engine at no cost to you including diagnosis, parts
and labor.
Sears Emission Control Defects Warranty Coverage
Small off-road engines are warranted relative to emission control parts defects
for a period of one year, subject to provisions set forth below. If any covered
part on your engine is defective, the part will be repaired or replaced by Sears.
Owner’s Warranty Responsibilities
As the small off-road engine owner, you are responsible for the performance of
the required maintenance listed in your Operating and Maintenance Instruc-
tions. Sears recommends that you retain all your receipts covering maintenance
on your small off-road engine, but Sears cannot deny warranty solely for the
lack of receipts or for your failure to ensure the performance of all scheduled
maintenance. As the small off-road engine owner, you should however be
aware that Sears may deny you warranty coverage if your small off-road engine
or a part has failed due to abuse, neglect, improper maintenance or unap-
proved modifications. You are responsible for presenting your small off-road
engine to an Authorized Sears Service Dealer as soon as a problem exists. The
undisputed warranty repairs should be completed in a reasonable amount of
time, not to exceed 30 days. If you have any questions regarding your warranty
rights and responsibilities, you should contact a Sears Service Representative
at 1--800--469--4663. The emission warranty is a defects warranty. Defects are
judged on normal engine performance. The warranty is not related to an in-use
emission test.
Sears Emission Control Defects Warranty Provisions
The following are specific provisions relative to your Emission Control Defects Warranty Coverage. It is in addition to the Sears engine warranty for non-regulated
engines found in the Operating and Maintenance Instructions.
1. Warranted Parts
Coverage under this warranty extends only to the parts listed below (the
emission control systems parts) to the extent these parts were present on
the engine purchased.
a. Fuel Metering System
• Cold start enrichment system
• Carburetor and internal parts
• Fuel Pump
b. Air Induction System
• Air cleaner
• Intake manifold
c. Ignition System
• Spark plug(s)
• Magneto ignition system
d. Catalyst System
• Catalytic converter
• Exhaust manifold
• Air injection system or pulse valve
e. Miscellaneous Items Used in Above Systems
• Vacuum, temperature, position, time sensitive valves
and switches
• Connectors and assemblies
2. Length of Coverage
Sears warrants to the initial owner and each subsequent purchaser that
the Warranted Parts shall be free from defects in materials and workman-
ship which caused the failure of the Warranted Parts for a period of one
year from the date the engine is delivered to a retail purchaser.
3. No Charge
Repair or replacement of any Warranted Part will be performed at no
charge to the owner, including diagnostic labor which leads to the
determination that a Warranted Part is defective, if the diagnostic work is
performed at an Authorized Sears Service Dealer. For emissions warranty
service contact your nearest Authorized Sears Service Dealer as listed in
the “Yellow Pages” under “Engines, Gasoline,” “Gasoline Engines,” “Lawn
Mowers,” or similar category.
4. Claims and Coverage Exclusions
Warranty claims shall be filed in accordance with the provisions of the
Sears Engine Warranty Policy. Warranty coverage shall be excluded for
failures of Warranted Parts which are not original Sears parts or because
of abuse, neglect or improper maintenance as set forth in the Sears
Engine Warranty Policy. Sears is not liable to cover failures of Warranted
Parts caused by the use of add-on, non-original, or modified parts.
5. Maintenance
Any Warranted Part which is not scheduled for replacement as required
maintenance or which is scheduled only for regular inspection to the effect
of “repair or replace as necessary” shall be warranted as to defects for the
warranty period. Any Warranted Part which is scheduled for replacement
as required maintenance shall be warranted as to defects only for the
period of time up to the first scheduled replacement for that part. Any
replacement part that is equivalent in performance and durability may
be used in the performance of any maintenance or repairs. The owner is
responsible for the performance of all required maintenance, as defined in
the Sears Operating and Maintenance Instructions.
6. Consequential Coverage
Coverage hereunder shall extend to the failure of any engine components
caused by the failure of any Warranted Part still under warranty.
In the USA and Canada, a 24 hour hot line, 1-800-469-4663, has a menu of pre-recorded messages offering you engine maintenance information.

37
Look For Relevant Emissions Durability Period and
Air Index Information On Your Engine Emissions Label
Engines that are certified to meet the California Air Resources Board (CARB) Tier 2 Emission Standards must
display information regarding the Emissions Durability Period and the Air Index. Sears, Roebuck and Co., U.S.A.
makes this information available to the consumer on our emission labels.
The Emissions Durability Period describes the number of hours of actual running time for which the engine is
certified to be emissions compliant, assuming proper maintenance in accordance with the Operating & Mainte-
nance Instructions. The following categories are used:
Moderate: Engine is certified to be emission compliant for 125 hours of actual engine running time.
Intermediate: Engine is certified to be emission compliant for 250 hours of actual engine running time.
Extended: Engine is certified to be emission compliant for 500 hours of actual engine running time.
For example, a typical walk-behind lawn mower is used 20 to 25 hours per year. Therefore, the Emissions
Durability Period of an engine with an intermediate rating would equate to 10 to 12 years.
The Air Index is a calculated number describing the relative level of emissions for a specific engine family. The
lower the Air Index, the cleaner the engine. This information is displayed in graphical form on the emissions label.
After July 1, 2000, Look For Emissions Compliance Period
On Engine Emissions Compliance Label
After July 1, 2000 certain Sears, Roebuck and Co., U.S.A. engines will be certified to meet the United States
Environmental Protection Agency (USEPA) Phase 2 emission standards. For Phase 2 certified engines, the Emis-
sions Compliance Period referred to on the Emissions Compliance label indicates the number of operating hours
for which the engine has been shown to meet Federal emission requirements.
For engines less than 225 cc displacement, Category C = 125 hours, B = 250 hours and A = 500 hours.
For engines of 225 cc or more, Category C = 250 hours, B = 500 hours and A = 1000 hours.
This is a generic representation of the emission label typically found on a certified engine.

38
REPAIR PROTECTION AGREEMENT
Congratulations on making a smart purchase. Your new Craftsman®
Professional product is designed and manufactured for years of
dependable operation. But like all products, it may require repair from
time to time. That’s when having a Repair Protection Agreement can
save you money and aggravation.
Here’s what the Repair Protection Agreement* includes:
• Expert service by our 10,000 professional repair specialists
• Unlimited service and no charge for parts and labor on all covered
repairs
• Product replacement up to $1500 if your covered product can’t be
fixed
• Discount of 10% from regular price of service and service-related
parts not covered by the agreement; also, 10% off regular price of
preventive maintenance check
• Fast help by phone – we call it Rapid Resolution – phone support
from a Sears representative. Think of us as a “talking owner’s
manual.”
Once you purchase the Agreement, a simple phone call is all that it
takes for you to schedule service. You can call anytime day or night, or
schedule a service appointment online.
The Repair Protection Agreement is a risk-free purchase. If you cancel
for any reason during the product warranty period, we will provide a full
refund. Or, a prorated refund anytime after the product warranty period
expires. Purchase your Repair Protection Agreement today!
Some limitations and exclusions apply. For prices and additional
information in the U.S.A. call 1-800-827-6655.
*Coverage in Canada varies on some items. For full details call
Sears Canada at 1-800-361-6665.
Sears Installation Service
For Sears professional installation of home appliances, garage door
openers, water heaters, and other major home items, in the U.S.A. or
Canada call 1-800-4-MY-HOME®.

39
ÍNDICE
DECLARACIÓN DE GARANTÍA
ESPECIFICACIONES DEL
PRODUCTO
NÚMERO DE MODELO
Declaración de garantía ............................Página 39
Prácticas operación seguras .....................Página 40
Montaje ......................................................Página 42
Operación ..................................................Página 46
Servicio y Mantenimiento ..........................Página 50
Almacenamiento fuera de temporada .......Página 59
Solución de problemas .............................Página 60
Etiquetas de seguridad .............................Página 5
Lista de piezas ...........................................Página 24
Acuerdo de protección para reparaciones ... Página 63
Número de servicio Cubierta posterior
Garantía de dos años para la máquina quitanieve Craftsman
Este equipo está cubierto por una garantía de dos años, siempre que se mantenga, lubrique y ajuste de acuerdo con las instrucciones del
presente manual del operador. Durante el año de garantía, si este equipo sufre cualquier falla producida por defectos en materiales o mano de
obra, DEVUÉLVALO A SU CENTRO DE PARTES & REPARACIÓN SEARS MÁS CERCANO, y Sears lo reparará sin ningún cargo. El servicio de
garantía a domicilio está disponible pero se aplicará un cargo de traslado.
Esta garantía no cubre:
• Elementos desechables que se desgastan por el uso normal, incluyendo entre otros, zapatas antideslizantes, placa de raspado y bujías.
Reparaciones necesarias debido a negligencia del operador, incluyendo entre otros, daños mecánico y eléctrico ocasionado por un almace-
namiento no apropiado, abolladura cigüeñal, falla por el uso de aceite de grado y/o cantidad no apropiada o falla por no dar mantenimiento
al equipo de acuerdo con las instrucciones contenidas en el manual del operador.
Limpieza o reparaciones al motor (sistema de combustible) provocadas por un combustible contaminado u oxidado (viejo). En general, el
combustible debe utilizarse en un período no mayor de 30 días a partir de su adquisición.
Esta garantía sólo tendrá validez durante 90 días si este producto se utiliza en cualquier momento para fines comerciales o de alquiler.
Esta garantía sólo tendrá validez mientras el producto se utilice en los Estados Unidos.
Esta garantía le otorga derechos legales específicos, pero usted podría gozar de otros derechos en razón de su lugar de residencia.
Sears, Roebuck and Co., Hoffman Estates, IL 60179
•
•
Tipo de aceite del motor: SAE 5W-30
Capacidad de aceite del motor: 28 onzas
Capacidad de combustible: 4 cuartos
Bujías: Champion® RJ19LM
Separación de las bujías: .030”
Número de modelo ..........................................................
Número de serie ..............................................................
Fecha de compra .............................................................
Registre arriba el número del modelo, el número de serie y la fecha
de compra
© Sears Brands, LLC

40
INSTRUCCIONES DE SEGURIDAD
CAPACITACIÓN
Lea, entienda y cumpla todas las instrucciones incluidas en la máquina
y en los manuales antes de montarla y utilizarla. Guarde este manual
en un lugar seguro para consultas futuras y regulares, así como para
solicitar repuestos.
Familiarícese con todos los controles y su funcionamiento apropiado.
Sepa cómo detener la máquina y cómo desengranar los controles
rápidamente.
No permita nunca que los niños menores de 14 años utilicen esta
máquina. Los niños de 14 años y más mayores deben leer y com-
prender las instrucciones de funcionamiento y las reglas de seguridad
contenidas en este manual, y también deben ser capacitados y estar
supervisados por uno de los padres.
Nunca permita que los adultos utilicen esta máquina sin recibir antes la
instrucción apropiada.
Los objetos arrojados por la máquina pueden producir lesiones graves.
Planifique el patrón en el que va a ir arrojando nieve para evitar que la
descarga de material se realice hacia los caminos, los observadores,
etc.
Mantenga a los observadores, ayudantes, mascotas y niños por lo
menos a 75 pies de la máquina mientras la misma está en funciona-
miento. Detenga la máquina si alguien entra en la zona.
Sea precavido para evitar patinarse o caerse especialmente cuando
opera la máquina en reversa.
•
•
•
•
•
•
•
PREPARATIVOS
Inspeccione minuciosamente el área donde utilizará el equipo. Saque
todos los felpudos, periódicos, trineos, tablas, cables y otros objetos
extraños con los que podría tropezar o que podrían ser arrojados por la
barrena / motor.
Para protegerse los ojos utilice siempre anteojos o antiparras de
seguridad mientras opera la máquina o mientras la ajusta o repara. Los
objetos arrojados que rebotan pueden lesionar gravemente la vista.
No opere la máquina sin la vestimenta adecuada para estar al aire libre
en invierno. No utilice alhajas, bufandas largas u otras prendas sueltas
que podrían enredarse en las partes móviles. Utilice un calzado especial
para superficies resbaladizas.
Use un prolongador y un tomacorriente de tres cables con conexión a
tierra para todas las unidades con motores de encendido eléctrico.
Ajuste la altura de la caja del tomacorriente para limpiar la grava o las
superficies con piedras trituradas.
Desengrane todas las palancas de control antes de arrancar el motor.
Nunca intente realizar ajustes mientras el motor está en marcha excepto
en los casos específicamente recomendados en el manual del operador.
Deje que el motor y la máquina se adapten a la temperatura exterior
antes de comenzar a sacar la nieve.
Para evitar lesiones personales o daños materiales sea sumamente cuidadoso al
manipular la gasolina. La gasolina es altamente inflamable y sus vapores pueden causar
explosiones. Se puede lesionar gravemente si derrama gasolina sobre usted o sobre la
ropa ya que se puede prender fuego. Lávese la piel y cámbiese de ropa de inmediato.
Utilice sólo recipientes para gasolina autorizados.
Apague todos los cigarrillos, cigarros, pipas y otras fuentes de combustión.
Nunca cargue combustible en la máquina en un espacio cerrado.
Nunca saque la tapa del gas ni agregue combustible mientras el motor
está caliente o en marcha.
Deje que el motor se enfríe por lo menos dos minutos antes de volver a
cargar combustible.
Nunca recargue el tanque de combustible. Llene el tanque no más de
1/2 pulgada por debajo de la base del cuello del filtro para dejar espacio
para la dilatación del combustible.
Vuelva a colocar la tapa de la gasolina y ajústela bien.
Limpie la gasolina derramada sobre el motor y el equipo. Traslade la
máquina a otra zona. Espere 5 minutos antes de encender el motor.
Nunca almacene la máquina o el recipiente de combustible en un
espacio cerrado donde haya fuego, chispas o luz piloto (por ejemplo,
hornos, calentadores de agua, calefactores, secadores de ropa, etc.).
Deje que la máquina se enfríe por lo menos 5 minutos antes de
guardarla.
•
•
•
•
•
•
•
•
•
•
•
•
•
•
•
•
•
•
•
Su responsabilidad: Restrinja el uso de esta máquina motorizada
a las personas que lean, comprendan y respeten las advertencias e
instrucciones que aparecen en este manual y en la máquina.
PELIGRO
Esta máquina fue construida para ser operada de acuerdo con las reglas
de seguridad contenidas en este manual. Al igual que con cualquier tipo
de equipo motorizado, un descuido o error por parte del operador puede
producir lesiones graves. Esta máquina es capaz de amputar manos y pies
y de arrojar objetos con gran fuerza. De no respetar las instrucciones de
seguridad siguientes se pueden producir lesiones graves o la muerte.
ADVERTENCIA
El escape del motor de este producto, algunos de sus componentes y
algunos componentes del vehículo contienen o liberan sustancias químicas
que el estado de California considera que pueden producir cáncer, defectos
de nacimiento u otros problemas reproductivos.
ADVERTENCIA
La presencia de este símbolo indica que se trata de
instrucciones importantes de seguridad que se deben
respetar para evitar poner en peligro su seguridad
personal y/o material y la de otras personas. Lea y siga
todas las instrucciones de este manual antes de poner
en funcionamiento esta máquina. Si no respeta estas instrucciones podría
provocar lesiones personales. Cuando vea este símbolo, ¡preste atención a
la advertencia!

41
INSTRUCCIONES DE SEGURIDAD
OPERACIÓN
No ponga las manos o los pies cerca de las piezas rotatorias, en la caja
de la barrena / motor o en el montaje del canal de descarga. El contacto
con las piezas rotatorias puede producir la amputación de manos y pies.
La palanca de control de la barrena / motor es un dispositivo de seguri-
dad. Nunca pase por alto su funcionamiento. De hacerlo la operación de
la máquina es riesgosa y puede ocasionar lesiones.
Las palancas de control deben funcionar bien en ambas direcciones y
regresar automáticamente a la posición de desengrane cuando se las
suelta.
Nunca opere la máquina si falta un montaje del canal o si el mismo está dañado.
Mantenga todos los dispositivos de seguridad en su lugar y en funcionamiento.
Nunca encienda un motor en espacios cerrados o en una zona con poca
ventilación. El escape del motor contiene monóxido de carbono, un gas
inodoro y letal.
No utilice la máquina bajo la influencia del alcohol o las drogas.
El silenciador y el motor se calientan y pueden producir quemaduras. No
los toque.
Sea sumamente precavido cuando opere la máquina sobre una
superficie con grava o cuando la cruce. Manténgase alerta por si se
presentan peligros ocultos o tránsito.
Tenga cuidado cuando cambie de dirección o cuando opere la máquina
en pendientes.
Planifique el patrón en el que va a ir arrojando nieve para evitar que
la descarga de material se produzca hacia las ventanas, las paredes,
los automóviles, etc. y evitar así posibles daños materiales o lesiones
producidas por los rebotes.
Nunca dirija la descarga hacia los niños, los observadores y las
mascotas ni deje que nadie se pare delante de la máquina.
No sobrecargue la capacidad de la máquina tratando de sacar la nieve
muy rápidamente.
Nunca opere esta máquina sin buena visibilidad o iluminación. Siempre
debe estar seguro de que está bien afirmado y sostenga bien las
manijas. Camine, nunca corra.
Corte la corriente a la barrena / motor cuando transporte la máquina o
cuando la misma no está en uso.
Nunca opere la máquina a alta velocidad de desplazamiento sobre
superficies resbaladizas. Mire hacia abajo y hacia atrás y tenga cuidado
cuando vaya marcha atrás.
Si la máquina comenzara a vibrar de manera anormal, detenga el motor,
desconecte el cable de la bujía y póngala de manera que haga masa
contra el motor. Inspeccione la máquina minuciosamente para ver si
está dañada. Repare todos los daños antes de encender y operar la
máquina.
Desengrane todas las palancas de control y detenga el motor antes de
dejar la posición de operación (detrás de las manijas). Espere a que la
barrena / motor se detenga por completo antes de destapar el montaje
del canal o realizar ajustes e inspecciones.
Nunca ponga las manos en las aberturas de descarga o de recolección.
Utilice siempre la herramienta de limpieza que se adjunta para destapar
la abertura de descarga. No destape el montaje del canal mientras el
motor está en funcionamiento. Antes de destaparlo, apague el motor y
permanezca detrás de las manijas hasta que todas las partes móviles se
hayan detenido.
Use sólo uniones y accesorios aprobados por el fabricante (por ejemplo,
pesas para las ruedas, cadenas para los neumáticos, cabinas, etc.).
Si se presentan situaciones que no están previstas en este manual, sea
cuidadoso y use el sentido común. Contacte con su centro de servicio
Sears para obtener ayuda.
•
•
•
•
•
•
•
•
•
•
•
•
•
•
•
•
•
•
•
•
MANTENIMIENTO Y ALMACENAMIENTO
Nunca manipule los dispositivos de seguridad de manera imprudente.
Controle periódicamente que funcionen de forma adecuada. Remítase a
las secciones de mantenimiento y ajuste de este manual.
Antes de realizar la limpieza, reparar o revisar la máquina, desengrane
todas las palancas de control y detenga el motor. Espere a que la bar-
rena / motor se detenga por completo. Desconecte el cable de la bujía
y póngalo de manera que haga masa contra el motor para evitar que se
encienda de manera accidental.
Controle frecuentemente que todos los pernos y tornillos estén bien
ajustados para comprobar que la máquina se encuentra en condiciones
seguras de funcionamiento. Asimismo, realice una inspección visual de
la máquina para controlar si la misma está dañada.
No cambie la configuración del regulador del motor ni acelere de-
masiado el mismo. El regulador controla la velocidad máxima segura de
operación del motor.
Las placas de raspado y las zapatas antideslizantes que se usan con la máquina
quitanieve se desgastan y se dañan. Para proteger su seguridad, verifique
frecuentemente todos los componentes y reemplácelos sólo con partes de los
fabricantes de equipos originales (OEM). “La utilización de piezas que no cum-
plan con las especificaciones de equipos originales podría tener como resultado
un rendimiento incorrecto, y además la seguridad podría estar comprometida”
Revise los controles periódicamente para verificar que engranen y
desengranen adecuadamente y ajústelos si es necesario. Consulte la
sección de ajustes en este manual del operador para obtener instruc-
ciones.
Mantenga o reemplace las etiquetas de seguridad e instrucciones según
sea necesario.
Respete las normas referentes a la disposición correcta y las reglamen-
taciones sobre gas, combustible, etc. para proteger el medio ambiente.
Antes de almacenar la máquina enciéndala unos minutos para sacar la
nieve que haya quedado en la misma y para evitar así que se congele la
barrena / motor.
Nunca almacene la máquina o el recipiente de combustible en un
espacio cerrado donde haya fuego, chispas o luz piloto como por
ejemplo, calentadores de agua, hornos, secadores de ropa, etc.
Consulte siempre el manual de funcionamiento para conocer las instruc-
ciones adecuadas para el almacenamiento fuera de temporada.
No modifique el motor
Para evitar lesiones graves o la muerte, no modifique el motor bajo ninguna
circunstancia. Si cambia la configuración del regulador el motor puede descon-
trolarse y operar a velocidades inseguras. Nunca cambie la configuración de
fábrica del regulador del motor.
•
•
•
•
•
•
•
•
•
•
•

42
MONTAJE
NOTA: Las referencias a lado derecho o izquierdo de la máquina
quitanieve se determinan situándose detrás de la unidad en posición
de operación (permaneciendo directamente detrás de la máquina
quitanieve, mirando hacia el panel de la manija).
EXTRACCIÓN DE LA UNIDAD DEL CAJÓN
Retire los tornillos y grapas de la parte superior, los lados y
extremos del cajón de embalaje.
Retire el panel para evitar que se pinchen los neumáticos o que
se produzcan lesiones personales.
Retire y descarte la bolsa de plástico que cubre la unidad.
Quite cualquier parte suelta que se incluya con la unidad (es
decir, el manual del operador, etc.).
Apriete en mangos y saque la unidad atrás del cajón.
Asegúrese de vaciar completamente el cajón antes de desecharlo.
MONTAJE
1. Asegúrese de que los resortes del extremo inferior de la barrena y
los cables de la transmisión estén enganchados firmemente en el
respectivo soporte del accionador.
a. Coloque la palanca de cambios en posición F6.
b. Extraiga la perilla en estrella y el tornillo del carro a cada lado de
la manija superior. Tire hacia arriba de la manija superior según
se muestra en la Figura 1. Alinee la manija superior con la manija
inferior. Asegúrese de que los resortes del extremo inferior de
la barrena y los cables de la transmisión estén enganchados
firmemente en el respectivo soporte del accionador.
2. a. Sujete la manija superior y la manija inferior con las dos perillas
de mariposa y los pernos del carro que se retiraron antes.
b. Apriete las dos perillas de mariposa ya instaladas en los orificios
superiores para sujetar firmemente la manija superior y los tubos
de soporte.
3. Alinee las varillas de cambios inferior y superior, luego deslice
el conector de la varilla de cambios hacia abajo, por encima del
extremo de la varilla de cambios inferior. Dé unos golpecitos en
el conector hasta que la varilla inferior atraviese totalmente el
conector. Vea la Figura 2.
NOTA: Si el conector no está montado correctamente, la varilla de
cambio girará y no podrá cambiar velocidades ni la dirección.
NOTA: Si no se puede alcanzar el rango total de velocidades (marcha
atrás o hacia adelante), consulte la sección “Realizar ajustes”.
4. a. Retire el pasador de chaveta interno de la manivela del canal
superior. Deslice la manivela del canal superior en el manguito
de la manivela del canal inferior. Vea la Figura 3.
b. Alinee el orificio en la manivela del canal superior con el orificio
del manguito (si es necesario, use un par de pinzas para ayudar a
alinear los orificios). Inserte el pasador de chaveta interno a través
de los orificios para sujetar la manivela del canal. Vea la Figura 3.
5. Retire las tuercas de seguridad y los tornillos que sujetan uno de
los fijadores de brida al conjunto del canal.
6. Coloque el conjunto del canal sobre la base del canal según
se muestra en la Figura 4, asegurándose de que las muescas
engranen con el extremo en espiral del control direccional del canal.
1.
2.
3.
4.
5.
6.
Figura 1
Figura 2
a
b
Figura 3

43
MONTAJE
7. Sujete el fijador de brida que se retiró antes con las tuercas de
seguridad y los tornillos. Apriete las tuercas que sujetan los otros
dos fijadores de brida. Vea la Figura 5.
8. Si todavía no lo ha hecho, deslice los cables que van desde el
panel de la manija al canal de descarga dentro de la guía del
cable ubicada en la parte superior del motor.
9. Si todavía no lo ha hecho, enrolle el cable del cableado del faro
delantero debajo de la manija derecha hasta que el cable se
pueda conectar en el conector de cable del alternador del motor
en el motor.
10. Normalmente las uniones de cable que sostienen los cables de
dirección contra la manija son instalados flojos a cada lado de
la manija inferior, en fábrica. Tire de las uniones de cable para
sujetarlas firmemente. Corte el exceso de los extremos de las
uniones de cable.
El prolongador se ajusta mediante una unión de cable a la parte
posterior de la caja de la barrena para el embarque. Corte la unión de
cable y retírela antes de operar la máquina quitanieve.
CONFIGURACIÓN
Herramienta de limpieza del canal
Hay una herramienta de limpieza del canal ajustada a la parte superior
de la caja de la barrena con un pasador de ensamblado. Vea la Figura 6.
La herramienta está diseñada para limpiar el hielo y la nieve del conjunto
de canal. Este producto se sujeta mediante una unión de cable en
fábrica. Corte la unión de cable antes de operar la máquina quitanieve.
Cortadores de desplazamiento de nieve
Retire los dos tornillos y arandelas de seguridad que sujetan cada
cortador de desplazamiento de nieve y retírelos de los lados de la
caja de la barrena.
Gire los cortadores de desplazamiento de nieve y posiciónelos según
se muestra en la Figura 7 hacia el exterior de la caja de la barrena.
Acople los cortadores de desplazamiento de nieve con los
tornillos y las tuercas de seguridad que se retiraron antes.
1.
2.
3. Figura 5
Figura 4
Figura 6
ADVERTENCIA
Nunca use las manos para despejar un conjunto de canal tapado.
Apague el motor y permanezca detrás de las manijas hasta que todas
las partes móviles se hayan detenido antes de utilizar la herramienta
de limpieza para despejar el conjunto del canal.
Figura 7
Herramienta de
limpieza del canal

44
MONTAJE
Presión de los neumáticos
Antes del funcionamiento, compruebe la presión de neumático.
Refiérase al flanco de neumático para el fabricante de neumático
exacto ha recomendado o máximo psi.
NOTA: Si la presión de los neumáticos no es igual en ambos
neumáticos, es posible que la unidad no siga una trayectoria recta y
que la placa de raspado se desgaste de forma despareja.
AJUSTES
Zapatas antideslizantes
Las zapatas antideslizantes de la máquina quitanieve se ajustan hacia
arriba en fábrica, para el envío. Si lo desea, puede ajustarlas hacia
abajo antes de hacer funcionar la máquina quitanieve.
Si desea quitar la nieve al ras en una superficie lisa, eleve a
mayor altura las zapatas antideslizantes de la caja de la barrena.
Use las posiciones intermedia o baja cuando la superficie que
desee limpiar es despareja, por ejemplo en un camino de grava.
NOTA: Si tiene que usar la máquina quitanieve sobre grava, mantenga
las zapatas antideslizantes en la posición que permita lograr una
separación máxima entre el piso y la placa de raspado.
•
•
Figura 8
PRECAUCIÓN
Se recomienda no operar esta máquina quitanieve sobre grava ya que
la unidad puede recoger y lanzar grava suelta fácilmente, causando
lesiones personales o daños a la máquina y los objetos que la rodean.
Para ajustar las zapatas antideslizantes:
Afloje las seis tuercas hexagonales (tres a cada lado) y los
pernos del carro. Mueva las zapatas antideslizantes a la posición
deseada. Vea la Figura 8.
Compruebe que toda la superficie inferior de las zapatas
antideslizantes está contra el suelo para evitar el desgaste
desparejo de las mismas.
1.
2.
Figura 9
Palanca de cambios
Control de la
transmisión
Cable de control
de transmisión
Cable de control
de la barrena
Control de inclinación
del canal
Control de
la barrena

45
MONTAJE
Vuelva a ajustar bien las tuercas y los pernos.
Prueba del control de la transmisión de la barrena
Cuando se suelta el control de la barrena y está en posición
desengranada arriba, el cable debe tener muy poco juego, pero NO
debe estar ajustado.
En un área bien ventilada, arranque el motor de la máquina
quitanieve según se indica en la sección Funcionamiento.
Asegúrese de que el regulador se encuentre en la posición FAST
(rápida) .
Ubicado en la posición del operador (detrás de la máquina
quitanieve), engrane el control de la barrena y deje que la
barrena quede engranada durante aproximadamente diez
segundos antes de soltar el control de la barrena. Repita esta
operación varias veces.
Con el motor funcionando en posición FAST (rápida) y el control
de la barrena en posición desengranada arriba, camine hacia el
frente de la máquina. Confirme que la barrena haya dejado de
girar por completo y no muestre ningún signo de movimiento.
Si la barrena muestra algún signo de rotación, vuelva
inmediatamente a la posición del operador y apague el motor.
Espere a que todas las partes móviles se detengan antes de
volver a ajustar el cable de control de la barrena.
Prueba de control de transmisión y palanca de
cambios
Consulte la Figura 9 para ver la ubicación de los controles.
Coloque la palanca de cambios en la sexta (6) posición.
Con el control de transmisión en las ruedas suelto, empuje la
máquina quitanieve hacia adelante, luego tire de la misma hacia
atrás. La máquina se debe mover libremente.
Engrane el control de transmisión e intente mover la máquina
hacia adelante y hacia atrás, se debe sentir resistencia.
Mueva la palanca de cambios en posición marcha atrás (R2)
rápida y repita los dos pasos previos.
Si experimenta resistencia para hacer rodar la unidad, ya sea
reposicionando la palanca de cambios de 6 a R2 o cuando intenta
mover la máquina con el control de transmisión suelto, ajuste el control
de transmisión inmediatamente. Vea Ajuste de transmisión y controles
de barrena.
Vea Ajuste de transmisión y controles de barrena.
Desde debajo de la manija, tire hacia abajo en el cable que
corresponda y desenganche el resorte que se encuentra en el
extremo del cable desde el soporte del accionador respectivo.
Consulte las Figuras 9 y 10.
Deslice el resorte hacia arriba del cable para dejar expuestas las
roscas del acoplador de cable y la tuerca de seguridad. Consulte
la Figura 11.
Si ajusta el cable de transmisión, enrosque la tuerca de seguridad
hacia afuera (hacia abajo del acoplador) para prolongar el cable
y permitir que la unidad se mueva libremente al aflojar el control.
3.
1.
2.
3.
4.
1.
2.
3.
4.
1.
2.
3.
Figura 10
ADVERTENCIA
Antes de operar su máquina quitanieve, lea atentamente y cumpla
todas las instrucciones que aparecen a continuación. Realice todos los
ajustes para verificar que la máquina está operando con seguridad y
correctamente.
Figura 11
Enrosque la tuerca de seguridad hacia adentro (hacia arriba del
acoplador) para acortar el cable, reducir el deslizamiento y evitar
que la máquina se mueva fácilmente con la transmisión engranada.
Si ajusta el cable de la barrena, enrosque la tuerca de seguridad
hacia abajo para prolongar el cable cuanto sea necesario para
detener el giro de la barrena cuando se afloja el control.
Vuelva a acoplar el resorte al soporte del accionador.
Repita las pruebas de control de la transmisión en las ruedas y de
la barrena para verificar el ajuste correcto. Si es necesario, repita
los pasos previos para alcanzar el ajuste adecuado de cada cable.
4.
5.
6.
ADVERTENCIA
No ajuste demasiado el cable. El ajuste excesivo puede impedir
que la barrena se desengrane y poner en peligro la seguridad de la
máquina quitanieve.

46
OPERACIÓN
Ahora que ya ha ajustado su la máquina quitanieve para la operación,
familiarícese con sus controles y características. Vea la Figura 11.
PALANCA DE CAMBIOS
La palanca de cambios está ubicada en el lado derecho del panel
de mango. Sitúe la palanca de cambios en cualquiera de las ocho
posiciones para controlar la dirección del desplazamiento y la
velocidad de piso.
Avance
Hay cinco posiciones de avance (F). La posición uno (1) es la más
lenta, y la posición seis (6) es la más rápida.
Retroceso
Hay dos velocidades de retroceso (R). La uno (1) es la más lenta,
y la dos (2) es la más rápida.
FARO
El faro es localizado encima del panel de mango. Puede ser ajustado
soltando los tornillos en cada lado del alojamiento ligero, giro de la luz
o abajo, y nuevo apretamiento de los tornillos.
LLAVE DE ENCENDIDO
La llave de encendido es un dispositivo de seguridad. Debe estar
completamente insertada para que el motor arranque. Retire la llave
de encendido cuando no use la máquina quitanieve.
NOTE: No gire la llave de encendido para intentar arrancar el motor. Al
hacerlo podría romperla.
CONTROL DE OBTURACIÓN
El control de obturación se encuentra en la parte posterior del motor,
y se activa haciendo girar la perilla en sentido de las agujas del reloj.
Al activar el control de obturación se cierra la placa de obturación del
carburador y se ayuda a encender el motor.
Figura 11
Cumple con los estándares de seguridad de ANSI
Las máquinas quitanieve de Craftsman cumplen con los estándares de seguridad del instituto estadounidense de estándares nacionales (ANSI).
Controles del motor Manija del
arrancador de
retroceso
Cebador
Llave de
encendido
Salida del
arrancador
eléctrico
Control de
obturación
Control del
estrangulador
Control de la transmisión
Llenado
de aceite
Montaje del
canal
Tapón de combustible
Palanca
de cambios
Control de la barrena
Rueda que Conduce Mandos
Control del canal de 2 direcciones™
Herramienta
de limpieza
Cortadores
de
movimiento
Barrenas
Faro
Zapata
antideslizante
Control direccional del
canal

47
OPERACIÓN
CONTROL DEL ESTRANGULADOR
El control del estrangulador está ubicado en el motor.
Regula la velocidad del motor, y lo apaga cuando mueva el
control a la posición STOP.
MANIJA DEL ARRANCADOR DE
RETROCESO
Esta manija se utiliza para arrancar el motor manualmente.
BOTÓN DEL ARRANCADOR
ELÉCTRICO
Si oprime el botón del arrancador eléctrico se engrana el
arrancador eléctrico del motor cuando se lo enchufa a una
fuente de energía de 120V.
SALIDA DEL ARRANCADOR
ELÉCTRICO
Es necesario usar un cordón prolongador para exteriores de tres
espigas y una fuente de energía / tomacorriente de pared de 120V.
BARRENAS
Cuando están en granadas, las barreras giran y retiran la nieve al
interior de la caja de la barrena.
MONTAJE DEL CANAL
La nieve retirada al interior de la caja de la barrena se descarga en el
montaje del canal.
CEBADOR
Al presionar el cebador se envía combustible directamente al carbura-
dor del motor para ayudar al encendido cuando el clima es frío.
LLENADO DE ACEITE
Es posible controlar el nivel de aceite del motor, así como también
agregar aceite, a través del llenado de aceite.
TAPÓN DE COMBUSTIBLE
Desenrosque el tapón de combustible para agregar gasolina al tanque
de combustible.
ZAPATAS ANTIDESLIZANTES
Ubique las zapatas antideslizantes en función de las condiciones de
la superficie. Ajuste hacia arriba si la nieve está muy compactada.
Ajústelas hacia abajo si usa la máquina en gravas o superficies con
piedras trituradas.
CORTADORES DE MOVIMIENTO
Los cortadores de movimiento son diseñados para el uso en la nieve
profunda. Su uso es opcional para condiciones de nieve normales.
CONTROL DE LA BARRENA
El control de la barrena está ubicado en la manija izquierda. Apriete la
empuñadura de control contra la manija para engranar las barrenas y
empiece a quitar nieve. Suelte para que se detenga.
CONTROL DE LA TRANSMISIÓN/ CONTROL
DE LA BARRENA DE CERRADURA
El control de transmisión está ubicado en la manija derecha. Presione
la empuñadura de control contra la manija para engranar la rueda de
transmisión. Suelte para que se detenga.
El control de la transmisión también bloquea el control de la barrena
de manera que puede operar el control direccional del canal sin
interrumpir el proceso de quitar la nieve. Si el control de la barrena se
engrana simultáneamente con el control de transmisión, el operador
puede soltar el control de la barrena (en la manija izquierda) y las bar-
renas continuarán engranadas. Suelte ambos controles para detener
tanto las barrenas como la transmisión de las ruedas.
NOTA: Suelte siempre el control de la transmisión antes de cambiar
de velocidad. De no proceder así, aumentará el desgaste del sistema
de transmisión de su máquina.
RUEDA QUE CONDUCE MANDOS
La rueda izquierda y derecha que conduce mandos es localizada en la
parte oculta de los mangos. Apriete el control derecho para dar vuelta
a la derecha; apriete el control izquierdo para dar vuelta a la izquierda.
NOTA: Haga funcionar al lanzador de nieve en áreas abiertas hasta
que usted sea familiar con estos mandos.
CONTROL DE
LA BARRENA
GO
CONTROL DE LA
TRANSMISIÓN
GO

48
OPERACIÓN
CONTROL DEL CANAL DE
2 DIRECCIONES™
La nieve de distancia es lanzada puede ser cambiado ajustando el
ángulo de la asamblea de tolva. Avance el control de inclinación de
tolva para disminuir la distancia, hacia el reverso para aumentar.
CONTROL DIRECCIONAL DEL CANAL
La control direccional del canal es localizada en el lado izquierdo del
lanzador de nieve.
Para cambiar la dirección hacia la cual se arroja la nieve, gire
en sentido de las agujas del reloj para descargar la nieve hacia
la izquierda, y en dirección contraria de las agujas del reloj para
descargarla hacia la derecha.
HERRAMIENTA DE LIMPIEZA
La herramienta de limpieza del canal está ajustada convenientemente
a la parte posterior de la caja de la barrena con un pasador de ensam-
blado. Si se acumulan nieve y hielo en el canal de descarga durante
la operación, proceda como se indica a continuación para limpiar de
manera segura el montaje del canal y la abertura del canal:
Suelte el control de la barrena y el control de la transmisión.
Para detener el motor saque la llave de encendido.
Saque la herramienta de limpieza del pasador que la ajusta a la
parte posterior de la caja de la barrena.
Use el extremo con forma de pala de la herramienta de limpieza
para desplazar y recoger la nieve y el hielo que se formaron
cerca del conjunto del canal.
Vuelva a ajustar la herramienta de limpieza al pasador de ens-
amblado ubicado en la parte posterior de la caja de la barrena,
inserte de nuevo la llave de encendido y encienda el motor de la
máquina quitanieve.
Parado en la posición del operador (detrás de la máquina quita-
nieve), engrane el control de la barrena durante unos segundos para
eliminar la nieve o el hielo que hayan quedado en el conjunto del
canal.
ANTES DE ENCENDER EL MOTOR
Aceite
El motor se envió con aceite en el motor. Controle el nivel de aceite
antes de cada operación para asegurarse de que haya aceite
suficiente en el motor. Para obtener más instrucciones, remítase a los
pasos que aparecen en la página 51.
•
1.
2.
3.
4.
5.
6.
Saque la varilla del nivel de aceite del orificio de llenado de
aceite.
Controle y compruebe que el nivel de aceite esté hasta arriba en
la marca FULL de la varilla del nivel del aceite.
Si el nivel de aceite no llega hasta FULL, vierta aceite de motor
nuevo (5W-30, con una clasificación mínima de SL/SJ) lenta-
mente a través de la abertura. Vuelva a colocar la varilla del nivel
aceite en el llenado de aceite y controle nuevamente el nivel de
aceite.
Gasolina
Almacene la gasolina en un recipiente aprobado limpio y coloque
la tapa en el recipiente.
Asegúrese de que el recipiente desde el cual vierte la gasolina
esté limpio y no esté oxidado ni contaminado con otras partículas
extrañas.
NOTA: Dentro de la apertura para llenado de combustible puede
encontrarse una tapa guardapolvos de plástico. Retire y descarte, si la
hubiera.
Llene siempre el tanque de combustible al aire libre y use un
embudo o pico para evitar derramamientos.
Llene el tanque de combustible con gasolina sin plomo, limpia y fresca.
Nunca llene completamente el tanque. Llene el tanque hasta 1/2 pulg por
debajo del tope, dejando así espacio para la dilatación del combustible.
Asegúrese de limpiar el combustible que se haya derramado
antes de arrancar el motor.
ENCENDIDO DEL MOTOR
Conecte el cable de la bujía a la misma. Compruebe que el lazo
de metal del extremo de la bujía esté bien ajustado (dentro de la
manga de goma) sobre la punta metálica de la bujía.
Asegúrese de que el control de la barrena y el control de la
transmisión estén en posición desengranada (sin presionar).
Mueva el control del estrangulador a la posición FAST .
Inserte la llave de encendido en la ranura. Asegúrese de que
entre a presión en su lugar. No intente girar la llave.
NOTA: El motor no puede arrancar si la llave no está completamente
insertada en el interruptor de encendido.
Arrancador eléctrico
Determine si el cableado de su hogar es un sistema de tres cables
conectado a tierra. Consulte con un electricista matriculado si no está
seguro.
1.
2.
3.
•
•
•
•
•
•
1.
2.
3.
ADVERTENCIA
Nunca use sus manos para liberar un montaje de canal tapado. Antes
de destaparlo, apague el motor y permanezca detrás de las manijas
hasta que todas las partes móviles se hayan detenido.
ADVERTENCIA
Lea, comprenda y siga todas las instrucciones y advertencias que
aparecen en la máquina y en este manual antes de operarla.
ADVERTENCIA
Tenga extremo cuidado cuando manipule gasolina. La gasolina es
altamente inflamable y sus vapores pueden causar explosiones.
Nunca agregue combustible a la máquina en interiores o mientras
el motor está caliente o en funcionamiento. Apague los cigarrillos,
cigarros, pipas y otras fuentes de combustión.

49
OPERACIÓN
Si cuenta con un receptáculo de tres terminales, siga los siguientes
pasos:
Conecte el prolongador a la salida situada en la superficie del
motor. Conecte el otro extremo del prolongador en un receptáculo
de CA con conexión a tierra de tres terminales de 120 voltios, en
un área bien ventilada.
Gire el control de obturación a posición de obturación FULL
(para encendido con el motor en frío).
NOTA: si el motor ya está caliente, ubique el control del obturador en
posición OFF en lugar de FULL .
3. Presione el cebador dos o tres veces para arrancar el motor en
frío, asegurándose de cubrir el orificio de ventilación situado en
el centro del cebador cuando esté presionando.
NOTA: NO UTILICE el cebador para reiniciar un motor caliente tras
una detención breve.
4. Presione el botón del arrancador para arrancar el motor.
NOTA: NO mantenga el botón oprimido durante más de siete (7)
segundos a la vez. Si lo hace, puede dañar el arrancador eléctrico del
motor.
5. Una vez encendido el motor, suelte el botón del arrancador.
6. Mientras se calienta el motor, gire lentamente el control del obtu
rador a posición OFF (apagado). Si el motor falla, vuelva a girar
rápidamente el obturador a posición FULL y luego,
lentamente, a posición OFF de nuevo.
7. Cuando desconecte el prolongador, desenchufe siempre el
extremo del receptáculo de tres terminales en el tomacorriente
de pared antes de desenchufar el extremo opuesto de la
máquina quitanieve.
Arrancador de retroceso
Gire el control de obturación a posición de obturación FULL
(encendido con el motor en frío).
NOTA: Isi el motor ya está caliente, ubique el control del obturador en
posición OFF en lugar de FULL .
2. Presione el cebador dos o tres veces para arrancar el motor en
frío, asegurándose de cubrir el orificio de ventilación situado en
el centro del cebador cuando esté presionando.
NOTA: NO UTILICE el cebador para reiniciar un motor caliente tras
una detención breve.
1.
2.
1.
ADVERTENCIA
El arrancador eléctrico opcional está equipado con un cable de ali-
mentación y un enchufe de tres terminales conectados a tierra y está
diseñado para operar con corriente doméstica de 120 voltios. Debe
ser utilizado con un receptáculo de tres terminales correctamente
conectado a tierra en todo momento para evitar la posibilidad de
descargas eléctricas. Siga todas las instrucciones cuidadosamente
para operar el arrancador eléctrico.
NOTA: tal vez sea necesario un cebado adicional si la temperatura es
inferior a 15° Fahrenheit.
3. Tome la manija del arrancador de retroceso y tire de la cuerda
hacia afuera lentamente. En el momento en el que se haga
levemente más difícil tirar de la cuerda, permita que la misma
retroceda lentamente.
4. Tire de la manija del arrancador con un movimiento firme y
rápido. No suelte la manija ni permita que se desenganche.
Mantenga la manija del arrancador firmemente sujeta y permita
que la cuerda retroceda lentamente.
5. Mientras se calienta el motor, gire lentamente el control del
obturador a posición OFF (apagado). Si el motor falla, vuelva a
girar rápidamente el obturador a posición FULL y luego,
lentamente, a posición OFF de nuevo.
NOTA: permita que el motor se caliente durante unos minutos tras el
arranque. El motor no desarrollará toda su potencia hasta que alcance
temperaturas operativas.
DETENCIÓN DEL MOTOR
Deje encendido el motor durante algunos minutos antes de detenerlo
para permitir que se seque la humedad en el mismo.
Mueva el control del estrangulador a la posición STOP STOP .
Retire la llave de encendido y guárdela en un lugar seguro.
Limpie la nieve y la humedad del área alrededor del motor, así
como también en el área (y alrededor de ésta) del interior de los
controles de la transmisión y de la barrena. Asimismo, enganche
y suelte ambos controles varias veces.
PROCEDIMIENTO PARA ENGRANAR LA
TRANSMISIÓN
Con el control del estrangulador en posición rápida (dibujo
de un conejo), mueva la palanca de cambios a una de las seis
posiciones de avance (F) o de las dos posiciones de reversa (R).
Seleccione la velocidad adecuada para el estado de la nieve exis-
tente y una velocidad con la que se sienta cómodo.
NOTA: Al seleccionar una velocidad de la transmisión, use las veloci-
dades más lentas hasta que se sienta cómodo y se haya familiarizado
con el funcionamiento de la máquina quitanieve.
2. Apriete el control de la transmisión contra la manija derecha, y la
máquina quitanieve se moverá. Suéltelo y se detendrá el
movimiento de la transmisión.
NOTA: NUNCA cambie la posición de la palanca de cambios (cambio
de velocidades o de dirección de desplazamiento) sin soltar primero el
control de transmisión y detener por completo la máquina quitanieve.
Esto producirá un desgaste prematuro del sistema de transmisión de
la máquina quitanieve.
PROCEDIMIENTO PARA ENGRANAR LAS
BARRENAS
Apriete el control de la barrena contra la manija y las barrenas
rotarán. Suéltela y las barrenas se detendrán.
1.
2.
3.
1.
1.

50
SERVICIO Y MANTENIMIENTO
MANTENIMIENTO DE MOTOR
Control del aceite del motor
Asegúrese de que el motor está vertical y nivelado.
Desenrosque el tapón de llenado de aceite del tubo de llenado de
aceite y limpie la varilla de nivel de aceite.
Vuelva a enroscar el tapón de llenado de aceite en el tubo de
llenado de aceite. Ajuste bien.
Desenrosque y retire el tapón de llenado de aceite del tubo de
llenado de aceite. Fíjese en el nivel de aceite. Si la lectura en
la varilla del nivel de aceite está por debajo de la marca “ADD”
(agregue), agregue aceite lentamente hasta alcanzar el nivel
“FULL” (lleno). Vea la figura 1.
Vuelva a enroscar el tapón de llenado de aceite en el tubo de
llenado de aceite. Ajuste bien.
Limpie todo el aceite que se haya derramado.
Cambio de aceite del motor
Para evitar que el motor resulte dañado, es importante que:
Controle el nivel de aceite antes de cada uso y cada cinco horas
de operación.
Cambie el aceite después de las dos (2) primeras horas de
operación y después de cada 25 horas de operación.
El motor debe estar tibio pero no caliente por su uso reciente.
Localice el tapón de drenaje del aceite. Vea la figura 13.
Asegúrese de que la tapa de la gasolina está puesta y bien ajustada.
Limpie el área alrededor del tapón de drenaje del aceite.
Coloque un recipiente de aceite reciclable aprobado bajo el tapón
del drenaje del aceite.
Saque el tapón de drenaje del aceite y drene el aceite.
NOTA: el aceite usado debe desecharse en un centro de recogida
adecuado.
6. Instale el tapón de drenaje del aceite y ajuste bien.
7. Vuelva a llenar el motor con el aceite recomendado. Consulte el
gráfico Uso de aceite recomendado. La capacidad de aceite del
motor es de 28 onzas.
8. Limpie todo el aceite que se haya derramado.
1.
2.
3.
4.
5.
6.
•
•
•
1.
2.
3.
4.
5.
Figura 13
Figura 12
ADVERTENCIA
Antes de realizar tareas de lubricación, reparación o inspección,
desengrane todos los controles y detenga el motor. Espere a que se
detengan todas las piezas móviles.
-20 F
O
32 F
O
32 F
O
40 F
O
-20 C
O
20 F
O
40 C
O
30 C
O
20 C
O
10 C
O
0 C
O
-10 C
O
-30 C
O
0 F
O
60 F
O
80 F
O
100 F
O
Non-Multi Grade
SAE 30
Multi Grade
SAE 5W-30 or SAE 10W-30
Synthetic Multi Grade
SAE 0W-30
Recommended Oil Usage
FULL
ADD
Mantenga el nivel
de aceite entre
FULL (lleno) y ADD (agregue)
Tapón de Ilenado de aceite
Tapón para
drenado de
aceite

51
SERVICIO Y MANTENIMIENTO
Control de la bujía
Controle la bujía anualmente o cada 100 horas de operación.
Limpie el área alrededor de la bujía.
Saque e inspeccione la bujía.
Cambie la bujía si la porcelana está rota o si los electrodos están:
picados, quemados o atorados con depósitos
Controle el espacio del electrodo con un calibrador de sepa-
raciones y ajuste dicho espacio a 0,030 pulg (0,76 mm) si es
necesario. Vea la figura 14.
Vuelva a instalar la bujía y ajuste bien.
NOTA: Para el reemplazo se debe utilizar una bujía de resistor.
Contacte con un centro de partes y reparación Sears para una bujía
de repuesto.
Carburador
Si cree que su carburador necesita un ajuste, consulte con un centro
de partes y reparación Sears. El desempeño del motor no debe verse
afectado a altitudes de hasta 7.000 pies (2.134 m). Para operaciones a
mayor altitud, contacte con un centro de partes y reparación Sears.
Velocidad del motor
LUBRICACIÓN
Paseo y Cambio de Mecanismo
Al menos una vez una temporada o después de cada 25 horas de la
operación, quite la tapa trasera. Lubrique todas las cadenas, piñones,
marchas, portes, ejes, y el mecanismo que cambia. Use el petróleo de
motor o un lubricante de spray. Vea la figura 15.
NOTA: Evite los derrames de aceite sobre la rueda de fricción de
caucho y sobre la placa de transmisión de aluminio.
Ruedas
Retire ambas ruedas al menos una vez cada temporada. Limpie y
recubra los ejes con una grasa para automotores multiusos antes de
volver a instalar las ruedas.
Control direccional del canal
Lubrique el manguito del perno de ojo y la espiral con aceite 3-en-1
una vez por temporada.
Eje de la barrena
Al menos una vez por temporada, quite los pasadores de cuchilla del
eje de la barrena. Rocíe lubricante al interior del eje, alrededor de
los separadores. Asimismo, lubrique los cojinetes bridados que se
encuentran en ambos extremos del eje. Vea la figura 16.
1.
2.
3.
4.
5.
Figura 14
Figura 15
ADVERTENCIA
Para evitar lesiones graves o la muerte, NO modifique el motor bajo
ninguna circunstancia. Si cambia la configuración del regulador, el
motor y el equipo pueden operar a velocidades inseguras. NUNCA
cambie la configuración de fábrica del regulador del motor. Hacer
funcionar el motor a una velocidad superior a la establecida en
fábrica es peligroso.
23
1
1. Espacio de 0,030 pulg (0,76 mm)
2. Electrodo
3. Porcelana
Figura 16

52
SERVICIO Y MANTENIMIENTO
PLACA DE RASPADO Y ZAPATAS
ANTIDESLIZANTES
La placa de raspado y las zapatas antideslizantes ubicadas en la base
de la máquina quitanieve están sujetas a desgaste. Debe controlarlas
periódicamente y reemplazarlas cuando sea necesario.
Zapatas antideslizantes
NOTA: Las zapatas de esta máquina tienen dos bordes de desgaste.
Cuando un lado se desgasta, se las puede rotar 180º para usar el otro
borde.
Retire los seis pernos y tuercas hexagonales del carro que
sujetan las dos zapatas a los lados de la caja de la barrena.
Consulte la Figura 17.
Ubique las zapatas nuevas y ajústelas con los pernos y
tuercas hexagonales del carro. Compruebe que las zapatas
antideslizantes están ajustadas para que queden parejas.
Placa de raspado
Retire las tuercas hexagonales y los pernos del carro que ajustan
la placa de raspado a la base de la caja.
Retire la última tuerca hexagonal y el último perno del carro que
ajustan la parte posterior de cada zapata a los lados de la caja.
Afloje las cuatro tuercas hexagonales restantes que sujetan las
zapatas antideslizantes.
Deslice la placa de raspado fuera de la ranura de compensación
en la base de la caja, y desde su posición entre las zapatas y los
paneles laterales de la caja.
Con los orificios de montaje hacia atrás, deslice la nueva placa
de raspado en posición y ajústela con los sujetadores que se
retiraron previamente.
AJUSTES
Varilla de cambio
Si no se puede lograr toda la gama de velocidades (avance y
retroceso), consulte la figura de la izquierda y ajuste la varilla de
cambios de la siguiente forma:
Mirando debajo del panel de la manija, observe en cuál de los
tres orificios de la palanca de cambios se encuentra insertada la
férula. Observe también la dirección de la inserción. Luego retire
el pasador de chaveta y la arandela plana internos de la férula y
retire la férula de la palanca de cambios. Vea la Figura 18.
Coloque la palanca de cambios en la sexta (6) posición o en la
velocidad más rápida hacia adelante.
Empuje la varilla de cambios y el conjunto del brazo de
desplazamiento hacia abajo con firmeza tanto como se pueda
para colocar la transmisión en la posición de velocidad más
rápida hacia adelante.
Según sea necesario, rote la férula hacia arriba o hacia abajo de
la varilla de cambios hasta que la férula se alinee arriba con el
orificio del cual fue retirada antes. Vea la Figura 18.
Desde la dirección que se observó antes, inserte la férula en el
orificio adecuado.
Vuelva a instalar la arandela y el pasador de chaveta interno.
1.
2.
1.
2.
3.
4.
1.
2.
3.
4.
5.
6.
Figura 17
Figura 18
Control del canal
Se puede ajustar la distancia a la cual se arroja la nieve mediante
el ajuste del ángulo del conjunto del canal. Consulte la sección
Funcionamiento para obtener instrucciones.
Los cables de control del canal remoto son ajustados previamente en
fábrica. Mueva la palanca de tolva remota en el panel de instrumentos
avanzado para girar la tolva superior abajo; mueva la palanca hacia
atrás para girar la tolva superior.

53
SERVICIO Y MANTENIMIENTO
Control de la transmisión
Consulte la sección Ajuste de las instrucciones de montaje para
ajustar el control de la transmisión. Para controlar aún más el ajuste,
proceda de la siguiente manera:
Con la máquina quitanieve inclinada hacia adelante (asegúrese
de vaciar la gasolina o de colocar una película plástica debajo
del tapón de llenado del combustible si la máquina ya ha sido
puesta en funcionamiento), saque la cubierta del marco ubicada
bajo la máquina quitanieve, para lo cual debe sacar los tornillos
autorroscantes.
Ubique la abertura entre la ménsula de soporte del eje y el
soporte del cuadro delantero (Vea la Figura 19). Mirando a través
de esta abertura, tras soltar el control de la transmisión, debe
existir una separación de entre la rueda de fricción y la placa de
la transmisión en todas las posiciones de la palanca de cambios.
Con el control de la transmisión engranado, la rueda de fricción debe
hacer contacto con la placa de la transmisión. Vea la Figura 19.
Si no hay separación de la rueda de fricción, o si la rueda
de fricción no hace contacto firmemente con la placa de la
transmisión, reajuste la tuerca de seguridad en el extremo inferior
del cable de transmmisión según las instrucción de la sección
Montaje.
Vuelva a ensamblar la cubierta del marco.
NOTA: Si anteriormente colocó película plástica debajo del tapón de
llenado de gasolina, sáquela en este momento.
Soporte del canal
Si la espiral situada en la parte inferior del control direccional del canal
no se engancha completamente con el conjunto del canal, es posible
ajustar el soporte del canal. Para hacerlo:
Afloje las dos tuercas que sujetan el soporte del canal y cambie
su posición ligeramente. Vea la Figura 20.
Vuelva a ajustar las tuercas.
Control de la barrena
Consulte la sección Montaje para ver las instrucciones del ajuste del
cable de control de la barrena.
Zapatas antideslizantes
Consulte la sección Montaje para ver las instrucciones para el ajuste
de las zapatas antideslizantes.
CAMBIO DE CORREA
Preparación para sacar la correa
Desconecte el conjunto de manivela del canal en el extremo del
canal de descarga. Para ello saque el broche de horquilla y la
arandela plana. Consulte la Figura 21.
Retire la cubierta plástica de la correa, ubicada cerca del motor.
Para ello saque los tres tornillos autorroscantes que la sujetan.
Vea la Figura 22.
1.
2.
3.
4.
5.
1.
2.
1.
2.
Figura 19
Figura 20
Figura 21
Rueda de
fricción
Placa de
transmisión
Abertura de
la ménsula
de soporte
del eje

54
SERVICIO Y MANTENIMIENTO
Afloje el perno que se muestra en la Figura 23 que sujeta la
ménsula del guardacorrea y retire el otro perno. Empuje el
guardacorrea y la ménsula hacia arriba para sacarlos de la polea
del motor. Vea la Figura 23.
Reemplazo de la correa de la barrena
Retire el broche del pasador de horquilla y la arandela plana de
la férula para desconectar la varilla intermedia de la barrena del
conjunto del soporte del freno. Vea la Figura 24.
NOTA: Asegúrese que la posición del regatón en la vara de
holgazán de taladro es mantenida.
Deslice la correa de control de la barrena (la correa delantera)
fuera de la polea del motor.
Tire del conjunto del soporte del frenohacia el rodillo guía del
cable y desenganche el accesorio Z del cable de la barrena. Vea
la Figura 25.
Desde los dos lados del conjunto del cuadro, use una llave de
1/2” para retirar los tres tornillos roscados hexagonales que
sujetan el marco al conjunto de la caja de la barrena. Consulte la
figura 21 en la página anterior.
NOTA: No retire la tuerca de seguridad bridada hexagonal inferior
a cada lado.
Coloque un bloque de madera debajo de la caja de la barrena
como se muestra en la Figura 26 y separe la caja de la barrena del
marco inclinando la caja hacia adelante y tirando hacia arriba de
las manijas.
Bloquee la aspa con un pedazo de madera para impedirle girar, y
con una llave de 1/2”, retire el tornillo hexagonal y la arandela plana
del centro de la polea sobre la caja de la barrena. Vea la Figura 27.
Levante el conjunto del soporte del freno fuera de la ranura de
la polea y deslice el conjunto de la polea fuera de los postes del
adaptador de la polea de la barrena para retirar la correa vieja.
Consulte la Figura 27.
NOTA: El adaptador de la polea se puede deslizar fuera del eje de
entrada de la barrena al retirar la polea. Extreme precauciones para
asegurar que el adaptador no se caiga y/o dañe al retirar la polea.
3.
1.
2.
3.
4.
5.
6.
7.
Figura 22
Figura 23
Figura 24
Figura 25
Afloje
Extraiga

55
SERVICIO Y MANTENIMIENTO
8. Coloque la nueva correa de la barrena en la ranura en V de la
polea de la barrena y coloque la polea con la correa dentro de los
guardacorreas.
9. Gire la polea cuanto sea necesario para alinear sus tres ranuras
aproximadamente con los postes del adaptador de la polea,
luego mueva el conjunto del soporte del freno lejos del eje de
entrada. Cuando alinea las ranuras de la polea y los postes del
adaptador, empuje la polea de la barrena totalmente sobre el
adaptador. Consulte la Figura 27.
NOTA: Si el adaptador de la polea se retiró con la polea, alinee los
canales del adaptador de la polea y el eje de entrada de la barrena y
empuje la polea y el adaptador sobre el eje de entrada. Consulte la
Figura 27.
10. Deslice la arandela sobre el tornillo hexagonal que se retiró antes
y aplique Loctite 262 a las roscas del tornillo hexagonal.
11. Inserte el tornillo hexagonal a través del conjunto de la polea y
en las roscas del eje de entrada. Ajuste el tornillo hexagonal a
250-325 pulgadas/libras para sujetar el conjunto de la polea de la
barrena al eje de entrada.
12. Si también se cambia la correa de transmisión, pase a las
instrucciones de “Correa de transmisión.” De lo contrario,
coloque de nuevo el marco de transmisión atrás en el alojamiento
de taladro. Instale la correa de transmisión sobre la polea del
motor, vuelva a conectar el accesorio Z del cable de la barrena y
la férula de la varilla intermedia de la barrena al soporte del freno.
Vuelva a ubicar y sujete el protector de la correa de la polea del
motor e instale nuevamente la cubierta de la correa.
NOTA: Asegúrese para quitar el pedazo de madera que bloquea la
aspa.
Controle el ajuste de la correa de transmisión de la barrena. Con
la palanca del embrague de la barrena en posición desengranada,
la superficie superior de la correa nueva debe quedar pareja con el
diámetro exterior de la polea.
Para ajustar, desconete la férula del conjunto de soporte del freno.
Enrosque la férula hacia adentro (hacia la polea loca) para aumentar
la tensión sobre la correa o hacia afuera para reducirla.
NOTA: El patín del freno siempre debe quedar firmemente asentado
en la ranura de la polea cuando se desengrana el control de la
barrena.
IMPORTANTE: Repita “el Taladro Expulsan de la Prueba de
Control” de la sección de Asamblea antes del lanzador de nieve de
operaciones.
Reemplazo de la correa de transmisión
Si todavía no se retiró la correa de transmisión de la barren, de la
polea delantera en la polea doble del motor, hágalo ahora. Consulte
las instrucciones para el “Cambio de la correa de la barrena” en la
subsección anterior.
1. a. Tire de la polea loca separándola de la parte posterior de la
correa de transmisión para aflojar la tensión. Vea la Figura 28.
b. Deslice la correa de transmisión fuera de la polea loca. Suelte
la polea loca con cuidado.
Figura 26
Figura 27
A
C
B
Figura 28
2
3
1a
1b
Poste del
adaptador
Ranura de polea

56
SERVICIO Y MANTENIMIENTO
Figura 29
Figura 30
2. Haga rodar la correa de transmisión fuera de la polea de
transmisión inferior.
3. Retire la correa de la polea del motor.
4. Instale la correa nueva en las poleas en el orden inverso y vuelva
a tensarla con la polea loca.
5. Para realizar el reensamblado siga los pasos anteriores en orden
y de manera inversos a la extracción.
CAMBIO DE LA RUEDA DE FRICCIÓN
La goma de la rueda de fricción está sujeta a desgaste y se la debe
controlar después de las primeras 25 horas de funcionamiento y
luego de forma periódica. Reemplace la rueda de fricción si detecta la
presencia de signos de desgaste o grietas.
Drene la gasolina de la máquina quitanieve o coloque un trozo de
plástico debajo del tapón de llenado del combustible.
Incline la máquina quitanieve hacia arriba y hacia adelante de
manera que quede apoyada sobre la caja.
Retire los tornillos de la cubierta del cuadro debajo de la máquina
quitanieve (consulte la Figura 29). Retire la rueda derecha del eje.
Con una llave de 3/4” sostenga el eje hexagonal y retire el tornillo
hexagonal y la arandela belleville y el cojinete del lado izquierdo
del marco. Consulte la Figura 30.
Mientras sostiene el conjunto de la rueda de fricción, deslice el
eje hexagonal hacia afuera del conjunto de la rueda de fricción
y del costado derecho del marco. El separador del costado
izquierdo del eje hexagonal cae y la rueda dentada debe quedar
suelta colgando de la cadena.
Levante el conjunto de la rueda de fricción hacia afuera entre los
conjuntos del semieje y del eje de transmisión.
Retire los cuatro tornillos que ajustan la rueda de fricción al
conjunto del cubo (consulte la Figura 31). Deseche la rueda de
fricción vieja.
Vuelva a ensamblar la rueda de fricción nueva en el conjunto
del cubo, ajustando los cuatro tornillos en rotación y con la
misma fuerza. Es importante ensamblar la rueda de fricción
simétricamente para que funcione adecuadamente.
Vuelva a colocar el conjunto de la rueda de fricción en el marco
de la máquina quitanieve. Inserte el pasador del conjunto del
brazo de desplazamiento en el conjunto de la rueda de fricción y
mantenga el conjunto en su lugar. Consulte la Figura 32.
Deslice el eje hexagonal a través del lado derecho del marco
hacia el lado izquierdo y a través del conjunto de la rueda de
fricción.
Después de verificar que la cadena se encuentre sobre la rueda
dentada grande y sobre la pequeña, alinee el eje hexagonal con
el cubo hexagonal de la rueda dentada pequeña, y deslice el eje
a través de la rueda dentada.
1.
2.
3.
4.
5.
6.
7.
8.
9.
10.
11.
Figura 31
Saque la arandela belleville
del tornillo hexagonal
Conjunto de
rueda de fricción
Eje hexagonal
Deslice el eje
hexagonal
Hacia afuera
Lado derecho

57
SERVICIO Y MANTENIMIENTO
NOTA: Si se sale la rueda dentada de la máquina quitanieve mientras
se está sacando el eje hexagonal, coloque la rueda dentada en el
cadena. Realinee el piñón en la cadena con el cubo de maleficio que
afronta la derecha de unidad. Coloque el buje hexagonal de la rueda
dentada hacia la rueda de fricción cuando deslice la rueda dentada
sobre el eje hexagonal.
12. Deslice el separador sobre el extremo del eje hexagonal.
13. Alinee el cojinete en el extremo derecho del eje hexagonal
con el orificio del lado derecho del marco, luego empuje el eje
hexagonal hacia la izquierda en posición en el marco.
14. Deslice el cojinete sobre el extremo izquierdo del eje hexagonal
y presione dentro del orificio del lado izquierdo del marco.
15. Coloque la arandella belleville (lado redondeado hacia la cabeza)
en el tornillo hexagonal que se retiró antes, e inserte el tornillo
dentro del orificio roscado del eje hexagonal.
16. Gradualmente apriete el tornillo hexagonal para asentar
totalmente los cojinetes a cada lado del marco y sujetar el eje
hexagonal.
17. Coloque la cubierta del marco sobre la parte inferior del marco y
sujétela con los tornillos autorroscantes. Haga girar la máquina
quitanieve hacia abajo a la posición operativa normal.
NOTA: Si colocó película plástica debajo del tapón de llenado del
combustible, asegúrese de sacarla.
BARRENAS
Las barrenas están ajustadas al eje espiral con dos pasadores de
cuchilla y pasadores de chaveta. Si la barrena golpea un objeto
extraño o una barra de hielo, la máquina quitanieve está diseñada de
manera que los pasadores se pueden cortar. Si las barrenas no giran,
verifique si los pasadores se cortaron. Vea la figura 33.
Figura 32
Figure 33
NUNCA cambie los pasadores de cuchilla de las barrenas por otra
cosa que los pasadores de cuchilla de repuesto del fabricante del
equipo original, Nº de pieza 738-04124A. Cualquier daño que sufra
el engranaje de la barrena o cualquier otro componente por dejar de
hacerlo lo anterior, NO estará cubierto por la garantía de su máquina
quitanieve.
PRECAUCIÓN
ADVERTENCIA
Siempre debe apagar el motor de la máquina quitanieve y retirar la
llave antes de cambiar los pasadores de cuchilla.

58
SERVICIO Y MANTENIMIENTO
ADVERTENCIA
Antes de realizar cualquier tipo del mantenimiento/servicio, suelte
todos los mandos y pare el motor. Espere hasta que todas las partes
de movimiento hayan venido a una parada completa. Desconecte el
alambre de bujía y báselo contra el motor para prevenir el comienzo
involuntario. Siempre lleve puestos cristales inastillables durante la
operación o realizando cualquier ajuste o reparaciones.
Intervalo Artículo Servicio Tronco de Servicio
Cada Uso Nivel del aceite de motor
Hardware suelto o ausente
Unidad y motor
1.
2.
3.
Comprobar
Apriete o sustituir
Limpio
1.
2.
3.
1os 2 horas El aceite de motor1. Cambio1.
25 horas El aceite de motor†
Encadenamientos de control
y pivotes
1.
2.
Cambio
Lubricación con petróleo ligero
1.
2.
50 horas El aceite de motor1. Cambio1.
Anualmente o 100 horas Bujía1. Limpio, sustituya, nuevo hueco1.
Antes de Almacenaje Sistema de combustible1. El motor dirigido hasta que esto se
pare a falta del combustible o añada
un aditivo de gasolina al gas en el
tanque.
1.
† Bajo carga pesada o en temperaturas altas
Siga la lista de mantenimiento dada abajo. Esta carta describe pautas
de servicio sólo. Use la columna de Tronco de Servicio para guardar
la pista de tareas de mantenimiento completadas. Localizar el más
cercano Chamusca el Centro de Servicio o programar el servicio, sim-
plemente ponerse en contacto Chamusca en 1-800-4-MY-HOME®.
LISTA DE MANTENIMIENTO

59
ALMACENAMIENTO FUERA DE TEMPORADA
PREPARACIÓN DEL MOTOR
Almacenaje a Corto plazo
Es importante evitar que durante el almacenamiento se formen depósi-
tos de goma en las piezas esenciales del sistema de combustible del
motor como, por ejemplo, en el carburador, el filtro de combustible, la
manguera de combustible o el depósito.
El uso de estabilizadores de combustible (como STA-BIL) es una al-
ternativa aceptable para minimizar la formación de depósitos de goma
de combustible durante el almacenamiento. Agregue el estabilizador
a la gasolina que se encuentra en el depósito de combustible o en
el recipiente de almacenamiento. Respete siempre la proporción de
mezclado que figura en el recipiente del estabilizador. Ponga el motor
en marcha por lo menos 10 minutos después de agregar el estabiliza-
dor para permitirle llegar al carburador. No drene el carburador si está
utilizando un estabilizador de combustible.
Almacenaje a Largo plazo
Para evitar problemas con el motor, el sistema del combustible debe
ser vaciado antes de almacenar la máquina durante 30 días o más.
Ponga el motor en marcha hasta vaciar el depósito de com-
bustible y hasta que el motor se detenga debido a la falta de
combustible.
Retire la bujía y vierta (1) onza de aceite para motor a través del
orificio de la bujía y hacia el interior del cilindro. Cubra el orificio
de la bujía con un trapo y ponga el motor en marcha varias veces
para distribuir el aceite. Reemplace la bujía.
1.
2.
PREPARACIÓN DE LA MÁQUINA QUITANIEVE
Cuando almacene la máquina quitanieve en un galpón de
depósito metálico o con poca ventilación, tenga especial cuidado
de realizarle un tratamiento anti- oxidante al equipo. Use aceite
ligero o silicón para recubrir el equipo, especialmente las
cadenas, los resortes, los cojinetes y los cables.
Elimine todo el polvo del exterior del motor y del equipo.
Siga las recomendaciones de lubricación en la sección de
mantenimiento de este manual.
Almacene el equipo en un área despejada y seca.
1.
2.
3.
4.
PRECAUCIÓN
Alos combustibles con mezcla de alcohol (que se llaman gasohol,
o que utilizan etanol o metanol) pueden atraer la humedad, lo que
conduce a la separación y formación de ácidos durante el almace-
namiento. El gas acídico puede dañar el sistema del combustible de
un motor durante el almacenamiento del mismo.
ADVERTENCIA
Nunca almacene la máquina quitanieve con combustible en el
tanque en un espacio cerrado o en áreas con poca ventilación,
donde los gases del combustible puedan alcanzar el fuego, chispas
o una luz piloto como la que tienen algunos hornos, calentadores de
agua, secadores de ropa o algún otro dispositivo a gas.
ADVERTENCIA
El combustible que se deje en el motor se deteriora cuando el clima
es cálido y causa graves problemas de encendido.
ADVERTENCIA
Nunca use el motor o el carburador que limpia productos en el
depósito de combustible o el daño permanente puede ocurrir.
Si no se va a utiliza el equipo durante 30 días o más, o si es el final de la temporada de nieve y ya no existe posibilidad de que nieve, es necesario
almacenar el equipo de manera adecuada. Siga las instrucciones de almacenamiento que se indican a continuación para garantizar el rendimiento
máximo de la máquina quitanieve durante muchos años .

60
SOLUCIÓN DE PROBLEMAS
ADVERTENCIA
Antes de realizar cualquier tipo del mantenimiento/servicio, suelte todos los mandos y pare el motor. Espere hasta que todas las partes de
movimiento hayan venido a una parada completa. Desconecte el alambre de bujía y báselo contra el motor para prevenir el comienzo involun-
tario. Siempre lleve puestos cristales inastillables durante la operación o realizando cualquier ajuste o reparaciones.
Problema Causa Remedio
El motor no arranca La palanca de obturación no está en la
posición ON (encendido)
Se ha desconectado el cable de la bujía
La bujía no funciona correctamente
El tanque de combustible está vacío o el
combustible es viejo
El motor no está cebado
La llave de seguridad no se encuentra en el
encendido del motor
1.
2.
3.
4.
5.
6.
Ponga el interruptor en la posición CHOKE (obtura-
ción).
Conecte el cable a la bujía.
Limpie, ajuste la distancia disruptiva o cambie.
Llene el tanque con gasolina limpia y fresca.
Cebe el motor tal y como se indica en la sección de
operaciòn.
Inserte la llave totalmente dentro del interruptor.
1.
2.
3.
4.
5.
6.
El motor funciona de manera
errática
La unidad está funcionando en la posición
CHOKE (obturación)
El combustible es viejo
Agua o suciedad en el sistema del combus-
tible
Es necesario ajustar el carburador
1.
2.
3.
4.
Cambie la palanca de obturación a la posición OFF
(apagado).
Llene el tanque con gasolina limpia y fresca.
Vacíe el tanque del combustible. Vuelva a llenarlo
con combustible limpio.
Contacte con su centro de partes y reparaciones
Sears.
1.
2.
3.
4.
El motor recalienta El carburador no está ajustado correcta-
mente
1. Contacte con un centro de partes y servicio Sears.1.
Demasiada vibración Hay piezas que están flojas o la barrena
está dañada
1. Detenga el motor de inmediato y desconecte el
cable de la bujía. Ajuste todos los pernos y las
tuercas. Si la vibración continúa, lleve la unidad a
reparar a un centro de partes y reparación Sears.
1.
Pérdida de potencia El cable de la bujía está flojo
El orificio de ventilación del tapón de
llenado del combustible está obstruido
1.
2.
Conecte y ajuste el cable de la bujía.
Retire el hielo y la nieve del tapón de llenado del
combustible. Compruebe que el orificio de venti-
lación no esté obstruido.
1.
2.
La unidad no se autopropulsa El cable del control de transmisión necesita
un ajuste
La correa de transmisión está floja o
dañada
1.
2.
Ajuste el cable del control de transmisión. Consulte
la sección de Servicio y Mantenimiento.
Reemplace la correa de la transmisión. Consulte la
sección de Servicio y Mantenimiento.
1.
2.
La unidad no descarga la
nieve
El montaje del canal está tapado
Hay un objeto extraño en la barrena
El cable del control de la barrena necesita
un ajuste
La correa de la barrena está floja o dañada
El/los pasador/es de cuchilla están
cortados
1.
2.
3.
4.
5.
Detenga el motor de inmediato y desconecte el
cable de la bujía. Limpie el montaje del canal y el
interior de la caja de la barrena con la herramienta
de limpieza o una varilla.
Detenga el motor de inmediato y desconecte el
cable de la bujía. Retire el objeto de la barrena con
la herramienta de limpieza o una varilla.
Ajuste el cable del control de la barrena. Consulte la
sección de montaje.
Reemplace la correa de la barrena Consulte la
sección de Servicio y Mantenimiento.
Reemplace con nuevo(s) pasador(es) de cuchilla.
1.
2.
3.
4.
5.
Esta sección se dirige a cuestiones de servicio menores. Localizar el más cercano Chamusca el Centro de Servicio o programar el
servicio, simplemente ponerse en contacto Chamusca en 1-800-4-MY-HOME®.
(Esta página se aplica sólo en EE.UU. y Canadá).
Sears, Roebuck and Co., U.S.A. (Sears), el Consejo de Recursos Ambientales de California (CARB)
y la Agencia de Protección Ambiental de los Estados Unidos (EPA)
Declaración de garantía del sistema de control de emisiones (derechos y obligaciones de la garantía de defectos del propi-
etario)
LA COBERTURA DE LA GARANTÍA DE CONTROL DE EMISIONES ES
APLICABLE A LOS MOTORES CERTIFICADOS COMPRADOS EN CALIFOR-
NIA EN 1995 Y POSTERIORMENTE, QUE SE UTILIZAN EN CALIFORNIA,
Y PARA LOS MODELOS CERTIFICADOS DEL AÑO 1997 Y POSTERIORES,
QUE SE COMPREN Y UTILICEN EN CUALQUIER PARTE DE LOS ESTADOS
UNIDOS (Y A PARTIR DEL 1 DE ENERO DE 2001 EN CANADÁ).
Declaración de garantía sobre defectos en el control de emisiones para California y los Estados Unidos
El Consejo de Recursos Ambientales de California (CARB), la EPA (Agencia
de Protección Ambiental de los EE.UU.) y Sears tienen el gusto de explicar la
garantía del sistema de control de emisiones para motores del año 2000 y para
el futuro con relación a motores pequeños todo terreno (SORE). En California,
los nuevos motores pequeños todo terreno deben estar diseñados, construidos
y equipados para cumplir con las rigurosas normas anti-smog del estado. En
el resto de los Estados Unidos, los motores nuevos todo terreno de encendido
por chispa certificados para el año 1997 deben cumplir estándares similares
establecidos por la EPA. Sears debe garantizar el sistema de control de emis-
iones de su motor para los períodos de tiempo enumerados a continuación,
siempre que no haya abuso, negligencia o mantenimiento indebido de su
motor todo terreno pequeño. Su sistema de control de emisiones puede incluir
piezas tales como el carburador, el filtro de aire, el sistema de encendido, el
silenciador y el conversor catalítico. También puede incluir conectores y otras
unidades relacionadas con las emisiones. Donde exista una condición cubierta
por la garantía, Sears reparará su pequeño motor todo terreno sin costo alguno
incluyendo diagnóstico, piezas y mano de obra
Cobertura de la garantía Sears para defectos en el control de emisiones
Los motores todo terreno pequeños están garantizados en lo relativo al control
de emisiones para defectos en piezas durante un período de dos años, sujeto
a las disposiciones que se indiquen a continuación. Si una parte de su motor
cubierta por la garantía es defectuosa, Sears reparará o sustituirá dicha parte.
Responsabilidades del propietario en relación con la garantía
Como propietario del motor todo terreno pequeño, Ud. es responsable de la
realización del mantenimiento requerido que se incluye en las instrucciones
de operación y mantenimiento. Sears recomienda que se conserven todos los
recibos relativos al mantenimiento de su motor todo terreno pequeño, pero
no pude denegar la garantía simplemente por la falta de los mismos, o por su
incumplimiento del mantenimiento programado. Como propietario del motor
pequeño todoterreno debe saber que, sin embargo, Sears le puede negar
la cobertura de la garantía si su motor todoterreno pequeño o una pieza del
mismo han fallado debido a abuso, negligencia, mantenimiento indebido o
a modificaciones no aprobadas. Ud. es responsable de presentar su motor
todoterreno pequeño a un distribuidor de servicios Sears autorizado tan pronto
como aparezca un problema. Las reparaciones de la garantía sin conflicto
deben completarse en un plazo de tiempo razonable, no superior a 30 días. Si
tiene alguna pregunta respecto a sus derechos y responsabilidades referen-
tes a la garantía, debe contactar con un representante de servicios Sears al
1--800--469--4663. La garantía de emisiones es una garantía por defectos. Los
defectos se juzgan de acuerdo con el funcionamiento normal de un motor. La
garantía no está relacionada con una prueba de emisiones en uso.
Disposiciones de la garantía Sears para defectos en el control de emisiones
Las siguientes son disposiciones específicas relacionadas con la cobertura de la garantía para defectos en el control de emisiones. Es un añadido a la garantía de
motor Sears para motores no regulados que se encuentra en las instrucciones de funcionamiento y mantenimiento.
1. Piezas con garantía
La cobertura de esta garantía se extiende únicamente a las piezas
que aparecen a continuación (las partes de los sistemas de control de
emisiones), siempre que dichas piezas estuvieran ya en el motor en el
momento de su compra.
a. Sistema de medición de combustible
• Sistema de enriquecimiento para arranque en frío
• Carburador y partes internas
• Bomba de combustible
b. Sistema de inducción de aire
• Filtro de aire
• Colector de admisión
c. Sistema de encendido
• Bujía(s) de encendido
• Sistema de encendido magneto
d. Sistema del catalizador
• Convertidor catalítico
• Colector de escape
• Sistema de inyección de aire o válvula de impulsos
e. Elementos variados usados en los sistemas anteriores
• Válvulas de vacío, sensibles a temperatura, posición y tiempo
e interruptores
• Conectores y montajes
2. Alcance de la cobertura
Sears garantiza al poseedor inicial y a los compradores subsiguientes
que las piezas con garantía no tendrán defectos en materiales ni mano
de obra que provoquen la falla de las mismas durante un período de
dos años a partir de la fecha en que el motor se entrega a un comprador
particular.
3. Sin cargo
La reparación o reemplazo de cualquier parte con garantía se realizará
sin cargo alguno para el poseedor, incluyendo tareas de diagnóstico que
permitan determinar si una parte con garantía es defectuosa, siempre que
dicho diagnóstico se realice en un distribuidor de servicios Sears autoriza-
do. Para el servicio de la garantía de emisiones, contacte al distribuidor de
servicios Sears autorizado más cercano incluido en las “Páginas amarillas”
en las categorías “Motores, gasolina”, “Motores de gasolina”, “Podadoras
de césped”, o similares.
4. Reclamaciones y exclusiones a la cobertura
Las reclamaciones de la garantía deben enviarse de acuerdo con las
disposiciones de la política de garantía para motores Sears. La cobertura
de la garantía excluirá defectos en piezas con garantía que no sean partes
originales Sears, o abuso, negligencia o mantenimiento incorrecto, tal y
como se establece en la política de garantía para motores Sears. Sears no
es responsable de las fallas en piezas con garantía provocadas por el uso
de partes añadidas, que no sean originales o que se hayan modificado.
5. Mantenimiento
Cualquier parte con garantía que no esté programada para ser reem-
plazada como mantenimiento requerido, o que sólo deba inspeccionarse
regularmente al efecto de “inspeccione o reemplace según sea necesario”,
estará garantizada contra defectos durante el período de la garantía. Todas
las piezas garantizadas que estén programadas para su reemplazo para
cumplir con los requisitos de mantenimiento estarán garantizadas sólo
por el período anterior al primer reemplazo programado para dicha pieza.
Cualquier pieza de recambio que sea equivalente en funcionamiento y
durabilidad puede usarse para realizar mantenimiento o reparaciones. El
propietario es responsable de realizar todo el mantenimiento requerido, tal
y como se define en las instrucciones de funcionamiento y mantenimiento
Sears
6. Cobertura indirecta
Por la presente, la cobertura se extiende a la falla de cualquier componente
de motor provocada por la falla de una pieza con garantía que esté todavía
en período de garantía.
En los Estados Unidos y Canadá hay una línea de atención de 24 horas, 1-800-469--4663, que cuenta con un menú con mensajes pre-grabados que contienen
información para el mantenimiento de motores.

62
Busque el período de duración de emisiones importantes yla información de clasificación de aire en
la etiqueta de emisiones de su motor
Los motores cuyo cumplimiento con los estándares de emisión Tier 2 de la Comisión de Recursos Ambientales de California (CARB)
esté certificado deben exhibir la información relacionada con el período de duración de las emisiones y la clasificación de aire. Sears,
Roebuck and Co., de los Estados Unidos ponen esta información a disposición del consumidor en nuestras etiquetas de emisiones.
El Período de Duración de las Emisiones describe el número de horas de tiempo real de funcionamiento para el cual se certifica que
el motor cumple con las reglas de emisión, descontando el mantenimiento adecuado del mismo según las instrucciones de oper-
ación y mantenimiento. Se utilizan las siguientes categorías:
Moderado:Se certifica que el motor cumple con las reglas de emisión durante 125 horas de tiempo real de funcionamiento del motor .
Inmediato:Se certifica que el motor cumple con las reglas de emisión durante 250 horas de tiempo real de funcionamiento del motor .
Extendido:Se certifica que el motor cumple con las reglas de emisión durante 500 horas de tiempo real de funcionamiento del motor .
Por ejemplo, una cortadora de césped típica que se empuja desde atrás se usa entre 20 y 25 horas por año. Por lo tanto, el Período
de Duración de Emisiones de un motor con una clasificación intermedia sería equivalente a entre 10 y 12 años.
Laclasificación de aire es un número calculado para describir el nivel relativo de emisiones para un grupo de motores en particular.
Cuanto menor sea la clasificación de aire, mayor es la limpieza del motor. La información se presenta de forma gráfica en la etiqueta
de emisiones.
Después del 1 de julio de 2000, busque el período de cumplimiento de las reglas de
emisiones en la etiqueta de cumplimiento de las reglas de emisiones del motor
Después del 1 de julio de 2000 se certificará que determinados motores Sears, Roebuck and Co., de los Estados Unidos
cumplen con los estándares de emisiones de la fase 2 de la Agencia de Protección Ambiental de los Estados Unidos (USE-
PA). Para los motores certificados para la etapa 2, el período de cumplimiento con las reglas de emisiones al cual se hace
referencia en la etiqueta de cumplimiento con las reglas de emisiones indica el número de horas de funcionamiento para el
cual se ha demostrado que el motor cumple con los requerimientos federales de emisión.
Para los motores con desplazamiento inferior a 225 cc, Categoría C = 125 horas, B = 250 horas y A = 500 horas.
Para los motores con desplazamiento de 225 cc o más, Categoría C = 250 horas, B = 500 horas y A = 1000 horas.
El desplazamiento de los motores de la serie modelo 150112 es 249 cc.
La presente es una representación genérica de la etiqueta de emisión que se encuentra generalmente en un
motor certificado.

63
ACUERDO DE PROTECCIÓN PARA REPARACIONES
Felicitaciones por haber realizado una adquisición inteligente. El
producto Craftsman® Profesional que ha adquirido está diseñado y
fabricado para brindar muchos años de funcionamiento confiable. Pero
como todos los productos a veces puede requerir de reparaciones.
Es en ese momento cuando el disponer de un Acuerdo de protección
para reparaciones le puede ahorrar dinero y problemas.
A continuación se detallan los puntos incluidos en el Acuerdo:
• Servicio experto prestado por nuestros 10,000 especialistas en
reparaciones profesionales
• Servicio ilimitado sin cargo para las piezas y la mano de obra en
todas las reparaciones cubiertas
• Reemplazo del producto hasta 1500 dólares si no es posible
reparar el producto cubierto
• Descuento de 10% del precio normal del servicio y de las piezas
relacionadas con el mismo que no estén cubiertas por el acuerdo;
además, 10% del precio normal de la verificación de manten-
imiento preventivo
• Ayuda rápida por teléfono - lo llamamos Resolución Rápida – el
apoyo telefónico de un Chamusca al representante. Piense en
nosotros como el manual “de un dueño hablador.”
Una vez adquirido el Acuerdo, puede programar el servicio con
tan sólo realizar una llamada telefónica. Puede llamar en cualquier
momento del día o de la noche o programar un servicio en línea.
El Acuerdo de Protección de Reparación es una compra sin riesgo.
Si usted anula por alguna razón durante el período de garantía de
producto, proporcionaremos un reembolso lleno. O, un reembolso
prorrateado en cualquier momento después del período de garantía
de producto expira. ¡Adquiera hoy su acuerdo de protección para
reparaciones!
Se aplican determinadas limitaciones y exclusiones. Para obtener
información adicional y precios en los Estados Unidos llame al
1-800-827-6655.
El *Coverage en Canadá varía en algunos artículos. Para detalles
llenos la llamada Chamusca Canadá en 1-800-361-6665.
Servicio de instalación de Sears
Si desea solicitar la instalación profesional de Sears de aparatos
domésticos, dispositivos para abrir portones, calentadores de agua
y otros artículos domésticos importantes, en los Estados Unidos o
Canadá llame al 1-800-4-MY-HOME®.

® Registered Trademark / TM Trademark / SM Service Mark of Sears Brands, LLC
® Marca Registrada / TM Marca de Fábrica / SM Marca de Servicio de Sears Brands, LLC
MC Marque de commerce / MD Marque déposée de Sears Brands, LLC © Sears Brands, LLC
Get it fixed, at your home or ours!
Your Home
For repair – in your home – of all major brand appliances,
lawn and garden equipment, or heating and cooling systems,
no matter who made it, no matter who sold it!
For the replacement parts, accessories and
owner’s manuals that you need to do-it-yourself.
For Sears professional installation of home appliances
and items like garage door openers and water heaters.
1-800-4-MY-HOME®(1-800-469-4663)
Call anytime, day or night (U.S.A. and Canada)
www.sears.com www.sears.ca
For expert home solutions advice: www.managemyhome.com
Our Home
For repair of carry-in items like vacuums, lawn equipment,
and electronics, call or go on-line for the location of your nearest
Sears Parts & Repair Service Center
1-800-488-1222 (U.S.A.) 1-800-469-4663 (Canada)
Call anytime, day or night
www.sears.com www.sears.ca
To purchase a protection agreement on a product serviced by Sears:
1-800-827-6655 (U.S.A.) 1-800-361-6665 (Canada)
Para pedir servicio de reparación
a domicilio, y para ordenar piezas:
1-888-SU-HOGAR®
(1-888-784-6427)
Au Canada pour service en français:
1-800-LE-FOYERMC
(1-800-533-6937)
www.sears.ca