Craftsman 2 In One Mulcher Bagger 917 37248 Users Manual
917372480 917372480 CRAFTSMAN LAWN MOWER - Manuals and Guides L0804180 View the owners manual for your CRAFTSMAN LAWN MOWER #917372480. Home:Lawn & Garden Parts:Craftsman Parts:Craftsman LAWN MOWER Manual
CRAFTSMAN Walk Behind Lawnmower, Gas Manual L0804180 CRAFTSMAN Walk Behind Lawnmower, Gas Owner's Manual, CRAFTSMAN Walk Behind Lawnmower, Gas installation guides
!! L0804180 Mb Quart Lawn Mower Manuals - Lawn Mower Manuals – The Best Lawn Mower Manuals Collection
Preview ! L0804180 Mb Quart Lawn Mower Manuals - Lawn Mower Manuals – The Best Lawn Mower Manuals Collection
cea2d985-1347-4372-8299-6bddaa934c12 Craftsman Brush Cutter 917.37248 User Guide |
2015-01-05
: Craftsman Craftsman-2-In-One-Mulcher-Bagger-917-37248-Users-Manual-160273 craftsman-2-in-one-mulcher-bagger-917-37248-users-manual-160273 craftsman pdf
Open the PDF directly: View PDF
.
Page Count: 28

SEARS
®
MODEL NUMBER 917.372480 OWNER'S MANUAL
oAssembly
oOperation
oCustomer
Responsibilities
oService
- Adjustments
oRepair Parts
Caution:
Read and Follow
all Safety Rules
and Instructions
Before Operating
This Equipment

SAFETY RULES
CAUTION: ALWAYS DISCONNECTSPARK PLUGWIREAND PLACEWIREWHEREITCANNOT CONTACTSPARK &
PLUG TO PREVENTACCIDENTAL STARTING WHEN SETTINGUP, TRANSPORTING, ADJUSTING OR MAKING
REPAIRS. IMPORTANT
SAFETY STANDARDS REQUIRE OPERATOR PRESENCECONTROLSTOMINIMIZETHE RISKOFINJURY. YOUR UNIT IS EQUIPPED WITH SUCH
CONTROLS. DO NOT ATTEMPT TO DEFEAT THE FUNCTION OF THE OPERATOR PRESENCECONTROLS UNDER ANY CIRCUMSTANCES.
TRAINING:
', Read this operator's manual carefully. Become familiar with
the controls and know how to operate your mower properly.
Learn how to quickly stop mower_
. Do not allow children to use your mower. Never allow adults
to use mower without proper instructions.
• Keep the area of operation clear of all persons, especially
small children and pets.
• Use mower only as the manufacturer intended and as de-
scribed in this manual.
, Do not operate mower if it has been dropped or damaged in
any manner. Always have damage repaired before using
your mower.
•Do not use accessory attachments that are not recommended
by the manufacturer. Use of such attachments may be
hazardous.
• The blade turns when the engine is running.
PREPARATION:
• Always thoroughly check the area to be mowed and clear it of
all stones, sticks, wires, bones, and other foreign objects.
These objects will be thrown by the blade and can cause
severe injury.
. Always wear safety glasses or eye shields when starting and
while using your mower.
• Dress properly. Do not operate mower when barefoot or
wearing open sandals. Wear only solid shoes with good
traction when mowing.
o Check fuel tank before starting engine. Do not fill gas tank
indoors, when the engine is running or when the engine is hot.
Allow the engine to cool for several minutes before filling the
gas tank. Clean off any spilled gasoline before starting the
engine.
•Always make wheel height adjustments before starting your
mower. Never attempt to do this while the engine is running.
. Mow only in daylight or good artificial light.
OPERATION:
*' Keep your eyes and mind on your mower and the area being
cut. Do not let other interests distract you.
•Do not mow wet or slippery grass. Never run while operating
your mower. Always be sure of your footing - keep a firm hold
on the handles and walk.
. Do not put hands or feet near or under rotating parts. Keep
clear of the discharge opening at all times.
- Always stop the engine whenever you leave or are not using
your mower, or before crossing driveways, walks, roads, and
any gravel-covered areas.
. Never direct discharge of material toward bystanders nor
allow anyone near the mower while you are operating it.
• Before cleaning, inspecting, or repairing your mower, stop
the engine and make absolutely sure the blade and all
moving parts have stopped. Then disconnect the spark plug
wire and keep it away from the spark plug to prevent
accidental starting.
, Do not continue to run your mower if you hit a foreign object.
Follow the procedure outlined above, then repair any dam-
age before restarting and operating you mower.
• Do not change the governor settings or overspeed the
engine. Engine damage or personal injury may result.
° Do not operate your mower if it vibrates abnormally. Exces-
sive vibration is an indication of damage; stop the engine,
safely checkfor the cause of vibration and repair as required.
• Do not run the engine indoors. Exhaust fumes are danger-
ous.
° Never cut grass by pulling the mower towards you. Mow
across the face of slopes, never up and down oryou might
lose your footing. Do not mow excessively steep slopes.
Use caution when operating the mower on uneven terrain or
when changing directions - maintain good footing.
• Never operate your mower without proper guards, plates,
grass catcher or other safety devices in place.
MAINTENANCE ANDSTORAGE:
• Check the blade and the engine mounting bolts often to be
sure they are tightened properly.
• Check all bolts, nuts and screws at frequent intervals for
proper tightness to be sure mower is in safe working condi-
tion.
• Keep all safety devices in place and working.
• To reduce fire hazard, keep the engine free of grass, leaves
or excessive grease and oil.
• Check grass catcher often for deterioration and wear and
replace worn bags. Use only replacement bags that are
recommended by and comply with specifications of the
manufacturer of your mower.
• Always keep a sharp blade on your mower.
• Allow engine to cool before storing in any enclosure.
• Never store mower with fuel in the tank inside a building
where fumes may reach an open flame or an ignition source
such as a hot water heater, space heater, clothes dryer, etc.
ILOOK FOR THIS SYMBOL TO POINT OUT IMPORTANT SAFETY PRECAUTIONS.
IT MEANS - ATTENTION!!t BECOME ALERTH! YOUR SAFETY IS INVOLVED. I

CONGRATULATIONS on your purchase of a Sears
Craftsman Lawn Mower. It has been designed, engineered
and manufactured to give you the best possible de-
pendability and performance.
Should you experience any problems you cannot easily
remedy, please contact your nearest Sears Service Cen-
ter!Department. Sears has competent, well trained tech-
nicians and the proper tools to service or repair this unit.
Please read and retain this manual. The instructions will
enable you to assemble and maintain your lawn mower
properly. Always observe the "SAFETY RULES".
MODEL
NUMBER 9! 7.372480
SERIAL
NUMBER
DATE OF
PURCHASE
THE MODEL AND SERIAL NUMBERS WILL BE
FOUND ON A DECAL ATTACHED TO THE REAR
OF THE LAWN MOWER HOUSING.
YOU SHOULD RECORD BOTH SERIALNUMBER
AND DATE OF PURCHASE AND KEEPtN A SAFE
PLACEFORFUTUREREFERENCE.
PRODUCT SPECIFICATIONS
HORSEPOWER: 5.0
DISPLACEMENT: 12.04 cu. in.
GASOLINE CAPACITY: 1 quart
(Unleaded)
OIL (20 oz. Capacity): SAE 30 (Above 32°F)
5W30 (Below 32°F)
SPARK PLUG (GAP .030 in.):
(0.76 mm)
Champion
RJ19LM or
Sears z_ 33312
or STD 361458
or STD 360950
VALVE CLEARANCE: Intake: .008 in.
Exhaust: .008 in.
SOLID STATE IGNITION
AIR GAP: .0!25 in,
BLADE BOLT TORQUE: 35-40 ft.-Ibs,
MAINTENANCE AGREEMENT
A Sears Maintenance Agreement is available on this product. Contact your nearest Sears store for details.
CUSTOMER RESPONSIBILITIES
• Read and observe the safety rules.
.Follow a regular schedule in maintaining, caring for and using your lawn mower.
Follow the instructions under "Customer Responsibilities" and "Storage" sections of this OwneCs Manual
LIMITED TWO YEAR WARRANTY ON CRAFTSMAN POWER MOWER
For two years from date of purchase, when this Craftsman Lawn Mower is maintained, lubricated, and tuned up
according to the operating and maintenance instructions in the owner's manual, Sears wilt repair free of charge any
defect in material or workmanship.
If this Craftsman Lawn Mower is used for commercial or rental purposes, this warranty applies for only 90 days from
the date of purchase.
This Warranty does not cover:
. Expendable items which become worn during normal use, such as rotary mower blades, blade adapters, belts,
air cleaners and spark plug.
• Repairs necessary because of operator abuse or neg!igence, including bent crankshafts and the failure to
maintain the equipment according to the instructions contained in the owner's manual.
WARRANTY SERVICE IS AVAILABLE BY RETURNING THE CRAFTSMAN POWER MOWER TO THE NEAREST
SEARS SERVICE CENTER/DEPARTMENT IN THE UNITED STATES. THIS WARRANTY APPLIES ONLY WHILE
THIS PRODUCT iS IN USE IN THE UNITED STATES.
This Warranty gives you specific legal rights, and you may also have other rights which vary from state to state.
SEARS, ROEBUCK AND CO., D/731CR-W SEARS TOWER, CHICAGO, IL 60684
3

TABLE OF CONTENTS
SAFETY RULES ............................................. 2
PRODUCT SPECIFICATIONS ........................ 3
CUSTOMER RESPONSIBILITIES ...... 3, 12-14
WARRANTY ................................................... 3
LAWN MOWER ACCESSORIES ................... 5
ASSEMBLY .................................................... 6
OPERATION ................................................... 7
SERVICE AND ADJ USTM ENTS .................. 15
STORAGE ..................................................... 17
TROUBLESHOOTING .................................. 27
REPAIR PARTS- LAWN MOWER ......... 18-22
REPAIR PARTS -ENGINE ...................... 23-25
PARTS ORDERING/SERVICE. BACK COVER
INDEX
A
Accessories ............................................ 5
Adjustments:
Carburetor .................................. 16
Drive Control Cable ................... 15
Handle Height ............................ 16
Height of Cut ................................ 9
Air Filter:
Service ........................................ 14
Assembly:
Handle .......................................... 6
Grass Catcher .............................. 6
B
Blade:
Sharpening ................................. 13
Replacement .............................. !3
C
Controls:
Operator Presence Control Bar .7
Drive Control ............................... 7
Customer Responsibilities ..... 3, 12-14
Air Filter ...................................... 14
Blade Care/Replacement .......... 13
Drive Wheels .............................. 13
Engine ........................................ 14
Gear Case ................................... 13
Lubrication ................................. 12
Spark Plug ................................. !4
E
Engine:
OH Change ................................. 14
Oil LeveJ ..................................... 14
Oil Type ...................................... 14
Starting ....................................... 10
Storage ....................................... 17
F
Fuel:
Type ............................................ 10
Storage ....................................... 17
H
Handle:
Adjustment ................................. 16
Assembly ..................................... 6
L
Lubrication:
Engine ........................................ 12
Brake Spring Bracket ................ 12
Rear Door Hinge ........................ 12
Handle Bracket Mounting Pin .. 12
Wheel Adjuster .......................... 12
M
Maintenance Agreement .................... 3
Maintenance Schedule ..................... 12
Mowing Tips .......... ,........................... 11
Mulching!Mowing Tips ....... ,............. !1
0
Oil:
Engine ........................................ 10
Storage ....................................... 18
Operation:
Operating Lawn Mower ............... 7
Drive Control ................................ 9
Operator Presence Control Bar ......... 7
Options:
Attachments ................................. 5
P
Repair Parts
Lawn Mower .................. ........ 18-22
Engine ................................... 23-25
R
Responsibilities, Customer ....3, 12-14
S
Safety Rules ........................................ 2
Service and Adjustments:
Carburetor .................................. 16
Drive Control Cable ................... 15
Drive Belt ................................... 15
Engine Speed ............................ 16
Handle ........................................ 16
Spark Plug ......................................... 14
Specifications ..................................... 3
Starting the Engine .......................... t0
Stopping the Engine ........................ 10
Storage .............................................. 17
T
Trouble Shooting Chart ................... 27
W
Warranty .............................................. 3
Wheels:
Wheel Adjusters .......................... 7

ACCESSORIES
These accessories were available when this lawn mower was produced. They are also available at most Sears retail outlets,
catalog and service centers. Most Sears stores can also order repair parts for you, when you provide the model number' of
your lawn mower. Some of these accessories may not apply to your lawn mower.
ENGINE
SPARK PLUG MUFFLER AIR FILTER
if lawn mower is an electric start
LAWN MOWER PERFORMANCE
REAR BAG
OPTIONAL
FABRIC BAG
LAWN MOWER MAINTENANCE
REPLACEMENT
BAG FOR REAR
DISCHARGE
LAWN MOWERS
BELT BLADE
_
GAS CAN ENGINE OiL STABiLiZER
DUST SHIELD
OPTIONAL
CATCHER FOR
SIDE DISCHARGE
LAWN MOWER
CLiPPiNG DEFLECTOR
SiDE DISCHARGE CATCHER
BLADE
ADAPTER
WHEELS LAWN MOWER
COVER
5

BLY
Your lawn mower has been assembled at the factory
except for the grass catcher bag and the grass catcher
frame.
TO REMOVE LAWN MOWER FROM
CARTON
*Remove loose parts included with mower.
o Cut down two end corners of carton and lay end panel
down flat.
*Remove all packing materials except padding between
upper and lower handle and padding holding operator
presence control bar to upper handle.
*Roll lawn mower out of carton and check carton thor-
oughly for additional loose parts.
HOW TO SET UP YOUR LAWN
MOWER
TO UNFOLD HANDLE (See Fig. 1)
Raise handles until tower handle section locks into
place in mowing position.
*Raise upper handle section intoplace on lower handle,
remove protective padding and tighten both handle
knobs.
= Remove handle padding holding operator presence
control bar to upper handle.
oYour lawn mower handle can be adjusted for your
mowing comfort. Refer to "Adjust Handle" in the
Service and Adjustment section of this manual.
TO ASSEMBLE GRASS CATCHER
(See Fig. 2)
- Put grass catcher frame intograss bag with stiff part of
bag on the bottom.
Slip vinyl bindings over frame.
NOTE: If vinyl bindings are too stiff, hold them in warm
water for a few minutes, if bag gets wet, let it dry before
using.
OPERATOR PRESENCE
CONTROL BAR
UPPER HANDLE
LIFT UP
LOWERHANDLE
FiG. 1
CATCHERFRAME
MOWING POSITION
\
FiG. 2
FRAME OPENING
6

OPERATION
KNOW YOUR LAWN MOWER
READ THIS OWNER'S MANUAL AND SAFETY RULES BEFORE OPERATING YOUR LAWN MOWER. Compare the
illustrations with your lawn mower to familiarize yourself with the location of various controls and adjustments. Savethis manual
for future reference.
ENGINE ZONE CONTROL CABLE OPERATOR PRESENCE CONTROL BAR
DRtVE CONTROL LEVER
STARTER HANDLE
GRASSCATCHER
ENGINE OIL CAP W/DIPSTICK
GASOUNECAP
PRIMER
,ENGINESPEED CONTROL
DRIVE COVER
WHEELADJUSTER
(ON EACH WHEEL)
HOUSING
FIG, 3
MEETS CPSC SAFETY REQUIREMENTS
Sears rotary walk-behind power lawn mowers conform to the safety standards of the American National Standards Institute
and the U.S. Consumer Product Safety Commission. The blade turns when the engine is running.
OPERATOR PRESENCE CONTROL - must be held down
to the handle to start the engine, Release to stop the
engine,
PRIMER- pumps additional fuel from the carburetor to the
cylinder for use when starting a cold engine.
STARTER HANDLE -used for sta_ing the engine.
DRIVE CONTROL LEVER oused to engage power-pro.-
pelled forward motion of lawn mower.
ENGINE SPEED CONTROL - located on the side of the
engine which a!lows you to select either "HIGH" (_) or
"LOW" (._) engine speed.
7

OPERATION
HOW TO USE YOUR LAWN MOWER
CAUTION: Do notrunyourlawn mower
without muicher plate in place and door
closed or without an approved clipping
deflector or graescatcher in place.
Never attempt to operate the lawn
mower with the rear door removed or
propped open,
ENGINE SPEED (See Fig. 4)
The engine speed is controlled by a !ever (red knob)
located on the side of the engine. "HIGH" ('_IY) position
is for starting the engine, normal cutting, and better grass
bagging. "LOW" (_) position is for I ght cutting trim-
ming and fuel economy.
ENGINE ZONE CONTROL
CAUTION: Federal regulations require
an engine control to be installed on this
lawn mower in order to minimize the
risk of blade contact injury. Do net un-
der any circumstances attempt to de-
feat the function of the operator centre!,
The blade turns when the engine is
running.
- Your lawn mower is equipped with an operator pres-
ence control bar which requires the operator to be
positioned behind the lawn mower handle to start and
operate the lawn mower.
TO iNSTALL ATTACHIVlENTS
(See Figs. 5 & 6)
Your lawn mower was shipped ready to be used as a
mulcher. To installattachments for bagging or discharging:
Open rear door and remove mulcher plate.
, You can now install catcher or optional clipping deflec-
tor,
,"To return to mu!ching operation reverse the above
steps. BE SURE MULCHER PLATE IS INSTALLED
BEFORE USING FOR MULCHING OPERATION.
ENGINESPEED
CONTROL _LEVER
FIG, 4
\
REAR DOOR
FIG. 5
FIG. 6
TO INSTALL GRASS CATCHER (See Fig. 7)
•Liftthereardooronthelawnmowerhousingandplace
the grass catcher frame onto the formed up tabs on the
rear door hinge bracket.
The grass catcher is secured to the !awn mower when
the rear door is lowered onto the grass catcher frame,
HINGE /:/ )OOR
GRASSCATCHERFRAME
FiG. 7
8

OPERATION
TO EMPTY GRASS CATCHER (See Fig. 8)
•To remove grass catcher, release operator presence
control bar to stop engine.
°Lift up rear door and remove the grass catcher by the
handle.
, Do not drag the bag when emptying; it will cause
unnecessary wear.
DRIVE CONTROL (See Fig. 9)
•Self-propelling is controlled by holding the operator
presence control bar down to the handle and pushing
the drive control lever forward until it clicks; then
release the lever.
• Forward motion wilt stop when the operator presence
control bar is released. To stopforward motion without
stopping engine, release the operator presence control
bar slightly unti! the drive control disengages. Hold
operator presence control bar down to handle to con-
tinue mowing without self-propelling.
•To keep drive control engaged when turning corners,
push down on handle and lift front wheels off ground
while turning lawn mower.
TO ADJUST CUTTING HEIGHT (See Fig. 10)
•Raise wheels for low cut and lower wheels for high cut.
•Wheels are set in low cut for shipping. Adjust cutting
height to suit your requirements. Medium position is
best for most lawns,
, To change cutting height, squeeze adjuster lever to-
ward wheel. Move wheel up or down to suit your
requirements. Be sure all wheels are in the same
setting.
FIG. 8
OPERATORPRESENCE
CONTROLBAR
DRIVECONTR__
FiG. 9
LOWER WHEELS
FOR HIGH CUT RAISE WHEELS
FOR LOW CUT
FIG, 10

OPERATION
BEFORE STARTING ENGINE
OIL (See Fig. 11)
A20 oz. bottle of Pennzoil SAE 30 oil is includedwith your
new lawn mower.
Remove engine oil cap and fill to the FULL !ine on the
dipstick.
*Use 20 ozs. of oil For type and grade of oil to use, see
"ENGINE" in Customer Responsibilities section of this
manual.
. POUR OIL SLOWLY. DO NOT OVER FILL.
*Check oil level before each use. Add oil if needed. Fill
to FULL line on dipstick.
*To read proper level, tighten engine oil cap each time.
oReinstall engine oil cap and tighten.
° After the first two (2) hours of mowing, change the oil,
and every 25 hours thereafter. You may need to
change the oil more often under dusty, dirty conditions.
GAS (See Fig. 11)
,Fill gasoline tank with fresh, clean unleaded gasoline.
DO NOT USE PREMIUM GASOLINE. BE CAREFUL
NOT TO OVER FILL TANK.
WARNING: Experience indicates that alcohol blended
fuels (called gasohol or using ethanol or methanol) can
attract moisture which leads to separation and formation of
acids during storage. Acidic gas can damage the fuel
system of an engine while in storage.
To avoid engine problems, the fuel system should be
emptied before storage for30 days or longer. Drain the gas
tank, start the engine and let it run until the fuel lines and
carburetor are empty. Use fresh fuel next season. See
Storage instructions for additional information.
Never use engine or carburetor cleaner products in the fuel
tank or permanent damage may occur.
GA,_OLINE RLLER CAP
ENGINE OIL CAP
W/DiPSTICK
FIG. 11
TO START ENGINE
To start a cold engine, push primer five (5) times
before trying to start. Use a firm push. This step is not
usually necessary when starting an engine which has
already run for a few minutes.
• Push engine speed control lever to HIGH (,_) posi-
tion.
• Hold operatorpresence control bar down to the handle
and pull starter handle quickly. DO NOT allow starter
rope to snap back.
•To "STOP" engine, release operator presence con-
trol bar.
NOTE: In cooler weather it may be necessary to repeat
priming steps. In warmer weather over priming may cause
flooding and engine will not start. If you do flood engine,
wait a few minutes before attempting to start and DO NOT
repeat priming steps.
10

OP ATION
MOWING TIPS
•Under certain conditions, such as very tall grass, it
may be necessary to raise the height of cut to reduce
pushing effort and to keep from overloading the en-
gine and leaving clumps of grass clippings.
• For extremely heavy cutting, reduce the width of cut
and raise the rear of the lawn mower housing one (1)
wheel adjuster setting higher than the front for better
discharge o_grass.
For better grass bagging and most cutting conditions,
the engine speed should be set in the '"HIGH" (_)
(FAST) position.
° When using a rear discharge lawn mower in moist,
heavy grass, clumps of cut grass may not enter the
grass catcher. Reduce ground speed (pushing speed)
and/or run the lawn mower over the area a second
time.
• If a trail of grass clippings is left on the right side of a
rear discharge lawn mower, mow in a clockwise
direction with a small overlap to collect the clippings
on the next pass.
• Keep top of engine around starter clear and clean of
grass clippings and chaff. This will help engine air
flow and extend engine life.
Pores in cloth grass catchers can become filled with
dirt and dust with use and catchers will collect less
grass. To prevent this, regularly hose catchers off
with water and tet dry before using.
MULCHING MOWING TIPS
IMPORTANT: FOR BEST PERFORMANCE, KEEP
MOWER HOUSING FREE OF BUILT-UP GRASS AND
TRASH. CLEAN AFTER EACH USE. SEE "CLEANING"
IN CUSTOMER RESPONSIBILITIES SECTION OF THIS
MANUAL.
The special mulching blade will recut the grass clip-
pings many times and reduce them in size so that as
they fall onto the lawn they will disperse into the grass
and not be noticed. Also, the mulched grass will
biodegrade quickly to provide nutrients for the lawn.
Always mulch with your highest engine (blade) speed
as this will provide the best recutting action of the
blades.
FiG, 12
*Avoid cutting your lawn when it is wet. Wet grass
tends to form clumps and interferes with the mulching
action. The best time to mow your lawn is the early
afternoon. At this time the grass has dried and the
newly cut area will not be exposed to the direct sun.
,For best results, adjust the lawn mower cutting height
so that the lawn mower cuts off only the top one-third
of the grass blades (See Fig. 12). If the lawn is
overgrown it will be necessary to raise the height of cut
to reduce pushing effort and to keep from overloading
the engine and leaving clumps of mulched grass. For
extremely heavy mulching, reduce your width of cut,
mow slowly and raise the rear of the lawn mower one
wheel adjuster setting higher than the front.
oCertain types of grass and grass conditions may
require that an area be mulched a second time to
completely hide the clippings. When doing a second
cut, mow across or perpendicular to the first cut path.
, Change your cutting pattern from week to week. Mow
north to south one week then change to east to west
the next week. This will help prevent matting and
graining of the lawn.
11

CUSTO RESPONSi LITIES
MAINTENANCE SCHEDULE
MI
Ot
WI
El
RI
NI
Et
FILL tN DATES
AS YOU COMPLETE
REGULAR SERVICE
Check for Loose Fasteners
Clean/Inspect Grass Catcher
Clean Lawn Mower
Inspect Mower Blade
Replace/Sharpen Mower Blade
Lubricate Pivot Points
Check Engine Oil Level
Change Engine Oil
Inspect Muffler
Replace Spark Plug
Replace Air Filter Paper Cartridge
1 ° Change more often when operating under a heavy load or in high ambient temperatures.
2-Service more often when operating in dirty or dusty conditions.
3 _ Replace blades more often when mowing in sandy soil.
GENERAL RECOMMENDATIONS
The warranty on this lawn mower does not cover items that
have been subjected to operator abuse or negligence. To
receive full value from the warranty, operator must maintain
mower as instructed in this manual.
Some adjustments will need to be made periodically to
properly maintain your unit.
All adjustments in the Service and Adjustments section of
this manual should be checked at least once each season.
• Once a year, replace the spark plug, replace air filter
element and check blade for wear. A new spark plug
and clean/new air filter element assures proper air-fuel
mixture and helps your engine run better and last
longer.
Follow the maintenance schedule in this manual.
LUBRICATION CHART
IWHEEL
ADJUSTER
BRAKE SPRING
BRACKET
BEFORE EACH USE
• Check engine oil level.
Check for loose fasteners.
LUBRICATION
Keep unit well lubricated (See "LUBRICATION CHART"),
HANDLE BRACKET
MOUNTING PIN
_(_) REAR DOOR
HINGE
12
(_ SPRAY LUBRICANT
(_ _30 MOTOROiL REFERTO ENGINE =CUSTOMER
RESPONSIBIL_IES SECTION,
iMPORTANT: DO NOT OiL OR GREASE PLASTIC WHEEL
BEARINGS, VISCOUS LUBRICANTS WiLL ATTRACT
DUST AND D_RT THAT WiLL SHORTEN THE LIFE OF
THE SELF LUBRICATING BEARINGS. IF YOU FEELTHEY
MUST BE LUBRICATED, USE ONLY A DRY, POWDERED
GRAPHITE TYPE LUBRICANT SPARINGLY,

CUSTOMER RESPONSI LITIES
LAWN MOWER
Always observe safety rules when performing any mainte-
nance.
TIRES
Keep tires free of gasoline, oil, or insect control chemi-
cals which can harm rubber,
Avoid stumps, stones, deep ruts, sharp objects and
other hazards that may cause tire damage.
BLADE CARE
For best results, mower btade must be kept sharp. Replace
bent or damaged blades.
TO REMOVE BLADE (See Fig. 13)
Remove spark plug wire from spark plug and place
wire where it cannot come in contact with spark plug.
Turn lawn mower on its side. Make sure air filter and
carburetor are up.
Use a wood block between blade and mower housing
to prevent blade from turning when removing blade
bolt,
Protect your hands with gloves and/or wrap blade with
heavy cloth.
Remove blade bolt by turning counter-clockwise. Use
a 9/16" box or open-end wrench,
Remove blade and attaching hardware (bolt, lock
washer and hardened washer).
NOTE: Remove the blade adapter and check the key
inside hub of blade adapter. The key must be in good
condition to work properly, Replace adapter if damaged.
TO REPLACE BLADE (See Fig, !3)
•Position the blade adapter on the engine crankshaft.
Be sure key in adapter and keyway in crankshaft are
aligned,
Position blade on the blade adapter aligning the two (2)
holes in the blade with the raised lugs on the adapter.
Be sure the word TOP (stamped on the blade) is
toward the engine,
Install the blade bolt with the lock washer and hardened
washer into blade adapter and crankshafL
Use block of wood between blade and lawn mower
housing and tighten the blade bolt, turning clockwise.
•The recommended tightening torque is 35-40 ft. Ibs.
IMPORTANT: BLADE BOLT IS GRADE 8 HEAT TREATED.
CAUTION: A _oose bJade can be dan-
gerous.
Use only Sears authorized replacement blade to get the
best cutting results,
NOTE: We do not recommend sharpening blade ..but if
you do, be sure the blade is balanced,
TO SHARPEN BLADE
The blade can be sharpened with afite or on a grinding
wheel, Do not attempt to sharpen while on the mower.
To check blade balance, drive a nail into a beam orwa!l,
Leave about one inch of the straight nail exposed.
Place center hole of blade over the head of the nail, If
blade is balanced, it sho'..'!d remain in a horizontal
position, If either end of the blade moves downward,
sharpen the heavy end until the blade is balanced,
[_ CRANK-SHAFT
BLADE
_LLBOLT
CRANK-
SHAFT
KEYWAY LOCKWASHER BLADEADAPTER
FIG. 13
GEAR CASE
To keep your drive system working properly, the gear
case and area around the drive should be kept clean
and free of trash build-up. Clean under the drive cover
twice a season,
,The gear case is filled with lubricant to the proper level
at the factory, The only time the lubricant needs
attention is if service has been performed on the gear
case.
•if lubricant is required, use only Texaco Starplex Pre-
mium Grease, part no, 750355. Do not substitute,
DRIVE WHEELS
Check front drive wheels each time before you mow to be
sure they move freely.
The wheels not turning freely means trash, grass cuttings,
etc. are in the drive wheel area and must be cleaned to free
drive wheels,
If necessary to clean the drive wheels, check both front
wheels.
• Remove hubcaps, hairpin cotters and washers.
• Remove wheels from wheel adjusters,
•Remove any trash or grass cuttings from inside the
dust cover, pinion and/or drive wheel gear teeth.
• Put wheels back in place.
•If after cleaning, the drive wheels do not turn freely,
contact your nearest Sears Service Center.
GRASS CATCHER
• The grass catcher may be hosed with water, but must
be dry when used.
• Check your grass catcher often for damage or deterio-
ration, Through normal use it will wear. If catcher
needs replacing, replace only with a manufacturer
approved replacement catcher from Sears. Give the
lawn mower model number when ordering,
!3

CUSTO L TIES
ENGINE
LUBRICATION
Use only high quality detergent oil rated with APi service
classification SG. Select the oit's SAE viscosity grade
according to your expected operating temperature.
RECOMMENDED SAE VISCOSITY GRADES
°F -20 ° 0° 32 ° 60 ° 80 ° 100 °
°C-29 ° -18 ° 0 ° t6 ° 27 ° 38 °
NOTE: Although mu!ti-viscosity oils (5W30, 10W30 etc,)
improve starting in cold weather, these multi-viscosity oils
will result in increased oil consumption when used above
32°F. Check your' engine oi! level more frequently to avoid
possible engine damage from running low on oi!.
Change the oil after the first two hours of operation and
every 25 hours thereafter or at least once a year if the lawn
mower is not used for' 25 hours in one year.
Check the crankcase oil level before starting the engine
and after each five (5) hours of continuous use. Tighten oil
plug securely each time you check the oil level,
TO CHANGE ENGtNE OiL (See Fig. 14)
Disconnect spark plug wire from spark plug,
Remove engine oil cap; lay aside on a clean surface.
Tip lawn mower on its side and drain oil into a suitable
container. Rock lawn mower back and forth to remove
any oil trapped inside of engine,
Wipe off any spilled oil on lawn mower and on side of
engine.
Fill engine with SAE 30 or 10W 30 oil. All oil must meet
API service classification SG. Fill only to the "FULL"
line on the dipstick. DO NOT OVER FILL.
oReplace engine oil cap.
Reconnect spark plug wire to spark plug,
AIR FILTER
Your engine will not run properly and may be damaged by
using a dirty air filter.
Replace the air filter every year, more often if you mow in
very dusty, dirty condkions. Do not wash air filter.
TO CHANGE AIR FILTER (See Fig, 15)
Remove the aiHiker cover by turning counterclockwise
to the stop and putt away from collar.
, Remove filter from inside of cover.
• Clean the inside of the cover and the collar to remove
any dirt accumulation,
Insert new filter into cover,
, Put air filter cover and filter into collar aligning the tab
with the slot.
Push in on cover and turn clockwise to tighten.
S
COLLAR
__, CONTAINER
F_G. 14
SLOT
TURN
COUNTER*
CLOCKWISE
TO REMOVE
14
TURN CLOCKWISE
TO TIGHTEN
AiR FILTER COVER
FIG, 15
MUFFLER
Inspect and replace corroded muffler as it could create a
fire hazard and/or damage,
SPARK PLUG
Change your spark plug each year to make your engine
start easier and run better. Set spark plug gap at .030 inch.
CLEANING
IMPORTANT: FOR BEST PERFORMANCE, KEEP
MOWER HOUSING FREE OF BUILT-UP GRASS AND
TRASH. CLEAN UNDERSIDE OF MOWER HOUSING
AFTER EACH USE,
CAUTION: Disconnect spark plug wire t
from spark plug and place wire where it
cannot come in cor_tact with the spark
o Turn lawn mower on its side. Make sure air filter and
carburetor are up_ Clean the underside of your lawn
mower by scraping to remove build-up of grass and
trash,
•Clean engine often to keep trash from accumulating, A
clogged engine runs hotter and shortens engine life,
° Keep finished surfaces and wheels free of all gasoline,
oil, etc.
• We DO NOT recommend using a garden hose to clean
lawn mower unless the electrical system, muffler, air
filter and carburetor are covered to keep water out.
Water in engine can result in shortened engine life.
CLEAN UNDER DRIVE COVER
Clean under drive cover at teast twice a season. Scrape
underside of cover with putty knife or similar tool to remove
any build-up of trash or grass on underside of drive cover.

SERVICE AND ADJUSTMENTS
CAUT_©N: BEFORE PERFORMING ANY SERVICE OR ADJUSTMENTS:
•Release control bat.
oMake sure the blade and all moving parts have completely stopped.
,Disconnect spark plug wire from spark plug and place where it cannot come in contact with plug,
LAWN MOWER
TO ADJUST CUTTING HEIGHT
See "TO ADJUST CUTTING HEIGHT" in the Operation
section of this manual.
DISCHARGE GUARD
The discharge guard, attached to the discharge opening of
your lawn mower, is provided to prevent the possibility of
injury resulting from objects being thrown out of the dis-
charge opening into the operator mowing position. If the
discharge guard becomes damaged, it should be replaced.
TO REMOVE/REPLACE DRIVE BELT
(See Fig. 16)
Remove drive cover. Remove bett by pushing down
on gear case putley.
• Turn tawn mower on its side with carburetor and fuel
cap up.
, Remove blade.
• Remove debris shield.
• Remove belt from engine pulley on crankshaft.
o Install new belt by reversing above steps,
, Always use factory approved belt to assure fit and
long life.
TO ADJUST DRRVE CONTROL CABLE
(See Fig. 17')
A drive control cable that needs adjustment will keep your
lawn mower from self-propelling properly and can also
cause gear case components to wear out sooner.
• Remove drive cover.
, Loosen cable clamp screw "A" and nuts "B" and "C".
• Hold down operator presence control bar to handle
and engage drive control.
o Move shifter arm to drive position while rotating front
wheels to be sure jaw clutch is engaged. Pull threaded
sleeve with p_iers. Do not pull on control cable.
• Tighten nut "C" until steeve is snug.
o Tighten screw"A" and nut"B".
, Push lawn mower back and forth to be sure gear case
is engagedl
• Replace drive cover.
o Release operator presence control bar.
PRESS _
FiG, !6
PUER$
JAMNUT"C"-_
JAM NUT "B". "_%_.SLEEVE_
o.,vo
SHiFteR _._) _ JIll
AR
CLUTCH
SPRING SCREW "A" ADJUSTING
BRACKET
FJGo17
REAR DEFLECTOR
The rear deflector, attached between the rear wheels of
your lawn mower, is provided to minimize the possibility
that objects will be thrown out the rear of the lawn mower
into the operator's mowing position.
If the rear deflector becomes damaged, it should be
replaced.
15

SERVICE AND ADJUSTMENTS
TO ADJUST HANDLE (See Figs, 18 Thru 20)
Your lawn mower handle can be raised or lowered for your
mowing comfort. Four (4) positions are available: high,
medium high, medium low and low, Handles are shipped
mounted in the medium low position.
To change from medium low to medium high position,
the upper and lower handle sections will have to be
turned over (See Fig. 18B).
Remove the controls and operator presence control
bar from the upper handle,
o Remove the starter rope guide from the tower handle.
Remove hairpin cotters.
• Disconnect the lower handle from the hand!e brackets
(See Fig. 20).
° Turn the handle over and reassemble the hairpin
cotters that have been removed.
• Reassemble the starter rope guide.
, Reassemble the controls and the operator presence
control bar to the upper handle.
CAUTION: The operator presence
control bar must pivot freely to permit
blade brake engagement when contro_
bar is released. Do not over t{ghten the
fasteners holding the controls to the
upper handle.
•To change from medium low to high position only the
upper handle section will have to be turned over (See
Fig, 19A)_
,To change from medium low to tow position, only the
lower handle section wil! have to be turned over (See
Fig, 19B).
ENGINE
ENGINE SPEED
Your engine speed has been factory set, Do not attempt
to increase engine speed or it may result in personal
injury. If you believe that the engine is running too fast or
too slow, take your lawn mower to an authorized Sears
Service Center for repair and adjustment.
CARBURETOR
Your carburetor has a non-adjustable fixed main jet for
mixture control. If your engine does not operate properly
due to suspected carburetor problems, take your lawn
mower to an authorized Sears Service Center for repair and
adjustment,
SHiPPiNG POSITION
MEDIUM LOW MEDIUM HiGH
FiG, 18A
HIGH
FIG. 18B
LOW
FIG. 19A FiG. 19B
LOWER HANDLE
HANDLE
BRACKET
FiG, 20
16

STORAGE
Immediately prepare your lawn mower for storage at the
end of the season or if the unit wilt not be used for 30 days
or more.
LAWN MOWER
When lawn mower is to be stored for a period of time, clean
it thoroughly, remove all dirt, grease, leaves, etc. Store in
a clean, dry area.
, Clean entire lawn mower (See "CLEANING" in the
Customer Responsibilities section of this manual).
, Lubricate as shown in the Customer Responsibilities
section of this manual.
• Be sure that all nuts, bolts, screws, and pins are
securely fastened. Inspect moving parts for damage,
breakage and wear. Replace if necessary.
• Touch up all rusted or chipped paint surfaces; sand
lightly before painting.
HANDLE (See Fig. 21)
You can fold your lawn mower handle for storage.
• Squeeze the bottom ends of the lower handle toward
each other until the lower handle clears the handle
bracket, then move handle forward.
•Loosen upper handle mounting bolts enough to allow
upper handle to be folded back.
IMPORTANT: WHEN FOLDING THE HANDLE FOR
STORAGE OR TRANSPORTATION, BE SURE TO FOLD
THE HANDLE AS SHOWN OR YOU MAY DAMAGE THE
CONTROL CABLES.
• When setting up your hand!e from the storage position,
the lower handle will automatically lock into the mow-
ing position.
LOWER HANDLE
HANDLE
BRACKET
HAIRPIN
COTTER
OPERATOR PRESENCE
CONTROLBAR
UPPER HANDLE
FOLDFORWARD
FORSTORAGE
FOLD BACKWARD
MOWING
POSITION
LOWER HANDLE
FiG. 21
ENGINE
FUEL SYSTEM
IMPORTANT: IT IS IMPORTANT TO PREVENT GUM
DEPOSITS FROM FORMING IN ESSENTIAL FUEL
SYSTEM PARTS SUCH AS CARBURETOR, FUEL FILTER,
FUEL HOSE, OR TANK DURING STORAGE. ALSO,
EXPERIENCE INDICATES THAT ALCOHOL BLENDED
FUELS (CALLED GASOHOL OR USING ETHANOL OR
METHANOL) CAN ATTRACT MOISTURE WHICH LEADS
TO SEPARATION AND FORMATION OF ACIDS DURING
STORAGE. ACIDIC GAS CAN DAMAGE THE FUEL
SYSTEM OF AN ENGINE WHILE IN STORAGE.
•Drain the fue! tank.
• Start the engine and let it run until the fuel lines and
carburetor are empty.
, Never use engine or carburetor cleaner products in the
fuel tank or permanent damage may occur.
• Use fresh fuel next season.
NOTE: Fuel stabilizer is an acceptable alternative in
minimizing the formation of fuel gum deposits during stor-
age. Add stabilizer to gasoline in fuel tank or storage
container. Always follow the mix ratio found on stabilizer
container. Run engine at least 10 minutes after adding
stabilizer to allow the stabilizer to reach the carburetor. Do
not drain the gas tank and carburetor if using fuel stabilizer.
ENGINE OiL
Drain oii (with engine warm) and replace with clean engine
oil. (See "ENGINE" in the Customer Responsibilities
section of this manual).
CYLINDER
• Remove spark plug.
Pour one ounce (29 m!) of oil through spark plug hole
into cylinder.
• Pull starter handle slowly a few times to distribute oil.
, Replace with new spark plug.
OTHER
• Do not store gasoline from one season to another.
• Replace your gasoline can if your can starts to rust.
Rust and/or dirt in your gasoline will cause problems.
•tf possible, store your unit indoors and cover it to give
protection from dust and dirt.
• Cover your unit with a suitable protective cover that
does not retain moisture. Do not use plastic. Plastic
cannot breathe which al!ows condensation to form and
will cause your unit to rust.
IMPORTANT: NEVER COVER MOWER WHILE ENGINE
AND EXHAUST AREAS ARE STILL WARM.
CAUTION: Never store the lawn mower
with gasoline in the tank inside a build-
ing where fumes may reach an open
flame or spark. Allow the engine to cool
before storing in any enclosure.
17

0RAFTSMAN 22" ROTARY LAWN MOWER MODEL NUMBER 917.372480 REPAIR PARTS
!\
11
9
35
27
58
29
28
55
12 54
62
47

CRAFTSMAN 22" ROTARY LAWN MOWER MODEL NUMBER 917.372480 REPAIR PARTS
KEY PART DESCRIPTION KEY PART
NO. NO NO. NO
1 133088X479 Upper Handle 37 55187
2 130861 Engine Zone Control Cable 38 STD541431
3 STD522515 Hex Head Bolt 1/4-20 x 1-1/2 39 86912X417
4 STD541425 Locknut 1/4-20 40 86913X417
5 85827 Cable Clip 41 850998
6 63688 Handle Knob 42 750097
7 STD541425 Locknut 1/4-20 43 87930
8 851509 Controt Bar 44 48273
9 48137 Rear Door Kit (Incl. Key#10) 46 851514
!0 750328 Hinge Rod 47 752234
1! 36953 Self Tapping Screw #10-24 48 851074
!2 STD512505 Hex Tapping Screw 1/4-20 x1/2 49 850263
14 88644X479 Back Plate 50 851084
15 133189 Side Baffle 51 87587X479
16 133190X417 Discharge Baffle 52 85463
17 87596X479 Rear Baffle 54 STD533107
20 128796 Rear Skirt 55 751592
21 133170X479 Mulcher Plate 56 88652
22 85543 Engine Pulley 57 51793
23 87677 Hi-Pro Key #505 58 84676X479
24 77400 Hubcap 59 131959
25 85179 Retainer Clip 60 85t201X004
26 52160 Washer 61 103672X
27 87748 Wheel & Tire Assembly 62 134612
28 84921 Shoulder Bolt 3/8-16 64 132961
29 62335 Belleville Washer - = 134078
30 85021X004 Axle Arm Assembly
31 87877 Selector Knob
32 850855X004 Selector Spring
34 84920 Spacer
35 850923 Wheel Adjusting Bracket (Left)
36 850924 Wheel Adjusting Bracket (Right)
DESCRIPTION
Thread Cutting Screw 5/t6-18 x 3/4
Locknut 5/16-18
Handle Bracket Assembly (Left)
Handle Bracket Assembly (Right)
Hex Head Thread Roiling Screw 3/8-16 ×1-1/8
Hex Washer Head Screw #10-24 x 1/2
Guide Clip
Lawn Mower Housing (Incl. Key #14,15,5t &52)
Blade Adapter
Blade 22"
Hardened Washer
HeJical Washer 3/8-24 x 1-3/8 Grd. 8
Hex Head Machine Screw 3/8-24 x 1-,3/8 Grd. 8
Front Baffle
Danger Decal
Carriage Bolt 5/16-18 x 5/8
Locknut 3/8-16
Hinge Screw
Hairpin Cotter
Lower Handle
Handle Boit
Washer
Rope Guide
Debris Shield
Engine- Craftsman - Model No. 143.424!52
Owner's Manual
Available accessories not included with lawn mower:
• 71 33303 Clipping Deflector
7_!133623 Gas Can (2.5 gal.)
7_!_133500 Fuel Stabilizer
7_!_33300 SAE 30W Oil (20 oz.)
7_.!.33417 Dust Shield
71 33316 Mower Cover

,,.RAFTSMAN 22" ROTARY' LAWN MOWER MODEL NUMBER 917.372480 REPAIR PARTS
54 5
I
18 2O 21
\
15
11
13
20
7
/
35-"

CRAFTSMAN 22" ROTARY LAWN MOWER MODEL NUMBER 917.372480 REPAIR PARTS
=,a},
KEY PART DESCRiPTiON KEY PART
NO. NO. NO. NO
1 48029 Drive Head _ 25 751031
2 133049 Drive Control L_,_ 26 87866
3 74189 Locknut #10-24 27 750097
4 750029 Pan Head Machine Screw #10-24 ×228
5 83691 V-Belt 29 750108
6 74760444 Hex Head Bolt 1/4-20 x 2o3/4
7 85!79 Retainer Clip 30 83700
8 77400 Hubcap 31 132010
952160 Washer _ 431-482
t0 86960 Nylon Bushing _ 4826_c
1! 87729 Wheel & Tire Assembiy 8.00 x2.00 34 _STD_0014
12 12000003 E-Ring 35 48175
13 74507 Pinion 36 48281
14 76401 Dust Cover 37 83632
15 86273 Spacer Bearing 38 STD541425
16 86274 Belleville Washer 40 75192
t7 851019X004 Selector Spring (Left) 41 48!74
18 87877 Selector Knob 52 88614
19 88284X004 Axle Arm Assembly 54 751663
20 850922 Wheel Adjusting Bracket 55 86012
21 58922 Retaining Clip 56 851552
23 851021X004 Selector Spnng (Right)
DESCRIPTION
Drive Cover Decal
Pan Head Tapping Screw #1 0-24 x 2-3/4
Hex Washer Head Screw #10-24 ×3/'4
Drive Cover "_2_ _-_,__/
He× Washer Head Tapping Screw
#10-24 ×3/8
Cable Clamp
Hex Flange Nut
Drive Pulley
Drive Control Cable Kit
Woodruff Key #3
Wheel Adjuster Assembly (Left)
Gear Case Assembly
Spring
Locknut !/4-20
Spring
Wheel Adjuster Assembly (Right)
Catcher Frame
Grassbag Assembly
Driveshaft Cover
Screw, Pan Head, Hi-Lo #10-16 x 1/2

22 °' POWER- PROPELLED REPAIR PARTS
LAWN MOWER 917.372480
GEAR CASE ASSEMBLY PART NUMBER 132232
¢
15
17 7,
22
KEY PART
NO. NO.
! 53838
2 85178
3 131483
4 57072
5 57388
6 48032
7 77881
8 77039
9 750430
10 57079
11 131484
12 131485
DESCRIPTION
Locknut, Keps 1/4-20
Bracket, Adjusting
Shifter
Seal
Pin, Grooved 1/8 x 1/2
Gear Case Halves, Upper and
Lower (includes Key #4, 5 and 7)
Bearing
Bracket, Spring
Drive Shaft
Washer, Hardened
Yoke, Clutch
Bushing
KEY PART
NO. NO, DESCRIPTION
13 86447 Plug
14 133804 Gear, Helical
15 750436 Jaw, Clutch
16 750355 Grease
17 STD581050 E-Ring
18 850848 Key, Hi-Pro
19 131481 Shaft, Worm
20 65692 Key, Woodruff, #3
21 83680 Worm
22 STD522512 Screw, Hex Head 1/'4-20 x 1-1/4
NOTE: All component dimensions given in U.S. inches
1 inch : 25.4 mm
22

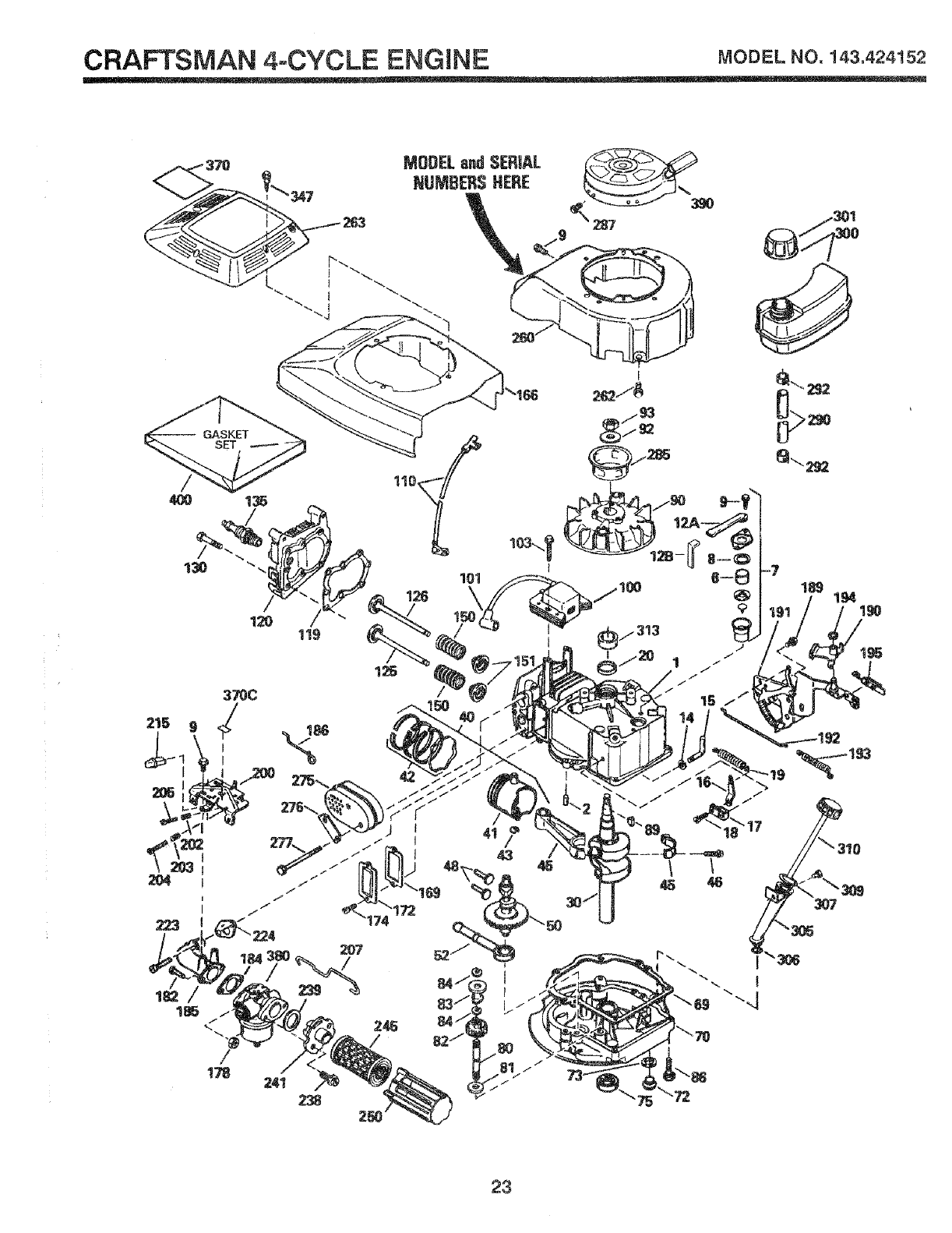
CRAFTSMAN 4-CYCLE ENGINE MODELNO.143.424tS2
L
/
23

CRAFTSMAN 4..CYCLE ENGINE MODELNO.143.424152
REF PART
NO, NO.
1 33968B
2 26727
6 33734
7 342!4A
8 33735
9 30200
12A 33886
12B 34695
14 28277
15 30589
16 31383A
17 31335
18 650548
19 31361
20 32600
30 35801
40 34535
34536
34537
4! 33662B
33563B
33564B
42 33567
33568
33569
43 20381
45 32875
46 32610A
48 27241
50 33553
52 29914
69 35261
70 34311C
72 30572
73 28833
75 27897
80 30574
81 30590A
82 30591
83 30588A
84 29193
86 650488
89 611004
90 611109
92 650815
93 650816
!00 34443A
101 610118
103 650814
110 34961
119 33554A
120 34342
125 29313C
29315C
t26 29314B
29315C
130 6021A
135 35395
REF PART
DESCRIPTION NO. NO.
Cylinder Assembly (Includes #2, 20) 150 31672
Pin, Dowel 151 31673
Element, Breather t66 35827
Breather Assembly (Includes 169 27234A
Reference #6, 8, 9, 12Aand 12B) 172 32755
* Gasket, Breather 174 650128
Screw, Sems, Hex Washer Head, 178 29752
Self-Tapping #10-24 x 9/16 182 6201
Tube, Breather 184 26756
Elbow, Breather Tube 185 31384A
Washer, Fiat !86 34358
Rod, Governor (includes Ref. #14) 189 650839
Lever, Governor
Clamp, Governor Lever 190 35831
Screw, HexWasher #8-32 x 5/16 191 35039B
Spring, Extension 192 34966
Seal, Oil t93 34965
Crankshaft Assembly 194 32309
Piston, Pin & Ring Assembly, Std. 195 610973
Piston, Pin & Ring Assy..010" over 200 35727
Piston, Pin & Ring Assy..020" over
(Assemblys Include #41,42 and 43) 202 33802
Piston & Pin Assembly, Standard 203 31342
Piston & Pin Assembly .010" over 204 650549
Piston & Pin Assembly .020" over 205 650777
(Assemblys Include Reference #43) 207 34336
Ring Set, Piston, Standard Size 215 35511
Ring Set, Piston .010" oversize 223 650451
Ring Set, Piston .020" oversize 224 34690A
Ring, Piston Pin Retaining 238 650932
Rod Assy., Connecting (Incl. #46)
Bolt, Connecting Rod 239 34338
Valve, Lifter 241 35797
Camshaft, Mech. Comp. Release 245 35066
Pump Assembly, Oil 250 35065
* Gasket, Mounting Flange 260 35826
Flange, Mount. (Inc!. #72,73,75,80) 262 650831
Plug, Oil Drain (Includes Ref. #73)
Gasket, Oil Drain Plug (Not 263 35821
Required with Plastic Oil Plug) 275 34613
Seal, Oil 276 33753
Shaft, Governor 277 650795
Washer, Flat 285 35000
Gear Assy., Governor (Incl. #81) 287 650884
Spool, Governor 290 34357
Ring, Retaining 292 26460
Screw, Sems, Hex 1/4-20 x 1-1/4 300 35586
Key, Flywheel 301 35355
Flywheel 305 35819A
Washer, Betlevilie 306 34265
Nut, Flywheel 307 35499
Solid State Assembly 309 650936
Cover, Spark Plug
Screw, Sems, Torx %15, Hex 310 35822
Washer Head #10_24 x 1 3t3 34080
Wire, Ground 347 650898
* Gasket, Cylinder Head
Head, Cylinder 370 35840
Valve, Exhaust, Standard Size 370C 35167
Valve, Exhaust, 1/32" oversize 380 632078A
Valve, Intake, Standard Size 390 590637
Valve, htake, 1/32" oversize (Atl 400 35997
Valves Include Reference #t 51)
Screw, Hex Flange 5/16o!8 x lq/2
Spark Plug, Resistor Type
(Champion RJ-19LM or Equivalent)
DESCRIPTION
Spring, Valve
Cap, Lower Valve Spring
Shroud, Engine
* Gasket, Valve Spring Box
Cover, Valve Spring Box
Screw, Seres, Hex Hd. #10-24 x 1/2
Nut and Lock Washer 1/4-28
Screw, Hex Hd., Cap 1/4-28 x 7/8
* Gasket, Carburetor
Pipe, Intake (Includes Ref, #224)
Link, Governor Spring
Screw, Seres, Hex Head, Powerlok
1/4-20 x 3/8
Lever, Brake
Bracket, S.E. Brake (Includes #195)
Link, Control
Spring, Extension
Ring, Retaining
Terminal Assembly
Bracket Assembly, Control
(Includes Reference #202 thru 205)
Spring, Compression
Spring, Compression
Screw, Fillister Head #5-40 x 7/16
Screw, Fillister Head #6-32 x 21/32
Link, Throttle
Knob, Control
Screw, Sems, Hex Head 1/4-20 x I
* Gasket, Intake Pipe
Screw, Hex Washer Head,
Shoulder #10_32 x 49/64
* Gasket, Air Cleaner
Collar, Air Cleaner
Filter, Air Cleaner, Paper
Cover, Air Cleaner
Housing, Blower
Screw, Hex Washer Head,
Powerlok Thread 1/4-20 x 15/32
Grill Assembly, Recoil
Muffler Assembly (includes #277)
Plate, Lock
Screw, Hex Head 1/4-20 x 2-1/4
Hub, Starter
Screw, Hex Wash. Hd. #8-32 x 1/2
Line, Fuel
Clamp, Fuel Line
Tank Assy. (includes #292 & 301)
Cap, Fuel
Tube, Oil Fill (includes Ref. #309)
* Gasket, Fil! Tube
"O" Rinq
Screw, "Rex Washer Head,
Shoulder #10-32 x 13/32
Dipstick, Oit Fill
Spacer, Flywheel Key
Screw, Hex Washer Head,
Shoulder #10-32 x 27/32
Decal, Name
Decal, Instruction
Carburetor (includes Ref. #184)
Starter, Rewind
Gasket Set (lnci. items marked *)
RPM Setting: Low Speed: 2450-2750, High: 2900-3200
*indicates Parts Included in Gasket Set, Reference #400
NOTE: All component dimensions given in U.S. inches
1 inch = 25.4 mm
24

CRAFTSMAN 4-CYCLE ENGINE MODELNO.143,424152
CARBURETORNO.632078A
I '
3O
31
",4
!
REWIND STARTER NO. 590637
27
REF PART
NO. NO. DESCRIPTION
1 631615
2 631767
4 631184
5 631971
6 631616
7 650506
16 632527
25 631700
27 631024
28 632019
29 631028
30 631021
31 631022
35 632047
40 632071
44 631334
48 631027
Throttle Shaft and Lever Assembly
Throttle Return Spring
Dust Seal Washer
Dust Seal
Throttle Shutter
Throttle Shutter Screw
Fuel Fitting
Float Bowl
Float Shaft
Float
"O" Ring, Float Bowl to Body
inlet Needle, Seat & C!ip (tncl, #31)
Spring Clip
Primer Bulb/Retainer Ring
High Speed Bowl Nut
Bowl Nut Washer
Welch Plug, Atmospheric Vent
NOTE: All component dimensions given in U.S. inches
1 inch = 25.4 mm
10
REF PART
NO. NO. DESCRiPTiON
- - 590637 Starter, Rewind
1 590599 Pin, Spring (includes Reference #4)
2 590600 Washer
3 590615 Retainer
4 590601 Washer
5 590598 Spring, Brake
6 590616 Dog, Starter
7 590617 Spring, Dog
8 590618 Pulley
9 590619 Spring, Rewind
10 590620 Cover, Spring
1! 590638 Housing Assembly, Starter
12 590535 Rope, Starter (98" long, 9/64" dia.)
!3 590452 Handle, Starter
NOTE: All component dimensions given in U.S. inches
1 inch = 25.4 mm
25

SERVICE NOTES
26

TROUBLESHOOTING POINTS
PROBLEM
Does not start
CAUSE
1. Dirty air filter.
2. Out of fuel.
3. Stale fuel.
4. Water in fuel.
CORRECTION
1. Clean/replace air filter.
2. Fill fuettank.
3. Drain tank and refill with fresh clean fuel.
4. Drain fuel tank and carburetorand refill tank with fresh
gasoline.
Loss of power
Poor cut - uneven
Excessive vibration
Starter rope hard to pull
Loss of drive
Grass catcher not filling
(If so equipped)
Hard to push
5. Spark plug wire is disconnected.
6. Bad spark plug.
7. Loose blade or broken blade adapter.
8. Control bar in released position
9. Control bar defective
1. Rear of lawn mower housing/blade dragging
in heavy grass.
2. Cutting too much grass.
3. Dirty air filter.
4. Buildup of grass, leaves and trash under mower.
5. Too much oil in engine.
6. Walking speed too fast.
1. Worn, bent or loose blade.
2. Wheel heights uneven.
3_ Low engine speed.
4. Buildup of grass, leaves, and trash under mower.
1. Worn, bent or loose blade.
2. Bent engine crankshaft.
1. Engine flywheel brake is on when control bar is
released.
2. Bent engine crankshaft
3. Blade adapter broken.
4. Blade dragging in grass.
1. Drive wheels not turning with drive control engaged.
2. Belt not driving.
1. Cutting height too low.
2. Lift on blade worn off.
3. Catcher not venting air.
4. Low engine speed.
1. Grass is too high or wheel height is too low.
2. Rear of lawn mower housing/blade dragging
in grass.
3. Grass catcher too full.
4. Handle height position not right for you.
5. Connect wire to plug.
8. Replace spark plug.
7. Tighten blade bolt or replace blade adapter.
8. Depress control bar to handle.
9. Replace control bar.
1. Set in "Higher Cut" position.
2. Set in "Higher Cut" position.
3. Clean/replace air filter.
4. Clean underside of mower housing.
5. Check oil level.
6. Cut at slower walking speed.
1. Replace blade. Tighten blade bolt.
2. Set all wheels at same height.
3. Set engine speed control in HiGH position.
4. Clean underside of mower housing.
1. Replace blade. Tighten blade bolt.
2. Contact Sears Service Department.
1.
2.
3.
4.
Depress control bar to upper handle before
pulling starter rope.
Contact Sears Service Department.
Replace blade adapter.
Move lawn mower to cut grass or to hard surface
to start engine.
1. Adjust or replace drive control cable, if broken.
2. Put belt on pulleys or replace belts if broken.
1. Raise cutting height.
2. Replace blade.
3. Clean grass catcher.
4. Set engine speed control in HIGH position.
1. Raise cutting height.
2. Raise rear of lawn mower housing one (1)
setting higher.
3. Empty grass catcher.
4. Adjust handle height to suit.
27

S_FA/ S
OWNER'S
MANUAL
MODEL NO.
917.372480
HOW TO ORDER
REPAIR PARTS
5.0 HORSEPOWER
22" REAR DISCHARGE
2 in ONE Mulcher/Bagger
POWER PROPELLED
ROTARY LAWN MOWER
Each Lawn Mower has its own model number. Each
engine has its own model number.
The model number for your lawn mower will be found on
a decal attached to the rear of the lawn mower housing.
The model number for the engine will be found on the
Blower Housing of the engine adjacent to the spark plug.
All parts listed here in may be ordered through Sears,
Roebuck and Co. Service Centers and most Retail
Stores.
WHEN ORDERING REPAIR PARTS, ALWAYS GIVE THE
FOLLOWING INFORMATION:
•PRODUCT - "ROTARY LAWN MOWER"
•MODEL NUMBER- 917'.372480
° ENGINE -CRAFTSMAN -MODEL NO. 143.424152
• PART NUMBER
•PART DESCRIPTION
Your Sears merchandise has added value when you
consider that Sears has service units nationwide
staffed with Sears trained technicians...professional
technicians specifically trained on Sears products,
having the parts, tools and the equipment to insure that
we meet our pledge to you, we service what we sell.
®
134078 Rev. 2 02/27/92 Printed in U.S.A.
'11 II I_1 I IIII IIIIIII II I1"1U