Craftsman 486 248462 Users Manual
486248462 486248462 CRAFTSMAN 46 SNOW THROWER ATTACHMENT - Manuals and Guides L0301068 View the owners manual for your CRAFTSMAN 46 SNOW THROWER ATTACHMENT #486248462. Home:Lawn & Garden Parts:Craftsman Parts:Craftsman 46 SNOW THROWER ATTACHMENT Manual
CRAFTSMAN Snow Thrower Attachment Manual L0301068 CRAFTSMAN Snow Thrower Attachment Owner's Manual, CRAFTSMAN Snow Thrower Attachment installation guides
486248462 c76796dd-a96b-4c38-8fee-59dc5e977f4c Craftsman Snow Blower 486.248462 User Guide |
2015-01-05
: Craftsman Craftsman-486-248462-Users-Manual-161174 craftsman-486-248462-users-manual-161174 craftsman pdf
Open the PDF directly: View PDF
.
Page Count: 24

Owner's Manual
ICRAFTSHAN I
46"- 2 STAGE SNOW THROWER
TRACTO R ATTAC HM ENT
Model No. 486.248462
CAUTION:
Before using this product, read
this manual and follow all
Safety Rules and
Operating Instructions.
• Safety
• Assembly
• Operation
• Maintenance
• Parts
IMPORTANT - READ THIS FIRST!!!
For Missing Parts or Assembly Questions
Please Call 217-726-6366
Mon.-Fri. 7 am - 5 pm CST.
FAX 217-726-2032 or e-mail info@agri-fab.com
Missing parts will be sent UPS in 24 hours directly to your home.
Sears, Roebuck and Co., Hoffman Estates, IL 60179 U.S.A.
www.sears.com/craftsman
PRINTED IN U.S.A. FORM NO. 48568 (REV. 10/02)

ACCESSORIES ......................................................... 2
SAFETY RULES ........................................................ 3
FULL SIZE HARDWARE CHART ............................. 4
CARTON CONTENTS ............................................... 5
ASSEMBLY ................................................................ 6
OPERATION ............................................................ 13
MAINTENANCE ....................................................... 15
SERVICE AND ADJUSTMENTS ............................ 16
STO RAG E ................................................................ 17
TROUBLESHOOTING ............................................. 17
REPAIR PARTS ILLUSTRATION .................... 18,20
REPAIR PARTS LIST ........................................ 19,21
SLOPE GUIDE ......................................................... 23
PARTS ORDERING/SERVICE ................. Back Page
LIMITED ONE YEAR WARRANTY ON 46" 2-STAGE SNOW THROWER
For one year from the date of purchase, when this snow thrower is maintained and lubricated according to the operating
and maintenance instructionsinthe owner's manual, Sears willrepair any defect in material or workmanship free of charge.
If this snow thrower is used for commercial or rental purposes, this warranty applies for only 90 days from the date of
purchase.
This warranty does not cover repairs necessary because of operator negligence or abuse, including the failure to maintain
the equipment according to instructions contained in the owner's manual.
WARRANTY SERVICE IS AVAILABLE BY CONTACTING THE NEAREST SEARS SERVICE CENTER/DEPARTMENT
IN THE UNITED STATES.
This warranty applies only while this product is in the United States.
This warranty gives you specific legal rights, and you may also have other rights which vary from state to state.
Sears, Roebuck and Co. D/817 WA. Hoffman Estates, Chicago, IL 60179
These accessories were available when the unit was purchased. They are also available at most Sears retail outlets
and service centers. Most Sears stores can order repair parts for you when you provide the model numbers of your
tractor and snow thrower.
WHEEL WEIGHT TIRE CHAINS DRIFT CUTTER BARS
KIT NO. 71-52050
The model number and serial numbers will be found on a
decal attached to the snow thrower.
You should record both the serial number and the date of
purchase and keep in a safe place for future reference.
MODEL NUMBER:
SERIAL NUMBER:
DATE OF PURCHASE:
486.248462
2

Any power equipment can cause injury if operated improperly or if the user does not understand how to operate
the equipment. Exercise caution at all times, when using power equipment.
• Read this owner's manual carefully and know how
to operate your snow thrower and how to stop the
unit and disengage the controls quickly.
• Never allow children to operate the equipment.
• Never allow adults to operate the equipment
without proper instruction.
• Keep the area of operation clear of all persons,
especially small children, and pets.
• Thoroughly inspect the area where the equipment
is to be used and remove all door mats, sleds,
boards, wires and other foreign objects.
• Disengage all clutches and shift into neutral before
starting engine.
• Do not operate equipment without wearing ad-
equate winter outer garments.
• Wear substantial footwear which will protect feet
and improve footing on slippery surfaces.
• Check fuel before starting the engine. Do not
remove the fuel cap or fill the fuel tank while the
engine is running or hot. Do not fill the fuel tank
indoors. Gasoline is an extremely flammable fuel.
• Make sure the snow thrower height is adjusted to
clear the type surface it will be used on.
• Do not use the snow thrower without the rear
weight attached to the tractor.
• Never make any adjustments while the engine is
running.
• Always wear safety glasses or eye shield during
operation or while performing and adjustment or
repair.
• Do not place hand or feet near rotating parts. Keep
clear of the discharge opening at all times.
• Use extreme caution when operating on or crossing
gravel surfaces.
• Do not carry passengers.
• After striking a foreign object, stop the engine,
remove the wire from the spark plug and then
thoroughly inspect the snow thrower for damage.
Repair any damage before restarting and operating
the snow thrower.
• If the snow thrower starts to vibrate abnormally,
stop the engine immediately and check for the
cause. Vibration is generally a warning of trouble.
• Stop the engine whenever you leave the operating
position, before unclogging the snow thrower or
making any adjustments or inspections.
• Take all possible precautions when leaving the unit
unattended. Disengage the attachment clutch lever
or switch, lower the snow thrower, shift into neutral,
set the parking brake, stop the engine and remove
the key.
• When cleaning, repairing or inspecting, make
certain all moving parts have stopped. Disconnect
the spark plug wire and keep it away from the plug
to prevent accidental starting.
• Do not run engine indoors except when transport-
ing the snow thrower in or out of the building. Open
the outside doors. Exhaust fumes are dangerous.
• Do not clear snow across the face of slopes.
Exercise extreme caution when changing direction
on slopes. Do not attempt to clear steep slopes.
Refer to the slope guide on page 23 of this manual.
• Never operate the snow thrower without guards,
plates or other safety protection devices in place.
• Never operate the snow thrower near glass enclo-
sures, automobiles, window wells, drop offs etc.
without proper adjustment of the snow thrower
discharge angle.
• Never direct discharge at bystanders or allow
anyone in front of the snow thrower.
• Never run the snow thrower into material at high
speeds.
• Do not overload the machine capacity by attempt-
ing to clear snow at too fast a rate.
• Never operate the machine at high transport speed
on slippery surfaces. Look behind and use care
when backing.
• Watch for traffic and stay alert when crossing or
operating near roadways.
• Disengage power to the snow thrower when trans-
porting or when not in use.
• Use only attachments and accessories approved by
the manufacturer of the snow thrower (such as
wheel weights, counter weights, cabs etc.)
• Never operate the snow thrower without good
visibility or light.
Look for this symbol to point out important safety precautions. It mean--Attention!!
Become alert!! Your safety is involved.

H
_J
SHOWN ACTUAL SIZE
\\
Two shear bolts (R) and hex lock
nuts (S) are provided as
replacement parts for the spiral
augers. Store in a safe place until
needed. (See page 16.)
NOT SHOWN ACTUAL SIZE
_ jT
REF. QTY. DESCRIPTION REF. QTY. DESCRIPTION
A
B
C
D
E
F
G
H
I
J
K
L
2 Hex Bolt, 3/8" x 1-1/2"
12 Hex Bolt, 3/8" x 1"
2 Hex Bolt, 5/16" x 1-3/4"
6 Hex Bolt, 1/4" x 1"
2 Carriage Bolt, 5/16" x 1-3/4"
6 Carriage Bolt, 5/16" x 1"
2 Shoulder Bolt
10 Hex Nut, 5/16"
6 Flanged Lock Nut, 1/4"
12 Hex Lock Nut, 3/8"
10 Lock Washer, 5/16"
18 Lock Washer, 3/8"
M 2 Bowed Washer
N 6 Washer, 1/4"
O 2 Washer, 5/16"
P 2 Washer, 3/4"
Q 4 Hairpin Clip, 1/8"
R 2 Shear Bolt
S 2 Hex Lock Nut, 5/16"
T 1 Tarp Strap
U 3 Chute Keeper
V 1 Plastic Grip
W 2 Lock Pin
4

CARTON CONTENTS
1. Frame Bracket, R.H.
2. Frame Bracket, L.H.
3. Hanger Bracket, L.H.
4. Hanger Bracket, R.H.
5. Side Plate, L.H.
6. Side Plate, R.H.
7. Cross Brace
8. Plastic Weight Keg
9. Weight Tray
10. Side Brace Arms (2)
11. Chute Crank Assembly
12. Lift Handle with Cable
13. Clutch/Idler Assembly
14. Drive "V" Belt
15. Auger "V" Bett (Attached to Housing Assembly)
16. Anti-rotation Bracket
17. Chute and Control Cable Assembly
18. Housing Assembly
Hardware Package (Stored inside Plastic Keg)
12
14

TOOLS REQUIRED FOR ASSEMBLY
(2)
(2)
(2)
(t)
(t)
(t)
(t)
7/16" Wrenches
1/2" Wrenches
9/16" Wrenches
5/8" Wrench or Adjustable Wrench
11/16" Wrench or Adjustable Wrench
3/4" Wrench or Adjustable Wrench
Knife
General Purpose Grease
REMOVAL OF PARTS FROM CARTON
• Remove all parts and hardware packages from the
carton. Lay out all parts and hardware and identify
using the illustrations on pages 4 and 5.
&CAUTION: Before starting to assemble
the snow thrower, remove the spark plug
wire(s), set the parking brake and
remove the key from the tractor ignition.
TRACTOR PREPARATION
ASSEMBLING PARTS TO TRACTOR FRAME
Right hand (R.H.) and left hand (L.H.) are determined
from the operators position while seated on the tractor.
• Remove the hex bolt from the threaded hole at the
top front corner of R.H. front suspension bracket.
Remove the nut from the carriage bolt at the top
rear corner of the bracket, leaving the carriage bolt
in the tractor frame. See figure 1.
• Repeat for the L.H. front suspension bracket.
REMOVE NUT REMOVE BOLT
\\\
FIGURE 1
FRONT SUSPENSION
BRACKET (R.H.)
/
/
Y
RIGHT SIDE VIEW
Before proceeding with these instructions, refer to the
Service and Adjustments section of your tractor owner's
manual for specific safety instructions.
• Allow engine, muffler and exhaust deflector to cool
before beginning.
• Remove any front or rear attachment which is
mounted to your tractor.
• Remove the mower deck. Refer to your tractor
owner's manual for removal instructions. Mark all
loose parts and save for reassembly.
• Remove the tractor hood and grill assembly. Refer to
your tractor owner's manual for removal instructions.
ITEMS REMOVED FROM TRACTOR
Store all brackets and fasteners removed from the
tractor during the assembly of the snow thrower,
unless the instructions call for their use.
• Attach the rear of the R.H. side plate to the tractor
using the original carriage bolt and a new 3/8" lock
washer and 3/8" lock nut. Attach the front of the
side plate to the threaded hole in the tractor frame
using a 3/8" x 1" hex bolt and a 3/8" lock washer.
Repeat for the L.H. side. See figure 2.
NOTE: If the side plates are removed from the tractor
frame, be sure to reassemble bolts and nuts back
into the frame.
318" LOCK
3/8" I-_X WASHER
LOCK-NUT
/
/
3/8" x 1"
HEX BOLT
SIDE PLATE (R.H.)
FIGURE 2
6
RIGHT SIDE VIEW

•Remove the mower stop bracket and its two bolts
and nuts from the R.H. side of the tractor frame as
shown in figure 3.
• If the tractor has a muffler guard at the front of the
R.H. foot rest, remove the bottom bolt and nut, and
the washer which is located between the guard and
the tractor frame. See figure 3.
• Remove the two bolts from the bottom of both the
R.H. and L.H. foot rests. See figure 3.
MUFFLER GUARD
_(ONLY MODELS WITH
SIDE MUFFLER)
FIGURE 3
MOWER STOP i
BRACKET
/ /
RIGHT SIDE VIEW
Assemble the R.H. hanger bracket to the bottom
hole where the mower stop bracket was removed
and to the bottom hole under the front of the foot
rest. Fasten with two 3/8" x 1" hex bolts, 3/8" lock
washers and 3/8" hex lock nuts. (On tractors with
muffler guards, slide the hanger bracket between
the guard and the tractor frame.) See figure 4.
MUFFLER GUARD
(ONLY MODELS WITH
SIDE MUFFLER)
R.H. HANGER
BRACKET
HEX
LOCK NUT
3/8" x 1"
HEX BOLT
3/8" LOCK
WASHER
Assemble the L.H. hanger bracket to the left side of
the tractor frame using two 3/8" x 1" hex bolts, two
3/8" lock washers and two 3/8" hex lock nuts as
shown in figure 5.
\\
LH. HANGER 3/8" LOCK
BRACKET WASHER
3/8" x 1"
HEX BOLT
FIGURE 5 LEFT SIDE VIEW
• Assemble the L.H. frame bracket (with bend) to the
L.H. foot rest and sway bar bracket as shown in
figure 6. Use two 3/8" x 1" hex bolts and two 3/8"
lock washers.
• Assemble a shoulder bolt to the outside of the L.H.
frame bracket, securing it with a 3/8" lock washer
and a 3/8" hex lock nut. See figure 6.
• Assemble the R.H. frame bracket to the R.H.
footrest using the same procedures as in the two
previous paragraphs.
NOTE: The R.H. frame bracket has no bend. There is
no sway bar bracket on the right side of the tractor.
3/8" LOCK SHOULDER
WASHER 3/8" x 1" BOLT
HEX BOLT
L.H. FRAME
BRACKET
3/8" HEX
LOCK NUT
/3/8" LOCK J /
\WASHER _SWAY BAR
\\ \ BRACKET
FIGURE 4 RIGHT SIDE VIEW FIGURE 6 RIGHT SIDE VIEW
7

ATTACHING CLUTCH/IDLER ASSEMBLY
IF YOUR MOWER DECK SIZE IS OTHER THAN 48"
• Before attaching the clutch idler assembly to the
tractor, measure the outer diameter of the tractor's
engine pulley. If the diameter of the pulley is less
than 6", move the 3/32" hairpin clip in the L.H.
adjusting chain from link #8 to link #5. (Links are
counted from the end of the chain attached to the
spring).
LINK #5 IN
L.H. CHAIN
R.H. CHAIN
FIGURE 7
Attach the rear of the clutch/idler assembly to the
tractor frame by sliding the notched arms of the
assembly onto the shoulder bolts assembled to the
frame brackets. Lift the front of the assembly,
positioning the upper idler pulley so that it clears
the engine pulley. Attach the front of the assembly
to the hanger brackets using two pivot lock pins
and 1/8" hairpin clips. See figure 8.
PIVOT LOCK PIN
FIGURE 8 RIGHT SIDE VIEW
ASSEMBLY OF SNOW THROWER
Place the lift handle into the lift bracket on the right
side of the snow thrower. Fasten the handle to the
bracket using two 5/16" x 1-3/4" hex bolts, 5/16"
lock washers and 5/16" hex nuts. See figure 9.
LIFT HANDLE
5/16" x 1-3/4"
\
\) HEX BOLT
LIFT BRACKET
5/16" HEX NUT 5/16" LOCK
WASHER
FIGURE 9 RIGHT SIDE VIEW
NOTE: Be sure the lift release cable's plastic covering
remains inserted into the trigger assembly while
completing the next step.
• Push the lift handle down into the locked position.
Insert the end of the cable wire into the hole in the
lift rod. Place the threaded fitting into the slot in the
lift bracket, with one hex nut above and one hex
nut and the lock washer below the slot. Tighten the
nuts, adjusting them to eliminate slack in the cable
wire. See figure 10. Refer also to the Service and
Adjustments section on page 16 in this manual.
LIFT RELEASE
CABLE
8
TRIGGER
ASSEMBLY
FIGURE 10
HEX NUT
LOCK
WASHER
HEX NUT
__ WIRE
LIFT
ROD
RIGHT SIDE VIEW

Remove the nylon tie which fastens the chute crank
rod to the crank support tube.
Assemble the crank support tube (flat side) to the
two brackets on the left side of the thrower housing
using two 3/8" x 1-1/2" hex bolts, 3/8" lock washers
and 3/8" hex lock nuts. See figure 11.
3/8" x 1-1/2"
HEX BOLT
"3/8" LOCK
WASHER
/, ./
318 HEX
FIGURE 11
CRANK
SUPPORT
TUBE
LEFT SIDE VIEW
Attach the chute tilt control assembly to the top side
of the crank support tube using two 5/16" x 1-3/4"
carriage bolts, bowed washers, 5/16" lock washers
and 5/16" hex nuts. See figure 12.
CHUTE CRANK ROD,_._,_
IK SUPPORT TU 3E--...__._>_
"ROLHANOLE _
.... TILT
5/16 x 1-3/4 ...-..""_'_,.J'_ _ _]
AGEBOLT J.F p--CONTROL
ASSE.,L,
,w,oWAS.pg -,
5/16" LOCKWASHER_-_
CRANK SUPPORT TUB E--...__._
TILT CONTROL
CARRIAGE BOLT
BOWED
5/16" HEX NUT
FIGURE 12 LEFT SIDE VIEW
Attach the chute crank assembly to the plastic
bracket on the left side of the thrower housing as
shown in figure 13. Use two 5/16" x 1" carriage
bolts, 5/16" flat washers, 5/16" lock washers and
5/16" hex nuts. Do not tighten yet.
/
CHUTE CRANK
ASSEMBLY
5/16"LOCK
WASHER
5/16" HEX NUT
FIGURE 13 LEFT SIDE VIEW
Coat the top of the ring around the discharge
opening with general purpose grease. See figure 14.
Place the discharge chute (facing forward) onto the
discharge opening, aligning the crank rod spiral
with the notches in the chute flange.
Attach the three chute keepers (right side up as
shown in figure 14) and the anti-rotation bracket to
the bottom of the chute flange. Use six 1/4" x 1"
hex bolts, 1/4" flat washers and 1/4" flanged lock
nuts. Tighten carefully so that the plastic parts are
not deformed. See figure 14.
Place the plastic grip onto the back end of the anti-
rotation bracket. See figure 14.
Position the chute crank assembly so that the crank
rod spiral does not rub the bottoms of the notches
in the chute flange and then tighten the nuts left
loose in figure 13.
Check if the crank rod rotates the chute freely. If
not, loosen by 1/4 turn each the six flanged nuts
holding the chute keepers to the chute flange.
FLANGE
GREASED
SURFACE \
PLASTIC
GRIP
ANTI-ROTATION
BRACKET 1/4" FLANGED
LOCK NUT _
FIGURE 14 RIGHT FRONT CORNER VIEW
9

MOUNTING SNOW THROWER TO TRACTOR ASSEMBLING THE BELTS
NOTE: The help of another person may be required to
mount the snow thrower to the front of the tractor.
• Place the tractor and snow thrower on a flat, level
surface.
• Remove the plastic tie from the auger belt and
extend the belt out behind the snow thrower,
making sure the belt remains assembled around
the top of the large auger drive pulley and passing
underneath the two side idler pulleys.
• Align the tractor behind the snow thrower.
• Remove the attachment pin from the snow thrower.
• Squeeze the release trigger on the lift handle and
raise the handle out of the locked position. (If the
handle will not release out of the locked position,
refer to the Service and Adjustments section of this
manual.)
• Grasp the round bar just behind the auger drive
pulley and lift up to align the rear mounting notches
on the snow thrower with the mounting pins on the
tractor. Slide the pins into the notches.
HINT: If you are unable to fit the mounting pins into
the notches, try placing 1" or 2" blocks of wood
under the front skid shoes on the snow thrower.
• Assemble a 3/4" washer and a 1/8" hairpin clip to
each mounting pin.
• Secure the snow thrower to the tractor using the
attachment pin and 1/8" hairpin clip. Insert the
attachment pin from the left side. See figure 15.
I
[]
A'rrACHMENT PIN
1/8" HAIRPIN CLIP '''''v
I
1
814" FLAT
WASHER
IMPORTANT: The tapered "V" section of the belts must
be seated into the grooves of the V-pulleys.
DRIVE BELT
• Remove the two outside 1/8" hairpin clips which
are assembled to the L.H. and R.H. tension adjust-
ing chains outside of the clutch idler assembly
frame. (The clips will be reinstalled after both belts
have been assembled.) Do not remove the 3/32"
hairpin clips assembled to the chains on the inside of
the assembly frame. See figure 16.
• Assemble the drive belt onto the tractor's engine
pulley and then onto the upper rear pulley on the
clutch/idler assembly. Keep the flat idler pulley on
the outside of the belt. See figure 16.
Hold this diagram above you while viewing the
Clutch/Idler Assembly from underneath the
tractor. Right and left in this diagram will be
the reverse of the viewer's right and left.
I
RIGHT SIDE ENGINE LEFT SIDE
OF TRACTOR PULLEY OF TRACTOR
FLAT _ _DRIV V-BELT
IDLER
PULLEY
c_
,
I' '1 C)
1/8"
HAIRPIN
CLIP
1/8"
HAIRPIN
CLIP
FIGURE 16 VIEWED FROM UNDERNEATH
FIGURE 15 RIGHT SIDE VIEW
10

AUGER BELT
• Make sure the auger belt is correctly assembled to
the snow thrower. The belt must pass over the top
of the auger pulley and then twist 1/4 turn to pass
underneath the two side idler pulleys on the snow
thrower. The "V" side of the belt must seat in the
grooves of all three pulleys. See figure 17.
TWIST
1/4 TURN
IDLER
PULLEY
TWIST
1/4 TURN
IDLER
PULLEY
FIGURE 17 VIEWED FROM REAR
• Raise the snow thrower to the transport position.
• Place the auger belt around the bottom rear pulley
on the clutch/idler assembly and between the two
pulleys on the lower idler arm. Keep the flat idler
pulley to the outside of the belt. See figure 18.
• Pull the flat idler pulley against the auger belt using
the R.H. tension adjusting chain. For correct belt
tension, pull the chain as far as the inside hairpin
clip will allow and then reinstall the outside 1/8"
hairpin clip into the chain. See figure 18.
IMPORTANT: If the R.H. inside hairpin clip is re-
moved, reinstall it in link #2 (counted from the end
of the chain attached to the spring).
Pull the upper flat idler pulley against the drive belt
using the L.H. tension adjusting chain. For correct
belt tension, pull the chain as far as the inside
hairpin clip will allow and then reinstall the outside
1/8" hairpin clip into the chain. See figure 18.
IMPORTANT: If the L.H. inside hairpin clip is re-
moved, reinstall it in link #8 on tractors with 6"
diameter engine pulleys or in link #5 on tractors
with smaller engine pulleys. (Links are counted
from the end of the chain attached to the spring.)
Hold this diagram above you while viewing the
Clutch/Idler Assembly from underneath the
tractor. Right and left in this diagram will be
the reverse of the viewer's right and left.
RIGHT SIDE nLEFT SIDE
OF FRONT OF
TRACTOR TRACTOR
R.H. TENSION
ADJUSTING CHAIN
(AUGER BELT)
LH. TENSION
ADJUSTING CHAIN
(DRIVE BELT)
11
1/8"
HAIRPIN
CLIP
INSIDE INSIDE
HAIRPIN HAIRPIN
CLIP CLIP
1/8"
HAIRPIN
CLIP
FIGURE 18 VIEWED FROM UNDERNEATH

ATTACHING WEIGHT TRAY TO TRACTOR
• Loosen the two hex bolts and nuts which fasten the
top of the tractor drawbar to the rear of the tractor
frame. See figure 19.
• Assemble the notched end of the side brace arms
down onto both loosened bolts. Do not tighten
yet. See figure 19.
• Fasten the weight tray to the drawbar using two
3/8" x 1" hex bolts, 3/8" lock washers and 3/8" hex
lock nuts. Do not tighten yet. See figure 19.
• Fasten the weight tray to the side brace arms using
two 5/16" x 1" carriage bolts, 5/16" lock washers and
5/16" hex nuts. Do not tighten yet. See figure 19.
• Fasten the weight tray cross brace to the side
brace arms using two 5/16" x 1" carriage bolts,
5/16" lock washers and 5/16" hex nuts. Tighten all
loose bolts at this time. See figure 19.
3/8" LOCK LOOSENED
NUT AND BOLT
/
_16"x 1"
CARRIAGE
BOLT
WEIGHTTRAY
5/16"LOCK
WASHER
FIGURE 19 VIEWED FROM REAR
• Place the weight keg on the weight tray and fill with
approximately 100 lbs. of dry sand.
• Secure the keg with the rubber tarp strap hooked
into the holes in the cross brace. See figure 20.
!
FIGURE 20
TARP STRAP
VIEWED FROM REAR
CHECKLIST
Before you operate your snow thrower, please
review the following checklist to help ensure that
you will obtain the best performance from your
snow thrower.
• All assembly instructions have been completed with
all bolts and nuts properly tightened.
• Check the engine belt and the auger belt. Make
sure they are routed properly around pulleys and
inside all belt keepers.
• Check discharge chute for proper rotation.
• Check operation of tilt control for upper chute.
• Verify that the snow thrower can be locked into and
released from the raised transport position using
the lift handle. (Refer to the Service and Adjust-
ments section.)
Accessories
The following additional items are available from
Sears to help enhance the performance of your
snow thrower. See also page 2.
• Tire chains which can be installed to improve
traction.
• Rear wheel weights which can be installed in
addition to the rear weight tray to improve traction.
• Drift cutter bars which can be installed to help slice
off the edges of tall drifts.
12

KNOW YOUR SNOW THROWER
Read this owner's manual and safety rules before operating your snow thrower.
Compare the illustration below with your snow thrower to familiarize yourself with the various controls and their locations.
LIFT HANDLE
UPPER CHUTE
LOWER CHUTE
;ER CHUTET,LT.ANDLE
CRANK ROD
SCRAPER PLATE
/
SPIRAL AUGERS, R.H.& L.H.
LEVELING SHOE (Behind housing)
SKID SHOE
CHUTE TILT HANDLE Pivots the Upper Chute up or
down to control the angle and distance of discharge.
CRANK ROD Rotates the Lower and Upper Chutes to
control the direction of discharge.
LEVELING SHOE Helps maintain the snow thrower in
a level position.
LIFT HANDLE Used to lift or lower the snow thrower
to transport or operating position.
LIFT RELEASE TRIGGER Releases the lock which
holds the snow thrower in the up, transport position.
UPPER AND LOWER DISCHARGE CHUTE Controls
direction and height of snow discharge.
SCRAPER PLATE Replaceable plate that absorbs
wear and impact from contact with ground.
SKID SHOE Controls amount of clearance between
the scraper plate and the ground.
SPIRAL AUGER, R.H. & L.H. Feed snow to the
impeller fan at the center of the housing.
BEFORE STARTING
•Use the end of assembly checklist to verify that all
instructions have been properly completed.
•Make sure the skid shoes are adjusted to maintain
adequate ground clearance between the snow
thrower and the type of surface to be cleared. The
skid shoes are factory adjusted for clearing a
smooth surface. (Refer to the Service and Adjust-
ments section in this manual.)
•Make sure the tractor engine has the correct oil for
winter operation. Refer to your tractor owner's
manual.
HOW TO START YOUR SNOW THROWER
•The tractor should be sitting with the engine running
at full throttle. Pull the attachment clutch switch out
to the engaged position, starting the snow thrower
before starting the tractor in motion.
HOW TO STOP YOUR SNOW THROWER
•To stop the snow thrower, push in the attachment
clutch switch on the tractor. Refer to the Operation
section in your tractor owner's manual.
13

HOW TO USE YOUR SNOW THROWER
&CAUTION: Never direct discharge
towards bystanders or windows. Do not
allow anyone in front of unit.
CONTROLLING SNOW DISCHARGE
• To control the direction snow is thrown, the dis-
charge chute has 180 degrees of rotation. Turn the
crank rod clockwise to rotate the chute to the right.
Turn the crank rod counterclockwise to rotate the
chute to the left.
• To control the distance snow is thrown, the upper
section of the discharge chute pivots up and down.
Push forward on the chute tilt handle to pivot the
chute down, decreasing the distance snow is
thrown. Pull back on the handle to pivot the chute
up, increasing the distance snow is thrown.
RAISING AND LOWERING
• To raise, push down on the lift handle until the
snow thrower locks in the raised transport position.
•To lower, push down slightly on the lift handle and
pull the trigger. With the trigger pulled, slowly lower
the snow thrower until it reaches the ground.
• In extremely deep snow, raise the snow thrower
from the ground to remove the top layer and drive
forward only until the tractors front tires reach the
uncleared bottom layer of snow. Depress the
tractor's clutch-brake pedal and allow the spiral
auger to clear the snow. Reverse the tractor and
lower the snow thrower to the ground. Drive the
tractor forward until the snow again becomes too
deep. Repeating this process into and out of drifts
will eventually clear even the deepest of snow
piles.
• If the snow thrower becomes clogged with snow or
jammed with a foreign object, disengage the snow
thrower immediately and shut off the tractor engine.
Unclog the snow thrower before resuming opera-
tion.
&DANGER: Shut off engine and
disengage snow thrower before
unclogging discharge chute. Unclog
using a wooden stick, not your hands.
OPERATING TIPS
&CAUTION: Do not operate the snow
thrower without the rear weight attached
to the tractor to provide extra traction
and stability.
REMOVING SNOW
Snow removal conditions vary greatly from light fluffy
snowfall to wet heavy snow. Operating instructions
must be flexible to fit the conditions encountered. The
operator must adapt the lawn tractor and snow thrower
to depth of snow, wind direction, temperature and
surface conditions.
• Before beginning operation, thoroughly inspect the
area of operation and remove all door mats, sleds,
boards, wires and other foreign objects.
• The spiral auger speed is directly related to engine
speed. For maximum snow removal and discharge,
maintain high engine r.p.m. (full throttle). It is
advisable to operate the lawn tractor at a slow
ground speed (1st gear) for safe and efficient snow
removal.
• In deep, drifted or banked snow it will be necessary
to use full throttle and a slow ground speed (1st
gear). Drive forward into the snow, depress the
tractor's clutch-brake pedal and allow the spiral
auger to clear the snow. Repeat this method until a
path is cleared. On the second pass, overlap the
first enough to allow the snow thrower to handle
the snow without repeated stopping and starting of
forward motion.
• Discharge snow down wind whenever possible.
• To help prevent snow from sticking to the snow
thrower, allow the snow thrower to reach outdoor
temperature before using it. A light coat of wax may
also be applied to the inside surface of the snow
thrower housing and discharge chute.
• Use tire chains to improve traction.
• Use rear wheel weights to improve traction.
• Before the first snowfall, remove all stones, sticks
and other objects which could become hidden by
the snow. Permanent obstacles should be marked
for visibility.
• Overlap each pass slightly to assure complete
snow removal.
14

CUSTOMER RESPONSIBILITIES
• Read and follow the maintenance schedule and the maintenance procedures listed in this section.
MAINTENANCE SCHEDULE
Fill in dates as you
complete regular service.
Check for loose fasteners
Check belts for wear
Check scraper and shoes for wear
Cleaninq
Lubrication Section
x
x x
xx x
x
Service Dates
CHECK FOR LOOSE FASTENERS
•Before each use make a thorough visual check of
the snow thrower for any bolts and nuts which may
have loosened. Retighten any loose bolts and nuts.
CHECK BELTS FOR WEAR
• Visually check both of the "V" belts on the snow
thrower for wear or damage. Replace if the belt
cover has become torn, frayed of is worn through.
CHECK SCRAPER AND SHOES FOR WEAR
(Refer to figures 22 and 23 on page 16.)
• The scraper plate, skid shoes and leveling shoes
on the snow thrower are subject to wear through
normal use. To prevent damage to the spiral auger
housing, replace plate and shoes before wear is
excessive.
CLEANING
• Clean out any dirt and debris from auger and
impeller after each use.
• Before storing at the end of each season rinse out
the auger and impeller housing. Allow to dry
thoroughly.
• Before storing at the end of the season, paint any
exposed metal surfaces to protect from rust.
LUBRICATION
• Oil all pivot points on snow thrower lift mechanism.
• Oil upper and lower idler arm pivot points on the
clutch/idler assembly.
• Apply a good grade of spray lubricant to the trigger
assembly on the lift handle and the chute tilt control
assembly and cables on the crank support tube.
See figure 21.
• Apply a small amount of oil between the inside of
the discharge chute and the top of the discharge
opening on the auger housing as needed to main-
tain easy rotation of the discharge chute. See
figure 21.
SPRAY
LUBRICANT
OIL
OIL
FIGURE 21
15

&CAUTION: Before servicing or adjusting
the snow thrower, shut off the engine,
remove the spark plug wire(s), set the
parking brake and remove the key from
the tractor ignition.
REPLACING AUGER BELT
• Raise the snow thrower to the transport position.
• Release the spring tension on the drive belt idler.
• Release the spring tension on the auger belt idler.
• Remove the belt cover and loosen the belt keeper
bracket (items 18 and 19 on page 18).
• Remove the auger belt from the clutch/idler assem-
bly and from the spiral auger housing.
• Install new belt around top of auger drive pulley
and underneath the two side idler pulleys. Twist the
belt 1/4 turn to seat it in each idler pulley.
• Reinstall the belt cover and tighten the belt keeper
bracket (items 18 and 19 on page 18).
• Assemble the belt onto the clutch/idler assembly as
instructed for figure 18 on page 11.
LIFT RELEASE CABLE ADJUSTMENT
•If the lift rod does not lock the snow thrower
securely in the transport position, loosen the upper
hex nut on the lift bracket a few turns and tighten
the lower hex nut. See figure 10 on page 8.
• If the lift rod fails to unlock completely to lower the
snow thrower to the ground, loosen the lower hex
nut on the lift bracket a few turns and tighten the
upper hex nut. Refer to figure 10 on page 8.
SPIRAL AUGERS
• The spiral augers are secured to the auger shaft
with two shear bolts and hex lock nuts. If you hit a
foreign object or if ice jams the augers, the snow
thrower is designed so that the bolts will shear.
• If the augers will not turn, check to see if the shear
bolts have sheared. See figure 22. Two replace-
ment shear bolts and hex lock nuts have been
provided with the snow thrower. For future use
order part number 710-0891 shear bolt and number
43064 hex lock nut.
!
SHEAR BOLT AND /
HEX LOCK NUT SCRAPER SKID
PLATE SHOE
FIGURE 22
SKID SHOE, LEVELING SHOE ADJUSTMENT
(The snow thrower must be attached to the tractor for
correct adjustment of the shoes.)
• The skid shoes regulate the distance the scraper
plate is raised above the plowing surface. They are
mounted on each side of the spiral auger housing.
The leveling shoes help maintain the snow thrower
in a level position. They are mounted just behind
the auger housing.
•When removing snow from a gravel driveway or an
uneven surface, it is advisable to keep the scraper
plate as high above the surface as possible to
prevent possible damage to the spiral auger. On a
smooth blacktop or concrete surface, keep the
scraper plate as close to the surface as possible.
• To adjust the skid shoes, raise the snow thrower off
the ground and place a wood block under each end
of the scraper plate. Loosen the six hex nuts
securing the skid shoes to the housing. Adjust the
skid shoes up or down to the desired position and
tighten the nuts securely. Both skid shoes should
be the same height to keep the housing and the
scraper plate level. See figure 23.
• The skid shoes may be turned to face either in or
out. In order to obtain the lowest setting, where the
scraper blade fully contacts the ground, the skid
shoes must be facing out as shown in figure 23.
• Before adjusting the leveling shoes, make sure the
skid shoes are properly adjusted. With the snow
thrower in the lowered position, loosen the bolts
which fasten the leveling shoes to the thrower and
adjust the leveling shoes to solidly contact the
ground. Retighten the bolts. See figure 23.
LEVELING SHOE l
WOOD BLOCK SKID SHOE
FIGURE 23
16

STORAGE RECOMMENDATIONS
•Lower the snow thrower to the ground and remove
it from the tractor.
• Clean the snow thrower thoroughly. Wash off any
salt deposits which may have dried on the thrower
and housing.
• Any bare metal that has become exposed should
be painted or coated with a light oil to prevent rust.
• Store in a dry place.
REMOVING THE SPIRAL AUGER HOUSING
• Raise the snow thrower to the transport position.
• Release the spring tension from the auger belt idler
arm on the bottom of the clutch/idler assembly.
• Remove the auger drive belt from the clutch/idler
assembly. See figure 18 on page 11.
• Lower the snow thrower to the ground.
• Remove the attachment pin and pull the auger
housing assembly off of the tractor. Refer to figure
15 on page 10.
HINT: If the auger housing does not remove easily
from the tractor, try placing 1" or 2" blocks of wood
under the front skid shoes on the snow thrower.
See the instructions for figure 15 on page 10.
PARTS TO REMOVE AT END OF SEASON
• Remove the "V" belt from the engine pulley and the
clutch/idler assembly. See figure 16 on page 10.
• Remove the clutch/idler assembly. (The two hanger
brackets and the two frame brackets should not
create any interference with the mower deck and
may be left attached to the tractor frame.)
• If a rear mounted attachment is to be used, remove
the rear weight tray by removing the two bolts
which fasten it to the tractor draw bar and by
loosening the two bolts fastening the tray's brace
arms to the tractor. Be sure to retighten the two
bolts and nuts which fastened the brace arms to
the tractor. See figure 19 on page 12.
• If a front mounted attachment is to be used,
remove the side plates from the front of the tractor.
Be sure to reassemble the removed bolts and nuts
to the tractor frame. See figures 1 and 2 on page 6.
PROBLEM CAUSE CORRECTION
Spiral augers stop turning 1. Upper or lower V belt too loose 1. Increase tension on V belt
2. Upper or lower Vbelt broken 2. Replace V belt
3. Shear bolts are sheared. 3. Replace shear bolts in auger
Clogged discharge chute 1. Tractor ground speed too fast 1. Use lower tractor gear
2. Tractor throttle set too low 2. Increase to full throttle
3. Snow too deep 3. Raise the snow thrower
4. Snow melts during contact with 4. Allow snow thrower to cool to
the snow thrower, outdoor temperature before using
Snow thrower stalls tractor engine 1. Object jammed in spiral auger 1. Stop engine, disengage the snow
thrower and clear the auger
2. Hard or heavy snow 2. Increase to full throttle and
decrease ground speed
Front wheels slide instead of steering Not enough traction at front wheels 1. Lower skid shoes, raising scraper
plate to reduce resistance
2. Pull down slightly on lift handle to
temporarily increase weight on
front wheels
Snow thrower rides up over snow 1. Tractor ground speed too fast 1. Reduce ground speed
2. Bottom snow is icy or hard packed 2. Lower the skid shoes so that front
of skid shoe is lower than the rear
Snow thrower rocks backward while Leveling shoes set too high Adjust leveling shoes as instructed
blowing snow in Service and Adjustments section
17

REPAIR PARTS FOR MODEL 486.248462 46" SNOW THROWER
106 105
13
14 20
38
52 40
51 61 58 57
I 60 30
59_
62
95 33
94
13-
47 _
19 23_
!
15 61 2
42
29
13
21
13.11
46 10
13 31
14 108
34
"7
104
107
22
103
106
39
18 35
14 71
86 39
.. 38
112
39 38
/ / _J_ 38
111 100
.110 37
8_7__._ _. 109
38
88
_87
65
80 68
18

REF.
NO.
1
2
3
4
5
6
7
8
9
10
11
12
13
14
15
16
17
18
19
20
21
22
23
24
25
26
27
28
29
3O
31
32
33
34
35
36
37
38
39
4O
41
42
43
44
45
46
47
48
49
51
52
53
54
55
56
57
REPAIR PARTS FOR MODEL 486.248462 46" SNOW THROWER
PART QTY. DESCRIPTION REF. PART
NO. NO. NO.
63576
64517
47368
47369
63772
63771
618-04045
24308
784-5076
46703
R19111116
43063
43064
43086
24913
48593
47598
24942
24941
47810
47044
05845B
24911
24910
24912
48595
43353
43262
711-0242
44917
24309
43080
43081
24279
G586868
24481
43001
43003
43082
44326
48570
48572
710-0696
736-0247
731-1696
784-5711
1543-69
731-0903E
731-0846C
731-1313C
784-5594
746-0928
746-0929
43085
710-0896
741-0475
QTY.
1 Housing Assembly 58 684-0061 1
1 Impeller Assembly 59 784-5149 1
2 Spring Pin, 5/16" x 1-3/4" 60 43850 2
2 Spring Pin, 3/16" x 1-3/4" 61 43070 8
1 Spiral Assembly, R.H. 62 24300 1
1 Spiral Assembly, L.H. (Not Shown) 63 24299 1
1 Auger Gear Assembly 64 64504 1
1 Gear Housing Support Plate 65 24286 1
1 Gear Housing Support Bracket 66 63762 1
1 Bolt, Self Thd., 5/16-18 x 3/4" 67 24472 1
7 Flat Washer, 11/32" x 11/16" 68 756-0405 2
3 Hex Bolt, 5/16-18 x 1" 69 47044 1
38 Hex Lock Nut, 5/16-18 Thd. 70 47064 1
30 Lockwasher, 5/16" 71 48102 1
1 Bearing Offset Bracket 72 738-0680 1
1 Spacer 73 750-0456 1
6 Flanged Lock Nut, 1/4-20 Thd. 74 750-0660 1
1 Belt Keeper Bracket 75 714-0161 2
1 Belt Cover 76 741-0919 2
12 Nylock Nut, 5/16-18 77 08253B 1
2 V-Pulley, Idler 78 15296A 1
2 Bearing Housing 79 14088B 1
1 Idler Bracket, L.H. 80 44377 2
1 Idler Bracket, R.H. 81 736-0247 2
1 Cross Tie Bracket 82 43063 3
1 Key, 3/16" x 3/4" 83 43054 2
2 Lockwasher, 1/2" 84 43432 2
2 Hex Lock Nut, 1/2-13 Thd. 85 24571 1
2 Spacer 86 46963 2
1 Palnut, 3/8" 87 43343 4
1 Wear Plate 88 43055 2
20 Carriage Bolts, 5/16-18 x 3/4" 89 46959 2
16 Flat Washer, 5/16" 90 46961 1
2 Skid Shoe 91 48569 1
2 Leveling Shoe 92 24295 1
2 Skid Shoe Bracket 93 731-0851A 3
12 Hex Bolt, 3/8-16 x 1" 94 1643-60 1
19 Lockwasher, 3/8" 95 24482 1
17 Hex Lock Nut, 3/8" 96 43661 6
10 Carriage Bolt, 5/16-18 x 1" 97 43088 6
1 Bearing, Self Aligning 98 43182 1
1 Pulley, 9" 99 43083 2
1 Hex Bolt, 3/8-24 x 7/8" 100 48106 2
1 Flat Washer, 3/8" x 1-1/4" 101 43038 2
1 Discharge Chute Adapter 102 710-0891 2
1 Chute Bracket, 6" 103 738-0492 1
5 Nylon Washer, 5/8" 104 714-0135 1
1 Lower Discharge Chute 105 741-0494 4
1 Upper Discharge Chute 106 736-0250 4
1 Cable Guide 107 741-0192 2
1 Cable Bracket 108 46703 6
1 Chute Control Cable 109 63572 1
1 Chute Control Cable w/Clip 110 63571 1
1 Hex Bolt, 5/16-18 x 1-1/2" 111 23924 1
1 Hex Screw, 1/4-14 x 5/8" 112 23923 1
2 Plastic Bushing, 3/8" 48568 1
DESCRIPTION
Chute Crank Assembly
U-Joint
Roll Pin, 1/8" x 5/8"
Flat Washer, 3/8"
Chute Crank Bracket, Rear
Chute Crank Bracket, Front
Idler Arm Assembly
Pivot Spacer
Idler Bracket Assembly
Pivot Spacer
Flat Pulley, 3-3/4"
V-Idler Pulley, 4"
V-Pulley, 5.9"
V-Pulley, 10"
Shaft
Spacer
Spacer
Key
Ball Bearing
Bearing Housing
Bearing Housing, Open
Spindle Spacer
Hex Bolt, 3/8-24 x 1"
Flat Washer, 3/8" x 1-1/4"
Hex Bolt, 5/16-18 x 1"
Hex Bolt, 3/8-16 x 2"
Hex Bolt, 3/8-16 x 2-1/2"
Spacer
Chain, Tensioning
Hair Cotter Pin, 1/8" #4
Hair Cotter Pin, 3/32" #3
Spring
V-Belt, Auger
V-Belt, Drive
Clutch & Pulley Frame
Chute Keeper
Plastic Grip
Anti-Rotation Bracket
Hex Bolt, 1/4-20 x 1"
Flat Washer, 1/4"
Hex Bolt, 5/16-18 x 3/4"
Hex Nut, 5/16-18 Thd.
Shoulder Bolt, 3/8-16 x 5/8"
Pivot Lock Pin
Shear Bolt, 5/16-18 x 1-3/4"
Shaft, Spiral Axle
Woodruff Key, 1/4" x 3/4"
Flange Bushing
Flat Washer, 1" x 1-3/4"
Flange Bearing W/Flats
Bolt, Self Thd. 5/16-18 x 3/4"
Hanger Bracket Assembly, R.H.
Hanger Bracket Assembly, L.H.
Frame Bracket, R.H.
Frame Bracket, L.H.
Owner's Manual
19

REPAIR PARTS FOR MODEL 486.248462 46" SNOW THROWER
35
\36
31
37
\
53 33 34
54
28
64
19 13
18
20
22
52 51
!
19
14
14
15
20
17
19
19
13
19
45
51
44
52 58 30
12
29
/
24
_28 54 26 2
,.....,20
39
\
\8
I
A
49 59 51 52
47 26
54
2O

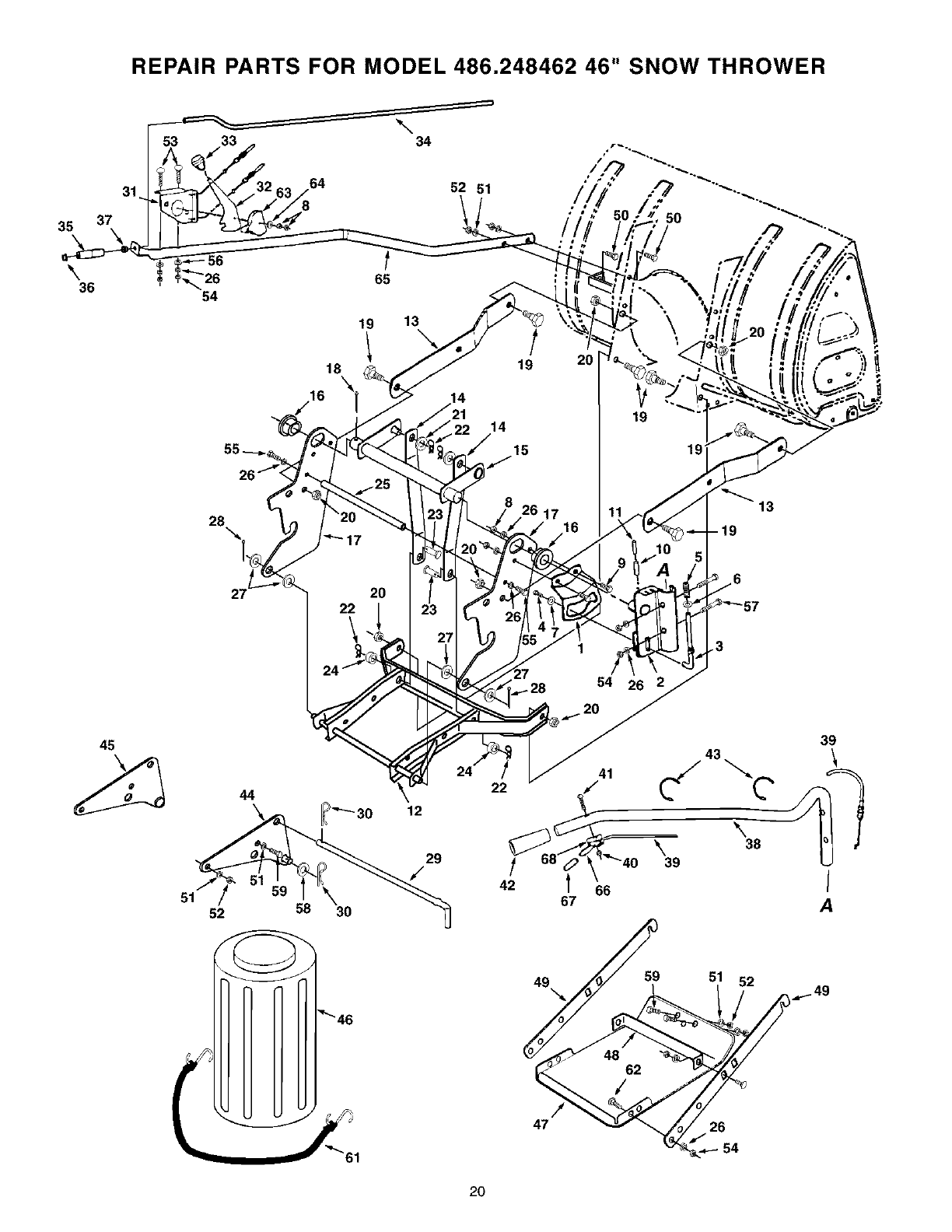
REPAIR PARTS FOR MODEL 486.248462 46" SNOW THROWER
REF.
NO.
1
2
3
4
5
6
7
8
9
10
11
12
13
14
15
16
17
18
19
20
21
22
23
24
25
26
27
28
29
3O
31
32
33
PART QTY. DESCRIPTION REF. PART QTY. DESCRIPTION
NO. NO. NO.
24820 1 Lift Bracket 34 46957 1 Chute Crank Rod
63773 1 Handle Lift Bracket Assembly 35 720-0201A 1 Knob, Crank
747-3248A 1 Index Lift Rod 36 44917 2 Palnut, 3/8"
47277 1 Hex Screw, #10 x 1/2" 37 741-0475 1 Plastic Bushing, 3/8"
732-0306 1 Compression Spring 38 47339 1 Lift Handle Tube
R19131316 1 Flat Washer, 13/32" x 13/16" 39 47555 1 Lift Cable
736-0400 1 Flat Washer, 3/16" x 5/8" 40 712-0127 1 Flat Weld Nut, #10-24 Thd.
43064 4 Hex Lock Nut, 5/16-18 Thd. 41 710-1233 1 Oval Screw, #10-24 x 1"
43063 2 Hex Bolt, 5/16-18 x 1" 42 46446 1 Handle Grip
47368 1 Spring Pin, 5/16" x 1-3/4" 43 726-0178 2 Plastic Tie
47369 1 Spring Pin, 3/16" x 1-3/4" 44 63568 1 Side Plate Assembly, R.H.
603-0365 1 Frame Assembly 45 63569 1 Side Plate Assembly, L.H.
784-5706 2 Upper Link 46 47033 1 Weight Keg
24310 2 Lift Link 47 24331 1 Weight Tray
63675 1 Lift Arm Assembly 48 24288 1 Cross Brace, Weight Tray
741-0192 2 Flange Bearing W/Flats 49 23812 2 Brace Arm, Side
24312 2 Mounting Bracket 50 43062 2 Hex Bolt, 3/8-16 x 1-1/2"
43093 1 Cotter Pin, 1/8" x 1-1/2" 51 43003 8 Lockwasher, 3/8"
48114 6 Shoulder Bolt, 1/2-13 x 5/8" 52 43082 6 Hex Lock Nut, 3/8-16 Thd.
48115 6 Hex Lock Jam Nut, 1/2-13 Thd. 53 44215 2 Carriage Bolt, 5/16-18 x 1-3/4"
R19171616 2 Flat Washer, 17/32" x 1" 54 43083 8 Hex Nut, 5/16-18 Thd.
43055 4 Hair Cotter Pin, 3/32" #3 55 47599 2 Hex Bolt, 5/16-18 x 1"
44062 2 Clevis Pin, 1/2" x 1" 56 44695 2 Bowed Washer
47364 2 Spacer 57 43084 2 Hex Bolt, 5/16-18 x 1-3/4"
24418 1 Bracket Support Rod 58 43009 2 Flat Washer, 3/4"
43086 12 Lockwasher, 5/16" 59 43001 4 Hex Bolt, 3/8-16 x 1"
R19212016 4 Flat Washer, 21/32" x 1-1/4" 61 43790 1 Tarp Strap
43010 2 Cotter Pin, 1/8" x 1" 62 44326 4 Carriage Bolt, 5/16-18 x 1"
47066 1 Attachment Pin 63 731-1313C 1 Cable Guide
43343 3 Hair Cotter Pin, 1/8" #4 64 43081 1 Flat Washer, 5/16"
603-0302 1 Chute Tilt Bracket Assembly 65 46956 1 Crank Support Tube
784-5604 1 Chute Tilt Handle 66 63755 1 Cable Release Trigger Assembly
720-0232 1 Knob 67 47317 1 Plastic Cap
68 47554 1 Housing, Trigger
21

NOTES
22

PO
03
|
&CAUTION: DO NOT OPERATE YOUR TRACTOR AND SNOW
THROWER ON A SLOPE IN EXCESS OF 10 DEGREES. BE SURE OF
YOUR TRACTOR'S TOWING AND BRAKING CAPABILITIES BEFORE
OPERATING ON A SLOPE, AVOID ANY SUDDEN TURNS OR MA-
NEUVERS WHILE ON A SLOPE.
C
m
O
=-_.
(o
,,.'0
(o _"
5.=5" r"
_= 0
_._
_o_, --
_0_
o_'_
v
3_
0
n

1"800"4"MY'HOMESM(1-800-469-4663)www.sears.comAnytime'day or night
To bring in products such as vacuums, lawn equipment and electronics
for repair, call for the location of your nearest Sears Parts & Repair Center.
1-800-488-1222 Anytime, day or night
www.sears.com
For the replacement parts, accessories and owner's manuals
that you need to do-it-yourself, call Sears PartsDirect sM!
1-800-366-PART 6 a,m, - 11 p.m. CST,
(1-800-366-7278) 7 days a week
www.sears.com/partsdirect
To purchase or inquire about a Sears Service Agreement:
SEARS
TM
® Registered Trademark /Trademark of Sears, Roebuck and Co.
© Sears, Roebuck and Co. ® Marca Registrada /_ Marca de Fk_brica de Sears, Roebuck and Co.