Craftsman 917 270732 Users Manual
917270732 917270732 CRAFTSMAN 42 LAWN TRACTOR - Manuals and Guides L0070089 View the owners manual for your CRAFTSMAN 42 LAWN TRACTOR #917270732. Home:Lawn & Garden Parts:Craftsman Parts:Craftsman 42 LAWN TRACTOR Manual
CRAFTSMAN Lawn, Tractor Manual L0070089 CRAFTSMAN Lawn, Tractor Owner's Manual, CRAFTSMAN Lawn, Tractor installation guides
2015-01-05
: Craftsman Craftsman-917-270732-Users-Manual-160813 craftsman-917-270732-users-manual-160813 craftsman pdf
Open the PDF directly: View PDF
.
Page Count: 60

Owner's Manual
ICRIIFTSMIIH°i
17 HP
ELECTRIC START
42" MOWER
6 SPEED TRANSAXLE
LAWN TRACTOR
Model No.
917.270732
•Safety
•Assembly
•Operation
•Maintenance
•Repair Parts
CAUTION:
Read and follow all Safety
Rules and Instructions before
operating this equipment.
For answers to your questions
about this product, Call:
1-800-659-5917
Sears Craftsman Help Line
5 am -5 pm, Mon- Sat
Sears, Roebuck and Co., Hoffman Estates, II 60179
Visit our Craftsman website:www.sears.com/craftsman

Warranty ............................................... 2
Safety Rules ......................................... 3
Product Specifications .......................... 5
Assembly .............................................. 7
Operation ............................................ 10
Maintenance ....................................... 16
Maintenance Schedule ...................... 16
Service and Adjustments .................... 20
Storage ............................................... 26
Troubleshooting ................................. 27
Repair Parts ........................................ 32
Parts Ordering ..................... Back Cover
LIMITED TWO YEAR WARRANTY ON CRAFTSMAN RIDING EQUIPMENT PARTS
For two (2) years from the date of purchase, if this Craftsman Riding Equipment is
maintained, lubricated and tuned up according to the instructions in the owner's
manual, Sears will repair or replace, free of charge, any parts found to be defective in
material or workmanship. Warranty service is available free of charge by taking your
Craftsman riding equipment to your nearest Sears Service Center. In-home warranty
service is available but a trip charge will apply. This warranty applies only while this
product is in the United States.
This Warranty does not cover:
• Expendable items which become worn during normal use, such as blades, spark
plugs, air cleaners, belts and oil filters.
•Tire replacement or repair caused by punctures from outside objects, such as nails,
thorns, stumps, or glass.
• Repairs necessary because of operator abuse, including but not limited to, damage
caused by towing objects beyond the capability of the riding equipment, impacting
objects that bend the frame or crankshaft, or over speeding the engine.
• Repairs necessary because of operator negligence, including but not limited to,
electrical and mechanical damage caused by improper storage, failure to use the
proper grade and amount of engine oil, failure to keep the deck clear of flammable
debris, or the failure to maintain the equipment according to the instructions con-
tained in the owner's manual.
• Engine (fuel system) cleaning or repairs caused by fuel determined to be contami-
nated or oxidized (stale). In general, fuel should be used within thirty (30) days of its
purchase date.
• Riding equipment used for commercial or rental purposes.
LIMITED 90 DAY WARRANTY ON BATTERY
For ninety (90) days from date of purchase, if any battery included with this riding
equipment proves defective in material or workmanship and our testing determines the
battery will not hold a charge, Sears will replace the battery at no charge. Warranty
service is available free of charge by taking your Craftsman riding equipment to your
nearest Sears Service Center. In-home warranty service is available but a trip charge
will apply. This warranty applies only while this product is in the United States.
TO LOCATE THE NEAREST SEARS SERVICE CENTER OR TO SCHEDULE IN-HOME
WARRANTY SERVICE, SIMPLY CONTACT SEARS AT 1-800-4-MY-HOME
This Warranty gives you specific legal rights, and you may also have other rights which
may vary from state to state.
Sears, Roebuck and Co., D/817 WA, Hoffman Estates, IL 60179
2

IMPORTANT: This cutting machine is
capable of amputating hands and feet
and throwing objects. Failure to observe
the following safety instructions could
result in serious injury or death.
GENERAL OPERATION
•Read, understand, and follow all
instructions in the manual and on the
machine before starting.
•Only allow responsible adults, who are
familiar with the instructions, to
operate the machine.
• Clear the area of objects such as
rocks, toys, wire, etc., which could be
picked up and thrown by the blade.
• Be sure the area is clear of other
people before mowing. Stop machine
if anyone enters the area.
• Never carry passengers.
• Do not mow in reverse unless abso-
lutely necessary. Always look down
and behind before and while backing.
•Be aware of the mower discharge
direction and do not point it at anyone.
Do not operate the mower without
either the entire grass catcher or the
guard in place.
•Slow down before turning.
• Never leave a running machine
unattended. Always turn off blades, set
parking brake, stop engine, and
remove keys before dismounting.
• Turn off blades when not mowing.
• Stop engine before removing grass
catcher or unclogging chute.
• Mow only in daylight or good artificial
light.
• Do not operate the machine while
under the influence of alcohol or
drugs,
•Watch for traffic when operating near
or crossing roadways.
• Use extra care when loading or
unloading the machine into a trailer or
truck.
• Data indicates that operators, age 60
years and above, are involved in a
large percentage of riding mower-
related injuries. These operators
should evaluate their ability to operate
the riding mower safely enough to
protect themselves and others from
serious injury.
SLOPE OPERATION
Slopes are a major factor related to loss-
of-control and tipover accidents, which
can result in severe injury or death. All
s_opes require extra caution. If you
cannot back up the slope or if you feel
uneasy on it, do not mow it.
DO:
• Mow up and down slopes, not across.
• Remove obstacles such as rocks, tree
limbs, etc.
• Watch for holes, ruts, or bumps.
Uneven terrain could overturn the
machine. Tall grass can hide ob-
stacles.
• Use slow speed. Choose a low gear
so that you will not have to stop or shift
while on the slope.
• Follow the manufacturer's recommen-
dations for wheel weights or counter-
weights to improve stability.
• Use extra care with grass catchers or
other attachments. These can change
the stability of the machine.
• Keep all movement on the slopes slow
and gradual. Do not make sudden
changes in speed or direction.
• Avoid starting or stopping on a slope. If
tires lose traction, disengage the
blades and proceed slowly straight
down the slope.
DO NOT:
•Do not turn on slopes unless neces-
sary, and then, turn slowly and
gradually downhill, if possible.
•Do not mow near drop-offs, ditches, or
embankments. The mower could
suddenly turn over if a wheel is over
the edge of a cliff or ditch, or if an edge
caves in.
•Do not mow on wet grass. Reduced
traction could cause sliding.
•Do nottry to stabilize the machine by
putting your foot on the ground.
•Do not use grass catcher on steep
slopes.
CHILDREN
Tragic accidents can occur if the operator
is not alert to the presence of children.
Children are often attracted to the
machine and the mowing activity. Never
assume that children will remain where
you last saw them.
3

•Keep children out of the mowing area
and under the watchful care of another
responsible adult.
• Be alert and turn machine off if children
enter the area.
• Before and when backing, look behind
and down for small children.
• Never carry children. They may fall off
and be seriously injured or interfere
with safe machine operation.
• Never allow children to operate the
machine.
• Use extra care when approaching blind
corners, shrubs, trees, or other objects
that may obscure vision.
SERVICE
• Use extra care in handling gasoline
and other fuels. They are flammable
and vapors are explosive.
Use only an approved container•
Never remove gas cap or add fuel
with the engine running. Allow en-
gine to cool before refueling, Do not
smoke.
Never refuel the machine indoors.
Never store the machine or fuel
•container inside where there is an
open flame, such as a water heater•
• Never run a machine inside a closed
area.
• Keep nuts and bolts, especially blade
attachment bolts, tight and keep
equipment in good condition.
• Never tamper with safety devices.
Check their proper operation regularly.
• Keep machine free of grass, leaves, or
other debris build-up. Clean oil or fuel
spillage. Allow machine to cool before
storing.
• Stop and inspect the equipment if you
strike an object. Repair, if necessary,
before restarting.
• Never make adjustments or repairs
with the engine running.
• Grass catcher components are subject
to wear, damage, and deterioration,
which could expose moving parts or
allow objects to be thrown. Frequently
check components and replace with
manufacturer's recommended parts,
when necessary.
• Mower blades are sharp and can cut.
Wrap the blade(s) or wear gloves, and
use extra caution when servicing
them.
•Check brake operation frequently.
Adjust and service as required.
•Be sure the area is clear of other •Remove obstacles such as rocks, tree
people before mowing. Stop machine
if anyone enters the area.
•Never carry passengers or children
even with the blades off•
•Do not mow in reverse unless abso-
lutely necessary. Always look down
and behind before and while backing•
•Never carry children. They may fall off
and be seriously injured or interfere
with safe machine operation•
•Keep children out of the mowing area
and under the watchful care of another
responsible adult•
•Be alert and turn machine off if chil-
dren enter the area.
•Before and when backing, look behind
and down for small children.
•Mow up and down slopes (15 ° Max),
not across•
limbs, etc.
•Watch for holes, ruts, or bumps• Un-
even terrain could overturn the ma-
chine. Tall grass can hide obstacles•
•Use slow speed• Choose a low gear
so that you will not have to stop or shift
while on the slope.
•Avoid starting or stopping on a slope. If
tires lose traction, disengage the
blades and proceed slowly straight
down the slope.
•If machine stops while going uphill,
disengage blades, shift into reverse
and back down slowly.
•Do notturn on slopes unless neces-
sary, and then, turn slowly and gradu-
ally downhill, if possible.
4

A, Look for this symbol to point out impor-
tant safety precautions. It means CAU-
TION!!! BECOME AWARE!!! YOUR
SAFETY IS INVOLVED.
_,CAUTION: In order to prevent acciden-
tal starting when setting up, transporting,
adjusting or making repairs always dis-
connect spark plug wire and place wire
where it cannot contact spark plug.
_,CAUTION: Do not coast down a hill in
neutral, you may lose control of the tractor.
_I, CAUTION: Tow only the attachments
that are recommended by and comply
with specifications of the manufacturer of
your tractor. Use common sense when
towing. Operate only at the lowest pos-
sible speed when on a slope. Too heavy of
a load, while on a slope, is dangerous.
Tires can lose traction with the ground and
cause you to lose control of your tractor.
_,WARNING: The engine exhaust from
this product contains chemicals known to
the State of California to cause cancer,
birth defects, or other reproductive harm.
PRODUCT SPECIFICATIONS
GASOLINE 1.25 GALLONS
CAPACITY UNLEADED
ANDTYPE: REGULAR
OILTYPE SAE 30 (ABOVE 32°F)
API-SF/SG/SH): SAE 5W-30
(BELOW 32°F)
OIL CAPACITY: W/FILTER: 3.5 PINTS
W/OFILTER: 3.0 PINTS
SPARK PLUG: CHAMPION RJ19LM
GAP: .030") OR J19LM
VALVE INTAKE: .003"-.005"
CLEARANCE: EXHAUST: .005"-.007"
GROUND SPEED FORWARD:
(MPH): 1sT 1.2
2N° 1.5
3RD 2.4
4TM 3.5
5TM 4.8
6TM 5.3
REVERSE: 1.5
TIRE PRESSURE: FRONT: 14 PSI
REAR: 10PSI
CHARGING 3AMPS BATTERY
SYSTEM: 5 AMPS HEADLIGHTS
BATTERY: AMP/HR: 25
MIN. CCA: 190
CASE SIZE: U1 R
BLADE BOLT 27-35 FT. LBS.
TORQUE:
CONGRATULATIONS on your purchase
of a new Tractor. It has been designed,
engineered and manufactured to give
you the best possible dependability and
performance.
5
Should you experience any problem you
cannot easily remedy, please contact
your nearest authorized service center/
department. We have competent, well-
trained technicians and the proper tools
to service or repair this tractor.
Please read and retain this manual. The
instructions will enable you to assemble
and maintain your tractor properly.
Always observe the "SAFETY RULES".
REPAIR AGREEMENT
ARepair Agreement is available on this
product. Contact your nearest Sears
store for details.
CUSTOMER RESPONSIBILITIES
•Read and observe the safety rules.
•Follow a regular schedule in maintain-
ing, caring for and using your tractor.
•Follow the instructions under "Mainte-
nance" and "Storage" sections of this
owner's manual.
AWARNING: This tractor is equipped
with an internal combustion engine and
should not be used on or near any
unimproved forest-covered, brush-
covered or grass-covered land unless the
engine's exhaust system is equipped with
aspark arrester meeting applicable local
or state laws (if any). If a spark arrester is
used, it should be maintained in effective
working order by the operator.
In the state of California the above is
required by law (Section 4442 of the
California Public Resources Code).
Other states may have similar laws.
Federal laws apply on federal lands. A
spark arrester for the muffler is available
through your nearest authorized service
center/dapartment (See REPAIR PARTS
section of this manual).

Steering
Wheel Insert
C?
[_(1) Hex Bolt3/8-16 x 1
Steering
Boot
Steering Wheel
(1) Lockwasher 3/8
(1) Locknut
5/16-18
_ Steering
Wheel Adapter
(1) Large Flat Washer
(1) Hex Bolt
5/16-18 x 1-1/4
t St>terinig n
Shaft
Seat
(_Washer
(_) 17/32 x 1-3/16 x 12
Gauge
I_(1) Knob
_) Shoulder
olt 5/16-18
Slope Sheet
Keys
Video Cassette
6

Your new tractor has been assembled at the factory with exception of those parts left
unassembled for shipping purposes. To ensure safe and proper operation of your
tractor all parts and hardware you assemble must be tightened securely. Use the
correct tools as necessary to insure proper tightness. Review the video cassette before
you begin.
TOOLS REQUIRED FOR
ASSEMBLY
A socket wrench set will make assembly
easier. Standard wrench sizes you need
are listed below.
(1) 9/16" wrench (1) Pliers
(2) 1/2" wrench (1) Utility knife
(1) Tire pressure gauge
When right or left hand is mentioned in
this manual, it means, from your point of
view, when you are in the operating
position (seated behind the steering
wheel).
TO REMOVE TRACTOR FROM
CARTON
UNPACK CARTON
•Remove all accessible loose parts
and parts boxes from shipping carton.
•Cut, from top to bottom, along lines on
all four corners of shipping carton, and
lay panels flat.
• Check for any additional loose parts or
boxes and remove.
BEFORE ROLLING TRACTOR OFF
SKID
ATTACH STEERING WHEEL
ASSEMBLE EXTENSION SHAFT AND
BOOT
• Slide extension shaft onto lower
steering shaft. Align mounting holes
in extension and lower shafts and
install 5/16 hex bolt and Iocknut.
Tighten securely.
• Place tabs of steering bootover tab
slots in dash and push down to
secure.
INSTALL STEERING WHEEL
• Position front wheels of the tractor so
they are pointing straight forward.
• Remove steerng wheel adapter from
steering wheel and slide adapter onto
steering shaft extension.
•Position steering wheel so cross bars
are horizontal (left to right) and slide
inside boot and onto adapter.
• Assemble large flat washer, 3/8 lock
washer, 3/8 hex bolt and tighten
securely.
• Snap steering wheel insert into center
of steering wheel.
• Remove protective materials from
tractor hood and grill.
IMPORTANT: Check for and remove any
staples in skid that may puncture tires
where tractor is to roll off skid.
HOW TO SET UP YOUR TRACTOR
CHECK BATTERY
• Lift seat pan to raised postion and
open battery box door.
• If this battery is put into service after
month and year indicated on label (la-
bel located between terminals) charge
battery for minimum of one hour at 6-
10 amps. (See "BATTERY" in MAINTE-
NANCE section of this manual for
charging structions.)
7

Battery
Door
Terminal
INSTALL SEAT
Adjust seat before tightening adjustment
knob.
• Remove adjustment knob and flat
washer securing seat to cardboard
packing and set aside for assembly of
seat to tractor.
• Pivot seat upward and remove from
the cardboard packing. Remove the
cardboard packing and discard.
• Place seat on seat pan and assemble
shoulder bolt. Tighten shoulder bolt
securely.
• Assemble adjustment knob and flat
washer loosely. Do not tighten.
• Lower seat into operating position and
sit on seat.
• Slide seat until a comfortable position
is reached which allows you to press
clutch/brake pedal all the way down.
• Get off seat without moving its adjusted
position.
• Raise seat and tighten adjustment
knob securely.
Seat
Shoulder Seat Pan
Bolt
Flat Washer
Adjustment
Knob
NOTE: You may now roll or drive your
tractor off the skid. Follow the appropriate
instruction below to remove the tractor from
the skid.
TO ROLL TRACTOR OFF SKID (See
Operation section for location and
function of controls)
•Press lift lever plunger and raise
attachment lift lever to its highest
position.
•Release parking brake by depressing
clutch/brake pedal.
• Place gearshift lever in neutral (N)
position.
• Roll tractor forward off skid.
•Remove banding holding discharge
guard up against tractor.
TO DRIVE TRACTOR OFF SKID
(See Operation section for location and
function of controls)
_I,WARNING: Before starting, read,
understand and follow all instructions in
the Operation section of this manual. Be
sure tractor is in a well-ventilated area.
Be sure the area in front of tractor is clear
of other people and objects.
•Be sure all the above assembly steps
have been completed.
• Check engine oil level and fill fuel tank
with gasoline.
•Sit on seat in operating position,
depress clutch/brake pedal and set the
parking brake.
•Place gear shift lever in neutral (N)
position.
•Press lift lever plunger and raise
attachment lift lever to its highest
position.
•Start the engine. After engine has
started, move throttle control to idle
position.
•Depress clutch/brake pedal into full
"BRAKE" position and hold. Move
gearshift lever to 1st gear.
•Slowly release clutch/brake pedal and
slowly drive tractor off skid.
•Apply brake to stop tractor, set parking
brake and place gearshift lever in
neutral position.
•Turn ignition key to "OFP position.
Continue with the instructions that follow.
8

INSTALL MULCHER PLATE
(If previously removed)
•Raise and hold deflector shield in
upright position.
• Place front of mulcher plate over front
of mower deck opening and slide into
place, as shown.
•Hook front latch into hole on front of
mower deck.
• Hook rear latch into hole on back of
mower deck.
A, CAUTION: Do not remove deflector
shield from mower. Raise and hold
shield when attaching mulcher plate and
allow it to rest on plate while in opera-
tion. Mulcher
Deflector_ Plate
Shield
Latch
Hooks
TO CONVERT TO BAGGING OR
DISCHARGING
Simply remove mulcher plate and store
in asafe place. Your mower is now ready
for discharging or installation of optional
grass catcher accessory.
NOTE: It is not necessary to change
blades. The mulcher blades are de-
signed for discharging and bagging also.
CHECKTIREPRESSURE
The tires on your tractor were overin-
flated at the factory for shipping pur-
poses. Correct tire pressure is important
for best cutting performance.
• Reduce tire pressure to PSI shown in
"PRODUCT SPECIFICATIONS"
section of this manual.
CHECKDECKLEVELNESS
For best cutting results, mower housing
should be properly leveled. See "TO
LEVEL MOWER HOUSING" in the
Service and Adjustments section of this
manual.
CHECKFORPROPERPOSITION
OFALLBELTS
See the figures that are shown for
replacing motion and mower blade drive
belts in the Service and Adjustments
section of this manual. Verify that the
belts are routed c6rrectly.
CHECK BRAKE SYSTEM
After you learn how to operate your
tractor, check to see that the brake is
properly adjusted. See "TO ADJUST
BRAKE" in the Service and Adjustments
section of this manual.
•/CHECKLIST
BEFORE YOU OPERATE AND ENJOY
YOUR NEW TRACTOR, WE WISH TO
ASSURE THAT YOU RECEIVE THE
BEST PERFORMANCE AND
SATISFACTION FROM THIS QUALITY
PRODUCT.
9
PLEASE REVIEW THE FOLLOWING
CHECKLIST:
•/All assembly instructions have been
completed.
,/No remaining loose parts in carton.
,/Battery is properly prepared and
charged. (Minimum 1 hour at 6
amps).
4' Seat is adjusted comfortably and
tightened securely.
,/All tires are properly inflated. (For
shipping purposes, the tires were
overinflated at the factory).
,/Be sure mower deck is properly
leveled side-to-side/front-to-rear for
best cutting results. (Tires must be
properly inflated for leveling).
,/Check mower and drive belts. Be sure
they are routed propedy around
pulleys and inside all belt keepers.
,/Check wiring. See that all connections
are still secure and wires are properly
clamped.
WHILE LEARNING HOW TO USE YOUR
TRACTOR, PAY EXTRAATTENTION TO
THE FOLLOWING IMPORTANT ITEMS:
,/ Engine oil is at proper level.
4" Fuel tank is filled with fresh, clean,
regular unleaded gasoline.
,/Become familiar with all controls -their
location and function. Operate them
before you start the engine.
/Be sure brake system is in safe
operating condition.

These symbols may appear on your tractor or in literature supplied with the product.
Learn and understand their meaning.
BATTERY CAUTION OR
WARNING REVERSE FORWARD FAST SLOW
ENGINE ON ENGINE OFF OIL PRESSURE LIGHTS ON OVER TEMP _1_
!
LIGHT
FUEL CHOKE MOWER HEIGHT PARKING BRAKE UNLOCKED MOWER LIFT
LOCKED
R N H L
ATTACHMENT REVERSE
CLUTCH ENGAGED
NEUTRAL HIGH LOW PARKING BRAKE
KEEP AREA CLEAR SLOPE HAZARDS
IGNITION
ATTACHMENT
CLUTCH DISENGAGED (SEE SAFETY RULES SECTION)
DANGER, KEEP HANDS AND FEET AWAY
FREE WHEEL
(AutomaticModels only)
10

KNOWYOUR TRACTOR
READ THIS OWNER'S MANUAL AND SAFETY RULES BEFORE OPERATING
YOUR TRACTOR
Compare the illustrations with your tractor to familiarize yourself with the locations of
various controls and adjustments. Save this manual for future reference.
Attachment
Clutch
Ignition Switch Light Switch
Lift
Ammeter ...... "- Lever
"", Plunger
Throttle/Choke
Control Attachment
Lift Lever
Clutch/Brake Height
Pedal Adjustment
"- .... "_r
Parking Brake Lever
Gearshift Lever
Our tractors conform to the safety standards of the American
National Standards Institute.
AMMETER - Indicates charging (+) or
discharging (-) of battery.
ATTACHMENT CLUTCH LEVER - Used
to engage the mower blades, or other
attachments mounted to your tractor.
ATTACHMENT LIFT LEVER - Used to
raise, lower, and adjust the mower deck
or other attachments mounted to your
tractor.
CLUTCH/BRAKE PEDAL - Used for
declutching and braking the tractor and
starting the engine.
GEARSHIFT LEVER - Selects the speed
and direction of tractor.
IGNITION SWITCH - Used for starting
and stopping the engine.
LIFT LEVER PLUNGER - Used to
release attachment lift lever when
changing its position.
LIGHT SWITCH - Turns the headlights on
and off.
PARKING BRAKE LEVER - Locks
clutch/brake pedal into the brake
position.
THROTTLE/CHOKE CONTROL- Used
for starting and controlling engine speed.
11

The operation of any tractor can result in foreign objects thrown into
the eyes, which can result in severe eye damage. Always wear safety
glasses or eye shields while operating your tractor or performing any
adjustments or repairs. We recommend a wide vision safety mask
over spectacles or standard safety glasses.
HOW TO USE YOUR TRACTOR
TO SET PARKING BRAKE
Your tractor is equipped with an operator
presence sensing switch. When engine
is running, any attempt by the operator to
leave the seat without first setting the
parking brake will shut off the engine.
•Depress clutch/brake pedal into full
"BRAKE" position and hold.
• Place parking brake lever in "EN-
GAGED" position and release pres-
sure from clutch/brake pedal. Pedal
should remain in "BRAKE" position.
Make sure parking brake will hold
tractor secure.
Attachment Clutch Lever Ignition Key
"Enc "Disengaged"
Position Position
Throttle/ Brake
Choke ed"
Position
Clutch/ Gearshift
"Disengaged" Position
Brake"
Position
STOPPING
MOWER BLADES -
•To stop mower blades,move attach-
ment clutch lever to "DISENGAGED"
position.
GROUND DRIVE -
• To stop ground drive, depress clutch/
brake pedal into full "BRAKE" position.
•Move gearshift lever to neutral (N)
position.
ENGINE -
•Move throttle control to slow position.
NOTE: Failure to move throttle control to
slow position and allowing engine to idle
before stopping may cause engine to
"backfire".
• Turn ignition key to "OFF" position and
remove key. Always remove key when
leaving tractor to prevent unauthorized
use.
•Never use choke to stop engine.
IMPORTANT: Leaving the ignition
switch in any position other than "OFF"
will cause the battery to be discharged,
(dead).
NOTE: Under certain conditions when
tractor is standing idle with the engine
running, hot engine exhaust gases may
cause "browning" of grass. To eliminate
this possibility, always stop engine when
stopping tractor on grass areas.
A CAUTION: Always stop tractor
completely, as described above, before
leaving the operator's position; to empty
grass catcher, etc.
TO USE THROTTLE CONTROL
Always operate engine at full throttle.
• Operating engine at less than full
throttle reduces the battery charging
rate.
• Full throttle offers the best bagging
and mower performance.
TO MOVE FORWARD AND
BACKWARD
12
The direction and speed of movement is
controlled by the gearshift lever.
• Start tractor with clutch/brake pedal
depressed and gearshift lever in
neutral (N) position.
•Move gearshift lever to desired
position.
• Slowly release clutch/brake pedal to
start movement.
IMPORTANT: Bring tractor to a complete
stop before shifting or changing gears.
Failure to do so will shorten the useful
life of your transaxle.
TO ADJUST MOWER CUTTING
HEIGHT
The position of the attachment lift lever
determines the cutting height.
•Grasp lift lever.
•Press plunger with thumb and move
lever to desired position.
The cutting height range is approxi-
mately 1-1/2 to 4". The heights are
measured from the ground to the blade
tip with the engine not running. These
heights are approximate and may vary
depending upon soil conditions, height
of grass and types of grass being
mowed.
•The average lawn should be cut to
approximately 2-1/2 inches during the
cool season and to over 3 inches
during hot months.

For healthier and better looking lawns,
mow often and after moderate growth.
•For best cutting performance, grass
over 6 inches in height should be
mowed twice. Make the first cut
relatively high; the second to desired
height.
TO ADJUST GAUGE WHEELS
Gauge wheels are properly adjusted
when they are slightly off the ground
when mower is at the desired cutting
height in operating position. Gauge
wheels then keep the deck in proper
position to help prevent scalping in most
terrain conditions.
• Adjust gauge wheels with tractor on a
flat level surface.
• Adjust mower to desired cutting height
(See "TO ADJUST MOWER CUTTING
HEIGHT" in the Operation section of
this manual).
• With mower in desired height of cut
position, gauge wheels should be
assembled so they are slightly off the
ground. Install gauge wheel in
appropriate hole with shoulder bolt, 3/
8 washer, and 3/8-16 Iocknut and
tighten securely.
•Repeat for opposite side installing
gauge wheel in same adjustment hole.
Gauge
Wheel
Bracket
3/8-16
Locknut
3/8
Shoulder Bolt
Gauge Wheel
TO OPERATE MOWER
Your tractor is equipped with an operator
presence sensing switch, Any attempt by
the operator to _eave the seat with the
engine running and the attachment
clutch engaged will shut off the engine.
•Select desired height of cut.
• Start mower blades by engaging
attachment clutch control.
• TO STOP MOWER BLADES - disen-
age attachment clutch control.
CAUTION: Do not operate the
mower without either the entire grass
catcher, on mowers so equipped, or
the deflector shield in place.
Attachment
Clutch _
Lever
"Disengn/aged_
Position __
Attachemnt
/Lift Lever
,_f_'_ High Position
J__'.:::!'_"'_ LOW
:'!'--_ Position
_/'_ _ Deftector
_ Shield
TO OPERATE ON HILLS
_0_CAUTION: Do not drive up or down
hills with slopes greater than 15 ° and do
not drive across any slope.
• Choose the slowest speed before
starting up or down hills.
•Avoid stopping or changing speed on
hills.
•If slowing is necessary, move throttle
control lever to slower position.
•If stopping is absolutely necessary,
push clutch/brake pedal quickly to
brake position and engage parking
brake.
•Move gearshift lever to 1st gear. Be
sure you have allowed room for tractor
to roll slightly as you restart movement.
•To restart movement, slowly release
parking brake and clutch/brake pedal.
• Make all turns slowly.
TO TRANSPORT
•Raise attachment lift to highest
position with attachment lift control.
•When pushing or towing your tractor,
be sure gearshift lever is in neutral (N)
position,
•Do not push or tow tractor at more than
five (5) MPH.
NOTE: To protect hood from damage
when transporting your tractor on a truck
or a trailer, be sure hood is closed and
secured to tractor. Use an appropdate
means of tying hood to tractor (rope,
cord, etc.).
TOWING CARTS AND OTHER
ATTACHMENTS "
Tow only the attachments that are
recommended by and comply with
specifications of the manufacturer of your
tractor. Use common sense when towing.
Too heavy of a load, while on a slope, is
dangerous. Tires can lose traction with
the ground and cause you to lose control
ot your tractor.
13

BEFORE STARTING THE ENGINE
CHECK ENGINE OIL LEVEL
•The engine in your tractor has been
shipped, from the factory, already filled
with summer weight oil.
• Check engine oil with tractor on level
ground.
•Remove oil fill cap/dipstick and wipe
clean, reinsert the dipstick and screw
cap tight, wait for afew seconds,
remove and read oil level. If neces-
sary, add oil until "FULL" mark on
dipstick is reached. Do not overfill.
•For cold weather operation you should
change oil for easier starting (See "OIL
VISCOSITY CHART" in the Mainte-
nance section of this manual).
•To change engine oil, see the Mainte-
nance section in this manual.
Oil Fill Cap/
Dipstick
ADDGASOLINE
• Fill fuel tank. Use fresh, clean, regular
unleaded gasoline with a minimum of
87 octane. (Use of leaded gasoline
will increase carbon and lead oxide
deposits and reduce valve life). Do
not mix oil with gasoline. Purchase
fuel in quantities that can be used
within 30 days to assure fuel fresh-
ness.
IMPORTANT: When operating in
temperatures below 32°F(0°C), use
fresh, clean winter grade gasoline to
help insure good cold weather starting.
a_coWARNING: Experience indicates that
hol blended fuels (called gasohol or
using ethanol or methanol) can attract
moisture which leads to separation and
formation of acids during storage. Acidic
gas can damage the fuel system of an
engine while in storage.
To avoid engine problems, the fuel
system should be emptied before
storage of 30 days or longer. Drain the
gas tank, start the engine and let it run
until the fuel lines and carburetor are
empty. Use fresh fuel next season. See
Storage Instructions for additional
information. Never use engine or
carburetor cleaner products in the fuel
tank or permanent damage may occur.
_iCAUTION: Fill to bottom of gas tank
filler neck. Do not overfill. Wipe off any
spilled oil or fuel. Do not store, spill or
use gasoline near an open flame.
TO START ENGINE
When starting the engine for the first time
or if the engine has run out of fuel, it will
take extra cranking time to move fuel
from the tank to the engine.
• Sit on seat in operating position,
depress clutch/brake pedal and set
parking brake.
• Place gear shift lever in neutral (N)
position.
• Move attachment clutch to "DISEN-
GAGED" position.
• Move throttle control to choke position.
NOTE: Before starting, read the warm
and cold starting procedures below.
• Insert key into ignition and turn key
clockwise to "START" position and
release key as soon as engine starts.
Do not run starter continuously for
more than fifteen seconds per minute.
If the engine does not start after
several attempts, move throttle control
to fast position, wait a few minutes and
try again. If engine still does not start,
move the throttle control back to the
choke position and retry.
WARM WEATHER STARTING (50 ° F and
above)
• When engine starts, move the throttle
control to the fast position.
• The attachments and ground drive can
now be used. If the engine does not
accept the load, restart the engine and
allow it to warm up for one minute
using the choke as described above.
14

COLD WEATHER STARTING ( 50 °F and
below)
• When engine starts, allow engine to
run with the throttle control in the
choke position until the engine runs
roughly, then move throttle control to
fast position. This may require an
engine warm-up period from several
seconds to several minutes, depend-
ing on the temperature.
• The attachments can also be used
during the engine warm-up period.
NOTE: If at a high altitude (above 3000
feet) or in cold temperatures (below 32
F) the carburetor fuel mixture may need
to be adjusted for best engine perfor-
mance. See "TO ADJUST CARBURE-
TOR" in the Service and Adjustments
section of this manual.
MOWING TIPS
• Mower should be properly leveled for
best mowing performance. See "TO
LEVEL MOWER HOUSING" in the
Service and Adjustments section of
this manual.
• The left hand side of mower should be
used for trimming.
• Drive so that clippings are discharged
onto the area that has been cut. Have
the cut area to the right of the tractor.
This will result in a more even distribu-
tion of clippings and more uniform
cutting.
• When mowing large areas, start by
turning to the right so that clippings will
discharge away from shrubs, fences,
driveways, etc. After one or two
rounds, mow in the opposite direction
making left hand turns until finished.
• If grass is extremely tall, it should be
mowed twice to reduce load and
possible fire hazard from dried
clippings. Make first cut relatively
high; the second to the desired height.
•Do not mow grass when it is wet. Wet
grass will plug mower and leave
undesirable clumps. Allow grass to
dry before mowing.
•Always operate engine at full throttle
when mowing to assure better mowing
performance and proper discharge of
material. Regulate ground speed by
selecting a low enough gear to give
the mower cutting performance as well
as the quality of cut desired.
• When operating attachments, select a
ground speed that will suit the terrain
and give best performance of the
attachment being used.
15
MULCHING MOWING TIPS
IMPORTANT: For best performance,
keep mower housing free of built-up
grass and trash. Clean after each use.
• The special mulching blade will recut
the grass clippings many times and
reduce them in size so that as they fall
onto the lawn they will disperse into
the grass and not be noticed. Also, the
mulched grass will biodegrade quickly
to provide nutrients for the lawn.
Always mulch with your highest
engine (blade) speed as this will
provide the best recutting action of the
blades.
• Avoid cutting your lawn when it is wet.
Wet grass tends to form clumps and
interferes with the mulching action.
The best time to mow your lawn is the
early afternoon. At this time the grass
has dried and the newly cut area will
not be exposed to the direct sun.
• For best results, adjust the mower
cutting height so that the mower cuts
off only the top one-third of the grass
blades. For extremely heavy mulching,
reduce your width of cut on each pass
and mow slowly.
• Certain types of grass and grass
conditions may require that an area be
mulched a second time to completely
hide the clippings. When doing a
second cut, mow across or perpen-
dicular to the first cut path.
• Change your cutting pattern from week
to week. Mow north to south one week
then change to east to west the next
week. This will help prevent matting
and graining of the lawn.

MAINTENANCE SCHEDULE _____ _/_j*'_
AS YOU COMPLETE /__..._'_, _'_ _'_._y
.EGU RSEOV,CE DATES
li //// IF
Check Brake _perati°n _ _
Check Tire Pressure
Check Operator Presence and
TInterlockSystems V'
RCheck for Loose Fasteners if I##T I_
Sharpen/Replace Mower Blades _,
TLubrication Chart i# #
0Check Battery Level
RClean Batteryand Terminals l# #
Check Transaxle Cooling i/
Adjust Blade Belt(s) Tension I_s
Adjust Motion Odva Belt(s) Tension _s
Check Engine Oil Level I_ ql_ !
Change Engine Oil I_t_,3 I_
E Clean Air Filter
N Clean Air Screen
GInspect Muffler/Spark Attester I_
Replace Oil Filter (If equipped)
E Clean Engine Cooling Fins V'_
Replace Spark Plug I_ Id#
Replace Air Filter Paper Cartridge ,/,
Replace Fuel Filter I_
I - Change rnoroo_en whonoperatingunderaheavy _orin I'dghambienttemper-=dur_. S - If equ_oeq withad_u=tabLolystem.
2 ° SerVicem,o_eoftenwhen operating in diflyor dustyconditions, 6 - Not requiredif equippedwith mainteNmce-lmebaifeq/.
3 - If equippQdwith oil filter,change oil ev=ryS0hour=, 7 - Tighlonfrontaxtepivotbo_to 35 a -Ibe, maximum.
4 - Replace blades rno_eoifenwhenrno_ng insandy soil Do notove_ghten,
GENERAL RECOMMENDATIONS
The warranty on this tractor does not
cover items that have been subjected to
operator abuse or negligence. To
receive full value from the warranty,
operator must maintain tractor as
instructed in this manual.
Some adjustments will need to be made
periodically to properly maintain your
tractor.
All adjustments in the Service and
Adjustments section of this manual
should be checked at least once each
season.
•Once a year you should replace the
spark plug, clean or replace air filter,
and check blades and belts for wear.
A new spark plug and clean air filter
assure proper air-fuel mixture and
help your engine run better and last
longer.
BEFORE EACH USE
•Check engine oil level.
•Check brake operation.
• Check tire pressure.
•Check operator presence and
interlock systems for proper operation.
•Check for loose fasteners.
LUBRICATION CHART
Zerk Zerk
_)Front Wheel
Beadng
Zerk Bearing Zerk
(_SAE 30 or 10w30 MOTOR OIL
_)GENERAL PURPOSE GREASE
_)REFER TO Maintenance =ENGINE" SECTION
IMPORTANT: DO not oil or grease the pivot
points which have special nylon bearings.
Viscous lubricants will attract dust and dirt
that will shorten the life of the self-lubricat-
ing bearings. If you feel they must be
lubricated, use only a dry, powdered
graphite type lubricant sparingly.
16

TRACTOR
Always observe safety rules when
performing any maintenance.
BRAKE OPERATION
If tractor requires more than six (6) feet
stopping distance at high speed in
highest gear, then brake must be
adjusted. (See 'q-O ADJUST BRAKE" in
the Service and Adjustments section of
this manual).
TIRES
•Maintain proper air pressure in all tires
(See "PRODUCT SPECIFICATIONS"
section of this manual).
•Keep tires free of gasoline, oil, or
insect control chemicals which can
harm rubber.
•Avoid stumps, stones, deep ruts, sharp
objects and other hazards that may
cause tire damage.
NOTE: To seal tire punctures and
prevent flat tires due to slow leaks, tire
sealant may be purchased from your
local parts dealer. Tire sealant also
prevents tire dry rot and corrosion.
OPERATOR PRESENCE SYSTEM
Be sure operator presence and interlock
systems are working properly. If your
tractor does not function as described,
repair the problem immediately.
• The engine should not start unless the
clutch/brake pedal is fully depressed
and attachement clutch control is in
the disengaged position.
• When the engine is running, any
attempt by the operator to leave the
seat without first setting the parking
brake should shut off the engine.
• When the engine is running and the
attachment clutch is engaged, any
attempt by the operator to leave the
seat should shut off the engine.
• The attachment clutch should never
operate unless the operator is in the
seat.
BLADE CARE
For best results mower blades must be
kept sharp. Replace bent or damaged
blades.
BLADE REMOVAL
IMPORTANT: To ensure proper assem-
bly, center hole in blade must align with
star on mandrel assembly.
• Reassemble hex bolt, lock washer and
flat washer in exact order as shown.
• Tighten bolt securely (27-35 Ft. Lbs.
torque).
IMPORTANT: Blade bolt is Grade 8 heat
treated. Mandrel Assembly
Edge Up
Blade Center
Hole
Flat Washer,
Lock Washer
_--- Hex Bolt
*A Grade 8 heat treated bolt can be identified
by six lines on the bolt head.
TO SHARPEN BLADE
NOTE: We do not recommend sharpen-
ing blade - but if you do, be sure the
blade is balanced.
Care should be taken to keep the blade
balanced. An unbalanced blade will
cause excessive vibration and eventual
damage to mower and engine.
• The blade can be sharpened with a
file or on a grinding wheel. Do not
attempt to sharpen while on the
mower.
•To check blade balance, you will need
a 5/8" diameter steel bolt, pin, or a
cone balancer. (When using a cone
balancer, follow the instructions
supplied with balancer.)
NOTE: Do not use a nail for balancing
blade. The lobes of the center hole may
appear to be centered, but are not.
• Slide blade on to an unthreaded
portion of the steel bolt or pin and hold
the bolt or pin parallel with the ground.
If blade is balanced, it should remain
in a hodzontal position. If either end of
the blade moves downward, sharpen
the heavy end until the blade is
balanced.
•Raise mower to highest position to
allow access to blades. 5/8"
• Remove hex bolt, lock washer and flat
washer secudng blade.
•Install new or resharpened blade with
trailing edge up towards deck as
shown. 17
Center Hole

BATTERY
Your tractor has abattery charging
system which is sufficient for normal use.
However, periodic charging of the battery
with an automotive charger will extend
its life.
•Keep battery and terminals clean.
•Keep battery bolts tight.
• Keep small vent holes open.
• Recharge at 6-10 amperes for 1 hour.
NOTE: The original equipment battery on
your tractor is maintenance free. Do not
attempt to open or remove caps or
covers. Adding or checking level of
electrolyte is not necessary.
TO CLEAN BATTERY AND TERMINALS
Corrosion and dirt on the battery and
terminals can cause the battery to "leak"
power.
•Open battery box door.
• Disconnect BLACK battery cable first
then RED battery cable and remove
battery from tractor.
• Rinse the battery with plain water and
dry.
• Clean terminals and battery cable
ends with wire brush until bright.
• Coat terminals with grease or petro-
leum jelly.
• Reinstall battery (See "REPLACING
BATTERY" in the SERVICE AND
ADJUSTMENTS section of this
manual).
V-BELTS
Check V-belts for deterioration and wear
after 100 hours of operation and replace
if necessary. The belts are not adjustable,
Replace belts if they begin to slip from
wear.
TRANSAXLE COOLING
Keep transaxte free from build-up of dirt
and chaff which can restrictcooling.
ENGINE
LUBRICATION
Only use high quality detergent oil rated
with API service classification SF, SG, or
SH. Select the oil's SAE viscosity grade
according to your expected operating
temperature.
SAE VISCOSITY GRADES
NOTE: Although multi-viscosity oils
(5W30, 10W30 etc.) improve starting in
cold weather, these multi-viscosity oils
will result in increased oil consumption
when used above 32°F. Check your
engine oil level more frequently to avoid
possible engine damage from running
low on oil.
Change the oil after every 25 hours of
operation or at least once a year if the
tractor is not used for 25 hours in one
year.
Check the crankcase oil level before
starting the engine and after each eight
(8) hours of operation. Tighten oil fill cap/
dipstick securely each time you check
the oil level.
TO CHANGE ENGINE OIL
Determine temperature range expected
before oil change. All oil must meet API
service classification SF, SG or SH.
• Be sure tractor is on level surface.
• Oil will drain more freely when warm.
• Catch oil in a suitable container.
• Remove oil fill cap/dipstick. Be careful
not to allow dirt to enter the engine
when changing oil.
• Remove drain plug.
• After oil has drained completely,
replace oil drain plug and tighten
securely.
• Refill engine with oil through oil fill
dipstick tube. Pour slowly. Do not
overfill. For approximate capacity see
"PRODUCT SPECIFICATIONS"
section of this manual.
• Use gauge on oil fill cap/dipstick for
checking level. Be sure dipstick cap is
tightened securely for accurate
reading. Keep oil at "FULL" line on
dipstick.
Oil Drain Plug
CLEAN AIR SCREEN
Air screen must be kept free of dirt and
chaff to prevent engine damage from
overheating. Clean with awire brush or
compressed air to remove dirt and
stubborn dried gum fibers,
,,.PE';_'";_;"'_;''O=_O"E'X'O'LO"= 18

ENGINE COOLING FINS
Remove any dust, dirt or oil from engine
cooling fins to prevent engine damage
from overheating.
• Remove screws from blower housing
and lift housing and dipstick tube
assembly off engine.
• Cover oil fill opening to prevent entry
of dirt.
•Use compressed air or stiff bristle
brush to thoroughly clean engine
cooling fins.
•To reassemble, reverse above
procedure. BlowerHousing
Screws _ _ip_-_
Dipstick Tube _ Air Screen
Assembly
Spark
Plug
Engine Cooling Fins
AIR FILTER
Your engine will not run properly using a
dirty air filter. Clean the foam pre-cleaner
after every 25 hours of operation or
every season. Service paper cartridge
every 100 hours of operation or every
season, whichever occurs first.
Service air cleaner more often under
dusty conditions.
• Remove knob(s) and cover.
TO SERVICE PRE-CLEANER
• Slide foam pre-cleaner off cartridge.
• Wash it in liquid detergent and water.
• Squeeze it dry in a clean cloth.
•Saturate it in engine oil. Wrap it in
clean, absorbent cloth and squeeze to
remove excess oil.
• If very dirty or damaged, replace pre-
cleaner.
• Reinstall pre-cleaner over cartridge.
• Reinstall cover and secure with
knob(s).
TO SERVICE CARTRIDGE
•Remove cartridge nut.
• Carefully remove cartridge to prevent
debris from entering carburetor. Clean
base carefully to prevent debris from
entering carburetor,
• Clean cartridge by tapping gently on
flat surface. If very dirty or damaged,
replace cartridge.
• Reinstall cartridge, nut, precleaner,
cover and secure with knob(s).
IMPORTANT: Petroleum solvents, such
as kerosene, are not to be used to clean
the cartridge. They may cause deteriora-
tion of the cartridge. Do not oil cartridge.
Do not use pressurized air to clean or dry
cartridge.
Cover_
Knob _
Cover...--_'_S Cartridge
_ _JNut
Foam Pre- _-_
Cteaner-----_._ waper
Bas@ cartridge
MUFFLER
Inspect and replace corroded muffler
and spark arrester (if equipped) as it
could create a fire hazard and/or
damage.
SPARK PLUGS
Replace spark plugs at the beginning of
each mowing season or after every 100
hours of operation, whichever occurs
first. Spark plug type and gap setting are
shown in "PRODUCT SPECIFICATIONS"
section of this manual.
IN-LINE FUEL FILTER
The fuel finer should be replaced once
each season. If fuel filter becomes
clogged, obstructing fuel flow to carbure-
tor, replacement is required.
• With engine cool, remove filter and
plug fuel line sections.
• Place new fuel filter in position in fuel
line with arrow pointing towards
carburetor.
• Be sure there are no fuel line leaks
and clamps are properly positioned.
•Immediately wipe up any spilled
gasoline.
Clamp -_
Fuel Filter _
19

CLEANING
iClean engine, battery, seat, finish, etc.
of all foreign matter.
Keep finished surfaces and wheels
free of all _]asoline, oil, etc.
•Protect painted surfaces with automo-
tive type wax.
We do not recommend using a garden
hose to clean your tractor unless the
electrical system, muffler, air filter and
carburetor are covered to keep water out.
Water in engine can result in a short-
ened engine life.
_kCAUTION: Before performing any service or adjustments:
Depress clutch/brake pedal fully and set parking brake.
Place gearshift lever in neutral (N) position.
• Place attachment clutch in "DISENGAGED" position.
•Turn ignition key "OFF" and remove key.
• Make sure the blades and all moving parts have comple!ely stopped.
• Disconnect spark plug wire from spark plug and place wire where it cannot
come in contact with plug.
TRACTOR
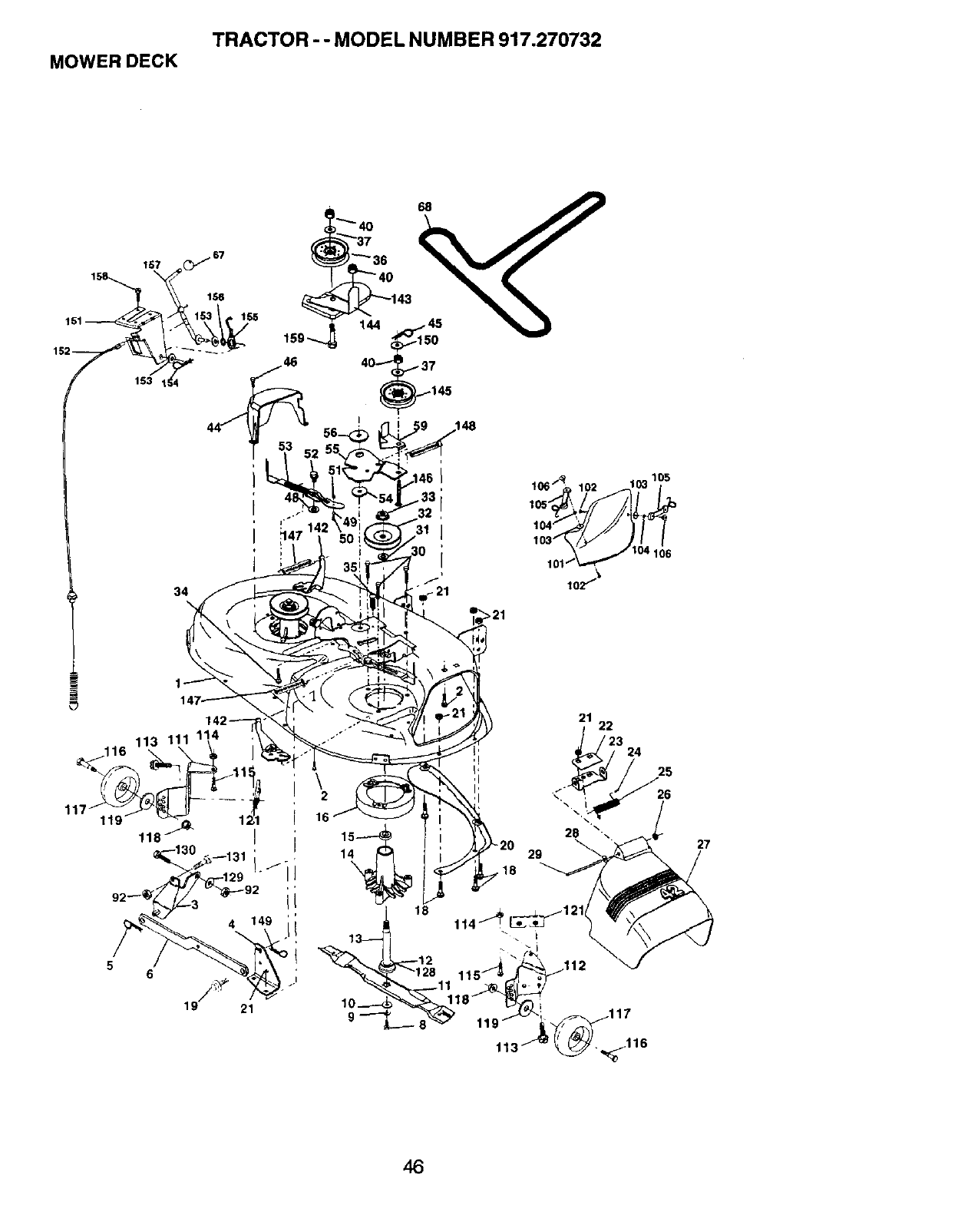
TO REMOVE MOWER
Mower will be easier to remove from the
right side of tractor.
•Place attachment clutch in "DISEN-
GAGED" position.
•Move attachment lift lever forward to
lower mower to its lowest position.
• Roll belt off engine pulley.
• Remove small retainer spring, and lift
clutch spring off pulley bolt.
• Remove large retainer spring, slide
collar off and push housing guide out
of bracket.
• Disconnect anti-swaybar from chassis
bracket by removing retainer spring.
• Disconnect suspension arms from rear
deck brackets by removing retainer
springs.
Small Retainer Spring
Clutch
• Disconnect front links from deck by
removing retainer springs.
• Raise lift lever to raise suspension
arms. Slide mower out from under
tractor.
IMPORTANT: If an attachment other than
the mower deck is to be mounted on the
tractor, remove the front links and hook
the clutch spring onto square hole in
frame.
TO INSTALL MOWER
•Raise attachment lift lever to its
highest position.
•Slide mower under tractor with
discharge guard to right side of tractor.
• Lower Uft lever to its lowest position.
•Install mower in reverse order of
removal instructions.
Suspension Arms "_'>"_ Square Hole
Retainer Spring
Anti-Sway
Front Link
=_etainer Springs
(Both Sides)
Housing Guide
Large Retainer Spring
2O

TO LEVEL MOWER HOUSING
Adjust the mower while tractor is parked
on level ground or driveway. Make sure
bres are properly inflated (See =PROD-
UCT SPECIFICATIONS" section of this
manual). If tires are over or
underinflated, you will not properly
adjust your mower.
SIDE-TO-SIDE ADJUSTMENT
• Raise mower to its highest position.
•At the midpoint of both sides of mower,
measure height from bottom edge of
mower to ground. Distance "A" on
both sides of mower should be the
same or within 1/4" of each other.
• If adjustment is necessary, make
adjustment on one side of mower only.
•To raise one side of mower, tighten lift
link adjustment nut on that side.
• To lower one side of mower, loosen lift
link adjustment nut on that side.
NOTE: Each full turn of adjustment nut
will change mower height about 1/8".
• Recheck measurements after adjust-
ing.
Bottom edge of Bottom edge of
mower to mower to
ground _ ground
A--]-_'-'_Ground Une V'".T-EA
• Before making any necessary adjust-
ments, check that both front links are
equal in length. Both links should be
approximately 10-3/8".
• If links are not equal in length, adjust
one link to same length as other link.
• To lower front of mower loosen nut =E"
on both front links an equal number of
turns.
•When distance "D" is 1/8" to 1/2" lower
at front than rear, tighten nuts "F"
against trunnion on both front links.
• To raise front of mower, loosen nut "F"
from trunnion on both front links.
Tighten nut "E" on both front links an
equal number of turns.
• When distance "D" is 1/8" to 1/2" lower
at front than rear, tighten nut "F"
against trunnion on both front links.
• Recheck side-to-side adjustment.
'D"
Both Front Links Should be Equal in Length
Suspen_on Arm
Lift Link ,t "E"
FRONT-TO-BACK ADJUSTMENT
IMPORTANT: Deck must be level side-to
side. If the following front-to-beck
adjustment is necessary, be sure to
adjust both front links equally so mower
willstay level side-to-side.
To obtain the best cutting results, the
mower housing should be adjusted so
that the front is approximately 1/8" to 1/2"
lower than the rear when the mower is in
its highest position.
Check adjustment on right side of tractor.
Measure distance =D" directly in front
and behind the mandrel at bottom edge
of mower housing as shown.
Front Links
21

TO REPLACE MOWER BLADE
DRIVE BELT
The mower blade drive belt may be
replaced without tools. Park the tractor
on level surface. Engage parking brake.
BELT REMOVAL -
•Remove mower from tractor (See "TO
REMOVE MOWER" in this section of
this manual).
• Work belt off both mandrel pulleys and
idler pulleys.
• Pull belt away from mower.
BELT INSTALLATION -
•Install new belt in reverse order of
removal.
• Make sure belt is in all pulley grooves
and inside all belt guides.
• Install mower in reverse order of
removal instructions.
Mandrel
Manc
Pulley
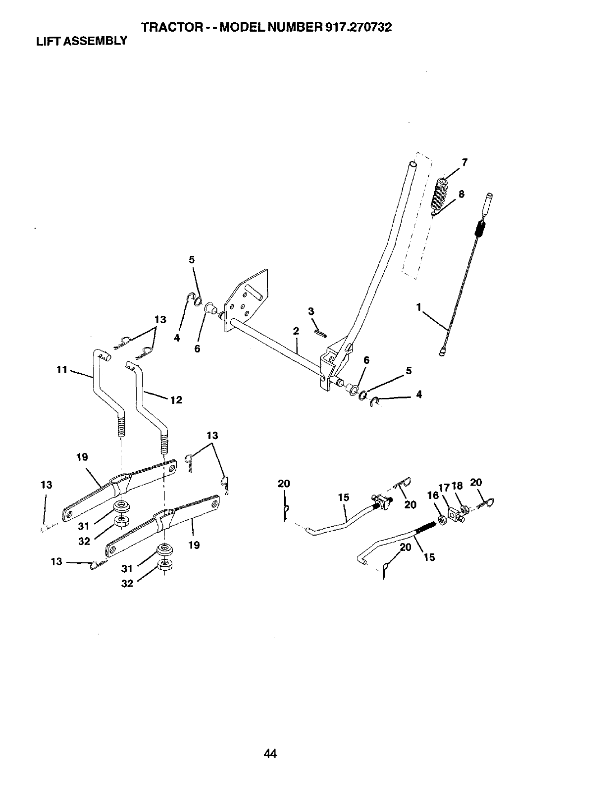
TO ADJUST BRAKE
Your tractor is equipped with an adjust-
able brake system which is mounted on
the right side of the transaxle.
If tractor requires more than six (6) feet
stopping distance at high speed in
highest gear, then brake must be
adjusted.
• Depress clutch/brake pedal and
engage parking brake.
• Measure distance between brake
operating arm and nut "A" on brake
rod.
• If distance is other than 1-1/2", loosen
jam nut and turn nut "A" until distance
becomes 1-1/2". Retighten jam nut
against nut "A".
• Road test tractor for proper stopping
distance as stated above. Readjust if
necessary. If stopping distance is still
greater than six (6) feet in highest
gear, further maintenance is neces-
sary. Contact your nearest authorized
service center/department.
With Parking Brake "Engaged"
Nut "A°
Jam Nut
Arm
22
TO REPLACE MOTION DRIVE BELT
Park the tractor on level surface. Engage
parking brake. For assistance, there is a
belt installation guide decal on bottom
side of left footrest.
• Remove mower (See "TO REMOVE
MOWER" in this section of this
manual.)
• Remove belt from stationary idler and
clutching idler.
• Pull belt slack toward rear of tractor.
Remove belt upwards from transaxle
pulley by deflecting belt keepers.
• Pull belt toward front of tractor and
remove downwards from around
engine pulley.
• Install new belt by reversing above
procedure.
Engine Pulley
Clutching _ _
Tr_lneSyXl_ _ 0
TRANSAXLE GEAR SHIFT LEVER
NEUTRAL ADJUSTMENT
The transaxle should be in neutral when
the gear shift lever is in neutral (N) (lock
gate) position. The adjustment is preset
at the factory; however, if adjustment is
needed, proceed as follows:
•Make sure transaxle is in neutral (N).

NOTE: When the tractor rear wheels
move freely, the transaxle is in neutral.
• Loosen adjustment bolt in front of the
right rear wheel.
•Position the gear shift lever in the
neutral (N) position.
•Tighten adjustment bolt securely.
NOTE: If additional clearance is needed
to get to adjustment bolt, move mower
deck height to the lowest position.
Gearshift Lever Neutral Lock Gate
Adjustment Bolt
TO ADJUST STEERING WHEEL
ALIGNMENT
If steering wheel crossbars are not
horizontal (left to right) when wheels are
positioned straight forward, remove
steering wheel and reassemble per
instructions in the Assembly section of
this manual.
FRONT WHEEL TOE-IN/CAMBER
The front wheel toe-in and camber are
not adjustable on your tractor. If damage
has occurred to affect the front wheel
toe-in or camber, contact your nearest
authorized service center/department.
TO REMOVE WHEEL FOR REPAIRS
• Block up axle securely.
• Remove axle cover, retaining ring and
washers to allow wheel removal (rear
wheel contains a square key - Do not
lose).
•Repair tire and reassemble.
• On rear wheels only: align grooves in
rear wheel hub and axle. Insert
square key.
•Replace washers and snap retaining
ring securely in axle groove.
• Replace axle cover.
NOTE: To seal tire punctures and
prevent flat tires due to slow leaks, tire
sealant may be purchased from your
local parts dealer. Tire sealant also
prevents tire dry rot and corrosion.
Washers
Retaining
Ring
Axle
Cover _).
Square Key --_._'
(Rear Wheel Only)
TO START ENGINE WITH A WEAK
BAI-I'ERY
&CAUTION: Lead-acid batteries
generate explosive gases. Keep sparks,
flame and smoking materials away from
batteries. Always wear eye protection
when around batteries.
If your battery is too weak to start the
engine, it should be recharged. (See
"BATTERY" in the MAINTENANCE
section of this manual).
If "jumper cables" are used for emer-
gency starting, follow this procedure:
IMPORTANT: Your tractor is equipped
with a 12 volt negative grounded system.
The other vehicle must also be a 12 volt
negative grounded system. Do not use
your tractor battery to start other vehicles.
TO ATTACH JUMPER CABLES -
• Connect each end of the RED cable to
the POSITIVE (+) terminal of each
battery, taking care not to short against
chassis.
• Connect one end of the BLACK cable
to the NEGATIVE (-) terminal of fully
charged battery.
• Connect the other end of the BLACK
cable to good CHASSIS GROUND,
away from fuel tank and battery.
TO REMOVE CABLES, REVERSE
ORDER-
• BLACK cable first from chassis and
then from the fully charged battery.
• RED cable last from both batteries.
Positive Terminal Negative Terminal
Charged
Y
Positive
Terminal
23 Terminal

REPLACING BATTERY
ACAUTION: Do not shod battery
terminals by allowing awrench or any
other object to contact both terminals at
the same time. Before connecting battery,
remove metal bracelets, wristwatch
bands,rings,etc.
Positive terminal must be connected first
to prevent sparking from accidental
grounding.
•Lift seat pan to raised position and
open battery box door.
• Disconnect BLACK battery cable first
then RED battery cable and carefully
remove battery from tractor.
•Install new battery with terminals in
same position as old battery.
• First connect RED battery cable to
positive (+) terminal with hex bolt and
nut as shown. Tighten securely.
• Connect BLACK grounding cable to
negative (-) terminal with remaining
hex bolt and keps nut. Tighten
securely.
• Close battery box door.
Seat Pan
Battery
Door
Box
Keps
Nut Hex
Positive (Red) Negative (Black)
Cable Cable
TO REPLACE HEADLIGHT BULB
• Raise hood.
• Pull bulb holder out of the hole in the
backside of the grill.
• Replace bulb in holder and push bulb
holder securely back into the hole in
the backside of the grill.
• Close hood.
INTERLOCKS AND RELAYS
Loose or damaged wiring may cause
your tractor to run poorly, stop running, or
prevent it from starting.
• Check wiring. See electrical wiring
diagram in the Repair Parts section.
TO REPLACE FUSE
Replace with 15 amp automotive-type
plug-in fuse. The fuse holder is located
behind the dash.
TO REMOVE HOODAND GRILL
ASSEMBLY
• Raise hood.
• Unsnap headlight wire connector.
• Stand in front of tractor. Grasp hood at
sides, tilt toward engine and lift off of
tractor.
• To replace, reverse above procedure.
Headlight Wire
Connector
24
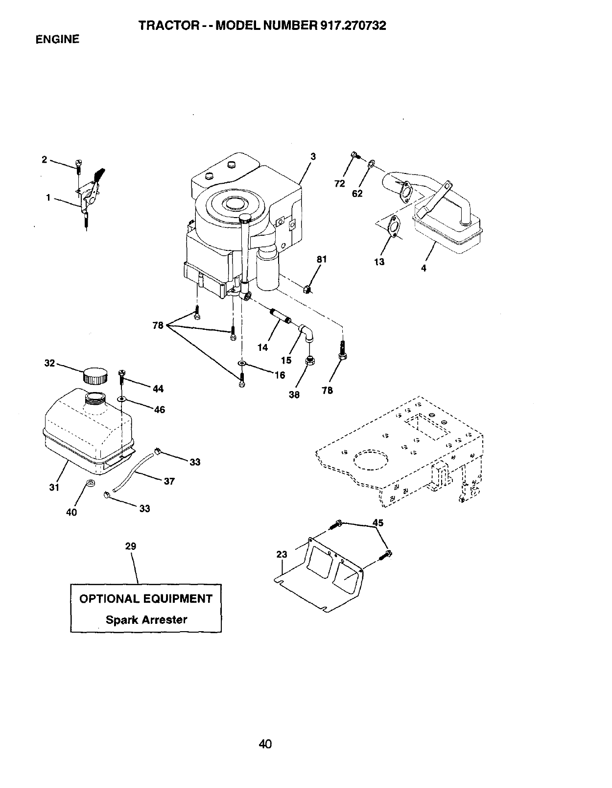
ENGINE
Maintenance, repair, or replacement of
the emission control devices and
systems, which are being done at the
customers expense, may be performed
by any non-road engine repair establish-
ment or individual. Warranty repairs must
be performed by an authorized engine
manufacturer's service outlet.
TO ADJUST THROTTLE CONTROL
CABLE
The throttle control has been preset at
the factory and adjustment should not be
necessary. Check adjustment as
described below before loosening cable.
If adjustment is necessary, proceed as
follows:
•With engine not running, move throttle
control lever from slow to choke
position. Slowly move lever from
choke to fast position.

• Check that holes "A" in governor
control lever and hole in governor
plate line-up. If holes "A" are not
aligned, loosen clamp screw and
move throttle cable until holes are
aligned. Tighten clamp screw se-
curely.
Governor
Control Lever Governor
Control Plate
\\
Holes "A" Clamp Screw
Throttle
Cable
TO ADJUST CARBURETOR
NOTE: The carburetor on this engine is
low emission. It is equipped with an idle
fuel adjusting needle with a limiter cap,
which allows some adjustment within the
limits allowed by the cap. Do not attempt
to remove the limiter cap. The limiter cap
cannot be removed without breaking the
adjusting needle.
The carburetor has been preset at the
factory and adjustment should not be
necessary. However, minor adjustment
may be required to compensate for
differences in fuel, temperature, altitude
or load. If the carburetor does need
adjustment, proceed as follows:
In general, turning idle mixture valve in
(clockwise) decreases the supply of fuel
to the engine giving a leaner fuel/air
mixture. Turning the idle mixture valve
out (counterclockwise) increases the
supply of fuel to the engine giving a
richer fueL/air mixture.
IMPORTANT: Damage to the needle
valve and the seatin carburetor may
result if screw is tumed in too tight.
PRELIMINARY SETTING -
•Air cleaner assembly must be as-
sembled to the carburetor when
making carburetor adjustments.
•Be sure the throttle control cable is
adjusted propedy (see above).
FINAL SETTING -
• Start engine and allow to warm for five
minutes. Make final adjustments with
engine running and shift/motion
control lever in neutral (N) position.
•Move throttle control lever to slow
position. With finger, rotate and hold
throttle lever against idle speed
screw. Turn idle speed screw to attain
1750 RPM.
•While still holding throttle lever against
idle speed screw, turn idle mixture
valve full travel clockwise then
counterclockwise until engine runs
rough. Turn valve to a point midway
between those two positions. Release
throttle lever.
ACCELERATION TEST -
• Move throttle control lever from slow to
fast position. If engine hesitates or
dies, turn idle mixture valve out
(counterclockwise) 1/8 turn. Repeat
test and continue to adjust, if neces-
sary, until engine accelerates
smoothly.
High speed stop is factory adjusted. Do
not adjust - damage may result.
IMPORTANT: Never tamper with the
engine governor, which is factory set for
proper engine speed. Overspeeding the
engine above the factory high speed
setting can be dangerous. If you think
the engine-govemed high speed needs
adjusting, contact your nearest autho-
rized service center/department, which
has proper equipment and experience to
make any necessary adjustments.
Idle Speed
S;Throttle
Idle Mixture valve__]
with Umiter
25

Immediately prepare your tractor for
storage at the end of the season or if the
tractor will not be used for 30 days or
more.
_ CAUTION: Never store the tractor
w_th gasoline in the tank inside a
building where fumes may reach an
open flame or spark. Allow the engine to
cool before storing in any enclosure.
TRACTOR
Remove mower from tractor for winter
storage. When mower is to be stored for
a period of time, clean it thoroughly,
remove all dirt, grease, leaves, etc. Store
in a clean, dry area.
•Clean entire tractor (See "CLEANING"
in the Maintenance section of this
manual).
• Inspect and replace belts, if necessary
(See belt replacement instructions in
the Service and Adjustments section of
this manual).
• Lubricate as shown in the Mainte-
nance section of this manual.
•Be sure that all nuts, bolts and screws
are securely fastened. Inspect moving
parts for damage, breakage and wear.
Replace if necessary.
•Touch up all rusted or chipped paint
surfaces; sand lightly before painting.
BA'I-rERY
• Fully charge the battery for storage.
• After aperiod of time in storage,
battery may require recharging.
• To help prevent corrosion and power
leakage during long periods of
storage, battery cables should be
disconnected and battery cleaned
thoroughly (see ='1"OCLEAN BATTERY
AND TERMINALS" in the Maintenance
section of this manual).
• After cleaning, leave cables discon-
nected and place cables where they
cannot come in contact with battery
terminals.
• If battery is removed from tractor for
storage, do not store battery directly on
concrete or damp surfaces.
ENGINE
FUEL SYSTEM
IMPORTANT: It is important to prevent
_luUmdeposits from forming in essential
el system parts such as carburetor, fuel
filter fuel hose, or tank during storage.
Also, experience indicates that alcoho
blended fuels 9called gasohol or using
ethanol or methanol) can attract moisture
which leads to separation and formation
of acids during storage. Acidic gas can
damage the fuel system of an engine
while in storage.
•Drain the fuel tank.
• Start the engine and let it run until the
fuel lines and carburetor are empty.
• Never use engine or carburetor
cleaner products in the fuel tank or
permanent damage may occur.
• Use fresh fuel next season.
NOTE: Fuel stabilizer is an acceptable
alternative in minimizing the formation of
fuel gum deposits during storage. Add
stabilizer to gasoline in fuel tank or
storage container. Always follow the mix
ratio found on stabilizer container. Run
engine at least 10 minutes after adding
stabilizer to allow the stabilizer to reach
the carburetor. Do not drain the gas tank
and carburetor if using fuel stabilizer.
ENGINEOIL
Drain oil (with engine warm) and replace
with clean engine oil. (See "ENGINE" in
the Maintenance section of this manual).
CYLINDER(S)
•Remove spark plug(s).
•Pour one ounce of oil through spark
plug hole(s) into cylinder(s).
•Turn ignition key to =START" position
for a few seconds to distribute oil.
•Replace with new spark plug(s).
OTHER
• Do not store gasoline from one season
to another.
•Replace your gasoline can if your can
starts to rust. Rust and/or dirt in your
gasoline will cause problems.
•If possible, store your tractor indoors
and cover it to give protection from
dust and dirt.
•Cover your tractor with a suitable
protective cover that does not retain
moisture. Do not use plastic. Plastic
cannot breathe which allows conden-
sation to form and will cause your
tractor to rust.
IMPORTANT: Never cover tractor while
engine and exhaust areas are still
warm.
26

TROUBLESHOOTING CHART
PROBLEM CAUSE CORRECTION
Will not start
Hard to start
Engine will not
turn over
•Out of fuel.
• Engine not "CHOKED"
properly.
• Engine flooded.
• Bad spark plug.
• Dirty air filter.
• Dirty fuel filter,
• Water in fuel.
• Loose or damaged wiring.
• Carburetor out of adjustment
• Engine valves out of
adjustment.
• Dirty air filter.
•Bad spark plug.
• Weak or dead battery.
• Dirty fuel filter.
•Stale or dirty fuel.
• Loose or damaged wiring.
• Carburetor out of adjustment.
•Engine valves out of
adjustment.
Clutch/brake pedal not
depressed.
Attachment clutch is
engaged,
Weak or dead battery.
Blown fuse.
Corroded battery terminals.
Loose or damaged wiring,
Faulty ignition switch,
Faulty solenoid or starter.
Faulty operator presence
switch(es).
• Fill fuel tank.
• See "TO START ENGINE"
in Operation section.
• Wait several minutes
before attempting to start.
• Replace spark plug.
• Clean/replace air filter,
• Replace fuel filter.
• Drain fuel tank and
carburetor, refill tank with
fresh gasoline and replace
fuel filter.
• Check all wiring,
• See 'q-o Adjust Carburetor"
in Service Adjustments
section.
• Contact an
authorized service center/
department.
• Clean/replace air filter.
• Replace spark plug.
• Recharge or replace
battery.
• Replace fuel filter.
• Drain fuel tank and refill
with fresh gasoline.
• Check all wiring.
• See "To Adjust Carburetor"
in Service Adjustments
section.
• Contact an authorized
service center/department.
•Depress clutch/brake
pedal.
• Disengage attachment
clutch.
• Recharge or replace
battery.
• Replace fuse.
•Clean battery terminals.
•Check all wiring.
• Check/replace ignition
switch.
•Check/replace solenoid or
starter.
• Contact an authorized
service center/department.
27

TROUBLESHOOTING CHART
PROBLEM CAUSE
Engine clicks but •Weak or dead battery.
will not start • Corroded battery terminals.
• Loose or damaged wiring.
• Faulty solenoid or starter.
CORRECTION
•Dirty fuel filter.
• Stale or dirty fuel.
I-
!4l
Loss of power
Excessive
vibration
Engine continues
to run
when operator
leaves seat
with attachment
clutch engaged
,_- Spark plug wire loose.
jo
!-
_Q
• Recharge or replace battery.
• Clean battery terminals.
•Check all wiring.
• Check/replace solenoid or
starter.
Cutting too much grass/too •
fast.
Throttle in "CHOKE" •
position.
Build-up of grass, leaves •
and trash under mower.
Dirty air filter, •
Low oil level/dirty oil. •
Faulty spark plug. •
Water in fuel. •
Dirty engine air screen/fins. •
Dirty/clogged muffler. •
Loose or damaged wiring. •
Carburetor out of •
adjustment.
Engine valves out of •
adjustment.
Worn, bent or loose blade. •
Bent blade mandrel. •
Loose/damaged part(s). •
Faulty operator-safety •
presence control system.
Set in "Higher Cut" position/
reduce speed.
Adjust throttle control.
Clean underside of mower
housing.
Clean/replace air filter.
Check oil level/change oil.
Clean and regap or change
spark plug.
Replace fuel filter.
Drain fuel tank and refill with
fresh gasoline.
Drain fuel tank and carbure
tor, refill tank with fresh
gasoline and replace fuel
filter.
Connect and tighten spark
plug wire.
Clean engine air screen/fins.
Clean/replace muffler.
Check all wiring.
See "To Adjust Carburetor" in
Service Adjustments section.
Contact an authorized
service center/department.
Replace blade.
Tighten blade bolt.
Replace blade mandrel.
Tighten loose part(s).
Replace damaged parts.
Check wiring, switches and
connections. If not
corrected, contact an autho
rized service center/
department.
28

TROUBLESHOOTING CHART
PROBLEM CAUSE CORRECTION
Poor cut- uneven •Worn, bent or loose blade.
Mower blades will
not rotate
Poor grass
discharge
Headlight(s) not
working
(if so equipped)
•Mower deck not level.
• Buildup of grass, leaves,
and trash under mower.
• Bent blade mandrel.
• Clogged mower deck vent
holes from buildup of
grass, leaves, and trash
around mandrels.
Obstruction in clutch
mechanism.
• Worn/damaged mower
drive belt.
• Frozen idler pulley.
• Frozen blade mandrel.
• Engine speed too slow.
• Travel speed too fast.
• Wet grass.
• Mower deck not level.
•Low/uneven tire air pressure
• Worn, bent or loose blade.
• Buildup of grass, leaves
and trash under mower.
• Mower drive belt worn.
• Blades improperly installed.
•improper blades used.
Clogged mower deck vent
holes from buildup of grass,
leaves, and trash around
mandrels.
•Switch is "OFP.
• Bulb(s) burned out.
• Faulty light switch.
•Loose or damaged wiring.
•Blown fuse.
• Replace blade. Tighten
blade bolt.
• Level mower deck.
• Clean underside of mower
housing.
• Replace blade mandrel.
• Clean around mandrels to
open vent holes.
• Remove obstruction.
• Replace mower drive belt.
• Replace idler pulley.
• Replace blade mandrel.
• Place throttle control in
"FAST" position.
• Shift to slower speed.
• Allow grass to dry before
mowing.
•Level mower deck.
• Check tires for proper air
pressure.
• Replace/sharpen blade.
Tighten blade bolt,
•Clean underside of mower
housing.
•Replace mower drive belt,
•Reinstall blades sharp edge
down,
•Replace with blades listed in
this manual.
•Clean around mandrels to
open vent holes,
•Tum switch "ON".
•Replace bulb(s).
• Check]replace light switch.
•Check wiring and connection_
•Replace fuse.
29

TROUBLESHOOTING CHART
PROBLEM
Battery will not
charge
Engine "backfires" •
when turning
engine "OFF"
CAUSE
•Bad battery cell(s).
• Poor cable connections.
• Faulty regulator
(if so equipped).
• Faulty alternator.
Engine throttle control not
set at "SLOW" position
for 30 seconds before
stopping engine.
CORRECTION
•Replace battery.
• Check/clean all connections.
•Replace regulator,
•Replace alternator.
Move throttle control to
"SLOW" position and allow
to idle for 30 seconds before
stopping engine.
3O

SCHEMATIC
TRACTOR -- MODEL NUMBER 917.270732
BATTERY
AMMETER
OPTIONAL)
)G AI(
IGNITION
SWITCH
IGNITION SWITCH
!
D
k_.mTE
i
'©
( _A_ME NT CLUTCH
SU_K (CLUTCH OFF)
SEAT SWITCH
(NOT OCCUPIED)
A
(OPTIONAL) '_ SPARK
_ _GNIT_ON _ PLUG
=FUELt UNIT GAP
PLUGS ON
I
_UE i "[WIN CYL. ENGINES)
POSITION CIRCUIT =MAKE"
OFF M+G+A1 NONE
RUN/UGH] B+A1 A2+L
RUN B+A1 NONE
START 3+S÷A1 NONE
OWN ELECTRICAL SOURCE.
BECAUSE OF THIS, THE
BRIGHTNESS OF THE LIGHTS
WILL CHANGE WITH ENGINE
SPEED. AT IDLE THE LIGHTS
WILL DIM. ASTHE ENGINE IS
SPEEDED UP, THE LIGHTS
WILL BECOME THEIR BRIGHTEST.
WIRING INSULATED CLIPS
HEADLIGHTS
NON-REMOVABLE
CONNECTIONS
--'-©"-
REMOVABLE
CONNECTIONS
NOTE: IF WIRING INSULATED CLIPS WERE REMOVED FOR
SERVICING OF UNIT, THEY SHOULD BE REPLACED TO
PROPERLY SECURE YOUR WIRING.
31

TRACTOR -- MODEL NUMBER 917.270732
ELECTRICAL
42
?
L
41
I
I
I
:?2

TRACTOR -- MODEL NUMBER 917.270732
ELECTRICAL
KEY PART
NO. NO. DESCRIPTION
1144925 Battery
274760412 Bolt Hex Hd 1/4-20unc x 3/4
8 156417 Case Battery
16 153664 Switch, Interlock
21 166181 Harness Asm Light W/4152j
22 4152J Bulb Light #1156
24 4799J Cable Battery 6 Ga 11• red
25 146147 Cable Battery 6 Ga w/16 wire red
26 166180 Fuss 15AMP
27 73510400 Nut Keps Hex 1/4-20 Unc
28 4207J Cable Ground 6 Ga 12" black
29 121305X Switch Plunger
30 163_o8 Switch Ign
33 140403 Key Ign
40 170217 Harness Ign
41 71110408 Bolt BIk. Fin Hex 1/4-20 Unc x 1/2
42 131563 Cover Terminal Rsd
43 145673 Solenoid
45 121433X Ammeter Rectangular 6 Amp
52 141940 Protection Wire Loop
NOTE: Allcomponentdimensions given inU.S. inches
1 inch= 25.4 mm
33

TRACTOR - - MODEL NUMBER 917.270732
CHASSIS AND ENCLOSURES
53
2O8
54
12
74 2O8
34

IHA_ | gl'l - - MUIJI-L NUMI'I_.H _11/.2/U/_2
CHASSIS AND ENCLOSURES
KEY PART
NO. NO. DESCRIPTION
116983O
2169061
3 17060612
5 155272
9168337X013
10 STD533710
11 155927
12 145660
13 172107)(010
17 159639X558
18 126938X
25 19131312
26 STD541437
28 140434
29 140273X599
30 164918X558
31 139976
37 17490508
38 169834
51 73800400
52 19091416
53 144697
54 161464
55 144696
57 STD522507
58 150127
60 72140606
64 154798
74 STD541437
114 158112
115 17060620
142 165867
143 154966
144 154207
145 156524
206 170165
207 17670508
208 17670608
211 145212
212 156229
--5479J
Chassis
Drawbar
Screw 3/8-16 x 3/4
Bumper Hood/Dash
Dash
Bolt, Carriage 3/8-16 x3/4
Panel, Dash, L.H.
Clip Tinnerman Grille P/L
Panel, Dash, R.H.
Hood Assembly
BumperHood
Washer 13/32 x 13/16 x 12 Gauge
Nut
Grille Lens Asm.
Lens, Grille
Fend/Ftrest
Bracket, Fender Support
Screw Thdrol 5/16-18 x 1/2
Pivot Bracket Assembly, Rear
Nut Lock w/Insert 1/4-20 UNC
Washer 9/32 x 7/8 x 16 Ga.
Bracket Grille LH
Screw Hex Wshd 8-18 x 7/8
Bracket Grille RH
Bolt, Fin Hex 1/4-20 UNC x .75
Duct Air Engine PL/LT
Bolt Rdhd Sqnk 3/8-16 UNC x 3/4
Dash Lower STLT
Nut Crownlock 3/8016 UNC
Keeper Belt Rear Lh Stl P930
Screw 3/8-16 x 1-1/4
Plate Reinforcement STLT
Bracket Swaybar Chassis
Bracket Pnt Footrest STLT
Rod Pivot Chassis/Hood
Bolt Shoulder 5/16-18 Tr
Screw Thdml 5/16-18 x 1/2 Tytt
Screw Thdrol 3/8-16 x 1/2
Nut Hex Flange Lock
Insert Lens Reflective
Plug, Button
NOTE: All component dimensions given in U.S. inches
1 inch = 25.4 mm
35

TRACTOR -.. MODEL NUMBER 917.270732
GROUND DRIVE
36

TRACTOR - - MODEL NUMBER 917.270732
GROUND DRIVE
KEY PART KEY PART
NO. NO. DESCRIPTION NO. NO. DESCRIPTION
1 ........ Transaxle (See Breakdown) 62 8883R Cover, Pedal
Peerless 206-545C 63 140186 Pulley, Engine
2 146682 Spring, Return, Brake 64 71170764 Bolt, Hex 7/16-20 x 4 Grade 5
3 123666X Pulley, Transaxle 65 STD551143 Washer
4 12000028 Ring, Retainer 66 154778 Keeper, Belt, Engine, Fool Proof
5 121520X Strap, Torque 70 134683 Guide, Mower Ddve Belt, R.H.
6 17060512 Screw 5/16-18 x 3/4 72 19132012 Washer 13/32 x 1-1/4 x 12 Ga.
8 165866 Rod Shifter Fender STLT 74 137057 Spacer, Axle
10 STD561210 Pin, Cotter 75 121749)( Washer 25/32 x 1-1/4 x 16 Ga.
11 105701X Washer, Shift Plate 76 STD581075 E-Ring
13 74550412 Bolt 1/4-28 UNF W/Patch Gr. 8 77 123583X Key, Square 2.0 x .1845/1865
14 10040400 Washer Lock Hvy Helical 76 121748X Washer 25/32 x 1-5/8 x 16 Ga
16 STD541431 Nut Lock Hx W/Ins 5/16-18 x Gr.5 79 STD580025 Key Woodruff
18 STD523710 Bolt Fin Hex 3/8-16UNC x 1 Gr. 580 145090 Arm, Shift
19 STD541437 Nut 81 165592 Shaft Asm Cross Tapered 650 20
21 106933X Knob 82 165711 Spring, Torsion
22 130804 Rod, Brake 83 19171216 Washer 17/32 x 3/4 x 16 Ga.
24 STD541237 Nut 84 166231 Link Transaxle
25 106888X Spring, Brake Rod 85 150360 Nut, Nylock
26 STD551037 Washer 89 158391X428 Console, Shift, STLT
27 STD561210 Pin 90 124346X Nut, Self-Thding, Wsh Hd 1/4
28 145204 Rod, Parking Brake 96 STD624003 RetainerSpring 1"
29 71673 Cap, Parking Brake 112 19091210 Washer 9/32 x 3/4 x 10 Ga.
30 169592 Bracket, Transaxle 113 127285X Strap Torque 90 Degrees
32 STD533107 Bolt 116 72110610 Bolt Rdhd Sqneck 3/8-16 x 1.25
34 155071 Shaft Assembly, Foot Pedal 145 74490540 Bolt, Hex FIghd 5/16-18 Gr. 5
35 120183X Beanng, Nylon 150 165850 Bushing Bellcrank Grd. Drive
36 STD551062 Washer 151 19133210 Washer 13/32 x 2 x 10 Ga.
37 STD571810 RolIPin 156 166002 Washer Srrted 5/161D x 1.125
38 131494 Pulley, Idler, Flat 158 165589 Bracket Shift Mount
39 STD523727 Bolt 159 165494 Hub Tapered Flange Shift Lt
40 4470J Spacer, Split .395 x .59 161 72140406 Bolt Rdhd Sqnk 1/4-20 x 3/4 Gr.5
41 165838 Keeper, Belt, Idler 162 73680400 Nut Crownlook 1/4-20 Unc
42 19131312 Washer 13/32x13/16x12Ga. 163 74780416 BoltHexFinl/4-2OUncxl Gr 5
47 127783 Pulley, Idler, V-Groove, Plastic 164 19091010 .Washer 5/8 x.281 x10 Ga
48 154407 Bellcrank Clutch Gmd Drv Stl 165 165623
49 123205X Retainer, Belt 166 166880
50 STD523715 Bolt 168 165492
51 STD541437 NutCrownLock3/8-16UNC 169 165580
52 STD541431 NutCrownLook5/16-18UNC 170 173898
53 105710X Link, Clutch 197 169613
55 105709X Spring, Clutch Return 198 169593
56 STD523712 Bolt Fin Hex 3/8-16 x 1-1/4 202 72110612
57 130801 V-Belt, Ground Drive
59 16_91 Keeper, Belt, Center Span
61 17060612 Screw 3/8-16 x 3/4 NOTE: All component dimensions given in U. S. inches
1 inch = 25.4 mm
BracketPivotLever
Screw5/16-18 x 5/8
BoltShoulder 5/16-18 x .561
Plate FasteningLt
KeeperBeltTransaxlePMST/Dana
NylinerSnap-In
WasherNyliner
Bolt Carr. SH 3/8-16 x 1-1/2 Gr, 5
37

TRACTOR --MODEL NUMBER 917.270732
STEERING ASSEMBLY
62
,+ i |
b
27 17
/
29 _l
2g
15 15
47
64& 67 67
67
13
43
/
I
I/
\ I
$
38

I M/._t.,I UM - - MUUI:L FIUMUP,.H 911.2/U/'32
STEERING ASSEMBLY
KEY PART
NO. NO. DESCRIPTION
1 139768
2 154427
3169840
4169839
5 6266H
6121748X
719272016
812000029
9 3366R
10 169832
11 STD551137
13 136518
15 145212
17 156546
18 57079
19 160395
22 165857
23 165851
25 154406
26 126847X
27 136874
28 19131416
29 17060612
30 STD561210
32 130465
36 155099
37 152927
38 139769
39 19133812
40 STD541537
41 100711L
42 145054X428
43 121749X
44 153720
46 121232X
47 6855M
51 STD541431
54 74780520
62 167902
63 STD523710
65 160367
66 154404
67 72140616
68 169827
79 19132012
80 74950612
82 1.69835
85 133835
SteeringWheel
Axle AssemblySTMP Dropped STL
Spindle Assembly, L.H.
Spindle Assembly, R.H.
Bearing, Race, Thrust, Hardened
Washer 25/32 x 1-5/8 x 16 Gauge
Washer 27/32 x 1-1/4 x 16 Gauge
Ring,Klip
Bearing, SteeringColurnn
Draglink
Washer, Lock
Spacer Bearing Axle Front
Nut, Hex Flange Lock
Shaft Assembly, Steering
Washer, Thrust .515 x .750 x .033
Support, Shaft
Screw, HexWsh Hd Torx
Pittman Shaft Assembly
Bracket, Steering
Bushing, Link, Drag
Gear, Sector
Washer 13/32 x 7/8 x 16 Gauge
Screw 3/8-16 x 3/4
Pin Cotter
Rod,Tie
Bushing, Steering
Screw
Insert, Steering Wheet
Washer 13/32 x 2-3/8 x 12 Gauge
Nut Lock Center 3/8-24 Unf
Adaptor, SteeringWheel
Boot, Steering Shaft
Washer 25/32 x 1-1/4 x 16 Gauge
Extension Shaft Steering LR.LT
Cap, Spindle
Fitting, Grease
Nut Lock Hex w/Ins. 5/16-18 UNC
Bolt Fin Hex 5/16-18 UNC x 1-1/4
Kit Steering Asm Service
Bolt, Fin Hex 3/9-16 UNC x 1 Gr 5
Spacer Brace Axle
BearingArm Pittrnan
Bolt RDHD Sqnk 3/8-16 x 2-1/4
Axle, Brace
Washer 13/32 x 1-1/4 x 12 Ga.
Bolt Hex Nylon 3/8-16 x 3/4
Bracket Susp. Chassis Front
FastenerChristmas Tree
NOTE: All component dimensions given in U.S. inches
1 inch = 25.4 mm
39

ENGINE
TRACTOR -- MODEL NUMBER 917.270732
I
29
OPTIONAL EQUIPMENT
Spark Arrester
72 62
81
38 76
13 4
23 l'
4O

ENGINE
TRACTOR --MODEL NUMBER 917.270732
KEY PART
NO. NO. DESCRIPTION
1162157 Control, Throttle
2 17720410 Screw, Hex Head, Thread Cutting
114-20 x 5/8
3 ...... Engine, (See Breakdown)
Bdggs Model311707-0132-E3
4 137352 Muffler
13 165291 Gasket
14 13280324 Nipple, Pipe 3/8 NPT x 3
15 13200300 Elbow, Standard 90 °, 3/8-16 NPT
16 STO551231 Washer
23 169837 Shield BrrdDbr Guard
29 137180 Arrestor, Spark
31 109202X Tank, Fuel
32 158990 Cap Assembly, Fuel Sears, Vented
33 123487X Clamp, Hose
37 137040 Line, Fuel
38 ....... Plug, Oil Drain (See EngineBreakdown)
40 124028X
44 17670412
45 17000612
46 19091416
62 STD551131
72 71070512
78 17060620
81 73510400
Bushing, Snap, Fuel Line
Screw, Hex Washer Head, Thd., Roll. 1/4-20 x3/4
Screw Hexwsh Thdr 3/8-16 x 3/4
Washer 9/32 x 7/8 x 16 Gauge
Washer, Lock
Screw HexHd Cap 5/16-18 x 3/4
Screw 3/8-16 x 1-1/4
Nut Keps Hex 1/4-20 Uric
NOTE= All componentdimensions givenin U.S. inches
1 inch= 25,4 mm
41

TRACTOR -- MODEL NUMBER 917.270732
SEAT ASSEMBLY
17 12
KEY PART
NO. NO.
1 127428X
2 140551
3 71110616
4 19131610
5 145006
6 STD541437
7 124181X
6 17000616
9 19131614
10 155925
11 166369
12 121246X
DESCRIPTION
Seat
Bracket Pet Pivot Seat (blk)
Bolt Fin Hex 3/8-16unc X 1
Washer 13/32 X 3/4 X 10 Ga
Clip Push In Hinged
Nut Hex Lock w/Ins 3/8-16 Uric
Spring Seat Cprsn 2 250 BIk Zi
Screw 3/8-16 × 1
Washer 13/32 X 1 X 14 Ga
Pan Pnt Seat (blk)
Knob Seat Adj Wingnut
Bracket Pet Mounting Switch
KEY PART
NO. NO, DESCRIPTION
13 121248X
14 72050412
15 134300
16 121250)(
17 123976X
21 171852
22 STD541431
24 19171912
25 127018X
Bushing Snap BIk Ny150 Id
Bolt Rdhd Sht Nk 1/4-20x1-1/2
Spacer Split 28 X 96 Zinc
Spring Cprsn 1 27 Blk Pnt
Nut Lock 1/4 Lge Fig Gr 5 Zinc
Bolt Shoulder 5/16-16 U nc-2A
Nut Hex Lock w/Ins 5/16-18
Washer 17/32 X 1-3/16 X12Ga.
Bolt Shoulder 5/16-18 X 62
NOTE: All component dimensions given in U.S. inches
1 inch = 25.4 mm
42

DECALS TRACTOR -- MODEL NUMBER 917.270732
9
13 6 34 2 13 10
2O
21
14
821
12
KEY PART
NO. NO.
1156368
2 171760
3 171696
4171697
5 165406
6133644
9 166887
9 163204
10 166439
12 146046
DESCRIPTION
Decal, Oper. Instr.
Decal, Replacement
Decal, Hood, R.H.
Decal, Hood, L.H.
Decal, HP Engine
Decal, Customer Maintenance
Decal, Deck Mower EZ
Decal, Fender, Craftsman
Decal, Fender Danger
Decal, V-Belt Dnve Schematic
KEY PART
NO. NO.
13 163254
14 160396
20 149516
21 163207
- - 138311
--165800X428
- - 165799X428
- - 174876
- - 174877
DESCRIPTION
Decal, Dash Panel
Decal, V-Belt Schematic
Decal Battery Dngr/PsnEng
Decal, Fender Sd. Wht
Decal, Lift Handle
Pad Footrest LH STLT
pad Footrest RHSTLT
Owner's Manual, English
Owner's Manual, Spanish
WHEELS & TIRES
2_5,8
74,10
11
KEY PART
NO. NO. DESCRIPTION
1 59192
2 65139
3106222X
4 59904
5 106732X427
6 278H
79040H
8 106108X427
9 122082X
10 7152J
11 104757X
-- 144334
Cap Value Tire
StemValue
Tire F Ts 15 X 6 0 - 6 Service
Tube Inner Front #35060
Rim Asm 6"front White Service
Fitting Grease
Bearing Flange
Rim Asm 8"rear White Service
Tire R Ts 20 X 10-8 Service
Tube Rear 9 5 X 8 Service
Cap Axle BIk 1 50 X 1 00
Sealant, Tire (10 oz. tube)
NOTE: All component dimensions given in U.S. inches
1 inch = 25.4 mm
43

TRACTOR --MODEL NUMBER 917.270732
LIFT ASSEMBLY
7
13
5
46
2
8
/
j •
//
65
19
13
32
32
13
19
20 20
15
44

TRACTOR - - MODEL NUMBER 917.270732
LIFT ASSEMBLY
KEY PART
NO. NO. DESCRIPTION
1159460 Washer Asm inner Spdng W/Plunger
2159471 Shaft Asm. Lift
3 105767X Pin Groove
4 12000002 E Ring #5133-62
5 19211621 Washer 21/32 x 1 x 21 Ga.
6 120183X Beadng Nylong
7 125631X Grip Handle Fluted
8122365X Sutton Plunger Read
11 139865 Link Asm Lift L.H.
12 139866 Link Asm Lift R.H.
13 STD624008 Retainer Spring
15 173288 Link Front
16 73350800 Nut Jam Hex 1/2-13 Unc
17 130171 Trunnion BIk Zinc
18 73800800 Nut Lock w/Wsh 1/2-13 Unc
19 139868 Arm Suspension Mower
20 163552 Retainer Spdng
31 169865 Bearing, Pvt, Lift
32 73540600 Nut Crownlock 3/8-24
NOTE:All componentdimensionsgiven inU.S. inches
1 inch = 25.4 mm
45

MOWER DECK
TRACTOR --MODEL NUMBER 917.270732
f
34 "_ 21
\
16
1
13--
10_
9_
21 22
3 24
25
27
46

I M/as!t.o1lt.Pl'i - - IVl!,.JUl" I. I_IUIVIDIPI'I tO II.'*IUIO j
MOWER DECK
KEY PART
NO. NO.
1 165892
2 STD533107
3 138017
4 165460
5 STD624008
6 130832
8 850857
9 STD551137
10 140296
11 134149
12 129895
13 137645
14 128774
15 110485X
16 140329
18 72140505
19 132827
20 159770
21 STD5414..31
22 134753
23 131267
24 105304X
25 123713X
26 110452X
27 130968X428
28 19111016
29 131491
30 157722
31 129963
32 153535
33 137266
34 STD533717
35 133835
36 131494
37 STD551037
40 STD541437
44 140088
45 STD624003
46 137729
48 133944
49 155066
50 131340
51 STD541410
52 139888
53 131845
54 133943
55 155046
56 165723
59 141043
DESCRIPTION KEY PART
NO. NO.
Mower Deck Assembly, 42" 67 149846
Bolt 68 144959
Bracket Assembly,Sway Bar, 92 STD541437
Front 101 136420
Bracket Sway Bar 38/42" Deck 102 71081010
Retainer Spring 103 19061216
Arm, Suspension, Rear 104 STD551110
Bolt, Hex 3/8-24 x 1.25 Gr. 8 105 160793
Washer, Lock 106 2029J
Washer, Hardened 111 155197
Blade, Mulching 112 155198
Bearing, Ball 113 17060512
Shaft Assembly, Mandrel, 114 73510500
Vented (Includes Key Number 12) 115 72110504
Housing, Mandrel, Vented 116 4898H
Bearing, Bali, Mandrel 117 165746
Stripper, Vented Mower Deck 118 73930600
Bolt, Carriage 5/16-18 x 5/8 119 19121414
Bolt, Shoulder 121 143723
Baffle, Vortex 128 153390
Nut Crownlock 5/16-18 U NC 129 19131312
Stiffener Bracket 130 STD523710
Bracket, Deflector 131 STD533710
Cap, Sleeve 142 165890
Spring, Torsion, Deflector 143 157109
Nut, Push 144 158634
Shield, Deflector 145 165888
Washer 11/32 x 5/8 x 16 Ga. 146 165891
Rod, Hinge 147 131335
Screw Thdrol Washer Head 148 169022
Washer, Spacer 149 165898
Pulley, Mandrel 150 19091216
Nut, Toploek, Flanged 151 169670
Bolt 152 16£676
Fastner, Christmas Tree 153 16£674
Pulley, Idler, Flat 154 169675
Washer 13/32 x 13/16 x 16Ga. 155 169671
Nut Crownlock 3/8-16 UNC 156 169672
Guard, Mandrel, L.H. 157 169669
Retainer 158 17720410
Screw, Thd. Roll 1/4-20 x 5/8 159 72140614
Washer, Hardened - - 130794
Roller Assembly, Cam Follower
Bolt, Shoulder #10-24 Grade 5
Locknut - - 169583
Bolt, Shoulder 5/16-18 UNC
Arm Assembly, Pad, Brake
Washer, Hardened
Arm, Idler .
Spacer, Retainer
Guard, TUV Idler
DESCRIPTION
KnobCustom Oval
V-Belt
Nut
MulcherCover
Screw
Washer #10
Washer, Lock
Latch Assembly, Bagger
Nut, Weld
Bracket Gauge Wheel Lh
Bracket Gauge Wheel Rh
Screw 5/16-18 x 3/4
Nut Keps 5/16-18 Unc
Bolt Carr 5,'16-Unc x 1/2
Bolt Shoulder
Wheel Gauge Std
Nut Centerlock 3/8-16 Unc
Washer 3/8 x 7/8 x 4 Ga.
Bracket Extruded Gauge Wheel
Washer Felt
Washer 13/32 x 13/16 x 12Ga.
Bolt, Fin Hex 3/8-16 UNC x 1 Gr. 5
Bolt, Rdhd Sqnk 3/8-16UNC xl
Arm Spring Brake Mower
Bracket Arm Idler 42"
Keeper Belt 42" Clutch Cable
Pulley Idler Flat
BoltCardage Idler
Spdng Extension
Spring Retum Idler
Retainer Spring Yellow Zinc
Washer 9/32 x 3/4 x 16 Ga.
Bracket Clutch
Cable Clutch 42 In
Washer Flat 3/8" Type B
Spring Retainer
Spring Retention Lever
Spacer
Rod Clutch
Screw Hex Thd Cut 1/4-20 x 5/8
Bolt Rdhd Sqn 3/8-16 Unc x 3/4
Mandrel Assembly (includes
Key Numbers 8-10, 12-15, 31
and 32)
Mower Deck,Complete
(Standard Deck, Order
Separately Mulcher Plate and
Gauge Wheel Components, Key
Nos. ]01-106 and 111-121)
NOTE: All component dimensions given in U.S. inches
1 inch = 25.4 mm
47

TRACTOR -- MODEL NUMBER 917.270732
PEERLESS TRANSAXLE - - MODEL NUMBER 206-545C
157
I
I
11
47
13
MODELand SERIAl
NUMBERS HERE
157
48

TRACTOR --MODEL NUMBER 917.270732
PEERLESS TRANSAXLE - - MODEL NUMBER 206-545C
KEY PART KEY PART
NO. NO. DESCRIPTION NO. NO. DESCRIPTION
1 772147 Transaxle Cover 41A 790079
2 780086A Needle Beadng 5/8" 42 792073A
3 770128 Transaxle Case 42A 792085A
4776395 Countershaft 43 792075
5 776409 Output Shaft 44 790025
6 778364 Spur Gear (38 teeth) 45 786066
6A 778369 Spur Gear (15 teeth) 46 786086
7 778330 Spur Gear (11 teeth) 47 774690
8 792180 Shift Key 48 774691
8A 792047 Woodruff Key #9 49 778356
9784352 Shift Collar 50 778338
10 784378 Shift Rod & Fork 51 778354
11 778334 Bevel Gear (30 teeth) 52 778352
12 778309 Input Bevel Pinion (13 teeth) 53 778350
13 778368 Bevel Gear (13 taeth)(Include. 14) 54 778346
14 778368 Bevel Pinion (13 teeth)(Include. 13) 56 778355
15 778370 Ring Gear (43 teeth) 57 778337
17 786188 Drive Pin 58 778353
18 786102 Spacer 1.130 X .695 59 778351
20 792077A Bail 5/16" dia 60 778349
21 792078 Set Screw 3/8 - 16 x3/8" 61 778345
22 792079 Spring .310 OD x .625 L 65 780189
25 792073A Screw 1/4 -20 x 1-!/4" 66 776422
25A 792177 Screw 1/4-20 x1-3/8" 67 776386
26 792125 Retaining Ring (pkg of 2) 69 792170
27 792035 Retaining Ring 70 786187
28 788040 Retaining Ring 71 788069
29 780072 Thrust Washer .627 ID x.031W 71B 788092
29A 780160 Thrust Washer .762 ID x.031W 76 780090
29B 780051 Thrust Washer .762 ID x.031W 77 788078A
29(3 780199 Anti-Rotation Washer .632 79 792144
30 780108 Cup Washer 1.127 ID x .032W 82 778,333
31 780001 Flat Washer 350 ID x .056W 83 778338
(Use As Needed) 85 792154
31A 780195 Flat Washer .750 ID x .062W 87 788089A
32 788083 Oil Seal 5/8" 150 788093A
34 780194 Bushing .563 157 788088A
35 780193 Flanged Bushing 5 /8" ID 180 730229A
35A 780197 FlangedBushing.751 900 794712
36 790075 Brake Disk
37 790007 Brake Pad Plate
38 799021 Brake Pad (pkg of 2)
39 786026 Dowel Pin
40 792076A Flat Washer .312 ID x .059W
BrakeLever
Screw 1/4 -20 x1-1 /4"
Screw 1/4 - 20 x 2 1/4"
Locknut5/16 - 24.
Brake Pad Holder
Spacer .2625 x 1.0
Brake Lever Bracket
Axle (11-15 /16" Long)
Axle (16 - 1 /2" long)
Spur Gear (29 teeth)
Spur Gear (27 teeth)
Spur Gear (23 teeth)
Spur Gear (19 teeth)
Spur Gear (16 teeth)
Spur Gear (15 teeth)
Spur Gear (t 1 teeth)
Spur Gear (t3 teeth)
Spur Gear (17 teeth)
SpurGear (21 teeth)
SpurGear (24 teeth)
Spur Gear (25 teeth)
Flat Washer .563 IDx .062W
InputShaft
Shifter & BrakeShaft
RetainingRing
Spacer .890
Square Cut Ring
"O" Ring
Flat Washer 1.128 ID x .058W
Inverted Retaining Ring
Spring .430 OD x .5000 L
Bevel & Spur Gear (30 & 13 teeth)
Spur Gear (27 teeth)
Oil FillPlug
Oil Seal 9 /16"
LiquidGasketRTV Silicone
Oil Seal 3/4"
Gear Oil80W90
ReplacementMST -206-545C
Transaxle
NOTE: All component dimensions given in U.S. inches
1 inch = 25.4 mm
49

TRACTOR - - MODEL NUMBER 917.270732
BRIGGS ENGINE-MODEL NUMBER 311707, TYPE NUMBER 0132-E3
914
1023
13_
4o_
1022
1034
1029_
71
1033 VALVE OVERHAUL KIT
1022
51
868_)
307_
REQUIRES SPECIAL TOOLS
TOINSTALL. SEE REPAIR
INSTRUCTIONMANUAL,
1019 LABEL KIT
I1058 OWNER'S MANUAL J
4
2O
761
50

TRACTOR --MODEL NUMBER 917.270732
3RIGGS ENGINE-MODEL NUMBER 311707, TYPE NUMBER 0132-E3
754_
5
127
LMTICARBURETOR
PART NUMBER 142
LOCATIONS
276
THiS CARBURETOR SERVICES BOTH CHOKE-A-MATIC
AND MANUAL CHOKE SYSTEMS
977 CARBURETOR GA._SKETSET
51 051A
51

TRACTOR - -MODEL NUMBER 917.270732
BRIGGS ENGINE-MODEL NUMBER 311707, TYPE NUMBER 0132-E3
801 797A
524 165
1051
783A
305
1044 _75
1051 ,','
J 1036 LABEL-EMISSIONS I
52

IM/ILi.p I Ul'l - - IVIUUr.i. I_IUIVIDr'I'I _II./..! UI Of.
BRIGGS ENGINE-MODEL NUMBER 311707, TYPE NUMBER 0132-E3
_-- NIKKI
130A (_ 1
95A
633A _)
117A i]I 137A
276A
950
121A CARBURETOR OVERHAUL KIT
51_ 95A_ 117Aq_)
lO4A_' 127A0
105A
137A O231A
276A
633 (_)
977A CARBURETOR GASKET SET
51_ 137AO 276A _)
53

BRIGGS ENGINE-MODEL NUMBER 311707, TYPE NUMBER 0132-E3
KEY PART KEY PART
NO. NO. DESCRIPTION NO. NO. DESCRIPTION
1 690156 Cylinder Assembly
2399265 Bushing/Seal Kit
3 391086 -k Seal-Oil
4 494238 Sump-Engine
5 690188 Head-Cylinder
7 692410 Or+ Gasket-Cylinder Head
8 495735 Breather Assembly
9 27803 ¢r Gasket-Breather
10 691666 Screw (Breather Assembly)
11 691328 Tube-Breather
12 271916 "# Gasket-Crankcase (.015
Thick, Std.)
271997 ¢r Gasket-Crankcase (.005
Thick)
271996 _ Gasket-Crankcase (.009
Thick)
13 690360 Screw (Cylinder Head)
15 94239 Plug-Oil Drain
16 690136 Crankshaft
20 291675 _ Seal-Oil
22 692125 Screw (Crankcase Cover)
23 693557 Flywheel (Steel Ring Gear)
23A 492326 Flywheel (Plastic Ring Gear)
24 222698 Key-Flywheel
25 692271 Piston Assemb,y /._ldl_
692272 Piston Assembly O.S.)
692273 Piston Assembly (.020 O.S.)
692274 Piston Assembly (.030 O.S.)
26 690162 Ring Set, Piston (Std.)
690164 Ring Set (.010 O.S.)
690166 Ring Set (.020 O.S.)
690168 Ring Set (.030 O.S.)
27 691299 Lock-Piston Pin
26 498319 Pin Assembly, Piston (Std.)
498320 Pin Assembly-Piston (.005
O.S.)
29 692419 Rod-Connecting (Std.)
499940 Rod-Connecting (.020 U.S.)
32 692852 Screw (Connecting Rod)
33 495856 Valve-Exhaust
34 495857 Valve- Intake
35 691279 Spring- Valve (Intake)
36 691279 Spring-Valve (Exhaust)
37 690456 Guard-Flywheel
40 224641 Retainer- Valve
43 490815 Governor-Oil Slinger
45 690564 Tappet- Valve
46 692421 Camshaft
48 692706 Short Block
50 690193 Manifold- Intake
51 273650 Gasket*Intake
53 690227 Stud (Carburetor)
54 691148 Screw (Intake Manifold)
73 494439 Screen-Rotating
74 94821 Screw (Rotating Screen)
75 225136 Washer (Flywheel
78 94896 Screw (Flywheel Guard)
93 690902 Bushing-Throttle Shaft
94 498030 Idle Mixture Kit
94A 695425 Idle Mixture Kit
95 94098 • Screw (Throttle Valve)
95A 690718 • Screw (Throttle Valve)
98 495800 Kit-Idle Speed
98A 695408 Kit-Idle Speed
104 690525 • Pin-Float Hinge
104A694918 • Pin-Float Hinge
105 231855 •Valve-Float Needle
105A695424 • Valve-Float Needle
106 231854 • Seat-Inlet
108 690464
108A692344
108B695419
117 692408 •
692411
117A695415 •
117A695416 •
121 690191
121A695427
125 690194
125A695412
127 •
127A 690727 •
130 224539
130A 695418
131 494379
131A 695421
133 494381
133A 694914
137 281165 0,
137A 695426 0,
141 495097
141A 495931
141B 695420
142 692412•
146 94196
165 693148
167 281051
176 281106
186 493496
187 298049
188 94929
192 492160
202 262767
209 260695
216 262766
217 695409
222 694042
227 691374
231 94098 •
231A690718 •
232 262785
238 262836
240 394358
265 221535
267 695134
276 281164
276A 695410
287
304
305
306
307
Valve-Choke (Manual Choke)
Valve-Choke (Choke A Matic)
Choke Valve
Jet- Main (Standard)
Jet- Main (High Altitude)
Jet-Main (Standard)
Jet-Main (High Altitude)
Carburetor Overhaul Kit
Carburetor Overhaul Kit (Nikki)
Carburetor
Carburetor
Plug-Welch (Sold in Kit Only)
Plug-Welch
Valve-Throttle
Valve-Throttle
Throttle Shaft Kit
Throttle Shaft Kit
Float-Carburetor
Float-Carburetor
Gasket-Float Bowl
Gasket-Float Bowl
Choke Shaft Kit (Man. Choke)
Choke Shaft Kit (Choke-A-
Matic)
Choke Shaft Kit
Nozzle-Carburetor
Key-Timing
Nut (Ring Gear)
Air Cleaner Stud Seal
O-Ring Seal (Air Cleaner Base)
Connector-Hose
Line-Fuel (Cut to Required
Length)
Screw (Control Bracket)
Adjuster- Rocker Arm
Link-Choke
Spring- Governor
Link-Choke
Choke Return Spring
Bracket- Control
Lever-Governor Control
Screw (Choke Valve)
Screw (Choke Valve)
Spring-Link
Cap- Valve
Filter-Fuel
Clamp-Casing
Screw (Casing Clamp)
0_ Sealing Washer
0_ Sealing Washer
94903 Screw (Dipstick Tube)
690497 Housing-Blower
690969 Screw (Blower Housing)
690499 Shie!d-Cylinder
94930 Scre# (Cylinder Shield)
Included in Engine Gasket Set, Ref Number
358.
•Included in Carburetor Overhaul Kit, Ref
Number 121 and 121A.
4, Included in Carburetor Gasket Set, Ref
Number 977.
+ Included in Value Overhaul Kit, Ref Number
1033.
NOTE: All compot/ent dimensions given in U.S.
inches 1 inch = 25.4 mm
54

TRACTOR --MODEL NUMBER 917.270732
3RIGGS ENGINE-MODEL NUMBER 311707, TYPE NUMBER 0132-E3
"EY PART KEY PART
10. NO. DESCRIPTION NO. NO. DESCRIPTION
;09 693551 Motor-Starter (For Steel Ring
Gear Only)
09 497595 Motor-Starter (For Plastic Ring 789 695050
Gear Only) 797 693167
;10 690323 Screw (Starter Motor) 797A 92278
;11 497608 Brush Set 801 691429
;18 692127 Screw (Mounting Bracket) 802 497607
;33 495859 Armature-Magneto 803 691427
;34 94731 Screw (Magneto Armature) 830 691095
_37 491055 Spark Plug 842 270920-/_
;58 690189 Gasket Set 847 496415
_63 19203 Flywheel Puller 851 692424
;83 89838 Wrench-Spark Plug 868 690968-tr+
,04 94927 Washer (Governor Crank) 871 262835
'45 496894 Filter- A/C Cartridge 875 693686
i62 225137 Washer (Starter Cable) 877 393456
_67 493903 Knob-Air Cleaner 914 690969
;74 393474 Alternator 921 692493
_93 690493 Bracket-Mounting (Front) 934 94627
;93A 690494 Bracket-Mounting (Rear) 947 497672
;05 691251 Nut (Governor Control Lever) 947A 695423
;10 693699 Drive- Starter (Use With Steel 950 695407
Ring Gear Only) 967 272403
$10A 497606 Drive- Starter (Use With 968 692502
Plastic Ring Gear Only) 969 690969
_13 398003
$23 495230
$24 281370
$25 691398
_44 497603
_52 491986
$62 691119
301 95162
314 93306
316 495157
317 693138 _+
333 695414 •
333 690998 •
334 690801 •
334A 690802 •
335 280872
354 94010
367 9401O
368 8O5402
391 491323
392 690572
395 693109
397 690372
11 690703
718 230192
T26 399676
727 490324
732 94903
741 691284
757 213998
758 692423
759 691239
761 691096
t83 693713
783A 693059
Clutch-Drive
Dipstick
Dipstick Tube Seal
Dipstick Tube
Armature-Starter
Bushing-Gov. Lever
Bolt (Governor Control Lever)
Clamp-Hose
Pin-Cotter
Crank-Governor
O-Ring Seal (Intake Manifold)
Choke/Throttle Shaft Seal
Choke/Throttle Shaft Seal
Seal/Spring Assembly
(Manual Choke)
Seal/Spring Assy. (Choke A
Matic)
Boot- Spark Plug
Nut (Carburetor)
Nut (Air Cleaner Brace)
Spacer
Seal-Governor Shaft
Spring-Detent
Screw (Ring Gear)
Screw (Starter Motor)
Screw (Carburetor Shield)
Pin-Locating
Gear Ring (Aluminum-
Services Plastic Ring Gear
Only)
Cover- Starter Drive
Screw (Starter Drive Cover)
Gear-Timing
Link-Counterweight
Counterweight
Pin-Counterweight
Screw (Counterweight)
Gear-Pinion (For Steel Ring
Gear Only)
Gear-Pinion (For Aluminum
Ring Gear Only)
783B 693058
969A 690365
971 692129
975 495933
975A695417
977 690192
977A 695428
987 691326 •
996 690678
1005 281400
1006 690452
1019 690180
1022 272475 _+
1023 692492
1026 494432
1026A 495136
1029 224554
1033 690190
1034 690822
1036 694497
1044 94673
1051 263080
1058 274271
1090 497605
1091
1119
Gear-Pinion (For Plastic Ring
Gear Only)
Harness- Wiring
Nut (Brush Retainer)
Nut (Brush Retainer)
Cap-Drive
Cap-End
Housing-Starter
Stud (Rocker Arm)
Dipstick/Tube Seal
Dipstick/Tube Assembly
TerminaI-Sparkplug
Seal- Valve
Bushing-Guide
Base- Air Cleaner
Wire-Alternator
Screw (Rocker Cover)
Cover-Blower Housing
Screw (Fan Retainer)
Solenoid-Fuel
Solenoid-Fuel
Float Bowl Screw
Filter-Pre Cleaner
Cover, Air Cleaner
Screw (Blower Housing
Cover)
Screw (Blower Housing
Cover)
Screw (Air Cleaner Base)
Bowl-Float
Bowl-Float
Gasket Set-Carburetor
Gasket Set-Carburetor
Seal-Throttle Shaft
Carburetor Shield
Fan-Flywheel
Retainer-Fan
Label Kit
Gasket-Rocker Cover
Cover-Rocker
Rod-Push (Intake)
Rod-Push (Exhaust)
Arm-Rocker
Valve Overhaul Kit
Guide-Push Rod
Label-Emission
Screw (Flywheel)
Ring-Retainer
Owner's Manual
Retainer-Brush
691333 Cap-Limiter
93621 Screw (Alternator)
311707-0028-Et Replacement Engine
RPM Settings: Low Speed: 1900-2100
High Speed: 3000-3200
-_ Included in Engine Gasket Set, Ref Number
358.
•Included in Carburetor Overhaul Kit, Ref
Number 121 and 121A.
• Included in Carburetor Gasket Set, Ref
Number 977.
+ Included in Value Overhaul Kit, Ref Number
1033.
NOTE: All component dimensions given in U.S.
inches 1inch = 25.4mm
55

56

57

58

SUGGESTED GUIDE FOR SIGHTING SLOPES FOR SAFE OPERATION
SIGHTING _. _CUT
GUIDE TH-i_S
ONLY RIDE UP AND DOWN HILL,
NOT ACROSS HILL
I
Operate your Tractor up and down the face of slopes (not I
greater than 15°), never across the face. Make turns gradu- I
ally to prevent tipping or loss of control. Exercise extreme
caution when changing direction on slopes.

For repair of major brand appliances in your own home...
no matter who made it, no matter who sold it!
1-800-4-MY-HOME SM Anytime,day ornight
(1-800-469-4663)
www.sears.com
i ¸
!iii'iii i
!i!!!_iiii_i
To bring in products such as vacuums,
lawn equipment and electronics for repair, call for
the location of your nearest Sears Parts &Repair Center.
1 800 488 1222
" - - Anytime,day or night
www.sears.com
For the replacement parts, accessories and owner's manuals •
that you need to do-it-yourself, call Sears PartsDirectSMf
1-800-366-PART 6 a.m.- 11 p.m. CST,
(1-800-366-7278) 7 days a week •
www.sears.corn/partsdirect
To purchase or inquire about a Sears Service Agreement:
1-800-827-6655
7 a.rn.- 5 p.m. CST, Mon.- Sat.
Para pedir servicio de reparaci6n adomicilio,
y para ordenar piezas con entrega a domicilio:
1-888-SU'HOGAR sM
(1-888-784-6427)
HomeCentral
Au Canada pourservice en franctais:
1-877-LE-FOYER s=
(1-877-533-6937)
iiii!iiill
© Sears. Roebuck and Co. ® Registered Trademark /TMTrademark of Seam, Roebuck and Co.
®Mama Registrada /TM Mama de F_brica de Seam, Roebuck and Co.
174876 Rev. 1 6.19.00 JH Printed in U.S.A.