Craftsman 917 27075 Users Manual
917270750 917270750 CRAFTSMAN TRACTOR - Manuals and Guides L0030171 View the owners manual for your CRAFTSMAN TRACTOR #917270750. Home:Lawn & Garden Parts:Craftsman Parts:Craftsman TRACTOR Manual
CRAFTSMAN Lawn, Tractor Manual L0030171 CRAFTSMAN Lawn, Tractor Owner's Manual, CRAFTSMAN Lawn, Tractor installation guides
2015-01-05
: Craftsman Craftsman-917-27075-Users-Manual-160812 craftsman-917-27075-users-manual-160812 craftsman pdf
Open the PDF directly: View PDF
.
Page Count: 60

Owner's Manual
[RHFTSMRNo
18.5 HP
ELECTRIC START
42" MOWER
6 SPEED TRANSAXLE
LAWN TRACTOR
Model No.
917.270750
•Safety
•Assembly
•Operation
•Maintenance
•Repair Parts
CAUTION:
Read and follow all
Safety Rules and Instructions
before operating this equip-
ment.
For answers to your questions
about this product, Call:
1-800-659-5917
Seers Craftsmen Help Line
5 am - 5 pm, Mort - Sat
Sears, Roebuck and Co., Hoffman Estates, IL 60179
VisitourCraftsmanwebsite:www.sears.com/craftsman

Warranty .°_°. °*..°o°°°°...o°°o°..,,..,,.,, o.._,..°,...°. 2
Safety Rules .......................................... 3
Product Specifications .......................... 5
Assembly ............................................... 7
Operation ............................................ 10
Maintenance Schedule ....................... 17
Maintenance ....................................... 17
Service and Adjustments .................... 21
Storage ............................................... 27
Troubleshooting .................................. 28
Repair Parts ........................................ 32
Parts Ordering ....................... Back Cover
LIMITED TWO YEAR WARRANTY ON CRAFTSMAN RIDING EQUIPMENT PARTS
For two (2) years from the date of purchase, if this Craftsman Riding Equipment is
maintained, lubricated and tuned up according to the instructions in the owner's
manual, Sears will repair or replace, free of charge, any parts found to be defective in
material or workmanship. Warranty service is available free of charge by taking your
Craftsman riding equipment to your nearest Sears Service Center. In-home warranty
service is available but a trip charge will apply. This warranty applies only while this
product is in the United States.
This Warranty does not cover:
•Expendable items which become worn during normal use, such as blades, spark
plugs, air cleaners, belts and oil filters.
•Tire replacement or repair caused by punctures from outside objects, such as nails,
thorns, stumps, or_glass.
• Repairs necessary because of operator abuse, including but not limited to, damage
caused by towing objects beyond the capability of the riding equipment, impacting
objects that bend the frame or crankshaft, or over speeding the engine.
• Repairs necessary because of operator negligence, including but not limited to,
electrical and mechanical damage caused by improper storage, failure to use the
proper grade and amount of engine oil, failure to keep the deck clear of flammable
debris, or the failure to maintain the equipment according to the instructions con-
tained in the owner's manual.
• Engine (fuel system) cleaning or repairs caused by fuel determined to be contami-
nated or oxidized (stale). In general, fuel should be used within thirty (30) days of its
purchase date.
• Riding equipment used for commercial or rental purposes.
LIMITED 90 DAY WARRANTY ON BATTERY
For ninety (90) days from date of purchase, if any battery included with this riding
equipment proves defective in material or workmanship and our testing determines the
battery will not hold a charge, Sears will replace the battery at no charge. Warranty
service is available free of charge by taking your Craftsman riding equipment to your
nearest Sears Service Center. In-home warranty service is available but a trip charge
will apply. This warranty applies only while this product is in the United States.
To locate the nearest sears service center or to schedule in-home warranty service,
simply contact sears at 1-800-4-my-home
This Warranty gives you specific legal rights, and you may also have other rights which
may vary from state to state.
Sears, Roebuck and Co., D/817 WA, Hoffman Estates, IL 60179
2

IMPORTANT: This cutting machine is
capable of amputating hands and feet and
throwing objects. Failure to observe the
following safety instructions could result in
serious injury or death.
GENERAL OPERATION
•Read, understand, and follow all
instructions in the manual and on the
machine before starling.
• Only allow responsible adults, who are
familiar with the instructions, to operate
the machine.
• Clear the area of objects such as rocks,
toys, wire, etc., which could be picked
up and thrown by the blade.
•Be sure the area is clear of other people
before mowing. Stop machine if anyone
enters the area.
• Never carry passengers.
• Do not mow in reverse unless absolutely
necessary. Always look down and
behind before and while backing.
• Be aware of the mower discharge
direction and do not point it at anyone.
Do not operate the mower without either
the entire grass catcher or the guard in
place.
•Slow down before turning.
• Never leave a running machine unat-
tended. Always turn off blades, set
parking brake, stop engine, and remove
keys before dismounting.
• Turn off blades when not mowing.
• Stop engine before removing grass
catcher or unclogging chute.
• Mow only in daylight or good artificial
light.
• Do not operate the machine while under
the influence of alcohol or drugs.
• Watch for traffic when operating near or
crossing roadways.
• Use extra care when loading or unload-
ing the machine into a trailer or truck.
• Data indicates that operators, age 60
years and above, are involved in a large
percentage of riding mower-related
injuries. These operators should
evaluate their ability to operate the
riding mower safely enough to protect
themselves and others from serious
injury.
SLOPE OPERATION
Slopes are a major factor related to loss-
of-control and tipover accidents, which can
result in severe injury or death. All slopes
require extra caution. If you cannot back
up the slope or if you feel uneasy on it, do
not mow it.
DO:
•Mow up and down slopes, not across.
• Remove obstacles such as rocks, tree
limbs, etc.
•Watch for holes, ruts, or bumps. Uneven
terrain could overturn the machine. Tall
grass can hide obstacles.
• Use slow speed. Choose a low gear so
that you will not have to stop or shift
while on the slope.
• Follow the manufacturer's recommenda-
tions for wheel weights or counter-
weights to improve stability.
•Use extra care with grass catchers or
other attachments. These can change
the stability of the machine.
•Keep all movement on the slopes slow
and gradual. Do not make sudden
changes in speed or direction.
•Avoid starting or stopping on a slope. If
tires lose traction, disengage the blades
and proceed slowly straight down the
slope.
DO NOT:
•Do notturn on slopes unless necessary,
and then, turn slowly and gradually
downhill, if possible.
•Do not mow near drop-offs, ditches, or
embankments. The mower could
suddenly turn over if a wheel is over the
edge of a cliff or ditch, or if an edge
caves in.
•Do not mow on wet grass. Reduced
traction could cause sliding.
•Do not try to stabilize the machine by
putting your foot on the ground.
•Do not use grass catcher on steep
slopes.
CHILDREN
Tragic accidents can occur if the operator
is not alert to the presence of children.
Children are often attracted to the ma-
chine and the mowing activity. Never
assume that children will remain where
you last saw them.
• Keep children out of the mowing area
and under the watchful care of another
responsible adult.
• Be alert and turn machine off if children
enter the area.
3

•Before and when backing, look behind
and down for small children.
• Never carry children. They may fall off
and be seriously injured or interfere with
safe machine operation.
• Never allow children to operate the
machine.
• Use extra care when approaching blind
corners, shrubs, trees, or other objects
that may obscure vision.
SERVICE
• Use extra care in handling gasoline and
other fuels. They are flammable and
vapors are explosive.
Use only an approved container.
Never remove gas cap or add fuel
with the engine running. Allow
engine to cool before refueling. Do
not smoke.
Never refuel the machine indoors.
Never store the machine or fuel
container inside where there is an
open flame, such as awater heater.
• Never run a machine inside a closed
Never tamper with safety devices.
Check their proper operation regularly.
Keep machine free of grass, leaves, or
other debris build-up. Clean oil or fuel
spillage. Allow machine to cool before
storing.
Stop and inspect the equipment if you
strike an object. Repair, if necessary,
before restarting.
Never make adjustments or repairs with
the engine running.
Grass catcher components are subject
to wear, damage, and deterioration,
which could expose moving parts or
allow objects to be thrown. Frequently
check components and replace with
manufacturer's recommended pads,
when necessary.
Mower blades are sharp and can cut.
Wrap the blade(s) or wear gloves, and
use extra caution when servicing them.
Check brake operation frequently.
Adjust and service as required.
area.
• Keep nuts and bolts, especially blade
attachment bolts, tight and keep
equipment in good condition.
• Be sure the area is clear of other people
before mowing. Stop machine if anyone
enters the area.
•Never carry passengers or children
even with the blades off,
• Do not mow in reverse unless absolutely
necessary. Always look down and
behind before and while backing.
•Never carry children. They may fall off
and be seriously injured or interfere with
safe machine operation.
•Keep children out of the mowing area
and under the watchful care of another
responsible adult.
* Be alert and turn machine off if children
enter the area.
•Before and when backing, look behind
and down for small children.
•Mow up and down slopes (15 ° Max), not
across.
•Remove obstacles such as rocks, tree
limbs, etc.
•Watch for holes, ruts, or bumps. Uneven
terrain could overturn the machine. Tall
grass can hide obstacles.
•Use slow speed. Choose a low gear so
that you will not have to stop or shift
while on the slope.
• Avoid starting or stopping on a slope. If
tires lose traction, disengage the blades
and proceed slowly straight down the
slope.
•If machine stops while going uphill,
disengage blades, shift into reverse and
back down slowly.
•Do not tum on slopes unless necessary,
and then, turn slowly and gradually
downhill, if possible.
4

4_Look for this symbol to point out
important safety precautions. It means
CAUTION!!! BECOME AWARE!!! YOUR
_FETY IS INVOLVED.
CAUTION: In order to prevent acciden-
tal starting when setting up, transporting,
adjusting or making repairs always
disconnect spark plug wire and place wire
_j_ere it cannot contact spark plug.
CAUTION: Do not coast down a hill in
neutral, you may lose control of the tractor.
_CAUTION: Tow only the attachments
that are recommended by and comply with
specifications of the manufacturer of your
tractor. Use common sense when towing.
Operate only at the lowest possible speed
when on a slope. Too heavy of a load,
while on a slope, is dangerous. Tires can
lose traction with the ground and cause
_uto lose control of your tractor.
WARNING: The engine exhaust from
this product contains chemicals known to
the State of California to cause cancer,
birth defects, or other reproductive harm.
PRODUCT SPECIFICATIONS
GASOLINE 1.25 GALLONS
CAPACITY UNLEADED
AND TYPE: REGULAR
OIL TYPE SAE 30 (ABOVE 32°F
API-SF/SG/SH): SAE 5W-30
(BELOW 32°F)
4.0 PINTS
CHAMPION RC12YC
OIL CAPACITY:
SPARK PLUG:
'GAP: .030")
VALVE INTAKE: .004"-.006"
CLEARANCE: EXHAUST: .004"-.006"
GROUND SPEED FORWARD:
MPH): 1sT 1.2
2N° 1.5
3RD 2.3
4TM 3.5
5TM 4.8
6TM 5.4
REVERSE: 1.5
TIRE PRESSURE: FRONT: 14 PSI
REAR: 10PSI
CHARGING 16 AMPS@ 3600 RPM
SYSTEM:
BATTERY: AMP/HR: 28
MIN. CCA: 230
CASE SIZE: U1R
BLADE BOLT 27-35 FT. LBS.
TORQUE:
CONGRATULATIONS on your purchase
of a Craftsman Tractor. It has been
designed, engineered and manufactured
to give you the best possible dependabili-
ty and performance.
Should you experience any problem you
cannot easily remedy, please contact your
nearest Sears Authorized Service Center.
We have competent, well-trained techni-
cians and the proper tools to service or
repair this tractor.
Please read and retain this manual. The
instructions will enable you to assemble
and maintain your tractor properly. Always
observe the =SAFETY RULES".
REPAIR AGREEMENT
A Sears Repair Agreement is available on
this product. Contact your nearest Sears
store for details.
CUSTOMER RESPONSIBILITIES
•Read and observe the safety rules.
•Follow a regular schedule in maintain-
ing, caring for and using your tractor.
•Follow the instructions under =Mainte-
nance" and =Storage" sections of this
owner's manual.
AWARNING: This tractor is equipped
with an intemal combustion engine and
should not be used on or near any
unimproved forest-covered, brush-
covered or grass-covered land unless the
engine's exhaust system is equipped with
a spark arrester meeting applicable local
or state laws (it any). If a spark arrester is
used, it should be maintained in effective
working order by the operator.
In the state of California the above is
required by law (Section 4442 of the
California Public Resources Code). Other
states may have similar laws. Federal
laws apply on federal lands. A spark
arrester for the muffler is available through
your nearest Sears Authorized Service
Center (See REPAIR PARTS section of
5 this manual).

I I I
Steering
Wheel Insert
(1) Hex Bolt 5/16-18 x 1-1/4
I I
Steering Wheel
@
(1) Locknut 5/16-18
(1) Hex Bolt
3/8-16 x 1
L_ (1) Large Fiat Washer
(1) Lockwasher 3/8
Steering
Boot
Steering
Extension
Shaft C
Seat
(1) Washer
17/32 x 1-3/16 x 12 Gauge
_(1) Knob
Keys
(2) Keys Slope Sheet
(1) Shoulder
Bolt 5/16-18
Video Cassette
m,
"-I
6

Your new tractor has been assembled at the factory with exception of those parts left
unassembled for shipping purposes. To ensure safe and proper operation of your
tractor all parts and hardware you assemble must be tightened securely. Use the
correct tools as necessary to insure proper tightness. Review the video cassette before
you begin.
TOOLS REQUIRED FOR
ASSEMBLY
A socket wrench set will make assembly
easier. Standard wrench sizes you need
are listed below.
(1) 9/16" wrench
(1) Utility knife
(1) 3/4" socket with
drive ratchet
(2) 1/2" wrench
(1) Pliers
(1) Tire pressure
gauge
When right or left hand is mentioned in
this manual, it means, from your point of
view, when you are in the operating
position (seated behind the steering
wheel).
TO REMOVE TRACTOR FROM
CARTON
UNPACK CARTON
•Remove all accessible loose parts and
parts boxes from shipping carton.
•Cut, from top to bottom, along lines on
all four corners of shipping carton, and
lay panels flat.
•Check for any additional loose parts or
boxes and remove.
BEFORE REMOVING TRACTOR
FROM SKID
ATTACH STEERING WHEEL
ASSEMBLE EXTENSION SHAFTAND
BOOT
•Slide extension shaft onto lower
steering shaft. Align mounting holes in
extension and lower shafts and install 5/
16 hex bolt and Iocknut. Tighten
securely.
•Place tabs of steering boot over tab
slots in dash and push down to secure.
INSTALL STEERING WHEEL
• Position front wheels of the tractor so
they are pointing straight forward.
•Remove steering wheel adapter from
steering wheel and slide adapter onto
steering shaft extension.
•Position steering wheel so cross bars
are horizontal (left to right) and slide
inside boot and onto adapter.
• Assemble large flat washer, 3/8 lock
washer, 3/8 hex bolt and tighten
securely.
•Snap steering wheel insert into center of
steering wheel.
•Remove protective materials from
tractor hood and grill.
IMPORTANT: Check for and remove any
staples in skid that may puncture tires
where tractor is to roll off skid.
HOW TO SET UP YOUR TRACTOR
CHECK BA'n'ERY
• Lift seat pan to raised position and open
battery box door.
•If this battery is put into service after
month and year indicated on label (label
located between terminals) charge
battery for minimum of one hour at 6-10
amps. (See "BATTERY" in Maintenance
section of this manual for charging
instructions).
7

Seat
Battery Box
Door
Label
INSTALL SEAT
Adjust seat before tightening adjustment
knob.
•Remove adjustment knob and flat
washer securing seat to cardboard
packing and set aside for assembly of
seat to tractor.
•Pivot seat upward and remove from the
cardboard packing. Remove the
carboard packing and discard.
• Place seat on seat pan and assemble
shoulder bolt, Tighten shoulder bolt
securely.
• Assemble adjustment knob and flat
washer loosely. Do not tighten.
• Lower seat into operating position and
sit on seat,
• Slide seat until a comfortable position is
reached which allows you to press
clutch/brake pedal all the way down.
• Get off seat without moving its adjusted
position.
• Raise seat and tighten adjustment knob
securely. Seat
\
Seat Pan
Shoulder
Bolt
Adjustment
Knob
NOTE: You may now roll or drive your
tractor off the skid. Follow the appropriate
instruction below to remove the tractor
from the skid.
TO ROLL TRACTOR OFF SKID (See
Operation section for location and
function of controls)
•Press lift lever plunger and raise
attachment lift lever to its highest
position.
•Release parking brake by depressing
clutch/brake pedal.
•Place gearshift lever in neutral (N)
position.
•Roll tractor forward off skid.
TO DRIVE TRACTOR OFF SKID
WARNING: Before starting, read, under-
stand and follow all instructions in the
Operation section of this manual. Be sure
tractor is in a well-ventilated area. Be sure
the area in front of tractor is clear of other
people and objects.
• Be sure all the above assembly steps
have been completed.
• Check engine oil level and fill fuel tank
with gasoline.
• Sit on seat in operating position,
depress clutch/brake pedal and set the
parking brake.
• Place gear shift lever in neutral (N)
position.
• Press lift lever plunger and raise
attachment lift lever to its highest
position.
• Start the engine. After engine has
started, move throttle control to idle
position.
•Depress clutclVbrake pedal into full
"BRAKE" position and hold. Move
gearshift lever to 1st gear.
• Slowly release clutch/brake pedal and
slowly drive tractor off skid.
• Apply brake to stop tractor, set parking
brake and place gearshift lever in
neutral position.
• Turn ignition key to "OFF" position.
Continue with the instructions that follow.
INSTALL MULCHER PLATE
(If previously removed)
•Raise and hold deflector shield in
upright position.
•Place front of mulcher plate over front of
mower deck opening and slide into
place, as shown.
•Hook front latch into hole on front of
mower deck.
•Hook rear latch into hole on back of
mower deck.
8

_CAUTION: Do not remove deflector
shield from mower. Raise and hold shield
when attaching mulcher plate and allow it
to rest on plate while in operation.
Deflector
Shield Mulcher
Latch
Hooks
TO CONVERT TO BAGGING OR
DISCHARGING
Simply remove mulcher plate and store in
a safe place. Your mower is now ready for
discharging or installation of optional grass
catcher accessory.
NOTE: It is not necessary to change
blades. The mulcher blades are designed
for discharging and bagging also.
CHECK TIRE PRESSURE
The tires on your tractor were overinflated
at the factory for shipping purposes.
Correct tire pressure is important for best
cutting performance.
•Reduce tire pressure to PSI shown in
=PRODUCT SPECIFICATIONS" section
of this manual.
CHECK DECK LEVELNESS
For best cutting results, mower housing
should be propedy leveled. See =TO
LEVEL MOWER HOUSING" in the
Service and Adjustments section of this
manual.
CHECK FOR PROPER POSITION OF
ALL BELTS
See the figures that are shown for
replacing motion and mower blade drive
belts in the Service and Adjustments
section of this manual. Verify that the belts
are routed correctly.
CHECK BRAKE SYSTEM
After you laam how to operate your
tractor, check to see that the brake is
propedy adjusted. See =TO ADJUST
BRAKE" in the Service and Adjustments
section of this manual.
_CHECKLIST
Before you operate and enjoy your new
tractor, we wish to assure that you receive
the best performance and satisfaction from
this quality product.
Please review the following checklist:
,/ All assembly instructions have been
completed.
,/No remaining loose parts in carton.
,/Battery is properly prepared and
charged.(Minimum 1 hour at 6 amps).
•/Seat is adjusted comfortably and
tightened securely.
,/All tires are properly inflated. (For
shipping purposes, the tires were
overinflated at the factory).
•/Be sure mower deck is properly leveled
side-to-side/front-to-rear for best cutting
results. (Tires must be properly inflated
for leveling).
,/Check mower and drive belts. Be sure
they are routed properly around pulleys
and inside all belt keepers.
,/Check wiring. See that all connections
are still secure and wires are properly
clamped.
While learning how to use your tractor, pay
extra attention to the following important
items:
/Engine oil is at proper level.
4* Fuel tank is filled with fresh, clean,
regular unleaded gasoline.
,/Become familiar with all controls - their
location and function. Operate them
before you start the engine.
,/Be sure brake system is in safe operat-
ing condition.
9

These symbols may appear on your tractor or in literature supplied with the product.
Learn and understand their meaning.
BATTERY CAUTION OR
WARNING
ENGINE ON ENGINE OFF
i\l ,@
REVERSE FORWARD FAST SLOW
OIL PRESSURE LIGHTS ON OVER TEMP '_
LIGHT t
FUEL CHOKE MOWER HEIGHT PARKING BRAKE UNLOCKED MOWER LIFT
LOCKED
R N H L
ATTACHMENT REVERSE NEUTRAL HIGH LQW
CLUTCH ENGAGED PARKING BRAKE
KEEP AREA CLEAR SLOPE HAZARDS
ATTACHMENT
IGNITION CLUTCH DISENGAGED (SEE SAFETY RULES SECTION)
DANGER, KEEP HANDS AND FEET AWAY FREE WHEEL
(AutomaticModels only)
10

KNOW YOUR TRACTOR
READ THIS OWNER'S MANUAL AND SAFETY RULES BEFORE
OPERATING YOUR TRACTOR
Compare the illustrations with your tractor to familiarize yourself with the locations of
various controls and adjustments. Save this manual for future reference.
Choke Control
Throttle
Control
Clutch/
Attachment Light
Clutch Lever Ignition Switch
Ammeter Switch
--... Lift Lever
Plunger
Attachment
Lift Lever
Pedal
O
Height
Adjustment
Indicator
Parking Brake
Gearshift
Lever
Our tractors conform to the safety standards of the American
National Standards Institute.
ATTACHMENT CLUTCH LEVER: Used
to engage the mower blades, or other
attachments mounted to your tractor.
LIGHT SWITCH: Turns the headlights on
and off.
THROTTLE CONTROL: Used for starting
and controlling engine speed.
CHOKE CONTROL: Used when starting
a cold engine.
CLUTCH/BRAKE PEDAL: Used for
declutching and braking the tractor and
starting the engine.
PARKING BRAKE: Locks clutch/brake
pedal into the brake position.
GEARSHIFT LEVER: Selects the speed
and direction of tractor.
ATTACHMENT LIFT LEVER: Used to
raise, lower, and adjust the mower deck or
other attachments mounted to your
tractor.
LIFT LEVER PLUNGER: Used to release
attachment lift lever when changing its
position.
IGNITION SWITCH: Used for starting and
stopping the engine.
AMMETER: Indicates battery charging
(+) or discharging (-).
11

I I
The operation of any tractor can result in foreign objects thrown into the
eyes, which can result in severe eye damage. Always wear safety
glasses or eye shields while operating your tractor or performing any
adjustments or repairs. We recommend a wide vision safety mask over
spectacles, or standard safety glasses.
HOW TO USE YOUR TRACTOR
TO SET PARKING BRAKE
Your tractor is equipped with an operator
presence sensing switch. When engine
is running, any attempt by the operator to
leave the seat without first setting the
parking brake will shut off the engine.
• Depress clutcI-Vbrake pedal into full
"BRAKE" position and hold.
• Place parking brake lever in "EN-
GAGED" position and release pressure
from clutch/brake pedal. Pedal should
remain in "BRAKE" position. Make sure
parking brake will hold tractor secure.
Choke Control Attachment Clutch Lever
"Engaged" Position
Throttle "Disengaged"
Control Position
Clutch/Brakl
Pedal
Position
Parking Brake
"Engaged"
Position
"Disengaged"
Position
STOPPING
Gearshift
Laver
"Brake"
Position
MOWER BLADES -
• To stop mower blades, move attach-
ment clutch lever to "DISENGAGED"
position.
GROUND DRIVE -
* To stop ground drive, depress clutcW
brake pedal into full "BRAKE" position.
• Move gearshift lever to neutral (N)
position.
ENGINE -
• Move throttle control to slow position.
NOTE: Failure to move throttle control to
slow position and allowing engine to idle
before stopping may cause engine to
"backfire".
• Turn ignition key to "OFF" position and
remove key. Always remove key when
leaving tractor to prevent unauthorized
use.
•Never use choke to stop engine.
IMPORTANT: Leaving the ignition switch
in any position other than "OFF" will cause
the battery to be discharged, (dead).
NOTE: Under certain conditions when
tractor is standing idle with the engine
running, hot engine exhaust gases may
cause "browning" of grass. To eliminate
this possibility, always stop engine when
stopping tractor on grass areas.
_LCAUTION: Always stop tractor
completely, as described above, before
leaving the operator's position; to empty
grass catcher, etc.
THROTTLE CONTROL
Always operate engine at full throttle.
•Operating engine at less than full
throttle reduces the battery charging
rate.
• Full throttle offers the best bagging and
mower performance.
CHOKE CONTROL
Use choke control whenever you are
starting a cold engine. Do not use to start
awarm engine.
•To engage choke control, pull knob out.
Slowly push knob in to disengage.
TO MOVE FORWARD AND BACKWARD
The direction and speed of movement is
controlled by the gearshift lever.
•Start tractor with clutch/brake pedal
depressed and gearshift lever in neutral
(N) position.
•Move gearshift lever to desired posi-
tion.
•Slowly release clutch/brake pedal to
start movement.
IMPORTANT: Bring tractor to a complete
stop before shifting or changing gears.
Failure to do so will shorten the useful life
of your transaxle.
12

TO ADJUST MOWER CUTTING
HEIGHT
The position of the attachment lift lever
determines the cutting height.
•Grasp lift lever.
•Press plunger with thumb and move
lever to desired position.
The cutting height range is approxi-
mately 1-1/2 to 4". The heights are
measured from the ground to the blade tip
with the engine not running. These
heights are approximate and may vary
depending upon soil conditions, height of
grass and types of grass being mowed.
•The average lawn should be cut to
approximately 2-1/2 inches during the
cool season and to over 3 inches during
hot months. For healthier and better
looking lawns, mow often and after
moderate growth.
•For best cutting performance, grass over
6inches in height should be mowed
twice. Make the first cut relatively high;
the second to desired height.
TO ADJUST GAUGE WHEELS
Gauge wheels are properly adjusted
when they are slightly off the ground when
mower is at the desired cutting height in
operating position. Gauge wheels then
keep the deck in proper position to help
prevent scalping in most terrain conditions.
•Adjust gauge wheels with tractor on a
flat level surface.
• Adjust mower to desired cutting height
(See "TO ADJUST MOWER CUTTING
HEIGHT" in the Operation section of this
manual).
•With mower in desired height of cut
position, gauge wheels should be
assembled so they are slightly off the
ground. Install gauge wheel in appropri-
ate hole with shoulder bolt, 318 washer,
and 3/8-16 Iocknut and tighten securely.
•Repeat for opposite side installing
gauge wheel in same adjustment hole.
Gauge Wheel
MounUn
Bracket
3/8-16 Locknut
3/8 Washer
Gauge Wheel
Shoulder
TO OPERATE MOWER
Your tractor is equipped with an operator
presence sensing switch. Any attempt by
the operator to leave the seat with the
engine running and the attachment clutch
engaged will shut off the engine.
•Select desired height of cut.
•Start mower blades by engaging
attachment clutch control.
•TO STOP MOWER BLADES - disen-
gage attachment clutch control.
_I_CAUTIQN: Do not operate the mower
without either the entire grass catcher, on
mowers so equipped, or the deflector
shield in place.
Attachment Clutch
Lever "Engaged"
Position
Attachment Lift Lever
High Position
"Disen Low
Position Position
TO OPERATE ON HILLS
_CAUTION: Do not drive up or down hills
with slopes greater than 15 ° and do not
drive across any slope. A slope guide at
the back of your manual is provided for
your use.
•Choose the slowest speed before
starting up or down hills.
•Avoid stopping or changing speed on
hills.
•If slowing is necessary, move throttle
control lever to slower position.
•If stopping is absolutely necessary, push
clutch_orake pedal quickly to brake
position and engage parking brake.
•Move gearshift leverto lstgear. Be
sure you have allowed room for tractor
to roll slightly as you restart movement.
•To restart movement, slowly release
parking brake and clutcWbrake pedal.
•Make all tums slowly.
13

TO TRANSPORT
•Raise attachment lift to highest position
with attachment lift control.
•When pushing or towing your tractor, be
sure gearshift lever is in neutral (N)
position.
•Do not push or tow tractor at more than
five (5) MPH.
NOTE: To protect hood from damage
when transporting your tractor on a truck
or a trailer, be sure hood is closed and
secured to tractor. Use an appropriate
means of tying hood to tractor (rope, cord,
etc.).
TOWING CARTS AND OTHER
ATTACHMENTS
Tow only the attachments that are
recommended by and comply with
specifications of the manufacturer of your
tractor. Use common sense when towing.
Too heavy of a load, while on a slope, is
dangerous. Tires can lose traction with the
ground and cause you to lose control of
your tractor.
BEFORE STARTING THE ENGINE
CHECK ENGINE OIL LEVEL
• The engine in your tractor has been
shipped, from the factory, already filled
with summer weight oil.
• Check engine oil with tractor on level
ground.
• Remove oil fill cap/dipstick and wipe
clean, reinsert the dipstick and screw
cap tight, wait for a few seconds,
remove and read oil level. If necessary,
add oil until "FULL" mark on dipstick is
reached. Do not overfill.
• For cold weather operation you should
change oil for easier starting (See "OIL
VISCOSITY CHART" in the Mainten-
ance section of this manual).
• To change engine oil, see the Mainten-
ance section in this manual.
ADD GASOLINE
• Fill fuel tank. Use fresh, clean, regular
unleaded gasoline with a minimum of
87 octane. (Use of leaded gasoline will
increase carbon and lead oxide
deposits and reduce valve life). Do not
mix oil with gasoline. Purchase fuel in
quantities that can be used within 30
days to assure fuel freshness.
IMPORTANT: When operating in tem-
peratures below 32°F(0°C), use fresh,
clean winter grade gasoline to help insure
good cold weather starting.
_WARNING: Experience indicates that
alcohol blended fuels (called gasohol or
using ethanol or methanol) can attract
moisture which leads to separation and
formation of acids during storage. Acidic
gas can damage the fuel system of an
engine while in storage. To avoid engine
problems, the fuel system should be
emptied before storage of 30 days or
longer. Drain the gas tank, start the
engine and let it run until the fuel lines
and carburetor are empty. Use fresh fuel
next season. See Storage Instructions for
additional information. Never use engine
or carburetor cleaner products in the fuel
tank or permanent damage may occur.
_I, CAUTION: Fill to bottom of gas tank
filler neck. Do not overfill. Wipe off any
spilled oil or fuel. Do not store, spill or use
gasoline near an open flame.
14

TO START ENGINE
When starting the engine for the first time
or if the engine has run out of fuel, it will
take extra cranking time to move fuel from
the tank to the engine.
•Sit on seat in operating position,
depress clutch/brake pedal and set
parking brake.
• Place gear shift lever in neutral (N)
position.
•Move attachment clutch to "DISEN-
GAGED" position.
•Move throttle control to fast position
•Pull choke control out for acold engine
start attempt. For a warm engine start
attempt the choke control may not be
needed.
NOTE: Before starting, read the warm and
cold starting procedures below.
•Insert key into ignition and turn key
clockwise to "START" position and
release key as soon as engine starts.
Do not run starter continuously for more
than fifteen seconds per minute. If the
engine does not start after several
attempts, push choke control in, wait a
few minutes and try again. If engine still
does not start, pull the choke control out
and retry.
WARM WEATHER STARTING (50 °F
AND ABOVE)
• When engine starts, slowly push choke
control in until the engine begins to run
smoothly. If the engine starts to run
roughly, pull the choke control out
slightly for afew seconds and then
continue to push the control in slowly.
•The attachments and ground drive can
now be used. if the engine does not
accept the load, restart the engine and
allow it to warm up for one minute using
the choke as described above.
COLD WEATHER STARTING (50 ° F AND
BELOW)
• When engine starts, slowly push choke
control in until the engine begins to run
smoothly. Continue to push the choke
control in small steps allowing the
engine to accept small changes in
speed and load, until the choke control
is fully in. If the engine starts to run
roughly, pull the choke control out
slightly for a few seconds and then
continue to push the control in slowly.
This may require an engine warm-up
period from several seconds to several
minutes, depending on the temperature.
•The attachments can be used during
the engine warm-up period and may
require the choke control be pulled out
slightly.
NOTE: A high altitude (above 3000 feet)
or in cold temperatures (below 32 F) the
carburetor fuel mixture may need to be
adjusted for best engine performance.
15

See "TO ADJUST CARBURETOR" in the
Service and Adjustments section of this
manual.
MOWING TIPS
•Mower should be properly leveled for
best mowing performance. See 'q'O
LEVEL MOWER HOUSING" in the
Service and Adjustments section of this
manual.
• The left hand side of mower should be
used for trimming.
• Drive so that clippings are discharged
onto the area that has been cut. Have
the cut area to the fight of the machine.
This will result in a more even distribu-
tion of clippings and more uniform
cutting.
• When mowing large areas, start by
turning to the right so that clippings will
discharge away from shrubs, fences,
driveways, etc. After one or two
rounds,
mow in the opposite direction making
left hand turns until finished
• If grass is extremely tall, it should be
mowed twice to reduce load and
possible fire hazard from dried clip-
pings. Make first cut relatively high; the
second to the desired height.
•Do not mow grass when it is wet. Wet
grass will plug mower and leave
undesirable clumps. Allow grass to dry
before mowing.
•Always operate engine at full throttle
when mowing to assure better mowing
performance and proper discharge of
material. Regulate ground speed by
selecting a low enough gear to give the
mower the best cutting performance as
well as the quality of cut desired.
•When operating attachments, select a
ground speed that will suit the terrain
and give best performance of the
attachment being used.
MULCHING MOWING TIPS
IMPORTANT: For best performance, keep
mower housing free of built-up grass and
trash. Clean after each use.
•The special mulching blade will recut
the grass clippings many times and
reduce them in size so that as they fall
onto the lawn they will disperse into the
grass and not be noticed, Also, the
mulched grass will biodegrade quickly to
provide nutrients for the lawn. Always
mulch with your highest engine (blade)
speed as this will provide the best
recutting action of the blades.
• Avoid cutting your lawn when it is wet.
Wet grass tends to form clumps and
interferes with the mulching action. The
best time to mow your lawn is the early
afternoon. At this time the grass has
dried and the newly cut area will not be
exposed to the direct sun.
•For best results, adjust the mower
cutting height so that the mower cuts off
only the top one-third of the grass
blades. For extremely heavy mulching,
reduce your width of cut on each pass
and mow slowly.
•Certain types of grass and grass
conditions may require that an area be
mulched a second time to completely
hide the clippings. When doing a
second cut, mow across or perpendicu-
lar to the first cut path.
•Change your cutting pattern from week
to week. Mow north to south one week
then change to east to west the next
week. This will help prevent matting
and graining of the lawn.
16

MAINTENANCE SCHEDULE _'_ _/_'=_/_'_s/'_'_ __D
AsYouCO_PL_rE f_..._'_ _._ _.
Check ]]re Pressure
Check Operator Presence and
TInterlock Systems I_
R CheckforLooseFastenem I_ 1_7 I_
A Sharpen/Replace Mower Blades !4
T Lub_.,a.onChart I/
0 Check Batten/Level
RClean Battery and Tenninels
Check Tratmaxle Cooling J_
Adjust Blade Belt(s) Tension _s
Adjust Motion Drive Belt(s) Tension ll_s
Check Engine Oil Level
Change Engine Oil
E ae=, Air Fitter
NCleanAirScreen
Inspect MutttedSpark Arrester
Replace Oil Filter (If equipped)
NClean EngineCoolingRns
Replace Spa_ Plug
Replace Air Filter Paper Cartridge
Replace Fuel Filter
1 - Change more ofleq when oper allng unde_ • him W _ld or in high ambient temperi¢ure=. 5 - If equipped with •djultabie rtttem,
2 - Sin"Acemoreopenwhen 0pen=ringindkl"/ordustycondit;on=, iS- Not r_ulr_ if equippedwithm•inte_incl4me battery.
3*If equipped wllh oil filter, _oil ivep/50 houri. 7 - Tighten front IJde pl_ boit to 35 It,4b=, maximum.
4 - R_olac• biades mo_e alten when mow_g In landy :og, Do not oveftlgNen.
V' v'
t/,
v', t/
v',
GENERAL RECOMMENDATIONS LUBRICATION CHART
The warranty on this tractor does not
cover items that have been subjected to
operator abuse or negligence. To receive
full value from the warranty, operator must
maintain tractor as instructed in this
manual.
Some adjustments will need to be made
periodically to properly maintain your
tractor.
All adjustments in the Service and
Adjustments section of this manual should
be checked at least once each season.
•Once a year you should replace the
spark plug, clean or replace air filter,
and check blades and belts for wear. A
new spark plug and clean air filter
assure proper air-fuel mixture and help
your engine run better and last longer.
BEFORE EACH USE
•Check engine oil level.
•Check brake operation.
• Check tire pressure.
•Check operator presence and interlock
systems for proper operation.
• Check for loose fasteners.
(_) -Spindle(_)
Zerk =_ Zerk
I
•) Front _)
Wheel
Beadng -_ Bearing
Zerk Zerk
_) Engine
I_ i I
I I I
II I I
L__.' '._.J
(D SAE 30 or 10w30 motor oil
(I) General Purpose Grease
_) Refer to Maintenance =ENGINE _
Section
Gearshift
Pivots
IMPORTANT: Do not oil or grease the pivo
points which have special nylon bearings.
Viscous lubricants will attract dust and dirt
that will shorten the life of the self-lubricat-
ing bearings. If you feel they must be
lubricated, use only a dry, powdered
graphite type lubricant sparingly.
17

TRACTOR
Always observe safety rules when
performing any maintenance.
BRAKE OPERATION
If tractor requires more than six (6) feet
stopping distance at high speed in highest
gear, then brake must be adjusted. (See
"TO ADJUST BRAKE" in the Service and
Adjustments section of this manual).
TIRES
• Maintain proper air pressure in all tires
(See "PRODUCT SPECIFICATIONS"
section of this manual).
•Keep tires free of gasoline, oil, or insect
control chemicals which can harm
rubber.
• Avoid stumps, stones, deep ruts, sharp
objects and other hazards that may
cause tire damage.
NOTE: To seal tire punctures and prevent
flat tires due to slow leaks, tire sealant
may be purchased from your local parts
dealer. Tire sealant also prevents tire dry
rot and corrosion.
OPERATOR PRESENCE SYSTEM
Be sure that operator presence and
interlock systems are working properly. If
your tractor does not function as described
below, repair the problem immediately.
• The engine should not start unless the
clutch/brake pedal is fully depressed
and attachment clutch control is in the
disengaged position.
•When the engine is running, any
attempt by the operator to leave the seat
without first setting the parking brake
should shut off the engine.
• When the engine is running and the
attachment clutch is engaged, any
attempt by the operator to leave the seat
should shut off the engine.
• The attachment clutch should never
operate unless the operator is in the
seat.
BLADE CARE
IMPORTANT: To ensure proper assembly,
center hole isn blade must align with star
on mandrel assembly.
•Reassemble hex bolt, lock washer and
flat washer in exact order as shown.
•Tighten bolt securely (27-35 Ft. Lbs.
torque).
IMPORTANT: Blade bolt is Grade 8 heat
treated.
Trailing Edae UPB Mandn Assembly
_'B/adecenter, .._
Flat Washer _"_J_._-.- I_
Lock
Washe_.._-'_ _ _'Star
_Hex Bolt(Grade 8)_*-'_
*A Grade 8 heat treated bolt can be identified by
six lines on the bolt head.
TO SHARPEN BLADE
NOTE: We do not recommend sharpening
blade, but if you do, be sure the blade is
balanced.
Care should be taken to keep the blade
balanced. An unbalanced blade will cause
excessive vibration and eventual damage
to mower and engine.
•The blade can be sharpened with a file
or on a grinding wheel. Do not attempt
to sharpen while it is on the mower.
•To check blade balance, you will need a
5/8" diameter steel bolt, pin, or a cone
balancer. (When using a cone balancer,
follow the instructions supplied with
balancer).
NOTE: Do not use a nail for balancing
blade. The lobes of the center hole may
appear to be centered, but are not.
°Slide blade onto an unthreaded portion
of the steel bolt or pin and hold the bolt
or pin parallel with the ground. If blade
is balanced, it should remain in a
horizontal position. If either end of the
blade moves downward, sharpen the
heavy end until the blade is balanced.
// /
For best results mower blades must be
kept sharp. Replace bent or damaged
blades.
BLADE REMOVAL
5/8" Bolt
or Pin _
Center Hole _/j_
•Raise mower to highest position to allow
access to blades.
• Remove hex bolt, lock washer and flat
washer securing blade.
• Install new or resharpened blade with
trailing edge up towards deck as shown.
BATTERY
Your tractor has a battery charging system
which is sufficient for normal use. How-
ever, periodic charging of the battery with
an automotive charger will extend its life.
18

•Keep battery and terminals clean.
•Keep battery bolts tight.
•Keep small vent holes open.
•Recharge at 6-10 amperes for 1 hour.
NOTE: The original equipment battery on
your tractor is maintenance free. Do not
attempt to open or remove caps or covers.
Adding or checking level of electrolyte is
not necessary.
TO CLEAN BATTERY AND TERMINALS
Corrosion and dirt on the battery and
terminals can cause the battery to "leak"
power.
• Open battery box door.
•Disconnect BLACK battery cable first
then RED battery cable and remove
battery from tractor.
• Rinse the battery with plain water and
dry.
• Clean terminals and battery cable ends
with wire brush until bright.
• Coat terminals with grease or petroleum
jelly.
• Reinstall battery (See "REPLACING
BATTERY" in the SERVICE AND
ADJUSTMENTS section of this manual).
V-BELTS
Check V-belts for deterioration and wear
after 100 hours of operation and replace if
necessary. The belts are not adjustable.
Replace belts if they begin to slip from
wear.
TRANSAXLE COOLING
Keep transaxle free from build-up of dirt
and chaff which can restrict cooling.
ENGINE
LUBRICATION
Only use high quality detergent oil rated
with API service classification SF, SG, or
SH. Select the oil's SAE viscosity grade
according to your expected operating
temperature.
NOTE: Although multi-viscosity oils
(5W30, 10W30 etc.) improve starting in
cold weather, these multi-viscosity oils will
result in increased oil consumption when
used above 32°F. Check your engine oil
level more frequently to avoid possible
engine damage trom running low on oil.
Change the oil after every 50 hours of
operation or at least once ayear if the
tractor is not used for 50 hours in one
year.
Check the crankcase oil level before
starting the engine and after each eight
(8) hours of operation. Tighten oil fill cap/
dipstick securely each time you check the
oil level.
TO CHANGE ENGINE OIL
Determine temperature range expected
before oil change. All oil must meet API
service classification SF, SG or SH.
• Be sure tractor is on level surface.
• Oil will drain more freely when warm.
• Catch oil in a suitable container.
• Remove oil fill cap/dipstick. Be careful
not to allow dirt to enter the engine
when changing oil.
• Remove drain plug.
• After oil has drained completely, replace
oil drain plug and tighten securely.
• Refill engine with oil through oil fill
dipstick tube. Pour slowly. Do not
overfill. For approximate capacity see
"PRODUCT SPECIFICATIONS" section
of this manual.
• Use gauge on oil fill cap/dipstick for
checking level. Be sure dipstick cap is
tightened securely for accurate reading.
Keep oil at "FULL" line on dipstick.
Air
Oil Fill Cap/
Dipstsick
Oil Drain
CLEAN AIR SCREEN
Air screen must be kept tree ot dirt and
chaff to prevent engine damage from
overheating. Clean with a wire brush or
compressed air to remove dirt and
stubborn dried gum fibers.
CLEAN AIR INTAKF-JCOOLING
AREAS
To insure proper cooling, make sure the
grass screen, cooling fins, and other
external surfaces of the engine are kept
clean at all times.
Every 100 hours of operation (more often
under extremely dusty, dirty conditions),
remove the blower housing and other
cooling shrouds.
19

Cleanthe cooling fins and external
surfaces as necessary. Make sure the
cooling shrouds are reinstalled.
NOTE: Operating the engine with a
blocked grass screen, dirty or plugged
cooling fins, and/or cooling shrouds
removed will cause engine damage due to
overheating.
AIR FILTER
Your engine will not run properly using a
dirty air filter. Clean the foam pre-cleaner
after every 25 hours of operation or every
season. Service paper cartridge every
100 hours of operation or every season,
whichever occurs first.
Service air cleaner more often under dusty
conditions.
•Remove knobs and cover.
TO SERVICE PRE-CLEANER
•Wash it in liquid detergent and water.
•Squeeze it dry in a clean cloth.
•Saturate it in engine oil. Wrap it in
clean, absorbent cloth and squeeze to
remove excess oil.
•If very dirty or damaged, replace pre-
cleaner.
TO SERVICE CARTRIDGE
•Clean cartridge by tapping gently on flat
surface. If very dirty or damaged,
replace cartridge.
• Reinstall precleaner cartridge, cover and
secure with knobs.
IMPORTANT: Petroleum solvents, such
as kerosene, are not to be used to clean
the cartridge. They may cause deteriora-
tion of the cartridge. Do not oil cartridge.
Do not use pressurized air to clean or dry
cartridge.
Cover _ Knobs
Foam Pre-
Cleaner Cartridge
ENGINE OIL FILTER
Replace the engine oil filter every season
or every other oil change if the tractor is
used more than 100 hours in one year.
•Unscrew old filter by tuming counter-
clockwise. Use a suitable container to
catch oil.
• Apply a thin coating of new engine oil to
rubber gasket on replacement oil filter.
• Install replacement oil filter by turning
clockwise until rubber gasket contacts
mounting surface, then tighten filter an
additional 1/2 to 3/4 turn.
• Fill crankcase with new oil (See "TO
CHANGE ENGINE OIL" in this section
of this manual). For approximate
capacity see "PRODUCT SPECIFICA-
TIONS" section of this manual.
•Start engine and check for oil leaks.
Correct any leaks before placing engine
into full operation.
Oil Filtm
MUFFLER
Inspect and replace corroded muffler and
spark arrester (if equipped) as it could
create a fire hazard and/or damage.
SPARK PLUGS
Replace spark plugs at the beginning of
each mowing season or after every 100
hours of operation, whichever occurs first.
Spark plug type and gap setting are shown
in "PRODUCT SPECIFICATIONS" section
of this manual.
IN-LINE FUEL FILTER
The fuel filter should be replaced once
each season. If fuel filter becomes
clogged, obstructing fuel flow to carbure-
tor, replacement is required.
• With engine cool, remove filter and plug
fuel line sections.
• Place new fuel filter in position in fuel
line with arrow pointing towards carbu-
retor.
• Be sure there are no fuel line leaks and
clamps are properly positioned.
• Immediately wipe up any spilled
gasoline.
_PFilter
2O

CLEANING
•Clean engine, battery, seat, finish, etc.
of all foreign matter.
•Keep finished surfaces and wheels free
of all gasoline, oil, etc.
•Protect painted surfaces with automo-
tive type wax.
We do not recommend using a garden
hose to clean your tractor unless the
electrical system, muffler, air filter and
carburetor are covered to keep water out.
Water in engine can result in a shortened
engine life.
_LCAUTION: Before performing any service or adjustments:
•Depress clutch/brake pedal fully and set parking brake.
•Place gearshift lever in neutral (N) position.
•Place attachment clutch in =DISENGAGED" position.
•Tum ignition key =OFF" and remove key.
•Make sure the blades and all moving parts have completely stopped.
• Disconnect spark plug wire from spark plug and place wire where it cannot come
in contact with plug.
TRACTOR
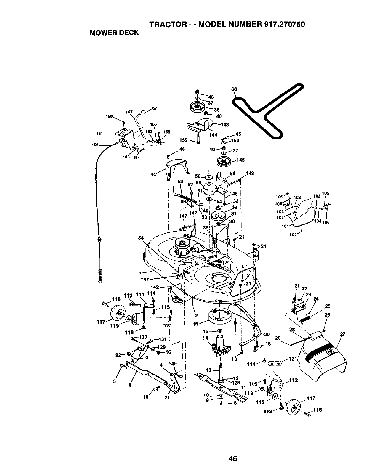
TO REMOVE MOWER
Mower will be easier to remove from the
right side of tractor.
•Place attachment clutch in =DISEN-
GAGED" position.
•Move attachment lift lever forward to
lower mower to its lowest position.
•Roll belt off engine pulley.
•Remove small retainer spring, and lift
clutch spring off pulley bolt.
•Remove large retainer spring, slide
collar off and push housing guide out of
bracket.
•Disconnect anti-swaybar from chassis
bracket by removing retainer spring.
•Disconnect suspension arms from rear
deck brackets by removing retainer
springs.
•Disconnect front links from deck by
removing retainer spdngs.
Small Retainer Spdng
Clutch
•Raise lift lever to raise suspension
arms. Slide mower out from under
tractor.
IMPORTANT: If an attachment other than
the mower deck is to be mounted on the
tractor, remove the front links and hook
the clutch spring onto square hole in
frame.
TO INSTALL MOWER
•Raise attachment lift lever to its highest
position.
•Slide mower under tractor with dis-
charge guard to right side of tractor.
•Lower lift lever to its lowest position.
•Install mower in reverse order of
removal instructions.
Retainer
Anti-Sway
(Both Sides)
Housing Guide
Larg_ 21

TO LEVEL MOWERHOUSING
Adjust the mower while tractor is parked
on level ground or driveway. Make sure
tires are properly inflated (See "PROD-
UCTSPECIFICATIONS"section of this
manual). If tires are over or
underinflated, you will not properly adjust
your mower.
SIDE-TO-SIDE ADJUSTMENT
•Raise mower to its highest position.
• At the midpoint of both sides of mower,
measure height from bottom edge of
mower to ground. Distance "A" on both
sides of mower should be the same or
within 1/4" of each other.
° If adjustment is necessary, make
adjustment on one side of mower only.
• To raise one side of mower, tighten lift
link adjustment nut on that side.
• To lower one side of mower, loosen lift
link adjustment nut on that side.
NOTE: Each full turn of adjustment nut
will change mower height about 1/8".
• Recheck measurements after adjusting.
BottomEdge _ Bottom Edge
of Mower to_--7_/,_-_/__of Mower to
Ground XI-I__ _.ound
A-T_"-_ Ground Une_ _--A
• Before making any necessary adjust-
ments, check that both front links are
equal in length. Both links should be
approximately 10-3/8".
•If links are not equal in length, adjust
one link to same length as other link.
• To lower front of mower loosen nut "E"
on both front links an equal number of
turns.
• When distance "D" is 1/8" to 1/2" lower
at front than rear, tighten nuts "F"
against trunnion on both front links.
• To raise front of mower, loosen nut "F"
from trunnion on both front links.
Tighten nut "E" on both front links an
equal number of turns.
• When distance "D" is 1/8" to 1/2" lower
at front than rear, tighten nut "F" against
trunnion on both front links.
• Recheck side-to-side adjustment.
Mandrel
Both Front Links Should be Equal in Length
Suspension
Arm
Lift Unk Adjustmen_ Nut
FRONT-TO-BACK ADJUSTMENT
IMPORTANT: Deck must be level side-to-
side. If the following front-to-back adjust-
ment is necessary, be sure to adjust both
front links equally so mower will stay
level side-to-side.
To obtain the best cutting results, the
mower housing should be adjusted so that
the front is approximately 1/8" to 1/2"
lower than the rear when the mower is in
its highest position.
Check adjustment on right side of tractor.
Measure distance "D" directly in front and
behind the mandrel at bottom edge of
mower housing as shown.
Nut "F" _ Nut "E"
Trunnion /
Front Links
TO REPLACE MOWER BLADE DRIVE
BELT (See Illustration Next Page)
The mower blade drive belt may be
replaced without tools. Park the tractor on
level surface. Engage parking brake.
BELT REMOVAL-
• Remove mower from tractor (See "TO
REMOVE MOWER" in this section of
this manual).
• Work belt off both mandrel pulleys and
idler pulleys.
• Pull belt away from mower.
22

BELT INSTALLATION -
•Install new belt in reverse order of
removal.
•Make sure belt is in all pulley grooves
and inside all belt guides.
•Install mower in reverse order of
removal instructions.
Mandrel Idler Pulleys
Pulley
TO ADJUST BRAKE
Your tractor is equipped with an adjustable
brake system which is mounted on the
right side of the transaxle.
If tractor requires more than six (6) feet
stopping distance at high speed in highest
gear, then brake must be adjusted.
• Depress clutch/brake pedal and engage
parking brake.
• Measure distance between brake
operating arm and nut "A" on brake rod.
• If distance is other than 1-1/2", loosen
jam nut and turn nut "A" until distance
becomes 1-1/2". Retighten jam nut
against nut "A".
• Road test tractor for proper stopping
distance as stated above. Readjust if
necessary. If stopping distance is still
greater than six (6) feet in highest gear,
further maintenance is necessary.
Contact your nearest authorized service
center/department.
With Parking Brake
"Engaged"
TO REPLACE MOTION DRIVE BELT
Park the tractor on level surface. Engage
parking brake. For assistance, there is a
belt installation guide decal on bottom
side of left footrest.
•Remove mower (See "TO REMOVE
MOWER" in this section of this manual.)
•Remove belt from stationary idler and
clutching idler.
•Pull belt slack toward rear of tractor.
Remove belt upwards from transaxle
pulley by deflecting belt keepers.
•Pull belt toward front of tractor and
remove downwards from around engine
pulley.
•Install new belt by reversing above
procedure.
Engine
Pulley
Clutching
Idler
Stationary -/
Idler
Trade'aXle
TRANSAXLE GEAR SHIFT LEVER
ADJUSTMENT
The transaxle should be in neutral when
the gear shift lever is in neutral (N) (lock
gate) position. The adjustment is preset at
the factory; however, if adjustment is
needed, proceed as follows:
•Make sure transaxle is in neutral (N).
NOTE: When the tractor rear wheels
move freely, the transaxle is in neutral.
•Loosen adjustment bolt in front of the
right rear wheel.
•Position the gear shift lever in the
neutral (N) position.
•Tighten adjustment bolt securely.
NOTE: If additional clearance is needed
to get to adjustment bolt, move mower
deck height to the lowest position.
23

Gearshift Lever Neutral
Lock Gate
Adjustment
Bolt
TO ADJUST STEERING WHEEL
ALIGNMENT
If steering wheel crossbars are not
horizontal (left to right) when wheels are
positioned straight forward, remove
steering wheel and reassemble per
instructions in the Assembly section of this
manual.
FRONT WHEEL TOE-IN/CAMBER
The front wheel toe-in and camber are not
adjustable on your tractor. If damage has
occurred to affect the front wheel toe-in or
camber, contact your nearest authorized
service center/department.
TO REMOVE WHEEL FOR REPAIRS
• Block Up axle securely.
•Remove axle cover, retaining ring and
washers to a_ow wheel remova_ (rear
wheel contains a square key - Do not
lose).
•Repair tire and reassemble.
•On rear wheels only; align grooves in
rear wheel hub and axle. Insert square
key.
•Replace washers and snap retaining
ring securely in axle groove.
•Replace axle cover.
NOTE: To seal tire punctures and prevent
flat tires due to slow leaks, tire sealant
may be purchased from your local parts
dealer. Tire sealant also prevents tire dry
rot and corrosion.
Washers
TO START ENGINE WITH A WEAK
BATTERY
_kCAUTION: Lead-acid batteries
generate explosive gases. Keep sparks,
flame and smoking materials away from
batteries. Always wear eye protection
when around batteries.
If your battery is too weak to start the
engine, it should be recharged. (See
"BATI'ERY" in the MAINTANCE section of
this manual).
If "jumper cables" are used for emergency
starting, follow this procedure:
IMPORTANT: Your tractor Is equipped
with a 12 volt negative grounded system.
The other vehicle must also be a 12 volt
negative grounded system. Do not use
your tractor battery to start other vehicles.
TO ATTACH JUMPER CABLES -
•Connect each end of the RED cable to
the POSITIVE (+) terminal of each
battery, taking care not to short against
chassis.
•Connect one end of the BLACK cable to
the NEGATIVE (-) terminal of fully
charged battery.
• Connect the other end of the BLACK
cable to good CHASSIS GROUND,
away from fuel tank and battery.
TO REMOVE CABLES, REVERSE
ORDER -
•BLACK cable first from chassis and
then from the fully charged battery.
•RED cable last from both batteries.
Positive Terminal Negative Terminal
Retaining
Ring
Axle Cover
I
'_ Square Key
(Rear Wheel Only)
Positive Terminal
Charged
Battery
Negative Terminal
24

REPLACING BATI'ERY
ACAUTION: Do not short battery
terminals by allowing a wrench or any
other object to contact both terminals at
the same time. Before connecting battery,
remove metal bracelets, wristwatch
bands,rings,etc.
Positive terminal must be connected first
to prevent sparking from accidental
grounding.
•Lift seat pan to raised position and
open battery box door,
•Disconnect BLACK battery cable first
then RED battery cable and carefully
remove battery from tractor.
•Install new battery with terminals in
same position as old battery.
•First connect RED battery cable to
positive (+) terminal with hex bolt and
keps nut as shown. Tighten securely.
•Connect BLACK grounding cable to
negative (-) terminal with remaining hex
bolt and keps nut. Tighten securely.
•Close battery box door.
Seat
Box Door
TO REPLACE HEADLIGHT BULB
• Raise hood.
• Pull bulb holder out of the hole in the
backside of the grill.
•Replace bulb in holder and push bulb
holder securely back into the hole in the
backside of the grill.
•Close hood.
INTERLOCKS AND RELAYS
Loose or damaged wiring may cause your
tractor to run poorly, stop running, or
prevent it from starting.
• Check wiring. See electrical wiring
diagram in the Repair Parts section.
TO REPLACE FUSE
Replace with 15 amp automotive-type
plug-in fuse. The fuse holder is located
behind the dash.
TO REMOVE HOOD AND GRILL
ASSEMBLY
•Raise hood.
•Unsnap headlight wire connector.
•Stand in front of tractor. Grasp hood at
sides, tilt toward engine and lift off of
tractor.
•To replace, reverse above procedures.
Hood
Headlight
Wire
Connector
Hex Bolt
Positive (Red)
Cable
Cable
25

ENGINE
TO ADJUST THROTTLE CONTROL
CABLE
The throttle control has been preset at the
factory and adjustment should not be
necessary. Check adjustment as de-
scribed below before loosening cable. If
adjustment is necessary, proceed as
follows:
•With engine not running, move throttle
control lever to fast position.
•Check that swivel is against stop. If it is
not, loosen cable clamp screw and pull
cable back until swivel is against stop.
Tighten cable clamp screw securely.
TO ADJUST CHOKE CONTROL
The choke control has been preset at the
factory and adjustment should not be
necessary. Check adjustment as described
below before loosening cable. If adjust-
ment is necessary, proceed as follows:
• With engine not running, move choke
control (located on dash panel) to full
choke position.
• Loosen knob and remove cover
assembly from air cleaner.
• Choke should be closed. If it is not,
loosen casing clamp screw and move
choke cable until choke is completely
closed. Tighten casing clamp screw
securely.
• Replace air cleaner cover assembly and
tighten knob.
TO ADJUST CARBURETOR
Your carburetor is not adjustable. If your
engine does not operate properly due to
suspected carburetor problems, take your
tractor to an authorized service center for
repair and/or adjustment.
High speed stop is factory adjusted. Do
not adjust - damage may result.
IMPORTANT: Never tamper with the
engine governor, which is factory set for
proper engine speed. Overspeeding the
engine above the factory high speed
setting can be dangerous. If you think the
engine-governed high speed needs
adjusting, contact your nearest authorized
service center/department, which has
proper equipment and experience to make
any necessary adjustments.
Swivel Clamp
Screw
Clamp S_
26

Immediately prepare your tractor for
storage at the end of the season or if the
tractor will not be used for 30 days or
more.
A, CAUTION: Never store the tractor with
gasoline in the tank inside abuilding
where fumes may reach an open flame or
spark. Allow the engine to cool before
storing in any enclosure.
TRACTOR
Remove mower from tractor for winter
storage. This will allow you to clean it
thoroughly. Remove all dirt, grease,
leaves, etc. Store in aclean, dry area.
•Clean entire tractor (See "CLEANING"
in the Maintenance section of this
manual).
•Inspect and replace belts, if necessary
(See belt replacement instructions in the
Service and Adjustments section of this
manual).
• Lubricate as shown in the Maintenance
section of this manual.
• Be sure that all nuts, bolts and screws
are securely fastened. Inspect moving
parts for damage, breakage and wear.
Replace if necessary.
• Touch up all rusted or chipped paint
surfaces; sand lightly before painting.
BATTERY
•Fully charge the battery for storage.
• After a period of time in storage, battery
may require recharging.
• To help prevent corrosion and power
leakage during long periods of storage,
battery cables should be disconnected
and battery cleaned thoroughly (see "TO
CLEAN BATTERY AND TERMINALS" in
the Maintenance section of this manual).
• After cleaning, leave cables disconnect-
ed and place cables where they cannot
come in contact with battery terminals.
•If battery is removed from tractor for
storage, do not store battery directly on
concrete or damp surfaces.
ENGINE
FUEL SYSTEM
IMPORTANT: It is important to prevent
gum deposits from forming in essential
fuel system parts such as carburetor, fuel
filter, fuel hose, or tank during storage.
Also, experience indicates that alcohol
blended fuels (called gasohol or using
ethanol or methanol) can attract moisture
which leads to separation and formation of
acids during storage. Acidic gas can
damage the fuel system of an engine while
in storage.
• Drain the fuel tank.
• Start the engine and let it run until the
fuel lines and carburetor are empty.
• Never use engine or carburetor cleaner
products in the fuel tank or permanent
damage may occur.
• Use fresh fuel next season.
NOTE: Fuel stabilizer is an acceptable
alternative in minimizing the formation of
fuel gum deposits during storage. Add
stabilizer to gasoline in fuel tank or storage
container. Always follow the mix ratio found
on stabilizer container. Run engine at least
10 minutes after adding stabilizer to allow
the stabilizer to reach the carburetor. Do
not drain the gas tank and carburetor if
using fuel stabilizer.
ENGINE OIL
Drain oil (with engine warm) and replace
with clean engine oil. (See "ENGINE" in
the Maintenance section of this manual).
CYLINDER(S)
•Remove spark plug(s).
•Pour one ounce of oil through spark plug
hole(s) into cylinder(s).
•Turn ignition key to "START" position for
a few seconds to distribute oil.
•Replace with new spark plug(s).
OTHER
• Do not store gasoline from one season
to another.
• Replace your gasoline can if it starts to
rust. Rust and/or dirt in your gasoline will
cause problems.
•If possible, store your tractor indoors
and cover it to give protection from dust
and dirt.
• Cover your tractor with a suitable
protective cover that does not retain
moisture. Do not use plastic. Plastic
cannot breathe, which allows condensa-
tion to form and cause your tractor to
rust.
IMPORTANT: Never cover tractor while
engine and exhaust areas are still warm.
27

TROUBLESHOOTING CHART
PROBLEM CAUSE
Will not start
Hard to start
Engine will not turn
over
Engine clicks but
will not start
•Out of fuel.
• Engine not"CHOKED"
properly.
•Engine flooded.
• Bad spark plug.
•Dirty air filter.
• Dirty fuel filter.
•Water in fuel.
• Loose or damaged wiring.
• Carburetor out of adjust-
ment.
•Engine valves out of ad-
justment.
• Dirty air filter.
• Bad spark plug.
•Weak or dead battery.
• Dirty fuel filter.
• Stale or dirty fuel.
•Loose or damaged wiring.
• Carburetor out of adjust-
ment.
•Engine valves out of ad-
justment.
•Clutch/brake pedal not de-
pressed.
•Attachment clutch is en-
gaged.
•Weak or dead battery.
•Blown fuse.
• Corroded battery termi-
nals.
• Loose or damaged wiring.
•Faulty ignition switch.
• Faulty solenoid or starter.
• Faulty operator presence
switch(es).
• Weak or dead battery.
•Corroded battery termi-
nals.
CORRECTION
• Fill fuel tank.
• See "TO START ENGINE" in
Operation section.
• Wait several minutes before
attempting to start.
• Replace spark plug.
• Clean/replace air filter.
• Replace fuel filter.
• Drain fuel tank and carbure-
tor, refill tank with fresh
gasoline and replace fuel fil-
ter.
• Check all wiring.
• See "To Adjust Carburetor"
in Service and Adjustments
section.
•Contact an authorized ser-
vice center.
• Clean/replace air filter.
• Replace spark plug.
•Recharge or replace battery.
•Replace fuel filter.
•Drain fuel tank and refill with
fresh gasoline.
•Check all wiring.
•See "To Adjust Carburetor"
in Service and Adjustments
section.
•Contact an authorized ser-
vice center.
• Depress clutch/brake pedal.
• Disengage attachment
clutch.
•Recharge or replace battery.
•Replace fuse.
• Clean. battery terminals.
• Check all wiring.
• Check/replace ignition
switch.
• Check/replace solenoid or
starter.
•Contact an authorized ser-
vice center.
•Recharge or replace battery.
• Clean battery terminals.
28

TROUBLESHOOTING CHART
PROBLEM CAUSE CORRECTION
Engine clicks but • Loose or damaged wiring. •Check all wiring.
will not start • Faulty solenoid or starter. • Check/replace solenoid or
(cont'd) starter.
Loss of power •Cutting too much grass/
too fast.
•Throttle in "CHOKE" posi-
tion.
• Build-up of grass, leaves
and trash under mower.
• Dirty air filter.
•Low oil level/dirty oil.
•Faulty spark plug.
•Dirty fuel filter.
•Stale or dirty fuel.
•Water in fuel.
Excessive vibration
Engine continues
to run when opera-
tor leaves seat with
attachment clutch
engaged
Poor cut - uneven
!• Spark plug wire loose.
•Dirty engine air screen/
fins.
•Dirty/clogged muffler.
• Loose or damaged wiring.
• Carburetor out of adjust-
ment.
•Engine valves out of ad-
justment.
•Wom, bent or loose blade.
•Bent blade mandrel.
• Loose/damaged part(s).
•Faulty operator-safety
presence control system.
• Worn, bent or loose blade.
•Mower deck not level.
• Buildup of grass, leaves,
and trash under mower.
•Bent blade mandrel.
• Set in "Higher Cut" position/
reduce speed.
• Adjust throttle control.
• Clean underside of mower
housing.
• Clean/replace air filter.
!•Check oil level/change oil.
• Clean and regap or change
spark plug.
•Replace fuel filter.
• Drain fuel tank and refill with
fresh gasoline.
• Drain fuel tank and carbure-
tor, refill tank with fresh gaso-
line and replace fuel filter.
•Connect and tighten spark
plug wire.
• Clean engine air screen/fins.
• Clean/replace muffler.
• Check all wiring.
•See "To Adjust Carburetor" in
Service and Adjustments
section.
• Contact an authorized ser-
vice center.
• Replace blade. Tighten blade
bolt.
I° Replace blade mandrel.
•Tighten loose part(s). Re-
place damaged parts.
• Check wiring, switches and
connections. If not
corrected, contact an autho-
rized service center.
• Replace blade. Tighten blade
bolt.
•Level mower deck.
•Clean underside of mower
housing.
•Replace blade mandrel.
29

TROUBLESHOOTING CHART
PROBLEM CAUSE CORRECTION
Poor cut - uneven •Clogged mower deck vent •Clean around mandrels to
!(cont'd) holes from buildup of open vent holes.
grass, leaves, and trash
around mandrels.
rMower blades will •Remove obstruction.
not rotate
Poor grass dis-
charge
Headlight(s) not
working (if so
equipped)
Battery will not
charge
Engine "backfires"
when turning en-
gine =OFF"
• Obstruction in clutch
mechanism.
• Worn/damaged mower
drive belt.
• Frozen idler pulley.
• Frozen blade mandrel.
•Engine speed too slow.
•Travel speed too fast.
•Wet grass.
•Mower deck not level.
• Low/uneven tire air pres-
sure.
•Worn, bent or loose blade.
•Buildup of grass, leaves
and trash under mower.
•Mower drive belt worn.
•Blades improperly in-
stalled.
•Improper blades used.
•Clogged mower deck vent
holes from buildup of
grass, leaves, and trash
around mandrels.
•Switch is "OFF".
•Bulb(s) burned out.
•Faulty light switch.
•Loose or damaged wiring.
•Blown fuse.
• Bad battery cell(s).
• Poor cable connections.
• Faulty regulator (if so
equipped),
I • Faulty alternator.
• Engine throttle control not
set at "SLOW"
position for 30 seconds
before stopping engine.
• Replace mower drive belt.
• Replace idler pulley.
• Replace blade mandrel.
• Place throttle control in
"FAST" position.
• Shift to slower speed.
• Allow grass to dry before
mowing.
• Level mower deck.
• Check tires for proper air
pressure.
• Replace/sharpen blade.
"tighten blade bolt.
• Clean underside of mower
housing.
• Replace mower drive belt.
• Reinstall blades sharp edge
down.
• Replace with blades listed in
this manual.
• Clean around mandrels to
open vent holes.
• Turn switch "ON".
•Replace bulb(s).
• Check/replace light switch.
• Check wiring and connections,
• Replace fuse.
• Replace battery.
•Check/clean all connections.
• Replace regulator.
,• Replace alternator.
Move throttle control to
"SLOW" position and allow
to idle for 30 seconds before
stopping engine.
30

TRACTOR - - MODEL NUMBER 917.270750
SCHEMATIC
BATTERY
AMMETER
(OPTIONAL)
,G
IGNITION
SWITCH
FUSE
I I I
LJ
CLUTCH/BRAKE
(PEDAL UP)
(OPTIONAL)
_SPARK
IGNITION PLUG
UNIT GAP
(2 PLUGS ON
TWIN CYL. ENGINES)
L__
FUEL SHUTOFF
SOLENOID
(IF SO EQUIPPED)
IGNITION SWITCH
POSITION CIRCUIT "MAKE"
OFF M+G+A1 NONE
RUN/LIGHT B+A1 A2+L
RUN B+A1 NONE
START B + S +A1 NONE
NON-REMOVABLE HEADLIGHTS /_
CONNECTIONS
O
REMOVABLE
CONNECTIONS
WIRING INSULATED CLIPS
NOTE: IF WIRING INSULATED CLIPS WERE REMOVED FOR
SERVICING OF UNIT, THEY SHOULD BE REPLACED TO
PROPERLY SECURE YOUR WIRING.
31

ELECTRICAL TRACTOR -- MODEL NUMBER 917.270750
41
26
25
32

TRACTOR - - MODEL NUMBER 917.270750
ELECTRICAL
KEY PART
NO. NO. DESCRIPTION
1 163465 Battery
2 74760412 Bolt Hex Hd 1/4-20unc x 3/4
8 156417 Case Battery
16 153664 Switch, Intedock
21 166182 Harness Asm Light W/4t 52j
22 4152J Bulb Light #1156
24 4799J Cable Battery 6 Ga 11" red
25 146147 Cable Battery 6 Ga w/16 wire red
26 166180 Fuse 15 AMP
27 73510400 Nut Keps Hex 1/4-20 Unc
28 4207J Cable Ground 6 Ga 12" black
29 121305X Switch Plunger
30 163968 Switch Ign
33 140403 Key Ign
40 170217 Harness Ign
41 71110408 Bolt BIk. Fin Hex 1/4-20 Unc x 1/2
42 131563 Cover Terminal Red
43 145673 Solenoid
45 122822X Ammeter Rectangular 15 Amp
52 141940 Protection Wire Loop
NOTE: All component dimensions given in U.S. inches
1 inch = 25.4 mm
33

TRACTOR --MODEL NUMBER 917.270750
CHASSIS AND ENCLOSURES
58
28
53
12
54
,/
3
74 208
34

TRACTOR - - MODEL NUMBER 917.270750
CHASSIS AND ENCLOSURES
KEY PART
NO. NO. DESCRIPTION
116983O
2 169061
3 17060612
5155272
9 168337)(013
10 STD533710
11 155927
12 145660
13 172107X010
17 144983X558
18 126938X
25 19131312
26 STD541437
28 156725)(558
29 155217X599
30 164918X558
31 139976
37 17490506
38 169834
51 73800400
52 19091416
53 145201
54 161464
55 145202
57 STD522507
58 162266
60 72140606
64 154798
74 STD541437
114 158112
115 17060620
142 165867
143 154966
144 154207
• 145 156524
206 170165
207 17670508
206 17670608
211 145212
212 165919
-- 5479J
NOTE:
Chassis
Draw'oar
Screw 3/8-16 x 3/4
Bumper Hood/Dash
Dash
Bolt, Carriage 3/8-16 x 3/4
Panel, Dash, L.H.
Clip Tinnerman Grille P/L
Panel, Dash, R.H.
Hood Assembly
Bumper Hood
Washer 13/32 x 13/16 x 12 Gauge
Nut
Grille w/Lens
Lens, Grille
Fend/Ftrest
Bracket, Fender Support
Screw Thdro| 5/16-18 x 112
Pivot Bracket Assembly, Rear
Nut Look w/Insert 1/4-20 UNC
Washer 9/32 x 7/8 x 16 Ga.
Bracket Grille Piekoff LH
Screw Hex Wshd 8-18 x 7/8
Bracket Grille Pickoff RH
Bolt, Fin Hex 1/4-20 UNC x .75
Duct Intake Air
Bolt Rdhd Sqnk 3/8-16 UNC x 3/4
Dash Lower STLT
Nut Crownlock 3/8016 UNC
Keeper Belt Rear Lh Stl P930
Screw 3/8-16 x 1-1/4
Plate Reinforcement STLT
Bracket Swaybar Chassis
Bracket Pnt Footrest STLT
Rod Pivot Chassis'Hood
Bolt Shoulder 5/16-18 TI-
Screw Thdrol 5/16-18 x 112 Tytt
Screw Thdrol 3/8-16 x 1/2
Nut Hex Flange Look
Insert Lens Reflective
Plug, Button
Allcomponentdimens{onsgivenin U3. inches
1 inch= 25.4 mm
35

TRACTOR --MODEL NUMBER 917.270750
GROUND DRIVE
163
65
64
15
51
52
77 37
26 27
36

TRACTOR - -MODEL NUMBER 917.270750
GROUND DRIVE
KEY PART KEY PART
NO. NO. DESCRIPTION NO. NO. DESCRIPTION
1........ Transaxle (See Breakdown) 64 71170764 Bolt, Hex 7/16-20 x 4 Grade 5
Peerless 206-545C 65 STD551143 Washer
2 146682 Spring, Return, Brake 66 154778 Keeper, Belt, Engine, Foot
3 123666X Pulley, Transaxle Proof
4 12000028 Ring, Retainer 70 134683 Guide, Mower Drive Belt, R.H.
5 121520X Strap, Torque 72 19132012 Washer 13/32 x !-1/4 x 12 Ga.
6 17060512 Screw 5/16-18 x 3/4 74 137057 Spacer, Axle
8165866 Rod Shifter Fender STLT 75 121749X Washer 25/32 x 1-1/4 x 16 Ga.
10 STD561210 Pin, Cotter 76 STD581075 E-Ring
11 105701X Washer, Shift Plate 77 123583X Key, Square 2.0 x .1845/1865
13 74550412 Bolt 1/4-28 UNF W/Patch Gr. 8 78 121748X Washer 25/32 x 1-5/8 x 16 Ga
14 10040400 Washer Lock Hvy Helical 79 STD580025 Key Woodruff
16 STD541431 Nut Lock Hx W/Ins 80 145090 Arm, Shift
5/16-18 x Gr.5 81 165592 Shaft Asm Cross Tapered
18 STD523710 Bolt Fin Hex 650 20
3/8-16UNC x 1 Gr. 5 82 165711 Spdng, Torsion
19 STD541437 Nut 83 19171216 Washer 17/32 x 3/4 x 16 Ga.
21 106933X Knob 84 166231 Link Transaxle
22 130804 Rod, Brake 85 150360 Nut, Nylock
24 STD541237 Nut 89 158391X428 Console, Shift, STLT
25 106888X Spring, Brake Rod 90 124346X Nut, Self-Thding, Wsh Hd 1/4
26 STD551037 Washer 96 STD624003 Retainer Spring I"
27 STD561210 Pin 112 19091210 Washer 9/32 x 3/4 x 10 Ga.
28 145204 Rod, Parking Brake 113 127285X Strap Torque 90 Degrees
29 71673 Cap, Parking Brake 116 72110610 Bolt Rdhd Sqneck
30 169592 Bracket, Transaxle 3/8-16 x 1.25
32 STD533107 Belt 145 74490540 Bolt, Hex Flghd 5/16-18 Gr. 5
34 15507.1 Shaft Assembly, Foot Pedal 150 165850 Bushing Bellcrank Grd. Drive
35 120183X Bearing, Nylon 151 19133210 Washer 13/32 x 2 x 10 Ga.
36 STD551062 Washer 156 166002 Washer Srrted 5/161D x 1.125
37 STD571810 Roll Pin 158 165589 Bracket Shift Mount
38 131494 Pulley, Idler, Flat 159 165494 Hub Tapered Range Shift LI
39 74760644 Bolt 161 72140406 Bolt Rdhd Sqnk 114-20 x 3/4
40 4470J Spacer, Split .395 x .59 Gr.5
41 165838 Keeper, Belt, Idler 162 73680400 Nut Crownlock 1/4-20 Unc
42 19131312 Washer 13/32 x 13/16 x 12Ga. 163 74780416 Bolt Hex Fin
47 127783 Pulley, Idler, V-Groove, Plastic 1/4-20Unc x I Gr 5
48 154407 Bellcrank Clutch Grad Dry Sit 164 19091010 Washer 5/8 x .281 x 10 Ga
49 123205X Retainer, Belt 165 165623 Bracket Pivot Lever
50 STD523715 Bolt 166 166880 Screw 5/16-16 x 5/8
51 STD541437 Nut Crown Lock 3/8-16 UNC 168 165492 Bolt Shoulder 5/16-18 x .561
52 STD541431 Nut Crown Lock 5/16-18 UNC 169 165580 Plate Fastening Lt
53 106710X Unk, Clutch 170 165849 Keeper Belt Transaxle Gear
55 105709X Spring, Clutch Return 197 169613 Nyliner Snap-In
86 STD523712 Bolt Fin Hex 3/8-16 x 1-1/4 198 169593 Washer Nyliner
57 130801 V-Belt, Ground Ddve 202 72110612 Bolt Cam SH
59 169691 Keeper, Belt, Center Span 3/8-16 x 1-1/2 Gr. 5
61 17060612 Screw 3/8-16 x3/4 204 17060516 Screw5/16-18 x 1 SMGML
62 8883R Cover, Pedal NOTE: All component dimensions given in U. S.
63 140186 Pulley, Engine inches 1 inch = 25/4 mm
37

TRACTOR -- MODEL NUMBER 917.270750
STEERING ASSEMBLY
e2
"-"---'-83
i t
q•
/
40 /
47
38

TRACTOR --MODEL NUMBER 917.270750
STEERING ASSEMBLY
KEY PART
NO. NO. DESCRIPTION
1 139768
2 154427
3169840
4169839
56266H
6121748X
719272016
8 12000029
9 3366R
10 169832
11 STD551137
13 136518
15 145212
17 156546
18 57079
19 160395
22 165857
23 165851
25 154406
26 126847X
27 136874
28 19131416
29 17060612
30 STD561210
32 130465
36 155099
37 152927
38 139769
39 19133812
40 STD541537
41 100711L
42 145054X428
43 121749X
44 153720
46 121232X
47 6855M
51 STD541431
54 74780520
62 167902
63 STD523710
65 160367
66 154404
67 72140618
68 169827
79 19132012
80 74950612
82 169835
85 133835
Steering Wheel
Axle Assembly STMP Dropped STL
Spindle Assembly, L.H.
Spindle Assembly, R.H.
Beadng, Race, Thrust, Hardened
Washer 25/32 x 1-5/8 x 16 Gauge
Washer 27/32 x 1-1/4 x 16 Gauge
Ring, Klip
Beadng, Steedng Column
Draglink
Washer, Lock
Spacer Beadng Axle Front
Nut, Hex Flange Lock
Shaft Assembly, Steering
Washer, Thrust .515 x .750 x .033
Support, Shaft
Screw, Hex Wsh Hd Torx
Pittman Shaft Assembly
Bracket, Steering
Bushing, Link, Drag
Gear, Sector
Washer 13/32 x 7/8 x 16 Gauge
Screw 3/8-16 x 3/4
Pin Cotter
Rod, Tie
Bushing, Steering
Screw
Insert, Steering Wheel
Washer 13/32 x 2-3/8 x 12 Gauge
Nut Lock Center 3/8-24 Unf
Adaptor, Steedng Wheel
Boot, Steedng Shaft
Washer 25/32 x 1-1/4 x 16 Gauge
Extension Shaft Steering LR.LT
Cap, Spindle
Fitting, Grease
Nut Lock Hex w/Ins. 5/16÷18 UNC
Bolt Fin Hex 5/16-18 UNC x 1-1/4
Kit Steedng Asm Service
Bolt, Fin Hex 3/8-16 UNC x I Gr 5
Spacer Brace Axle
Bearing Arm Pittman
Bolt RDHD Sqnk 3/8-16 x 2-1/4
Axle, Brace
Washer 13/32 x 1-1/4 x12 Ga.
Bolt Hex Nylon 3/8-16 x 3/4
Bracket Susp. Chassis Front
Fastner Christmas Tree
NOTE: All component dimensions given in U.S. inches
1 inch = 25.4 mm
39

ENGINE
TRACTOR - - MODEL NUMBER 917.270750
2
1_ 15
38
4O
29
\
OPTIONAL EQUIPMENT I
Spark Arrester
13
81
40

ENGINE TRACTOR - - MODEL NUMBER 917.270750
KEY PART
NO. NO. DESCRIPTION
1
2
3
169387
17720410
4 149723
5 160589
6159955
8150176
10 162797
13 165391
14 13280336
15 13200300
16 STD551237
17 17490624
23 169837
25 145996
26 73920600
29 137180
31 109202X
32 158990
33 123487X
37 137040
38 .......
40 124028X
44 17670412
45 17000612
46 19091416
62 10040500
72 71070512
81 73510400
NOTE:
Control, Throttle
Screw Hex Thd Cut 1/4-20 x5/8
Engine (See Breakdown) Bdggs
Model 407777-0121 -E3
Muffler, Asm. Twin Lo-Tone
Pipe Exhaust Intek 20 RH
Pipe Exhaust Intek 20 LH
Bolt 5/16-18 UNC x 3/4
Shield Browing B&S Intek II
Muffler Gasket
Nipple, Pipe
Elbow, Standard 90 °, 3/8-18 NPT
Washer, Lock Ext tooth 3/8
Screw Thdrol 3/8-16 x 1-1/2
Shield, Browning/Debris Guard
Control Choke
Nut Keps 3/8-24 UNF
Arrester, Spark
Tank, Fuel
Cap, Fuel
Clamp, Hose BIk
Line, Fuel
Plug, Oil Drain (See Engine Breakdown)
Bushing Snap Nyl BIk Fuel Line
Screw Hex Wsh Thdrol 1/4-20 x 3/4
Screw Hex Wsh Thdrol 3/8-16 x3/4
Washer 9/32 x 7/8 x 16 Ga.
Washer Lock Hvy Hlcl Spr 5/16
Screw Hex Hd Cap 5/16-18 x 314
Nut Keps Hex 1/4-20 Unc
All component dimensions given in U.S. inches
1 inch = 25.4 mm
41

TRACTOR - - MODEL NUMBER 917.270750
SEAT ASSEMBLY
12
21
KEY
NO.
1
2
3
4
5
6
7
8
9
10
11
12
PART
NO. DESCRIPTION
140123
140551
71110616
19131610
145006
STD541437
124181X
17000616
19131614
155925
166369
121246X
KEY PART
NO. NO. DESCRIPTION
Seat 13
Bracket Pnt Pivot Seat (blk) 14
Bolt Fin Hex 3/8-16unc X 1 15
Washer 13/32 X 3/4 X 10 Ga 16
Clip Push In Hinged 17
Nut Hex Lock w/Ins 3/8-16 Unc 21
Spring Seat Cprsn 2 250 BIk Zi 22
Screw 3/8-16 X 1 24
Washer 13/32 X 1 X 14 Ga 25
Pan Pnt Seat (blk)
Knob Seat Adj Wingnut
Bracket Pnt Mounting Switch
121248X
72050412
134300
121250X
123976X
171852
STD541431
19171912
127018X
Bushing Snap BIk Ny150 Id
Bolt Rdhd Sht Nk 1/4-20x1-1/',
Spacer Split 28 X 96 Zinc
Spring Cprsn 1 27 BIk Pnt
Nut Lock 1/4 Lge Fig Gr 5 Zin
Bolt Shoulder 5/16-18 Unc-2A
Nut Hex Lock w/Ins 5/16-18
Washer 17/32 X 1-3/16 Xl 2G
Bolt Shoulder 5/16-18 X 62
NOTE: All component dimensions given in U.S.
inches 1 inch = 25.4 mm
42

TRACTOR - - MODEL NUMBER 917.270750
DECALS
13 6 34213 10
20
14
8
12
KEY PART
NO. NO.
1156368
2174321
3 171696
4171697
5167049
6133644
7 138047
8 166887
9 163204
10 156439
KEY PART
DESCRIPTION NO. NO.
Decal, Oper. Instr. 12 146046
Decal, Replacement 13 167329
Decal, Hood, R.H. 14 160396
Decal, Hood, L.H. 20 149516
Decal, HP Engine 21 163207
Decal, Customer Maintenance - - 138311
Decal, Battery --165800X428
Decal, Deck Mower EZ - o165799X428
Decal, Fender, Craftsman - o 174323
Decal, Fender Danger - o174324
DESCRIPTION
Decal, V-Belt Drive Schematic
Decal, Dash Panel
Decal, V-Belt Schematic
Decal Battery Dngr/Psn Eng
Decal, Fender Sd. Wht
Decal, Lift Handle
Pad Footrest LH STLT
Pad Footrest RH STLT
Owner's Manual, English
Owner's Manual, Spanish
WHEELS & TIRES
2_5,8 4,10
3,9
11
KEY PART
NO. NO.
1 59192
2 65139
3 106222X
4 59904
5 106732X427
6 278H
7 9040H
8 106108X427
9 122082X
10 7152J
11 104757X
-- 144334
DESCRIPTION
Cap Value Tire
Stem Value
Tire F Ts 15 X 6 0 - 6 Service
Tube Inner Front #35060
Rim Asm 6"front White Service
Fitting Grease
Beadng Flange
Rim Asm 8"rear White Service
Tire R Ts 20 X 10-8 Service
Tube Rear 9 5 X 8 Service
Cap Axle BIk t50 X 1 00
Sealant, Tire (10 oz. tube)
NOTE: All component dimensions given in U.S. inches
1inch = 25.4 mm
43

TRACTOR --MODEL NUMBER 917.270750
LIFT ASSEMBLY
7
5
/
/ /
,I /
/ /
13
46
3
2
6
1\
19
13
13----_ 31
32
13
19
15
44

TRACTOR - - MODEL NUMBER 917.270750
LIFT ASSEMBLY
KEY PART
NO. NO. DESCRIPTION
1159460
2 159471
3 106767X
4 12000002
519211621
6 120183X
7 125631X
8 122365X
11 139865
12 139866
13 STD624008
15 173288
16 73350800
17 130171
18 73800800
19 139868
20 163552
31 140302
32 73540600
NOTE:
Washer Asm Inner Spring W/Plunger
Shaft Asm. Lift
Pin Groove
E Ring #5133-62
Washer 21/32 x 1 x 21 Ga.
Bearing Nylong
Grip Handle Fluted
Button Plunger Read
Link Asm Lift L.H.
Link Asm Lift R.H.
Retainer Spring
Link Front
Nut Jam Hex 1/2-13 Uric
Trunnion BIk Zinc
Nut Lock w/Wsh 1/2-13 Unc
Arm Suspension Mower
Retainer Spring
Bearing, Pvt. Lift. Spherical
Nut Crownlook 3/8-24
All component dimensions given in U.S. inches
1 inch= 25.4 mm
45

TRACTOR - - MODEL NUMBER 917.270750
MOWER DECK
34
_147
>21
16
1
18
13_
10_
9_
21 22
3 24
,I 25
27
46

TRACTOR - - MODEL NUMBER 917.270750
MOWER DECK
KEY PART KEY PART
NO. NO. DESCRIPTION NO. NO. DESCRIPTION
1 165892 Mower Deck Assembly, 42" 68 144959
2STD533107 Bolt 92 STD541437
3 138017 Bracket Assembly,Sway Bar, 101 136420
Front 102 71161010
4 165460 Bracket Sway Bar 38/42" Deck 103 19061216
5 STD624008 Retainer Spring 104 STD551110
6 130832 Arm, Suspension, Rear 105 160793
8650857 Bolt, Hex 3/8-24 x 1.25 Gr. 8 106 2029J
9 STD551137 Washer, Lock 111 155197
10 140296 Washer, Hardened 112 155198
11 134149 Blade, Mulching 113 17060512
12 129895 Bearing, Ball 114 73510500
13 137645 Shaft Assembly, Mandrel, 115 72110504
Vented (Includes Key 116 4898H
Number 12) 117 165746
14 128774 Housing, Mandrel, Vented 118 73930600
15 110485X Beadng, Ball, Mandrel 119 19121414
16 140329 Stdpper, Vented Mower Deck 121 143723
18 72140505 Bolt, Carriage 5/16-16 x 5/8 128 153390
19 132827 Bolt, Shoulder 129 19131312
20 159770 Baffle, Vortex 130 STD529710
21 STD541431 Nut Crownlock 5/16-18 UNC
22 134753 Stiffener Bracket 131 STD533710
23 131267 Bracket, Deflector 142 165890
24 105304X Cap, Sleeve 143 157109
25 123713X Spring, Torsion, Deflector 144 158634
26 110452X Nut, Push 145 165888
27 130968X428 Shield, Deflector 146 165891
28 19111016 Washer 11/32 x 5/8 x 16 Ga. 147 131335
29 131491 Rod, Hinge 148 169022
30 157722 Screw Thdrol Washer Head 149 165898
31 129963 Washer, Spacer 150 19091216
32 153535 Pulley, Mandrel 151 169670
33 137266 Nut, Toplock, Flanged 152 169676
34 STD533717 Bolt 153 169674
35 133835 Fastner, Christmas Tree 154 169675
36 131494 Pulley, Idler, Flat 155 169671
37 STD551037 Washer 13/32 x 13/16 x 16Ga. 156 169672
40 STD541437 Nut Crownlock 3/8- t6 UNC 157 169669
44 140088 Guard, Mandrel, L.H. 158 17720410
45 STD624003 Retainer
46 137729 Screw, Thd. Roll 1/4-20 x 5/8 159 72140614
48 133944 Washer, Hardened - - 130794
49 155066 Roller Assembly, Cam Follower
50 131340 Bolt, Shoulder #10-24 Grade 5
51 STD541410 Locknut -- 169583
52 139888 Bolt, Shoulder 5/16-18 UNC
53 131845 Arm Assembly, Pad, Brake
54 133943 Washer, Hardened
55 155046 Arm, Idler
56 165723 Spacer, Retainer
59 141043 Guard, TUV Idler
67 149846 Knob Custom Oval
V-Belt
Nut
Mulcher Cover
Screw
Washer #10
Washer, Lock
Latch Assembly, Bagger
Nut, Weld
Bracket Gauge Wheel Lh
Bracket Gauge Wheel Rh
Screw 5/16-18 x 3/4
Nut Keps 5/16-18 Unc
Bolt Carr 5/16-Unc x 1/2
Bolt Shoulder
Wheel Gauge Std
Nut Centerlnck 3/8-16 Unc
Washer 3/8 x 7/6 x 4 Ga.
Bracket Extruded Gauge Wheel
Washer Felt
Washer 13/32 x 13/16 x 12Ga.
Bolt, Fin Hex 3/8-16 UNC x 1
Gr. 5
Bolt, Rdhd Sqnk 3/8-16UNC xl
Arm Spring Brake Mower
Bracket Arm Idler 42"
Keeper Belt 42" Clutch Cable
Pulley Idler Fiat
Bolt Carriage Idler
Spring Extension
Spring Return Idler
Retainer Spdng Yellow Zinc
Washer 9/32 x 3/4 x 16 Ga.
Bracket Clutch
Cable Clutch 42 In
Washer Flat 3/8" Type B
Spring Retainer
Spring Retention Lever
Spacer
Rod Clutch
Screw Hex Thd Cut 1/4-20 x 5/
8
Bolt Rdhd Sqn 3/8-16 Unc x 3/4
Mandrel Assembly (Includes
Key Numbers 8-10, 12-15, 31
and 32)
Mower Deck, Complete
(Standard Deck, Order
Separately Mulcher Plate and
Gauge Wheel Components,
Key Nos.
101-106 and 111-121)
NOTE: All component dimensions given in U.S.
inches1 inch = 25.4 mm
47

TRACTOR --MODEL NUMBER 917.270750
PEERLESS TRANSAXLE --MODEL NUMBER 206-545C
I
I
O_71B
4
_SO
,41A 157
7g
48

TRACTOR - - MODEL NUMBER 917.270750
PEERLESS TRANSAXLE - - MODEL NUMBER 206-545C
REF PART REF PART
NO. NO. DESCRIPTION NO. NO. DESCRIPTION
1 772147 Transaxle Cover 41A 790079
2 780086A Needle Bearing 5/8" 42 792073A
3 770128 Transaxle Case 42A 792085A
4 776395 Countershaft 43 792075
5776409 Output Shaft 44 790025
6 778364 Spur Gear (38 teeth) 45 786066
6A 778369 Spur Gear (t5 teeth) 46 786086
7778330 Spur Gear (11 teeth) 47 774690
8 792180 Shift Key 48 774691
8A 792047 Woodruff Key #9 49 778356
9 784352 Shift Collar 50 778338
10 784378 Shift Rod & Fork 51 778354
11 778334 Bevel Gear (30 teeth) 52 778352
12 778309 Input Bevel Pinion (13 53 778350
teeth) 54 778346
13 778368 Bevel Gear (13 teeth) 56 778355
(include. 14) 57 778337
14 778368 Bevel Pinion (13 teeth) 58 778353
(Include. 13) 59 778351
15 778370 Ring Gear (43 teeth) 60 778349
17 786188 Drive Pin 61 778345
18 786102 Spacer 1.130 X .695 65 780189
20 792077A Ball 5/16" dia 66 776422
21 792078 Set Screw 3/8 - 16 x 3/8" 67 776396
22 792079 Spring .310 OD x.625 L 69 792170
25 792073A Screw 1/4 - 20 x 1-1/4" 70 786187
25A 792177 Screw 1/4-20 x 1-3/8" 71 788069
26 792125 Retaining Ring (pkg of 2) 71B 788092
27 792035 Retaining Ring 76 780090
28 788040 Retaining Ring
29 780072 Thrust Washer 77 788078A
.627 ID x.031W 79 792144
29A 780160 Thrust Washer 82 778333
.762 ID x.031W
29B 780051 Thrust Washer 83 778338
.762 ID x.031W 85 792154
29C 780199 Anti-Rotation Washer .632 87 788089A
30 780108 Cup Washer 150 788093A
1.127 ID x .032W 157 788088A
31 780001 Flat Washer .750 ID x .056W 180 730229A
(Use As Needed) 900 794712
31A 780195 Flat Washer ,750 ID x ,062W
32 788083 Oil Seal 5/8"
34 780194 Bushing .563 NOTE:
35 780193 Flanged Bushing 5 /8" ID
35A 780197 Flanged Bushing .751
36 790075 Brake Disk
37 790007 Brake Pad Plate
38 799021 Brake Pad (pkg of 2)
39 786026 Dowel Pin
40 792076A Flat Washer .312 ID x ,059W
Brake Lever
Screw 1/4 -20 x 1-1/4"
Screw 1/4 -20 x 2 1/4"
Locknut5 /16 -24
Brake Pad Holder
Spacer .2625 x 1.0
Brake Lever Bracket
Axle (11-15 /16" Long)
Axle (16 - I /2" long)
Spur Gear (29 teeth)
Spur Gear (27 teeth)
Spur Gear (23 teeth)
Spur Gear (19 teeth)
Spur Gear (16 teeth)
Spur Gear (15 teeth)
Spur Gear (11 teeth)
Spur Gear (t3 teeth)
Spur Gear (t7 teeth)
Spur Gear (21 teeth)
Spur Gear (24 teeth)
Spur Gear (25 teeth)
Flat Washer .563 ID x .062W
input Shaft
Shifter & Brake Shaft
Retaining Ring
Spacer .890
Square Cut Ring
"O" Ring
Flat Washer
1.128 ID x .058W
Inverted Retaining Ring
Spring .430 OD x .5000 L
Bevel & Spur Gear
_30& 13 teeth)
pur Gear (27 teeth)
Oil Fill Plug .
Oil Seal 9/16
Liquid Gasket RTV Silicone
Oil Seal 3/4
Gear Oil 80W90
Replacement
MST - 206-545C Transaxle
All component dimensions given in U.S.
inches1 inch = 25.4 mm
49

TRACTOR - - MODEL NUMBER 917.270750
BRIGGS ENGINE-MODEL NUMBER 407777, TYPE NUMBER 0121-E3
829 I' 11/_
lO !'
213_ --_1_
265 [_
I 267 89
216 188
222 _d
"k REQUIRES SPECIALTOOLS 265
TO INSTALL. SEE REPAIR
INSTRUCllON MANUAL. 267 ,_ 718 _ _ j
8471 523
842
524 Q
220
750 4
447A 8
1o35 26o
1058 OWNER'S MANUAL 1
I 1036 EMISSIONS LABEL I
I 1019 LABEL KIT I
4j 1017
691 _, - _ _
865B_
447A _'
1027
--._-.] 467_
445
987
855_
"o
447
122
i
54 654
D.1
1033 VALVE OVERHAUL KIT
_ 850_'_i
75, _i 8°3_])
163 10
5O

TRACTOR --MODEL NUMBER 917.270750
BRIGGS ENGINE-MODEL NUMBER 407777, TYPE NUMBER 0121-E3
16-_° I
35
1022
1029
1100 51(_T99J
e121 CARBURETOR KIT
616
552 _
552A
742
404
552A
691 ,_,
211
209_3
REQUIRES SPECIAL TOOLS
TO INSTALL. SEE REPAIR
INSTRUCTION MANUAL.
51

TRACTOR - - MODEL NUMBER 917.270750
BRIGGS ENGINE-MODEL NUMBER 407777, TYPE NUMBER 0121-E3
74|
e3s
3341_
,k 358 GASKET SET
sO 2o_
276 _)
9_ 51A _.. _ 868_
2_ 691 O822_
1 -30
842 _
524_ 10
729 t
48
197
697
52

TRACTOR --MODEL NUMBER 917.270750
BRIGGS ENGINE-MODEL NUMBER 407777, TYPE NUMBER 0121-E3
KEY PART KEY PART
NO. NO. DESCRIPTION NO. NO. DESCRIPTION
1690231 Cylinder Assembly 121 499811 Carburetor Overhaul Kit
2 499585 Bushin_.-Cylinder 122 690952 Spacer-Carburetor
3 391086 * Seal-Oil 125 499804 Carburetor
4 690069 Sump-Engine 130 690993 Valve*Throttle
5 499587 Head-Cylinder No. 1 t31 499805 Throttle Shaft Kit
5A 499595 Head-Cylinder No, 2 133 499806 Float-Carburetor
7 690962 "/r_ Gasket-Cylinder Head 135 499803 Fuel Transfer Tube
8 499601 Breather Assembly 137 690994 O, Gasket-Float Bowl
9 690937 ,/r Gasket-Breather 141 499807 Choke Shaft Kit
t0 690960 Screw (BreatherAssy.) 142 499808 •Nozzle-Carburetor
11 690942 Tube-Breather 146 94388 Key-Timing
12 690945 _Gasket-Crankcase 150 690995 O<_ Gasket-Nozzle
13 690360 Screw (Cylinder Head) 160 690996 Retainer-Solenoid
15 690946 Plug-Oil Drain 163 691001 _r_ Gasket-Air Cleaner
16 691046 Crankshaft 187 691050 Line-Fuel (Cut to Required
20 690947 _r SeaI-OU (PTO Side) Length)
22 690308 Screw (Engine Sump) 157A 691049 Line-Fuel
23 691053 Flywheel 188 690960 Screw (Control Bracket)
24 222698 Key-Flywheel 192 690083 Adjuster-Rocker Arm
25 499588 Piston Assembly (Std.) 197 690960 Screw (Back Plate)
499589 Piston Assembly (.010 O.S.) 209 691018 Spring-Governor
499590 Piston Assembly (.020 O.S.) 211 691019 Spring-Governed Idle
499591 Piston Assembly (.030 O.S.) 212 691020 Link-Throttle
26 499604 Ring Set-Piston (Std,) 213 691021 Bracket-Choke Control
499605 Ring Set-Piston (.010 O.S.) 216 691022 Link-Choke
499606 Ring Set-Piston (.020 O.S.) 219 394348 Gear-Governor
499607 RingSet-Piston (.030 O.S.) 220 690412 Washer (Governor Lever)
27 690975 Lock-Piston Pin 222 691023 Bracket-Control
28 499582 Pin-Piston 227 691048 Control Lever-Governor
29 499583 Rod-Connecting 231 690718 Screw (Choke Valve)
32 690976 Screw(Connecting Rod) 240 691035 Filter-Fuel
33 499596 Valve-Exhaust 250 690957 Retainer-Breather
34 499597 Valve-Intake 252 690956 Element-Breather
35 690963 Spring-Valve (Intake) 265 691024 Clamp-Casing
36 690963 Spring-Valve (Exhaust) 267 695134 Screw (Casing Clamp)
40 690964 Retainer-Valve 276 690997 *O_ Sealing Washer
42 499586 Keeper-Valve 278 690097 Washer (Gov. Control Lever)
45 690977 Valve Tappet 287 690960 Screw (Dipstick Tube)
46 690978 Cam Shaft 304 691004 Housing-Blower
48 693893 Short Block 305 691005 Screw_Blower Housing)
50 690948 Manifold-Intake 309 691262 Motor-Starter
51 90949 *O_ Gasket-Intake 310 691263 Bolt-Starter Motor
51A 690950 *O4, Gasket-Intake 311 497608 Brush Set
53 690951 Stud (Carburetor) 332 691059 Nut (Flywheel)
54 690953 Screw (Intake Manifold) 333 691060 Armature-Magneto
73 691055 Screen-Rotating 334 691061 Screw (Magneto Armature)
74 691057 Screw (Rotating Screen) 337 691043 Spark Plug
75 691056 Washer (Flywheel) 358 499889 Gasket Set
89 690283 Plug-Oil 363 691062 Flywheel Puller
95 690718 Screw (Throttle Valve)
98 499802 Idle Speed Kit * Included in Engine Gasket Set, Ref. No. 358
t04 690984 • Pin-Float Hinge •Included in Carburetor Overhaul Kit, Ref. No.
105 690985 •Valve-Float Needle 121
108 690986 Valve-Choke •Included in Carburetor Gasket Set, Ref. No.
117 690232 •Jet-Main (Standard) 977
690989 Jet-Main (High Altitude) •Included in Valve Overhaul Kit, Ref. No. 1033
NOTE: All component dimensions given in U.S.
inches1 inch = 25.4 mm
53

TRACTOR - - MODEL NUMBER 917.270750
BRIGGS ENGINE-MODEL NUMBER 407777, TYPE NUMBER 0121-E3
KEY PART KEY PART
NO. NO. DESCRIPTION NO. NO. DESCRIPTION
383 690966 Wrench-Spark Plug 855 691011 Adapter-Air
385 690960 Screw (Fuel Pump) 865 691012 Cover-Air Guide
387 808656 Pump-Fuel 865A 691014 Cover-Air Guide
404 690442 Washer (Governor Crank) 865B 691015 Cover-Air Guide
418 690999 Plate-Cover 868 690968 _Seal-Valve
445 499486 Filter-Air Cleaner Cartridge 871 690969 Bushing-Guide
447 691003 Screw (Air Guide Cover) 877 399916 Alternator Connector/Wire
447A 690960 Screw (Air Guide Cover) 883 690970 ,k_ Gasket-Exhaust
462 691261 Washer (Starter Cable) 914 690960 Screw(Rocker Cover)
467 691008 Knob-Air Cleaner 918 694000 Hose-Vacuum
474 691064 Alternator 929 691003 Screw (Choke Control
501 691185 Regulator Bracket)
505 691029 Nut (Gov. Control Lever) 934 691058 Screw (Fan Retainer)
510 497606 Drive-Starter 943 690589 *O-Ring Seal (Oil Pump
513 692024 Clutch-Drive Cover)
523 691036 Dipstick 947 499809 Solenoid-Fuel
524 691032 _r Dipstick Tube Seal 965 499613 Oil Pump Cover
525 691037 Dipstick Tube 967 273638 Filter-Pre-Cleaner
526 690960 Screw (Regulator) 968 499788 Cover-Air Cleaner
544 Armature-Starter (Service 975 499810 Bowl-Float
with 691262 Starter Motor) 977 499812 Gasket Set-Carburetor
552 690552 Bushing-Governor Crank 987 691000 O• Seal-Throttle Shaft
552A 690553 Bushing-Governor Crank 1005 691243 Fan-Flywheel
562 690311 Bolt (Gov. Control Lever) 1006 691247 Retainer-Fan
573 691009 Plate-Back 1013 690954 Nipple-Oil Filter
579 691029 Nut (Starter Cable) 1017 690770 Oil Pump Screen
601 691038 Clamp-Hose 1019 690103 Label Kit
615 690317 Retainer-Governor Shaft 1022 690971 *_ Gasket-Rocker Cover
616 691045 Crank-Governor 1023 499599 Cover-Rocker(Cyl. No. 1)
628 690960 Screw (Fuel Pump Bracket) 1023A 499600 Cover-Rocker (Cyl. No. 2)
633 690998 O• Seal-Choke Shaft 1024 499054 Pump-Oil
635 66538 Boot-Spark Plug 1026 690981 Rod-Push (Steel)
654 690958 Nut (Carburetor) 1026A 690982 Rod-Push (Aluminum)
668 691215 Spacer 1027 492932 Filter-Oil
672 690234 O_. Gasket-Carburetor Plate 1029 690972 Rocker Arm
691 690657 ,/r Governor Shaft Seal 1033 499890 Valve Overhaul Kit
697 690372 Screw (Drive Cap) 1035 691042 Shalt-Pump
703 691010 Clip 1036 695104 Emissions Label
718 690959 Pin-Locating 1051 691265 Ring-Retaining
726 499612 Gear-Ring 1058 274277 Owner's Manual
729 694123 Wire Clip 1090 691293 Retainer-Brush
741 690980 Gear-Timing 1100 690973 RockerArm Pivot
742 690328 E-Ring Retainer 1119 691183 Screw (Alternator)
750 691033 Screw (Oil Pump Cover) 1123 690987 O• O-Ring Seal (Solenoid
783 693058 Gear-Pinion Retainer)
788 691039 Fuel Pump Bracket 1124 690988 O• O-Ring SeaI-FueITransfer
789 695050 Harness-Wiring Tube
797 693167 Screw (Brush Retainer) 1126 690991 Screw (Fuel Transfer Tube
798 690967 Screw (Rocker Arm) 1127 690992 Screw (Float Bowl)
801 691283 Cap-Drive 1128 690990 • Screw (Carburetor Nozzle)
802 691286 Cap-End 1169 690990 Screw (Carburetor Cover
803 Housing (Service with Plate)
691262 Starter Motor) ---- 445777-0027-E2 Replacement Engine
842 691031 "Jr Dipstick/Tube Seal RPM Settings: Low Speed: 1900-2100
847 499602 Dipstick/Tube Assembly High Speed: 3000-3200
851 691234 TerminaI-Sparkplug
Included in Engine Gasket Set, Ref. No. 358
Included in Carburetor Overhaul Kit, Ref. No.
121
• Included in Carburetor Gasket Set, Ref. No.
977
Included in Valve Overhaul Kit. Ref. No. 1033
NOTE: All component dimensions given in U.S.
inches 1 inch = 25.4 mm
54

55

56

57

58

SUGGESTED GUIDE FOR SIGHTING SLOPES FOR SAFE OPERATION
SIGHTING
GUIDE
ONLY RIDE UP AND DOWN HILL,
NOT ACROSS HILL
/_ Operate your Tractor up and down the face of slopes (not |
I
_J_ greater than 15°), never across the face. Make turns gradu- J
ally to prevent tipping or loss of control. Exercise extreme
_g direction on slopes.

For repair of major brand appliances in your own home...
no matter who made it, no matter who sold ifl
1-800-4-MY-HOMEsMAnytime,day or night
(1-800-469-4663)
www.sears.com
To bringinproductssuchasvacuums,
lawnequipmentandelectronicsfor repair,callfor
the locationofyournearestSears Parts & Repair Center.
1-800-488-1222Anytime,day or night
www.sears.com
Forthe replacement parts, accessories and owner's manuals
that you need to do-it-yourself,call Sears PartsDirectSM!
1-800-366-PART6 a.m.-11 p.m. CST,
(1-800"366"7278) 7 days a week
www.sears.com/partsdlrect
purchaseor inquireabout a SearsSewiceAgreement:
1-800-827-6655
7 a.m.- 5p.m.CST,Mon.- Sat.
Para pedirserviciode reparaci6n adomicilio, Au Canada pourservice en frane,,ais:
y para ordenar piezas con entrega a domicilio: 1-877-LE-FOYER s_
1-888-SU-HOGAR _
(1-888-784-6427)
HomeCentral"
(1-877-533-6937)
......
O Seats,RoebuckandCo.
®RegisteredTrademark/TM Trademarkof Sears, Roebuckand Co.
®MarcaReglstrada/'r. Marca de Fdbdcade Sears,RoebuckandCo.
174323 02.10.00 RH Printed in U.S.A.